
ГОСУДАРСТВЕННЫЙ СТАНДАРТ СОЮЗА ССР
СИСТЕМА ПРОЕКТНОЙ
ДОКУМЕНТАЦИИ ДЛЯ СТРОИТЕЛЬСТВА
ОБОЗНАЧЕНИЯ
УСЛОВНЫЕ
ГРАФИЧЕСКИЕ В СХЕМАХ.
ОБОРУДОВАНИЕ ЭНЕРГЕТИЧЕСКОЕ
ГОСТ 21.403-80
ГОСУДАРСТВЕННЫЙ КОМИТЕТ СССР ПО ДЕЛАМ
СТРОИТЕЛЬСТВА
Москва
РАЗРАБОТАН
Министерством энергетики и электрификации СССР
Центральным научно-исследовательским и проектно-экспериментальным институтом
автоматизированных систем в строительстве (ЦНИПИАСС)
Госстроя СССР
ИСПОЛНИТЕЛИ
Н. Н. Меркни (руководитель темы), 3. М. Федоренчик, Г. В. Зотов,
В. Г. Галкин, В. С. Ушаков, Я. Г. Тимофеев
ВНЕСЕН
Министерством энергетики и электрификации
СССР
Зам. министра Ф. В.
Сапожников
УТВЕРЖДЕН И ВВЕДЕН В ДЕЙСТВИЕ
Постановлением Государственного комитета СССР по
делам строительства от 31 октября 1980 г. № 173
ГОСУДАРСТВЕННЫЙ
СТАНДАРТ СОЮЗА ССР
|
Система проектной документация для строительства
ОБОЗНАЧЕНИЯ УСЛОВНЫЕ ГРАФИЧЕСКИЕ В
СХЕМАХ.
ОБОРУДОВАНИЕ ЭНЕРГЕТИЧЕСКОЕ
System of design
documents for construction.
Graphic symbols in diagrams. Power installations
|
ГОСТ
21.403-80
|
Постановлением Государственного комитета СССР по делам
строительства от 31 октября 1980 г. № 173 срок введения установлен
с 01.07.1981 г.
Несоблюдение стандарта преследуется по закону
1. Настоящий стандарт
устанавливает условные графические обозначения
энергетического оборудования в теплотехнических схемах энергетических сооружений.
Примечания:
1. Основные патрубки
оборудования в таблицах указаны условно без обозначения подводимых и отводимых сред.
2. Размеры условных графических обозначений указаны в миллиметрах.
2. Условные
графические обозначения котлов и камер сгорания приведены
в табл. 1.
Таблица 1
|
Наименование
|
Обозначение
|
|
1.
Котел, камера сгорания газотурбинной установки (общее обозначение)
|

|
|
1.1.
Котел паровой
|

|
|
1.2.
Котел водяной (бойлер)
|

|
|
1.3. Камера сгорания
газотурбинной установки, например, для производства горячего газа
|

|
|
2.
Пароперегреватель
|

|
|
3.
Котел с пароперегревателем
|

|
|
4.
Котел на твердом
топливе с пароперегревателем
|

|
|
5.
Котел на газообразном топливе
|

|
|
6.
Котел на жидком
топливе
|

|
|
7. Котел
на горючих отходах
|

|
|
8.
Котел с электронагревом
|

|
|
9.
Экономайзер
|

|
3.
Условные графические обозначения реакторов для атомных электростанций и оборудования I контура приведены в табл. 2.
Таблица 2
|
Наименование
|
Обозначение
|
|
1. Реактор ядерный
(общее обозначение)
|

|
|
Примечания:
1. Ядерное топливо обозначают символом с указанием
концентрации в процентах, который помещают слева
от обозначения, например,
3 % U235
|

|
|
2. Замедлитель
обозначают символом, который помещают справа от
обозначения, например, графит
|

|
|
2.
Реактор с обозначением числа петель (например, трехпетельный)
|

|
|
3.
Реактор с зоной
воспроизводства
|

|
|
4.
Реактор, охлаждаемый
водой под давлением
|

|
|
5.
Реактор, охлаждаемый
кипящей водой
|

|
|
6.
Реактор трехпетельный на природном уране (U238) с
тяжелой водой (D20), в качестве замедлителя
охлаждаемый газом (СО2)
|

|
|
7.
Парогенератор реактора ВВЭР
|

|
|
8.
Парогенератор модульный
реактора БН
|

|
|
9.
Сепаратор реактора РБМК
|

|
|
10.
Компенсатор давления теплоносителя ядерного реактора
(паровой)
|

|
|
11.
Компенсатор давления теплоносителя ядерного реактора
(газовый)
|

|
|
12.
Гидроемкость
|

|
|
13.
Насос ГЦН
|

|
|
14. Барботер
|

|
|
15.
Деаэратор I контура
|

|
|
16.
Деаэратор II контура
|
См. п. 19 табл. 3
|
|
17.
Монжюс
|


|
|
18.
Аппарат контактный
|

|
|
19.
Спринклер
|

|
4.
Условные графические обозначения турбин и турбинного оборудования приведены в табл. 3.
Таблица 3
|
Наименование
|
Обозначение
|
|
1.
Турбина (общее обозначение)
|

|
|
2.
Турбина паровая. Цилиндр
турбины однопоточный
|

|
|
3.
Турбина паровая с нерегулируемым отбором пара
|

|
|
4.
Турбина паровая с промежуточным перегревом
|

|
|
5.
Турбина паровая с одним
регулируемым отбором пара
|

|
|
6.
Турбина паровая
двухпоточная Цилиндр турбины двухпоточный
|

|
|
7.
Турбина газовая, например, на горючем газе
|

|
|
8.
Турбина воздушная
|

|
|
9.
Турбина гидравлическая
|

|
|
10.
Конденсатор поверхностный
|

|
|
11.
Конденсатор поверхностный
двухпоточный
|

|
|
12.
Теплообменник смешивающий
|

|
|
13.
Подогреватель поверхностный (общее обозначение)
|

|
|
13.1.
Подогреватель с поверхностью нагрева для переохлаждения конденсата
|

|
|
13.2
Подогреватель с поверхностью
нагрева пароохладителя и переохладителя конденсата
|

|

|
|
14.
Сепаратосборник
|

|
|
15.
Испаритель турбоустановки
|

|
|
16.
Сепаратор-пароперегреватель
промежуточный (СПП)
одноступенчатый*
______
* Если
сепаратор многоступенчатый, поз. 1
повторяют в зависимости от числа ступеней
|

|
|
17.
Колонка разделительная (сепаратор-расширитель)
|

|
|
18.
Редукционно-охладительная установка (РОУ)
|

|
|
19. Деаэратор (рабочее давление деаэратора проставляется в контурах бака)
|

|
|
20.
Потребитель тепла
|

|
|
21.
Турбонасос
|

|
5.
Условные графические
обозначения оборудования
вспомогательных систем приведены в табл. 4.
Таблица 4
|
Наименование
|
Обозначение
|
|
1.
Аппарат направляющий
|

|
|
2.
Шибер, плоский затвор (на угольных течках
и т. п.)
|

|
|
3.
Шибер отсекающий, быстродействующий
|

|
|
4.
Затвор секторный
|

|
|
5.
Мигалка
|

|
|
6.
Клапан перекидной
|

|
|
7.
Сетка угольная
|

|
|
8.
Лючок смотровой и шуровочный
|

|
|
9.
Лаз
|

|
|
10.
Клапан взрывной
|

|
|
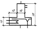
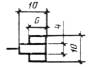
11. Бункер кускового топлива:
1 - бункер, 2 - ленточные конвейеры
|

|
|
12.
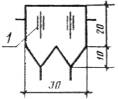
Бункер пылевидного топлива
(длина бункера определяется числом пылепитателей)
|

|
|
13.
Питатель ленточный, скребковый, пластинчатый
|

|
|
14.
Питатель дисковый
|

|
|
15.
Питатель винтовой
(шнек)
|

|
|
16.
Питатель лопастной
|

|
|
17.
Питатель барабанный, барабанно-скребковый
|

|
|
18.
Весы автоматические
|

|
|
19.
Питатель ленточный с автоматическими
весами
|

|
|
20.
Мельница шаровая барабанная
|

|
|
21.
Мельница молотковая с аксиальным подводом воздуха
|

|
|
22.
Мельница молотковая с тангенциальным подводом воздуха
|

|
|
23. Мельница валковая среднеходная
|

|
|
24.
Мельница роликовая среднеходная
|

|
|
25.
Мельница шаровая среднеходная
|

|
|
26.
Сепаратор механический
|

|
|
27. Сепаратор центробежный
|

|
|
28.
Мельница-вентилятор с сепаратором
|

|
|
29.
Сепаратор инерционный
|

|
|
30.
Циклон
|

|
|
31.
Циклон батарейный
|

|
|
32.
Фильтр матерчатый
|

|
|
33. Коробка воздухораспределительная
для одного вентилятора
|

|
|
34.
Коробка воздухораспределительная
для двух вентиляторов с переключающими
шиберами
|

|
|
35.
труба-сушилка:
1 - труба; 2 - колчеданный
мешок
|

|
|
36.
Электрофильтр двухпольный*
_______
* Если электрофильтр многопольный, поз. 1 повторяют в зависимости от числа
электростатических полей.
|

|
|
37.
Золоуловитель жалюзийный
|

|
|
38.
Золоуловитель мокрый
|

|
|
39.
Вентилятор (дымосос):
одностороннего всасывания
|

|
|
двухстороннего всасывания
|

|
|
40.
Горелка угловая, щелевая
|

|
|
41.
Вентилятор-дымосос осевой
|

|
|
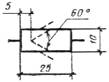
42.
Горелка тангенциальная (поворот улиток в соответствии
с истинным положением)
|

|
|
43. Горелка муфельная
|

|
|
44. Сопло сброса
|

|
|
45.
Делитель пыли
|

|
|
46. Делитель пыли круглый
|

|
|
47.
Заслонка перекидная
|

|
|
48.
Форсунка мазутная
|

|
|
49.
Насос осевой
|

|
|
50.
Насос диагональный
|

|
|
51.
Пневмовинтовой насос
|

|
|
52.
Багерный насос
|
По ГОСТ 2.782-68
|
|
53.
Камерный насос
|

|
|
54.
Пневмослоевой затвор-переключатель
|

|
|
55. Пневмослоевой затвор
|

|
|
56.
Пневмотранспортный желоб
|

|
|
57.
Регулятор расхода воздуха
|

|
|
58.
Пылезолоконцентратор с двумя
отводами
|

|
|
59.
Пылезолоконцентратор с тремя
отводами
|

|
|
60.
Золосмывной аппарат с
переливом
|

|
|
61.
Шнековый шлакоудалитель
|

|
|
62.
Скребковый шлакоудалитель
|

|
|
63.
Металлоуловитель
|

|
|
64.
Шлакодробилка
|

|
|
65.
Эрлифт
|

|
|
66.
Сгуститель пульпы
|

|
|
67.
Классификатор пульпы
|

|
|
68.
Адсорбер
|

|
|
69.
Нестационарная маслоочистительная машина
|

|
|
70.
Фильтр-пресс
|
По ГОСТ 2.780-68
|
|
71.
Силикагелевый фильтр
|

|
|
72.
Масляный бак
|

|
|
73.
Железнодорожная цистерна
|

|
6. Условные графические обозначении оборудования водоподготовки
приведены в табл. 5.
Таблица 5
|
Наименование
|
Обозначение
|
|
1.
Ловушка для фильтра
|

|
|
2.
Электродиализный аппарат
|

|
|
3.
Аппарат обратного осмоса
|

|
|
4.
Растворитель (солерастворитель и др.).
|

|
|
5.
Смеситель
|

|
|
6.
Дозатор-вытеснитель:
|
|
|
известковый
|

|
|
для прямоточных схем
|

|
|
7.
Бак-вытеснитель
|

|
|
8.
Бак мокрого хранения соли
|

|
|
9.
Удалитель углекислоты
(декарбонизатор)
|

|
|
10.
Смеситель воздуха
|

|
|
11.
Мерник, мешалка гидравлическая
|

|
|
12.
Мешалка с механическим
перемешиванием
|

|
|
13. Нейтрализатор с коническим
днищем
|

|
|
13.1.
Нейтрализатор с плоским днищем
|

|
|
14.
Осветлитель
|

|
|
15.
Фильтр электромагнитный для обезжелезивания конденсата
|

|
|
16.
Фильтр:
|
|
|
однокамерный
|

|
|
двухкамерный
|

|
|
трехкамерный
|

|
|
Условные
обозначения:
механический
- М
натрий-катионитовый - Nа
водородно-катионитовый - Н
анионитовый
- А
обезжелезивания - Fе
смешанного
действия ФСД
намывной
ионитный фильтр НИФ
ионообменный
параллельноточный - ФИП
осветлительный вертикальный - ФОВ
сорбционный угольный - ФСУ
|
|
|
Примечание. В верхней части условного обозначения фильтра
после буквенного обозначения
римской цифрой указывается ступень.
|
ПРИЛОЖЕНИЕ
Справочное
ПЕРЕЧЕНЬ СТАНДАРТОВ НА УСЛОВНЫЕ ОБОЗНАЧЕНИЯ, ПОДЛЕЖАЩИХ УЧЕТУ ПРИ ВЫПОЛНЕНИИ СХЕМ ЭНЕРГЕТИЧЕСКОГО ОБОРУДОВАНИЯ
ГОСТ 2.722-68 Обозначения условные графические в схемах. Машины электрические
ГОСТ 2.780-68 Обозначения
условные графические. Элементы гидравлических и пневматических сетей
ГОСТ 2.782-68 Обозначения
условные графические. Насосы и двигатели гидравлические и пневматические
ГОСТ 2.745-68 Обозначения условные графические в
схемах. Элекронагреватели, устройства и установки электротермические