Крупнейшая бесплатная информационно-справочная система онлайн доступа к полному собранию технических нормативно-правовых актов РФ. Огромная база технических нормативов (более 150 тысяч документов) и полное собрание национальных стандартов, аутентичное официальной базе Госстандарта. GOSTRF.com - это более 1 Терабайта бесплатной технической информации для всех пользователей интернета. Все электронные копии представленных здесь документов могут распространяться без каких-либо ограничений. Поощряется распространение информации с этого сайта на любых других ресурсах. Каждый человек имеет право на неограниченный доступ к этим документам! Каждый человек имеет право на знание требований, изложенных в данных нормативно-правовых актах!

  


 

ГОСУДАРСТВЕННЫЙ СТАНДАРТ СОЮЗА ССР

Единая система конструкторской документации

ОБОЗНАЧЕНИЯ УСЛОВНЫЕ
ГРАФИЧЕСКИЕ В СХЕМАХ

ЭЛЕКТРОНАГРЕВАТЕЛИ,
УСТРОЙСТВА И УСТАНОВКИ ЭЛЕКТРОТЕРМИЧЕСКИЕ

ГОСТ 2.745-68

ИЗДАТЕЛЬСТВО СТАНДАРТОВ

мОСКВА

ГОСУДАРСТВЕННЫЙ СТАНДАРТ СОЮЗА ССР

Единая система конструкторской документации

ОБОЗНАЧЕНИЯ УСЛОВНЫЕ ГРАФИЧЕСКИЕ В СХЕМАХ.

ЭЛЕКТРОНАГРЕВАТЕЛИ, УСТРОЙСТВА И УСТАНОВКИ ЭЛЕКТРОТЕРМИЧЕСКИЕ

Unified system for design documentation.
Graphic identifications in schemes.
Electroterminal electric heaters, installation and devices

ГОСТ
2.745-68

(СТ СЭВ 656-77)

Дата введения 01.01.71

Настоящий стандарт распространяется на схемы, выполняемые вручную или автоматизированным способом, изделий всех отраслей промышленности и строительства и устанавливает условные графические обозначения электротермических установок.

Настоящий стандарт не распространяется на условные графические обозначения электронагревательных приборов, электроотопления помещений и строительства энергетических установок.

(Введен дополнительно, Изм. №1).

1. Расположение выводов в обозначениях электротермических установок не устанавливается и выбирается в зависимости от построения схемы.

2. Поворот условных графических обозначений не допускается.

3. Допускается дополнение условных графических обозначений указаниями об устройствах для транспортировки садки.

Допускается рядом с условными графическими обозначениями указывать рабочие параметры, например, температуру, частоту, мощность.

4. Обозначения электротермических установок и электронагревательных устройств приведены в табл. 1.

Таблица 1

Наименование

Обозначение

1. Установка электротермическая Общее обозначение

2. Устройство электротермическое с камерой нагрева, промышленная электропечь

3. Устройство электротермическое без камеры нагрева; электронагреватель

1-4. (Измененная редакция, Изм. № 1).

5. Обозначения методов нагрева приведены в табл. 2.

Таблица 2

Наименование

Обозначение

1. Способ нагрева

а) дуговой

б) плазменный

в) электронный

Примечание. При выполнении схем автоматизированным способом допускается зачернение заменять штриховкой

г) сопротивление

По ГОСТ 2.721-74

д) смешанный (дуговой и сопротивлением)

е) индукционный

Примечание. Если необходимо указать род тока, используют обозначения по ГОСТ 2721>-74, например, током промышленной частоты

ж) индукционный, током повышенной частоты

з) в высокочастотном поле конденсатора (диэлектрический)

и) инфракрасный

По ГОСТ 2721-74

к) ультразвуковой

По ГОСТ 2.721-74

2. Режим непрерывный

3. Признак устройства (установки), предназначенного для плавки

Примечание к пп. 1-3. Знак непрерывного режима изображают над знаком способа нагрева, а знак плавки - под ним

(Измененная редакция, Изм. № 1, 2).

6. (Исключен, Изм. № 2).

7. Обозначения электронагревательных устройств с различными способами нагрева приведены в табл. 4.

Таблица 4

Наименование

Обозначение

1. Электропечь промышленная прямого нагрева

2. Электропечь промышленная косвенного нагрева

3. Электронагреватель прямого нагрева

4 Электронагреватель косвенного нагрева

(Введен дополнительно, Изм. № 1).

8. Примеры обозначений промышленных электропечей и электронагревателей приведены в табл. 5.

Таблица 5

Наименование

Обозначение

1. Электропечь сопротивления. Общее обозначение

2. Электропечь сопротивления трехфазная косвенного нагрева в искусственной атмосфере с указанием предельной температуры

3. Электронагреватель сопротивления. Общее обозначение

4. Электронагреватель сопротивления прямого нагрева

5. Электронагреватель сопротивления косвенного нагрева

6. Электронагреватель сопротивления однофазный прямого нагрева

7. Электропечь электродная. Общее обозначение

8. Электропечь дуговая. Общее обозначение

9. Электропечь дуговая трехфазная прямого нагрева с перемешивающей катушкой

10. Электронагреватель индукционный. Общее обозначение

11. Электронагреватель индукционный прямого нагрева

12. Электропечь индукционная. Общее обозначение

13. Электропечь индукционная прямого нагрева с указанием рабочих параметров

14. Электронагреватель диэлектрический. Общее обозначение

15. Электропечь диэлектрическая. Общее обозначение

16. Электропечь инфракрасного нагрева. Общее обозначение

17. Электропечь электронного нагрева. Общее обозначение

18. Электропечь электронного нагрева двух различных садок в камере нагрева с общим вакуумом

19. Электропечь плазменная с искусственной атмосферой

20. Электронагреватель ультразвуковой. Общее обозначение

21. Электропечь промышленная смешанного нагрева, например, плазменного и индукционного в искусственной атмосфере в общей камере

Примечание к пп. 17-18, 21. При выполнении схем автоматизированным способом допускается зачернение заменять штриховкой.

(Измененная редакция, Изм. № 1, 2).

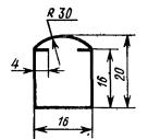
9. Рекомендуемые размеры основных графических обозначений приведены в табл. 6.

Таблица 6

Наименование

Обозначение

1. Установка электротермическая

2. Электронагреватель

3. Электронагреватель косвенного нагрева

(Введен дополнительно, Изм. № 1).

ИНФОРМАЦИОННЫЕ ДАННЫЕ

1. РАЗРАБОТАН И ВНЕСЕН Комитетом стандартов, мер и измерительных приборов при Совете Министров СССР

ИСПОЛНИТЕЛИ

В. Р. Верченко, Ю. И. Степанов, Е. Г. Старожилец, В. С. Мурашов, Г. Г. Геворкян, Л. С. Крупальник, Г. Н. Гранатович, В. А. Смирнова, Е. В. Пурижинская, Ю. Б. Карпинский, В. Г. Черткова, Г. С. Плис, Ю. П. Лейчик

2.  УТВЕРЖДЕН И ВВЕДЕН В ДЕЙСТВИЕ Постановлением Комитета стандартов, мер и измерительных приборов при Совете Министров СССР № 1374 от 26.08.68

3. Стандарт полностью соответствует СТ СЭВ 656-77.

4. ВЗАМЕН ГОСТ 7624-62 в части разд. 20, п. 20.12

5. ССЫЛОЧНЫЕ НОРМАТИВНО-ТЕХНИЧЕСКИЕ ДОКУМЕНТЫ

Обозначение НТД, на которые дана ссылка

Номер пункта

ГОСТ 2.721-74

5, табл. 2 п. 1

6. ПЕРЕИЗДАНИЕ (октябрь 1994 г.) с Изменениями №1, 2, утвержденными в декабре 1980 г., апреле 1987 г. (ИУС № 3-81, 7-87)

 




ГОСТЫ, СТРОИТЕЛЬНЫЕ и ТЕХНИЧЕСКИЕ НОРМАТИВЫ.
Некоммерческая онлайн система, содержащая все Российские Госты, национальные Стандарты и нормативы.
В Системе содержится более 150000 файлов нормативно-технической документации, действующей на территории РФ.
Система предназначена для широкого круга инженерно-технических специалистов.

Рейтинг@Mail.ru Яндекс цитирования

Copyright © www.gostrf.com, 2008 - 2026