| |

ГОСУДАРСТВЕННЫЕ СТАНДАРТЫ СОЮЗА ССР
СВАИ ЗАБИВНЫЕ ЖЕЛЕЗОБЕТОННЫЕ
СВАИ ПОЛЫЕ КРУГЛОГО СЕЧЕНИЯ
И СВАИ-ОБОЛОЧКИ ЖЕЛЕЗОБЕТОННЫЕ СОСТАВНЫЕ С НЕНАПРЯГАЕМОЙ АРМАТУРОЙ
Конструкция
и размеры
ГОСТ 19804.6-83
ИЗДАТЕЛЬСТВО СТАНДАРТОВ
Москва
ГОСУДАРСТВЕННЫЙ СТАНДАРТ СОЮЗА ССР
|
СВАИ ПОЛЫЕ КРУГЛОГО
СЕЧЕНИЯ И СВАИ-ОБОЛОЧКИ ЖЕЛЕЗОБЕТОННЫЕ СОСТАВНЫЕ С НЕНАПРЯГАЕМОЙ АРМАТУРОЙ
Конструкция и размеры
Reinforced-concrete
round hole built-up piles and tubular piles.
Structure and dimensions
|
ГОСТ
19804.6-83
|
Постановлением
Государственного комитета СССР по делам строительства от 2 февраля 1983 г. № 21
срок введения установлен
с 01.01.84
Переиздание. Май 1995 г.
1. Настоящий стандарт
распространяется на железобетонные составные полые сваи круглого сечения (в
дальнейшем - сваи) диаметром от 400 до 800 мм, сваи-оболочки диаметром от 1000
до 1600 мм с ненапрягаемой продольной арматурой, с болтовыми и сварными стыками
и устанавливает конструкцию свай, свай-оболочек и их секций, а также
конструкцию арматурных и закладных изделий к ним.
Сваи и сваи-оболочки и их
секции должны удовлетворять всем требованиям ГОСТ 19804-91 и
требованиям, изложенным в соответствующих разделах настоящего стандарта.
Условия расчета и применения
свай и свай-оболочек даны в приложении.
Марки свай и их секций имеют
в обозначении буквы СК, марки свай-оболочек и их секций - СО или СОУ
(усиленные). Марки свай и свай-оболочек и их секций с болтовыми стыками имеют в
конце цифрового обозначения букву «б», со сварными стыками - буквы «св»,
например: СК6-40б, СО6-100св. Марки свай и их секций с наконечником имеют в
конце цифрового обозначения букву «н», например, СК10-80свн.
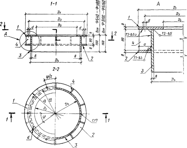
2. Конструкция и размеры
секций свай и свай-оболочек
2.1. Секции свай изготовляют
с закрытым нижним концом (с наконечником) или с открытым нижним концом. Секции
свай-оболочек изготовляют с открытым нижним концом.
Концы секций, образующих
стык в свае или свае-оболочке, изготовляют с элементами, предназначенными для
выполнения болтового или сварного стыка.
2.2. Форма, марки,
номинальные размеры секций и их технические показатели (марка бетона по
прочности на сжатие и расход материалов), а также места строповки должны
соответствовать указанным на черт. 1, 2 и в табл.
1.
Секции свай без наконечника
или сваи-оболочки

1 - место строповки при выемке из опалубки и транспортировании (одинарная
полоса); 2 - место строповки при подъёме на копер (двойная полоса); 3
- элемент стыка
Черт. 1
Секции свай с наконечником

1 - место строповки при выемке из опалубки и транспортировании (одинарная
полоса); 2 - место строповки при подъеме на копер (двойная полоса); 3
- элемент стыка
Черт. 2
2.3. В качестве крупного и
мелкого заполнителей для бетона секций следует применять фракционированный
щебень из естественного камня с размерами фракций 10-20 мм и природный
обогащенный песок, отвечающие требованиям ГОСТ 26633-91.
Применение гравия в качестве крупного заполнителя не допускается.
2.4. Секции следует
армировать пространственными каркасами из стали следующих видов и классов:
- продольная арматура -
горячекатаная арматурная сталь класса A-III по ГОСТ
5781-82 или класса Ат-III по ГОСТ 10884-81 (только
для стержней диаметром 10 мм и более);
- поперечная арматура
(спираль) - арматурная проволока класса Вр-I или B-I по ГОСТ
6727-80, арматура наконечника - горячекатаная арматурная сталь класс A-I по ГОСТ
5781-82.
Для изготовления наконечника
и стыковых элементов секций следует применять листовую сталь толщиной 1 мм по ГОСТ 19903-74.
2.5. Арматурные каркасы
следует изготовлять на навивочно-сварочных станках. Спираль следует приваривать
к продольным стержням в каждом третьем пересечении или в каждом пересечении
через два витка на третий.
На расстоянии 0,5 м от
концов каркаса спираль должна быть приварена в каждом пересечении к продольным
стержням.
Допускается изготовлять
арматурные каркасы на специализированных стендах с обязательной контактной
точечной сваркой пересечений продольной и поперечной арматуры.
2.6. Армирование секций с
элементами болтовых стыков должно соответствовать указанному на черт. 3 и 4.
Спецификация арматурных
изделий и элементов болтовых стыков на одну секцию приведена в табл. 2, выборка стали - в табл.
3.
2.7. Форма и размеры
арматурных каркасов секций с элементами болтовых стыков должны соответствовать
указанным на черт. 5 и 6.
Ведомость стержней на один
каркас приведена в табл. 4, выборка стали
- в табл. 5.
2.8. Армирование секций с
элементами сварных стыков должно соответствовать указанному на черт. 7 и 8.
Спецификация арматурных
изделий и элементов сварных стыков на одну секцию приведена в табл. 6, выборка
стали - в табл. 7.
2.9. Форма и размеры
арматурных каркасов секций с элементами сварных стыков должны соответствовать
указанным на черт. 9-12.
Ведомость стержней на один
каркас приведена в табл. 8, выборка стали
- в табл. 9.
2.10. Форма, марки,
номинальные размеры наконечников и их арматурных каркасов, а также технические
показатели наконечников (марка бетона по прочности на сжатие и расход
материалов) должны соответствовать указанным на черт. 13, 14 и в табл. 10.
Ведомость стержней и
закладных изделий на один каркас наконечника приведена в табл. 11, выборка стали на один каркас наконечника - в табл. 12.
Арматурные выпуски
наконечника следует соединить с продольной арматурой каркаса секции точечной
сваркой по ГОСТ
14098-91 или вязальной проволокой до установки в опалубку. Наконечник
следует устанавливать по шаблону.
2.11. Концы секций с
элементами сварных стыков должны быть усилены спиралями из проволоки класса Вр-I или B-I по ГОСТ
6727-80.
Ведомость стержней и выборка
стали на одну спираль головы приведены в табл.
13.
Таблица
1
Номенклатура секций свай и
свай-оболочек
|
Марка секции сваи и сваи-оболочки
|
Номинальные
размеры, мм
|
Проектная
марка бетона по прочности на сжатие
|
Объем
бетона, м3
|
Масса
секции, т
|
Расход
стали на секцию, кг
|
|
L
|
l1
|
l2
|
D
|
d
|
d
|
l
|
|
CК6-40б
|
6000
|
-
|
-
|
400
|
240
|
80
|
-
|
М300
|
0,47
|
1,18
|
71,2
|
|
СК8-40б
СК8-40бн
|
8000
|
1650
|
2400
|
-
400
|
0,63
0,66
|
1,58
1,65
|
80,0
63,7
|
|
СК10-40б
СК10-40бн
|
10000
|
2100
|
2900
|
-
400
|
0,80
0,82
|
2,00
2,05
|
90,5
73,3
|
|
СК12-40б
СК12-40бн
|
12000
|
2500
|
3500
|
-
400
|
0,96
0,98
|
2,40
2,45
|
100,1
82,9
|
|
СК14-40б
СК14-40бн
|
14000
|
2900
|
4100
|
-
400
|
1,12
1,14
|
2,80
2,85
|
151,5
134,7
|
|
СК16-40б
СК16-40бн
|
16000
|
3300
|
4700
|
-
400
|
1,28
1,30
|
3,20
3,25
|
167,3
150,4
|
|
СК18-40б
СК18-40бн
|
18000
|
3700
|
5300
|
-
400
|
1,44
1,46
|
3,60
3,65
|
183,0
166,0
|
|
СК6-50б
|
6000
|
-
|
-
|
500
|
340
|
-
|
0,62
|
1,55
|
85,2
|
|
СК8-50б
СК8-50бн
|
8000
|
1650
|
2400
|
-
500
|
0,83
0,87
|
2,08
2,18
|
95,7
74,1
|
|
СК10-50б
СК10-50бн
|
10000
|
2100
|
2900
|
-
500
|
1,04
1,08
|
2,60
2,70
|
106,4
84,6
|
|
СК12-50б
СК12-50бн
|
12000
|
2500
|
3600
|
-
500
|
1,26
1,29
|
3,15
3,23
|
117,0
95,2
|
|
СК14-50б
СК14-50бн
|
14000
|
2900
|
4100
|
-
500
|
1,47
1,50
|
3,67
3,75
|
169,4
148,0
|
|
СК16-50б
СК16-50бн
|
16000
|
3300
|
4700
|
-
500
|
1,68
1,72
|
4,20
4,30
|
186,1
164,6
|
|
СК18-506
СК18-50бн
|
18000
|
3700
|
5300
|
-
500
|
1,89
1,93
|
4,72
4,83
|
202,7
181,2
|
|
СК6-60б
|
6000
|
-
|
-
|
600
|
400
|
100
|
-
|
0,93
|
2,32
|
107,1
|
|
СК8-60б
СК8-60бн
|
8000
|
1650
|
2400
|
-
600
|
1,24,
1,30
|
3,10
3,25
|
120,0
91,8
|
|
СК10-60б
СК10-60бн
|
10000
|
2100
|
2900
|
-
600
|
1,55
1,62
|
3,88
4,05
|
133,0
104,7
|
|
СК12-60б
СК12-60бн
|
12000
|
2500
|
3500
|
-
600
|
1,87
1,93
|
4,68
4,83
|
145,9
117,7
|
|
СК14-60б
СК14-60бн
|
14000
|
2900
|
4100
|
-
600
|
2,18
2,25
|
5,45
5,63
|
203,0
175,0
|
|
СК16-60б
СК16-60бн
|
16000
|
3300
|
4700
|
-
600
|
2,50
2,56
|
6,25
6,40
|
222,3
194,5
|
|
СК18-60б
СК18-60бн
|
18000
|
3700
|
5300
|
-
600
|
2,81
2,87
|
7,03
7,18
|
241,6
213,8
|
|
СК6-80б
|
6000
|
-
|
-
|
800
|
600
|
-
|
М400
|
1,30
|
3,25
|
189,2
|
|
СК8-80б
СК8-80бн
|
8000
|
-
800
|
1,74
1,88
|
4,35
4,70
|
218,4
175,8
|
|
СК10-80б
СК10-80бн
|
10000
|
-
800
|
2,18
2,32
|
5,45
5,80
|
247,6
205,0
|
|
СК12-80б
СК12-80бн
|
12000
|
-
800
|
2,62
2,76
|
6,55
6,90
|
276,9
234,4
|
|
СО6-100б
|
6000
|
1000
|
760
|
120
|
-
|
1,96
|
4,90
|
305,1
|
|
СО8-100б
|
8000
|
2,62
|
6,55
|
361,7
|
|
СО10-100б
|
10000
|
3,28
|
8,20
|
418,4
|
|
СО12-100б
|
12000
|
1000
|
760
|
-
|
3,95
|
9,88
|
475,0
|
|
СО6-120б
|
6000
|
1200
|
960
|
-
|
2,40
|
6,00
|
340,4
|
|
СО8-120б
|
8000
|
3,22
|
8,05
|
398,9
|
|
СО10-120б
|
10000
|
4,03
|
10,08
|
457,5
|
|
СО12-120б
|
12000
|
4,84
|
12,10
|
516,0
|
|
СО6-160б
|
6000
|
1600
|
1360
|
-
|
3,29
|
8,23
|
417,2
|
|
СО8-160б
|
8000
|
4,41
|
11,03
|
481,4
|
|
СО10-160б
|
10000
|
5,52
|
13,80
|
545,6
|
|
СО12-160б
|
12000
|
6,64
|
16,60
|
609,8
|
|
СК6-40св
|
6000
|
400
|
240
|
80
|
-
|
М300
|
0,48
|
l,20
|
82,7
|
|
СК8-40св
CК8-40свн
|
8000
|
-
400
|
0,64
0,66
|
1,60
1,65
|
100,3
89,3
|
|
СК10-40св
CК10-40свн
|
10000
|
-
400
|
0,80
0,82
|
2,00
2,05
|
118,0
107,0
|
|
СК12-40св
CК12-40свн
|
12000
|
-
400
|
0,96
0,98
|
2,40
2,45
|
135,6
124,6
|
|
СК14-40св
CК14-40свн
|
14000
|
2900
|
4100
|
-
400
|
1,12
1,14
|
2,80
2,85
|
153,2
142,2
|
|
СК16-40св
CК16-40свн
|
16000
|
3300
|
4700
|
-
400
|
1,28
1,30
|
3,20
3,25
|
170,7
159,8
|
|
СК18-40св
CК18-40свн
|
18000
|
3700
|
5300
|
-
400
|
1,45
1,46
|
3,60
3,65
|
188,3
177,4
|
|
CК6-50cв
|
6000
|
-
|
-
|
500
|
340
|
-
|
0,63
|
1,58
|
44,3
|
|
СК8-50св
CК8-50свн
|
8000
|
-
500
|
0,84
0,88
|
2,10
2,20
|
112,8
98,6
|
|
СК10-50св
CК10-50свн
|
10000
|
-
500
|
1,05
1,09
|
2,63
2,73
|
131,5
117,2
|
|
СК12-50св
CК12-50свн
|
12000
|
-
500
|
1,26
1,30
|
3,15
3,25
|
150,0
135,7
|
|
СК14-50св
CК14-50свн
|
14000
|
2900
|
4100
|
-
500
|
1,47
1,51
|
3,68
3,78
|
168,6
154,3
|
|
СК16-50св
CК16-50свн
|
16000
|
3300
|
4700
|
-
500
|
l,69
1,72
|
4,23
4,30
|
187,1
172,9
|
|
СК18-50св
CК18-50свн
|
18000
|
3700
|
5300
|
-
500
|
l,90
1,93
|
4,75
4,83
|
205,7
191,4
|
|
СК6-60св
|
6000
|
-
|
-
|
600
|
400
|
100
|
-
|
0,94
|
2,35
|
112,1
|
|
СК8-60св
CК8-60свн
|
8000
|
-
600
|
1,25
1,31
|
3,13
3,28
|
135,0
119,4
|
|
СК10-60св
CК10-60свн
|
10000
|
-
600
|
1,57
1,62
|
3,93
4,05
|
1,57,8
142,2
|
|
СК12-60св
CК12-60свн
|
12000
|
-
600
|
1,88
1,94
|
4,70
4,85
|
180,8
165,1
|
|
СК14-60св
CК14-60свн
|
14000
|
2900
|
4100
|
-
600
|
2,19
2,25
|
5,48
5,63
|
203,7
187,9
|
|
СК16-60св
CК16-60свн
|
16000
|
3300
|
4700
|
-
600
|
2,51
2,57
|
6,28
6,43
|
226,5
210,4
|
|
СК18-60св
CК18-60свн
|
18000
|
3700
|
5300
|
-
600
|
2,82
2,88
|
7,05
7,20
|
244,4
233,8
|
|
СК6-80св
|
6000
|
-
|
-
|
800
|
600
|
-
|
М400
|
1,31
|
3,28
|
151,5
|
|
СК8-80св
CК8-80свн
|
8000
|
-
800
|
1,75
1,89
|
4,38
4,73
|
179,9
155,1
|
|
СК10-80св
CК10-80свн
|
10000
|
-
800
|
2,19
2,33
|
5,48
5,83
|
208,2
183,5
|
|
СК12-80св
CК12-80свн
|
12000
|
-
800
|
2,63
2,77
|
6,58
6,93
|
236,5
211,9
|
|
СО6-100св
|
6000
|
1000
|
760
|
120
|
-
|
1,98
|
4,95
|
262,5
|
|
СО8-100св
|
8000
|
2,64
|
6,60
|
319,5
|
|
СО10-100св
|
10000
|
3,31
|
8,28
|
376,6
|
|
СО12-100св
|
12000
|
3,97
|
9,93
|
438,7
|
|
СО6-120св
СОУ6-120св
|
6000
|
12000
|
960
|
2,43
2,43
|
6,08
6,08
|
295,1
419,4
|
|
СО8-120св
СОУ8-120св
|
8000
|
3,24
3,24
|
8,10
8,10
|
359,0
518,4
|
|
СО10-120св
СОУ10-120св
|
10000
|
4,06
4,06
|
10,15
10,15
|
418,0
617,5
|
|
СО12-120св
СОУ12-120св
|
12000
|
4,87
4,87
|
12,18
12,18
|
477,0
716,4
|
|
СО6-160св
СОУ6-160св
|
6000
|
16000
|
1360
|
3,33
3,33
|
8,33
8,33
|
376,6
669,9
|
|
СО8-160св
СОУ8-160св
|
8000
|
4,44
4,44
|
11,10
11,10
|
440,8
832,5
|
|
СО10-160св
СОУ10-160св
|
10000
|
5,56
5,56
|
13,90
13,90
|
505,5,
995,2
|
|
СО12-160св
СОУ12-160св
|
12000
|
6,67
6,67
|
16,68
16,68
|
569,3
1157,7
|
Армирование секций свай и
свай-оболочек с элементами болтовых стыков

Черт. 3
2.12. Форма, марки,
номинальные размеры элементов болтовых стыков должны соответствовать указанным
на черт. 15 и в табл. 14.
2.13. Форма, марки,
номинальные размеры элементов сварных стыков должны соответствовать указанным
на черт. 16 и в табл. 15.
Армирование секций свай с
элементами болтовых стыков и с наконечником

Черт. 4
Арматурный каркас К6- 40б¸К12-160б

Черт. 5
Арматурный каркас К8-40бн¸К12-80бн

Черт. 6
Таблица
2
Спецификация
арматурных изделий на секцию сваи и сваи-оболочки с элементами болтовых стыков
|
Марка секции сваи и сваи-оболочки
|
Арматурный
каркас (1 шт.)
|
Элемент
стыка
|
Каркас
наконечника (1 шт.)
|
|
Марка
|
Кол.
|
|
СК6-40б
|
К6-40б
|
Фб40
|
2
|
-
|
|
СК8-40б
|
К8-40б
|
2
|
-
|
|
СК8-40бн
|
К8-40бн
|
1
|
КН40
|
|
СК10-40б
|
К10-40б
|
2
|
-
|
|
СК10-40бн
|
К10-40бн
|
1
|
КН40
|
|
СК12-40б
|
К12-40б
|
2
|
-
|
|
СК12-40бн
|
К12-40бн
|
1
|
КН40
|
|
СК14-40б
|
К14-40б
|
2
|
-
|
|
СК14-40бн
|
К14-40бн
|
1
|
КН40
|
|
СК16-40б
|
К16-40б
|
2
|
-
|
|
СК16-40бн
|
К16-40бн
|
1
|
КН40
|
|
СК18-40б
|
К18-40б
|
2
|
-
|
|
СК18-40бн
|
К18-40бн
|
1
|
КН40
|
|
СК6-50б
|
К6-50б
|
Фб50
|
2
|
-
|
|
СК8-50б
|
К8-50б
|
2
|
-
|
|
СК8-50бн
|
К8-50бн
|
1
|
КН50
|
|
СК10-50б
|
К10-50б
|
2
|
-
|
|
СК10-50бн
|
К10-50бн
|
1
|
КН50
|
|
СК12-50б
|
К12-50б
|
2
|
-
|
|
СК12-50бн
|
К12-50бн
|
1
|
КН50
|
|
СК14-50б
|
К14-50б
|
2
|
-
|
|
СК14-50бн
|
К14-50бн
|
1
|
КН50
|
|
СК16-50б
|
К16-50б
|
2
|
-
|
|
СК16-50бн
|
К16-50бн
|
1
|
КН50
|
|
СК18-50б
|
К18-50б
|
2
|
-
|
|
СК18-50бн
|
К18-50бн
|
1
|
КН50
|
|
СК6-60б
|
К6-60б
|
Фб60
|
2
|
-
|
|
СК8-60б
|
К8-60б
|
2
|
-
|
|
СК8-60бн
|
К8-60бн
|
1
|
КН60
|
|
СК10-60б
|
К10-60б
|
2
|
-
|
|
СК10-60бн
|
К10-60бн
|
1
|
КН60
|
|
СК12-60б
|
К12-60б
|
2
|
-
|
|
СК12-60бн
|
К12-60бн
|
1
|
КН60
|
|
СК14-60б
|
К14-60б
|
2
|
-
|
|
СК14-60бн
|
К14-60бн
|
1
|
КН60
|
|
СК16-60б
|
К16-60б
|
2
|
-
|
|
СК16-60бн
|
К16-60бн
|
1
|
КН60
|
|
СК18-60б
|
К18-60б
|
2
|
-
|
|
СК18-60бн
|
К18-60бн
|
1
|
КН60
|
|
СК6-80б
|
К6-80б
|
Фб80
|
2
|
-
|
|
СК8-80б
|
К8-80б
|
2
|
-
|
|
СК8-80бн
|
К8-80бн
|
1
|
КН80
|
|
СК10-80б
|
К10-80б
|
2
|
-
|
|
СК10-80бн
|
К10-80бн
|
1
|
КН80
|
|
СК12-80б
|
К12-80б
|
2
|
-
|
|
СК12-80бн
|
К12-80бн
|
1
|
КН80
|
|
СО6-100б
|
К6-100б
|
Фб100
|
2
|
-
|
|
СО8-100б
|
К8-100б
|
|
СО10-100б
|
К10-100б
|
|
СО12-100б
|
К12-100б
|
|
СО6-120б
|
К6-120б
|
Фб120
|
2
|
-
|
|
СО8-120б
|
К8-120б
|
|
СО10-120б
|
К10-120б
|
|
СО12-120б
|
К12-120б
|
|
СО6-160б
|
К6-160б
|
Фб160
|
2
|
-
|
|
СО8-160б
|
К8-160б
|
|
СО10-160б
|
К10-160б
|
|
СО12-160б
|
К12-160б
|
Таблица
3
Выборка стали на секцию сваи
и сваи-оболочки с элементами болтовых стыков
|
Марка секции сваи и сваи-оболочки
|
Арматурная
сталь
|
Листовая
сталь
|
Всего
масса, кг
|
|
по ГОСТ
5781-82
|
по ГОСТ
6727-80, класс
B-I
|
по ГОСТ
19903-74
|
|
Класс A-I
|
Класс A-III
|
Толщина,
мм
|
Масса
наплавленного металла, кг
|
Итого, кг
|
|
Диаметр,
мм
|
Масса, кг
|
Диаметр,
мм
|
Масса, кг
|
Диаметр,
мм
|
Масса, кг
|
1
|
5
|
8
|
|
Масса, кг
|
|
СК6-40б
|
-
|
-
|
8
|
18,3
|
5
|
12,7
|
-
|
3,8
|
34,0
|
2,4
|
40,2
|
71,2
|
|
СК8-40б
|
-
|
-
|
24,6
|
16,0
|
-
|
3,8
|
34,0
|
2,4
|
40,2
|
80,8
|
|
СК8-40бн
|
8
|
1,8
|
24,0
|
16,2
|
0,6
|
1,9
|
17,0
|
1,2
|
20,7
|
63,7
|
|
СК10-40б
|
-
|
-
|
31,0
|
19,3
|
-
|
3,8
|
34,0
|
2,4
|
40,2
|
90,5
|
|
СК10-40бн
|
8
|
1,8
|
31,3
|
19,5
|
0,6
|
1,9
|
17,0
|
1,2
|
20,7
|
73,3
|
|
СК12-40б
|
-
|
-
|
37,3
|
22,6
|
-
|
3,8
|
34,0
|
2,4
|
40,2
|
100,1
|
|
СК12-40бн
|
8
|
1,8
|
37,6
|
22,8
|
0,6
|
1,9
|
17,0
|
1,2
|
20,7
|
82,9
|
|
СК14-40б
|
-
|
-
|
10
|
85,1
|
26,2
|
-
|
3,8
|
34,0
|
2,4
|
40,2
|
151,5
|
|
СК14-40бн
|
8
|
1,8
|
85,8
|
26,4
|
0,6
|
1,9
|
17,0
|
1,2
|
20,7
|
134,7
|
|
СК16-40б
|
-
|
-
|
97,5
|
29,6
|
-
|
3,8
|
34,0
|
2,4
|
40,2
|
167,3
|
|
СК16-40бн
|
8
|
1,8
|
98,1
|
29,8
|
0,6
|
1,9
|
17,0
|
1,2
|
20,7
|
150,4
|
|
СК18-40б
|
-
|
-
|
109,8
|
33,0
|
-
|
3,8
|
34,0
|
2,4
|
40,2
|
183,0
|
|
СК18-40бн
|
8
|
1,8
|
110,4
|
33,1
|
0,6
|
1,9
|
17,0
|
1,2
|
20,7
|
166,0
|
|
СК6-50б
|
-
|
-
|
8
|
18,3
|
16,5
|
-
|
3,8
|
44,8
|
1,8
|
50,4
|
85,2
|
|
СК8-50б
|
-
|
-
|
24,6
|
20,7
|
-
|
3,8
|
44,8
|
1,8
|
50,4
|
95,7
|
|
СК8-50бн
|
8
|
2,0
|
25,0
|
21,0
|
0,9
|
1,9
|
22,4
|
0,9
|
26,1
|
74,1
|
|
СК10-50б
|
-
|
-
|
31,0
|
25,0
|
-
|
3,8
|
44,8
|
1,8
|
50,4
|
106,4
|
|
СК10-50бн
|
8
|
2,0
|
31,3
|
25,2
|
0,9
|
1,9
|
22,4
|
0,9
|
26,1
|
84,6
|
|
СК12-50б
|
-
|
-
|
37,3
|
29,3
|
-
|
3,8
|
44,8
|
1,8
|
50,4
|
117,0
|
|
СК12-50бн
|
8
|
2,0
|
37,6
|
29,5
|
0,9
|
1,9
|
22,4
|
0,9
|
26,1
|
95,2
|
|
СК14-50б
|
-
|
-
|
10
|
85,1
|
33,9
|
-
|
3,8
|
44,8
|
1,8
|
50,4
|
169,4
|
|
СК14-50бн
|
8
|
2,0
|
858,
|
34,1
|
0,9
|
1,9
|
22,4
|
0,9
|
26,1
|
148,0
|
|
СК16-50б
|
-
|
-
|
97,5
|
38,2
|
-
|
3,8
|
44,8
|
1,8
|
50,4
|
186,1
|
|
СК16-50бн
|
8
|
2,0
|
98,1
|
38,4
|
0,9
|
1,9
|
22,4
|
0,9
|
26,1
|
164,6
|
|
СК18-50б
|
-
|
-
|
109,8
|
42,5
|
-
|
3,8
|
44,8
|
1,8
|
50,4
|
202,7
|
|
СК18-50бн
|
8
|
2,0
|
110,4
|
42,7
|
0,9
|
1,9
|
22,4
|
0,9
|
26,1
|
181,2
|
|
СК6-60б
|
-
|
-
|
8
|
22,9
|
19,4
|
-
|
3,2
|
59,4
|
2,2
|
64,8
|
107,1
|
|
СК8-60б
|
-
|
-
|
30,8
|
24,4
|
-
|
3,2
|
59,4
|
2,2
|
64,8
|
120,0
|
|
СК8-60бн
|
8
|
2,2
|
31,2
|
24,7
|
1,3
|
1,6
|
29,7
|
1,1
|
33,7
|
91,8
|
|
СК10-60б
|
-
|
-
|
38,7
|
29,5
|
-
|
3,2
|
59,4
|
2,2
|
64,8
|
133,0
|
|
СК10-60бн
|
8
|
2,2
|
39,1
|
29,7
|
1,3
|
1,6
|
29,7
|
1,1
|
33,7
|
104,7
|
|
СК12-60б
|
-
|
-
|
46,6
|
34,5
|
-
|
3,2
|
59,4
|
2,2
|
64,8
|
145,9
|
|
СК12-60бн
|
8
|
2,2
|
47,0
|
34,8
|
1,3
|
1,6
|
29,7
|
1,1
|
33,7
|
117,7
|
|
СК14-60б
|
-
|
-
|
12
|
98,0
|
40,2
|
-
|
3,2
|
59,4
|
2,2
|
64,8
|
203,0
|
|
СК14-60бн
|
8
|
2,2
|
98,7
|
40,4
|
1,3
|
1,6
|
29,7
|
1,1
|
33,7
|
175,0
|
|
СК16-60б
|
-
|
-
|
112,2
|
45,3
|
-
|
3,2
|
59,4
|
2,2
|
64,8
|
222,3
|
|
СК16-60бн
|
8
|
2,2
|
113,0
|
45,6
|
1,3
|
1,6
|
29,7
|
1,1
|
33,7
|
194,5
|
|
СК18-60б
|
-
|
-
|
126,4
|
50,4
|
-
|
3,2
|
59,4
|
2,2
|
64,8
|
241,6
|
|
СК18-60бн
|
8
|
2,2
|
127,2
|
50,7
|
1,3
|
1,6
|
29,7
|
1,1
|
33,7
|
213,8
|
|
СК6-80б
|
-
|
-
|
10
|
64,4
|
27,0
|
-
|
7,2
|
83,4
|
7,2
|
97,8
|
189,2
|
|
СК8-80б
|
-
|
-
|
86,6
|
34,0
|
-
|
7,2
|
83,4
|
7,2
|
97,8
|
218,4
|
|
СК8-80бн
|
8
|
2,7
|
87,7
|
34,3
|
2,2
|
3,6
|
41,7
|
3,6
|
51,1
|
175,8
|
|
СК10-80б
|
-
|
-
|
108,8
|
41,0
|
-
|
7,2
|
83,4
|
7,2
|
97,8
|
247,6
|
|
СК10-80бн
|
8
|
2,7
|
109,9
|
41,3
|
2,2
|
3,6,
|
41,7
|
3,6
|
51,1
|
205,0
|
|
СК12-80б
|
-
|
-
|
131,1
|
48,0
|
-
|
7,2
|
83,4
|
7,2
|
97,8
|
276,9
|
|
СК12-80бн
|
8
|
2,7
|
132,2
|
48,4
|
2,2
|
3,6
|
41,7
|
3,6
|
51,1
|
234,4
|
|
СО6-100б
|
-
|
-
|
12
|
139,1
|
33,4
|
-
|
8,6
|
120,2
|
3,8
|
132,6
|
305,1
|
|
СО8-100б
|
187,0
|
42,1
|
361,7
|
|
СО10-100б
|
235,0
|
50,8
|
418,4
|
|
СО12-100б
|
282,9
|
59,5
|
475,0
|
|
СО6-120б
|
139,1
|
40,9
|
147,6
|
4,2
|
160,4
|
340,4
|
|
СО8-120б
|
187,0
|
51,5
|
398,9
|
|
СО10-120б
|
235,0
|
62,1
|
457,5
|
|
СО12-120б
|
282,9
|
72,7
|
516,0
|
|
СО6-160б
|
144,2
|
55,8
|
9,4
|
202,2
|
5,6
|
217,2
|
417,2
|
|
СО8-160б
|
193,9
|
70,3
|
481,4
|
|
СО10-160б
|
243,7
|
84,7
|
545,6
|
|
СО12-160б
|
293,4
|
99,2
|
609,8
|
Таблица 4
Ведомость стержней на один
каркас секции сваи и сваи-оболочки с элементами болтовых стыков
|
Марка каркаса
|
Поз.
|
Эскиз
|
Диаметр,
мм, класс
|
Размеры
каркаса, мм
|
Кол.
|
|
l
|
D1
|
с
|
|
К6-40б
|
1
2
|

|
8AIII
5BI
|
5810
82670
|
-
341
|
129
-
|
8
1
|
|
К8-40б
|
1
2
|
8AIII
5BI
|
8700
104180
|
-
341
|
129
-
|
8
1
|
|
К8-40бн
|
1
2
|
8AIII
5BI
|
7900
105260
|
-
341
|
129
-
|
8
1
|
|
К10-40б
|
1
2
|
8AIII
5BI
|
9800
125690
|
-
341
|
129
-
|
8
1
|
|
К10-40бн
|
1
2
|
8AIII
5BI
|
9900
126760
|
-
341
|
129
-
|
8
1
|
|
К12-40б
|
1
2
|
8AIII
5BI
|
11800
147200
|
-
341
|
129
-
|
8
1
|
|
К12-40бн
|
1
2
|
8AIII
5BI
|
11900
148270
|
-
341
|
129
-
|
8
1
|
|
К14-40б
|
1
2
|
10AIII
5BI
|
13800
170670
|
345
|
104
-
|
10
1
|
|
К14-40бн
|
1
2
|
10AIII
5BI
|
13900
171760
|
345
|
104
-
|
10
1
|
|
К16-40б
|
1
2
|
10AIII
5BI
|
15800
192430
|
345
|
104
-
|
10
1
|
|
К16-40бн
|
1
2
|
10AIII
5BI
|
15900
193520
|
345
|
104
-
|
10
1
|
|
К18-40б
|
1
2
|
10AIII
5BI
|
17800
214180
|
345
|
104
-
|
10
1
|
|
К18-40бн
|
1
2
|
10AIII
5BI
|
17900
215270
|
345
|
104
-
|
10
1
|
|
К6-60б
|
1
2
|
8AIII
5BI
|
5800
106800
|
-
441
|
168
-
|
8
1
|
|
К8-50б
|
1
2
|
8AIII
5BI
|
7800
134570
|
-
441
|
168
-
|
8
1
|
|
К8-50бн
|
1
2
|
8AIII
5BI
|
7900
135960
|
-
441
|
168
-
|
8
1
|
|
К10-50б
|
1
2
|
8AIII
5BI
|
9800
162330
|
-
441
|
168
-
|
8
1
|
|
К10-50бн
|
1
2
|
8AIII
5BI
|
9900
163720
|
-
441
|
168
-
|
8
1
|
|
К12-50б
|
1
2
|
8AIII
5BI
|
11800
190100
|
-
441
|
168
-
|
8
1
|
|
К12-50бн
|
1
2
|
8AIII
5BI
|
11900
191490
|
-
441
|
168
-
|
8
1
|
|
К14-50б
|
1
2
|
10AIII
5BI
|
13800
219830
|
-
445
|
135
-
|
10
1
|
|
К14-50бн
|
1
2
|

|
10AIII
5BI
|
13900
221240
|
-
445
|
135
-
|
10
1
|
|
К16-50б
|
1
2
|
10AIII
5BI
|
15800
247850
|
-
445
|
135
-
|
10
1
|
|
К16-50бн
|
1
2
|
10AIII
5BI
|
15900
2492500
|
-
445
|
135
-
|
10
1
|
|
К18-50б
|
1
2
|
10AIII
5BI
|
17800
275870
|
-
445
|
135
-
|
10
1
|
|
К18-50бн
|
1
2
|
10AIII
5BI
|
17900
277270
|
-
445
|
135
-
|
10
1
|
|
К6-60б
|
1
2
|
8AIII
5BI
|
5800
126120
|
-
521
|
160
-
|
10
1
|
|
К8-60б
|
1
2
|
8AIII
5BI
|
7800
158900
|
-
521
|
160
-
|
10
1
|
|
К8-60бн
|
1
2
|
8AIII
5BI
|
7900
160530
|
-
521
|
160
-
|
10
1
|
|
К10-60б
|
1
2
|
8AIII
5BI
|
9800
191670
|
-
521
|
160
-
|
10
1
|
|
К10-60бн
|
1
2
|
8AIII
5BI
|
9900
193310
|
-
521
|
160
-
|
10
1
|
|
К12-60б
|
1
2
|
8AIII
5BI
|
11800
224450
|
-
521
|
160
-
|
10
1
|
|
К12-60бн
|
1
2
|
8AIII
5BI
|
11000
226090
|
-
521
|
160
-
|
10
1
|
|
К14-60б
|
1
2
|
12AIII
5BI
|
13800
261170
|
-
529
|
201
-
|
8
1
|
|
К14-60бн
|
1
2
|
12AIII
5BI
|
13900
262840
|
-
529
|
201
-
|
8
1
|
|
К16-60б
|
1
2
|
12AIII
5BI
|
15800
294450
|
-
529
|
201
-
|
8
1
|
|
К16-60бн
|
1
2
|
12AIII
5BI
|
15900
296120
|
-
529
|
201
-
|
8
1
|
|
К18-60б
|
1
2
|
12AIII
5BI
|
17800
327740
|
-
529
|
201
-
|
8
1
|
|
К18-60бн
|
1
2
|
12AIII
5BI
|
17900
329400
|
-
529
|
201
-
|
8
1
|
|
К6-80б
|
1
2
|
10AIII
5BI
|
5800
175400
|
-
725
|
124
-
|
18
1
|
|
К8-80б
|
1
2
|
10AIII
5BI
|
7800
220970
|
-
725
|
124
-
|
18
1
|
|
К8-80бн
|
1
2
|
10AIII
5BI
|
7900
223250
|
-
725
|
124
-
|
18
1
|
|
К10-80б
|
1
2
|

|
10AIII
5BI
|
9800
266540
|
-
725
|
124
-
|
18
1
|
|
К10-80бн
|
1
2
|
10AIII
5BI
|
9900
268820
|
-
725
|
124
-
|
18
1
|
|
К12-80б
|
1
2
|
10AIII
5BI
|
11800
312120
|
-
725
|
124
-
|
18
1
|
|
К12-80бн
|
1
2
|
10AIII
5BI
|
11900
314400
|
-
725
|
124
-
|
18
1
|
|
К6-100б
|
1
2
|
12AIII
5BI
|
5800
216960
|
-
897
|
102
-
|
27
1
|
|
К8-100б
|
1
2
|
12AIII
5BI
|
7800
273330
|
-
897
|
102
-
|
27
1
|
|
К10-800б
|
1
2
|
12AIII
5BI
|
9180
329700
|
-
897
|
102
-
|
27
1
|
|
К12-100б
|
1
2
|
12AIII
5BI
|
11800
386060
|
-
897
|
102
-
|
27
1
|
|
К6-120б
|
1
2
|
12AIII
5BI
|
5800
265300
|
-
1097
|
126
-
|
27
1
|
|
К8-120б
|
1
2
|
12AIII
5BI
|
7800
234220
|
-
1097
|
127
-
|
27
1
|
|
К10-120б
|
1
2
|
12AIII
5BI
|
9800
403140
|
-
1097
|
126
-
|
27
1
|
|
К12-120б
|
1
2
|
12AIII
5BI
|
11800
472060
|
-
1097
|
126
-
|
27
1
|
|
К6-160б
|
1
2
|
12AIII
5BI
|
5800
362000
|
-
1497
|
166
-
|
28
1
|
|
К8-160б
|
1
2
|
12AIII
5BI
|
7800
456030
|
-
1497
|
166
-
|
28
1
|
|
К10-160б
|
1
2
|
12AIII
5BI
|
9800
550060
|
-
1497
|
166
-
|
28
1
|
|
К12-160б
|
1
2
|
12AIII
5BI
|
11800
644090
|
-
1497
|
166
-
|
28
1
|
|
|
|
|
|
|
|
|
|
Таблица
5
Выборка стали на каркас
секции сваи и сваи-оболочки с элементами болтовых стыков
|
Марка каркаса
|
Арматурная
сталь
|
Всего
масса, кг
|
|
по ГОСТ
5781-82, класс
A-III
|
по ГОСТ
6727-80, класс
B-I
|
|
Диаметр,
мм
|
Масса, кг
|
Диаметр,
мм
|
Масса, кг
|
|
К6-40б
|
8
|
18,3
|
5
|
12,7
|
31,0
|
|
К8-40б
|
24,6
|
16,0
|
40,6
|
|
К8-40бн
|
25,0
|
16,2
|
41,2
|
|
К10-40б
|
31,0
|
19,3
|
50,3
|
|
К10-40бн
|
31,3
|
19,5
|
50,8
|
|
К12-40б
|
37,3
|
22,6
|
59,9
|
|
К12-40бн
|
37,6
|
22,8
|
60,4
|
|
К14-40б
|
10
|
85,1
|
26,2
|
111,3
|
|
К14-40бн
|
85,8
|
26,4
|
112,2
|
|
К16-40б
|
97,5
|
29,6
|
127,1
|
|
К16-40бн
|
98,1
|
29,8
|
127,9
|
|
К18-40б
|
109,8
|
33,0
|
142,8
|
|
К18-40бн
|
110,4
|
33,1
|
142,5
|
|
К6-50б
|
8
|
18,3
|
16,5
|
34,8
|
|
К8-50б
|
24,6
|
20,7
|
45,3
|
|
К8-50бн
|
25,0
|
21,0
|
46,0
|
|
К10-50б
|
31,0
|
25,0
|
56,0
|
|
К10-50бн
|
31,3
|
25,2
|
56,5
|
|
К12-50б
|
37,3
|
29,3
|
66,6
|
|
К12-50бн
|
37,6
|
29,5
|
67,1
|
|
К14-50б
|
10
|
85,1
|
33,9
|
119,0
|
|
К14-50бн
|
85,8
|
34,1
|
119,9
|
|
К16-50б
|
97,5
|
38,2
|
135,7
|
|
К16-50бн
|
98,1
|
38,4
|
136,5
|
|
К18-50б
|
109,8
|
42,5
|
152,3
|
|
К18-50бн
|
110,4
|
42,7
|
153,1
|
|
К6-60б
|
8
|
22,9
|
19,4
|
42,3
|
|
К8-60б
|
30,8
|
24,4
|
55,2
|
|
К8-60бн
|
31,2
|
24,7
|
55,9
|
|
К10-60б
|
38,7
|
29,5
|
68,2
|
|
К10-60бн
|
39,1
|
29,7
|
68,8
|
|
К12-60б
|
46,6
|
34,5
|
81,1
|
|
К12-60бн
|
47,0
|
34,8
|
81,8
|
|
К14-60б
|
12
|
98,0
|
40,2
|
138,2
|
|
К14-60бн
|
98,7
|
40,4
|
139,1
|
|
К16-60б
|
112,2
|
45,3
|
157,5
|
|
К16-60бн
|
113,0
|
45,6
|
158,6
|
|
К18-60б
|
126,4
|
50,4
|
176,8
|
|
К18-60бн
|
127,2
|
50,7
|
177,9
|
|
К6-80б
|
10
|
64,4
|
27,0
|
91,4
|
|
К8-80б
|
86,6
|
34,0
|
120,6
|
|
К8-80бн
|
87,7
|
34,3
|
122,0
|
|
К10-80б
|
108,8
|
41,0
|
149,8
|
|
К10-80бн
|
109,9
|
41,3
|
151,2
|
|
К12-80б
|
131,1
|
48,0
|
179,1
|
|
К12-80бн
|
132,2
|
48,4
|
180,6
|
|
К6-100б
|
12
|
139,1
|
33,4
|
172,5
|
|
К8-100б
|
187,0
|
42,1
|
229,1
|
|
К10-1006
|
235,0
|
50,8
|
285,8
|
|
К12-100б
|
282,9
|
59,5
|
342,4
|
|
К6-120б
|
139,1
|
40,9
|
180,0
|
|
К8-120б
|
187,0
|
51,5
|
238,5
|
|
К10-1206
|
235,0
|
62,1
|
297,1
|
|
К12-120б
|
282,9
|
72,7
|
355,6
|
|
К6-160б
|
144,2
|
55,8
|
200,0
|
|
К8-160б
|
193,9
|
70,3
|
214,2
|
|
К10-1606
|
243,7
|
84,7
|
328,4
|
|
К12-160б
|
293,4
|
99,2
|
392,6
|
Армирование секций свай и
свай-оболочек с элементами сварных стыков

Черт. 7
Армирование секций и
свай-оболочек с элементами сварных стыков и с наконечниками

Черт. 8
Арматурный каркас К6-40св¸К18-60св

Черт 9
Таблица
6
Спецификация арматурных
изделий на секцию сваи и сваи-оболочки с элементами сварных стыков
|
Марка секции сваи и сваи-оболочки
|
Арматурный
каркас (1 шт.)
|
Элемент
стыка
|
Спираль
головы
|
Каркас
наконечника (1 шт.)
|
|
Марка
|
Кол.
|
Марка
|
Кол.
|
|
CК6-40св
|
К6-40св
|
Фсв40
|
2
|
СГ40
|
2
|
-
|
|
СК8-40св
|
К8-40св
|
2
|
2
|
-
|
|
СК8-40свн
|
К8-40свн
|
1
|
1
|
КН40
|
|
СК10-40св
|
К10-40св
|
2
|
2
|
-
|
|
СК10-40свн
|
К10-40свн
|
1
|
1
|
КН40
|
|
СК12-40св
|
К12-40св
|
2
|
2
|
-
|
|
СК12-40свн
|
К12-40свн
|
1
|
1
|
КН40
|
|
СК14-40св
|
К14-40св
|
2
|
2
|
-
|
|
СК14-40свн
|
К14-40свн
|
1
|
1
|
КН40
|
|
СК16-40св
|
К16-40св
|
2
|
2
|
-
|
|
СК16-40свн
|
К16-40свн
|
1
|
1
|
КН40
|
|
СК18-40св
|
К18-40св
|
2
|
2
|
-
|
|
СК18-40свн
|
К18-40свн
|
1
|
1
|
КН40
|
|
CК6-50св
|
К6-50св
|
Фсв50
|
2
|
СГ50
|
2
|
-
|
|
СК8-50св
|
К8-50св
|
2
|
2
|
-
|
|
СК8-50свн
|
К8-50свн
|
1
|
1
|
КН50
|
|
СК10-50св
|
К10-50св
|
2
|
2
|
-
|
|
СК10-50свн
|
К10-50свн
|
1
|
1
|
КН50
|
|
СК12-50св
|
К12-50св
|
2
|
2
|
-
|
|
СК12-50свн
|
К12-50свн
|
1
|
1
|
КН50
|
|
СК14-50св
|
К14-50св
|
2
|
2
|
-
|
|
СК14-50свн
|
К14-50свн
|
1
|
1
|
КН50
|
|
СК16-50св
|
К16-50св
|
2
|
2
|
-
|
|
СК16-50свн
|
К16-50свн
|
1
|
1
|
КН50
|
|
СК18-50св
|
К18-50св
|
2
|
2
|
-
|
|
СК18-50свн
|
К18-50свн
|
1
|
1
|
КН50
|
|
CК6-60св
|
К6-60св
|
Фсв60
|
2
|
СГ60
|
2
|
-
|
|
СК8-60св
|
К8-60св
|
2
|
2
|
-
|
|
СК8-60свн
|
К8-60свн
|
1
|
1
|
КН60
|
|
СК10-60св
|
К10-60св
|
2
|
2
|
-
|
|
СК10-60свн
|
К10-60свн
|
1
|
1
|
КН60
|
|
СК12-60св
|
К12-60св
|
2
|
2
|
-
|
|
СК12-60свн
|
К12-60свн
|
1
|
1
|
КН60
|
|
СК14-60св
|
К14-60св
|
2
|
2
|
-
|
|
СК14-60свн
|
К14-60свн
|
1
|
1
|
КН60
|
|
СК16-60св
|
К16-60св
|
2
|
2
|
-
|
|
СК16-60свн
|
К16-60свн
|
1
|
1
|
КН60
|
|
СК18-60св
|
К18-60св
|
2
|
2
|
-
|
|
СК18-60свн
|
К18-60свн
|
1
|
1
|
КН60
|
|
CК6-80св
|
К6-80св
|
Фсв80
|
2
|
СГ80
|
2
|
-
|
|
СК8-80св
|
К8-80св
|
2
|
2
|
-
|
|
СК8-80свн
|
К8-80свн
|
1
|
1
|
КН80
|
|
СК10-80св
|
К10-80св
|
2
|
2
|
-
|
|
СК10-80свн
|
К10-80свн
|
1
|
1
|
КН80
|
|
СК12-80св
|
К12-80св
|
2
|
2
|
-
|
|
СК12-80свн
|
К12-80свн
|
1
|
1
|
КН80
|
|
СО6-100св
|
К6-100св
|
Фсв100
|
2
|
СГ100
|
2
|
-
|
|
СО8-100св
|
К8-100св
|
|
СО10-100св
|
К10-100св
|
|
СО12-100св
|
К12-100св
|
|
СО6-120св
|
К6-120св
|
Фсв120
|
СГ120
|
|
СОУ6-120св
|
КУ6-120св
|
|
СО8-120св
|
К8-120св
|
|
СОУ8-120св
|
КУ8-120св
|
|
СО10-120св
|
К10-120св
|
|
СОУ10-120св
|
КУ10-120св
|
|
СО12-120св
|
К12-120св
|
|
СОУ12-120св
|
КУ12-120св
|
|
СО6-160св
|
К6-160св
|
Фсв160
|
СГ160
|
|
СОУ6-160св
|
КУ6-160св
|
|
СО8-160св
|
К8-160св
|
|
СОУ8-160св
|
КУ8-160св
|
|
СО10-160св
|
К10-160св
|
|
СОУ10-160св
|
КУ10-160св
|
|
СО12-160св
|
К12-160св
|
|
СОУ12-160св
|
КУ12-160св
|
Таблица 7
Выборка стали на секцию сваи
и сваи-оболочки с элементами сварных стыков
|
Марка секции свай и свай-оболочек
|
Арматурная сталь
|
Листовая сталь
|
Всего масса,. кг
|
|
по ГОСТ
5781-82
|
по ГОСТ
6727-80, класс B-I
|
по ГОСТ 19903-74
|
|
Класс A-I
|
Класс A-II
|
Толщина, мм
|
Масса наплавленного металла. кг
|
Итого, кг
|
|
Диаметр, мм
|
Масса, кг
|
Диаметр, мм
|
Масса, кг
|
Диаметр, мм
|
Масса, кг
|
Итого, кг
|
Диаметр, мм
|
Масса, кг
|
1
|
5
|
8
|
|
Масса, кг
|
|
СК6-40св
|
-
|
-
|
12
|
42,3
|
18
|
4,8
|
47,1
|
5
|
15,6
|
-
|
1,0
|
17,2
|
1,8
|
20,0
|
82,7
|
|
СК8-40св
|
56,5
|
61,3
|
19,0
|
100,3
|
|
СК8-40свн
|
8
|
1,8
|
56,7
|
2,4
|
59,1
|
18,0
|
0,6
|
0,5
|
8,6
|
0,9
|
10,6
|
89,5
|
|
СК10-40св
|
-
|
-
|
70,8
|
4,8
|
75,6
|
22,4
|
-
|
1,0
|
17,2
|
1,8
|
20,0
|
118,0
|
|
СК10-40свн
|
8
|
1,8
|
70,9
|
2,4
|
73,3
|
21,3
|
0,6
|
0,5
|
|
0,9
|
10,6
|
107,0
|
|
СК12-40св
|
-
|
-
|
85,0
|
4,8
|
89,8
|
25,8
|
-
|
1,0
|
17,2
|
1,8
|
20,0
|
135,6
|
|
СК12-40свн
|
8
|
1,8
|
85,1
|
2,4
|
87,5
|
24,7
|
0,6
|
0,5
|
|
0,9
|
10,6
|
124,6
|
|
СК14-40св
|
-
|
-
|
99,2
|
4,8
|
104,0
|
29,2
|
-
|
1,0
|
17,2
|
1,8
|
20,0
|
153,2
|
|
СК14-40свн
|
8
|
1,8
|
99,3
|
2,4
|
101,7
|
28,1
|
0,6
|
0,5
|
8,6
|
0,9
|
10,6
|
142,2
|
|
СК16-40св
|
-
|
-
|
113,4
|
4,8
|
118,2
|
32,5
|
-
|
1,0
|
17,2
|
1,8
|
20,0
|
170,7
|
|
CК16-40свн
|
8
|
1,8
|
113,5
|
2,4
|
115,9
|
31,5
|
0,6
|
0,5
|
8,6
|
0,9
|
10,6
|
159,8
|
|
СК18-40св
|
-
|
-
|
127,6
|
4,8
|
132,4
|
35,9
|
-
|
1,0
|
17,2
|
1,8
|
20,0
|
188,3
|
|
СК18-40свн
|
8
|
1,8
|
127,7
|
2,4
|
130,1
|
34,9
|
0,6
|
0,5
|
8,6
|
0,9
|
10,6
|
177,4
|
|
СК6-50св
|
-
|
-
|
42,3
|
6,0
|
48,3
|
20,4
|
-
|
1,0
|
22,4
|
2,2
|
25,6
|
94,3
|
|
СК8-50св
|
56,5
|
62,5
|
24,7
|
112,8
|
|
СК8-50свн
|
8
|
2,0
|
56,7
|
3,0
|
59,7
|
23,2
|
0,9
|
0,5
|
11,2
|
1,1
|
13,7
|
98,6
|
|
СК10-50св
|
-
|
-
|
70,8
|
6,0
|
76,8
|
29,1
|
-
|
1,0
|
22,4
|
2,2
|
25,6
|
131,5
|
|
СК10-50свн
|
8
|
2,0
|
70,9
|
3,0
|
73,9
|
27,6
|
0,9
|
0,5
|
11,2
|
1,1
|
13,7
|
117,2
|
|
СК12-50св
|
-
|
-
|
85,0
|
6,0
|
91,0
|
33,4
|
-
|
1,0
|
22,4
|
2,2
|
25,6
|
150,0
|
|
СК12-50свн
|
8
|
2,0
|
85,1
|
3,0
|
88,1
|
32,0
|
0,9
|
0,5
|
11,2
|
1,1
|
13,7
|
135,7
|
|
СК14-50св
|
-
|
-
|
99,2
|
6,0
|
105,2
|
37,0
|
-
|
1,0
|
22,4
|
2,2
|
25,6
|
168,6
|
|
СК14-50свн
|
8
|
2,0
|
99,3
|
3,0
|
102,3
|
36,3
|
0,9
|
0,5
|
11,2
|
1,1
|
13,7
|
154,3
|
|
СК16-50св
|
-
|
-
|
113,4
|
6,0
|
119,4
|
42,1
|
-
|
1,0
|
22,4
|
2,2
|
25,6
|
187,1
|
|
CК16-50свн
|
8
|
2,0
|
113,5
|
3,0
|
116,5
|
40,7
|
0,9
|
0,5
|
11,2
|
1,1
|
13,7
|
172,0
|
|
СК18-50св
|
-
|
-
|
127,6
|
6,0
|
133,6
|
46,5
|
-
|
1,0
|
22,4
|
2,2
|
25,6
|
205,7
|
|
СК18-50свн
|
8
|
2,0
|
127,7
|
3,0
|
130,7
|
45,0
|
0,9
|
0,5
|
11,2
|
1,1
|
13,7
|
191,4
|
|
СК6-60св
|
-
|
-
|
52,9
|
-
|
-
|
52,9
|
24,6
|
-
|
5,2
|
28,0
|
1,4
|
34,6
|
112,1
|
|
СК8-60св
|
70,7
|
70,7
|
29,7
|
135,0
|
|
СК8-60свн
|
8
|
2,2
|
70,9
|
70,9
|
27,6
|
1,3
|
2,6
|
14,0
|
0,7
|
18,6
|
119,4
|
|
СК10-60св
|
-
|
-
|
88,4
|
88,4
|
34,8
|
-
|
5,2
|
28,0
|
1,4
|
34,6
|
157,8
|
|
СК10-60свн
|
8
|
2,2
|
88,6
|
88,6
|
32,7
|
1,3
|
2,6
|
14,0
|
0,7
|
18,6
|
142,2
|
|
СК12-60св
|
-
|
-
|
106,2
|
106,2
|
40,0
|
-
|
5,2
|
28,0
|
1,4
|
34,6
|
180,8
|
|
СК12-60свн
|
8
|
2,2
|
106,4
|
106,4
|
37,9
|
1,3
|
2,6
|
14,0
|
0,7
|
18,6
|
165,1
|
|
СК14-60св
|
-
|
-
|
124,0
|
124,0
|
45,1
|
-
|
5,2
|
28,0
|
1,4
|
34,6
|
203,7
|
|
СК14-60свн
|
8
|
2,2
|
124,1
|
124,1
|
43,0
|
1,3
|
2,6
|
14,0
|
0,7
|
18,6
|
187,9
|
|
СК16-60св
|
-
|
-
|
141,7
|
141,7
|
50,2
|
-
|
5,2
|
28,0
|
1,4
|
34,6
|
226,5
|
|
CК16-60свн
|
8
|
2,2
|
141,9
|
141,9
|
48,1
|
1,3
|
2,6
|
14,0
|
0,7
|
18,6
|
210,9
|
|
СК18-60св
|
-
|
-
|
159,5
|
159,5
|
55,3
|
-
|
5,2
|
28,0
|
1,4
|
34,6
|
249,4
|
|
СК18-60свн
|
8
|
2,2
|
159,7
|
159,7
|
53,2
|
1,3
|
2,6
|
14,0
|
0,7
|
18,6
|
233,8
|
|
СК6-80св
|
-
|
-
|
63,5
|
63,5
|
34,4
|
-
|
6,8
|
45,0
|
1,8
|
53,6
|
151,5
|
|
СК8-80св
|
84,8
|
84,8
|
41,5
|
179,9
|
|
СК8-80свн
|
8
|
2,7
|
85,0
|
85,0
|
38,4
|
2,2
|
3,4
|
22,5
|
0,9
|
29,0
|
155,1
|
|
СК10-80св
|
-
|
-
|
106,1
|
106,1
|
48,5
|
-
|
6,8
|
45,0
|
1,8
|
53,6
|
208,2
|
|
СК10-80свн
|
8
|
2,7
|
106,3
|
106,3
|
45,5
|
2,2
|
3,4
|
22,5
|
0,9
|
29,0
|
183,5
|
|
СК12-80св
|
-
|
-
|
127,4
|
127,4
|
55,6
|
-
|
6,8
|
45,0
|
1,8
|
53,6
|
236,6
|
|
СК12-80свн
|
8
|
2,7
|
127,7
|
127,7
|
52,5
|
2,2
|
3,4
|
22,5
|
0,9
|
29,0
|
211,9
|
|
СО6-100св
|
-
|
-
|
14
|
144,0
|
144,0
|
44,7
|
-
|
13,6
|
57,8
|
2,4
|
73,8
|
262,5
|
|
СО8-100св
|
192,3
|
192,3
|
53,4
|
319,5
|
|
СО10-100св
|
240,6
|
240,6
|
62,2
|
376,6
|
|
СО12-100св
|
289,0
|
289,0
|
70,9
|
438,7
|
|
CО6-120св
|
144,0
|
144,0
|
56,7
|
16,2
|
80,0
|
3,2
|
99,4
|
295,1
|
|
СО8-120св
|
192,3
|
192,3
|
67,3
|
359,0
|
|
СОУ8-120св
|
16
|
351,7
|
351,7
|
16,3
|
518,4
|
|
СО10-120св
|
14
|
240,6
|
240,6
|
78,0
|
16,2
|
418,0
|
|
СОУ10-120св
|
16
|
440,1
|
440,1
|
16,7
|
617,5
|
|
СО12-120св
|
14
|
289,0
|
289,0
|
88,6
|
16,2
|
477,0
|
|
СОУ12-120св
|
16
|
528,4
|
528,4
|
716,2
|
|
СО6-160св
|
12
|
148,2
|
148,2
|
82,8
|
21,2
|
120,2
|
4,2
|
145,6
|
376,0
|
|
СОУ6-160св
|
20
|
440,9
|
440,9
|
83,4
|
669,9
|
|
СО8-160св
|
12
|
197,9
|
197,9
|
97,3
|
440,8
|
|
СОУ8-160св
|
20
|
588,9
|
588,9
|
98,0
|
832,5
|
|
СО10-160св
|
12
|
247,66
|
247,6
|
111,8
|
505,0
|
|
СОУ10-160св
|
20
|
736,8
|
736,8
|
112,8
|
995,0
|
|
СО12-160св
|
12
|
297,4
|
297,4
|
126,3
|
569,2
|
|
СОУ12-160св
|
20
|
884,8
|
884,8
|
127,3
|
1157,7
|
|
|
|
|
|
|
|
|
|
|
|
|
|
|
|
|
|
|
Арматурный каркас К8-40свн¸К18-60свн

Черт. 10
Арматурный каркас К6-80св¸К12-160св, КУ6-120св¸КУ12-120cв,
КУ6-160св¸КУ12-160св

Черт. 11
Арматурный каркас К8-80свн¸К12-80свн

Черт. 12
Таблица 8
Ведомость стержней на один
каркас секции сваи и сваи-оболочки с элементами сварных стыков
|
Марка каркаса
|
Поз.
|
Эскиз
|
Диаметр, мм, класс
|
Размеры каркаса, мм
|
Кол.
|
|
l
|
D1
|
с
|
|
К6-40св
|
1
2
|

|
12AIII
5BI
|
5960
85700
|
-
349
|
104
-
|
8
1
|
|
К8-40св
|
1
2
|
12AIII
5BI
|
7960
107710
|
-
349
|
104
-
|
8
1
|
|
К8-40свн
|
1
2
|
12AIII
5BI
|
7980
108810
|
-
349
|
104
-
|
8
1
|
|
К10-40св
|
1
2
|
12AIII
5BI
|
9960
129720
|
-
349
|
104
-
|
8
1
|
|
К10-40свн
|
1
2
|
12AIII
5BI
|
9980
130820
|
-
349
|
104
-
|
8
1
|
|
К12-40св
|
1
2
|
12AIII
5BI
|
11960
151730
|
-
349
|
104
-
|
8
1
|
|
К12-40свн
|
1
2
|
12AIII
5BI
|
11980
152820
|
-
349
|
104
-
|
8
1
|
|
К14-40св
|
1
2
|
12AIII
5BI
|
13960
173740
|
-
349
|
104
-
|
8
1
|
|
К14-40свн
|
1
2
|
12AIII
5BI
|
13980
174830
|
-
349
|
104
-
|
8
1
|
|
К16-40св
|
1
2
|
12AIII
5BI
|
15960
195740
|
-
349
|
104
-
|
8
1
|
|
К16-40свн
|
1
2
|
12AIII
5BI
|
15980
196840
|
-
349
|
104
-
|
8
1
|
|
К18-10св
|
1
2
|
12AIII
5BI
|
17960
217750
|
-
349
|
104
-
|
8
1
|
|
К18-40свн
|
1
2
|
12AIII
5BI
|
17980
218850
|
-
349
|
104
-
|
8
1
|
|
К6-50св
|
1
2
|
12AIII
5BI
|
5960
110140
|
-
449
|
136
-
|
8
1
|
|
К8-50св
|
1
2
|
12AIII
5BI
|
7960
138410
|
-
449
|
136
-
|
8
1
|
|
К8-50свн
|
1
2
|
12AIII
5BI
|
7980
139820
|
-
449
|
136
-
|
8
1
|
|
К10-50св
|
1
2
|
12AIII
5BI
|
9960
166680
|
-
449
|
136
-
|
8
1
|
|
К10-50свн
|
1
2
|
12AIII
5BI
|
9980
168100
|
-
449
|
136
-
|
8
1
|
|
К12-50св
|
1
2
|
12AIII
5BI
|
11960
194950
|
-
449
|
136
-
|
8
1
|
|
К12-50свн
|
1
2
|
12AIII
5BI
|
11980
196360
|
-
449
|
136
-
|
8
1
|
|
К14-50св
|
1
2
|
12AIII
5BI
|
13960
223220
|
-
449
|
136
-
|
8
1
|
|
К14-50свн
|
1
2
|

|
12AIII
5BI
|
13980
224630
|
-
449
|
136
-
|
8
1
|
|
К16-50св
|
1
2
|
12AIII
5BI
|
15960
251480
|
-
449
|
136
-
|
8
1
|
|
К16-50свн
|
1
2
|
12AIII
5BI
|
15980
252900
|
-
449
|
136
-
|
8
1
|
|
К18-50св
|
1
2
|
12AIII
5BI
|
17960
279750
|
-
449
|
136
-
|
8
1
|
|
К18-50свн
|
1
2
|
12AIII
5BI
|
17980
281170
|
-
449
|
136
-
|
8
1
|
|
К6-60св
|
1
2
|
12AIII
5BI
|
5960
129710
|
-
529
|
134
-
|
10
1
|
|
К8-60св
|
1
2
|
12AIII
5BI
|
7960
162990
|
-
529
|
134
-
|
10
1
|
|
К8-60свн
|
1
2
|
12AIII
5BI
|
7980
164650
|
-
529
|
134
-
|
10
1
|
|
К10-60св
|
1
2
|
12AIII
5BI
|
9960
196270
|
-
529
|
134
-
|
10
1
|
|
К10-60свн
|
1
2
|
12AIII
5BI
|
9980
197940
|
-
529
|
134
-
|
10
1
|
|
К12-60св
|
1
2
|
12AIII
5BI
|
11960
229560
|
-
529
|
134
-
|
10
1
|
|
К12-60свн
|
1
2
|
12AIII
5BI
|
11980
231220
|
-
529
|
134
-
|
10
1
|
|
К14-60св
|
1
2
|
12AIII
5BI
|
13960
262840
|
-
529
|
134
-
|
10
1
|
|
К14-60свн
|
1
2
|
12AIII
5BI
|
13980
264500
|
-
529
|
134
-
|
10
1
|
|
К16-60св
|
1
2
|
12AIII
5BI
|
15960
296120
|
-
529
|
134
-
|
10
1
|
|
К16-60свн
|
1
2
|
12AIII
5BI
|
15980
297780
|
-
529
|
134
-
|
10
1
|
|
К18-60св
|
1
2
|
12AIII
5BI
|
17960
329400
|
-
529
|
134
-
|
10
1
|
|
К18-60свн
|
1
2
|
12AIII
5BI
|
17980
331060
|
-
529
|
134
-
|
10
1
|
|
К6-80св
|
1
2
|
12AIII
5BI
|
5960
174070
|
-
729
|
186
-
|
12
1
|
|
К8-80св
|
1
2
|
12AIII
5BI
|
7960
219900
|
-
729
|
186
-
|
12
1
|
|
К8-80свн
|
1
2
|
12AIII
5BI
|
7980
224480
|
-
729
|
186
-
|
12
1
|
|
К10-80св
|
1
2
|

|
12AIII
5BI
|
9960
265720
|
-
729
|
186
-
|
12
1
|
|
К10-80свн
|
1
2
|
12AIII
5BI
|
9980
270300
|
-
729
|
186
-
|
12
1
|
|
К12-80св
|
1
2
|
12AIII
5BI
|
11960
311550
|
-
729
|
186
-
|
12
1
|
|
К12-80свн
|
1
2
|
12AIII
5BI
|
11980
316130
|
-
729
|
186
-
|
12
1
|
|
К6-100св
|
1
2
|
14AIII
5BI
|
5960
215100
|
-
901
|
138
-
|
20
1
|
|
К8-100св
|
1
2
|
14AIII
5BI
|
7960
271720
|
-
901
|
138
-
|
20
1
|
|
К10-100св
|
1
2
|
14AIII
5BI
|
9960
328340
|
-
901
|
138
-
|
20
1
|
|
К12-100св
|
1
2
|
14AIII
5BI
|
11960
384960
|
-
901
|
138
-
|
20
1
|
|
К6-120св
|
1
2
|
14AIII
5BI
|
5960
262810
|
-
1101
|
170
-
|
20
1
|
|
КУ6-120св
|
1
2
|
16AIII
5BI
|
5960
262810
|
-
1105
|
121
-
|
28
1
|
|
К8-120св
|
1
2
|
14AIII
5BI
|
7960
331980
|
-
1101
|
170
-
|
20
1
|
|
КУ8-120св
|
1
2
|
16AIII
5BI
|
7960
331980
|
-
1105
|
121
-
|
28
1
|
|
К10-120св
|
1
2
|
14AIII
5BI
|
9950
401160
|
-
1101
|
170
-
|
20
1
|
|
КУ10-120св
|
1
2
|
16AIII
5BI
|
9960
401160
|
-
1105
|
121
-
|
28
1
|
|
К12-120св
|
1
2
|
14AIII
5BI
|
11960
470330
|
-
1101
|
170
-
|
20
1
|
|
КУ12-120св
|
1
2
|
16AIII
5BI
|
11960
470330
|
-
1105
|
121
-
|
28
1
|
|
К6-160св
|
1
2
|
12AIII
5BI
|
5960
357300
|
-
1497
|
166
-
|
28
1
|
|
КУ6-160св
|
1
2
|
20AIII
5BI
|
5960
361110
|
1513
|
156
-
|
30
1
|
|
К8-160св
|
1
2
|
12AIII
5BI
|
7960
451330
|
-
1497
|
166
-
|
28
1
|
|
КУ8-160св
|
1
2
|
20AIII
5BI
|
7960
456150
|
1513
|
156
-
|
30
1
|
|
К10-160св
|
1
2
|
12AIII
5BI
|
9960
545360
|
-
1497
|
166
-
|
28
1
|
|
КУ10-160св
|
1
2
|
20AIII
5BI
|
9960
551190
|
1513
|
156
-
|
30
1
|
|
К12-160св
|
1
2
|
12AIII
5BI
|
11960
639390
|
-
1497
|
166
-
|
28
1
|
|
КУ12-160св
|
1
2
|
20AIII
5BI
|
11960
646230
|
1513
|
156
-
|
30
1
|
Таблица 9
Выборка стали на каркас
секции сваи и сваи-оболочки с элементами сварных стыков
|
Марка каркаса
|
Арматурная сталь
|
Всего масса, кг
|
|
по ГОСТ
5781-82, класс A-III
|
по ГОСТ
6727-80, класс B-I
|
|
Диаметр, мм
|
Масса, кг
|
Диаметр, мм
|
Масса, кг
|
|
К6-40св
|
12
|
42,3
|
5
|
12,7
|
55,5
|
|
К8-40св
|
56,5
|
16,6
|
73,1
|
|
К8-40свн
|
56,7
|
16,7
|
73,5
|
|
К10-40св
|
70,8
|
20,0
|
90,8
|
|
К10-40свн
|
70,9
|
20,1
|
91,0
|
|
К12-40св
|
85,0
|
23,4
|
108,4
|
|
К12-40свн
|
85,1
|
23,5
|
108,6
|
|
К14-40св
|
99,2
|
26,8
|
126,0
|
|
К14-40свн
|
99,3
|
26,9
|
126,2
|
|
К16-40св
|
113,4
|
30,1
|
143,5
|
|
К16-40свн
|
113,5
|
30,3
|
143,8
|
|
К18-40св
|
127,6
|
33,5
|
161,1
|
|
К18-40свн
|
127,7
|
33,7
|
161,4
|
|
К6-50св
|
42,3
|
17,0
|
59,3
|
|
К8-50св
|
56,5
|
21,3
|
77,8
|
|
К8-50свн
|
56,7
|
21,5
|
78,2
|
|
К10-50св
|
70,8
|
25,7
|
96,5
|
|
К10-50свн
|
70,9
|
25,9
|
96,8
|
|
К12-50св
|
35,0
|
30,0
|
115,0
|
|
К12-50свн
|
85,1
|
30,3
|
115,3
|
|
К14-50св
|
99,2
|
34,4
|
133,6
|
|
К14-50свн
|
99,3
|
34,6
|
133,9
|
|
К16-50св
|
113,4
|
38,7
|
152,1
|
|
К16-50свн
|
113,5
|
39,0
|
152,5
|
|
К18-50св
|
127,6
|
43,1
|
170,7
|
|
К18-50свн
|
127,7
|
43,3
|
171,0
|
|
К6-60св
|
52,9
|
20,0
|
72,9
|
|
К8-60св
|
70,7
|
25,1
|
95,8
|
|
К8-60свн
|
70,9
|
25,3
|
96,3
|
|
К10-60св
|
88,4
|
20,2
|
118,6
|
|
К10-60свн
|
88,6
|
30,4
|
119,1
|
|
К12-60св
|
106,2
|
35,4
|
141,6
|
|
К12-60свн
|
106,4
|
35,6
|
142,0
|
|
К14-60св
|
124,0
|
40,5
|
164,5
|
|
К14-60свн
|
124,1
|
40,7
|
164,8
|
|
К16-60св
|
141,7
|
45,6
|
187,3
|
|
К16-60свн
|
141,9
|
45,8
|
187,8
|
|
К18-60св
|
159,5
|
50,7
|
210,2
|
|
К18-60свн
|
159,7
|
50,9
|
210,7
|
|
К16-80св
|
63,5
|
26,8
|
90,3,
|
|
К8-80св
|
84,8
|
33,9
|
118,7
|
|
К8-80свн
|
85,0
|
34,6
|
119,6
|
|
К10-80св
|
106,1
|
40,9
|
147,0
|
|
К10-80свн
|
106,3
|
41,7
|
148,0
|
|
К12-80св
|
127,4
|
48,0
|
175,4
|
|
К12-80свн
|
127,7
|
48,7
|
176,4
|
|
К6-100св
|
14
|
144,0
|
33,1
|
177,1
|
|
К8-100св
|
192,3
|
41,8
|
234,1
|
|
К10-100св
|
240,6
|
50,6
|
291,2
|
|
К12-100св
|
239,0
|
59,3
|
348,3
|
|
К6-120св
|
14
16
14
16
14
16
14
16
|
144,0
|
40,5
|
184,5
|
|
КУ6-120св
|
263,3
|
40,5
|
303,8
|
|
К8-120св
|
192,3
|
51,1
|
243,4
|
|
КУ8-120св
|
351,7
|
51,1
|
402,8
|
|
К10-120св
|
240,6
|
61,8
|
502,4
|
|
КУ10-120св
|
440,1
|
61,8
|
501,9
|
|
К12-120св
|
289,0
|
72,4
|
361,4
|
|
КУ12-120св
|
528,4
|
72,4
|
600,8
|
|
К6-160св
|
12
20
12
20
12
12
20
|
148,2
|
55,0
|
203,2
|
|
КУ6-160св
|
440,9
|
55,6
|
496,5
|
|
К8-160св
|
197,9
|
69,5
|
267,4
|
|
КУ8-160св
|
588,9
|
70,2
|
659,1
|
|
К10-160св
|
247,6
|
84,0
|
331,6
|
|
К12-160св
|
297,4
|
98,5
|
395,9
|
|
КУ12-160св
|
884,8
|
99,5
|
984,8
|
Наконечники Н40¸Н80

Черт. 13
Каркасы КН40¸КН80

Черт. 14
Таблица 10
Номенклатура наконечников
|
Марка наконечника
|
Арматурные каркасы (1 шт.)
|
Номинальные размеры, мм
|
Проектная марка по прочности на сжатие,
кгс/см2
|
Объем бетона, м3
|
Масса наконечника, т
|
Расход стали на один наконечник, кг
|
|
Н
|
D
|
|
Н40
|
КН40
|
400
|
400
|
М300
|
0,02
|
0,05
|
2,4
|
|
Н50
|
КН50
|
500
|
500
|
0,03
|
0,08
|
2,9
|
|
Н60
|
КН60
|
600
|
600
|
М400
|
0,06
|
0,15
|
3,5
|
|
Н80
|
КН80
|
800
|
800
|
0,13
|
0,32
|
5,1
|
Таблица 11
Ведомость стержней и
закладных изделий на один каркас наконечника
|
Марка каркаса
|
Поз.
|
Эскиз
|
Размеры, мм
|
Кол.
|
|
с1
|
с2
|
d1
|
d2
|
a
|
R
|
l
|
|
КН40
|
1
|

|
150
|
170
|
300
|
190
|
-
|
-
|
1928
|
2
|
|
2
|
-
|
-
|
-
|
-
|
148
|
592
|
1
|
|
3
|
-
|
223
|
-
|
1
|
|
КН50
|
1
|
200
|
220
|
400
|
238
|
-
|
2150
|
2
|
|
2
|
-
|
-
|
-
|
-
|
183
|
732
|
1
|
|
3
|
-
|
279
|
-
|
1
|
|
КН60
|
1
|
250
|
270
|
480
|
288
|
-
|
2367
|
2
|
|
2
|
-
|
-
|
-
|
-
|
225
|
9001
|
1
|
|
3
|
-
|
335
|
-
|
1
|
|
КН80
|
1
|
360
|
370
|
680
|
388
|
-
|
3050
|
2
|
|
2
|
-
|
-
|
-
|
-
|
298
|
1192
|
1
|
|
3
|
-
|
446
|
-
|
1
|
Таблица 12
Выборка стали на один каркас
наконечника, кг
|
Марка каркаса
|
Арматурная сталь по ГОСТ
5781-82, диаметр 8 мм, класс A-I
|
Листовая сталь по ГОСТ 19903-74, толщина
1 мм
|
Всего масса
|
|
КН40
|
1,8
|
0,6
|
2,4
|
|
КН50
|
2,0
|
0,9
|
2,9
|
|
КН60
|
2,2
|
1,3
|
3,5
|
|
КН80
|
2,7
|
2,2
|
5,1
|
Таблица 13
Ведомость стержней и выборка
стали на одну спираль головы
|
Марка спирали
|
Эскиз
|
Диаметр, мм, класс
|
l, мм
|
D2, мм
|
Кол. витков
|
Масса, кг
|
|
СГ40
|

|
5ВI
|
7450
|
395
|
6
|
1,2
|
|
СГ50
|
10890
|
495
|
7
|
1,7
|
|
СГ60
|
14950
|
595
|
8
|
2,3
|
|
СГ80
|
24970
|
795
|
10
|
3,8
|
|
СГ100
|
37500
|
995
|
12
|
5,8
|
|
СГ-120
|
52540
|
1195
|
14
|
8,1
|
|
СГ-160
|
90150
|
1595
|
18
|
13,9
|
Элемент болтового стыка

Черт. 15
2.14. Соединение элемента
болтового стыка с арматурным каркасом секции должно соответствовать указанному
на черт. 17.
2.15. Соединение элемента
сварного стыка с арматурным каркасом должно соответствовать указанному на черт. 18.
2.16. В целях обеспечения
соосности составных свай и свай-оболочек установку стыковых элементов и сварку
их с каркасами секций следует производить в специальных кондукторах.
2.17. Сварные соединения
закладных изделий следует выполнять по ГОСТ
5264-80, арматурных изделий к закладным - по СН 393-78. Арматурные изделия,
закладные детали и сварные соединения должны соответствовать требованиям ГОСТ
10922-90.
2.18. Отклонения от
номинальных размеров элементов стыков секций не должны превышать величин, мм:
- по наружному диаметру
стыкового элемента для:
- свай
диаметром до 600 мм включ. +2
» » » 800 мм
и свай-оболочек +5
- по смещению
болтовых отверстий +1
2.19. Отклонение от
прямолинейности профиля торцевой плоскости стыкового элемента секции не должно
превышать 1,5 мм.
2.20. Обвалы бетона
внутренней поверхности секции с обнажением арматуры не допускаются.
2.21. Щели и наплывы в
местах соединения стыковых элементов с бетоном секций не допускаются.
Таблица 14
Номенклатура элементов
болтовых стыков
|
Марка элемента
|
Поз.
|
Эскиз
|
Номинальные размеры, мм
|
Кол.
|
Масса, кг
|
|
D1
|
D2
|
D3
|
D4
|
d
|
a
|
j
|
1 шт.
|
Всех
|
|
Фб40
|
1
|

|
400
|
240
|
354
|
-
|
15
|
-
|
24°
|
1
|
4,9
|
4,9
|
|
2
|
-
|
-
|
320
|
-
|
-
|
2,8
|
2,8
|
|
3
|
-
|
8,7
|
8,7
|
|
4
|
-
|
35
|
-
|
15
|
0,126
|
1,9
|
|
Всего: 18,8
|
|
Фб50
|
1
|
500
|
340
|
454
|
-
|
15
|
-
|
24°
|
1
|
6,5
|
6,5
|
|
2
|
-
|
-
|
420
|
-
|
-
|
3,6
|
3,6
|
|
3
|
-
|
11,5
|
11,5
|
|
4
|
|
35
|
15
|
0,126
|
1,9
|
|
Всего: 24,2
|
|
Фб60
|
1
|
600
|
400
|
540
|
-
|
19
|
-
|
36°
|
1
|
9,7
|
9,7
|
|
2
|
-
|
-
|
500
|
-
|
-
|
5,4
|
5,4
|
|
3
|
-
|
13,8
|
13,8
|
|
4
|
-
|
45
|
10
|
0,157
|
1,6
|
|
Всего: 31,3
|
|
Фб80
|
1
|
800
|
600
|
740
|
-
|
19
|
-
|
15°39¢
|
1
|
13,4
|
13,4
|
|
2
|
-
|
-
|
700
|
-
|
-
|
7,4
|
7,4
|
|
3
|
-
|
19,4
|
19,4
|
|
4
|
-
|
45
|
23
|
0,157
|
3^,6
|
|
Всего: 45,1
|
|
Фб100
|
1
|

|
1000
|
760
|
918
|
-
|
27
|
-
|
17°08¢
|
1
|
20,1
|
20,1
|
|
2
|
-
|
-
|
868
|
-
|
-
|
-
|
12,2
|
12,2
|
|
3
|
-
|
25,8
|
25,8
|
|
4
|
-
|
65
|
21
|
0,204
|
4,3
|
|
Всего: 64,3
|
|
Фб120
|
1
|
1200
|
960
|
1118
|
-
|
27
|
-
|
17°08¢
|
1
|
24,8
|
24,8
|
|
2
|
-
|
-
|
1068
|
-
|
-
|
14,8
|
14,8
|
|
3
|
-
|
31,8
|
31,8
|
|
4
|
-
|
65
|
21
|
0,204
|
4,3
|
|
Всего: 78,0
|
|
Фб160
|
1
|
1600
|
1360
|
1518
|
-
|
27
|
-
|
15°39¢
|
1
|
34,2
|
34,2
|
|
2
|
-
|
-
|
1468
|
-
|
-
|
20,0
|
20,0
|
|
3
|
-
|
43,8
|
43,8
|
|
4
|
-
|
65
|
23
|
0,204
|
4,7
|
|
Всего: 105,3
|
|
|
|
|
|
|
|
|
|
|
|
|
|
|
|
|
|
|
|
|
|
|
Примечание. В массу элемента вошла масса наплавленного
металла.
Элемент сварного стыка

Черт. 16
Таблица 15
Номенклатура элементов
сварных стыков
|
Марка элемента
|
Поз.
|
Эскиз
|
Номинальные
размеры, мм
|
Кол.
|
Масса, кг
|
|
D1
|
D2
|
D3
|
D4
|
H
|
а
|
b
|
j
|
1 шт.
|
Всех
|
|
Фсв40
|
1
|

|
346
|
240
|
-
|
-
|
-
|
-
|
-
|
-
|
1
|
3,1
|
3,1
|
|
2
|
-
|
-
|
362
|
80
|
60°
|
5,6
|
5,6
|
|
3
|
398
|
-
|
-
|
2,4
|
2,4
|
|
4
|
-
|
-
|
45
|
6
|
0,08
|
0,5
|
|
Всего: 11,9
|
|
Фсв50
|
1
|
446
|
340
|
-
|
-
|
-
|
-
|
-
|
-
|
1
|
4,1
|
4,1
|
|
2
|
-
|
-
|
462
|
80
|
60°
|
7,2
|
7,2
|
|
3
|
498
|
-
|
-
|
3,0
|
3,0
|
|
4
|
-
|
-
|
45
|
6
|
0,08
|
0,5
|
|
Всего: 15,2
|
|
Фсв60
|
1
|
526
|
400
|
-
|
-
|
-
|
-
|
-
|
-
|
1
|
5,7
|
5,7
|
|
2
|
-
|
-
|
542
|
80
|
60°
|
8,4
|
8,4
|
|
3
|
600
|
-
|
50
|
29
|
-
|
2,0
|
2,0
|
|
4
|
-
|
-
|
-
|
6
|
0,098
|
0,6
|
|
Всего: 17,2
|
|
Фсв80
|
1
|

|
726
|
600
|
-
|
-
|
-
|
-
|
-
|
-
|
1
|
8,2
|
8,2
|
|
2
|
-
|
-
|
742
|
100
|
60°
|
14,4
|
14,4
|
|
3
|
800
|
-
|
-
|
29
|
-
|
2,8
|
2,8
|
|
4
|
-
|
-
|
50
|
-
|
6
|
0,098
|
0,6
|
|
Всего: 26,8
|
|
Фсв100
|
1
|
898
|
760
|
-
|
-
|
-
|
|
-
|
-
|
1
|
11,3
|
11,3
|
|
2
|
-
|
-
|
914
|
100
|
36°
|
17,8
|
17,8
|
|
3
|
1000
|
-
|
43
|
-
|
5,1
|
5,1
|
|
4
|
-
|
-
|
50
|
-
|
10
|
0,165
|
1,7
|
|
Всего: 37,0
|
|
Фсв120
|
1
|
1098
|
960
|
-
|
-
|
-
|
-
|
-
|
-
|
1
|
14,0
|
14,0
|
|
2
|
-
|
-
|
1114
|
120
|
30°
|
26,2
|
26,2
|
|
3
|
1200
|
-
|
43
|
-
|
6,1
|
6,1
|
|
4
|
-
|
-
|
65
|
-
|
12
|
0,165
|
2,0
|
|
Всего: 49,8
|
|
Фсв160
|
1
|
1494
|
1360
|
-
|
-
|
-
|
-
|
-
|
-
|
1
|
18,8
|
18,8
|
|
2
|
-
|
-
|
1510
|
140
|
30°
|
41,5
|
41,5
|
|
3
|
1600
|
-
|
45
|
-
|
8,61
|
8,6
|
|
4
|
-
|
-
|
65
|
-
|
12
|
0,165
|
2,0
|
|
Всего 73,0
|
|
|
|
|
|
|
|
|
|
|
|
|
|
|
|
|
|
|
|
|
|
|
|
|
|
|
|
|
|
|
|
|
Примечание. В массу элемента вошла масса наплавленного
металла.
Узлы сопряжения арматурных
каркасов с элементами болтовых стыков

1 - элемент болтового стыка Фб40-Фб60; 2 - элемент болтового стыка
Фб60-Фб80; 3 - тип 14 СН 393-78; 4 - продольная арматура сваи; 5
- элемент болтового стыка Фб100-Фб160; 6 - продольная арматура
сваи-оболочки
Черт. 17
3. Конструкция и размеры составных свай и свай-оболочек
3.1. Длина свай должна быть
не менее 14 м и не более, м:
- для свай
диаметром 400 мм 26
» » » 500 мм 30
» » » 600 мм 40
» » » 800 мм 48
3.2. Длина свай-оболочек
независимо от их диаметра должна быть не менее 14 м и не более 48 м.
Узлы сопряжения арматурных
каркасов с элементами сварных стыков

1 - элемент сварного стыка Фсв40, Фсв50; 2 - элемент сварного
стыка Фсв60,. Фсв80; 3 - тип 14 СН 393-78; 4 - спираль головы; 5
- продольная арматура сваи; 6 - элемент стыка Фсв100-Фсв160; 7 -
продольная арматура сваи-оболочки
Черт. 18
3.3. При сборке свай и
свай-оболочек следует использовать секции таких длин, при которых получается
минимальное число стыков. Секции длиной 6 м следует применять для сборки свай и
свай-оболочек длиной только 14 м, секции длиной 8, 10 и 12 м - для сборки свай
и свай-оболочек длиной более 14 м.
3.4. Болтовой стык
3.4.1. Соединение секций
свай и свай-оболочек при помощи болтов следует производить в соответствии с черт. 19 только при наращивании свай и
свай-оболочек в процессе погружения в вертикальном положении.
3.4.2. Перед соединением
секций на торцевые плоскости стыковых элементов следует нанести
антикоррозионное покрытие.
3.4.3. После затяжки болтов
гайки и шов между стыковыми элементами заварить. Сварку секций производить
электродами типа Э50А по ГОСТ
9467-75.
3.4.4. Спецификация стали на
болтовой стык приведена в табл. 16.
3.5. Сварной стык
3.5.1. Соединение свай и
свай-оболочек при помощи сварки следует производить в соответствии с черт. 20. Сварку секций производить
электродами типа Э50А по ГОСТ
9467-75.
3.5.2. Сварной стык свай и
свай-оболочек можно осуществлять как в вертикальном положении по мере
наращивания секций в процессе погружения, так и в горизонтальном положении при
укрупнительной сборке, которая может быть произведена как на предприятии-изготовителе,
так и на строительной площадке.
Сварку стыков в
горизонтальном положении следует производить на поворотных роликах.
Длина укрупненных секций
должно быть не более 20 м.
3.5.3. Спецификация стали на
сварной стык приведена в табл. 17.
Болтовой стык

Черт. 19
4. Испытание секций свай и свай-оболочек на раскрытие трещин
4.1. Секции свай длиной 10 м
и более с элементами болтовых стыков, секции и укрупненные секции свай длиной
14 м и более с элементами сварных стыков, а также укрупненные секции
свай-оболочек длиной 18 м и более с элементами сварных стыков должны быть
испытаны на раскрытие трещин путем укладки их на две опоры, расположенные по
схеме, указанной на черт. 21.
Усиленные секции
свай-оболочек (марки СОУ) испытанию на раскрытие трещин не подвергают.

Черт. 21
Таблица 16
Спецификация стали на
болтовой стык
|
Диаметр сван, сваи-оболочки, мм
|
Номер детали
|
Наименование детали
|
Масса детали, кг
|
Кол. деталей на стык
|
Расход стали на стык, кг
|
|
400
|
1
|
Элемент болтового стыка Фб40
|
18,8
|
2
|
37,6
|
|
2
|
Болт М12´40.58. ГОСТ
7798-70
|
0,0529
|
15
|
0,79
|
|
3
|
Гайка M12.5 ГОСТ
5915-70
|
0,0154
|
15
|
0,23
|
|
4
|
Шайба 12.01 ГОСТ
11371-78
|
0,00627
|
15
|
0,09
|
|
|
|
Итого: 38,71
|
|
500
|
1
|
Элемент болтового стыка Фб50
|
24,2
|
9
|
48,4
|
|
2
|
Болт М12´40.58. ГОСТ
7798-70
|
0,0529
|
15
|
0,79
|
|
3
|
Гайка M12.5 ГОСТ
5915-70
|
0,0154
|
15
|
0,23
|
|
4
|
Шайба 12.01 ГОСТ
11371-78
|
0,00627
|
15
|
0,09
|
|
|
|
Итого: 49,51
|
|
600
|
1
|
Элемент болтового стыка Фб60
|
31,4
|
2
|
62,8
|
|
2
|
Болт М12´40.58. ГОСТ
7798-70
|
0,098
|
10
|
0,98
|
|
3
|
Гайка М16.5 ГОСТ
5915-70
|
0,0332
|
10
|
0,33
|
|
4
|
Шайба 16.01.05 ГОСТ
11371-78
|
0,0113
|
10
|
0,11
|
|
|
|
Итого: 64,22
|
|
800
|
1
|
Элемент болтового стыка Фб80
|
45,1
|
2
|
90,2
|
|
2
|
Болт M16´40.58 ГОСТ
7798-70
|
0,098
|
23
|
2,25
|
|
3
|
Гайка М16.5 ГОСТ
5915-70
|
0,0332
|
23
|
0,76
|
|
4
|
Шайба 16.01 ГОСТ
11371-78
|
0,0113
|
23
|
0,26
|
|
|
|
Итого: 93,47
|
|
1000
|
1
|
Элемент болтового стыка Фб100
|
64,3
|
2
|
128,6
|
|
2
|
Болт М24´60.58 ГОСТ
7798-70
|
0,33
|
21
|
6,93
|
|
3
|
Гайка М24.5 ГОСТ
5915-70
|
0,107
|
21
|
2,25
|
|
4
|
Шайба 24.01 ГОСТ
11371-78
|
0,0323
|
21
|
0,68
|
|
|
|
Итого: 138,46
|
|
1200
|
1
|
Элемент болтового стыка Фб120
|
78,0
|
2
|
156,0
|
|
2
|
Болт М24´60.58 ГОСТ
7798-70
|
0,33
|
21
|
6,93
|
|
3
|
Гайка М24.5 ГОСТ
5915-70
|
0,107
|
21
|
2,25
|
|
4
|
Шайба 24.01 ГОСТ
11371-78
|
0,0323
|
21
|
0,68
|
|
|
|
Итого: 165,86
|
|
1600
|
1
|
Элемент болтового стыка Фб160
|
105,8
|
2
|
211,6
|
|
2
|
Болт М24´60.58 ГОСТ
7798-70
|
0,33
|
23
|
7,59
|
|
3
|
Гайка М24.5 ГОСТ
5915-70
|
0,107
|
23
|
2,46
|
|
4
|
Шайба 24.01 ГОСТ
11371-78
|
0,0320
|
23
|
0,74
|
|
|
|
Итого: 222,39
|
Сварной стык

Черт. 20
Таблица 17
Спецификация стали на сварной
стык
|
Диаметр сваи, сваи-оболочки, мм
|
Наименование детали
|
Масса детали, кг
|
Кол. деталей
|
Расход стали на стык, кг
|
|
400
|
Элемент сварного стыка Фсв40
|
11,9
|
2
|
23,8
|
|
500
|
Элемент сварного стыка Фсв50
|
15,2
|
2
|
30,4
|
|
600
|
Элемент сварного стыка Фсв60
|
17,2
|
2
|
34,4
|
|
800
|
Элемент сварного стыка Фсв80
|
26,8
|
2
|
53,8
|
|
1000
|
Элемент сварного стыка Фсв100
|
37,0
|
2
|
74,0
|
|
1200
|
Элемент сварного стыка Фсв120
|
49,8
|
2
|
99,6
|
|
1600
|
Элемент сварного стыка Фсв160
|
78,0
|
2
|
146,0
|
4.2. После укладки секции
(укрупненной секции) на две опоры через 10 мин проводят осмотр ее верхней
поверхности над опорой. Секцию (укрупненную секцию) считают выдержавшей
испытание, если ширина раскрытия трещин не превышает 0,2 мм.
5. Транспортирование секций и подъем их на копер
5.1. Подъем секций
(укрупненных секций) следует производить захватами в местах, отмеченных на
поверхности секций: в виде одинарной полосы на расстоянии l1 от торца - при транспортировании и выемке из опалубки и после
укрупненной сборки; в виде двойной полосы на расстоянии l2 от торца - при подъеме на копер.
Полосы следует наносить на
двух противоположных поверхностях секций. Длина полосы должна быть не менее 10
см для свай и 20 см для свай-оболочек.
5.2. Разметку мест захвата
следует производить в соответствии с указанной на черт. 1, 2 и в табл. 1 для секций свай и свай-оболочек и в табл. 18 для укрупненных секций свай и
свай-оболочек со сварными стыками.
Таблица 18
|
Длина укрупненной секции, мм
|
Наименование конструкции
|
Расстояние от торца до отметки захвата, мм
|
|
при транспортировании (одинарная полоса)
|
при подъеме на копер (двойная полоса)
|
|
14000
|
Свая
|
2900
|
4100
|
|
Свая-оболочка
|
0 (за торцы)
|
0 (за торцы)
|
|
16000
|
Свая
|
3300
|
4700
|
|
Свая-оболочка
|
0 (за торцы)
|
0 (за торцы)
|
|
18000
|
Свая
|
3700
|
5300
|
|
Свая-оболочка
|
|
20000
|
Свая
|
4100
|
5900
|
|
Свая-оболочка
|
|
14000-20000
|
Свая-оболочка усиленная
|
0 (за торцы)
|
0 (за торцы)
|
5.3. Секции, для которых в табл. 1 не указаны места подъема при
транспортировании и выемке из опалубки, допускается поднимать за торцы при
помощи захватов специальной конструкции.
При складировании и
транспортировании таких секций прокладки между ними следует располагать на
расстоянии 0,5 м от торцов.
5.4. Подъем секций на копер
следует производить за торец при помощи захвата специальной конструкции,
ПРИЛОЖЕНИЕ
Справочное
УСЛОВИЯ РАСЧЕТА И ПРИМЕНЕНИЯ СВАЙ И СВАЙ-ОБОЛОЧЕК
1. Секции и укрупненные
секции свай и свай-оболочек со сварными стыками рассчитаны на изгиб от усилий,
возникающих при подъеме на копер за одну точку, расположенную от торца на
расстоянии, равном 0,294 длины цилиндрической части сваи и сваи-оболочки, по
прочности и по кратковременному раскрытию трещин до ат.кр =
0,3 мм.
Коэффициент перегрузки к
нагрузке от собственной массы не учитывают.
Коэффициент динамичности
принят равным:
1,5 - при расчете по
прочности;
1,25 - при расчете по
раскрытию трещин.
2. Сваи
сваи-оболочки рассчитаны также на вибропогружение. Рекомендуемые марки
вибропогружателей приведены в таблице.
|
Диаметр сваи или сваи-оболочки, мм
|
Типы стыка
|
Марка вибропогружателя
|
|
600
|
Сварной
|
ВП-3М
|
|
800
|
Болтовой, сварной
|
ВП-3М
|
|
1000
|
То же
|
ВП-80
|
|
1200
|
|
ВП-80
|
|
1200 (усиленная)
|
Сварной
|
ВП-170
|
|
1600
|
Болтовой, сварной
|
ВУ-1,6
|
|
1600 (усиленная)
|
Сварной
|
ВП-250
|
3. При проектировании свайных
фундаментов сваи и сваи-оболочки должны быть рассчитаны по прочности и
раскрытию трещин на нагрузки, передаваемые на сваю или сваю-оболочку в
строительный и эксплуатационный периоды. При этом допустимую ширину раскрытия
трещин принимают в соответствии с требованиями СНиП II-21-75.
Допускается увеличивать
поперечное сечение продольной арматуры, если это требуется по расчету. При этом
в конце обозначения марки сваи или сваи-оболочки добавляют строчную букву «у» (усиленная)
и в заказной спецификации дополнительно указывают класс, диаметр и число
стержней продольной арматуры.
4. При проверке свай и
свай-оболочек по прочности и раскрытию трещин до ат.дл = 0,2
мм на внецентренно сжатие от эксплуатационных нагрузок М и N
допускается пользоваться графиками, приведенными на черт. 1-10 на стоящего
приложения.
На графиках приняты
обозначения: N - нормальная сила, тс, и М - изгибающий момент,
относительно оси сваи или сваи-оболочки, т×см, передаваемые на сваю или
сваю-оболочку при эксплуатации здания или сооружения. Предполагается, что свая
или свая-оболочка по всей длине находится в грунте и ее продольный изгиб не
учитывают.
5. После выбора длины и
диаметра сваи или сваи-оболочки (по геологическим условиям) устанавливают класс,
диаметр и число стержней продольной арматуры в соответствии с настоящим
стандартом.
6. Если точка с координатами М
и N лежит ниже кривой, соответствующей принятому армированию сваи или
сваи-оболочки, то выбранная свая или свая-оболочка удовлетворяет расчету по
прочности и раскрытию трещин на эксплуатационные нагрузки М и Л, если
точка лежит выше - не удовлетворяет.
Сваи диаметром 400 мм. Бетон
М300 (болтовой стык)

Черт. 1
Сваи диаметром 500 мм. Бетон
М300 (болтовой стык)

Черт. 2
Сваи диаметром 600 мм. Бетон
М300 (болтовой стык)

Черт. 3
Сваи диаметром 800 мм. Бетон
М400 (болтовой стык)

Черт. 4
Сваи-оболочки диаметром 1000,
1200, 1600 мм. Бетон М400 (болтовой стык)

Черт. 5
Сваи диаметром 400 мм. Бетон
М300 (сварной стык)

Черт. 6
Сваи диаметром 500 мм. Бетон
М300 (сварной стык)

Черт. 7
Сваи диаметром 600 мм. Бетон
М300 (сварной стык)

Черт. 8
Сваи диаметром 800 мм. Бетон
М400 (сварной стык)

Черт. 9
Сваи-оболочки диаметром 1000,
1200, 1600 мм. Бетон М400 (сварной стык)

Черт. 10
|
|