| |
ГОСТ 21924.3-84
МЕЖГОСУДАРСТВЕННЫЕ СТАНДАРТЫ
ПЛИТЫ
ЖЕЛЕЗОБЕТОННЫЕ
ДЛЯ ПОКРЫТИЙ ГОРОДСКИХ ДОРОГ
ИПК ИЗДАТЕЛЬСТВО
СТАНДАРТОВ
Москва
МЕЖГОСУДАРСТВЕННЫЙ
СТАНДАРТ
|
Плиты
железобетонные для покрытий городских дорог
АРМАТУРНЫЕ И
МОНТАЖНО-СТЫКОВЫЕ ИЗДЕЛИЯ
Конструкция и размеры
Reinforced concrete slabs for
pavements of city roads. Structure fittings products.
Structure and dimensions
|
ГОСТ
21924.3-84
|
Дата введения 01.01.85
1. Настоящий стандарт распространяется на арматурные и
монтажно-стыковые изделия железобетонных предварительно напряженных плит по ГОСТ
21924.1 и плит с ненапрягаемой арматурой по ГОСТ
21924.2, предназначенные для устройства постоянных и временных городских
дорог.
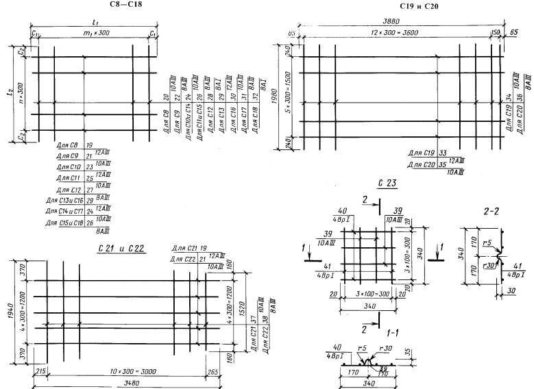
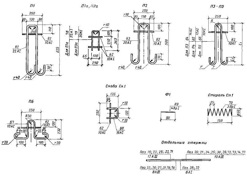
2.
Форма и размеры арматурных и монтажно-стыковых изделий должны соответствовать указанным на черт. 1 - 4 и в табл. 1.
Примечание. При применении термомеханически упрочненной арматурной стали класса Ат-IIIС по ГОСТ
10884 стержнями из этой арматурной стали следует заменять в изделиях стержни из арматурной стали
класса А-III тех
же диаметров.
3.
Спецификация и выборка арматурной стали на арматурные и монтажно-стыковые
изделия приведены в табл. 2.
2,
3. (Измененная
редакция, Изм. № 1).
4.
В арматурных сетках должны быть сварены все пересечения стержней.
5.
Соединения стержней в арматурных сетках и каркасах, монтажно-стыковых изделиях
следует выполнять контактно-точечной сваркой по ГОСТ
14098.
6.
Режимы сварки - по СН 393.
7.
Технические требования, правила приемки и методы контроля - по ГОСТ
21924.0.

Черт.
1

Черт.
2

Черт.
3

Черт.
4
Таблица 1
|
Марка
|
Размеры, мм
|
|
l1
|
l2
|
m1
|
m2
|
n
|
u
|
c1
|
c2
|
R
|
r
|
|
С1
|
1820
|
-
|
-
|
-
|
|
500
|
160
|
-
|
-
|
-
|
|
С2
|
600
|
10
|
|
С3
|
1700
|
500
|
100
|
|
С4
|
560
|
10
|
|
С5
|
1950
|
580
|
105
|
|
С6
|
640
|
15
|
|
С8, С9
|
3480
|
2730
|
10
|
7
|
-
|
240
|
315
|
|
С10, С11, С12
|
2980
|
1730
|
8
|
4
|
290
|
265
|
|
С13, С14, С15
|
1730
|
1730
|
4
|
4
|
265
|
265
|
|
С16, С17, С18
|
1480
|
3
|
290
|
|
К1
|
2600
|
95
|
5
|
-
|
55
|
-
|
-
|
|
К2
|
105
|
65
|
|
К3
|
2100
|
95
|
4
|
55
|
|
К4
|
105
|
65
|
|
К5
|
110
|
70
|
|
К6
|
1600
|
80
|
3
|
40
|
|
К7
|
90
|
50
|
|
К8
|
100
|
60
|
|
К9
|
85
|
45
|
|
К10
|
95
|
55
|
|
К11
|
3630
|
-
|
6
|
195
|
60
|
|
К12
|
3025
|
5
|
50
|
|
К13
|
3360
|
6
|
180
|
60
|
|
К14
|
2800
|
5
|
50
|
-
|
|
К15
|
3630
|
6
|
5
|
195
|
145
|
110
|
|
К16
|
3025
|
5
|
4
|
135
|
|
К17
|
2360
|
11
|
-
|
107 (108)
|
-
|
|
К18
|
3360
|
6
|
5
|
180
|
160
|
80
|
|
К19
|
2800
|
5
|
4
|
150
|
|
К20
|
2220
|
11
|
-
|
120
|
-
|
|
К21
|
3630
|
6
|
2
|
195
|
140
|
115
|
|
К22
|
3025
|
5
|
1
|
132 (133)
|
210
|
|
К23
|
2130
|
10
|
-
|
90
|
-
|
|
К24
|
3360
|
6
|
2
|
180
|
145
|
95
|
|
К25
|
2800
|
5
|
1
|
140
|
180
|
|
К26
|
1990
|
10
|
-
|
95
|
-
|
|
П3
|
495
|
-
|
-
|
50
|
30
|
30
|
|
П4
|
435
|
30
|
20
|
|
П5
|
370
|
Таблица 2
|
Марка
|
Поз.
|
Сечение, мм
|
Длина, мм
|
Число
|
Общая
длина,
м
|
Масса, кг
|
Выборка арматурной стали
|
|
Сечение, мм
|
Масса, кг
|
Масса изделия, кг
|
|
С1
|
1
|
5ВрI
|
5100
|
4
|
20,40
|
2,94
|
5ВрI
|
16,31
|
16,31
|
|
2
|
1820
|
51
|
92,82
|
13,37
|
-
|
-
|
|
С2
|
3
|
8AIII
|
2540
|
1
|
2,54
|
1,00
|
8AIII
|
4,60
|
4,71
|
|
4
|
1820
|
5
|
9,10
|
3,60
|
5ВрI
|
0,11
|
|
5
|
5ВрI
|
380
|
2
|
0,76
|
0,11
|
-
|
-
|
|
С3
|
1
|
5100
|
4
|
20,40
|
2,94
|
5ВрI
|
15,42
|
15,42
|
|
6
|
1700
|
51
|
86,70
|
12,48
|
-
|
-
|
|
С4
|
7
|
8AIII
|
2420
|
1
|
2,42
|
0,96
|
8AIII
|
4,32
|
4,43
|
|
8
|
1700
|
5
|
8,50
|
3,36
|
5ВрI
|
0,11
|
|
5
|
5ВрI
|
380
|
2
|
0,76
|
0,11
|
-
|
-
|
|
С5
|
1
|
5100
|
4
|
20,40
|
2,94
|
5ВрI
|
17,26
|
17,26
|
|
9
|
1950
|
51
|
99,45
|
14,32
|
-
|
-
|
|
С6
|
10
|
8AIII
|
2670
|
1
|
2,67
|
1,06
|
8AIII
|
4,91
|
5,02
|
|
11
|
1950
|
5
|
9,75
|
3,85
|
5ВрI
|
0,11
|
|
5
|
5ВрI
|
380
|
2
|
0,76
|
0,11
|
-
|
-
|
|
С7
|
12
|
8АI
|
1920
|
6
|
11,52
|
4,55
|
8АI
|
21,32
|
27,02
|
|
13
|
1790
|
7
|
12,53
|
4,95
|
5ВрI
|
5,70
|
|
14
|
1670
|
11,69
|
4,62
|
-
|
-
|
|
15
|
1540
|
10,78
|
4,26
|
|
16
|
1490
|
5
|
7,45
|
2,94
|
|
17
|
5ВрI
|
5450
|
6
|
32,70
|
4,71
|
|
18
|
3425
|
2
|
6,85
|
0,99
|
|
С8
|
19
|
12АIII
|
3480
|
8
|
27,84
|
24,72
|
12АIII
|
24,72
|
43,25
|
|
20
|
10АIII
|
2730
|
11
|
30,03
|
18,53
|
10АIII
|
18,53
|
|
С9
|
21
|
3480
|
8
|
27,84
|
17,18
|
17,18
|
29,04
|
|
22
|
8AIII
|
2730
|
11
|
30,03
|
11,86
|
8AIII
|
11,86
|
|
С10
|
23
|
12АIII
|
2980
|
5
|
14,90
|
13,23
|
12АIII
|
13,23
|
22,84
|
|
24
|
10АIII
|
1730
|
9
|
15,57
|
9,61
|
10АIII
|
9,61
|
|
С11
|
25
|
2980
|
5
|
14,90
|
9,19
|
9,19
|
15,34
|
|
26
|
8AIII
|
1730
|
9
|
15,57
|
6,15
|
8AIII
|
6,15
|
|
С12
|
27
|
2980
|
5
|
14,90
|
5,89
|
5,89
|
12,04
|
|
28
|
8АI
|
1730
|
9
|
15,57
|
6,15
|
8АI
|
6,15
|
|
С13
|
29
|
12АIII
|
1730
|
10
|
17,30
|
15,36
|
12АIII
|
15,36
|
15,36
|
|
С14
|
24
|
10АIII
|
1730
|
10,67
|
10АIII
|
10,67
|
10,67
|
|
С15
|
26
|
8AIII
|
1730
|
6,83
|
8AIII
|
6,83
|
6,83
|
|
С16
|
29
|
12АIII
|
1730
|
4
|
6,92
|
6,14
|
12АIII
|
6,14
|
10,71
|
|
30
|
10АIII
|
1480
|
5
|
7,40
|
4,57
|
10АIII
|
4,57
|
|
С17
|
24
|
1730
|
4
|
6,92
|
4,27
|
4,27
|
7,19
|
|
31
|
8AIII
|
1480
|
5
|
7,40
|
2,92
|
8AIII
|
2,92
|
|
С18
|
26
|
8AIII
|
1730
|
4
|
6,92
|
2,73
|
8AIII
|
2,73
|
5,65
|
|
32
|
8АI
|
1480
|
5
|
7,40
|
2,92
|
8АI
|
2,92
|
|
С19
|
33
|
12АIII
|
3880
|
6
|
23,28
|
20,67
|
12АIII
|
20,67
|
37,77
|
|
34
|
10АIII
|
1980
|
14
|
27,72
|
17,10
|
10АIII
|
17,10
|
|
С20
|
35
|
3880
|
6
|
23,28
|
14,36
|
14,36
|
25,31
|
|
36
|
8AIII
|
1980
|
14
|
27,72
|
10,95
|
8AIII
|
10,95
|
|
С21
|
19
|
12АIII
|
3480
|
5
|
17,40
|
15,45
|
12АIII
|
15,45
|
27,19
|
|
37
|
10АIII
|
1940-1520
|
11
|
19,03
|
11,74
|
10АIII
|
11,74
|
|
С22
|
21
|
3480
|
5
|
17,40
|
10,74
|
10,74
|
18,26
|
|
38
|
8AIII
|
1940-1520
|
11
|
19,03
|
7,52
|
8AIII
|
7,52
|
|
С23
|
39
|
10АIII
|
340
|
4
|
1,36
|
0,84
|
10АIII
|
0,84
|
0,98
|
|
40
|
4ВрI
|
390
|
2
|
0,78
|
0,07
|
4ВрI
|
0,14
|
|
41
|
380
|
2
|
0,76
|
0,07
|
-
|
-
|
|
К1
|
42
|
5ВрI
|
2600
|
2
|
5,20
|
0,75
|
5ВрI
|
0,83
|
0,83
|
|
43
|
95
|
6
|
0,57
|
0,08
|
-
|
-
|
|
К2
|
42
|
2600
|
2
|
5,20
|
0,75
|
5ВрI
|
0,84
|
0,84
|
|
44
|
105
|
6
|
0,63
|
0,09
|
-
|
-
|
|
К3
|
45
|
2100
|
2
|
4,20
|
0,60
|
5ВрI
|
0,67
|
0,67
|
|
43
|
95
|
5
|
0,48
|
0,07
|
-
|
-
|
|
К4
|
45
|
2100
|
2
|
4,20
|
0,60
|
5ВрI
|
0,68
|
0,68
|
|
44
|
105
|
5
|
0,53
|
0,08
|
-
|
-
|
|
К5
|
45
|
2100
|
2
|
4,20
|
0,60
|
5ВрI
|
0,68
|
|
46
|
110
|
5
|
0,55
|
0,08
|
-
|
-
|
|
К6
|
47
|
1600
|
2
|
3,20
|
0,46
|
5ВрI
|
0,51
|
0,51
|
|
48
|
80
|
4
|
0,32
|
0,05
|
-
|
-
|
|
К7
|
47
|
1600
|
2
|
3,20
|
0,46
|
5ВрI
|
0,51
|
|
49
|
90
|
4
|
0,36
|
0,05
|
-
|
-
|
|
К8
|
47
|
1600
|
2
|
3,20
|
0,46
|
5ВрI
|
0,52
|
0,52
|
|
50
|
100
|
4
|
0,40
|
0,06
|
-
|
-
|
|
К9
|
47
|
1600
|
2
|
3,20
|
0,46
|
5ВрI
|
0,51
|
0,51
|
|
51
|
85
|
4
|
0,34
|
0,05
|
-
|
-
|
|
К10
|
47
|
1600
|
2
|
3,20
|
0,46
|
5ВрI
|
0,51
|
|
43
|
95
|
4
|
0,38
|
0,05
|
-
|
-
|
|
К11
|
52
|
10АIII
|
3630
|
2
|
7,26
|
4,48
|
10АI
|
4,48
|
4,70
|
|
53
|
4ВрI
|
160
|
15
|
2,40
|
0,22
|
4ВрI
|
0,22
|
|
К12
|
54
|
10АIII
|
3025
|
2
|
6,05
|
3,73
|
10АIII
|
3,73
|
3,91
|
|
53
|
4ВрI
|
160
|
12
|
1,92
|
0,18
|
4ВрI
|
0,18
|
|
55
|
10АIII
|
3360
|
2
|
6,72
|
4,15
|
10АIII
|
4,15
|
4,37
|
|
К13
|
53
|
4ВрI
|
160
|
15
|
2,40
|
0,22
|
4ВрI
|
0,22
|
|
К14
|
56
|
10АIII
|
2800
|
2
|
5,60
|
3,46
|
10АIII
|
3,46
|
3,64
|
|
53
|
4ВрI
|
160
|
12
|
1,92
|
0,18
|
4ВрI
|
0,18
|
|
К15
|
52
|
10АIII
|
3630
|
2
|
7,26
|
4,48
|
10АIII
|
4,48
|
4,70
|
|
53
|
4ВрI
|
160
|
15
|
2,40
|
0,22
|
4ВрI
|
0,22
|
|
К16
|
54
|
10АIII
|
3025
|
2
|
6,05
|
3,73
|
10АIII
|
3,73
|
3,91
|
|
53
|
4ВрI
|
160
|
12
|
1,92
|
0,18
|
4ВрI
|
0,18
|
|
К17
|
57
|
10АIII
|
2360
|
2
|
4,72
|
2,91
|
10АIII
|
2,91
|
3,09
|
|
53
|
4ВрI
|
160
|
12
|
1,92
|
0,18
|
0,18
|
|
К18
|
55
|
10АIII
|
3360
|
2
|
6,72
|
4,15
|
4,15
|
4,37
|
|
53
|
4ВрI
|
160
|
15
|
2,40
|
0,22
|
4ВрI
|
0,22
|
|
К19
|
56
|
10АIII
|
2800
|
2
|
5,60
|
3,46
|
10АIII
|
3,46
|
3,64
|
|
53
|
4ВрI
|
160
|
12
|
1,92
|
0,18
|
4ВрI
|
0,18
|
|
К20
|
58
|
10АIII
|
2220
|
2
|
4,44
|
2,74
|
10АIII
|
2,74
|
2,92
|
|
53
|
4ВрI
|
160
|
12
|
1,92
|
0,18
|
4ВрI
|
0,18
|
|
К21
|
52
|
10АI
|
3630
|
2
|
7,26
|
4,48
|
10АIII
|
4,48
|
4,69
|
|
53
|
4ВрI
|
160
|
14
|
2,24
|
0,21
|
4ВрI
|
0,21
|
|
К22
|
54
|
10АIII
|
3025
|
2
|
6,05
|
3,73
|
10АIII
|
3,73
|
3,88
|
|
53
|
4ВрI
|
160
|
10
|
1,60
|
0,15
|
4ВрI
|
0,15
|
|
К23
|
59
|
10АIII
|
2130
|
2
|
4,26
|
2,63
|
10АIII
|
2,63
|
2,79
|
|
53
|
4ВрI
|
160
|
11
|
1,76
|
0,16
|
4ВрI
|
0,16
|
|
К24
|
55
|
10АIII
|
3360
|
2
|
6,72
|
4,15
|
10АIII
|
4,15
|
4,36
|
|
53
|
4ВрI
|
160
|
14
|
2,24
|
0,21
|
4ВрI
|
0,21
|
|
К25
|
56
|
10АIII
|
2800
|
2
|
5,60
|
3,46
|
10АIII
|
3,46
|
3,61
|
|
53
|
4ВрI
|
160
|
10
|
1,60
|
0,15
|
4ВрI
|
0,15
|
|
К26
|
60
|
10АIII
|
1990
|
2
|
3,98
|
2,46
|
10АIII
|
2,46
|
2,62
|
|
53
|
4ВрI
|
160
|
11
|
1,76
|
0,16
|
4ВрI
|
0,16
|
|
П1
|
61
|
22АI
|
1670
|
1
|
1,67
|
4,98
|
22АI
|
4,98
|
5,13
|
|
62
|
10АI
|
250
|
1
|
0,25
|
0,15
|
10АI
|
0,15
|
|
П1а
|
78
|
22АI
|
850
|
1
|
0,85
|
2,53
|
22АI
|
2,53
|
2,83
|
|
62
|
10АI
|
250
|
2
|
0,50
|
0,30
|
10АI
|
0,30
|
|
П2
|
63
|
20АI
|
1420
|
1
|
1,42
|
3,51
|
20АI
|
3,51
|
3,66
|
|
62
|
10АI
|
250
|
1
|
0,25
|
0,15
|
10АI
|
0,15
|
|
П2а
|
79
|
20АI
|
850
|
1
|
0,85
|
2,38
|
20АI
|
2,38
|
2,68
|
|
62
|
10АI
|
250
|
2
|
0,50
|
0,30
|
10АI
|
0,30
|
|
П3
|
64
|
14АI
|
1260
|
1
|
1,26
|
1,52
|
14АI
|
1,52
|
1,67
|
|
62
|
10АI
|
250
|
1
|
0,25
|
0,15
|
10АI
|
0,15
|
|
П4
|
65
|
12АI
|
1060
|
1
|
1,06
|
0,94
|
12АI
|
0,94
|
1,09
|
|
62
|
10АI
|
250
|
1
|
0,25
|
0,15
|
10АI
|
0,15
|
|
П5
|
66
|
930
|
1
|
0,93
|
0,57
|
0,72
|
0,72
|
|
62
|
250
|
1
|
0,25
|
0,15
|
-
|
-
|
|
П6
|
67
|
930
|
1
|
0,93
|
0,57
|
10АI
|
0,72
|
|
62
|
250
|
1
|
0,25
|
0,15
|
-
|
-
|
|
Ск1
|
68
|
16АI
|
360
|
1
|
0,36
|
0,57
|
16АI
|
0,57
|
|
62
|
10АI
|
250
|
1
|
0,25
|
0,15
|
10АI
|
0,15
|
|
Ф1
|
69
|
4ВрI
|
90
|
1
|
0,09
|
0,01
|
4ВрI
|
0,01
|
0,01
|
|
Сп1
|
70
|
3ВрI
|
1290
|
1,29
|
0,07
|
3ВрI
|
0,07
|
0,07
|
|
Отдельные стержни
|
19
|
12АIII
|
3480
|
3,48
|
3,09
|
12АIII
|
3,09
|
3,09
|
|
20
|
10АIII
|
2730
|
2,73
|
1,68
|
10АIII
|
1,68
|
1,68
|
|
21
|
3480
|
3,48
|
2,15
|
2,15
|
2,15
|
|
22
|
8AIII
|
2730
|
2,73
|
1,08
|
8AIII
|
1,08
|
1,08
|
|
23
|
12АIII
|
2980
|
2,98
|
2,65
|
12АIII
|
2,65
|
2,65
|
|
24
|
10АIII
|
1730
|
1,73
|
1,07
|
10АIII
|
1,07
|
1,07
|
|
25
|
2980
|
2,98
|
1,84
|
1,84
|
1,84
|
|
26
|
8AIII
|
1730
|
1,73
|
0,68
|
8AIII
|
0,68
|
0,68
|
|
27
|
2980
|
2,98
|
1,18
|
1,18
|
1,18
|
|
28
|
8А1
|
1730
|
1,73
|
0,68
|
8AI
|
0,68
|
0,68
|
|
29
|
12АIII
|
1730
|
1,54
|
12III
|
1,54
|
1,54
|
|
30
|
10АIII
|
1480
|
1,48
|
0,91
|
10АIII
|
0,91
|
0,91
|
|
31
|
8AIII
|
1480
|
0,58
|
8AIII
|
0,58
|
0,58
|
|
32
|
8АI
|
1480
|
8AI
|
|
33
|
12АIII
|
3880
|
3,88
|
3,45
|
12АIII
|
3,45
|
3,45
|
|
35
|
10АIII
|
3880
|
2,39
|
10АIII
|
2,39
|
2,39
|
|
71
|
12АIII
|
3490
|
3,49
|
3,10
|
12АIII
|
3,10
|
3,10
|
|
72
|
10АIII
|
1970
|
1,97
|
1,22
|
10АIII
|
1,22
|
1,22
|
|
73
|
1490
|
1,49
|
0,92
|
0,92
|
0,92
|
|
74
|
3490
|
3,49
|
2,15
|
2,15
|
2,15
|
|
75
|
8AIII
|
1970
|
1,97
|
0,78
|
8AIII
|
0,78
|
0,78
|
|
76
|
1490
|
1,49
|
0,59
|
0,59
|
0,59
|
|
77
|
10АIII
|
550
|
0,55
|
0,34
|
10АIII
|
0,34
|
0,34
|
Примечание. Для
арматурной стали класса Ат-IIIС сечение,
длину и массу следует принимать одинаковыми с арматурной сталью класса А-III.
ИНФОРМАЦИОННЫЕ
ДАННЫЕ
1.
РАЗРАБОТАН
И ВНЕСЕН Министерством жилищно-коммунального хозяйства РСФСР
2.
УТВЕРЖДЕН
И ВВЕДЕН В ДЕЙСТВИЕ Постановлением Государственного комитета СССР по делам
строительства от 30.09.83 № 210
3.
ВВЕДЕН
ВПЕРВЫЕ
4.
ССЫЛОЧНЫЕ
НОРМАТИВНО-ТЕХНИЧЕСКИЕ ДОКУМЕНТЫ
5. ИЗДАНИЕ (март
2002 г.) с Изменением № 1, утвержденным в декабре 1987 г. (ИУС 5-88)
|
|