Крупнейшая бесплатная информационно-справочная система онлайн доступа к полному собранию технических нормативно-правовых актов РФ. Огромная база технических нормативов (более 150 тысяч документов) и полное собрание национальных стандартов, аутентичное официальной базе Госстандарта. GOSTRF.com - это более 1 Терабайта бесплатной технической информации для всех пользователей интернета. Все электронные копии представленных здесь документов могут распространяться без каких-либо ограничений. Поощряется распространение информации с этого сайта на любых других ресурсах. Каждый человек имеет право на неограниченный доступ к этим документам! Каждый человек имеет право на знание требований, изложенных в данных нормативно-правовых актах!

  


 

ГОСУДАРСТВЕННЫЙ СТАНДАРТ СОЮЗА ССР

ФАСТБАС

МОДУЛЬНАЯ БЫСТРОДЕЙСТВУЮЩАЯ СИСТЕМА
СБОРА ДАННЫХ

ГОСТ 34.340-91
(МЭК 935-90)

КОМИТЕТ СТАНДАРТИЗАЦИИ И МЕТРОЛОГИИ СССР

Москва

СОДЕРЖАНИЕ

Предисловие. 4

Предисловие научного редактора русского текста. 4

Введение. 9

Глава 1. Назначение, область применения и вводный обзор. 10

1.1. Назначение и область применения. 10

1.2. Введение и общие сведения. 10

1.2.1. ФАСТБАС-операции. 13

1.2.2. Соединители сегментов СС.. 16

1.2.3. Регистры управления и статуса. 17

1.2.4. Географическая адресация. 17

1.2.5. Передача блока и принудительная передача блока. 18

1.2.6. Операции с фиксированным адресом и заблокированным арбитражем.. 19

1.2.7. Сканирование редких данных. 20

1.2.8. Широкие операции. 20

1.2.9. Арбитраж владения магистралью.. 21

1.2.10. Прерывания. 22

1.2.11. Таймирование. 22

1.2.12. Инициализация. 23

1.2.13. Средства диагностики. 23

Глава 2. Условия, определения, сокращения и символы.. 24

2.1. Интерпретация настоящего стандарта. 24

2.2. Обозначения и условия логических сигналов. 24

2.3. Определения. 25

2.4. Буквенные обозначения. 31

2.5. Символы.. 32

Глава 3. Сигналы, сигнальные линии и штырьки разъемов. 33

3.1. Типы сигнальных линий. 33

3.2. Обозначения характера сигналов. 33

3.3. Краткое описание сигналов, линий и штырьков. 34

3.3.1. AS - строб адреса (Т, мастер) 34

3.3.2. АК - подтверждение приема адреса (Т, слуга или вспомогательная логика ВЛ) 34

3.3.3. EG - разрешение географической адресации (УТ, мастер или ВЛ) 34

3.3.4. MS - выбор режима передачи (У, мастер) 34

3.3.5. AD - адрес/данные (И, мастер или слуга) 34

3.3.6. SS - состояние слуги (И, слуга) 35

3.3.7. DS - строб данных (Т, мастер) 35

3.3.8. DK - подтверждение приема данных (Т, слуга или ВЛ) 35

3.3.9. RD - чтение (У, мастер) 35

3.3.10. РЕ - разрешение контроля по четности (И, мастер или слуга) 35

3.3.11. РА - четность (И, мастер или слуга) 35

3.3.12. WT - ожидание (А, любое устройство) 35

3.3.13. AR - запрос на арбитраж (А, мастер) 35

3.3.14. AG - разрешение на арбитраж (ТА, вспомогательная логика) 35

3.3.15. AL - уровень арбитража (ИА, мастер) 35

3.3.16. GК - подтверждение приема разрешения на арбитраж (ТА, мастер) 36

3.3.17. AI - запрет запроса на арбитраж (УА, вспомогательная логика) 36

3.3.18. SR - запрос на обслуживание (А, мастер или слуга) 36

3.3.19. RB - сброс магистрали (А, мастер или мастер через СС) 36

3.3.20. ВН - магистраль остановлена (У, вспомогательная логика) 36

3.3.21. GA - географический адрес (Ф, запаянная кодирующая схема) 36

3.3.22. ТР - Т-штырьки (И, слуга) 36

3.3.23. DL, DR - цепная связь (И, мастер или слуга) 36

3.3.24. ТХ, RX - линии Последовательной сети (А, мастер или слуга) 37

3.3.25. TR - согласованные линии ограниченного применения. 37

3.3.26. UR - несогласованные линии ограниченного применения. 37

3.3.27. Другие линии и штырьки. 37

3.4. Нагрузка линий. 37

3.4.1. Допустимые пределы токов и напряжений для сигнальных линий и F-штырьков. 37

Глава 4. ФАСТБАС-операции. Адресация. 37

4.1. Логическая адресация. 38

4.2. Географическая адресация. 40

4.3. Широкая адресация. 41

4.3.1. Как мастер управляет широкой операцией. 42

4.3.2. Ответ слуги на широкие операции. 44

4.4. Вторичная адресация. 45

4.5. Операция сканирования редких данных и узорного выбора устройств. 46

Глава 5. Операция ФАСТБАС. Таймирование, последовательности и ответные действия. 47

5.1. Общие требования к таймированию взаимодействия мастер/слуга. 48

5.1.1. Требования к таймированию сигналов мастера. 48

5.1.2. Требования к таймированию сигналов слуги. 50

5.1.3. Использование линии ожидания (WT) 50

5.2. Первичные адресные циклы.. 51

5.2.1. Последовательность действий мастера для формирования сигнала AS. 52

5.2.2. Ответные действия слуги на сигнал AS (u) 53

5.2.3. Ответные действия мастера на сигнал АК(u) 55

5.3. Операции. 56

5.3.1. Последовательность действий мастера для формирования сигнала DS. 57

5.3.2. Ответные действия слуги на сигнал DS (t). 59

5.3.3. Обсуждение ответов по линиям «статус слуги». 59

5.3.4. Реакция мастера на DK (t) 62

5.4. Использование линии «сброс магистрали» (RB) 63

5.4.1. Формирование сигнала RB мастером.. 63

5.4.2. Ответныe действия слуги на сигнал RB.. 63

5.5. Ответные действия устройства на включение питания. 63

Глава 6. Арбитраж в магистрали. 63

6.1. Использование линий магистрали в процессе арбитража. 64

6.2. Процесс арбитража. 66

6.3. Правила арбитража. 69

6.3.1. Формирование мастером сигнала AR и пропускание соединителем сегментов сигнала АR.. 69

6.3.2. Установка и снятие сигнала AI схемой УТА.. 70

6.3.3. Установка и снятие сигнала AG схемой УТА.. 70

6.3.4. Установка и снятие сигнала AL мастером.. 70

6.3.5. Установка и снятие сигнала GK мастером.. 71

6.4. Арбитраж системного уровня. 72

Глава 7. Вспомогательная логика в сегменте. 73

7.1. Управление таймированием арбитража (УТА) 73

7.1.1. Формирование сигнала AI схемой УТА.. 73

7.1.2. Формирование сигнала AG схемой УТА.. 73

7.2. Управление географической адресацией. 74

7.3. Формирование системного подтверждения при широкой операции. 75

7.4. Управление «работа/останов» и сигнал «магистраль остановлена». 76

7.5. Согласователи. 77

7.6. Вспомогательная логика для крейт-сегментов. 77

7.7. Вспомогательная логика для кабель-сегментов. 78

Глава 8. Область адресов регистров управления и состояний. 78

8.1. Функции селективной установки и сброса. 79

8.2. Распределение области адресов нормальных CSR-регистров. 80

8.3. CSR-регистр 0. 81

8.3.1. Идентификаторы устройств и их распределение. 81

8.3.2. Распределение битов управления и статуса. 82

8.4. CSR-регистр 1. 84

8.5. CSR-регистр 2. 85

8.6. CSR-регистр 3. 87

8.7. CSR-регистр 4. 87

8.8. CSR-регистр 5. 88

8.9. CSR-регистр 6. 88

8.10. CSR-регистр 7. 88

8.11. CSR-регистр 8. 88

8.12. CSR-регистр 9. 88

8.13. CSR-регистры с Ah no Fh. 89

8.14. CSR-регистры с 20h no 3Fh. 89

8.15. CSR-регистры с 70h no 81h. 89

8.16. CSR-регистры с AOh пo AFh, с BOh пo BFh и COh и CFh. 90

8.17. CSR-регистры с 8000 0000h пo BFFF FFFFh, параметрическая область. 90

8.18. Сброс битов CSR-регистров. 92

Глава 9. Прерывания. 92

9.1. Операция прерывания. 93

9.2. Линия «запрос на обслуживание». 94

Глава 10. Соединение сегментов. 95

10.1. Типы соединителей сегментов. 96

10.2. Пропускание операций. 97

10.3. Разрешение конфликтов. 98

10.4. Маршрутные таблицы.. 98

10.5. Регистры управления и состояний в СС.. 100

10.5.1. Регистр CSR# 0 - идентификатор, статус и управление. 100

10.5.2. CSR# 1 - уровень арбитража дальней стороны.. 102

10.5.3. CSR# 8 - уровень арбитража ближней стороны.. 102

10.5.4. CSR# 9 - управление таймерами. 103

10.5.5. СSR# 40h - адрес маршрутной таблицы.. 103

10.5.6. CSR# 41h - данные маршрутной таблицы.. 103

10.5.7. CSR# 42h - географический адрес ближней стороны.. 103

10.5.8. CSR# 43h - географический адрес дальней стороны.. 104

10.5.9. Результаты различных действий над битами CSR-регистров в СС.. 104

10.6. Маршрутные таблицы.. 104

10.6.1. Информация о пропускании, месте назначения и базовом адресе. 104

10.6.2. Правила формирования. 105

10.7. Действия соединителей сегментов. 105

10.7.1. Распознавание адреса. 105

10.7.2. Участие соединителя сегментов в арбитраже. 106

10.7.3. Разрешение конфликтов. 106

10.7.4. Отрицательные ответы.. 107

10.7.5. Модификация географических и широких адресов. 108

10.7.6. Пропускание операции. 108

10.7.7. Использование и формирование СС сигнала «четность». 110

10.7.8. Ответные действия СС на сигнал RB.. 110

10.7.9. Требования к таймированию.. 110

10.8. Регистр базового адреса. 111

Глава 11. Блочные и принудительные передачи. 111

11.1. Завершение блочных и принудительных передач. 112

11.2. Увеличение внутреннего адреса при блочной передаче. 113

11.3. Устройства типа ПВПВ и ошибки при передаче данных. 113

Глава 12. Характеристики сигналов. 114

12.1. Уровни сигналов. 114

Глава 13. Модули. 115

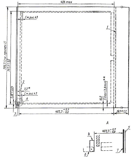
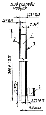
13.1. Печатная плата модуля. 115

13.1.1. Площадка заземления для разряда статических зарядов. 116

13.1.2. Ребра жесткости. 116

13.2. Разъемы.. 116

13.2.1. Сегментный разъем.. 116

13.2.2. Вспомогательный разъем модуля. 117

13.2.3. Разъемы других типов. 124

13.2.4. Обозначения контактов сегментного и вспомогательного разъемов. 124

13.3. Рабочие температуры и рассеяние тепла. 124

13.3.1. Температурные режимы микросхем и модулей. 124

13.3.2. Энергорассеяние. 125

13.3.3. Охлаждение. 126

13.4. Передняя панель. 126

13.5. Индикаторы режимов работы модуля. 127

13.6. Обозначения используемых источников питания. 127

13.7. Переходные процессы.. 127

Глава 14. Крейты.. 127

14.1. Конструкция крейта. 127

14.2. Задняя плата крейта. 127

14.2.1. Сегментный разъем крейта и примыкающий монтаж.. 128

14.2.2. Вспомогательный разъем крейта. 131

14.2.3. Направляющие разъемов. 132

14.2.4. Требования к проводникам на задней плате. 132

14.2.5. Другие элементы задней платы.. 132

14.3. Охлаждение. 132

14.4. Блок переключения работа/останов. 133

14.5. Печатные платы, устанавливаемые с тыльной стороны задней платы.. 133

14.6. Маркировка крейтов. 134

14.7. Контакты для разряда статических зарядов. 134

Глава 15. Питание. 135

Глава 16. Кабель сегмент. 135

16.1. Сигналы в кабель-сегменте. 135

16.2. Разъемы кабель-сегментов и назначения контактов. 136

Приложение А Требования к оборудованию при различных вариантах его реализации. 138

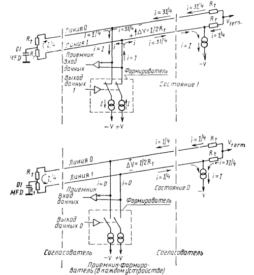
А.1. Реализация на элементах ЭСЛ.. 138

А.1.1. Уровни сигналов и условия соединения элементов ЭСЛ.. 138

А.1.2. Длительности сигналов при использовании микросхем ЭСЛ.. 140

А.1.3. Выдержка. 140

А.1.4. Время срабатывания. 140

А.1.5. Согласователи. 140

А.1.6. Требования к токам генератора сигнала GA.. 140

А.1.7. Разница в температурах корпусов микросхем.. 140

А.1.8. Распределение модулей вдоль крейт-сегментов. 140

Приложение В Соединения через разъемы передней панели при использовании элементов ЭСЛ.. 142

В.1. Амплитуды и логические уровни сигналов. 142

В.2. Кабели. 142

В.3. Разъемы.. 142

В.4. Формирователи, приемники и согласователи. 142

Приложение С Реализация кабель-сегментов. 143

С.1. Электрические характеристики кабель-сегмента. 145

С.2. Реализация кабель-сегмента на элементах ЭСЛ.. 146

Приложение D Примеры построения логических цепей мастера. 146

D.1. Цепи арбитража в мастере. 146

Приложение Е Соединитель сегментов системы фастбас типа S-1. 147

Е.1. Общая характеристика соединителей сегментов типа S-1. 147

Е.1.1. Тип соединителя. 147

Е.1.2. Конструктивное исполнение. 147

Е.1.3. Кабель-сегмент. 148

Е.1.4. Поле адреса группы.. 148

Е.1.5. Маршрутная таблица. 148

Е.1.6. CSR# 0- идентификатор, статус и управление. 148

Е.2. Устройство передней панели. 148

Приложение F Конструкция модулей. 149

F.1. Типовые варианты конструкции модулей. 149

приложение G Примеры построения крейтов типа А.. 149

G.1. Крейт типа А.. 150

G.1.1. Конструкция крейта типа А.. 150

G.1.2. Задняя панель крейта типа А.. 150

G.2. Пример построения крейта типа А.. 150

G.3. Средства для монтажа схемных плат за задней платой. 150

Приложение H Примеры построения крейтов и модулей типа W... 154

Н.1. Крейт типа W... 154

Н.1.1. Конструкция крейта типа W... 154

Н.1.2. Пример построения крейта типа W... 155

Н.2. Построение модулей для крейта типа W... 155

Приложение I Типовые источники питания. 157

I.1. Источник питания с высоким к.п.д. 157

I.1.1. Общая характеристика. 157

I.1.2. Коэффициент полезного действия. 157

I.1.3. Диапазон температур окружающего воздуха. 157

I.1.4. Напряжение сети. 158

I.1.5. Выходные напряжения. 158

I.1.6. Дистанционные измерения. 158

I.1.7. Отклонения и стабильность питания. 158

I.1.8. Температурный коэффициент. 158

I.1.10. Время восстановления и перерегулирования при включении и отключении. 159

I.1.11. Токовые и электромагнитные наводки. 159

I.1.12. Выходные клеммы. 159

I.1.13. Органы настройки напряжений. 159

I.1.14. Средства защиты.. 159

I.1.15. Средства контроля. 160

I.1.16. Задание предельных напряжений. 160

I.1.17. Внешнее управление срабатыванием разъединителя. 160

I.1.18. Включаемая сетевая розетка. 160

I.1.19. Передняя панель. 160

I.1.20. Установка в корпус. 160

I.1.21. Охлаждение. 160

I.2. Источник питания с пониженным уровнем шумов. 161

I.2.1. Общая характеристика. 161

I.2.2. Коэффициент полезного действия. 161

I.2.3. Диапазон температур окружающего воздуха. 161

I.2.4. Напряжение сети. 161

I.2.5. Выходные напряжения. 161

I.2.6. Дистанционные измерения. 161

I.2.7. Отклонения и стабильность питания. 161

I.2.8. Температурный коэффициент. 161

I.2.9. Шум и пульсация. 161

I.2.10. Время восстановления и перерегулирования при включении и отключении. 161

I.2.11. Токовые и электромагнитные наводки. 161

I.2.12. Выходные клеммы. 161

I.2.13. Органы настройки напряжений. 161

I.2.14. Средства защиты.. 161

I.2.15. Средства контроля. 161

I.2.16. Задание предельных напряжений. 161

I.2.17. Внешнее управление срабатыванием разделителя. 161

I.2.18. Включаемая сетевая розетка. 161

I.2.19. Передняя панель. 161

I.2.20. Установка в корпус. 161

I.2.21. Охлаждение. 161

Приложение J Процедуры обработки ненулевого статуса. 161

J.1. Ошибки при выполнении адресного цикла. 162

J.1.1. Превышение лимита времени при передаче адреса. 162

J.1.2. Ошибка по четности при передаче адреса. 162

J.1.3. SS-1 при передаче адреса «магистраль занята». 162

J.1.4. SS-2 при передаче адреса «неисправность магистрали». 162

J.1.5. SS-3 при передаче адреса «магистраль не принимает». 162

J.1.6. Ответы СС с кодами SS-1, SS-2 или SS-3 «общее описание». 162

J.1.7. Прослеживание маршрута, пройденного операцией. 163

J.1.8. SS = 4 при передаче адреса «зарезервированный код». 163

J.1.9. SS = 5 при передаче адреса «зарезервированный код». 163

J.1.10. SS = 6 при передаче адреса «зарезервированный код». 163

J.1.11. SS = 7 при передаче адреса «несуществующий IA» (принят) 163

J.2. Превышение лимита времени при передаче данных. 163

J.3. Ответы на запросы статуса слуги. 164

J.3.1. SS = 0 - исправная работа. 164

J.3.2. SS = 1 - занят. 164

J.3.3. SS = 2 - конец блока. 164

J.3.4. SS = 3 - определяется пользователем.. 164

J.3.5. SS = 4 - зарезервирован. 164

J.3.6. SS = 5 - зарезервирован. 164

J.3.7. SS = 6 - ошибочные данные (забракованы) 164

J.3.8. SS = 7 - ошибочные данные (приняты) 164

J.4. Реакция хозяина на сообщения об ошибках. 165

J.5. Ошибки при обмене данными со стеками ПВПВ и портами ввода/вывода. 165

J.5.1. Введение. 165

J.5.2. Ошибки при операциях чтения. 166

J.5.3. Ошибки при операциях записи. 166

Приложение К Компоненты.. 167

К.1. Разъемы.. 167

К.1.1. Разъемы модуля. 167

К.1.2. Сегментные и вспомогательные разъемы для крейта. 167

Приложение L Требования к конструкции и системе. 168

L.1. Внутренние соединения в системе питания. 168

L.2. Конструкция печатной платы.. 168

L.2.1. Материал для изготовления платы.. 168

L.2.2. Процедура пайки. 168

L.3. Конструкция задней панели крейта. 168

L.3.1. Защитное покрытие задней панели. 168

L.3.2. Штырьки сегментного разъема. 168

Приложение А.2 Реализация при ттл-уровнях сигналов на платах модулей и при бтл-уровнях в магистрали крейт-сегмент - система расширенный ФАСТБАС (РФБ) 180

А.2.2. Введение. 180

А.2.3. Состав системы Расширенный ФАСТБАС и ее характеристики. 181

А.2.4. Основное назначение подсистем ФАСТБАС.. 183

А.2.5. Особенности конструкции модулей и крейтов. 183

А.2.6. Регистры управления и состояний CSR.. 185

А.2.7. Соединители сегментов. 189

А.2.8. Питание. 195

ПРЕДИСЛОВИЕ

1. Официальные решения или соглашения МЭК по техническим вопросам, подготовленные техническими комитетами, в которых представлены все заинтересованные национальные комитеты, выражают с возможной точностью международную согласованную точку зрения по рассматриваемым вопросам.

2. Решения представляют собой рекомендации для международного пользования и в этом виде принимаются национальными комитетами.

3. В целях содействия международной унификации МЭК выражает пожелание, чтобы все национальные комитеты приняли текст рекомендаций МЭК в качестве своих национальных стандартов, насколько это позволят условия каждой страны. Любые расхождения между рекомендациями МЭК и соответствующими национальными стандартами должны быть, по возможности, четко изложены в стандартах.

4. МЭК не дает каких-либо критериев обозначения соответствия оборудования рекомендациям МЭК и не несет ответственности в случае заявления, что оно соответствует требованиям хотя бы одной из них.

ПРЕДИСЛОВИЕ НАУЧНОГО РЕДАКТОРА РУССКОГО ТЕКСТА

Техническое задание на разработку системы Фастбас было сформулировано группой ядерных электронщиков, работающих в ведущих институтах США, к июлю 1977 г. Разработку стандарта финансировало Министерство энергетики. Разработчики собирались для обсуждения промежуточных результатов и возникающих проблем не реже чем раз в квартал в течение пяти лет. К 1980 г. появилась первая версия стандарта, затем ежеквартально выпускались обновленные версии. Специалисты европейских институтов, объединенные комитетом European Standards on Nuclear Electronics (ESONE), анализировали версии и предлагали свои рекомендации. К ноябрю 1982 г. разработка была завершена - комитет Nuclear Instruments Modules (NIM) объявил о принятии стандарта.

Началась разработка аппаратуры в стандарте Фастбас. Наиболее значительные результаты публиковал и публикует журнал «IЕEE Transactions on Nuclear Science».

На основе накопившегося опыта стандарт Фастбас был уточнен и в 1986 г. стал национальным стандартом США ANSI/IEEE Std 960-1986. В сентябре 1983 г. стандарт был представлен в Технический комитет № 45 Международной электротехнической комиссии, а в январе 1987 г. ТК 45 принял решение о публикации стандарта Фастбас в качестве стандарта МЭК-935, он вышел в свет в июне 1990 г. Настоящий стандарт является аутентичным переводом стандарта.

В Приложении А.1 в качестве примера описана реализация логического протокола Фастбас на быстродействующих ЭСЛ-элементах. Большая плата модуля размером (366,7×400) мм позволяет разместить большое число ЭСЛ-микросхем и рассеять мощность до 75 Вт на каждый модуль единичной ширины. Этот вариант реализации нацелен на создание наиболее быстродействующей стационарной аппаратуры.

В гл. 12 оговорена возможность реализации протокола на элементах любого типа. Учитывая это, группа специалистов (С.Г. Басиладзе, В.В. Кипаренко, О.А. Никольский, В.Н. Тресоруков и К.Э. Эрглис) предложила реализовать протокол Фастбас на экономичных ТТЛ- и КМОП-микросхемах при БТЛ-уровнях сигналов в магистрали. Более высокая степень интеграции микросхем и малое потребление энергии позволили уменьшить размеры модулей и крейтов, обеспечивая возможность применения аппаратуры в цехах и на бортах. Было предложено также дополнить стандарт выборкой байтов данных и модификацией длины адресного слова. Расширение стандарта Фастбас описано в приложении А.2, которое подготовил К. Эрглис при участии С. Басиладзе.

Весной 1987 г. проект настоящего стандарта (в виде перевода проекта стандарта МЭК с дополнением А.2) был разослан в 30 предприятий разных ведомств. Из 23 ответивших предприятий 12 высказались за использование расширенного стандарта Фастбас в качестве основы Единой системы магистрально-модульной многопроцессорной информационно-измерительно-управляющей аппаратуры (ЕС МММИИУА), а остальные предприятия предложили использовать другие стандарты.

Следует особо отметить две характеристики стандарта Фастбас: точное определение функций каждого бита в стандартизованных регистрах управления и состояний (гл. 8) и описание логического протокола соединителей сегментов (гл. 10).

Стандартизация функций битов РУС позволила создать второй стандарт Фастбас - Fastbus Standard Routines (IEEE Std 1177-1989 или МЭК-1052 (апрель 1991 г.), который определяет специализированный макроассемблер для программирования операций на магистралях Фастбас. Этот стандарт в переводе на русский язык также целесообразно издать в качестве Государственного стандарта.

Протокол соединителей сегментов содержит, в частности, правила определения маршрутных таблиц, запоминаемых в соединителях. Это позволило создавать информационные сети произвольной конфигурации при высокой их надежности и живучести. В настоящее время в IEEE завершается разработка третьего стандарта Фастбас на наиболее прогрессивную оптоволоконную сеть при последовательной передаче информации.

Об организации разработки стандартов Фастбас можно судить по списку участников, которым открываются национальные стандарты. Перевод на русский язык выполнили К.Э. Эрглис, А.Д. Росляков и А.В. Шалаев.

В совокупности стандарты Фастбас определяют 5 уровней модели открытых систем, при этом программирование является единым как для передач между модулями внутри крейта, так и для передач между крейтами в локальной сети Фастбас произвольной формы. Комплекс из трех стандартов Фастбас обеспечит возможность создания наиболее эффективных систем МММИИУА разной мощности и назначения при минимальных стоимостях разработки, программирования, производства и эксплуатации.

ВВЕДЕНИЕ

Настоящий стандарт подготовлен Техническим комитетом 45 «Ядерное приборостроение» МЭК. Текст стандарта основан на следующих документах:

По правилу шести месяцев

Отчет о голосовании

45 (ЦБ) 182

45 (ЦБ) 186, 186А

Полную информацию о голосовании за утверждение данного стандарта можно получить из Отчетов о голосовании, указанных в таблице.

В стандарте имеются ссылки на следующие Публикации МЭК:

113-7-(1981) (ГОСТ 2.743-82) Диаграммы, чертежи, таблицы. Часть 7. Подготовка логических диаграмм.

169-10 (1983)* Радиочастотные соединители. Часть 10. Радиочастотные коаксиальные соединители с внутренним диаметром внешнего проводника 3 мм (0,12 дюйма) с зажимным сочленением. Волновое сопротивление 50 Ом (тип SMB).

* Данная Публикация МЭК находится в фонде стандартов ТК 22 (НПО «Персей»)

297-1 (1982) (ГОСТ 28601.1-90) Конструкции несущие серии 482,6 мм (19 дюймов). Часть 1. Панели и стойки.

516 (1975) (ГОСТ 27080-86) Модульная система приборов для обработки данных. Система КАМАК.

547 (1976)* Вставной модуль и стандартный 19-дюймовый каркас для размещения модулей по стандарту NIM (для ядерного приборостроения).

* Данная Публикация МЭК находится в фонде стандартов ТК 22 (НПО «Персей»)

ГОСУДАРСТВЕННЫЙ СТАНДАРТ СОЮЗА ССР

ФАСТБАС

Модульная быстродействующая система сбора данных

Fastbus. Modular high speed data acquisition system

ГОСТ
34.340-91

(МЭК 935)

Дата введения 01.07.92

ГЛАВА 1. НАЗНАЧЕНИЕ, ОБЛАСТЬ ПРИМЕНЕНИЯ И ВВОДНЫЙ ОБЗОР

Данный раздел включает назначение и область применения данного стандарта, а также вводный обзор.

1.1. Назначение и область применения

Настоящий стандарт определяет магистрально-модульную систему для сбора данных, их обработки и управления.

Приведены механические, сигнальные, электрические и протокольные спецификации, достаточные для обеспечения совместимости между блоками, выполненными разными разработчиками и производителями.

Данный стандарт применим к системам, состоящим из модульных блоков электронных приборов, которые обрабатывают или передают данные или сигналы и обычно связаны с компьютерами или другими автоматическими устройствами обработки данных.

Стандарт применим для ядерного приборостроения и систем управления, но может применяться также и в других областях.

Положения стандарта являются рекомендуемыми. При применении стандарта обязательными являются требования, заключённые в рамку.

1.2. Введение и общие сведения

Система ФАСТБАС состоит из множества магистральных сегментов, которые могут работать независимо, но связаны друг с другом для передачи данных и другой информации. ФАСТБАС может работать асинхронно с использованием протокола подтверждений, чтобы эффективно сочетать устройства различного быстродействия без предварительного учета скорости их работы. Система способна работать и синхронно без подтверждений при передаче блоков данных с максимальной скоростью.

Сложные системы, такие как ФАСТБАС, легче понимать, если спецификации сопровождаются общими описаниями, которые раскрывают значение деталей в целой системе. Эта глава содержит обзор главных характеристик и операций ФАСТБАС. В большинстве следующих глав имеются, в дополнение к обязательным составляющим спецификации, примеры использования стандартизуемых возможностей системы. В гл. 2 представлены определения терминов, которые имеют специальный смысл в системах ФАСТБАС. Определены символы, применяемые в схемах для обозначения различных частей системы ФАСТБАС, а также дан список обычно используемых сокращений. В остальных главах изложены спецификации системы. Эти главы сопровождаются рядом приложений, которые дают более детальную информацию о некоторых особенностях ФАСТБАС. В этой главе слова, имеющие специальный смысл в системе ФАСТБАС, выделены прописными буквами.

Большинство характеристик ФАСТБАС определились из рассмотрения требований, предъявляемых к современным, системам сбора и обработки данных. Требование быстродействия удовлетворяется параллельной работой многих процессоров, которые могут сообщаться друг с другом, а также с устройствами для сбора данных и управления. Протокол связи, используемый процессорами и устройствами, предусматривает большие поля адресов и данных. Протокол определен независимо от технологического воплощения интегральных схем, чтобы иметь возможность реализовать преимущества прогрессивных технологий, гибкость систем обеспечивается модульностью, которая допускает множество вариантов конфигурации систем.

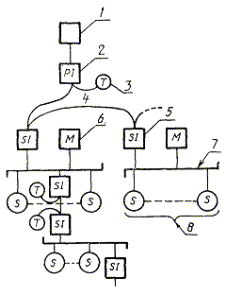
Модульные системы отличаются методами связи устройств, образующих систему. Должны быть стандартизованы механические, электрические и логические соединения. Электрические соединения осуществляются набором сигнальных линий, которому дано название СЕГМЕНТ. ФАСТБАС-УСТРОЙСТВА могут быть соединены просто при помощи КАБЕЛЬ-СЕГМЕНТОВ, однако такая компоновка может повлечь за собой снижение скорости. В локальных устройствах необходимые свойства достигаются объединением нескольких МОДУЛЕЙ в КРЕЙТЕ, чтобы использовать общую магистраль, располагаемую на задней панели (рис. 1). Эта магистраль, называемая КРЕЙТ-СЕГМЕНТОМ или СЕГМЕНТОМ, как и КАБЕЛЬ-СЕГМЕНТ, образует логический блок системы ФАСТБАС.

Используя ФАСТБАС-протокол, СЕГМЕНТ работает как автономная магистраль, связывающая один или более УСТРОЙСТВ-МАСТЕРОВ с рядом УСТРОЙСТВ-СЛУГ. При выполнении всех операций на магистрали устанавливается соотношение между МАСТЕРОМ и СЛУГОЙ, при котором инициатором должен быть МАСТЕР, а отвечающим - СЛУГА. МАСТЕР способен запрашивать и получать управление сегментом, к которому он присоединен, чтобы связываться со СЛУГОЙ. Если связь устанавливается с другим МАСТЕРОМ, то на время операции отвечающий МАСТЕР действует как СЛУГА. СЛУГА не может получить право владения магистралью, но может сделать запрос на обслуживание тому МАСТЕРУ на том же СЕГМЕНТЕ, который способен начать процедуру обслуживания запроса. МАСТЕРА располагают более разнообразным механизмом прерываний, благодаря которому они могут овладеть магистралью и записать сообщение о прерывании в устройство обслуживания прерываний.

1 - крейт; 2 - соединение сегмента с другими сегментами, интерфейсом процессора и т.п.; 3 - к модулю соединителю сегментов; 4 - вставные модули: мастер, слуга, соединитель сегментов, специального назначения; 5 - крейт-сегмент (магистраль на задней плате); 6 - разъемы крейт-сегмента; 7 - вспомогательные разъемы крейта

Рис. 1. Основные элементы системы ФАСТБАС

При нескольких МАСТЕРАХ в СЕГМЕНТЕ должны быть предусмотрены средства для урегулирования одновременных запросов на пользование магистралью. Каждому МАСТЕРУ присвоен Уровень арбитража, который он использует во время Циклов арбитража. В ответ на таймирующие сигналы, получаемые от управления таймированием арбитража, которое принадлежит СЕГМЕНТУ, схема в каждом МАСТЕРЕ определяет, какому из претендующих МАСТЕРОВ будет отдано владение магистралью. Процедура арбитража обычно не вызывает потерь времени, поскольку следующий МАСТЕР может быть определен до того, как действующий МАСТЕР закончит свою операцию.

Несколько МАСТЕРОВ, расположенных в одном СЕГМЕНТЕ, используют общую магистраль. С точки зрения МАСТЕРА соревнование за право владения магистралью может снизить ее пропускную способность из-за потерь времени на ожидание. Поскольку СЕГМЕНТЫ работают независимо, распределение МАСТЕРОВ по нескольким СЕГМЕНТАМ может смягчить проблему соревнования и увеличить пропускную способность благодаря тому, что информация, нужная каждому МАСТЕРУ, может быть локализована в его СЕГМЕНТЕ.

1 - процессор-хозяин; 2 - интерфейс процессора; 3 - согласователь; 4 - кабель-сегмент; 5 - соединитель сегментов; 6 - мастер; 7 - крейт-сегмент (согласованный); 8 - слуги

Рис. 2. Пример топологии системы ФАСТБАС

МАСТЕР в данном СЕГМЕНТЕ должен также быть способным быстро связываться со СЛУГОЙ, расположенным в другом СЕГМЕНТЕ. Эта способность обеспечивается СОЕДИНИТЕЛЯМИ СЕГМЕНТОВ (СС), которые временно связывают независимые СЕГМЕНТЫ (рис. 2).

Все СЕГМЕНТЫ, выполняющие операцию, должны быть в то же время доступны для проведения межсегментной операции. Механизм арбитража, наряду с соответствующими схемами в каждом соединителе СЕГМЕНТОВ СС, обеспечивает разрешение проблем соревнования за магистраль для МАСТЕРОВ, находящихся как в данном, так и в других СЕГМЕНТАХ. Поскольку данный СЕГМЕНТ может быть связан с любым из ряда различных СЕГМЕНТОВ, могут быть реализованы такие конфигурации систем, в которых пути передачи информации оптимизированы с уменьшением затрат времени.

Среда, через которую сообщаются два СС, расположенные в разных СЕГМЕНТАХ, не стандартизована, это позволяет выбирать канал связи, наиболее подходящий для данного применения. Для таких соединений возможно использовать КАБЕЛЬ-СЕГМЕНТОВ совместно с эффективными средствами, стандартизованными в приложении Е. С КАБЕЛЬ-СЕГМЕНТОМ, кроме СС, могут быть соединены и другие устройства. Такие устройства также следуют ФАСТБАС-протоколу, имеют переключателе для кодирования входного адреса при ГЕОГРАФИЧЕСКОЙ АДРЕСАЦИИ и должны быть снабжены питанием.

Другие технические приемы связи СЕГМЕНТОВ включают использование БУФЕРИРОВАННЫХ МЕЖСОЕДИНЕНИЙ и РАСШИРИТЕЛЕЙ СЕГМЕНТОВ. БУФЕРИРОВАННОЕ МЕЖСОЕДИНЕНИЕ представляет собой устройство, которое хранит в памяти и продвигает операции ФАСТБАС, разрушая таким образом синхронизм между мастером и слугой. Концепция РАСШИРЕННОГО СЕГМЕНТА позволяет нескольким СЕГМЕНТАМ пользоваться одним АДРЕСОМ ГРУППЫ. Такое коллективное пользование достигается применением РАСШИРИТЕЛЕЙ СЕГМЕНТА, простота которых в сравнении с СОЕДИНИТЕЛЯМИ СЕГМЕНТОВ достигается за счет некоторого снижения гибкости в топологии системы и операциях для членов РАСШИРЕННОГО СЕГМЕНТА.

В большинстве случаев, если не всегда, МАСТЕРА должны иметь некоторые способности процессоров. При проектировании систем ФАСТБАС возникает также нужда в присоединении к системе больших и малых ЭВМ. Такое соединение выполняется при помощи ИНТЕРФЕЙСА-ПРОЦЕССОРА, который создает внешнему процессору доступ к ФАСТБАС-системе через КАБЕЛЬ или КРЕЙТ-СЕГМЕНТ (рис. 2). Системные требования диктуют необходимость иметь в каждой системе один процессор с полной информацией о структуре системы. В частности, он должен иметь доступ к любому СЕГМЕНТУ системы и знать, как СЕГМЕНТЫ соединены друг с другом. Этот процессор, названный ПРОЦЕССОРОМ-ХОЗЯИНОМ, инициирует систему, сообщая каждой стороне каждого СС, какие операции он должен передать в следующий СЕГМЕНТ. Используя ГЕОГРАФИЧЕСКУЮ АДРЕСАЦИЮ, ПРОЦЕССОР-ХОЗЯИН может выяснить местоположение и тип каждого УСТРОЙСТВА в системе и, если нужно, присвоить ЛОГИЧЕСКИЕ АДРЕСА УСТРОЙСТВАМ. ЛОГИЧЕСКИЕ АДРЕСА позволяют УСТРОЙСТВУ использовать поле ВНУТРЕННИХ АДРЕСОВ, приспособленное для нужд и независимое от положения УСТРОЙСТВА внутри СЕГМЕНТА.

Главные характеристики и возможности системы ФАСТБАС можно суммировать следующим образом:

·      Скорость ограничена только задержками распространения сигнала в среде и задержками алогических схемах, скорость обычно лучше чем 10 МГц при элементах ЭСЛ.

·      Большие поля адресов и данных (32 бита);

·      Сегментированная магистраль, допускающая параллельную работу сегментов;

·      Способность к соединениям во всем объеме системы;

·      Передача блоков данных с подтверждением или принудительная передача;

·      Единый протокол во всем объеме системы;

·      Наличие механизмов прерываний и арбитража.

1.2.1. ФАСТБАС-операции

ФАСТБАС-операции, описанные в гл. 5, выполняются при помощи многолинейной магистрали, назначение линий и сигналов в которой показано в табл. I. КАБЕЛЬ-СЕГМЕНТ состоит из 60 линий, указанных в верхней части списка. КРЕЙТ-СЕГМЕНТ содержит дополнительно другие линии, а также линии питания. Сигналы классифицированы в таблице в соответствии с применением:

Т - таймирование в циклах адреса и передачи данных;

У - управление в циклах адреса и передачи данных;

И - информация в циклах адреса и передачи данных;

А - асинхронный - таймирование не связано непосредственно с передачами информации;

ТА - таймирование арбитража;

ИА - информация о состоянии линий арбитража;

УА - управление арбитражем;

П - последовательные данные, их таймирование не зависит от работы параллельной магистрали;

Ф - фиксированная информация;

С - специальное назначение.

Большинство ФАСТБАС-операций начинается с запроса МАСТЕРА и предоставления ему владения магистралью. Затем МАСТЕР выбирает СЛУГУ первичным адресным циклом, сопровождая его любым числом циклов передачи данных, после этого магистраль освобождается.

Первичный адресный цикл начинает МАСТЕР, выставляя адрес СЛУГИ на 32 линии AD-адрес / данные и выдавая затем сигнал AS-строб адреса. Выставление адресного слова определяет путь (если нужно - через СОЕДИНИТЕЛИ-СЕГМЕНТОВ) между МАСТЕРОМ и СЛУГОЙ. Когда СЛУГА узнает свой адрес, он отвечает сигналом АК-подтверждение приема адреса. Протокол требует, чтобы сигналы AS и АК оставались на линиях до полного завершения операции.

Связка AS/AK побуждает все другие устройства не замечать работу магистрали, позволяя связавшейся паре выполнять любой понятный им протокол, пока не разорвана связь AS/AK. Для наиболее употребительных операций определены стандартные протоколы, чтобы облегчить разработку совместных УСТРОЙСТВ.

Таблица I

Сигналы ФАСТБАС

Обозначение

Название сигнала

Применение

Число

Примечание

AS

Строб адреса

Т

1

 

Для адресации и извещения о статусе соединения

АК

Подтверждение приема адреса

Т

1

 

EG

Разрешение географической адресации

У

1

 

MS

Выбор режима передачи

У

3

RD

Чтение

У

1

AD

Адрес/данные

И

32

Для данных и управления передачей данных

PA

Четкость

И

1

РЕ

Разрешение контроля по четкости

И

1

SS

Статус СЛУГИ

И

3

DS

Строб данных

т

1

DK

Подтверждение приема данных

т

1

WT

Ожидание

А

1

 

 

 

SR

Запрос на обслуживание

А

1

 

 

 

RB

Сброс магистрали

А

1

 

 

 

BH

Магистраль остановлена

У

1

 

 

 

AG

Разрешение на арбитраж

ТА

1

 

Для арбитража магистрали

AL

Уровень арбитража

ИА

6

 

AR

Запрос на арбитраж

А

1

 

AI

Запрет запроса на арбитраж

УА

1

 

GK

Подтверждение приема разрешения на арбитраж

ТА

1

 

 

60

 

 

 

ТХ

Передающая последовательная линия

П

1

 

RX

Приемная последовательная линия

п

1

Для протокола последовательной сети ФАСТБАС

GA

Штырьки географического адреса* (кодирование позиции, не соединены линиями)

ф

 

 

 

ТР

ТР-штырек* (не соединен с линией)

с

1

 

 

DL

Цепная связь налево

с

3

 

 

DR

Цепная связь направо

с

3

 

Только на крейт-сегменте

TR

Согласованная линия ограниченного применения

с

8

 

 

UR

Несогласованная линия ограниченного применения

с

2

 

 

FP

FP-штырьки (без линии, свободное использование)

 

4

 

 

R

Зарезервированы

 

5

 

 

* Вместо штырьков GA и ТР на КАБЕЛЬ-СЕГМЕНТЕ применяются переключатели-регистры.

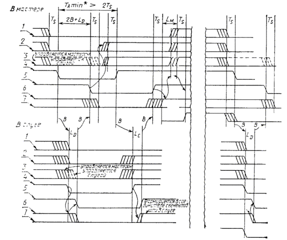
По получении подтверждения АК от СЛУГИ МАСТЕР снимает код адреса с линий AD и использует эти линии для передачи данных в последующих циклах. После того, как связка AS/AK между МАСТЕРОМ и СЛУГОЙ установлена, МАСТЕР может начать операцию чтения выдачей сигналов на линию чтения (RD) и линию строб данных (DS), как показано на рис. 3. СЛУГА отвечает выставлением данных на линиях AD и выдачей сигнала DK - подтверждение приема данных. Этот сигнал использует МАСТЕР, чтобы взять данные.

При операции записи МАСТЕР выставляет данные на линиях AD и сопровождает это выставление сигналом DS - строб данных. СЛУГА отвечает выдачей DK - подтверждение приема данных. Операция отличается тем, что МАСТЕР снимает с магистрали все свои сигналы, включая AS. СЛУГА, обнаружив удаление AS, снимает свои сигналы, включая АК.

Поскольку циклы адреса и передачи данных легко различимы, МАСТЕР использует три линии выбора режима (MS <2:0>) как для модификации значения адресной информации, так и для того, чтобы независимо задать тип передачи данных. В первичном адресном цикле могут быть указаны одиночные данные, вторичный адрес, а также передача блока данных с подтверждением или принудительная передача - без подтверждения.

Подобным образом, три линии информации о статусе СЛУГИ (SS <2:0>) используют для индикации успешных циклов адреса и передачи данных или для сообщения о причинах неудачи. Трудности адресации могут возникать в СОЕДИНИТЕЛЯХ-СЕГМЕНТОВ из-за того, что они иногда не отвечают МАСТЕРУ, вследствие неисправности схемы или не могут получить доступ к СЕГМЕНТУ, присоединенному к дальней стороне и занятому, или СС заблокированы операцией с более высоким приоритетом. Зависание в магистрали, вызванное адресацией к несуществующему устройству в СЕГМЕНТЕ назначения, устраняется таймерами в МАСТЕРЕ или в том соединителе СС, который выдал адрес в СЕГМЕНТ назначения.

1 - адрес; 2 - данные

Рис. 3. Основная операция чтения с подтверждением (с точки зрения мастера)

В течение цикла передачи данных СЛУГА, в дополнение к способности показать, что он не может больше принимать данные или не имеет больше данных для передачи, может также сообщать, что в настоящий момент он занят или обнаружил ошибку одного из нескольких классов.

При передаче данных ФАСТБАС может быть применен контроль четности и должны быть обеспечены рекомендованные технические приемы для устранения ошибок. При операциях записи СЛУГИ обычно реагируют на ошибки передачи игнорированием правильных данных и сигнализируют МАСТЕРУ о том, что произошла ошибка. МАСТЕР может затем повторить операцию. Устранение ошибок при операциях считывания является более сложным. СЛУГА обычно бывает не осведомлен об ошибке и может прирастить свой внутренний указатель адреса или иметь доступ к регистру типа «Первый вошел - первый вышел» или к регистру с очисткой после чтения, следовательно, данные могут быть не доступны для повторной передачи. Для поддержки устранения ошибок при считывании может быть введен в работу ЗАЩИТНЫЙ БУФЕР.

ЗАЩИТНЫЙ БУФЕР всегда содержит копию последних данных, переданных СЛУГЕ или от СЛУГИ. Следовательно, путем введения подходящего ЗАЩИТНОГО БУФЕРА МАСТЕР может повторно обратиться к данным после ошибки в считывании.

1.2.2. Соединители сегментов СС

СОЕДИНИТЕЛЬ СЕГМЕНТОВ управляет деятельностью двух СЕГМЕНТОВ, которые он соединяет, ожидая появление адреса, который числится в списке адресов, запрограммированных для узнавания. На узнанный адрес, поступивший от одного из СЕГМЕНТОВ на ближнюю сторону, СС реагирует запросом на использование другого СЕГМЕНТА, присоединенного к дальней стороне, и выставлением данного адреса на этот СЕГМЕНТ после овладения его магистралью. Два СЕГМЕНТА остаются связанными друг с другом до тех пор, пока we закончится операция. Адрес, выставленный на дальней стороне, может, в свою очередь, быть узнан другим СОЕДИНИТЕЛЕМ СЕГМЕНТОВ и передан следующему СЕГМЕНТУ. В зависимости от потребителей данной операции может быть связано произвольное число СЕГМЕНТОВ. Адрес содержит всю информацию, необходимую для того, чтобы соответствующие СС образовали правильные соединения.

Для того, чтобы в адресе удобно располагалась информация о маршруте сообщения, полное адресное поле, доступное в системе, разделено между СЕГМЕНТАМИ таким образом, что старшие разряды кода адреса определяют адрес СЕГМЕНТА. Эта старшая часть адреса называется полем АДРЕСА ГРУППЫ (GP). СЕГМЕНТУ могут быть присвоены одно или несколько значений GP, если расположенные в нем устройства требуют большого объема адресации. УСТРОЙСТВА в СЕГМЕНТЕ различаются АДРЕСОМ МОДУЛЯ, который примыкает к полю GP и может включать несколько младших разрядов из поля GP. Комбинация из полей АДРЕСА ГРУППЫ и АДРЕСА МОДУЛЯ образует АДРЕС УСТРОЙСТВА, который служит для определения УСТРОЙСТВА в любом месте системы. Остающиеся младшие разряды адреса или ПОЛЕ ВНУТРЕННЕГО АДРЕСА служат для определения части УСТРОЙСТВА или его функций. Благодаря возможности проведения специального цикла передачи данных, называемого вторичным адресным циклом, число различных адресуемых частей или функций внутри устройства не ограничено числом, которое может быть выражено полем внутреннего адреса.

В простых СОЕДИНИТЕЛЯХ СЕГМЕНТОВ старшие разряды адреса используют для адресации к внутренней памяти, которая содержит таблицу адресов, подлежащих передаче. Во время инициации системы в память каждого СС вводится маршрутная таблица, необходимая для направления всех разрешенных операций.

Эта схема не создает ограничений на конфигурации связей между СЕГМЕНТАМИ. Например, они могут быть соединены в древовидную структуру с большой ЭВМ при стволе и устройствами для сбора данных на концах ветвей. Если между двумя СЕГМЕНТАМИ, расположенными в разных концах системы, требуется обеспечить большой поток информации, который мог бы загрузить промежуточные СЕГМЕНТЫ, целесообразно использовать КАБЕЛЬ-СЕГМЕНТ, чтобы обойти промежуточные СЕГМЕНТЫ. При таком добавлении не требуется изменять адреса УСТРОЙСТВ, достаточно задать в СС новые маршрутные таблицы, чтобы освободить промежуточные СЕГМЕНТЫ от излишних передач. По этой схеме могут быть реализованы древовидные, звездообразные, кольцевые и другие структуры.

Когда МАСТЕР начинает ФАСТБАС-операцию, он всегда запускает внутренний таймер ответных действий на время, достаточное для работы в данном СЕГМЕНТЕ. Если операцию нужно провести через один или более соединителей сегментов, МАСТЕР должен быть осведомлен о дополнительных задержках, которые встретятся, прежде чем будет получен ответ. Каждый СС, передающий операцию, выставляет сигнал ожидание WT в СЕГМЕНТ, из которого пришла операция, и запускает таймер на время, подходящее для СЕГМЕНТА, которому операция передается. Сигнал WT заставляет любого МАСТЕРА (а СС действует как МАСТЕР в том СЕГМЕНТЕ, в который он передает операцию) остановить свои таймер. Этот таймер запускается снова при снятии сигнала WT. Таким образом, операция проходит весь свой путь через систему без превышения лимитов времени, за исключением, разумеется, тех случаев, когда попадается СЕГМЕНТ, который не дает нормального подтверждения или не выставляет сигнал WT. В каждом МАСТЕРЕ имеется удлиняемый таймер, обнаруживающий тупиковые ситуации, которые могут возникать, например, при конфликтных запросах. После превышения лимита времени МАСТЕР ждет в течение случайного времени выдержки, прежде чем снова пытаться выполнить операцию.

1.2.3. Регистры управления и статуса

Область адресов некоторых регистров и функций в УСТРОЙСТВАХ желательно отделить от области нормальных регистров данных, чтобы предусмотреть защиту от случайного доступа и при этом не прерывать размещение областей адресов нормальных данных. Например, требуется чтобы два УСТРОЙСТВА памяти имели адресные области, расположенные рядом в адресном пространстве, чтобы их можно было использовать как одну большую память. Однако эти УСТРОЙСТВА могут содержать управляющие и статусные регистры, предназначенные для защиты памяти или обнаружения, или исправления ошибок, причем эти регистры также должны быть доступны. Более того, желательно, чтобы УСТРОЙСТВА имели основные статусные и информационные регистры в стандартном размещении, чтобы они были прямо доступны для программы со стандартными подпрограммами.

Для выполнения этих требований был использован метод выбора области адресов регистров управления и статуса (CSR) в первичном адресном цикле соответствующим кодированием линий MS. Во вторичном адресном цикле в области адресов CSR выбирается регистр, а затем в цикле передачи данных происходит передача к регистру или от него. Вторичная адресация предусматривает использование внутри УСТРОЙСТВА полного 32-разрядного адреса; такое адресное пространство достаточно для удобных стандартных размещений без опасения нехватки адресов. В предназначенных CSR-регистрах определены стандартные места для всех обычных управляющих и статусных битов. Рекомендуется встраивать в УСТРОЙСТВО регистр-идентификатор, уникальный для УСТРОЙСТВА данного типа и применяемый при инициализации систем. Биты идентификатора входят в статусный регистр 0, благодаря этому даже простые УСТРОЙСТВА без адресных дешифратов могут правильно реагировать на вызов, причем это достигается малым увеличением стоимости.

1.2.4. Географическая адресация

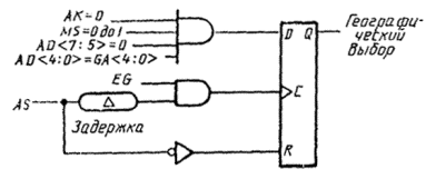
Наиболее общей формой адресацией к УСТРОЙСТВУ является логическая адресация, при которой адрес УСТРОЙСТВА не зависит от его физического положения в системе. Однако система ФАСТБАС имеет и ГЕОГРАФИЧЕСКУЮ АДРЕСАЦИЮ, при которой УСТРОЙСТВО выбирается по номеру в его физической позиции в СЕГМЕНТЕ, благодаря этому всегда возможно найти УСТРОЙСТВО с целью записи или проверки. ГЕОГРАФИЧЕСКАЯ АДРЕСАЦИЯ должна применяться для инициализации систем, в которых адресные регистры устанавливаются программно. Когда на такую систему подают питание, регистры, которые будут содержать информацию об АДРЕСЕ УСТРОЙСТВА, устанавливаются случайным образом. ГЕОГРАФИЧЕСКАЯ АДРЕСАЦИЯ используется для выбора УСТРОЙСТВА с целью загрузить их адресные регистры надлежащим содержимым. Первые 256 адресов в каждом СЕГМЕНТЕ зарезервированы для специальных целей, а первые 32 из них используются для ГЕОГРАФИЧЕСКОЙ АДРЕСАЦИИ. В КРЕЙТ-СЕГМЕНТЕ на каждой позиции модуля имеется сегментный раздел, в котором 5 штырьков кодированы (GA4 - GA0). Кодированное число 0 обозначает крайнюю правую позицию, если смотреть на крейт со стороны передней панели. Кодированное число возрастает на единицу при перемещении на одну позицию влево. Когда на магистрали выставлен ГЕОГРАФИЧЕСКИЙ АДРЕС (от 0 до 31), управляющая линия EG - разрешение географической адресации - возбуждена или вспомогательной логикой сегмента, или действующим МАСТЕРОМ. Когда во время первичного адресного цикла выдан сигнал EG, УСТРОЙСТВА сопоставляют код на своих штырьках с кодом пяти младших адресных битов на AD-линиях и отвечают, если обнаруживают совпадение кодов. Все УСТРОЙСТВА должны иметь эту способность, в то время как ЛОГИЧЕСКАЯ АДРЕСАЦИЯ не является обязательной.

Механизм ГЕОГРАФИЧЕСКОЙ АДРЕСАЦИИ может быть использован для доступа к управляющим информационным регистрам в неинициированных УСТРОЙСТВАХ, благодаря этому процедуры инициации могут выполняться автоматически. Обычные схемы узнавания логического адреса в устройстве не задействованы до тех пор, пока не выполнена инициализация.

1 - адрес; 2 - данные

Рис. 4. Передача блока с записями (с точки зрения мастера)

УСТРОЙСТВА, присоединяемые к КАБЕЛЬ-СЕГМЕНТУ, должны иметь переключаемые регистры для ручного задания и хранения ГЕОГРАФИЧЕСКОГО АДРЕСА.

1.2.5. Передача блока и принудительная передача блока

Операция передачи блока состоит из адресного цикла и любого числа циклов передачи данных одного типа - или все циклы чтения, или запись. Соединение между МАСТЕРОМ и СЛУГОЙ выполняется, как описано выше - с полным подтверждением как в начале, так и в конце операции. Скорость увеличена использованием обоих фронтов в паре сигналов строб данных и подтверждением приема данных DS/DK, при этом все же предусмотрена полная защита передачи данных благодаря подтверждениям. На рис. 4 показана передача блока с записями.

Возможна передача блока без подтверждений в циклах передачи данных. Такая принудительная передача блока допустима между УСТРОЙСТВАМИ, которые могут работать с одинаковой скоростью передачи данных. Например, в случае записи после первоначального подтверждения в адресном цикле с установлением связки AS/AK, МАСТЕР просто выставляет слова данных и выдает фронты DS с подходящей скоростью. Ответы DK как средство таймирования игнорируются, но их следует использовать для подсчета числа переданных слов с целью контроля. При такой работе сигнал DS становится строб-сигналом, который использует СЛУГА, чтобы находить слова данных в синхронной передаче. В случае чтения МАСТЕР выдает DS в качестве тактовых импульсов, которые СЛУГА использует для определения скорости передачи и сопровождает данные сигналом DK, который МАСТЕР воспринимает как строб данных.

В операциях, защищенных подтверждениями, требуется, чтобы каждое слово данных находилось на магистрали по крайней мере в течение удвоенного времени распространения, пока данные проходят к пункту назначения и сигнал подтверждения идет обратно к источнику. Когда же подтверждения не используются, в одно и то же время на пути в многокрейтной системе могут проходить несколько слов данных, благодаря чему данные могут передаваться с максимальной скоростью, допускаемой магистралями.

В большинстве случаев в операциях желательно использовать полные подтверждения. В цикле передачи данных подтверждение позволяет обоим партнерам сделать, если нужно, паузу и досрочно закончить операцию (например, в случае переполнения буфера) при точном знании количества успешно переданных слов. В операциях без подтверждений в цикле передачи данных от МАСТЕРА требуется знание способности СЛУГИ и полосы пропускания всего пути, чтобы выбрать приемлемую тактовую частоту сигнала DS. Если есть запасы времени, лучше использовать более надежный режим работы с подтверждениями.

Если во время передачи блока МАСТЕР обнаруживает (через линию AR запроса на арбитраж), что другие УСТРОЙСТВА запрашивают магистраль, он может освободить магистраль и позднее возобновить передачу блока.

1.2.6. Операции с фиксированным адресом и заблокированным арбитражем

Описанные выше операции могут быть обобщены, если допустить поток данных в обратном направлении. Операции с фиксированным адресом содержит первичный адресный цикл, сопровождаемый любым числом вторичных адресных циклов и/или циклов передачи данных. Например, в течение цикла чтение-модификация-запись МАСТЕР выставляет адрес, читает данные, изменяет направление передачи на AD-линиях, снимая сигнал RD, и записывает модифицированные данные обратно в память СЛУГИ (см. рис. 5). Такая операция не может быть прервана каким-либо другим процессором, поскольку она все время скреплена связкой AS/AK и другое устройство не может попользовать магистраль. Образуется род неразделимой операции, необходимой в многопроцессорных системах для координации использования общих ресурсов.

1 - адрес; 2 - чтение; 3 - запись

Рис. 5. Операция с фиксированным адресом: чтение-модификация-запись. (с точки зрения мастера)

Непрерываемые операции могут быть расширены и далее, если МАСТЕР и СЛУГА согласятся о значении каждого цикла в магистрали, например, если адресный цикл, где связались МАСТЕР и СЛУГА, может сопровождаться вторичным адресным циклом, за которым следует еще один цикл передачи данных.

Операции с фиксированным адресом могут содержать передачи блоков. Направление потока данных может быть изменено между пересылками блоков или индивидуальными передачами слоев вне блоков.

Еще более общий вид операций в магистрали называется операцией с заблокированным арбитражем, при которой один МАСТЕР выполняет последовательность операций, направленных к нескольким различным ПЕРВИЧНЫМ АДРЕСАМ, при этом работа МАСТЕРА не может быть прервана никаким другим МАСТЕРОМ, поскольку действующий МАСТЕР не позволяет проводить арбитраж. Это может быть очень полезно для таймирования работы группы СЛУГ, используемых несколькими процессорами: последовательность операции может быть проведена без помех со стороны других процессоров. Этот механизм действует даже в случае, когда СЛУГИ находятся в разных СЕГМЕНТАХ, поскольку СОЕДИНИТЕЛЬ СЕГМЕНТОВ сделан так, что сохраняет любое соединение до тех пор, пока МАСТЕР не освободит магистраль для арбитража.

1.2.7. Сканирование редких данных

Во многих экспериментах не все УСТРОЙСТВА получают данные при каждом событии. Механизм сканирования редких данных позволяет быстро определить УСТРОЙСТВА, содержащие ценные данные. Для этого используются ТР-штырьки, не соединенные линиями магистрали и расположенные по одному на каждой позиции задней панели. ТР-штырек в позиции п присоединен к линии п адрес/данные. МАСТЕР, желающий начать сканирование редких данных, подает команду ШИРОКОЙ ОПЕРАЦИИ всем УСТРОЙСТВАМ СЕГМЕНТА, приглашая тех, кто имеет данные, выдать сигнал на свой ТР-штырек. Последующее чтение сигналов на AD-линиях показывает, какие именно УСТРОЙСТВА следует опросить для получения данных. Такая возможность может быть реализована и на КАБЕЛЕ-СЕГМЕНТЕ: достаточно подключить сигнал о наличии данных в УСТРОЙСТВЕ к выводу на соответствующую линию AD.

1.2.8. Широкие операции

При ШИРОКОЙ ОПЕРАЦИИ МАСТЕР может соединиться с более чем одним СЛУГОЙ во время одного первичного адресного цикла. ШИРОКАЯ ОПЕРАЦИЯ может быть использована в различных целях, например, для синхронизации УСТРОЙСТВ или для установки на нуль ряда счетчиков. Поскольку могут быть задействованы несколько СЛУГ, не возможны имеющие смысл подтверждения между МАСТЕРОМ и СЛУГОЙ. Однако системное подтверждение, получаемое от вспомогательной логики на каждом СЕГМЕНТЕ на любом пути, информирует МАСТЕРА, что его команда прошла к каждому из тех СЕГМЕНТОВ, к которым была адресована. МАСТЕР выставляет наряду с адресом также и код на линиях MS, чтобы показать, что выставлен ШИРОКИЙ АДРЕС. Специфический код в поле адресов указывает, является ли ШИРОКАЯ ОПЕРАЦИЯ ЛОКАЛЬНОЙ (только лишь в одном СЕГМЕНТЕ) или ГЛОБАЛЬНОЙ либо ко всем СЕГМЕНТАМ в сети, охватываемой информацией, хранимой в СОЕДИНИТЕЛЯХ СЕГМЕНТОВ, либо ко всем СЕГМЕНТАМ, расположенным в сети за определенным СЕГМЕНТОМ. В дополнение к возможности выбора СЕГМЕНТОВ при ШИРОКОЙ ОПЕРАЦИИ, поле адресов может быть использовано для выбора УСТРОЙСТВ заданного класса в достигаемых СЕГМЕНТАХ или для выбора функций, подлежащих выполнению.

В число определенных стандартом функций входят сканирование редких данных, выставление УСТРОЙСТВАМИ сигнала на ТР-штырек (безусловное или только при выдаче SR-запроса на обслуживание) и адресация МАСТЕРОМ по сигналам на ТР-штырьках в следующем цикле.

Записи в маршрутных таблицах (в СОЕДИНИТЕЛЯХ СЕГМЕНТОВ), соответствующие АДРЕСУ ГРУППЫ, равному нулю, используют для прокладки глобальной ШИРОКОЙ АДРЕСАЦИИ, ШИРОКУЮ АДРЕСАЦИЮ могут узнать и передать несколько СОЕДИНИТЕЛЕЙ СЕГМЕНТОВ, поскольку не требуется возвращать индивидуальные подтверждения. Структура, образуемая распространяющимся сигналом ШИРОКОЙ АДРЕСАЦИИ, должна быть простой древовидной структурой без пересечений. Это требование следует обеспечивать программой инициализации.

После того, как ШИРОКИЙ АДРЕС успешно прошел через всю систему, вспомогательная логика совместно с СОЕДИНИТЕЛЯМИ СЕГМЕНТОВ генерирует сигнал СИСТЕМНОГО ПОДТВЕРЖДЕНИЯ. Последующие циклы передачи данных могут использовать СИСТЕМНЫЕ ПОДТВЕРЖДЕНИЯ. Таким образом, при помощи ШИРОКОЙ АДРЕСАЦИИ могут быть выполнены стандартные операции записи или чтения любого вида сразу в группе УСТРОЙСТВ.

ШИРОКАЯ АДРЕСАЦИЯ может отнимать некоторое время, так как приходится ожидать завершения конфликтов при использовании СЕГМЕНТОВ. Однако, когда соединения в системе завершены, скорость выполнения циклов передачи данных ограничена только СИСТЕМНЫМ ПОДТВЕРЖДЕНИЕМ и временами распространения сигналов.

1.2.9. Арбитраж владения магистралью

Одной из наиболее важных характеристик многопроцессорной системы является метод предоставления управления СЕГМЕНТОМ различным МАСТЕРАМ, которые могут одновременно претендовать на владение магистралью. Схема, помогающая выполнению этой задачи, имеется в каждом независимом СЕГМЕНТЕ и называется управлением таймирования арбитража (УТА).

Для арбитража приоритетов в СЕГМЕНТЕ предназначены 10 магистральных линий. Каждому МАСТЕРУ присвоен уровень арбитража в виде кода из 6 битов. МАСТЕРА, желающие владеть магистралью, возбуждают линию AR - запрос на арбитраж. Если линия GK (подтверждение приема (разрешения на арбитраж) не возбуждена, УТА начинает цикл арбитража, выставляя сигнал AG - разрешение на арбитраж. Запрашивающие МАСТЕРА отвечают выставлением своих уровней арбитража на 6 линий уровня арбитража AL <5:0>. На каждой линии бит «0» поглощается битом «1». Каждый запрашивающий непрерывно сравнивает свой уровень арбитража с кодом на AL-линиях бит за битом, начиная со старшего бита. Если запрашивающий обнаруживает на магистрали бит «1», который сам он не выставил, он снимает с магистрали все свои биты меньшей значимости. Спустя время, определяемое УТА, на AL-линиях остается лишь код наивысшего заявленного уровня арбитража, в результате каждый из соревнующихся знает, выиграл он или проиграл. Если управление таймированием арбитража видит, что магистраль полностью свободна (AS = AK=WT = GK = 0), оно прекращает выдачу АС, а выигравший МАСТЕР отвечает выставлением GK и вступает во владение магистралью. МАСТЕР продолжает держать сигнал GK до тех пор, пока не решит позволить следующий цикл арбитража. МАСТЕР снимает сигналы GK обычно после последнего адресного цикла в своей серии операций, позволяя следующему МАСТЕРУ быть выбранным до того, как сам действующий МАСТЕР закончит свои циклы передачи данных.

В описанной схеме арбитража возможны два сходных протокола. В одном из них запросы на арбитраж делаются безотносительно к присутствию любых других запросов, а это ведет к возможности того, что МАСТЕРА с низким приоритетом могут не получать владение магистралью в течение неограниченно долгих периодов времени. В другом протоколе гарантированного доступа запросы на арбитраж делаются только при условии, что на линии AI (запрет запроса на арбитраж) находится логический «0». В начале цикла арбитража управление таймированием арбитража возбуждает линию AI и снимает сигнал только тогда, когда удовлетворены все запросы. В результате все запросы на арбитраж, заявленные к данному моменту времени, удовлетворяются, прежде чем может быть сделан новый запрос. МАСТЕРА могут использовать любой из протоколов и работать при этом в одном и том же сегменте, поскольку протоколы отличаются только условиями на выставление сигнала AR.

Из 64 возможных кодов приоритета код 0 не используется, так как его легко спутать с отсутствием кодов в неработающей в данный момент магистрали. Коды от 1 до 31 предназначены для использования внутри сегмента. Коды от 32 до 63 служат в качестве «системных» приоритетов, единственных для каждой из частей связанной системы. Локальные приоритеты 1 - 31 внутри данного СЕГМЕНТА должны быть единственными для каждого УСТРОЙСТВА, т.е. два УСТРОЙСТВА не должны иметь одинаковых приоритетов, однако в любом СЕГМЕНТЕ можно использовать приоритеты, уже назначенные в других СЕГМЕНТАХ. Когда СОЕДИНИТЕЛЬ СЕГМЕНТОВ соединяет МАСТЕРА с другим СЕГМЕНТОМ, уровень, используемый для арбитража во втором СЕГМЕНТЕ, обычно должен быть уровнем, присвоенным СОЕДИНИТЕЛЮ СЕГМЕНТОВ, а не уровнем действующего МАСТЕРА. Однако, если действующий МАСТЕР использовал один из системных приоритетов, СС передаст этот приоритет во второй СЕГМЕНТ, который будет освобожден для работы, поскольку системные приоритеты единственны на маршруте. Системные приоритеты могут быть полезны для предотвращения нежелательных задержек при важных ШИРОКИХ АДРЕСАЦИЯХ и могут помочь передавать важные сообщения, которые в иных условиях могли бы приостанавливаться вследствие борьбы приоритетов при прокладке пути через систему.

Прерывание текущей операции возможно, благодаря этому МАСТЕР имеет возможность удерживать магистраль, сколько он хочет. Если МАСТЕР видит сигнал AR = 1 когда AS = AK = 1, то он знает, что другие МАСТЕРА в системе заблокированы текущей операцией. Действующему МАСТЕРУ следует нормально освободить магистраль в течение приемлемого времени, чтобы позволить другим МАСТЕРАМ получить владение магистралью. Программированием следует разрешать МАСТЕРУ либо запрашивать лишь один цикл арбитража, либо задерживаться на случайное время выдержки, прежде чем снова запрашивать магистраль. Общим разрешением проблемы соревнования и тупиковых ситуаций является отказ от попытки запроса с последующим ее возобновлением после случайной выдержки времени.

1.2.10. Прерывания

Прерывание - это запрос от УСТРОЙСТВА к процессору для обслуживания или внимания. Поскольку прерывания могут пересекать границы СЕГМЕНТА и поскольку они должны нести информацию, они выполняются нормальными ФАСТБАС-операциями.

Прерывающие устройства адресуются к области управляющего регистра в интерфейсе процессора, чувствительной к прерываниям, и записывают в регистры свой собственный адрес и, возможно, другую информацию. В результате процессор имеет всю информацию, необходимую для последующего выбора и обслуживания УСТРОЙСТВА, выдавшего прерывание.

В некоторых системах большое число простых УСТРОЙСТВ, не способных ни владеть магистралью, ни выполнять операцию записи прерывания, могут нуждаться в обслуживании по запросам. Такие УСТРОЙСТВА могут возбуждать линию SR - запрос на обслуживание, за этой линией может наблюдать специально выделенное УСТРОЙСТВО обработки запросов (УОЗ). Это УСТРОЙСТВО может получить владение магистралью и найти запросившего при помощи ТР-штырьков или другими способами. УОЗ может затем само выполнить необходимое обслуживание или послать сообщение нормального прерывания по просьбе запросившего какому-нибудь другому процессору. СОЕДИНИТЕЛИ СЕГМЕНТОВ могут быть запрограммированы на пропускание запросов SR от одного СЕГМЕНТА к другому.

1.2.11. Таймирование

Соотношения между фронтами таймирующих сигналов в системе ФАСТБАС определены независимо от технологии исполнения микросхем, поэтому для гарантированной работы в конкретной среде нужны дополнительные сведения о таймировании. Сведения эти двух типов:

а) задержки сигналов, обеспечивающие правильное взаимное таймирование и достаточную длительность сигналов, чтобы они были узнаваемы;

в) лимиты времени ожидания ответов, по истечении которых мастера начинают повторную процедуру восстановления связей.

Используемый в необходимых случаях сигнал WT (ожидание) блокирует последующие таймирующие сигналы в магистрали, а также устанавливает в исходное состояние таймер ответных действий в МАСТЕРАХ. Сигнал WT может быть использован для «замораживания» состояния магистрали в целях диагностики и, в дополнение, как часть протокола, межсегментного таймирования, при котором превышение лимита времени нужно определять только для местных, а не глобальных условий.

1.2.12. Инициализация

При включении питания все УСТРОЙСТВА приводятся в пассивное состояние и откликаются лишь на ГЕОГРАФИЧЕСКУЮ АДРЕСАЦИЮ. Следовательно, перед использованием их необходимо инициализировать. Инициализация состоит в выполнении ряда операций, некоторые из которых, такие как правильная установка ЛОГИЧЕСКИХ АДРЕСОВ и загрузка маршрутных таблиц в СОЕДИНИТЕЛЕ СЕГМЕНТОВ, требуют общих знаний о всей системе и ее структуре, в то время как другие, тaкие как установка коэффициента усиления усилителя или установка счетчиков на нуль, являются специфическими для каждого УСТРОЙСТВА или группы УСТРОЙСТВ.

Для каждой системы ФАСТБАС один процессор, ХОЗЯИН, содержит полное описание системы, к которой он присоединен. Система ФАСТБАС должна быть построена таким образом, чтобы ХОЗЯИН имел доступ к каждому входящему в нее УСТРОЙСТВУ. ХОЗЯИН, знающий структуру системы, может инициализировать маршрутные таблицы в СОЕДИНИТЕЛЯХ СЕГМЕНТОВ с помощью стандартных алгоритмов, гарантируя, что правила, касающиеся маршрутов, и дерево ШИРОКИХ ОПЕРАЦИЙ, а также любые ограничения на совместимость, наложенные пользователем, соблюдаются. Программа ХОЗЯИНА для инициализации также назначает уровни арбитража для МАСТЕРА и ЛОГИЧЕСКИЕ АДРЕСА для УСТРОЙСТВ, которым они необходимы, и выполняет специальные операции данного УСТРОЙСТВА.

Процесс инициализации продолжается методично. В начале инициализируются все СОЕДИНИТЕЛИ СЕГМЕНТОВ, начиная с тех, которые находятся на том же СЕГМЕНТЕ, что и ХОЗЯИН, а затем и за его пределами. Для каждого СС ХОЗЯИН вначале обращается к ближней стороне и загружает маршрутную таблицу и уровень арбитража для операций до дальней стороны.

Затем разрешаются операции по направлению к дальней стороне, и ХОЗЯИН загружает маршрутную таблицу, а также уровень арбитража на дальней стороне, и, наконец, отпирает СС для операций в обратном направлении, а именно обратных по отношению к ХОЗЯИНУ. Это продолжается до тех пор, пока все СС не инициализируются. Затем инициализируются СЛУГИ и МАСТЕРА. Дееспособность МАСТЕРА создается в последнюю очередь, чтобы исключить возможность для МАСТЕРА попытаться войти в еще неинициализированные части системы.

Всю топологическую информацию системы ФАСТБАС также, как и данные, специфичные для инициализации каждого УСТРОЙСТВА, лучше всего содержать в базе данных, управляемой ХОЗЯИНОМ. После инициализации системы может возникнуть необходимость обратиться к этой базе данных в случае каких-либо проблем с системой или УСТРОЙСТВОМ. Например, УСТРОЙСТВА, получившие сигнал RB (оброс магистрали) требуют по крайней мере повторного «оживления», а замененные УСТРОЙСТВА-инициализации. Централизация требуемой информации и действий упрощает управление системой.

1.2.13. Средства диагностики

Благодаря тому, что все ФАСТБАС-сигналы появляются на каждой позиции КРЕЙТ-СЕГМЕНТА, в крейт можно вставить УСТРОЙСТВО, которое будет контролировать всю работу магистрали. Возможно сконструировать такие УСТРОЙСТВА, которые будут реагировать на операции определенных типов. В таком УСТРОЙСТВЕ можно запомнить историю циклов, прошедших в магистрали, для их последующего вызова и анализа.

УСТРОЙСТВО, способное выдавать сигнал WT, является простым, но мощным средством диагностики. Сигнал ожидания, помимо сброса и запрета работы таймера ответных действий в МАСТЕРАХ, запрещает любые изменения состояния 6 таймирующих сигналов: AG, GK AS, AK, DS и DK, эффективно останавливая всю работу магистрали ФАСТБАС. Благодаря этому, применяя простое испытательное оборудование, можно обследовать состояние магистрали после каждого таймирующего фронта путем снятия и повторной выдачи сигнала ожидания WT.

ГЛАВА 2. УСЛОВИЯ, ОПРЕДЕЛЕНИЯ, СОКРАЩЕНИЯ И СИМВОЛЫ

В этой главе дана интерпретация стандарта, описаны обозначения, условия относительно логических сигналов, определения, сокращения и символы, применяемые в настоящем стандарте.

2.1. Интерпретация настоящего стандарта

Пункты и абзацы стандарта со словом «должен» являются обязательными

Пункты, заключенные в рамку, являются обязательными.

Определения, относящиеся к рекомендуемой или предпочтительной практике, содержат слово «следует». Такие определения рекомендуется выполнить, если нет серьезных причин против их выполнения. Примеры или допустимые варианты обычно содержат слово «может» и оставляют свободу выбора разработчику или пользователю.

В тексте обычно применяется десятичное счисление. Если тип счисления не ясен из контекста, к двоичным числам добавляется буква b (например 00100b), а к шестнадцатиричным - буква h (например, 1A3F5h).

Чтобы соответствовать настоящему стандарту, выполняемые устройства или системы должны удовлетворять обязательным требованиям этого стандарта.

Не- ФАСТБАС-оборудование, которое не противоречит в своем действии характеристикам ФАСТБАС, определенным в этом стандарте, рассматривается как совместимое с системой ФАСТБАС.

Ни одна из частей этого стандарта не исключает использование оборудования, которое совместимо в упомянутом смысле, если даже оно не полностью соответствует стандарту.

Ни лицензий, ни других разрешений не требуется, чтобы использовать настоящий стандарт.

2.2. Обозначения и условия логических сигналов

В настоящем стандарте использованы следующие обозначения для регистров и разрядов в регистрах.

<номер бита высшего порядка : номер бита низшего порядка>

Выражение XX = N означает, что на линиях, обозначенных XX, выставлен код со значением N.

Принята положительная логика, т.е. сигнал с высоким значением обозначает логическую 1, а с низким значением - 0. Это отражается в обозначении сигнала, т.е.:

АК при высоком сигнале изображает логическую 1;

АК* при высоком сигнале изображает логический 0, иначе говоря АК* активен при низком значении.

Если ФАСТБАС реализован в ЭСЛ-логике, сигнал «Подтверждение приема адреса» можно обозначать АК, однако в системе с ТТЛ-логикой обозначение будет АК*. В логических схемах сигналы, магистрали обычно проставляют в прямоугольнике (см. рисунок).

Обычно применяемые логические графические символы соответствуют Публикации МЭК 113-7 (ГОСТ 2.743). Рекомендуется использование положительных логических символов. Применение этих символов к линиям межсоединений обычно приводит к неотрицательным выходам, соединенным с неотрицательными входами.

Следующие параметры показывают обозначения линий и сигналов:

SS все SS-линии и SS-сигналы;

SS0 SS-линия или сигнал с весом 1;

SS1 SS-линия или сигнал с весом 2;

SS2 SS-линия или сигнал с весом 4;

SS = 2 значение кода на группе SS-линий или сигналов;

SS <2:0> SS2, SS1, SS0;

SS1 = 1 логическое состояние линий SS1 или сигнала.

2.3. Определения

Адрес

Address

Синоним первичного адреса

Адрес группы

Group Address

Старшие разряды, расположенные слева и определяющие адресное поле устройств в ФАСТБАС-адресе, которые используются для идентификации сегмента, содержащего устройство. Данному сегменту могут быть приписаны несколько адресов группы. См. базовый адрес группы.

Адрес модуля (MA)

Module Address (MA)

Группа разрядов, определенная внутри адресного поля устройства в ФАСТБАС-адресе, которая идентифицирует модуль в сегменте. Адрес модуля может частично перекрывать адрес группы.

Адрес следующей передачи

Next Transfer Address (NTA)

Указатель в слуге к тому регистру, который должен быть выбран во время следующей передачи данных. Запись в NTA-регистр может быть сделана во время первичного адресного цикла, а в течение вторичного адресного цикла могут быть выполнены чтение или запись.

Адрес устройства (АУ)

Device Address (DA)

Идентифицирующее число разрядностью (32-m) битов, присвоенное ФАСТБАС-устройству и сопоставляемое с адресным кодом на магистрали во время цикла первичной адресации при ФАСТБАС-операции. Адрес устройства образуется из полей адреса группы и адреса модуля. Остающиеся т младших разрядов относятся к полю внутреннего адреса.

Адресный цикл

Address Cycle

Синоним первичного адресного цикла.

Базовый адрес группы

Base Group Address

Значение адреса группы GP, которое используется для географической адресации сегменту. Нормально наинизший GP, присвоенный сегменту.

Ближняя сторона (соединителей сегментов СС или БСС)

Near Side (of an SI or BI)

Проход в СС или БСС, который электрически ближе к действующему мастеру.

Буферизированный соединитель сегментов (БСС)

Buffered Interconnect BI

Устройство, которое обеспечивает соединение сегментов таким образом, что ФАСТБАС-протокол в одном сегменте не синхронизирован с протоколом в другом сегменте.

Слуга Slave

Устройство, которое отвечает мастеру в соответствии с ФАСТБАС-протоколом.

Мастер

Master

Устройство, которое способно заявлять операцию и управлять ею в сегменте в соответствии с

Владение магистралью

Mastership

ФАСТБАС-протоколом. Мастер владеет магистралью, когда - получил право управлять сегментом и выдал сигнал GK или AS.

Время разброса задержек

Skew Time

Минимальное время, на которое после выдачи информационных и/или управляющих сигналов должен быть задержан сигнал таймирования, чтобы учесть различия во временах распространения сигналов в ФАСТБАС-сегменте.

Вспомогательная логика (ВЛ)

Ancillary Logic (ANC)

Логическая схема, присутствующая в каждом сегменте, но не являющаяся частью какого-либо устройства. Операции арбитража, географической адресации, системного подтверждения и управление работой / остановом выполняются вспомогательной логикой, которая может также содержать терминаторы сегмента.

Вспомогательный разъем модуля (ВРМ)

Module Auxiliary Connector

Стандартный разъем, который монтируется над сегментным разъемом модуля на печатной плате модуля.

Вторичный адрес

Secondary Address

Адрес, используемый внутри устройства. Он определяется во вторичном адресном цикле установкой NTA-регистра устройства после первичного адресного цикла.

Вторичный адресный цикл

Secondary Address Cycle

Цикл данных, в котором мастер использует линии AD адрес/данные для загрузки вторичного адреса в NTA-регистр устройства.

Выдержка

Retry Period

Интервал времени, в течение которого мастер, не получив ответа, ожидает, прежде чем снова начать операцию. Этот интервал должен быть случайным, чтобы избежать зависаний в системе.

Географический адрес (ГА) Geografical Address (QA)

Первичный адрес устройства, основанный на физическом (географическом) положении модуля и задаваемый кодированными штырьками сегментного разъема или (на кабель-сегменте) переключаемым вручную регистром. В крейт-сегменте географический адрес нуль имеет крайняя правая позиция, если смотреть на крейт спереди. Адрес возрастает на единицу при переходе влево на соседнюю позицию.

Дальняя сторона (соединителей сегментов)

Far Side (of an SI or BI)

Проход в соединителях СС или БСС, который электрически более удален от действующего мастера.

Дополнительная плата модуля

Module Supplementary Board

Любая плата в ФАСТБАС-модуле, не имеющая прямого соединения с крейт-сегментом.

Древовидная структура

Tree Structure

Комплекс соединенных сегментов без контуров (пересечений связей).

ESONE

Многонациональный комитет, представляющий европейские ядерные лаборатории. Он выпустил первоначальный стандарт КАМАК и сотрудничает с NIM в эксплуатации и развитии системы КАМАК, а также в разработке системы ФАСТБАС.

Задняя плата

Backplane

Кросс-плата со схемой (обычно печатной) в тыльной части крейта, которая через свои разъемы присоединяет модули и образует крейт-сегмент.

Зарезервировано

Reserved

Линия магистрали, штырьки разъема, коды, биты и т.п., сохраняемые для определения их функций комитетом NIM в будущем. Они не должны использоваться до такого определения.

Защитный буфер

Protective Buffer

Произвольный буфер в слуге, состоящий из одного слова, который всегда содержит копию самых последних данных, выставленных или полученных слугой.

Интерфейс процессора (ИП)

Processor Interface

Интерфейсное устройство между внешним процессором и ФАСТБАС-сегментом.

Кабель-сегмент

Cable Segment

KAMAK

CAMAC

ФАСТБАС-сегмент, состоящий из кабеля с соответствующими разъемами для присоединения устройств. Международная стандартизованная модульная приборная и цифровая интерфейсная система, определенная стандартом IEEE Std 583 и соответствующая документам EUR 4100 и IEC 516.

Крейт

Crate (FASTBUS CRATE)

Каркас для ФАСТБАС-модулей, объединяемых крейтом-сегментом.

Крейт-сегмент

Crate Segment

ФАСТБАС-сегмент, который состоит из задней платы, укрепленной на ФАСТБАС-крейте и имеющей разъемы для присоединения множества ФАСТБАС-модулей к магистрали.

Лимит времени ожидания

Wait Timeout Period

Время, в течение которого мастер ждет после получения сигнала WT, прежде чем прекратить соединение.

Логический адрес

Logical Address

Первичный адрес из 32 битов, состоящий из адреса устройства и внутреннего адреса. Не зависит от положения устройства в сегменте.

Маршрутная таблица

Route Table

Список адресов групп, распознаваемых соединителем сегментов для пропускания операций к сегменту, соединенному с дальней стороной.

Минимальный промежуток между импульсами

Minimum Pulse Down Timt

Чтобы любое устройство могло обнаружить состояние «0» сигнала между двумя сигналами «1», состояние «0» должно длиться не менее времени заднего фронта импульса, которое зависит от характеристик магистрали.

Модуль

Module

Любое ФАСТБАС-устройство, которое может быть помещено в ФАСТБАС-крейт, присоединено к крейт-сегменту и соответствует обязательным требованиям этого стандарта к модулю.

NIM

1. Комитет, действующий под покровительством Министерства энергетики США и связанный с Национальным бюро стандартов. Комитет выпустил стандарты на приборную систему NIM, одобрил применение системы КАМАК, сотрудничает с комитетом ESONE в развитии и распространении КАМАК.

2. Стандартизованная модульная приборная система, состоящая из модулей NIM и бинов (крейтов) NIM, определенная докладом TID-20893 Министерства энергетики США.

Нулевая операция

Null Operation

Первичный адресный цикл, не сопровождаемый циклом передачи данных. Операция определяет, имеется ли в системе устройство, способное реагировать на выданный первичный адрес. Нулевая операция может быть использована для забронирования соединителя сегментов с целью проведения серии операций при заблокированном арбитраже.

Область адресов данных

Data Space

См. область адресов регистров управления и состояний.

Область адресов регистров управления и состояний

CSR Space

Циклом первичного адреса при помощи кода на управляющих линиях MS (выбор режима) может быть определена одна из двух раздельных адресных областей в устройстве: область адресов регистров и состояний, а также область адресов данных. Область CSR содержит регистры для управления устройством и регистры для информации о состоянии устройства. Их размещение и применение определяются стандартом ФАСТБАС.

Операция

Operation

Первичный адресный цикл в совокупности с одним или несколькими циклами передачи данных и с заключающей последовательностью задних фронтов сигналов.

Операция прерывания

Interrupt Operation

ФАСТБАС-операция записи в устройство, обслуживающее прерывания, извещающая, что запрашивающий требует внимания.

Операция с фиксированным адресом

Address Locked Operation

Операция, направленная к одному первичному адресу, содержащая сочетание циклов чтения и записи; может также включать передачу блока.

Очистка цикла

Cleanup Data Cycle

Цикл данных, который не сопровождается передачей данных, а предназначен только для выключения драйверов слуги: AD (адрес/данные), РА (четность) и РЕ (разрешение контроля по четности).

Первичный адрес

Primary Address

Адрес, присвоенный устройству, посредством которого мастер способен установить связь с устройством или с подразделением устройства. Типы первичного адреса: логический, географический и широкий.

Первичный адресный цикл

Primary Address Cycle

Часть ФАСТБАС-операции, в которой мастер адресуется к слуге через линии AD адрес/данные. Тип адреса определяется сигналами на управляющих линиях ЕС и MS. Цикл начинается сигналом на линии AS строб адреса и заканчивается, когда мастер получает сигнал подтверждения приема адреса на линии АК. Во время первичного адресного цикла могут быть переданы логический, географический и широкий адреса.

Передача блока

Block Transfe

Часть ФАСТБАС-операции, при которой мастер либо посылает данные присоединенному слуге, либо получает от него данные при каждом фронте сигнала DS строб данных. Слуга подтверждает прием или посылает данные при каждом фронте сигнала DK.

Передача блока, принудительная

Pipelined Transfer

Часть ФАСТБАС-операции, при которой мастер или посылает данные присоединенному слуге, или вынуждает его выдавать данные на. каждом фронте сигнала DS строб данных. Слуга подтверждает прием или передачу данных при помощи каждого фронта сигнала DK-подтверждение приема данных. Мастер не ожидает подтверждения от слуги и выдает следующий фронт сигнала DS в своем темпе.

Переключатель работа / останов (ПРО)

Run/Halt Switch (RH)

Схемный переключатель, нормально приводимый в действие от планки, запирающей модули в крейте, или от схемы управления таймированием арбитража и кабель-сегменте. Переключатель останавливает передачи в магистрали, чтобы можно было безопасно вставлять или вынимать модули, не влияя на состояние других модулей в сегменте.

Печатная плата модуля (ППМ)

Module Circuit Board

Печатная плата, служащая основой для схемной части ФАСТБАС-модуля.

Подготовленный мастер

Pending Master

Мастер, который участвовал в самом последнем цикле арбитража и выиграл. В результате он вступит во владение магистралью, когда действующий мастер освободит магистраль.

Подтверждение

Handshake

Взаимосвязанный обмен сигналами между мастером и слугой с подтверждением передачи информации.

Позиция

Position, Slot

Позиция модуля в крейте. Номер позиции соответствует географическому адресу.

Поле внутренних адресов

(IA) Internal Address Field

Группа младших разрядов (расположенных справа и примыкающих левой стороной к адресному полю устройств), определяющая в ФАСТБАС-адресе адреса внутри модуля. Циклы вторичной адресации позволяют увеличить количество ячеек памяти сверх того количества, которое определено полем внутренних адресов.

Последовательность завершения

Termination Sequence

Процесс, с помощью которого связка AS/AK разрушается.

Превышение лимита времени

Timeout

Превышение лимита времени имеет место, когда таймер ответных действий по истечении установленного времени прерывает операцию, не дождавшись ожидаемого события. Контроль лимита времени предохраняет систему от неопределенного ожидания в случаях ошибки или неисправности.

Присоединенный слуга

Attached Slave

Присоединенный слуга - это такой слуга, который в предыдущем первичном адресном цикле узнал свой адрес, тип адреса и в результате будет участвовать в последующем цикле передачи данных.

Протокол гарантированного доступа

Assured Access Protocol

Потенциальный мастер работает в протоколе гарантированного доступа, если он, обнаружив выданный сигнал АI-запрет запроса на арбитраж, не выдает запрос AR и, таким образом, не будет участвовать в последующих циклах арбитража до тех пор, пока все устройства, уже выдавшие AR, не получат право на владение магистралью и не завершат свои операции.

Процессор-хозяин (ПХ)

Host Processor (HP)

Обрабатывающий и управляющий процессор, предназначенный для всеобщего наблюдения за системой ФАСТБАС. Содержит детальные сведения о топологии системы.

Регистр управления и состояний

Control and Status Register (CSR)

Регистр, используемый для управления операцией устройства и/или записи статуса операции. Он доступен при обращении к отдельной области адресов регистров управления и статуса ФАСТБАС-устройства. Регистр CSR-0, обязательный для всех устройств, содержит код идентификации устройства, заданный его производителем, ряд битов статуса устройства, а также некоторые биты, определяемые производителем.

Режим прослеживания ошибки на маршруте

Route Tracing Mode

Режим операции соединителя сегментов, в которой вырабатывается реакция на диагностику ошибки вместо нормального прохождения операции.

Расширенный сегмент

Extended Segment

Множественность крейт-сегментов, к которым обеспечен доступ через тот же самый адрес группы. В отличие от операций на сегментах, соединенных соединителями сегментов, независимые операции на каждом из сегментов, являющихся частью расширенного сегмента, никогда не протекают параллельно. В зависимости от метода реализации, могут существовать некоторые ограничения, касающиеся размещения мастеров. В зависимости от расположения модулей на расширенном сегменте, некоторые широкие операции могут быть неприменимы или могут требовать специальной интерпретации.

Расширитель сегмента

Segment Extender (SE)

Устройство для соединения двух сегментов с целью формирования расширенного сегмента или его части.

Сегмент

Segment

Определенное средство для передачи информации, функционирующее в соответствии с ФАСТБАС-протоколом, к которому могут быть присоединены ФАСТБАС-устройства. Сегмент способен работать автономно и сообщаться с другими сегментами через соединители сегментов (СС).

Сегментный разъем модуля Module Segment Connector

Стандартный разъем, который монтируется на ФАСТБАС-модуле и сочленяется с сегментным разъемом крейта.

Серия операций с заблокированным арбитражем

Arbitration Lokeed Sequence

Серия операций, выполняемых одним мастером, направленная к нескольким различным первичным адресам, которая не может быть прервана ни одним из других мастеров, поскольку действующий мастер не разрешает арбитраж магистрали.

Сканирование редких данных (СРД)

Sparse Data Scan (SDS)

Технический прием, при помощи которого множества модулей, содержащих мало данных, могут быть эффективно опрошены без соединения с каждым модулем из тех, которые потенциально могут содержать информацию, но не содержат ее в данный момент.

Системное подтверждение

System Handshake

Подтверждение в широкой операции, при котором сигнал подтверждения получается от последнего сегмента адресуемой системы, а не от индивидуального устройства.

Соединенная система

Connected System

Все сегменты соединенной системы способны связываться непосредственно друг с другом через СС. Следует заметить, что вследствие определения путей передачи сообщений маршрутными таблицами, сегменты системы, соединенные электрически при помощи СС, не соединены также логически в употребляемом здесь смысле.

Соединитель

Interconnect

См. соединитель сегментов и буферизованный соединитель сегментов.

Соединитель сегментов (СС)

Segment Interconnect (SI)

Устройство, которое осуществляет такое соединение двух сегментов, при котором выполнение в них ФАСТБАС-протокола синхронизировано. Когда операция пропускается через СС, он действует как слуга на ближней стороне и как мастер на дальней стороне.

Соединитель сегментов активный

Active Segment Interconnect

Соединитель сегментов является активным, когда он выдает сигнал AS=1 в сегмент, присоединенный к дальней стороне.

Соединитель сегментов завладевший

Reserved Segment Interconnect

Соединитель сегментов является завладевшим, если он завладел магистралью сегмента, присоединенного к дальней стороне, и выдал сигнал GK= 1 в этот сегмент.

Таймер ответных действий

Response Timer

Таймер внутри слуги или соединителя сегментов, предназначенный для прекращения операции, которая не закончилась в течение заданного достаточного интервала времени.

Узорный выбор устройств

Pattern Select

Широкий адрес, специфичный тем, что все устройства, замечающие широкую адресацию, остаются связанными с мастером только в случае, если их ТР-штырьки заявлены в течение последующего цикла записи данных.

Управление географической адресацией (УГА)

Geografical Address Control (ПАС)

Логическая схема на каждом сегменте для генерации и контроля сигналов, предназначенных для осуществления географической адресации.

Управление таймированием арбитража (УТА)

Arbitration Timing Control (АТС)

Логическая схема в каждом сегменте, предназначенная для наблюдения и генерации сигналов управления арбитражем, работой / остановом и системным подтверждением при широкой операции. Является частью вспомогательной логики.

Устройство

Device

Любое устройство, способное к присоединению к сегменту и соответствующее обязательным требованиям ФАСТБАС-протокола.

Устройство обработки запросов (УОЗ)

Service Request Handler (SRH)

Мастер, назначенный для наблюдения за линией SR запросов на обслуживание в сегменте или в группе сегментов. Если SR=1, MOЗ запрашивает владение магистралью и после его получения определяет, какой модуль или какие модули выдали SR=1, либо опросом, либо при помощи широкой операции. Затем МОЗ может сам обслужить поступившие запросы или послать прерывание другим устройствам по поручению модулей, выдавших SR. Сигнал SR обычно выдается только теми модулями, которые мало способны к владению магистралью.

Устройство обслуживания прерываний (УОП)

Interrupt Service Device (ISO)

Процессор или другое устройство, которое может отвечать на операцию прерывания.

ФАСТБАС

FASTBUS

Стандартизованная быстродействующая магистрально-модульная многопроцессорная информационно-измерительно-управляющая система, определяемая настоящим стандартом.

ФАСТБАС-протокол

FASTBUS Protocol

Формат и последовательность управляющих сообщений и сообщений данных в системе ФАСТБАС. Форматы определяются назначением сигнальных линий магистрали ФАСТБАС. Последовательности определяются ФАСТБАС-операциями.

Цепная связь

Daisy Chain

Соединение на задней панели между соседними позициями, которое позволяет передавать информацию между соседними модулями независимо от ФАСТБАС-протокола.

Цикл арбитража

Arbitration Cycle

Процесс, определяющий следующего мастера, который будет владеть магистралью. Цикл начинается управлением таймированием арбитража и завершается, когда выигравший мастер получает право на владение магистралью.

Цикл записи (запись)

Write Cycle (Write)

Цикл, при котором поток данных направлен от мастера к слуге (слугам).

Цикл данных Data Cycle

Часть ФАСТБАС-операции, в которой мастер или посылает данные к присоединенному слуге, или получает данные от него. Цикл начинается с выдачи мастером фронта сигнала DS-строб данных и оканчивается с получением от слуги фронта сигнала DK-подтверждение приема данных.

Цикл считывания (чтение)

Read Cycle (Read)

Цикл, в котором поток данных направляется от слуги (слуг) к мастеру.

Четность (для ФАСТБАС)

Parity (for Fastbus)

Добавленный к ФАСТБАС-слову бит, значение которого выбирается так, чтобы сделать общее число битов «1» (включая бит четности) нечетным. Он применяется для проверки ошибок, поскольку прием четного числа битов «1» свидетельствует об ошибке в передаче.

Широкая операция

Broadcast (Broadcast Operation)

Операция, направленная к одному или нескольким слугам в одном или нескольких сегментах.

Широкая операция глобальная

Global Broadcast

Широкая операция с теми слугами во всех сегментах многосегментной системы, которые могут быть достигнуты из сегмента с действующим мастером.

Широкая операция, линейная

Linear Broadcast

Широкая операция с подгруппой сегментов, охватываемых глобальной широкой операцией. Подгруппа может быть определенным сегментом или располагаться до или после определенного сегмента.

Широкая операция, локальная

Local Broadcast

Широкая операция в пределах только лишь действующего сегмента.

Широкая операция с устройствами заданного класса

Device Class Broadcast

Избирательная широкая операция, определяемая регистром CSR-7. В последующих циклах отвечает лишь устройство заранее назначенного класса.

Широкий адрес

Broadcast Address

Первичный адрес, выставляемый мастером при широкой операции.

2.4. Буквенные обозначения

В оригинале

В переводе

(русские подчеркнуты)

A

Asynchronous (Type of Line)

А

Асинхронный (тип линии)

AD

Address/Data

АД

Адрес/данные

AG

Arbitration Grant

AG

Разрешение на арбитраж

AI

Arbitration Request Inhibit

AI

Запрет запроса на арбитраж

AK

Address Acknowledge

АК

Подтверждение приема адреса

AL

Arbitration Level

AL

Уровень арбитража

ANC

Ancillary Logic

ВЛ

Вспомогательная логика

AR

Arbitration Request

AR

Запрос на арбитраж

AS

Address Sync

AS

Строб адреса

АТС

Arbitration Timing Control

УТА

Управление таймированием арбитража

BH

Bus Halted

ВН

Магистраль остановлена

BI

Buffered Interconnect

БСС

Буферизированный соединитель сегментов

BK

Busy Acknowledge

ВК

Подтверждение занятости магистрали

С

Clear Bit

С

Бит сброса

С

Control (Type of Line)

У

Управление (тип линии)

CA

Control for Arbitration Bus (Type of Line)

УА

Управление арбитражем (тип линии)

CSR

Control And Status Register of Line)

CSR

Регистр управления и статуса

CT

Control and Timing (Type of Line)

УТ

Управление и таймирование (тип линии)

DA

Device Address

DA

Адрес устройства

DAR

Daisy Chain A Return

DAR

Обратный провод цепной связи А

DBR

Daisy Chain В Return

DBR

Обратный провод цепной связи

DK

Data Acknowledge

ВDK

Подтверждение приема данных

DLA

Daisy Chain A Out Left

DLA

Выход цепной связи А налево

DLB

Daisy Chain В In Left

DLB

Вход цепной связи В слева

DRA

Daisy Chain A In Right

DRA

Вход цепной связи А справа

DRB

Daisy Chain В Out Right

DRB

Выход цепной связи В направо

DS

Data Sync

DS

Строб данных

ECL

Emitter- Coupled Logic

ЭСЛ

Эмиттерная логика

E

Enable Geografical

EG

Разрешение географической адресации

F

Fixed Information (Type of Pins)

ф

Фиксированная информация (тип штырьков)

F

(Pins) Free Pins

F

Свободные штырьки

FBP

FASTBUS Protocol

ФП

ФАСТБАС-протокол

FIFO

First In, First Out

ПВПВ

Первым вошел, первым вышел

G

Global Bit

G

Бит глобальности

GA

Geografical Address

GA

Географический адрес

GAC

Geografical Address Control

УГА

Управление географической адресацией

GK

Grant Acknowledge

GK

Подтверждение приема разрешения на арбитраж

GP

Group Address

GP

Адрес группы

GP

Group Address Field

GP

Поле адреса группы

I

Information

И

Информация (тип линии)

IA

Internal Address

IA

Внутренний адрес

IA

Information for Arbitration Bus (Type of Line)

ИА

Информация о линиях арбитража (тип линии)

ID

Device Identification

ИУ

Идентификатор устройства

IDC

Insulation Displacement Connector

РСИ

Разъем со смещаемой изоляцией

ISO

Interrupt ServiceDevice

УОП

Устройство обслуживания прерываний

L

Local Bit

L

Локальный бит

LED

Light Emitting Diode

СД

Светодиод

LSB

Least Significant Bit

МР

Младший разряд

M

Master

М

Мастер

MA

Module Address

МА

Адрес модуля

MAC

Module AuxiliaryConnector

ВРМ

Вспомогательный разъем модуля

MCB

Module Circuit Board

ППМ

Печатная плата модуля

MS

Mode Select

MS

Выбор режима передачи

MSB

Most Signifacant Bit

СР

Старший разряд

MSC

Module SegmentConnector

СРМ

Сегментный разъем модуля

NTA

Next Transter Address

NTA

Адрес следующей передачи

PA

Parity

РА

Четность

PE

Parity Enable

РЕ

Разрешение контроля по четности

PI

Processor Interface

ИП

Интерфейс процессора

PROM

Programmable Read-Only Memory

ППЗУ

Программируемое постоянное запоминающее устройство

R

Read

R

Чтение

R

Reserved Line

R

Зарезервированная линия

RB

Reset Bus

RB

Сброс магистрали

RD

Read Line

RD

Линия чтения

RH

Run/Halt Switch

ПРО

Переключатель работы/ останов

RX

Receive Serial Line

RX

Приемная последовательная линия

S

Slave

С

Слуга

S

Set Bit

S

Бит установки

S

Serial Data, Timing Independent of Parallel Bus (Type of Line)

П

Последовательные данные, таймирование которых не зависит от параллельной магистрали (тип линии)

SDS

Sparce Data Scan

СРД

Сканирование редких данных

SHL

System Handshake Logic

ЛСП

Логика системного подтверждения

SI

Segment Interconnect

СС

Соединитель сегментов

SR

Service Request

SR

Запрос на обслуживание

SRH

Service Request Handler

МОЗ

Модуль обработки запросов

SS

Slave Status

SS

Состояние слуги

Т

Timing (Type of Line)

Т

Таймирование (тип линии)

ТА

Timing for Arbitration Bus (Type of Line)

ТА

Таймирование арбитража (тип линии)

TP

Т Pin

ТР

Штырек для выдачи запроса на линию AD

TR

Terminated Restricted Use Line

TR

Согласованная линия ограниченного применения

TTL

Transistor-Transistor Logic

ТТЛ

Транзистор-транзисторная логика

TX

Transmit Serial Line

ТХ

Передающая последовательная линия

UR

Unterminated Restricted Use Line

UR

Несогласованная линия ограниченного применения

W

Write

W

Запись

WT

Wait

WT

Ожидание

2.5. Символы

ГЛАВА 3. СИГНАЛЫ, СИГНАЛЬНЫЕ ЛИНИИ И ШТЫРЬКИ РАЗЪЕМОВ

Эта глава содержит разъяснения терминологии, используемой при описании сигналов, сигнальных линий и штырьков, а также краткую характеристику их применения.

3.1. Типы сигнальных линий

Сигналы, используемые в системе ФАСТБАС, могут быть классифицированы следующим образом.

Таймирование  -    фронты этих сигналов используются для разграничения ФАСТБАС-циклов, содержащих информацию об адресе или о данных, либо об арбитраже.

Управление       -    уровень этих сигналов определяется в моменты фронтов таймирующих сигналов для последующего установления типа операции. Действие управляющих линий зависит от момента появления фронтов импульсов.

Информация     -    уровень этих сигналов в момент фронта таймирующего сигнала выражает действие, определяемое управляющими линиями и запускающим фронтом.

Асинхронные    -    некоторые ФАСТБАС-сигналы могут быть инициированы событиями, которые не синхронизированы с ФАСТБАС-протоколом. Примерами являются запросы на обслуживание и арбитраж.

Последовательные данные - независимая последовательная магистраль, которая действует на основе протокола последовательной сети ФАСТБАС.

Фиксированные -   информация, указывающая физическое положение модулей в крейт-сегменте или кабель-сегменте, фиксированная в том смысле, что она не может быть изменена ФАСТБАС-операциями.

3.2. Обозначения характера сигналов

Сигналы обозначаются следующим образом: если XX - сигнал на магистрали, то на логических диаграммах ВХХ используется для обозначения буферированного привходящего сигнала и IXX - для генерированного внутри выходящего сигнала магистрали. Состояние или изменение состояния сигнала XX показывается следующим способом:

XX (u) - переход от 0 к 1 (up);

X (d) - переход от 1 к 0 (down);

XX (t) - переход от одного уровня к другому (toggle - коленчатый изгиб);

ХХ= 1 - сигнал выставлен;

ХХ = 0 - сигнал не выставлен.

3.3. Краткое описание сигналов, линий и штырьков

В дополнение к имени сигнала каждый подзаголовок в этой главе содержит, в скобках, указания на применение сигнала в соответствии с определением, данным в таблице, и на возможные источники сигнала. Каждый сигнал воплощается магистральной линией как в крейт-сегменте, так и в кабель-сегменте, если в описании не оговорено иное.

Сигнальные линии ФАСТБАС и штырьки разъемов, описанные в п. 3.3, должны быть выполнены в ФАСТБАС-сегментах и должны использоваться в соответствии с обязательными требованиями, описанными в настоящем стандарте.

3.3.1. AS - строб адреса (Т, мастер)

Таймирующий сигнал AS выдается после установления сигналов на линиях AD адрес/данные и MS выбор режима передачи, возбуждаемых мастером после получения права владения магистралью. По получении этого сигнала слуги сопоставляют адрес и его тип с адресом и типом, которые были встроены или запрограммированы в cлуге. Слуги, не признавшие адрес, не предпринимают дальнейших действий до следующего сигнала AS (u), когда они снова будут выполнять сопоставление адресов.

3.3.2. АК - подтверждение приема адреса (Т, слуга или вспомогательная логика ВЛ)

Таймирующий сигнал АК выдается слугой после признания своего географического или логического адреса в первичном адресном цикле. Получение сигнала АК действующим мастером показывает, в соответствии с состоянием линий MS <2:0>, что выполнено соединение либо с одним слугой, либо широкое соединение с несколькими слугами. В первом случае АК выдает слуга, во втором случае подтверждение АК выдает вспомогательная логика ВЛ.

3.3.3. EG - разрешение географической адресации (УТ, мастер или ВЛ)

Управляющий сигнал EG выдается мастером или вспомогательной логикой. По получении этого сигнала слуги сопоставляют свой географический адрес с адресом, кодированным на младших линиях AD. Географический адрес вводится в модуль через сегментный разъем с кодированными штырьками, а в устройстве, подключенном к кабель-сегменту, - задается при помощи механически переключаемого регистра.

3.3.4. MS - выбор режима передачи (У, мастер)

Три управляющих сигнала режима передачи выдаются мастером во время адресного цикла, чтобы определить тип соединения. Во время циклов передачи данных мастер возбуждает линии MS и RD, чтобы указать режим передачи данных. В адресном цикле MS указывает доступ или к области адресов данных, или к области адресов регистров управления и состояний конкретного устройства или нескольких устройств при широкой операции. В цикле передачи данных управляющие сигналы MS определяют сканирование редких данных, вторичный адрес, передачу блока или принудительную передачу блока.

3.3.5. AD - адрес/данные (И, мастер или слуга)

Тридцать две информационные линии AD предназначены для передачи информации во время ФАСТБАС-операции. Сигналы AD выдаются мастером в циклах записи и слугой в циклах чтения. Линии обозначаются AD <31:00>, где AD31 - старший разряд.

3.3.6. SS - состояние слуги (И, слуга)

В первичном адресном цикле три информационных сигнала SS выдаются или соединителем сегментов, или слугой, чтобы отобразить состояние соединений в сети сегментов или состояние соединений с устройством. В цикле передачи данных эти сигналы выдаются присоединенным слугой, чтобы показать состояние слуги. В обоих случаях сигнал SS = 0 показывает, что цикл был успешным.

3.3.7. DS - строб данных (Т, мастер)

Таймирующий сигнал DS выдает мастер, чтобы начать цикл передачи данных. По получении этого сигнала, присоединенные слуги используют сигнал RD, чтобы определить, выставлять ли данные на линии AD при RD = 1 - чтении или принимать данные при RD = 0 - записи. Подобным образом расшифровываются сигналы MS <2:0>, чтобы определить режим операций. Прежде чем выдать DS, мастер должен выждать время установления сигналов на управляющих и информационных линиях.

3.3.8. DK - подтверждение приема данных (Т, слуга или ВЛ)

Единственный присоединенный слуга всегда выдает таймирующий сигнал DK в ответ на DS. При широкой операции DK выдается в системном подтверждении (см. гл. 7). Значение MS во время первичной адресации определяет, какой будет источник DK.

3.3.9. RD - чтение (У, мастер)

Мастер выдает RD, чтобы указать присоединенному слуге направление потока данных на линиях AD, РЕ и РА. В адресном цикле и при записи в цикле передачи данных RD = 0, при этом мастер выдает AD, РЕ и РА, при чтении RD = 1 в цикле передачи данных, причем упомянутые линии возбуждает слуга.

3.3.10. РЕ - разрешение контроля по четности (И, мастер или слуга)

Информационный сигнал РЕ выдается устройством, чтобы показать что генерирован сигнал нечетности для АD-линий. Линия РЕ может быть возбуждена мастером в адресном цикле и в циклах записи, а также слугой в циклах чтения. Выдача РЕ не гарантирует, что будет происходить проверка четности.

3.3.11. РА - четность (И, мастер или слуга)

Сигнал РА выдают мастер или слуга если они выдают РЕ. Если в слове AD <31:00> имеется четное число битов, установленных в логическую 1, то РА устанавливается в логическую 1.

3.3.12. WT - ожидание (А, любое устройство)

Выдача сигнала WT устанавливает в начальное состояние таймеры ответных действий и запрещает их работу в мастере, а также запрещает выдачу таймирующих фронтов мастерами и слугами. Этот сигнал генерируют соединители сегментов, а также слуги и диагностические модули, чтобы показать действующему мастеру, что, прежде чем он получит ожидаемый ответ, будет продолжительная задержка. Использование сигнала WT в целях диагностики позволяет запускать систему одиночными шагами.

3.3.13. AR - запрос на арбитраж (А, мастер)

Управляющий сигнал AR выдает мастер, чтобы запросить владение магистралью в своем сегменте. Управление таймированием арбитража, получив AR, начинает цикл арбитража, как только это разрешит действующий мастер.

3.3.14. AG - разрешение на арбитраж (ТА, вспомогательная логика)

Линия AG возбуждается вспомогательной логикой, чтобы начать циклы арбитража, в течение которых претендующие мастера выясняют, кто из них будет следующим действующим мастером.

3.3.15. AL - уровень арбитража (ИА, мастер)

Линии AL <05:00> уровня арбитража возбуждаются мастерами, участвующими в цикле арбитража. Возбуждение линии отображают приоритет мастера в своем сегменте или системе. Правила выдачи сигналов AL детально описаны в гл. 6.

3.3.16. GК - подтверждение приема разрешения на арбитраж (ТА, мастер)

Сигнал GK выдает мастер, который участвовал в арбитраже и выиграл самый последний цикл арбитража. До тех пор, пока мастер не выдал сигнал GK, он называется подготовленным мастером. Действующий мастер - это такой мастер, который выдал GK или AS. Правила выдачи GK даны в гл. 6.

3.3.17. AI - запрет запроса на арбитраж (УА, вспомогательная логика)

Управление таймированием арбитража (УТА) выдает AI, чтобы показать наличие неудовлетворенных запросов после цикла арбитража. Мастера, работающие в протоколе гарантированного доступа, не будут выдавать запрос AR и таким образом воздержатся от участия в последующих циклах арбитража, пока все мастера, выставляющие AR, не получат владение магистралью и не завершат свои операции.

3.3.18. SR - запрос на обслуживание (А, мастер или слуга)

Устройство, которое нуждается в обслуживании, может в любой момент выдать сигнал SR. Мастер, назначенный для наблюдения за линией SR, получив владение магистралью, может предпринять необходимые действия.

3.3.19. RB - сброс магистрали (А, мастер или мастер через СС)

Сигнал RB выдает мастер, располагающий достаточной информацией, чтобы ввести сегмент в свое начальное или спокойное состояние. Этот асинхронный сигнал может быть использован для предварительной подготовки сегмента перед инициализацией или диагностикой. В последнем случае перед началом диагностических процедур важно ограничиться минимальными воздействиями на сегмент.

3.3.20. ВН - магистраль остановлена (У, вспомогательная логика)

Сигнал ВН выдается только логикой работа/останов в управлении таймированием арбитража, когда логика обнаруживает запрос на останов от переключателя работа/останов. Этот сигнал, генерированный совместно с АК, указывает на неактивное состояние остановленного сегмента, позволяя всем устройствам, расположенным в сегменте, защитить себя от спонтанных сигналов, которые могут быть генерированы в магистрали вследствие разных причин. Сигнал ВН особо предназначен для защиты против ложного сигнала RB.

3.3.21. GA - географический адрес (Ф, запаянная кодирующая схема)

Пять штырьков GA двоично кодированы на разъеме в каждой позиции в крейте-сегменте, причем код однозначно выражает номер позиции модуля. GA = 00 представляет крайнюю правую позицию, если смотреть на крейт спереди. Когда выдан сигнал EG, все устройства в сегменте сопоставляют код своих штырьков с кодом на пяти младших линиях AD, чтобы определить, не адресованы ли они географически. Каждое устройство в кабель-сегменте имеет регистр из пяти переключателей, которые используются для географической адресации вместо штырьков GA.

3.3.22. ТР - Т-штырьки (И, слуга)

В каждой позиции разъем имеет Т-штырек, соединенный с одной из AD-линий. В позиции 00 Т-штырек соединен с линией AD00 и т.д. Эти штырьки используются для индикации присутствия данных в модуле в ответ на начало сканирования редких данных или для выбора узора битов, показывающего источники сигнала SR в сегменте. Эти штырьки могут быть также использованы для выбора устройства.

3.3.23. DL, DR - цепная связь (И, мастер или слуга)

В крейт-сегменте предусмотрены две независимые цепные связи А и В, чтобы обеспечить возможность передачи сообщений между соседними модулями. В каждой позиции модулей звено обеих цепей имеет соединения с прилегающим разъемом в позиции слева (DLA и DLB) и с разъемом справа (DRA и DRB). Каждая цепь имеет обратный провод (DAR и DBR). Цепь А используется для передачи информации справа налево, цепь В для передачи слева направо, (см. табл. XX и рис. 33).

Использование цепных связей ФАСТБАС не должно мешать использованию ФАСТБАС-протокола.

Использование цепных связей не определяется настоящим стандартом.

В позициях без модулей цепные связи разорваны. Это должно быть учтено при подготовке крейт-сегмента для использования цепных связей.

3.3.24. ТХ, RX - линии Последовательной сети (А, мастер или слуга)

В крейт-сегменте линии Последовательной сети обеспечивают любому модулю удобный доступ к Последовательной сети ФАСТБАС. Применяются эти линии в соответствии с протоколом Последовательной сети ФАСТБАС. Соединение между последовательными линиями одного крейт-сегмента и Последовательной сетью ФАСТБАС может быть выполнено при помощи интерфейса в модуле или на задней кросс-плате крейт-сегмента.

3.3.25. TR - согласованные линии ограниченного применения

Применение TR линий ограничено специальными системами, в которых требуется обеспечить функции, асинхронные стандартным операциям в магистрали. Эти применения следует ограничивать, быстродействующими дифференциальными счетчиками, схемами пропускания и т.п.

TR-линии не следует использовать взамен операций в соответствии со стандартным протоколом.

TR-линии следует согласовывать в соответствии с указаниями гл. 7.5.

Предупреждение. Поскольку применение TR-линий не стандартизовано, модули различного типа, присоединенные к линиям, могут оказаться несовместимыми в работе.

3.3.26. UR - несогласованные линии ограниченного применения

Применение UR-линий ограничено аналоговыми сигналами в специальных системах. Пределы напряжений и токов определены в п. 3.4.1.

3.3.27. Другие линии и штырьки

В крейте имеются резервные линии, линии для подвода питания, а также четыре FP-штырька для свободного использования, не соединенные линиями. Они стандартизованы в гл. 13. Допустимые напряжения для этих FP-штырьков определены в п. 3.4.1.

3.4. Нагрузка линий

Устройство должно иметь передающую и приемную схемы пропускания или их эквивалент с целью нагрузки для четырех линий таймирования магистрали AS, DS, АК и DК.

Реализацию на конкретных элементах (ЭСЛ, ТТЛ и т.п.) см. в приложении А.

3.4.1. Допустимые пределы токов и напряжений для сигнальных линий и F-штырьков

Напряжение на несогласованных линиях UR ограниченного применения и на F-штырьках не должно превышать 15 В. Ток через сигнальные линии не должен превышать 100 мА.

ГЛАВА 4. ФАСТБАС-ОПЕРАЦИИ. АДРЕСАЦИЯ

ФАСТБАС-операция имеет три четко различимые фазы. В течение первой фазы, первичного адресного цикла, мастер, овладевший магистралью, устанавливает соединение с одним или несколькими слугами. Состояние линий MS выбора режима во время первичного адресного цикла совместно с информацией на АD-линиях используется каждым слугой, чтобы определить, следует ли ему присоединяться к мастеру. Во время следующей фазы передачи данных присоединенные слуги реагируют на циклы, начинаемые мастером. В циклах передачи данных слуги определяют характер информации на AD-линиях по сигналам на трех линиях MS. Специальным типом данных является вторичный адрес, который присоединенные слуги используют для выбора различных регистров или функций, не нуждаясь в первичных адресных циклах. Циклы передачи данных продолжаются до заключающей последовательности фронтов, при которой мастер сообщает присоединенному слуге (или слугам), что следует разорвать связку.

Система ФАСТБАС состоит из ряда автономных сегментов, которые могут быть связаны на время межсегментных операций. Устройства, принадлежащие одному сегменту, должны быть отличимы от устройств другого сегмента. Подобным образом устройства внутри одного сегмента должны быть отличимы друг от друга. Эти различия выявляются во время первичного адресного цикла, который выполняется по трем различным, но совместимым схемам адресации: географической, логической и широкой. Географической адресацией используются адреса, определяемые позицией устройства. Эта адресация должна быть использована для инициализации систем. Логическая адресация является общей схемой адресации, для обеспечения которой каждому устройству при инициализации присваивается область 32-разрядных адресов, на которые устройство будет реагировать во время первичных адресных циклов. При географической и логической адресации к мастеру присоединяется лишь единственный слуга. При широкой адресации к одному мастеру могут присоединиться много слуг. Используемая техника адресации позволяет каждому сегменту обнаруживать широкую адресацию, а каждому слуге в выбранном сегменте присоединяться к действующему мастеру.

Обсуждение и стандартизуемые правила в этой главе относятся к интерпретации адресов. В следующей гл. 5 детально обсуждаются способы генерации первичных адресных циклов и циклов передачи данных различных типов, а также способы ответов на такие циклы.

В системе ФАСТБАС для первичного адреса используются 32 разряда. Старшие биты первичного адреса определяют сегмент. Именно это поле адреса группы GP используется каждым соединителем сегментов, чтобы определить, следует ли передавать первичный адрес в другой сегмент. Поле GP имеет ширину (п битов на рис. 6), которая зависит от требований конкретной системы. Ширина поля адреса группы может изменяться от сегмента к сегменту в соединенной системе, однако рекомендуется, чтобы ширина GP в конкретной системе была фиксирована.

4.1. Логическая адресация

При логической адресации биты, смежные полю GP адреса группы, используются для выбора конкретного устройства внутри сегмента. Комбинация из этого поля МА адреса модуля и поля GP называется полем DA адресов устройства. Границы между полями GP и МЛ определяются нечетко в том смысле, что несколько различных нолей GP могут быть выделены устройствам в одном и том же сегменте. Поскольку в первичном адресном цикле слуги всегда исследуют все 32 адресных бита, поле адреса модуля МА конкретного устройства может включать некоторые из младших битов поля GP, используемого соединителем сегментов.

Номера групп в каждом сегменте следует располагать подряд, причем их можно использовать лишь один раз в пределах сообщающихся частей системы. В системах с преобразующими соединителями сегментов (см. п. 10.1) это означает, что, если в сегменте использованы п преобразуемых групп от GP (0) до GP (п-1), то эти группы не могут быть использованы где-нибудь в другом месте в любом системном контексте, однако их можно использовать местно в других сегментах.

Рис. 6. Формат логического адреса

Во время первичного адресного цикла при обращении к области адресов данных регистр внутри устройства выбирается кодом, определяемым полем IA внутренних адресов. После того, как это поле выделено для устройства, все остающиеся из 32 битов образуют поле DA адресов устройств. Комбинация из адреса устройства и внутреннего адреса образует логический адрес. Устройства с широким полем IA (т битов на рис. 6) имеют соответственно более узкое поле DA и наоборот. Поле IA может быть даже нулевой ширины. Рекомендуется, чтобы наименьший внутренний адрес, применяемый в устройстве был адрес 0. Внутренний адрес используется при выборе слуги, чтобы иметь возможность выявить внутренние адреса во время адресного цикла.

Число регистров данных, идентифицируемых в устройстве, не ограничено числом, допускаемым полем внутренних адресов. Большие адресные пространства для каждого устройства обеспечиваются вторичными адресными циклами. Кроме того, во время первичного адресного цикла код на линиях MS выбора режима показывает, какая из областей должна быть выбрана - область адресов данных или область CSR - область регистров управления и состояний. Поскольку область адресов выбирается в первичном адресном цикле, во вторичном адресном цикле могут быть изменены лишь адреса внутри предварительно выбранной адресной области. В то время, как регистры в области адресов данных могут быть размещены любым способом в соответствии с полем IA, выбранным для устройства, расположение и применение регистров в области CSR стандартизовано (см. гл. 8).

Все пригодные для записи регистры как в области адресов данных, так и в области CSR следует делать пригодными для чтения.

Стандартизация регистров управления и состояний и наличие вторичных адресных циклов означают, что широкая адресация области адресов CSR может быть использована мастером для выбора ряда слуг, каждый из которых может затем принять участие в одной и той же операции.

Один из CSR-регистров предназначен для логического адреса устройства. Этот регистр содержит адрес устройства, который сопоставляется с адресом на AD-линиях во время первичных адресных циклов при выборе либо области адресов данных, либо области адресов CSR. Если во время первичного адресного цикла адрес устройства совпадает с адресом на AD-линиях, то слуга присоединяется к мастеру. Логически адресуемым устройствам в результате инициализации должны быть присвоены логические адреса.

Каждое логически адресуемое устройство должно иметь свой логический адрес, определенный регистром CSR-3, пригодным для записи и чтения. Этот регистр должен быть доступен для географической адресации и загружен в процессе инициализации системы до того, как будут задействованы схемы узнавания адреса устройства. Устройство не должно реагировать на логическую адресацию, если не задействованы эти схемы.

Поле DA логического адреса должно быть размещено вплотную к левой стороне поля IA внутренних адресов данных и должно простираться до старшего разряда адреса включительно.

Если в устройстве используется только область адресов CSR, ноле DA должно быть шириной в 32 разряда адреса.

В устройствах, которые имеют как поле адресов данных, так и поле адресов CSR, ширина поля DA должна быть определена требованиями к полю адресов данных.

Поле DA состоит из двух частей; поля GP адресов групп, которое должно занимать самую левую часть DA и должно определять сегменты, и примыкающего к GP поля МА адреса модуля, которое должно определять устройство в сегменте. Сегмент должен быть обеспечен достаточным числом адресов групп, чтобы охватить все имеющиеся устройства. Максимальная ширина поля GP не должна превосходить 24 разрядов.

Значение GP-0 не должно быть использовано для логической адресации ни в одном из сегментов.

Для выбора устройства при логической адресации устройство должно полностью декодировать свое поле DA (см. п. 5.2.2).

Адреса от 0 до 255 включ. в базовой группе любого сегмента не должны быть использованы для логической адресации.

4.2. Географическая адресация

В каждом сегменте первые 32 логических адреса зарезервированы для позиционной адресации устройств, следующие 192 - для позиционной адресации устройств, находящихся на расширенных сегментах, а остальные 32 - для специальных целей. Эти зарезервированные первые 256 логических адреса на каждом сегменте называются географическими адресами. Существуют два возможных формата географического адреса (рис. 7). В первом формате, относящемся к сегменту, все старшие 24 разряда нулевые, младшие 8 разрядов содержат то, что называется полем географического адреса (GA). Второй формат, позволяющий географическому адресу доходить до устройства в другом сегменте, имеет ненулевое поле адреса группы GP и нули во всех разрядах промежутка между полями GP и GA. Вспомогательная логика каждого сегмента исследует все первичные адреса. Если оказывается, что первичный адрес имеет одну из двух указанных форм, где GP соответствует адресу, присвоенному сегменту, в котором находится вспомогательная логика, тогда вспомогательная логика выдает сигнал EG, если этот сигнал уже не выдан мастером или соединителем сегментов. Обнаружив EG = 1 и RD = 0, слуги сравнивают AD <04:00> со своей физической позицией, закодированной на разъеме, a AD <07:05> сравнивают с нулем. Если устанавливается соответствие, слуга присоединяется к мастеру, после чего могут быть начаты нормальные циклы передачи данных, включая вторичные адресные циклы.

Рис. 7. Форматы географических адресов

Географическая адресация позволяет слуге декодировать меньшее число линий благодаря декодированию адресов, выполненному той частью вспомогательной логики, которая генерирует сигнал EG, или мастером, или соединителем сегментов.

В каждом сегменте адреса от 0 до 31 базовой группы должны быть выделены для географической адресации, которая отображает физическую позицию в сегменте, адреса от 32 до 254 должны быть зарезервированы, а адрес 255 должен быть адресом генератора сигнала ЕС) (см. п. 7.2).

В крейте-сегменте на каждом сегментном разъеме 5 штырьков GA <04:00> должны быть кодированы номером позиции. Эти штырьки должны использовать слуги с целью выяснения, не адресованы ли они географически. В крейт-сегменте код штырьков ноль должен определять крайнюю правую позицию модуля, если смотреть на крейт спереди. Значение кода должно возрастать на единицу при переходе влево на каждую соседнюю позицию.

Устройства, присоединяемые к кабель-сегменту, должны иметь тумблерный регистр для задания и хранения географического адреса.

Все устройства должны отвечать на географическую адресацию в любой момент времени.

Если модуль занимает в крейт-сегменте более одной позиции, используемые для ввода географического адреса позиция или позиции (или их номера GA) должны быть ясно показаны на передней части модуля.

Если модуль реагирует на несколько адресов GA, каждой GA должен соответствовать логически независимый узел в модуле.

На рис. 8 показана одна из схем выбора слуги при географической адресации. Модули кратной ширины, реагирующие более чем на один GA, не должны иметь узлов, доступных более чем одним путем.

4.3. Широкая адресация

Во время широкого первичного адресного цикла к действующему мастеру могут быть присоединены несколько слуг. Каждый присоединяемый слуга реагирует на вызов внутренне, не выдавая сигналы подтверждения. Во время широких операций сигналы подтверждения генерирует только вспомогательная логика. Все слуги, присоединенные в результате первичного адресного цикла, отвечают на последующие циклы данных, включая вторичный адресный циклы. Типичными широкими операциями являются синхронизация устройств и сброс сборок регистров на нуль.

Рис. 8. Выбор слуги при помощи географической адресации

Широкий адрес применяется в двух случаях. В первом случае он служит для определения зоны действия широкой операции: направлена ли она к определенному сегменту, ко всем сегментам сети, управляемой посредством информации, содержащейся в соединителях сегментов, или ко всем сегментам, расположенным после определенного сегмента, включая этот сегмент. Во втором случае широкий адрес служит для выбора в управляемом сегменте либо функции, подлежащей исполнению, либо устройств заранее заданного класса. Определены следующие функции: сканирование редких данных, безусловное выставление сигналов на ТР-штырьки, выставление ТР-сигналов при наличии запроса SR и адресация к устройству посредством выдачи сигнала ТР мастером. Устройства, включенные в кабель-сегмент, вместо сигнала ТР используют непосредственно AD-линию, номер которой соответствует установленному географическому адресу устройства. Коды восьми функций предоставлены разработчику для специальных применений. В зависимости от потребности код класса устройства вводят при его изготовлении или во время инициализации системы.

Рис. 9. Формат широкого адреса

Соединители сегментов играют важную роль в распространении широких операций в системе. Гл. 10 содержит точную спецификацию функций СС. Здесь дано лишь краткое описание, чтобы способствовать лучшему пониманию того, как соединители сегментов и слуги интерпретируют широкий адрес.

4.3.1. Как мастер управляет широкой операцией

На рис. 9 показан формат широкого адреса. Если в 24 старших разрядах адреса пули, а бит глобальности G(AD <01> единица, широкий адрес является глобальным и операция распространяется на все сегменты, достигаемые широкой адресацией. В каждом соединителе сегментов в маршрутной таблице зарезервирован бит пропускания, соответствующий GP-полю с нулями при пропускании глобальных широких операций. Картина распространения широкого адреса должна иметь простую древовидную структуру без пересечений (см. п. 10.6.2). Это правило должно быть обеспечено во время инициализации системы.

Если в поле GP нули и бит глобальности тоже нуль, широкая операция ограничена тем сегментом, в котором находится действующий мастер. Любой СС, передающий глобальный широкий адрес с нулями в поле GP, обеспечивает установку бита локальности L(AD <00>) = 1 при выставлении широкого адреса в сегмент, присоединенный к дальней стороне, независимо от значения бита L в сегменте ближней стороны.

Слуги в сегменте, получившем широкий адрес, реагируют на широкую операцию лишь при условии L = 1. Соединители сегментов не исследуют бит локальности, когда определяют, пропускать или не пропускать широкий адрес.

Если нули не во всех разрядах поля GP, то широкая операция не является глобальной и маршрут ведет к определенному сегменту. Биты глобальности и локальности, зафиксированные действующим мастером, определяют сегменты, в которых должна выполняться широкая операция. Если G = L = 0, к широкой операции чувствителен лишь сегмент, определенный полем GP; если же G = 0 и L= 1, то реагируют все сегменты, расположенные на пути широкого адреса к определенному сегменту. Если G = l, широкий адрес распространяется точно также, как при G = 0, и действует точно в тех же сегментах (определяемые битом L), пока он не достигнет того СС, который должен передать широкий адрес определенному сегменту. При таких условиях этот СС выставляет L = 1 и нули в поле GP для своего дальнего сегмента. Таким образом, начиная с определенного момента, широкая операция продолжается глобально.

Указанные правила в табличной форме представлены в табл. II, которая является обязательной частью спецификаций, данной в п. 10.7.1. Для дальнейшего разъяснения хода широкой операции в таблице есть ссылки на рис. 10.

Для широкой адресации индивидуальные подтверждения не выдаются, поэтому несколько СС, присоединенных к данному сегменту, могут опознавать и передавать глобальный широкий адрес. Каждый СС, обнаруживающий широкий адрес, который следует передать дальше, выставляет сигнал WT = 1 в сегмент ближней стороны и пытается завладеть магистралью сегмента дальней стороны. Если в такой попытке возникает какая-либо ошибка, СС генерирует соответствующий ответ на линиях SS (состояние мастера) и сигнал WT = 0 с выдачей его в сегмент ближней стороны, при этом СС не выдает сигнал АК = 1. Если попытка была успешной, СС продолжает поддерживать WT = 1 на своей ближней стороне до тех пор, пока на дальней стороне не получит WТ = 0, и либо АК (u), либо DK (t). После этого СС выставляет WT = 0 в сегмент ближней стороны, то не пропускает ни AK (u), ни DK (t). Один из этих сигналов в соответствии со случаем выдает вспомогательная логика, которая в крейте-сегменте должна чувствовать, что WT = 0 по крайней мере в течение времени, равному двум задержкам в магистрали. Таким способом формируется системное подтверждение и передается действующему мастеру, начавшему операцию.

* Этот СС не должен пропускать широкую операцию между сегментами Е и С, если какие-либо другие СС соединяют С и Е в широкой операции.

Рис. 10. Пример маршрута широкой операции

Таблица II

Управление мастером широкой операцией

GP поле

С бит

L бит

Места выполнения широкой операции

Сегменты на рис. 10

0

0

0

Операции нет

-

0

0

1

Только в локальном сегменте

А

0

1

0

В сегментах (под) дерево широкой операции ниже локального сегмента

Все, за исключением А

0

1

1

В локальном сегменте и в сегментах (под) дерево ниже локального сегмента

Все

N*

0

0

Только в сегменте N

N

N*

0

1

В локальном сегменте, в сегментах на пути к сегменту N и в сегменте N

А, В, N

N*

1

0

В сегменте N и в сегментах (под) дерево ниже N

N, С

N*

1

1

В локальном сегменте, в сегментах на пути к сегменту N, в сегменте N и в сегментах (под) дерево ниже N

А, В, С, N

* N - не равно нулю.

Требования выделения древовидной структуры для выполнения глобальной широкой операции, означают, что в системе в каждом данном случае операции допустимо единственное дерево широкой операции и единственный сегмент, ведущий широкую адресацию по всей системе. Глобальные широкие операции из любого сегмента к сегментам, расположенным ниже по дереву, могут выполняться без затруднений. Однако широкая операция с установленным битом глобальности, направленная выше начавшего сегмента, может привести к затруднениям вследствие возможности самоблокировки такой широкой операции. Это происходит, когда СС ожидает освобождение сегмента, которое не может наступить, поскольку сегмент занят другой частью широкой операции. Например, в системе, показанной на рис. 10, глобальная широкая операция к сегменту В и его поддереву может быть начата только из сегментов А, В или Р. Аналогичная широкая операция к сегменту N (чье поддерево состоит только из сегмента С) может быть начата из любого сегмента, кроме С.

Если блокировка происходит случайно, то мастер выдерживает весь лимит времени. Операция не повлияет на устройства, но система на некоторое время будет парализована.

Начало широких операций может заметно задерживаться, поскольку распространяющийся широкий адрес должен ожидать завершение всех операций, начатых в сегментах, расположенных на пути адреса. В случаях, когда от системы требуется очень высокое быстродействие, возможно использовать кабельные соединения от точки к точке, поскольку нет иного способа гарантировать быстрые соединения в многосегментной системе. После того, как соединение сегментов в системе завершены, скорость циклов передачи данных ограничивается только задержками распространения сигналов в системе. Системные подтверждения (см. п. 7.3) обеспечивают всем адресованным устройствам возможность заметить текущий цикл до начала следующего цикла.

4.3.2. Ответ слуги на широкие операции

Биты AD <07:02> широкого адреса, показанные на рис. 9, используются в качестве поля функций слуги. Во время адресной фазы широкой операции слуги исследуют только AD <00> и AD <07:02>, все другие биты AD игнорируются. AD <00> - бит локальности L должен быть равен единице, если слуга должен выполнить операцию. Если L = 1, слуга исследует поле функции, чтобы определить, какое действие ему следует производить в последующих циклах передачи данных. В табл. III описаны эти действия. Слуги, отвечающие на широкую операцию, не выдают сигнала подтверждения АК (u) или DK (t). Заметим, что во всех случаях, указанных в табл. III, слуги игнорируют бит глобальности G (AD <01>), а бит локальности (AD <00>) должен быть равен 1.

Таблица III

Кодирование функций в ответе слуги на широкую операцию

Случаи

AD биты

Описание

7

6

5

4

3

2

1

Игнорированы

0

0

Общая широкая передача. Все устройства отвечают на последующие циклы данных

2

N

0

1

Отвечают на последующие циклы данных только устройства класса N (см. п. 8.10, CSR-7)

3

X* 0

1

0

Сканирование редких данных: устройства отвечают выставлением ТР** во время следующего цикла чтения, если имеются данные Узорный выбор устройств: устройства, обнаруживающие сигнал ТР** во время непосредственно следующего цикла записи данных, являются выбранными и отвечают на последующие циклы чтения и записи

X* 1

1

0

Сканирование, доступное для устройства: если устройства не имеют данных или готовы к использованию, они отвечают выставлением сигнала ТР**. Узорный выбор устройства тот же, что и в случае 3

4

0

1

1

Устройства отвечают выставлением сигнала ТР** во время следующего цикла чтения

5

1

1

1

Если выставлен запрос на обслуживание SR, то выставляет ТР** в следующем цикле чтения.

6

2

1

1

Если CSR-0 <05> = 1 (см. табл. XIIb), то устройства отвечают выставлением сигнала ТР** во время следующего цикла чтения

7

3 - 7

1

1

Зарезервировано

8

8 - F

1

1

Определяются производителем устройства

* Разряды 5-7 используются для адресации к определенному сегменту на расширенном сегменте. Для того, чтобы ответить, слуги требуют, чтобы эти биты были равны нулю. Модули, разработанные до 1 июля 1986 г., которые отвечают случаю 3, не нуждаются в декодировании битов 4 - 7 и, следовательно, не нуждаются в ответе, отличном от случаев 3 и 3а.

** Устройство, присоединенное к кабель-сегменту, в отличие от присоединенного к крейт-сегменту, вместо ТР-штырька использует AD-линию, номер которой соответствует географическому адресу устройства, установленному при помощи переключателя.

Широкий адрес должен быть определен сигналом MS1 = 1 во время первичного адресного цикла и иметь формат, представленный на рис. 9.

Слуги должны отвечать на широкий адрес только в случае, когда AD <00> = 1, и в соответствии с указаниями, данными в табл. III.

Интерпретируя широкий адрес, слуги должны игнорировать AD <31:08> и AD <01>.

Если во время адресной части широкой операции имеет место АD <03> = AD <02> = 1, то в следующем цикле передачи данных должно выполняться MS = 0.

После завершения одного из широких первичных адресных циклов, определенных в табл. III, мастер может во время последующей связки AS/AK действовать следующим образом.

Случаи 1 и 2. Разрешается любая последовательность вторичных адресных циклов и циклов данных. Характеристики состояний те же, что и не для широких операций.

Остальные случаи. Если во время адресной части широкой операции имело место равенство AD <03> - 1, то следующим циклом должен быть цикл данных при MS = 0. Если первый цикл является циклом считывания данных, за ним при MS = 0 может последовать цикл записи данных, который также имеет специальное значение. Устройства, все еще присоединенные к мастеру после завершения этого цикла записи, реагируют на последующие циклы данных обычным путем. Если цикл записи данных, непосредственно следующий за первым циклом считывания данных, не должен иметь особого значения, MS не должен равняться нулю.

Адресный цикл в широких операциях применяется с целью определения условий для выбора устройств и установления соединений. Другие действия не допускаются вплоть до последующих циклов передачи данных. Мастер, замечающий в период адресации не нулевой ответ SS, знает, что возникает какая-то неправильность, которая, однако, не имеет характера аварии благодаря тому, что присоединенные слуги еще не исполнили действии с данными, поскольку период передачи данных еще не наступил.

Слуги, присоединенные к мастерам во время адресного цикла, могут выдавать сигналы SS состояния слуг в ответ на циклы данных тем же способом и с теми же целями, которые обычны для циклов данных при нешироких операциях. Системное подтверждение позволяет мастеру, выполняющему широкую операцию, при получении сигнала DK (t) или АК (u) полагать, что условия на линиях SS правильны, за исключением случая принудительной передачи блока. При широком чтении считываемые данные верны также в момент перехода DK (t). Однако не существует механизма, гарантирующего проверку данных по четности при широком чтении.

Если мастер, выполняющий широкую операцию, видит не нулевой ответ SS в момент DK (t), то он не имеет средств определить, какой из присоединенных слуг правильно выполняет циклы данных и какой выполняет неправильно. Известно только лишь, что кто-то работает неправильно. Чтобы продолжить выполнение задачи, можно пренебречь ошибкой, если это допустимо, или повторить широкую операцию, или, на худой конец, запустить всю систему снова.

Вследствие указанных трудностей, слугам при широких операциях в системах ФАСТБАС не следует выставлять ответы SS, кроме как в критических ситуациях управления. Рекомендуется такие операции разделять на два этапа. Первый является проверочным, поэтому если действительно требуется выставить ответ «SS не равно 0», то это нужно делать в первом цикле. На втором этапе происходит исполнение команды. В случае затруднений мастер может остановить операцию после первого этапа и предпринять корректирующие действия до каких-либо существенных действий со стороны присоединенных слуг.

4.4. Вторичная адресация

Как было описано ранее (например, в п. 4.1), вторичный адресный цикл можно рассматривать как цикл данных, в котором определяется новый адрес внутри пространства в устройстве (или в устройствах), присоединенном во время первичного адресного цикла, независимо от его типа - логического, географического или широкого. Для осуществления вторичной адресации, с учетом того, что передача адресов и данных в магистрали происходит мультиплексно, но во многих устройствах необходимо хранить адресную информацию в NTA-регистре адреса следующей передачи.

Все устройства, которые имеют более одного CSR-регистра или более одного регистра в области данных, должны иметь регистр NTA и декодировать все 32 AD-бита во время вторичного адресного цикла записи, чтобы определить, какой ответ SS следует выдать и тип последующей операции устройства.

Если имеется регистр NTA, то он должен:

загружаться информацией о внутреннем адресе IA в младших битах и нулями в остальных только тогда, когда устройство узнало свой адрес и выдало MS = 0 (см. табл. V);

загружаться соответствующей AD-информацией во время вторичного адресного цикла записи (см. п. 5.3.1);

передавать и АD-линии информацию во время вторичного адресного цикла чтения (см. п. 5.3.1);

модифицироваться только операциями ФАСТБАС. После каждой передачи данных в блоке или в принудительной передаче блока NTA-регистр должен оставаться либо неизменным, либо получать приращение на единицу.

Эти правила позволяют мастерам географически адресовать слуг и считывать обратно предыдущее содержание NTA-регистра. Заметим также, что нет необходимости делать NTA-регистр шириной и 32 разряда. Регистр может содержать одиночные биты, указывающие достоверность многобитовых полей внутри вторичного адреса шириной в 32 бита. NTA-регистр загружается всегда, вне зависимости от достоверности вторичного адреса. Если вторичный адрес не верный, то возвращается SS = 7.

Простая или принудительная передача блока не должна модифицировать NTA-регистр, если для наблюдения за передачей данных имеются другие средства, например, память «первый вошел, первый вышел» или счетчики-указатели, как регистр CSR = 40 в соединителе сегментов.

4.5. Операция сканирования редких данных и узорного выбора устройств

Операция сканирования редких данных (СРД), случай 3 в табл. III, позволяет мастеру быстро определять, какие из многочисленных устройств содержат ценные данные, и для получения данных ограничиться опросом именно этих устройств. Сканирование редких данных может быть выполнено следующим образом. Операция может начаться с широкого адресного цикла при AD <04:02> =2. В следующем цикле чтения модули, имеющие данные, выставляют сигналы ТР на АD-линии. Затем мастер заканчивает широкую операцию удалением AS, а после этого географически адресуется к тем модулям, которые имеют данные. Данные могут быть считаны при помощи передач блоков. Если требуется очистить модули и установить их в исходное состояние, мастер может начать другую широкую операцию, на этот раз направленную к пространству регистров управления и состояний. Затем при помощи цикла записи данных и ранее полученного ТР-узора выбирается первоначальная группа модулей. Вторичным адресным циклом с последующими циклами записи данных выбирают и модификации нужных регистров.

Узорный выбор устройств выполняется во время первого цикла записи данных, следующего за широким адресным циклом с АD <03> = 1 и AD <02> = 0. Может быть также промежуточный цикл чтения данных при MS = 0. Цикл чтения, следующий после узорного выбора, не предусматривает чтение узора редких данных, как при СРД, а является обычным циклом чтения при широкой операции. Узорный выбор устройств не может быть изменен без выполнения нового широкого адресного цикла.

Первый цикл чтения, который дает узор редких данных, не препятствует узорному выбору во время примыкающего цикла записи данных. Это возможно, например, путем выполнения широкой адресации при MS = 4 и AD <04:02> = 2, чтения узора редких данных, демаскированием, быть может, битов некоторых модулей, записи узора (с выполнением узорного выбора), записи вторичного адреса для выбора CSR-регистра во всех выбранных модулях, а затем записи данных, чтобы вызвать в этих модулях ответное действие.

Отметим, что процесс присоединения к мастеру во время выполнения широкого адресного цикла не влияет ни на какие внутренние указатели в слуге. Следовательно, существует возможность конструирования устройств, которые выставляют сигнал ТР в зависимости от содержания регистра, указанного регистром NTA. Для осуществления этой возможности выполняется широкий адресный цикл (случай 1 или 2) с целью отбора интересующих устройств, затем следует цикл записи данных вторичного адреса для установки указателя в NTA каждого слуги. Мастер завершает цикл передачи широкого адреса (случай 3), сохраняя GK = 1, для повторного отбора устройств, за которым следует цикл чтения данных при MS = 0 для опроса этих устройств.

Широкие операции значительно медленнее обычных операций вследствие затрат времени на проведение системных подтверждений. Широкие операции обычно следует ограничивать несколькими циклами или случаями, когда возможен существенный параллелизм.

ГЛАВА 5. ОПЕРАЦИЯ ФАСТБАС. ТАЙМИРОВАНИЕ, ПОСЛЕДОВАТЕЛЬНОСТИ И ОТВЕТНЫЕ ДЕЙСТВИЯ

Операция ФАСТБАС содержит обмен информацией между мастером и одним или более слугами. Мастер осуществляет полное управление операцией. Слуги только отвечают на запросы мастеров. Мастер инициирует цикл магистрали (т.е. делает запрос), выставляя сперва сигналы на управляющих линиях («выбор режима» и «чтение»), а также на информационных линиях («адрес/данные», «четность» и «разрешение контроля по четности») и затем, после соответствующей задержки, выставляя синхронизирующий сигнал. В зависимости от типа запроса выбранный слуга или вспомогательная логика отвечают при помощи выставления подтверждающего сигнала, а также, если это требуется, слуга выставляет данные на линии «адрес/данные». Статус текущего цикла сообщается по линиям «состояния слуги», сигналы на которые подаются соединителями сегментов или слугами в случае первичного адресного цикла и слугами в случае цикла данных. В табл. IV показана таймирующая последовательность для адресного цикла или цикла данных с подтверждением. Блочные передачи данных могут использовать, а могут и не использовать подтверждение мастер/слуга.

Таблица IV

Таймирующая последовательность для цикла с подтверждением

таймирующая последовательность в мастере

Последовательность в слуге

1. Подает сигналы на управляющие (и информационные) линии

2. Ожидает в течение времени разброса задержек, характерного для данного сегмента

3. Выдает таймирующий сигнал стробирования

 

 

1. Опознает таймирующий сигнал стробирования

2. Компенсирует внутренние задержки

3. Осуществляет выборку с управляющих (и информационных) линий

4. Выполняет внутренние ответные действия

5. Выставляет сигналы на статусных (и информационных) линиях, а также выдает таймирующий сигнал подтверждения

4. Опознает таймирующий сигнал подтверждения

 

5. Ожидает в течение времени разброса задержек, характерного для данного сегмента

Примечание. Состояние магистрали в это время может изменяться, но слуга не реагирует на это до прихода следующего подходящего таймирующего сигнала

6. Компенсирует внутренние задержки

 

7. Опознает сигналы на статусных (и информационных) линиях

 

8. Выполняет внутренние ответные действия

 

9. Конец последовательности

 

Этот раздел начинается с общих требований к таймированию для сигналов, генерируемых мастерами и слугами. Далее специфицируются первичные адресные циклы и циклы данных. В заключение специфицируется использование некоторых специальных линий, которые могут оказывать влияние на операции ФАСТБАС.

5.1. Общие требования к таймированию взаимодействия мастер/слуга

Следствие требований к таймированию, которые перечисляются ниже, заключается в том, что слуге не нужно иметь сведения о характеристиках таймирования в том сегменте, к которому он в текущий момент подключен, а мастеру не нужно проводить различие между операциями в пределах данного сегмента и вне сегмента. Мастера и вспомогательная логика, подключенные к некоторому сегменту, имеют дело с требованиями к таймированию, ассоциируемыми только с данным сегментом. Соединители сегментов имеют дело с требованиями к таймированию, ассоциируемыми с межсегментными операциями.

Никакие конкретные времена в этом разделе не упоминаются. Наоборот, спецификации приводятся в терминах времен разброса задержек, времен ответных действий и так далее. Рекомендуемые значения этих времен для конкретных реализаций приведены в приложении А.

5.1.1. Требования к таймированию сигналов мастера

1. Информация должна быть выставлена на линии AD, РЕ, PA, PD и MS мастером только после выполнения условия AK = EG = 0 в течение времени большего, чем минимальный промежуток между импульсами (см. п. 2.3 и табл. АII).

2. Управляющая информация на линиях RD, MS и, если требуется, на линиях AD, РА, РЕ должна выставляться раньше, чем выдается сигнал AS (u) или DS (t), на время разброса задержек.

3. Подача сигнала EG мастером должна производиться в то же самое время, что и выставление адресной информации.

4. Во время циклов передачи первичного адреса или записи данных мастер должен поддерживать сигналы на линиях MS, AD, РА и РЕ до тех пор, пока он не получит сигнал АК (u) или DK (t) соответственно и примет информацию с линий SS, либо до тех пор, пока не выйдет за пределы установленного лимита времени.

5. Во время цикла чтения данных мастер должен поддерживать сигналы на линиях MS и RD до тех пор, пока он не получит сигнал DK (t) и не примет информацию с линий SS, AD, РА и РЕ, либо до тех пор, пока не выйдет за пределы лимита времени.

6. Мастер после получения сигналов подтверждения АК (u) или DK (t) от слуги должен, при выполнении условия WT = 0, обеспечить время разброса задержек перед приемом данных с линии SS или, при условии RD = 1, также с линией AD, РА и РЕ.

7. Мастер должен генерировать строб адреса AS (d), если операция ФАСТБАС, инициированная стробом адреса AS (u), должна быть завершена. Мастер должен прекратить подачу всех сигналов на магистраль по крайней мере на время разброса задержек раньше, чем поступит AS (d) (кроме строба данных DS, который может быть удален одновременно с AS (d)).

8. Мастер должен поддерживать сигнал AS (d) в течение времени (минимального промежутка между импульсами, см. табл. АII), достаточного для того, чтобы очередной слуга, к которому будет осуществляться обращение, видел сигнал AS (d) прежде, чем поступит следующий сигнал AS (u).

9. Если мастер в течение лимита времени адресных ответных действий не получает сигнал АК (u) (см. п. 5.1.3 и приложение А) после подачи сигнала AS (u), мастер должен выставить сигнал AS (d) в течение по крайней мере минимального времени спада импульса до начала новой операции.

10. Если ответ AK (d) на сигнал AS (d) не получен в течение лимита времени адресных ответных действий мастера, он должен констатировать ошибку.

11. Если ответ DK (t) на сигнал DS (t) не получен в течение лимита времени ответных действий мастера для данных (см. приложение А), мастер должен констатировать ошибку.

Системные соображения требуют, чтобы мастера запускали таймер ответных действий в начале каждого цикла магистрали, за исключением принудительных передач. Если в пределах ожидаемого промежутка времени ответ не получен, данный цикл должен быть завершен и должны быть инициированы восстановительные или диагностические процедуры. Для периодов таймера ответных действий адресного цикла и цикла данных могут быть установлены различные значения, если это желательно. При выборе конкретных значений периодов таймера ответных действий следует учитывать только свойства локального сегмента.

За исключением принудительных передач, мастер должен ожидать ответ на каждый таймирующий фронт, который он генерирует. В момент каждого такого таймирующего фронта мастер должен запускать таймер ответных действий (см. приложение А). Этот таймер должен быть сброшен, когда поступает подтверждение на данный таймирующий переход или когда мастер обнаруживает появление сигнала на линии WT (ожидание). Такие таймеры должны управляться при помощи регистра управления и состояний CSR = 9, как это специфицировано в разд. 8.

В мастере лимиты на время ответных действий основываются на времени реакции слуги на таймирующий фронт и максимальном времени распространения сигнала для той магистрали, к которой непосредственно подключен данный мастер.

Таймер другого типа, долгий таймер, нужен мастерам для предотвращения мертвых связок. Этот таймер управляем регистром CSR-9<04> (см. п. 8.12) и игнорирует сигнал WT. Он может быть сброшен и запущен в любой момент, например, когда мастер выставляет AR или AS. Лимит времени может быть изменен в любой момент в соответствии с изменяющимися обстоятельствами. Окончание срока не должно влиять на цикл магистрали, если не выставлены AS = 1 и АK = 0 (лимит времени на мертвую связку в течение адресного цикла). Лимит должен быть достаточным для того, чтобы обеспечить окончание нормальных операций без обрыва, и не слишком большим, чтобы состояния мертвых связок не приводили к бесполезной трате ресурсов системы. Заметим, что мертвые связки могут быть следствием повторных неудач при попытках получения управления нужными ресурсами, и поэтому обнаружение мертвых связок более важно, чем обнаружение падения активности в работе магистрали. Долгий таймер может быть полезен как средство в определение степени удовлетворительного прогресса в достижении целей в конкретных применениях.

Как слуги, так и соединители сегментов выдают сигнал WT (u), когда они оказываются не в состоянии выполнить ответные действия немедленно, но предполагают, что смогут сделать это через короткое время. Мастер должен содержать таймер ожидания, который запускается по получении сигнала WT (u), а сбрасывается и запрещается, когда сигнал «ожидание» находится в состоянии WT = 0. Такой таймер ожидания предохраняет мастера от неопределенно долгого ожидания прихода сигнала WT (d), который требуется для продолжения данного цикла. Если истекает лимит времени таймера ожидания, мастер завершает данную операцию, убирая все сигналы.

Мастер должен иметь долгий таймер. Долгий таймер и таймер ожидания, если снимается, должны управляться при помощи регистра CSR#9, как установлено в гл. 8.

5.1.2. Требования к таймированию сигналов слуги

При получении сигнала AS (u) слуга должен предполагать, что данные на линиях AD, RE, PA, RD и MS действительны для первичного адресного цикла. Эти данные перестают считаться действительными в тот момент, когда слуга генерирует сигнал АК (u) или получает сигналы АК (u) или AS (d).

Присоединенный слуга (см. п. 5.2.2) должен ответить на сигнал AS (u) сигналом АК(u) в пределах времени ответа от слуги (см. приложение А). Слуга должен ответить на сигнал DS (t) в пределах времени ответа на прием данных (см. приложение А) либо выставить сигнал WT = 1 до тех пор, пока он не подаст сигнал DK (t).

Если в течение первичного адресного цикла присоединенный слуга выставляет SS, сигналы на линии SS (статус слуги) должны быть поданы не позднее, чем сигнал АК (u), и поддерживаться до тех пор, пока не будет изменено состояние линий MS и RD, либо пока не будет получен сигнал DS (u) или AS (d).

Присоединенный слуга, поддерживающий условия АК = 1, в ответ на сигнал AS (d) должен подать сигнал WT = 0, если он этого еще не делает. Когда слуга определяет, что WT = 0, он должен удалить с магистрали все сигналы в течение времени ответных адресных действий слуги и затем выдать AK (d).

Присоединенный слуга по получении DS (t) должен принять, что действительные данные находятся на линиях MS и RD и, если подходит, также на линиях AD, РА и РЕ. Данные на этих линиях должны считаться действительными до тех пор, пока слуга не выработает сигнал DK (t) или не получит сигнал DS (t) или AS (d) (см. подпункты 4 и 5 п. 5.1.1).

Присоединенный слуга должен выставить SS и, если RD = 1, также AD и на выбор РА и РЕ или ТР не позднее чем DK (t) и должен поддерживать эти сигналы до тех пор, пока состояние линий MS и RD не изменится или будет получен сигнал DS (t) или AS (d).

Ответ слуги АК (u) или DK (t) должен означать, что слуга будет отвечать на немедленно следующий сигнал DS (t). Ответ слуги AK (d) должен означать, что он находится в состоянии, в котором он будет правильно отвечать на сигнал AS (u).

Слуга должен выдать SS = 6 в ответ на DS (t) для любой невыполнимой операции. Слуга должен выдать SS в ответ на сигнал AS (u) в соответствии с табл. VI. В ответ на AS (d) слуга должен выдать SS = 0. (Например, если нереализованный код MS сопровождает сигнал DS (d) после единичной передачи, устройство должно вернуть ответ SS = 6).

Если слуга должен поддерживать АК = 1 в течение большего промежутка времени, чем время адресных ответных действий слуги после получения сигнала AS (d), слуга должен выставить WT = 1. Мастер, видя, что АК = 1, WT = 0, по истечении лимита времени адресных ответных действий мастера, рассматривает это как ошибку.

5.1.3. Использование линии ожидания (WT)

Все операции ФАСТБАС, за исключением принудительных передач, являются асинхронными. Если требуется, таймирующие сигналы могут быть запрещены при помощи линии WT (ожидание). Линия WT используется, когда взаимодействие мастер/слуга происходит через соединитель сегментов.

В течение принудительной передачи слуга должен игнорировать WT = 1.

Сигнал WT должен следующим образом использоваться для задержки таймирующих ответных действий в сегментах ФАСТБАС:

1. При получении управляющего сигнала WT = 1 действующий мастер должен сбросить и запретить свой активный таймер ответных действий (адресного цикла или цикла данных). Мастер может выполнить внутренние ответные действия на таймирующие сигналы AG, АК и DK, но не должен изменять состояние таймирующих сигналов AS и DS.

2. Если в мастере имеется таймер ожидания, управляемый при помощи регистра CSR-9, он должен быть запущен при получении сигналу WT (u).

3. При получении управляющего сигнала WT = 1 слуга может внутренне ответить на таймирующие сигналы AS и DS, но не должен изменять состояние таймирующих сигналов АК или DK.

4. Как для мастера, так и слуги, а также для вспомогательной логики операция ФАСТБАС должна возобновиться, когда получен управляющий сигнал WT = 0.

5. При получении сигнала WT (d) действующий мастер должен перезапустить соответствующий ситуации таймер ответных действий (адресного цикла или цикла данных).

6. При получении управляющего сигнала WT = 1 контролер таймирования арбитража (см. п. 7.1) должен запретить свой таймер GK (u) (подтверждение разрешения).

7. При получении сигнала WT (d) контроллер таймирования арбитража должен перезапустить своп таймер ответных действий GK (u).

Независимо от состояния сигнала WT, мастер может завершить операцию, когда истекает лимит времени долгого таймера или таймера ожидания. Слуга может выставить WT в ответ на DS (t), если ему требуется больше времени, чем разрешит таймер ответных действий для цикла данных в мастере, но такая практика не рекомендуется, поскольку она увеличивает риск попадания в состояние невосстанавливаемого сбоя. Для целей диагностики операция на магистрали может выполняться по шагам путем подачи импульсного сигнала на линию WT.

5.2. Первичные адресные циклы

Первичный адресный цикл операции ФАСТБАС устанавливает связь между мастером и одним или более слугами. Слуги остаются присоединенными к мастеру и отвечают на циклы данных до тех пор, пока мастер не разорвет связку.

Первичный адресный цикл начинается после того, как мастер получил право на владение магистралью и выставил на магистраль сигнал GK-1. Мастер затем выставляет сигнал RD = 0, а также подает сигналы на линии MS, AD и, возможно, на лини РА, РЕ и EG. Затем подается строб адреса AS, и слуги, получающие сигналы AS = 1, EG = 0, сравнивают, в зависимости от состояния линий MS, либо свои логические адреса, либо широкие адреса с адресом, полученным по линиям AD. Слуги, получающие сигналы АК = 0, AS = 1 и EG = 1, сравнивают адрес, поступивший по линиям AD, со своим географическим адресом. Если была затребована связь с единственным слугой, то слуга, который распознает посланный адрес, возвращает действующему мастеру сигнал АК (u), указывающий, что этот слуга теперь становится присоединенным к мастеру. Если был указан широкий адрес, ответный сигнал АК (u) генерируется вспомогательной логикой, и этот сигнал, когда он получен действующим мастером, служит признаком того, что широкий адрес распространился через указанные части системы. В течение остальной части операции действующий мастер поддерживает AS = 1, а присоединенный слуга (или вспомогательная логика) поддерживает АК = 1. Мастер завершает операцию, подавая AS = 0, a слуга или вспомогательная логика отвечают сигналом АК = 0. Когда сигналы AS = AK = 0 в течение достаточного промежутка времени, мастер может инициировать новый первичный адресный цикл, если он сохранил свое право на владение магистралью, продолжая подавать сигнал GK = 1.

Таймирование первичных адресных циклов с точки зрения мастера и слуги показано на рис. 11 - 13.

5.2.1. Последовательность действий мастера для формирования сигнала AS

Мастер должен инициировать первичный адресный цикл, если сигналы AK = WT = EG = 0, а он сам подает сигнал GK = 1.

В течение первичного адресного цикла мастер должен:

установить RD = 0;

подать адресную информацию на линии AD;

подать, если требуется, сигнал EG, если MS = 0 или 1;

подать, если формируется четность, сигнал РЕ и выставить на линию РА дополнение до нечетного количества единичных битов для линий AD;

подать сигналы на линии MS в соответствии с табл. V, чтобы указать режим адресации;

сформировать сигнал AS (u) в соответствии со спецификациями на таймирование в п. 5.1.1 и поддерживать AS = 1 в течение операции.

* Минимальное значение ТА должно быть больше, чем 2TS

1 - линия «чтение»; 2 - линия «выбор режима»; 3 - линии «адрес/данные», «разрешение контроля по четности»; 4 - линия «строб адреса»; 5 - линия «подтверждение приема адреса»; 6 - линия «статус слуги»; 7 - линия «строб данных»

Относительно определений символов см. рис. 13.

Рис. 11. Цикл логической адресации

1 - линия «выбор режима»; 2 - линии «адрес/данные», «разрешение контроля по четности», «четность»; 3 - линия «строб адреса»; 4 - линия «разрешение географической адресации»; 5 - линия «подтверждение приема адреса»; 6 - линия «статус слуги»

Относительно определений символов см. рис. 13.

Рис. 12. Цикл географическом адресации, ЕС выставлен мастером

5.2.2. Ответные действия слуги на сигнал AS (u)

В течение первичного адресного цикла слуга должен стать присоединенным слугой и принимать участие в последующих циклах передачи данных только в случаях, если АК = 0, а также если он распознает свой адрес и тип адресации, как это определено в табл. V.

Символы на рис. 11 - 16:

В - задержка от мастера до слуги;

В1 - задержка от мастера до источника EG;

В2 - задержка EG от источника до слуги;

LС - время работы логики и формирователя, необходимое слуге для присоединения;

Ld - время отсоединения слуги;

LЕ - время работы логики в источнике EG;

LM - время работы логики и формирователя в мастере;

LS - время работы логики в слуге;

TAmjn - минимальный промежуток времени между импульсами (см. табл. А.II);

TS - время разброса фронтов, учитываемое мастером.

Рис. 13. Цикл географической адресации, EG выставлен вспомогательной логикой

Таблица V

Спецификация типов адресации

Код на линиях MS <2:0> (выбор режима)

Тип адресации

0

Конкретное устройство - область адресов данных

1

Конкретное устройство - область адресов регистров управления и состояний

2

Широкий адрес - область адресов данных

3

Широкий адрес - область адресов регистров управления и состояний

4 - 5

Зарезервированы - конкретное устройство

6 - 7

Зарезервированы - широкий адрес

Логически адресуемый слуга должен, кроме того, иметь CSR-0 <01> = 1 (разрешено распознавание адреса) и не должен использовать поле внутренних адресов IA для того, чтобы определить, должен ли он стать присоединенным (см. п. 4.1).

Когда WT = 0, присоединенный слуга должен в ответ на AS (u) и MS1 = 0 сформировать сигнал АК (u). Если WT = 0, то в ответ на AS (d) он должен сформировать сигнал АК (d). Оба ответных действия должны происходить в пределах лимита на время ответных действий слуги в адресном цикле (см. приложение А).

В течение первичного адресного цикла слуга не должен подавать коды SS = 1, 2 или 3 (см. п. 10.7.4) и должен подавать код SS = 6 только в случае, если обнаружен внутренний адрес, попадающий в недопустимую область адресов данных.

Если в течение первичного адресного цикла имеет место MS1 = 1, присоединенный слуга не должен генерировать сигнал АК = 1. (Это широкая операция, см. пп. 4.3.2 и 7.3).

Слуга в крейт-сегменте, который обнаруживает сигналы EG = 1 и AS = 1, когда АК = 0, должен сравнивать код AD <04:00> с кодом на штырьках географического адреса GA <04:00>.

Слуга в кабель-сегменте, обнаруживший EG = 1 и AS = 1, когда АК = 0, должен сравнить AD <04:00> со своим географическим адресом, установленным переключателем. Если найдено соответствие в любом из указанных случаев, а также имеет место AD <07:05> = 0, тогда слуга должен стать присоединенным слугой и сформировать сигнал АК (u), когда WT = 0, а затем поддерживать АК = 1 до тех пор, пока AS = 1.

Если в течение первичного адресного цикла, сопровождаемого сигналом РЕ = 1, слуга обнаружит ошибку четности, он не должен генерировать АК (u) и становиться присоединенным слугой.

Эти правила не требуют, чтобы слуга отвечал на все режимы адресации. Обязательной является только географическая адресация (см. п. 4.2). Участие слуги в логических адресных циклах может быть разрешено и запрещено специальными битами в регистре CSR-0. Такое свойство не специфицируется для широких адресных циклов.

Если первичный адресный цикл определяет логический адрес (в область адресов данных), часть IА адресного поля загружается в низшие разряды регистра NTA, а высшие разряды NTA устанавливаются на нуль (см. п. 4.4).

Во время фазы декодирования в первичном адресном цикле требование АК = 0 удерживает очень медленного удаленного слугу от неправильного декодирования, когда быстрый близкий слуга выдал сигнал АК (u) и мастер продолжает изменять состояние данных и управляющих линий для последующего цикла данных (см. рис. 8).

5.2.3. Ответные действия мастера на сигнал АК(u)

Спустя время разброса задержек после получения сигнала АК (u), мастер должен интерпретировать ответ на линиях SS, получаемых в течение первичного адресного цикла, так, как показано в табл. VI.

Ответы SS = 1, 2 или 3 должны служить для мастера признаком того, что указанная связь не была установлена и что соединитель сегментов является присоединенным к мастеру. Все другие ответы по линиям SS свидетельствуют о том, что слуга присоединен к данному мастеру.

Если сигнал АК (u) не будет получен прежде, чем истечет лимит на время ответов мастеру в адресном цикле, мастер должен выставить AS = 0.

Мастер, выставляющий сигнал EG, должен генерировать EG (d) при получении сигнала АК (u).

Отметим, что в течение первичных адресных циклов слуга выставляет ненулевые ответы это линиям SS, если это оправдано, только на логические адреса в пределах области адресов данных. Мастер должен интерпретировать ответные коды SS = 4, 5 или 6 как ошибку.

Таблица VI

Ответ по линиям SS в адресном цикле, поступающий с. сигналом АК (u)

Код на линиях SS <2:0>

Интерпретация (см. приложение J)

0

Адрес распознан

1

Сеть занята

2

Сбой в сети

3

Сеть ликвидирована

4

Зарезервирован

5

Зарезервирован

6

Зарезервирован

7

Недопустимый внутренний адрес - адрес принят

Мастер может изменять состояние сигналов на линиях AD, RD, РА, РЕ и MS по получении сигнала АК (u).

5.3. Операции

Присоединенные слуги отвечают на циклы данных, которые должны инициироваться действующими мастерами. Взаимные подтверждения мастер-слуга используются для всех циклов данных, за исключением принудительных передач. Эти подтверждения формируются мастером, генерирующим сигнал «строб данных» (DS), и слугой или вспомогательной логикой, отвечающими сигналом «подтверждение приема данных» (DK).

Ниже приводится терминология, используемая для определения различных возможных операций.

НУЛЕВАЯ. Адресация выполняется, но передача данных не происходит. Этот тип операции может быть полезным для тестирования присутствия устройства или для настройки системных связей с целью гарантировать их наличие перед началом фактических передач.

ОДНОКРАТНАЯ. Этот тип операции представляет собой обычную в режиме произвольного доступа передачу данных в количестве одного слова. Такая передача данных, запись или чтение, происходит, соответственно, по сигналу DS (u) или DK (u).

БЛОЧНАЯ. В нескольких циклах передачи данных пересылается некоторое количество (возможно, нулевое) слов данных без повторения какой-либо адресной информации. Передачи данных происходят по сигналу DS (t) или DK (t). Прежде чем инициировать каждую новую передачу данных, мастер ожидает ответа на предыдущую.

ПРИНУДИТЕЛЬНАЯ. Аналогична блочной передаче, за тем исключением, что мастер инициирует каждую новую передачу данных, не ожидая ответа на предыдущую.

ЗАЩИТНЫЙ БУФЕР. Передает данные только в защитный буфер или из него. Не оказывает никакого другого влияния на слугу. Цикл считывания с защитного буфера может быть использован для восстановления информации в случае ошибок по четности при считывании. Запись в защитный буфер с последующим считыванием из него может быть использована для проверки канала передачи данных между мастером и слугой. Передачи данных происходят на DS (t) или DK (t). Перед началом каждой передачи данных мастер ожидает реакцию на предыдущую передачу.

ОЧИСТКА. Операция данных с подтверждением от DS (t) к DK. (t) при RD = 0 с целью предотвращения ошибок при передаче данных из-за логических схем типа монтажного ИЛИ. Во время этой операции никакие данные не передаются.

Для магистралей, управляемых напряжением, операции по очистке применяются при изменении направления передачи магистрали чтения к записи. Эта операция препятствует одновременному выставлению AD, РА и РЕ обоими устройствами - мастером и слугой. В конце цикла чтения слуга выставляет сигналы на линии. Если после этого мастер хочет выполнять цикл записи, необходимо выполнить операцию очистки для снятия сигналов слуги, прежде чем мастер выставит на эти линии свои сигналы. Подтверждение цикла очистки обеспечивает время, необходимое для того, чтобы отмена сигналов слуги прошла к мастеру с освобождением магистрали для использования ее мастером. Если мастер должен задействовать эти линии до их очистки, то его формирователи напряжения не смогут подавать полный ток возбуждения. Надежный сигнал мастера не будет выставлен на магистрали, пока не исчезнет ток из других драйверов. Поскольку мастер не может опознать это состояние, гарантия надежной работы должна зависеть от дополнительного подтверждения, обеспечиваемого циклом очистки.

БЛОКИРОВАННЫЙ АДРЕС. Первичный адресный цикл сопровождается последовательностью отдельных передач и/или блочных или принудительных передач, считываний или записей в перемешанном виде. Примером является операция считывание - модификация - запись, показанная на рис. 14. Вторичные адресные циклы - специальный тип цикла данных - могут быть использованы для доступа к различным внутренним регистрам в пределах адресного пространств, выбираемого в первичном адресном цикле в ходе операции с блокировочным адресом.

Помимо этого, последовательности с блокировкой арбитража при операциях ФАСТБАС могут выполняться отдельным мастером, который не теряет руководства магистралью. Таким образом, набор передач отдельных, блочных, принудительных или, при блокированном адресе, во множество различных слуг может происходить без прерывания со стороны других возможных действующих мастеров. Это достигается путем поддержания GK = 1 в мастере и логикой соединителей сегментов (СС), которая заставляет их сохранять установленное соединение в системе до удаления GK. Для установления соединений в системе для последовательностей с блокированным арбитражем могут быть использованы нулевые операции. При последовательности с блокированным арбитражем может быть доступ только к адресам в первоначально соединенной системе.

Синхронизация трех различных типов циклов данных с точки зрения мастера и слуги показана на рис. 14 - 16.

Таблица VII

Интерпретация кодов MS в цикле данных

MS <2:0>

DS (u)

DS (d)

Примечание

0

Передача данных

Очистка**

Одиночная передача

1

Передача данных, добавление в NTA*

Передача данных, добавление в NTA

Передача блока с подтверждениями

2

Передача NTA

Очистки**

Вторичный адрес

3

Передача данных, добавление в NTA*

Передача данных, добавление в NTA*

Принудительная передача

4

Ограниченное применение***

Зарезервировано

 

5

Зарезервировано

Зарезервировано

 

6

Зарезервировано

Зарезервировано

 

7

Зарезервировано

Зарезервировано

 

* Добавление в NTA при потребности (см. пп. 5.3.2 и 11.2).

** В очистном цикле данных не происходит передачи данных.

*** Предполагаемое использование кода MS = 4 состоит в том, чтобы показать при DS = (u), что запрашиваются ограниченные действия слуги, прежде чем будут переданы дальнейшие данные. Точные действия могут зависеть от применения, при этом код MS = 4 не сопровождается действительными данными.

5.3.1. Последовательность действий мастера для формирования сигнала DS

Во время цикла данных мастер, в соответствии с предписаниями по таймированию в п. 5.1.1, должен:

установить сигнал RD = 0 для циклов записи и RD = 1 для циклов чтения;

выставить данные на линиях AD, когда RD = 0. Если мастер, при желании, генерирует четность, он должен установить сигнал РЕ = 1 и выставить РА так, чтобы на линиях AD и РА в сумме в состояние логической единицы было установлено нечетное число битов;

установить на линиях MS код в соответствии с табл. VII для того, чтобы указать тип цикла данных.

Сформировать сигнал DS (t) в соответствии с предписаниями по таймированию в п. 5.1.1.

Данные должны передаваться в соответствии с табл. VII.

Дли завершения блочной или принудительной передачи с нечетным счетом слов мастер должен установить MS = 0, чтобы MS-линии достигли устойчивого состояния перед DS (d) с учетом разброса фронтов. Однако, если счет слов четный и блочная или принудительная передача является частью последовательности с блокированным арбитражем, то следует выполнить специальные действия, указанные в п. 11.1.

Для цикла очистки данных мастер должен выставить RD = 0.

Рис. 14. Цикл чтение-модификация-запись

Сигналы на линиях MS, выставленные мастером, неизменны с момента начала разброса фронтов до DS (t) и остаются такими до получения DK (t). Хотя линии MS и могут быть установлены в упомянутое состояние при нескольких переходах DS (t), на этих линиях могут случаться выбросы после DK (t), длящиеся до времени разброса перед DS (t).

Принудительная передача чтения выполняется мастером, формирующим DS (t). Он использует DK (t), получаемые от слуги, для стробирования данных, но мастер не ожидает прихода сигнала DK (t) прежде, чем формировать следующий сигнал DS (t).

5.3.2. Ответные действия слуги на сигнал DS (t).

Слуги, которые стали присоединенными в течение широкого адресного цикла, не должны генерировать сигнал DK = 1.

Слуга, который стал присоединенным к определенному устройству во время первичного адресного цикла, должен отвечать на сигнал DS (t) в пределах лимита времени ответных действий слуги в цикле данных (см. приложение А) или должен выставить WT = 1 до тех пор, пока он не сформирует сигнал DK (t).

В момент времени, не позже чем DK (t), присоединенный слуга должен выставить код на линиях SS, а также должен быть готов к приему последующего сигнала DS (t) или AS (d). Также тогда и только тогда, когда RD = 1, слуга должен выставить сигналы на линии AD и, возможно, на линиях РА и РЕ.

Во время цикла записи вторичного адреса присоединенный слуга должен выставить на линии SS ответные коды 0, 1 или 7, как это предписано в табл. VIIIb и п. 5.3.3.

Устройства, которые не имеют регистра NTA (см. п. 4.4) в случае циклов чтения или записей вторичного адреса должны возвращать код SS = 0.

Информация, выставляемая присоединенным слугой, и предпринятые внутренние действия должны быть такими, как установлено в табл. VIIIa, VIIIb и п. 5.3.3.

Таблица VIIIa

Ответы слуги на линиях SS во время цикла данных, поступающие сигналом DK (t)

SS <2:0>

Интерпретация

0

Нормальное действие

1

Занято

2

Конец блока

3

Определяется пользователем

4

Зарезервирован

5

Зарезервирован

6

Ошибка данных (отклонены)

7

Ошибка данных (приняты)

В течение циклов данных разряды данных, не реализованные в слуге, должны возвращаться в виде логических нулей при операции чтения и должны быть игнорированы при операции записи.

5.3.3. Обсуждение ответов по линиям «статус слуги»

В этом разделе дается интерпретация записей в табл. VIIIa и VIIIb.

Вообще автоматическое изменение содержимого регистра NTA допускается только в том случае, если данные были приняты или выданы слугой.

Рис. 15. Чтение данных при произвольном доступе

Таблица VIIIb

Ответы слуги по линиям SS и действия при DK (t)

SS <2:0>

Область адресов данных или регистров управления и статуса

Вторичный адрес

Изменение IA

Запись

Чтение

Запись

Чтение

0

Принимает

Выставляет

Принимает*

Выставляет

Разрешено

1

Отклоняет

Данных нет

Отклоняет

Данных нет

Нет

2

Отклоняет

Данных нет

Отсутствует

Отсутствует

Нет

3

Определяется пользователем

 

-

-

-

4

Зарезервирован

 

-

-

-

5

Зарезервирован

 

-

-

-

6

Отклоняет

Данных нет

Отсутствует

Отсутствует

Нет

7

Принимает

Выставляет

Принимает

Выставляет

Разрешено

* Отклонение производится только, когда регистр NTA не реализован, при этом возвращается SS = 0.

Рис. 16. Блочная передача с подтверждениями, запись

SS = 0         Нормальное действие. Никакие трудности не были отмечены слугой. Однако все же существует возможность того, что мастер, затребовавший чтение данных, может обнаружить ошибку четности, вызванную трудностями при передаче.

SS = 1         Занято. Слуга занят и не может ни выдать, ни принять данные. Мастеру следует вскоре выполнить повторную попытку с неопределенной вероятностью успеха.

SS = 2         Конец блока. Во время блочной или принудительной передачи был упущен конец блока. Данные не могут быть ни выданы, ни приняты. Если цикл данных, явившийся источником этого ответа, сопровождается дальнейшими циклами данных, код SS = 2 повторяется, а состояние слуги не изменяется. Для того, чтобы продолжить передачи данных слуге, который достиг конца блока, мастер должен сначала заново адресовать слугу либо при помощи вторичного адресного цикла, либо путем разрыва связки AS/AK с последующим проведением первичного адресного цикла.

SS = 3         Определяется пользователем. Этот ответ разработчик системы может использовать для специальных целей. Его смысл должен быть известен действующему мастеру и может быть различным при разных типах слуг.

SS = 4         Зарезервирован.

SS = 5         Зарезервирован.

SS = 6         Ошибка данных (отклонены). Этот ответ указывает, что слуга не способен или не желает принимать или выдавать данные вследствие ошибки, связанной сданными или с текущим значением внутреннего адреса, либо в связи с тем, что на линиях MS был установлен код, не предусмотренный для цикла данных. В слуге не произошло изменений, за исключением связанных с выдачей данного ответа и, возможно, с установкой некоторых битов состояний.

При циклах вторичной адресации отклик SS = 6 не выдается.

Ошибки при записи данных могут возникать из-за нарушения четности или в связи с тем, что была предпринята запись в регистр, допускающий только чтение, либо потому, что дальнейшие проверки, проведенные слугой, вскрыли другие проблемы, связанные с данными. В случае простых слуг, в которых выполняется только одна проверка на ошибочные данные, значение этого ответа является недвусмысленным.

В регистре управления и состояний CSR = 0 предусмотрен бит для индикации ошибки четности, а также восемь битов состояния, определяемых пользователем, которые могут быть использованы для дальнейшего определения характера ошибки. Первая реакция мастера на ошибки записи должна заключаться в том, чтобы заново передать данные. Если ошибка продолжает возникать, должны быть опрошены регистры состояния слуги.

В случае цикла чтения данных, этот ответ мог бы указывать на отсутствие или неполадки в работе оборудования, подключенного к слуге. Недопустимый внутренний адрес также может явиться причиной этого ответа во время либо цикла чтения, либо цикла записи. Если недопустимый внутренний адрес был указан первичным адресным циклом, тогда ответом на этот цикл должен был быть SS = 7 (табл. VI).

После вторичного адресного цикла, получающего ответ SS = 7, все циклы данных, кроме вторичных адресных циклов, должны получить ответы SS = 6. Первичный адресный цикл или вторичный адресный цикл записи, приводящие к ошибочному отклику (SS = 7), могут быть всегда исправлены путем сопровождения их вторичным адресным циклом записи, который передает достоверный адрес.

SS = 7         Ошибка данных (принята). Этот ответ выдается по тем же самым причинам, что и ответ SS = 6. Все различие заключается в том, что слуга, выставляющий SS = 7, принял ошибочные данные или выставляет данные, зная, что они ошибочные. Если устройство содержит регистр NTA, должен быть возвращен сигнал SS = 7 и NTA загружен, если неверный внутренний адрес был послан либо во время передачи вторичного адреса, либо в область адресов данных во время передачи первичного адреса. Если случается такое, то сигнал SS = 7 должен быть возвращен при последующем вторичном адресном цикле чтения.

В случае записи данных скрытый смысл заключается в том, что те самые ошибочные данные доступны для чтения. Данный слуга может выдавать ответ SS = 6 или SS = 7 в зависимости от того, какой внутренний регистр использовался. Слуга, выполняющий контроль по четности, может отклонять ошибочные данные, посланные в область адресов регистров управления и состояний (ответ SS = 6), но принимать ошибочные данные, посланные в область адресов данных (ответ SS = 7). Такой ответ однозначно указывает, были ли переданы данные или нет. Мастер может просто подсчитывать количество ответов SS = 7 во время передач больших массивов данных и только сигнализировать об ошибке, если будет превышено пороговое значение счета.

5.3.4. Реакция мастера на DK (t)

Таймирующий сигнал DK и информационные/управляющие сигналы FD, RD, MS и SS должны интерпретироваться мастером следующим образом.

1. DK (t) при RD = 0 должен указывать на то, что слуга (где применено) получил данные от мастера и готов выполнить следующую команду DS (t).

2. DK (t) при RD = 1 должен указывать, что слуга (где применимо) послал данные мастеру и готов получить следующую команду DS (t).

3. Мастер должен со сдвигом на разброс фронтов после DK (t) интерпретировать линии состояния SS <2:0> и информационные линии в соответствии с табл. VIIIa, VIIIb и п. 5.3.3.

5.4. Использование линии «сброс магистрали» (RB)

Этот асинхронный сигнал используется для принудительного приведения сегмента в спокойное состояние для инициализации, повторной инициализации или диагностических целей. Для того, чтобы сохранить максимум диагностической информации, регистры и устройства памяти в модуле не должны очищаться по сигналу RB.

Сигнал ВН «магистраль остановлена», который выставляется только схемой управления таймированием арбитража (см. п. 7.4) запрещает следствия сигнала RB. Это обстоятельство позволяет осуществлять вставление модулей при включенном питании при помощи запрещения ответов модулей на ложные сигналы по линии RB.

5.4.1. Формирование сигнала RB мастером

Импульс на линию RB может быть подан любым мастером, не обязательно действующим мастером, в любой момент времени.

Если ВН = 0, мастер, выставляющий сигнал RB, должен подать сигнал GK (u) одновременно с сигналом RB (u), если он уже не подаст сигнал GK = 1.

Импульс на линии RB должен иметь длительность, соответствующую характеристикам данной магистрали (см. приложение А).

Мастер, выставляющий сигнал RB, должен поддерживать GK = 1 в момент RB (d), и должен присвоить себе право владения магистралью.

Мастер, который выставляет в сегменте сигнал RB и в момент RB (d) принимает право владения магистралью, должен продолжать делать это до проведения диагностики в сегменте и/или инициализации или повторной инициализации сегмента.

5.4.2. Ответныe действия слуги на сигнал RB

Устройства должны интегрировать сигнал RB=1 в течение времени интегрирования для сигнала RB, соответствующего типу данной магистрали и все действия на магистрали, вызванные сигналом RB, должны быть завершены в пределах минимальной длительности сигнала RB = 1 (см. приложение А). Когда проинтегрированные сигналы RB = 1 и ВН = 0, устройства, не выставляющие сигнал RB, должны отвечать следующим образом.

1. Запретить выдачу всех сигналов ФАСТБАС, за исключением сигналов AL и SR, и, вследствие этого, любая текущая операция должна закончиться без завершения подтверждений (см. п. 5.5).

2. Запретить распознавание логических адресов (CSR# 0 <01> очищено) и должны отвечать только на географическую или широкую адресацию.

3. Биты «работа» CSR# 0 <02> и «тест» CSR# 2 <07> должны быть очищены, если они реализованы (см. гл. 8).

4. Мастера должны запретить работу схемы запросов на арбитраж очисткой CSR# 0 <01> и CSR# 0 <02>.

См. последний абзац п. 5.5.

Отметим, что когда сигнал ВН = 1, устройства игнорируют состояние сигнала RB.

5.5. Ответные действия устройства на включение питания

При включении питания устройства должны запретить выдачу в сегментах всех сигналов ФАСТБАС, за исключением сигналов на линиях AL и SR.

От устройств, реагирующих на POWER ON (включение питания) или RB, требуется только запрещать выставление сигналов ФАСТБАС, которые не установлены на нуль при нулевом состоянии других сигналов ФАСТБАС. Например, не требуется, чтобы слуга блокировал выставление АК, если АК. сведено к нулю путем приема AS = 0.

ГЛАВА 6. АРБИТРАЖ В МАГИСТРАЛИ

В общем виде система ФАСТБАС состоит из одного или более сегментов, каждый из которых может содержать несколько мастеров. Прежде чем мастер сможет начать операцию, ему должны быть обеспечены гарантии, что магистраль, к которой он подключен, свободна и остается свободной от вмешательства со стороны других мастеров в течение всего периода передачи. Методика, используемая для обеспечения этого условия, требует наличия в каждом устройстве схемы, способной завоевывать право на владение магистралью, а также наличия некоей активной схемы, называемой схемой управления таймированием арбитража (УТА), которая подключается к каждому сегменту и не является частью какого-либо отдельного устройства. УТА обеспечивает выработку таймирующих и управляющих сигналов для процесса арбитража, а также информирует выигравшего мастера о том, когда он сможет принять на себя использование магистрали. Если действие влечет за собой прохождение через соединители сегментов, тогда такая гарантия доступности магистрали должна быть распространена сегмент за сегментом на все затрагиваемые сегменты.

Каждому мастеру присваивается уровень приоритета для использования во время цикла арбитража, и в соответствующий момент подготовленный мастер, с самым высоким приоритетом среди принимавших участие в арбитраже получает право на владение магистралью. Как только мастеру было дано и он принял право владения магистралью, мастер оставляет за собой управление магистралью до тех пор, пока не решит отказаться от этого. В результате операция с низким приоритетом может запретить исполнение операции с высоким приоритетом. Соблюдение приоритетов обеспечивается только во время арбитража.

При получении запроса на арбитраж УТА инициирует цикл арбитража, если магистраль в данный момент не занята. Если магистраль занята, то именно действующий мастер решает, когда сможет состояться цикл арбитража. Выбор критерия, используемого мастером для определения этого момента времени, предоставляется разработчику устройства. Одна из альтернатив заключается и том, чтобы разрешить проведение цикла арбитража непосредственно сразу за последним первичным адресным циклом текущей операции. В результате следующий мастер обычно может быть выбран прежде, чем действующий мастер закончит свой последний цикл данных. Такое перекрытие арбитража с действиями на магистрали означает, что, когда магистраль занята, теряется минимальное или вообще никакое время не теряется при переключении от одного мастера к другому.

Если последняя или единственная часть текущего взаимодействия является блочной или принудительной передачей, промежуток времени между последним адресным циклом и последним циклом данных может оказаться довольно длительным. Если используется предложенный выше алгоритм, следующий мастер может быть выбран задолго до того, как он получит право на владение магистралью. Другие мастера, имеющие более высокий уровень арбитража, чем подготовленный мастер, могут выставить запросы на использование магистрали в течение того промежутка времени, которое требуется действующему мастеру для завершения его последних циклов данных. Этим мастерам, однако, не будет разрешено участвовать в соревновании за право владения магистралью до тех пор, пока подготовленный мастер не получит управление магистралью и, в свою очередь, не разрешит проведение очередного цикла арбитража. Если действующий мастер задерживает инициирование цикла арбитража до своего последнего или предпоследнего цикла данных, результаты арбитража с большей точностью отображают состояние запросов на момент освобождения магистрали.

6.1. Использование линий магистрали в процессе арбитража

В табл. IX представлено краткое описание десяти линий магистрали, используемых в процессе арбитража.

Таблица IX

Линии для арбитража в системе ФАСТБАС

Наименование

Обозначение

Использование

Запрос на арбитраж

AR

Формируется мастером с целью запросить право на владение магистралью

Запрет запроса на арбитраж

AI

Формируется схемой УТА с целью показать наличие необслуженных запросов

Разрешение на арбитраж

АG

Формируется в УТА для управления таймированием цикла арбитража

Уровень арбитража

AL

Сигналы на линиях уровня арбитража выставляются мастерами

Подтверждение разрешения

GK

Формируется выигравшим мастером, когда он принял на себя управление данным сегментом

Каждому мастеру в сегменте должен быть присвоен единственный в пределах его сегмента уровень арбитража. Уровень арбитража должен быть указан при помощи двоичного шестиразрядного числа, содержащегося в регистре CSR = 8 (см. п. 8.11). Допустимые уровни арбитража должны находиться в диапазоне от 1 до 63. Уровень арбитража 0 не должен быть разрешен.

Уровень арбитража должен быть разделен на два класса, которые определяются значениями старшего разряда. Локальный уровень должен иметь старший разряд в нулевом состоянии. Для локальных уровней единственность требуется только в пределах данного сегмента. Для системных уровней их старший разряд должен быть установлен в единицу, и они должны быть присвоены ведущим устройствам в сегментах с выполнением требования единственности по всему маршруту.

Когда уровень арбитража пропускается на линии AL, старший разряд должен появиться на линии AL <05>, а младший - на линии AL <00>.

Рекомендуется, чтобы локальный уровень арбитража 31 был зарезервирован для использования диагностическими модулями.

Мастер должен выставить AR как первый этап в получении владения магистралью. Перед этим мастер должен проверить состояние других линий магистрали. Для выполнения протокола гарантированного доступа мастер выставляет AR, только если не выставлен AI. Это ведет к круговому, с учетом приоритетов, разрешению владения магистралью. Для выполнения протокола приоритетного доступа мастер выдает AR только в случае, когда его уровень арбитража выше, чем уровень действующего мастера. Это позволяет мастеру, который проверяет состояние AR, выполнять длинную передачу, прерываемую только передачами с более высоким приоритетом. Если не работает ни один из этих протоколов, мастер выдает AR, если ему требуется использовать магистраль.

Цикл арбитража инициируется, если линия AR находится в состоянии «истинно», а линии AG, GK, WT находятся в состоянии «ложь». Так как состоянием линии GK управляет действующий мастер, он может управлять инициированием циклов арбитража. Схема УТА запускает такой цикл, формируя сигнал AG (u), который используется мастерами, выставляющими запросы, для пропускания своих уровней арбитража на линии AL, а всеми другими мастерами - чтобы убрать свои уровни арбитража с линий AL. Определение выигравшего мастера производится самими мастерами - схема УТА просто обеспечивает таймирующие сигналы для этого процесса. После выдачи сигнала AG (u) схема УТА ожидает в течение фиксированного промежутка времени завершение процесса арбитража. Этот промежуток определяется задержками на магистрали и во внутренней логике. В конце указанного периода ожидания код на линиях AL представляет собой уровень арбитража выигравшего мастера. Если в это время схема УТА обнаруживает недопустимый нулевой уровень на линиях AL, она не ожидает прихода сигнала GK (u) и считает данный цикл арбитража завершенным. Если код на линиях AL отличается от нуля, тогда схема УТА проверяет магистраль на предмет активности. Когда связка AS/AK текущей операции прекращается на время, достаточное для очистки магистрали, и WT = 0, тогда схема УТА формирует сигнал AG (d). Выигравший мастер, о котором теперь говорят как о подготовленном мастере до тех пор, пока он не возьмет на себя владение магистралью, осознает, что он выиграл, а всем остальным участкам процесса арбитража становится известно, что они проиграли.

Получение подготовленным мастером сигнала AG (d) побуждает его возвратить схеме УТА сигнал «подтверждение разрешения» (GK) и приступить к использованию магистрали. Если схема УТА не получает сигнал GK в течение времени, определяемого задержками на магистрали и в логике, она предполагает, что выигравший мастер не хочет или не может присвоить право на владение магистралью, и, если сигнал «запрос на арбитраж» находится в состоянии АR = 1, инициирует новый цикл арбитража

Если мастерам разрешено выставлять сигнал AR в любой момент времени, мастера с высоким приоритетом могут неопределенно долго не давать право на владение магистралью мастерам с низким приоритетом. Этой проблемы можно избежать, если мастера руководствуются рекомендованным протоколом гарантированного доступа, который использует формируемой схемой УТА управляющий сигнал «запрет запроса на арбитраж» (AI). Мастера инициируют запросы на арбитраж тогда, когда сигнал АI = 0. Все запросы на владение магистралью, которые присутствуют в момент выдачи сигнала AI (u), обслуживаются в порядке приоритетов, прежде чем любым запросам, возникающим после сигнала AI (u), будет разрешено пройти на линию AR. Результатом является форма циклического упорядочения приоритетов. Мастера, которые не руководствуются этим протоколом, могут сочетаться с такими мастерами, которые его используют, допуская возможность для мастеров получать владение магистралью, не принимая во внимание запросы от мастеров с более низкими приоритетами.

Две особенности протокола арбитража должны быть подчеркнуты. Первая заключается в том, что именно мастера решают, кто будет следующим использовать магистраль. Вторая состоит в том, что именно схема управления таймированием арбитража определяет момент времени, в который подготовленный мастер может взять на себя владение магистралью. На рис. 17 показана логика управления арбитража в мастере. Для работы этой схемы требуются дополнительные ключи (см. п. 6.3.1). Для обеспечения правильности векторов арбитража нужны дальнейшая аппаратная или программная проверки.

6.2. Процесс арбитража

В предыдущем разделе были кратко описаны таймирование и управление циклом арбитража. Подробные спецификации, касающиеся этих вопросов, помещены в дальнейших разделах. В данном разделе детально описывается процесс, при помощи которого определяется выигравший уровень арбитража. Реализация соответствующей схемы в ведущем устройстве показана на рис. 18. Отметим, что логические правила в данном случае таковы, что если логический нуль и логическая единица одновременно подаются на одну и ту же линию от двух различных источников, эта линия будет находиться в состоянии логической единицы.

Рис. 17. Логика управления арбитражем в мастере

Рис. 18. Логика арбитража в мастере

При получении сигнала AG (u) те мастера, которые желают соревноваться за право владения магистралью (т.е. выставляющие AR), используют внутренний флаг «пропустить сигналы на линии AL» для того, чтобы выставить свой внутренний уровень арбитража (IAL) на линии AL <05:00>. Затем каждый мастер непрерывно сравнивает присвоенный ему уровень арбитража с кодом на линиях AL. Если мастер обнаруживает, что внутреннее значение любого из разрядов AL отличается от логического уровня соответствующей линии AL, то он запрещает выставление своих данных на все линии AL, имеющие меньший вес. Как следствие логического правила, упомянутого выше, единственно устойчивое различие, которое может возникнуть, относится к случаю, когда внутреннее значение равняется 0, в то время как на соответствующей линии AL имеется логический уровень 1.

Условие, накладываемое при пропускании информации на линии AL; может вызвать неоднократное изменение их содержимого, прежде чем стабилизируется конечное значение. По ходу этих изменений один или несколько мастеров могут на короткое время устанавливать свой внутренний флаг «арбитраж выигран» («это мой»), указывающий, что они будут выбраны владеющими магистралью в следующий раз, как только она станет доступной. Однако схема УТА ожидает в течение времени, равного четырем задержкам магистрали плюс шесть задержек в логике арбитража, чтобы определить окончательно выигравшего мастера прежде, чем перейти к следующей части процесса арбитража. Задержка в логике арбитража равняется времени, требуемому мастеру для того, чтобы отметить различие в значениях одного из старших разрядов кода AL и прекратить пропускание всех разрядов кода AL с меньшим весом. Кроме зависимости от используемой технологии, на эти задержки влияет также способ реализации функции арбитража.

Рис. 19 иллюстрирует таймирование процесса выбора мастера с самым высоким приоритетом. Изображенная ситуация заключается в следующем: мастер А (уровень арбитража 010101b) и схема УТА находятся на одном конце магистрали. Мастера В (уровень арбитража 001111b) и X (уровень арбитража 100000b) находятся на противоположном конце магистрали. Действующим мастером является X, а мастера А и В выставляют сигналы на линию AR. Мастер X формирует сигнал GK (d), чтобы показать, что может состояться цикл арбитража. Схема УТА отвечает сигналом AG (u), и именно момент выдачи этого сигнала служит точкой отсчета шкалы времени на рис. 19.

Мастер А, обнаружив сигнал AG (u), пытается пропустить свой уровень арбитража на линии AL. Мастер X еще не получил сигнал AG (u), следовательно линия AL <05>- все еще находится в состоянии логической 1, и приоритетная схема не разрешает мастеру А, вследствие его уровня арбитража, выставить сигналы на какие-либо из линий AL. Спустя время задержки в магистрали мастер X обнаруживает сигнал AG (u) и, так как он сам не выставляет запрос, убирает свой уровень арбитража с магистрали. В это время мастер В получает сигнал AG (u) и пытается выставить свой уровень арбитража на магистраль. Поскольку в настоящий момент ни мастер А, ни мастер X не выставляют сигналы на какие-либо линии AL, на последних теперь содержится код уровня арбитража мастера В и он считает себя в данный момент выигравшим.

* Мастер А устанавливает внутренне «это мой».

** Мастер В устанавливает внутренне «это мой».

Рис. 19. Арбитраж для двух мастеров при наихудших задержках

Спустя время, равное задержке в магистрали, код уровня арбитража мастера В достигает конца магистрали, на котором расположен мастер А и где приоритетная логика разрешает установку мастером А линии AL <04> в состояние логической 1. Мастер А в это время не может оказать влияние на любые другие линии AL, поэтому код 011111b распространяется обратно к противоположному концу магистрали. Здесь мастер В обнаруживает, что его собственное значение и состояние на магистрали для линии AL <04> различаются, следовательно оно прекращает выставлять сигналы на линии от AL <03> до AL <00> включ. и более не рассматривает себя и качестве выбранного мастера.

Код 010000b затем распространяется обратно к концу магистрали, на котором расположен мастер А и где приоритетная логика теперь разрешает ему выставить все разряды своего уровня арбитража на линии AL, а также, обнаружив соответствие между внутренним и внешним значениями уровня арбитража, начинает рассматривать себя в качестве выигравшего мастера. Уровень арбитража мастера А распространяется в сторону того конца магистрали, на котором расположен мастер В, не оказывая дополнительного влияния на что-либо. Итак, если не учитывать задержки в логике арбитража, спустя четыре задержки в магистрали после выдачи сигнала AG (u) был определен истинный выигравший мастер.

Надписи аналогичны рис. 19.

* Соответствующий мастер устанавливает внутренне «это мой».

□ В этом месте и в этот момент в состоянии магистрали нет изменений

Рис. 20. Арбитраж для трех мастеров при наихудших задержках

На рис. 20 рассмотрена более сложная ситуация, которая приводит к такому же самому худшему случаю задержек. Усложнение в данном случае заключается в добавлении в промежуточной точке магистрали еще одного мастера чей уровень арбитража также является промежуточным между уровнями мастеров А и В. Небольшие квадратики на диаграмме показывают, что в данном месте и в данное время в состоянии магистрали не происходит никаких изменений.

6.3. Правила арбитража

6.3.1. Формирование мастером сигнала AR и пропускание соединителем сегментов сигнала АR

Сигнал «запрос на арбитраж» (AR) используется мастером для выставления требования на владение магистралью своего сегмента или, через соединитель сегментов, другого сегмента. Второе применение этой линии позволяет действующему мастеру обнаружить присутствие других мастеров, которые в настоящий момент заблокированы текущей операцией.

Мастер должен генерировать управляющий сигнал AR только при условии, что установлены в «1» как бит СSR# 0 <01> (разрешение), так и бит CSR = 0 <02> (работа) (см. табл. ХIIb).

Правила, регулирующие процесс формирования сигнала AR, следующие.

1. Мастер должен поддерживать сигнал AR = 0, пока он не пожелает получить владение магистралью своего сегмента.

2. Мастер, который не подчиняется протоколу гарантированного доступа, должен быть в состоянии выставить сигнал AR в любое время.

3. Мастер, который подчиняется протоколу гарантированного доступа, должен быть способен выставлять сигнал AR (u), только когда сигнал А1 = 0.

4. Мастер, который подчиняется протоколу приоритетного доступа, должен быть способен выставлять сигнал AR (u), только если его уровень арбитража выше, чем уровень мастера, действующего на магистрали.

5. Если мастер, который выставил сигнал AR (u), более не желает запрашивать циклы арбитража, он должен выдать сигнал AR (d).

6. Активный или зарезервированный соединитель сегментов должен пропускать сигнал AR от дальней к ближней стороне, чтобы дать возможность действующему мастеру обнаруживать запросы других мастеров на использование сегментов, занятых текущей операцией (см. п. 10.7.6).

Подготовленному мастеру следует прекратить сигнал AR = 1 при получении сигнала AG (d), если он не должен принимать участие в очередном цикле арбитража.

6.3.2. Установка и снятие сигнала AI схемой УТА

Управляющий сигнал «запрет запроса на арбитраж» (AI) генерируется схемой управления таймированием арбитража для того, чтобы дать возможность мастерам участвовать в соревновании за владение магистралью, что позволяет мастерам с низким приоритетом получать владение магистралью независимо от потока запросов, выставляемых мастерами с более высокими приоритетами. Сигнал AI генерируется всеми схемами УТА, но не все мастера должны принимать во внимание сигнал AI, когда они выставляют AR. Мастерам следует иметь возможность работы в (режиме гарантированного доступа (см. п. 8.11).

Спецификации, касающиеся установки и снятия сигнала AI схемой УТА, содержатся в п. 7.1.

6.3.3. Установка и снятие сигнала AG схемой УТА

Передний фронт таймирующего сигнала «разрешение на арбитраж» - (AG) формируется схемой УТА для того, чтобы инициировать цикл арбитража, во время которого соревнующиеся мастера определяют, кто из них станет подготовленным мастером. Задний фронт сигнал AG используется для того, чтобы передать управление подготовленному мастеру.

Устройства, требующие знания уровня арбитража действующего мастера, должны при AG (d) хранить значение AL <05:00> во внутреннем регистре.

Спецификации, касающиеся установки и снятия сигнала AG схемой УТА, содержатся в п. 7.1.

6.3.4. Установка и снятие сигнала AL мастером

Каждому мастеру присваивается внутренний уровень арбитража, который он, если желает получить владение магистралью, через логическое «ИЛИ» подает на линии «уровень арбитража», AL <05:00> во время цикла арбитража. Затем соревнующиеся мастера непрерывно проверяют и модифицируют состояние линий AL в соответствии с установленным протоколом арбитража. После соответствующей задержки состояние линий AL представляет собой самый высокий уровень арбитража, поданный на них в течение данного цикла.

Мастер должен принимать участие в цикле арбитража в случае, если он выставляет сигнал AR = 1, когда получен сигнал AG (u).

Информационные сигналы AL 05:00> должны генерироваться мастером следующим образом.

1. Мастер, участвующий в цикле арбитража, должен выставить свой уровень арбитража на линии AL в пределах промежутка времени, равного задержке в логике арбитража (см. приложение А), после как обнаружения сигнала AG (u).

2. Мастер не должен изменять содержимое своего регистра, уровня арбитража (см. п. 8.11) во время цикла арбитража, в котором он принимает участие, пока не будет завершен данный цикл и получен сигнал GK (u).

3. Мастер, не принимающий участие в цикле арбитража, должен убрать любые сигналы, которые он выставляет на линии AL, в пределах промежутка времени, равного задержке в логике арбитража, после обнаружения сигнала AG (u).

4. Каждый мастер, участвующий в цикле арбитража, должен непрерывно сравнивать сигнал, получаемый мм по каждой из линий AL, с соответствующим значением, которое он генерирует для данной линии. Если для какой-то отдельной линии получаемый сигнал AL <i> (находится в состоянии логической 1, а сигнал, генерируемой для этой линии, в состоянии логического 0, тогда мастер должен выставить сигналы AL <i - l> = AL <i - 2> = - - = AL <0> = 0 в пределах промежутка времени, равного задержке в логике арбитража.

5. После того, как управляющий сигнал AG = 1 поддерживался в течение времени, большего минимального времени арбитража (см. приложение А) для данного сегмента, мастер, чей уровень арбитража совпадает с уровнем арбитража, установившимся на линиях AL, должен стать следующим мастером, которому будет предоставлено владение магистралью (подготовленным мастером).

Мастер может изменять состояние сигналов, которые он выставляет на линии AL, при включении питания, а также в течение времени от сигнала GK (u) до сигнала AG (u).

Для того, чтобы удовлетворить требования к таймированию для мастера, принимающего участие в цикле арбитража, рекомендуется схема, аналогичная той, что приведена в разд. D.1 приложения D.

6.3.5. Установка и снятие сигнала GK мастером

Цикл арбитража позволяет соревнующимся мастерам самим принять решение, кто из них станет следующим, которому будет предоставлено владение магистралью. Тот факт, что мастер является подготовленным мастером, известно ему самому; любой другой мастер просто знает, что он не подготовленный мастер.

Когда подготовленный мастер получает сигнал AG (d), прежде чем использовать магистраль, он подтверждает, что возьмет на себя владение магистралью, выдачей сигнала «подтверждение разрешения», GK (u). Если этот ответ не будет получен в пределах интервала времени, установленного схемой УТА (см. п. 7.1.2), будет инициирован новый цикл арбитража, если еще остались какие-либо активные запросы. Циклы арбитража запрещены до тех пор, пока действующий мастер не сформирует сигнал GK (d).

Управляющий сигнал GK должен генерироваться мастером, как указано ниже:

1. Подготовленный мастер, которому предстоит принять владение магистралью, в ответ на сигнал AG (d) должен выдать сигнал GK (u) в пределах времени ответных действий слуги при адресации (см. приложение А) до генерации любых других сигналов в сегменте.

2. После подачи сигнала GK (u) подготовленный мастер должен стать действующим мастером.

3. Действующий мастер должен формировать сигнал GK (d) прежде, чем освобождать магистраль, или по получении интегрированного сигнала RB = 1 сигнала ВН = 0.

Для действующего мастера допускается вслед за сигналом GK (d) вновь выдавать сигнал GK (u) при условии, что в течение того периода, когда им шал GK = 0, мастер продолжал поддерживать сигнал AS = 1. Если мастер формирует сигнал AS (d), когда GK-0, он должен принять участие в цикле арбитража и выиграть его прежде, чем будет вновь использовать магистраль.

6.4. Арбитраж системного уровня

Процедура арбитража и локальном сегменте проста. Каждому мастеру в сегменте присваивается отличный от других, обычно на локальном уровне, уровень арбитража, и арбитраж происходит так, как описано выше.

Связь через границы сегментов выполняется соединителями сегментов. Для того, чтобы операция прошла через соединитель сегментов, он должен получить владение магистралью сегмента своей дальней стороны. Для этого требуется, чтобы соединитель сегментов содержал схему арбитража мастера, описанную выше. Основная проблема, которую необходимо решить, заключается в том, как уровни арбитража передаются через соединители сегментов СС.

Поскольку СС должен обладать способностью запрашивать и получать владение магистралью сегмента своей дальней стороны, он должен принимать участие в циклах арбитража и ему должен быть присвоен уровень арбитража. Если бы этот уровень арбитража пересекал каждый сегмент, оставаясь в том виде, каким он был у мастера, инициировавшего взаимодействие, проблема гарантии

единственности уровней арбитража оказалась бы трудной, если не невозможной, для решения. Однако, если соединителю сегментов присваивается локальный, с точки зрения сегментов его дальней стороны, уровень арбитража, проблема значительно облегчается, причем за это платится приемлемая цена, заключающаяся в том, что, возможно, уровень арбитража будет изменяться по мере того, как взаимодействие будет пересекать границы сегментов.

Если мастеру необходимо иметь высокий приоритет, который остается одним и тем же во всей соединенной системе, ему присваивается системный уровень арбитража. СС, обнаруживающий системный уровень арбитража в сегменте своей ближней стороны, будет использовать тот же самый системный уровень арбитража, когда будет соревноваться за использование сегмента своей дальней стороны. Следовательно, один тот же уровень арбитража, который выше, чем любой локальный уровень, используется во время проведения арбитража за владение каждым сегментом, вовлекаемым во взаимодействие.

Если весь поток операций, выходящий из сегмента через соединитель сегментов, должен иметь системный уровень арбитража, тогда действующие мастера в этом сегменте не нуждаются в том, чтобы им были присвоены как можно более редкие системные уровни арбитража. Системные уровни арбитража передаются соединителем сегментов без изменения, но локальные уровни арбитража преобразуются в уровень арбитража дальней стороны соединителя сегментов. Если уровень арбитража дальней стороны СС является системным, тогда этот системный уровень используется при проведении арбитража за владение всеми дополнительными сегментами, необходимыми для осуществления связи со слугой.

Межсегментный процесс арбитража включает исходный сегмент, все сегменты, являющиеся посредниками, а также сегмент, являющийся целью данного взаимодействия. Вследствие этого оказывается возможным использовать гадин и тот же системный уровень арбитража более чем один раз в физически соединенной системе при условии, что каждая часть этой системы, использующая тот же системный уровень арбитража, представляет собой логически выделанную структуру: т.е. маршруты от исходного сегмента к сегменту, являющемуся целью взаимодействия, не имеют общих сегментов.

В разд. 10 подробно описывается, как СС участвует в арбитраже за владение сегментом своей дальней стороны.

Оптимальные уровни арбитража мастеров и СС зависят от конкретной системы. Приоритеты соблюдаются только во время проведения арбитража. Если никакие из мастеров не следует протоколу гарантированного доступа, для мастеров с низким приоритетом существует вероятность, что их запросы на владение магистралью останутся не обслуженными в течение очень длительных периодов времени. В таких системах вероятность возникновения этой ситуации может быть уменьшена путем присвоения высоких приоритетов редко возникающим запросам и низких приоритетов - часто возникающим запросам.

Протокол гарантированного доступа устраняет возможность исключения или значительной задержки реакции на запросы от мастеров с низким приоритетом за счет некоторой задержки реакции на запросы с высоким приоритетом. Если это оказывается неприемлемым, те мастера, которые должны получать быстрый доступ к магистрали, могут, вдобавок к тому, что им присваивается высокий уровень приоритета, игнорировать состояние линии AI, когда они выставляют запросы. Такие мастера могут в любой момент времени добавлять запросы к очереди необслуженных запросов без необходимости ожидать, пока не кончится очередь. Поскольку запросы в такой очереди обслуживаются в порядке приоритетов, на запросы на владение магистралью от мастеров с высоким приоритетом, игнорирующих сигнал AI, может быть дан быстрый ответ.

ГЛАВА 7. ВСПОМОГАТЕЛЬНАЯ ЛОГИКА В СЕГМЕНТЕ

Практическая (реализация сегмента требует наличия схемы, которая является общей для всех устройств в сегменте. Эта вспомогательная логика управляет проведением циклов арбитража, контролирует адресные циклы и сигнализирует о выставлении географических адресов в данном сегменте на линию EG, формирует системные подтверждения для широких операций, выдает сигналы для остановки операций в сегменте, когда задействован переключатель «работа/останов», подает логические единицы и нули для кодирования штырьков географического адреса (GA) обеспечивает согласователи на обоих концах магистрали для большинства сигнальных линий. Подобно мастеру, вспомогательная логика должна быть осведомлена о характеристиках таймирования магистрали, к которой она подключена. Такая информация, касающаяся конкретной реализации магистрали, содержится в приложении А.

7.1. Управление таймированием арбитража (УТА)

Описание арбитража в магистрали дано в разд. 6.

Каждый сегмент должен иметь схему управления таймированием арбитража.

7.1.1. Формирование сигнала AI схемой УТА

Схема УТА должна формировать сигнал AI (u) одновременно с сигналом AG (u).

Схема УТА должна формировать сигнал AI (d), если сигнал AR находился в состоянии логического нуля в течение по меньшей мере двойной задержки в магистрали.

При включении питания, а также когда обобщенный сигнал RB = 1 и ВН = 0, схема УТА должна установить сигнал А1 = 0 (см. п. 5.4.2).

7.1.2. Формирование сигнала AG схемой УТА

Схема УТА должна генерировать таймирующий сигнал AG (u) с целью начать цикл арбитража, когда она обнаруживает, что выполняются все из перечисленных ниже условий:

AR = 1, запрос на арбитраж.

AG = 0, в течение минимального времени спада импульсов, если отсутствует подготовленный мастер (AL <5:0> =0), или минимального лимита времени на ответ мастера в адресном цикле, если есть подготовленный мастер (присутствует ненулевой код AL <5:0>), см. приложение А.

GK = 0, действующий мастер, если он есть, подготовился освободить магистраль.

WT = 0, таймирующие переходы не запрещены.

Интегрированный сигнал RB = 0 (cм. п. 7.4 касательно защиты от переходных процессов).

Схема УТА должна генерировать сигнал AG (d) с целью завершить цикл арбитража, когда управляющий сигнал AG = 1 поддерживался в течение времени, большего минимального времени арбитража для сегмента, и GK = AK = AS = WT = 0 по крайней мере в течение времени разброса фронтов импульса в сегменте.

Если при выставлении сигнала AG (d) на линиях AL не нули, схема УТА должна запускать таймер ответных действий выдачи GK (u), который должен быть задержан на время ответных действий мастера в адресном цикле (см. приложение А). Если ответ GK (u) на сигнал AG (d) не получен в пределах этого времени, схема УТА должна быть cброшена и ей должно быть разрешено проводить новый цикл арбитража.

При получении управляющего сигнала WT = 1 схема УТА не должна генерировать таймирующии сигнал AG (t) и должна запретить выдачу сигнала GK (u) своим таймером ответных действий (см. п. 5.4).

Когда интегрированный сигнал RB = 1 (см. п. 5.5.2) и ВН = 0 или при включении питания, схема УТА должна установить сигнал AG = 0.

Зарезервированный соединитель сегментов (см. п. 10.7.6) пропускает сигнал AR от своей дальней стороны к ближней стороне, позволяя таким образом действующему мастеру получать сведения о запросах на использование любого из сегментов, вовлеченных в данную операцию. Когда мастер выдает сигнал GK = 0, чтобы показать, что вскоре он прекратит владение магистралью, сегменты, в которых сигнал AR выставлен единственно потому, что через СС пропускается сигнал, могут немедленно обнаружить, что условия для выставления сигнала AG (u) удовлетворяется. Это вызывает проведение цикла арбитража, в результате чего на линиях AL устанавливаются нули. Схема УТА распознает эту ситуацию как ошибочную, формирует сигнал AG (d) и, следовательно, оказывается готовой ответить правильно на следующий сигнал AR = 1.

7.2. Управление географической адресацией

Слуга, обнаруживший сигнал EG во время адресного цикла, проверяет 8 младших адресных линий для того, чтобы определить, был он выбран или нет. Мастер, осуществляющий географическую адресацию слуги, расположенного в другом сегменте, не может подать сигнал EG вместе с полем адреса группы, которое указывает на этот сегмент, поскольку это действие привело бы к выбору слуги, расположенного в том же сегменте, где находится мастер. Следовательно, соединители сегментов не пропускают сигнал EG и каждый сегмент должен иметь схему управления географической адресацией (УГА) для того, чтобы обнаружить географические адреса, нацеленные на слуги, которые расположены в данном сегменте, и выставить EG.

Географический адрес может иметь либо нули в старших 24 разрядах, либо ненулевое поле адреса группы, за которым следуют в общей сложности 24 разряда, содержащих нули. Сегменту может быть присвоено более чем одно значение для поля адреса группы. Одно из них, обычно самое меньшее, называется «базовый адрес группы», и именно это значение заносится в регистр адреса сегмента в схеме УГА во время инициализации системы и используется для обнаружения географического адреса.

Если сигнал EG не выставлен, слуги не будут распознавать географический адрес. Задержка, возникающая при формировании сигнала EG-схемой УГА, не вызывает никаких трудностей при условии, что лимит времени для мастера в адресном цикле подготовлен с учетом этой задержки.

Сегмент должен содержать схему управления географической адресацией, состоящей из формирования сигнала EG и обеспечивать следующие функции поддержки слуги.

Если сигнал EG еще не установлен в сегменте, формирователь EG должен по получении сигнала AS (u) проверить состояние старших 24 разрядов кода на линиях AD, если MS1 = MS2 = 0. если старшие 12 разрядов (AD <31:20>) на линиях AD соответствуют содержимому регистра адреса сегмента, а следующие 12 разрядов (AD <19:08>) все равны нули, или если AD <31:08> = 0, то формирователь сигнала EG должен подать сигнал EG = 1 после приема сигнала AS (u) спустя не более чем максимальное время задержки для сигнала EG (см. приложение А).

Формирователь сигнала EG должен установить EG = 0, если AS = 0 или AK = 0.

Переходы между состояниями EG должен запрещаться сигналом WT = 1 (ожидание).

Часть схемы УГА, выполняющая функции слуги устройства:

1. Должна быть географически адресуемой по адресу 255, только когда MS = 1.

2. Должна обеспечивать реализацию обязательных характеристик регистра CSR = 0.

3. Должна обеспечивать реализацию регистра адреса сегмента в виде разрядов CSR = 3 <31:20>, где должен содержаться базовый адрес группы для данного сегмента. Этот регистр должен иметь 12 разрядов и обеспечивать чтение и запись.

4. Должна обеспечивать реализацию регистра NTA, имеющего два разряда. Он должен допускать чтение и запись через посредство вторичных адресных циклов, как указано в пп. 4.4 и гл. 5.

5. Должна при сигнале DS (u) выдавать ответные коды SS = 0, 6 или 7 в соответствии с определениями в гл. 5.

Указание географических адресов должно выполняться путем подачи логической 1 или логического 0 на GA03 с помощью монтажа на задней плате, как показано на рис. 34 (см. п. 7.6 и приложение А).

Рекомендуется, чтобы на плате УГА в логике сигнала EG был реализован CSR# 1 в виде регистра переключателя и перемычек, допускающего только чтение. Код, хранимый в этом регистре, может использоваться для однозначного идентифицирования сегмента. Этот регистр должен содержать по меньшей мере разряды с 20 по 31.

7.3. Формирование системного подтверждения при широкой операции

Вспомогательная логика формирует системные подтверждения во время широких операций (см. гл. 4 и 5). Во время первичного адресного цикла логика системного подтверждения (ЛСП) активизируется в каждом сегменте, адресуемом мастером, выполняющим широкую операцию. Каждое ЛСП выставляет AK и DK, а также, наряду с сигналом WT, генерируемым соединителями сегментов, обеспечивает правильное распространение таймирующих сигналов от мастеров к слугам и обратно.

Каждый сегмент должен содержать логику системного подтверждения (ЛСП). При распознавании широкого адреса (AS = 1, АК = 0, MS1 = 1) ЛСП должна разрешать функционирование своего формирователя подтверждения. Эта схема распознавания адреса должна быть способна требовать выставление сигнала MS2 = 0, который должен устанавливаться по умолчанию. ЛСП должна также содержать средства, требующие наличия MS2 = 0 во время цикла данных, как условия для выработки ответа, указанного ниже в п. 3.

Когда ее работа разрешена, ЛСП:

1. Должна после получения сигнала AS (u) ожидать в течение времени ответов при широкой адресации (см. приложение А); затем, если сигнал WT находился в состоянии 0, в течение времени не менее двух задержек магистрали выдавать АК = 1.

2. Должна выдавать АК = 0, когда сигнал «строб адреса» находится в состоянии AS = 0 в течение времени ответов при широкой адресации и когда WT = 0.

3. Должна во время циклов данных после получения DS (t) ожидать в течение времени ответов при широкой операции, затем выдавать DK (t), когда в кабель-сегменте WT = 0 или когда сигнал WT находился в состоянии логического 0 в течение времени, равного по меньшей мере двум задержкам в магистрали крейт-сегмента.

Отметим, что задержка после WT = 0 может перекрыть задержки, характерные для времен ответов.

Соединитель сегментов, пропускающий любую операцию, выставляет WT = 1 в сегменте своей ближней стороны до тех пор, пока не будет получен ответ от сегмента дальней стороны. В случае широкой операции в сегменте, более чем один СС в сегменте может пропускать данную операцию. Перечисленные выше правила, касающиеся использования сигнала WT, позволяют всем широким циклам, адресным или данных, достигнуть конца каждой ветви широкой операции прежде, чем будет сформирован любой таймирующий ответный сигнал помимо сигнала WT = 1. По мере того, как ответ АК или DK идет обратно к действующему мастеру, выдерживается двойное время задержки в магистрали; этим игнорируются любые возмущения сигнала WT = 1 в крейт-сегментах, вызываемые многочисленными источниками, устанавливающими в различные моменты времени сигнал WT в состояние WT = 0. Для некоторых конкретных реализаций кабель-сегмента эти две задержки в магистрали могут не являться необходимыми.

Во время циклов принудительных передач данных (MS = 3) соединители сегментов не выставляют сигнал «ожидание», и время интегрирования для WT = 0 равно нулю. Следовательно, логические требования п. 3, указанные выше, приводят в результате к синхронному распространению сигналов DS (t) и DK (t) от мастера к концам ветвей широкой операции.

7.4. Управление «работа/останов» и сигнал «магистраль остановлена»

Логика «работа/останов» опознает состояние переключателя «работа/останов» (см. п. 14.4) и подает на линии АК и ВН сигналы, показывающие неактивное, остановленное состояние сегмента. Это позволяет всем устройствам, размещенным в сегменте, защищать себя от ложных сигналов, когда другие устройства подключаются или отключаются от сегмента.

Запрос на останов от переключателя «работа/останов» после завершения любой операции, которая к настоящему моменту уже выполнялась и при освобождении магистрали сегмента, вызывает подачу сигналов ВН и АК. Устройства должны использовать сигналы ВН и/или АК для внутренней защиты.

Каждый сегмент должен иметь переключатель «работа/останов» и управляющую логику для обеспечения неактивного состояния остановленной магистрали.

Запрос на останов от переключателя «работа/останов» должен запрещать новые циклы арбитража.

Логика «работа/останов» должна выставить ВН = АК = 1, когда переключатель «работа/останов» переведен в состояние «останов», а также выполняются все условия, перечисленные ниже:

* AG = GK = AS = WT = 0;

сигнал «подтверждение приема адреса» находился в состоянии * АК=0 в течение времени, равного минимальному времени спада импульсов

* и нет подготовленного мастера.

Когда переключатель «работа/останов» переведен в состояние «работа», логика «работа/останов» должна выставить ВН = 0 и АК = 0.

Схема УТА должна быть единственным устройством, способным генерировать ВН = 1.

Для защиты от переходных процессов, пока ВН = 1, все устройства должны запрещать свои входы с линий RB и SR.

Сигнал ВН = 1 не должен вызывать запрета для работы любого дисплея на передней панели.

7.5. Согласователи

Каждая определенная сигнальная линия сегмента ФАСТБАС должна быть согласована на обоих концах сегмента. Не должны быть согласованы соединения в сегменте ФАСТБАС для GA <04:00>, UR, DLA, DLB, DRB, DAR, DBR и штырьки F и Т.

Величина сопротивления нагрузки, используемого в согласовать с, должна быть выбрана из соображений оптимизации качества сигналов для всех вариантов нагрузки сегмента (см. приложения А и С).

Зарезервированные линии не нуждаются в согласовании.

7.6. Вспомогательная логика для крейт-сегментов

Если специфицированная в настоящем разделе вспомогательная логика реализована на печатных платах, расположенных с тыльной стороны задней платы и описанных в п. 14.5, должно выполняться следующее:

1. Скомпонованные печатные платы должны иметь однократную ширину, соответствующую рис. 35. Площади, обозначенные как «зоны, свободные от деталей», должны быть проводящими при потенциале заземления.

2. Плата УГА должна быть прикреплена в сегменте к позиции с самым высоким номером и должна содержать:

a) управление географической адресацией (см. п. 7.2);

b) источник напряжения для подачи логической 1 на штырьки географического адреса (см. п. 7.2);

c) согласователи (см. п. 7.5).

3. Плата УГА должна быть прикреплена в сегменте к позиции с номером ниже 8, предпочтительно с самым низким номером, и должна содержать:

а) управление таймированием арбитража (см. п. 7.1);

b) управление «работа/останов» (ем. п. 7.4):

c) логику системного подтверждения (см. п. 7.3);

d) согласователи (см. п. 7.5);

e) логический 0 для подсоединения к географическому адресу GA03 (см. п. 7.2).

4. Управление «работа/останов» должно быть подсоединено к однорядному 4-контактному разъему с шагом 2,54 мм с квадратными штырьками со стороной 0,640 мм, аналогичному показанному на рис. 30, и с назначением контактов, соответствующим приведенному в п. 14.4.

5. Четырехконтактный разъем управления «работа/останов» должен быть установлен на стороне печатной платы, где расположены детали, около заднего края (противоположного 130-контактному разъему) с контактами, направленными к заднему краю платы.

Если вспомогательная логика, определенная в этом разделе, реализуется иначе, чем на расположенных с тыльной стороны печатных платах, описанных в п. 14.5, должно выполняться следующее. 1

1. Логическая 1 должна поступать в GA03 с самым высоким номером в соответствующей возможной позиции (выше 24 или между 8 и 15) на задней плате, и

2. Логический 0 должен поступать в GA03 при номере позиции меньше 8, предпочтительнее при наименьшем из возможных.

Независимо от расположения вспомогательной логики согласователи в магистрали должны быть на концах сегмента или вблизи них.

Для крейт-сегментов, которые входят в состав расширенного сегмента, возможно, что все особенности, перечисленные в первых частях (2) и (3), не потребуются. Однако, независимо от того, как реализуется расширенный сегмент, всегда требуются согласователи и соединители с GA03.

7.7. Вспомогательная логика для кабель-сегментов

Каждый кабель-сегмент должен быть снабжен всеми функциями вспомогательной логики в соответствии со спецификациями, приведенными в пп. 7.1 - 7.5.

ГЛАВА 8. ОБЛАСТЬ АДРЕСОВ РЕГИСТРОВ УПРАВЛЕНИЯ И СОСТОЯНИЙ

Состояние линий MS во время первичного адресного цикла определяет, выбирается ли в пределах слуги область адресов данных (MS = 9 или 2) или область адресов регистров управления и состояний (CSR) - (MS = 1 или 3). Если выбирается область данных, когда используется логическая адресация, поле внутренних адресов IA первичного адреса имеет обычно достаточную ширину для того, чтобы указать желаемый регистр или функцию слуги. Каждое устройство имеет поле адресов CSR шириной 32 разряда. Следовательно, для того, чтобы выбрать конкретный регистр из области CSR, после первичного адресного цикла требуется вторичный адресный цикл.

Все CSR-регистры должны быть доступны при помощи вторичной адресации

Поскольку каждое устройство имеет 32 разряда, предназначенных для адресов CSR-регистров, существует возможность разделить это адресное пространство на ряд зон и выполнить стандартные присвоения адресов в Пределах этих зон, не запрещая специальное использование всего пространства. Данная спецификация (не требует ни того, чтобы были реализовали все описанные регистры, ни того, чтобы были реализовали все биты в определенном регистре.

Если какая-либо из обсуждаемых функций реализована, то она должна быть реализована так, как специфицирована. Единственным обязательным регистром должен быть регистр СSR#0, и в нем необходимы только биты с 31 по 16 (идентификатор устройства).

Область адресов регистров управления и статуса должна быть распределена следующим образом:

0000 0000 - 3FFF FFFF - область адресов нормальных CSR-регистров;

4000 0000 - 7FFF FFFF - область адресов программных CSR-регистров;

8000 0000 - BFFF FFFF - область адресов параметрических CSR-регистров;

С000 0000 - FFFF FFFF - область адресов пользовательских CSR-регистров

Область адресов нормальных CSR содержит наиболее общеупотребимые управляющие и статусные регистры. Все регистры в этой области либо определены, либо зарезервированы. И все же, поскольку некоторые из них предназначены для использования зависимости от типа устройства, имеется некоторая гибкость в употреблении регистров. Область адресов программных CSR содержит программы и таблицы, используемые прежде всего самим устройством. Они могут быть предусмотрены в мастере ФАСТБАС и могут потребоваться в качестве данных другими устройствами ФАСТБАС. Область адресов параметрических CSR содержит статистическую или редко меняющуюся информацию о данном устройстве, например, калибровочные константы, и информацию от изготовителя. Изменение информации, хранимой в области адресов параметрических регистров, может потребовать специальных операций, таких как программирование ППЗУ, которые не могут быть выполнены посредством ФАСТБАСА. Данные спецификации не накладывают никаких специальных ограничений на область адресов пользовательских CSR.

Настоятельно рекомендуется, чтобы все регистры, предназначенные для записи, допускали бы и чтение. Отметим, что когда считывается содержимое какого-либо регистра, все не реализованные биты возвращаются в виде логических нулей (см. п. 5.3.2).

8.1. Функции селективной установки и сброса

Многие функции управления требуют, чтобы какой-либо бит в регистре был или установлен, или сброшен, чтобы вызвать необходимые действия. Соображения экономии при реализации диктуют, чтобы ряд подобных функций был сгруппирован вместе в одном управляющем регистре. Часто с той целью, чтобы осуществить селективную установку или сброс отдельного бита в таком регистре и при этом не нарушить любые другие биты в этом регистре, используется операция типа «чтение-модификация-запись». В случае ФАСТБАСА многие функции управления лучше всего будут выполняться при помощи широких операций, исключая таким образом возможность использования операции типа «чтение-модификация-запись», поскольку состояние другие битов в одном и том же управляющем регистре может отличаться от устройства к устройству.

Чтобы приспособить для этой цели широкие операции, для системы ФАСТБАС принято решение размещать функции установки и сброса в различных битах в пределах одного и того же регистра. Виты установки по своему местоположению соответствуют статусным битам, на которые осуществляется воздействие, а биты сброса смещены на 16 разрядов влево (в сторону старших разрядов) в данном слове. Таким образом, логическая единица, записанная в позицию бита установки, считывается обратно как логическая единица в позиции бита установки, а логическая единица, записанная в позицию бита сброса, считывается обратно как логический нуль в позиции бита установки. Бит, считываемый обратно в позиции бита сброса, может использоваться для передачи относящейся к этому статусной информации об устройстве.

Операции установки бита и сброса бита, когда они реализованы, должны работать так, как показано в табл. X. Бит сброса, соответствующий данному биту установки, должен находиться в том же регистре, что и бит установили, а позиция бита сброса должна быть расположена на 16 разрядов левее позиции бита установки. Статусный бит, считываемый обратно, должен находиться в позиции бита установки.

Таблица X

Реализация функции селективной установки/сброса в CSR-регистре

Бит установки

Бит сброса

Действие

0

0

Холостая операция

0

1

Функциональный бит сброшен

1

0

Функциональный бит установлен

1

1

Не определено (зависит от конкретного устройства)

Действие битов установки и сброса не ограничивается исключительно тем, что описано выше. Бит установки мог бы использоваться для запуска схемы с одним устойчивым состоянием, а бит сброса - для предварительного приведения ее в исходное состояние. В этом случае статусный бит должен отражать текущее состояние схемы с одним устойчивым состоянием.

Выборка закодированных значений в пределах статусных слое должна производиться в начале цикла чтения данных, и эти значения не должны изменяться, пока данное статусное слово пропускается на магистраль.

Биты селективной установки и сброса не должны размещаться в одном регистре с обычными битами, предназначенными для чтения и записи. Селективные биты могут размещаться в одном регистре с битами, предназначенными только для чтения, или с битами для импульсного управления, таким как «установка» и «сброс», которые вызывают некоторые действие, но не запоминаются в адресуемом регистре.

8.2. Распределение области адресов нормальных CSR-регистров

Распределение адресов регистров в области нормальных CSR (показано в табл. XI. Все регистры группируются по выполняемой функции, и среди них первая группа из 8 шт. представляет собой регистры, наиболее часто требуемые для слуг, следующая группа из 8 шт. содержит регистры, наиболее часто требуемые в дополнение к мастеру, и так далее.

Таблица XI

Регистры управления и статуса - CSR

Шестнадцатиричный адрес

Определение

0000 0000*

16 разрядов - идентификатор, 16 разрядов статус и различные средства управления

0000 0001

CSR, определяемый пользователем

0000 0002*

Вспомогательный CSR

0000 0003

Регистр логического адреса устройства

0000 0004

Регистр адреса устройства-пользователя

0000 0005

Регистр счетчика слов

0000 0006*

Регистр выбора теста

0000 0007

Регистр выбора класса при широкой операции

Следующие 8 регистров ассоциируются с мастерами

0000 0008

Регистр уровня арбитража

0000 0009*

Управление таймерами

0000 000А

Адрес устройства - приемника прерывания от источника А

0000 000В

Вторичный адрес приемника прерывания от источника А

0000 000С

Адрес устройства - приемника прерывания от источника В

0000 000D

Вторичный адрес приемника прерывания от источника В

0000 000Е

Адрес устройства - приемника прерывания от источника С

0000 000F

Вторичный адрес приемника прерывания от источника С

0000 0010-17

Определяются пользователем

0000 0018-1В

Зарезервированы

0000 001G-1F

Выдержки таймеров

0000 0020-3F*

Биты источников и масок и запросов на обслуживание

Следующие регистры ассоциируются с соединителями сегментов (см. гл. 10)

0000 0040

Регистр адреса маршрутной таблицы

0000 0041

Данные для маршрутной таблицы

0000 0042

Географический адрес ближней стороны СС

0000 0043

Географический адрес дальней стороны СС

0000 0044-6F

Зарезервированы

Следующие регистры ассоциируются с управлением ресурсами

0000 0070-7F

Адрес устройства, использующего в текущий момент времени подраздел N данного устройства (от N = 0 до Fh)

0000 0080*

Чтение <15:00> - прикрепленные подразделы Fh - 0

Запись <15:00> - прикрепляет подразделы Fh - 0

Запись <31:16> - открепляет подразделы Fh - 0

0000 0081*

Чтение <15:00> - разрешенные подразделы Fh - 0

Запись <15:00> - разрешает подразделы Fh - 0

Запись <31:16> - запрещает подразделы Fh - 0

0000 0082-9F

Зарезервированы

Следующие регистры ассоциируются с сообщениями о прерываниях (см. п. 9.1)

0000 00А0-AF

Сообщение о прерывании от источника А

0000 00В0-BF

Сообщение о прерывании от источника В

0000 00С0-CF

Сообщение о прерывании от источника С

0000 00D0-FF

Зарезервированы

Следующие регистры ассоциируются с приемниками прерываний (см. параграф 9)

0000 0100-10F

Приемный блок о (прерывание с самым низким приоритетом)

0000 01N0-1NF

Приемный блок N (от N =1 до Eh)

0000 01F0-1FF

Приемный блок Fh (прерывание с самым высоким приоритетом)

0000 0200 по 3FFF FFFF

Зарезервированы

Регистры с селективной установкой и сбросом.

Адреса от 0 до 3FFF FFFFh в области CSR регистров должны быть зарезервированы для функций, перечисленных в табл. XI. Если какая-нибудь функция не требуется в устройстве, тогда данный регистр или конкретный бит в пределах регистра не нуждается в реализации.

Идентификатор устройства, биты СSR# 0 <31:16>, должен быть реализован в каждом устройстве.

Устройства, использующие GSR-регистры, для которых влияние «сброса» определяется в п. 8.1, должны реализовывать CSR# 0 <30>.

Устройства, использующие CSR-регистры, для которых влияние «очистки» определяется в п. 8.1.6, должны реализовывать CSR# 0 <16>.

Устройства, способные генерировать сообщения о прерываниях, должны реализовывать, при необходимости, CSR# 2 <06:04> и <22:20>.

Устройства, к которым возможна логическая адресация, должны реализоваться CSR# 3, CSR# 0 <01> и CSR# 0 <17>.

В устройствах, способных выставлять запрос на владение магистралью, должен быть реализован регистр CSR# 8.

В устройствах с таймерами должен быть реализован регистр CSR# 9.

Регистры 2, 3, 8 и 9, если они включены в состав устройства, должны быть реализованы с возможностью выполнения обеих операций, чтения и записи.

Устройства, использующие CSR-регистры, для которых влияние «сброса» обязательно, должны реализовывать CSR# 0 <30>, см. п. 8.18.

Устройства, использующие CSR-регистры, для которых влияние «очистки» обязательно, должны реализовывать CSR# 0 <16>, см. п. 8.18.

8.3. CSR-регистр 0

Функции, которые считаются необходимыми даже в простейших из устройств, содержатся в CSR# 0. Для того, чтобы реализовать эти функции по возможности экономичным способом, определения в этом регистре нарушают соглашение ФАСТБАС в том, что функции битов регистра не совпадают для операций чтения и записи. Некоторые биты по своему существу допускают только запись, т.е. вызывают немедленные действия, такие как очистка регистра, в то время как другие, такие как идентификатор устройства, по существу допускают только чтение. CSR# 0 совмещает в себе эти два типа битов, позволяя функциям, которые нормально должны быть распределены в двух регистрах, содержаться в регистре, имеющем единый адрес. Адрес, используемый для этого регистра 0, отличается от всех других адресов тем, что доступ к нему может осуществляться географически даже простыми устройствами, не имеющими дешифраторов адреса. Устройства, имеющие дешифраторы адреса, могут быть реализованы таким образом, чтобы обеспечить доступ к регистру CRS# 0, используя широкую, географическую или логическую адресацию.

8.3.1. Идентификаторы устройств и их распределение

Идентификатор устройства ФАСТБАС представляет собой шестнадцатиразрядное двоичное число, которое присваивается каждому различаемому типу устройства.

Если устройство подвергалось какому-нибудь изменению, что могло повлиять на его характеристики, должен использоваться новый идентификатор.

Значения для старших 12 разрядов из шестнадцати будут присваиваться председателем комитета NIM по запросам организаций, которые затем будут присваивать значения для остального четырехразрядного поля и закреплять результирующие шестнадцатиразрядные числа за новыми или переработанными моделями устройств ФАСТБАС так, как это требуется. Таким образом, блок из 16 идентификаторов представляется организациям. Могут быть запрошены несколько блоков. Эта схема позволяет определить 65520 идентификаторов.

Идентификатор считается с разрядов CSR# 0 <31:16>. Нулевой код (никакие биты не установлены в единицу) не допускается для разрядов 31:20 идентификатора.

В разрядах CSR# 0 <31:20> должно содержаться значение, присвоенное председателем комитета NIM*.

* В настоящее время код-идентификатор присваивает председатель комитета NIM Луис Кострелл

(Lous Coslrell, National Bureau of Standards, Gaithersburg, MD 20899, USA) или П. Дж. Понтин (Р. J. Pouting, ЕР Division CERN, 1211 Geneva 23, Switzerland).

8.3.2. Распределение битов управления и статуса

Присвоение битов в регистре CSR# 0 должно быть таким, как показано в табл. ХIIа, с функциями различных битов такими, как определено в табл. XIIb

Таблица ХIIа

Назначение битов регистра CSR# 0

Бит

Назначение при чтении

Назначение при записи

S00

Флаг ошибки

Устанавливает флаг ошибки

S01

Разрешено

Разрешает

S02

Находится в состоянии «работа»

Переводит в состояние «работа»

S03

Устройство прикреплено

Прикрепляет устройство

S04

Разрешено выставление SR

Разрешает выставление SR

S05

Флаг выставлен SR

Флаг выставляет SR

S06

Определяемый пользователем статус 0

Определяемая пользователем установка 0

S07

Определяемый пользователем статус 1

Определяемая пользователем установка 1

S08

Определяемый пользователем статус 2

Определяемая пользователем, установка 2

S09

Определяемый пользователем статус 3

Определяемая пользователем установка 3

S10

Определяемый пользователем статус 1

Определяемая пользователем установка 4

S11

Определяемый пользователем статус 5

Определяемая пользователем установка 5

S12

Определяемый пользователем статус 6

Определяемая пользователем установка 6

S13

Определяемый пользователем статус 7

Определяемая пользователем установка 7

14

Ошибка четности

Устанавливает ошибку четности

15

Активный

Бит прослеживания маршрута в СС

С16

Тип устройства (младший разряд)

Сбрасывает флаг ошибки

CI7

Тип устройства

Запрещает

С18

Тип устройства

Переводит в состояние «останов»

С19

Тип устройства (старший разряд)

Открепляет устройство

С20

Идентификатор изготовителя (младший разряд)

Запрещает выставление SR

С21

Идентификатор изготовителя

Сбрасывает SR

С22

Идентификатор изготовителя

Определяемый пользователем сброс 0

С23

Идентификатор изготовителя

Определяемый пользователем сброс 1

С24

Идентификатор изготовителя

Определяемый пользователем сброс 2

С25

Идентификатор изготовителя

Определяемый пользователем сброс 3

С26

Идентификатор изготовителя

Определяемый пользователем сброс 4

С27

Идентификатор изготовителя

Определяемый пользователем сброс 5

С28

Идентификатор изготовителя

Определяемый пользователем сброс 6

С29

Идентификатор изготовителя

Определяемый пользователем сброс 7

30

Идентификатор изготовителя

Установка в исходное состояние

31

Идентификатор изготовителя (старший разряд)

Очищает данные

Примечание. В этой и последующих таблицах номера битов, которым предшествует буква S или С, указывают на то, что данный бит является либо битом установки (S) либо битом сброса (С), связываемым с действием функции селективной установки/сброс.

Таблица ХIIb

Определения функций битов регистра CSR# 0

Бит

Тип

Наименование

Функция

S00

R/W

Флаг ошибки

Бит 0 является логическим «ИЛИ» всех индикаторов ошибок в устройстве, которые могут быть сброшены при помощи записи логической единицы в бит CSR# 0 <16>. Запись логической единицы в бит CSR# 0 <16>. Запись логической единицы в бит CSR# 0 <00>, с целью имитации ошибки для тестирования, разрешается, если бит 0 представляет собой единственный реализованный статусный бит ошибки

С16

W

Сброс флага ошибки

Запись единицы в эту позицию бита генерирует импульс, который очищает все статусные биты ошибок и пользовательские статусные биты ошибок (CSR# 2), которые объединяются вместе по «ИЛИ», чтобы сформировать бит 0

S01

R/W

Разрешение

Этот бит разрешает работу схемы распознавания логического адреса в устройстве. В случае соединителей сегментов этот бит, когда он установлен в состояние логической единицы, разрешает распознавание адреса и пропускание операции. В случае мастера, если этот бит, а также бит «работа» CSR# 0<02> установлены в единицу, мастеру разрешено выставлять запрос на владение магистралью. Бит «сброс», сигнал RB - «сброс магистрали», а также при включении питания - все эти действия сбрасывают данный бит, поскольку содержимое регистра логического адреса устройства не может быть правильным. После того, как устройство было вновь инициализовано при помощи географической адресации, бит «разрешение» может быть установлен в единицу инициализирующим процессором

С17

W

Запрещение

Запрещает функции, разрешаемые битом 1

S02

R/W

Работа

Запись единицы в бит «останов» вызывает перерыв в работе устройства, а запись единицы в бит «работа» вызывает возобновление работы устройства с места, где оно остановилось. Если устройство достигает какого-либо внутреннего состояния завершенности, оно должно остановиться и сбросить себя в такое состояние, чтобы последующая запись единицы в бит «работа» вновь вызвала запуск устройства с начальной точки. Запись единицы в бит «очистка данных» (бит 31) также вызывает останов и осуществляет сброс. Этот бит также используется совместно с битом CSR 0 <01> для того, чтобы определить, разрешено ли мастеру выставлять запрос на владение магистралью (см. бит «разрешение», определенный выше)

С18

W

Останов

S03

R/W

Устройство прикреплено

Бит 3, когда он установлен, указывает, что мастер, требующий исключительного права на использование устройства, в текущий момент использует данное устройство. Регистр CSR-4 должен содержать адрес устройства, использующего в настоящий момент данное устройство, или, если бит 3 сброшен, адрес последнего мастера, просившего исключительное право на использование данного устройства

С19

W

Открепить устройство

S04

R/W

Разрешено выставление SR

Если бит 4 установлен в единицу, устройству разрешено выставлять SR. Выставление SR может быть запрещено при помощи записи единицы в бит 20. Бит 4 представляет собой общее разрешение для устройства. Если существуют несколько внутренних источников SR, они должны иметь индивидуальные биты источников и масок в регистрах от CSR # 20 до CSR# 3F. Биты 4 и 20 являются обязательными для устройств, которые выставляют SR

С20

W

Запретить выставление SR

S05

R/W

Флаг выставлен SR

Если бит 5 установлен в единицу, устройство будет выставлять запрос на обслуживание, когда ему будет разрешено сигналом CSR# 0 <04>.

С21

W

Сброс флага SR

Если в устройстве существует только один источник, бит 5 должен обеспечивать и чтение и запись так, чтобы SR мог быть выставлен по команде. Бит «сброс флаг SR» очищает все источники запросов на обслуживание в устройстве. Биты 5 и 21 являются обязательными для устройств, которые выставляют SR.

Отметим, что в СС биты 4, 5 и 20 имеют отличное, но связанное с указанным выше, употребление, а бит 21 выполняет только свою функцию чтения

S06 по S13

R/W

Определяемые пользователем состояние и управление

Эта группа битов обеспечивает 8 определяемых пользователем битов управления и состояния или индикаторов. Они могут использоваться, например, для хранения более детальной информации, касающейся зависящих от конкретного устройства условий или ошибок, которые отмечаются флагами при помощи ненулевых ответов по линиям SS.

С22 по С29

W

Определяемый пользователем сброс

Эта группа из 8 битов обеспечивает функцию сброса для определяемых пользователем битов управления и состояний (с 6 по 13)

14

R/W

Ошибка четности

Этот бит используется для того, чтобы указать, что данное устройство обнаружило во время ФАСТБАС-операции записи ошибку четности. Мастеру был выдан ответный код SS = 6 или 7. Запись единицы в этот бит для имитирования ошибок разрешается, но, в соответствии с правилами селективной установки и сброса, запись логического нуля в этот бит не изменяет его состояние. Установка в состояние единицы бита «ошибка четности» должна также вызвать установку в единицу бита «флаг ошибки», бит 0 и он должен оставаться установленным в единицу до тех пор, пока не будет сброшен флаг ошибки

15

R

Активный

Этот бит может использоваться с целью показать, что затребованная операция, такая как очистка, находится в процессе выполнения

15

W

Бит прослеживания маршрута в соединителях сегментов

См. пп. 10.5.1 и J.1.7 приложения J

30

W

Установка в исходное состояние

Устройства, получающие единицу в этот бит, выдают сигнал, который переводит их в четко определенное состояние. Пункты 8.18 и 10.5.9 специфицируют воздействие бита «сброс» на CSR-регистры в устройствах вообще и, соответственно, в соединителях сегментов

31

W

Очистка данных

Запись логической единицы в этот бит вызывает импульс, который очищает данные в устройстве, ориентированном на прием событий, и подготавливает это устройство для приема новых событий. Содержимое счетчиков, например, будет установлено в нулевое состояние, а аналого-цифровые преобразователи будут подготовлены для выполнения нового преобразования. Если данное устройство является вычислительным, «очистка данных» вызывает прекращение выполнения текущего задания и переводит данное вычислительное устройство в нерабочее состояние. Устройства, отвечающие на сигнал «работа/останов» из регистра CSR# 0, должны остановить работу, прекратить выполнение текущей операции и перейти в состояние готовности начать новую операцию, когда в бит «работа» в очередной раз будет записана единица. Операция очистки может производиться одновременно с выполнением операции установки в исходное состояние

16 по 31

R

Идентификатор устройства

Данные 16 битов, содержащие идентификатор устройства, описаны в п. 8.3.1

8.4. CSR-регистр 1

Назначение битов этого регистра определяется пользователем. В соединителях сегментов он используется для хранения уровня арбитража дальней стороны.

8.5. CSR-регистр 2

Этот регистр управления и состояний не является обязательным для устройств, за исключением тех, которые генерируют сообщения о прерываниях. Он используется для обеспечения более подробных сообщений об ошибках, а также для реализации функций, которые являются менее общими, чем те, что обеспечиваются регистром CSR# 0. Присвоение индивидуальных битов показано в табл. XIIIa, a их определения приводится в табл. XIIIb.

Если какие-нибудь из функций, определенных из CSR# 2, реализованы, они должны быть реализованы так, как показано в табл. XIIIa.

Таблица XIIIa

Определение функций регистра CSR - 2

Бит

Назначение при чтении

Назначение при записи

S00

Бит 0 режима пользователя

Устанавливает бит 0 режима пользователя

S01

Бит 1 режима пользователя

Устанавливает бит 1 режима пользователя

S02

Бит 2 режима пользователя

Устанавливает бит 2 режима пользователя

S03

Бит 3 режима пользователя

Устанавливает бит 3 режима пользователя

S04

Прерывания от источника А разрешены

Разрешает прерывания от источника А

S05

Прерывания от источника В разрешены

Разрешает прерывания от источника В

S06

Прерывания от источника С разрешены

Разрешает прерывания от источника С

S07

Идет тестирование

Начинает тестирование

08

Несуществующий адрес

Устанавливает признак несуществующего адреса

09

Переполнение данных в устройстве

Устанавливает признак переполнения данных в устройстве

10

Переполнение счетчика слов

Устанавливает признак переполнения счетчика слов

11

Устройство заполнено

Устанавливает признак «устройство заполнено»

12

Устройство не пусто

Устанавливает признак «устройство не пусто»

13

Входные сигналы отсутствуют

Устанавливает признак «входные сигналы отсутствуют»

14

Зарезервирован

Зарезервирован

15

Зарезервирован

Зарезервирован

С16

Определяется пользователем

Сбрасывает бит 0 режима пользователя

С17

Определяется пользователем

Сбрасывает бит 1 режима пользователя

С18

Определяется пользователем

Сбрасывает бит 2 режима пользователя

С19

Определяется пользователем

Сбрасывает бит 3 режима пользователя

С20

Прерывание от источника А подготовлено

Запрещает прерывание от источника А

С21

Прерывание от источника В подготовлено

Запрещает прерывание от источника В

С22

Прерывание от источника С подготовлено

Запрещает прерывание от источника С

С23

Результат тестирования

Останавливает тестирование

24

Статус пользователя 0

Записывает статус пользователя 0

25

Статус пользователя 1

Записывает статус пользователя 1

26

Статус пользователя 2

Записывает статус пользователя 2

27

Статус пользователя 3

Записывает статус пользователя 3

28

Статус пользователя 4

Записывает статус пользователя 4

29

Статус пользователя 5

Записывает статус пользователя 5

30

Статус пользователя 6

Записывает статус пользователя 6

31

Статус пользователя 7

Записывает статус пользователя 7

Таблица XIIIb

Определения функций битов регистра CSR-2

Бит

Тип

Наименование

Функция

S00 по S03

R/W

Биты режима пользователя

Эти четыре бита предоставляются разработчику устройства для применения, зависящего от конкретного устройства

С16 по С19

W

 

 

S04 по S06

R/W

Управление прерываниями и их статус

Управление тремя независимыми источниками прерываний ФАСТБАС предусмотрено в регистре CSR# 2

Эти источники могут быть разрешены или запрещены наряду с тем, что они имеют возможность, чтения статуса «разрешено/запрещено» и статуса «подготовлено». Адреса, по которым должны направляться сообщения о прерываниях, указываются в регистрах управления и состояний с CSR# А по CSR# F (см табл. X)

С20 по С22

 

S07

С23

R/W

W

Тестирование

Установка этого бита в единицу инициирует любые средства самотестирования, которые устройство может иметь в своем составе, путем перевода данного устройства в режим «тестирование». Некоторые тесты могут продолжаться столь долго, сколько данное устройство находится в режиме «тестирования», в то время как другие тесты могут исполниться один раз и генерировать прерывание для сигнализации об окончании. Сброс бита «тестирование» немедленно останавливает все тестирование, если это возможно. Если в устройстве имеется более чем один тест, который может быть выполнен, данное устройство должно содержать регистр тестов CSR# 6 (см п. 8.6)

Каждый бит регистра управления: и статуса CSR# 6 обусловливает отдельный тест. Если более чем один бит установлен в состояние логической единицы, соответствующие тесты выполняются, если это возможно, одновременно или в порядке, при котором тест, обусловленный младшим битом, выполняется первым. Значение бита CSR# 2 <23> дает простой общий результат выполнения тестов - «успех/неудача». Более подробные результаты выполнения тестов могут быть сообщены через биты CSR# 6 <31:16>

Биты, описанные ниже, могут быть прочитаны мастером, чтобы распознать смысл ненулевого ответа SS, полученного во время передачи данных

08

R/W

Несуществующий адрес

Предыдущая операция привела к тому, что внутренний адрес устройства вышел за пределы допустимого диапазона. Если это произошло во время передачи блока данных, слуга выдает ответный код SS = 2. В противном случае выдается ответный код SS = 6. Этот и следующие статусные биты могут быть установлены в состояние единицы при помощи операции записи для того, чтобы облегчить тестирование процедур восстановления ошибок

09

R/W

Переполнение данных в устройстве

Вводимые данные переполнили максимальную емкость устройства

10

R/W

Переполнение счетчика слов

Была предпринята попытка либо прочитать больше слов, чем имелось в наличии, либо записать большеслов, чем данное ведомое устройство могло воспринять. В обоих случаях ответом устройства был код SS = 2

11

R/W

Устройство заполнено

Устройство либо заполнено до максимальной емкости, либо уже содержит все данные, которое оно предполагает принять. Например, все данные от какого-то события уже приняты и, если это соответствует типу данного устройства, уже обработаны

12

R/W

Устройство не пусто

Слуга содержит данные и может еще их принимать (пока не будет установлен признак «устройство заполнено»)

13

R/W

Входные сигналы отсутствуют

Ожидаемые сигналы с данными от пользовательских устройств, обслуживаемых этим слугой, отсутствуют. Попытка прочитать или записать в регистры, связанные с этими сигналами, приводит в результате к ответному коду SS = 6 во время передачи данных

24 по 31

R/W

Состояние пользователя

Биты с 24 по 31 предназначены для индикации состояния или ошибочной ситуации во внутренних средствах устройства, выбранных по усмотрению разработчика. Данная ситуация может быть создана или может быть сформирован импульс с записью единицы в соответствующий статусный бит. Отметим, что эти биты не могут быть непосредственно сброшены при помощи регистра СSR# 2. Эти биты могут быть сброшены при помощи бита CSR# 0 <16>, а также они могут быть сброшены при помощи внутренних средств, зависящих от конкретного устройства

8.6. CSR-регистр 3

Регистр логического адреса СSR# 3 должен быть реализован во всех логически адресуемых устройствах как регистр, допускающий чтение/запись. Регистр СSR# 3 должен содержать поле адреса устройства (см. п. 4.1), используемое во время первичных адресных циклов для выбора устройств. Прежде чем разрешить распознавание логического адреса (т.е. прежде чем записать единицу в бит 01 регистра управления и статуса СSR# 0), регистр CSR# 3 должен быть загружен процессором-хозяином.

Структура и присвоение логических адресов обслуживания в п. 4.1.

Если данное устройство является мастером, в котором не реализована логическая адресация, запись единицы в бит CSR# 0 <01> просто разрешает данному мастеру выставлять запрос на владение магистралью. Если устройство является соединителем сегментов, запись CSR# 0 <01> разрешает пропускание операций к порту дальней стороны соединителя сегментов.

8.7. CSR-регистр 4

Регистр адреса пользователя CSR# 4 содержит адрес действующего мастера (если CSR# 0 <03> = 1) или адрес самого последнего мастера (если CSR# 0 <03> = 0), которые затребовали и получили исключительное право на управление устройством.

Предпочтительный путь для мастера получить исключительное право на использование целого устройства заключается в следующем: мастер пытается записать свой адрес в регистр CSR# 4 устройства. Если устройство доступно для прикрепления, операция записи проходит нормально, и в нем устанавливается бит CSR# 0 <03> = 1 - «устройство прикреплено». Если данное устройство недоступно, поскольку другой мастер владеет исключительным правом на его исполнение, операция записи не выполняется и возвращается код SS = 1 («занято»). Когда мастер более не нуждается в исключительном праве на использование, он записывает логическую единицу в бит CSR# 0 <19> - «открепить устройство». Мастер может получить управление устройствами, в которых не реализованы регистр управления и статуса CSR# 4, путем выполнения операции «чтение-модификация-запись» по отношению к регистру CSR = 0 для того, чтобы реализовать директиву «тестировать и установить».

Мастер может также получить исключительное право на использование устройства, не прерывая связку AS/AK, или при помощи поддержания сигнала GK = 1 для того, чтобы запретить арбитраж. Этот способ обладает тем недостатком, что он запрещает все другое использование сегментов, вовлеченных в операцию.

В случае коротких операций, таких как «чтение-модификация-запись», этот способ может оказаться более эффективным для получения исключительного права на использование устройства. (Конечно, для системы всегда оказывается возможным реализовать взаимное недопущение конфликтов при помощи программного распределения ресурсов).

Этот механизм применим для устройства в целом. В случае приложения, которые требуют независимого распределения подразделов устройства, см. описание регистров CSR# 70 - 81.

8.8. CSR-регистр 5

Этот регистр может быть реализован в мастерах или слугах и использоваться либо для управления, либо просто для индикации количества переданных слов.

Прежде чем пересылать блок данных, в регистр счетчика слов CSR# 5 может быть загружено максимальное количество передач, разрешенное для данного взаимодействия. Содержимое регистра уменьшается на единицу после каждой передачи. Внутренний адрес, используемый для следующей передачи, обычно содержится в регистре адреса следующей передачи NTA (см. п. 4.4).

8.9. CSR-регистр 6

Этот регистр с селективной установкой и сбросом используется для выбора до 16 средств самотестирования, управление которыми возложено на бит CSR# 2 <07>. Биты CSR# 6 <15:00> выбирают тесты с 15 по 0, а при чтении также показывают статус выбора. Биты CSR# 6 <31:16> показывают статус тестов соответственно с 15 по 0, индицируя при помощи бита, установленного в единицу, что был обнаружен сбой. Если обнаружены какие-либо сбои, бит CSR# 2 <23> также должен быть установлен в единицу.

8.10. CSR-регистр 7

Этот регистр используется с целью задания классов для широких операций (см. табл. III), на которые будет отвечать устройство. Биты с 31 по 16 зарезервированы и считываются как нули. Несмотря на то, что устройство может быть приписано к более чем одному классу широких операций, данная широкая операция может выбирать одновременно только один класс.

Биты с 15 по 0 соответствуют классам широких операций с 15 по 0 в том же порядке. Если бит «N» установлен в единицу, устройство будет выбрано широкой операцией с устройствами класса «N», см. табл. III.

8.11. CSR-регистр 8

Биты в CSR# 8 - регистре уровня арбитража должны быть распределены следующим образом: биты с 5 по 0 содержат уровень арбитража; бит 6, если установлен, должен показывать, что используется протокол приоритетного доступа; бит 7, если установлен, должен показывать, что используется протокол гарантированного доступа (см. п. 6.1).

Содержимое этого регистра должно изменяться только в соответствии с правилами, изложенными в п. 6.3.4.

8.12. CSR-регистр 9

Этот регистр используется для управления, главным образом в диагностических целях, таймерами в ведущем устройстве, связанными с длительностью отрезков времени, в течение которых мастер собирается ожидать установления связи (таймер ожидания, см. п. 5.1.1), или для завершения адресных циклов (см. п. 5.2.1), или для завершения циклов данных (см. п. 5.1.2), или истечения общего времени, отпущенного для операции (долгий таймер, см. п. 5.1.1).

Биты в CSR# 9 - регистре управления таймерами должны быть распределены, как показано в табл. XIV.

CSR - регистры с 1 ch до 1 Fh обеспечивают средства для определения периодов таймеров, управляемых с помощью CSR# 9.

Регистры управления и статуса CSR с 1 Ch пo 1 Fh включ. должны быть использованы для определения периодов таймера следующим образом:

CSR# 1C долгий Таймер (CSR# 9 <04>);

CSR# 1D Таймер ожидания (CSR# 9 <05>);

CSR# 1E Таймер адресных циклов (CSR# 9 <06>);

CSR# 1F Таймер циклов данных (CSR# 9 <07>).

В общем случае периоды таймеров должны быть указаны в наносекундах.

Таблица XIV

Регистр управления таймерами

Бит

Назначение при чтении

Назначение при записи

S01

Работа долгого таймера разрешена

Разрешает работу долгого таймера

S05

Работа таймера ожидания разрешена

Разрешает работу таймера ожидания

S06

Работа адресного таймера разрешена

Разрешает работу адресного таймера

S07

Работа таймера данных разрешена

Разрешает работу таймера данных

С20

 

Запрещает работу долгого таймера

С21

 

Запрещает работу таймера ожидания

С22

 

Запрещает работу адресного таймера

С23

 

Запрещает работу таймера данных

8.13. CSR-регистры с Ah no Fh

Этот набор пар регистров содержит адреса, предназначенные для использования мастером, когда он посылает сообщения о прерываниях или данные в устройства обслуживания прерываний. Первый из каждой пары регистров указывает первичный ФАСТБАС - адрес устройства обслуживания прерываний, а второй из этой же тары указывает вторичный адрес из области CSR, который должен стать приемником сообщения о прерывании. Эти регистры обеспечивают стандартный путь для мастеров, предоставляющий возможность содержать в ПЗУ программы, посылающие данные и сообщения о прерываниях, и все же оставаться способными оперировать различными или изменяющимися приемниками для этих данных. Вообще источник А должен использоваться для нормальных прерываний, относящихся к тестированию, и источник С - для прерываний, связанных с ошибками.

8.14. CSR-регистры с 20h no 3Fh

Эта группа из 32 регистров с возможностью селективной установки и сброса обеспечивает полное управление источниками сигналов SR «запрос на обслуживание», которых может быть не более 256. Каждый регистр может полностью манипулировать не более 8 источниками сигналов SR, нумеруемыми с 0 до 7, и организован следующим образом:

(бит31) с7d7 - - - - c0d0s7e7 - - - - s0e0 (бит 00)

Биты «е» и «s» соответственно сбрасывают и устанавливают источник SR. Биты «d» и «е» соответственно запрещают и разрешают выставление запроса SR от источника на линию SR данного устройства. Биты «s» и «е» могут также быть считаны для того, чтобы подучить информацию о статусе источника и маски на текущий момент.

Эти регистры являются обязательными для устройств, имеющих более чем один источник запроса на обслуживание (см. п. 9.2).

8.15. CSR-регистры с 70h no 81h

Устройства могут иметь несколько подразделов, которые нуждаются в независимых функциях, выполняющих прикрепление и управление. Подраздел может быть абстрактным понятием, таким как «процесс» или «задание» в вычислительном устройстве, или он может представлять собой определенный набор регистров в многоканальном счетчике, или любую другую, определенную пользователем или изготовителем, часть устройства.

CSR# 70h должен соответствовать подразделу 0, CSR# 71h - подразделу 1 и так далее вплоть до CSR# 7Fh включ.

CSR# 80 должен содержать 16 пар битов с возможностью селективной установки/сброса, по одной для каждого подраздела.

Каждая пара битов должна использоваться для присоединения, отсоединения и проверки статуса соответствующего раздела.

CSR# 81h должен содержать до 16 пар битов с возможностью селективной установки/сброса, по одной для каждого определенного поднабора подразделов устройства. Каждая пара битов должна быть использована для ограничения влияния CSR - команд на поднабор подразделов устройства.

Функция, выполняемая регистрами CSR# 70h - 7Fh 7F для подразделов, аналогична функции CSR# 4 по отношению к устройству в целом. Функции регистра CSR# 80 аналогичны функциям битов CSR# 0 <03> и <19>.

CSR# 81 позволяет ограничить влияние CSR-команд и лишь на часть подразделов устройства. Так, для того, чтобы очистить все регистры устройства, за исключением закрепленных за подразделом 3, необходимо записать код 8FFF7h в CSR# 81h, записать код 8000 0000h в CSR# 0 («очистка данных») и затем, если нужно, записать код 8h в CSR# 81h для того, чтобы вновь разрешить работу подраздела 3.

Способность регистра CSR# 81 к селективным установке и сбросу позволяет пользователю каждого подраздела управлять им независимо от других подразделов.

8.16. CSR-регистры с AOh пo AFh, с BOh пo BFh и COh и CFh

Эти три блока, каждый из которых состоит из 16 регистров, используются для хранения сообщений о прерываниях (см. п. 9.1), предназначенных для посылки источниками А, В и С соответственно. Адреса, в которые эти сообщения должны быть посланы, указываются регистрами с Ah пo Fh, как описано в п. 8.13.

8.17. CSR-регистры с 8000 0000h пo BFFF FFFFh, параметрическая область

Область адресов параметрических CSR специфицирована таким образом, который допускает удобные способы реализации, использующие программируемые постоянные запоминающие устройства (ППЗУ).

ППЗУ легкодоступны в виде схем с длиной слова 8 бит (1 байт, поэтому для содержимого каждой адресуемой ячейки из параметрических областей специфицируется только поле AD <07:00>. Остальные разряды AD <31:08> считываются в виде нулей.

Биты в регистре CSR-8000 0000h, считываемые по линиям AD06, AD04, AD02 и AD00, должны быть запрограммированы, а биты, считываемые по линиям AD07, AD05, AD03 <и AD01, не должны быть запрограммированы. Если в одном устройстве для параметрической области используются более чем одно ППЗУ, все они должны иметь одинаковый уровень, соответствующий запрограммированному состоянию.

Таким образом, из регистра CSR-8000 0000h будет считан код 55h, если незапрограммированному состоянию соответствует 0, или код AAh, если незапрограммированному состоянию соответствует 1.

В параметрической области данные должны размещаться в младших 8 разрядах каждой адресуемой ячейки. Поля с числовыми данными должны быть упорядочены так, чтобы самая старшая 8-разрядная часть числового поля была размещена в ячейке с самым низким адресом. Поля со строками знаков в коде ASCII * должны иметь первый знак с ненулевым кодом в ячейке с самым низким адресом, если не оговорено иное. Замыкающие неиспользуемые части поля ASCIII-знаков должны быть заполнены пробелами в коде ASCII (20 h). Операции записи в параметрическую область не должны оказывать никакого воздействия и должны во время цикла данных возвращать код SS-6 (см. табл. VIIIb). Адреса в параметрической области должны быть распределены, как показано в табл. XVa и XVb.

* Американский стандартный код для обмена информацией

Таблица XVa

Распределение адресов в области параметрических CSR-регистров

Шестнадцатиричный адрес

Содержимое

8000 0000

Идентификатор типа ППЗУ, код 55h или ААh (см. текст выше)

8000 0001

Незапрограммирован, зарезервирован для расширения идентификатора

8000 0002-03

16-разрядный идентификатор, копия содержимого разрядов <31:16> регистра CSR = 0

8000 0004-07

32-разрядное требуемое адресное пространство устройства

8000 0008-0F

8-байтовый порядковый номер (в коде ASCII)

8000 0010-17

8-байтовая дата, проставляемая изготовителем, (код ASCII) в виде дд/мм/гг

8000 0018-1F

8-байтовый инвентарный номер, проставляемый владельцем (у изготовителя незапрограммированы)

8000 0020-23

Указатель ближайшей следующей свободной зоны

8000 0024-

Первая страница каталога

Таблица XV(b)

Определение терминов, использованных в табл. XVa

Термин

Определение

Файл

Последовательность страниц, ссылки на которую осуществляются при помощи имени и указателя в каталоге. Файл может быть уничтожен при помощи полного программирования поля его имени вплоть до завершающего ASCII-пробела. Содержимое файла может изменяться путем уничтожения страниц и создания новых страниц за счет пространства свободной зоны. Новые файлы могут создаваться путем программирования записей в незапрограммированной области существующих страниц каталога или путем добавления новых страниц к последовательности страниц каталога

Заголовок

См. термин «страница»

Следующая свободная зона

Когда информация добавляется в ППЗУ, пространство для новой с границы берется из свободной зоны. Цепочка указателей следующей свободной зоны прослеживается, начиная с ячейки 8000 0020h и вплоть до тех пор, пока не будет найден незапрограммированный указатель. Этот указатель затем программируется так, чтобы он содержал адрес ячейки, стоящей за пределами пространства, требуемого для новой страницы, а содержимое новой страницы программируется в отведенном пространстве, причем ее заголовок располагается непосредственно сразу после упомянутого указателя. Если новая страница должна быть добавлена к существующей последовательности страниц, то ранее незапрограммированный конечный указатель в заключительном заголовке этой последовательности программируется так, чтобы он содержал адрес заголовка новой страницы

Страница

Страница представляет собой непрерывный блок памяти на ППЗУ, чьи первые 8 байтов (заголовок) содержат 32-разрядный указатель на заголовок следующей страницы данного файла, за которым следует 32-разрядное поле размера страницы. Размер представляет собой количество байтов, которые следуют за заголовком. Страница может быть уничтожена при помощи полного программирования размера ее поля. Незапрограммированное поле размера эквивалентно нулевому размеру и означает, что в данной странице не были запрограммированы никакие имеющие силу данные. Незапрограммированный указатель следующей страницы служит признаком последней страницы файла

Указатель

32 разрядный CSR-адрес, указывающий на байт объекта, имеющий самый низкий адрес

Каталог

Это поле, чья первая страница всегда начинается с адреса 8000 0024h (даже если эта страница была уничтожена), имеет структуру заголовка, описанную для понятия «страница». Данные в этом поле состоят из имен файлов в коде ASCII, имеющих переменную длину и оканчивающихся одним ASCII-пробелом (код 20h), за которыми следуют 32-разрядные адреса первых страниц файлов

8.18. Сброс битов CSR-регистров

Воздействие включения питания, сигнала RB, функций битов «сброс» и «очистка» на биты в CSR-регистрах должно быть таким, как указано в табл. XVI.

Таблица XVI

Сброс битов в CSR-регистрах

CSR-регистр

Бит

Наименование

Значение, считываемое после указанного воздействия

Включение питания

Сигнал RB «сброс магистрали»

Сброс CSR# 0 <30>

Сброс флага ошибки CSR# 0 <30>

0

0

Флаг ошибки

0

-

0

0

0

1

Разрешение

0

0

0

-

0

2

Работа*

0

0

0

-

0

3

Устройство прикреплено

0

-

0

-

0

4

Разрешение выставления SR

0

-

0

-

0

5

Флаг SR

0

-

0

-

0

6 - 13

Определяется пользователем

X

X

X

X

0

14

Ошибка четности**

0

X

0

0

0

15

Активный***

0

-

0

-

2

0 - 3

Определяется пользователем

X

X

X

X

2

4 - 6

Разрешение прерываний

0

-

0

-

2

7

Идет тестирование

0

-

0

-

2

8 - 10

Различные статусы

0

-

0

-

2

11 - 13

Различные статусы

0

-

X

-

2

20 - 22

Прерывания подготовлены

0

-

0

-

2

23

Результат тестирования

X

X

X

X

2

24 - 31

Статус пользователя

X

X

X

X

3

Все

Логический адрес

X

-

-

-

4

Все

Адрес устройства пользователя

X

-

-

-

5

Все

Регистр счетчика слов

X

-

-

-

6

Все

Регистр выбора тестов

0

-

0

-

7

Все

Регистр классов для широких операций

0

-

0

-

8

Все

Уровень арбитража

X

-

-

-

9

4 - 7

Управление таймерами

1

-

1

-

OA-OF

 

Адреса приемников прерываний

X

X

X

X

1C-1F

 

Периоды таймеров

X

-

-

-

20-3F

 

Источники и маски запросов на обслуживание

0

-

0

-

70-7F

 

Адреса устройств пользователей

X

-

-

-

80

 

Прикрепление подразделов

0

-

0

-

81

 

Разрешение работы подразделов

0

-

-

-

* Этот бит также сбрасывается при записи единицы в бит CSR# 0 <31>, т.е. в бит «очистка данных» (см. табл. ХIIb).

** Этот бит также сбрасывается при AS = GK = 0.

*** См. табл. XVIII для использования этого бита в соединителях сегментов.

Примечание. В табл. XVI знак «-» означает, что статус соответствующего бита (битов) не должен измениться, в то время как буква X означает, что характер воздействия на указанные биты предоставляется на выбор разработчику.

ГЛАВА 9. ПРЕРЫВАНИЯ

В контексте ФАСТБАС термин «прерывание» означает запрос от одного устройства на обслуживание или внимание со стороны другого устройства. Обычно обслуживающим устройством является процессор, который содержит собственный механизм обработки прерываний. Прерывание, воспринятое через этот механизм, приостанавливает нормальное исполнение программы для того, чтобы выполнить специальную программу обслуживания прерывания.

Спецификация ФАСТБАС описывает два стандартных протокола - операцию прерывания и обслуживания запроса, которые должны в выше указанном смысле, интерпретироваться как прерывания соответствующим образом спроектированные интерфейсами. Отметим, что сама система ФАСТБАС не имеет прерывающего механизма, который позволяет останавливать операцию ФАСТБАС на середине исполнения, запускать новую операцию и доводить ее до завершения, и затем возобновлять исполнение первоначальной операции с того места, где она была прервана.

9.1. Операция прерывания

Мастер, желающий выполнить операцию прерывания, сначала обычным путем получает владение магистралью. Затем он посылает сообщение длиной максимум 16 слов соответствующему устройству обслуживания прерываний (УОП), чей адрес должен содержаться в области CSR-регистров прерывающего мастера (см. п. 8.13). Это сообщение записывается в блок приема прерываний (см. табл. XI), доступ к которому осуществляется при помощи вторичного адресного цикла. Формат сообщения не специфицирован, за исключением четырех младших разрядов первого слова, которые должны содержать информацию о количестве слов, следующих за первым в данном сообщении. Второе слово должно содержать адрес прерывающего мастера, а следующие слова, если они есть, должны содержать детали или указатели на детали, касающиеся причины данного прерывания.

Завершение операции записи, то есть разрыв прерывающим мастером связки AS/AK, вызывает прерывание по отношению к процессору УОП. Если обслуживание данного прерывания требует проведения операций ФАСТБАС, тогда это УОП должно запросить и получить владение магистралью. Поскольку операции ФАСТБАС, находящиеся в процессе выполнения, не могут быть прерваны, интервал времени между моментом, когда мастер обнаруживает, что должна быть инициирована операция прерывания, и моментом, когда начинается обслуживание этого прерывания, непредсказуем.

Сообщение о прерывании обычно записывается с использованием блочной передачи данных, но также возможны однословные передачи данных с произвольным доступом. В некоторых приложениях это может позволить сообщению о прерывании просто модифицировать одно слово в блоке, оставляя другие слова без изменений. Действия, связанные с прерыванием, не запускаются до тех пор, пока не будет разорвана взаимосвязь сигналов AS/AK, поэтому возможно проведение нескольких однократных операций записи при помощи использования вторичных адресных циклов для выбора соответствующих регистров.

УОП может иметь максимум 16 различных блоков приема прерываний, каждый из которых генерирует свое собственное прерывание. Если приоритеты прерываний в процессоре связаны с блоками приемных регистров, приоритет должен расти вместе с увеличением базового адреса приемного блока в пространстве адресов GSR-регистров.

Протокол для операции прерывания должен быть следующим.

После получения владения магистралью прерывающее устройство должно записать сообщение о прерывании и один из блоков в области CSR регистров, принимающих прерывания (см. табл. XI) и расположенный в УОП. Поле из четырех младших битов первого слова в блоке приема прерываний должно представлять собой количество слов, которые следуют далее в данном сообщении (максимум 15 слов).

Регистры для приема прерываний должны быть реализованы в виде блоков по 16 регистров, начинающихся с регистра CSR# 100 h, и должны быть доступны посредством блочных передач и однократных передач данных в режиме произвольного доступа. Если реализованы дополнительные группы приемных регистров, они должны быть размещены последовательно, начиная с регистра CSR# 110h.

Выполнение операции записи по любому адресу в пределах любого блока приема прерываний должно вызывать выставление запроса на прерывание по отношению к связанному с этим блоком процессору, когда завершается текущая операция (AS = 0), а также должно переводить этот блок в запрещенное состояние, которое отклоняет дальнейшие операции записи по любому адресу в пределах блока возвратом SS = 1 (занято). УОП должно разрешать блоку прием последующих сообщений о прерываниях после того, как оно обработает информацию о текущем прерывании.

Если адресуется несуществующий блок регистров для приема прерываний, УОП должно возвращать SS = 6.

9.2. Линия «запрос на обслуживание»

Протокол, связанный с операцией прерывании, требует, чтобы устройство, генерирующее прерывание, было способно выигрывать владение магистралью и чтобы приемник прерывания содержал по меньшей мере один блок приема прерываний. Линия «запрос на обслуживание» (SR) обеспечивает более простой, хотя и менее универсальный, способ для устройств, включая те из них, которые не обладают способностью владеть магистралью, генерировать прерывания. Прерывания типа «запрос на обслуживание» могут обслуживаться менее сложными мастерами, чем те, что отвечают на операцию прерывания.

В устройстве может существовать много источников запросов на обслуживание. Биты в регистрах от СSR# 20 по CSR# 3F (см. п. 8.14) обеспечивают управление максимум, 256 различными источниками запросов на обслуживание. Все разрешенные источники запросов на обслуживание объединяются вместе по «ИЛИ» для того, чтобы сформировать общий внутренний сигнал «запрос на обслуживание». В этих регистрах также предусмотрены биты, позволяющие определять статус индивидуальных источников запросов на обслуживание, а также их масок. Внешний сигнал SR формируется путем объединения по «И» внутреннего бита флага SR с битом «разрешение» в CSR-регистре (см. п. 8.3.2). Регистр CSR# 0 содержит также бит состояния внешнего сигнала «запрос на обслуживание», выходящего из данного устройства, бит состояния общей маски и бит общего из данного устройства, бит состояния общей маски и бит общего сброса запросов на обслуживание. Устройство с единственным источником запроса на обслуживание может полностью управлять им, используя только биты в CSR# 0.

Когда устройству разрешено выставление запроса на обслуживание, оно может формировать сигнал SR в любой момент времени, не обращая внимания на состояние других сигнальных линий ФАСТБАС. Соединители сегментов, в которых установлено аналогичное разрешение, пропускают сигнал SR от своих сегментов дальней стороны к сегментам ближней стороны. SR воспринимается обработчиком запросов на обслуживание (ОЗО), который был запрограммирован для слежения за всеми возможными Источниками SR, которые могут достичь его. Ответом ОЗО на сигнал SR должно быть выставление требования на владение магистралью. Когда владение магистралью будет получено, ОЗО проводит стандартные операции ФАСТБАС для того, чтобы определить местоположение и обслужить источник или источники SR.

Методика, используемая ОЗО для определения местоположения источников SR, зависит от возможностей устройств, которые могут выставлять сигнал SR. Один метод, который будет работать при всех обстоятельствах, заключается в том, что ОЗО проверяет состояние битов СSR# 0 <05:04> всех возможных источников запросов. Подобный опрос голосов может оказаться наиболее эффективным приемом, если общее число возможных источников запросов невелико.

В качестве альтернативы ОЗО может осуществить специальный режим широкой адресации (случай 5 в табл. III), нацеленный на каждый сегмент, предназначенный для обслуживания. При этом типе широкой операции во время адресного цикла присоединяются только те устройства, которые выставляют SR, и во время непосредственно следующего за этим цикла чтения они подают сигналы на свои Т-штырьки. Таким образом, битовый узор, поступающий по линиям AD в момент прихода DK, идентифицирует те устройства в сегменте, которые выставляют SR.

Когда определено местоположение устройств, выставляющих SR, ОЗО адресует каждое из этих устройств по очереди, используя либо географическую, либо логическую адресацию, и проверяет статусные регистры для того, чтобы определить точную причину SR. Затем ОЗО определяет, может ли он самостоятельно выполнить обслуживание. Если имеет место именно такой случай, производится обслуживание, сбрасывается источник SR и обслуженный слуга отсоединяется. Если это не так, и требуется другой процессор, ОЗО сбрасывает соответствующий бит маски для того, чтобы запретить последующие запросы от данного источника, формирует сообщение о прерывании, соответствующее этому конкретному источнику запроса на обслуживание, и инициирует операцию прерывания по отношению к требуемому УОП.

Позже УОП выполняет требуемое обслуживание, сбрасывает бит источника SR и устанавливает соответствующий бит маски. Тем временем ОЗО, возможно, обслуживал другие источники запросов в пределах того же или иного устройства. Таким образом, каждый источник SR является логически независимым объектом и может получать соответствующее обслуживание, не обращая внимание на нужды других источников. Нет никакого ограничения, чтобы все источники в пределах отдельного устройства обрабатывались одинаковым образом или одним и тем же процессором.

Вследствие жесткой зависимости использования SR от конкретной реализации и приложения, спецификации могут касаться только управления запросом и его выставления.

Устройство, которое использует сигнал SR, должно иметь в регистре CSR# 0 биты 4, 5, 20 и 21 в соответствии с определением в табл. ХIIb.

Если устройство имеет более чем один источник SR, то каждому источнику должны быть присвоены биты в регистрах с селективной установкой и сбросом с CSR# 20 no 3F в соответствии с рекомендациями, содержащимися в п. 8.14. В этом случае биты регистра CSR# 0 должны обеспечивать общие управления и статус.

Установка бита источника SR при помощи операции ФАСТБАС должна вызывать тот же самый эффект, что установка этого бита самим устройством.

Внешний сигнал на линию SR должен формироваться объединением по «ИЛИ» всех источников SR, которые были разрешены (то есть у которых установлены их биты маскирования), объединением по «И» полученного результата с общим битом «разрешение» CSR# 0 <04>.

В любом устройстве, способном выставлять сигнал SR, должна быть реализована возможность проведения широкой операции, определенной как случай 5 в табл. III.

Отметим, что когда ВН = 1, устройства игнорируют состояние линии SR (см. п. 7.4).

ГЛАВА 10. СОЕДИНЕНИЕ СЕГМЕНТОВ

Когда мастер связан со слугой, то имеет место двунаправленный поток информации независимо от направления передачи данных. Это происходит благодаря взаимному подтверждению мастер/слуга, которое имеет место во время адресного цикла и которое может возникать в каждом последующем цикле данных. Если и мастер, и слуга находятся в одном и том же сегменте, тогда магистраль сама обеспечивает среду для связи. Вследствие требований к скорости и электрической нагрузке, а также соображений, касающихся пропускной способности и соперничества, существует практический предел для числа устройств, которые могут быть непосредственно подключены к сегменту. По этой причине с целью разрешения мастеру, находящемуся в одном сегменте, осуществлять связь со слугой, расположенным в другом независимом сегменте, предусмотрено устройство, называемое соединителем сегментов (СС).

Мастеру нет необходимости знать, находится ли слуга, к которому он обращается, в том же самом или в другом сегменте. Протоколы связи для различных типов адресации (логической, широкой или географической) и различных режимов передачи данных (однократного, блочного принудительного и с фиксированным адресом) должны отрабатываться соединителями сегментов прозрачно. Кроме того, СС должны также автоматически компенсировать возросшие задержки, вызванные их использованием.

СС состоит из двух секций, называемых портами. Порт подключается к одному из двух сегментов, связываемых данным соединителем. Затем два порта физически связываются таким образом, который может компенсировать их разделение.

Порт СС, подключенный к сегменту, где находится действующий мастер, в течение данной операции ведет себя как слуга, а второй порт этого СС, подключенный к другому сегменту, где находятся слуги, ведет себя как мастер по отношению к указанным слугам (см. рис. 21).

Рис. 21. Понятия ближней и дальней стороны для СС

Если операция должна пересечь ряд сегментов, тогда в каждом СС, через который проходит операция, порт, являющийся электрически более близким к действующему мастеру (порт ближней стороны), ведет себя как слуга, а порт, электрически более далекий от действующего мастера (порт дальней стороны), ведет себя как мастер.

Случись так, что мастер и слуга поменяются местами, тогда через те же самые СС должен быть проложен обратный маршрут. Это означает, что роли ближней и дальней стороны каждого порта СС должны быть изменены на противоположные. Следовательно, каждый порт СС должен быть способен вести себя либо как слуга, либо как мастер. Именно такой двухсторонний тип СС обсуждается в настоящем документе. Если поток операций всегда имеет одно и то же направление, мог бы использоваться другой тип СС. Но два СС последнего типа не эквивалентны первому типу СС из-за различий в способе, с помощью которого должны разрешаться конфликты в использовании соединителя.

10.1. Типы соединителей сегментов

В самом общем смысле СС отображает адрес от своей ближней стороны к дальней стороне. Были подробно проверены два специальных алгоритма отображения с тем, чтобы могли быть детализированы спецификации для физически реализуемого СС общего назначения: (1) - случай без преобразования, при котором СС просто пропускает без изменения все поле адреса группы, за тем исключением, что он преобразует часть адресного поля в нули, как то требуется для географической и широкой адресации; (2) - случай полного преобразования, при котором СС преобразует поле адреса группы. Одно особенно полезное преобразование изменяет поле адреса группы (N, N + 1, N + 2 и так далее) на 0, 1, 2 и так далее для своего сегмента дальней стороны, если это именно тот сегмент, который адресуется, а в противном случае пропускает поле адреса группы без изменения. СС может быть спроектирован так, чтобы он воплощал в себе один или оба из этих алгоритмов; однако для большинства целей рекомендуется алгоритм без преобразования. В приложении В описывается рекомендуемый СС типа S = 1, который связывает крейт-сегмент с кабель-сегментом и может работать по любому алгоритму.

СС с преобразованием и без преобразования могут сосуществовать в системе (т.е. там, где некоторые сегменты адресуются с использованием полного логического адреса, а другие - с использованием преобразованного адреса) при условии, что существует СС, который может выполнять пропускание с использованием преобразования в одном направлении и без преобразования в противоположном направлении.

Алгоритм преобразования может оказаться полезным в системе, содержащей много идентичных сегментов, таких как процессоры обработки данных с высокой степенью параллелизма, поскольку он позволяет осуществлять внутренние присвоения адресов и, следовательно, иметь идентичные программы в вычислительных устройствах, используемые в каждом сегменте. Более сложные алгоритмы преобразования могут оказаться полезными в системах, использующих, например, управляемую адресом переменную маршрутизацию.

10.2. Пропускание операций

Каждый порт СС контролирует поток операций в том сегменте, к которому он подключен, выискивая некий адрес в том наборе адресов, которые ему было предписано пропустить. На распознанный адрес он отвечает путем выставления сигнала WT в сегменте ближней стороны для того, чтобы учесть задержки, вносимые, когда операция проходит через сегменты. (Интервал от момента получения сигнала AS (u), который указывает на присутствие правильного адреса, до момента выставления WT называется временем ответа СС при адресации. Теперь таймирование становится предметом ответственности СС, который далее принимает участие в арбитраже на право использования сегмента дальней стороны.

Если мастер, находящийся в сегменте ближней стороны, имеет системный уровень арбитража, то этот уровень используется, когда СС принимает участие в арбитраже на использование сегмента дальней стороны. Если мастер в сегменте ближней стороны имеет локальный уровень арбитража, в этом случае используется уровень арбитража дальней стороны СС. В результате, когда операции присвоен системный уровень арбитража либо действующим мастером, либо логикой дальней стороны СС, этот уровень остается неизменным при проведении арбитража на владение всеми дополнительными сегментами, необходимыми для того, чтобы достичь слуги. Однако локальные уровни арбитража подлежат изменению от сегмента к сегменту. Во всех случаях используется тот протокол арбитража (с гарантированным доступом или нет), который специфицирован для порта дальней стороны СС.

Когда получено владение сегментом дальней стороны, инициируется адресный цикл. При определенных обстоятельствах географический или широкий адреса должны быть модифицированы СС, прежде чем пропускать их в сегмент дальней стороны. При других обстоятельствах, в зависимости от реализации, СС может преобразовывать, а может и не преобразовывать адреса. Информация, выставляемая СС на линии AD, всегда сопровождается сигналом РЕ = 1 (разрешение контроля по четности). Входящие данные, сопровождаемые сигналом РЕ=1, пропускаются без изменений, независимо от того, обнаружена ошибка четности или нет. Для преобразуемого адреса значение РА вычисляется заново. СС подобно всем другим устройствам игнорирует адресную информацию, когда обнаружено, что она содержит ошибку четности.

Получение сигнала АК (u) логикой дальней стороны СС указывает, что слуга был достигнут. СС отвечает (за исключением случая широких операций) следующими действиями в своем порте ближней стороны: он убирает сигнал WT, затем выставляет сигнал АК (u), который, когда он получен действующим мастером, завершает процесс установления связки с требуемым слугой. Циклы данных происходят аналогичным образом, используя сигналы WT, DS и DK, но с меньшими задержками, поскольку вовлеченные сегменты уже все нацелены на данную операцию. Каждый соединитель сегментов вводит в таймирующие сигналы задержки, компенсирующие времена разброса задержек, свойственные сегментам, которые он соединяет. Таким образом, удовлетворяется требование к таймированию системного характера.

10.3. Разрешение конфликтов

Общее описание приоритетного арбитража приведено в разд. 6. На рис. 22 изображена обобщенная ситуация, где операция А предпринимает попытку пройти из сегмента J в сегмент L через сегмент К, а операция В пытается пройти из сегмента L в сегмент М также через сегмент К. В зависимости от соотношений таймирования может иметь место любая из следующих ситуаций.

1. Операции А и В принимают участие в арбитраже за использование сегмента К, выигрывает операция В.

2. Операция А принимает на себя управление соединителем сегментов СС (J, К), но уже слишком поздно участвовать в арбитраже за использование сегмента К, которое уже выиграно операцией В.

3. Операция А получает право на управление сегментом К, операция В управляет сегментом L, и обе эти операции предпринимают доступ к СС (К, L).

Рис. 22. Конфликт при использовании СС

Ситуация 1 и 2 представляет собой соперничество за использование сегмента, где логика арбитража на магистрали разрешает конфликт путем предоставления обеим этим операциям возможности арбитража за использование магистрали, как это происходит в ситуации 1, или путем блокирования вмешательства со стороны операции А, которая достигла сегмента К слишком поздно (т.е. после выставления сигнала AG (u), чтобы участвовать в уже проводимом цикле арбитража.

Ситуация 3 является истинным конфликтом при использовании соединителя сегментов. В этом конфликте участвуют две операции, проводимые в пределах короткого отрезка времени, одна вслед за другой, и он должен быть разрешен при помощи вмешательства логики разрешения конфликтов, имеющейся в СС. Этот процесс определен в п. 10.7.3.

10.4. Маршрутные таблицы

Каждый порт СС содержит схему распознавания адреса, которая определяет, должен ли адрес быть пропущен к порту дальней стороны. Возможны различные реализации этой схемы. Схема, выбранная для системы ФАСТБАС, использует запоминаемые маршрутные таблицы. Маршрутная таблица представляет собой небольшой участок памяти, адресуемый самыми старшими разрядами ФАСТБАС-адреса; ее содержимое указывает, какие адреса должны пропускаться соединителем сегментов.

Одна маршрутная таблица еще не содержит маршрута, а скорее она содержит список адресов для пропускания. Именно наборы из всех маршрутных таблиц определяет те маршруты, которые используются операциями. Дуплексные СС (единственный тип, подробно рассматриваемый здесь) содержит две маршрутные таблицы, по одной для каждого направления.

Структура маршрутной таблицы и, конечно, любая практическая схема распознавания адреса накладывают некоторые ограничения на присвоение адресов устройствам. Что касается системы ФАСТБАС, конкретное ограничение заключается в том, что устройства, которым присвоены одинаковые старшие адресные разряды должны все быть подключены к одному и тому же сегменту. Число старших адресных разрядов, проверяемых СС для распознавания адреса, определяет максимально возможное в системе количество сегментов или, более точно, количество групп адресов, которые могут быть выделены. Эта старшая часть адреса называется адресом группы (QP), и ее ширина определяется индивидуальной реализацией СС (см. гл. 4).

Сегменту может быть присвоено несколько адресов групп для того, чтобы дать ему возможность содержать ряд устройств, каждое из которых требует больших объемов адресного пространства. Один адрес из набора адресов групп, обычно самый низкий, назначается в качестве базового адреса группы для географической адресации.

Каждая запись и маршрутной таблице должна содержать достаточно информации для того, чтобы можно было выделить четыре состояния. Они перечислены ниже:

1. Отключить адрес.

2. Пропустить адрес.

3. Пропустить адрес, адрес направлен к сегменту дальней стороны.

4. Пропустить адрес, адрес направлен к сегменту дальней стороны, адрес группы является базовым адресом группы.

Метод, определенный для индикации этих состояний, включает использование трех битов: бита пропускания, бита - признака места назначения и бита - признака базового адреса. Состояние 2 индицируется битом пропускания, состояние 3 - обоими битами, установленными в единицу (битом пропускания и битом - признаком места назначения), и состояние 4 - тремя битами, установленными в единицу.

Состояние 3 требуется для того, чтобы реализовать широкую адресацию (см. п. 4.3). Если это состояние встречается во время адресного цикла при MS 1 = 1, то СС, прежде чем пропустить адрес, обнуляет старшие 24 разряда и устанавливает AD <00> = 1. Нулевой адрес группы зарезервирован для прокладки маршрута при широкой операции и никогда не присваивается сегменту.

СС выставляет EG, если встретилось состояние 4, и все адресные разряды от AD <08> до поля адреса группы равны нулю, когда MS 1 = 0 при AS (u).

Содержимое маршрутной таблицы доступно для чтения мастером и, если позволяет данная реализация, может быть им изменено. Доступ к маршрутной таблице осуществляется через регистр адреса маршрутной таблицы СSR# 40h, который может быть выбран вторичной адресацией. Когда установлена связь, в этот регистр заносятся данные для того, чтобы указать адрес записи в маршрутной таблице, к которой необходимо получить доступ. Формат данных совпадает с форматом поля адреса группы, т.е. самый старший разряд адреса маршрутной таблицы является самым старшим разрядом данных (AD <31>).

Занесенные в регистр СSR# 40h адреса записи в маршрутной таблице сопровождается циклами чтения данных или, если они реализованы, циклами записи данных в CSR# 41h. Если используется режим блочной передачи данных, доступ осуществляется к последовательным записям в маршрутной таблице. Формат данных, относящихся к записям в маршрутной таблице, идентичен формату данных, относящихся к адресу записей, с добавлением в позициях младших трех разрядов информации о признаке базового адреса, признаке места назначения и о пропускании. Этот формат применяется независимо от типа СС.

10.5. Регистры управления и состояний в СС

Каждый порт СС содержит 8 CSR-регистров, которые используются для управления устройством. При распределении и использовании этих регистров соблюдаются общие правила, приведенные в разд. 8. Так нереализованные биты игнорируются во время записи и возвращаются как логические нули во время чтения. Эти регистры доступны через географическую адресацию, сопровождаемую вторичными адресными циклами. Только один регистр CSR# 41h - регистр данных маршрутной таблицы может использовать преимущества механизма блочной передачи данных.

Каждый порт СС должен содержать географически адресуемые регистры управления и состояний, как определено в пп.  10.5.1 - 10.5.8.

Дуплексный СС должен иметь идентичные регистры в каждом из двух своих портов.

Часть каждого порта СС, выполняющая функции слуги, должна отвечать на случаи 1 и 5 широких операций, как указано в табл. III, и не должна реагировать на адресные циклы, обращенные к области данных.

Общие правила, касающиеся, использования CSR-регистра, определенного в разд. 8, должны применяться к CSR в СС. Все реализованные биты должны быть доступны для чтения.

Воздействие включения питания, сигналов «сброс магистрали», RB и «очистка» на CSR-регистры в СС определяется в п. 10.5.9. Спецификации, помещенные ниже, относятся к CSR-регистрам в порте ближней стороны.

10.5.1. Регистр CSR# 0 - идентификатор, статус и управление

Биты, реализованные в CSR# 0, должны быть такими, как показано в табл. XVIIa, и должны функционировать, как описано в табл. XVIIb.

Таблица XVIIa

Назначение битов CSR# 0 в соединителе сегментов

Бит*

Назначение при чтении

Назначение при записи

00

S01

Флаг ошибки

Разрешено пропускание операции

 

Разрешает пропускание операции

02

 

 

03

 

 

S04

Разрешено пропускание SR

Разрешает пропускание SR

05

SR выставлен на дальней стороне

 

S06

СС выставил GK на дальней стороне

Выставляет GК на дальней стороне

07

Статус GK на дальней стороне

 

08

 

 

09

 

 

10

Статус ВН на дальней стороне

 

11

Сбой в ответах СС

 

12

Арбитраж проигран

 

13

Ошибка в присвоении вектора

 

14

Ошибка четности

 

15

 

Бит прослеживания маршрута в СС

16

Тип устройства (младший разряд)

Сбрасывает флаг ошибки

С17

Тип устройства

Запрещает пропускание операции

18

Тип устройства

 

19

Тип устройства (старший разряд)

 

20

Идентификатор изготовителя (младший разряд)

Запрещает пропускание SR на обслуживание

21

Идентификатор изготовителя

 

С22

Идентификатор изготовителя

Снимает GK на дальней стороне

23

Идентификатор изготовителя

Выставляет RB на дальней

24

Идентификатор изготовителя

стороне

25

Идентификатор изготовителя

 

26

Идентификатор изготовителя

 

27

Идентификатор изготовителя

 

28

Идентификатор изготовителя

 

29

Идентификатор изготовителя

 

30

Идентификатор изготовителя

Сброс

31

Идентификатор изготовителя (старший разряд)

 

* См. примечание к табл. ХIIа.

Таблица XVIIb

Функции битов регистра CSR# 0

Бит

Тип

Наименование

Функция

00

R

Флаг ошибки

Бит 00 представляет собой логическое ИЛИ битов индикаторов ошибок CSR 0<14:11> в СС

S01

R/W

Разрешение

Бит 01, когда установлен, разрешает работу схемы распознавания адреса в СС. Распознанные адреса, поступающие со стороны сегмента ближней стороны (т.е. сегмента, который имеет прямой доступ к регистру, содержащему этот бит), пропускаются, возможно в модифицированной форме, в сегмент дальней стороны

С17

W

Запрещение

Запрещает работу схемы распознавания адреса в СС

S04

R/W

Разрешено пропускание SR запроса на обслуживание

Когда бит 04 установлен, пропускание SR от сегмента дальней стороны в сегмент ближней стороны разрешено. Пропускание SR зависит только от состояния этого бита

С20

W

Запретить пропускание SR

Этот бит запрещает пропускание SR от сегмента дальней стороны в сегмент ближней стороны

05

R

Статус, SR на дальней стороне

Индицирует статус сигнала SR в сегменте дальней стороны

S06

R/W

Выставить GK

Когда бит 06 установлен, SS после пропускания операции в сегмент дальней стороны будет удерживать за собой право на владение сегментом дальней стороны, продолжая выставлять сигнал GK = 1 (подтверждение разрешения). Следовательно, протекающие далее операции, пропускаемые данным соединителем сегментов, не должны будут проводить арбитраж за право использования сегмента дальней стороны

С22

W

Снять GK

Когда в позицию этого бита записывается логическая единица, СС не будет более выставлять сигнал GK = 1 в сегменте дальней стороны

07

R

Статус GK на дальней стороне

Индицирует, состояние GK в сегменте дальней стороны

23

W

Выставить RB

Когда в позицию этого бита записывается логическая единица, СС генерирует импульс RB в сегменте дальней стороны

10

R

Статус ВН на дальней стороне

Бит 10 индицирует состояние сигнала ВН в сегменте дальней стороны

11

R

Сбой в ответах СС

Бит 11 устанавливается, если адрес, пропущенный к дальней стороне, не был адресом устройства, имеющегося в сегменте дальней стороны, и истек лимит времени и таймере отпетой СС при адресации. Вероятной причиной является ошибка в маршрутной таблице либо в СС, пропускающем операцию, либо в одном из других СС, подключенных к сегменту дальней стороны. Этот бит сбрасывается сигналом AS (d), а также битом CSR# 0 <16>

12

R

Арбитраж проигран

Бит 12 устанавливается, если СС принимает участие в арбитраже за использование сегмента дальней стороны и проигрывает его. Он сбрасывается сигналом AS (d), a также битом CSR# 0 <16>

13

R

Ошибка в присвоении вектора

Бит 13 устанавливается, если идентичные вектора с системным уровнем арбитража соревнуются за использование СС. S1 выдает также ответный код SS = 2. Этот бит сбрасывается также сигналом AS (d) и битом CSR# 0 <16>

14

R

Ошибка четности

Бит 14, когда он установлен, указывает, что СС обнаружил ошибку четности во время цикла данных. Ошибочные данные и информация о четности пропускаются без изменения. Этот бит сбрасывается сигналом GK (d) и CSR# 0 <16>

15

W

Бит прослеживания маршрута в СС

Когда бит 15 устанавливается во время широкой операции с нулевым адресом группы, все СС, пропускающие широкую операцию, переводятся и режим прослеживания маршрута только на своей ближней стороне. Любой последующий сигнал AS (d), поступающий и порт ближней стороны СС, восстанавливает СС в режим нормального пропускания. В режиме прослеживания маршрута СС, который нормально пропустил бы данный адрес, не делает так, и вместо этого возвращает ответный код SS = 2 - «сбой в сети» и выбирает для связи область адресов CSR своего слуги. Мастер может затем прочитать содержимое регистра CSR# 43 для того, чтобы получить адрес дальней стороны СС. Выдача сигнала AS (d) восстанавливает СС в режим нормального пропускания, так что повторная выдача такого же адреса дает в результате ответные действия от следующего СС - на данном маршруте. Таким образом, может быть определен фактический маршрут, по которому проходят для доступа к данному адресу (см. приложение J)

Сигнал GK (d) восстанавливает все СС вдоль данного маршрута в режим нормального пропускания. Таким образом, нормальные операции могут быть возобновлены без завершения полного процесса прослеживания

16

W

Сброс флагов ошибки

Если в позицию этого бита записывается логическая единица, то все флаги ошибок в позициях битов 0, 11, 12, 13 и 14 очищаются

30

W

Сброс

Результат действия бита «сброс» определен в п. 10.5.9

16 по 31

R

Идентификатор устройства

16 - разрядный идентификатор устройства описан в п. 8.3.1

10.5.2. CSR# 1 - уровень арбитража дальней стороны

СSR# 1 должен содержать уровень арбитража дальней стороны и протокол арбитража для дальней стороны в формате, определенном для CSR# 8 (см. п. 8.11).

Если в этот регистр осуществляется запись через один порт, в то время как через другой порт производится чтение этого же регистра, СС должен гарантировать, что операция записи не даст в результате ошибочные данные, которые будут считываться с противоположной стороны.

Содержимое этого регистра не должно подвергаться воздействию сигнала RB или бита «сброс».

Отметим, что прежде чем порт дальней стороны СС сможет стать доступным через указанный СС, этот регистр должен быть инициализирован.

10.5.3. CSR# 8 - уровень арбитража ближней стороны

СSR# 8 должен содержать уровень арбитража ближней стороны и протокол арбитража для ближней стороны в формате, определенном в п. 8.11.

Если в этот регистр осуществляется запись через один порт, в то время как через другой порт производится чтение этого же регистра, СС должен гарантировать, что операция записи не даст в результате ошибочные данные, которые будут считываться с противоположной стороны.

Содержимое этого регистра не должно подвергаться воздействию сигнала RB или бита «сброс».

10.5.4. CSR# 9 - управление таймерами

В регистре СSR# 9 должны быть реализованы биты 6, 7, 22 и 23, как определено в п. 8.12.

10.5.5. СSR# 40h - адрес маршрутной таблицы

СSR# 40h должен быть реализован и его содержимое должно использоваться в качестве указателя на вход в маршрутную таблицу. Он не должен модифицироваться при использовании режима произвольного доступа к данным в CSR# 41h, но его содержимое должно увеличиваться на единицу после каждого цикла данных в операциях блочной или принудительной передач, адресованных к CSR# 41h. Регистр CSR# 40h должен иметь число разрядов, определяемое длиной маршрутной таблицы (см. п. 10.5.6). Самый старший разряд регистра CSR# 40h должен соотноситься с линией AD <31>.

Отметим, что максимальная допустимая ширина поля адреса группы равна 24 разрядам (см. п. 4.1). Поскольку самым старшим разрядом этого регистра является разряд 31, его содержимое после ответа SS = 22 - конец блока, будет равно нулю.

Для удобства реализации CSR# 40h может загружаться при каждом AS (u) содержимым текущего поля GP предварительно, перед достижением входа в маршрутную таблицу. Следовательно, проверку или модификацию содержимого маршрутной таблицы следует выполнять в течение той же самой операции с блокированным адресом.

10.5.6. CSR# 41h - данные маршрутной таблицы

CSR# 41h должен быть реализован и его содержимое должно представлять собой содержимое того входа в маршрутную таблицу, чье местоположение в маршрутной таблице указывается регистром CSR# 40h.

Маршрутная таблица должна иметь длину 2N слов, где N равно числу разрядов регистра CSR# 40h, т.е. ширине поля адреса группы, с которым способен оперировать данный СС.

Три младших разряда каждого входа в маршрутную таблицу и, следовательно, регистра CSR# 41h должны соответствовать линиям AD <02:00>. Эти три разряда должны образовывать биты - признаки базового адреса (AD <02>), места назначения (AD <01>) и пропускания (AD <00>) (см. п. 10.6.1).

Старшие N разрядов регистра CSR# 41h должны представлять собой поле адреса группы, которое подается в сегмент дальней стороны, когда СС пропускает адрес, чье поле адреса группы совпадает с аналогичным полем, указанным в регистре CSR# 40h. В случае СС без преобразования адресов, эти старшие разряды совпадают со старшими разрядами, содержащимися в регистре управления и статуса CSR# 40h, и, таким образом, не нуждается в том, чтобы их записывать в маршрутную таблицу.

CSR# 41h должен быть доступен через операции либо произвольного доступа, либо блочных передач (см. п. 10.5.5).

10.5.7. CSR# 42h - географический адрес ближней стороны

CSR# 42h должен быть реализован как регистр, допускающий только чтение и содержащий географический адрес ближней стороны СС. Формат этого адреса должен быть следующим: разряды с 8 по 31 содержат выровненный по левому разряду базовый адрес сегмента* (см. п. 10.8), в котором все неиспользуемые разряды считываются в виде логических нулей; разряды с 5 по 7 всегда считываются как логические нули; разряды с 0 по 4 в случае крейт-сегмента отображают логическое состояние штырьков географического адреса СС, а в случае кабель-сегмента они отображают логическое состояние переключателей географического адреса СС.

* С нулевым старшим разрядом.

10.5.8. CSR# 43h - географический адрес дальней стороны

CSR# 43h должен быть реализован как регистр, допускающий только чтение и содержащий географический адрес дальней стороны СС. Формат для этого адреса должен быть таким же, как и в случае регистра CSR# 42h.

10.5.9. Результаты различных действий над битами CSR-регистров в СС

Результат действия включения питания, принимаемого импульса RB, битов «сброс» (CSR# 0 <30>) и «сброс флага ошибки» (CSR# 0 <16>) по отношению к портам ближней и дальней сторон должен быть таким, как определено в табл. XVIII. Сигнал RB, установленный СС, не должен влиять на устанавливающий СС.

10.6. Маршрутные таблицы

10.6.1. Информация о пропускании, месте назначения и базовом адресе

Маршрутная таблица ближней стороны должна указывать, какие адреса данной соединитель сегментов будет пропускать к дальней стороне.

Для каждого возможного значения поля группы GP, поступающего на ближнюю сторону, маршрутная таблица должна иметь по крайней мере три выходных бита, называемых битами пропускания, места назначения и базового адреса.

Бит пропускания должен информировать СС о том, что, за исключением ситуаций, указанных в табл. II для широких операций, текущая операция должна быть пропущена к сегменту дальней стороны или за его пределы.

Бит места назначения должен информировать СС о том, что операция предназначена для сегмента дальней стороны.

Бит базового адреса должен информировать СС о том, что поступающее в него поле адреса группы СС представляет собой базовый адрес группы для операций, предназначенных для сегмента его дальней стороны.

Выходные биты высшего порядка в маршрутной таблице должны ассоциироваться только с модификацией адреса группы для дальней стороны (см. п. 10.5.6).

Таблица XVIII

Влияние различных воздействий на биты в соединителях сегментов

Регистр

Бит

Наименование

Значение, считываемое после указанного воздействия

Включение питания

Ближняя сторона

Сигнал RB

Сброс

Сброс флага ошибки

Б*

Д*

Б

Д

Б

Д

0

0

Флаг ошибки

0

-

-

0

-

0

-

0

1

Разрешение пропускания операции

0

0

0

0

0

-

-

0

4

Разрешение пропускания SR

0

-

-

0

-

-

-

0

6

Сигнал GK для дальней стороны

0

-

0

0

-

-

-

0

11 - 14

Различные ошибки

0

-

-

0

-

0

-

0

15

Прослеживание маршрута

0

0

-

0

-

-

-

1

Все

Уровень арбитража дальней стороны

X

-

-

 

-

-

-

8

Все

Уровень арбитража ближней стороны

X

-

-

-

-

-

-

9

40 - 43

6 - 7

Таймеры

1

X

-

X

-

X

1

X

-

X

-

X

-

X

Примечание. Знак «-» означает, что соответствующие биты не подвергаются воздействию, буква «X» означает, что результат воздействия предоставляется на выбор разработчику.

Б - ближняя сторона; Д - дальняя сторона.

10.6.2. Правила формирования

Когда осуществляется формирование маршрутных таблиц для всех СС в системе, должны соблюдаться следующие правила.

1. Запись в маршрутной таблице, соответствующая нулевому полю адреса группы GP для ближней стороны, должна использоваться для прокладывания маршрутов широких операций. Узор, образуемый распространяющимся широким адресом, должен представлять собой простое дерево без пересекающихся соединений.

2. Маршрутная таблица должна содержать только одну запись, в которой бит базового адреса установлен в единицу.

3. Маршрутная таблица должна быть такой, что, когда к сегменту подключено два или более СС, только один из этих СС

должен отвечать на данный адрес группы в этом сегменте, до тех пор пока в момент прихода сигнала AS (u) не выполняются следующие условия: GP = 0, MS = 1 и AD <01> = 1 (см. п. 4.3).

4. Дуплексный СС должен содержать информацию о маршрутах в каждом из двух портов, функционирующих как слуги. Между этими двумя таблицами не должно быть конфликтов, связанных прокладываемыми маршрутами. Записи, соответствующие аналогичным адресам групп, должны отличаться, т.е. никакой адрес группы не должен пропускаться одновременно в обоих направлениях.

5. Маршрут, по которому операция проходит из сегмента I в сегмент J, должен совпадать с маршрутом из сегмента J в сегмент I.

Правило 2 гарантирует, что устройства, расположенные в сегменте дальней стороны, будут иметь неповторяющиеся географические адреса. Правила 3, 4 и 5 гарантируют наличие единственного маршрута для каждой операции. Эта единственность маршрута позволяет СС обнаруживать и устранять определенные разновидности тупиковых ситуаций.

10.7. Действия соединителей сегментов

10.7.1. Распознавание адреса

Если пропускание операции разрешено (СSR# 0 <01> = 1), СС при одновременном получении сигнала RD = 0 и EG = 0 должен проверить код MS и поле адреса группы GP, чтобы определить, должна ли данная операция быть пропущена в сегмент дальней стороны.

Если MS1 = 0, то условием для пропускания операции должна быть установленность бита пропускания в маршрутной таблице, связанного с данным значением поля адреса группы.

Если MS1 = 1 (широкая операция), то условия для пропускания операции должны быть такими, какие указаны в табл. II.

Если линия EG = 1, операция не должна пропускаться.

Если операция не должна пропускаться, СС не должен предпринимать никаких дальнейших действий, пока не поступит следующий сигнал AS (u).

Если данная операция должна быть пропущена, СС должен перейти в состояние «адрес распознан». Состояние «адрес распознан» должно сбрасываться по сигналу AS (d).

10.7.2. Участие соединителя сегментов в арбитраже

При наличии сигнала AG (d) CC внутренне должен сохранять значение AL <05:00>. Этот сохраняемый поступающий уровень арбитража должен быть использован, как описано ниже, а также для разрешения конфликтов (п. 10.7.3).

СС после ввода состояния распознанного адреса должен участвовать в арбитраже за использование сегмента дальней стороны в соответствии с методикой для мастеров, определенной в гл. 6.

Когда СС предпринимает попытку получить владение магистралью сегмента дальней стороны, он должен использовать:

1. Уровень арбитража, указанный в регистре CSR# 8 дальней стороны, если входящая операция имеет локальный уровень арбитража, или

2. Входящий уровень арбитража, если он является системным уровнем.

СС должен продолжать участвовать в арбитраже до тех пор, пока не получит владение магистралью, если не происходит следующее:

1. Действующий мастер останавливает текущую операцию выдачей GK (d), в то время, как AS = 1 и АК = 0. (В этом случае СС в момент GK (d) должен действовать так, как будто он адресован к области CSR), или

2. Действующий мастер выдает AB (d), или

3. СС разрешает конфликтную проблему путем экстренного прекращения операции.

По получении владения сегментом дальней стороны СС устанавливает в этом сегменте GK = 1 (см. п. 6.3.5). СС, поддерживающий в сегменте дальней стороны сигнал RB = 1, подает в сегмент дальней стороны также сигнал GK = 1 (см. п. 5.4.1 и табл. ХIIb).

10.7.3. Разрешение конфликтов

Разрешение конфликтов в пределах дуплексного СС должно быть реализовано при помощи проверки уровней арбитража и битов места назначения в маршрутных таблицах, связанных с двумя операциями, направленными в противоположные стороны.

Если оба уровня арбитража являются локальными (AL <05> = 0), тогда:

1. Если только одна операция имеет установленный бит места назначения, то эта операция должна быть продолжена.

2. Если никакая из операций не имеет установленного бита места назначения, должна быть продолжена операция с более высоким уровнем арбитража для сегмента своей дальней стороны.

3. Если в обеих операциях установлен бит назначения, должна быть продолжена операция в кабель-сегменте.

Если один или оба уровня арбитража являются системными (АL <05> = 1), тогда:

1. Если два уровня арбитража различаются между собой, должна быть продолжена операция с более высоким уровнем.

2. Если оба эти уровня арбитража совпадают, СС должен выдать обоим операциям ответ «сбой в сети» и установить бит «ошибка в присвоении вектора» (CSR# 0 <13>, см. п. 10.5.1) для обоих портов - ближней и дальней стороны.

При разрешении конфликта проигравшей операции должен быть дан ответ «сеть ликвидирована» (см. табл. VI и п. 10.7.4). Проигравший мастер не должен принимать участие в дальнейших циклах арбитража до тех пор, пока не будет проведен по крайней мере один такой цикл или пока не истечет задержка повторной попытки (см. приложение А).

10.7.4. Отрицательные ответы

СС должен выдавать отрицательные ответы для циклов, которые не являются широкими, путем подачи в свой сегмент ближней стороны сигнала WT = 0 и выставления, как указано ниже, кода на линии «статус слуги» одновременно либо с сигналом DK (u), либо с сигналом DK (t), в зависимости от ситуации. Для широких циклов СС должен сначала выставить код на линии «статус слуги», когда сигнал WT = 0 присутствует в сегменте ближней стороны, и не должен формировать никакого подтверждающего перехода (АК(u) или DК (t).

«Сеть занята» - SS = 1. Этот ответ должен выдаваться, если СС не может получить доступ к сегменту, дальней стороны из-за наличия конфликтующих операций в этом сегменте. СС, распознавший адрес, который нужно пропустить, но еще не стал зарезервированным (см. п. 10.7.6), должен выдать упомянутый ответ, если он получает от сегмента ближней стороны GK = 0, в то время как AS = 1. Биты в CSR# 0 не изменяются. (Мастер предпринимает такое действие, когда он прекращает ожидать установления соединения).

«Сбой в сети» - SS = 2. Этот ответ должен быть выдан СС по истечении лимита на время ответов СС при адресации. Он также должен быть выдан, если СС обнаруживает в процессе разрешения конфликта недопустимые уровни арбитража. Этот ответ встречается во время операции прослеживания маршрута (см. табл. XVIIb и п. J.1 приложения J).

«Сеть ликвидирована» - SS = 3. Этот ответ должен быть выдан, если СС не может получить владение магистралью дальней стороны вследствие того, что там протекает операция с более высоким приоритетом.

«Сбой в цикле передачи данных» - SS = 7. Этот ответ должен выдаваться только во время широкой операции по истечении лимита на время ответов СС в цикле данных. Сигнал DK (t) не был получен СС и, по всей вероятности, произошел сбой при передаче данных.

После выдачи во время адресного цикла ненулевого ответа по линиям «Статус слуги» СС должен оставаться присоединенным в качестве слуги в сегменте ближней стороны и далее должен функционировать так, как будто во время адресного цикла был правильно осуществлен доступ к области адресов его CSR ближней стороны.

Выдача ответа «Сеть занята» запускается сигналом от мастера по линии GK. Это позволяет мастеру экстренно прекратить выполнение операции, если ему кажется, что она потребовала слишком много времени для установления соединения, и затем определить, насколько далеко данная операция продвинулась по системе, и даже определить предпринятый маршрут. Мастера не должны ожидать неопределенно долго, даже если они наблюдают WT = 1, в противном случае могут возникать зависания. Однако, если работа таймеров с диагностическими целями запрещена, мастер не должен контролировать лимит времени. Если возникают тупиковые ситуации, они должны сбрасываться сигналом RB.

Мастер, которому требуется информация о причине отрицательного ответа, может продолжать выставлять AS = 1 и, выполняя вторичные адресные циклы, сопровождаемые циклами передачи данных, получить доступ к CSR-регистрам того СС, который выдал отрицательный ответ. Местоположение этого СС может быть определено с помощью его регистров географического адреса ближней и дальней стороны. Дополнительная диагностическая информация содержится в регистре CSR# 0.

Ответ «Сбой в цикле передачи данных» SS = 7 используется чаще, чем ответ SS = 6 (данные не приняты или не переданы), несмотря на то, что маловероятно, что все присоединенные слуги приняли, или передали данные. Некоторые из слуг могут в это же время подавать по линиям «Статус слуги» другие ненулевые коды, откуда следует выбор кода SS = 7. СС, который выставляет ответ «Сбой в цикле данных», не предпринимает никаких указанных выше специальных действий, которые следуют за ненулевым ответом по линиям SS во время адресного цикла.

10.7.5. Модификация географических и широких адресов

Все СС, включая соединители без преобразования, выполняют два типа модификации адресов. Первый из них позволяет слугам, расположенным в неинициализированном сегменте, быть географически адресуемым мастером, расположенным в другом сегменте. Второй тип реализует ряд особенностей широкой адресации.

СС должен выставить EG = 1 в сегменте дальней стороны, если в момент прихода сигнала AS (u) имеет место MS1 = 0, все разряды адреса, поступившего на ближнюю сторону, от AD <08> вплоть до начала поля адреса группы равны нулю, и для адреса, который необходимо пропустить, соответствующая запись в маршрутной таблице содержит установленные биты пропускания, места назначения и базового адреса.

СС должен выставить сигнал EG = 0 в сегменте дальней стороны, если на сегменте дальней стороны AS = AK = 0.

Когда СС пропускает широкий адрес (MS1 = 1), для которого его сегмент дальней стороны является сегментом места назначения, этот соединитель должен установить AD <00> = 1 (локальный бит) и, если АD <01> = 1 (глобальный бит), он также должен обнулить линии AD <31:08>, когда пропускается указанный адрес.

10.7.6. Пропускание операции

О СС говорят, что он зарезервирован, если он получил владение сегментом дальней стороны и выставляет в этом сегменте GK = 1.

Зарезервированный СС должен пропускать только:

сигнал AR от дальней - к ближней стороне;

запрос на обслуживание SR из дальней в ближнюю сторону, если установлено СSR# 0 <04>;

сигналы AL <05:00> от ближней к дальней стороне, если есть сигнал AL <05> = 1 на ближней стороне.

Зарезервированный СС называется активным, если он распознал адрес, который он должен пропустить (см. п. 10.7.1).

Порт ближней стороны активного СС должен действовать как слуга, а его порт дальней стороны - как мастер. Использование магистралей обоих портов должно быть таким как определено в разд. 5.

В дополнение к сигналам, пропускаемым зарезервированным СС, активный СС должен пропускать все управляющие (У), асинхронные (А) и информационные (И) сигналы, которые специфицированы в табл. 1, за исключением сигналов EG, RB, ВН, которые никогда не пропускаются.

Активный СС должен пропускать сигналы AS и DS от ближней к дальней стороне.

Активный СС должен пропускать сигнал WT из своей дальней стороны в ближнюю сторону.

Во время адресных циклов сигналы AD <31:00> должны модифицироваться, как определено в пп. 10.5.6 и 10.7.5.

Во время адресных циклов и циклов данных сигналы РА и РЕ должны модифицироваться, как определено в п. 10.7.7.

Активный СС должен, после приема на своей ближней стороне сигналов AS (t) или DS (t), связанных с подтвержденной передачей данных, выставить WT = 1 на сегменте ближней стороны.

Активный СС должен, после приема сигналов AK (t) или DK (t) на своем дальнем сегменте, гарантировать, что он выставляет сигнал WT = 0 на сегменте ближней стороны до выставления соответствующих сигналов AK (t) или DK (t) на сегменте своей ближней стороны.

Активный СС, который пропускает AS (d) на сегмент дальней стороны и не получает АК(d), должен установить WT = 0 на сегменте ближней стороны после истечения лимита времени.

После принятия DS (t) на своей ближней стороне в ходе принудительных передач активный СС не должен выставлять WT = 1 на сегменте ближней стороны в ответ на получение таймирующих фронтов.

В случае операций, не являющимися широкими

Активный СС должен после получения фронта AK (t) или DK (t) на сегменте дальней стороны гарантировать, что выставляет WT = 0 на сегменте ближней стороны до пропускания полученного фронта на сегмент ближней стороны.

Если после прохождения AS (u) на сегменте дальней стороны СС не получает в ответ АК (u) из дальней стороны в пределах соответствующего лимита времени (см. приложение А), то он должен выставить WT = 0, SS = 2 и создать АК (u) на сегменте ближней стороны и AS = 0 - на сегменте дальней стороны. СС должен перестать быть активным и стать слугой на своей ближней стороне.

Если после прохождения DS (t) на сегмент дальней стороны СС не получает в ответ DK (t) из дальней стороны в пределах соответствующего лимита времени (см. приложение А), то он должен выставить WT = 0 на сегменте ближней стороны и продолжать быть активным.

В случае широких операций

Активный СС не должен пропускать сигналы АK или DK в свой сегмент ближней стороны.

СС должен пропустить широкую операцию, если запись в маршрутной таблице, соответствующая ее полю адреса группы GP, указывает, что данная операция должна быть пропущена, а также что либо GP не равно нулю, либо GP = 0 и AD <01> = 1.

Если после прохождения AS (u) в сегмент дальней стороны СС не получает в ответ АК (u) из дальней стороны в пределах соответствующего лимита времени (см. приложение А), то он должен выставить WT = 0, SS = 2 на сегменте ближней стороны и AS = 0 - на сегменте дальней стороны. СС должен перестать быть активным и стать слугой на своей ближней стороне.

Если после прохождения DS (t) в сегмент дальней стороны СС не получает в ответ DK (t) из дальней стороны в пределах соответствующего лимита времени (см. приложение А), то он должен выставить WT = 0 и SS = 7 на сегменте ближней стороны и продолжать быть активным.

Таймирующий сигнал GK (d) должен подаваться в сегмент дальней стороны, только когда этот сигнал получен портом ближней стороны.

СС должен перестать быть активным в момент времени, когда в сегменте дальней стороны сигналы AS = AK = 0, и перестает быть зарезервированным, когда в сегменте ближней стороны сигнал GK = 0.

Табл. XIX суммирует ответы СС на различные адреса. Колонки «В» указывают значения битов пропускания и места назначения в той записи маршрутной таблицы СС, которая соответствует данной величине поля адреса группы, поступающего в порт ближней стороны, и коду на линиях MS.

Таблица XIX

Ответные действия соединителя сегментов на адреса

MSI при AS (u)

AD <31:03>

Вх. марш. табл.

AD <00>, L

AD <01>, G

Примечание

Ближ.

Дальн.

Проп.

Назн.

Ближ.

Дальн.

Ближ.

Дальн.

0

0

-

X

X

-

-

-

-

1

0

>0

-

0

X

-

 

-

-

1

0

>0

ВхМТ

1

0

-

-

-

-

2

0

>0

ВхМТ

1

1

-

-

-

-

3

1

0

-

0

X

X

 

X

 

1

1

0

-

1

X

Х

-

0

-

1

1

0

0

1

X

х

1

1

1

4

1

>0

-

0

X

X

-

X

-

1

1

>0

ВхМТ

1

0

X

L Бл

X

G Бл

5

1

>0

0

1

1

X

1

X

G Бл

5

Примечания:

1. Символы означают:

X - результат не зависит от данного условия;

знак «-» - элемент не имеет смысла;

>0 - ненулевое поле адреса группы;

0 - поле адреса группы равно нулю;

L Бл - повторяет локальный бит, получаемый портом ближней стороны;

G Бл - повторяет глобальный бит, получаемый портом ближней стороны;

Ближ. - значение, получаемое портом ближней стороны;

Дальн. - значение, выставляемое в сегмент дальней стороны;

Проп. - значение бита пропускания;

Назн. - значение бита назначения;

ВхМТ - используется соответствующий вход маршрутной таблицы.

2. Цифры означают:

1 - не пропускает; 2 - проходящий адрес; 3 - адрес относится к сегменту дальней стороны; 4 - пропускает глобальную широкую операцию; 5 - пропускает, см. табл. II; 6 - для генерации EG см. п. 10.7.5.

10.7.7. Использование и формирование СС сигнала «четность»

Если сигнал РЕ = 1, логика слуги, принадлежащая СС, должна проверять информацию на линиях AD по признаку четности.

Если в момент AS (u) в адресе обнаружена ошибка четности, СС должен игнорировать этот адрес. Если обнаружена ошибка четности во время цикла данных, эти данные и сигналы РА, РЕ должны быть пропущены без изменения, а также должен быть установлен бит СSR# 0 <14> = 1.

Адреса и данные, выставляемые СС, всегда должны сопровождаться сигналом РЕ = 1 и соответствующим значением РА.

10.7.8. Ответные действия СС на сигнал RB

В дополнение к ответным действиям, определенным для устройств, когда они получают обобщенный сигнал RB = 1 и ВН = 0, СС, не выставляющие сигнал RB, должны отвечать следующим образом.

1. Пропускание операций в обоих направлениях должно быть запрещено.

2. Сигнал RB не должен непосредственно пропускаться от ближней стороны к дальней стороне.

10.7.9. Требования к таймированию

Логика мастера, содержащаяся в порте дальней стороны СС, должна использовать критерии таймирования, свойственные сегменту дальней стороны.

При получении сигналов AS (u) или DS (t) в свой порт ближней стороны, прежде чем выставлять эти сигналы в сегмент дальней стороны, СС должен внести соответствующую задержку, равную времени разброса сигналов.

При получении сигналов АК (u) или DK (t) в свой порт дальней стороны, прежде чем выставлять эти сигналы в сегмент ближней стороны, соединитель сегментов должен внести соответствующую задержку, равную времени разброса сигналов.

В приложении А определены времена разброса сигналов и другие характерные времена для конкретных реализаций.

10.8. Регистр базового адреса

Каждый порт СС должен иметь регистр базового адреса, который содержит базовый адрес сегмента дальней стороны, т.е. значение поля адреса группы GP, используемое при географической адресации устройств, расположенных в сегменте дальней стороны.

Регистр базового адреса должен загружаться содержимым регистра CSR# 40, когда в регистр CSR# 41 записываются данные, содержащие AD <02> = 1 (бит базового адреса).

Отметим, что этот регистр является внутренним для СС, но он доступен, наряду с другой информацией, как регистр СSR# 43b.

ГЛАВА 11. БЛОЧНЫЕ И ПРИНУДИТЕЛЬНЫЕ ПЕРЕДАЧИ

Блочные и принудительные передачи представляют собой операции ФАСТБАС, во время которых, после соответствующего первичного или вторичного адресного цикла, слова данных выставляются мастером по каждому фронту сигнала DS в случае операции записи и принимаются мастером по каждому фронту сигнала-DK в случае операции чтения. Протокол ФАСТБАС не накладывает никакого ограничения на количество слов, пересылаемых во время блочной передачи. Ответ слуги SS = 2 указывает, что он далее не может участвовать в данной операции, и мастер завершает операцию.

В то время как адресные циклы всегда подтверждаются, передачи данных могут быть с подтверждениями или же принудительными. В первом случае, называемом блочной передачей, мастер ожидает ответа по линии DK, прежде чем сформировать следующий фронт сигнала DS. Следовательно, скорость передачи определяется задержками в магистрали и быстродействием более медленного из двух взаимодействующих устройств - мастера или слуги. Во втором случае, называемом принудительной передачей, мастер единолично определяет скорость передачи, чтения или записи, формируя фронты сигнала DS с той частотой, которую он считает подходящей для данной операции.

В случае принудительной передачи, выполняющей запись, мастер выставляет новые данные с опережением формирования каждого фронта сигнала DS на время разброса задержек.

В слуге каждый фронт сигнала DS используется для стробирования линий данных и заставляет слугу выставить соответствующий ответ на линиях SS и сформировать фронт сигнала DK. От слуги не требуется, чтобы он как-либо использовал принимаемые фронты сигнала DK, но рекомендуется, чтобы они подсчитывались. Мастер будет не в состоянии немедленно реагировать на ответы SS, поскольку к тому времени, когда получен ответ, слуга уже обнаружит и ответит на последующие фронты сигнала DS.

В случае принудительной передачи, выполняющей чтение, мастер формирует фронты сигнала DS с согласованной частотой и когда поступают фронты сигнала DK, использует их для стробирования данных на литиях AD и приема ответа с липшей SS. И снова, вследствие принудительной природы данной операции реакция мастера на ответы по линиям SS происходит после того как уже были сделаны запросы на следующие данные.

С точки зрения слуги блочные и принудительные передачи различаются только в одном аспекте. Слуга, принимающий участие в принудительной передаче, игнорирует WT = 1, в то время, как слуга, участвующий в блочной передаче, не игнорирует сигнал WT = 1. Это позволяет слуге ответить на все фронты сигнала DS, сформированные мастером, но не полученные к моменту обнаружения сигнала WT = 1. Соединители сегментов также трактуют эти два режима передачи несколько различными способами. В случае принудительных передач СС никогда не выставляет сигнал WT = 1 в ответ на сигнал DS (t), однако он всегда это делает в случае блочных передач.

Ответы, выставляемые слугами по линиям SS во время блочных и принудительных передач, выглядят, как определено в гл. 5, и более подробно обсуждаются в приложении J.

Принудительные передачи требуют, чтобы мастер при выборе тактовой частоты для сигнала DS принимал во внимание время разброса задержек и свойства данной магистрали, определяющие ее полосу пропускания, а также учитывал возможности слуги по скорости обмена данными. Принудительные, передачи должны использоваться только там, где в случае блочных передач электрическая длина магистрали слишком замедляет быстродействие системы.

Регистры устройства, позволяющие осуществлять к ним доступ посредством блочных или принудительных передач, должны также быть доступны при одиночных передачах.

Блочные и принудительные передачи не позволяют прерывать их и обычном смысле, но могут быть завершены мастером раньше по его собственному желанию или по запросу (через SS) от слуги. Слуга может потребовать завершения передачи или помощи посылки SS = 2, если он более не в состоянии принимать данные в случае записи блока или не имеет больше данных в случае чтения блока. В случае передач данных в буферы типа «первый на входе - первый на выходе» или в устройства типа порта входа/ выхода, если устройство временно не способно выставлять или принимать данные, но можно ожидать, что оно еще выставит или примет данные в ближайшем будущем (например, после завершения передач, являющихся внешними по отношению к системе ФАСТБАС), должен быть возвращен ответный код SS = 1 (занято).

Когда блочная или принудительная передача находится в процессе исполнения, сегмент или сегменты, расположенные вдоль маршрута между мастером и слугой, остаются занятыми, и это может привести к тому, что время ожидания в системе станет слишком большим. Чтобы избежать ухудшения времени реакции системы, мастер должен либо делить длинные блоки на несколько коротких блоков, освобождая магистраль между передачами этих коротких блоков, либо контролировать состояние линии AR для того, чтобы определить, задерживается ли другая деятельность данной блочной передачей, и затем добровольно уступать магистраль на отрезок времени, пропорциональный требуемой пропускной способности системы. Мастер не должен освобождать магистраль, если логически необходимо исключение других мастеров, подобно тому, как в случае последовательности с заблокированным арбитражем (см. гл. 5).

Когда мастер разбивает блок на несколько подблоков, он должен гарантировать, что указатель внутреннего адреса в слуге будет правильным в начале каждой передачи подблока.

11.1. Завершение блочных и принудительных передач

Завершение блочных и принудительных передач осложняется тем фактом, что после последнего сигнала DS (t), который сформирован мастером, магистраль может находиться в целом ряде различных состояний, в зависимости от типа передачи, а также от количества переданных слов и направления передачи. Завершение также осложняется возможностью того, что за данной передачей последует другая операция с тем же самым слугой, так что разрыв связки AS/AK. не всегда может составлять часть протокола завершения. Всегда должна быть предоставлена возможность произвести последнюю передачу данных, что требует особого внимания к принудительным передачам. После того, как произведена последняя передача, сигналы таймирования для данных DS и DK должны быть переведены в нейтральное состояние таким способом, который не оказывает влияния на состояние слуги. В случае операций чтения в блочной или принудительной передаче, поскольку решение завершить ее могло быть принято мастером, слуга должен быть переведен в такое состояние, в котором он более не выставляет последнее слово данных, на линии AD.

Когда завершается операция записи в блочной или принудительной передаче, то, прежде чем начинать другую операцию с тем же самым слугой, со стороны мастера не требуются никакие специальные действия, кроме ожидания, пока не будет очищена магистраль.

Мастер, когда завершает принудительную передачу, но операцию не оканчивает, прежде чем продолжать операцию, должен ожидать до тех пор, пока не будет получен ответ DK, соответствующий последнему посланному сигналу DS. Затем, как в случае принудительных, так и в случае блочных передач, мастер должен выполнить следующие действия.

Если завершение происходит, когда DS = 1, мастер должен выдать MS = 0 с опережением на время разброса задержек до выдачи сигнала DS = 0.

Если завершается операция чтения, когда DS = 0, мастер должен либо отсоединить от себя слугу при помощи AS = 0, либо выполнить дополнительный цикл чтения. Если дополнительный цикл чтения выполняется также в режиме блочной или принудительной передачи, тогда он должен сопровождаться последовательностью, описанной в предыдущем абзаце.

Слуга, принимающий участие в блочной или принудительной передаче, выполняющей чтение, непрерывно выставляет сигналы AD и, возможно, на линиях РЕ и РА. Последовательность завершения должна прекратить выставление сигналов слугой на эти линии, и мастер должен быть извещен о том, что это произошло. Когда MSO = 0, сигналы DS (d) и DK (d) не ассоциируются с передачей данных, и формирователи слов AD в слуге выключены. Отметим, что цикл чтения вторичного адреса (MS = 2, RD = 1) не изменяет состояние слуги и, следовательно, может без риска использоваться для очистки магистрали, когда сигнал «строб данных» находится в состоянии DS = 0 в конце блочной или принудительной передачи, выполняющей чтение.

11.2. Увеличение внутреннего адреса при блочной передаче

В блочной передаче, выполняемой по отношению к устройству, которое с каждым передаваемым словом ассоциирует различные адреса, каждый цикл передачи данных в область данных или область управления должен вызывать модификацию указателя внутреннего адреса в слуге в соответствии с табл. VIIIb. Указатель адреса должен всегда показывать на следующее слово, которое необходимо передать, или место, куда нужно передавать.

Если указатель внутреннего адреса в слуге увеличен сверх своего максимального значения, слуга должен ответить на следующий цикл данных, если он происходит, выдачей кода SS = 2. Этот ответ должен продолжать выставляться и в последующих циклах данных до тех пор, пока указатель внутреннего адреса в слуге не будет изменен при помощи вторичного или первичного адресного цикла.

Последовательное применение постувеличения адреса позволяет легко определить количество переданных слов, которое может даже быть равно нулю. Модификация адреса неуместна в случае передач к таким устройствам, как буфера типа ПВПВ и порты ввода/вывода, которые воспринимают много слов данных по одному адресу.

11.3. Устройства типа ПВПВ и ошибки при передаче данных

В конкретных реализациях систем, которые способны обнаружить ошибки, возникающие при передаче данных, мастер либо сам обнаруживает ошибку, либо видит SS = 6 или SS = 7, получаемые от слуги Слуга не имеет информации об ошибках, связанных с передачей сигналов по магистрали во время циклов чтения. Мастер может игнорировать обнаруженную ошибку или просто отметить ее возникновение или, если позволяют аппаратные средства, попытаться исправить ее, посылая требование о том, чтобы данные были переданы еще раз.

Одноадресные устройства, такие как буферы типа ПВПВ или порты ввода/вывода, которые используют один и тот же адрес ФАСТБАС для всех слов из передаваемого блока, требуют применения специальных методов для того, чтобы исправить ошибки, возникающие при передаче данных, если только не сам слуга отвечает на ошибочные данные кодом SS = 6 (данные отклонены). Эти методы включают реализацию буферного регистра для хранения данных до тех пор, пока не будет установлено, что они успешно переданы.

Одноадресные устройства, в которых реализован защитный буферный регистр для того, чтобы позволить исправлять ошибки, должны руководствоваться следующими правилами.

Все циклы чтения данных в составе блочных или принудительных передач должны копировать каждое слово данных по мере того, как оно подается на линии AD в буферный регистр. Циклы чтения данных в режиме произвольного доступа, направленные к тому же адресу ФАСТБАС, что и блочная или принудительная передача, должны получать доступ к этому буферному регистру и не должны оказывать никакого другого воздействия на слугу (см. п. J.5 приложения J).

Отметим, что эти корректирующие циклы должны производиться без помех со стороны других мастеров. Данная схема освобождает от необходимости распределять стандартные адреса для буферных регистров. Состояние линий MS - вместо адреса определяет цель данного цикла. Функциональные возможности в данном случае не поставлены под угрозу, поскольку допускаются однословные блочные и принудительные передачи. Корректировка для принудительных передач в общем невозможна.

ГЛАВА 12. ХАРАКТЕРИСТИКИ СИГНАЛОВ

12.1. Уровни сигналов

Уровней сигналов на контактах разъема крейта-сегмента должны соответствовать промышленным стандартам для конкретного типа используемых логических схем (см. приложение А).

Во всех примерах, приведенных в настоящем документе, предполагается, что система ФАСТБАС реализована на элементах ЭСЛ. Это не исключает, однако, того, что в будущем могут применяться и другие типы элементов. На уровни логических сигналов внутри модулей ограничения не накладываются.

Во всех разъемах, кроме соединителей сегментов и разъемов, устанавливаемых на передней панели (см. приложение В), допускаются любые разрешенные уровни сигналов. Если используются стандартные уровни, вблизи разъемов должны проставляться соответствующие цветные метки.

1. Эмиттерная логика (ЭСЛ), отвечающая промышленному стандарту. Активным сигналам на входах и выходах соответствуют более положительные уровни. Метки коричневого цвета (см. приложение А).

2. Транзисторно-транзисторная логика (ТТЛ), отвечающая промышленному стандарту. Активным сигналом на входах и выходах соответствуют низкие уровни. Метки голубого цвета.

3. Быстрые логические сигналы должны удовлетворять стандарту NIM согласно приведенной ниже таблице. Метки черного цвета - при внутреннем согласовании; метки серого цвета - при внешнем согласовании (см. отчет TID-20893 Комиссии по атомной энергии США (ныне Министерство энергетики США)).

Логическое значение

Выход (ток, отдаваемый в нагрузку), мА*

Вход (ток срабатывания), мА**

1

От -14 до -18

От -12 до -36

0

» -1 » +1

» -4 » +20

* Значение тока, отдаваемого в нагрузку с сопротивлением 50 Ом, должны лежать в указанном диапазоне.

** При любом значении тока из указанного диапазона должно происходить полное срабатывание элемента. Поскольку всегда требуется некоторый запас, пороговые токи триггеров должны быть меньше приведенных, чтобы при этих значениях было гарантировано полное срабатывание.

4. Нестандартные логические сигналы с уровнями ниже 24 В. Метки желтого цвета.

5. Уровни аналоговых сигналов. Метки зеленого цвета (см. отчет TID 26614 Комиссии по атомной энергии США или отчет FUR 5100e Европейского общества по атомной энергии).

ГЛАВА 13. МОДУЛИ

В системе ФАСТБАС модулем именуется любое ФАСТБАС-устройство, содержащее достаточно большое количество объединенных логических схем и допускающее возможность его установки в произвольную позицию некоторого ФАСТБАС-крейта или в другие ФАСТБАС-крейты. Будучи выставлен в ФАСТБАС-крейт, ФАСТБАС-модуль подключается к крейт-сегменту и начинает функционировать в соответствии с ФАСТБАС-протоколом. Мастера, слуги, соединители и другие устройства, которые можно установить в ФАСТБАС-крейты, являются, согласно данному определению, модулями ФАСТБАС, но не предназначенные для установки в ФАСТБАС-крейты, подпадают под более общее определение ФАСТБАС-устройства.

В каждом модуле ФАСТБАС должна иметься, как минимум, одна печатная плата. Допускаются также модули увеличенной ширины, содержащие по несколько печатных плат и стандартным образом подключаемые к задней плате крейта-сегмента; как правило, именно в виде таких модулей конструктивно оформляются сложные контроллеры. Базовая стандартная плата именуется печатной платой модуля (ППМ). В модулях могут стоять и дополнительные платы, которые не подсоединяются к крейт-сегменту; подобные платы называют вспомогательными печатными платами (см. п. 4.2, касающийся географических адресов позиций модулей в ФАСТБАС-крейтах.)

Модули ФАСТБАС должны иметь конструкцию, изображенную на рис. 23, и функционировать в соответствии с ФАСТБАС-протоколом. В случае реализации модуля на схемах ЭСЛ должны быть удовлетворены обязательные требования, перечисленные в п. А.1 приложения А.

В ходе создания системы ФАСТБАС был разработан ряд ее типовых компонентов. Конструкция типовых модулей описана в приложении F. Варианты реализации модуля, крейта, источника питания могут оказаться полезными и при создании других узлов, (см. также приложения Е, G, Н, I).

В п. А.1 содержатся как обязательные требования, так и рекомендации по созданию компонентов систем, реализованных на элементах ЭСЛ. Однако многие из описанных там конструктивных решений носят общий характер и могут послужить основой при использовании другой элементной базы.

13.1. Печатная плата модуля

Печатная плата модуля должна выполняться согласно чертежам, представленным на рис. 24 и 25. На плате устанавливается сегментный разъем модуля, конструкция которого должна отвечать обязательным требованиям, изложенным в п. 13.2.1. Участок платы, отмеченный на рис. 24, должен быть зарезервирован для размещения, в случае необходимости, дополнительного вспомогательного разъема (см. п. 14.2.2).

Примечание. Некоторые изготовленные печатные платы не соответствуют минимальному размеру 14,7 мм, указанному на рис. 24, для ограниченной области на конце платы около разъема, но будут функционировать с сегментными и вспомогательными разъемами, перечисленными в приложении К, и поэтому приемлемы. Печатные платы, изготовленные после 1 января 1988 г., должны полностью соответствовать размерам, указанным на рис. 24.

Рекомендуемая передняя панель может крепиться вдоль переднего торца печатной платы модуля. Рекомендуется, чтобы толщина печатной платы модуля была близка к верхнему пределу допустимого диапазона.

Печатные платы модуля, не имеющие передних панелей, должны быть снабжены креплениями для установки простейших скоб или других подходящих приспособлений, с помощью которых платы можно извлекать из крейтов (см. п. 13.4).

13.1.1. Площадка заземления для разряда статических зарядов

На печатной плате модуля около сегментного разъема (см. рис. 25) должна быть предусмотрена заземленная площадка по крайней мере высотой 5,8 мм и шириной 50,8 мм для обеспечения разряда электростатических зарядов через заземляющий контакт крейта (см. п. 14.7).

Аналогичным образом, для некоторых плат, устанавливаемых с тыльной стороны (см. п. 14.5), может потребоваться, чтобы площадки на рис. 35, обозначенные как «зоны свободные от компонентов», были проводящими поверхностями с потенциалом Земли, хотя в данной спецификации не предусмотрены специальные меры для разряда таких поверхностей.

13.1.2. Ребра жесткости

Ребра жесткости могут потребоваться для печатных плат модуля с целью соответствия требованиям плоскостности (примечание 5 рис. 24), а также для разъемного края платы, чтобы его плоскостность позволяла осуществлять сопряжение разъемов. Рекомендуется, чтобы центральная линия применяемого вертикального ребра жесткости отклонялась не более чем на 90 мм от вертикальной опорной линии платы при предпочтительном расположении на расстоянии 70,0 мм от опорной линии, а винтовые отверстия для монтажа ребер на горизонтальной опорной линии, а также на 180,9 мм выше и 160,4 мм ниже горизонтальной опорной линии.

13.2. Разъемы

Модули снабжаются разъемами двух типов - сегментными разъемами модуля (СРМ) и вспомогательными разъемами модуля (ВРМ).

13.2.1. Сегментный разъем

Сегментный разъем состоит из двух частей - сегментного разъема модуля и входящих в него штырьков крейта-сегмента. Через сегментный разъем осуществляются необходимые логические связи и подводится питание от крейт-сегмента к модулям.

Разъем модуля имеет полукруглые направляющие канавки на верхних и нижних частях блоков, как показано на рис. 20. Эти канавки скользят по соответствующим полуцилиндрам на сегменте для центровки контактных гнезд модуля с контактными штырьками сегмента до осуществления контакта (см. рис. 32 и п. 14.2.3).

Сегментный разъем модуля должен представлять собой двухрядный разъем со 130 контактами, назначение которых описано в приведенной ниже таблице, и должен удовлетворять перечисленным ниже требованиям. Разъем устанавливается на печатной плате модуля в соответствии с рис. 24 и 25.

1. Разъем должен иметь контактные гнезда и обеспечивать сопряжение с разъемом крейт-сегмента (см. п. 14.2.1).

2. Разъем должен быть выполнен согласно рис. 26.

3. Контактные гнезда, заформованные в корпусе разъема (см. рис. 23), должны сопрягаться с контактными штырьками, впаянными в печатную плату модуля (рис. 24 и 25).

4. Контактные гнезда должны быть покрыты изнутри по всей контактной поверхности слоем золота минимальной толщиной 0,76 мкм.

5. Каждый контакт должен обеспечивать длительную непрерывную работу с токами до 3,0 А.

6. Разъем должен быть таким, чтобы был невозможен контакт вставляемого в гнездо штырька ни с каким другим контактом гнезда, независимо от длины штырька.

Назначения контактов должны соответствовать табл. XX.

Токи, проходящие через любые контакты, не должны превышать 3,0 А для контактов, соединенных с подводящими и отводящими линиями питания, и не должны превышать 100 мА - для контактов, соединенных с другими линиями.

Электрический ток, проходящий через штырек чистого заземления, следует минимизировать (см. п. 14.2.1).

13.2.2. Вспомогательный разъем модуля

Дополнительные многоконтактные разъемы, устанавливаемые на печатных платах модуля в специально зарезервированном для этого месте, отмеченном на рис. 24, должны служить в качестве вспомогательных разъемов модуля (ВРМ), отвечающих перечисленным ниже требованиям, и располагаться, как показано на рис. 24 и 25.

1. Разъем должен иметь контактные гнезда и должен обеспечивать сопряжение со вспомогательным разъемом крейта (см. п. 14.2.2).

2. Двухрядные ВРМ должны быть выполнены согласно рис. 26. В однорядных разъемах старший ряд гнезд отсутствует. Трехрядные разъемы должны быть выполнены согласно рис. 27.

3. Контактные гнезда, заформованные в корпусе разъема (см. рис. 26 и 27), должны сопрягаться с контактными штырьками, впаянными в печатную плату модуля.

4. Контактные гнезда должны быть покрыты изнутри по всей контактной поверхности слоем золота минимальной толщины 0,76 мкм.

5. Каждый контакт должен обеспечивать длительную непрерывную работу с токами до 3,0 А.

6. Для двухрядных ВРМ должен быть таким, чтобы вставляемый в гнездо штырек не мог вступать в электрический контакт ни с каким другим контактом гнезда, независимо от длины штырьков. Это должно выполняться также и в случае трехрядных вспомогательных разъемов модуля, если длина штырьков верхнего ряда соответствует техническим требованиям (примечание 2 к рис. 20), а длина ни одного из штырьков нижнего ряда не превышает длину штырьков верхнего ряда более чем на 0,8 мм.

Токи, проходящие через любые контакты, соединенные с подводящими и отводящими линиями питания, и не должны превышать 100 мА для контактов, соединенных с другими линиями.

* Рекомендуемый размер.

** Печатная плата должна иметь такую длину, если передняя панель в ней предусмотрена.

*** Максимальная длина боковой и нижней дополнительных панелей.

*4 Высота печатной платы.

*5 Максимальная длина выводов, отмеряемая от базовой плоскости, расположенной на расстоянии 4,75 мм от правого края конструкции (см. дет. В).

*6 Максимальная высота элементов или базовой панели, отсчитываемая от базовой плоскости, при N = 1 (см. примечание 6).

*7 Для N = 1 (см. примечание 7).

*8 Для N = 1.

Толщина модуля, ед. N

Ширина передней панели Р

Максимальная толщина узлов, расположенных за передней панелью W

1

16,0

15,0

2

32,5

31,5

3

49,0

48,0

4

65,5

64,5

5

82,0

81,0

6

98,5

97,5

Р = 16,0 + 16,5 (N - 1) мм;

W = P - 1,0 мм.

1 - центральная линия (рекомендуемая); 2 - дополнительная боковая панель; 3 - передняя панель (см. рис. 29); 4 - базовая вертикаль (см. рис. 25); 5 - печатная плата (ср. с рис. 24); 6 - винты (2 шт.) которыми крепится передняя панель и за которые извлекается печатная плата (см. дет. С); 7 - базовая плоскость печатной платы модуля; 8 - корпус интегральной схемы; 9 - дополнительная панель (с этой стороны проводящий слой отсутствует).

Рис. 23. Общий вид модуля

Примечания:

1. Допуски (если не указаны специально) равны ±0,25. Все размеры даны в мм.

2. Размер W учитывает высоту элементов или дополнительной базовой панели (см. деталь А).

3. Интенсивность воздушного потока, проходящего от нижней части модуля к верхней, не должна ослабляться более чем на 50 %.

4. Рекомендуемый диаметр вентиляционных отверстий на дополнительных панелях, устанавливаемых в нижней или верхней части модуля, составляет 5 мм. Количество отверстий необходимо выбирать таким образом, чтобы соблюдались требования к обдуву (см. примечание 3).

5. В модулях, содержащих несколько печатных плат модуля (ППМ), расстояния между базовыми плоскостями ППМ должны быть кратны 16,5. На зазоры между базовыми плоскостями как любых двух ППМ, так и всего набора ППМ установлен единый допуск ±0,25 мм.

6. Для некоторых типов крейтов с водяным охлаждением (см. поз. b на рис. О2 приложения О) высота элементов ограничена величиной 8,25 мм.

7. Для модулей с несколькими платами величина 4,75 мм может быть увеличена, наращиваясь квантами по 16,5 мм, при условии, что обозначения на передней панели четко определяют соответствие между позицией модуля и географическим адресом.

* Справочным размер.

** Типовой размер.

*** При наличии передней панели (максимальный размер).

*4 Если передняя панель не предусмотрена.

*5 Центральную скобу крепления следует устанавливать настолько близко к центру платы, насколько это практически возможно.

1 - полосы шириной 5,8 мм, должны быть либо соединены с земляной шиной питания цифровой, либо лишены проводящего слоя; 2 - вне пунктирных линий (см. также примечание 6) не должно быть ни элементов, ни электрических проводников (за исключением соединенных с земляной шиной); 3 - базовая вертикаль (см. рис. 25); 4 - место, зарезервированное для установки дополнительного вспомогательного разъема (см. рис. 25); 5 - базовая плоскость (проходит по центру, см. рис. 25); 6 - место, зарезервированное для установки сегментного разъема модуля (см. рис. 25); 7 - вертикальное ребро жесткости (рекомендуется, см. примечание 5); 8 - горизонтальное ребро жесткости (если предусмотрено, см. примечание 5); 9 - участки, зарезервированные под установку скоб крепления рекомендованной конструкции

Рис. 24. Общий вид печатной платы модуля

Примечания:

1. В полосе шириной 5,8 мм, идущей по всей длине платы вдоль верхней и нижней частей, а также в задней ее части между разъемами (согласно рис. 13.1б) толщина платы после металлизации, лужения и т.д. должна быть равна (2,36 ± 0,18) мм. При меньшей толщине платы следует использовать накладки, как показано на рис. 25.

2. Элементы и разъемы обычно устанавливают на противоположной стороне платы.

3. Все острые кромки на плате должны быть округлены.

4. Все размеры даны в миллиметрах. Допуски, если специально не указаны, равны ±0,25 мм.

5. Отклонения от плоскости по горизонтали и вертикали не должны превышать 1,0 мм.

6. Задний торец платы не должен быть проводящим, поскольку он может касаться поверхности задней панели.

На рис. 25 показано расположение отверстий на печатной плате модуля для разъема максимального размера, насчитывающего 195 контактов. Если такого количества контактов не требуется, можно использовать разъемы меньшего размера (например, двухрядный разъем с 65 вертикальными позициями, имеющий всего 130 контактов, или разъем, в котором не все 65 вертикальных позиций задействованы). Двухрядные 130-контактные сегментные разъемы модуля, рассмотренные в п. 13.2.1, должны удовлетворять всем требованиям, предъявляемым к разъемам этого типа. Частичный перечень разъемов, которые по мнению изготовителя соответствуют предъявляемым к трехрядным ВРМ, дан в п. К.1.1 приложения К.

* Расстояние между крайними парами контактов (справочный размер), см. примечание 5.

** После металлизации (типовой вариант - 195 отв.)

*** Справочный размер.

**4 Типовой вариант - 54 промежутка (см. примечание 5).

**5 После металлизации всех 130 отверстий.

1 - пара контактов № (см. примечание 8); 2 - место, зарезервированное для установки дополнительного вспомогательного разъема (разъемов), см. примечания 2, 3, 6 и дет. В; 3 - печатная плата модуля (см. примечания 1, 2, 7); 4 - пара контактов № 65 (см. примечание 9); 5 - базовая горизонталь; 6 - место, зарезервированное для установки дополнительного вспомогательного разъема модуля (см. примечание 2 и дет. А); 7 - вне пунктирных линий (см. также рис. 24, примечание 6) не должно быть ни элементов, ни электрических проводников (за исключением соединенных с земляной шиной); 8 - контакты № 65 (см. примечание 9); 9 - задний торец; 10 - базовая вертикаль z; 11 - базовая вертикаль х; 12 - отверстие под штырек; 13 - базовая горизонталь; 14 - дополнительный вспомогательный разъем модуля (см. примечание 6); 15 - сегментный разъем модуля

Рис. 25. Некоторые детали конструкции печатной платы модуля

Примечания:

1. Все размеры даны в миллиметрах. Допуски, если специально не указаны, равны ±0,25 мм.

2. Разъемы устанавливают на противоположной стороне платы.

3. Расположение отверстий в дополнительном разъеме приведено для вспомогательного разъема модуля (ВРМ).

4. t = (2,36 ± 0,2) мм.

5. Суммарный допуск на расстояния между любыми двумя наборами отверстий для сегментного и вспомогательного разъемов модуля или между любым набором отверстий для сегментного разъема и любым набором для вспомогательного разъема не должен превосходить ±0,13 мм.

6. Трехрядный вспомогательный разъем показан в иллюстративных целях (см. рис. 27).

7. Плата должна быть симметрична относительно горизонтальной оси, проходящей посередине между сегментным и вспомогательным разъемами модуля.

8. На расстоянии (2,92 ± 0,8) мм выше пары контактов и ниже последней пары контактов расположено по отверстию диаметром 3,20 мм.

9. Нумерация контактов должна соответствовать рис. 28.

* Полный ток через контакт, когда штырек вставлен на эту глубину или дальше. А = (1,75 ± 0,8) мм; D = (3,66 ± 0,8) мм; G = (2,92 ± 0,25) мм; Х = (2,54 ± 0,5) мм; Y = (4,55 ± 0,13) мм.

Рис. 26. Информация о размерах сегментного разъема модуля и двухрядного вспомогательного разъема модуля

Если питание на вспомогательный разъем подается из модуля, то рекомендуется, чтобы назначения контактов 1, 32, 33, 34 и 65 в рядах А, В и С были такими, как показано в табл. ХХIIb.

А = (1,75 ± 0,8) мм; D = (3,66 ± 0,8) мм; G = 2,67 мм минимальный размер, G = 3,94 мм максимальный размер; Х = (2,54 ± 0,5) мм; У = (4,55 ± 0,13) мм.

* Примечание. Полный ток через контакт, когда штырек вставлен на эту глубину или дальше.

Рис. 27. Информация о размерах трехрядного вспомогательного разъема модуля

Таблица XX

Назначение контактов сегментного разъема (см. также п. 14.2.1)

Обозначения контактов приведены в том порядке, в котором они видны со стороны передней части модуля или крейта

Номер

Мнемоника

Функция

Номер

Мнемоника

Функция

В01

0 В

Нуль питания

А01

0 В

Нуль питания

В02

+28 В

Шина +28 В

А02

AL00

Уровень арбитража 0

В03

+28 В

Шина +28 В

А03

AL01

Уровень арбитража 1

В04

+15 В

Шина +15 В

А04

AL02

Уровень арбитража 2

B05

-15 В

Шина -15 В

А05

0 В

Нуль питания

В06

0 В

Чистая земля

А06

AL03

Уровень арбитража 3

В07

-5,2 В

Шина -5,2 В

А07

AL04

Уровень арбитража 4

В08

-5,2 В

Шина -5,2 В

А08

AL05

Уровень арбитража 5

В09

-5,2 В

Шипа -5,2 В

А09

AR

Запрос на арбитраж

B10

AG

Разрешение на арбитраж

А10

0 В

Нуль питания

B11

А1

Запрет запроса на арбитраж

А11

GK

Подтверждение приема разрешения на арбитраж

В12

SS0

Статус слуги 0

А12

DK

Подтверждение приема данных

В13

-2,0 В

Шина -2,0 В

А13

АК

Подтверждение приема адреса

В14

+5,0 В

Шина -2,0 В

А14

WT

Ожидание

В15

+5,0 В

Шина +5,0

А15

0 В

Нуль питания

В16

SS1

Статус слуги 1

А16

AS

Строб адреса

В17

SS2

Статус слуги 2

А17

OS

Строб данных

В18

RD

Линия чтения

А18

MS0

Выбор режима передачи 0

В19

MS2

Выбор режима передачи 2

А19

MS1

Выбор режима передачи 1

В20

B20R

Зарезервирован

А20

с в

Нуль питания

В21

EG

Разрешение географической адресации

А21

AD00

Адрес/данные, МР

В22

+5,0 В

Шина +5,0 В

А22

AD01

Адрес/данные

В23

SR

Запрос на обслуживание

А23

ad02

Адрес/данные

В24

RB

Сброс магистрали

А24

AD03

Адрес/данные

В25

ВН

Останов магистрали

А25

0 В

Нуль питания

В26

B26R

Зарезервирован

А26

AD04

Адрес/данные

В27

GA00

Географический адрес 0

А27

AD05

Адрес/данные

В28

GA01

Географический адрес 1

А28

AD06

Адрес/данные

В29

GA02

Географический адрес 2

А29

AD07

Адрес/данные

В30

GA03

Географический адрес 3

А30

0 В

Нуль питания

В31

GA04

Географический адрес 4

А31

AD08

Адрес/данные

В32

-20 В

Шина -2,0 В

А32

AD09

Адрес/данные

В33

DLA*

Выход цепной связи А налево

А33

AD10

Адрес/данные

В34

DRA*

Вход цепной связи А справа

А34

AD11

Адрес/данные

В35

DLB*

Вход цепной связи В слева

А35

0 В

Нуль питания

В36

DRB*

Выход цепной связи В направо

А36

AD12

Адрес/данные

Б37

DAR

Обратный провод цепной связи

A37

AD13

Адрес/данные

В38

DBR

Обратный провод цепной связи

А38

ADM

Адрес/данные

В39

B39R

Зарезервирован

А39

AD14

Адрес/данные

В40

FPO

Свободный штырек (не связанный с магистралью)

А40

0 В

Нуль питания

В41

FP1

Свободный штырек (не связанный с магистралью)

А41

ТР

Штырек выдачи запроса

В42

-5,2 В

Шина питания -5,2 В

А42

A42R

Зарезервирован

В43

FP2

Свободный штырек (не связанный с магистралью)

А43

РЕ

Разрешение контроля по четности :

В44

FP3

Свободный штырек (не связанный с магистралью)

А44

РА

Четность

В45

B45R

Зарезервирован

А45

0 В

Нуль питания

В46

TR0

Согласованная линия ограниченного применения

А46

AD16

Адрес/данные

В47

TR1

Согласованная линия ограниченного применении

А47

AD17

Адрес/данные

В48

TR2

Согласованная линия ограниченного применения

А48

AD18

Адрес/данные

В49

TR3

Согласованная линия ограниченного применения

А49

AD19

Адрес/данные

В50

TR4

Согласованная линия ограниченного применения

А50

0 В

Нуль питания

В51

TR5

Согласованная линия ограниченного применения

А51

AD20

Адрес/данные

В52

+ 5,0 В

Согласованная линия ограниченного применения

А52

AD21

Адрес/данные

В53

TR6

Согласованная линия ограниченного применения

А53

AD22

Адрес/данные

В54

TR7

Согласованная линия ограниченного применения

А54

АО 23

Адрес/данные

В55

UR0

Несогласованная линия ограниченного применения

А55

0 В

Нуль питания

В56

UR1

Несогласованная линия ограниченного применения

А56

АО 24

Адрес/данные

В57

тх

Передающая последовательная линия

А57

AD25

Адрес/данные

В58

RX

Приемная последовательная линия

А58

AD26

Адрес/данные

В59

-5,2 В

Шина -5,2 В

А59

AD27

Адрес/данные

В60

-5,2 В

Шина -5,2 В

А60

0 В

Нуль питания

В61

-5,2 В

Шина -5,2, В

А61

AD28

Адрес/данные

В62

-2 В

Шина -2 В

А62

AD29

Адрес/данные

В63

+5,0 В

Шина +5,0 В

А63

AD30

Адрес/данные

В64

+5,0 В

Шина +5,0 В

А64

AD31

Адрес/данные, СР

В65

0 В

Нуль питания

А65

0 В

Нуль питания

* Модули, вставляемые спереди, должны закорачивать DLA на DRA и DLB на DRB, если указанные линии не используются.

13.2.3. Разъемы других типов

В качестве коаксиальных разъемов рекомендуется применять модели серии SMB, отвечающие Публикации МЭК 169-10. Рекомендации относительно разъемов, устанавливаемых на передней панели, даны в приложении В.

13.2.4. Обозначения контактов сегментного и вспомогательного разъемов

Контакты сегментного разъема модуля и вспомогательного разъема модуля, а также соответствующие «отпечатки» контактов указанных разъемов на печатной плате модуля (см. п. 13.1 и рис. 25) должны быть обозначены, как показано на рис. 28.

13.3. Рабочие температуры и рассеяние тепла

Модули системы ФАСТБАС должны работать в температурных режимах, которые обеспечивали бы их надежное и длительное функционирование без проведения ремонтных операций. Поэтому особое внимание следует уделять расчету тепловыделения и распределения температур, а также проектированию охлаждающих, систем.

13.3.1. Температурные режимы микросхем и модулей

1 - вспомогательный разъем; 2 - сегментный разъем

Рис. 28. Назначение контактов сегментного и вспомогательного разъемов и соответствующие печатные площадки для пайки на плате модуля

Устройства, входящие в систему ФАСТБАС, должны отвечать следующим требованиям.

1. Температуры корпусов применяемых интегральных схем не должны превышать 85 °С.

2. Разница в температурах корпусов у непосредственно соединенных друг с другом интегральных схем не должна превосходить пределов, приведенных в приложении А.

3. Для модулей с воздушным охлаждением температура воздушного потока в любой зоне модуля не должна превышать 60 °С, а разница в температурах охлаждающего воздуха, замеренных в любых двух точках модуля, должна составлять не более 20 °С. Соблюдение этих температурных требований, а также требований к температурам корпусов, указанных выше в пп. 1 и 2, должно обеспечиваться при пропускании через модуль направленного потока воздуха, имеющего скорость 2,0 м/с.

4. Все замеры температур воздуха должны производиться на модуле, вставленном в ФАСТБАС-крейт. По обеим сторонам испытываемого модуля должны стоять модули, излучающие такое же количество тепла, что и указанный модуль. Температурные измерения необходимо выполнять в потоках воздуха, проходящих вдоль обеих сторон испытываемого модуля.

13.3.2. Энергорассеяние

Интенсивность выделения энергии модулем не должна превышать N ×75 Вт, где N - число позиций, занимаемых модулем в крейте. Исключение составляют только модули, предназначенные для работы в качестве модулей повышенной мощности и снабженные соответствующей маркировкой.

13.3.3. Охлаждение

Охлаждение модулей может осуществляться различными способами (см. примеры, приведенные в приложениях G и Н). Модули, не имеющие специальных средств теплопередачи, должны охлаждаться воздухом. Модуль, снабженный специальной холодной пластиной, может также охлаждаться проточной водой (см. также приложение F).

13.4. Передняя панель

Рекомендуется, чтобы каждый модуль системы ФАСТБАС оснащался передней панелью типа изображенной на рис. 29. Кроме того, рекомендуется крепить указанную панель в нескольких точках (желательно не менее чем в трех), чтобы деформации печатной платы не превышали допустимых отклонений от плоскости.

Винты, которыми крепится передняя панель, должны соответствовать рис. 23 и иметь форму, позволяющую кренить к ним простейшие скобы и другие приспособления, используемые для извлечения модулей из крейтов.

* Справочный размер для N = 1 (см. рис. 23).

** Высота платы.

*** Высота панели.

*4 См. примечание 3.

1 - вспомогательный разъем модуля; 2 - сегментный разъем модуля; 3 - базовая плоскость платы модуля

Примечания:

1. Размеры в миллиметрах, допуск ±0,25 мм.

2. Номинальная толщина панели 3,2 мм.

3. Передняя поверхность панели над этой высотой должна быть чистой.

Рис. 29. Передняя панель на печатной плате модуля

13.5. Индикаторы режимов работы модуля

Всякий раз, когда устройство начинает действовать в качестве присоединенного слуги в данном сегменте, в верхней части модуля должен загораться светодиод желтого цвета, видимый спереди и запускаемый одновибратором*.

* На выводе одновибратора должен появиться единичный сигнал определенной минимальной продолжительности (выбранной так, чтобы его можно было уловить глазом), когда на его вход поступает короткий импульс, а при подаче длительного входного сигнала на выходе должен быть постоянный единичный сигнал.

Световод зеленого цвета, установленный непосредственно под желтым светодиодом, должен зажигаться от одновибратора каждый раз, когда устройство начинает действовать в качестве мастера в данном сегменте.

13.6. Обозначения используемых источников питания

На всех модулях (желательно на передних панелях) должны быть четкие и постоянные обозначения номинальных величин напряжений и токов.

13.7. Переходные процессы

Пользователям следует остерегаться переходных процессов, возникающих на сигнальных и силовых линиях при подаче питания на устройства.

ГЛАВА 14. КРЕЙТЫ

ФАСТБАС-мрейт (или просто крейт) используется как корпус, в котором размещается набор ФАСТБАС-модулей.

Конструкция ФАСТБАС-крейта должна обеспечивать установку ФАСТБАС-модулей, выполненных согласно описаниям, приведенным в главе 13. В крейте должна быть предусмотрена задняя плата, которая служит крейт-сегментом, объединяющим модули, вставленные в данный крейт. Сегмент должен быть рассчитан на передачу цифровых сигналов в подсоединенные к нему через сегментный разъем модули и обратно в соответствии с ФАСТБАС-протоколом. Кроме того, через сегментный разъем должен обеспечиваться подвод питания к модулям.

14.1. Конструкция крейта

Примеры реализации крейтов приведены в приложении G и Н.

14.2. Задняя плата крейта

Задняя плата крейта, как правило, печатная и многослойная, устанавливается с тыльной стороны крейта и образует крейт-сегмент, сопрягаемый с сегментными разъемами модулей. В узел задней платы входят также сегментные разъемы крейта и соответствующие проводники для передачи логических сигналов и подвода питания, дополнительно устанавливаемые вспомогательные разъемы крейта, а также направляющие разъемов (см. рис. 30 - 32).

Частичный перечень типов контактных штырьков и разъемов, отвечающих по заявлениям производителей требованиям, предъявляемым к сегментным и вспомогательным разъемам крейта, приведен в п. К.1.2 приложения К.

Характеристическое полное сопротивление сигнальных линий на задней плате, при вставленных штырьках, должно быть не менее 55 Ом.

Существующие варианты задних плат при наличии нагрузки, т.е. при подключенных модулях, имеют полное сопротивление заметно меньше 50 Ом. В настоящее время ведутся работы по внедрению в производство плат, обладающих в нагруженном состоянии полным сопротивлением, приблизительно равным 50 Ом.

14.2.1. Сегментный разъем крейта и примыкающий монтаж

Каждая позиция (посадочное гнездо) модуля в крейте должна быть снабжена сегментным разъемом крейта, состоящим из 130 контактных штырьков, который должен сопрягаться с разъемом печатной платы модуля, изображенной на рис. 24 и 25. Ни одна из деталей сборки разъема крейта-сегмента, когда достигнуто полное сопряжение с сегментным разъемом модуля, укрепленным на плате модуля, не должна простираться в ту зону на плате модуля, где не допускается расположение деталей или проводников (за исключением заземленных), как показано на рис. 24 или 25.

Контактные штырьки сегментного разъема крейта должны быть сквозного типа и соответствовать рис. 30; они должны заходить одним концом в гнезда сегментного разъема модуля (СРМ), как описано в п. 13.2.1, а другим концом (задним) - в гнезда внешних разъемов, имеющих ту же конфигурацию гнезд, что и гнезда СРМ. Задние концы штырьков должны также обеспечивать подсоединения проводов накруткой. Поверхность штырьков должна быть покрыта слоем золота минимальной толщиной 0,76 мкм в зоне контакта с гнездами разъема и 0,38 мкм - в зоне накрутки проводов. Детали конструкции штырьков приведены на рис. 30, а их расположение - на рис. 31.

Каждый штырек должен обеспечивать длительную непрерывную работу с токами до 3,0 А, проходящими через его передний контакт, и одновременно с токами до 3,0 А, проходящими через его задний контакт.

Назначения штырьков сегментного разъема крейта должны соответствовать табл. XX.

Все штырьки сегментного разъема крейта, за исключением штырьков В06, В27, В28, В29, В30, В31, В33, В34, В35, В36, В40, В41, В43 и В44, должны быть подсоединены к линиям магистрали.

Штырьки, заформованные в задней панели

Штырьки, заформованные в корпусе разъема

Остальные размеры те же, что и слева

D = 8,13 мм (см. примеч. 2);

L = 12,19 мм (типовой размер) или 17,27 мм.

1 - скошенный край; 2 - корпус разъема; 3 - задняя панель

Примечания:

1. Все размеры даны в миллиметрах.

2. Изолирующий кожух из соответствующего материала (или покрытие другого типа), ограничивающий длину свободного конца штырька размером D.

3. Задний конец штырька, используемый для подсоединения проводов накруткой, подключения к устанавливаемым на тыльной стороне задней панели платам и т.д.

Рис. 30. Конструкция штырьков задней панели

Штырьки географической адресации GA (В27, В28, В29, В30 и В31) должны быть запаяны на задней панели крейта согласно рис. 34.

Штырек В06 (см. табл. XX) в каждой позиции модуля должен использоваться для подключения к опорной земле аналоговых сигналов и должен быть изолирован от нулевой линии питания дискретных микросхем. С целью избежания наводок в замкнутых контурах, каждый из этих штырьков должен иметь радиальные связи с одной из двух точек на задней плате крейта, расположенных на своей половине платы (см. п. 14.2.4).

Соединения цепных связей на задней панели (штырьки В33, В34, В35 и В36) должны быть запаяны, как показано на рис. 33 (вид со стороны лицевой части крейта).

В каждой позиции модуля на задней панели штырек Т должен быть соединен с линией AD той позиции, номер которой соответствует географическому адресу данного посадочного гнезда модуля.

Х = (2,54 ± 0,007) мм (допуски не суммируются);

Y = (18,81 ± 0,12) мм (допуски не суммируются);

Y - расстояние между направляющими печатных плат в крейте.

Примечания:

1. 130 штырьков, 64 равных промежутка (2,54±0,07) мм.

2. Расстояние между верхними и нижним штырьками (справочный размер) равно 162,56 мм. 195 штырьков, 64 равных промежутка (2,54 ± 0,07) мм (см. примечание 3). Расстояние между верхним и нижним штырьками (справочный размер) равно 162,56 мм.

3. Суммарный допуск на расстояния между любыми двумя наборами отверстий для сегментного и вспомогательного разъемов или между любым набором отверстий для сегментного разъема и любым набором для вспомогательного разъема не должен превышать ±0,13 мм.

4. Расположение контактов соответствует виду спереди на заднюю панель.

5. Обозначения контактов приведены на рис. 28.

Рис. 31. Расположение штырьков на задней панели крейтов

1 - направляющий паз платы; 2 - штырьки на задней панели крейта; 3 - вспомогательный разъем модуля; 4 - «посадочные» скосы для точной установки платы в горизонтальной плоскости; 5 - печатная плата модуля; 6 - 130 контактный сегментный разъем модуля; 7 - направляющие стержни, устанавливаемые отдельно от корпуса разъема (типовой вариант); 8 - направляющие стержни в комплекте с корпусом разъема (конструкции верхней и нижней частей одинаковы)

Рис. 32. Направляющие разъемов

Рис. 33. Соединения цепных связей (вид с лицевой стороны крейта)

* Номер позиции = Σ [N × соответствующее логическое состояние (0 или 1)].

1 - логическая «1» (см. пп. 7.2 и 7.6); 2 - логический «0» (см. пп. 7.2 и 7.6)

Рис. 34. Соединения штырьков на задней панели, определяющие географические адреса (вид со стороны передней части крейта)

Чистая Земля (0 В×А), штырек В06 является общим эталоном напряжения во всем крейте или, по возможности, в множестве крейтов. Разработчикам модуля и системы следует минимизировать ток в этой линии. Следует использовать отдельные кабели для соединения каждой из двух соединительных точек В06 (0 В×А) на задней плате с точкой общего заземления.

14.2.2. Вспомогательный разъем крейта

Вспомогательные разъемы крейта (ВРК) устанавливаются на задней плате крейта по требованию пользователя. Ни одна из деталей сборки ВРК, когда достигнуто полное согласование с ВРМ, укрепленным на плате модуля, не должна простираться в ту зону

на плате модуля, где не допускается расположение деталей или проводников (за исключением заземленных), как показано на рис. 24 или 25. Конструкция крейта должна быть такой, чтобы часть задней платы, на которой размещается или которая сама образует ВРК, могла сниматься или ставиться пользователем. Крейты, в которых ВРК отсутствуют, должны обеспечивать свободный доступ с тыльной стороны крейта к задней части печатных плат модуля выше установленных на них сегментных разъемов модуля. Перечисленные ниже требования подлежат выполнению в тех случаях, когда крейты оснащаются ВРК.

1. Каждый ВРК должен состоять из 195 контактных штырьков, входящих в гнезда ВРМ, как указано в п. 13.2.2, и обеспечивать сопряжение с узлом печатной платы модуля, изображенным на рис. 24 или 25. Расположение штырьков должно соответствовать рис. 31.

2. Контактные штырьки ВРК должны быть сквозного типа и соответствовать рис. 30, они должны заходить одним концом в гнезда ВРМ, а другим концом (задним) - в гнезда внешних разъемов, имеющих то же сечение, что и гнезда ВРМ. Задние концы штырьков должны также обеспечивать подсоединение проводов накруткой. Поверхность штырьков должна быть покрыта слоем золота минимальной толщиной 0,76 мкм в зоне контакта c гнездами разъема и минимальной толщиной 0,38 мкм - в зоне накрутки проводов.

Детали конструкции штырьков приведены на рис. 30 (см. также п. 13.2.2).

3. Каждый штырек должен обеспечивать длительную непрерывную работу с токами до 3,0 А, проходящими через его передний контакт, и одновременно с токами до 3,0 А, проходящими через его задний контакт.

4. Контактные штырьки вспомогательного разъема крейта не должны подсоединяться к каким-либо шинам.

14.2.3. Направляющие разъемов

Сопряжение разъемов модуля с контактами задней платы должно быть облегчено за счет установки направляющих. Направляющие разъемов должны фиксировать положение корпусов разъемов в горизонтальной и вертикальной плоскостях так, чтобы штырьки совмещались с гнездами до того, как они войдут в гнезда. Направляющие должны обеспечивать прием и фиксацию узла, объединяющего печатную плату и разъем, для всех типов разъемов, перечисленных в пп. 13.2.1 и 13.2.2.

Направляющие разъема могут либо составлять часть корпуса разъема, либо устанавливаться отдельно, как показано на рис. 32.

14.2.4. Требования к проводникам на задней плате

На задней плате крейта должны быть проложены шины заземления, а также подводящие и отводящие шины питания (выполненные в виде плоских проводников), с которыми соединяются штырьки питания крейта-сегмента. Шины источников питания напряжением +5,0; -5,2 и -2 В должны пропускать токи 300, 300 и 200 А соответственно.

Шины источников +15, -15 В и две шины источника 28 В должны иметь разрывы в середине задней платы, каждая половина любой из указанных шин должна пропускать ток 25 А. Разница напряжений в различных точках задней платы, замеряемая на разъемах крейта-сегмента, не должна превышать 30 мВ для любой из шин питания и 10 мВ - для отводящей линии 0 В при любых условиях работы шин в пределах допустимых значений токов (см. также разд. 15).

Радиальные линии задней платы к штырькам В06 (п. 14.2.1) должны выдерживать непрерывный ток 3 А.

Все остальные линии задней платы должны обеспечивать длительную непрерывную работу при токах до 500 мА.

14.2.5. Другие элементы задней платы

Удлиненные задние концы, штырьков сегментного и вспомогательного разъемов крейта, выходящие наружу из задней платы (рис. 30), могут использоваться для подключения кабельных разъемов или устанавливаемых на тыльной стороне платы печатных плат (см. п. 14.5).

14.3. Охлаждение

Средства охлаждения должны обеспечивать поддержание температурных режимов всех модулей, установленных в крейте, согласно требованиям, изложенным в п. 13.3.1.

Крейты, предназначенные для размещения модулей с воздушным охлаждением, должны быть сконструированы таким образом, чтобы они оказывали минимальное сопротивление движению потока воздуха. В любом горизонтальном сечении крейта подобного типа по меньшей морс 60 % площади полосы шириной минимум 360 мм, начинающейся отступя на 19 мм от задней платы, должно быть свободно для прохождения воздуха. (В пределах этой относительно незанятой зоны допустимо присутствие только таких препятствий, как направляющие печатных плат, которые должны выступать над задней панелью не менее чем на 100 мм, и сами направляющие и контакты для отвода статического заряда с платы модуля (см. п. 14.7).

Скорость воздушного потока в крейте, не во всех позициях которого установлены модули, обычно оказывается большей в незанятых позициях. Если не принимать мер к устранению подобных неравномерностей в интенсивности обдува, это может привести к недостаточному охлаждению некоторых модулей. Сказанное относится также к модулям с неравномерным распределением элементов, многоплатным модулям и модулям без передних панелей.

14.4. Блок переключения работа/останов

В крейте должен быть предусмотрен блок переключения режимов работа/останов, предназначенный для управления логической схемой работа/останов согласно определениям в п. 7.4.

Этот блок состоит из кнопочного однополюсного переключателя на два положения, соединенного с однорядным четырехпозиционным разъемом, имеющим шаг 2,54 мм. Ниже указаны соединения штырьков разъема с контактами переключателя, соответствующие положению «останов»:

штырек 1 - нормально разомкнутый;

штырек 2 - нормально замкнутый;

штырек 3 - ключ;

штырек 4 - общий.

Используемый четырехпозиционный разъем должен иметь контактные гнезда и обеспечивать сопряжение с разъемом управляющей логической схемы работа/останов, описанным в п. 7.6 (см. рис. 43, примечание 3).

14.5. Печатные платы, устанавливаемые с тыльной стороны задней платы

Удлиненные задние концы штырьков сегментного и вспомогательного разъемов крейта (см. рис. 30 или 32) могут использоваться для подключения кабельных разъемов или разъемов, монтируемых на печатных платах. В частности, с тыльной стороны задней платы могут устанавливаться согласователи или печатные платы со вспомогательной логикой, которые подсоединяются к выходящим из задней платы штырькам сегментных разъемов крейта (см. п. 7.6). Рекомендуется, чтобы платы, монтируемые с тыльной стороны задней платы, имели конструкцию, изображенную на рис. 35, а в крейтах были предусмотрены приспособления для установки, по желанию, направляющих, в которые должны входить верхние и нижние торцы печатных плат, отвечающих рис. 35 (см. также п. G3 приложения G). Указанными крепежными приспособлениями смогут быть оснащены все позиции модулей напротив вспомогательных разъемов, а также по паре крайних позиций (т.е. позиции 0, 1, 24 и 25 в 26-позиционном крейте) напротив соответствующих сегментных разъемов. Минимальная высота направляющих должна составлять 63 мм.

Направляющие устанавливаемых с тыльной стороны печатных плат, либо сами, либо в сочетании с другими фиксирующими приспособлениями, должны обеспечивать точное сопряжение разъемов указанных печатных плат со штырьками, выходящими из задней платы.

* См. примечание 1.

1 - горизонтальный ряд контактов № 1 (см. примечание 2); 2 - разъем типа аналогичного указанному в пп. 13.2.1 и 13.2.2; 3 - отпечаток 2-го ряда контактов разъема платы; 4 - зона, свободная от электронных компонентов; 5 - горизонтальный ряд контактов 65 (см. примечание 2)

Примечания:

1. Указанные размеры относятся к ординарным печатным платам.

2. С целью соблюдения функционального соответствия с контактами крейт-сегмента назначения контактов вертикальных рядов разъемов, устанавливаемых и тыльной стороны плат, должны быть изменены на противоположные по сравнению с назначениями вертикальных столбцов (см. рис. 25).

3. См. п. 7.6.

4. На переднем торце платы не должно быть никаких проводников, поскольку он может соприкасаться с поверхностью задней панели.

5. Размеры в миллиметрах.

Рис. 35. Печатная плата, устанавливаемая с тыльной стороны задней панели

Следует уделить внимание рассеянию мощности и охлаждению печатных плат, устанавливаемых на тыльной стороне.

14.6. Маркировка крейтов

Номера позиций модулей (номера посадочных гнезд крейта) должны быть отчетливо проставлены на лицевой стороне крейта. Эти номера должны соответствовать географическим адресам, причем позицией 0 считается правая, если смотреть со стороны передней части крейта; номера позиций увеличиваются на единицу при переходе к каждой новой позиции модуля, если двигаться справа налево.

Рекомендуется также, чтобы номера позиций модулей были обозначены и на задней стороне крейта.

14.7. Контакты для разряда статических зарядов

Крейт должен обеспечивать разряд статических зарядов из модулей при их введении до возникновения электрического контакта со штырьками сегментного разъема. Электрический контакт с шиной 0 В при токе не менее 3 А должен обеспечиваться контактом, скользящим по проводящей поверхности (поверхностям) печатной платы модуля в пределах нижней части в 5,8 мм края платы. Должен быть обеспечен контакт на каждой позиции сегментного разъема (на или за направляющей платы, например) в месте, выступающем вперед относительно задней платы не более чем на 50,8 мм.

ГЛАВА 15. ПИТАНИЕ

Выше, в п. 13.3, обсуждались вопросы тепловыделения модулей и их охлаждения. В настоящем разделе рассматриваются требования к источникам питания сегментов, напряжениям питания и допускам на них.

В крейт-сегменте имеется набор шин для подвода к модулям заданных напряжений. Стандартными являются шины с номинальными напряжениями +5,0; -5,2; -2; +15 или -15. В. Кроме того, могут быть добавлены две шины +28 В для питания спецустройств. В частности, эти линии можно использовать в качестве источников переданного напряжения для встроенных стабилизаторов и преобразователей. Штырьки и линии 0 В предназначены для возврата всех токов питания модулей.

Рекомендуется, чтобы каждый сегмент оснащался питанием с номиналами +5,0; -5,2 и -2 В. При этом разработчики модулей должны быть уверены, что на стандартных штырьках заведомо имеются указанные напряжения. В системах со встроенными стабилизаторами необходимо также предусматривать источники напряжения 28 В постоянного тока. Желательно, чтобы пользователь располагал источниками всех перечисленных номиналов, допуски на которые, определены ниже.

Отклонения от номинальных напряжений источников питания + 5,00; -5,20; -2,00; +15,00 и -15,00 В, замеренных в разъеме сегмента, должны лежать в пределах ±100 мВ; в то же время модули должны нормально функционировать согласно техническим условиям при наличии колебаний напряжения питания в сегментном разъеме, достигающих ±150 мВ.

Если используются встроенные стабилизаторы, указанные выше допуски на напряжения в линиях -5,20 и -2,00 В должны соблюдаться для каждого из источников питания модулей, расположенных в крейте. Мощный источник питания на +28 В должен иметь допуск по напряжению, равный ±10 %.

Для всех мощных источников напряжения постоянного тока или встроенных стабилизаторов установленные допуски должны обеспечиваться в пределах всей совокупности крейтов при замере разностей напряжений между земляными шинами питания двух произвольных крейтов; указанное требование не относится к системам с изолированными тем или иным способом крейтами или наборами крейтов (см. также п. 14.2.4).

Во всех пунктах настоящего стандарта для напряжений с номиналами 2,00; 5,00; 5,20 или 15,00 В употребляются такие обозначения: 2 В; 5,0 В; 5,2 В и 15 В соответственно.

Пользователь располагает широкими возможностями при выборе источников питания для систем ФАСТБАС. В приложении I приведены спецификации некоторых типовых источников для различных вариантов реализации ФАСТБАС.

ГЛАВА 16. КАБЕЛЬ СЕГМЕНТ

Кабели-сегменты могут использоваться для связи сегментов через соединители сегментов, а также для подключения сегментов к любым ФАСТБАС-устройствам, в том числе и к процессорам. Конструкция кабель-сегмента описывается в приложении С.

16.1. Сигналы в кабель-сегменте

Через кабель-сегмент должны проходить сигналы, перечисленные в табл. XXI.

Таблица XXI

Сигналы в кабель-сегменте

Сигналы в кабель-сегменте

AL <5:0>

DK

AS

BH

AG

SS <2:0>

АК

AD <31:00>

AR

WT

MS <2:0>

PE

AI

SR

RD

PA

GK

RB

DS

EG

16.2. Разъемы кабель-сегментов и назначения контактов

Разъемы кабель-сегментов должны быть совместимы и полностью сопрягаться со штырьками А и В вспомогательного разъема крейта, рассмотренного в п. 14.2.2. Если в кабель-сегменте используются два 60-контактных разъема, они должны быть выполнены (или должны быть совместимы) в виде разъемов со смещаемой изоляцией (РСИ) типа описанных в п. В.3 приложении В, а назначения их контактов должны соответствовать табл. ХХIIа.

Для реализации модулей, подсоединяемых к кабелю-сегменту, в табл. XXIIb показано рекомендуемое использование вспомогательного разъема с компонентами формирователя/приемника, монтируемыми на вспомогательной плате. Такая реализация рекомендуется, поскольку она позволяет заменять стандартизованные платы приемопередатчика по мере разработки новых компонентов для кабель-сегментов. При поступлении в модуль однополярных сигналов графа А используется для однонаправленных сигналов с выходов приемников кабель-сегмента приемников или для двунаправленных сигналов из приемопередатчиков, графа В используется для однонаправленных сигналов на входы формирователей кабель-сегмента. Необязательные контакты графы С используются для соединений, определяемых пользователем (UD); в качестве резервных (Res) и для соединения с нулевыми проводниками (0 В).

Таблица ХХIIа

Назначения контактов разъема кабель-сегмента

Контакты вспомогательных разъемов крейта и модуля

Линии «1»

Контакты кабельного* разъема 2

Контакты вспомогательных разъемов крейта и модуля

Линии «0»

Контакты кабельного разъема 2*

В01

0 В

-

А01

0 В

-

В 02

AD31

59

А02

AD31

60

В03

AD30

57

А03

AD30

58

В04

AD29

55

А04

AD29

56

В05

AD28

53

А05

AD28

54

В06

AD27

51

А06

AD27

52

В07

AD26

49

А07

AD26

50

В08

AD25

47

А08

AD25

48

В09

AD24

45

А09

AD24

46

В10

AD23

43

А10

AD23

44

В11

AD22

41

А11

AD22

42

В12

AD21

39

А12

AD21

40

B13

AD20

37

А13

AD20

38

В14

AD19

35

А14

AD19

36

В15

AD18

33

А15

AD18

34

В16

AD17

31

А16

AD17

32

В17

AD16

29

А17

AD16

30

В18

РА

27

А18

РА

28

В19

РЕ

25

А19

РЕ

26

В20

AD15

23

А20

AD15

24

В21

AD14

21

А21

AD14

22

В22

AD13

19

А22

AD13

20

В23

AD12

17

А23

AD12

18

В24

AD11

15

А24

AD11

16

В25

AD10

13

А26

AD10

14

В26

AD09

11

А26

AD09

12

В27

AD08

09

А27

AD08

10

В28

AD07

07

А28

AD07

08

В29

AD06

05

А29

AD06

06

В30

AD05

03

А30

AD05

04

В31

AD04

01

А31

AD04

02

В32

+5 В

-

А32

-2 В

-

В33

+15 В

-

А33

-5,2 В

-

В34

-15 В

-

А34

0 В

-

В35

AD03

59

А35

AD03

60

В36

AD02

57

А36

AD02

58

В37

AD01

55

А37

AD01

56

В38

AD00

53

А38

AD00

54

В39

ВН

51

А39

ВН

52

В40

RB

49

А40

RB

50

В41

EG

47

A41

EG

48

В42

MS2

45

А42

MS2

46

В43

MS1

43

А43

MS1

44

В14

MS2

41

А44

MS0

42

В45

RD

39

А45

RD

40

В46

SS2

37

А46

SS2

за

В47

SS1

35

А47

SS1

36

В48

ss0

33

А48

SS0

34

В49

DS

31

А49

DS

32

В50

SR

29

А50

SR

30

В51

WT

27

А51

WT

28

В52

AR

25

А52

AR

26

В53

AS

23

А53

AS

24

В54

Ак

21

А54

АК

22

В55

DK

19

А55

DK

20

В56

GK

17

А56

GK

18

В57

AI

15

А57

AI

16

В58

AG

13

А58

AG

14

В59

AL5

11

А59

AL5

12

В60

AL4

09

А60

AL4

10

В61

AL3

07

А61

AL3

08

В62

AL2

05

А62

AL2

06

В63

AL1

03

А63

AL1

04

В64

AL0

01

А64

AL0

02

В 65

0 В

-

А65

0 В

-

Таблица ХХIIb

Рекомендуемое использование вспомогательного разъема для построения кабель-сегмента [UD-(User Defined) - определяется пользователем, Res-(Reserved) - зарезервирован]

 

А

В

С

п/п

А

В

С

01

0 В

0 В

0 В

34

0 В

-15 В

-2 В

02

AD31

AD31

UD02

35

AD03

AD03

0 В

03

AD30

AD30

0 В

36

AD02

AD02

UD36

04

AD29

AD29

UD04

37

AD01

AD01

0 В

05

AD28

AD28

0 В

38

AD00

AD00

UD38

06

AD27

AD27

UD06

39

вн

BH

0 В

07

AD26

AD26

0 В

40

RB

RB

UD40

08

AD25

AD25

UD 08

41

EG

EG

0 В

09

AD24

AD24

0 В

42

MS2

MS2

UD42

10

AD23

AD23

UD10

43

MS1

MS1

0 В

11

AD22

AD22

0 В

44

MS0

MS0

UD44

12

AD21

AD21

UD12

45

RD

RD

0 В

13

AD20

AD20

0 В

46

SS2

SS2

Rеs46

14

AD19

AD19

UD14

47

SS1

SS1

0 В

15

AD18

AD18

0 В

48

SS0

SS0

Res48

16

AD17

AD17

UD16

49

DS

DS

0 В

17

AD16

AD16

0 В

50

SR

SR

Res50

18

PA

PA

UD18

51

WT

WT

0 В

19

РЕ

РЕ

0 В

52

AR

AR

Rеs52

20

AD15

AD15

UD20

53

AS

AS

0 В

21

AD14

AD14

0 В

54

АК

АК

Res54

22

AD13

AD13

UD22

55

DК

DK

0 В

23

AD12

AD12

0 В

56

GK

GK

Rеs56

24

AD11

AD11

UD24

57

AI

AI

0 В

25

AD10

AD10

0 В

58

АG

AG

Res58

26

AD09

AD09

UD26

59

AL5

AL5

0 В

27

AD08

AD08

0 В

60

AL4

AL4

Res60

28

AD07

AD07

UD28

61

AL3

AL3

0 В

29

AD06

AD06

0 В

62

AL2

AL2

Rеs62

30

AD05

AD05

UD30

63

AL1

AL1

0 В

31

AD04

AD04

0 В

64

AL0

АL0

Rеs64

32

-2 В

+5,0 В

+5,0 В

65

0 В

0 В

0 В

33

-5,2 В

+ 15 В

-5,2 В

 

 

 

 

Примечание. Назначения контактов кабельного разъема даны в таб. ХХIIа. При передаче сигналов в кабель-сегменте графа А предназначена для сигнальных линий «0», а графа В - для сигнальных линий «1».

ПРИЛОЖЕНИЕ А

ТРЕБОВАНИЯ К ОБОРУДОВАНИЮ ПРИ РАЗЛИЧНЫХ ВАРИАНТАХ ЕГО РЕАЛИЗАЦИИ

А.1. Реализация на элементах ЭСЛ

А.1.1. Уровни сигналов и условия соединения элементов ЭСЛ

Формирователи для информационных линий задней платы, выполненные по технологии ЭСЛ, должны быть серийными стандартными микросхемами ЭСЛ 10К или 10КН, рассчитанными на работу в диапазоне температур, как минимум, от 0 до 75 °С. Напряжение питания элементов должно составлять -5,2 В при отклонениях в пределах ± 5 %. Номинальные выходные напряжения во всем рабочем диапазоне при согласовании с нагрузкой 50 Ом, присоединенной к точке с потенциалом -2,0 В, должны быть следующими:

Уровень выходного сигнала

Логическое значение

Выходное напряжение, В

Высокий

1

-1,0 (мин.)

-0,7 (макс.)

Низкий

0

-1,6 (макс.)

Формирователи должны иметь непрерывный выходной номинальный ток по крайней мере 50 мА постоянного тока.

Устройство, подключаемое к линии, должно иметь не более одного формирователя и одного приемника в качестве нагрузки линии. Максимальный входной ток приемника должен быть менее 300 мкА, если на линии присутствует сигнал высокого уровня, и менее 100 мкА, если на линию подается сигнал низкого уровня. На всех линиях таймирования (AS, AK, DS, DK) должно стоять по одному формирователю и одному приемнику в качестве нагрузки линии, независимо от особенностей работы устройства.

Все остальные линии оснащаются формирователями и приемниками только в случае необходимости.

Все формирователи и приемники должны располагаться на печатной плате модуля таким образом, чтобы емкость, создаваемая на шине, не превышала 12 пФ.

ФАСТБАС-модули, работающие с линиями, рассчитанными на использование схем ЭСЛ, должны иметь такую конструкцию, которая обеспечивала бы минимальные емкости, создаваемые ими на сигнальных линиях. Отводы от контактов сегментного разъема должны иметь возможно меньшую длину. Рекомендуется, чтобы длина отвода, идущего к любому формирователю, не превышала 40 мм.

Вход каждого приемника, подсоединяемого к линиям AS, AK, EG, DS, DK, SR и АG, должен быть изолирован от линии посредством развязывающего резистора с номинальным сопротивлением 220 Ом.

Развязывающие резисторы приемника должны ставиться на всех сигнальных линиях, имеющих значительную емкостную нагрузку. Если к шине подключается пара формирователь-приемник, развязывающий резистор приемника должен устанавливаться между отводами разъема, идущих ко входу приемника и к выходу формирователя, причем длина проводника между выходом формирователя в интегральной схеме, где он помещается, и резистором должна быть минимальной.

Нежелательно применять конструкции, предусматривающие включение формирователей в розеточные разъемы на плате, за исключением случаев, когда последние обладают минимальной емкостью, а переходное напряжение, создаваемое на заземленном контакте питания при любом сочетании уровней выходных, сигналов устройства, составляет менее 50 мВ. Некоторые типы разъемов плотной посадки с золочеными контактами отвечают указанным требованиям, однако паяные соединения формирователей с печатной платой обеспечивают лучшие показатели и потому являются более предпочтительными.

Каждый пятый штырек сегментного разъема ФАСТБАС-крейта подключен к отводящей линии питания 0 В (см. табл. XX). Эти часто расположенные контакты введены для того, чтобы свести к минимуму относительные задержки сигналов на земляных отводящих путях. Для этого лучше всего использовать общий слон фольги (см. рис. 36). Формирователи следует устанавливать таким образом, чтобы расстояния между их земляными выводами и соответствующими контактами сегментных разъемов были минимальны. В случаях, когда используются платы с двусторонним монтажом, для вывода во вне других соединений с контактами питания могут потребоваться объемные шины или проводники увеличенной толщины. Общий слой, соединяющий формирователи и приемники с контактными штырьками крейт-сегмента, не должен иметь разрывов. Выводы питания элементов ЭСЛ должны развязываться на землю с помощью высокочастотных конденсаторов. Рекомендуется, чтобы на каждый контакт питания приходилось по одному такому конденсатору, общему для пары корпусов интегральных схем.

1 - типовая интегральная схема ЭСЛ 10К, используемая в качестве формирователя сигналов, подаваемых в шину; 2 - соединения с шинами; 3 - типовая интегральная схема ЭСЛ 10К, используемая в качестве приемника сигналов, поступающих в шины; 4 - наилучшее исполнение земляных проводников в виде плоской шины

Примечание. Корпус микросхемы, содержащий интегральную схему формирователя, должен располагаться так, чтобы последняя располагалась как можно ближе к контактам разъема.

Рис. 36. Типовое размещение формирователей и приемников на микросхемах ЭСЛ

Для кабель-сегментов, рассчитанных на уровни сигналов схем ЭСЛ, максимальное сопротивление (сигнальный плюс отводящей земляной линий) не должно превышать примерно одной шестой волнового сопротивления кабеля. Для 100-омного кабеля максимальное сопротивление приблизительно равно 16 Ом. Если такой кабель изготовлен из медных жил номер 26 AWG (американский сортамент проволоки и проводов), то его максимальная длина составляет примерно 58 м. В табл. А1 приведены диапазоны сопротивлений для некоторых типов многожильных медных проводов.

Таблица A.1

Диапазоны сопротивлений для многожильных медных проводов

Тип жил по стандарту AWG

Тип жил по метрическому стандарту

Сопротивление, Ом/м*

22

6

От 0,049 до 0,056

24

5

» 0,075 » 0,089

26

4

» 0,12 » 0,14

28

3

» 0,21 » 0,24

* Данный показатель зависит от числа жил, вида покрытия и концентрации легирующих примесей.

А.1.2. Длительности сигналов при использовании микросхем ЭСЛ

См. табл. А.II.

Устройства не должны реагировать на AS (d), AK (d), EG (d), DS (d), DK (d), SR (d) и AG (d) в течение по меньшей мере 12 нс после начала фронтов этих сигналов, за исключением устройств, на работу которых не влияют паразитные переходные процессы, происходящие в течение 12 нс после начала любого из этих фронтов. Внутренняя логическая задержка считается равной части от 12 нс.

А.1.3. Выдержка

Выдержкой называется время ожидания после получения мастером ненулевого сигнала SS или во время выдержки долгим таймером, спустя которое предпринимается повторная попытка выполнения операции. Во избежание зависаний, этот интервал должен выбираться случайным образом при возникновении каждого из указанных событий. (Начальную выдержку следует задавать приблизительно равной 1 мкс).

А.1.4. Время срабатывания

См. табл. А.II.

А.1.5. Согласователи

Сигнальные линии на задней плате на каждом конце должны иметь согласователи, соответствующие нагрузке 56 Ом при -2,0 В. Это приводит к нагрузке 28 Ом на постоянном токе, что допустимо при формирователях с непрерывным выходным номинальным током по крайней мере 50 мА постоянного тока. Данные по согласованию в кабель-сегментах приведены в приложении С.

А.1.6. Требования к токам генератора сигнала GA

Генератор сигнала GA должен обеспечивать выдачу тока 50 мА на линии, пребывающей в состоянии 1. Внутреннее сопротивление источника в случаях как логической 1, так и логического 0 не должно превышать 1000 Ом.

А.1.7. Разница в температурах корпусов микросхем

Ввиду наличия ограничений на допустимые уровни шумов, разница между температурами корпусов непосредственного соединенных друг с другом микросхем ЭСЛ не должна превышать 30 ºС.

А.1.8. Распределение модулей вдоль крейт-сегментов

Чтобы свести к минимуму уровни отраженных сигналов, необходимо придерживаться следующих правил расстановки модулей в пределах крейт-сегмента.

1. Допустимо подключение нескольких рядом стоящих модулей в любом месте крейт-сегмента.

2. Допустимо подключение к крейт-сегменту любого набора более или менее равномерно расставленных модулей.

3. Следует избегать подключения к крейт-сегменту нескольких расставленных по отдельности наборов модулей.

Таблица А.II

Характеристические времена при реализации системы на элементах ЭСЛ

 

Тип сегмента

Крейт 482,6 мм (19 дюймов)

Крейт 609,6 мм (24 дюйма)

Кабель-сегмент***

Ссылка на параграф

Минимальный разброс Ts

4 нс

4 нс

4 нс + 0,33 нс. CL.1.2

Примечания 1, 3

 

Лимит времени на ожидание ответа мастера или СС*

Адрес (мин.)

900 нс

900 нс

900 нс + 13 нс* CL*

*1,33

Примечания 2, 3

5.1.1,

5.2.1

Данные (мин.)

1600 нс

1600 нс

1600 нс + 13 нс* CL*

*1,33

Примечания 2, 3

6.3.5

Время ожидания ответа слуги*

Адрес (макс.)

500 нс

500 нс

500 нс

5.1.2,

5.2.2

Данные (макс.)

1000 нс

1000 нс

1000 нс

5.3.2

Время ожидания ответа при широкой операции +

Адрес

500 нс мин.

700 нс макс.

500 нс мин.

700 нс макс.

(750 нс + 13 нс* CL)

*(1 + -0,33)

Примечания 2, 3

7.3

Данные

1000 нс мин. 1400 нс макс.

1000 нс мин. 1400 нс макс.

(1500 нс + 13 нс* CL

(1 ± -0,33)

Примечания 2, 3

 

Задержка в линии (макс.)

15 нс

20 нс

6,5 нс* CL

Примечания 2, 3

-

RB = 1 (мин.)

500 нс

500 нс

500 нс + 13 нс* CL*

*1,2

Примечания 2, 3

-

Задержка выдачи EG (макс.)*

60 нс

60 нс

60 нс

7.2

Задержка ответа на RB = 1

100 нс мин.

150 нс макс.

100 нс мин.

150 нс макс.

100 нс мин.

150 нс макс.

5.4.2

Время арбитража (AG = 1) мин.

150 нс**

180 нс**

100 нс + 26 нс* CL*

*1,2

** Примечания 12, 3

6.3.4,

7.1.2

Задержка в логике арбитража

20 нс

Примечание 4

20 нс

Примечание 4

30 нс

Примечание 4

 

Минимальный промежуток между импульсами

40 нс

40 нс

40 нс + 1,2 нс* CL*

*1, 2 Примечания 2, 3

5.1.1,

5.2.1,

7.1.2,

7.4

* Применимо к переходам из 0 в 1, а также, где это применимо, из 1 в 0.

** В специальных приложениях может быть возможность уменьшения указанных минимальных значений времени AG = 1.

*** Значения времени основаны на ранее проведенных испытаниях с формирователями, имеющими значение времени нарастания и спада фронтов около 5 нс, и при использовании плоского кабеля с номинальным сопротивлением 110 Ом и длиной 60 м и менее могут быть слегка изменены при использовании разрабатываемых формирователей и проведении дополнительных испытаний. Должны быть добавлены дополнительные технические требования (такие как длина сегмента, в зависимости от сортамента проводов, и пределы времени нарастания и спада формирователя для кабель-сегмента).

Примечания:

1. Учитывается 5 %-ный разброс задержек при прохождении сигнала через кабель.

2. Предполагается использование обычной витой пары с задержкой 6,5 нс/м. Данная величина может быть как большей, так и меньшей, в зависимости от типа кабеля.

3. CL - длина кабеля в метрах.

4. Худший случай задержки в линии AL между входом и ее выходом.

+ Для вспомогательной логики. Применимо к обоим видам переходов из 0 в 1 и из 1 в 0.

ПРИЛОЖЕНИЕ В

СОЕДИНЕНИЯ ЧЕРЕЗ РАЗЪЕМЫ ПЕРЕДНЕЙ ПАНЕЛИ ПРИ ИСПОЛЬЗОВАНИИ ЭЛЕМЕНТОВ ЭСЛ

Приведенные ниже требования основываются на рекомендациях ведущих фирм-изготовителей микросхем ЭСЛ относительно реализации соединений между различными частями системы. С целью повышения помехозащищенности и устранения разностей потенциалов между земляными шинами предлагается использовать в линиях дифференциальные формирователи и приемники сигналов.

В.1. Амплитуды и логические уровни сигналов

Сигналы ЭСЛ 10К или 100КН должны быть совместимы с дифференциальными парами при номинальном уровне -0,9 В на одной линии и номинальном уровне-1,7 В - на другой (для положительной логики ЭСЛ уровень -0,9 В является логической 1 и уровень -1,7 В - логический 0).

В.2. Кабели

Соединения должны выполняться посредством кабелей с одной или несколькими парами проводов, обладающих номинальным волновым сопротивлением 100 Ом.

В.3. Разъемы

Должны использоваться разъемы типа IDC (со смещаемой изоляцией) или эквивалентные им с сеткой контактов, имеющей шаг (2,54×2,54) мм. В штепсель разъема должны монтироваться на модуле, а розетка разъема должна входить в состав кабеля. Разъем модуля должен иметь квадратные контактные штырьки сечением (0,635×0,635) мм и длиной (6,20 ± 0,50) мм. Толщина кабельного разъема, используемого для подсоединения отдельной скрученной пары, должна составлять не более 2,54 мм.

Необходимо, чтобы на кабельном узле разъема были проставлены символьные обозначения, отвечающие, по возможности, стандарту МЭК (в/подготовке), либо цветные метки, кроме того, он должен быть оснащен фиксирующим устройством.

При использовании разъемов, имеющих символьные обозначения, единичные сигналы высокого уровня должны подаваться со стороны, где проставлено обозначение, а единичные сигналы низкого уровня-с противоположной. В разъемах с цветной маркировкой единичные сигналы высокого уровня должны подаваться со стороны, обозначенной темными метками, единичные сигналы низкого уровня - со стороны, имеющей более светлые метки. Во вставке разъема единичные сигналы (сигнал) высокого уровня должны быть на штырьках (штырьке), стоящих слева, единичные сигналы (сигнал) низкого уровня - на штырьках (штырьке), стоящих оправа, если смотреть на переднюю панель с лицевой стороны.

Места установки разъемов должны выбираться таким образом, чтобы подсоединяемые кабельные разъемы не выступали за баковые вертикальные кромки передней панели.

В.4. Формирователи, приемники и согласователи

В качестве выходных формирователей должны применяться микросхемы, работающие как источники напряжения (например, 101116, 10216, 10101, 10105 и т.п.). Они должны обеспечивать номинальное напряжение 1,16 В пик-пик (0,8 В с изменяющейся полярностью) при нагрузке 100 Ом (кабель).

Для гарантии этого дифференциального размаха напряжения формирователи должны иметь нагрузочные резисторы, выбираемые так, чтобы в системе обязательно проходил по кабелю ток по крайней мере 8 мА в одном или другом направлении, в зависимости от представляемого логического состояния.

Кабельные согласователи должны устанавливаться со стороны приемника и обеспечивать согласование с волновым сопротивлением кабеля.

Рекомендуется, чтобы кабельные согласователи были симметрично относительно земли. Для этого можно, например, включать по резистору 50 Ом между каждой входной точкой и источником опорного напряжения приемника Vbb, как предписано для схем с сигналами ECL 10К.

Чтобы ограничить синфазную составляющую токов, проходящую через источник Vbb, между Vbb и точкой соединения двух резисторов 50 Ом следует включать резистор с номиналом около 100 Ом.

Когда кабель не подключен, на выходе приемника должен быть сигнал определенного логического уровня.

Определенное состояние на выходе приемника можно получить, задавая на один его вход запирающее напряжение не менее 70 мВ.

ПРИЛОЖЕНИЕ С

РЕАЛИЗАЦИЯ КАБЕЛЬ-СЕГМЕНТОВ

Сановные требования к кабель-сегментам системы ФАСТБАС были изложены в разд. 16. Предполагается, что схемные решения, описываемые в настоящем разделе, по мере разработки кабель-сегментов будут совершенствоваться и видоизменяться.

Цепи, подключаемые в системе ФАСТБАС к кабель-сегменту, представляют собой дифференциальные токовые формирователи. Эти формирователи скомпенсированы таким образом, что в устойчивом состоянии ни по одной из спаренных линий ток не протекает. В одном согласователе предусмотрена компенсационная схема, через которую проходит ток I. На кабеле возникает смещение, в результате чего линия «0» оказывается более положительной, чем линия «1». Когда формирователь переводит сигнальную пару в состояние «1», он потребляет ток I из линии «0» и выдает ток I в линию «1». Это приводит к тому, что дифференциальное напряжение на сигнальных линиях меняется с -0,5 * I * Rt на +0,5 * I * Rt. Величина Rt - это сопротивление согласующего резистора в каждой линии, которое должно быть равно 1/2 от волнового сопротивления пары. Изменение напряжения приводит к срабатыванию дифференциального усилителя, подключенного к сигнальной паре. Конструкция усилителя такова, что при изменении входного напряжения на величину I Rt (его выходной сигнал переходит из состояния «0» в состояние «1». На сигнальную пару подается напряжение смещения Vterm, которое выбирается из условия оптимизации диапазонов синфазных сигналов у формирующих и приемных цепей.

Логические состояния цепей кабель-сегмента указаны на рис. 37.

Все формирователи, подключаемые к кабель-сегменту системы ФАСТБАС, должны:

1. После перевода кабеля в состояние логического нуля, обеспечивать «нулевой» ток ±0,01 * I в каждой из линий сигнальной пары.

2. После перевода кабеля в состояние логической единицы выдавать ток I в линию «1» сигнальной пары и потреблять ток I из линии «0» сигнальной пары. Разность между значениями этих токов не должна превышать 0,01 * I.

Все приемники, подключаемые к кабель-сегменту системы ФАСТБАС, должны быть сконструированы так, чтобы на их выходе вырабатывался сигнал логической единицы, когда линия «1» более положительна, чем линия «0», и сигнал логического нуля, когда линия «0» более положительна, чем линия «1».

Входной ток приемника должен составлять менее 0,3 % значения I на обоих входах.

Допустимые изменения постоянной составляющей суммы дифференциальных сигналов для формирователей и приемников должны устанавливаться в соответствии с требованиями, определенными в п. С.2.

Одни конец кабель-сегмента должен заканчиваться сопротивлением, равным волновому сопротивлению кабеля Z0, включаемым между линиями каждой сигнальной пары. Этот согласователь должен состоять из двух резисторов с сопротивлением Z0 / 2 каждый, соединенных последовательно, и конденсатора 0,01 мкФ между местом их соединения и землей.

На другом конце каждой пары сигнальных линий кабель-сегмента должен быть установлен согласующий резистор с сопротивлением Z0 / 2, включенный между каждой линией пары и источником согласующего напряжения. Должен быть обеспечен также ток смещения, идущий через согласующий резистор линии «1», величина которого должна быть такова, чтобы в отсутствие формирователя, работающего в активном режиме, напряжение в линии «1» было бы равно -05 * I * Z0 относительно линии «0».

Величина напряжения смещения на парах сигнальных линий должна выбираться такой, чтобы формирователи и приемники работали в средней части рабочих диапазонов.

Рис. 37. Логические состояния цепей в кабель-сегменте (приведенные токи соответствуют нулевому сопротивлению проводников)

С.1. Электрические характеристики кабель-сегмента

Кабель-сегмент должен иметь волновое сопротивление Z0 от 100 до 150 Ом.

Волновое сопротивление всех кабелей, образующих данный кабель-сегмент ФАСТБАС, должно быть одинаковым с отклонением не более ±10 %.

Формирователи, соединенные с кабель-сегментом, должны обладать следующими характеристиками:

I = (4,0 ± 0,2) мА;

диапазон синфазных изменений формирователя - ±3,0 В (мин);

ток при нулевом состоянии - 40 мкА (макс.);

рассогласование токов, отдаваемых источниками, - менее 1 %.

Приемники, соединенные с кабель-сегментом, должны обладать следующими характеристиками:

входной ток приемника - 100 мкА (макс.);

рассогласование токов приемника - 10 мкА (макс).

На рис. 38 и 39 показаны предполагаемые варианты реализации цепей, которые можно использовать в качестве формирователей.

Рис. 38. Схематическое изображение формирователя для кабель-сегмента

Рис. 39. Пример схемы формирователя для кабель-сегмента

Примечание. Показана одна из четырех одинаковых секций.

С.2. Реализация кабель-сегмента на элементах ЭСЛ

В случае использования микросхем ЭСЛ приемники, соединенные с кабель-сегментом, должны обладать следующими характеристиками*:

диапазон синфазных изменений - от +0,1 до -2,0 В (мин);

согласующее напряжение: -0,9 В.

* Характеристики диапазона синфазных сигналов и согласующего напряжения основаны на использовании приемника 10114. По мере появления более совершенных приемников эти характеристики будут изменены (возможно, что будет 0 Вольт для согласующего напряжения). Разработчикам следует предусмотреть возможность реализации этих изменений.

ПРИЛОЖЕНИЕ D

ПРИМЕРЫ ПОСТРОЕНИЯ ЛОГИЧЕСКИХ ЦЕПЕЙ МАСТЕРА

В настоящем приложении приведены детальные примеры схемной реализации логических цепей мастера в системе ФАСТБАС.

D.1. Цепи арбитража в мастере

На рис. 40 представлены подробные схемы цепей, принимающих участие в операциях цикла арбитража.

Примечание.

Микросхемы                                     Тип                                      Кол.

А                                         10100                                    2

В                                         10104                                    2

С                                         10103                                    1

D                                         10131                                    1

Е                                          10130                                    1/2

F                                          10102                                    3/4

Рис. 40. Схема логических цепей арбитража

ПРИЛОЖЕНИЕ Е

СОЕДИНИТЕЛЬ СЕГМЕНТОВ СИСТЕМЫ ФАСТБАС ТИПА S-1

Соединитель сегментов типа S-1 соответствует общим спецификациям, приведенным в п. 10, а также отвечает дополнительным требованиям, указанным в настоящем приложении. S-1 представляет собой дуплексный СС, связывающий крейт-сегмент с кабель-сегментом. Данный вариант СС допускает наиболее универсальное применение. В нем производится опрос содержимого поля адреса группы GP длиной 8 разрядов, это должно быть более чем достаточно для большинства приложений.

Спецификации на СС типа S-1 определены таким образом, что обеспечивается возможность непосредственной замены любого СС типа S-1 любым аналогичным СС, которая не сопровождается какими бы то ни было отклонениями от номинальных рабочих характеристик аппаратуры или программного обеспечения. При этом, однако, не исключаются некоторые изменения вторичного характера, например, во внутренней структуре устройств, используемых в средствах тестирования, конструкции передней панели и т.п.

Другие СС, отвечающие требованиям, содержащимся в основном тексте настоящего стандарта, не должны в обязательном порядке иметь все характеристики СС типа S-1, однако могут в тоже время обладать какими-то дополнительными свойствами. Рекомендуется, чтобы подобные соединители сегментов были бы аналогичны СС типа S-1 в отношении всех общих с ними показателей.

Для того, чтобы соединитель сегментов обладал характеристиками СС типа S-1, он должен удовлетворять всем обязательным требованиям, перечисленным в настоящем приложении, а также содержащимся в разд. 10 настоящего стандарта.

СС типа S-1 не должен иметь никаких дополнительных свойств, помимо тех, что являются обязательными согласно настоящему приложению, которые могли бы препятствовать его полной взаимозаменяемости с другими соединителями сегментов, также отвечающими требованиям настоящего приложения.

Е.1. Общая характеристика соединителей сегментов типа S-1

Е.1.1. Тип соединителя

СС типа S-1 должен быть приспособлен для работы в качестве дуплексного соединителя сегментов, не выполняющего преобразования адресов, который связывает крейт-сегмент с кабель-сегментом.

Преобразование адреса при передаче операций (см. п. 10.7.5) необходимо только в случае выполнения широких операций и при географической адресации. Дуплексный СС обеспечивает передачу операций в обеих направлениях, т.е. от крейт-сегмента к кабель-сегменту и от кабель-сегмента к крейт-сегменту.

Е.1.2. Конструктивное исполнение

СС типа S-1 должен быть оформлен в виде модуля ФАСТБАС, желательно одноплатного, выполненного в соответствии со стандартами на конструкцию устройств ФАСТБАС, определенными в гл. 13 настоящего стандарта.

В многоплатных СС типа S-1 для подключения к крейт-сегменту и к кабель-сегменту должны использоваться контакты разъема крейт-сегмента и вспомогательного разъема крейта соответственно, расположенных слева, если смотреть со стороны передней части крейта.

Е.1.3. Кабель-сегмент

СС типа S-1 должен иметь установленный в его задней части двухрядный 130-контактный вспомогательный разъем, соответствующий п. 13.2.2 настоящего стандарта, используемый для подключения к СС кабель-сегмента.

Разъем крейт-сегмента служит в качестве второго соединительного порта СС.

Уровни сигналов на контактах разъема кабель-сегмента должны соответствовать указанным в приложении С. Назначения контактов должны отвечать перечню, приведенному в п. 16.2.

Для уменьшения дополнительных затрат времени на системные функции стандарты на сигналы во внутренних цепях СС должны также устанавливаться в соответствии с определениями, данными в приложении А. Географический адрес кабель-сегментного порта в СС задается посредством переключателей (см. п. 4.2).

Е.1.4. Поле адреса группы

При распознавании адресов в СС типа S-1 должно использоваться содержимое всего 8-разрядного поля GP.

Е.1.5. Маршрутная таблица

СС типа S-1 должен содержать маршрутную таблицу, допускающую считывание/запись и связанную с каждым портом. Регистр адреса маршрутной таблицы CSR# 40h должен иметь 8 разрядов, а маршрутная таблица должна быть рассчитана на хранение 256 (т.е. 28) слов.

Регистр данных в маршрутной таблице CSR# 41h в СС типа S-1 должен быть доступен только внутри единичной операции со связкой AS/AK, при которой в начале выбирается регистр адреса маршрутной таблицы CSR# 40h.

Соединители сегментов, рассчитанные на использование поля GP с большей разрядностью, чем в СС типа S-1, но в остальном аналогичные последним, могут применяться вместо S-1. Обратное, т.е. применение S-1 вместо СС, работающих с полем GP, имеющим разрядность более восьми, не всегда возможно.

Е.1.6. CSR# 0- идентификатор, статус и управление

В дополнение к разрядам, указанным в п. 10.5.1, в СС типа S-1 должны использоваться разряды CSR# 0 <09> и CSR# 0 <25>, с помощью которых реализуется функция выборочной установки/сброса, управляющая выполнением контроля по четности. Если CSR# 0 <09> = 1, контроль по четности разрешен. Сигнал RB не должен изменять содержимого CSR# 0<09>. Сигналы POWER ON (включение питания) и RESET (сброс) должны разрешать контроль по четности.

E.1.7. Регистр NTA

В СС типа S-l должен быть предусмотрен регистр NTA, допускающий считывание/запись и имеющий как минимум 8 разрядов.

Если регистр NTA состоит только из 8 разрядов, то содержимое разрядов с 6 по 0 должно задавать адрес регистра CSR соединителя сегментов, а в разряд 7 в ходе вторичного адресного цикла должен заносить результат логического сложения или сигналов на линиях AD <31:07>.

Е.2. Устройство передней панели

На передней панели модуля СС типа S-1 должны быть смонтированы следующие индикаторы, размещаемые сверху вниз в следующем порядке.

1. Индикатор режима работы крейт-сегмента, описанный в п. 13.5.

2. Индикатор останова магистрали для данного крейт-сегмента.

3. Цифровой индикатор базового адреса крейт-сегмента (в шестнадцатиричной системе).

4. Индикатор режима работы кабель-сегмента, описанный в п. 13.5.

5. Индикатор останова магистрали для данного кабель-сегмента.

6. Цифровой индикатор базового адреса кабель-сегмента (в шестнадцатиричной системе).

Световые и цифровые индикаторы должны иметь ясную маркировку, учитывающую и тот факт, что базовый адрес представлен в шестнадцатиричном формате. Выводимый на индикатор базовый адрес должен читаться слева направо, т.е. бит 31 адреса должен соответствовать весу «8» старшей шестнадцатиричной цифры на индикаторе.

ПРИЛОЖЕНИЕ F

КОНСТРУКЦИЯ МОДУЛЕЙ

F.1. Типовые варианты конструкции модулей

На рис. 41 показан внешний вид типовых модулей. Модули могут быть установлены непосредственно в крейтах типа А с воздушным охлаждением, представленных в приложении G. При установке модуля в крейте типа W с водяным охлаждением, представленном в приложении Н, требуется добавление накладки (холодная пластина).

Рис. 41. Модули системы ФАСТБАС

приложение G

ПРИМЕРЫ ПОСТРОЕНИЯ КРЕЙТОВ ТИПА А

G.1. Крейт типа А

ФАСТБАС-крейт типа А представляет собой вариант крейта с принудительным воздушным охлаждением. В нем может размещаться 26 одноплатных (N-l) модулей или меньшее число модулей, имеющих по несколько плат. В любом случае максимальная сумма всех N равна 26. Модули ФАСТБАС могут устанавливаться и в целом ряде крейтов других типов, имеющих различные системы охлаждения (см. также п. Н.1 приложения Н).

G.1.1. Конструкция крейта типа А

Крейты типа А должны иметь конструкцию, отвечающую требованиям, содержащимся в гл. 14, а также рис. 42 - 44, и обеспечивать установку модулей, определенных в гл. 13.

G.1.2. Задняя панель крейта типа А

Конструкция задней платы крейта типа А должна соответствовать требованиям, изложенным в п. 14.2.

По требованию заказчика на задней плате крейта могут устанавливаться вспомогательные разъемы крейта. Предусмотрены следующие варианты комплектации крейтов:

А -      WA - с полным набором вспомогательных разъемов крейта (см. п. 14.2.2);

А -      РА - с неполным набором вспомогательных разъемов крейта (см. п. 14.2.2);

А -      NA - без вспомогательных разъемов крейта (п. 14.2.2). См. п. 14.2.2 рекомендации, касающиеся приспособлений для установки вспомогательных разъемов крейта пользователем, а также относительно доступа к печатным платам модуля с тыльной стороны крейта.

G.2. Пример построения крейта типа А

Крейт типа А показан на рис. 5. С тыльной стороны крейта видна задняя плата, которая образует крейт-сегмент и вмещает 26 модулей единичной ширины. Источники питания крейта присоединяются к силовым шинам, расположенным за задней платой, которые, в свою очередь, соединены с линиями питания. Эти линии, проложенные внутри платы, подводят питание к модулям. Сегментный разъем крейта состоит из 130 штырьков (два ряда по 65 штырьков), расстояние между их центрами 2,54 мм. Непосредственно над сегментным разъемом может быть расположен вспомогательный разъем крейта, который содержит 195 штырьков - три ряда по 65 штырьков с шагом 2,54 мм. Спереди крейта внизу расположена планка, которая откидывается при введении или вынимании любого из модулей и приводит в действие переключатель «работа/останов», защищающий модули от случайных сигналов при замыкании или размыкании разъемов.

Сегментные разъемы крейта, показанные сзади крейта, сопрягаются с сегментными разъемами модулей, через которые модули соединяются с магистралью и другими проводниками крейт-сегмента. Необязательные вспомогательные разъемы крейта, показанные над сегментными разъемами, сопрягаются со вспомогательными разъемами модулей.

G.3. Средства для монтажа схемных плат за задней платой

Крейт должен иметь приспособления для установки, в случае необходимости, направляющих для верхнего и нижнего краев схемных плат, сопрягаемых с тыльными штырьками сегментного и вспомогательного разъемов крейта в соответствии с рис. 35 (см. п. 14.5). Эти приспособления должны быть на всех позициях задней платы (от 0 до 25) для вспомогательных разъемов крейта и на двух крайних позициях (0, 1, 24, 25) в левой и правой стороне крейта - при сегментных разъемах крейта. Длина направляющих должна быть не менее 63 мм.

* Типовой размер (допуски не суммируют).

** Полость крейта.

*** Типовой размер, максимальная ширина крейта в задней части 447 мм.

*4 Типовой размер.

*5 Расстояние до базовой горизонтали.

b = 366,7 мм; c = 367,0 мм;

d = (2,95 ± 0,25) мм; g = 2,80 ±  мм;

h = (173,4 ± 0,15) мм; t - см. рис. 25, примечание 4; w - см. рис. 24, примечание 1

1 - базовая горизонталь, см. дет. А; 2 - базовая вертикаль, см. дет. А; 3 - осевая направляющего желобка; 4 - 26 направляющих, типовая конструкция для стандартной компоновки шасси размером 482,6 мм; 5 - переключатель работа/останов

Примечания:

1. Допуски: ±0,25 мм, если не указаны специально. Все размеры даны в миллиметрах.

2. Относительно расположения штырьков задней панели см. рис. 14.2b.

3. Высота крейта, а также вид и размеры посадочных гнезд установлены в соответствии со стандартом на панели типа 9U согласно публикации IEC (Международная электротехническая комиссия) 297 и Отчету RS-310-CANSI/EIА (Американский национальный институт стандартов/Ассоциация предприятий электронной промышленности)

Рис. 42. Крейт типа А, вид спереди

* Допуски не суммируют.

** Полость крейта.

*** Типовой размер.

*4 Типовое входное расширение направляющего желобка печатной платы.

1 - задняя панель с шинами и штырьками разъемов; 2 - посадочная поверхность печатных плат модуля; 3 - осевые направляющих желобков; 4 - 52 направляющие плат (26 снизу, 26 сверху). Типовая конструкция для стандартной компоновки шасси размером 482,6 мм; 5 - типовая передняя панель модуля; 6 - передняя поверхность модулей максимальной длины примыкает к указанной линии; 7 - планка, приводящая в действие переключатель работа/останов (см. рис. 44)

Примечания:

1. Все размеры даны в миллиметрах. Допуски: +0,25, если специально не указаны.

2. Исходя из ограничений, определяемых требованиями к охлаждению.

3. Узел переключателя работа/останов с разъемом. Тип переключателя: однополюсный кнопочный переключатель на два направления. Тип разъема: BERG 65039-033, AMP 1-87175-0 или эквивалентные им (см. пп. 7.4, 7.6 и 14.4).

Рис. 43. Крейт типа А, вид сверху

* Справочный размер.

** Глубина направляющего желобка (см. дет. А, рис. 42).

1 - задняя панель со штырьками разъемов; 2 - типовая передняя панель модуля; 3 - планка переключателя работа/останов: 4 - планка, приводящая в действие переключатель работа/останов (положение «работа»); 5 - задняя панель; 6 - положение «останов»; 7 - посадочная поверхность печатных плат модуля

Примечания:

1. Все размеры даны в миллиметрах. Допуски: ±0,25, если не указаны специально.

2. Данный разъем соответствует высоте стандартной панели типа 9U.

Pис. 44. Крейт типа А, вид сбоку

Рис. 45. Крейт типа А, вид спереди и вид сзади

ПРИЛОЖЕНИЕ H

ПРИМЕРЫ ПОСТРОЕНИЯ КРЕЙТОВ И МОДУЛЕЙ ТИПА W

Н.1. Крейт типа W

ФАСТБАС-крейт типа W представляет собой крейт с водяным охлаждением, предназначенный для установки модулей.

Н.1.1. Конструкция крейта типа W

Крейты типа W должны соответствовать требованиям гл. 14 и должны вмещать в себя 26 модулей одинарной ширины, как указано в гл. 13, с накладкой (холостая пластина), прикрепляемой к модулю, как указано в п. Н.2.

Крейт должен содержать два теплопроводящих змеевика, охлаждаемых водой, боковые пластины, механизм заклинивания и заднюю плату с печатными схемами.

Механизм заклинивания должен быть неотъемлемой частью верхнего и нижнего змеевиков. Клин должен состоять из тягового бруса, кулачков (обычно 5), упорных колодок и блокирующей рукоятки с глухой гайкой. Поворот блокирующей рукоятки должен заставлять вращаться кулачки для того, чтобы плотно прижать накладку модуля к змеевику крейта; таким образом обеспечивается теплопроводящий контакт между модулем и крейтом. Изменение направления вращения блокирующей рукоятки на противоположное должно высвободить модуль.

Задняя плата должна соответствовать п. 14.2.

Для установления температуры выше точки росы, чтобы исключить конденсацию воды на охлаждающих змеевиках или модулях, поток охладителя должен регулироваться автоматически с помощью клапана с термодатчиком, устанавливаемым на крейте. Температуру змеевика следует регулировать в пределах нормального рабочего диапазона крейта.

Н.1.2. Пример построения крейта типа W

На рис. 46 показан типичный вариант крейта типа W. Медные накладки впрессованы в штамповки змеевиков с помощью зажимных приспособлений, которые деформируют мягкую медь, пока она не примет форму удлиненных штампованных секций. При этой форме медь остается в пределах змеевика и обеспечивает максимальную поверхность контакта. Остальная часть крейта изготавливается из стандартных штампованных и плоских профилей. Масса крейта составляет около 14 кг.

Н.2. Построение модулей для крейта типа W

Модуль, предназначенный для введения в крейт типа W, должен быть оснащен с левой стороны (если смотреть спереди) алюминиевой или медной платой (холодная плата), как показано на рис. 47. Плата обеспечивает тепловой контакт со змеевиком крейта (см. п. Н.1.1).

ФАСТБАС-модули, предназначенные для введения в крейт типа W, должны иметь холодные платы, соответствующие рис. 47.

Ниже описаны некоторые способы для обеспечения путей отвода тепла с целью охлаждения модулей в крейтах типа W:

Благодаря тому, что пружина с силой прижимается к проводящей пластине, между ними создается надежный тепловой контакт, позволяющий использовать описанную конструкцию при работе с интегральными схемами мощностью до 2 Вт. Данный вариант теплоотвода может применяться в модулях как с воздушным, так и с водяным охлаждением.

Рис. 46. Типичный вариант построения крейта типа W

Тепло может отводиться от верхней части интегральных схем через слой силиконовой резины (коэффициент теплопроводности от 0,01 до 0,025 Вт/(см×°С) на прокладку. Интегральные схемы размещаются между печатной платой и накладкой/слоем силиконовой, резины. Силиконовая резина имеет малый коэффициент упругости (порядка 30), ввиду чего допустимы небольшие отклонения по высоте корпусов интегральных схем.

Для модулей с наиболее высоким энерговыделением целесообразно применять решетчатые теплоотводы. Каждая интегральная схема в такой конструкции помещается на решетку. Тепло отводится от нижней части интегральной схемы через теплопроводящую алюминиевую решетку. Между решеткой и верхней накладкой проложены алюминиевые рейки с одинаковыми интервалами между ними. Эти рейки, с одной стороны, поддерживают требуемый зазор между печатной платой и накладкой, с другой стороны, - обеспечивают приток тепла к массивной накладке.

Описанные методы охлаждения могут также применяться совместно в различных сочетаниях.

* Справочный размер.

1 - модуль (см. рис. 23); 2 - холодная плата; 3 - печатная плата (см. рис. 24); 4 - следующий модуль

Примечания:

1. Размеры даны в миллиметрах.

2. Холодная плата на протяжении от переднего края модуля до 19,1 мм от конца печатной платы.

Рис. 47. Сборка модуля для крейта типа W

ПРИЛОЖЕНИЕ I

ТИПОВЫЕ ИСТОЧНИКИ ПИТАНИЯ

Ниже приведены требования, предъявляемые к типовым источникам питания, применяемым в системах ФАСТБАС.

I.1. Источник питания с высоким к.п.д.

I.1.1. Общая характеристика

Источник питания должен состоять из отдельных модулей питания, смонтированных в общем корпусе, в котором предусмотрены псе соединения в компоненты, необходимые для работы данного узла в качестве единого интегрированного источника питания. Интегрированный узел здесь и далее именуется «источником». Должна быть обеспечена простая взаимозаменяемость модулей питания, чтобы пользователь мог осуществлять их ремонт, а также имел возможность подбирать и устанавливать модули с различными номиналами напряжений и токов.

I.1.2. Коэффициент полезного действия

Модульные источники питания должны обладать к.п.д. не ниже 70 %, когда они работают при номинальных входных и выходных напряжениях и поминальных токах.

Исключение составляет лишь источник на 2 В, к.п.д. которого должен быть не менее 60 %

I.1.3. Диапазон температур окружающего воздуха

Источник должен обеспечивать длительную непрерывную работу согласно спецификациям во всем диапазоне температур окружающего воздуха от 0 до 50 °С без снижении мощности.

I.1.4. Напряжение сети

Номинальное входное напряжение источника должно составлять 115 В или 208/230 В, что определяется пользователем. Источник должен функционировать согласно спецификациям во всем диапазоне частот от 47 до 63 Гц и во всем диапазоне напряжений от 103 до 129 В при включении на 115 В и от 183 до 258 В - при включении на 208/230 В. Входной силовой разъем или штекер питания должны иметь штырек заземления, который надежно связан с шасси источника питания.

I.1.5. Выходные напряжения

Источник должен выдавать напряжения перечисленных ниже номиналов, реализуемые в указанных пределах.

в

Номинальное напряжение

Диапазоны изменения

+5,0

От + 4,8 до + 5,5

-5,2

« -4,8 « -5,7

-2

« -1,9 « -2,3

Выходные токи должны изменяться от нуля до максимальных значений, задаваемых пользователем. Типовые максимальные токи составляют 200 и 300 А для источников +5,0 и -5,2 В соответственно, и от 60 до 100 А - для источника -2 В. Должна быть также предусмотрена возможность установки в корпусе источника дополнительного модуля питания на ± 15 В, в типовом исполнении дающего максимальный ток 16 А, снимаемый с выхода -15 В, и 24 А - снимаемый с выхода +15 В.

I.1.6. Дистанционные измерения

Должна быть обеспечена возможность дистанционного измерения напряжений на обеих сторонах всех выходов. При этом должны быть предусмотрены средства компенсации падения напряжения в кабеле, равного 0,15 В на один провод (итого 0,30 В по каждому выходу). Провода дистанционных датчиков должны подсоединяться к разъему дистанционных измерений, установленному на задней крышке источника. Сопрягаемый с ним разъем с навесными проводами должен прикрепляться к корпусу источника посредством цепочки или другой прочной связи. Когда указанный разъем подсоединяется к разъему дистанционных измерений, индикатор должен показывать напряжение на выходных клеммах источника. Когда дистанционный индикатор подключается с помощью многопроводного кабеля к крейту, он должен показывать напряжение в крейте. Если от разъема дистанционных измерений внешний разъем отключается, источник должен продолжать нормально функционировать, хотя допускается повышение его выходного напряжения на величину до 400 мВ.

I.1.7. Отклонения и стабильность питания

На протяжении 24 ч вариации выходных напряжений, обусловленные флуктуациями входного напряжения в допустимых пределах (см. п. I.1.4 и I.1.5), а также изменениями выходных токов, не должны превышать ±30 мВ. Медленные изменения должны составлять не более 0,3 % в течение 1000 ч при условии постоянства нагрузки, сетевого напряжения и температуры окружающего воздуха.

I.1.8. Температурный коэффициент

Температурный коэффициент выходного напряжения не должен превосходить 0,02 % на 1 °С во всем диапазоне температур окружающего воздуха от 0 до 50 ºС.

I.1.9. Шум и пульсация

Двойная амплитуда шума и пульсаций при условии измерения ее с помощью осциллоскопа, имеющего полосу частот от 10 Гц до 50 МГц, не должна превышать 50 мВ, а среднее квадратическое отклонение напряжения должно составлять не более 15 мВ.

I.1.10. Время восстановления и перерегулирования при включении и отключении

Выходные напряжения должны возвращаться к их установившимся значениям с ошибкой, не превышающей 0,5 %, в течение 500 мкс после любых изменений входного напряжения, а также любых изменений тока нагрузки, доходящих до 25 % от его максимальной номинальной величины. Пиковые значения отклонений выходных напряжений не должны превосходить 5 % от соответствующих номинальных величин при указанных выше изменениях сетевого напряжения и токов нагрузки, и должны пропорционально снижаться при уменьшении таких изменений. После включения источника выходные напряжения должны в течение 1 мин стабилизироваться в пределах ± 1 % относительно установившихся значений при условии постоянства сетевого напряжения, нагрузки и температуры окружающего воздуха. Перерегулирования в переходных процессах после включений и отключений не должны превышать 105 % от соответствующих номинальных напряжений

При включении питания выходное напряжение должно возрастать до своего окончательного значения с ошибкой, не превышающей 5 %, в течение менее 100 мс с начала нарастания выходного напряжения при подсоединении к резистивной нагрузке во всем диапазоне значений тока вплоть до полного номинального значения.

I.1.11. Токовые и электромагнитные наводки

Токовые и электромагнитные наводки в линиях не должны влиять на сигналы в системе.

I.1.12. Выходные клеммы.

Клеммы выходных напряжений питания должны быть выполнены в виде шпилек, установленных на задней стенке источника.

I.1.13. Органы настройки напряжений

Доступ к органам настройки выходных напряжений и их регулирование должны быть возможны без удаления модулей питания или любых других компонентов из корпуса источника.

I.1.14. Средства защиты

1. Вход источника должен быть защищен разъединителем, действующим на каждой стороне линии. Срабатывая, разъединитель должен размыкать обе стороны.

2. Выход каждого источника должен быть защищен от короткого замыкания с помощью электронной схемы. Ограничивающие ток пороговые величины должны устанавливаться не менее, чем на 10 % больше максимальных допустимых значений выходного тока. После устранения причины короткого замыкания выходное напряжение должно восстанавливаться. Длительное короткое замыкание не должно приводить к повреждению источника или срабатыванию сетевого разъединителя.

3. Выходы источников должны защищаться ограничивающими цепями, которые при любых отказах питания, а также при включениях и отключениях ограничивали бы выходные напряжения источников с номиналами 5,0; 6,2 и 2 В величинами 6,0; 6,2 и 2,6 В соответственно. Указанные требования должны соблюдаться и при отсоединенных вводах дистанционных датчиков.

4. Должны быть предусмотрены термозащитные цепи, отключающие источник в случаях, когда температура поднимается сверх допустимого уровня.

5. Срабатывания цепей защиты не должны приводить к повреждению источника.

I.1.15. Средства контроля

На передней панели источника должен быть предусмотрен вольтметр, объединенный с блоком переключателей, позволяющий производить замеры всех выходных напряжений в точках подключения индикаторов. Кроме того, все выходные напряжения должны подаваться через резисторы ограничения токов на контрольный разъем, установленный на задней стенке источника.

I.1.16. Задание предельных напряжений

Средства задания предельных напряжений предусматриваются по требованию заказчика. При замыкании соответствующих внешних контактов указанные средства должны обеспечивать повышение и снижение выходных напряжений от 4 до 6 %, что может понадобиться при проведении диагностики системы. Подводы к замыкателям контактов должны проходить через разъем контроля напряжений, устанавливаемый на задней стенке источника (см. п. I.1.15).

I.1.17. Внешнее управление срабатыванием разъединителя

Должна быть предусмотрена возможность дистанционного управления входным сетевым размыкателем с использованием контактов разъема контроля напряжений, установленного на задней стенке источника (см. п.I.1.15).

I.1.18. Включаемая сетевая розетка

На задней стенке источника должна быть установлена выносная сетевая розетка переменного тока, отвечающая стандарту NEMA (Национальная ассоциация электротехнической промышленности США). Напряжение на розетке должно появляться при включении сетевого разъединителя. Розетка должна обеспечивать выдачу напряжения переменного тока мощностью до 440 В×А на линию внешнего назначения, например, используемую для питания вентилятора крейта.

I.1.19. Передняя панель

Передняя панель источника должна представлять собой стандартную панель шириной 482,6 мм, рассчитанную на размещение источника в стойке 482,6 мм, соответствующей Публикации МЭК 297. На передней панели должен быть установлен входной сетевой разъединитель, индикаторная лампочка «напряжение переменного тока включено» и вольтметр с набором переключателей для замера всех выходных напряжений.

I.1.20. Установка в корпус

Источник должен входить в стандартную стойку (Публикация МЭК 297). Ширина источника позади сто передней панели не должна превышать 441 мм с учетом головок винтов и других выступающих деталей.

I.1.21. Охлаждение

Охлаждающий поток воздуха должен проходить сквозь переднюю панель и выходить через заднюю крышку. Воздушные фильтры могут не потребоваться. Конструкция должна быть такова, чтобы пользователь мог при желании закрыть входные воздушные отверстия в передней панели и охлаждать источник путем продува воздуха сквозь нижнюю его панель. Это может потребовать удаления днища блока. Если при таком способе охлаждения возникает необходимость в блокировании какого-либо из установленных внутри вентиляторов, конструкция должна предусматривать простое отключение и подключение вентиляторов, осуществляемые пользователем.

I.2. Источник питания с пониженным уровнем шумов

I.2.1. Общая характеристика

То же, что в п. I.1.1.

I.2.2. Коэффициент полезного действия

Параметры задаются пользователем.

I.2.3. Диапазон температур окружающего воздуха

То же, что в п. I.1.3.

I.2.4. Напряжение сети

То же, что в п. I.1.4.

I.2.5. Выходные напряжения

То же, что в п. I.1.5.

I.2.6. Дистанционные измерения

То же, что в п. I.1.6.

I.2.7. Отклонения и стабильность питания

То же, что в п. I.1.7.

I.2.8. Температурный коэффициент

То же, что в п. I.1.8.

I.2.9. Шум и пульсация

То же, что в п. I.1.9, но двойная амплитуда не должна превышать 10 мВ.

I.2.10. Время восстановления и перерегулирования при включении и отключении

То же, что в п. I.1.10.

I.2.11. Токовые и электромагнитные наводки

То же, что в п. I.1.11.

I.2.12. Выходные клеммы.

То же, что в п. I.1.12.

I.2.13. Органы настройки напряжений

То же, что в п. I.1.13.

I.2.14. Средства защиты

То же, что в п. I.1.14.

I.2.15. Средства контроля

То же, что в п. I.1.15.

I.2.16. Задание предельных напряжений

То же, что в п. I.1.16.

I.2.17. Внешнее управление срабатыванием разделителя

То же, что в п. I.1.17.

I.2.18. Включаемая сетевая розетка

То же, что в п. I.1.18.

I.2.19. Передняя панель

То же, что в п. I.1.19.

I.2.20. Установка в корпус

То же, что в п. I.1.20.

I.2.21. Охлаждение

Способ определяется пользователем.

ПРИЛОЖЕНИЕ J

ПРОЦЕДУРЫ ОБРАБОТКИ НЕНУЛЕВОГО СТАТУСА

Нормальной реакцией слуги на запросы в ходе адресного цикла или цикла данных является выдача SS-0. Получение мастером другого ответа сигнализирует о наличии ошибки или возникновении исключающего условия. Ошибка может быть одноразового характера, либо повторяющейся, если она связана с какими-либо неисправностями в аппаратном или программном обеспечении. Исключающие условия могут быть предусмотрены заранее, но могут и не быть. Ниже кратко излагаются соображения относительно причин разного рода ненормальных ответов, а также предложения по выбору наиболее целесообразных действий, которые следует предпринимать в каждом конкретном случае.

J.1. Ошибки при выполнении адресного цикла

Ошибки во время адресного цикла могут быть трех видов.

1. Мастер не получает никакого ответа - превышен лимит времени.

2. Ответы СС указывают на неисправности в магистрали.

3. Ответы слуги сигнализируют о неверной адресации.

J.1.1. Превышение лимита времени при передаче адреса

Если в мастере таймер ожидания ответа на выдачу адреса в ходе адресного цикла прорабатывает все отпущенное время, а ответ от адресуемого устройства не поступает, то имеет место ошибка. Может быть послано прерывание по ошибке в процессор-хозяин.

J.1.2. Ошибка по четности при передаче адреса

Если при передаче адреса слуга обнаруживает несоответствие четности, он не выдаст ответа. По-видимому, адрес неверен, и существует вероятность, зависящая от того, в каком месте случилась ошибка, что по первоначальному адресу будет правильно выбрано устройство, в котором не выполняется проверка на четность. В том случае, когда ни один из устройств не отвечает, выдастся ошибка по превышению лимита времени.

J.1.3. SS-1 при передаче адреса «магистраль занята»

Подключение слуги к сегменту не было выполнено, поскольку какой-то СС был блокирован в связи с выполнением других передач информации. При этом мастер переводится в состояние ожидания по времени. Это делается для того, чтобы не возникла тупиковая ситуация. Мастер должен выждать в течение случайно задаваемого интервала времени, после чего он может предпринять повторную попытку (см. п. 10.7.4).

J.1.4. SS-2 при передаче адреса «неисправность магистрали»

Связь слуги с сегментом не была установлена, поскольку на сегменте, через который предполагалось передать адрес с получением подтверждения, отсутствует СС. Вероятными причинами подобной ситуации могут быть неправильно проведенная инициализация, изменение конфигурации, ошибка по четности в адресе или неисправность СС. Мастер при этом может послать в процессор-хозяин прерывание по ошибке (см. п. 10.7.4). Такая ошибка возникает также в случае, когда СС не получает подтверждение приема адреса АК от слуги в сегменте назначения.

J.1.5. SS-3 при передаче адреса «магистраль не принимает»

Связь слуги с сегментом не была установлена, поскольку какой-то СС выполняет в данный момент передачу информации в противоположном направлении. Мастер должен выждать в течение случайно заданного интервала времени и предпринять повторную попытку (см. п. 10.7.4).

J.1.6. Ответы СС с кодами SS-1, SS-2 или SS-3 «общее описание».

Когда СС в ответ выдает ненулевой SS вместе с АК, он действует так, как будто слуга на его ближайшей стороне получил адрес из своей области регистров CSR. При этом мастер может выполнить вторичные адресные циклы для того, чтобы считать содержимое любого из регистров CSR. При этом позволяет мастеру узнать биты статуса ошибки, а также географический адрес обеих сторон СС, и выяснить, что же именно произошло и в каком месте.

Данный тип ошибочного ответа может также выдаваться по требованию с целью определения маршрута, пройденного операцией (см. п. J.1.7).

J.1.7. Прослеживание маршрута, пройденного операцией

Если у мастера возникает подозрение, что некоторая операция проследовала неверным маршрутом, или мастер желает проверить правильность маршрута, он может выполнить следующую последовательность действий.

1. При проверке идущей в данный момент операции вновь выставить GK = 1, чтобы сохранить связь между звеньями маршрута. Изменить первоначальный адрес, установив разряды AD <07:00> = 03 и оставив прежнее содержимое в разрядах <31:08>.

2. При проверке правильности маршрута выбрать адрес в сегменте назначения и изменить его способом, указанным в п. 1.

3. Использовать модифицированный адрес с кодом режима MS = 3 при выполнении широкой операции записи в область CSR, которая должна проследовать тем же маршрутом, что и первоначальная операция (если только на нем не возникло состояние ошибки, обусловленное некоторой временной причиной).

4. В цикле записи данных широкой операции установить AD <15> = 1. Хотя все устройства, подключенные к сегментам, образующим маршрут, зафиксируют эту широкую операцию, только соединенные СС отреагируют нa CSR# 0 <15> и будут переведены в режим отслеживания маршрута.

5. Снять строб адреса AS (оставив в то же время GK = 1) и вновь выставить первоначальный или выбранный адрес с AS (u). Первый на маршруте СС не пропускает операцию, поскольку он находится в режиме отслеживания. Вместо этого он выдает SS = 2 совместно с АК, как будто им была обнаружена ошибка.

6. Теперь мастер может выполнить вторичные циклы адреса и данных и считать таким образом содержимое регистров CSR первого СС, действуя как при обычном восстановлении после ошибки. Это позволит установить адреса обеих сторон СС и определить тем самым его расположение внутри системы.

7. Мастер снимает AS, в результате чего СС возвращается в нормальный режим. Затем он вновь выставляет первоначальный адрес и повторяет действия пп. 5 и 6. Так он действует до тех пор, пока все СС вдоль маршрута не будут идентифицированы. Об окончании маршрута сигнализирует SS = 0, если достигнуто устройство, к которому адресовалась операция. В противном случае маршрут заканчивается на СС, который вновь выдает первоначальную ошибку.

J.1.8. SS = 4 при передаче адреса «зарезервированный код»

J.1.9. SS = 5 при передаче адреса «зарезервированный код»

J.1.10. SS = 6 при передаче адреса «зарезервированный код»

Не должны происходить ответы зарезервированного СС. Если же они происходят, то значит имеется ошибка в аппаратном обеспечении или нарушение спецификации ФАСТБАС в конструкции, в этом случае следует послать хозяину сообщение о прерывании по ошибке.

J.1.11. SS = 7 при передаче адреса «несуществующий IA» (принят)

Связь была установлена и внутренний адрес был принят (для хранения во внутренней памяти или использования каким-то другим способом), однако его значение выходит за пределы области допустимых адресов данного слуги. Если операцию необходимо успешно довести до конца, следует исправить это значение при выполнении вторичного адресного цикла. Этот отклик нужен, если NTA-регистр загружен неверным адресом во время первичного адресного цикла.

J.2. Превышение лимита времени при передаче данных

Присоединенный слуга всегда отвечает на DS (t) выставлением DK (t). Если в ходе цикла данных превышен лимит времени, то указанный ответ мастер не видит в выделенный промежуток времени. В нормально работающих системах контроль по превышению лимита времени необходим, чтобы при возникновении отказов аппаратуры не происходило зависание системы. Однако при проведении проверок системы данную функцию часто блокируют, чтобы было проще локализовать источники неисправностей.

Существуют четыре причины превышения лимита времени:

1. Время, выделенное мастером на ожидание конца начатого цикла данных, оказалось недостаточным. Вероятно, данные не были подготовлены для отсылки, а слуга не сообщил об этом путем выдачи кода SS = 1 (занят) или подав сигнал ожидания WT.

2. В результате сбоя пропал сигнал подтверждения приема данных DK.

3. Слуга неисправен и поэтому не подал DK (t).

4. Нарушена связка AS/AK.

Мастер может послать в процессор-хозяин прерывание по ошибке, как и в случае рассмотренного выше превышения лимита времени в адресном цикле.

J.3. Ответы на запросы статуса слуги

J.3.1. SS = 0 - исправная работа

Слуга не осведомлен ни о каких проблемах, в то время как мастер может обнаружить ошибку по четности в считанных данных, возникшую в процессе передачи информации.

J.3.2. SS = 1 - занят

Данный ответ посылается слугой, который просит мастера попытаться выполнить последнюю операцию повторно. SS = 1 следует использовать только в случаях, когда имеется достаточно высокая вероятность успешной попытки в следующем или и нескольких следующих циклах. Мастер может либо повторить цикл несколько раз и рамках той же операции, либо закончить операцию и предпринять новую попытку позднее.

J.3.3. SS = 2 - конец блока

Такой ответ означает, что в процессе передачи блока или принудительной передачи блока достигнут либо конец данных, либо конец области памяти слуги. При этом операция должна быть закончена или, перед тем как ее продолжить, во вторичном адресном цикле должна быть выдана новая адресная информации.

J.3.4. SS = 3 - определяется пользователем

Данный ответ может интерпретироваться по-разному в зависимости от типа слуги. Если мастер не ожидает такого ответа или не знает, как с ним поступить, он может послать прерывание по ошибке в процессор-хозяин.

J.3.5. SS = 4 - зарезервирован

J.3.6. SS = 5 - зарезервирован

Указанные ответы выдаваться не должны, и если мастер получит любой из них, он должен послать в процессор-хозяин прерывание по ошибке.

J.3.7. SS = 6 - ошибочные данные (забракованы)

Слуга обнаруживает некоторую ошибку, связанную с данными или текущим внутренним адресом IA, и отказывается принимать или выдавать данные в выполняемом цикле. Если это цикл записи, мастер должен в первую очередь предположить, что ошибка имела место при передаче, и попытаться выполнить цикл повторно. Если ошибка сохраняется, для выявления ее причины необходимо проверить содержимое регистров статуса слуги. Ошибки такого типа могут также вызываться неисправностями оборудования, подключенного к слуге.

J.3.8. SS = 7 - ошибочные данные (приняты)

Этот тип ошибки повторяет случай SS = 6 с той разницей, что слуга данные принимает или выдает данные, заведомо содержащие ошибки. Выбор кодов SS = 6 или SS = 7 зависит от особенностей конкретного слуги, режима его работы, а также от того, к какой именно части слуги адресуются. Если нужно работать в режиме, при котором ошибки передачи только подсчитываются, а по завершении блоков выставляются флажки, следует задавать SS = 7.

Этот ответ требуется, если регистр адреса следующей передачи NTA нагружается недостоверным адресом во время вторичной адресации.

Поскольку решение о том, заслуживает ли ошибка исправления или нет, должно приниматься не слугой, а мастером с учетом особенностей конкретных данных и других обстоятельств, слуги в качестве индикации ошибки при передачах в области данных должны обычно выдавать SS = 7. По усмотрению мастера он может вторично адресоваться к слуге и повторить передачу, или не делать этого. Только в тех случаях, когда принятие ошибочных данных может вызвать нарушения или повреждения, исправить которые путем выполнения повторной передачи невозможно, слупи должны выдавать SS = 6.

J.4. Реакция хозяина на сообщения об ошибках

Когда хозяин, т.е. процессор, ответственный за инициализацию системы, получает информацию о наличии ошибки, он должен установить адреса мастера и слуги, связанных с этой ситуацией. Прерывание по ошибке, выдаваемое мастером, должно содержать эту информацию в виде сообщения об ошибке, имеющего стандартный формат.

Если указанное сообщение посылается через последовательную диагностическую сеть, аналогичная информация должна быть заключена в соответствующем пакете сетевых сообщений.

Хозяин имеет доступ к информации по инициализации системы, и прежде всего он должен удостовериться, что мастер и слуга вместе с расположенными между ними СС были правильно инициализированы. Ошибки, обнаруженные в ходе такой проверки, могут дать полезные сведения, помогающие локализовать неисправность.

Хозяин должен также уведомить оператора о наличии ошибки и вывести диагностическую информацию. После этого оператор может приступить к диагностическим процедурам с использованием средств самоконтроля, предусмотренных в устройствах, или внешних измерительных приборов, исходя из особенностей конкретной системы.

J.5. Ошибки при обмене данными со стеками ПВПВ и портами ввода/вывода

J.5.1. Введение

Как правило, стеки ПВПВ и порты ввода/вывода не позволяют повторно передавать данные в них или из них. Другими словами, раз уж данные были переданы, исправить их нельзя. В случае записи в ПВПВ это обусловлено тем, что доступ к данным внутри ПВПВ невозможен.

Аналогичной особенностью обладают некоторые порты ввода/вывода, что связано с возникновением побочных эффектов. Так при считывании данных в соответствующем порте иногда сбрасывается флажок «данные готовы». Запись данных в порт может вызывать различные побочные явления, которые зависят от условий применения и могут варьироваться от совершенно безвредных до серьезных (например, изменение уставок источника питания) и катастрофических.

Сходные проблемы возникают и при выполнении операций чтения с уничтожением информации, таких, как «считать и стереть» (Read-and-Clear).

В системе ФАСТБАС предусмотрены дополнительные проверки по четности, выполняемые с целью контроля целостности данных в процессе пересылок. Однако в некоторых приложениях простой регистрации ошибок недостаточно, и необходимо иметь механизм, позволяющий их исправить.

В магистрали ФАСТБАС исправление ошибок осуществляется только за счет повторных передач данных. Ввиду этого в системах, которые требуют полного отсутствия ошибок при выполнении операций пересылки, нельзя применять устройства, не допускающие повторные передачи данных.

Подобные устройства могут оснащаться дополнительными буферными регистрами, в которых данные могли бы храниться до тех пор, пока их пересылка не будет осуществлена без ошибок. При повторных передачах каждый раз производится обращение к этим буферам, пока данные не будут признаны правильными.

Должна быть тщательно проверена реализация механизмов устранения ошибок, чтобы мастер всегда мог по своему усмотрению либо игнорировать ошибку, либо корректировать ее с помощью методов, указанных в пп. J.5.2 и J.5.3.

J.5.2. Ошибки при операциях чтения

При выполнении считывания только мастер может определить, что произошла ошибка. Следовательно, чтобы можно было получить правильные данные в операциях чтения с уничтожением, слуга должен быть снабжен буферным регистром, в котором бы хранилась копия последних считанных данных. Мастер должен иметь возможность повторно адресоваться к слуге для доступа к такому регистру. Для единообразия с операцией записи (см. ниже) рекомендуется, чтобы аналогичным образом выполнялись операции с ПВПВ и защищенными портами ввода/вывода.

Только передачи блоков или принудительные передачи блоков (MS1 = 1) заставляют слугу, получившего соответствующий адрес, обращаться в ПВПВ. Выполнение одиночных передач данных сводится к считыванию из буфера. В цикле передачи блока или принудительной передачи блока из ПВПВ считывается по одному слову, которое отсылается мастеру, а его копия запоминается в буферном регистре на случай возникновения ошибки. Если мастер обнаруживает ошибку по четности или ошибку с кодом SS = 7, он может либо продолжить операцию (подсчитывая или вообще игнорируя ошибки), либо приостановить передачу блока или принудительную передачу, выполнить единичный цикл, чтения, чтобы повторно считать данные, а затем возобновить обычным порядком передачу блока или принудительную передачу блока.

При выполнении описанных действий магистраль должна оставаться закрепленной за действующим мастером, чтобы не позволить другому мастеру произвести операцию чтения с тем же слугой, нарушив содержимое буферного регистра. То же самое относится к входным портам с побочными эффектами. И для них операции считывания блока или принудительного считывания (как правило, одного слова) должны осуществлять доступ к данным, запоминать их копию и, возможно, вызывать побочные эффекты. В единичных циклах чтения производится только обращение к буферу, не сопровождаемое побочными эффектами.

Защитный буфер, предназначенный для выполнения операций типа «считать и стереть», должен действовать иначе, поскольку подобные функции обычно реализуются на адресуемых регистрах, причем при выполнении передач блоков или принудительных передач предусматривается автоматическое наращивание адреса регистра. В этом случае каждая операция чтения (отдельного слова или блока) вызывает считывание данных из регистра, запоминание копни в буфере и очистку регистра. Затем то же самое происходит со следующим регистром и т.д., если выполняется передача блока или принудительная передача. В единичном цикле считывания, следующим за передачей блока, принудительной передачей или единичным циклом чтения в рамках одной операции, производится только обращение к буферу. Если единичный цикл считывания выполняется вслед за адресным циклом или вторичным адресным циклом, производится обращение к указанному регистру, его очистка и обычное запоминание копии содержимого.

J.5.3. Ошибки при операциях записи

При операциях записи контроль ошибок осуществляет слуга. Если обнаруживается ошибка, он уведомляет об этом мастера через линии статуса слуги (SS). Данные, содержащие ошибку, могут помещаться в защитный буфер слуги для диагностических целей. Слуга может либо вернуть SS = 6 и больше ничего не делать, либо вернуть SS = 7, сохранить данные по адресу, указанному его регистром адреса следующей передачи NTA, а может прирастить регистр NTA, если цикл заключается в блочной или принудительной передаче блока.

При получении SS = 6 мастер узнает, что ошибочные данные не разрушили выходной порт или ПВПВ и что NTA слуги по-прежнему нацелен на адрес, по которому произошло повреждение. Он может попытаться устранить ошибку путем повторного выполнения операции с теми же самыми данными. Если мастер игнорирует SS = 6 в ходе блочной передачи или получает SS = 6 в ответ на принудительную передачу, то тогда все данные, идущие вслед за ошибкой, будут ошибочно располагаться в слуге.

При получении SS = 7 мастер может решить игнорировать ошибку. Место расположения в слуге будет разрушено, но регистр NTA будет содержать правильный адрес для продолжения операции. Если месторасположение содержит ПВПВ-регистр или выходной порт, то ошибка не устранима, для случая же других регистров мастер может исправить ошибку позднее с помощью единичной передачи.

Вообще говоря, лучше всего использовать SS = 6 в ответ на ошибки при передаче данных во время операции записи в регистры ПВПВ или выходные порты и избегать использование принудительных передач в эти устройства.

ПРИЛОЖЕНИЕ К

КОМПОНЕНТЫ

Это приложение дает информацию о некоторых компонентах, которые полезны при реализации ФАСТБАС.

К.1. Разъемы

К.1.1. Разъемы модуля

Ниже приведены примеры разъемов, которые, по мнению изготовителей, удовлетворяют требованиям п. 13.2.1 для сегментных разъемов модуля и п. 13.2.2 - для 130-контактных двухрядных вспомогательных разъемов модуля:

AMP 2-532956-0

DuPont 66527-565

SAE RTP 2525-130В

Ниже приведены примеры разъемов, которые, по мнению изготовителей, соответствуют требованиям п. 13.2.2 для трехрядных 195-контактных вспомогательных разъемов модуля: AMP 532981 - 1 (см. примечание).

Примечание. Изготовитель предупреждает, что AMP 103262-6 идентичен 532981-1, за исключением того, что концы для пайки в нем имеют избыточную длину и должны быть отрезаны.

К.1.2. Сегментные и вспомогательные разъемы для крейта

Ниже приведены примеры штырьковых контактов и разъемных устройств, которые, по мнению изготовителей, соответствуют требованиям к сегментным и вспомогательным разъемам крейта по п. 14.2.

Изготовитель

Номер

Примечание

DuPont

76230-138

1, 5

DuPont

76230-134

1, 6

AMP

102666-9

2, 3, 5

AMP

102777-2

2, 3, 6

AMP

532959-1

2, 4, 5

AMP

532960-1

2, 4, 6

DuPont

67289-101

2, 3, 5

DuPont

62289-102

2, 3, 6

Interconics

P24-018

1, 5

Interconics

P24-017

1, 6

SAE

RT2626-130

2, 3, 5

Примечания:

1. Штырьковые контакты - по рис. 30.

2. Разъемное устройство со штырьковыми контактами и направляющими для разъемов модуля с желобком (рис. 30 и 32).

3. 130 штырьков (2×65). Не должен использоваться в качестве вспомогательных разъемов крейта, так как п. 14.2.2 указывает 195 штырьков для этого случая.

4. 195 штырьков (3×65).

5. Выступ L на рис. 30 равен 12,19 мм.

6. Выступ L на рис. 30 равен 17,27 мм.

ПРИЛОЖЕНИЕ L

ТРЕБОВАНИЯ К КОНСТРУКЦИИ И СИСТЕМЕ

L.1. Внутренние соединения в системе питания

Внутренние соединения в системе питания не должны выполняться на винтах или болтах как токонесущих элементах. Если болты используются для обеспечения соединений со сжатием через поверхности плоских кронштейнов, то следует применять проводящее соединение во избежание окисления и коническую сжимающую шайбу (например, Belleville).

Материалы, используемые для пропускания электрических токов, должны соответствовать применению, связанному с прохождением электрического тока.

Любые соединения на шине питания, осуществляемые с помощью штепсельных вилок и гнезд, должны использовать разъемы, классифицируемые как «газонепроницаемые», с учетом их возможного номинального тока.

L.2. Конструкция печатной платы

L.2.1. Материал для изготовления платы

Чередующиеся слои структуры в многослойных платах должны иметь плетение с ортогональной ориентацией.

L.2.2. Процедура пайки

Используемая процедура пайки не должна вызывать ни искривления в монтируемом блоке, ни попадания припоя на контакты разъемов.

L.3. Конструкция задней панели крейта

L.3.1. Защитное покрытие задней панели

Задняя панель должна быть покрыта подходящим защитным покрытием (таким как паяльная маска) по всей тыльной поверхности за исключением участков, на которых должен быть осуществлен электрический контакт. Воспламеняемость покрытия должна быть сравнима с аналогичной характеристикой матрицы задней панели FR4.

L.3.2. Штырьки сегментного разъема

Рекомендуется, чтобы штырьки сегментного разъема на тыльной стороне задней панели были укорочены и выступали над поверхностью максимум на 2,5 мм для минимизации возможности случайного короткого замыкания. Исключения составляют следующие штырьки, которые должны иметь полную длину:

- все штырьки в позициях 0, 1, 12, 13, 24 и 25 на задней плате,

- штырьки 40, 41, 43 и 44 во всех позициях задней платы.

ПРЕДМЕТНЫЙ УКАЗАТЕЛЬ

AD (адрес/данные                                                                    3.3.5

Адрес (адресация)                                                                    2.3, 4

» адресный цикл                                                               2.3, 4

» внутренний (IA)                                                             4.1

» вторичный                                                                      2.3, 4.1, 4.4

» выбор режима передачи адреса/данные                      См. MS, выбор режима передачи

» географический (ая)                                                      4, 4.2, 5.2, см. также

географический (ая) адрес (ация)

» группы (GP)                                                                    4, 4.1, 4.2, 4.3.1

» линии/сигналы адреса/данных                                     (AD) 3.3.5

» логический                                                                     4, 4.1

    модуля (МА)                                                                  4.1

» операция с фиксированным адресом                          2.3, 5.3

» ответ по линиям SS в адресном цикле                        Табл. 5.2.3

» ответы по линии адреса/данных                                  См. ответы SS

» первичный                                                                      2.3, 5.2

» первичный адресный цикл                                           2.3, 4

» ответ по линиям SS в адресном цикле,           Табл. XI

поступающий с сигналом АК(u)

» ответ слуги на сигнал AS (u)                            5.2.2

» ответ мастера на сигнал АК(u)                         5.2.3

» последовательность мастера для                     5.2.1

формирования сигнала AS

» подтверждение приема адреса (АК)                            3.3.2, 5.2.2, 5.2.3

» регистр логического адреса (CSR# 3)                         8.6

» спецификация типов адресации                                  Табл. 5.2.1

» СС                                                                                    См. СС, распознавание адреса

» строб адреса (AS)                                                          3.3.1

» устройства                                                                      4.1

» широкий (ая)                                                                  4.3, см. также широкая операция

» IA (внутренний адрес)                                                   4.1

Адрес группы (GP)                                                                   4.1

Адрес модуля (МА)                                                                  4.1

Адрес следующей передачи (NTA)                                        4.1

Адрес устройства (DA)                                                            4.1

Арбитраж                                                                                  6, 6.2, 6.3

» задержка при арбитраже                                               Рис. 19, 20

» запрос на арбитраж (AI)                                               3.3.17, 6.3.2, 7.1.1

» использование линии магистрали для арбитража     6.1

» линии для арбитража                                                    6.1, табл. IX

» логика арбитража                                                          Рис. 17, 18

» операция с заблокированным арбитражем                 2.3, 5.3

» подтверждение приема разрешения на                       3.3.16, 6.3, 5

арбитраж (GK)

» правила арбитража                                                        6.3

» разрешение на арбитраж (АG)                                     3.3.14, 7.1.2

Примечание. См. определения в п. 2.3, буквенные обозначения - в п 9.4

» регистр уровня арбитража (CSR# 8)                            8.11

системного уровня                                                            6.4

» соединитель (и) сегментов                                           См. СС, арбитраж

» управление таймированием арбитража                      2.3, 6, 7.1

» уровень арбитража (AL)                                                3.3.15, 6.1  6.3

» УТА (управление таймированием арбитража)          См. УТА

» формирование мастером сигнала AR                          6.3.1

» цепи арбитража в мастере                                            D.1

» цикл арбитража                                                             2.3, 6.1, 6.3.4

» AR (запрос на арбитраж, выставляемый                     3.3.13

мастером)

Базовый адрес группы (базовый GP)                                     10.4

Ближняя сторона (СС или БСС)                                             10.1

БСС (буферизованный соединитель сегментов)                  2.3

» завершение передачи блока                                          11.1.

» ошибки при передаче данных                                      11.3

» ПВПВ                                                                              11.3

» принудительная передача блока                                  См. принудительная передача блока

» увеличение внутреннего адреса                                   11.2

Буквенные обозначения                                                          2.4

Буферизованный соединитель сегментов (БСС)                  2.3

Владение магистралью                                                           1.2, 2.3

Время разброса задержек                                                        2.3, табл. А.II

Время срабатывания                                                                Табл. А.II

Время срабатывания элементов на ЭСЛ                               Табл. А.II

Вспомогательная логика (ВЛ)                                                2.3, 7

для кабель-сегмента 7.7

для крейт-сегмента 7.6

» останов магистрали (ВН) 7.4

» УГА (управление географической адресацией)         7.2

» управление географической адресацией (УГА)         7.2

» управление переключением работа/останов              7.4

» управление таймированием арбитража (УТА)           7.1 см. также УТА

» УТА                                                                                 См. УТА

» формирование сигнала AG                                           7.1.2

» формирование сигнала AI                                             7.1.1

» формирование системного подтверждения                7.3 (для широкой операции)

Вспомогательная печатная плата модуля                             2.3, 13

Вспомогательный разъем                                                       См. разъем вспомогательный

Вторичный адрес                                                                     2.3, 4.1, 4.4

Вторичный адресный цикл                                                     4.4

Выбор режима передачи (MS)                                                3.3.4, см. также MS

Выдержка                                                                                  А.1.3

Выдержка при использовании ЭСЛ                                      А.1.3

Генератор для подачи напряжения на штырьки 7.2

географического адреса

Географический (ая) адрес (ация)                                         4, 4.2, 5.2

Дальняя сторона (СС или БСС)                                              10.1, рис. 21

Диагностика                                                                             1.2.13, 8.12.J

Длительности сигналов при использовании ЭСЛ               Табл. А.II

Должен                                                                                      2.1

Древовидная структура                                                           2.3, 4.3.1

Задняя плата                                                                             2.3, 14.2, см. также: - разъем; разъем вспомогательный, сегментный; крейт, задняя плата

» допустимые токи                                                           14.2.4

» сопротивление                                                               14.2

» соединения цепных связей                                           14.2.1, рис. 33

» соединения штырьков, определяющие                        14.2.1, рис. 34

географические адреса

» элементы задней платы                                                 14.2.5

Запись (операция записи)                                                       2.3

Запрос на обслуживание (SR)                                                3.3.18, 9, 2

Запросы на обслуживание, используемые регистры           8.14

(CSR# 20-3F)

Зарезервированные линии                                                      2.3, 3.3.27

Защитные буферы                                                                    2.3, 11, 11.1, 11.3, J.5.1, J.5.2, J.5.3

Идентификатор модуля                                                           См. идентификатор устройства

Идентификатор устройства (ID)                                            8.3.1

Изоляция входа приемника на ЭСЛ                                      А.1

Интервалы ожидания ответов слуги                                      Табл. А.II

Интервалы ожидания ответов мастера                                  Табл. А.II

Интерпретация настоящего стандарта                                  2.1

Интерфейс процессора (PI)                                                    2.3

Источники питания, типовые                                                 1

Кабель-сегмент                                                                        2.3, 16

» вспомогательная логика для кабель-сегмента            7.7

» назначение разъемов и контактов                               16.2, табл. ХХIIа, ХХIIb

» реализация на элементах ЭСЛ                                     С.2

» сигналы в кабель-сегменте                                           16.1

» схемная реализация                                                       С

Крейт                                                                                         2.3, 14, G, Н

» вспомогательная логика в крейт-сегменте                7.6

» вспомогательный разъем крейта                                См. разъем, вспомогательный разъем

» задняя плата крейта                                                      14.2, см. также задняя плата

» конструкция крейта                                                      14.1

» маркировка крейта                                                       14.6

» направляющие разъемов крейта                                 14.2.3

» охлаждение крейта                                                       14.3

» печатные платы, устанавливаемые с тыльной

стороны крейта                                                                14.2, 14.5

» разъемы крейта                                                             См. разъем (ы)

- сегмент                                                                           См. сегмент, крейт

типа A                                                                          G.1

» задняя плата крейта типа A                              G.1.2

» конструкция крейта типа A                              G.1.1

» пример построения крейта типа A                   G.2

» приспособления для установки печатных       G.3

плат, монтируемых с тыльной стороны крейта

типа W                                                                         H.1

» задняя плата крейта типа W                              Н.1.2

» конструкция крейта типа W                              Н.1.1

» пример построения крейта типа W                  H.1.3

» построение модулей                                          Н.2

» соединения в крейте                                                     См. задняя плата

» соединения штырьков, определяющие                       14.2.1, рис. 34

географический адрес

» соединения цепных связей                                          14.2.1, рис. 33

» шины заземления                                                          14.2.4

» шины питания                                                               14.2.4

» узел переключателя работа/останов                           14.4

Лимит времени ожидания                                                     8.12

Линии последовательной сети (RX и ТХ)                           3.3.24

Линии/сигналы для ответов слуги (SS)                                3.3.6, см. также ответы по линиям SS

Линии сигнальные                                                                 См. сигналы

Линии ограниченного применения, несогласованные (UR)     3.3.26, 3.4.1

Линии ограниченного применения, согласованные (TR)  3.3.25, 7.5

Линии чтения (RD)                                                                3.3.9

Логика вспомогательная логика                                           См. вспомогательная

Логический адрес                                                                   4, 4.1

ЛСП (логика системного подтверждения)                          2.4, 7.3

Магистраль остановлена (ВН)                                              3.3.20

Маршрутная таблица                                                              См. СС, маршрутная

таблица

Мастер                                                                                     1.2, 2.3

Мастер подготовленный                                                        2.3, 6.1

Модуль (и)                                                                               13, F

» адрес модуля (МА)                                                       2.3, 4.1

» вспомогательная печатная плата модуля                   2.3, 13

» вспомогательный разъем модуля                                См. разъем (ы), вспомогательный разъем

» индикаторы режимов работы модуля                         13.5

» обозначения источников питания модуля                 13.6

» охлаждение                                                                    13.3, 13.3.3

» передняя панель модуля                                              13.4, рис. 29

» печатная плата модуля                                                 2.3, 10.1

» разъем (ы) модуля                                                         13.2, см. также разъем (ы), вспомогательный разъем; разъем (ы), сегментный разъем

» распределение модулей вдоль крейт-сегмента         А.1.8

при элементах ЭСЛ

» сегментный разъем модуля                                         См. разъем (ы), сегментный разъем

» температурный режим работы модулей                    13.3, 13.3.1

» энергорассеянне                                                           13.3.2

Модуль обработки запросов (МОЗ)                                      2.3, 2.4, 9.2

Может                                                                                      2.1

Нагрузка линий                                                                       3.4

Назначения контактов разъема переключателя                  14.4

работа/останов

Назначения контактов сегментного разъема                      Табл. XX

Нулевая операция                                                                   5.3

Область адресов данных                                                        2.3, 4.1

Область адресов параметрических регистров                     8.17, табл. XVa

(CSR# 80000000-BFFFFFFF)

Обозначения источников питания модуля                          13.6

Обозначения и условия логических сигналов                     2.2

Оборудование, совместимое с системой ФАСТБАС          2.1

Ожидание (WT)                                                                      3.3.12, 5.1.3

Операция (и)                                                                           2.3, 4.5, 5.3

» блочная операция                                                         5.3, см. также блочная передача данных

» нулевая операция                                                          5.3

» однотактная операция                                                  5.3

» принудительная                                                            5.9, 11

с заблокированным арбитражем                       5.3

с фиксированным адресом                                 5.3

» сканирование редких данных (СРД)                          1.2.7, 4.5

» требования к таймированию                                       5.1

сигналов мастера                                                 5.1.1

сигналов слуги                                                     5.1.2

» широкая операция                                                        2.3, 4.3, см. также широкая операция

Операция чтения                                                                    2.3

Определения                                                                           2.3

Останов магистрали (ВН)                                                      3.3.20, 5.4, 7.4, 9.2.

Ответные действия устройств на включение                      5.5

питания

Ответные действия устройств на сигнал RB                       5.4.2

Ответы по линиям статуса слуги                                          См. ответы по линиям SS

Ответы по линиям SS                                                             Табл. VI, 5.3.2, табл. VIIIa, VIIIb, 5.3.3.J

Охлаждение крейта                                                                14.3

Охлаждение модуля                                                                13.3.1

Ошибки                                                                                    11.3.J

Параметрическая область                                                      8.17

ПВПВ                                                                                       11.3

Первичный адрес                                                                    2.3, 5.2

Первичный адресный цикл                                                    2.3, 4

» ответные действия слуги на сигнал AS (u)                5.2.2

» ответные действия мастера на сигнал АК(u)             5.2.3

» последовательность мастера выставления AS          5.2.1

» реакция АК (u) на сигналы SS в адресном                 Табл. VI

цикле

Передняя панель модуля                                                        13.4

Переключатель работа/останов (ПРО)                                 2.3, 7.4, 14.4

Печатная плата модуля                                                          13.1

Печатные платы, устанавливаемые с тыльной                    14.4.5, 14.5, рис. 35

стороны крейта                                                                       G3

цикле

Питание, подаваемое на крейт-сегмент                               15

Плата УТА управления географической адресацией         7.6

Плата УТА управления таймированием арбитража           7.6

Подготовленный мастер                                                        2.3, 6.1

Подробные сообщения об ошибках (CSR# 2)                      8.5, табл. ХIIIа

Подтверждение                                                                       2.3

Подтверждение занятости магистрали (ВК)                       3.4.6

Подтверждение приема данных (DK)                                  3.3.8

Подтверждение приема разрешения на арбитраж              3.3.16, 6.3.5 (GK)

Позиция                                                                                   14.6, см. также посадочное гнездо

Поле внутреннего адреса (IA)                                               4.1

Поле GP (адреса группы)                                                       4, 4.1, 4.2, 4.3.1

Посадочное гнездо                                                                 14.6

Последовательность завершения операции                         4

Прерывания                                                                             1.2.10, 9, 9.1

» запрос на обслуживание (SR)                                      3.3.18, 8.13, 8.14, 8.16, 9.2

» используемые регистры (CSR# 2, A-F,                       8.5. 8.13, 8.16

АО-AF, ВО-BF, СО-CF)

» модуль обработки запросов (МОЗ)                             9.2

»операция прерывания                                                    9.1

» устройство обслуживания прерываний (УОП)          2.3, 8.13, 8.16, 9.2

Принудительная блочная передача   2.3, 5.3, 11

» завершение принудительной блочной передачи       11.1

» ПВПВ                                                                             11.3

» ошибки при передаче данных                                     11.3

Присоединенное устройство                                                 2.3

Присоединенный слуга                                                          2.3, 5.2.2

ПРО (переключатель работа/останов)                                 2.3, 7.4, 14.4

Промежуток между импульсами, минимальный                2.3, 5.1.1, 5.2.1

Пропускание операции                                                          См. СС, пропускание операции

Протокол гарантированного доступа                                   6.1

Процессор-хозяин                                                                   2.3

Рабочие температуры модулей                                             13.3

Разница в температурах корпусов микросхем ЭСЛ            A.1.7

Разрешение географической адресации (EG)                      3.3.3

Разрешение контроля по четности (РЕ)                               3.3.10

Разъем переключателя работа/останов                                7.6, 14.4

Разъем(ы)

» вспомогательный разъем                                             Рис. 26, 27; 13.2.2, 14.2.2, К.1; см. также задняя плата

» направляющие вспомогательного разъема    рис. 32; 14.2.3

» номинальные и предельные значения токов 13.2.2, 14.2.2

» обозначения контактов                                    13.2.4

» расположение штырьков на задней панели   Рис. 31

» штырьки задней панели                                   Рис. 30

» переключателя работа/останов                                   7.6, 14.4

» разъемы других типов                                                  13.2.3

» разъемы передней панели при использовании ЭСЛ   В

» сегментный разъем                                                      13.2.1; рис. 26; 14.2.1, К.1; см. также задняя плата, кабель-сегмент

» назначение контактов                                      Табл. XX

» номинальные и предельные значения токов 13.2.1, 14.2.1

» обозначения контактов                                    13.2.4

» расположение штырьков на задней плате      Рис. 31

» штырьки задней панели                                   Рис. 30

Разъемы для микросхем ЭСЛ                                                См. разъем (ы) передней панели при использовании ЭСЛ

Разъем (ы) передней панели при использовании ЭСЛ      В

» кабели                                                                            В.2

» коаксиальные                                                                13.2.3

» разъемы                                                                          В.3

» приемники                                                                       13.1, С.1

» согласователи                                                                13.4

» уровни сигналов                                                            В.1

Распределение битов CSR# 0                                                8.3.1, 8.3.2; табл. ХIIа, XIIb

Распределение модулей вдоль крейт-сегмента                   A.1.8

Реализация на ЭСЛ                                                                A.1, С.1

Регистр адреса пользователя (CSR-4)                                  8.7

Регистр базового адреса                                                         10.8.

Регистр идентификатора устройства (CSR# 0)                   8.3.1

Регистр, определяемый пользователем (CSR# 1)               8.4

Регистр самотестирования (CSR# 6)                                    8.9

Регистр счетчика слов (CSR# 5)                                           8.8

Регистр управления таймерами (CSR# 9)                            8.12

Регистры                                                                                  См. CSR

Регистры управления и состояний (CSR)                            8; табл. XI

» идентификаторы и их распределение                        8.3.1

» использование запросов на обслуживание

(CSR # 20-3F)                                                                   8.14

» использование прерываний (CSR# 2, A-F,                 8.5, 8.13, 8.16

АО-AF, BO-BF, CO-CF)

» область регистров управления и статуса                   8.2; табл. XI

» параметрическая область (CSR# 8000000-                8.17; табл. XVa

-BFFFFFF)

» подробные сообщения об ошибках (CSR# 2)             8.5; табл. ХIIа

» распределение битов CSR-0                                        8.3.1, 8.3.2 табл. ХIIа, XIIb

» распределение области адресов нормальных            8.2; табл. XI

регистров

» регистр адреса пользователя (CSR# 4)                       8.7

» регистр класса широкой операции (CSR# 7)             8.10

» регистр логического адреса (CSR# 3)                        8.6

» регистр, определяемый пользователем (CSR# 1)      8.4

» регистр самотестирования (CSR# 6)                          8.9

» регистр счетчика слов (CSR# 5)                                  8.8

» регистр управления таймерами (CSR# 9)                  8.12

» регистр уровня арбитража (CSR# 8)                           8.11

регистры управления подразделениями                       8.15

устройств (CSR# 70-81)

» сброс битов регистров управления и статуса            8.18; табл. XVI

» соединитель сегментов СС                                          См. CSR, CC

» функции селективной установки и сброса                8.1; табл. X

Режим прослеживания маршрута                                         2.3, 10.5.1, J.1.7

Сброс магистрали (RB)                                                          3.3.19, 5.4

Свободные штырьки (FP)                                                       3.3.17 3.4.1

Сегмент                                                                                    1.2, 2.3

» адрес сегмента                                                               4.1

» активный соединитель сегментов                                2.3, 10.7.6

» зарезервированный соединитель сегментов               2.3, 10.7.6

» разъем сегмента                                                             См. разъем (ы), сегментный разъем

» крейт-сегмент                                                                1.2, 2.3, 14.2

» кабель-сегмент                                                               2.3, См. кабель-сегмент

» соединитель сегментов                                                 2.3, См. СС

Сигнал (ы)

» обозначения и условия логических сигналов             2.2

» обозначения характера сигналов                                 3.2

» разъем (ы) передней панели при использовании ЭСЛ    В.1, см. также разъем(ы) передней панели при использовании ЭСЛ

» реализация на ЭСЛ                                                        А.1

» сигнальные линии                                                         Табл. 1.3, 3.3, табл. XX

» типы сигналов                                                                Табл. 1, 3.1

» уровни сигналов                                                             1.2.1, А.1.1

» уровни токов для сигнальных линий                           3.4.1

» характеристики сигналов                                              12

» шины                                                                               См. задняя панель

» штырьки                                                                          3.3.22, 3.3.27, табл. I, XX

Системное подтверждение (для широкой операции)          7.3

Сканирование редких данных (СРД)                                     2.3, 1.2.7, 4.5

Следует                                                                                     2.1

Слуга                                                                                         1.2, 2.3

Согласователи                                                                          7.5, 7.6, А.1.5

Согласователи для разъемов передней панели при ЭСЛ    В.4

Согласователи при использовании ЭСЛ                               А.1.5

Соединители сегментов                                                          10, см. также СС

Соединители штырьков на задней панели,

определяющие географические адреса                                 14.2.1, рис. 34

Соединенная система                                                              2.3

СРД (сканирование редких данных)                                      2.3, 1.2.7, 4.5

СС (соединитель (и) сегментов)                                            1.2.2, 10.1, Е

» активный СС                                                                  10.7.6

» арбитраж СС                                                                   10.7.2

без преобразования                                                           10; рис. 21; 10.1

» ближняя сторона                                                            10.1

» дальняя сторона                                                             10; рис. 21; 10.1

» зарезервированный регистр                                          10.7.6

» идентификаторы устройств (CSR# 0)                          10.5.1

» использование и формирование сигналов                  10.7.7

четности

» маршрутная (ые) таблица (ы)                                       10.4, 10.6.1, 10.6.2

» модификация адреса или широкой операции            10.7.5

» модификация географического адреса                        10.7.5

» ответные действия на сигнал RB                                 10.7.8

» отрицательные ответы                                                  10.7.4

» пропускание операции                                                  10.2, 10.7.6

» пропускание сигнала AR                                              6.3.1

» разрешение конфликтов                                                10.3, 10.7.3

» распознавание адреса СС                                              10.7.1

» регистр адреса маршрутной таблицы                          10.5.5

(CSR# 40)

» регистр базового адреса                                                10.8;

» регистр географического адреса ближней                  10.5.7

стороны (CSR# 42)

» регистр географического адреса дальней                   10.5.8

стороны (CSR# 43)

» регистр данных маршрутной таблицы                         10.5.6

(CSR# 41)

» регистр управления и состояний                                 См. СС регистры CSR

» регистры управления таймерами (CSR# 9)                 10.5.4

» результаты различных действий над битами              10.5.9, табл. 10.5.9

регистров управления и состояний

» регистры CSR                                                                 10.5

с преобразованием                                                         10.1

» статус и управление (CSR# 0)                                      10.5.1, табл. XVIIa

типа S-1                                                                           1Е, Е.1.1

» идентификатор устройства (CSR# 0)                     E.1.6

» конструктивное исполнение                                   Е.1.2

» маршрутная таблица                                                 Е.1.5

» общая характеристика                                              Е.1

» поле адреса группы                                                  Е.1.4

» разъем кабель-сегмента                                           Е.1.3

» регистр NTA                                                              E.1.7

» статуей управление (CSR# 0)                                  E.1.6

» устройство передней панели                                   Е.2

» CSR# 0 (ИУ, статус и управление)                          Е.1.6

» типы                                                                                10.1

» требования к таймированию                                        10.7.9

» уровень арбитража ближней стороны СС                   10.5.3

SR# 8)

» уровень арбитража дальней стороны СС                    10.5.2

(CSR# 1)

» CSR# 0 (управление и статус)                                      10.5.1; табл. XVIIa

» CSR# 1 (уровень арбитража дальней стороны)          10.5.2

» CSR# 8 (уровень арбитража ближней стороны)         10.5.3

» CSR# 9 (управление таймерами)                                  10.5.4

» CSR# 40 (адрес маршрутной таблицы)                        10.5.5

» CSR# 41 (данные маршрутной таблицы)                     10.5.6

» CSR# 42 (географический адрес ближней                  10.5.7

стороны)

» CSR# 43 (географический адрес дальней стороны)   10.5.8

Строб данных (DS)                                                                  3.3.7

Таймер ответных действий                                                     2.3, 5.1.1, 5.2.1, 5.2.3, 7.1.2, 8.12

Таймирование                                                                          1.2.11, 5

взаимодействие мастер/слуга                                          5.1

сигналов мастера                                                              5.1.1

сигналов слуги                                                                  5.1.2

Таймирующая последовательность для цикла

с подтверждением                                                                   Табл. IV

Требования к токам генератора напряжений GA                А.1.6

Требования к цепям арбитража в мастере, примеры           D.1

реализации

УГА (управление географической адресацией)                   7.2

Узорный выбор устройств                                                      4.5

УОП (устройство обслуживания прерываний)                     8.13, 8.16, 9.2

Управление географической адресацией (УГА)                  7.2

Управление остановом магистрали                                       7.4

Управление работой/остановом                                             7.4, 14.4

Уровни сигналов при использовании ЭСЛ                           1.2.1, А. 1.1

Устанавливаемые с тыльной стороны крейта

печатные платы                                                                        14.2, 14.5, G

Устройство                                                                               2.3

УТА (управление таймированием арбитража)                     2.3, 6.7.1

» установка и снятие сигнала AG                                   6.3.3, 7.1.2

» установка и снятие сигнала AI                                     6.3.2, 7.1.1

» установка и снятие сигнала GK                                   3.3.16, 6.3.5

ФАСТБАС                                                                                 2.3

ФАСТБАС-протокол (ФБП)                                                   2.3

Функции селективной установки и сброса                           8.1; табл. X

Характеристика этого документа                                          1.1

Цепная связь (DL, DR)                                                             2.3, 3.3.23, 14.2.1

Цикл данных                                                                             2.3, 5.3

» ответные действия слуги на сигнал DS (t)                  5.3.2

» ответные действия мастера на сигнал DK (t)             5.3.4

» ответы слуги по линиям SS                                          5.3.2, 5.3.3; табл. VIIIa, VIIIb

» последовательность мастера для выставления DS     5.3.1

Четность (РА)                                                                           3.3.11

Шины питания на задней панели                                          3.3.27, 14.2.4

Широкая адресация с устройством заданного класса         Табл. III; 8.10

Широкая операция                                                                  1.2.8, 2.3, 4.3.2

» глобальная широкая операция                                      2.3, 4.3.1

» класс широкой операции                                              Табл. III; 8.10

» кодирование функции в ответе на широкую

операцию                                                                        Табл. III

» локальная широкая операция 2.3, 4.3.1

» ответ слуги Табл. 4.3.2, 4.3.2, табл. III

» регистр класса широкой операции (CSR# 7) 8.10

» системное подтверждение при широкой операции   7.3

» схемы в устройстве для широкой операции                4.4

» управление широкой операцией                                  4.3.1, табл. II

» широкий (ая) адрес (ация)                                            2.3, 4.3

Штырьки географического адреса (GA)                               3.3.21, 14.2.1

Штырьки для выдачи запросов на линии AD (TP)               3.3.22

Энергорассеяние                                                                      13.3.2

AD (адрес/данные)                                                                   3.3.5

АG (разрешение на арбитраж)                                               3.3.14, 7.1.2

AI (запрет запроса на арбитраж)                                            3.3.17, 7.1.1

АК (подтверждение приема адреса)                                      3.3.2, 5.2.2

AL (уровень арбитража)                                                          3.3.15, 6.1, 6.3.4

AR (запрос на арбитраж)                                                        3.3.13

AS (строб адреса)                                                                     3.3.1

ВН (магистраль остановлена)                                                3.3.20, 5.4, 7.4, 9.2

CSR                                                                                            См. регистры управления и состояний

CSR# 0                                                                                       8.3, 8.3.1, 8.3.2

CSR# 1                                                                                       8.4

CSR# 2                                                                                       8.5, табл. XIIIa

CSR# 3                                                                                       8.6

CSR# 4                                                                                       8.7

CSR# 5                                                                                       8.8

CSR# 6                                                                                       8.9

CSR# 7                                                                                       8.10

CSR# 8                                                                                       8.11

CSR# 9                                                                                       8.12

CSR# A-F                                                                                  8.13

CSR# 1C-IF                                                                               8.12

CSR# 20-3F                                                                               8.14

CSR# 70-81                                                                               8.15

CSR# АО-AF, BO-BF, CO-CF                                                  8.16

CSR # 8000 0000-BFFF FFFF                                                  8.17, табл. XVa

DK (подтверждение приема данных)                                    3.3.8

DL (левая цепная связь)                                                          3.3.29

DR (правая цепная связь)                                                        3.3.29

DS (строб данных)                                                                   3.3.7

EG (разрешение географической адресации)                       3.3.3

ESONE                                                                                       2.3

FP (свободные штырьки)                                                         3.3.27, 3.4.1

» предельные значения напряжений                              3.4.1

» предельные значения токов                                          3.4.1

GA (географический адрес)                                                    2.3, 3.3.21, 4.2, 7.2, 7.6

GK (подтверждение приема разрешения на арбитраж        3.3.16

GP (адрес группы)                                                                    2.3, 4.1

IA (внутренний адрес)                                                             2.3, 4.1

МА (адрес модуля)                                                                   2.3, 4.1

MS (выбор режима передачи)                                                3.3.4

» интерпретация кодов MS для циклов данных            Табл. VII

» спецификация типов адресации                                  Табл. V

NIM                                                                                            2.3

NTA (адрес следующей передачи)                                         2.3, 4.4, 8.8

РА (четность)                                                                           3.3.11

РЕ (разрешение контроля по четности)                                3.3.10

PI (интерфейс процессора)                                                     2.3, 2.4

RB (сброс магистрали)                                                            3.3.19, 5.4

» использование линии RB                                              5.4

» ответные действия устройств на сигнал RB               5.4.2

» обобщенный сигнал RB                                                 5.4.2

» формирование мастером сигнала RB                          5.4.1

RD (линия чтения)                                                                   3.3.9

RX (приемная последовательная линия)                              3.3.24, см. также линии последовательной сети

SR (запрос на обслуживание)                                                 3.3.18, 9.2

SS (статус слуги)                                                                      3.3.6

ТР (штырьки для выдачи запросов на линии AR)                3.3.22

TR (согласование линии ограниченного применения)       3.3.25

ТХ (передающая последовательная линия)                          3.3.24, см. также линии последовательной сети

UR (несогласованные линии ограниченного применения  3.3.26, 3.4.1

WT (ожидание)                                                                        3.3.12, 5.1.3

ПРИЛОЖЕНИЕ А.2

РЕАЛИЗАЦИЯ ПРИ ТТЛ-УРОВНЯХ СИГНАЛОВ НА ПЛАТАХ МОДУЛЕЙ И ПРИ БТЛ-УРОВНЯХ В МАГИСТРАЛИ КРЕЙТ-СЕГМЕНТ - СИСТЕМА РАСШИРЕННЫЙ ФАСТБАС (РФБ)

Приложение A.2 было подготовлено в 1985, 1986 гг. на основе стандарта ФАСТБАС от 30.09.83 и предложений С.Г. Басиладзе, В.В. Кипаренко, О.А. Никольского, В.Н. Тресорукова и К.Э. Эрглиса, сведенных в таблицу характеристик системы Расширенный ФАСТБАС-1, 2, 3, 4, 4А от 29.10.83.

Приложение A.2 не содержится в Публикации МЭК 936 (1990).

Расширенный логический протокол РФБ содержит полный логический протокол ФАСТБАС-сегментов по Публикации МЭК 935, дополненный модификацией длины адресного слова 32-24-16 разрядов и выборкой полуслов данных по 16 разрядов или любого из четырех байтов данных. Расширение протокола потребовало введения трех дополнительных управляющих линий АМ0, AM1 и АМ2. Введение дополнительных линий и кодов не нарушило логический протокол ФАСТБАС ни в одном из параграфов Публикации МЭК 935.

В крейт-сегментах РФБ используется 96-контактный разъем по Публикации МЭК 603-2.* Конструктивы модулей и крейтов РФБ определены Публикацией МЭК 297-3 (ГОСТ 28601.3-90), выбраны две высоты плат в модулях 233, 35 и 100 мм и две глубины плат 280 и 160 мм.

* Данная Публикация МЭК находится в фонде стандартов ТК 22 (НПО «Персей»)

В состав РФБ входит и основной ФАСТБАС по Публикации МЭК 935.

Описание РФБ вынесено в конец ГОСТа, чтобы не нарушить нумерацию рисунков и таблиц, данную в Публикации МЭК 935.

А.2.2. Введение

Реализация системы ФАСТБАС, описанная в гл. 13, 14 и приложениях А.1, В, F, G, Н, I, направлена на создание мощной быстродействующей стационарной аппаратуры. Логический протокол и стандарт ФАСТБАС предусматривают также возможность реализации протокола и системы на ТТЛ- и КМОП-элементах (гл. 12). Эта возможность при использовании средних и малых печатных плат открывает путь к созданию экономических подсистем ФАСТБАС средней и малой мощности, предназначенных для управления технологическими процессами на производствах, управления бортовыми комплексами, а также для сбора информации и управления экспериментами средней и малой сложности.

В Приложении A.1 описана реализация крейт-сегмента с ЭСЛ-уровнями сигналов в линии магистрали. В настоящем приложении для магистралей средних и малых крейтов приняты новейшие более экономичные БТЛ-усилители-формирователи (BTL-backplane transceiver logik) на ТТЛ-схемах с диодом Шоттки, соединяющим коллектор с линией. Уровень сигнала +2 В соответствует логическому «0», уровень +1 В - логической «1».

Во всех кабель-сегментах сохранены ЭСЛ-уровни, поскольку витые пары проводов в кабелях не позволяют обеспечивать исходное малое волновое сопротивление информационных линий, необходимое в случае БТЛ-уровней сигналов.

А.2.3. Состав системы Расширенный ФАСТБАС и ее характеристики

Под системой Расширенный ФАСТБАС (РФБ) далее понимается совокупность подсистем ФАСТБАС-1, ФАСТБАС-2, ФАСТБАС-3, ФАСТБАС-4, ФАСТБАС-4А, основные характеристики которых приведены в табл. XXIII. Соотношение размеров печатных плат показано на рис. 48.

Подсистема ФБ-1 (оригинальная система ФАСТБАС) определяется стандартом ФАСТБАС и приложением A.1. Подсистемы ФБ-2, ФБ-3, ФБ-4 и ФБ-4А определяются стандартом ФАСТБАС и настоящим приложением.

Далее применяется сокращенное обозначение слова ФАСТБАС в виде двух букв ФБ.

Таблица А.III

Основные характеристики подсистем ФАСТБАС

Подсистема

ФБ-1

ФБ-2

ФБ-3

ФБ-4

ФБ-4А

Характеристика

Размеры платы, мм

366,7×400

233,35×280

233,35×160

100×160

100×160

Линий AD

32

32, 24, 16

32, 24, 16

32, 24, 16

16

Линий управления

18

22

22

22

21

Линий арбитрации

10

10

10

10

-

Разъемов

2

2

2

1

1

Контактов разъема

130

96

96

96

96 (94)

Контактов питания

20

6

6

6

6

Контактов земли

16 + 1

8 + 1

8 + 1

8 + 1

8 + 1

Свободных контактов

4

6, 14, 22

6, 14, 22

6, 14, 22

32 (0)

Резервных контактов

5

2

2

2

2

Ведущих модулей до

26

24

24

24

1

Длительность цикла, нс

100

≈ 150

≈ 150

≈ 150

≈ 150

Рис. 48. Печатные платы в системе Расширенный ФАСТБАС

Присоединительные размеры печатных плат модулей и крейтов всех подсистем (за исключением шага ширины модулей см. п. А.2.5) определяются Публикацией МЭК 297-3-84 (ГОСТ 28601.3-90)

Сегментные разъемы в подсистемах ФБ-2, ФБ-3 и ФБ-4 - типа С-96 по Публикации МЭК 603-2(1980) в подсистеме ФБ-4А-типа С-96 или С-64.

Вспомогательный (верхний) разъем в подсистемах ФБ-2 и ФБ-3 может быть типов С-96, С-64 или С-32. Посадка разъемов определена Публикацией МЭК 297-3-84* (ГОСТ 28601.3-90).

* Данная Публикация МЭК находится в фонде стандартов ТК 22 (НПО «Персей»)

В подсистемах ФБ-2, ФБ-3, ФБ-4 и ФБ-4А в дополнение к основному протоколу ФАСТБАС предусмотрены модификация длины адресного слова и выбор подадреса внутри слова данных.

На трех дополнительных линиях АМ2, AM1 и АМ0 в адресном цикле выставляется код длины адресного слова, а в цикле данных код на тех же линиях определяет подадрес (см. табл. А.IV).

На четвертой дополнительной линии SF должен выставляться сигнал исчезновения любого из напряжений питания крейта.

Таблица A.IV.

Модификация длины адресного слова и выбор подадреса в подсистемах ФБ-2, ФБ-3, ФБ-4, ФБ-4А

А. В адресном цикле - коды длины адресного слова

Коды

Длина слова, разрядов

АМ2

AM1

АМ0

0

0

0

32

0

0,

1

24

0

1

0

16

В. В цикле данных - коды подадресов.

Модули ФББ-4А соединяются только с линиями AM1и АМ0.

А.2.4. Основное назначение подсистем ФАСТБАС

ФАСТБАС-1. Мощные быстродействующие стационарные магистрально-модульные многопроцессорные ннформационно-измерительно-управляющие системы (МММИИУС).

ФАСТБАС-2. Мощные экономичные стационарные МММИИУС пониженного быстродействия для экспериментов и управления объектами.

ФАСТБАС-3. МММИИУС средней мощности и быстродействия для автоматизации научных экспериментов, управления технологическими процессами на производствах и для бортовых применений. Процессоры ввода-вывода и интерфейсы на периферийные устройства.

ФАСТБАС-4. Научные, технологические и бортовые МММИИУС малой мощности. Малые ЭВМ и их интерфейсы на периферийные устройства.

ФАСТБАС-4А. Упрощенные научные, технологические и бортовые МММИИУС с одним процессорным модулем в крейте без линий арбитрации.

Па основе протоколов ФАСТБАС крейты всех подсистем могут быть в любых сочетаниях объединены в локальные информационно-вычислительные сети любой конфигурации и протяженности. В модели локальных сетей Международной организации стандартов стандарты ФАСТБАС определяют уровни с 1-го по 5-й и частично 6-й уровень. Сеть ФАСТБАС позволяет создавать, например, комплексные системы управления предприятиями во всех звеньях (от административного до станочного) при едином базовом протоколе передачи информации между звеньями системы.

А.2.5. Особенности конструкции модулей и крейтов

В подсистеме ФБ-1 выбрана ширина единичных модулей 16,5 мм, минимально необходимая для размещения на плате микросхем и разъемов, при этом в крейте размещаются 26 единичных модулей.

Ширина разъемов С-96 в подсистемах ФБ-2, ФБ-3, ФБ-4 и ФБ-4А, равная 11 мм, на 2,4 мм больше ширины трехрядных вспомогательных разъемов, используемых в подсистеме ФБ-1. Это обстоятельство потребовало увеличения ширины единичного модуля.

В крейте с окном шириной 430,9 мм размещаются до 24 единичных модулей с номинальной шириной 17,9 мм.

Ширина модулей 16,5 и 17,9 мм является отступлением от Публикаций МЭК 297-3, однако такое отступление не влияет на совместимость модулей внутри подсистем.

В подсистемах ФБ-2, ФБ-3, ФБ-4 и ФБ-4А предусмотрено только воздушное охлаждение модулей.

А.2.5.1. Назначение контактов разъемов в подсистемах ФБ-2, ФБ-3, ФБ-4 и ФБ-4А

Назначение контактов сегментного (нижнего) разъема в крейтах ФБ-2, ФБ-3 и единственного разъема в крейте ФБ-4 одинаково и определяется табл. A.V. Эта же таблица действительна и для подсистем ФБ-4А, в которой не содержатся линии АD <31:16> и 10 линий арбитрации.

Верхний разъем в крейтах ФБ-2 и ФБ-3 служит для свободного использования, например, для прокладки необязательных цепных связей предусмотренных табл. XX настоящего стандарта контакты В33:В38.

Таблица A.V

Назначение контактов сегментного (нижнего) разъема в подсистемах ФБ-2, ФБ-3, ФБ-4 и ФБ-4А

Контакт

Функция

Контакт

Функция

Контакт

Функция

А01

+ 15 В

В01

FP00

С01

0 - аналоговый для +15, - 15 В

А00

AS

В02

FP01

С02

MSO

А03

0 - обр. питания

В03

FP02

С03

MS1

А04

АК

В04

FP03

С04

-15 В

А05

АМ0

В05

FP04

C05

AM2

А06

AM1

В06

FP05

C06

DS

А07

-5,2 В

В07

& AD31

C07

0 - обр. питания

А08

SS0

В08

& AD30

C08

DK

А09

SS1

В09

& AD29

C09

MS2

А10

SS2

В10

& AD28

С10

AD15

А11

SS2

В11

& AD27

С11

+5 В

А12

0 - обр. питания

В12

& AD26

C12

AD14

А13

A13R - резерв

В13

& AD25

C13

AD13

А14

РЕ

В14

& AD24

C14

AD12

А15

ТР

В15

% AD23

C15

0 - обр. питания

AI6

РА

В16

% AD22

C16

AD11

А17

WT

В17

% AD21

C17

AD10

А18

SF

В18

% AD20

C18

AD09

А19

0 - обр. питания

В19

% AD19

C19

+5 В

А20

SR

В20

% AD18

C20

AD08

А21

RB

В21

% AD17

C21

AD07

А22

ВН

В22

% AD16

C22

AD06

А23

A23R - резерв

В23

* AR

C23

0 - обр. питания

А24

ТХ

В24

* AG

C24

AD05

А25

RX

В25

* АI

C25

AD04

А26

EG

В 26

* GK

C26

AD03

А27

0 - обр. питания

В27

* AL00

C27

+ 5 В

А28

GA00

В28

* AL01

C28

AD02

А29

GA01

В29

* AL02

C29

AD01

А30

GA02

В30

* AL03

C30

AD00

А31

GA03

В31

* AL04

C31

+ 28 В

А32

GA04

В32

* AL05

C32

0 - обр. питания

Примечание. Расшифровка обозначений функций дана в п. 3.3 и табл. 13.2.1. Контакты расположены так, как они «видны» при взгляде спереди крейта. Знаком & отмечены контакты, свободные при AD <23:00>, знаком % - дополнительно свободные при AD <15:00>, а знаком * - свободные в подсистеме ФБ-4А. Контакты для свободного использования во всех случаях FP <05:00>.

Вместо разъема С-96 может быть применен разъем С-64, С-32. В последнем случае допускаются повышенные напряжения между штырьками благодаря увеличению расстояния между осями штырьков до 5,08 мм.

А.2.5.2. Электрические характеристики линий в крейт-сегментах подсистем ФБ-2, ФБ-3, ФБ-4 и ФБ-4А

Сигнальные линии в магистрали крейт-сегмента выполняются в виде печатных плат со сплошной подложкой с собственным волновым сопротивлением 50 Ом, в котором учитываются емкости штырьков разъемов С-96. При заполнении крейта модулями волновое сопротивление линии уменьшается до 30 Ом.

На обоих концах каждая сигнальная линия должна быть согласована резисторами с сопротивлением 39 Ом.

Емкость, присоединяемая к линии при вставлении модуля в крейт, не должна превышать 5 пФ (входная-выходная емкость усилителя-формирователя).

Установившийся уровень сигнала в линии, соответствующий логическому «0», должен быть от +1,9 до +2,1 В.

Установившийся уровень сигнала в линии, соответствующий логической «1», должен быть от +0,8 до +1,1 В.

Уровень сигнала, вызывающий переход усилителя из одного состояния в другое состояние, должен быть от +1,45 до +1,55 В.

Длительность фронта импульса, выдаваемого генератором в линию, должен быть не менее 7 не.

Скорость изменения тока, передаваемого через любой из штырьков свободного применения FP00-FP05, не должна превышать 4,5 мА/нс, если токи в двух соседних штырьках одновременно направлены в разные стороны и разность скоростей не превышает 5 мА/нс.

Время распространения сигнала между концами линии при заполненном крейте не превышает 8 нс.

А.2.6. Регистры управления и состояний CSR

В подсистемах ФБ-3 и ФБ-4 обычно будут реализованы 24 линии AD <23:00>, а в подсистеме ФБ-4А - только 16 вместо 32 линий, определи иных стандартом ФАСТБАС. Эта особенность требует изменений в распределении битов регистров управления и статуса, причем таких изменений, которые обеспечили бы совместимость протоколов ФБ-1 и ФБ-2, с одной стороны, и протоколов ФБ-3, ФБ-4 и ФБ-4А, с другой стороны.

А.2.6.1. Распределение области адресов CSR-регистров

В подсистемах ФБ-3 и ФБ-4 с линиями AD <23:0> полная область адресов CSR-регистров от 00 0000 до FF FFFF содержит 16777216 адресов. Вся область распределена следующим образом:

00 0000 - 3F FFFF - подобласть адресов нормальных CSR-регистров;

40 0000 - 7F FFFF - подобласть адресов программных регистров;

80 0000 - BF FFFF - подобласть адресов параметрических регистров;

С0 0000 - FF FFFF - подобласть адресов регистров для пользователя.

Емкость каждой подобласти 4 194 304 адреса. Это распределение образовано из распределения, приведенного в п. 8.1. настоящего стандарта, путем уменьшения чисел на два шестнадцатиричных разряда.

В подсистеме ФБ-4А с линиями AD <15:00> полная область адресов CSR-регистров от 0000 до FFFF содержит 65536 адресов. Из этой области выделена подобласть адресов нормальных регистров от 0000 до 3FFF емкостью 16384 адреса.

Остальная часть области может быть использована произвольно.

А.2.6.2. Назначение битов в регистрах CSR

Принцип изменений в CSR-регистрах поясняет табл. А.VI, в которой воспроизведена табл. ХIIа. Назначение битов для регистра CSR# 0 в подсистемах ФБ-2, ФБ-3 и ФБ-4 получается вычеркиванием из таблицы строчек, отмеченных знаком &, а в подсистеме ФБ-4А вычеркиванием также и строк, отмеченных знаком %.

Назначение битов в CSR-регистрах должно соответствовать табл. A.VI - А.Х.

Таблица A.VI

Назначение битов обязательного регистра CSR-0 в модулях подсистемы ФБ-1 (соответствует табл. ХIIb)

Бит

Назначение при чтении

Назначение при записи

S00

Флаг ошибки

Устанавливает флаг ошибки

S01

Разрешено

Разрешает

S02

Находится в состоянии «работа»

Переходит в состояние «работа»

S03

Устройство прикреплено

Прикрепляет устройство

S04

Разрешен запрос на обслуживание

Разрешает запрос на обслуживание

S05

Выставлен запрос на обслуживание

Выставляет запрос на обслуживание

% S06

Определ. польз. статус 0

Определ. польз. установка 0

% S07

Определ. польз. статус 1

Определ. польз. установка 1

% S08

Определ. польз. статус 2

Определ. польз. установка 2

% S09

Определ. польз. статус 3

Определ. польз. установка 3

& S10

Определ. польз. статус 4

Определ. польз. установка 4

& S11

Определ. польз. статус 5

Определ. польз. установка 5

& S12

Определ. польз. статус 6

Определ. польз. установка 6

& S13

Определ. польз. статус 7

Определ. польз. установка 7

14

Ошибка четности

Устанавливает ошибку четности

15

Активный

Бит прослеживания маршрута в соединителях сегментов

С16

Тип устройства, младший разряд

Сбрасывает флаг ошибки

С17

Тип устройства

Запрещает

С18

Тип устройства

Переводит в состояние «останов»

С19

Тип устройства, старший разряд

Открепляет устройство

С20

Идентификатор изготовителя, младший разряд

Запрещает выставление запроса на обслуживание

С21

Идентификатор изготовителя

Сбрасывает запрос на обслуживание

% С22

Идентификатор изготовителя

Определ. польз. сброс 0

% С23

Идентификатор изготовителя

Определ. польз. сброс 1

% С24

Идентификатор изготовителя

Определ. польз. сброс 2

% С25

Идентификатор изготовителя

Определ. польз. сброс 3

& С26

Идентификатор изготовителя

Определ. польз. сброс 4

& С27

Идентификатор изготовителя

Определ. польз. сброс 5

& С28

Идентификатор изготовителя

Определ. польз. сброс 6

& С29

Идентификатор изготовителя

Определ. польз. сброс 7

30

Идентификатор изготовителя

Сброс

31

Идентификатор изготовителя, старший разряд

Очищает данные

В этой и последующих таблицах номера битов, которым предшествует буква S или С, указывает на то, что данный бит является либо битом установки (S), либо битом сброса (С), связываемым с действием селективной установки / сброса. Функции битов определены в табл. 8.3.2 (b) в стандарте ФАСТБАС. В подсистеме ФБ-1 бит сброса старшего бита установки на 16 разрядов.

В подсистемах ФБ-3 и ФБ-4 с линиями AD <23:00> регистр CSR-0 не содержит строк, отмеченных в табл. A.VII знаком &, а в подсистеме ФБ-4А с линиями AD <15:00> регистр не содержит и строк, отмеченных знаком %. В табл. A.VII и последующих таблицах действие этих знаков такое же.

Таблица A.VII

Назначение битов обязательного регистра CSR-0 в модулях подсистем ФБ-2, ФБ-3, ФБ-4 и ФБ-4А

Бит

Назначение при чтении

Назначение при записи

S00

Флаг ошибки

Устанавливает флаг ошибки

S01

Разрешено

Разрешает

S02

Находится в состоянии «работа»

Переходит в состояние «работа»

S03

Устройство прикреплено

Прикрепляет устройство

S04

Разрешен запрос на обслуживание

Разрешает запрос на обслуживание

S05

Выставлен запрос на обслуживание

Выставляет запрос на обслуживание

06

Ошибка четности

Устанавливает ошибку четности

07

Активный

Бит прослеживания маршрута в соединителях сегментов

С08

Тип устройства, младший разряд

Сбрасывает флаг ошибки

С09

Тип устройства

Запрещает

С10

Тип устройства

Переводит в состояние «останов»

С00

Тип устройства, старший разряд

Открепляет устройство

С12

Идентификатор изготовителя, младший разряд

Запрещает выставление запроса на обслуживание

С13

Идентификатор изготовителя

Сбрасывает запрос на обслуживание

14

Идентификатор изготовителя

Сброс

15

Идентификатор изготовителя

Очищает данные

% С16

Идентификатор изготовителя

Определ. польз. сброс 0

% С17

Идентификатор изготовителя

Определ. польз. сброс 1

% С18

Идентификатор изготовителя

Определ. польз. сброс 2

% С19

Идентификатор изготовителя

Определ. польз. сброс 3

% S20

Определ. польз. статус 0

Определ. польз. установка 0

% S21

Определ. польз. статус 1

Определ. польз. установка 1

% S22

Определ. польз. статус 2

Определ. польз. установка 2

% S23

Определ. польз. статус 3

Определ. польз. установка 3

& С24

Идентификатор изготовителя

Определ. польз. сброс 4

& С25

Идентификатор изготовителя

Определ. польз. сброс 5

& С26

Идентификатор изготовителя

Определ. польз. сброс 6

& С27

Идентификатор изготовителя

Определ. польз. сброс 7

& S28

Определ. польз. статус 4

Определ. польз. установка 4

& S29

Определ. польз. статус 5

Определ. польз. установка 5

& S30

Определ. польз. статус 6

Определ. польз. установка 6

& S31

Определ. польз. статус 7

Определ. польз. установка 7

В подсистемах ФБ-2, ФБ-3, ФБ-4 и ФБ-4А сохранены все функции обязательного регистра CSR-0, конкретно стандартизованные в исходной табл. ХIIа.

При программировании подсистем ФБ-2, ФБ-3, ФБ-4 и ФБ-4А будут применяться команды одного и того же назначения и названия, что и в ФБ-1, но приписанные в соответствии с табл. A.VII к битам с иными номерами, чем номера битов в подсистеме ФБ-1, указанные в табл. A.VI

В соединителе сегментов, расположенном в крейтах ФБ-2, ФБ-3, ФБ-4 или ФБ-4А и предназначенном для связи с любым кабель-сегментом или крейт-сегментом ФБ-1, должны быть сделаны переходы от разрядов AD кабель-сегмента к разрядам регистра управления и статуса в соответствии с табл. А.XIV.

Это позволяет, программируя функцию в подсистеме ФБ-1 в соответствии с табл. ХIIа, передавать бит этой функции в регистры подсистем ФБ-2, ФБ-3, ФБ-4 и ФБ-4А непосредственно по проводникам и транзисторам, не прибегая к программному интерфейсу и сохраняя максимально возможную быстроту передачи информации, ограниченную лишь временем распространения сигналов в средах.

Точно так же происходит передача бита функции из малых подсистем в большие.

Регистр CSR-1. Необязательный регистр CSR-1 в соответствии со стандартом ФАСТБАС предназначен для произвольного использования.

Регистр CSR-2. Конкретно стандартизованные биты в необязательном регистре CSR-2 размещены в первых 16 разрядах, чтобы сохранить все функции регистра и в малой подсистеме ФБ-4А. Назначение битов представлено в табл. A.VIII.

Таблица A.VIII

Назначение битов необязательного регистра CSR-2 в модулях подсистем ФБ-2, ФБ-3, ФБ-4 и ФБ-4 А

Бит

Назначение при чтении

Назначение при записи

S00

Прерывание от источника А разрешены

Разрешает прерывание от источника А

S01

Прерывание от источника В разрешены

Разрешает прерывание от источника В

S02

Прерывание от источника С разрешены

Разрешает прерывание от источника С

S03

Идет тестирование

Начинает тестирование

04

Несуществующий адрес

Устанавл. признак несуществующего адреса

05

Переполнение данных в устройстве

Устанавл. признак переполнения

06

Переполнение счетчика слов

Устанавл. признак переполнения счетчика слов

07

Устройство заполнено

Устанавл. признак «устройство заполнено»

08

Устройство не пусто

Устанавл. признак «устройство не пусто»

09

Входные сигналы отсутствуют

Устанавл. признак «входные сигналы отсутствуют»

10

Зарезервирован

Зарезервирован

11

Зарезервирован

Зарезервирован

С12

Прерывание от источника А подготовлено

Запрещает прерывание от источника А

С13

Прерывание от источника В подготовлено

Запрещает прерывание от источника В

С14

Прерывание от источника С подготовлено

Запрещает прерывание от источника С

С15

Результат тестирования

Останавливает тестирование

% S16

Бит 0 режима польз.

Устанавл. бит 0 режима польз.

% S17

Бит 1 режима польз.

Устанавл. бит 1 режима польз.

% S18

Бит 2 режима польз.

Устанавл. бит 2 режима польз.

% S19

Бит 3 режима польз.

Устанавл. бит 3 режима польз.

% С20

Определяется польз.

Сбрасывает бит 0 режима польз.

% С21

Определяется польз.

Сбрасывает бит 1 режима польз.

% С22

Определяется польз.

Сбрасывает бит 2 режима польз.

% С23

Определяется польз.

Сбрасывает бит 3 режима польз.

& 24

Статус польз. 0

Запись статуса польз. 0

& 25

Статус польз. 1

Запись статуса польз. 1

& 26

Статус польз. 2

Запись статуса польз. 2

& 27

Статус польз. 3

Запись статуса польз. 3

& 28

Статус польз. 4

Запись статуса польз. 4

& 29

Статус польз. 5

Запись статуса польз. 5

& 30

Статус польз. 6

Запись статуса польз. 6

& 31

Статус польз. 7

Запись статуса польз. 7

Переходы между разрядами AD кабель-сегмента и разрядами регистра CSR# 2 показаны в табл. A.XV.

Регистр CSR# 3 логического адреса имеет формат адресного слова, определенный в п. 4.1 рис. 4.1. Формат действителен для 32-, 24- и 16-разрядных слов. Транспозиция битов не нужна.

В регистрах CSR# 4, CSR# 5, CSR# 6, CSR# 7 и CSR# 8 биты либо не определены стандартом, либо использованы лишь младшие 8 битов, поэтому транспозиция битов не нужна.

Регистр CSR# 9 управления таймерами определен в стандарте ФАСТБАС табл. XIV п. 8.1.2.

Таблица А.IX

Назначение битов регистра CSR# 9 в модулях подсистем ФБ-2, ФБ-3, ФБ-4 и ФБ-4А

Бит

Назначение при чтении

Назначение при записи

S04

Работа удлиненного таймера (таймеров) разрешена

Разрешает работу удлиненного таймера (таймеров)

S05

Работа таймера ожидания разрешена

Разрешает работу таймера, ожидания

S06

Работа таймера адресного цикла разрешена

Разрешает работу таймера адресного цикла

S07

Работа таймера цикла передачи данных разрешена

Разрешает работу таймера цикла передачи данных

С12

 

Запрещает работу удлиненного таймера (таймеров)

С13

 

Запрещает работу таймера ожидания

С14

 

Запрещает работу таймера адресного цикла

С15

 

Запрещает работу таймера цикла передачи данных

Переходы между разрядами AD кабель-сегмента и разрядами регистра CSR#9 показаны в табл. A.XV.

В регистрах от CSR# Ah до CSR# Fh биты не определены, поэтому нет затруднений в их использовании в любых подсистемах.

Регистры от CSR# 20h до CSR# 3Fh, предназначенные для управления источниками запроса SR, должны иметь формат в соответствии с табл. А.XX.

Таблица А.Х

Формат регистров CSR# 20h до CSR# 3Fh в модулях подсистем ФБ-2, ФБ-3, ФБ-4 и ФБ-4А

Вит

15

14

13

12

11

10

09

08

07

06

05

04

03

02

01

00

Функция

с3

d3

с2

с2

C1

d1

c0

d0

s3

e3

s2

e2

s1

e1

s0

е0

Бит

31

30

29

28

27

26

25

24

23

22

21

20

19

18

17

16

Функция

с7

&

d7

&

с6

&

d6

&

s7

&

е7

&

s6

&

е6

&

с5

%

d5

%

с4

%

d4

%

s5

%

е5

%

s4

%

е4

%

Эти регистры используются только внутри сегмента, поэтому транспозиция битов не нужна. В таблице s, с, d, e означают соответственно установку, сброс, запрещение действия запроса, разрешение действия запроса. В подсистемах с 16 линиями AD обеспечивается управлением от 4 источников запроса с номерами от 0 до 3, в подсистемах с 24 линиями - от 6 источников, в подсистемах с 32 линиями - от 8 источников запроса SR на каждый из регистров рассматриваемой группы.

Все остальные CSR-регистры могут иметь 32, 24, 16 разрядов, при этом транспозиция битов в соединителях сегментов не нужна.

А.2.7. Соединители сегментов

В аппаратурной системе, состоящей из множества рассматриваемых подсистем с различной разрядностью AD, должны быть обеспечены межкрейтовые связи, подчиняющиеся единому протоколу. В качестве такого протокола естественно выбрать протокол, уже определенный стандартом ФАСТБАС.

Каждый из двух соединенных крейт-сегментов имеет соединитель сегментов СС, который одной стороной включен в магистраль крейта. К другим сторонам обоих соединитель-сегментов подключены концы кабеля, состоящего из 63 пар проводов*. Этот кабель можно рассматривать как кабель-сегмент, с которым связаны только два соединителя сегментов. В общем случае с кабель-сегментом связаны несколько СС, принадлежащих крейтам разных подсистем.

* С введением трех новых линий АМ2, AM1 и АМ0 потребовалось увеличить число пар проводов с 60 до 63 пар.

Общим для всей системы ФАСТБАС-1, 2, 3, 4 является протокол передачи информации именно в кабель-сегменте, включая те стороны любых СС, которые прямо связаны с кабель-сегментом. В кабеле-сегменте всегда используются сигналы с ЭСЛ-уровнями, определенные приложением С. Для обеспечения общности протокола кабель-сегмент должен содержать 32 парные линии AD, a соединители сегментов, относящиеся к любой из подсистем от ФБ-1 до ФБ-4А, должны иметь 312-разрядные регистры на стороне, связываемой с кабель-сегментом.

А.2.7.1. Адресация к сегменту с меньшей длиной слова АD

В подсистемах ФБ-3 и ФБ-4, если внутри крейт-сегментов имеются лишь 24 линии AD <23:00>, соединители сегментов на стороне кабеля должны иметь AD <31:00>. Старшие 8 битов должны входить в адрес группы GP, который может включать и биты крейт-сегмента, начиная с AD23 и ниже. В подсистеме ФБ-4А соединитель сегментов должен иметь на стороне кабеля также. AD <31:00>. При обращении из такого СС к крейт-сегменту в разрядах AD <31:16> должны быть логические нули.

А.2.7.2. Адресация к сегменту с большей длиной слова AD

Для хранения полного адреса AD <31:00> в памяти модуля подсистемы ФБ-4А необходимы два 16-разрядных слова. В этой подсистеме единственный процессорный модуль-контроллер одновременно является и соединителем сегментов. На его кабельной стороне два слова переводятся в одно 32-разрядное слово. Такая же процедура применяется и при обращении из 24-разрядного модуля к модулям подсистем ФБ-1 и ФБ-2.

А.2.7.3. Типы соединителей сегментов

В подсистемах ФБ-2 и ФБ-3 используется соединитель сегментов в виде модуля единичной ширины. На передней панели друг над другом расположены два разъема С-96 для соединения с кабель-сегментом.

На нижнем сегментном разъеме типа С-96 назначение контактов должно соответствовать табл. A.V.

Разъемы, соединяющие модуль СС с кабель-сегментом, определены в п. А.2.7.6.

В подсистеме ФБ-4 используется соединитель сегментов двойной ширины на печатной плате (100×160) мм. На передней панели рядом расположены два разъема С-96 для соединения с кабель-сегментом. Сегментный разъем идентичен нижнему сегментному разъему соединителя сегментов S-3, включая расположение контактов.

В подсистеме ФБ-4А соединитель сегментов и 16-разрядный процессор-контроллер крейта объединены в одном модуле. В зависимости от мощности и сложности процессора все устройство может быть выполнено в модуле двойной ширины или в более широком модуле. Назначение контактов сегментного разъема должно соответствовать табл. A.V.

А.2.7.4. CSR-регистры в соединителях сегментов

Соединители сегментов всех подсистем должны содержать регистр CSR# 0-CC и другие регистры управления и статуса, определенные в пп. 10.5 и 10.5.2 - 10.5.8.

Назначение битов регистра CSR# 0-CC в подсистеме ФБ-1, определено в п. 10.5.1. Назначение битов регистра CSR# 0-СС в подсистемах ФБ-2, ФБ-3, ФБ-4 и ФБ-4А должно соответствовать А.XI. Назначение битов других регистров должно соответствовать табл. А.XII - A.XVI.

Таблица A.XI

Назначение битов регистра CSR# 0-CC в соединителях на ближней стороне в подсистемах ФБ-2, ФБ-3, ФБ-4 и ФБ-4А

Бит

Назначение при чтении

Назначение при записи

00

Флаг ошибки

 

S01

Разрешено пропускание операции

Разрешает пропускание операции

S02

Разрешено пропускание SR

Разрешает пропускание SR

03

SR выставлен на дальней стороне

 

S04

На дальней стороне соединителем сегментов выставлен GK

Выставляет сигнал GK, на дальней стороне

05

Статус GK на дальней стороне

 

06

Статус ВН на дальней стороне

 

07

Сбой в ответных действиях СС

Бит прослеживания маршрута в СС

08

Арбитраж проигран

Сбрасывает флаг ошибки

С09

Ошибка в присвоении вектора

Запрещает пропускание операции

11

Тип устройства, младший разряд

 

С12

Тип устройства

Снимает GK на дальней стороне

13

Тип устройства

Выставляет RB на дальней стороне

14

Тип устройства старший разряд

Сброс

15

Свободен

Свободен

% 17

Идентификатор изготовителя

 

% 18

Идентификатор изготовителя

 

% 19

Идентификатор изготовителя

 

% 20

Идентификатор изготовителя

 

% 21

Идентификатор изготовителя

 

% 22

Идентификатор изготовителя

 

% 23

Идентификатор изготовителя

 

& 24

Идентификатор изготовителя

 

& 25

Идентификатор изготовителя

 

& 26

Идентификатор изготовителя

 

& 27

Идентификатор изготовителя, старшин разряд

 

Переходы между разрядами кабель-сегмента и разрядами регистра CSR# 0 соединителя сегмента определены в табл. A.XIV.

Регистр CSR# 1-CC - уровень арбитража дальней стороны - для всех подсистем определяется п. 10.5.2.

Регистр CSR# 8-CC - уровень арбитража ближней стороны - для всех подсистем определяется п. 10.5.3.

Регистр CSR# 9-CC - управление таймерами - определяется табл. А.IX, а переходы от битов AD кабель-сегмента к битам регистра - табл. А.XV.

Регистры CSR# 40h-CC и CSR# 41h-CC - соответственно адрес и данные маршрутной таблицы - определяются пп. 10.5.5 и 10.5.6 с одним изменением: старший разряд регистров должен ассоциироваться со старшим разрядом линий AD, принятых в данной подсистеме (см. пп. А.2.7.1 и А.2.7.2). Транспозиция битов не нужна.

Регистры CSR# 42h-CC и CSR# 43h-CC - соответственно географический адрес ближней и дальней сторон - определяются пп. 10.5.7 и 10.5.8 с одним изменением: старший разряд регистров должен ассоциироваться со старшим разрядом линий AD, принятых в данной подсистеме. Транспозиция битов не нужна.

А.2.7.5. Транспозиция битов в соединителях сегментов

В стандарте ФАСТБАС (подсистема ФБ-1) во всех без исключения регистрах управления и статуса (как в функциональных модулях, так и в соединителях сегментов) конкретно определены назначения не более 16 битов. Это позволяет все конкретно определенные функции любого регистра реализовать в 16-разрядном регистре, т.е. и в самой младшей подсистеме ФБ-4А, как принято в п. А.2.6.2).

Однако в стандарте ФАСТБАС некоторые из определенных функций приписаны к старшим разрядам, например AD <31>, AD <30>. Это требует транспозиции битов в область разрядов AD <15:00> регистров управления и статуса подсистем ФБ-2, ФБ-3, ФБ-4, ФБ-4А в соответствии с расположением функции в таблицах, входящих в пп. А.2.6.2 и А.2.7.4.

В схеме транспозиции битов (рис. 49) дан пример транспозиции адресных битов AD <31> и AD <XX> в более младшие разряды магистрали подсистемы и, соответственно, разряды регистров управления и статуса в модулях. Транспозиторы битов (ТБ) входами присоединены к повторителям (на рисунке не показаны) сигналов, получаемых от кабель-сегмента, а выходы ТБ присоединены к линиям AD крейт-сегмента. В адресном цикле в случае обращения к области регистров управления и статуса (см. табл. VI), когда MS-1 или MS-3 и когда значение кода на линиях AD <31:00> является адресом выбираемого регистра, устройство управления открывает нужный ТБ и передаваемый бит попадает в нужный разряд регистра и магистрали подсистемы.

Ключи ТБ могут передавать сигналы в обоих направлениях. При передаче из крейта подсистемы в кабель-сегмент на УУ поступает код, образующийся на младших 16 линиях AD крейта.

При обращении к области адресов данных транспозиция битов не выполняется, адреса данных проходят без изменений, как и сами данные в цикле данных.

1 - кабель-сегмент; 2 - соединитель сегментов; 3 - крейт-сегмент; ТВ - транспозиторы битов; УУ - устройство управления

Рис. 49. Транспозиция битов в соединителях сегментов.

Ниже следуют таблицы ТБ - переходов между разрядами AD в кабель-сегменте и крейт-сегменте.

Таблица XII

Переходы между разрядами AD кабель-сегмента и разрядами регистра CSR# 0-CC на ближней стороне соединителя сегментов подсистем ФБ-2, ФБ-3, ФБ-4 и ФБ-4А

Разряды AD

Разряды GSR# 0-CC

Разряды AD

Разряды GSR# 0-CC

00

00

16

11

01

01

17

12

02

-

16

13

03

-

19

14

04

02

20

16

05

03

21

17

06

04

22

18

07

05

23

19

08

-

24

20

09

-

26

21

10

06

26

22

11

07

27

23

12

08

28

24

13

09

29

25

14

10

30

26

15

-

31

27

Таблица XIII

Переходы в соединителях сегментов подсистем ФБ-2, ФБ-3, ФБ-4, ФБ-4А между разрядами кабель-сегмента AD и разрядами магистрали крейта при выборке регистра CSR# 0 модулей

Разряды AD кабель-сегмента

Разряды AD крейт-сегмента

Разряды AD кабель-сегмента

Разряды AD крейт-сегмента

00

00

16

08

01

01

17

09

02

02

18

10

03

03

19

11

04

04

20

12

05

05

21

13

06

20

22

16

07

21

23

17

08

22

24

18

09

23

25

19

10

28

26

24

11

29

27

25

12

30

28

26

13

31

29

27

14

06

30

14

15

07

31

15

Таблица A.XIV

Переходы в соединителях сегментов подсистем ФБ-2, ФБ-3, ФБ-4 и ФБ-4А между разрядами AD кабель-сегмента и разрядами AD крейт-сегмента при выборке необязательного регистра CSR# 2 модулей

Разряды AD кабель-сегмента

Разряды AD крейт-сегмента

Разряды AD кабель-сегмента

Разряды AD крейт-сегмента

00

16

16

20

01

17

17

21

02

18

18

22

03

19

19

23

04

00

20

12

05

01

21

13

06

02

22

14

07

03

23

15

08

04

24

24

09

05

25

25

10

06

26

26

11

07

27

27

12

08

28

28

13

09

29

29

14

10

30

30

15

11

31

31

Таблица A.XV

Переходы в соединителях сегментов подсистем ФБ-2, ФБ-3, ФБ-4 и ФБ-4А между разрядами AD кабель-сегмента и разрядами AD крейт-сегмента при выборке регистра CSR# 9 управления таймерами модулей, а также при выборке регистра CSR# 9-СС управления таймерами соединителя сегментов

Разряды AD кабель-сегмента

Разряды AD крейт-сегмента или CSR# 9-CC

Разряды AD кабель-сегмента

Разряды AD крейт-сегмента или CSR# 9-CC

04

04

20

12

05

05

21

13

06

06

22

14

07

07

23

15

А.2.7.6. Разъемы, соединяющие модули СС с кабель-сегментом

Соединение модуля соединителя сегментов СС с кабель-сегментом должно выполняться при помощи двух разъемов I и II, причем вставки должны быть расположены на модуле.

На модуле СС единичной ширины в подсистемах ФБ-2 и ФБ-3 вставки обоих разъемов должны быть расположены на передней панели модуля друг над другом. Разъем I должен быть над разъемом II, причем контакты с номером 1 должны быть внизу.

На модуле СС двойной ширины в подсистемах ФБ-4 и ФБ-4А вставки обоих разъемов должны быть расположены на передней панели модуля рядом. Разъем I должен быть слева от разъема II, если смотреть на переднюю панель, причем контакты с номером 1 должны быть внизу.

В подсистемах ФБ-2 и ФБ-3, при необходимости расположения разъемов сзади крейта, допускаются модули двойной ширины с разъемами, расположенными на месте вспомогательных разъемов рядом.

Разъем I должен быть слева от разъема II, если смотреть со стороны передней панели, причем контакты с номером I должны быть вверху.

Назначение контактов разъемов I и II показано в табл. А.XVI. Каждый логический сигнал передается через пару контактов потенциалами противоположной полярности. Полярность потенциалов на нечетных контактах должна соответствовать полярности потенциалов на линиях крейт-сегмента.

Вставки разъемов II, располагаемые на модулях, должны быть типа С-96 и иметь полный набор контактов, включая ряд В.

Таблица A.XVI

Назначение контактов разъемов I и II в соединителях сегментов

Номер контакта

Разъем I

Разъем II

Номер контакта

А

В

С

А

В

С

1

AD31

 

AD15

-

0 В

DS

1

2

AD31

 

AD15

-

 

DS

2

3

AD30

 

AD14

АМ2

+15 В

SR

3

4

AD30

 

AD14

АМ2

 

SR

4

5

AD29

 

AD13

AM1

0 В

WT

5

6

AD29

 

AD13

AM1

 

WT

6

7

AD28

 

AD12

АМ0

-15 В

AR

7

8

AD28

 

AD12

АМ0

 

AR

8

9

AD27

 

AD11

РА

+5 В

AS

9

10

AD27

 

AD11

РА

 

AS

10

11

AD26

 

AD10

РЕ

0 В

АК

11

12

AD26

 

AD10

РЕ

 

АК

12

13

AD25

 

AD09

ВН

-5,2 В

DK

13

14

AD25

 

AD09

ВН

 

DK

14

15

AD24

 

AD08

RB

0 В

GK

15

16

AD24

 

AD08

RB

 

GK

16

17

AD28

 

AD07

EG

 

AI

17

18

AD23

 

AD07

EG

 

AI

18

19

AD22

 

AD06

MS2

 

AG

19

20

AD22

 

AD06

MS2

 

AG

20

21

AD21

 

AD05

MS1

 

AL5

21

22

AD21

 

AD05

MS1

 

AL5

22

23

AD20

 

AD04

MS0

 

AL4

23

24

AD20

 

AD04

MS0

 

AL4

24

25

AD19

 

AD03

RD

 

AL3

25

26

AD19

 

AD03

RD

 

AL3

26

27

AD18

 

AD02

SS2

 

AL2

27

28

AD18

 

AD02

SS2

 

AL2

28

29

AD17

 

AD01

SS1

 

AL1

29

30

AD17

 

AD01

SS1

 

AL1

30

31

AD16

 

AD00

ss0

 

AL0

31

32

AD16

 

AD00

ss0

0 В

AL0

32

Вставки разъемов I могут быть типа С-64.

Колодки, располагаемые на кабеле, могут быть типа С-96 или С-64, в последним случае в кабельном жгуте проводов отсутствуют провода с функциями ряда В.

В крейтах подсистем ФБ-2 и ФБ-3, в случаях использования модулей СС двойной ширины с разъемами, расположенными рядом над магистралью крейт-сегмента, должна быть предусмотрена возможность удобного снятия колодок вместе с кабелем.

На другом конце кабеля может быть разъем, который служит для соединения с устройствами подсистемы ФБ-1. В этом случае разъем и назначение его контактов должны соответствовать стандарту ФАСТБАС. В таком кабеле прокладка линий АМ2, AM1 и АМ0 необязательна.

А.2.8. Питание.

В крейтах подсистем ФБ-2, ФБ-3, ФБ-4 и ФБ-4А предусмотрены обязательные напряжения питания +5 и -5,2 В. С учетом того, что элементы с ЭСЛ-уровнями необходимы только для формирователей сигналов в соединителях сегментов и число таких элементов невелико, смещение -2- В на базы ЭСЛ-ключей получается от диодных делителей, присоединенных к источнику -5,2 В. Это позволило исключить линии питания - 2 В и соответствующие выходы в источниках питания. Дополнительные напряжения питания + 15, -15 +28 В применяются в случаях необходимости. Все остальные характеристики источников питания должны соответствовать требованиям, изложенным в гл. 15 стандарта ФАСТБАС и приложении I (пп. I.1.1 - I.1.21).

Стандарт не фиксирует допустимую мощность, рассеиваемую в подсистемах ФБ-2, ФБ-3, ФБ 4 и ФБ-4А печатной платой со смонтированными компонентами, поскольку этот параметр зависит от температуры и скорости движения охлаждающего воздуха, а также от допустимой рабочей температуры компонентов. Для аппаратуры, эксплуатируемой в лабораторных условиях, ориентировочно можно пользоваться нормами, проверенными в аппаратуре КАМАК и отраженными в стандарте КАМАК: в крейтах ФБ-2 и ФБ-3 - 1,4 Вт/дм2 площади платы без принудительной вентиляции и 4,3 Вт/дм2 - при четырех вентиляторах; в ФБ-4 можно больше.

ИНФОРМАЦИОННЫЕ ДАННЫЕ

1. Постановлением Комитета стандартизации и метрологии СССР от 17.10.91 1622 настоящий стандарт разработан методом прямого применения международного стандарта МЭК 935-90 с дополнительными требованиями, отражающими потребности народного хозяйства

2. ССЫЛОЧНЫЕ НОРМАТИВНО-ТЕХНИЧЕСКИЕ ДОКУМЕНТЫ

Обозначение НТД, на который дана ссылка

Номер пункта, приложения

МЭК 113 7-81 (ГОСТ 2.743-82)

Введение, 2.2

МЭК 169-10-83

Введение

МЭК 297-1-82 (ГОСТ 28601.1-90)

Введение, приложение А.2

МЭК 297-3-84 (ГОСТ 28601.3-90)

»

МЭК 547-76

Введение

МЭК 603-2-80

Приложение А.2

МЭК 935-90

«

IEEE Std 583

2.3

EUR 4100

2.3

МЭК 516-75 (ГОСТ 27080-86)

2.3

Доклад ТID-20893

2.3

Отчет TID-26614

12.1

Отчет EUR 5100е

12.1

 

 




ГОСТЫ, СТРОИТЕЛЬНЫЕ и ТЕХНИЧЕСКИЕ НОРМАТИВЫ.
Некоммерческая онлайн система, содержащая все Российские Госты, национальные Стандарты и нормативы.
В Системе содержится более 150000 файлов нормативно-технической документации, действующей на территории РФ.
Система предназначена для широкого круга инженерно-технических специалистов.

Рейтинг@Mail.ru Яндекс цитирования

Copyright © www.gostrf.com, 2008 - 2026