Крупнейшая бесплатная информационно-справочная система онлайн доступа к полному собранию технических нормативно-правовых актов РФ. Огромная база технических нормативов (более 150 тысяч документов) и полное собрание национальных стандартов, аутентичное официальной базе Госстандарта. GOSTRF.com - это более 1 Терабайта бесплатной технической информации для всех пользователей интернета. Все электронные копии представленных здесь документов могут распространяться без каких-либо ограничений. Поощряется распространение информации с этого сайта на любых других ресурсах. Каждый человек имеет право на неограниченный доступ к этим документам! Каждый человек имеет право на знание требований, изложенных в данных нормативно-правовых актах!

  


 

МЕЖГОСУДАРСТВЕННЫЙ СТАНДАРТ

РЫМ-БОЛТЫ

Технические условия

Screw rings. Specifications

ГОСТ
4751-73

Дата введения 01.07.74

Настоящий стандарт распространяется на рым-болты, предназначенные для подъема, опускания или удержания на весу изделий при монтажных и такелажных работах для всех условий эксплуатации по ГОСТ 15150.

(Измененная редакция, Изм. № 4).

1. ОСНОВНЫЕ ПАРАМЕТРЫ И РАЗМЕРЫ

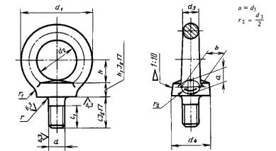
1.1. Конструкция и основные размеры рым-болтов должны соответствовать указанным на чертеже и в табл. 1.

Таблица 1

Размеры в мм

Условное обозначение резьбы d

Применяемость

D1

d2

d3

d4

b

h

h1

l

l1, не менее

r

r1

Масса 1 шт., кг

М8

 

36

20

8

20

10

12

6

18

12

2

4

0,05

М10

 

45

25

10

25

12

16

8

21

15

0,12

М12

 

54

30

12

30

14

18

10

25

19

6

0,19

М16

 

63

35

14

36

16

20

12

32

25

0,31

М20

 

72

40

16

40

19

24

14

38

29

3

8

0,50

М24

 

90

50

20

50

24

29

16

45

35

12

0,87

М30

 

108

60

24

63

28

37

18

55

44

15

1,58

М36

 

126

70

28

75

32

43

22

63

51

4

18

2,43

М42

 

144

80

32

85

38

50

25

72

58

20

3,72

М48

 

162

90

36

95

42

52

30

82

68

22

5,54

М56

 

180

100

40

105

48

60

34

95

78

5

25

8,09

М64

 

198

110

44

115

52

65

40

110

93

10,95

М72×6

 

234

130

52

135

62

75

45

115

98

35

18,54

М80×6

 

270

150

60

160

70

88

50

125

108

25,40

М100×6

 

324

180

72

190

85

105

60

150

133

40

43,82

Пример условного обозначения рым-болта с резьбой М8 без покрытия:

Рым-болт М8 ГОСТ 4751-73

То же, с мелкой резьбой M100×6, с покрытием 01 (цинковое с хроматированием), толщиной 9 мкм:

Рым-болт М100×6.019 ГОСТ 4751-73

(Измененная редакция, Изм. № 1, 2).

1.2. Грузоподъемность рым-болтов должна соответствовать указанным в табл. 2.

Таблица 2

Условное обозначение резьбы

Грузоподъемность на 1 рым-болт, кг, +

при направлении строп

по вертикальной оси рым-болта

под углом 45º от вертикальной оси рым-болта

в плоскости кольца

с отклонением от плоскости кольца

М8

120

80

40

М10

200

125

65

М12

300

175

90

М16

550

250

125

М20

850

325

150

М24

1250

500

250

М30

2000

700

350

М36

3000

1000

500

М42

4000

1300

650

М48

5000

1650

800

М56

6200

2000

1000

М64

7500

2500

1250

М72×6

10000

3500

1750

М80×6

14000

4500

2250

М100×б

20000

6500

3250

Примечания:

1. При подъеме груза направление строп под углом от вертикальной оси рым-болта свыше 45° не допускается.

2. Для установки в одной плоскости колец двух ввинченных до упора рым-болтов допускается применение плоских шайб толщиной:

- до 1 мм - под рым-болты с резьбой М8-M12;

- не более половины шага резьбы - под рым-болты с резьбой свыше M12.

1.3. Конструкция и размеры гнезд под рым-болты приведены в приложении.

2. ТЕХНИЧЕСКИЕ ТРЕБОВАНИЯ

2.1. Рым-болты должны быть изготовлены из стали марки 20 или 25 (подгруппа а) по ГОСТ 1050-88 штамповкой. Допускается изготовление ковкой.

Соответствие материала предусмотренным маркам должно быть подтверждено сертификатом предприятия-изготовителя металла.

(Измененная редакция, Изм. № 1).

2.2. (Исключен, Изм. № 1).

2.3. Технические требования к штампованным поковкам по ГОСТ 7505-89, класс точности - II, степень сложности - С3.

Примечание. При изготовлении рым-болтов свободной ковкой в подкладных штампах допускается увеличивать плюсовые допуски в 2 раза.

(Измененная редакция, Изм. 1).

2.4. На внутренней окружности кольца допускается лыска, получаемая после зачистки заусенцев, при условии сохранения размера в пределах допусков п. 2.3.

2.5. Заварка или заделка дефектов не допускается.

2.6. Рым-болты после штамповки или ковки должны быть нормализованы и очищены от окалины.

2.7. Твердость нормализованных рым-болтов должна соответствовать указанной в табл. 3.

Таблица 3

Марка стали

Твердость НВ рым-болтов с размером резьбы

от М8 до М64

от М72×6 до М100×6

20

105-149

95-121

25

134-187

105-149

Допускается одна повторная термообработка.

2.8. На кольце рым-болта центровые отверстия не допускаются.

2.9. Надрезы на обработанной части хвостовика не допускаются.

2.10. Резьба - по ГОСТ 24705 с полем допуска 8g по ГОСТ 16093.

Размеры фасок и сбегов резьбы - по ГОСТ 10549-80. Величина сбега резьбы для угла заборной части инструмента - 20°.

Примечание. При применении покрытия должны быть обеспечены указанные размеры и шероховатость.

2.11. Резьба не должна иметь сорванных ниток, заусенцев и вмятин.

2.12. Допуск перпендикулярности оси резьбы d на длине 100 мм относительно опорной плоскости кольца:

0,10 мм - для рым-болтов с резьбой от М8 до M16;

0,05 мм - для рым-болтов с резьбой от М20 до М100×6.

2.13. Допуск симметричности оси резьбы d относительно общих плоскостей симметрии рым-болта:

Т 1 мм - для рым-болтов с резьбой от М8 до М12;

Т 2 мм - для рым-болтов с резьбой от М16 до М48;

Т 4 мм - для рым-болтов с резьбой от М56 до M100×6.

2.12 - 2.13. (Измененная редакция, Изм. 2).

2.14. Рым-болты должны выдерживать испытание на прочность нагрузкой, равной удвоенной номинальной грузоподъемности.

Допускаемое отклонение этой нагрузки ±5 %.

2.15. Рым-болты могут изготовляться с покрытием. Виды и условные обозначения покрытий - по ГОСТ 1759.0-87.

Технические требования к покрытиям и качеству поверхности рым-болтов перед покрытием - по ГОСТ 9.301-86.

(Измененная редакция, Изм. № 1).

3. ПРАВИЛА ПРИЕМКИ

3.1. Предприятие-изготовитель должно проводить приемо-сдаточные испытания рым-болтов. При приемо-сдаточных испытаниях рым-болты проверяют:

до механической обработки

- на соответствие требованиям п. 1.1 в части размеров, получаемых объемной штамповкой или ковкой и пп. 2.3, 2.4: в случае изготовления свободной ковкой в подкладных штампах - каждый рым-болт; в случае изготовления объемной штамповкой - 5 % от партии, но не менее 5 шт.;

- на соответствие требованиям пп. 2.5 и 2.6 каждый рым-болт;

- на соответствие требованиям п. 2.7 10 % от партии, но не менее 5 шт.; после механической обработки:

- на соответствие требованиям п. 1.1 (размеры l, l1 и hl и d) пп. 2.8 - 2.14 каждый рым-болт;

- на соответствие требованиям п. 2.15 - по ГОСТ 9.301-86.

Примечание. Партия состоит из рым-болтов одного размера, изготовленных из стали одной марки, совместно прошедших термообработку.

(Измененная редакция, Изм. 1).

3.2. При получении неудовлетворительных результатов испытаний рым-болтов хотя бы по одному из показателей проводят повторные испытания удвоенного числа образцов; взятых от той же партии, по полной программе. Результаты повторных испытаний являются окончательными и распространяются на всю партию.

(Введен дополнительно, Изм. № 2).

4. МЕТОДЫ ИСПЫТАНИЙ

4.1. На соответствие требованиям п. 2.3 проверяют внешним осмотром без применения увеличительных приборов.

Допускается применение луп до трехкратного увеличения.

(Измененная редакция, Изм. № 2).

4.2. Твердость (п. 2.7) определяют по ГОСТ 9012-59 на образующей опорной части кольца.

4.3. Резьбу (п. 2.10) проверяют предельными калибрами.

4.4. Отклонение от перпендикулярности оси резьбового хвостовика к опорной поверхности кольца (п. 2.12) проверяют угловым шаблоном или щупом по просвету между опорной поверхностью кольца и торцевой поверхностью контрольного калибра.

4.5. Соответствие рым-болтов требованиям п. 2.4 проверяют испытанием на растяжение с выдержкой под нагрузкой в течение 10 мин.

Нагрузка должна быть приложена по оси стержня рым-болта.

Приложение нагрузки должно быть плавным, без рывков.

После снятия нагрузки в рым-болтах не должно быть остаточных деформаций, трещин и надрывов.

Отсутствие остаточных деформаций определяют контролем размеров по оси рым-болтов до и после испытания.

Отсутствие трещин и надрывов проверяют внешним осмотром с помощью лупы, имеющей не менее чем четырехкратное увеличение.

4.6. Толщину слоя покрытия (п. 2.15) проверяют на кольце рым-болта. Методы проверки качества и толщины покрытия - по ГОСТ 9.302-88.

4.7. (Исключен, Изм. № 2).

5. МАРКИРОВКА, УПАКОВКА, ТРАНСПОРТИРОВАНИЕ И ХРАНЕНИЕ

5.1. Каждый рым-болт на образующей опорной части кольца должен иметь следующую маркировку:

- товарный знак предприятия-изготовителя;

- условное обозначение резьбы.

Для рым-болтов с резьбой М8 -М16 допускается выполнять маркировку только товарного знака предприятия; в этом случае условное обозначение резьбы маркируют на бирке для партии.

5.2. Маркировку выполняют давлением или штамповкой. Допускается наносить маркировку ударным способом.

5.3. Рым-болты упаковывают в плотные дощатые неразборные ящики по ГОСТ 2991-85, выложенные внутри упаковочной бумагой марки Б по ГОСТ 515-77.

5.4. В каждый ящик упаковывают рым-болты одной партии.

5.5. Масса брутто каждого ящика не должна превышать 60 кг.

5.6. Консервация - по ГОСТ 9.014-78.

5.7. Каждая партия рым-болтов должна сопровождаться документом, содержащим:

- наименование или товарный знак предприятия-изготовителя;

- условное обозначение рым-болтов;

- количество рым-болтов;

- результаты контрольных испытаний.

5.8. Маркировка транспортной тары - по ГОСТ 14192-96.

5.9. На каждом ящике наносят:

- товарный знак предприятия-изготовителя;

- условное обозначение рым-болтов;

- брутто и нетто в килограммах.

ПРИЛОЖЕНИЕ
(Рекомендуемое)
ГНЕЗДА ПОД РЫМ-БОЛТЫ

1. Конструкция и размеры гнезд под рым-болты в изделиях из черных металлов должны соответствовать указанным на чертеже и в таблице.

мм

Условное обозначение резьбы d

d1

h

l, не менее

Условное обозначение резьбы d

d1

h

l, не менее

М8

13

5

19

М42

52

14

74

М10

15

6

22

М48

60

84

М12

17

26

М56

68

17

97

М16

22

7

33

М64

75

112

М20

28

9

39

М72×6

85

117

М24

32

10

47

М80×6

95

127

М30

38

11

57

М100×6

115

152

М36

45

12

65

 

(Измененная редакция, Изм. 2, 4).

2. Резьба - по ГОСТ 24705 с полем допусков по ГОСТ 16093.

Резьба не должна иметь сорванных ниток.

3. Допуск перпендикулярности оси резьбы d на длине 100 мм относительно опорной поверхности гнезда:

0,2 мм - для рым-болтов с резьбой от М8 до М16;

0,1 мм - для рым-болтов с резьбой от М20 до М100×6.

(Измененная редакция, Изм. № 2, 3).

4. Гнезда под рым-болты должны быть чистыми, без раковин и подрезов.

5. Размер опорной плоской поверхности гнезда, имеющий обозначение шероховатости Ra 12,5 мкм должен быть не менее диаметра опорной поверхности рым-болта.

(Измененная редакция, Изм. 1, 4).

ИНФОРМАЦИОННЫЕ ДАННЫЕ*

1. УТВЕРЖДЕН И ВВЕДЕН В ДЕЙСТВИЕ Постановлением Государственного комитета стандартов Совета Министров СССР от 10.05.73 № 1169

2. Срок проверки - 1993 г., периодичность - 5 лет.

3. ВЗАМЕН ГОСТ 4751-67

4. ССЫЛОЧНЫЕ НОРМАТИВНО-ТЕХНИЧЕСКИЕ ДОКУМЕНТЫ

5. Проверен в 1988 г. Ограничение срока действия снято Постановлением Госстандарта СССР от 16.12.88 № 4162

6. ПЕРЕИЗДАНИЕ (июнь 1998 г.) с Изменениями № 1, 2, 3, 4, утвержденными в мае 1979 г., январе 1983 г., декабре 1988 г., августе 1990 г. (ИУС 7-79, 5-83, 3-89, 11-90)

Переиздание (по состоянию на апрель 2008 г.)

* См. примечания ФГУП «СТАНДАРТИНФОРМ» (с. 8).

ПРИМЕЧАНИЯ ФГУП «СТАНДАРТИНФОРМ»

1. На первой странице под наименованием стандарта на английском языке дополнить кодом: МКС 53.020.30 (указатель «Национальные стандарты», 2008)

2. Указанные в разделе «Информационные данные» к ГОСТ 4751-73:

ГОСТ 1759.0-87. В части маркировки на территории Российской Федерации действуют ГОСТ Р 52627-2006 (ИСО 898-1:1999) и ГОСТ Р 52628-2006 (ИСО 898-2:1992, ИСО 898-6:1994);

ГОСТ 16093-81 заменен на ГОСТ 16093-2004;

ГОСТ 24705-81 заменен на ГОСТ 24705-2004.

Содержание

 

 




ГОСТЫ, СТРОИТЕЛЬНЫЕ и ТЕХНИЧЕСКИЕ НОРМАТИВЫ.
Некоммерческая онлайн система, содержащая все Российские Госты, национальные Стандарты и нормативы.
В Системе содержится более 150000 файлов нормативно-технической документации, действующей на территории РФ.
Система предназначена для широкого круга инженерно-технических специалистов.

Рейтинг@Mail.ru Яндекс цитирования

Copyright © www.gostrf.com, 2008 - 2026