Крупнейшая бесплатная информационно-справочная система онлайн доступа к полному собранию технических нормативно-правовых актов РФ. Огромная база технических нормативов (более 150 тысяч документов) и полное собрание национальных стандартов, аутентичное официальной базе Госстандарта. GOSTRF.com - это более 1 Терабайта бесплатной технической информации для всех пользователей интернета. Все электронные копии представленных здесь документов могут распространяться без каких-либо ограничений. Поощряется распространение информации с этого сайта на любых других ресурсах. Каждый человек имеет право на неограниченный доступ к этим документам! Каждый человек имеет право на знание требований, изложенных в данных нормативно-правовых актах!

  


 

ГОСУДАРСТВЕННЫЙ СТАНДАРТ СОЮЗА ССР

КОНЦЫ ПРИСОЕДИНИТЕЛЬНЫЕ
РЕЗЬБОВЫЕ ДЛЯ АРМАТУРЫ,
СОЕДИНИТЕЛЬНЫХ ЧАСТЕЙ
И ТРУБОПРОВОДОВ ПОД ЛИНЗОВОЕ
УПЛОТНЕНИЕ НА Ру 20 - 100 МПа
(200 - 1000 кгс/см2)

РАЗМЕРЫ

ГОСТ 9400-81

ИЗДАТЕЛЬСТВО СТАНДАРТОВ

Москва

ГОСУДАРСТВЕННЫЙ СТАНДАРТ СОЮЗА ССР

КОНЦЫ ПРИСОЕДИНИТЕЛЬНЫЕ РЕЗЬБОВЫЕ
ДЛЯ АРМАТУРЫ, СОЕДИНИТЕЛЬНЫХ ЧАСТЕЙ И
ТРУБОПРОВОДОВ ПОД ЛИНЗОВОЕ УПЛОТНЕНИЕ
НА Ру 20 - 100 МПа (200 - 1000 кгс/см2)

Размеры

Threaded connecting ends for valves, fittings and
pipes with lens-shaped seals for Pn 20 - 100 MPa
(200 - 1000 kgf/cm2). Dimensions

ГОСТ
9400-81

Постановлением Государственного комитета СССР по стандартам от 27 февраля 1981 г. № 1138 срок действия установлен

с 01.01.82

1. Настоящий стандарт распространяется на присоединительные концы под линзовое уплотнение для соединения с фланцами на резьбе арматуры, соединительных частей и трубопроводов, применяемых в химической и нефтехимической промышленностях, на Ру 20 - 100 МПа (200 - 1000 кгс/см2) и Dу 6 - 200 мм с температурой от минус 50 до плюс 510 °С.

Требования настоящего стандарта являются обязательными.

(Измененная редакция, Изм. № 1, 2).

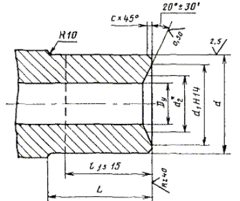
2. Размеры присоединительных концов должны соответствовать указанным на чертеже и в таблице.

* Размер для справок.

мм

Проход условный Dу

d

d1

d2 (диаметр касания)

L

l

в

6

М14´1,5

10

8,2

32

22

1,6

М16´1,5*

10

М24´2

18

13,7

28

2,0

15

М33´2

28

20,5

42

35

25

М42´2

37

41,0

М48´2

40

145

40

32

М48´2

43

М56´3

48

60

50

3,0

М64´3

55

40

М64´3

49,9

55

М80´3

65

65

50

М80´3

72

67,0

М100´3

82

75

65

65

М100´3

90

78,7

M110´3

95

80

70

М125´4

85

75

80

М110´3

100

95,7

80

70

3,0

М125´4

115

85

75

М135´4

95

85

М155´4

120

100

90

100

М125´4

115

109,4

85

75

М135´4

125

95

85

М155´4

132

100

90

М175´6

115

105

4,0

125

М155´4

145

136,8

100

90

3,0

M175´6

162

115

105

4,0

М190´6

120

110

М215´6

165

130

120

150

М190´6

175

166,2

120

110

М215´6

195

130

120

М240´6

140

130

M265´6

165

155

200

M240´6

225

212,0

140

130

М265´6

245

165

155

М295´6

* Допускается только для присоединительных концов арматуры, линзовых отводов и диафрагм.

(Измененная редакция, Изм. № 1).

3. Фактический диаметр арматуры, соединительных частей и трубопроводов следует принимать равным номинальному размеру по сортаменту труб, но не более величины условного прохода.

4. Резьба метрическая - по ГОСТ 24705 с полем допуска 6 g - по ГОСТ 16093.

5. Сбег резьбы - нормальный по ГОСТ 10549; величина сбега входит в размер l; форма впадин резьбы должна быть закругленной по ГОСТ 9150.

4, 5. (Измененная редакция, Изм. № 1).

6. Нa уплотнительной поверхности не допускаются раковины, свищи, плены, волосовины, трещины, закаты, риски и другие дефекты, снижающие плотность, прочность и надежность уплотнения.

7. Условные проходы - по ГОСТ 28338.

8. Условные давления - по ГОСТ 356.

ИНФОРМАЦИОННЫЕ ДАННЫЕ

1. РАЗРАБОТАН И ВНЕСЕН Министерством химического и нефтяного машиностроения СССР

РАЗРАБОТЧИКИ

Л. Ф. Березин (руководитель темы), Е. Р. Хисматулин, М. И. Миль

2. УТВЕРЖДЕН И ВВЕДЕН В ДЕЙСТВИЕ Постановлением Государственного комитета СССР по стандартам от 27.02.81 № 1138

3. Срок проверки - 1991 год, периодичность проверки - 5 лет

4. Стандарт полностью соответствует рекомендации СЭВ по стандартизации PC 2374-70

5. Взамен ГОСТ 9400-75

6. ССЫЛОЧНЫЕ НОРМАТИВНО-ТЕХНИЧЕСКИЕ ДОКУМЕНТЫ

Обозначение НТД, на который дана ссылка

Номер пункта

ГОСТ 356-80

8

ГОСТ 9150-81

5

ГОСТ 10549-80

5

ГОСТ 16093-81

4

ГОСТ 24705-81

4

ГОСТ 28338-89

7

7. Проверен в 1990 г. Снято ограничение срока действия Постановлением Госстандарта СССР от 26.02.91 № 176

8. ПЕРЕИЗДАНИЕ (март 1993 г.) с Изменениями № 1, 2, утвержденными в сентябре 1988 г., в феврале 1991 г. (ИУС 12-88, 5-91)

 




ГОСТЫ, СТРОИТЕЛЬНЫЕ и ТЕХНИЧЕСКИЕ НОРМАТИВЫ.
Некоммерческая онлайн система, содержащая все Российские Госты, национальные Стандарты и нормативы.
В Системе содержится более 150000 файлов нормативно-технической документации, действующей на территории РФ.
Система предназначена для широкого круга инженерно-технических специалистов.

Рейтинг@Mail.ru Яндекс цитирования

Copyright © www.gostrf.com, 2008 - 2026