Крупнейшая бесплатная информационно-справочная система онлайн доступа к полному собранию технических нормативно-правовых актов РФ. Огромная база технических нормативов (более 150 тысяч документов) и полное собрание национальных стандартов, аутентичное официальной базе Госстандарта. GOSTRF.com - это более 1 Терабайта бесплатной технической информации для всех пользователей интернета. Все электронные копии представленных здесь документов могут распространяться без каких-либо ограничений. Поощряется распространение информации с этого сайта на любых других ресурсах. Каждый человек имеет право на неограниченный доступ к этим документам! Каждый человек имеет право на знание требований, изложенных в данных нормативно-правовых актах!

  


 

ГОСУДАРСТВЕННЫЙ СТАНДАРТ СОЮЗА ССР

СИСТЕМА СТАНДАРТОВ БЕЗОПАСНОСТИ ТРУДА

ВЕНТИЛЯТОРЫ ОБЩЕГО НАЗНАЧЕНИЯ

МЕТОДЫ ОПРЕДЕЛЕНИЯ ШУМОВЫХ ХАРАКТЕРИСТИК

ГОСТ 12.2.028-84

(СТ СЭВ 4209-83)

ГОСУДАРСТВЕННЫЙ КОМИТЕТ СССР ПО СТАНДАРТАМ

Москва

ГОСУДАРСТВЕННЫЙ СТАНДАРТ СОЮЗА ССР

Система стандартов безопасности труда

ВЕНТИЛЯТОРЫ ОБЩЕГО НАЗНАЧЕНИЯ

Методы определения шумовых характеристик

Occupational safety standards system.

General-purpose ventilators.

Methods of noise characteristics determination

ГОСТ
12.2.028-84

(СТ СЭВ 4209-83)

Взамен

ГОСТ 12.2.028-77

Постановлением Государственного комитета СССР по стандартам от 17 августа 1984 г. № 2909 срок действия установлен

с 01.01.85

Ограничение срока действия отменено

Настоящий стандарт распространяется на одноступенчатые радиальные вентиляторы по ГОСТ 5976-73 и одноступенчатые осевые вентиляторы по ГОСТ 11442-74, имеющие рабочие колеса диаметром от 200 до 5000 мм, и устанавливает методы определения шумовых характеристик.

Стандарт полностью соответствует СТ СЭВ 4209-83.

1. ОБЩИЕ ПОЛОЖЕНИЯ

1.1. Акустические испытания вентиляторов проводят для установления и проверки соответствия их паспортным данным и подвергают периодической проверке серийно выпускаемых вентиляторов.

1.2. Определяемые при испытаниях вентиляторов шумовые характеристики предназначены для:

оценки шума, распространяющегося по воздуху и излучаемого в присоединяемые воздуховоды или окружающее пространство;

сопоставления по шумовым характеристикам вентиляторов различных типов;

акустических расчетов при проектировании оборудования, составной частью которого является вентилятор.

1.3. Термины и определения - по ГОСТ 23941-79.

Краткие пояснения основных понятий, используемых в настоящем стандарте, приведены в приложении 1.

1.4. В зависимости от конструкции вентилятора, способа его присоединения к воздуховодам или метода измерений определяют один или несколько из следующих уровней звуковой мощности шума:

Lрвс.в - во всасывающем воздуховоде вентилятора;

Lрнг.в - в нагнетательном воздуховоде вентилятора;

Lрвс - всасывания вентилятора;

Lрнг - нагнетания вентилятора;

Lрк - вентилятора в окружающем пространстве;

Lрс - вентилятора, установленного в стене.

1.5. При определении шумовых характеристик вентиляторов результаты измерений выражают следующими показателями: уровнями звуковой мощности Lpi и уровнями звукового давления Li в одной из контрольных точек на расстоянии R = 1; 3; 5; 10 м в октавных полосах со среднегеометрическими частотами от 125 до 8000 Гц; корректированным уровнем звуковой мощности LPA.

Допускаются измерения на более низких или более высоких частотах и в третьоктавных полосах со среднегеометрическими частотами от 100 до 10000 Гц.

Допускается приводить значения показателей суммарного уровня звуковой мощности Lpå или других характеристик по ГОСТ 23941-79.

(Измененная редакция, Изм. № 2).

1.6. Для определения шумовых характеристик вентиляторов применяют следующие методы: при определительных испытаниях:

I - метод измерений внутри воздуховода, присоединенного к вентилятору;

II-метод отраженного звукового поля в соответствии с ГОСТ 12.1.027-80;

III - метод свободного звукового поля в соответствии с ГОСТ 12.1.026-80;

при всех видах контрольных испытаний - любой из методов I, II, III или ориентировочный метод IV в соответствии с ГОСТ 12.1.028-80.

1.7. Требования к средствам измерений, аппаратуре и уровням помех, оценка качества звукового поля, порядок проведения измерений и классификация точности результатов измерений должны соответствовать ГОСТ 23941-79, ГОСТ 12.1.026-80, ГОСТ 12.1.027-80, ГОСТ 12.1.028-80 и настоящему стандарту.

2. АППАРАТУРА

2.1. Аппаратура, применяемая для измерения шума, должна соответствовать ГОСТ 12.1.026-80, ГОСТ 12.1.27-80 и ГОСТ 12.1.028-80.

Образцовый источник шума должен соответствовать требованиям ГОСТ 12.1.025-81.

(Измененная редакция, Изм. № 1).

3. ПОДГОТОВКА К ИСПЫТАНИЮ

3.1. Вентилятор, подвергающийся испытаниям, должен соответствовать техническим условиям.

3.2. Полная аэродинамическая характеристика вентилятора должна быть предварительно определена в соответствии с ГОСТ 10921-74.

3.3. Шумовые характеристики вентиляторов должны определяться в установившемся режиме работы, близком к режиму максимального к.п.д., на частотах вращения, установленных предприятием-изготовителем.

Дополнительно измерения могут проводиться в режимах, соответствующих условиям предполагаемой эксплуатации вентилятора.

3.4. Шумовые характеристики осевых вентиляторов должны определяться при всех углах установки лопаток, указанных в паспорте.

3.5. Для осевых вентиляторов допускается шумовые характеристики на всасывании и нагнетании принимать одинаковыми.

3.6. Шум системы привода не считают шумом помех.

3.7. Для установки требуемого режима работы вентиляторов следует измерять производительность или давление и частоту вращения рабочего колеса.

3.8. Режим работы вентиляторов должен устанавливаться дросселирующим устройством, создающим рассредоточенное сопротивление и не закручивающим поток.

3.9. Дросселирующее устройство для регулировки режима работы вентилятора при испытаниях должно располагаться в воздуховоде, противоположном измерительному.

3.9.1. Длина участка всасывающего воздуховода между дросселирующим устройством и входным отверстием вентилятора должна быть не менее 2Dвх, где Dвх - диаметр входного отверстия вентилятора.

3.9.2. Шум, создаваемый дросселирующим устройством, применяемым для регулирования режима работы вентилятора, должен быть не менее чем на 10 дБ ниже шума испытываемого вентилятора.

Методика расчета шумообразования в дросселирующих устройствах приводится в рекомендуемом приложении 2.

3.9.3. Сменные шайбы-решетки для дросселирования должны соответствовать указанным на черт. 1 и в табл. 1.

3.10. Контроль заданного режима работы вентиляторов при шумовых испытаниях допускается производить при помощи входного коллектора или по перепаду давлений на дросселирующем устройстве.

3.11. Для вентиляторов с диаметрами рабочих колес, равными или более 800 мм, а также вентиляторов, по габаритам или условиям привода не позволяющим производить измерения в помещении, шумовые характеристики допускается определять по модельным испытаниям вентиляторов меньших номеров с последующим пересчетом согласно п. 5.3.

Таблица 1

Радиусы

Номер шайбы-решетки

2

3

4

5

6

7

8

9

10

Число отверстий

r

18

9

-

-

-

-

-

-

-

r1

-

-

3

3

3

2

2

2

-

r2

-

-

10

10

5

4

5

4

-

r3

-

-

16

12

8

6

7

4

-

r4

-

-

24

16

12

9

-

-

-

3.12. Уровни помех должны измеряться перед каждой серией измерений. Требования к уровням помех должны соответствовать ГОСТ 12.1.026-80, ГОСТ 12.1.027-80 и ГОСТ 12.1.028-80.

Шайбы-решетки № 2, 3

Шайбы-решетки № 4 - 10

Черт. 1

4. ПРОВЕДЕНИЕ ИЗМЕРЕНИЙ

4.1. Определение шумовых характеристик вентиляторов по методу I

Измерения данным методом подразделяют на измерения в воздуховоде диаметром до 1200 мм с концевым поглощающим устройством (метод 1.1) и измерения в воздуховоде диаметром свыше 1200 мм без концевого поглощающего устройства (метод 1.2).

4.1.1. Определение шумовых характеристик в воздуховоде по методу 1.1

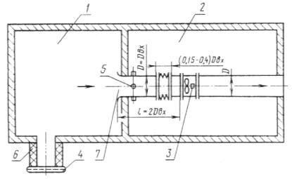
Испытательная установка (черт. 2) должна включать испытываемый вентилятор, испытательную трубу, присоединенную к его всасывающему и нагнетательному отверстию, устройство для регулирования режима работы и измерения производительности вентилятора.

1 - испытываемый вентилятор; 2 - гибкая вставка; 3 - переходный участок; 4 - микрофон с ветрозащитной насадкой (см. черт. 8); 5 - концевое поглощающее устройство; 6 - дросселирующее устройство; 7 - места измерения производительности; 8 - измерительный коллектор; 9 - измерительный участок трубы; 10 - глушитель (рекомендуемый)

Черт. 2

4.1.1.1. Испытательная труба, присоединяемая к вентилятору, должна включать переходный и измерительный участки, концевое поглощающее устройство и входной участок с измерительным коллектором (на стороне всасывания или нагнетания).

4.1.1.2. Испытательная труба должна иметь круглое сечение.

4.1.1.3. (Исключен, Изм. № 2).

4.1.1.4. Длина измерительного участка испытательной трубы между переходным участком и концевым поглощающим устройством не должна быть менее 5 диаметров трубы и менее 4 м.

Отношение площадей S/Sв поперечного сечения измерительного участка S к площади входного или выходного сечения Sв переходных участков всасывающей и нагнетательной труб должно находиться в пределах от 0,7 до 2,0.

Угол раскрытия переходного участка не должен превышать 15°.

(Новая редакция, Изм. № 2).

4.1.1.5. Входной участок испытательной трубы с измерительным коллектором (на стороне всасывания) должен соответствовать схеме (черт. 2).

4.1.1.6. Толщина стенок испытательных труб должна быть не менее 1,5 мм.

Примечание. Допускается покрытие стенок с наружной стороны вибропоглощающим материалом.

Номер перегородки

1

2

3

4

5

6

Размер

700

540

380

250

250

100

1 - перфорированный металлический лист (диаметр отверстий 6 мм, шаг - 10 мм), покрытый стеклотканью Э-01 или из полихлорвиниловых волокон; 2 - супертонкое стекловолокно, диаметр волокна 2 мкм; 3 - металл или фанера, поверхностная масса 4 кг/м2; 4 - перегородки

Черт. 3

4.1.1.7. Конструкция концевого поглощающего устройства должна соответствовать черт. 3.

4.1.1.8. Испытательные трубы к вентилятору должны присоединяться при помощи гибких вставок длиной (0,15 - 0,4) Dвх, где Dвх - диаметр входного отверстия вентилятора.

4.1.1.9. Коэффициент отражения звукового давления концевого поглощающего устройства не должен превышать: 0,25 - в диапазоне 90 - 110 Гц, 0,15 - свыше 110 Гц.

Методика определения коэффициента отражения приводится в рекомендуемом приложении 3.

4.1.1.10. Измерительный микрофон должен устанавливаться внутри ветрозащитной насадки (черт. 4).

4.1.1.11. Микрофон с ветрозащитной насадкой должен быть откалиброван в испытательной трубе. Методика определения частотной характеристики поправки на ветрозащитную насадку приводится в рекомендуемом приложении 4. Поправку на влияние потока воздуха в испытательной трубе принимают по графикам черт. 5.

4.1.1.12. Микрофон с ветрозащитной насадкой должен устанавливаться вдоль оси воздуховода в направлении к вентилятору в 3 положениях по сечению измерительного участка воздуховода на расстоянии 0,25Dтр, 0,33Dтр и 0,4Dтр от оси воздуховода.

4.1.1.13. Расстояние от микрофона до испытываемого вентилятора должно быть не менее 4Dтр.

4.1.2. Определение акустических характеристик вентиляторов по методу 1.2

Испытательная установка должна включать те же элементы, что и при измерении по методу 1.1, кроме концевого поглощающего устройства (см. черт. 2).

4.1.2.1. Минимальная длина испытательной трубы должна составлять 5 м. Остальные параметры испытательной трубы должны соответствовать требованиям п. 4.1.1.

4.2. Определение шумовых характеристик вентиляторов по методу II.

4.2.1. Испытательная установка должна включать испытываемый вентилятор, всасывающий и нагнетательный воздуховоды, присоединяемые к его входному и выходному отверстиям, помещения (камеры) для измерения производительности вентилятора и обходной канал с глушителем (черт. 6 - 9).

Допускается на воздуховодах, противоположных измерительным, устанавливать концевое поглощающее устройство.

4.2.2. При наличии трех смежных помещений для измерения в среднем из них устанавливают вентилятор, а в смежные выводят всасывающий и нагнетательный воздуховоды (см. черт. 6).

4.2.3. Всасывающее и нагнетательное отверстия радиальных вентиляторов соединяют со смежными помещениями для измерения соединительными трубами, имеющими поперечное сечение, равное соответственно сечениям всасывающего и нагнетательного отверстий вентилятора.

4.2.4. Толщина стенок соединительных труб должна быть не менее 1,5 мм.

Конструкция насадки на микрофон

1 - концевой обтекатель; 2 - держатель микрофона; 3 - микрофон; 4 - трубка со щелью, покрытой тканью; 5 - носовой обтекатель

Черт. 4

Поправка на влияние потока воздуха в испытательной трубе

Величина снижения чувствительности микрофона с трубчатой насадкой в октавных полосах частот в зависимости от скорости потока воздуха в испытательной трубе

Черт. 5

4.2.5. Между вентилятором и соединительными трубами должны быть установлены гибкие патрубки длиной от 0,15 до 0,4Dвх (где Dвх - диаметр входного отверстия вентилятора).

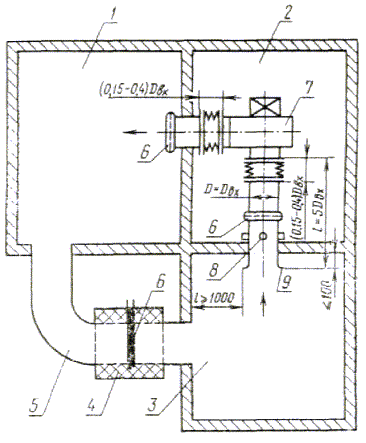
4.2.6. В помещениях для измерения края соединительных труб должны располагаться в плоскости стены или потолка или выступать в камеру не более чем на 0,1 м. Край трубы должен отстоять не менее чем на 1,5 м от остальных ограждающих поверхностей помещения.

1 - помещение для измерения шума нагнетания; 2 - помещение для измерения шума вокруг вентилятора; 3 - помещение для измерения шума всасывания; 4 - шумоглушитель; 5 - обходной канал, 6 - дросселирующее устройство; 7 - испытываемый вентилятор; 8 - место измерения производительности; 9 - измерительный коллектор

Черт. 6

4.2.7. Отверстия в стенах вокруг соединительных труб должны быть закрыты резиновыми прокладками для снижения шума, проходящего через них в помещения для измерения до уровня помех, регламентированного п. 3.12.

(Измененная редакция, Изм. № 1).

4.2.8. Помещения для измерения должны соответствовать требованиям ГОСТ 12.1.027-80.

4.2.9. Звукоизоляция ограждающих конструкций между помещениями для измерения в октавной полосе частот со среднегеометрической частотой 250 Гц должна быть не менее 30 дБ. Звукоизоляция наружных ограждений должна обеспечивать в помещениях для измерений уровень помех, регламентированный п. 3.12.

(Измененная редакция, Изм. № 1).

4.2.10. При определении шумовых характеристик всасывания и нагнетания вентилятора за источник шума в помещении для измерения условно принимают входное или выходное отверстия воздуховодов.

1 - помещение для измерения шума всасывания и нагнетания; 2 - помещение для измерения шума вокруг вентилятора; 3 - испытываемый вентилятор; 4 - дросселирующее устройство; 5 - место измерения производительности; 6 - шумоглушитель; 7 - измерительный коллектор

Черт. 7

4.2.11. При обеспечении достаточной герметичности камер всасывания и нагнетания дроссель может быть установлен внутри глушителя обходного канала (черт. 6) или перед глушителем (черт. 7, 8).

Примечание. Герметичность камеры следует считать достаточной, если в ней возможны измерения в режиме, составляющем не более 70 % производительности, соответствующей режиму максимума к. п. д. для наименьшего размера испытываемых вентиляторов.

4.2.12. Воздухообмен между помещениями, из которых всасывается и нагнетается воздух, должен осуществляться через обходной канал, снабженный глушителем (см. черт. 6).

4.2.13. Эффективность глушителя в обходном канале и глушителей, устанавливаемых до и после дросселя, должна обеспечивать выполнение требований, предъявляемых к уровням помех согласно п. 3.12.

Сечение канала должно обеспечивать в нем скорость воздушного потока не более 5 м/с.

(Измененная редакция, Изм. № 1).

1 - помещение для измерения шума всасывания; 2 - помещение для измерения шума вокруг вентилятора; 3 - испытываемый вентилятор; 4 - дросселирующее устройство; 5 - место измерения производительности; 6 - шумоглушитель; 7 - измерительный коллектор

Черт. 8

4.2.14. При определении шумовых характеристик вентиляторов в двух смежных помещениях для измерения вентилятор должен устанавливаться в одном из них согласно черт. 7 - для радиальных вентиляторов и черт. 8 - для осевых вентиляторов. Всасывание и нагнетание воздуха должны производиться из помещения или открытого пространства, уровень помех в которых соответствует п. 3.12.

(Измененная редакция, Изм. № 1).

4.2.15. При измерениях по схеме черт. 7 допускается использовать в качестве одного из помещений для измерения камеру всасывания или нагнетания, к которой присоединяют испытываемый вентилятор. Камера должна быть герметичной и удовлетворять требованиям, предъявляемым к помещениям для измерения в соответствии с п. 4.2.11.

1 - помещение для измерения шума; 2 - шумоглушитель; 3 - дросселирующее устройство; 4 - измерительный патрубок; 5 - испытываемый вентилятор; 6 - место измерения производительности; 7 - измерительный коллектор

Черт. 9

4.2.16. При наличии одного помещения для измерения для определения шумовых характеристик всасывания и нагнетания испытываемый вентилятор устанавливают вне помещения для измерения, а в помещение вводят поочередно всасывающий и нагнетательный воздуховод (черт. 9а, б). Для определения шума в помещении, где установлен вентилятор, последний размещают в помещении для измерения, а всасывающий и нагнетательный воздуховоды выводят из него (черт. 9в).

4.2.17. При измерениях микрофон не должен располагаться в потоке воздуха и быть ориентирован в направлении источника шума.

4.3. Определение шумовых характеристик вентиляторов по методу III

4.3.1. Испытательная установка должна соответствовать требованиям, приведенным в пп. 4.2.3 - 4.2.6, 4.2.10.

(Измененная редакция, Изм. № 1).

4.3.2. Помещения для измерения должны соответствовать требованиям ГОСТ 12.1.026-80.

4.3.3. При измерениях микрофон должен быть установлен в 12 точках, расположенных на трех поясах измерительной полусферы радиусом r = 2Dтр (но не менее 1 м), где Dтр - диаметр трубы, присоединенный к вентилятору (черт. 10).

Центр измерительной поверхности должен располагаться в центре выходного отверстия трубы. Выходное отверстие трубы должно располагаться в плоскости стены; расстояние края трубы от любой ограждающей поверхности должно быть не менее 2D и не менее 1,5 м. Измерительные точки должны быть расположены на пересечении поверхности полусферы с двумя взаимно перпендикулярными плоскостями, проходящими через ось симметрии трубы. Угол между соседними точками должен составлять 30° (см. черт. 10).

4.3.3.1. Микрофон при измерениях должен быть ориентирован в направлении источника шума.

Примечание. При измерениях шума нагнетания микрофон устанавливают в 4 точках 5 - 8 на измерительном пояске II (см. черт. 10).

4.4. Определение шумовых характеристик вентиляторов по методу IV

4.4.1. Метод основан на определении шумовых характеристик вентилятора путем измерения показателей на открытом конце воздуховода.

4.4.2. Испытываемый вентилятор должен располагаться в помещении, из которого в смежные помещения выводят всасывающий и нагнетательный воздуховоды.

Допускается расположение вентилятора в помещении, в котором проводят измерения, при условии, что уровень помех вокруг вентилятора соответствует требованиям п. 3.12.

(Измененная редакция, Изм. № 1).

4.4.3. Длина измерительного участка трубы, присоединенной к всасывающему или нагнетательному отверстию вентилятора, должна быть не менее 4 м.

1 - испытываемый вентилятор; 2 - дросселирующее устройство; 3 - место измерения производительности; I, II, III - измерительные пояса; о - измерительная точка

Черт. 10

4.4.4. Производительность и полное давление вентилятора следует измерять на стороне, противоположной измерительной.

4.4.5. Измерения проводят одним из методов в соответствии с ГОСТ 12.1.026-80, ГОСТ 12.1.027-80 и ГОСТ 12.1.028-80. При этом диаметр воздуховода D принимают равным размеру источника шума lmax.

4.4.6. Средний уровень звуковой мощности шума в полосах частот и его снижение в результате отражения от открытого конца воздуховода корректируют согласно табл. 2.

Таблица 2

Диаметр воздуха или корень квадратный из площади поперечного сечения конца прямоугольного воздуховода, мм

Поправка DL, дБ, при среднегеометрических частотах октавных полос, Гц

63

125

250

500

1000

2000

4000

8000

100

19

14

10

5

2

0

0

0

125

18

13

8

4

1

0

0

0

140

16

12

8

4

1

0

0

0

160

16

11

7

3

0

0

0

0

180

15

11

6

2

0

0

0

0

200

14

10

6

2

0

0

0

0

225

14

9

5

1

0

0

0

0

250

13

8

4

1

0

0

0

0

280

12

8

3

1

0

0

0

0

315

11

7

3

0

0

0

0

0

355

11

6

2

0

0

0

0

0

400

10

5

2

0

0

0

0

0

450

8

5

1

0

0

0

0

0

500

8

4

1

0

0

0

0

0

560

8

3

1

0

0

0

0

0

600

7

3

1

0

0

0

0

0

710

6

2

0

0

0

0

0

0

800

5

2

0

0

0

0

0

0

900

5

2

0

0

0

0

0

0

1000

4

1

0

0

0

0

0

0

1250

3

0

0

0

0

0

0

0

1400

2

0

0

0

0

0

0

0

Примечание. При разности уровней звукового давления (L1 - L3 £ 7 дБ) средний уровень звукового давления определяют по формуле

                                                      (1)

по методу II

                                                             (2)

где Lm - средний уровень звукового давления в полосах частот, дБ;

А     - эквивалентная площадь звукопоглощения для данной октавы, м2;

A0  = 1 м2;

DL   - поправка для приведения результата измерений в помещении к результатам измерений в трубе (см. табл. 2);

по методу III

                                                                  (3)

где т  - число измерительных поясов;

Lpij  - поясный уровень звуковой мощности в октавной полосе частот, определяемый по формуле

                                                       (4)

где Lmij  - средний из измеренных октавный уровень звукового давления в данном поясе, дБ;

Sj     - площади измерительных поясов, равные:

r     - радиус сферы, равный 2D или 1 м;

S0    = 1 м2;

D     - диаметр трубы, присоединенной к вентилятору.

4.4.7. При определении шумовых характеристик шума всасывания или нагнетания вентилятора, шума вентилятора в окружающем пространстве и шума вентилятора, установленного в стене, выбор метода и условий испытаний определяется наличием оборудования и размерами испытываемого вентилятора.

4.4.7.1 Шумовые характеристики вентиляторов определяют одним из методов ГОСТ 12.1.026-80, ГОСТ 12.1.027-80 и ГОСТ 12.1.028-80.

5. ОБРАБОТКА РЕЗУЛЬТАТОВ

5.1. Для определения шумовой характеристики вентилятора вычисляют октавные уровни звуковой мощности Lpi аэродинамического шума по средним из измеренных октавных уровней звукового давления Lm.

5.2. Уровни звуковой мощности шума вентиляторов, излучаемого в воздуховоды, Lрв вычисляют по формулам:

по методу I

                           (5)

где Li - октавные уровни звукового давления при данном положении микрофона, дБ;

F - площадь поперечного сечения испытательной трубы, м2;

F0 = 1 м2;

K1 - поправка на влияние ветрозащитной насадки на микрофон в октавной полосе частот (см. рекомендуемое приложение 4);

K2 - поправка на влияние потока воздуха в испытательной трубе (см. черт. 5).

Уровни звуковой мощности шума вентиляторов, излучаемого в помещении или открытое пространство, вычисляют по формулам (1) - (5) без учета поправки DL, а при измерении в воздуховоде DL вычитают.

5.3. Для определения шумовых характеристик вентиляторов большого размера (п. 3.11) по модельным испытаниям вентиляторов меньших номеров следует вычислить:

уровни звуковой мощности Lн и уровни звуковой мощности Lнpi в октавных полосах со среднегеометрическими частотами аэродинамического шума натурного вентилятора соответственно по формулам:

                                               (6)

                                                (7)

где           Lн  - суммарный уровень звуковой мощности аэродинамического шума модельного вентилятора;

Lнpi   - октавные уровни звуковой мощности аэродинамического шума модельного вентилятора;

Dн, пн и Dм, пм - диаметры рабочих колес и частоты вращения натурного и модельного вентиляторов.

Среднегеометрические частоты октавных полос для натурного вентилятора вычисляют по формуле

                                                               (8)

где f  - среднегеометрические частоты октавных полос, в которых проводились измерения.

(Измененная редакция, Изм. № 1).

5.4. Результаты измерений должны быть оформлены в виде протокола

5.4.1. Шумовые характеристики вентиляторов должны быть представлены в виде таблицы октавных уровней звуковой мощности и звукового давления (в децибелах) и других показателей (по п. 1.4) аэродинамического шума всасывания и нагнетания.

Октавный уровень звукового давления в контрольных точках на расстоянии R от вентилятора вычисляют по формуле

                                                      (9)

где Lpi    - октавный уровень звуковой мощности;

R    - расстояние от вентилятора до контрольной точки;

R0    = 1 м.

5.5. В протоколах испытаний вентиляторов должны быть следующие данные:

тип и номер вентилятора, предприятие-изготовитель, порядковый номер вентилятора по системе нумерации предприятия-изготовителя, тип электродвигателя и его основные параметры:

используемый метод измерения шумовых характеристик;

общие данные (место проведения измерений, дата, наименование организации, исполнитель, заказчик);

способ установки вентилятора при испытаниях, тип амортизатора или амортизирующего устройства, на которых установлен вентилятор;

число помещений для измерения; характеристики помещений, в которых проводились измерения; наличие и характер установленного оборудования; расположение точек измерения времени реверберации или описание использованной трубы с указанием ее размеров:

частотная характеристика времени реверберации;

при измерениях методом внутри трубы - частотная характеристика коэффициента отражения концевого поглощающего устройства и поправки на ветрозащитную насадку на микрофон;

типы измерительных приборов;

режимы работы при испытаниях;

измеренные в разных точках и усредненные октавные уровни звукового давления;

расположение и число точек измерения шума;

октавные уровни звукового давления помех;

сведения о внесенных поправках;

дополнительные данные в зависимости от принятой программы испытаний;

дата проведения испытаний.

6. ТРЕБОВАНИЯ БЕЗОПАСНОСТИ

6.1. При акустических испытаниях вентиляторов должны соблюдаться требования безопасности согласно разд. 3 ГОСТ 5976-73 и ГОСТ 11442-74.

6.2. Лица, производящие пуск и остановку вентилятора, должны во время испытания находиться «около выключающих устройств.

6.3. Перед проведением испытаний необходимо проверить надежность крепления вентилятора, а также приборов и других элементов, необходимых для стендовых испытаний.

6.4. Все быстродвижущиеся части стендовой установки должны иметь ограждения.

ПРИЛОЖЕНИЕ 1

Справочное

ТЕРМИНЫ, ИСПОЛЬЗУЕМЫЕ В НАСТОЯЩЕМ СТАНДАРТЕ, И ИХ ОПРЕДЕЛЕНИЯ

Шум во всасывающем или нагнетательном воздуховоде, присоединенном к вентилятору, - шум, излучаемый из входного или выходного патрубков вентилятора, в присоединенный всасывающий или нагнетательный воздуховод (Lpвс.в, Lpнг.в).

Шум всасывания или нагнетания вентилятора - шум, излучаемый в окружающее пространство открытым входным или открытым выходным патрубком вентилятора (или коротким воздуховодом длиной l £ 5D, где D - диаметр или эквивалентный диаметр входного или выходного патрубка (Lрвс, Lрнг).

Шум, излучаемый корпусом вентилятора - шум, излучаемый в окружающее пространство корпусом вентилятора при наличии воздуховодов, присоединенных к всасывающему и нагнетательному патрубкам вентилятора (Lрк).

ПРИЛОЖЕНИЕ 2

Рекомендуемое

МЕТОДИКА РАСЧЕТА ШУМООБРАЗОВАНИЯ В ДРОССЕЛИРУЮЩИХ УСТРОЙСТВАХ

Общий уровень звуковой мощности шума, генерируемого дросселирующими устройствами (см. черт. 5 настоящего стандарта), следует определять по формуле

                                                      (1)

где v  - средняя скорость на входе в дросселирующее устройство, подсчитываемая по площади подводящего воздуховода, м/с;

F - площадь поперечного сечения подводящего воздуховода, м2;

ψ - экспериментально полученная поправка, равная 20 дБ для шайбы-решетки № 7, 24 дБ - для шайбы-решетки № 6, 30 дБ - для шайбы-решетки № 4. Для остальных шайб-решеток значения поправки y принимают по интерполяции.

Октавные уровни звуковой мощности шума, излучаемого дросселирующими устройствами в помещение, подсчитывают по формуле

                                                              (2)

где DL1 зависит безразмерной частоты , определяемой выражением

                                                                   (3)

где f  - частота, Гц;

D  - средний поперечный размер воздуховода (эквивалентный диаметр), м;

v   - средняя скорость на входе в решетку, м/с.

Значения величин DL1 приведены в таблице.

, Гц

0,4

0,6

0,8

10

20

40

60

80

10

20

40

60

80

100

200

400

600

800

DL1, дБ

17

14

12

10

7

7

7

8

9

10

11

13

14

15

17

20

22

23

ПРИЛОЖЕНИЕ 3

Рекомендуемое

МЕТОДИКА ОПРЕДЕЛЕНИЯ КОЭФФИЦИЕНТА ОТРАЖЕНИЯ КОНЦЕВОГО ПОГЛОЩАЮЩЕГО УСТРОЙСТВА

Стоячая звуковая волна в испытательной трубе с концевым поглощающим устройством создается высококачественным громкоговорителем, размещенным внутри кожуха, присоединенным ко входу трубы и излучающим звуковой сигнал чистого тона от звукового генератора.

Приемный тракт должен состоять из конденсаторного микрофона, усилителя, узкополосного анализатора и самописца уровня.

Измерения проводят на частотах 80, 100, 125, 160, 200, 250, 315, 400, 500 Гц. Передвигая микрофон вдоль всей оси трубы, находят значения максимальных Lmax и минимальных Lmin уровней звукового давления, регистрируемых на самописце.

Затем повторяют ту же процедуру на частотах других октавных полос вплоть до граничной частоты 1-й поперечной моды, определяемой по формуле

                                                           (1)

где с - скорость звука, равная 340 м/с;

Dтр - диаметр испытательной трубы, мм.

Коэффициент отражения b рассчитывают по формуле

                                                    (2)

ПРИЛОЖЕНИЕ 4

Рекомендуемое

МЕТОДИКА ОПРЕДЕЛЕНИЯ ЧАСТОТНОЙ ХАРАКТЕРИСТИКИ ПОПРАВКИ НА ВЕТРОЗАЩИТНУЮ НАСАДКУ НА МИКРОФОН

Конструкция и размеры ветрозащитной насадки приведены на черт. 8 настоящего стандарта. Сопротивление продувания материала, покрывающего щель, должно быть в пределах 400 - 800 нс/м3.

Микрофон с ветрозащитной насадкой имеет острую характеристику направленности, поэтому при проведении измерений его следует располагать строго вдоль оси трубы.

Частотную характеристику чувствительности микрофона с ветрозащитной насадкой определяют в измерительной трубе на октавных полосах шума нагнетания вентилятора при полностью закрытом патрубке всасывания. Используют приемный тракт для измерений шума вентилятора. Микрофоном без ветрозащитной насадки измеряют уровни звукового давления, создаваемые вентилятором на среднегеометрических частотах октавных полос. Затем те же измерения повторяют микрофоном с ветрозащитной насадкой. Вычисляют разности уровней звукового давления, измеренных без ветрозащитной насадки, и за ней для всех октавных полос. Полученные величины являются частотной характеристикой поправки на ветрозащитную насадку.

СОДЕРЖАНИЕ

1. Общие положения. 1

2. Аппаратура. 2

3. Подготовка к испытанию.. 2

4. Проведение измерений. 3

5. Обработка результатов. 10

6. Требования безопасности. 11

Приложение 1 Термины, используемые в настоящем стандарте, и их определения. 11

Приложение 2 Методика расчета шумообразования в дросселирующих устройствах. 12

Приложение 3 Методика определения коэффициента отражения концевого поглощающего устройства. 12

Приложение 4 Методика определения частотной характеристики поправки на ветрозащитную насадку на микрофон. 13

 

 




ГОСТЫ, СТРОИТЕЛЬНЫЕ и ТЕХНИЧЕСКИЕ НОРМАТИВЫ.
Некоммерческая онлайн система, содержащая все Российские Госты, национальные Стандарты и нормативы.
В Системе содержится более 150000 файлов нормативно-технической документации, действующей на территории РФ.
Система предназначена для широкого круга инженерно-технических специалистов.

Рейтинг@Mail.ru Яндекс цитирования

Copyright © www.gostrf.com, 2008 - 2026