Крупнейшая бесплатная информационно-справочная система онлайн доступа к полному собранию технических нормативно-правовых актов РФ. Огромная база технических нормативов (более 150 тысяч документов) и полное собрание национальных стандартов, аутентичное официальной базе Госстандарта. GOSTRF.com - это более 1 Терабайта бесплатной технической информации для всех пользователей интернета. Все электронные копии представленных здесь документов могут распространяться без каких-либо ограничений. Поощряется распространение информации с этого сайта на любых других ресурсах. Каждый человек имеет право на неограниченный доступ к этим документам! Каждый человек имеет право на знание требований, изложенных в данных нормативно-правовых актах!

  


 

ОТКРЫТОЕ АКЦИОНЕРНОЕ ОБЩЕСТВО
ПРОЕКТНО-КОНСТРУКТОРСКИЙ И ТЕХНОЛОГИЧЕСКИЙ
ИНСТИТУТ ПРОМЫШЛЕННОГО СТРОИТЕЛЬСТВА

ОАО ПКТИпромстрой

СПРАВОЧНО-МЕТОДИЧЕСКОЕ ПОСОБИЕ
ПО РАЗРАБОТКЕ СТРОЙГЕНПЛАНОВ И
КАЛЕНДАРНЫХ ГРАФИКОВ В СОСТАВЕ ППР

2002

Справочно-методическое пособие содержит ряд теоретических и практических указаний по разработке основных документов ППР - стройгенплана и календарного графика.

В пособии приведены некоторые необходимые для разработки этих документов справочные сведения и извлечения из основных нормативных документов. Даны примеры разработанных на практике стройгенпланов и графиков.

Пособие предназначено для специалистов, работающих в области организационно-технологической подготовки строительства, и может быть использовано в качестве пособия для студентов строительных вузов и техникумов.

Составитель работы - Генеральный директор ОАО ПКТИпромстрой, к.т.н. Едличка Сергей Юрьевич.

СОДЕРЖАНИЕ

1 Введение. 2

1.1 Состав проектов производства работ. 2

1.2 Исходные данные для разработки ППР. 2

1.3 Основные виды стройгепланов и графиков. 2

2 Планирование строительства объектов. 3

2.1 Определение перечня и объемов работ. 3

2.2 Определение технологической последовательности и методов производства работ. 3

2.3 Расчеты трудозатрат, затрат машинного времени, сменности и продолжительности работ. 4

2.4 Принятие решения по совмещению работ и оптимизация графика. 4

2.5 Графики движения трудовых и технических ресурсов. 4

2.6 Построение линейных и сетевых графиков. 5

3 Стройгенплан объекта. 6

3.1 Основные принципы разработки стройгенпланов. 6

3.2 Исходные данные. 7

3.3 Блок-схемы проектирования стройгенпланов. 7

3.4 Расположение основных элементов стройплощадки. 10

3.5 Размещение временных зданий и сооружений. 10

3.6 Привязка монтажных кранов и механизмов. 13

3.7 Расчеты и определение опасных зон на стройплощадке. 20

3.8 Мероприятия по охране труда, технике безопасности и экологической безопасности. 21

3.9 Оценка эффективности стройгенпланов. 21

4 Справочная документация и материалы.. 21

4.1 Требования пожарной безопасности. 21

4.2 Таблица определения опасных зон при перемещении грузов кранами. 22

4.3 Таблицы для расчетов электрических нагрузок. 22

4.4 Данные для определения потребности в освещении строительной площадки. 24

4.5 Водоснабжение строительных площадок. 25

4.6 Данные по выработке на единицу основной мощности строительных машин. 27

4.7 Данные по выработке рабочих по специальностям.. 28

4.8 Примерные данные по структуре сметной стоимости отдельных частей здания. 28

4.9 Основные технические показатели временных автодорог. 29

4.10 Способы складирования основных видов строительных конструкций, деталей и материалов. 30

4.11 Условия работы грузоподъемных кранов в охранной зоне ЛЭП и за ее пределами. 33

4.12 Технико-экономические показатели мобильных зданий системы «Универсал». 33

5 Рекомендации по расчету и построению сетевых графиков на строительство зданий и сооружений в автоматизированном виде. 35

5.1 Основные правила построения сетевого графика, элементы сетевого графика. 35

5.2 Методы расчета сетевых графиков. 38

5.4 Построение сетевого графика в автоматизированном режиме. 45

6 Список рекомендованной литературы.. 45

Приложение А Извлечения из нормативно-технологической и технической литературы.. 46

СНиП 3.01.01-85* «Организация строительного производства». 46

СНиП 12-03-2001 «Безопасность труда в строительстве. Часть 1. Общие требования». 52

СНиП 1.04.03-85 «Нормы продолжительности строительства и задела в строительстве предприятий зданий и сооружений». Госстрой СССР, Госплан СССР, М. 1985 г. 64

Указания по установке и безопасной эксплуатации грузоподъемных кранов и строительных подъемников при разработке ПОС и ППР. 68

«Временное положение по составу, содержанию и правилам разработки ПОС и ППР». 97

Приложение Б Пример расчета потребности в рабочих кадрах строителей, расчет временных административно-бытовых зданий и сооружений. 102

Приложение В Пример расчета параметров сетевого графика строительства 19-ти этажного монолитного железобетонного дома. 106

Приложение Г Технические данные грузоподъемных кранов и подъемников. 111

Приложение Д Примеры стройгенпланов и графиков. 113

1 ВВЕДЕНИЕ

1.1 Состав проектов производства работ

1.1.1 Состав и содержание проектов производства работ должен соответствовать приложению 4 СНиП 3.01.01-85* «Организация строительного производства», представленное в приложении А.

1.1.2 Состав и степень детализации материалов, разрабатываемых в проекте производства работ, устанавливаются соответствующей подрядной строительно-монтажной организацией, исходя из специфики объема выполняемых работ.

1.2 Исходные данные для разработки ППР

1.2.1 Исходными материалами для разработки проекта производства работ должны служить:

- задание на разработку, выдаваемое строительной организацией как заказчиком проекта производства работ, с обоснованием необходимости разработки его на здание (сооружение) в целом, его часть или вид работ и с указанием сроков разработки;

- проект организации строительства;

- необходимая рабочая документация;

- условия поставки конструкций, готовых изделий, материалов и оборудования, использования строительных машин и транспортных средств, обеспечения рабочими кадрами строителей по основным профессиям, производственно-технологической комплектации и перевозки строительных грузов, а в необходимых случаях также условия организации строительства и выполнения работ вахтовым методом;

- материалы и результаты технического обследования действующих предприятий, зданий и сооружений при их реконструкции, а также требования к выполнению строительных, монтажных и специальных строительных работ в условиях действующего производства.

1.3 Основные виды стройгепланов и графиков

1.3.1 Общеплощадочный стройгенплан разрабатывается на всю территорию строительства комплекса объектов (промышленного предприятия, жилого массива и т.п.) и включает наряду с существующими и проектируемые объекты, инвентарные временные здания и сооружения, основные коммуникации, склады, дороги, строительные машины и механизированные установки, обслуживающие нужды строительства комплекса объектов в целом.

Разрабатывается общеплощадочный стройгенплан проектной организацией в составе раздела проекта «Организация строительства» на первой стадии проектирования (проект, рабочий проект) в масштабе 1:1000 или 1:2000.

1.3.2 Объектный стройгенплан составляется только на площадку, непосредственно прилегающую к конкретному зданию или сооружению, и определяет расположение временных зданий и сооружений, инженерных сетей и коммуникаций, строительных машин и устройств, необходимых для возведения отдельного объекта строительства.

Объектный стройгенплан разрабатывается строительной организацией в составе проекта производства работ (ППР), как правило, в масштабе 1:100 или 1:500.

1.3.3 В зависимости от стадии проектирования и строительства практикуется также разработка стройгенпланов на отдельные периоды возведения объекта и виды работ:

- подготовительный;

- выполнения работ по устройству подземной части нулевого цикла;

- возведения надземной части здания;

- выполнения отделочных работ по фасадам здания с установкой подъемников и др.

1.3.4 Со стадийностью проектирования и строительства связано также назначение стройгенплана.

В составе ТЭО или проекта разрабатывается схема стройгенплана, используемая на начальном этапе строительства для получения в инспекции Госархстройнадзора разрешения на производство подготовительных работ, устройство котлованов и фундаментов.

Стройгенплан, разработанный на основе рабочей документации, необходим для получения разрешения (ордера) на производство земляных и строительных работ в административно-технической инспекции и предварительного согласования ППР отделом подземных сооружений ГУП Мосгоргеотреста.

Стройгенплан на период возведения надземной части здания является одним из документов, предъявляемых строительной организацией в органы госгортехнадзора для приемки в эксплуатацию грузоподъемных кранов.

1.3.5 Для контроля сроков поставки и строительства объектов используются:

- календарный план производства работ;

- сетевой график.

2 ПЛАНИРОВАНИЕ СТРОИТЕЛЬСТВА ОБЪЕКТОВ

2.1 Определение перечня и объемов работ

2.1.1 Элементами планирования строительства объектов являются календарные планы производства работ и сетевые графики.

2.1.2 Исходными документами для определения перечня и подсчетов объемов работ для сетевого графика и календарного плана производства работ являются:

- рабочая документация;

- сметы;

- проект производства работ;

- проект организации строительства.

2.1.3 Календарные планы производства работ могут разрабатываться:

- на подготовительный период строительства здания, сооружения;

- на период работ выполнения подземной части здания, сооружения;

- на период возведения надземной части здания, сооружения;

- на отдельные виды работ (земляные работы, забивка шпунта или свай, кровельные работы, устройство типового этажа и т.п.).

2.1.4 На основании рабочих чертежей, смет и ППР определяются путем подсчета объемы работ по тому составу конструктивов, которые составляют объект строительства, например:

- разработка грунта экскаваторами;

- зачистка дна котлована бульдозером (вручную);

- устройство бетонной подготовки;

- установка арматуры нижней плиты;

- устройство опалубки;

- укладка бетонной смеси;

- сооружение стен, колонн;

- сооружение перекрытия и т.д.

2.1.5 Вышеуказанным способом определяется весь набор работ, в технологической последовательности расписанный на весь объект строительства и отвечающий составу и (или) наименованию работ по ЕНиР или 4 части СНиП «Сметные нормы и правила».

2.1.6 По вышеопределенному наименованию (перечню) в пределах габаритов котлована или конструктива подсчитываются объемы подлежащих выполнению работ.

2.1.7 После определения наименования работ и подсчетов их объемов допускается приступить к определению технологической последовательности выполнения строительно-монтажных или других видов работ по зданию (сооружению) и методов производства работ с подбором машин, механизмов, инструмента, инвентаря, приспособлений, необходимых для выполнения того или другого вида работ.

2.2 Определение технологической последовательности и методов производства работ

2.2.1 Технологическая последовательность сооружения того или иного объекта строительной деятельности определяется на основании анализа и всестороннего изучения рабочей документации, дающим возможность построить объект в полном объеме при соответствующей гарантии сохранности его в проектном положении в гарантийные сроки.

2.2.2 В зависимости от состава работ, определяемых техническим заданием на разработку ППР, технологическая последовательность может охватывать комплекс строительных, ремонтных, строительно-монтажных, специальных работ, от подготовительного периода до сдачи объекта в эксплуатацию.

2.3 Расчеты трудозатрат, затрат машинного времени, сменности и продолжительности работ

2.3.1 К расчету трудозатрат и затрат машинного времени приступают после подсчетов объемов работ по объекту, конструктиву, отдельной его части с учетом технологической последовательности строительства.

2.3.2 Для подсчета трудозатрат и затрат машинного времени используются:

- ЕНиР. Единые нормы и расценки на строительные, монтажные и ремонтно-строительные работы. Сборники Е1 ÷ Е40;

- СНиП, часть IV. Сметные нормы и правила;

- ЕРЕР. Единые районные единичные расценки;

- ВНиР. Ведомственные нормы и расценки на строительные, монтажные и ремонтно-строительные работы. Сборники В1 ÷ В20.

2.3.3 Нормами и расценками предусмотрено выполнение работ при соблюдении установленных требований техники безопасности и охраны труда, а также учтено время, необходимое для периодического отдыха рабочих в течение рабочей смены.

2.3.4 В зависимости от состава работ, условий и места выполнения работ, к нормам времени по ЕНиР могут применяться поправочные коэффициенты.

2.3.5 Едиными и ведомственными нормами и расценками учтено время, затрачиваемое на перемещение материалов только на расстояние, указанное в соответствующих вводных или технических частях сборников и глав или текстовых параграфов. Перемещение материалов на расстояния сверх учтенных в сборниках норм следует нормировать особо по сборнику Е1 «Внутрипостроечные транспортные работы», округляя расстояния в сторону большего значения. По этому же сборнику нормируется и работа грузоподъемных машин и механизмов при подаче конструкций, материалов и т.п.

2.3.6 В параграфах на механизированные процессы кроме норм времени рабочих приводятся, в скобках без указания наименования, нормы времени машин в машино-часах.

2.3.7 Продолжительность работы (строительства) устанавливается директивными сроками либо расчетным путем. При наличии трудозатрат с учетом состава звена (бригады) определяется и сменность по каждой работе.

2.4 Принятие решения по совмещению работ и оптимизация графика

2.4.1 Составы звеньев (бригад) по каждому циклу, принимаемые с учетом требований строительных норм и правил, выработки рабочих и основных строительных машин и возможностей по фронту работ, предусматривают максимально возможное совмещение работ по производственным циклам, исходя из технологической последовательности возведения основных зданий и сооружений и сроков сдачи объекта в эксплуатацию.

2.4.2 Календарные планы оптимизируются по трудовым ресурсам, объемам капитальных вложений и стоимости строительно-монтажных работ, исходя из необходимости их равномерного распределения по периодам строительства (кварталам, месяцам, рабочим неделям) с учетом стоимости технологического оборудования, КИПиА и других затрат, а также сроков поставки конструкций, материалов, изделий и оборудования.

2.4.3 При выполнении календарного плана производства работ в автоматизированном режиме синтез современного математического аппарата с удобным интерфейсом, ориентированным на пользователя-строителя, позволяет в считанные минуты позволяет проанализировать последствия тех или иных управленческих решений, учесть фактическую ситуацию на стройплощадке, найти наиболее приемлемые пути ликвидации отклонений от планового графика строительства, получить ведомости потребности в материалах, акты выполненных объемов работ.

2.5 Графики движения трудовых и технических ресурсов

2.5.1 Графики движения трудовых ресурсов выполняются на основании разработанного календарного плана производства работ по форме таблицы 1.

Таблица 1 - Форма графика движения рабочей силы

Наименование

Рабочие месяцы

1

2

3

Рабочие дни недели

1 - 5

6 - 10

11 - 15

16 - 20

21 - 25

26 - 30

31 - 35

36 - 40

41 - 45

46 - 50

51 - 55

56 - 60

61 - 65

 

 

 

 

 

 

 

 

 

 

 

 

 

 

 

 

 

 

 

 

 

 

 

 

 

 

 

 

 

 

 

 

 

 

 

 

 

 

 

 

 

 

 

 

 

 

 

 

 

 

 

 

 

 

 

 

 

 

 

 

 

 

 

 

 

 

 

 

 

 

2.5.2 Ежедневное общее количество рабочих получается путем суммирования количества всех рабочих, работающих в данный день на всех строительных процессах (работах). Иногда при необходимости график движения рабочей силы составляется по профессиональному признаку и квалификации. Желательно, чтобы количество рабочих сохранялось постоянным.

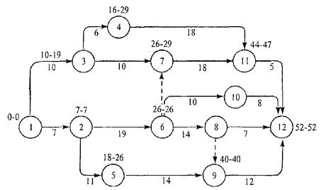
2.5.3 В процессе автоматизированного выполнения календарного плана в виде сетевого графика необходимо определить продолжительность критического пути, ранние и поздние сроки начала и окончания работ, общие и частные резервы времени.

2.6 Построение линейных и сетевых графиков

2.6.1 Расчет и построение календарных планов производства работ и сетевых графиков можно производить как в ручном исполнении, так и в автоматизированном режиме.

2.6.2 Для разработки календарных планов в автоматизированном режиме, анализа и обработки сметной информации, учета фактического выполнения работ по строительству объектов используется «Единая автоматизированная система проектирования инженерной подготовки и управления строительством KPLAN».

2.6.3 Система, основанная на современных методах сетевого планирования и управления, позволяет:

- формировать календарные планы строительства объектов с использованием типовых сетевых технологических моделей на основании любых нормативов продолжительности, стоимости, трудоемкости работ;

- преобразовывать в диалоговом режиме в календарные планы сметную информацию, полученную на машинных носителях из систем автоматизированного расчета смет;

- производить расчеты календарных планов, корректировать в диалоговом режиме расчетные сроки начала и окончания работ;

- получать графики потребности в ресурсах различных видов, машинах и механизмах, рабочих кадрах, финансировании;

- получать информацию по выделенным группам работ календарного плана, в том числе по субподрядчикам, а также за определенный период времени;

- фиксировать фактическое выполнение по работам календарных планов, пересчитывать невыполненную часть календарного плана с учетом введенного факта;

- объединять календарные планы в планы более высокого уровня (без ограничений на глубину вхождения), получать сводные графики потребностей в ресурсах, технике, финансировании и т.д.;

- получать большое количество выходных документов по общепринятым нормам.

2.6.4 Расчет и построение сетевого графика на строительство зданий и сооружений в автоматизированном режиме производится по нижеприведенной программе:

а) Назначение программы. Программа обеспечивает:

1) ввод данных;

2) расчет продолжительности выполнения, ранних времен начал и поздних времен окончаний работ, частных резервов времени;

3) формирование сетевого графика в формате DXF с его загрузкой в Автокад.

б) Порядок работы

1) Запуск программы.

Для использования программы следует раскрыть каталог SetGraph и войти в Автокад, набрав ACAD в командной строке DOS.

Запуск программы осуществляется в пункте «SetGraph» падающего меню Автокада.

Предусмотрены два варианта запуска программы:

- с предварительным вводом или коррекцией исходных данных (пункт меню «Edit data»);

- расчет и построение графика на основании ранее введенных данных (пункт меню «Draw graph»).

2) Ввод и коррекция данных.

Исходными данными при расчете и построении сетевого графика являются:

- номера работ;

- номера узлов начала работ;

- номера узлов окончания работ;

- продолжительность работ;

- наименование работ;

- уровни вертикального расположения узлов на чертеже.

Для расчета сетевого графика достаточно ввести следующие данные:

- номера узлов начала работ;

- номера узлов окончания работ;

- продолжительность работ.

Подсказка по вводу и коррекции данных вызывается нажатием клавиши «F1».

Экран ввода данных условно разделен на две таблицы: «Работы» и «Узлы».

Номера и наименования работ являются необязательными и могут быть опущены без нарушения работы программы.

Номера узлов в таблице «Узлы» вводятся программой автоматически по мере заполнения таблицы «Работы».

Уровень узла - это условная величина, определяющая вертикальное расположение узла на чертеже. Уровни узлов проставляются на основании предварительно созданного наброска сетевого графика, определяющего расположение узлов друг относительно друга и выполненного без расчета и без соблюдения масштаба времени. Узел начала работ условно принимается за нулевой уровень. Уровни, расположенные выше нулевого уровня, получают положительные номера, а расположенные ниже - отрицательные. Узлы, расположенные на одной горизонтальной линии, имеют одинаковый уровень.

В том случае, если уровни узлов не были введены, то им автоматически присваивается нулевое значение.

Завершение ввода данных осуществляется нажатием клавиши «Esc».

3) Расчет и построение графика.

Перед выполнением расчета программа предлагает установить параметры, определяющие графическое представление сетевого графика.

Выбор корректируемого параметра производится клавишами движения вверх-вниз, а его значение меняется клавишами движения вправо-влево.

Чтобы завершить ввод параметров требуется нажать «Esc» или выбрать строку «Продолжить» и нажать «Enter».

Дальнейшая работа программы производится в автоматическом режиме.

в) Замечания.

1) В том случае, если при вводе данных уровни узлов не были проставлены, то расстановка узлов по вертикали может быть произведена в автоматическом режиме. Для этого параметр «Режим расстановки узлов по вертикали» должен быть установлен в «Автоматический». Полученный чертеж может быть откорректирован путем изменения уровней узлов при повторных запусках программы или использован как основа для формирования наброска сетевого графика.

2) Рассчитанные значения частных резервов времени проставляются справа от продолжительности работ через знак «/».

3) В том случае, когда наименование работы не помещается на графике, оно выводится под графиком как сноска, а на месте соответствующей работы проставляется номер сноски.

Пример оформления сетевого графика приведен в приложении В.

3 СТРОЙГЕНПЛАН ОБЪЕКТА

3.1 Основные принципы разработки стройгенпланов

3.1.1 Строительный генеральный план является вторым по значимости документом проекта организации строительства (ПОС) или проекта производства работ (ППР). Он устанавливает: границы строительной площадки, расположение постоянных, строящихся и временных зданий и сооружений, действующих, вновь прокладываемых и временных подземных, надземных и воздушных сетей и инженерных коммуникаций, постоянных и временных дорог, места установки строительных и грузоподъемных машин с указанием путей их перемещения, источники и средства энерго- и водоснабжения строительной площадки, места складирования материалов и конструкций, площадки укрупнительной сборки и др.

3.1.2 При проектировании строительного генерального плана устанавливают состав и наиболее целесообразное расположение строительных машин, временных зданий и сооружений и других элементов обустройства строительной площадки как с точки зрения удобства и безопасности их использования при выполнении строительно-монтажных работ, так и в отношении санитарно-гигиенических, противопожарных, экологических и экономических требований.

3.1.3 Основными принципами проектирования стройгенпланов являются:

- согласованность его решений с остальными разделами проектов организации строительства, проектов производства работ, технологическими картами и картами трудовых процессов;

- минимизация объемов временного строительства на площадке за счет максимального использования постоянных (существующих и проектируемых) зданий, дорог и инженерных коммуникаций;

- использование для размещения временных зданий, сооружений и коммуникаций территорий, не предназначенных под застройку постоянными объектами строительства;

- минимизация затрат на создание временных сооружений, зданий и устройств при максимально возможном удовлетворении потребности строительного производства во всех видах ресурсов;

- рациональность организации транспортных потоков на площадке за счет уменьшения расстояний перевозки материалов и конструкций и сокращения количества их перегрузок;

- обеспечение условий минимального перемещения материалов, изделий и конструкций в процессе выполнения строительно-монтажных работ с использованием монтажных механизмов, механизированных установок и специальных (технологических) транспортных средств;

- применение для производственных целей, санитарно-бытового и материально-технического обеспечения строительства преимущественно типовых, мобильных и сборно-разборных зданий и сооружений, обеспечивающих возможность многократного использования.

3.2 Исходные данные

3.2.1 Для проектирования общеплощадочного стройгенплана необходимы следующие исходные данные:

- исходно-разрешительная документация, в т.ч. ситуационный план М 1:2000, геоподоснова масштаба 1:500;

- условия присоединения к инженерным сетям;

- данные геологических, гидрологических и инженерно-экономических изысканий;

- материалы технико-экономического обоснования (ТЭО) или рабочего проекта (РП), в т.ч. сметный расчет стоимости строительства, календарный план и другие разделы проекта организации строительства (ПОС).

3.2.2 Исходными данными для проектирования объектного стройгенплана являются:

- общеплощадочный стройгенплан;

- рабочие чертежи и календарные графики строительства здания или сооружения;

- технологические карты на сложные виды строительно-монтажных работ или конструктивные элементы зданий.

3.2.3 При разработке стройгенпланов отдельно стоящих зданий используются также материалы, входящие в состав исходно-разрешительной документации:

- геоподоснова;

- условия на присоединения;

- данные изысканий.

3.3 Блок-схемы проектирования стройгенпланов

3.3.1 Общеплощадочный стройгенплан разрабатывается в последовательности, установленной блок-схемой согласно рисунку 1.

На первом этапе на основе графика финансирования строительства определяется потребность в трудовых, энергетических и других материально-технических ресурсах. Эти данные используются для определения объемов строительства временных зданий и сооружений различного назначения (санитарно-бытовых, административных, подсобно-хозяйственных), площадей складов для хранения строительных материалов, конструкций, изделий и оборудования, проектирования систем временного энергоснабжения и освещения. Все эти вопросы определены блоком № 1.

Рисунок 1 - Блок-схема проектирования общеплощадочного стройгенплана

Следующим шагом алгоритма, отраженным в блоках 2, 3 и 4, предусмотрено решение задачи размещения на площадке грузоподъемных кранов, площадок для складирования материалов, автомобильных дорог, бытового городка и других элементов стройгенплана.

На заключительном этапе согласно блоку 5 проектируются системы временного электро- и водоснабжения строительства и канализации.

Общеплощадочный стройгенплан проектная организация согласовывает с заказчиком и генеральной подрядной строительной организацией. До рассмотрения ТЭО и (или) РП в органах госэкспертизы заказчик должен согласовать проект стройгенплана с районным архитектором, органами санитарно-эпидемиологического и пожарного надзора, отделом безопасности движения, ГИБДД и эксплуатирующими организациями (водоканал, энергетики, телефонной сети и т.п.).

Пример общеплощадочного стройгенплана приведен на рисунке 2.

3.3.2 Объектный стройгенплан разрабатывается в последовательности, установленной блок-схемой согласно рисунку 3.

Расположение основных элементов обустройства строительных площадок при возведении отдельных зданий и сооружений непосредственно связано с условиями установки и эксплуатации грузоподъемных кранов. Поэтому в первую очередь осуществляется их привязка к объекту для определения параметров, обеспечивающих безопасную эксплуатацию кранов (зоны обслуживания, опасные зоны и т.п.), представленную блоком 1 на рисунке 3.

Для проектирования других элементов объектного стройгенплана определяется объем ресурсов, необходимых для строительства объекта. При наличии общеплощадочного стройгенплана потребность в трудовых и материально-технических ресурсах принимается из соответствующих разделов проекта организации строительства, относящихся к данному объекту. При отсутствии общеплощадочного стройгенплана количество рабочих определяется из графика потребности в ресурсах. Количество материалов и конструкций, подлежащих складированию, а также потребности строительства в воде и электроэнергии определяются расчетом.

На следующем этапе согласно блокам 2 и 3 рисунка 3 решается задача размещения площадок для складирования конструкций и материалов для строительства и расположения в плане временных и постоянных дорог, обеспечивающих подъезд в зону действия грузоподъемного крана, к площадкам укрупнительной сборки конструкций, складам, бытовым помещениям и т.п.

Разработка объектного стройгенплана завершается нахождением места размещения в необходимом количестве временных зданий и сооружений производственного, административного и санитарно-бытового назначения, определенных блоком 4, а также проектированием систем инженерного обеспечения строительства (водоснабжения, электроснабжения, освещения, канализации, телефонизации), представленных в блоке 5 рисунка 3.

Рисунок 2 - Общеплощадочный стройгенплан строительства жилого микрорайона

Рисунок 3 - Блок-схема проектирования объектного стройгенплана

Объектный стройгенплан разрабатывается подрядчиком или проектно-технологической организацией по договорам на проектно-технологические работы. В этом случае проект стройгенплана проектная организация согласовывает с генеральной подрядной и специализированными субподрядными строительными организациями.

3.4 Расположение основных элементов стройплощадки

3.4.1 Требования к расположению основных элементов стройплощадки при разработке стройгенпланов даны в приложении А в разделе «Стройгенплан».

3.5 Размещение временных зданий и сооружений

3.5.1 Для обеспечения производства строительно-монтажных работ, размещения и бытового обслуживания рабочих на строительной площадке возводятся временные здания и сооружения различного назначения: производственные, административные, санитарно-бытовые.

По конструктивному решению эти здания относятся к трем типам: сборно-разборные, контейнерные и передвижные.

Здания сборно-разборного типа в основном применяются для организации закрытого складирования материалов, производства различных изделий, размещения аппарата управления строительством, предприятий общественного питания. Они используются при массовой застройке городских территорий, строительстве крупных комплексов производственного назначения, а также при строительстве объектов в отдаленных труднодоступных районах.

Достоинствами этих зданий являются: возможность сборки из относительно небольших по размеру и легких конструкций, обеспечение большого разнообразия объемно-планировочных компоновок без ограничений по площади и многофункциональность их использования.

В качестве недостатков следует отметить относительно большие затраты труда и времени на сборку и разборку, а также необходимость выполнения трудоемких работ по устройству фундаментов, прокладке систем внутреннего электроснабжения и других специальных работ. Варианты устройства временных зданий сборно-разборного типа приведены на рисунке 4.

Контейнерные здания представляют собой объемно-пространственную конструкцию каркасно-панельного типа. Несущий каркас таких зданий чаще всего выполняется из стального проката, ограждающие конструкции стен - из дерева или панелей типа «сэндвич» с обшивкой из стального профилированного листа, кровля плоская из стального листа или с рулонным покрытием. Габариты контейнеров определяются условиями транспортирования по автомобильным или железным дорогам, чаще всего в пределах: длина - 6,0 м, ширина - 3,0 м, высота - 2,7 м. Из набора нескольких контейнеров (торцовых и рядовых) могут быть возведены сблокированные здания требуемой площади.

Рисунок 4 - Варианты устройства временных зданий сборно-разборного типа

Одиночные контейнеры используются для размещения административно-управленческого персонала, организации санитарно-бытового обслуживания работников, а также для жилья, складирования инструментов и организации мастерских различного назначения. В качестве примера на рисунке 5 приведен план здания, предназначенного для обеспечения работающих на строительной площадке санитарно-бытовыми услугами и питанием на 25 человек, сблокированного из четырех контейнеров.

Передвижные здания в наибольшей степени отвечают требованиям мобильности. Они состоят из кузова и ходовой части, жестко соединенных между собой. Конструкция кузова аналогична зданиям контейнерного типа. В качестве шасси используются двухосные прицепы на автомобильном ходу. Передвижные здания - автофургоны используются для организации жилья, размещения бытовых, административных, производственных и складских помещений на объектах с небольшими продолжительностями работ или для бытового обеспечения рабочих в начальный период строительства. Необходимо отметить, что здания этого типа являются наиболее дорогими.

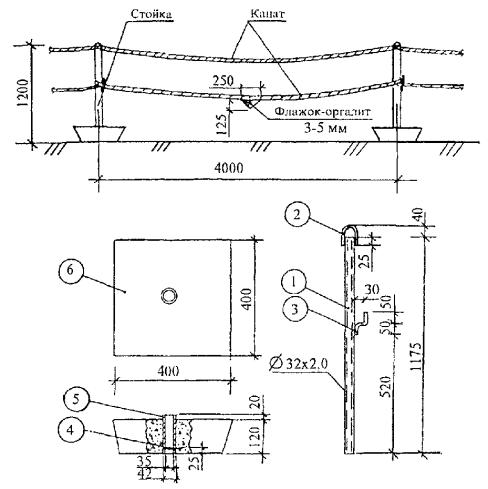
1 - тамбур; 2 - помещение конторы; 3 - комната приема пищи; 4 - санузел; 5 - душевая; 6 - преддушевая; 7 - гардеробная; 8 - сушилка.

Техническая характеристика

 

Объем строительный, м3

2207

Площадь здания общая, м2

73,4

Внутренняя высота, м

2,4

Размеры здания в плане, м

6,6×12,0

Масса общая (с оборудованием),

 

Расчетный срок службы, лет

15

Технико-экономические показатели (на 1 м2 площади)

 

Расход основных материалов:

 

- стали, кг

42,6

- лесоматериалов (приведенных к круглому лесу), м

0,38

- утеплителя, м3

0,36

Трудоемкость, чел.-ч.

 

- изготовления

5,14

- монтажа

1,5

Стоимость (строительной части), руб.

81

Отпускная цена, тыс. руб. (цены 1984 г.)

5,54

Рисунок 5 - Комплекс санитарно-бытового назначения на 25 человек

3.5.2 Проектирование временных зданий и сооружений

Размещение временных зданий и сооружений для. санитарно-бытового обслуживания ИТР и рабочих строительства и определение их необходимого количества осуществляется в последовательности, предусмотренной блок-схемой по рисунку 1.

Потребность в административных и санитарно-бытовых зданиях при проектировании строительных генеральных планов зависит от численности ИТР и рабочих, занятых в строительстве.

Количество рабочих при разработке ПОС определяется на период максимального развертывания строительства комплекса по нормам на 1 млн. рублей годового объема строительно-монтажных работ или по графику финансирования строительства с учетом выработки.

При разработке ППР количество рабочих определяется из графика потребности в трудовых ресурсах (по максимальному значению).

Удельный вес различных категорий работающих - ИТР и служащих, (МОП) и рабочих принимается с учетом следующих ориентировочных данных:

- количество ИТР, служащих, младшего обслуживающего персонала (МОП) составляет в среднем 16 % от общего дневного количества рабочих, в том числе: ИТР - 8 %, служащих - 5 %, МОП и охрана - 3 %;

- численность рабочих, занятых в наиболее загруженную смену составляет 85 % от общего их количества, в том числе - 30 % работающих - женщины.

Общее сменное количество работающих определяется умножением максимальной сменной численности рабочих на коэффициент 1,12 (ИТР - 7 %, служащих - 3 %, МОП и охрана - 2 %).

В соответствии с установленной численностью персонала и нормативами потребности во временных зданиях и сооружениях различного назначения, приведенными в таблице 2, устанавливается расчетная площадь этих зданий. После оценки возможности использования для размещения работников зданий и сооружений, имеющихся на строительной площадке (существующих зданий, подлежащих сносу, новых объектов, строительство которых может быть закончено к моменту полного развертывания строительства и т.п.) на соответствующую численность работников комплектуется необходимое количество зданий сборно-разборного, контейнерного или передвижного типа соответствующей площади, поэтому принимаемая площадь чаще всего оказывается несколько больше расчетной. Различные типы мобильных зданий устанавливаются по пособию по мобильным зданиям.

Последней задачей, решаемой при проектировании стройгенплана, является размещение на площадке временных зданий и сооружений и их привязка к объектам строительства, при этом следует руководствоваться нижеприведенными рекомендациями.

Административные здания - конторы, диспетчерские и т.п., располагаются у въезда на строительную площадку. Здания санитарно-бытового назначения - гардеробные, душевые, помещения для сушки одежды и обуви, размещаются вблизи зон максимальной концентрации работающих.

Временные здания и сооружения размещают на участках, не подлежащих застройке основными объектами, с соблюдением противопожарных норм и правил техники безопасности вне опасных зон работы грузоподъемных кранов, а также не ближе 50 м от технологических производств, выделяющих пыль, вредные пары и газы.

Помещения для обогрева рабочих должны располагаться не далее 150 м от рабочих мест, а укрытия от солнечной радиации и атмосферных осадков непосредственно на рабочих местах или не далее 75 м от них.

Таблица 2 - Нормативы потребности во временных административных и культурно-бытовых зданиях на стройплощадке

Наименование

Назначение

Ед. изм.

Нормативный показатель

Прорабская

Размещение административно-технического персонала

м2

3,0-3,5 на 1 чел.

Гардеробная

Переодевание рабочих и хранение уличной одежды и спецодежды

м2

Двойной шкаф

0,9 на 1 чел.

1 на 1 чел.

Душевая

Санитарно-гигиеническое обслуживание рабочих

м2

Сетка

0,43 на 1 чел.

1 на 12 чел.

Умывальная

То же

То же

Кран

0,05 на 1 чел.

1 на 15 чел.

Туалет

-«-

Очко

Очко

Для женщин

1 на 20 чел.;

2 на 30 чел.;

4 на 70 чел.;

6 на 100 чел.;

8 на 150 чел.;

Для мужчин

1 на 20 чел.;

2 на 70 чел.;

6 на 130 чел.;

7 на 200 чел.

10 на 350 чел.;

Сушильная

Сушка спецодежды и спецобуви

м2

0,2 на 1 чел.

Помещение для обогрева, отдыха и принятия пищи

Обогрев, отдых, принятие пищи рабочими во время регламентированных перерывов (обеды и после смены)

м2

1 на 1 чел.

Столовые

Обеспечение рабочих горячим питанием

м2

посад. места

0,6 на 1 чел.

1 на 4 чел.

Медпункт

Оказание работающим первой медпомощи

То же

20 на 300 - 500 чел.

Кладовые

Для хранения мелких изделий, инвентаря и др.

-

Объектная не менее 25, общеплощадочная не менее 60

Медпункт располагается в одном из блоков (контейнеров) бытовых помещений и не далее 800 м от рабочих мест.

Расстояние от туалетов до рабочих мест в наиболее удаленных частях зданий не должно превышать 100 м.

3.6 Привязка монтажных кранов и механизмов

3.6.1 Выбор грузоподъемного крана для строительства объекта осуществляется по трем основным параметрам: грузоподъемности, вылету стрелы и высоте подъема груза (конструкции монтажного элемента), а также по экономическим показателям.

3.6.2 Грузоподъемность крана - груз полезной массы, поднимаемый краном и подвешенный при помощи съемных грузоподъемных приспособлений или непосредственно к несъемным грузоподъемным приспособлениям. У стреловых поворотных кранов должна быть обеспечена возможность подъема груза при всех положениях поворотной части.

У некоторых кранов импортного производства (Крупп, Колус) в массу поднимаемого груза входит и масса крюковой обоймы. Этот параметр определяется по справочникам в зависимости от вылета и длины стрелы крана, высоты подъема крюка, высоты здания, расстояния от крана до ближайшей стены или выступающей части здания и габаритов крана с учетом интервала безопасности.

3.6.3 Требуемая грузоподъемность крана на соответствующем вылете определяется по массе наиболее тяжелого груза со съемными грузозахватными приспособлениями (грейфера, электромагнита, траверс, стропов и т.п.). В массу груза включаются также масса навесных монтажных приспособлений, закрепляемых на монтируемой конструкции до ее подъема, и конструкций усиления жесткости груза.

Вылет стрелы и необходимая высота подъема груза устанавливаются исходя из ширины и высоты здания по массе наиболее удаленной и тяжелой конструкции. Длина стрелы крана принимается по его параметрам, приведенным в справочниках.

3.6.4 Грузоподъемность крана (Q) должна быть больше или равна массе поднимаемого груза Ргр.., плюс масса грузозахватного приспособления Ргр.пр., плюс масса навесных монтажных приспособлений Рн.м.пр., плюс масса конструкций усиления жесткости поднимаемого элемента Рк.у.

QРгр. + Ргр.пр. + Рн.м.пр. + Рк.у.                                                   (1)

Для кранов с переменным вылетом грузоподъемность зависит от вылета.

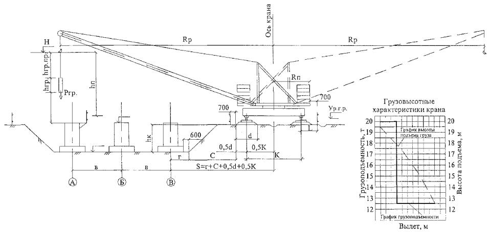
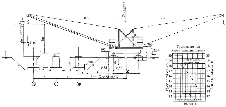
3.6.5 Необходимый рабочий вылет Rp определяется расстоянием по горизонтали от оси вращения поворотной части крана до вертикальной оси грузозахватного органа как показано на рисунке 6, т.е. по вылету стрелы, а также в зависимости от габаритов грузоподъемного крана и ширины колеи подкрановых путей определяется ось передвижения крана относительно строящегося здания.

3.6.6 Требуемая высота подъема hп определяется от отметки установки грузоподъемных машин (кранов) по вертикали и складывается из следующих показателей: высоты здания (сооружения) от нулевой отметки здания с учетом отметок установки (стоянки) кранов до верхней отметки здания (сооружения) (верхнего монтажного горизонта) h3, запаса высоты, равной 2,3 м из условий безопасного производства работ на верхней отметке здания, где могут находиться люди, максимальной высоты перемещаемого груза hгр. (в положении, при котором производится его перемещение) с учетом закрепленных на грузе монтажных приспособлений или конструкций усиления, длины (высоты) грузозахватного приспособления hгр.пр. в рабочем положении как показано на рисунках 6, 7, 8.

hп. = [(h3 ± n) + hгр. + hгр.пр. + 2,3], м                                              (2)

где n - разность отметок стоянки кранов и нулевой отметки здания (сооружения).

3.6.7 Расстояния между выступающими частями передвигающегося по наземным рельсовым путям крана (его поворотной или другой наиболее выступающей частью) и внешним ближайшим контуром здания (сооружения), включая его выступающие части (козырьки, карнизы, пилястры, балконы и т.п.) или временные строительные приспособления, находящиеся на здании или у здания (строительные леса, выносные площадки, защитные козырьки и т.п.), а также строениями, штабелями грузов и другими предметами, должны составлять согласно ст. 2.18.6 «Правил …» Госгортехнадзора России от уровня земли или рабочих площадок на высоте до 2000 мм не менее 700 мм, а на высоте более 2000 мм - не менее 400 мм соответственно рисунку 6. Для кранов с поворотной башней и числом секций в башне более двух это расстояние принимается не менее 800 мм по всей высоте ввиду возможного отклонения башни от вертикали.

Расстояние по вертикали от консоли противовеса или от противовеса, расположенного под консолью башенного крана, до площадок, на которых могут находиться люди, должно быть не менее 2000 мм.

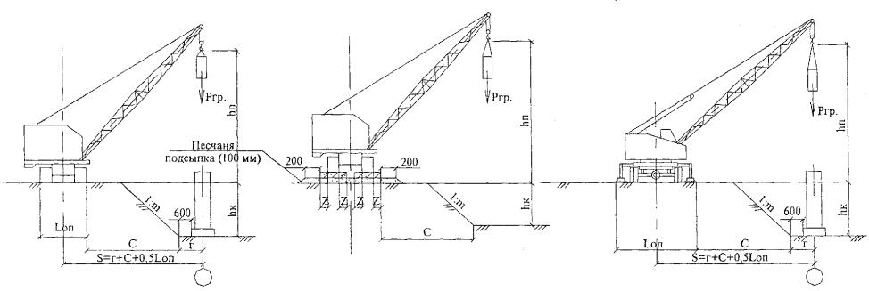
3.6.8 Приближение к зданию (сооружению) приставного крана определяется минимальным вылетом, при котором обеспечивается монтаж ближайших к башне крана конструктивных элементов зданий с учетом размеров фундамента крана и условий крепления крана к зданию, в каждом конкретном случае определяемых расчетом специализированной организации.

3.6.9 Расстояние между поворотной частью стреловых самоходных кранов и строениями, штабелями грузов, лесами и другими предметами должно быть не менее 1 м, как показано на рисунке 7.

3.6.10 Приближение кранов к неукрепленным откосам котлованов, траншей или других выемок при ненасыпном грунте разрешается только за пределами призмы обрушения грунта и определяется расстоянием по горизонтали от основания откоса котлована (выемки):

- до нижнего края балластной призмы рельсового кранового пути согласно рисунку 8 и таблице 1.

- для стреловых кранов - до ближайших опор согласно рисунку 9 и таблице 3.


* В связи с возможным отклонением от вертикали поворотной башни высотой более двух секций и грузового полиспаста габарит приближения следует принимать 800 мм вместо 400 мм по всей высоте.

** От наиболее выступающей части крана.

Н - отметка высоты подъема;

Rp - необходимый рабочий вылет;

Rп - наибольший радиус поворотной части крана со стороны, противоположной стреле;

hз - высота здания (сооружения);

hгр. - высота поднимаемого (перемещаемого) груза;

hгр.пр. - длина грузозахватного приспособления;

hп - высота подъема;

К - колея пути крана;

В - минимальное расстояние выступающей части здания до оси рельса; Б = (Rп - 0,5К) + п;

в - размеры между осями здания;

Ж - размер зоны, в которой запрещается нахождение людей, определяется в ППР;

а - расстояние от оси здания до его наружной грани (выступающей части);

п - габарит приближения;

S - расстояние от оси крана до оси здания;

 - отметка головки рельса;

 - основные высотные отметки

Рисунок 6 - Привязка башенного крана к зданию


Таблица 3 - Минимальные расстояния по горизонтали от основания откоса выемки до ближайших опор машины (СНиП 12-03-2001 п. 7.2.4)

Глубина выемки, м

Грунт ненасыпной

песчаный

супесчаный

суглинистый

глинистый

1,0

1,50

1,25

1,00

1,00

2,0

3,00

2,40

2,00

1,50

3,0

4,00

3,60

3,25

1,75

4,0

5,00

4,40

4,00

3,00

5,0

6,00

5,30

4,75

3,50

Примечание - При глубине выемки более 5 м расстояние от основания откоса выемки до ближайших опор крана определяется расчетом.

Наибольшую крутизну откосов котлованов, траншей и других временных выемок, устраиваемых без крепления в нескольких грунтах, находящихся выше уровня грунтовых вод, следует принимать по таблице 4.

Таблица 4 - Крутизна откосов котлованов, траншей и других выемок в нескальных грунтах выше уровня грунтовых вод (СНиП III-4-80* п. 9.10)

Виды грунтов

Крутизна откоса (отношение его высоты к заложению) при глубине выемки, м, не более

1,5

3

5

Насыпные неуплотненные

1:0,67

1:1

1:1,25

Песчаные и гравийные

1:0,5

1:1

1:1

Супесь

1:0,25

1:0,67

1:0,85

Суглинок

1:0

1:0,5

1:0,75

Глина

1:0

1:0,25

1:0,5

Лессы и лессовидные

1:1

1:0,5

1:0,5

Примечания

1 При напластовании различных видов грунта крутизну откосов для всех пластов надлежит назначать по наиболее слабому виду грунта.

2 В нескальных и незамерзших грунтах выше уровня грунтовых вод и при отсутствии вблизи подземных сооружений рытье котлованов и траншей с вертикальными стенками без крепления допускается на глубину не более, м: (СНиП III-4-80* п. 9.9):

- в насыпных, песчаных и крупнообломочных грунтах           - 1,0

- в супесях                                                                                      - 1,25

- в суглинках и глинах                                                                   - 1,50

3 При высоте откосов более 5 м в однородных грунтах их крутизну допускается принимать по графикам приложения 3 СНиП 3.02.01-87 «Земляные сооружения, основания и фундаменты», но не круче указанных в данной таблице для глубины выемки 5 м, и во всех грунтах (включая скальные) не более 80°. Крутизна откосов выемок, разрабатываемых в скальных грунтах с применением взрывных работ, должна быть установлена в проекте (СНиП 3.02.01-87 п. 3.11).

3.6.11 Расчетная длина подкранового пути корректируется исходя из минимальной длины одного звена - 12,5 м с учетом требования норм не менее двух звеньев (25 м). В случае устройства пути из одного звена при стесненной строительной площадке грузоподъемность крана определяется исходя из условия его работы без передвижения. Кран, установленный на таком пути, является стационарным.


Rp - необходимый рабочий вылет;

Ргр. - масса поднимаемого груза;

Rп - наибольший радиус поворотной части крана;

hп - высота подъема;

hз - высота здания 4

hгр. - высота поднимаемого (перемещаемого) груза;

hгр.пр. - длина грузозахватного приспособления;

S - расстояние от оси крана до оси здания;

Ж - размер зоны, в которой запрещается нахождение людей;

в - размеры между осями здания 4

а - расстояние от оси здания до его наружной грани (выступающей части);

п - габарит приближения;

 - отметка высоты подъема;

 - основные отметки конструкции здания.

Рисунок 7 - Привязка стрелового крана к зданию

Rp - необходимый рабочий вылет;

Rп - наибольший радиус поворотной части крана;

hк - глубина котлована;

hгр. - высота поднимаемого (перемещаемого) груза;

hгр.пр. - длина грузозахватного приспособления;

hп - высота подъема;

К - колея пути крана;

S - расстояние от оси крана до оси здания;

в - размеры между осями здания;

С - расстояние от основания откоса котлована до края балластной призмы;

r - расстояние от оси здания до основания;

L - расстояние от оси рельса до ограждения рельсового кранового пути;

d - ширина основания балластной призмы;

 - отметка высоты подъема;

 - отметка головки рельса;

 - основные отметки конструкции здания

Рисунок 8 - Установка башенного крана у откоса котлована

Ргр. - масса поднимаемого груза;

Lоп - размер колеи или базы гусеничного крана, или опорного контура для кранов с выносными опорами;

hп - высота подъема;

С - расстояние от основания откоса котлована до ближайшей опоры крана;

hк - глубина котлована;

Z - расстояние от опоры крана до края железобетонной опорной плиты;

S - расстояние от оси вращения крана до ближайшей оси здания;

l:m - крутизна откоса по ППР.

Рисунок 9 - Установка стрелового крана у откосов выемки


3.6.12 При привязке стреловых башенных кранов с поворотной башней для возведения надземной части здания (сооружения) расстояние (Sк) от оси вращения крана до ближайшей оси здания (сооружения) как показано на рисунках 6 и 7 определяется наибольшей суммой расстояний от оси здания до его выступающих частей (а) и габарита приближения (п) плюс величина габарита поворотной части крана (Rп)

S = a + п + Rп                                                                       (3)

Примечание - Сумма а + п для башенных кранов определяется с учетом п. 3.5 и принимается наибольшей.

3.7 Расчеты и определение опасных зон на стройплощадке

3.7.1 При работе грузоподъемного крана на строительстве отдельного здания можно выделить следующие самостоятельные зоны: обслуживания, вблизи строящегося здания и опасной для нахождения людей.

3.7.2 Зона обслуживания башенных рельсовых и самоходных кранов определяется максимальным рабочим вылетом стрелы на участке между крайними стоянками крана на рельсовом или безрельсовом крановом пути.

3.7.3 Согласно СНиП 12-03-2001 границы опасных зон в местах, над которыми происходит перемещение грузов подъемными кранами, а также вблизи строящегося здания принимаются от крайней точки горизонтальной проекции наружного наименьшего габарита перемещаемого груза или стены здания с прибавлением наибольшего габаритного размера перемещаемого (падающего) груза и минимального расстояния отлета груза при его падении. Минимальное расстояние отлета груза (предмета) приведено в таблице 5.

Таблица 5 - Минимальное расстояние отлета груза

Высота возможного падения груза (предмета), м

Минимальное расстояние отлета груза (предмета), м

перемещаемого краном

падающего со здания

До 10

4

3,5

до 20

7

5

до 70

10

7

до 120

15

10

до 200

20

15

до 300

25

20

до 450

30

25

* При промежуточных значениях высоты возможного падения груза (предмета) минимальное расстояние их отлета допускается определять методом интерполяции.

Границы зон, возникающих при работе крана на зданиях и сооружениях, представлены на рисунках 10 и 11.

1 - ограждение строительной площадки; 2 - граница опасной зоны вблизи строящегося здания; 3 - граница зоны, опасной для нахождения людей во время перемещения, установки и закрепления элементов и конструкций*; 4 - граница зоны обслуживания краном; 5 - грузоподъемный кран.

* - граница опасной зоны определяется в соответствии со СНиП 12-03-2001 (Приложение Г).

Рисунок 10 - Определение границ зон при работе башенных и стреловых рельсовых кранов

1 - ограждение строительной площадки; 2 - граница опасной зоны вблизи строящегося здания; 3 - граница зоны, опасной для нахождения людей во время перемещения, установки и закрепления элементов и конструкций на одной стоянке*; 4 - то же, с учетом всех стоянок; 5 - граница зоны обслуживания краном; 6 - грузоподъемных кран.

* - граница опасной зоны определяется в соответствии со СНиП 12-03-2001.

Рисунок 11 - Определение границ опасной зоны при работе стрелового самоходного крана

3.8 Мероприятия по охране труда, технике безопасности и экологической безопасности

3.8.1 При разработке стройгенпланов необходимо учитывать требования техники безопасности и охраны труда, экологической и противопожарной безопасности, изложенные в СНиП 12-03-2001, СНиП III-4-80*, ГОСТах и других нормативных документах

3.9 Оценка эффективности стройгенпланов

3.9.1 Оценка эффективности строительных генеральных планов производится по:

- протяженности и стоимости временных дорог;

- объему и стоимости работ по временному строительному хозяйству на 1 млн. руб. СМР;

- удельному весу стоимости временного хозяйства в % к общей стоимости.

3.9.2 Стройгенплан является одним из документов, предъявляемых строительной организацией в органы Госгортехнадзора и управления механизации (владельцам кранов) для приемки в эксплуатацию грузоподъемных кранов.

4 СПРАВОЧНАЯ ДОКУМЕНТАЦИЯ И МАТЕРИАЛЫ

4.1 Требования пожарной безопасности

4.1.1 При площади территории стройплощадки, превышающей 5 га, необходимо предусматривать не менее 2-х выездов с противоположных сторон, а при невозможности выполнения этого требования устраиваются разворотные площадки 12×12 м.

4.1.2 Ко всем строящимся и эксплуатируемым зданиям должен быть обеспечен свободный проезд, причем к зданиям шириной более 18 м - с 2-х сторон.

Складирование горючих материалов в противопожарных разрывах запрещается. Негорючие материалы можно складировать при условии наличия свободной полосы шириной не менее 5 м.

4.1.3 Передвижные вагончики для административно-бытовых помещений допускается располагать на расстоянии не менее 24 м от строящихся или эксплуатируемых зданий. Вагончиков в группе должно быть не более 10 шт., общая площадь до 800 м2. Расстояние между группами не менее 18 м.

4.1.4 Временное хранение древесных и других сгораемых отходов допускается на расстоянии не менее 20 м от строящихся или эксплуатируемых зданий и в пределах 3-х суточного запаса. Баллонов с газом не менее 20 - 30 м.

4.1.5 Расход воды на противопожарные нужды в зависимости от площади стройплощадки устанавливается до 10 га - 5 л/сек.; до 50 га - 20 л/сек.

В системе водоснабжения необходимо предусматривать размещение колодцев с противопожарными гидрантами, обеспечивающими возможность прокладки от них рукавов до мест возможного загорания на расстояние не более 100 м и не более 50 м от здания.

4.1.6 На стройгенплане целесообразно указать места для курения и места установки щитов с противопожарным инвентарем.

4.2 Таблица определения опасных зон при перемещении грузов кранами

4.2.1 Таблица для определения минимального расстояния отлета груза (предмета) при перемещении грузов кранами представлена в разделе 3.7.

4.3 Таблицы для расчетов электрических нагрузок

Определение потребной мощности источников временного электроснабжения производится путем выявления электрических нагрузок токоприемников (электродвигателей, сварочной аппаратуры, осветительной нагрузки и т.п.).

Потребная мощность трансформаторов определяется в следующей последовательности:

1) подсчитываются расчетные нагрузки одного или группы одинаковых токоприемников:

а) активная в кВт

Рм = КсРу;                                                                 (1)

б) реактивная в кВАр

Qм = Pмtgφ                                                                (2)

2) находится расчетный коэффициент мощности cosφ по tgφ, полученному из формулы:

ΣQмРм = tgφ                                                                  (3)

затем по таблице 6 находится величина cosφ.

Таблица 6 - Тригонометрические функции tgφ и cosφ

tgφ

cosφ

0,3

0,96

0,4

0,93

0,5

0,9

0,6

0,86

0,7

0,82

0,75

0,8

0,8

0,78

0,9

0,74

1

0,71

1,1

0,67

1,2

0,64

tgφ

cosφ

1,3

0,61

1,4

0,56

1,5

0,55

1,6

0,53

1,7

0,5

1,8

0,49

2

0,45

2,2

0,41

2,3

0,4

3

0,3

-

-

3) определяется суммарная нагрузка в кВа по объектам или видам работ по строительной площадке в целом:

ΣSм = ΣРм/cosφ                                                     (4)

4) зная суммарную нагрузку, определяем потребную мощность трансформаторов в кВа

Pтр = ΣSм·Кмн                                                           (5)

где    Рм - расчетная активная нагрузка в кВт;

Ру - установленная мощность токоприемников потребителей в кВт;

Кс - коэффициент спроса одного или нескольких однотипных токоприемников, принимаемый по таблице 7;

Qм - расчетная реактивная нагрузка в кВА;

ΣSм - суммарная нагрузка строительной площадки в кВа;

Кмн - коэффициент совпадения нагрузок (для строек равен 0,75 - 0,85);

ΣРм - суммарная активная нагрузка строительной площадки в кВт;

cosφ - среднерасчетный коэффициент мощности строительной площадки.

Таблица 7 - Среднее значение коэффициента спроса Кс и cosφ для строительных площадок

Характеристики нагрузок

Кс

cosφ

Экскаваторы с электроприводом

1 - 3 шт.

0,5

0,6

более 3 шт.

0,4

0,5

Растворные узлы

0,4

0,5

Краны башенные и портальные

1 - 2 шт.

0,3

0,5

более 2 шт.

0,2

0,4

Механизмы непрерывного транспорта

0,5

0,6

Электросварочные трансформаторы

0,3

0,4

Насосы, вентиляторы, компрессоры

0,6

0,75

Переносные механизмы

0,1

0,4

Трансформаторный электропрогрев бетона, отогрев грунта и трубопроводов

0,7

0,75

Электрическое освещение

- наружное

1

1

- внутреннее (кроме складов)

0,8

1

- освещение складов

0,35

1

Расчет ведется с учетом сроков, предусмотренных календарным планом производства строительно-монтажных работ и графика работы механизмов на строительной площадке. Получаемые по расчету величины нагрузок по отдельным объектам или видам работ заносятся в таблицу по форме 1, после чего сумма нагрузок по данному объекту заносится в таблицу по форме 2.

В таблице 8 приведен конечный расчет потребности в электроэнергии.

Форма 1 - Таблица подсчета нагрузок и расходов электроэнергии по строительно-монтажным работам

№ п/п

Наименование строящихся объектов и видов работ

Токоприемники

Коэффициенты

Расчетная мощность

Периоды строительства

Потребное количество электроэнергии в тыс. кВт·ч

наименование

количество

общая установленная мощность в кВт

спроса Кс

мощности cosφ

активная в кВт

реактивная в кВАр

1

2

n

Потребная расчетная активная мощность в кВт

1

2

3

4

5

6

7

8

9

10

11

 

 

 

 

Принимается по паспорту машины

Принимаются по таблице 2

Рассчитывается по формулам 1 и 2

 

Расчетная мощность (из графы 8), умноженная на время работы механизма

 

Всего по строящемуся объекту

 

 

 

 

 

 

 

Форма 2 - Сводная таблица подсчета суммарных нагрузок и расходов электроэнергии на строительных и монтажных работах

№ п/п

Наименование строящихся объектов и видов работ

Суммарная установленная мощность токоприемников Ру в кВт

Общие расчеты коэффициента

Суммарная расчетная мощность

Максимальная потребная трансформаторная мощность Sм в кВа

Потребное количество электроэнергии на весь период строительства в кВт·ч

Периоды строительства

спроса Кс

мощности cosφ

активная Рм в кВт

реактивная Qм в кВАр

1

2

3

n

Требуемая суммарная мощность трансформаторной подстанции в кВт

1

2

3

4

5

6

7

8

9

10

 

 

Итого

Графы 5

Формы 1

Определяется как частное от деления графы 6 на графу 3 данной формы

 

В графы заносится сумма активных и реактивных нагрузок по объекту в целом из формы 1

Рассчитывается по формулам 4, 5

Суммарная мощность электроэнергии по видам работ или строящимся объектам в тыс. кВт·ч (определяется по графе 11 формы 1)

Требуемая трансформаторная мощность находится путем деления суммы активных нагрузок (по данным графы 10 формы 1) на расчетный cosφ (формула 12) с учетом Кмн (формула 5)

Таблица 8 - Расчет электрических нагрузок

п/п

Наименование узлов питания и группы электроприемников

Код эл. приемника

Установленная мощность

Коэффициент спроса

cosφ

tgφ

Расчетная нагрузка

одного электр. приемника

общая

Pp, кВт

Qp, кВА

Sp, кВА

1

2

3

4

5

6

7

8

9

10

11

1

Башенный кран НВК-160.2

1

55,0

55,0

1,00

0,96

0,29

55,00

16,06

 

2

Башенный кран КВк-160.2

1

30,0

30,0

1,00

0,71

0,98

30,00

29,40

 

3

Сварочный тр-р ТД-502-УЗ

2

19,3

38,6

38,6

0,50

0,75

19,30

14,48

 

4

Сварочный пост ПСО-500

1

24,0

24,0

1,00

0,89

0,51

24,00

12,24

 

5

Подъемник ПРС-1000

1

26,0

26,0

1,00

0,91

0,45

26,00

11,70

 

6

Бетоносмеситель СБ-31

1

7,5

7,5

1,00

0,92

0,42

7,50

3,15

 

7

Бетононасос С-296А

1

13,0

13,0

1,00

0,92

0,42

13,00

5,46

 

8

Прожектор ПКН-1500

20

1,5

30,0

1,00

1,00

0,00

30,00

0,00

 

9

Освещение раб. мест

1

20,0

20,0

0,80

1,00

0,00

16,00

0,00

 

 

Итого:

 

 

 

 

0,92

0,42

220,80

92,48

239,30

 

Потери в тр-ре:

 

 

 

 

 

 

1,28

14,85

 

 

Итого с потерями в тр-ре:

 

 

 

 

0,90

0,48

222,08

107,33

246,65

 

Компенсация:

 

 

 

 

 

 

 

-75

 

 

Итого после компенсации:

 

 

 

 

0,99

0,16

222,08

32,33

224,42

4.4 Данные для определения потребности в освещении строительной площадки

Электрическое освещение строительных и монтажных работ подразделяется на рабочее, аварийное, эвакуационное и охранное.

1) Рабочее освещение должно быть предусмотрено для всех строительных площадок и участков, где работы выполняются в ночное время и сумеречное время суток, и осуществляется установками общего освещения и комбинированного. Общее равномерное освещение следует применять, если нормируемая величина освещения не превышает 2 лк. В остальных случаях в дополнение к общему равномерному должно предусматриваться общее локализованное освещение или местное освещение. Наименьшая освещенность рабочих мест в зависимости от вида выполняемых работ принимается по ГОСТ 12.1.046-85 «Строительство. Нормы освещенности строительных площадок».

Максимальный параметр освещенности рабочих мест составляет:

Погрузка, установка, подъем, разгрузка оборудования, строительных конструкций, деталей и материалов грузоподъемными кранами                                                                                                                             10 лк

Монтаж конструкций стальных, железобетонных и деревянных (каркасы зданий, мачты, эстакады, фермы, балки и т.д.)                                                                                                                             30 лк

Бетонирование колонн, балок, плит покрытий, мостовых конструкций и т.д.                                                                                                                             30 лк

Кладка из крупных бетонных блоков, природных камней, кирпичная кладка, монтаж сборных фундаментов                                                                                                                             10 лк

Кровельные работы                                                                                                                             30 лк

Штукатурные работы:

- в помещениях                                                                                                                             50 лк

- под открытым небом                                                                                                                             30 лк

Малярные работы                                                                                                                             100 - 150 лк

Работа по устройству полов                                                                                                                             30 - 50 лк

2) Аварийное освещение должно быть предусмотрено в местах производства работ по бетонированию ответственных конструкций в тех случаях, когда по требованиям технологии перерыв в укладке бетона недопустим. Аварийное освещение на участках бетонирования железобетонных конструкций должно обеспечивать освещенность 3 лк, а на участках бетонирования массивов - 1 лк на уровне укладываемой бетонной смеси.

3) Эвакуационное освещение должно быть предусмотрено в местах основных путей эвакуации, а также в местах проходов, где существует опасность травматизма. Эвакуационное освещение должно обеспечивать внутри строящегося здания освещенность 0,5 лк, вне здания - 0,2 лк.

4) Охранное освещение предусматривается в тех случаях, когда в темное время суток требуется охрана строительной площадки или участка производства работ.

Для осуществления охранного освещения следует выделять часть светильников рабочего освещения. Охранное освещение должно обеспечивать на границах строительной площадки или участков производства работ горизонтальную освещенность 0,5 лк на уровне земли или вертикальную - на плоскости ограждения.

4.5 Водоснабжение строительных площадок

Вода на строительной площадке расходуется на производственные, хозяйственно-питьевые нужды и на пожаротушение.

Расход воды на производственные и хозяйственно-питьевые нужды

Максимальный часовой расход воды на производственные нужды определяется по формуле

Q1 = SAКч/(n·1000),

где    Q1 - максимальный часовой расход воды на производственные нужды в м3;

S         - количество единиц транспорта, установок или объем работ в максимальную смену;

А         - удельные расходы воды на производственные нужды, л (приведены в таблице 9);

Кч             - коэффициент часовой неравномерности потребления воды (приведен в таблице 10);

п - число часов в смену.

Часовой расход воды на охлаждение двигателей внутреннего сгорания определяется по формуле

Q2 = WtN·1,2,

где Q2    - часовой расход воды на охлаждение двигателей внутреннего сгорания, м3;

       Wt    - удельный расход воды в литрах на 1 лошадиную силу в час на охлаждение двигателей внутреннего сгорания (приведен в таблице 9);

       N      - мощность двигателя внутреннего сгорания в л.

Максимальный часовой расход воды на хозяйственно-питьевые нужды определяется по формуле

Q3 = N1A1Кч/(n·1000),

где    Q3 - максимальный часовой расход воды на хозяйственно-питьевые нужды, м3;

N1 - число работающих в максимальную схему;

A1 - расход воды на одного работающего в литрах (приведен в таблице 11);

Кч - коэффициент часовой неравномерности потребления воды;

п - число часов в смену.

Расчетный секундный расход воды на производственные и хозяйственно-питьевые нужды определяется по формуле

qn = ΣQ·1000/3600,

где    qn - расчетный секундный расход воды;

ΣQ - суммарный максимальный часовой расход воды в м3, равный

ΣQ = Q1 + Q2 + Q3 + Qn.

Расчетный секундный расход воды на душ определяется по формуле

qд = aN3/(h·60),

где    qд - расчетный секундный расход воды в литрах;

а - норма расхода воды на прием душа (приведена в таблице 11);

N - число рабочих, пользующихся душем;

h - число минут работы душевой.

Общий расчетный секундный расход воды в литрах определяется по формуле

qрас = qп + qд + qпож,

где qпож - принимается по таблице 12.

Таблица 9 - Удельный расход воды на производственные нужды

Наименование агрегата

Единица измерения

Удельный расход воды в л

Экскаваторы с двигателями внутреннего сгорания

Маш. час

10 - 15

Поливка насыпи (доувлажнение грунта)

1 м3 насыпи

130 - 160

Приготовление бетона в бетономешалках

1 м3 бетона

210 - 400

Поливка бетона и железобетона

1 м3 в сутки

200 - 400

Оштукатуривание поверхности при готовом растворе

1 м2 поверхности

2 - 8

Двигатели внутреннего сгорания

1 л. с. час

25 - 50

Компрессорные станции

1 м3 воздуха

5 - 10

Легковые автомашины

1 машина в сутки

300 - 400

Грузовые автомашины

-«-

500 - 600

Автобусы

-«-

1500

Тракторы (из расчета работы в две смены)

1 трактор в сутки

300 - 600

Автокраны

1 машина

12,5 - 15

Таблица 10 - Коэффициент часовой неравномерности потребления воды

Наименование потребителей

Коэффициент часовой неравномерности

Строительные работы

1,5

Силовые установки

1,1

Подсобные предприятия

1,25

Транспортное хозяйство

1,5 - 2,0

Хозяйственно-питьевые расходы воды непосредственно на строительство

3

Столовые

1,5

Таблица 11 - Нормы расхода воды для хозяйственно-питьевых нужд на строительство

Наименование потребителей воды

Единица измерения

Нормы расхода воды в л

На строительных площадках при отсутствии канализации

На 1 работающего в смену

15

То же, при наличии канализации

То же

25

Душ

На 1-го пользующего

25 - 30

Столовая

На 1-го обедающего

10 - 15

Таблица 12 - Расчетный расход воды на наружное пожаротушение для промышленных предприятий

Огнестойкость здания

Категория производства по пожарной безопасности

Расход воды в л/сек на 1 пожар при объеме здания в тыс. м3

до 3

от 3 до 5

от 5 до 20

от 20 до 50

более 50

I и III

Г; Д

5

5

10

10

15

I и II

А; Б; В

10

10

15

20

30

III

Г; Д

5

10

15

25

35

III

В

10

15

20

30

40

IV и V

Г; Д

10

15

20

30

-

IV и V

В

15

20

25

-

-

Диаметры труб, работающих полным сечением, могут быть определены по формуле

где    D - диаметр трубы в метрах;

Q - расход воды в м3/сек;

V - скорость движения воды в м/сек

(для малых диаметров V = 0,6 - 0,9 м/сек для больших диаметров V = 0,9 - 1,4 м/сек)

Зная предельный расход воды, ориентировочно сечение труб можно подобрать по таблице 13.

Таблица 13 - Подбор сечения трубопроводов

Сечение труб, мм

Предельный расход воды, л/сек

75

2

100

До 5,4

125

5,4 - 9

150

9 - 15

200

15 - 28,5

250

28,5 - 45

300

45 - 68

4.6 Данные по выработке на единицу основной мощности строительных машин

4.6.1 Вопросы механизации строительно-монтажных работ при сооружении зданий и сооружений решаются в следующем объеме:

- определяется потребность в основных строительных, дорожных и монтажных машинах и механизмах;

- дается краткое описание и обоснование (при необходимости - с вариантами) принятых методов производства основных строительных и монтажных работ, в т.ч. выполняемых в зимних условиях.

4.6.2 Определение потребности в основных машинах и механизмах производится расчетным путем, исходя из физических объемов работ, подлежащих выполнению, и условий строительства. Ориентировочная потребность основных машин и механизмов может быть определена на основании годовых норм выработки, приведенных в таблице 14.

Таблица 14 - Показатели годовой выработки основных строительных машин

Наименование машин

Единица измерения

Годовая норма выработки

1

2

3

Одноковшовые экскаваторы при работе:

прямой лопатой на транспорт

1 м3 грунта на 1 м3 емкости ковша

100000

прямой лопатой в отвал

То же

115000

обратной лопатой или драглайном на транспорт

-«-

80000

обратной лопатой или драглайном в отвал

-«-

100000

Многоковшовые экскаваторы (канавокопатели)

1 м3 грунта на 1 л емкости ковша

1200

Скреперы прицепные тракторные

1 м3 грунта на 1 м3 емкости ковша

6000

Бульдозеры при работе на засыпке траншей и котлованов и на перемещении грунта

1 м3 грунта

50000

Краны передвижные при работе:

на погрузочно-разгрузочных операциях

1 т на 1 т конструктивной (паспортной) грузоподъемности

7500

на монтаже крупноблочных зданий

То же

3500

на монтаже сборных железобетонных конструкций

-«-

1200

на монтаже стальных конструкций

-«-

400

Бетономешалки емкостью 250 л и более, растворомешалки емкостью 100 л и более

1 м3 бетона на 1 м3 загружаемой емкости барабана

12000

Растворонасосы при работе:

на транспортировании раствора

1 м3 раствора на 1 м3 конструктивной производительности барабана

400

по нанесению штукатурного намета

1 м3 штукатурного намета толщиной 18 мм на 1 м3 конструктивной производительности насоса

18000

Примечания. 1 Нормы выработки распространяются на наличный (списочный) состав парка строительных машин, имеющихся на стройках и в строительных организациях, за исключением машин, установленных в промышленных предприятиях и выделенных на самостоятельный баланс подсобных предприятий строительства.

2 Нормы выработки экскаваторов даны для средних районов России, для северных районов они уменьшаются на 15 %, для южных - увеличиваются на 15 %. К северным районам относятся местности, расположенные севернее линии Петрозаводск - Вологда - Киров - Пермь - Екатеринбург - Красноярск - Иркутск - Хабаровск - Копна. К южным - расположенные южнее линии Краснодар - Орджоникидзе - Самарканд.

3 Нормы выработки экскаваторов даны для грунтов III категории. При работе в других грунтах нормы должны корректироваться в соответствии с «Едиными нормами и расценками на строительные, монтажные и ремонтно-строительные работы» (ЕНиР).

4 Продолжительность работы экскаваторов в год установлена 2450 час.

4.7 Данные по выработке рабочих по специальностям

4.7.1 Ориентировочные данные по выработке на одного работающего по видам работ (в руб.) приведены в таблице 15 (в ценах 2001 г.).

Таблица 15 - Ориентировочная выработка на одного работающего (в руб.) по видам работ

№ п/п

Наименование работ

Жил.-гражд. строительство

Промышленное строительство

% от объема

1

* Работы подготовительного периода

1600

1600

1,8 от СМР

2

Монтаж оборудования

1900

3800

0,5

3

Промышленная вентиляция

-

1900

3,3

4

Сантехника (внутренние сети)

2240

1600

8,9

5

Электрика (внутренние сети)

2460

1600

4,1

6

* Благоустройство

1230

1230

3,8

7

Земляные работы

960

960

4,2

8

Фундаменты и подвалы

1900

1900

9,5

9

Монтаж конструкций

3200

3200

43,5

10

Отделочные работы

960

640

9,3

11

Оконные и дверные проемы

2460

2460

10,7

12

Кровельные работы

1600

1600

6

4.8 Примерные данные по структуре сметной стоимости отдельных частей здания

4.8.1 Примерная структура сметной стоимости отдельных частей здания и видов работ приведена в таблице 16.

Таблица 16 - Процентное соотношение частей здания и видов работ

Наименование

Стоимость, тыс. руб.

Процент от СМР

Стоимость строительно-монтажных работ

2184,09

100

В т.ч.: - земляные работы

78,23

3,58

- фундаменты и стены подвала

207,299

9,5

- стены

257,7

11,8

- перегородки

25,364

1,16

- лестницы

4,068

0,18

- перекрытия

135,79

6,2

- кровля

131,778

6

- окна

49,756

2,28

- двери

183,755

8,4

- витражи

131,964

6,04

- полы

305,622

13,9

- внутренняя отделка

203,196

9,3

- наружная отделка

144,852

6,6

- холодное и горячее водоснабжение

69,52

3,2

- отопление

20,65

0,94

- канализация

27,3

1,25

- вентиляция

73,5

3,36

- водосток

4,45

0,2

- электромонтажные работы

88,8

4,1

- слаботочные устройства

30,0

1,37

- технологическое оборудование

10,5

0,5

4.9 Основные технические показатели временных автодорог

Построечные внутриплощадочные дороги прокладываются, по возможности, по трассам постоянных дорог. В этом случае строительство постоянных дорог осуществляется стадийно: вначале возводится дорожное основание, которое используется автотранспортом в период строительства, а затем, перед вводом дороги в постоянную эксплуатацию, основание ремонтируется и покрывается одеждой.

Построечные дороги устраиваются с использованием песчано-гравийной смеси, щебня, гравия, бетонной смеси, сборных железобетонных плит. Основные показатели конструкции временных автодорог приведены в таблице 17.

Ширина временных автомобильных дорог принимается:

при двухполосном движении - 6 метров;

при однополосном движении - 3,5 метра.

Радиусы закругления временных дорог зависят от габаритов грузов и транспортных средств, используемых для их доставки, и принимаются в пределах 12 - 18 метров.

Ширина временных дорог и площадок для установки стреловых самоходных кранов определяется в зависимости от используемых марок кранов. Ширина временной дороги принимается на 0,5 м больше ширины гусеничного или колесного хода применяемого крана.

Конструкцию временных дорог и площадок под стреловые краны проектируют в зависимости от нагрузок, создаваемых кранами, и плотности грунта в основании.

При разработке стройгенплана необходимо учитывать, что вдоль здания шириной до 18 м устраивается проезд с одной стороны, более 18 метров - проезды должны быть с двух сторон, а шириной более 100 м - со всех сторон здания.

На строительной площадке у выезда с нее должна быть оборудована установка для очистки и мойки колес.

Таблица 17 - Основные показатели устройства временных дорог

Тип дорожного покрытия

Ед. изм.

Расход материалов (м3)

Песок

Щебень

Гравий

Песчано-гравийная смесь

Бетонная смесь

Плиты сборные железобетонные

Щебеночное толщиной 400 мм

100 м2

-

50

-

-

-

-

Гравийное толщиной 400 мм

100 м2

-

-

50

-

-

-

Щебеночное толщиной 400 мм по песчаной подготовке толщиной 150 мм

100 м2

16,8

50

-

-

-

-

Гравийное толщиной 400 мм по песчаной подготовке толщиной 150 мм

100 м2

16,8

-

50

-

-

-

Из монолитного бетона толщиной 170 - 250 мм по песчано-гравийной подготовке толщиной 250 мм

100 м2

-

-

-

26,3

18 - 26,3

-

Из сборных железобетонных плит толщиной 170 - 200 мм по песчаной подготовке толщиной 50 - 100 мм

100 м2

5,3 - 10,5

-

-

-

-

17 - 20

4.10 Способы складирования основных видов строительных конструкций, деталей и материалов

4.10.1 Поверхность площадки для складирования материалов, конструкций, изделий и оборудования необходимо спланировать и уплотнить. При слабых грунтах поверхность площадки может быть уплотнена щебнем или выложена дорожными плитами на песчаном основании.

Складирование материалов должно производиться за пределами призмы обрушения грунта незакрепленных выемок, а их размещение в пределах призмы обрушения грунта у выемок с креплением допускается при условии предварительной проверки устойчивости закрепленного откоса по паспорту крепления или расчетом с учетом динамической нагрузки.

Грузы (кроме балласта, выгружаемого для путевых работ) при высоте штабеля до 1,2 м должны находиться от наружной грани головки ближайшего к грузу рельса кранового пути на расстоянии не менее 2,0 м, а при большей высоте - не менее 2,5 м согласно требованиям ГОСТ 12.3.009-76.

Для отвода поверхностных вод следует сделать уклон 1 - 2° в сторону внешнего контура склада с устройством в необходимых случаях кюветов.

4.10.2 Стропальщики должны знать места складирования материалов, предусмотренные в ППР.

4.10.3 Места складирования материалов и конструкций, а также места установки складского инвентаря должны быть размечены на строительной площадке согласно примеру по рисунку 12.

4.10.4 Материалы, конструкции, изделия и оборудование следует размещать в соответствии с требованиями стандартов, межотраслевых правил по охране труда при погрузочно-разгрузочных работах и размещении грузов, СНиП 12-03-2001 или технических условий заводов-изготовителей.

4.10.5 При отсутствии стандартов и технических условий заводов-изготовителей рекомендуются следующие способы складирования основных видов материалов и конструкций:

- кирпич в пакетах на поддонах - не более чем в два яруса; в контейнерах - в один ярус, без контейнеров - высотой не более 1,7 м. Кирпич должен складироваться по сортам, а лицевой - по цветам и оттенкам. Осенью и зимой штабеля кирпича рекомендуется покрывать листами толя или рубероида;

- стеновые панели - в пирамиды или специальные кассеты в соответствии с паспортом на указанное оборудование с учетом геометрических размеров изделий и устойчивости их при складировании;

- панели перегородок - вертикально в специальные кассеты в соответствии с паспортом на кассету. Гипсобетонные панели разрешается устанавливать в пирамиду с отклонением от вертикали на угол не более 10°. Гипсобетонные перегородки необходимо укрывать от атмосферных осадков;

- стеновые блоки - в штабель в два яруса на подкладках и с прокладками;

- плиты перекрытий - в штабель высотой не более 2,5 м на подкладках и с прокладками, которые располагают перпендикулярно пустотам или рабочему пролету;

- ригели и колонны - в штабель высотой до 2 м на подкладках и с прокладками;

- фундаментные блоки и блоки стен подвалов - в штабель высотой не более 2,6 м на подкладках и с прокладками;

- стены жесткости в зависимости от вида их транспортирования с завода - в пирамидах или аналогично плитам перекрытия;

- круглый лес - в штабель высотой не более 1,5 м с прокладками между рядами и установкой упоров против раскатывания; ширина штабеля менее его высоты не допускается;


1 - кирпич на поддонах; 2 - распорные плиты перекрытия - h до 2,5 м; 3 - пролетные плиты перекрытия - h до 2,5 м; 4 - распорные плиты крайние - h до 2,5 м; 5 - стены жесткости - h до 2,5 м; 6 - ригели - h до 2 м; 7 - лестничные марши - h до 2 м; 8 - стеновые панели в пирамиде - h до 2 м; 9 - витражи в пирамиде; 10 - перегородки в пирамиде с укрытием от атмосферных осадков; 11 - колонны - h до 2 м; 12 - площадка для кантовки конструкций.

Рисунок 12 - Примерный план размещения грузов на приобъектном складе

Примечания

1. Складирование производится таким образом, чтобы масса конструкций соответствовала грузоподъемности крана.

2. Временные дороги устраивают таким образом, чтобы обеспечить приемку всех грузов в пределах грузоподъемности крана.

3. Шкала R/QППР может не показываться) облегчит раскладку грузов в пределах грузовой характеристики.

4. На площадке складирования должны быть установлены таблички с наименованием грузов и их количеством в штабелях.


- пиломатериалы - в штабель, высота которого при рядовой укладке составляет не более половины ширины штабеля, а при укладке в клетки - не более ширины штабеля. В любом случае высота штабеля не должна превышать 3 м;

- мелкосортный металл - в стеллаж высотой не более 1,5 м;

- санитарно-технические и вентиляционные блоки - в штабель высотой не более 2,0 м на подкладках и с прокладками;

- крупногабаритное и тяжеловесное оборудование и его части - в один ярус на подкладках;

- стекло в ящиках и рулонные материалы - вертикально в один ряд на подкладках;

- битум - в специальную тару, исключающую его растекание;

- черные прокатные металлы (листовая сталь, швеллеры, двутавровые балки, сортовая сталь) - в штабель высотой до 1,5 м на подкладках и с прокладками;

- теплоизоляционные материалы - в штабель высотой до 1,2 м, хранить в закрытом сухом помещении;

- трубы диаметром до 300 мм - в штабель высотой до 3 м на подкладках и с прокладками с концевыми упорами;

- трубы диаметром более 300 мм - в штабель высотой до 3 м в седло без прокладок с концевыми упорами.

Нижний ряд труб должен быть уложен на подкладки, укреплен инвентарными металлическими башмаками или концевыми упорами, надежно закрепленными на подкладке.

При складировании железобетонных элементов, имеющих петли (плиты, блоки, балки и т.д.) высота прокладок должна быть больше выступающей части монтажных петель не менее чем на 20 мм.

Складирование других материалов, конструкций и изделий следует осуществлять согласно требованиям стандартов и технических условий на них.

4.10.6 Между штабелями (стеллажами) должны быть предусмотрены проходы шириной не менее 1 м и проезды, ширина которых зависит от габаритов транспортных средств и грузоподъемных кранов, обслуживающих склад.

4.10.7 При складировании грузов заводская маркировка должна быть видна со стороны проходов.

4.10.8 В пирамидах целесообразно размещать панели одинаковых марок. Панели должны плотно прилегать друг к другу по всей плоскости. Не допускается односторонняя загрузка пирамид.

В кассеты, пирамиды и другое оборудование приобъектного склада необходимо устанавливать изделия таким образом, чтобы при складировании не могли потерять устойчивость как сами изделия, так и складское оборудование. Изделия устанавливают с учетом их геометрических размеров и форм.

4.10.9 Между штабелями одноименных конструкций, сложенных рядом (плиты перекрытий), или между конструкциями в штабеле (балки, колонны) должно быть расстояние, не менее 200 мм.

4.10.10 Высота штабеля или ряда штабелей на общей прокладке не должна превышать полуторную его ширину.

4.10.11 В штабелях прокладки располагаются по одной вертикали. Расположение прокладок зависит от условий работы изделия в конструкции.

4.10.12 В каждом штабеле должны храниться конструкции и изделия одномерной длины.

4.10.13 При расположении материалов и конструкций необходимо учитывать требования ППБ 01-93**.

Складирование материалов и конструкций над подземными коммуникациями или в охранной зоне допускается только с письменного разрешения их владельца.

4.10.14 При изменении условий или в случае производственной необходимости лицо, ответственное за безопасное производство работ кранами, может вносить дополнения и изменения в схему складирования материалов и конструкций, предусмотренную в ПНР, с соблюдением требований стандартов, технических условий заводов-изготовителей и другой нормативно-технической документации, утвержденной органами Государственного надзора и с учетом грузовой характеристики применяемых; грузоподъемных кранов, подъездных путей и стоянок транспорта; при этом указанное лицо в письменном виде за своей подписью обязано выдать стропальщикам измененную схему складирования грузов, второй экземпляр схемы прикладывается к ППР.

При составлении схемы складирования особое внимание обращается на соблюдение размеров проходов, габаритов и способов складирования, на недопустимость перегрузки мест складирования.

4.10.15 В стесненных условиях при отсутствии площадок складирования допускается складирование материалов и конструкций на перекрытиях (покрытиях) существующих и реконструируемых зданий при письменном разрешении автора проекта и разработке необходимых мероприятий, обеспечивающих устойчивость здания (сооружения).

4.11 Условия работы грузоподъемных кранов в охранной зоне ЛЭП и за ее пределами

4.1.1 Условия работы грузоподъемных кранов в охранных зонах линий электропередачи даны в приложении А настоящей работы (извлечения из «Указаний», глава 6).

4.12 Технико-экономические показатели мобильных зданий системы «Универсал»

4.12.1 Ниже приведены конструктивные характеристики мобильных зданий системы «Универсал»

Фундаменты

- гравийная подсыпка, бетонная подготовка, балки или деревянные брусья

Каркас

- стальной тонкостенный профиль

Стены

- трехслойные стеновые панели, наружная обшивка - листовая сталь либо алюминий, внутренняя - ДВПО, утеплитель ФРП-1

Полы

- линолеум по настилу из шпунтованных досок

Кровля

- кровельная сталь (либо ЦСП)

Наибольшая масса монтажного элемента

- 4,0 т

Исполнение

- обычное (ГОСТ 22853-86)

Скоростной напор ветра

- 0,48 кПа (48 кГс/м2)

Степень огнестойкости

- пятая

Вес снегового покрова

- 150 кГс/м2 (1,5 кПа)

Климатические районы

- подрайон IB, IIA, IIIA

Расчетная температура наружного воздуха

- минус 45 °С

Отделка наружная

- окраска масляной краской или эмалью

Отделка внутренняя

- ДВПО, ДСП

Инженерное обеспечение

Электроснабжение

- от внешней сети

Водоснабжение

- от внешней сети и автономное

Отопление

- электрическое либо водяное

Вентиляция

- естественная и принудительная

Канализация

- в городскую сеть

4.12.2 Технико-экономические показатели мобильных зданий конструктивной системы «Универсал» приведены в таблице 18.


Таблица 18 - Технико-экономические показатели мобильных зданий конструктивной системы «Универсал»

Показатель

Гардеробная на 12 чел. 1129-020

Здание кратковременного отдыха, обогрева рабочих 1129-024

Медпункт 1129-023

Здание для проведения занятий на 6 чел. 1120-029

Здание для проведения занятий на 15 чел. 1120-030

Гардеробная на 5 чел. 1120-021

Контора на 2 рабочих места 1120-022

Гардеробная на 5 чел. с душем 1120-025

Ремонтно-механическая мастерская 1120-026

Столовая-раздаточная на 26 посадочных мест 1120-031

Административный комплекс строительного участка 1120-032

Санитарно-бытовой комплекс на 36 чел. 1120-033

Служебно-бытовой комплекс на 50 чел. 215-020

Служебно-бытовой комплекс на 120 чел. (двухэтажный) 215-02

Число блок-контейнеров, шт.

1

1

1

1

1

1

1

1

1

6

8

5

20

44

Полезная площадь, м2

15,5

15,5

15,5

15,5

15,5

15,5

15,5

15,5

15,5

105,5

134,5

88,2

339,2

789

Строительный объем, м

50,5

50,5

50,5

50,5

50,5

50,5

50,5

50,5

50,5

317,6

408

252

862,1

2376

Общая масса, т

3,5

2,5

3,3

3,3

3,3

3,4

3,5

3,6

4,0

22,0

26

17,0

70

136

Установленная мощность потребителей, кВт

5,7

11

8,2

6,5

6,5

7,3

6,8

8,5

9,8

44,4

62,3

91,9

32,1

69,5

Трудоемкость:

изготовления, нормо-ч/м3

17,8

17,8

17,8

17,8

17,8

17,8

17,8

17,8

17,8

17,8

17,8

17,8

17,8

17,8

монтажа (демонтажа), чел.-дни/м2

-

-

-

-

-

-

-

-

-

0,20

0,20

0,20

0,48

0,80

Расход материалов:

 

 

 

 

 

 

 

 

 

 

 

 

 

 

стали, кг/м2

66

66

66

66

66

66

66

66

66

65

65

65

65

60

лесоматериалов, м32

0,18

0,18

0,18

0,18

0,18

0,18

0,18

0,18

0,18

0,14

0,14

0,14

0,14

0,14

Отпускная цена (без мебели), руб.

3500

3000

4500

4000

4800

4300

3000

3800

6500

28000

32000

22000

68100

149900

Стоимость, руб/м2

225,8

193,5

290,3

258

309,6

277,4

193,5

245,1

419,3

265,5

238,8

271,6

200,7

218,0


5 РЕКОМЕНДАЦИИ ПО РАСЧЕТУ И ПОСТРОЕНИЮ СЕТЕВЫХ ГРАФИКОВ НА СТРОИТЕЛЬСТВО ЗДАНИЙ И СООРУЖЕНИЙ В АВТОМАТИЗИРОВАННОМ ВИДЕ

5.1 Основные правила построения сетевого графика, элементы сетевого графика

В качестве модели, отражающей технологические и организационные взаимосвязи процесса производства строительно-монтажных работ в системах сетевого планирования и управления (СПУ), используется сетевая модель.

Сетевой моделью называется графическое изображение процессов, выполнение которых приводит к достижению одной или нескольких поставленных целей, с указанием установленных взаимосвязей между этими процессами. Сетевой график представляет собой сетевую модель с расчетными временными параметрами. Пример сетевого графика показан на рисунке 13.

Цифры в кружках - номера событий (первое - исходное, восьмое - завершающее); пунктирная - фиктивная работа; жирные стрелки - критические работы; цифры под стрелками - продолжительность работ

Рисунок 13 - Сетевой график

Основными элементами сетевой модели, а следовательно и сетевого графика является работа и событие и путь. Структура сетевого графика, определяющая взаимную зависимость работ и событий, называется его топологией.

Работа - это производственный процесс, требующий затрат времени, труда и материальных ресурсов, который при его выполнении приводит к достижению определенных результатов. Например, разработка котлованов, устройство фундаментов, монтаж сборных конструкций здания или сооружения и т.д. На сетевом графике работа изображается сплошной стрелкой. Процесс ожидания (твердение бетона, высыхание штукатурки и т.п.) изображается также сплошной стрелкой, как показано на рисунке 14.

Рисунок 14 - Изображение работ и ожидания

Зависимость (фиктивная работа), не требующая затрат времени изображается пунктирной стрелкой. Фиктивная работа используется в сетевом графике для отражения связей между событиями и работами. Это показано на рисунке 15.

Рисунок 15 - Изображение сети с фиктивной работой 2 - 5

В сетевом графике применяются временные, стоимостные и другие характеристики работ.

Продолжительной работы - время выполнения данной работы в рабочих днях или других единицах времени, одинаковых для всех работ сетевого графика. Продолжительность работ может быть как определенной (детерминированной), так и случайной величиной, задаваемой законом ее распределения.

Стоимость работы - это прямые затраты, необходимые для ее выполнения, зависящие от длительности и условий выполнения этой работы.

Ресурсы характеризуются потребностью в физических единицах, необходимых для выполнения данной работы.

Качество, надежность и другие показатели работ служат дополнительными характеристиками работ, как видно из рисунка 16.

Рисунок 16 - Показатели работ

Событие - это факт окончания одной или нескольких работ, необходимый и достаточный для начала одной или нескольких последующих работ. Каждому событию присваивается номер, называемый кодом. Каждая работа определяется двумя событиями: кодом начального события, обозначаемого i и кодом конечного события, обозначаемого буковой j, как видно на рисунке 17.

Рисунок 17 - Обозначение работ цифрами событий

События, не имеющие предшествующих работ, называются начальными; события, не имеющие последующих - конечными.

1 Направление построения сети может иметь различный характер. Сетевой график может строиться от начального события к завершающему и от завершающего к исходному (начальному), а также от любого из событий к исходному или конечному.

2 При построении сети решаются вопросы:

- какие работы (работу) необходимо выполнить, чтобы начать данную работу;

- какие работы целесообразно выполнять параллельно с данной работой;

- какие работы можно начать после окончания данной работы;

3 Первоначальный сетевой график строится без учета продолжительности работ, составляющих сеть.

4 Форма графика должна быть простой и зрительно легко воспринимаемой.

5 Между двумя событиями может заключаться только одна работа. При строительстве зданий и сооружений работы могут выполняться последовательно, параллельно или одновременно, часть последовательно, а часть параллельно, в результате чего между отдельными работами складываются различные зависимости.

6 При выполнении параллельных работ А, В, С, началом которых служит событие i, а начало последующей работы Д зависит от окончания работ А, В, С, оканчивающихся в событии j, необходимо ввести зависимости и дополнительные события j1 и j2, как показано на рисунке 18, иначе разные работы будут иметь одинаковые коды.

Рисунок 18 - Изображение параллельных работ:

а - неправильное; б - правильное.

7 Если работу А можно разбить на составляющие работы а1, а2, а3, а4, то после окончания каждой из них можно начать соответственно работы b1, b2, b3, b4, не дожидаясь окончания всей работы А, как показано на рисунке 19.

Рисунок 19 - Отражение зависимости между работами

8 Когда работы А и В предшествуют С, а В только Д, то для правильного изображения зависимости вводится фиктивная работа, отражающая логическую зависимость работ и сетевой график будет иметь вид, показанный на рисунке 20.

Рисунок 20 - Параллельное выполнение работ А, С и В, D с фиктивной работой 10-11

9 Поставка конструкций, оборудования и т.д. на сетевом графике изображается так, как показано на рисунке 21.

Рисунок 21 - Изображение поставки конструкций, оборудования и т.д.

10 Нумерация (кодирование) событий производится после окончания построения сети, начиная от исходного события до конечного. Кодирование производится горизонтальным или вертикальным методом. При горизонтальном методе события кодируются слева направо по прямой до первого пересечения работ. При вертикальном методе нумерацию событий начинают сверху вниз или снизу вверх при условии, что последующее событие получит номер после предыдущего. Примеры нумерации показаны на рисунке 22.

Рисунок 22 - Нумерация событий:

а) горизонтальная; б) вертикальная.

5.2 Методы расчета сетевых графиков

5.2.1 Расчет сетевого графика аналитическим методом

Расчет ранних сроков. Расчет ранних сроков начала и окончания работ и свершения событий рассчитывается от исходного до завершающего события последовательно по всем путям СГ. В результате расчета кроме ранних сроков устанавливается общая продолжительность работ по графику в целом и отдельным участкам сети.

Рисунок 23 - Определение раннего и позднего сроков наступления событий

Раннее начало работы tр.Нi-j - самое раннее из возможных время начала работы при условии выполнения всех предшествующих работ определяют по продолжительности самого длинного пути от исходного события до начального события данной работы:

tр.Нi-j = maxtроh-i

Например, для работы 5-6 (рисунок 23) раннее начало

Так как продолжительность наибольшего пути 1-3, 3-5 составляет 28 дней, а пути 2-5 - 15 дней, то работу 5-6 можно начать на 29 день.

Если к событию подходит одна работа, то раннее начало работы равно раннему окончанию предшествующей работы:

tр.Нi-j = tр.oh-i

Раннее окончание работы tр.Нh-i - время окончания работы, которая начата в самый ранний из возможных сроков, определяется суммой раннего начала и продолжительности данной работы:

tр.oi-j = tр.Нi=j + ti-j

Например, раннее окончание работы 5-6

tр.o5-6 = tр.Н5-6 + t5-6 = 28 + 8=36

Расчет поздних сроков. Расчет ведется от завершающего события к исходному по всем путям СГ.

Поздний срок окончания завершающего события К равен максимальной величине раннего окончания этого же события, т.е. Tkn = Tkp. Формула для определения позднего окончания работы j-к имеет вид:

tn.oi-j = Tкр = maxtp.oi-j;

Позднее окончание работы tp.oj-k - самый поздний из допустимых сроков окончания работы, при котором не увеличивается общая продолжительность сетевого графика.

Позднее окончание рассматриваемой работы равно минимальному из сроков поздних начал последующих работ:

tn.oi-j = mintn.Hj-k = min(tn.oj-k - tj-k)

Например, для 2-5 позднее окончание

Позднее начало работы tр.Нi-j - самый поздний из допустимых сроков начала работы, при котором не увеличивается общая продолжительность работ. Позднее начало работы равно разности между величинами ее позднего окончания и продолжительности данной работы:

tn.Hi-j = tn.oi-j - ti-j

Например, для работы 2-5 позднее начало равно:

tn.H2-5 = tn.o2-5 = 28 - 8 = 20

Общий (полный) и частный резервы времени для работ критического пути равны нулю. Остальные работы имеют различные резервы времени.

Общий (полный) резерв времени Rt-j - это максимальное время, за которое можно задержать начало работы или увеличить ее продолжительность без изменения общего срока строительства. Величина Rt-j определяется разностью поздних и ранних сроков начала или окончания работы.

Rt-j = tn.Hi-j - tn.oi-j = tn.oi-j - tp.oi-j

или

Rt-j = tn.oi-j - tp.Hi-j - ti-j

Например, общий резерв времени для работы 7-8 составляет:

R7-8 = tn.H7-8 - tp.H7-8 = 44 - 11 = 33 или

R7-8 = tn.o7-8 - tp.o7-8 = 46 - 13 = 33 или

R7-8 = tn.o7-8 - tp.H7-8 - t7-8 = 46 - 11 - 2 = 33

По событиям для работы 7-8

R7-8 = Tpj - Tpi - ti-j = 46 - 11 - 2 = 33

Полный резерв времени работы может быть использован полностью или частично для одной работы или для любой из работ, расположенных на ее максимальном пути, но не принадлежащим другим путям большей продолжительности. Общий запас времени может быть использован также для нескольких работ, как показано на рисунке 24.

Рисунок 24 - Полный резерв времени работы

Частный (свободный) резерв времени ri-j - максимальное количество времени, на которое можно перенести начало работы или увеличить ее продолжительность без изменения раннего начала последующих работ, он имеет место, когда в событие входят две или более работ, как видно из рисунка 25. Он равен разности между ранним сроком начала последующей работы и ранним сроком окончания данной работы.

ri-j = tp.Hi-k - tp.oi-j

Для работы 2-5 частичный резерв:

r2-5 = tp.H5-6 - tp.o2-5 = 28 - 15 = 13

В терминах событий: ri-j = Tpj - Tpi - ti-j

Например, для работы 5-6 резерв времени равен:

r5-6 = Tp6 - Tp5 - t3-6 = 36 - 28 - 8 = 0

Рисунок 25 - Свободный резерв времени для работы i-j.

Для иллюстрации резервов времени, характеризующих работу, входящую в сетевой график, показанный на рисунке 25, составляется таблица 19 общих и частичных резервов времени.

Для определения параметров работы СГ используются другие методы, к которым относятся расчеты: по событиям, непосредственно на графике, табличным методом, по потенциалам событий, рассчитываемые ручным способом.

5.2.2 Табличный метод расчета параметров

Таблица 19 - Параметры сетевого графика

п/п

Код работы i-j

Продолжительность

ti-j

tp.Hi-j

tp.oi-j

tп.Hi-j

tп.нi-j

Резервы времени

Критерий пути

общий, Ri-j

частный, ri-j

1

2

3

4

5

6

7

8

9

10

1

1-2

7

0

7

13

20

13

0

 

2

1-3

18

0

18

0

18

0

0

+

3

1-4

6

0

6

34

40

34

1

 

4

2-4

0

7

7

40

40

33

0

 

5

2-5

8

7

15

20

28

13

13

 

6

3-5

10

18

28

18

28

0

0

+

7

3-6

3

18

31

54

57

36

15

 

8

4-7

4

7

11

40

44

33

0

 

9

5-6

8

28

36

49

57

21

0

 

10

5-8

18

28

46

38

46

0

0

+

11

6-9

4

36

40

57

61

21

21

 

12

7-8

2

11

13

44

46

33

33

 

13

7-9

5

11

16

56

61

45

45

 

14

8-9

15

46

61

46

61

0

0

+

Ткр = 61

5.2.3 Способы расчета параметров сети на графике

При расчете на сети все перечисленные значения временных характеристик работы и событий записываются в секторах событий. Для этого каждое событие делится на четыре сектора, как показано на рисунке 26: в верхнем секторе ставится номер события, в левом - ранее начало работы, в правом - позднее окончание работы, в нижнем - номер предшествующего события, из которых к данному событию идет максимальный путь.

Рисунок 26 - Изображение события

Порядок расчета

В исходном событии в левом секторе ставится нуль, как показано на рисунке 27. Для каждого следующего события в левый сектор записывается значение tp.Hi-j, равное сумме значения левого сектора предшествующего события и продолжительности предшествующей работы, которое определяется по формуле:

tp.Hi-j = max(tp.Hh-i + th-j)

Рисунок 27 - Сетевой график с результатами расчета непосредственно на графике

Например для работы 4-7:

tp.H4-7 = max[(tp.H1-4 + t1-4);(tp.H2-4 + t2-4)] = max[(0 + 1);(10 + 4)] = 14

Позднее окончание работы равно наименьшей из разностей поздних окончаний последующих работ и их продолжительностей:

tn.oi-j = min(tn.oi-k - tj-k)

Так, например,

tn.p1-3 = min[(tn.o3-6 - t3-6);(tn.o3-5 - t3-6)] = min[(39 - 12);(24 - 8)] = 16

Критический путь проходит через события, в которых значения ранних и поздних сроков правого и левого секторов совпадают. Полный и частный резервы времени для работ критического пути равны нулю.

Резервы времени работ определяются по формулам:

Ri-j = [tn.oi-j - (tp.Hi-j + ti-j)]

ri-j = [tp.Hj-k - (tp.Hi-j + ti-j)]

Полный резерв времени для любой работы определяется вычитанием из значения правого сектора конечного события данной работы, суммы значений левого сектора начального события данной работы и ее продолжительности, что видно из рисунка 27, например, для работы 4-7 полный резерв равен 31 (правый сектор конечного события) - 14 (левый сектор начального события) - 9 продолжительность работы.

R4-7 = 31 - (14 + 9) = 8

Частный резерв времени для любой работы определяется вычитанием из значения левого сектора конечного события этой работы суммы значений левого сектора начального события и продолжительности данной работы.

Для работы 3-5:

r3-5 = 24 - (4 + 8) = 12

Резервы времени записываются над стрелкой работы.

5.2.4 Расчет сетевого графика по потенциалам событий

В рассматриваемом методе под потенциалом события Пi понимается продолжительность максимального пути от данного события i до завершающего события сетевого графика, который определяется величиной наиболее продолжительного пути между этими событиями. Расчет потенциалов событий производится непосредственно на сетевом графике. Сначала определяют ранние сроки свершения событий, а затем вместо позднего срока свершения события определяется потенциал события, т.е. продолжительность максимального пути данного до завершающего пути.

Расчет потенциалов событий П1 такой же, как и при определении ранних сроков свершения событий, но ведется в обратном направлении от завершающего (конечного) к исходному событию. В результате расчета определяются данные о максимальной продолжительности работ от данного события до завершающего. Сколько дней осталось до конца, сколько дней имеется в резерве. При расчете обратным ходом (справа налево) потенциал завершающего события принимается равным нулю. Потенциалы событий определяются по формуле:

Пi = max(Пj + ti-j)

Запись результатов, получаемых при методе расчета, ведется обычно по секторам, как показано на рисунке 28. В левый сектор - величину ранних свершений события; в нижний сектор - номер предшествующего события, через которое к данному событию подходит путь максимальной продолжительности; в правый сектор - потенциал события; в верхний сектор - номер последующего события, через которое проходит путь наибольшей продолжительности от данного события до завершающего. Два первых вида секторов заполняются при прямом расчете, остальные два - при обратном.

Условием критичности событий является при равенстве суммы раннего срока свершения события и потенциала событий (суммы левого и правого секторов) критический путь, т.е.:

Трj-i + Пi = Ткр

Резерв времени событий Ri для некритических событий равен разности между величиной критического пути и суммой раннего свершения события и его потенциала, определяемый по формуле:

Ri = Ткр - (Трj=i + Пi)

Резерв времени для критических событий равен нулю.

При оперативном контроле за ходом строительства по СГ резервы времени определяют в сопоставлении с фактическим временем, оставшимся до установленного срока по формуле:

Ri.ф = iф - Пi

Отрицательное значение резерва времени показывает на запаздывание выполнения работы против установленного срока.

Рисунок 28 - Сетевой график, рассчитанный по потенциалам событий

Примеры определения потенциалов событий

1 Из события 9 выходит одна работа 9-10, потенциал ее начального события будет равен: П9 = 0 + 6 = 6 дням, как показано на рисунке 28.

2 Из события 3 выходит работа 3-6 П3 = 18 + 8 = 26 дням. Если из события, потенциал которого определяется, выходит две или более работ, то потенциал этого события будет равен наибольшей сумме потенциала конечного события и продолжительности выходящих из рассматриваемого события, т.е.:

Пi = max(Пj + ti-j)

Определим потенциал события 7, из которого выходит две работы - работа 7-10 и работа (зависимость) 7-8. Сумма продолжительности каждой из этих работ с потенциалом ее конечного события составит: у работы 7-10 - П10 + t7-10 = 0 + 4 = 4 дня, у работы 7-10 - П8 + t7-8 = 10 + 0 = 10 дней. Наибольшая из полученных сумм определяет численное значение потенциала рассматриваемого события 7.

П7 = 10 дням.

Общий резерв времени определяется разностью между продолжительностью критического пути и суммой раннего срока Tpi события и его потенциала Пi, т.е.:

Ri = Tкр - (Tpi + Пi)

Определим полный резерв времени для событий:

R4 = 58 - (16 + 16) = 26 дней;

R3 = 58 - (14 + 26) = 18 дней;

Сумма показателей: потенциала конечного события работы i-j и продолжительности самой работы дают возможность произвести сравнение - на сколько времени опережает или отстает выполнение данной работы от установленного срока окончания строительства.

Для такого сравнения определяется фактически оставшееся время от момента съема информации о ходе выполнения работ до установленного срока окончания строительства, которое выразится как потенциал съема информации:

Пс.и. = Ткр - tс.и.

Если, например, срок завершающего события 58 дней, а информация снимается на 20-й рабочий день после начала строительства, то оставшееся время завершения всех работ к установленному сроку определится съемом информации, как видно из рисунка 29.

Пс.и. = 58 - 20 = 38 дней

При наличии данных о потенциале съема информации на данный момент времени можно определить для каждой из работ СГ, находящихся в стадии выполнения, наличие или отсутствие запасов времени по формуле:

Rni-j = Пc.u. - Пj - tнi-j

где   Пj  - потенциал конечного события рассматриваемой работы;

tнi-j  - необходимое время для выполнения оставшейся незаконченной части работы.

На рисунке 29 приведен пример анализа хода работ по потенциалам событий.

Пс.и. = Ткр - tс.и.

Рисунок 29 - Анализ хода работ по потенциалам событий

5.3 Порядок разработки сетевого графика

Сетевой график является технологически логической системой планирования и управления. Весь ход строительства разбивается на ряд отдельных видов работ, которые вносятся в сетевой график. Сетевой график должен логически отражать ход работ, давать правильное представление принятой последовательности их выполнения. При составлении графика нужно: во-первых, проанализировать правильность отображения событий и, во-вторых, принять рациональное построение графика.

1 По номенклатуре работ необходимо определить трудоемкость, сметную стоимость работ, материально-технические и трудовые ресурсы.

По каждой работе необходимо определить временные оценки, т.е. продолжительность ее выполнения.

Определение продолжительности работ производится на основе принятых методов производства работ, принятых средств механизации и уровня производительности труда при соответствующем фронте работ.

2 Разработка сетевого графика начинается с производственного анализа проекта строительства и определения состава работ. Каждая работа должна быть четко определена и четко сформулирована.

3 При разработке сетевого графика сначала на чертеж наносятся узловые события, выражающие главную цель проектируемого сетевого графика, хотя полной явности какие узловые события будут критическими нет. На рисунке 30 показано выделение важнейших работ на сетевом графике.

При построении сети решаются вопросы какие работы (работу) необходимо выполнить, чтобы начать данную работу; какие работы могут выполняться с данной работой; какие работы зависят от завершения данной работы.

Рисунок 30 - Первоначальный сетевой график

Первоначальный сетевой график строится без учета продолжительности работ, составляющих сеть. Графики строятся как безмасштабные, так и в масштабе времени.

5.3.1 Безмасштабный сетевой график

Безмасштабный сетевой график можно построить в виде прямых линий с закруглениями имеющего вид, изображенный на рисунке 31.

На таком графике по каждой работе указываются необходимые показатели: продолжительность, число рабочих, занятых в смену, сменность, а также другие ресурсы, необходимые для выполнения каждой из работ.

Рисунок 31 - Безмасштабный сетевой график с горизонтальными обозначениями продолжительности выполнения работ

Изменения, вносимые в безмасштабный сетевой график в процессе его реализации, вызванные отклонением фактической продолжительности от запланированной, включением в него дополнительных работ и событий, ранее не вошедших в сетевой график, исключение из графика работ не вызывает необходимости пересоставления сетевого графика.

5.3.2 Сетевые графики в масштабе времени (продолжительности) Построение графика в масштабе времени улучшает его наглядность. Такой график зрительно легче воспринимается, чем безмасштабный. Он может строиться:

а) по ранним срокам свершения событий (по ранним началам работы);

б) по поздним срокам свершения событий (по поздним окончаниям работ).

Определение ранних и поздних сроков свершения событий производится также, как и при расчете безмасштабной сетевой модели.

Построение сетевого графика по ранним срокам свершения событий начинается от начального события.

Рисунок 32 - Фрагмент СГ строительства здания

Для привязки сетевого графика к календарю строится шкала календарного времени и шкала рабочих дней. Календарное время фиксируется календарными датами по месяцам и годам строительства. Из шкалы календарного времени исключаются нерабочие и праздничные дни. Рабочие дни показывают по порядку соответственно длине критического пути.

На рисунке 32 показан фрагмент сетевого графика строительства объекта. Под стрелками СГ по порядку показаны числа:

1 - объем работ в физическом измерении (м3, т и т.д.);

2 - продолжительность выполнения работ в днях;

3 - сменность;

4 - количество рабочих в смену.

Продолжительность работ показывается сплошной жирной линией, а зависимости - тонкой пунктирной линией.

Масштабный сетевой график позволяет легко производить контроль за ходом работ, поскольку можно быстро находить работы, выполняемые в определенный период, устанавливать ход их выполнения и в случае их отставания производить необходимые оперативные решения по ликвидации нарушений сроков выполнения работ. По сетевому графику, построенному в масштабе времени строятся ресурсная диаграмма, а также графики движения основных машин и механизмов и основных строительных материалов.

5.4 Построение сетевого графика в автоматизированном режиме

Для разработки и построения сетевых графиков используется «Программа автоматизированного расчета и построения сетевых графиков».

Программа позволяет автоматизировать процесс построения графика в виде сети, выполняет расчет графика секторным способом, определяет раннее и позднее время начала-окончания всех работ плана, определяет полный и свободный резервы времени, вычисляет критический путь.

Входными данными для программы являются перечень работ, последовательность их выполнения, а также продолжительность работ.

Программа автоматически делает весь расчет графика, пользователю остается лишь разместить эти работы на чертеже наилучшим способом.

6 СПИСОК РЕКОМЕНДОВАННОЙ ЛИТЕРАТУРЫ

1 СНиП 3.01.01-85* Организация строительного производства.

2 СНиП 12-03-2001 Безопасность труда в строительстве. Часть 1. Общие требования.

3 СНиП III-4-80* Техника безопасности в строительстве.

4 СНиП 1.4.03-85* Нормы продолжительности строительства и задела в строительстве предприятий, зданий, сооружений.

5 ПБ 10-382-00 Правила устройства и безопасной эксплуатации грузоподъемных кранов.

6 ППБ 01-93** Правила пожарной безопасности в Российской Федерации. Приказ ГУРПС МВД России от 30.04.9619.

7 Т.Н. Цай, П. Грабовый, В. Большаков и др. Организация строительного производства. Изд. Ассоциации строительных ВУЗов; М., 1999 г.

8 Л. Дикман. Справочник строителя. Организация жилищно-гражданского строительства. М., Стройиздат, 1985 г.

9 Н. Монахов. Справочник строителя. Справочное пособие заказчика-застройщика. М., Стройиздат, 1990 г.

10 Временные указания по составлению и применению сетевых графиков на строительстве жилых зданий. НИИЭС Госстроя СССР.

11 Пособие по разработке ПОС и ППР для жилищно-гражданского строительства (к СНиП 3.01.01-85*). ЦНИИОМТП Госстроя СССР. М., 1989 г.

12 Временное положение по составу, содержанию и правилам разработки ПОС и ППР в соответствии с единым порядком предпроектной и проектной подготовки строительства в г. Москве. ОАО ПКТИпромстрой. М., 2000 г.

13 Указания по установке и безопасной эксплуатации грузоподъемных кранов и строительных подъемников при разработке ПОС и ППР. ОАО ПКТИпромстрой. М., 2002 г.

Приложение А

(справочное)

ИЗВЛЕЧЕНИЯ ИЗ НОРМАТИВНО-ТЕХНОЛОГИЧЕСКОЙ И ТЕХНИЧЕСКОЙ ЛИТЕРАТУРЫ

СНиП 3.01.01-85* «Организация строительного производства»

1 Общие положения

1.1 Организация строительного производства должна обеспечивать целенаправленность всех организационных, технических и технологических решений на достижение конечного результата - ввода в действие объекта с необходимым качеством и в установленные сроки.

Строительство каждого объекта допускается осуществлять только на основе предварительно разработанных решений по организации строительства и технологии производства работ, которые должны быть приняты в проекте организации строительства и проектах производства работ. Состав и содержание проектных решений и документации в проекте организации строительства и проектах производства работ определяются в зависимости от вида строительства и сложности объекта строительства в соответствии с указаниями разд. 3.

Строительство объекта следует организовывать с учетом целесообразного расширения технологической специализации в выполнении строительно-монтажных работ, применении в строительстве комбинированных организационных форм управления, основанных на рациональном сочетании промышленного и строительного производства.

При организации строительного производства должны обеспечиваться:

согласованная работа всех участников строительства объекта с координацией их деятельности генеральным подрядчиком, решения которого по вопросам, связанным с выполнением утвержденных планов и графиков работ, являются обязательными для всех участников независимо от ведомственной подчиненности1;

1 Рекомендуемые пункты, подпункты и абзацы в тексте выделены курсивом.

комплектная поставка материальных ресурсов из расчета на здание, сооружение, узел, участок, секцию, этаж, ярус, помещение в сроки, предусмотренные календарными планами и графиками работ;

выполнение строительных, монтажных и специальных строительных работ с соблюдением технологической последовательности технически обоснованного совмещения;

соблюдения правил техники безопасности;

соблюдения требований по охране окружающей природной среды.

1.2 До начала выполнения строительно-монтажных, в том числе подготовительных, работ на объекте заказчик обязан получить в установленном порядке разрешение на выполнение строительно-монтажных работ. Выполнение работ без указанного разрешения запрещается.

1.3 Строительство должно вестись в технологической последовательности в соответствии с календарным планом (графиком) с учетом обоснованного совмещения отдельных видов работ. Выполнение работ сезонного характера (включая отдельные виды подготовительных работ) необходимо предусматривать в наиболее благоприятное время года в соответствии с решениями, принятыми в проекте организации строительства.

К основным работам по строительству объекта или его части разрешается приступать только после отвода в натуре площадки (трассы) для его строительства, устройства необходимых ограждений строительной площадки (охранных, защитных или сигнальных) и создания разбивочной геодезической основы. До начала возведения зданий и сооружений необходимо произвести срезку и складирование используемого для рекультивации земель растительного слоя грунта в специально отведенных местах, вертикальную планировку строительной площадки, работы по водоотводу, устройству постоянных и временных внутриплощадочных дорог и инженерных сетей (канализации, водо-, тепло-, энергоснабжения и др.), необходимых на время строительства и предусмотренных проектами организации строительства и проектами производства работ.

Запрещается начинать работы по возведению надземных конструкций здания (сооружения) или его части (секции, пролета, яруса, участка, захватки и т.д.) до полного окончания устройства подземных конструкций и обратной засыпки котлованов, траншей и пазух с уплотнением грунта до плотности его в естественном состоянии или заданной проектом1 (за исключением подземных конструкций, возведение которых проектами производства работ предусмотрено в другие сроки).

1 Здесь и далее термин «проект» означает проектно-сметную документацию, разработанную для конкретного объекта в соответствии с требованиями СНиП на порядок разработки, согласования и утверждения проектно-сметной документации.

В тех случаях, когда строительная площадка расположена на территории, подверженной воздействию неблагоприятных природных явлений и геологических процессов (сели, лавины, оползни, обвалы, заболоченность, подтопление и др.), после создания геодезической разбивочной основы до начала выполнения внутриплощадочных подготовительных работ должны быть выполнены по специальным проектам первоочередные мероприятия и работы по защите территории от указанных процессов.

Пункт 1.4 исключен.

1.5 При строительстве крупных объектов строительные и монтажные работы по их возведению должны осуществляться по пусковым комплексам в соответствии с их составом и очередностью, предусмотренными проектом.

Пункт 1.6 исключен.

1.7 При возведении в составе объекта типовых и многократно повторяющихся зданий, сооружений и их частей (котельные, компрессорные и насосные станции, трансформаторные подстанции, транспортные галереи, встроенные помещения производственных зданий и др.), при монтаже технологических линий, агрегатов, установок и инженерного оборудования должны быть предусмотрены выполнение максимального объема работ вне строительной площадки путем агрегирования оборудования и конструкций в блоки на заводах-поставщиках и сборочно-комплектовочных предприятиях, а также базах строительной индустрии и поставка их в виде блоков на стройки.

1.8 При сооружении линейных объектов (транспорта и связи, мелиоративных систем, линий электропередач и т.п.) и объектов, расположенных на значительном расстоянии от мест постоянной дислокации строительных организаций, а также при необходимости концентрации сил для выполнения отдельных видов работ специализированными организациями на важнейших стройках работы надлежит вести преимущественно мобильными строительными формированиями, оснащенными соответственно профилю работ средствами транспорта и передвижными (мобильными) механизированными установками и устройствами энергетического обеспечения, а также мобильными (инвентарными) зданиями производственного, складского, вспомогательного, жилого, бытового и общественного назначения для нужд строительства.

1.9 При строительстве объектов в необжитых районах, а также линейных объектов большой протяженности допускается применять вахтовый метод организации строительства, предусматривающий выполнение работ силами регулярно сменяемых подразделений из состава строительных организаций, дислоцированных в обжитых районах.

1.10 Выполнение работ, требующих наличия специализированного оборудования и соответственно подготовленных кадров (искусственное химическое, криогенное и термическое закрепление слабых грунтов, бестраншейная прокладка подземных коммуникаций, монтаж высотных сооружений башенного типа, устройство химических и жаростойких покрытий и т.п.), надлежит осуществлять преимущественно специализированными строительными организациями.

Пункт 1.11 исключен.

1.12 При организации строительного производства должны предусматриваться своевременное строительство подъездных путей и причалов, создание складского хозяйства, развитие производственной базы строительных организаций и подготовка помещений жилищного и социально-бытового назначения и коммунального хозяйства в объеме, необходимом для нужд строительства с учетом возможностей временного использования запроектированных постоянных зданий и сооружений.

1.13 При осуществлении строительства объектов на участках сложившейся городской застройки условия производства работ с выделением опасных зон, границ и осей подземных сооружений и коммуникаций, а также схемы движения транспорта и пешеходов с обеспечением безопасных подъездов и подходов к действующим предприятиям, зданиям и сооружениям должны быть согласованы с органами государственного надзора, местной администрацией.

3 Документация по организации строительства и производству работ

3.9 В зависимости от сроков строительства объекта и объемов работ по решению строительной организации проект производства работ должен быть разработан на строительство здания или сооружения в целом, на возведение их отдельных частей (подземная и надземная части, секция, пролет, этаж, ярус и т.п.), на выполнение отдельных технически сложных строительных, монтажных и специальных строительных работ, а также работ подготовительного периода и передан на строительную площадку до начала возведения тех частей здания (сооружения) или начала выполнения тех работ, на которые проект производства работ составлен.

Проекты производства работ на строительство новых, расширение и реконструкцию предприятий, зданий или сооружений разрабатываются генеральными подрядными строительно-монтажными организациями. На отдельные виды общестроительных, монтажных и специальных строительных работ проекты производства работ разрабатываются организациями, выполняющими эти работы. Проекты производства работ по заказу генеральной подрядной или субподрядной строительно-монтажной организации могут разрабатываться проектными, проектно-конструкторскими организациями, а также проектно-технологическими трестами (институтами): Оргтехстрой (Оргстрой).

Производственные объединения и предприятия-заказчики, строительно-монтажные и проектные организации одновременно с разработкой проектно-сметной документации на техническое перевооружение и реконструкцию действующих производств составляют проекты производства работ и определяют методы и последовательность их выполнения с учетом конкретных условий.

3.10 Исходными материалами для разработки проекта производства работ должны служить:

задание на разработку, выдаваемое строительной организацией как заказчиком проекта производства работ, с обоснованием необходимости разработки его на здание (сооружение) в целом, его часть или вид работ и с указанием сроков разработки;

проект организации строительства;

необходимая рабочая документация;

условия поставки конструкций, готовых изделий, материалов и оборудования, использования строительных машин и транспортных средств, обеспечения рабочими кадрами строителей по основным профессиям, производственно-технологической комплектации и перевозки строительных грузов, а в необходимых случаях таксисе условия организации строительства и выполнения работ вахтовым методом;

материалы и результаты технического обследования действующих предприятий, зданий и сооружений при их реконструкции, а также требования к выполнению строительных, монтажных и специальных строительных работ в условиях действующего производства.

3.11 Состав и содержание проектов производства работ должны соответствовать прил. 4*, а формы основных документов - прил. 5*.

Состав и степень детализации материалов, разрабатываемых в проекте производства работ, устанавливается соответствующей подрядной строительно-монтажной организацией, исходя из специфики и объема выполняемых работ.

Проект производства работ утверждается руководителем генеральной подрядной строительно-монтажной организации, а по производству монтажных и специальных работ - руководителем соответствующей субподрядной организации по согласованию с генеральной подрядной строительно-монтажной организацией.

Проект производства работ на расширение, реконструкцию и техническое перевооружение действующего предприятия, здания и сооружения должен быть согласован также с предприятием, организацией-заказчиком.

3.12 Для строительства зданий и сооружений с особо сложными конструкциями и методами производства работ проектные организации в составе рабочей документации должны разрабатывать рабочие чертежи на специальные вспомогательные сооружения, приспособления, устройства и установки, к которым относятся:

оснастка и приспособления для транспортирования и монтажа (подъема, надвижки, сборки) уникального оборудования, негабаритных и тяжеловесных технологических, строительных и строительно-технологических блоков;

специальная опалубка сводов-оболочек, несъемная и скользящая опалубка;

устройства для обеспечения работ по искусственному понижению уровня грунтовых вод, искусственному замораживанию грунтов и закреплению их, в том числе способами цементации, глинизации, силикатизации, смолизации и термического закрепления;

шпунтовые ограждения котлованов и траншей;

устройства для крупноблочного монтажа оборудования и укрупнительной сборки конструкций;

оснастка и специальные устройства для возведения подземных сооружений способом «стена в грунте», прокладки подземных трубопроводов методом продавливания грунта, возведения сооружений глубокого заложения на сваях-оболочках и с применением опускных колодцев, а также свайных фундаментов при наличии просадочных грунтов;

защитно-предохранительные устройства при выполнении буровзрывных работ вблизи существующих зданий и сооружений;

вспомогательные устройства, необходимые при передвижке и надстройке зданий, строительстве их в особо стесненных условиях, а также в случае реконструкции действующих предприятий, зданий, сооружений.

Для разработки указанной документации генеральной проектной организацией должны привлекаться специализированные проектные, проектно-конструкторские и проектно-технологические организации.

Приложение 4

(обязательное)

Состав и содержание проектов производства работ

1 В состав проекта производства работ на возведение здания, сооружения или его части (узла) включаются:

а) календарный план производства работ по объекту или комплексный сетевой график, в которых устанавливаются последовательность и сроки выполнения работ с максимально возможным их совмещением;

б) строительный генеральный план с указанием: границ строительной площадки и видов ее ограждений, действующих и временных подземных, наземных и воздушных сетей и коммуникаций, постоянных и временных дорог, схем движения средств транспорта и механизмов, мест установки строительных и грузоподъемных машин, путей их перемещения и зон действия, размещения постоянных, строящихся и временных зданий и сооружений, мест расположения знаков геодезической разбивочной основы, опасных зон, путей и средств подъема работающих на рабочие ярусы (этажи), а также проходов в здания и сооружения, размещения источников и средств энергообеспечения и освещения строительной площадки, расположения заземляющих контуров, мест расположения устройств для удаления строительного мусора, площадок и помещений складирования материалов и конструкций, площадок укрупнительной сборки конструкций, расположения помещений для санитарно-бытового обслуживания строителей, питьевых установок и мест отдыха, а также зон выполнения работ повышенной опасности. На просадочных грунтах водоразборные пункты, временные сооружения и механизированные установки с применением мокрых процессов должны размещаться на строительной площадке с низовой по рельефу местности стороны от зданий и сооружений, а площадки вокруг них должны быть спланированы с организованным быстрым отводом воды;

в) графики поступления на объект строительных конструкций, изделий, материалов и оборудования (прил. 5*, форма 2) с данными о поступлении этих ресурсов по каждой подрядной бригаде и с приложением комплектовочных ведомостей (при наличии службы производственно-технологической комплектации - унифицированной документации по технологической комплектации) а в случае строительства комплектно-блочным методом - графики комплектной поставки блоков;

г) графики движения рабочих кадров по объекту (прил. 5*, форма 3) и основных строительных машин по объекту (прил. 5*, форма 4).

Графики движения основных строительных машин следует разрабатывать с учетом своевременного выполнения каждой бригадой поручаемого ей комплекса работ;

д) технологические карты (схемы) (с использованием соответствующей типовой документации) на выполнение отдельных видов работ с включением схем операционного контроля качества, описанием методов производства работ, указанием трудозатрат и потребности в материалах, машинах, оснастке, приспособлениях и средствах защиты работающих, а также последовательности демонтажных работ при реконструкции предприятий, зданий и сооружений;

е) решения по производству геодезических работ, включающие схемы размещения знаков для выполнения геодезических построений и измерений, а также указания о необходимой точности и технических средствах геодезического контроля выполнения строительно-монтажных работ;

ж) решения по технике безопасности в составе, определенном СНиП III-4-80*;

подпункт «з» исключен;

и) мероприятия по выполнению, в случае необходимости, работ вахтовым методом, включающие графики работы, режимы труда и отдыха и составы технологических комплектов оснащения бригад;

к) решения по прокладке временных сетей водо-, тепло- и энергоснабжения и освещения (в том числе аварийного) строительной площадки и рабочих мест с разработкой, при необходимости, рабочих чертежей подводки сетей от источников питания;

л) перечни технологического инвентаря и монтажной оснастки, а также схемы строповки грузов;

м) пояснительная записка, содержащая:

обоснование решений по производству работ, в том числе выполняемых в зимнее время;

потребность в энергетических ресурсах и решения по ее покрытию;

перечень мобильных (инвентарных) зданий и сооружений и устройств с расчетом потребности и обоснованием условий привязки их к участкам строительной площадки;

мероприятия, направленные на обеспечение сохранности и исключение хищения материалов, изделий, конструкций и оборудования на строительной площадке, в зданиях и сооружениях;

мероприятия по защите действующих зданий и сооружений от повреждений, а также природоохранные мероприятия;

технико-экономические показатели, включая объемы и продолжительность выполнения строительно-монтажных работ, а также их себестоимость в сопоставлении со сметной, уровень механизации и затраты труда на 1 м3 объема, 1 м2 площади здания, на единицу физических объемов работ или иной показатель, принятый для определения производительности труда.

2 Проект производства работ на выполнение отдельных видов работ (монтажных, санитарно-технических, отделочных, геодезических и т.п.) должен состоять из: календарного плана производства работ по виду работ (прил. 5*, форма 1), строительного генерального плана, разрабатываемого применительно к указаниям подпункта «б» п. 1 настоящего приложения, технологической карты производства работ с приложением схемы операционного контроля качества, данных о потребности в основных материалах, конструкциях и изделиях, а также используемых машинах, приспособлениях и оснастке и краткой пояснительной записки с необходимыми обоснованиями и технико-экономическими показателями, кроме того, в состав проекта производства геодезических работ следует дополнительно включать: указания о точности и методах производства геологических работ при создании разбивочной сети здания, сооружения и детальных разбивках, схемы расположения пунктов разбивочной сети, монтажных рисок, маяков и способы их закрепления, конструкции геодезических знаков, а также перечень исполнительной геодезической документации.

3 Проект производства работ на подготовительный период строительства должен содержать:

а) календарный план производства работ по объекту (виду работ) (прил. 5*, форма 1);

б) строительный генеральный план с указанием на нем мест расположения временных, в том числе мобильных (инвентарных) зданий, сооружений и устройств, вне- и внутриплощадочных сетей с подводкой их к местам подключения и потребления, а также постоянных объектов, возводимых в подготовительный период для нужд строительства, с выделением работ, выполняемых по ним в подготовительный период;

в) технологические карты;

г) графики движения рабочих кадров и основных строительных машин;

д) график поступления на строительство необходимых на этот период строительных конструкций, изделий, основных материалов и оборудования (прил. 5*, форма 2);

е) схемы размещения знаков для выполнения геодезических построений, измерений, а также указания о необходимой точности и технических средствах геодезического контроля);

ж) пояснительную записку в объеме, предусмотренном подпунктом «м» п. 1 настоящего приложения.

4 Основные положения по производству строительных и монтажных работ в составе рабочей документации типовых проектов предприятий, зданий и сооружений должны разрабатываться проектной организацией с обоснованием принятых методов организации и технологии выполнения основных видов работ с указаниями по производству работ в зимних условиях, с требованиями по технике безопасности, перечнем рекомендуемой монтажной оснастки, инвентаря и приспособлений. К указанным положениям должны прилагаться: график производства работ с указанием физических объемов работ и затрат труда на их выполнение, схема строительного генерального плана на возведение надземной части здания (сооружения) и краткая пояснительная записка.

Пункт 5 исключен.

Приложение 5

(рекомендуемое)

Формы основных документов в составе проекта производства работ

Форма 1

Календарный план производства работ по объекту (виду работ)

Наименование работ

Объем работ

Затраты труда, чел.-дн.

Требуемые машины

Продолжительность работы, дн.

Число смен

Численность рабочих в смену

Состав бригады

График работ (дни, месяцы)

ед. изм.

количество

наименование

число маш.-смен

1

2

3

4

5

6

7

8

9

10

11

 

 

 

 

 

 

 

 

 

 

 

Форма 2

График поступления на объект строительных конструкций, изделий, материалов и оборудования

Наименование строительных конструкций, изделий, материалов и оборудования

Единица измерения

Количество

График поступления по дням, неделям, месяцам

1

2

3

4

 

 

 

 

Форма 3

График движения рабочих кадров по объекту

Наименование профессий рабочих (отдельно для генподрядной и субподрядной организаций)

Численность рабочих

Среднесуточная численность рабочих по месяцам, неделям, дням

1

2

3

и т.д.

1

2

3

 

 

 

 

 

 

Форма 4

График движения основных строительных машин по объекту

Наименование

Единица измерения

Число машин

Среднесуточное число машин по дням, неделям, месяцам

1

2

3

и т.д.

1

2

3

4

 

 

 

 

 

 

 

СНиП 12-03-2001 «Безопасность труда в строительстве. Часть 1. Общие требования»

1 Область применения

Настоящие нормы и правила распространяются на новое строительство, расширение, реконструкцию, техническое перевооружение, капитальный ремонт (далее - строительное производство), производство строительных материалов (далее - промышленность строительных материалов), а также на изготовление строительных конструкций и изделий (далее - строительная индустрия) независимо от форм собственности и ведомственной принадлежности организаций, выполняющих эти работы.

2 Нормативные ссылки

В настоящих нормах и правилах использованы ссылки на нормативные правовые акты, приведенные в приложении А.

3 Определения

В настоящем нормативном документе применены термины и определения, приведенные в приложении Б, в том числе установленные действующим законодательством Российской Федерации об охране труда, Конвенцией 148 МОТ 1977 г. «О защите трудящихся от профессионального риска, вызываемого загрязнением воздуха, шумом и вибрацией на рабочих местах», ратифицированной Указом Президиума Верховного Совета СССР от 29 марта 1988 г. № 8694-XI, Конвенцией 155 МОТ 1981 г. «О безопасности и гигиене труда и производительной среде», ратифицированной Федеральным законом Российской Федерации от 11 апреля 1988 г. № 58-ФЗ.

4 Общие положения

4.1 Организация и выполнение работ в строительном производстве, промышленности строительных материалов и строительной индустрии должны осуществляться при соблюдении законодательства Российской Федерации об охране труда (далее - законодательства), а также иных нормативных правовых актов, установленных Перечнем видов нормативных правовых актов, утвержденным постановлением Правительства Российской Федерации от 23 мая 2000 г. № 399 «О нормативных правовых актах, содержащих государственные нормативные требования охраны труда»:

- строительные нормы и правила, своды правил по проектированию и строительству;

- межотраслевые и отраслевые правила и типовые инструкции по охране труда, утвержденные в установленном порядке федеральными органами исполнительной власти;

- государственные стандарты системы стандартов безопасности труда, утвержденные Госстандартом России или Госстроем России;

- правила безопасности, правила устройства и безопасной эксплуатации, инструкции по безопасности;

- государственные санитарно-эпидемиологические правила и нормативы, гигиенические нормативы, санитарные правила и нормы, утвержденные Минздравом России.

4.2 В случаях применения методов работ, материалов, конструкций, машин, инструмента, инвентаря, технологической оснастки, оборудования и транспортных средств, по которым требования безопасного производства работ не предусмотрены настоящими нормами и правилами, следует применять соответствующие нормативные правовые акты по охране труда субъектов Российской Федерации, а также производственно-отраслевые нормативные документы организаций (стандарты предприятий по безопасности труда, инструкции по охране труда работников организаций).

4.3 Требования охраны и безопасности труда, содержащиеся в нормативных правовых актах субъектов Российской Федерации и производственно-отраслевых нормативных документах организаций, не должны противоречить обязательным положениям настоящих норм и правил и других нормативных правовых актов, содержащих государственные требования охраны труда.

4.4 Участники строительства объектов (заказчики, проектировщики, подрядчики, поставщики, а также производители строительных материалов и конструкций, изготовители строительной техники и производственного оборудования) несут установленную законодательством ответственность за нарушения требований нормативных документов, указанных в 4.1 и 4.2.

4.5 Обеспечение технически исправного состояния строительных машин, инструмента, технологической оснастки, средств коллективной защиты работающих осуществляется организациями, на балансе которых они находятся.

Организации, осуществляющие производство работ с применением машин, должны обеспечить выполнение требований безопасности этих работ.

4.6 Перед началом выполнения строительно-монтажных работ на территории организации генеральный подрядчик (субподрядчик) и администрация организации, эксплуатирующая (строящая) этот объект, обязаны оформить акт-допуск по форме приложения В.

4.7 Генеральный подрядчик или арендодатель обязан при выполнении работ на производственных территориях с участием субподрядчиков или арендаторов:

разработать совместно с ними график выполнения совмещенных работ, обеспечивающих безопасные условия труда, обязательный для всех организаций и лиц на данной территории;

осуществлять их допуск на производственную территорию с учетом выполнения требований 4.6;

обеспечивать выполнение общих для всех организаций мероприятий охраны труда и координацию действий субподрядчиков и арендаторов в части выполнения мероприятий по безопасности труда согласно акту-допуску и графику выполнения совмещенных работ.

4.8 Перед началом работ в условиях производственного риска необходимо выделить опасные для людей зоны, в которых постоянно действуют или могут действовать опасные факторы, связанные или не связанные с характером выполняемых работ.

4.9 К зонам постоянно действующих опасных производственных факторов относятся:

места вблизи от неизолированных токоведущих частей электроустановок;

места вблизи от неогражденных перепадов по высоте 1,3 м и более;

места, где возможно превышение предельно допустимых концентраций вредных веществ в воздухе рабочей зоны.

К зонам потенциально опасных производственных факторов следует относить:

участки территории вблизи строящегося здания (сооружения);

этажи (ярусы) зданий и сооружений в одной захватке, над которыми происходит монтаж (демонтаж) конструкций или оборудования;

зоны перемещения машин, оборудования или их частей, рабочих органов;

места, над которыми происходит перемещение грузов кранами.

Размеры указанных опасных зон устанавливаются согласно приложению Г.

4.10 Места временного или постоянного нахождения работников должны располагаться за пределами опасных зон.

На границах зон постоянно действующих опасных производственных факторов должны быть установлены защитные ограждения, а зон потенциально опасных производственных факторов - сигнальные ограждения и знаки безопасности.

4.11 На выполнение работ в зонах действия опасных производственных факторов, возникновение которых не связано с характером выполняемых работ, должен быть выдан наряд-допуск по форме приложения Д.

4.11.1 Перечень мест производства и видов работ, где допускается выполнять работы только по наряду-допуску, должен быть составлен в организации с учетом ее профиля на основе перечня приложения Е и утвержден руководителем организации.

4.11.2 Наряд-допуск выдается непосредственному руководителю работ (прорабу, мастеру, менеджеру и т.п.) лицом, уполномоченным приказом руководителя организации. Перед началом работ руководитель работы обязан ознакомить работников с мероприятиями по безопасности производства работ и оформить инструктаж с записью в наряде-допуске.

4.11.3 При выполнении работ в охранных зонах сооружений или коммуникаций наряд-допуск может быть выдан при наличии письменного разрешения организации - владельца этого сооружения или коммуникации.

4.11.4 Наряд-допуск выдается на срок, необходимый для выполнения заданного объема работ. В случае возникновения в процессе производства работ опасных или вредных производственных факторов, не предусмотренных нарядом-допуском, работы следует прекратить, наряд-допуск аннулировать и возобновить работы только после выдачи нового наряда-допуска.

Лицо, выдавшее наряд-допуск, обязано осуществлять контроль за выполнением предусмотренных в нем мероприятий по обеспечению безопасности производства работ.

6 Организация производственных территорий, участков работ и рабочих мест

6.1 Общие требования

6.1.1 Производственные территории (площадки строительных и промышленных предприятий с находящимися на них объектами строительства, производственными и санитарно-бытовыми зданиями и сооружениями), участки работ и рабочие места должны быть подготовлены для обеспечения безопасного производства работ.

Подготовительные мероприятия должны быть закончены до начала производства работ. Соответствие требованиям охраны и безопасности труда производственных территорий, зданий и сооружений, участков работ и рабочих мест вновь построенных или реконструируемых промышленных объектов определяется при приемке их в эксплуатацию.

Окончание подготовительных работ на строительной площадке должно быть принято по акту о выполнении мероприятий по безопасности труда, оформленного согласно приложению И.

6.1.2 Производственное оборудование, приспособления и инструмент, применяемые для организации рабочего места, должны отвечать требованиям безопасности труда.

6.1.3 Производственные территории, участки работ и рабочие места должны быть обеспечены необходимыми средствами коллективной или индивидуальной защиты работающих, первичными средствами пожаротушения, а также средствами связи, сигнализации и другими техническими средствами обеспечения безопасных условий труда в соответствии с требованиями действующих нормативных документов и условиями соглашений.

6.1.4. При размещении на производственной территории санитарно-бытовых и производственных помещений, мест отдыха, проходов для людей, рабочих мест необходимо выполнять требования 4.10.

6.1.5. При строительстве объектов с применением грузоподъемных кранов, когда в опасные зоны, расположенные вблизи строящихся зданий, а также мест перемещения грузов кранами, границы которых определяются по приложению Г настоящих норм и правил, попадают транспортные или пешеходные пути, санитарно-бытовые или производственные здания и сооружения, другие места постоянного или временного нахождения людей на территории строительной площадки или вблизи ее, работы следует выполнять в соответствии с ПОС и ППР. содержащими решение следующих вопросов, рекомендованных в приложении Ж, для обеспечения безопасности людей:

применение средств для искусственного ограничения зоны работы башенных кранов;

применение защитных сооружений-укрытий и защитных экранов.

6.1.6 Проезды, проходы на производственных территориях, а также проходы к рабочим местам и на рабочих местах должны содержаться в чистоте и порядке, очищаться от мусора и снега, не загромождаться складируемыми материалами и конструкциями.

6.1.7 Допуск на производственную территорию посторонних лиц, а также работников в нетрезвом состоянии или не занятых на работах на данной территории запрещается.

Находясь на территории строительной или производственной площадки, в производственных и бытовых помещениях, на участках работ и рабочих местах, работники, а также представители других организаций обязаны выполнять правила внутреннего трудового распорядка, принятые в данной организации.

6.1.8 Территориально обособленные помещения, площадки, участки работ, рабочие места должны быть обеспечены телефонной связью или радиосвязью.

6.2 Требования безопасности к обустройству и содержанию производственных территорий, участков работ и рабочих мест

6.2.1 Устройство производственных территорий, их техническая эксплуатация должны соответствовать требованиям строительных норм и правил, государственных стандартов, санитарных, противопожарных, экологических и других действующих нормативных документов.

6.2.2 Производственные территории и участки работ в населенных пунктах или на территории организации во избежание доступа посторонних лиц должны быть ограждены.

Конструкция защитных ограждений должна удовлетворять следующим требованиям:

высота ограждения производственных территорий должна быть не менее 1,6 м, а участков работ - не менее 1,2;

ограждения, примыкающие к местам массового прохода людей, должны иметь высоту не менее 2 м и быть оборудованы сплошным защитным козырьком;

козырек должен выдерживать действие снеговой нагрузки, а также нагрузки от падения одиночных мелких предметов;

ограждения не должны иметь проемов, кроме ворот и калиток, контролируемых в течение рабочего времени и запираемых после его окончания.

6.2.3 Места прохода людей в пределах опасных зон должны иметь защитные ограждения. Входы в строящиеся здания (сооружения) должны быть защищены сверху козырьком шириной не менее 2 м от стены здания. Угол, образуемый между козырьком и вышерасположенной стеной над входом, должен быть 70 - 75°.

6.2.4 При производстве работ в закрытых помещениях, на высоте, под землей должны быть предусмотрены мероприятия, позволяющие осуществлять эвакуацию людей в случае возникновения пожара или аварии.

6.2.5 У въезда на производственную территорию необходимо устанавливать схему внутрипостроечных дорог и проездов с указанием мест складирования материалов и конструкций, мест разворота транспортных средств, объектов пожарного водоснабжения и пр.

6.2.6 Внутренние автомобильные дороги производственных территорий должны соответствовать строительным нормам и правилам и быть оборудованы соответствующими дорожными знаками, регламентирующими порядок движения транспортных средств и строительных машин в соответствии с Правилами дорожного движения Российской Федерации, утвержденными постановлением Совета Министров - Правительства Российской Федерации от 23 октября 1993 г. № 1090.

6.2.7 Эксплуатация инвентарных санитарно-бытовых зданий и сооружений должна осуществляться в соответствии с инструкциями заводов-изготовителей.

6.2.8 Строительство и эксплуатация производственных зданий осуществляются согласно строительным нормам и правилам.

6.2.9 При производстве земляных работ на территории населенных пунктов или на производственных территориях котлованы, ямы, траншеи и канавы в местах, где происходит движение людей и транспорта, должны быть ограждены в соответствии с требованиями 6.2.2.

В местах перехода через траншеи, ямы, канавы должны быть установлены переходные мостики шириной не менее 1 м, огражденные с обеих сторон перилами высотой не менее 1,1 м, со сплошной обшивкой внизу на высоту 0,15 м и с дополнительной ограждающей планкой на высоте 0,5 м от настила.

6.2.10 На производственных территориях, участках работ и рабочих местах работники должны быть обеспечены питьевой водой, качество которой должно соответствовать санитарным требованиям.

6.2.11 Строительные площадки, участки работ и рабочие места, проезды и подходы к ним в темное время суток должны быть освещены в соответствии с требованиями государственных стандартов. Освещение закрытых помещений должно соответствовать требованиям строительных норм и правил.

Освещенность должна быть равномерной, без слепящего действия осветительных приспособлений на работающих. Производство работ в неосвещенных местах не допускается.

6.2.12 Для работающих на открытом воздухе должны быть предусмотрены навесы для укрытия от атмосферных осадков.

6.2.13 При температуре воздуха на рабочих местах ниже 10 °С работающие на открытом воздухе или в неотапливаемых помещениях должны быть обеспечены помещениями для обогрева.

6.2.14 Колодцы, шурфы и другие выемки должны быть закрыты крышками, щитами или ограждены. В темное время суток указанные ограждения должны быть освещены электрическими сигнальными лампочками напряжением не выше 42 В.

6.2.15 При выполнении работ на воде или под водой должна быть организована спасательная станция (спасательный пост). Все участники работ на воде должны уметь плавать и быть обеспечены спасательными средствами.

6.2.16 Рабочие места и проходы к ним, расположенные на перекрытиях, покрытиях на высоте более 1,3 м и на расстоянии менее 2 м от границы перепада по высоте, должны быть ограждены защитными или страховочными ограждениями, а при расстоянии более 2 м - сигнальными ограждениями, соответствующими требованиям государственных стандартов.

6.2.17 Проемы в стенах при одностороннем примыкании к ним настила (перекрытия) должны ограждаться, если расстояние от уровня настила до нижнего проема менее 0,7 м.

6.2.18 При невозможности или экономической нецелесообразности применения защитных ограждений согласно 6.2.16 допускается производство работ с применением предохранительного пояса для строителей, соответствующего государственным стандартам, и оформлением нарядаопуска.

6.2.19 Проходы на рабочих местах и к рабочим местам должны отвечать следующим требованиям:

ширина одиночных проходов к рабочим местам и на рабочих местах должна быть не менее 0,6 м, а высота таких проходов в свету - не менее 1,8 м;

лестницы или скобы, применяемые для подъема или спуска работников на рабочие места, расположенные на высоте более 5 м, должны быть оборудованы устройствами для закрепления фала предохранительного пояса (канатами с ловителями и др.).

6.2.20 При расположении рабочих мест на перекрытиях воздействие нагрузок на перекрытие от размещенных материалов, оборудования, оснастки и людей не должно превышать расчетные нагрузки на перекрытие, предусмотренные проектом, с учетом фактического состояния несущих строительных конструкций.

6.2.21 При выполнении работ на высоте, внизу, под местом работ необходимо выделить опасные зоны. При совмещении работ по одной вертикали (кроме случаев, указанных в 4.9) нижерасположенные места должны быть оборудованы соответствующими защитными устройствами (настилами, сетками, козырьками), установленными на расстоянии не более 6 м по вертикали от нижерасположенного рабочего места.

6.2.22 Для прохода рабочих, выполняющих работы на крыше с уклоном более 20°, а также на крыше с покрытием, не рассчитанным на нагрузки от веса работающих, необходимо устраивать трапы шириной не менее 0,3 м с поперечными планками для упора ног. Трапы на время работы должны быть закреплены.

6.2.23 Рабочие места с применением оборудования, пуск которого осуществляется извне, должны иметь сигнализацию, предупреждающую о пуске, а в необходимых случаях - связь с оператором.

6.3 Требования безопасности при складировании материалов и конструкций

6.3.1 Складирование материалов, прокладка транспортных путей, установка опор воздушных линий электропередачи и связи должны производиться за пределами призмы обрушения грунта незакрепленных выемок (котлованов, траншей), а их размещение в пределах призмы обрушения грунта у выемок с креплением допускается при условии предварительной проверки устойчивости закрепленного откоса по паспорту крепления или расчетом с учетом динамической нагрузки.

6.3.2 Материалы (конструкции) следует размещать в соответствии с требованиями настоящих норм и правил и межотраслевых правил по охране труда на выровненных площадках, принимая меры против самопроизвольного смещения, просадки, осыпания и раскатывания складируемых материалов.

Складские площадки должны быть защищены от поверхностных вод. Запрещается осуществлять складирование материалов, изделий на насыпных неуплотненных грунтах.

6.3.3 Материалы, изделия, конструкции и оборудование при складировании на строительной площадке и рабочих местах должны укладываться следующим образом:

кирпич в пакетах на поддонах - не более чем в два яруса, в контейнерах - в один ярус, без контейнеров - высотой не более 1,7 м;

фундаментные блоки и блоки стен подвалов - в штабель высотой не более 2,6 м на подкладках и с прокладками;

стеновые панели - в кассеты или пирамиды (панели перегородок - в кассеты вертикально);

стеновые блоки - в штабель в два яруса на подкладках и с прокладками;

плиты перекрытий - в штабель высотой не более 2,5 м на подкладках и с прокладками;

ригели и колонны - в штабель высотой до 2 м на подкладках и с прокладками;

круглый лес - в штабель высотой не более 1,5 м с прокладками между рядами и установкой упоров против раскатывания, ширина штабеля менее его высоты не допускается;

пиломатериалы - в штабель, высота которого при рядовой укладке составляет не более половины ширины штабеля, а при укладке в клетки - не более ширины штабеля;

мелкосортный металл - в стеллаж высотой не более 1,5 м;

санитарно-технические и вентиляционные блоки - в штабель высотой не более 2 м на подкладках и с прокладками;

крупногабаритное и тяжеловесное оборудование и его части - в один ярус на подкладках;

стекло в ящиках и рулонные материалы - вертикально в 1 ряд на подкладках;

черные прокатные металлы (листовая сталь, швеллеры, двутавровые балки, сортовая сталь) - в штабель высотой до 1,5 м на подкладках и с прокладками;

трубы диаметром до 300 мм - в штабель высотой до 3 м на подкладках и с прокладками с концевыми упорами;

трубы диаметром более 300 мм - в штабель высотой до 3 м в седло без прокладок с концевыми упорами.

Складирование других материалов, конструкций и изделий следует осуществлять согласно требованиям стандартов и технических условий на них.

6.3.4 Между штабелями (стеллажами) на складах должны быть предусмотрены проходы шириной не менее 1 м и проезды, ширина которых зависит от габаритов транспортных средств и погрузочно-разгрузочных механизмов, обслуживающих склад.

Прислонять (опирать) материалы и изделия к заборам, деревьям и элементам временных и капитальных сооружений не допускается.

6.4 Обеспечение электробезопасности

6.4.1 Устройство и эксплуатация электроустановок должны осуществляться в соответствии с требованиями правил устройства электроустановок, межотраслевых правил охраны труда при эксплуатации электроустановок потребителей, правил эксплуатации электроустановок потребителей.

6.4.2 Устройство и техническое обслуживание временных и постоянных электрических сетей на производственной территории следует осуществлять силами электротехнического персонала, имеющего соответствующую квалификационную группу по электробезопасности.

6.4.3 Разводка временных электросетей напряжением до 1000 В, используемых при электроснабжении объектов строительства, должна быть выполнена изолированными проводами или кабелями на опорах или конструкциях, рассчитанных на механическую прочность при прокладке по ним проводов и кабелей, на высоте над уровнем земли, настила не менее, м:

3,5 - над проходами;

6,0 - над проездами;

2,5 - над рабочими местами.

6.4.4 Светильники общего освещения напряжением 127 и 220 В должны устанавливаться на высоте не менее 2,5 м от уровня земли, пола, настила.

При высоте подвески менее 2,5 м необходимо применять светильники специальной конструкции или использовать напряжение не выше 42 В. Питание светильников напряжением до 42 В должно осуществляться от понижающих трансформаторов, машинных преобразователей, аккумуляторных батарей.

Применять для указанных целей автотрансформаторы, дроссели и реостаты запрещается. Корпуса понижающих трансформаторов и их вторичные обмотки должны быть заземлены.

Применять стационарные светильники в качестве ручных запрещается. Следует пользоваться ручными светильниками только промышленного изготовления.

6.5 Обеспечение пожаробезопасности

6.5.1 Производственные территории должны быть оборудованы средствами пожаротушения согласно ППБ-01, зарегистрированных Минюстом России 27 декабря 1993 г. № 445.

6.5.2 В местах, содержащих горючие или легковоспламеняющиеся материалы, курение должно быть запрещено, а пользование открытым огнем допускается только в радиусе более 50 м.

6.5.3 Не разрешается накапливать на площадках горючие вещества (жирные масляные тряпки, опилки или стружки и отходы пластмасс), их следует хранить в закрытых металлических контейнерах в безопасном месте.

6.5.4 Противопожарное оборудование должно содержаться в исправном, работоспособном состоянии. Проходы к противопожарному оборудованию должны быть всегда свободны и обозначены соответствующими знаками.

6.5.5 На рабочих местах, где применяются или приготовляются клеи, мастики, краски и другие материалы, выделяющие взрывоопасные или вредные вещества, не допускаются действия с использованием огня или вызывающие искрообразование. Эти рабочие места должны проветриваться. Электроустановки в таких помещениях (зонах) должны быть во взрывобезопасном исполнении. Кроме того, должны быть приняты меры, предотвращающие возникновение и накопление зарядов статического электричества.

6.5.6 Рабочие места, опасные во взрыво- или пожарном отношении, должны быть укомплектованы первичными средствами пожаротушения и средствами контроля и оперативного оповещения об угрожающей ситуации.

7 Эксплуатация строительных машин, транспортных средств, производственного оборудования, средств механизации, приспособлений, оснастки, ручных машин и инструмента

7.2 Требования безопасности при эксплуатации мобильных машин и транспортных средств

7.2.1 При размещении мобильных машин на производственной территории руководитель работ должен до начала работы определить рабочую зону машины и границы создаваемой ею опасной зоны. При этом должна быть обеспечена обзорность рабочей зоны, а также рабочих зон с рабочего места машиниста. В случаях, когда машинист, управляющий машиной, не имеет достаточного обзора, ему должен быть выделен сигнальщик.

Со значением сигналов, подаваемых в процессе работы и передвижения машины, должны быть ознакомлены все лица, связанные с ее работой. Опасные зоны, которые возникают или могут возникнуть во время работы машины, должны быть обозначены знаками безопасности и (или) предупредительными надписями.

7.2.2 Техническое состояние и оборудование автомобилей всех типов, марок и назначений, находящихся в эксплуатации, должны соответствовать правилам по охране труда на автомобильном транспорте.

Они должны проходить технические осмотры в соответствии с Правилами проведения государственного технического осмотра транспортных средств Государственной инспекцией безопасности дорожного движения МВД России, утвержденными 15 марта 1999 г. № 190, зарегистрированными Минюстом России 22 апреля 1999 г. № 1763.

7.2.3 При размещении и эксплуатации машин, транспортных средств должны быть приняты меры, предупреждающие их опрокидывание или самопроизвольное перемещение под действием ветра, при уклоне местности или просадке грунта.

7.2.4 Перемещение, установка и работа машины, транспортного средства вблизи выемок (котлованов, траншей, канав и т.п.) с неукрепленными откосами разрешаются только за пределами призмы обрушения грунта на расстоянии, установленном организационно-технологической документацией.

При отсутствии соответствующих указаний в проекте производства работ минимальное расстояние по горизонтали от основания откоса выемки до ближайших опор машины допускается принимать по таблице 1.

Таблица 1

Глубина выемки, м

Грунт ненасыпной

песчаный

супесчаный

суглинистый

глинистый

Расстояние по горизонтали от основания откоса выемки до ближайшей опоры машины, м

1,0

1,5

1,25

1,00

1,00

2,0

3,0

2,40

2,00

1,50

3,0

4,0

3,60

3,25

1,75

4,0

5,0

4,40

4,00

3,00

5,0

6,0

5,30

4,75

3,50

7.2.5 Строительно-монтажные работы с применением машин в охранной зоне действующей линии электропередачи следует производить под непосредственным руководством лица, ответственного за безопасность производства работ, при наличии письменного разрешения организации - владельца линии и наряда-допуска, определяющего безопасные условия работ и выдаваемого в соответствии с требованиями 4.11 при выполнении следующих мер безопасности.

7.2.5.1 При установке строительных машин и применении транспортных средств с поднимаемым кузовом в охранной зоне воздушной линии электропередачи необходимо снять напряжение с воздушной линии электропередачи.

7.2.5.2 При обоснованной невозможности снятия напряжения с воздушной линии электропередачи работу строительных машин в охранной зоне линии электропередачи разрешается производить при условии выполнения следующих требований:

а) расстояние от подъемной или выдвижной части строительной машины в любом ее положении до находящейся под напряжением воздушной линии электропередачи должно быть не менее указанного в таблице 2;

б) корпуса машин, за исключением машин на гусеничном ходу, при их установке непосредственно на грунте должны быть заземлены при помощи инвентарного переносного заземления.

Таблица 2

Напряжение воздушной линии электропередачи, кВ

Расстояние, м

минимальное

минимально измеряемое техническими средствами

До 20

2,0

2,0

Св. 20 до 35

2,0

2,0

» 35 » 110

3,0

4,0

» 110 » 220

4,0

5,0

» 220 » 400

5,0

7,0

» 400 » 750

9,0

10,0

» 750 » 1150

10,0

11,0

7.2.5.3 Установка стрелового самоходного крана в охранной зоне линии электропередачи на выносные опоры и отцепление стропов перед подъемом стрелы должны осуществляться непосредственно машинистом крана без привлечения стропальщиков.

7.2.6 Для технического обслуживания и ремонта мобильные машины должны быть выведены из рабочей зоны.

7.2.7 При необходимости использования машин в экстремальных условиях (срезка грунта на уклоне, расчистка завалов вблизи ЛЭП или эксплуатируемых зданий и сооружений) следует применять машины, оборудованные дополнительными средствами коллективной защиты, предупреждающими воздействие на работников и других лиц опасных производственных факторов, возникающих при работе машин в указанных условиях.

Приложение Г

Границы опасных зон по действию опасных факторов

Г.1 Границы опасных зон в местах, над которыми происходит перемещение грузов подъемными кранами, а также вблизи строящегося здания принимаются от крайней точки горизонтальной проекции наружного наименьшего габарита перемещаемого груза или стены здания с прибавлением наибольшего габаритного размера перемещаемого (падающего) груза и минимального расстояния отлета груза при его падении согласно таблице Г.1.

Таблица Г.1

Высота возможного падения груза (предмета), м

Минимальное расстояние отлета груза (предмета), м

перемещаемого краном

падающего с здания

До 10

4

3,5

» 20

7

5

» 70

10

7

» 120

15

10

» 200

20

15

» 300

25

20

» 450

30

25

Примечание - При промежуточных значениях высоты возможного падения груза (предмета) минимальное расстояние их отлета допускается определять методом интерполяции.

Г.2 Границы опасных зон, в пределах которых действует опасность поражения электрическим током, устанавливаются согласно таблице Г.2.

Таблица Г.2

Напряжение, кВ

Расстояние от людей, применяемых ими инструментов, приспособлений и от временных ограждений, м

Расстояния от механизмов и грузоподъемных машин в рабочем и транспортном положении, от стропов, грузозахватных приспособлений и грузов, м

До 1

На ВЛ

0,6

1,0

В остальных электроустановках

Не нормируется (без прикосновения)

1,0

1 - 35

0,6

1,0

60, 110

1,0

1,5

150

1,5

2,0

220

2,0

2,5

330

2,5

3,5

400, 500

3,5

4,5

750

5,0

6,0

800*

3,5

4,5

1150

8,0

10,0

*Постоянный ток

Г.3 Границы опасных зон, в пределах которых действует опасность воздействия вредных веществ, определяются замерами по превышению допустимых концентраций вредных веществ, определяемых по государственному стандарту.

Г.4 Границы опасных зон вблизи движущихся частей машин и оборудования определяются в пределах 5 м, если другие повышенные требования отсутствуют в паспорте или в инструкции завода-изготовителя.

Приложение Д

Форма

НАРЯД-ДОПУСК
на производство работ в местах действия опасных или вредных факторов

Выдан «__» _______ 200_ г.

Действителен до «__» _________ 200_ г.

1. Руководителю работ _____________________________________________________

___________________________________________________________________________

(Ф. И. О., должность)

2. На выполнение работ ____________________________________________________

___________________________________________________________________________

(наименование работ, место, условия их выполнения)

3. Опасные производственные факторы, которые действуют или могут возникнуть независимо от выполняемой работы в местах ее производства:

___________________________________________________________________________

___________________________________________________________________________

___________________________________________________________________________

___________________________________________________________________________

4. До начала производства работ необходимо выполнить следующие мероприятия:

№ п.п.

Наименование мероприятия

Срок выполнения

Ответственный исполнитель

1

2

3

4

 

 

 

 

Начало работ в ___ час. ___ мин. ___ 200_ г.

Окончание работ в ___ час. ___ мин. ___ 200_ г.

5. В процессе производства работ необходимо выполнить следующие мероприятия:

№ п.п.

Наименование мероприятия

Срок выполнения

Ответственный исполнитель

1

2

 

4

 

 

 

 

6. Состав исполнителей работ

Фамилия, имя, отчество

Квалификация, группа по ТБ

С условиями работ ознакомил, инструктаж провел

С условиями работ ознакомлен

1

 

 

 

2

 

 

 

3

 

 

 

4

 

 

 

и т.д.

 

 

 

7. Наряд-допуск выдал _____________________________________________________

(уполномоченный приказом руководителя организации, Ф. И. О., должность, подпись)

Нарядопуск принял ______________________________________________________

(должность, Ф. И. О., подпись)

8. Письменное разрешение действующего предприятия (эксплуатирующей организации) на производство работ имеется.

Мероприятия по безопасности строительного производства согласованы___________

___________________________________________________________________________

(должность, Ф. И. О., подпись уполномоченного представителя действующего предприятия или

___________________________________________________________________________

эксплуатирующей организации)

9. Рабочее место и условия труда проверены. Мероприятия по безопасности производства, указанные в наряде-допуске, выполнены.

Разрешаю приступить к выполнению работ ___________________________________

(Ф. И. О., должность, подпись, дата)

10. Нарядопуск продлен до _______________________________________________

(дата, подпись лица, выдавшего наряд-допуск)

11. Работа выполнена в полном объеме. Материалы, инструмент, приспособления убраны. Люди выведены. Наряд-допуск закрыт.

Руководитель работ ____________________

(дата, подпись)

Лицо, выдавшее наряд-допуск _____________________

(дата, подпись)

Приложение Е

Примерный перечень мест (условий) производства и видов работ, на выполнение которых необходимо выдавать наряд-допуск

Е.1 Выполнение работ с применением грузоподъемных кранов и других строительных машин в охранных зонах воздушных линий электропередачи, газонефтепродуктопроводов, складов легковоспламеняющихся или горючих жидкостей, горючих или сжиженных газов.

Е.2 Выполнение любых работ в колодцах, шурфах, замкнутых и труднодоступных пространствах.

Е.3 Выполнение земляных работ на участках с патогенным заражением почвы (свалки, скотомогильники и т.п.), в охранных зонах подземных электрических сетей, газопровода и других опасных подземных коммуникаций.

Е.4 Осуществление текущего ремонта, демонтажа оборудования, а также производство ремонтных или каких-либо строительно-монтажных работ при наличии опасных факторов действующего предприятия.

Е.5 Выполнение работ на участках, где имеется или может возникнуть опасность со смежных участков работ.

Е.6 Выполнение работ в непосредственной близости от полотна или проезжей части эксплуатируемых автомобильных и железных дорог (определяется с учетом действующих нормативных документов по безопасности труда соответствующих министерств и ведомств).

Е.7 Выполнение газоопасных работ.

Приложение Ж

Состав и содержание основных проектных решений по безопасности труда в организационно-технологической документации в строительстве

Ж.1 Организационно-технологическая документация (ПОС, ППР и др.) должна содержать конкретные проектные решения по безопасности труда, определяющие технические средства и методы работ, обеспечивающие выполнение нормативных требований безопасности труда.

Не допускается заменять проектные решения извлечениями из норм и правил безопасности труда, которые рекомендуется приводить только в качестве обоснования для разработки соответствующих решений.

Ж.2 Исходными данными для разработки проектных решений по безопасности труда являются:

требования нормативных документов и стандартов по безопасности труда;

типовые решения по обеспечению выполнения требований безопасности труда, справочные пособия и каталоги средств защиты работающих;

инструкции заводов - изготовителей строительных материалов, изделий и конструкций по обеспечению безопасности труда в процессе их применения;

инструкции заводов - изготовителей машин и оборудования, применяемых в процессе работ.

Ж.3 При разработке проектных решений по организации строительных и производственных площадок, участков работ необходимо выявить опасные производственные факторы, связанные с технологией и условиями производства работ, определить и указать в организационно-технологической документации зоны их действия. При этом опасные зоны, связанные с применением грузоподъемных машин, определяются в проектно-сметной документации (проекте организации строительства), а остальные - в производственной документации (проекте производства работ).

Ж.4 Санитарно-бытовые и производственные помещения и площадки для отдыха работников, а также автомобильные и пешеходные дороги следует располагать за пределами опасных зон.

Ж.5 В случае если в процессе строительства (реконструкции) зданий и сооружений в опасные зоны вблизи мест перемещения грузов кранами и от строящихся зданий могут попасть эксплуатируемые гражданские или производственные здания и сооружения, транспортные или пешеходные дороги и другие места возможного нахождения людей, необходимо предусматривать решения, предупреждающие условия возникновения там опасных зон, в том числе:

а) вблизи мест перемещения груза краном:

рекомендуется оснащать башенные краны дополнительными средствами ограничения зоны их работы, посредством которых зона работы крана должна быть принудительно ограничена таким образом, чтобы не допускать возникновения опасных зон в местах нахождения людей;

скорость поворота стрелы крана в сторону границы рабочей зоны должна быть ограничена до минимальной при расстоянии от перемещаемого груза до границы зоны менее 7 м;

перемещение грузов на участках, расположенных на расстоянии менее 7 м от границы опасных зон, следует осуществлять с применением предохранительных или страховочных устройств, предотвращающих падение груза;

б) на участках вблизи строящегося (реконструируемого) здания:

по периметру здания необходимо установить защитный экран, имеющий равную или большую высоту по сравнению с высотой возможного нахождения груза, перемещаемого грузоподъемным краном;

зона работы крана должна быть ограничена таким образом, чтобы перемещаемый груз не выходил за контуры здания в местах расположения защитного экрана.

Ж.6 При разборке (разрушении) зданий проектные решения по обеспечению безопасности труда должны определить:

размеры опасной зоны при принятом методе разборки (разрушении);

последовательность выполнения работ, исключающих самопроизвольное обрушение конструкций;

мероприятия по подавлению пылеобразования в процессе разрушения конструкций и их погрузке.

Ж.7 Для предупреждения падения работающих с высоты в проектных решениях следует предусматривать:

сокращение объемов верхолазных работ за счет применения конвейерной или укрупнительной сборки, крупноблочного или бескранового метода монтажа;

преимущественное первоочередное устройство постоянных ограждающих конструкций (стен, панелей, ограждений балконов и проемов);

применение ограждающих устройств, соответствующих конструктивным и объемно-планировочным решениям возводимого здания и удовлетворяющих требованиям безопасности труда;

определение места и способов крепления предохранительного пояса.

Кроме этого, решениями должны быть определены:

средства подмащивания, предназначенные для выполнения данного вида работ или отдельной операции;

пути и средства подъема работников на рабочие места;

в необходимых случаях - грузозахватные приспособления, позволяющие осуществлять дистанционную расстроповку длинномерных строительных конструкций.

Ж.8 В целях предупреждения падения с высоты перемещаемых краном строительных конструкций, изделий, материалов, а также потери их устойчивости в процессе монтажа или складирования в проектных решениях должны быть указаны:

средства контейнеризации или тара для перемещения штучных или сыпучих материалов, а также бетона или раствора с учетом характера и грузоподъемности перемещаемого груза и удобства подачи его к месту работ;

грузозахватные приспособления (грузовые стропы, траверсы и монтажные захваты), соответствующие массе и габаритам перемещаемого груза, условиям строповки и монтажа;

способы строповки, обеспечивающие подачу элементов конструкций при складировании и монтаже в положении, соответствующем или близком к проектному;

приспособления (пирамиды, кассеты) для устойчивого хранения элементов строительных конструкций;

порядок и способы складирования строительных конструкций, изделий, материалов и оборудования;

способы временного и окончательного закрепления конструкций;

способы удаления отходов строительных материалов и мусора;

место установки и конструкция защитных перекрытий или козырьков при необходимости нахождения людей в зоне возможного падения мелких материалов или предметов.

Ж.9 При выполнении работ с применением машин, механизмов или оборудования необходимо предусматривать:

выбор типов машин, мест их установки и режимов работы в соответствии с параметрами, предусмотренными технологией работ и условиями производства работ;

применение мероприятий, ограничивающих зону действия машин для предупреждения возникновения опасной зоны в местах нахождения людей, а также применение ограждений зоны работы машин;

особые условия установки машин в зоне призмы обрушения грунта, на насыпном грунте или косогоре.

Ж.10 При необходимости разработки траншей и котлованов и нахождения в них людей для производства строительно-монтажных работ должны быть определены:

в проектно-сметной документации (проекте организации строительства) - безопасная крутизна незакрепленных откосов выемки с учетом нагрузки от строительных машин и материалов или решение о применении креплений;

в производственной документации (проекте производства работ), кроме того, - дополнительные мероприятия по контролю и обеспечению устойчивости откосов в связи с сезонными изменениями;

тип креплений и технология их установки, а также места установки лестниц для спуска и подъема людей.

Ж.11 Для предупреждения поражения работающих электротоком следует предусматривать:

указания по устройству временных электроустановок, выбору трасс и определению напряжения временных силовых и осветительных электросетей, устройства для ограждения токоведущих частей и месторасположение вводно-распределительных систем и приборов;

способы заземления металлических частей электрооборудования;

дополнительные защитные мероприятия при производстве работ в помещениях с повышенной опасностью и особо опасных, а также при выполнении работ в аналогичных условиях вне помещений;

мероприятия по безопасному выполнению работ в охранных зонах линий электропередачи.

Ж.12 Для предупреждения воздействия на работников вредных производственных факторов (неблагоприятного микроклимата, шума, вибрации, пыли и вредных веществ в воздухе рабочей зоны) необходимо:

определить участки работ, на которых могут возникнуть вредные производственные факторы, обусловленные технологией и условиями выполнения работ;

определить средства защиты работающих;

предусматривать, при необходимости, специальные меры по хранению опасных и вредных веществ.

Ж.13 Предусматривать необходимые меры защиты при использовании приборов, содержащих радиоактивные изотопы и служащих источниками ионизирующих излучений, а также при применении лазеров.

СНиП 1.04.03-85 «Нормы продолжительности строительства и задела в строительстве предприятий зданий и сооружений». Госстрой СССР, Госплан СССР, М. 1985 г.

Общие положения

Настоящие нормы распространяются на реконструкцию и технологическое перевооружение объектов.

- Нормы продолжительности строительства охватывают период от даты начала выполнения внутриплощадочных подготовительных работ до даты ввода объектов в эксплуатацию.

- Продолжительность строительства объектов, мощность (или другой показатель) которых отличается от приведенных в нормах и находится в интервале между ними, определяется методом интерполяции, а за пределами максимальных или минимальных значений норм - методом экстраполяции.

При экстраполяции мощность (либо другой показатель) не должна быть больше удвоенной максимальной или меньше половины минимальной мощности, указанной в нормах.

- Продолжительность строительства при воздействии сложных природно-климатических факторов устанавливается с применением к нормам коэффициентов (т. 1. пар. 12 ÷ 17).

- В графах нормы задела в строительстве по кварталам (мес.) % к сметной стоимости приведены нарастающим итогом. Над чертой - объем капитальных вложений, под чертой - СМР (с учетом технологической последовательности).


Наименование объекта

Характеристика

Нормы продолжительности строительства, в мес.

Наименование показателя

Нормы задела в строительстве по кварталам, % к сметной стоимости

общая

В том числе

подгот. период

передача оборуд. в монтаж

монтаж оборудования

1

2

3

4

5

6

7

8

9

10

11

12

13

14

15

а

б

в

г

д

е

ж

1

2

3

4

5

6

7

8

9

10

11

12

13

14

15

Инженерный корпус

Корпус многоэтажный. Общая площадь корпуса, тыс. м2

5

9

2

-

-

кл.

25

25

73

70

100

100

 

 

 

 

 

 

 

 

 

 

 

 

12

12

2

-

-

кл.

15

17

42

43

79

82

100

100

 

 

 

 

 

 

 

 

 

 

 

Цех железобетонных конструкций

В составе производственного корпуса складов, складских площадок, вспомогательных зданий и сооружений, мощн. тыс. м3/год

25

18

3

9 - 14

6

10 - 15

4

5

12

15

32

40

64

69

89

91

100

100

 

 

 

 

 

 

 

 

 

 

Автотранспортные предприятия

Главный и административно-бытовой корпуса, КПП, мойка и другие вспомогательные помещения, число автомобилей

150

18

3

12 - 16

4

14 - 17

кп

15

19

35

42

54

65

80

87

94

93

100

100

 

 

 

 

 

 

 

 

 

250

19

3

12 - 17

5

14 - 18

кп.

13

16

31

37

48

58

75

79

90

89

97

97

100

100

 

 

 

 

 

 

 

 

База производственно-технологической комплектации

Производственный и административно-бытовой корпуса склады и другие вспомогательные сооружения, площадь базы 4 тыс. м2

12

3

6 - 10

5

7 - 11

к.п.

8

9

45

51

86

92

100

100

 

 

 

 

 

 

 

 

 

 

 

Универсам

Здание одноэтажное, торговая площадь 400 м2

9

1

8

1

9

к.п.

27

25

70

72

100

100

 

 

 

 

 

 

 

 

 

 

 

 

То же, 1000 м2

15

2

12 - 13

2

14 - 15

к.п.

11

14

19

40

52

68

81

84

98

98

100

100

 

 

 

 

 

 

 

 

 

Магазины специализированные

Здание одноэтажное, торговая площадь - 400 м2

Каркас сборный, железобетонный, стены кирпичные

8

1

7

1

2

кп

37

46

82

87

100

100

 

 

 

 

 

 

 

 

 

 

 

 

Здание двухэтажное, торговая площадь 1000 м2.

Каркас сборный железобетонный, стены панельные

12

2

9 - 10

2

11 - 12

к.п.

13

16

45

55

78

84

100

100

 

 

 

 

 

 

 

 

 

 

 

Крытый рынок

Торговая площадь 3600 м2, здание одноэтажное

24

3

19 - 21

5

20 - 24

к.п.

5

4

15

18

30

32

45

48

60

64

75

80

90

90

100

100

 

 

 

 

 

 

 

Жилые здания,

Общая площадь 1500 м2

5

1

1

2

1п

8

26

59

89

100

 

 

 

 

 

 

 

 

 

 

5 этажное

Крупнопанельные

Кирпичные

9

1,0

1,5

4,5

2п

7

16

29

42

55

68

81

95

100

 

 

 

 

 

 

9 этажное

Крупнопанельные 4000 м2

9

1

2

4

2п

6

12

26

40

63

66

79

92

100

 

 

 

 

 

 

 

Кирпичные

12

1

2,5

6

2,5/кп

5

12

23

32

41

50

59

68

77

86

95

100

 

 

 

16 этажное

Общая площадь 12000 м2

Монолитное

14

1

3

7

3/кп

3

9

20

28

36

44

52

60

68

76

84

92

86

100

 

Гостиницы

Здание 12 этажное на 600 мест

75 тыс. м3

каркасно-панельное

29

3

21 ÷ 25

5

24 ÷ 26

кп

5

7

13

25

36

54

67

87

98

106

 

 

 

 

 

Административное здание

Здание на 200 сотрудников

Крупнопанельное - 8000 м3

10

1,5

-

-

к.п.

15

16

54

62

84

95

100

100

 

 

 

 

 

 

 

 

 

 

 

Кирпичное - 8700 м3

11

1

-

-

к.п.

18

20

51

60

80

91

100

100

 

 

 

 

 

 

 

 

 

 

 


УКАЗАНИЯ ПО УСТАНОВКЕ И БЕЗОПАСНОЙ ЭКСПЛУАТАЦИИ ГРУЗОПОДЪЕМНЫХ КРАНОВ И СТРОИТЕЛЬНЫХ ПОДЪЕМНИКОВ ПРИ РАЗРАБОТКЕ ПОС И ППР

2 ОСНОВНЫЕ ТРЕБОВАНИЯ К ПРОЕКТУ ПРОИЗВОДСТВА РАБОТ С ИСПОЛЬЗОВАНИЕМ ГРУЗОПОДЪЕМНЫХ КРАНОВ

2.1 Согласно ст. 9.5.18 «Правил …» Госгортехнадзора России строительно-монтажные работы должны выполняться по проекту производства работ, в котором предусматривается:

- соответствие устанавливаемых кранов условиям строительно-монтажных работ по грузоподъемности, высоте подъема и вылету (грузовысотные характеристики крана);

- обеспечение безопасных расстояний от сетей и воздушных линий электропередачи, мест движения городского транспорта и пешеходов, а также безопасных расстояний приближения кранов к строениям и местам складирования строительных конструкций, деталей и материалов;

- условия установки и работы кранов вблизи откосов котлованов;

- условия безопасной работы нескольких кранов на одном пути, на параллельных путях;

- перечень применяемых грузозахватных приспособлений и графическое изображение (схема) строповки грузов;

- места и габариты складирования грузов, подъездные пути и т.д.;

- мероприятия по безопасному производству работ с учетом конкретных условий на участке, где установлен кран (ограждение строительной площадки, монтажной зоны и т.п.).

2.2 Лицо, ответственное за безопасное производство работ кранами, крановщики и стропальщики должны быть ознакомлены с проектом производства работ под роспись до начала производства работ.

3 ПОДБОР И ПРИВЯЗКА ГРУЗОПОДЪЕМНОГО КРАНА

3.1 Подбор крана производится по трем основным параметрам: грузоподъемности, вылету и высоте подъема.

3.2 Грузоподъемность крана - груз полезной массы, поднимаемый краном и подвешенный при помощи съемных грузоподъемных приспособлений или непосредственно к несъемным грузоподъемным приспособлениям. У стреловых поворотных кранов должна быть обеспечена возможность подъема груза при всех положениях поворотной части. У некоторых импортных кранов в массу поднимаемого груза включается также масса крюковой обоймы, на что необходимо обращать внимание при разработке ППР.

Требуемая грузоподъемность крана на соответствующем вылете определяется по массе наиболее тяжелого груза со съемными грузозахватными приспособлениями (грейфера, электромагнита, траверс, стропов и т.п.). В массу груза включаются также масса навесных монтажных приспособлений, закрепляемых на монтируемой конструкции до ее подъема, и конструкций усиления жесткости груза.

Грузоподъемность крана (Q) должна быть больше или равна массе поднимаемого груза Ргр., плюс масса грузозахватного приспособления Ргр.пр., плюс масса навесных монтажных приспособлений Рн.м.пр., плюс масса конструкций усиления жесткости поднимаемого элемента Рк.у.

Q Ргр. + Ргр.пр. + Рн.м.пр. + Рк.у.                                            (1)

Для кранов с переменным вылетом грузоподъемность зависит от вылета.

3.3 Необходимый рабочий вылет Rр определяется расстоянием по горизонтали от оси вращения поворотной части крана до вертикальной оси грузозахватного органа как показано на рисунке 1.

3.4 Требуемая высота подъема hп определяется от отметки установки грузоподъемных машин (кранов) по вертикали и складывается из следующих показателей: высоты здания (сооружения) от нулевой отметки здания с учетом отметок установки (стоянки) кранов до верхней отметки здания (сооружения) (верхнего монтажного горизонта) h3, запаса высоты, равной 2,3 м из условий безопасного производства работ на верхней отметке здания, где могут находиться люди, максимальной высоты перемещаемого груза hгр. (в положении, при котором производится его перемещение) с учетом закрепленных на грузе монтажных приспособлений или конструкций усиления, длины (высоты) грузозахватного приспособления hгр.пр в рабочем положении как показано на рисунках 1, 2, 3.

hп. = [(h3 ± n) + hгр. + hгр.пр. + 2,3], м                                            (2)

где n - разность отметок стоянки кранов и нулевой отметки здания (сооружения).

3.5 Расстояния между выступающими частями передвигающегося по наземным рельсовым путям крана (его поворотной или другой наиболее выступающей частью) и внешним ближайшим контуром здания (сооружения), включая его выступающие части (козырьки, карнизы, пилястры, балконы и т.п.) или временные строительные приспособления, находящиеся на здании или у здания (строительные леса, выносные площадки, защитные козырьки и т.п.), а также строениями, штабелями грузов и другими предметами, должны составлять согласно ст. 2.18.6 «Правил …» Госгортехнадзора России от уровня земли или рабочих площадок на высоте до 2000 мм не менее 700 мм, а на высоте более 2000 мм - не менее 400 мм соответственно рисунку 1. Для кранов с поворотной башней и числом секций в башне более двух это расстояние принимается не менее 800 мм по всей высоте ввиду возможного отклонения башни от вертикали.


Н - отметка высоты подъема;

Rp - необходимый рабочий вылет;

Rп - наибольший радиус поворотной части крана со стороны, противоположной стреле;

hз - высота здания (сооружения);

hгр. - высота поднимаемого (перемещаемого) груза;

hгр.пр. - длина грузозахватного приспособления;

hп - высота подъема;

К - колея пути крана;

В - минимальное расстояние выступающей части здания до оси рельса; Б = (Rп - 0,5К) + п;

в - размеры между осями здания;

Ж - размер зоны, в которой запрещается нахождение людей, определяется в ППР;

а - расстояние от оси здания до его наружной грани (выступающей части);

п - габарит приближения;

S - расстояние от оси крана до оси здания;

 - отметка головки рельса;

 - основные высотные отметки.

* В связи с возможным отклонением от вертикали поворотной башни высотой более двух секций и грузового полиспаста габарит приближения следует принимать 800 мм вместо 400 мм по всей высоте.

** От наиболее выступающей части крана.

Рисунок 1 - Привязка башенного крана к зданию


Расстояние по вертикали от консоли противовеса или от противовеса, расположенного под консолью башенного крана, до площадок, на которых могут находиться люди, должно быть не менее 2000 мм.

3.6 Приближение к зданию (сооружению) приставного крана определяется минимальным вылетом, при котором обеспечивается монтаж ближайших к башне крана конструктивных элементов зданий с учетом размеров фундамента крана и условий крепления крана к зданию.

Конструкции фундамента приставного крана в каждом конкретном случае определяются расчетом специализированной организации.

Конструкции крепления приставного крана к конструкциям здания разрабатывает специализированная организация и согласовывает с автором проекта здания.

3.7 Расстояние между поворотной частью стреловых самоходных кранов и строениями, штабелями грузов, лесами и другими предметами должно быть не менее 1 м, как показано на рисунке 2.

3.8 Приближение кранов к неукрепленным откосам котлованов, траншей или других выемок при ненасыпном грунте разрешается только за пределами призмы обрушения грунта и определяется расстоянием по горизонтали от основания откоса котлована (выемки):

- до нижнего края балластной призмы рельсового кранового пути согласно рисунку 3 и таблице 1.

- для стреловых кранов - до ближайших опор согласно рисунку 4 и таблице 1.

Таблица 1 - Минимальные расстояния по горизонтали от основания откоса выемки до ближайших опор машины (СНиП 12-03-2001 п. 7.2.4)

Глубина выемки, м

Грунт ненасыпной

песчаный

супесчаный

суглинистый

глинистый

1,0

1,50

1,25

1,00

1,00

2,0

3,00

2,40

2,00

1,50

3,0

4,00

3,60

3,25

1,75

4,0

5,00

4,40

4,00

3,00

5,0

6,00

5,30

4,75

3,50

Примечание - При глубине выемки более 5 м расстояние от основания откоса выемки до ближайших опор крана определяется расчетом.


Rp - необходимый рабочий вылет;

Ргр. - масса поднимаемого груза;

Rп - наибольший радиус поворотной части крана;

hп - высота подъема;

hз - высота здания;

hгр. - высота поднимаемого (перемещаемого) груза;

hгр.пр. - длина грузозахватного приспособления;

S - расстояние от оси крана до оси здания;

Ж - размер зоны, в которой запрещается нахождение людей;

в - размеры между осями здания;

а - расстояние от оси здания до его наружной грани (выступающей части);

п - габарит приближения;

 - отметка высоты подъема;

 - основные отметки конструкции здания.

Рисунок 2 - Привязка стрелового крана к зданию

Rp - необходимый рабочий вылет;

Rп - наибольший радиус поворотной части крана;

hк - глубина котлована;

hгр. - высота поднимаемого (перемещаемого) груза;

hгр.пр. - длина грузозахватного приспособления;

hп - высота подъема;

К - колея пути крана;

S - расстояние от оси крана до оси здания;

в - размеры между осями здания;

С - расстояние от основания откоса котлована до края балластной призмы;

r - расстояние от оси здания до основания;

L - расстояние от оси рельса до ограждения рельсового кранового пути;

d - ширина основания балластной призмы;

 - отметка высоты подъема;

 отметка головки рельса;

 - основные отметки конструкции здания.

Рисунок 3 - Установка башенного крана у откоса котлована

Pгр. - масса поднимаемого груза;

Lоп - размер колеи или базы гусеничного крана, или опорного контура для кранов с выносными опорами;

hп - высота подъема;

С - расстояние от основания откоса котлована до ближайшей опоры крана;

hк - глубина котлована;

Z - расстояние от опоры крана до края железобетонной опорной плиты;

S - расстояние от оси вращения крана до ближайшей оси здания;

l:m - крутизна откоса по ППР.

Рисунок 4 - Установка стрелового крана у откосов выемки


Наибольшую крутизну откосов котлованов, траншей и других временных выемок, устраиваемых без крепления в нескольких грунтах, находящихся выше уровня грунтовых вод, следует принимать по таблице 2.

Таблица 2 - Крутизна откосов котлованов, траншей и других выемок в нескальных грунтах выше уровня грунтовых вод (СНиП III-4-80* п. 9.10)

Виды грунтов

Крутизна откоса (отношение его высоты к заложению) при глубине выемки, м, не более

1,5

3

5

Насыпные неуплотненные

1:0,67

1:1

1:1,25

Песчаные и гравийные

1:0,5

1:1

1:1

Супесь

1:0,25

1:0,67

1:0,85

Суглинок

1:0

1:0,5

1:0,75

Глина

1:0

1:0,25

1:0,5

Лессы и лессовидные

1:1

1:0,5

1:0,5

Примечания

1 При напластовании различных видов грунта крутизну откосов для всех пластов надлежит назначать по наиболее слабому виду грунта.

2 В нескальных и незамерзших грунтах выше уровня грунтовых вод и при отсутствии вблизи подземных сооружений рытье котлованов и траншей с вертикальными стенками без крепления допускается на глубину не более, м: (СНиП III-4-80* п. 9.9):

- в насыпных, песчаных и крупнообломочных грунтах             - 1,0

- в супесях                                                                                        - 1,25

- в суглинках и глинах                                                                     - 1,50

3 При высоте откосов более 5 м в однородных грунтах их крутизну допускается принимать по графикам приложения 3 СНиП 3.02.01-87 «Земляные сооружения, основания и фундаменты», но не круче указанных в данной таблице для глубины выемки 5 м, и во всех грунтах (включая скальные) не более 80°. Крутизна откосов выемок, разрабатываемых в скальных грунтах с применением взрывных работ, должна быть установлена в проекте (СНиП 3.02.01-87 п. 3.11).

3.9 Для определения характеристики грунта при установке крана у котлована (выемки) необходимо руководствоваться инженерно-геологическим заключением Мосгоргеотреста о грунтах, при этом при наличии в откосе разнородных грунтов определение приближения крана производится по одному виду грунта с наихудшими показателями (по наиболее слабому грунту).

3.10 При установке кранов у зданий (сооружений), имеющих подвалы или другие подземные пустотные сооружения, проектные институты (авторы проекта) должны рассчитывать несущую способность стен указанных сооружений на крановые нагрузки. Расчет прикладывается к проекту производства работ.

3.11 Если расстояние от ближайшей опоры стрелового крана или нижнего края балластной призмы рельсового пути до наружной грани стены подвала соответствует требованиям п. 3.8 (рисунок 5), проверочных расчетов, подтверждающих устойчивость стен подвалов, фундаментов и других конструкций, не требуется.

hк - расстояние от верха подготовки под полы до уровня стоянки крана или основания балластной призмы;

с - расстояние от наружной стены подвала до основания балластной призмы рельсового пути или до ближайшей опоры стрелового самоходного крана.

Рисунок 5 - Установка кранов у зданий с подвалом, без расчета выдавливания стен от крановых нагрузок

3.12 При выборе крана с подъемной стрелой необходимо, чтобы от габарита стрелы до выступающих частей здания соблюдалось расстояние не менее 0,5 м, а до перекрытия (покрытия) здания и других площадок, на которых могут находиться люди, не менее 2 м по вертикали как показано на рисунках 1 и 2. При наличии у стрелы крана предохранительного каната указанные расстояния принимаются от каната согласно рисунку 6.

3.13 При привязке стреловых кранов, а также башенных кранов, имеющих подъемную стрелу, необходимо учитывать возможность монтажа конструкций, ближайших к крану; особое внимание при этом обращать на случаи, когда работа кранов ограничена.

3.14 При привязке башенных кранов следует учитывать необходимость их монтажа и демонтажа, обратив при этом особое внимание на положение стрелы и расположенного вверху противовеса по отношению к возводимому знанию (сооружению). Во время монтажа и демонтажа этих кранов стрела и расположенный вверху противовес должны находиться над свободной территорией, т.е. не должны попадать на строящиеся или существующие здания и другие препятствия.

Монтаж и демонтаж кранов осуществляется в соответствии с «Инструкцией» по их монтажу и эксплуатации.

В случае невозможности организации площадки для монтажа и демонтажа башенных кранов с размерами согласно инструкции завода-изготовителя, в составе ППР должны быть представлены решения по монтажу и демонтажу кранов.

3.15 При строительстве или реконструкции грузоподъемные краны могут устанавливаться внутри зданий (сооружений), габарит приближения кранов или перемещаемых грузов к конструкциям здания (сооружения) дан на рисунке 7.

3.16 Подбор крана с учетом расстояния приближения к зданию (сооружению), котловану (выемке) заключается в проверке соответствия грузовой характеристики крана требуемым параметрам (грузоподъемности, вылету, высоте подъема).

3.17 Если по рабочим параметрам возможно применение нескольких типов кранов, выбирать кран следует, исходя из его технико-экономических показателей, включая стоимость перебазирования, длительность монтажа, стоимость рельсового кранового пути, наличие крана к моменту монтажа здания (сооружения), скоростные параметры крана (скорости передвижения крана, подъема и посадки груза, изменения вылета, передвижения грузовой тележки, частоты вращения).

Rp - необходимый рабочий вылет;

Ргр. - масса поднимаемого груза;

Rп - наибольший радиус поворотной части крана;

в - размер здания;

 - отметка высоты подъема.

Примечание - При подъеме краном длинномерных конструкций (фермы, балки и т.д.) их необходимо удерживать от раскачивания и случайного разворота во избежание ударов по стреле с помощью гибких оттяжек.

Рисунок 6 - Вертикальная привязка стреловых кранов с предохранительным канатом

Рисунок 7 - Привязка кранов внутри строящегося или реконструируемого здания

3.18 При привязке стреловых башенных кранов с поворотной башней для возведения надземной части здания (сооружения) расстояние (SK) от оси вращения крана до ближайшей оси здания (сооружения) как показано на рисунках 1 и 2 определяется наибольшей суммой расстояний от оси здания до его выступающих частей (а) и габарита приближения (п) плюс величина габарита поворотной части крана (Rn)

S = a + п+Rп                                                                       (3)

Примечание - Сумма а + п для башенных кранов определяется с учетом п. 3.5 и принимается наибольшей.

3.19 Привязка башенных кранов, устанавливаемых у откоса котлована (выемки), к оси здания (сооружения) в соответствии с рисунком 3 определяется по формуле:

S = r + с + 0,5d + 0,5K                                                          (4)

где    r - расстояние от оси здания (сооружения) до основания откоса котлована (выемки);

с - расстояние от основания откоса котлована (выемки) до края балластной призмы;

d - ширина основания балластной призмы;

К - ширина колеи крана.

3.20 Привязка стреловых кранов, устанавливаемых у откоса котлована (выемки) или траншеи, к зданию (сооружению) в соответствии с рисунком 4 определяется по формуле:

S = r + с + 0,5Lоп                                                              (5)

где    r - расстояние от оси здания до основания откоса котлована (выемки);

с - расстояние от основания откоса котлована (выемки) до ближайшей опоры крана, определяемое по таблице 1;

Lоп - размер колеи или базы гусеничного крана, а для кранов с выносными опорами - размер опорного контура.

Примечание - При привязке кранов у зданий или сооружений, имеющих подвалы согласно рисунку 5, необходимо учитывать требования п. 3.8; 3.9; 3.10; 3.11.

При выборе кранов необходимо учитывать режим их работы. Использование грузоподъемной машины в более тяжелом режиме, чем указано в паспорте, запрещается.

3.21 При отсутствии ограждений рельсовых крановых путей со стороны строящегося здания (сооружения) все дверные проемы в сторону рельсовых крановых путей должны быть наглухо закрыты.

3.22 Монтаж конструкций верхних этажей многоэтажных зданий краном на «себя», когда расстояние между стрелой и перекрытием (покрытием) или предохранительными канатами и перекрытием (покрытием) менее 0,5 м, или когда подъемная стрела «режет» здание, то есть пересекается с контуром строящегося здания, осуществляется по специально разработанной технологии с учетом мероприятий по безопасному производству работ с ограничением количества рабочих, находящихся на монтажном горизонте, и выхода их на монтажный горизонт.

3.23 При возведении зданий (сооружений) или их отдельных частей башенными кранами методом на «себя», что чаще всего применяется при «разрезке» широких зданий, необходимо:

- установить в ППР величину шага отступления крана, которая должна быть увязана с длиной звеньев (полузвеньев) рельсового кранового пути, модулем конструктивных элементов здания (сооружения) и длиной стрелы крана;

- определить в ППР крайнее положение крана на каждом участке пути с привязкой тупиковых упоров;

- заземление рельсового кранового пути и укладка звена для стоянки крана в нерабочее время должны быть выполнены в той части пути, которая демонтируется в последнюю очередь;

- каждый раз перед демонтажем участка рельсового кранового пути необходимо переставить на новое место тупиковые упоры и выключающие линейки и восстановить на конце пути соединительный проводник.

Возможность «разрезки» здания для установки грузоподъемных кранов определяется проектным институтом или проектно-технологической организацией по согласованию с проектным институтом.

3.24 При установке грузоподъемных кранов на существующие конструкции зданий (сооружений) проектные институты в рабочих чертежах должны предусматривать необходимые технические решения, обеспечивающие сохранность зданий (сооружений) в целом, устойчивость и геометрическую неизменяемость его отдельных конструкций, а также технические решения по устройству рельсового кранового пути или основания под него и безопасной работе грузоподъемного крана. К рабочим чертежам должны прикладываться необходимые расчеты, обосновывающие принятые решения.

При установке грузоподъемных кранов на существующие конструкции зданий (сооружений) должны решаться также вопросы безопасного монтажа (демонтажа) кранов, въезда (съезда) кранов на существующие конструкции, установки вспомогательных кранов, с помощью которых осуществляется монтаж или демонтаж основных кранов.

3.25 Возможность крепления приставных кранов к конструкциям здания должна быть согласована с проектной организацией, разрабатывающей рабочие чертежи здания. При необходимости проектным институтом разрабатываются технические решения по обеспечению устойчивости здания от воздействия крановых нагрузок.

3.26 Стреловой кран с выдвижной стрелой может ее выдвигать во время перемещения груза, если это предусмотрено инструкцией по монтажу и эксплуатации крана.

3.27 Если при привязке стрелового крана габарит приближения (расстояние между поворотной частью крана при любом его положении и строениями, штабелями грузов и другими предметами) оказывается меньше 1 м, необходимо зону вращения поворотной части крана с учетом габарита приближения огородить сигнальным ограждением. В этом случае лицо, ответственное за безопасное производство работ кранами, должно проверить установку крана на стоянке и только после этого дать разрешение на производство работ (сделать разрешающую запись в вахтенном журнале крановщика).

3.28 Установка приставных кранов у многоэтажных зданий производится в такой последовательности:

- кран устанавливается на высоту, при которой может работать без крепления (если здание до этой или большей высоты не возведено другим краном);

- крепление ставится перед окончанием возведения здания до отметки, при которой дальнейшее возведение здания без крепления крана не допускается;

- после установки первого крепления крана производится подращивание башни до высоты, при которой кран может работать с одним первым креплением;

- в процессе возведения здания и установки следующего крепления, когда высотная характеристика крана будет исчерпана, производится вновь подращивание башни и продолжается возведение здания. В дальнейшем последовательность установки крепления, подращивания крана и возведения здания повторяются до полного окончания строительства здания;

- крепления крана ставятся в местах, определенных паспортом крана;

- в случае если крепление крана попадет на части здания (например, стеновые панели), где отсутствует возможность его установки, выполняется объемное крепление;

- объемное крепление по конструкции значительно сложнее и требует для его изготовления почти вдвое большего расхода металла, поэтому его необходимо по возможности избегать;

- высота секций башни крана почти никогда не кратна высоте этажей, поэтому для выбора наивыгоднейших мест крепления башни к конструкциям здания определяется или уточняется уровень установки крана; при этом при необходимости первая опорная секция, имеющая другой размер по высоте, чем промежуточная, может не ставиться;

- возможность крепления приставного крана к конструкциям здания подтверждается проектным институтом, автором рабочего проекта здания;

- подращивание крана производится при наличии необходимой прочности конструкций, за которые производится крепление, и конструкций вышележащего перекрытия, что определяется в ППР и подтверждается проектным институтом;

- разработка крепления приставных кранов выполняется специализированной организацией, которая при предварительной проработке проекта уточняет расположение и отметки установки крана и его креплений;

- допускается перемещение противовеса задней поворотной части стрелового крана над выступающими выше стоянки крана фундаментами или другими препятствиями при условии, что расстояние между ними по вертикали составляет не менее 0,5 м;

- не допускается приступать к монтажу ограждающих конструкций без обеспечения необходимой пространственной жесткости каркаса здания;

- при наличии двух кранов и более на объекте крепления выполняются в соответствии со схемой поэтапного возведения здания кранами, исключающей их взаимное столкновение.

3.29 При монтаже ограниченного количества конструкций для увеличения зоны обслуживания крана (или необходимого вылета) в отдельных случаях допускается применение балансирной траверсы (при достаточном запасе по грузоподъемности). Балансирная траверса может применяться также в случаях, когда ранее установленные в проектное положение конструкции здания мешают перемещать крюковую обойму при монтаже стеновых панелей и витражей, а также при подаче груза под козырьки, навесы и т.д.

4 ГРАНИЦЫ ЗОН, ОБРАЗУЮЩИХСЯ ПРИ РАБОТЕ КРАНОВ

4.1 При работах в условиях производственного риска необходимо выделить опасные для людей зоны, в которых постоянно действуют или могут действовать опасные факторы, связанные или не связанные с характером выполняемых работ.

На выполнение работ в зонах действия опасных производственных факторов, возникновение которых не связано с характером выполняемых работ, должен быть выдан наряд-допуск по форме приложения Б.

4.2 Граница зоны обслуживания башенных кранов определяется максимальным вылетом (Rр) на участке между крайними стоянками крана на рельсовом крановом пути согласно рисунку 8.

4.3 Границы зон обслуживания стреловых кранов определяются максимальным вылетом (Rр) согласно рисунку 9.

1 - ограждение строительной площадки; 2 - граница опасной зоны вблизи строящегося здания; 3 - граница зоны, опасной для нахождения людей во время перемещения, установки и закрепления элементов и конструкций*; 4 - граница зоны обслуживания кранов; 5 - грузоподъемный кран.

* - граница опасной зоны определяется в соответствии со СНиП 12-03-2001 (Приложение Г).

Рисунок 8 - Определение границ зон при работе башенных и стреловых рельсовых кранов

1 - ограждение строительной площадки; 2 - граница опасной зоны вблизи строящегося здания; 3 - граница зоны, опасной для нахождения людей во время перемещения установки и закрепления элементов и конструкций на одной стоянке*; 4 - то же, с учетом всех стоянок; 5 - граница зоны обслуживания краном; 6 - грузоподъемных кран.

* - граница опасной зоны определяется в соответствии со СНиП 12-03-2001.

Рисунок 9 - Определение границ опасной зоны при работе стрелового самоходного крана

4.4 Границы опасных зон в местах, над которыми происходит перемещение грузов подъемными кранами, а также вблизи строящегося здания, представленные на рисунке 10, принимаются от крайней точки горизонтальной проекции наружного наименьшего габарита перемещаемого груза или стены здания с прибавлением наибольшего габаритного размера перемещаемого (падающего) груза и минимального расстояния отлета груза при его падении (СНиП 12-03-2001 приложение Г) согласно таблице 3 и графика определения минимального расстояния отлета груза при его падении (рисунок 11).

где Вгр. - наименьший габарит перемещаемого груза;

Lгр. - наибольший габарит перемещаемого груза;

X - минимальное расстояние отлета груза.

Рисунок 10 - Определение границы опасной зоны

Таблица 3 - Минимальное расстояние отлета груза при его падении

Высота возможного падения груза (предмета), м

Минимальное расстояние отлета груза (предмета), м

перемещаемого краном

падающего со здания

До 10

4

3,5

« 20

7

5

« 70

10

7

« 120

15

10

« 200

20

15

« 300

25

20

« 450

30

25

Примечание - При промежуточных значениях высоты возможного падения грузов (предметов) минимальное расстояние их отлета допускается определять методом интерполяции.

1 - при перемещении кранами груза в случае его падения;

2 - в случае падения предметов со здания.

Рисунок 11 - График определения минимального расстояния отлета груза при его падении

4.5 При выполнении работ в охранных зонах сооружений или коммуникаций наряд-допуск выдается при наличии письменного разрешения организации - владельца этого сооружения или коммуникации.

4.6 Под высотой возможного падения груза при его перемещении краном следует понимать расстояние от поверхности земли (или площадки, для которой определяется граница опасной зоны) до низа груза, подвешенного на грузозахватном приспособлении (строп, траверса и др.).

4.7 В необходимых случаях в стесненных условиях строительства величина опасной зоны может быть сокращена за счет уменьшения максимальной высоты подъема и перемещения грузов. Уменьшение максимальной высоты подъема обуславливается техническими и организационными решениями.

4.8 К техническим решениям по сокращению величины опасной зоны относятся: ограничение высоты подъема, зоны обслуживания путем ограничения поворота стрелы или ограничения вылета, применения кранов с меньшей высотой подъема, применение удлиненных стропов, отвечающих требованиям ГОСТ 25573-82*, и грузозахватных приспособлений, оборудованных устройствами для испытания прочности монтажных петель, или страховочного приспособления, исключающих возможность падения грузов, применение защитных ограждений (экранов).

4.9 К организационным решениям относятся мероприятия, содержащие дополнительные требования, связанные с обеспечением производства работ (мероприятия по выполнению погрузочно-разгрузочных работ с обозначением на местности зон подъема груза не на полную высоту и т.п.), которые в письменном виде выдаются крановщикам и стропальщикам.

4.10 Граница опасной зоны принимается:

- для грузопассажирских подъемников от габарита кабины и противовеса и составляет 5 м (п. 7.2.9 СНиП 12-03-2001);

- для грузовых подъемников с платформой от габарита грузовой платформы согласно рисунку 12.

Граница опасной зоны принимается согласно графику определения минимального расстояния отлета груза при его падении как вблизи строящегося здания.

Граница опасной зоны для грузовых подъемников с консольной стрелой определяется согласно графика определения минимального расстояния отлета груза при его падении как при перемещении груза краном с учетом габарита наибольшего груза согласно СНиП 12-03-2001, приложение Г.

4.11 Эксплуатация зданий и их отдельных частей, находящихся вблизи строящихся или реконструируемых зданий, допускается при условии, если перекрытие верхнего этажа эксплуатируемого здания не находится в опасной зоне возможного падения предметов, определяемой в зависимости от высоты возможного падения груза до перекрытия верхнего этажа эксплуатируемого здания, и при выполнении следующих мероприятий:

- оконные, дверные проемы эксплуатируемого здания и его отдельных частей, попадающие в зону возможного падения предметов, должны быть закрыты защитными ограждениями; входы и выходы эксплуатируемого здания должны быть устроены за пределами опасной зоны;

- перемещение грузов у существующих (находящихся вблизи строящихся) зданий с глухими капитальными стенами или стенами с проемами, закрытыми защитными ограждениями, может производиться на расстоянии не менее 1 м от стены или выступающих конструкций зданий и сооружений согласно рисунку 13, если максимальная высота подъема груза меньше высоты здания, с применением средств для искусственного ограничения зоны работы башенных кранов.

Рисунок 12 - Опасная зона при работе грузового строительного подъемника

Рисунок 13 - Пример перемещения грузов у существующего здания

Примечание: У глухой капитальной стены или стены с проемами, закрытыми защитным ограждением, груз может перемещаться на расстояние не менее 1 м, если максимальная высота подъема груза меньше высоты здания и в опасной зоне от перемещения груза краном отсутствуют

4.12 Нормативными документами не предусматривается возникновение опасных зон от падения крана и его отдельных узлов, поэтому противовесная консоль и часть балочной стрелы, на которую не может заходить грузовая тележка при наличии соответствующего концевого выключателя (или упора), могут перемещаться за пределами строительной площадки и над местами, где могут находиться люди при соблюдении требований ПБ 10-382-00 «Правила » Госгортехнадзора России.

4.13 При определении границы опасной зоны вдоль луча, ограничивающего поворот стрелы, у кранов, имеющих подъемную стрелу, необходимо учитывать изменение высоты подъема в зависимости от вылета, поэтому расстояние от линии ограничения (по лучу) до границы опасной зоны является переменной величиной при изменении вылета (при отсутствии мероприятий по ограничению высоты подъема).

4.14 Границу опасной зоны обозначают на местности знаками в соответствии с ГОСТ 12.4.026-76*, предупреждающими о работе крана (знак № 3, приложение И). Знаки устанавливаются из расчета видимости границы опасной зоны, в темное время суток они должны быть освещены. Знаки устанавливаются на закрепленных стойках для предотвращения опасности от их падения при проходе людей и передвижении техники.

4.15 На границе опасной зоны в местах возможного прохода людей (дороги и пешеходные дорожки) устанавливаются знаки, предупреждающие о работе крана (знак № 3, приложение И).

4.16 При строительстве объектов с применением грузоподъемных кранов, когда в опасные зоны, расположенные вблизи строящихся зданий, а также мест перемещения грузов, кранами, граница которых определяется в соответствии с п. 4.4 настоящих «Указаний», попадают транспортные или пешеходные пути, санитарно-бытовые или производственные здания и сооружения, другие места постоянного или временного нахождения людей на территории строительной площадки или вблизи ее, необходимо предусматривать решения, предупреждающие условия возникновения там опасных зон, в том числе:

- устройство защитных сооружений (укрытий), обеспечивающих защиту людей от действия опасного фактора;

- оснащение башенных кранов «Системой ограничения зоны работы башенного крана в стесненных условиях» (ЦНИИОМТП);

- оснащение стреловых самоходных кранов координатной защитой;

- ограничение скорости поворота стрелы крана в сторону границы рабочей зоны до минимальной при расстоянии от перемещаемого груза до границы зоны менее 7 м;

- перемещения грузов на участках, расположенных на расстоянии менее 7 м от границы опасных зон, следует осуществлять с применением предохранительных или страховочных устройств, предотвращающих падение грузов.

- на участках вблизи строящегося (реконструируемого) здания по периметру здания необходимо установить защитный экран, имеющий равную или большую высоту по сравнению с высотой возможного нахождения груза, перемещаемого грузоподъемным краном; зона работы крана должна быть ограничена таким образом, чтобы перемещаемый груз не выходил за контуры здания в местах расположения защитных экранов, расположения которых показано на рисунках 14, 15, 16, 17, 22.

В качестве защитного экрана могут использоваться конструкции строительных лесов ЦНИИОМТП (рисунки 18, 19, 20), проект ЦНИИОМТП 1377-3.00.000 МЧ-3.

Элементы лесов, расположенные у мест подъема груза, должны быть защищены сплошной стенкой из досок толщиной 25 мм (профлистом).

Намеченные мероприятия должны быть согласованы с организацией, эксплуатирующей соответствующие здания и территории.

4.17 Для уменьшения или ликвидации опасной зоны у реконструируемых зданий (сооружений), выходящих на городские магистрали с интенсивным движением транспорта, когда не представляется возможным выгородить на длительное время опасную зону как от реконструируемого здания, так и от перемещаемого краном груза, необходимо выполнить следующие мероприятия:

- установить сплошное ограждение, закрепляемое за наружные стены реконструируемого здания или за инвентарные трубчатые леса, устанавливаемые у реконструируемого здания;

- принять высоту защитного ограждения не менее 3 м от верха существующих наружных стен;

- на лесах установить два защитных настила и наружную сторону лесов выгородить тканой сеткой;

- закрыть все оконные и дверные проемы защитными ограждениями;

- максимальную высоту перемещения грузов (до низа груза) принять ниже верха защитного ограждения на величину не менее 0,5 м;

- проектирование защитных ограждений выполняется институтом - автором проекта реконструкции.

1 - граница зоны обслуживания краном; 2 - граница опасной зоны от действия крана (определяется в соответствии с п. 4.4. настоящих «Указания …»); 3 - зона складирования грузов; 4 - площадка приема раствора и бетонной смеси; 5 - стоянка транспорта по разгрузкой; 6 - место хранения грузозахватных приспособлений и тары; 7 - линия ограничения зоны обслуживания; 8 - линия предупреждения об ограничении зоны обслуживания; 9 - стенд схем строповок; 10 - шкаф электропитания крана; 11 - контрольный груз; 12 - ограждение крановых путей; 13 - временный забор; 14 - навес над входом в здание; 15 - пешеходная дорожка; 16 - граница опасной зоны от строящегося здания; 17 - знак, предупреждающий о работе крана с пояснительной табличкой; 18 - пункт мойки колес автотранспорта;

* - стоянка крана в нерабочее время;

α - угол принудительного ограничения поворота стрелы;

α1 - угол привязки ограничения к оси пути.

Рисунок 14 - Возведение девятиэтажного здания административного назначения, расположенного между двумя жилыми зданиями разной высоты

5 ОГРАНИЧЕНИЕ ЗОН ОБСЛУЖИВАНИЯ КРАНАМИ

5.1 Для предупреждения образования опасной зоны в стесненных условиях за пределами строительной площадки или при наличии на строительной площадке помещений, где находятся или могут находиться люди, или других препятствий предусматривается ограничение зоны обслуживания краном.

5.2 Принудительное ограничение зоны обслуживания башенным краном заключается в автоматическом отключении соответствующих механизмов, работающих в заданном режиме, с помощью установленных на кране концевых выключателей, а также установке на крановых путях выключающих линеек.

Принудительно ограничиваются на башенных кранах:

- передвижение крана;

- поворот стрелы;

- вылет;

- высота подъема.

Стреловые краны для предотвращения их столкновения с препятствиями в стесненных условиях работы должны быть оснащены координатной защитой (рисунок 21).

5.3 Принудительное ограничение зоны обслуживания краном может заключаться также в искусственном ограничении размеров и конфигурации опасных зон путем использования «Системы ограничения зоны работы башенного крана в стесненных условиях», ЦНИИОМТП, 1998 г., представленной на рисунке 22.

Система ограничивает зону перемещения крана, стрелы и груза в вертикальной и горизонтальной проекции в заданных пределах, автоматически блокируя (отключая) соответствующие приводы при попадании груза в зону запрета, а также при угрозе столкновения стрелы или груза с объектами, входящими в зону ограничения.

Система обеспечивает управление следующими приводами крана:

- поворота стрелы;

- перемещения крана по рельсовому пути; - вылета груза;

- подъема груза.

Система по сигналам датчиков определяет местоположение крана, стрелы, вылета груза и высоты подъема крюковой подвески на строительной площадке и по результатам сравнения с заложенными в «Блок параметров строительной площадки» данными выдает управляющие сигналы на приводы крана.

Система обеспечивает управление приводами крана:

- в зоне, в которую не должна попадать ни одна точка стрелы крана и груз;

- в зоне, в которую не должен попадать груз, но могут попадать элементы стрелы, расстояние до которых больше вылета груза;

- в зонах (не более четырех) с ограничением высоты проноса груза.

Лучи угла ограничения поворота стрелы крана должны быть привязаны при помощи координат

α - угол ограничения поворота стрелы;

α1 - угол привязки ограничения поворота стрелы к оси здания;

X1, Y1, X2, Y2 - координаты угла ограничения поворота стрелы.

А, Б - привязка стоянки крана к осям здания.

Рисунок 21 - Координатная защита при работе стрелового крана в стесненных условиях

Рисунок 22 - Схема действия системы ограничения зон работы башенного крана.

Зоны ограничения должны быть указаны на стройгенплане. Для зон ограничения высоты подъема крюковой подвески должна быть задана максимальная для данной зоны высота.

Пример с принудительным ограничением зоны обслуживания дан на рисунке 23. На схеме показано ограничение зоны обслуживания краном с помощью принудительного ограничения угла поворота стрелы α в стесненных условиях.

5.4 В случае выхода опасной зоны от действия крана за забор, как показано на рисунке 23, по согласованию с городскими районными организациями (районный архитектор, ГИБДД, управление движения городского транспорта, пожарная инспекция и т.д.) дополнительно выставляется временное сигнальное ограждение по ГОСТ 23407-78 с предупреждающими о работе крана знаками.

5.5 Использование концевых выключателей в качестве рабочих органов отключения электродвигателей запрещается.

5.6 Угол принудительного ограничения привязывают к оси рельсового кранового пути или оси башни крана в зависимости от типа кранов.

В проектах производства работ (ППР) угол ограничения поворота стрелы обозначается в координатах и в градусах. По линии лучей угла ограничения поворота стрелы (а также линиям принудительного ограничения зоны обслуживания) в ППР указывают запрещающие знаки № 2, а перед ними (со стороны перемещения стрелы) - предупреждающие знаки № 1. При этом расстояние между линиями ограничения и предупреждения в ППР принимается не менее 7,0 м. Знаки № 1, 2 даны в приложении И.

5.7 Крановщик обязан не менее чем за 1 м до предупреждающего знака № 1 снизить скорость перемещения груза до минимальной и далее перемещать груз на этой скорости короткими повторными включениями.

1 - граница зоны обслуживания краном; 2 - граница зоны, опасной для нахождения людей во время перемещения, установки и закрепления элементов и конструкций; 3 - линия ограничения зоны обслуживания краном; 4 - линия предупреждения об ограничении зоны обслуживания краном; 5 - граница опасной зоны от строящегося здания; 6 - площадка для приема раствора и бетонной смеси; 7 - место нахождения контрольного груза; 8 - место для хранения съемных грузозахватных приспособлений и тары; 9 - место сбора строительных отходов; 10 - место стоянки транспорта под разгрузкой; 11 - площадка для кантовки колонн; 12 - стенд со схемами строповок и таблицей масс грузов; 13 - шкаф электропитания крана; 14 - заземление рельсовых крановых путей; 15 - соединительные проводники; 16 - пешеходные дорожки; 17 - въезд на стройплощадку; 18 - выезд со стройплощадки; 19 - направление движения транспорта; 20 - временная дорога; 21 - площадка складирования материалов и конструкций; 22 - ограждение рельсовых крановых путей; 23 - временный деревянный забор; 24 - временное штакетное ограждение; 25 - знак № 2 ограничения зоны обслуживания краном; 26 - знак, предупреждающий о работе крана; 28 - пункт мойки колес автотранспорта.

α - угол принудительного ограничения поворота стрелы;

α1 - угол привязки ограничения к оси крана;

0,5Вгр. + Lгр. + Х - граница опасной зоны;

где      Вгр. - наименьший габарит груза;

Lгр. - наибольший габарит груза;

X - минимальное расстояние отлета груза при его падении.

Рисунок 23 - Пример принудительного ограничения зон обслуживания кранов

5.8 Знаки устанавливаются из расчета возможности крановщика видеть границу зоны обслуживания, но не менее двух знаков каждого типа на один луч угла или одну линию зоны ограничения. Знаки устанавливаются на закрепленных стойках. В отдельных случаях, когда не представляется возможным установить знаки на стойках (в зоне крановых путей, на проезжей части дороги и т.п.), допускается:

- подвеска знаков на натянутом канате или специальном кронштейне;

- фиксированная укладка знаков в горизонтальном положении так, чтобы они не могли быть сдвинуты и в то же время не мешали движению транспорта.

Между подвешенными знаками и проезжей частью дороги должен обеспечиваться дорожный габарит, равный 4,5 м. Знаки, расположенные горизонтально, должны периодически очищаться и обновляться.

5.9 Для уменьшения величины опасной зоны на башенных кранах может устанавливаться в соответствующем положении (а не только в верхнем) ограничитель высоты подъема, который по мере возведения здания (сооружения) может периодически переставляться в новое положение.

Для уменьшения величины опасной зоны в стесненных условиях допускается ограничение высоты подъема груза при выполнении погрузочно-разгрузочных работ, при прокладке подземных коммуникаций, возведении подземных частей зданий и сооружений с разработкой организационно-технических мероприятий.

5.10 При ограничении высоты подъема груза до 4 ÷ 6 м в соответствии с организационно-техническими мероприятиями в установленной зоне обслуживания груз не должен быть поднят на высоту, более принятой в ППР. На местности эта зона по всему контуру обозначается знаками № 2 с поясняющей надписью о запрещении подъема груза на высоту, более принятой в ППР. Специально назначенный сигнальщик из числа наиболее опытных стропальщиков визуально контролирует высоту подъема груза. Место нахождения сигнальщика показывается на чертежах. Между крановщиком башенного крана и стропальщиком должна быть обеспечена радиосвязь. Мероприятия по визуальному ограничению высоты подъема подлежат согласованию с местным органом госгортехнадзора.

5.11 Работы, выполняемые в стесненных условиях с ограничением зоны обслуживания или высоты подъема, должны производиться по наряду-допуску на производство работ в зонах действия опасных производственных факторов.

5.12 Время производства работ по тому или иному ограничению зоны обслуживания краном должно быть записано в вахтенном журнале крановщика и подтверждаться каждый раз перед сменой ограничения зоны обслуживания краном. Одновременно переставляются знаки безопасности.

6 РАБОТА КРАНОВ В ОХРАННОЙ ЗОНЕ ЛИНИЙ ЭЛЕКТРОПЕРЕДАЧИ ИЛИ НА РАССТОЯНИИ МЕНЕЕ 30 м ОТ БЛИЖАЙШЕГО ПРОВОДА

6.1 Строительно-монтажные работы с применением кранов в охранной зоне действующей линии электропередачи напряжением более 42 вольт следует производить под непосредственным руководством лица, ответственного за безопасное производство работ кранами, при наличии письменного разрешения организации - владельца линии и наряд-допуска (приложение Б) на производство работ в местах действия опасных или вредных факторов, выданного непосредственному руководителю работ, и наряд-допуска (приложение В) на производство работ краном вблизи воздушной линии электропередачи, выданного крановщику. При установке грузоподъемных кранов в охранной зоне воздушной линии электропередачи необходимо снять напряжение с воздушной линии электропередачи.

6.2 Охранная зона вдоль воздушной линии электропередачи согласно ГОСТ 12.1.051-90 устанавливается в виде воздушного пространства над землей, ограниченного параллельными вертикальными плоскостями, отстоящими по обе стороны линии на расстоянии от крайних проводов по горизонтали, указанном в таблице 4 и представленном на рисунке 24.

Таблица 4 - Охранные зоны вдоль воздушных линий электропередачи

Напряжение линии, кВ

Расстояние, м

До 1

2

Свыше 1 до 20

10

Свыше 20 « 35

15

« 35 « 110

20

« 110 « 220

25

« 220 « 500

30

« 500 « 750

40

« 750 « 1150

55

6.3 Охранная зона вдоль подземных кабельных линий электропередачи устанавливается в виде участка земли, ограниченного параллельными вертикальными плоскостями, отстоящими по обе стороны линии на расстоянии по горизонтали 1 м от крайних кабелей.

6.4 Опасной зоной вдоль воздушной линии электропередачи, в которой действует опасность поражения электрическим током, является пространство, заключенное между вертикальными плоскостями, отстоящими от крайних проводов, находящихся под напряжением, на соответствующем расстоянии. Границы опасных зон, в пределах которых действует опасность поражения электрическим током, устанавливается СНиП 12-03-2001 (приложение Г) в размерах, указанных в таблице 5.

Условные обозначения:

 - участок опасной зоны ЛЭП, в которой запрещается работа грузоподъемных кранов, но допускается передвижение крана поперек ЛЭП.

 - участок опасной зоны ЛЭП, в которой запрещается во всех случаях работа грузоподъемных кранов, нахождение людей и конструкций крана при передвижении без отключения напряжения.

Zox - граница охранной зоны ЛЭП (см. таблицу 4);

S0 - граница опасной зоны ЛЭП (см. таблицу 5).

Рисунок 24 - Работа грузоподъемных кранов в охранной зоне ЛЭП.

6.5 При обоснованной невозможности снятия напряжения с воздушной линии электропередачи работу строительных машин в охранной зоне линии электропередачи разрешается производить при условии выполнения следующих требований:

Таблица 5 - Границы опасных зон

Напряжение, кВ

Расстояние от людей, применяемых ими инструментов, приспособлений и временных ограждений, м

Расстояния от механизмов и грузоподъемных машин в рабочем и транспортном положении, от стропов, грузозахватных приспособлений и грузов, м

До 1

0,6

1,0

1 - 35

0,6

1,0

60, 110

1,0

1,5

150

1,5

2,0

220

2,0

2,5

330

2,5

3,5

400, 500

3,5

4,5

750

5,0

6,0

а) расстояние от подъемной или выдвижной части строительной машины в любом ее положении до находящейся под напряжением воздушной линии электропередачи должно быть не менее указанного в таблице 6.

Таблица 6 - Допустимые расстояния при работе машин в охранной зоне ЛЭП, находящейся под напряжением.

Напряжение воздушной линии, кВ

Расстояние, м

минимальное

минимально измеряемое техническими средствами

До 20

2,0

2,0

Свыше 20 - 35

2,0

2,0

Свыше 35 - 110

3,0

4,0

Свыше 110 - 220

4,0

5,0

Свыше 220 - 400

5,0

7,0

Свыше 400 - 750

9,0

10,0

Свыше 750 - 1150

10,0

11,0

б) корпуса машин, за исключением машин на гусеничном ходу, должны быть заземлены при помощи инвентарного переносного заземления.

6.6 На выполнение работ в зонах действия опасных производственных факторов, возникновение которых не связано с характером выполняемых работ, должен быть выдан наряд-допуск согласно форме приложения Б.

Наряд-допуск выдается непосредственному руководителю работ (мастеру, бригадиру и т.п.) лицом, уполномоченным приказом руководителя организации. Перед началом работ руководитель работы обязан ознакомить работников с мероприятиями по безопасности производства работ и оформить инструктаж с записью в наряде-допуске.

6.7 При производстве работ в охранной зоне линии электропередачи или в пределах разрывов, установленных правилами охраны высоковольтных электрических сетей, наряд-допуск может быть выдан только при наличии разрешения организации, эксплуатирующей линию электропередачи.

6.8 Производство работ кранами на расстоянии менее 30 м от подъемной выдвижной части крана в любом ее положении, а также от груза до вертикальной плоскости, образуемой проекцией на землю ближайшего провода воздушной линии электропередачи, находящейся под напряжением более 42 В, должно производиться по наряду-допуску, выдаваемому крановщику и определяющему безопасные условия работы (приложение В).

6.9 Условия работы кранов в охранной зоне ЛЭП или ближе 30 м от крайних проводов разрабатываются в ППР. Заявка на работу крана в охранной зоне ЛЭП подается не менее чем за 12 суток до начала работы владельцу ЛЭП.

Установка кранов, перемещающихся по рельсовым путям, в охранной зоне воздушных линий электропередачи должна быть согласована с владельцем линии. Разрешение на такую установку для выполнения строительно-монтажных работ должно храниться вместе с проектом производства работ.

6.10 Работа стреловых кранов под неотключенными контактными проводами городского транспорта может производиться при соблюдении расстояния между стрелой крана и контактными проводами не менее 1 м при установке ограничителя (упора), не позволяющего уменьшить указанное расстояние при подъеме стрелы.

6.11 Работа кранов вблизи линий электропередач должна производиться под непосредственным руководством лица, ответственного за безопасное производство работ кранами, которое должно указать крановщику место установки крана и произвести запись в вахтенном журнале о разрешении работ: «Установку крана в указанном мною месте проверил. Работу разрешаю» и поставить свою подпись и дату.

Оформление наряда-допуска на работу стрелового крана в охранной зоне ЛЭП или ближе 30 м от ее крайних проводов производится независимо от наличия на кране прибора, сигнализирующего об опасном приближении стрелы крана к находящимся под напряжением проводам, и (или) устройства, отключающего механизмы крана при опасном приближении стрелы к проводам, находящимся под напряжением.

6.12 Производство погрузочно-разгрузочных работ с применением стреловых кранов при наличии ЛЭП над погрузочными площадками железнодорожных станций или складов запрещается.

6.13 Стреловые краны с выносными опорами при работе должны быть установлены на все имеющиеся у них опоры.

Установка стрелового крана в охранной зоне линии электропередачи на аутригеры и расцепление стропов перед подъемом стрелы должны осуществляться непосредственно машинистом крана без привлечения стропальщика.

6.14 При проезде по дорогам под ЛЭП, находящейся под напряжением, подъемные или выдвижные части грузоподъемных кранов должны находиться в транспортном положении.

Проезд грузоподъемных кранов вне дорог под проводами ЛЭП следует производить в местах наименьшего провисания проводов, т.е. вблизи опор.

Краны высотой более 4,5 м должны проезжать под ЛЭП только в предусмотренных для этого местах.

6.15 В темное время суток работа с грузоподъемными кранами допускается только при отключенной ЛЭП и при достаточном освещении рабочих мест согласно требований ГОСТ 12.1.046-85 «ССБТ. Строительство. Нормы освещения строительных площадок».

6.16 Порядок организации производства работ вблизи линий электропередачи, выдачи наряда-допуска и инструктажа рабочих должен устанавливаться приказом руководителя строительной организации.

Наряд-допуск подписывает инженерно-технический работник, ответственный за безопасное состояние электрохозяйства строительно-монтажной организации на строительной площадке и имеющий квалификационную группу по электробезопасности не ниже IV, а утверждает - главный инженер строительно-монтажной организации.

6.17 Лицо, ответственное за безопасное производство работ кранами, и стропальщики назначаются приказом по строительной организации.

6.18 Лицо, ответственное за безопасное производство работ кранами, должно непосредственно руководить выполнением мероприятий по безопасной работе кранами, указанными в наряде-допуске.

6.19 Инструктаж крановщика и рабочих производится перед началом работ. Проведение инструктажа фиксируется в наряде-допуске и вахтенном журнале крановщика. Наряд-допуск должен выдаваться крановщику стрелового крана на руки перед началом работ (приложение В).

6.20 При работе стреловых кранов в охранной зоне воздушных ЛЭП крановщик должен иметь квалификационную группу по электробезопасности не ниже второй.

6.21 В путевом листе крановщика стрелового крана владельцем крана должен ставиться штамп о запрещении крановщику самовольной установки крана для работы вблизи линии электропередачи (ЛЭП).

6.22 Порядок работы кранов вблизи линий электропередачи, выполненной гибким кабелем, определяется владельцем линии.

Выдача наряда-допуска в этом случае не обязательна.

7 СТРОЙГЕНПЛАН

7.1 Строительный генеральный план (стройгенплан) разрабатывается в объеме, предусмотренным СНиП 3.01.01-85* «Организация строительного производства».

На стройгенплане наносятся: границы строительной площадки и виды ее ограждения, действующие и временные подземные, надземные и воздушные сети и коммуникации, постоянные и временные дороги, схемы движения средств транспорта и механизмов, места установки строительных и грузоподъемных машин, пути их перемещения и зоны действия, размещение постоянных, строящихся и временных зданий и сооружений, места расположения знаков геодезической разбивочной основы, опасные зоны, пути и средства подъема работающих на рабочие ярусы (этажи), а также проходы в здания и сооружения, размещение источников и средств энергообеспечения и освещения строительной площадки, расположение заземляющих контуров, места расположения устройств для удаления строительного мусора и бытовых отходов, площадки и помещения складирования материалов и конструкций, площадки укрупнительной сборки конструкций, расположение помещений для санитарно-бытового обслуживания строителей, питьевые установки и места отдыха, а также зоны выполнения работ повышенной опасности.

7.2 Административно-бытовые помещения, мастерские, закрытые склады и другие временные здания и сооружения, где находятся люди, должны быть размещены за пределами границ опасных зон.

Площадки складирования материалов и конструкций, места стоянки транспорта под разгрузкой, места хранения грузозахватных приспособлений и тары, приема бетонной смеси и раствора, расположения контрольных грузов, площадки кантовки конструкций назначаются с учетом грузовой характеристики крана в пределах зоны обслуживания краном после определения ее границы. При расположении площадок складирования вне видимости крановщика между ним и стропальщиком должна быть налажена радиотелефонная связь.

7.3 Конструкция ограждения строительной площадки должна удовлетворять требованиям ГОСТ 23407-78.

Высота ограждения производственных территорий должна быть не менее 1,6 м, а участков работы - не менее 1,2 м.

Ограждения, примыкающие к местам массового прохода людей, должны иметь высоту не менее 2 м и оборудованы сплошным защитным козырьком.

Козырек должен выдерживать действие снеговой нагрузки, а также нагрузки от падения одиночных мелких предметов.

Ограждения не должны иметь проемов, кроме ворот и калиток, контролируемых в течение рабочего времени и запираемых после его окончания.

Места прохода людей в пределах опасных зон должны иметь защитные ограждения. Входы в строящиеся здания (сооружения) должны быть защищены сверху сплошным навесом шириной не менее 2 м от стены здания. Угол, образуемый между навесом и вышерасположенной стеной над входом должен быть в пределах 70 - 75°.

7.4 Привязка кранов, подъемников и рельсовых крановых путей производится к осям здания (сооружения), а при реконструкции - к наружным поверхностям стен.

7.5 Рельсовые крановые пути выполняются в соответствии с требованиями раздела 8 «Крановый путь» «Правил …» Госгортехнадзора России и ГОСТ Р 51248-99 «Пути наземные рельсовые крановые. Общие технические требования».

Конструкция ограждения рельсовых крановых путей дана на рисунках 25, 26, 27. Ограждение рельсового пути следует выполнять по ГОСТ 23407-78.

7.6 Для башенных кранов показывают крайние стоянки и стоянки кранов в нерабочем состоянии.

При совместной работе нескольких кранов на объекте (в том числе башенных, находящихся на одних или разных рельсовых крановых путях) или кранов с другими механизмами для производства строительно-монтажных работ для обеспечения совместной безопасной их работы определяются промежуточные стоянки.

Промежуточные дополнительные стоянки показывают также при работе кранов (когда это требуется) с предельными массами грузов, на предельных вылетах и в стесненных условиях.

Привязка крайних стоянок башенного крана производится к тупиковым упорам или концам рельсов, промежуточных стоянок кранов - к осям здания.

7.7 Для стреловых кранов, как правило, показываются все стоянки.

При равных расстояниях между стоянками стреловых кранов может показываться шаг стоянок между начальной и конечной, а при последовательном выполнении однотипных работ - между начальной и конечной стоянками - ось движения крана, на которой кран может устанавливаться в любом месте.

Стоянки крана обязательно показываются при выполнении работ в охранной зоне ЛЭП или ближе 30 м от крайних проводов ЛЭП, при выполнении других работ повышенной опасности, производстве работ с предельными по грузоподъемности массами грузов.

7.8 Для котлованов, траншей и других выемок, имеющих откосы или без откосов, должно предусматриваться сигнальное ограждение по ГОСТ 23407-78.

1 - стойка; 2 - патрубок; 3 - полускоба; 4 - рамка вертикальная; 5 - рамка горизонтальная; 6 - стержень вертикальный; 7 - стержень горизонтальный.

Рисунок 25 - Пример конструкции ограждения кранового пути высотой 1600 мм.

Спецификация материалов на одно звено ограждения

№ поз.

Эскиз

Сечение

Длина, мм

Количество элементов, шт.

Масса, кг

единицы

общая

Щит ограждения

1

Æ 60×3,5

2350

1

11,48

11,48

2

Æ 20×2,0

60

4

0,053

0,212

 

Итого: 11,692

3

Æ 14

120

4

0,184

0,74

4

∟ 32×4

1450

2

2,77

5,54

5

∟ 32×4

1890

2

3,61

7,22

6

Æ 6AI

1425

17

0,285

4,85

7

Æ 6AI

1865

17

0,373

6,34

 

Итого: 24,69

Примечания:

1 Настоящая конструкция применяется при приближении башенного крана к зданию (сооружению) на расстояние меньше нормативного (вопрос согласовывается с МГУ Госгортехнадзора России).

2 В ограждении устанавливают запирающуюся калитку такой же высоты.

3 Вместо металлического ограждения может быть выполнено деревянное из досок δ = 25 мм с расстоянием между досками 80 мм. Расстояние между стойками 2000 мм.

1 - стойка; 2 - скоба; 3 - полускоба; 4 - анкер; 5 - гильза; 6 - опора.

Рисунок 26 - Инвентарное ограждение рельсовых путей башенных кранов (вариант 1)

Спецификация материалов на одну стойку ограждения

 

№ поз.

Эскиз

Сечение

Длина, мм

Количество элементов, шт.

Масса, кг

единицы

общая

Стойка

1

Æ 32×2,0

1175

1

1,74

1,74

2

Æ 8AI

166

1

0,060

0,060

3

Æ 8AI

120

1

0,040

0,040

Итого: 1,840

Бетонная опора

4

Æ 8AI

80

1

0,080

0,080

5

Æ 42×3,5

140

1

0,050

0,500

Итого: 0,580

6

400×400×120

1

0,048

0,048

Примечания

1 Стойки ограничения устанавливают на расстоянии 4000 мм друг от друга. На стойки навешивают пеньковый канат Æ 12 мм в 2 яруса. Верхний канат пропускают через верхнюю скобу стойки, нижний оборачивают вокруг стойки на уровне полускобы.

бетонировании опоры в нее закладывают гильзу.

установке ограждения стык опоры со стойкой смазывают маслом.

транспортирование бетонных опор и стоек производят отдельно.

пролет, равный 4 м, требуется 8,15 м каната Æ 12 мм.

Рисунок 27 - Временное ограждение рельсовых крановых путей (вариант 2)

Спецификация материалов на одно звено ограждения

№ поз.

Эскиз

Сечение

Длина, мм

Количество элементов, шт.

Масса, кг

единицы

общая

1

Æ 12AI

160

2

0,14

0,28

2

Æ 50

1700

1

3,06

3,06

3

32×100

3600

2

0,012

0,024

Масса металла на 1 м ограждения - 0,96 кг. Объем лесоматериалов на 1 м ограждения - 0,0064 м3. Вместо досок может быть применено ограждение из пенькового каната Æ 12 мм с расходом на 1 пролет длиной 3,5 м - 7,30 м.

7.9 Рабочие места и проходы к ним, расположенные на перекрытиях, покрытиях на высоте более 1,3 м и на расстоянии менее 2 м от границы перепада по высоте, должны быть ограждены предохранительными или страховочными защитными ограждениями, а при расстоянии более 2 м - сигнальными ограждениями, соответствующими требованиям ГОСТ 12.4.059-89; проемы в стенах при одностороннем примыкании к ним настила (перекрытия) должны ограждаться, если расстояние от уровня настила до нижнего прохода менее 0,7 м.

Ширина одиночных проходов к рабочим местам и на рабочих местах должна быть не менее 0,6 м, а высота таких проходов в свету - не менее 1,8 м.

7.10 На стройгенплане показывают зону складирования материалов и конструкций с указанием размеров и площади зоны.

7.11 На стройгенплане показывают места хранения грузозахватных приспособлений и тары.

Для стреловых кранов места хранения грузозахватных приспособлений и тары показывают на фрагменте одной стоянки крана.

7.12 Стенды со схемами строповок и таблицей масс грузов должны предусматриваться в зоне разгрузки автотранспорта и на площадках складирования.

Для стреловых кранов место установки такого стенда показывают на фрагменте одной стоянки крана.

Количество стендов принимается в зависимости от количества разгрузочных площадок - в среднем один стенд на одну площадку.

При необходимости кантовки на стройгенплане должна предусматриваться специально оборудованная площадка или соответствующее оборудование для кантовки.

7.13 Передвижные вагончики или отдельные блок-контейнеры здания, используемые для административно-бытовых помещений, устанавливаются группами не более 10 шт. и общей площадью не более 800 кв. м. Расстояние между группами должно быть не менее 15 м, такое же расстояние принимается между вагончиками и строящимися или существующими зданиями и сооружениями.

В стесненных условиях допускается уменьшить указанное расстояние при условии устройства противопожарных стен.

7.14 Расстояние от рабочих мест на открытом воздухе или в неотапливаемых помещениях до гардеробных, душевых, умывальных, помещений для обогревания и туалетов должно быть не более 150 м.

При определении удаленности санитарно-бытовых помещений следует учитывать расстояние по вертикали, которое принимается с коэффициентом 5.

7.15 Санитарно-бытовые помещения должны быть удалены от разгрузочных устройств и других объектов, выделяющих пыль, вредные пары и газы на расстояние не менее 50 м, при этом бытовые помещения целесообразно размещать с наветренной стороны. Входы в помещения не должны быть расположены со стороны рельсовых крановых путей, проходящих ближе 7 м от наружной стены здания.

7.16 Площадка для размещения бытовых помещений должна располагаться на незатапливаемом участке, иметь водоотводные канавы, переходные мостики и подъезды для пожарных машин.

7.17 Ширина временных автотранспортных дорог принимается:

при двухполосном движении - 6 м (в обоснованных случаях - до 7 м);

при однополосном движении - 3,5 м с уширением до 6,5 м под разгрузочные площадки для автотранспорта (при большегрузных машинах - 7,0 м).

Длина разгрузочной площадки назначается в зависимости от числа автомашин, одновременно стоящих под разгрузкой, их габаритов и принимается 15 ÷ 45 м.

Радиусы закругления временных дорог зависят от габарита грузов и транспортных средств, используемых для их доставки, и принимается 12 ÷ 18 м.

В стесненных условиях строительной площадки при применении автомашин грузоподъемностью до 5 т без прицепов допускается принимать радиус закругления временных дорог 9 м.

7.18 Ширина временных дорог и площадок для установки стреловых самоходных кранов определяется в зависимости от используемых марок кранов. Ширина временной дороги принимается на 0,5 м больше ширины гусеничного или колесного хода применяемого крана.

При прямолинейном движении кранов временную дорогу рекомендуется выполнять двухколейной. Ширина колеи принимается на 0,5 м больше ширины одной гусеницы, или колеса, или пары колес.

При специальном обосновании ширина временных дорог под самоходные стреловые краны может быть увеличена.

Временные автотранспортные дороги могут быть совмещены с временными дорогами, на которых работают самоходные стреловые краны.

7.19 Конструкцию временных дорог и площадок под стреловые краны проектируют в зависимости от нагрузок, создаваемых кранами (нагрузки принимаются согласно паспорту завода-изготовителя), и плотности грунта в основании (согласно техническому заключению Мосгоргеотреста о грунтах или акта испытания грунта лабораторией строительно-монтажной организации).

Площадка для установки стрелового крана должна обеспечивать устойчивость крана и исключать проседание выносных опор (аутригеров) или гусениц (или плит под ними) при подъеме краном предельно допустимого (по паспорту) груза.

7.20 Временные дороги и пешеходные дорожки могут иметь покрытие из щебня, гравия или из железобетонных дорожных плит на песчаном основании.

7.21 Временные дороги и пешеходные дорожки по возможности необходимо устраивать за пределами опасной зоны. В соответствии с ППБ 01-93** «Правила пожарной безопасности в Российской Федерации» расстояние от края проезжей части до стен зданий, сооружений и площадок не должно превышать 25 м.

Для разгрузочных площадок временная дорога должна иметь уширения в зону обслуживания крана.

7.22 При разработке стройгенплана необходимо учитывать требуемые размеры проезда для завоза крана на площадку или с площадки и площади для монтажа и демонтажа крана; временные дороги должны обеспечивать свободный проезд других строительных механизмов и пожарных машин ко всем строящимся и эксплуатируемым зданиям (в том числе и временным), местам открытого хранения строительных материалов, конструкций и оборудования.

Вдоль зданий шириной до 18 м устраивается проезд с одной стороны, более 18 м проезды должны быть с двух сторон, а шириной более 100 м - со всех сторон здания. Проезды должны иметь покрытие, пригодное для движения пожарных автомобилей в любое время года (СНиП II-89-80*).

7.23 При наличии тупиковых дорог должно быть предусмотрено устройство разворотных площадок размером не менее 12×12 м или петель.

7.24 На территории строительства площадью 5 га и более должно быть предусмотрено не менее двух въездов с противоположных сторон.

7.25 Ширина ворот на въездах на строительную площадку должна быть не менее 4 м.

7.26 У въездов на строительную площадку должен устанавливаться информационный стенд пожарной защиты с нанесенными строящимися и вспомогательными зданиями и сооружениями, схемой движения транспорта, местонахождением водоисточников, средств пожаротушения и связи.

7.27 На строительной площадке у выезда должно оборудоваться место очистки и мойки колес машин от грязи.

7.28 В местах пересечения временных дорог и пешеходных дорожек с опасными зонами необходимо устанавливать дорожные знаки и знаки безопасности.

В необходимых случаях для регулировки движения транспорта и работы крана специально назначаются сигнальщики.

7.29 На дорогах должна предусматриваться установка знаков ограничения скорости движения транспорта.

7.30 На стройгенплане показывают место стоянки транспорта под разгрузкой и разрабатывают схему движения транспорта с расстановкой дорожных знаков, регламентирующих порядок движения транспортных средств в соответствии с «Правилами дорожного движения».

Скорость движения автотранспорта на стройплощадке вблизи мест производства работ не должна превышать 10 км/ч на прямых участках и 5 км/ч - на поворотах.

7.31 Место нахождения контрольных грузов башенных кранов для минимального и максимального вылета располагают за ограждением кранового пути.

Положение контрольных грузов на строительной площадке должно соответствовать наибольшей грузоподъемности крана и/или наибольшему грузовому моменту. Если кран имеет постоянную грузоподъемность или перемещает только грузы с минимальной грузоподъемностью, на строительной площадке может быть один контрольный груз для максимального вылета.

При установке на один рельсовый путь нескольких кранов контрольные грузы с максимальной массой могут находиться внутри рельсовых крановых путей в промежутке между тупиковыми упорами двух кранов, при этом расстояние от тупикового упора до контрольного груза должно быть не менее 1 м. При кранах с одинаковой грузоподъемностью у пары кранов могут быть общие контрольные грузы.

7.32 На стройгенплане показывают схему движения работающих людей на стройплощадке, пешеходные дорожки, входы в здание и спуски в котлован.

Съезды в котлован или другие выемки выполняют с уклоном 0,10, а в стесненных условиях - 0,15. В случае, если в котлован (или другую выемку) требуется заезд только стреловых кранов, уклон пандуса принимается с учетом максимального уклона, преодолеваемого краном в транспортном положении согласно паспорта крана.

7.33 Рабочие спускаются в котлован по лестницам или специально устроенным для рабочих пандусам. Не допускается спуск в котлован по пандусам, где производится движение транспорта.

В случае совмещения на одном пандусе автодороги и пешеходной дорожки, они должны быть разделены временным сигнальным ограждением или отбойным брусом.

7.34 Входы в здание предусматриваются с торцов здания или противоположной от крана стороны здания.

7.35 Шкаф электропитания крана, запирающийся на замок, устанавливается с наружной стороны ограждения кранового пути. К шкафу электропитания крана должен быть обеспечен свободный подход.

Линия электропитания от распределительного щита до грузоподъемного крана должна быть самостоятельной, присоединение к этой линии других потребителей запрещается.

7.36 При привязке башенных кранов необходимо учитывать размеры площадок для монтажа и демонтажа кранов, а также расположение монтируемых и демонтируемых кранов относительно строящегося или рядом расположенного здания (сооружения) или других препятствий.

7.37 Места приема раствора и бетонной смеси на строительной площадке должны иметь твердое покрытие.

7.38 На стройгенплане показывают места установки знаков безопасности при ограничении зоны обслуживания, а также наносят расположение прожекторных вышек и опор наружного освещения.

7.39 К площадкам укрупнительной сборки конструкций предъявляются такие же требования, как и к площадкам складирования материалов и конструкций. Кроме того, в зависимости от вида укрупняемых конструкций площадки должны иметь стеллажи, оборудование и приспособления для укрупнения и кантовки конструкций.

При небольшом объеме работ площадка укрупнительной сборки может находиться в зоне работ крана (кранов), с помощью которого (которых) возводится здание (сооружение), а при больших объемах работ укрупнительная сборка конструкций производится на отдельной площадке с самостоятельными (не связанными с производством строительно-монтажных работ) кранами, необходимым оборудованием и временными сооружениями.

7.40 Первичные средства пожаротушения размещаются на строительной площадке и строящемся объекте, складах и в административно-бытовых помещениях в соответствии с требованиями «Правил пожарной безопасности в Российской Федерации».

7.41 Для уменьшения загрязнения окружающей среды строительные отходы должны собираться на стройплощадке в контейнеры. Контейнеры со строительными отходами должны устанавливаться в отведенном для них месте и вывозиться за пределы строительной площадки. Место сбора строительных отходов должно показываться на стройгенплане.

Вблизи санитарно-бытовых помещений также устанавливаются контейнеры для сбора мусора и пищевых отходов. На стройгенплане должна быть показана схема удаления мусора с этажей.

На стройгенплане показываются грузовые и грузопассажирские подъемники с их привязкой.

«ВРЕМЕННОЕ ПОЛОЖЕНИЕ ПО СОСТАВУ, СОДЕРЖАНИЮ И ПРАВИЛАМ РАЗРАБОТКИ ПОС И ППР»

3 СОСТАВ И СОДЕРЖАНИЕ ПРОЕКТОВ ПРОИЗВОДСТВА РАБОТ

3.1 В состав ППР для здания, сооружения или его части при новом строительстве, а также при реконструкции включаются:

- календарный план производства работ по объекту, в котором устанавливаются последовательность и сроки выполнения работ с максимально возможным их совмещением;

- строительный генеральный план с указанием границ строительной площадки и видов ее ограждений, действующих и временных подземных, наземных и воздушных сетей и коммуникаций, постоянных и временных дорог, схем движения средств транспорта и механизмов на стройплощадке и прилегающей территории (при выполнении работ на проезжей части улиц и магистралей), мест установки строительных и грузоподъемных машин, путей их перемещения и зон действия, размещения постоянных, строящихся и мобильных (инвентарных) зданий и сооружений, мест расположения знаков геодезической разбивочной основы, опасных зон, путей и средств подъема работающих на рабочие ярусы (этажи), а также проходов в здания и сооружения. Размещения источников и средств энергообеспечения и освещения строительной площадки, расположения заземляющих контуров, мест расположения контейнеров-накопителей для удаления строительного и бытового мусора, пунктов очистки (мойки) колес автотранспорта, площадок и помещений складирования материалов и конструкций, площадок укрупнительной сборки конструкций, питьевых установок и мест отдыха, а также зон выполнения работ повышенной опасности;

- технологические карты (схемы) (с использованием типовой документации) на выполнение отдельных видов работ с включением схем операционного контроля качества, описанием методов производства работ, указанием трудозатрат и потребности в материалах, машинах, оснастке, приспособлениях и средствах защиты работающих, а также последовательности демонтажных работ при реконструкции предприятий, зданий и сооружений;

- решения по производству геодезических работ, включающие схемы размещения знаков для выполнения геодезических построений и измерений, а также указания о необходимой точности и технических средствах геодезического контроля выполнения строительно-монтажных работ;

- решения по технике безопасности в составе, определенном СНиП III-4-80* и СНиП 12-03-99;

- решения по прокладке временных сетей водо-, тепло и энергоснабжения и освещения (в том числе аварийного) строительной площадки и рабочих мест с разработкой, при необходимости, рабочих чертежей подводки сетей от источников питания;

- перечни технологического инвентаря и монтажной оснастки, а также схемы строповки грузов;

- пояснительная записка, содержащая:

обоснование решений по производству работ, в том числе выполняемых в зимнее время;

мероприятия, направленные на обеспечение сохранности и исключение хищения материалов, изделий, конструкций и оборудования на строительной площадке, в зданиях и сооружениях;

решения по экологической безопасности строительного производства;

мероприятия по защите действующих зданий и сооружений от повреждений.

3.2 В составе ППР при установке нестационарных объектов включаются:

- стройгенплан (при необходимости по решению строительной организации);

- технологическая схема (то же);

- краткая пояснительная записка с указанием перечня проводимых строительных работ, решениями по технике безопасности и мероприятиями по охране окружающей среды и пожарной безопасности.

3.3 В ППР при использовании территории (приспособления для ведения хозяйственной деятельности) разрабатываются:

- стройгенплан (при необходимости по решению строительной организации);

- краткая пояснительная записка с указанием перечня проводимых строительных работ, решений по технике безопасности и мероприятий по охране окружающей среды и пожарной безопасности.

3.4 При благоустройстве территории в ППР предусматривается разработка:

- технологической карты или схемы производства работ;

- краткой пояснительной записки с указанием проводимых строительных работ, решений по технике безопасности и мероприятий по охране окружающей среды и пожарной безопасности.

3.5 Для капитального ремонта зданий, ремонта и покраски фасадов в составе ППР разрабатываются:

- стройгенплан (при обустройстве стройплощадки);

- календарный план производства работ;

- технологические карты (схемы) на отдельные виды работ с учетом паспорта «Колористическое решение, материалы и технология проведения работ» (для проведения ремонта и покраски фасадов);

- решения по охране окружающей среды;

- краткая пояснительная записка с указанием перечня проводимых строительных работ, решениями по технике безопасности и мероприятиями по пожарной безопасности.

3.6 При перепланировке помещений в ППР разрабатываются:

- технологические карты (схемы) на выполнение отдельных видов работ;

- краткая пояснительная записка с указанием перечня проводимых строительных работ, решениями по технике безопасности и мероприятиями по охране окружающей среды и пожарной безопасности.

3.7 При переоборудовании помещений в ППР разрабатываются:

- стройгенплан (при обустройстве стройплощадки);

- технологическая карта (схема) на выполнение отдельных видов работ,;

- краткая пояснительная записка с указанием перечня проводимых строительных работ, решениями по технике безопасности и пожарной безопасности.

3.8 ППР при реконструктивных работах предусматривает:

- стройгенплан (при обустройстве стройплощадки);

- технологические схемы;

- краткую пояснительную записку с указанием перечня проводимых строительных работ, решениями по технике безопасности и мероприятиями по охране окружающей среды и пожарной безопасности.

3.9 В состав ППР при реставрации объектов (консервации, ремонте, научной реставрации и приспособлении недвижимых памятников истории и культуры к современному использованию) включаются:

- стройгенплан;

- технологические схемы;

- краткая пояснительная записка с указанием проводимых строительных работ, решениями по технике безопасности и мероприятиями по охране окружающей среды и пожарной безопасности.

3.10 Состав организационно-технологической документации (ПОС и ППР) в зависимости от специфики и видов строительно-монтажных работ приводится в таблице 1.


Таблица 1 - Состав ПОС и ППР в зависимости от специфики и вида строительно-монтажных работ

Объекты предпроектной и проектной подготовки строительства

Проект организации строительства

Проект производства работ

Календарный план строительства

Строительные генеральные планы

Организационно-технологические схемы возведения здания и сооружений

Ведомость объемов основных строительно-монтажных работ

Пояснительная записка

Календарный план производства работ

Строительный генеральный план

Технологические рекомендации, карты (схемы)

Решения по производству геодезических работ

Решения по технике безопасности и охране окружающей среды

Решения по прокладке инженерных сетей

Перечни технологического инвентаря и монтажной оснастки, а также схемы строповки грузов

Пояснительная записка

1. Новое строительство, реконструкция объектов,

+

+

+

+

+

+

+

+

+

+

+

+

+

в том числе объекты квартальных застроек (ПЗ)

+

+

-

-

+

+

+

+

+

+

+

+

+

2. Установка нестационарных объектов

-

-

-

-

-

-

+

+

-

-

-

-

+

3. Использование территории (приспособление для ведения хозяйственной деятельности)

-

-

-

-

-

-

+

-

-

-

-

-

+

4. Благоустройство территории

-

-

-

-

-

-

-

-

-

-

-

-

+

5. Капитальный ремонт зданий, ремонт и покраска фасадов

-

-

-

-

-

+

+

+

-

+

-

-

+

6. Перепланировка помещений

-

-

-

-

-

-

-

+

-

+

-

-

+

7. Переоборудование помещений

-

-

-

-

-

-

+

+

-

+

-

-

+

8. Реконструктивные работы

-

-

-

-

-

-

+

+

-

+

-

-

+

9. Реставрация объектов

-

-

-

-

-

-

+

+

-

+

-

-

+


Приложение А

(обязательное)

ВОПРОСЫ, ТРЕБУЮЩИЕ СПЕЦИАЛЬНОГО ОТРАЖЕНИЯ В ПОС И ППР

1. В ПОС должны быть особо проработаны вопросы в части определения границ опасных зон по действию опасных факторов в связи с повышенными требованиями СНиП 12-03-99.

В случае если в процессе строительства (реконструкции) зданий и сооружений в опасные зоны вблизи мест перемещения грузов кранами и от строящихся зданий могут попасть эксплуатируемые гражданские или производственные здания и сооружения, транспортные или пешеходные дороги и другие места возможного нахождения людей, необходимо предусмотреть решения, предупреждающие условия возникновения опасных зон, а именно:

- вблизи мест перемещения груза краном рекомендуется оснащать башенные краны дополнительными средствами ограничения зоны их работы, посредством которых эта зона должна быть принудительной ограничена таким образом, чтобы не допустить возникновения опасных факторов в местах нахождения людей. В качестве таких средств может быть использована «Система ограничения зоны работы башенного крана в стесненных условиях», разработанная ЦНИИОМТП;

- на участках вблизи строящегося (реконструируемого) монолитного или кирпичного здания необходимо по периметру здания устанавливать защитный экран, имеющий равную или большую высоту по сравнению с высотой возможного нахождения груза, перемещаемого грузоподъемным краном. При этом зона работы крана должна быть ограничена таким образом, чтобы перемещаемый груз не выходил за контуры здания в местах расположения защитного экрана.

2. При размещении строительных объектов на основных улицах и магистралях вблизи мет массового пребывания людей, жилых и общественных зданий, учреждений образования, здравоохранения и культуры в ПОС должны быть проработаны и обоснованы вопросы, касающиеся режима работы в ночное время, организации дорожного движения транспорта и пешеходов, выбора механизмов и оборудования. Организации бытовых и санитарных условий для рабочих, уборки и вывоза мусора, внешнего вида и содержания ограждения и других вопросов обустройства строительных площадок с тем, чтобы максимально повысить комфортность и безопасность пребывания людей в непосредственной близости от строительной площадки и снизить негативное воздействие стройки на городскую среду.

3. С учетом данных инженерно-геологических изысканий в задании на проектирование должно содержаться требование по разработке в составе проекта (рабочего проекта) документации по мониторингу деформаций подземного пространства и фундаментов зданий и сооружений, подлежащей геотехнической экспертизе, а на основании обследования зданий и сооружений в ПОС предусматриваться предложения по организации мониторинга за состоянием прочности и устойчивости существующих зданий, строений, сооружений и конструкций (регулярные высотные съемки, установка маячков, усиление существующих конструкций, укрепление оснований и др.).

4. При строительстве в районах сложившейся застройки и в непосредственной близости от эксплуатируемых сооружений метрополитена мелкого заложения запрещается использовать ударный метод погружения свай, в том числе шпунтовых ограждений.

5*). При строительстве зданий и сооружений с применением монолитных железобетонных конструкций в составе ПОС следует выполнять расчет требуемой прочности бетона монолитных конструкций, при которой допускается производство последующих работ, связанных с передачей строительных нагрузок на железобетонные конструкции, еще не набравшие проектную прочность.

*) Распоряжение Правительства Москвы № 577-РЗП от 30 июня 1998 г.

6. В ПОС на прокладку подземных коммуникаций и сооружений должны предусматриваться мероприятия по очередности их переустройства, а также мероприятия, обеспечивающие сохранность наземных и подземных сооружений, объектов благоустройства и зеленых насаждений, расположенных в зоне строительства.

7. При производстве работ на проезжей части улиц и магистралей в состав ПОС следует включать в качестве раздела проект организации движения. Проектирование организации дорожного движения выполняются организациями, имеющими лицензию Главного управления ГИБДД МВД России.

8. В ПОС и ППР устанавливаются организационно-экологические правила строительства (реконструкции) объектов вне зависимости от их назначения и формы собственности.

9. В ПОС и ППР должны содержаться принципиальные решения по применению машин и оборудования, создающих шум при работе, имея ввиду что эти механизмы должны эксплуатироваться таким образом, чтобы уровни звукового давления и уровни звука на постоянных рабочих местах в помещениях, на территории строительной площадки и близ расположенных зданий не превышали допустимых величин, указанных в ГОСТ 12.1.003-83*.

10. При эксплуатации строительных машин для устранения вредного воздействия повышенного уровня шума на работающих и находящихся вблизи стройплощадки людей должны применяться:

а) технические средства (уменьшение шума машин в источнике его образования; применение технологических процессов, при которых уровни звукового давления на рабочих местах не превышают допустимые и т.д.);

б) строительно-акустические мероприятия в соответствии со строительными нормами и правилами;

в) дистанционное управление шумными машинами; средства индивидуальной защиты;

г) организационные мероприятия (выбор рационального режима труда и отдыха, сокращение времени нахождения в шумных условиях, лечебно-профилактические и другие мероприятия);

- производственное оборудование, генерирующее вибрацию, должно соответствовать требованиям ГОСТ 12.1.012-90. Для устранения вредного воздействия вибрации на работающих должны применяться:

д) конструктивные или технологические меры снижения вибрации в источнике ее образования;

е) средства виброизоляции и вибропоглощения, уменьшающие вибрации на пути ее распространения;

ж) дистанционное управление, исключающее передачу вибрации на рабочие места;

з) средства индивидуальной защиты.

11. При необходимости использования машин в экстремальных условиях (срезка грунта на уклоне, расчистка завалов вблизи эксплуатируемых зданий и сооружений и т.п.) следует применять машины, оборудованные дополнительными средствами коллективной защиты, предупреждающими воздействие на работников и других лиц опасных производственных факторов, возникающих при работе машин.

12. В составе проекта производства работ на возведение уникальных объектов и объектов со сложными техническими решениями разрабатываются программы необходимых исследований, испытаний и режимных наблюдений, включая методы технического контроля, обеспечивающие надежное проведение строительных работ и последующую эксплуатацию сооружений.

13. Производство работ в непосредственной близости от существующих зданий и сооружений осуществляется с учетом:

- специальных мероприятий по обеспечению сохранности существующих строений, основывающихся на результатах инженерных изысканий и обследования зданий и сооружений и учитывающих особенности инженерно-геологических условий площадки, а также состоянию строительных конструкций строений;

- решений по усилению существующих зданий и сооружений, включая укрепление грунтов оснований;

- мероприятия по мониторингу строящихся и существующих строений и прилегающего к ним подземного пространства.

14. Проекты производства работ на устройство оснований, фундаментов и подземных сооружений должны разрабатываться на основании и с учетом документации по мониторингу деформаций подземного пространства и фундаментов зданий и сооружений, разработанной в составе проекта (рабочего проекта) и прошедшей геотехническую экспертизу, а также предложений по организации мониторинга за состоянием прочности и устойчивости существующих зданий, строений, сооружений и конструкций, предусмотренных в ПОС.

Приложение Б

(справочное)

Пример расчета потребности в рабочих кадрах строителей, расчет временных административно-бытовых зданий и сооружений

1 Потребность в рабочих кадрах строителей

1.1 Наибольшее количество работающих на стройплощадке определяется по графику движения рабочей силы или на основании календарного плана работ, объема выполняемых работ и среднегодовой выработки исполнителей на одного работающего по формуле:

А = Б/(ВТ),

где    А  - количество работающих на стройплощадке;

Б     - общая стоимость строительно-монтажных или специальных работ, 3960,0 тыс. руб.;

В     - среднегодовая выработка на одного работающего - 15000 руб.;

Т     - продолжительность выполнения работ по календарному плану, 3 года.

А = 3960000:15000:3 = 88 человек

1.2 ИТР, служащие и МОП составляют 15 % от наибольшего количества работающих на стройплощадке:

А1 = А×0,15 = 88×0,15 = 14 чел.

1.3 Рабочих:

А2 = А - А1 = 88 - 14 = 74 чел.

1.4 Рабочие в наиболее многочисленную смену составляют 70 % от наибольшего числа рабочих на стройплощадке;

A3 = А2×0,70 = 74×0,70 = 52 чел.

ИТР, служащие и МОП в наиболее многочисленную смену составляют 80 % от наибольшего количества ИТР, служащих и МОП на стройплощадке:

А4 = А1×0,80 = 14×0,80 = 12 чел.

Общее количество работающих в наиболее многочисленную смену составит:

А5 = A3 + А4 = 52 + 12 = 64 чел.

1.5 Работающие женщины в наиболее многочисленную смену составляют 30 % от общего количества работающих в наиболее многочисленную смену:

А6 = А5×0,3 = 64×0,3 = 20 чел.

1.6 Мужчины:

А7 = А5 - А6 = 64 - 20 - 44 чел.

1.7 Численность работающих, занятых на автотранспорте, в обслуживающих предприятиях и вспомогательных производствах (заводы железобетонных конструкций, бетонно-растворные узлы) в расчет не включены ввиду централизованной поставки на строительство бетона и раствора, а также полуфабрикатов и изделий с заводов и баз Главмоспромстройматериалов автотранспортом Главмосавтотранса.

2 Расчет временных зданий и сооружений

Расчет потребности во временных зданиях и сооружениях производится по формуле:

Ртр = Рн×К,

где    Рн - нормативный показатель площади;

К     - общее количество работающих (или их отдельных категорий) или количество работающих в наиболее многочисленную смену;

Ртр   - требуемая площадь инвентарных зданий.

2.1 Здания санитарно-бытового назначения

2.1.1 Гардеробная - при норме 0,89 кв. м на одного рабочего в день:

Ртр = 0,89×А2 = 0,89×74 = 66 кв. м

2.1.2 Умывальные - при норме 0,07 кв. м на одного работающего в наиболее многочисленную смену:

Ртр = 0,07×А5 = 0,07×64 = 4 кв. м

2.1.3 Душевые - при норме 0,54 кв. м на одного работающего в наиболее многочисленную смену:

Ртр = 0,54×А5 = 0,54×64 = 35 кв. м

2.1.4 Помещение для обогрева рабочих - при норме 0,1 кв. м на одного рабочего в наиболее многочисленной смене:

Ртр = 0,1×A3 = 0,1×52 = 8 кв. м (принимается не менее 8 м2)

2.1.5 Помещение для сушки спецодежды и обуви - при норме 0,2 кв. м на одного рабочего:

Ртр = 0,А2 = 0,2×74 = 15 кв. м

2.1.6 Уборные - при норме 0,07 кв. м на одного работающего в наиболее многочисленную смену:

Ртр = 0,07×А5 = 0,07×64 = 4 кв. м

2.1.7 Помещение для личной гигиены женщин - определяется по количеству женщин, работающих в наиболее многочисленной смене (А6):

- при количестве женщин менее 100 чел. предусматривается специальная кабина с восходящим душем 1 шт × 2,88 кв. м

Ртр = 3 кв. м

2.1.8 Открытые площадки для отдыха и места для курения - определяются по количеству работающих в наиболее многочисленной смене из расчета на одного человека 0,2 кв. м:

Ртр = 0,А5 = 0,2×64 = 13 кв. м

2.1.9 Здравпункт - определяется при общей численности работающих в наиболее многочисленную смену до 300 чел. - 12 кв. м - медицинское помещение при прорабских с отдельным входом:

Ртр = 12 кв. м

2.2 Пункты питания

2.2.1 Столовая - определяется из расчета 4 чел. на одно посадочное место. Численность посещающих столовую составляет 75 % от числа работающих в наиболее многочисленную смену:

А5:4×0,75 = 64:4×0,75 = 12 мест

Площадь на одно посадочное место при наличии 12 мест в зале с учетом приготовления пищи из сырья - 1,02 кв. м

Ртр = 1,02×12 = 12 кв. м

Буфет - определяется из расчета 4 чел. на одно посадочное место. Численность посещающих буфет составляет 25 % от числа работающих в наиболее многочисленную смену:

А5:4×0,25 = 64:4×0,25 = 4 места

Площадь на одно посадочное место при наличии 4 мест - 0,7 кв. м

Ртр2 = 0,7×4 = 3 кв. м

Общая требуемая площадь для пунктов питания:

Ртр = Ртр1 + Ртр2 = 12 + 3 = 15 кв. м

2.3 Здания административного назначения

2.3.1 Контора начальников участков, прорабские - определяется по норме 4 кв. м на одного ИТР, служащего и МОП, работающих на линии и составляющие 50 % от общего числа персонала этих категорий. Добавляется также 10 % на площадь коридоров, проходов, тамбуров.

Ртр = 4×А1×1,1×0,5 = 4×14×1,1×0,5 = 31 кв. м

2.3.2 Диспетчерская - определяется по норме 7 кв. м на одного человека обслуживающего персонала. Добавляется также 5 % на площадь коридоров, проходов, тамбуров и 8 кв. м - площадь помещения при диспетчерской для радиоузла громкоговорящей связи.

Ртр = (Ад)×1,05 + 8 = (7×501,05 + 8 = 376 кв. м,

где Ад - количество обслуживающего персонала диспетчерской - 50 чел.

2.3.3 Красный уголок - определяется по норме 0,2 кв. м на одного работающего в наиболее многочисленной смене. Добавляется также 10 % на площадь коридоров, проходов, тамбуров.

Ртр = А5×1,1×0,2 = 0,22×64 = 14 кв. м

2.3.4 Штаб строительства.

а) рабочие комнаты - при норме 4 кв. м на одного человека:

Ртр = 4×Ар = 4×34 = 136 кв. м

где Ар - количество людей в рабочих комнатах - 34 чел.

б) комната для группы рабочего проектирования - при норме 6 кв. м на одного человека:

Ртр = 6×Ап = 6×3 = 18 кв. м,

где Ап - количество людей в группе рабочего проектирования - 3 чел.

в) кабинеты начальников строительства (комплекса) - при норме 31 кв. м на одного начальника строительства:

Ртр = 31×Ан = 31×2 = 62 кв. м,

где Ан - количество начальников строительства - 2 чел.

г) зал совещаний - при норме 0,9 кв. м на одного человека в зале:

Ртр = 0,9×Ас = 0,9×10 = 9 кв. м,

где Ас - количество человек, на которое рассчитан зал совещаний - на 10 чел.

д) методический кабинет:

Ртр = 23 кв. м

е) кладовые:

Ртр = 70 кв. м

ж) строительные лаборатории:

Ртр = 34 кв. м

2.3.6 Здания и сооружения складского назначения.

а) Закрытый отапливаемый склад - при норме 24 кв. м на 1 млн. руб. максимальной годовой стоимости СМР:

Ртр = Б/Т/1000×24×m×k

Ртр = 67,0/1,0/1000×24×1,3×1,1 = 0 кв. м,

где m    - коэффициент неравномерности производственного потребления материалов = 1,3;

       k     - коэффициент неравномерности поступления материалов и изделий на склады строительства = 1,1;

б) Закрытый неотапливаемый склад - при норме 51,2 кв. м на 1 млн. руб. максимальной годовой стоимости СМР:

Ртр = Б/Т/1000×51,m×k

Ртр = 67,0/1,0/1000×51,2×1,3×1,1 = 0 кв. м,

в) Навесы - при норме 76,3 кв. м на 1 млн. руб. максимальной годовой стоимости СМР:

Pтp = B/T/1000×76,3×m×k

Ртр = 67,0/1,0/1000×76,3×1,3×1,1 = 1 кв. м,

г) Инструментальные мастерские - при норме 13 кв. м на 1 млн. руб. максимальной годовой стоимости СМР:

Ртр = Б/Т/1000×13×m×k

Ртр = 67,0/1,0/1000×13×1,3×1,1 = 0 кв. м,

д) Открытые площадки складирования при норме 552 кв. м на 1 млн. руб. максимальной годовой стоимости СМР:

Ртр = Б/Т/1000×552×m×k

Ртр = 67,0/1,0/1000×552×1,3×1,1 = 4 кв. м,

Результаты расчетов потребности во временных зданиях и сооружениях сведены в таблицу Б.1.

Таблица Б.1 - Потребность во временных зданиях и сооружениях

№ п/п

Наименование

Ед. изм.

Кол.

Номер и шифр проекта

1

2

3

4

5

Здания и сооружения санитарно-бытового назначения

1

Гардеробная

кв. м

66

 

2

Умывальные

кв. м

4

 

3

Душевые

кв. м

35

 

4

Помещение для обогрева рабочих

кв. м

8

 

5

Помещение для сушки спецодежды и обуви

кв. м

15

 

6

Уборные

кв. м

4

 

7

Помещение для личной гигиены женщин

кв. м

3

 

8

Здравпункты

кв. м

12

 

9

Пункты питания

кв. м

15

 

 

ИТОГО 162 кв. м

 

Открытые площадки для отдыха и места для курения

кв. м

13

 

Здания административного назначения

1

Конторы начальников участков, прорабские

кв. м

31

 

2

Диспетчерская

кв. м

376

 

3

Красный уголок

кв. м

14

 

4

Штаб строительства:

 

 

 

 

а) рабочие комнаты

кв. м

138

 

 

б) комната для группы рабочего проектирования

кв. м

18

 

 

в) кабинеты начальников строительства

кв. м

62

 

 

г) зал совещаний

кв. м

9

 

 

д) методический кабинет

кв. м

23

 

 

е) кладовые

кв. м

70

 

 

ж) строительные лаборатории

кв. м

34

 

 

ИТОГО: 773 кв. м

Здания и сооружения складского назначения

1

Закрытый отапливаемый склад

кв. м

0

 

2

Закрытый неотапливаемый склад

кв. м

0

 

3

Навесы

кв. м

1

 

4

Инструментальные мастерские

кв. м

0

 

5

Открытые площадки складирования

кв. м

4

 

 

ИТОГО: 5 кв. м

ОБЩАЯ ПОТРЕБНОСТЬ В АДМИНИСТРАТИВНЫХ ЗДАНИЯХ И СООРУЖЕНИЯХ БЕЗ УЧЕТА ОТКРЫТЫХ ПЛОЩАДОК СКЛАДИРОВАНИЯ И МЕСТ ОТДЫХА СОСТАВЛЯЕТ: 936 КВ. М

Потребность в конторских и административно-бытовых помещениях посчитана, исходя из максимального количества рабочих, занятых на строительно-монтажных работах. Необходимое количество рабочих для расчета административно-бытовых помещений определено, исходя из среднегодовой выработки по ПСО МОСПРОМСТРОЙ и стоимости СМР объекта.

Расчет потребности в административно-бытовых помещениях выполнен на основании Норм определения площадей временных административно-бытовых помещений при строительстве объектов в г. Москве, СНиП 2.09.04-87* и Пособия к СНиП 3.01.01-85*.

Приложение В

(справочное)

Пример расчета параметров сетевого графика строительства 19-ти этажного монолитного железобетонного дома

1 Исходные данные

1.1 Географический пункт строительства: г. Москва

1.2 Грунтовые условия: характер и несущая способность грунтов, положение уровня грунтовых вод - глубокое.

1.3 Наименование основного проектируемого объекта (здания): монолитный ж/б жилой дом, 19-ти этажный, габариты в плане 28,7×28,7 м.

Высота здания - 64,89 (от фундаментной плиты).

Высота этажа от пола до пола - 3,30 м.

Высота техподполья - 3,60 м.

Высота технического этажа - 4,85 м.

1.4 Материал основных и ограждающих конструкций: наружные стены - монолитные железобетонные несущие толщиной 250 мм; внутренние стены - монолитные железобетонные несущие толщиной 180 мм; перекрытия - монолитные железобетонные толщиной 160 мм.

Наружные стены по фасадам здания состоят из монолитного железобетона толщиной 250 мм, несущие, облицованного крупноразмерным декоративным кирпичом и размещенного между ними эффективного утеплителя.

Внутренние стены состоят из монолитного железобетона толщиной 180 мм. В техническом подполье имеются проемы для прохода обслуживающего персонала и отверстия для прокладки коммуникаций. В жилой части здания имеются каналы для электропроводки.

Междуэтажные перекрытия - монолитный железобетон толщиной 160 мм, служащий связующим каркасом со стенами.

Окна и балконные двери - с двойным остеклением раздельной конструкции.

Кровельное покрытие здания - 5-ти слойное: 3 слоя рубероида на битумной мастике, утеплитель - минеральная вата, гидроизол, цементная стяжка.

2 Расчет параметров сетевого графика строительства 19-ти этажного жилого дома.

Начало строительства - 01.04.2001 г.

Строительство ведется в светлое время суток для экономии электроэнергии и по технике безопасности.

Данный проект разработан на период строительства жилого монолитного 19-ти этажного дома по адресу: Рабочая ул., д. 22/24.

Строительство дома производится при помощи башенного крана НВК-160.1.

Бетонирование монолитный конструкций производится автобетононасосом типа PUTZMEISTER BRF 3209.EM.

Таблица В.1 - Укрупненный расчет сметной стоимости наружных сетей

№ п/п

Наименование

Ед. изм.

Объем работ, м

Укрупненные показатели сметной стоимости

на единицу измерения, тыс. руб.

на весь объем, руб.

1

Слаботочные сети: радио, телефон

м

61

3

183000,0

2

Канализация

м

28

32

896000,0

3

Водопровод

м

22

24

528000,0

4

Электроснабжение

м

30

7,5

225000,0

5

Дороги

м2

312

8

2496000,0

Расчет коэффициента неравномерности

Кн = Rmax/Rср.

где Кн ≤ 1,5 … 1,7                                    Кн = 70/50 = 1,46;

Rmax - максимальное число рабочих (по графику);

Rср. = Тобщ./Тпродолж. = Общая трудоемкость (по II карточке - определителю)/Общая продолжительность строительства (планируемая) = 13756/273 = 50

Таблица В.2 - Карточка-определитель работ для I сетевого графика

№ п/п

Наименование работ

Шифр (код) работ

Объем работ

Трудоемкость

Состав бригады, чел.

Число смен

Основные машины

Продолжительность работ, дней

Выработка, натур. показатели

ед. изм.

кол.

чел.-см.

маш.-см.

1

2

3

4

5

6

7

8

9

10

11

12

1

Разработка грунта котлована экскаватором

1 - 2

м3

3500,0

7

 

3

1

 

2

500

2

Устройство бетонной подготовки

2 - 3

м3

106,0

24

 

4

1

 

5

4,5

3

Установка арматуры фундаментной плиты на I захватке

3 - 4

т

49,8

151

 

8

2

 

9

0,33

4

Установка арматуры фундаментной плиты на II захватке

4 - 5

т

49,8

151

 

8

2

 

9

0,33

5

Установка опалубки фундаментной плиты на I захватке

4 - 6

м3

47,8

7

 

3

2

 

1

7

6

Установка опалубки фундаментной плиты на II захватке

5 - 7

м3

47,8

7

 

3

2

 

1

7

7

Укладка бетонной смеси фундаментной плиты на I захватке

6 - 8

м3

410,0

74,5

 

8

2

 

5

5,5

8

Установка арматуры стен техподполья на I захватке

8 - 10

т

4,6

14

 

8

2

 

1

0,33

9

Установка арматуры стен техподполья на II захватке

9 - 11

т

4,6

14

 

8

2

 

1

0,33

10

Установка опалубки стен техподполья на I захватке

10 - 12

м2

1104,5

175

 

11

2

 

7

6,3

11

Установка опалубки стен техподполья на II захватке

11 - 13

м2

1104,5

175

 

11

2

 

8

6,3

12

Укладка бетонной смеси стен техподполья на I захватке

12 - 14

м3

98,6

43

 

8

2

 

2

2,3

13

Укладка бетонной смеси стен техподполья на II захватке

13 - 15

м3

98,6

43

 

8

2

 

3

2,3

14

Установка опалубки перекрытия техподполья на I захватке

14 - 16

м2

332,5

60,5

 

11

2

 

2

5,5

15

Установка опалубки перекрытия техподполья на II захватке

15 - 17

м2

332,5

60,5

 

11

2

 

3

5,5

16

Установка арматуры перекрытия техподполья на I захватке

16 - 18

т

2,5

11,5

 

8

2

 

1

0,21

17

Установка арматуры перекрытия техподполья на II захватке

17 - 19

т

2,5

11,5

 

8

2

 

1

0,21

18

Укладка бетонной смеси перекрытия техподполья на I захватке

18 - 20

м3

53

23

 

8

2

 

1

2,3

19

Укладка бетонной смеси перекрытия техподполья на II захватке

19 - 21

м3

53

23

 

8

2

 

2

2,3

20

Гидроизоляция

15 - 22

м2

336

16,8

 

 

4

1

4

20

21

Обратная засыпка

22 - 23

м3

252

0,5

 

 

1

1

1

500

22

Отмостка

23 - 24

м3

27

6,0

 

 

3

1

2

4,5

23

Установка арматуры стен типового этажа на I захватке

20 - 25

т

2,4

11

 

8

1

 

1

0,21

24

Установка арматуры стен типового этажа на II захватке

21 - 26

т

2,4

11

 

8

1

 

1

0,21

25

Установка опалубки стен типового этажа на I захватке

25 - 27

м2

543

86

 

11

2

 

4

6,3

26

Установка опалубки стен типового этажа на II захватке

26 - 28

м2

543

86

 

11

2

 

4

6,3

27

Укладка бетонной смеси стен типового этажа на I захватке

27 - 29

м3

51

22

 

8

2

 

1

2,3

28

Укладка бетонной смеси стен типового этажа на II захватке

28 - 30

м3

51

22

 

8

2

 

1

2,3

29

Установка опалубки перекрытия типового этажа на I захватке

29 - 31

м2

325

59

 

11

2

 

2

5,5

30

Установка опалубки перекрытия типового этажа на II захватке

30 - 32

м2

325

59

 

11

2

 

3

5,5

31

Установка арматуры перекрытия типового этажа на I захватке

31 - 33

т

3,0

9,5

 

8

1

 

1

0,32

32

Установка арматуры перекрытия типового этажа на II захватке

32 - 34

т

3,0

9,5

 

8

1

 

1

0,32

33

Укладка бетонной смеси перекрытия типового этажа на I захватке

33 - 35

м3

65

25

 

8

2

 

1

2,6

34

Укладка бетонной смеси перекрытия типового этажа на II захватке

34 - 36

м3

65

25

 

8

2

 

1

2,6

35

Установка арматуры стен технического этажа на I захватке

35 - 37

т

2,5

11,5

 

8

1

 

1

0,21

36

Установка арматуры стен технического этажа на II захватке

36 - 38

т

2,5

11,5

 

8

1

 

1

0,21

37

Установка опалубки стен технического этажа на I захватке

37 - 39

м2

580

92

 

11

2

 

4

6,3

38

Установка опалубки стен технического этажа на II захватке

38-40

м2

580

92

 

11

2

 

4

6,3

39

Укладка бетонной смеси стен технического этажа на I захватке

39 - 41

м3

52

23

 

8

2

 

1

2,3

40

Укладка бетонной смеси стен технического этажа на II захватке

40 - 42

м3

52

23

 

8

2

 

1

2,3

41

Установка опалубки перекрытия технического этажа на I захватке

41 - 43

м2

455

83

 

11

2

 

3

5,5

42

Установка опалубки перекрытия технического этажа на II захватке

42 - 44

м2

455

83

 

11

2

 

4

5,5

43

Установка арматуры технического этажа на I захватке

43 - 45

т

3,1

10

 

8

1

 

1

0,32

44

Установка арматуры технического этажа на II захватке

44 - 46

т

3,1

10

 

8

1

 

1

0,32

45

Укладка бетонной смеси перекрытия технического этажа на I захватке

45 - 47

м3

70

27

 

8

1

 

3

2,6

46

Укладка бетонной смеси перекрытия технического этажа на II захватке

46 - 48

м3

70

27

 

8

1

 

3

2,6

Таблица В.3 - Пример расчета сетевого графика в табличной форме для I модели сетевого графика

Кол. предшествующих работ

Шифр работ

Продолжительность

Ранние сроки

Поздние сроки

Резервы времени

 

Тр.н.

Тр.о.

Тп.н.

Тп.о.

Rобщ.

Rчаст.

0

1-2

3

0

3

0

3

0

0

К

1

2-3

5

3

8

3

8

0

0

К

2

3-4

9

8

17

8

17

0

0

К

3

4-6

1

17

18

17

31

13

0

 

4

6-8

4

18

22

31

35

13

0

 

5

8-10

1

22

23

35

36

13

0

 

6

4-5

9

17

26

17

26

0

0

К

7

5-7

1

26

27

26

27

0

0

К

8

7-9

5

27

32

27

32

0

0

К

9

9-11

1

32

33

32

33

0

0

К

10

10-12

7

23

30

36

43

13

0

 

11

11-13

8

33

41

33

41

0

0

К

12

14-16

2

32

34

45

47

13

0

 

13

13-15

3

41

44

31

44

0

0

К

и т.д.

Таблица В.4 - Карточка-определитель работ для II сетевого графика

п/п

Шифр работ

Наименование работ

Объем работ

Трудоемкость, чел.-дн.

Выработке в натур. единицах

Требуемые механизмы

Продолжительность, дней

Число смен

Число рабочих в смену

ед. изм.

кол.

наименование

кол.

1

2

3

4

5

6

7

8

9

10

11

12

1

1-2

Подготовительный период

Руб.

97681

244

400 руб.

Бульдозер Д-153

11

24

2

5

2

2-3

Земляные работы

м3

3500

7

500 м2

Экскаватор Э-505

1

2

1

3

3

3-4

Устройство монолитной фундаментной плиты

Из I сетевого графика

912

 

Башенный кран НВК-160-1

1

24

2

19

4

4-5

Устройство технического подполья

Из I сетевого графика

684

 

Бетононасос PUTSMEISTER BRF 3289ЕМ

1

18

2

19

5

5-6

Гидроизоляция

м2

336

16,8

20 м

 

 

4

1

4

6

5-7

Устройство наружных коммуникаций и ввод в здание

Тыс. руб.

56,03

112

500 руб./чел.

Трубоукладчик

1

28

1

4

7

6-8

Обратная засыпка пазух котлована

м3

252

0,5

500 м3/чел.

Бульдозер Д-159

1

1

1

1

8

8-9

Отмостка

м3

27

6,0

4,5 м3/чел.

 

 

3

1

2

Возведение подземной части здания

9

5-10

1 - 3 эт.

Из сетевого графика 6802

1254

 

 

 

33

2

19

10

10-11

4 - 7 эт.

1254

 

 

 

33

2

19

11

11-12

8 - 11 эт.

1254

 

 

 

33

2

19

12

12-13

12 - 15 эт.

1254

 

 

 

33

2

19

13

13-14

16 - 19 эт.

1254

 

 

 

33

2

19

14

14-15

Технический этаж и кровля

 

532

 

 

 

 

14

2

19

15

15-16

Устройство кровли

м2

761,76

78

9,76 м2/чел.

 

 

4

2

10

16

15-17

Подача лифтов

 

150

30

 

Кран башенный НВК-160-1

1

4

1

7

17

17-18

Пусконаладочные работы

120

 

15

1

8

Облицовочные работы

728965,6 руб.

1458

500 руб.

 

1

28

2

5

18

10-19

1 - 3 эт.

 

1458

277

 

Кран башенный НВК-160-1

28

2

5

19

19-20

4 - 7 эт.

277

 

28

2

5

20

20-21

8 - 11 эт.

277

 

28

2

5

21

21-22

12 - 15 эт

277

 

28

2

5

22

22-23

16 - 19 эт.

277

 

28

2

5

23

23-24

Технический этаж

73

 

7

2

5

Сантехнические работы

583172,52 руб.

1296

450 руб.

 

 

 

 

 

24

10-31

1 - 3 эт.

1296

246

 

 

 

31

2

4

25

31-32

4 - 7 эт.

246

 

 

 

31

2

4

26

32-33

8 - 11 эт.

246

 

 

 

31

2

4

27

33-34

12 - 15 эт.

246

 

 

 

31

2

4

28

34-35

16 - 19 эт.

246

 

 

 

31

2

4

29

35-36

Технический этаж

65

 

 

 

8

2

4

Электромонтажные работы

437379,39 руб.

1093

400 руб.

 

 

 

 

 

30

19-25

1 - 3 эт.

1093

208

 

 

 

26

2

4

31

25-26

4 - 7 эт.

 

208

 

 

 

26

2

4

32

26-27

8 - 11 эт.

 

208

 

 

 

26

2

4

33

27-28

12 - 15 эт.

 

208

 

 

 

26

2

4

34

28-29

16 - 19 эт.

 

208

 

 

 

26

2

4

35

29-30

Технический этаж

 

54

 

 

 

7

2

4

36

15-38

Столярные работы

Руб.

218690

437,38

500 руб.

 

14

2

15

37

31-37

Теплоизоляционные работы

Руб.

145793

324

450 руб.

 

 

108

1

3

38

9-39

Благоустройство и озеленение

Руб.

195363

488

400 руб.

 

 

163

1

3

39

1-40

Сопутствующие неучтенные работы

Руб.

222803

742

300 руб.

 

 

247

1

3

40

38-41

Подготовка к сдаче

 

 

 

 

 

 

5

 

 

41

41-42

Сдача

 

 

 

 

 

 

2

 

 

Всего: Тобщ. = 13758 чел.-дн.

Приложение Г

(справочное)

Технические данные грузоподъемных кранов и подъемников

Краны башенные

 

КБ-401:

Lстр. = 25 м

Высота подъема, м:

- при наибольшем вылете.................................. 46,1

- при наибольшей грузоподъемности............... 60,5

Высота подвеса стрелы, м, наибольшая............................... 43,6

Глубина опускания, м............................................................ 5,0

Грузоподъемность, т:

- на минимальном вылете.................................. 8,0

- на максимальном вылете................................ 5,0

КБ-403:

Lстр. = 20, 25 и 30 м

Наибольший грузовой момент, т·м (кН·м).......................... 160,0 (1600,0)

Наибольшая грузоподъемность, т......................................... 8,0

Глубина опускания................................................................. 3,0

КБм-401п:

Грузовой момент, т·м (кН·м)................................................ 160,0 (1600,0)

Грузоподъемность наибольшая, т......................................... 10,0

Грузоподъемность при наибольшем вылете, т.................... 6,0

Вылет, м:

- наибольший........................................................... 25,0

- наименьший........................................................... 6,0

- при наибольшей грузоподъемности.................... 16,0

Высота подъема, м, наибольшая........................................... 57,8

КБ-503А

Lстр. = 32,63 м

Высота подъема, м:

- при наибольшем вылете............................................ 53,0

- при наибольшей грузоподъемности......................... 55,0

- наибольшая (α = 30°).................................................. 67,5

Вылет, м:

- наибольший при горизонтальной стреле................ 35,0

- при наибольшей грузоподъемности......................... 7,5 ÷ 28,0

- наименьший при наклонной стреле (α = 30°)......... 7,1

Грузоподъемность, т:

- при наибольшем вылете............................................ 7,5

- наибольшая................................................................. 10,0

Глубина опускания, м............................................................ 5,0

БК-1000А:

Номинальный грузовой момент, т·м (кН·м)........................ 1000 (10000)

Грузоподъемность основного подъема, т:

- при 6-кратном полиспасте........................................ 50,0

- при 4-кратном полиспасте........................................ 30,0

Грузоподъемность вспомогательного подъема, т............... 10,0

Вылет основного крюка, м:

- наименьший - наибольший....................................... 12,5 - 45,0

- при максимальной грузоподъемности.................... 12,5 - 20,0

Вылет вспомогательного крюка, м....................................... 18,0 - 53,0

Высота подъема основного крюка, м:

- при наименьшем вылете........................................... 88,5

- при наибольшем вылете............................................ 47,0

Высота подъема вспомогательного крюка, м:

- при наименьшем вылете........................................... 96,0

- при наибольшем вылете............................................ 44,3

Краны гусеничные

ДЭК-251:

Грузоподъемность наибольшая, т:

- главный подъем......................................................... 25,0

- вспомогательный подъем......................................... 5,0

Вылет, м:

- главный подъем......................................................... 4,75

- вспомогательный подъем......................................... 9,9 ÷ 12,5

Высота подъема, м:

- главный подъем......................................................... 13,5

- вспомогательный подъем......................................... 29,3

РДК-25:

Грузоподъемность наибольшая, т:

- главный подъем......................................................... 25,0

- вспомогательный подъем на стреле........................ 5,0

- вспомогательный подъем на гуське......................... 5,0

Вылет наименьший, м:

- главный подъем......................................................... 3,75

- вспомогательный подъем на стреле........................ 4,55

- вспомогательный подъем на гуське......................... 8,93

Высота подъема, м:

- главный подъем......................................................... 12,38

- вспомогательный подъем на стреле........................ 12,64

- вспомогательный подъем на гуське......................... 14,91

КС-8161:

Грузоподъемность, т:

- главный подъем......................................................... 100,0

- вспомогательный подъем......................................... 15,0

- башенно-стреловое оборудование........................... 25,0

Вылет, м:

- главный подъем......................................................... 6,5

- вспомогательный подъем......................................... 10 - 19

- башенно-стреловое оборудование........................... 7,9 - 14

Высота подъема, м:

- главный подъем......................................................... 19,6

- вспомогательный подъем......................................... 27 - 22

- башенно-стреловое оборудование........................... 52 - 48

Пневмоколесные краны

КС-4361:

Грузоподъемность наибольшая, т:

- главный подъем......................................................... 16

- вспомогательный подъем......................................... 2

Вылет наименьший, м:

- главный подъем......................................................... 3,75

- вспомогательный подъем......................................... 10,0

Высота подъема, м:

- главный подъем......................................................... 8,8

- вспомогательный подъем......................................... 10,5

КС-5363:

Грузоподъемность наибольшая, т, главный подъем........... 25

Вылет наименьший, м, главный подъем.............................. 4,5

Высота подъема, м, главный подъем.................................... 14,0

Краны автомобильные

КС-2561:

Грузоподъемность, т.............................................................. 6,3

КС-3562А:

Грузоподъемность наибольшая, т:

- главный подъем......................................................... 10

- вспомогательный подъем......................................... 3

Вылет, м:

- главный подъем......................................................... 4,0

- вспомогательный подъем......................................... 6,75

Высота подъема, м

- главный подъем......................................................... 10,0

- вспомогательный подъем......................................... 17,1

КС-3577-3:

Грузоподъемность, т, максимальная.................................... 14,0

Длина стрел, м........................................................................ 8, 10, 12, 14 и др.

КС-4572:

Грузоподъемность максимальная, т:

- основной подъем....................................................... 16

- вспомогательный подъем......................................... 2,5

Вылет крюка минимальный, м:

- основной подъем....................................................... 2,3 - 3,8

- вспомогательный подъем......................................... 8,8

Высота подъема крюка, м:

- основной подъем....................................................... 10,3

- вспомогательный подъем......................................... 26,2

Приложение Д

(справочное)

Примеры стройгенпланов и графиков

Д.1 - Стройгенплан на период строительства подземной части здания

Д.2 - Стройгенплан на период надземных работ

Д.3 - Стройгенплан на стадии надземных работ

Д.4 - Стройгенплан

Д.5 - Фрагмент сетевого графика

Д.6 - Календарный план

Д.7 - Календарный план производства работ


 




ГОСТЫ, СТРОИТЕЛЬНЫЕ и ТЕХНИЧЕСКИЕ НОРМАТИВЫ.
Некоммерческая онлайн система, содержащая все Российские Госты, национальные Стандарты и нормативы.
В Системе содержится более 150000 файлов нормативно-технической документации, действующей на территории РФ.
Система предназначена для широкого круга инженерно-технических специалистов.

Рейтинг@Mail.ru Яндекс цитирования

Copyright © www.gostrf.com, 2008 - 2026