Крупнейшая бесплатная информационно-справочная система онлайн доступа к полному собранию технических нормативно-правовых актов РФ. Огромная база технических нормативов (более 150 тысяч документов) и полное собрание национальных стандартов, аутентичное официальной базе Госстандарта. GOSTRF.com - это более 1 Терабайта бесплатной технической информации для всех пользователей интернета. Все электронные копии представленных здесь документов могут распространяться без каких-либо ограничений. Поощряется распространение информации с этого сайта на любых других ресурсах. Каждый человек имеет право на неограниченный доступ к этим документам! Каждый человек имеет право на знание требований, изложенных в данных нормативно-правовых актах!

  


 

ГОСТ 30987-2003

(ИСО 10579:1993)

МЕЖГОСУДАРСТВЕННЫЙ СТАНДАРТ

ОСНОВНЫЕ НОРМЫ ВЗАИМОЗАМЕНЯЕМОСТИ

НАЗНАЧЕНИЕ РАЗМЕРОВ И ДОПУСКОВ
ДЛЯ НЕЖЕСТКИХ ДЕТАЛЕЙ

МЕЖГОСУДАРСТВЕННЫЙ СОВЕТ
ПО СТАНДАРТИЗАЦИИ, МЕТРОЛОГИИ И СЕРТИФИКАЦИИ

Минск

Предисловие

1 РАЗРАБОТАН Научно-исследовательским и конструкторским институтом средств измерения в машиностроении (ОАО «НИИизмерения»)

ВНЕСЕН Госстандартом России

2 ПРИНЯТ Межгосударственным советом по стандартизации, метрологии и сертификации (протокол № 23 от 22 мая 2003 г.)

За принятие проголосовали:

Наименование государства

Наименование национального органа по стандартизации

Азербайджанская Республика

Азгосстандарт

Республика Армения

Армгосстандарт

Республика Беларусь

Госстандарт Республики Беларусь

Республика Казахстан

Госстандарт Республики Казахстан

Кыргызская Республика

Кыргызстандарт

Российская Федерация

Госстандарт России

Республика Таджикистан

Таджикстандарт

Туркменистан

Главгосслужба «Туркменстандартлары»

Республика Узбекистан

Узгосстандарт

Украина

Госпотребстандарт Украины

3 Настоящий стандарт гармонизирован с международным стандартом ИСО 10579:1993 «Технические чертежи. Назначение размеров и допусков. Нежесткие детали» и содержит дополнительные требования, отражающие потребности экономики страны

4 Постановлением Государственного комитета Российской Федерации по стандартизации и метрологии от 10 декабря 2003 г. № 363-ст межгосударственный стандарт ГОСТ 30987-2003 (ИСО 10579:1993) введен в действие непосредственно в качестве государственного стандарта Российской Федерации с 1 января 2005 г.

5 ВВЕДЕН ВПЕРВЫЕ

ГОСТ 30987-2003

(ИСО 10579:1993)

МЕЖГОСУДАРСТВЕННЫЙ СТАНДАРТ

Основные нормы взаимозаменяемости

НАЗНАЧЕНИЕ РАЗМЕРОВ И ДОПУСКОВ ДЛЯ НЕЖЕСТКИХ ДЕТАЛЕЙ

Basic norms of interchangeability.

Dimensioning and tolerancing for non-rigid parts

Дата введения 2005-01-01

1 Область применения

Настоящий стандарт распространяется на нежесткие детали машин и приборов и устанавливает для них правила назначения размеров и допусков.

Дополнительные требования, отражающие потребности экономики страны, выделены курсивом.

2 Нормативные ссылки

В настоящем стандарте использованы ссылки на следующие стандарты:

ГОСТ 2.308-79 Единая система конструкторской документации. Указание на чертежах допусков форм и расположения поверхностей

ГОСТ 24642-81 Основные нормы взаимозаменяемости. Допуски формы и расположения поверхностей. Основные определения

ГОСТ 25346-89 Основные нормы взаимозаменяемости. Единая система допусков и посадок. Общие положения, ряды допусков и основных отклонений

3 Определения

3.1 В настоящем стандарте применяют термины и определения по допускам формы и расположения поверхностей по ГОСТ 24642, по допускам и посадкам - по ГОСТ 25346, а также следующие термины с соответствующими определениями:

3.1.1 нежесткая деталь: Деталь, которая деформируется до такой степени, что в свободном состоянии выходит за пределы допусков размеров и (или) формы и расположения, относящихся к детали в закрепленном состоянии.

Примечание - В эту категорию включают как детали из жестких материалов (например, тонкие металлические детали), так и детали из гибких материалов (таких, как резина, пластики и т.д.).

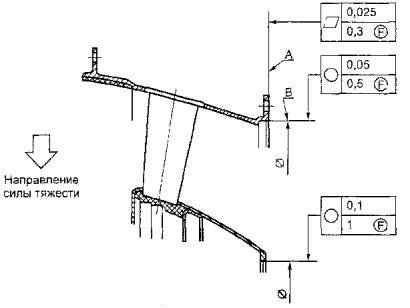
3.1.2 свободное состояние: Состояние детали, на которую воздействует только сила тяжести.

4 Основные положения

4.1 Для нежестких деталей (элементов детали) размеры, геометрическая форма и расположение элементов в закрепленном состоянии (в технологическом, контрольно-измерительном оборудовании или в сборочной единице) и в свободном состоянии могут существенно различаться из-за влияния силы тяжести, ориентации детали, деформирующих усилий, гибкости материала, возникновения или снятия внутренних напряжений, вызванных обработкой, и др. В связи с этим допуски размеров, формы и расположения поверхностей на чертежах нежестких деталей должны сопровождаться указаниями условий, к которым эти допуски относятся. Для одних случаев может потребоваться назначение допусков в свободном состоянии, для других, в дополнение к ним или взамен них, - допуски в закрепленном состоянии.

4.2 Деталь по данному чертежу относится к разряду нежестких, если на чертеже имеется ссылка на настоящий стандарт в соответствии с 5.1.

4.3 Допуски размеров, формы и расположения в свободном состоянии в общем случае должны быть ограничены такими значениями, при которых возможно приведение нежесткой детали в соответствие с допусками, требуемыми для детали в закрепленном состоянии, с применением давлений или усилий, не превышающих значений, принятых для нормальных условий сборки. В случае назначения допусков в свободном состоянии при необходимости должны оговариваться условия, при которых должен соблюдаться данный допуск (направление силы тяжести, опоры и их размещение и т.д.).

4.4 При назначении допусков для нежестких деталей в закрепленном состоянии должны быть установлены элементы, по которым производится закрепление детали, и усилия закрепления. Условия закрепления (базы, усилия и т.п.) следует устанавливать исходя из условий сборки и функционирования детали. Эти условия должны применяться при контроле деталей, отнесенных на чертеже к нежестким, кроме тех случаев, когда размеры и допуски указаны для свободного состояния с помощью специального символа по 5.1.

5 Указания на чертежах

5.1 Чертежи нежестких деталей должны включать соответственно следующие указания:

а) в основной надписи чертежа или вблизи от нее - указание «ГОСТ - NR».

Примечание - Латинские буквы NR от английских слов «nоn rigit» (нежесткая деталь);

б) в технических требованиях чертежа - условия, при которых деталь должна быть закреплена, чтобы удовлетворять требованиям чертежа;

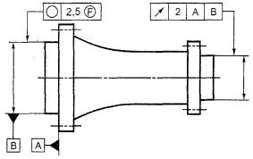
в) допуски формы и (или) расположения, относящиеся к свободному состоянию, должны указываться в соответствии с ГОСТ 2.308 с дополнением значения допуска символом  (рисунок 1)

Рисунок 1

г) условия, при которых должны достигаться допуски формы и расположения в свободном состоянии, такие как направление силы тяжести, ориентация детали и т.д.

5.2 Примеры указания допусков формы для нежестких деталей и их интерпретация приведены в приложении А.

5.3 Рекомендации по назначению допусков на средний диаметр нежестких деталей приведены в приложении Б.

ПРИЛОЖЕНИЕ А

(справочное)

Примеры указания допусков формы и их интерпретация

Примеры указания допусков формы и их интерпретация приведены в таблице А.1.

Таблица А.1

Указание на чертеже

Интерпретация

ГОСТ -NR

Условие закрепления

Поверхность, указанная как база А, присоединяется 64 болтами М6 с крутящим моментом затяжки от 9 до 15 Нּм, а элемент, указанный как база В, закреплен при соответствующем пределе максимума материала

Допуск круглости, сопровождаемый символом , должен быть обеспечен в свободном состоянии.

Допуск радиального биения применяется при условиях, указанных текстом

ГОСТ -NR

Условие закрепления

Поверхность, указанная как база А, присоединяется 120 болтами М20 с крутящим моментом затяжки от 18 до 20 Нּм, а элемент, указанный как база В, закреплен при соответствующем пределе максимума материала

Допуски формы, сопровождаемые символом , должны быть обеспечены в свободном состоянии. Другие допуски формы применяются при условиях, указанных текстом

ПРИЛОЖЕНИЕ Б

(рекомендуемое)

Назначение допусков на средний диаметр нежестких деталей

Б.1 Для нежестких элементов с круглым поперечным сечением поле допуска диаметра элемента в свободном состоянии может ограничивать либо действительные местные диаметры (определенные двухточечным измерением, т.е. размеры между двумя противолежащими точками в данном сечении), либо значение среднего диаметра в поперечном сечении.

Б.2 Средний диаметр dcр (среднеарифметическое значение действительных местных диаметров в данном поперечном сечении элемента) вычисляют по формуле

                                                        (Б.1)

где  - i-e значение действительного местного диаметра.

Примечания

1 Для определения среднего диаметра необходимо измерить двухточечным методом несколько, обычно не меньше четырех, местных диаметров в различных направлениях. При этом dcр вычисляют по формуле

                                                            (Б.2)

2 Если это практически приемлемо, то средний диаметр может быть определен на основе измерения длины периметра сечения (например измерением рулеткой или обкатным роликом). В таком случае средний диаметр определяется как диаметр правильной окружности, длина периметра которой равна длине периметра данного поперечного сечения:

                                                                         (Б.3)

где Lпер - длина периметра профиля данного поперечного сечения.

3 Средний диаметр допускается определять как среднеарифметическое значение наибольшего и наименьшего значений местного диаметра:

                                                        (Б.4)

где и  - соответственно наибольший и наименьший местный диаметр в данном поперечном сечении.

4 В необходимых случаях определение среднего диаметра должно уточняться в технических требованиях.

Б.3 В тех случаях, когда допуск назначается на средний диаметр, в обозначении размера должна быть сделана специальная отметка в виде букв СР, помещаемых после обозначения номинального размера и поля допуска (предельных отклонений) диаметра, например,

20 m6 - СР.

Пример указания допуска среднего диаметра на чертеже приведен на рисунке Б.1

Рисунок Б.1

Б.4 Для нежестких деталей поле допуска на средний диаметр элемента не ограничивает отклонения формы (отклонение от круглости) в свободном состоянии. Допуск формы, как правило, больше допуска на средний диаметр элемента.

СОДЕРЖАНИЕ

Ключевые слова: нежесткие детали, допуски размеров, формы и расположения, указание допусков на чертежах

 




ГОСТЫ, СТРОИТЕЛЬНЫЕ и ТЕХНИЧЕСКИЕ НОРМАТИВЫ.
Некоммерческая онлайн система, содержащая все Российские Госты, национальные Стандарты и нормативы.
В Системе содержится более 150000 файлов нормативно-технической документации, действующей на территории РФ.
Система предназначена для широкого круга инженерно-технических специалистов.

Рейтинг@Mail.ru Яндекс цитирования

Copyright © www.gostrf.com, 2008 - 2026