Крупнейшая бесплатная информационно-справочная система онлайн доступа к полному собранию технических нормативно-правовых актов РФ. Огромная база технических нормативов (более 150 тысяч документов) и полное собрание национальных стандартов, аутентичное официальной базе Госстандарта. GOSTRF.com - это более 1 Терабайта бесплатной технической информации для всех пользователей интернета. Все электронные копии представленных здесь документов могут распространяться без каких-либо ограничений. Поощряется распространение информации с этого сайта на любых других ресурсах. Каждый человек имеет право на неограниченный доступ к этим документам! Каждый человек имеет право на знание требований, изложенных в данных нормативно-правовых актах!

  


 

ГОСТ Р 51689-2000

ГОСУДАРСТВЕННЫЙ СТАНДАРТ РОССИЙСКОЙ ФЕДЕРАЦИИ

Машины электрические вращающиеся

ДВИГАТЕЛИ АСИНХРОННЫЕ
МОЩНОСТЬЮ ОТ 0,12 ДО 400 кВт
ВКЛЮЧИТЕЛЬНО

Общие технические требования

ГОССТАНДАРТ РОССИИ
Москва

Предисловие

1 РАЗРАБОТАН Открытым акционерным обществом «Владимирский электромоторный завод», Открытым акционерным обществом «Ярославский электромашиностроительный завод», Автономной некоммерческой организацией по сертификации электротехнической продукции «Центрэлектротест» и Государственным предприятием «Всероссийский научно-исследовательский институт стандартизации и сертификации в машиностроении» (ВНИИНМАШ) Госстандарта России

ВНЕСЕН Техническим комитетом по стандартизации ТК 333 «Машины электрические вращающиеся»

2 ПРИНЯТ И ВВЕДЕН В ДЕЙСТВИЕ Постановлением Госстандарта России от 22 декабря 2000 г. № 396-ст

3 ВВЕДЕН ВПЕРВЫЕ

Содержание

1 Область применения

2 Нормативные ссылки

3 Определения

4 Основные параметры и размеры

5 Технические требования

5.1 Характеристики

5.2 Условия эксплуатации

5.3 Требования к конструкции

5.4 Требования безопасности

5.5 Комплектность

5.6 Маркировка

5.7 Упаковка

6 Приемка

7 Методы контроля

8 Транспортирование и хранение

9 Указания по эксплуатации

10 Гарантии изготовителя

ПРИЛОЖЕНИЕ А (обязательное) Установочные размеры двигателей

ПРИЛОЖЕНИЕ Б (справочное) Библиография*

ГОСУДАРСТВЕННЫЙ СТАНДАРТ РОССИЙСКОЙ ФЕДЕРАЦИИ

Машины электрические вращающиеся

ДВИГАТЕЛИ АСИНХРОННЫЕ МОЩНОСТЬЮ ОТ 0,12 ДО 400 кВт
ВКЛЮЧИТЕЛЬНО

Общие технические требования

Rotating electrical machines. Asynchronous motors of power from 0.12 to 400 kW inclusive.
General technical requirements

Дата введения 2002-01-01

1 Область применения

Настоящий стандарт распространяется на асинхронные двигатели мощностью от 0,12 до 400 кВт включительно (далее - двигатели) общего назначения с питанием от сети переменного тока напряжением до 690 В, изготовляемые для поставок внутри страны и на экспорт.

В части двигателей мощностью от 0,12 до 1 кВт включительно требования настоящего стандарта распространяются только на двигатели, выпускаемые на основе типоразмерного ряда.

Стандарт не распространяется на двигатели, устанавливаемые на средствах наземного, морского и воздушного транспорта, взрывозащищенные двигатели.

Требования настоящего стандарта, за исключением пунктов 5.1.2, 5.1.4 и 5.3.4, являются обязательными. Требования пунктов 5.1.2, 5.1.4 и 5.3.4 являются рекомендательными.

2 Нормативные ссылки

В настоящем стандарте использованы ссылки на следующие стандарты:

ГОСТ 12.1.004-91 Система стандартов безопасности труда. Пожарная безопасность. Общие требования

ГОСТ 12.2.007.0-75 Система стандартов безопасности труда. Изделия электротехнические. Общие требования безопасности

ГОСТ 12.2.007.1-75 Система стандартов безопасности труда. Машины электрические вращающиеся. Требования безопасности

ГОСТ 27.410-87 Надежность в технике. Методы контроля показателей надежности и планы контрольных испытаний на надежность

ГОСТ 183-74 Машины электрические вращающиеся. Общие технические условия

ГОСТ 2479-79 Машины электрические вращающиеся. Условные обозначения конструктивных исполнений по способу монтажа

ГОСТ 2991-85 Ящики дощатые неразборные для грузов массой до 500 кг. Общие технические условия

ГОСТ 4541-70 Машины электрические вращающиеся. Обозначения буквенные установочно-присоединительных и габаритных размеров

ГОСТ 7217-87 Машины электрические вращающиеся. Двигатели асинхронные. Методы испытаний

ГОСТ 8592-79 Машины электрические вращающиеся. Допуски на установочные и присоединительные размеры и методы контроля

ГОСТ 8865-93 Система электрической изоляции. Оценка нагревостойкости и классификация

ГОСТ 11828-86 Машины электрические вращающиеся. Общие методы испытаний

ГОСТ 11929-87 Машины электрические. Общие методы испытаний. Определение уровня шума

ГОСТ 12139-84 Машины электрические вращающиеся. Ряды номинальных мощностей, напряжений и частот

ГОСТ 13267-73 Машины электрические вращающиеся и непосредственно соединяемые с ними неэлектрические. Высоты оси вращения и методы контроля

ГОСТ 15150-69 Машины, приборы и другие технические изделия. Исполнения для различных климатических районов. Категории, условия эксплуатации, хранения и транспортирования в части воздействия климатических факторов внешней среды

ГОСТ 15543.1-89 Изделия электротехнические. Общие требования в части стойкости к климатическим внешним воздействующим факторам

ГОСТ 15963-79 Изделия электротехнические для районов с тропическим климатом. Общие технические требования и методы испытаний

ГОСТ 16372-93 (МЭК 34-9-90) Машины электрические вращающиеся. Допустимые уровни шума

ГОСТ 16962.1-89 (МЭК 68-2-1-74) Изделия электротехнические. Методы испытаний на устойчивость к климатическим внешним воздействующим факторам

ГОСТ 16962.2-90 Изделия электротехнические. Методы испытаний на стойкость к механическим внешним воздействующим факторам

ГОСТ 17494-87 (МЭК 34-5-81) Машины электрические вращающиеся. Классификация степеней защиты, обеспечиваемых оболочками вращающихся электрических машин

ГОСТ 17516.1-90 Изделия электротехнические. Общие требования в части стойкости к механическим внешним воздействующим факторам

ГОСТ 18620-86 Изделия электротехнические. Маркировка

ГОСТ 18709-73 Машины электрические вращающиеся средние. Установочно-присоединительные размеры

ГОСТ 20815-93 (МЭК 34-14-82) Машины электрические вращающиеся. Механическая вибрация некоторых видов машин с высотой оси вращения 56 мм и более. Измерение, оценка и допустимые значения

ГОСТ 21130-75 Изделия электротехнические. Зажимы заземляющие и знаки заземления. Конструкция и размеры

ГОСТ 23216-78 Изделия электротехнические. Хранение, транспортирование, временная противокоррозионная защита, упаковка. Общие требования и методы испытаний

ГОСТ 24682-81 Изделия электротехнические. Общие технические требования в части воздействия специальных сред

ГОСТ 24683-81 Изделия электротехнические. Методы контроля стойкости к воздействию специальных сред

ГОСТ 25941-83 (МЭК 34-2-72, МЭК 34-2А-74) Машины электрические вращающиеся. Методы определения потерь и коэффициента полезного действия

ГОСТ 27917-88 (МЭК 34-11-2-84) Машины электрические вращающиеся. Встроенная температурная защита. Термодетекторы и вспомогательная аппаратура управления, используемые в системах температурной защиты

ГОСТ 28173-89 (МЭК 34-1-83) Машины электрические вращающиеся. Номинальные данные и рабочие характеристики

ГОСТ 28327-89 (МЭК 34-12-80) Машины электрические вращающиеся. Пусковые характеристики односкоростных трехфазных асинхронных двигателей с короткозамкнутым ротором напряжением до 660 В включительно

ГОСТ Р 50034-92 Совместимость технических средств электромагнитная. Двигатели асинхронные напряжением до 1000 В. Нормы и методы испытаний на устойчивость к электромагнитным помехам

ГОСТ Р 51677-2000 Машины электрические асинхронные мощностью от 1 до 400 кВт включительно. Двигатели. Показатели эффективности.

ГОСТ Р МЭК 60204.1-99 Безопасность машин. Электрооборудование машин и механизмов. Часть 1. Общие требования

3 Определения

В настоящем стандарте используют следующие термины с соответствующими определениями.

3.1 двигатель общего назначения: Двигатель, удовлетворяющий совокупности технических требований, общих для большинства случаев применения.

3.2 базовое (основное) исполнение: Конструкция двигателя, на базе которого разрабатываются модификации для различных случаев применения.

3.3 типоразмер: Совокупность двигателей, имеющих одинаковую высоту оси вращения и одинаковые рабочие свойства: мощность, синхронную частоту вращения и механическую характеристику.

Пример: двигатель АИР160М4.

3.4 габарит: Геометрическая характеристика двигателя, определяющая его размер в поперечном направлении и численно равная высоте оси вращения.

3.5 модификация: Разновидность двигателя, создаваемая на основе двигателя, принятого за базовое исполнение, с целью расширения или специализации сферы его использования.

3.6 относительная кажущаяся пусковая мощность: Отношение кажущейся мощности при заторможенном роторе к номинальной мощности.

3.7 сервис-фактор: Допустимая перегрузка двигателя при номинальном напряжении и частоте. При этом превышение температуры обмотки не должно быть более допустимого, для данного класса нагревостойкости изоляции, на 10 %.

3.8 вариант I: Увязка мощностей с установочными размерами, принятая для выпускаемых в Российской Федерации в настоящее время серий двигателей.

3.9 вариант II: Увязка мощностей с установочными размерами, принятая Европейским комитетом по стандартизации в электротехнике (CENELEK, документ 2В/64).

4 Основные параметры и размеры

4.1 Номинальные мощности двигателей - от 0,12 до 400 кВт по ГОСТ 12139.

4.2 Двигатели изготавливают на номинальные частоты сети 50 и 60 Гц по ГОСТ 12139.

4.3 Двигатели изготавливают на синхронные частоты вращения по ГОСТ 12139:

500, 600, 750, 1000, 1500, 3000 мин-1 - для частоты сети 50 Гц;

600, 720, 900, 1200, 1800, 3600 мин-1 -для частоты сети 60 Гц.

4.4 Двигатели изготавливают на напряжения 220, 230, 380, 400, 660, 690 В в соответствии с ГОСТ 12139 и МЭК 60038-1 [1] со схемами соединения обмотки статора «треугольник», «звезда», «треугольник-звезда».

По согласованию изготовителя с потребителем двигатели изготавливают и на другие стандартные напряжения и схемы соединения.

4.5 Энергетические показатели двигателей (коэффициент полезного действия, коэффициент мощности) - по ГОСТ Р 51677. Значения энергетических показателей указывают в технических условиях на двигатели конкретных типов.

4.6 По пусковым характеристикам двигатели могут иметь исполнения N и Н в соответствии с ГОСТ 28327 и МЭК 60034-12 [2]. Пусковые характеристики - в соответствии с ГОСТ 28327 и МЭК 60034-12 [2]. Относительные значения вращающихся моментов, пусковой мощности или пускового тока указывают в технических условиях на двигатели конкретных типов.

4.7 Допустимые значения уровня шума - в соответствии с ГОСТ 16372 и МЭК 60034-9 [3]. Допустимые значения уровня шума указывают в технических условиях на двигатели конкретных типов.

4.8 Допустимые значения вибрации в зависимости от категории двигателя - в соответствии с ГОСТ 20815 и МЭК 60034-14 [4]. Допустимые уровни вибрации указывают в технических условиях на двигатели конкретных типов.

4.9 Двигатели изготавливают со степенями защиты IP23, Р44, IP54, IP55 в соответствии с ГОСТ 17494 и МЭК 60034-5 [5].

По согласованию изготовителя с потребителем двигатели изготавливают и с другими степенями защиты в соответствии с ГОСТ 17494 и МЭК 60034-5 [5].

4.10 Исполнение двигателя по способу монтажа выбирают из рада:

IM1001, IM1002, IM1081, IM1082, IM1083, IM1084, IM2001, IM2002, IM2081, IM2082, IM2083, IM2084, IM2181, 1М2182, IM3001, IМ3002, IМ3011, IM3012, IM3031, IМ3032, IМ3081, IM3082, IМ3083, IМ3084, IM3111, IM3131, IM3181, IM3601, IM3681, IM4611, IМ5010 в соответствии с ГОСТ 2479 и МЭК 60034-7 [6].

По согласованию изготовителя с потребителем двигатели изготавливают и с другими исполнениями по способу монтажа в соответствии с ГОСТ 2479 и МЭК 60034-7 [6].

4.11 Способ охлаждения двигателей выбирают из ряда:

IC-1, IC06, IC041, IC411, IC416 в соответствии с МЭК 60034-6 [7].

4.12 Двигатели базового (основного) исполнения изготавливают с увязкой мощностей с установочными размерами по варианту I или II в соответствии с приложением А.

Увязку мощностей с установочными размерами модификаций указывают в технических условиях на двигатели конкретных типов.

4.13 Установочные размеры должны соответствовать приведенным в приложении А.

4.14 Буквенные обозначения установочных, присоединительных и габаритных размеров - в соответствии с ГОСТ 4541 и МЭК 60072-1 [8].

4.15 Условные обозначения двигателей указывают в технических условиях на двигатели конкретных типов.

5 Технические требования

5.1 Характеристики

5.1.1 Двигатели должны соответствовать требованиям настоящего стандарта и техническим условиям на двигатели конкретных типов, а также ГОСТ 183, ГОСТ 28173.

Специфические требования к модификациям указывают в технических условиях на двигатели конкретных типов.

5.1.2 Двигатели могут иметь сервис-фактор, равный 1,1 или 1,15.

5.1.3 Параметры, приведенные в технических условиях на двигатели конкретных типов, должны соответствовать номинальному режиму работ по ГОСТ 28173 и МЭК 60034-1 [9].

Примечание - В случае применения двигателей в составе частотно-регулируемых приводов в технических условиях на двигатели конкретных типов указывают рабочие диапазоны изменения частот и допустимые нагрузки в этих диапазонах.

5.1.4 Для двигателей устанавливают с учетом требований 5.1.1 и 5.1.2 следующие показатели надежности:

30000 ч, не менее - средний ресурс до капитального ремонта;

23000 ч, не менее - средняя наработка на отказ;

20000 ч, не менее - расчетная долговечность подшипников;

три года, не менее - 90 %-ный срок сохраняемости.

Для невосстанавливаемых двигателей вместо показателей «средний ресурс до капитального ремонта» и «средняя наработка на отказ» устанавливают показатель «вероятность безотказной работы» и указывают его в технических условиях на двигатели конкретных типов.

5.2 Условия эксплуатации

5.2.1 Номинальные значения механических внешних воздействующих факторов для групп механических исполнений двигателей: M1, М3, М4, М7, М8, М9 - по ГОСТ 17516.1.

По согласованию изготовителя с потребителем выбирают другие группы механических исполнений двигателей по ГОСТ 17516.1.

5.2.2 Виды климатических исполнений двигателей: У2, У3, У5, УХЛ2, УХЛ3, УХЛ4, Т2, Т3, ОМ2, ОМ5, O4, а также У3, У5 (для химических исполнений) - по ГОСТ 15150.

По согласованию изготовителя с потребителем выбирают виды климатических исполнений У1, УХЛ1, Т1 по ГОСТ 15150.

Номинальные значения в части стойкости к климатическим внешним воздействующим факторам по ГОСТ 15543.1 и ГОСТ 15150.

При превышении верхних значений рабочей температуры окружающей среды (воздуха) по сравнению с указанными в этих стандартах, номинальную мощность двигателей снижают на 5 % при повышении температуры на 5 °С.

5.2.3 Для работы двигателей на высотах над уровнем моря свыше 1000 до 4300 м среднее, верхнее и эффективное значения температур устанавливают по ГОСТ 15150.

Двигатели должны допускать работу на высотах до 4300 м. Для двигателей, у которых номинальное значение высоты установлено 1000 м, при эксплуатации на высоте свыше 1000 до 4300 м и температуре 40 °С мощности их снижают в соответствии с таблицей 1.

Номинальную мощность с учетом снижения эффективной температуры в зависимости от высоты при необходимости согласовывают с изготовителем.

Таблица 1 - Номинальная мощность двигателя при эксплуатации на высоте

Высота над уровнем моря, м

Номинальная мощность, %

Высота над уровнем моря, м

Номинальная мощность, %

1000

100

3000

88

1500

98

3500

84

2000

95

4000

80

2400

93

4300

74

5.2.4 Двигатели степеней защиты IP23, IP44, IP54 должны допускать работу при значениях запыленности до 2, 10 и 100 мг/м2 соответственно.

5.2.5 Требования по стойкости двигателей к рабочим растворам, в том числе дезинфицирующим, дезактивирующим, в соответствии с ГОСТ 24682, при необходимости, устанавливают в технических условиях на двигатели конкретных типов.

5.2.6 Двигатели должны быть устойчивы к воздействию электромагнитных помех (отклонение напряжения, отклонение частоты, несимметрия питающего напряжения и несинусоидальность питающего напряжения) в соответствии с требованиями ГОСТ Р 50034.

5.2.7 Требования по сейсмостойкости (интенсивное землетрясение в баллах и уровень установки над нулевой отметкой) при необходимости указывают в технических условиях на двигатели конкретных типов.

5.3 Требования к конструкции

5.3.1 Двигатели изготавливают с изоляцией классов нагревостойкости В, F или Н по ГОСТ 8865, исходя из условия обеспечения ресурса двигателей в соответствии с 5.1.4 настоящего стандарта. Допускается применение других классов нагревостойкости по ГОСТ 8865.

5.3.2 Двигатели изготавливают с вводными устройствами следующих исполнений:

K-3-I - с панелью выводов и одним штуцером;

К-3-П - с панелью выводов и двумя штуцерами;

К-3-Ш - с панелью выводов и тремя штуцерами;

K-3-IV - с панелью выводов и четырьмя штуцерами;

К-3-М - с панелью выводов и удлинителем под сухую разделку кабеля или заливку кабельной массой для одного кабеля;

К-3-М-2 - с панелью выводов и удлинителем для двух кабелей;

K-2-I -- без панели выводов с одним штуцером;

К-2-II - без панели выводов с двумя штуцерами.

Возможно применение ввертных штуцеров.

Вводное устройство располагают внутри сектора, ограниченного линией, проходящей через вершину двигателя, и линией, лежащей на 10° ниже горизонтальной оси двигателя, справа, если смотреть со стороны рабочего конца вала.

Вводное устройство должно допускать подсоединение с любой из противоположных боковых сторон двигателя кабелей с медными или алюминиевыми жилами с оболочкой из резины или пластиков, а также гибкого металлического рукава.

По согласованию изготовителя с потребителем допускают изготовление вводного устройства иной конструкции.

Примечание - Двигатели мощностью 30 кВт и выше на напряжение сети 220 (230) В изготавливают с вводным устройством, допускающим подсоединение кабелей только с медными жилами

Исполнения вводных устройств указывают в технических условиях на двигатели конкретных типов.

5.3.3 Двигатели должны работать в любом направлении вращения. Направление вращения двухполюсных двигателей 280-355 габаритов указывают в технических условиях на двигатели конкретных типов.

Для двигателей с одним допустимым направлением вращения конструктивно предусматривают указание направления вращения стрелкой.

5.3.4 По согласованию изготовителя с потребителем двигатели изготавливают со встроенной температурной защитой в соответствии с ГОСТ 27917 и МЭК 60034-11 [12].

5.4 Требования безопасности

5.4.1 Требования безопасности - по ГОСТ 12.2.007.0 (за исключением требований по ГОСТ 12.1.004), ГОСТ 12.2.007.1 (за исключением требований по ГОСТ 12.1.004), ГОСТ Р МЭК 60204.1, а также по Правилам технической эксплуатации электроустановок потребителей и Правилам техники безопасности при эксплуатации электроустановок потребителей, утвержденным Госэнергонадзором.

5.4.2 Защита от поражения электрическим током - класс I по ГОСТ 12.2.007.0.

5.4.3 Для заземления корпуса двигатели должны иметь зажимы, снабженные устройством от самоотвинчивания.

Зажим заземления располагают внутри вводного устройства.

Двигатели номинальной мощностью более 100 кВт дополнительно должны иметь зажим заземления, расположенный на корпусе.

По требованию потребителя в двигателях мощностью до 100 кВт включительно устанавливают дополнительные зажимы заземления на корпусе.

Для встраиваемых двигателей заземляющие зажимы устанавливают на изделия, в которые встраивается двигатель.

Сопротивление между болтом заземления и любой доступной для прикосновения металлической нетоковедущей частью двигателя, которая может оказаться под напряжением, должно быть не более 0,1 Ом.

Заземляющие зажимы и знаки заземления - по ГОСТ 21130, ГОСТ 12.2.007.0, ГОСТ Р МЭК 60204.1 и МЭК 60034-1 [9].

5.4.4 Сопротивление изоляции обмоток двигателей в холодном состоянии при нормальных климатических условиях испытаний по ГОСТ 15150 должно быть не менее 10 МОм, при температуре двигателей, близкой к рабочей, - не менее 3 МОм, а при верхнем значении влажности воздуха - не менее 0,5 МОм.

5.5 Комплектность

В комплект двигателя входит:

- двигатель со шпонкой;

- шкив, салазки, фундаментальные болты (по требованию потребителя);

- руководство по эксплуатации,

- паспорт.

Количество экземпляров руководства по эксплуатации - в соответствии с заказом потребителя.

5.6 Маркировка

Маркировку двигателей проводят в соответствии с ГОСТ 18620 и МЭК 60034-8 [10] и настоящим стандартом.

На корпусе каждого двигателя укрепляют табличку в соответствии с ГОСТ 28173 и МЭК 60034-1 [9] с дополнением обозначения настоящего стандарта.

На табличке двигателей с повторно-кратковременным режимом работы указывают мощности и токи при одной номинальной продолжительности включения (ПВ).

Для двигателей массой до 10 кг допускается на табличке массу не указывать.

5.7 Упаковка

Упаковка и консервация двигателей - по ГОСТ 23216.

Конкретные виды упаковки и способы консервации указывают в технических условиях на двигатели конкретных типов.

6 Приемка

6.1 Для проверки соответствия двигателей требованиям настоящего стандарта проводят приемочные, квалификационные, периодические, приемосдаточные и типовые испытания.

6.2 Приемочным испытаниям подвергают опытные образцы двигателей. Количество испытываемых образцов двигателей мощностью до 0,55 кВт - не менее четырех каждого типоразмера, мощностью 0,55 кВт и выше - не менее двух образцов каждого типоразмера.

6.3 Испытания проводят по следующей программе.

6.3.1 Измерение габаритных, установочных размеров и массы двигателей. Проверка маркировки.

6.3.2 Измерение сопротивления обмоток при постоянном токе.

6.3.3 Определение тока и потерь холостого хода.

6.3.4 Определение тока и потерь короткого замыкания, начального пускового тока, начального пускового вращающего момента и коэффициента трансформации двигателей с фазным ротором.

6.3.5 Испытание на нагревание.

6.3.6 Определение рабочих характеристик, коэффициента мощности, коэффициента полезного действия и скольжения.

6.3.7 Испытание на кратковременную перегрузку по току.

6.3.8 Испытание при повышенной частоте вращения.

6.3.9 Измерение сопротивления изоляции обмоток относительно корпуса и между обмотками.

6.3.10 Испытание межвитковой изоляции на электрическую прочность.

6.3.11 Проверка электрической прочности изоляции.

6.3.12 Определение кривой вращающего момента, начального пускового, минимального и максимального моментов.

6.3.13 Испытание на устойчивость к электромагнитным помехам.

6.3.14 Проверка встроенной температурной защиты (для двигателей со встроенной температурной защитой).

6.3.15 Определение уровня шума.

6.3.16 Измерение уровня вибрации.

6.3.17 Проверка степени защиты.

6.3.18 Испытание на стойкость к механическим внешним воздействиям.

6.3.19 Испытание на воздействие влажности воздуха.

6.3.20 Испытание на воздействие верхнего и нижнего значений температуры окружающей среды.

6.3.21 Испытание на стойкость к воздействию агрессивных сред (при наличии специальных требований).

6.3.22 Проверка показателей надежности.

6.3.23 Испытания на безопасность.

6.3.24 Испытание упакованных двигателей на хранение и транспортирование (при наличии специальных требований).

6.4 Квалификационным испытаниям подвергают двигатели установочной серии (первой промышленной партии) при остановке двигателей на производство.

6.5 При приемочных и квалификационных испытаниях двигателей климатических исполнений по ГОСТ 15150 электрические испытания по 6.3.2-6.3.16 проводят в объеме приемосдаточных (6.8).

Климатические испытания (6.3.19-6.3.21) проводят на двигателях каждого климатического исполнения, каждого габарита любого типоразмера независимо от электрического и конструкционного исполнений. Допускается распространять результаты климатических испытаний и испытаний на стойкость к воздействию агрессивных сред на другие габариты двигателей, имеющих одинаковые материалы, покрытия и изготавливаемые по единой технологии.

Измерение габаритных и установочных размеров (6.3.1), испытания на стойкость к механическим внешним воздействиям (6.3.18) и проверку степени защиты (6.3.17) проводят на двигателях каждого габарита, каждого исполнения по способу монтажа любого типоразмера независимо от электрического и климатического исполнений.

6.6 Периодические испытания двигателей при массовом и крупносерийном производстве проводят не реже одного раза в три года. Периодические испытания при мелкосерийном и индивидуальном производстве допускается не проводить. Количество испытуемых двигателей - не менее двух каждого типоразмера. Периодические испытания проводят на двигателях основного (базового) исполнения по программе приемочных (6.3), за исключением испытаний по 6.3.13, 6.3.18-6.3.21, 6.3.24.

6.7 Типовые испытания проводят в случаях изменений конструкции и технологии, влияющих на параметры и характеристики двигателей. При этом проверяют соответствующие параметры. Испытания проводят не менее чем на двух двигателях.

6.8 Приемосдаточным испытаниям подвергают каждый двигатель. Испытания проводят по 6.3.2-6.3.4 (в части определения тока и потерь короткого замыкания), 6.3.9-6.3.11, 6.3.16 программы испытаний. При этом измерение вибрации допускается проводить на 1 % суточного выпуска, но не менее чем на двух двигателях.

6.9 При отрицательных результатах приемосдаточных испытаний по одному из пунктов требований настоящего стандарта или технических условий двигатели подлежат возврату для установления причин и устранения дефектов. Допускается предъявлять к испытаниям один и тот же двигатель не более двух раз. При этом проверку электрической прочности изоляции не проводят, за исключением случаев, когда двигатель бракуют по этому признаку. Если при периодических или типовых испытаниях хотя бы один двигатель не будет соответствовать требованиям настоящего стандарта или технических условий, проводят повторные испытания на удвоенном количестве двигателей по параметрам, по которым было обнаружено несоответствие. Результаты этих испытаний являются окончательными.

6.10 Объем, порядок отбора образцов двигателей для сертификационных испытаний, сроки их проведения и программу испытаний устанавливают согласно Системе сертификации продукции в установленном порядке.

7 Методы контроля

7.1 Измерение сопротивления обмоток при постоянном токе (6.3.2), определение тока и потерь холостого хода (6.3.3), определение тока и потерь короткого замыкания, начального пускового тока и начального пускового момента (6.3.4) проводят по ГОСТ 7217.

7.2 Испытание на нагревание (6.3.5) проводят в соответствии с ГОСТ 7217, ГОСТ 11828 и МЭК 60034-1 [9]. Для двигателей мощностью более 100 кВт допускается проводить испытание на нагревание в нескольких режимах с определением превышения температуры при номинальном режиме экстраполяцией зависимости превышения температуры от потерь в обмотке.

7.3 Определение рабочих характеристик, коэффициента мощности, коэффициента полезного действия и скольжения (6.3.6) проводят в соответствии с ГОСТ 25941, ГОСТ 7217 и ГОСТ 25941.

7.4 Испытания на кратковременную перегрузку по току (6.3.7), испытания при повышенной частоте вращения (6.3.8) проводят в соответствии с ГОСТ 11828 и МЭК 60034-1 [9].

7.5 Измерение сопротивления изоляции обмоток (6.3.9) и испытание межвитковой изоляции (6.3.10) проводят по ГОСТ 11828.

7.6 Проверку электрической прочности изоляции (6.3.11) проводят в соответствии с ГОСТ 11828, ГОСТ 28173 и МЭК 60034-1 [9].

7.7 Определение кривой вращающего момента (6.3.12) проводят по ГОСТ 7217.

7.8 Испытания на устойчивость к электромагнитным помехам (6.3.13) проводят по ГОСТ Р 50034. Двигатели, имеющие сервис-фактор 1,15, испытаниям на помехоустойчивость не подвергают.

7.9 Проверка встроенной температурной защиты (6.3.14) включает в себя следующие испытания.

7.9.1 Измерение сопротивления изоляции и испытание электрической прочности изоляции цепи терморезисторов - по ГОСТ 11823.

7.9.2 Проверку работы защиты при перегрузке проводят при испытании двигателя на нагревание. После того как двигатель достигнет установившейся температуры, устанавливают перегрузку, при которой скорость нарастания температуры не превышает ГС за 5 мин. В момент срабатывания защиты измеряют температуру обмотки статора методом сопротивления. Температура обмотки, в зависимости от класса нагревостойкости изоляции двигателя, не должна превышать значений, указанных в таблице 2.

7.9.3 Проверку работы защиты при коротком замыкании проводят на двигателе с заторможенным ротором, включенном на номинальное напряжение с холодного состояния. В момент срабатывания защиты измеряют температуру обмотки двигателя методом сопротивления. Температура обмотки, в зависимости от класса нагревостойкости изоляции двигателя, не должна превышать значений, указанных в таблице 2.

Таблица 2 - Температура обмотки при срабатывании защиты

Режим

Температура обмотки, °С, для класса нагревостойкости изоляции

В

F

Н

Перегрузка

145

170

195

Короткое замыкание

200

225

250

7.10 Измерение уровня шума (6.3.15) проводят в соответствии с ГОСТ 11929, ИСО 3745 [11] и МЭК 60034-9 [3].

7.11 Измерение уровня вибрации (6.3.16) проводят в соответствии с ГОСТ 20815 и МЭК 60034-14 [4]. При приемосдаточных испытаниях вибрацию измеряют в точках, указанных в технических условиях на двигатели конкретных типов.

7.12 Проверку степени защиты (6.3.17) проводят в соответствии с ГОСТ 17494 и МЭК 60034-5 [5].

7.13 Испытания на стойкость к механическим внешним воздействиям (6.3.18) проводят по ГОСТ 16962.2. Степень жесткости и конкретные методы испытаний указывают в технических условиях на двигатели конкретных типов. Двигатели считывают выдержавшими испытания, если внешним осмотром не обнаружено механических повреждений, сопротивление изоляции двигателя не менее 10 МОм и они работоспособны при проверке на холостом ходу.

7.14 Испытания на воздействие влажности воздуха (6.3.19) проводят в соответствии с ГОСТ 16962.1 по методу 207,1. Двигатели считают выдержавшими испытания, если сопротивление изоляции между обмотками и относительно корпуса не менее 0,5 МОм, межвитковая изоляция выдерживает повышенное на 30 % напряжение в течение 3 мин. Если при этом ток превышает номинальный более чем на 25 %, то длительность испытаний может быть сокращена до 1 мин.

7.15 Испытания на воздействие верхнего и нижнего значений температур (6.3.20) проводят по ГОСТ 16962.1. Для двигателей исполнений УХЛ 1 и УХЛ 2 дополнительно проводят испытания на воздействие изменения температуры по ГОСТ 16962.1 по методу 205.4, при этом испытание на воздействие влажности, а также верхней и нижней температур не проводят. Испытания на воздействие верхней и нижней температур допускается проводить вне камеры, после испытания на нагревание по ГОСТ 11828. На двигателях устанавливают нагрузку, соответствующую предельно допустимой температуре обмотки статора, и выдерживают их в указанном режиме не менее 2 ч. Двигатели считают выдержавшими испытания, если сопротивление изоляции в конце испытания не менее 1 МОм, а после 12 ч выдержки при нормальной температуре - не менее 10 МОм, напряжение трогания в конце последнего часа выдержки при нижнем значении температуры не превышает 0,8 номинального; при внешнем осмотре не обнаружены нарушения лакокрасочных покрытий и пластмасс, а также недопустимое вытекание пропиточного лака и смазки.

7.16 Испытания на стойкость к воздействию агрессивных сред (6.3.21) и оценку результатов испытаний проводят по ГОСТ 24683. Конкретные методы испытаний стойкости к воздействию агрессивных сред устанавливают в технических условиях на двигатели конкретных типов. При этом испытания проводят по режимам, соответствующим данному химостойкому исполнению двигателя. После испытания двигатели должны выдерживать проверку электрической прочности изоляции напряжением, равным половине испытательного напряжения в соответствии с ГОСТ 28723 и МЭК 60034-1 [9].

7.17 Оценку показателей надежности (6.3.22) при приемочных испытаниях двигателей общепромышленного исполнения проводят путем сопоставления температуры обмотки статора в номинальном режиме с требованиями ГОСТ 28173 и МЭК 60034-1 [9] и определения расчетной долговечности подшипников. При периодических испытаниях показатели надежности подтверждают данными, получаемыми с мест эксплуатации двигателей.

Методы контроля показателей надежности специальных двигателей по ГОСТ 27.410 указывают в технических условиях на двигатели конкретных типов.

7.18 Испытания на безопасность (6.3.23) проводят в соответствии с настоящим стандартом, ГОСТ 12.2.007.0, ГОСТ 12.2.007.1 и ГОСТ Р МЭК 60204.1. Методы испытаний - по 7.5, 7.6 и 7.12.

Измерение сопротивления между болтом заземления и любой доступной для прикосновения металлической нетоковедущей частью двигателя, которая может оказаться под напряжением, проводят методом амперметра и вольтметра. Измерение проводят на переменном токе частоты 50 Гц.

7.19 Методы испытаний упакованных двигателей (6.3.24) - по ГОСТ 23216. После испытаний измеряют сопротивление изоляции двигателей и уровень вибрации, значения которых должны соответствовать указанным в разделах 4 и 5.

8 Транспортирование и хранение

8.1 Транспортная тара двигателей - по ГОСТ 23216.

8.2 Условия транспортирования двигателей внутри страны в части воздействия механических факторов - С по ГОСТ 23216, в части воздействия климатических факторов - 5 (ОЖ4) или (ОЖ3) по ГОСТ 15150.

Условия хранения двигателей - 2 (С) по ГОСТ 15150 на срок сохраняемости в соответствии с 5.1.4.

9 Указания по эксплуатации

9.1 Эксплуатация двигателей должна соответствовать требованиям инструкции по эксплуатации.

9.2 Двигатели исполнения N по ГОСТ 28327 и МЭК 60034-12 [2] должны быть рассчитаны на два последовательных пуска (с остановкой между пусками) из холодного состояния или на один пуск из нагретого состояния после работы при номинальной нагрузке.

Момент сопротивления нагрузки при пуске пропорционален квадрату частоты вращения и равен номинальному моменту при номинальной частоте вращения, а значение внешнего момента инерции, I, кг/м2, не должно превышать рассчитанного по формуле

I = 0,04 · P0,9 · p2,5 ,

где Р - номинальная мощность двигателя, кВт;

р - число пар полюсов.

Повторный пуск двигателя допускается только при температуре двигателя перед пуском, не превышающей установившейся температуры при номинальной нагрузке.

Примечание - Требования к пуску 10-, 12-полюсных двигателей устанавливают в технических условиях на двигатели конкретных типов.

9.3 Двигатели исполнения Н по ГОСТ 28327 и МЭК 60034-12 [2] должны допускать два последовательных пуска (с остановкой между пусками) из холодного состояния или один пуск из нагретого состояния при работе в номинальных условиях. Момент сопротивления нагрузки пред полагается постоянным, равным номинальному моменту и не зависящим от частоты вращения, а значение внешнего момента инерции не должно превышать 50 % значения, получаемого по формуле согласно 9.2.

10 Гарантии изготовителя

10.1 Изготовитель гарантирует соответствие двигателей требованиям настоящего стандарта и техническим условиям на двигатели конкретных типов при условии соблюдения потребителем правил транспортирования, хранения, монтажа и эксплуатации.

10.2 Гарантийный срок эксплуатации - два года со дня начала эксплуатации двигателя при гарантийной наработке 10000 ч.

ПРИЛОЖЕНИЕ А
(обязательное)

Установочные размеры двигателей

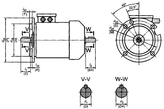
А.1 Установочные размеры двигателей исполнения IM1 должны соответствовать приведенным на рисунке А.1 и в таблице А.1.

Обозначения, приведенные в скобках, соответствуют принятым МЭК.

Рисунок А.1

А.2 Установочные размеры двигателей исполнения IM3 должны соответствовать приведенным на рисунке А.2 и в таблице А.2.

Обозначения, приведенные в скобках, соответствуют принятым МЭК.

Рисунок А.2

Таблица А.1

Размеры в миллиметрах

Габарит

Установочный размер

h

(Н)

b10

(А)

l10

(В)

l31

(С)

d10

(К)

56

-

56

90

71

36

5,8

63

-

63

100

80

40

71

-

71

112

90

45

7

80

-

80

125

100

50

10

90

S

90

140

56

L

125

100

S

100

160

112

63

12

L

140

112

М

112

190

70

132

S

132

216

89

M

178

160

S

160

254

108

15

M

210

L

254

180

S

180

279

203

121

M

241

L

279

200

М

200

318

267

133

19

L

305

225

S

225

356

286

149

M

311

250

S

250

406

168

24

M

349

280

S

280

457

368

190

M

419

315

S

315

508

406

216

28

M

457

355

S

355

610

500

254

M

560

*Диаметр круглого отверстия или ширина овального отверстия.

Таблица А.2

Размеры в миллиметрах

Обозначение фланца

d20

(М)

d25

(N)

d24

(Р)

l39

(R)

l20

(Т)

d22 (S)

Число отверстий

без резьбы

FF

с резьбой

FT

 

FF54; FT65

65

50

80

0

2,5

5,8

М5

4

 

FF75; FT75

75

60

90

 

FF85; FT85

85

70

105

7

М6

 

FF100; FT100

100

80

120

3

 

FF15, FT115

115

95

140

10

М8

 

FF130; FT130

130

ПО

160

3,5

 

FF165; FT165

165

130

200

12

М10

 

FF215; FT215

215

180

250

4

15

М12

 

FF265; FT265

265

230

300

 

FF300; FT300

300

250

350

5

19

М16

 

FF350; FT350

350

300

400

 

FF400; FT400

400

350

450

8

 

FF500; FT500

500

450

550

 

FF600; FT600

600

550

660

6

24

М20

 

FF740; FT740

740

680

800

 

Примечания

1 В обозначении фланца указывают размер d20(М) и буквы:

FF - фланец с гладкими крепежными отверстиями;

FT - фланец с резьбовыми крепежными отверстиями.

2 Внешний контур крепительных фланцев от FF55 до FF300 может быть некруговым. В этом случае размер d24(P) является диаметром описанной окружности и может отличаться только в сторону отрицательных отклонений.

3 Установочные размеры двигателей исполнения IM20 определяют из таблиц А.1, А.2 как для комбинированного исполнения.

4 Допуски на установочные размеры, указанные в таблицах А.1 и А.2, - по ГОСТ 8592.

 

А.3 Увязка мощностей к установочным размерам по варианту I для степеней защиты IP44 и IP54 должна соответствовать таблице А.3.

Таблица А.3

Форма исполнения двигателей

Номинальная мощность двигателей, кВт, при числе полюсов 2р

Концы валов цилиндрические

d1(D) ×l1(E) мм, при числе полюсов 2р

Концы валов цилиндрические

d2(DA) ×l2(EA) мм, при числе

полюсов 2р

IM1, IM2

IM2, IM3

2

4

6

8

10

12

2

4, 6, 8, 10, 12

2

4, 6, 8 10, 12

Габарит

Устано­вочный размер

Обозначение фланца

С резьбой

Без резьбы

56

-

FT65;

FT85

FF115

0,18

0,25

0,12

0,18

-

-

-

-

-

-

-

-

11×23

11×23

63

-

FT75;

FT100

FF130

0,37

0,55

0,25

0,37

0,18

0,25

-

-

-

-

-

-

14×30

14×30

71

-

FT85;

FT115

FF165

0,75

1,10

0,55

0,75

0,37

0,55

-

0,25

-

-

-

-

19×40

19×40

80

-

FT100;

FT130

1,50

2,20

1,10

1,50

0,75

1,10

0,37

0,55

-

-

-

-

22×50

22×50

90

L

FT115;

FT130

FF215

3,00

-

2,20

-

1,50

-

0,75

1,10

-

-

-

-

24×50

24×50

100

S

М

FT130;

FT165

4,00

5,50

3,00

4,00

-

2,20

-

1,50

-

-

-

-

28×60

28×60

112

М

-

FF265

7,50

-

5,50

-

3,00

4,00

2,20

3,00

-

-

-

-

32×80

32×80

132

S

М

-

FF300

-

7,5

5,5

7,5

4,0

5,5

-

-

-

-

38×80

38×80

11,0

160

S

М

-

15,0

18,5

11,0

15,0

7,5

11,0

-

-

-

-

42×110

48×110

42×110

180

S

М

-

FF350

22,0

30,0

 

18,5

-

15,0

-

-

-

-

48×110

55×110

48×110

200

М

L

-

FF400

37,0

45,0

22,0

30,0

18,5

22,0

-

-

-

-

55×110

60×140

55×110

225

М

-

FF500

55,0

37,0

30,0

-

-

65×140

55×110

60×140

250

S

М

75,0

90,0

45,0

55,0

37,0

45,0

22,0

30,0

-

-

65×140

75×140

65×140

70×140

280

S

М

-

FF600

110,0

132,0

75,0

90,0

55,0

75,0

37,0

45,0

-

-

70×140

80×170

65×140

315

S

М

-

160,0

200,0

110,0

132,0

90,0

110,0

55,0

75,0

45,0

55,0

75×140

90×170

65×140

355

S

М

-

FF740

250,0

315,0

160,0

200,0

132,0

160,0

90,0

110,0

75,0

90,0

85×170

100×210

85×170

Примечание - Размеры шпонок и шпоночных пазов - по МЭК 60072-1 [8].

А.4 Увязка мощностей с установочными размерами по варианту II для степеней защиты IP44 и IP54 должна соответствовать таблице А.4.

Таблица А.4

Форма исполнения двигателей

Номинальная мощность двигателей, кВт, при числе полюсов 2p

Концы валов

d1(D) ×l1(E) мм,

при числе полюсов

Концы валов

цилиндрические

d1(DA) ×l1(EA)

мм, при числе

полюсов 2р

IM1, 1М2

IM2, IM3

2

4

6

8

Габарит

Установочный размер

Обозначение фланца

С резьбой

Без резьбы

2

4, 6, 8

2, 4, 6, 8

56

-

-

-

0,09

0,12

0,06

0,09

-

-

-

-

9×20

9×20

63

-

FT115

-

0,18

0,25

0,12

0,18

-

-

-

-

11×23

11×23

71

М

FT850

FF130

0,37

0,55

0,25

0,37

0,18

0,25

0,09

0,12

14×30

14×30

80

М

FT100

FF165

0,75

1,10

0,55

0,75

0,37

0,55

0,18

0,25

19×40

19×40

90

S

L

FT115

 

1,50

2,20

1,10

1,50

0,75

1,10

0,37

 

0,55

24×50

24×50

100

L

FT130

FF215

3,00

2,20

3,00

1,50

0,75

1,10

28×60

28×60

112

М

4,00

4,00

2,20

1,50

132

S

М

-

FF265

5,50;

7,50

-

5,50

7,50

3,00

4,00

5,50

2,20

3,00

38×80

38×80

160

М

L

-

FF300

11,0

15,00

18,50

11,00

15,00

7,50

11,00

4,00;

5,50

7,50

42×110

42×110

L80

М

L

-

FF300

22,0

-

18,5

22,0

-

15,0

-

11,0

48×100

42×110

200

L

-

FF350

30,0

37,0

30,0

18,5

22,0

15,0

55×110

48×100

225

S

М

-

FF400

-

45,0

37,0

45,0

-

30,0

18,5

22,0

55×110

60×140

55×110

250

М

-

FF500

55,0

55,0

37,0

30,0

60×140

65×140

60×140

280

S

М

75,0

90,0

75,0

90,0

45,0

55,0

47,0

45,0

65×140

75×140

65×140

315

S

М

L

-

FF600

110,0

132,0

160; 200

110,0

132,0

160; 200

75,0

90,0

110; 132

55,0

75,0

90; 110

65×140

80×170

65×140

355

S

М

L

-

FF740

-

250; 315

-

-

250; 315

-

160

200

250

132

160

200

75×140

100×210

75×140

Примечание - Размеры шпонок и шпоночных пазов - по МЭК 60072-1 [8].

ПРИЛОЖЕНИЕ Б
(справочное)

Библиография*

[1] МЭК 60038-1-83 Стандартные напряжения

[2] МЭК 60034-12-80 Машины электрические вращающиеся. Пусковые характеристики односкоростных трехфазных асинхронных двигателей с короткозамкнутым ротором напряжением до 660 В включительно.

[3] МЭК 60034-9-97 Машины электрические вращающиеся.

[4] МЭК 60034-14-96 Машины электрические вращающиеся. Механическая вибрация некоторых видов машин с высотой оси вращения 56 мм и более. Измерение, оценка и допустимые значения

[5] МЭК 60034-5-91 Машины электрические вращающиеся. Классификация степеней защиты, обеспечиваемых оболочками вращающихся электрических машин.

[6] МЭК 60034-7-92 Машины электрические вращающиеся. Условные обозначения конструктивных исполнений по способу монтажа

[7] МЭК 60034-6-91 Машины электрические вращающиеся. Методы охлаждения. Обозначения.

[8] МЭК 60072-1-91 Машины электрические вращающиеся. Размеры и ряды выходных мощностей. Часть 1. Габариты от 56 до 400 и фланцы от 55 до 1080.

[9] МЭК 60034-1-96 Машины электрические вращающиеся. Номинальные данные и рабочие характеристики.

[10] МЭК 60034-8-72 Машины электрические вращающиеся. Обозначения выводов и направления вращения.

[11] ИСО 3745-77 Акустика. Определение уровней звуковой мощности источников шума. Точные методы для заглушённых и полузаглушенных камер.

[12] МЭК 60034-11-78 Машины электрические вращающиеся. Встроенная температурная защита

* Международные стандарты МЭК и их переводы находятся во Всероссийском научно-исследовательском институте классификации, терминологии и информации по стандартизации и качеству (ВНИИКИ). Адрес: 103001, Москва, Гранатный пер., 4.

Ключевые слова: машины электрические, двигатели асинхронные, основные параметры, размеры, технические требования, характеристики, требования безопасности, методы контроля, приемка, транспортирование, хранение, гарантия изготовителя

 

 




ГОСТЫ, СТРОИТЕЛЬНЫЕ и ТЕХНИЧЕСКИЕ НОРМАТИВЫ.
Некоммерческая онлайн система, содержащая все Российские Госты, национальные Стандарты и нормативы.
В Системе содержится более 150000 файлов нормативно-технической документации, действующей на территории РФ.
Система предназначена для широкого круга инженерно-технических специалистов.

Рейтинг@Mail.ru Яндекс цитирования

Copyright © www.gostrf.com, 2008 - 2026