| |
ГОСТ 30245-2003
МЕЖГОСУДАРСТВЕННЫЙ СТАНДАРТ
ПРОФИЛИ СТАЛЬНЫЕ ГНУТЫЕ
ЗАМКНУТЫЕ СВАРНЫЕ КВАДРАТНЫЕ
И ПРЯМОУГОЛЬНЫЕ
ДЛЯ СТРОИТЕЛЬНЫХ КОНСТРУКЦИЙ
Технические
условия
МЕЖГОСУДАРСТВЕННАЯ
НАУЧНО-ТЕХНИЧЕСКАЯ КОМИССИЯ
ПО СТАНДАРТИЗАЦИИ, ТЕХНИЧЕСКОМУ НОРМИРОВАНИЮ
И СЕРТИФИКАЦИИ В СТРОИТЕЛЬСТВЕ (МНТКС)
Москва
Предисловие
1 РАЗРАБОТАН Центральным
научно-исследовательским и проектным институтом строительных металлоконструкций
им. Н.П. Мельникова (ЗАО «ЦНИИПСК им. Мельникова»)
2 ПРИНЯТ межгосударственной
научно-технической комиссией по стандартизации, техническому нормированию и
сертификации в строительстве (МНТКС) 22 октября 2003 г.
За принятие проголосовали
|
Наименование государства
|
Наименование органа государственного
управления строительством
|
|
Азербайджанская
Республика
|
Госстрой
Азербайджанской Республики
|
|
Республика
Армения
|
Министерство
градостроительства Республики Армения
|
|
Республика
Беларусь
|
Минстройархитектуры
Республики Беларусь
|
|
Республика
Казахстан
|
Казстройкомитет
Республики Казахстан
|
|
Российская
Федерация
|
Госстрой
России
|
|
Республика
Таджикистан
|
Комархстрой
Республики Таджикистан
|
|
Республика
Узбекистан
|
Госкомархитектстрой
Республики Узбекистан
|
|
Украина
|
Госстрой
Украины
|
3 ВЗАМЕН ГОСТ
30245-94
4 ВВЕДЕН В ДЕЙСТВИЕ с 1
октября 2003 г. в качестве государственного стандарта Российской Федерации
постановлением Госстроя России от 30 июня 2003 г. № 130
СОДЕРЖАНИЕ
ГОСТ 30245-2003
МЕЖГОСУДАРСТВЕННЫЙ СТАНДАРТ
ПРОФИЛИ СТАЛЬНЫЕ ГНУТЫЕ
ЗАМКНУТЫЕ СВАРНЫЕ
КВАДРАТНЫЕ И ПРЯМОУГОЛЬНЫЕ
ДЛЯ СТРОИТЕЛЬНЫХ КОНСТРУКЦИЙ
Технические условия
Steel bent closed welded square and rectangular
section for building.
Specifications
Дата введения 2003-10-01
Настоящий стандарт
распространяется на стальные гнутые замкнутые сварные квадратные и
прямоугольные профили, предназначенные для строительных стальных конструкций.
Профили изготовляют на
специализированных станах путем формирования круглого трубчатого сечения с
продольным сварным швом и последующим обжатием валками в квадратный или
прямоугольный профиль.
Обязательные требования
качества продукции изложены в пунктах 3.3 - 3.6, 4.3 - 4.5, 4.7, 4.11, 4.12, 5.2, 5.4, 5.5, 5.8 - 5.10, 5.12.
В настоящем стандарте
использованы ссылки на следующие стандарты:
ГОСТ 166-89 Штангенциркули.
Технические условия
ГОСТ 427-75
Линейки измерительные металлические. Технические условия
ГОСТ
1050-88 Прокат сортовой, калиброванный, со специальной отделкой поверхности
из углеродистой качественной конструкционной стали. Общие технические условия
ГОСТ 3242-79
Соединения сварные. Методы контроля качества
ГОСТ
5264-80 Ручная дуговая сварка. Соединения сварные. Основные типы, конструктивные
элементы и размеры
ГОСТ 5378-88 Угломеры с
нониусом. Технические условия
ГОСТ 7502-98
Рулетки измерительные металлические. Технические условия
ГОСТ
7566-94 Металлопродукция. Приемка, маркировка, упаковка, транспортирование
и хранение
ГОСТ
8713-79 Сварка под флюсом. Соединения сварные. Основные типы,
конструктивные элементы и размеры
ГОСТ
14637-89 Прокат толстолистовой из углеродистой стали обыкновенного
качества. Технические условия
ГОСТ
15150-69 Машины, приборы и другие технические изделия. Исполнения для различных
климатических районов. Категории, условия эксплуатации, хранения и
транспортирования в части воздействия климатических факторов внешней среды
ГОСТ
16523-97 Прокат тонколистовой из углеродистой стали качественной и
обыкновенного качества общего назначения. Технические условия
ГОСТ
17066-94 Прокат тонколистовой из стали повышенной прочности. Технические
условия
ГОСТ
19281-89 Прокат из стали повышенной прочности. Общие технические условия
ГОСТ 19903-74 Прокат
листовой горячекатаный. Сортамент
ГОСТ
27772-88 Прокат для строительных стальных конструкций. Общие технические
условия
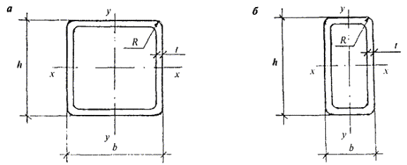
3.1 Поперечное сечение
профилей должно соответствовать указанному на рисунке 1.
3.2 Размеры профилей,
площадь поперечного сечения, справочные величины для осей и масса для 1 м
профиля должны соответствовать: для квадратных профилей - таблице 1; для
прямоугольных профилей - таблице 2.

h - высота; b - ширина; t -
толщина стенки; R
- радиус наружного
закругления
Рисунок 1
3.3
Предельные отклонения по толщине стенки профилей должны соответствовать
предельным отклонениям по толщине исходной заготовки шириной 1250 мм нормальной
точности прокатки Б по ГОСТ 19903. Предельные отклонения по
толщине не распространяются на места изгиба.
3.4 Предельные отклонения по
высоте и ширине профиля должны соответствовать, %:
при высоте (ширине) профиля до 100 мм - ±1,0, но не
менее ±0,5 мм;
» » » » св.
100 мм - ±0,8.
3.5 Допуски на радиусы
наружного закругления должны соответствовать:
при t £ 6,0 мм - от 1,6t до
2,4t;
при 6,0 < t £ 10,0 мм - от 2,0t до 3,0t;
при t ³ 10,0 мм - от 2,4t до
3,6t.
3.6 В
поперечном сечении профиля отклонения от угла 90° не должны превышать
±1°30′.
3.7 Профили изготавливают
длиной от 6,0 до 12,0 м, а по согласованию потребителя с изготовителем - длиной
от 4,0 до 13,0 м:
- немерной длины;
- мерной длины;
- кратной мерной длины.
3.8 Предельные отклонения по
длине профилей мерной и кратной мерной длины не должны быть более +60,0 мм.
3.9 Пример условного обозначения гнутого
сварного профиля высотой 180, шириной 100, толщиной стенки 5 мм из стали С245
по ГОСТ
27772:
Профиль .
Таблица 1
|
h
|
b
|
t
|
Площадь поперечного сечения А, см2
|
Справочные величины для оси
х - х
|
Масса 1 м, кг
|
|
|
мм
|
|
|
Ix, Iy, см4
|
Wx, Wy, см3
|
ix, iy, см
|
|
|
|
|
2,0
|
2,94
|
6,94
|
3,47
|
1,54
|
2,31
|
|
|
|
|
2,5
|
3,59
|
8,21
|
4,10
|
1,51
|
2,82
|
|
|
40
|
40
|
3,0
|
4,21
|
9,31
|
4,65
|
1,49
|
3,30
|
|
|
|
|
3,5
|
4,79
|
10,26
|
5,13
|
1,46
|
3,76
|
|
|
|
|
4,0
|
5,35
|
11,05
|
5,52
|
1,44
|
4,20
|
|
|
|
|
2,0
|
3,74
|
14,14
|
5,66
|
1,95
|
2,93
|
|
|
|
|
2,5
|
4,59
|
16,93
|
6,77
|
1,92
|
3,60
|
|
|
|
|
3,0
|
5,41
|
19,45
|
7,78
|
1,90
|
4,25
|
|
|
|
|
3,5
|
6,19
|
21,70
|
8,68
|
1,87
|
4,86
|
|
|
50
|
50
|
4,0
|
6,95
|
23,70
|
9,48
|
1,85
|
5,45
|
|
|
|
|
4,5
|
7,67
|
25,45
|
10,19
|
1,82
|
6,02
|
|
|
|
|
5,0
|
8,36
|
26,98
|
10,79
|
1,80
|
6,56
|
|
|
|
|
5,5
|
9,01
|
28,27
|
11,31
|
1,77
|
7,07
|
|
|
|
|
6,0
|
9,63
|
29,36
|
11,74
|
1,75
|
7,56
|
|
|
|
|
2,0
|
4,54
|
25,14
|
8,38
|
2,35
|
3,56
|
|
|
|
|
2,5
|
5,59
|
30,33
|
10,11
|
2,33
|
4,39
|
|
|
|
|
3,0
|
6,61
|
35,11
|
11,70
|
2,31
|
5,19
|
|
|
|
|
3,5
|
7,59
|
39,50
|
13,17
|
2,28
|
5,96
|
|
|
60
|
60
|
4,0
|
8,55
|
43,50
|
14,50
|
2,26
|
6,71
|
|
|
|
|
4,5
|
9,47
|
47,14
|
15,71
|
2,23
|
7,43
|
|
|
|
|
5,0
|
10,36
|
50,41
|
16,80
|
2,21
|
8,13
|
|
|
|
|
5,5
|
11,21
|
53,34
|
17,78
|
2,18
|
8,80
|
|
|
|
|
6,0
|
12,03
|
55,94
|
18,65
|
2,16
|
9,45
|
|
|
|
|
2,0
|
5,34
|
40,72
|
11,63
|
2,76
|
4,19
|
|
|
|
|
2,5
|
6,59
|
49,39
|
14,11
|
2,74
|
5,17
|
|
|
|
|
3,0
|
7,81
|
57,50
|
16,43
|
2,71
|
6,13
|
|
|
|
|
3,5
|
8,99
|
65,05
|
18,59
|
2,69
|
7,06
|
|
|
|
|
4,0
|
10,15
|
72,06
|
20,59
|
2,66
|
7,97
|
|
|
70
|
70
|
4,5
|
11,27
|
78,55
|
22,44
|
2,64
|
8,85
|
|
|
|
|
5,0
|
12,36
|
84,52
|
24,15
|
2,62
|
9,70
|
|
|
|
|
5,5
|
13,41
|
90,01
|
25,72
|
2,59
|
10,53
|
|
|
|
|
6,0
|
14,43
|
95,01
|
27,14
|
2,57
|
11,33
|
|
|
|
|
6,5
|
15,06
|
95,11
|
27,17
|
2,51
|
11,82
|
|
|
|
|
7,0
|
15,96
|
98,50
|
28,14
|
2,48
|
12,53
|
|
|
|
|
3,0
|
9,01
|
87,81
|
21,95
|
3,12
|
7,07
|
|
|
|
|
3,5
|
10,39
|
99,75
|
24,94
|
3,10
|
8,16
|
|
|
|
|
4,0
|
11,75
|
111,0
|
27,74
|
3,07
|
9,22
|
|
|
|
|
4,5
|
13,07
|
121,5
|
30,37
|
3,05
|
10,26
|
|
|
80
|
80
|
5,0
|
14,36
|
131,3
|
32,83
|
3,02
|
11,27
|
|
|
|
|
5,5
|
15,61
|
140,5
|
35,12
|
3,00
|
12,25
|
|
|
|
|
6,0
|
16,83
|
149,0
|
37,24
|
2,97
|
13,21
|
|
|
|
|
6,5
|
17,66
|
151,0
|
37,76
|
2,92
|
13,86
|
|
|
|
|
7,0
|
18,76
|
157,4
|
39,34
|
2,90
|
14,72
|
|
|
|
|
7,5
|
19,82
|
163,0
|
40,76
|
2,87
|
15,56
|
|
|
|
|
8,0
|
20,84
|
168,0
|
42,01
|
2,84
|
16,36
|
|
|
|
|
3,0
|
10,21
|
127,2
|
28,28
|
3,53
|
8,01
|
|
|
|
|
3,5
|
11,79
|
145,0
|
32,22
|
3,51
|
9,26
|
|
|
|
|
4,0
|
13,35
|
161,8
|
35,96
|
3,48
|
10,48
|
|
|
|
|
4,5
|
14,87
|
177,8
|
39,50
|
3,46
|
11,67
|
|
|
90
|
90
|
5,0
|
16,36
|
192,8
|
42,84
|
3,43
|
12,84
|
|
|
|
|
5,5
|
17,81
|
206,9
|
45,99
|
3,41
|
13,98
|
|
|
|
|
6,0
|
19,23
|
220,2
|
48,94
|
3,38
|
15,10
|
|
|
|
|
6,5
|
20,26
|
225,3
|
50,07
|
3,34
|
15,90
|
|
|
|
|
7,0
|
21,56
|
235,8
|
52,40
|
3,31
|
16,92
|
|
|
|
|
7,5
|
22,82
|
245,4
|
54,54
|
3,28
|
17,91
|
|
|
|
|
8,0
|
24,04
|
254,2
|
56,48
|
3,25
|
18,87
|
|
|
|
|
3,0
|
11,41
|
177,0
|
35,40
|
3,94
|
8,96
|
|
|
|
|
3,5
|
13,19
|
202,2
|
40,44
|
3,91
|
10,36
|
|
|
|
|
4,0
|
14,95
|
225,1
|
45,02
|
3,88
|
11,73
|
|
|
|
|
4,5
|
16,67
|
247,5
|
49,50
|
3,85
|
13,08
|
|
|
100
|
100
|
5,0
|
18,36
|
270,9
|
54,19
|
3,84
|
14,41
|
|
|
|
|
5,5
|
20,01
|
291,6
|
58,32
|
3,82
|
15,71
|
|
|
|
|
6,0
|
21,63
|
311,2
|
62,24
|
3,79
|
16,98
|
|
|
|
|
6,5
|
22,86
|
320,6
|
64,12
|
3,75
|
17,94
|
|
|
|
|
7,0
|
24,36
|
336,7
|
67,33
|
3,72
|
19,12
|
|
|
|
|
7,5
|
25,82
|
351,6
|
70,32
|
3,69
|
20,27
|
|
|
|
|
8,0
|
27,24
|
365,4
|
73,09
|
3,66
|
21,39
|
|
|
|
|
3,0
|
13,81
|
312,3
|
52,05
|
4,76
|
10,84
|
|
|
|
|
3,5
|
15,99
|
358,1
|
59,68
|
4,73
|
12,56
|
|
|
|
|
4,0
|
18,15
|
402,2
|
67,03
|
4,71
|
14,25
|
|
|
120
|
120
|
4,5
|
20,27
|
444,5
|
74,09
|
4,68
|
15,91
|
|
|
|
|
5,0
|
22,36
|
485,3
|
80,88
|
4,66
|
17,55
|
|
|
|
|
5,5
|
24,41
|
524,3
|
87,39
|
4,63
|
19,16
|
|
|
|
|
6,0
|
26,43
|
561,8
|
93,64
|
4,61
|
20,75
|
|
|
|
|
6,5
|
28,06
|
584,6
|
97,43
|
4,56
|
22,03
|
|
|
|
|
7,0
|
29,96
|
616,8
|
102,8
|
4,54
|
23,52
|
|
|
|
|
7,5
|
31,82
|
647,3
|
107,9
|
4,51
|
24,98
|
|
|
|
|
8,0
|
33,64
|
676,2
|
112,7
|
4,48
|
26,41
|
|
|
|
|
4,0
|
21,35
|
651,5
|
93,07
|
5,52
|
16,76
|
|
|
|
|
4,5
|
23,87
|
722,1
|
103,2
|
5,50
|
18,74
|
|
|
|
|
5,0
|
26,36
|
790,3
|
112,9
|
5,48
|
20,69
|
|
|
|
|
5,5
|
28,81
|
856,3
|
122,3
|
5,45
|
22,62
|
|
|
140
|
140
|
6,0
|
31,23
|
920,0
|
131,4
|
5,43
|
24,52
|
|
|
|
|
6,5
|
33,26
|
963,6
|
137,7
|
5,38
|
26,11
|
|
|
|
|
7,0
|
35,56
|
1020
|
145,7
|
5,36
|
27,91
|
|
|
|
|
7,5
|
37,82
|
1074
|
153,5
|
5,33
|
29,69
|
|
|
|
|
8,0
|
40,04
|
1126
|
160,8
|
5,30
|
31,43
|
|
|
|
|
4,0
|
22,95
|
807,7
|
107,7
|
5,93
|
18,01
|
|
|
|
|
4,5
|
25,67
|
896,1
|
119,5
|
5,91
|
20,15
|
|
|
|
|
5,0
|
28,36
|
981,8
|
130,9
|
5,88
|
22,26
|
|
|
|
|
5,5
|
31,01
|
1065
|
142,0
|
5,86
|
24,34
|
|
|
150
|
150
|
6,0
|
33,63
|
1145
|
152,7
|
5,84
|
26,40
|
|
|
|
|
6,5
|
35,86
|
1203
|
160,4
|
5,79
|
28,15
|
|
|
|
|
7,0
|
38,36
|
1275
|
170,0
|
5,77
|
30,11
|
|
|
|
|
7,5
|
40,82
|
1344
|
179,2
|
5,74
|
32,04
|
|
|
|
|
8,0
|
43,24
|
1411
|
188,1
|
5,71
|
33,95
|
|
|
|
|
4,0
|
24,55
|
987,0
|
123,4
|
6,34
|
19,27
|
|
|
|
|
4,5
|
27,47
|
1096
|
137,0
|
6,32
|
21,56
|
|
|
|
|
5,0
|
30,36
|
1202
|
150,3
|
6,29
|
23,83
|
|
|
160
|
160
|
5,5
|
33,21
|
1305
|
163,1
|
6,27
|
26,07
|
|
|
|
|
6,0
|
36,03
|
1405
|
175,6
|
6,24
|
28,29
|
|
|
|
|
6,5
|
38,46
|
1479
|
184,8
|
6,20
|
30,19
|
|
|
|
|
7,0
|
41,16
|
1569
|
196,1
|
6,17
|
32,31
|
|
|
|
|
7,5
|
43,82
|
1656
|
207,0
|
6,15
|
34,40
|
|
|
|
|
8,0
|
46,44
|
1740
|
217,5
|
6,12
|
36,46
|
|
|
|
|
5,0
|
34,36
|
1737
|
192,9
|
7,11
|
26,97
|
|
|
|
|
5,5
|
37,61
|
1888
|
209,8
|
7,09
|
29,52
|
|
|
|
|
6,0
|
40,83
|
2036
|
226,2
|
7,06
|
32,05
|
|
|
|
|
6,5
|
43,66
|
2150
|
238,9
|
7,02
|
34,27
|
|
|
|
|
7,0
|
46,76
|
2286
|
254,0
|
6,99
|
36,70
|
|
|
180
|
180
|
7,5
|
49,82
|
2417
|
268,6
|
6,97
|
39,11
|
|
|
|
|
8,0
|
52,84
|
2545
|
282,7
|
6,94
|
41,48
|
|
|
|
|
8,5
|
55,83
|
2668
|
296,5
|
6,91
|
43,83
|
|
|
|
|
9,0
|
58,78
|
2787
|
309,7
|
6,89
|
46,14
|
|
|
|
|
9,5
|
61,69
|
2903
|
322,6
|
6,86
|
48,43
|
|
|
|
|
10,0
|
64,57
|
3015
|
335,0
|
6,83
|
50,68
|
|
|
|
|
6,0
|
45,63
|
2832
|
283,2
|
7,88
|
35,82
|
|
|
|
|
6,5
|
48,86
|
3000
|
300,0
|
7,84
|
38,35
|
|
|
|
|
7,0
|
52,36
|
3193
|
319,3
|
7,81
|
41,10
|
|
|
|
|
7,5
|
55,82
|
3382
|
338,2
|
7,78
|
43,82
|
|
|
|
|
8,0
|
59,24
|
3565
|
356,5
|
7,76
|
46,51
|
|
|
200
|
200
|
8,5
|
62,63
|
3743
|
374,3
|
7,73
|
49,16
|
|
|
|
|
9,0
|
65,98
|
3917
|
391,7
|
7,70
|
51,79
|
|
|
|
|
9,5
|
69,29
|
4085
|
408,5
|
7,68
|
54,39
|
|
|
|
|
10,0
|
72,57
|
4249
|
424,9
|
7,65
|
56,96
|
|
|
|
|
10,5
|
74,86
|
4309
|
430,9
|
7,59
|
58,76
|
|
|
|
|
11,0
|
77,97
|
4454
|
445,4
|
7,56
|
61,20
|
|
|
|
|
11,5
|
81,03
|
4593
|
459,3
|
7,53
|
63,61
|
|
|
|
|
12,0
|
84,06
|
4727
|
472,7
|
7,50
|
65,99
|
|
|
|
|
6,0
|
57,63
|
5671
|
453,7
|
9,92
|
45,24
|
|
|
|
|
6,5
|
61,86
|
6036
|
482,9
|
9,88
|
48,56
|
|
|
|
|
7,0
|
66,36
|
6441
|
515,3
|
9,85
|
52,09
|
|
|
|
|
7,5
|
70,82
|
6838
|
547,1
|
9,83
|
55,59
|
|
|
250
|
250
|
8,0
|
75,24
|
7227
|
578,2
|
9,80
|
59,07
|
|
|
|
|
8,5
|
79,63
|
7608
|
608,7
|
9,77
|
62,51
|
|
|
|
|
9,0
|
83,98
|
7981
|
638,5
|
9,75
|
65,92
|
|
|
|
|
9,5
|
88,29
|
8346
|
667,7
|
9,72
|
69,31
|
|
|
|
|
10,0
|
92,57
|
8703
|
696,3
|
9,70
|
72,66
|
|
|
|
|
10,5
|
95,86
|
8900
|
712,0
|
9,64
|
75,25
|
|
|
|
|
11,0
|
99,97
|
9227
|
738,1
|
9,61
|
78,47
|
|
|
|
|
11,5
|
104,0
|
9545
|
763,6
|
9,58
|
81,67
|
|
|
|
|
12,0
|
108,1
|
9854
|
788,3
|
9,55
|
84,83
|
|
|
|
|
6,0
|
69,63
|
9963
|
664,2
|
11,96
|
54,66
|
|
|
|
|
6,5
|
74,86
|
10637
|
709,1
|
11,92
|
58,76
|
|
|
|
|
7,0
|
80,36
|
11370
|
758,0
|
11,89
|
63,08
|
|
|
300
|
300
|
7,5
|
85,82
|
12090
|
806,0
|
11,87
|
67,37
|
|
|
|
|
8,0
|
91,24
|
12798
|
853,2
|
11,84
|
71,63
|
|
|
|
|
8,5
|
96,63
|
13495
|
899,7
|
11,82
|
75,85
|
|
|
|
|
9,0
|
102,0
|
14180
|
945,3
|
11,79
|
80,05
|
|
|
|
|
9,5
|
107,3
|
14853
|
990,2
|
11,77
|
84,22
|
|
|
|
|
10,0
|
112,6
|
15515
|
1034
|
11,74
|
88,36
|
|
|
300
|
300
|
10,5
|
116,9
|
15947
|
1063
|
11,68
|
91,73
|
|
|
|
|
11,0
|
122,0
|
16564
|
1104
|
11,65
|
95,74
|
|
|
|
|
11,5
|
127,0
|
17168
|
1145
|
11,63
|
99,72
|
|
|
|
|
12,0
|
132,1
|
17761
|
1184
|
11,60
|
103,7
|
|
Таблица 2
|
h
|
b
|
t
|
Площадь поперечного сечения А, см2
|
Справочные значения
величин для осей
|
Масса 1 м, кг
|
|
мм
|
x -
x
|
у - у
|
|
Ix, см4
|
Wx, см3
|
ix, см
|
Iy, см4
|
Wy, см3
|
iy, см
|
|
|
|
2,0
|
2,74
|
8,38
|
3,35
|
1,75
|
2,80
|
2,24
|
1,01
|
2,15
|
|
|
|
2,5
|
3,34
|
9,88
|
3,95
|
1,72
|
3,27
|
2,61
|
0,99
|
2,62
|
|
50
|
25
|
3,0
|
3,91
|
11,17
|
4,47
|
1,69
|
3,65
|
2,92
|
0,97
|
3,07
|
|
|
|
3,5
|
4,44
|
12,24
|
4,90
|
1,66
|
3,96
|
3,16
|
0,94
|
3,49
|
|
|
|
4,0
|
4,95
|
13,12
|
5,25
|
1,63
|
4,19
|
3,35
|
0,92
|
3,88
|
|
|
|
2,0
|
2,94
|
9,53
|
3,81
|
1,80
|
4,29
|
2,86
|
1,21
|
2,31
|
|
|
|
2,5
|
3,59
|
11,29
|
4,52
|
1,77
|
5,04
|
3,36
|
1,19
|
2,82
|
|
50
|
30
|
3,0
|
4,21
|
12,82
|
5,13
|
1,75
|
5,68
|
3,79
|
1,16
|
3,30
|
|
|
|
3,5
|
4,79
|
14,13
|
5,65
|
1,72
|
6,22
|
4,15
|
1,14
|
3,76
|
|
|
|
4,0
|
5,35
|
15,24
|
6,09
|
1,69
|
6,66
|
4,44
|
1,12
|
4,20
|
|
|
|
5,0
|
6,36
|
16,85
|
6,74
|
1,63
|
7,26
|
4,84
|
1,07
|
4,99
|
|
|
|
2,0
|
3,34
|
11,84
|
4,73
|
1,88
|
8,38
|
4,19
|
1,58
|
2,62
|
|
|
|
2,5
|
4,09
|
14,11
|
5,65
|
1,86
|
9,97
|
4,98
|
1,56
|
3,21
|
|
|
|
3,0
|
4,81
|
16,14
|
6,45
|
1,83
|
11,36
|
5,68
|
1,54
|
3,77
|
|
50
|
40
|
3,5
|
5,49
|
17,92
|
7,17
|
1,81
|
12,59
|
6,29
|
1,51
|
4,31
|
|
|
|
4,0
|
6,15
|
19,47
|
7,79
|
1,78
|
13,64
|
6,82
|
1,49
|
4,83
|
|
|
|
4,5
|
6,77
|
20,80
|
8,32
|
1,75
|
14,54
|
7,27
|
1,47
|
5,31
|
|
|
|
5,0
|
7,36
|
21,91
|
8,77
|
1,73
|
15,28
|
7,64
|
1,44
|
5,77
|
|
|
|
2,0
|
3,74
|
18,41
|
6,14
|
2,22
|
9,82
|
4,91
|
1,62
|
2,93
|
|
|
|
2,5
|
4,09
|
17,93
|
5,98
|
2,09
|
5,99
|
3,99
|
1,21
|
3,21
|
|
|
|
3,0
|
4,81
|
20,49
|
6,83
|
2,06
|
6,78
|
4,52
|
1,19
|
3,77
|
|
|
|
3,5
|
5,49
|
22,74
|
7,58
|
2,03
|
7,45
|
4,97
|
1,16
|
4,31
|
|
60
|
30
|
4,0
|
6,15
|
24,69
|
8,23
|
2,00
|
8,01
|
5,34
|
1,14
|
4,83
|
|
|
|
4,5
|
6,77
|
26,34
|
8,78
|
1,97
|
8,47
|
5,64
|
1,12
|
5,31
|
|
|
|
5,0
|
7,36
|
27,72
|
9,24
|
1,94
|
8,83
|
5,88
|
1,10
|
5,77
|
|
|
|
5,5
|
7,91
|
28,84
|
9,61
|
1,91
|
9,10
|
6,06
|
1,07
|
6,21
|
|
|
|
6,0
|
8,43
|
29,69
|
9,90
|
1,88
|
9,28
|
6,19
|
1,05
|
6,62
|
|
|
|
2,0
|
3,74
|
18,41
|
6,14
|
2,22
|
9,82
|
4,91
|
1,62
|
2,93
|
|
|
|
2,5
|
4,59
|
22,06
|
7,35
|
2,19
|
11,72
|
5,86
|
1,60
|
3,60
|
|
|
|
3,0
|
5,41
|
25,37
|
8,46
|
2,17
|
13,42
|
6,71
|
1,58
|
4,25
|
|
60
|
40
|
3,5
|
6,19
|
28,33
|
9,44
|
2,14
|
14,92
|
7,46
|
1,55
|
4,86
|
|
|
|
4,0
|
6,95
|
30,96
|
10,32
|
2,11
|
16,23
|
8,12
|
1,53
|
5,45
|
|
|
|
4,5
|
7,67
|
33,28
|
11,09
|
2,08
|
17,37
|
8,69
|
1,51
|
6,02
|
|
|
|
5,0
|
8,36
|
35,29
|
11,76
|
2,05
|
18,34
|
9,17
|
1,48
|
6,56
|
|
|
|
5,5
|
9,01
|
37,00
|
12,33
|
2,03
|
19,16
|
9,58
|
1,46
|
7,07
|
|
|
|
6,0
|
9,63
|
38,44
|
12,81
|
2,00
|
19,82
|
9,91
|
1,43
|
7,56
|
|
|
|
2,0
|
4,54
|
31,47
|
8,99
|
2,63
|
18,75
|
7,50
|
2,03
|
3,56
|
|
|
|
2,5
|
5,59
|
38,00
|
10,86
|
2,61
|
22,57
|
9,03
|
2,01
|
4,39
|
|
|
|
3,0
|
6,61
|
44,03
|
12,58
|
2,58
|
26,08
|
10,43
|
1,99
|
5,19
|
|
70
|
50
|
3,5
|
7,59
|
49,57
|
14,16
|
2,55
|
29,27
|
11,71
|
1,96
|
5,96
|
|
|
|
4,0
|
8,55
|
54,64
|
15,61
|
2,53
|
32,16
|
12,87
|
1,94
|
6,71
|
|
|
|
4,5
|
9,47
|
59,24
|
16,93
|
2,50
|
34,77
|
13,91
|
1,92
|
7,43
|
|
|
|
5,0
|
10,36
|
63,40
|
18,11
|
2,47
|
37,10
|
14,84
|
1,89
|
8,13
|
|
|
|
5,5
|
11,21
|
67,12
|
19,18
|
2,45
|
39,17
|
15,67
|
1,87
|
8,80
|
|
|
|
6,0
|
12,03
|
70,43
|
20,12
|
2,42
|
40,98
|
16,39
|
1,85
|
9,45
|
|
|
|
2,0
|
4,54
|
37,35
|
9,34
|
2,87
|
12,71
|
6,36
|
1,67
|
3,56
|
|
|
|
2,5
|
5,59
|
45,10
|
11,27
|
2,84
|
15,24
|
7,62
|
1,65
|
4,39
|
|
|
|
3,0
|
6,61
|
52,24
|
13,06
|
2,81
|
17,52
|
8,76
|
1,63
|
5,19
|
|
80
|
40
|
3,5
|
7,59
|
58,79
|
14,70
|
2,78
|
19,58
|
9,79
|
1,61
|
5,96
|
|
|
|
4,0
|
8,55
|
64,77
|
16,19
|
2,75
|
21,42
|
10,71
|
1,58
|
6,71
|
|
|
|
4,5
|
9,47
|
70,19
|
17,55
|
2,72
|
23,04
|
11,52
|
1,56
|
7,43
|
|
|
|
5,0
|
10,36
|
75,07
|
18,77
|
2,69
|
24,47
|
12,23
|
1,54
|
8,13
|
|
|
|
5,5
|
11,21
|
79,42
|
19,86
|
2,66
|
25,70
|
12,85
|
1,51
|
8,80
|
|
|
|
6,0
|
12,03
|
83,26
|
20,82
|
2,63
|
26,75
|
13,38
|
1,49
|
9,45
|
|
|
|
2,0
|
5,34
|
49,52
|
12,38
|
3,05
|
34,35
|
11,45
|
2,54
|
4,19
|
|
|
|
2,5
|
6,59
|
60,11
|
15,03
|
3,02
|
42,42
|
14,14
|
2,54
|
5,17
|
|
|
|
3,0
|
7,81
|
70,02
|
17,51
|
2,99
|
44,86
|
14,95
|
2,40
|
6,13
|
|
|
|
3,5
|
8,99
|
79,27
|
19,82
|
2,97
|
50,67
|
16,89
|
2,37
|
7,06
|
|
|
|
4,0
|
10,15
|
87,87
|
21,97
|
2,94
|
56,05
|
18,68
|
2,35
|
7,97
|
|
80
|
60
|
4,5
|
11,27
|
95,84
|
23,96
|
2,92
|
61,00
|
20,33
|
2,33
|
8,85
|
|
|
|
5,0
|
12,36
|
103,2
|
25,80
|
2,89
|
65,54
|
21,85
|
2,30
|
9,70
|
|
|
|
5,5
|
13,41
|
109,9
|
27,49
|
2,86
|
69,68
|
23,23
|
2,28
|
10,53
|
|
|
|
6,0
|
14,43
|
116,1
|
29,03
|
2,84
|
73,43
|
24,48
|
2,26
|
11,33
|
|
|
|
6,5
|
15,06
|
115,9
|
28,98
|
2,77
|
73,58
|
24,53
|
2,21
|
11,82
|
|
|
|
7,0
|
15,96
|
120,1
|
30,01
|
2,74
|
76,10
|
25,37
|
2,18
|
12,53
|
|
|
|
3,0
|
8,41
|
78,92
|
19,73
|
3,06
|
64,23
|
18,35
|
2,76
|
6,60
|
|
|
|
3,5
|
9,69
|
89,51
|
22,38
|
3,04
|
72,79
|
20,80
|
2,74
|
7,61
|
|
|
|
4,0
|
10,95
|
99,42
|
24,86
|
3,01
|
80,77
|
23,08
|
2,72
|
8,59
|
|
|
|
4,5
|
12,17
|
108,7
|
27,17
|
2,99
|
88,20
|
25,20
|
2,69
|
9,55
|
|
80
|
70
|
5,0
|
13,36
|
117,3
|
29,31
|
2,96
|
95,09
|
27,17
|
2,67
|
10,48
|
|
|
|
5,5
|
14,51
|
125,2
|
31,30
|
2,94
|
101,5
|
28,98
|
2,64
|
11,39
|
|
|
|
6,0
|
15,63
|
132,5
|
33,14
|
2,91
|
107,3
|
30,66
|
2,62
|
12,27
|
|
|
|
6,5
|
16,36
|
133,5
|
33,37
|
2,86
|
108,2
|
30,92
|
2,57
|
12,84
|
|
|
|
7,0
|
17,36
|
138,7
|
34,68
|
2,83
|
112,4
|
32,11
|
2,54
|
13,63
|
|
|
|
3,0
|
7,81
|
81,83
|
18,19
|
3,24
|
32,70
|
13,08
|
2,05
|
6,13
|
|
|
|
3,5
|
8,99
|
92,63
|
20,59
|
3,21
|
36,84
|
14,74
|
2,02
|
7,06
|
|
|
|
4,0
|
10,15
|
102,7
|
22,82
|
3,18
|
40,63
|
16,25
|
2,00
|
7,97
|
|
|
|
4,5
|
11,27
|
112,0
|
24,88
|
3,15
|
44,09
|
17,63
|
1,98
|
8,85
|
|
90
|
50
|
5,0
|
12,36
|
120,5
|
26,79
|
3,12
|
47,23
|
18,89
|
1,95
|
9,70
|
|
|
|
5,5
|
13,41
|
128,4
|
28,53
|
3,09
|
50,06
|
20,02
|
1,93
|
10,53
|
|
|
|
6,0
|
14,43
|
135,6
|
30,13
|
3,06
|
52,59
|
21,04
|
1,91
|
11,33
|
|
|
|
6,5
|
15,06
|
134,7
|
29,93
|
2,99
|
52,62
|
21,05
|
1,87
|
11,82
|
|
|
|
7,0
|
15,96
|
139,4
|
30,97
|
2,96
|
54,27
|
21,71
|
1,84
|
12,53
|
|
|
|
3,0
|
8,41
|
93,19
|
20,71
|
3,33
|
49,73
|
16,58
|
2,43
|
6,60
|
|
|
|
3,5
|
9,69
|
105,7
|
23,50
|
3,30
|
56,26
|
18,75
|
2,41
|
7,61
|
|
|
|
4,0
|
10,95
|
117,5
|
26,10
|
3,28
|
62,32
|
20,77
|
2,39
|
8,59
|
|
|
|
4,5
|
12,17
|
128,4
|
28,54
|
3,25
|
67,93
|
22,64
|
2,36
|
9,55
|
|
90
|
60
|
5,0
|
13,36
|
138,6
|
30,80
|
3,22
|
73,10
|
24,37
|
2,34
|
10,48
|
|
|
|
5,5
|
14,51
|
148,0
|
32,90
|
3,19
|
77,84
|
25,95
|
2,32
|
11,39
|
|
|
|
6,0
|
15,63
|
156,7
|
34,83
|
3,17
|
82,18
|
27,39
|
2,29
|
12,27
|
|
|
|
7,0
|
17,36
|
163,5
|
36,33
|
3,07
|
85,93
|
28,64
|
2,23
|
13,63
|
|
|
|
3,0
|
7,81
|
92,33
|
18,47
|
3,44
|
21,63
|
10,82
|
1,66
|
6,13
|
|
|
|
3,5
|
8,99
|
104,4
|
20,89
|
3,41
|
24,24
|
12,12
|
1,64
|
7,06
|
|
|
|
4,0
|
10,15
|
115,7
|
23,13
|
3,38
|
26,60
|
13,30
|
1,62
|
7,97
|
|
100
|
40
|
4,5
|
11,27
|
126,0
|
25,21
|
3,34
|
28,71
|
14,36
|
1,60
|
8,85
|
|
|
|
5,0
|
12,36
|
135,6
|
27,11
|
3,31
|
30,59
|
15,30
|
1,57
|
9,70
|
|
|
|
5,5
|
13,41
|
144,3
|
28,85
|
3,28
|
32,25
|
16,12
|
1,55
|
10,53
|
|
|
|
6,0
|
14,43
|
152,2
|
30,43
|
3,25
|
33,69
|
16,85
|
1,53
|
11,33
|
|
|
|
6,5
|
15,06
|
150,1
|
30,03
|
3,16
|
33,54
|
16,77
|
1,49
|
11,82
|
|
|
|
7,0
|
15,96
|
155,0
|
31,01
|
3,12
|
34,39
|
17,19
|
1,47
|
12,53
|
|
|
|
3,0
|
8,41
|
106,4
|
21,29
|
3,56
|
36,02
|
14,41
|
2,07
|
6,60
|
|
|
|
3,5
|
9,69
|
120,7
|
24,15
|
3,53
|
40,62
|
16,25
|
2,05
|
7,61
|
|
|
|
4,0
|
10,95
|
134,1
|
26,82
|
3,50
|
44,86
|
17,94
|
2,02
|
8,59
|
|
|
|
4,5
|
12,17
|
146,6
|
29,31
|
3,47
|
48,74
|
19,50
|
2,00
|
9,55
|
|
100
|
50
|
5,0
|
13,36
|
158,1
|
31,62
|
3,44
|
52,29
|
20,92
|
1,98
|
10,48
|
|
|
|
5,5
|
14,51
|
168,8
|
33,76
|
3,41
|
55,50
|
22,20
|
1,96
|
11,39
|
|
|
|
6,0
|
15,63
|
178,7
|
35,73
|
3,38
|
58,40
|
23,36
|
1,93
|
12,27
|
|
|
|
6,5
|
16,36
|
178,6
|
35,71
|
3,30
|
58,77
|
23,51
|
1,90
|
12,84
|
|
|
|
7,0
|
17,36
|
185,3
|
37,06
|
3,27
|
60,74
|
24,29
|
1,87
|
13,63
|
|
|
|
3,0
|
9,01
|
120,6
|
24,11
|
3,66
|
54,61
|
18,20
|
2,46
|
7,07
|
|
|
|
3,5
|
10,39
|
137,0
|
27,41
|
3,63
|
61,85
|
20,62
|
2,44
|
8,16
|
|
|
|
4,0
|
11,75
|
152,5
|
30,51
|
3,60
|
68,59
|
22,86
|
2,42
|
9,22
|
|
100
|
60
|
4,5
|
13,07
|
167,1
|
33,42
|
3,58
|
74,86
|
24,95
|
2,39
|
10,26
|
|
|
|
5,0
|
14,36
|
180,7
|
36,14
|
3,55
|
80,66
|
26,89
|
2,37
|
11,27
|
|
|
|
5,5
|
15,61
|
193,4
|
38,68
|
3,52
|
86,01
|
28,67
|
2,35
|
12,25
|
|
|
|
6,0
|
16,83
|
205,2
|
41,03
|
3,49
|
90,93
|
30,31
|
2,32
|
13,21
|
|
100
|
60
|
6,5
|
17,66
|
207,0
|
41,39
|
3,42
|
92,18
|
30,73
|
2,28
|
13,86
|
|
|
|
7,0
|
18,76
|
215,6
|
43,12
|
3,39
|
95,77
|
31,92
|
2,26
|
14,72
|
|
|
|
3,0
|
9,01
|
148,0
|
24,67
|
4,05
|
25,74
|
12,87
|
1,69
|
7,07
|
|
|
|
3,5
|
10,39
|
168,1
|
28,01
|
4,02
|
28,91
|
14,45
|
1,67
|
8,16
|
|
|
|
4,0
|
11,75
|
186,9
|
31,14
|
3,99
|
31,79
|
15,89
|
1,64
|
9,22
|
|
120
|
40
|
4,5
|
13,07
|
204,4
|
34,07
|
3,96
|
34,38
|
17,19
|
1,62
|
10,26
|
|
|
|
5,0
|
14,36
|
220,8
|
36,79
|
3,92
|
36,72
|
18,36
|
1,60
|
11,27
|
|
|
|
5,5
|
15,61
|
235,9
|
39,32
|
3,89
|
38,79
|
19,40
|
1,58
|
12,25
|
|
|
|
6,0
|
16,83
|
249,9
|
41,65
|
3,85
|
40,63
|
20,31
|
1,55
|
13,21
|
|
|
|
6,5
|
17,66
|
249,6
|
41,60
|
3,76
|
40,84
|
20,42
|
1,52
|
13,86
|
|
|
|
7,0
|
18,76
|
259,2
|
43,21
|
3,72
|
42,01
|
21,00
|
1,50
|
14,72
|
|
|
|
3,0
|
10,21
|
189,1
|
31,52
|
4,30
|
64,35
|
21,45
|
2,51
|
8,01
|
|
|
|
3,5
|
11,79
|
215,6
|
35,93
|
4,28
|
73,02
|
24,34
|
2,49
|
9,26
|
|
|
|
4,0
|
13,35
|
240,7
|
40,12
|
4,25
|
81,14
|
27,05
|
2,47
|
10,48
|
|
|
|
4,5
|
14,87
|
264,5
|
44,08
|
4,22
|
88,72
|
29,57
|
2,44
|
11,67
|
|
120
|
60
|
5,0
|
16,36
|
286,9
|
47,82
|
4,19
|
95,79
|
31,93
|
2,42
|
12,84
|
|
|
|
5,5
|
17,81
|
308,0
|
51,34
|
4,16
|
102,3
|
34,12
|
2,40
|
13,98
|
|
|
|
6,0
|
19,23
|
327,9
|
54,65
|
4,13
|
108,4
|
36,14
|
2,37
|
15,10
|
|
|
|
6,5
|
20,26
|
333,3
|
55,56
|
4,06
|
110,8
|
36,93
|
2,34
|
15,90
|
|
|
|
7,0
|
21,56
|
348,6
|
58,10
|
4,02
|
115,4
|
38,48
|
2,31
|
16,92
|
|
|
|
3,0
|
11,41
|
230,2
|
38,36
|
4,49
|
123,4
|
30,85
|
3,29
|
8,96
|
|
|
|
3,5
|
13,19
|
263,1
|
43,85
|
4,47
|
140,7
|
35,18
|
3,27
|
10,36
|
|
|
|
4,0
|
14,95
|
294,5
|
49,09
|
4,44
|
157,2
|
39,30
|
3,24
|
11,73
|
|
120
|
80
|
4,5
|
16,67
|
324,5
|
54,08
|
4,41
|
172,8
|
43,20
|
3,22
|
13,08
|
|
|
|
5,0
|
18,36
|
353,0
|
58,84
|
4,39
|
187,6
|
46,89
|
3,20
|
14,41
|
|
|
|
5,5
|
20,01
|
380,1
|
63,36
|
4,36
|
201,5
|
50,38
|
3,17
|
15,71
|
|
|
|
6,0
|
21,63
|
405,9
|
67,64
|
4,33
|
214,7
|
53,67
|
3,15
|
16,98
|
|
|
|
6,5
|
22,86
|
417,1
|
69,51
|
4,27
|
221,3
|
55,31
|
3,11
|
17,94
|
|
|
|
7,0
|
24,36
|
438,0
|
73,00
|
4,24
|
232,0
|
57,99
|
3,09
|
19,12
|
|
|
|
3,0
|
11,41
|
278,1
|
39,72
|
4,94
|
74,10
|
24,70
|
2,55
|
8,96
|
|
|
|
3,5
|
13,19
|
317,7
|
45,39
|
4,91
|
84,19
|
28,06
|
2,53
|
10,36
|
|
|
|
4,0
|
14,95
|
355,5
|
50,79
|
4,88
|
93,68
|
31,23
|
2,50
|
11,73
|
|
140
|
60
|
4,5
|
16,67
|
391,6
|
55,94
|
4,85
|
102,6
|
34,19
|
2,48
|
13,08
|
|
|
|
5,0
|
18,36
|
425,8
|
60,83
|
4,82
|
110,9
|
36,97
|
2,46
|
14,41
|
|
|
|
5,5
|
20,01
|
458,3
|
65,47
|
4,79
|
118,7
|
39,56
|
2,44
|
15,71
|
|
|
|
6,0
|
21,63
|
489,1
|
69,87
|
4,75
|
125,9
|
41,97
|
2,41
|
16,98
|
|
|
|
6,5
|
22,86
|
500,2
|
71,46
|
4,68
|
129,4
|
43,13
|
2,38
|
17,94
|
|
|
|
7,0
|
24,36
|
524,8
|
74,97
|
4,64
|
135,1
|
45,03
|
2,36
|
19,12
|
|
|
|
4,0
|
18,15
|
503,5
|
71,93
|
5,27
|
300,0
|
60,00
|
4,07
|
14,25
|
|
|
|
4,5
|
20,27
|
556,8
|
79,54
|
5,24
|
331,2
|
66,25
|
4,04
|
15,91
|
|
140
|
100
|
5,0
|
22,36
|
608,1
|
86,87
|
5,22
|
361,2
|
72,24
|
4,02
|
17,55
|
|
|
|
5,5
|
24,41
|
657,3
|
93,90
|
5,19
|
389,8
|
77,97
|
4,00
|
19,16
|
|
|
|
6,0
|
26,43
|
704,5
|
100,6
|
5,16
|
417,2
|
83,45
|
3,97
|
20,75
|
|
|
|
6,5
|
28,06
|
731,9
|
104,6
|
5,11
|
434,3
|
86,85
|
3,93
|
22,03
|
|
|
|
7,0
|
29,96
|
772,4
|
110,3
|
5,08
|
457,8
|
91,55
|
3,91
|
23,52
|
|
|
|
4,0
|
19,75
|
577,5
|
82,50
|
5,41
|
456,0
|
76,00
|
4,81
|
15,50
|
|
|
|
4,5
|
22,07
|
639,4
|
91,35
|
5,38
|
504,6
|
84,10
|
4,78
|
17,32
|
|
|
|
5,0
|
24,36
|
699,2
|
99,88
|
5,36
|
551,4
|
91,90
|
4,76
|
19,12
|
|
|
|
5,5
|
26,61
|
756,8
|
108,1
|
5,33
|
596,5
|
99,41
|
4,73
|
20,89
|
|
140
|
120
|
6,0
|
28,83
|
812,3
|
116,0
|
5,31
|
639,8
|
106,6
|
4,71
|
22,63
|
|
|
|
6,5
|
30,66
|
847,8
|
121,11
|
5,26
|
668,3
|
111,4
|
4,67
|
24,07
|
|
|
|
7,0
|
32,76
|
896,3
|
128,0
|
5,23
|
706,2
|
117,7
|
4,64
|
25,71
|
|
|
|
7,5
|
34,82
|
942,5
|
134,6
|
5,20
|
742,2
|
123,7
|
4,62
|
27,33
|
|
|
|
8,0
|
36,84
|
986,5
|
140,9
|
5,17
|
776,5
|
129,4
|
4,59
|
28,92
|
|
|
|
4,0
|
18,95
|
594,5
|
79,27
|
5,60
|
318,4
|
63,68
|
4,10
|
14,87
|
|
|
|
4,5
|
21,17
|
657,9
|
87,72
|
5,58
|
351,8
|
70,35
|
4,08
|
16,62
|
|
150
|
100
|
5,0
|
23,36
|
719,0
|
95,87
|
5,55
|
383,7
|
76,75
|
4,05
|
18,33
|
|
|
|
5,5
|
25,51
|
777,9
|
103,7
|
5,52
|
414,4
|
82,88
|
4,03
|
20,03
|
|
|
|
6,0
|
27,63
|
834,4
|
111,3
|
5,50
|
443,7
|
88,75
|
4,01
|
21,69
|
|
|
|
6,5
|
29,36
|
868,2
|
115,8
|
5,44
|
462,7
|
92,54
|
3,97
|
23,05
|
|
|
|
7,0
|
31,36
|
917,1
|
122,3
|
5,41
|
488,0
|
97,61
|
3,95
|
24,62
|
|
|
|
3,0
|
11,41
|
315,9
|
39,49
|
5,26
|
33,95
|
16,98
|
1,73
|
8,96
|
|
|
|
3,5
|
13,19
|
360,5
|
45,07
|
5,23
|
38,23
|
19,12
|
1,70
|
10,36
|
|
|
|
4,0
|
14,95
|
403,0
|
50,37
|
5,19
|
42,15
|
21,08
|
1,68
|
11,73
|
|
|
|
4,5
|
16,67
|
443,2
|
55,40
|
5,16
|
45,73
|
22,86
|
1,66
|
13,08
|
|
160
|
40
|
5,0
|
18,36
|
481,3
|
60,16
|
5,12
|
48,97
|
24,48
|
1,63
|
14,41
|
|
|
|
5,5
|
20,01
|
517,3
|
64,66
|
5,08
|
51,89
|
25,94
|
1,61
|
15,71
|
|
|
|
6,0
|
21,63
|
551,2
|
68,90
|
5,05
|
54,50
|
27,25
|
1,59
|
16,98
|
|
|
|
6,5
|
22,86
|
559,7
|
69,96
|
4,95
|
55,43
|
27,71
|
1,56
|
17,94
|
|
|
|
7,0
|
24,36
|
585,8
|
73,22
|
4,90
|
57,26
|
28,63
|
1,53
|
19,12
|
|
|
|
4,0
|
18,15
|
597,6
|
74,71
|
5,74
|
203,4
|
50,85
|
3,35
|
14,25
|
|
|
|
4,5
|
20,27
|
660,8
|
82,60
|
5,71
|
224,1
|
56,02
|
3,33
|
15,91
|
|
|
|
5,0
|
22,36
|
721,6
|
90,20
|
5,68
|
243,8
|
60,95
|
3,30
|
17,55
|
|
160
|
80
|
5,5
|
24,41
|
779,9
|
97,48
|
5,65
|
262,6
|
65,64
|
3,28
|
19,16
|
|
|
|
6,0
|
26,43
|
835,8
|
104,5
|
5,62
|
280,4
|
70,10
|
3,26
|
20,75
|
|
|
|
6,5
|
28,06
|
866,0
|
108,3
|
5,56
|
291,5
|
72,87
|
3,22
|
22,03
|
|
|
|
7,0
|
29,96
|
913,5
|
114,2
|
5,52
|
306,6
|
76,64
|
3,20
|
23,52
|
|
|
|
4,0
|
19,75
|
695,0
|
86,87
|
5,93
|
336,9
|
67,37
|
4,13
|
15,50
|
|
|
|
4,5
|
22,07
|
769,6
|
96,21
|
5,91
|
372,3
|
74,46
|
4,11
|
17,32
|
|
|
|
5,0
|
24,36
|
841,7
|
105,2
|
5,88
|
406,3
|
81,26
|
4,08
|
19,12
|
|
|
|
5,5
|
26,61
|
911,2
|
113,9
|
5,85
|
439,0
|
87,79
|
4,06
|
20,89
|
|
160
|
100
|
6,0
|
28,83
|
978,1
|
122,3
|
5,82
|
470,2
|
94,05
|
4,04
|
22,63
|
|
|
|
6,5
|
30,66
|
1019
|
127,4
|
5,77
|
491,1
|
98,22
|
4,00
|
24,07
|
|
|
|
7,0
|
32,76
|
1077
|
134,7
|
5,73
|
518,3
|
103,7
|
3,98
|
25,71
|
|
|
|
7,5
|
34,82
|
1133
|
141,6
|
5,70
|
544,1
|
108,8
|
3,95
|
27,33
|
|
|
|
8,0
|
36,84
|
1186
|
148,2
|
5,67
|
568,6
|
113,7
|
3,93
|
28,92
|
|
|
|
4,0
|
21,35
|
792,3
|
99,04
|
6,09
|
509,8
|
84,97
|
4,89
|
16,76
|
|
|
|
4,5
|
23,87
|
878,5
|
109,8
|
6,07
|
564,6
|
94,10
|
4,86
|
18,74
|
|
|
|
5,0
|
26,36
|
961,8
|
120,2
|
6,04
|
617,5
|
102,9
|
4,84
|
20,69
|
|
|
|
5,5
|
28,81
|
1042
|
130,3
|
6,02
|
668,6
|
111,4
|
4,82
|
22,62
|
|
160
|
120
|
6,0
|
31,23
|
1120
|
140,0
|
5,99
|
717,8
|
119,6
|
4,79
|
24,52
|
|
|
|
6,5
|
33,26
|
1172
|
146,5
|
5,94
|
752,0
|
125,3
|
4,76
|
26,11
|
|
|
|
7,0
|
35,56
|
1241
|
155,2
|
5,91
|
795,5
|
132,6
|
4,73
|
27,91
|
|
|
|
7,5
|
37,82
|
1307
|
163,4
|
5,88
|
837,2
|
139,5
|
4,70
|
29,69
|
|
|
|
8,0
|
40,04
|
1371
|
171,3
|
5,85
|
876,9
|
146,1
|
4,68
|
31,43
|
|
|
|
5,0
|
28,36
|
1082
|
135,2
|
6,18
|
881,4
|
125,9
|
5,58
|
22,26
|
|
|
|
5,5
|
31,01
|
1174
|
146,7
|
6,15
|
955,8
|
136,5
|
5,55
|
24,34
|
|
|
|
6,0
|
33,63
|
1263
|
157,8
|
6,13
|
1028
|
146,8
|
5,53
|
26,40
|
|
|
|
6,5
|
35,86
|
1325
|
165,7
|
6,08
|
1079
|
154,2
|
5,49
|
28,15
|
|
160
|
140
|
7,0
|
38,36
|
1405
|
175,6
|
6,05
|
1144
|
163,4
|
5,46
|
30,11
|
|
|
|
7,5
|
40,82
|
1482
|
185,2
|
6,02
|
1206
|
172,3
|
5,44
|
32,04
|
|
|
|
8,0
|
43,24
|
1555
|
194,4
|
6,00
|
1265
|
180,8
|
5,41
|
33,95
|
|
|
|
4,0
|
18,15
|
678,1
|
75,3
|
6,11
|
118,8
|
39,6
|
2,56
|
14,25
|
|
|
|
4,5
|
20,27
|
749,4
|
83,3
|
6,08
|
130,3
|
43,4
|
2,54
|
15,91
|
|
|
|
5,0
|
22,36
|
817,8
|
90,9
|
6,05
|
141,2
|
47,1
|
2,51
|
17,55
|
|
|
|
5,5
|
24,41
|
883,3
|
98,1
|
6,02
|
151,4
|
50,5
|
2,49
|
19,16
|
|
180
|
60
|
6,0
|
26,43
|
946,0
|
105,1
|
5,98
|
160,9
|
53,6
|
2,47
|
20,75
|
|
|
|
6,5
|
28,06
|
976,4
|
108,5
|
5,90
|
166,6
|
55,5
|
2,44
|
22,03
|
|
|
|
7,0
|
29,96
|
1029
|
114,3
|
5,86
|
174,4
|
58,1
|
2,41
|
23,52
|
|
|
|
7,5
|
31,82
|
1078
|
119,8
|
5,82
|
181,6
|
60,5
|
2,39
|
24,98
|
|
|
|
8,0
|
33,64
|
1125
|
125,0
|
5,78
|
188,2
|
62,7
|
2,37
|
26,41
|
|
|
|
4,0
|
19,75
|
802,0
|
89,12
|
6,37
|
226,5
|
56,62
|
3,39
|
15,50
|
|
|
|
4,5
|
22,07
|
888,0
|
98,67
|
6,34
|
249,7
|
62,44
|
3,36
|
17,32
|
|
|
|
5,0
|
24,36
|
970,9
|
107,9
|
6,31
|
271,9
|
67,99
|
3,34
|
19,12
|
|
|
|
5,5
|
26,61
|
1051
|
116,8
|
6,28
|
293,1
|
73,28
|
3,32
|
20,89
|
|
180
|
80
|
6,0
|
28,83
|
1128
|
125,3
|
6,25
|
313,3
|
78,31
|
3,30
|
22,63
|
|
|
|
6,5
|
30,66
|
1172
|
130,2
|
6,18
|
326,6
|
81,65
|
3,26
|
24,07
|
|
|
|
7,0
|
32,76
|
1238
|
137,6
|
6,15
|
343,9
|
85,97
|
3,24
|
25,71
|
|
|
|
7,5
|
34,82
|
1301
|
144,6
|
6,11
|
360,1
|
90,03
|
3,22
|
27,33
|
|
|
|
8,0
|
36,84
|
1361
|
151,3
|
6,08
|
375,4
|
93,85
|
3,19
|
28,92
|
|
|
|
4,0
|
21,35
|
926,0
|
102,9
|
6,59
|
373,7
|
74,74
|
4,18
|
16,76
|
|
|
|
4,5
|
23,87
|
1027
|
114,1
|
6,56
|
413,3
|
82,67
|
4,16
|
18,74
|
|
|
|
5,0
|
26,36
|
1124
|
124,9
|
6,53
|
451,4
|
90,29
|
4,14
|
20,69
|
|
|
|
5,5
|
28,81
|
1218
|
135,4
|
6,50
|
488, 1
|
97,61
|
4,12
|
22,62
|
|
180
|
100
|
6,0
|
31,23
|
1309
|
145,5
|
6,47
|
523,3
|
104,7
|
4,09
|
24,52
|
|
|
|
6,5
|
33,26
|
1368
|
152,0
|
6,41
|
547,9
|
109,6
|
4,06
|
26,11
|
|
|
|
7,0
|
35,56
|
1448
|
160,9
|
6,38
|
578,8
|
115,8
|
4,03
|
27,91
|
|
|
|
7,5
|
37,82
|
1525
|
169,4
|
6,35
|
608,3
|
121,7
|
4,01
|
29,69
|
|
|
|
8,0
|
40,04
|
1598
|
177,6
|
6,32
|
636,3
|
127,3
|
3,99
|
31,43
|
|
|
|
4,0
|
24,55
|
1174
|
130,42
|
6,91
|
799,5
|
114,2
|
5,71
|
19,27
|
|
|
|
4,5
|
27,47
|
1304
|
144,87
|
6,89
|
887,3
|
126,8
|
5,68
|
21,56
|
|
|
|
5,0
|
30,36
|
1430
|
158,92
|
6,86
|
972,6
|
138,9
|
5,66
|
23,83
|
|
180
|
140
|
5,5
|
33,21
|
1553
|
172,58
|
6,84
|
1055
|
150,7
|
5,64
|
26,07
|
|
|
|
6,0
|
36,03
|
1673
|
185,85
|
6,81
|
1135
|
162,2
|
5,61
|
28,29
|
|
|
|
6,5
|
38,46
|
1759
|
195,45
|
6,76
|
1195
|
170,8
|
5,57
|
30,19
|
|
|
|
7,0
|
41,16
|
1867
|
207,43
|
6,73
|
1268
|
181,1
|
5,55
|
32,31
|
|
|
|
7,5
|
43,82
|
1971
|
218,99
|
6,71
|
1338
|
191,1
|
5,52
|
34,40
|
|
|
|
8,0
|
46,44
|
2071
|
230,15
|
6,68
|
1405
|
200,8
|
5,50
|
36,46
|
|
|
|
4,0
|
18,15
|
738,6
|
73,86
|
6,38
|
52,52
|
26,26
|
1,70
|
14,25
|
|
|
|
4,5
|
20,27
|
815,3
|
81,53
|
6,34
|
57,07
|
28,53
|
1,68
|
15,91
|
|
200
|
40
|
5,0
|
22,36
|
888,7
|
88,87
|
6,30
|
61,22
|
30,61
|
1,65
|
17,55
|
|
|
|
5,5
|
24,41
|
958,8
|
95,88
|
6,27
|
64,98
|
32,49
|
1,63
|
19,16
|
|
|
|
6,0
|
26,43
|
1026
|
102,6
|
6,23
|
68,37
|
34,19
|
1,61
|
20,75
|
|
|
|
6,5
|
28,06
|
1053
|
105,3
|
6,13
|
70,02
|
35,01
|
1,58
|
22,03
|
|
|
|
7,0
|
29,96
|
1107
|
110,7
|
6,08
|
72,50
|
36,25
|
1,56
|
23,52
|
|
|
|
4,0
|
21,35
|
1046
|
104,6
|
7,00
|
249,6
|
62,40
|
3,42
|
16,76
|
|
|
|
4,5
|
23,87
|
1159
|
115,9
|
6,97
|
275,4
|
68,85
|
3,40
|
18,74
|
|
|
|
5,0
|
26,36
|
1269
|
126,9
|
6,94
|
300,1
|
75,02
|
3,37
|
20,69
|
|
|
|
5,5
|
28,81
|
1375
|
137,5
|
6,91
|
323,6
|
80,91
|
3,35
|
22,62
|
|
200
|
80
|
6,0
|
31,23
|
1477
|
147,7
|
6,88
|
346,1
|
86,53
|
3,33
|
24,52
|
|
|
|
6,5
|
33,26
|
1539
|
153,9
|
6,80
|
361,7
|
90,43
|
3,30
|
26,11
|
|
|
|
7,0
|
35,56
|
1629
|
162,9
|
6,77
|
381,2
|
95,29
|
3,27
|
27,91
|
|
|
|
7,5
|
37,82
|
1714
|
171,4
|
6,73
|
399,6
|
99,89
|
3,25
|
29,69
|
|
|
|
8,0
|
40,04
|
1795
|
179,5
|
6,70
|
416,9
|
104,2
|
3,23
|
31,43
|
|
|
|
4,0
|
22,95
|
1200
|
120,0
|
7,23
|
410,6
|
82,12
|
4,23
|
18,01
|
|
|
|
4,5
|
25,67
|
1331
|
133,1
|
7,20
|
454,4
|
90,87
|
4,21
|
20,15
|
|
|
|
5,0
|
28,36
|
1459
|
145,9
|
7,17
|
496,6
|
99,31
|
4,18
|
22,26
|
|
|
|
5,5
|
31,01
|
1583
|
158,3
|
7,14
|
537,2
|
107,4
|
4,16
|
24,34
|
|
200
|
100
|
6,0
|
33,63
|
1703
|
170,3
|
7,12
|
576,3
|
115,3
|
4,14
|
26,40
|
|
|
|
6,5
|
35,86
|
1783
|
178,3
|
7,05
|
604,7
|
120,9
|
4,11
|
28,15
|
|
|
|
7,0
|
38,36
|
1889
|
188,9
|
7,02
|
639,4
|
127,9
|
4,08
|
30,11
|
|
|
|
7,5
|
40,82
|
1992
|
199,2
|
6,99
|
672,5
|
134,5
|
4,06
|
32,04
|
|
|
|
8,0
|
43,24
|
2090
|
209,0
|
6,95
|
704,0
|
140,8
|
4,03
|
33,95
|
|
|
|
4,0
|
24,55
|
1353
|
135,3
|
7,42
|
617,5
|
102,9
|
5,02
|
19,27
|
|
|
|
4,5
|
27,47
|
1503
|
150,3
|
7,40
|
684,7
|
114,1
|
4,99
|
21,56
|
|
|
|
5,0
|
30,36
|
1649
|
164,9
|
7,37
|
749,8
|
125,0
|
4,97
|
23,83
|
|
|
|
5,5
|
33,21
|
1791
|
179,1
|
7,34
|
812,8
|
135,5
|
4,95
|
26,07
|
|
|
|
6,0
|
36,03
|
1929
|
192,9
|
7,32
|
873,7
|
145,6
|
4,92
|
28,29
|
|
200
|
120
|
6,5
|
38,46
|
2026
|
202,6
|
7,26
|
919,5
|
153,2
|
4,89
|
30,19
|
|
|
|
7,0
|
41,16
|
2150
|
215,0
|
7,23
|
974,3
|
162,4
|
4,87
|
32,31
|
|
|
|
7,5
|
43,82
|
2270
|
227,0
|
7,20
|
1027
|
171,2
|
4,84
|
34,40
|
|
|
|
8,0
|
46,44
|
2385
|
238,5
|
7,17
|
1078
|
179,6
|
4,82
|
36,46
|
|
|
|
5,0
|
34,36
|
2029
|
202,9
|
7,69
|
1442
|
180,3
|
6,48
|
26,97
|
|
|
|
5,5
|
37,61
|
2207
|
220,7
|
7,66
|
1568
|
195,9
|
6,46
|
29,52
|
|
|
|
6,0
|
40,83
|
2380
|
238,0
|
7,64
|
1690
|
211,2
|
6,43
|
32,05
|
|
|
|
6,5
|
43,66
|
2513
|
251,3
|
7,59
|
1785
|
223,1
|
6,39
|
34,27
|
|
200
|
160
|
7,0
|
46,76
|
2672
|
267,2
|
7,56
|
1897
|
237,1
|
6,37
|
36,70
|
|
|
|
7,5
|
49,82
|
2826
|
282,6
|
7,53
|
2005
|
250,6
|
6,34
|
39,11
|
|
|
|
8,0
|
52,84
|
2975
|
297,5
|
7,50
|
2110
|
263,7
|
6,32
|
41,48
|
|
|
|
8,5
|
55,83
|
3120
|
312,0
|
7,48
|
2211
|
276,4
|
6,29
|
43,83
|
|
|
|
9,0
|
58,78
|
3260
|
326,0
|
7,45
|
2309
|
288,7
|
6,27
|
46,14
|
|
|
|
9,5
|
61,69
|
3395
|
339,5
|
7,42
|
2404
|
300,5
|
6,24
|
48,43
|
|
|
|
10,0
|
64,57
|
3527
|
352,7
|
7,39
|
2496
|
312,0
|
6,22
|
50,68
|
|
|
|
4,0
|
24,55
|
1519
|
138,1
|
7,87
|
447,4
|
89,49
|
4,27
|
19,27
|
|
|
|
4,5
|
27,47
|
1687
|
153,4
|
7,84
|
495,4
|
99,08
|
4,25
|
21,56
|
|
|
|
5,0
|
30,36
|
1851
|
168,3
|
7,81
|
541,7
|
108,34
|
4,22
|
23,83
|
|
220
|
100
|
5,5
|
33,21
|
2010
|
182,7
|
7,78
|
586,3
|
117,26
|
4,20
|
26,07
|
|
|
|
6,0
|
36,03
|
2164
|
196,7
|
7,75
|
629,3
|
125,86
|
4,18
|
28,29
|
|
|
|
6,5
|
38,46
|
2270
|
206,3
|
7,68
|
661,6
|
132,31
|
4,15
|
30,19
|
|
|
|
7,0
|
41,16
|
2408
|
218,9
|
7,65
|
699,9
|
139,99
|
4,12
|
32,31
|
|
|
|
7,5
|
43,82
|
2541
|
231,0
|
7,61
|
736,6
|
147,33
|
4,10
|
34,40
|
|
|
|
8,0
|
46,44
|
2669
|
242,7
|
7,58
|
771,7
|
154,34
|
4,08
|
36,46
|
|
|
|
5,0
|
34,36
|
2313
|
210,3
|
8,21
|
1155
|
165,0
|
5,80
|
26,97
|
|
|
|
5,5
|
37,61
|
2516
|
228,7
|
8,18
|
1254
|
179,2
|
5,77
|
29,52
|
|
|
|
6,0
|
40,83
|
2714
|
246,7
|
8,15
|
1351
|
193,0
|
5,75
|
32,05
|
|
220
|
140
|
6,5
|
43,66
|
2862
|
260,2
|
8,10
|
1427
|
203,7
|
5,72
|
34,27
|
|
|
|
7,0
|
46,76
|
3043
|
276,6
|
8,07
|
1515
|
216,5
|
5,69
|
36,70
|
|
|
|
7,5
|
49,82
|
3218
|
292,6
|
8,04
|
1601
|
228,7
|
5,67
|
39,11
|
|
|
|
8,0
|
52,84
|
3388
|
308,0
|
8,01
|
1683
|
240,5
|
5,64
|
41,48
|
|
|
|
5,0
|
34,36
|
2579
|
215,0
|
8,66
|
882,0
|
147,0
|
5,07
|
26,97
|
|
|
|
5,5
|
37,61
|
2805
|
233,8
|
8,64
|
957,0
|
159,5
|
5,04
|
29,52
|
|
240
|
120
|
6,0
|
40,83
|
3026
|
252,1
|
8,61
|
1030
|
171,6
|
5,02
|
32,05
|
|
|
|
6,5
|
43,66
|
3188
|
265,6
|
8,54
|
1087
|
181,2
|
4,99
|
34,27
|
|
|
|
7,0
|
46,76
|
3388
|
282,4
|
8,51
|
1153
|
192,2
|
4,97
|
36,70
|
|
|
|
7,5
|
49,82
|
3583
|
298,6
|
8,48
|
1217
|
202,8
|
4,94
|
39,11
|
|
|
|
8,0
|
52,84
|
3771
|
314,3
|
8,45
|
1278
|
213,1
|
4,92
|
41,48
|
|
|
|
6,0
|
45,63
|
3683
|
306,9
|
8,98
|
1974
|
246,8
|
6,58
|
35,82
|
|
|
|
6,5
|
48,86
|
3896
|
324,7
|
8,93
|
2091
|
261,4
|
6,54
|
38,35
|
|
|
|
7,0
|
52,36
|
4148
|
345,7
|
8,90
|
2224
|
278,1
|
6,52
|
41,10
|
|
|
|
7,5
|
55,82
|
4394
|
366,2
|
8,87
|
2354
|
294,2
|
6,49
|
43,82
|
|
240
|
160
|
8,0
|
59,24
|
4633
|
386,1
|
8,84
|
2480
|
309,9
|
6,47
|
46,51
|
|
|
|
8,5
|
62,63
|
4865
|
405,4
|
8,81
|
2602
|
325,2
|
6,45
|
49,16
|
|
|
|
9,0
|
65,98
|
5091
|
424,2
|
8,78
|
2720
|
340,0
|
6,42
|
51,79
|
|
|
|
9,5
|
69,29
|
5311
|
442,5
|
8,75
|
2835
|
354,3
|
6,40
|
54,39
|
|
|
|
10,0
|
72,57
|
5524
|
460,3
|
8,72
|
2946
|
368,2
|
6,37
|
56,96
|
|
|
|
10,5
|
74,86
|
5590
|
465,8
|
8,64
|
2990
|
373,8
|
6,32
|
58,76
|
|
|
|
11,0
|
77,97
|
5777
|
481,4
|
8,61
|
3088
|
386,1
|
6,29
|
61,20
|
|
|
|
11,5
|
81,03
|
5957
|
496,4
|
8,57
|
3183
|
397,8
|
6,27
|
63,61
|
|
|
|
12,0
|
84,06
|
6130
|
510,9
|
8,54
|
3273
|
409,2
|
6,24
|
65,99
|
|
|
|
6,0
|
45,63
|
3885
|
310,8
|
9,23
|
1768
|
235,7
|
6,22
|
35,82
|
|
|
|
6,5
|
48,86
|
4109
|
328,7
|
9,17
|
1872
|
249,6
|
6,19
|
38,35
|
|
250
|
150
|
7,0
|
52,36
|
4375
|
350,0
|
9,14
|
1991
|
265,4
|
6,17
|
41,10
|
|
|
|
7,5
|
55,82
|
4633
|
370,7
|
9,11
|
2106
|
280,8
|
6,14
|
43,82
|
|
|
|
8,0
|
59,24
|
4885
|
390,8
|
9,08
|
2217
|
295,7
|
6,12
|
46,51
|
|
|
|
6,0
|
44,43
|
3888
|
299,0
|
9,35
|
1326
|
204,0
|
5,46
|
34,88
|
|
|
|
6,5
|
47,56
|
4106
|
315,8
|
9,29
|
1403
|
215,8
|
5,43
|
37,33
|
|
|
|
7,0
|
50,96
|
4369
|
336,1
|
9,26
|
1490
|
229,2
|
5,41
|
40,00
|
|
|
|
7,5
|
54,32
|
4625
|
355,8
|
9,23
|
1574
|
242,2
|
5,38
|
42,64
|
|
|
|
8,0
|
57,64
|
4874
|
374,9
|
9,20
|
1656
|
254,8
|
5,36
|
45,25
|
|
260
|
130
|
8,5
|
60,93
|
5116
|
393,5
|
9,16
|
1735
|
266,9
|
5,34
|
47,83
|
|
|
|
9,0
|
64,18
|
5350
|
411,6
|
9,13
|
1811
|
278,6
|
5,31
|
50,38
|
|
|
|
9,5
|
67,39
|
5578
|
429,1
|
9,10
|
1885
|
290,0
|
5,29
|
52,90
|
|
|
|
10,0
|
70,57
|
5799
|
446,0
|
9,06
|
1956
|
300,9
|
5,26
|
55,39
|
|
|
|
10,5
|
72,76
|
5848
|
449,8
|
8,96
|
1982
|
305,0
|
5,22
|
57,12
|
|
|
|
11,0
|
75,77
|
6038
|
464,5
|
8,93
|
2044
|
314,5
|
5,19
|
59,48
|
|
|
|
11,5
|
78,73
|
6221
|
478,6
|
8,89
|
2103
|
323,6
|
5,17
|
61,81
|
|
|
|
12,0
|
81,66
|
6397
|
492,1
|
8,85
|
2160
|
332,3
|
5,14
|
64,10
|
|
|
|
6,0
|
45,63
|
4777
|
318,4
|
10,23
|
841,4
|
168,3
|
4,29
|
35,82
|
|
|
|
6,5
|
48,86
|
5038
|
335,9
|
10,15
|
888,9
|
177,8
|
4,27
|
38,35
|
|
|
|
7,0
|
52,36
|
5360
|
357,3
|
10,12
|
942,1
|
188,4
|
4,24
|
41,10
|
|
300
|
100
|
7,5
|
55,82
|
5673
|
378,2
|
10,08
|
993,3
|
198,7
|
4,22
|
43,82
|
|
|
|
8,0
|
59,24
|
5977
|
398,5
|
10,04
|
1043
|
208,5
|
4,20
|
46,51
|
|
|
|
8,5
|
62,63
|
6273
|
418,2
|
10,01
|
1090
|
218,0
|
4,17
|
49,16
|
|
|
|
9,0
|
65,98
|
6559
|
437,3
|
9,97
|
1135
|
227,0
|
4,15
|
51,79
|
|
|
|
9,5
|
69,29
|
6836
|
455,8
|
9,93
|
1179
|
235,7
|
4,12
|
54,39
|
|
|
|
10,0
|
72,57
|
7105
|
473,7
|
9,90
|
1220
|
244,0
|
4,10
|
56,96
|
|
|
|
6,0
|
57,63
|
7370
|
491,3
|
11,31
|
3961
|
396,1
|
8,29
|
45,24
|
|
|
|
6,5
|
61,86
|
7838
|
522,5
|
11,26
|
4217
|
421,7
|
8,26
|
48,56
|
|
|
|
7,0
|
66,36
|
8365
|
557,7
|
11,23
|
4497
|
449,7
|
8,23
|
52,09
|
|
|
|
7,5
|
70,82
|
8882
|
592,1
|
11,20
|
4771
|
477,1
|
8,21
|
55,59
|
|
300
|
200
|
8,0
|
75,24
|
9388
|
625,9
|
11,17
|
5039
|
503,9
|
8,18
|
59,07
|
|
|
|
8,5
|
79,63
|
9884
|
658,9
|
11,14
|
5302
|
530,2
|
8,16
|
62,51
|
|
|
|
9,0
|
83,98
|
10370
|
691,3
|
11,11
|
5558
|
555,8
|
8,14
|
65,92
|
|
|
|
9,5
|
88,29
|
10845
|
723,0
|
11,08
|
5809
|
580,9
|
8,11
|
69,31
|
|
|
|
10,0
|
92,57
|
11310
|
754,0
|
11,05
|
6054
|
605,4
|
8,09
|
72,66
|
|
|
|
10,5
|
95,86
|
11547
|
769,8
|
10,98
|
6195
|
619,5
|
8,04
|
75,25
|
|
|
|
11,0
|
99,97
|
11970
|
798,0
|
10,94
|
6418
|
641,8
|
8,01
|
78,47
|
|
|
|
11,5
|
104,0
|
12383
|
825,5
|
10,91
|
6636
|
663,6
|
7,99
|
81,67
|
|
|
|
12,0
|
108,1
|
12784
|
852,3
|
10,88
|
6847
|
684,7
|
7,96
|
84,83
|
|
|
|
6,0
|
57,63
|
8012
|
500,8
|
11,79
|
3308
|
367,5
|
7,58
|
45,24
|
|
|
|
6,5
|
61,86
|
8517
|
532,3
|
11,73
|
3520
|
391,1
|
7,54
|
48,56
|
|
|
|
7,0
|
66,36
|
9089
|
568,1
|
11,70
|
3752
|
416,9
|
7,52
|
52,09
|
|
|
|
7,5
|
70,82
|
9650
|
603,1
|
11,67
|
3979
|
442,2
|
7,50
|
55,59
|
|
320
|
180
|
8,0
|
75,24
|
10200
|
637,5
|
11,64
|
4201
|
466,8
|
7,47
|
59,07
|
|
|
|
8,5
|
79,63
|
10738
|
671,1
|
11,61
|
4418
|
490,9
|
7,45
|
62,51
|
|
|
|
9,0
|
83,98
|
11265
|
704,0
|
11,58
|
4630
|
514,4
|
7,42
|
65,92
|
|
|
|
9,5
|
88,29
|
11780
|
736,3
|
11,55
|
4836
|
537,4
|
7,40
|
69,31
|
|
|
|
10,0
|
92,57
|
12285
|
767,8
|
11,52
|
5038
|
559,7
|
7,38
|
72,66
|
|
|
|
10,5
|
95,86
|
12530
|
783,1
|
11,43
|
5155
|
572,7
|
7,33
|
75,25
|
|
|
|
11,0
|
99,97
|
12988
|
811,7
|
11,40
|
5338
|
593,1
|
7,31
|
78,47
|
|
|
|
11,5
|
104,0
|
13434
|
839,6
|
11,36
|
5517
|
613,0
|
7,28
|
81,67
|
|
|
|
12,0
|
108,1
|
13867
|
866,7
|
11,33
|
5690
|
632,2
|
7,26
|
84,83
|
|
|
|
6,0
|
69,63
|
12456
|
711,8
|
13,37
|
7457
|
596,6
|
10,35
|
54,66
|
|
|
|
6,5
|
74,86
|
13293
|
759,6
|
13,33
|
7963
|
637,0
|
10,31
|
58,76
|
|
|
|
7,0
|
80,36
|
14210
|
812,0
|
13,30
|
8508
|
680,6
|
10,29
|
63,08
|
|
|
|
7,5
|
85,82
|
15112
|
863,5
|
13,27
|
9044
|
723,5
|
10,27
|
67,37
|
|
350
|
250
|
8,0
|
91,24
|
15999
|
914,3
|
13,24
|
9570
|
765,6
|
10,24
|
71,63
|
|
|
|
8,5
|
96,63
|
16872
|
964,1
|
13,21
|
10087
|
807,0
|
10,22
|
75,85
|
|
|
|
9,0
|
102,0
|
17731
|
1013
|
13,19
|
10595
|
847,6
|
10,19
|
80,05
|
|
|
|
9,5
|
107,3
|
18575
|
1061
|
13,16
|
11094
|
887,5
|
10,17
|
84,22
|
|
|
|
10,0
|
112,6
|
19404
|
1109
|
13,13
|
11583
|
926,7
|
10,14
|
88,36
|
|
|
|
10,5
|
116,9
|
19923
|
1138
|
13,06
|
11912
|
952,9
|
10,10
|
91,73
|
|
|
|
11,0
|
122,0
|
20694
|
1183
|
13,03
|
12368
|
989,5
|
10,07.
|
95,74
|
|
|
|
11,5
|
127,0
|
21451
|
1226
|
12,99
|
12815
|
1025
|
10,04
|
99,72
|
|
|
|
12,0
|
132,1
|
22191
|
1268
|
12,96
|
13253
|
1060
|
10,02
|
103,7
|
|
|
|
6,0
|
75,63
|
14232
|
813,2
|
13,72
|
11259
|
750,6
|
12,20
|
59,37
|
|
|
|
6,5
|
81,36
|
15210
|
869,2
|
13,67
|
12037
|
802,5
|
12,16
|
63,87
|
|
|
|
7,0
|
87,36
|
16269
|
929,6
|
13,65
|
12872
|
858,1
|
12,14
|
68,58
|
|
|
|
7,5
|
93,32
|
17312
|
989,2
|
13,62
|
13694
|
912,9
|
12,11
|
73,26
|
|
|
|
8,0
|
99,24
|
18339
|
1048
|
13,59
|
14504
|
966,9
|
12,09
|
77,91
|
|
350
|
300
|
8,5
|
105,1
|
19351
|
1106
|
13,57
|
15301
|
1020
|
12,06
|
82,53
|
|
|
|
9,0
|
111,0
|
20347
|
1163
|
13,54
|
16086
|
1072
|
12,04
|
87,12
|
|
|
|
9,5
|
116,8
|
21328
|
1219
|
13,51
|
16858
|
1124
|
12,01
|
91,68
|
|
|
|
10,0
|
122,6
|
22294
|
1274
|
13,49
|
17618
|
1175
|
11,99
|
96,21
|
|
|
|
10,5
|
127,4
|
22948
|
1311
|
13,42
|
18147
|
1210
|
11,94
|
99,98
|
|
|
|
11,0
|
133,0
|
23855
|
1363
|
13,39
|
18861
|
1257
|
11,91
|
104,4
|
|
|
|
11,5
|
138,5
|
24745
|
1414
|
13,36
|
19561
|
1304
|
11,88
|
108,7
|
|
|
|
12,0
|
144,1
|
25619
|
1464
|
13,34
|
20249
|
1350
|
11,86
|
113,1
|
|
|
|
6,0
|
69,63
|
13885
|
730,8
|
14,12
|
6011
|
546,4
|
9,29
|
54,66
|
|
|
|
6,5
|
74,86
|
14810
|
779,5
|
14,07
|
6418
|
583,4
|
9,26
|
58,76
|
|
380
|
220
|
7,0
|
80,36
|
15831
|
833,2
|
14,04
|
6854
|
623,1
|
9,24
|
63,08
|
|
|
|
7,5
|
85,82
|
16836
|
886,1
|
14,01
|
7282
|
662,0
|
9,21
|
67,37
|
|
|
|
8,0
|
91,24
|
17824
|
938,1
|
13,98
|
7703
|
700,3
|
9,19
|
71,63
|
|
|
|
10,0
|
112,6
|
23000
|
1150
|
14,29
|
7859
|
785,9
|
8,36
|
88,36
|
|
|
|
10,5
|
116,9
|
23577
|
1179
|
14,20
|
8080
|
808,0
|
8,32
|
91,73
|
|
400
|
200
|
11,0
|
122,0
|
24485
|
1224
|
14,17
|
8383
|
838,3
|
8,29
|
95,74
|
|
|
|
11,5
|
127,0
|
25374
|
1269
|
14,13
|
8679
|
867,9
|
8,27
|
99,72
|
|
|
|
12,0
|
132,1
|
26245
|
1312
|
14,10
|
8968
|
896,8
|
8,24
|
103,7
|
|
Примечания к таблицам 1 и 2
1 I - момент инерции; W - момент
сопротивления; i -
радиус инерции.
2
Радиус наружного закругления угла R = 2,0t при t £ 6,0
мм; R = 2,5t при 6,0 < t £ 10,0
мм; R = 3,0t при t > 10,0 мм.
3 Масса
1 м длины профиля определена по площади поперечного сечения, при плотности
стали 7,85 г/см3.
4 По
согласованию потребителя с изготовителем допускается изготовление профилей
других размеров.
|
4.1 Профили изготовляют в
соответствии с требованиями настоящего стандарта по технологическому
регламенту, утвержденному в установленном порядке.
4.2 Профили следует
изготавливать из листового проката, поставляемого в рулонах по ГОСТ 19903,
из стали:
- углеродистой общего
назначения и низколегированной толщиной 3 мм и более - по ГОСТ
27772;
- углеродистой общего
назначения толщиной 4 мм и более - по ГОСТ
14637; толщиной 3 мм - по ГОСТ
16523;
- углеродистой качественной
марок 10, 15 и 20 - по ГОСТ
1050;
- низколегированной толщиной
4 мм и более - по ГОСТ
19281; толщиной 3 мм - по ГОСТ
17066.
Марку стали и категорию
поставки указывают в заказе на профили.
4.3
Местная кривизна профилей в горизонтальной и вертикальной плоскостях не должна
превышать 1 мм на 1 м длины профиля.
Общая кривизна не должна
превышать произведения допускаемой местной кривизны (на 1 м длины) на длину
профиля в метрах.
4.4 Скручивание профилей
вокруг продольной оси не должно превышать величины 2,0 мм плюс 0,5 мм на каждый
метр длины профиля.
4.5
Выпуклость и вогнутость стенок профилей не должны превышать 0,01 размера
профиля.
4.6 Профили должны быть
обрезаны под прямым углом. Отклонение от перпендикулярности плоскости реза к
оси профиля не должно выводить профиль за номинальные размеры по длине.
Допускается огневая обрезка
торцов отдельных профилей в количестве не более 7 % массы партии.
4.7
Трещины, закаты, глубокие риски и другие повреждения на поверхности профилей не
допускаются. Незначительная шероховатость, забоины, вмятины, мелкие риски,
тонкий слой окалины и отдельные волосовины не должны препятствовать выявлению
поверхностных дефектов и выводить толщину стенки поперечного сечения профиля за
пределы допускаемых отклонений.
4.8 Заусенцы на торцах
профилей должны удаляться механическим способом по требованию заказчика.
4.9 Продольный сварной шов
выполняют автоматической высокочастотной сваркой, и он должен располагаться на
расстоянии от грани профиля не ближе 4t.
4.10 Грат с продольного шва
снимают с наружной стороны профиля, при этом высота грата, выступающего над
поверхностью профиля, не должна превышать:
- при толщине стенки профиля
до 4 мм - 0,5 мм;
- » » » » более 4 мм - 1,0 мм.
4.11
Непровары (несплавления) продольного шва не должны превышать 50 мм на 1 м длины
профиля. Длина отдельного местного непровара не должна быть более 20 мм.
Дефектные участки должны
быть исправлены при помощи ручной или полуавтоматической сварки по ГОСТ
5264 и ГОСТ
8713 с применением сварочных и присадочных материалов, соответствующих
механическим свойствам стали профиля. После исправления швы должны быть
зачищены.
4.12
Временное сопротивление разрыву продольного сварного шва должно быть не менее
0,95 временного сопротивления разрыву основного металла.
4.13 Комплектность
4.13.1 В комплект поставки
входят: профили, упакованные в пачки по типоразмерам и партиям, и документ о
качестве.
4.13.2 Документ о качестве
должен содержать следующие данные:
- наименование
предприятия-изготовителя или его товарный знак;
- наименование потребителя;
- обозначение профиля;
- номер плавки, химический
состав и механические свойства стали (по данным документа о качестве со штампом
ОТК завода - поставщика листового проката в рулонах);
- длину профиля;
- количество пачек;
- количество профилей;
- номер заказа и штамп ОТК;
- дату оформления документа
о качестве.
4.14 Упаковка
4.14.1 Профили увязывают в
пачки с учетом требований ГОСТ
7566.
Профили в пачке должны быть
плотно уложены и прочно обвязаны в поперечном направлении через каждые 2 - 3 м
длины.
Профили в пачке длиной до 6
м включительно должны быть обвязаны не менее чем в двух местах.
Профили поставляют по
теоретической массе.
Масса пачки - не более 10 т.
4.14.2 Упаковка профилей в
пачки должна обеспечивать возможность производить погрузочно-разгрузочные
работы грузоподъемными механизмами без повреждения профилей и с соблюдением мер
техники безопасности.
4.15 Маркировка
4.15.1 Маркировка профилей -
по ГОСТ
7566.
4.15.2 Маркировка должна
содержать:
- наименование или товарный
знак предприятия-изготовителя;
- обозначение профиля;
- номер плавки;
- длину профиля;
- количество профилей;
- массу и номер пачки;
- клеймо ОТК.
5.1 Профили принимают
партиями. Партией считают профили одного профилеразмера и одной марки стали,
сопровождаемые одним документом о качестве. Количество профилей в партии должно
быть не более 200 шт.
5.2 При
наличии автоматического контроля сварки продольного шва проверке внешнего вида
подлежат 3 % профилей от партии.
При отсутствии
автоматического контроля профили подвергают сплошному контролю по ГОСТ 3242.
5.3 При проверке качества
поверхности профилей партию считают соответствующей требованиям настоящего
стандарта, если масса профилей с неудовлетворительной поверхностью не превышает
3 % массы партии.
5.4
Участки профилей с поперечными швами должны быть вырезаны и отбракованы.
Допускается заварка поперечных швов профиля полуавтоматической сваркой при
условии обеспечения равнопрочности шва основному металлу. Стык должен быть
отмечен несмываемой краской.
5.5
Размеры, имеющие предельные отклонения, должны быть проверены на профилях,
отобранных через каждые 1000 м профилирования.
5.6 Если при проверке
отобранных профилей окажется хотя бы один не соответствующий требованиям
настоящего стандарта, следует отобрать удвоенное количество профилей от той же
партии и произвести их повторную проверку.
При неудовлетворительных
результатах повторной проверки производят поштучный контроль.
5.7 Марка, химический состав
и механические свойства материала профилей должны быть удостоверены документом
о качестве предприятия - поставщика листового проката в рулонах.
5.8
Геометрические размеры проверяют при операционном контроле измерительной
металлической линейкой по ГОСТ 427, штангенциркулем МЦ-3 по ГОСТ 166, радиусным шаблоном,
угловым шаблоном, угломером по ГОСТ 5378. Длину профилей замеряют
рулеткой РЗ-20 по ГОСТ 7502.
Геометрические размеры
сечения профиля проверяются на расстоянии не менее большего размера сечения от
торца профиля.
Допускается замена указанных
мерительных инструментов другими, аналогичными по назначению, классом точности
не ниже предусмотренных указанными стандартами.
5.9 Местную кривизну
измеряют металлической линейкой по ГОСТ 427.
Общую кривизну профиля измеряют при помощи струны, натянутой по концам профиля,
и линейкой.
5.10
Скручивание и отклонение от перпендикулярности плоскости реза профилей
определяют угломером по ГОСТ 5378.
5.11 Качество резки профилем
проверяют внешним осмотром.
5.12
Сварные швы контролируют в соответствии с ГОСТ 3242 без испытаний на плотность.
5.13 Комплектность проверяют
сравнением подготовленной к отправке партии профилей с наряд-заказом.
5.14 Упаковку и маркировку
профилей проверяют внешним осмотром на соответствие требованиям настоящего
стандарта.
6.1 Профили перевозят
транспортом всех видов в соответствии с правилами перевозки, действующими на
данном виде транспорта.
6.2 Транспортирование
профилей в части воздействия климатических факторов внешней среды - по условиям
7, хранение - по условиям 4 ГОСТ
15150.
7.1 Изготовитель гарантирует
соответствие профилей требованиям настоящего стандарта при соблюдении
потребителем условий транспортирования и хранения.
7.2
Гарантийный срок хранения профилей - 24 мес. с момента отгрузки с
завода-изготовителя.
Ключевые слова: профили
гнутые замкнутые, сортамент, технические требования, правила приемки и методы
контроля, транспортирование и хранение, гарантии изготовителя
|
|