Крупнейшая бесплатная информационно-справочная система онлайн доступа к полному собранию технических нормативно-правовых актов РФ. Огромная база технических нормативов (более 150 тысяч документов) и полное собрание национальных стандартов, аутентичное официальной базе Госстандарта. GOSTRF.com - это более 1 Терабайта бесплатной технической информации для всех пользователей интернета. Все электронные копии представленных здесь документов могут распространяться без каких-либо ограничений. Поощряется распространение информации с этого сайта на любых других ресурсах. Каждый человек имеет право на неограниченный доступ к этим документам! Каждый человек имеет право на знание требований, изложенных в данных нормативно-правовых актах!

  


 

Система нормативных документов в строительстве

СВОД ПРАВИЛ
ПО
ПРОЕКТИРОВАНИЮ И СТРОИТЕЛЬСТВУ

ПРОЕКТИРОВАНИЕ И УСТРОЙСТВО
ОСНОВАНИЙ
И ФУНДАМЕНТОВ
ЗДАНИЙ
И СООРУЖЕНИЙ

СП 50-101-2004

Москва

2005

ПРЕДИСЛОВИЕ

1. РАЗРАБОТАН Научно-исследовательским, проектно-изыскательским и конструкторско-технологическим институтом оснований и подземных сооружений им. Н.М. Герсеванова (НИИОСП) - филиалом ФГУП «НИЦ «Строительство»

ВНЕСЕН Управлением технического нормирования, стандартизации и сертификации в строительстве и ЖКХ Госстроя России

2. ОДОБРЕН для применения постановлением Госстроя России № 28 от 9 марта 2004 г.

3 ВВЕДЕН ВПЕРВЫЕ

СОДЕРЖАНИЕ

Введение. 3

1. Область применения. 3

2. Нормативные ссылки. 3

3. Определения. 4

4. Общие положения. 4

5. Проектирование оснований. 6

5.1. Общие указания. 6

5.2. Нагрузки и воздействия, учитываемые в расчетах оснований. 9

5.3. Нормативные и расчетные значения характеристик грунтов. 9

5.4. Подземные воды.. 12

5.5. Расчет оснований по деформациям.. 16

5.6. Расчет оснований по несущей способности. 31

5.7. Особенности проектирования оснований при реконструкции сооружений. 36

5.8. Мероприятия по уменьшению деформаций оснований и влияния их на сооружения. 37

6. Особенности проектирования оснований сооружений, возводимых на специфических грунтах и в особых условиях. 40

6.1. Просадочные грунты.. 40

6.2. Набухающие грунты.. 45

6.3. Засоленные грунты.. 50

6.4. Органо-минеральные и органические грунты.. 56

6.5. Элювиальные грунты.. 63

6.6. Насыпные грунты.. 66

6.7. Намывные грунты.. 69

6.8. Пучинистые грунты.. 70

6.9. Закрепленные грунты.. 73

6.10. Особенности проектирования основам сооружений, возводимых на подрабатываемых территориях. 76

6.11. Особенности проектирования оснований сооружений, возводимых на закарстованных территориях. 79

6.12. Особенности проектирования оснований сооружений, возводимых в сейсмических районах. 81

6.13. Особенности проектирования оснований сооружений, возводимых вблизи источников динамических воздействий. 84

7. Особенности проектирования оснований опор воздушных линий электропередачи. 85

8. Особенности проектирования оснований и фундаментов малоэтажных зданий. 89

9. Особенности проектирования подземных сооружений. 90

10. Особенности проектирования подпорных стен. 93

11. Проектирование водопонижения и гидроизоляции. 96

11.1. Водопонижение. 96

11.2. Гидроизоляция. 99

12. Проектирование фундаментов. 100

12.1. Общие положения. 100

12.2. Глубина заложения фундаментов. 101

12.3. Расчет столбчатых фундаментов. 104

12.4. Расчет ленточных и прерывистых фундаментов. 105

12.5. Расчет плитных фундаментов. 105

12.6. Расчет стен подвалов. 106

12.7. Фундаменты в вытрамбованных котлованах. 107

12.8. Конструктивные указания. 109

13. Устройство оснований и фундаментов. 110

13.1. Общие положения. 110

13.2. Естественные основания. 111

13.3. Уплотнение грунтов. 115

13.4. Устройство грунтовых насыпей и подушек. 118

13.5. Устройство намывных оснований. 119

13.6. Закрепление грунтов. 120

13.7. Искусственное замораживание грунтов. 125

13.8. Строительное водопонижение и устройство гидроизоляции. 126

13.9. Усиление фундаментов при реконструкции. 129

13.10. Устройство «стены в грунте» и грунтовых анкеров. 131

13.11. Вытрамбовывание котлованов. 134

14. Геотехнический мониторинг. 135

15. Экологические требования, учитываемые при проектировании и строительстве. 137

Приложение А Определения. 139

Приложение Б Состав проекта фундаментов. 139

Приложение В Категории состояния сооружений. 140

Приложение Г Нормативные значения прочностных и деформационных характеристик грунтов. 141

Приложение Д Расчетные сопротивления грунтов оснований. 144

Приложение Е Предельные деформации оснований. 147

Приложение Ж Физико-механические характеристики органо-минеральных и органических грунтов. 148

Приложение И Физико-механические характеристики элювиальных грунтов. 149

Приложение К Расчет фундаментов в вытрамбованных котлованах по несущей способности и осадкам основания. 150

Приложение Л Основные буквенные обозначения. 153

Введение

Свод правил по проектированию и устройству оснований и фундаментов зданий и сооружений разработан в развитие обязательных положений и требований СНиП 2.02.01-83* и СНиП 3.02.01-87.

Свод правил содержит рекомендации по проектированию и устройству оснований и фундаментов зданий и сооружений, в том числе подземных и заглубленных, возводимых в различных инженерно-геологических условиях, для различных видов строительства.

Разработан НИИОСП им. Н.М. Герсеванова - филиалом ФГУП НИЦ «Строительство» (доктора техн. наук В.А. Ильичев и Е.А. Сорочан - руководители темы; доктора техн. наук: Б.В. Бахолдин, А.А. Григорян, П.А. Коновалов, В.И. Крутов, В.О. Орлов, В.П. Петрухин, Л.Р. Ставницер, В.И. Шейнин; кандидаты техн. наук: Ю.А. Багдасаров, Г.И. Бондаренко, В.Г. Буданов, Ю.А. Грачев, Ф.Ф. Зехниев, М.Н. Ибрагимов, О.И. Игнатова, И.В. Колыбин, Н.С. Никифорова, B.C. Поляков, В.Г. Федоровский, М.Л. Холмянский, инженеры: Я.М. Бобровский, Б.Ф. Кисин, А.Б. Мещанский); ГУП Мосгипронисельстрой (д-р техн. наук B.C. Сажин).

СП 50-101-2004

СВОД ПРАВИЛ ПО ПРОЕКТИРОВАНИЮ И СТРОИТЕЛЬСТВУ

Проектирование и устройство оснований и фундаментов зданий и сооружений

Design and construction of soil bases and foundations for buildings and structures

1. Область применения

Настоящий Свод правил (далее - СП) распространяется на основания и фундаменты вновь строящихся и реконструируемых зданий и сооружений1, возводимых в открытых котлованах.

1 Далее вместо термина «здания и сооружения» используется термин «сооружения», в число которых входят также подземные сооружения.

Настоящий СП не распространяется на проектирование и устройство оснований и фундаментов гидротехнических сооружений, опор мостов и труб под насыпями, дорог, аэродромных покрытий, сооружений, возводимых на вечномерзлых грунтах, свайных фундаментов, а также оснований глубоких опор и фундаментов машин с динамическими нагрузками.

2. Нормативные ссылки

В настоящем Своде правил приведены ссылки на следующие нормативные документы:

СНиП II-7-81* Строительство в сейсмических районах

СНиП II-22-81* Каменные и армокаменные конструкции

СНиП 2.01.07-85* Нагрузки и воздействия

СНиП 2.01.09-91 Здания и сооружения на подрабатываемых территориях и просадочных грунтах

СНиП 2.02.01-83* Основания зданий и сооружений

СНиП 2.02.02-85* Основания гидротехнических сооружений

СНиП 2.02.04-88 Основания и фундаменты на вечномерзлых грунтах

СНиП 2.03.11-85 Защита строительных конструкций от коррозии

СНиП 2.04.02-84* Водоснабжение. Наружные сети и сооружения

СНиП 2.04.03-85 Канализация. Наружные сети и сооружения

СНиП 2.06.03-85 Мелиоративные системы и сооружения

СНиП 2.06.14-85 Защита горных выработок от подземных и поверхностных вод

СНиП 2.06.15-85 Инженерная защита территории от затопления и подтопления

СНиП 3.02.01-87 Земляные сооружения, основания и фундаменты

СНиП 3.03.01-87 Несущие и ограждающие конструкции

СНиП 3.04.01-87 Изоляционные и отделочные покрытия

СНиП 3.05.05-84 Технологическое оборудование и технологические трубопроводы

СНиП 3.07.03-85* Мелиоративные системы и сооружения

СНиП 11-02-96 Инженерные изыскания для строительства. Основные положения

СНиП 12-01-2004 Организация строительства

СНиП 23-01-99* Строительная климатология

СНиП 52-01-2003 Бетонные и железобетонные конструкции. Основные положения

СП 11-102-97 Инженерно-экологические изыскания для строительства

СП 11-104-97 Инженерно-геодезические изыскания для строительства

СП 11-105-97 Инженерно-геологические изыскания для строительства (ч. I-III)

ГОСТ 5180-84 Грунты. Методы лабораторного определения физических характеристик

ГОСТ 12248-96 Грунты. Методы лабораторного определения характеристик прочности и деформируемости

ГОСТ 12536-79 Грунты. Методы лабораторного определения гранулометрического (зернового) состава

ГОСТ 19912-2001 Грунты. Методы полевых испытаний статическим и динамическим зондированием

ГОСТ 20276-99 Грунты. Методы полевого определения характеристик прочности и деформируемости

ГОСТ 20522-96 Грунты. Методы статистической обработки результатов испытаний

ГОСТ 22733-2002 Грунты. Метод лабораторного определения максимальной плотности

ГОСТ 23061-90 Грунты. Методы радиоизотопных измерений плотности и влажности

ГОСТ 23161-78 Грунты. Метод лабораторного определения характеристик просадочности

ГОСТ 24143-80 Грунты. Методы лабораторного определения характеристик набухания и усадки

ГОСТ 24846-81 Грунты. Методы измерения деформаций оснований зданий и сооружений

ГОСТ 25100-95 Грунты. Классификация

ГОСТ 25192-82 Бетоны. Классификация и общие технические требования

ГОСТ 27751-88 Надежность строительных конструкций и оснований. Основные положения по расчету

ГОСТ 30416-96 Грунты. Лабораторные испытания. Общие положения

ГОСТ 30672-99 Грунты. Полевые испытания. Общие положения

3. Определения

Определения основных терминов приведены в приложении А.

4. Общие положения

4.1. Основания и фундаменты должны проектироваться на основе и с учетом:

а) результатов инженерных изысканий для строительства;

б) сведений о сейсмичности района строительства;

в) данных, характеризующих назначение, конструктивные и технологические особенности сооружения и условия его эксплуатации;

г) нагрузок, действующих на фундаменты;

д) окружающей застройки и влияния на нее вновь строящихся сооружений;

е) экологических требований (раздел 15);

ж) технико-экономического сравнения возможных вариантов проектных решений для выбора наиболее экономичного и надежного проектного решения, обеспечивающего наиболее полное использование прочностных и деформационных характеристик грунтов и физико-механических свойств материалов фундаментов и других подземных конструкций.

4.2. При проектировании должны быть предусмотрены решения, обеспечивающие надежность, долговечность и экономичность сооружений на всех стадиях строительства и эксплуатации.

При разработке проектов производства работ и организации строительства должны выполняться требования по обеспечению надежности конструкций на всех стадиях их возведения.

4.3. Работы по проектированию следует вести в соответствии с техническим заданием на проектирование и необходимыми исходными данными (4.1). Порядок разработки проектной документации изложен в приложении Б.

4.4. При проектировании следует учитывать уровень ответственности сооружения в соответствии с ГОСТ 27751: I - повышенный, II - нормальный, III - пониженный.

4.5. Инженерные изыскания для строительства, проектирование оснований и фундаментов и их устройство должны выполняться организациями, имеющими лицензии на эти виды работ.

4.6. Инженерные изыскания для строительства должны проводиться в соответствии с требованиями СНиП 11-02, СП 11-102, СП 11-104, СП 11-105, государственных стандартов и других нормативных документов по инженерным изысканиям и исследованиям грунтов для строительства.

Наименование грунтов оснований в описаниях результатов изысканий и в проектной документации следует принимать по ГОСТ 25100.

4.7. Результаты инженерных изысканий должны содержать данные, необходимые для выбора типа основания, фундаментов и подземных сооружений и проведения их расчетов по предельным состояниям с учетом прогноза возможных изменений (в процессе строительства и эксплуатации) инженерно-геологических условий площадки строительства и свойств грунтов, а также вида и объема инженерных мероприятий по ее освоению.

Проектирование без соответствующего инженерно-геологического, а также инженерно-экологического обоснований или при их недостаточности не допускается.

Примечание - При строительстве в условиях существующей застройки инженерные изыскания следует предусматривать не только для вновь строящихся сооружений, но и для окружающей застройки, попадающей в зону их влияния.

4.8. Конструктивное решение проектируемого сооружения и условия последующей его эксплуатации необходимы для выбора типа фундамента, учета влияния конструкций на работу основания, а также на окружающую застройку, для уточнения требований к допускаемым деформациям и т.д.

4.9. В проектах оснований и фундаментов сооружений необходимо предусматривать проведение натурных наблюдений (мониторинг). Состав, объем и методы мониторинга устанавливают в зависимости от уровня ответственности сооружений и сложности инженерно-геологических условий (см. раздел 14).

Натурные наблюдения должны также предусматриваться в случае применения новых или недостаточно изученных конструкций сооружений или их фундаментов, а также, если в задании на проектирование имеются специальные требования по проведению натурных измерений.

4.10. При проектировании и возведении фундаментов и подземных сооружений из монолитного, сборного бетона или железобетона, каменной или кирпичной кладки наряду с требованиями настоящих правил следует руководствоваться СНиП 2.03.11, СНиП 3.03.01, СНиП 3.04.01.

4.11. При возведении нового объекта на застроенной территории необходимо учитывать его воздействие на существующие сооружения окружающей застройки с целью предотвращения их недопустимых дополнительных деформаций.

Зону влияния проектируемого сооружения и дополнительные осадки существующих сооружений определяют расчетом (подраздел 5.5).

Предельные значения дополнительных деформаций оснований существующих сооружений должны устанавливаться на основе результатов обследований этих сооружений с учетом их конструктивных особенностей и категории состояния конструкций (приложение В).

4.12. При проектировании необходимо учитывать местные условия строительства, а также имеющийся опыт проектирования, строительства и эксплуатации сооружений в аналогичных инженерно-геологических и экологических условиях. Для этого необходимо иметь данные об инженерно-геологических условиях этого района, о конструкциях сооружений, нагрузках, типах и размерах фундаментов, давлениях на грунты основания и о наблюдавшихся деформациях сооружений. Необходимо также выявлять данные о производственных возможностях строительной организации, ее парке оборудования, ожидаемых климатических условиях на весь период строительства. Указанные данные могут оказаться решающими при выборе типов фундаментов (например, на естественном основании или свайном), глубины их заложения, метода подготовки основания и пр.

Данные о климатических условиях района строительства должны приниматься в соответствии со СНиП 23-01.

4.13. При проектировании и устройстве оснований и фундаментов сооружений следует соблюдать требования нормативных документов по организации строительного производства, геодезическим работам, технике безопасности, правилам пожарной безопасности при производстве строительно-монтажных работ.

4.14. Применяемые при строительстве материалы, изделия и конструкции должны удовлетворять требованиям проекта соответствующих стандартов и технических условий. Замена предусмотренных проектом материалов, изделий и конструкций допускается только по согласованию с проектной организацией и заказчиком.

4.15. При строительстве в сложных грунтовых условиях в составе проекта сооружения рекомендуется предусматривать паспорт сооружения, в котором приводят: описание подземных конструкций и водонесущих сетей, указания о необходимых наблюдениях, данные о предусматриваемых мерах защиты, осуществляемых в период строительства и эксплуатации, указания о способах подъема и выравнивания сооружения и др. После сдачи объекта в паспорт вносят данные, полученные в процессе строительства.

4.16. При производстве земляных работ, устройстве оснований и фундаментов следует выполнять входной, операционный и приемочный контроль, руководствуясь СНиП 12-01 и разделом 13.

4.17. При проектировании должна быть предусмотрена срезка экологически чистого плодородного слоя почвы для последующего использования в целях восстановления (рекультивации) нарушенных или малопродуктивных сельскохозяйственных земель, озеленения района застройки и т.п.

4.18. На участках, где по данным инженерно-экологических изысканий имеются выделения почвенных газов (радона, метана, торина), должны быть приняты меры по изоляции соприкасающихся с грунтом конструкций или другие меры, способствующие снижению концентрации газов в соответствии с требованиями санитарных норм.

5. Проектирование оснований

5.1. Общие указания

5.1.1. Проектирование оснований включает обоснованный расчетом выбор:

- типа основания (естественное или искусственное);

- типа, конструкции, материала и размеров фундаментов (мелкого или глубокого заложения; ленточные, столбчатые, плитные и др.; железобетонные, бетонные, бутобетонные и др.);

- мероприятий, указанных в подразделе 5.8, применяемых при необходимости уменьшения влияния деформаций оснований на эксплуатационную пригодность сооружений.

5.1.2. Основания должны рассчитываться по двум группам предельных состояний: первой - по несущей способности и второй - по деформациям.

К первой группе предельных состояний относятся состояния, приводящие сооружение и основание к полной непригодности к эксплуатации (потеря устойчивости формы и положения; хрупкое, вязкое или иного характера разрушение; резонансные колебания; чрезмерные пластические деформации или деформации неустановившейся ползучести и т.п.).

Ко второй группе предельных состояний относятся состояния, затрудняющие нормальную эксплуатацию сооружения или снижающие его долговечность вследствие недопустимых перемещений (осадок, подъемов, прогибов, кренов, углов поворота, колебаний, трещин и т.п.).

Основания рассчитывают по деформациям во всех случаях, за исключением указанных в 5.5.52, а по несущей способности - в случаях, указанных в 5.1.3.

5.1.3. Расчет оснований по несущей способности должен производиться в случаях, если:

а) на основание передаются значительные горизонтальные нагрузки (подпорные стены, фундаменты распорных конструкций и т.п.), в том числе сейсмические;

б) сооружение расположено на откосе или вблизи откоса;

в) основание сложено дисперсными грунтами, указанными в 5.6.5;

г) основание сложено скальными грунтами.

Расчет оснований по несущей способности в случаях, перечисленных в подпунктах «а» и «б», допускается не производить, если конструктивными мероприятиями обеспечена невозможность смещения проектируемого фундамента.

Если проектом предусматривается возможность возведения сооружения непосредственно после устройства фундаментов до обратной засыпки грунтом пазух котлованов, следует производить проверку несущей способности основания, учитывая нагрузки, действующие в процессе строительства.

5.1.4. Сооружение и его основание должны рассматриваться в единстве, т.е. должно учитываться взаимодействие сооружения с основанием. Для совместного расчета сооружения и основания могут быть использованы аналитические, численные и другие методы.

5.1.5. Целью расчета оснований по предельным состояниям является выбор технического решения фундаментов, обеспечивающего невозможность достижения основанием предельных состояний, указанных в 5.1.2. При этом должны учитываться не только нагрузки от проектируемого сооружения, но также возможное неблагоприятное влияние внешней среды, приводящее к изменению физико-механических свойств грунтов (например, под влиянием поверхностных или подземных вод, климатических факторов, различного вида тепловых источников и т.д.). К изменению влажности особенно чувствительны просадочные, набухающие и засоленные грунты, к изменению температурного режима - набухающие и пучинистые грунты.

5.1.6. Расчетная схема системы «сооружение - основание» или «фундамент - основание» должна выбираться с учетом наиболее существенных факторов, определяющих напряженное состояние и деформации основания и конструкций сооружения (статической схемы сооружения, особенностей его возведения, характера грунтовых напластований, свойств грунтов основания, возможности их изменения в процессе строительства и эксплуатации сооружения и т.д.). Рекомендуется учитывать пространственную работу конструкций, геометрическую и физическую нелинейность, анизотропность, пластические и реологические свойства материалов и грунтов, развитие областей пластических деформаций под фундаментом.

Допускается использовать вероятностные методы расчета, учитывающие статистическую неоднородность оснований, случайную природу нагрузок, воздействий и свойств материалов конструкций.

5.1.7. Результаты инженерно-геологических изысканий, излагаемые в отчете, должны содержать сведения:

- о местоположении территории предполагаемого строительства, ее рельефе, климатических и сейсмических условиях и о ранее выполненных инженерных изысканиях;

- об инженерно-геологическом строении площадки строительства с описанием в стратиграфической последовательности напластований грунтов, формы залегания грунтовых образований, их размеров в плане и по глубине, возраста, происхождения и классификационных наименований грунтов и с указанием выделенных инженерно-геологических элементов (ГОСТ 20522);

- о гидрогеологических условиях площадки с указанием наличия и толщины водоносных горизонтов и режима подземных вод, отметок появившихся и установившихся уровней подземных вод, амплитуды их сезонных и многолетних колебаний, расходов воды, сведений о фильтрационных характеристиках грунтов, а также сведений о химическом составе подземных вод и их агрессивности по отношению к материалам подземных конструкций;

- о наличии специфических грунтов (см. раздел 6);

- о наблюдаемых неблагоприятных геологических и инженерно-геологических процессах (карст, оползни, суффозия, горные подработки, температурные аномалии и др.);

- о физико-механических характеристиках грунтов;

- о возможном изменении гидрогеологических условий и физико-механических свойств грунтов в процессе строительства и эксплуатации сооружения.

5.1.8. В состав физико-механических характеристик грунтов входят:

- плотность грунта и его частиц и влажность (ГОСТ 5180 и ГОСТ 30416);

- коэффициент пористости;

- гранулометрический состав для крупнообломочных грунтов и песков (ГОСТ 12536);

- влажность на границах пластичности и текучести, число пластичности и показатель текучести для глинистых грунтов (ГОСТ 5180);

- угол внутреннего трения, удельное сцепление и модуль деформации грунтов (ГОСТ 12248, ГОСТ 20276, ГОСТ 30416 и ГОСТ 30672);

- временное сопротивление при одноосном сжатии, показатели размягчаемости и растворимости для скальных грунтов (ГОСТ 12248).

Для специфических грунтов, особенности проектирования оснований которых изложены в разделе 6, и при проектировании подземных сооружений (раздел 9) дополнительно должны быть определены характеристики, указанные в этих разделах. По специальному заданию дополнительно могут быть определены и другие необходимые для расчетов характеристики грунтов (например, реологические).

В отчете необходимо указывать применяемые методы лабораторных и полевых определений характеристик грунтов и методы обработки результатов исследований.

5.1.9. К отчету прилагают: колонки грунтовых выработок и инженерно-геологические разрезы с указанием на последних мест отбора проб грунтов и пунктов их полевых испытаний, а также уровней подземных вод; таблицы и ведомости показателей физико-механических характеристик грунтов, их нормативных и расчетных значений; а также графики полевых испытаний грунтов.

5.2. Нагрузки и воздействия, учитываемые в расчетах оснований

5.2.1. Нагрузки и воздействия на основания, передаваемые фундаментами сооружений, должны устанавливаться расчетом, как правило, исходя из рассмотрения совместной работы сооружения и основания.

Учитываемые при этом нагрузки и воздействия на сооружение или отдельные его элементы, коэффициенты надежности по нагрузке, а также возможные сочетания нагрузок должны приниматься согласно требованиям СНиП 2.01.07.

Нагрузки на основание допускается определять без учета их перераспределения надфундаментной конструкцией при расчете:

а) оснований сооружений III уровня ответственности;

б) общей устойчивости массива грунта основания совместно с сооружением;

в) средних значений деформаций основания;

г) деформаций основания в стадии привязки типового проекта к местным грунтовым условиям.

5.2.2. Все расчеты оснований должны производиться на расчетные значения нагрузок, которые определяют как произведение нормативных нагрузок на коэффициент надежности по нагрузке gf, устанавливаемый в зависимости от группы предельного состояния.

Коэффициент надежности по нагрузке gf принимают при расчете оснований:

- по первой группе предельных состояний (по несущей способности) - по СНиП 2.01.07;

- по второй группе предельных состояний (по деформациям) - равным единице.

5.2.3. Расчет оснований по деформациям должен производиться на основное сочетание нагрузок; по несущей способности - на основное сочетание, а при наличии особых нагрузок и воздействий - на основное и особое сочетания.

При этом нагрузки на перекрытия и снеговые нагрузки, которые согласно СНиП 2.01.07 могут относиться как к длительным, так и к кратковременным, при расчете оснований по несущей способности считают кратковременными, а при расчете по деформациям - длительными. Нагрузки от подвижного подъемно-транспортного оборудования в обоих случаях считают кратковременными.

5.2.4. В расчетах оснований необходимо учитывать нагрузки от складируемого материала и оборудования, размещаемых вблизи фундаментов.

5.2.5. Усилия в конструкциях, вызываемые климатическими температурными воздействиями, при расчете оснований по деформациям не должны учитываться, если расстояние между температурно-осадочными швами не превышает значений, указанных в строительных нормах и правилах по проектированию соответствующих конструкций.

5.3. Нормативные и расчетные значения характеристик грунтов

5.3.1. Основными параметрами механических свойств грунтов, определяющими несущую способность оснований и их деформации, являются прочностные и деформационные характеристики грунтов (угол внутреннего трения j, удельное сцепление с и модуль деформации дисперсных грунтов Е, предел прочности на одноосное сжатие скальных грунтов Rс). Допускается применять другие параметры, характеризующие взаимодействие фундаментов с грунтом основания и установленные опытным путем (удельные силы пучения при промерзании, коэффициенты жесткости основания и пр.).

Примечание - Далее, за исключением специально оговоренных случаев, под термином «характеристики грунтов» понимают не только механические, но и физические характеристики грунтов, а также упомянутые в настоящем пункте параметры.

5.3.2. Характеристики грунтов природного сложения, а также искусственного происхождения должны определяться, как правило, на основе их непосредственных испытаний в полевых или лабораторных условиях с учетом возможного изменения влажности грунтов в процессе строительства и эксплуатации сооружений, так как для неполностью водонасыщенных (Sr < 0,8) глинистых грунтов и пылеватых песков, а также специфических грунтов возможно снижение их прочностных и деформационных характеристик вследствие повышения влажности. Для определения прочностных характеристик j и с грунтов, для которых прогнозируется повышение влажности, образцы грунтов предварительно насыщают водой до значений влажности, соответствующих прогнозу. При определении модуля деформации в полевых условиях допускается проводить испытания грунта при природной влажности с последующей корректировкой полученного значения модуля деформации на основе компрессионных испытаний.

5.3.3. Достоверными методами определения деформационных характеристик дисперсных грунтов являются полевые испытания статическими нагрузками в шурфах, дудках или котлованах с помощью плоских горизонтальных штампов площадью 2500 - 5000 см2, а также в скважинах или в массиве с помощью винтовой лопасти-штампа площадью 600 см2 (ГОСТ 20276).

5.3.4. Модули деформации Е песчаных и глинистых грунтов, не обладающих выраженной анизотропией их свойств в горизонтальном и вертикальном направлениях, могут быть определены по испытаниям радиальными и лопастными прессиометрами в скважинах или массиве (ГОСТ 20276).

Для сооружений I уровня ответственности значения Е по данным прессиометрических испытаний должны уточняться на основе их сопоставления с результатами параллельно проводимых испытаний того же грунта штампами (см. 5.3.3). Для зданий и сооружений II и III уровней ответственности допускается определять значения Е только по испытаниям грунтов прессиометрами, используя корректировочные коэффициенты по ГОСТ 20276.

5.3.5. Модули деформации E песков и глинистых грунтов могут быть определены методом статического зондирования, а песков (кроме пылеватых водонасыщенных) - методом динамического зондирования (ГОСТ 19912).

Для сооружений I и II уровней ответственности значения Е по данным зондирования должны уточняться на основе их сопоставления с результатами параллельно проводимых испытаний того же грунта штампами (см. 5.3.3). Для зданий и сооружений III уровня ответственности допускается определять значения E только по результатам зондирования, используя таблицы, приведенные в СП 11-105 (ч. I), или региональные таблицы, приведенные в территориальных строительных нормах.

5.3.6. В лабораторных условиях модули деформации глинистых грунтов могут быть определены в компрессионных приборах и приборах трехосного сжатия (ГОСТ 12248).

Для сооружений I и II уровней ответственности значения Е по лабораторным данным должны уточняться на основе их сопоставления с результатами параллельно проводимых испытаний того же грунта штампами (см. 5.3.3). Для сооружений III уровня ответственности допускается определять значения Е только по результатам компрессии, корректируя их с помощью повышающих коэффициентов mk, приведенных в таблице 5.1. Эти коэффициенты распространяются на четвертичные глинистые грунты с показателем текучести 0 < il 1, при этом значения модуля деформации по компрессионным испытаниям следует вычислять в интервале давлений 0,1 - 0,2 МПа.

Таблица 5.1

Вид грунта

Значения коэффициента mk при коэффициенте пористости е, равном

0,45 - 0,55

0,65

0,75

0,85

0,95

1,05

Супеси

4

3,5

3

2

-

-

Суглинки

5

4,5

4

3

2,5

2

Глины

-

6

6

5,5

5

4,5

Примечание - Для промежуточных значений е коэффициент mk определяют интерполяцией.

5.3.7. Прочностные характеристики дисперсных грунтов (угол внутреннего трения j и удельное сцепление с) могут быть получены путем испытаний грунтов лабораторными методами на срез или трехосное сжатие (ГОСТ 12248), а в полевых условиях - испытаниями на срез целиков грунта в шурфах или котлованах (ГОСТ 20276).

5.3.8. Для водонасыщенных глинистых грунтов с показателем текучести IL > 0,5, органоминеральных и органических грунтов, для которых подготовка целиков для полевых испытаний или отбор образцов для лабораторных испытаний затруднительны, прочностные характеристики для расчета оснований из этих грунтов в нестабилизированном состоянии могут быть определены полевым методом вращательного среза в скважинах или в массиве (ГОСТ 20276).

5.3.9. Значения j и с песков и глинистых грунтов для сооружений II и III уровней ответственности могут быть определены полевыми методами поступательного и кольцевого среза в скважинах (ГОСТ 20276). При этом для сооружений II уровня ответственности полученные значения j и с должны уточняться на основе их сопоставления с результатами параллельно проводимых испытаний того же грунта методами, указанными в 5.3.7.

5.3.10. Значения j и с песков и глинистых грунтов могут быть определены методом статического зондирования, а песков (кроме пылеватых водонасыщенных) - методом динамического зондирования (ГОСТ 19912).

Для сооружений I и II уровней ответственности полученные зондированием значения j и с должны уточняться на основе их сопоставления с результатами параллельно проводимых испытаний того же грунта методами, указанными в 5.3.7. В остальных случаях допускается определять значения j и с только по данным зондирования, используя таблицы, указанные в 5.3.5.

5.3.11. Указанные в 5.3.5, 5.3.6 методы определения модуля деформации и в 5.3.9, 5.3.10 методы определения прочностных характеристик допускается при соответствующем обосновании применять без параллельного проведения испытаний методами, указанными в 5.3.3 и 5.3.7, для сооружений II уровня ответственности (технически несложные сооружения, сооружения, малочувствительные к деформациям основания, и др.).

5.3.12. Предел прочности на одноосное сжатие скальных грунтов определяют в соответствии с ГОСТ 12248.

5.3.13. Нормативные и расчетные значения характеристик грунтов устанавливают на основе статистической обработки результатов испытаний по методике, изложенной в ГОСТ 20522.

5.3.14. Все расчеты оснований должны выполняться с использованием расчетных значений характеристик грунтов X, определяемых по формуле

X = Xn / gg,                                                                (5.1)

где    Хп - нормативное значение данной характеристики;

gg - коэффициент надежности по грунту.

Коэффициент надежности по грунту при вычислении расчетных значений прочностных характеристик (удельного сцепления с, угла внутреннего трения j дисперсных грунтов и предела прочности на одноосное сжатие скальных грунтов Rc, а также плотности грунта ρ) устанавливают в зависимости от изменчивости этих характеристик, числа определений и значения доверительной вероятности a (ГОСТ 20522).

Для прочих характеристик грунта допускается принимать gg равным 1.

Примечание - Расчетное значение удельного веса грунта g определяют умножением расчетного значения плотности грунта на ускорение свободного падения.

5.3.15. Доверительную вероятность расчетных значений характеристик грунтов a принимают равной при расчетах оснований по первой группе предельных состояний 0,95, по второй группе - 0,85.

При соответствующем обосновании для сооружений I уровня ответственности допускается принимать большую доверительную вероятность расчетных значений характеристик грунтов, чем указано выше.

Примечания

1. Расчетные значения характеристик грунтов, соответствующие различным значениям доверительной вероятности, должны приводиться в отчетах по инженерно-геологическим изысканиям.

2. Расчетные значения характеристик грунтов с, j и g для расчетов по несущей способности обозначают сI, jI, и gI, а по деформациям - сII, jII, и gII.

5.3.16. Число определений характеристик грунтов, необходимое для вычисления их нормативных и расчетных значений, должно устанавливаться в зависимости от степени неоднородности грунтов основания, требуемой точности вычисления характеристики и уровня ответственности сооружения и указываться в программе исследований. Следует учитывать, что увеличение числа определений характеристик грунтов приводит к повышению их расчетных значений и, следовательно, к более экономичным проектным решениям.

Число одноименных частных определений для каждого выделенного на площадке инженерно-геологического или расчетного грунтового элемента (ГОСТ 20522) должно быть не менее десяти для физических характеристик и не менее шести - для механических характеристик. При определении модуля деформации по результатам испытаний грунтов в полевых условиях штампом допускается ограничиваться результатами трех испытаний (или двух, если они отклоняются от среднего не более чем на 25 %).

5.3.17. Для предварительных расчетов оснований сооружений I и II уровней ответственности, а также для окончательных расчетов оснований сооружений III уровня ответственности и опор воздушных линий электропередачи независимо от их уровня ответственности допускается определять нормативные и расчетные значения прочностных и деформационных характеристик грунтов по таблицам в зависимости от их физических характеристик. При соответствующем обосновании допускается использовать таблицы для окончательных расчетов сооружений II уровня ответственности (технически несложные сооружения, сооружения, малочувствительные к деформациям основания, и др.).

Примечания

1. Нормативные значения угла внутреннего трения jn, удельного сцепления сп и модуля деформации E допускается принимать по таблицам приложения Г. Расчетные значения характеристик в этом случае принимают при следующих значениях коэффициента надежности по грунту:

в расчетах оснований по деформациям................................................ gg = 1;

в расчетах оснований по несущей способности:

для удельного сцепления........................................................................... gg(c) = 1,5;

для угла внутреннего трения песчаных грунтов.................................. gg(j) = 1,1;

то же, глинистых грунтов.......................................................................... gg(j) = 1,15.

2. Для отдельных районов допускается вместо таблиц приложения Г пользоваться региональными таблицами характеристик грунтов, специфических для этих районов, приведенными в территориальных строительных нормах.

5.4. Подземные воды

5.4.1. При проектировании оснований, фундаментов и подземных сооружений необходимо учитывать гидрогеологические условия площадки и возможность их изменения в процессе строительства и эксплуатации сооружения, а именно:

- естественные сезонные и многолетние колебания уровня подземных вод;

- техногенные изменения уровня подземных вод и возможность образования верховодки;

- высоту зоны капиллярного поднятия в глинистых грунтах над уровнем подземных вод;

- степень агрессивности подземных вод по отношению к материалам подземных конструкций и коррозионную активность грунтов на основе данных инженерных изысканий с учетом технологических особенностей производства.

5.4.2. Для оценки воздействия сооружения на подземные воды необходимо выполнение прогноза изменения гидрогеологических условий, как для стадии строительства, так и для стадии эксплуатации. При этом указанный прогноз должен проводиться как для застраиваемой, так и для прилегающей территорий.

5.4.3. Прогноз изменения гидрогеологических условий должен выполняться для сооружений I и II уровней ответственности с использованием метода математического моделирования геофильтрации с учетом изменений факторов, участвующих в формировании многолетнего режима подземных вод.

5.4.4. При выполнении прогноза изменений гидрогеологических условий должны быть выявлены режимообразующие факторы, которые следует подразделять на региональные и локальные.

Региональные факторы включают: подпор подземных вод от каналов, рек и других водоемов, от утечек промышленных предприятий с большим потреблением воды, полей фильтрации, от инфильтрации утечек из крупных коллекторов; образование воронок депрессии в результате работы водозаборов подземных вод, дренажей, систем осушения тоннелей метро, карьеров и пр.

Локальные факторы включают: подпор подземных вод от эффекта барража подземных сооружений (в том числе свайных полей), от инфильтрации утечек из водонесущих коммуникаций; образование воронок депрессии от действия различных видов дренажей при строительстве и эксплуатации сооружений.

5.4.5. Для получения достоверных прогнозных оценок изменений гидрогеологических условий при проектировании сооружений I и II уровней ответственности следует использовать режимные наблюдения за подземными водами (на застраиваемой и прилегающей территориях), а также выполнять комплекс опытно-фильтрационных работ по определению фильтрационных параметров водоносных горизонтов.

5.4.6. Оценку возможных естественных сезонных и многолетних колебаний уровня подземных вод производят на основе данных многолетних режимных наблюдений по государственной стационарной сети с использованием результатов краткосрочных наблюдений, в том числе разовых замеров уровня подземных вод, выполняемых при инженерных изысканиях на площадке строительства.

5.4.7. Для разработки проектов сооружений и производства земляных работ необходимы данные о среднем многолетнем положении уровня подземных вод и их максимальном и минимальном уровнях за период наблюдений, а также о продолжительности стояния паводковых (весенних и летне-осенних) уровней подземных вод.

5.4.8. По характеру подтопления следует выделять естественно подтопляемые территории (с глубинами залегания уровня подземных вод менее 3 м) и техногенно подтопляемые.

Основными факторами подтопления являются: при строительстве - изменение условий поверхностного стока при вертикальной планировке территории, длительный разрыв между выполнением земляных и строительных работ; при эксплуатации - инфильтрация утечек, уменьшение испарения под зданиями и покрытиями и т.д.

5.4.9. По характеру техногенного воздействия застраиваемые территории подразделяют на: неподтопляемые, потенциально подтопляемые и осушаемые.

Неподтопляемые территории - территории, на которых вследствие благоприятных природных условий (наличие проницаемых грунтов большой толщины, глубокое положение уровня подземных вод, дренированность территории) и благоприятных техногенных условий (отсутствие или незначительные утечки из коммуникаций, незначительный барражный эффект) не происходит заметного увеличения влажности грунтов основания и повышения уровня подземных вод.

Потенциально подтопляемые территории - территории, на которых вследствие неблагоприятных природных и техногенных условий в результате их строительного освоения или в период эксплуатации возможно повышение уровня подземных вод, вызывающее нарушение условий нормальной эксплуатации сооружений, что требует проведения защитных мероприятий и устройства дренажей.

Осушаемые территории - территории, на которых происходит понижение уровня подземных вод в результате действия водоотлива в период строительства и действия дренажей в период эксплуатации сооружения, что вызывает оседание земной поверхности и может явиться причиной деформаций сооружений.

5.4.10. Степень потенциальной подтопляемости территории определяют на основе прогноза изменения гидрогеологических условий с учетом инженерно-геологических условий площадки строительства и прилегающих территорий, конструктивных и технологических особенностей проектируемых и существующих сооружений, в том числе инженерных сетей.

5.4.11. Для сооружений I и II уровней ответственности при соответствующем обосновании выполняют количественный прогноз изменения уровня подземных вод с учетом техногенных факторов на основе специальных комплексных исследований, включающих не менее годового цикла стационарных наблюдений за режимом подземных вод. В случае необходимости для выполнения указанных исследований помимо изыскательских должны привлекаться в качестве соисполнителей специализированные организации.

5.4.12. При прогнозировании понижения уровня подземных вод следует учитывать возможность возникновения дополнительных осадок территории в зоне развития депрессионной воронки и возведенных на ней сооружений вследствие увеличения давления от собственного веса грунта. С учетом этого прогноза следует устанавливать режим водопонижения, рекомендовать сроки строительства и этапность освоения площади застройки, а также определять необходимость проведения защитных мероприятий, направленных на уменьшение зоны влияния строительного водопонижения и включающих как локальную защиту сооружений, так и защиту всей территории (устройство противофильтрационных завес и экранов, замораживание или инъекционное закрепление грунта и т.д.).

5.4.13. При подъеме уровня подземных вод следует учитывать возможность развития дополнительных осадок основания вследствие возможного ухудшения деформационных характеристик грунтов при их водонасыщении и изменения напряженного состояния сжимаемой толщи в результате гидростатического и гидродинамического взвешивания.

5.4.14. При строительстве подземных сооружений следует учитывать возможность возникновения барражного эффекта, который проявляется в подъеме уровня подземных вод перед преградой. Для количественной оценки барражного эффекта и обоснования защитных мер необходимо выполнять прогноз, используя методы математического моделирования.

5.4.15. Техногенное изменение уровня подземных вод на застраиваемой территории зависит от типа функционального использования территории: промышленные зоны, селитебные зоны с плотной, смешанной и низкоплотной застройкой, территории, занятые парками и лесами, и др.

Значение инфильтрационного питания грунтовой толщи W, мм/год, определяют по формуле

W = (1 - m) Wест + Wтех,                                                          (5.2)

где    т - степень закрытости территории непроницаемыми покрытиями (асфальт, крыши и т.д.);

Wест - инфильтрационное питание, обусловленное естественным фоном инфильтрации, мм/год;

Wтех - инфильтрационное питание, обусловленное техногенными факторами, мм/год.

Инфильтрационное питание Wтех зависит от водопотребления по функциональным зонам.

Потери водопотребления, участвующие в формировании питания подземных вод, на территории селитебных районов составляют в среднем 3,6 % суммарного водопотребления. Для промышленных зон эти потери зависят от характера производства и продолжительности эксплуатации и составляют от 4 до 6 % расхода воды.

5.4.16. Для сооружений I и II уровней ответственности количественный прогноз изменений гидрогеологических условий территории устанавливают для выполнения следующих расчетов:

- расчета водопритоков в котлован;

- оценки устойчивости основания и откосов котлована, а также возможности проявления суффозионных процессов;

- обоснования необходимости устройства противофильтрационной завесы и ее глубины;

- оценки влияния дренажа на прилегающие территории с определением размеров депрессионной кривой;

- оценки барражного эффекта;

- расчета давления подземных вод на подошву фундамента;

- оценки водопритоков к дренажу и определение зоны его влияния;

- оценки высоты зоны капиллярного водонасыщения.

5.4.17. Возможность прорыва напорными водами вышележащего водоупорного глинистого слоя грунта, подстилаемого слоем грунта с напорными водами, проверяют по условию

gw H0gII h0,                                                                 (5.3)

где    gw - удельный вес воды, кН/м3;

Н0 - высота напора воды, отсчитываемая от подошвы проверяемого водоупорного слоя до максимального уровня подземных вод, м;

gII - расчетное значение удельного веса грунта проверяемого слоя, кН/м3;

h0 - расстояние от дна котлована до подошвы проверяемого слоя грунта, м.

Если условие не удовлетворяется, необходимо предусмотреть в проекте искусственное понижение напора водоносного слоя (откачка или устройство самоизливающихся скважин). Искусственное снижение напора подземных вод должно быть предусмотрено на срок, в течение которого сооружение приобретет достаточную массу и прочность, обеспечивающие восприятие нагрузки от напора подземных вод, но не ранее окончания работ по обратной засыпке грунта в пазухи котлована.

5.4.18. При проектировании фундаментов и подземных сооружений ниже пьезометрического уровня напорных подземных вод необходимо рассчитывать их давление и предусматривать мероприятия, предупреждающие их прорыв в котлованы, вспучивание дна котлована и всплытие сооружения.

При заложении фундаментов, а также подземных сооружений ниже пьезометрического уровня подземных вод следует учитывать следующие случаи:

- заглубление в грунт, подстилаемый водоносным слоем с напорными водами, когда возможен прорыв подземных вод в котлован, выпор грунтов основания, подъем полов и т.п.; в этом случае следует предусматривать мероприятия, снижающие напор (например, откачку воды из скважины), или увеличивать пригрузку на залегающий в основании грунт;

- заглубление в грунт водоносного слоя, когда возможны разрыхление грунтов, размывы, коррозия и другие повреждения фундаментов; в этом случае кроме снижения напора может предусматриваться также закрепление грунтов.

5.4.19. Если при прогнозируемом уровне подземных вод возможно ухудшение физико-механических свойств грунтов основания, развитие неблагоприятных геологических и инженерно-геологических процессов, нарушение условий нормальной эксплуатации подземных помещений и т.п., в проекте должны предусматриваться соответствующие защитные мероприятия, в частности:

- гидроизоляция подземных конструкций;

- мероприятия, ограничивающие подъем уровня подземных вод, исключающие утечки из водонесущих коммуникаций и т.п. (дренаж, противофильтрационные завесы, устройство специальных каналов для коммуникаций и т.д.);

- мероприятия, препятствующие механической или химической суффозии грунтов (шпунтовое ограждение, закрепление грунтов);

- устройство стационарной сети наблюдательных скважин для контроля развития процесса подтопления, своевременное устранение утечек из водонесущих коммуникаций и т.д.

Выбор одного или комплекса указанных мероприятий должен производиться на основе технико-экономического анализа с учетом прогнозируемого уровня подземных вод, конструктивных и технологических особенностей, уровня ответственности и расчетного срока эксплуатации проектируемого сооружения, надежности и стоимости водозащитных мероприятий и т.п.

В необходимых случаях на стадии строительства и эксплуатации сооружения следует осуществлять гидрогеологический мониторинг для контроля возможного процесса подтопления или осушения, своевременного предотвращения утечек из водонесущих коммуникаций, прекращения или уменьшения объема откачек и т.д.

5.4.20. Если подземные воды или промышленные стоки агрессивны по отношению к материалам заглубленных конструкций или могут повысить коррозийную активность грунтов, должны предусматриваться антикоррозионные мероприятия в соответствии с требованиями СНиП 2.03.11.

5.5. Расчет оснований по деформациям

5.5.1. Целью расчета оснований по деформациям является ограничение абсолютных или относительных перемещений такими пределами, при которых гарантируется нормальная эксплуатация сооружения и не снижается его долговечность (вследствие появления недопустимых осадок, подъемов, кренов, изменений проектных уровней и положений конструкций, расстройств их соединений и т.п.). При этом имеется в виду, что прочность и трещиностойкость фундаментов и надфундаментных конструкций проверены расчетом, учитывающим усилия, которые возникают при взаимодействии сооружения с основанием.

Примечание - При проектировании сооружений, расположенных в непосредственной близости от существующих, необходимо учитывать дополнительные деформации оснований существующих сооружений от воздействия проектируемых сооружений (см. 5.5.42).

5.5.2. Деформации основания подразделяют на:

осадки - деформации, происходящие в результате уплотнения грунта под воздействием внешних нагрузок и в отдельных случаях собственного веса грунта, не сопровождающиеся коренным изменением его структуры;

просадки - деформации, происходящие в результате уплотнения и, как правило, коренного изменения структуры грунта под воздействием как внешних нагрузок и собственного веса грунта, так и дополнительных факторов, таких, например, как замачивание просадочного грунта, оттаивание ледовых прослоек в замерзшем грунте и т.п.;

подъемы и осадки - деформации, связанные с изменением объема некоторых грунтов при изменении их влажности или воздействии химических веществ (набухание и усадка) и при замерзании воды и оттаивании льда в порах грунта (морозное пучение и оттаивание грунта);

оседания - деформации земной поверхности, вызываемые разработкой полезных ископаемых, изменением гидрогеологических условий, понижением уровня подземных вод, карстово-суффозионными процессами и т.п.;

горизонтальные перемещения - деформации, связанные с действием горизонтальных нагрузок на основание (фундаменты распорных систем, подпорные стены и т.д.) или со значительными вертикальными перемещениями поверхности при оседаниях, просадках грунтов от собственного веса и т.п.;

провалы - деформации земной поверхности с нарушением сплошности грунтов, образующиеся вследствие обрушения толщи грунтов над карстовыми полостями, горными выработками или зонами суффозионного выноса грунта.

5.5.3. Деформации основания в зависимости от причин возникновения подразделяют на два вида:

первый - деформации от внешней нагрузки на основание (осадки, просадки, горизонтальные перемещения);

второй - деформации, не связанные с внешней нагрузкой на основание и проявляющиеся в виде вертикальных и горизонтальных перемещений поверхности основания (оседания, просадки грунтов от собственного веса, подъемы и т.п.).

5.5.4. Расчет оснований по деформациям должен производиться исходя из условия совместной работы сооружения и основания.

Деформации основания допускается определять без учета совместной работы сооружения и основания в случаях, оговоренных в 5.2.1.

5.5.5. Совместная деформация основания и сооружения может характеризоваться:

- абсолютной осадкой (подъемом) основания s отдельного фундамента;

- средней осадкой основания сооружения;

- относительной разностью осадок (подъемов) двух фундаментов Ds/L (L - расстояние между фундаментами);

- креном фундамента (сооружения) i;

- относительным прогибом или выгибом f/L (L - длина однозначно изгибаемого участка сооружения);

- кривизной изгибаемого участка сооружения;

- относительным углом закручивания сооружения;

- горизонтальным перемещением фундамента (сооружения) uh.

5.5.6. Расчет оснований по деформациям производят исходя из условия

SSu,                                                                    (5.4)

где    S - совместная деформация основания и сооружения;

Su - предельное значение совместной деформации основания и сооружения, устанавливаемое в соответствии с указаниями 5.5.46 - 5.5.50.

Примечания

1. Для определения совместной деформации основания и сооружения s могут использоваться методы, указанные в 5.1.4.

2. В необходимых случаях для оценки напряженно-деформированного состояния конструкций сооружений с учетом длительных процессов и прогноза времени консолидации основания следует производить расчет осадок во времени.

3. Осадки основания, происходящие в процессе строительства (например, осадки от веса насыпей до устройства фундаментов, осадки до омоноличивания стыков строительных конструкций), допускается не учитывать, если они не влияют на эксплуатационную пригодность сооружений.

4. При расчете оснований по деформациям необходимо учитывать возможность изменения как расчетных, так и предельных значений деформаций основания за счет применения мероприятий, указанных в подразделе 5.8.

5.5.7. Расчетная схема основания, используемая для определения совместной деформации основания и сооружения, должна выбираться в соответствии с указаниями 5.1.6.

Расчет деформаций основания при среднем давлении под подошвой фундамента р, не превышающем расчетное сопротивление грунта R (см. 5.5.8) следует выполнять, применяя расчетную схему в виде линейно деформируемого полупространства (см. 5.5.31) с условным ограничением глубины сжимаемой толщи Нс (см. 5.5.41).

Примечание - Деформации основания рекомендуется определять с учетом изменения свойств грунтов в результате природных и техногенных воздействий на грунты в открытом котловане.

Определение расчетного сопротивления грунта основания

5.5.8. При расчете деформаций основания с использованием расчетной схемы, указанной в 5.5.7, среднее давление под подошвой фундамента р не должно превышать расчетное сопротивление грунта основания R, определяемое по формуле

,                       (5.5)

где    gc1 и gc2 - коэффициенты условий работы, принимаемые по таблице 5.2;

k - коэффициент, принимаемый равным единице, если прочностные характеристики грунта (j и с) определены непосредственными испытаниями, и k = 1,1, если они приняты по таблицам приложения Г;

Мg, Мq, Мс - коэффициенты, принимаемые по таблице 5.3;

kz - коэффициент, принимаемый равным единице при b < 10 м; kz = z0/b + 0,2 при b10 м (здесь z0 = 8 м);

b - ширина подошвы фундамента, м (при бетонной или щебеночной подготовке толщиной hп допускается увеличивать b на 2hп);

gII - осредненное (см. 5.5.11) расчетное значение удельного веса грунтов, залегающих ниже подошвы фундамента (при наличии подземных вод определяется с учетом взвешивающего действия воды), кН/м3;

gII - то же, для грунтов, залегающих выше подошвы фундамента, кН/м3;

сII - расчетное значение удельного сцепления грунта, залегающего непосредственно под подошвой фундамента (см. 5.5.11), кПа;

d1 - глубина заложения фундаментов, м, бесподвальных сооружений от уровня планировки или приведенная глубина заложения наружных и внутренних фундаментов от пола подвала, определяемая по формуле (5.6). При плитных фундаментах за d1 принимают наименьшее расстояние от подошвы плиты до уровня планировки;

db - глубина подвала, расстояние от уровня планировки до пола подвала, м (для сооружений с подвалом глубиной свыше 2 м принимают равным 2 м);

d1 = hs + hcf gcf / gII                                                                       (5.6)

здесь hs - толщина слоя грунта выше подошвы фундамента со стороны подвала, м;

hcf - толщина конструкции пола подвала, м;

gcf - расчетное значение удельного веса конструкции пола подвала, кН/м3;

При бетонной или щебеночной подготовке толщиной hп допускается увеличивать d1 на hп.

Примечания

1. Формулу (5.5) допускается применять при любой форме фундаментов в плане. Если подошва фундамента имеет форму круга или правильного многоугольника площадью А, значение b принимают равным .

2. Расчетные значения удельного веса грунтов и материала пола подвала, входящие в формулу (5.5), допускается принимать равными их нормативным значениям.

3. Расчетное сопротивление грунта при соответствующем обосновании может быть увеличено, если конструкция фундамента улучшает условия его совместной работы с основанием, например, фундаменты прерывистые, щелевые, с промежуточной подготовкой и др.

4. Для фундаментных плит с угловыми вырезами расчетное сопротивление грунта основания допускается увеличивать, применяя коэффициент kd по таблице 5.4.

5. Если d1 > d (d - глубина заложения фундамента от уровня планировки), в формуле (5.5) принимают d1 = d и db = 0.

Таблица 5.2

Грунты

Коэффициент gс1

Коэффициент gс2 для сооружений с жесткой конструктивной схемой при отношении длины сооружения или его отсека к высоте L/H, равном

4 и более

1,5 и менее

Крупнообломочные с песчаным заполнителем и пески, кроме мелких и пылеватых

1,4

1,2

1,4

Пески мелкие

1,3

1,1

1,3

Пески пылеватые: маловлажные и влажные насыщенные водой

1,25

1,1

1,0

1,0

1,2

1,2

Глинистые, а также крупнообломочные с глинистым заполнителем с показателем текучести грунта или заполнителя IL0,25

1,25

1,0

1,1

То же, при 0,25 < IL0,5

1,2

1,0

1,1

То же, при IL > 0,5

1,0

1,0

1,0

Примечания

1. К сооружениям с жесткой конструктивной схемой относят сооружения, конструкции которых специально приспособлены к восприятию усилий от деформации оснований, в том числе за счет мероприятий, указанных в подразделе 5.8.

2. Для зданий с гибкой конструктивной схемой значение коэффициента gс2 принимают равным единице.

3. При промежуточных значениях L / H коэффициент gс2 определяют интерполяцией.

4. Для рыхлых песков gс1 и gс2 принимают равными единице.

Таблица 5.3

Угол внутреннего трения jII, град.

Коэффициенты

Угол внутреннего трения jII, град.

Коэффициенты

Mg

Mq

Мс

Mg

Mq

Мс

0

0

1,00

3,14

23

0,69

3,65

6,24

1

0,01

1,06

3,23

24

0,72

3,87

6,45

2

0,03

1,12

3,32

25

0,78

4,11

6,67

3

0,04

1,18

3,41

26

0,84

4,37

6,90

4

0,06

1,25

3,51

27

0,91

4,64

7,14

5

0,08

1,32

3,61

28

0,98

4,93

7,40

6

0,10

1,39

3,71

29

1,06

5,25

7,67

7

0,12

1,47

3,82

30

1,15

5,59

7,95

8

0,14

1,55

3,93

31

1,24

5,95

8,24

9

0,16

1,64

4,05

32

1,34

6,34

8,55

10

0,18

1,73

4,17

33

1,44

6,76

8,88

11

0,21

1,83

4,29

34

1,55

7,22

9,22

12

0,23

1,94

4,42

35

1,68

7,71

9,58

13

0,26

2,05

4,55

36

1,81

8,24

9,97

14

0,29

2,17

4,69

37

1,95

8,81

10,37

15

0,32

2,30

4,84

38

2,11

9,44

10,80

16

0,36

2,43

4,99

39

2,28

10,11

11,25

17

0,39

2,57

5,15

40

2,46

10,85

11,73

18

0,43

2,73

5,31

41

2,66

11,64

12,24

19

0,47

2,89

5,48

42

2,88

12,51

12,79

20

0,51

3,06

5,66

43

3,12

13,46

13,37

21

0,56

3,24

5,84

44

3,38

14,50

13,98

22

0,61

3,44

6,04

45

3,66

15,64

14,64

5.5.9. Определение расчетного сопротивления оснований R, сложенных рыхлыми песками, должно выполняться на основе специальных исследований. Значение R, найденное для рыхлых песков по формуле (5.5) при gс1 = 1 и gс2 = 1 или по указаниям 5.5.13, должно уточняться по результатам испытаний штампа (не менее трех). Размеры и форма штампа должны быть близкими к форме и размерам проектируемого фундамента, но не менее 0,5 м2.

5.5.10. Значение R вычисляют на глубине заложения фундамента, определяемой от уровня планировки срезкой или подсыпкой; в последнем случае в проекте должно быть оговорено требование об устройстве насыпи до приложения полной нагрузки на фундаменты.

Допускается принимать глубину заложения фундамента от пола подвала менее 0,5 м, если удовлетворяется расчет по несущей способности.

5.5.11. Расчетные значения jII, cII и gII определяют при доверительной вероятности a, принимаемой для расчетов по II предельному состоянию равной 0,85. Указанные характеристики находят для слоя грунта толщиной z ниже подошвы фундамента: z = b/2 при b < 10 м и z = z1 + 0,1b при b10 м (здесь z1 = 4 м).

Если толща грунтов, расположенных ниже подошвы фундаментов или выше ее, неоднородна по глубине, то принимают средневзвешенные значения ее характеристик.

5.5.12. При назначении коэффициента условий работы gс2 в формуле (5.5) следует иметь в виду, что к числу зданий и сооружений с жесткой конструктивной схемой относятся:

- здания панельные, блочные и кирпичные, в которых междуэтажные перекрытия опираются по всему контуру на поперечные и продольные стены или только на поперечные несущие стены при малом их шаге;

- сооружения типа башен, силосных корпусов, дымовых труб, домен и др.

5.5.13. Предварительные размеры фундаментов назначают по конструктивным соображениям или исходя из табличных значений расчетного сопротивления грунтов основания R0 в соответствии с приложением Д. Значениями R0 допускается также пользоваться для окончательного назначения размеров фундаментов сооружений III уровня ответственности, если основание сложено горизонтальными (уклон не более 0,1), выдержанными по толщине слоями грунта, сжимаемость которых не изменяется в пределах глубины, равной двойной ширине наибольшего фундамента, считая от его подошвы.

5.5.14. Расчетное сопротивление R основания, сложенного крупнообломочными грунтами, вычисляют по формуле (5.5) на основе результатов непосредственных определений прочностных характеристик грунтов.

Если содержание заполнителя превышает 40 %, значение R для крупнообломочных грунтов допускается определять по характеристикам заполнителя.

5.5.15. Расчетное сопротивление грунтов основания R в случае их уплотнения или устройства грунтовых подушек должно определяться исходя из задаваемых проектом расчетных значений физико-механических характеристик уплотненных грунтов.

5.5.16. Для ленточных фундаментов, когда ширина типовых сборных железобетонных плит совпадает с шириной, полученной по расчету, могут быть применены плиты с угловыми вырезами.

5.5.17. Ленточные фундаменты могут проектироваться с прерывистой укладкой плит (прерывистые фундаменты).

Расчетное сопротивление грунтов основания R для прерывистых фундаментов определяют как для ленточных фундаментов по указаниям 5.5.8 - 5.5.11 с повышением значения R коэффициентом kd, принимаемым по таблице 5.4.

Таблица 5.4

Вид фундаментных плит

Коэффициент kd для грунтов

пески (кроме рыхлых) при коэффициенте пористости е

е ≤ 0,5

е = 0,6

е ≥ 0,7

глинистые при показателе текучести IL

IL0

IL = 0,25

IL 0,5

Прямоугольные

1,3

1,15

1,0

С угловыми вырезами

1,3

1,15

1,15

Примечания

1. При промежуточных значениях е и IL коэффициент kd определяют интерполяцией.

2. Для плит с угловыми вырезами коэффициент kd учитывает повышение R в соответствии с примечанием 4 к 5.5.8.

5.5.18. Прерывистые фундаменты с повышением расчетного сопротивления основания не рекомендуются:

- в грунтовых условиях I типа по просадочности при отсутствии поверхностного уплотнения грунта в пределах деформируемой зоны;

- при сейсмичности 7 баллов и более.

5.5.19. При устройстве прерывистых фундаментов также могут применяться плиты с угловыми вырезами за исключением следующих случаев:

- при залегании под подошвой фундаментов рыхлых песков;

- при сейсмичности района 7 баллов и более (в этом случае можно применять плиты с угловыми вырезами, укладывая их в виде непрерывной ленты);

- при неравномерном напластовании грунтов в пределах сооружения;

- при залегании ниже подошвы фундаментов глинистых грунтов с показателем текучести IL > 0,5.

5.5.20. При совпадении ширины типовой сборной железобетонной плиты с шириной фундамента, полученной по расчету, плиты прямоугольной формы и с угловыми вырезами укладывают в виде непрерывной ленты. В этом случае расчетное сопротивление грунта основания R, вычисленное по формуле (5.5), может быть повышено в соответствии с рекомендациями 5.5.24.

При несовпадении ширины фундамента, полученной по расчету, с шириной типовой сборной плиты, проектируют прерывистые фундаменты. Для прерывистых фундаментов, проектируемых с повышением расчетного сопротивления основания, вычисленного по формуле (5.5), коэффициент повышения не должен быть больше значений, приведенных в таблице 5.4, а для плит прямоугольной формы, кроме того, не должен быть больше коэффициента kd, приведенного в таблице 5.5.

Таблица 5.5

Расчетная ширина ленточного фундамента b, м

Ширина прерывистого фундамента bb, м

k´d

Расчетная ширина ленточного фундамента b, м

Ширина прерывистого фундамента bb, м

k´d

1,3

1,4

1,07

2,3

2,4

1,1

1,5

1,6

1,11

2,5

2,8

1,17

1,7

2

1,18

2,6

2,8

1,15

1,8

2

1,17

2,7

2,8

1,12

1,9

2

1,09

2,9

3,2

1,13

2,1

2,4

1,18

3

3,2

1,11

2,2

2,4

1,13

3,1

3,2

1,09

5.5.21. Для фундаментов с промежуточной подготовкой переменной жесткости расчетное сопротивление грунта основания под бетонной частью определяют по формуле (5.5). При этом расчетное сопротивление грунта основания под бетонной частью фундамента принимают не менее 2R.

5.5.22. Расчет осадки ленточных с угловыми вырезами и прерывистых фундаментов производят как расчет сплошного ленточного фундамента на среднее давление, отнесенное к общей площади фундамента, включая промежутки между плитами и угловые вырезы.

5.5.23. При увеличении нагрузок на основание существующих сооружений (например, при реконструкции) расчетное сопротивление грунтов основания должно приниматься в соответствии с данными об их физико-механических свойствах с учетом типа и состояния фундаментов и надфундаментных конструкций сооружения, продолжительностью его эксплуатации, ожидаемых дополнительных осадок при увеличении нагрузок на фундаменты и их влияния на примыкающие сооружения (см. подраздел 5.7).

5.5.24. Расчетное сопротивление грунта основания R, вычисленное по формуле (5.5), может быть повышено в зависимости от соотношения расчетной осадки основания s (при давлении р, равном R) и предельной осадки su (5.5.46 - 5.5.50).

Рекомендуется принимать следующие значения повышенного расчетного сопротивления Rп:

а) при s 0,4su Rп = 1,2R;

б) при s0,7su Rп = R;

в) при 0,7su > s > 0,4su Rп определяют интерполяцией.

При соответствующем обосновании допускается при s 0,4su принимать Rп = 1,3R.

Указанное повышение давления не должно вызывать деформации основания свыше 80 % предельных и превышать значение давления из условия расчета основания по несущей способности в соответствии с требованиями подраздела 5.6.

5.5.25. При наличии в пределах сжимаемой толщи основания на глубине z от подошвы фундамента слоя грунта меньшей прочности, чем прочность грунта вышележащих слоев, размеры фундамента должны назначаться такими, чтобы для суммарного напряжения σz обеспечивалось условие

,                                                     (5.7)

где σzp, σzg и σzg - вертикальные напряжения в грунте на глубине z от подошвы фундамента (см. 5.5.31), кПа;

rz - расчетное сопротивление грунта пониженной прочности, кПа, на глубине z, вычисленное по формуле (5.5) для условного фундамента шириной bz, м, равной:

,                                                           (5.8)

где Аz = N / σzp; а = (l b)/2, (Опечатка)

здесь N - вертикальная нагрузка на основание от фундамента;

l и b - соответственно длина и ширина фундамента.

5.5.26. Давление на грунт у края подошвы внецентренно нагруженного фундамента (вычисленное в предположении линейного распределения давления под подошвой фундамента при нагрузках, принимаемых для расчета оснований по деформациям), как правило, должно определяться с учетом заглубления фундамента в грунт и жесткости надфундаментных конструкций. Краевое давление при действии изгибающего момента вдоль каждой оси фундамента не должно превышать 1,2R и в угловой точке - 1,5R (здесь R - расчетное сопротивление грунта основания, определяемое в соответствии с требованиями 5.5.8 - 5.5.25).

5.5.27. При расчете внецентренно нагруженных фундаментов эпюры давлений могут быть трапециевидные и треугольные, в том числе укороченной длины, обозначающие краевой отрыв подошвы фундамента от грунта при относительном эксцентриситете равнодействующей е более l / 6 (рисунок 5.1).

а - г - при отсутствии нагрузок на полы; д - з - при сплошной равномерно распределенной нагрузке интенсивностью q; а и д - при центральной нагрузке; б и е - при эксцентриситете нагрузки е < 1/6; в и ж - при е = 1/6; г и з - при е > 1/6 (с частичным отрывом фундамента от грунта)

Рисунок 5.1. - Эпюры давлений по подошве фундаментов при центральной и внецентренной нагрузках

Для фундаментов колонн зданий, оборудованных мостовыми кранами грузоподъемностью 75 т и выше, а также для фундаментов колонн открытых крановых эстакад при кранах грузоподъемностью свыше 15 т, для сооружений башенного типа (труб, домен и других), а также для всех видов сооружений при расчетном сопротивлении грунта основания R < 150 кПа размеры фундаментов рекомендуется назначать такими, чтобы эпюра давлений была трапециевидной, с отношением краевых давлений рminmax0,25.

В остальных случаях для фундаментов зданий с мостовыми кранами допускается треугольная эпюра с относительным эксцентриситетом равнодействующей е, равным l/6.

Для фундаментов бескрановых зданий с подвесным транспортным оборудованием допускается треугольная эпюра давлений с нулевой ординатой на расстоянии не более 1/4 длины подошвы фундамента, что соответствует относительному эксцентриситету равнодействующей е не более l/4.

Требования, ограничивающие допустимый эксцентриситет, относятся к любым основным сочетаниям нагрузок.

Примечание - При значительных моментных нагрузках с целью уменьшения краевых давлений рекомендуется применение фундаментов с анкерами.

5.5.28. Краевые давления р, кПа, определяют по формулам:

при относительном эксцентриситете е/l1/6

;                                                 (5.9)

при относительном эксцентриситете е/l > 1/6

Р = 2 (N + gmt d l b) / (3b C0),                                          (5.10)

где    N - сумма вертикальных нагрузок, действующих на основание, кроме веса фундамента и грунта на его обрезах, и определяемых для случая расчета основания по деформациям, кН;

А - площадь подошвы фундамента, м2;

gmt - средневзвешенное значение удельных весов тела фундамента, грунта и пола, расположенных над подошвой фундамента; принимают равным 20 кН/м3;

d - глубина заложения фундамента, м;

М - момент от равнодействующей всех нагрузок, действующих по подошве фундамента, найденных с учетом заглубления фундамента в грунте и перераспределяющего влияния верхних конструкций или без этого учета, кН·м;

W - момент сопротивления площади подошвы фундамента, м3;

С0 - расстояние от точки приложения равнодействующей до края фундамента по его оси, м, определяемое по формуле

C0 = l / 2 - M / (N + gmt d l b);                                        (5.11)

е - эксцентриситет нагрузки по подошве фундамента, м, определяемый по формуле

e = M / (N + gmt d l b).                                              (5.12)

5.5.29. При наличии моментов Мx и Мy, действующих в двух направлениях, параллельных осям x и y прямоугольного фундамента, наибольшее давление в угловой точке Pmax, кПа, определяют по формуле

Pmax = N / A + gmt d + Mx / Wx + My / Wy,                              (5.13)

где N, A, gmt, W - то же, что и в формуле (5.9).

5.5.30. При наличии на полах сплошной равномерно распределенной нагрузки интенсивностью q краевые и средние эпюры давления по подошве следует увеличивать на нагрузку q (см. рисунок 5.1).

Нагрузку на полы промышленных зданий q допускается принимать равной 20 кПа, если в технологическом задании на проектирование не указывается большее значение этой нагрузки.

Определение осадки основания

5.5.31. Осадку основания s, см, с использованием расчетной схемы в виде линейно деформируемого полупространства (5.5.7) определяют методом послойного суммирования по формуле

,                                         (5.14)

где    b - безразмерный коэффициент, равный 0,8;

σzp,i - среднее значение вертикального нормального напряжения (далее - вертикальное напряжение) от внешней нагрузки в i-м слое грунта по вертикали, проходящей через центр подошвы фундамента (см. 5.5.32), кПа;

hi - толщина i-го слоя грунта, см, принимаемая не более 0,4 ширины фундамента;

Еi - модуль деформации i-го слоя грунта по ветви первичного нагружения, кПа;

σzg,i - среднее значение вертикального напряжения в i-м слое грунта по вертикали, проходящей через центр подошвы фундамента, от собственного веса выбранного при отрывке котлована грунта (см. 5.5.33), кПа;

Ее,i - модуль деформации i-го слоя грунта по ветви вторичного нагружения, кПа;

п - число слоев, на которые разбита сжимаемая толща основания.

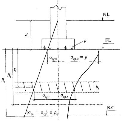
При этом распределение вертикальных напряжений по глубине основания принимают в соответствии со схемой, приведенной на рисунке 5.2.

Примечания

1. При отсутствии опытных определений модуля деформации Ee,i для сооружений II и III уровней ответственности допускается принимать Ee,i = 5Еi

2. Средние значения напряжений σzp,i и σzg,i, в i-м слое грунта допускается вычислять как полусумму соответствующих напряжений на верхней zi-1 и нижней zi границах слоя.

3. При возведении сооружения в отрываемом котловане следует различать три следующих значения вертикальных напряжений: σzg - от собственного веса грунта до начала строительства; σzu - после отрывки котлована; σz - после возведения сооружения.

DL - отметка планировки; NL - отметка поверхности природного рельефа; FL - отметка подошвы фундамента; WL - уровень подземных вод; В.С - нижняя граница сжимаемой толщи; d и dn - глубина заложения фундамента соответственно от уровня планировки и поверхности природного рельефа; b - ширина фундамента; p - среднее давление под подошвой фундамента; σzg и σzg,0 - вертикальное напряжение от собственного веса грунта на глубине z от подошвы фундамента и на уровне подошвы; σzg и σzg,0 - вертикальное напряжение от внешней нагрузки на глубине z от подошвы фундамента и на уровне подошвы; σzg,i - вертикальное напряжение от собственного веса вынутого в котловане грунта в середине i-го слоя на глубине z от подошвы фундамента; Нс - глубина сжимаемой толщи

Рисунок 5.2. - Схема распределения вертикальных напряжений в линейно-деформируемом полупространстве

5.5.32. Вертикальные напряжения от внешней нагрузки σzp = σz - σzu зависят от размеров, формы и глубины заложения фундамента, распределения давления на грунт по его подошве и свойств грунтов основания. Для прямоугольных, круглых и ленточных фундаментов значения σzp, кПа, на глубине z от подошвы фундамента по вертикали, проходящей через центр подошвы, определяют по формуле

σzp = a p,                                                              (5.15)

где    a - коэффициент, принимаемый по таблице 5.6 в зависимости от относительной глубины ξ, равной 2z / b;

р - среднее давление под подошвой фундамента, кПа.

5.5.33. Вертикальное напряжение от собственного веса грунта на отметке подошвы фундамента σzg = σzg - σzu, кПа, на глубине z от подошвы прямоугольных, круглых и ленточных фундаментов определяют по формуле

σzg = a σzg,0,                                                              (5.16)

где a - то же, что и в 5.5.32;

σzg,0 - вертикальное напряжение от собственного веса грунта на отметке подошвы фундамента, кПа (при планировке срезкой a σzg,0 = g΄d, при отсутствии планировки и планировке подсыпкой σzg,0 = g΄dn, где g΄ - удельный вес грунта, кН/м3, расположенного выше подошвы; d и dn, м - см. рисунок 5.2).

5.5.34. При расчете осадки фундаментов, возводимых в котлованах глубиной менее 5 м, допускается в формуле (5.14) не учитывать второе слагаемое.

5.5.35. Если среднее давление под подошвой фундамента р ≤ σzg,0, осадку фундамента определяют по формуле

,                                                         (5.17)

где b, σzp,i, hi, Ee,i и n - то же, что и в формуле (5.14).

5.5.36. Вертикальные напряжения от внешней нагрузки на глубине z от подошвы фундамента σzp, кПа, по вертикали, проходящей через угловую точку прямоугольного фундамента, определяют по формуле

,                                                        (5.18)

где a - коэффициент, принимаемый по таблице 5.6 в зависимости от значения ξ = z / b;

р - то же, что и в формуле (5.15).

5.5.37. Вертикальные напряжения σzp, кПа, на глубине z от подошвы фундамента по вертикали, проходящей через произвольную точку А (в пределах или за пределами рассматриваемого фундамента с давлением по подошве, равным p), определяют алгебраическим суммированием напряжений σzpj, кПа, в угловых точках четырех фиктивных фундаментов (рисунок 5.3) по формуле

.                                                     (5.19)

Таблица 5.6

ξ

Коэффициент a для фундаментов

круглых

прямоугольных с соотношением сторон η = l / b, равным

ленточных (η ≥ 10)

1,0

1,4

1,8

2,4

3,2

5

0

1,000

1,000

1,000

1,000

1,000

1,000

1,000

1,000

0,4

0,949

0,960

0,972

0,975

0,976

0,977

0,977

0,977

0,8

0,756

0,800

0,848

0,866

0,876

0,879

0,881

0,881

1,2

0,547

0,606

0,682

0,717

0,739

0,749

0,754

0,755

1,6

0,390

0,449

0,532

0,578

0,612

0,629

0,639

0,642

2,0

0,285

0,336

0,414

0,463

0,505

0,530

0,545

0,550

2,4

0,214

0,257

0,325

0,374

0,419

0,449

0,470

0,477

2,8

0,165

0,201

0,260

0,304

0,349

0,383

0,410

0,420

3,2

0,130

0,160

0,210

0,251

0,294

0,329

0,360

0,374

3,6

0,106

0,131

0,173

0,209

0,250

0,285

0,319

0,337

4,0

0,087

0,108

0,145

0,176

0,214

0,248

0,285

0,306

4,4

0,073

0,091

0,123

0,150

0,185

0,218

0,255

0,280

4,8

0,062

0,077

0,105

0,130

0,161

0,192

0,230

0,258

5,2

0,053

0,067

0,091

0,113

0,141

0,170

0,208

0,239

5,6

0,046

0,058

0,079

0,099

0,124

0,152

0,189

0,223

6,0

0,040

0,051

0,070

0,087

0,110

0,136

0,173

0,208

6,4

0,036

0,045

0,062

0,077

0,099

0,122

0,158

0,196

6,8

0,031

0,040

0,055

0,064

0,088

0,110

0,145

0,185

7,2

0,028

0,036

0,049

0,062

0,080

0,100

0,133

0,175

7,6

0,024

0,032

0,044

0,056

0,072

0,091

0,123

0,166

8,0

0,022

0,029

0,040

0,051

0,066

0,084

0,113

0,158

8,4

0,021

0,026

0,037

0,046

0,060

0,077

0,105

0,150

8,8

0,019

0,024

0,033

0,042

0,055

0,071

0,098

0,143

9,2

0,017

0,022

0,031

0,039

0,051

0,065

0,091

0,137

9,6

0,016

0,020

0,028

0,036

0,047

0,060

0,085

0,132

10,0

0,015

0,019

0,026

0,033

0,043

0,056

0,079

0,126

10,4

0,014

0,017

0,024

0,031

0,040

0,052

0,074

0,122

10,8

0,013

0,016

0,022

0,029

0,037

0,049

0,069

0,117

11,2

0,012

0,015

0,021

0,027

0,035

0,045

0,065

0,113

11,6

0,011

0,014

0,020

0,025

0,033

0,042

0,061

0,109

12,0

0,010

0,013

0,018

0,023

0,031

0,040

0,058

0,106

Примечания

1. В таблице обозначено: b - ширина или диаметр фундамента, l - длина фундамента.

2. Для фундаментов, имеющих подошву в форме правильного многоугольника с площадью А, значения a принимают как для круглых фундаментов радиусом r = .

3. Для промежуточных значений ξ и η коэффициенты a определяют интерполяцией.

а - схема расположения рассчитываемого 1 и влияющего фундамента 2; б - схема расположения фиктивных фундаментов с указанием знака напряжений σzp,cj в формуле (5.19) под углом j-го фундамента

Рисунок 5.3. - Схема к определению вертикальных напряжений в основании рассчитываемого фундамента с учетом влияния соседнего фундамента методом угловых точек

5.5.38. Вертикальные напряжения σzp,nf, кПа, на глубине z от подошвы фундамента по вертикали, проходящей через центр рассчитываемого фундамента, с учетом влияния соседних фундаментов или нагрузок на прилегающие площади определяют по формуле

,                                                     (5.20)

где    σzp - то же, что и в формуле (5.15), кПа;

σzp,ai - вертикальные напряжения от соседнего фундамента или нагрузок;

k - число влияющих фундаментов или нагрузок.

5.5.39. При сплошной равномерно распределенной нагрузке на поверхности земли интенсивностью q, кПа (например, от веса планировочной насыпи) значение σzp,nf по формуле (5.20) для любой глубины z определяют по формуле σzp,nf = σzp + q.

5.5.40. Вертикальное напряжение от собственного веса грунта σzg, кПа, на границе слоя, расположенного на глубине z от подошвы фундамента, определяется по формуле

,                                                         (5.21)

где    g´ - удельный вес грунта, расположенного выше подошвы фундамента, кН/м3;

dn - см. рисунок 5.2, м;

gi и hi - соответственно удельный вес, кН/м3, и толщина i-го слоя грунта, м.

Удельный вес грунтов, залегающих ниже уровня подземных вод, но выше водоупора, должен приниматься с учетом взвешивающего действия воды.

При определении σzg в водоупорном слое и ниже него следует учитывать давление столба воды, расположенного выше водоупорного слоя.

5.5.41. Нижнюю границу сжимаемой толщи основания принимают на глубине z = Hc, где выполняется условие σzp = k σzg, где:

а) k = 0,2 при b 5 м;

б) k = 0,5 при b > 20 м;

в) при 5 < b ≤ 20 м k определяют интерполяцией (σzp и σzg, определяют по формулам (5.15) и (5.21)). При этом глубина сжимаемой толщи не должна быть меньше b / 2 при b10 м и (4 + 0,1b) при b > 10 м.

Если в пределах глубины Нс, найденной по указанным выше условиям, залегает слой грунта с модулем деформации Е > 100 МПа, сжимаемую толщу допускается принимать до кровли этого грунта.

Если найденная по указанным выше условиям нижняя граница сжимаемой толщи находится в слое грунта с модулем деформации Е < 5 МПа или такой слой залегает непосредственно ниже глубины z = Нс, то этот слой включают в сжимаемую толщу, а за Нс принимают минимальное из значений, соответствующих подошве слоя или глубине, где выполняется условие σzp = 0,1 σzg.

При расчете осадки различных точек плитного фундамента глубину сжимаемой толщи допускается принимать постоянной в пределах всего плана фундамента (при отсутствии в ее составе грунтов с модулем деформации Е > 100 МПа).

5.5.42. При возведении нового объекта на застроенной территории дополнительные деформации оснований существующих сооружений от воздействия нового сооружения необходимо определять с учетом разгрузки от выемки грунта в котловане, вертикальной нагрузки от вновь возводимого сооружения и других факторов, используя, как правило, численные методы. Для расчета дополнительных деформаций, вызванных вертикальными нагрузками от вновь возводимого сооружения, допускается использовать расчетную схему в виде линейно-деформируемого полупространства.

При выборе метода расчета необходимо учитывать уровень ответственности существующего сооружения, конструктивные особенности и типы фундаментов нового и существующего сооружений, глубину котлована, а также метод строительства.

Определение крена фундамента

5.5.43. Крен отдельных фундаментов или сооружений в целом должен вычисляться с учетом момента в уровне подошвы фундамента, влияния соседних фундаментов, нагрузок на прилегающие площади и неравномерности сжимаемости основания.

При определении кренов фундаментов, кроме того необходимо, как правило, учитывать заглубление фундамента, жесткость надфундаментной конструкции, а также возможность увеличения эксцентриситета нагрузки из-за наклона фундамента (сооружения).

5.5.44. Крен фундамента i при действии внецентренной нагрузки определяют по формуле

,                                                     (5.22)

где ke - коэффициент, принимаемый по таблице 5.7;

Е и v - соответственно модуль деформации, кПа, и коэффициент поперечной деформации грунта основания (значение v принимают по таблице 5.8); в случае неоднородного основания значения E и v принимают средними в пределах сжимаемой толщи в соответствии с указаниями 5.5.45;

N - вертикальная составляющая равнодействующей всех нагрузок на фундамент в уровне его подошвы, кН;

е - эксцентриситет, м;

а - диаметр круглого или сторона прямоугольного фундамента (м), в направлении которой действует момент; для фундамента с подошвой в форме правильного многоугольника площадью А принимают а = 2;

Примечание - Крен фундамента, возникающий в результате неравномерности сжимаемости основания, следует определять численными методами (например, МКЭ).

Таблица 5.7

Форма фундамента и направление действия момента

Коэффициент ke при η = l / b, равном

1

1,2

1,5

2

3

5

10

Прямоугольный с моментом вдоль большей стороны

0,50

0,57

0,68

0,82

1,17

1,42

2,00

Прямоугольный с моментом вдоль меньшей стороны

0,50

0,43

0,36

0,28

0,20

0,12

0,07

Круглый

0,75

Таблица 5.8

Грунты

Коэффициент поперечной деформации v

Крупнообломочные грунты

0,27

Пески и супеси

0,30 - 0,35

Суглинки

0,35 - 0,37

Глины при показателе текучести IL:

 

IL ≤ Q

0,20 - 0,30

0 < IL ≤ 0,25

0,30 - 0,38

0,25 < IL ≤ 1

0,38 - 0,45

Примечание - Меньшие значения v применяют при большей плотности грунта.

5.5.45. Средние (в пределах сжимаемой толщи Hс) значения модуля деформации , кПа, и коэффициента Пуассона  грунтов основания определяют по формулам:

;                                                (5.23)

,                                                     (5.24)

где    Ai - площадь эпюры вертикальных напряжений от единичного давления под подошвой фундамента в пределах i-го слоя грунта (допускается принимать Аi = σzp,ihi (см. 5.5.31));

Ei, vi, hi - соответственно модуль деформации, кПа, коэффициент поперечной деформации и толщина i-го слоя грунта, см;

Нc - сжимаемая толща, определяемая по 5.5.41, см;

n - число слоев, отличающихся значениями E и v в пределах сжимаемой толщи Нс.

Предельные деформации основания

5.5.46. Предельные значения совместной деформации основания и сооружения su,s и su,f устанавливают исходя из необходимости соблюдения:

а) технологических или архитектурных требований к деформации сооружения (изменение, проектных уровней и положений сооружения в целом, отдельных его элементов и оборудования, включая требования к нормальной работе лифтов, кранового оборудования, подъемных устройств элеваторов и т.п.) - su,s;

б) требований к прочности, устойчивости и трещиностойкости конструкций, включая общую устойчивость сооружения, - su,f.

5.5.47. Предельные значения совместной деформации основания и сооружения по технологическим или архитектурным требованиям su,s должны устанавливаться соответствующими нормами проектирования сооружений, правилами технической эксплуатации оборудования или заданием на проектирование с учетом в необходимых случаях рихтовки оборудования в процессе эксплуатации.

Проверку соблюдения условия ssu,s производят при разработке типовых и индивидуальных проектов в составе расчетов сооружения во взаимодействии с основанием после соответствующих расчетов конструкций сооружения по прочности, устойчивости и трещиностойкости.

5.5.48. Предельные значения совместной деформации основания и сооружения по условиям прочности, устойчивости и трещиностойкости конструкций su,f должны устанавливаться при проектировании на основе расчета сооружения во взаимодействии с основанием.

Значение допускается не устанавливать для сооружений значительной жесткости и прочности (например, зданий башенного типа, домен), а также для сооружений, в конструкциях которых не возникают усилия от неравномерных осадок основания (например, различного рода шарнирных систем).

5.5.49. При разработке типовых проектов сооружений на основе значений su,s и su,f следует, как правило, устанавливать следующие критерии допустимости применения этих проектов, упрощающие расчет оснований по деформациям при их привязке к местным грунтовым условиям:

а) предельные значения степени изменчивости сжимаемости грунтов aЕ основания, соответствующие различным значениям среднего модуля деформации грунтов в пределах плана сооружения  или средней осадки основания ;

б) предельную неравномерность деформаций основания , соответствующую нулевой жесткости сооружения;

в) перечень грунтов с указанием их простейших характеристик свойств, а также характера напластований, при наличии которых не требуется выполнять расчет оснований по деформациям.

Примечания

1. Степень изменчивости сжимаемости основания aЕ определяют отношением наибольшего значения приведенного по глубине модуля деформации грунтов основания в пределах плана сооружения к наименьшему значению.

2. Среднее значение модуля деформации грунтов основания  в пределах плана сооружения определяют как средневзвешенное с учетом изменения сжимаемости грунтов по глубине и в плане сооружения.

5.5.50. Предельные значения деформаций оснований допускается принимать согласно приложению Е, если конструкции сооружения не рассчитаны на усилия, возникающие в них при взаимодействии с основанием и в задании на проектирование не установлены значения su,s (см. 5.5.46, 5.5.47).

5.5.51. В проектах сооружений, расчетная осадка которых превышает 8 см, следует, как правило, предусматривать соответствующий строительный подъем сооружения, а также мероприятия, не допускающие изменений проектных уклонов вводов и выпусков инженерных коммуникаций и обеспечивающие сохранность коммуникаций в местах их пересечения со стенами сооружения.

5.5.52. Расчет деформаций основания допускается не выполнять, если среднее давление под фундаментами проектируемого сооружения не превышает расчетное сопротивление грунтов основания (см. 5.5.8 - 5.5.25) и выполняется одно из следующих условий:

а) степень изменчивости сжимаемости основания меньше предельной (по 5.5.49, а);

б) инженерно-геологические условия площадки строительства соответствуют области применения типового проекта (по 5.5.49, в);

в) грунтовые условия площадки строительства сооружений, перечисленных в таблице 5.9, относятся к одному из вариантов, указанных в этой таблице.

Таблица 5.9

Сооружения

Варианты грунтовых условий

 

1. Производственные здания

Одноэтажные с несущими конструкциями, малочувствительными к неравномерным осадкам (например, стальной или железобетонный каркас на отдельных фундаментах при шарнирном опирании ферм, ригелей), и с мостовыми кранами грузоподъемностью до 50 т включительно.

Многоэтажные до 6 этажей включительно с сеткой колонн не более 6´9 м

1. Крупнообломочные грунты при содержании заполнителя менее 40 %

 

2. Пески любой крупности, кроме пылеватых, плотные и средней плотности

 

3. Пески любой крупности, только плотные

 

4. Пески любой крупности, только средней плотности при коэффициенте пористости e0,65

 

5. Супеси при e 0,65, суглинки при e0,85 и глины при e0,95, если диапазон изменения коэффициента пористости этих грунтов на площадке не превышает 0,2, a IL0,5

2. Жилые и общественные здания

Прямоугольной формы в плане без перепадов по высоте с полным каркасом и бескаркасные с несущими стенами из кирпича, крупных блоков или панелей:

а) протяженные многосекционные высотой до 9 этажей включительно;

б) несблокированные башенного типа высотой до 14 этажей включительно

6. Пески, кроме пылеватых при e0,7 в сочетании с глинистыми грунтами при e < 0,5 и IL < 0,5 независимо от порядка их залегания

 

Примечания

1. Таблицей допускается пользоваться для сооружений, в которых площади отдельных фундаментов под несущие конструкции отличаются не более чем в два раза, а также для сооружений иного назначения при аналогичных конструкциях и нагрузках.

2 Таблица не распространяется на производственные здания с нагрузками на полы свыше 20 кПа.

 

5.6. Расчет оснований по несущей способности

5.6.1. Целью расчета оснований по несущей способности является обеспечение прочности и устойчивости оснований, а также недопущение сдвига фундамента по подошве и его опрокидывания. Принимаемая в расчете схема разрушения основания (при достижении им предельного состояния) должна быть как статически, так и кинематически возможна для данного воздействия и конструкции фундамента или сооружения.

5.6.2. Расчет оснований по несущей способности производят исходя из условия

,                                                             (5.25)

где F - расчетная нагрузка на основание, кН, определяемая в соответствии с подразделом 5.2;

Fu - сила предельного сопротивления основания, кН;

gс - коэффициент условий работы, принимаемый:

для песков, кроме пылеватых............................................................................... 1,0

для песков пылеватых, а также глинистых грунтов в

стабилизированном состоянии............................................................................ 0,9

для глинистых грунтов в нестабилизированном состоянии............................. 0,85

для скальных грунтов:

невыветрелых и слабовыветрелых...................................................................... 1,0

выветрелых............................................................................................................. 0,9

сильновыветрелых................................................................................................. 0,8

gn - коэффициент надежности по назначению сооружения, принимаемый равным 1,2; 1,15 и 1,10 соответственно для сооружений I, II и III уровней ответственности.

Примечание - В случае неоднородных грунтов средневзвешенное значение gс принимают в пределах толщины b + 0,1b (но не более 0,5b) под подошвой фундамента, где b - сторона фундамента, м, в направлении которой предполагается потеря устойчивости, а b1 = 4 м.

5.6.3. Вертикальную составляющую силу предельного сопротивления основания Nu, кН, сложенного скальными грунтами, независимо от глубины заложения фундамента вычисляют по формуле

,                                                           (5.26)

где Rc - расчетное значение предела прочности на одноосное сжатие скального грунта, кПа;

b´ и l´ - соответственно приведенные ширина и длина фундамента, м, вычисляемые по формулам:

= b - 2 eb; l´ = l - 2 еl,                                                 (5.27)

здесь eb и еl - соответственно эксцентриситеты приложения равнодействующей нагрузок в направлении поперечной и продольной осей фундамента, м.

5.6.4. Сила предельного сопротивления основания, сложенного дисперсными грунтами в стабилизированном состоянии, должна определяться исходя из условия, что соотношение между нормальными σ и касательными t напряжениями по всем поверхностям скольжения, соответствующее предельному состоянию основания, подчиняется зависимости

t = σ tg j1 + c1,                                                        (5.28)

где j1, и c1 - соответственно расчетные значения угла внутреннего трения и удельного сцепления грунта (подраздел 5.3).

5.6.5. Сила предельного сопротивления основания, сложенного медленно уплотняющимися водонасыщенными глинистыми, органоминеральными и органическими грунтами (при степени влажности Sr0,85 и коэффициенте консолидации cv ≤ 107 см2/год), должна определяться с учетом возможного нестабилизированного состояния грунтов основания за счет избыточного давления в поровой воде и. При этом соотношение между нормальными σ и касательными t напряжениями принимают по зависимости

t = (σ - u) tg j1 + c1,                                                     (5.29)

где j1 и c1 - соответствуют стабилизированному состоянию грунтов основания и определяются по результатам консолидированного среза (ГОСТ 12248 и ГОСТ 20276).

Избыточное давление в поровой воде допускается определять методами фильтрационной консолидации грунтов с учетом скорости приложения нагрузки на основание.

При соответствующем обосновании (высокие темпы возведения сооружения или нагружения его эксплуатационными нагрузками, отсутствие в основании дренирующих слоев грунта или дренирующих устройств) допускается в запас надежности принимать j1 = 0, а c1 - соответствующим нестабилизированному состоянию грунтов основания и равным прочности грунта по результатам неконсолидированного среза си (ГОСТ 12248 и ГОСТ 20276) (см. 5.6.14).

5.6.6. При проверке несущей способности основания фундамента следует учитывать, что потеря устойчивости может происходить по следующим возможным вариантам (в зависимости от соотношения вертикальной и горизонтальной составляющих равнодействующей, а также значения эксцентриситета):

- плоский сдвиг по подошве;

- глубинный сдвиг;

- смешанный сдвиг (плоский сдвиг по части подошвы и глубинный сдвиг по поверхности, охватывающей оставшуюся часть подошвы).

Необходимо учитывать форму фундамента и характер его подошвы, наличие связей фундамента с другими элементами сооружения, напластование и свойства грунтов основания.

Проверку устойчивости основания отдельного фундамента следует производить с учетом работы основания всего сооружения в целом.

5.6.7. Расчет оснований по несущей способности в общем случае следует выполнять методами теории предельного равновесия, основанными на поиске наиболее опасной поверхности скольжения и обеспечивающими равенство сдвигающих и удерживающих сил. Возможные поверхности скольжения, отделяющие сдвигаемый массив грунта от неподвижного, могут быть приняты круглоцилиндрическими, ломаными, в виде логарифмической спирали и другой формы.

5.6.8. Возможные поверхности скольжения могут полностью или частично совпадать с выраженными ослабленными поверхностями в грунтовом массиве или пересекать слои слабых грунтов; при их выборе необходимо учитывать ограничения на перемещения грунта, вытекающие из конструктивных особенностей сооружения. При расчете должны учитываться различные сочетания нагрузок, отвечающие как периоду строительства, так и периоду эксплуатации сооружения.

5.6.9. Для каждой возможной поверхности скольжения вычисляют предельную нагрузку. При этом используют соотношения между вертикальными, горизонтальными и моментными компонентами нагрузки, которые ожидаются в момент потери устойчивости, и описывают нагрузку одним параметром. Этот параметр определяется из условия равновесия сил (в проекции на заданную ось) или моментов (относительно заданной оси). В качестве предельной нагрузки принимают минимальное значение.

5.6.10. В число рассматриваемых при определении равновесия сил включают вертикальные, горизонтальные и моментные нагрузки от сооружения, вес грунта, фильтрационные силы, силы трения и сцепления по выбранной поверхности скольжения, активное и (или) пассивное давление грунта на сдвигаемую часть грунтового массива вне поверхности скольжения.

5.6.11. Вертикальную составляющую силы предельного сопротивления Nu, кН, основания, сложенного дисперсными грунтами в стабилизированном состоянии, допускается определять по формуле (5.30), если фундамент имеет плоскую подошву и грунты основания ниже подошвы однородны до глубины не менее ее ширины, а в случае различной вертикальной пригрузки с разных сторон фундамента интенсивность большей из них не превышает 0,5R (R - расчетное сопротивление грунта основания, определяемое в соответствии с 5.5.8 - 5.5.25)

,                                     (5.30)

где    b´ и l´ - то же, что и в формуле (5.27), при этом буквой b обозначена сторона фундамента, в направлении которой предполагается потеря устойчивости основания;

Ng, Nq, Nc - безразмерные коэффициенты несущей способности, определяемые по таблице 5.10 в зависимости от расчетного значения угла внутреннего трения грунта j1 и угла наклона к вертикали δ равнодействующей внешней нагрузки на основание F в уровне подошвы фундамента;

g1 и g´1 - расчетные значения удельного веса грунтов, кН/м3, находящихся в пределах возможной призмы выпирания соответственно ниже и выше подошвы фундамента (при наличии подземных вод определяют с учетом взвешивающего действия воды для грунтов, находящихся выше водоупора);

с1 - расчетное значение удельного сцепления грунта, кПа;

d - глубина заложения фундамента, м (в случае неодинаковой вертикальной пригрузки с разных сторон фундамента принимают значение d, соответствующее наименьшей пригрузке, например, со стороны подвала);

ξg, ξq, ξc - коэффициенты формы фундамента, определяемые по формулам:

ξg = 1 - 0,25 / η, ξq = 1 + 1,5 / η; ξc = 1 + 0,3 / η,                            (5.31)

здесь η = l / b

l и b - соответственно длина и ширина подошвы фундамента, м, принимаемые в случае внецентренного приложения равнодействующей нагрузки равными приведенным значениям l´ и b´, определяемым по формуле (5.27).

Если η = l / b < 1, в формулах (5.31) следует принимать η = 1.

Таблица 5.10

Угол внутреннего трения грунта j1, град.

Обозначение коэффициентов

Коэффициенты несущей способности Ng, Nq и Nc при углах наклона к вертикали равнодействующей внешней нагрузки δ, град., равных

0

5

10

15

20

25

30

35

40

45

0

Ng

0

-

-

-

-

-

-

-

-

-

Nq

1,00

Nc

5,14

5

Ng

0,20

δ´ = 4,9

-

-

-

-

-

-

-

Nq

1,57

Nc

6,49

10

Ng

0,60

0,42

δ´ = 9,8

-

-

-

-

-

-

Nq

2,47

2,16

Nc

8,34

6,57

15

Ng

1,35

1,02

0,61

δ´ = 14,5

-

-

-

-

-

Nq

3,94

3,45

2,84

Nc

10,98

9,13

6,88

20

Ng

2,88

2,18

1,47

0,82

δ´ = 18,9

-

-

-

-

Nq

6,40

5,56

4,64

3,64

Nc

14,84

12,53

10,02

7,26

25

Ng

5,87

4,50

3,18

2,00

1,05

δ´ = 22,9

-

-

-

Nq

10,66

9,17

7,65

6,13

4,58

Nc

20,72

17,53

14,26

10,99

7,68

30

Ng

12,39

9,43

6,72

4,44

2,63

1,29

δ´ = 26,5

-

-

Nq

18,40

15,63

12,94

10,37

7,96

5,67

Nc

30,14

25,34

20,68

16,23

12,05

8,09

35

Ng

27,50

20,58

14,63

9,79

6,08

3,38

δ´ = 29,8

-

-

Nq

33,30

27,86

22,77

18,12

13,94

10,24

Nc

46,12

38,36

31,09

24,45

18,48

13,19

40

Ng

66,01

48,30

33,84

22,56

14,18

8,26

4,30

δ´ = 32,7

-

Nq

64,19

52,71

42,37

33,26

25,39

18,70

13,11

Nc

75,31

61,63

49,31

38,45

29,07

21,10

14,43

45

Ng

177,61

126,09

86,20

56,50

32,26

20,73

11,26

5,45

δ´ = 35,2

Nq

134,87

108,24

85,16

65,58

49,26

35,93

25,24

16,82

Nc

133,87

107,23

84,16

64,58

48,26

34,93

24,24

15,82

Примечания

1. При промежуточных значениях j1 и δ коэффициенты Ng, Nq и Nc допускается определять интерполяцией.

2. В фигурных скобках приведены значения коэффициентов несущей способности, соответствующие предельному значению угла наклона нагрузки δ´, исходя из условия (5.33).

Угол наклона к вертикали равнодействующей внешней нагрузки на основание определяют из условия

tg δ = Fh / Fv,                                                           (5.32)

где Fh и Fv - соответственно горизонтальная и вертикальная составляющие внешней нагрузки F на основание в уровне подошвы фундамента, кН.

Расчет по формуле (5.30) допускается выполнять, если соблюдается условие

tg δ < sin j1.                                                             (5.33)

Примечания

1. При использовании формулы (5.30) в случае неодинаковой пригрузки с разных сторон фундамента в составе горизонтальных нагрузок следует учитывать активное давление грунта.

2. Если условие (5.33) не выполняется, следует производить расчет фундамента на сдвиг по подошве (5.6.12).

3. При соотношении сторон фундамента η > 5 фундамент рассматривается как ленточный и коэффициенты ξg, ξq и ξc принимают равными единице.

5.6.12. Расчет фундамента на сдвиг по подошве производят исходя из условия

,                                                 (5.34)

где    ΣFs,a и ΣFs,r - суммы проекций на плоскость скольжения соответственно расчетных сдвигающих и удерживающих сил, кН, определяемых с учетом активного и пассивного давлений грунта на боковые грани фундамента, коэффициента трения подошвы фундамента по грунту, а также силы гидростатического противодавления (при уровне подземных вод выше подошвы фундамента);

gc и gn - то же, что и в формуле (5.25).

5.6.13. Расчет на плоский сдвиг по подошве производят при наличии горизонтальной составляющей нагрузки на фундамент в случаях:

- нарушения условия (5.33) применимости формулы (5.30);

- наличия слоя грунта с низкими значениями прочностных характеристик непосредственно под подошвой фундамента;

- в случаях, указанных в 5.6.14.

5.6.14. Предельное сопротивление основания (однородного ниже подошвы фундамента до глубины не менее 0,75b), сложенного медленно уплотняющимися водонасыщенными грунтами (5.6.5), допускается определять следующим образом.

а) вертикальную составляющую силы предельного сопротивления основания ленточного фундамента пи, кН/м, - по формуле

пи = b´[q + (1 + p + cos a) c1],                                       (5.35)

где    b´ - то же, что и в формуле (5.26);

q - пригрузка с той стороны фундамента, в направлении которой действует горизонтальная составляющая нагрузки, кПа;

c1 = сu - то же, что и в 5.6.5;

p = 3,14;

a - угол, рад, определяемый по формуле

a = arcsin (fh / b´c1),                                                   (5.36)

здесь fh - горизонтальная составляющая расчетной нагрузки на 1 м длины фундамента с учетом активного давления грунта, кН/м.

Формулу (5.35) допускается использовать, если выполняется условие

fh ≤ b´c1.                                                               (5.37)

б) силу предельного сопротивления основания прямоугольного (l ≤ 3b) фундамента при действии на него вертикальной нагрузки допускается определять по формуле (5.30), полагая

j1 = 0,ξc = 1 + 0,11 / η и c1 = cu.

Во всех случаях, если на фундамент действуют горизонтальные нагрузки и основание сложено грунтами в нестабилизированном состоянии, следует производить расчет фундамента на сдвиг по подошве (5.6.12).

5.7. Особенности проектирования оснований при реконструкции сооружений

5.7.1. Техническое задание на проектирование оснований и фундаментов реконструируемых сооружений должно включать сведения о целях реконструкции (надстройка существующего сооружения, пристройка к нему новой части, устройство подземной части и т.п.), характеристику здания, уровень ответственности, нагрузки и другие данные, необходимые для проектирования.

5.7.2. Исходные данные должны также содержать отчет об инженерно-геологических изысканиях площадки строительства на момент реконструкции с результатами определений характеристик грунтов, в том числе полученными по испытаниям образцов, отобранных из-под подошвы фундаментов, и отчет с результатами обследования оснований, фундаментов и конструкций сооружения. Особое внимание должно уделяться прочностным характеристикам материалов, наличию в конструкциях разрушений, деформаций, трещин.

5.7.3. По полученным данным проверяют фактические давления на грунты основания под подошвой существующих фундаментов и устанавливают необходимость усиления основания. При выбранных способах усиления основания и конструкции фундаментов и подземной части здания должны быть рассчитаны на фактические нагрузки и воздействия, возникающие в результате реконструкции, а также в процессе строительства.

5.7.4. При проектировании усиления оснований и фундаментов необходимо учитывать состояние конструкций подземной и наземной частей, а также особенности производства работ по усилению оснований, фундаментов, подземной и наземной частей сооружения.

В проектах реконструируемых сооружений должны приниматься такие решения по устройству оснований и фундаментов, при которых максимально используются существующие конструкции фундаментов и свойства грунтов. Производство работ при реконструкции не должно приводить к возникновению недопустимых дополнительных осадок сооружения (см. 5.7.6).

5.7.5. Расчетное сопротивление грунта основания сооружения при его предстоящей надстройке определяют по формуле (5.5) с учетом требований 5.5.23. При усилении конструкций фундаментов железобетонной обоймой (рубашкой) толщиной до 10 см площадь подошвы рубашки при расчете основания не учитывают.

5.7.6. Дополнительная осадка основания реконструируемого сооружения, вызванная реконструкцией, не должна превышать предельной дополнительной осадки, которая устанавливается с учетом уровня ответственности сооружения и категории состояния его конструкций (приложение В).

5.7.7. Расчет конструкций фундаментов при реконструкции производят по двум группам предельных состояний:

а) первой группы - по прочности;

б) второй группы - по образованию и раскрытию трещин.

Расчеты фундаментов производят в соответствии с разделом 12.

5.7.8. При устройстве в реконструируемых сооружениях подземных сооружений (подвалов, тоннелей и т.п.) должны учитываться: дополнительное активное горизонтальное давление; уменьшение несущей способности фундаментов.

Если реконструкция вызывает увеличение нагрузок, необходимо оценивать несущую способность основания, особенно при наличии фундаментов с глубиной заложения менее 0,5 м.

5.7.9. При устройстве нового фундамента ниже существующего допустимая разность Dh отметок заложения соседних одиночных или ленточных фундаментов должна определяться по формуле (12.3).

5.7.10. При уширении фундаментов и подводке под сооружение нового железобетонного фундамента расчет фундаментов по прочности производят как для вновь возводимых в соответствии с подразделами 12.3 и 12.4.

5.7.11. При проектировании под реконструируемым сооружением сплошной плиты ее расчет производят в соответствии с подразделом 12.5.

5.7.12. При расположении реконструируемого сооружения рядом с существующими сооружениями следует производить проверку его влияния на эти сооружения.

5.7.13. Проектирование оснований и фундаментов при реконструкции должно вестись с учетом динамических воздействий от оборудования, установленного в зданиях, наземного и подземного транспорта, производства строительных работ и других источников на основе данных инструментальных измерений вибраций.

5.7.14. При реконструкции фундаментов производственных зданий с целью снижения вибраций необходимо проводить расчет колебаний для двух состояний сооружения - до реконструкции и после нее. Расчет колебаний до реконструкции должен давать результаты, согласующиеся с полученными в ходе вибрационного обследования экспериментальными данными. При необходимости осуществляют уточнение отдельных параметров или всей расчетной схемы.

5.8. Мероприятия по уменьшению деформаций оснований и влияния их на сооружения

5.8.1. Для выполнения требований расчета оснований по предельным состояниям, кроме возможности и целесообразности изменения размеров фундаментов в плане или глубины их заложения (включая прорезку грунтов со специфическими свойствами), введения дополнительных связей, ограничивающих перемещения фундаментов, применения других типов фундаментов, изменения нагрузок на основание и т.д., следует рассмотреть необходимость применения:

а) мероприятий по предохранению грунтов основания от ухудшения их свойств (5.8.2);

б) мероприятий, направленных на преобразование строительных свойств грунтов (5.8.3);

в) конструктивных мероприятий, уменьшающих чувствительность сооружений к деформациям основания (5.8.4);

г) выравнивания сооружений или отдельных их частей: стационарным, а также временным специальным оборудованием; выбуриванием грунта из-под подошвы фундаментов; регулируемым замачиванием.

При проектировании следует также учитывать возможность регулирования усилий в конструкциях сооружения, возникающих при его взаимодействии с основанием (5.8.5), а также регулирования напряженно-деформированного состояния грунта основания (5.8.7).

Выбор одного или комплекса мероприятий должен производиться с учетом требований 4.1.

5.8.2. К мероприятиям, предохраняющим грунты основания от ухудшения их строительных свойств, относятся:

а) водозащитные мероприятия на площадках, сложенных грунтами, чувствительными к изменению влажности (соответствующая компоновка генеральных планов, вертикальная планировка территории, обеспечивающая сток поверхностных вод, устройство дренажей, противофильтрационных завес и экранов, прокладка водопроводов в специальных каналах или размещение их на безопасных расстояниях от сооружений, контроль за возможными утечками воды и т.п.);

б) защита грунтов основания от химически активных жидкостей, способных привести к просадкам, набуханию, активизации карстовых явлений, повышению агрессивности подземных вод и т.п.;

в) ограничение источников внешних воздействий (например, вибраций);

г) предохранительные мероприятия, осуществляемые в процессе строительства сооружений (сохранение природной структуры и влажности грунтов, соблюдение технологии устройства оснований, фундаментов, подземных и наземных конструкций, не допускающей изменения принятой в проекте схемы и скорости передачи нагрузки на основание, особенно при наличии в основании медленно консолидирующихся грунтов и т.п.).

5.8.3. Преобразование строительных свойств грунтов основания (устройство искусственных оснований) достигается:

а) уплотнением грунтов (трамбованием тяжелыми трамбовками, устройством грунтовых свай, вытрамбовыванием котлованов под фундаменты, предварительным замачиванием грунтов, использованием энергии взрыва, глубинным гидровиброуплотнением, вибрационными машинами, катками и т.п.);

б) полной или частичной заменой в основании (в плане и по глубине) грунтов с неудовлетворительными свойствами подушками из песка, гравия, щебня и т.п.;

в) устройством насыпей (отсыпкой или гидронамывом);

г) закреплением грунтов (инъекционным, электрохимическим, буросмесительным, термическим и другими способами);

д) введением в грунт специальных добавок (например, засолением грунта или пропиткой его нефтепродуктами для ликвидации пучинистых свойств);

е) армированием грунта (введением специальных пленок, сеток и т.п.).

5.8.4. Конструктивные мероприятия, уменьшающие чувствительность сооружений к деформациям основания, включают:

а) рациональную компоновку сооружения в плане и по высоте;

б) повышение прочности и пространственной жесткости сооружений, достигаемое усилением конструкций, особенно конструкций фундаментно-подвальной части, в соответствии с результатами расчета сооружения во взаимодействии с основанием (введение дополнительных связей в каркасных конструкциях, устройство железобетонных или армокаменных поясов, разрезка сооружений на отсеки и т.п.);

в) увеличение податливости сооружений (если это позволяют технологические требования) за счет применения гибких или разрезных конструкций;

г) устройство приспособлений для выравнивания конструкций сооружения и рихтовки технологического оборудования.

Примечания

1. Габариты приближения к строительным конструкциям подвижного технологического оборудования (мостовых кранов, лифтов и т.п.) должны обеспечивать их нормальную эксплуатацию с учетом возможных деформаций основания.

2. Для обеспечения нормальной эксплуатации лифтов многоэтажных зданий лифтовые шахты необходимо проектировать с учетом крена сооружения.

5.8.5. К мероприятиям, позволяющим уменьшить усилия в конструкциях сооружения при взаимодействии его с основанием, относятся:

- размещение сооружения на площади застройки с учетом ее инженерно-геологического строения и возможных источников вредных влияний (линз слабых грунтов, старых горных выработок, карстовых полостей, внешних водоводов и т.п.);

- применение соответствующих конструкций фундаментов (фундаментов с малой боковой поверхностью на подрабатываемых территориях, при наличии в основании пучинистых грунтов и др.);

- засыпка пазух и устройство подушек под фундаментами из материалов, обладающих малым сцеплением и трением, применение специальных антифрикционных покрытий, отрывка временных компенсационных траншей для уменьшения усилий от горизонтальных деформаций оснований (например, в районах горных выработок);

- регулирование сроков замоноличивания стыков сборных и сборно-монолитных конструкций;

- обоснованная скорость и последовательность возведения отдельных частей сооружения;

- устройство разделительных стенок между существующими и возводимым сооружением.

5.8.6. В случаях, когда строительными мерами защиты и инженерной подготовки грунтов основания не исключаются деформации и крены сооружений, превышающие допустимые значения, основания следует проектировать с учетом мероприятий, снижающих осадки и крены, в том числе с применением выравнивания сооружения.

При проектировании сооружений с учетом возможности их выравнивания с помощью домкратов следует выполнять расчет конструкций на воздействие неравномерных деформаций основания в стадии выравнивания. Расчетом на выравнивание необходимо проверить несущую способность и устойчивость конструкций фундаментов подвальной части зданий, воспринимающих сосредоточенную нагрузку от выравнивающих устройств, и глубину заложения фундаментов, включая проверку на устойчивость основания при передаче на него давления от выравнивающих устройств.

5.8.7. Регулирование напряженно-деформированного состояния грунта основания с целью уменьшения его деформируемости или повышения несущей способности может быть выполнено созданием принудительной деформации грунтов или приложением постоянно действующего давления в грунте следующими способами:

- нагнетанием в ограниченный объем грунта твердеющего раствора (компенсационное нагнетание);

- деформацией путем устройства в грунте пневматических конструкций, способных расширяться в грунте;

- обжатием грунта атмосферным давлением (вакуумирование) и др.

6. Особенности проектирования оснований сооружений, возводимых на специфических грунтах и в особых условиях

6.1. Просадочные грунты

6.1.1. Основания, сложенные просадочными грунтами, должны проектироваться с учетом их особенности, заключающейся в том, что при повышении влажности выше определенного уровня происходит потеря прочности грунта и они дают дополнительные деформации - просадки - от внешней нагрузки и (или) собственного веса грунта.

6.1.2. При проектировании оснований, сложенных просадочными грунтами, следует учитывать возможность повышения их влажности за счет:

а) замачивания грунтов - сверху из внешних источников и (или) снизу при подъеме уровня подземных вод;

б) накопления влаги в грунте вследствие инфильтрации поверхностных вод и экранирования поверхности.

6.1.3. Просадочные грунты характеризуются относительной просадочностью esl и начальным просадочным давлением psl. Указанные характеристики определяют в соответствии с 6.1.12 и 6.1.14.

Нормативные значения esl и psl вычисляют как средние значения результатов их определений (ГОСТ 20522), а расчетные значения допускается принимать равными нормативным (gg = 1).

6.1.4. При проектировании оснований, сложенных просадочными грунтами, должны учитываться:

а) просадки от внешней нагрузки ssl,p, происходящие в пределах верхней зоны просадки hsl,p, измеряемой от подошвы фундамента до глубины, где суммарные вертикальные напряжения от внешней нагрузки и собственного веса грунта равны начальному просадочному давлению или сумма указанных напряжений минимальна (см. 6.1.15);

б) просадки от собственного веса грунта ssl,g, происходящие в нижней зоне просадки hsl,g, начиная с глубины, где суммарные вертикальные напряжения превышают начальное просадочное давление psl или сумма вертикальных напряжений от собственного веса грунта и внешней нагрузки минимальна, и до нижней границы просадочной толщи;

в) неравномерность просадки грунтов Dssl;

г) горизонтальные перемещения основания usl в пределах криволинейной части просадочной воронки при просадке грунтов от собственного веса;

д) потеря устойчивости откосов и склонов;

е) дополнительные нагрузки вследствие образования в грунтовой толще водных куполов.

Примечание - Просадку грунтов учитывают при относительной просадочности esl0,01.

6.1.5. При определении просадок грунтов и их неравномерности следует учитывать: характер планировки территории (наличие выемок и срезки или насыпей и подсыпок, которые оказывают влияние на напряженное состояние грунтов основания, а также на вид и размер просадок); возможные виды, размеры и места расположения источников замачивания грунтов; конструктивные особенности сооружения, в частности наличие тоннелей, подвалов под частью сооружения и т.п.; дополнительные нагрузки на глубокие фундаменты, уплотненные и закрепленные массивы от сил негативного трения, возникающих при просадках грунтов от собственного веса.

Кроме того, необходимо учитывать, что при замачивании сверху больших площадей (ширина замачиваемой площади Bw равна или превышает толщину слоя просадочного грунта - просадочную толщу Hsl) и замачивании снизу за счет подъема уровня подземных вод полностью проявляется просадка от собственного веса ssl,g, а при замачивании сверху малых площадей (Bw < Hsl) проявляется лишь только часть ее s´sl,g (см. 6.1.18).

Примечание - При определении неравномерности просадок грунтов следует учитывать возможные наиболее неблагоприятные виды и места расположения источников замачивания по отношению к рассчитываемому фундаменту или сооружению в целом.

6.1.6. Грунтовые условия площадок, сложенных просадочными грунтами, в зависимости от возможности проявления просадки грунтов от собственного веса подразделяют на два типа:

I тип - грунтовые условия, в которых возможна в основном просадка грунтов от внешней нагрузки, а просадка грунтов от собственного веса отсутствует или не превышает 5 см;

II тип - грунтовые условия, в которых помимо просадки грунтов от внешней нагрузки возможна их просадка от собственного веса и размер ее превышает 5 см.

6.1.7. Расчет оснований, сложенных просадочными грунтами, производят в соответствии с требованиями раздела 5.

При этом деформации основания определяют суммированием осадок и просадок. Осадки основания определяют без учета просадочных свойств грунтов исходя из деформационных характеристик грунтов при установившейся влажности, а просадки - в соответствии с требованиями 6.1.2 - 6.1.5.

Установившееся значение влажности принимают равным природной влажности w, если wwp, и влажности на границе раскатывания wp если w < wp.

Примечание - Следует также учитывать осадки подстилающих просадочную толщу грунтов, которые могут быть вызваны изменением напряженного состояния грунтового массива из-за нагрузок: от зданий и сооружений, грунтовых подушек, подсыпок при выполнении вертикальной планировки, а также от веса воды при водонасыщении просадочной толщи и т.п.

6.1.8. Расчетное сопротивление грунта основания R при возможном замачивании просадочных грунтов (6.1.2, а) принимают равным:

а) начальному просадочному давлению psl при устранении возможности просадки грунтов от внешней нагрузки путем снижения давления по подошве фундамента;

б) значению, вычисленному по формуле (5.5) с использованием расчетных значений прочностных характеристик (jII и cII) в водонасыщенном состоянии.

При невозможности замачивания просадочных грунтов расчетное сопротивление грунта основания R определяют по формуле (5.5) с использованием прочностных характеристик этих грунтов при установившейся влажности (6.1.7).

При определении расчетного сопротивления грунта основания при возможности его замачивания до полного водонасыщения коэффициенты условий работы gс1 и gс2 принимают по таблице 5.2 как для глинистых грунтов с показателем текучести IL > 0,5, а при невозможности замачивания - с показателем текучести IL0,5.

6.1.9. Предварительные размеры фундаментов сооружений I и II уровней ответственности, возводимых на просадочных грунтах, назначают исходя из расчетных сопротивлений основания R0, принимаемых по таблице Д.4 приложения Д.

Указанными значениями R0 допускается пользоваться также для назначения окончательных размеров фундаментов сооружений III уровня ответственности, в которых отсутствует мокрый процесс.

6.1.10. При устранении просадочных свойств грунтов уплотнением или закреплением необходимо обеспечить, чтобы полное давление на кровлю подстилающего неуплотненного или незакрепленного слоя не превышало начальное просадочное давление psl.

6.1.11. Просадку грунтов основания ssl, см, при увеличении их влажности вследствие замачивания сверху больших площадей (см. 6.1.5), а также замачивания снизу при подъеме уровня подземных вод определяют по формуле

,                                                        (6.1)

где    esl,i - относительная просадочность i-го слоя грунта, определяемая в соответствии с 6.1.12;

hi - толщина i-го слоя, см;

ksl,i - коэффициент, определяемый в соответствии с 6.1.13;

п - число слоев, на которое разбита зона просадки hsl, принимаемое в соответствии с 6.1.17.

6.1.12. Относительную просадочность грунта esl определяют на основе испытаний грунта в лабораторных условиях (ГОСТ 23161) по формуле

,                                                         (6.2)

где    hn,p и hsat,p - высота образца, см, соответственно природной влажности и после его полного водонасыщения (w = wsat) при давлении р, кПа, равном вертикальному напряжению на рассматриваемой глубине от внешней нагрузки и собственного веса грунта р = σzp + σzg при определении просадки грунта в верхней зоне просадки; при определении просадки грунта в нижней зоне просадки также учитывают дополнительную нагрузку от сил негативного трения;

hn,g - высота, см, того же образца природной влажности при р = σzg

Значение esl может быть определено также в полевых условиях по испытаниям грунта штампом с замачиванием (ГОСТ 20276).

6.1.13. Коэффициент ksl,i, входящий в формулу (6.1), при b12 м принимают равным единице для всех слоев грунта в пределах зоны просадки; при b3 м вычисляют по формуле

ksl,i = 0,5 + 1,5 (p - psl,i) / p0,                                             (6.3)

где    р - среднее давление под подошвой фундамента, кПа;

psl,i - начальное просадочное давление грунта i-го слоя, кПа, определяемое в соответствии с 6.1.14;

Р0 - давление, равное 100 кПа.

При 3 м < b < 12 м ksl,i определяют интерполяцией.

При определении просадки грунта от собственного веса следует принимать ksl = 1 при Hsl15 м и ksl = 1,25 при Hsl20 м, при промежуточных значениях Hsl коэффициент ksl определяют интерполяцией.

6.1.14. За начальное просадочное давление psl принимают давление, соответствующее:

- при лабораторных испытаниях грунтов в компрессионных приборах (ГОСТ 23161) - давлению, при котором относительная просадочность esl равна 0,01;

- при полевых испытаниях штампами предварительно замоченных грунтов (ГОСТ 20276) - давлению, равному пределу пропорциональности на графике «нагрузка-осадка»;

- при замачивании грунтов в опытных котлованах - вертикальному напряжению от собственного веса грунта на глубине, начиная с которой происходит просадка грунта от собственного веса.


а - просадка от собственного веса ssl,g отсутствует (не превышает 5 см), возможна только просадка от внешней нагрузки ssl,p в верхней зоне просадки hsl,p (I тип грунтовых условий); б, в, г - возможна просадка от собственного веса ssl,g в нижней зоне просадки hsl,g, начиная с глубины zg (II тип грунтовых условий); б - верхняя и нижняя зоны просадки не сливаются, имеется нейтральная зона hn; в - верхняя и нижняя зоны просадки сливаются; г - просадка от внешней нагрузки отсутствует; 1 - вертикальные напряжения от собственного веса грунта σzg; 2 - суммарные вертикальные напряжения от внешней нагрузки и собственного веса грунта σz = σzp + σzg; 3 - изменение с глубиной начального просадочного давления psl; Hsl - толщина слоя просадочных грунтов (просадочная толща); d - глубина заложения фундамента

Рисунок 6.1. - Схемы к расчету просадок основания


6.1.15. Толщину зоны просадки грунта hsl принимают равной (рисунок 6.1):

толщине верхней зоны просадочной толщи hsl,p при определении просадки грунта от внешней нагрузки ssl,p (6.1.4), при этом нижняя граница указанной зоны соответствует глубине, где σz = σzp + σzg = рsl (рисунок 6.1 а, б) или глубине, где значение σz минимально, если σz,min > psl (рисунок 6.1, в);

толщине нижней зоны просадочной толщи hsl,g при определении просадки грунта от собственного веса ssl,g, (6.1.4 и 6.1.5), т.е. начиная с глубины zg, где σz = psl, или значение σz минимально, если σz,min > psl, и до нижней границы просадочной толщи.

6.1.16. При отсутствии опытных определений начального просадочного давления суммирование по формуле (6.1) производят до глубины, на которой относительная просадочность esl от давления pi равна 0,01.

6.1.17. Для расчета просадки грунта от нагрузки фундамента просадочную толщу разбивают на отдельные слои hi в соответствии с литологическим разрезом и горизонтами определения esl,i. При этом толщина слоев должна быть не более 2 м, а изменение суммарного напряжения в пределах каждого слоя не должно превышать 200 кПа. При расчете просадок по формуле (6.1) учитывают только слои грунта, относительная просадочность которых при фактическом напряжении esl0,01. Слои, в которых esl < 0,01, исключают из рассмотрения. Указанные требования относятся и к расчету максимальной просадки грунта от собственного веса по формуле (6.1).

6.1.18. Возможную просадку грунта от собственного веса s´sl,g, см, при замачивании сверху малых площадей (ширина замачиваемой площади Bw меньше размера просадочной толщи Hsl) определяют по формуле

,                                         (6.4)

где    ssl,g - максимальное значение просадки грунта от собственного веса, см, определяемое в соответствии с 6.1.11.

6.1.19. При проектировании оснований, сложенных просадочными грунтами, в случае их возможного замачивания (6.1.2, а) должны предусматриваться мероприятия, исключающие или снижающие до допустимых пределов просадки оснований и (или) уменьшающие их влияние на эксплуатационную пригодность сооружений в соответствии с 6.1.21 и 6.1.22.

В случае невозможности замачивания основания в течение всего срока эксплуатации сооружения (с учетом его возможной реконструкции) просадочные свойства грунтов допускается не учитывать, однако в расчетах должны использоваться физико-механические характеристики грунтов, соответствующие установившейся влажности (см. 6.1.7).

6.1.20. Расчет просадки в грунтовых условиях I типа не производят, если в пределах всей просадочной толщи сумма вертикальных напряжений от внешней нагрузки и от собственного веса грунта не превышает начальное просадочное давление psl.

6.1.21. При возможности замачивания грунтов основания (см. 6.1.2) следует предусматривать одно из следующих мероприятий:

а) устранение просадочных свойств грунтов в пределах всей просадочной толщи (6.1.22);

б) прорезку просадочной толщи фундаментами, в том числе свайными и массивами из закрепленного грунта (6.1.23);

в) комплекс мероприятий, включающий частичное устранение просадочных свойств грунтов, водозащитные и конструктивные мероприятия (подраздел 5.8).

В грунтовых условиях II типа наряду с устранением просадочных свойств грунтов или прорезкой просадочной толщи глубокими фундаментами должны предусматриваться водозащитные мероприятия, а также соответствующая компоновка генплана.

Выбор мероприятий должен производиться с учетом типа грунтовых условий, вида возможного замачивания, расчетной просадки, взаимосвязи проектируемых сооружений с соседними объектами и коммуникациями в соответствии с требованиями 4.1.

6.1.22. Устранение просадочных свойств грунтов достигается:

а) в пределах верхней зоны просадки или ее части уплотнением тяжелыми трамбовками, устройством грунтовых подушек, вытрамбовыванием котлованов, в том числе с устройством уширения из жесткого материала (бетона, щебня, песчано-гравийной смеси), химическим или термическим закреплением;

б) в пределах всей просадочной толщи - глубинным уплотнением грунтовыми сваями, предварительным замачиванием грунтов основания, в том числе с глубинными взрывами, химическим или термическим закреплением.

6.1.23. При проектировании глубоких фундаментов следует учитывать:

в грунтовых условиях I типа - сопротивление грунта по боковой поверхности фундаментов;

в грунтовых условиях II типа - негативное трение грунта по боковой поверхности фундаментов, возникающее при просадке грунтов от собственного веса.

6.2. Набухающие грунты

6.2.1. Основания, сложенные набухающими грунтами, должны проектироваться с учетом способности таких грунтов при повышении влажности увеличиваться в объеме - набухать. При последующем понижении влажности у набухающих грунтов происходит обратный процесс - усадка.

Необходимо учитывать, что способностью набухать при увеличении влажности обладают некоторые виды шлаков (например, шлаки электроплавильных производств), а также обычные глинистые грунты, не набухающие при увеличении влажности, если они замачиваются химическими отходами производств (например, растворами серной кислоты).

Возможность набухания шлаков при их увлажнении и глинистых грунтов при замачивании химическими отходами производств устанавливают опытным путем в лабораторных или полевых условиях.

6.2.2. Набухающие грунты характеризуются относительным набуханием при заданном давлении esw, давлением набухания psw, влажностью набухания wsw, и относительной усадкой при высыхании esh.

Указанные характеристики определяют в соответствии с 6.2.7, 6.2.10 и 6.2.16.

6.2.3. При проектировании оснований, сложенных набухающими грунтами, следует учитывать возможность:

- набухания грунтов за счет подъема уровня подземных вод или инфильтрации - увлажнения грунтов производственными или поверхностными водами;

- набухания грунтов за счет накопления влаги под сооружениями в ограниченной по глубине зоне вследствие нарушения природных условий испарения при застройке и асфальтировании территории (экранирование поверхности);

- набухания и усадки грунта в верхней части зоны аэрации - за счет изменения водно-теплового режима (сезонных климатических факторов);

- усадки за счет высыхания от воздействия тепловых источников.

Примечание - При проектировании заглубленных частей сооружений необходимо учитывать горизонтальное давление, возникающее при набухании и усадке грунтов.

6.2.4. Горизонтальное давление ph, кПа, определяют по формуле

,                                                          (6.5)

где gс - коэффициент условий работы, равный 0,85;

ksw - коэффициент, зависящий от интенсивности набухания и принимаемый по таблице 6.1;

pmax,h - максимальное горизонтальное давление, определяемое в лабораторных условиях, кПа.

Таблица 6.1

Интенсивность набухания за 1 сут, %

0,1

0,2

0,3

0,4

0,5

0,6

0,7

ksw

1,40

1,25

1,12

1,05

1,02

1,01

1,00

6.2.5. Основания, сложенные набухающими грунтами, должны рассчитываться в соответствии с требованиями раздела 5.

Деформации основания в результате набухания или усадки грунта должны определяться путем суммирования деформаций отдельных слоев основания согласно 6.2.9 и 6.2.15.

При определении деформаций основания осадка его от внешней нагрузки и возможная осадка от уменьшения влажности набухающего грунта должны суммироваться. Подъем основания в результате набухания грунта определяют в предположении, что осадки основания от внешней нагрузки стабилизировались.

Предельные значения деформаций, вызываемых набуханием (усадкой) грунтов, допускается принимать в соответствии с указаниями приложения Е с учетом требований 5.5.50.

6.2.6. При расчете оснований из набухающих грунтов должны применяться характеристики грунтов при их природной плотности и влажности. При расчете оснований из набухающих грунтов после их предварительного замачивания используют характеристики грунта в замоченном состоянии.

Расчетное сопротивление грунтов оснований, сложенных набухающими грунтами, вычисляют по формуле (5.5). При этом рекомендуется учитывать допустимость его повышения согласно указаниям 5.5.24, что будет способствовать уменьшению подъема фундамента при набухании грунта.

6.2.7. Относительное набухание esw, давление набухания psw и относительную усадку esh определяют по результатам лабораторных испытаний (ГОСТ 24143) с учетом указанных в 6.2.3 причин набухания или усадки. Эти характеристики могут быть получены также по данным полевых испытаний грунтов штампом (за исключением слабонабухающих грунтов).

6.2.8. Нормативные значения характеристик esw и esh набухающих грунтов вычисляют как средние значения результатов их определений (ГОСТ 20522). Расчетные значения этих характеристик допускается принимать равными нормативным (gg = 1).

6.2.9. Подъем основания при набухании грунта hsw, см, определяют по формуле

,                                                  (6.6)

где    esw,i - относительное набухание грунта i-го слоя, определяемое в соответствии с 6.2.10;

hi - толщина i-го слоя грунта, см;

ksw,i - коэффициент, определяемый в соответствии с 6.2.12;

п - число слоев, на которое разбита зона набухания грунта.

6.2.10. Относительное набухание грунта при инфильтрации влаги определяют по формуле

,                                                      (6.7)

где    hn - высота образца, см, природной влажности и плотности, обжатого без возможности бокового расширения давлением р, равным суммарному вертикальному напряжению на рассматриваемой глубине (значение определяют в соответствии с 6.2.13);

hsat - высота того же образца, см, после замачивания до полного водонасыщения и обжатого в тех же условиях.

По результатам испытаний образцов грунта при различном давлении строят зависимости esw = f(p) и wsw = f(p) и определяют давление набухания psw, соответствующее esw = 0.

При экранировании поверхности и изменении водно-теплового режима относительное набухание esw определяют по формуле

esw = k (weq - w0) / (1 + е0),                                             (6.8)

где    k - коэффициент, определяемый опытным путем (при отсутствии опытных данных принимают равным 2);

weq - конечная (установившаяся) влажность грунта, доли единицы, определяемая по 6.2.11;

w0 и е0 - соответственно начальные значения влажности и коэффициента пористости грунта, доли единицы.

6.2.11. Значение weq i-го слоя при экранировании поверхности определяют по экспериментальной зависимости влажности набухания от нагрузки wsw = f(p) при давлении pi, кПа, вычисляемом по формуле

pi = gw (z - zi + tot,i / gi),                                                (6.9)

где    gw - удельный вес воды, кН/м3;

z - расстояние от экранируемой поверхности до уровня подземных вод;

zi - глубина залегания рассматриваемого слоя, м;

σtot,i - суммарное напряжение в рассматриваемом i-м слое, кПа;

gi - удельный вес грунта i-го слоя, кН/м3.

Значение (weq - w0) в формуле (6.8) при изменении водно-теплового режима определяют как разность между наибольшим (в период максимального увлажнения) и наименьшим (в период максимального подсыхания) значениями влажности грунта. Коэффициент пористости в этом случае принимают для влажности грунта, отвечающей периоду максимального подсыхания. Профиль влажности массива для случая максимального увлажнения и подсыхания определяют экспериментальным путем в полевых условиях.

6.2.12. Коэффициент ksw, входящий в формулу (6.6), в зависимости от суммарного вертикального напряжения σz,tot на рассматриваемой глубине принимают равным 0,8 при σz,tot = 50 кПа и ksw = 0,6 при σz,tot = 300 кПа, а при промежуточных значениях определяют интерполяцией.

6.2.13. Суммарное вертикальное напряжение σz,tot, кПа, на глубине z от подошвы фундамента (рисунок 6.2) определяют по формуле

σz,tot = σzp + σzg + σz,ad,                                                     (6.10)

где    σzp, σzg - вертикальные напряжения соответственно от нагрузки фундамента и от собственного веса грунта, кПа;

σz,ad - дополнительное вертикальное давление, кПа, вызванное влиянием веса неувлажненной части массива грунта за пределами площади замачивания, определяемое по формуле

σz,ad = kg g (d + z),                                                        (6.11)

здесь kg - коэффициент, принимаемый по таблице 6.2.

g - удельный вес грунта, кН/м3;

(d + z) - см. рисунок 6.2.

Рисунок 6.2. - Схема к расчету подъема основания при набухании грунта

Таблица 6.2

(d + z) / Bw

Коэффициент kg при отношении длины к ширине замачиваемой площади Lw / Bw, равном

1

2

3

4

5

0,5

0

0

0

0

0

1

0,58

0,50

0,43

0,36

0,29

2

0,81

0,70

0,61

0,50

0,40

3

0,94

0,82

0,71

0,59

0,47

4

1,02

0,89

0,77

0,64

0,53

5

1,07

0,94

0,82

0,69

0,77

6.2.14. Нижнюю границу зоны набухания Hsw, см (рисунок 6.2):

а) при инфильтрации влаги принимают на глубине, где суммарное вертикальное напряжение σz,tot (6.2.13) равно давлению набухания psw;

б) при экранировании поверхности и изменении водно-теплового режима определяют опытным путем (при отсутствии опытных данных принимают равной 5 м).

При наличии подземных вод нижнюю границу зоны набухания принимают на 3 м выше начального уровня подземных вод, но не ниже установленного в позиции а).

6.2.15. Осадку основания в результате высыхания набухшего грунта ssh, см, определяют по формуле

,                                                         (6.12)

где    esh,i - относительная линейная усадка грунта i-го слоя, определяемая в соответствии с 6.2.16;

hi - толщина i-го слоя грунта, см;

ksh - коэффициент, принимаемый равным 1,3;

п - число слоев, на которое разбита зона усадки грунта, принимаемая в соответствии с 6.2.17.

Допускается принимать esh,i, определяемую без нагрузки, при этом ksh = 1,2.

6.2.16. Относительную линейную усадку грунта при его высыхании esh определяют по формуле

esh = (hn - hd) / hn,                                                         (6.13)

где    hn - высота образца грунта, см, после его максимального набухания при обжатии его суммарным вертикальным напряжением без возможности бокового расширения;

hd - высота образца, см, в тех же условиях после уменьшения влажности в результате высыхания.

6.2.17. Нижнюю границу зоны усадки Hsh определяют экспериментальным путем, а при отсутствии опытных данных принимают равной 5 м.

При высыхании грунта в результате теплового воздействия технологических установок нижнюю границу зоны усадки Hsh определяют опытным путем или соответствующим расчетом.

6.2.18. При расчетных деформациях основания, сложенного набухающими грунтами, больше предельных или недостаточной несущей способности основания должны предусматриваться следующие мероприятия в соответствии с подразделом 5.8:

- водозащитные мероприятия;

- предварительное замачивание основания в пределах всей или части толщи набухающих грунтов;

- применение компенсирующих песчаных подушек;

- полная или частичная замена слоя набухающего грунта ненабухающим;

- полная или частичная прорезка фундаментами слоя набухающего грунта.

6.2.19. Глубину предварительного замачивания, толщину частично заменяемого слоя набухающего грунта или частичной его прорезки назначают в зависимости от требуемого снижения деформаций от набухания.

6.2.20. При возведении фундаментов на предварительно замоченном основании из набухающих грунтов следует предусматривать устройство подушек из песка, щебня или гравия либо упрочнение верхнего слоя грунта связующими материалами.

6.2.21. Компенсирующие песчаные подушки устраивают на кровле или в пределах слоя набухающих грунтов при давлении, передаваемом на основание, не менее 0,1 МПа.

Для устройства подушек применяют пески любой крупности, за исключением пылеватых, уплотняемые до плотности в сухом состоянии не менее 1,6 т/м3.

Компенсирующие песчаные подушки устраивают только под ленточные фундаменты, когда их ширина не превышает 1,2 м. Размеры подушки назначают по таблице 6.3.

Таблица 6.3

Ширина фундамента b, м

Ширина подушки В, м

Высота подушки /г, м

0,5 < b ≤ 0,7

2,4b

1,2b

0,7 < b ≤ 1,0

2b

1,15b

1,0 < b ≤ 1,2

1,8b

1,1b

6.2.22. Уменьшение подъема фундамента на естественном основании из набухающих грунтов может обеспечиваться путем анкеровки фундамента с помощью свай, частично или полностью прорезывающих набухающий слой. При этом нагрузка, передаваемая сооружением, воспринимается совместно фундаментом и сваями, а предельные деформации (осадки, подъемы) этой конструкции не должны превышать предельных значений.

6.2.23. К числу конструктивных мероприятий относят увеличение жесткости и прочности сооружения путем разбивки его на отдельные отсеки осадочными швами. Отсек должен иметь правильную геометрическую форму в плане и одинаковую высоту. Увеличение жесткости и прочности достигается также введением железобетонных непрерывных поясов толщиной не менее 15 см, устраиваемых по высоте в нескольких уровнях. Пояса следует армировать каркасами, располагаемыми на уровне перекрытий или верха проема и полностью перекрывающими наружные стены. Пояса предусматривают при частичной прорезке набухающих грунтов; частичной замене набухающего грунта ненабухающим; устройстве компенсирующих подушек; предварительном замачивании набухающих грунтов.

6.2.24. Замену набухающего грунта производят местным ненабухающим грунтом, уплотняемым до заданной плотности. Проектирование оснований сооружений в этом случае должно выполняться как на обычных ненабухающих грунтах.

6.2.25. Допускается использовать набухающие грунты для обратной засыпки пазух и траншей при условии, что горизонтальное давление, вызванное их увлажнением, окажется допустимым для данного сооружения, а возможный подъем грунта засыпки не приведет к ухудшению условий эксплуатации. Уплотнение грунтов производят в соответствии с требованиями, принятыми для устройства грунтовых подушек и обратных засыпок из обычных грунтов.

6.3. Засоленные грунты

6.3.1. Основания, сложенные заселенными грунтами, должны проектироваться с учетом их особенностей, обуславливающих:

- образование при длительной фильтрации воды и выщелачивании солей суффозионной осадки ssf;

- изменение в процессе выщелачивания солей физико-механических свойств грунта, сопровождающееся, как правило, снижением его прочностных характеристик;

- повышенную агрессивность подземных вод к материалам подземных конструкций за счет растворения солей, содержащихся в грунте.

Следует также иметь в виду, что в засоленных грунтах при их замачивании может проявляться просадка или набухание.

Примечание - Отнесение грунтов к засоленным и их подразделение в зависимости от суммарного содержания легко- и среднерастворимых солей по степени засоленности следует производить по ГОСТ 25100.

6.3.2. Засоленные грунты характеризуют относительным суффозионным сжатием esf начальным давлением суффозионного сжатия psf.

Значения esf и psf определяют, как правило, лабораторными методами (компрессионно-фильтрационные испытания), а для детального изучения отдельных участков строительной площадки - полевыми испытаниями статической нагрузкой с длительным замачиванием основания. При наличии результатов полевых испытаний и опыта строительства в аналогичных инженерно-геологических условиях указанные характеристики допускается определять только лабораторными методами.

Значения esf и psf определяют в соответствии с 6.3.14.

6.3.3. Для предварительных расчетов суффозионной осадки основания сооружений I и II уровней ответственности и для окончательных расчетов сооружений III уровня ответственности допускается определять значение относительно суффозионного сжатия esf глинистых загипсованных грунтов по формуле (6.14), если они представлены:

- суглинками с w = 0,02 - 0,04; IL = 0,08 - 0,12; ρd = 1,2 - 1,6 г/см3; е = 0,75 - 1,1;

- супесями с w = 0,01 - 0,03; IL = 0,03 - 0,07; ρd = 1,4 - 1,45 г/см3; е = 0,9 - 1,0.

esf = k1 d0 ρd bn / ρg,                                                          (6.14)

где    k1 - коэффициент, зависящий от вида грунта, содержания гипса и давления и принимаемый по таблице 6.4;

d0 - начальное содержание гипса в грунте, доли единицы;

ρd - начальная плотность сухого грунта, г/см3;

ρg - плотность частиц гипса, г/см3;

b - степень выщелачивания, доли единицы;

п - коэффициент, принимаемый для суглинков равным 1, для супесей - 1/3.

Таблица 6.4

Вид грунта

Содержание гипса, доли единицы

Коэффициент k1 при давлении, МПа

0,1

0,2

0,3

0,4

Супесь

0,1

0,86

0,70

0,52

0,43

0,2

0,95

0,90

0,83

0,76

0,3

0,97

0,95

0,90

0,85

Суглинок

0,1

0,08

0,15

0,30

0,46

0,2

0,15

0,27

0,50

0,84

0,3

0,45

0,60

0,80

1,10

0,4

0,85

0,96

1,07

1,30

0,5

1,08

1,15

1,22

1,38

6.3.4. Нормативные значения характеристик засоленных грунтов esf и psf вычисляют как средние значения результатов их определений (ГОСТ 20522). Расчетные значения допускается принимать равными нормативным (gg = 1).

6.3.5. Расчет оснований, сложенных засоленными грунтами, должен производиться в соответствии с требованиями раздела 5. Если засоленные грунты являются просадочными или набухающими, следует учитывать соответственно требования подразделов 6.1 и 6.2.

6.3.6. Расчетное сопротивление R основания, сложенного засоленными грунтами, при возможности длительного замачивания грунтов и выщелачивания солей определяют по формуле (5.5) с использованием расчетных значений прочностных характеристик (jII и cII), полученных для грунтов в водонасыщенном состоянии после выщелачивания солей.

При невозможности длительного замачивания грунтов и выщелачивания солей значение R следует определять по формуле (5.5) с использованием прочностных характеристик, полученных для засоленных грунтов в водонасыщенном состоянии.

При вычислении R для частично или полностью выщелоченных грунтов коэффициент условий работы грунтового основания gс1, в формуле (5.5) для загипсованных суглинков с начальным содержанием гипса d0 £ 20 % принимают равным 1,1, а для суглинков с d0 > 20 % и для всех загипсованных супесей gсl = 1.

Коэффициент условий работы сооружения gс2 во взаимодействии с основанием в формуле (5.5) для всех засоленных грунтов принимают равным единице.

Коэффициент k в формуле (5.5) принимают равным единице при определении прочностных характеристик засоленных грунтов в лабораторных условиях в приборах трехосного сжатия и в полевых условиях методом сдвига целика и k = 1,1 при определении этих характеристик в лабораторных условиях в приборах одноплоскостного среза и по таблицам приложения Г.

6.3.7. Деформации основания определяют суммированием осадки основания при природной влажности от внешней нагрузки (подраздел 5.5) и суффозионной осадки, а также просадки, набухания или усадки, если засоленные грунты являются просадочными или набухающими.

При невозможности длительного замачивания грунтов и выщелачивания солей деформации основания определяют по подразделу 5.5 исходя из деформационных характеристик засоленных грунтов при полном водонасыщении.

6.3.8. Максимальные и средние суффозионные осадки, разность осадок и крены отдельных фундаментов и сооружения в целом необходимо рассчитывать с учетом неравномерности замачивания основания, схемы фильтрационного потока в пределах отдельного фундамента или контура сооружения, неоднородности распределения солей в грунте по площади и по глубине основания.

6.3.9. Расчет суффозионной осадки основания, сложенного глинистыми грунтами с легкорастворимыми солями и загипсованными песками, следует выполнять в пределах зоны, условно ограниченной глубиной сжимаемой толщи Hc определяемой по 5.5.41. При этом принимают, что в пределах сжимаемой толщи грунты подвергаются полному рассолению, т.е. степень выщелачивания b, определяемая по ГОСТ 12248, равна единице.

6.3.10. При расчете суффозионных осадок оснований, сложенных загипсованными глинистыми грунтами, принимают, что:

- длина зоны, в пределах которой возможно выщелачивание гипса (выщелачиваемая зона Hl), ограничена условием предельного насыщения гипсом фильтрующей жидкости;

- в процессе фильтрации происходит развитие выщелачиваемой зоны, т.е. увеличивается ее длина и уменьшается содержание гипса в грунте в направлении движения фильтрационного потока;

- суффозионные осадки основания происходят только в пределах выщелачиваемой зоны.

6.3.11. При расчете суффозионных осадок основания, сложенного загипсованными глинистыми грунтами, следует различать две схемы фильтрационного потока в основании фундамента (рисунок 6.3).

При расчете суффозионных осадок основания по схеме 1 сначала следует определить ее стояние выщелачиваемой зоны Hl, т.е. ее длину и распределение в ней гипса в расчетный момент времени (например, через 5, 10 лет и так далее после начала эксплуатации сооружения). Для этого необходимо выделить слои с различным содержанием гипса (рисунок 6.4). При этом начальное распределение гипса в грунте представляется в виде ступенчатой эпюры d0(z). Выделенные слои разбивают на более мелкие, толщиной 0,5 м, для которых производят расчет процесса рассоления.

1 - вертикальная фильтрация; 2 - горизонтальная фильтрация в слое ограниченной толщины

Рисунок 6.3. - Схемы замачивания фундаментов

1 - границы слоев с различным содержанием гипса; 2 - границы расчетных слоев; 3 - расчетный слой; 4 - направление фильтрации; 5 - начальная эпюра относительного содержания гипса d0(z)

Рисунок 6.4. - Схема для расчета рассоления основания при вертикальной фильтрации

Если основание сложено однородным грунтом, то начальное содержание гипса принимают постоянным в пределах выщелачиваемой зоны d0(z) - const, а вся зона разбивается на слои по 0,5 м.

После разбивки основания на слои следует последовательно в каждом слое, начиная с верхнего, определить количество оставшегося в твердой фазе гипса в расчетный момент времени. При этом слой, в котором содержание гипса будет равно начальному, является нижней границей выщелачиваемой зоны Нl. Для нижележащих слоев расчет растворения гипса производить не следует.

6.3.12. При расчете суффозионных деформаций основания, сложенного загипсованными глинистыми грунтами, при фильтрации по схеме 1 (см. рисунок 6.3) зона суффозионной осадки в основании фундамента ограничивается глубиной Нс, где суммарные вертикальные напряжения от нагрузки фундамента и собственного веса грунта равны начальному давлению суффозионного сжатия рsf.

Если на расчетный момент времени Hl £ Hс, расчет суффозионной осадки следует производить только в пределах выщелачиваемой зоны Hl. При Hl > Нс расчет осадки необходимо выполнять в пределах сжимаемой толщи Н. Глубину Нс принимают за границу сжимаемой толщи (рисунок 6.5).

Рисунок 6.5. - Схема для расчета суффозионной осадки засоленного грунта при вертикальной фильтрации

6.3.13. Суффозионную осадку основания ssf, см, сложенного засоленными грунтами, при вертикальной фильтрации (схема 1) определяют по формуле

,                                                           (6.15)

где    esf,i - относительное суффозионное сжатие грунта i-го слоя при давлении р, равном суммарному вертикальному напряжению на рассматриваемой глубине от внешней нагрузки σzp и собственного веса грунта σzg, определяемое по 6.3.14;

hi - толщина i-го слоя засоленного грунта, см;

п - число слоев, на которое разбита зона суффозионной осадки засоленных грунтов.

Значение ssf определяют в пределах зон, устанавливаемых по 6.3.9 и 6.3.12.

6.3.14. Относительное суффозионное сжатие esf при компрессионно-фильтрационных испытаниях (ГОСТ 12248) определяют по формуле

esf = (hsat,p - hsf,p) / hng,                                                     (6.16)

где    hsat,p - высота образца грунта после замачивания (полного водонасыщения) при давлении р = σzp + σzg;

hsf,p - высота того же образца после длительной фильтрации воды и выщелачивания солей при давлении р;

hng - высота того же образца природной влажности при давлении р1 = σzg.

Начальное давление суффозионного сжатия psf соответствует давлению, при котором esf = 0,01.

Значения esf и psf могут быть определены также при полевых испытаниях грунтов штампом с длительным замачиванием грунтов (ГОСТ 20276).

6.3.15. Деформации оснований при фильтрации по схеме 2 (см. рисунок 6.3) следует рассчитывать с учетом развития во времени выщелачиваемой зоны в горизонтальном направлении и неоднородности деформационных свойств грунтов основания в пределах площади фундамента или контура сооружения.

Как и при фильтрации по схеме 7 необходимо установить состояние выщелачиваемой зоны в основании фундамента на расчетный момент времени (ее длину и распределение в ней гипса). Для установленного состояния выщелачиваемой зоны следует определить осадку сторон фундамента и его крен.

Начальное содержание гипса в грунте принимают постоянным (d0 = const) как по глубине загипсованной толщи, так и по площади фундамента и в его окрестности (рисунок 6.6), и равным среднему значению загипсованности толщи.

Разбивку основания на вертикальные слои шириной по 0,5 м следует производить в пределах от z = 0 (источник замачивания) до z = l + 2L + 1, где l - расстояние до фундамента, a 2L - ширина фундамента. Направление формирования и перемещения выщелачиваемой зоны принимают горизонтальным.

6.3.16. Для расчета осадок сторон фундамента при фильтрации по схеме 2 рекомендуется применять метод расчета конструкций на основании, характеризующемся переменным коэффициентом постели. Расчетная схема предусматривает наличие двух участков в основании фундамента (рисунок 6.7), где участок 1 равен длине выщелачиваемой зоны. Коэффициент постели на этом участке изменяется от cmin под одной стороной фундамента, ближайшей к источнику замачивания, до cmax на границе выщелачиваемой зоны. Участок 2 равен длине невыщелоченной зоны. Коэффициент постели на этом участке постоянен и равен cmax.

1 - входной участок фильтрационного потока; 2 - направление фильтрации; 3 - расчетный слой; 4 - границы расчетных слоев

Рисунок 6.6. - Схема для расчета рассоления основания при горизонтальной фильтрации

Рисунок 6.7. - Схема для расчета деформаций засоленного грунта при горизонтальной фильтрации

6.3.17. При расчетных деформациях основания, сложенного засоленными грунтами, больше предельных или недостаточной несущей способности основания должны предусматриваться следующие мероприятия в соответствии с подразделом 5.8:

- водозащитные;

- конструктивные;

- частичная или полная срезка засоленных грунтов с устройством подушки из глинистых грунтов;

- прорезка толщи засоленных грунтов фундаментами, в том числе свайными;

- закрепление, уплотнение или нейтрализация (насыщение грунтов растворами, исключающими растворение солей) грунтов;

- предварительное рассоление грунтов;

- комплекс мероприятий, включающий водозащитные и конструктивные мероприятия, а также устройство грунтовой подушки.

При устройстве подушки из глинистых грунтов в основании сооружений предельное содержание солей и степень уплотнения грунта должны устанавливаться по данным специальных исследований и зависят от передаваемых на основание нагрузок, свойств грунта, уровня ответственности и конструктивных особенностей сооружения, возможных условий замачивания основания.

При проектировании фундаментов в засоленных грунтах необходимо применять антикоррозионные мероприятия для защиты тела фундамента от агрессивного воздействия вод и грунтов.

Для сильно- и избыточно засоленных грунтов (ГОСТ 25100) рекомендуется применять:

- прекращение или замедление движения фильтрационного потока (устройство водонепроницаемых завес: глинистых, силикатных, битумных, цементных);

- снижение растворяющей способности подземных вод (искусственное водонасыщение фильтрационного потока солями).

6.4. Органо-минеральные и органические грунты

6.4.1. Основания, сложенные водонасыщенными органо-минеральными (илы, сапропели, заторфованные грунты) и органическими грунтами (торфы) или включающие эти грунты, должны проектироваться с учетом их особенностей: большой сжимаемости, существенной изменчивости и анизотропии прочностных, деформационных и фильтрационных характеристик и изменений их в процессе консолидации основания, длительного развития осадок во времени и возможности возникновения нестабилизированного состояния.

Для илов необходимо учитывать тиксотропию и газовыделение.

Следует учитывать также, что подземные воды в органо-минеральных и органических грунтах, как правило, сильно агрессивны к материалам подземных конструкций.

6.4.2. По характеру залегания органо-минеральные и органические грунты делятся на открытые (залегающие с поверхности), погребенные (залегающие в виде линз или слоев на различной глубине) и искусственно погребенные (перекрытые искусственно сформированными отложениями).

6.4.3. В зависимости от расположения слоев или линз органо-минерального и органического грунта в плане и по глубине основания выделяют наиболее распространенные типы оснований, приведенные на рисунке 6.8.

6.4.4. При проведении инженерно-геологических изысканий следует дополнительно устанавливать:

- характер залегания органо-минеральных и органических грунтов (рисунок 6.8) и толщину слоев, прослоек и линз этих грунтов;

- содержание органического вещества Iот для выделения заторфованных грунтов, торфов и сапропелей (ГОСТ 25100);

- степень разложения органического вещества Dpd в торфах;

- коэффициент консолидации.

Расстояние между отдельными скважинами не должно превышать 20 м и они должны полностью прорезать толщу органо-минеральных и органических грунтов с заглублением не менее чем на 2 м в подстилающие минеральные грунты.

Определение характеристик органо-минеральных и органических грунтов должно производиться не менее чем через 0,5 м по глубине каждого обнаруженного слоя.

6.4.5. На площадках с илами с целью сохранения природной структуры этого грунта должны применяться методы испытаний, исключающие динамическое воздействие на грунт. Рекомендуется применение штампов, прессиометров, статического зондирования, приборов вращательного среза, радиоизотопных методов и т.д.

6.4.6. Следует выделять пресноводные илы с содержанием органического вещества более 10 % - сапропели. В зависимости от условий залегания сапропели подразделяют на неуплотненные и уплотненные в природном залегании; по содержанию органического вещества - на минеральные, среднеминеральные и слабоминеральные.

I - в пределах всей сжимаемой толщи основания залегают органо-минеральные или органические грунты; II - в верхней части сжимаемой толщи основания залегает слой органо-минерального или органического грунта; III - в нижней части сжимаемой толщи основания залегают органо-минеральные или органические грунты; IV - сжимаемая толща в предела пятна застройки здания включает односторонне (IVа), двусторонне (IVб) вклинившиеся линзы или содержит множестве линз (IVв) из органо-минеральных или органических грунтов; V - в пределах глубины сжимаемой толщи находится одна (Vа или несколько прослоек (Vб) органо-минерального или органического грунта, границы которых в плане выходят за пределы пятна застройки здания

Рисунок 6.8. - Типовые схемы оснований, содержащих органо-минеральные и органические грунты

6.4.7. Характеристики органо-минеральных и органических грунтов должны определяться, как правило, на основе непосредственных испытаний грунтов в полевых или лабораторных условиях.

Ориентировочные значения физико-механических характеристик сапропелей, открытых и погребенных торфов и илов, которые могут быть использованы для предварительной оценки оснований, сложенных указанными грунтами, приведены в приложении Ж.

Для глинистых грунтов с содержанием органических веществ в долях единицы в диапазоне 0,05 £ Iот £ 0,25 нормативные значения характеристик Е, jn и сп для расчетов оснований сооружений, оговоренных в 5.3.17, допускается принимать по таблице Г.4 приложения Г.

6.4.8. Деформационные, прочностные и фильтрационные характеристики органо-минеральных и органических грунтов должны определяться в диапазоне давлений, соответствующих напряженному состоянию основания проектируемого сооружения. Указанные характеристики должны устанавливаться при испытаниях образцов грунта в вертикальном и горизонтальном направлениях.

6.4.9. Для определения прочностных характеристик j и с органо-минеральных и органических грунтов следует проводить испытания, применяя методику консолидированного среза для определения этих характеристик в стабилизированном состоянии и неконсолидированного среза для определения в нестабилизированном состоянии (ГОСТ 12248).

6.4.10. В полевых условиях деформационные характеристики органо-минеральных и органических грунтов определяют методами, указанными в ГОСТ 20276. При определении деформационных характеристик этих грунтов в компрессионных приборах, учитывая их высокую сжимаемость, испытуемые образцы должны иметь начальную высоту 30 - 50 мм, а их нагружение следует проводить небольшими ступенями согласно ГОСТ 12248.

Максимальное давление на образец в компрессионном опыте должно превышать проектное не менее чем на 10 - 20 %, но быть не менее 0,1 МПа.

Значения модуля деформации по результатам опыта должны устанавливаться для различных интервалов давлений и использоваться в расчетах осадки в зависимости от фактических нормальных напряжений по глубине основания в пределах сжимаемой толщи.

6.4.11. Коэффициент бокового давления органо-минеральных и органических грунтов ξ определяют в приборах трехосного сжатия. Допускается принимать значения ξ по таблицам приложения Ж.

6.4.12. При применении комплекса мероприятий по предварительной подготовке основания, содержащего органо-минеральные и органические грунты (временная или постоянная пригрузка, дренирование и т.п.), характеристики этих грунтов должны устанавливаться по результатам их испытаний после уплотнения.

6.4.13. При расчете оснований должны учитываться анизотропные свойства органо-минеральных и органических грунтов. В каждой точке основания следует отбирать не менее двух образцов для определения характеристик в двух направлениях: вертикальном и горизонтальном. Коэффициент фильтрации также должен определяться для этих двух направлений.

Обозначения характеристик грунта с анизотропными свойствами должны иметь индекс, указывающий диапазоны давлений и их направление при испытании (горизонтальное или вертикальное).

6.4.14. Расчет оснований, сложенных органо-минеральными и органическими грунтами, должен производиться в соответствии с требованиями раздела 5 с учетом скорости передачи нагрузки на основание, изменения эффективных напряжений в грунте в процессе консолидации основания, анизотропии свойств грунтов, вторичной консолидации. При этом допускается использовать методы теории как линейной, так и нелинейной консолидации грунтов.

Примечание - Анизотропию свойств органо-минеральных и органических грунтов допускается не учитывать, если значения характеристик для вертикального и горизонтального направлений отличаются не более чем на 40 %.

6.4.15. При наличии в основании дренирующих слоев необходимо учитывать фильтрацию поровой воды в их сторону, а при наличии песчаной подушки под фундаментом - также в сторону этой подушки. Учитывать действие дренирующего слоя допускается только в том случае, если он не представляет собой замкнутую линзу, а песчаной подушки под фундаментом - если обратная засыпка пазух произведена также дренирующим грунтом.

6.4.16. Основания, сложенные водонасыщенными органо-минеральными и органическими грунтами, в соответствии с 5.1.3 и 5.6.5 должны рассчитываться по несущей способности.

В этих расчетах силу предельного сопротивления основания пи, кН/м, при действии вертикальной нагрузки для ленточного фундамента допускается определять по формуле

nu = b´ (q + 5,14 c1),                                                       (6.17)

где    b´ - то же, что и в формуле (5.27);

q - пригрузка, кПа;

c1 - расчетное значение удельного сцепления грунта, кПа, равное си.

6.4.17. При намыве на дно водоема, сложенного органо-минеральными и органическими грунтами, песчаного слоя его толщина должна определяться необходимыми планировочными отметками с расчетом несущей способности основания и с учетом возможности возникновения нестабилизированного состояния.

6.4.18. При расчете по деформациям оснований, включающих водонасыщенные органо-минеральные и органические грунты, расчетное сопротивление грунта основания R определяют по формуле (5.5). При этом коэффициент условий работы грунтового основания gc1 принимают по таблице 6.5.

Таблица 6.5

Наименование грунтов и степень их заторфованности Iот

Коэффициент условий работы грунтового основания ус,

Пески мелкие водонасыщенные:

 

0,03 < Iот £ 0,25

0,85

0,25 < Iот £ 0,4

0,80

Пески пылеватые водонасыщенные:

 

0,03 < Iот £ 0,25

0,75

0,25 < Iот £ 0,4

0,70

Глинистые грунты водонасыщенные

 

0,05 < Iот £ 0,25 при показателе текучести:

 

IL £ 0,5

1,05

IL > 0,5

1,00

Глинистые грунты водонасыщенные

 

0,25 < Iдт < 0,40 при показателе текучести:

 

IL £ 0,5

0,90

IL > 0,5

0,80

6.4.19. Для предварительного определения размеров фундаментов сооружений I и II уровней ответственности на заторфованных песках и окончательного для сооружений III уровня ответственности допускается принимать расчетные сопротивления R0 по таблице Д.5 приложения Д.

6.4.20. Расчетную схему для определения конечных осадок фундаментов на основании, включающем водонасыщенные органо-минеральные и органические грунты, принимают по разделу 5.

Дополнительную осадку фундаментов за счет разложения (минерализации) органических включений допускается не учитывать, если в период срока службы сооружения уровень подземных вод не будет понижаться.

Осадку слоя сильнозаторфованного грунта или торфа при намыве или отсыпке на него песчаного слоя определяют по 6.4.30 и 6.4.31.

6.4.21. В расчете по деформациям основания, содержащего органо-минеральные и органические грунты, нижнюю границу сжимаемой толщи принимают в соответствии с рекомендациями 5.5.41.

6.4.22. Опирание фундаментов непосредственно на поверхность органо-минеральных и органических грунтов не допускается, если они представлены сильнозаторфованными грунтами и торфами, сапропелями и илами.

Если непосредственно под подошвой фундамента залегает слой грунта с модулем деформации Е < 5 МПа толщиной более ширины фундамента, то осадка основания должна определяться с учетом полного давления под подошвой фундамента.

6.4.23. При расчетных деформациях основания, сложенного органо-минеральными и органическими грунтами, больше предельных или недостаточной несущей способности основания должны предусматриваться следующие мероприятия в соответствии с подразделом 5.8:

- полная или частичная прорезка слоев органо-минеральных и органических грунтов фундаментами;

- полная или частичная замена органо-минерального и органического грунта песком, гравием, щебнем и т.д.;

- уплотнение грунтов временной или постоянной пригрузкой основания сооружения или всей площадки строительства насыпным (намывным) грунтом или другим материалом (с устройством фильтрующего слоя или дрен при необходимости ускорения процесса консолидации основания);

- закрепление илов буросмесительным способом.

6.4.24. В зависимости от типа основания (см. рисунок 6.8), степени заторфованности, глубины залегания и толщины органо-минеральных и органических грунтов, а также конструктивных особенностей проектируемого сооружения и предъявляемых к нему эксплуатационных требований рекомендуются следующие варианты специальных мероприятий:

- уплотнение основания временной или постоянной нагрузкой, в том числе с устройством вертикальных дрен и дренажных прорезей - для оснований I и II типов;

- полная или частичная прорезка слоя органо-минеральных и органических грунтов фундаментами, в том числе свайными, - для оснований II, IV и V типов;

- выторфовка линз или слоев органо-минерального и органического грунта с заменой его минеральным грунтом - для оснований II, IV и V типов;

- устройство фундаментов (столбчатых, ленточных и т.п.) на песчаной, гравийной, щебеночной подушке или на предварительно уплотненной подсыпке из местного материала - для всех типов оснований;

- устройство сооружений на плитных фундаментах, перекрестных монолитных или сборно-монолитных лентах и т.п. с конструктивными мероприятиями по повышению пространственной жесткости сооружения - для всех типов оснований.

6.4.25. В отдельных случаях основание, содержащее органо-минеральные и органические грунты, может быть использовано при соблюдении определенной скорости передачи нагрузки или при применении конструктивных мероприятий (введение поясов жесткости, разбивка здания на отдельные секции и т.п.).

6.4.26. Песчаные подушки, устраиваемые под фундаментами с целью замены органо-минеральных и органических грунтов, уменьшения давления на нижележащие слои, повышения, в случае необходимости, отметки подошвы фундаментов, ускорения процесса консолидации (уплотнения) нижележащих грунтов, устраивают, как правило, из песков крупных и средней крупности. В отдельных случаях допускается применение щебня, гравия, шлака или гравийно-песчаной смеси. Мелкие пески для устройства подушек не рекомендуются.

Плотность сухого грунта в подушках из песка крупного и средней крупности рекомендуется не менее 1,65 т/м3.

При назначении прочностных характеристик уплотненного грунта в подушках следует учитывать указания 5.5.15.

6.4.27. Для намыва слоя грунта в качестве основания сооружения могут применяться супеси и пески любой крупности. Для ускорения консолидации намываемого слоя пылеватых песков или супесей необходимы предварительный намыв или укладка на маловодопроницаемое естественное основание, сложенное органо-минеральными и органическими грунтами, дренирующего слоя, например, из песка средней крупности.

6.4.28. Проектирование пригрузки должно производиться с учетом требований 6.4.12. При этом должны быть установлены толщина и размеры в плане пригрузочного слоя и время, необходимые для достижения заданной степени консолидации основания, а также конечная осадка основания под пригрузкой.

6.4.29. Конечную осадку и время консолидации слоя органо-минерального и органического грунта при намыве или отсыпке на него песчаного слоя определяют без учета осадки подстилающего слоя, если его модуль деформации в 10 раз и более превышает модуль деформации органо-минерального и органического грунта.

Нагрузку от намыва или отсыпки и порядок ее учета в расчетах конечной осадки, а также время консолидации слоя органо-минерального и органического грунта определяют в соответствии с принятым проектом организации работ.

6.4.30. Конечную осадку слоя органо-минерального и органического грунта в стабилизированном состоянии 5, м, вызванную намытым или отсыпанным слоем песка, определяют по формуле

s = 3 ph / (3E + 4p),                                                    (6.18)

где    р - давление от песчаной насыпи на поверхность органо-минерального и органического грунта, кПа;

h - толщина слоя органо-минерального и органического грунта, м;

Е - модуль деформации органо-минерального и органического грунта при полной влагоемкости, кПа.

Размер насыпи в плане должен быть не менее 5h.

6.4.31. В случае если основание, содержащее органо-минеральные и органические грунты, состоит из нескольких горизонтальных слоев с различными модулями деформации, осадку всей толщи в конце периода стабилизации определяют как сумму осадок отдельных слоев.

6.4.32. При толщине слоев органо-минеральных и органических грунтов, превышающей 3 м, их рекомендуется уплотнять с использованием вертикальных дрен.

План расположения дрен, их сечение и шаг устанавливают расчетом из условия 90 % консолидации основания или в зависимости от назначаемых сроков уплотнения строительной площадки. В плане дрены располагают в углах квадратов или равносторонних треугольников с шагом: для песчаных дрен 1,5 - 3 м, для дрен заводского изготовления 0,5 - 2 м.

Для сооружений I и II уровней ответственности шаг дрен определяют на опытных участках.

6.4.33. При использовании вертикальных дрен, полностью прорезающих уплотняемый слой грунта, и наличии дренирующих слоев на концах дрены консолидация грунта под нагрузкой происходит за счет отжатия поровой воды в дрену и дренирующие слои. Эквивалентный диаметр зоны влияния дрен de в этом случае следует принимать при расположении дрен по квадратной сетке de = 1,13d; по гексагональной сетке - de = 1,05d, где d - расстояние между осями дрен (шаг дрен).

6.4.34. В проектах сооружений, возводимых на органо-минеральных и органических грунтах, должны предусматриваться следующие нормы натурных измерений деформаций оснований и фундаментов:

- при застройке новых районов типовыми зданиями высотой 5 этажей и более - одно наблюдаемое здание на 3 строящихся;

- при застройке квартала - первое по очередности постройки здание I и II уровней ответственности;

- для всех сооружений, имеющих конструкции пролетом более 24 м;

- для сооружений, в которых в ходе строительства или эксплуатации возникли значительные деформации несущих конструкций или появились трещины.

6.5. Элювиальные грунты

6.5.1. Основания, сложенные элювиальными грунтами - продуктами выветривания скальных и полускальных пород, оставшимися на месте своего образования и сохранившими структуру и текстуру исходных пород, должны проектироваться с учетом:

- их значительной неоднородности по глубине и в плане из-за наличия грунтов разной степени выветрелости с большим различием их прочностных и деформационных характеристик;

- снижения прочностных и деформационных характеристик во время их длительного пребывания в открытых котлованах;

- возможности перехода в плывунное состояние элювиальных супесей и пылеватых песков в случае их водонасыщения в период устройства котлованов и фундаментов;

- возможного наличия просадочных свойств у элювиальных пылеватых песков с коэффициентом пористости е > 0,6 и степенью влажности Sr < 0,7, а также возможности набухания элювиальных глинистых грунтов при замачивании отходами технологических производств.

6.5.2. В зависимости от исходных горных пород, подвергшихся выветриванию, следует выделять элювиальные грунты магматических, метаморфических и осадочных сцементированных скальных грунтов, а по содержанию кварца - подразделять элювиальные грунты на две группы: содержащие кварц и бескварцевые.

6.5.3. Профиль коры выветривания в общем случае может быть представлен сверху вниз следующими зонами, различающимися степенью выветрелости: дисперсной, обломочной, глыбовой и трещиноватой. В соответствии с выделенными зонами наблюдается возрастание по глубине плотности элювиальных образований, уменьшение пористости и трещиноватости и увеличение прочности крупных обломков и отдельностей.

6.5.4. При проведении инженерно-геологических изысканий на элювиальных грунтах должны быть выявлены: генетический вид и петрографический состав исходной скальной породы; структура и профиль коры выветривания, ее трещиноватость, сланцеватость, слоистость, элементы падения и простирания, поверхности скольжения, наличие «языков» и «карманов» выветривания; размеры, форма и количество крупных включений; изменение по глубине состава и свойств грунтов.

6.5.5. Степень снижения прочности элювиальных грунтов основания во время пребывания их открытыми в котловане должна устанавливаться опытным путем в полевых условиях. Допускается проводить определение этих параметров в лабораторных условиях на отобранных образцах (монолитах) грунта.

Для предварительной оценки возможного снижения прочности элювиальных грунтов допускаются косвенные методы, учитывающие изменение в течение заданного периода времени: плотности скальных грунтов; удельного сопротивления пенетрации глинистых грунтов; содержания частиц размером менее 0,1 мм в песках и менее 2 мм в крупнообломочных грунтах.

6.5.6. Количественную оценку снижения прочности элювиальных грунтов в открытых котлованах производят по изменению их прочностных и деформационных характеристик в период дополнительного выветривания, а качественную оценку - по изменению значений плотности образцов грунта, их водопоглощающей способности, интенсивности распада (дробления) крупных обломков, глыб и отдельностей.

Необходимо устанавливать также толщину верхнего ослабленного дополнительным выветриванием слоя элювиального грунта.

6.5.7. Оценку стойкости элювиальных грунтов к дополнительному (атмосферному) выветриванию, устанавливающую степень снижения их прочности в открытых котлованах за ожидаемый период времени t (годы, месяцы, сутки), производят путем определения:

- скорости снижения выбранного параметра степени выветрелости А за период времени t: (А1 - A2) / t;

- степени снижения выбранного параметра А: (А1 - A2) / A1;

- общего количественного снижения параметра А за весь период t: (А1 - А2). Ожидаемый период пребывания элювиальных грунтов открытыми в разработанных котлованах, а также интервалы времени Dt, через которые проводят определения количественных значений параметра А, устанавливают исходя из конкретных особенностей района и сроков строительства.

6.5.8. Для элювиальных скальных и крупно обломочных грунтов необходимо устанавливать степень их выветрелости, характеризуемую коэффициентом выветрелости (6.5.9 и 6.5.10), а для крупнообломочных грунтов также - относительную прочность обломков, характеризуемую коэффициентом истираемости (6.5.11).

6.5.9. Коэффициент выветрелости kur элювиальных скальных грунтов устанавливают путем сопоставления плотности ρ выветрелой породы в условиях природного залегания с плотностью ρи невыветрелой (монолитной) породы и вычисляют по формуле

kur = 1 - Iur,                                                                 (6.19)

где Iur = (ρи - ρ) / ρ.

Допускается значение ρи принимать равным плотности частиц скального грунта.

Подразделение элювиальных скальных грунтов по степени выветрелости приведено в таблице 6.6, а ориентировочные значения предела прочности на одноосное сжатие в водонасыщенном состоянии Rc, которые могут быть использованы для предварительной оценки оснований из этих грунтов, приведены в приложении И.

Таблица 6.6

Разновидность элювиальных скальных грунтов по степени выветрелости

Коэффициент выветрелости kur для скальных грунтов

магматических и метаморфических

осадочных сцементированных

Невыветрелые

1

1

Слабовыветрелые

1 > kur ³ 0,9

1 > kur ³ 0,95

Выветрелые

0,9 > kur ³ 0,8

0,95 > kur ³ 0,85

Сильновыветрелые (рухляки)

Менее 0,8

Менее 0,85

6.5.10. Коэффициент выветрелости крупнообломочных элювиальных грунтов kuw определяют по испытаниям проб грунта на истирание во вращающемся полочном барабане и вычисляют по формуле

kuw = (k1 - k0) / k1,                                                       (6.20)

где    k1 - отношение массы m1 частиц размером менее 2 мм к массе m2 частиц размером более 2 мм после испытания на истирание;

k0 - то же, в природном состоянии (до испытания на истирание).

Подразделение крупнообломочных элювиальных грунтов по степени выветрелости приведено в таблице 6.7.

6.5.11. Коэффициент истираемости ke крупных обломков (частиц более 2 мм) крупнообломочных элювиальных грунтов определяют по испытаниям на истираемость этих частиц во вращающемся полочном барабане и вычисляют по формуле

ke = m1 / m0,                                                            (6.21)

где    m1 - масса частиц размером менее 2 мм после испытания на истирание;

т0 - начальная масса пробы крупных обломков.

Подразделение крупных обломков по прочности в зависимости от значений ke приведено в таблице 6.8.

Таблица 6.7

Разновидности элювиальных крупнообломочных грунтов по степени выветрелости

Коэффициент выветрелости kuw для крупнообломочных грунтов при исходных образующих породах

магматических и метаморфических

осадочных сцементированных

Невыветрелые

0 < kuw £ 0,5

0 < kuw £ 0,33

Слабовыветрелые

0,5 < kuw £ 0,75

0,33 < kuw £ 0,67

Сильновыветрелые

0,75 < kuw < 1

0,67 < kuw < 1

Таблица 6.8

Наименование обломков по прочности на истирание

Коэффициент истираемости обломков ke

Очень прочные

ke £ 0,05

Прочные

0,05 < ke £ 0,2

Средней прочности

0,2 < ke £ 0,3

Малопрочные

0,3 < ke £ 0,4

Непрочные

ke > 0,4

6.5.12. При подразделении крупнообломочных элювиальных грунтов по гранулометрическому составу на разновидности в дополнение к ГОСТ 25100 необходимо указывать содержание частиц заполнителя размером менее 0,1 мм, а также выделять щебенисто-дресвяные грунты при содержании частиц менее 0,1 мм до 10 %, а частиц крупнее 10 мм - более 25 % по массе.

Ориентировочные значения модуля деформации для разновидностей элювиальных крупнообломочных грунтов приведены в приложении И.

6.5.13. В элювиальных песках и глинистых грунтах - продуктах выветривания магматических и метаморфических пород - следует выделять прочноструктурные и слабоструктурные разновидности.

К прочноструктурным (сапролитам) относятся пески и глинистые грунты, в которых частично сохранена макроструктура исходных пород и которые при природной влажности характеризуются пределом прочности на одноосное сжатие Rc ³ 0,2 МПа.

Элювиальные пески и глинистые грунты, имеющие при природной влажности значение Rc < 0,2 МПа, относятся к слабоструктурным. Нормативные значения Е, j и с этих грунтов для расчетов оснований сооружений, оговоренных в 5.3.17, допускается принимать по таблицам Г.5 и Г.6 приложения Г.

6.5.14. Элювиальные глинистые грунты - продукты выветривания осадочных сцементированных скальных грунтов аргиллито-алевролитового комплекса - представлены в основном суглинками и глинами. Нормативные значения Е, j и c этих грунтов допускается принимать по таблице Г.7 приложения Г, а для песков осадочных пород - по таблице Г.5 приложения Г, так как они близки по свойствам к пескам магматических кварцесодержащих пород.

6.5.15. Расчет оснований, сложенных элювиальными грунтами, должен производиться в соответствии с требованиями раздела 5. Если элювиальные грунты являются просадочными или набухающими, следует учитывать требования подразделов 6.1 и 6.2.

6.5.16. Расчетные сопротивления R дисперсных элювиальных грунтов при расчетах оснований по деформациям определяют согласно требованиям подраздела 5.5.

Расчетные сопротивления R0 для назначения предварительных размеров фундаментов сооружений I и II уровней ответственности и окончательных размеров сооружений III уровня ответственности приведены в таблицах Д.6 - Д.8 приложения Д, при этом значения R0 для крупнообломочных грунтов (таблица Д.6) допускается применять и для сооружений II уровня ответственности.

6.5.17. При расчетных деформациях основания, сложенного элювиальными грунтами, больше предельных или недостаточной несущей способности основания должны предусматриваться следующие мероприятия в соответствии с подразделом 5.8:

- устройство уплотненных грунтовых распределительных подушек из песка, гравия, щебня или крупнообломочных грунтов с обломками исходных горных пород, в частности при неровной поверхности скальных грунтов;

- удаление из верхней зоны основания включений скальных грунтов, полная или частичная замена рыхлого заполнения «карманов» и «гнезд» выветривания в скальных грунтах щебнем, гравием или песком с уплотнением.

В случае недостаточности этих мероприятий следует предусматривать применение свайных фундаментов, способа выравнивания осадок основания или конструктивных мероприятий в соответствии с требованиями подраздела 5.8.

6.5.18. В проекте оснований и фундаментов должна предусматриваться защита элювиальных грунтов от разрушения атмосферными воздействиями и водой в период устройства котлованов. Для этой цели следует применять водозащитные мероприятия, не допускать перерывы в устройстве оснований и последующем возведении фундаментов; предусматривать недобор грунта в котловане; применять взрывной способ разработки скальных грунтов лишь при условии мелкошпуровой отпалки.

6.6. Насыпные грунты

6.6.1. Основания, сложенные насыпными грунтами, должны проектироваться с учетом их неоднородности по составу, неравномерной сжимаемости и возможности самоуплотнения, особенно при вибрационных воздействиях, замачивании, а также за счет разложения органических включений.

Примечание - В насыпных грунтах, состоящих из шлаков и глин, необходимо учитывать возможность их набухания при замачивании водой или химическими отходами производств.

6.6.2. В зависимости от состава и характера происхождения различают насыпные грунты, отходы производств и бытовые отходы.

Насыпные грунты состоят из минералов природного происхождения, первоначальная структура которых изменена в результате разработки и вторичной укладки. К ним относятся: нарушенные природные грунты, вскрышные породы, хвосты обогатительных фабрик.

Отходы производств представляют собой искусственные материалы, образовавшиеся в результате термической или химической обработки природных материалов. К ним относятся: шлаки, золы, золошлаки, шламы.

Бытовые отходы состоят из бытового и строительного мусора с примесями грунтов различного состава.

6.6.3. Насыпные грунты и отходы производств подвержены процессу самоуплотнения, продолжительность которого в зависимости от гранулометрического состава и способа отсыпки приведена в таблице 6.9. По истечении времени, указанного в таблице, насыпные грунты и отходы производств относятся к слежавшимся.

Примечания

1. Планомерно возведенные насыпи выполняют из однородных грунтов и отходов производств путем отсыпки или намыва с уплотнением до заданной плотности сложения.

2. Отвалы формируют путем отсыпки без уплотнения различных видов грунтов, полученных при отрывке котлованов, производстве вскрышных работ, проходке подземных выработок и т.п., а также хвостов обогатительных фабрик и отходов производств.

3. Свалки грунтов, отходов производств и бытовых отходов представляют собой отсыпки, образовавшиеся в результате неорганизованного накопления различных материалов.

Таблица 6.9

Виды насыпных грунтов и отходов производств

Продолжительность самоуплотнения, год

планомерно возведенных насыпей

отвалов

свалок

Крупнообломочные

0,2 - 1

1 - 3

2 - 5

Песчаные

0,5 - 1

2 - 5

5 - 10

Глинистые

2 - 5

10 - 15

20 - 30

6.6.4. В качестве естественных оснований рекомендуется использовать:

- планомерно возведенные насыпи из грунтов и отходов производств;

- отвалы грунтов и отходов производств, состоящие из щебенистых и гравийных грунтов, крупных песков и шлаков.

Свалки грунтов и отходов производств допускается использовать для строительства сооружений III уровня ответственности при проведении расчета по деформациям. Использование свалок бытовых отходов в качестве естественных оснований не допускается.

6.6.5. Неравномерность сжимаемости насыпных грунтов должна определяться по результатам полевых и лабораторных исследований, выполняемых с учетом состава и сложения насыпных грунтов, способа отсыпки, вида материала, составляющего основную часть насыпи. Модуль деформации насыпных грунтов, как правило, должен определяться на основе штамповых испытаний.

6.6.6. Дополнительные осадки фундаментов за счет разложения органических включений учитывают в пределах слоев, расположенных выше уровня подземных вод, при относительном содержании по массе органических веществ в насыпях из песков, хвостов обогатительных фабрик и шлаков более 0,03, а из глинистых грунтов и золошлаков - более 0,05.

6.6.7. Дополнительные осадки, их неравномерность и время развития за счет уплотнения подстилающих грунтов от веса насыпи определяются толщиной слоя насыпных грунтов, а также сжимаемостью и условиями консолидации подстилающих насыпь грунтов.

Примечание - Допускается принимать, что уплотнение подстилающих грунтов от веса насыпи практически заканчивается для грунтов: песков - через 1 год, глинистых, расположенных выше уровня подземных вод, - через 2 года, а находящихся ниже уровня подземных вод - через 5 лет.

6.6.8. Инженерно-геологические изыскания насыпных грунтов предусматривают в дополнение к общим требованиям изучение их состава, способа и давности отсыпки, толщины насыпи и ее изменение на застраиваемом участке, степени изменчивости сжимаемости. При исследовании отходов производств необходимо изучить технологию их образования, химический состав и характерные особенности: склонность к распаду, загрязнение токсичными веществами, наличие органических включений, выделение газов и т.п.

6.6.9. При проведении изысканий кроме бурения необходимо предусматривать проходку шурфов для отбора монолитов для лабораторных исследований и проведения испытаний грунтов штампами (см. 6.6.11).

Для изучения плотности сложения, степени изменчивости сжимаемости, выявления крупных пустот, установления необходимой глубины погружения свай необходимо использовать зондирование (ГОСТ 19912) и геофизические методы исследований.

6.6.10. Скважины бурят на глубину, превышающую глубину насыпного слоя не менее чем на 5 м. Расстояния между скважинами принимают не более: для планомерно возведенных насыпей - 50 м; отвалов - 40 м; свалок - 30 м.

Шурфы проходят на всю толщину насыпного слоя. Расстояния между шурфами принимают не более: для планомерно возведенных насыпей - 100 м; отвалов - 60 м; свалок - 40 м. Монолиты для лабораторных испытаний отбирают через 1 - 2 м по глубине.

Расстояния между зондировочными скважинами принимают не более: для планомерно возведенных насыпей - 50 м; отвалов - 20 м; свалок - 15 м.

6.6.11. Для сооружений I и II уровней ответственности сжимаемость всех видов насыпных грунтов и отходов производств необходимо определять в полевых условиях статическими нагрузками в соответствии с ГОСТ 20276.

Число испытаний штампами в пределах проектируемого сооружения принимают не менее: для планомерно возведенных насыпей 2; для отвалов - 3.

6.6.12. При использовании насыпных грунтов и отходов производств для устройства искусственных оснований, насыпей, подсыпок под полы, обратных засыпок котлованов и т.п. для назначения проектной плотности и диапазона изменения влажности необходимо предусматривать испытания грунтов по ГОСТ 22733.

6.6.13. Основания, сложенные насыпными грунтами и отходами производств, должны рассчитываться в соответствии с требованиями раздела 5. Если насыпные грунты являются просадочными, набухающими или имеют относительное содержание органического вещества Iот > 0,1, следует учитывать соответственно требования подразделов 6.1, 6.2 и 6.4. Полная деформация основания должна определяться суммированием осадок основания от внешней нагрузки и дополнительных осадок от самоуплотнения насыпных грунтов и разложения органических включений, а также осадок (просадок) подстилающих грунтов от веса насыпи и нагрузок от фундамента.

6.6.14. Для учета самоуплотнения неслежавшихся насыпных грунтов и отходов производств к значениям дополнительного вертикального напряжения от внешней нагрузки σzp по 5.5.32 в пределах насыпного слоя добавляют вертикальное напряжение от собственного веса грунта, равное произведению kssσzg, где kss = 0,4 - для неслежавшихся насыпей из песков (кроме пылеватых), шлаков и т.п. и kss = 0,6 - из пылеватых песков, глинистых грунтов, золошлаков и т.п.

При расчете осадок фундаментов учитывают осадку подстилающих грунтов от веса насыпи путем добавления к значениям σzp, ниже кровли подстилающих грунтов вертикального напряжения от веса вышележащих слоев.

Примечание - Допускается не учитывать дополнительную осадку подстилающих грунтов при давности отсыпки насыпей из песков и шлаков более двух лет и из глинистых грунтов, хвостов обогатительных фабрик, зол, золошлаков и шламов - пяти лет.

6.6.15. Расчетное сопротивление основания R, сложенного насыпными грунтами и отходами производств, определяют в соответствии с требованиями подраздела 5.5.

При определении расчетных сопротивлений грунтов по формуле (5.5) значения коэффициентов gс1 и gс2 принимают равными для планомерно возведенных насыпей по таблице 5.2; отвалов - gс1 = 0,8 и gс2 = 0,9; свалок - gс1 = 0,6 и gс2 = 0,7.

Предварительные размеры фундаментов сооружений I и II уровней ответственности, возводимых на слежавшихся насыпных грунтах, допускается назначать исходя из значений расчетных сопротивлений грунтов R0 основания по таблице Д.9 приложения Д. Эти значения R0 допускается использовать также для назначения окончательных размеров фундаментов сооружений III уровня ответственности.

6.6.16. При проведении уплотнения, устройстве песчаных, гравийных и т.п. подушек расчетные сопротивления R0 уточняют из условия, чтобы полное вертикальное напряжение от нагрузки на фундамент и от собственного веса уплотненного грунта на подстилающие насыпные (неуплотненные) или природные грунты не превышало расчетные сопротивления этих грунтов в соответствии с требованиями 5.5.25.

6.6.17. При расчетных деформациях основания, сложенного насыпными грунтами, больше предельных или недостаточной несущей способности основания должны предусматриваться следующие мероприятия в соответствии с требованиями подраздела 5.8:

- поверхностное уплотнение оснований тяжелыми трамбовками, вибрационными машинами, катками;

- глубинное уплотнение грунтовыми сваями, гидровиброуплотнение;

- устройство грунтовых подушек;

- прорезка насыпных грунтов фундаментами, в том числе свайными;

- конструктивные мероприятия.

6.6.18. В проекте основания, уплотняемого тяжелыми трамбовками, должны быть указаны:

- размеры уплотняемой площади и глубина уплотнения;

- параметры трамбования (масса и диаметр трамбовки, высота сбрасывания, число ударов);

- величина недобора грунта до проектной отметки заложения фундаментов (понижение уплотняемой поверхности);

- плотность уплотненного грунта и оптимальная влажность.

6.6.19. Вибрационные машины и катки используют при уплотнении на глубину до 1,5 м и для уплотнения отдельных слоев при возведении насыпей из грунтов и отходов производств, имеющих степень влажности Sr £ 0,7.

6.6.20. Гидровиброуплотнение применяют для уплотнения на глубину до 6 м насыпных грунтов и отходов производств (хвостов, формовочной земли, золошлаков) с содержанием по массе глинистых частиц не более 0,05 и степени влажности Sr > 0,7.

6.6.21. Грунтовые подушки применяют при замене сильно- и неравномерно сжимаемы насыпных грунтов. Они могут устраиваться как из природных грунтов (щебеночных, гравийных, песчаных и т.п.), так и из отходов производств (шлаков, золошлаков).

Плотность подушек назначают в зависимости от вида применяемых грунтов и отходов производств и уровня ответственности сооружения.

6.6.22. Модули деформации подушек и основания из насыпных грунтов, уплотненных тяжелыми трамбовками, вибрационными машинами, катками и гидровиброметодом принимают по результатам полевых испытаний статическими нагрузками.

6.6.23. Конструктивные мероприятия при строительстве сооружений на насыпных грунтах и отходах производств применяют в соответствии с подразделом 5.8.

6.7. Намывные грунты

6.7.1. Основания, сложенные намывными грунтами, должны проектироваться с учетом их неоднородности (многослойности, изменчивости состава и свойств в плане и по глубине), способности изменять физико-механические свойства со временем (в том числе за счет колебаний уровня подземных вод), чувствительности к вибрационным воздействиям.

В качестве намывных грунтов применяют пески различной крупности.

6.7.2. Проектирование оснований и фундаментов должно производиться по результатам инженерно-геологических изысканий, выполненных не ранее, чем через три месяца после окончания намыва песков.

6.7.3. Прочностные и деформационные характеристики намывных грунтов, как правило, должны устанавливаться по результатам полевых и лабораторных исследований грунтов ненарушенного сложения с учетом возраста намывного грунта, т.е. времени, прошедшего от окончания намыва до начала строительства.

6.7.4. Для предварительных расчетов оснований сооружений I и II уровней ответственности, а также окончательных расчетов оснований сооружений III уровня ответственности допускается пользоваться значениями прочностных и деформационных характеристик грунтов, полученными по их физическим характеристикам в зависимости от возраста намывных грунтов.

6.7.5. Расчет оснований, сложенных намывными грунтами, должен производиться в соответствии с требованиями раздела 5.

Если толща намывных грунтов подстилается водонасыщенными органоминеральными или органическими грунтами или илами, в расчетах оснований следует дополнительно учитывать требования подраздела 6.4.

6.7.6. Расчетное сопротивление R намывных грунтов определяют в соответствии с требованиями подраздела 5.5, при этом значения прочностных характеристик намывного грунта следует принимать соответствующими началу строительства с учетом 6.7.2 и 6.7.3.

6.7.7. Полная деформация основания, сложенного намывными грунтами, должна определяться суммированием осадок основания от внешней нагрузки, самоуплотнения толщи намывных грунтов и дополнительных осадок загруженных намывом подстилающих слоев грунта с учетом их консолидации.

6.7.8. Расчет осадки намывного основания при толщине намывного слоя не менее 4b (где b - ширина фундамента) и при отношении площади фундаментов к площади застройки сооружения больше 0,3 следует проводить от нагрузки, распределенной по площади застройки и полученной путем деления массы сооружения на площадь, ограниченную контуром наружных граней фундаментов.

6.7.9. При расчетных деформациях основания, сложенного намывными грунтами, больше предельных или недостаточной несущей способности основания в соответствии с указаниями подраздела 5.8 должны предусматриваться:

- уплотнение намывных грунтов (вибрационными машинами и катками, глубинным гидровиброуплотнением, использованием энергии взрыва, трамбованием, избыточным намывом грунта на площади застройки и др.);

- закрепление или армирование намывного грунта;

- конструктивные мероприятия.

6.7.10. Отметку заложения подошвы фундаментов принимают независимо от глубины сезонного промерзания грунтов, если в основании сооружения залегает толща намывных песков гравелистых, крупных и средней крупности, а также мелких, если специальными исследованиями на данной площадке установлено, что они не обладают пучинистыми свойствами.

6.7.11. При проектировании намывных работ необходимо так размещать дамбы обвалования, ограждающие карты намыва, чтобы они не пересекали контуры и не служили основанием сооружений, что может привести к развитию больших неравномерных осадок.

6.8. Пучинистые грунты

6.8.1. Основания, сложенные пучинистыми грунтами, должны проектироваться с учетом способности таких грунтов при сезонном или многолетнем промерзании увеличиваться в объеме, что сопровождается подъемом поверхности грунта и развитием сил морозного пучения, действующих на фундаменты и другие конструкции сооружений. При последующем оттаивании пучинистого грунта происходит его осадка.

6.8.2. К пучинистым грунтам относятся глинистые грунты, пески пылеватые и мелкие, а также крупнообломочные грунты с глинистым заполнителем, имеющие к началу промерзания влажность выше определенного уровня. При проектировании оснований, сложенных пучинистыми грунтами, следует учитывать возможность повышения влажности грунта за счет подъема уровня подземных вод, инфильтрации подземных вод и экранирования поверхности.

6.8.3. Пучинистые грунты характеризуются:

- абсолютной деформацией морозного пучения hf, представляющей подъем ненагруженной поверхности промерзающего грунта;

- относительной деформацией (интенсивностью) морозного пучения efh - отношением hf к толщине промерзающего слоя df;

- давлением морозного пучения pfh, действующим нормально к подошве фундамента;

- удельным значением tfh - касательной силы морозного пучения, действующей вдоль боковой поверхности фундамента.

Указанные характеристики, как правило, должны устанавливаться на основе опытных данных с учетом возможного изменения гидрогеологических условий. Для сооружений III уровня ответственности допускается определять значения efh в зависимости от параметра Rf (рисунок 6.9), вычисляемого по формуле

,                                 (6.22)

где    w, wp - влажность в пределах слоя промерзающего грунта соответственно природная и на границе раскатывания, доли единицы;

wsat - полная влагоемкость грунта, доли единицы;

ρd - плотность сухого грунта, т/м3;

M0 - абсолютное значение средней многолетней температуры воздуха за зимний период; определяют так же, как и коэффициент Mt (см. формулу (12.1)).

1, 2 - супеси; 3 - суглинки; 4 - суглинки с 0,07 < Ip £ 0,13; 5 - суглинки с 0,13 < Ip £ 0,17; 6 - глины (в грунтах 2, 4 и 5 содержание пылеватых частиц размером 0,05 - 0,005 мм составляет более 50 % по массе); а - практически непучинистый; б - слабопучинистый; в - среднепучинистый; г - сильнопучинистый; д - чрезмернопучинистый

Рисунок 6.9. - Взаимосвязь параметра Rf относительной деформации пучения efh

6.8.4. По степени пучинистости грунты подразделяют в зависимости от efh на пять групп (ГОСТ 25100). Принадлежность глинистого грунта к одной из групп также может быть оценена по параметру Rf (рисунок 6.9).

6.8.5. Расчет оснований, сложенных пучинистыми грунтами, должен выполняться в соответствии с рекомендациями раздела 5 и предусматривать проверку устойчивости фундаментов при действии сил морозного пучения.

6.8.6. Расчет устойчивости фундаментов на воздействие касательных сил морозного пучения, действующих вдоль боковой поверхности фундаментов, должен выполняться при заложении подошвы фундаментов ниже расчетной глубины промерзания пучинистых грунтов.

Устойчивость фундаментов проверяют по формуле

(tfh Afh - F) £ gc Frf / gn,                                               (6.23)

где    tfh - значение расчетной удельной касательной силы пучения, кПа, принимаемое по 6.8.7;

Afh - площадь боковой поверхности фундамента, находящейся в пределах расчетной глубины сезонного промерзания, м2;

F - расчетная постоянная нагрузка, кН, при коэффициенте надежности по нагрузке gf = 0,9;

Frf - расчетное значение силы, кН, удерживающей фундамент от выпучивания вследствие трения его боковой поверхности о талый грунт, лежащий ниже расчетной глубины промерзания;

gс - коэффициент условий работы, принимаемый равным 1,1;

gn - коэффициент надежности, принимаемый равным 1,1.

6.8.7. Значение расчетной удельной касательной силы пучения tfh должно определяться, как правило, опытным путем. При отсутствии опытных данных допускается принимать значения tfh по таблице 6.10 в зависимости от вида и характеристик грунта.

6.8.8. Расчетное значение силы Frf, кН, для фундаментов, имеющих вертикальные грани, определяют по формуле

,                                                         (6.24)

где    Rfj - расчетное сопротивление талых грунтов сдвигу по боковой поверхности фундамента j-м слое, кПа; допускается применять в соответствии с нормативными документами по проектированию свайных фундаментов;

Afj - площадь вертикальной поверхности сдвига j-м слое грунта ниже расчетной глубины промерзания, м2;

п - число слоев грунта.

Таблица 6.10

Грунты и их характеристики

Значения расчетной удельной касательной силы пучения tfh, кПа, при глубине сезонного промерзания грунта, м

до 1,5

2,5

3 и более

Супеси, суглинки и глины при показателе текучести IL > 0,5; крупнообломочные грунты с глинистым заполнителем, пески мелкие и пылеватые при показателе дисперсности D > 5 и степени влажности Sr > 0,95

110

90

70

Супеси, суглинки и глины при 0,25 < IL £ 0,5; крупнообломочные грунты с глинистым заполнителем, пески мелкие и пылеватые при D > 1 и 0,8 < Sr £ 0,95

90

70

55

Супеси, суглинки и глины при IL £ 0,25; крупнообломочные грунты с глинистым заполнителем, пески мелкие и пылеватые при D > 1 и степени влажности 0,6 < Sr £ 0,8

70

55

40

Примечания

1. Для промежуточных глубин промерзания значения tfh принимают интерполяцией.

2. Значения tfh для грунтов, используемых при обратной засыпке котлованов, принимают по первой строке таблицы.

3. В зависимости от вида поверхности фундамента приведенные значения tfh умножают на коэффициент: при гладкой бетонной необработанной - 1; при шероховатой бетонной с выступами и кавернами до 5 мм - 1,1 - 1,2, до 20 мм - 1,25 - 1,5; при деревянной антисептированной - 0,9; при металлической без специальной обработки - 0,8.

4. Для сооружений III уровня ответственности значения tfh умножают на коэффициент 0,9.

6.8.9. При заложении фундаментов выше расчетной глубины промерзания пучинистых грунтов (малозаглубленные фундаменты) необходимо производить расчет по деформациям морозного пучения грунтов основания с учетом касательных и нормальных сил морозного пучения.

Примечание - Малозаглубленные фундаменты допускается применять для сооружений III уровня ответственности и малоэтажных зданий (раздел 8) при нормативной глубине промерзания не более 1,7 м.

6.8.10. Расчетные деформации морозного пучения грунтов основания, определяемые с учетом нагрузки от сооружения, не должны превышать предельных значений, которые допускается принимать как для набухающих грунтов (приложение Е).

6.8.11. Если расчетные деформации морозного пучения основания малозаглубленных фундаментов больше предельных или устойчивость фундаментов на действие сил морозного пучения недостаточна, кроме возможности изменения глубины заложения фундаментов, следует рассмотреть необходимость применения мероприятий, уменьшающих силы и деформации морозного пучения, а также глубину промерзания в соответствии с подразделом 5.8 (водозащитные, теплозащитные или физико-химические).

Если при применении указанных мероприятий деформации морозного пучения не исключены, следует предусматривать конструктивные мероприятия, назначаемые исходя из расчета фундаментов и конструкций сооружения с учетом возможных деформаций морозного пучения.

В проекте оснований и фундаментов должны предусматриваться мероприятия, не допускающие увлажнения пучинистых грунтов основания, а также промораживания их в период строительства.

6.9. Закрепленные грунты

6.9.1. Закрепление грунтов производят в целях повышения их прочности и водонепроницаемости в основании строящихся или существующих сооружений.

Возможность и способ закрепления грунтов в основании существующих сооружений должны устанавливаться с учетом характера деформаций оснований и состояния конструкций сооружения (приложение В).

Массивы из закрепленного грунта (закрепленные массивы) могут быть использованы в качестве фундаментов и других заглубленных конструкций.

6.9.2. Для устройства закрепленных массивов в зависимости от их назначения и грунтовых условий применяют следующие способы:

- инъекционный, осуществляемый путем нагнетания в грунт химических или цементационных растворов с помощью инъекторов или в скважины (смолизация, силикатизация, цементация);

- буросмесительный (путем разработки и перемешивания грунта с цементом или цементными растворами в скважинах);

- термический (путем нагнетания в скважины высокотемпературных газов или с помощью электронагрева грунта).

Способ закрепления и рецептура растворов должны обеспечивать необходимые расчетные физико-механические характеристики закрепленного грунта и удовлетворять требованиям по охране окружающей среды.

6.9.3. Инъекционные способы закрепления грунтов следует применять в следующих грунтовых условиях:

- силикатизацию и смолизацию - в песках с коэффициентом фильтрации k - 0,5 £ k £ 80 м/сут;

- силикатизацию в просадочных грунтах при k ³ 0,2 м/сут и степени влажности Sr £ 0,7;

- цементацию - в трещиноватых скальных грунтах с удельным водопоглощением не менее 0,01 л/мин·м2; в крупнообломочных грунтах при k ³ 40 м/сут, а также для заполнения карстовых полостей и закрепления закарстованных пород.

6.9.4. Буросмесительный способ следует применять для закрепления илов независимо от их коэффициента фильтрации (в том числе при наличии слоев глин и суглинков с показателем текучести IL ³ 0,5 или песков рыхлых и средней плотности), а также лессовых просадочных грунтов с числом пластичности от 0,02 до 0,15 в грунтовых условиях I типа по просадочности.

Применение буросмесительного способа закрепления грунтов допускается для сооружений III уровня ответственности.

6.9.5. Термический способ следует применять для закрепления лессовых просадочных грунтов со степенью влажности Sr £ 0,5.

6.9.6. Для силикатизации и смолизации используют в качестве крепителей водные растворы силиката натрия, карбамидные и другие синтетические смолы, в качестве отвердителей - неорганические или органические кислоты и соли, а также газы. Для регулирования процессов гелеобразования или предварительной обработки закрепленного грунта применяют рецептурные добавки.

6.9.7. Для цементации грунтов следует применять цементационные растворы (цементные, цементно-песчаные, цементно-глинистые, цементно-песчано-глинистые и др.), а также поризованные и вспененные растворы при необходимости с химическими добавками.

При наличии агрессивных подземных вод надлежит применять стойкие по отношению к ним цементы.

6.9.8. Рецептуры растворов для инъекционных и буросмесительных способов закрепления грунтов и физико-механические характеристики закрепленных грунтов должны уточняться по результатам их закрепления в лабораторных или полевых условиях.

6.9.9. Форму и размеры закрепленных массивов, а также физико-механические характеристики закрепленных грунтов следует устанавливать исходя из инженерно-геологических и гидрогеологических условий площадки, принятого способа и технологии работ по закреплению грунтов, а также результатов расчета оснований в соответствии с требованиями раздела 5 с учетом взаимодействия закрепленного массива с окружающим грунтом.

При наличии в основании специфических грунтов (например, просадочных) следует учитывать дополнительно требования соответствующих разделов настоящего СП.

Основания, усиленные отдельными закрепленными массивами (столбами) диаметром от 0,6 до 1,0 м, должны проектироваться в соответствии с нормативными документами по свайным фундаментам.

6.9.10. При проектировании закрепления грунтов рекомендуется привлекать специализированные организации для решения вопросов о способе закрепления, составе растворов, о прочностных и деформационных свойствах закрепленных грунтов.

6.9.11. Материалы инженерно-геологических изысканий и лабораторных исследований помимо характеристик, указанных в 5.1.8, должны содержать данные о гранулометрическом составе и коэффициенте фильтрации грунта, химическом составе водных вытяжек грунтовых вод, а для закрепленных грунтов - о прочностных и деформационных характеристиках (jз, cз, Rз, Eз).

6.9.12. Проектирование закрепления грунтов производят в следующей последовательности:

- на основании материалов изысканий и лабораторных исследований назначают способ закрепления грунтов, прочностные и деформационные характеристики закрепленного грунта. Допускается значения jз, cз, Eз песков принимать по таблице 6.11 в зависимости от прочности закрепленного грунта на одноосное сжатие Rз;

- выбирают конструктивную схему закрепления грунтов основания: а) сплошное закрепление на заданную глубину; б) армирование грунтов основания отдельными опорами из закрепленного грунта; в) комбинированная схема, предусматривающая сверху сплошное закрепление, а ниже - из отдельных опор;

- назначают предварительные геометрические размеры закрепленного грунта в плане и по глубине. Минимальный вынос закрепления за контуры фундамента принимают по таблице 6.12 в зависимости от расчетного давления под подошвой фундамента и значения Rз;

- производят расчет закрепленного основания по предельным состояниям в соответствии с разделом 5. По результатам расчета производят корректировку геометрических размеров закрепленного грунта;

- назначают радиус закрепления грунта от инъектора (скважины) в зависимости от коэффициента фильтрации по таблице 6.13;

- назначают схему расположения инъекторов (скважин) в плане и по глубине, обеспечивающую создание массива требуемой формы и размеров;

- определяют потребные объемы закрепляющих реагентов на одну заходку инъектора (захватку скважины) и на весь объем закрепления;

- назначают последовательность обработки инъекторов (скважин) и режим инъекции (давление, скорость инъекции), позволяющие обеспечить требуемую форму, размеры и прочность закрепленного грунта.

Таблица 6.11

Способы закрепления

Характеристики грунта

Средние значения характеристик закрепленных песков при их прочности Rз, МПа

0,5

1,0

2,0

3,0

4,0

5,0

Силикатизация двухрастворная

cз, МПа

0,10

0,2

0,54

0,65

0,85

1,03

jз, град.

40

41

43

45

47

49

Eз, МПа

42

80

162

240

330

415

Силикатизация однорастворная с H2SiF6

cз, МПа

0,10

0,21

0,55

-

-

-

jз, град.

40

41

44

-

-

-

Eз, МПа

42

82

165

-

-

-

Силикатизация газовая

cз, МПа

0,10

0,2

-

-

-

-

jз, град.

39

40

-

-

-

-

Eз, МПа

38

76

-

-

-

-

Смолизация

cз, МПа

0,10

0,2

0,50

0,59

0,73

0,96

jз, град.

39

41

42

44

45

47

Eз, МПа

38

78

148

215

285

375

Таблица 6.12

Расчетное давление под подошвой фундамента, МПа

Минимальный вынос закрепления за контур фундамента, м, при прочности закрепленного грунта Rз, МПа

0,5

1,0

2,0

3,0

4,0

5,0

0,2

0,3

0,25

0,20

0,15

0,1

0,05

0,4

0,45

0,35

0,25

0,15

0,15

0,10

0,6

-

0,45

0,35

0,25

0,20

0,15

0,8

-

-

0,5

0,35

0,25

0,20

1,0

-

-

-

0,5

0,3

0,2

Таблица 6.13

Способ закрепления

Вид грунта

Коэффициент фильтрации, м/сут

Радиус закрепления грунта, м

Силикатизация двухрастворная

Пески

От 5 до 10

Св. 10 » 20

» 20 »50

» 50 » 80

От 0,3 до 0,4

Св. 0,4 » 0,6

» 0,6 » 0,8

» 0,8 » 1,0

Силикатизация однорастворная с H2SiF6

»

От 0,5 до 1

Св. 1 » 2

» 2 » 5

От 0,4 до 0,6

Св. 0,6 » 0,8

» 0,8 » 1,0

Силикатизация газовая

Силикатизация однорастворная однокомпонентная

Просадочный лессовый грунт

От 0,2 до 0,3

Св. 0,3 » 0,5

» 0,5 » 2

От 0,4 до 0,7

Св. 0,7 » 0,8

» 0,8 » 1,0

Смолизация однорастворная двухкомпонентная

Пески

От 0,5 до 1

Св. 1 » 5

» 5 » 10

» 10 » 20

» 20 » 50

От 0,3 до 0,5

Св. 0,5 » 0,65

» 0,65 »0,85

» 0,85 »0,95

» 0,95 » 1,0

6.9.13. Предельное давление нагнетания при закреплении грунтов инъекционными способами должно назначаться из условия исключения возможности разрывов сплошности закрепляемого грунта.

6.9.14. Последовательность создания закрепленного массива должна исключить возможность возникновения неравномерных осадок возводимого или существующих сооружений.

6.9.15. В проекте следует предусматривать на первоначальном этапе производства работ контроль соответствия физических параметров закрепленного грунта проектным.

6.10. Особенности проектирования основам сооружений, возводимых на подрабатываемых территориях

6.10.1. Основания сооружений, возводимых на подрабатываемых территориях, должны проектироваться с учетом неравномерного оседания земной поверхности, сопровождаемого горизонтальными деформациями сдвигающегося грунта в результате производства горных работ и перемещения грунта в выработанное пространство.

Параметры деформаций земной поверхности, в том числе кривизна поверхности, ее наклоны и горизонтальные перемещения, а также вертикальные уступы должны определяться в соответствии с требованиями СНиП 2.01.09. Эти параметры должны учитываться при назначении расчетных значений характеристик грунта.

6.10.2. Результаты инженерно-геологических изысканий с учетом горно-геологического обоснования строительной площадки должны включать:

- оценку изменений геоморфологических и гидрогеологических условий участка застройки вследствие местного оседания земной поверхности (возможность образования провалов, активизации процесса сдвижения вследствие геологических нарушений, активизации оползневых процессов, изменения уровня подземных вод с учетом сезонных и многолетних перепадов, заболачивания территории и т.п.);

- оценку возможных изменений физико-механических свойств грунтов вследствие изменения геологических и гидрогеологических условий площадки;

- деформационные и прочностные характеристики грунтов, используемые при расчетах воздействий сдвигающегося грунта на заглубленные конструкции сооружений.

6.10.3. Расчетные значения прочностных и деформационных характеристик грунта для определения усилий, действующих на фундаменты в результате деформаций земной поверхности, следует принимать равными нормативным (gg = 1).

Значение модуля деформации грунта в горизонтальном направлении Eh допускается принимать равным 0,5 для глинистых грунтов и 0,65 - для песков от значения модуля деформации грунта в вертикальном направлении Е.

6.10.4. Расчетные сопротивления грунтов основания R должны определяться в соответствии с подразделом 5.5. При этом коэффициент условий работы gс2 в формуле (5.5) для сооружений жесткой конструктивной схемы, имеющих поэтажные и фундаментный пояса с замкнутым контуром, следует принимать по таблице 6.14; в остальных случаях gс2 = 1.

6.10.5. Значения коэффициента gс2 > 1 по таблице 6.14 относят к сооружениям, в которых помимо поэтажных поясов предусмотрен также фундаментный пояс.

6.10.6. Для сооружений жесткой конструктивной схемы, для которых расчетные давления на основание приняты с коэффициентом gс2 > 1, ширина подошвы бетонных и железобетонных монолитных и сборных фундаментов должна быть не менее 0,4 м.

6.10.7. Краевое давление на грунт под подошвой фундаментов, в том числе плитных, должно определяться с учетом дополнительных моментов, вызываемых деформацией земной поверхности при подработке.

Краевое давление не должно превышать 1,4R, в угловой точке - 1,5R, а равнодействующая нагрузок не должна выходить за пределы ядра сечения подошвы фундамента.

6.10.8. Краевые давления на грунты основания плитных фундаментов сооружений башенного типа следует проверять с учетом наклона земной поверхности, ветровых нагрузок и возможного крена сооружений вследствие естественной неоднородности грунта основания.

Таблица 6.14

Грунты

Коэффициент gс2 для сооружений с жесткой конструктивной схемой при отношении длины сооружения или отсека к его высоте L/H

L/H ³ 4

4 > L/H > 2,5

2,5 ³ L/H > 1,5

L/H £ 1,5

Крупнообломочные с песчаным заполнителем и пески, кроме мелких и пылеватых

1,4

1,7

2,1

2,5

Пески мелкие

1,3

1,6

1,9

2,2

Пески пылеватые

1,1

1,3

1,7

2,0

Крупнообломочные с глинистым заполнителем

1,0

1,0

1,1

1,2

Глинистые с показателем текучести IL £ 0,5

1,0

1,0

1,1

1,2

То же, с показателем текучести IL > 0,5

1,0

1,0

1,0

1,0

6.10.9. Расчет деформаций оснований допускается не производить в случаях, указанных в таблице 5.9, а также если конструкции сооружений проектируют с учетом неравномерного оседания земной поверхности.

На площадках, сложенных специфическими грунтами, конструкции сооружений должны проектироваться с учетом возможного совместного воздействия на них деформаций от подработок и указанных грунтов.

6.10.10. Для сооружений, возводимых на подрабатываемых территориях, должны применяться фундаменты следующих конструктивных схем:

- жесткой (плитные, ленточные с железобетонными поясами, столбчатые со связями-распорками между ними и т.п.);

- податливой (фундаменты с горизонтальными швами скольжения между отдельными элементами - первый тип податливости; фундаменты с вертикальными элементами, имеющими возможность наклоняться при горизонтальных перемещениях грунта - второй тип податливости);

- комбинированной (жесткие фундаменты, имеющие шов скольжения ниже уровня планировки или пола подвала).

Конструктивная схема фундамента должна приниматься в зависимости от расчетных деформаций земной поверхности, жесткости надфундаментных конструкций, деформативности грунтов оснований и пр.

Примечание - Для зданий повышенной этажности и башенного типа применение наклоняющихся фундаментов не допускается.

6.10.11. Фундаменты должны рассчитываться на нагрузки от воздействия относительных горизонтальных деформаций земной поверхности (растяжения и сжатия), вызывающих горизонтальные перемещения грунта в направлении как продольной, так и поперечной осей сооружений.

Для восприятия усилий от воздействия горизонтальных перемещений грунта должны устраиваться: в ленточных фундаментах - железобетонные пояса (в податливых фундаментах - над швом скольжения); в столбчатых (в необходимых случаях) - связи-распорки; в плитных и свайных фундаментах должно предусматриваться соответствующее усиление армирования плиты и ростверка.

6.10.12. Фундаменты жесткой конструктивной схемы на воздействие горизонтальных деформаций грунта должны рассчитываться на усилия, вызываемые следующими нагрузками:

- силами трения (сдвигающими силами) по подошве фундаментов продольных и примыкающих стен, а также по боковым поверхностям фундаментов от перемещения грунта;

- давлением перемещающегося грунта, действующим нормально к боковой поверхности фундаментов.

Усилия от сил трения (сдвигающих сил) по подошве фундаментов примыкающих стен боковое давление грунта на эти фундаменты, а также заглубленные части стен должны передаваться на конструкции фундаментов, расположенные параллельно направлению рассматриваемого горизонтального перемещения грунта.

6.10.13. Фундаменты податливой конструктивной схемы на воздействие горизонтальных деформаций грунта должны рассчитываться нагрузки и усилия в зависимости от типа податливости.

При первом типе податливости, когда фундаменты имеют возможность смещаться по шву скольжения, их следует рассчитывать на силы трения, возникающие в шве скольжения от сдвига фундаментов.

При втором типе податливости, когда фундаменты имеют возможность наклоняться, их следует рассчитывать на наклоны и возникающее нормальное давление грунта.

Податливые фундаменты второго типа, наклоняющиеся из плоскости стены, в ее плоскости могут работать как податливые фундаменты первого типа.

Усилия от сил трения по шву скольжения и бокового давления фундаментов примыкающих стен должны передаваться на конструкции фундаментов, расположенных параллельно направлению рассматриваемого горизонтального перемещения.

При перемещении наклоняющихся фундаментов должны предусматриваться меры по обеспечению местной устойчивости элементов фундаментов и общей устойчивости сооружения в целом.

6.10.14. При шарнирном сопряжении колонн каркаса с фундаментами и ригелем и отсутствии связей-распорок между фундаментами конструкции при воздействии горизонтальных деформаций работают по второму типу податливости.

Нагрузки на фундаменты с жесткой заделкой колонн при отсутствии связей-распорок между фундаментами определяют в зависимости от перемещения основания, заглубления фундаментов, жесткости колонн, прочности и деформационных характеристик основания и грунта засыпки.

6.10.15. На площадках, сложенных грунтами с модулем деформации Е < 10 МПа, а также при возможности резкого ухудшения строительных свойств грунтов основания вследствие изменения гидрогеологических условий площадки при подработке рекомендуется принимать свайные или плитные фундаменты.

Если в верхней зоне основания залегают слои ограниченной толщины насыпных, просадочных и других специфических грунтов, следует предусматривать прорезку этих слоев фундаментами.

6.10.16. К основным мероприятиям, снижающим неблагоприятное воздействие деформаций земной поверхности на фундаменты и конструкции сооружений, относятся:

а) уменьшение поверхности фундаментов, имеющей контакт с грунтом;

б) заложение фундаментного пояса на одном уровне в пределах отсека сооружения;

в) устройство грунтовых подушек на основаниях, сложенных практически несжимаемыми грунтами;

г) размещение подвалов и технических подполий под всей площадью отсека сооружения;

д) засыпка грунтом пазух котлованов и выполнение грунтовых подушек из материалов, обладающих малым сцеплением и трением на контакте с поверхностью фундаментов;

е) отрывка перед подработкой временных компенсационных траншей по периметру сооружения;

ж) разрезка зданий на отсеки.

6.10.17. Основным конструктивным мероприятием, снижающим неблагоприятное воздействие деформаций земной поверхности на фундаменты и конструкции зданий и сооружений, является разрезка зданий на отсеки, благодаря которой снижаются значения перемещений.

6.10.18. При строительстве сооружений на территориях при возможности образования при подработке уступов выбор типа фундаментов и метода защиты сооружений должен зависеть от размеров уступов:

- при уступах до 2 - 3 см фундаменты могут приниматься как и для условий строительства на площадках с плавными деформациями земной поверхности, т.е. по жесткой или податливой (первого типа податливости) конструктивной схеме;

- при ожидаемых уступах более 3 см должна предусматриваться возможность выравнивания сооружения поддомкрачиванием или с помощью клиньев.

6.11. Особенности проектирования оснований сооружений, возводимых на закарстованных территориях

6.11.1. Основания сооружений, возводимых на закарстованных территориях, должны проектироваться с учетом возможности образования поверхностных карстовых деформаций - провалов и оседаний и особенностей развития карстовых процессов.

6.11.2. Карстовые деформации характеризуются средними и максимальными диаметрами карстовых провалов и оседаний, их средней глубиной, а для карстовых оседаний, кроме того, кривизной земной поверхности и наклоном краевых участков зоны оседания.

Параметры карстовых деформаций определяют расчетом с использованием вероятностно-статистических и (или) аналитических методов на основе анализа инженерно-геологических и гидрогеологических условий с учетом их возможных изменений за время эксплуатации сооружений.

6.11.3. При проектировании сооружений на закарстованных территориях следует предусматривать мероприятия, снижающие неблагоприятное воздействие карста на сооружения или исключающие возможность образования карстовых деформаций. К таким мероприятиям относятся:

- конструктивные и водозащитные;

- заполнение (тампонаж) карстовых полостей;

- прорезка закарстованных пород фундаментами, в том числе свайными;

- закрепление закарстованных пород и (или) вышележащих грунтов;

- исключение или ограничение неблагоприятных техногенных воздействий.

6.11.4. Выбор одного или комплекса мероприятий должен производиться с учетом видов возможных карстовых деформаций и их параметров, уровня ответственности и срока эксплуатации сооружения, его конструктивных и технологических особенностей.

Принятые мероприятия не должны приводить к активизации карстовых процессов на примыкающих территориях.

6.11.5. Для сооружений III уровня ответственности допускается ограничиваться проведением наблюдений за режимом подземных вод, развитием карстовых процессов, состоянием основания и сооружения.

6.11.6. Конструктивные мероприятия могут осуществляться по жесткой и податливой схемам в зависимости от вида сооружения и степени карстовой опасности.

Увеличение жесткости и прочности надфундаментной части сооружений осуществляется за счет применения железобетонных и армированных поясов, тяжей и горизонтальных монолитных диафрагм, усилением несущих элементов конструкций армированными обоймами и рубашками, введением дополнительных связей в каркасных конструкциях.

Увеличение податливости сооружений достигается устройством в подземной части швов скольжения, введением шарнирных и податливых связей между элементами конструкций, снижением жесткости несущих конструкций и др.

6.11.7. Основные конструктивные элементы противокарстовой защиты сооружений следует предусматривать в подземной части путем применения коробчатых фундаментов, плоских или ребристых плит, перекрестных ленточных фундаментов. Применение отдельно стоящих фундаментов не допускается.

Фундаменты должны выполняться из монолитного железобетона. При соответствующем обосновании допускается применение сборных ленточных фундаментов с монолитными железобетонными поясами.

6.11.8. Для обеспечения необходимой прочности возможно применение консольных удлинений фундаментов за пределы сооружений. Длину консоли определяют в зависимости от конструктивных решений фундаментов сооружения, а также параметров расчетного карстового провала.

6.11.9. Применение висячих свай в качестве противокарстового мероприятия не допускается. Такие сваи могут применяться при наличии в верхних слоях основания насыпных, органоминеральных или органических грунтов. При этом следует принимать плитный или ленточный ростверк, объединяющий сваи. Узел сопряжения свай с ростверком должен предусматривать возможность их выскальзывания, чтобы исключить дополнительное нагружение основания зависающими сваями, находящимися на участке образовавшегося провала под фундаментом.

6.11.10. При неглубоком залегании карстующихся грунтов допускается возводить сооружения на сваях, прорезающих эти грунты и заглубленных в ненарушенные грунты на глубину не менее 2 м.

При расчете свай необходимо учитывать дополнительные усилия, возникающие при перемещении обрушающихся грунтов надкарстовой толщи.

6.11.11. Основным расчетным параметром при проектировании противокарстовой защиты сооружений при карстовых провалах является расчетный диаметр карстового провала. Его определение производят с учетом физико-механических характеристик грунтов основания и нагрузки, передаваемой от сооружения на основание.

Основанием сооружений, возводимых на закарстованных территориях, принимают толщу грунтов, глубина которой не менее глубины сжимаемой толщи, и глубины расположения форм подземного карста, которые могут проявиться на земной поверхности.

6.11.12. При карстовых деформациях в виде оседания поверхности рекомендуется применять методику расчета сооружений на подрабатываемых территориях (подраздел 6.10) с учетом специфики карстовых деформаций, связанной с механизмом их проявления и продолжительностью.

6.11.13. При расчете фундаментов положение возможных карстовых провалов под сооружением принимают исходя из наиболее неблагоприятного их влияния на работу сооружения. При этом обязательным является расчетное положение провала под колоннами, пересечениями стен, углами сооружений, в середине большей и меньшей сторон.

6.11.14. Расчет оснований сооружений, возводимых на закарстованных территориях, должен производиться в соответствии с требованиями раздела 5.

При наличии в основании сооружений грунтов со специфическими свойствами (просадочных, набухающих и др.), залегающих над закарстованными грунтами, следует учитывать требования соответствующих разделов настоящего СП.

6.11.15. При необходимости усиления оснований и фундаментов существующих сооружений следует предусматривать:

- объединение отдельных фундаментов в пространственно-рамные конструкции;

- устройство консольных выступов, поясов жесткости и т.д.

- закрепление грунтов основания;

- заполнение (тампонаж) образовавшихся провалов.

6.12. Особенности проектирования оснований сооружений, возводимых в сейсмических районах

6.12.1. Основания сооружений, возводимых на площадках сейсмичностью 7, 8 и 9 баллов, должны проектироваться с учетом требований СНиП II-7.

В районах сейсмичностью менее 7 баллов основания следует проектировать без учета сейсмических воздействий.

Примечание - При проектировании в сейсмических районах в дополнение к материалам инженерно геологических изысканий необходимо использовать данные сейсмического микрорайонирования площадки строительства.

6.12.2. Проектирование оснований с учетом сейсмических воздействий должно выполняться на основе расчета по несущей способности на особое сочетание нагрузок, определяемых в соответствии с требованиями СНиП 2.01.07, а также СНиП II-7.

Предварительные размеры фундаментов допускается определять расчетом оснований по деформациям на основное сочетание нагрузок (без учета сейсмических воздействий) согласно требованиям подраздела 5.5.

6.12.3. Расчет оснований по несущей способности выполняют на действие вертикальной составляющей внецентренной нагрузки, передаваемой фундаментом на грунт, исходя из условия

,                                                      (6.25)

где    Na - вертикальная составляющая расчетной внецентренной нагрузки в особом сочетании, кН;

Nu - вертикальная составляющая силы предельного сопротивления основания при одностороннем выпоре грунта вследствие сейсмического воздействия, кН;

gc,eq - сейсмический коэффициент условий работы, принимаемый равным 1,0; 0,8; 0,6 соответственно для грунтов I, II и III категорий по сейсмическим свойствам, которые определяют в соответствии с классификацией СНиП II-7;

gn - коэффициент надежности по назначению сооружения, принимаемый по указаниям 5.6.2.

Горизонтальную составляющую нагрузки Fsa, кН, учитывают при расчете фундамента на сдвиг по подошве площадью А, м2, исходя из условия

,                                     (6.26)

где    gc,eq, gn и Na - то же, что и в формуле (6.25);

j1 и с1 - расчетные значения угла внутреннего трения и удельного сцепления;

Dj - принимают в зависимости от расчетной сейсмичности:

7 баллов - Dj = 2°, 8 баллов - Dj = 4°, 9 баллов - Dj = 7°.

6.12.4. При расчете несущей способности оснований, испытывающих сейсмические колебания, ординаты эпюры предельного давления p0 и рb, кПа, по краям подошвы фундамента (рисунок 6.10) определяют по формулам:

;                                           (6.27)

,                                               (6.28)

где    ξq, ξс, ξg - коэффициенты формы, определяемые по формулам (5.31), но без уменьшения длины l и ширины b подошвы фундамента на значения эксцентриситета нагрузок;

F1, F2 и F3 - коэффициенты, определяемые по графикам рисунка 6.11 в зависимости от расчетного значения угла внутреннего трения j1;

g´1 и g1 - соответственно расчетные значения удельного веса грунта, кН/м3, находящегося выше и ниже подошвы фундамента (с учетом взвешивающего действия подземных вод для грунтов, находящихся выше водоупора);

d - глубина заложения фундамента, м, (в случае неодинаковой вертикальной пригрузки с разных сторон фундамента принимают значение, соответствующее наименьшей пригрузке, например, со стороны подвала);

keq - коэффициент, принимаемый равным 0,1; 0,2 и 0,4 при сейсмичности площадок строительства 7, 8 и 9 баллов соответственно.

Примечание - В формуле (6.28) при F2 < keqF3 следует принимать рb равное р0.

Эксцентриситеты расчетной нагрузки ea, м, и эпюры предельного давления еu, м, определяют по формулам:

ea = Мa / Na;                                                              (6.29)

eu = b (pb - p0) / 6 (pb + p0),                                                  (6.30)

где    Na и Mа - вертикальная составляющая расчетной нагрузки, кН, и момент, кН·м, приведенные к подошве фундамента при особом сочетании нагрузок;

p0 и pb - то же, что и в формулах (6.27) и (6.28).

Рисунок 6.10. - Эпюра предельного давления под подошвой фундамента при сейсмическом воздействии

Рисунок 6.11. - Графики определения коэффициентов F1, F2 и F3 для расчета несущей способности оснований в условиях сейсмических воздействий

В зависимости от соотношения между значениями ea и eu вертикальную составляющую силы предельного сопротивления основания Nu,eq, кН, принимают:

при ea £ eu Nu,eq = 0,5 b l (pb + p0);                                                (6.31)

при ea > eu Nu,eq = b l pb / (1 + 6ea / b).                                           (6.32)

6.12.5. При действии моментов от нагрузок особого сочетания в двух направлениях расчет сейсмостойкости основания по несущей способности должен выполняться раздельно на действие сил и моментов в каждом направлении независимо друг от друга.

6.12.6. При расчете оснований и фундаментов на особое сочетание нагрузок с учетом сейсмических воздействий допускается частичный отрыв подошвы фундамента от грунта при выполнении следующих условий:

- эксцентриситет ea расчетной нагрузки не превышает одной трети ширины фундамента b в плоскости действия опрокидывающего момента;

- силу предельного сопротивления основания определяют для условного фундамента, размер подошвы которого в направлении действия момента равен размеру сжатой зоны bс = 1,5 (b - 2еа);

- максимальное краевое давление под подошвой фундамента, вычисленное с учетом его неполного контакта с грунтом, не превышает краевой ординаты эпюры предельного сопротивления основания.

Максимальное расчетное давление по подошве фундамента определяют по формуле

,                                                  (6.33)

где Na и ea - то же, что и в формуле (6.29), причем ea > b/6;

Значение pb определяют по формуле (6.28), но для фундамента, имеющего условную ширину bc.

При ea > b/6 формула (6.32) приобретает вид

Nu,eq = 0,5 bc l pb.                                                              (6.34)

6.12.7. Глубину заложения фундаментов в грунтах, относимых по их сейсмическим свойствам согласно СНиП II-7 к I и II категориям, принимают, как правило, такой же, как и для фундаментов в несейсмических районах.

На площадках, сложенных грунтами III категории по сейсмическим свойствам, рекомендуется предусматривать мероприятия по улучшению строительных свойств грунтов основания до начала строительства.

Нельзя использовать в качестве оснований сейсмостойких сооружений без проведения предпостроечных мероприятий водонасыщенные грунты, способные к виброразжижению.

6.12.8. При невозможности заглубления фундаментов здания или отсека на одном уровне в дисперсных грунтах допустимую разность отметок Dh подошвы соседних фундаментов определяют исходя из условия (12.3), в котором расчетное значение угла внутреннего трения грунта должно быть уменьшено на величину Dj, имеющую те же значения, что и в формуле (6.26).

Ленточные фундаменты примыкающих частей отсеков здания должны иметь одинаково заглубление на протяжении не менее 1 м от осадочного шва. Столбчатые фундаменты, разделенные осадочным швом, должны располагаться на одном уровне.

Для зданий высотой более пяти этажей рекомендуется устройство подвального этажа под всем зданием или его отсеками.

6.13. Особенности проектирования оснований сооружений, возводимых вблизи источников динамических воздействий

6.13.1. Проектирование оснований сооружений должно осуществляться с учетом возможных динамических воздействий:

а) от стационарного оборудования с динамическими нагрузками, установленного в существующих и проектируемых сооружениях;

б) от автомобильного и железнодорожного транспорта и метрополитена;

в) от строительного оборудования;

г) от прочих источников (взрывные работы и т.д.).

Проектирование оснований при динамических воздействиях производят на основе инструментальных измерений или расчетного прогноза колебаний грунта.

6.13.2. Расчет оснований по несущей способности выполняют в тех же случаях, которые предусмотрены в 5.1.3, с учетом объемных сил инерции и динамических нагрузок от сооружения, для которых принимают наиболее невыгодное направление.

6.13.3. Среднее давление от статических нагрузок под подошвой фундамента p, кПа, в пределах зоны, где скорость колебаний поверхности грунта более 15 мм/с (от импульсных источников динамических воздействий) или 2 мм/с (от прочих источников), должно удовлетворять условию

p £ gcd R,                                                                 (6.35)

где    gcd - коэффициент условий работы грунтов основания при динамических воздействиях, принимаемый для мелких и пылеватых водонасыщенных песков и глинистых грунтов текучей консистенции gcd = 0,7; для всех остальных видов и состояний грунтов gcd = 1;

R - расчетное сопротивление грунта основания, кПа, определяемое в соответствии с требованиями 5.5.8.

6.13.4. Для мелких и пылеватых водонасыщенных песков и глинистых грунтов текучей консистенции в пределах зон, указанных в 6.13.3, необходимо производить расчет длительных осадок от совместного действия статических и динамических нагрузок (виброползучесть). Этот расчет допускается производить в соответствии с подразделом 5.5, принимая при этом уменьшенные значения модулей деформации грунтов, которые должны определяться, как правило, по результатам испытаний.

6.13.5. Для расчета прочности несущих конструкций сооружений с учетом их усталости, а также для оценки выполнения требований санитарных норм необходимо проводить расчет колебаний сооружений при динамических воздействиях с учетом взаимодействия с основанием. Допускается принимать, что основание обладает линейно-упругими свойствами.

6.13.6. Для выполнения требований расчета оснований по несущей способности и по деформациям рекомендуется снижать параметры динамических воздействий в их источнике (замена технологического процесса, перемещение источника, регулирование в источнике, активная виброизоляция и др.) или на путях распространения колебаний от источника (устройство экранов в виде стенок или траншей, изменение массы фундамента-приемника колебаний или жесткости его основания и др.). В дополнение к указанным мероприятиям или в качестве самостоятельной меры возможно увеличение заглубления фундамента, размеров его подошвы и т.д.

6.13.7. Для существующих сооружений при появлении вблизи них источников динамических воздействий, указанных в 6.13.1, необходимо проводить расчеты, указанные в 6.13.3 - 6.13.5.

7. Особенности проектирования оснований опор воздушных линий электропередачи

7.1. Требования настоящего раздела должны соблюдаться при проектировании оснований опор воздушных линий электропередачи и опор открытых распределительных подстанций напряжением от 1 кВ и выше.

По характеру нагружения опоры подразделяют на промежуточные, анкерные, угловые и специальные, применяемые на больших переходах.

7.2. Расчетные характеристики грунтов должны устанавливаться в соответствии с требованиями подраздела 5.3.

При расчете оснований по деформациям значение коэффициента надежности по грунту gg допускается принимать равным единице. Для массовых опор нормативные значения характеристик допускается принимать по таблицам приложения Г, причем значения cn, jn и Е глинистых грунтов с показателем текучести 0,75 < IL £ 1,0 следует принимать по результатам испытаний грунтов.

Расчет оснований по несущей способности следует выполнять при значениях коэффициентов надежности по грунту gg для: плотности ρIgg = 1; угла внутреннего трения jIgg = 1,1; удельного сцепления cIgg = 4 - в песках, gg = 2,4 - в супесях при IL £ 0,25, суглинках и глинах при IL £ 0,5; gg = 3,3 - в остальных глинистых грунтах.

7.3. Расчет оснований по деформациям и несущей способности должен производиться для всех режимов работы опор. Динамическое воздействие порывов ветра на конструкцию опоры учитывают лишь при расчете оснований по несущей способности.

Предельные значения осадок и крена отдельных блоков фундаментов при их загружении сжимающими нагрузками следует принимать по приложению Е.

7.4. Расчет оснований, сложенных пучинистыми грунтами, по несущей способности должен выполняться с учетом одновременного действия сил морозного пучения, постоянных и длительных временных нагрузок. Расчет оснований опор на одновременное действие сил морозного пучения и кратковременных нагрузок (ветровых и от обрыва проводов) не требуется.

7.5. Расчет оснований выдергиваемых фундаментов и анкерных плит по деформациям может не выполняться, если выдергивающая сила центральна по отношению к подошве фундамента (анкерной плите) и соблюдается условие

,                                               (7.1)

где    Fn - нормативное значение выдергивающей силы, кН;

Gn - нормативное значение веса фундамента или плиты, кН;

b - угол наклона выдергивающей силы к вертикали, град.;

gc - коэффициент условий работы, определяемый в соответствии с 7.6;

R´0 - расчетное сопротивление грунта обратной засыпки, кПа, принимаемое по таблице Д.10 приложения Д;

A0 - площадь проекции верхней поверхности фундамента на плоскость, перпендикулярную линии действия выдергивающей силы, м2.

7.6. Коэффициент условий работы gс в формуле (7.1) принимают равным: gс = g1 g2 g3 g4, где g1 = 1,2; 1,0 и 0,8 - для опор с базой В (расстояние между осями отдельных фундаментов), равной 5, 2,5, и 1,5 м; при промежуточных значениях. В значение g1 определяют интерполяцией; g2 = 1,0 для нормального и g2 = 1,2 - для аварийного и монтажного режимов работы; g3 = 1,0; 0,8 и 0,7 - для опор соответственно: промежуточных прямых, промежуточных угловых, анкерных и анкерно-угловых, концевых, порталов распределительных устройств, специальных; g4 = 1,0 и 1,15 - соответственно для: грибовидных фундаментов и анкерных плит опор с оттяжками, стойки которых защемлены в грунте; анкерных плит опор, стойки которых шарнирно оперты на фундаменты.

7.7. Расчетное сопротивление грунта основания R под подошвой сжато-опрокидываемых фундаментов определяют по формуле (5.5) при коэффициенте gс2 = 1.

Наибольшее давление на грунт под краем подошвы фундамента при действии вертикальной сжимающей и горизонтальных нагрузок в одном или в двух направлениях не должно превышать 1,2R.

7.8. Расчет оснований по деформациям при совместном воздействии на фундамент вертикальных (сжимающих или выдергивающих) и горизонтальных усилий сводится к соблюдению в каждом направлении действия горизонтальной силы условия

F £ FR,                                                                     (7.2)

где F и FR - соответственно приведенная действующая и допускаемая горизонтальные силы на уровне верха фундамента, кН.

Значение FR принимают как меньшее из двух расчетов: при опрокидывании со сжатием и при опрокидывании с выдергиванием.

7.9. Основание и фундамент стоечной опоры должны удовлетворять требованиям расчета по деформациям

b £ bu,                                                                     (7.3)

где    b - угол поворота стойки на уровне поверхности грунта под воздействием горизонтальных сил и моментов, рад.;

bu - предельно допустимое значение угла поворота, рад.

Значение bu при действии опрокидывающих нагрузок не должно превышать, как правило, 0,01 рад. В песках плотных и средней плотности, а также в глинистых грунтах при IL £ 0,5 в случае установки перед стойкой не менее одного ригеля допускается bu £ 0,02 рад. с обязательной проверкой стойки на прочность.

7.10. Расчет оснований по несущей способности при действии на фундамент (анкерную плиту) выдергивающей нагрузки производят исходя из условия

,                                           (7.4)

где    F - расчетное значение выдергивающей силы, кН;

gf - коэффициент надежности по нагрузке, принимаемый равным 0,9;

Gn - нормативное значение веса фундамента (плиты), кН;

b - угол наклона выдергивающей силы к вертикали, град.;

gc - коэффициент условий работы, принимаемый равным единице;

Fu,a - сила предельного сопротивления основания выдергиваемого фундамента, кН, определяемая по 7.11;

gn - коэффициент надежности по назначению, принимаемый равным для опор: промежуточных прямых - 1,0; анкерных прямых без разности тяжений - 1,2; угловых (промежуточных и анкерных), анкерных (прямых и концевых) с разностью тяжений, порталов открытых распределительных устройств - 1,3; специальных - 1,7.

7.11. Силу предельного сопротивления основания выдергиваемого фундамента Fu,a, кН, определяют по формуле

,       (7.5)

где    gbf - расчетное значение удельного веса грунта обратной засыпки, кН/м3;

Vbf - объем тела выпирания в форме усеченной пирамиды, м3, образуемой плоскостями, проходящими через кромки верхней поверхности фундамента (плиты) и наклоненными к вертикали под углами υi, равными:

у нижней кромки υ1 = j0 + b / 2;

у верхней кромки υ2 = j0 - b / 2;

у боковых кромок υ3 = υ4 = j0;

Vf - объем части фундамента, находящейся в пределах тела выпирания, м3; для анкерных плит принимают равным нулю;

А1, А2, А3 - площади граней тела выпирания, м2, имеющих в основании соответственно нижнюю, верхнюю и боковые кромки верхней поверхности фундамента (плиты);

с0 и j0 - расчетные значения удельного сцепления, кПа, и угла внутреннего трения грунта обратной засыпки, град., принимаемые равными:

c0 = η c1; j0 = η j1;                                                           (7.6)

здесь c1, j1 - расчетные значения соответственно удельного сцепления и угла внутреннего трения грунта природного сложения, определяемые в соответствии с 7.2;

η - коэффициент, принимаемый по таблице 7.1.

Таблица 7.1

Грунты обратной засыпки

Коэффициент η при плотности грунта засыпки, т/м3

1,55

1,7

Пески, кроме пылеватых влажных и насыщенных водой

0,5

0,8

Глинистые грунты при показателе текучести IL £ 0,5

0,4

0,6

Примечание - Значение коэффициента η для пылеватых песков влажных и насыщенных водой, глин и суглинков при показателе текучести 0,5 < IL £ 0,75 и супесей при 0,5 < IL £ 1 должно быть понижено на 15 %.

7.12. При расчете по несущей способности оснований стоечной опоры заделка опоры считается устойчивой, если обеспечивается условие

,                                                          (7.7)

где    FH - расчетная горизонтальная сила на отметке поверхности грунта, полученная в результате расчета опоры, кН;

gc2 - коэффициент условий работы закрепления, принимаемый по таблице 7.2;

FHu - предельная горизонтальная сила, приложенная на высоте Н, определяемая расчетом, кН;

gn - коэффициент надежности, принимаемый по 7.10.

Таблица 7.2

Грунты

Значение коэффициента условий работы закрепления gс2 в грунтах со структурой

нарушенной

ненарушенной

Пески:

 

 

крупные

1,05

1

средней крупности

1,1

1

мелкие

1,1

1

пылеватые

1,15

1,05

Супеси:

 

1

IL < 0,25

1,3

1,2

IL > 0,25

1,4

1,3

Суглинки:

 

 

IL < 0,25

1,25

1,15

0,25 < IL < 0,5

1,4

1,25

Il > 0,5

1,4

1,25

Глины:

 

 

IL < 0,25

1,5

1,3

0,25 < IL < 0,5

1,5

1,3

IL > 0,5

1,5

1,4

При расчете основания фундамента стоечной опоры все действующие на опору нагрузки каждого сочетания заменяют силами: поперечной FH, приложенной на высоте Н = M / FH от отметки поверхности земли, и вертикальной Fv, приложенной на отметке подошвы стойки. Нагрузки М, FH, и Fv принимают по усилиям, действующим в сечении стойки на отметке поверхности грунта, полученным в результате статического расчета опоры.

7.13. Расчет оснований стоечных опор с оттяжками и стоек порталов с внутренними связями на вдавливание выполняют по несущей способности по формуле

Fc £ gc R A / gg,                                                              (7.8)

где    Fc - расчетная сжимающая нагрузка на отметке подошвы стойки, кН; для промежуточных опор расчетную нагрузку из сочетаний с кратковременными нагрузками принимают с коэффициентом 0,6 для сверленых котлованов; в остальных случаях принимают полное значение;

gс - коэффициент условий работы, равный 1;

R - расчетное сопротивление грунта основания при осадке стойки 5 см, принимаемое по таблице 7.3, кПа;

A - площадь подошвы фундамента, м2, принимают равной площади подошвы стойки при установке стойки в сверленый котлован и заделке пазух гравийно-песчаной смесью или крупным песком, а также в копаные котлованы без опорной плиты; при установке стойки в сверленый котлован и заполнении пазух бетонированием площадь А принимают равной площади котлована;

gg - коэффициент надежности по грунту, равный 1,3.

Таблица 7.3

Грунты

Расчетное сопротивление грунта R, кПа

Пески:

 

гравелистые

6500

крупные

5200

средней крупности

3900

мелкие

2050

пылеватые

1300

Супеси:

 

IL £ 0

2050

0 < IL £ 1

300

Суглинки и глины

 

 

 

0

5850

 

0,10

4700

 

0,20

3600

 

0,30

2300

при IL равном

0,4

1600

 

0,50

1300

 

0,60

800

 

0,75

400

8. Особенности проектирования оснований и фундаментов малоэтажных зданий

8.1. Положения раздела распространяются на малоэтажные жилые и садовые дома, общественные здания, производственные сельскохозяйственные здания, гаражи и другие малоэтажные здания и сооружения.

Эти здания могут возводиться на малозаглубленных и незаглубленных фундаментах.

8.2. Рекомендуется применять следующие типы фундаментов:

а) фундаменты на естественном основании (ленточные, столбчатые, плитные, щелевые и др.);

б) фундаменты на локально уплотненных основаниях (в вытрамбованных или выштампованных котлованах, забивные блоки и др.);

в) короткие сваи.

8.3. В зданиях с несущими стенами рекомендуется применять преимущественно фундаменты на естественном основании (ленточные, столбчатые, щелевые и др.).

В сложных инженерно-геологических условиях (специфические грунты, высокий уровень подземных вод и др.) могут быть использованы типы фундаментов, указанные в 8.2, б) и в).

8.4. В зданиях стоечно-балочной схемы и при безростверковом опирании стен следует применять столбчатые фундаменты (на естественном или локально уплотненном основании) или короткие сваи.

8.5. Для зданий без подвалов рекомендуются малозаглубленные фундаменты, устраиваемые в слое сезоннопромерзающего грунта.

Тип и конструкция малозаглубленного фундамента и способ подготовки его основания зависят от свойств грунтов основания и степени их пучинистости.

8.6. При проектировании малозаглубленных фундаментов на пучинистых грунтах, в том числе локально уплотненных, обязательным является расчет их оснований по деформациям пучения (см. подраздел 6.8).

8.7. При строительстве на практически непучинистых грунтах несущие элементы малозаглубленных и незаглубленных фундаментов укладывают на выравнивающую подсыпку из песка, на пучинистых грунтах - на подушку из непучинистого материала (песок гравелистый, крупный или средней крупности, мелкий щебень, котельный шлак и др.). В необходимых случаях для увеличения расчетного сопротивления грунта основания целесообразно предусматривать устройство песчано-щебеночной (песчано-гравийной) подушки (смесь песка крупного или средней крупности - 40 %, щебня или гравия - 60 %).

8.8. В зависимости от степени пучинистости грунта (ГОСТ 25100) основания ленточные малозаглубленные фундаменты следует устраивать:

а) на практически непучинистых и слабопучинистых грунтах - из сборных бетонных блоков, укладываемых без соединения между собой;

б) на средне- и сильнопучинистых грунтах - из сборных железобетонных блоков, содержащих выпуски арматуры (выпуски соседних блоков соединяют, стыки замоноличивают бетоном);

в) на чрезмернопучинистых грунтах - из монолитного железобетона.

8.9. Сборно-монолитные и монолитные фундаменты всех стен должны быть жестко связаны между собой и объединены в систему перекрестных лент.

8.10. При строительстве на сильно- и чрезмернопучинистых грунтах при недостаточной жесткости стен следует производить их усиление армированными или железобетонными поясами, устраиваемыми в уровне перекрытий и над проемами верхнего этажа.

8.11. Малозаглубленные столбчатые фундаменты на средне-, сильно- и чрезмернопучинистых грунтах должны быть связаны с фундаментными балками, объединенными в единую систему.

8.12. При устройстве столбчатых фундаментов на пучинистых грунтах необходимо предусматривать зазор между нижней гранью фундаментных балок и планировочной поверхностью грунта, величина которого должна быть не менее расчетной деформации пучения (подъема) ненагруженного основания.

8.13. При наличии чрезмерно пучинистых грунтов и значительной чувствительности зданий к неравномерным деформациям рекомендуется строить их на малозаглубленных и незаглубленных монолитных железобетонных плитах, под которыми устраивают подушки из непучинистых материалов.

8.14. При вытрамбовывании (выштамповывании) котлованов и забивке блоков рекомендуется использовать фундаменты в форме усеченной пирамиды с углом наклона боковых граней к вертикали 5 - 10°. Допускается фундаменты закладывать в сезоннопромерзающем слое грунта.

8.15. Для зданий с несущими стенами рекомендуется применять однорядное расположение забивных блоков и пирамидальных свай с напрягаемой арматурой, а также короткие сваи различных типов и способов изготовления.

9. Особенности проектирования подземных сооружений

9.1. Подземные сооружения в зависимости от соотношения основных размеров подразделяют на линейные (протяженные) и компактные.

9.2. К подземным сооружениям, возводимым открытым способом, относят устраиваемые:

- в котлованах без ограждающих конструкций;

- в котлованах с использованием временных ограждающих конструкций (шпунтов, забирок, нагельных креплений и пр.) и постоянных ограждающих конструкций («стены в грунте», буросекущихся свай и пр.);

- в котлованах с использованием специальных способов строительства (замораживания грунтов, закрепления грунтов и пр.);

- способом опускного колодца.

9.3. Объемно-планировочные решения подземных сооружений должны учитывать конструктивные и технологические особенности устройства сооружения.

Конструктивные решения подземных сооружений должны обеспечивать их геометрическую неизменяемость, наиболее благоприятную статическую работу, устойчивость положения и формы, прочность.

9.4. Программа инженерно-геологических изысканий для проектирования подземных сооружений I уровня ответственности должна составляться с привлечением специализированных организаций.

9.5. При инженерно-геологических изысканиях должны быть выявлены и изучены:

- тектонические и закарстованные структуры, разрывные и складчатые нарушения;

- ожидаемые водопритоки в котлованы и подземные выработки, величина напора в горизонтах подземных вод, наличие и толщина водоупоров и их устойчивость против прорыва напорных вод;

- наличие и распространение грунтов, обладающих плывунными, тиксотропными и суффозионными свойствами и виброползучестью;

- наличие и местоположение подземных сооружений, подвалов, тоннелей, инженерных коммуникаций, колодцев, подземных выработок, буровых скважин и пр.;

- динамические воздействия от существующих сооружений.

9.6. При строительстве подземных сооружений в котлованах с использованием постоянных ограждающих конструкций геологические скважины должны быть размещены по сетке не более 20´20 м или по трассе ограждающих конструкций не реже, чем через 20 м. Число скважин должно зависеть от категории сложности инженерно-геологических условий и составлять не менее пяти.

Инженерно-геологическое строение площадки должно быть изучено на глубину не менее 1,5Hс + 5 м, где Hс - глубина заложения подошвы ограждающей конструкции, но не менее 10 м от подошвы ограждающей конструкции. На указанную глубину должно быть пройдено не менее 30 % скважин, но не менее трех скважин.

При проектировании устройства подземных сооружений без ограждающих конструкций глубина скважин должна быть не менее 1,5Hк + 5 м, где Hк - глубина котлована.

9.7. При проектировании подземных сооружений I уровня ответственности дополнительно к предусмотренным в 5.1.8 надлежит полевыми и лабораторными методами определять следующие физико-механические характеристики дисперсных и скальных грунтов:

- модуль деформации Е для первичной ветви нагружения и ветви вторичного нагружения Ее (см. 5.5.31). Вторичное (повторное) нагружение следует выполнять для тех же диапазонов напряжений, что и первичное;

- коэффициент поперечной деформации v. Для подземных сооружений II и III уровней ответственности расчетные значения коэффициента v допускается принимать в соответствии с 5.5.44;

- прочностные характеристики: угол внутреннего трения j и удельное сцепление с, определяемые для условий, соответствующих всем этапам строительства и эксплуатации подземного сооружения;

- предел прочности на одноосное сжатие для скальных и искусственно замороженных грунтов;

- удельные нормальные и касательные силы морозного пучения σh и th;

- коэффициент фильтрации k грунтов;

- классификационные характеристики массивов скальных пород: модуль трещиноватости mj, показатель качества породы RQD, коэффициент выветрелости Kw (СНиП 2.02.02).

При обосновании изысканиями могут определяться по специальному заданию и другие физико-механические и классификационные характеристики грунтов.

9.8. При необходимости следует выполнять измерения напряжений в массивах горных пород и грунтов; опытные полевые работы по водопонижению, закреплению и замораживанию грунтов, устройству буросекущихся свай и «стены в грунте», а также геофизические и прочие исследования.

9.9. Расчеты и проектирование подземных сооружений в условиях существующей застройки следует выполнять как для обеспечения прочности и устойчивости самих возводимых сооружений, так и для сохранения существующей застройки и окружающей среды.

9.10. При проектировании подземных сооружений следует учитывать уровень их ответственности, а также ответственности сооружений, на которые может оказывать влияние подземное строительство в соответствии с ГОСТ 27751.

В том случае если в зону влияния проектируемого подземного сооружения попадает существующее сооружение более высокого уровня ответственности, уровень ответственности проектируемого сооружения должен быть повышен до уровня ответственности сооружения, на которое оказывается влияние.

9.11. Расчеты подземных сооружений по первой и второй группам предельных состояний должны выполняться в соответствии с разделом 5 и включать определения:

- несущей способности основания, устойчивости сооружения и его отдельных элементов;

- местной прочности скального основания;

- устойчивости склонов, примыкающих к сооружению, откосов, бортов котлованов;

- устойчивости ограждающих конструкций;

- внутренних усилий в ограждающих, распорных, анкерных и фундаментных конструкциях;

- фильтрационной прочности основания, давления подземных вод на конструкции подземного сооружения, фильтрационного расхода;

- деформаций системы «подземное сооружение-основание».

При выполнении расчетов следует учитывать возможные изменения гидрогеологических условий, а также физико-механических свойств грунтов с учетом промерзания и оттаивания, явлений просадок, пучения и набухания.

9.12. При проектировании подземных сооружений, перекрывающих частично или полностью естественные фильтрационные потоки в грунтовом или скальном массиве, а также изменяющих условия и пути фильтрации подземных вод, следует выполнять прогноз изменений гидрогеологического режима площадки строительства.

Прогноз изменений гидрогеологического режима следует выполнять путем математического моделирования фильтрационных процессов численными методами.

9.13. При проектировании подземных сооружений в условиях существующей застройки следует выполнять геотехнический прогноз влияния строительства на изменение напряженно-деформированного состояния грунтового массива и деформации существующих сооружений.

Этот прогноз следует выполнять, как правило, путем математического моделирования с использованием нелинейных моделей грунтов численными методами.

9.14. При определении нагрузок и воздействий на основание и конструкции подземных сооружений к постоянным нагрузкам относят: вес строительных конструкций подземного или заглубленного сооружения и наземных сооружений, передающих нагрузку на него непосредственно или через грунт; давление грунтового массива, вмещающего сооружение, и подземных вод при установившейся фильтрации; усилия натяжения постоянных анкеров; распорные усилия и пр.

К временным длительным нагрузкам и воздействиям относят: вес стационарного оборудования подземных сооружений; давление подземных вод при неустановившемся режиме фильтрации; нагрузки от складируемых на поверхности грунта материалов; температурные технологические воздействия; усилия натяжения временных анкеров; нагрузки, обусловленные изменением влажности, усадкой и ползучестью материалов и пр.

К кратковременным нагрузкам и воздействиям относят: дополнительное давление грунтов, вызванное подвижными нагрузками, расположенными на поверхности грунта; температурные климатические воздействия и пр.

К особым нагрузкам и воздействиям относят: сейсмические воздействия; динамические воздействия от эксплуатируемых линий метрополитена, транспортных сооружений или промышленных объектов; воздействия, обусловленные деформациями основания при просадках, набухании и морозном пучении грунтов и др.

9.15. При проектировании подземных сооружений I и II уровней ответственности следует предусматривать проведение мониторинга (раздел 14).

Должны быть предусмотрены инженерные мероприятия, обеспечивающие экологическую защиту прилегающей территории от подтопления, загрязнения подземных вод промышленными и бытовыми стоками и пр., а также по защите близлежащих сооружений от недопустимых деформаций.

10. Особенности проектирования подпорных стен

10.1. Подпорные стены, в том числе служащие ограждениями котлованов, в зависимости от их конструкции классифицируют на:

- гравитационные, устойчивость которых обеспечивается собственным весом конструкций и грунта засыпки. К гравитационным относятся массивные, уголковые и ячеистые подпорные стены;

- гибкие, устойчивость которых обеспечивается заделкой в грунтовом массиве, анкерными и распорными конструкциями. К гибким относятся «стены в грунте», шпунтовые ограждения котлованов и ограждения из свай и профильных прокатных элементов;

- комбинированные, представляющие собой сочетание первого и второго видов.

10.2. Конструктивные схемы подпорных стен должны обеспечивать необходимую прочность, устойчивость и пространственную неизменяемость сооружения в целом, а также отдельных его элементов на всех стадиях возведения и эксплуатации.

10.3. При проектировании подпорных стен следует использовать указания раздела 9, а также учитывать:

- технологические особенности возведения и последовательность строительных операций;

- возможность использования анкерных или распорных конструкций;

- изменения физико-механических характеристик грунтов, связанные с процессами бурения, забивки и другими технологическими воздействиями;

- необходимость обеспечения требуемой водонепроницаемости конструкции;

- необходимость передачи на конструкцию вертикальных нагрузок;

- возможность применения конструктивных решений и мероприятий по снижению давлений на подпорные стены (разгружающих элементов, геотекстиля, армогрунта и пр.).

10.4. Расчеты подпорных стен и их оснований по первой группе предельных состояний должны включать проверку:

- устойчивости положения стены против сдвига, опрокидывания и поворота;

- устойчивости, несущей способности и прочности основания;

- прочности элементов конструкций и узлов соединения;

- несущей способности анкерных элементов по материалу и грунту;

- прочности и устойчивости распорных элементов;

- фильтрационной устойчивости основания.

Расчеты по второй группе предельных состояний должны предусматривать:

- расчеты системы «основание - подпорная конструкция» по деформациям;

- расчеты железобетонных элементов подпорной конструкции по трещиностойкости.

10.5. Для подпорных стен, устраиваемых способом «стена в грунте», следует выполнять расчет устойчивости стенок траншеи, заполненной тиксотропным раствором.

10.6. Для подпорных стен, устраиваемых из отдельно стоящих элементов, следует выполнять расчет прочности основания на продавливание грунта между элементами.

10.7. При выполнении расчетов гравитационных стен и консольных гибких подпорных стен, т.е. устраиваемых без использования анкерных и распорных элементов, допускается использовать методы теории предельного равновесия, в которых давление грунтов на конструкцию рассматривается как сумма заданной активной нагрузки и реактивного отпора основания.

Для расчетов гибких подпорных стен с анкерным или распорным креплением, а также комбинированных подпорных стен следует применять численные методы, использующие нелинейные модели сплошных сред или нелинейные контактные модели. При этом выбор модели взаимодействия подпорной стены с основанием и параметров модели должен зависеть от типа грунтов и конструктивных особенностей сооружения.

10.8. Глубину заложения подпорных стен определяют статическими расчетами.

При проектировании подпорных стен котлованов в водонасыщенных грунтах глубину заложения стены следует назначать с учетом возможности ее заделки в водоупорный слой с целью обеспечения производства работ по экскавации грунта без применения мероприятий по водоотливу или водопонижению.

10.9. При проектировании подпорных стен, устраиваемых с обратной засыпкой грунта, расчетные значения характеристик грунтов обратной засыпки (g´I, j´I, c´I), уплотненных не менее чем до Kсот = 0,95 их плотности в природном сложении, допускается устанавливать по расчетным характеристикам тех же грунтов в природном сложении (gI, jI, cI), принимая g´I = 0,95gI; j´I = 0,9jI; c´I = 0,5cI, при этом следует принимать c´I не более 7 кПа.

10.10. При определении бокового давления грунта на подпорные стены и ограждения котлованов следует учитывать:

- внешние нагрузки и воздействия на грунтовый массив (нагрузки от складируемых материалов, от строительных механизмов, транспортные нагрузки на проезжей части, нагрузки, передаваемые фундаментами близрасположенных сооружений) и пр.;

- наклон граней подпорной стены к вертикали;

- наклон поверхности грунта, неровности рельефа и отклонение границ инженерно-геологических элементов от горизонтали;

- возможность устройства берм и откосов в котловане в процессе производства работ;

- прочностные характеристики на контакте «стена - грунтовый массив»;

- деформационные характеристики подпорной стены, анкерных и распорных элементов;

- последовательность производства работ;

- возможность перебора грунта в процессе экскавации;

- дополнительные давления на подпорные стены, вызванные морозным пучением и набуханием грунтов, а также проведением работ по нагнетанию в грунт растворов, тампонажу и пр.;

- температурные воздействия;

- динамические и вибрационные воздействия и их влияние на статическое давление грунта.

10.11. Силы трения и сцепления на контакте «стена - грунтовый массив» должны определяться в зависимости от значений прочностных характеристик грунта, гидрогеологических условий площадки, материала подпорной конструкции, технологии устройства стены.

Допускается принимать следующие расчетные значения прочностных характеристик на контакте «стена - грунтовый массив»:

- удельное сцепление ск = 0;

- угол трения грунта по материалу стены jк = gк j, где j - угол внутреннего трения грунта, gк - коэффициент условий работы, принимаемый по таблице 10.1.

Таблица 10.1

Материал стены

Технология устройства и особые условия

gк

Бетон, железобетон

Монолитные гравитационные стены и гибкие стены, бетонируемые насухо

0,67

Монолитные гибкие стены, бетонируемые под глинистым раствором в грунтах естественной влажности. Сборные гравитационные стены

0,50

Монолитные гибкие стены, бетонируемые под глинистым раствором в водонасыщенных грунтах. Сборные гибкие стены, устраиваемые под глинистым раствором в любых грунтах

0,33

Металл, дерево

В мелких и пылеватых водонасыщенных песках

0

В прочих грунтах

0,33

Любой

При наличии вибрационных нагрузок на основание

0

10.12. Конструкции подпорных стен должны обеспечивать возможность устройства гидроизоляции в случае ее необходимости.

10.13. При проектировании подпорных стен с анкерными конструкциями расчетную несущую способность основания анкеров следует назначать после проведения не менее трех натурных испытаний анкеров (подраздел 13.10).

10.14. При наличии агрессивной среды следует учитывать требования СНиП 2.03.11.

10.15. При проектировании подпорных стен в пучинистых грунтах следует предусматривать противопучинные мероприятия:

- теплоизоляцию подпорной стены;

- понижение влагосодержания в пределах сезонно промерзающего слоя;

- обработку пучин истого грунта растворами, понижающими температуру его замерзания;

- повышение податливости конструкций подпорной стены.

10.16. В железобетонных подпорных стенах линейных подземных сооружений следует предусматривать устройство температурно-усадочных деформационных швов. Конструкция деформационных швов должна быть решена с учетом необходимости устройства гидроизоляции.

10.17. Грунтовые анкеры, используемые для крепления подпорных стен и ограждений котлованов, подразделяют на временные (со сроком работы до двух лет) и постоянные.

Проектирование анкеров должно основываться на результатах статических расчетов системы «стена - грунтовый массив», в которых должна быть определена осевая нагрузка на анкеры с учетом требуемого числа ярусов анкеров, их расположения, углов наклона анкеров к горизонту и углов отклонения анкеров в плане от нормали к стене.

При проектировании анкеров определяют: число анкеров в ярусе и их шаг; свободную длину анкерных тяг, обеспечивающую размещение заделки анкеров за пределами границы призмы обрушения; предварительную длину заделки анкеров, требуемую для восприятия проектных усилий; места для устройства опытных анкеров; число контрольных испытаний анкеров и порядок их выполнения. Уточняют усилия, на которые должны быть напряжены анкеры, после проведения контрольных и приемочных испытаний.

11. Проектирование водопонижения и гидроизоляции

11.1. Водопонижение

11.1.1. Для защиты подземных сооружений и котлованов от подземных вод в периоды строительства и (или) эксплуатации применяют искусственное понижение уровня подземных вод с применением водоотлива, водопонизительных скважин, иглофильтров, электроосмоса и дренажа.

11.1.2. Выбор способов водопонижения должен учитывать конструктивные особенности и размеры сооружения, особенности его подземной части, инженерно-геологические и гидрогеологические условия, размеры осушаемой площади, особенности производства общестроительных работ в защищаемом котловане, возможные изменения физико-механических свойств грунтов основания будущего сооружения, прогноз влияния водопонижения на окружающую среду и существующие сооружения, сроки работ и др.

При проектировании водопонижения необходимо также учитывать возможное изменение режима подземных вод, условий поверхностного стока в строительный и эксплуатационный периоды, отведенные места сброса подземных вод и их химический состав.

11.1.3. При водопонижении должны быть предусмотрены меры, препятствующие ухудшению строительных свойств грунтов в основании сооружения, нарушению устойчивости откосов котлована, появлению и развитию опасных геологических и инженерно-геологических процессов, возникновению недопустимых деформаций окружающей застройки, ухудшению экологических условий.

11.1.4. При проектировании дренажа, водопонизительных скважин и иглофильтров, а также при расчетах водопонижения, определении необходимости опытного (пробного) водопонижения, требуемых наблюдений и устройств для них и мероприятий по охране окружающей среды следует, кроме требований настоящего раздела, учитывать требования СНиП 2.06.14.

11.1.5. Требуемое понижение уровня подземных вод следует определять:

- в водоносных слоях, содержащих безнапорные воды, в зависимости от допустимого повышения уровня воды за время аварийного отключения водопонизительной системы (см. СНиП 2.06.14);

- в напорных водоносных слоях, залегающих ниже дна котлована или пола заглубленного сооружения, из условия возможности прорывов воды и необходимости обеспечения устойчивости грунтов в основании сооружения.

При пересечении сооружением (котлованом) водоупорных слоев следует исходить из практически достижимого понижения уровня подземных вод, предусматривая при необходимости дополнительные мероприятия для защиты сооружения (котлована).

11.1.6. При проектировании строительного водопонижения следует предусматривать максимально возможное использование устройств водопонизительных систем, предназначенных для эксплуатационного периода.

11.1.7. Водоотлив из котлованов и траншей следует применять в системах строительного водопонижения.

В проекте должны быть предусмотрены канавки и лотки для сбора поступающих в выработки подземных и поверхностных вод и отвода их к водоприемным зумпфам с последующей их откачкой на поверхность. Канавки и зумпфы, как правило, следует располагать за пределами основания сооружения. При необходимости их расположения в пределах основания они должны быть укреплены и защищены от размыва.

В насосных станциях для водоотлива следует предусматривать резерв насосов в размере 100 % (по производительности) при одном работающем насосе и 50 % - при двух и более.

11.1.8. Водопонизительные скважины (открытые и герметические, оборудованные насосами, самоизливающиеся и водопоглощающие) следует предусматривать при глубоком понижении уровня подземных вод или для снятия напор подземных вод в грунтах с коэффициентом фильтрации более 2 м/сут. Этот способ водопонижения применяют как для строительного, так и для эксплуатационного периодов.

11.1.9. Иглофильтры следует применять, как правило, в системах строительного водопонижения в грунтах, имеющих коэффициент фильтрации от 1 до 50 м/сут, а при вакуумном водопонижении иглофильтры применяют грунтах с коэффициентом фильтрации от 0 до 2 м/сут.

11.1.10. Электроосушение (электроосмос) следует применять в слабопроницаемых грунтах, имеющих коэффициенты фильтрации менее 0,1 м/сут.

11.1.11. Расчеты водопонижения следует производить для установившегося режима фильтрации во всех случаях, а для неустановившегося режима в период формирования депрессионной воронки - от начала откачки до установившегося режима.

Для условий неоднородного фильтрационного потока и при сложном очертании контуров питания и водоприемного фронта расчет водопонизительных систем следует производить с использованием моделирования или других специальных методов.

11.1.12. При понижении уровня подземных вод более чем на 2 м, особенно в слабых глинистых грунтах, торфах и илах необходимо производить расчет ожидаемых осадок в зоне развития депрессионной воронки.

При устройстве заглубленных в водоносный слой протяженных подземных сооружений возможен барражный эффект, т.е. подъем уровня подземных вод с верховой стороны и снижение его с низовой стороны. В этом случае необходимо предусмотреть мероприятия по устранению неблагоприятных последствий барражного эффекта (дренаж, противофильтрационные завесы и др.).

11.1.13. Воды от водопонизительных систем при невозможности их использования следу отводить, как правило, самотеком в существующие водостоки или отведенные места сброса.

Максимально допустимые скорости течения воды в водоотводящих устройствах следует принимать в зависимости от материала их конструкции и продолжительности работы с учетом требований СНиП 2.06.03.

11.1.14. В случае невозможности отвода воды самотеком необходимо предусматривать специальные насосные станции с резервуарами, при проектировании которых следует руководствоваться требованиями СНиП 2.04.03, а при использовании откачиваемой воды для водоснабжения - СНиП 2.04.02.

Дренажи

11.1.15. Дренажи подразделяют на общие (головной, береговой, отсечной и систематический) и местные (локальные) (кольцевой, пристенный и пластовый).

11.1.16. Дренирование грунтового массива следует предусматривать в следующих случаях:

- естественный уровень подземных вод расположен на отметках выше пола подземного сооружения;

- пол подземного сооружения расположен выше расчетного уровня подземных вод, но не более 0,3 м;

- по техническим условиям в помещениях подземной части не должно быть сырости;

- при опасности всплытия сооружения, когда взвешивающая сила превышает массу сооружения.

11.1.17. При общем понижении уровня подземных вод на территории отметку пониженного уровня следует назначать на 0,5 м ниже полов подвалов, технических подполий, каналов для коммуникаций и других подземных сооружений.

11.1.18. Траншейный дренаж допускается устраивать на свободных от застройки территориях. Закрытый беструбчатый дренаж (траншеи, заполненные фильтрующим материалом) следует предусматривать, как правило, для кратковременной эксплуатации (на оползневых склонах в период осуществления мероприятий по их стабилизации, в котловане в период строительства сооружения и т.п.).

11.1.19. Трубчатый дренаж следует предусматривать в грунтах с коэффициентом фильтрации 2 м/сут и более. Допускается его применение и при коэффициенте фильтрации менее 2 м/сут в строительном водопонижении и в сопутствующих дренажах тоннелей, каналов и других устройств для коммуникаций, если опытным путем доказана его эффективность.

11.1.20. Устройство дренажей в виде подземных галерей (проходных и полупроходных) допускается:

- при возможности выполнить дренаж только подземным способом;

- при их использовании для периода эксплуатации сооружения (особенно в случаях, когда переустройство или ремонт дренажа невозможны или затруднительны);

- в инженерно-геологических условиях, где их применение экономически эффективно.

11.1.21. Вакуумный дренаж следует применять в грунтах с коэффициентом фильтрации менее 2 м/сут.

11.1.22. При проектировании дренажей следует учитывать положения настоящего раздела, СНиП 2.06.14 и СНиП 2.06.15.

При выборе системы дренирования необходимо учитывать причины подтопления (подраздел 5.4).

11.1.23. Расчет дренажей должен включать фильтрационные расчеты (приток и положение сниженного уровня подземных вод), гидравлические расчеты (пропуск каптированных подземных вод через сооружения дренажа) и подбор песчано-гравийных обсыпок (СНиП 2.06.14).

11.1.24. При назначении конструктивных параметров дренажей следует обеспечить их водозахватную и водопропускную способность, достаточную прочность при воздействии внешних статических и динамических нагрузок и агрессивности подземных вод.

11.1.25. Продольные уклоны дренажей должны обеспечить скорость воды в трубах, при которой не происходит их заиливание. Для глинистых грунтов рекомендуется принимать уклон не менее 0,002, а для песков - не менее 0,003.

11.1.26. Трубчатый дренаж следует проектировать из асбестоцементных (в большинстве случаев), керамических, бетонных, железобетонных, чугунных и пластмассовых труб. В агрессивных водах следует применять пластмассовые, керамические и чугунные трубы.

11.1.27. Дренаж должен сооружаться в сухих или осушенных грунтах и его следует закладывать ниже расчетной глубины промерзания грунта.

11.1.28. Для обеспечения фильтрационной способности трубчатых дренажей, а также дренажных галерей предусматривают обсыпку из дренирующих материалов (щебня, гравия, песка или их смесей). Для дренажных галерей может быть применена также специальная отделка (крепь) из пористого бетона с устройством «фильтровых окон». Подбор состава обсыпок, числа слоев (один или два) и их толщины производят в зависимости от типа фильтра и состава дренируемых грунтов.

Возможно применение конструкций дренажей типа «Delta» и других из современных материалов, в том числе из геокомпозитов, обеспечивающих водоотводящую и защитную функции.

11.1.29. Пластовый дренаж следует предусматривать двухслойным в глинистых или слабопроницаемых песках и однослойным - в скальных или полускальных грунтах. Минимальная толщина песчаного слоя должна быть 100 мм, а гравийного - 150 мм.

Поверхность дна котлована, спланированного под укладку материала пластового дренажа, должна иметь уклон 0,005 - 0,010 в сторону контурных трубчатых дрен, расположенных по периметру сооружения.

11.1.30. Конструктивной частью пластового дренажа является пристенный дренаж, устраиваемый в слабопроницаемых и слоистых грунтах при отсутствии подземных вод на уровне подземной части сооружения. Пристенный дренаж отсыпается из песка с коэффициентом фильтрации не менее 5 м/сут и толщиной не менее 0,3 м или устраивается из рулонных искусственных материалов.

11.2. Гидроизоляция

11.2.1. Конструкция и вид гидроизоляции должны выбираться в зависимости от: назначения и конструктивных особенностей сооружения, материала изолируемых конструкций и их трещиностойкости, категории сооружения по степени сухости, химических свойств и характера воздействия на него подземных и техногенных вод, инженерно-геологических и гидрогеологических условий площадки, требуемой долговечности, ремонтопригодности, экологических свойств гидроизоляции и т.д.

При проектировании гидроизоляции следует учитывать, что водонепроницаемость подземных сооружений может быть обеспечена применением плотного монолитного бетона специального состава с пластифицирующими и водоотталкивающими добавками.

11.2.2. Гидроизоляцию подразделяют:

- по долговечности - на временную и постоянную;

- по воздействию на нее воды (жидкости) или газа - на работающую под напором (давлением) и без напора (от капиллярного подсоса);

- по расположению в сооружении - на вертикальную, горизонтальную и наклонную; наружную и внутреннюю; в швах (деформационных, температурных и технологических);

- по назначению - на антифильтрационную и герметизирующую для предотвращения поступления фильтрующей жидкости внутрь или наружу защищаемого контура; пароизоляционную; антикоррозийную и многофункциональную;

- по способу устройства - на окрасочную пропиточную, штукатурную, оклеечную, литую, засыпную, монтируемую и инъекционную;

- по принципу работы материала изоляции - на проникающую и разбухающую (расширяющуюся);

- по характеру работы - на «прижимную» и работающую на «отрыв»;

- по виду материала - на цементную, асфальтовую, битумную, из бентонитовой глины, металлическую, полимерную, а также из современных материалов на основе органических и минеральных вяжущих и геосинтетиков.

11.2.3. При выборе материала гидроизоляции в зависимости от ее назначения следует учитывать основные физико-механические свойства, характеризующие гидроизоляционные покрытия и материалы.

11.2.4. При расчетах гидроизоляции характеристики фильтрационного потока, как правило, следует определять, рассматривая плоскую задачу. Для уникальных сооружений и в сложных инженерно-геологических условиях стройплощадки следует рассматривать пространственную задачу.

11.2.5. При проектировании в зависимости от конструкции, назначения и уровня ответственности сооружения следует проводиться дующие расчеты гидроизоляции:

- прочности на допускаемое давление, предела прочности при сдвиге, относительного удлинения при разрыве, адгезии, сопротивления трению, прочности к ударным нагрузкам и т.п.;

- устойчивости при воздействии положительных и отрицательных температур;

- пароизоляционного покрытия;

- срока службы;

- уплотнений и компенсаторов в деформационных, температурных и технологических швах.

11.2.6. Для защиты от капиллярной влаги фундаментов бесподвальных зданий следует укладывать горизонтальный гидроизоляционный слой. Он должен укладываться выше уровня тротуара или отмостки.

В зданиях с подвалами изоляцию от капиллярной сырости устраивают из двух горизонтальных слоев: в уровне пола подвала и над уровнем тротуара, а также с защитой наружной вертикальной поверхности стены гидроизоляцией.

Вертикальную гидроизоляцию наружных стен следует во всех случаях поднимать выше на 0,5 м наибольшего прогнозируемого уровня подземных вод.

11.2.7. Для стен подземных сооружений необходимо предусматривать устройство гидроизоляции, допускающей осадку стен, усадку и набухание бетона, возможные перепады температуры, без нарушения ее сплошности.

11.2.8. Конструкция узлов при прохождении коммуникаций через гидроизоляцию должна обеспечить герметичность. Все трубопроводы должны быть металлическими.

11.2.9. Для восстановления нарушенной гидроизоляции эксплуатируемых сооружений могут быть использованы фильтрационные завесы и экраны, устраиваемые путем нагнетания в грунт через инъекторы раствора битума, жидкого стекла, петролатума, различных смол.

12. Проектирование фундаментов

12.1. Общие положения

12.1.1. Фундаменты подразделяют на столбчатые (отдельные) - под колонны или рандбалки, ленточные, прерывистые и щелевые - под стены или ряды колонн, и плитные (сплошные) - под здание или его часть.

12.1.2. В качестве материала фундамента применяют железобетон, бетон, природные камни, кирпич. Для зданий и сооружений III уровня ответственности при соответствующем обосновании допустимо использование легкого бетона, цементогрунта и др.

12.1.3. Для бетонных и железобетонных фундаментов следует применять конструкционные бетоны, соответствующие ГОСТ 25192:

тяжелый средней плотности от 2200 до 2500 кг/м3;

мелкозернистый средней плотности свыше 1800 кг/м3.

Применяемые бетоны должны удовлетворять требованиям морозостойкости.

12.1.4. Конструкции фундаментов должны удовлетворять требованиям расчета по несущей способности (предельные состояния первой группы: продавливание, изгиб и т.д.) и по пригодности к нормальной эксплуатации (предельные состояния второй группы: образование и раскрытие трещин). Расчеты следует выполнять в соответствии с указаниями СНиП 52-01 и СНиП II-22.

12.1.5. Расчет конструкций фундаментов, а также отдельных их элементов должен производиться для всех стадий - изготовления, транспортирования, возведения и эксплуатации.

При расчете элементов сборных фундаментов на воздействие усилий, возникающих при их подъеме, транспортировании и монтаже, нагрузку от веса элемента следует вводить с коэффициентом динамичности, равным 1,6.

Для стадий возведения и эксплуатации должны рассматриваться расчетные ситуации:

до приобретения бетоном или раствором заданной прочности - на воздействие веса материала и других нагрузок, действующих на соответствующих этапах возведения;

после приобретения бетоном или раствором заданной прочности - на воздействие нагрузок, действующих на последующих этапах возведения и при эксплуатации фундамента.

12.1.6. Бетонные и каменные материалы применяют в фундаментах (или их элементах), работающих на сжатие, при эксцентриситетах продольной силы, не превышающих 0,8у для основных сочетаний нагрузок и 0,85 - для особых сочетаний нагрузок (у - расстояние от центра тяжести сечения до наиболее сжатого волокна сечения), при этом расстояние от точки приложения равнодействующей усилий до наиболее сжатого волокна сечения должно быть не менее 2 см.

12.1.7. При расчете по прочности элементов фундаментов на действие центральной сжимающей силы должен учитываться случайный эксцентриситет, принимаемый равным 2 см для бетонных и железобетонных конструкций и 3 см - для конструкций из каменной кладки.

12.1.8. Ширина раскрытия трещин в железобетонных фундаментах исходя из требования обеспечения сохранности арматуры классов А240 (A-I), А300 (А-II) и А400 (A-III) не должна превышать 0,3 мм выше уровня подземных вод и 0,2 мм - ниже уровня подземных вод или при переменном уровне подземных вод.

12.2. Глубина заложения фундаментов

12.2.1. Глубина заложения фундаментов должна приниматься с учетом:

- назначения и конструктивных особенностей проектируемого сооружения, нагрузок и воздействий на его фундаменты;

- глубины заложения фундаментов примыкающих сооружений, а также глубины прокладки инженерных коммуникаций;

- существующего и проектируемого рельефа застраиваемой территории;

- инженерно-геологических условий площадки строительства (физико-механических свойств грунтов, характера напластований, наличия слоев, склонных к скольжению, карманов выветривания, карстовых полостей и пр.);

- гидрогеологических условий площадки и возможных их изменений в процессе строительства и эксплуатации сооружения;

- глубины сезонного промерзания грунтов.

Выбор оптимальной глубины заложения фундаментов в зависимости от учета указанных выше условий рекомендуется выполнять на основе технико-экономического сравнения различных вариантов.

12.2.2. Нормативную глубину сезонного промерзания грунта принимают равной средней из ежегодных максимальных глубин сезонного промерзания грунтов (по данным наблюдений за период не менее 10 лет) на открытой, оголенной от снега горизонтальной площадке при уровне подземных вод, расположенном ниже глубины сезонного промерзания грунтов.

При использовании результатов наблюдений за фактической глубиной промерзания следует учитывать, что она должна определяться по температуре, характеризующей согласно ГОСТ 25100 переход пластичномерзлого грунта в твердомерзлый грунт.

12.2.3. Нормативную глубину сезонного промерзания грунта dfn, м, при отсутствии данных многолетних наблюдений следует определять на основе теплотехнических расчетов. Для районов, где глубина промерзания не превышает 2,5 м, ее нормативное значение допускается определять по формуле

,                                                           (12.1)

где       Mt - безразмерный коэффициент, численно равный сумме абсолютных значений среднемесячных отрицательных температур за зиму в данном районе, принимаемых по СНиП 23-01, а при отсутствии в нем данных для конкретного пункта или района строительства - по результатам наблюдений гидрометеорологической станции, находящейся в аналогичных условиях с районом строительства;

d0 - величина, принимаемая равной для суглинков и глин 0,23 м; супесей, песков мелких и пылеватых - 0,28 м; песков гравелистых, крупных и средней крупности - 0,30 м; крупнообломочных грунтов - 0,34 м.

Значение d0 для грунтов неоднородного сложения определяют как средневзвешенное в пределах глубины промерзания.

Нормативная глубина промерзания грунта в районах, где dfn > 2,5 м, а также в горных районах (где резко изменяются рельеф местности, инженерно-геологические и климатические условия), должна определяться теплотехническим расчетом в соответствии с требованиями СНиП 2.02.04.

12.2.4. Расчетную глубину сезонного промерзания грунта df, м, определяют по формуле

df = kh dfn,                                                             (12.2)

где    dfn - нормативная глубина промерзания, м, определяемая по 12.2.2 и 12.2.3;

kh - коэффициент, учитывающий влияние теплового режима сооружения, принимаемый для наружных фундаментов отапливаемых сооружений - по таблице 12.1; для наружных и внутренних фундаментов неотапливаемых сооружений kh = 1,1, кроме районов с отрицательной среднегодовой температурой.

Примечания

1. В районах с отрицательной среднегодовой температурой расчетная глубина промерзания грунта для неотапливаемых сооружений должна определяться теплотехническим расчетом в соответствии с требованиями СНиП 2.02.04. Расчетная глубина промерзания должна определяться теплотехническим расчетом и в случае применения постоянной теплозащиты основания, а также если тепловой режим проектируемого сооружения может существенно влиять на температуру грунтов (холодильники, котельные и т.п.).

2. Для зданий с нерегулярным отоплением при определении kh за расчетную температуру воздуха принимают ее среднесуточное значение с учетом длительности отапливаемого и неотапливаемого периодов суток.

12.2.5. Глубина заложения фундаментов отапливаемых сооружений по условиям недопущения морозного пучения грунтов основания должна назначаться:

- для наружных фундаментов (от уровня планировки) по таблице 12.2;

- для внутренних фундаментов - независимо от расчетной глубины промерзания грунтов.

Глубину заложения наружных фундаментов допускается назначать независимо от расчетной глубины промерзания, если:

- фундаменты опираются на мелкие пески и специальными исследованиями на данной площадке установлено, что они не имеют пучинистых свойств, а также в случаях когда специальными исследованиями и расчетами установлено, что деформации грунтов основания при их промерзании и оттаивании не нарушают эксплуатационную пригодность сооружения;

- предусмотрены специальные теплотехнические мероприятия, исключающие промерзание грунтов.

12.2.6. Глубину заложения наружных и внутренних фундаментов отапливаемых сооружений с холодными подвалами и техническими подпольями (имеющими отрицательную температуру в зимний период) следует принимать по таблице 12.2, считая от пола подвала или технического подполья.

Таблица 12.1

Особенности сооружения

Коэффициент kh при расчетной среднесуточной температуре воздуха в помещении, примыкающем к наружным фундаментам, °С

0

5

10

15

20 и более

Без подвала с полами, устраиваемыми:

 

 

 

 

 

по грунту

0,9

0,8

0,7

0,6

0,5

на лагах по грунту

1,0

0,9

0,8

0,7

0,6

по утепленному цокольному перекрытию

1,0

1,0

0,9

0,8

0,7

С подвалом или техническим подпольем

0,8

0,7

0,6

0,5

0,4

Примечания

1. Приведенные в таблице значения коэффициента kh относятся к фундаментам, у которых расстояние от внешней грани стены до края фундамента af < 0,5 м; если af ³ 1,5 м, значения коэффициента kh повышают на 0,1, но не более чем до значения kh = 1; при промежуточном значении af значения коэффициента kh определяют интерполяцией.

2. К помещениям, примыкающим к наружным фундаментам, относятся подвалы и технические подполья, а при их отсутствии - помещения первого этажа.

3. При промежуточных значениях температуры воздуха коэффициент kh принимают с округлением до ближайшего меньшего значения, указанного в таблице.

Таблица 12.2

Грунты под подошвой фундамента

Глубина заложения фундаментов в зависимости от глубины расположения уровня подземных вод dw, м, при

dw £ df + 2

dw > df + 2

Скальные, крупнообломочные с песчаным заполнителем, пески гравелистые, крупные и средней крупности

Не зависит от df

He зависит от df

Пески мелкие и пылеватые

Не менее df

To же

Супеси с показателем текучести IL < 0

То же

»

То же, при IL ³ 0

»

He менее df

Суглинки, глины, а также крупнообломочные грунты с глинистым заполнителем при показателе текучести грунта или заполнителя IL ³ 0,25

»

To же

То же, при IL < 0,25

»

He менее 0,5 df

Примечания

1. В случаях когда глубина заложения фундаментов не зависит от расчетной глубины промерзания df, соответствующие грунты, указанные в настоящей таблице, должны залегать до глубины не менее нормативной глубины промерзания dfn.

2. Положение уровня подземных вод должно приниматься с учетом положений подраздела 5.4.

При наличии в холодном подвале (техническом подполье) отапливаемого сооружения отрицательной среднезимней температуры глубину заложения внутренних фундаментов принимают по таблице 12.2 в зависимости от расчетной глубины промерзания грунта, определяемой по формуле (12.2) при коэффициенте kh = 1. При этом нормативную глубину промерзания, считая от пола подвала, определяют расчетом по 12.2.3 с учетом среднезимней температуры воздуха в подвале.

Глубину заложения наружных фундаментов отапливаемых сооружений с холодным подвалом (техническим подпольем) принимают наибольшей из значений глубины заложения внутренних фундаментов и расчетной глубины промерзания грунта с коэффициентом kh = 1, считая от уровня планировки.

12.2.7. Глубина заложения наружных и внутренних фундаментов неотапливаемых сооружений должна назначаться по таблице 12.2, при этом глубина исчисляется: при отсутствии подвала или технического подполья - от уровня планировки, а при их наличии - от пола подвала или технического подполья.

12.2.8. В проекте оснований и фундаментов должны предусматриваться мероприятия, не допускающие увлажнения грунтов основания, а также промораживания их в период строительства.

12.2.9. При проектировании сооружений уровень подземных вод должен приниматься с учетом его прогнозирования на период эксплуатации сооружения по подразделу 5.4 и влияния на него водопонижающих мероприятий, если они предусмотрены проектом.

12.2.10. Фундаменты сооружения или его отсека должны закладываться на одном уровне. При необходимости заложения соседних фундаментов на разных отметках их допустимую разность Dh, м, определяют исходя из условия

Dh £ a (tg j1 + c1 / p),                                                   (12.3)

где    а - расстояние между фундаментами в свету, м;

j1, c1 - расчетные значения угла внутреннего трения, град., и удельного сцепления, кПа;

p - среднее давление под подошвой вышерасположенного фундамента от расчетных нагрузок (для расчета основания по несущей способности), кПа.

12.3. Расчет столбчатых фундаментов

12.3.1. Расчет прочности столбчатых фундаментов включает определение размеров плитной части, определение размеров ступеней, определение сечения арматуры плитной части. Расчет по второй группе предельных состояний включает расчет по образованию и раскрытию трещин.

12.3.2. Расчет фундаментов производят с учетом реактивного давления грунта p, кПа, определяемого по формуле

p = N / A ± Mx y / Ix ± Мy x / Iу,                                       (12.4)

где    N - расчетная вертикальная сила, кН;

Mx, Мy - расчетные моменты относительно осей фундамента х и у, кН·м;

Ix, Iу - моменты инерции подошвы фундамента относительно х и у, м4;

x, у, z - координаты (рисунок 12.1).

12.3.3. Фундаменты рекомендуется проектировать для условий выполнения работ нулевого цикла до устройства колонн: отметку верха фундаментов принимают на 150 мм ниже отметки чистого пола зданий.

Высоту фундамента назначают по условиям заглубления или условиям заделки колонн; высоту плитной части фундамента назначают по расчету. При высоте фундамента больше высоты плитной части, требуемой по расчету, увеличение высоты фундамента производят за счет подколонника.

Рисунок 12.1. - Эпюра давления на грунт внецентренно нагруженного фундамента при действии моментов относительно двух осей

12.3.4. Форму отдельных фундаментов в плане при центральной нагрузке рекомендуется принимать квадратную, если этому не препятствуют фундаменты соседних зданий, подземные сооружения, фундаменты под оборудование и т.п.

При внецентренной нагрузке фундамент рекомендуется принимать прямоугольной формы с соотношением сторон прямоугольной подошвы фундамента от 0,6 до 0,85.

12.3.5. Монолитные фундаменты под сборные и монолитные железобетонные колонны рекомендуется проектировать с плитной частью ступенчатого типа. Размеры в плане подошвы фундамента, ступеней, подколонника рекомендуется принимать кратными 0,30 м.

Высоту ступеней рекомендуется принимать равной 0,30, 0,45, а при большой высоте плитной части фундамента - 0,60 м.

Высоту фундамента рекомендуется принимать кратной 0,30 м.

12.4. Расчет ленточных и прерывистых фундаментов

12.4.1. Ленточные и прерывистые фундаменты наружных стен сооружений с подвалами рассчитывают с учетом горизонтального давления грунта.

12.4.2. Расчет фундаментов производят по сечению, проходящему по краю фундаментной стены, а при ступенчатой форме фундамента - и по грани ступени.

Расчетные усилия на единицу длины (изгибающий момент М, кН·м/м и поперечную силу Q, кН/м), в сечении фундамента при центральной нагрузке определяют по формулам:

М = р а2 / 2,                                                               (12.5)

Q = p a,                                                                   (12.6)

где    р - среднее давление по подошве фундамента, кПа;

а - вылет консоли фундамента, м.

При внецентренной нагрузке (рисунок 12.2) расчетные усилия в сечении на единицу длины фундамента определяют по формулам:

М=а (2Рmax + р1) / 6;                                                        (12.7)

Q = a (Рmax + p1) / 2,                                                        (12.8)

где    Рmax и p1 - давления от расчетных нагрузок, кПа, передаваемые на грунт под краем фундамента и в расчетном сечении;

М - то же, что и в формуле (12.5);

Q - то же, что и в формуле (12.6).

Рисунок 12.2. - К расчету ленточного фундамента

12.5. Расчет плитных фундаментов

12.5.1. Расчет плитных фундаментов и их оснований рекомендуется выполнять с учетом последовательности возведения сооружения, технологии и последовательности бетонирования плиты.

12.5.2. При расчете плитных фундаментов и их оснований следует учитывать взаимодействие грунта основания, плитного фундамента и надфундаментных конструкций. Допускается учитывать в расчете жесткость только нижних этажей сооружения.

12.5.3. При расчете совместной деформации основания и плитного фундамента нагрузки на плиту допускается определять без учета их перераспределения надфундаментной конструкцией и принимать в соответствии со статической схемой сооружения.

12.5.4. Расчет внутренних усилий в системе «основание-фундамент-сооружение» допускается выполнять с использованием программ расчета сооружения на основании, характеризуемом переменным в плане коэффициентом жесткости (коэффициентом постели). При этом переменный в плане коэффициент постели должен назначаться с учетом неоднородности в плане и по глубине и распределительной способности основания. Этот коэффициент может определяться заранее или в процессе последовательных приближений на основе линейной или нелинейной модели основания. Процесс последовательных приближений включает следующие шаги:

1) задание начального распределения коэффициента постели;

2) расчет совместных перемещений сооружения, плитного фундамента и основания с принятым распределением коэффициента постели k(x, у) при действии заданных нагрузок и определение контактных давлений p(x, y);

3) определение осадок основания w(x, y) с использованием принятой линейной или нелинейной модели основания, а также следующего приближения для коэффициента постели

k(x, y) = p(x, y) / w(x, y);                                                  (12.9)

4) повторение шагов 2) и 3) до достижения сходимости по контрольному параметру (например, по коэффициенту постели).

12.5.5. Рекомендуется выбирать наиболее неблагоприятные значения параметров жесткости основания и модели основания для каждого расчета (в частности, расчет сечения верхней арматуры производить при постоянном коэффициенте постели, а нижней - при переменном).

12.6. Расчет стен подвалов

12.6.1. Расчет стен подвалов производят с учетом нагрузок от наземных конструкций и давления грунта. Давление грунта на стены подвалов определяют в соответствии с разделами 9, 10 с учетом временной нагрузки на прилегающей к подвалу территории. При отсутствии данных о временной нагрузке она может быть принята равномерной с интенсивностью 10 кПа.

Расчет стен подвалов производят с использованием модели балочной плиты. При расчете следует принимать ее защемление на уровне сопряжения с фундаментом и шарнирные соединения в уровнях опирания перекрытий подвальных этажей.

12.6.2. Значение горизонтального давления грунта σ, кПа, на стену подвала на глубине z, м, определяют по формуле

,                                                  (12.10)

где    g и с - средневзвешенные в пределах глубины подвала значения удельного веса, кН/м3, и удельного сцепления грунта, кПа, определяемые с учетом группы предельных состояний и нарушенного сложения грунта;

q - равномерная нагрузка на горизонтальной поверхности грунта, кПа;

λa - коэффициент, определяемый по формуле

,                                                      (12.11)

где j - средневзвешенный в пределах глубины подвала угол внутреннего трения, град., определяемый с учетом группы предельных состояний и нарушенного сложения грунта.

Значение σ не может быть отрицательным.

12.7. Фундаменты в вытрамбованных котлованах

12.7.1. Фундаменты в вытрамбованных котлованах подразделяют на:

мелкого заложения при dp / bm £ 1,5;

удлиненные при dp / bm > 1,5, где dp - высота фундамента, а bm - ширина фундамента в средней его части (рисунок 12.3);

столбчатые (при расстояниях в свету поверху между фундаментами amin ³ 2bm) и ленточные (при amin < 2 bm);

по способу устройства: без уширения основания с плоской или заостренной подошвой и с уширением основания.

12.7.2. Фундаменты в вытрамбованных котлованах применяют на глинистых грунтах, в том числе просадочных типа I по просадочности, с числом пластичности Iр ³ 0,03 при плотности сухого грунта ρd £ 1,6 г/см3 и при степени влажности Sr £ 0,75 для фундаментов мелкого заложения и Sr £ 0,65 для удлиненных фундаментов.

а - фундамент мелкого заложения с плоской подошвой; б - удлиненный фундамент с уширенным основанием; 1 - фундамент; 2 - втрамбованный жесткий материал; 3 - уплотненная зона

Рисунок 12.3. - Фундаменты в вытрамбованных котлованах

При обосновании возможно применение фундаментов в вытрамбованных котлованах и при других видах грунтов.

12.7.3. Рекомендуется применять следующие виды фундаментов в вытрамбованных котлованах:

столбчатые - для каркасных зданий при вертикальной нагрузке до 3000 кН, при этом при нагрузках свыше 500 кН рекомендуется применять фундаменты с уширенным основанием;

ленточные и столбчатые - для бескаркасных зданий при нагрузке до 300 кН/м.

12.7.4. Проект фундаментов в вытрамбованных котлованах должен содержать: размеры, форму и массу трамбовки, высоту ее сбрасывания и число ударов для вытрамбовывания на заданную глубину; влажность грунта; объем жесткого материала (бетона, щебня, песчано-гравийной смеси и т.п.); характеристики уплотненных грунтов и размер уплотненной зоны; минимально допустимые расстояния между котлованами ленточного фундамента.

12.7.5. Минимально допустимые расстояния в свету поверху между отдельными котлованами ленточных фундаментов amin принимают:

- при последовательном вытрамбовывании котлованов в один этап amin = 0,8bm;

- при вытрамбовывании котлованов и бетонировании фундаментов в два этапа, т.е. через один фундамент, amin = 0,5bm;

Расстояние в осях между соседними фундаментами с уширенным основанием должно быть не менее 3bт.

12.7.6. Минимальную глубину вытрамбованных котлованов dp,min, м, для фундаментов мелкого заложения без уширения основания определяют по формуле

,                                              (12.12)

где    hs - максимальная толщина уплотненного слоя под дном котлована, м, принимаемая по 12.7.7;

ρd и ρd,s - среднее значение плотности сухого грунта в пределах уплотненного слоя соответственно до уплотнения и после уплотнения, т/м3.

Значение ρd,s, т/м3, определяют по формуле

,                                (12.13)

где    ρd - то же, что и в формуле (12.12);

ρs - плотность частиц грунта, т/м3;

Sr - степень влажности уплотненного грунта, принимаемая равной 0,9;

w - влажность грунта, доли единицы;

ρw - плотность воды, равная 1 т/м3.

Для фундаментов с уширенным основанием минимальную глубину вытрамбованного котлована принимают dp,min ³ 2bm.

12.7.7. Толщину уплотненного слоя hs под фундаментами в вытрамбованных котлованах без уширения основания принимают равной 1,5 bm; ширину уплотненной зоны на глубине (0,15 - 0,25) bm - 2 bm.

12.7.8. Высоту сбрасывания трамбовок принимают в диапазоне 4 - 8 м.

Число ударов трамбовки nim для получения заданной глубины определяют по формуле

nim = dp / ηwsim,                                                           (12.14)

где    dp - заданная глубина вытрамбованного котлована (высота фундамента), см;

ηw - коэффициент, учитывающий состояние грунта по влажности;

sim - среднее значение понижения дна котлована за один удар трамбовки, см.

Коэффициент ηw принимают равным: 1 при вытрамбовывании котлованов в грунтах с влажностью, близкой к оптимальной и 0,7 - при влажности на 0,03 - 0,05 менее оптимальной.

Для трамбовок с плоским основанием величину sim принимают равной 10 см при площади основания меньше 1 м2, 8 см - при площади основания 1 - 2 м2 и 6 см - при площади основания более 2 м2. Для трамбовок с заостренным нижним концом sim = 15 см.

Необходимое число ударов трамбовки для трамбования жесткого материала при создании уширенного основания определяют для каждой порции засыпки высотой dз по формуле (12.14). При этом приведенные выше значения sim уменьшают в 1,5 раза.

12.7.9. Вытрамбовывание котлованов должно производиться при оптимальной или близкой к ней влажности грунта.

Значение оптимальной влажности w0 для глинистых грунтов принимают w0 = wр - (0,01 - 0,03), где wр - влажность на границе раскатывания. При природной влажности грунта w < w0 для получения оптимальной влажности необходимо произвести замачивание грунта под каждый котлован расчетным количеством воды.

12.7.10. При втрамбовывании жесткого материала в дно котлована трамбовкой с заостренным нижним концом создают уширение, имеющее форму шара с радиусом rbr или эллипсоида вращения с полуосями dbr и rbr.

Форму уширения при втрамбовывании жесткого материала отдельными порциями с высотой засыпки по 0,6 - 1,2 м принимают в виде:

шара (dbr = rbr) для случаев, когда ниже дна вытрамбованного котлована залегают пески с ρd ³ 1,6 т/м3 или глинистые грунты с ρd ³ 1,6 т/м3 и степенью влажности Sr £ 0,7, а также с ρd ³ 1,7 т/м3 и степенью влажности Sr > 0,7;

эллипсоида вращения с отношениями полуосей dbr / rbr = 1,4 при залегании ниже дна котлована песков с ρd < 1,6 т/м3 или глинистых грунтов с Sr < 0,7 при ρd < 1,6 т/м3 и Sr > 0,7 при 1,5 < ρd < 1,7 т/м3 и dbr / rbr = 1,8 - для глинистых грунтов с Sr ³ 0,7 и ρd £ 1,5 т/м3.

Радиус уширения rbr, м, основания определяют по формуле

,                                                           (12.15)

где    kbr - коэффициент, учитывающий форму уширения и при расположении центра уширения на расстоянии 0,5h1 от основания заостренной части фундамента (рисунок 12.3, б), принимаемый равным: для шара - 0,62; эллипсоида с dbr / rbr = 1,4 - 0,55; эллипсоида с dbr / rbr = 1,8 - 0,51;

Vcr - объем втрамбовываемого в дно жесткого материала, м3.

Максимальный размер уширения, получаемый при втрамбовывании жесткого материала, принимают не более удвоенного диаметра нижнего сечения трамбовки.

Площадь уширенного основания из жесткого материала в его наибольшем сечении принимают равной площади круга с радиусом rbr.

Радиус уплотненной зоны rs, м, определяют по формуле

,                                            (12.16)

где    ρd и ρd,s - то же, что и в формуле (12.12).

Толщину уплотненной зоны ниже уширенной части из втрамбованного материала определяют по формуле

hs = rs - rbr.                                                              (12.17)

12.7.11. Технология устройства фундаментов в вытрамбованных котлованах изложена в подразделе 13.11, а их расчет по несущей способности и осадкам основания - в приложении К.

12.8. Конструктивные указания

12.8.1. При проектировании бетонных и железобетонных конструкций фундаментов следует выполнять конструктивные требования СНиП 52-01 и положения настоящего раздела.

12.8.2. Размеры сечений элементов железобетонных конструкций должны приниматься такими, чтобы соблюдались требования в части расположения арматуры в сечении (толщина защитных слоев бетона, расстояния между стержнями и т.п.) и анкеровки арматуры.

12.8.3. Минимальная толщина сборных фундаментов должна определяться из условия обеспечения требуемой толщины защитного слоя бетона и условий расположения арматуры по толщине плиты (см. 12.8.4 - 12.8.6).

12.8.4. Защитный слой бетона для рабочей арматуры должен обеспечивать совместную работу арматуры с бетоном на всех стадиях работы конструкции, а также защиту арматуры от внешних атмосферных, температурных и тому подобных воздействий.

12.8.5. Для продольной рабочей арматуры толщина защитного слоя должна быть, как правило, не менее диаметра стержня и не менее: 30 мм - для фундаментных балок и сборных фундаментов; 35 мм - для монолитных фундаментов при наличии бетонной подготовки; 70 мм - для монолитных фундаментов при отсутствии бетонной подготовки.

12.8.6. Под монолитными фундаментами независимо от подстилающих грунтов (кроме скальных) рекомендуется предусматривать устройство бетонной подготовки толщиной 100 мм. Допускается применение щебеночной или песчаной подготовки с цементной стяжкой. Толщину защитного слоя бетона для рабочей арматуры подошвы фундаментов при этом принимают не менее 35 мм.

При обосновании допускается бетонирование фундаментов без подготовки. При этом толщину защитного слоя принимают не менее 70 мм. При сборных фундаментах устраивают подготовку из песка или цементного раствора.

13. Устройство оснований и фундаментов

13.1. Общие положения

13.1.1. При устройстве оснований и фундаментов земляные, каменные, бетонные и другие работы должны выполняться с учетом требований СНиП 12-01, СНиП 3.02.01, СНиП 3.03.01 и СНиП 3.04.01.

13.1.2. Работы по устройству оснований и фундаментов без проекта производства работ не допускаются.

13.1.3. Очередность и способы производства работ должны быть увязаны с работами по прокладке подземных инженерных коммуникаций, строительству подъездных дорог на стройплощадке и другими работами нулевого цикла.

13.1.4. При устройстве оснований, фундаментов и подземных сооружений необходимость водопонижения, уплотнения и закреплении грунта, устройства ограждения котлована, замораживания грунта, возведения фундаментов методом «стена в грунте» и проведения других работ устанавливают проектом сооружения, а организацию работ - проектом организации строительства.

Если необходимость выполнения перечисленных работ возникает в процессе разработки проекта производства работ или при вскрытии котлована, решение о выполнении указанных работ принимается проектной и строительной организацией совместно с заказчиком.

13.1.5. При прокладке и переустройстве под земных коммуникаций, благоустройстве городских территорий и устройстве дорожных покрытий должны соблюдаться действующие правила производства работ, а также положения об охране подземных и наземных инженерных сооружений.

13.1.6. Строительно-монтажные, погрузочно-разгрузочные и специальные работы должны выполняться с соблюдением правил техники безопасности, пожарной безопасности, санитарных норм и других правил, изложенных в данном СП, а также экологических требований.

13.1.7. При обнаружении несоответствия фактических инженерно-геологических условий принятым в проекте допускается корректировка проекта производства работ.

13.1.8. Методы производства работ не должны допускать ухудшение строительных свойств грунтов основания (повреждение механизмами, промерзание, размыв поверхностными водами и др.)

13.1.9. Основным работам по устройству оснований - уплотнению грунтов, устройству насыпей и подушек, закреплению, замораживанию грунтов, вытрамбовыванию котлованов и другим должны предшествовать опытные работы, в ходе которых должны быть установлены технологические параметры, обеспечивающие требования проекта, а также получение контрольных показателей, подлежащих операционному контролю в ходе работ.

Опытные работы следует выполнять по программе, учитывающей инженерно-геологические условия площадки, предусмотренные проектом средства механизации, сезон производства работ и другие факторы, влияющие на технологию и результаты работ.

13.1.10. В процессе производства строительных работ должен выполняться входной, операционный и приемочный контроль.

Состав контролируемых показателей, предельные отклонения, объем и методы контроля должны соответствовать заданным в проекте.

13.1.11. Контроль качества и приемка работ должны осуществляться систематически техническим персоналом строительной организации и выполняться представителями авторского надзора и заказчика с привлечением представителя строительной организации, а также представителей изыскательской и других специализированных организаций.

Результаты контроля следует фиксировать записью в журнале производства работ, актом промежуточной проверки или актом приемки скрытых работ, в том числе актом приемки отдельного подготовленного участка основания.

13.1.12. При приемке законченных работ должно быть установлено соответствие фактически полученных результатов требованиям проекта. Указанное соответствие устанавливают сопоставлением проектной, исполнительной и контрольной документации.

13.1.13. В актах приемки оснований необходимо:

- привести оценку соответствия грунтов основания предусмотренным в проекте;

- указать поправки, внесенные в проект оснований и фундаментов, а также в проект производства работ после промежуточных проверок оснований;

- дать рекомендации по дальнейшим работам.

13.1.14. К актам приемки оснований прилагают следующие документы:

- материалы испытаний грунтов, выполненных как в процессе текущего контроля производства работ, так и при приемке основания;

- акты промежуточных проверок и приемок скрытых работ;

- журналы производства работ;

- рабочие чертежи по фактически выполненным работам.

13.1.15. Законченные в процессе производства работ отдельные ответственные конструкции должны приниматься техническим надзором заказчика с составлением актов промежуточной приемки этих конструкций.

13.1.16. В необходимых случаях в период строительства должен быть организован геотехнический мониторинг (см. раздел 14). Объемы и методику наблюдений устанавливают в проекте с учетом затрат, необходимых для осуществления мониторинга.

После окончания строительства наблюдения могут быть продолжены эксплуатирующей организацией.

13.2. Естественные основания

13.2.1. При устройстве фундаментов в котлованах размеры последних в плане должны назначаться по проектным габаритам сооружения с учетом конструкции ограждения и крепления стен котлована, способов водоотлива и возведения фундаментов или подземных сооружений.

13.2.2. В рабочих чертежах котлована должны быть данные о расположении в его пределах наземных или подземных сооружений и коммуникаций, указаны горизонты подземных, меженных и высоких вод, а также рабочий горизонт воды.

13.2.3. До начала разработки котлована должны быть выполнены следующие работы:

- разбивка котлована;

- планировка территории и отвод поверхностных и подземных вод;

- перенос при необходимости наземных и подземных коммуникаций или сооружений;

- ограждение котлована (в необходимых случаях).

13.2.4. Перенос (переустройство) действующих подземных коммуникаций и разработка грунта в местах их расположения допускаются лишь при наличии письменного разрешения организации, ответственной за эксплуатацию коммуникаций.

13.2.5. В процессе устройства котлованов, фундаментов и подземных сооружений должен быть установлен постоянный надзор за состоянием грунта, ограждений и креплений котлована, фильтрацией воды.

13.2.6. При разработке котлованов непосредственно около фундаментов существующих сооружений, а также действующих подземных коммуникаций необходимо принять меры против возможных деформаций и нарушений устойчивости откосов котлованов и существующих сооружений и коммуникаций.

Мероприятия, обеспечивающие сохранность существующих сооружений и коммуникаций, должны быть разработаны в проекте и согласованы с эксплуатирующими организациями.

13.2.7. Котлованы следует разрабатывать, как правило, участками, не превышающими 1000 м2 в летних условиях и 300 м2 - в зимних.

13.2.8. Ограждения и крепления котлованов должны выполняться таким образом, чтобы они не препятствовали производству последующих работ по устройству конструкций. Крепления неглубоких котлованов должны быть, как правило, инвентарными, а последовательность их разборки должна обеспечить устойчивость стенок котлованов до окончания работ по устройству фундаментных и других конструкций.

13.2.9. При разработке котлована в водонасыщенных грунтах следует предусматривать меры, исключающие оплывание откосов, суффозию и выпор грунта основания.

В случае если основание сложено водонасыщенными мелкими и пылеватыми песками или глинистыми грунтами текучепластичной и текучей консистенции, должны быть приняты меры по их защите от возможных нарушений при движении землеройных и транспортных машин, а также разжижения вследствие динамических воздействий.

13.2.10. Недобор грунта на дне котлована устанавливают в проекте и уточняют в процессе работы. Изменение проектного недобора грунта должно быть согласовано с проектной организацией.

Случайные переборы грунта в котловане должны быть восстановлены местным или песчаным грунтом с тщательным уплотнением. Вид грунта заполнения и степень уплотнения необходимо согласовать с проектной организацией. Заполнение перебора глубиной не более 50 см глинистым грунтом разрешается при его показателе текучести менее 0,5.

13.2.11. Основания, нарушенные при производстве работ в результате промерзания, затопления, перебора грунта и т.д., должны быть восстановлены способом, согласованным с проектной организацией.

13.2.12. Разработка грунта в котлованах или траншеях при переменной глубине заложения фундаментов должна вестись уступами. Отношение высоты уступа к его длине устанавливают проектом, но должно быть не менее 1:2 - при связных грунтах, 1:3 - при несвязных грунтах. Грунт должен разрабатываться способами, обеспечивающими сохранение структуры грунта в уступах основания.

13.2.13. Грунты в основании, не соответствующие в природном залегании требуемой проектом плотности и водонепроницаемости, следует доуплотнять с помощью уплотняющих средств (катков, тяжелых трамбовок и др.).

Степень уплотнения, выражаемая плотностью сухого грунта, должна быть задана в проекте и должна обеспечивать повышение прочностных свойств грунта, уменьшение его деформируемости и водопроницаемости.

13.2.14. Возведение фундаментов на основаниях из насыпных грунтов допускается в случаях, предусмотренных проектом, после подготовки основания с учетом состава и состояния грунтов и в соответствии с принятым решением по способу их отсыпки и уплотнения.

Использование в качестве оснований насыпей из шлака и других негрунтовых материалов допускается при наличии специальных указаний, разработанных в проекте и предусматривающих порядок производства и технологию работ и контроль их качества.

13.2.15. Методы устройства насыпей, подушек, обратных засыпок, а также уплотнения грунта устанавливают в проекте и уточняют в проекте производства работ в зависимости от требуемых плотности и состояния грунтов, объема работ, имеющихся средств механизации, сроков производства работ и др.

13.2.16. Засыпка пазух грунтом и его уплотнение должны выполняться с обеспечением сохранности гидроизоляции фундаментов, стен подвалов и подземных сооружений, а также расположенных рядом подземных коммуникаций (кабелей, трубопроводов и др.).

13.2.17. Работы по засыпке пазух следует производить сразу после устройства перекрытий над подвалами и подземными сооружениями; не допускается оставлять открытыми пазухи длительное время.

Засыпку пазух рекомендуется доводить до отметок, гарантирующих надежный отвод поверхностных вод. В зимних условиях грунт для засыпки пазух должен быть талым.

13.2.18. Устройство фундаментных и подземных конструкций следует производить немедленно после приемки основания комиссией и подписания акта, разрешающего приступить к устройству конструкций.

Перерыв между окончанием разработки котлована и устройством фундаментов или подземных сооружений, как правило, не допускается. При вынужденных перерывах должны быть приняты меры к сохранению природных структуры и свойств грунтов, а также против обводнения котлована поверхностными водами и промораживания грунтов.

13.2.19. Сохранение природной структуры и свойств грунтов в основании включает:

- защиту котлована от попадания поверхностных вод;

- ограждение котлована и грунтов основания водонепроницаемой стенкой («стена в грунте», ограждение из шпунта, буросекущихся свай и т.п.);

- снятие гидростатического давления путем глубинного водоотлива из подстилающих слоев, содержащих воду;

- исключение притока воды в котлован через дно;

- исключение динамических воздействий во время откопки котлованов землеройными машинами с помощью защитного слоя грунта недобора;

- защиту грунта основания от промерзания.

13.2.20. При поступлении в котлован в процессе производства работ воды необходимо обеспечить водоотвод во избежание затопления свежего слоя бетона или раствора до приобретения ими прочности не менее 30 % проектной.

При сильном притоке воды, удаление которой может вызвать вымывание раствора и наплыв грунта в котлован, необходимо устраивать тампонажную подушку из бетона, укладываемого подводным способом. Толщину подушки назначают по проекту производства работ, но не менее 1 м при напоре воды до 3 м.

13.2.21. Поверхность основания, сложенного глинистыми грунтами, должна быть выровнена подсыпкой из песка (кроме пылеватого) толщиной 5 - 10 см. Поверхность песчаного основания планируют без подсыпки. Краны и другие механизмы должны располагаться за пределами подготовленных участков основания.

13.2.22. При возведении монолитных фундаментов, как правило, устраивают подготовку из уплотненного слоя щебня или тощего бетона, обеспечивающую надежную установку арматуры и не допускающую утечки раствора из бетонной смеси бетонируемого фундамента. Если основание сложено глинистыми грунтами с показателем текучести более 0,5 или водонасыщенными песками, уплотнение следует выполнять легкими катками или трамбовками.

13.2.23. При переменной глубине заложения фундамента его возведение начинают с нижних отметок основания. Затем подготавливают вышерасположенные участки и укладывают блоки фундамента на основание с предварительным уплотнением засыпки пазух нижележащих участков или блоков.

13.2.24. При приемке подготовленного основания до начала работ по устройству фундаментов должно быть установлено соответствие расположения, размеров, отметок дна котлована, фактического напластования и свойств грунтов указанным в проекте, а также возможность заложения фундаментов на проектной или измененной отметке.

Проверка отсутствия нарушений природных свойств грунтов основания или качества их уплотнения в соответствии с проектными данными должна при необходимости сопровождаться отбором образцов для лабораторных испытаний, зондированием, пенетрацией и др.

При больших отклонениях от проектных данных должно быть выполнено, кроме того, испытание грунтов штампами и принято решение о необходимости изменений проекта.

13.2.25. Проверку однородности и достаточности выполненного уплотнения грунтов в естественном залегании или грунтовых подушек следует осуществлять полевыми методами (зондированием, радиоизотопными методами и пр.) и выборочным определением плотности сухого грунта по отобранным образцам из каждого уплотненного слоя грунта.

13.2.26. В случае если установлено значительное расхождение между фактическими и проектными характеристиками грунта основания, необходимость пересмотра проекта и решение о проведении дальнейших работ должны приниматься при участии представителя проектной организации и заказчика.

13.2.27. При возведении фундаментов и подземных сооружений необходимо контролировать глубину их заложения, размеры и расположение в плане, устройство отверстий и ниш, выполнение гидроизоляции и качество примененных материалов и конструкций. На устройство (подготовку) основания и гидроизоляции должны быть составлены акты освидетельствования скрытых работ.

13.2.28. Контроль должен включать проверку:

- соблюдения необходимых недоборов грунта, недопущения переборов и нарушения структуры грунта основания;

- недопущения нарушения структуры грунта при срезке недоборов, подготовке оснований и укладке конструкций;

- предохранения грунтов оснований от подтапливания подземными и поверхностными водами с размягчением и размывом верхних слоев основания;

- соответствия характеристик вскрытых грунтов основания предусмотренным в проекте;

- достижения достаточного и однородного уплотнения грунтовых подушек, а также обратных засыпок и подготовок под полы;

- достаточности примененных мер по защите грунтов основания от промерзания;

- соответствия фактической глубины заложения и размеров конструкций и качества примененных материалов предусмотренным в проектах.

13.3. Уплотнение грунтов

13.3.1. Для уплотнения грунтов основания в зависимости от их физико-механических характеристик применяют следующие способы:

- поверхностное уплотнение;

- грунтовыми сваями;

- предварительным замачиванием;

- глубинным вибрированием;

- временной пригрузкой с вертикальными дренами;

- вакуумированием.

13.3.2. Проектные решения по уплотнению грунтов должны содержать:

а) исходные и требуемые значения показателей (плотность сухого грунта, отметки понижения уплотняемой поверхности и др.), подлежащих проверке в составе операционного и приемочного контроля, а также перечень технологических параметров и показателей, подлежащих уточнению в ходе опытного уплотнения;

б) при поверхностном уплотнении грунтов естественного залегания трамбовками и грунтоуплотняющими машинами - план и размеры котлована с размерами уплотняемой площадки и контурами фундаментов; указания о необходимой глубине уплотнения и оптимальной влажности грунта, выборе типа грунтоуплотняющего механизма, о необходимом числе ударов трамбовками или числе проходов уплотняющей машины по одному следу, величине понижения уплотняемой поверхности;

в) при уплотнении грунтовыми сваями - план размещения свай с указанием их диаметра и глубины, требования к влажности уплотняемых грунтов, характеристику применяемого оборудования, общее количество грунта и отдельных порций, засыпаемых в скважины, а также высоту разрыхленного верхнего (буферного) слоя грунта и способ его уплотнения;

г) при уплотнении предварительным замачиванием и замачиванием с глубинными взрывами просадочных грунтов - план разбивки уплотняемой площадки на отдельные участки (карты) с указанием их глубины и очередности замачивания, указания о расположении и конструкции поверхностных и глубинных марок, схему сети водовода, данные о среднее) точном расходе воды на 1 м2 уплотняемой площадки, времени замачивания каждого котлована или участка (карты) и условной стабилизации просадки, а в случае замачивания через скважины, дополнительно - план расположения скважин с указанием их глубины, диаметра, способа проходки и вида дренирующего материала для засыпки, способы уплотнения верхнего недоуплотненного (буферного) слоя грунта. При уплотнении просадочных грунтов замачиванием и глубинными взрывами дополнительно должна быть приведена технология взрывных работ с указанием противосейсмических мероприятий и техники безопасности производства взрывных работ;

д) при глубинном виброуплотнении - план площадки с указанием глубины уплотнения, схему уплотнения и режим работы виброустановки, расчетное значение показателя уплотнения грунта, допустимое расстояние от работающей установки до существующих сооружений и коммуникаций;

е) при предпостроечном уплотнении слабых водонасыщенных грунтов временной пригрузкой с вертикальными дренами - данные об объемах уплотняемых массивов, план участка с указанием его контура, значения временной нагрузки от нагрузочной насыпи и ее форму и размеры, план расположения вертикальных дрен с указанием их размера и расстояния между осями (шага), план расположения поверхностных и глубинных марок, расчетные значения конечной осадки основания от временной нагрузочной насыпи и упругого подъема после снятия нагрузки, схему производства работ по погружению дрен, устройству и снятию нагрузочной насыпи с указанием применяемого оборудования, режим нагружения и снятия временной нагрузки.

13.3.3. В ходе опытного уплотнения должны быть установлены следующие технологические параметры, обеспечивающие получение требуемых проектом значений плотности уплотненного грунта: толщина слоев отсыпки, оптимальная влажность, число проходов уплотняющих машин или ударов трамбовки и другие параметры, указанные в проекте. К показателям, подлежащим операционному контролю в ходе работ, относятся: понижение отметки уплотняемой поверхности, осадки марок и др.

13.3.4. До начала работ по уплотнению необходимо уточнить природную влажность и плотность сухого грунта на глубину, определяемую проектом по ГОСТ 5180 или экспресс методами (зондированием - по ГОСТ 19912, радиоизотопным - по ГОСТ 23061 и др.).

Если природная влажность грунта окажется ниже оптимальной на 5 % и более, необходимо произвести его доувлажнение расчетным количеством воды.

13.3.5. Поверхностное уплотнение грунтов трамбованием следует выполнять с соблюдением следующих требований:

а) при различной глубине заложения фундаментов уплотнение грунта следует производить с более высоких отметок;

б) по окончании поверхностного уплотнения верхний недоуплотненный слой грунта необходимо доуплотнить по указанию проекта;

в) уплотнение грунта трамбованием в зимнее время допускается при немерзлом состоянии грунта и естественной влажности. Необходимую глубину уплотнения при влажности грунта ниже оптимальной достигают увеличением массы, диаметра или высоты сбрасывания трамбовки;

г) контрольное определение отказа производят двумя ударами трамбовки при сбрасывании ее с высоты, принятой при производстве работ, но не менее 6 м. Уплотнение признают удовлетворительным, если понижение уплотняемой поверхности под действием двух ударов не превышает значения, установленного при опытном уплотнении.

13.3.6. Глубинное уплотнение грунтовыми сваями следует выполнять с соблюдением следующих требований:

а) пробивка скважин станками ударно-канатного бурения должна производиться с поверхности дна котлована при природной влажности грунта;

б) расширение скважин с помощью взрыва допускается при природной влажности грунта, равной или большей влажности на пределе раскатывания, а при меньшей влажности грунт должен быть доувлажнен;

в) скважины надлежит устраивать через одну, а пропущенные - только после засыпки и уплотнения ранее пройденных;

г) перед засыпкой каждой скважины, полученной взрывом, должны производиться замеры ее глубины; при образовании в скважине завала высотой до двух ее диаметров он должен быть уплотнен 20 ударами трамбующего снаряда с удельной энергией удара 250 - 350 кДж/м2; при образовании завала более двух диаметров необходимо устраивать новую скважину;

д) скважины заполняют грунтом порциями, каждую из которых уплотняют; в качестве грунтового материала используют суглинки и супеси (без включений растительных остатков и строительного мусора), имеющие оптимальную влажность; объем грунта в порции назначают из расчета получения столба рыхлого грунта в скважине высотой не более двух ее диаметров, но не более 0,2 м3;

е) засыпку скважин при отрицательной температуре воздуха необходимо производить только немерзлым грунтом.

13.3.7. Уплотнение грунтов предварительным замачиванием следует выполнять с соблюдением следующих требований:

а) замачивание необходимо выполнять путем затопления котлована водой с поддержанием слоя воды 0,3 - 0,5 м и продолжать до тех пор, пока не будут достигнуты промачивание до проектной влажности всей толщи просадочных грунтов и условная стабилизация просадки, за которую принимается просадка менее 1 см в неделю;

б) в процессе предварительного замачивания необходимо вести систематические наблюдения за осадкой поверхностных и глубинных марок, а также расходом воды; нивелирование марок необходимо производить не реже одного раза в 5 - 7 дней;

в) фактическую глубину замачивания следует устанавливать по результатам определения влажности грунта через 1 м по глубине на всю просадочную толщу;

г) при отрицательных температурах воздуха предварительное замачивание следует производить с сохранением дна затопляемого котлована в немерзлом состоянии и подачей воды под лед.

13.3.8. Уплотнение просадочных грунтов замачиванием и энергией взрыва следует выполнять с соблюдением следующих требований:

а) замачивание необходимо выполнять через дно котлована, дренажные, взрывные или совмещенные скважины, заполненные дренирующим материалом, и продолжать до промачивания всей просадочной толщи до проектной влажности;

б) по окончании замачивания и после производства взрывных работ следует проводить наблюдения за осадкой поверхностных и глубинных марок. Нивелирование после взрыва зарядов ВВ надлежит производить до условной стабилизации просадок;

в) глубину котлована или распределительных траншей, отрываемых за счет срезки грунта, следует назначать из условия сохранения слоя воды при замачивании 0,3 - 0,5 м. В зимнее время уровень воды в котловане и траншеях следует поддерживать на одной отметке;

г) в необходимых случаях, когда уплотнение грунта производят на больших площадях, допускается предусматривать устройство песчано-гравийных подушек, позволяющих ускорить начало строительно-монтажных работ на уплотненном участке;

д) разрыв между окончанием замачивания и взрывами зарядов ВВ, в зависимости от размеров площадки, должен составлять не более 3 - 8 ч.

13.3.9. После предварительного замачивания оснований и замачивания с глубинными взрывами зарядов ВВ следует производить уплотнение верхнего слоя грунта.

13.3.10. Виброуплотнение водонасыщенных песков следует выполнять с соблюдением следующих требований:

а) точки погружения уплотнителя должны быть размещены по треугольной сетке со сторонами до 3 м для крупного и средней крупности песков и до 2 м - для мелкого песка;

б) уровень подземных вод должен быть не ниже чем 0,5 м от дна котлована;

в) полный цикл уплотнения на глубину до 6 м в одной точке должен продолжаться не менее 15 мин и состоять из 4 - 5 чередующихся погружений и подъемов уплотнителя; при большей глубине продолжительность цикла должна быть установлена проектом.

13.3.11. Предпостроечное уплотнение водонасыщенных грунтов временной нагрузкой с вертикальными дренами следует выполнять с соблюдением следующих требований:

а) песчаный дренирующий слой должен быть толщиной 0,4 - 0,5 м;

б) толщина слоев временной нагрузочной насыпи не должна превышать 1 - 1,5 м;

в) после устройства нагрузочной насыпи следует производить наблюдения за осадками поверхностных марок. Перед снятием временной насыпи составляют акт, где приводят проектные и фактические значения конечных осадок поверхностных марок.

13.4. Устройство грунтовых насыпей и подушек

13.4.1. Устройство грунтовых насыпей и подушек должно включать последовательное выполнение следующих подготовительных работ:

а) общую планировку застраиваемой территории, котлованов и их отдельных участков;

б) подготовку поверхности для отсыпки грунтов;

в) выполнение лабораторных исследований по грунтам, предназначенным для отсыпки;

г) подготовку грунтов к отсыпке и уплотнению;

д) разработку (выбор) технологических схем или проектов производства работ;

е) выбор и подготовку оборудования для уплотнения грунтов;

ж) выполнение опытных работ по уплотнению грунтов.

13.4.2. В целях исключения переувлажнения грунтов оснований и грунтов, отсыпаемых в насыпь или подушку, планировка застраиваемой территории должна выполняться с обеспечением стока поверхностных вод.

В процессе работы по отсыпке грунта планировку территории соответствующим образом корректируют с учетом изложенных выше рекомендаций.

13.4.3. В комплекс работ по подготовке поверхности к отсыпке грунтов входят:

- удаление переувлажненного грунта, комьев мерзлого грунта и т.п.;

- планировка отдельно отсыпаемых участков;

- доувлажнение грунта до влажности, близкой к оптимальной.

13.4.4. Лабораторные исследования по грунтам, предназначенным для отсыпки, включают определение плотности, влажности, гранулометрического состава песков, содержания органических веществ.

При наличии достаточных данных, полученных при инженерно-геологических изысканиях, дополнительные исследования могут не проводиться.

13.4.5. Основными характеристиками уплотненных грунтов являются: заданная плотность уплотненного грунта в сухом состоянии, максимальная плотность уплотненного грунта в сухом состоянии, получаемая при стандартном уплотнении, и оптимальная влажность, при которой достигается максимальная и заданная плотность уплотненного грунта (ГОСТ 22733).

13.4.6. Для возведения насыпей и грунтовых подушек следует использовать местные грунты (крупнообломочные, пески, глинистые) и отходы промышленных производств (шлаки и др.).

13.4.7. При влажности грунтов ниже оптимальной до их отсыпки или уплотнения грунты необходимо доувлажнять.

Доувлажнение грунтов следует выполнять в теплое время года непосредственно в карьерах или резервах до их разработки.

При использовании для отсыпки грунтов, получаемых при срезке, отрывке котлованов на соседних территориях и т.п., доувлажнение грунтов производят на месте укладки в процессе их отсыпки и уплотнения.

13.4.8. В ходе опытного уплотнения уточняют заданные технологические параметры уплотнения:

- толщину уплотненного слоя грунта;

- количество ударов трамбовки или проходов механизмов, необходимых для уплотнения до отказа;

- понижение поверхности отсыпки при уплотнении грунтов до отказа трамбованием, укаткой, вибрацией;

- оптимальную влажность уплотненных грунтов.

Примечание - Уплотнением грунта до отказа называют состояние, при котором достигается такая его наибольшая плотность и глубина уплотнения, в результате чего при последующем уплотнении понижение поверхности от каждого удара (прохода механизма) становится постоянным.

13.4.9. При необходимости производства работ в зимнее время следует:

- отсыпать в грунтовые подушки только маловлажные крупнообломочные, песчаные, а также глинистые грунты с влажностью не выше оптимальной;

- выполнять работы по отсыпке, разравниванию и уплотнению грунтов без перерыва для исключения их смерзания.

Содержание мерзлых комьев в грунте не должно превышать при уплотнении его укаткой и трамбованием соответственно 20 и 30 %.

При выполнении отсыпки из глинистых грунтов необходимо исключать попадание в отсыпаемые грунты снега и льда.

13.4.10. В процессе устройства грунтовых насыпей и подушек выполняют: входной контроль за видом и качеством отсыпаемого грунта; операционный контроль за качеством планировки застраиваемой территории и подготовки поверхности основания, качеством подготовки грунта, толщиной отсыпаемых слоев грунта и технологией их уплотнения; приемочный контроль, включающий определение плотности уплотненного грунта в каждом слое, или значений отказов при контрольном уплотнении.

13.5. Устройство намывных оснований

13.5.1. Проектирование намыва грунта на территории, отведенной под застройку, должно производиться в соответствии с утвержденными в установленном порядке генеральным планом города, проектом детальной планировки или проектами застройки.

В проекте должна предусматриваться очередность намыва грунта, увязанная с этапами застройки.

При определении очередности намыва территорий следует учитывать также продолжительность подготовки территории под намыв, технологическую схему намыва, время на консолидацию грунтов и др.

13.5.2. При разработке проекта намыва грунта должны учитываться природные и инженерно-геологические условия территории намыва и карьера, инженерная подготовка территории (снятие плодородного слоя почвы, выторфовывание, осушение).

В проекте организации строительства должны быть решены вопросы механизации производства работ, разбивки территории в связи с очередностью намыва, сроки строительства и т.д.

13.5.3. В проекте должны быть предусмотрены мероприятия по защите существующих сооружений от подтопления и другие мероприятия, обеспечивающие их нормальную эксплуатацию. Допустимое приближение намыва к существующим сооружениям следует определять расчетом с учетом результатов инженерно-геологических изысканий.

13.5.4. Намытые территории должны быть защищены от затопления и подтопления паводковыми водами. За расчетный горизонт паводковых вод принимают отметку наивысшего уровня, повторяющегося один раз в 100 лет.

Намыв территорий ниже расчетного горизонта паводковых вод допускается при устройстве защитной дамбы.

13.5.5. При выборе карьера для намыва грунта следует учитывать:

- расстояние от карьера до площадки намыва;

- глубину залегания разрабатываемого грунта;

- обводненность или возможность обводнения забоя;

- гранулометрический состав грунтов и трудность их разработки.

13.5.6. При проектировании инженерной подготовки территории под намыв необходимо предусматривать снятие плодородного слоя почвы и выторфовывание с последующим использованием почвы и торфа для рекультивации земель.

При невозможности удаления подстилающих слоев торфа на затопленных участках толщиной более 3 м необходимо устройство вертикальных дрен для их стабилизации.

13.5.7. Объем намываемого грунта следует определять исходя из проектных размеров площади намыва, а также с учетом потерь грунта в процессе намыва и осадки грунтов под давлением намытой толщи.

13.5.8. Работам по намыву грунта должна предшествовать подготовка территории, включающая выкорчевку деревьев и кустов, уборку бытового и строительного мусора, снятие плодородного слоя почвы, выторфовывание и т.д.

При приемке территории перед намывом грунта составляют акты на выполненные подготовительные работы.

13.5.9. Готовность карьера к разработке грунта (удаление вскрышных пород) должна быть оформлена актом освидетельствования скрытых работ.

Способ разработки землесосными снарядами грунта в карьере определяется мощностью разрабатываемой толщи и ее геологическим строением.

При разработке карьеров должны обеспечиваться требуемая интенсивность и непрерывность процесса работы.

13.5.10. При выборе технологической схемы необходимо учитывать, что требуемая плотность укладки намываемого грунта зависит в основном от удельного расхода воды, интенсивности намыва и способа, которым осуществляется намыв (безэстакадный, низкоопорный, послойно-грунтоопорный).

13.5.11. При необходимости производства работ в зимнее время в проекте производства работ по намыву необходимо разрабатывать специальный раздел по выполнению работ в этот период. Контроль качества намыва должен включать проверку температуры гидросмеси, поступающей на карту намыва, отсутствия льда и комьев мерзлого грунта в намытом грунте.

13.5.12. При приемке территории после окончания намыва грунта проверяют:

- геодезические высотные отметки намыва, соответствие его проекту в плановом размещении;

- соответствие физико-механических характеристик намытых грунтов предусмотренным в проекте по результатам исследования отобранных образцов грунта из скважин и шурфов, выполненных по сетке 40 - 50 м.

- наличие актов на скрытые работы и актов по заделке водосбросных устройств.

13.6. Закрепление грунтов

13.6.1. Закрепление грунтов всеми способами, кроме термического, следует выполнять при положительной температуре закрепляемых грунтов. Термическое закрепление грунтов, кроме вечномерзлых, можно производить при отрицательных температурах.

13.6.2. Для уточнения, при необходимости, грунтовых условий при производстве работ следует предусматривать возможность выполнения на стройплощадке дополнительных инженерно-геологических изысканий, объем и состав которых устанавливают проектом.

13.6.3. При закреплении грунтов инъекционными способами в условиях существующей застройки нельзя допускать засорения отвердевшими реагентами и повреждения близрасположенных подземных инженерных коммуникаций.

13.6.4. Выполнение работ по закреплению грунтов допускается только по специально разработанным и утвержденным проектам, увязанным с проектом сооружения. Как правило, проекты по закреплению грунтов должны разрабатывать специализированные организации.

13.6.5. В случаях возникновения при инъекционном закреплении грунтов под существующими сооружениями разрывов в грунтах с выходом реагентов на поверхность или в подвалы и коммуникации необходимо прекратить нагнетание реагентов и выполнить назначенные авторским надзором мероприятия по ликвидации прорывов.

13.6.6. Проверку правильности проектных параметров и технических условий на производство работ по закреплению грунтов осуществляют контрольным закреплением грунтов непосредственно при производстве работ на их начальной стадии.

При контрольном закреплении буросмесительным способом проверяют прочностные свойства материала сваи с выбуриванием кернов или неразрушающими способами, а также при наличии указаний в проекте - несущую способность сваи.

13.6.7. Контроль качества закрепления грунтов обеспечивается выполнением следующего комплекса мероприятий и условий:

- проверкой качества применяемых исходных материалов и использованием материалов, имеющих заводскую документацию;

- операционным контролем качества применяемых рабочих материалов, опытной проверкой правильности заложенных в проект параметров закрепления и технических условий на производство работ;

- непосредственной проверкой исполнения требований проекта в отношении качества закрепления грунтов с применением специальных методов испытаний и контроля.

13.6.8. Операционную проверку качества рабочих материалов осуществляют путем систематических определений или измерений соответствующих характеристик этих материалов. При инъекционном закреплении грунтов - это измерения плотности и температуры растворов, а также контроль за допускаемым давлением и расходом при нагнетании их в грунты.

13.6.9. Непосредственный контроль и опытная проверка исполнения требований проекта по качеству закрепления грунтов в отношении сплошности и однородности закрепления, формы и размеров закрепленного массива, прочностных, деформационных и других физикомеханических свойств закрепленных грунтов обеспечивается следующими мероприятиями:

- вскрытием области закрепления контрольными шурфами и скважинами с их обследованием, отбором проб и лабораторными определениями характеристик закрепленных грунтов;

- испытаниями закрепленного массива статическим или динамическим зондированием;

- исследованием области закрепления геофизическими методами;

- при инъекционном закреплении грунтов оснований или фундаментов существующих сооружений - проведением инструментальных наблюдений за осадками фундаментов и другими деформациями до, во время и после закрепления.

Силикатизация и смолизация

13.6.10. Инъекционные работы в зависимости от грунтовых условий и конструкции закрепляемого массива необходимо выполнять с соблюдением следующих правил:

а) в неоднородных по проницаемости грунтах слой с большей проницаемостью следует закреплять в первую очередь с учетом требований б);

б) последовательный порядок инъекционных работ по точкам инъекции в плане и по заходкам в глубину не должен допускать, чтобы ранее закрепленные заходки затрудняли погружение инъекторов для более поздних инъекций;

в) при закреплении водоносных песков необходимо, чтобы последовательность инъекционных работ обеспечивала отжатие подземной воды нагнетаемыми реагентами. Защемление подземной воды в закрепляемом массиве не допускается.

г) при закреплении грунтов под существующими сооружениями до начала основных работ следует производить вспомогательную цементацию зоны на контакте фундаментов и основания.

13.6.11. При усилении оснований и фундаментов существующих сооружений бурение скважин в фундаментах для вспомогательной цементации контакта «фундамент-грунт» рекомендуется производить станками колонкового бурения с продувкой воздухом. В стесненных условиях допускается бурение пневмоударными станками.

13.6.12. Исходные химические материалы, применяемые при силикатизации и смолизации грунтов (водные растворы силиката натрия и синтетические смолы в качестве крепителей, неорганические и органические кислоты и соли, а также некоторые газы в качестве отвердителей, рецептурные добавки разного назначения, гелеобразующие смеси, рабочие составы) должны удовлетворять требованиям соответствующих стандартов, технических условий и проекта.

13.6.13. Для обеспечения заданных проектом формы, размеров и монолитности закрепленного массива нагнетание реагентов должно производиться отдельными единичными инъекциями (порциями) определенного расчетного объема.

13.6.14. Для предотвращения выбивания реагентов при сплошном закреплении грунтов через соседние инъекторы (скважины) одновременное погружение инъекторов и бурение инъекционных скважин в плане и нагнетание через них реагентов следует производить не менее чем на удвоенном расстоянии, с последующим нагнетанием через пропущенные.

13.6.15. При силикатизации и смолизации грунтов, а также цементации крупнообломочных грунтов и гравелистых песков допускается оставлять в закрепленном массиве забивные инъекторы или трубы манжетно-тампонных инъекторов в качестве арматуры.

13.6.16. Нагнетаемые в грунты рабочие растворы и смеси не должны содержать взвешенных механических примесей, затрудняющих инъекцию и закрепление грунтов в целом. Для удаления взвесей растворы до их нагнетания в грунты следует заблаговременно отстаивать, не допуская в дальнейшем перемешивания, или применять соответствующие фильтры, а нагнетание гелеобразующих смесей - производить только с применением фильтров.

13.6.17. Нагнетание реагентов в грунты при силикатизации и смолизации, а также при цементации крупнообломочных грунтов и гравелистых песков следует производить под пригрузкой, в качестве которой используются залегающие над областью инъекции грунты, само сооружение или специально уложенные бетонные плиты, которые не должны в процессе нагнетания в грунты реагентов подвергаться разрушению с выходами реагентов на поверхность или в сооружение.

13.6.18. Предельно допустимые давления и расходы при нагнетании реагентов при силикатизации и смолизации, а также при цементации крупнообломочных грунтов и гравелистых песков устанавливают в проекте. Давление нагнетания не должно превышать давления на грунты в области инъекции от действующих нагрузок.

Давление нагнетания жидких реагентов следует контролировать измерением его на глубинах нагнетания, т.е. с учетом веса столба жидкости.

Цементация

13.6.19. Для качественного закрепления трещиноватых полускальных и скальных, в том числе закарстованных грунтов, должна быть обеспечена локализация нагнетаемых через скважины растворов в пределах закрепляемого массива и заполнение, наряду с крупными, всех мелких трещин (каналов, полостей), для чего следует соблюдать следующую последовательность работ:

а) создание защитного барьера против выхода растворов за контур закрепляемого массива путем предварительной цементации через барьерные скважины, расположенные по контуру массива;

б) последующая инъекция растворов внутри контура через систему равномерно распределенных и достаточно часто расположенных по проекту скважин.

13.6.20. Нагнетание растворов через каждую скважину надлежит производить до «отказа». За «отказ» (прекращение нагнетания) при цементации скальных грунтов следует принимать:

- поглощение скважиной (зоной) расчетного количества раствора при давлении нагнетания, не превышающем проектное;

- снижение расхода раствора до 5 - 10 л/мин на скважину (зону) с одновременным повышением давления нагнетания выше проектного, если расход при «отказе» особо не оговорен в проекте.

13.6.21. Виды, марки и качество цементов, виды других применяемых для приготовления инъекционных растворов материалов и химических добавок, а также составы инъекционных растворов устанавливают в проекте в зависимости от грунтовых условий и особенностей возводимого сооружения.

13.6.22. В проекте работ по цементации грунтов должны содержаться данные о длине одновременно инъецируемых зон в скважинах и конструкции их верхней части, последовательности обработки скважин, номенклатуре и характеристиках применяемых материалов и сведения о потребностях в них.

13.6.23. Цементационные работы следует производить способом последовательного сближения скважин, начиная с максимальных расстояний, при которых гидравлическая связь между ними при нагнетании практически отсутствует.

13.6.24. Бурение и нагнетание растворов в трещиноватых полускальных, скальных и закарстованных грунтах, как правило, следует производить сразу на всю глубину цементации, устанавливаемую проектом.

Разделение скважины на зоны и поочередное нагнетание раствора в каждую из них следует производить в следующих случаях:

- при наличии разного вида и разных размеров заполняемых растворами полостей (трещин, карстовых пустот и каналов) и применении различных заполнителей на разных глубинах цементируемой толщи грунтов;

- при наличии в скальных грунтах нескольких прослоев с трещинами или карстовыми пустотами;

- при большой толще (более 10 м) цементируемого массива.

13.6.25. Бурение очередных зон по глубине скважины и нагнетание в них растворов при отсутствии напорных подземных вод допускается производить без перерывов на время твердения цементного раствора. При наличии напорных подземных вод необходимы перерывы на время твердения цементного раствора.

В скальных грунтах зоны скважин после завершения бурения следует промывать водой или продувать сжатым воздухом.

13.6.26. Порядок буровых и инъекционных работ при цементации крупнообломочных грунтов и гравелистых песков регламентируется требованиями, установленными для других инъекционных способов (силикатизация, смолизация).

13.6.27. Качество цементации скальных грунтов (трещиноватых, закарстованных) контролируют способами бурения, гидравлического опробования и цементации контрольных скважин. При этом критерий оценки качества цементации в зависимости от ее назначения, вида грунта и характера трещиноватости (закарстованности), а также объем контрольных работ устанавливают проектом.

13.6.28. В закарстованных грунтах контроль качества цементации, как правило, следует производить определением удельного водопоглощения. Допустимые размеры остаточных пустот и значений удельного водопоглощения устанавливают проектом.

13.6.29. Цементация грунтов с помощью струйной технологии, заключающаяся в разрушении и перемешивании грунта высоконапорной струей цементного раствора, включает два этапа: бурение скважины до заданной глубины и обратный ход буровой колонны с одновременным ее вращением. При обратном ходе поднимают давление цементного раствора, который, поступает в сопла монитора, создающие струю с высокой кинетической энергией. В результате в грунтовом массиве образуются отдельно стоящие или секущиеся грунтоцементные столбы заданной длины диаметром до 1,5 м.

Струйная технология может быть использована для:

- сооружения ленточных в плане конструкций типа «стена в грунте»;

- укрепления грунта вокруг отрываемого котлована;

- укрепления оснований и фундаментов существующих сооружений;

- создания противофильтрационных завес;

- проведения противооползневых мероприятий.

Буросмесительный способ закрепления шов

13.6.30. Работы по закреплению илов буросмесительным способом (илоцементными сваями) следует производить специальными буросмесительными машинами или станками вращательного бурения с крутящим моментом не менее 2,5 кН·м при диаметре илоцементных свай до 0,7 м и не менее 5 кН·м - при диаметре до 1 м.

Для нагнетания цементного раствора следует применять растворонасосы, развивающие давление не менее 0,7 МПа и обеспечивающие непрерывную дозированную подачу раствора.

13.6.31. Суммарное время приготовления, транспортирования и подачи цементного раствора в грунт не должно превышать времени до начала схватывания раствора.

13.6.32. При производстве работ по закреплению илов буросмесительным способом следует контролировать и соблюдать установленный по результатам опытных работ и заданный проектом технологический режим: частоту вращения и линейную скорость перемещения рабочего органа, последовательность нагнетания цементного раствора, число проходов рабочего органа и расход цементного раствора.

Термическое закрепление

13.6.33. Бурение скважин для обжига грунтов следует производить в режиме, исключающем уплотнение грунтов в стенках скважин от бурового инструмента.

13.6.34. Для проверки соответствия грунтовых условий данным инженерно-геологических изысканий и проекта в процессе бурения технологических скважин следует по указанию проекта производить отбор образцов закрепляемых грунтов и лабораторные определения их характеристик.

13.6.35. Началу работ по обжигу грунтов в скважинах должно предшествовать испытание газопропускной способности скважин. При выявлении слоев с низкой газопроницаемостью следует принимать меры по выравниванию газопропускной способности скважины путем отсечения и продувки таких слоев или путем увеличения поверхности фильтрации части скважины.

13.6.36. Расход сжатого воздуха и топлива в процессе обжига должен регулироваться в пределах, обеспечивающих максимальную температуру газов, не вызывающую оплавление грунтов в стенках скважины. Давление и температура газов должны регистрироваться в журнале работ.

13.6.37. В случае обнаружения выходов газов или воздуха на поверхность через трещины в грунте работу по обжигу следует приостановить, а трещины заделать природным грунтом, имеющим влажность не более естественной.

13.6.38. Образование массива следует считать законченным, если установленные в расчетном контуре термопары зафиксировали достижение заданной расчетной температуры, но не менее 350 °С.

13.6.39. Качество термического закрепления грунтов следует контролировать по результатам лабораторных испытаний на прочность, деформируемость и водостойкость образцов закрепленных грунтов, отбираемых из контрольных скважин. При этом учитывают также зафиксированные в рабочих журналах результаты замеров расхода топлива (электроэнергии) и сжатого воздуха, данные о температуре и давлении газов в скважинах в процессе термообработки грунтов. При необходимости, определяемой проектом, прочностные и деформационные характеристики закрепленных грунтов могут определять полевыми методами.

13.7. Искусственное замораживание грунтов

13.7.1. Искусственное замораживание грунтов следует предусматривать для устройства временных ледогрунтовых ограждений котлованов при строительстве подземных сооружений и фундаментов в водонасыщенных неустойчивых песчаных и супесчаных грунтах, а также в трещиноватых скальных и полускальных грунтах.

13.7.2. Искусственное замораживание грунтов осуществляют хладоносителем (охлажденным до отрицательных температур рассолом), циркулирующим в рассолопроводах и замораживающих колонках.

Вид, концентрация и температура хладоносителя должны определяться в зависимости от температуры, засоленности и скорости движения подземных вод. Как правило, в качестве хладоносителя следует использовать рассол - водный раствор хлористого кальция, охлажденного до минус 20 - 25 °С.

Для охлаждения рассола следует применять аммиачные или фреоновые холодильные установки. В обоснованных случаях при замораживании грунтов допускается использовать жидкий азот, непосредственно подаваемый в замораживающие колонки, а также диоксид углерода («сухой лед»), засыпаемый в колонки, температура испарения которого составляет минус 78 °С.

13.7.3. Скважины для замораживающих колонок располагают по контуру котлована с шагом 1,0 - 1,5 м. Расстояние между рядами скважин при их многорядном расположении принимают равным 2,0 - 3,0 м.

13.7.4. В проекте следует предусмотреть бурение дополнительных (резервных) скважин в количестве не более 10 % их общего числа для вертикальных и не более 20 % - для наклонных скважин при глубине замораживания до 100 м; при глубине замораживания свыше 100 м соответственно не более 20 и 25 %.

13.7.5. Скважины должны быть заглублены в водоупорный слой грунта не менее чем на 3 м. Толщина водоупорного слоя должна быть определена расчетом на возможный прорыв подземных вод.

При отсутствии водоупорного слоя необходимо образовывать искусственный водоупорный слой специальными способами (например, цементацией или замораживанием грунта по всей площади котлована).

13.7.6. Замораживающие колонки следует погружать сразу после окончания бурения скважины.

13.7.7. Для наблюдения за процессом замораживания следует устраивать контрольные скважины: гидрогеологические и термометрические. Число и места их расположения определяют в зависимости от инженерно-геологических условий.

13.7.8. Нагнетательные линии рассолопроводов должны быть смонтированы с уклоном 1 - 2 % в сторону конденсатора, а всасывающие линии - 0,5 % в сторону испарителей.

13.7.9. После монтажа сеть рассолопроводов должна быть промыта водой, а затем испытана на герметичность гидравлическим давлением, в 1,5 раза превышающим рабочее давление, но не менее чем 0,6 МПа. Сеть считают пригодной для эксплуатации, если в течение 15 мин давление опрессовки не изменяется и при осмотре сети не обнаружено течи в соединениях и трубах.

13.7.10. Перед заполнением сети рассолопроводов хладоносителем ее надлежит повторно промыть водой, которая затем должна быть полностью удалена. Перед зарядкой системы холодильных установок хладагентом (аммиаком или фреоном) в ней следует создать вакуум.

13.7.11. Подключенные к сети рассолопроводов замораживающие колонки, если порядок их включения в работу особо не оговорен проектом, следует вводить в эксплуатацию постепенно за период до 5 сут. Включение колонок в работу группами допускается только при соответствующем обосновании, при этом в первую очередь вводят в действие смежные колонки, имеющие наибольшие отклонения разного знака от проектных положений.

13.7.12. В период эксплуатации замораживающих систем следует регистрировать температуру хладоносителя, уровень воды в наблюдательных гидрологических скважинах, температуру грунтов в термометрических скважинах и другие параметры.

13.7.13. В процессе замораживания водоносных пластов, заключенных между глинистыми прослойками, следует постоянно контролировать обеспечение свободного подъема подземной воды через разгрузочные скважины.

13.7.14. Требуемую мощность холодильной установки, толщину стен и габариты ледогрунтового ограждения устанавливают в проекте, разработанном на основе статических и теплотехнических расчетов в зависимости от размеров и конфигурации котлована и физико-механических характеристик замороженного грунта.

Расчетное значение предела прочности замороженного грунта на одноосное сжатие следует принимать равным 0,35 его нормативного значения для круглых вертикальных выработок диаметром до 10 м и 0,20 - 0,25 - для выработок больших размеров и сложной конфигурации.

13.7.15. Производство строительно-монтажных работ в пределах ледогрунтового ограждения разрешается при постоянном контроле за его состоянием и корректировке работы замораживающей станции с целью обеспечения сохранения размеров ограждения и его температуры.

13.7.16. Выемку грунта из открытого котлована при положительных температурах воздуха необходимо производить, защищая ледогрунтовые стенки по мере их вскрытия от действия атмосферных осадков и солнечных лучей с регистрацией защитных мероприятий в журнале работ.

13.7.17. Извлечение замораживающих колонок и демонтаж холодильного оборудования следует производить после окончания всех работ, выполнение которых было намечено под защитой ледогрунтового ограждения. Скважины в процессе извлечения из них замораживающих колонок должны тампонироваться с регистрацией в журнале работ. Порядок извлечения колонок должен быть определен проектом. Искусственное оттаивание грунтов следует производить в тех случаях, когда оно предусмотрено проектом.

13.8. Строительное водопонижение и устройство гидроизоляции

13.8.1. До начала работ по водопонижению необходимо обследовать техническое состояние сооружений, находящихся в зоне влияния работ, а в период производства работ - осуществлять мониторинг поведения указанных сооружений. Необходимо также уточнить расположение существующих подземных коммуникаций.

13.8.2. При проведении водопонизительных работ следует предусматривать меры по предотвращению разуплотнения грунтов, а также нарушению устойчивости откосов котлована и оснований расположенных рядом сооружений.

13.8.3. При применении водоотлива из котлованов и траншей фильтрующие откосы и дно, при необходимости, следует пригружать слоем песчано-гравийного материала, толщина которого назначается в проекте. Вместимость зумпфов должна быть не менее пятиминутного притока воды к ним.

13.8.4. Бурение водопонизительных скважин и последующую установку в них фильтров выполняют с соблюдением следующих требований:

а) низ обсадной трубы при бурении скважин ударно-канатным способом должен опережать уровень разрабатываемого забоя не менее чем на 0,5 м, а подъем буровой желонки должен производиться со скоростью, исключающей подсасывание грунта через нижний конец обсадной трубы; при бурении в грунтах, в которых возможно образование пробок, в полости обсадной трубы необходимо поддерживать уровень воды, превышающий уровень подземных вод;

б) бурение водопонизительных скважин с глинистой промывкой допускается, если предварительно выполнено опытное бурение и установленная эффективность разглинизации отвечает требованиям проекта;

в) перед опусканием фильтров и извлечением обсадных труб скважины должны быть очищены от бурового шлама; в скважинах, пробуренных в супесях, а также в переслаивающихся водоносных и водоупорных слоях внутренняя полость обсадной трубы должна быть промыта водой; контрольный замер глубины скважины следует производить непосредственно перед установкой фильтра;

г) при бурении скважин необходимо отбирать пробы для уточнения границ водоносных слоев и гранулометрического состава грунтов.

13.8.5. При погружении в грунт гидравлическим способом фильтровой колонны или обсадных труб следует обеспечивать непрерывность подачи воды, а при наличии сильно поглощающих воду грунтов следует дополнительно подавать в забой сжатый воздух.

13.8.6. Обсыпку фильтров надлежит производить равномерно слоями высотой не более 30-кратной толщины обсыпки. После каждого очередного подъема трубы над ее нижней кромкой должен оставаться слой обсыпки высотой не менее 0,5 м.

13.8.7. Монтаж насосов в скважинах следует производить после проверки скважин на проходимость шаблоном диаметром, превышающим диаметр насоса.

13.8.8. После ввода понизительной системы в действие откачку следует производить непрерывно.

Насосные агрегаты, установленные в резервных скважинах, а также резервные насосы открытых установок должны периодически включаться в работу в целях поддержания их в рабочем состоянии.

Водопонизительные системы следует оборудовать устройствами автоматического отключения любого агрегата при понижении уровня воды в водоприемнике ниже допустимого.

13.8.9. При эксплуатации понизительных систем в зимнее время должно быть обеспечено утепление насосного оборудования и коммуникаций, а также предусмотрена возможность их опорожнения при перерывах в работе.

13.8.10. При устройстве дренажей земляные работы следует начинать со сбросных участков с продвижением в сторону более высоких отметок, а укладку труб и фильтрующих материалов - с водоразделительных участков в сторону сброса или насосной установки (постоянной или временной) для исключения пропуска по дренажу неосветленных вод.

13.8.11. Укладку дренажных труб, устройство смотровых колодцев и монтаж оборудования дренажных насосных станций необходимо производить с соблюдением требований СНиП 3.07.03 и СНиП 3.05.05.

13.8.12. Для фильтровых покрытий вокруг труб используют песчано-гравийные обсыпки, обертки из искусственных материалов (геотекстиля), а также дренажные композиционные материалы (геокомпозиты).

Для дренажных труб, обмотанных рулонным фильтрующим материалом с перехлестом слоев, необходимо устраивать песчано-гравийную подготовку (подушку) толщиной не менее 100 мм. Если в основании залегают пески, допускается укладка труб на спланированное естественное основание.

13.8.13. Пластовый дренаж выполняют одно- или двухслойным. Однослойный дренаж из щебня или гравия укладывают на скальные или полускальные трещиноватые грунты. Двухслойный дренаж выполняют в песках и глинистых грунтах. Верхний слой отсыпают из щебня или гравия минимальной толщиной 150 мм, нижний слой - из песка средней крупности минимальной толщиной 100 мм.

При устройстве пластовых дренажей недопустимы нарушения в сопряжении щебеночного слоя постели со щебеночной обсыпкой труб.

13.8.14. Для устройства пристенного дренажа эффективно применение оболочки «Дрениз», состоящей из листов полимерного материала специального профиля и нетканого геотекстильного материала, скрепленных между собой с помощью сварки или водостойкого клея. Листы оболочки «Дрениз» соединяют друг с другом внахлест.

13.8.15. Горизонтальные трубчатые скважины лучевого дренажа устраивают с помощью станков горизонтального бурения или проколом. Водосборный приемник выполняют методами «стены в грунте», опускного колодца и другими.

13.8.16. Галерейные дренажи выполняют открытым или подземным (штольневым, щитовым или методом продавливания) способами. Вокруг галерей устраивают гравийно-песчаную обсыпку или фильтры из пористых материалов.

Устройство гидроизоляции

13.8.17. Число слоев окрасочной гидроизоляции назначают в зависимости от категории сухости подземного помещения, трещиноватости изолируемых конструкций и напора подземных вод.

13.8.18. Оклеечную гидроизоляцию из битумных рулонных материалов и листовых полимерных материалов применяют в случаях, когда использование окрасочной и штукатурной гидроизоляции не обеспечивает водонепроницаемость сооружений.

При оклеечной гидроизоляции необходимо обеспечивать сплошность защиты по всему периметру сооружения, включая вертикальные элементы и подошву.

При использовании оклеечной гидроизоляции из рулонных материалов необходимо обеспечить ее сохранность от механических воздействий защитной прижимной стенкой. Для устройства прижимной стенки используют красный кирпич, железобетонную обойму и плоские асбестоцементные листы на битумной мастике.

13.8.19. Для штукатурной гидроизоляции, наносимой методом торкретирования, рекомендуется применять различные виды расширявшихся и напрягающихся цементов в зависимости от напора подземных вод.

13.8.20. В сильно агрессивных средах для защиты как бетонов, так и сталей рекомендуется нанесение бесшовных эластичных покрытий (эластомеров), изготавливаемых на основе каучуков или водной дисперсии латекса. Эти покрытия наносят кистью, валиком, распылителем толщиной 1 - 3 мм.

13.8.21. Для гидроизоляции фундаментных плит, подземных частей сооружений, а также при устройстве противофильтрационных завес при гидростатическом давлении столба воды до 10 м применяют гидроизоляцию из рулонных бентонитовых материалов, полученных путем нанесения слоя бентонитовой глины на листы специально обработанного полиэтилена.

13.8.22. Для гидроизоляции ответственных подземных сооружений в сложных гидрогеологических условиях могут применяться металлические (стальные) листы, которые закрепляют на конструкции. В процессе эксплуатации они должны подвергаться периодическому освидетельствованию для контроля их коррозионной устойчивости.

13.8.23. Для заполнения щелей и швов подземных строительных конструкций необходимо использовать горячий битум, пек, асфальтовый раствор, а также различного рода герметики и профильные эластичные элементы.

13.8.24. Для улучшения водонепроницаемости подземных конструкций следует применять инъекционную гидроизоляцию, применяя методы цементации, силикатизации, смолизации и битумизации. Цементацию широко применяют для заполнения трещин, «лечения» бетонов, в ремонте гидроизоляционных покрытий. Нагнетание растворов производят через шпуры и скважины, пробуренные в теле конструкции.

13.8.25. Для обеспечения наибольшей надежности защиты подземных сооружений от подземных вод в сложных инженерно-геологических условиях, а также в помещениях, где должно быть абсолютно сухо, необходимо использовать комплексный подход, применяя несколько методов одновременно (например, внутреннюю окрасочную или оклеечную гидроизоляцию, цементацию застенного грунтового массива для уплотнения прилегающего грунта и выборочную полимерную инъекцию на наиболее неблагоприятных участках).

13.9. Усиление фундаментов при реконструкции

13.9.1. Усиление фундаментов при реконструкции может быть осуществлено следующими способами:

- укрепление тела фундаментов;

- увеличение опорной площади;

- подводка нового фундамента с увеличением глубины заложения;

- устройство под зданием плиты;

- устройство дополнительных фундаментов;

- усиление фундаментов сваями.

13.9.2. При неудовлетворительном состоянии фундамента (механические повреждения, наличие осадочных трещин, расслоение и растрескивание тела фундамента в результате промораживания и т.д.) его следует укрепить путем инъекции твердеющего раствора. В качестве твердеющих растворов применяют цементный раствор, синтетические смолы и т.п., которые подают под давлением 0,2 - 0,6 МПа через инъекторы, погружаемые в тело фундамента на глубину 0,4 - 0,6 его ширины с расстоянием между ними 50 - 100 см. Указанные параметры уточняют в процессе производства работ.

13.9.3. Работы по укреплению тела фундамента необходимо вести в отрытых котлованах (траншеях) захватками длиной 2 - 2,5 м. Нагнетание раствора прекращают, если в течение 10 - 15 мин он не поглощается материалом фундамента.

13.9.4. Для усиления деформировавшихся или ослабленных фундаментов проводят их сплошное обетонирование с добавочным армированием - устройство одно- или двухсторонних бетонных обойм (рубашек усиления) толщиной 20 - 30 см, или железобетонных обойм толщиной не менее 15 см. Для устройства рубашек усиления при насыщении их арматурой следует использовать бетон с пластифицирующими добавками.

13.9.5. Для обеспечения прочного сцепления нового бетона с поверхностью существующего фундамента его поверхность должна быть очищена. Для этого используют промывку водой под высоким давлением или смесью воды со сжатым воздухом; промывку химическими веществами (раствором соляной кислоты); пескоструйную очистку сухим или мокрым способом; механическую обработку поверхности для обеспечения ее шероховатости. Шероховатость усиляемого фундамента создают насечкой перфораторами или отбойными молотками со специальными насадками, а при небольшом объеме работ - вручную.

13.9.6. Перед бетонированием обоймы необходимо увлажнить поверхность фундамента за 1 - 2 сут до укладки бетона. В зимнее время поверхность фундамента перед заключением в бетонную рубашку следует смачивать горячей водой.

13.9.7. До засыпки котлованов поверхность фундаментов должна покрываться битумом.

13.9.8. Увеличение опорной площади фундаментов (устройство банкет) под столбы и колонны необходимо проводить по всему периметру подошвы. Банкеты и существующие фундаменты должны быть соединены жестко. Ширина банкета в нижней части должна быть не менее 30 см, а в верхней - 20 см. Высота железобетонного банкета на концах разгружающих балок не должна быть менее 20 - 25 см.

13.9.9. Банкеты для расширения подошвы фундамента следует изготавливать из бетона класса не ниже В12,5. Подошву фундаментов отдельно стоящих опор целесообразно расширять одновременно с устройством металлической обоймы вокруг колонны. Разгружающие балки также должны быть металлическими для приварки их к вертикальным стойкам обоймы. Участки грунта вокруг фундамента следует предварительно уплотнять тщательным втрамбовыванием щебеночной или гравийной смеси.

13.9.10. При необходимости углубления подвала, прокладки новых коммуникаций, понижения отметки пола, переноса подошвы фундаментов на более прочные слои грунта основания и т.п. проводят работы по замене старого фундамента новым, заглубленным на более глубокую отметку, а также устройству дополнительных фундаментов.

13.9.11. Разборку старых фундаментов производят после устройства временных разгружающих конструкций - выносных опор или других специальных приспособлений, на которые передается нагрузка от несущих стен или колонн сооружения. Выносные опоры и приспособления должны устраиваться на уплотненном основании.

Ленточный фундамент разбирают отдельными захватками длиной 2 - 3 м.

13.9.12. После устройства нового фундамента должно быть обеспечено включение его в совместную работу с несущими конструкциями (подклинивание, инъецирование под давлением песчано-цементного раствора и т.п.).

Демонтаж разгружающих конструкций производят после засыпки котлована.

13.9.13. Подводку под здание фундаментной плиты необходимо применять в тех случаях, когда здание в период строительства или эксплуатации претерпевает большие неравномерные осадки.

Перед устройством фундаментной плиты под нее должна укладываться щебеночная подготовка толщиной 15 - 20 см с плотной послойной трамбовкой ее в грунт.

13.9.14. В проекте усиления должна быть предусмотрена очередность работ захватками протяженностью 3 - 4 м. Захватки необходимо чередовать так, чтобы штрабы в существующем фундаменте пробивали не ранее чем через 3 сут после бетонирования соседних предыдущих захваток.

13.9.15. При устройстве новых дополнительных фундаментов (сборных или монолитных) для отделения старых фундаментов от новых должен быть устроен разделительный ряд из антисептированных досок толщиной 5 см или металлического шпунта, погружаемых ниже подошвы фундаментов на глубину не менее 50 см.

13.9.16. Для усиления фундаментов и особенно обжатия грунтов основания рекомендуется применять плоские гидравлические домкраты или пакеты из них.

13.9.17. При недостаточной несущей способности фундаментов также могут быть использованы сваи различных конструкций: буронабивные, буроинъекционные, забивные, вдавливаемые, устраиваемые в соответствии с указаниями нормативных документов по свайным фундаментам, а также «стена в грунте».

13.9.18. При восстановлении и устройстве изоляции усиливаемых и новых фундаментов и стен подвалов могут быть применены следующие варианты:

- устройство противофильтрационной и/или антикоррозионной гидроизоляции;

- при залегании уровня подземных вод выше отметки пола подвала или при сильноагрессивных водах - оклеечная гидроизоляция из рулонных материалов на негниющей основе (гидроизол, стеклорубероид, металлоизол, полиэтилен и др.), на битумном растворе, а также литая гидроизоляция, коллоидно-цементные растворы, различные мастики и др.;

- в малоагрессивной среде - наружная обмазочная гидроизоляция из водонепроницаемой прослойки из жирного цементного раствора толщиной 2 - 3 см или двух слоев битумной или полимерной мастики;

- для восстановления гидроизоляции при реконструкции сооружений - использование завес, устраиваемых путем нагнетания в грунт через инъекторы раствора битума, жидкого стекла, петролатума, различных смол и др., а также инъецирование растворов в тело фундаментов.

13.10. Устройство «стены в грунте» и грунтовых анкеров

«Стена в грунте»

13.10.1. «Стену в грунте» применяют при строительстве:

- несущих конструкций подземных сооружений;

- ограждений котлованов;

- противофильтрационных завес.

13.10.2. Устройство «стены в грунте» возможно в дисперсных грунтах всех видов, не содержащих крупных включений (валунов). Инженерно-геологическое строение площадки должно быть изучено на глубину не менее 10 м ниже подошвы стены и содержать данные об уровнях и режимах подземных вод, степени их агрессивности и отметках заложения водоупора.

13.10.3. «Стена в грунте» может быть устроена траншейным и свайным способами.

Траншейный способ устройства «стены в грунте» предусматривает разработку траншей и возведение в них стен под защитой глинистого раствора, удерживающего стены траншеи от обрушения. При свайном способе «стену в грунте» возводят из секущихся буронабивных свай, устраиваемых с помощью буровых установок, оборудованных инвентарными обсадными трубами.

13.10.4. Заполнение траншей в зависимости от назначения стен может осуществляться монолитным бетоном (железобетоном) или сборными железобетонными конструкциями. В случае свайного способа опережающие сваи выполняют монолитными бетонными, а пересекающие - железобетонными.

Устройство скважин рядом с ранее изготовленными сваями допускается лишь по прошествии не менее 48 ч после окончания бетонирования последних.

13.10.5. Разработка траншей и бурение скважин при устройстве «стены в грунте» должно осуществляться из специальных пионерных траншей.

13.10.6. Для разработки траншей следует использовать специализированные грейферные, ковшовые и фрезерные агрегаты. В обоснованных случаях допускается применение землеройных машин общего назначения.

Разработку траншей осуществляют захватками под защитой глинистого раствора, который должен поддерживаться на уровне не ниже 0,2 м от верха устья траншеи.

Длину захваток определяют из условия обеспечения устойчивости стен траншеи, размеров рабочего органа землеройной машины и принятой интенсивности бетонирования и она составляет обычно 3 - 6 м.

13.10.7. Приготовление глинистого раствора для устройства траншеи «стена в грунте» осуществляют с использованием бентонитового глинопорошка, а при его отсутствии - местных глин, имеющих физико-механические характеристики, приведенные в таблице 13.1. Пригодность местных глин определяют по результатам лабораторных испытаний глинистых растворов.

Допускается использование смеси небентонитовых и бентонитовых глин.

13.10.8. Применяемый глинистый раствор должен обеспечивать устойчивость стен грунтовых выработок (траншей, скважин) в период их разработки и заполнения бетоном или сборными элементами. Параметры раствора должны подбираться с учетом условий строительной площадки исходя из требований, указанных в таблице 13.1. Плотность бентонитового раствора в зависимости от расхода бентонитового глинопорошка приведена в таблице 13.2.

Таблица 13.1

Технические требования

Предельные значения

1. Показатели качества глины для приготовления растворов:

 

число пластичности содержание частиц размером, мм:

Не менее 0,2

крупнее 0,05

Не более 10 %

менее 0,005

Не менее 30 %

2. Показатели качества глинистого раствора:

 

толщина глинистой корки

Не более 4 мм

водоотдача

Не более 17 см3 за 30 мин

условная вязкость

Не более 30 с

содержание песка

Не более 4 %

стабильность

Не более 0,05 г/см3

суточный отстой воды

Не более 4 %

показатель pH

9 - 11

плотность раствора:

 

из бентонитовых глин

1,03 - 1,10 г/см3

из глин других видов

1,10 - 1,25 г/см3

Таблица 13.2

Плотность глинистого раствора, г/см3

Расход бентонитового глинопорошка глинистого раствора, кг/м3

1,03

47 - 49

1,04

63 - 65

1,05

78 - 81

1,06

93 - 98

1,07

109 - 114

1,08

124 - 130

13.10.9. Разработка неустойчивых грунтов с напорными водами должна производиться с использованием глинистых растворов повышенной плотности, для чего допускается применять барит, магнетит и другие утяжелители раствора в количестве, зависящем от требуемой плотности раствора, но не более 7 % массы глины. При разработке грунтов в целях снижения водоотдачи и потерь глинистого раствора в него можно добавлять жидкое стекло (силикат натрия) в пределах от 2 до 6 % массы глины.

Качество глинистых растворов для повторного их использования следует восстанавливать очисткой или добавлением глин.

13.10.10. Непосредственно перед началом работ по заполнению траншеи бетоном или железобетонными конструкциями, а свайных скважин бетоном, надлежит очистить их забой от осадка и возможных вывалов грунта.

13.10.11. Бетонирование стен под защитой глинистого раствора следует производить не позднее чем через 8 ч после образования траншеи на захватке. До укладки бетона необходимо установить в траншею ограничители между захватками и арматурный каркас. Конструкция ограничителей должна воспринимать давление бетона, исключать попадание бетона из одной захватки в другую и обеспечивать заданную водонепроницаемость стыков.

13.10.12. Бетонирование траншей и свай следует выполнять методом вертикально перемещающейся трубы (ВПТ). Бетон следует применять с осадкой стандартного конуса 18 - 20 см и крупностью заполнителя до 50 мм.

Использование в процессе подачи бетона в траншеи вибрирования, в том числе путем попеременного включения и выключения вибратора, позволяет применять полужесткие бетонные смеси с осадкой конуса не более 8 см и достигать повышенной однородности, плотности, прочности и водонепроницаемости «стены в грунте».

В процессе укладки бетона в траншею необходимо периодически отбирать вытесняемый излишек глинистого раствора, не допуская снижения его уровня в траншее. При протяженности захватки более 5 м следует применять для бетонолитных труб синхронную подачу бетонной смеси.

13.10.13. Подачу бетона при устройстве «стен в грунте» следует осуществлять непрерывно до полного заполнения траншеи или скважин. Низ подающих бетонолитных труб в начале работ должен находиться на 10 - 20 см выше уровня дна траншеи или забоя скважины, а затем - ниже уровня бетона не менее чем на 1 м.

13.10.14. Технологические приемы, применяемые для омоноличивания (тампонажа) стыков при устройстве «стен в грунте», должны обеспечивать достаточную прочность и водонепроницаемость стыков.

Для омоноличивания стыков применяют тампонаж бетонным раствором, в том числе вибронабивным способом, заварку стыков металлическими накладками, а также уплотнение стыков грунтоцементными колоннами, образуемыми по технологии струйной цементации.

Инъекционные преднапряженные грунтовые анкеры

13.10.15. Инъекционные преднапряженные грунтовые анкеры применяют для крепления ограждений котлованов и устраивают в любых грунтах, за исключением слабых глинистых, просадочных, набухающих, органо-минеральных и органических.

13.10.16. В процессе бурения скважин для устройства инъекционных анкеров следует контролировать правильность установки бурового агрегата относительно направления бурения, а также соответствие фактического напластования грунтов материалам инженерных изысканий.

13.10.17. При расположении устьев скважин анкеров ниже уровня подземных вод должны быть предусмотрены уплотнения, исключающие выход подземных вод и грунтов в котлован.

13.10.18. В качестве анкерных тяг используют, как правило, сплошные металлические стержни или армированные канаты (пряди). В постоянных анкерах должна предусматриваться защита анкерных тяг от коррозии.

13.10.20. Конструктивное и технологическое решение анкера должно исключать контакт цементного камня в скважине с основной конструкцией при натяжении анкера.

13.10.21. Способы бурения скважин и способы производства работ по устройству анкеров не должны нарушать условий нормальной эксплуатации окружающей застройки.

13.10.22. При устройстве анкеров проводят пробные, контрольные и приемочные испытания.

13.10.23. Пробные испытания проводят для определения несущей способности анкеров в наиболее характерных в геологическом отношении местах на максимально возможную нагрузку по материалу анкерных тяг, но не менее чем в 1,75 раза превышающую проектную нагрузку. Места проведения и число пробных испытаний анкеров определяются проектной организацией, число испытаний должно быть не менее трех.

При испытаниях необходимо определять потери усилий в анкерах при блокировке анкерных тяг.

Анкеры, исчерпавшие несущую способность при проведении пробных испытаний, как правило, не могут быть использованы далее при эксплуатации.

13.10.24. Контрольные испытания анкеров проводят для проверки правильности принятых в проекте конструкций и технологии устройства анкеров на нагрузку, в 1,5 раза превышающую проектную. Число контрольных испытаний анкеров и порядок их выполнения устанавливают в проекте.

13.10.25. Приемочные испытания анкеров проводят для проверки эксплуатационной пригодности выполненных анкеров на нагрузку, в 1,25 раза превышающую проектную. Приемочным испытаниям подвергают все анкеры, кроме анкеров, на которых были проведены контрольные испытания.

13.10.26. По завершению контрольных и приемочных испытаний анкеры напрягают усилием, определенным проектом.

13.10.27. Мониторинг, связанный с устройством анкеров, является частью общего мониторинга, проводимого в процессе строительства объекта в целом (раздел 14).

13.11. Вытрамбовывание котлованов

13.11.1. Перед проведением работ по вытрамбовыванию котлованов отрывают на проектную глубину по всей площади или отдельными участками общий котлован под сооружение и проводят разметку мест расположения будущих вытрамбованных котлованов.

13.11.2. При необходимости доувлажнения грунтов до оптимальной влажности производят заливку с поверхности каждого вытрамбовываемого котлована или через скважины диаметром 20 - 30 см и глубиной до 1,2 - 1,5 м расчетным количеством воды.

13.11.3. Очередность вытрамбовывания котлованов и схему движения механизма с трамбовкой назначают с таким расчетом, чтобы обеспечить бетонирование фундаментов не позднее чем через 1 - 2 суток после окончания вытрамбовывания.

13.11.4. При расстояниях в свету между отдельными фундаментами менее 0,8bср (bср - размер трамбовки в среднем сечении) котлованы вытрамбовывают через один фундамент. Вытрамбовывание котлованов под пропущенные фундаменты производят не менее чем через 3 сут после бетонирования фундаментов в ранее вытрамбованных котлованах.

13.11.5. Вытрамбовывание котлованов начинают после установки трамбовки в проектное положение (с допусками, указанными в проекте) и производят путем последовательного сбрасывания трамбовки по направляющей штанге, а при применении сваебойного оборудования - путем забивки трамбовки на заданную глубину.

Высоту сбрасывания трамбовки назначают из условий, чтобы погружение трамбовки за один удар не превышало 0,15 глубины котлована, исключалось засасывание трамбовки, обеспечивалась сохранность стенок котлована и т.п.

13.11.6. Вытрамбовывание котлованов должно производиться сразу на всю глубину. Отклонение глубины вытрамбованного котлована от проектной не должно быть более 5 см.

13.11.7. Вытрамбовывание котлованов под спаренные фундаменты (у осадочных швов, под спаренные колонны и т.п.) должно выполняться последовательным чередованием отдельных этапов трамбования на 0,2 - 0,4 м глубины каждого котлована.

13.11.8. Смещение центров вытрамбованных котлованов от проектного положения не должно превышать 0,1 его ширины поверху, а при наличии стакана для установки колонны - 0,05. При невыполнении этих условий производят соответствующую подрезку боковых стенок котлована вручную с удалением или доуплотнением осыпавшегося на дно котлована грунта.

13.11.9. Для создания уширенного основания в дно вытрамбованного котлована втрамбовывают той же трамбовкой жесткий материал (щебень, гравий, крупный песок, жесткий бетон и т.п.). Вид материала указывают в проекте и назначают с учетом конструкции фундамента, действующих нагрузок, наличия местных материалов.

Втрамбовывание жесткого материала производят, как правило, сразу после устройства котлована без изменения положения механизма и направляющей штанги.

13.11.10. Засыпку и втрамбовывание жесткого материала в вытрамбованный котлован производят отдельными порциями из расчета заполнения котлована на 0,6 - 1,2 м по высоте.

Втрамбовывание жесткого материала в дно котлована производят путем сбрасывания трамбовки с высоты 4 - 8 м. При осыпании грунта со стенок котлована высоту сбрасывания трамбовки снижают до 3 - 4 м.

При близко расположенных фундаментах втрамбовывание жесткого материала производят через один фундамент.

13.11.11. При проведении опытных работ (см. 13.1.9) определяют следующие параметры:

а) тип трамбовки, размеры и оптимальную высоту сбрасывания, среднее число ударов трамбовки заданной массы для вытрамбовывания котлованов необходимой глубины;

б) для фундаментов с уширенным основанием из жесткого материала - количество и объем засыпки жесткого материала, а также необходимое число ударов для втрамбовывания каждой порции засыпки в дно котлована;

в) для ленточных фундаментов - минимально допустимое расстояние между соседними котлованами при различной глубине их вытрамбовывания.

13.11.12. Опытные работы по вытрамбовыванию котлованов проводят для каждой разновидности грунтов на площадке с учетом их плотности и влажности и для всех видов и размеров трамбовок, применяемых при устройстве фундаментов с вытрамбовыванием котлованов на глубину, предусмотренную проектом.

Для фундаментов в вытрамбованных котлованах с уширенным основанием опытные работы производят, как правило, с втрамбовыванием одной, двух и трех порций жесткого материала.

По результатам опытных работ строят график понижения дна котлована в зависимости от числа ударов трамбовки.

13.11.13. Для определения минимально допустимых расстояний между котлованами ленточных фундаментов вытрамбовывают четыре опытных котлована с расстоянием между ними поверху соответственно bср, 0,8bср и 0,5bср и замеряют по маркам вертикальные и горизонтальные перемещения окружающей поверхности грунта по двум створам.

13.11.14. После проведения опытных работ по оси вытрамбованных котлованов отрывают шурфы и траншеи на глубину не менее 2bср ниже его дна для определения влажности и плотности уплотненного грунта, формы и размеров уплотненной зоны и уширенного основания из втрамбованного материала, а также для отбора монолитов уплотненного грунта для определения его прочностных характеристик j и с.

По результатам опытных работ технология производства работ по вытрамбовыванию может быть уточнена.

13.11.15. В вытрамбованных котлованах устраивают монолитные фундаменты, бетонируемые после установки арматурных каркасов враспор, или устанавливают на выравнивающий слой из цементного раствора толщиной 3 - 5 см сборные фундаментные блоки. Зазоры между фундаментами и стенками котлованов заполняют пластичным бетоном или цементным раствором. Отклонения верхних поверхностей фундаментов от проектных отметок не должны превышать ± 10 мм.

13.11.16. При строительстве в зимнее время при промерзании грунта на глубину более 30 см перед началом работ по вытрамбовыванию котлованов производят его оттаивание на всю толщу мерзлого слоя. Вытрамбовывание производят, как правило, при естественной влажности грунта без дополнительного увлажнения. Жесткий материал, используемый для создания уширенного основания, должен находиться в талом или сыпучем состоянии. Бетонирование фундаментов выполняют с применением электропрогрева.

14. Геотехнический мониторинг

14.1. В процессе строительства или реконструкции и в начальный период эксплуатации сооружений в необходимых случаях следует выполнять натурные наблюдения (мониторинг) за поведением конструкций сооружений и их оснований.

Как правило, мониторинг следует организовывать:

- при строительстве или реконструкции сооружений I уровня ответственности, а при обосновании и II уровня ответственности;

- при строительстве или реконструкции сооружений в сложных инженерно-геологических условиях;

- для эксплуатируемых сооружений, в том числе подземных коммуникаций, попадающих в зону влияния нового строительства в условиях существующей застройки, а также в других случаях, предусмотренных техническим заданием.

14.2. Цель мониторинга - проведение наблюдений и своевременное выявление недопустимых отклонений в поведении вновь строящихся или реконструируемых сооружений и их оснований от проектных данных, разработка мероприятий по предупреждению и устранению возможных негативных последствий, обеспечение сохранности существующих объектов, находящихся в зоне влияния нового строительства, а также сохранение окружающей природной среды.

14.3. Состав, объем и методы мониторинга должны назначаться в зависимости от уровня ответственности объекта строительства, его конструктивных особенностей и способа возведения, инженерно-геологических условий площадки, удаленности окружающей застройки, требований эксплуатации и в соответствии с результатами геотехнического прогноза.

К разработке и проведению геотехнического мониторинга должны привлекаться специализированные организации.

14.4. Вопрос о необходимости организации мониторинга должен рассматриваться на стадии проектирования. На этой стадии составляют программу наблюдений и разрабатывают систему наблюдений, которые включают в специальный раздел, входящий в состав проекта.

14.5. Мониторинг включает в себя:

- обследование существующих сооружений, в том числе подземных коммуникаций, попадающих в зону влияния нового строительства;

- проведение натурных наблюдений (см. 14.6);

- оценку результатов наблюдений и сравнение их с проектными данными;

- прогноз на основе результатов наблюдений изменения состояния строящегося (реконструируемого) сооружения или существующих объектов в зоне его влияния, а также массива грунта, включая подземные воды;

- разработку в необходимых случаях мероприятий по ликвидации недопустимых отклонений и негативных последствий;

- контроль за выполнением принятых решений.

По результатам мониторинга проектная организация может произвести корректировку проекта.

14.6. Натурные наблюдения могут включать:

а) наблюдения за поведением самих сооружений и состоянием их несущих конструкций - измерение деформаций сооружений по ГОСТ 24846 (осадки, крены, горизонтальные смещения и др.); фиксацию и наблюдение за раскрытием трещин; измерение усилий в распорных и анкерных конструкциях; измерение уровня колебаний сооружений при наличии динамических воздействий и др.;

б) наблюдения за состоянием основания сооружения, окружающего массива грунта и за гидрогеологической обстановкой - измерения напряжений и деформаций в грунтовом массиве; наблюдения за составом и режимом подземных вод; наблюдения за развитием опасных геологических и инженерно-геологических процессов (карст, суффозия, оползни, оседание поверхности и др.); наблюдения за состоянием температурного, электрического и других физических полей;

в) наблюдения за изменением окружающей природной среды при опасности загрязнения грунтов и подземных вод, газовыделении, радиационном излучении и т.п. (раздел 15).

14.7. На основе полученных результатов натурных наблюдений уточняют прогнозы, в частности изменения напряженно-деформированного состояния грунтового массива и гидрогеологического режима (особенно при строительстве подземных сооружений), вносят коррективы в проектные решения, а также разрабатывают в необходимых случаях противоаварийные и защитные мероприятия.

14.8. Общие требования, предъявляемые к мониторингу:

- комплексность, заключающаяся в том, что все наблюдения должны проводиться согласованно между собой в пространстве и во времени;

- привязка всех точек наблюдений к наиболее характерным и опасным местам;

- частота наблюдений определяется интенсивностью и длительностью протекания процессов деформирования массива грунта и конструкций сооружения;

- точность измерений должна обеспечивать достоверность получаемой информации и согласованность ее с точностью расчетов;

- по результатам мониторинга должен быть составлен отчет.

15. Экологические требования, учитываемые при проектировании и строительстве

15.1. При проектировании и устройстве оснований, фундаментов и подземных сооружений должны выполняться требования, имеющие целью предотвращение, минимизацию или ликвидацию вредных и нежелательных экологических и связанных с ними социальных, экономических и других последствий.

15.2. Экологические требования, учитываемые при проектировании и строительстве, основываются на результатах инженерно-экологических изысканий, выполняемых в соответствии со СНиП 11-02 и СП 11-102. В процессе этих изысканий выполняют оценку современного состояния окружающей среды в районе строительства и дают прогноз воздействия объекта строительства на окружающую среду (ОВОС).

15.3. С учетом результатов инженерно-экологических изысканий при проектировании и устройстве оснований, фундаментов и подземных сооружений необходимо выбирать проектные решения и разрабатывать мероприятия, которые защитили бы объекты строительства и людей от имеющихся неблагоприятных воздействий и не ухудшили экологическую обстановку.

При выборе вариантов проекта следует учитывать приоритетность решения экологических проблем.

15.4. На территории (участке) предполагаемого строительства следует учитывать возможность проявления следующих загрязняющих окружающую среду факторов, выявленных при выполнении ОВОС:

- загрязнение почв и грунтов органическими, радиоактивными и токсико-химическими веществами;

- загрязнение поверхностных и подземных вод органическими и неорганическими веществами и тяжелыми металлами;

- наличие потока радона с поверхности земли;

- выделение на участках бывших свалок строительного мусора и бытовых отходов различных газов (метана, водорода, углеводородов и других токсичных газов).

15.5. При превышении нормативных уровней загрязнения окружающей среды необходимо предусмотреть соответствующие мероприятия по ликвидации или уменьшению возможных негативных последствий:

- очистку загрязненных грунтов химическим, термическим или биологическим методом или удаление с площадки грунта на согласованные места захоронения;

- устройство противорадоновой защиты зданий (пассивная или принудительная вентиляция);

- создание различного типа барьеров (экранов) для задержания газов, устройство вентилируемых подполий;

- строительство защитных сооружений (дамб, берм, водозащитных стен, противофильтрационных завес и др.) при возможном поступлении к объекту строительства загрязненных поверхностных и подземных вод.

15.6. Негативное воздействие строительства и эксплуатации сооружений на окружающую среду может выражаться в следующем:

- химическое загрязнение почв, грунтов и подземных вод при нормальном режиме эксплуатации и при авариях, а также в результате технической мелиорации грунтов основания (химическое закрепление, цементация, замораживание и т.п.);

- изменение режима и уровня подземных вод, выражающееся в изменении условий питания и разгрузки подземных вод, повышении или понижении их уровня. Повышение уровня подземных вод в результате эффекта барража и увеличения техногенного питания может быть причиной подтопления территории, в том числе подвалов сооружений. Снижение уровня подземных вод при строительных откачках и за счет дренажа может явиться причиной суффозии и уплотнения грунта, ведущих к осадке территории и опасным деформациям существующей застройки;

- развитие или активизация опасных геологических и инженерно-геологических процессов таких как карст, суффозия, оползни и др., которые могут вызвать провалы территории и деформации сооружений;

- вибрационные, динамические и шумовые воздействия. Забивка свай или шпунта, уплотнение грунтов основания трамбовками и другие динамические и вибрационные воздействия могут привести к деформациям близрасположенных сооружений, спровоцировать суффозию, оползни и возникновение шума, уровень которого превышает санитарные нормы;

- образование различных физических полей (тепловых, электромагнитных, электрических и др.).

15.7. Для разработки защитных мероприятий от негативного воздействия строительства на окружающую среду в необходимых случаях следует выполнять прогнозные расчеты:

- расчет эффекта барража при устройстве протяженных подземных сооружений, противофильтрационных завес, ограждающих конструкций котлованов, разделительных стенок и т.п.;

- оценку оседания земной поверхности в связи с понижением уровня подземных вод;

- прогноз развития неблагоприятных инженерно-геологических и геологических процессов (карста, суффозии, оползней и др.);

- оценку влияния химического закрепления грунтов основания на свойства грунтов и подземных вод;

- оценку влияния динамических и вибрационных воздействий при строительстве на конструкции близрасположенных сооружений и их оснований и другие расчеты.

В сложных случаях с целью количественной оценки прогноза необходимо выполнять математическое моделирование.

15.8. На основе анализа изменений компонентов окружающей среды обосновывают и разрабатывают мероприятия по защите природного комплекса территории и населения от негативных процессов (мероприятия по защите грунтов и подземных вод от загрязнений, водозащитные, противокарстовые, противооползневые и другие мероприятия).

Эти мероприятия должны обеспечить смягчение или ликвидацию неблагоприятных воздействий на окружающую среду и уменьшение вероятности возникновения аварий.

В необходимых случаях следует организовывать экологический мониторинг воздействия строительства на окружающую среду.

Приложение А

(рекомендуемое)

Определения

основание сооружения: Часть массива грунта, непосредственно воспринимающая нагрузку от сооружения.

фундамент сооружения: Часть сооружения, которая служит для передачи нагрузки от сооружения на основание.

подземное сооружение: Сооружение, расположенное ниже уровня поверхности земли (планировки) или заглубленная часть наземного сооружения.

особые условия: Условия, характеризующиеся наличием:

- неблагоприятных геологических и инженерно-геологических процессов (карст, горные подработки и др.);

- сейсмических, динамических, вибрационных и других воздействий.

выравнивание сооружения: Подъем сооружения или отдельных его частей с помощью домкратов или других приспособлений при неравномерных деформациях, превышающих предельные.

силы отрицательного (негативного) трения: Силы, возникающие на боковой поверхности фундаментов и подземных сооружений, при перемещении грунтов относительно них.

водоупор: Слой глинистого или скального грунта, в котором практически отсутствует фильтрация подземных вод.

фундаменты в вытрамбованных котлованах: Фундаменты, устраиваемые в котлованах, образованных сбрасыванием трамбовки, с последующим бетонированием враспор или установкой сборных элементов.

малозаглубленный фундамент: Фундамент с глубиной заложения подошвы выше расчетной глубины сезонного промерзания грунта.

геотехнический мониторинг: Визуальные и инструментальные наблюдения за поведением строительных конструкций и их оснований в процессе строительства и в начальный период эксплуатации объекта.

Приложение Б

(рекомендуемое)

Состав проекта фундаментов

Б.1. Выполнение проекта оснований, фундаментов и подземных сооружений на каждой стадии проектирования производят на основании технического задания заказчика, которое должно содержать следующие исходные данные:

- инженерно-геологические условия площадки строительства, полученные в результате инженерных изысканий;

- характеристику проектируемого сооружения с указанием его плановой и высотной привязок на местности, конструктивные схемы, наличие и размеры заглубленных помещений, значения нагрузок, передаваемых на фундаменты, размеры и материалы несущих конструкций и т.п.;

- требования к допустимым деформациям сооружений.

Б.2. Проект фундаментов, оформление чертежей и пояснительной записки должны отвечать требованиям государственных стандартов системы проектной документации для строительства - СПДС.

Б.3. При двухстадийном проектировании в состав проекта на стадии «ПРОЕКТ» входят:

- пояснительная записка, содержащая данные об инженерно-геологических условиях площадки строительства, конструктивные характеристики проектируемого сооружения, обоснование принятых решений по вариантам оснований, фундаментов и подземных конструкций, технико-экономические показатели сравниваемых вариантов, выполненные с соблюдением условий сопоставимости;

- чертежи вариантов фундаментов и подземных конструкций, их характерные разрезы и схемы расположения в плане, позволяющие обосновать объемы строительно-монтажных работ.

К проекту должен быть приложен перечень нормативных документов, на основании которых разработан проект.

Б.4. На стадии «РАБОЧАЯ ДОКУМЕНТАЦИЯ» при двухстадийном проектировании или «РАБОЧИЙ ПРОЕКТ» при одностадийном проектировании чертежи фундаментов входят в комплект железобетонных конструкций (КЖ) и включают:

- лист «Общие данные», в котором приведены: сведения о составе разработанного комплекта чертежей; перечень спецификаций; ведомость ссылочных и прилагаемых документов проекта; ведомость основных объемов строительно-монтажных работ; выкопировка из генплана с нанесенными осями сооружения, положением инженерно-геологических выработок (скважин, шурфов, точек зондирования и др.), линий инженерно-геологических разрезов; абсолютная отметка 0.000.

На листе должны быть даны общие указания, включающие наименование организации, выдавшей задание на проектирование; номер и дату договора, на основании которого разработан проект; перечень инженерно-геологических материалов, абсолютную отметку, условно принятую за 0.000. Должны быть указаны нагрузки, принятые на фундаменты, и обоснование их принятия в проекте, а также требования к общим и неравномерным осадкам.

На листе должна быть сделана специальная надпись за подписью главного инженера проекта о том, что проект разработан в соответствии с действующими нормативными документами. Эта надпись помещается в левом нижнем углу чертежа и обрамляется.

При большом объеме информации лист «Общие данные» может быть выполнен на двух листах, первый из которых - «Общие данные (начало)», второй - «Общие данные (окончание)»;

- лист «Разрез(ы)», на котором изображают характерные инженерно-геологические разрезы, на которые наносятся оси здания, линии с уровнями дна котлована с абсолютными отметками подошвы фундаментов;

- лист со схемами расположения фундаментов со спецификациями;

- лист(ы) с конструкциями фундаментов, с опалубочными размерами, схемами армирования, спецификациями, схемами нагрузок на фундаменты и их величинами;

- лист(ы) с узлами и сечениями;

- чертежи железобетонных и арматурных изделий (КЖИ).

Примечания

1. Представленный состав проекта фундаментов может быть использован для графических пакетов при разработке проектов фундаментов на ЭВМ. В этом случае проект может быть представлен в виде специальных альбомов чертежей, предназначенных для использования отдельными строительными подразделениями.

2. Рекомендуемая структура проекта позволяет в сравнительно короткое время накопить необходимую базу данных проектных документов применительно к рассматриваемому региону.

Приложение В

(рекомендуемое)

Категории состояния сооружений

Категория состояния сооружения

Характеристика состояния сооружения

I - нормальное

Выполняются требования норм и проектной документации по условиям эксплуатации. Необходимость ремонтных работ отсутствует

II - удовлетворительное

С учетом фактических свойств материалов удовлетворяются требования норм, относящиеся к предельным состояниям I группы; требования, относящиеся к предельным состояниям II группы, могут быть нарушены, но обеспечиваются нормальные условия эксплуатации. Требуется текущий ремонт с устранением локальных повреждений без усиления конструкций

III - неудовлетворительное

Нарушены требования норм, но отсутствуют опасность обрушения и угроза безопасности людей. Требуется усиление и восстановление несущей способности поврежденных конструкций

IV - предаварийное или аварийное

Существующие повреждения свидетельствуют о непригодности конструкций к эксплуатации, об опасности их обрушения и опасности пребывания людей в зоне расположения конструкций

Приложение Г

(рекомендуемое)

Нормативные значения прочностных и деформационных характеристик грунтов

Г.1. Характеристики грунтов, приведенные в таблицах Г.1 - Г.7, допускается использовать в расчетах оснований сооружений в соответствии с указаниями 5.3.17.

Г.2. Характеристики песков в таблице Г.1 относятся к кварцевым пескам с зернами различной окатанности, содержащим не более 20 % полевого шпата и не более 5 % в сумме различных примесей (слюда, глауконит и пр.), включая органическое вещество, независимо от степени влажности грунтов Sr.

Г.3. Характеристики глинистых грунтов в таблицах Г.2 и Г.3 относятся к грунтам, содержащим не более 5 % органического вещества и имеющим степень влажности Sr ³ 0,8.

Г.4. Для грунтов с промежуточными значениями е, не указанными в таблицах Г.1 - Г.7, значения сп, jп и Е определяют интерполяцией.

Если значения е, IL и Sr грунтов выходят за пределы, предусмотренные таблицами Г.1 - Г.7, характеристики сп, jп и Е следует определять по данным непосредственных испытаний этих грунтов.

Допускается в запас надежности принимать характеристики сп, jп и Е по соответствующим нижним пределам е, IL и Sr в таблицах Г.1 - Г.7, если грунты имеют значения е, IL и Sr меньше этих предельных значений.

Г.5 Для определения значений сп, jп и Е по таблицам Г.1-Г.7 используют нормативные значения е, IL и Sr

Таблица Г.1 - Нормативные значения удельного сцепления сп, кПа, угла внутреннего трения jп, град, и модуля деформации Е, МПа, песков четвертичных отложений

Пески

Обозначения характеристик грунтов

Характеристики грунтов при коэффициенте пористости е, равном

0,45

0,55

0,65

0,75

Гравелистые и крупные

с

2

1

-

-

j

43

40

38

-

Е

50

40

30

-

Средней крупности

с

3

2

1

-

j

40

38

35

-

Е

50

40

30

-

Мелкие

с

6

4

2

-

j

38

36

32

28

Е

48

38

28

18

Пылеватые

с

8

6

4

2

j

36

34

30

26

Е

39

28

18

11

Таблица Г.2 - Нормативные значения удельного сцепления сп, кПа, угла внутреннего трения jп, град., глинистых нелёссовых грунтов четвертичных отложений

Наименование грунтов и пределы нормативных значений их показателя текучести IL

Обозначения характеристик грунтов

Характеристики грунтов при коэффициенте пористости е, равном

0,45

0,55

0,65

0,75

0,85

0,95

1,05

Супеси

0 £ IL £ 0,25

с

21

17

15

13

-

-

-

 

j

30

29

27

24

-

-

-

0,25 < IL £ 0,75

с

19

15

13

11

9

-

-

 

j

28

26

24

21

18

-

-

Суглинки

0 £ IL £ 0,25

с

47

37

31

25

22

19

-

 

j

26

25

24

23

22

20

-

0,25 < IL £ 0,5

с

39

34

28

23

18

15

-

 

j

24

23

22

21

19

17

-

0,5 < IL £ 0,75

с

-

-

25

20

16

14

12

 

j

-

-

19

18

16

14

12

Глины

0 £ IL £ 0,25

с

-

81

68

54

47

41

36

 

j

-

21

20

19

18

16

14

0,25 < IL £ 0,5

с

-

-

57

50

43

37

32

 

j

-

-

18

17

16

14

11

0,5 < IL £ 0,75

с

-

-

45

41

36

33

29

 

j

-

-

15

14

12

10

7

Таблица Г.3 - Нормативные значения модуля деформации Е, МПа, глинистых нелёссовых грунтов

Происхождение и возраст грунтов

Наименование грунтов и пределы нормативных значений их показателя текучести IL

Модуль деформации грунтов Е, МПа, при коэффициенте пористости е, равном

0,35

0,45

0,55

0,65

0,75

0,85

0,95

1,05

1,2

1,4

1,6

Четвертичные отложения

Аллювиальные, делювиальные, озерные, озерно-аллювиальные

Супеси

0 £ IL £ 0,75

-

32

24

16

10

7

-

-

-

-

-

Суглинки

0 £ IL £ 0,25

-

34

27

22

17

14

11

-

-

-

-

0,25 < IL £ 0,5

-

32

25

19

14

11

8

-

-

-

-

0,5 < IL £ 0,75

-

-

-

17

12

8

6

5

-

-

-

Глины

0 £ IL £ 0,25

-

-

28

24

21

18

15

12

-

-

-

0,25 < IL £ 0,5

-

-

-

21

18

15

12

9

-

-

-

0,5 < IL £ 0,75

-

-

-

-

15

12

9

7

-

-

-

Флювиогляциальные

Супеси

0 £ IL £ 0,75

-

33

24

17

11

7

-

-

-

-

-

Суглинки

0 £ IL £ 0,25

-

40

33

27

21

-

-

-

-

-

-

0,25 < IL £ 0,5

-

35

28

22

17

14

-

-

-

-

-

0,5 < IL £ 0,75

-

-

-

17

13

10

7

-

-

-

-

Моренные

Супеси Суглинки

IL £ 0,5

60

50

40

-

-

-

-

-

-

-

-

Юрские отложения оксфордского яруса

Глины

-0,25 £ IL £ 0

-

-

-

-

-

-

27

25

22

-

-

0 < IL £ 0,25

-

-

-

-

-

-

24

22

19

15

-

0,25 < IL £ 0,5

-

-

-

-

-

-

-

-

16

12

10

Таблица Г.4 - Нормативные значения модуля деформации Е, МПа, угла внутреннего трения jn, град., и удельного сцепления сn, кПа, глинистых заторфованных грунтов при степени заторфованности 0,05 £ Iот £ 0,25

Пределы нормативных значений показателя текучести IL

Обозначения характеристик грунтов

Характеристики глинистых грунтов при степени заторфованности Iот и коэффициенте пористости е, равных

Iот = 0,05 - 0,1

Iот = 0,1 - 0,25

0,65

0,75

0,85

0,95

1,05

1,15

1,25

1,35

0 £ IL £ 0,25

Е

13,0

12

11

10

8,5

8

7

5,0

j

21

20

18

16

15

-

-

-

с

29

33

37

45

48

-

-

-

0,25 < IL £ 0,5

Е

11

10

8,5

7,5

7

6

5,5

5

j

21

20

18

16

15

14

13

12

с

21

22

24

31

33

36

39

42

0,5 < IL £ 0,75

Е

8,0

7

6,0

5,5

5

5

4,5

4

j

21

20

18

16

15

14

13

12

с

18

19

20

21

23

24

26

28

0,75 < IL £ 1

Е

6

5

4,5

4,0

3,5

3

2,5

-

j

-

-

-

18

18

18

17

-

с

-

-

-

15

16

17

18

-

Таблица Г.5 - Нормативные значения удельного сцепления сп, кПа, угла внутреннего трения jn, град., и модуля деформации Е, МПа, элювиальных песков

Пески

Обозначения характеристик

Характеристики песков при коэффициенте пористости е, равном

0,45

0,55

0,65

0,75

0,85

1,0

1,2

Дресвянистые

с

45

41

39

37

35

34

-

j

34

31

28

25

23

21

-

Е

44

33

24

18

15

14

-

Крупные и средней крупности

с

41

35

29

23

19

-

-

j

32

30

27

24

22

-

-

Е

44

31

22

14

13

-

-

Пылеватые

с

58

51

44

39

33

29

24

j

32

30

27

24

22

20

18

Е

48

38

29

21

16

12

10

Примечание - Данные таблицы распространяются на элювиальные пески, образованные при выветривании кварцесодержащих магматических пород.

Таблица Г.6 - Нормативные значения удельного сцепления сп, кПа, угла внутреннего трения jn, град., и модуля деформации Е, МПа, элювиальных глинистых грунтов магматических и метаморфических пород

Наименование грунтов и пределы нормативных значений их показателя текучести IL

Обозначения характеристик грунтов

Характеристики грунтов при коэффициенте пористости е, равном

0,55

0,65

0,75

0,85

0,95

1,05

1,2

Супеси

IL < 0

с

47

44

42

41

40

39

-

j

34

31

28

26

25

24

-

Е

37

30

25

20

15

10

-

0 £ IL £ 0,75

с

42

41

40

39

38

-

-

j

31

28

26

25

24

-

-

Е

25

18

14

12

11

-

-

Суглинки

0 £ IL £ 0,25

с

57

55

54

53

52

51

50

j

24

23

22

21

20

19

18

Е

27

25

23

21

19

17

14

0,25 < IL £ 0,5

с

-

48

46

44

42

40

37

j

-

22

21

20

19

18

17

Е

-

19

16

14

13

12

11

0,5 < IL £ 0,75

с

-

-

41

36

32

29

25

j

-

-

20

19

18

17

16

Е

-

-

15

13

11

10

9

Глины

0 £ IL £ 0,25

с

-

62

60

58

57

56

-

j

-

20

19

18

17

16

-

Е

-

19

18

17

16

15

-

0,25 < IL £ 0,5

с

-

54

50

47

44

-

-

j

-

17

15

13

12

-

-

Е

-

14

12

10

9

-

-

Примечание - Данные таблицы распространяются на элювиальные глинистые грунты, в которых содержание крупнообломочных частиц (d ³ 2 мм) не превышает 20 % по массе.

Таблица Г.7 - Нормативные значения удельного сцепления сп, кПа, угла внутреннего трения jn, град., и модуля деформации Е, МПа, элювиальных глинистых грунтов осадочных аргиллито-алевролитовых пород

Обозначение характеристик грунтов

Характеристики грунтов при коэффициенте пористости е, равном

0,45

0,55

0,65

0,75

0,85

с

58

48

40

35

31

j

29

24

21

19

17

Е

25

21

17

13

10

Приложение Д
(рекомендуемое)

Расчетные сопротивления грунтов оснований

Д.1. Расчетные сопротивления грунтов основания R0, приведенные в таблицах Д.1 - Д.10, предназначены для предварительного определения размеров фундаментов. Область применения значений R0 и R´0 для окончательного определения размеров фундаментов указана в 5.5.13 для таблиц Д.1 - Д.3, в 6.1.9 - для таблицы Д.4, в 6.4.19 - для таблицы Д.5, в 6.5.16 - для таблиц Д.6 - Д.8, в 6.6.15 - для таблицы Д.9 и в 7.5 - для таблицы Д.10.

Д.2. Для грунтов с промежуточными значениями е и IL (таблицы Д.1 - Д.3, Д.7 и Д.8), ρd и Sr (таблица Д.4), Sr (таблица Д.9), а также для фундаментов с промежуточными значениями λ (таблица Д.10) значения R0 и R´0 определяют интерполяцией.

Д.3. Значения R0 (таблицы Д.1 - Д.9) относятся к фундаментам, имеющим ширину b = 1 м и глубину заложения d = 2 м.

Таблица Д.1 - Расчетные сопротивления R0 крупнообломочных грунтов

Крупнообломочные грунты

Значения R0, МПа

Галечниковые (щебенистые) с заполнителем: песчаным

600

глинистым при показателе текучести:

 

IL £ 0,5

450

0,5 < IL £ 0,75

400

Гравийные (дресвяные) с заполнителем: песчаным

500

глинистым при показателе текучести:

 

IL £ 0,5

400

0,5 < IL £ 0,75

350

Таблица Д.2 - Расчетные сопротивления R0 песков

Пески

Значения R0, кПа, в зависимости от плотности сложения песков

плотные

средней плотности

Крупные

600

500

Средней крупности

500

400

Мелкие:

 

 

маловлажные

400

300

влажные и насыщенные водой

300

200

Пылеватые:

 

 

маловлажные

300

250

влажные

200

150

насыщенные водой

150

100

Таблица Д.3 - Расчетные сопротивления R0 глинистых (непросадочных) грунтов

Глинистые грунты

Коэффициент пористости е

Значения R0, кПа, при показателе текучести грунта

IL = 0

IL = 1

Супеси

0,5

0,7

300

250

200

150

Суглинки

0,5

0,7

1,0

350

250

200

250

180

100

Глины

0,5

0,6

0,8

1,1

600

500

300

250

400

300

200

100

Таблица Д.4 - Расчетные сопротивления R0 глинистых просадочных грунтов

Грунты

Значения R0, кПа, просадочных грунтов

природного сложения с плотностью в сухом состоянии ρd, т/м3

уплотненных с плотностью в сухом состоянии ρd, т/м3

1,35

1,55

1,60

1,70

Супеси

300

150

350

180

200

250

Суглинки

350

180

400

200

250

300

Примечание - Над чертой приведены значения R0, относящиеся к незамоченным просадочным грунтам со степенью влажности Sr £ 0,5; под чертой - значения R0, относящиеся к таким же грунтам с Sr ³ 0,8, а также к замоченным просадочным грунтам.

Таблица Д.5 - Расчетные сопротивления R0 заторфованных песков

Пески средней плотности

Значения R0, кПа, в зависимости от степени заторфованности грунта Iот

0,03 < Iот £ 0,1

0,1 < Iот £ 0,25

0,25 < Iот £ 0,40

Пески мелкие:

 

 

 

маловлажные

250

180

90

очень влажные и насыщенные водой

150

100

70

Пески пылеватые:

 

 

 

маловлажные

200

120

80

очень влажные

100

80

50

насыщенные водой

80

60

40

Примечание - Значения R0 в таблице относятся к грунтам со степенью разложения растительных остатков Dpd £ 20 %. При Dpd > 20 % значения R0 принимают с коэффициентом 0,8.

Таблица Д.6 - Расчетные сопротивления R0 элювиальных крупнообломочных грунтов

Крупнообломочные грунты

Значения R0, МПа, при исходных образующих породах

магматических и метаморфических

осадочных сцементированных

содержащих кварц

бескварцевых

песчаники

аргиллиты и алевролиты

Глыбовые

0,9

0,7

0,8

0,6

Щебенистые невыветрелые

0,8

0,6

0,6

0,5

Щебенисто-дресвяные слабовыветрелые

0,6

0,5

0,5

0,4

Дресвяные сильновыветрелые

0,5

0,4

0,4

0,3

Таблица Д.7 - Расчетные сопротивления R0 элювиальных песков

Пески

Коэффициент пористости е

Значения R0, МПа

Дресвяные независимо от влажности

0,5

0,6

0,7

0,45

0,9

0,3

Крупные и средней крупности независимо от влажности

0,5

0,5

0,7

0,35

0,9

0,25

Пылеватые маловлажные и влажные

0,5

0,55

0,7

0,4

0,9

0,3

1,1

0,2

Примечания

1. Приведенные значения R0 относятся к элювиальным пескам, образованным при выветривании магматических кварцесодержащих пород и осадочных сцементированных песчаников.

2. Для пылеватых песков, насыщенных водой, значения R0 принимают с коэффициентом 0,8 к соответствующим значениям е.

Таблица Д.8 - Расчетные сопротивления R0 элювиальных глинистых грунтов

Грунты

Коэффициент пористости е

Значения R0, МПа, при показателе текучести IL, равном

IL = 0

IL = l

Супеси

0,5

0,7

0,3

0,25

0,25

0,2

Суглинки

0,5

0,7

0,9

1,1

0,3

0,25

0,2

0,15

0,25

0,18

0,13

0,10

Глины

0,6

0,8

1,1

1,25

0,5

0,3

0,25

0,2

0,3

0,2

0,15

0,10

Примечание - Приведенные значения R0 относятся к элювиальным глинистым слабоструктурным грунтам, образованным при выветривании магматических пород. Для глинистых аргиллито-алевролитовых грунтов значения R0 принимают с коэффициентом 0,9.

Таблица Д.9 - Расчетные сопротивления R0 насыпных грунтов

Характеристики насыпи

Значения R0, кПа

Пески крупные, средней крупности и мелкие, шлаки и т.п. при степени влажности Sr

Пески пылеватые, супеси, суглинки, глины, золы и т.п. при степени влажности Sr

Sr £ 0,5

Sr ³ 0,8

Sr £ 0,5

Sr ³ 0,8

Насыпи, планомерно возведенные с уплотнением

250

200

180

150

Отвалы грунтов и отходов производств:

 

 

 

 

с уплотнением

250

200

180

150

без уплотнения

180

150

120

100

Свалки грунтов и отходов производств:

 

 

 

 

с уплотнением

150

120

120

100

без уплотнения

120

100

100

80

Примечания

1. Значения R0 относятся к насыпным грунтам с содержанием органических веществ Iот £ 0,1.

2. Для неслежавшихся отвалов и свалок грунтов и отходов производств значения R0 принимают с коэффициентом 0,8.

Таблица Д.10 - Расчетные сопротивления грунтов обратной засыпки R0 для выдергиваемых фундаментов опор воздушных линий электропередачи

Относительное заглубление фундамента λ = d / b

Значения R0, кПа

Глинистые грунты при показателе текучести IL £ 0,5 и плотности грунта обратной засыпки, т/м3

Пески средней крупности и мелкие маловлажные и влажные при плотности грунта обратной засыпки, т/м3

1,55

1,70

1,55

1,70

0,8

32

36

32

40

1,0

40

45

40

50

1,5

50

65

55

65

2,0

60

85

70

85

2,5

-

100

-

100

Примечания

1. Значения R´0 для глин и суглинков с показателем текучести 0,5 < IL £ 0,75 и супесей при 0,5 < IL £ 1,0 принимают по графе «глинистые грунты» с введением коэффициентов соответственно 0,85 и 0,7.

2. Значения R0 для пылеватых песков принимают как для песков средней крупности и мелких с коэффициентом 0,85.

Приложение Е
(рекомендуемое)

Предельные деформации оснований

Таблица Е.1.

Сооружения

Предельные деформации оснований

Относительная разность осадок (Ds/L)u

Крен iu

Средняя  (в скобках максимальная smax,u) осадка, см

1. Производственные и гражданские одноэтажные и многоэтажные здания с полным каркасом:

 

 

 

железобетонным

0,002

-

(10)

то же, с устройством железобетонных поясов или монолитных перекрытий, а также здания монолитной конструкции

0,003

-

(15)

стальным

0,004

-

(15)

то же, с устройством железобетонных поясов или монолитных перекрытий

0,005

-

(18)

2. Здания и сооружения, в конструкциях которых не возникают усилия от неравномерных осадок

0,006

-

20

3. Многоэтажные бескаркасные здания с несущими стенами из:

 

 

 

крупных панелей

0,0016

0,005

12

крупных блоков или кирпичной кладки без армирования

0,0020

0,005

12

то же, с армированием, в том числе с устройством железобетонных поясов или монолитных перекрытий, а также здания монолитной конструкции

0,0024

0,005

18

4. Сооружения элеваторов из железобетонных конструкций:

 

 

 

рабочее здание и силосный корпус монолитной конструкции на одной фундаментной плите

-

0,003

40

то же, сборной конструкции

-

0,003

30

отдельно стоящий силосный корпус монолитной конструкции

-

0,004

40

то же, сборной конструкции

-

0,004

30

отдельно стоящее рабочее здание

-

0,004

25

5. Дымовые трубы высотой H, м:

 

 

 

H £ 100

-

0,005

40

100 < Н £ 200

-

1/(2Н)

30

200 < H £ 300

-

1/(2Н)

20

H > 300

 

1/(2Н)

10

6. Жесткие сооружения высотой до 100 м, кроме указанных в поз. 4 и 5

-

0,004

20

7. Антенные сооружения связи:

 

 

2

стволы мачт заземленные

-

0,002

0

то же, электрически изолированные

-

0,001

10

башни радио

0,002

-

-

башни коротковолновых радиостанций

0,0025

-

-

башни (отдельные блоки)

0,001

-

-

8. Опоры воздушных линий электропередачи:

 

 

 

промежуточные прямые

0,003

0,003

-

анкерные и анкерно-угловые, промежуточные угловые, концевые, порталы открытых распределительных устройств

0,0025

0,0025

-

специальные переходные

0,002

0,002

-

Примечания

1. Предельные значения относительного прогиба зданий, указанных в поз. 3, принимают равными 0,5(Ds/L)u, а относительного выгиба - 0,25(Ds/L)u.

2. При определении относительной разности осадок (Ds/L) в поз. 8 настоящего приложения за L принимают расстояние между осями блоков фундаментов в направлении горизонтальных нагрузок, а в опорах с оттяжками - расстояние между осями сжатого фундамента и анкера.

3. Если основание сложено горизонтальными (с уклоном не более 0,1), выдержанными по толщине слоями грунтов, предельные значения максимальных и средних осадок допускается увеличивать на 20 %.

4. Предельные значения подъема основания, сложенного набухающими грунтами, допускается принимать: максимальный и средний подъем в размере 25 % и относительную разность осадок в размере 50 % соответствующих предельных значений деформаций, приведенных в настоящем приложении, а относительный выгиб - в размере 0,25(Ds/L)u.

5. Для сооружений, перечисленных в поз. 1 - 3, с фундаментами в виде сплошных плит предельные значения средних осадок допускается увеличивать в 1,5 раза.

6. На основе обобщения опыта проектирования, строительства и эксплуатации отдельных видов сооружений допускается принимать предельные значения деформаций основания, отличающиеся от указанных в настоящем приложении.

Приложение Ж
(рекомендуемое)

Физико-механические характеристики органо-минеральных и органических грунтов

Ж.1. Значения характеристик грунтов, приведенные в таблицах Ж.1 - Ж.4, допускается использовать для предварительной оценки оснований, сложенных из органо-минеральных и органических грунтов (см. 6.4.7).

Таблица Ж.1 - Средние значения физико-механических характеристик открытого торфа

Показатель

Значение показателя при степени разложения Dpd, %

верхового

низинного

5 - 20

21 - 30

31 - 40

> 40

5 - 25

26 - 40

> 40

Влажность, соответствующая полному водонасыщению wsat, доли единицы

14,5

12,5

11,8

10,0

11,5

7,5

5,8

Плотность частиц торфа ρs, г/см3

1,62

1,56

1,49

1,40

1,58

1,51

1,5

Модуль деформации при полной влагоемкости Е, МПа

0,11

0,15

0,23

0,25

0,15

0,24

0,31

Коэффициент бокового давления ξ

0,12

0,19

0,28

0,35

0,22

0,43

0,50

Коэффициент консолидации cv, м2/год

10

5

2

1

5

2

1

Таблица Ж.2 - Средние значения физико-механических характеристик погребенного торфа

Показатель

Значения показателя при степени разложения Dpd, %

20 - 30

31 - 40

41 - 60

Плотность грунта ρ, г/см3

1,0

1,05

1,2

Плотность частиц грунта ρs, г/см3

1,5

1,60

1,80

Природная влажность w, доли единицы

3,0

2,2

1,7

Коэффициент пористости е

5,5

4,0

3,0

Угол внутреннего трения j, град

22

12

10

Удельное сцепление с, кПа

20

25

30

Модуль деформации Е, МПа

1,1

2,0

3,0

Коэффициент бокового давления ξ

0,24

0,28

0,32

Таблица Ж.3 - Средние значения модуля деформации илов

Ил

Коэффициент пористости е

Модуль деформации Е, МПа

Супесчаный

0,8

1,2

5,1

3,3

Суглинистый

0,9

1,6

2,0

1,2

Глинистый

1,2

2,0

1,6

0,8

Таблица Ж.4 - Значения физико-механических характеристик сапропелей

Тип залегания

Разновидность сапропелей

Содержание веществ

Влажность w, доли единицы

Плотность частиц грунта ρs, г/см3

Коэффициент пористости е

Модуль деформации Е, МПа (при р = 0,05 МПа)

Сопротивление вращательному срезу t, кПа

органических Iот, %

карбонатных СаСО3, %

Неуплотненные в природном залегании

Озерные под слоем воды

Минеральные

10 - 30

30

1,5 - 4,5

2,0 - 2,5

5 - 12

0,25 - 0,6

4 - 6

Среднеминеральные

30 - 50

30

3 - 6

1,8 - 2,0

9 - 12

0,1 - 0,3

2 - 4

Слабоминеральные

> 50

30

6 - 20

1,4 - 1,8

12 - 25

0,03 - 0,1

< 2

Болотные под слоем торфа

Минеральные

10 - 30

30

1,2 - 3,7

2,0 - 2,5

4 - 12

0,4 - 0,8

12 - 13

Среднеминеральные

30 - 50

30

3 - 6

1,8 - 2,0

8 - 12

0,25 - 0,5

7 - 12

Слабоминеральные

50 - 80

10 - 30

6 - 12

1,4 - 1,8

12 - 20

0,1 - 0,25

12 - 13

Уплотненные в природном залегании (озерно-болотные под слоем минеральных наносов)

Минеральные

10 - 30

30

0,5 - 1,8

2,0 - 2,5

1,4 - 3

0,7 - 2

15 - 25

Среднеминеральные

30 - 50

30

1,5 - 2,5

1,8 - 2,0

3 - 5

0,4 - 1

10 - 20

Слабоминеральные

> 50

30

1,5 - 3,0

1,4 - 1,8

4 - 6

0,3 - 0,5

2 - 15

Приложение И
(рекомендуемое)

Физико-механические характеристики элювиальных грунтов

И.1. Значения характеристик грунтов, приведенные в таблицах И.1 - И.3, допускается использовать для предварительной оценки оснований, сложенных из этих грунтов (см. 6.5.9 и 6.5.12).

Таблица И.1 - Средние значения физических характеристик и предела прочности на одноосное сжатие в водонасыщенном состоянии Rc элювиальных скальных грунтов магматических пород

Разновидность элювиальных грунтов по степени выветрелости

Характеристики элювиальных скальных грунтов магматических пород

Плотность ρ, г/см3

Коэффициент пористости е

Rc, МПа

Степень размягчаемости в воде

Слабовыветрелые

Более 2,7

Менее 0,1

Более 15

Неразмягчаемые

Выветрелые

2,5 < ρ £ 2,7

0,1 £ е £0,2

5 £ Rc £ 15

Практически неразмягчаемые

Сильновыветрелые

2,2 < ρ £ 2,5

Более 0,2

Менее 5

Размягчаемые

Таблица И.2 - Значения предела прочности на одноосное сжатие в водонасыщенном состоянии Rc элювиальных скальных грунтов осадочных сцементированных пород

Степень выветрелости kur

Значения Rc, МПа, для элювиальных осадочных скальных грунтов

Аргиллиты и алевролиты

Песчаники с преобладанием цемента

глинистого

карбонатного

1 > kur ³ 0,95

12 - 20

30 - 50

50 - 95

0,95 > kur ³ 0,9

8 - 12

15 - 30

30 - 50

0,9 > kur ³ 0,85

5 - 8

7,5 - 15

10 - 30

0,85 > kur ³ 0,8

2,5 - 5,0

5,0 - 7,5

5 - 10

Менее 0,8

Менее 2,5

Менее 5

Менее 5

Таблица И.3 - Значения модуля деформации разновидностей элювиальных крупнообломочных грунтов

Разновидность крупнообломочных грунтов

Значения модуля деформации Е, МПа, при исходных образующих породах

магматических и метаморфических

осадочных сцементированных

содержащих кварц

бескварцевых

песчаники

аргиллиты и алевролиты

Глыбовые

Не менее 60

Не менее 50

Не менее 50

Не менее 40

Щебенистые выветрелые

40 - 60

35 - 50

40 - 50

35 - 40

Щебенисто-дресвяные слабовыветрелые

30 - 40

25 - 35

30 - 40

20 - 35

Дресвяные сильновыветрелые

Менее 30

Менее 25

Менее 30

Менее 20

Приложение К
(рекомендуемое)

Расчет фундаментов в вытрамбованных котлованах по несущей способности и осадкам основания

К.1. Удлиненные фундаменты в вытрамбованных котлованах (12.7.1) рассчитывают по несущей способности грунта основания исходя из условия (5.25), в котором расчетную несущую способность грунта основания, называемую в дальнейшем несущей способностью фундамента Ff, определяют по К.2 - К.6, коэффициент gс принимают равным 1, а gn - равным 1,4 при определении несущей способности расчетом и равным 1 - по данным испытаний опытных фундаментов статической нагрузкой (К.12).

К.2. Для удлиненного фундамента в вытрамбованном котловане с уширенным основанием (рисунок 12.3б) расчетную несущую способность на вертикальную нагрузку определяют как наименьшее из значений несущей способности:

- по жесткому материалу, втрамбованному в дно котлована;

- по грунту уплотненной зоны;

- по грунту природного сложения, подстилающему уплотненную зону.

При этом для просадочного грунта рассматривается состояние его полного замачивания.

К.3. Несущую способность фундамента Ff1, кН, по жесткому материалу, втрамбованному в дно котлована, определяют по формуле

Ff1 = gс Fcr A,                                                                    (K.1)

где    gс - коэффициент условий работы фундамента, принимаемый равным 1;

Fcr - параметр жесткого материала, принимаемый равным 10000 кПа для жесткого бетона, щебня и гравия и 5000 кПа - для крупного песка;

А - площадь нижнего сечения фундамента, м2.

К.4. Несущую способность фундамента Ff2, кН, по грунту уплотненной зоны определяют по формуле

,                                          (K.2)

где    Rs - расчетное сопротивление, кПа, уплотненного грунта под втрамбованным в дно котлована жестким материалом, определяемое по таблице К.1;

Аbr - площадь поперечного сечения уширенного основания из жесткого материала в месте его наибольшего уширения, м2;

ит - периметр поперечного сечения фундамента в его средней части, м;

dp - см. рисунок 12.3, б;

fw - расчетное сопротивление грунта по боковой поверхности фундамента, кПа, принимаемое по таблице К.2;

gc1 - коэффициент условий работы грунта по боковой поверхности фундамента, принимаемый равным 0,8;

gc2 - коэффициент условий работы, принимаемый равным 0,5;

ξr - коэффициент, принимаемый равным 0,8;

i - уклон боковых стенок фундамента в долях единицы, определяемый как отношение полуразности сторон поперечного сечения в верхней и нижней частях фундамента к высоте фундамента, но не более 0,025;

Е - модуль деформации верхнего слоя грунта, кПа, залегающего в пределах наклонной части фундамента (для просадочных грунтов значение Е определяют по результатам испытаний грунта природного сложения в водонасыщенном состоянии при изменении давления на грунт от нуля до начального просадочного давления).

Примечание - При определении показателя текучести IL в таблицах К.1 и К.2 значение природной влажности w принимают равным:

1,1wp при w £ wp;

w, но не менее 1,1wp при w > wp;

1,2wp при увлажнении грунтов в процессе вытрамбовывания.

К.5. Несущую способность фундамента Ff3, кН, по грунту природного сложения, подстилающему уплотненную зону, определяют по формуле

,                                    (К.3)

где    g´g - коэффициент условий работы подстилающего неуплотненного грунта, принимаемый по таблице К.3;

As - площадь поперечного сечения уплотненной зоны в месте ее наибольшего размера, м2;

gc, gc1, gc2, ξr - то же, что и в формулах (К.1) и (К.2);

dp, um, fw, i, E - то же, что и в формуле (К.2);

R - расчетное сопротивление подстилающего слоя грунта, кПа, определяемое для непросадочных грунтов по подразделу 5.5, а для просадочных грунтов - по формуле

R = (psl - σzg + a σzg,0) / a,                                                     (К.4)

где    psl - начальное просадочное давление, кПа;

σzg и σzg,0 - напряжения от собственного веса грунта соответственно на кровле подстилающего слоя и на отметке заложения фундамента, кПа;

a - коэффициент, принимаемый по таблице 5.6.

К.6. Для удлиненных фундаментов без уширения несущую способность определяют:

- по грунту уплотненной зоны - по формуле (К.2), в которую вместо Аbr следует подставлять площадь сечения котлована понизу;

- по грунту природного сложения, подстилающему уплотненную зону - по формуле (К.3), в которой As - площадь проекции уплотненной зоны, определяемая с учетом 12.7.7.

К.7. Несущую способность грунтов основания фундаментов в вытрамбованных котлованах с уширенным основанием на горизонтальные нагрузки и моменты Fh, кН, определяют по формуле

,                                                             (K.5)

где    gn - коэффициент условий работы, принимаемый равным 0,8;

fh - горизонтальная составляющая реактивного отпора грунта, кПа, определяемая по формуле (К.6);

bm - то же, что и в 12.7.1;

dp - то же, что и в формуле (К.2).

К.8. Горизонтальную составляющую реактивного отпора грунта fh, кПа, по уплотненным боковым стенкам вытрамбованных котлованов для монолитных фундаментов, бетонируемых враспор, принимают равной

fh = а + b σm,                                                                 (K.6)

где    а и b - коэффициенты, соответственно равные: а = 60 кПа; b = 0,4;

σm - среднее вертикальное напряжение в сечении фундамента на глубине 0,5dp, кПа.

Таблица К.1

Глубина от поверхности до низа уширенного основания, м

Расчетные сопротивления уплотненных грунтов при втрамбовывании в дно котлована жесткого материала Rs, кПа, при показателе текучести IL, равном

0

0,1

0,2

0,3

0,4

0,5

0,6

2

6500

2900

2000

1400

900

700

500

3

7500

4000

3000

2000

1200

1100

600

4

8300

5100

3800

2500

1600

1250

700

5

8800

6200

4000

2800

2000

1300

800

6

9250

6550

4150

3050

2100

1350

825

Таблица К.2

Средняя глубина расположения слоя грунта, м

Расчетные сопротивления грунтов по боковой поверхности фундамента fw, кПа, при показателе текучести IL, равном

0,2

0,3

0,4

0,5

0,6

0,8

1,0

1

35

23

15

12

8

4

2

2

42

30

21

17

12

5

4

3

48

34

25

20

14

7

5

4

52

38

27

22

16

8

5

5

56

40

29

24

17

8

6

6

58

42

31

25

18

8

6

Таблица К.3

Глубина трамбования dp, м

2

2,5

3

3,5

Коэффициент условий работы g´g

1

1,2

1,4

1,6

К.9. При расчете оснований фундаментов в вытрамбованных котлованах по деформациям за расчетное сопротивление грунта основания R1(2) принимают минимальное из значений:

R1, определяемого с использованием прочностных характеристик jII и сII уплотненных грунтов в водонасыщенном состоянии;

R2, определяемого исходя из давления на подстилающий уплотненную зону грунт природного сложения.

При этом максимальная величина расчетного сопротивления грунта основания фундамента в вытрамбованном котловане R1(2) не должна превышать предельного значения, устанавливаемого в зависимости от ширины фундамента bm на глубине 0,5dp, и равного: 0,5 МПа при bm £ 0,8 м; 0,6 МПа при bm £ 1,4 м; для промежуточных значений bm предельное значение R1(2) определяют интерполяцией.

К.10. Осадки столбчатых и ленточных фундаментов в вытрамбованных котлованах без уширения определяют по схеме двухслойного основания, состоящего из уплотненного слоя грунта толщиной hs = l,5bm и подстилающего грунта с использованием соответствующих значений модуля деформации. При этом для просадочных грунтов используют модуль деформации грунта в водонасыщенном состоянии, который для подстилающего слоя принимают в интервале изменения давления от нуля до начального просадочного давления psl.

Расчет осадок ленточных фундаментов производят с учетом взаимного влияния двух соседних фундаментов (по одному с каждой стороны).

К.11. Осадки фундаментов в вытрамбованных котлованах с уширенным основанием определяют по К.10 без учета сжатия жесткого материала, втрамбованного в дно котлована. Размеры фундамента принимают равными размерам поперечного сечения уширенного основания из жесткого материала в месте его наибольшего уширения. Глубину заложения фундамента принимают на отметке низа уширенной части.

К.12. Несущая способность фундаментов в вытрамбованных котлованах может быть определена по результатам полевых испытаний вертикальными статическими нагрузками.

За несущую способность фундамента Ff принимают нагрузку, при которой осадка испытываемого фундамента D, мм, достигает значения, определяемого по формуле

,                                                                  (К.7)

где    - предельная средняя осадка фундамента проектируемого сооружения, мм, назначаемая в соответствии с требованиями 5.5.46 - 5.5.50;

ξ - коэффициент перехода от предельной средней осадки фундамента проектируемого сооружения к осадке опытного фундамента.

Значение ξ принимают равным:

- для фундаментов без уширенных оснований при их ширине в среднем сечении bm £ 1,2 м ξ = 0,2, а при bm > 1,2 м ξ = 0,3;

- для фундаментов с уширенным основанием ξ = 0,3;

- для фрагментов ленточных фундаментов, состоящих не менее чем из трех фундаментов, ξ = 0,3;

- для отдельных фундаментов, входящих в состав ленточных фундаментов, ξ = 0,2.

Приложение Л
(справочное)

Основные буквенные обозначения

Коэффициенты надежности

gf - по нагрузке;

gm - по материалу;

gg - по грунту;

gn - по назначению сооружения;

gc - коэффициент условий работы.

Характеристики грунтов

 - среднее значение характеристики;

Хп - нормативное значение;

X - расчетное значение;

a - доверительная вероятность (обеспеченность) расчетных значений;

ρ - плотность;

ρd - плотность в сухом состоянии;

ρbf - плотность обратной засыпки;

е - коэффициент пористости;

w - влажность природная;

wp - влажность на границе пластичности (раскатывания);

wL - влажность на границе текучести;

weq - конечная (установившаяся) влажность;

wsat - влажность, соответствующая полному водонасыщению;

wsl - начальная просадочная влажность;

wsv - влажность набухания;

wsh - влажность на пределе усадки;

Sr - степень влажности;

IL - показатель текучести;

g - удельный вес;

gsb - Удельный вес с учетом взвешивающего действия воды;

psl - начальное проезд очное давление;

psw - давление набухания;

esl - относительная просадочность;

esw - относительное набухание;

esh - относительная линейная усадка;

esf - относительное суффозионное сжатие;

Iот - относительное содержание органического вещества;

Dpd - степень разложения органического вещества;

с - удельное сцепление;

j - угол внутреннего трения;

Е - модуль деформации;

v - коэффициент Пуассона;

Rc - предел прочности на одноосное сжатие скальных грунтов;

cv - коэффициент консолидации.

Нагрузки, напряжения, сопротивления

F - сила, расчетное значение силы;

f - сила на единицу длины;

Fv, Fh - вертикальная и горизонтальная составляющие силы;

Fs,a, Fs,r - силы, действующие по плоскости скольжения, соответственно сдвигающие и удерживающие (активные и реактивные);

N - сила нормальная к подошве фундамента;

п - то же, на единицу длины;

G - собственный вес фундамента;

q - равномерно распределенная вертикальная пригрузка;

р - среднее давление под подошвой фундамента;

σ - нормальное напряжение;

t - касательное напряжение;

u - избыточное давление в поровой воде;

σz - вертикальное нормальное напряжение суммарное;

σzg - то же, от собственного веса грунта;

σzp - то же, от внешней нагрузки (давления фундамента);

R - расчетное сопротивление грунта основания;

R0 - расчетное сопротивление грунта основания для предварительного назначения размеров фундаментов;

Fu - сила предельного сопротивления основания, соответствующая исчерпанию его несущей способности.

Деформации оснований и сооружений

 - средняя осадка основания;

ssl - просадка;

hsw - подъем основания при набухании грунта;

ssh - осадка основания в результате высыхания набухшего грунта;

ssf - суффозионная осадка;

Ds - разность осадок (просадок);

i - крен фундамента (сооружения);

υ - относительный угол закручивания;

uh - горизонтальное перемещение;

su - предельное значение деформации основания;

su,s - то же, по технологическим требованиям;

suf - то же, по условиям прочности, устойчивости и трещиностойкости конструкций.

Геометрические характеристики

b - ширина подошвы фундамента;

В - ширина подвала;

Bw - ширина источника замачивания (замачиваемой площади);

l - длина подошвы фундамента;

η = l / b - соотношение сторон подошвы фундамента;

А - площадь подошвы фундамента;

L - длина здания;

d, dn, d1 - глубина заложения фундамента соответственно от уровня планировки, от поверхности природного рельефа и приведенная от пола подвала;

db - глубина подвала от уровня планировки;

df, dfn - глубина сезонного промерзания грунта соответственно расчетная и нормативная;

dw - глубина расположения уровня подземных вод;

λ = d / b - относительное заглубление фундамента;

h - толщина слоя грунта;

Нс - глубина сжимаемой толщи;

Hsl - толщина слоя просадочных грунтов (просадочная толща);

hsl - толщина зоны просадки;

hsl,p - то же, от внешней нагрузки;

hsl,g - то же, от собственного веса грунта;

Hsw - толщина зоны набухания;

Hsh - то же, усадки;

Hl - толщина выщелачиваемой зоны;

z - глубина (расстояние) от подошвы фундамента;

ζ = 2z / b - относительная глубина;

DL - отметка планировки;

NL - отметка поверхности природного рельефа;

FL - отметка подошвы фундамента;

B.С - нижняя граница сжимаемой толщи;

B.SL - то же, просадочной толщи;

B.SW - нижняя граница зоны набухания;

B.SH - то же, зоны усадки;

WL - уровень подземных вод.

Ключевые слова: основания, фундаменты, проектирование, устройство

 




ГОСТЫ, СТРОИТЕЛЬНЫЕ и ТЕХНИЧЕСКИЕ НОРМАТИВЫ.
Некоммерческая онлайн система, содержащая все Российские Госты, национальные Стандарты и нормативы.
В Системе содержится более 150000 файлов нормативно-технической документации, действующей на территории РФ.
Система предназначена для широкого круга инженерно-технических специалистов.

Рейтинг@Mail.ru Яндекс цитирования

Copyright © www.gostrf.com, 2008 - 2026