Крупнейшая бесплатная информационно-справочная система онлайн доступа к полному собранию технических нормативно-правовых актов РФ. Огромная база технических нормативов (более 150 тысяч документов) и полное собрание национальных стандартов, аутентичное официальной базе Госстандарта. GOSTRF.com - это более 1 Терабайта бесплатной технической информации для всех пользователей интернета. Все электронные копии представленных здесь документов могут распространяться без каких-либо ограничений. Поощряется распространение информации с этого сайта на любых других ресурсах. Каждый человек имеет право на неограниченный доступ к этим документам! Каждый человек имеет право на знание требований, изложенных в данных нормативно-правовых актах!

  


 

В.В. Красник

УПРАВЛЕНИЕ
ЭЛЕКТРОХОЗЯЙСТВОМ
ПРЕДПРИЯТИЙ

ПРОИЗВОДСТВЕННО-ПРАКТИЧЕСКОЕ ПОСОБИЕ

Москва

«Издательство НЦ ЭНАС»

2004

Красник В.В.

Управление электрохозяйством предприятий: Произв.-практ. пособие. - М.: Изд-во НЦ ЭНАС, 2004.

Рассмотрены структура, организация и комплексная система управления электрохозяйством предприятий (организаций) в соответствии с требованиями законодательных, правовых и подзаконных актов, норм и правил работы в электроустановках. Приведен необходимый перечень нормативно-технической документации. Изложены вопросы организации обучения и проверки знаний по нормам и правилам, отражены проблемы взаимоотношения потребителей электрической энергии с энергоснабжающими организациями. Разъясняется порядок оформления и заключения договоров энергоснабжения. Даны рекомендации по систематизации терминов и определений в электроэнергетике. Проведен анализ экономической оценки безотказности и устойчивости работы электроприемников, изложены основные принципы расчетного учета электроэнергии.

Для руководителей и специалистов энергослужб предприятий (организаций), специалистов по охране труда, контролирующих электроустановки, а также для работников, занимающихся проектированием, монтажом и наладкой электроустановок.

ПРЕДИСЛОВИЕ

Электроэнергетика - важнейшая фундаментальная отрасль, обеспечивающая нормальную деятельность всех других отраслей экономики, функционирование социальных структур и необходимые условия жизни населения.

Ни одно предприятие, будь то маленькая фабрика или крупный промышленный комплекс, не смогут выполнять свои технологические функции и быть работоспособными без бесперебойного и качественного электроснабжения, надлежащих санитарно-гигиенических условий и обеспечения охраны труда. Поэтому электроэнергетическая служба предприятия (организации) должна быть укомплектована необходимым количеством специалистов, способных профессионально решать эти важные и многофункциональные задачи.

Нельзя согласиться с мнением тех руководителей и специалистов, которые недооценивают электроэнергетическое хозяйство своих предприятий (организаций) и считают его вспомогательным производством, допуская недокомплектацию штатной численности персонала энергослужбы, иногда вплоть до ликвидации должности главного энергетика, а также уделяют недостаточно внимания организации обучения, переподготовки и проверки как профессиональных знаний, так и норм и правил работы в электроустановках.

Особенную остроту эта проблема приобрела в эпоху коммерческой перестройки, в основном из-за резкого усложнения организации и управления электрохозяйством предприятий.

Крупные и средние предприятия с хорошо налаженной структурой энергослужбы стали дробиться на более мелкие акционерные общества (ЗАО, ОАО, ООО), переходя на коммерческую основу и сокращая штат вспомогательных служб. Основное влияние на коммерческую деятельность таких акционерных обществ, как правило, стали оказывать бухгалтеры и юристы.

Немало таких коммерческих организаций функционируют без работника, ответственного за электрохозяйство, способного и обязанного организовать на должном уровне надежную, экономичную и безопасную работу и обслуживание электроустановок. Ощущается нехватка специалистов по охране труда, контролирующих электроустановки и имеющих группу IV по электробезопасности.

В случаях если небольшие по присоединенной мощности организации не занимаются производственной деятельностью, вместо работника, ответственного за электрохозяйство, в соответствии с требованиями действующих норм и правил должны быть работники, ответственные за безопасную эксплуатацию электроустановок, в лице руководителей предприятий (организаций), которые, к сожалению, не являются специалистами-энергетиками со всеми вытекающими отсюда последствиями.

Единые ранее нормы и правила Госэнергонадзора стали разделяться на отдельные издания, что, например, произошло с ПТЭ и ПТБ при эксплуатации электроустановок. Это привело к усложнению усвоения этих правил, а также к разночтению в терминах и определениях.

До 90-х годов в стране функционировала самая мощная в мире уникальная централизованно управляемая Единая энергетическая система, работающая параллельно с энергосистемами стран-членов СЭВ.

После перестройки в стране коренным образом изменилась структура управления электроэнергетикой. Начали создаваться самостоятельные энергетические коммерческие структуры.

Действовавшие ранее единые Правила пользования электрической и тепловой энергией и другие нормативные документы (например, Инструкция о порядке расчетов за электрическую и тепловую энергию) вошли в противоречие с законодательными и правовыми актами и были отменены приказами Министерства энергетики РФ.

Изменились и продолжают реорганизовываться структуры государственного энергетического надзора, коммерческие структуры Энергосбыта и распределительных сетевых компаний энергоснабжающих организаций, что систематически приводит к пересмотру инструктивных материалов по вопросам оформления и перезаключения договоров энергоснабжения, допуска электроустановок в эксплуатацию и др.

Одним из основных документов, определяющих и регулирующих договорные взаимоотношения между потребителями электрической энергии и энергоснабжающими организациями, стал договор энергоснабжения, базой для которого явился Гражданский кодекс Российской Федерации [1].

Поскольку до сих пор отсутствует единая форма типового договора энергоснабжения, то при его заключении или переоформлении с обеих сторон (обычно со стороны энергоснабжающей организации) в текст договора включаются неравнозначные и не совсем благоприятные для другой стороны условия.

Как правило, вторая сторона - потребитель электрической энергии, при отсутствии в штате ответственного за электрохозяйство, не зная в полной мере требований действующих норм и правил в электроустановках и не владея в достаточной степени экономическими и правовыми знаниями в области энергетики, подписывает такой договор, не подозревая о возможных штрафных санкциях и ограничениях в подаче электроэнергии со стороны энергоснабжающей организации.

Несмотря на то, что некоторые такие санкции могут являться не вполне законными, они после подписания договора обеими сторонами становятся юридически правомочными, поскольку в соответствии со ст. 421 п. 2 ГК РФ «Стороны могут заключить договор, как предусмотренный, так и не предусмотренный законом или другими правовыми актами».

Данное обстоятельство усложняется еще и тем фактом, что договор энергоснабжения заключается между потребителем электрической энергии (абонентом Энергосбыта) и Энергосбытом, а указания и рекомендации по его оформлению даются третьей стороной - Госэнергонадзором, и утверждаются Министерством энергетики РФ.

Например, первым заместителем Министра энергетики РФ утверждены «Методические рекомендации по регулированию отношений между энергоснабжающей организацией и потребителями», автором-разработчиком которых является Госэнергонадзор Минэнерго России [2].

Это является одной из причин возникновения указанных выше ситуаций со штрафными санкциями и ограничениями в подаче электроэнергии, что приводит к росту числа споров по данной проблеме в арбитражных судах.

В этих условия еще большую актуальность приобретают вопросы управления электрохозяйством предприятий (организаций).

Настоящая книга содержит 14 глав и 7 приложений.

В гл. 1 книги рассмотрены структура и система организации электрохозяйства предприятий (организаций, фирм) в свете требований действующих норм и правил работы в электроустановках.

Глава 2 посвящена анализу комплексной системы управления электрохозяйством предприятия, в которой приведены обязанности и правомочные функции ответственного за электрохозяйство.

В гл. 3 дан анализ и рассмотрены сферы применения действующих законодательных и правовых актов в области электроэнергетики. Показана необходимость изучения и усвоения этих актов руководителями и специалистами энергослужб предприятий (организаций) и целесообразность контроля с их стороны за правильным оформлением и соблюдением договоров энергоснабжения.

В гл. 4 обобщен и систематизирован перечень необходимой нормативно-технической документации в электроустановках. Рассмотрены вопросы их разработки, утверждения и порядок хранения.

Глава 5 отражает важные вопросы организации обучения и проверки знаний по нормам и правилам работы в электроустановках; показано, как решаются эти вопросы в современных условиях коммерческих взаимоотношений.

Глава 6 раскрывает систему организации и проведения государственного, ведомственного и коммерческого контроля за рациональной и безопасной эксплуатацией электроустановок, своевременной и полной оплатой за потребляемую электроэнергию, за соблюдением установленной нормами и правилами нормативно-технической и коммерческой отчетности.

В гл. 7 показана специфика работы специалистов по охране труда, которые не состоят в штате энергослужб предприятий, но осуществляют контроль за безопасным обслуживанием электроустановок.

Глава 8 посвящена важной и труднорешаемой проблеме по совершенствованию взаимоотношений потребителей электрической энергии с энергоснабжающими организациями, которые в период коренной реструктуризации электроэнергетики все более стали приобретать коммерческий характер. В этой же главе даны рекомендации по оптимизации режимов работы компенсирующих устройств с целью обеспечения благоприятных процессов потребления и генерации реактивной мощности и (или) энергии.

В гл. 9 изложен порядок оформления и заключения договоров энергоснабжения с указанием процедуры получения технических условий и разрешения на присоединение мощности, составления акта разграничения балансовой принадлежности и эксплуатационной ответственности, допуска электроустановок в эксплуатацию и получения разрешения Госэнергонадзора на их подключение к сети энергоснабжающей организации.

В гл. 10 систематизированы термины и определения электроэнергетики путем разделения их на отдельные группы: стандартизированные, включенные в государственные и международные стандарты; не стандартизированные, но применяемые в нормах и правилах работы в электроустановках на основе законодательных и правовых актов; отражающие экономические понятия, применяемые в электроэнергетике.

Главы 11 и 12 посвящены экономическим вопросам оценки безотказности работы приводных электродвигателей на примере самого массового их вида в промышленности - асинхронных двигателей; разработана расчетная модель ущерба при отказах электродвигателей (гл. 11) и определены оптимальные уровни безотказности их работы (гл. 12).

В гл. 13 отражены вопросы устойчивости работы электроприемников при компенсации реактивной мощности, которые тесно связаны с эксплуатационной надежностью этих электроприемников и во многом зависят от показателей качества потребляемой электроэнергии (ГОСТ 13109-97).

В гл. 14 изложены основные принципы расчетного учета электрической энергии, в том числе отражены требования действующих Правил учета электрической энергии, рассмотрены расчетные приборы учета и контроля электроэнергии.

При написании настоящей книги и определения последовательности изложения ее материала автор руководствовался требованиями законодательных, правовых и подзаконных актов, действующих нормативно-технических документов в области управления электрохозяйством и организации работ по обеспечению надежной, экономичной и безотказной эксплуатации электроустановок.

Принятые сокращения

По нормам и правилам работы

НТД - нормативно-техническая документация

МПБЭЭ - Межотраслевые правила по охране труда (правила безопасности) при эксплуатации электроустановок

ПЭЭП - Правила эксплуатации электроустановок потребителей

ПТЭЭП - Правила технической эксплуатации электроустановок потребителей

ПУЭ - Правила устройства электроустановок

ППИСЗ - Правила применения и испытания средств защиты, используемых в электроустановках

ППБ - Правила пожарной безопасности

СНиП - Строительные нормы и правила

СТ МЭК - Стандарт Международной электротехнической комиссии

ССБТ - Система стандартов безопасности труда

Организации, службы и категория работников

ФГУ - федеральное государственное учреждение

СПиПР - служба присоединения и перспективного развития

МКС - Московская кабельная сеть

РРС - районная распределительная сеть

МИЭЭ - Московский институт энергобезопасности и энергосбережения

ДЕЗ - дирекция единого заказчика

ОТ - охрана труда

ПБ - пожарная безопасность

СМО - строительно-монтажная организация

КИПиА - контрольно-измерительные приборы и автоматика

ПО - производственное объединение

ИТР - инженерно-технические работники

ТО - техническое обслуживание

ППР - планово-предупредительный ремонт

Электроустановки и вид энергии (мощности)

ЭУ - электроустановка

ЭЭ - электрическая энергия

РМ - реактивная мощность

XX - холостой ход

КЗ - короткое замыкание

ЭДС - электродвижущая сила

КПД - коэффициент полезного действия

ЭО - электрооборудование

ИБП - источник бесперебойного питания

ПЭВМ - персональная электронно-вычислительная машина

УЗО - устройство защитного отключения

УПТ - устройство переключения тарифов

АСУ(Э) - автоматизированная система управления (энергохозяйством)

АСКУЭ - автоматизированная система контроля и учета электропотребления

РЗ - релейная защита

РЗА - релейная защита и автоматика

РЗАиТ - релейная защита, автоматика и телемеханика

ЛЭП - линия электропередачи

ВЛ - воздушная линия

КЛ - кабельная линия

КУ - конденсаторная установка

АД - асинхронный двигатель

СД - синхронный двигатель

СК - синхронный компенсатор

СЭТ - счетчик электронный тарифный

ТТ - трансформатор тока

ТН - трансформатор напряжения

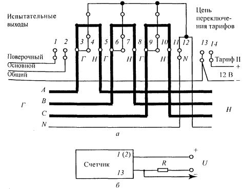
Г - генераторные зажимы (счетчика)

Н - зажимы нагрузки (счетчика)

СЗ - средства защиты

ТП - трансформаторная подстанция

РП - распределительный пункт

ГЛАВА 1

СТРУКТУРА И СИСТЕМА ОРГАНИЗАЦИИ ЭЛЕКТРОХОЗЯЙСТВА

Электрохозяйство предприятия - это сложный комплекс, представляющий собой единую совокупность внешних (магистральных) и внутренних (распределительных) электросетей с трансформаторами, коммутационной аппаратурой, приборами учета и контрольно-измерительными информационными системами, устройствами защиты, автоматики и телемеханики, устройствами компенсации реактивной мощности, системой защитного заземления, многообразием электроприемников и т.д.

Весь этот комплекс служит для обеспечения бесперебойного и качественного электроснабжения, надежной, экономичной и безопасной работы электрооборудования, поддержания требуемых санитарно-гигиенических условий в производственных цехах, обеспечения охраны труда и окружающей среды.

Электроэнергия - это особый вид товарной продукции. Ее производство, передача, распределение и потребление происходит практически одновременно. На всех этапах возможности ее аккумулирования отсутствуют. Невозможно выработать электроэнергии больше, чем ее требуется для электроприемников. В то же время электроприемники не могут потребить электроэнергии больше, чем ее выработает источник. Кроме того, электроэнергия универсальна и способна неограниченно делиться и превращаться почти во все другие виды энергии. Диапазон мощности электроприемников достаточно широк - от тысячных долей до тысяч киловатт и более в единице. Ее потребителями являются различные по режиму работы и характеру потребления токоприемники, имеющие неравномерный график нагрузки, создающие «пики» и «спады» электропотребления в системе электроснабжения.

Возникший на какой-либо стадии брак электроэнергии (например, отклонение напряжения и частоты от допускаемых пределов) ликвидировать сразу невозможно, в результате чего на токоприемники поступает бракованная электроэнергия. Все это приводит к снижению экономичности и надежности работы электроустановок и вызывает нерациональный расход электроэнергии. Практически мгновенное протекание вышеназванных процессов функционирования электроэнергии и их тесная взаимосвязь и взаимозависимость создают вероятность возникновения и развития аварийных ситуаций во всех звеньях системы электроснабжения.

Дополнительным фактором является наличие электроприемников, потребляющих наряду с активной и реактивную мощность (РМ). У некоторых из них (например, сварочных трансформаторов) доля потребления РМ превосходит долю потребления активной мощности. Наличие РМ вызывает дополнительные потери электроэнергии и напряжения в сети, ухудшает пропускную способность электросетей и требует значительных затрат для ее компенсации.

В точках разграничения сетей с электроприемными устройствами возникает специфический рынок электроэнергии, устанавливается граница балансовой принадлежности продавца и потребителя и эксплуатационной ответственности обеих сторон.

Именно в этих точках разграничения вступают в силу договорные взаимоотношения и реализация электроэнергии по установленным тарифам.

Результаты измерения расчетными и контрольными приборами учета часто имеют различия из-за большого объема передаваемой электроэнергии, значительного числа ее потребителей с разным характером нагрузки и т.д.

В принципе неразделимую цепь производства, транспортирования и сбыта электроэнергии, представляющую собой единую производственную среду, схематично можно представить в виде трех коммерческих компаний энергосистемы, реализующих электроэнергию потребителю, функции которых показаны на рис. 1.

Если раньше при государственной системе планирования и организации производства структура и штатная численность в целом энергослужбы предприятия и ее структурных подразделений, комплекс задач и требований к их выполнению определялись типовыми отраслевыми нормативами, в которых обязательно предусматривалась организация отдела главного энергетика, то в настоящее время эти нормативы определяются, как правило, руководителем предприятия (организации) с учетом реальных финансовых возможностей.

С ликвидацией отраслевых министерств перестала существовать и система централизованного обеспечения предприятий необходимыми материалами, запчастями и оборудованием. При этом значительная часть электроэнергетического оборудования физически и морально устарела, требует замены, восстановления и ремонта.

В то же время ответственность за обеспечение надежности, экономичности и безопасности работы электрооборудования электроустановок полностью возлагается на руководство и специалистов электроэнергетических служб предприятий (организаций).

Рис. 1. Единая цепь производства, транспортирования, сбыта и потребления электроэнергии

При определении штатной численности энергоперсонала, такие показатели как энергоемкость предприятия, объем (категории) приведенных единиц ремонтной сложности энергооборудования и т.п., перестали быть превалирующими. Данное обстоятельство явилось также одной из причин коренной реорганизации энергоснабжающих организаций и органов государственного энергетического надзора.

В частности, в новых сложных условиях коммерческих взаимоотношений Госэнергонадзор сумел не только сохранить свои основные функции надзора за техническим состоянием энергоустановок, но и организовать принципиально новую систему обучения, переподготовки и проверки знаний руководителей и специалистов энергослужб предприятий (организаций).

Структура организации электрохозяйства предприятий (организаций) во многом определяется требованиями Госэнергонадзора, которые изложены в действующих нормах и правилах работы, в частности в МПБЭЭ и ПТЭЭП [3 - 6].

В соответствии с этими требованиями электротехнический персонал разделяется на следующие группы:

оперативный, осуществляющий оперативное управление и обслуживание электроустановок (осмотр, оперативные переключения, подготовка рабочего места, допуск и надзор за работающими, выполнение работ в порядке текущей эксплуатации);

ремонтный, обеспечивающий техническое обслуживание и ремонт, монтаж, наладку и испытание электрооборудования;

оперативно-ремонтный персонал, к которому относится ремонтный персонал, специально обученный и подготовленный для оперативного обслуживания в утвержденном объеме закрепленных за ним электроустановок.

Помимо этого, нормами и правилами предусмотрены требования к персоналу, не состоящему в штате энергослужбы предприятия (организации), но связанному с работами, представляющими собой опасность поражения электрическим током.

К такому персоналу относятся:

электротехнологический, у которого в управляемом им технологическом процессе основной составляющей является электрическая энергия (например, электросварка, электродуговые печи, электролиз и т.д.), использующий в работе ручные электрические машины, переносной электроинструмент и светильники, и другие работники, для которых должностной инструкцией или инструкцией по охране труда установлено знание МПБЭЭ (где требуется II или более высокая группа по электробезопасности);

неэлектротехнический - не попадающий под определение электротехнического, электротехнологического персонала.

Организационное руководство электротехническим персоналом, как правило, осуществляет работник, ответственный за электрохозяйство, а в его отсутствие - работник, его замещающий.

Для обеспечения оперативного управления электрохозяйством, надлежащего обслуживания электроустановок, своевременного и качественного ремонта электросетей и электрооборудования, организации обучения, инструктирования и проверки знаний персонала по нормам и правилам работы в электроустановках и т.д. ответственному за электрохозяйство необходимо иметь в своем распоряжении соответствующие службы, возглавляемые обычно мастерами (старшими мастерами).

К таким структурным подразделениям следует отнести службы эксплуатации и оперативно-диспетчерского управления, лабораторию, службу (участок) КИПиА, ремонтную службу, бюро (или инженера) энергоконтроля и т.д.

Если предприятие имеет филиалы, расположенные территориально в других местах, или другие крупные структурные подразделения (цеха, участки и т.д.), то на каждом из них также должен быть работник, ответственный за электрохозяйство.

В этих случаях ответственность за организацию и управление электрохозяйством в целом несет работник, ответственный за электрохозяйство головного предприятия, а по отдельным структурным подразделениям - работники, ответственные за электрохозяйство этих подразделений.

Однако если на одном предприятии какая-то из служб (например, служба КИПиА, лаборатория и т.д.) подчиняется непосредственно главному инженеру (техническому руководителю), а не главному энергетику или начальнику электроцеха, то и в этом случае ответственным за электрохозяйство на предприятии должен быть один работник. Недопустимо иметь на одном и том же предприятии двух и более ответственных за электрохозяйство, нарушая тем самым необходимый принцип единоначалия в вопросах организации и управления электрохозяйством.

Не может и не должно электрохозяйство любого уровня, будь то крупное или среднее предприятие, организация или небольшая по энергоемкости фирма, надлежащим образом выполнять свои функции без работника, ответственного за электрохозяйство.

Поэтому для потребителей электрической энергии, не занимающихся производственной деятельностью, электрохозяйство которых включает в себя только вводное (вводно-распределительное) устройство, осветительные установки, переносное электрооборудование номинальным напряжением не выше 380 В, правилами (ПТЭЭП) предусмотрено, что вместо работника, ответственного за электрохозяйство (который может не назначаться) ответственность за безопасную эксплуатацию электроустановок может возложить на себя руководитель потребителя по письменному согласованию с местным органом Госэнергонадзора путем оформления соответствующего заявления-обязательства по установленному ПТЭЭП образцу (см. прил. 1).

На рис. 2 представлена структурная схема электрохозяйства предприятия (организации).

Рис. 2. Структура электрохозяйства предприятия

Возглавляет эту структуру административно-технический персонал, так как действующими МПБЭЭ указано, что этот персонал состоит из руководителей и специалистов, на которых возложены обязанности по организации технического и оперативного обслуживания, проведения ремонтных, монтажных и наладочных работ в электроустановках.

Далее следует ответственный за электрохозяйство, поскольку в соответствии с МПБЭЭ он является работником из числа административно-технического персонала, на которого возложены обязанности по организации эксплуатации электроустановок в соответствии с требованиями действующих правил и нормативно-технических документов.

Назначение ответственного за электрохозяйство и его заместителя оформляется приказом по предприятию (организации).

Правила (ПТЭЭП) допускают, что у потребителей, установленная мощность электроустановок которых не превышает 10 кВ·А, работник, замещающий ответственного за электрохозяйство, может не назначаться.

Кроме того, допускается не проводить по согласованию с органами Госэнергонадзора проверку знаний у специалиста, принятого на работу по совместительству в целях возложения на него обязанностей ответственного за электрохозяйство, при одновременном выполнении следующих условий:

если с момента проверки знаний в комиссии Госэнергонадзора в качестве административно-технического персонала по основной работе прошло не более шести месяцев;

если энергоемкость электроустановок, их сложность в организации по совместительству не выше, чем по месту основной работы;

если в организации по совместительству отсутствуют электроустановки напряжением выше 1000 В.

Необходимость в таком работнике может возникнуть, если в небольшой организации с ограниченным штатным составом работников нет возможности отыскать ответственного за электрохозяйство.

Для привлечения специалистов к работам по совместительству в качестве ответственных за электрохозяйство необходимо согласовать их оформление с территориальным (местным) органом Госэнергонадзора. Например, в системе Мосгосэнергонадзора форма такого согласования на письме-заявлении потребителя имеет следующий вид:

Начальнику ФГУ «Мосгосэнергонадзор»

Назначение _______________________________________________________________

(Ф. И. О.)

ответственным за электрохозяйство ___________________________________________

_________________________________________________________________________

(наименование организации (предприятия))

по совместительству

«Согласовано»

Начальник ФГУ «Мосгосэнергонадзор»

_________________________________________________________________________

(Ф. И. О.)                                                                     (подпись)

«___»___________200 г.

МП

Исх. № ___«___»_________200 г.

_______________________________просит Вас согласовать назначение ответственным за электрохозяйство нашей организации (предприятия) по совместительству без дополнительной проверки знаний

_________________________________________________________________________

(должность ИТР)                                                             (Ф. И. О. полностью)

_________________________________________________________________________

работающего в_____________________________________________________________

(наименование организации (предприятия) по месту основной работы)

имеющего группу IV по электробезопасности, допущенного к работам в электроустановках в качестве административно-технического персонала, прошедшего проверку знаний _______________________ в комиссии Госэнергонадзора.

(дата)

Энергоемкость электроустановок, их сложность в нашей организации не выше, чем по месту его основной работы. Электроустановок выше 1000 В в эксплуатации не имеем.

Копию приказа о приеме на работу __________________________ по совместительству,

(Ф. И. О.)

выписку из журнала (протокол) проверки знаний и копию его удостоверения, заверенные по месту основной работы первым руководителем и печатью, прилагаем.

Приложение: упомянутое на 3 листах в 1 экз.

Руководитель___________________________                                                                                                  __________________________

(подпись)                                                            (Ф. И. О.)

МП

Примечание. Письмо представляется в двух экземплярах.

Ответственный за электрохозяйство непосредственно организует и контролирует весь комплекс организационно-технических работ в электроустановках по обеспечению их рациональной и безопасной эксплуатации, включая оперативное обслуживание и ремонтные работы.

На рис. 2 показаны еще две категории работников - электротехнологический и неэлектротехнологический персонал, которые не состоят в штате энергослужбы предприятия (организации).

Однако эти категории работников связаны с технологическими операциями, при выполнении которых может возникнуть опасность поражения электрическим током, и поэтому они обязаны в требуемом объеме периодически проходить обучение, инструктаж и проверку знаний норм и правил работы в электроустановках. Поэтому, не состоя в штате энергослужбы предприятия (организации), этот персонал в техническом отношении ей подчиняется, руководствуется требованиями соответствующих норм и правил работы и указаниями ответственного за электрохозяйство.

Профессиональный уровень и образование, объем и сложность выполняемой работы, обязанности и ответственность той или иной категории работников определяются, как правило, не только и не столько занимаемой должностью, стажем и опытом работы, сколько той или иной группой по электробезопасности. В принципе, в должностных инструкциях группа по электробезопасности должна соответствовать вышеперечисленным показателям профессиональной квалификации работника.

Право выдачи наряд-допусков и распоряжений на производство работ в электроустановках, допуска и надзора за ними, производства переключений, осмотров, выполнения специальных работ в электроустановках и т.д. имеет персонал, разделенный не по должностным категориям, а по видам, указанным на рис. 2, лишь при условии наличия удостоверения о проверке знаний норм и правил работы в электроустановках с соответствующей группой по электробезопасности.

Обязательное наличие группы по электробезопасности при работах, обслуживании и надзоре в электроустановках является особенностью действующих норм и правил в электрохозяйстве, в частности ПТЭЭП [5, 6], поскольку при этом устанавливается четкое разграничение и мера ответственности (дисциплинарной, административной или уголовной в зависимости от тяжести проступка и возникшей при этом аварийной ситуации), напоминающие иерархическую структуру от рядового электроперсонала до инспектора Госэнергонадзора, курирующего данное предприятие (организацию).

Так, если электротехнический или электротехнологический персонал не будет иметь требуемую группу по электробезопасности, соответствующую профилю своей работы, то основная доля вины и ответственности за это ложится на ответственного за электрохозяйство и специалиста по охране труда, контролирующего электроустановки.

Если же по каким-либо причинам такую группу по электробезопасности не будет иметь ответственный за электрохозяйство (группу IV в электроустановках до 1000 В и группу V в электроустановках выше 1000 В), то определенная доля вины за это с надлежащей ответственностью ложится на инспектора энергонадзора, курирующего данное предприятие (организацию).

Поэтому все перечисленные выше и ряд других должностных категорий работников осуществляют жесткий контроль за обучением и своевременной проверкой знаний норм и правил работы в электроустановках подведомственного ему персонала, проводящего работы в электроустановках, их обслуживание, наладку, ремонт, надзор и др.

В соответствии с ПТЭЭП персональную ответственность несут:

руководитель потребителя и ответственные за электрохозяйство - за невыполнение требований, предусмотренных Правилами и должностными инструкциями;

работники, непосредственно обслуживающие электроустановки, - за нарушения, происшедшие по их вине, а также за неправильную ликвидацию ими нарушений в работе электроустановок на обслуживаемом участке;

руководители и специалисты энергетической службы - за нарушения в работе электроустановок, происшедшие по их вине, а также из-за несвоевременного и неудовлетворительного технического обслуживания и невыполнения противоаварийных мероприятий;

руководители и специалисты технологических служб - за нарушения при эксплуатации электротехнологического оборудования.

Правила обязывают каждого работника, обнаружившего нарушение настоящих Правил, а также заметившего неисправности электроустановки или средств защиты, немедленно сообщить об этом своему непосредственному руководителю, а в его отсутствие - вышестоящему руководителю.

Общий государственный надзор за соблюдением требований норм и правил работы в электроустановках осуществляется органами государственного энергетического надзора.

При допуске в эксплуатацию новых или реконструированных электроустановок, будь они даже малой мощности, инспекторы энергонадзора совершенно справедливо требуют наличия приказа о назначении ответственного за электрохозяйство данной электроустановки и его заместителя.

Долголетняя практика эксплуатации электроустановок и накопленный опыт в организации и управлении электрохозяйством предприятий (организаций) показали, что рассмотренная структура является работоспособной, стабильной и формализованной практически во всех изданиях норм и правил работы. В настоящий период коммерческих взаимоотношений с энергоснабжающими организациями эта структура продолжает успешно функционировать, поддерживая электрохозяйство предприятий (организаций) на должном уровне.

ГЛАВА 2

КОМПЛЕКСНАЯ СИСТЕМА УПРАВЛЕНИЯ ЭЛЕКТРОХОЗЯЙСТВОМ

Управление представляет собой целенаправленное воздействие на организованную структуру для поддержания ее функционирования и обеспечения целевой деятельности.

В основе организационных методов управления энергохозяйством предприятий (организаций) лежат законодательные и правовые акты, ведомственные нормы и правила, а также подзаконные акты в данной сфере управления.

К организационным методам управления относятся: определенное построение структуры подразделения; определение прав, обязанностей и ответственности каждого работника; правильный подбор и расстановка кадров; контроль (проверка) исполнения распоряжений и поручений и т.д.

Обязанности и функции по организации и управлению электрохозяйством предприятия (организации) в соответствии с действующими нормами и правилами работы в электроустановках возложены на ответственного за электрохозяйство (или работника, его замещающего).

Настоящие нормы и правила работы, запрещающие эксплуатацию электроустановок без ответственного за электрохозяйство, следует считать базовой формализованной основой организации рациональных методов и безопасных условий труда в электрохозяйстве.

В основу управления электрохозяйством предприятия (организации) заложен принцип единоначалия, который означает подчинение всего электротехнического и электротехнологического (в техническом отношении) персонала руководителю электрохозяйства, как правило, ответственному за электрохозяйство, наделенному необходимыми правами в области управления и организации порученных ему подразделений и несущему всю полноту ответственности за работу этих подразделений.

Осуществление на практике принципа единоначалия требует определения круга прав, обязанностей и ответственности за свою работу.

В данном случае такое сочетание нуждается в разумном подходе, поскольку при чересчур больших правах и малой ответственности создаются предпосылки для административного произвола, субъективизма и необдуманных решений, что чревато нежелательными последствиями, особенно при управлении электрохозяйством предприятий (организаций).

С другой стороны, ничуть не лучше и чересчур большая ответственность при малых правах, когда руководитель при всем своем старании часто оказывается бессильным в решении той или иной проблемы.

Ответственный за электрохозяйство, как правило, назначается из работников административно-технического персонала и должен достаточно полно владеть не только техническими профессиональными навыками, но и хорошо знать вопросы экономики и организации подведомственного ему производства, грамотно применять научные методы управления.

На рис. 3 систематизирован перечень обязанностей ответственного за электрохозяйство, регламентированный действующими нормами и правилами работы в электроустановках. Его права и ответственность дополнительно указаны в инструкции ответственного за электрохозяйство. Ни одно отдельно взятое выполнение требования, указанного на рис. 3, не может в полной мере решать задачи управления электрохозяйством, обеспечения рациональной и безопасной эксплуатации электроустановок. Лишь совокупность всех указанных требований, сведенных в единую организованную и согласованную между всеми звеньями электрохозяйства систему, отражает основные условия обеспечения надлежащего уровня электрохозяйства и упорядочения его взаимоотношений с энергоснабжающими организациями и органами государственного энергетического, пожарного, санитарного, административного и других видов контроля.

На рис. 3 наглядно просматривается структура электрохозяйства с точки зрения решения задач, возложенных на ответственного за электрохозяйство с привлечением той или иной службы.

Так, с правой стороны схемы показано, что решение задач по пп. 1, 2, 3, 5, 6, 8 и 9 должно быть возложено на службу эксплуатации, а по пп. 5, 7, 8 и 9 - на службу оперативно-диспетчерского управления электрохозяйством.

Бюро (или инженер) энергоконтроля решает задачи, указанные в пп. 10, 13, 14, 15 и 16.

На службу (участок) ремонта возложены задачи, указанные в пп. 11 и 16.

Что же касается решения остальных задач, то они, как и вышеперечисленные, возложены нормами и правилами непосредственно на ответственного за электрохозяйство.

Следует отметить особенность в системе оперативно-диспетчерского управления электрохозяйством (п. 7 на рис. 3), которое должно быть организовано по иерархической структуре, предусматривающей распределение функций контроля и управления между уровнями с подчиненностью нижестоящих уровней управления вышестоящим.

Рис. 3. Обязанности ответственного за электрохозяйство

В соответствии с требованиями ПТЭЭП взаимоотношения персонала различных уровней оперативного управления должны быть регламентированы соответствующими положениями, договорами или инструкциями, согласованными и утвержденными в установленном порядке.

Наличие бесперебойного и качественного электроснабжения на многих предприятиях необходимо ежедневно в 2-х или 3-х сменах, а иногда даже круглосуточно, и от уровня квалификации оперативного персонала во многом зависит выполнение этих требований, исключая все нежелательные последствия. Поэтому к оперативному персоналу нормами и правилами работы предъявляются более высокие требования, чем к остальному электротехническому персоналу.

Правилами ПТЭЭП установлено, что для каждого оперативного уровня должны быть предусмотрены две категории управления оборудованием и сооружениями - оперативное управление и оперативное ведение.

В оперативном управлении старшего работника из числа оперативного персонала должны находиться оборудование, ЛЭП, токопроводы, устройства РЗ, аппаратура системы противоаварийной и режимной автоматики, средства диспетчерского и технологического управления, операции с которыми требуют координации действий подчиненного оперативного персонала и согласованных изменений режимов на нескольких объектах.

В оперативном ведении старшего работника из числа оперативного персонала должны находиться всё те же оборудование и сооружения, операции с которыми не требуют координации действий персонала разных энергетических объектов, но состояние и режим работы которых влияют на режим работы и надежность электрических сетей, а также на настройку устройств противоаварийной автоматики.

Все ЛЭП, токопроводы, оборудование и устройства системы электроснабжения на предприятии (организации) должны быть распределены по уровням оперативного управления.

Для более эффективного решения задач оперативного управления, подготовки электроперсонала, управления режимами работы электрооборудования, технико-экономического прогнозирования и планирования в электрохозяйстве целесообразно использовать автоматизированные системы управления энергохозяйством (АСУЭ).

В частности, для решения задач по экономному расходованию электроэнергии и соблюдения заданных энергоснабжающей организацией режимов работы и лимитов электропотребления является целесообразным внедрение на предприятиях современных автоматизированных систем контроля, учета и управления электропотреблением (АСКУЭ), серийно выпускаемых ПО «Старт» и НГП «Энергосервис» [7]. Эти системы отличаются возможностью поэтапного (с целью облегчения финансовых возможностей предприятия) внедрения, простотой и удобством обслуживания, высокой надежностью, оперативной ремонтопригодностью, сравнительно невысокой стоимостью, возможностью работы с любыми счетчиками электрической энергии и др.

Из всего сказанного выше следует, что для удовлетворения потребности предприятия (организации) в бесперебойной и качественной электроэнергии его электрохозяйство должно иметь свой орган управления, возглавляемый ответственным за электрохозяйство с его заместителем и специалистом по охране труда, контролирующим электроустановки, при условии требуемой комплектации электрохозяйства целевыми структурными подразделениями.

Затраты на такую комплектацию позволят значительно сократить расходы предприятия за счет усиления контроля за соблюдением норм расхода и лимитов потребления электроэнергии, ее экономии, улучшения платежной дисциплины, укрепления взаимоотношений с энергоснабжающими организациями и органами надзора, а также предупреждения (а не устранения, как это обычно имеет место) аварийных ситуаций в электроустановках, улучшения условий их безопасного обслуживания и т.д.

Не имеет смысла допускать дальнейшего нарастания технических и финансовых проблем в электрохозяйстве предприятий (организаций).

Комплексная система управления электрохозяйством предприятия (организации) должна предусматривать отдельные системы управления ее этапами, показанными на рис. 3, такими, например, как:

система управления электробезопасностью (п. 3);

система обеспечения оперативно-диспетчерского управления электрохозяйством (п. 7);

система подготовки кадров электротехнического персонала (п. 12) и др.

Например, особого внимания требует к себе соблюдение требований обеспечения оперативно-диспетчерского управления, когда малейшая ошибка может привести к тяжелым аварийным ситуациям в электроустановке. Такое может случиться, например, при проведении оперативных переключений в сетях напряжением 6 - 10 кВ из-за несоблюдения определенного порядка производимых операций с разъединителями и выключателями.

Последствия ошибочного включения или отключения тока разъединителями зависят оттого, какими разъединителями (шинными или линейными) производится операция. В этой связи первыми должны включаться, а последними отключаться те разъединители, неправильное управление которыми может привести к более тяжелым последствиям. Поэтому операции с разъединителями и выключателями должны производиться в последовательности, указанной в табл. 1. Отключение секционных разъединителей, не сблокированных с секционными выключателями (или при отсутствии последних), производится после снятия нагрузки с отключенной системы шин и обеспечения разъединителями видимого разрыва не только со стороны питающих присоединений, но и со стороны отходящих фидеров.

Таблица 1

Последовательность операций с выключателями и разъединителями

Операция

Последовательность

Отключение кабельной или воздушной линии от сборных шин распределительного устройства (РУ)

Отключается: выключатель, линейный разъединитель, шинный разъединитель

Включение кабельной или воздушной линии к сборным шинам РУ

Включается: шинный разъединитель, линейный разъединитель, выключатель

Отключение однополюсными разъединителями (вертикальное расположение фаз)

Отключается: средний разъединитель, левый разъединитель, правый разъединитель

Включение однополюсными разъединителями (вертикальное расположение фаз)

Включается: правый разъединитель, левый разъединитель, средний разъединитель

Отключение однополюсными разъединителями (горизонтальное расположение фаз)

Отключается: средний разъединитель, верхний разъединитель, нижний разъединитель

Включение однополюсными разъединителями (горизонтальное расположение фаз)

Включается: нижний разъединитель, верхний разъединитель, средний разъединитель

В отдельных случаях, с учетом местных условий и конструктивных особенностей электроустановки, допускаются отступления от установленного порядка, что должно быть отражено в местной эксплуатационной инструкции.

Таким образом, управление каждой отдельно взятой из вышерассмотренных систем представляет собой серьезную проблему в общем комплексе управления электрохозяйством и собственный комплекс целенаправленных организационно-технических мероприятий по соблюдению требований действующих норм и правил работы в электроустановках.

ГЛАВА 3

ЗАКОНОДАТЕЛЬНЫЕ И ПРАВОВЫЕ АКТЫ В ОБЛАСТИ ЭЛЕКТРОСНАБЖЕНИЯ

В настоящее время в период развития рыночных отношений основополагающими нормативными документами стали законодательные и правовые акты на федеральном и региональном уровнях.

Эти государственные акты, как и принято, подкреплены подзаконными нормативно-правовыми документами.

Все ведомственные нормативно-технические документы в энергетике, такие, например, как Правила пользования электрической и тепловой энергией, Инструкция о порядке расчетов за электрическую и тепловую энергию и ряд других документов, вступившие в противоречие с законодательными и правовыми актами, были отменены.

В связи с этим проблемы повышения уровня организации и управления электрохозяйства, взаимоотношений с энергоснабжающими организациями, органами энергетического надзора и другие вопросы стало необходимым решать только в рамках действующего законодательства.

Одним из основополагающих законодательных документов стал Гражданский Кодекс Российской Федерации [1] (ч. 2, § 6 «Энергосбережение»), который предполагает рассмотрение вопросов поставки и потребления электрической энергии на договорных началах между заинтересованными сторонами: потребителями электрической энергии и энергоснабжающими организациями.

В дополнение к статьям ГК РФ, касающимся договоров энергоснабжения, действуют следующие законодательные и правовые акты:

к ст. 544 «Оплата энергии» - «Порядок расчетов за электрическую, тепловую энергию и природный газ» (утвержден постановлением Правительства РФ от 04.04.2000 № 294);

к ст. 546 «Изменение и расторжение договора энергоснабжения» - «Порядок прекращения или ограничения подачи электрической и тепловой энергии и газа организациям-потребителям при неоплате поданых им (использованных ими) топливно-энергетических ресурсов» (утвержден постановлением Правительства РФ от 05.01.98 № 1);

«Перечень стратегических организаций, обеспечивающих безопасность государства и финансируемых за счет средств федерального бюджета, поставки топливно-энергетических ресурсов которым подлежат гарантированной оплате за счет средств федерального бюджета и которым не подлежат прекращению или ограничению им соответствующими федеральными органами исполнительной власти лимитов в натуральном и стоимостном выражении» (утвержден постановлением Правительства РФ от 17.06.98 № 601);

«Положение об ограничении или временном прекращении подачи электрической энергии (мощности) потребителям при возникновении или угрозе возникновения аварии в работе систем электроснабжения» (утверждено постановлением Правительства РФ от 22.06.99 № 664).

Анализ перечисленных законодательных и правовых актов показывает, что проблемные аспекты в современной электроэнергетике приняли одновременно правовую (формализованную), финансовую и техническую направленности.

Применение же условий, которые ранее оговаривались, например, Правилами пользования электрической и тепловой энергией на основании ст. 5 ГК РФ возможно лишь в части, не противоречащей законодательству, как обычай делового оборота, если сторонами в договоре не предусмотрено иное.

В соответствии с п. 1 этой статьи ГК РФ, обычаем делового оборота признается сложившееся и широко применяемое в какой-либо области предпринимательской деятельности правило поведения, не предусмотренное законодательством, независимо оттого, зафиксировано ли оно в каком-либо документе.

Обычаи делового оборота, противоречащие обязательным для участников соответствующего отношения положениям законодательства или договору, не применяются (п. 2 той же статьи).

Решение задач в области электроэнергетики, в частности, задач, отмеченных на рис. 3, должно базироваться на законодательной и правовой основе.

Перечислим и поясним некоторые из них.

Вопросы энергосбережения (см. пп. 5, 6, 8 на рис. 3) отражены в одном из главных разделов Федеральной целевой программы (ФЦП) «Энергосбережение России 1998 - 2005 гг.», в программе ФЦП «Энергоэффективная экономика», которая утверждена постановлением Правительства РФ от 17.11.2001 № 83-р, а также в Федеральном законе «Об энергосбережении» от 03.04.96 № 23-ФЗ.

Вопросы энергосбережения затрагивают не только коммерческие и потребительские организации, но и решаются на уровне государственных органов, что диктуется сложившейся в стране ситуацией в части решения проблемы эффективного использования энергоресурсов.

Общий контроль за реализацией политики энергосбережения постановлением Правительства РФ возложен на государственный энергетический надзор.

Вопросы, связанные с договорами энергоснабжения и взаимоотношением между потребителями энергии и энергоснабжающими организациями (см. пп. 14, 15 на рис. 3), изложены в ГК РФ ч. 2 § 6 «Энергосбережение», а также в постановлении Правительства РФ от 04.02.97 № 121 «Об основах ценообразования и порядке применения тарифов на электрическую и тепловую энергию».

Вопросы упорядочения тарифов на электроэнергию постоянно находятся в центре внимания на самом высоком уровне и периодически отражаются в соответствующих указах и постановлениях, например, в Указе Президента РФ от 25 июля 1998 г. № 889 «О мерах по снижению тарифов на электрическую энергию».

Вопросы охраны труда и техники безопасности, обеспечения охраны окружающей среды (см. пп. 2, 3, 10 на рис. 3) отражены в Уголовном Кодексе Российской Федерации (например, в ст. 238) и касаются именно тех случаев, когда речь идет о потребителях.

Особый интерес в этом плане представляет собой Федеральный закон от 27.05.98 № 77-ФЗ о дополнении Уголовного Кодекса РФ статьей 215 «Прекращение или ограничение подачи электрической энергии от других источников жизнеобеспечения».

В двух пунктах этого дополнения говорится:

1. Незаконное прекращение или ограничение подачи потребителям электрической энергии либо отключение их от других источников жизнеобеспечения, совершенное должностным лицом, а равно лицом, выполняющим управленческие функции в коммерческой или иной организации, если это могло повлечь смерть человека или иные тяжкие последствия, наказываются штрафом в размере от 200 до 500 минимальных размеров оплаты труда или в размере заработной платы или иного дохода осужденного за период от 2 до 5 мес., либо ограничением свободы на срок до 3 лет, либо лишением свободы на срок до 2 лет.

2. Те же деяния, повлекшие по неосторожности смерть человека или иные тяжкие последствия, наказываются лишением свободы на срок до 5 лет с лишением права занимать определенные должности или заниматься определенной деятельностью на срок до 3 лет или без такового.

Федеральный закон от 08.08.2001 № 134-ФЗ «О защите прав юридических лиц и индивидуальных предпринимателей при проведении государственного контроля (надзора)» регулирует отношения в области защиты упомянутых лиц при проведении мероприятий по государственному контролю, устанавливает права потребителей на приобретение товаров (работ, услуг) надлежащего качества, безопасность жизни и здоровья. Настоящий закон регулирует также отношения и при проведении государственного энергетического надзора (контроля). На основании этого закона составлена Инструкция Госэнергонадзора по проведению мероприятий по контролю при осуществлении государственного энергетического надзора за оборудованием, зданиями и сооружениями электрических и тепловых установок, электростанций, котельных, электрических и тепловых сетей энергоснабжающих организаций и потребителей тепловой и электрической энергии.

Федеральный закон о техническом регулировании, принятый Государственной Думой 15 декабря 2002 г., регулирует отношения, возникающие при:

разработке, принятии, применении и исполнении обязательных требований к продукции, процессам производства, эксплуатации, хранению, перевозке, реализации и утилизации;

разработке, принятии, применении и исполнении на добровольной основе требований к продукции, процессам производства, эксплуатации, хранению, перевозке, реализации и утилизации, выполнению работ или оказанию услуг;

оценке соответствия.

Настоящий Федеральный закон также определяет права и обязанности участников регулируемых настоящим законом отношений.

Деятельность органов государственного энергетического надзора регламентируется в постановлении Правительства РФ от 12.08.98 № 938 «О государственном энергетическом надзоре в Российской Федерации», в котором Госэнергонадзор представлен как единая система государственного надзора (на базе действовавших ранее в топливно-энергетическом комплексе отдельных надзорных организаций и инспекций), входящая в Минэнерго РФ.

Правительством определено, что целью деятельности Госэнергонадзора является обеспечение эффективного использования энергетических ресурсов в РФ и безопасность эксплуатации энергетических установок.

Имеется еще целый ряд законодательных и правовых актов, в той или иной мере затрагивающих деятельность энергослужб предприятий (организаций). К таким документам следует, например, отнести правовые и инструктивные материалы в области лицензирования, сертификации электрооборудования и электрической энергии, ревизии средств учета электрической энергии и маркировки их специальными знаками визуального контроля и др.

Можно привести немало примеров, когда распределительные сетевые компании умышленно с коммерческой целью или неумышленно, не владея в достаточной степени законодательными и правовыми актами, включают в договор энергоснабжения штрафные санкции ко второй стороне - участнику договора (потребителю электрической энергии) вплоть до прекращения или ограничения подачи электроэнергии, например, за недобор или перебор договорного значения присоединенной мощности.

В этом плане следует согласиться с мнением известных специалистов в данной области, например с Ю.С. Железко [8], о том, что штрафные санкции по существующему законодательству можно вводить лишь посредством закона, - они не могут быть введены даже Постановлением правительства, а тем более другими органами.

Все сказанное свидетельствует о том, что с руководителями и специалистами энергослужб предприятий (организаций), особенно с ответственными за электрохозяйство и их заместителями, необходимо проводить семинары по изучению действующего законодательства и правовых актов в области электроэнергетики, а заключение договоров энергоснабжения и контроль за их исполнением должны осуществляться с участием ответственного за электрохозяйство и постоянно находиться в сфере его внимания.

До каждого руководителя и специалиста энергослужб должны быть доведены основные положения Энергетической стратегии России на период до 2020 г., утвержденной Правительством РФ 28 августа 2003 г., где в разд. 6.5 «Электроэнергетика» отражены в перспективе стратегические цели развития отечественной электроэнергетики.

На книжной полке руководителя энергослужбы (ответственного за электрохозяйство) в обязательном порядке, наряду с нормативно-технической, производственной и справочной литературой, должны находиться законодательные и правовые документы, а также литература экономического содержания.

Необходимость в правовых и экономических знаниях в условиях рыночных взаимоотношений между производителями, поставщиками и потребителями электрической энергии, их знание и умение ими владеть, позволит качественно и успешно решать проблемы организации управления электроэнергетическим хозяйством.

ГЛАВА 4

НОРМАТИВНО-ТЕХНИЧЕСКАЯ ДОКУМЕНТАЦИЯ В ЭЛЕКТРОУСТАНОВКАХ

4.1. Техническая документация

Наличие полной и качественной НТД в электроустановках является важной предпосылкой по организации и поддержанию надлежащего уровня электрохозяйства. Ее недооценка чревата нежелательными последствиями.

Вся система распределительных электросетей предприятий (организаций), начиная от вводных устройств и до конечного пункта потребления электроэнергии, должна быть документально оформлена, а срок ее жизнедеятельности, начиная от проекта и кончая заменой (ликвидацией, реконструкцией и т.п.), должен быть документально подтвержден.

Отличительной особенностью ЛТД в электроустановках является значительное ее количество по наименованиям и назначению, а также постоянное непрекращающееся обновление и корректировка нормативов, требований органов государственного и ведомственного надзора, изменения и дополнения в отраслевых и производственных (эксплуатационных) инструкциях, технических отчетах, проектах и расчетных схемах электроснабжения и др.

Помимо общих для электротехнического персонала предприятия (организации) НТД, каждая категория работников в электроустановках имеет свои нормативы, производственные, должностные и местные (эксплуатационные) инструкции, вплоть до методических указаний органов энергонадзора и рекомендаций энергоснабжающих организаций.

На рис. 4 приведен необходимый для каждого потребителя электроэнергии перечень технической документации в электроустановках, регламентированный действующими нормами и правилами.

Этот рисунок может быть дополнен следующими пояснениями норм и правил работы в электроустановках.

На Генеральный план (п. 1 на рис. 4) должны быть нанесены здания, сооружения и подземные электротехнические коммуникации.

Рис. 4. Техническая документация в электроустановках

Технические паспорта (п. 2) должны иметься на все основное электрооборудование, а сертификаты (п. 5) - лишь на оборудование и материалы, подлежащие сертификации.

Акт разграничения по имущественной (балансовой) принадлежности и эксплуатационной ответственности (п. 3) составляется между энергоснабжающей организацией и потребителем электрической энергии. В Акте указывается граница принадлежности и ответственности между обеими сторонами. В этот Акт разграничения должны быть внесены все субпотребители электроэнергии. Акт разграничения составляется в трех экземплярах, один из которых предназначен для предприятия электросетей, от которых питается потребитель, другой - для потребителя, и третий экземпляр передается в Энергосбыт.

Проектно-техническая документация, указанная в п. 4, должна быть утверждена в установленном порядке и согласована с энергоснабжающей организацией и органами Госэнергонадзора.

Для потребителей, имеющих простую и наглядную схему электроснабжения, достаточно вместо проекта иметь однолинейную расчетную схему электроснабжения. На этой схеме должна быть подпись ответственного за электрохозяйство, особенно если в процессе эксплуатации электроустановки на ней внесены изменения.

Списки работников (пп. 6 - 19) входят в перечень технической документации для каждого потребителя, в том числе отдельно и для структурных подразделений, которые утверждаются техническим руководителем предприятия (организации).

Журналы (пп. 12 - 23, 26), а также указанные выше списки работников, должны иметься на рабочих местах оперативного персонала (на подстанциях, в ГУ или в помещениях, отведенных для персонала, обслуживающего РУ).

Все инструкции, указанные на схеме (пп. 27 - 34) разрабатываются с учетом видов выполняемых работ (работы по оперативным переключениям в ЭУ, верхолазные работы, работы на высоте, монтажные, наладочные и ремонтные работы, проведение испытаний и измерений и т.д.).

В инструкциях по охране труда для работников, обслуживающих электрооборудование электроустановок (п. 31), и по охране труда на рабочих местах (п. 28) должны содержаться указания по общим требованиям безопасности перед началом работы, во время работы и по ее окончании, а также в аварийных ситуациях.

Эти инструкции разрабатываются руководителями структурных подразделений для данной должности (профессии) работников и на отдельные виды работ на основе типовых инструкций. Они должны быть согласованы с ответственным за электрохозяйство и утверждены руководителем предприятия (организации).

В должностных инструкциях по каждому рабочему месту (п. 29) должны содержаться: перечень НТД и схем электроустановки, знание которых необходимо для данной должностной категории работников; конкретные права, обязанности и персональная ответственность; взаимоотношения с другими категориями работников (вышестоящим и подчиненным персоналом) и др.

Рис. 4 может быть дополнен следующей технической документацией:

перечнем необходимой технической документации, в том числе и для структурных подразделений, утвержденный техническим руководителем, который должен пересматриваться не реже 1 раза в 3 года и в который, в частности, входят такие важные документы, как: перечень работ, выполняемых в порядке текущей эксплуатации; ВЛ, которые после отключения находятся под наведенным напряжением; должностей ИТР и электротехнологического персонала, которым необходимо иметь соответствующую группу по электробезопасности; профессий и рабочих мест, требующих отнесение персонала к группе I по электробезопасности; инвентарных средств защиты и др.;

списками работников энергоснабжающих организаций и организаций - субабонентов, имеющих право вести оперативные переговоры;

перечнем оборудования, ЛЭП и устройств РЗА, находящихся в оперативном управлении на закрепленном участке;

перечнем сложных оперативных переключений в электроустановках.

Указанный перечень оперативной документации также может быть дополнен по решению руководителя потребителя или ответственного за электрохозяйство.

Всю оперативную документацию в установленные сроки, но не реже 1 раза в месяц, должен просматривать вышестоящий оперативный или административно-технический персонал и принимать меры к устранению обнаруженных недостатков.

Вся оперативная документация, ведомости регистрирующих контрольно-измерительных приборов, показаний расчетных приборов учета, выходные документы, формируемые автоматизированными системами управления (АСУ), относятся к документам строго учета и подлежат хранению в установленном порядке.

Порядок хранения документации устанавливается руководителем потребителя. При изменении собственника предприятия (организации) вся НТД должна быть передана в полном объеме новому владельцу.

4.2. Ведомственная нормативная документация

К нормам и правилам работы в электроустановках, помимо действующих МПБЭЭ [3], ПТЭЭП [5], ППИСЗ [9], ПУЭ [10], ППБ [11], относятся ведомственные руководящие документы, инструкции и методические материалы (указания, рекомендации). Большинство таких материалов являются обязательными, а некоторые из них имеют рекомендательных характер.

Такое большое количество действующих Правил, на первый взгляд, кажется излишним. Однако каждое из них имеет свое целевое назначение, они отличаются по содержанию друг от друга и предназначены для выполнения конкретных требований по обеспечению рациональной и безопасной эксплуатации электроустановок на различных этапах их проектирования, монтажа, наладки, эксплуатации и ремонта.

Так, МПБЭЭ регламентируют требования к персоналу, производящему работы в электроустановках, определяют порядок и условия производства работ, рассматривают организационные и технические мероприятия, обеспечивающие безопасность работ, испытаний и измерений в электроустановках всех уровней напряжения. Эти правила распространяются на работников организаций независимо от форм собственности и организационно-правовых форм и других физических лиц, занятых техническим обслуживанием электроустановок, проводящих в них оперативные переключения, организующих и выполняющих строительные, монтажные, наладочные, ремонтные работы, испытания и измерения.

ПТЭЭП имеют цель обеспечить надежную, безопасную и рациональную эксплуатацию электроустановок и содержание их в исправном состоянии и предназначены для руководящих работников и специалистов, занимающихся эксплуатацией, наладкой и ремонтом электроустановок и электротехнического оборудования.

ПУЭ определяют требования к устройству электроустановок и рассчитаны на инженерно-технических работников, занятых проектированием, монтажом и эксплуатацией в электроустановках.

ППИСЗ содержат перечень средств защиты, их классификацию, технические требования к ним, требования к испытаниям, эксплуатации, содержанию и уходу за ними и предназначены для инженерно-технического персонала и рабочих, занятых на эксплуатации электроустановок, работников служб охраны труда предприятий (организаций), а также рекомендуются для использования в работе разработчикам средств защиты.

Такая же картина разных целей, задач и требований, но единого назначения, имеют и другие действующие Правила (ППБ, Правила учета электрической энергии и т.д.).

К другим ведомственным нормативным документам следует отнести:

Инструкцию о порядке допуска в эксплуатацию новых и реконструированных электроустановок [12], утвержденную заместителем министра Минтопэнерго РФ 30 июня 1999 г., которая определяет порядок допуска в эксплуатацию и подключения к сетям энергоснабжающей организации вновь вводимых и реконструированных электроустановок (энергоустановок) энергоснабжающих организаций и потребителей энергии;

Методические рекомендации по регулированию отношений между энергоснабжающими организациями и потребителями [2], утвержденные первым заместителем министра энергетики РФ 19 января 2002 г., устанавливающие отношения между обеими сторонами на потребительском рынке электроэнергии, не урегулированные Гражданским Кодексом РФ и регулирование которых в соответствии с ГК РФ должно осуществляться иными правовыми актами;

Информационное письмо-предписание ИП-02/98 ФГУ «Мосгосэнергонадзора» «О проведении испытаний электроустановок г. Москвы» с напоминанием руководителям (владельцам) предприятий и организаций о том, «...что они несут личную ответственность за техническое состояние электроустановок и технику безопасности при эксплуатации в соответствии с требованием ПЭЭП п. 1.2.2 и статьями 143, 219 УК РФ».

В новых правилах ПТЭЭП (изд. 6) в п. 1.2.2 слова «Руководитель (владелец) предприятия должен обеспечить:» заменены на слова «Потребитель обязан обеспечить:», что является принципиальным отличием между обеими фразами;

совместное решение Госстандарта РФ (утв. 02.07.2001), Минэнерго РФ (утв. 01.10.2001) и РАО «ЕЭС России» (утв. 17.09.2001) о мерах по обеспечению проведения обязательной сертификации электрической энергии, в результате которого создан Координационный совет по качеству электрической энергии с участием представителей вышеуказанных ведомств. Основная цель такого решения заключается в обеспечении надлежащего качества поставляемой электроэнергии, от уровня которого во многом зависит надежность, работоспособность и безопасность электрооборудования;

Инструкцию по проведению мероприятий по контролю при осуществлении государственного энергетического надзора за оборудованием, зданиями и сооружениями электрических и тепловых установок, электростанций, котельных, электрических и тепловых сетей энергоснабжающих организаций и потребителей тепловой и электрической энергии [13], утвержденную руководителем Госэнергонадзора 26 ноября 2001 г. Данная Инструкция составлена на основании федерального закона от 8 августа 2001 г. № 134-ФЗ «О защите прав юридических лиц и индивидуальных предпринимателей при проведении государственного контроля (надзора)» и «Положения о государственном энергетическом надзоре в РФ», утвержденного постановлением Правительства РФ от 12 августа 1998 г. № 938.

Несмотря на то, что настоящая Инструкция [13] предназначена для государственных инспекторов по энергетическому надзору, она является полезной и для руководителей (ответственных за электрохозяйство) энергослужб предприятий и организаций, особенно в части организации и подготовки электрохозяйства к контролю и исполнению прогнозируемых предписаний со стороны энергонадзора.

От знания и умения пользоваться НТД и ведомственными указаниями, инструкциями и рекомендациями, от их состояния, оформления, хранения и учета при том, что они постоянно находятся в обращении, во многом зависит успешное решение проблем в электроэнергетике предприятий (организаций).

Например, один лишь системный статистический анализ многолетних документов по аварийным ситуациям в электроустановках, которые долгие годы должны храниться в архивах предприятия, позволит выявить причины и часто скрытые факторы их возникновения и обоснованно принять надлежащие меры по предупреждению возможных и аналогичных по своей природе аварий.

ГЛАВА 5

ОРГАНИЗАЦИЯ ОБУЧЕНИЯ И ПРОВЕРКИ ЗНАНИЙ ПО НОРМАМ И ПРАВИЛАМ РАБОТЫ В ЭЛЕКТРОУСТАНОВКАХ

Вопросы подготовки и переподготовки персонала, постоянного повышения его квалификации, стажировки, инструктирования и проверки знаний диктуются развитием научно-технического прогресса в стране и являются важной проблемой практически во всех сферах промышленного производства.

Особенно остро такая проблема встает при подготовке и переподготовке кадров энергетики.

В электрохозяйстве предприятий (организаций) знание основ рационального и безопасного обслуживания электрооборудования электроустановок необходимо для персонала всех уровней - от производственного неэлектротехнического, включая начальников технологических цехов и участков, до руководителей и специалистов энергослужб, включая в ряде случаев и технических руководителей предприятий (организаций).

Именно с этой целью действующими нормами и правилами работы в электроустановках предусмотрена пятибальная дифференцированная шкала оценки знаний персонала от низшей группы I по электробезопасности до высшей группы V с соответствующими объемами требований и условий их присвоения.

В действующих нормах и правилах указано, что потребитель обязан обеспечить обучение и проверку знаний электротехнического и электротехнологического персонала.

Особое внимание в нормах и правилах уделено действенным формам практического обучения на рабочих местах и профилактической работе с электроперсоналом, таким, как первичный, периодические и целевые инструктажи, стажировка, дублирование и т.д.

Эти формы практического обучения необходимы особенно для начинающих специалистов-электриков, электротехнологического и неэлектротехнического персонала, которые в процессе такого обучения должны осознать, что электротравматизм является одним из наиболее опасных видов травматизма, нередко заканчивающийся летальным исходом.

Руководители и специалисты энергослужб предприятии, специалисты по охране труда, контролирующие электроустановки, а также специалисты-электрики высокого уровня (например, оперативный персонал, старшие мастера и мастера электроцехов и т.д.) обязаны проходить квалифицированную подготовку, переподготовку и проверку знаний по нормам и правилам работы в специализированных учебных центрах (негосударственных образовательных учреждениях высшего профессионального образования, учебных комбинатах и т.д.).

В таких учебных профессиональных центрах, благодаря квалифицированному профессорско-преподавательскому составу и специалистам из органов государственного энергетического надзора, принимающих активное участие в учебном процессе, а также внештатным преподавателям из проектных и научно-исследовательских институтов, слушатели получают необходимый объем знаний и повышают свои профессиональные навыки.

Особенно ценно то, что при подготовке специалистов в таких учебных центрах учебные программы не ограничиваются лишь нормами и правилами, а включают в себя еще вопросы организации и планирования энергетического производства.

Например, в Московском институте энергобезопасности и энергосбережения (МИЭЭ) открыты новые курсы профессиональной переподготовки по специальности менеджер по энергосбережению (на базе высшего технического и высшего экономического образования) и менеджер по охране труда (на базе высшего технического и высшего юридического образования).

Кроме того, такие учебные центры обеспечивают своих слушателей всей необходимой нормативной, справочной и технической литературой, знакомят их с новейшими разработками в области энергетики, инструктивными материалами и методическими разработками вышестоящих ведомств и органов надзора.

Программы подготовки остального электротехнического персонала с указанием необходимых разделов правил и инструкций в соответствии с требованиями норм и правил работы составляются руководителями (ответственными за электрохозяйство) предприятий.

Такая система обучения позволяет выполнить основное требование действующих норм и правил: эксплуатацию электроустановок должен осуществлять подготовленный электротехнический персонал.

В действующих ПТЭЭП окончательно (после длительных обсуждений и уточнений) определено, что проверка знаний у ответственных за электрохозяйство, их заместителей, а также специалистов по охране труда, контролирующих электроустановки, проводится только в комиссии Госэнергонадзора.

Для проведения проверки знаний остального электротехнического и электротехнологического персонала предприятия (организации) руководитель потребителя должен назначить комиссию в составе не менее 5 человек, квалификация и группы по электробезопасности у которых должны соответствовать требованиям ПТЭЭП.

Обязательным требованием этих правил является наличие у всех членов комиссии группы по электробезопасности, которую они должны получить при проверке знаний в комиссии органа Госэнергонадзора.

Допускается проверка знаний отдельных членов комиссии на месте при условии, что председатель и не менее 2 членов комиссии прошли проверку знаний в комиссии органов Госэнергонадзора.

В соответствии с ПТЭЭП при проведении процедуры проверки знаний должно присутствовать не менее 3 членов комиссии, в том числе обязательно председатель (заместитель председателя) комиссии.

Если численность работников потребителя не позволяет образовать комиссии по проверке знаний, то она должна проводиться в комиссии органов Госэнергонадзора.

В настоящее время комиссии органов Госэнергонадзора, как правило, стали создаваться при специализированных образовательных учреждениях (учебных центрах) и назначаться приказом руководителя органа Госэнергонадзора. Члены такой комиссии должны пройти проверку знаний в органе Госэнергонадзора, выдавшем разрешение на создание такой комиссии. Председателем комиссии назначается старший государственный инспектор (государственный инспектор) по энергетическому надзору.

В данном случае по мнению автора возникает некоторое несоответствие с тем, что по требованию ПТЭЭП проверка знаний норм и правил работы в электроустановках с последующей выдачей удостоверения является допуском к работам и обслуживанию электроустановок, а также к их контролю. Большинство же членов комиссии в образовательных учреждениях являются преподавателями, а не персоналом, требующим такого допуска к обслуживанию электроустановок, и поэтому им нет необходимости проходить проверку знаний норм и правил работы.

Правилами [5, 6] допускаются, а в учебных специализированных учреждениях успешно применяются контрольно-обучающие машины на базе персональных, электронно-вычислительных машин (ПЭВМ) для всех видов проверки, кроме первичной.

Если при использовании ПЭВМ проверяемый получил неудовлетворительную оценку, что вполне может иметь место, то комиссия задает ему дополнительные вопросы и по результатам такого опроса происходит окончательная оценка знаний.

В электроэнергетике имеется значительное число специальностей, кадры для которых должны проходить узкопрофильное обучение и повышение своей квалификации по особым программам. К таким специальностям относятся, например, обслуживание устройств релейной защиты и автоматики [14], наладка и испытание электротехнических устройств, работа с информационно-измерительными автоматизированными системами контроля и управления и т.д.

В таких кадрах ощущается острая потребность практически во всех отраслях промышленности как при проектировании, так и при монтаже, наладке, испытаниях и эксплуатации электроустановок.

Более того, уровень квалификации, например, специалистов по устройствам РЗАиТ, их способность правильно рассчитать уставки аппаратов защиты и автоматики позволят повысить уровень эксплуатационной надежности этих аппаратов, снизить возможность возникновения аварийных ситуаций в электроустановках, улучшить качество потребляемой электроэнергии и т.д.

Поэтому экономический эффект от обучения, переподготовки и проверки знаний таких кадров, безусловно, перекроет затраты на эти статьи расхода. Таким образом, полученные знания становятся самым ценным товаром.

Объем знаний по нормам и правилам работы в электроустановках на предприятиях (в организациях), который требуется для получения той или иной группы по электробезопасности, устанавливается ответственным за электрохозяйство с учетом местных условий и должностных положений.

Необходимый объем знаний для руководителей и специалистов энергослужб предприятий (организаций), а также для специалистов по охране труда, контролирующих электроустановки, регламентируется учебными программами в образовательных профессиональных учреждениях.

Представляют интерес разработанные в МИЭЭ учебные программы для указанного контингента слушателей, в которые дополнительно по каждому разделу учебной программы включены вопросы для их подготовки к проверке знаний норм и правил работы.

С целью облегчения усвоения учебного материала по каждому вопросу указано, в каком нормативном документе и в каком из его разделов излагается данный материал [15]. Таким образом значительно повышается эффективность процесса обучения и проверки знаний слушателей.

Что же касается учебных программ по нормам и правилам работы в электроустановках для обучения и проверки знаний остального электротехнического и электротехнологического персонала непосредственно на предприятиях (организациях), то они должны разрабатываться с учетом специфики конкретного производства и утверждаться в органах Госэнергонадзора.

В качестве примера ниже приводится такая учебная программа для электротехнического и электротехнологического персонала на предприятиях текстильной и легкой промышленности, которая утверждена в Центргосэнергонадзоре.

Программа состоит из введения, в котором показана специфика работы электроустановок на предприятиях указанных отраслей промышленности, и восьми разделов, отражающих основные требования действующих норм и правил работы в электроустановках (МПБЭЭ, ПТЭЭП, ПУЭ и др.).

Учебная программа

«Нормы и правила работы в электроустановках»

для электротехнического и электротехнологического персонала па предприятиях текстильной и легкой промышленности

ВВЕДЕНИЕ

Обеспечение рациональной и безопасной эксплуатации электроустановок на предприятиях текстильной и легкой промышленности является острой проблемой, которая обусловлена спецификой работы электрооборудования и недостаточной высокой профессиональной квалификацией электротехнического и электротехнологического персонала на предприятиях данных отраслей, в том числе:

наличием особо опасных помещений (например, красильных, сушильных, гладильных и производств с химически активной средой);

большим разнообразием видов ручных электрических машин, электроинструмента (электроутюги, электрорезаки, электродрели и т.п.) и светильников местного освещения (подсветки на машинах и станках);

скученностью производственного оборудования и наличием доступных к прикосновению токоведущих частей для производственного персонала;

отсутствием на большинстве предприятий обученного и аттестованного электроперсонала и работников на электротехнологических установках, что усугубляет проблему электробезопасности.

Если для ответственных за электрохозяйство, их заместителей и специалистов по охране труда, контролирующих электроустановки, созданы и функционируют учебные центры по обучению и аттестации в комиссиях Госэнергонадзора, то для электриков, электрослесарей, бригадиров и электротехнологических работников такие возможности отсутствуют.

Настоящая программа предназначена для электротехнического и электротехнологического персонала при проведении обучения непосредственно в условиях производства.

Содержание программы

Раздел 1. Действующие нормы и правила Госэнергонадзора при работах в электроустановках.

Межотраслевые правила по охране труда (правила безопасности) при эксплуатации электроустановок (МПБЭЭ).

Правила технической эксплуатации электроустановок потребителей (ПТЭЭП).

Правила устройства электроустановок (ПУЭ) с включением разделов 1, 6 и 7 седьмого издания.

Правила применения и испытания средств защиты, используемых в электроустановках (ППИСЗ).

Нормы и правила работы как система организации рациональной и безопасной эксплуатации электроустановок.

Раздел 2. Общие положения действующих норм и правил при работах в электроустановках.

Область и порядок применения МПБЭЭ, ПТЭЭП, ПУЭ и ППИСЗ. Общие требования норм и правил работы в электроустановках. Общие положения по устройству и эксплуатации электроустановок.

Термины и определения, применяемые в нормах и правилах Госэнергонадзора.

Обеспечение выполнения норм и правил работы в электроустановках.

Раздел 3. Требования к персоналу и его подготовке.

Задачи персонала, ответственность и надзор за выполнением норм и правил работы в электроустановках.

Характеристика административно-технического, оперативного, ремонтного, оперативно-ремонтного электротехнического персонала. Характеристика электротехнологического персонала.

Группы по электробезопасности и условия их присвоения.

Раздел 4. Оперативное управление электрохозяйством.

Система и организация оперативного управления электрохозяйством предприятия.

Оперативное обслуживание и осмотры электрохозяйства.

Оперативные переключения. Порядок переключений в электроустановках.

Раздел 5. Порядок и условия безопасного производства работ в электроустановках.

Категория работ в электроустановках, их характеристика.

Организационные мероприятия, обеспечивающие безопасность работ. Ответственные за безопасность проведения работ, их права и обязанности. Порядок организации работ по наряду, распоряжению или выполняемых в порядке текущей эксплуатации согласно перечню. Состав бригады.

Технические мероприятия, обеспечивающие безопасность работ со снятием напряжения.

Меры безопасности при выполнении отдельных работ (при работах с ручным электроинструментом и электрическими машинами, переносными светильниками, на электродвигателях, коммутационных аппаратах, трансформаторах, на кабельных и воздушных линиях электропередачи, конденсаторах и т.д.).

Раздел 6. Заземление и защитные меры электробезопасности.

Виды промышленных электросетей в отношении мер электробезопасности. Способы выполнения заземления.

Общие требования ПУЭ к мерам защиты от поражения электрическим током. Виды и способы защит от прямого и косвенного прикосновения в электроустановках напряжением до 1 кВ.

Заземляющие устройства электроустановок напряжением до 1 кВ в сетях с глухозаземленной нейтралью.

Изоляция электроустановок. Основные меры по обеспечению электробезопасности:

заземление электроустановок;

устройства защитного отключения (УЗО);

применение двойной или усиленной изоляции;

выравнивание потенциалов;

уравнивание потенциалов;

защитное электрическое разделение цепей с применением разделительных трансформаторов;

использование малых напряжений и др.

Раздел 7. Правила применения и испытания средств защиты, используемых в электроустановках.

Область применения Правил. Порядок, классификация и Правила применения и испытания средств защиты. Порядок их содержания.

Контроль за состоянием средств защиты и их учет.

Технические требования к отдельным видам средств защиты. Нормы и сроки эксплуатационных и приемо-сдаточных испытаний средств защиты.

Раздел 8. Правила освобождения пострадавших от электрического тока и оказания им первой медицинской помощи.

Практические условия возникновения электропоражений. Действие электрического тока на организм человека. Порядок освобождения пострадавшего от токоведущих частей, находящихся под напряжением.

Правила оказания пострадавшему первой медицинской помощи.

Несколько специфичными являются программа и процесс подготовки руководителей оперативного персонала и работников из числа оперативного, оперативно-ремонтного и ремонтного персонала, которые должны предусматривать стажировку и проверку знаний, а для руководителей оперативного персонала, работников из числа оперативного и оперативно-ремонтного персонала еще и дублирование.

В действующих ПТЭЭП достаточно подробно регламентированы требования к порядку оформления допуска к стажировке и дублированию, к их продолжительности и объему с последующим допуском к самостоятельной работе в электроустановках.

Ответственность за правильность действий обучаемого во время прохождения дублирования несут как сам обучаемый, так и обучающий его работник. Такое положение ПТЭЭП достаточно серьезно, поскольку во время прохождения дублирования обучаемому разрешено производить оперативные переключения, осмотры и другие работы в электроустановках под надзором обучающего.

Практика показала, что рассмотренная система обучения и проверки знаний норм и правил работы в электроустановках достаточно эффективна и охватывает весь контингент специалистов, осуществляющих все виды работ в электроустановках и проводящих надзор за рациональным и безопасным их обслуживанием.

ГЛАВА 6

КОНТРОЛЬ ЗА РАЦИОНАЛЬНОЙ И БЕЗОПАСНОЙ ЭКСПЛУАТАЦИЕЙ ЭЛЕКТРОУСТАНОВОК

Контроль за рациональной и безопасной эксплуатацией электроустановок осуществляется как со стороны органов государственного энергетического надзора, энергоснабжающих, организаций (Энергосбыта, служб распределительных сетей), пожарной, административной, технической инспекцией Федерации независимых профсоюзов России, так и со стороны руководства и специалистов по охране труда предприятий (организаций).

Наиболее тесные взаимоотношения энергослужбы предприятий (организаций) имеют с органами Госэнергонадзора, которые осуществляют контроль через действующие правила и нормативно-технические документы (МПБЭЭ, ПТЭЭП, ПУЭ, ППИСЗ и др.), инструктивные материалы, методические рекомендации, информационные письма, а также через плановые и внеплановые проверки технического состояния энергохозяйства и допуск новых или реконструированных энергетических установок в эксплуатацию.

Во всех развитых странах государство уделяет большое внимание вопросам охраны труда, безопасности и энергосбережения.

Именно решением Правительства (Постановление Правительства РФ от 12.08.1998 № 938) для реализации государственной политики в области энергосбережения и обеспечения безопасной эксплуатации энергетических установок создан орган государственного энергетического надзора (Госэнергонадзор).

Госэнергонадзор входит в систему Минэнерго России и представляет собой иерархическую вертикально объединенную структуру, во главе которой находится Департамент государственного энергетического надзора, лицензирования и энергоэффективности. Нижестоящая ступень этой структуры состоит из семи региональных управлений в федеральных округах страны, которые управляют 74 территориальными управлениями в субъектах Российской Федерации [16].

Основная задача Госэнергонадзора определена Положением о государственном энергетическом надзоре в Российской Федерации и заключается «...в осуществлении контроля за техническим состоянием и безопасным обслуживанием электрических и тепловых установок потребителей электрической и тепловой энергии...».

В период образования коммерческого рынка производства сбыта и потребления электроэнергии, реструктуризации всей электроэнергетики страны и создания в ее масштабе РАО «ЕЭС России» значительно возросла роль Госэнергонадзора в части решения поставленных перед ним задач, в том числе:

по сбережению топливно-энергетических ресурсов и снижению их расхода на единицу продукции (работ, услуг);

по соблюдению предприятиями (организациями) норм и правил работы, в том числе ПУЭ, ПТЭЭП, МПБЭЭ и др.;

по организации учета производства и потребления топливно-энергетических ресурсов и др.

Практически Госэнергонадзор контролирует все сферы деятельности энергохозяйства предприятий (организаций), тесно взаимодействуя с проектными и научно-исследовательскими институтами в области энергетики, с монтажными и наладочными специализированными организациями.

Ни одна из названных организаций не может являться работоспособной и выдавать свой конечный продукт (проекты и схемы электроснабжения, технические отчеты в виде протоколов измерений сопротивления изоляции проводов и кабелей, проверки устройств защитного заземления и т.д.) без лицензии и согласования с органами Госэнергонадзора.

Госэнергонадзор с успехом привлекает к разработке норм и правил ведущие коллективы и специалистов-энергетиков, тесно взаимодействуя при этом со смежными структурами: Госстандартом России, Министерством труда и социального развития РФ, Минюстом России и др.

Энергосбыт в отличие от Госэнергонадзора является коммерческой структурой и входит в состав акционерного общества - энергоснабжающей организации. Отсюда и вытекают основные задачи Энергосбыта по осуществлению контроля за своевременной и полной оплатой электроэнергии, потребляемой абонентом, правильностью ее учета и других аналогичных задач, оговоренных в договоре энергоснабжения.

В крупных населенных пунктах (например, в городах), как правило, помимо центрального управления Энергосбыта имеются его отделения в каждом административном округе. Если центральный орган Энергосбыта обслуживает и контролирует промышленные предприятия с энергоемким производством, то территориальные отделения Энергосбыта, распределенные по административному принципу (например по округам), обслуживают население, мелкие фирмы и коммунально-обобществленные организации (жилищный комплекс, детсады, поликлиники, магазины и т.п.).

Для решения своих задач Энергосбыт имеет соответствующие структурные подразделения, в том числе инспекцию, абонентскую службу, отдел замены счетчиков и т.д.

При обследовании электрохозяйства потребителя представители Энергосбыта уделяют внимание проверке его установленной и единовременной мощностей и их соответствие разрешению энергоснабжающей организации на присоединение этих мощностей с учетом мощностей субабонентов, техническому состоянию приборов учета, измерительных трансформаторов тока и трансформаторов напряжения, наличию журнала учета потребления электроэнергии, а также соответствию защитных устройств расчетным параметрам.

При обнаружении ошибок в учете электрической энергии Энергосбыт производит перерасчет за год или за период со дня предыдущей проверки электросчетчиков в данном году.

При нарушении расчетного учета электрической энергии по вине потребителя в первом месяце расчет ведется по среднесуточному расходу электроэнергии за предыдущий месяц [2]. В дальнейшем (пока не будет восстановлен учет) расход электрической энергии определяется Энергосбытом по присоединенной мощности электроустановок и числу часов работы предприятия (организации).

Если же расчетный учет нарушен не по вине потребителя, то до его восстановления оплата за потребленную электроэнергию производится по среднесуточному расходу предыдущего расчетного периода (можно производить расчет и по соответствующему периоду прошлого года).

Указанный порядок расчетов должен быть отражен в договоре энергоснабжения. Также в договоре энергоснабжения должно быть отражено, что при непредставлении показаний расчетных электросчетчиков расчет за истекший (прошедший) расчетный период производится по среднесуточному расходу электроэнергии за предыдущий расчетный период, умноженный на число дней, когда эти показания отсутствовали.

В дальнейшем до сообщения показаний расчетных электросчетчиков Энергосбыт определяет расход электроэнергии по присоединенной мощности и числу часов работы при недопустимости различного рода перерасчетов.

Внутренний (ведомственный) контроль за техническим и безопасным состоянием электроустановок проводится местными отделами охраны труда предприятий (организаций) и вышестоящими организациями.

Начальники и специалисты отделов охраны труда, контролирующие электроустановки, основные усилия направляют на разработку местных должностных и производственных инструкций и контроль за их соблюдением, на своевременное и качественное проведение всех видов инструктажей электротехнического и другого персонала, так или иначе связанного с работами в электроустановках, на осуществление контроля за наличием и ведением журналов и другой НТД в электрохозяйстве.

Кроме того, эти специалисты принимают участие в расследовании аварий и несчастных случаев в электроустановках, проводят анализ и выявляют причины их возникновения, участвуют в разработке мероприятий по их устранению и предупреждению, осуществляют контроль за выполнением предписаний органов энергонадзора и других контролирующих организаций в части электробезопасности вплоть до запрещения всех видов работ в электроустановках при невыполнении соответствующих указаний органов надзора.

Активное участие специалисты по охране труда с группой IV по электробезопасности принимают в работе комиссий по проверке знаний по нормам и правилам работы.

Их многогранная деятельность не кончается перечисленными формами работы и включает в себя, как правило, обеспечение электротехнического и электротехнологического персонала средствами защиты от поражения электрическим током, а также необходимой НТД, справочной и технической литературой, наглядными пособиями (плакатами и знаками безопасности, стендами, макетами и плакатами по приемам освобождения пострадавших от электрического тока и мерам оказания им первой медицинской помощи) и т.д.

При наличии удостоверения с группой IV по электробезопасности специалисты по охране труда правомочны осуществлять внутренний ведомственный надзор за обеспечением безопасности в электрохозяйстве.

Таким образом, существующая в стране система внешнего и внутреннего контроля за рациональной и безопасной эксплуатацией электроустановок является одним из действенных средств по обеспечению надлежащего уровня эксплуатации электрохозяйства, надежной, экономичной и безопасной работы электроприемников, повышения качества подаваемой и потребляемой электроэнергии и снижения электротравматизма.

ГЛАВА 7

ОСОБЕННОСТИ РАБОТЫ СПЕЦИАЛИСТОВ ПО ОХРАНЕ ТРУДА, КОНТРОЛИРУЮЩИХ ЭЛЕКТРОУСТАНОВКИ

В вопросах организации рационального и безопасного обслуживания электроустановок заметная роль отводится службе охраны труда на предприятии (в организации).

Это подтверждается, в частности, и тем, что специалисту по охране труда, контролирующему электроустановки, присваивается после проверки знаний норм и правил работы в электроустановках группа IV по электробезопасности, т.е. группа, соответствующая уровню руководителей энергослужб и специалистов-электриков наиболее высокого профессионального уровня.

В то же время эти специалисты по охране труда не состоят в штате энергослужбы предприятия (организации), хотя и работают в тесном контакте с электротехническим персоналом и особенно с ответственным за электрохозяйство.

В связи с этим, помимо общих вопросов организации работ по охране труда и технике безопасности на предприятии (в организации), специалисты этой службы, осуществляя внутренний (ведомственный) контроль за безопасным обслуживанием электроустановок, выполняют следующие функции:

участвуют в разработке и контроле за соблюдением электротехническим и электротехнологическим персоналом, а также неэлектротехническим персоналом, связанным с работой, представляющей собой опасность поражения электрическим током, инструкций по охране труда для перечисленных выше категорий работников, в том числе инструкций на рабочих местах, по пожарной безопасности, производственных и должностных инструкций;

организуют и контролируют своевременное проведение всех видов инструктажей по технике безопасности с вышеуказанными категориями работников;

участвуют в расследовании аварий в электроустановках и несчастных случаев поражения электрическим током; проводят анализ их возникновения и совместно с ответственным за электрохозяйство разрабатывают мероприятия по их предотвращению и устранению

участвуют в работе комиссии по проверке знаний норм и правил работы в электроустановках;

обеспечивают персонал наглядной агитацией по мерам безопасности в электроустановках, по освобождению пострадавших от электрического тока и оказанию им первой медицинской помощи;

контролируют наличие и состояние защитных средств в электроустановках, их своевременную проверку, ведение журнала по учету и содержанию средств защиты;

участвуют в организации обучения и проверки знаний по нормам и правилам работы электротехнического и электротехнологического персонала, а также неэлектротехнического персонала, вплоть до начальников и мастеров технологических цехов (участков), в обеспечении их необходимой нормативно-технической и справочной литературой и т.д.

Форма удостоверения о проверке знаний норм и правил работы в электроустановках с группой IV по электробезопасности для специалистов по охране труда отличается от формы удостоверения для других категорий персонала в электроустановках. В частности, на 2-й странице удостоверения имеется запись: «Допущен к инспектированию электроустановок напряжением ____В».

Такое удостоверение выдается не всем работникам отдела охраны труда, а только тем, кто допущен к инспектированию (контролю) электроустановок.

При этом требуемый общий производственный стаж (не обязательно в электроустановках) для таких специалистов по охране труда устанавливается не менее 3 лет. Следовательно, молодой специалист по охране труда с меньшим стажем работы не может быть допущен к инспектированию электроустановок.

Периодическая проверка знаний норм и правил работы в электроустановках для специалистов по охране труда с группой IV по электробезопасности производится 1 раз в 3 года.

Остальные работники отдела охраны труда не имеют полномочий контролировать электроустановки, давать какие-либо указания электроперсоналу и проводить в них какие-либо организационно-технические мероприятия. Таких работников целесообразно инструктировать в отношении опасности поражения электрическим током, практических условий возникновения электропоражений и оказания первой помощи пострадавшим от электрического тока, с последующим присвоением им группы I по электробезопасности.

Какими же конкретно контролирующими правами, помимо перечисленных выше, обладает специалист по охране труда, имеющий группу IV по электробезопасности, при ведомственном инспектировании электроустановок?

К таким инспекторским правам, в первую очередь, следует отнести: право требовать от руководящего административно-технического персонала предприятия (организации), в том числе от ответственного за электрохозяйство, наличия необходимой НТД в электроустановках, включая проекты электроснабжения и технические отчеты по проведению измерений сопротивления изоляции проводов, кабелей и проверки устройств защитного заземления;

право единолично осматривать подведомственные электроустановки в любое время суток;

право требовать от электротехнического персонала наличия на рабочих местах средств защиты, плакатов и знаков безопасности и выполнения необходимых организационных и технических мероприятии при допуске к работам, в процессе их производства и по окончании работ (перерывах в работе и переходов на другое рабочее место);

право давать предписания (согласованные и утвержденные техническим руководителем предприятия) об устранении выявленных нарушений, влекущих за собой опасность возникновения аварийных ситуаций и несчастных случаев поражения электрическим током, вплоть до запрещения проведения в этих случаях всех видов работ в электроустановках;

право осуществлять непосредственно на рабочих местах в электроустановках контроль за соблюдением правил техники безопасности, производственной санитарии и пожарной безопасности и др.

Специалисты по охране труда, контролирующие электроустановки, должны обращать внимание на то, что многие производственные работники при выполнении технологических операций на оборудовании с электроприводом подвергаются опасности поражения электрическим током. Эта категория работников (из числа неэлектротехнического персонала) соприкасается с коммутационной аппаратурой (непосредственно касаясь кнопок «Пуск» и «Стоп» и т.п.), с устройствами защитного заземления, выполняет работы с электроутюгами, электрорезаками (например, на швейных и текстильных предприятиях) и т.п. Опасность поражения электрическим током усугубляется во многих случаях скученностью оборудования, сырыми токопроводящими полями, токопроводящей пылью, наличием химически активных веществ и прочими нежелательными факторами.

В этих многочисленных примерах фактически происходит сближение технологии с электроэнергетикой, и поэтому такая категория неэлектротехнических работников должна иметь хотя бы элементарное представление об опасности действия электрического тока, основных защитных мерах электробезопасности на своих рабочих местах и практические навыки оказания первой медицинской помощи пострадавшему от электрического тока.

Исходя из этого, специалисты по охране труда, контролирующие электроустановки, должны принять участие в разработке местной эксплуатационной инструкции, в которой следует предусмотреть присвоение перечисленному выше персоналу неэлектротехнического профиля группы I по электробезопасности с подробным указанием соответствующего перечня рабочих мест и профессий.

К таким категориям работников следует добавить лиц, работающих в помещениях вблизи электроустановок, начальников и мастеров технологических цехов и участков, в чьем ведении находятся перечисленные выше категории работников, а также оборудование, представляющее собой опасность поражения электрическим током. Причем руководству этих цехов целесообразно присвоить более высокую (чем группа I) группу по электробезопасности, обычно - группу III.

Действующие нормы и правила (например, МПБЭЭ) упрощают процедуру проверки знаний работников с группой I по электробезопасности, присвоение которой производится путем инструктажа в форме устного опроса специалистом из числа электротехнического персонала, имеющего группу III, назначенным распоряжением руководителя предприятия (организации).

Удостоверение о проверке знаний при этом не выдается, а результаты проверки знаний заносятся в журнал специальной формы.

При организации обучения и проверки знаний норм и правил работы в электроустановках неэлектротехнического персонала, наряду с руководителем организации и ответственным за электрохозяйство активное участие должны принимать и специалисты по охране труда, контролирующие электроустановки.

Таким образом, роль специалистов по охране труда, имеющих удостоверение с группой IV по электробезопасности на право инспектирования электроустановок, становится исключительно важной при обеспечении безопасного обслуживания электроустановок.

ГЛАВА 8

ВЗАИМООТНОШЕНИЯ ПОТРЕБИТЕЛЕЙ ЭЛЕКТРИЧЕСКОЙ ЭНЕРГИИ С ЭНЕРГОСНАБЖАЮЩИМИ ОРГАНИЗАЦИЯМИ

Взаимоотношения между потребителями электрической энергии и энергоснабжающими организациями регламентируются и регулируются законодательными, правовыми и подзаконными актами, а также ведомственными нормами и правилами, не вступающими в противоречие с законодательными и правовыми актами.

Незнание этих законодательных и правовых документов или неумение ими пользоваться приводит к разногласиям между потребителями и энергоснабжающими организациями, росту числу споров в арбитражных судах, незаконным штрафным санкциям со стороны энергоснабжающих организаций, вплоть до ограничений в подаче электроэнергии, и другим нежелательным последствиям для потребителя электроэнергии.

Одним из основных правовых актов, определяющим взаимоотношения между потребителями электрической энергии и ее продавцами (поставщиками) является Гражданский Кодекс РФ, ч. 2, § 6 «Энергосбережение», которым определяется базовый документ во взаимоотношениях обеих сторон - договор энергоснабжения.

Нельзя согласиться с теми энергоснабжающими организациями, которые при заключении договора энергоснабжения дают ему произвольные названия, не соответствующие названию, указанному в ГК РФ, как, например, «Договор на поставку и потребление электрической энергии», «Договор электроснабжения», «Договор на отпуск и пользование электрической энергией» и др.

Основой содержания договора энергоснабжения, так называемым «Предметом договора» является, с одной стороны, обязанность энергоснабжающей организации подавать абоненту (потребителю) через присоединенную сеть энергию и, с другой стороны, обязанность абонента оплачивать принятую энергию, а также соблюдать предусмотренный договором режим ее потребления, обеспечивать безопасность эксплуатации находящихся в его ведении энергетических сетей и исправность используемых им приборов и оборудования, связанных с потреблением энергии.

Отсюда следует вывод о том, что взаимоотношения между абонентом (потребителем) энергии и ее поставщиком (энергоснабжающей организацией) могут поддерживаться лишь при обеспечении учета энергии и требуемого по нормам и правилам технического состояния приемников энергии, присоединенных к сети энергоснабжающей организации.

Согласно ст. 428 ГК РФ договор энергоснабжения относится к публичным договорам, а согласно ст. 454 ГК РФ он является отдельным видом договора купли-продажи, по которому одна сторона (продавец) обязуется передать товар, а покупатель - принять этот товар и уплатить за него цену.

Публичным признается договор, заключенный коммерческой (в нашем примере - энергоснабжающей) организацией и устанавливающий ее обязанности по продаже товаров (в нашем примере - электрической энергии), выполнению работ или оказанию услуг, которые такая организация по характеру своей деятельности должна осуществлять в отношении каждого, кто к ней обратится (услуги связи, энергоснабжение и т.д.).

Важным для потребителя электрической энергии в данной ст. 426 (п. 3) является то, что отказ энергоснабжающей организации от заключения публичного договора при наличии возможности предоставить потребителю электрическую энергию не допускается.

К сожалению, до сих пор отсутствует единая форма типового договора энергоснабжения. Однако следует знать, что согласно ГК РФ (ст. 422 п. 1) договор должен соответствовать обязательным для сторон правилам, установленным законом, или правовым актам (императивным нормам), действующим на момент его заключения.

Каждый регион, а иногда даже отдельная энергоснабжающая организация разрабатывает и пользуется своими формами таких договоров, часто навязывая абонентам (потребителям электроэнергии) неблагоприятные коммерческие условия.

Согласно Методическим рекомендациям по регулированию отношений между энергоснабжающей организацией и потребителями, утвержденным Минэнерго России и согласованным с Федеральной энергетической комиссией РФ [2], в договор энергоснабжения, помимо «Предмета договора», целесообразно включить следующие важные условия:

объем потребления электрической энергии и значение присоединенной мощности;

режимы потребления электроэнергии, значения мощности в часы максимума нагрузки энергосистемы;

значения показателей качества электрической энергии в соответствии с требованиями ГОСТ 13109-97;

применяемые тарифы;

порядок учета потребления электрической энергии и присоединенной мощности, условия потребления и генерации реактивной мощности и (или) энергии и ответственность за качество электрической энергии;

порядок обеспечения и пересмотра договорных значений электроэнергии;

меры по поддержанию устойчивой работы энергосистемы, порядок введения ограничений и отключений при дефиците электрической энергии и мощности в энергосистеме;

порядок расчетов за электрическую энергию, который в соответствии с ГК РФ (ст. 544 п. 2) определяется законом, иными правовыми актами или соглашением сторон. Порядок расчетов за электрическую, тепловую энергию и природный газ утвержден Постановлением правительства РФ от 04.04.2000 № 294.

В договоре должны быть указаны в обязательном порядке общепринятые при заключении договоров данные, в том числе:

полное наименование обеих сторон (потребителя электрической энергии и энергоснабжающей организации);

место и дата заключения договора;

значения разрешенной и установленной (присоединенной) мощностей потребителя;

наименование и номера источников питания абонента (РП, ТП и т.д.) и номера питающих вводов;

реквизиты (почтовые и банковские) обеих сторон;

срок действия договора и порядок его пролонгации;

подписи ответственных лиц (как правило, руководителей), заверенные печатями.

К договору энергоснабжения необходимо приложить следующие материалы, являющиеся его неотъемлемой частью:

акт разграничения балансовой принадлежности и эксплуатационной ответственности электроустановок и сооружений;

объем поставки электрической энергии и потребность в ней помесячно и за расчетный период (обычно год);

сведения о расчетных приборах учета электроэнергии, местах их установки и применяемых тарифах на электрическую энергию;

сведения о компенсирующих устройствах;

данные о субабонентах, присоединенных (только с согласия энергоснабжающей организации) к сети абонента;

акт аварийной и технологической брони электроснабжения;

перечень электроустановок, использующих электрическую энергию с целью отопления и горячего водоснабжения;

расчет потерь электроэнергии в питающем трансформаторе.

Количество передаваемой потребителю электроэнергии, которое энергоснабжающая организация обязана обеспечить, определяется на основании обоснованных заявок абонента в ее потребности и прилагается к договору. Это количество должно соответствовать фактическому потреблению электроэнергии по данным расчетных приборов ее учета.

Однако в договоре можно предусмотреть право потребителя изменять количество получаемой им энергии, указанной в договоре энергоснабжения, при условии возмещения потребителей расходов, которые понесла энергоснабжающая организация при подаче энергии в количестве, не обусловленном в договоре.

Энергоснабжающая организация несет ответственность за соответствующее показателям ГОСТ 13109-97 [17] качество передаваемой электроэнергии, и в случае нарушения этого требования, предусмотренного в ГК РФ, абонент вправе отказаться от оплаты такой электроэнергии.

При этом на основании п. 2 ст. 1105 ГК РФ энергоснабжающая организация вправе потребовать от потребителя возмещения стоимости того, что потребитель без основания сберег вследствие использования энергии ненадлежащего качества.

В обязанности абонента (и в его интересах) входит обеспечение надлежащего технического состояния и безопасности эксплуатируемых электрических сетей, приборов и оборудования, а также соблюдение режимов потребления электроэнергии.

При возникновении аварийных ситуаций и пожарах в электросетях, неисправностях и отказах в работе расчетных приборов учета электроэнергии и других нарушениях при использовании электроэнергии абонент обязан немедленно информировать об этом энергоснабжающую организацию.

Электроэнергия - товар, энергоснабжающая организация - продавец, а абонент - ее покупатель, поэтому ни один из договоров энергоснабжения не может быть оформлен без указания о порядке расчетов за электроэнергию и ее тарификации.

Обе стороны - участники договора должны определиться в одном из наиболее важных моментов, отражающих весь последующий порядок и систему расчетов, а именно: по какому тарифу (одноставочному - за потребленные киловатт часы электроэнергии или двухставочному, состоящему из основной ставки за каждый 1 кВт присоединенной мощности и дополнительной - за те же потребленные киловатт часы электроэнергии) будет определяться расчет за электроэнергию и расчетные взаимоотношения между обеими сторонами - участниками договора.

Выше было упомянуто, что порядок расчетов за электроэнергию определяется законом, правовыми и подзаконными актами (например, [18]) или соглашением обеих сторон, ставшим юридически закрепленным договором.

При этом важно знать, в каких случаях та или иная сторона может в одностороннем порядке отказаться от исполнения договора.

Энергоснабжающая сторона вправе отказаться от исполнения договора в одностороннем порядке, за исключением случаев, установленных законом или иными правовыми актами, в следующих существенных случаях (см. ГК РФ ст. 523 п. 3):

неоднократное нарушение сроков оплаты электроэнергии;

неоднократный недобор абонентом договорного объема электроэнергии.

Потребитель (абонент) имеет такое же право (ГК РФ ст. 523 п. 2) в случаях:

поставки электроэнергии ненадлежащего качества с недостатками, которые не могут быть устранены в приемлемый для потребителя срок;

неоднократного нарушения сроков поставки, в данном случае при нарушении бесперебойного электроснабжения.

Потребителю нередко приходится сталкиваться с нежелательной ситуацией, когда инспектор Госэнергонадзора или представитель энергоснабжающей организации (Энергосбыта) в своих предписаниях угрожают прекращением подачи электрической энергии. Во многих случаях такая угроза противоречит законодательству, в частности, Гражданскому Кодексу (ст. 546 пп. 2 и 3).

Необходимо знать, что перерыв в подаче, прекращение или ограничение подачи энергии допускается по соглашению сторон, за исключением случаев, когда удостоверенное органом Госэнергонадзора неудовлетворительное состояние энергетических объектов абонента угрожает аварией или создает угрозу жизни и безопасности граждан. О перерыве в подаче, прекращении или об ограничении подачи энергии энергоснабжающая организация должна предупредить абонента.

Перерыв в подаче, прекращение или ограничение подачи энергии без согласования с абонентом и без соответствующего предупреждения допускаются лишь в случае необходимости принять неотложные меры по предотвращению или ликвидации аварии в системе энергоснабжающей организации при условии немедленного уведомления абонента об этом.

Имеется немало примеров, когда при неисполнении или ненадлежащем исполнении обязательств по договору энергоснабжения (например, нарушен пункт договора о соблюдении установленного значения присоединенной мощности в часы максимума нагрузки энергосистемы) стороне, нарушившей обязательство, т.е. абоненту, энергоснабжающая организация, вместо того чтобы обязать возместить причиненный этим реальный ущерб (ГК РФ ст. 15 п. 2), предъявляет абоненту штрафные санкции, что является противозаконным действием.

Если же энергоснабжающая организация допустила перерыв в подаче энергии абоненту, то она несет ответственность за неисполнение или ненадлежащее исполнение договорных обязательств при наличии ее вины (ГК РФ ст. 547 п. 2).

Рассмотрим конкретный пример из практики разрешения споров, связанных с договором энергоснабжения (Информационное письмо от 17.02.98 № 30 Президиума Высшего Арбитражного суда РФ).

Акционерное общество обратилось в Арбитражный суд с иском к энергоснабжающей организации о взыскании ущерба, причиненного истцу в результате перерыва в подаче электроэнергии без соответствующего предупреждения.

Арбитражный суд в удовлетворении исковых требований отказал, сославшись на то, что перерыв в подаче электроэнергии был связан с невыполнением потребителем предписания Госэнергонадзора об устранении недостатков в электроустановках.

Кассационная инстанция решение суда первой инстанции отменила, исковые требования удовлетворила по следующим основаниям.

В соответствии с п. 2 ст. 546 ГК РФ перерыв в подаче энергии допускается по соглашению сторон.

В одностороннем порядке энергоснабжающая организация вправе произвести перерыв в подаче энергии в случае, когда удостоверенное органом Госэнергонадзора неудовлетворительное состояние энергетических установок абонента угрожает аварией или создает угрозу жизни и безопасности граждан.

Осуществление указанных действий энергоснабжающей организацией возможно после предупреждения об этом абонента.

Без предупреждения потребителя перерыв в подаче энергии допускается только при необходимости принять неотложные меры по предотвращению или ликвидации аварии в системе энергоснабжающей организации (п. 3 ст. 546 ГК РФ).

Поскольку перерыв в подаче энергии не был связан с принятием мер по предотвращению или ликвидации аварии, энергоснабжающая организация не вправе была прерывать подачу энергии без предупреждения абонента.

В таких случаях действия энергоснабжающей организации рассматриваются как ненадлежащее исполнение ею обязательств по договору энергоснабжения и влекут за собой ответственность, установленную ст. 547 ГК РФ.

Немало споров между обеими сторонами связано с тарифами на электрическую и тепловую энергию.

Покажем на конкретном примере один из таких характерных случаев из практики разрешения споров в Арбитражных судах, связанных с договором энергоснабжения.

Муниципальное предприятие обратилось в Арбитражный суд с иском к потребителю о взыскании стоимости отпущенной в соответствии с договором энергоснабжения тепловой энергии (полная аналогия с электрической энергией). Факт потребления тепловой энергии подтвержден актом сверки расчетов, подписанным представителями истца и ответчика.

Арбитражный суд удовлетворил исковые требования полностью.

Ответчик в апелляционной жалобе указал, что суд необоснованно применил тарифы на тепловую энергию, установленные органами местного самоуправления. По его мнению, следовало применить тариф, установленный региональной энергетической комиссией.

Апелляционная инстанция оставила решение суда первой инстанции без изменения, а жалобу - без удовлетворения по следующим основаниям.

Федеральным законом «О государственном регулировании тарифов на электрическую и тепловую энергию в Российской Федерации» к органам государственного регулирования тарифов отнесены органы исполнительной власти субъектов Российской Федерации - региональные энергетические комиссии.

Согласно ст. 5 указанного Закона органы исполнительной власти субъектов Российской Федерации определяют вопросы государственного регулирования тарифов на электрическую и тепловую энергию, отпускаемую всеми энергоснабжающими организациями потребителям, расположенным на территории соответствующих субъектов Российской Федерации, кроме организаций, находящихся в муниципальной собственности, для которых тарифы устанавливаются органами местного самоуправления.

Поскольку энергоснабжающая организация находится в муниципальной собственности, Арбитражный суд правомерно удовлетворил исковые требования по тарифам, утвержденным органом местного самоуправления.

Немало неясностей при заключении договоров энергоснабжения связано с вопросами расчетов за потребление и генерацию реактивной мощности и (или) энергии. Даже среди специалистов-энергетиков, работающих в данной области, нет единого мнения по этой проблеме, о чем, например, говорят разноречивые дискуссии на страницах специализированных технических изданий [8, 19, 20 и др.].

Кратко эту проблему можно объяснить следующим образом.

Энергосистема вырабатывает активную и реактивную энергию, между которыми имеется существенное различие.

Активная электроэнергия преобразуется в другие виды энергии (механическую, тепловую, световую и т.д.), необходимые для выполнения полезной работы.

Реактивная же энергия в другие виды энергий не переходит, а связана лишь с ее перетоками от электрических полей к магнитным и обратно, создавая условия, при которых активная энергия совершает работу, например, создает вращающие моменты в асинхронных двигателях, обеспечивает требуемое реактивное сопротивление в коротких цепях (например, при электросварке) и т.д.

Отсутствие или недостаток компенсирующих устройств, например, конденсаторных установок (КУ) для повышения коэффициента мощности, вызывает повышенное потребление РМ, что, в первую очередь, приводит к технико-экономическим убыткам в распределительных сетях потребителя, а именно:

возрастает ток и соответственно потери активной мощности и электроэнергии, что вызывает дополнительные расходы по ее оплате;

увеличиваются потери напряжения, что отрицательно влияет на работу, срок службы и вызывает отказы электроприемников;

ухудшается пропускная способность электросетей и удорожается их эксплуатация и др.

На рис. 5 приведена схема образования ущерба на примере самого массового потребителя РМ в промышленности - приводных асинхронных двигателей.

Рис. 5. Схема ущерба от повышенного потребления РМ асинхронными двигателями

На рис. 5 приняты следующие обозначения:

Р - активная мощность, кВт, используемая для полезной работы АД;

Q - реактивная мощность, квар, связанная с загрузкой электросети своими перетоками;

l - длина линии электропередачи, м;

ρ - удельное сопротивление проводника, Ом·мм2/м;

R и Х - активное и реактивное сопротивления линии электропередачи, Ом.

Помимо этого, потребителю электрической энергии необходимо соблюдать режимы работы КУ, особенно если отсутствуют устройства автоматического регулирования их РМ. Крайне неблагоприятным режимом является круглосуточная работа нерегулируемых КУ, приводящая к значительному ущербу для потребителя.

На рис. 6 схематично приведены составляющие ущерба от круглосуточной работы нерегулируемых КУ. Такой режим отрицательно сказывается на характере производства, снижает его эффективность, уменьшает производительность оборудования, ухудшает качество электрической энергии и приводит к потерям активной мощности во всех элементах сети.

Рис. 6. Составляющие ущерба от круглосуточной работы нерегулируемых КУ

К составляющим ущерба, показанным на рис. 6, можно добавить ущерб на электротехнологическом оборудовании, например, при чрезмерном повышении уровня напряжения возникает перегрев электролизных ванн и ухудшается процесс электролиза; возникает брак в работе электротермических установок, вплоть до обвала шихты в плавильную зону, и др.

На рис. 6 обозначено:

Qmin - реактивная мощность в часы минимума нагрузки, квар;

Qку - реактивная мощность нерегулируемых КУ, квар;

Qmin - Qку [при полном отсутствии нагрузки (-Qку)] - та часть РМ, которая передается электроприемниками потребителя в сеть, квар;

∑∆ртр, ∆рк, ∆рс - соответственно суммарные удельные потери активной мощности в трансформаторах, конденсаторах, в сети, кВт/квар;

Qc - реактивная мощность, передаваемая (генерируемая) в сеть, квар;

Ro - относительный износ изоляции АД;

Тном - срок службы изоляции обмотки АД при номинальных напряжении и нагрузке, ч;

ТUα - срок службы изоляции обмотки АД при отклонении напряжения от номинального значения и коэффициента нагрузки двигателя α ≠ 1, ч.

Значение Ro с достаточной точностью можно подсчитать по следующей формуле:

В табл. 2 приведены расчетные формулы по определению потерь активной мощности в зависимости от перетоков РМ.

Таблица 2

Расчетные формулы для определения потерь активной мощности в зависимости от перетоков РМ

Расчетные условия

Расчетные формулы

Трехфазные сети, известны значения полной S, активной P и реактивной Q мощностей нагрузок

;

Линии трехфазного тока, известны значения полной Si, активной Pi и реактивной Qi, мощностей на всех участках с активным сопротивлением ri

;

Трехфазные электрические сети, равномерно распределенная нагрузка

Силовые трансформаторы, приведены потери активной мощности из-за потребления РМ

Линии без проводимостей, известны активная и реактивная нагрузки

Примечание. Коэффициент Ки.п = 0,7 - коэффициент изменения потерь активной мощности; β - коэффициент загрузки трансформатора по току.

Таким образом, необходимость в автоматическом регулировании РМ вызвана стремлением не только снизить излишние потери активной мощности, возникающие в режиме перекомпенсации, но и тем, что при круглосуточной работе нерегулируемых КУ чрезмерно повышается уровень напряжения в часы минимума нагрузок. Такое повышение напряжения опасно как для токоприемников (особенно для ламп накаливания и электроприборов с нитями накала), так и для самих конденсаторов, которые при повышении напряжения более чем на 10 % выходят из строя.

При недопустимом повышении напряжения в узлах сети диспетчерская служба в энергосистемах вынуждена с целью снижения напряжения в часы минимума нагрузок (например, в ночное время) переводить генераторы в режим потребления РМ.

Успешное решение данной проблемы позволит комплексно экономить электроэнергию за счет снижения потерь активной мощности и регулирования напряжения в распределительных сетях предприятий и местных энергосистем.

Помимо этой проблемы необходимо также решать вопросы, связанные с правильным выбором и расчетом компенсирующих устройств (с учетом их статических характеристик и статических характеристик нагрузки), их наивыгоднейшим размещением в электросетях предприятий, их рациональной и безопасной эксплуатацией, защитой при аварийных режимах работы и воздействии других внешних факторов.

В прил. 2 приведены формулы для определения РМ, потребляемой электроприемниками и генерируемой источниками.

Проблема потребления и генерации реактивной мощности и (или) энергии является общей для обеих договорных субъектов, поэтому расчеты за потребление и генерацию РМ должны производиться по обоюдному согласию в соответствии с действующими НТД в той части, которая не противоречит законодательству.

Абонент по просьбе энергоснабжающей организации может отключать или включать компенсирующие устройства и таким образом менять потребление или генерацию реактивной мощности и (или) энергии. Энергоснабжающая организация, на наш взгляд, должна стимулировать абонента, применяющего такие меры, например, в виде скидки с тарифа на электроэнергию.

Графики и сроки отключения (включения) КУ, порядок оплаты и величины скидок должны быть оговорены в договоре энергоснабжения.

При двухставочном тарифе в договоре энергоснабжения обычно указывается допустимое значение присоединенной активной мощности в часы максимума нагрузки энергосистемы. Если же это значение окажется ниже договорного, то абонент оплачивает договорной объем присоединенной мощности.

Если при одноставочном тарифе к сетям абонента подключены субабоненты, то значение потребленной электроэнергии должно быть соответственно уменьшено с учетом электроэнергии, потребленной субабонентами, что не всегда принимается во внимание и поэтому ведет к излишней переплате за электроэнергию, потребленную абонентом.

В осенне-зимний максимум нагрузки энергосистемы энергоснабжающая организация вводит в установленном порядке плановые графики ограничений (в ряде случаев - отключений) мощности абонента. В этом случае оплате должна подлежать договорная мощность, уменьшенная в соответствии с вводимыми в данный период ограничениями.

Следует также знать, что мощность, участвующая в регулировании нагрузок энергосистемы, когда абонент по согласованию с энергоснабжающей организацией переводит часть или всю нагрузку в режим абонента-регулятора, оплачивается по льготному тарифу, который устанавливается региональной энергетической комиссией. Иногда в договоре энергоснабжения предусматривается фиксированное значение мощности, оплачиваемое по льготному тарифу.

В результате такого краткого обзора и анализа договорных взаимоотношений между потребителями электроэнергии и энергоснабжающими организациями можно сделать вывод, что рациональная оплата потребляемой электроэнергии зависит не только от ее экономного расходования и от знания и умения пользоваться законодательными, правовыми и подзаконными актами, а также от грамотного взаимоотношения с энергоснабжающими организациями, что в итоге и определяется договором энергоснабжения.

Пренебрежение хотя бы одним из этих факторов приводит к значительным переплатам за потребляемую электроэнергию.

Например, часто предприятия не пользуются правом уменьшать оплачиваемую мощность, обусловленную договором энергоснабжения, и не извещают своевременно об этом энергоснабжающие организации. Такой пункт целесообразно включить в договор энергоснабжения, например, при условии, что заявленное потребителем снижение оплачиваемой мощности будет приниматься в расчет при исчислении основной платы в том случае, если это снижение будет длиться, например, не менее 3 мес.

Если нагрузка потребителя лимитируется в часы максимума нагрузки энергосистемы, то договорная оплачиваемая мощность потребителя, за которую взимается основная плата двухставочного тарифа, должна уменьшаться до установленного уровня на весь период лимитирования мощности потребителя.

В некоторых случаях переплата за потребленную электроэнергию формализуется договором энергоснабжения и частично происходит по вине потребителя, например, при превышении им согласованной участниками договора энергоснабжения величины потребляемой электроэнергии.

Например, в системе ОАО «Мосэнерго» такое превышение учтено при определении стоимости потребленной электроэнергии коэффициентом kэ.с > 1 за сверхпотребленную электроэнергию по следующей формуле, руб.:

Сэ = (∆ЭбТэ) + (∆ЭсТэkэ.с),

где Сэ - стоимость электрической энергии, потребленной абонентом в расчетном периоде, руб.;

Эб - количество электрической энергии, потребленной абонентом в расчетном периоде в пределах договорных значений, кВт·ч;

Эс - количество электрической энергии, потребленной абонентом в расчетном периоде сверх договорных значений, кВт·ч;

Тэ - действующий(ие) в расчетном периоде тариф(ы) на электрическую энергию;

kэ.с - коэффициент, равный 1,5, за сверх согласованное сторонами потребление абонентом в расчетном периоде электрической энергии.

Многие предприятия, рассчитываясь с энергоснабжающей организацией по двухставочному тарифу и отпуская часть электроэнергии через свои трансформаторы другим потребителям (субабонентам) по одноставочному тарифу, оплачивают всю мощность, не уменьшая ее на значение нагрузки этих субабонентов, участвующей в максимуме нагрузки энергосистемы. При отсутствии электросчетчиков, фиксирующих максимум нагрузки субабонентов (которые им и не требуются, поскольку они не рассчитываются за присоединенную мощность), их фактическая нагрузка должна определяться на основе суточных графиков нагрузки за характерные периоды года и фиксироваться в договоре энергоснабжения абонента с энергоснабжающей организацией.

Немало предприятий (организаций) учитывают расходуемую электроэнергию на стороне низшего напряжения головных абонентских трансформаторов. В этом случае имеют место переплаты не только за счет повышенной ставки двухставочного тарифа, но часто и за счет неправильного определения потерь электроэнергии от границы раздела электросети до места установки расчетных приборов учета. Иногда значение таких потерь устанавливается энергоснабжающей организацией произвольно, например, на уровне 5 %. Однако эти потери должны определяться расчетным путем энергоснабжающей организацией совместно с потребителем и указываться в договоре энергоснабжения. И все равно, практика показывает, что даже правильно рассчитанное значение этих потерь окажется выше по сравнению с ее фиксированным значением при перестановке приборов учета электроэнергии со стороны низшего на сторону высшего напряжения головных абонентских трансформаторов.

Потери активной и реактивной электроэнергии в головных абонентских трансформаторах (в питающих линиях этими потерями, как правило, можно пренебречь из-за относительно малых протяженностей таких магистралей) определяются по следующим формулам.

Потери активной электроэнергии в трансформаторе, кВт·ч

Wa = ∆PxTo + β2PkTp                                                                                                     (1)

где ∆Px - потери активной мощности XX в трансформаторе, кВт;

Pk - потери активной мощности КЗ в трансформаторе, кВт;

То - годовое число часов присоединения трансформатора к сети;

Тp - число часов работы трансформатора под нагрузкой;

β* - коэффициент загрузки трансформатора, равный отношению среднего тока нагрузки Iср к его номинальному току Iном, т.е.

,                                                                   (2)

* Коэффициент β можно определить и по другой формуле:

,

где cosj - коэффициент мощности нагрузки.

,                                                             (3)

,                                                                 (4)

где Sном - номинальная мощность трансформатора, кВ·А;

Wp и Wa - соответственно расход активной, кВт·ч, и реактивной, квар·ч, электроэнергии;

Т - время работы трансформатора за соответствующий период, ч.

Потери активной мощности ∆Рт, кВт, в трансформаторе определяются по следующей формуле:

Рт = (∆Рх + kэQx) + b2(∆Рк + kэQк),                                         (5)

где kэ - коэффициент изменения потерь в трансформаторе;

Qx - потери реактивной мощности в трансформаторе при XX, квар;

Qк - потери реактивной мощности в трансформаторе при КЗ, квар.

Значения ∆Рх, ∆Qx, ∆Рк и ∆Qк табулированы (указаны в паспортных данных на трансформаторы).

Годовые потери электроэнергии ∆Wa, кВт·ч, при постоянно подключенном к сети трансформаторе (т.е. при То = 8760 ч) можно определить по следующей формуле:

,                                                      (6)

где Smax - зафиксированная максимальная нагрузка трансформатора, кВ·A.

Потери реактивной энергии ∆Wp, квар·ч, в трансформаторе определяются по следующей формуле:

,                                            (7)

где kф - коэффициент формы графика нагрузки, обычно принимаемый равным 0,8.

Потери реактивной мощности ∆Qт, квар, в трансформаторе определяются по следующей формуле:

,                                                   (8)

Если у потребителя электроэнергии установлено n однотипных трансформаторов, то в целях экономии электроэнергии (и соответственно ее потерь) целесообразно отключить один из трансформаторов, что возможно при следующем условии:

,                                                       (9)

где k - экономический эквивалент реактивной мощности, примерно равный:

0,12 - при питании через три ступени трансформации;

0,08 - при питании через две ступени трансформации;

0,05 - при питании через одну ступень трансформации;

0,02 - при питании от шин генераторного напряжения.

Потери активной электроэнергии ∆Wa, кВт·ч, можно снизить и за счет компенсации реактивной мощности, исходя из следующей формулы:

Wa = kWa(tgj1 - tgj2),                                                        (10)

где tgj1 и tgj2 - тангенсы угла j до и после компенсации РМ.

Если между потребителем и энергоснабжающей организацией возникнут разногласия по техническим вопросам договора энергоснабжения, то они могут быть рассмотрены территориальными (местными) или региональными органами (управлениями) Госэнергонадзора вплоть до Департамента государственного энергетического надзора, лицензирования и энергоэффективности, что делается по выбору (соглашению) обеих сторон.

Все сказанное свидетельствует о том, что руководителей и специалистов энергослужб предприятий (организаций) необходимо обучать не только нормам и правилам работы, но и вопросам совершенствования взаимоотношений с энергоснабжающими организациями, включать эти вопросы в учебные программы образовательных профессиональных учреждений, проводить по ним тематические семинары и консультации.

Технико-экономические проблемы в электрохозяйстве предприятий (организаций) тесно слились с коммерческими (финансовыми) взаимоотношениями с энергоснабжающими организациями и только их комплексное решение позволит обеспечить надлежащее и стабильное функционирование электрохозяйства, надежную, экономичную работу и безопасное обслуживание электроустановок.

ГЛАВА 9

ПОРЯДОК ОФОРМЛЕНИЯ И ЗАКЛЮЧЕНИЯ ДОГОВОРОВ ЭНЕРГОСНАБЖЕНИЯ

9.1. Общие положения

В настоящую эпоху рыночных взаимоотношений между поставщиками (продавцами) и потребителями (покупателями) оплата за товар (услуги и т.д.), в данном случае за отпущенную энергию, осуществляется только на договорных началах. Однако бывают случаи, когда потребление энергии осуществляется без договоров энергоснабжения.

В этих случаях потребитель получает соответствующее предписание - предупреждение от энергоснабжающей организации о необходимости оформления и заключения договора энергоснабжения.

Причем отсутствие договорных отношений не освобождает потребителя от обязанности возмещать стоимость отпущенной ему энергии.

К сожалению, не все потребители с этим согласны и отказываются от уплаты за использованную энергию.

Например, из практики разрешения споров, связанных с договором энергоснабжения, имел место случай, когда энергоснабжающая организация обратилась в Арбитражный суд с иском к потребителю о взыскании стоимости отпущенной ему тепловой (аналог электрической) энергии.

Ответчик возражал против исковых требований, ссылаясь на то, что он не является потребителем тепловой энергии, о чем свидетельствует отсутствие у него договорных отношений с энергоснабжающей организацией.

Арбитражный суд, согласившись с доводами ответчика, в удовлетворении исковых требований отказал.

Кассационная инстанция решение суда первой инстанции отменила, исковые требования энергоснабжающей организации удовлетворила по следующим основаниям.

Согласно материалам дела ответчик являлся балансодержателем ряда объектов жилого фонда микрорайона, которые потребляли тепловую энергию через установки ответчика, непосредственно присоединенные к сетям энергоснабжающей организации.

В соответствии с п. 2 ст. 539 ГК РФ договор на снабжение теплоэнергией (аналог - электроэнергией) может быть заключен только с потребителем, имеющим отвечающее установленным техническим требованиям энергопринимающее устройство, присоединенное к сетям энергоснабжающей организации.

Поскольку энергоснабжающая организация доказала факт потребления тепловой энергии объектами жилого фонда, находящимися на балансе ответчика, кассационная инстанция признала требования истца обоснованными.

При изложенных обстоятельствах отсутствие письменного договора энергоснабжения с владельцем тепловых сетей не освобождает ответчика от обязанности возмещать стоимость энергии, потребленной указанными объектами.

Процедура оформления и заключения договора энергоснабжения, к сожалению, представляет собой длительный и трудоемкий процесс с привлечением большого количества организаций (энергоснабжающих, органов Госэнергонадзора, архитектурно-планировочных управлений, ДЕЗов и т.д.), участвующих в данном процессе, в том числе:

органа местной электрической сети, от которой осуществляется питание абонента (или субабонента): городской или сельской муниципальной сети, Дирекции единого заказчика (ДЕЗ) и др.;

энергоснабжающей организации, той, которая выдает Технические условия, справку об их выполнении и Разрешение на присоединение мощности: городской (сельской) воздушной или кабельной сети;

Энергосбыта, с которым непосредственно заключается договор энергоснабжения и в дальнейшем производятся расчеты за потребляемую электроэнергию;

территориального (местного) органа Госэнергонадзора, который осуществляет осмотр и допуск электроустановок в эксплуатацию, выдает справку энергоснабжающей организации о разрешении на включение электроустановки к сети и проводит технический надзор за соблюдением норм и правил работы в электроустановках;

архитектурно-планировочного управления, которое выдает ситуационный план на здание (помещение), где располагается электроустановка;

специализированных монтажных, проектных и наладочных организаций, в том числе организаций, проводящих замеры сопротивления изоляции проводов и кабелей, проверку устройств защитного заземления и т.д., которые выполняют весь необходимый комплекс соответствующих работ по предписаниям Госэнергонадзора и Энергосбыта.

В табл. 3 приведен примерный перечень и последовательность работ по оформлению и заключению договора энергоснабжения.

Таблица 3

Примерный перечень и последовательность работ по оформлению и заключению договора энергоснабжения

п/п

Перечень работ

Курирующая организация

1

Согласование присоединяемой мощности с местной организацией электросетей

Муниципальные электросети, ДЕЗ и т.д.

2

Получение ситуационного плана на здание (помещение)

Архитектурно-планировочное управление

3

Получение справки об отсутствии задолженности по оплате за электроэнергию

Энергосбыт

4

Получение Технических условий и справки об их выполнении

Городская (сельская) воздушная или кабельная сеть

5

Получение Разрешения на присоединение мощности

То же

6

Составление Акта разграничения балансовой принадлежности и эксплуатационной ответственности

Муниципальная электросеть, ДЕЗ, энергоснабжающая организация

7

Разработка проекта (однолинейной схемы) электроснабжения

Специализированная проектная организация

8

Согласование проекта (схемы) электроснабжения

Энергосбыт, Госэнергонадзор

9

Монтаж (реконструкция) электроустановки по согласованному проекту электроснабжения

Специализированная монтажная организация

10

Составление Технического отчета по результатам измерений сопротивления изоляции проводов, кабелей и проверки заземляющего устройства

Специализированная организация

11

Получение Акта допуска электроустановки в эксплуатацию

Госэнергонадзор

12

Получение справки на включение (подачу напряжения) электроустановки

Госэнергонадзор для энергоснабжающей организации

13

Оформление и заключение договора энергоснабжения

Энергосбыт

В прил. 5 приведена поэтапная схема оформления и заключения договора энергоснабжения в системе ОАО «Мосэнерго».

Перечень и последовательность работ по оформлению и заключению договора энергоснабжения, приведенные в табл. 3, могут быть несколько изменены, сокращены или расширены, уточнены, скорректированы и т.д., что зависит от вида и состояния электроустановки (действующая, реконструированная или новая), характера нагрузки и значения присоединяемой мощности, от требований местной энергоснабжающей организации и целого ряда других факторов.

Однако общий принцип проведения такой процедуры, наличие большого количества трудоемких и длительных этапов, чрезмерно большие очереди потребителей электрической энергии и материальные затраты для получения того или иного документа в этой цепочке являются до сих пор труднорешаемыми проблемами для потребителей электрической энергии, особенно для субабонентов (субпотребителей).

Например, в одной из самых крупных энергоснабжающих организаций - ОАО «Мосэнерго» - для коммунально-обобществленных потребителей электрической энергии большинство этапов, указанных в табл. 3, включают в себя также отдельные подэтапные процедуры.

Чтобы получить, например, разрешение на присоединение мощности в СПиПР МКС ОАО «Мосэнерго» (табл. 3 п. 5), необходимо представить документы по пп. 1 - 3 этой таблицы с добавлением документов на право собственности помещения (или копию аренды) и затратить много времени, для того чтобы сдать все эти документы СПиПР МКС ОАО «Мосэнерго». Это связано с тем, что прием документов в СПиПР производится централизованно в одном месте, что приводит к большим очередям.

Однако это лишь начало процесса, так как после представления всех необходимых документов и при условии их правильного и полного оформления, будущему абоненту выписывают счет на оплату присоединенной мощности (до сих пор остается неясным правомочность такой оплаты). После оплаты счета абоненту приходится повторно терять много времени в той же очереди, чтобы получить лишь справку о принятии документов.

И только, как правило, через месяц (!) абонент сможет получить вожделенное разрешение на присоединение мощности. В общей сложности только этот этап оформления документов занимает не менее 2 мес.

Такая же сложная и длительная процедура имеет место при оформлении Акта разграничения балансовой принадлежности и эксплуатационной ответственности... в МКС ОАО «Мосэнерго», когда для получения необходимых подписей и печати абоненту надо пройти, по крайней мере, 4 (!) инстанции, начиная с мастера участка, затем старшего мастера участка, главного инженера района (что не всегда получается в 1 день из-за скопления большого количества желающих получить эту подпись, поскольку прием посетителей заканчивается в 12 ч). После всего этого, абоненту необходимо отправиться по другому адресу - в Центральное Управление МКС ОАО «Мосэнерго» для того, чтобы скрепить визы мастеров и подпись главного инженера, полученные в районном отделении МКС, гербовой печатью.

У субабонента, помимо прочего, может возникнуть тупиковая ситуация при оформлении Акта разграничения балансовой принадлежности и эксплуатационной ответственности... когда он, получив Разрешение на присоединение мощности, не может себя вписать в Акт разграничения, так как основной абонент, например ДЕЗ, такого Разрешения может не иметь.

В связи с этим у субабонента не имеется возможности заключить договор энергоснабжения и открыть в Энергосбыте лицевые счета на установленные приборы учета для расчета за потребляемую электроэнергию.

Поэтому можно понять заявление мэра Москвы Ю. Лужкова (в газете «Курьер», 2003, № 16) о том, что «...столичные власти намерены разрушить монополию ОАО «Мосэнерго» на энергетическом рынке города», поскольку «...считают ее финансово-экономическую политику неэффективной и тупиковой».

Имеется немало причин для оформления, переоформления, иногда обновления и заключения Договора энергоснабжения, в т.ч.:

подключение новой или реконструкция существующей электроустановки;

изменение наименования организации;

необходимость в увеличении присоединенной мощности;

смена владельца организации, офиса, помещения и т.д.;

реорганизация структуры Энергосбыта и др.

Ниже более подробно показана процедура оформления и заключения договора энергоснабжения на примере взаимодействия указанных выше категорий потребителей электрической энергии с энергоснабжающей организацией ОАО «Мосэнерго».

9.2. Получение Технических условий и Разрешения на присоединение мощности

Данный этап оформления договора энергоснабжения регламентируется (для нашего примера) требованиями Службы присоединения и перспективного развития (СПиПР) Московской кабельной сети (МКС) ОАО «Мосэнерго», которые заключаются в следующем.

Сначала необходимо сдать в СПиПР заявку, оформленную абонентом на бланке организации потребителя (или со штампом и его печатью) с указанием всех реквизитов (почтового индекса и адреса, контактных телефонов и факса, в т.ч. исполнителя). Заявка может быть оформлена на бланке другой организации. В этом случае необходимо указать причину такого оформления и приложить поручение потребителя-заказчика.

В заявке необходимо указать:

полное наименование и адрес объекта, а также его функциональное назначение;

установленную мощность и единовременную нагрузку, кВ·А (для крупных объектов и квартальной застройки пояснить трансформаторную мощность, размещение трансформаторов, распределение корпусов по трансформаторам);

к какому элементу сети присоединяются заявленные мощности;

ранее выделенные и требуемые дополнительные мощности корпусу (в том числе жилому дому) и их целевое распределение между основным потребителем электроэнергии и его субабонентами;

полное ли строение или его часть занимает заказчик;

наименование организации-заказчика (застройщика и инвестора);

срок ввода в эксплуатацию и начало строительства (если требуется, пояснить очередность ввода мощностей объектов);

требования по надежности электроснабжения токоприемников, при этом обосновать принадлежность токоприемников к 1 категории надежности и особой группе, объем их мощностей;

характер нагрузки и особые условия (число и мощность трансформаторов и электродвигателей напряжением 6 - 10 кВ, требования к качеству электроэнергии, использование электроэнергии на термические цели, в том числе отопление, обогрев, приготовление горячей воды и пара, стационарные электроплиты и т.д.).

К заявке следует приложить:

ситуационный план в масштабе 1:2000;

копию договора, распоряжения, постановления правительства г. Москвы и др. документы об отводе земельного участка или реконструкции объекта, выделения помещения;

письменное согласование с собственником сети условий подключения новых или дополнительных мощностей, перераспределения выделенных ранее ему мощностей;

справку от Энергосбыта об отсутствии задолженности по оплате за электроэнергию.

Если стоит вопрос о присоединении дополнительной мощности существующих объектов к сети ОАО «Мосэнерго», то, кроме вышеуказанной информации в заявке необходимо дополнительно указать:

существующую установленную мощность, кВ·А;

требуемую дополнительную установленную мощность и единовременную (расчетную) нагрузку, кВ·А;

существующую и требуемую категории надежности электроснабжения.

В этом случае заявку следует дополнить Актом разграничения балансовой принадлежности и эксплуатационной ответственности электроустановок и сооружений напряжением до 1000 В или Разрешением МКС ОАО «Мосэнерго» со схемой распределительных сетей организации с указанием границ балансовой принадлежности и распределением мощностей между основным абонентом и его субабонентами.

Минимальный срок подготовки технических условий и разрешений на мощность предполагается 2 недели. Фактически этот срок, особенно для материалов, требующих серьезной подготовки, составляет примерно 1 мес.

В Разрешении на присоединение мощности энергоснабжающая организация (ОАО «Мосэнерго») предъявляет заявителю ряд обоснованных требований, в том числе:

предусмотреть мероприятия, обеспечивающие соблюдение требований ГОСТ 13109-97 в части соблюдения качества потребляемой электроэнергии при наличии токоприемников, являющихся потенциальным источником гармонических искажений или несимметрии напряжения;

предусмотреть установку агрегатов бесперебойного питания для электроснабжения отдельных токоприемников, в работе которых возникнет сбой при технологических резких снижениях и кратковременных перерывах напряжения в сети внешнего электроснабжения;

получить разрешение в Госэнергонадзоре на использование электрической энергии на термические цели (в том числе на отопление, обогрев, приготовление горячей воды, стационарные электроплиты и т.д.);

получить в Энергосбыте технические условия на установку технических средств учета электроэнергии, в том числе АСКУЭ и др.

В том же Разрешении на присоединение мощности дано указание владельцу внутренних электросетей здания (объекта) переоформить Акт разграничения балансовой принадлежности и эксплуатационной ответственности с МКС ОАО «Мосэнерго» и Энергосбытом ОАО «Мосэнерго» при перераспределении мощности, изменении ранее разрешенных мощностей здания (объекта) или изменения арендатора (или владельца) здания или его части (прямого потребителя или субпотребителя ОАО «Мосэнерго»).

9.3. Составление Акта разграничения балансовой принадлежности и эксплуатационной ответственности электроустановок и сооружений напряжением до 1000 В

Акт разграничения действителен лишь при наличии разрешения на присоединение мощности. Он составляется между энергоснабжающей организацией и потребителем электрической энергии (в акте указывается наименование юридического лица потребителя, его адрес и телефон).

Полная форма акта разграничения содержит 16 пунктов в следующей последовательности:

1) указываются номер и дата выдачи разрешения на присоединение мощности, на какое напряжение подключаются токоприемники, а также приводится установленная мощность (кВ·А) при единовременной нагрузке (кВ·А), в том числе установленная мощность электроприемников I категории надежности. Здесь же указан срок действия акта разграничения;

2) приводится схема электроснабжения с нанесением на ней границы балансовой принадлежности и эксплуатационной ответственности, на которой указывается, от какого РТП, ТП и вводного устройства осуществляется электроснабжение потребителя;

3) отмечается, какой категории надежности (I, II или III) соответствует схема внешнего электроснабжения;

4) указывается требуемая категория надежности электроприемников потребителя;

5) в соответствии со схемой электроснабжения (п. 2) указывается граница балансовой принадлежности и эксплуатационной ответственности (кабельные наконечники в щитовой на стороне высшего или низшего напряжения, автоматический выключатель и т.д.);

6) указывается общая защита на вводном распределительном щите потребителя, которая должна быть установлена в соответствии с разрешенной единовременной нагрузкой (с указанием уставки по току, А). Защита со стороны РТП, ТП и вводов - на две ступени выше защиты на вводе потребителя;

7) показано, что нейтраль питающего трансформатора заземлена наглухо или изолирована от земли;

8) дается характеристика субабонентов по форме табл. 4;

Таблица 4

Субабоненты

№ п/п

Наименование потребителя, адрес, телефон

Разрешенная присоединяемая мощность, кВ·А, № Разрешения, дата выдачи

Разрешенная максимальная нагрузка, А

Ток уставок автоматического выключателя или предохранителя, А

 

 

 

 

 

9) перечисляются электрические сооружения, ВЛ и КЛ, находящиеся на балансе и в эксплуатации энергоснабжающей организации, которые расположены на территории потребителя. В этом случае ответственность за сохранность указанных электросооружений, ВЛ и КЛ от механических, химических, тепловых и других внешних повреждений, а также за содержание в порядке их трасс возлагается из потребителя. По трассам КЛ и ВЛ в пределах их охранных зон потребителю запрещается без согласования, для нашего примера, с МКС ОАО «Мосэнерго» производство каких-либо земляных и строительных работ.

Потребитель обязан ежегодно сообщать в МКС ОАО «Мосэнерго» фамилию ответственного за электрохозяйство, за сохранность электросооружений, КЛ и ВЛ, находящихся на территории потребителя, и за состояние их трасс;

10) подчеркивается обязанность потребителя в любое время суток обеспечивать беспрепятственный доступ персонала МКС ОАО «Мосэнерго» к расположенным на территории электросооружениям, находящимся на балансе в эксплуатации МКС, а также в вводные устройства в пределах границы балансовой принадлежности и эксплуатационной ответственности, а персонала Энергосбыта и Госэнергонадзора - ко всем электроустановкам потребителя;

11) данный пункт не противоречит законодательству в части прекращения подачи электроэнергии без согласования и предупреждения потребителя, так как такая мера необходима (что и оговорено в данном пункте акта разграничения) для принятия неотложных мер по предотвращению или ликвидации аварий или ненормальных режимов, причем имеется в виду, что она предпримется при отсутствии персонала потребителя (в выходные и праздничные дни);

12) указывается расчетный однофазный ток замыкания на землю, А;

13) при наличии и местных разрешенных (передвижных или стационарных) электростанций (как правило, их нет или они запрещены) указывается их мощность, кВт, и напряжение, кВ, а также условие наличия перекидного рубильника, исключающего возможность параллельной работы с сетью Мосэнерго;

14) приводятся особые условия, такие, например, как: оставление МКС за собой права отключения потребителя на время проведения ремонтных работ; при установке компьютеров необходимость установления потребителем ИБП; в щитовой запрещение потребителю замыкания кабелей на параллельную работу и др.;

15) указывается, что при изменении условий, предусмотренных данным актом разграничения, он должен быть пересоставлен;

16) указывается, что акт разграничения составляется в трех экземплярах: для энергоснабжающей организации, для абонента и для Энергосбыта.

Акт подписывается обеими сторонами (энергоснабжающей организацией и потребителем) и согласовывается с Энергосбытом.

9.4. Допуск электроустановок в эксплуатацию и порядок их включения

В соответствии с требованиями ПТЭЭП приемка новых или реконструированных электроустановок состоит из нескольких предварительных этапов, в том числе:

в период монтажа и строительства проводятся промежуточные приемки узлов оборудования и сооружений, в т.ч. и скрытые работы;

выполняются приемосдаточные испытания оборудования и пуско-наладочные испытания отдельных систем электроустановок;

проводится комплексное опробование оборудования.

Порядок и процедура проведения указанного комплекса работ достаточно подробно изложены в ПТЭЭП.

Следует обратить внимание, что согласно [5, 12 и др.] допуск в эксплуатацию осуществляется лишь для новых и реконструированных электроустановок. Поэтому нельзя согласиться с требованиями (предписаниями) Энергосбыта или Госэнергонадзора о необходимости допуска в эксплуатацию уже существующих и ранее допущенных в эксплуатацию электроустановок, что может иметь место при переоформлении договора энергоснабжения, например, при реорганизации структуры Энергосбыта или при обновлении договора энергоснабжения и т.д. Тем более нет необходимости в таком допуске, если характер нагрузки потребителя не изменился и его присоединенная мощность не увеличилась.

Допуск электроустановок в эксплуатацию заключается в:

составлении акта допуска в эксплуатацию (форма акта допуска в эксплуатацию приведена в прил. 3) инспектором энергонадзора;

выдаче разрешения для энергоснабжающей организации на подключение электроустановки (форма Разрешения на подключение электроустановки приведена в прил. 4).

Этой процедуре предшествует проверка вновь смонтированной или реконструированной электроустановки на предмет:

выполнения ее в соответствии с выданными техническими условиями, действующими нормами и правилами работы в электроустановках, СНиП и др. НТД;

обеспечения необходимой проектной, приемосдаточной и эксплуатационной документацией;

наличия подготовленного электротехнического персонала или договора на обслуживание электроустановки специализированной организацией;

наличия испытанных средств защиты, инструмента, запчастей, средств связи и сигнализации, пожаротушения, аварийного освещения и вентиляции;

наличия приказа о назначении у потребителя ответственного за электрохозяйство.

Дополнительными требованиями для получения потребителем акта допуска являются:

при существовании импортного оборудования, подлежащего сертификации, наличие на него российских сертификатов, соответствующих российским стандартам;

наличие электроустановок, расположенных во взрывоопасных зонах, свидетельства Департамента государственного энергетического надзора, лицензирования и энергоэффективности.

Если работа допущенной в эксплуатацию электроустановки приостановлена более чем на 6 мес., что может иметь место, например, при ее отключении инспектором Госэнергонадзора за нарушение норм и правил или инспектором Энергосбыта за неуплату потребляемой электроэнергии, то перед включением такой электроустановки производится ее допуск как вновь вводимой или реконструированной.

Такая же картина может быть при смене владельца электроустановки. Новый владелец предъявляет электроустановку инспектору Госэнергонадзора с предоставлением всех необходимых документов в полном объеме с обязательным доукомплектованием недостающими документами. В комплект таких документов в виде приложения к письму для вызова инспектора на проведение осмотра и допуска электроустановки в эксплуатацию входят:

Разрешение на присоединение мощности от энергоснабжающей организации;

Технические условия на присоединение электроустановки и справка от энергоснабжающей организации об их выполнении;

проект электроустановки, согласованный в установленном порядке (внешнего электроснабжения - с организацией, выдавшей Технические условия на присоединение; полный проект - с органами Госэнергонадзора);

однолинейная схема электроснабжения объекта, подписанная ответственным за электрохозяйство потребителя;

Акт разграничения балансовой принадлежности и эксплуатационной ответственности сторон, составленный представителями энергоснабжающей организации и потребителя;

справка от энергоснабжающей организации об оформлении договора энергоснабжения и готовности расчетных приборов учета электроэнергии;

приемосдаточный акт между монтажной организацией (с указанием номеров ее лицензий и даты их выдачи) и потребителем;

сертификат соответствия на электроустановки жилых зданий (при проведении сертификации);

перечень имеющихся в наличии защитных средств с протоколами испытаний, противопожарного инвентаря, плакатов по технике безопасности;

приказ о назначении ответственного за электрохозяйство;

список оперативного и оперативно-ремонтного персонала (Ф. И. О., должность, группа по электробезопасности, номер телефона), которому разрешается от имени потребителя давать оперативно-диспетчерским службам энергоснабжающей организации заявки на отключение и включение электроустановок;

исполнительные схемы, акты на скрытые работы;

вся необходимая документация согласно ПУЭ (п. 1.8) и ПТЭЭП (п. 1.8.1). К такой документации, регламентирующей ПТЭЭП, относятся, например, все НТД, приведенные на рис. 4.

Приведенный перечень документов, предоставляемых в Госэнергонадзоре, является примерным и в зависимости от местных условий может быть скорректирован.

Примерная форма письма для вызова инспектора Госэнергонадзора на проведение осмотра и допуска в эксплуатацию электроустановок имеет следующий вид [12]:

Начальнику Управления

«______________Госэнергонадзор»

___________________________________________________________________________

(наименование заявителя и юридический адрес)

просит произвести технический осмотр и осуществить допуск в эксплуатацию

_________________________________________________________________________,

(наименование электроустановки, адрес)

выполненных по проекту (№ проекта, дата), согласованному с Управлением Госэнергонадзора (№ и дата согласования).

Электроустановка принята от монтажной организации комиссией (дата приемки).

Ответственным за исправное состояние и безопасную эксплуатацию электрохозяйства назначен

__________________________________________________________________________

(Ф. И. О., должность, дата

__________________________________________________________________________

и приказа)

Выполнение техусловий на подключение подтверждено справкой.

Приложение:

1. Исполнительная документация на ___ листах;

2. Справка о выполнении технических условий на ___ листах;

3. ________________________________________________________________________

__________________________________________________________________________

Главный инженер

(технический директор, владелец) _____________________________________________

«___»_______ г.

Для осмотра электроустановки необходимо предъявить: данные о составе и характеристику электроустановки (тип, мощность, напряжение, номера вводов от источников электроснабжения), ток плавких вставок предохранителей или уставок автоматических выключателей, техническую документацию (см. выше).

Представленная в Госэнергонадзор проектно-техническая документация рассматривается в течение 5 рабочих дней, после чего согласовывается дата осмотра электроустановки или Госэнергонадзор в письменном виде направляет заявителю замечания по представленной документации.

При осмотре электроустановки и проверке технической документации инспектором Госэнергонадзора делается заключение об уровне организации эксплуатации электроустановки и ее техническом состоянии (соответствии нормам и правилам), на основании которого делается общее заключение о допуске в эксплуатацию (по постоянной или временной схеме электроснабжения).

Акт допуска оформляется в двух экземплярах - по одному для обеих сторон.

При наличии недостатков (недоделок, дефектов, отступлении от НТД и технических условий на присоединение и т.д.) инспектор Госэнергонадзора составляет соответствующий акт с перечнем таких недостатков и дефектов и с предписанием об их устранении.

Форма такого акта-предписания, например в системе Мосгосэнергонадзора, имеет вид приведенный далее.

МИНИСТЕРСТВО ЭНЕРГЕТИКИ
РОССИЙСКОЙ ФЕДЕРАЦИИ

ДЕПАРТАМЕНТ ГОСУДАРСТВЕННОГО ЭНЕРГЕТИЧЕСКОГО НАДЗОРА,
ЛИЦЕНЗИРОВАНИЯ И ЭНЕРГОЭФФЕКТИВНОСТИ

Федеральное государственное учреждение
«Управление Государственного энергетического надзора
по Московскому региону» (ФГУ «Мосгосэнергонадзор»)

адрес                                                                  телефон

__________________________________________________________________________

г. Москва                                        «____»________200 г.

АКТ-ПРЕДПИСАНИЕ № _________

______________________________

(индивидуального предпринимателя

______________________________

и вышестоящей организации)

______________________________

(должность, Ф. И. О. представителя

______________________________

юридического лица...)

Мною, государственным инспектором по энергетическому надзору Управления Государственного энергетического надзора по г. Москве (комиссией в составе):

__________________________________________________________________________

(Ф. И. О., должность)

__________________________________________________________________________

на основании приказа (распоряжения) начальника Управления «Мосгосэнергонадзор» «____» от________200 г. в присутствии _________________________________________

(Ф. И. О., должность)

__________________________________________________________________________

в период с _____________________ по ________________________________ 200 г.

проведена проверка_________________________________________________________

(вид проверки)

_________________________________________________________________________

(наименование проверяемой организации)

по теме __________________________________________________________________

__________________________________________________________________________

Краткая характеристика установленного электрооборудования, характеристика сетей:_____________________________________________________________________

__________________________________________________________________________

__________________________________________________________________________

В результате проведенной проверки установлено:

_________________________________________________________________________

_________________________________________________________________________

_________________________________________________________________________

_________________________________________________________________________

ПРЕДПИСАНИЕ

В порядке государственного энергетического надзора предлагается выполнить следующие мероприятия по устранению выявленных нарушений:

№ п/п

Содержание мероприятия, ссылка на пункт НГД

Срок исполнения

 

 

 

 

 

 

Выводы:

_________________________________________________________________________

_________________________________________________________________________

Информацию о выполнении настоящего акта-предписания представлять по адресу___________________________________________________________________

на имя___________________________________________________________________

(куда, кому, срок представления)

Инспектор (старший группы,

председатель комиссии,

члены комиссии)

(личный штамп)

____________

(подпись)

____________

(Ф. И. О.)

При проверке присутствовали:

_______________ _________________ ______________________________________

(должность)                  (подпись)                                  (Ф. И. О.)

Акт-предписание (__экз.) для исполнения получил:

_________________________________________________________________________

(руководитель организации)                    (подпись)                        (Ф. И. О.)

После устранения отмеченных в акте-предписании дефектов и недоделок электроустановка повторно представляется к осмотру.

Следует учесть требования ПТЭЭП, что перед опробованием и приемкой должны быть подготовлены условия для надежной и безопасной эксплуатации электроустановки, в том числе:

укомплектован, обучен с проверкой знаний электротехнический и электротехнологический персонал;

разработаны и утверждены эксплуатационные инструкции, инструкции по охране труда и оперативные схемы, техническая документация по учету и отчетности;

подготовлены и испытаны защитные средства, инструмент, запасные части и материалы;

введены в действие средства связи, сигнализации и пожаротушения, аварийного освещения и вентиляции.

После выполнения в полном объеме требований норм и правил и устранения указанных в акте недостатков и дефектов, выявленных при осмотре электроустановки, выдается Акт допуска ее в эксплуатацию.

Разрешение на подключение электроустановки оформляется в письменном виде руководителем территориального управления Госэнергонадзора в двух экземплярах: один - для потребителя, другой - для энергоснабжающей организации. После этого потребитель передает в энергоснабжающую организацию схему постоянного электроснабжения, подписанную ответственным за электрохозяйство, и согласовывает с ней дату подключения электроустановки.

Если потребитель получал электроэнергию по временной схеме электроснабжения, ответственный за электрохозяйство должен подтвердить факт ее демонтажа.

Подключение электроустановки осуществляется в течение 5 сут. с момента выдачи разрешения.

Подключение электроустановок без допуска в эксплуатацию инспектором Госэнергонадзора недопустимо, и руководители как энергоснабжающей организации, так и потребителя несут за это ответственность в порядке, установленном законодательством Российской Федерации.

9.5. Заключение Договора энергоснабжения

Полнота перечисленного комплекта проектно-технической документации, осуществление допуска электроустановки в эксплуатацию и наличие разрешения на ее подключение дают основания для заключения с энергоснабжающей организацией договора энергоснабжения и открытия лицевых счетов на расчетные приборы учета электроэнергии.

В настоящее время в связи с ростом электропотребления в промышленности и в жилом секторе и увеличением тарифов на электроэнергию стали внедряться двухтарифные системы учета потребления электрической энергии. В перспективе планируется переход на многотарифные системы учета. Такие системы будут предусматривать льготные тарифы в период минимальных нагрузок (в ночное время, в выходные и праздничные дни). С этой целью электротехнической промышленностью осваиваются принципиально новые многотарифные счетчики электронного типа, которые энергоснабжающие организации настоятельно рекомендуют к установке взамен существующих электросчетчиков индукционного типа при оформлении и заключении договоров энергоснабжения.

Представляют интерес электронные многотарифные счетчики электрической энергии однофазные и трехфазные типов СЭТ4, «А 1000», «Дельта» и др., серийно выпускаемые государственным заводом, Мытищинским электротехническим заводом, АВВ ВЭИ Метроника (г. Москва) и др.

Электросчетчики данного типа, например СЭТ1-4, имеют встроенные часы, питающиеся от батареи, энергозависимую память для запоминания потребляемой электроэнергии и других программируемых переменных счетчика, а также жидкокристаллический индикатор для отображения всех неизменных электросчетчика.

Электронные счетчики типов СЭТ способны к полной взаимозаменяемости устаревших индукционных счетчиков благодаря аналогичным схемам подключения и установочно-габаритным размерам.

Техническое обслуживание, ремонт и госповерка электросчетчиков, обеспечение их технически исправного состояния и своевременная замена осуществляются потребителями электроэнергии [2]. В [2] отмечено, что при нарушении схемы расчетного учета, повреждении или хищении ее элементов замена и госповерка расчетных приборов учета и контроля производятся за счет виновной стороны.

Для окончательного заключения договора энергоснабжения в договорной отдел Энергосбыта (например, в ОАО «Мосэнерго») необходимо представить следующий комплект документов:

заверенные копии Устава предприятия (организации), свидетельства о его регистрации, о постановке на учет в налоговом органе, о праве собственности или договор аренды и приказ о назначении руководителя предприятия (организации), а также справку из банка об открытии расчетного счета;

заполненную по установленной форме анкету потребителя, форма которой приведена в прил. 6;

заверенную копию информационного письма из Мосгоркомитета;

разрешение на мощность;

акт разграничения балансовой принадлежности и эксплуатационной ответственности;

проект (однолинейную расчетную схему) электроснабжения, согласованный (согласованную) с Энергосбытом в части организации учета электрической энергии;

договорные значения потребления электрической энергии;

заявку на отпуск и потребление электроэнергии;

журнал учета электрической энергии, который должен быть пронумерован, прошнурован, скреплен печатью и подписан ответственным за электрохозяйство (ответственным за безопасную эксплуатацию электроустановок).

Отсутствие того или иного документа в указанном перечне может вызвать нежелательные последствия при заключении договора энергоснабжения вплоть до судебного разбирательства в Арбитражном суде. Например, энергоснабжающая организация вправе отказаться от заключения договора энергоснабжения, если в нем отсутствует условие о количестве ежемесячно и ежеквартально поставляемой энергии.

Такой случай имел место в практике разрешения споров в Арбитражном суде, связанных с договором энергоснабжения, когда в суд обратилось акционерное общество с иском к муниципальному предприятию жилищно-коммунального хозяйства о взыскании предусмотренного сторонами в договоре штрафа за неподачу тепловой (аналогично - электрической) энергии. Ответчик возражал против исковых требований, ссылаясь на то, что причиной неподачи энергии явилось уклонение акционерного общества при заключении договора от согласования количества ежемесячной и ежеквартальной поставки энергии. Арбитражный суд исковые требования удовлетворил. Кассационная инстанция решение суда первой инстанции отменила, в иске акционерному обществу отказала по следующим основаниям.

В соответствии с п. 1 ст. 432 ГК РФ договор считается заключенным, если между сторонами достигнуто соглашение по всем существенным его условиям.

По договору купли-продажи, отдельным видом которого в силу п. 5 ст. 454 ГК РФ является договор энергоснабжения, условие о товаре считается согласованным, если договор позволяет определить наименование и количество товара (п. 3 ст. 455 ГК РФ).

Согласно ст. 541 ГК РФ энергоснабжающая организация обязана подавать абоненту энергию через присоединенную сеть в количестве, предусмотренном договором энергоснабжения. Если договор не позволяет определить количество подлежащего передаче товара, Договор не считается заключенным (п. 2 ст. 465 ГК РФ).

Поскольку договор, на основании которого производился отпуск энергии, сведений о количестве ежемесячно и ежеквартально поставляемой энергии не содержал, он признается незаключенным. Следовательно, у суда не было оснований для удовлетворения иска о взыскании штрафа.

Рассмотренная процедура оформления и заключения договоров энергоснабжения на примере энергоснабжающей организации ОАО «Мосэнерго» может несколько отличаться от подобной процедуры в других энергосистемах страны; по некоторым позициям процесс оформления и заключения договоров энергоснабжения может быть несколько упрощен или усложнен, скорректирован и т.д.

Однако общие принципы этого процесса, особенно в части выполнения требований норм и правил Госэнергонадзора, остаются неизменными и создают все предпосылки по обеспечению надежной, экономичной и безопасной эксплуатации электроустановок при условии выполнения договорных обязательств обеими сторонами - участниками договора энергоснабжения.

ГЛАВА 10

СИСТЕМА ТЕРМИНОВ И ОПРЕДЕЛЕНИЙ В ЭЛЕКТРОЭНЕРГЕТИКЕ

Разработка и гармонизация стандартов в любой отрасли начинается с терминологии.

Под гармонированными понимаются такие стандарты, которые приняты различными занимающимися стандартами органами, распространяются на один и тот же объект стандартизации и обеспечивают взаимозаменяемость продукции, процессов или услуг и взаимное понимание результатов испытаний или информации, представляемой в соответствии с этими стандартами [21].

Решение этой задачи осуществляется в строгом соответствии с ГОСТ 1.1-2002, который устанавливает термины и определения в области стандартизации.

Знание терминологии и определений в электроэнергетике играет исключительно важную роль для руководителей и специалистов энергослужб предприятий (организаций); позволяет более правильно определить целевое назначение и конкретную суть того или иного объекта, сетей, устройств защитного заземления и другого электротехнического оборудования; помогает различить по характерным стандартизированным признакам близкие по своему звучанию и функциональному назначению электроэнергетические понятия, такие, например, как:

падение напряжения и потеря напряжения;

разделяющий трансформатор и разделительный трансформатор;

уравнивание потенциалов и выравнивание потенциалов;

нулевой защитный проводник и нулевой рабочий проводник и т.д.

Знание и умение пользоваться терминологией и определениями в электроэнергетике является одним из условий рационального и безопасного обслуживания электроустановок; безошибочного выбора коммутационной, защитной и контрольно-измерительной аппаратуры и приборов, средств автоматики и телемеханики; надлежащего выбора способа выполнения заземления в электроустановках, целевого использования средств защиты и т.д.

Проблема в данной области усугубляется тем, что среди большого числа ведомственных норм и правил работы в электроустановках (МПБЭЭ, ПУЭ, ПТЭЭГ, ППИСЗ и др.) имеют место разночтения в терминах и определениях и, в ряде случаев, расхождения с таковыми, указанными в государственных стандартах [22].

В данном случае специалисты-электроэнергетики столкнулись с некоторым несоответствием стандартизированной терминологии, не зная какому ведомству отдать предпочтение в выборе терминов и определений.

С одной стороны, государственные стандарты считаются более приоритетными по сравнению с ведомственными нормами и правилами и являются обязательными для применения во всех видах документации. С другой - в ведомственных органах находятся узкопрофильные профессионалы, как, например, в органах Госэнергонадзора, которые в своей области являются специалистами-профессионалами более высокого уровня по сравнению с широкопрофильными специалистами из Госстандарта России. Поэтому терминология, разработанная в ведомственных нормах и правилах, является более четкой, конкретной и грамотной, что позволяет персоналу энергослужб предприятий (организаций) осмысленней и полнее определить функциональное назначение того или иного объекта, устройства, системы и т.д.

Данный вывод подтверждается еще и тем, что иногда в ГОСТ приводятся разноречивые определения и термины или, наоборот, один и тот же термин имеет несколько разных определений, что усложняет усвоение терминологии и вносит определенную путаницу в этих вопросах. Например, в табл. 5 приведены термины, которые имеют различные определения в том или ином ГОСТ.

Таблица 5

Разноречивые определения одного и того же термина

Термин

Определение

ГОСТ

Линия электропередачи (ЛЭП)

Электроустановка, состоящая из проводов, кабелей, изолирующих элементов и несущих конструкций, предназначенная для передачи электрической энергии между двумя пунктами энергосистемы с возможным промежуточным отбором по ГОСТ 19431-84

ГОСТ 24291-90

Электрическая линия, выходящая за пределы электростанции или подстанции и предназначенная для передачи электрической энергии на расстояние

ГОСТ 19431-84

Напряжение прикосновения

Напряжение между двумя точками цепи тока, которых одновременно касается человек

ГОСТ 12.1.009-76

Напряжение, появляющееся на теле человека при одновременном прикосновении к двум точкам проводников или проводящих частей, в том числе при повреждении изоляции

ГОСТ 30331.1-95

ГОСТ Р 50571.1-93

Напряженность электрического поля

Эффективное значение синусоиды, имеющей амплитуду, равную большей полуоси эллипса, описываемого вектором напряженности в данной точке

ГОСТ 12.1.002-84

Векторная величина, характеризующая электрическое поле и определяющая силу, действующую на заряженную частицу со стороны электрического поля

ГОСТ 19880-74

Нулевой защитный проводник (РЕ)

Проводник, соединяющий зануляемые части с глухозаземленной нейтральной точкой обмотки источника тока или ее эквивалентом

ГОСТ 12.1.009-76

Проводник в электроустановках напряжением до 1000 В, соединяющий зануляемые части с глухозаземленной нейтралью генератора или трансформатора в сетях трехфазного тока, с глухозаземленным выводом источника однофазного тока, с глухозаземленной средней точкой источника в сетях постоянного тока

ГОСТ 30331.1-95

ГОСТ Р 50571.1-93

Потребитель электрической энергии

Предприятие, организация, территориально обособленный цех, строительная площадка, квартира, у которых приемники электрической энергии присоединены к электрической сети и используют электроэнергию

ГОСТ 19431-84

Юридическое или физическое лицо, осуществляющее пользование электрической энергией (мощностью)

ГОСТ 13109-97

Система сборных шин (шинопровод)

Устройство, представляющее собой систему проводников, состоящее из шин, установленных на опорах из изоляционного материала, проходящих в каналах, коробах или подобных оболочках

ГОСТ 22789-94

Комплект элементов, связывающих между собой все присоединения электрического распределительного устройства

ГОСТ 24291-90

Токоведущая часть

Электропроводящая часть электроустановки, находящаяся в процессе ее работы под рабочим напряжением

ГОСТ 30331.1-95

ГОСТ Р 50571.1-93

Любой проводник или токопроводящая часть, которые при нормальной эксплуатации находятся под напряжением, включая и нейтральный проводник, если он не является защитным заземленным проводником

ГОСТ 22789-94

Ток утечки

В сети с изолированной нейтралью и сети постоянного тока - ток, протекающий между находящейся под напряжением фазой (полюсом) и землей в результате снижения сопротивления изоляции; в сети с глухозаземленной нейтралью - ток, протекающий по участку сети параллельно току в нулевом проводе, а при отсутствии нулевого провода - ток нулевой последовательности

ГОСТ 12.4.155-85

Ток, который протекает в землю или на сторонние проводящие части в электрически неповрежденной цепи

ГОСТ 30331.1-95

ГОСТ Р 50571.1-93

Усиленная изоляция

Улучшенная рабочая изоляция, обеспечивающая такую же степень защиты от поражения электрическим током, как и двойная изоляция

ГОСТ 12.1.009-76

Единая изоляционная система, применяемая для токоведущих частей, которая обеспечивает такую же степень защиты от поражения электрическим током, как и двойная изоляция

ГОСТ 30030-93

Экранирование (электромагнитное)

Способ ослабления электромагнитной помехи с помощью экрана с высокой электрической и (или) магнитной проводимостями

ГОСТ 30372-95

ГОСТ 50397-92

Применение оболочек для защиты проводников или оборудования от воздействия на них помех, в особенности электромагнитного излучения, от других проводников или оборудования

ГОСТ 22789-94

Электрическая цепь

Совокупность электрического оборудования, соединенного проводами и кабелями, через которое может протекать электрический ток

ГОСТ 30331.1-95

ГОСТ Р 50571.1-93

Совокупность устройств и объектов, образующих путь для электрического тока, электромагнитные процессы в которых могут быть описаны с помощью понятий об ЭДС, токе и напряжении

ГОСТ 19880-74

Электрооборудование

Совокупность электротехнических изделий и (или) электротехнических устройств, предназначенных для выполнения заданной работы

ГОСТ 16703-79

Совокупность объединенных общими признаками электротехнических устройств, предназначенных для производства, преобразования, передачи, распределения или потребления электроэнергии

ГОСТ 18311-80

Любое оборудование, предназначенное для производства, преобразования, передачи, распределения или потребления электроэнергии

ГОСТ 30331.1-95

ГОСТ Р 50571.1-93

Электроустановка

Любое сочетание взаимосвязанного электрооборудования в пределах данного пространства или помещения

ГОСТ 30331.1-95

ГОСТ Р 50571.1-93

Энергоустановка, предназначенная для производства или преобразования, передачи, распределения или потребления электрической энергии

ГОСТ 19431-84

Поэтому при разработке норм и правил работы в электроустановках возникают определенные трудности в выборе того или иного термина и определения к нему.

Недаром в Энергетической стратегии России на период до 2020 г., утвержденной Правительством РФ 28 августа 2003 г., подчеркнуто, что одним из принципов ее осуществления является «единство стандартов безопасности, технических норм и правил, действующих в электроэнергетической отрасли».

Во многих технических публикациях, справочной и производственной литературе, в рекомендациях и методических пособиях авторы начинают излагать материал, как правило, с терминов и определений, которые зачастую отражают субъективный взгляд автора по данной тематике, в результате чего возникают дополнительные разночтения в терминологии.

Решение данной проблемы требует тщательного подхода к выбору того или иного термина и определения и пользованию ими, особенно в области электроэнергетики.

Существующую систему терминов и определений в электроэнергетике целесообразно разделить на три группы:

I группа - термины стандартизированные, которые необходимо применять строго в соответствии с государственными (ГОСТ) и международными (например, СТ МЭК) стандартами;

II группа - термины и определения нестандартизированные, которые не применяются в действующих нормах и правилах работы в электроустановках. Данные термины и определения действуют на основе законодательных, правовых и нормативных документов (Федеральных законов, Указов Президента, постановлений Правительства Российской федерации), строительных и санитарных норм и правил. К ним относятся термины и определения, применяемые в ПУЭ, ПТЭЭП, МПБЭЭ, ППИСЗ и др., такие, например, как: верхолазные работы, бригада, допуск к работам, инструктаж, наряд-допуск, ответственный за электрохозяйство, персонал оперативный и многие другие термины [23];

III группа - термины и определения, отражающие экономические понятия, применяемые в электроэнергетике.

Технико-экономические расчеты в энергетике имеют важное значение в оценке деятельности энергослужб как промышленных потребителей энергии, так и энергоснабжающих организаций. В настоящее время в условиях коммерческих взаимоотношений между обеими сторонами значительно возросла потребность в экономических знаниях для оценки деятельности энергослужб, связанных с вопросами энергосбережения, лимитирования электроэнергии и мощности, со штрафными надбавками, с денежными компенсациями за неполный отпуск электроэнергии и др. Нередко разногласия по этим экономическим вопросам выносятся в Арбитражный суд потребителями или поставщиками электроэнергии.

Поэтому руководителям и специалистам электроэнергетических служб предприятий (организаций) необходимо знать и грамотно использовать терминологию в прикладной экономике по роду своей деятельности.

Термины и определения в области экономики, как правило, не стандартизированы, а действуют на базе законодательных и правовых актов и нормативов, федеральных законов, постановлений Правительства Российской Федерации. К таким терминам можно отнести акцепт, применяемый при взаиморасчетах по договору энергоснабжения, при которых имеет место безакцептное взимание денежных средств за потребленную электроэнергию, а также амортизационные отчисления, возмещение убытков, затраты, расходы и издержки, лимит, тариф и др.

Особое место в системе стандартизации занимает система стандартов безопасности труда (ССБТ), которая насчитывает более 320 Государственных стандартов, в том числе около 30 - непосредственно по вопросам электробезопасности.

Все стандарты, начинающиеся с двух первых цифр «12» образуют единую структуру ССБТ, содержащую шесть взаимосвязанных квалификационных групп, в том числе:

0 (12.0....) - основополагающие стандарты, которые охватывают фундаментальные вопросы самой системы стандартизации и предназначены для устранения различия в определениях и оценках в области безопасности труда;

1 (12.1....) - стандарты общих требований и норм по видам опасных и вредных производственных факторов, которые систематизируют и формализуют все виды опасности и характер их воздействия;

2 (12.2....) - стандарты общих требований безопасности к производственному оборудованию;

3 (12.3....) - стандарты общих требований к производственным процессам;

4 (12.4....) - стандарты требований к средствам защиты;

5 (12.5....) - стандарты требований к зданиям и сооружениям.

Например, часто применяемый в электроэнергетике стандарт 12.1.009-76 «Электробезопасность. Термины и определения» (переиздан в 1999 г.) расшифровывается следующим образом:

12 - код стандарта ССБТ;

1 - код классификационной группы, которая показывает, что данный стандарт относится к стандартам общих требований и норм по видам опасных и вредных производственных факторов;

009 - порядковый номер стандарта этой группы;

76 - год регистрации стандарта.

Созданная в стране единая система ССБТ является первой и уникальной в практике мировой стандартизации, которая объединила разрозненные нормативные документы по охране труда и технике безопасности. Данная система обязывает неукоснительно выполнять требования безопасности на всех стадиях, начиная от проектирования, изготовления, монтажа, наладки и испытаний и кончая эксплуатацией и ремонтом.

К внедрению и выполнению требований ССБТ на предприятиях (организациях) подключены практически все структурные подразделения, в том числе и энергослужбы предприятия (организации).

В вопросах организации и управления электрохозяйством предприятия должно уделяться особое внимание улучшению условий охраны труда в электроустановках и проблеме электробезопасности на основе существующей стандартизированной системы ССБТ.

ГЛАВА 11

РАСЧЕТНАЯ МОДЕЛЬ УЩЕРБА ПРИ ОТКАЗАХ ЭЛЕКТРОДВИГАТЕЛЕЙ

В гл. 8 был оценен экономический ущерб от повышенного потребления реактивной мощности асинхронными двигателями (АД), составляющие которого приведены на рис. 5.

Чтобы получить более полное представление о возможных экономических убытках в электрохозяйстве предприятий, необходимо уметь определить количественные показатели ущерба при отказах АД. Это тем более важно, что АД являются самым массовым видом приводных электродвигателей на многих промышленных предприятиях и уровень их безотказной работы во многом определяет показатели электрохозяйства в целом.

Суммарный экономический ущерб , руб/г., при отказах электродвигателей состоит из ущерба от простоя оборудования, обусловленного недовыпуском продукции Упр, и затрат на ремонт отказавших электродвигателей Ур или приобретение новых электродвигателей Ун, т.е.

или                                                                                                (11)

Если принять меры к обеспечению безотказности работы электродвигателей за счет использования специальных защит, то общий ущерб при отказах электродвигателей снизится за счет снижения или полного отсутствия второго слагаемого (Ур или Ун) в формуле (11). Первое слагаемое в формуле полностью исключить практически невозможно, поскольку может наблюдаться простой оборудования из-за отключения защиты электродвигателей от сети при возникновении ряда причин, которые при отсутствии защиты привели бы к повреждению электрической машины, а именно: выпадения одной из фаз питающей сети, технологических перегрузок, чрезмерного колебания напряжения сети и др.

С учетом затрат на спецзащиту общий экономический ущерб можно выразить следующим образом, руб/г:

,                             (12)

где v1, v2, v3 - коэффициенты эффективности применения спецзащит (при v1 = 1 отсутствует ущерб от простоя оборудования;

v2 = 1 - отсутствует ущерб, связанный с затратами на приобретение новых электродвигателей;

v3 = 1 - отсутствует ущерб на ремонт поврежденных электродвигателей);

Т - срок окупаемости затрат на разработку и применение спецзащит;

ti -текущий i-й момент времени эксплуатации электродвигателей.

При расчетах экономической эффективности принимается, что

0ti Tок.

Из формулы (12) видно, что при Ток = ti затраты на защиту полностью окупаются.

В соответствии с существующей много лет Методикой определения экономической эффективности использования новой техники, изобретений и рационализаторских предложений нормативный срок окупаемости дополнительных капитальных вложений на электротехническое оборудование принят 6,7 г.

Расчетный срок окупаемости дополнительных затрат на спецзащиту можно определить, как отношение затрат Ус к эффекту, вызванному этими затратами, т.е.

,                                                            (13)

Упрощенный подсчет годового ущерба, руб., от простоя технологического оборудования при отказах электродвигателей производится по следующей формуле:

,                                                              (14)

где у - удельный ущерб от недовыпуска изготовляемой продукции, руб./(кВт·ч);

Рi - номинальная мощность электродвигателя i-го типоразмера, кВт;

пi - число отказавших электродвигателей i-го типоразмера, шт.;

tni - время простоя оборудования из-за демонтажа поврежденного и монтажа резервного электродвигателя, ч.

Удельный ущерб, руб./(кВт·ч), от недовыпуска продукции можно найти из следующей формулы:

,                                                              (15)

где С - стоимость годового выпуска продукции (фабрики, цеха и т.д.), руб.;

Руст - суммарная установленная мощность электродвигателей оборудования на данном производстве, кВт;

То - годовой фонд односменной работы оборудования, ч;

k1 - средний коэффициент сменности в году;

k2 - коэффициент использования оборудования в году с учетом потерь времени на ремонт оборудования, болезни рабочего персонала и т.д.

Для более точной оценки ущерба от недовыпуска продукции из-за отказов электродвигателей формулу (15) необходимо скорректировать. Корректировка будет заключаться в том, что в числитель формулы (15) следует добавить ущерб на выплату зарплаты работникам Уз в период простоя, а в знаменателе формулы суммарную установленную мощность электродвигателей необходимо заменить потребляемой мощностью этих электродвигателей Рпотр.

В соответствии с корректировкой формула (15) примет следующий вид:

,                                                               (16)

Ущерб, руб., из-за выплаты зарплаты работникам оборудования в период простоя можно определить по формуле:

,                                                            (17)

где 0,5 - 50 %-ная выплата работникам в период простоя;

Зр.ч - почасовая заработная плата работников, руб./ч;

а - число машин, обслуживаемых одним работником;

k - коэффициент, учитывающий дополнительную зарплату и начисления;

т - число возникающих неисправностей (отказов);

tпр - продолжительность простоя, ч.

Расчеты показали, что значения удельного ущерба, подсчитанные по формулам (15) и (16), в большинстве случаев отличаются друг от друга незначительно. Это следует из того, что некоторое увеличение числителя в формуле (16) за счет дополнительного слагаемого Уз компенсируется в этой формуле увеличением знаменателя Рпотр > Руст.

Ущерб, руб., из-за капитального ремонта поврежденных электродвигателей определяется по следующей формуле:

,                                                           (18)

где Сpi стоимость капитального ремонта одного электродвигателя i-го типоразмера, руб.;

l - число поврежденных электродвигателей, подлежащих капремонту.

Основным критерием экономической оценки безотказности работы электродвигателей должно явиться условие минимума двух первых слагаемых ущерба в формуле (12), т.д.

(1 - v1пр + (1 - v3р = min.                                                  (19)

Такое условие достигается за счет возрастания коэффициентов эффективностей, т.д. при прочих равных условиях:

                                                     (20)

Возрастание коэффициентов эффективности связано с повышением доли 4-го слагаемого в формуле (12), т.д. .

Однако значение этого слагаемого с течением времени ti снижается и при ti = Ток становится равным нулю.

Если расчетный срок окупаемости Ток превысит нормативный срок Тн, то дополнительные приращения затрат по обеспечению безотказной работы электродвигателей следует признать экономически неоправданными, и наоборот.

Однако следует принять во внимание, что применение спецзащит электродвигателей от аварийных режимов работы должно быть исключительной мерой, так как связано со значительными затратами. Кроме того, при этом нарушается бесперебойность технологического процесса, что вызывает справедливые нарекания со стороны технологической службы предприятия.

Например, обрыв фазы у электродвигателя или его перегрузка может иметь скрытые причины их возникновения, например из-за износа и старения изоляции обмотки. Поэтому вместо того, чтобы устанавливать в этих случаях соответствующие спецзащиты, целесообразней осуществлять контроль за скоростью старения изоляции обмотки электродвигателей. Износ и старение изоляции являются одной из наиболее «коварных» причин выхода электродвигателей из строя из-за того, что отсутствуют внешние признаки их выявления.

Процесс старения и износа изоляции обмоток электродвигателей представляет собой совокупность ряда причин: срока службы изоляции, влияния параметров окружающей среды, степени нагрузки на валу электродвигателей и др. При неблагоприятном стечении этих факторов возникает форсированное старение изоляции с резким ухудшением ее электрических свойств.

На основании многочисленных опытов немецким ученым Монтзингером было установлено общее правило по определению срока службы изоляционных материалов с распространенным классом нагревостойкости А (из хлопчатобумажных, шелковых тканей, пряжи, бумаги и картона). Было установлено, что старение изоляции материалов этого класса подчиняется так называемому 8-градусному правилу в соответствии со следующей формулой:

,                                                                 (21)

где Тотн - скорость старения изоляции;

tн - нормативная предельная температура нагрева для изоляции класса А, °С;

t - фактическое превышение температуры, °С.

Согласно 8-градусному правилу из формулы (21) следует, что для обмоток с изоляцией класса А на каждые 8 °С перегрева срок службы изоляции уменьшается, а ее старение ускоряется в 2 раза. Например, в соответствии с ГОСТ 183-74 «Машины электрические вращающиеся. Общие технические условия», превышение температуры для изоляции класса А составляет 65 °С, а температура окружающей среды принята равной +40 °С. Следовательно, предельная температура для изоляции с нагревостойкостью класса А составляет 65 + 40 = 105 °С. Температура, оказывающая влияние на старение изоляции обмоток, складывается из превышения температуры для изоляции данного класса обмотки и температуры окружающей среды, т.д. для изоляции класса А скорость старения будет

.                                                                (22)

На основании опыта эксплуатации и наблюдений за сроком службы изоляции класса А при нормативной предельной температуре, равной 105 °С, средний срок службы изоляции обмоток составляет примерно 7 лет, т.д.

.                                                     (23)

Если, например, фактическое превышение температуры будет 121 °С, то из формулы (22) видно, что срок службы изоляции сократится в 4 раза, так как

.

А по формуле (23) можно определить абсолютный срок службы такой изоляции, т.д.

 г.

Следовательно, если при нормативной температуре изоляции класса А обмотка электродвигателя проработает 7 лет (т.д. при температуре 105 °С), то при ее превышении на 16 °С срок службы изоляции сократится в 4 раза - до 1,75 г., и т.д.

Восьмиградусное правило имеет практическую ценность, поскольку оно позволяет установить эффективный контроль за степенью старения и износа изоляции материалов с наиболее широко распространенным классом А нагревостойкости.

ГЛАВА 12

ОПРЕДЕЛЕНИЕ ОПТИМАЛЬНЫХ УРОВНЕЙ БЕЗОТКАЗНОСТИ РАБОТЫ ЭЛЕКТРОДВИГАТЕЛЕЙ

В настоящее время экономически обоснованные уровни количественных характеристик безотказности работы электродвигателей отсутствуют.

В принципе безотказность работы, например АД, можно довести до самого высокого уровня за счет применения специальных мер, в том числе: улучшения конструкции электродвигателей, выбора установленной завышенной мощности, разработки комплекса спецзащит от аварийных режимов, осуществления непрерывного контроля за рациональными условиями эксплуатации электродвигателей и т.д.

Однако многие из этих мероприятий связаны со значительными финансовыми и другими затратами и экономически себя не оправдывают. Например, нет острой необходимости и целесообразности принимать меры к тому, чтобы срок службы подшипников в электродвигателе был в несколько раз больше срока службы самого электродвигателя, или недопустимо, например, повышать безотказность работы электродвигателя за счет снижения производительности технологического оборудования.

С другой стороны, специалисты, работающие в области повышения надежности электрических машин, справедливо подчеркивают, что затраты при эксплуатации электродвигателей с повышением уровня их безотказности значительно снижаются. С ростом технико-экономических показателей (коэффициента мощности и коэффициента полезного действия) уровень надежности электрических машин повышается.

Поэтому одной из важных задач оптимизации, в частности, асинхронных двигателей является изыскание оптимального уровня безотказности работы электродвигателей, удовлетворяющего минимальным затратам при максимальном экономическом эффекте.

Успешным решением задачи оптимизации безотказных режимов работы электродвигателей является полная ликвидация износовых отказов и максимально возможное предупреждение внезапных отказов.

Для этих условий с целью правильного изыскания экономического критерия оптимизации можно использовать экспоненциальный однопараметрический закон распределения вероятностей, являющийся частным случаем двухпараметрического закона Вейбулла-Гнеденко. Для этого закона постоянной величиной является интенсивность (опасность) отказов, 1/ч:

λ = const.

Стоимость (цену) Ц годового обслуживания (эксплуатации) электрической машины можно представить в виде двух слагаемых, одно из которых Ц0 не зависит от количественных показателей безотказности работы электродвигателя, а другое Ц´(λ) является функцией параметра безотказности [24], т.д.

                                                     (24)

где  - средняя цена восстановления отказавшего электродвигателя.

Если повысить безотказность работы электродвигателей, т.е. снизить интенсивность отказов с λ1 до λ2, то годовая экономия ∆Э затрат на эксплуатацию электродвигателей станет равной

                                                        (25)

Когда речь идет об увязке технико-экономических показателей с уровнем надежности работающего объекта, то под технико-экономическими показателями понимаются начальные (капитальные) затраты К и ежегодные эксплуатационные издержки И, приведенная сумма которых (к одной размерности) и составляет общие расчетные затраты З.

Возрастание капитальных затрат оправдывает себя в том случае, если оно приводит не только к обеспечению надлежащего уровня безотказности работы объекта, но и к снижению эксплуатационных издержек, в результате чего уменьшаются и общие расчетные затраты.

Экономию на эксплуатационные расходы ∆И можно совместить с экономией от ущерба при простоях оборудования, пользуясь следующим выражением:

                                                  (26)

где  - средний ущерб от отказов электродвигателей;

 - среднее время на восстановление отказавших электродвигателей;

З - годовые условные потери, З = const.

Второй сомножитель в формуле (26) представляет собой среднюю стоимость отказов.

Для определения связи параметра безотказной работы электродвигателей с дополнительными капитальными вложениями априори можно принять, что последние являются функцией отношения параметров, т.е.

.                                              (27)

Из уравнения (27) видно, что дополнительные капитальные затраты пропорциональны уровню безотказности работы электродвигателей, т.е. возрастают (снижаются) при его повышении (снижении), что и выражено приемлемой для данного случая логарифмической функцией

С = const,

где С - параметр, определяющий постоянную затрат на повышение безотказности работы электродвигателей.

Этот параметр численно равен приращению стоимости объекта при уменьшении интенсивности отказов в е раз (2,71 раз).

Окончательно дополнительный экономический эффект ∆U от повышения уровня безотказности работы электродвигателей, приведенный к одной размерности, руб., можно представить как

,                                                      (28)

где  - показатель времени, характеризующий какой-то приведенный момент времени Тпр, произведение которого на значение эффекта и позволит получить приведенный эффект ∆U;

рн - нормативный коэффициент эффективности дополнительных капитальных вложений, значение которого обратно нормативному времени окупаемости, т.е. 1/6,7 = 0,15.

С увеличением срока службы Т электродвигателей приведенный момент времени стремится к , что дает основание утверждать об ограниченном значении приведенного эффекта.

С учетом формул (26) и (27) можно получить математическую зависимость дополнительного экономического эффекта:

                                (29)

По уравнению (29) можно определить оптимальный уровень безотказности работы электродвигателей, который и принимают за максимум дополнительного экономического эффекта:

Для определения оптимальной интенсивности отказов уравнение (29) следует продифференцировать по λ2 с последующим приравниванием производной нулю:

.                                 (30)

Следовательно,

.                                              (31)

Из этой формулы видно, что оптимальное значение интенсивности отказов λ2опт электродвигателей не зависит от начального значения λ1 и определяется только отношением постоянной затрат к средней стоимости отказа.

Если значение λ2опт подставить в формулу (29), то после несложных преобразований можно определить максимальный экономический эффект, полученный за счет повышения уровня безотказности работы электродвигателей, и необходимые для этих целей капитальные вложения (см. вычитаемые в формулах (29) и (32)):

.                                           (32)

Если оптимальная интенсивность отказов λ2опт не зависит от начального значения интенсивности отказов λ1 электродвигателей, то максимальный экономический эффект уже существенно будет зависеть от λ1, что видно из формул (29) и (30):

при λ1 = λ2оптUmax = 0;

при λ1 > λ2оптUmax > 0 и с увеличением разницы между λ1 и λ2опт значение ∆Umax возрастает;

при λ1 < λ2оптUmax < 0, что означает отсутствие дополнительного эффекта и наличие ущерба из-за значительных затрат и низкой экономичности работы электродвигателей.

Из уравнения (30) также видно, что максимальный экономический эффект зависит от исходного уровня интенсивности отказов λ1 и срока службы электродвигателей, и функционально может быть выражен следующей зависимостью:

.                                   (33)

где постоянная

В общем виде зависимость дополнительного экономического эффекта ∆U от начального значения интенсивности отказов λ1 и времени Т на основании формулы (29) можно выразить как

.                                             (34)

Следовательно, формула (33) есть частный случай формулы (34) для одной лишь точки функции, соответствующей оптимальному уровню безотказности работы эксплуатируемых электродвигателей λ2опт.

С учетом постоянной А получим, что

.                                                         (35)

Задавшись исходными значениями постоянных А, С и λ2, построим график функции

U = f(λ2,T).

В качестве примера возьмем данные отказов 300 асинхронных двигателей типа АОТ 63-4 номинальной мощностью 10 кВт для привода прядильных и крутильных машин.

Априори примем следующие средние значения постоянных:

A = 5·107; С = 10; l1 = 4·10-5 при T = 0.

Годовое значение числа часов работы Тг = 6000 ч для 3-сменных предприятий.

В результате получим

.

Следует отметить, что вычитаемое 1,65 представляет собой дополнительные капиталовложения.

Определим

.

Используя формулу (34), в которой принимаем λ2опт, или (33), получим значение максимального экономического эффекта:

по формуле (34)

;

по формуле (33)

.

В табл. 6 приведены расчетные данные для построения взаимосвязанных графиков функций λ2, λ2опт, ∆U, ∆Umax, ∆Kmax и ∆К.

На рис. 7 показаны графики взаимосвязанных зависимостей всех величин, приведенных в табл. 6.

Из данных табл. 6 и графиков рис. 7 видно, что со снижением интенсивности отказов дополнительный экономический эффект монотонно возрастает и достигает максимума при λ2опт.

Таблица 6

Расчетные данные для построения взаимосвязанных графиков функций λ2, λ2опт, ∆U, ∆Umax, ∆К и ∆Kmax

Моменты времени Т, ч

Интенсивность отказов

Дополнительный экономический эффект

Дополнительные капитальные затраты

 

фактическая λ2·10-5

оптимальная λ2опт·10-5

фактический U

максимальный Umax

фактические К

максимальные Kmax

 

1000

3,40

0,70

7,35

31,7

1,65

17,8

 

2000

3,30

0,40

15,60

80,0

1,91

23,0

 

3000

3,15

0,27

29,40

100,7

2,39

27,0

 

4000

3,08

0,20

43,40

159,9

2,62

30,0

 

5000

3,05

0,17

49,53

197,4

2,77

31,5

 

7000

3,00

0,12

82,15

275,8

2,85

34,2

 

8000

2,99

0,11

94,30

314,5

2,92

35,8

 

10000

2,98

0,09

108,40

391,6

2,93

37,4

 

На графике рис. 7 можно выделить два многоугольника, один из которых abcdefg характеризует фактические (текущие) значения экономического эффекта, дополнительных капитальных затрат и интенсивности отказов, а второй АВСDЕFG - соответствующие им максимальные и оптимальные значения.

Данные расчетов, приведенные в табл. 6, несколько условны, но становятся достаточно точными, если известны конкретные значения постоянных средних затрат С на повышение безотказности работы электродвигателей и стоимости А отказов. При других значениях этих постоянных, отличающихся от принятых в данном расчете, дополнительный и максимальный экономический эффекты и капитальные затраты, а также оптимальные значения интенсивности отказов электродвигателей несколько изменятся, но общий характер указанных выше соотношений останется прежним.

Расчеты показали, что если затраты на разработку и внедрение спецзащит по повышению уровня безотказности работы электродвигателей составляют малую долю (не выше 1 - 5 %) общих затрат на технологическое оборудование и если при этом не наблюдаются значительные потери производительности и брака продукции, то в принципе нецелесообразно ограничивать повышение уровня безотказности работы этих электродвигателей из-за чисто экономических соображений.

Рис. 7. Графики взаимосвязей интенсивностей отказов с экономическим эффектом и дополнительными капитальными затратами

Можно считать, что мероприятия по повышению уровня безотказности работы электродвигателей эффективны тогда, когда средние затраты на предупреждение одного отказа меньше среднего удельного ущерба, вызываемого одним отказом.

Наличие полученных математических моделей позволяет экономически обосновать оптимальный уровень безотказной работы приводных электродвигателей (в частности, АД) оборудования и дает возможность разработать необходимый комплекс организационно-технических мероприятий по предупреждению и устранению отказов.

ГЛАВА 13

УСТОЙЧИВОСТЬ РАБОТЫ ЭЛЕКТРОПРИЕМНИКОВ ПРИ КОМПЕНСАЦИИ РЕАКТИВНОЙ МОЩНОСТИ

Вопросы устойчивости работы электроприемников тесно связаны с их эксплуатационной надежностью и во многом зависят от показателей качества электроэнергии (ГОСТ 13109-97).

На снижение устойчивости работы электроприемников могут повлиять: несинхронные включения в энергосистемах, различные аварийные ситуации (КЗ затяжного характера, выпадение одной из фаз питающей сети и др.), режимы работы и мощности КУ, взаимное влияние режимов работы самих электроприемников (в частности, АД) и т.д.

Оценим условия устойчивости работы наиболее массового вида электроприемников на предприятиях - приводных АД при наличии компенсации реактивной мощности с помощью КУ.

Устойчивость работы АД может нарушиться как в установившемся, так и в динамическом режимах его работы. Динамическая устойчивость АД характеризуется его способностью к восстановлению нормальной частоты вращения после соответствующих аварийных ситуаций в электроустановках.

Проверка устойчивости работы электроприемников, в частности, АД, при наличии КУ заключается в соблюдении следующего неравенства:

,                                                                (36)

где Q - реактивная мощность, потребляемая асинхронным двигателем, квар.

Выполнение данного требования заключается в том, что любое случайное снижение напряжения вызывает избыток реактивной мощности, приводящий к возрастанию напряжения, пока его значение не установится.

Реактивная мощность, потребляемая АД, состоит из:

реактивной мощности намагничивания Qμ, не зависящей от нагрузки, квар:

,                                                                 (37)

где Хμ - индуктивное сопротивление ветви намагничивания АД, Ом;

реактивной мощности рассеяния Qr, не зависящей от нагрузки, квар:

,                                                           (38)

где Х - реактивное сопротивление АД, Ом;

s - скольжение АД;

sкр - критическое скольжение АД.

Электромагнитный момент вращения АД Мэ при изменении напряжения определяется по известной упрощенной формуле Клосса:

,                                                          (39)

где Мкр - максимальный (критический) вращающийся момент АД при номинальном напряжении Uном.

Из формулы (37) видно, что реактивная мощность прямо пропорциональна квадрату напряжения:

.                                                      (40)

Если в формулу (38) подставить значения - из формулы (39), то после несложных преобразований получим:

.                                                 (41)

Из формулы (41) видно, что мощность рассеяния АД обратно пропорциональна квадрату напряжения:

.                                                                  (42)

Установившийся режим работы АД определяется условием равенства вращающего момента и момента сопротивления приводимого механизма, т.е. точкой пересечения двух моментных характеристик.

Таким образом, при данном моменте сопротивления у любого АД имеет место какой-то критический режим, характеризующийся тем, что при дальнейшем снижении напряжения работа АД становится неустойчивой.

Исходя из этого, критический режим АД можно выразить двумя следующими условиями:

,                                                                     (43)

Из формулы (40) следует, что нарушение устойчивости АД может иметь место еще раньше, при каком-то напряжении в точке, когда

.

В этом случае очевидно, что анализ устойчивости целесообразно проводить по формуле (36).

Сравним статические характеристики источников и приемников электроэнергии до и после компенсации реактивной мощности.

Статические характеристики источников электроэнергии (например, генераторов) определяются из баланса напряжений в начале U1 и конце U2, линии с учетом потерь напряжения ∆U, а именно:

.                                                (44)

Возводя обе части уравнения в квадрат, имеем:

.                                       (45)

После алгебраических преобразований относительно Q получаем уравнение вида

aQ2 + bQ + c = 0,                                                               (46)

где

                                             (47)

Подставив эти значения в формулу (46), окончательно получим:

.                                                    (48)

Знак «плюс», полученный в результате извлечения корня, относится к нестабильной части статической характеристики.

Статические характеристики нагрузки можно также выразить уравнением вида (46). Они характеризуются двумя величинами: коэффициентом наклона характеристики и значением напряжения Umin, при котором статическая характеристика достигает минимума.

Затем характеристики источников и приемников можно сложить, в результате получается обобщенная характеристика источников и приемников электроэнергии до компенсации реактивной мощности.

После установки КУ для компенсации реактивной мощности выражение (44) (при условии сохранения напряжения в конце линии на том же уровне U2, что достигается в том случае, если после включения КУ напряжение U2, восстанавливается, например, изменением коэффициентов трансформации силовых трансформаторов) примет следующий вид:

.                                                     (49)

Возводя обе части уравнения (49) в квадрат, получаем:

.                                 (50)

Преобразовывая уравнение (50) относительно Q, получаем уравнение вида (46), но со скорректированными коэффициентами, а именно:

a'Q2 + b'Q + c' = 0,                                                            (51)

где

                                            (52)

Подставив значения этих коэффициентов в уравнение (51), получим:

,               (53)

где мощность КУ определяется по известной формуле:

Qку = 2πfcU2.

Поскольку Qку = U2, а промышленная частота f = 50 Гц, то окончательно получим уравнение статической характеристики после компенсации реактивной мощности при помощи КУ:

.                  (54)

Зная значения коэффициентов а, а', b, b', с, с', можно по уравнениям (46), (51) и (54) вычислить для различных значений наложения U2 статические характеристики до и после компенсации реактивной мощности.

Анализ формул статических характеристик электроприемников до и после компенсации реактивной мощности показывает, что компенсация у промышленных электроприемников при помощи КУ приводит к изменению статических характеристик системы и нагрузки. При компенсации реактивной мощности критическое напряжение Umin приближается к номинальному значению и угол наклона статической характеристики возрастает, причем с повышением степени компенсации, а также с увеличением эквивалентного сопротивления сети эффект возрастает.

Таким образом, компенсация реактивной мощности при помощи КУ приводит к снижению запаса устойчивости электрической системы.

Специалистами в этой области было выявлено, что увеличение мощности КУ в целях компенсации реактивной мощности при поддержании постоянным уровня напряжения отрицательно отражается на устойчивости нагрузки в том случае, если общее индуктивное сопротивление ∑X1 (в основном сопротивление понижающих трансформаторов и линий) превышает внешнее эквивалентное индуктивное сопротивление нагрузки Х2, т.д.

X1 > X2.                                                                     (55)

Из этого неравенства видно, что с увеличением ∑X1 (а это может иметь место при подключении КУ для компенсации реактивной мощности или при снижении Х2, что может иметь место при увеличении коэффициента трансформации трансформаторов) устойчивость нагрузки уменьшается.

Отсюда следует, что применение конденсаторов может оказаться недопустимым из-за пониженных запасов устойчивости (особенно у АД, у которых в процессе работы при такой ситуации могут возникнуть явления самоотключения, «опрокидывания», торможения и т.п.).

Такие явления следует учитывать руководителям и специалистам энергослужб предприятий (организаций) при эксплуатации электроустановок, особое внимание обращая на данное обстоятельство при заключении договоров энергоснабжения при фиксировании условий генерации и потребления реактивной мощности.

ГЛАВА 14

ОСНОВНЫЕ ПРИНЦИПЫ РАСЧЕТНОГО УЧЕТА ЭЛЕКТРИЧЕСКОЙ ЭНЕРГИИ

14.1. Правила учета электрической энергии

Расчеты за потребляемую электроэнергию являются одной из основополагающих позиций договорных взаимоотношений между потребителем и энергоснабжающей организацией, учитывающих интересы обеих сторон.

Требования к расчетным приборам учета электроэнергии являются многогранными и включают в себя достоверность и точность определения расхода электроэнергии с учетом ее потерь в электрических сетях, открытости и доступности результатов измерений на всех этапах производства, передачи, распределения и потребления электроэнергии.

Эти вопросы находятся в центре внимания на самом высоком государственном уровне и отражены в ряде законодательных правительственных документов, в том числе:

в Законе Российской Федерации «Об энергосбережении» № 28-ФЗ, принятом Государственной Думой 13 марта 1996 г., в котором указана необходимость обеспечения обязательного приборного учета всего объема производимых и потребляемых энергоресурсов;

в статьях 541, 543 и 544 Гражданского Кодекса, в которых подчеркивается, что количество переданной электрической энергии определяется в соответствии с данными приборов учета о ее фактическом потреблении и т.д.;

в Постановлении Правительства Российской Федерации от 02.11.95 № 1087 «О неотложных мерах по энергосбережению», на базе которого действуют Правила учета электрической энергии [18];

в Законе Российской Федерации «Об обеспечении единства измерений», который устанавливает правовые основы обеспечения единства измерений в Российской Федерации, регулирует отношения государственных органов управления РФ с юридическими физическими лицами по вопросам изготовления, выпуска, эксплуатации, ремонта, продажи и импорта средств измерений и направлен на защиту прав и законных интересов граждан, установленного правопорядка и экономики РФ от отрицательных последствий недостоверных результатов измерений;

в Законе Российской Федерации «О государственном регулировании тарифов на электрическую и тепловую энергию в Российской Федерации», принятом Государственной Думой 10 марта 1995 г. который определяет экономические, организационные и правовые основы государственного регулирования тарифов на электрическую и тепловую энергию в РФ;

в других законодательных, правовых и подзаконных актах, а также в государственных стандартах и ряде нормативно-технической документации.

Настоящие Правила учета электрической энергии определяют общие требования к организации ее учета и взаимосвязь между основными нормативно-техническими документами, действующими в этой области.

Допускается на основании действующих правовых и нормативно-технических документов ведомствами разрабатывать и утверждать в установленном порядке в пределах своей компетенции ведомственные нормативно-технические документы в области учета электроэнергии, не противоречащие утвержденным Правилам учета электрической энергии. Если эти документы содержат требования межведомственного характера, они должны быть согласованы в установленном порядке с Госэнергонадзором.

Правила учета электрической энергии являются обязательными при:

осуществлении производства, передачи, распределении и потреблении электрической энергии;

выполнении проектных, монтажных, наладочных и ремонтных работ по организации учета электрической энергии;

обеспечении эксплуатации средств учета электрической энергии.

Основной целью учета электроэнергии является получение достоверной информации о ее производстве, передаче, распределении и потреблении на оптовом и розничном рынках для решения следующих основных технико-экономических задач:

финансовых расчетов за электроэнергию и мощность между энергоснабжающими организациями и потребителями электроэнергии с учетом ее качества;

определения и прогнозирования технико-экономических показателей производства, передачи и распределения электроэнергии в энергетических системах;

определения и прогнозирования технико-экономических показателей потребления электроэнергии на предприятиях промышленности, транспорта, сельского хозяйства, коммунально-бытовым сектором и др.;

обеспечения энергосбережения и управления электропотреблением.

Учет активной электроэнергии должен обеспечивать определение количества электроэнергии (и в необходимых случаях средних значений мощности):

выработанной генераторами электростанций;

потребленной на собственные и хозяйственные нужды (раздельно) электростанций и подстанций, а также на производственные нужды энергосистемы;

отпущенной потребителям по линиям, отходящим от шин электростанций непосредственно к потребителям;

переданной в сети других собственников или полученной от них;

отпущенной потребителям из электрической сети;

переданной на экспорт и полученной по импорту.

Организация учета активной электроэнергии должна обеспечивать возможность:

определения поступления электроэнергии в электрические сети различных классов напряжения энергосистем;

составления балансов электроэнергии для хозрасчетных подразделений энергосистем и потребителей;

контроля за соблюдением потребителями заданных им режимов потребления и балансов электроэнергии;

расчетов потребителей за электроэнергию по действующим тарифам, в том числе многоставочным и дифференцированным;

управления электропотреблением.

Учет реактивной электроэнергии должен обеспечивать возможность определения количества реактивной электроэнергии, полученной потребителем от электроснабжающей организации или переданной ей, если по этим данным производятся расчеты или контроль соблюдения заданного режима работы компенсирующих устройств.

Учет электроэнергии производится на основе измерений с помощью счетчиков электрической энергии и информационно-измерительных систем.

Для учета электроэнергии должны использоваться средства измерений, типы которых утверждены Госстандартом России и внесены в Государственный реестр средств измерений.

К средствам учета относится совокупность устройств, обеспечивающих измерение и учет электроэнергии (измерительные трансформаторы тока и напряжения, счетчики электрической энергии, телеметрические датчики, информационно-измерительные системы и их линии связи) и соединенных между собой по установленной схеме.

Организация учета электроэнергии на действующих, вновь сооружаемых, реконструируемых электроустановках должна осуществляться в соответствии с требованиями действующей НТД в части:

мест установки и объемов средств учета электроэнергии на электростанциях, подстанциях и у потребителей;

классов точности счетчиков и измерительных трансформаторов;

размещения счетчиков и выполнения электропроводки к ним.

Учет активной и реактивной энергии и мощности, а также контроль качества электроэнергии для расчетов между энергоснабжающей организацией и потребителем производится, как правило, на границе балансовой принадлежности электросети.

Для повышения эффективности учета электроэнергии в электроустановках рекомендуется применять автоматизированные системы учета и контроля электроэнергии, создаваемые на базе электросчетчиков и информационно-измерительных систем.

Лица, выполняющие работы по монтажу и наладке средств учета электроэнергии, должны иметь лицензию на проведение данных видов работ, т.е. документ, удостоверяющий право заниматься указанными видами деятельности, выдаваемый юридическим и физическим лицам органом государственной метрологической службы.

Средства учета электрической энергии и контроля ее качества должны быть защищены от несанкционированного доступа для исключения возможности искажения результатов измерений.

Организация эксплуатации средств учета электроэнергии должна вестись в соответствии с требованиями действующих НТД и инструкций заводов-изготовителей.

Эксплуатационное обслуживание средств учета электроэнергии должно осуществляться специально обученным персоналом.

При обслуживании средств учета электроэнергии должны выполняться организационные и технические мероприятия по обеспечению безопасности работ в соответствии с действующими правилами.

На основании действующих правовых и нормативно-технических документов ведомства могут разрабатывать и утверждать в пределах своей компетенции ведомственные НТД в области учета электроэнергии, не противоречащие настоящим правилам.

В сроки, установленные Госстандартом России, необходимо производить периодическую проверку средств измерений, используемых для учета электрической энергии и контроля ее качества. Перестановка, замена или изменение схем включения средств учета осуществляется с согласия энергоснабжающей организации.

Помимо Правил учета электрической энергии действует Типовая инструкция по учету электроэнергии при ее производстве, передаче и распределении (РД 34.09.101-94), которая содержит основные положения по учету электроэнергии при ее производстве, передаче и распределении, устанавливает требования к организации, составу и правилам эксплуатации систем учета электроэнергии и мощности. Типовая инструкция предназначена для персонала акционерных обществ энергосистем, проектных организаций и потребителей электроэнергии.

Представители Энергонадзора имеют право доступа к приборам учета электроэнергии, измерительным комплексам и системе учета в целом на всех электростанциях, подстанциях и предприятиях, расположенных в зоне обслуживания, для выполнения инспекционных и регламентных работ с участием персонала соответствующего энергообъекта (электроустановки).

Каждый измерительный комплекс учета электроэнергии, введенный по нормальной или временной схеме размещения приборов расчетного и технического учета электроэнергии, должен иметь технический паспорт-протокол следующей формы.

ПАСПОРТ-ПРОТОКОЛ
измерительного комплекса

1. Наименование объекта (электростанция, подстанция) _________________________

__________________________________________________________________________

2. Наименование присоединения _____________________________________________

__________________________________________________________________________

3. Дата ввода комплекса в эксплуатацию ______________________________________

4. Основные паспортные и эксплуатационные данные:

4.1. Счетчики электрической энергии:

Обозначение счетчика по схеме учета электроэнергии,

вид учета (Р или К), вид энергии (А или R) _____________________________________

__________________________________________________________________________

тип ___________, № _____________, напряжение ______________,

ток ________, класс точности ________, схема включения _______,

количество тарифов ________, другие данные __________________________________

__________________________________________________________________________

4.2. Трансформаторы тока:

тип _________, № __________, класс точности измерительной обмотки: ___________

(Фаза А), ______ (фаза В), ________(фаза С), ________

коэффициент трансформации _________________, допустимая нагрузка ________, фактическая нагрузка ____________, другие данные

4.3. Трансформаторы напряжения:

Тип ______, № ______, класс точности: _______(фаза А),

________(фаза В), _________(фаза С), коэффициент трансформации ________,

допустимая нагрузка _________, другие данные ________________________________

__________________________________________________________________________

5. Схемы соединения и кабельные связи:

Токовые цепи:

Схема соединения измерительных обмоток трансформаторов тока ________________

__________________________________________________________________________

Схема соединения кабелей (с указанием маркировки, наименования сборок выводов шкафов и панелей), параметры кабелей и др.

Цепи напряжения:

Схема соединения кабелей (с указанием маркировки, наименования сборок выводов шкафов и панелей), параметры кабелей и др. ___________________________________

__________________________________________________________________________

__________________________________________________________________________

Допустимое значение потерь напряжения от ТН до счетчика ______________________

__________________________________________________________________________

Фактическое значение потерь напряжения от ТН до счетчика _____________________

__________________________________________________________________________

6. Вспомогательные аппараты:

6.1. Автоматические выключатели:

Обозначение по схеме ________, тип _________, номинальный ток ____________,

тип защиты и уставка _________, № ________.

6.2. Предохранители:

Обозначение по схеме ________, тип ________, номинальный ток ____________,

ток плавкой вставки ______________________.

7. Информационно-измерительная система:

Тип _________, № _________, другие данные __________________________________

__________________________________________________________________________

8. Погрешность измерения комплекса (расчетная) ______________________________

9. Регистратор событий:

Обозначение по схеме _______, тип _______, № _________,

другие данные _____________________________________________________________

10. Дата, вид проверки элементов комплекса:

Первичный протокол от _________200____г. № _________________________________

11. Дата, наименование выполненных работ:

Первичный протокол от __________200___г. № _________________________________

__________________________________________________________________________

__________________________________________________________________________

Подписи ответственных лиц: _________________________________________________

__________________________________________________________________________

Настоящие Правила учета электрической энергии согласованы с Госстандартом России, Главгосэнергонадзором России и РАО «ЕЭС России» и утверждены в Минтопэнерго Российской Федерации и Минстрое Российской Федерации.

14.2. Приборы учета электрической энергии

В качестве расчетных и технических (контрольных) средств учета на предприятиях (организациях) используются электросчетчики одно-трехфазного тока в основном двух типов: индукционные и электронные (1-, 2- и многотарифные), находящие все более широкое применение.

Индукционные трехфазные счетчики активной и реактивной энергии, применяемые в качестве расчетных приборов учета, должны иметь класс точности не ниже 2,5 (0,5; 1,0; 2,0 и 2,5) для активной и не ниже 3 (1,5; 2,0 и 3,0) для реактивной энергии.

Индукционным называется счетчик, в котором магнитное поле неподвижных токопроводящих катушек влияет на подвижный элемент из проводящего материала. Обычно это диск, по которому текут токи, индуцированные магнитным полем катушек.

В соответствии с ГОСТ 6570-75 счетчики характеризуются:

постоянной счетчика С, т.д. числом ватт-секунд, ватт-часов или киловатт-часов, приходящихся на один оборот диска прибора;

передаточным числом А, т.д. числом оборотов диска, которое он должен сделать, чтобы показание счетчика изменилось на 1 кВт·ч;

коэффициентом К счетчика, т.д. числом, на которое нужно умножить показания счетчика, чтобы получить фактический расход электроэнергии, кВт·ч.

Постоянную счетчика С можно вычислить, используя маркировку на его щитке, по формулам, приведенным в табл. 7.

Таблица 7

Формулы для определения постоянной счетчика С

Маркировка на щитке счетчика

Формула для определения С, Вт·с/об

1 кВт·ч = А оборотов диска

(3600·1000)/А

Kh = А

3600А

1 оборот = А кВт·ч

3600·1000А

Одним из недостатков индукционных счетчиков является наличие у них самохода, который представляет собой движение диска счетчика под действием напряжения, поданного на зажимы цепи напряжения, при отсутствии тока в шоковой цепи счетчика.

В соответствии с ГОСТ 6570-75 диск счетчика не должен совершать более одного полного оборота при отсутствии тока в последовательной (токовой) цепи и при любом напряжении от 80 до 100 % номинального.

Индукционные счетчики относятся к ремонтируемым невосстанавливаемым на объекте изделиям, которые должны иметь среднюю наработку до отказа не менее:

25000 ч - для трехфазных счетчиков класса точности 0,5;

33300 ч - для однофазных счетчиков кл. 2,0; для трехфазных счетчиков активной энергии кл. 1,0 и кл. 2,0;

37500 ч - для однофазных счетчиков кл. 2,5 и трехфазных счетчиков реактивной энергии кл. 1,5 и кл. 2,0;

50000 ч - для однофазных счетчиков кл. 2,0 и трехфазных счетчиков реактивной энергии кл. 3,0.

Средний срок службы до первого капитального ремонта должен быть не менее:

30 лет - для однофазных счетчиков кл. 2,0; для трехфазных счетчиков кл. 2,0 и кл. 3,0 по требованию потребителя;

27 лет - для трехфазных счетчиков кл. 2,0 и кл. 3,0;

25 лет - для однофазных счетчиков кл. 2,5;

22 года - для трехфазный счетчиков кл. 0,5, кл. 1,0 и кл. 1,5.

Индукционные счетчики могут применяться в трех или четырехпроводных сетях, в сетях с изолированной или глухозаземленной нейтралью, что можно определить по обозначению счетчика, а именно:

САЗ - трехфазный непосредственного включения или трансформаторный трехпроводный активной энергии;

СА4 - то же, четырехпроводный;

СР4 - трехфазный непосредственного включения или трансформаторный трех- и четырехпроводный реактивной энергии;

САЗУ - трехфазный трансформаторный универсальный (со вторичным или смешанным счетным механизмом) трехпроводный активной энергии;

СА4У - то же, четырехпроводный;

СР4У - трехфазный трансформаторный универсальный (со вторичным или смещенным механизмом) трех- и четырехпроводный реактивной энергии.

Трансформаторным называется счетчик, предназначенный для включения через один или несколько измерительных трансформаторов.

Счетчики электронного типа одно- и трехфазные новейшей конструкции являются перспективными в условиях рынка сбыта и потребления электроэнергии, вследствие чего они все более интенсивно стали вытеснять индукционные приборы учета. Эти счетчики могут включаться в сеть непосредственно или через измерительные трансформаторы.

В соответствии с ГОСТ 30207-94 на электронные (статические) счетчики трансформаторным называется счетчик, предназначенный для включения через измерительные трансформаторы с заранее заданными коэффициентами трансформации. Показания счетчика в этом случае должны соответствовать значению энергии, прошедшей через первичную цепь.

Трансформаторным универсальным счетчиком называется счетчик, предназначенный для включения через измерительные трансформаторы, имеющие любые коэффициенты трансформации. Для определения энергии, прошедшей через первичную цепь, необходимо показания счетчика умножить на произведение коэффициентов трансформации.

Основным достоинством электронных счетчиков является дифференцированный тариф учета электроэнергии (одно-, двух- и более тарифный), который обеспечивается с помощью внешнего устройства переключения тарифов (например, УПТ 12-100 в электросчетчике типа СЭТ4-2). Нагрузочная способность такого устройства переключения тарифов составляет от 1 до 30 счетчиков.

Многотарифный счетчик представляет собой счетчик электрической энергии, снабженный набором счетных механизмов, каждый из которых работает в установленные интервалы времени, соответствующие различным тарифам.

Электронный счетчик может использоваться в качестве датчика приращения потребления электроэнергии для дистанционных информационно-измерительных систем и систем учета и распределения электроэнергии.

В соответствии с ГОСТ 30207-94 счетчики электронного типа имеют стандартизированное название - статический счетчик, т.д. счетчик, в котором ток и напряжение воздействуют на твердотельные (электронные) элементы для создания на выходе импульсов, число которых пропорционально измеряемой активной энергии. В настоящем стандарте указаны электронные счетчики в соответствии с их обозначением классов точности, т.е. 1 и 2.

Постоянной статического (электронного) счетчика называется значение, выражающее соотношение между энергией, учитываемой счетчиком, и числом импульсов на испытательном стенде.

Постоянная счетчика выражается либо в импульсах на киловатт-час [имп/(кВт·ч)], либо в ватт-часах на импульс [(Вт·ч)/имп].

В табл. 8 и 9 приведены стандартные (по ГОСТ 30207-94) значения номинальных напряжений и токов, т.е. тех величин, которые являются исходными при установлении требований к счетчикам.

Таблица 8

Стандартные значения номинальных напряжений

Включение счетчика

Стандартные значения, В

Допускаемые значения, В

Непосредственное

120; 230; 277; 400; 480 (по ГОСТ 29322)

100; 127; 200; 220; 240; 380; 415

Через трансформатор(ы) напряжения

57,7; 63,5; 100; 115; 120; 200 (по ГОСТ 1983)

173; 190; 220

Таблица 9

Стандартные значения номинальных токов

Включение счетчика

Стандартные значения, А

Допускаемые значения, А

Непосредственное

5; 10; 15; 20; 30; 40; 50

80

Через трансформатор(ы) тока

1; 2; 5 (по ГОСТ 7746)

2,5

Максимальный ток для счетчиков непосредственного включения, т.е. наибольшее значение тока, при котором счетчик удовлетворяет требованиям точности, установленным в ГОСТ 30207-94, это предпочтительно целое, кратное номинальному току (например, 4-кратному номинальному току).

Если счетчик работает от трансформатора(ов) тока, необходимо подобрать диапазон тока счетчика в соответствии с диапазоном тока вторичной обмотки трансформатора(ов) тока. Максимальный ток в этом случае равен 1,2Iном; 1,5Iном или 2Iном.

Зажимы счетчика должны обеспечивать подключение до двух медных или алюминиевых проводов с суммарным сечением до 5 мм. Все зажимы, предназначенные для подключения к измерительным трансформаторам напряжения, должны быть раздельными и иметь отверстия диаметром не менее 4,2 мм.

Зажимы трехфазных счетчиков, предназначенных для включения с трансформаторами тока, должны обеспечивать раздельное включение цепей напряжения и тока; диаметр отверстий зажимов для этих цепей должен быть не менее 3,5 мм.

Средний срок службы до первого капитального ремонта и средняя наработка до отказа у статических счетчиков примерно такие же, что и у индукционных счетчиков. Например, для электронного счетчика непосредственного включения типа СЭТ4-1 (5 - 60)А эти значения соответственно составляют 24 года и 55000 ч.

На рис. 8, а в качестве примера приведена схема непосредственного подключения счетчика типа СЭТ к четырехпроходной трехфазной сети.

В однотарифных счетчиках типа СЭТ4-1 цепь управления состоянием счетных механизмов (цепь переключения тарифов) не используется и зажим 14 на схеме рис. 8, а не устанавливается.

Выходные каскады основного и поверочного выходов счетчика реализованы на транзисторах с «открытыми» коллекторами.

К выходным устройствам электронных счетчиков относятся:

испытательный выход - устройство, которое может быть использовано для испытания счетчика;

индикатор функционирования - устройство, выдающее визуально наблюдаемый сигнал функционирования счетчика;

запоминающее устройство - элемент, предназначенный для хранения цифровой информации;

энергонезависимое запоминающее устройство - запоминающее устройство, которое может сохранять информацию при отключении источника питания.

Для обеспечения функционирования выходных каскадов необходимо подать напряжение по схеме рис. 8, б на зажимы 2 и 13 основного выхода (передающего устройства) и зажимы 1 и 13 поверочного выхода.

Рис 8. Схема непосредственного подключения счетчика типа СЭТ к четырехпроводной трехфазной сети:

а - схема подключения; б - схема подключения устройства переключения тарифов к счетчику

В отличие от индукционных электронные счетчики имеют на щитке световую индикацию, а именно:

индикатор СЕТЬ, сигнализирующий о включении счетчика в сеть (при подаче в цепи напряжения счетчика фазных напряжений 220 В индикатор СЕТЬ должен постоянно светиться);

индикаторы А и В, сигнализирующие о включении нагрузки, которые должны мигать с частотой, пропорциональной мощности потребителя в нагрузках (при отсутствии тока нагрузки индикаторы А и В находятся в произвольном состоянии, т.е. могут светиться или не светиться);

индикатор ТАРИФ II (тариф ночного времени) у двухтарифного счетчика, сигнализирующий о наличии на зажимах 13 и 14 счетчика сигнала управления, который должен осуществлять перевод счетного механизма второго тарифа (ТАРИФ II) в «активное» состояние, а счетного механизма первого тарифа в «пассивное» состояние.

Расход электроэнергии учитывается непосредственно в киловатт-часах по шести цифрам барабанчиков, расположенных в окне щитка.

В табл. 10 приведены технические характеристики трехфазных электронных счетчиков, серийно выпускаемых ОАО «Мытищинский электротехнический завод» (№ 1 - 8) и АВВ ВЭИ Метроника, г. Москва (№ 9 - 12).

В прил. 7 приведена маркировка щитков электронных счетчиков (по ГОСТ 30207-94).

Таблица 10

Счетчики трехфазные электронные

п/п

Марка

Ток, А

Размеры, мм

Масса, кг

Название счетчика

номинальный

максимальный

1

СЭТ4-1/1

5

7,5

75×180×292

2

Счетчик электронный (ЭЛ), однотарифный, универсальный, встроенный тарификатор отсутствует (ВТО)

2

СЭТ4-1

5

60

75×180×292

2

ЭЛ, универсальный, однотарифный, ВТО

3

СЭТ2-1/2

10

100

75×180×292

2

ЭЛ, однотарифный, ВТО

4

СЭТ4-2

5

7,5

75×180×292

2

ЭЛ, двухтарифный, ВТО

5

СЭТ4-2

5

60

75×180×292

2

ЭЛ, двухтарифный, ВТО

6

СЭТ АМ005-01

5

7,5

75×180×292

2,5

ЭЛ, трехтарифный, встроенный (ВТ)

7

СЭТ АМ005-02

5

50

75×180×292

2,5

ЭЛ, трехтарифный, ВТ

8

СЭТ АМ005-03

10

100

75×180×292

2,5

ЭЛ, трехтарифный, ВТ

9

«А 1000»

5

100

170×276×80

 

ЭЛ, четырехтарифный, активной и реактивной энергии, ВТО

10

«А 1000»

5

100

170×276×80

 

ЭЛ, четырехтарифный, активной энергии

11

«Дельта» ДАN 21 02

5

6

122,5×100×64,8

0,5

ЭЛ, двухтарифный, ВТО

12

«Дельта» ДАN 25 02

5

65

122,5×100×64,8

0,5

ЭЛ, двухтарифный, ВТО

На предприятиях (в организациях) часто возникает необходимость определения присоединенной мощности (нагрузки) в разные периоды суток, как правило, в часы максимума или минимума нагрузок энергосистемы. К сожалению, в этих случаях иногда электротехнический персонал предприятий (организаций) испытывает определенные трудности, вплоть до того, что использует для этой цели электроизмерительные клещи с последующим расчетом мощности, несмотря на то, что в договоре энергоснабжения отмечено, что для этой цели необходимо использовать счетчик активной энергии.

Измерение нагрузки можно осуществить при помощи счетчика активной энергии и секундомера следующим образом.

В момент появления на диске счетчика фиксированной черты следует включить секундомер и после некоторого числа п полных оборотов диска счетчика секундомер надо остановить. Затем в зависимости от значений постоянной счетчика С и его передаточного числа А производят подсчет мощности по формулам, указанным в табл. 11.

Таблица 11

Формулы для подсчета мощности по счетчику с помощью секундомера

Маркировка на щитке счетчика

Формула для определения мощности, кВт.

1 кВт·ч = А оборотов диска

                                         (56)

1 кВт·ч = А' оборотов диска

                                         (57)

1 оборот диска = С Вт·ч

                                         (58)

100 Вт = С' об/мин

                                             (59)

А" оборотов якоря в секунду

                                         (60)

Примечание. В таблице t - время, показанное секундомером, с.

Пример. На предприятии на двух фидерах установлены расчетные приборы учета, питающиеся от трансформаторов:

1-й фидер. Трансформатор мощностью 630 кВ·А с измерительными ТТ 100/5 А и ТН 10000/100 В. Установлен трансформаторный счетчик, отградуированный на ТТ 75/5 А и ТН 6000/100 В, на щитке которого обозначено 1 кВт·ч = 25 оборотов диска.

2-й фидер. Трансформатор мощностью 400 кВ·А с измерительными ТТ 50/5 А и ТН 6000/100 В. Установлен универсальный счетчик, на щитке которого написано 3×5 А 6000/100 В, 1 оборот диска = 10 Вт·ч.

Определить нагрузку по каждому фидеру и общую нагрузку предприятия.

Решение.

1. Измеряем секундомером время t полных оборотов п диска 1-го счетчика. Предположим, что замеры показали:

t = 5 с при п = 6 полных оборотов диска.

2. Поскольку счетчик является трансформаторным, подключенным к измерительным ТТ и ТН с другими значениями коэффициентов трансформации, то необходимо определить перерасчетный коэффициент Кпр, который будет равен произведению двух отношений: коэффициентов трансформаторов тока фактически установленного и счетчика, и коэффициентов трансформаторов напряжения фактически установленного и счетчика, т.д.

.                                                          (61)

В нашем случае

3. Так как на щитке счетчика обозначено 1 кВт·ч = 25 оборотов диска, то по формуле (56) определяем мощность, показанную счетчиком:

кВт.

4. С учетом перерасчетного коэффициента Кпр фактическая мощность по 1-му фидеру составит:

Р1 = КпрР'1 = 2,22·172,8 = 384 кВт.

5. Определяем мощность, показанную счетчиком по 2-му фидеру используя для наших условий задачи формулу (58):

,

где измеренные значения по секундомеру п = полный оборот диска при t = 50 с.

6. Фактическая нагрузка по 2-му фидеру с учетом коэффициентов измерительных ТТ и ТН составит:

кВт.

7. Таким образом, в данный период суток нагрузка предприятия по 1-му фидеру составляет 384 кВт, по 2-му фидеру - 216 кВт, а общая нагрузка будет равна:

∑Р = Р1 + Р2 = 384 + 216 = 600 кВт.

Правильный подсчет мощности (нагрузки) и умение пользоваться расчетными коэффициентами средств учета (электросчетчиков и измерительных трансформаторов) не позволит допустить переплату за потребляемую электроэнергию и обеспечит надежный контроль за договорными значениями присоединенной мощности.

В соответствии с требованиями ПТЭЭП наблюдение за работой средств учета электрической энергии на электрических подстанциях (в распределительных устройствах) должен вести оперативный или оперативно-ремонтный персонал.

Ответственность за сохранность и чистоту средств измерений и учета электрической энергии несет персонал, обслуживающий оборудование, на котором они установлены.

Установку и замену измерительных трансформаторов тока и напряжения, к вторичным цепям которых подключены расчетные счетчики, выполняет персонал эксплуатирующего его потребителя с разрешения энергоснабжающей организации.

Замену и поверку расчетных счетчиков, по которым осуществляется расчет с энергоснабжающей организацией, производит собственник приборов учета по согласованию с энергоснабжающей организацией.

Персонал энергообъекта в соответствии с требованиями ПТЭЭп несет ответственность за сохранность расчетного счетчика, его пломб и за соответствие цепей учета электроэнергии установленным требованиям. Нарушение пломбы на расчетном счетчике, если это не вызвано действием непреодолимой силы, лишает законной силы учет электроэнергии, осуществляемый данным расчетным счетчиком.

Для защиты от несанкционированного доступа к электроизмерительным приборам, коммутационным аппаратам и разъемным соединениям электрических цепей должно производиться их маркирование в цепях учета специальными знаками визуального контроля в соответствии с установленными требованиями.

Вопросам учета потребления электрической энергии в эпоху рыночных взаимоотношений стали уделять повышенное внимание, поскольку достоверность и точность информации о выработке и потреблении электроэнергии решает целый комплекс насущных проблем в электроэнергетике, в том числе вопросы энергосбережения, снижения оплаты за потребляемую электроэнергию, выбора рациональных режимов работы электроустановок, достоверности определения потерь электроэнергии в сетях и другие важные вопросы.

ПРИЛОЖЕНИЯ

ПРИЛОЖЕНИЕ 1

Заявление-обязательство о возложении ответственности за безопасную эксплуатацию электроустановок

Возложение ответственности за безопасную эксплуатацию электроустановок

_________________________________

(наименование организации)

_________________________________

на _________________________________

(Ф. И. О.)

согласовано

Начальник управления

Госэнергонадзора

_________________________________

(подпись, Ф. И. О.)

«___» ___________200 г.

МП

Начальнику управления

Госэнергонадзора

____________________________________

Подпись, инициалы, фамилия

от _________________________________

(владельца, руководителя организации)

____________________________________

(Ф. И. О.)

Паспорт: серия _________ № __________

выдан ______________________________

____________________________________

(адрес регистрации места жительства)

____________________________________

«___» _______________200 г.

ЗАЯВЛЕНИЕ-ОБЯЗАТЕЛЬСТВО

В соответствии с п. 1.2.4. Правил технической эксплуатации электроустановок потребителей прошу Вас согласовать возложение ответственности за безопасную эксплуатацию электроустановок

___________________________________________________________________________,

(наименование организации)

Расположенной по адресу _________________________________________________, на

руководителя, владельца этого объекта _________________________________________

(ненужное зачеркнуть)                                                 (Ф. И. О. полностью)

___________________________________________________________________________.

Я обязуюсь содержать и эксплуатировать электроустановку указанного объекта в соответствии с требованиями действующих правил и других нормативно-технических документов.

Электроприемников напряжением выше 380 В не имею.

«___» ____________ 200 г.

___________________________________________________________________________

(подпись руководителя, владельца)

Проверено:

Инспектор Госэнергонадзора

__________________________                                               (________________________)

(штамп и подпись)                                                                         (Ф. И. О. инспектора) МП

«___»__________________200 г.

Инструктаж по обеспечению безопасной эксплуатации электроустановки получил:

_________                                                            (_______________)

(подпись)                                                                                        (Ф. И. О.)

«___» ____________ 200 г.

ПРИЛОЖЕНИЕ 2

Формулы для определения реактивной мощности

Таблица П2.1

Формулы для определения РМ потребляемой электроприемниками и генерируемой источниками

Потребители и источники РМ

Формула по определению потребляемой (генерируемой) РМ

Обозначения и размерности

Асинхронные двигатели

Qμ - РМ намагничивания, квар;

Qr - РМ поля рассеяния, квар;

Хμ - индуктивное сопротивление ветви намагничивания АД, Ом;

Х - индуктивное сопротивление АД, Ом;

s и sкр - соответственно, скольжение и критическое скольжение АД

Силовые трансформаторы

;

Qх - РМ, потребляемая на XX, квар;

Sном - номинальная мощность трансформатора, кВ·А;

ix - ток XX трансформатора, % номинального тока;

Qr - РМ магнитных потоков рассеяния, потребляемая при номинальной нагрузке, квар;

uк - напряжение КЗ, % номинального напряжения

Аппараты контактной электросварки

X2 = F0,73·10-6

Q - РМ, потребляемая аппаратами контактной электросварки, квар;

S - полная мощность сварочных аппаратов, кВ·А;

R2, Rтр и Rэ - соответственно активные сопротивления вторичного контура сварочного трансформатора, токового контура и электродов, Ом;

Х2 и Хтр - соответственно реактивные сопротивления вторичного контура и сварочного трансформатора. Ом;

F - площадь, охватываемая контуром, взятая по осям сечения сторон, см2

Реакторы

Q - РМ, потребляемая реактором из сети, квар;

Sном - номинальная мощность реактора, кВ·А;

Uном - номинальное напряжение, кВ;

Iном - номинальный ток, кА;

Хp - индуктивное сопротивление реактора, %

Электропечные установки

;

Q - РМ, потребляемая печью, квар;

Ii, - ток в i-ом электроде, кA;

Xi - реактивное сопротивление фазы, кОм;

Q' - РМ электропечных установок, потребляемая с батареей конденсаторов, квар

Преобразовательные установки (ртутная выпрямительная установка с сеточным регулированием)

Sном - номинальная мощность питающего трансформатора, кВА;

Ix и ик - соответственно ток XX и напряжение КЗ трансформатора, %;

a - угол регулирования;

v - угол коммутации

Линии электропередачи

Q = U2b0l;

b0 = 2pfCp

Q - реактивная емкостная мощность, генерируемая линией, квар;

b0 - удельная реактивная проводимость кабеля, См/км;

l - длина линии, мм;

Cp - удельная рабочая емкость кабеля, Ф/км

Конденсаторные установки

Qк = U2ωCк;

Qку = Pср(tgj1 - tgj2)

Qк - РМ, генерируемая КУ, квар;

Ск - емкость конденсатора, Ф;

Qку - необходимая мощность КУ, квар;

Pср - среднегодовая активная нагрузка, кВт;

tgj1 - тангенс угла j, существующего до компенсации РМ;

tgj2 - тангенс угла j, требуемый после компенсации РМ;

ω - угловая частота, рад/с

Конденсаторные установки

;

Qк.н - наивыгоднейшая мощность КУ до 1000 В, квар;

Qн - суммарная реактивная нагрузка на стороне до 1000 В, квар;

rэк - эквивалентное активное сопротивление трансформаторов, питающих сеть до 1000 В, Ом;

λ - коэффициент, зависящий от типа подстанции (встроенная или отдельно стоящая) и вида питания (кабель или шинопровод); принимается равным от 0,4 до 0,8;

М - расчетный параметр;

k - разница в стоимости 1 квар конденсаторов до и выше 1000 В, руб./квар;

Зэ - стоимость 1 кВт·ч ЭЭ, руб.;

Т - число часов работы КУ в год

Синхронные двигатели

qmax - максимальная компенсирующая способность СД, %;

β - коэффициент загрузки СД;

Qmax - максимальная РМ, которую может генерировать СД, квар;

αmax - наибольшая допустимая перегрузка СД по реактивной мощности;

Pном, tgφном и ηном - соответственно номинальные: мощность, тангенс и КПД СД

Синхронные компенсаторы

Qск - РМ, отдаваемая синхронным компенсатором, квар;

Eq, - расчетная ЭДС синхронного компенсатора;

Хc - сопротивление сети, Ом;

Хd - сопротивление замещения СК (расчетное), Ом.

Таблица П2.2

Формулы для определения РМ, потребляемой АД, по каталожным данным

Определяемая величина

Формула

Обозначения и размерности

РМ намагничивания

Iх- ток XX, А;

Iном - номинальный ток АД, А;

Pном - номинальная мощность на валу АД, кВт;

β - коэффициент нагрузки АД;

Qном - номинальная реактивная мощность АД, квар;

cosjном, ηном - соответственно номинальные соsj и КПД двигателя;

Kmax - коэффициент максимума по активной мощности;

Pсм и Qсм - средняя групповая активная и реактивная мощности электроприемников за наиболее загруженную смену, квар;

К'max - коэффициент максимума по реактивной нагрузке

РМ поля рассеяния

РМ при работе на холостом ходу

РМ группы АД

ПРИЛОЖЕНИЕ 3

Примерная форма акта допуска в эксплуатацию электроустановок

«Утверждаю»

Руководитель подразделения Госэнергонадзора

___________________________/______________________________________________

(подпись)                                                                              (Ф. И. О.)

«____» ______________ г.

Абонент № ________________________________________________________________

__________________________________________________________________________

(наименование организации)

_________________________________________________________________________

(должность, Ф. И. О. руководителя)

_________________________________________________________________________

(телефон)

__________________________________________________________________________

(юридический адрес)

Акт №. _________от «___»________________________г.

(допуска в эксплуатацию электроустановок)

__________________________________________________________________________

(наименование электроустановки, адрес)

Акт составлен Государственным инспектором __________________________________

____________________________в присутствии руководителя

(Ф. И. О. (владельца или ответственного за электрохозяйство))

__________________________________________________________________________

(Ф. И. О., должность, наименование организации, адрес, телефон)

в том, что произведена проверка техдокументации и осмотр технического состояния для допуска ее к эксплуатации.

1. Для осмотра предъявлены

__________________________________________________________________________

(наименование электроустановки, номера вводов от источника электроснабжения)

1.1. Состав и характеристика электроустановок

_________________________________________________________________________

(тип, мощность, напряжение, количество)

__________________________________________________________________________

__________________________________________________________________________

Ток плавких вставок предохранителей или уставок автоматических выключателей

ввод № ___________________А, ввод № __________________А,

ввод № ___________________А, ввод № __________________А.

1.2. Техническая документация

1.2.1. Проект (исполнительная схема), разработанный

__________________________________________________________________________

(наименование проектной организации, организации-разработчика исполнительной схемы)

__________________________________________________________________________

1.2.2. Проект в части учета согласован Энергосбытом

«___» ________________ г.

1.2.3. Разрешение выдано (кем): ________________________________ на

присоединение ___________ кВ·А, единовременная ____________кВ·А.

№ _______________ от «____»__________________ г.

Срок действия ____________________

1.2.4. Разрешение на применение электроэнергии на термические цели

«_____»__________________________ г. № _________________________________

1.2.5. Акт разграничения балансовой принадлежности и эксплуатационной ответственности электроустановок между ______________________________________

________________________________ и потребителем

от «____»______________________ г.

1.2.6. Утвержденный акт приемки в эксплуатацию вновь смонтированных электроустановок между потребителем и электромонтажной организацией ___ _________________________________________________________________________

от «____»____________________ г. № ______________________________

1.2.7. Акты на скрытые работы от «____»___________________ г.

1.2.8. Акты монтажа уравнителей потенциалов в ванных комнатах, душевых и др. от «____»____________________ г.

1.2.9. Электромонтажные и пусконаладочные работы и испытания выполнены __________________________________________________________________________

(наименование организации, лицензии, кем выдана, срок действия)

1.2.10. Свидетельство (акт) регистрации электролаборатории № _____________

от «___» ____________________ г. выдан (кем, когда) ____________________________

__________________________________________________________________________

1.2.11. Соответствие пусконаладочной документации, протоколов измерений и испытаний требованиям ПУЭ и ПТЭЭП _______________________________________

__________________________________________________________________________

2. При осмотре электроустановки
и проверке технической документации установлено

2.1. Организация эксплуатации электроустановок

2.1.1. Эксплуатация электроустановок осуществляется

__________________________________________________________________________

2.1.2. Лицо, ответственное за электрохозяйство _________________________________

__________________________________________________________________________

(Ф. И. О.)

должность ______________ назначен приказом № ____от «____»_________ г.

Прошел проверку знаний ПТЭЭП, МПБЭЭ и ПУЭ при ___________________________

__________________________________________________________________________

с присвоением ___________гр. в электроустановках ________________В.

2.1.3. Достаточность по количеству и квалификации электротехнического персонала __________________________________________________________________________

2.1.4. Проверка электротехнического персонала в знаниях ПТЭЭП, МПБЭЭ

и ПУЭ и его инструктаж _____________________________________________________

2.1.5. Наличие помещений для обслуживания и ремонта электрооборудования __________________________________________________________________________

2.1.6. Наличие инструмента, измерительных приборов, запасного электрооборудования, материалов ____________________________________________

__________________________________________________________________________

2.1.7. Состояние электрозащитных средств, их достаточность _____________________

__________________________________________________________________________

__________________________________________________________________________

2.1.8. Наличие оперативной технической документации (да, нет): утвержденной принципиальной электрической схемы ________________; должностных инструкций _________; инструкций по эксплуатации ___________; бланков нарядов _________; списков работников ___________; перечней работ ____________.

2.1.9. Наличие журналов (да, нет): учета проверки знаний норм и правил работы в электроустановках __________; учета присвоения группы I __________; регистрации инструктажа на рабочем месте _____________; оперативного журнала ________________; учета и содержания средств защиты _________; дефектов и неполадок на электрооборудовании ___________

2.1.10. Паспорта (сертификаты) на электрооборудование _________________________

__________________________________________________________________________

2.2. Техническое состояние электроустановок
(соответствие нормам и правилам)

2.2.1. Обеспечение противопожарными средствами ___________________________

2.2.2. Состояние измерительных приборов __________________________________

2.2.3. Состояние заземляющих устройств ___________________________________

2.2.4. Соответствие ПУЭ электропомещений и смонтированных в них электроустановок __________________________________

2.2.5. Техническое состояние кабельных и воздушных линий ______________________

_________________________________________________________________________

2.2.6. Техническое состояние электродвигателей, пускорегулирующей аппаратуры, электроосвещения __________________________________________________________

2.2.7 Техническое состояние компенсирующих устройств _________________________

2.2.8. Состояние УЗО, релейной и др. защиты электроустановок ___________________

_________________________________________________________________________

2.2.9. Распределительные устройства __________________________________________

2.2.10. Силовые трансформаторы _____________________________________________

2.2.11. Другое электрооборудование ___________________________________________

2.2.12. Монтаж схемы учета (установка электросчетчиков, измерительных трансформаторов и др.) _____________________________________________________

__________________________________________________________________________

3. Заключение о допуске в эксплуатацию

Электроустановка допускается в эксплуатацию по постоянной схеме электроснабжения; по временной схеме до «____»________________ г.

Государственный инспектор _________________________________________________

(подпись, штамп, Ф. И. О.)

Руководитель (владелец) или ответственный за электрохозяйство

_________________________________________________________________________

(должность, телефон, подпись) (Ф. И. О.)

М.П. потребителя

ПРИЛОЖЕНИЕ 4

(примерное)

Разрешение № _________
на подключение энергоустановки

__________________________________________________________________________

Начальнику _________________________

___________________________________

Управление «_________госэнергонадзор» на основании акта осмотра от ____________№ ______ вновь сооруженной (реконструированной) электрической (тепловой) установки, принадлежащей _________________________________________

Источник питания _________________________________________________________

разрешает подключить энергоустановку_________________________________________

_________________________________________________________________________

(ее полное наименование)

к ________________________________________________________________________

Согласно «Инструкции о порядке допуска в эксплуатацию новых и реконструированных электроустановок» подключение должно быть осуществлено в течение 5 сут., о чем письменно сообщите в Управление «______________ госэнергонадзор».

Руководитель ______________________________________________________________

(должность, Ф. И. О.)

ПРИЛОЖЕНИЕ 5

Поэтапная схема оформления и заключения договора энергоснабжения в системе ОАО «Мосэнерго»

(на примере малоемких коммунально-обобществленных организаций)

Получение разрешения на присоединение мощности

Общий срок до 2 мес.

Документы:

Согласование с МКС, ДЭЗ и др.

Получение справки от Энергосбыта об отсутствии задолженности, по оплате за ЭЭ

Получение ситуационного плана от АПУ

Документы на право собственности (аренды) помещения

Составление и согласование акта разграничения

Общий срок до 2 недель

Документы:

Разрешение на мощность

Согласование с МКС (ДЕЗ) и др.

Согласование с Энергосбытом

Разработка и согласование проекта (схемы) электроснабжения

Общий срок до 1 мес.

Документы:

Разрешение на мощность

Акт разграничения...

Согласование с Энергосбытом

Согласование (проекта) с Госэнергонадзором

Составление технического отчета по результатам измерений сопротивления

Срок до 2 - 3 недель

Допуск в эксплуатацию электроустановки

Срок до 1 недели (при условии отсутствия дефектов и без повторного вызова инспектора Госэнергонадзора)

Документы:

Лицензия специализированной организации

Документы для вызова инспектора Госэнергонадзора:

Приказ о назначении ответственного за электрохозяйство

Разрешение на присоединение мощности

Акт разграничения...

Проект (схема) электроснабжения

Другие документы согласно [12]

(по требованию Госэнергонадзора)

Заключения Договора энергоснабжения

Срок зависит от инспектора и Договорного отдела Энергосбыта

Документы:

Подробный перечень см. в § 9.5

ПРИЛОЖЕНИЕ 6

Анкета потребителя электрической энергии

1. Полное юридическое наименование предприятия, организации, общества

__________________________________________________________________________

__________________________________________________________________________

2. Юридическое основание, по которому действует предприятие, организация, общество __________________________________________________________________

__________________________________________________________________________

(устав, положение, свидетельство о регистрации и т.д., указать номер и дату)

3. Наименование, адрес и телефон вышестоящей организации _____________________

__________________________________________________________________________

__________________________________________________________________________

(министерство, департамент, компания и т.д.)

4. Документ, подтверждающий право на занимаемую площадь ____________________

__________________________________________________________________________

(договор купли-продажи, аренды, свидетельство о праве на собственность и т.д.)

5. Районная управа _________________________________________________________

6. Адрес потребителя _______________________________________________________

__________________________________________________________________________

(место установки приборов учета)

7. Форма собственности* ____________________________________________________

8. Источник финансирования** _______________________________________________

9. ОКОНХ _________ОКПО ________________ОКОГУ ________________

10. Наименование банка _____________________________________________________

11. Расчетный счет плательщика ______________________________________________

11а. Лицевой счет __________________________________________________________

(для бюджетных организаций)

12. БИК ___________________________________________________________________

13. Корреспондентский счет плательщика ______________________________________

14. Идентификационный номер плательщика (ИНН) _____________________________

15. Код причины постановки на учет в ГНИ (КПП) ______________________________

16. Наименование и адрес плательщика ________________________________________

__________________________________________________________________________

(полное наименование и юридический адрес с почтовым индексом)

17. Телефакс _______________________________________________________________

18. Ф. И. О. (полностью) руководителя, телефон _________________________________

__________________________________________________________________________

19. Ф. И. О. (полностью) бухгалтера, телефон ___________________________________

__________________________________________________________________________

20. Ф. И. О. (полностью) ответственного за электрохозяйство, телефон _____________

__________________________________________________________________________

21. Должность, Ф. И. О. (полностью) лица, подписывающего договор _______________

___________________________________________________________________________

( доверенности, если организация действует по положению)

М.П.

Руководитель ______________________________________________________________

(подпись)                                                                 (дата)

Бухгалтер _________________________________________________________________

(подпись)                                                                 (дата)

* Форма собственности (выбрать из нижеперечисленных): 1 - федеральная; 2 - муниципальная; 3 - АО; 4 - частная; 5 - МП; 6 - ТОО; 7 - иностранная; 8 - совместная с иностранной; 9 - дипкорпус; 10 - частная совместно с государственной; 11 - иная.

** Источник финансирования (выбрать из ниже перечисленных): 1 - федеральный бюджет; 2 - бюджет г. Москвы; 3 - бюджет административных округов г. Москвы; 4 - бюджет муниципальных округов г. Москвы; 5 - бюджет Московской области; 6 - районный или городской бюджет; 7 - самостоятельное финансирование; 8 - иные виды финансирования.

ПРИЛОЖЕНИЕ 7

Маркировка щитков электронных счетчиков

На каждом счетчике должна быть (при необходимости) следующая информация:

название или фирменный знак изготовителя (если требуется, то и место изготовления);

обозначение типа (если требуется, то и место установки знака приемочного испытания);

число фаз и проводов цепи, для которой предназначен счетчик (однофазная двухпроводная, трехфазная трехпроводная, трехфазная четырехпроводная). Данная маркировка может быть заменена графическими обозначениями, приведенными в ГОСТ 25372;

заводской номер и год изготовления. Если заводской номер указан на щитке, прикрепленном к кожуху, то он должен быть указан также на цоколе счетчика;

номинальное напряжение по одной из следующих форм:

число элементов, если их больше одного, и напряжение на зажимах цепи(ей) напряжения счетчика;

номинальное напряжение сети или вторичное напряжение трансформатора напряжения, к которому присоединяется счетчик (примеры маркировки приведены в табл. П7.1);

Таблица П7.1

Маркировка напряжения

Счетчик

Напряжение на зажимах цепи(ей) напряжения, В

Номинальное напряжение сети, В

Для работы в однофазной двухпроводной цепи на 120 В

120

120

Для работы в однофазной трехпроводной цепи на 120 В (120 В по отношению к средней точке)

240

240

Двухэлементный счетчик для работы в трехфазной трехпроводной цепи (230 В между фазами)

2×230

3×230

Трехэлементный счетчик для работы в трехфазной четырехпроводной цепи (230 В фаза-нейтраль)

3×230/400

3×230/400

для счетчиков непосредственного включения номинальный и максимальный токи, выраженные, например, таким образом: 5 - 60 А или 5 (60) А для счетчиков с номинальным током 5 А и максимальным током 60 А;

для трансформаторных счетчиков номинальный вторичный ток трансформатора(ов), к которому(ым) счетчик может быть подключен, например.../5 А. Номинальный и максимальный токи счетчика могут быть включены в обозначение типа;

номинальная частота в герцах;

постоянная счетчика, например... ´ (Вт·ч)/имп или имп/(кВт·ч);

обозначение класса точности счетчика;

нормальная температура, если она отличается от 23 °С;

знак двойного квадрата для счетчиков класса защиты II в изолирующем корпусе.

Если счетчик специального типа (например, в случае многотарифного счетчика, если напряжение переключающего устройства отличается от номинального напряжения), то это должно быть указано на щитке или на отдельной табличке.

Если счетчик, учитывающий энергию, включен через измерительные трансформаторы коэффициенты трансформации которых учтены постоянной счетчика, то коэффициенты трансформации должны быть также отмаркированы.

Допускается также использовать стандартные выражения по ГОСТ 25372-82 «Счетчики электрической энергии. Условные обозначения». На съемных щитках универсальных трансформаторных счетчиков должны быть нанесены надписи: «№ »; «Тр-р тока»; «Тр-р напряжения»; «К...» (множитель трансформаторов, равный произведению коэффициентов трансформации).

ЗАКЛЮЧЕНИЕ

В книге рассмотрен широкий круг проблем управления электроэнергетикой предприятий (организаций) в современных условиях хозяйствования, начиная от общих вопросов организации управления электрохозяйством (гл. 1 - 5), осуществления надзора за его техническим состоянием (гл. 6, 7), включая вопросы совершенствования взаимоотношений потребителей электроэнергии с энергоснабжающими организациями и органами энергонадзора (гл. 8 - 10), организации обеспечения надежной, экономичной и устойчивой работы электрооборудования (гл. 11 - 13), и завершая анализом основных принципов расчетного учета электрической энергии (гл. 14).

Проблемы в электроэнергетике всегда были, есть и будут, и их решение является залогом постоянного совершенствования уровня электроэнергетического хозяйства.

Если бы, например, не было отказов электрооборудования, поломок механизмов и перерывов в электроснабжении, то не возникла бы достаточно стройная на сегодняшний день теория надежности.

То же можно утверждать и по проблемам экономичности и безопасности в электроустановках.

Все организационно-технические мероприятия по совершенствованию уровня электрохозяйства, постоянная корректировка норм и правил работы в электроустановках, разработка мероприятий по обеспечению надежности, экономичности и безопасности работы электрооборудования и другие являются вынужденными и направлены на решение рассмотренных выше проблем в промышленной электроэнергетике.

В основу всех этих мер заложен единый по своей природе принцип: постоянно совершенствовать, постоянно улучшать, постоянно повышать уровень.

Один из самых богатых в мире бизнесменов Б. Гейтс по этому поводу выразился достаточно убедительно: «Моя самая важная работа в качестве руководителя - выслушивать плохие новости. Я должен отыскать плохие новости, где бы они не прятались. Плохие новости следует сообщать раньше хороших. Однако, если никак на них не реагировать, люди просто перестанут их сообщать. А это начало конца...»

Поэтому вопросы организации и управления электрохозяйством, упорядочения контроля за соблюдением действующих норм и правил работы, совершенствования взаимоотношений с энергоснабжающими организациями и органами энергонадзора, разработка превентивных мер по предупреждению аномальных режимов работы электрооборудования должны быть основополагающими в деятельности руководителей и специалистов энергослужб предприятий (организаций).

СПИСОК ЛИТЕРАТУРЫ

1. Гражданский Кодекс Российской Федерации. - М.: Изд-во НЦ ЭНАС 2003. - 480 с.

2. Методические рекомендации по регулированию отношений между энергоснабжающей организацией и потребителями. - М.: Минэнерго Рф 2002. - 23 с.

3. Межотраслевые правила по охране труда (правила безопасности) при эксплуатации электроустановок. - М.: Изд-во НЦ ЭНАС, 2003. - 181 с.

4. Правила безопасности при эксплуатации электроустановок в вопросах и ответах: Пособие для изучения и подготовки к проверке знаний. - М.: Изд-во НЦ ЭНАС, 2003. - 120 с.

5. Правила технической эксплуатации электроустановок потребителей. - М.: Изд-во НЦ ЭНАС, 2003. - 304 с.

6. Правила технической эксплуатации электроустановок потребителей в вопросах и ответах: Пособие для изучения и подготовки к проверке знаний. - М: Изд-во НЦ ЭНАС, 2003. - 136 с.

7. Опыт проектирования и внедрения АСКУЭ промышленного предприятия па базе КТС «Энергия» / Ю.М. Абакумов, А.А. Мартынов, О.В. Саламатов и др. // Промышленная энергетика. - 2002. - № 6. - С. 28 - 33.

8. Железко Ю.С. О совершенствовании нормативных документов, определяющих отношения энергоснабжающих организаций и потребителей в части качества электроэнергии и условий потребления реактивной мощности // Промышленная энергетика. - 2002. - № 6. - С. 23 - 27.

9. Правила применения и испытания средств защиты, используемых в электроустановках. - М.: Изд-во НЦ ЭНАС, 2003. - 96 с.

10. Правила устройства электроустановок. - 7-е изд. - М.: Изд-во НЦ ЭНАС, 1999 - 2003.

11. Правила пожарной безопасности в РФ. - М.: Изд-во НЦ ЭНАС, 2004. - 144 с.

12. Инструкция о порядке допуска в эксплуатацию новых и реконструированных энергоустановок. - М.: Изд-во НЦ ЭНАС, 2003. - 24 с.

13. Инструкция по проведению мероприятий по контролю при осуществлении государственного энергетического надзора за оборудованием, зданиями и сооружениями электрических и тепловых установок, электростанций, котельных, электрических и тепловых сетей энергоснабжающих организаций и потребителей тепловой и электрической энергии. - М.: Энергосервис, 2002. - 28 с.

14. Удрис А.П. Проблемы подготовки кадров релейного персонала // Энергетик.-2002. - № 10. - С. 18 - 19.

15. Учебная программа и перечень вопросов для подготовки электротехнического персонала к проверке знаний норм и правил работы в электроустановках / Под ред. В.Л. Титова. - М: МИЭЭ, 2003. - 56 с.

16. Михайлов С.А. Государственная политика энергосбережения: достигнутые результаты и насущные задачи // Энергетик. - 2003. - № 3. - С. 7 - 9.

17. ГОСТ 13109-97. Нормы качества электрической энергии в системах энергоснабжения общего назначения.

18. Сборник нормативно-технических и методических документов по измерениям, коммерческому и техническому учету электрической энергии и мощности. - М.: Изд-во НЦ ЭНАС, 2003. - 504 с.

19. Сюсюкин А.И. К вопросу об оплате (надбавках) за реактивную электроэнергию // Промышленная энергетика. - 2001. - № 9. - С. 53 - 55.

20. Красник В.В. Еще раз к вопросу об оплате за реактивную электроэнергию // Промышленная энергетика. - 2001. - № 6. - С. 58 - 61.

21. Сорокин Е. Гармонизация терминологии в области стандартизации // Стандарты и качество. - 2003. - № 4. - С. 22 - 25.

22. Красник В.В. О разночтениях в терминах и определениях в области электроэнергетики // Стандарты и качество. - 2003. - № 4. - С. 26 - 27.

23. Красник В.В. Термины и определения в электроэнергетике. - М.: Энергосервис, 2002. - 320 с.

24. Рипс Я.А., Савельев Б.А. Анализ и расчет надежности систем управления электроприводами. - М.: Энергия, 1974. - 248 с.

СОДЕРЖАНИЕ

Предисловие. 1

Принятые сокращения. 4

Глава 1 Структура и система организации электрохозяйства. 5

Глава 2 Комплексная система управления электрохозяйством.. 12

Глава 3 Законодательные и правовые акты в области электроснабжения. 16

Глава 4 Нормативно-техническая документация в электроустановках. 20

4.1. Техническая документация. 20

4.2. Ведомственная нормативная документация. 22

Глава 5 Организация обучения и проверки знаний по нормам и правилам работы в электроустановках. 24

Глава 6 Контроль за рациональной и безопасной эксплуатацией электроустановок. 29

Глава 7 Особенности работы специалистов по охране труда, контролирующих электроустановки. 31

Глава 8 Взаимоотношения потребителей электрической энергии с энергоснабжающими организациями. 34

Глава 9 Порядок оформления и заключения договоров энергоснабжения. 45

9.1. Общие положения. 45

9.2. Получение Технических условий и Разрешения на присоединение мощности. 48

9.3. Составление Акта разграничения балансовой принадлежности и эксплуатационной ответственности электроустановок и сооружений напряжением до 1000 в.. 50

9.4. Допуск электроустановок в эксплуатацию и порядок их включения. 51

9.5. Заключение Договора энергоснабжения. 56

Глава 10 Система терминов и определений в электроэнергетике. 57

Глава 11 Расчетная модель ущерба при отказах электродвигателей. 62

Глава 12 Определение оптимальных уровней безотказности работы электродвигателей. 65

Глава 13 Устойчивость работы электроприемников при компенсации реактивной мощности. 70

Глава 14 Основные принципы расчетного учета электрической энергии. 74

14.1. Правила учета электрической энергии. 74

14.2. Приборы учета электрической энергии. 79

Приложения. 85

Приложение 1 Заявление-обязательство о возложении ответственности за безопасную эксплуатацию электроустановок. 85

Приложение 2 Формулы для определения реактивной мощности. 86

Приложение 3 Примерная форма акта допуска в эксплуатацию электроустановок. 88

Приложение 4 Разрешение на подключение энергоустановки. 91

Приложение 5 Поэтапная схема оформления и заключения договора энергоснабжения в системе ОАО «Мосэнерго». 91

Приложение 6 Анкета потребителя электрической энергии. 92

Приложение 7 Маркировка щитков электронных счетчиков. 93

Заключение. 94

Список литературы.. 95

 

 




ГОСТЫ, СТРОИТЕЛЬНЫЕ и ТЕХНИЧЕСКИЕ НОРМАТИВЫ.
Некоммерческая онлайн система, содержащая все Российские Госты, национальные Стандарты и нормативы.
В Системе содержится более 150000 файлов нормативно-технической документации, действующей на территории РФ.
Система предназначена для широкого круга инженерно-технических специалистов.

Рейтинг@Mail.ru Яндекс цитирования

Copyright © www.gostrf.com, 2008 - 2026