Крупнейшая бесплатная информационно-справочная система онлайн доступа к полному собранию технических нормативно-правовых актов РФ. Огромная база технических нормативов (более 150 тысяч документов) и полное собрание национальных стандартов, аутентичное официальной базе Госстандарта. GOSTRF.com - это более 1 Терабайта бесплатной технической информации для всех пользователей интернета. Все электронные копии представленных здесь документов могут распространяться без каких-либо ограничений. Поощряется распространение информации с этого сайта на любых других ресурсах. Каждый человек имеет право на неограниченный доступ к этим документам! Каждый человек имеет право на знание требований, изложенных в данных нормативно-правовых актах!

  


 

МЕЖГОСУДАРСТВЕННЫЙ СОВЕТ ПО СТАНДАРТИЗАЦИИ, МЕТРОЛОГИИ И СЕРТИФИКАЦИИ

INTERSTATE COUNCIL FOR STANDARDIZATION, METROLOGY AND CERTIFICATION

ПРАВИЛА
ПО МЕЖГОСУДАРСТВЕННОЙ
СТАНДАРТИЗАЦИИ

пмг 65-2003

Государственная система обеспечения
единства измерений

ЦИСТЕРНЫ ЖЕЛЕЗНОДОРОЖНЫЕ

Общие требования к методикам поверки
объемным методом

Москва
ИПК Издательство стандартов
2004

Предисловие

Цели, основные принципы и основной порядок проведения работ по межгосударственной стандартизации установлены ГОСТ 1.0-92 «Межгосударственная система стандартизации. Основные положения» и ГОСТ 1.2-97 «Межгосударственная система стандартизации. Стандарты межгосударственные, правила и рекомендации по межгосударственной стандартизации. Порядок разработки, принятия, применения, обновления и отмены»

Сведения о правилах

1 РАЗРАБОТАНЫ Федеральным государственным унитарным предприятием «Всероссийский научно-исследовательский институт расходометрии» (ФГУП «ВНИИР») Госстандарта России

2 ВНЕСЕНЫ Госстандартом России

3 ПРИНЯТЫ Межгосударственным советом по стандартизации, метрологии и сертификации (протокол № 23 от 22 мая 2003 г.)

За принятие проголосовали:

Краткое наименование страны по МК (ИСО 3166) 004-97

Код страны по МК (ИСО 3166) 004-97

Сокращенное наименование национального органа по стандартизации

Азербайджан

AZ

Азстандарт

Беларусь

BY

Госстандарт Республики Беларусь

Грузия

GE

Грузстандарт

Казахстан

KZ

Госстандарт Республики Казахстан

Кыргызстан

KG

Кыргызстандарт

Молдова

MD

Молдова-Стандарт

Российская Федерация

RU

Госстандарт России

Узбекистан

UZ

Узстандарт

Украина

UA

Госпотребстандарт Украины

4 Постановлением Государственного комитета Российской Федерации по стандартизации и метрологии от 9 марта 2004 г. № 158-ст правила по межгосударственной стандартизации ПМГ 65-2003 введены в действие в качестве рекомендаций по метрологии Российской Федерации с 1 октября 2004 г.

5 Настоящие правила разработаны с учетом основных нормативных положений Р 80 МОЗМ «Авто- и железнодорожные цистерны»

6 ВВЕДЕНЫ ВПЕРВЫЕ

Информация о введении в действие (прекращении действия) настоящих правил публикуется в указателе «Национальные стандарты».

Информация об изменениях к настоящим правилам публикуется в указателе «Национальные стандарты», а текст этих изменений - в информационных указателях «Национальные стандарты». В случае пересмотра или отмены настоящих правил соответствующая информация будет опубликована в информационном указателе «Национальные стандарты»

СОДЕРЖАНИЕ

1 Область применения. 2

2 Нормативные ссылки. 3

3 Термины и определения. 3

4 Методы поверки. 4

5 Метрологические и технические требования. 5

5.1 Погрешности измерений при поверке. 5

5.2 Основные и вспомогательные средства поверки. 5

5.3 Условия поверки. 5

6 Требования к организации проведения поверки. 6

7 Требования к квалификации поверителей и требования безопасности. 6

8 Подготовка к проведению поверки. 7

9 Проведение поверки. 7

9.1 Внешний осмотр. 7

9.2 Проверка герметичности измерительной системы и измерение расхода поверочной жидкости. 7

9.3 Измерения базовой высоты цистерны.. 8

9.5 Определение вместимости цистерны с применением уровнемера и мерников. 8

9.6 Определение вместимости цистерны с применением уровнемера и счетчика жидкости. 9

10 Обработка результатов измерений. 9

10.1 Обработка результатов измерений при поверке цистерны.. 9

10.2 Составление градуировочной таблицы.. 9

11 Оформление результатов поверки. 10

Приложение А. Схемы поверки железнодорожных цистерн. 11

Приложение Б. Форма протокола поверки железнодорожной цистерны.. 13

Приложение В. Параметры железнодорожных цистерн. 14

Приложение Г. Значения коэффициента наполнения цилиндрической части котла железнодорожной цистерны Кц 15

Приложение Д. Обработка результатов измерений при поверке железнодорожной цистерны.. 19

Приложение Е. Форма журнала обработки результатов измерений. 23

Приложение Ж. Формы титульного листа градуировочной таблицы и градуировочной таблицы.. 24

Приложение И. Форма акта об измерениях базовой высоты железнодорожной цистерны.. 25

Библиография. 25

ПМГ 65-2003

ПРАВИЛА ПО МЕЖГОСУДАРСТВЕННОЙ СТАНДАРТИЗАЦИИ

Государственная система обеспечения единства измерений

ЦИСТЕРНЫ ЖЕЛЕЗНОДОРОЖНЫЕ

Общие требования к методикам поверки объемным методом

State system for ensuring the uniformity of measurements. Railway tanks. General requirements for methods of calibration by volumetric method

Дата введения - 2004-10-01

1 Область применения

Настоящие правила распространяются на железнодорожные цистерны - транспортные меры вместимости по ГОСТ 10674 номинальной вместимостью от 25 до 160 м3, предназначенные для проведения государственных учетных и торговых операций с нефтью и нефтепродуктами, взаимных расчетов между поставщиком и потребителем, прошедшие испытания в целях утверждения типа в соответствии с нормативными документами1), и устанавливают общие требования к методикам их поверки объемным методом.

1) На территории Российской Федерации действуют ПР 50.2.009 [1].

Межповерочный интервал для железнодорожных цистерн всех типов должен быть не более пяти лет.

2 Нормативные ссылки

В настоящих правилах использованы ссылки на следующие межгосударственные стандарты: ГОСТ 8.400-80 Государственная система обеспечения единства измерений. Мерники металлические образцовые. Методика поверки

ГОСТ 12.1.005-88 Система стандартов безопасности труда. Общие санитарно-гигиенические требования к воздуху рабочей зоны

ГОСТ 12.1.011-782) Система стандартов безопасности труда. Смеси взрывоопасные. Классификация и методы испытаний

2) На территории Российской Федерации действуют ГОСТ Р 51330.2 [2], ГОСТ Р 51330.5 [3], ГОСТ Р 51330.11 [4], ГОСТ Р 51330.19 [5].

ГОСТ 12.2.004-75 Система стандартов безопасности труда. Машины и механизмы специальные для трубопроводного строительства. Требования безопасности

ГОСТ 12.4.137-84 Обувь специальная кожаная для защиты от нефти, нефтепродуктов, кислот, щелочей, нетоксичной и взрывоопасной пыли. Технические условия

ГОСТ 166-89 (ИСО 3599-76) Штангенциркули. Технические условия

ГОСТ 427-75 Линейки измерительные металлические. Технические условия

ГОСТ 2405-88 Манометры, вакуумметры, мановакуумметры, напоромеры, тягомеры и тягонапоромеры. Общие технические условия

ГОСТ 2517-85 Нефть и нефтепродукты. Методы отбора проб

ГОСТ 2874-823) Вода питьевая. Гигиенические требования и контроль за качеством

3) На территории Российской Федерации действует ГОСТ Р 51232 [6].

ГОСТ 3900-85 Нефть и нефтепродукты. Методы определения плотности

ГОСТ 7502-98 Рулетки измерительные металлические. Технические условия

ГОСТ 9392-89 Уровни рамные и брусковые. Технические условия

ГОСТ 10674-821) Вагоны-цистерны магистральных железных дорог колеи 1520 мм. Общие технические условия

1) На территории Российской Федерации действует ГОСТ Р 51659 [7].

ГОСТ 18481-81 Ареометры и цилиндры стеклянные. Общие технические условия

ГОСТ 27574-87 Костюмы женские для защиты от общих производственных загрязнений и механических воздействий. Технические условия

ГОСТ 27575-87 Костюмы мужские для защиты от общих производственных загрязнений и механических воздействий. Технические условия

ГОСТ 28498-90 Термометры жидкостные стеклянные. Общие технические требования. Методы испытаний

Примечание - При пользовании настоящими правилами целесообразно проверить действие ссылочных стандартов по указателю «Национальные стандарты», составленному по состоянию на 1 января текущего года, и по соответствующим информационным указателям, опубликованным в текущем году. Если ссылочный документ заменен (изменен), то при пользовании настоящими правилами следует руководствоваться замененным (измененным) документом. Если ссылочный документ отменен без замены, то положение, в котором дана ссылка на него, применяется в части, не затрагивающей эту ссылку.

3 Термины и определения

В настоящих правилах применяют следующие термины с соответствующими определениями:

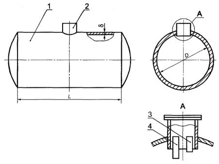
3.1 железнодорожная цистерна, цистерна: Металлический сосуд в форме цилиндра (котла), горизонтально лежащего на опорах тележки, с овалоидными, торосферическими и эллиптическими днищами, с колпаком или горловиной, применяемый для транспортирования жидкостей и измерений их объема.

3.2 поверка цистерны: Совокупность операций, выполняемых организациями национальной (государственной) метрологической службы или аккредитованными на право поверки метрологическими службами юридических лиц в целях определения вместимости и градуировки цистерны, составления и утверждения градуировочной таблицы.

3.3 градуировочная таблица: Документ, определяющий зависимость вместимости цистерны от уровня ее наполнения при нормированном значении температуры. Градуировочную таблицу прилагают к свидетельству о поверке цистерны и применяют для определения объема жидкости в ней.

3.4 вместимость цистерны: Внутренний объем цистерны, который может быть наполнен жидкостью до определенного уровня.

3.5 действительная (фактическая) вместимость цистерны: Вместимость цистерны, установленная при ее первичной и периодической поверках.

3.6 определение вместимости цистерны: Операция, заключающаяся в установлении зависимости вместимости цистерны от уровня ее наполнения, осуществляемая организациями национальной (государственной) метрологической службы или аккредитованными на право поверки метрологическими службами юридических лиц при выпуске цистерны из производства или ремонта и при эксплуатации.

3.7 посантиметровая вместимость цистерны: Объем жидкости в цистерне, соответствующий уровню налитых в нее доз жидкости, приходящихся на 1 см высоты наполнения.

3.8 дозовая вместимость цистерны: Объем жидкости в цистерне, соответствующий высоте налитых в нее доз жидкости.

3.9 номинальная вместимость цистерны: Вместимость цистерны, соответствующая максимальному уровню ее наполнения, установленная нормативным документом на цистерну данного типа.

3.10 исходная точка: Точка на нижней образующей котла цистерны или его ванночке и выштамповке уклона, которой касается груз измерительной рулетки или метрошток при измерении базовой высоты цистерны и от которой проводят измерение уровня нефти и нефтепродуктов при эксплуатации цистерны.

3.11 уровень жидкости (высота наполнения): Расстояние по вертикали между исходной точкой и свободной поверхностью жидкости в цистерне.

3.12 максимальный (предельный) уровень наполнения цистерны: Максимальный уровень наполнения цистерны нефтью или нефтепродуктами, отсчитываемый от исходной точки до нижнего среза верхнего сегмента горловины или половины высоты колпака.

3.13 предельный уровень определения вместимости цистерны: Максимальный уровень поверочной жидкости в цистерне, отсчитываемый от исходной точки до люка колпака или верхней образующей цистерны, при котором определяют вместимость цистерны и составляют градуировочную таблицу.

3.14 базовая высота цистерны: Расстояние по вертикали от исходной точки до верхнего края горловины или колпака.

3.15 поверочная жидкость: Жидкость, применяемая при поверке цистерны объемным методом. В качестве поверочной жидкости используют воду по ГОСТ 2874 и светлые нефтепродукты, кроме бензина. Параметры поверочной жидкости должны соответствовать требованиям 5.3.6.

3.16 объемный динамический метод поверки цистерны: Метод поверки, заключающийся в определении вместимости цистерны путем непрерывного наполнения ее поверочной жидкостью и в одновременных измерениях уровня, объема и температуры поверочной жидкости для каждого изменения уровня на 1 см (10 мм).

3.17 объемный статический метод поверки цистерны: Метод поверки, заключающийся в определении вместимости цистерны путем наполнения ее отдельными дозами поверочной жидкости и в одновременных измерениях уровня, объема и температуры поверочной жидкости для каждого изменения уровня от 10 до 30 мм.

3.18 степень наклона участка железнодорожного пути: Величина η, выражаемая через тангенс угла наклона участка железнодорожного пути, рассчитываемая по формуле

η = tgj,

где j - угол наклона участка железнодорожного пути, ...°.

3.19 государственные учетные и торговые операции, взаимные расчеты между поставщиком и потребителем: Операции, проводимые между поставщиком и потребителем, заключающиеся в определении объема или массы нефти и нефтепродуктов для последующих учетных операций, а также для арбитража.

4 Методы поверки

4.1 Поверку цистерны проводят объемным динамическим (далее - динамический) или объемным статическим (далее - статический) методом. Допускается комбинация динамического и статического методов поверки.

4.2 При объемном методе поверки вместимость цистерны определяют непосредственно, измеряя уровень поступившей в цистерну поверочной жидкости, ее температуру и объем, соответствующие измеренному уровню жидкости.

5 Метрологические и технические требования

5.1 Погрешности измерений при поверке

5.1.1 Предел допускаемой погрешности измерений параметров поверочной жидкости не должен превышать значений, указанных в таблице 1.

Таблица 1

Измеряемый параметр

Предел допускаемой погрешности измерений

Объем дозы жидкости при градуировке, %

0,22

Уровень жидкости, мм

1,50

Температура жидкости, °С

0,20

Температура воздуха, °С

1,00

Избыточное давление жидкости, %

0,40

5.1.2 При соблюдении указанных в таблице 1 пределов допускаемой погрешности измерений погрешность определения вместимости цистерны должна быть ±0,30 %.

5.1.3 Значение погрешности определения вместимости цистерны приводят на титульном листе градуировочной таблицы.

5.2 Основные и вспомогательные средства поверки

5.2.1 При поверке цистерн применяют следующие средства поверки:

5.2.1.1 Эталонный уровнемер 2-го разряда (далее - уровнемер), пределы допускаемой абсолютной погрешности ±1 мм, по [8].

5.2.1.2 Эталонные мерники 2-го разряда (далее - мерники) номинальной вместимостью 2; 5; 10; 20; 50; 100; 200; 500; 1000 дм3 по ГОСТ 8.400.

5.2.1.3 Эталонный счетчик жидкости (далее - счетчик жидкости), пределы допускаемой относительной погрешности ±0,15 %, по [9].

5.2.1.4 Термометр, цена деления шкалы 0,1 °С, по ГОСТ 28498.

5.2.1.5 Термометр, цена деления шкалы 0,5 °С, по ГОСТ 28498.

5.2.1.6 Манометр класса точности 0,4 по ГОСТ 2405.

5.2.1.7 Ареометр, цена деления шкалы 0,5 кг/м3, по ГОСТ 18481.

5.2.1.8 Секундомер 3-го класса точности, цена деления шкалы 0,2 с, по [10].

5.2.1.9 Штангенциркуль, диапазоны измерений 0 - 250, 0 - 400, 0 - 1000 мм, по ГОСТ 166.

5.2.1.10 Рулетка измерительная с грузом 2-го класса точности, верхний предел измерений 5 м, по ГОСТ 7502.

5.2.1.11 Линейка измерительная металлическая, диапазон измерений 0 - 500 мм, по ГОСТ 427.

5.2.1.12 Контрольный уровень по ГОСТ 9392.

5.2.1.13 Газоанализатор по [11].

5.2.2 Вспомогательное оборудование:

- насос для подачи поверочной жидкости, снабженный линиями приема и подачи с кранами (вентилями), регулятором расхода (дросселем), фильтром и трехходовым краном;

- расширитель струи;

- микрокалькулятор;

- мел, приспособление для нанесения рисок (чертилка).

5.2.3 Основные средства поверки цистерны должны быть поверены в установленном порядке.

5.2.4 Допускается применение других, вновь разработанных или находящихся в эксплуатации средств поверки, удовлетворяющих по точности и пределам измерений требованиям настоящих правил.

5.3 Условия поверки

При поверке цистерны соблюдают следующие условия:

5.3.1 Цистерну устанавливают на прямом участке железнодорожного пути, значение степени наклона которого не более 0,01.

5.3.2 Температура окружающего воздуха и поверочной жидкости (20 ± 15) °С.

Примечание - Допускается нижний предел температуры поверочной жидкости 2 °С (при применении дизельного топлива).

5.3.3 Изменение температуры поверочной жидкости в цистерне и счетчике жидкости (мерниках) за время поверки не должно превышать:

2 °С - при использовании в качестве поверочной жидкости воды;

0,5 °С - при использовании в качестве поверочной жидкости светлых нефтепродуктов в соответствии с 3.15.

5.3.4 При невыполнении требований 5.3.3 вводят температурные поправки на объем, измеренный через каждое изменение температуры поверочной жидкости в цистерне на 2 °С или 0,5 °С.

5.3.5 При поверке цистерн с применением мерников последние выбирают таким образом, чтобы можно было получить дозы жидкости, достаточные для повышения уровня поверочной жидкости в цистерне от 10 до 30 мм.

5.3.6 При поверке цистерн с применением счетчика жидкости поверочная жидкость должна соответствовать следующим требованиям:

- вязкость поверочной жидкости - в пределах поверенного диапазона измерений счетчика жидкости;

- расход поверочной жидкости - в пределах поверенного диапазона измерений счетчика жидкости. Расход поверочной жидкости в процессе поверки цистерны должен изменяться не более чем на 2 % (если диапазон измерений счетчика жидкости с импульсным выходным сигналом изменяется, вводят соответствующий новому диапазону коэффициент преобразования счетчика жидкости).

5.3.7 Избыточное давление за счетчиком жидкости, длины прямолинейных участков перед и за счетчиком жидкости должны соответствовать требованиям технических документов на счетчик жидкости конкретного типа.

5.3.8 Исключают возможность попадания воздуха в измерительную систему, собранную для поверки цистерны, после наполнения ее поверочной жидкостью.

5.3.9 Вместимость цистерны при ее поверке определяют непрерывно (без перерывов, приводящих к изменению объема и уровня жидкости в цистерне) начиная с уровня, равного нулю, до предельного уровня определения вместимости или заданного уровня дозы.

5.3.10 Скорость изменения уровня жидкости в цистерне в процессе ее поверки не должна превышать 0,3 мм/с.

5.3.11 Базовую высоту цистерны и максимальный уровень поверочной жидкости в цистерне измеряют измерительной рулеткой с грузом в двух противоположных точках люка горловины или колпака, расположенных на плоскости, проходящей через верхнюю образующую и продольную ось цистерны. За действительные значения базовой высоты и максимального уровня принимают среднеарифметические значения результатов двух измерений.

6 Требования к организации проведения поверки

6.1 Цистерны подлежат поверке организациями национальной (государственной) метрологической службы или аккредитованными на право поверки метрологическими службами юридических лиц.

6.2 Поверку цистерны проводят:

- первичную - после изготовления и ремонта;

- периодическую - через установленный межповерочный интервал времени.

7 Требования к квалификации поверителей и требования безопасности

7.1 Поверку цистерны проводят физические лица, окончившие курсы повышения квалификации и аттестованные в качестве поверителей в установленном порядке.

7.2 К поверке цистерны допускают лиц, изучивших технические документы на цистерну и ее конструкцию, средства поверки цистерны и прошедшие обучение по 7.1 и инструктаж по безопасности труда в соответствии с ГОСТ 12.2.004.

7.3 Лица, проводящие поверку цистерны, надевают спецодежду:

- женщины - костюмы по ГОСТ 27574 и спецобувь по ГОСТ 12.4.137;

- мужчины - костюмы по ГОСТ 27575 и спецобувь по ГОСТ 12.4.137.

7.4 Перед началом поверки цистерны следует проверить исправность:

- наружных лестниц с поручнями и подножками;

- помоста с ограждением (помосты и ступеньки наружных лестниц изготовляют из рифленой стали);

- приспособления для подсоединения заземления и четкость знака заземления.

7.5 Давление внутри цистерны должно быть равно атмосферному.

7.6 Средства, применяемые при поверке цистерны, должны иметь взрывозащищенное исполнение для группы взрывоопасных смесей категории IIВ-ТЗ по ГОСТ 12.1.011 и должны быть предназначены для эксплуатации на открытом воздухе.

7.7. Содержание вредных паров и газов в воздухе рабочей зоны не должно превышать санитарных норм, установленных ГОСТ 12.1.005.

7.8 Для освещения в темное время суток следует применять светильники во взрывозащищенном исполнении.

8 Подготовка к проведению поверки

8.1 Подготовка цистерны к поверке заключается в следующем:

8.1.1 Собирают измерительную систему (рисунок А.1 или А.2 приложения А).

Примечание - Поверочная жидкость в мерники или счетчик жидкости может быть подана из технологического трубопровода (при применении нефтепродуктов) или водопровода (при применении воды) с помощью насоса или без него.

8.1.2 Устанавливают уровнемер на горловине или колпаке цистерны.

8.1.3 Опускают в цистерну шланг с расширителем струи. При этом расширитель струи прикрепляют на уровне средней высоты (диаметра) цистерны, например с помощью магнитных наконечников.

8.1.4 Мерники 1, 2, 3 [при их применении (рисунок А.1)] располагают над горловиной (колпаком) поверяемой цистерны и устанавливают их в вертикальное положение с помощью уровня.

9 Проведение поверки

9.1 Внешний осмотр

9.1.1 Проверяют состояние наружной поверхности стенки котла и горловины (колпака) [отсутствие вмятин, выпучин и загрязнений котла и горловины (колпака)].

9.1.2 Проверяют состояние внутренней поверхности цистерны (отсутствие остатков жидкости, посторонних предметов).

Цистерну полностью опорожняют и очищают от остатков хранившейся жидкости.

9.1.3 Проверяют наличие в горловине цистерны сегментов (указателей уровня наполнения цистерны).

9.2 Проверка герметичности измерительной системы и измерение расхода поверочной жидкости

9.2.1 Измерительную систему наполняют (рисунок А.1 или А.2) поверочной жидкостью, удаляют из нее воздух и испытывают на герметичность под рабочим давлением. При этом вентили 4 - 9 (см. рисунок А.1), 5 (см. рисунок А.2) закрывают и трехходовой кран 7 (см. рисунок А.2) переводят в положение «Измерение».

Измерительную систему считают герметичной, если по истечении 15 мин после наполнения ее поверочной жидкостью и создания рабочего давления при визуальном осмотре не обнаруживают в местах соединений, уплотнений и на поверхности труб и арматуры, а также в конце шланга, предназначенного для подачи жидкости из трехходового крана в цистерну 17 (см. рисунок А.2) в режиме «Циркуляция», наличия течи (каплепадений) и влаги.

9.2.2 При обнаружении течи (каплепадений) и влаги в измерительной системе или цистерне поверку цистерны прекращают и после устранения не герметичности продолжают или повторяют.

9.2.3 При применении счетчика жидкости 10 (см. рисунок А.2) дополнительно промывают измерительную систему и измеряют расход поверочной жидкости в последовательности:

- переводят трехходовой кран 7 в положение «Циркуляция»;

- включают насос 14;

- одновременно фиксируют показания счетчика жидкости (далее - счетчик) 10 и секундомера;

- после того как стрелка указателя счетчика сделает не менее одного оборота (ролик счетного механизма поворачивается на один оборот) или число импульсов, зарегистрированное счетчиком импульсов, составит не менее 5000, выключают секундомер и одновременно фиксируют показание счетчика.

Расход поверочной жидкости Q, дм3/с, через счетчик жидкости рассчитывают по формулам:

- для счетчиков жидкости с непосредственным отсчетом объема жидкости в кубических дециметрах

;                                                           (1)

- для счетчиков жидкости с импульсным выходным сигналом в импульсах

                                                        (2)

где qi, Ni - показания счетчика жидкости, соответствующие концу отсчета времени, дм3, имп.;

qi-1, Ni-1 - показания счетчика жидкости, соответствующие началу отсчета времени, дм3, имп.;

τ - время, определяемое по секундомеру, с;

K - коэффициент преобразования счетчика жидкости, имп./дм3; определяют по шкале счетного механизма счетчика конкретного типа.

9.2.4 Расход поверочной жидкости, рассчитанный по формуле (1) или (2), должен быть в пределах поверенного диапазона измерений счетчика жидкости по 5.3.6. Если это условие не выполняется, то с помощью дросселя (регулятора расхода) 13 (см. рисунок А.2) изменяют расход поверочной жидкости, протекающей через счетчик жидкости.

9.2.5 Измерения величин при поверке цистерны проводит группа лиц, включающая в себя не менее двух поверителей.

9.3 Измерения базовой высоты цистерны

9.3.1 Базовую высоту цистерны Hб определяют измерительной рулеткой с грузом в соответствии с 5.3.11 не менее двух раз в каждой точке измерений. Расхождение между результатами двух измерений - не более ±1 мм. Значение базовой высоты наносят на табличку, прикрепленную к боковой балке рамы цистерны.

9.3.2 Базовую высоту цистерны измеряют ежегодно. При ее изменении более чем на 0,1 % устанавливают причину (отложение грязи, в том числе твердых частиц, и др.) и при невозможности устранения причин проводят переградуировку цистерны.

9.3.3 Базовую высоту цистерны измеряют при наличии в ней жидкости до уровня, соответствующего не менее 95 % номинальной вместимости.

9.3.4 Результаты измерений Нб вносят в протокол, форма которого приведена в приложении Б.

9.4 Измерения высоты колпака цистерны

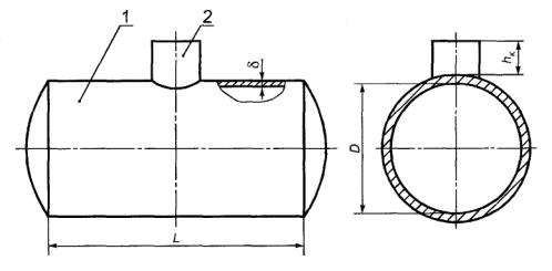
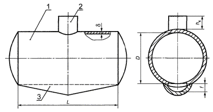
9.4.1 Устанавливают металлическую линейку на верхнем срезе люка колпака и с помощью штангенциркуля или измерительной рулетки с грузом определяют расстояние по вертикали между верхней образующей цистерны и линейкой hк (рисунки А.3, А.4, А.5).

9.4.2 Измерения проводят не менее двух раз. Расхождение между результатами двух измерений - не более ±1 мм.

9.4.3 Показания штангенциркуля или измерительной рулетки с грузом отсчитывают с погрешностью до 1 мм.

9.4.4 Результаты измерений hк вносят в протокол, форма которого приведена в приложении Б.

9.5 Определение вместимости цистерны с применением уровнемера и мерников

9.5.1 Предварительно вычисляют:

а) полную вместимость цилиндрической части котла цистерны Vц, дм3, по формуле

                                                              (3)

где D - внутренний диаметр цистерны, мм;

L - длина цилиндрической части котла цистерны, мм.

Значения D и L в зависимости от типа цистерн приведены в таблице В.1 приложения В;

б) объем j-й дозы поверочной жидкости DVj, дм3, соответствующий изменению ее уровня в цистерне от 10 до 30 мм, вычисляют по формуле

                                                     (4)

где Kцj, Kц(j-1) - коэффициенты наполнения цилиндрической части котла цистерны при уровнях поверочной жидкости в цистерне Hj, Hj-1. Значения их могут быть определены по таблице Г.1 приложения Г, где H/D - отношение уровня поверочной жидкости к внутреннему диаметру цистерны.

9.5.2 Поверочную жидкость (далее - жидкость) подают (см. рисунок А.1) в мерники 1, 2, 3 из приемной цистерны 13 с помощью насоса 10 и, регулируя вентилями 4, 5, 6 режим потока жидкости, наполняют мерники.

При этом вместимость мерника или суммарная вместимость мерников соответствует объему дозы жидкости, вычисленному по формуле (4).

9.5.3 После наполнения измеряют температуру жидкости в мерниках, сливают дозу жидкости в поверяемую цистерну 14, открывая вентили 7, 8, 9, и снимают показания уровнемера 16.

9.5.4 В порядке, указанном в 9.5.2 и 9.5.3, подают последующие дозы жидкости (DVм)j в цистерну с одновременным измерением уровня жидкости Hj и ее температуры (Tц)j в пробах, отобранных по ГОСТ 2517 из цистерны после налива в нее каждой суммарной дозы.

При этом первую пробу отбирают при достижении уровня жидкости в цистерне 500 мм.

9.5.5 В случае использования в качестве поверочной жидкости нефтепродукта измеряют его плотность ρ0 в лаборатории в соответствии с ГОСТ 3900.

9.5.6 Температуру жидкости измеряют в пробоотборнике. При этом термометр погружают в жидкость, находящуюся в пробоотборнике, на глубину, указанную в техническом паспорте на данный термометр, и выдерживают в пробе 1 - 3 мин до принятия столбиком ртути постоянного положения. Не вынимая термометр из жидкости, по нему отсчитывают температуру с погрешностью до 0,1 °С.

9.5.7 Допускаются по 9.5.4 отбор проб жидкости из цистерны и измерения ее температуры через каждое изменение уровня жидкости в цистерне на 500 мм.

В этом случае температуру жидкости в цистерне после поступления в нее каждой дозы вычисляют по результатам измерений температур в начале и конце поступления суммарной дозы, объем которой соответствует изменению уровня жидкости в цистерне на 500 мм.

9.5.8 Цистерну наполняют дозами жидкости до предельного уровня определения вместимости Hпр, мм, вычисляемого по формулам, в соответствии с:

а) рисунком А.3

(Hпр)1 = D + δ + hк;                                                        (5)

б) рисунком А.4

(Hпр)2 = D + δ + δв + hк;                                                    (6)

в) рисунком А.5

(Hпр)3 = D + f +δ + hк;                                                       (7)

г) рисунком А.6

(Hпр)4 = D;                                                                  (8)

д) рисунком А.7

(Hпр)5 = D + f;                                                               (9)

Значение высоты колпака hк определяют по результатам измерений в соответствии с 9.4, значения величин D, δв, δ, f, приведены в таблице В.1.

9.5.9 Результаты измерений объема (DVм)j температуры (Tм)j жидкости в мерниках, уровня Hj, температуры (Tц)j и плотности жидкости ρ0 в цистерне вносят в протокол, форма которого приведена в приложении Б.

9.6 Определение вместимости цистерны с применением уровнемера и счетчика жидкости

9.6.1 Поверку цистерны проводят по схеме, представленной на рисунке А.2, в последовательности:

а) открывают вентиль 5;

б) устанавливают указатели шкал измерителя температуры (при наличии), уровнемера и счетчика жидкости (при необходимости) на нулевую отметку;

в) снимают показание q0(N0) счетчика жидкости 10;

г) переводят трехходовой кран 7 в положение «Измерение»;

д) поверочную жидкость подают в поверяемую цистерну 4 через счетчик жидкости 10 из приемной цистерны 17 и наполняют ее дозой жидкости до появления на дисплее уровнемера 2 значения 10 мм;

е) снимают показания р0 манометра 9;

ж) снимают показание (Tт)0 термометра (измерителя температуры) 6;

з) выключают насос 14 и снимают показание q1(N1) счетчика жидкости 10.

9.6.2 Включают насос 14 и в пределах 1/20 части номинальной вместимости цистерны поверку ее проводят статическим методом: при каждом изменении уровня жидкости от 10 до 30 мм прекращают подачу жидкости в цистерну. Одновременно снимают показания счетчика жидкости 10 qj(Nj), уровнемера 2 Нj, манометра 9 pj и термометра (измерителя температуры) 6 (Tт)j. Отбирают пробу жидкости из цистерны и измеряют ее плотность ρ0 и температуру (Tц)j в соответствии с 9.5.5, 9.5.6 и 9.5.7.

9.6.3 При достижении уровня жидкости, соответствующего 1/20 части номинальной вместимости цистерны, наполнение цистерны дозами жидкости может быть осуществлено динамическим или статическим методом.

9.6.4 После наполнения цистерны дозами жидкости в пределах 19/20 части номинальной вместимости цистерны поверку ее проводят до предельного уровня по 9.5.8 статическим методом в соответствии с 9.6.2.

9.6.5 Результаты измерений объема (DVc)j, температуры (Tт)j и давления pj дозы жидкости, уровня Нj, температуры (Tц)j и плотности ρ0 жидкости в цистерне вносят в протокол, форма которого приведена в приложении Б.

10 Обработка результатов измерений

10.1 Обработка результатов измерений при поверке цистерны

10.1.1 Обработку результатов измерений проводят в соответствии с приложением Д.

10.1.2 Результаты вычислений вносят в журнал, форма которого приведена в приложении Е.

10.2 Составление градуировочной таблицы

10.2.1 Градуировочную таблицу составляют (начиная от исходной точки до предельного уровня определения вместимости Нпр с шагом DН = 1 см), используя интерполяционную формулу

            (10)

где Vi - вместимость цистерны, соответствующая текущему уровню наполнения;

DV1 = Vk+1 - Vk, DV2 = Vk+2 - Vk+1, DV-1 = Vk - Vk-1;

Vk-1, Vk, Vk+1, Vk+2 - дозовые вместимости цистерны при наливе в нее k - 1, k, k + 1 и k + 2 доз жидкости, соответствующие уровням наполнения Hk-1, Hk, Hk+1, Hk+2 и вычисляемые по формуле (Д.16) или формулам (Д.17), (Д.18) приложения Д;

Hi - текущий уровень наполнения цистерны.

В формуле (10) вместимости Vk-1, Vk, Vk+1, Vk+2 выражены в кубических метрах, а уровни наполнения Hk-1, Hk, Hk+1, Hk+2 - в сантиметрах.

10.2.2 Результаты расчетов при составлении градуировочной таблицы вносят в журнал, форма которого приведена в приложении Е (таблица Е.3).

10.2.3 При составлении градуировочной таблицы значения по сантиметровой вместимости резервуара округляют до целого кубического дециметра (0,001 м3).

10.2.4 В пределах каждого шага (изменения уровня наполнения цистерны на 1 см) вычисляют коэффициент вместимости Θi, равный вместимости, приходящейся на 1 мм высоты наполнения, по формуле

                                                           (11)

где Vi, Vi-1 - вместимости цистерны, соответствующие уровням наполнения Hi, Hi-1 и вычисляемые по формуле (10).

10.2.5 Значения по сантиметровой вместимости цистерны, указанные в градуировочной таблице, соответствуют температуре 20 °С.

10.2.6 Обработка результатов измерений может быть проведена ручным способом или с использованием ЭВМ.

10.2.7 Результаты измерений оформляют протоколом поверки.

10.2.8 Протокол поверки является исходным документом при расчете градуировочной таблицы на ЭВМ.

11 Оформление результатов поверки

11.1 Положительные результаты поверки цистерны оформляют свидетельством о поверке в соответствии с нормативными документами1).

1) На территории Российской Федерации действуют ПР 50.2.009 [1].

На табличку, прикрепленную к одной из боковых балок рамы цистерны (рядом с маркировочной табличкой), наносят:

- базовую высоту;

- номер свидетельства о поверке, за которым через вертикальную или горизонтальную черту указывают две последние цифры года проведения поверки;

- сокращенное наименование организации, выдавшей свидетельство о поверке, а также поверительное клеймо.

11.2 К свидетельству о поверке прилагают:

а) градуировочную таблицу;

б) протокол поверки (оригинал прилагают к первому экземпляру градуировочной таблицы);

в) эскиз цистерны;

г) журнал обработки результатов измерений при поверке (при обработке результатов измерений ручным способом);

д) акт об измерениях базовой высоты (прилагают ежегодно по результатам измерений базовой высоты).

11.3 Формы титульного листа градуировочной таблицы и градуировочной таблицы приведены в приложении Ж.

Форма протокола поверки приведена в приложении Б.

Форма акта об измерениях базовой высоты цистерны приведена в приложении И, где (Нб)кон.п, (Нб)пред.п - значения базовой высоты при контрольной и предыдущей поверках соответственно.

Протокол поверки, титульный лист и последнюю страницу градуировочной таблицы подписывают поверители. Подписи поверителей заверяют оттисками поверительного клейма, печати (штампа).

11.4 На каждом листе документов (по 11.2, перечисления а - д) должен быть проставлен номер листа по порядку.

11.5 Градуировочные таблицы на цистерны утверждает руководитель организации национальной (государственной) метрологической службы или руководитель аккредитованной на право поверки метрологической службы юридического лица.

11.6 Типовые программы расчета градуировочных таблиц на компьютере по настоящим правилам разработаны Государственным научным метрологическим центром (ГНМЦ-ВНИИР) и Всероссийским научно-исследовательским институтом метрологической службы (ВНИИМС). Программы, разработанные другими организациями, подлежат экспертизе, аттестации и утверждению в специализированных метрологических центрах, определенных национальными органами по стандартизации1).

1) На территории Российской Федерации - ФГУП ВНИИР - ГНМЦ и ФГУП ВНИИМС.

Приложение А

(справочное)

Схемы поверки железнодорожных цистерн

1, 2, 3 - мерники; 4, 5, 6 - вентили наполнения; 7, 8, 9 - вентили опорожнения; 10 - насос; 11 - всасывающая линия насоса; 12 - фильтр; 13 - приемная цистерна; 14 - поверяемая цистерна; 15 - поплавок уровнемера; 16 - уровнемер; 17 - сливной прибор цистерны; 18 - расширитель струи

Рисунок А.1 - Схема поверки цистерны с применением уровнемера и мерников

1 - расширитель струи; 2 - уровнемер; 3 - поплавок уровнемера; 4 - поверяемая цистерна; 5, 8 - вентили; 9 - манометр; 7 - трехходовой кран; 6 - термометр (измеритель температуры); 10 - счетчик жидкости; 12, 16 - фильтры; 11 - воздушный кран; 13 - дроссель; 14 - насос; 15 - всасывающая линия насоса; 17 - приемная цистерна; 18 - сливной прибор цистерны

Рисунок А.2 - Схема поверки цистерны с применением уровнемера и счетчика жидкости

1 - котел цистерны; 2 - колпак

Рисунок А.3 - Схема цистерны с колпаком

1 - котел цистерны; 2 - колпак; 3 - ванночка

Рисунок А.4 - Схема цистерны с колпаком и ванночкой

1 - котел цистерны; 2 - колпак; 3 - выштамповка уклона

Рисунок А.5 - Схема цистерны с колпаком и выштамповкой уклона

1 - котел цистерны; 2 - горловина; 3 - сегмент максимального уровня наполнения; 4 - сегмент ограничения скорости налива

Рисунок А.6 - Схема цистерны с горловиной

1 - котел цистерны; 2 - горловина; 3 - выштамповка уклона

Рисунок А.7 - Схема цистерны с горловиной и выштамповкой уклона

Приложение Б

(обязательное)

Форма протокола поверки железнодорожной цистерны

ПРОТОКОЛ
поверки цистерны

Таблица Б.1 - Общие данные

Регистрационный номер

Дата

Основание для проведения поверки

число

месяц

год

 

 

 

 

 

Продолжение таблицы Б.1

Место проведения поверки

Средства поверки

 

 

Окончание таблицы Б.1

Цистерна

Тип

Номер

С колпаком (горловиной)

Схема выполнения котла цистерны (с ванночкой, с выштамповкой уклона, без них)

Погрешность градуировочной таблицы, %

 

 

 

 

 

Таблица Б.2 - Условия проведения измерений при поверке

Температура воздуха, °С

Загазованность, мг/м3

 

 

Таблица Б.3 - Базовая высота

В миллиметрах

1-е измерение Нб1

2-е измерение Нб2

 

 

Таблица Б.4 - Геометрические параметры цистерны

В миллиметрах

Внутренний диаметр D

Длина цилиндрической части L

Толщина

Высота

δ

δв

f

hк

1

2

3

4

5

6

 

 

 

 

 

 

Примечания

1 Значения D, L, δ, δв, f, (графы 1, 2, 3, 4, 5) приведены в таблице В.1.

2 Значение hк (графа 6) определяют по результатам измерений в соответствии с 9.4.

Таблица Б.5 - Параметры (начальные) поверочной жидкости

Наименование поверочной жидкости

Температура, °С

Коэффициент сжимаемости g, 1/МПа

Плотность ρ0, кг/м3

в цистерне (Tц)0

в мерниках (Tм)0

в счетчике жидкости (Tт)0

1

2

3

4

5

6

 

 

 

 

 

 

Примечания

1 (Tц)0 (графа 2) - температура поверочной жидкости, измеренная в первой пробе в соответствии с 9.5.4.

2 (Tм)0 (графа 3) - средняя температура поверочной жидкости, вычисляемая по формуле (Д.2)

3 (Tт)0 (графа 4) - температура поверочной жидкости, измеренная в трубопроводе при наливе в цистерну нулевой дозы.

4 Значение g (графа 5) принимают в соответствии с Д.2.2.

Таблица Б.6 - Параметры (текущие) поверочной жидкости

Уровень жидкости Hj, мм

Объем дозы (DVм)j, дм3, или показания счетчика qj, дм3 (Nj, имп.)

Температура жидкости, °С

Давление в счетчике жидкости pj, МПа

в мерниках (Tм)j или счетчике жидкости (Tт)j

в цистерне (Tц)j

 

 

 

 

 

 

 

 

 

 

 

 

 

 

 

 

 

 

 

 

 

 

 

 

 

 

 

 

 

 

 

 

 

 

 

 

 

 

 

 

 

 

 

 

 

Таблица Б.7 - Значения коэффициентов преобразования счетчика жидкости

К0, имп./дм3

А, имп · с/дм6

 

 

Примечание - Значения коэффициентов К0 и А принимают по техническим документам на счетчик жидкости конкретного типа.

 

Должности

Подписи, оттиски поверительных клейм, печатей (штампов)

Имя, отчество, фамилия

Приложение В

(справочное)

Параметры железнодорожных цистерн

Таблица В.1

Размеры в миллиметрах

Тип калибровки

Номинальная вместимость, м3

Схема выполнения - рисунок

D

L

δ

δв

f

1

30

А.3

2210

7643

9

-

-

2

30

А.3

2203

7684

10

-

-

5

50

А.3

2600

9000

8

-

-

6; 7

50

А.3

2586

9000

7

-

-

8; 36

50

А.3

2600

9000

7

-

-

9

50

А.3

2607

9000

7

-

-

10

50

А.4

2586

9000

7

7

-

11

50

А.4

2593

9000

7

7

-

12

50

А.4

2600

9000

7

7

-

13

50

А.4

2607

9000

7

7

-

14

50

А.4

2586

8880

9

9

-

15

50

А.4

2593

8880

9

9

-

16; 23

50

А.4

2600

8880

9

9

-

17

50

А.4

2607

8880

9

9

-

18

50

А.3

2586

8880

9

-

-

19

50

А.3

2593

8880

9

-

-

20

50

А.3

2600

8880

9

-

-

21

50

А.3

2607

8880

9

-

-

22; 24

50

А.3

2600

8950

9

-

-

25

6

А.6

2800

9280

9

-

-

25а

61

А.7

2800

9280

9

-

30

26

61

А.6

2805

9280

9

-

-

26а

61

А.7

2805

9280

8

-

30

27

61

А.6

2795

9280

9

-

-

27а

61

А.7

2795

9280

8

-

30

28

100

А.6

2997,5

13470

9

-

-

29

100

А.6

3002,5

13470

9

-

-

30

61

А.7

2800

9370

9

-

30

31

136

А.7

3000

18670

9

-

30

32

32

А.5

1998

9450

10

-

30

33

32

А.5

2002

9450

10

-

30

34

28

А.3

2000

8252

10

-

-

37

27

А.4

1890

9000

10

10

-

38

33

А.4

2190

8250

10

10

-

39

33

А.4

2200

8250

10

10

-

40

25

А.3

2193

6260

6

-

-

41

25

А.3

2200

6260

6

-

-

42

25

А.3

2193

6300

6

-

-

43

25

А.3

2200

6300

6

-

-

44

25

А.3

2200

6340

6

-

-

45

25

А.3

2200

6400

6

-

-

46

25

А.3

2200

6300

6

-

-

47

25

А.4

2186

6200

8

8

-

48

25

А.4

2193

6200

8

8

-

49

25

А.4

2200

6200

10

10

-

50

25

А.4

2207

6200

8

8

-

51

25

А.3

2200

6200

8

-

-

52

25

А.3

2184

6315

8

-

-

53

72

А.6

3000

9400

8

-

-

53а; 59

72

А.7

3000

9450

9

-

30

54

36

А.7

2197,5

9000

9

-

30

55

37

А.7

2202,5

9000

9

-

30

56

100

А.6

3000

12610

9

-

-

57

46

А.7

2414

9450

8

-

30

58

44

А.7

2417

9000

9

-

30

60

46

А.7

2410

9280

9

-

30

61

140

А.7

3000

18900

9

-

30

62; 67

73

А.7

3000

9450

9

-

30

63

156

А.6

3400

16606

9

-

-

64

86

А.7

3000

11630

9

-

30

65

38

А.6

2200

9450

8

-

-

66

84

А.7

3200

9450

9

-

30

71

161

А.6

3200

18900

9

-

-

Приложение Г

(справочное)

Значения коэффициента наполнения цилиндрической части котла железнодорожной цистерны Кц

Таблица Г.1

H/D

Kц

H/D

Kц

H/D

Kц

H/D

Kц

0,001

0,00005

0,041

0,01393

0,081

0,03818

0,121

0,06880

0,002

0,00015

0,042

0,01444

0,082

0,03889

0,122

0,06963

0,003

0,00028

0,043

0,01494

0,083

0,03960

0,123

0,07046

0,004

0,00043

0,044

0,01545

0,084

0,04031

0,124

0,07131

0,005

0,00060

0,045

0,01597

0,085

0,04102

0,125

0,07216

0,006

0,00079

0,046

0,01650

0,086

0,04173

0,126

0,07299

0,007

0,00099

0,047

0,01704

0,087

0,04244

0,127

0,07382

0,008

0,00121

0,048

0,01759

0,088

0,04315

0,128

0,07466

0,009

0,00144

0,049

0,01814

0,089

0,04386

0,129

0,07522

0,010

0,00169

0,050

0,01869

0,090

0,04458

0,130

0,07638

0,011

0,00194

0,051

0,01925

0,091

0,04529

0,131

0,07726

0,012

0,00222

0,052

0,01981

0,092

0,04602

0,132

0,07812

0,013

0,00251

0,053

0,02036

0,093

0,04676

0,133

0,07898

0,014

0,00280

0,054

0,02092

0,094

0,04749

0,134

0,07985

0,015

0,00310

0,055

0,02150

0,095

0,04822

0,135

0,08072

0,016

0,00341

0,056

0,02208

0,096

0,04897

0,136

0,08159

0,017

0,00373

0,057

0,02267

0,097

0,04972

0,137

0,08216

0,018

0,00406

0,058

0,02327

0,098

0,05047

0,138

0,08332

0,019

0,00441

0,059

0,02388

0,099

0,05123

0,139

0,08418

0,020

0,00476

0,060

0,02449

0,100

0,05200

0,140

0,08508

0,021

0,00512

0,061

0,02509

0,101

0,05278

0,141

0,08598

0,022

0,00550

0,062

0,02572

0,102

0,05356

0,142

0,08688

0,023

0,00588

0,063

0,02636

0,103

0,05434

0,143

0,08778

0,024

0,00626

0,064

0,02699

0,104

0,05512

0,144

0,08866

0,025

0,00666

0,065

0,02763

0,105

0,05590

0,145

0,08955

0,026

0,00706

0,066

0,02826

0,106

0,05668

0,146

0,09044

0,027

0,00746

0,067

0,02890

0,107

0,05747

0,147

0,09134

0,028

0,00787

0,068

0,02953

0,108

0,05826

0,148

0,09224

0,029

0,00829

0,069

0,03017

0,109

0,05905

0,149

0,09314

0,030

0,00874

0,070

0,03080

0,110

0,05984

0,150

0,09406

0,031

0,00919

0,071

0,03144

0,111

0,06063

0,151

0,09498

0,032

0,00964

0,072

0,03210

0,112

0,06142

0,152

0,09590

0,033

0,01008

0,073

0,03276

0,113

0,06221

0,153

0,09682

0,034

0,01054

0,074

0,03341

0,114

0,06303

0,154

0,09774

0,035

0,01099

0,075

0,03407

0,115

0,06384

0,155

0,09866

0,036

0,01147

0,076

0,03473

0,116

0,06465

0,156

0,09958

0,037

0,01195

0,077

0,03542

0,117

0,06548

0,157

0,10050

0,038

0,01242

0,078

0,03611

0,118

0,06631

0,158

0,10142

0,039

0,01291

0,079

0,03680

0,119

0,06714

0,159

0,10234

0,040

0,01342

0,080

0,03749

0,120

0,06796

0,160

0,10327

0,161

0,10420

0,207

0,14956

0,253

0,19880

0,299

0,25110

0,162

0,10515

0,208

0,15059

0,254

0,19991

0,300

0,25225

0,163

0,10609

0,209

0,15163

0,255

0,20102

0,301

0,25340

0,164

0,10704

0,210

0,15266

0,256

0,20213

0,302

0,25458

0,165

0,10798

0,211

0,15370

0,257

0,20325

0,303

0,25576

0,166

0,10891

0,212

0,15474

0,258

0,20437

0,304

0,25695

0,167

0,10986

0,213

0,15579

0,259

0,20549

0,305

0,25815

0,168

0,11081

0,214

0,15683

0,260

0,20661

0,306

0,25933

0,169

0,11176

0,215

0,15787

0,261

0,20773

0,307

0,26051

0,170

0,11272

0,216

0,15892

0,262

0,20886

0,308

0,26169

0,171

0,11369

0,217

0,15996

0,263

0,20998

0,309

0,26287

0,172

0,11466

0,218

0,16101

0,264

0,21110

0,310

0,26405

0,173

0,11561

0,219

0,16206

0,265

0,21222

0,311

0,26523

0,174

0,11656

0,220

0,16312

0,266

0,21334

0,312

0,26641

0,175

0,11751

0,221

0,16417

0,267

0,21446

0,313

0,26759

0,176

0,11846

0,222

0,16522

0,268

0,21558

0,314

0,26877

0,177

0,11941

0,223

0,16628

0,269

0,21670

0,315

0,26995

0,178

0,12039

0,224

0,16733

0,270

0,21783

0,316

0,27113

0,179

0,12137

0,225

0,16839

0,271

0,21896

0,317

0,27231

0,180

0,12236

0,226

0,16945

0,272

0,22010

0,318

0,27350

0,181

0,12337

0,227

0,17051

0,273

0,22124

0,319

0,27469

0,182

0,12437

0,228

0,17159

0,274

0,22238

0,320

0,27588

0,183

0,12535

0,229

0,17266

0,275

0,22352

0,321

0,27707

0,184

0,12633

0,230

0,17375

0,276

0,22466

0,322

0,27825

0,185

0,12731

0,231

0,17482

0,277

0,22579

0,323

0,27943

0,186

0,12830

0,232

0,17589

0,278

0,22693

0,324

0,28061

0,187

0,12930

0,233

0,17696

0,279

0,22807

0,325

0,28180

0,188

0,13030

0,234

0,17804

0,280

0,22922

0,326

0,28299

0,189

0,13129

0,235

0,17912

0,281

0,23037

0,327

0,28419

0,190

0,13229

0,236

0,18020

0,282

0,23151

0,328

0,28539

0,191

0,13330

0,237

0,18128

0,283

0,23265

0,329

0,28659

0,192

0,13431

0,238

0,18236

0,284

0,23379

0,330

0,28779

0,193

0,13531

0,239

0,18346

0,285

0,23493

0,331

0,28899

0,194

0,13632

0,240

0,18456

0,286

0,23608

0,332

0,29019

0,195

0,13733

0,241

0,18565

0,287

0,23723

0,333

0,29139

0,196

0,13834

0,242

0,18672

0,288

0,23838

0,334

0,29260

0,197

0,13934

0,243

0,18780

0,289

0,23954

0,335

0,29381

0,198

0,14034

0,244

0,18899

0,290

0,24070

0,336

0,29502

0,199

0,14135

0,245

0,18998

0,291

0,24186

0,337

0,29622

0,200

0,14237

0,246

0,19108

0,292

0,24302

0,338

0,29742

0,201

0,14339

0,247

0,19218

0,293

0,24418

0,339

0,29862

0,202

0,14441

0,248

0,19328

0,294

0,24533

0,340

0,29982

0,203

0,14543

0,249

0,19439

0,295

0,24648

0,341

0,30102

0,204

0,14646

0,250

0,19550

0,296

0,24764

0,342

0,30223

0,205

0,14749

0,251

0,19660

0,297

0,24880

0,343

0,30344

0,206

0,14853

0,252

0,19770

0,298

0,24995

0,344

0,30465

0,345

0,30585

0,391

0,36236

0,437

0,41999

0,483

0,47831

0,346

0,30706

0,392

0,36360

0,438

0,42125

0,484

0,47958

0,347

0,30827

0,393

0,36484

0,439

0,42251

0,485

0,48085

0,348

0,30948

0,394

0,36608

0,440

0,42378

0,486

0,48212

0,349

0,31070

0,395

0,36732

0,441

0,42505

0,487

0,48339

0,350

0,31192

0,396

0,36856

0,442

0,42632

0,488

0,48467

0,351

0,31314

0,397

0,36981

0,443

0,42759

0,489

0,48593

0,352

0,31436

0,398

0,37106

0,444

0,42885

0,490

0,48723

0,353

0,31558

0,399

0,37231

0,445

0,43011

0,491

0,48851

0,354

0,31681

0,400

0,37355

0,446

0,43137

0,492

0,48978

0,355

0,31802

0,401

0,37478

0,447

0,43263

0,493

0,49105

0,356

0,31923

0,402

0,37602

0,448

0,43389

0,494

0,49232

0,357

0,32044

0,403

0,37726

0,449

0,43515

0,495

0,49360

0,358

0,32166

0,404

0,37849

0,450

0,43641

0,496

0,49488

0,359

0,32288

0,405

0,37973

0,451

0,43767

0,497

0,49616

0,360

0,32410

0,406

0,38098

0,452

0,43894

0,498

0,49744

0,361

0,32532

0,407

0,38223

0,453

0,44021

0,499

0,49872

0,362

0,32653

0,408

0,38348

0,454

0,44148

0,500

0,50000

0,363

0,32774

0,409

0,38474

0,455

0,44275

0,501

0,50128

0,364

0,32896

0,410

0,38600

0,456

0,44402

0,502

0,50256

0,365

0,33018

0,411

0,38725

0,457

0,44529

0,503

0,50384

0,366

0,33140

0,412

0,38850

0,458

0,44656

0,504

0,50512

0,367

0,33263

0,413

0,38975

0,459

0,44783

0,505

0,50640

0,368

0,33386

0,414

0,39101

0,460

0,44910

0,506

0,50768

0,369

0,33510

0,415

0,39227

0,461

0,45037

0,507

0,50895

0,370

0,33634

0,416

0,39353

0,462

0,45164

0,508

0,51022

0,371

0,33758

0,417

0,39479

0,463

0,45291

0,509

0,51149

0,372

0,33881

0,418

0,39604

0,464

0,45418

0,510

0,51277

0,373

0,34005

0,419

0,39729

0,465

0,45545

0,511

0,51405

0,374

0,34129

0,420

0,39854

0,466

0,45672

0,512

0,51533

0,375

0,34253

0,421

0,39980

0,467

0,45799

0,513

0,51661

0,376

0,34376

0,422

0,40107

0,468

0,45926

0,514

0,51788

0,377

0,34499

0,423

0,40233

0,469

0,46053

0,515

0,51915

0,378

0,34622

0,424

0,40359

0,470

0,46180

0,516

0,52042

0,379

0,34744

0,425

0,40485

0,471

0,46307

0,517

0,52169

0,380

0,34867

0,426

0,40612

0,472

0,46434

0,518

0,52296

0,381

0,34990

0,427

0,40738

0,473

0,46561

0,519

0,52423

0,382

0,35114

0,428

0,40864

0,474

0,46688

0,520

0,52550

0,383

0,35238

0,429

0,40991

0,475

0,46815

0,521

0,52677

0,384

0,35363

0,430

0,41118

0,476

0,46942

0,522

0,52804

0,385

0,35488

0,431

0,41245

0,477

0,47069

0,523

0,52931

0,386

0,35613

0,432

0,41371

0,478

0,47169

0,524

0,53058

0,387

0,35738

0,433

0,41496

0,479

0,47323

0,525

0,53185

0,388

0,35864

0,434

0,41621

0,480

0,47450

0,526

0,53312

0,389

0,35988

0,435

0,41747

0,481

0,47577

0,527

0,53439

0,390

0,36112

0,436

0,41873

0,482

0,47704

0,528

0,53566

0,529

0,53693

0,575

0,59515

0,621

0,65256

0,667

0,70861

0,530

0,53820

0,576

0,59641

0,622

0,65378

0,668

0,70981

0,531

0,53947

0,577

0,59767

0,623

0,65501

0,669

0,71101

0,532

0,54074

0,578

0,59893

0,624

0,65624

0,670

0,71221

0,533

0,54201

0,579

0,60020

0,625

0,65747

0,671

0,71341

0,534

0,54328

0,580

0,60146

0,626

0,65871

0,672

0,71461

0,535

0,54455

0,581

0,60271

0,627

0,65995

0,673

0,71581

0,536

0,54582

0,582

0,60396

0,628

0,66119

0,674

0,71701

0,537

0,54709

0,583

0,60521

0,629

0,66242

0,675

0,71820

0,538

0,54836

0,584

0,60647

0,630

0,66366

0,676

0,71939

0,539

0,54963

0,585

0,60773

0,631

0,66490

0,677

0,72057

0,540

0,55090

0,586

0,60899

0,632

0,66614

0,678

0,72175

0,541

0,55217

0,587

0,61025

0,633

0,66737

0,679

0,72293

0,542

0,55344

0,588

0,61150

0,634

0,66860

0,680

0,72412

0,543

0,55471

0,589

0,61275

0,635

0,66982

0,681

0,72531

0,544

0,55598

0,590

0,61400

0,636

0,67104

0,682

0,72650

0,545

0,55725

0,591

0,61526

0,637

0,67226

0,683

0,72769

0,546

0,55852

0,592

0,61652

0,638

0,67347

0,684

0,72887

0,547

0,55979

0,593

0,61777

0,639

0,67468

0,685

0,73005

0,548

0,56106

0,594

0,61902

0,640

0,67590

0,686

0,73123

0,549

0,56233

0,595

0,62027

0,641

0,67712

0,687

0,73241

0,550

0,56359

0,596

0,62151

0,642

0,67834

0,688

0,73359

0,551

0,56485

0,597

0,62274

0,643

0,67956

0,689

0,73477

0,552

0,56611

0,598

0,62398

0,644

0,68077

0,690

0,73595

0,553

0,56737

0,599

0,62522

0,645

0,68198

0,691

0,73713

0,554

0,56863

0,600

0,62645

0,646

0,68319

0,692

0,73831

0,555

0,56989

0,601

0,62769

0,647

0,68442

0,693

0,73949

0,556

0,57115

0,602

0,62894

0,648

0,68564

0,694

0,74067

0,557

0,57241

0,603

0,63019

0,649

0,68686

0,695

0,74185

0,558

0,57368

0,604

0,63144

0,650

0,68808

0,696

0,74305

0,559

0,57495

0,605

0,63268

0,651

0,68930

0,697

0,74424

0,560

0,57622

0,606

0,63392

0,652

0,69052

0,698

0,74542

0,561

0,57749

0,607

0,63516

0,653

0,69173

0,699

0,74660

0,562

0,57875

0,608

0,63640

0,654

0,69294

0,700

0,74775

0,563

0,58001

0,609

0,63764

0,655

0,69415

0,701

0,74890

0,564

0,58127

0,610

0,63888

0,656

0,69535

0,702

0,75005

0,565

0,58253

0,611

0,64012

0,657

0,69656

0,703

0,75120

0,566

0,58379

0,612

0,64136

0,658

0,69777

0,704

0,75236

0,567

0,58504

0,613

0,64262

0,659

0,69898

0,705

0,75352

0,568

0,58629

0,614

0,64387

0,660

0,70018

0,706

0,75467

0,569

0,58755

0,615

0,64512

0,661

0,70138

0,707

0,75582

0,570

0,58882

0,616

0,64637

0,662

0,70258

0,708

0,75698

0,571

0,59009

0,617

0,64762

0,663

0,70378

0,709

0,75814

0,572

0,59136

0,618

0,64886

0,664

0,70498

0,710

0,75930

0,573

0,59262

0,619

0,65010

0,665

0,70619

0,711

0,76046

0,574

0,59388

0,620

0,65133

0,666

0,70740

0,712

0,76162

0,713

0,76277

0,759

0,81435

0,805

0,86267

0,851

0,90686

0,714

0,76392

0,760

0,81544

0,806

0,86368

0,852

0,90776

0,715

0,76507

0,761

0,81654

0,807

0,86469

0,853

0,90866

0,716

0,76621

0,762

0,81764

0,808

0,86569

0,854

0,90956

0,717

0,76735

0,763

0,81872

0,809

0,86670

0,855

0,91045

0,718

0,76849

0,764

0,81980

0,810

0,86771

0,856

0,91134

0,719

0,76963

0,765

0,82088

0,811

0,86871

0,857

0,91222

0,720

0,77078

0,766

0,82196

0,812

0,86970

0,858

0,91312

0,721

0,77193

0,767

0,82304

0,813

0,87070

0,859

0,91402

0,722

0,77307

0,768

0,82411

0,814

0,87170

0,860

0,91492

0,723

0,77421

0,769

0,82518

0,815

0,87269

0,861

0,91582

0,724

0,77534

0,770

0,82625

0,816

0,87367

0,862

0,91668

0,725

0,77648

0,771

0,82734

0,817

0,87465

0,863

0,91754

0,726

0,77762

0,772

0,82841

0,818

0,87563

0,864

0,91841

0,727

0,77876

0,773

0,82949

0,819

0,87663

0,865

0,91928

0,728

0,77990

0,774

0,83055

0,820

0,87764

0,866

0,92015

0,729

0,78104

0,775

0,83161

0,821

0,87863

0,867

0,92102

0,730

0,78217

0,776

0,83267

0,822

0,87961

0,868

0,92188

0,731

0,78330

0,777

0,83372

0,823

0,88059

0,869

0,92274

0,732

0,78442

0,778

0,83478

0,824

0,88154

0,870

0,92362

0,733

0,78554

0,779

0,83583

0,825

0,88249

0,871

0,92448

0,734

0,78666

0,780

0,83688

0,826

0,88344

0,872

0,92534

0,735

0,78778

0,781

0,83794

0,827

0,88439

0,873

0,92618

0,736

0,78890

0,782

0,83899

0,828

0,88534

0,874

0,92701

0,737

0,79002

0,783

0,84004

0,829

0,88631

0,875

0,92784

0,738

0,79114

0,784

0,84108

0,830

0,88728

0,876

0,92869

0,739

0,79227

0,785

0,84213

0,831

0,88824

0,877

0,92954

0,740

0,79339

0,786

0,84317

0,832

0,88919

0,878

0,93037

0,741

0,79451

0,787

0,84421

0,833

0,89014

0,879

0,93120

0,742

0,79563

0,788

0,84526

0,834

0,89109

0,880

0,93204

0,743

0,79675

0,789

0,84630

0,835

0,89202

0,881

0,93286

0,744

0,79787

0,790

0,84734

0,836

0,89296

0,882

0,93369

0,745

0,79898

0,791

0,84837

0,837

0,89391

0,883

0,93452

0,746

0,80009

0,792

0,84941

0,838

0,89485

0,884

0,93535

0,747

0,80120

0,793

0,85044

0,839

0,89580

0,885

0,93616

0,748

0,80230

0,794

0,85147

0,840

0,89673

0,886

0,93697

0,749

0,80340

0,795

0,85251

0,841

0,89766

0,887

0,93779

0,750

0,80450

0,796

0,85354

0,842

0,89858

0,888

0,93858

0,751

0,80561

0,797

0,85457

0,843

0,89950

0,889

0,93937

0,752

0,80672

0,798

0,85559

0,844

0,90042

0,890

0,94016

0,753

0,80782

0,799

0,85661

0,845

0,90134

0,891

0,94095

0,754

0,80892

0,800

0,85763

0,846

0,90226

0,892

0,94174

0,755

0,81002

0,801

0,85865

0,847

0,90318

0,893

0,94253

0,756

0,81111

0,802

0,85966

0,848

0,90410

0,894

0,94332

0,757

0,81220

0,803

0,86066

0,849

0,90502

0,895

0,94410

0,758

0,81328

0,804

0,86166

0,850

0,90594

0,896

0,94488

0,897

0,94566

0,923

0,96458

0,949

0,98075

0,975

0,99334

0,898

0,94644

0,924

0,96527

0,950

0,98131

0,976

0,99374

0,899

0,94722

0,925

0,96593

0,951

0,98186

0,977

0,99412

0,900

0,94800

0,926

0,96659

0,952

0,98241

0,978

0,99450

0,901

0,94877

0,927

0,96724

0,953

0,98296

0,979

0,99488

0,902

0,94953

0,928

0,96790

0,954

0,98350

0,980

0,99524

0,903

0,95028

0,929

0,96856

0,955

0,98403

0,981

0,99559

0,904

0,95103

0,930

0,96920

0,956

0,98455

0,982

0,99594

0,905

0,95178

0,931

0,96983

0,957

0,98506

0,983

0,99627

0,906

0,95251

0,932

0,97047

0,958

0,98556

0,984

0,99659

0,907

0,95324

0,933

0,97110

0,959

0,98606

0,985

0,99690

0,908

0,95398

0,934

0,97174

0,960

0,98658

0,986

0,99720

0,909

0,95471

0,935

0,97237

0,961

0,98709

0,987

0,99749

0,910

0,95542

0,936

0,97301

0,962

0,98758

0,988

0,99778

0,911

0,95614

0,937

0,97364

0,963

0,98805

0,989

0,99806

0,912

0,95685

0,938

0,97428

0,964

0,98853

0,990

0,99831

0,913

0,95756

0,939

0,97491

0,965

0,98901

0,991

0,99856

0,914

0,95827

0,940

0,97551

0,966

0,98946

0,992

0,99879

0,915

0,95898

0,941

0,97612

0,967

0,98992

0,993

0,99901

0,916

0,95969

0,942

0,97673

0,968

0,99036

0,994

0,99921

0,917

0,96040

0,943

0,97733

0,969

0,99081

0,995

0,99940

0,918

0,96111

0,944

0,97792

0,970

0,99126

0,996

0,99957

0,919

0,96182

0,945

0,97850

0,971

0,99171

0,997

0,99972

0,920

0,96251

0,946

0,97908

0,972

0,99213

0,998

0,99985

0,921

0,96320

0,947

0,97964

0,973

0,99254

0,999

0,99995

0,922

0,96389

0,948

0,98019

0,974

0,99294

Приложение Д

(обязательное)

Обработка результатов измерений при поверке железнодорожной цистерны

Д.1 Обработка результатов измерений при поверке цистерны с применением мерников

Д.1.1 Объем j-й дозы жидкости (DVм)j, дм3, измеренный мерником (мерниками), вычисляют по формуле

(DVм)j = (nV                     (Д.1)

где  - номинальные вместимости мерников, дм3;

п, т, ..., λ - число измерений с помощью мерников номинальными вместимостями .

Значения п, т, ..., λ выбирают из ряда: 0, 1, 2, ...;

bм - коэффициент объемного расширения материалов мерников, 1/°С. Его значение для стали принимают равным 37,5 · 10-6 1/°С;

(Tм)j - средняя температура j-й дозы жидкости, вычисляемая по формуле

                                  (Д.2)

где  - средние температуры жидкости, определенные по результатам п, т, ..., λ измерений в мерниках номинальными вместимостями , °С;

j - номер дозы. Его значение выбирают из ряда: 0, 1, 2, ...

Д.1.2 Объем налитой в цистерну j-й дозы жидкости (DVцм)j, м3, соответствующий изменению уровня ее в цистерне от 10 до 30 мм, вычисляют по формуле

                               (Д.3)

где (DVм)j - объем j-й дозы жидкости, вычисляемый по формуле (Д.1);

bj - коэффициент объемного расширения жидкости, 1/°С. Его значение принимают для воды равным 200 × 10-6 1/°С, для нефтепродуктов определяют по формуле

bj = (1,825/ρj) - 0,001315;                                                (Д.4)

ρj - плотность жидкости в цистерне после поступления в нее j-й дозы жидкости, кг/м3;

(Tц)j - температура жидкости в цистерне после поступления в нее j-й дозы жидкости, °С. При этом температура жидкости в цистерне в пределах нулевой суммарной дозы, соответствующей номеру поступившей в цистерну дозы v, имеет постоянное значение, равное (Tц)0;

(Tм)j - температура j-й дозы жидкости, вычисляемая по формуле (Д.2).

Д.1.3 Объем налитой в цистерне начальной дозы жидкости (DVцм)0, м3, вычисляют по формуле

                              (Д.5)

где (DVм)0 - объем дозы жидкости, вычисляемый по формуле (Д.1), дм3;

(Tц)0 - температура жидкости в цистерне, измеренная в первой пробе ее, отобранной из цистерны, в соответствии с 9.5.4, °С;

м)0 - средняя температура жидкости, вычисляемая по формуле (Д.2);

b0 - коэффициент объемного расширения жидкости, вычисляемый по формуле (Д.4) при плотности ρ0, измеренной по 9.5.5.

Д.1.4 Плотность жидкости в цистерне после поступления в нее j-й дозы ρj вычисляют по формуле

ρj = ρj-1 {1 - bj-1 [(Tц)j - (Tц)j-1]},                                            (Д.6)

где bj-1 - коэффициент объемного расширения жидкости, вычисляемый по формуле (Д.4) при плотности ρj-1.

Д.1.5 Вычисление базовой высоты цистерны

Д.1.5.1 Базовую высоту цистерны Hб вычисляют по формуле

                                                                     (д.7)

где ,  - результаты двух измерений базовой высоты цистерны.

Д.1.5.2 Результат вычисления Hб вносят в журнал, форма которого приведена в приложении Е.

Д.1.6 Вычисление температур жидкости в цистерне по результатам измерений температур суммарных доз жидкости

Д.1.6.1 Температуры жидкости в цистерне в пределах нулевой и первой суммарных доз жидкости вычисляют по формулам:

(Tц)v+1 = (Tц)0 + DT1; (Tц)v+2 = (Tц)v+1 + DT1 ...; (Tц)m-1 = (Tц)m-2 + DT1,                   (Д.8)

где (Tц)0 - температура жидкости, измеренная в первой пробе в соответствии с 9.5.4;

(Tц)v+1, (Tц)v+2, (Tц)v+3, ..., (Tц)m-1, (Tц)m-2 - температуры жидкости в цистерне при поступлении в нее (DVцм)v+1, (DVцм)v+2, ..., (DVцм)m-2, (DVцм)m-1 доз;

v - число доз в объеме нулевой суммарной дозы;

DT1 - среднее температурное изменение, приходящееся на каждую дозу жидкости, в пределах первой суммарной дозы, °С, вычисляемое по формуле

                                                                           (Д.9)

где (Tц)m - температура жидкости, измеренная во второй пробе и соответствующая температуре жидкости в цистерне при поступлении в нее дозы (DVцм)m, °С;

т - число доз в объеме нулевой и первой суммарных доз жидкости.

Д.1.6.2 Температуры жидкости в цистерне в пределах нулевой, первой и второй суммарных доз жидкости вычисляют по формулам:

(Tц)m+1 = (Tц)m + DT2; (Tц)m+2 = (Tц)m+1 + DT2 ...; (Tц)λ-1 = (Tц)λ-2 + DTλ,                 (Д.10)

где (Tц)m+1, (Tц)m+2, ..., (Tц)λ-1, (Tц)λ-2 - температуры жидкости в цистерне при поступлении в нее (DVцм)m+1, (DVцм)m+2, ..., (DVцм)λ-1, (DVцм)λ-2 доз, °С;

                                                                    (Д.11)

где (Tц)λ - температура жидкости, измеренная в третьей пробе и соответствующая температуре жидкости в цистерне при поступлении в нее дозы (DVцм)λ;

λ - число доз в объеме нулевой, первой и второй суммарных доз жидкости.

При наполнении цистерны третьей, четвертой и др. суммарными дозами температуры жидкости в цистерне после поступления в нее каждой дозы определяют аналогично по вышеизложенной методике.

Д.1.7 Результаты вычислений по формулам (Д.3), (Д.5), (Д.7), (Д.8), (Д.10) вносят в журнал, форма которого приведена в приложении Е.

Д.2 Обработка результатов измерений при поверке цистерны с применением счетчика жидкости

Д.2.1 Объем j-й дозы жидкости, прошедший через счетчик жидкости (DVc)j, дм3, вычисляют по формуле для счетчиков жидкости:

а) с непосредственным отсчетом объема жидкости в кубических дециметрах

(DV1c)j = qj - qj-1;                                                          (Д.12)

б) с импульсным выходным сигналом

                                             (Д.13)

где qj, qj-1 - показания счетчика жидкости, дм3;

Nj, Nj-1 - число импульсов от преобразователя счетчика жидкости, имп.;

К - коэффициент преобразования счетчика жидкости, имп./дм3.

Д.2.2 Объем налитой в цистерну j-й дозы жидкости (DVцc)j, м3, соответствующий изменению уровня ее в цистерне от 10 до 30 мм, вычисляют по формуле

                      (Д.14)

где (DVc)j - объем j-й дозы, вычисленный по формуле (Д.12) или (Д.13);

bj - коэффициент объемного расширения жидкости, 1/°С. Его значение определяют в соответствии с Д.1.2;

(Tц)j - температура жидкости в цистерне после поступления в нее j-й дозы, °С;

(Tт)j - температура j-й дозы жидкости в трубопроводе, принимаемая равной температуре жидкости в счетчике жидкости, °С;

g - коэффициент сжимаемости жидкости, 1/МПа. Его значение принимают: для воды 49 · 10-5 1/МПа; для нефтепродуктов - по нормативным документам1);

pj - избыточное давление жидкости в счетчике жидкости, МПа.

1) На территории Российской Федерации действуют РД 153-39-011 [12].

Д.2.3 Объем налитой в цистерну начальной дозы жидкости, соответствующий указанному в перечислении д в 9.6.1, (DVцc)0, м3, вычисляют по формуле

                      (Д.15)

где (Tц)0 - температура жидкости в цистерне, измеренная в первой пробе ее, отобранной из цистерны, °С;

(Tт)0 - температура жидкости в трубопроводе при поступлении в цистерну нулевой дозы, °С;

b0 - коэффициент объемного расширения жидкости, вычисляемый по формуле (Д.4) при плотности ρ0, измеренной в соответствии с 9.5.5.

Д.2.4 Базовую высоту цистерны Hб вычисляют по формуле (Д.7).

Д.2.5 Результаты вычислений по формулам (Д.7), (Д.8), (Д.10), (Д.14), (Д.15) вносят в журнал в соответствии с приложением Е.

Д.3 Если выполняются условия:

а) при применении воды

рj £ 0,5 МПа;                              |(Tм)j - 20| £ 10 °С;

|(Tц)j - (Tм)j| £ 2 °С;                    |(Tц)j - (Tт)j| £ 2 °C;

б) при применении нефтепродуктов

рj £ 0,3 МПа;                              |(Tм)j - 20| £ 10 °С;

|(Tц)j - (Tт)j| £ 0,5 °С;                  |(Tц)j - (Tм)j| £ 0,5 °C;

то объемы доз вычисляют по формулам (Д.1), (Д.3), (Д.5) без поправок на температуру, а по формулам (Д.14), (Д.15) - без поправок на давление и температуру.

Д.4 Вычисление дозовой вместимости цистерны

Д.4.1 Дозовую вместимость цистерны при наливе в нее k доз жидкости Vk, м3, вычисляют по формуле

                    (Д.16)

где k - число налитых в цистерну доз жидкости;

j - номер налитой дозы, принимают: j = 0, 1, 2, ..., k;

(DVц)j - объем j-й дозы, измеренный мерником (мерниками) или счетчиком жидкости при статическом методе поверки и вычисленный по формулам (Д.3), (Д.5) или (Д.14), (Д.15), м3;

(Tц)k - температура жидкости в цистерне при наливе в нее k доз, °С;

(Tц)j - температура жидкости в цистерне при наливе в нее j-й дозы, °С;

bj - коэффициент объемного расширения жидкости, 1/°С. Его значение определяют в соответствии с Д.1.2;

bц - коэффициент объемного расширения материала цистерны, 1/°С.

Его значение для стали принимают равным 37,5 · 10-6 1/°С.

Д.4.1.1 Значение k принимают:

k = 0 - при наливе в цистерну начальной дозы (DVц)0;

k = 1 - при наливе дозы (DVц)1;

k = 2 - при наливе дозы (DVц)2, ..., k = п - при наливе последней дозы (DVц)n.

Д.4.2 При невозможности измерений температуры жидкости в цистерне при наливе в нее каждой дозы в соответствии с 9.5, 9.6 дозовые вместимости цистерны вычисляют:

а) при наполнении цистерны нулевой суммарной дозой по формуле

                                        (Д.17)

где (DVц)j - объем j-й дозы жидкости, вычисляемый по формулам (Д.3), (Д.5) или (Д.14), (Д.15).

Значение k принимают последовательно равным: 0, 1, 2, ..., λ;

б) при наполнении цистерны первой суммарной дозой по формуле

    (Д.18)

где V*0v - объем нулевой суммарной дозы жидкости, вычисляемый по формуле

Температуры (Tц)j, принимающие при j = v + 1, v + 2, ..., m - 1 соответственно значения (Тц)v+1, (Тц)v+2, ..., (Тц)m-1, вычисляют по формуле (Д.8).

Значение k принимают последовательно равным: v + 1, v + 2, v + 3, ..., m;

в) при наполнении цистерны второй суммарной дозой по формуле

(Д.19)

где V*1m - объем нулевой и первой суммарных доз жидкости, вычисляемый по формуле

Температуры (Тц)j принимающие при j = m + 1, m + 2, ..., λ - 1 соответственно значения (Тц)m+1, (Тц)m+2, ..., (Тц)λ-1, вычисляют по формуле (Д.10).

Значение k принимают последовательно равным: m + 1, m + 2, m + 3, ..., λ;

г) при наполнении цистерны третьей, четвертой и др. суммарными дозами жидкости дозовые вместимости ее вычисляют аналогично по методике, изложенной выше.

Д.4.3 Температурные поправки не учитывают в формулах (Д.16), (Д.17) и (Д.19), если выполняются условия:

а) при применении воды:

|(Tц)v - (Tт)0| £ 2 °С;               |(Tц)m - (Tц)v| £ 2 °C; |(Tц)k - (Tц)m| £ 2 °C;

|(Tц)k - (Tт)j| £ 2 °С;                |20 - (Tц)k| £ 10 °C;

б) при применении нефтепродуктов:

|(Tц)v - (Tт)0| £ 0,5 °С;            |(Tц)m - (Tц)v| £ 0,5 °C;   |(Tц)k - (Tц)m| £ 0,5 °C;

|(Tц)k - (Tт)j| £ 0,5 °С;             |20 - (Tц)k| £ 10 °C;

Д.4.4 Результаты вычислений по Д.4.1, Д.4.2 вносят в журнал, форма которого приведена в приложении Е.

Приложение Е

(справочное)

Форма журнала обработки результатов измерений

ЖУРНАЛ
обработки результатов измерений

Е.1 Вычисление базовой высоты цистерны

Hб = ... мм.

Е.2 Вычисление температур жидкости в цистерне

Таблица Е.1

В градусах Цельсия

(Tц)0

(Tц)1

(Tц)2

...

...

(Tц)v+1

...

...

(Tц)m+1

(Tц)m+2

...

 

 

 

 

 

 

 

 

 

 

 

 

 

 

 

 

 

Е.3 Вычисление предельного уровня поверки

Hпр = ... мм.

Е.4 Вычисление дозовой вместимости

Таблица Е.2

Уровень наполнения, см

Объем дозы, м3

Дозовая вместимость, м3

1

2

3

Н0

(DVц)0

V0

Н1

(DVц)1

V1

Н2

(DVц)2

V2

...

...

...

...

...

...

НN

(DVц)N

VN

Примечания

1 Величины Н0, Н1, ..., Нn (графа 1) - уровни жидкости в цистерне после поступления в нее доз (DVц)0, (DVц)1 ..., (DVц)N.

2 Значения доз (DVц)0, (DVц)1, ..., (DVц)N (графа 2) определяют по формулам (Д.3), (Д.5) или (Д.14), (Д.15).

3 Значения V0, V1, ..., VN (графа 3) определяют по формуле (Д.16) или по формулам (Д.17) - (Д.18).

Е.5 Составление градуировочной таблицы

Таблица Е.4

Уровень наполнения Hj, см

Вместимость Vi, м3

Коэффициент вместимости1) θi, м3/мм

Н0

10,503

0,003

Н0+1

10,533

0,004

Н0+2

10,575

...

...

...

...

...

...

...

Нпр - 1

48,345

0,003

Нпр

48,375

-

1) Коэффициент вместимости - вместимость, приходящаяся на 1 мм высоты наполнения, например для (Н0 + 1) - Н0 = 10 мм:

 = 0,003 м3/мм.

Вычисление провел __________________________

подпись, инициалы, фамилия

«_____» __________ г.

Приложение Ж

(обязательное)

Формы титульного листа градуировочной таблицы и градуировочной таблицы

Ж.1 Форма титульного листа градуировочной таблицы

ТИТУЛЬНЫЙ ЛИСТ

УТВЕРЖДАЮ

ГРАДУИРОВОЧНАЯ ТАБЛИЦА
железнодорожной цистерны

___________________________________, № _____________________________________

(тип)

Организация ________________________________________________________________

Погрешность градуировочной таблицы δг = ... %

Базовая высота цистерны Нб = ... мм

Программа расчета градуировочной таблицы на ПЭВМ утверждена …………………....

«_____» _____ г.

Срок очередной поверки _____________________________________________________

Поверители _______________________________

подпись

_______________________________________

должность, инициалы, фамилия

_______________________________________

подпись

_______________________________________

должность, инициалы, фамилия

_______________________________________

подпись

_______________________________________

должность, инициалы, фамилия

Ж.2 Форма градуировочной таблицы

ГРАДУИРОВОЧНАЯ ТАБЛИЦА

Организация _____________________________________________________________

Цистерна № ______________________________________________________________

лист ________

Уровень наполнения, см

Вместимость, м3

Коэффициент вместимости, м3/мм

1

 

 

2

 

 

3

 

 

...

 

 

...

 

 

Нпр

 

 

Приложение И

(рекомендуемое)

Форма акта об измерениях базовой высоты железнодорожной цистерны

СОГЛАСОВАНО

Руководитель органа Государственной метрологической службы или аккредитованной на право поверки метрологической службы юридического лица

УТВЕРЖДАЮ

Руководитель предприятия-владельца цистерны (директор, главный инженер)

АКТ

об измерениях базовой высоты цистерны

«_____» _____ г.

Составлен о том, что комиссия, назначенная приказом ___________________________,

предприятие-владелец цистерны

в составе: председателя ________________ и членов _____________________________

инициалы и фамилия                                     инициалы и фамилии

провела в соответствии с ПМГ _____ контрольные измерения базовой высоты цистерны __________________________________________________________________

тип и номинальная вместимость

№ ____ при температуре окружающего воздуха, °С ______.

Результаты измерений представлены в таблице.

Таблица

Среднее значение из результатов двух измерений

(Нб)кон.п, мм

Базовая высота цистерны

Уровень наполнения цистерны, мм

Предыдущее значение

(Нб)пред.п, мм

 

 

 

Вывод: требуется (не требуется) внеочередная поверка цистерны.

Председатель комиссии

__________  ___________________________

подпись                                инициалы, фамилия

Члены:

__________  ___________________________

подпись                                инициалы, фамилия

__________  ___________________________

подпись                                инициалы, фамилия

__________  ___________________________

подпись                                инициалы, фамилия

Библиография

[1]          ПР 50.2.009-94 Государственная система обеспечения единства измерений. Порядок проведения испытаний и утверждения типа средств измерений

[2]          ГОСТ Р 51330.2-99 (МЭК 60079-1А-75) Электрооборудование взрывозащищенное. Часть 1. Взрывозащита вида «взрывонепроницаемая оболочка». Дополнение 1. Приложение D. Метод определения безопасного экспериментального максимального зазора

[3]          ГОСТ Р 51330.5-99 (МЭК 60079-4-75) Электрооборудование взрывозащищенное. Часть 4. Метод определения температуры самовоспламенения

[4]          ГОСТ Р 51330.11-99 (МЭК 60079-12-78) Электрооборудование взрывозащищенное. Часть 12. Классификация смесей газов и паров с воздухом по безопасным экспериментальным максимальным зазорам и минимальным воспламеняющим токам

[5]          ГОСТ Р 51330.19-99 (МЭК 60079-20-96) Электрооборудование взрывозащищенное. Часть 20. Данные по горючим газам и парам, относящиеся к эксплуатации электрооборудования

[6]          ГОСТ Р 51232-98 Вода питьевая. Общие требования к организации и методам контроля качества

[7]          ГОСТ Р 51659-2000 Вагоны-цистерны магистральных железных дорог колеи 1520 мм. Общие технические условия

[8]          РД 50-388-83 Уровнемеры жидкости образцовые. Методы и средства поверки

[9]          МИ 1974-95 Государственная система обеспечения единства измерений. Преобразователи расхода турбинные. Методика поверки

[10]        ТУ 25-1819.0021-90 Секундомеры

[11]        ТУ ДКТЦ 413441.102 Анализатор-течеискатель АНТ-2М

[12]        РД 153-39-011-97 Инструкция по учету нефтепродуктов на магистральных нефтепродуктопроводах

Ключевые слова: вместимость, цистерна, уровнемер, счетчик, жидкость, погрешность, уровень, градуировка, поверка, вязкость, температура, плотность, влага, мерник, средства, вода, наполнение, опорожнение, операция, давление, сжимаемость

 

 




ГОСТЫ, СТРОИТЕЛЬНЫЕ и ТЕХНИЧЕСКИЕ НОРМАТИВЫ.
Некоммерческая онлайн система, содержащая все Российские Госты, национальные Стандарты и нормативы.
В Системе содержится более 150000 файлов нормативно-технической документации, действующей на территории РФ.
Система предназначена для широкого круга инженерно-технических специалистов.

Рейтинг@Mail.ru Яндекс цитирования

Copyright © www.gostrf.com, 2008 - 2026