Крупнейшая бесплатная информационно-справочная система онлайн доступа к полному собранию технических нормативно-правовых актов РФ. Огромная база технических нормативов (более 150 тысяч документов) и полное собрание национальных стандартов, аутентичное официальной базе Госстандарта. GOSTRF.com - это более 1 Терабайта бесплатной технической информации для всех пользователей интернета. Все электронные копии представленных здесь документов могут распространяться без каких-либо ограничений. Поощряется распространение информации с этого сайта на любых других ресурсах. Каждый человек имеет право на неограниченный доступ к этим документам! Каждый человек имеет право на знание требований, изложенных в данных нормативно-правовых актах!

  


 

Типовые технологические карты
на производство отдельных видов работ

РАЗДЕЛ 06

ТИПОВАЯ
ТЕХНОЛОГИЧЕСКАЯ КАРТА

НА ОТДЕЛОЧНЫЕ РАБОТЫ

6.01.01.30

УСТРОЙСТВО ПОКРЫТИЙ ПОЛОВ
ИЗ СИНТЕТИЧЕСКИХ МАТЕРИАЛОВ

МОСКВА - 1989

РАЗРАБОТАНА

Институтом ПТИ Минсевзапстроя СССР

Главный инженер института         Руднев Ю.И.

Начальник отдела                             Гущин A.M.

Главный инженер проекта             Одинцов В.П.

СОГЛАСОВАНО

Отделом механизации и технологии
строительства Госстроя СССР

Письмо от 27.12.1968 г. № 23-737

Введена в действие с 1 февраля 1969 г.

1. ОБЛАСТЬ ПРИМЕНЕНИЯ

Типовая технологическая карта разработана на 1000 м2 покрытия полов из синтетических материалов. Карта рекомендуется для применения при устройстве покрытий полов из поливинилхлоридных плиток размерами 300´300´3 мм на каучуковой мастике.

Полы из поливинилхлоридной плитки устраиваются в административно-бытовых помещениях и в производственных помещениях, при отсутствии воздействия на полы агрессивных жидкостей, а также в кухнях и коридорах жилых зданий.

Плитки наклеивают по сборной стяжке из древесно-волокнистых плит, гладким железобетонным панелям перекрытий или тщательно выровненным цементно-песчаным стяжкам прочностью не менее 10 МПа. При устройстве полов из синтетических плиток температура воздуха в помещении должна быть не ниже 15 °С, а влажность - 60 %. Влажность бетона и раствора стяжки не должна превышать 5 %, а древесно-волокнистых плит - 12 %.

При привязке типовой технологической карты к конкретному объекту и условиям строительства принятый в карте порядок выполнения работ по устройству покрытий полов из поливинилхлоридных плиток, размещение машин и оборудования, объемы работ, калькуляцию затрат труда, график выполнения работ, средства механизации уточняют в соответствии с проектными решениями.

2. ОРГАНИЗАЦИЯ И ТЕХНОЛОГИЯ ВЫПОЛНЕНИЯ РАБОТ

Работы по устройству покрытий полов из синтетических плиток на каучуковой мастике ведутся после полного окончания всех общестроительных, монтажных и отделочных работ.

Работы производятся в следующей очередности:

а) очистка поверхности основания от мусора и пыли;

б) огрунтовка основания;

в) нанесение каучуковой мастики и выдерживание ее;

г) укладка синтетической плитки;

д) установка плинтусов.

Очистка поверхности основания от загрязнения выполняется при помощи машины КУ-403А. Поверхность нижележащего слоя должна быть ровной и горизонтальной.

Очищенную поверхность огрунтовывают с помощью окрасочного агрегата СО-74А. Грунтовку приготовляют на месте производства работ на основе поливинилацетатной дисперсии. Огрунтовка поверхности производится с опережением настилки полов на 4 часа небольшими площадями.

Доставка поливинилацетатной дисперсии и мастики на объект в зону действия крана предусматривается на автомашинах во флягах с центральной установки или склада.

Далее фляги краном Т-108А поднимают на приемную площадку, укладывают на ручную тележку и транспортируют в зону работ. Подача плиток на объект со склада осуществляется автотранспортом. Далее пачки с плиткой грузят на поддон, который краном Т-108А поднимается на приемную площадку, где пачки с плиткой перегружают на ручную тележку и транспортируют в зону работ.

Устройство пола из поливинилхлоридных плиток выполняется бригадой из 4 звеньев (в том числе 2 звена на подготовке основания и транспортных работах).

Площадь пола разбивается на 4 захватки, работы на которых производятся последовательно, с учетом обеспечения сохранности свежеуложенного покрытия во время производства плиточных работ, а также предохранения от загрязнения предварительно огрунтованной поверхности основания.

Каждая захватка делится на 2 делянки - по числу звеньев, занятых на укладке плитки.

Спустя 3 - 4 часа после огрунтовки основания приступают к разбивке осей и разметке рисунка пола. Если помещения соединены между собой, то разбивочные оси прокладывают через все помещения по середине дверных проемов смежных помещений. В этом случае ряд плиток, уложенных в одном помещении, будет продолжаться в соседнем. В других помещениях через их центр прокладывают взаимно перпендикулярные оси. Затем производят пробную раскладку плиток насухо. Если целое число плиток не укладывается точно по длине и ширине помещения, разбивочные оси смещают таким образом, чтобы плитки можно было подрезать только у одной или двух взаимноперпендикулярных стен.

Приклейку плиток начинают от пересечения разбивочных осей. В больших помещениях плитки укладывают в четырех или двух направлениях от разбивочной оси. Не вмещающуюся целиком впритык к стене плитку кладут на последнюю приклеенную плитку, точно совмещая их кромки, а поверх нее кладут еще одну плитку, упирая ее торцом в стену. Затем, используя кромку верхней плитки в качестве линейки, острой чертилкой проводят линию на средней плитке и по этой линии разрезают ее. Отмеренную таким образом часть плитки укладывают в последний пристенный ряд. Обрезают плитки специальным резаком гильотинного типа.

В первую очередь укладку плиток производит звено № 2; этому звену маячным рядом служит уложенная плитка на соседней захватке. С некоторым отставанием от звена № 2 приступает к работе на своей делянке звено № 1, маячным рядом которому служит плитка, уложенная на соседней делянке звеном № 2.

Основными условиями качественной настилки плиток являются: равномерное нанесение мастики; соблюдение времени, необходимого для подсыхания мастики. Слой мастики должен быть не толще 0,5 мм. Более толстый слой вызывает внутренние напряжения, медленно твердеет, мастика выдавливается через швы на поверхность плиток, а слишком тонкий слой слабо прихватывает плитку. Толщина слоя мастики зависит также от того, насколько ровным выполнено основание.

Как правило, плитки настилают по способу «на себя», т.е. начиная от фризового ряда или конца соседней захватки, не наступая при этом на свежеуложенные плитки.

Перед укладкой поливинилхлоридную плитку подогревают на электропечах (только в зимнее время) до 40 - 50 °С.

При укладке плитку приставляют кромкой к натянутому шнуру или впритык к кромке ранее уложенной плитки. Плитку укладывают вплотную без зазора между собой. Затем плитку прижимают и пристукивают легкими ударами молотка (ударная часть молотка изготовляется из резины).

По окончании настилки полов производится устройство плинтусов. По свежеуложенному полу можно начинать ходить только тогда, когда мастика совсем высохла, т.е. примерно через 48 часов после настилки пола. Все перечисленные работы производятся в помещениях с температурой не ниже +15 °С.

3. ТРЕБОВАНИЯ К КАЧЕСТВУ И ПРИЁМКЕ РАБОТ

Технические критерии и средства контроля операций и процессов приводятся в табл. 1.

Приёмочный контроль осуществляют согласно СНиП 3.04.01-87 «Изоляционные и отделочные покрытия».

Таблица 1

Наименование процессов, подлежащих контролю

Предмет контроля

Инструмент и способ контроля

Периодичность контроля

Ответственный за контроль

Технические критерии оценки качества

Подготовительные работы

Очистка поверхности основания от мусора, пыли, налипшего раствора

Визуально

Дo настилки пола

Мастер

Внешний осмотр

Ровность основания. Горизонтальность или заданный уклон

Контрольная рейка

То же

То же

Неровность основания не должна превышать 2 мм

Качество плиток (отсутствие царапин, трещин, однотонность)

Визуально

²

²

Внешний осмотр

Прирезка и подгонка плиток по размерам помещения

Рулетка, нож для резки плиток

²

²

То же

Устройство пола

Правильность раскладки маячного ряда и положения шнура

Визуально

В процессе настилки пола

²

²

Толщина прослойки из мастики

Стальная линейка

То же

²

Толщина слоя и должна превышать 0,5 мм

Плотность приклейки плиток

Контрольный отрыв

После выполнения работ на делянке

Прораб

Внешний осмотр

Плотность прилегания плинтуса к стене и полу

Визуально

После выполнения работ на делянке

Мастер

Местный максимальный зазор между плинтусом и плиткой не должен превышать 5 мм

Ровность поверхности покрытия

Контрольная рейка

То же

То же

Неровность не должна превышать 2 мм. Уступы между кромками смежных плиток не допускаются

Приёмка пола

Внешний вид готового пола (однотонность и гладкость)

Визуально

После наклейки

Прораб

Внешний осмотр

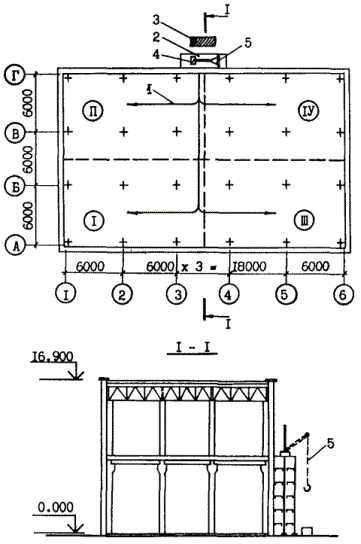
СХЕМА ОРГАНИЗАЦИИ РАБОТ НА ЭТАЖЕ

Рис. 1

1 - направление подачи материалов; 2 - площадка для приема материалов; 3 - место разгрузки материалов; 4 - ручная тележка; 5 - кран Т-108А

СХЕМА ОРГАНИЗАЦИИ РАБОТ НА ЗАХВАТКЕ

Рис. 2

1 - фризовый ряд; 2 - номера звеньев; 3 - направление работ на делянке; 4 - фляги с мастикой; 5 - места разгрузки поливинилхлоридной плитки


4. КАЛЬКУЛЯЦИЯ ЗАТРАТ ТРУДА, МАШИННОГО ВРЕМЕНИ, ЗАРАБОТНОЙ ПЛАТЫ НА 1000 м2 ПОЛА

Таблица 2

Наименование процессов

Номер фасет для пересчета показателей

Единица измерения

Объем работ

Обоснование (ЕНиР и др. нормы)

Норма времени

Расценка, р.-к.

Затраты труда

Зарплата, р.-к

Время пребывания машины на объекте, маш.-ч

Заработная плата машиниста с учетом пребывания машины на объекте, р.-к.

рабочих, чел.-ч

машиниста, чел.-ч (маш.-ч)

рабочих

машиниста

рабочих, чел.-ч

машиниста, чел.-ч (маш.-ч)

рабочих

машиниста

Очистка поверхности пола от мусора механизированным способом

 

100 м2

10

ЕНиР, §Е19-41 № 2

5,7

-

3-82

-

57

-

38-20

-

-

-

Настилка полов из поливинилхлоридных плиток размером 300´300´3 мм

01

1 м2

1000

ЕНиР, §Е19-17 № 4, а

0,37

-

0-27,6

-

370

-

276-00

-

-

-

Подача материалов краном Т-108А

02

100 т

0,058

ЕНиР, §Е1-6 табл. 2 № 17

23,0

11,5

14-72

9-14

1,334

0,667

0-85

0-53

0,667

0-53

Транспортировка материалов ручной тележкой в зону

 

1 т

5,8

ЕНиР, § Е1-21 № 1

1,1

-

0-70,4

-

6,38

-

4-08

-

-

-

Итого:

434,7

0,667

319-13

0-53

0,667

0-53

5. ГРАФИК ПРОИЗВОДСТВА РАБОТ НА 1000 м2 ПОЛА

Таблица 3


6. МАТЕРИАЛЬНО-ТЕХНИЧЕСКИЕ РЕСУРСЫ

Потребность в инструменте, инвентаре и приспособлениях приведена в табл. 4.

Таблица 4

Наименование

Марка, техническая характеристика, ГОСТ, № чертежа

Количество

Назначение

Машина для уборки мусора

КУ-403А Производительность 1200 м2

1

Очистка поверхности основания от мусора

Окрасочный агрегат

СО-74А Производительность 0,16 л/мин

1

Нанесение грунтовки

Кран Т-108А

Грузоподъемность 0,5 т

1

Подъем материалов

Электроподогреватель для плиток

ЭМ-53Б

1

Подогрев плиток в зимнее время

Тележка самосвальная на пневмоколесном ходу

Грузоподъемность 200 кг

1

Транспортировка материалов в зону работ

Контейнер для плитки

КП-93

4

Хранение и транспортировка плиток

Фляга

ГОСТ 5799-78

8

Хранение и транспортировка грунтовки и мастики

Бачок

И.341.00.00.000 ПТИ Минсевзапстроя СССР

2

Перенос мастики

Приготовление грунтовки

Ножницы гильотинные

 

1

Резка поливинилхлоридных плиток

Шпатель зубчатый

ГОСТ 10778-83

4

Нанесение и разравнивание мастики

Молоток

 

2

Осаживание плиток

Гребок

Конструкция ВНИИСМИ

4

Разравнивание мастики

Скребок

ТУ 22-4629-80

4

Очистка поверхности от грязи и наплывов раствора

Ковш

ОСТ 22-686-73

2

Разливка мастики

Лопатка для плиточных работ

ЛП ГОСТ 9533-81

2

Вспомогательные работы

Правило

ГОСТ 25782-83

2

Разравнивание грунтовочного слоя

Рулетка

ОПК2-30АНТ/10

ГОСТ 7502-80*

2

Линейные измерения

Уровень строительный

Тип УС-1

ГОСТ 9416-83

2

Проверка горизонтальности поверхности

Рейка контрольная

№ ТЭ-276 трест Оргстрой Минстроя ЭССР

1

Проверка ровности поверхности

Шнур разметочный в корпусе

ТУ 22-4633-80

4

Разметка и проверка прямых линий

Штырь стальной для закрепления шнура

ТУ 22-4401-79

8

Закрепление разметочного шнура

Щётка волосяная бытовая

ОСТ 17-180-79

2

Подметание пола

Каска строительная

ГОСТ 12.4.087-84

8

Индивидуальная защита

Перчатки резиновые технические

ГОСТ 20010-74

8

То же

Потребность в материалах и полуфабрикатах для выполнения работ по устройству покрытий полов из поливинилхлоридной плитки приводится в табл. 5.

Таблица 5

Наименование материала, полуфабриката, конструкции (марка, ГОСТ)

Вариант (фасет-код)

Исходные данные

Потребное количество

Единица измерения по нормам (чертежам)

Объём работ в нормативных единицах

Принятая норма расхода материалов на единицу измерения

Поливинилацетатная дисперсия

 

т

1000 м2

0,001

1

Каучуковая мастика

04

т

1000 м2

0,0005

0,5

Поливинилхлоридная плитка

01

м2

1000 м2

1,02

1020

7. ТЕХНИКА БЕЗОПАСНОСТИ

Работы по устройству покрытий полов из синтетических материалов выполняют в соответствии с требованиями СНиП III-4-80 «Техника безопасности в строительстве». Необходимо пользоваться инструкциями по эксплуатации применяемых машин. Все машины должны быть в исправном состоянии.

Работы по устройству полов должны выполняться с применением технологической оснастки, средств коллективной защиты и строительного ручного инструмента, определяемых составом соответствующих нормокомплектов.

Материалы, инструмент и приспособления не следует складировать на наклонной поверхности.

При перемещении грузов в ручных тележках масса его не должна превышать 160 кг. Катальные ходы следует систематически очищать от грязи.

При использовании мастик, в составе которых имеется растворитель, необходимо применять только такие инструменты, которые изготовлены из материалов, не дающих искр. Промывать инструменты и оборудование следует на открытой площадке или в помещении, оборудованном вентиляцией. Доставлять мастики к рабочему месту нужно в готовом к употреблению виде, в количестве, не превышающем сменного расхода.

8. ТЕХНИКО-ЭКОНОМИЧЕСКИЕ ПОКАЗАТЕЛИ НА 1000 м2 ПОЛА

Нормативные затраты труда рабочих, чел.-ч                         - 434,7

Нормативные затраты машинного времени, маш.-ч             - 0,667

Заработная плата рабочих, р.-к.                                               - 319-13

Заработная плата механизаторов, р.-к.                                   - 0-53

Продолжительность выполнения работ, смена                     - 11,6

Выработка на одного рабочего в смену, м2                            - 2,3

9. ФАСЕТНЫЙ КЛАССИФИКАТОР ФАКТОРОВ

ФАСЕТ 01

Размер плиток

Наименование фактора

Обоснование

Код

Значение фактора

Размер плиток, мм:

 

 

 

300´300

ЕНиР, § Е 19-17

1

По калькуляции

150´150

То же

2

Н.вр. и расц. умножать на 1,37

200´200

 

3

Н.вр. умножать на 1,108;

расц. умножать на 1,105

400´400

 

4

Н.вр. и расц. умножать на 0,811

ФАСЕТ 02

Высота подъема материалов

Наименование фактора

Обоснование

Код

Значение фактора

Высота, м:

 

 

 

до 3

ЕНиР, § Е1-6 табл. 2 № 17

1

По калькуляции

до 6

То же

2

Н.вр. и расц. умножать на 1,313

до 9

"

3

Н.вр. и расц. умножать на 1,63

до 15

²

4

Н.вр. и расц. умножать на 2,25

ФАСЕТ 03

Стоимость 1 маш.-ч работы окрасочных механизмов

Наименование фактора

Обоснование

Код

Значение фактора

Агрегат окрасочный СО-74А

СНиП IV-3-82

Приложение Сб. сметных цен ...

1

0,036

Краскопульт ручного действия С0-20Б

То же

2

0,015

ФАСЕТ 04

Материал для приклеивания плиток, кг на 1000 м2 пола

Наименование фактора

Обоснование

Код

Значение фактора

Каучуковая мастика

Общие производственные нормы расхода ... Сб. 16

1

50

Мастика латексная гумилакс

То же

2

36

Клей латексный бустилат

"

3

52

Мастика полимерцементная

"

4

90

Клей полимерцементный

²

5

121,8

Примечание. Рамкой обведены в таблицах значения факторов, на которые рассчитаны показатели в данной технологической карте.

СОДЕРЖАНИЕ

 

 




ГОСТЫ, СТРОИТЕЛЬНЫЕ и ТЕХНИЧЕСКИЕ НОРМАТИВЫ.
Некоммерческая онлайн система, содержащая все Российские Госты, национальные Стандарты и нормативы.
В Системе содержится более 150000 файлов нормативно-технической документации, действующей на территории РФ.
Система предназначена для широкого круга инженерно-технических специалистов.

Рейтинг@Mail.ru Яндекс цитирования

Copyright © www.gostrf.com, 2008 - 2026