Крупнейшая бесплатная информационно-справочная система онлайн доступа к полному собранию технических нормативно-правовых актов РФ. Огромная база технических нормативов (более 150 тысяч документов) и полное собрание национальных стандартов, аутентичное официальной базе Госстандарта. GOSTRF.com - это более 1 Терабайта бесплатной технической информации для всех пользователей интернета. Все электронные копии представленных здесь документов могут распространяться без каких-либо ограничений. Поощряется распространение информации с этого сайта на любых других ресурсах. Каждый человек имеет право на неограниченный доступ к этим документам! Каждый человек имеет право на знание требований, изложенных в данных нормативно-правовых актах!

  


 

Государственный дорожный научно-исследовательский институт ФГУП «СОЮЗДОРНИИ»

 

ОСНОВЫ НОРМИРОВАНИЯ И ОБЕСПЕЧЕНИЯ ТРЕБУЕМОЙ СТЕПЕНИ УПЛОТНЕНИЯ ЗЕМЛЯНОГО ПОЛОТНА АВТОМОБИЛЬНЫХ ДОРОГ

 

Москва 2002

 

 

 

СОДЕРЖАНИЕ

ПРЕДИСЛОВИЕ

1. ФИЗИЧЕСКИЕ ОСНОВЫ ИСКУССТВЕННОГО УПЛОТНЕНИЯ СВЯЗНЫХ ГРУНТОВ ПРИ СООРУЖЕНИИ ЗЕМЛЯНОГО ПОЛОТНА

1.1. Сущность искусственного уплотнения грунта

1.2. Предел уплотнения грунта при заданной влажности

1.3. Зависимость достигаемой плотности от уплотняющего воздействия

2. ПЛОТНОСТЬ ГРУНТА И ЕГО СВОЙСТВА

2.1 Свойства уплотненного грунта, учитываемые при сооружении автомобильных дорог

2.2 Плотность грунта и его прочность

2.3 Плотность грунта, его водно-физические и криогенные свойства

2.4 Условия обеспечения стабильности свойств искусственно уплотненного грунта

3. НОРМИРОВАНИЕ ПЛОТНОСТИ В ДОРОЖНОМ СТРОИТЕЛЬСТВЕ

4. МЕТОДЫ И СРЕДСТВА ОБЕСПЕЧЕНИЯ ТРЕБУЕМОЙ СТЕПЕНИ УПЛОТНЕНИЯ ЗЕМЛЯНОГО ПОЛОТНА

5. ВОПРОСЫ КОНТРОЛЯ ПРИ УПЛОТНЕНИИ ГРУНТОВ

6. ЗАКЛЮЧЕНИЕ

ЛИТЕРАТУРА

 

Обобщены в компактной форме результаты исследований, выполненных различными авторами, в том числе в Союздорнии, по одной из важнейших проблем, непосредственно связанной с надежностью и долговечностью дорожных конструкций.

Освещены теоретические основы уплотнения грунтов земляного полотна и нормирования степени уплотнения, принятые в отечественной практике в сопоставлении с практикой других стран.

Отражены основные положения по методам и средствам обеспечения требуемой степени уплотнения.

Обращено внимание на предложенные в последние годы (в том числе авторами) экспресс-методы контроля степени уплотнения и увлажнения грунтов, обеспечивающие достаточную оперативность необходимой количественной оценки при контроле качества уплотнения в условиях дорожного строительства.

Работа предназначена для широкого круга специалистов, связанных с проблемой уплотнения грунтов, а также для студентов и аспирантов дорожной отрасли.

ПРЕДИСЛОВИЕ

Уплотнение грунтов при сооружении земляного полотна автомобильных дорог рассматривается как одна из основных проблем при строительстве дорог с усовершенствованными покрытиями. Исследования в этой области выполнены ведущими учеными-дорожниками: Н.Н. Ивановым, М.Я. Телегиным, Н.Я. Хархутой, Ю.М. Васильевым, М.Б. Корсунским, О.Т. Батраковым, Н.П. Вощининым, В.И. Бируля, А.Я. Тулаевым и др., разработавшими действующие до настоящего времени нормы и правила. Отечественные ученые не просто рассматривали проблему уплотнения, а связывали ее с более широкой - обеспечением прочности и устойчивости комплекса «верхняя часть земляного полотна + дорожная одежда».

То обстоятельство, что крупные основные публикации, касающиеся этой темы, появились давно и многие из них вошли в категорию раритетов, вызывает определенные трудности в части обеспечения преемственности в ее решении. В частности, в последние годы возникают дискуссии о необходимости пересмотреть нормы уплотнения грунтов, используемых при сооружении земляного полотна. При этом зачастую не учитывается в полной мере предшествующий опыт, в технической литературе появляются некорректные публикации, а это ведет к принятию неоправданных решений.

В таких условиях представилось необходимым выполнить обобщающую работу, которая осветила бы состояние проблемы с учетом новых данных науки и практики в этой области.

Авторы настоящей работы стоят на позициях ведущей отечественной научной школы - школы Союздорнии, основанной проф. Н.Н. Ивановым, которая в течение многих лет удерживает передовые позиции в отечественной и мировой дорожной науке, в том числе и в комплексном решении проблемы уплотнения грунтов при сооружении земляного полотна.

Работа написана д-ром техн. наук, проф. В.Д. Казарновским (разделы 1 и 2, заключение), инж. А.К. Мирошкиным (разделы 3 и 4 совместное В.Д. Казарновским), канд. техн. наук И.В. Лейтланд (раздел 5 совместно с А.К. Мирошкиным).

Общее редактирование выполнил заслуженный деятель науки и техники РФ, академик Российской академии транспорта, доктор технических наук, проф. В.Д. Казарновский.

Авторы надеются, что предлагаемая работа может быть полезна как молодым научным работникам, включающимся в решение этой проблемы (или уже работающим над ней), так и производственникам, и может быть использована в учебном процессе при подготовке инженеров-дорожников.

Генеральный директор                                                              В.М. Юмашев

ФГУП «Союздорнии»

1. ФИЗИЧЕСКИЕ ОСНОВЫ ИСКУССТВЕННОГО УПЛОТНЕНИЯ СВЯЗНЫХ ГРУНТОВ ПРИ СООРУЖЕНИИ ЗЕМЛЯНОГО ПОЛОТНА

1.1. Сущность искусственного уплотнения грунта

Грунт представляет собой трехфазную систему, включающую твердую (частицы), жидкую (вода, водные пленки) и газообразную фазы.

Слой грунта, отсыпанного в насыпь, представляет собой полиагрегатную систему, между агрегатами которой формируются межагрегатные поры (макропоры), заполненные в основном газообразной фазой [1].

В этой системе твердые грунтовые частицы не уплотняются под воздействием реальных нагрузок. Практически не уплотняемой является и жидкая фаза. Уплотнение такой системы возможно только за счет удаления из нее газообразной или жидкой фазы.

Процесс удаления жидкой фазы связан с фильтрацией отжимаемой воды и при реальной мощности уплотняемого слоя грунта может происходить только при длительном (измеряемом сутками, месяцами и годами) действии уплотняющей нагрузки (консолидация).

На практике искусственное уплотнение грунта, отсыпаемого в насыпь, производится кратковременными (измеряемыми секундами) нагрузками, поэтому вода не успевает сколько-нибудь существенно отжаться из грунта. В результате уплотнение системы связывается только с отжатием газообразной фазы из межагрегатных полостей.

1.2. Предел уплотнения грунта при заданной влажности

Физическим пределом уплотнения грунта кратковременно действующей нагрузкой теоретически является полное удаление газообразной фазы и превращение грунта из трехфазной системы в двухфазную («грунтовую массу» [19]). Плотность грунта оценивается по массе единицы объема сухого грунта ρd, т.е. по массе в единице объема грунта, приходящейся на долю твердой фазы. Чем выше исходная влажность грунта, тем больше объем жидкой фазы в единице объема грунта и тем меньшая предельная плотность сухого грунта может быть достигнута. Эта взаимосвязь плотности и влажности для двухфазного грунта отображается зависимостью:

                                                                     (1)

где ρs - плотность частиц твердой фазы, г/см3;

ρв - плотность воды, г/см3;

W- влажность грунта, доли единицы.

Этой зависимости при ρs = 2,70 г/см3 соответствует кривая 1 на рис.1.

Рис. 1. Теоретическая (1) и фактическая (2) предельные кривые «влажность-плотность  для суглинка с ρs =2,7 г/см3

Таким образом, грунт с некоторой влажностью Wi не может быть уплотнен до плотности большей, чем соответствующая этой влажности плотность по кривой 1 (см. рис.1) независимо от величины кратковременной нагрузки. Для получения большей плотности нужно предварительно умёньшить влажность грунта.

Вместе с тем, реальная плотность грунта при уплотнении при заданной влажности практически никогда не достигает величины . Это происходит по двум причинам:

1. вследствие образования воздушных остаточных пор (защемленный воздух), в результате чего грунт никогда полностью не лишается газообразной фазы (т.е. остается трехфазным);

2. из-за недостаточного уплотняющего воздействия (недостаточные величина напряжений и суммарная длительность их приложения, и т.п.).

Если вторую причину для реальных грунтов можно исключить за счет применения уплотняющего воздействия с соответствующими параметрами, то первая остается во всех случаях, хотя в количественном выражении величина воздушной остаточной пористости может зависеть от уплотняющего воздействия (никогда, однако, не обращаясь в ноль).

Достижение плотности  возможно лишь при высокой влажности грунта, когда его использование в насыпях практически невозможно уже по технологическим причинам (липкость, проходимость и т.п.).

По данным Ленинградского филиала Союздорнии (Ю.М. Васильев и др.) остаточное содержание воздушной фазы в уплотненном грунте составляет [8,17] (табл. 1):

Таблица 1

Грунт

Остаточное содержание воздуха, доли единицы объема

Пески разноразмерные

0,07-0,08

Супеси

0,05-0,07

Суглинки, глины

0,02-0,04

Эти данные хорошо согласуются с результатом исследований, проведенных Н.Ю. Шкицкой [18], которая показала, что остаточный коэффициент водонасыщения (степень заполнения пор водой) Gо грунта при трамбовании, соответствующий практическому прекращению уплотнения, зависит от состава грунта (числа пластичности) и находится в пределах Gо = 0,82÷0,92 (рис.2). Значение Gо может быть пересчитано в объем остаточной воздушной пористости Vо по формуле

                                                                           (2)

где ρd и ρв, - плотность соответственно сухого грунта и воды, т/м3;

W - влажность грунта, доли единицы;

Gо  - остаточный коэффициент водонасыщения, доли единицы.

 

Рис.2. Остаточный коэффициент водонасыщения глинистых грунтов, уплотненных до, в зависимости от числа пластичности (по Н.Ю. Шкицкой).

В связи с наличием воздушной остаточной пористости плотность грунта с заданной влажностью после уплотнения не может быть больше величины :

=.                                                                       (3)

Таким образом, выражение (3) определяет наибольшую величину плотности сухого грунта, которая может быть достигнута реально при заданной влажности W. Большая плотность не может быть получена без изменения (уменьшения) влажности грунта.

1.3. Зависимость достигаемой плотности от уплотняющего воздействия

Как уже отмечалось выше, величина воздушной остаточной пористости Vо в общем случае зависит от уплотняющего воздействия: она будет тем меньше, чем больше уплотняющее усилие и более длительное время действует (больше число приложений нагрузки). В общем виде характер зависимости получаемой плотности от влажности грунта при уплотнении отображается кривыми уплотняемости грунта, к которым относится и так называемая «кривая стандартного уплотнения» (рис.3).

Рис. 3. Кривые стандартного уплотнения для суглинка тяжелого пылеватого

О - метод Союздорнии. (ГОСТ 22733-77),

- модифицированный метод Проктора;

▲ - линия нулевой воздушной пористости

Ее можно получить трамбованием грунта при строго заданных (стандартизованных) параметрах уплотняющего воздействия, в которые входят:

- масса падающего груза;

- высота падения;

- диаметр площадки, передающей нагрузку на грунт;

- число ударов;

- толщина уплотняемого слоя;

- число слоев.

Количественные параметры кривой стандартного уплотнения зависят от значений указанных параметров.

Вместе с тем общий характер кривой стандартного уплотнения остается достаточно постоянным, хотя может и несколько трансформироваться в зависимости от состава грунта. Основная ее особенность - наличие экстремальной точки, определяющей влажность, при которой достигается максимальное значение плотности сухого грунта при данных параметрах уплотняющего воздействия.

Координаты указанной экстремальной точки определяют два параметра кривой уплотняемости, получаемой при данном уплотняющем воздействии: максимальную (для данного воздействия) плотность сухого грунта  и оптимальную (для данного воздействия) влажность Wopt, т.е. влажность, при которой эта плотность может быть достигнута при данном уплотняющем воздействии. Изменение влажности грунта относительно оптимальной не дает возможности (при данном уплотняющем воздействии) получить максимальную плотность.

Увеличение уплотняющего воздействия (усилия и времени его действия) приводит к смещению кривой уплотняемости влево (см. рис.3). Это означает, что величина максимальной плотности увеличивается, а оптимальная (для данного увеличенного воздействия) влажность понижается. Вместе с тем во всех случаях, как бы ни было увеличено уплотняющее воздействие,  не может превышать величины .

Рис. 4. Влияние величины уплотняющей нагрузки на скорость достижения предела уплотнения

Насколько  будет приближаться к  зависит от уплотняющего воздействия. При недостаточно большом для данной влажности грунта воздействии величина  не может быть достигнута ни при какой суммарной длительности действия нагрузки (числе приложения). В то же время при достаточной величине нагрузки предельную фактическую плотность можно получить тем быстрее, чем больше нагрузка (рис.4).

2. ПЛОТНОСТЬ ГРУНТА И ЕГО СВОЙСТВА

2.1 Свойства уплотненного грунта, учитываемые при сооружении автомобильных дорог

С точки зрения строительства земляного полотна автомобильных дорог интерес представляют две категории свойств уплотненного грунта:

1. механические - прочностные (угол внутреннего трения и сцепление) и деформационные (модули деформации и упругости);

2. водно-физические и криогенные - водопроницаемость, морозное пучение, набухание и др.

2.2 Плотность грунта и его прочность

.Изучению зависимости прочности грунта от его плотности посвящены многочисленные фундаментальные труды крупнейших геотехников. Среди отечественных ученых можно отметить проф. Н.Н. Маслова, проф. Н.А. Цытовича, проф. Х.М. Шахунянца, проф. Н.Я. Хархуту и многих других.

Общие выводы из результатов этих работ сводятся к следующему.

При заданной влажности сцепление связного грунта увеличивается с ростом плотности. Характер этой зависимости применительно к уплотнению кратковременной нагрузкой представлен на рис.5, из которого видно, что прирост сцепления на конечном участке замедляется и при предельном уплотнении достигает своей максимальной величины.

Рис. 5. Зависимость сцепления от плотности суглинка пылеватого при .заданной влажности (по В.Д. Казарновскому): 1 - влажность 13,7%, 2 - то же, 15,9%

В то же время угол внутреннего трения, сильно зависящий от влажности грунта, при постоянной влажности почти не зависит от плотности [25].

Рис. 6. Зависимость модуля деформации Е суглинка тяжелого пылеватого при относительной деформации).λ = 0,05 от плотности скелета ρd при различной влажности W (по Ю.М. Васильеву и Н.Я. Хархуте)

Деформативность (модуль деформации) грунта уменьшается при увеличении его плотности (при постоянной влажности), однако в ряде случаев отмечается ее снижение при превышении некоторой плотности грунта (эффект «переуплотнения» по Н.Я. Хархуте). Это объясняется появлением структурных изменений в грунте при попытке получить плотность, превышающую некоторую величину для данного грунта при определенном уровне его увлажнения (рис. 6).

Таким образом, по указанным данным можно сделать следующий общий вывод: увеличение плотности в целом способствует повышению прочности и снижению деформативности грунта до определенного предела, соответствующего данной влажности, однако при некоторых условиях попытки получить большую плотность могут привести к эффекту переуплотнения, связанному с изменением агрегатного состава грунта.

2.3 Плотность грунта, его водно-физические и криогенные свойства

Вопрос о влиянии плотности на капиллярное поднятие изучался многими учеными [9, 10, 20]. Общий результат исследований сводится к тому, что повышение плотности при заданной влажности замедляет поднятие капиллярной воды вплоть до практического прекращения движения воды в этой форме.

Водопроницаемость в зависимости от плотности глинистых грунтов изучалась как гидротехниками, так и дорожниками, установившими, что при повышении плотности она может быть существенно снижена (вплоть до нуля).

Способность грунта впитывать воду в зависимости от плотности изучена В.И. Рувинским, показавшим, что увеличение плотности ведет к снижению впитывающей способности [9].

Зависимость пучинистости грунта при промерзании от его плотности подробно изучалась всеми специалистам, занимавшимися проблемами регулирования водно-теплового режима земляного полотна [9, 10, 17]. Ими установлена следующая общая закономерность: повышение плотности ведет в целом к уменьшению морозного пучения грунта вследствие снижения миграции влаги в промерзающем грунте, т.е. уменьшению в принципе степени разуплотнения грунта при промерзании-оттаивании. Вместе с тем отмечается, что величина разуплотнения при морозном пучении зависит от исходной плотности грунта, причем эта зависимость может иметь экстремум при некоторой плотности.

Наряду с отмеченным, важной закономерностью является то, что пучинистость грунта при промерзании определяется исходной влажностью и условиями подтока воды в зону промерзания (закрытая или открытая система), т.е. зависит не только от свойств грунта, но и от конструкции земляного полотна. Миграция воды в зоне промерзания имеет пленочный механизм. Ее максимум для данного грунта достигается при максимальной толщине пленок, что имеет место при влажности, близкой к максимальной молекулярной влагоемкости. Дальнейшее увеличение влажности грунта не приводит к существенному повышению пучинистости при промерзании.

Вместе с тем уменьшение исходной влажности грунта при промерзании в целом снижает его пучинистость, величина которой определяется в этом случае разностью фактической влажности и влажности, соответствующей незамерзающей пленочной влаге. Последняя зависит от значения отрицательной температуры: чем оно ниже, тем меньше в грунте незамерзшей влаги. Процесс миграции воды в зону промерзания определяется пленочно-капиллярным механизмом и связан с режимом (скоростью) промерзания. Таким образом, величина пучинистости грунта зависит не только от плотности грунта, но и от его влажности, условий притока капиллярной воды и режима промерзания.

Как видим, механизм морозного пучения достаточно сложен, вследствие чего величина пучения определяется не только плотностью фунта, но и рядом других факторов.

Плотность и набухаемость грунта при увлажнении. Набухание грунта при увлажнении - процесс увеличения его объема за счет разуплотнения скелета, вызванного утолщением пленок связанной воды [12].

Набухание может происходить только при влажности меньше так называемой влажности на границе усадки. Понижение влажности уплотняемого грунта ниже границы усадки приводит к разуплотнению грунта в случае его последующего увлажнения. Это происходит тем медленнее, чем больше плотность грунта, но в любом случае плотность грунта со временем при набухании достигает величины, соответствующей его влажности на границе усадки.

2.4 Условия обеспечения стабильности свойств искусственно уплотненного грунта

Сохранение во времени достигнутых в результате уплотнения показателей физико-механических, водно-физических, и криогенных свойств является одним из важнейших условий, учитываемых при нормировании плотности. Этот вопрос исследовался многими специалистами, занимавшимися проблемами водно-теплового режима земляного полотна [9, 10, 17].

Рис.7. Изменение влажности (W), плотности (ρ) и модуля деформации (Ео) грунта в течение года

По результатам этих исследований сделан следующий общий вывод: уплотнение, изменяя свойства грунта, не препятствует агрессивному воздействию погодно-климатических факторов: промерзания-оттаивания, увлажнения-высушивания, которые изменяют первоначальную структуру уплотненного грунта. При этом само по себе уплотнение не воздействует на природу грунта и не ликвидирует полностью его реакцию на указанные факторы. Так, невозможно уплотнением полностью подавить морозное пучение грунта, его способность изменять влажность под влиянием источников увлажнения и испарения и т.д. В связи с этим можно говорить об улучшении определенных свойств, остатки которых всегда сохраняются. Это обстоятельство приводит к постепенному изменению полученного при уплотнении уровня физико-механических и криогенных свойств грунта. Они происходят, прежде всего, через изменение плотности и влажности грунта в годовом цикле и из года в год (рис. 7) [9, 10, 15].

В связи с указанным, при комплексном проектировании земляного полотна и дорожных одежд оперируют такими понятиями как расчетный период, расчетный год и т.д.

На рис. 8 приведен график снижения плотности грунта под воздействием морозного пучения (по В.И. Рувинскому). На оси абсцисс даны коэффициенты уплотнения, получаемые после завершения уплотнения грунта у(0)), ординат - минимальные коэффициенты уплотнения после многократных циклов морозного пучения и оттаивания Ку(мах)). Из графиков видно, что при толщине дорожной одежды 0,5 м (р = 0,10 кгс/см2) первоначальный Ку(0) = 1,05 суглинка легкого снижается до 1,0, суглинка тяжелого и глины - до 0,98-0,97. Только для супеси можно рассчитывать на сохранение начального коэффициента уплотнения при определенных нагрузках.

Н.Я. Хархутой и Ю.М. Васильевым показано [3, 8], что плотность грунта земляного полотна с течением времени приближается к некоторой величине, именуемой «бытовой плотностью». Она отражает все оказываемые воздействия на грунт в процессе эксплуатации.

Важным обстоятельством при этом является то, что результат воздействия агрессивных факторов зависит не только от свойств грунта, но и в значительной степени от конструкции земляного полотна и дорожной одежды, а также расположения данного грунтового слоя в конструкции. В связи с этим при нормировании плотности земляного полотна следует учитывать общие климатические условия, особенности конструкции и условия расположения грунта в ней.

а)

б)

в)

г)

Рис.8. Графики для определения минимального коэффициента уплотнения грунта после морозного пучения и оттаивания под нагрузкой р: а) супесь; б) легкий суглинок; в) тяжёлый суглинок; г) глина.

Кроме того, необходимо дать технико-экономическое обоснование затрат на ту или иную степень уплотнения, сопоставляя их с реальными результатами работы конструкции в целом с учетом изменений плотности (и, следовательно, свойств) грунта во времени.

Применение специальных мероприятий может явиться эффективным средством обеспечения стабильности свойств уплотненного грунта, а в определенных случаях - компенсировать недостаточное уплотнение (например, при использовании грунтов с повышенной влажностью [9, 17, 23]).

Общие выводы в отношении зависимости свойств уплотненного грунта от его плотности сводятся к следующему:

1. Водно-физические, физико-механические и криогенные свойства грунта зависят как от плотности, так и от влажности грунта при уплотнении.

2. При заданной влажности повышение плотности может благоприятно сказаться на свойствах грунта, однако при этом необходимо учитывать следующее:

- пределом, к которому стремятся показатели физико-механических, водно-физических и криогенных свойств грунта, являются их значения, отвечающие предельно достижимой плотности грунта при данной его влажности ;

- асимптотический характер той или иной зависимости может отражать достаточно малый эффект от дополнительного уплотнения в зоне, где плотность грунта приближается к фактически предельно достижимой;

- эффект повышенного уплотнения в отношении того или иного свойства может с; течением времени значительно снижаться (вплоть до полной утраты) под воздействием циклических процессов набухания при увлажнении и пучения при промерзании [9, 10, 17].

3. Из-за набухания при увлажнении и морозного пучения плотность грунта снижается. Степень снижения зависит от состава грунта, его исходных влажности и плотности. В результате циклов набухания - высушивания - промерзания - оттаивания плотность грунта приобретает некоторое равновесное состояние, часто именуемое «бытовой плотностью».

4. Уровень «бытовой плотности» зависит от начальной плотности грунта и в целом не превышает ее. Однако при некоторой начальной плотности «бытовая плотность» мало отличается от начальной, что позволяет говорить о достижении стабильной плотности грунта уже при сооружении земляного полотна.

3. НОРМИРОВАНИЕ ПЛОТНОСТИ В ДОРОЖНОМ СТРОИТЕЛЬСТВЕ

Стандартное уплотнение как база нормирования

В дорожном строительстве России, как и многих других стран, степень уплотнения песчаных и глинистых грунтов при сооружении земляного полотна автомобильных дорог нормируют на основе некоторой эталонной зависимости «влажность грунта при уплотнении плотность сухого грунта», получаемой опытом на стандартное уплотнение. Грунт уплотняют в жесткой цилиндрической форме приложением трамбующей нагрузки со стандартными массой трамбующего груза, высотой его сбрасывания, числом приложений нагрузки, условиями передачи нагрузки на грунт, толщиной и числом слоев.

В качестве стандартного метода в России принят метод Союздорнии (ГОСТ 22733-77), стоящий в одном ряду с известными в мировой практике дорожного и аэродромного строительства методиками стандартного уплотнения: по обычному (нормальному) методу Проктора (АSТМ D 698-91) и модифицированному (АSТМ D 1557-91). Сравнительные параметры указанных методик стандартного уплотнения приведены в табл.2.

.                                                                  (4)

В основе нормирования плотности лежит выражение

Где  - требуемая плотность сухого грунта, г/см3;

 - максимальная плотность сухого грунта, получаемая в лаборатории по кривой стандартного уплотнения, кг/см3;

- требуемый коэффициент уплотнения.

Таблица 2

Параметр

Значение параметра по методике

ASTM D 698-91

ASTM D 1557-91

ГОСТ 22733-77

Внутренний диаметр формы, мм

102

102

100

Высота формы, мм

116

116

127

Вместимость формы, см3

944

944

1000

Масса груза, кг

2,5

4,5

2,5

Высота падения, мм

300

457

300

Диаметр контакта при ударе, мм

51

51

100

Количество слоев

3

5

3

Число ударов на слой

25

25

40

Удельная энергия уплотнения, Дж/см3

0,6

2,7

0,9

Технология разработки норм уплотнения на основе метода Союздорнии сводилась к следующему [6]: необходимо было выявить такие объекты, на которых все процессы доуплотнения завершились, и изменения плотности грунта под воздействием реально действующих на полотно в процессе эксплуатации дороги факторов (напряжения от нагрузок и погодно-климатические воздействия) практически не наблюдались (или имели стабильный характер). Плотность такого стабильного полотна  могла быть принята за требуемую  = . Если одновременно с определением фактической плотности  провести испытания на стандартное уплотнение грунта такого земляного полотна и получить , то по их отношению можно установить значение требуемого коэффициента уплотнения:

                                                     (5)

При нормировании плотности удобнее пользоваться коэффициентом уплотнения, так как Ку в отличие от ρd является относительной, безразмерной величиной и не зависит от состава грунта (поскольку определение  производится для того же грунта для которого определяется ρd.

Таблица 3

Элемент земляного полотна

Глубина расположения слоя от поверхности покрытия, м

Наименьший коэффициент уплотнения грунта при типе дорожной одежды

капитальном

облегченном и переходном

в дорожно-климатических зонах

I

II, III

IV, V

I

II, III

IV, V

Рабочий слой

До 1,5

0,98-0,96

1,0-0,98

0,98-0,95

0,95-0,93

0,98-0,95

0,95

Неподтопляемая часть насыпи

От 1,5 до 6,0

0,95-0,93

0,95

0,95

0,93

0,95

0,90

Св. 6,0

0,95

0,98

0,95

0,93

0,95

0,90

Подтопляемая часть насыпи

Св.1,5 до 6,0

0,96-0,95

0,98-0,95

0,95

0,95-0,93

0,95

0,95

Св. 6,0

0,96

0,98

0,98

0,95

0,95

0,95

В рабочем слое выемки ниже зоны сезонного промерзания

До 1,2

-

0,95

-

-

0,95-0,92

-

До 0,8

-

-

0,95-0,92

-

-

0,90

Примечания: 1. Большие значения коэффициента уплотнения принимать для цементобетонных покрытий и оснований, а также для дорожных одежд об легченного типа, меньшие - во всех остальных случаях. 2. В районах поливных земель при возможности увлажнения земляного полотна требования к плотности грунта для всех типов дорожных одежд следует принимать такими, как для II и III дорожно-климатических зон. 3. Для земляного полотна, сооружаемого в районах распространения островной высокотемпературной вечной мерзлоты, коэффициенты уплотнения следует принимать, как для II дорожно-климатической зоны.

В странах, где нормирование плотности земляного полотна основывается на том или ином методе стандартного уплотнения, нормы содержат требования в отношении коэффициента уплотнения. Действующие в России нормы уплотнения [14] представлены в табл. 3.

Нормы предусматривают ограничение по наименьшему значению коэффициента уплотнения. Это означает, что значений ниже указанных в табл. 3 при сооружении земляного полотна вообще не должно быть, хотя; реальная возможность отклонений имеется в связи с дисперсией величины , достигающей по данным Н.Ю. Шкицкой 0,01 [18].

В нормах декларируются возможность и целесообразность при соответствующем технико-экономическом обосновании более значительного уплотнения грунта верхней части рабочего слоя (0,2-0,3 м). В этом случае требуется, сохранить повышенную степень уплотнения во времени. Для V дорожно-климатической зоны, где грунты в недоувлажненном состоянии, рекомендуется на основе технико-экономического анализа рассмотреть целесообразность увеличения степени уплотнения в указанной части рабочего слоя до Ку  1,0÷1,05. Такая же рекомендация дается для дорог I категории независимо от дорожно-климатической зоны.

Следует отметить, что аналогичные рекомендации для верхнего слоя земляного полотна толщиной 20 см есть в зарубежных нормах, но только для слоев из зернистых материалов (песков).

Вместе с тем, заложенное уже в определение требуемых коэффициентов уплотнения условие обеспечения стабильности, т.е. малой изменяемости во времени плотности грунта при уплотнении, является вообще одним из основополагающих при нормировании плотности. В работах Н.Я. Хархуты, Ю.М. Васильева и др. обращается внимание на то, что уплотнение благоприятно сказывается на механических, водно-физических и криогенных свойствах грунта, однако само по себе оно не может исключить полностью сезонные изменения плотности и влажности грунта под воздействием факторов, формирующих водно-тепловой режим земляного полотна [3. 8, 9].

В результате возникают процессы морозного пучения, набухания и т.д., поэтому плотность и влажность грунта не остаются постоянными в течение годового цикла. Диапазон их изменения (и, следовательно, прочности и деформативности) зависит от их исходных значений, интенсивности и длительности внешних воздействий и может затухать от цикла к циклу. В частности, В.И. Рувинский [9] показал, что такой характер имеет разуплотнение вследствие морозного пучения.

Это обстоятельство при нормировании плотности учитывается следующим образом:

1. Требуемая плотность должна обеспечивать минимально возможные изменения свойств грунта в годовом цикле.

2. При реализации норм следует учитывать, что амплитуда изменения свойств зависит не только от плотности, но и от влажности грунта при уплотнении.

3. Уменьшение плотности со временем должно учитываться при назначении не только норм уплотнения, но и прочностных и деформационных характеристик грунта рабочего слоя, используемых в расчете дорожных одежд [13]. При этом необходимо ориентироваться не на начальные плотность и влажность грунта, а на стабилизировавшийся их уровень, который зависит не только от свойств грунта, но и от конструктивных параметров земляного полотна и дорожной одежды. Поскольку при нормировании плотности масштабом служит величина максимальной плотности при стандартном уплотнении, а этот метод в принципе является чисто эмпирическим (в связи с чем и существуют различные его варианты), представляет интерес сопоставление значений  и Wopt. получаемых по различным методикам стандартного уплотнения. В табл.4 приведены результаты специально проведенных испытаний глинистых грунтов с различными значениями числа; пластичности [7].

Из табл.4 видно. что метод Союздорнии и нормальный Проктор дают близкие результаты, хотя по методу Союздорнии значения максимальной плотности несколько больше, а оптимальной влажности - меньше. По модифицированному Проктору максимальная плотность увеличивается на 6-10%, а оптимальная влажность снижается на 14-20% (относительных).

Таблица 4

Тип грунта

Союздорнии (ГОСТ 22733-77)

Нормальный Проктор

Модифицированный Проктор

Wopt

Wopt

Wopt

Супесь легкая (Jp=6,3)

1,96

1,0

9,9

0,98

1,94

1,0

10,2

1,0

2,07

1,06

8,2

0,80

Суглинок тяжелый пылеватый (Jp =13,5)

1,85

1.04

15,6

0,97

1,78

1,0

16,0

1,0

1,96

1,10

13,6

0,85

Глина пылеватая (Jp =23,2)

1,72

1,03

17,2

0,98

1,68

1,0

17,5

1,0

1,84

1,09

15,0

0,86

Примечания: 1. Над чертой - абсолютные значения максимальной плотности сухого грунта (г/см3)и оптимальной влажности (%),. под чертой - их относительные величины (доли от величин, полученных по нормальному методу Проктора). 2. Jр - число пластичности грунта.

Если за основу принять результаты испытаний по методу Союздорнии, то по данным табл. 4 легко получить переходные коэффициенты для пересчета степени уплотнения по любым нормам в степень уплотнения по нормам, основанным на методе Союздорнии (табл. .5).

Как видим, значения коэффициента для пересчета зависят от типа грунта, однако для всех грунтов с точностью не менее 0,015 его можно принять: для нормального Проктора 0,975, для модифицированного 1,06. В этом случае известные нормы плотности, принятые в различных странах, можно пересчитать на метод Союздорнии (табл. 6).

Таблица 5

Тип грунта

Коэффициент для пересчета норм по методу

Союздорнии

Нормальный Проктор

Модифицированный Проктор

Супесь легкая (Jр =6,3)

1,0

0,99

1,05

Суглинок тяжелый пылеватый (Jр =13,5)

1,0

0,96

1,06

Глина пылеватая (Jр =23,2)

1,0

0,97

1,06

Анализ табл. 6 показывает, что если не считать требования к плотности верхнего зернистого слоя толщиной 0,2 м в нормах США и Германии, то требуемая степень уплотнения в пределах рабочего слоя не превышает 1,01 и не опускается ниже 0,93. При этом принятые в России нормы являются одними из самых жестких (после Финляндии).

Следует обратить внимание, что обеспечение норм плотности всегда рассматривается в комплексе с влажностью грунтов при уплотнении, поэтому действующие нормы содержат определенные требования к степени увлажнения грунта.

Вторым параметром, получаемым при стандартном испытании, является величина так называемой «оптимальной» влажности грунта. Физический смысл этой характеристики применительно к стандартному лабораторному испытанию ясен - это влажность, при которой в опыте достигается максимальная плотность сухого грунта. Таким образом, принципиально оптимальная влажность, получаемая в опыте, не несет другого смысла.

Однако реально влажность грунта при уплотнении имеет решающее значение с нескольких точек зрения, поэтому действующие нормы предусматривают в отношении ее определенные ограничения. Совокупность их трактует понятие «оптимальная» влажность в гораздо более широком смысле, чем это имеет место в опыте на стандартное уплотнение.

Таблица 6

Страна

Метод стандартного уплотнения

Нормы плотности, доли единицы

Коэффициент приведения к методу Союздорнии

Нормы плотности в пересчете на метод Союздорнии

Россия

Союздорнии ГОСТ 22733-77

1,00

1,00

1,00

0,98

1,00

0,98

США

Нормальный Проктор АSNМ D698-91

1,00

0,98

0,98

0,95

0,975

0,93

(1,02)

1,00

(1,02)

Германия

Нормальный Проктор DJN 18127:1993

1,00

0,98

0,98

0,97

0,975

0,95

(1,03)

1,00

(1,03)

Франция

Нормальный Проктор

1,00

0,975

0,98

Финляндия

Модифицированный Проктор

0,95

1,06

1,01

0,92

1,06

(0,98)

Примечание: 1. В скобках - нормы для верхнего 20-сантиметрового слоя из зернистых материалов в дорожных одеждах высокой капитальности и аэродромов. 2. Коэффициент пересчета для песков составляет: по обычному Проктору - 1,00, модифицированному - 1,02.

При этом учитываются следующие позиции.

1. Величина влажности при уплотнении должна быть ограничена сверху тем значением Wтах, при котором еще можно получить требуемую плотность грунта. Если фактическая влажность превысит этот предел, то невозможно будет добиться требуемой плотности без предварительного изменения (уменьшения) влажности.

2. При заданных механизации и технологии уплотнения влажность не должна быть ниже такой Wтах, при которой обеспечивается требуемая плотность. В пределах Wтах - Wmin существует влажность, при которой требуемая плотность достигается при наименьших затратах, и она будет оптимальной для данной уплотняющей техники. Очевидно, что она зависит от возможностей самой техники.

3. Влажность при уплотнении влияет на свойства грунта в уплотненном состоянии (наряду с плотностью). При одной и той же плотности сухого грунта свойства уплотненного грунта могут существенно зависеть от его влажности в момент уплотнения [26]. Требуемой с этой точки зрения является такая влажность, при которой свойства грунта приобретают необходимый уровень и стабильность.

Говоря об оптимальной влажности в широком смысле, имеют в виду максимальное удовлетворение всем частным ограничениям, обеспечивающим в итоге:

- физическую возможность достижения требуемой плотности;

- стабильность структуры уплотненного грунта;

- максимальную экономическую эффективность технологического процесса.

Такой комплексный подход при нормировании уплотнения грунтов реализуется уже на стадии разработки методик стандартного уплотнения. В частности, при выборе параметров стандартного уплотнения Союздорнии исходили из двух условий [6]:

1. получаемые плотности образца должны быть достаточно близки требуемой плотности (за которую принимали плотность грунта насыпей в возрасте не менее 20 лет);

2. при получаемой оптимальной влажности требуемая плотность могла быть достигнута приемлемым количеством проходов (не более 10-15) катка средней массы (8 т).

Очевидно, что оптимальная с точки зрения эффективности работы уплотняющей машины или механизма влажность грунта должна меняться в зависимости от параметров уплотняющего воздействия, т.е. от возможностей машины.

В этом отношении показательно введение модифицированного метода Проктора, разработанного для тяжелых уплотняющих машин (15 т и более). Уплотняющее воздействие этих машин позволяло при несколько более низкой, чем оптимальная по нормальному Проктору, влажности добиваться плотности выше максимальной по обычному Проктору.

Зависимость оптимальной влажности от параметров техники поставила вопрос о дополнительных ограничениях при определении оптимальной влажности грунта при сооружении земляного полотна:

- возможность получить наиболее стабильную к внешним погодно-климатическим воздействиям структуру грунта после уплотнения;

- учет реальной наиболее распространенной влажности грунтов, разрабатываемых в резервах, карьерах и выемках при сооружении земляного полотна, что имеет экономические аспекты. В отношении первого ограничения установлено, что наиболее устойчивая к внешним погодно-климатическим воздействиям (циклы увлажнения - промерзания - оттаивания - высушивания) структура достигается при влажности, близкой к максимальной молекулярной влагоемкости [1], когда свободные поверхностные силы частиц грунта компенсированы взаимодействием с молекулами поровой воды.

Выполненный анализ большого фактического материала показал, что достаточно близка такой влажности величина оптимальной влажности, получаемой по методам Союздорнии и нормального Проктора [4, 3, 18]. Она, в свою очередь, приближается к влажности на границе раскатывания (Wр), которая определяет переход грунта из твердой консистенции в пластичную. Оптимальная влажность по модернизированному Проктору (см.табл.4) составляет 0,82-0,80 оптимальной по методу Союздорнии. При такой влажности структура грунта хотя и имеет большую прочность в момент завершения уплотнения, но может оказаться менее устойчивой во времени при активном воздействии погодно-климатических факторов (прежде всего, увлажнения) вследствие избытка свободных поверхностных сил. Степень неустойчивости структуры грунта может сильно зависеть от его состава (в том числе минералогического).

При втором ограничении речь идет о соотношении влажности грунта, при которой физически может быть достигнута требуемая плотность, и реальной природной влажности грунта.

Применительно к методу стандартного уплотнения Союздорнии действующие СНиП 2.05.02-85 (прил. 2, обязательное, табл.11) классифицирует грунты по степени увлажнения следующим образом:

недоувлажненные. <0,9 Wo

нормальной влажности 0,9 Wo - Wadm

повышенной влажности Wadm - Wтах

переувлажненные.> Wтах

Примечание. Wтах - максимальная влажность грунта, при которой можно еще получить коэффициент уплотнения 0,9; Wadm - допустимая влажность.

Таблица 7

Грунт

Wadm, доли оптимальной, при требуемом коэффициенте уплотнения

> 1,00

1,0-0,98

0,95

Супеси легкие и пылеватые

1,20

1,25

1,35

Супеси тяжелые пылеватые, суглинки легкие и легкие пылеватые

1,10

1,15

1,30

Суглинки тяжелые и тяжелые пылеватые, глины

1,00

1,05

1,20

За допустимую влажностью принимают максимальную влажность грунта, при которой еще возможно достичь заданной степени уплотнения. Для глинистых грунтов допустимая влажность может приниматься по табл. 7.

Таким образом, при требуемой степени уплотнения для рабочего слоя 1,0-0,98 предельно допустимая степень увлажнения грунта составляет:

супесей легких и пылеватых

1,25

супесей тяжелых пылеватых, суглинков легких и легких пылеватых

1,15

суглинков тяжелых и тяжелых пылеватых, глин

1,05

По данным Н.Я. Хархуты и Ю.М. Васильева [8] в I - III дорожно-климатических зонах Европейской части России природный коэффициент увлажнения глинистых грунтов составляет, как правило, 1,05-1,35.

Рис. 9. График рассеяния значений коэффициента увлажнения: а) на автомобильной дороге Серпухов-Тула (два резерва и две выемки) по данным инженерных изысканий и производственного контроля; б)-обобщенные данные по моренным отложениям центрального региона (по Е.Н. Иерусалимской)

На рис.9 приведены графики рассеяния природной влажности глинистых грунтов, построенные нами по материалам некоторых инженерно-геологических исследований. Как видим, в первом случае среднемедианное значение Кув=1,45 при разбросе от 1,15 до 1,85; во втором Кув=1,20 при разбросе от 0,90 до 1,50. Осреднение этих данных и сопоставление со значениями допустимой влажности говорит о том, что природная влажность глинистых грунтов допускает возможность получить ориентировочно в 40% случаев коэффициент уплотнения до 1,0 и более, в 65% случаев - до 0,95 и более; соответственно в 60% случаев - менее 1,0, в 35% случаев - менее 0,95.

Таким образом, принятые значения требуемых норм уплотнения (1,0-0,95) сбалансированы с данными о природной влажности грунтов центрального региона, которая позволяет получать эту степень уплотнения в большинстве случаев.

Вместе с тем, если попытаться с помощью отраженных в табл.4 коэффициентов перейти к значениям предельно допустимой степени увлажнения грунтов применительно к нормам, основывающимся на модифицированном Прокторе, то допустимая степень увлажнения составит:

супесей легких и пылеватых

1,10-1,02

супесей тяжелых пылеватых, суглинков легких и легких пылеватых

1,01-0,95

суглинков тяжелых и тяжелых пылеватых и глин

0,92-0,87

Сопоставление этих величин с наиболее часто встречающимися значениями природной степени увлажнения грунтов показывает, что грунты в природном состоянии примерно в 85% случаев попадают в категорию грунтов повышенной влажности (в лучшем случае), а требуемый коэффициент уплотнения 1,00-0,98 от стандартной плотности может быть достигнут не более чем в 15% случаев.

Это обстоятельство свидетельствует также о хорошей сбалансированности параметров стандартного уплотнения по методам обычного Проктора и Союздорнии с условиями увлажнения глинистых грунтов в природном состоянии в I-III дорожно-климатических зонах: получаемая по ним оптимальная влажность близка к генеральной оптимальной, учитывающей не только технологию уплотнения и устойчивость структуры, но и условия использования местных грунтов без специальных мер по их подсушиванию.

4. МЕТОДЫ И СРЕДСТВА ОБЕСПЕЧЕНИЯ ТРЕБУЕМОЙ СТЕПЕНИ УПЛОТНЕНИЯ ЗЕМЛЯНОГО ПОЛОТНА

В настоящее время для уплотнения грунтов используются различные уплотняющие средства, а уплотнение производят укаткой, трамбованием и вибрацией. На практике часто комбинируют средства уплотнения. Для глинистых грунтов эффективны укатка, трамбование, виброукатка и вибротрамбование.

Каждое уплотняющее средство обладает своим уплотняющим воздействием, вследствие чего влажность грунта, оптимальная для уплотнения его речными уплотняющими средствами, оказывается различной (рис.10).

Рис. 10. Результаты испытаний по уплотнению глины, проведанных в Австралии (по Форссбладу): 1- 10-тонный виброкаток с кулачками «шипфут» (масса модуля); 2 - 35-тонный пневмокаток (нагрузка на колесо 5 кН); 4, 8, 16 - число проходов катка.

При оптимальной по методу Союздорнии (или близкой к ней) влажности гарантированное выполнение требований СНиП по степени уплотнения глинистых грунтов обеспечивают современные уплотняющие средства: катки на пневматических шинах массой 25-50 т и вибрационные кулачковые катки массой - 11-18 т. Условия, ограничивающее влажность различных видов грунтов при их уплотнении, оговорены СНиП 3.06.03-85 [21].

Попытки получить большую степень уплотнения с помощью этих уплотняющих средств показывают, что диапазон, ограничивающий степень увлажнения по СНиП в этом случае должен быть существенно уже.

Обобщенные данные по исследованиям Л. Форссблада, Н.Н. Хархуты, Н.П. Вощинина и др. [5, 8, 22] в части условий, обеспечивающих высокие коэффициенты уплотнения связных грунтов, приведены в табл.8.

Таблица 8

Коэффициент уплотнения* по методу

Условия обеспечения коэффициентов уплотнения

Союздорнии

модифицированного Проктора

Допустимый Ку  по методу Союздорнии

Минимальное число проходов катка

1,00

0,94

0,95-1,05

0,90-1,10

16

8

1,05

0,99

≤1,0

0,98-1,02

32

16

* Достигается при Ку практически равном 1,0

Примечание. Над чертой - данные для пневмоколесных катков, под чертой - вибрационных кулачковых «петфут»

Обеспечить столь малые отклонения влажности уплотняемого грунта даже при современных требованиях к значению Ку достаточно трудно, поэтому в СНиП 3.06.03-85 был введен п.4.77, допускающий снижение коэффициента уплотнения (не более чем на 0,04 максимум в 10% определений).

Получить влажность грунта в пределах Ку=0,98÷1,02 мало реально, а без отклонений (1,0) просто невозможно.

Других средств уплотнения, выпускаемых серийно, в настоящее время нет. Трамбующие машины хорошо зарекомендовали себя при уплотнении дна котлованов и различных толстослойных засыпок у труб, мостов, путепроводов, при наличии дренажей, но использование их неэффективно при больших объемах работ. Кроме того, не налажен их серийный выпуск, а по производительности при линейных работах они уступают виброкаткам.

Практическое обеспечение действующих норм уплотнения земляного полотна как в прошлом, так и в настоящее время - одна из самых существенных проблем, от решения которой зависит качество земляного полотна и, следовательно, долговечность дорожной конструкции. По данным Н.Я. Хархуты и Ю.М. Васильева до 4% преждевременных разрушений дорожных одежд могут быть связаны с невыполнением норм уплотнения земляного полотна.

Таким образом, существует большая проблема обеспечения действующих норм, возникающая по организационным и технологическим причинам. Среди них - недостаточность контроля грунтов при уплотнении только по достигаемой степени уплотнения. Очевидна необходимость действенного вводного контроля грунта земляного полотна по составу и исходному состоянию.

Нормирование степени уплотнения грунта земляного полотна является весьма важным инженерным мероприятием, направленным на обеспечение прочности и устойчивости дорожной инструкции «земляное полотно + дорожная одежда». К числу других мероприятий относятся: обеспечение требований по возвышению земляного полотна; ограничение номенклатуры грунтов, используемых в рабочем слое; применение специальных конструктивных слоев (морозозащитные, дренирующие и др.). Наконец, важным элементом системы мер является назначение характеристик грунта при расчете дорожных одежд не в соответствии с той плотностью и влажностью грунта, которые он имел при уплотнении, а с учетом последующих их изменений в расчетные периоды (снижение плотности и увеличение влажности) под влиянием водно-температурных факторов и напряжений. При этом интенсивность воздействия указанных факторов на грунт, подстилающий дорожную одежду, зависит от конструкции последней. Тип дорожной одежды определяет также допускаемые деформации и допуски в отношении количественных значений характеристик грунта.

Таким образом, лишь учет всех отмеченных взаимосвязей при комплексном подходе к назначению конструкции дорожной одежды в увязке с земляным полотном позволяет получить оптимальное решение, отражающее не только техническую, но и экономическую стороны.

Принцип комплексного проектирования рабочего слоя земляного полотна и дорожной одежды обоснован в работах М.Б. Корсунского и др., как наиболее целесообразный по технико-экономическим соображениям для строительства к эксплуатации дорог на территории России, разнообразной по природным (погодно-климатическим, теологическими т.п.) и социально-экономическим условиям.

Вместе с тем комплекс мер но достижению прочности и устойчивости дорожной конструкции позволяет обеспечить требуемый уровень устойчивости даже в тех случаях, когда нельзя по тем или иным причинам добиться требуемых норм по плотности. В частности, в действующих нормах предусматривается возможность использования грунтов с повышенной влажностью [14], требуемую степень уплотнения которых нельзя получить при уплотнении любыми средствами. Обеспечение прочности и устойчивости конструкции в этом случае осуществляется на основе индивидуальных решений. При этом могут применяться нетрадиционные конструкции земляного полотна и дорожных одежд, а недостаток уплотнения компенсируется за счет армирующих, термоизолируюших, гидроизолирующих и т.п. прослоек [9. 10, 24], назначаемых специальными расчетами. Такая процедура предусмотрена действующими СНиПами. что дает возможность практически в любых условиях находить приемлемые инженерные решения, обеспечивающие достижение основной цели, - требуемой степени прочности и устойчивости дорожной конструкции.

5. ВОПРОСЫ КОНТРОЛЯ ПРИ УПЛОТНЕНИИ ГРУНТОВ

Качество уплотнения грунта при сооружении земляного полотна в отечественной практике характеризуется величиной коэффициента уплотнения. При этом эффективность контроля степени уплотнения грунта в процессе сооружения земляного полотна зависит от оперативности получения данных испытаний. Следует отметить, что применяемая методика, основывающаяся на использовании стандартизованных методов испытаний (определение плотности на отобранных образцах, установление влажности грунта методом термостатирования, проведение испытаний на стандартное уплотнение по ГОСТ и т.д.), не позволяет быстро получить нужные данные. Практически это означает, что в результате испытаний только фиксируется фактически достигнутая степень уплотнения, когда ничего изменить нельзя и (в лучшем случае) можно констатировать наличие брака.

Неудовлетворенность такой методикой контроля степени уплотнения вызвала разработку различных предложений по применению экспресс-методов контроля или переход на так называемый технологический контроль. Последний представляет собой систему, при которой на некотором головном участке отрабатывают технологию уплотнения, обеспечивающую достижение требуемой степени уплотнения заданного по составу и влажности исходного грунта при применении заданной техники. При этом устанавливают необходимую толщину слоя и число проходов уплотняющей техники, которые и контролируют при производстве работ.

В отечественной практике такая система контроля пока не нашла применения из-за разнородности используемых грунтов и различий в их исходной влажности. Взамен предложен целый ряд экспресс-методов определения требуемых для оценки степени уплотнения характеристик. В частности, в последние годы достаточно широкое распространение получают различного рода пенетрационные испытания, основанные на взаимосвязи плотности-влажности грунта с усилием, необходимым для вдавливания в грунт наконечников различной формы.

Известно, что с увеличением плотности грунта удельное сопротивление пенетрации возрастает. Однако на ее величину влияет не только плотность грунта, но и его влажность. Для песчаных грунтов влияние влажности несущественно, поэтому для таких грунтов используется прямая зависимость удельного сопротивления грунта пенетрации от плотности. В глинистых грунтах фактор влажности зачастую является определяющим. Тем не менее, удалось решить проблему учета влияния влажности и плотности грунта на величину удельного сопротивления пенетрации.

При этом использовали тот факт, что если на уплотнение образцов грунта при различной влажности затрачена определенная работа, эквивалентная работе стандартного уплотнения, то между удельным сопротивлением грунта пенетрации и его влажностью существует однозначная зависимость: с увеличением влажности грунта снижается величина удельного сопротивления пенетрации. Эту зависимость можно установить в лабораторных условиях на образцах, получаемых при испытании грунта на стандартное уплотнение. График зависимости удельного сопротивления грунта пенетрации от влажности, как правило, строят непосредственно под графиком кривой стандартного уплотнения (рис.11).

Рис. 11. Градуировочный график зависимости удельного сопротивления пенетрации грунта от влажности при стандартном уплотнении

Рис. 12. Схема пенетрометра: 1 - силоизмерительное устройство, 2 - штанга, 3 - сменные наконечники

Однако полученная зависимость позволяет лишь констатировать факт возможного достижения максимальной (соответствующей точке на кривой стандартного уплотнения) степени уплотнения грунта при известной величине влажности. Чтобы оценить реальную величину коэффициента уплотнения, необходимы пенетрационные испытания образцов, уплотненных подобно испытанию на стандартное уплотнение, но при меньшем уплотняющем воздействии (числе ударов трамбовки). В результате получают графики, подобные представленным на рис 11, которые отражают зависимость удельного сопротивления пенетрации от коэффициента уплотнения, заведомо меньшего, чем достигаемый при испытании грунта на стандартное уплотнение при соответствующем уровне влажности. Сведя эти графики в единый тарировочный график, получаем номограмму для определения коэффициента уплотнения грунта по величине удельного сопротивления пенетрации при известной влажности.

Определение плотности грунта с помощью плотномера-пенетрометра конструкции Союздорнии (рис. 12) в процессе уплотнения осуществляют по следующей технологии:

- на обследуемом поперечнике готовят площадки размером 20×20 см, снимая верхний слой грунта толщиной 5 см;

- плавно с постоянной скоростью задавливают рабочий наконечник плотномера-пенетрометра в грунт на глубину 10 см. На одном месте (с расстоянием между точками задавливания наконечника не менее 10 см) данную операцию повторяют 4-5 раз;

- по результатам проведенных измерений подсчитывают среднюю арифметическую величину удельного сопротивления грунта пенетрации;

- по тарировочному графику (рис. 13) находят фактическое значение коэффициента уплотнения для соответствующей влажности. Тарировочный график строят предварительно в лаборатории при испытании грунта на стандартное уплотнение.

Рис. 13. Тарировочные графики для определения коэффициента уплотнения

Для основных разновидностей грунтов имеются обобщенные тарировочные графики, которые можно использовать в практике строительства после соответствующей корректировки.

Данный метод пригоден для основных разновидностей песчаных и глинистых грунтов при влажности от 0,8 до 1,10 (оптимальной) и коэффициенте уплотнения от 0,93 до 1,02.

При использовании глинистых грунтов необходимо контролировать влажность грунта в карьере или резерве. Для этой цели весьма полезной может оказаться методика экспресс-контроля степени увлажнения грунта, разработанная в Союздорнии и МАДИ [27].

Как уже отмечалось выше, между удельным сопротивлением глинистого грунта пенетрации и его влажностью имеется определенная связь, особенно явная на участке нисходящей ветви кривой стандартного уплотнения, когда степень водонасыщения глинистого грунта практически равна единице. Это позволило разработать методику определения влажности грунта методом пенетрации при степени увлажнения от 1,0 до 1,4, что наиболее важно при строительстве земляного полотна в II-III дорожно-климатических зонах, где природная влажность грунтов зачастую выше оптимальной.

Лабораторными испытаниями установлено, что имеется взаимосвязь не только между удельным сопротивлением пенетрации и влажностью, но также и числом пластичности грунта. Полученная по результатам испытаний номограмма (рис. 14) дает возможность определить относительную, а затем и абсолютную влажности грунта.

Рис. 14. Номограмма для определения относительной влажности грунта по величине удельного сопротивления пенетрации при данном числе пластичности (цифры у прямых)

Дальнейший анализ результатов эксперимента показал, что при Ку= 1÷1,4 прослеживается достаточно малая зависимость коэффициента увлажнения от числа пластичности грунта. Получен обобщенный график взаимосвязи удельного сопротивления пенетрации и коэффициента увлажнения грунта (рис. 15) (плотность соответствует кривой стандартного уплотнения).

Рис. 15. Номограмма для определения коэффициента увлажнения грунта по величине удельного сопротивления пенетрации. Пунктир - пример определения Ку для грунта с R=3 кгс/см2

В результате предложены два варианта методики:

1. определение фактической влажности грунта после установления числа пластичности (см. рис. 14);

2. определение степени увлажнения грунта без учета числа пластичности (см. рис. 15). Техника реализации методики состоит в следующем:

- отбирается образец грунта нарушенной структуры при максимальном сохранении естественной влажности и уплотняется в один слой за 40 ударов трамбовки массой 1,5 кг (рис. 16);

- подготовленный образец испытывают на пенетрацию конусом с углом раскрытия α =30° под нагрузкой Р = 6 кгс (рис.17);

- по полученной величине удельного сопротивления пенетрации по номограммам рис. 14 или 15 определяют искомую величину.

Сравнение результатов, получаемых по разработанным вариантам, со стандартной методикой (по величине коэффициента увлажнения грунта) показало, что по первому варианту в 90% случаев при Ку=1,0÷1,4 различие в результатах определяемого параметра не превышает ±0,05 при среднем коэффициенте корреляции 0,97; абсолютная погрешность по коэффициенту увлажнения второго варианта не превышает ±0,10 при коэффициенте корреляции 0,95.

Рис. 16. Схема прибора для подготовки образца к испытанию: 1-кольцо, V = 200 см3, 2-насадка, 3-гиря т=1,5 кг, 4-стержень, 5-штамп, 6-стакан, 7-подстаканник

Из экспресс-методов ускоренного определения оптимальной влажности и максимальной плотности глинистых грунтов привлекателен метод Н.Ю. Шкицкой [18].

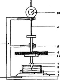
Рис. 17. Схема пенетрометра: 1-основание, 2-стойка, 3-подставка, 4-шток, 5--стопорный винт, 6-груз, 7-конусный наконечник, 8-кольцо, 9-подстаканник, 10-мессура, 11-площадка для груза

Методика основана на зависимости оптимальной влажности грунта Wопт и остаточного коэффициента водонасыщения Gо, который имеет грунт при оптимальной влажности и максимальной плотности ρmax, от зернового и минералогического состава, косвенно характеризуемых числом пластичности грунта Jр. При этом обеспечивается такая же точность определения W0 и ρmax, как и при стандартном методе по ГОСТ 22733-77.

Методика ускоренного определения оптимальной влажности грунта сводится к следующему:

- готовят образец грунта согласно ГОСТ 5180-84 для определения влажности на границе текучести;

- из полученной грунтовой пасты формуют с помощью специального шаблона а виде кольца (рис. 18) образец грунта толщиной 1-2 мм и диаметром 50мм;

 

Рис. 18. Схема шаблона для изготовления образца

 

Рис. 19. Схема подготовки образца к испытанию

- образец (1) вынимают из шаблона, укладывают в марлевую (в один слой) рубашку (4), помещают между пачками (10-20 слоев каждая) фильтровальной бумаги (3), а затем - между двумя металлическими пластинами (2) диаметром 60 мм (рис. 19);

- подготовленный образец помещают под пресс любой конструкции с точностью фиксации нагрузки до 0,05 МПа и прикладывают статическую нагрузку Ро, величина которой зависит от числа пластичности грунта 1р (рис. 20, кривая 1) и выдерживают в течение 5 мин;

- после разгрузки пресса образец вынимают и определяют его влажность весовым методом, которая принимается за оптимальную W0.

Рис. 20. Зависимость нагрузки Ро (1), остаточного коэффициента водонасыщения Gо (2) и плотности частиц грунта ρs (3) от числа пластичности

Для определения максимальной плотности предварительно в зависимости от числа пластичности грунта по рис.20 устанавливают величину остаточного коэффициента водонасыщения грунта (кривая 2) и плотность частиц грунта (кривая 3). Значение последней устанавливают по графику при отсутствии результатов прямого испытания.

Значение максимальной плотности грунта рассчитывают по формуле

где Δв - плотность воды;

W0 - найденная оптимальная влажность, доли единицы.

6. ЗАКЛЮЧЕНИЕ

В изложенном материале можно выделить следующие основные позиции:

1 Уплотнение грунтов в дорожном строительстве - это одна из основополагающих проблем, разрабатываемых дорожной наукой на протяжении более 50 лет. На результатах этих научных разработок основываются нормы плотности, отраженные в основных нормативных документах по строительству дорог, а также технология и механизация работ по уплотнению грунтов.

2. Нормативные значения степени уплотнения определяются с учетом следующих основных положений:

- грунт, имеющий заданную влажность, нельзя уплотнить кратковременно действующей нагрузкой (при сколь угодно большом ее значении и числе приложений) до плотности выше плотности, соответствующей суммарному объему пор, равному объему воды, содержащейся в грунте при данной влажности. Большее уплотнение грунта возможно только после предварительного снижения его влажности; под воздействием факторов водно-теплового режима и напряжений от временной и постоянной нагрузок первоначально получаемая при уплотнении плотность грунта изменяется в годовом и многогодовом циклах. Степень изменения зависит от параметров воздействующих факторов; конструкции дорожной одежды, расположенной на поверхности земляного полотна; состава грунта и его исходного состояния по плотности и влажности. При прочих равных условиях наиболее стабилен грунт, имеющий при уплотнении влажность, близкую к максимальной молекулярной влагоемкости, когда практически вся вода находится в связанном состоянии. Эта влажность оптимальна для получения структуры грунта, наиболее стабильной к воздействию факторов водно-теплового режима;

- возможный предел уплотнения заданного грунта при заданной его влажности достигается при определенном уровне уплотняющего воздействия: величине возникающих напряжений и суммарной длительности их действия. Минимальное уплотняющее воздействие, которое позволяет достичь предела уплотнения грунта при влажности, обеспечивающей стабильную структуру, является наиболее рациональным с точки зрения затрат на уплотнение. В связи с этим уплотняющие средства должны позволять получить такое воздействие при приемлемой для практики суммарной длительности приложения уплотняющей нагрузки (число проходов и т.п.);

- в лабораторных условиях эталонную зависимость плотности грунта от его влажности можно получить методом стандартного уплотнения. Испытаниями на стандартное уплотнение определяются максимальная плотность и оптимальная влажность;

- из известных методов стандартного уплотнения оптимальную влажность, близкую максимальной молекулярной влагоемкости, дают обычный метод Проктора и метод Союздорнии. Установлено, что предел уплотнения достигается при этой влажности уплотняющими средствами средней массы (катки 8 т) за приемлемое число проходов и при соответствующем ограничении толщины уплотняемого слоя. Использование более тяжелой техники позволяет при той же влажности грунта уменьшить требуемое число приложений нагрузки и увеличить допустимую толщину уплотняемого слоя;

- обследование состояния по плотности насыпей земляного полотна, проработавших не менее 20 лет, показало, что плотность грунта в них близка к максимальной плотности при стандартном уплотнении по обычному методу Проктора или методу Союздорнии.

3. Выявленные закономерности позволили установить нормы уплотнения на основе параметров, получаемых по методам стандартного уплотнения, через коэффициенты уплотнения (отношение требуемой плотности сухого грунта к максимальной плотности сухого грунта при стандартном уплотнении). Для глинистых грунтов по нормам ведущих стран в пересчете на метод Союздорнии они колеблются от 1,01 до 0,90. Отечественные нормы по минимальным коэффициентам уплотнения, отвечающие фактическим коэффициентам уплотнения насыпей, проработавших не менее 20 лет, являются одними из самых жестких среди норм для глинистых грунтов в насыпях автомобильных дорог. Нет ни одного примера, объективно свидетельствующего о недостаточности норм, действующих в настоящее время в России.

4. Нормативные положения по уплотнению, принятые на основе метода стандартного уплотнения, касаются не только плотности, но и влажности грунта при уплотнении. При этом степень увлажнения грунта оценивается тоже как отношение фактической влажности к оптимальной по стандартному методу. Нормы плотности (особенно ниже 1,0) могут быть обеспечены при так называемой допустимой влажности, которая несколько превышает оптимальную по методу стандартного уплотнения и зависит от требуемой плотности. При влажности грунта больше допустимой нормы плотности не обеспечиваются никакими уплотняющими средствами.

5. Природная влажность глинистых грунтов в I-II и частично III дорожно-климатических зонах в 80% случаев превышает оптимальную по методу Союздорнии. С учетом того, что допускаемая влажность несколько больше оптимальной, нормы плотности выше 1,0 не могут быть обеспечены по ограничению, которое связано с природной влажностью более чем для 65% объема грунтов. Это не позволяет говорить о повышении норм плотности уже по этой причине. Дополнительным ограничением является снижение плотности грунта рабочего слоя земляного полотна во времени под воздействием водно-теплового режима (промерзание - оттаивание - увлажнение - высушивание).

6. Поведение грунта земляного, полотна под действием водно-теплового режима и нагрузок зависит не только от свойств грунта, но и от конструкции земляного полотна и дорожной одежды. Земляное полотно (рабочий слой) и дорожная одежда проектируются комплексно. Принимаемые в расчет значения прочностных и деформационных характеристик грунтов, а также водно-температурных и силовых воздействий на рабочий слой увязаны с конструкцией дорожной одежды.

7. В случаях, когда с помощью конструктивных специальных мер (термоизолирующие, гидроизолируюшие слои и т.п.) создается возможность сохранить полученную при строительстве плотность грунта, нормы рекомендуют рассматривать варианты повышенного уплотнения. При этом влажность грунта в момент уплотнения не должна препятствовать получению повышенной плотности. Это возможно в южных регионах (при производстве работ в летнее время) или при введении в технологический процесс подсушивание грунта. Такие решения принимаются на основе технико-экономических расчетов.

Альтернативой уплотнению грунта рабочего слоя могут служить его улучшение и укрепление с помощью добавок и вяжущих, а в ряде случаев - применение конструктивных специальных решений (устройство прослоек и т.п.).

8. Существующие уплотняющие средства позволяют обеспечить требуемые коэффициенты уплотнения при влажности грунта в пределах от нормальной до допустимой. При этом, в зависимости от их вида и мощности меняются толщина уплотняемого слоя и число приложения нагрузки.

При снижении влажности при уплотнении может потребоваться применение более тяжелых уплотняющих средств. Эта же проблема возникает при получении более высокой плотности при пониженной влажности грунта.

Выбор оптимальных средств - это самостоятельная задача, аналогичная проблеме повышения эффективности технологии уплотнения.

9. Основным недостатком технологии и организации уплотнения является несбалансированность темпов строительства земляного полотна с номенклатурой и количеством уплотняющих средств у конкретного подрядчика. Кроме того, должен быть ужесточен действенный контроль технологии уплотнения (контроль не только плотности, но и исходной влажности грунта, его состава, (однородности и т.п.).

Таким образом, из изложенного выше можно сделать следующие общие выводы:

1. Действующие нормы плотности земляного полотна основаны на результатах комплексных многолетних исследований. Они увязаны со свойствами грунтов, конструкциями земляного полотна и дорожных одежд, их напряженным состояниям, воздействием водно-теплового режима, с условиями увлажнения основной массы грунтов в их природном залегании, возможностями уплотняющей техники. Иными словами, нормы всесторонне учитывают как природные факторы и особенности работы земляного полотна, так и технологические и экономические аспекты. В настоящее время нет объективных доказательств недостаточности этих норм, поэтому постановка этого вопроса, особенно в части глинистых грунтов, не имеет оснований.

2. Имеющиеся в настоящее время уплотняющие средства по своим техническим параметрам позволяют при допустимой влажности грунта обеспечивать требуемые коэффициенты уплотнения. Вопрос заключается только в том, что разные средства обеспечивают различный уровень экономичности процесса уплотнения (производительность, расход горючего и т.п.) и требуют грамотного их применения в технологии уплотнения.

3. В проблеме уплотнения существует несколько аспектов, проведение исследований по которым могло бы быть, на наш взгляд, полезным без претензий на опасный и необоснованный радикализм ужесточения норм:

- необходимо более подробно изучить проблему большей дифференциации норм плотности с учетом особенностей территорий и дорожной сети и с большим отражением в них статистической природы показателем степени уплотнения грунта. При этом региональную дифференциацию норм плотности следует сочетать с дифференциацией расчетных характеристик грунта земляного полотна, используемых при проектировании дорожных одежд;

- следует усилить работы по созданию системы и средств оперативного контроля грунтов, используемых в земляном полотне (степень увлажнения, состав, степень уплотнения);

- необходимо продолжить совершенствование технологии и средств уплотнения грунтов в дорожном строительстве с учетом особой важности этого элемента технологии в обеспечении качества и долговечности конструкции.

ЛИТЕРАТУРА

1. Лебедев А.Ф. Уплотнение грунтов при различной их влажности и различной уплотняющей работе. - Стройвоенмориздат. М.,1949, 56 с.

2. Методические рекомендации по уточнению норм плотности грунтов насыпей автомобильных дорог в различных региональных условиях. - Союздорнии. М., 1988, 20 с.

3. Хархута Н.Я., Васильев Ю.М., Орхименко Р.К. Уплотнение грунтов дорожных насыпей. М., Автотрансиздат, 1953, 144 с.

4. Методические рекомендации по ускоренному определению оптимальной влажности и максимальной плотности глинистых грунтов при сооружении земляного полотна автомобильных дорог. - Союздорнии. М., 1990.

5. Форссблад Л. Вибрационное уплотнение грунтов и оснований./Пер. с анг: И.В. Гагариной. - М.: Транспорт, 1937.

6. Иванов Н.Н., Телегин М.Я. Уплотнение дорожных насыпей. - Новости: дорожной техники, №18. Изд. Дорнии. 1938.

7. Казарновский З.Д., Мирсшкин Ч.К. Сравнение норм плотность земляного полотна, основанных на разных методах стандартного уплотнения. - Автомобильные дороги, №12. М., 1994.

8. Хархута Н.Я., Васильев Ю.М. Прочность, устойчивость и уплотнение грунтов земляного полотна автомобильных дорог. - М.: Транспорт, 1975.

9. Рувинский В.И. Оптимальные конструкции земляного полотна (на основе регулирования водно-теплового режима). Изд. 2-е, переработ, и дополн. - М.: Транспорт, 1992.

10. Водно-тепловой режим земляного полотна и дорожных одежд/Под ред. И.А. Золотаря, Н.А. Пузакова, В.М. Сиденко. - М.: Транспорт, 1971.

11. Казарновский В.Д., Мирошкин А.К. Без соблюдения норм плотности не будет качества. - Автомобильные дороги, №5. М., 1993.

12. Сергеев Е.М, Голодковская Г.А., Зиангиров Р.С, Осипов В.И., Трофимов В.Т. Грунтоведение. - Изд. МГУ, М., 1971.

13. Инструкция по проектированию дорожных одежд нежесткого типа. ВСН 46-83. - М.: Транспорт, 1985.

14. СНиП 2.05.02-85. Автомобильные дороги. - М.: ЦИТП Госстроя СССР, 1986.

15. Бируля А.К. Сезонные изменения влажности и плотности уплотненного грунта в дорожном полотне. - В сб. Труды ХАДИ, вып. 18. ХГУ, 1956.

16. Телегин М.Я. Методы уплотнения дорожных насыпей. - М., Дориздат, 1952.

17. Васильев Ю.М. Основы энергетической теории стабильности грунтов и применение ее в практике строительства автомобильных дорог. Научный доклад, обобщающий цикл опубликованных работ на соискание, ученой степени д-ра техн. наук. - М., МАДИ, 1990.

18. Шкицкая Н.Ю. Ускоренный метод определения оптимальной влажности глинистых грунтов при сооружении земляного полотна автомобильных дорог. Автореф. дисс. канд. техн. наук. - М.,1992.

19. Герсеванов М.Н. Основы динамики фунтовой массы. - М.: ОНТИ, 1937.

20. Бабков В.Ф., Безрук В.М. Основы грунтоведения и механики грунтов. - М.: Высшая школа, 1976.

21. СНиП 3.06.03-85. Автомобильные дороги. - М.: ЦИТП Госстроя СССР,1986.

22. Уплотнение и укладка дорожных материалов (теория и практика)./Перевод с англ. - Изд-е Дорожного учебного комбината и Дорожного комитета Ленинградской обл. ГПП им. Ивана Фёдорова, 1994.

23. Кузахметова Э.К. Основы прогноза осадки высоких насыпей при использовании глинистых грунтов с влажностью выше оптимальной. Автореф. д-ра техн. наук. - М., 1997.

24. Рувинский В.И. Эффективность применения пенопласта STYROFOAM в дорожном строительстве России. - М.: Транспорт, 1996.

25. Казарновский В.Д. Степень уплотнения грунта и его сопротивляемость сдвигу. - Автомобильные дороги, №12. М., 1961.

26. Каюмов А.Д. Использование недоувлажненных лессовых грунтов для сооружения земляного полотна автомобильных дорог ЦБНТИ - Автомобильные дороги, №6. М., 1989

27. Лейтланд И.В. Обоснование и разработка пенетрационного экспресс-метода контроля степени увлажнения глинистого грунта при сооружении земляного полотна автомобильных дорог. Автореф. дисс. канд. техн. наук. - М., 1999.

 




ГОСТЫ, СТРОИТЕЛЬНЫЕ и ТЕХНИЧЕСКИЕ НОРМАТИВЫ.
Некоммерческая онлайн система, содержащая все Российские Госты, национальные Стандарты и нормативы.
В Системе содержится более 150000 файлов нормативно-технической документации, действующей на территории РФ.
Система предназначена для широкого круга инженерно-технических специалистов.

Рейтинг@Mail.ru Яндекс цитирования

Copyright © www.gostrf.com, 2008 - 2026