|
|
|
ПРАВИТЕЛЬСТВО МОСКВЫ РЕКОМЕНДАЦИИ для строительства и реконструкции зданий в г. Москве ФАСАДНОЙ СИСТЕМЫ С ВЕНТИЛИРУЕМЫМ ВОЗДУШНЫМ ЗАЗОРОМ «СТОУН-СТРОЙ» 2005 Предисловие 1. Разработаны: Центральным научно-исследовательским и проектным институтом жилых и общественных зданий (ЦНИИЭП жилища). Авторский коллектив: д.т.н. Николаев СВ. - руководитель работы д.т.н. Граник Ю.Г. - научно-техническое руководство инж. Ставровский Г.А. - общая редакция к.т.н. Граник М.Ю. - конструкции системы д.т.н. Зырянов B.C. - прочностные расчеты к.т.н. Беляев B.C. - теплотехнические расчеты
Консультанты: Генеральный директор - конструкция системы и организационно-технические решения ООО «Стоун-Строй», Таййар Аладжа Главный инженер, ООО «Стоун-Строй», Аккайа Левент Архитектор-конструктор ООО «Стоун-Строй», Хатигюглу Исмакл Начальник стройплощадки ООО «Стоун-Строй», Тюркай Нежат
2. Подготовлены к утверждению и изданию Управлением перспективного проектирования, нормативов и координации проектно-изыскательских работ Москомархитектуры 3. Утверждены приказом Москомархитектуры от 31.10.2005 г. № 144.
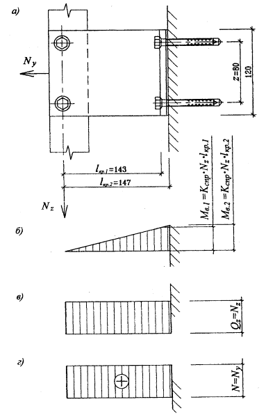
Содержание1. Введение1.1. Рекомендации являются методическим и справочным пособием для разработки проектов наружной отделки и утепления зданий и сооружений с применением навесных фасадных систем с вентилируемым воздушным зазором «Стоун-Строй». 12. В навесных фасадных системах «Стоун-Строй» для наружной отделки применяют плиты из натурального камня, позволяющие создавать выразительные архитектурные решения фасадов здания. На рис. 1.1- 1.3 приведены фотографии зданий с отделкой и утеплением фасадными системами «Стоун-Строй». 1.3. Разработчиком и поставщиком фасадных систем «Стоун-Строй» является ООО «Стоун-Строй» *). 1.4. На фасадную систему «Стоун-Строй» выдано Техническое свидетельство Росстроя России X» ТС-07-1144-05, зарегистрированное 24.08.05 г. 1.5. Рекомендации содержат следующие данные: назначение и область применения систем, конструктивные решения систем, состав исходных данных для проектирования, методики расчетов всех расчетных параметров систем, способы производства работ, правила эксплуатации систем и их технико-экономические показатели. 2. Назначение и область применения2.1. Система «Стоун-Строй» предназначены для фасадной отделки и теплоизоляции наружных стен в соответствии с требованиями СНиП II-3-79* (изд.98г), СНиП 23-02-2003 и МГСН 2.01-99. 2.2. Систему допускается применять для строящихся и реконструируемых зданий в г. Москве с несущими конструкциями наружных стен из полнотелого кирпича или бетона класса В15 и выше. Допускаемую этажность зданий в соответствии с требованиями пожарной безопасности устанавливают в зависимости от степени огнестойкости и классов конструкционной и функциональной пожарной опасности системы. Допускается применение фасадной системы «Стоун-Строй» на жилых зданиях высотой до 75м. Допускаемую высоту зданий другого функционального назначения устанавливают в соответствии с требованиями действующих нормативных документов. *)адрес и телефоны предприятия см. на стр. 68.
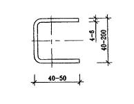
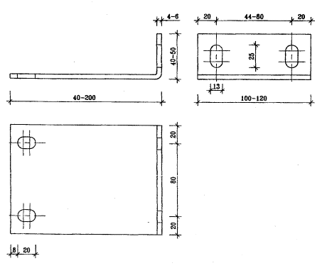
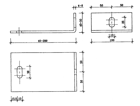
Рис. 1-1. Бизнес центр Павелецкая-Плаза, г Москва.
Рис. 1.2. Верховный Суд Российской Федерации, г Москва
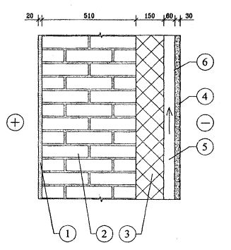
Рис. 1.3. Новинский пассаж, г. Москва 3. Конструктивное решение систем3.1. Система «Стоун-Строй» является многослойной конструкцией, которая крепятся с внешней стороны несущих конструкций наружной стены (основания) и состоит из несущего каркаса, слоя негорючего минераловатного утеплителя, укрытого, в случае необходимости, пленкой "TYVEK"*) и облицовочного слоя (экрана). Между слоями утеплителя и облицовки устраивается вентилируемый воздушный зазор, с помощью которого влага, накапливающаяся в утеплителе, может эффективно удаляться (рис. 3.1-3.2). *)пленка на чертежах условно не показана. 3.2. Возможно применение системы «Стоун-Строй» только для фасадной отделки зданий. В этом случае слой утеплителя отсутствует. 3.3. Несущий каркас системы «Стоун-Строй» включает кронштейны (уголки), вертикальные несущие профили (швеллеры), Z-образные элементы и регулируемые ручки. 3.3.1. Кронштейны крепят к основанию анкерными дюбелями через парони-товую прокладку, после чего к их свободным концам присоединяют вертикальный профиль и все остальные элементы фасадной облицовки здания. Кронштейны функционально выполняются несущими и фиксирующими. Несущие воспринимают вертикальные и горизонтальные нагрузки, фиксирующие - только горизонтальные. Каждый узел крепления состоит из двух одинаковых кронштейнов. Кронштейны изготавливаются в форме уголка с полками разной длины. На короткой полке уголка предусмотрены отверстия под анкерный дюбель для крепления кронштейна к основанию, на длинной - для крепления вертикального профиля. Отверстия выполнены овальной и круглой формы. Отверстия овальной формы позволяют вертикальному профилю перемещаться вследствие температурных деформаций. Кронштейны отличаются длиной консольной части, что позволяет применять слой утеплителя разной толщины, зависящей от коэффициента теплопроводности применяемых минераловатных плит, а также материала и толщины наружных стен. В системе приняты кронштейны с длиной консольной части от 40 до 200 мм. Толщина кронштейнов от 4 до 6 мм (рис. 3.3-3.4). Узел крепления кронштейна «Стоун-Строй» к несущей стене показан на рис. 3.8. 3.3.2. В системе «Стоун-Строй» применяют в качестве вертикальных профилей швеллеры из нержавеющей стали размерами от 40×40 мм до 200×50 мм и толщиной от 4 до 6 мм (рис. 3.4). Узлы крепления вертикального профиля в кронштейнах «Стоун-Строй» приведены на рисунках 3.8-3.10. 3.3.3. К вертикальным профилям на болтах крепятся Z-образные элементы с регулируемыми ручками. Регулируемые ручки резьбовой частью крепятся к Z-образным элементам, а на плоской части установлены шпильки для фиксации облицовочных плит Регулируемые ручки выполняются в двух вариантах: тип А - с несущей и фиксирующей шпилькой, и тип В - только с несущей шпилькой (рис. 3.6).
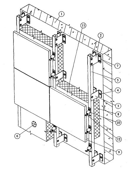
В зависимости от выбранного варианта крепления плит (рис. 3.1-3.2) шпильки Z-образных элементов могут располагаться либо в боковых (вертикальных) гранях, либо в верхней и нижней (горизонтальных) гранях облицовочных плит. В качестве варианта для облицовки участков, примыкающих к оконным проемам, применяются плоские элементы SS-02 (рис. 3.7). 3.3.4. Несущие элементы системы изготавливает фирма «URUN Ins» (Турция). Все элементы каркаса выполнены из нержавеющей стали А2 (А 304) по DIN 5091. 3.4. В системе «Стоун-Строй» применяют негорючий минераловатный утеплитель различной плотностью, в том числе VENTIBATTS, PAROC, NOBASIL и др. Толщина слоя утеплителя определяется теплотехническим расчетом, методика которого приводится в разделе 7 настоящих рекомендаций. Основные типоразмеры минераловатных плит 600×1000 и 600×1200 мм. Плиты утеплителя крепят непосредственно к основанию тарельчатыми дюбелями со стальными или стеклопластиковьши распорными элементами не менее 8 штук на 1 м2. 3.4.1. В случае применения плит утешштеля без кашированной внешней поверхности их следует покрывать влаговетрозашитной паропроницаемой пленкой типа «TYVEK». 3.5. В системе «Стоун-Строй» для устройства экрана применяют облицовочные плиты из натурального камня: гранита, габбро или другого природного камня. Максимальные размеры плит составляют 1200×650 мм при толщине 25-50 мм. Для крепления облицовочных плит используют шпильки из нержавеющей стали А2 (А 304), на которые надевается втулка из полиамида, и которая, в свою очередь, помещается в заранее просверленное отверстие в торце плиты. В отверстие перед установкой плит нагнетается бесцветный герметик (см. рис. 3.8). 3.6. Изделия и материалы, разрешенные для применения в системе «Стоун-Строй», и требования, которым они должны отвечать, приводятся в «Технической оценке» - приложениям к Техническим свидетельствам Госстроя РФ на данную систему. 3.7. Конструктивное решение системы «Стоун-Строй» поясняется следующими рисунками: - общий вид фасада, защищенного утеплителем, приведен на рис. 3.1-3.2; - узлы крепления утеплителя и облицовочных плит на внутреннем и наружном углах здания - на рис. 3.8, 3.9, 3.10; - примыкание к оконному проему - на рис. 3.11-3.13; - узел примыкания к парапету на рис. 3.14; - узлы примыкания к цоколю на рис. 3.15-3.17. 1. Существующая стена. 2. Несущий кронштейн. 3. Кронштейн. 4. Анкерный дюбель. 5. П-образный вертикальный профиль. 6. Тарельчатый дюбель для крепления утеплителя. 7. Парояитовая прокладка 8. Минераловатный утеплитель. 9. Плиты облицовочные. 10. Z-образньш элемент. 11. Воздушная прослойка. 12. Регулируемая ручка Рис.3.1. Фасадная система "Стоун-Строй" с облицовкой плитами из природного камня (горизонтальное крепление). 1. Существующая стена. 2. Несущий кронштейн. 3. Кронштейн. 4. Анкерный дюбель. 5. П-образный вертикальный профиль. 6. Тарельчатый дюбель для крепления утеплителя. 7. Паронитовая прокладка 8. Минераловатный утеплитель 9. Плиты облицовочные. 10. Z-образный элемент. 11. Воздушная прослойка. 12. Регулируемая ручка. Рис. 3.2. Фасадная система "Стоун-Строй" с облицовкой плитами из природного камня (вертикальное крепление).
Несущий кронштейн (нержавеющая сталь А2)
Шайба прямоугольная Шайба
Рис. 3.3. Несущий кронштейн и шайбы.
Кронштейн (нержавеющая сталь А2) Вертикальный профиль из швеллера
Рис.3.4. Кронштейн и вертикальный профиль
Z-образный элемент
Рис. 3.5. Z-образный элемент.
Регулируемые ручки тип А тип Б
Рис. 3.6. Регулируемые ручки (типы А и Б).
Анкер SS02 тип А
тип Б
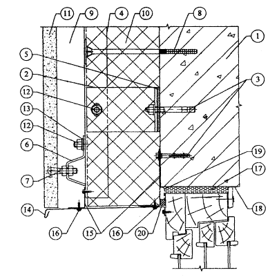
Рис. 3.7. Анкер SS 02 (типы А и Б). 1. Существующая стена. 2. Несущий кронштейн. 3. Кронштейн. 4. Анкерный дюбель. 5. П-образный вертикальный профиль 6. Паронитовая прокладка. 7. Z-образный элемент. 8 Регулируемая ручка 9. Тарельчатый дюбель для крепления утеплителя. 10. Воздушная прослойка. 11. Минераловатный утеплитель. 12. Плиты облицовочные. 13. Болт и гайка М12. 14. Шайба. Рис. 3.8. Вертикальный разрез системы "Стоун-Строй". 1. Существующая стена. 2. Кронштейн. 3. Анкерный дюбель. 4. П-образный вертикальный профиль 5. Паронитовая прокладка. 6. Z-образный элемент. 7. Регулируемая ручка. 8. Тарельчатый дюбель для крепления утеплителя. 9. Воздушная прослойка. 10. Минераловатный утеплитель. 11. Плиты облицовочные. 12. Болт и гайка M12. 13. Шайба. Рис. 3.9. Горизонтальный разрез системы по наружному углу.
1. Существующая стена. 2. Кронштейн. 3. Анкерный дюбель. 4. П-образный вертикальный профили. 5. Паронитовая прокладка. 6. Z-образный элемент 7. Регулируемая ручка 8. Тарельчатый дюбель для крепления утеплителя. 9. Воздушная прослойка. 10. Минераловатаый утеплитель. 11. Плиты облицовочные. 12. Болт и гайка М12. 13. Шайба. Рис. 3.10. Горизонтальный разрез системы по внутреннему углу. 1. Существующая стена. 2. Кронштейн. 3. Анкерный дюбель. 4. П-образный вертикальный профиль. 5. Паронитовая прокладка. 6. Z-образный элемент. 7. Регулируемая ручка 8. Тарельчатый дюбель для крепления утеплителя. 9. Воздушная прослойка. 10. Минераяоватный утеплитель. 11. Плиты облицовочные. 12. Болт и гайка М12. 13. Шайба. 14. Слив. 15. Кронштейн для откоса. 16. Саморез. 17. Пенный утеплитель. 18. Пароизоляционная лента 19. Водоизоляционная паропроницаемая лента. 20. Изоляционная саморасширяющаяся паропроницаемая лента. Рис. 3.11. Вертикальный разрез системы по верху оконного проема.
1. Существующая стена 2. Несущий кронштейн. 3. Анкерный дюбель. 4. П-образньш вертикальный профиль. 5. Паронитозая прокладка. 6. Z-образный элемент. 7. Регулируемая ручка 8. Тарельчатый дюбель для крепления утеплителя. 9. Воздушная прослойка. 10. Минераловатный утеплитель. 11. Плиты облицовочные 12. Болт и гайка М12. 13. Шайба 14. Слив. 15. Водоизоляционная паропроницаемая лента. 16. Саморез. 17. Пенный утеплитель. 18. Пароизоляционная лента 19. Кронштейн для откоса. Рис. 3.12. Вертикальный разрез системы по низу оконного проёма 1. Существующая стена. 2. Кронштейн. 3. Анкерный дюбель. 4. П-образный вертикальный профиль. 5. Паронитовая прокладка. 6. Z-образный элемент. 7. Регулируемая ручка. 8. Тарельчатый дюбель для крепления утеплителя. 9. Воздушная прослойка. 10. Минераловатный утеплитель. 11. Плиты облицовочные. 12. Болт и гайка М12. 13. Шайба 14. Элемент обрамления окна. 15. Кронштейн для откоса 16. Саморез 17. Пенный утеплитель. 18. Пароизоляционная лента 19. Водоизоляционная паропроницаемая лента. 20. Изоляционная саморасширяющаяся паропроницаемая лента. Рис. 3.13. Горизонтальный разрез системы по оконному откосу оконного проёма 1. Существующая стена. 2. Несущий кронштейн. 3. Анкерный дюбель. 4. П-образный вертикальный профиль. 5. Паронитовая прокладка. 6. Z-образный элемент. 7. Регулируемая ручка. 8. Тарельчатый дюбель для крепления утеплителя. 9. Воздушная прослойка 10. Минераловатныи утеплитель, 11. Плиты облицовочные. 12. Болт и гайка М12. 13. Шайба 14. Парапет здания. 15. Водоизоляционная пзропроницаемая лента. Рис. 3.14. Вертикальный разрез примыкания системы к карнизу. 1. Существующая стена. 2. Кронштейн. 3. Анкерный дюбель. 4. П-образный вертикальный профиль. 5. Паронитовая прокладка. 6. Z-образный элемент. 7. Регулируемая ручка 8. Тарельчатый дюбель для крепления утеплителя. 9. Воздушная прослойка. 10. Минераловатный утеплитель. 11. Плиты облицовочные. 12. Болт и гайка М12. 13. Шайба. 14. Облицовка цоколя. 15. Водоизоляционная паропроницаемая лента 16. Перфорированный нащельник. 17. Слив. 18. Плятный пенополистирол. 19. Кирпичная облицовка 20. Растворный слой. Рис. 3.15. Вертикальный разрез примыкания системы у цоколя (вариант 1).
1. Существующая стена. 2. Крошитейн. 3. Анкерный дюбель, 4. П-образный вертикальный профиль. 5. Паронитовая прокладка. 6. Z-образный элемент. 7. Регулируемая ручка. 8. Тарельчатый дюбель для крепления утеплителя. 9. Воздушная прослойка 10. Минераловатньш утеплитель. 11. Плиты облицовочные. 12. Болт и гайка М12. 13. Шайба 14. Облицовка цоколя. 15. Водоизоляционвая паропроницаемая лента 16. Перфорированный нащельник. 17. Саморез. 18. Плитный пенополистирол. 19. Кирпичная облицовка. 20. Растворный слой. Рис. 3.16. Вертикальный разрез примыкания системы у цоколя (вариант 2). 1. Существующая стена. 2. Кронштейн. 3. Анкерный дюбель. 4. П-образный вертикальный профиль. 5. Паронитовая прокладка. 6. Z-образный элемент. 7. Регулируемая ручка. 8. Тарельчатый дюбель для крепления утеплителя. 9. Воздушная прослойка. 10. Минераловатяый утеплитель. 11. Плиты облицовочные. 12. Болт и гайка М12, 13. Шайба 14. Сталь оцинкованная д- 0,80 мм. 15. Водоизоляционная паропроницаемая лента. 16. Перфорированный нащельник. Рис. 3.17. Вертикальный разрез примыкания системы у цоколя (вариант 3). 4. Исходные данные для проектирования системы4.1. Проектно-сметная документация на систему для конкретного объекта разрабатывается на основе задания на проектирование, подготовленного в соответствии с существующим в г. Москве порядком и утвержденного заказчиком. Задание на проектирование обязательно должно содержать требование о соответствии системы СНиП II-3-79* (изд.98г.), СНиП 23-02-2003 и МГСН 2.01-99. 4.2. Задание на проектирование должно включать следующие исходные данные: - архитектурные чертежи фасадов здания, включающие данные о фактуре и цвете облицовочных материалов, чертежи архитектурных деталей (карнизов, обрамления проемов и т.п.) и другие необходимые данные, если это не входит в состав работ по данному заданию; - строительные чертежи наружных стен от фундаментов до парапетов, включая узлы, поясняющие решение и размеры всех конструкций; - данные от разработчиков фундаментов о величине допустимой дополнительной нагрузки на стены здания или заключение компетентной организации о несущей способности фундаментов здания; - план участка, где расположено здание. Для реконструируемых зданий задание на проектирование дополнительно должно содержать акты обследования наружных стен здания, где указывается состояние поверхности фасадов, величина усилия, с которым принятые дюбели можно вырвать из стены и геодезическую съемку поверхностей фасадов с данными о величине отклонений их отдельных участков от вертикальной плоскости. 4.3. В составе задания на проектирование должна быть Техническая оценка ФЦС (приложение к Техническому свидетельству) на эту фасадную систему. 5. Определение основных параметров системы5.1. К основным параметрам системы следует отнести; - тип и размер облицовочных материалов и способ их крепления к несущему каркасу; характеристику принятых, плит утеплителя: марку, размеры, плотность, теплопроводность, наличие или отсутствие защитного слоя; - величину воздушного зазора; схему размещения на фасаде здания кронштейнов и вертикальных профилей со всеми необходимыми размерами, в том числе, расстояние от основания до экрана; - марку дюбелей для крепления кронштейнов несущего каркаса к основанию; марку дюбелей для крепления плит утеплителя к основанию. 5.2. Тип и размер облицовочных плит, их цвет и фактуру поверхности определяет главный архитектор проекта, если эти данные не приведены в задании на проектирование системы. 5.3. Выбор плит утеплителя выполняется на основании теплотехнических расчетов, методика которых приводится ниже. Там же (в разделе "Теплотехнические расчеты") приводится методика определения величины воздушного зазора. В случае применения плит утеплителя с кашированной поверхностью можно обойтись без гидроветрозащитной мембраны. 5.4. Схема размещения на фасаде здания элементов несущего каркаса разрабатывается, исходя из следующих данных: - размеров по ширине облицовочных плит; - геометрии фасада здания, размещении на фасаде проемов, балконов, карнизов и других отступающих (выступающих) от плоскости фасада элементов для минимизации применения облицовочных плит с нестандартными размерами; - результатов прочностных расчетов системы, благодаря которым, а том числе, уточняется шаг по горизонтали и по вертикали установки кронштейнов; - расстояния от основания до экрана, принятого на основании теплотехнических расчетов, при этом следует учитывать величину фактических отклонений фасада от проектного положения. 5.5. Марку дюбелей для крепления кронштейнов и утеплителя выбирают с учетом результатов прочностных расчетов системы, материала основания, паспортных данных рассматриваемых дюбелей и результатов испытаний принятых дюбелей на выдергивание. 6. Прочностные расчеты6.1. Методические предпосылкиПрочностные расчеты включают проверку прочности и деформаций металлических профилей, анкерных болтов и стержней, несущих нагрузки от их собственной массы, массы облицовочных плит и от давления ветра, стыковых соединений профилей между собой, их креплений к несущим конструкциям здания Нагрузки от собственной массы облицовочных плит и профилей принимаются по техническим условиям или паспортным данным предприятий-изготовителей. Временные нагрузки от ветра принимаются по [4], в данном случае для I ветрового района г. Москвы. Кроме того, учитываются дополнительные коэффициенты к ветровым нагрузкам в соответствии с письмом ЦНИИСКа № 1-945 от 14 11.2001 г. (см. Приложение 1). Усилия: изгибающие моменты, поперечные и продольные силы; прогибы определяются с использованием основных положений сопротивления материалов и строительной механики. Коэффициенты надежности по нагрузкам γf, а также единый коэффициент надежности по ответственности γn = 0,95 принимаются по [4]. При проверке прочности и деформаций элементов и стыковых соединений формулы [5] трансформируются но форме к условиям примеров. Физико-механические характеристики материалов профилей, их соединений и крепежных элементов следует принимать по данным изготовителей и по [5]. Подробно методика расчета проиллюстрирована в приводимом ниже примере (п. 6.4). В примере исходные параметры даны для конкретных материалов и конструкций (п.6.2). В то же время приведенная методика, где все расчетные формулы даются как в буквенном, так и в числовом выражениях со ссылками на нормативные источники, может быть использована и для других вариантов и сочетаний материалов и конструктивных решений. В примере приняты условные обозначения: Мв - момент от вертикальной нагрузки; Мг- то же, от горизонтальной, Ксuр - табличные коэффициенты по [22]. Индексы «е» (edge) и «с» (centre) - соответственно для угловых и средних зон фасада. 6.2. Характеристики материаловРасчетные сопротивления несущих профилей, болтов и шпилек изготовленных из коррозионно-стойкой стали по данным ООО «Стоун-Строй» (МПа): на растяжение, сжатие и изгиб Ry = 195; на сдвиг Rs = 117; на смятие Rlp = 154; модуль упругости Е = 210000. Коэффициенты условий работы согласно [5]: профилей, болтов и шпилек на растяжение, сжатие и изгиб и профилей на сдвиг и смятие γв - 1; болтов и шпилек на срез и смятие γв = 0,8. Предел прочности при изгибе гранитных плит Rtв = 14 МПа, на срез Rsq=10МПа. Утеплитель - минераловатные плиты плотностью γут = 80 кг/м3. 6.3. Расчетные схемыНаправления координатных осей приняты: ось х - горизонтальная в плоскости стены; ось у - горизонтальная по нормали к стене; ось z - вертикальная в плоскости стены. Расчетная схема облицовочной плиты - шарнирно опертая на вертикальные направляющие пластина с двумя консолями (рис. 6.1). Расчетная схема вертикальных направляющих профилей - четырех пролетная неразрезная балка, жестко закрепленная на верхней и шарнирно - -подвижно на остальных опорах-кронштейнах (рис. 6.2). Расчетная схема кронштейнов - консоль с вылетом lкр (рис. 6.3), диктуемым толщиной слоя утеплителя. Расчетная схема Z-образных элементов - консоль, трансформируемая при загружении в криволинейную однопролетную балку с шарнирным опиранием (рис. 6.4). Расчетная схема регулирующих ручек - консоль, фиксирующих шпилек - балка, защемленная по концам. Расчетная схема крепления несущего кронштейна к стене учитывает восприятие как изгибающего момента от вертикальной нагрузки, так и горизонтальной ветровой нагрузки, остальных кронштейнов - только горизонтальной нагрузки. Соединения между элементами несущего каркаса, крепление кронштейнов к стене рассчитываются на действие усилий среза, растяжения, изгиба и вырыва от совместного действия вертикальной и ветровой нагрузок. 6.4. Пример расчета6.4.1. Исходные данныеВ данном примере принят вариант с облицовочными плитами из натурального гранита толщиной δ = 30 мм, γ = 2800 кг/см3. Толщина стенок вертикальных направляющих и кронштейнов δ = 4 мм. Крепление облицовочных плит к направляющим производится с помощью Z-образных элементов δ = 4 мм, регулирующих ручек и фиксирующих шпилек Æ5-12 мм; крепление Z-образных элементов к направляющим, направляющих к кронштейнам и кронштейнов к стене - болтами Æ12 мм. Шага кронштейнов и соответственно направляющих по оси «X» lх = 0,6 м, а по оси «Z», что соответствует пролетам направляющих, lz = 1,0 м; общая длина направляющих Lz = 4 м. Утеплитель - минераловатные плиты - по п. 6.2, крепится к стене независимо от облицовки. Толщина утеплителя δут = 150 мм. 6.4.2. НагрузкиВертикальные нагрузки: от веса облицовочных плит:
нормативная Рис. 6.1. Расчетная схема облицовочной плиты а - размеры и опирание плиты; б - расчетная схема на ветровую нагрузку Рис. 6.2. Расчетные схемы вертикальной направляющей а - на вертикальные нагрузки; б - на горизонтальные нагрузки. Рис. 6.3. Расчетная схема несущего кронштейна: а - схема приложения усилий; б, в, г - эпюры М, Q и N. Рис. 6.4. Расчетная схема Z-обрачяого элемента: а - условия опирания и усилия; б, в, г - эпюры М, Q и N. Ветровые нагрузки приняты для высоты Н = 75 м: нормативное значение ветрового давления для I ветрового района wo = 0,23 кПа; коэффициент «К» для зданий высотой 75 м, тип местности «В», по табл. 6 [4] К = 1,42; аэродинамический коэффициент принимается для угловых зон фасада при отрицательном давлении ветра Се = | -2 |; для средних зон при положительном давлении ветра Сс = 0,8; коэффициенты, учитывающие пульсационную составляющую ветровой нагрузки: для угловых зон γр = 1,3; для средних зон, вычисленный по формуле (8) [4] γр = 1,5; коэффициент γm = 1,2 увеличения средней величины ветрового давления при расчете узлов крепления γр и γm - по рекомендации ЦНИИСК, как дополнение к [4] ). Горизонтальные ветровые нагрузки (Па): в угловых зонах: нормативная в средних зонах: Для дальнейших расчетов принимаются ветровые нагрузки только в угловых зонах; индексы «е» и «с» далее опускаются. 6.4.3. Расчет облицовочной плитыГеометрические характеристики Для плиты шириной вz=0,6 м; d=30 мм; в=600 мм; Wz=9·104 мм3; Jz=45·104 мм4; Sy=67500 мм3; lx=0,6 м; lx,k=0,3 м. Усилия Вертикальные и горизонтальные нагрузки на облицовочные плиты - по п. 6.4.2. Так как проверка прочности плит в их плоскости не требуется, то используются лишь горизонтальные ветровые нагрузки. Для шарнирно опертой
балочной плиты с консолями по известной формуле над опорами Максимальная поперечная
сила Проверка прочности Условие прочности на изгиб Условие
прочности на срез 6.4.4. Расчет вертикальной направляющейГеометрические характеристики Для полного поперечного
сечения: то же ослабленного
отверстиями для болтов: Определение усилий Нагрузки на 1 м
направляющей (Н/м): вертикальные, одинаковые для угловых и средних зон:
нормативная Изгибающие моменты в плоскости, перпендикулярной стене (Нм): - от вертикальной расчетной нагрузки - от горизонтальной
ветровой нагрузки: нормативной Продольное усилие Проверка прочности на растяжение с изгибом По формуле (50) [5] для сечений над средними опорами
прочность на растяжение с изгибом обеспечивается. Проверка прочности на сдвиг По формуле (29) [3]
Проверка прочности крепления направляющей к несущему кронштейну Крепление производится двумя (n = 2) стальными болтами d = 12 мм и d0 = 9,7; расчетной площадью сечения 1 болта An = 74 мм2, с числом срезов ns = 4 с расчетными сопротивлениями по п. 6.2. Усилия, действующие на соединение: от вертикальной расчетной
нагрузки
По формуле (127) [5] на срез По формуле (128) [5] на смятие
направляющей Проверка жесткости Проверяется прогиб в направлении оси "у", т.е. по
нормали к стене, от действия нормативной ветровой нагрузки Для нижнего пролета четырехпролетной балки согласно [22]
6.4.5. Расчет несущего кронштейнаГеометрические характеристики Для вертикального поперечного сечения:
Усилия От вертикальной расчетной нагрузки Проверка прочности на растяжение с изгибом По формуле (50) [5]
Проверка прочности на сдвиг По формуле (29) [5]
Прочность кронштейна на растяжение с изгибом и сдвиг обеспечивается. 6.4.6. Расчет крепления кронштейна к стенеКрепление производится четырьмя стальными болтами Ø 12 мм с расчетным диаметром dо=9,7 мм и расчетной площадью сечения 1 болта An = 74 мм2. Плечо (вылет) до стены Плечо внутренней пары сил в плоскости стены Z = 80 мм. Растягивающее усилие в болте: от продольной силы Nδ1
= Nδ2/4
- 428/4 = 107Н; от момента По формуле (129) [3] на
растяжение По формуле (128) [5] на смятие стенки
кронштейна под болтом Крепление к стене Вырывающее усилие на болт в угловых зонах равно: Nв = 1435 Н. Под это усилие следует подбирать конструкцию дюбелей и болтов с учетом материала основания по каталогам фирм-изготовителей, в частности, швейцарской фирмы «Mungo». 6.4.7. Расчет Z-образного элементаГеометрические характеристики поперечного сечения полного: b=50 мм; d=6 мм; А=300 мм2; Wx=300 мм3; ослабленного регулирующей ручкой bn = 37 мм; d=6 мм; Аn=222 мм3; Wxn=222 мм3; то же болтом bn = 37 мм; d=5 мм; Аn=185 мм3; Jxn=385 мм3; Sxn=116 мм3; t=d=5 мм. Усилия От вертикальной расчетной нагрузки Изгибающие моменты:
относительно точки крепления анкера к вертикальному направляющему профилю (Нм)
от вертикальной силы Продольная сила N = Nz = 333 Н;
максимальная поперечная сила Проверка прочности на растяжение с изгибом Так как По формуле (50) [5]: Проверка прочности на сдвиг Проверка производится по ослабленному сечению в точке крепления. По формуле (29) [5] Проверка прочности крепления Z-образного элемента к вертикальной направляющей Крепление производится одним стальным болтом d = 12 мм, do = 9,7 мм, расчетной площадью сечения Аn = 74 мм2 с числом срезов ns = 1, с расчетными сопротивлениями по п. 6.2. Усилия, действующие на соединение, с учетом коэффициента
γm от
вертикальной нагрузки По формуле (127) [5] на срез болта 6.4.8. Расчет регулирующей ручкиГеометрические характеристики: прямоугольного сечения b·δ =12мм·4,5мм; А = 54 мм2; Wx = 40 мм3; Jx = 91 мм4; S, = 30 мм3; t = δ = 4,5 мм; круглого сечения d = 12 мм; do = 9,7 мм; Аn = 74 мм2; Wxn = 91 мм3; Jxn = 443 мм4; Sxn = 75 мм3; t = dо=9,7мм Усилия Усилия те же, что и действующие на крепление Z-образного элемента к
направляющей: Qz2
= 400 Н; Ny2
= 755 Н. Изгибающие моменты от вертикальной нагрузки (Н м): относительно
основания прямоугольного сечения Проверка прочности на растяжение с изгибом по формуле (50) [5] прямоугольного сечения:
круглого сечения прочность на растяжение с изгибом обеспечивается Проверка прочности на срез Для более слабого прямоугольного сечения по формуле (29) [5]
прочность на срез обеспечивается. 6.4.9. Расчет фиксирующей шпилькиГеометрические характеристики: d = 6 мм; А = 28 мм2; Wx = 21 мм3; Jx = 64 мм4; Sx = 17 мм3; t = d = 6 мм. Поперечная сила
6.4.10. Расчет крепления утеплителяНа 1 м2 стены приходится ≈ 8 распорных стержней: на 1 стержень с расчетной площадью сечения А = 19,6 мм2 приходится AУТ1 = 0,125 м. Поперечная сила, приходящаяся на 1 стержень от веса утеплителя,
По формуле (127) [5]: При диаметре шляпки dm = 80 мм утеплитель может воспринять усилие сжатия не более
Контроль за ограничением этого усилия осуществляется по
величине деформации обжатия утеплителя под шляпкой, которая при δУТ=150
мм не должна превышать 7. Теплотехнические расчеты7.1. ВведениеВ настоящем разделе приводятся принципы теплотехнического проектирования систем наружных стен с вентилируемыми воздушными прослойками между экраном и теплоизоляционным слоем, приводятся рекомендации по различным техническим параметрам для системы «Стоун-Строй». Принципы теплотехнического проектирования включают методы теплотехнических расчетов, расчеты воздухообмена и влагообмена в воздушных прослойках. Методика теплотехнических расчетов базируется на требованиях МГСН 2.01-99 [13], СНиП II-3-79* (изд.98г.) [6], СНиП 23-02-2003 [7]. Эти требования (п. 5.1а, б [7]) заключаются в
обеспечении соответствия приведенного сопротивления теплопередаче Методика расчета воздухо и влагообмена в наружных стенах основывается на требовании СНиП II-3-79* (изд.98г.) и СНиП 23-02-2003 по недопустимости накопления влаги в стенах за годовой период эксплуатации, а также накопления влаги в воздушных зазорах (прослойках) между экранами и утеплителем. 7.2. Основные, используемые в тексте, понятияВоздушная прослойка между утеплителем и экраном, вентилируемая наружным воздухом; швы (зазоры), приточные (воздухозаборные) и вытяжные (воздухо-выводящие) отверстия. Путями прохождения наружного воздуха могут являться как стыковые швы элементов экрана, так и специальные отверстия. Условное сопротивление паропроницанию - приведенное, учитывающее сопротивление паропроницанию материалов экрана с учетом швов между облицовочными плитами. 7.3. Основные положения по проектированию фасадных систем наружных стен с вентилируемой воздушной прослойкойПри проектировании зданий с вентилируемыми фасадами следует учитывать уже принятые параметры системы: - минимальный размер швов для притока воздуха рекомендуется 4-6 мм (при размерах плит экрана 600×600 мм, 600×1200 мм) для Москвы; - общая толщина воздушной прослойки для условий Москвы принимается 60мм; - площадь отверстий для вытяжки должна быть не менее площади отверстий для притока воздуха. 7.4. Правила теплотехнического проектирования наружных ограждений с вентилируемым фасадомТеплотехническое проектирование наружных стен, где применяются фасадные системы с вентилируемым воздушным зазором выполняется в два этапа. Причем второй этап применяется, если после первого этапа не выявится надежность рассматриваемой конструкции в теплотехническом отношении. Первый этап Назначается конструктивное решение стены, в т.ч. параметры экранов, приточных и выводных щелей с учетом раздела 7.3. Выполняется теплотехнический расчет наружной стены с экраном, при котором определяется необходимая толщина теплоизоляции. Выполняется расчет влажностного режима стены по методике СНиП II-3-79* (изд.98г.) [6], СНиП 23-02-2003 [7] с учетом коэффициента паропроницаемости по глади экрана. Если по результатам расчетов влажностный режим стены удовлетворяет требованиям норм строительной теплотехники [6], [7], то на этом теплотехническое проектирование заканчивается. Если по результатам расчетов влажностный режим экранированных стен не удовлетворяет этим требованиям, то подбирается такой материал слоев наружной стены, чтобы с ними конструкция стены удовлетворяла действующим нормативным требованиям [6], [7]. Если расчет влажностного режима наружного ограждения с вентилируемым фасадом показал невыполнение требований [6], [7], а другой материал стены и экрана подобрать нельзя, то переходят ко второму этапу теплотехнического проектирования. 1) Определяется условное сопротивление паропроницанию экрана с учетом швов и вентиляционных отверстий по методике раздела 7.6.6. 2) С учетом этого показателя проводят расчет влажностного режима по методике [6], [7]. 3) При необходимости рассчитывается влажностный режим рассматриваемой конструкции в годовом цикле с учетом средних месячных температур. 4) С учетом результатов расчета по пп. 2, 3 анализируются результаты, при необходимости корректируются материалы и их толщины в конструкции с целью исключения влагонакопления в годовом цикле. Если проведенных упомянутых расчетов для определения применимости конструкции не достаточно, то расчет продолжается в следующей последовательности. 4.1) С учетом этажности здания и района строительства определяется скорость движения воздуха в прослойке за экраном и расход воздуха. 4.2) Определяется температура на выходе из воздушной прослойки. 4.3) Определяется действительная упругость водяного пара на выходе из прослойки ey по формуле (16). Проверяется условие ey < Ен, где Ен - максимальная упругость водяного пара на выходе из прослойки. Если это условие соблюдается, то данная конструктивная система рекомендуется к применению. 7.5. Краткая характеристика объекта и нормативные требованияДля расчета принято многоэтажное жилое здание, расположенное в г. Москве. Рассматриваются два варианта наружной стены: с внутренним слоем из монолитного железобетона γо = 2500 кг/м3, толщиной 0,18 м (λБ = 2,04 Вт/м°С) и из кирпича, толщиной 0,51 м (λБ = 0,64 Вт/м°С). Утеплитель в виде минераловатных плит, покрытый паропроницаемой влаговетрозащитной пленкой "TAYVEK", укреплен с наружной стороны несущего слоя стены тарельчатыми дюбелями. С этой же стороны к несущему слою через паронитовую прокладку анкерными дюбелями прикреплены кронштейны из нержавеющей стали, а к ним саморезами крепят вертикальные профили, к которым посредством болтов фиксируют Z-образные элементы из нержавеющей стали с регулируемыми ручками. На шпильки ручек навешивают плиты из натурального камня, являющиеся облицовочным слоем фасада. Длина кронштейнов и соответственно расстояние от внутреннего слоя стены до облицовочного таково, что между облицовочным слоем и слоем утеплителя есть воздушный зазор расчетной толщины. Для облицовочного слоя применяют плиты из натурального камня размером не более 1200×650 мм, толщиной 25-50 мм и плотностью 2000-3000 кг/м3. Воздушный зазор в фасадных системах в нижней части (у цоколя) имеет отверстия для притока воздуха, а в верхней части - аналогичные вытяжные отверстия. Кроме того, обмен воздуха происходит благодаря зазорам в горизонтальных швах величиной 4ч-6 мм между смежными плитками. Требования к теплотехническим характеристикам конструкций и к сопротивлению теплопередаче конструкций содержатся в СНиП II-3-79* (изд.98г.) [6], СНиП 23-02-2003 [7], МГСН 2.01-99 [13] и СП 23-101-2004 [9]. На основе [6], [7] и [13] составлена таблица 1 исходных расчетных данных, где представлены требуемые сопротивления теплопередаче наружных стен жилых зданий. Значения нормативных требований к наружным ограждениям жилых зданийТаблица 1.
Указанное в графе 3 табл. 1 Rreq, может корректироваться в соответствии с п.5.1; 5.2 и формулами (8, 9) СНиП 23-02-2003 [7] при соблюдения требований п.5.13 [7]. 7.6. Методика теплотехнического расчета наружных стен с вентилируемой воздушной прослойкой7.6.1. Общие требованияТеплозащита наружных стен с экраном и вентилируемой воздушной прослойкой основана на расчетах теплотехнических характеристик и влажностного режима стен. Теплотехнический расчет наружных стек с вентилируемой прослойкой в соответствии с настоящим разделом включает в себя: - подбор толщины теплоизоляционного слоя; - определение влажностного режима всей стены; - определение параметров воздухообмена в прослойке; - определение тепловлажностного режима прослойки. 7.6.2. Определение толщины теплоизоляционного слояВ основу конструктивных решений наружных стен при определении приведенных сопротивлений теплопередаче предварительно принимаются толщины утеплителя, рассчитанные по формуле:
где:
стен, м2·°С/Вт; r - коэффициент теплотехнической однородности по табл. 2; 3 для определения предварительной толщины утеплителя в зависимости от материала, толщины и физических характеристик стены. Значения "r" определяются для фрагмента стены размером 3×3 м с оконным проёмом 1,5×1,5 м, учитывают теплопроводные включения: анкеры, кронштейны, оконные откосы. Влияние анкеров и кронштейнов определяется по следующей методике: Таблица 2. Значения r кирпичных утепленных снаружи стен
Примечания: 1. Для получения значений "r" с учетом глухих участков и торцовых стен приведенные в таблице значения умножаются на n = 1,05. Коэффициент "n" может быть уточнен в процессе проектирования конкретного объекта. 2. Коэффициент "r" посчитан для фрагментов с проемностью 25%. При проёмности, отличающейся от табл. 2, 3 (см. ниже), на каждые 10% коэффициент "r" соответственно изменяется на 4% для кирпичных стен. Значения r бетонных утепленных снаружи стен
Примечание: Проемность 25% с учетом коэффициента n = 1,05 (см. формулу (3) ниже). При проёмности, отличающейся от данных табл. 3, на каждые 10% коэффициент "r" соответственно изменяется на 2%. Учет влияния металлических связей выполняется по формуле:
где
где:
β и η - коэффициенты, характеризующие диаметр и вид металлической связи,
Расчет влияния анкеров и других металлических включений, показывающий аналогичные результаты с вышеприведенной методикой, выполняется также в соответствии с разделом 9.1 и приложением п.1 СП 23-101-2004. При рабочем проектировании указанные значения "r" должны уточняться с учётом конкретного типа кронштейнов. Средневзвешенное значение приведенного сопротивления теплопередаче слоистых наружных стен определяется (на секцию) по формуле:
где:
Fi,
*) Если Для расчета средневзвешенного значения многослойных наружных стен при наличии в стенах глухих (без проемов) участков может быть также использована формула;
где: n = 1,05 - коэффициент, учитывающий наличие глухих участков в торцовых стенах. В каждом случае коэффициент "n" имеет свое значение, соответствующее особенностям данных конструктивных и объемно-планировочных решений 7.6.3. Определение влажностного режима наружных стенВлажностный режим наружных стен может определяться двумя методами. По СНиП 23-02-2003, СНиП II-3-79* (изд.98г.) и исходя из баланса влаги. Определение влажностного режима наружных стен по балансу влаги производится в следующей последовательности: 1. Определяются исходные данные для расчета; 2. Определяются сопротивления паропроницанию слоев конструкции наружной стены, параметры внутреннего и наружного воздуха; 3. Определяется приток (
где ев, ен - упругость водяного пара внутреннего и наружного воздуха; еτ, и
рассматриваемого сечения;
По указанным формулам определяется упругость водяного пара еi в характерных сечениях конструкции в годовом цикле. Если ei окажется больше максимальной упругости водяного пара Е, то в данном сечении может образовываться конденсат. 7.6.4. Определение параметров воздухообмена в прослойкеДвижение воздуха в прослойке осуществляется за счет гравитационного (теплового) и ветрового напора. В общем виде скорость движения воздуха в прослойках Vпр может определяться по следующим формулам:
где: Kн, Kз - аэродинамические коэффициенты принимаются по СНиП 2.01.07-85 [4]; Vн - скорость движения наружного воздуха; к - коэффициент учета изменения скорости потока по высоте по СНиП 2.01.07-85; Н - разности высот от входа воздуха в прослойку до ее выхода из нее;
При расположении воздушной прослойки на одной стороне стены здания, формула (8) примет вид:
Из полученных по указанным формулам скорость движения воздуха корректируется с учетом потерь давления на трение по известным из курса "Вентиляция" методам. Суммарный расход воздуха в прослойке определяется по формуле: где:
7.6.5. Определение параметров тепловлажностного режима прослойкиТемпература входящего в прослойку воздуха т0 может определяться по формуле:
где m - коэффициент. Остальные обозначения даны в [19]. Температура воздуха, входящего в прослойку, определяется по формуле где n = 0,97. Температура воздуха по высоте прослойки определяется по формуле:
где Кв, и Кн - коэффициенты теплопередачи внутреннего и наружного слоя стены до середины прослойки; hy - расстояние по высоте между отверстиями (щелями, швами), служащими для поступления и вытяжки воздуха; С - удельная теплоемкость воздуха. При определении термического сопротивления прослойки Rпp следует пользоваться следующими формулами:
где
где Св - переводной коэффициент, равный в системе СИ - 3,6 , а в технической - 1. Упругость водяного пара на выходе из прослойки определяется по формуле: Полученная по данной формуле величина упругости водяного пара на выходе из прослойки eу должна быть меньше максимальной упругости водяного пара Еу. Если eу > Еу, то необходимо изменить размеры воздушной прослойки или материалы слоев стены. В формуле (16) Мв и Мн равны соответственно:
где: Rвп и Rпв - сумма сопротивлений паропроницанию от внутренней поверхности до воздушной прослойки и от воздушной прослойки до наружной поверхности; ев и ен - действительная упругость водяного пара с внутренней стороны стены и снаружи; ео - упругость водяного пара воздуха, входящего в прослойку;
n - переводной коэффициент, равный в системе СИ - 0,13, а в технической- 1. 7.6.6. Методика определения условного приведенного сопротивления паропроницанию с учетом швов-зазоров между панелями экранамиРасчет приведенного сопротивления паропроницанию экранов с учетом швов-зазоров производится в следующей последовательности: 1) Определяется условное сопротивление паропроницанию в стыковых швах по формуле: где в - переводной коэффициент,
Приводятся два расчета с значением
2) Определяется сопротивление паропроницанию плит экрана по его глади по формуле:
где: μэ - коэффициент паропроницаемости экрана. 3) Определяется приведенное условное сопротивление
паропроницанию экрана с учетом стыковых швов где:
F' - площадь швов, через которые поступает воздух. Как правило, площадь выходных швов в верхней части экрана не учитывается;
7.7. Пример теплотехнического расчета наружных стен с вентилируемой воздушной прослойкой7.7.1. Исходные данныеРасчет выполняется для многоэтажного жилого здания, расположенного в г. Москве, наружные стены которого облицованы фасадной системой с вентилируемым воздушным зазором «Стоун-Строй». Расчет выполняется для двух вариантов наружных стен: с внутренним слоем из монолитного железобетона γ0= 2500 кг/м3, толщиной 0,18 м (λБ = 2,04Вт/м°С) и из кирпичной кладки, толщиной 0,51 м (λБ = 0,64 Вт/м°С). 7.7.2. Расчет толщины теплоизоляцииТолщина теплоизоляции из минваты типа "Фасад-Баттс" для кирпичной (рис. 7.1) стены для г. Москвы равна:
где: 3,13 -требуемое сопротивление теплопередаче стен для г. Москвы; 0,726 - коэффициент теплотехнической однородности, см. табл. 2 (при проемности 25%); 0,12 - термическое сопротивление вентилируемой воздушной прослойки.
где
где 4,25; 2,1; 4,9 - коэффициенты излучения, 0,61 - температурный коэффициент; 0,045 - коэффициент теплопроводности минваты для условий эксплуатации "Б" в соответствии с сертификатами, Вт/м°С. *) В запас теплозащиты не приводится термическое сопротивление экрана.
1 - штукатурный раствор; 2 - кирпичная кладка; 3 - минеральная вата; 4 - панель экрана; 5 - воздушная прослойка; 6 - зона возможной конденсации. Рис. 7.1. Схема наружной стены для расчета влажностного режима. Сопротивление теплопередаче но глади наружной стены при толщине утеплителя из минваты 0,15 м:
Приведенное сопротивление теплопередаче:
Толщина слоя теплоизоляции для бетонной стены для г. Москвы:
где r = 0,83 в соответствии с табл. 3 (при проемности 25%). Сопротивление теплопередаче по глади наружной стены условное:
Приведенное сопротивление теплопередаче:
Толщина утеплителя может быть скорректирована в соответствии с номенклатурой выпускаемых изделий, что не повлияет на правомочность полученных расчетов и выводов. Пример расчета влияния кронштейнов см. Приложение 2. 7.73. Расчет влажностного режима бетонных стенВыполняется расчет влажностного режима бетонных наружных стен с экраном по СНиП II-3-79* (изд.98г.), СНиП 23-02-2003 по глади (без учета стыковых швов) для г. Москвы. Влажностный режим наружных стен характеризуется процессами влагонакопления, зависящими от ряда внешних факторов и физических характеристик, от сопротивления паропроницанию конструкции. Расчетное сопротивление паропроницанию Rп, м2·ч·Па/мг (до плоскости возможной конденсации) должно быть не менее большего из требуемых сопротивлений паропроницанию Rn1TР, из условия недопустимости накопления влаги за год эксплуатации и Rn2TР из условия ограничения влаги в конструкции за период с отрицательным среднемесячными температурами. Расчет ведется с учетом того, что зона возможной конденсации располагается на внешней границе утеплителя. Расчетное сопротивление паропроницанию наружной стены до зоны возможной конденсации Rп, м2·ч·Па/мг:
Расчетное сопротивление паропроницанию части ограждающей конструкции, Rпн, м2·ч·Па/мг, расположенной между наружной поверхностью и плоскостью возможной конденсации равно:
Требуемое сопротивление паропроницанию Rn, из условия недопустимости накопления влаги за год эксплуатации:
Требуемое сопротивление паропроницанию из условия ограничения влаги в наружной стеновой панели за период отрицательными температурами наружного воздуха:
Следующим этапом расчета является учет стыковых швов-зазоров в соответствии с методикой влажностного расчета для вентилируемых фасадов [20] для панелей экранов 0,6×1,2 м толщиной 30 мм. При ηm = 6,5 параметры стыковых швов между экранами определяются как минимально допустимые, а при ηm = 0,1 как оптимальные; поэтому необходимо выполнить два расчета при обоих значениях ηm. Условное сопротивление паропроницанию зазоров в горизонтальных стыковых соединениях экранов по формуле (19): при ηm = 6,5
где: 0,03м – толщина экрана при ηm = 0,1
Следующим этапом расчетов является учет воздухозаборных швов и отверстий приведенной площадью 0,014 м2 на м2 экрана. Сопротивление паропроницанию условное, приведенное: формула (21) при ηm = 6,5
где: при ηm = 0,1
Расчетное сопротивление паропроницанию части ограждающей
конструкции Требуемое сопротивление паропроницанию Рассчитываем худший, с точки зрения влажностного режима, вариант при ηm = 0,1
Требуемое сопротивление паропроницанию из условия ограничения влаги в наружной стене за период с отрицательными температурами наружного воздуха: при ηm = 0,1
Поскольку 7.7.4. Определение скорости движения воздуха и упругости водяного пара на выходе из прослойкиОпределяется скорость движения воздуха в прослойке при температуре наружного воздуха минус 28°С. Температура входящего в
прослойку воздуха по формуле (12): Определяем расход воздуха в прослойке по формуле (10): при толщине прослойки 0,06 м в соответствии с МГСН 2.01-99 [13]: Расход воздуха в прослойке составит где
где 0,07 - коэффициент, учитывающий трение [20]. Упругость водяного пара на выходе из воздушной прослойки еу, бетонной стены при начальной упругости ео = 0,34 мм рт ст. (в технической системе) по формуле (16). Расчет делаем для более сложного, с точки зрения влагообмена, случая:
где:
еу меньше максимальной упругости водяного пара Е на выходе из прослойки, равной 0,39, следовательно, принятые параметры конструкции удовлетворительные. Определяем влажностный режим в прослойке по глухой части экрана
где:
еу меньше максимальной упругости водяного пара, следовательно влажностный режим стены при наличии воздухообмена в прослойке удовлетворителен. Далее выполнен расчет влажностного режима наружной кирпичной стены с экраном. В табл. 4 показано влагонакопление в годовом цикле стены, с экраном имеющим коэффициент паропроницаемости по глади μ = 0,008 мг/м·ч·Па. Как видно из табл.4 при маловлагопроницаемом экране в годовом цикле во всех месяцах упругость водяного пара е больше максимальной упругости водяного пара Е и, следовательно, происходит постоянное влагонакопление в прослойке у экрана, в отдалении от горизонтальных швов при отсутствии движения воздуха в прослойке. При учете горизонтальных швов расчет влажностного режима кирпичной стены, утепленной снаружи минеральной ватой, показывает следующее. Расчетное сопротивление паропроницанию стены до зоны возможной конденсации:
Расчетное сопротивление паропроницанию части наружной стены, расположенной между наружной поверхностью ее и плоскостью возможной конденсации при учете горизонтальных швов равно: при nm = 6,5
при nm = 0,1
Требуемое сопротивление паропроницанию, при nm = 6,5
при nm = 0,1
Требуемое сопротивление паропроницанию из условия
ограничения влаги в стене за период с отрицательными температурами воздуха Таблица 4. Распределение влажности в кирпичной стене толщиной δ=0,51 м, с утеплением минватой с экраном, имеющим по глади μ = 0,008 мг/м·ч·Па (0,001 r/м ч мм рт. ст.)
при nm = 6,5
при nm = 0,1
Далее приводим расчет с учетом выноса влаги из прослойки движущимся воздухом. Упругость водяного пара на выходе из воздушной прослойки кирпичной стены: расчет ведется для худшего, с точки зрения влагообмена, случая; при nm = 0,1
где:
7.8. Заключение7.8.1. На основании выполненных теплотехнических расчетов наружных стен фасадной системы "Стоун-Строй", определены: 7.8.2. Теплозащитные качества системы, см. п 7.8.2.1. 7.8.2.1. Требуемая толщина теплоизоляционных базальтовых минераловатных плит типа "Венти-Баттс" составляет при железобетонной несущей стене 0,16м; при кирпичной стене 0,15 м. Приведенное сопротивление теплопередаче наружных стен при указанной толщине утеплителя составит: 3,24 - 3,26 м2°С/Вт. (При проёмности 25 %). 7.8.2.2. Влажностный режим системы при указанных в п. 7.8.3 параметрах конструкции, см. п.п 7.8.2.2.1 - 7.8.2.2.3. 7.8.2.2.1. При отсутствии движения воздуха в прослойке влажностный режим стен может быть неудовлетворительный. 7.8.2.2.2. При наличии движения воздуха в количестве 36,7 кг/м·ч при указанных в п. 7.8.3 параметрах влажностный режим системы удовлетворителен. 7.8.3. Параметры системы, при которых обеспечиваются указанные выводы в п.7.8.2.2, следующие: - высота (ширина) горизонтального шва между экранами составляет min 5 мм; - размеры экранов должны составлять не более 600×1200 мм; - толщина воздушной прослойки между утеплителем и экраном составляет min 0,06 м; - толщина (ширина) воздухозаборной щели внизу стены составляет 0,06 м, толщина (ширина) воздуховыводящей щели вверху стены должна быть не меньше воздухозаборной. 8. Состав проектно-сметной документации8.1. Рабочий проект или рабочая документация системы наружных ограждений фасадов с вентилируемым воздушным зазором включает следующие разделы: общую пояснительную записку, архитектурную часть, конструкторскую часть, конструкторскую часть по решению архитектурных деталей, специальные части по устройству водостоков, антенны, рекламы и т.п., а также сметы. 8.2. В общей пояснительной записке приводятся следующие данные: - архитектурная концепция решения фасадов здания и отдельных архитектурных элементов; - данные о конструктивном решении системы и ее элементов; - данные о решении специальных устройств на фасаде, если они имеются; - данные об эффективности энергосбережения принятых технических решений, результаты теплотехнических расчетов; - экологическая характеристика системы; - основные технико-экономические показатели системы. 8.3. Архитектурная часть включает чертежи фасадов здания, отдельных архитектурных элементов и узлов. На чертежах приводится цветовое решение фасада и его отдельных элементов. 8.4. Конструкторская часть включает чертежи всех конструктивных элементов системы, с узлами и деталями, а также полную спецификацию всех применяемых материалов и изделий. 8.5. Специальная часть включает чертежи фасадов с привязкой мест размещения специальных устройств, узлы и детали конструкций крепления этих устройств на фасаде, а также спецификацию оборудования, материалов и изделий, предусмотренных проектом. 8.6. Сметы на устройство системы составляются на основе действующих нормативов, единичных расценок, фактической стоимости оборудования и материалов, а также утвержденных заказчиком калькуляций на отдельные виды работ и элементы конструкций. 9. Технико-экономические показателиСтоимость системы для конкретных зданий зависит от многих факторов, в том числе, от размеров здания, архитектурного решения фасадов, оборудования и оснастки, применяемых для монтажа системы, а также от структуры подрядной организации и её коммерческой политики. В связи с этим конкретная стоимость системы, может колебаться в значительных пределах. Поэтому считаем, что здесь наиболее целесообразно привести прямые затраты, т.е. стоимость отдельных элементов системы и ее монтажа (стоимость монтажа без учета стоимости лесов, люлек и других средств) для рядового участка фасада. Поэлементная стоимость (прямые затраты в $ US) 1 м2 системы для рядового участка фасада с различными облицовочными материалами (на 2005 г.): С облицовкой гранитными плитами и несущими элементами из нержавеющей стали (горизонтальное крепление):
С облицовкой мраморными плитами и несущими элементами из нержавеющей стали (вертикальное крепление):
Данные о стоимости элементов системы представлены ее разработчиком ООО «Стоун-Строй». 10. Основные положения по производству работ и системе контроля качества10.1. Для выполнения работ по монтажу системы здание разбивается на захватки и определяется порядок и последовательность перемещения монтажников с одной захватки на другую. 10.2. Величина захваток и их количество в каждом случае определяются с 1 учетом многих факторов, в том числе размеров фасадов здания, величины бригады монтажников, оснащения строительной организации оборудованием и оснасткой, условиями комплектации строительства материалами, изделиями и др. Захваткой может быть вся высота фасада, а можно разделить фасад по высоте на несколько захваток, учитывая наличие промежуточных карнизов, поясков и другие факторы. Также в горизонтальном направлении захваткой может быть весь фасад, только одна секция или может быть принят какой-либо другой способ деления фасада на захватки. Разбивка фасадов здания на захватки и выбор средств для работы монтажников на высоте (подмости, люльки, подъемные платформы и т.п.) выполняется в проекте организации строительства или в технологических картах. 10.3. При монтаже системы на реконструируемых зданиях работы начинаются с очистки фасада от несвязанных с основанием элементов, таких как отслоившиеся штукатурка, краска и т.п. Кроме того, фасад надо освободить (демонтировать) от специальных устройств: водостоков, различных кронштейнов, антенн, вывесок и др. Несущая конструкция наружных стен здания к моменту начала производства облицовочных работ должна иметь прочность не менее 80% от проектной. 10.4. Монтаж системы начинается с разметки фасада и установки маяков, по которой будут размещаться и крепиться к основанию кронштейны и вертикальные профили. Разметка выполняется с помощью геодезических приборов, уровня, отвеса, рулетки и мерных реек. Установка и крепление кронштейнов, вертикальных профилей и Z-образных элементов в пределах захватки производится снизу вверх. Горизонтальное расстояние между вертикальными осями направляющих задаётся шириной облицовочного материала и типом его крепления. Вертикальное расстояние между кронштейнами задается на основе статического расчета, разработанного для конкретного объекта. 10.5. В соответствии с проектом производится разметка фасада и в нем сверлятся отверстия под дюбели для крепления кронштейнов к основанию посредством анкерных болтов. Для снижения теплопередачи в месте примыкания кронштейна к основанию между ними на анкерный болт устанавливается паронитовая прокладка. Работы по сверлению отверстий осуществляются сразу по всей площади захватки. В случаях, когда основанием является кирпичная кладка, нельзя устанавливать дюбели в швы кладки, при этом, расстояние от центра дюбеля до ложкового шва должно быть не менее 25 мм, а от тычкового - 60 мм. Минимальное расстояние от края конструкции до дюбеля оговаривается специальными рекомендациями фирмы-изготовителя дюбелей. Для проверки правильности подбора анкерного дюбеля необходимо произвести его испытание на вырыв. В системе допускается применять только сертифицированные крепежные элементы. 10.6. К началу монтажа плит утеплителя захватка, на которой производятся работы, должна быть укрыта от попадания влаги на стену и плиты утеплителя. Исключением могут быть случаи, когда монтажники не покидают рабочие места до тех пор, пока все смонтированные плиты не закроют, предусмотренной проектом, ветровлагозащитной пленкой. 10.7. До начала монтажа теплоизоляционных плит необходимо установить цокольный перфорированный вентиляционный профиль из нержавеющей стали. Плиты утеплителя должны устанавливаться плотно друг к другу так, чтобы в швах не было пустот. В случае если укладывается больше одного слоя утеплителя - швы плит выполняются в разбежку, чтобы между плитами не было сквозных щелей. Если избежать пустот не удается, они должны быть тщательно заделаны тем же материалом. Вся стена (за исключением проемов) непрерывно по всей поверхности должна быть покрыта утеплителем, установленной проектом толщины. Крепление плит утеплителя к основанию производится пластмассовыми дюбелями тарельчатого типа с распорными стержнями. В случае применения ветровлагозащитной пленки, установленные плиты утеплителя сначала крепятся к основанию только двумя дюбелями каждая плита и только после укрытия нескольких рядов пленкой устанавливаются остальные, предусмотренные проектом, дюбели. Полотнища плетши устанавливаются с перехлестом 100 мм. 10.8. Крепежные отверстия кронштейнов совмещаются с отверстиями несущих вертикальных профилей. Крепление профиля в кронштейне производится при помощи болтов. Для образования неподвижных (фиксированных) опорных точек болты устанавливаются в круглые отверстия, для подвижных точек - по середине в овальные отверстия. Число фиксированных и подвижных точек определяется статическим расчетом. Оптимально длина вертикальных профилей соответствует высоте одного этажа. В месте стыковки вертикальных профилей по вертикали оставляют температурный зазор 10 мм. К вертикальным профилям крепят Z-образные элементы, в комплект которых входят в регулируемые ручки, имеющие винтовую часть для корректировки положения шпилек. Эти шпильки являются основными точками фиксации для образования облицовочной поверхности здания. 10.9. Монтаж облицовочных плит производится снизу вверх порядно и начинается от краёв к середине по всему ряду. Облицовка наружных стен осуществляется поярусно высотой 2,0 м с ранее установленных лесов. Горизонтальность установки первого ряда плит контролируют нивелиром, а правильность положения последующих рядов проверяют шнуром, уровнем и отвесом, отметки горизонтальных швов - по реперам. Одновременно производится облицовка окопных проемов и других элементов фасада. Установка плит облицовки горизонтальных отливов, вертикальных элементов оконных откосов осуществляется в соответствии с проектной документацией. При толщине облицовочных плит менее 30 мм их обратная сторона должна оклеиваться сеткой из стеклянных нитей или из стальной оцинкованной проволоки с применением эпоксидного клея. Во время монтажа отделочных материалов следует следить за тем, чтобы воздушный зазор позади них был чист и без каких-либо посторонних включений. Деформационные швы по ходу облицовки здания должны быть заделаны герметизирующим уплотнителем в соответствии с проектом. 10.10. В процессе монтажа элементов системы должен выполняться пооперационный контроль качества работ и составляться акты на скрытые работы. Это должно выполняться в соответствии с действующей в подрядной организации "Системой управления контролем качества продукции", где указано, какие параметры и технологические процессы контролируются и лица, ответственные за выполнение этой работы, В составе комиссии, подписывающей акты на скрытые работы, должны быть лица (представители проектной организации), выполняющие авторский надзор. 10.11. Работы по монтажу системы могут выполнять организации, специалисты которых прошли обучение и имеют лицензию на право выполнения указанных работ от ООО «Стоун-Строй». 10.12. Все работы должны выполняться под контролем лица, ответственного за безопасное производство работ и в соответствии с требованиями СНиП 12-03-99 "Безопасность труда в строительстве. Общие требования" и СНиП III-4-80 "Техника безопасности в строительстве". 11. Правила эксплуатации системы11.1. Для сохранения теплофизических показателей вентилируемого фасада необходимо контролировать состояние утепляющего слоя, воздушного зазора и облицовочного покрытия. 11.2. В процессе строительства и эксплуатации здания не допускается крепить непосредственно к облицовочным материалам любые детали и устройства. 11J. Не следует допускать возможность попадания воды с крыши здания на облицовочные материалы, для чего надо содержать желоба на крыше и водостоки в рабочем состоянии. 11.4. Уход за облицовкой фасада, заключающийся в ее регулярной очистке и периодическом восстановлении, продлит срок службы облицовки. 11.5. Наружную обшивку вентилируемого фасада необходимо регулярно промывать моющими средствами. При этом следует исключить попадание грязной воды на ветровлагозащитную пленку, которой покрыт утеплитель. 11.6. Во избежание механического повреждения вентилируемого фасада необходимо принять меры для исключения размещения автомобилей у его цокольных частей. В случае механического повреждения вентилируемого фасада необходимо обращаться к монтажной организации для устранения дефекта.
ООО «Стоун-Строй»: 121351, г. Москва, ул. Екатерины Будановой, д.5; Офис ООО «Стоун-Строй»: 103051, г. Москва, ул. Петровка, д.26, стр. 3; тел./факс: (095) 924-69-91,923-95-44,924-05-69, 921-78-21,921-82-88,921-31-62; E-mail: slonestroy@stone-story.ru; www.stone-stroy.ru 12. Перечень нормативных документов и литературы1. СНиП 2.08.01-89* Жилые здания. 2. МГСН 3.01-01 Жилые здания. 3. СНиП 31-01-2003 Здания жилые многоквартирные. 4. СНиП 2.01.07-85 Нагрузки и воздействия. 5. СНиП II-23-81* Стальные конструкции. 6. СНиП II-3-79* (ИЗД.98Г.)1) Строительная теплотехника. 7. СНиП 23-02-2003 2) Тепловая защита зданий. 8. СНиП 23-01-99 Строительная климатология. 9. СП 23-101-2004 Проектирование тепловой защиты зданий. 10. СНиП 2.01.01-82 Строительная климатология и геофизика. 11. СНиП 2.03.11-85 Защита строительных конструкций от коррозии. 12. СНиП 21-01-97 Пожарная безопасность зданий и сооружений. 13. МГСН 2.01-99 Нормативы по теплозащите и тепловодоэлектроснабжению. 14. ГОСТ 17177-94 Материалы и изделия строительные теплоизоляционные. Методы испытаний. 15. ГОСТ 27180-86 Керамические плитки. Методы испытаний. 16. ГОСТ 30971-2002 Швы монтажные узлов примыканий оконных блоков к стеновым проемам. Общие технические условия. 17. ГОСТ 7025-78 Материалы стеновые и облицовочные. Методы определения водопоглощения и морозостойкости. 18. ГОСТ 481-80 Паронитовые листы. 19. Рекомендации по проверке и учету воздухопроницаемости наружных ограждающих конструкций жилых зданий. ЦНИИЭП жилища, Москва, 1983 г. 20. Рекомендации по проектированию и применению для строительства и реконструкции зданий в г. Москве системы с вентилируемым воздушным зазором "Краспан". Правительство Москвы. Москомархитектура, Москва, 2001 г. 21. Заключение и протокол сертификационных испытаний НИИСФ №51 от 22.06.2000г. М. 22. Справочник проектировщика. Расчетно-теоретический. Книга 1. М.: Стройиздат, 1972 г. 23. СНиП 12-03-99 Безопасность труда в строительстве. Общие требования. 24. СНиП III-4-80 Техника безопасности в строительстве.
1) - действует до вступления в силу соответствующего технического регламента. 2) - носит рекомендательный характер до регистрации Минюстом России.
Приложение 1
|
|||||||||||||||||||||||||||||||||||||||||||||||||||||||||||||||||||||||||||||||||||||||||||||||||||||||||||||||||||||||||||||||||||||||||||||||||||||||||||||||||||||||||||||||||||||||||||||||||||||||||||||||||||||||||||||||||||||||||||||||||||||||||||||||||||||||||||||||||||||||||||||||||||||||||||||||||||||||||||||||||||||||||||||||||||||||||||||||||||||||||||||||||||||||||||||||||||||||||||||||||||||||||||||||||||||||||||||||||||||
|
Госстрой России Государственное унитарное предприятие «Центральный научно-исследовательский институт строительных конструкций имени В.A. Кучеренко* ИНН 7721193175 ГУП ЦНИИСК им. В.А. Кучеренко 109428, Москва, 2-1 Институтская, 6 тел (095) 171-26-50,170-10-60 факс 171-28-58 14. 11.2001 г. № 1-945 На Ваш № 20-1437 от 25.10.2001г. |
Директору по научной деятельности ОАО ЦНИИЭП жилища Гранику Ю.Г. |
При расчете указанной в Вашем письме системы "облицовка-покрытие" необходимо учитывать действие средней (wm) и пульсационной (wр) составляющих давления ветра. При этом для элементов облицовки, расположенных на наветренной поверхности здания wр, определяется по формуле 8 СНиП 2.01.07-85* "Нагрузки и воздействия". Для элементов облицовки, расположенных на боковых и подветренной сторонах здания допускается принимать
wр=0,3 wm(h)
где h - высота здания
При определении ветровой нагрузки, действующей на внутренние поверхности рассматриваемых конструкций, пульсации давления допускается не учитывать.
Одновременно обращаем Ваше внимание на то, что при расчете узлов крепления элементов облицовки среднюю составляющую (wm) ветровой нагрузки необходимо увеличить, на 20 %.
Зам. директора института Назаров Ю.Л.
Расчет выполняется для двух вариантов стен и кронштейнов.
Кронштейны из алюминия (
) и стали (λ= 58
Вт/м°С) для кирпичных и бетонных стен (при толщине утеплителя - базальтовой
минваты 0,15 и 0,16 м):
для плоских неоднородных ограждающих конструкций, содержащих приведенные в приложении Н Свода правил теплопроводные включения, коэффициент теплотехнической однородности г определяется по формуле
(1)
где
А - тоже, что ив формуле (10)Свода правил;
m - число теплопроводных включений конструкции;
-
соответственно ширина и длина i-го теплопроводного включения, м;
Ki - коэффициент, зависящий от типа i-го теплопроводного включения, принимаемый для металлических включений по
формуле:
(2)
где
ψi - коэффициент, зависящий от типа теплопроводного включения, принимаемый по таблице Н2 приложения Свода правил;
δi, λi - толщина м и коэффициент теплопроводности Вт/(м°С), утеплителя i-го участка ограждающей конструкции;
R'oi.Rojcon - сопротивление теплопередаче ограждающей конструкции, (м2·°С/Вт), соответственно в местах i-го теплопроводного включения и вне этого места, определяемое по формуле (8) Свода правил.
Для оконных откосов коэффициент теплотехнической однородности r следует определять по формуле
(3)
Площадь А, зоны влияния i-го теплопроводного включения при толщине стены δe,м, определяется по формуле:
для горизонтальных я вертикальных оконных откосов длиной соответственно l1,l2 (м)
(4)

Требуемая толщина утеплителя:
![]()

При расчете приняты раздельно-спаренные окна.

что эквивалентно данным табл. 2.
Требуемая толщина утеплителя
![]()
что эквивалентно полученной с помощью табл.7.2 толщине утеплителя.

![]()
Требуемая толщина утеплителя
![]()
что на 3% меньше полученной толщины с помощью табл. 2.
1. Полученная в приведенных расчетах толщина утеплителя близка к полученной на основании данных табл. 2 и 3 для бетонных и кирпичных стен.
2. Требуемая максимальная толщина утеплителя у бетонных стен при стальных кронштейнах толщиной 0,002÷0,004 м составляет 0,15÷0,16 м, а кирпичных 0,145-0,15 м.
3. Небольшая разница в требуемой толщине утеплителя для бетонных и кирпичных стен объясняется большими тепло потерями по откосам у кирпичных стен (rо бет = 0,9-5-0,95 м; rо rо.кирп. = 0,74). Теплопотери за счет кронштейнов (например, из алюминия) у бетонных стен существенно больше, чем кирпичных (rо бет = 0,81м; rм.кирп. = 0,94). Эта разница, однако, нивелируется тепло потерями по откосам.
4. Коэффициенты теплотехнической однородности за счет стальных кронштейнов при их толщине 4 и 2 мм для бетонных стен составляют соответственно 0,91 и 0,95, а кирпичных 0,976 и 0,99.
5. Уменьшение толщины стальных кронштейнов с 4 до 2 мм снижает тепло потери на 1,4-4% соответственно у кирпичных и бетонных стен.
Выполненными расчетами установлено:
- толщина утеплителя в приведенных расчетах близка к полученной на основании данных табл. 7.2 и 7.3 для бетонных и кирпичных стен;
- для алюминиевых кронштейнов требуемая толщина утеплителя больше, чем для стальных (при их одинаковой толщине 4 мм) на 12% - для бетонных и не 5% - для кирпичных стен;
- требуемая максимальная толщина утеплителя у бетонных стен при алюминиевых кронштейнах составляет 0,38 м, а кирпичных - 0,153 м. Аналогичный показатель при стальных кронштейнах составляет 0,15÷0,16 м, а кирпичных - 0,145÷0,15 м;
- небольшая разница в требуемой толщине утеплителя для бетонных и кирпичных стен объясняется большими теплопотерями по откосам у кирпичных стен (rо бет. = 0,9÷0,95 м; rо.кирп = 0,74). Теплопотери за счет кронштейнов (например, из алюминия) у бетонных стен существенно больше, чем кирпичных (rм бет. = 0,81м; rо.кирп. = 0,94). Однако эта разница нивелируется теплопотерями по откосам;
- коэффициенты теплотехнической однородности при использовании стальных кронштейнов при их толщине 4 и 2 мм для бетонных стен составляют соответственно 0,91 и 0,95, а кирпичных 0,976 и 0,99;
- уменьшение толщины стальных кронштейнов с 4 до 2 мм снижает тепло потери на 1,4-4% соответственно у кирпичных и бетонных стен;
- алюминиевые кронштейны по сравнению со стальными той же толщины повышают тепло потери на 3÷11% у кирпичных и бетонных стен.
|
ГОСТЫ, СТРОИТЕЛЬНЫЕ и ТЕХНИЧЕСКИЕ НОРМАТИВЫ. Некоммерческая онлайн система, содержащая все Российские Госты, национальные Стандарты и нормативы. В Системе содержится более 150000 файлов нормативно-технической документации, действующей на территории РФ. Система предназначена для широкого круга инженерно-технических специалистов. Copyright © www.gostrf.com, 2008 - 2026 |