Крупнейшая бесплатная информационно-справочная система онлайн доступа к полному собранию технических нормативно-правовых актов РФ. Огромная база технических нормативов (более 150 тысяч документов) и полное собрание национальных стандартов, аутентичное официальной базе Госстандарта. GOSTRF.com - это более 1 Терабайта бесплатной технической информации для всех пользователей интернета. Все электронные копии представленных здесь документов могут распространяться без каких-либо ограничений. Поощряется распространение информации с этого сайта на любых других ресурсах. Каждый человек имеет право на неограниченный доступ к этим документам! Каждый человек имеет право на знание требований, изложенных в данных нормативно-правовых актах!

  


 

Материалы и технологии века

Справочные материалы

Добромыслов А.Я., Санкова Н.В.

Пластмассовые трубы и современные технологии для строительства и ремонта трубопроводов

 

ПРОЕКТИРОВАНИЕ, МОНТАЖ И ЭКСПЛУАТАЦИЯ СИСТЕМ КАнаЛИЗАЦИИ ИЗ ПЛАСТМАССОВЫХ ТРУБ ДЛЯ ЗДАНИЙ И МИКРОРАЙОНОВ

Рекомендации

Москва 2004

ПРЕДИСЛОВИЕ

Глава 1. ТРУБЫ И ФАСОННЫЕ ЧАСТИ ИЗ ПОЛИМЕРНЫХ МАТЕРИАЛОВ ДЛЯ МОНТАЖА ТРУБОПРОВОДОВ СИСТЕМ КАНАЛИЗАЦИИ ЗДАНИЙ И МИКРОРАЙОНОВ

1.1. Внутренняя канализация

1.2. Микрорайонная сеть канализации

1.3. Компенсация линейных удлинений и крепление трубопроводов

Глава 2. ОПРЕДЕЛЕНИЕ РАСЧЕТНЫХ РАСХОДОВ СТОЧНЫХ ВОД

2.1. Методические основы определения расчетных расходов стоков

2.2. Выбор исходных данных для определения расчетных расходов воды и стоков

2.3. Определение расчетных расходов стоков

2.4. Примеры определения расчетных расходов сточных вод

Глава 3. ГИДРАВЛИЧЕСКИЙ РАСЧЕТ БЕЗНАПОРНЫХ ТРУБОПРОВОДОВ

3.1. Методические основы гидравлического расчета безнапорных вертикальных и горизонтальных трубопроводов

3.1.1. Вертикальные трубопроводы.

3.1.2. Горизонтальные трубопроводы.

3.2. Расчет канализационных стояков

3.3. Расчет безнапорных трубопроводов

Глава 4. МЕТОДИЧЕСКИЕ ОСНОВЫ КОНСТРУИРОВАНИЯ ВЫТЯЖНЫХ ЧАСТЕЙ КАНАЛИЗАЦИОННЫХ СТОЯКОВ

4.1. Причины обмерзания вытяжных частей канализационных стояков

4.2. Рекомендации по устройству вытяжных частей канализационных стояков

Глава 5. ПРОЕКТИРОВАНИЕ СИСТЕМ КАНАЛИЗАЦИИ ИЗ ПЛАСТМАССОВЫХ ТРУБ ДЛЯ ЗДАНИЙ РАЗЛИЧНОГО НАЗНАЧЕНИЯ И МИКРОРАЙОНОВ

5.1. Проектирование систем внутренней канализации

5.2. Проектирование микрорайонной канализационной сети

Глава 6. МОНТАЖ ТРУБОПРОВОДОНЫХ СИСТЕМ КАНАЛИЗАЦИИ ЗДАНИЙ И МИКРОРАЙОНОВ

6.1. Технология сборки соединений

6.2. Изделия индустриальной подготовки, используемые при монтаже трубопроводов систем внутренней канализации

6.3. Монтаж трубопроводов систем внутренней канализации

6.4. Монтаж трубопроводов систем канализации микрорайонов

6.5. Основные правила техники безопасности при монтаже

Глава 7. ЭКСПЛУАТАЦИЯ И РЕМОНТ БЕЗНАПОРНЫХ СИСТЕМ КАНАЛИЗАЦИИ ЗДАНИЙ И МИКРОРАЙОНОВ

7.1. Методические основы эксплуатации безнапорных систем канализации зданий и микрорайонов

7.2. Правила эксплуатации и ремонта канализационных трубопроводов

Приложение 1 Расчетные удельные средние за год суточные расходы воды (стоков) для жилых зданий в I и II климатических районах

Приложение 2 Расчетные удельные средние за год суточные расходы воды (стоков) для жилых зданий в III и IV климатических районах

Приложение 3. Расчетные удельные средние за год суточные расходы воды (стоков) для различных типов потребителей

Приложение 4. Средние удельные часовые расходы воды,  л/ч, отнесенные к одному прибору, в зависимости от средней заселенности квартир (только для жилых зданий)

Приложение 5. Коэффициенты суточной неравномерности Kd

Приложение 6. Расчетные расходы горячей/общий и холодной воды секундные, л/с, и часовые, м3/ч, в зависимости от удельных расходов, л/ч, и числа приборов N (обеспеченность расходов 0,997 в час максимального водопотребления)

Приложение 7 Удельные часовые расходы воды и расчетные расходы стоков санитарно-технического оборудования

Приложение 8 Таблицы для гидравлического расчета безнапорных трубопроводов из полипропилена

Приложение 9 Таблицы для гидравлического расчета безнапорных трубопроводов из поливинилхлоридных труб

Приложение 10 Таблицы для гидравлического расчета безнапорных трубопроводов из полиэтилена низкого давления

Приложение 11 Таблицы для гидравлического расчета безнапорных трубопроводов из полиэтилена высокого давления

Список литературы

Подготовлены к изданию Учебно-методическим центром по подготовке специалистов в области пластмассовых трубопроводных систем МИПК МГТУ им. Н.Э. Баумана в качестве пособия к СНиП 2.04.01-85* «Внутренний водопровод и канализация зданий»; СНиП 2.04.03-85 «Канализация. Наружные сети и сооружения»; СНиП 3.05.01-85 «Внутренние санитарно-технические системы»; СП 40-102-2000 «Проектирование и монтаж трубопроводов систем водоснабжения и канализации из полимерных материалов. Общие требования», СП 40-107-2003 «Проектирование, монтаж и эксплуатация систем внутренней канализации из полипропиленовых труб».

Рассмотрены основные вопросы проектирования систем канализации из поливинилхлоридных (ПВХ), полиэтиленовых (ПЭ) и полипропиленовых (ПП) труб. Приведены конкретные примеры выполнения гидравлических расчетов для систем канализации зданий различного назначения. Для облегчения и удобства проведения расчетов в книге даны соответствующие номограммы и таблицы. Приведен сортамент применяемых пластмассовых труб и фасонных частей, подробно изложена технология монтажа и ремонта трубопроводных систем канализации, учитывающая компенсацию линейных удлинений и особенности крепления труб. Изложены методические основы эксплуатации безнапорных систем, канализации, рассмотрены причины обмерзания вытяжных частей канализационных стояков и даны рекомендации по устройству незамерзающих вытяжек. Приведены необходимые данные по применению вентиляционных клапанов канализационных стояков.

Для работников проектных, строительных и эксплуатационных организаций, преподавателей и студентов строительных вузов, техникумов и училищ, слушателей учебных центров и курсов по повышению квалификации.

А.Я. Добромыслов, Н.В. Санкова

ПРЕДИСЛОВИЕ

Настоящие «Рекомендации по проектированию, монтажу и эксплуатации систем канализации из пластмассовых труб для зданий и микрорайонов» разработаны в помощь организациям, проектирующим, монтирующим и эксплуатирующим безнапорные системы канализации зданий и микрорайонов городской и сельской застройки, т.е. начальные участки канализационной сети из пластмассовых труб диаметром до 200 мм. Системы водостоков в данных рекомендациях не рассматриваются.

Практика эксплуатации безнапорных канализационных сетей отмечает тревожный симптом: образование засоров трубопроводов на начальных участках носит настолько массовый характер, что проблема ликвидации засоров и их последствий перерастает в социальную. Статистика свидетельствует о том, что засорам подвержены в основном (свыше 90 %) безнапорные трубопроводы диаметром до 200 мм, т.е. внутридомовая, дворовая и микрорайонная, а также поселковая сети.

Очевидно, что требования надежной работы, предъявляемые к системам инженерного оборудования вообще и к системам канализации в частности, в условиях рыночной экономики продолжают ужесточаться, а необходимость снижения стоимости строительства при этом становится все актуальней. Применительно к безнапорным трубопроводам канализации это означает отказ от волевых решений при проектировании, а также обоснованный расчет систем внутридомовой канализации, дворовой, микрорайонной и поселковой сетей.

На современном этапе оптимальным материалом для канализационных трубопроводов является пластмасса, трубы из которой - технически гладкие, легкие, удобные в монтаже - уже сами по себе во многом отвечают требованиям времени. Тем не менее, приходится констатировать, что их внедрение во многом сдерживается несовершенством соответствующей нормативно-технической базы Российской Федерации. Так, до настоящего времени СНиП 2.04.03-85 «Канализация. Наружные сети и сооружения» вообще не содержат регламентов по гидравлическому расчету пластмассовых труб; СНиП 2.04.01-85* «Внутренний водопровод и канализация зданий» рекомендуют рассчитывать их по формулам квадратичного сопротивления; СП 40-102-2000 «Проектирование и монтаж трубопроводов систем водоснабжения и канализации из полимерных материалов» трактует пластмассовые трубы как шероховатые, а СНиП 2.04.02-84 «Водоснабжение. Наружные сети и сооружения» - как гидравлически гладкие.

Сложившееся положение вызывает массу вопросов у проектных организаций страны. Отсутствие у них вспомогательных материалов приводит к ненормальному положению, когда гидравлический расчет пластмассовых трубопроводов выполняется по таблицам для чугунных или железобетонных труб, в результате чего уклоны трубопроводов завышаются в 3-4 раза. В этом случае наряду с увеличением объемов земляных работ образуется «сухое» течение (течение с высокой скоростью, но с малым наполнением трубопровода), при котором в осадок выпадают крупногабаритные предметы, в результате чего трубопроводы диаметрами даже 300 и 400 мм засоряются в течение трех-четырех месяцев. По нашим данным, в 95% случаев причина образования засоров на начальных участках канализационной сети - именно крупногабаритные предметы, не являющиеся компонентами сточной жидкости (пищевые отходы, тряпье, вата, строительный мусор, банки, игрушки и т.п.).

При определении диаметра и уклона отводного трубопровода основным параметром является расчетный (секундный или кратковременный) расход стоков. Режим водоотведения, хотя и является производным от режима водопотребления, тем не менее, резко от него отличается. Это объясняется большой вместимостью безнапорных канализационных трубопроводов, вследствие чего исключается возможность определения расчетного расхода стоков по числу одновременно действующих приборов, как это регламентировано СНиП 2.04.01-85* «Внутренний водопровод и канализация зданий».

Кроме того, одним из важных параметров, определяющих расход, является интервал осреднения расходов, что также игнорируется действующими нормами. Например, смывной бачок унитаза вместимостью 7 л опорожняется за 7 с. Если измеренный расход жидкости этого смывного бачка осреднять на интервале 7 с, то кратковременный расход составит 1 л/с. Однако в процессе измерения расхода жидкости от этого смывного бачка зафиксировано, что на второй секунде опорожнения расход составил 1,6 л (затем он резко уменьшается). Следовательно, осредненный на интервале в 1 с максимальный расход равен 1,6 л/с. Тот же самый смывной бачок заполняется с расходом 0,1 л/с в течение 70 с.

Если расход жидкости от смывного бачка вместимостью 7 л осреднить на интервале в 70 с, то кратковременный расход стоков составит 0,1 л/с, т.е. будет равен кратковременному расходу воды.

При определении диаметра канализационного стояка следует исключить возможность срыва хотя бы одного из гидравлических затворов, присоединенных к этому стояку. Поэтому представляется очевидным, что интервалы осреднения расходов жидкости в этом случае должны быть минимальными, вплоть до 1 с, а расчетные расходы - максимальными. Например, если речь идет о жилых домах, то максимальным расходом стоков от одного прибора является секундный расход от смывного бачка унитаза - 1,6 л/с. Превышение расчетного расхода недопустимо, так как приводит к срыву гидравлических затворов и открывает беспрепятственный доступ канализационным газам (чрезвычайно токсичным и взрывоопасным) из наружных сетей канализации в помещения, где находятся люди. Таким образом, ошибка в определении расчетного расхода стоков в буквальном смысле угрожает здоровью человека.

При расчете горизонтальных отводных трубопроводов следует учитывать протяженность и вместимость этих трубопроводов и ориентироваться на приборы с максимальной продолжительностью водоотведения. В жилом доме - это ванна: ее вместимость равна 150-170 л, а продолжительность опорожнения - 150-180 с. Секундный расход стоков от ванны, осредненный на интервале 150 с, равен 1 -1,1 л/с (при расчетах принимается равным 1,1 л/с).

Ошибки в определении расчетных расходов приводят к образованию засоров трубопроводов, а также к увеличению объема земляных работ и материалоемкости систем, т.е. к удорожанию строительства при одновременном снижении, как надежности трубопроводной системы, так и комфортности объекта.

Не менее серьезными являются вопросы монтажа систем внутренней канализации из пластмассовых труб. Высокие коэффициенты теплового расширения труб (у поливинилхлоридных - в 5 раз, у полипропиленовых - в 15 раз, а у полиэтиленовых - в 20 раз больше, чем у металлических) диктуют необходимость тщательных расчетов компенсации линейных изменений длины трубопроводов и соблюдения всех требований технологии их монтажа.

Каждый из перечисленных вопросов (определение расчетных расходов стоков, расчет и конструирование канализационных стояков, гидравлический расчет пластмассовых отводных трубопроводов, монтаж трубопроводных систем) представляет собой конкретную задачу, решение которой влияет на надежность и стоимость трубопроводной системы канализации, поэтому в настоящих рекомендациях они рассматриваются достаточно подробно и изложены в виде, удобном для использования в проектной практике.

Кроме положений по расчету, конструированию и монтажу этих систем, в данную работу включены общие сведения о пластмассовых трубах, рекомендуемых для строительства как наземной, так и подземной частей канализации, и требования по их эксплуатации и ремонту.

Настоящее издание является третьей редакцией «Рекомендаций по проектированию, монтажу и эксплуатации систем канализации из пластмассовых труб для зданий и микрорайонов», исправленной и дополненной. Так, значительно переработаны главы 1, 6 и 7, внесены дополнения в главу 5. Глава 2 написана совместно с канд. техн. наук А.С. Вербицким.

Все замечания и предложения просим присылать по адресу: Москва, ул. 2 Бауманская, 5, МИПК МГТУ им. Н.Э. Баумана.

Глава 1. ТРУБЫ И ФАСОННЫЕ ЧАСТИ ИЗ ПОЛИМЕРНЫХ МАТЕРИАЛОВ ДЛЯ МОНТАЖА ТРУБОПРОВОДОВ СИСТЕМ КАНАЛИЗАЦИИ ЗДАНИЙ И МИКРОРАЙОНОВ

1.1. Внутренняя канализация

В соответствии со СНиП 2.04.01-85* «Внутренний водопровод и канализация зданий» для монтажа трубопроводов систем внутренней канализации строящихся и реконструируемых зданий предусматривается применение пластмассовых труб, которые имеют ряд существенных преимуществ по сравнению с канализационными трубами из чугуна.

Обоснованием технологической целесообразности использования труб и фасонных частей из полимерных материалов являются такие специфические свойства этой продукции, как достаточная прочность, высокая коррозионная стойкость, нетоксичность, малая масса, низкая теплопроводность и др. Благодаря этим свойствам обеспечиваются надежность и долговременная эксплуатация канализационных трубопроводов, снижение трудоемкости монтажных работ и уменьшение транспортных затрат. В то же время пластмассовые трубы и фасонные части обладают рядом особенностей, которые необходимо учитывать при выполнении проектных и монтажных работ. Так, канализационные трубные изделия отличаются повышенной чувствительностью к механическим и ударным нагрузкам, относительно невысокой теплостойкостью, большим коэффициентом линейного теплового расширения, что является причиной заметного удлинения трубопроводов из полимерных материалов при повышении температуры и укорочения - при ее снижении.

При хранении на открытом воздухе под воздействием прямых солнечных лучей происходит постепенное ухудшение свойств полимеров, изменение их химической структуры, увеличение хрупкости и снижение эластичности.

Системы внутренней бытовой канализации с трубами из полимерных материалов монтируются в домах массового и индивидуального жилищного строительства, в типовых зданиях общественного назначения (детские дошкольные учреждения, школы, магазины, поликлиники и др.).

Пластмассовые трубы и фасонные части используются в системах внутренней канализации для монтажа стояков, отводных трубопроводов от санитарных приборов, в санитарно-технических кабинах, шахт-пакетах и при монтаже «россыпью», для вытяжных трубопроводов, прокладываемых в чердачных помещениях, для монтажа трубопроводов в подземной части здания.

С 1985 г. в массовом жилищном строительстве при монтаже канализационных трубопроводов в зданиях с санитарно-техническими кабинами широкое применение получили трубы из поливинилхлорида (ПВХ) диаметрами 110 и 50 мм и фасонные части к ним.

В последние годы, с освоением отечественными предприятиями производства канализационных труб и фасонных частей из полипропилена (ПП) диаметрами 110 и 50 мм, осуществляется переход к использованию трубных изделий из этого материала в санитарно-технических кабинах, шахт-пакетах, при монтаже трубопроводов в зданиях индивидуальной застройки и др.

Канализационная трубная продукция из полиэтилена (ПЭ), уступающая по монтажным и эксплуатационным характеристикам трубам из ПВХ и ПП, в настоящее время используется в небольших объемах. Для систем внутренней канализации применяются трубы и фасонные части из полиэтилена низкого давления (ГШД) и полиэтилена высокого давления (ПВД) диаметрами 110, 90 и 50 мм.

При выборе материала трубных изделий следует принимать во внимание назначение строящегося здания, необходимый срок эксплуатации канализационных трубопроводов, значения температурных параметров отводимых стоков, требования к надежности, противопожарные требования и другие факторы. Трубы из ПП и ПВХ по сравнению с полиэтиленовыми трубами не подвержены растрескиванию под влиянием поверхностно-активных веществ, отличаются большей устойчивостью к воздействию химических веществ при повышенных температурах, высокой точностью метрологических характеристик.

Существенным преимуществом канализационных систем из ПП является возможность отведения постоянных стоков с более высокой температурой. Кроме этого, при монтаже раструбных соединений труб и фасонных частей из ПП применяются резиновые уплотнители улучшенной конструкции, что позволяет стабильно выполнять качественную сборку соединений трубопроводов с приложением меньших усилий.

Перечень нормативных документов (НД) на канализационные трубы и фасонные части к ним из ПВХ, ПП и ПЭ приведен в табл. 1.1.1.

Таблица 1.1.1.

Нормативные документы на канализационные трубы и фасонные части к ним из ПВХ, ПП и ПЭ

Обозначение НД

Наименование НД

ТУ 6-19-307-86

Трубы и патрубки из непластифицированного поливинилхлорида для канализации

ТУ 6-49-33-92

Части фасонные из непластифицированного поливинилхлорида для канализационных труб

ТУ 4926-005-41989945-97

Трубы и патрубки из полипропилена для канализации

ТУ 4926-010-42943419-97

Трубы канализационные раструбные из полипропилена

ТУ 4926-010-41989945-98

Части фасонные из полипропилена для канализационных труб

ГОСТ 22689.0-89 - ГОСТ 22689.2-89

Трубы полиэтиленовые канализационные и фасонные части к ним

ТУ 10 РФ 13.02-92

Трубы из полиэтилена для систем внутренней канализации зданий

ТУ 10 РФ 13.01-92

Детали соединительные из полиэтилена для канализационных трубопроводов

Монтаж труб, патрубков и фасонных частей из ПВХ, ПП и ПЭ на строительных объектах выполняется с использованием раструбных соединений, уплотняемых резиновыми кольцами. Такие соединения удобны при сборке, обладают способностью воспринимать температурные изменения длины трубопровода, обеспечивают легкую разборку и ремонт стыков.

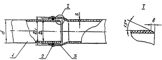
Конструкция раструбного соединения (рис. 1.1.1) включает гладкий конец одной трубной детали (с предварительно снятой фаской) и раструб другой детали, имеющей по окружности кольцевой паз (желобок), в который устанавливается резиновое кольцо.

Рис. 1.1.1. Раструбное соединение с резиновым уплотнительным кольцом

1 - гладкий конец трубы; 2 - резиновое уплотнительное кольцо; 3 - раструб

Трубы из ПВХ и ПД изготавливаемые по ТУ 6-19-307-86 (ПВХ), ТУ 4926-005-41989945-97 и ТУ 4926-010-42943419-97, имеют на одном конце раструб, формование которого производится на заводах-изготовителях трубной продукции. Трубы из ПНД и ГОД диаметрами 110, 90 и 50 мм (ГОСТ 22689.0-89 - ГОСТ 22689.2-89) выпускаются без раструбов. Для них предусмотрены патрубки с раструбами, предназначенные для соединения с трубами при помощи раструбно-стыковой сварки, которая выполняется в условиях трубозаготовительного производства. По ТУ 10 РФ 13.02-92 изготавливаются гладкие трубы диаметрами 90 и 50 мм из ПНД. Монтаж этих труб осуществляется в сочетании с фасонными частями из ПНД (ТУ 10 РФ 13.01-92), в номенклатуру которых включен ряд деталей диаметрами 90 и 50 мм, имеющих раструбы с обеих сторон (компенсационный патрубок, ревизия, двухраструбная муфта и др.). Размеры канализационных труб и патрубков отечественного производства, изготавливаемых по ТУ 6-19-307-86 (ПВХ), ТУ 4926-005-41989945-97 и ТУ 4926-010-42943419-97 (ПП), ГОСТ 22689.0-89 - ГОСТ 22689.2-89 (ПНД и ПВД), приведены в табл. 1.1.2 и 1.1.3.

Таблица 1.1.2.

Длина, мм, труб и патрубков из ПВХ, ПП, ПНД и ПВД

 

Материал труб

Диаметр

Длина патрубков

Длина труб

ПВХ

50

345

2650

360

370

410

450

457

465

515

535

870

970

110

345

2000

1125

2485

1215

2605

1255

2650

1315

4000

1500

 

ПП

50, 110

150

1000

250

1500

500

2000

750

3000

ПНД, ПВД

50, 90, 110

-

2000

3000

5500

6000

8000

Примечание. По согласованию с потребителем допускается изготовление и поставка труб и патрубков другой длины.

Таблица 1.1.3.

Размеры, мм, канализационных труб и патрубков из ПВХ, ПП, ПНД и ПВД (см. рис.1.1.1.)

Материал труб

Обозначение НД

Наружный диаметр гладкого конца d

Внутренний диаметр раструба D

Внутренний диаметр желобка, D1

Толщина стенки, S

Длина фаски, b

ПВХ

ТУ 6-19-307-86,

50+0,2

50,3+0,8

59,6+1,0

3,2+0,5

6

110+0,3

110,4+0,5

3,2+0,5

6

ПП

ТУ 4926-005-41989945-97, ТУ 4926-010-42943419-97

40+0,3

40,3+0,8

49,6+1,0

1,8+0,4

3,5

50+0,3

50,3+0,8

59,6+1,0

1,8+0, 4

3,5

110+0,4

110,4+0,9

120,6+1,8

2,7+0,5

4,5

ПНД, ПВД

ГОСТ 22689.0-89 - ГОСТ 22689.2-89

50+0,5

-

-

3+0,6

6

90+0,9

-

-

3+0,6

7

110+1,0

-

-

3,5+0,6

7

Для монтажа трубопроводов используются фасонные части (рис 1.1.2 - 1.1.15), номенклатура и основные размеры которых представлены в табл. 1.1.4 и 1.1.5.

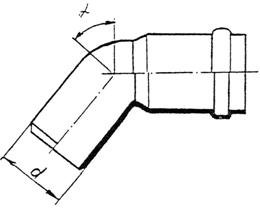
Рис. 1.1.2. Отвод 87°30'

Рис. 1.1.3. Отвода α = 30°, 45°

Рис. 1.1.4. Тройник 87°30'

Рис. 1.1.5. Тройник α = 45°

Рис. 1.1.6. Муфта надвижная

Рис. 1.1.7. Патрубок компенсационный

Рис. 1.1.8. Переход

Рис. 1.1.9. Крестовина 45°

Рис. 1.1.10. Крестовина 87°30'

Рис. 1.1.11. Крестовина двухплоскостная

Рис. 1.1.12. Ревизия

Рис. 1.1.13. Заглушка

Рис. 1.1.14. Приборный патрубок

Рис. 1.1.15. Отвод приборный

Таблица 1.1.4.

Номенклатура канализационных фасонных частей из ПВХ (ТУ 6-49-33-92), ПП (ТУ 4926-010-41989945-98), ПНД и ПВД (ГОСТ 22689.0-89 - ГОСТ 22689.2-89)

Фасонные части

Наружный диаметр ответных труб, мм

Материал фасонных частей

ПВХ

ПП

ПНД,

ПВД

Отвод 87°30'

40

50

90

110

-

+

-

+

-

+

-

+

+

+

+

+

Отвод 45°

40

50

90

110

-

+

-

+

-

+

-

+

+

+

+

+

Отвод 30°

50

90

110

+

-

+

+

-

+

-

+

+

Тройник 87°30'

50×50

90×50

90×90

110×50

110×110

+

-

-

+

+

+

-

-

+

+

+

+

+

+

+

Тройник 60°

110×110

-

-

+

Тройник 45°

50×50

90×50

90×90

110×50

110×110

+

-

-

-

+

+

-

-

-

+

+

+

+

+

+

Муфта надвижная

50

90

110

-

+

+

+

-

+

+

+

+

Патрубок компенсационный

50

90

110

+

-

+

+

-

+

+

+

+

Переход

90×50

110×50

110×90

-

+

-

-

+

-

+

+

+

Крестовина 45°

110×110×110

+

+

-

Крестовина 60°

110×50×50

110×110×110

-

-

-

-

+

+

Крестовина 87°30'

110×50×50

110×110×110

-

-

-

-

+

+

Крестовина двухплоскостная правая

90×90×50

110×110×50

-

+

-

+*

+*

+*

Крестовина двухплоскостная левая

90×90×50

110×110×50

-

+

-

+*

+*

+*

Ревизия

50

90

110

+

-

+

+

-

+

+

+

+

Заглушка

40

50

90

110

-

+

-

+

-

+

-

+

+

+

+

+

Приборный патрубок

50

90

110

-

-

-

-

-

+

+

+

+

Отвод приборный

90

110

-

+

-

-

+

+

Примечания. 1. В таблице приняты условные обозначения: «+» - вид фасонных частей, предусмотренный нормативной документацией; «-» - вид фасонных частей, не предусмотренный нормативной документацией.

2. Для изделий, отмеченных звездочкой, присоединение бокового отвода диаметром 50 мм к фасонной части выполняется при помощи сварки

Таблица 1.1.5.

Размеры, мм, канализационных фасонных частей из ПВХ, ПП, ПНД и ПВД

Материал

Обозначение НД

Наружный диаметр хвостовика d

Внутренний диаметр раструба D

Внутренний диаметр желобка D1

Толщина стенки S

Длина фаски b

ПВХ

ТУ 6-49-33-92

50+0,2

110+0,3

50+0,8

110,4+0,5

59,6+1,0

мin 3,2

мin 3,2

6

6

ПП

ТУ 4926-010-41989945-98

40+0,3

50+0,3

110+0,4

40,3+0,8

50,3+0,8

110,4+0,9

49,6+1,0

59,6+1,0

120,6+1,8

1,8+0,4

1,8+0,4

2,7+0,5

3,5

3,5

4,5

ПНД

ГОСТ 22689.0-89 -ГОСТ 22689.2-89

50+0,5

90+0,9 110+1,0

50,8+0,6

91,2+0,9

114+1,0

60+0,6

101,6+0,9

121,7+1,0

3+0,6

3+0,6

3,5+0,6

6

7

7

ПВД

ГОСТ 22689.0-89 -ГОСТ 22689.2-89

50+0,5

90+0,9 110+1,0

50,8+0,6

91,2+0,9

114+1,0

60+0,6

101,6+0,9

121,7+1,0

3+0,6

4,3+0,9

5,2+1,0

6

7

7

Для фасонных частей из ПД выпускаемых ЗАО НПО «Стройполимер» (ТУ 492601041989945-98) и используемых в сочетании с трубами и патрубками из ПП (ТУ 4926-00-541989945-97 и ТУ 492601042943419-97), предусмотрена сборная конструкция раструбов, состоящая из раструбной части и крышки. Соединение раструба с крышкой обеспечивался при помощи кольцевых выступов, образующих замок, благодаря которому обе детали не могут разъединиться непроизвольно (рис. 1.1.16). Разборка элементов такого замкового соединения в случае необходимости производится вручную при приложении некоторого усилия и не вызывает затруднений.

Основные физико-механические свойства труб из ПНД, ПВД, ПВХ и ПП представлены в табл. 1.1.6.

Рис. 1.1.16. Сборная конструкция раструба канализационных фасонных частей из ПП

1 - крышка; 2 - резиновое кольцо; 3 - раструб; 4 –хвостовик

Таблица 1.1.6.

Основные физико-механические свойства труб при температуре окружающего воздуха (23±5)°С

Параметры 120

Значения параметров для труб

ПНД

ПВД

ПВХ

ПП

Плотность, г/см3

0,94-0,96

0,91-0,93

1,38-1,43

0,9-0,91

Коэффициент линейного теплового расширения, 1/°С·10-4 (мм/м °С)

2

(0,2)

2

(0,2)

0,8

(0,08)

1,5

(0,15)

Теплопроводность, Вт/м °С

0,42

0,35

0,17

0,26

Предел текучести при растяжении, МПа, не менее

19,0

9,3

44,1

25 (28)

Относительное удлинение при разрыве, %, не менее

210

250

25

100

Сопротивление удару, количество разрушившихся образцов, %, не более

-

-

10

10

Изменение длины после прогрева, %, не более

3

3

5

2

Для систем внутренней канализации допускается применение труб и фасонных частей импортного производства, не уступающих по показателям свойств требованиям соответствующих нормативных документов, указанных в табл. 1.1.1.

Основными производителями отечественной канализационной трубной продукции из пластмасс являются:

ЗАО НПО «Стройполимер» (трубы и фасонные части из полипропилена);

ОАО НПО «Пластик» (трубы и фасонные части из поливинилхлорида);

ООО «Синикон» (трубы и фасонные части из полипропилена);

А/О «Компания Рострубпласт» (трубы и фасонные части из полиэтилена);

ЗАО Думиничский чугунолитейный завод (трубы и фасонные части из полиэтилена).

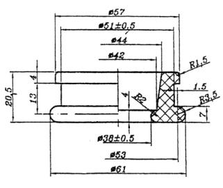
Для уплотнения раструбных соединений канализационных труб (ТУ 6-19-307-86) и фасонных частей (ТУ 6-49-33-92) из ПВХ, применяемых в системах хозяйственно-бытовой канализации с максимальной температурой постоянных стоков 60°С и кратковременных стоков (не более 1 мин) 95°С, используются резиновые уплотнительные кольца круглого поперечного сечения, изготавливаемые по ТУ 38.105.1818-88 (рис. 1.1.17,а) из резиновой смеси 51-5016. Физико-механические показатели этих колец приведены в табл. 1.1.7, размерные характеристики - в табл. 1.1.8.

Рис. 1.1.17. Конструкции резиновых колец, используемых для уплотнения раструбных соединений труб и фасонных частей:

а) кольцо круглого поперечного сечения; б) кольцо манжетного типа с одним выступом; в) кольцо манжетного типа с двумя выступами и распорным вкладышем

Таблица 1.1.7.

Физико-механические показатели резиновых колец, предназначенных для уплотнения раструбных соединений труб и фасонных частей из ПВХ

Показатели

Нормативное значение для колец, используемых в соединениях трубной продукции из:

ПВХ

ПНД, ПВД

Твердость, единицы Шор А

32-46

30-45

Изменение твердости после старения в воздухе при температуре 70° С в течение 168 ч, единицы Шор А, не более

+8

-

Относительная остаточная деформация после старения в воздушной среде при сжатии на 40% и температуре 70° С в течение 24 ч, %, не более

25

25

Трубы и фасонные части из ПНД и ПВД, температурные параметры, эксплуатации которых аналогичны приведенным выше для ПВХ, уплотняются кольцами круглого поперечного сечения (ГОСТ 22689.0-89 - ГОСТ 22689.2-89), размеры которых представлены в табл. 1.1.8.

Таблица 1.1.8.

Размеры, мм, резиновых колец, предназначенных для уплотнения раструбных соединений труб и фасонных частей из ПВХ, ПНД и ПВД (см. рис. 1.1.17, а)

Материал трубных изделий

Диаметр трубных изделий

Внутренний диаметр кольца D

Диаметр сечения кольца d

ПВХ

50

49+1,0

6+0,4

ПВХ

110

109+1,4

7+0,4

ПНД, ПВД

50

6+0,4

ПНД, ПВД

90

7+0,4

ПНД, ПВД

110

7+0,4

В целом раструбные соединения, при монтаже которых полностью выполняются все требуемые технологические операции, отличаются достаточной степенью эксплуатационной надежности. Однако, как показал опыт монтажа канализационных трубопроводов диаметром 110 мм из ПВХ, ПНД и ПВД, при сборке таких соединений кольцо круглого поперечного сечения под действием сил трения иногда может неравномерно скручиваться и выталкиваться из желобка в раструбную щель между двумя соединяемыми деталями, что приводит к нарушению герметичности стыка при эксплуатации.

Эффект скручивания резиновых колец проявляется чаще всего при отношении d/D<0,07 (где d и D - соответственно диаметр сечения и внутренний диаметр кольца). Для используемых с трубами из ПВХ, ПНД и ПВД колец круглого поперечного сечения диаметром 110 мм отношение d/D (в зависимости от величины допусков на размеры) составляет 0,063 - 0,068, что свидетельствует о некоторых конструктивных недостатках уплотнителей.

Отношение d/D для колец диаметром 50 мм круглого сечения находится в пределах 0,12-0,13, вследствие чего при монтаже раструбных соединений труб и фасонных частей из ПВХ, ПНД и ПВД диаметром 50 мм выталкивание колец, как правило, не происходит.

Точное выполнение технологических требований сборки раструбных соединений канализационных трубопроводов (наличие фаски на гладком конце трубы, предварительная очистка поверхности изделий, обязательное нанесение смазки, соосная сборка с последующим контрольным проворотом соединенных деталей относительно друг друга) позволяет избегать получения некачественных соединений.

Опыт применения резиновых колец более сложного профиля поперечного сечения, так называемых, колец манжетного типа (рис. 1.1.17 б, в), свидетельствует об отсутствии их выталкивания при сборке раструбных соединений. Манжетные кольца имеют на внутренней поверхности один или два клиновидных выступа («язычка») с небольшой толщиной уплотнительной кромки, благодаря чему достигается уменьшение трения при вводе гладкого конца одной трубы в раструб другой. Для таких колец характерна большая, чем для уплотнителей круглого поперечного сечения того же типоразмера, абсолютная величина деформации, что способствует повышению надежности соединений.

Для двухъязычковой конструкции колец манжетного типа предусматривается установка пластмассового распорного вкладыша (см. рис. 1.1.17, в), позволяющего дополнительно фиксировать положение уплотнителя в желобке раструба при сборке соединения. Такими кольцами, изготовляемыми по DIN 4060 фирмами «M.O.L» и «Bode» (Германия) и отвечающими требованиям ТУ 4926-005-41989945-97, комплектуются канализационные трубные изделия из ПП производства ЗАО НПО «Стройполимер» (трубы, патрубки и фасонные части) и ООО «Синикон» (трубы), предназначенные для пропуска постоянных стоков с температурой до 80°С и кратковременных - до 95°С (табл. 1.1.9)

Таблица 1.1.9.

Размеры, мм, колец манжетного типа с распорными вкладышами, предназначенных для уплотнения раструбных соединений труб и фасонных частей из ПП (см. рис.1.1.17 в)

 

Диаметр трубных изделий

Наружный диаметр кольца D

Размеры поперечного сечения кольца

а

h

40

51,9±0,5

6,7±0,2

7,1±0,2

8,1±0,2

50

61,9±0,5

6,7±0,2

7,1±0,2

8,1±0,2

110

123,2±0,7

7,8±0,3

9,1±0,2

10,1±0,2

Кроме раструбных стыков с резиновыми кольцами, для сборки труб и фасонных частей из ПВХ могут использоваться клеевые соединения, а для трубных изделий из полиэтилена - соединения, выполненные контактно-раструбной сваркой.

В настоящее время при строительстве зданий массовых серий технологией монтажа канализационных трубопроводов в построечных условиях не предусматриваются склеивание и сварка, являющиеся более сложными и трудоемкими процессами по сравнению со сборкой разъемных соединений с резиновыми кольцами.

Сварка полиэтиленовых труб с раструбными патрубками, приварка боковых отводов к двухплоскостным крестовинам из ПЭ и ПП, а также работы по склеиванию трубных деталей из ПВХ выполняются на заводах-изготовителях, трубозаготовительных предприятиях, в специализированных цехах и мастерских.

В отдельных случаях на строительных объектах при проведении работ в небольших объемах допускается применение клеевой технологии для соединений канализационных труб и фасонных частей из ПВХ при обязательном соблюдении необходимых мер по безопасности труда и требований пожарной безопасности.

1.2. Микрорайонная сеть канализации

Для строительства микрорайонных сетей канализации следует применять трубы из полипропилена (ТУ 4926-012-41989945-99), ПВХ (ГОСТ Р 51613-2000), а также полиэтилена высокого и низкого давления (ГОСТ 18599-83).

Сортамент труб из ПП приведен в табл. 1.2.1. Трубы серии S16 предназначены для укладки в землю на глубину 3 м, серии S11,2 - 6 м.

Сортамент труб из ПНД приведен в табл. 1.2.2, из ПВД - в табл. 1.2.3, из ПВХ - в табл. 1.2.4.

Таблица 1.2.1.

Размеры, мм, и масса, кг, труб из ПП

Средний наружный диаметр

Толщина стенки и масса 1 м для труб классов (серий)

номинальное значение

предельное отклонение

SN4 (S16)

SN8 (S11,2)

номинальное значение

предельное отклонение

масса

номинальное значение

предельное отклонение

масса

110

+0,4

3,4

+0,6

1,126

4,7

+0,7

1,518

160

+0,5

4,9

+0,7

2,327

6,9

+0,8

3,213

200

+0,6

6,2

+0,9

3,682

8,6

+1,1

4,425

250

+0,8

7,7

+1,0

5,678

10,7

+1,3

7,758

Таблица 1.2.2.

Размеры, мм, и масса, кг труб из ПНД 

Средний наружный диаметр

Толщина стенки и масса 1 м для труб типов

Л

СЛ

С

Т

номинальное значение

предельное отклонение

номинальное значение

предельное отклонение

масса

номинальное значение

предельное отклонение

масса

номинальное значение

предельное отклонение

масса

номинальное значение

предельное отклонение

масса

90

+0,9

2,2

+0,5

0,643

3,5

+0,6

0,98

+0,8

1,39

8,2

+1,1

2,13

100

+1,0

2,7

+0,5

0,946

4,3

+0,7

1,47

6,3

+0,9

2,09

10,0

+1,2

3,16

125

+1,2

3,1

+0,6

1,24

4,9

+0,7

1,89

7,1

+1,0

2,69

11,4

+1,4

4,10

140

+1,3

3,5

+0,6

1,55

5,4

+0,8

2,33

8,0

+1,0

3,35

12,8

+1,5

5,14

160

+1,5

3,9

+0,6

1,96

6,2

+0,9

3,06

9,1

+1,2

4,37

14,6

+1,7

6,70

180

+1,7

4,4

+0,7

2,50

7,0

+0,9

3,85

10,2

+1,3

5,50

16,4

+1,9

8,46

200

+1,8

4,9

+0,7

3,26

7,7

+1,0

4,71

11,4

+1,4

6,81

18,2

+2,1

10,4

Таблица 1.2.3.

Размеры, мм, и масса, кг, труб из ПВД 

Средний наружный диаметр

Толщина стенки, мм, и масса 1 м для труб типов

Л

СЛ

С

Т

номинальное значение

предельное отклонение

номинальное значение

предельное отклонение

масса

номинальное значение

предельное отклонение

масса

номинальное значение

предельное отклонение

масса

номинальное значение

предельное отклонение

масса

110

+ 1,0

5,3

+0,8

1,73

8,1

+ 1,1

2,54

11,8

+1,4

3,54

18,4

+2,1

5,11

125

-1,2

6,0

+0,8

2,20

9,3

+1,2

3,31

13,4

+1,6

4,56

20,9

+2,3

6,71

140

+1,3

6,7

+0,9

2,76

10,4

+1,3

4,14

-

-

-

-

-

-

160

+1,5

7,7

+1,0

3,61

11,9

+1,4

5,39

-

-

-

-

-

-

Таблица 1.2.4.

Размеры, мм, труб из ПВХ 

d

d1

d2

s1, не менее, для труб типа

l, не менее

L

l1, не менее

s, не менее, для труб типа

номинальное значение

предельное отклонение

номинальное значение

предельное отклонение

С

Т

С

Т

63

63,6

+0,7

80,0

+0,8

-

3,4

13

99,5

6

1,9

3,0

75

75,6

+0,7

93,9

+0,8

-

4,0

14

102,5

7

2,2

3,6

90

90,7

+0,8

110,7

+0,8

-

4,8

15

110,5

8

2,7

4,3

110

110,8

+0,9

132,5

+0,9

3,5

5,9

17

116,0

10

3,2

5,3

160

161,0

+1,1

186,0

+1,0

5,1

8,5

22

134,5

14

4,7

7,7

225

226,4

+1,1

254,5

+1,2

7,1

12,0

27

154,0

20

6,6

10,8

Для соединения пластмассовых труб между собой и присоединения к металлической арматуре и оборудованию следует применять разъемные конструкции.

Трубы из ПНД, ПВД и ПВХ с гладкими концами соединяются с помощью стальных свободных фланцев (рис. 1.2.1). Предварительно на гладкий конец трубы надевается фланец, затем в торец трубы из полиэтилена приваривается специальная фасонная деталь - «втулка (бурт) под фланец», а к гладкому концу трубы из ПВХ приклеивается втулка под фланец (см. рис. 1.2.1)

Для соединения раструбных труб из ПВХ применяются специальные соединительные детали из чугуна (рис. 1.2.2 и 1.2.3). Номенклатура, размеры и масса этих деталей приведены в табл. 1.2.5.

Трубы из жесткого ПВХ и трубы из ПНД и ПВД диаметрами 90 и 110 мм с гладкими концами могут соединяться также с помощью двухраструбных муфт и резиновых уплотнительных колец

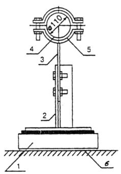
Рис. 1.2.1. Узлы для разъемного подсоединения пластмассовых труб с помощью свободных фланцев

1 - труба; 2, 3 - втулки, соответственно, приклеенная и приваренная встык; 4 - свободные фланцы; 5 – прокладка

Рис. 1.2.2. Детали соединительные из чугуна

a - тройник с двумя раструбами и фланцами; б - переход двухраструбный; в - тройник трехраструбный; г -патрубок фланец-раструб; д - патрубок фланец-гладкий конец

Рис.1.2.3. Узел для разъемного присоединения пластмассовых труб с помощью чугунных соединительных деталей

1 - труба; 2 - раструб; 3 - резиновое кольцо; 4 - прокладка; 5 - раструб-фланец; 6- фланец-гладкий конец

Таблица 1.2.5.

Размеры, мм, и масса, кг, деталей соединительных из чугуна 

Деталь

Марка

Условный проход

Масса

Тройник с двумя раструбами и фланцем

MMA-KS

200×200

250×250

300×300

53,2

65,0

80,0

Переход двухраструбный

MMP-KS

150×150

10,3

Тройник трехраструбный

MMB-KS

100×100

125×100

125×125

150×100

150×125

150×150

200×100

200×125

200×150

200×200

10,2

18,4

20,8

22,0

23,0

26,8

36,8

39,0

41,9

8,8

Патрубок фланец - раструб

E-KS

100

125

150

200

250

300

6,2

9,8

12,3

22,0

29,7

32,7

Патрубок фланец - гладкий конец

F-KS

100

125

150

200

250

6,6

9,1

11,6

16,9

23,1

1.3. Компенсация линейных удлинений и крепление трубопроводов

Компенсация линейных изменений длины пластмассовых трубопроводов внутренней канализации осуществляется за счет раструбных соединений на резиновых уплотнительных кольцах.

На стадии проектирования и монтажа следует обращать внимание на соединение трубных изделий до монтажной метки, определяющей глубину установки одной трубы в раструб другой. Такая сборка обеспечивает между торцом гладкого конца трубы и упорной поверхностью раструба зазор, используемый для компенсации температурного удлинения трубопровода. Особая ответственность при этом связана с тем, что у пластмассовых труб коэффициент линейного теплового расширения значительно выше, чем у труб из металла.

Удлинение или укорочение трубопровода А1, мм, при изменении температуры вычисляют по формуле:

где:

α- коэффициент линейного теплового расширения материала трубы, мм/м °С;

∆t - температурный перепад, °С;

l - первоначальная длина трубопровода, м.

Температурный перепад определяется как максимальная разность температур стенок трубопровода в условиях его эксплуатации и монтажа. Если температура при эксплуатации выше, чем при монтаже, то трубопровод удлиняется, если ниже - укорачивается.

При проектировании надлежит выполнять расчет необходимого количества компенсаторов. Например, требуется определить количество раструбных соединений, обеспечивающих компенсацию удлинения участка длиной 3 м трубопроводов из ПВХ, ПЭ и ПП при ∆t = 50 °С.

Коэффициент линейного теплового расширения для ПВХ равен 0,08 мм/м °С. Удлинение участка трубопровода длиной 3 м из ПВХ, составит 12 мм. При тех же условиях этажестояк из полиэтиленовых труб удлиняется на 30 мм (α = 0,2 мм/м·°С), а из полипропиленовых - на 23 мм (α = 0,15 мм/м·°С).

При сборке деталей до монтажной метки в раструбных соединениях труб из ПЭ и ПП обеспечивается зазор 14 - 12 мм, из ПВХ - 10 мм. Следовательно, для компенсации тепловых удлинений стояк из ПВХ должен иметь одно раструбное соединение с резиновым кольцом, стояк из ПЭ - три, а из ПП - два соединения.

В случае применения неразъемных соединений (клеевых для труб ПВХ или сварных в раструб для труб ПНД и ПВД) компенсацию линейных удлинений следует осуществлять с помощью обычных или компенсационных (удлиненных) раструбов с резиновыми уплотнительными кольцами.

Для канализационных трубопроводов применяют подвижные крепления, допускающие перемещение труб в осевом направлении, и неподвижные, - не допускающие таких перемещений.

Места установки креплений на канализационных трубопроводах предусматриваются проектом.

При расстановке креплений необходимо соблюдать следующие положения:

- количество раструбных соединений на участке трубопровода, ограниченном неподвижными креплениями, должно обеспечивать компенсацию температурных изменений длины этого участка;

- крепления, установленные на стояках, должны обеспечивать сносность деталей и вертикальность трубопровода; крепления, установленные на горизонтальных трубопроводах, прокладку труб с необходимым уклоном;

- неподвижные крепления должны направлять удлинение трубопроводов в сторону соединений, используемых в качестве компенсаторов;

- крепления целесообразно устанавливать у раструбов соединений с резиновым кольцом; при такой расстановке креплений увеличивается жесткость смонтированного трубопровода в направлении, перпендикулярном его оси; отсутствие креплений уменьшает его жесткость;

- установку неподвижных креплений на раструбах труб (посредством плотной затяжки) следует избегать, так как такая фиксация может уменьшить способность раструбных соединений воспринимать температурные удлинения;

- для горизонтальных и вертикальных участков трубопроводов с обычными раструбными соединениями на резиновых кольцах максимальное расстояние между неподвижными креплениями должно приниматься в соответствии с приведенными в таблице значениями.

 

Диаметр труб, мм

Максимальное расстояние между неподвижными креплениями, м, для трубопроводов из:

ПЭ

ПВХ

ПП (при наличии не менее одного раструбного соединения)

ПП (при наличии двух раструбных соединений)

50

0,4

1,5

0,8

1,6

110

0,8

2,0

1,0

2,0

- расстояние между подвижными креплениями не должно превышать следующих значении:

 

 

ПЭ

ПВХ

ПП

для горизонтальных трубопроводов:

8D

10D

10D

для вертикальных трубопроводов:

16D

20D

20D

- при невозможности обеспечить компенсацию температурных деформаций из-за недостаточного количества раструбных соединений на участке трубопровода между двумя неподвижными креплениями используется компенсационный патрубок с удлиненным раструбом;

- между неподвижными креплениями допускается установка только одного компенсационного патрубка;

- при использовании компенсационного патрубка на горизонтальном трубопроводе расстояние между неподвижными креплениями может превышать указанные выше значения, при этом должна быть обеспечена расстановка промежуточных подвижных креплений на расстоянии 8D (для ПЭ) и 10D (для ПВХ и ПП) друг от друга; в этом случае расстояние между неподвижными креплениями определяется расчетным путем с учетом длины раструба монтируемого компенсационного патрубка;

- на вертикальных трубопроводах трубы, расположенные непосредственно над компенсационными патрубками, следует жестко закреплять;

- при невозможности установки крепления на фасонной части соседние детали закрепляются хомутами на расстояниях, обеспечивающих компенсацию удлинения фасонной части.

Установка креплений не требуется на приборных патрубках, используемых для присоединения к сети выпусков унитазов и трапов, а также на отводных трубах D = 40 или 32 мм от пластмассовых сифонов.

Глава 2. ОПРЕДЕЛЕНИЕ РАСЧЕТНЫХ РАСХОДОВ СТОЧНЫХ ВОД

2.1. Методические основы определения расчетных расходов стоков

В настоящее время, после многолетних исследований, признано, что процесс водоотведения является производным от процесса водопотребления, случайным и для его описания (математического моделирования) должны использоваться методы теории вероятности, математической статистики и теории случайных процессов.

В любой момент времени общий расход воды и стоков на объекте (жилое здание, коммунально-бытовое или промышленное предприятие, любая группа различных объектов) является суммой случайных расходов через различные санитарно-технические приборы и, следовательно, этот общий расход также является случайной величиной. Указанные случайные величины (расходы каждого прибора и общий расход) формируются под воздействием различных факторов - климатических, демографических, технических (например, температура воды и ее давление перед водоразборными приборами), оснащенности жилищ холодильниками, стиральными, посудомоечными машинами и др. Значения некоторых факторов могут быть измерены (установлены) при экспериментальном изучении процессов водопотребления (водоотведения ), их влияние может быть учтено в создаваемой модели процесса. Однако практическая значимость учета большого числа факторов невелика, а в ряде случаев такой учет нежелателен, так как при проектировании систем канализации невозможно дать достоверный прогноз значений многих факторов в период эксплуатации объекта. Поэтому при создании методов математического моделирования процесса водопотребления всегда выбирают в качестве влияющих на расходы воды (стоков) только те факторы, значения которых наиболее существенны и известны при проектировании.

Расходы воды могут быть представлены в виде функций распределения случайных величин. Для того чтобы такие распределения, полученные по результатам экспериментальных измерений или по данным расчетов по той или иной математической модели, можно было бы сопоставлять, для каждого распределения следует указывать:

период, к которому относится распределение (Т, сут, ч и т.п.);

продолжительность расходов, которые описываются каждым распределением (t, ч, мин и т.п.).

Кроме того, если необходимо сопоставить значения расходов из различных распределений, то для сравниваемых величин необходимо указывать и обеспеченность G, которая понимается как вероятность того, что данный расход не будет превышен в течение периода Т.

Все известные к настоящему времени методики определения расчетных расходов воды построены с таким расчетом, чтобы по небольшому числу исходных данных можно было прогнозировать ожидаемую в системе водопровода функцию распределения расходов воды (для заданного периода Т и продолжительности расходов г) и найти в этом распределении расход с требуемой величиной G. Именно такой расход  считается расчетным; для практического применения различных методик расчетные расходы представляются в виде таблиц расходов или таблиц вспомогательных величин, которые позволяют достаточно просто определять расходы для различных сочетаний исходных данных.

Различия методик определения расчетных расходов состоят, в основном, в принципах, положенных в основу выбора исходных данных для построения функций распределения. Еще в 30 -е годы С.А. Курсин предложил заменить все многообразие водоразборных приборов на объекте одним эквивалентным прибором. Число таких эквивалентных приборов принимается равным общему числу реальных приборов (иногда число приборов корректируется за счет приведения расходов реальных приборов к единому значению расхода эквивалентного прибора), а режим работы принимается достаточно простым - прибор либо включен с постоянным расходом q0, либо выключен (такой режим, конечно, достаточно сильно отличается от реального). Общее время включения эквивалентного прибора tb в течение периода Т, определяет вероятность действия этого прибора, которая находится по формуле:

                                                                                                                       (2.1.1)

Расходы воды, которые определяют при проектировании, являются лишь величинами, необходимыми для определения (расчета) тех или иных параметров элементов систем водопровода и канализации: диаметров трубопроводов, объемов емкостей, типов и марок насосных агрегатов. Именно поэтому в практике проектирования принят термин "расчетные расходы". Поэтому и при сопоставлении различных методов определения расчетных расходов воды недостаточно сравнивать только отдельные значения расчетных расходов, но следует сравнивать обоснованность и результаты расчета параметров элементов систем водопровода.

Исходя из гипотезы С.А. Курсина об эквивалентном приборе (аналогичная гипотеза была предложена в 1940 г. Хантером в США для такой схемы работы эквивалентного прибора), расчетный расход воды (его продолжительность принимается равной 1-2 мин, а период, для которого ищется функция распределения, составляет 1 ч) можно определить по весьма простой формуле:

                                                                                                                        (2.1.2)

где:

m - число одновременно включенных эквивалентных приборов из общего их числа N в системе водоснабжения;

q0 - принятый для данной системы расход эквивалентного прибора.

Величина m определяется на основе биномиального закона распределения вероятности числа одновременно действующих эквивалентных приборов либо на основе формул других законов распределений, достаточно хорошо аппроксимирующих биномиальный закон при различных сочетаниях Р и N, которые являются параметрами принятого закона распределения вероятности (точнее, параметрами распределения являются его математическое ожидание и дисперсия, но в случае биномиального закона эти параметры полностью определяются величинами Р и N). Значение величины G, гарантирующей принятие достаточно высокой обеспеченности расчетных расходов воды, составляет обычно 0,97-0,99.

При всей кажущейся простоте определения расчетного кратковременного расхода q по формуле (2.1.2) задача все же является весьма сложной из-за необходимости достоверного определения вероятности одновременного действия Р и расхода эквивалентного прибора q0. Проблемы здесь связаны, в частности, с тем, что эквивалентный прибор реально не существует и определить для него требуемые параметры из результатов экспериментального изучения водопотребления весьма сложно.

В работах С.А. Курсина и Хантера величины Р и q0 определялись на основе логических рассуждений о режимах работы систем внутреннего водоснабжения зданий (в основном, жилых домов), что, конечно, не могло обеспечить высокой достоверности расчетов при появлении в 50-х годах крупных жилых массивов, где системы водопровода обслуживали большое число разнородных потребителей и санитарно-технических приборов.

Для повышения достоверности расчетов по формуле (2.1.2) в 60-х годах Л.А. Шопенским был начат комплекс исследований, основная цель которых состояла в разработке новых подходов к определению величин q0 и Р для различных сочетаний исходных данных, числа и назначения санитарно-технических приборов, различного назначения объектов водоснабжения, различных давлений в системах и пр. При этом основная гипотеза С.А. Курсина и Хантера о существовании эквивалентного прибора не подвергалась сомнению, и вычисление расчетного расхода также производилось по формуле (2.1.2). Именно поэтому методика определения расчетных расходов на базе этой формулы в дальнейшем называется методикой Курсина-Хантера-Шопенского (методика КХШ).

Л.А. Шопенский предложил для случая установки на водопроводной сети реальных приборов одного типа (работающих с различными секундными расходами и различной продолжительностью включения) определять вероятность действия эквивалентного им прибора в час максимального водоразбора Р как отношение среднего удельного (для одного прибора или потребителя) расхода в указанный период (qhr, л/ч) к величине 3600q (в расчете может быть учтено и различие между числом приборов N и числом потребителей U). Результат такого определения вероятности действия приборов при определенных условиях совпадает с расчетом этой вероятности по формуле (2.1.1).

Если вероятность действия эквивалентного прибора в час максимального водоразбора установлена по имеющимся исходным данным (в их число, кроме N и U, входят величины qhr,i и q0,i, где i - индекс, указывающий на тип приборов или потребителей, для которых ведется расчет), то расход эквивалентного прибора при наличии различных реальных приборов (потребителей) вычисляется как средневзвешенная величина (из величин q0,i).

Весовыми коэффициентами при вычислениях q0 для сети водопровода в целом или ее отдельного участка Л.А. Шопенский предложил считать произведение величин Рi,- и Ni.

В описанном виде методика КХШ с 1976 г. была включена в СНиП "Внутренний водопровод и канализация зданий", при этом общие идеи о возможности расчетов на базе параметров эквивалентного прибора были распространены и на случай определения расчетных (максимальных) часовых расходов воды. Это потребовало введения в состав обязательных исходных данных для проектирования еще одного показателя - количества воды, используемой в течение часа санитарно-техническим прибором, - q0,hr. В зависимости от заданных исходных величин по методике КХШ определяется и вероятность использования санитарно-технических приборов в течение часа максимального водоразбора - Phr.

В СНиП, утвержденные в 1985 г., также вошла методика КХШ с некоторыми упрощениями (по сравнению с 1976 г.) для облегчения ее использования на практике.

При оценке методики КХШ следует иметь в виду, что при всей гибкости (возможность определения расчетных расходов воды для любых сочетаний приборов и потребителей) она имеет и существенные недостатки.

Прежде всего, следует указать на то, что методика КХШ требует, чтобы значения величины qhr не изменялись в зависимости от величины объекта водоснабжения (т.е. числа приборов или потребителей). К сожалению, это не подтверждается практикой изучения фактического водопотребления на различных объектах (см. работы НИИ КВОВ АКХ им. К.Д. Памфилова). Кроме того, имитационное моделирование режимов водопотребления в сетях систем внутреннего водоснабжения, выполненное с использованием ЭВМ, показывает, что и величина q0 не может не быть функцией числа приборов (потребителей) для того, чтобы можно было получить достаточно хорошее совпадение функций распределения расходов воды, построенных по модели КХШ и по данным экспериментальных измерений. Во многих случаях расхождение между экспериментальными (измеренными или смоделированными на ЭВМ) расходами воды с требуемой обеспеченностью G может доходить до 30-40 %.

В связи с этим данные таблиц Прил. 2 и 3 к СНиП 2.04.01-85* следует рассматривать как весьма приближенные, условные значения необходимых исходных данных; экспериментальное определение этих величин отсутствует, нет и приемлемой методики их получения на базе экспериментальных данных.

Кроме того, в работах А.Я. Добромыслова (ЦНИИЭП ИО) было показано, что идея эквивалентного прибора, как и числа, одновременно действующих приборов, не может быть использована в качестве базы для вычисления расчетных расходов в системах канализации зданий. Здесь, кроме одновременности включения водоразборных приборов, следует учитывать и то, что работающие приборы подключены в различных местах системы канализации, и в том сечении, для которого ведется определение диаметра трубопровода, необходимо учитывать и различия во времени добегания (движения) расходов от отдельных приборов до данного сечения системы.

Отмеченные недостатки методики КХШ явились предпосылкой для проведения теоретических работ по созданию другого метода определения расчетных расходов воды в институте МосводоканалНИИпроект (А.С. Вербицкий, А.Л. Лякмунд). В качестве экспериментальной базы этих работ были использованы эксперименты по изучению фактического водопотребления, проведенные в различных регионах бывшего СССР под руководством НИИ КВОВ (МЛ. Майзельс).

Идея методики института МосводоканалНИИпроект (в дальнейшем - методика МВКНИИП) состоит в том, что измеренные на любом объекте расходы воды можно рассматривать как реализацию случайного процесса разбора воды потребителями, сформированного из включений различных приборов со случайными значениями расходов воды через каждый из них. При этом не предполагается никаких ограничений на значения этих расходов или их функции распределения, а также на время включения каждого из приборов.

Суммарный случайный процесс водоразбора в течение суток в соответствии с теорией случайных процессов может быть представлен как простая сумма двух процессов - регулярного и случайного. Для первого из них основными характеристиками являются математическое ожидание (средний за год часовой расход воды на объекте, который легко определить как произведение числа приборов или потребителей на средний за год удельный часовой расход для каждого прибора или потребителя) и дисперсия часовых расходов воды. Регулярная составляющая суммарного случайного процесса водоразбора является простым графиком средних расходов воды за каждый час суток.

Для случайной составляющей суммарного процесса, которая получается, если из каждого значения часового расхода вычесть значение среднего для данного часа суток, - расхода воды, математическое ожидание получается равным нулю, а дисперсия этого процесса легко определяется по экспериментальным данным и обозначается  (r - от слова random, случайный). Если по данным о дисперсиях и математических ожиданиях указанных составляющих суммарного случайного процесса водоразбора найти функцию распределения случайных часовых расходов воды, то из этого распределения несложно найти то значение часового расхода, которое соответствует требованиям расчета. Для этого необходимо задать лишь значение обеспеченности искомого расхода воды - G (величина t при этом равна 1 ч, а T = 8760 ч, т.е. 1 году). В методике МВКНИИП значение G принято равным 0,9997, т.е. расчетный максимальный часовой расход воды может быть превышен лишь в течение приблизительно 3 ч в году (0,0003×8760).

Для расчетов систем водопровода и канализации, кроме максимальных часовых расходов, требуются и расходы с другой продолжительностью - t. При этом обработка данных экспериментов и теоретический анализ процесса водоразбора показывают, что функция распределения может быть построена для расходов любой продолжительности, а параметром такой функции является дисперсия , которую можно определить в зависимости от значений t и D¢hr Если дисперсия Dr найдена, то может быть определен и расчетный расход воды из ряда случайных расходов с продолжительностью t (для этого, как и ранее, требуется задать значения T и G).

В методике МВКНИИП (в таблицах расчетных расходов) принято, что G = 0,9997 для кратковременных расходов с t = 2 мин в течение часа максимального водоразбора. Это значит, что превышение расчетных расходов возможно в течение 6-7 мин за период максимального водоразбора. При этом размерность кратковременных расходов определена как л/с, хотя t = 2 мин. Следует отметить, что еще С.А. Курсин отмечал различие между размерностью расходов и их продолжительностью. Такие различия неизбежны, в частности, потому, что регистрация расходов с продолжительностью 1 с практически невозможна при существующих измерительных приборах (из-за их инерционности). В методике КХШ такие различия также присутствуют, но в скрытом виде.

Для практического использования методики МВКНИИП необходимо иметь возможность определять параметры функций распределения - математическое ожидание (для регулярной составляющей) и дисперсию для расходов с любым значением t. Такое определение стало возможным после статистической обработки данных экспериментальных замеров расходов воды на различных объектах (всего использованы данные по более, чем 100 объектам, представляющим собой отдельные жилые здания и их комплексы с числом жителей от 3 до 200 тыс. чел., при этом в состав крупных объектов входили и различные коммунально-бытовые предприятия - магазины, мастерские, а также школы, поликлиники и т.п.). Факторный анализ показал, что основными влияющими факторами, на 85-90 % определяющими величину дисперсий регулярной и случайной составляющих суммарного случайного процесса водопотребления, являются лишь два - число потребителей (приборов), а также средний за год удельный часовой расход воды для одного потребителя (прибора). Конечно, это не значит, что на расчетные расходы воды совсем не влияют другие факторы - социальные, демографические, технические. Полученный результат означает лишь то, что суммарное влияние других факторов достаточно мало и может в настоящее время не учитываться для практических целей. Следует, однако, иметь в виду, что влияние такого важного фактора, как давление в сети водопровода, учитывается в новой методике через влияние давления на расчетный удельный средний за год расход воды: изменяя проектными решениями, давление воды в системе водопровода, мы изменяем средние за год расходы и, следовательно, изменяем и расчетные часовые и кратковременные расходы.

Путь получения необходимых зависимостей изменения дисперсий составляющих случайного процесса водоразбора методически прост и понятен - стандартный статистический анализ данных измерений с выявлением влияния каждого из факторов (общее влияние всех факторов, не учтенных в модели МВКНИИП, составляет не более 10-15 %). Этот путь реально осуществим, что и отличает, в основном, методику МВКНИИП от методики КХШ. В настоящее время имеются водосчетчики и специальные регистраторы данных, которые позволяют весьма просто собирать и обрабатывать на ЭВМ фактические данные о водопотреблении на различных объектах по методике МВКНИИП.

Новая методика определения расчетных расходов стоков базируется на результатах исследований закономерностей формирования кратковременных расходов стоков в трубопроводах систем канализации зданий, проведенных А.Я. Добромысловым (ЦНИИЭП ИО) в 60-х - 80-х годах. В результате этих работ было установлено, что кратковременные расходы стоков являются функцией не только расходов воды через санитарно-технические приборы, которые подключены к соответствующему участку канализационной сети, но и компоновки этой сети, ее емкости. Главное отличие условий формирования расходов стоков состоит в том, что в этом случае не соблюдается условие неразрывности потока, которое действует в сетях, водопровода. Например, при одновременном сбросе в один отводной трубопровод стоков от нескольких приборов, расположенных в разных секциях одного здания, в расчетном сечении сети эти расходы могут никогда не встретиться. При этом, чем длиннее отводной трубопровод (т.е. чем дальше один от другого расположены приборы), тем меньше вероятность наложения этих расходов.

В то же время, как показывают исследования НИИ КВОВ АКХ (К.Г. Арутюнян), часовые расходы воды и стоков во внутренних санитарно-технических системах совпадают. Поэтому при определении расчетных кратковременных расходов стоков за базовую величину следует принимать расчетные часовые расходы воды, изменяя лишь их размерность - переходя от м3/ч к л/с.

Работы А.Я. Добромыслова показали, что подходы к определению расчетных расходов стоков для стояков и для отводных (горизонтальных) участков сети должны быть различны. При гидравлическом расчете стояков критерием является недопущение срыва гидравлического затвора у любого из приборов, присоединенных к стояку. Поэтому для такого случая суммируется расчетный секундный расход воды и секундный расход стоков прибора с максимальным водоотведением, как правило, - это смывной бачок унитаза.

При расчете горизонтальных трубопроводов, обычно не работающих полным сечением, что не влияет на условия срыва гидравлических затворов, следует ориентироваться на расходы воды с наибольшей продолжительностью - это расходы от приборов с наибольшей вместимостью (ванна объемом 140-180 л, время опорожнения 160-180 с).

Приведенное описание основных принципиальных положений методик определения расчетных расходов воды и стоков является кратким и упрощенным; для глубокого понимания специфики, достоинств и неизбежных недостатков каждой из них, для разработки новых методик или совершенствования существующих требуется глубокое изучение теоретических основ этих методов.

В настоящих рекомендациях приведена методика определения расчетных расходов воды в системах водоснабжения и стоков в системах канализации зданий. Приведены исходные данные, необходимые для выполнения расчетов, а также достаточное число примеров определения расчетных расходов воды и стоков, позволяющих весьма быстро и просто освоить технику вычислений для получения достоверных результатов и повышения качества проектных расчетов. Все расчеты могут быть автоматизированы, программы для построения необходимых таблиц и получения результатов с применением персональных компьютеров могут быть получены в МосводоканалНИИпроект.

2.2. Выбор исходных данных для определения расчетных расходов воды и стоков

2.2.1. Определение расчетных расходов воды и стоков следует производить на основании исходных данных заказчика, в составе которых должны быть указаны:

- средние удельные расходы воды (за год, сутки, смену и т.д.) для всех водопотребителей (единиц продукции) и/или санитарных приборов;

- число и типы санитарных приборов или потребителей воды (единиц продукции).

2.2.2. Расчетные удельные средние за год (сутки, смену) расходы воды следует принимать с учетом подставленных заказчиком данных о фактическом водопотреблении на объектах-аналогах, с учетом предусматриваемых проектом мероприятий и технических решений по предотвращению нерационального использования воды с целью сокращения ее потерь. Рекомендуется (допускается) использовать в качестве исходных данные материалов предпроектных изысканий по изучению фактического водопотребления на объектах-аналогах.

2.2.3. При отсутствии данных, предусмотренных п. 2.2.2, ориентировочные значения удельных средних за год суточных расходов воды следует определять для жилых зданий в соответствии с Прил. 1 и 2, а для некоторых других потребителей - в соответствии с Прил. З.

Корректировка любых исходных данных, приведенных в настоящих рекомендациях, допускается по результатам предпроектных изысканий или научных исследований, проведенных по программе, согласованной с МосводоканалНИИпроект. Корректировка допускается только по данным измерения фактического водопотребления на объектах

2.3. Определение расчетных расходов стоков

2.3.1. Для канализационных стояков расчетным расходом стоков qs является наибольший секундный расход, не вызывающий срыва гидравлических затворов санитарно-технических приборов, оборудования, приемников сточных вод, присоединенных к этому стояку.

Этот расход следует определять по формуле:

                                                                                                          (2.3.1)

где:

 - расчетный кратковременный (секундный) расход воды (холодной плюс горячей) для водоразборной арматуры санитарно-технических приборов, которые присоединены к рассчитываемому стояку системы канализации здания; определяется в соответствии с положениями пп. 2.3.3-2.3.19;

 - расчетный секундный расход стоков от прибора с максимальным водоотведением (обычно принимается равным 1,6 л/с - от смывного бачка унитаза), л/с.

2.3.2. Для отводных трубопроводов расчетным расходом стоков является расход qsL, значение и продолжительность которого обеспечивают вынос потоком из трубопровода предметов, выпавших в осадок.

Этот расход следует определять по формуле:

                                                                                                     (2.3.2)

где:

- расчетный часовой расход воды на расчетном участке (определяется в соответствии с положениями пп. 2.3.3-2.3.19), м3/ч;

 - расход стоков, л/с, от прибора с максимальной емкостью, установленного на расчетном участке сети (обычно принимается равным стоку от ванны длиной 1500-1700 мм - 1,1 л/с; при отсутствии ванны - от полностью заполненного умывальника или мойки - 1 л/с. При отсутствии на расчетном участке такого прибора за  следует принимать расход струи, работающей на проток, например, расход душевой сетки);

Кs - коэффициент, принимаемый по табл. 2.3.1 в зависимости от числа установленных на расчетном участке санитарно-технических приборов N и длины отводного трубопровода L, м. При этом за длину L следует принимать расстояние от последнего на расчетном участке стожа (объекта) до ближайшего присоединения следующего стояка (объекта) или, при отсутствии таких присоединений, до ближайшего канализационного колодца.

Таблица 2.3.1.

Значения Ks в зависимости от числа приборов N и длины отводного трубопровода L

 

N

Значение Ks при L, м, равной

1

3

5

7

10

15

20

30

40

50

100

500

1000

4

0,61

0,51

0,46

0,43

0,40

0,36

0,34

0,31

0,27

0,25

0,23

0,15

0,13

8

0,63

0,53

0,48

0,45

0,41

0,37

0,35

0,32

0,28

0,26

0,24

0,16

0,13

12

0,64

0,54

0,49

0,46

0,42

0,39

0,36

0,33

0,29

0,26

0,24

0,16

0,14

16

0,65

0,55

0,50

0,47

0,43

0,39

0,37

0,33

0,30

0,27

0,25

0,17

0,14

20

0,66

0,56

0,51

0,48

0,44

0,40

0,38

0,34

0,30

0,28

0,25

0,17

0,14

24

0,67

0,57

0,52

0,48

0,45

0,41

0,38

0,35

0,31

0,28

0,26

0,17

0,15

28

0,68

0,58

0,53

0,49

0,46

0,42

0,39

0,36

0,31

0,29

0,27

0,18

0,15

32

0,68

0,59

0,53

0,50

0,47

0,43

0,40

0,36

0,32

0,30

0,27

0,18

0,15

36

0,69

0,59

0,54

0,51

0,47

0,43

0,40

0,37

0,33

0,30

0,28

0,19

0,16

40

0,70

0,60

0,55

0,52

0,48

0,44

0,41

0,37

0,33

0,31

0,28

0,19

0,16

100

0,77

0,69

0,64

0,60

0,56

0,52

0,49

0,45

0,40

0,37

0,34

0,23

0,20

500

0,95

0,92

0,89

0,88

0,86

0,83

0,81

0,77

0,73

0,70

0,66

0,5

0,44

1000

0,99

0,98

0,97

0,97

0,96

0,95

0,94

0,93

0,91

0,90

0,88

0,77

0,71

2.3.3. Для систем, подающих воду на нужды холодного и (или) горячего водоснабжения, в соответствии с положениями настоящего раздела определяются следующие расчетные расходы:

- средний за год суточный расход воды, м3/сут;

- максимальный суточный расход воды, м3/сут;

- максимальный часовой расход воды, м3/ч;

- максимальный кратковременный расход воды, л/с.

2.3.4. Средний за год суточный расход воды, м3/сут, определяется по формуле:

,                                                                      (2.3.3)

где:

 - средний удельный часовой расход воды потребителями i-го типа, принимаемый по Прил. 1-3;

ui, z - число, соответственно, потребителей i-ro типа и типов потребителей.

2.3.5. При определении расходов воды в средние сутки на объектах, имеющих групповые душевые установки, в случае отсутствия данных о продолжительности работы душей в течение суток необходимо принимать следующие продолжительности:

- для предприятий с многосменным режимом работы - по 1 ч после каждой смены;

- для других объектов - 1ч.

2.3.6. Средний за период водопотребления часовой расход для сети водопровода или отдельного ее участка определяется по формуле:

,                                                                              (2.3.4)

где:

ui z - число, соответственно, потребителей i-го типа и типов потребителей;

qui - удельный часовой расход потребителей 1-го типа, определяемый по Прил. 1-3, равен

В жилых зданиях для водопроводной сети или ее части средний за период водопотребления часовой расход допускается определять по формуле:

                                                                                                        (2.3.5)

где:

qni - средний удельный часовой расход воды, отнесенный к одному прибору, определяемый по Прил. 4 в зависимости от средней заселенности квартир и типа прибора;

Njz - число соответственно приборов i-го типа на сети или ее части и типов приборов.

2.3.7. Для участка водопроводной сети средние за период водопотребления удельные часовые расходы воды,  отнесенные к одному прибору, определяются по формуле:

                                                                                                                      (2.3.6)

где:

 - средний за период водопотребления часовой расход воды для рассматриваемого участка, определяемый по формуле (2.3.4) или (2.3.5);

N - суммарное число санитарно-технических приборов, к которым подается вода.

Примечание. При неизвестном числе водоразборных приборов допускается принимать число приборов равным числу потребителей, т. е. N = u.

2.3.8. Расчетный максимальный суточный расход воды qma×, м3/сут, определяется по формуле:

,                                                                                  (2.3.7)

где:

Kd - максимальный коэффициент суточной неравномерности, принимаемый по Прил. 5, в зависимости от числа приборов (потребителей) и удельного часового расхода, вычисленного по формуле (2.3.4) или (2.3.5) для объекта в целом;

qd - средний за год суточный расход воды (см. п. 2.3.4).

2.3.9. Расчетные расходы воды (часовые и кратковременные - секундные) определяются по Прил. 6 в зависимости от числа санитарно-технических приборов и устройств и удельного часового расхода воды, вычисленного по формуле (2.3.6).

Если на участке сети расчетный секундный расход воды, определенный из Прил. 6, меньше расчетного расхода прибора с максимальным расходом из числа приборов, присоединенных к участку, то расчетный расход на участке следует принимать равным секундному расходу такого прибора.

2.3.10. Средние удельные часовые расходы воды, вычисленные по формуле (2.3.6), допускается принимать постоянными для сети или части сети, обслуживающей одинаковых потребителей.

2.3.11. Для участков сети, по которым подается вода для смывных кранов, расчетный секундный расход определяется как сумма расхода, определенного согласно пункт 2.3.9, и секундного расхода смывного крана.

2.3.12. Расчетные максимальные расходы групповых душевых установок вычисляются по следующим формулам:

- часовые расходы, м3/ч:

                                                                                                                (2.3.8),

                                                                                                              (2.3.9),

                                                                                                              (2.3.10),

Секундные расходы, л/с:

                                                                                                                (2.3.11),

                                                                                                                (2.3.12),

                                                                                                                (2.3.13),

где: Nb число душевых сеток.

2.3.13. Расчетные часовые и секундные расходы на участках водопроводной сети, по которым подается вода к групповым душевым установкам, а также для объекта в целом определяются как сумма душевых расходов, определенных по формулам пункт 2.3.12, и рас четных расходов, вычисленных согласно пункту 2.3.9, при этом последние должны быть найдены без учета расходов душевых установок.

2.3.14. Число блюд и время работы на предприятиях общественного питания следует принимать по технологическим данным (по заданию на проектирование). При неизвестной производительности предприятий общественного питания среднее число блюд Uhr, изготавливаемых за 1 ч работы предприятия, допускается определять, согласно письму Госстроя СССР А423958-8 от 06.05.87, по формуле:

                                                                                                               (2.3.14),

где:

n - число посадочных мест;

m - число посадок в час, принимаемое для столовых открытого типа и кафе равным 2, для предприятий общественного питания при промышленных предприятиях и студенческих столовых - 3, для ресторанов -1,5.

Расчетную производительность предприятия общественного питания (Uhr -максимальное часовое число приготовляемых блюд) следует определять по формуле:

                                                                                                                (2.3.15)

2.3.15. Для больниц и санаториев при отсутствии других данных допускается принимать следующие продолжительности работы подразделений:

пищеблок

- 9ч

буфет обслуживающего персонал

- 2ч

буфет в отделениях больницы

- по 1 ч после приема пищи и следующее суточное количество потребляемых одним человеком блюд:

1 больной

- 5

1 работающий

- 2,2

2.3.16. При отсутствии других данных в задании на проектирование для общеобразовательных школ, профессионально-технических училищ и пионерских лагерей суточное количество потребляемых блюд допускается принимать по табл. 2.3.2.

Таблица 2.3.2.

Число блюд, потребляемых в сутки

 

Потребители

Измеритель

Число блюд

Общеобразовательные школы

То же, с группами продленного дня

Профессионально-технические училища

Пионерские лагеря

1 учащийся в смену

То же

То же

1 место в сутки

1,0

3,4

3,4

4,2

2.3.17. При определении расчетных расходов в зданиях цехов и административно - бытовых корпусов (АБК) в случае отсутствия других данных допускается принимать, что общее количество воды на бытовые нужды работников (исключая душевые расходы) используется в цехах и АБК поровну.

2.3.18. При проектировании жилых зданий с набором санитарно-технических при боров, существенно отличающимся от принятого при типовом проектировании (см. Прил. 1), допускается определять расчетный удельный средний за год расход воды путем суммирования расходов для отдельных приборов, приведенных в Прил. 4, с учетом их конкретных типов и числа.

2.3.19. При проектировании водопроводов, подающих воду одновременно на хозяйственно-питьевые нужды и на технологические цели, в тех случаях, когда технологические расходы не являются случайными величинами, допускается простое сложение определенных по настоящему разделу расчетных часовых и кратковременных расходов и расходов на технологические цели, определенных заданием на проектирование.

Если расходы воды на технологические цели являются случайными величинами, то допускается вводить дополнительно условное число санитарно-технических приборов, равное частному от деления заданного заданием на проектирование среднего за год часового расхода воды на технологические цели на средний за год расход одного из известных типов приборов (см. Прил. 4). Дальнейший расчет рекомендуется вести без разделения расходов на различные нужды.

2.3.20. В тех случаях, когда в задании на проектирование отсутствует информация о числе водопотребителей, допускается удельные часовые расходы воды и стоков определять по водоразборным приборам. Расчетные удельные часовые расходы воды и стоков одним санитарно-техническим прибором приведены в Прил. 7.

Удельный часовой расход, отнесенный к одному прибору, равен:

                                                   (2.3.16)

где:

 - удельный часовой расход воды прибором, соответственно, i1 и i2, типов, л/ч;

ni1, ni2- число приборов, соответственно, i1 и i2 типов.

В зависимости от значения и суммы ni, по Прил. 6 определяются секундный и часовой расходы воды (см. пример 7 в разделе 2.4 настоящих рекомендаций).

2.4. Примеры определения расчетных расходов сточных вод

Пример 1. Объект: 9-этажный жилой дом на 216 квартир, число жителей U = 886 чел., с централизованным горячим водоснабжением, оборудованный ваннами длиной 1500 мм, мойками, умывальниками и унитазами со смывными бачками вместимостью 6,5 л.

Определить расчетные расходы стоков в канализационном стояке, в секционном выпуске, объединяющем четыре канализационных стояка, на объекте в целом.

Решение. Согласно Прил. 1, удельные расходы составляют:

Число приборов: на объекте

в одной секции здания

на одном стояке

В соответствии с п. 2.3.7, удельный расход водоразборных приборов равен:

В соответствии с п. 2.3.10, принимаем ; то же при расчетах секционного выпуска и канализационного стояка.

Из Прил. 6 получаем следующие значения расходов воды: 

для всего объекта

для секционного выпуска

для одного стояка

По формуле (2.3.1) расход стоков, ожидаемый в канализационном стояке 9-этажного типового жилого дома, равен:

В соответствии с формулой (2.3.2) расход стоков в секционном выпуске зависит от его длины L, учитываемой коэффициентом Ks. Для сравнения рассмотрим три варианта, в соответствии с которыми L1 = 5 м; L2 = 10 м; L3 = 15 м.

По табл. 2.3.1 при N = 36 приборам: Ks(1 )= 0,54; Ks(2) =0 ,47; Ks(3) = 0,43. По формуле (2.3.2):

Пример 2. Объект: жилой дом из примера 1 с унитазами, оборудованными смывными кранами.

Определить расчетный расход стоков на объекте в целом.

Решение. Согласно данным Прил. 1, удельные расходы получаются такими же, как в предыдущем примере. То же можно сказать и обо всех расчетных часовых расходах. Общий секундный расход воды увеличится на 1,4 л/с:

При установке смывных кранов расчетный часовой расход воды не изменяется по сравнению с вариантом использования смывных бачков; расчетный секундный расход стоков остается неизменным при расчете отводных трубопроводов, а при расчете стояков следует вместо qПР = l,6 л/с принять qПР = 1,4 л/с.

Пример 3. Объект: промышленное предприятие с обычными цехами, работающее в две смены. Всего на предприятии работает 951 чел., в том числе 112 чел. административного персонала. В максимальную смену работают 709 чел., в том числе 90 чел. административного персонала. В административно-бытовом корпусе (АБК) установлено 47 душевых сеток.

В АБК имеется столовая. В максимальный час готовится 1492 блюда.

Число остальных приборов приведено в табл. 2.4.1.

Таблица 2.4.1.

Число санитарно-технических приборов на объекте

 

Места расположения приборов

Число приборов

Цех

159

АБК

40

Пищеблок

45

Определить расчетные часовые и секундные расходы стоков на объекте, учитывая, что в соответствии со СНиП 2.04.01-85* не допускается объединение стоков хозяйственно-бытовых со стоками от пищеблока.

Решение. По исходным данным с использованием Прил. 3 составим табл. 2.4.2 с удельными расходами потребителей.

Таблица 2.4.2.

Удельные расходы  потребителей

 

Потребители

Число

Работающие:

в цехах

в АБК

 

619

90

 

3,125

1,875

Для приготовления блюд

1492

12,0

Определим, согласно п. 2.3.7, удельный расход воды на один прибор:

Из Прил. 6 при ближайших имеющихся значениях N и удельных расходах получаем:

;

К полученным расходам, согласно п. 2.3.13, прибавляем расходы 47 душевых сеток, которые определяются по формулам (2.3.8)- (2.3.13):

; .

Расход стоков определяется по формуле (2.3.2). Расход стоков от столовой определяем в соответствии с п. 2.3.14:

- среднее число блюд равно 1492;

- расчетная производительность предприятия:

- удельный часовой расход воды:

Далее по Прил. 6 определяем расчетные секундный и часовой расходы воды (в данной работе не приводятся), а затем - расход стоков.

Пример 4. Объект: общежитие на U = 864 проживающих, с общими кухнями и блоками душевых в каждой секции здания. Общее число приборов (без душей): .

Определить общий расчетный часовой и секундный расходы воды, а также общий расход воды в средние сутки и сутки максимального водопотребления (без учета душевых расходов).

Решение. Из Прил. 3 определяем удельный часовой расход воды на одного проживающего в общежитии:

Согласно п. .2.3.7, вычислим удельный расход, отнесенный к одному прибору:

Из Прил. 6 получаем расчетные расходы воды (без учета душевых расходов):

Определим расходы воды в средние сутки, принимая продолжительность суточного периода водопотребления для проживающих в общежитии 24 ч:

Используя те же данные, которыми мы пользовались при работе с Прил. 6, получим:

Из Прил. 5 определяем коэффициенты суточной неравномерности для общего водопотребления в общежитии: , после чего вычисляем расходы воды в сутки наибольшего водопотребления:

Учитывая, что в общежитии нет приборов с большой вместимостью (ванн), при определении расхода стоков в качестве принимаем расход от мойки или умывальника,

полагая, что они могут быть полностью заполнены ().

Пример 5. Объект: продовольственный магазин, в котором имеется 30 обычных рабочих мест (продавцы и прилавки), а также универсам с площадью торгового чала 600 м2. Продолжительность работы - 12 ч в сутки. Число установленных приборов:.

Примечание. Рабочее место в продовольственном магазине - место за прилавком, которому соответствует 20 м2 площади торгового зала. В данном случае для универсама (магазина без прилавков с продавцами) условное число рабочих мест составит:

рабочих мест в смену.

Определить расчетный расход стоков.

Решение. С учетом Прил. 3 определяем общий удельный расход воды на один прибор:

.

Из Прил. 6 определяем расчетные часовые и секундные расходы:

Расчетный расход стоков определяем по формуле (2.3.2), принимая  (расход от смесителя умывальника - струя, работающая на проток).

Пример 6. Объект: аптека с числом работающих в торговом зале и подсобных помещениях 18 чел.; в лаборатории приготовления лекарств - 4 чел. Число приборов:

- в зале и подсобных помещениях

Ntot = 7

- в лаборатории

Ntot = 42

Определить расчетные часовые и секундные расходы стоков в аптеке в целом и в лаборатории, учитывая, что продолжительность работы аптеки - 12ч.

Решение. С использованием Прил. 3 определяем удельные расходы на один прибор в лаборатории:

.

По таблице Прил. 6 определяем расчетные расходы в лаборатории:

Расход стоков от лаборатории определяем по формуле (2.3.2), принимая . Определяем удельные часовые расходы на один прибор в аптеке в целом с учетом данных об удельных суточных расходах воды по Прил. 3 и численности работающих в лаборатории и торговом зале:

По Прил. 6 определяем расчетные расходы воды для аптеки в целом:

Расход стоков от аптеки в целом определяем так же, как и от лаборатории.

Примечание. Поскольку полученные значения удельных расходов меньше минимальных, приведенных в Прил. 6, то расчетные значения расходов определяются линейной интерполяцией между нулевыми расходами и расходами при наименьших удельных расходах в Прил. 6 (4 л/ч).

Пример 7. Исходные данные те же, что в примере 1. Определить секундный и часовой расходы стоков для одного стояка.

Решение. По формуле (2.3.16) с использованием Прил. 7. получаем:

,

где:

10 - удельный часовой расход воды мойкой без аэратора, л/ч;

22 - то же, ванной длиной 1500-1700 мм, л/ч;

4 - то же, унитазом, л/ч;

5 - то же, умывальником, л/ч;

9 - число приборов каждого типа.

По Прил. 6 (при  и N = 36 приборов) получаем:

По формуле (2.3.1) расход стоков, ожидаемый в канализационном стояке 9 - этажного дома, равен:

.

Часовой расход стоков равен часовому расходу воды

Глава 3. ГИДРАВЛИЧЕСКИЙ РАСЧЕТ БЕЗНАПОРНЫХ ТРУБОПРОВОДОВ

3.1. Методические основы гидравлического расчета безнапорных вертикальных и горизонтальных трубопроводов

Надежность систем канализации зданий характеризуется двумя параметрами: 1) устойчивость против срыва гидравлических затворов у санитарно-технических приборов и оборудования; 2) незасоряемость трубопроводов. При этом первый параметр обеспечивается, если величина разрежений, возникающих в канализационном стояке (вертикальный трубопровод), не превышает высоты расчетного гидравлического затвора (из присоединенных к стояку расчетным следует считать гидравлический затвор с минимальной высотой); второй - если при расчетном расходе стоков достигаются требуемые для самоочищения трубопровода значения скорости течения жидкости и наполнения трубопровода.

На стадии проектирования при известном расчетном расходе стоков оба параметра могут быть определены гидравлическими расчетами, методические основы и методы которых рассматриваются ниже.

3.1.1. Вертикальные трубопроводы.

С 1969 г. в нашей стране официально принята кратко излагаемая ниже концепция работы вертикальных трубопроводов в системах канализации зданий, позволившая обосновать и упорядочить методику их расчета, проектирования и конструирования. Эта концепция отражена в Строительных нормах и правилах СНиП П-Г.4-70, СНиП II-30-76, СНиП 2.04.01-85, СНиП 2.04.01-85* "Внутренний водопровод и канализация зданий", а также ряде рекомендательных, инструктивных и нормативных документов. Эти методики позволили рассчитать и запроектировать системы канализации на целом ряде уникальных объектов* (первый в стране 25-этажный жилой дом с одним стояком диаметром 100 мм, Центр международной торговли на Краснопресненской набережной, 30-этажный Олимпийский гостиничный комплекс в Измайлово, 40-этажное здание Академии внешней торговли, 29-этажные корпуса Академии общественных наук и т. д.).

В соответствии с этой концепцией, начиная с 1970 г., разрабатываются типовые и индивидуальные проекты зданий и сооружений. Более чем 20-летняя практика эксплуатации систем канализации уникальных и массовой застройки зданий и сооружений убедительно подтверждает достоверность, как самой концепции, так и разработанных на ее основе методов расчета, проектирования и конструирования этих систем. В соответствии с этой концепцией, жидкость, движущаяся сверху вниз в вертикальном трубопроводе, обладает эжектирующей способностью, т.е. способностью увлекать за собой воздух. Величина эжектирующей способности жидкости зависит от многих факторов, основными из которых являются ее расход, скорость входа (угол входа) в стояк. Максимальная скорость течения жидкости в вертикальном трубопроводе достигается через 90 его диаметров и при дальнейшем движении вниз не может быть превышена. При входе в стояк (рис. 3.1.1) жидкость создает местное сопротивление ("сжатое сечение" стояка) движущемуся сверху вниз воздуху, в результате чего в стояк поступает количество воздуха, меньшее величины эжектирующей способности жидкости.

Рис. 3.1.1. Схема истечения воды из поэтажного отвода в стояк (разрез по оси стояка)

1 - воздух;2 - вода

Поэтому ниже «сжатого сечения» стояка возникает дефицит воздуха и связанное с ним разрежение. Например, по экспериментальным данным, жидкость в количестве 1 л/с, поступающая под углом 90° из отвода диаметром 100 мм в стояк диаметром 100 мм, обладает эжектирующей способностью, равной 25 л/с воздуха. Поскольку при входе из отвода в стояк его сечение "сжато" самой же жидкостью, из атмосферы в стояк поступает только 14 л/с воздуха, так что ниже "сжатого сечения" возникает дефицит воздуха, равный 25 - 14 = 11 л/с, что эквивалент но величине разрежения в 10 мм вод. ст.

Каждый гидравлический затвор представляет собой U - образную трубку, одна ветвь которой постоянно находится под атмосферным давлением, а вторая, тем или иным образом присоединенная к стояку, - под давлением в стояке (рис. 3.1.2). Экспериментально ус тановлено, что срыв гидравлического затвора высотой 60 мм происходит, когда разрежение в стояке составляет 65 кгс/м2 (65 мм вод. ст.), высотой 80 мм - 90 кгс/м2 (90 мм вод. ст.). При таких значениях разрежения падает вниз уровень воды в правой ветви гидравлического затвора (см. рис. 3.1.2), безвозвратно уносится в стояк часть воды, заполняющей его левую ветвь, а через воду, перешедшую из правой ветви в левую, начинается проскок воздушных пузырей - вода "закипает".

Рис 3.1.2. Заполнение гидравлического затвора при различном давлении в стояке

а - давление в стояке равно атмосферному; б - разрежение в стояке меньше критического; в - срыв затвора при критическом разрежении в стояке

Три-четыре таких пузыря выплескивают в стояк всю воду из левой ветви, в результате - гидрозатвор сорван, и канализационные газы из наружных сетей канализации получают беспрепятственный доступ в помещения, где находятся люди. Через сорванный гидрозатвор в стояк поступает дополнительное количество воздуха, так что затворы у других приборов, присоединенных к данному стояку, остаются в неприкосновенности.

На коротком участке от точки входа в стояк движение воды стабилизируется: вода в виде пленки движется по внутренней поверхности трубопровода, а внутри потока воды в виде стержня движется воздух. В гидравлике газожидкостных систем такое движение носит название «стержне вое». При таком движении максимальное разрежение возникает, прежде всего, непосредственно под «сжатым сечением» стояка.

Службам эксплуатации важно знать, что причина срыва гидравлического затвора всегда находится непосредственно над местом его присоединения к стояку. Так, если перемерзает вытяжная часть вентилируемого (выведенного выше кровли здания) канализационного стояка, всегда срывается затвор у одного из при боров, расположенных на самом верхнем этаже этого здания. В точках изменения прямо линейности стояка (при устройстве отступа или перекидки - рис. 3.1.3) также происходит изменение режима течения водовоздушной смеси со стержневого на разделенное (термин гидравлики газожидкостных систем), когда жидкость движется по нижней стенке трубы, а над ней свободно течет воздух.

Рис. 3.1.3. Изменение режимов течения жидкости и воздуха в точках перегиба стояка

1 - вода; 2 - воздух

В первой (по ходу движения) точке перегиба жидкость вновь создает сопротивление потоку воздуха, его скорость резко уменьшается, что сопровождается резким увеличением давления в стояке, которое при определенных условиях становится выше атмосферного, в результате чего происходит выброс воды, заполняющей гидрозатвор, в чашу санитарно-технического прибора, присоединенного к стояку непосредственно над точкой его перегиба.

Во второй точке перегиба вновь происходит изменение режима течения - с разделенного на стержневое. В этом случае расположенный ниже участок стояка становится практически невентилируемым, так как трижды отсекается жидкостью от атмосферы (в точке входа жидкости в стояк и в двух точках его перегиба) и, если он не может работать как невентилируемый, происходит срыв затвора у прибора, ближе других присоединенного непосредственно под второй точкой перегиба. Чтобы исключить эти нежелательные явления, следует соединить петлеобразным трубопроводом участки стояка, расположенные выше первой точки перегиба и ниже второй (передать воздух с участка, где его избы ток, на участок, где его недостаток).

В пределах начального участка вертикального трубопровода (L = 90 DCT) с уменьшением его длины (высоты) при прочих равных условиях уменьшается скорость течения жидкости и, следовательно, ее эжектирующая способность. Экспериментально установлены такие соотношения диаметров стояка и поэтажного отвода, угла входа жидкости в сто як и ее расхода, которые при данной высоте стояка позволяют не устраивать его вытяжной части, т. е. строить невентилируемые канализационные стояки (см. далее рис. 3.2.1).

В 1976 г. впервые в мировой практике применение невентилируемых канализационных стояков было допущено в нашей стране (СНиП II-30-76, СНиП 2.04.01-85, СНиП 2.04.01-85*). Двадцатилетняя практика применения и эксплуатации систем канализации зданий и сооружений с невентилируемыми канализационными стояками убедительно подтверждает надежность их работы.

3.1.2. Горизонтальные трубопроводы.

Массовые засоры безнапорных трубопроводов начальных участков канализационной сети свидетельствуют о совершенно неудовлетворительных их расчете и проектировании. Это относится, прежде всего, к гидравлическому расчету без напорных трубопроводов. Более 30 лет этот расчет регламентируется СНиП «Канализация. Наружные сети и сооружения». К сожалению, рекомендуемая этими СНиП расчетная формула при расчетах труб из технически гладких материалов (стекло, пластмассы) дает ошибки, превышающие 200 %. Кроме того, требование этих норм принимать без расчета минимальные диаметры микрорайонных сетей равными 200 мм способствует строительству в России десятков тысяч километров безрасчетных сетей, что приводит к необоснованному увеличению их материалоемкости, стоимости и беспрецедентный затратам на эксплуатацию. Все эти затраты приводят лишь к резкому снижению комфортности зданий, подвалы большинства которых постоянно затоплены сточной жидкостью.

В 1980 г. утверждением Госстроем СССР строительных норм СН 478-80 «Инструкция по проектированию и монтажу сетей водоснабжения и канализации из пластмассовых труб» был регламентирован новый подход к гидравлическому расчету безнапорных трубопроводов. В данном случае, в отличие от расчетов напорных трубопроводов, следует учитывать, что один и тот же трубопровод, проложенный с определенным уклоном, может работать при различных наполнениях, а одновременно с изменением наполнения меняется и скорость течения жидкости. Расчетные формулы СН 478-80 основаны на том положении, что между законом гидравлического сопротивления и распределением скоростей по сечению трубопровода существует внутренняя связь, без математического описания которой невозможно получить достоверные зависимости для гидравлических расчетов безнапорных трубопроводов.

Закономерность изменения средних скоростей течения жидкости по сечению безнапорных трубопроводов (каналов) любых форм поперечных сечений была получена А.Я. Добромысловым в виде:

,                                                                          (3.1.1)

где:

Vн и Vп - средние скорости жидкости при неполном и полном наполнениях трубопровода (канала);

Rн и Rп - гидравлические радиусы потока при неполном и полном наполнениях трубопровода (канала);

в - безразмерный показатель степени, пропорционально которой изменяется гидравлическое сопротивление трубопровода (канала);

а - коэффициент, зависящий от шероховатости материала стенок трубопровода (канала).

Анализ многочисленных расчетных формул, в том числе и формулы СНиП 2.04.03-85 "Канализация. Наружные сети и сооружения", с использованием формулы (3.1.1), показывает, что в их основе лежит так называемый квадратичный закон гидравлического сопротивления, когда сопротивление пропорционально скорости в степени 2 (т. е. В = 2). Поэтому в переходной области сопротивлений, когда в < 2, эти формулы не дают достоверного результата.

Основанная на зависимости (3.1.1) методика гидравлического расчета безнапорных пластмассовых трубопроводов, включена Госстроем России в СП 40-102-2000 и с некоторыми упрощениями приведена в настоящих рекомендациях (раздел 3.3).

3.2. Расчет канализационных стояков

3.2.1. Канализационный стояк, выведенный выше кровли здания и имеющий свободное сообщение с атмосферой (т.е. имеющий так называемую вытяжную часть), называется вентилируемым; не имеющий вытяжной части - невентилируемым, оборудованный вентиляционным клапаном - полувентилируемым.

Невентилируемый канализационный стояк оканчивается прочисткой, устраиваемой в направленном вверх раструбе фасонной части, с помощью которой к стояку присоединяются наиболее высоко расположенные санитарно-технические приборы (рис. 3.2.1).

Полувентилируемый стояк оканчивается в помещении верхнего санузла и оборудуется вентиляционным клапаном.

Рис. 3.2.1 Система канализации с невентилируемым стояком

1 - канализационный колодец; 2 - канализационный выпуск; 3 - невентилируемый стояк; 4 – прочистка; 5 санитарно-технические приборы

3.2.2. Допустимая величина разрежений в вентилируемых, невентилируемых и полувентилируемых канализационных стояках не должна превышать 0,9h3, где h3- высота наименьшего из гидравлических затворов санитарно-технических приборов, присоединенных к канализационному стояку.

3.2.3. Величину разрежений в вентилируем канализационном стояке ∆р, мм вод. ст., следует определять по формуле:

,                                                    (3.2.1)

где:

q - расчетный расход стоков, м3/с;

α - угол присоединения диктующего отвода к стояку, град;

Dст - диаметр стояка, м;

dотв - диаметр диктующего поэтажного отвода, м;

L - рабочая высота стояка, м.

Примечания: 1. Рабочей высотой канализационного стояка называется его участок от точки присоединения наиболее высоко расположенного санитарно-технического при бора (или группы приборов) до нижнего сгиба стояка (точки перехода стояка в канализационный выпуск), т. е. участок стояка, по которому может транспортироваться сточная жидкость.

2. При 90Dст > L следует принимать 90Dст = L.

3. Диктующим следует считать поэтажный отвод, присоединяющий к стояку диктующий санитарно-технический прибор.

3.2.4. Допускается при расчетной высоте гидравлических затворов h3 = 60 мм конструкцию систем канализации зданий и сооружений с вентилируемыми стояками принимать:

- для систем из труб ПНД - по табл. 3.2.1;

- для систем из поливинилхлоридных труб - по табл. 3.2.2;

- для систем из полипропиленовых труб - по табл. 3.2.3.

Примечание: При расчетной высоте гидрозатворов h3 = 50 мм приведенные в табл. 3.2.1 - 3.2.3 значения пропускной способности стояков следует уменьшить на 10 %, при h3 = 70 мм - увеличить на 10 %.

Таблица 3.2.1.

Пропускная способность стояков из ПВП труб

 

Наружный диаметр поэтажных отводов, мм

Угол присоединения поэтажных отводов к стояку, град

Пропускная способность, л/с, вентилируемых стояков из ПВП труб при диаметре, мм

50

90

110

50

45

87,5

1,07

0,66

5,1

3,2

8,4

5,2

90

45

87,5

-

-

3,9

2,4

6,4

3,95

110

45

87,5

-

-

-

-

5,9

3,6

Таблица 3.2.2.

Пропускная способность стояков из ПВХ труб

 

Наружный диаметр поэтажных отводов, мм

Угол присоединения поэтажных отводов к стояку, град

Пропускная способность, л/с, вентилируемых стояков из ПВХ труб при наружном диаметре, мм

50

110

50

45

87,5

1,1

0,69

8,22

4,83

110

45

87,5

-

-

5,85

3,58

Таблица 3.2.3.

Пропускная способность стояков из ПП труб

 

Наружный диаметр поэтажных отводов, мм

Угол присоединения поэтажных отводов к стояку, град

Пропускная способность, л/с, вентилируемых стояков из ПП труб при наружном диаметре, мм

50

110

40

45

87,5

1,23

0,76

8,95

5,5

50

45

87,5

1,07

0,66

8,4

5,2

110

45

87,5

-

-

5,9

3,6

Пример расчета. Дано: 16-этажный жилой дом, оборудованный полным комплексом удобств: в каждой квартире установлены унитаз, ванна длиной 1500 мм, умывальник и мойка. Средняя заселенность квартиры - 4 чел. Минимальная высота гидрозатвора h3 = 50 мм.

Требуется запроектировать надземную часть системы канализации здания.

Решение. Прежде всего, определяем расчетный секундный расход стоков, для чего воспользуемся гл. 2 настоящих рекомендаций. В соответствий с п. 2.3.1, следует определить секундный расход воды для водоразборной арматуры санитарно-технических приборов, присоединенных к расчетному канализационному стояку.

В соответствии с п. 2.3.6, средний удельный часовой расход воды равен 10,4 л/ч. Число приборов на стояке N = 16´4 = 64. По Прил. 6 настоящих рекомендаций . Тогда

Прежде чем по формуле (3.2.1) рассчитывать величину разрежений в канализационном стояке, необходимо отметить следующее:

1. Высота стояка в данном случае (16 этажей, около 50 м) превысит величину 90DCT, так как вероятный диаметр стояка будет не более 150 мм (90DCT = 13,5 м).

2. Так как в качестве qsпр принят расход стоков от смывного бачка унитаза, диктующим поэтажным отводом является отвод от унитаза.

3. Диаметр канализационного стояка конструктивно не может быть меньше внутреннего диаметра выпуска унитаза, который равен 85 мм.

С учетом этих замечаний принимаем:

 

Для расчетов примем следующую конструкцию надземной части системы канализации: стояк наружным диаметром 90 мм с толщиной стенки 3 мм из полиэтиленовых труб компании "Рострубпласт", диктующий поэтажный отвод из тех же труб, угол присоединения, диктующего поэтажного отвода к стояку 87,5°(cosα=0,0436). При этих параметрах по формуле (3.2.1) ∆р = 72,32 мм, что больше минимальной высоты гидравлических затворов, присоединяемых к расчетному стояку.

Этот результат становится очевиден также из табл. 3.2.1: пропускная способность стояка наружным диаметром 90 мм при dотв = 90 мм, α = 87,5° и h3 = 50 мм равна лишь 2,4×0,9 = 2,16 л/с.

По конструктивным соображениям применить в данном случае тройник 45° не представляется возможным, поэтому повторяем расчет для стояка наружным диаметром 110 мм, например, из полипропиленовых труб производства НПО «Стройполимер». Диаметр отвода также равен 110 мм, α = 87,5°. Толщина стенки этих труб равна 2,7 мм, так что расчетный диаметр равен 104,6 мм.

При этих параметрах величина Ар по формуле (3.2.1) равна 34,65 мм, что меньше, чем 0,9h3= 45 мм. Следовательно, надземная часть системы канализации 16-этажного типового жилого дома в рассмотренном случае включает стояк из полипропиленовых труб наружным диаметром 110 мм, к которому под углом 87,5° присоединяется диктующий поэтажный отвод такого же диаметра.

Следует подчеркнуть, что с уменьшением диаметра поэтажного отвода, равно как и угла его присоединения к стояку, пропускная способность последнего увеличивается. Этот вывод следует из анализа формулы (3.2.1) и табл. 3.2.1 - 3.2.3. При известном рас четном расходе сточной жидкости из этих таблиц становится ясна конструкция надземной части системы канализации, а именно: диаметры стояка и поэтажного отвода и угол присоединения отвода к стояку.

3.2.5. Величину разрежений, мм вод.ст., в невентилируемом канализационном стояке следует определять по формуле:

                                                                             (3.2.2.)

где:

Vсм - скорость водовоздушной смеси, м/с, определяемая по формуле:

,                                                                                     (3.2.3.)

здесь:

Qв - эжектирующая способность воды, м3/с, т. е. расход воздуха, увлекаемого в стояк движущейся в нем сверху вниз жидкостью;

 - площадь живого сечения стояка, м2.

Величина Qв определяется по формуле:

,                                                    (3.2.4.)

где:

qs - расчетный расход сточной жидкости, м3/с;

dотв - диаметр поэтажного отвода, м;

L - рабочая высота стояка, м;

α - угол присоединения диктующего поэтажного отвода к стояку, град.

Примечания: 1. См. примечания к п 3.2.3. 2. Определение величин ∆р по формуле (3.2.2) и Qв по формуле (3.2.4) допускается по номограммам рис. 3.2.2 и 3.2.3 соответственно.

Рис. 3.2.2. Номограмма для определения величины разрежений в невентилируемом стояке

Рис. 3.2.3. Номограмма для определения величины эжектирующей способности жидкости

3.2.6. Допускается при расчетной высоте гидравлических затворов h3 = 60 мм конструкцию систем с невентилируемыми канализационными стояками принимать:

для систем из труб ПВХ, ГШД и ПВД - по табл. 3.2.4;

для систем из полипропиленовых труб - по табл. 3.2.5

Таблица 3.2.4.

Пропускная способность невентилируемых канализационных стояков из труб ПНД, ПВХ и ПВД

Рабочая высота стояка, м

Угол присоединения поэтажного отвода к стояку, град

Пропускная способность, л/с, невентилируемого стояка из труб ПНД и ПВХ при наружном диаметре, мм

Пропускная способность, л/с, невентилируемого стояка из труб ПВД при наружном диаметре, мм

50

90

110

50

90

110

при наружном диаметре поэтажных отводов, мм

50

50

90

50

110

50

50

90

50

110

1

45

87,5

1,8

1,65

6,5

5,76

7,1

6,3

9,5

8,4

10,6

9,5

1,8

1,65

6,0

5,3

6,5

5,8

8,8

7,8

9,8

8,7

2

45

7,5

1,12

0.97

4,0

3,4

4,5

3,85

5,8

4,95

6,8

5,9

1,12

0,97

3,7

3,15

4,15

3,55

5,4

4,6

6,2

5,3

3

45

87,5

0,8

0,65

2,75

2,25

3,2

2,6

4,0

3,3

5,0

4,1

0,8

0,65

2,5

2,0

3,0

2,45

3,7

3,0

4,5

3,7

4

45

87,5

0,6

0,48

2,1

1,65

2,35

1,95

3,0

2,4

3,7

3,0

0,6

0,48

1,9

1,5

2,2

2,1

2,8

2,2

3,3

2,7

5

45

87,5

0,6

0,48

1,57

1,27

1,9

1,5

2,25

1,85

3,0

2,4

0,6

0,48

1,42

1,15

1,8

1,4

2,1

1,7

2,65

2,65

6

45

87,5

0,6

0,48

1,27

1,0

1,5

1.16

1,85

1,5

2,35

1.8

0,6

0,48

1,15

0,9

1,4

1,08

1,7

1,3

2,3

1,7

у

45

87,5

0,6

0,48

1,05

0,82

1,3

1,0

1,55

1,2

2,0

1,6

0,6

0,48

0,95

0,75

1,16

0,91

1,4

1,1

1,7

1,35

8

45

87,5

0,6

0.48

1,05

0,82

1,3

1,0

1,3

1,0

1,7

1,4

0,6

0,48

0,95

0,75

1,16

0,91

1,2

0,9

1,1

1,15

9

45

87,5

0,6

0,48

1,05

0,82

1,3

1,0

1,1

0,85

1,15

1,16

0,6

0,48

0,95

0,75

1,16

0,91

1,1

0,95

1,1

1,15

Таблица 3.2.5

Пропускная способность невентилируемых канализационных стояков из труб ПП

 

Рабочая высота стояка, м

Угол присоединения поэтажного отвода к стояку, град

Пропускная способность, л/с, невентилируемого стояка из ПП труб при наружном диаметре, мм

50

110

при наружном диаметре поэтажных отводов, мм

40

50

40

50

110

1

45

87,5

1,6

1,44

1,8

1,65

8,8

8,0

9,5

8,4

10,6

9,5

2

45

87,5

0,96

0,88

1,12

0,97

5,4

4,7

5,8

4,95

6,8

5,9

3

45

87,5

0,72

0,58

0,8

0,65

3,8

3,2

4,0

3,3

5,0

4,1

4

45

87,5

0,5

0,42

0,6

0,48

2,8

2,3

3,0

2,4

3,7

3,0

5

45

87,5

0,5

0,42

0,6

0,48

2,1

1,77

2,25

1,85

3,0

2,4

6

45

87,5

0,5

0,42

0,6

0,48

1,77

1,42

1,85

1,5

2,35

1,8

7

45

87,5

0,5

0,42

0,6

0,48

1,42

1,07

1,55

1,2

2,0

1,6

8

45

87,5

0,5

0,42

0,6

0,48

1,2

0,96

1,3

1,0

1,7

1,4

9

45

87,5

0,5

0,42

0,6

0,48

1,04

0,8

1,1

0,85

1,15

1,15

Примечание. Таблицы к п. 3.2.4 рассчитаны для стояков высотой Lcm>90Dcm и гидравлических затворов высотой 60 мм. При Lcm<90Dcm табличные значения пропускной способности стояков следует увеличить в раз, при высоте гидрозатворов50 мм - уменьшить в 1,1 раза. Здесь Dcm - внутренний диаметр стояка, равный 0,1046 м (104,6 мм), 0,0464 м (46,4 мм) и 0,0367м (36,7 мм) для труб наружными диаметрами 110, 50 и 40 мм соответственно; Lcm - рабочая высота стояка, равная расстоянию от точки присоединения наиболее высоко расположенного в здании прибора (приборов) до нижнего гиба стояка, т.е. участок стояка, по которому транспортируется сточная жидкость.

3.2.7. Пропускная способность невентилируемого канализационного стояка высотой L>90Dсm равняется его пропускной способности при L=90Dсm и при дальнейшем увеличении высоты стояка не изменяется.

3.2.8. Пропускная способность полувентилируемого канализационного стояка из полипропиленовых труб наружным диаметром 110 мм с толщиной стенки 2,7 мм, оборудованного вентиляционным клапаном австрийской фирмы Hutterer and Lechner GmbH(HL), приведена в таблице 3.2.6, заимствованной из СП 40-107-2003.

Таблица 3.2.6.

Пропускная способность полувентилируемого стояка из полипропиленовых труб наружным диаметром 110 мм.

Диаметр поэтажного отвода, мм

Угол входа жидкости в стояк, град

Пропускная способность стояка, л/с

со вставкой А = 1650мм2

без вставки А = 3170мм2

50

45,0

5,85

7,7

60,0

5,10

6,8

87,5

3,57

4,54

110

45,0

4,14

5,44

60,0

3,64

4,8

87,5

2,53

3,2

Пример расчета системы канализации двухэтажного жилого коттеджа. Дано: двухэтажный жилой коттедж, в котором проживают 7 чел. Коттедж имеет два типовых санитарных узла, т.е. в каждом установлены унитаз с низкорасположенным смывным бачком вместимостью 6,5 л, умывальник и ванна вместимостью 150 л, и оборудован централизованным горячим водоснабжением. Минимальная высота гидравлического затвора (у ванны) равна 50 мм. Высота потолков в коттедже - 2,7 м, толщина перекрытий - 0,3 м.

Требуется рассчитать и спроектировать систему канализации коттеджа.

Решение.

1. Определение расчетного расхода стоков для канализационного стояка выполняем в соответствии с главой 2 настоящих рекомендаций: qs = 2,32 л/с.

2. Конструирование надземной части системы канализации коттеджа.

2.1. Диаметр стояка, к которому присоединяются унитазы, конструктивно не может быть меньше 90 мм (наружный диаметр выпуска унитаза). Поскольку в данном случае применяются трубы и фасонные части из полипропилена, диаметр канализационного стояка принимаем равным 110 мм (по сортаменту полипропиленовых труб - ближайший больший к 90 мм).

2.2. Рабочая высота стояка - участок стояка, по которому транспортируется сточная жидкость, равен расстоянию от точки присоединения унитаза на втором этаже до нижнего гиба стояка. Здесь возможны следующие варианты:

а) стояк переходит в канализационный выпуск непосредственно под потолком подвала:

Lсm = 0,3 + 2,7 + 0,3 = 3,3 м,

где:

0,3 м - толщина перекрытия;

2,7 м - высота потолка;

б) стояк переходит в канализационный выпуск над полом подвала:

,

где:

Hподв - высота подвала, м;

в) стояк переходит в канализационный выпуск под полом подвала:

.

а) Вариант 2.2а. Секундный расход стоков qсm = 2,32 л/с, Zсm = 3,3 м, минимальная высота гидравлического затвора (у ванны) 50 мм. Учитывая, что рабочая высота стояка меньше 90 его диаметров (9,414 м), проверяем возможность устройства невентилируемого стояка, для чего используем данные табл. 3.2.5. При этом в качестве расчетного принимаем диаметр поэтажного отвода, присоединяющего к стояку расчетный прибор (унитаз на втором этаже), т. е. = 110 мм.

Интерполируя данные по табл. 3.2.5 между Lсm = 3 и 4 м, получаем, что пропускная способность невентилируемого стояка диаметром 110 мм, к которому присоединяется поэтажный отвод также диаметром 110 мм, равна 4,61 или 3,77 л/с, если угол входа жидкости в стояк равен 45° или 87,5°, соответственно.

Поскольку табличные данные рассчитаны применительно к гидрозатворам высотой 60 мм, а расчетная высота гидрозатвора в нашем случае равна 50 мм, уменьшаем пропускную способность стояка в 1,1 раза и окончательно имеем:

4,61 л/с:1,1 = 4,2 л/с; 3,77 л/с:1,1 = 3,43 л/с.

Оба значения выше ожидаемого расхода стоков (2,32 л/с). Поэтому в коттедже возможно устройство невентилируемого канализационного стояка диаметром 110 мм, к которому присоединяются поэтажные отводы диаметром 110 мм под любым углом (45 или 87.5°).

При этом следует иметь в виду, что нижний гиб стояка должен располагаться под потолком подвала.

На втором этаже, на невентилируемом стояке устраивается прочистка, ревизия в этом случае на стояке не устанавливается.

б) Вариант 2.2б. Исходные данные соответствуют исходным данным варианта 2.2а, но нижний гиб стояка располагается над полом подвала (высота подвала 3 м).

Рабочая высота стояка в этом случае равна:

L = 0,3 + 2,7 + 0,3 + 3 = 6,3 м.

По табл. 3.2.5 проверяем возможность устройства невентилируемого стояка и убеждаемся, что это невозможно. В этом случае единственно возможный вариант - устройство вентилируемого стояка. Конструкция надземной части системы канализации выбирается по табл. 3.2.3: диаметр стояка - 110 мм, диаметр расчетного отвода (от унитаза) - 110 мм, любой угол присоединения поэтажных отводов к стояку. Стояк выводится на 0,2 - 0,3 м выше кровли коттеджа и имеет свободное сообщение с атмосферой.

Устанавливать какие-либо дефлекторы в устье вытяжной части стояка запрещается.

3.3. Расчет безнапорных трубопроводов

3.3.1. Уклон i безнапорных самотечных трубопроводов следует определять по формуле

,                                                                                       (3.3.1)

где:

λ - коэффициент сопротивления по длине трубопровода;

V - скорость течения сточной жидкости, м/с;

g - ускорение свободного падения, м/с2;

- гидравлический радиус, м (здесь w - площадь живого сечения потока сточной жидкости, м2; χ - смоченный периметр трубопровода, м).

Коэффициент сопротивления по длине трубопровода можно найти по формуле:

,                                                                   (3.3.2)

где:

Кэ - коэффициент эквивалентной равномерно зернистой шероховатости

(«гидравлическая шероховатость») труб, равный 0,00002 м;

V0 = 1 м/с;

а - показатель степени, зависящий от шероховатости материала труб,

равный: , где Кэ выражено в мм. При Кэ = 0,02 мм, а = 0,258.

в - показатель степени, зависящий от режима течения жидкости.

При полном наполнении трубопровода:

,                                                        (3.3.3.)

при неполном наполнении:

,                                                       (3.3.3а)

где:

 - число Рейнольдса, соответствующее началу квадратичной области гидравлических сопротивлений;

 - фактическое число Рейнольдса, здесь:

D - расчетный внутренний диаметр трубопровода, м;

ν - кинематическая вязкость сточной жидкости, м2/с.

Примечания:

При в>2 следует принимать в = 2.

Значения R и w при различных наполнениях трубопровода приведены в табл. 3.3.1

Таблица 3.3.1.

Значения R и w при различных наполнениях трубопровода 

Наполнение трубопровода h/dp

R/Dp

w/D2p

0,3

0,1709

0,1982

0,4

0,2142

0,2934

0,5

0,25

0,3927

0,6

0,2776

0,492

0,7

0,2962

0,5872

0,8

0,3042

0,6736

0,9

0,298

0,7445

1,0

0,25

0,7854

3.3.2. С учетом того, что для пластмассовых труб а = 0,258, скорость течения жидкости Vн при неполном наполнении трубопровода равна

,                                                       (3.3.4)

где:

Vп - скорость течения при полном наполнении, м/с;

Rн, Rр - гидравлические радиусы при неполном ("н") и полном ("п") наполнениях трубопровода, м.

Расход жидкости, м3/с, равен

,                                                                                      (3.3.5)

где:

Vн и wн - скорость течения, м/с, и площадь живого сечения, м2, при данном наполнении трубопровода.

3.3.3. Диаметр самотечного трубопровода D, м, следует определять:

- при наполнении трубопровода от 0,1 до 0,62 включительно - по формуле:

;                                                                                 (3.3.6)

- при наполнении трубопровода >0,62 - по формуле:

,                                                                                 (3.3.7)

где:

 - площадь живого сечения потока

Примечание. Для упрощения расчетов по формулам (3.3.6) и (3.3.7) рекомендуется пользоваться номограммой на рис. 3.3.1

Рис. 3.3.1. Номограмма для определения диаметра канализационных трубопроводов

При пользовании номограммой результат достигается двумя наложениями линейки: сначала прямой линией соединяются точки со значениями скорости V (на шкале V) и наполнения h/D (на шкале h/D) и на немой шкале I делается засечка. Затем эта засечка соединяется прямой линией с точкой расхода q (на шкале q). Эта прямая линия продолжается до пересечения со шкалой диаметров D, где и читается ответ.

Вполне вероятно, что полученное значение диаметра не будет соответствовать сортаменту труб, из которых проектируется трубопровод. В таком случае по сортаменту выбирается ближайший больший или меньший диаметр и по номограмме уточняются параметры течения жидкости, т. е. ее скорость и наполнение трубопровода, поскольку расход жидкости на объекте не меняется. Следует точку на шкале D с уточненным по сортаменту значением диаметра соединить прямой линией с точкой на шкале q, соответствующей значению расчетного расхода, продлить эту линию до пересечения с немой шкалой I и сделать на ней новую засечку. Далее, приложив к этой точке край линейки (так, чтобы соединить между собой шкалы V и h/D) и вращая ее вокруг этой точки, выбираем новые значения скорости течения и наполнения трубопровода. При этом следует помнить, что в соответствии с требованиями СНиП 2.04.01-85 скорость течения должна быть не менее 0,7 м/с, а наполнение трубопровода - не менее 0,3 его диаметра.

Пример 1. Дано: qs = 5 л/c;V = 0,7 м/с; h/Dp = 0,5.

Требуется: по номограмме на рис. 3.2.1 определить диаметр трубопровода, соответствующий сортаменту труб ПНД по ГОСТ 18599-83.

Решение. Прямой линией соединяем точки со значениями F = 0,7 м/с и h/Dp = 0,5 и на немой шкале I делаем засечку. Затем эту засечку соединяем прямой линией с точкой q = 5 л/с на шкале q и продолжаем эту прямую линию до пересечения со шкалой D, где читаем ответ D=133 мм. Отметим, что это расчетный, т. е. внутренний диаметр трубы, а в ГОСТ 18599-2001 дается наружный диаметр и толщина стенки. Чтобы получить номинальное значение расчетного диаметра, нужно из значения наружного диаметра вычесть две толщины стенки.

По ГОСТ 18599-2001 имеются трубы ГШД "Л" наружным диаметром 140 мм с толщиной стенки 3,5 мм, т.е. эти трубы в точности соответствуют результатам расчета: 140 - 2 - 3,5 = 133 мм.

Предположим, однако, что толщина стенки этих труб недостаточна для их подземной прокладки и нам требуются трубы с толщиной стенки не менее 5 мм. По ГОСТ 18599-83 этому условию отвечают трубы ПНД "СЛ" наружным диаметром 100 мм с толщиной стенки 5,4 мм. Расчетный диаметр этих труб равен: 140 - 2 ´ 5,4 = 129,2 мм, следовательно, нужно уточнить параметры течения сточной жидкости. С этой целью соединяем прямой линией (на рис. 3.3.1- пунктирная линия) точку со значением D=129,2 мм на шкале D с точкой q=5 л/с на шкале q и продолжаем эту прямую до пересечения с немой шкалой I, где делаем новую засечку. Прикладываем край линейки к точке, соответствующей новой засечке на немой шкале I, соединяя между собой шкалы V и h/D, и при пересечении линейки с этими шкалами получаем значения V и h/D.

Например, оставляя неизменным первоначально выбранное значение скорости F = 0,7 м/с, получаем новое значение наполнения трубопровода h/D = 0,55 (на рис. 3.3.1 -прямая линия). Оставляя же неизменным первоначально выбранное наполнение (h/D = 0,5), получаем новое значение скорости (F = 0,8 м/с). Вообще, вращая линейку вокруг засечки на немой шкале I, можно выбрать оптимальные параметры V и h/D. Оптимальным следует считать такое соотношение V и h/D, при котором обеспечивается максимальное значение произведения

.

Пример 2. Рассчитанные значения D, V и h/D являются исходными параметрами для определения уклона трубопровода по формулам (3.3.1) - (3.3.3).

Например, принят первый вариант: D = 129,2 мм = 0,1292 м; V = 0,7 м/с, h/D = 0,55. По формуле (3.3.3a) определяем параметр в:

;

;

.

По второму варианту при D = 129,2 мм = 0,1292 м; V = 0,8 м/с, h/D = 0,5

;

;

;

Отметим, что некоторое увеличение скорости течения жидкости (с 0,7 до 0,8 м/с) может быть обеспечено только при увеличении уклона трубопровода (в данном случае, с 0,00435 до 0,005938).

3.3.4. При известных значениях диаметра и уклона самотечного трубопровода скорость течения жидкости VП при его полном наполнении определяется следующим образом:

формулы (3.3.1) и (3.3.2) преобразовываются к виду:

                                                                           (3.3.1а)

                                                               (3.3.2а)

по формуле (3.3.2а) рассчитывается коэффициент λ1:

из формулы (3.3.1а) определяется параметр :

;                                                                                (3.3.8)

путем подбора скорости Vn из формулы (3.3.3) определяется значение параметра в таким образом, чтобы значение равнялось значению в формуле (3.3.8).

Пример 3. Дано: труба ПНД "СЛ" наружным диаметром 140 мм (расчетный диаметр D = 129,2 мм), ее уклон i = 0,006 (Kэ = 0,00002 м, а = 0,258).

Требуется определить скорости течения и расходы жидкости при наполнениях трубопровода 0,3-1.

Решение. По формуле (3.3.2а) определяем коэффициент λ1:

Из формулы (3.3.2а) определяем параметр :

Задаемся значением Vn (для первой итерации следует взять .) Подставляем это значение Vn в знаменатель формулы (3.3.3), имеем:

Возводим принятое значение Vn (0,8551) в степень "в" (1,6634):

и сравниваем со значением , полученным из формулы (3.3.8). Поскольку они не совпадают, повторим расчеты, приняв Vп = 0,83 м/с, имеем:

;

.

Теперь оба параметра  совпадают достаточно близко (относительная ошибка не превышает 0,5 %). Поэтому для расчетов принимаем: Vп = 0,83 м/с, в = 1,65987. Расход жидкости при полном заполнении равен:

,

где: 0,785 ´ 0,12922 = 0,0131 м2 - площадь сечения трубы.

Скорости течения жидкости при любых наполнениях трубопровода рассчитываем по формуле (3.3.4), а расходы - по формуле (3.3.5):

.

Для удобства расчетов представим отношения и  табл.3.3.2.

Таблица 3.3.2.

Значения Rн/Rn и wн/wп

Наполнение h/D

Rн/Rn

wн/wп

 

Наполнение h/D

Rн/Rn

wн/wп

0,3

0,6836

0,2523

 

0,7

1,1848

0,7476

0,4

0,8568

0,37357

 

0,8

1,2168

0,85765

0,5

1

0,5

 

0,9

1,192

0,9479

0,6

1,1104

0,6264

 

1

1

1

Результаты расчетов по определению Vн и qs заносим в табл. 3.3.3.

Таблица 3.3.3.

Значения скорости Vн и расхода qs

Наполнение h/D

Vн, м/с

qs, л/с

 

Наполнение h/D

Vн, м/с

qs, л/с

0,3

0,622

2,055

 

0,7

0,944

9,245

0,4

0,738

3,61

 

0,8

0,963

10,82

0,5

0,83

5,44

 

0,9

0,948

11,77

0,6

0,8985

7,37

 

1

0,83

10,88

Пример 4. Дано: труба ПВХ «С» диаметром 225 мм, ее уклон i = 0,008.

Требуется определить скорость течения и расход жидкости при наполнении h/D = 0,7.

Решение. По сортаменту труб ПВХ (ГОСТ Р 51613-2000) определяем, что номинальная толщина стенки у трубы среднего типа равна 6,6 мм, т. е. расчетный диаметр D = 225-2-6,6 = 211,8 мм = 0,2118 м.

По формуле (3.3.2а)определяем коэффициент λ1:

По формуле (3.3.1а) определяем параметр:

Задаемся значением  и, подставляя его в знаменатель формулы (3.3.3), имеем:

Возводим Vn в степень "в": 1,34781,7294 = 1,6756 и, сравнивая это значение со значением, определенным из формулы (3.3.1а), видим, что они не совпадают. Принимаем новое значение Vn, например, Vn = 1,41 м/с. Тогда:

;

Для расчетов принимаем Vn = l,41 м/с, в = l,7318, .

Используя формулу (3.3.4) и табл. 3.3.2, получим:

;

.

Примечание. Для облегчения расчетов в Прил. 8-11 приведены таблицы для гидравлических расчетов безнапорных трубопроводов из труб ПП, ПВХ, ПНД и ПВД.

Глава 4. МЕТОДИЧЕСКИЕ ОСНОВЫ КОНСТРУИРОВАНИЯ ВЫТЯЖНЫХ ЧАСТЕЙ КАНАЛИЗАЦИОННЫХ СТОЯКОВ

4.1. Причины обмерзания вытяжных частей канализационных стояков

Ранее уже указывалось, что через вытяжную часть осуществляется приток воздуха из атмосферы в процессе движения жидкости по стояку. Это способствует снижению в нем дефицита воздуха. В часы минимального водоотведения через вытяжную часть в атмосферу выходит загрязненный воздух из наружной канализационной сети. Таким образом, обеспечивается воздухообмен в последней.

Сравнение пропускной способности вентилируемых и невентилируемых канализационных стояков (см. табл. 3.2.1 - 3.2.5) дает возможность сделать вывод о том, что невентилируемый стояк, рабочая высота которого превышает 90 Dст, пропускает значительно меньшие расходы жидкости.

Вытяжная часть стояка выводится выше кровли здания и, следовательно, подвержена воздействию атмосферных условий. Известно, что в зимнее время вытяжные части стояков в большой степени подвержены обмерзанию. При этом канализационные стояки выходят из строя, резко снижается комфортность зданий и нарушается режим вентиляции наружных сетей канализации. Поэтому изучение причин снегообразования на внутренней поверхности труб вытяжных частей стояков и разработка способа борьбы с этим нежелательным явлением являются весьма важными задачами.

Замеры относительной влажности воздуха, выходящего из труб вытяжных частей стояков, показывают, что она составляет, как правило, 100 %. Таким образом, если температура внутренней поверхности трубы становится ниже температуры точки росы, избыточная влага из воздуха, соприкасающегося с этой поверхностью, находится в капельно-жидком состоянии и выпадает в виде конденсата. Очевидно, что при отрицательных температурах эта влага замерзает, превращаясь в иней. Иней смачивается влагой и превращается сначала в рыхлый снег, затем в плотный и, наконец, в лед, а внутри вытяжной части стояка образуются кольцевые слои снега и льда.

Температурный режим в вытяжных частях одиночных стояков, т. е. стояков с самостоятельным выходом на кровлю здания, имеет аналогичный характер в различных климатических условиях (рис. 4.1.1).

Рис. 4.1.1. Зависимость температуры воздуха, внутренней и внешней поверхностей труб вытяжных частей одиночных стояков от режима водоотведения

Сплошными линиями на графике показаны температуры внутренней и наружной поверхностей труб: верхние линии -на чердаке, средние - на границе кровли и чердака, нижние - выше кровли. Независимо от материала труб и толщины их стенки температура внутренней и внешней поверхностей отличается не более чем на 1°С (поэтому на графиках показаны одной линией). Пунктирные линии -изменения температур воздуха в вытяжной части стояка. Температурный режим в стояке в течение суток постоянно и резко изменяется, относительно стабильным он становится лишь в ночные часы. При транспортировании жидкости по стояку в вытяжную часть устремляется воздух из атмосферы, что особенно характерно для часов максимального водоотведения. Эжекция наружного воздуха в стояк способствует быстрому охлаждению внутренней поверхности трубы.

Совершенно очевидно, что теплоизоляция труб при этих условиях неэффективна.

При проведении экспериментов в климатических условиях Москвы семь из восьми вытяжных частей из чугунных труб диаметром 150 мм, выполненных в соответствии с требованиями СНиП II-Г.4-70, полностью замерзли при температурах наружного воздуха до минус 25°С, после чего они были заменены экспериментальными трубами тех же и меньших диаметров из других материалов. При том же температурном режиме эти трубы также полностью замерзли. Следовательно, материал труб не оказывает практического влияния на процесс обмерзания.

Одновременно установлено, что интенсивность снегообразования прямо пропорциональна диаметру вытяжной части стояка.

Образование снегового слоя на внутренней поверхности труб вытяжных частей, не уменьшая площади теплопередающей поверхности трубы, изменяет теплопроводность труб. В этом случае интенсивность снегообразования отклоняется от линейного закона. В связи с тем, что интенсивность снегообразования зависит от ряда факторов (например, толщина снегового слоя, его состояние - иней, рыхлый снег, плотный снег, лед), учесть которые практически невозможно, определение ее значительно усложняется. Однако на основании экспериментальных данных можно сделать вывод о том, что наличие снегового слоя снижает интенсивность снегообразования.

Увеличение интенсивности снегообразования в трубе большего диаметра объясняется большей площадью ее теплопередающей поверхности, поскольку количество тепла, проходящее через стенку в единицу времени при установившемся тепловом потоке, увеличивается с увеличением площади поверхности трубы.

На основании экспериментальных исследований сделаны следующие выводы:

1. При одинаковых абсолютных значениях температур наружного tн и выходящего из вытяжной части стояка tв воздуха  интенсивность снегообразования прямо пропорциональна диаметру вытяжной части стояка.

2. При  происходит стаивание снега с внутренней поверхности труб вытяжных частей стояков.

3. При  происходит то образование снегового слоя определенной толщины, то его стаивание.

4. При начинается стабильный процесс снегообразования который протекает тем интенсивнее, чем больше это отношение

5. Эжекция холодного воздуха из атмосферы в стояк движущейся в нем жидкостью способствует процессу снегообразования.

Следует указать, что флюгарка - круглый колпак из кровельной жести, который жестко крепится к вытяжной части стояка (по терминологии, принятой в вентиляции, он носит название дефлектор-простой колпак), также способствует ее обмерзанию. До 1970 г. установка флюгарок была обязательной. Считалось, что устройство флюгарки необходимо для предотвращения попадания в канализационный стояк атмосферных осадков и посторонних предметов. Кроме того, предполагалось, что, как и всякий дефлектор, колпак способствует повышению интенсивности вентиляции внутридомовой канализационной сети.

По формулам, применяемым при расчете внутренних водостоков, можно определить количество осадков, л/с, попадающих в открытый сверху канализационный стояк:

,

где:

Fкр - водосборная площадь кровли (площадь живого сечения вытяжной части канализационного стояка), м2;

q20 - интенсивность дождя, л/с с 1 га, для данной местности продолжительностью 20 мин при периоде однократного превышения расчетной интенсивности, равном 1 году (для

Москвы q20 ≈ 81) Максимальное количество осадков (в условиях Москвы), попадающих в 10 000 вытяжных частей стояков диаметром 150 мм, составит 1,43 л/с. Иными словами, в 10 000 канализационных стояков диаметром 150 мм будет поступать расход, равный максимальному секундному расходу жидкости от одного смывного бачка унитаза. Такой небольшой расход не может повлиять на работу наружной канализационной сети.

Для работы колпака как дефлектора необходимо, чтобы расстояние между обрезом трубы и колпаком составляло 0,4 диаметра трубы, т. е. в рассматриваемом случае - 60 мм. Очевидно, что при указанном зазоре поступление осадков в трубу не прекратится. При уменьшении же этого зазора с 0,4 до 0,1 диаметра трубы увеличивается сопротивление выходящему потоку воздуха в 4 раза. В то же время колпак, являясь значительным местным сопротивлением на пути выходящего из стояка воздуха и дополнительной поверхностью для снегообразования, способствует обмерзанию вытяжной части.

Следует указать, что открытая труба также является дефлектором. При этом сравнение характеристик дефлектора - простой колпак и дефлектора - открытая труба доказывает преимущество второго при направлении ветра, перпендикулярном оси трубы, и при расходах воздуха, характерных для вытяжной части стояков (из стояка выходит не более 150 м3/ч воздуха). Вытяжная часть без колпака обмерзает в значительно меньшей степени (при прочих равных условиях).

4.2. Рекомендации по устройству вытяжных частей канализационных стояков

Для устранения причин обмерзания вытяжных частей стояков наиболее очевидным представляется увеличение температуры поверхности труб вытяжек с тем, чтобы обеспечить условие. Однако обогрев этих труб (например, электрообогрев) из-за большого числа вытяжных частей оказывается экономически нецелесообразным.

Задача могла бы быть решена при снижении влажности воздуха в вытяжной части стояка. Для этого необходимо не допустить поступления загрязненного воздуха из наружной сети канализации в вытяжные части стояков, что достигается устройством гидравлического затвора на канализационном выпуске из здания. Однако при этом повышается вероятность образования засоров в канализационных выпусках и, кроме того, не обеспечивается вентиляция наружной сети.

Наиболее простым мероприятием по ликвидации обмерзания вытяжных частей является уменьшение их теплопередающей поверхности, что достигается уменьшением высоты вытяжных частей над кровлей здания.

Для того чтобы вытяжная часть не работала как водосточная воронка и для соблюдения условий качественной заделки рулонной кровли, высота вытяжной части должна быть не менее 150-200 мм. Устройство укороченных вытяжных частей стояков нельзя рекомендовать для зданий с эксплуатируемыми кровлями, на которых канализационные газы должны быть удалены из зоны дыхания людей. В соответствии с требованиями СНиП 2.04.01-85* высота вытяжной части на эксплуатируемых кровлях должна быть 3 м, однако вытяжная часть такой высоты имеет чрезмерно большую теплопередающую поверхность.

Следует отметить, что большое число вытяжных частей ухудшает техническое состояние кровли зданий. В некоторых проектах лечебных зданий на кровле длиной 70 м бывает сосредоточено до 50 вытяжных частей канализационных стояков. Объединение поверху нескольких стояков одной вытяжной частью может исключить поступление наружного воздуха в стояк. Этот вывод основывается на малой вероятности одновременного транспортирования жидкости сразу по всем стоякам, входящим в объединяемую группу. Анализ с помощью закономерностей теории вероятности позволяет сделать вывод о том, что вероятность одновременной работы трех канализационных стояков весьма мала и практически равна нулю при объединении пяти и более стояков одной вытяжной частью. При этом амплитуда отклонения минимальных температур воздуха от средних значений будет тем меньше, чем большее число стояков объединяется одной вытяжной частью. Иными словами, при увеличении числа объединяемых поверху канализационных стояков стабильнее становится температурный режим в объединяющей их вытяжной части, в которой температура воздуха будет стремиться к температуре воздуха в помещении (18-20°С).

Это подтверждается результатами экспериментальных исследований (рис. 4.2.1). При этом следует подчеркнуть, что графики для всех экспериментальных вытяжных частей, объединяющих группы стояков, носят аналогичный характер. На этих графиках отсутствуют пики, соответствующие отрицательным температурам, которые характерны для графиков изменения температур воздуха в вытяжных частях одиночных стояков (см. рис. 4.2.1). Приведенные графики свидетельствуют о стабильности температурного режима воздуха в экспериментальной вытяжной части. Снегообразования в экспериментальных вытяжных частях не наблюдалось.

Надежная работа экспериментальных систем канализации подтверждает положение о том, что вероятность одновременного транспортирования жидкости сразу по всем объединяемым стоякам очень мала. Следовательно, расход воздуха, необходимый для компенсации эжектирующей способности жидкости, поступает вслед за этой жидкостью не из атмосферы, а из стояков, которые в данный момент свободны от жидкости. Отсюда следует вывод, что вытяжная часть, объединяющая группу стояков, служит только целям вентиляции наружной сети, и, таким образом, система канализации со стояками, объединенными поверху, может нормально функционировать без вытяжной части.

Рис. 4.2.1. Температурный режим в вытяжной части, объединяющей 11 канализационных стояков

кривые: 1 - температуры воздуха на выходе из вытяжной части; 2 - температуры наружного воздуха

Для подтверждения этого вывода были проведены в двух режимах экспериментальные исследования пропускной способности одного из 11 объединенных стояков системы канализации: при открытой и при закрытой вытяжной части, в том числе в режиме длительной эксплуатации - 10 и 8 сут. Результаты этих исследований полностью подтвердили все предположения.

На основании результатов исследований можно рекомендовать конструкцию без вытяжной части: для группы объединяемых поверху стояков в зданиях с эксплуатируемыми кровлями; в зданиях каскадной конструкции, когда кровля одной секции расположена под открываемыми окнами и балконными дверями другой, а также в тех случаях, когда невозможно устройство вытяжной части стояка.

Вытяжные части следует устраивать для обеспечения вентиляции наружных сетей канализации. При объединении группы стояков одной вытяжной частью практически исключается возможность ее обмерзания, но даже если такую возможность допустить, надежность системы канализации не уменьшается.

Следует подчеркнуть, что объединению подлежат не менее четырех-пяти стояков; при увеличении их числа надежность систем канализации повышается.

При объединении поверху группы стояков одной вытяжной частью необходимо определить диаметры участков сборного трубопровода, а также выбрать место расположения единой вытяжной части, объединяющей эту группу. Кроме того, дополнительно следует определить влияние такого решения на режим вентиляции наружной канализационной сети.

Вопрос об определении диаметров отдельных участков сборного трубопровода решается следующим образом. Каждый рассматриваемый участок этого трубопровода должен пропустить количество воздуха, необходимое для удовлетворения эжектирующей способности жидкости, движущейся на расчетном участке системы канализации здания. Исходя из этих условий, диаметр участков сборного трубопровода, мм, зависит от расчетного расхода сточной жидкости и условий ее входа в канализационные стояки и может быть определен по формуле:

,                                                                                    (4.2.1)

где:

qж - расход сточной жидкости на расчетном участке, л/с;

k - коэффициент, зависящий от угла входа жидкости в стояк; при угле 90° k = 53; при 60° k = 44; при 45° k = 40.

Диаметр вытяжной части может быть без расчета принят равным наибольшему диаметру одного из участков сборного трубопровода.

При объединении одной вытяжной частью группы объединяемых поверху стояков необходимо обеспечивать доступ воздуха по кратчайшему пути в любой стояк. Очевидно, что оптимальным вариантом при этом является кольцевание группы стояков сборным трубопроводом. При невозможности кольцевания сборного трубопровода стояки следует объединять в линию и единую вытяжную часть устраивать в центре этой линии. При этом к вытяжной части будет поступать одинаковое количество воздуха с обеих ее сторон, что будет способствовать снижению потерь давления воздуха. Для обеспечения стока конденсата участки сборного трубопровода следует прокладывать с уклоном в сторону канализационных стояков.

При устройстве большого числа невентилируемых канализационных стояков необходимо определить степень вентиляции трубопроводов наружной сети канализации на участке, к которому присоединяются канализационные выпуски зданий и сооружений с этими стояками.

Располагая данными о расходе воздуха, выходящего из вытяжных частей различных конструкций, можно определить число стояков, обеспечивающих с любой кратностью воздухообмен в наружной канализационной сети.

Емкость вентилируемого участка сети с расположенными на нем канализационными колодцами находится из выражения:

,  (4.2.2)

где:

D1c, D2c, D2c, l1c, l1c, l1c - диаметры и протяженность различных участков вентилируемой сети, м;

D1k, D2k, D2k, h1k, h2k, h2k - диаметры и высота канализационных колодцев, расположенных на вентилируемых участках, м;

k - коэффициент кратности воздухообмена в сети.

Для обеспечения вентиляции расчетного участка сети число вытяжных частей стояков находят по формуле:

,                                                                                        (4.2.3)

где:

Q - производительность одной вытяжной части данной конструкции, м3/сут.

Очевидно, что для расчетов следует принимать минимальную производительность вытяжных частей. Для одиночных стояков Q принимается равной 18-20 м3/ч; для группы из трех стояков - 35 м3/ч; из четырех - 60 м3/ч; из пяти - 120-155 м3/ч и из 11 стояков - 240-280 м3/ч. При этом нужно учитывать, что одиночные стояки примерно 16 ч в сутки работают на выброс воздуха в атмосферу и 8 ч в сутки - на приток, а вытяжные части, объединяющие группу стояков, круглосуточно работают в режиме вентиляции сети. Отсюда суточный расход воздуха составляет: для одиночных стояков - 320 м3/сут, для группы из трех-четырех стояков - 800-1500 м3/сут; для группы из пяти стояков и более - 2000 м3/сут.

В формуле (4.2.2) неизвестной величиной является коэффициент суточной кратности воздухообмена к. Если принять k = 100, нетрудно рассчитать, что для вентиляции сети диаметром 500 мм, длиной 1000 м, на которой расположены 10 колодцев диаметром 1000 мм и высотой 2 м, нужно 12 вытяжных частей одиночных стояков. Этот расчет до известной степени условен. Однако он дает возможность понять, что даже 100-кратный суточный воздухообмен в наружной сети обеспечивается относительно небольшим числом канализационных стояков.

В городских условиях при высокой плотности застройки отказ от устройства вытяжной части (например, в системах с невентилируемыми стояками) при объединении группы стояков без вытяжной части в системах канализации отдельных зданий не может существенно повлиять на вентиляцию наружной сети. В сельских населенных местах, где преобладает малоэтажная застройка и возможно применение только невентилируемых канализационных стояков, необходимо предусматривать меры по вентиляции канализационной сети. Проще всего в этом случае в каждом типовом здании устраивать по одному стояку, сообщающемуся с атмосферой.

Глава 5. ПРОЕКТИРОВАНИЕ СИСТЕМ КАНАЛИЗАЦИИ ИЗ ПЛАСТМАССОВЫХ ТРУБ ДЛЯ ЗДАНИЙ РАЗЛИЧНОГО НАЗНАЧЕНИЯ И МИКРОРАЙОНОВ

5.1. Проектирование систем внутренней канализации

5.1.1. Проектирование трубопроводных систем канализации из пластмассовых труб для зданий различного назначения следует выполнять в соответствии со СНиП 2.04.01-85* «Внутренний водопровод и канализация зданий» и СП 40-102-2000 «Проектирование трубопроводов и монтаж систем водоснабжения и канализации из полимерных материалов. Общие требования».

Примечание. Запрещается применение пластмассовых труб для транспортирования жидкостей и газов, к которым пластмассовые трубы и уплотнители стыковых соединений химически нестойки.

5.1.2. Расход сточных вод для указанных объектов следует определять в соответствии с положениями гл. 2 настоящих рекомендаций.

5.1.3. Конструкцию надземной части систем канализации зданий следует рассчитывать в соответствии с положениями гл. 3 настоящих рекомендаций.

5.1.4. Конструкцию вытяжных частей стояков следует выбирать в соответствии с положениями гл. 4 настоящих рекомендаций. Рекомендуется объединение поверху канализационных стояков в одну вытяжную часть. С увеличением числа объединяемых стояков увеличивается вероятность незамерзания единой вытяжной части. В зданиях с эксплуатируемыми кровлями допускается не устраивать вытяжную часть при условии объединения поверху не менее четырех канализационных стояков.

5.1.5. Для обеспечения самоочищающей способности потока сточных вод в количестве q в отводных канализационных трубопроводах необходимо обеспечивать следующие параметры течения:

,                                                                                 (5.1.1)

где:

V - скорость течения, м/с;

h/D - наполнение трубопровода.

При этом скорость течения должна быть не менее 0,7 м/с, а наполнение - не менее 0,3. Гидравлический расчет безнапорных канализационных трубопроводов зданий и микрорайонов следует выполнять в соответствии с гл. 3 настоящих рекомендаций.

5.1.6. Увеличение значения  возможно в трех случаях:

- увеличение расхода стоков;

- уменьшение длины отводных трубопроводов;

- уменьшение диаметра отводных трубопроводов.

При прочих равных условиях увеличение расхода стоков может быть обеспечено присоединением возможно большего числа санитарно-технических приборов и стояков к одному отводному трубопроводу; уменьшение длины отводных трубопроводов обеспечивается объединением понизу всех канализационных стояков в здании в один выпуск без устройства дворовой сети. При этом единый выпуск следует располагать, возможно, ближе к основанию стояков.

Уменьшение диаметра отводного трубопровода достигается за счет увеличения его наполнения при расчетах.

Примечание. Диаметр отводного трубопровода не может быть меньше наибольшего из диаметров канализационных стояков, объединяемых этим отводным трубопроводом.

5.1.7. Трубопровод, в котором невозможно обеспечить выполнение условия (5.1.1), считается безрасчетным и может быть проложен с безрасчетным уклоном.

При невозможности обеспечить самоочищающий режим течения сточной жидкости в канализационном выпуске из здания следует в основании каждого стояка устанавливать специальное устройство из полиэтилена, в конструкцию которого входит емкость (18 л), опорожняющаяся в течение 10 с и промывающая трубопровод (рис. 5.1.1). Во избежание передачи воздействия веса устройства на пластмассовый стояк оно должно быть жестко закреплено (на стене, колонне и т.д.).

Рис. 5.1.1. Промывочное устройство

1 - емкость; 2 - вентиляционный стояк; 3 - подъемная труба; 4 - вакуумная труба; 5 - водяной замок; 6 - крепежная лента; 7 - прочистка

5.1.8. Прокладку внутренних канализационных сетей надлежит рассматривать:

открыто - в подпольях, подвалах, цехах, подсобных и вспомогательных помещениях, коридорах, технических этажах и в специальных помещениях, предназначенных для размещения сетей, с креплением к конструкциям зданий (стенам, колоннам, потолкам, фермам и др.), а также на специальных опорах;

скрыто - с заделкой в строительные конструкции перекрытий, под полом (в земле, каналах), панелях, бороздах стен, под облицовкой колонн (в приставных коробах у стен), в подшивных потолках, в санитарно-технических кабинах, в вертикальных шахтах.

Допускается прокладка канализации из пластмассовых труб в земле, под полом с учетом возможных нагрузок.

В многоэтажных зданиях различного назначения при применении пластмассовых труб для систем внутренней канализации необходимо соблюдать следующие условия:

а) прокладку канализационных стояков предусматривать скрыто в монтажных коммуникационных шахтах, штрабах, каналах и коробах, ограждающие конструкции которых, за исключением лицевой панели, обеспечивающей доступ в шахту, короб и т.п., должны быть выполнены из несгораемых материалов;

б) лицевую панель изготовлять в виде открывающейся двери из сгораемого материала- при применении труб из поливинилхлорида и трудно сгораемого материала - при применении труб из полиэтилена и полипропилена.

Примечание. Допускается применять сгораемый материал для лицевой панели при использовании полиэтиленовых и полипропиленовых труб. В этом случае дверь должна быть неоткрывающейся, а для доступа к арматуре и ревизиям необходимо предусматривать устройство открывающихся люков площадью не более 0,1 м2 с крышками;

в) в подвалах зданий при отсутствии в них производственных, складских и служебных помещений, а также на чердаках и в санузлах жилых зданий прокладку канализационных и водосточных пластмассовых трубопроводов допускается предусматривать открыто;

г) места прохода стояков через перекрытия должны быть заделаны цементным раствором на всю толщину перекрытия;

д) участок стояка выше перекрытия на 8-10 см (до горизонтального отводного трубопровода) следует защищать цементным раствором толщиной 2-3 см;

е) перед заделкой стояка раствором трубы следует обертывать рулонным гидроизоляционным материалом без зазора.

5.1.9. Расстановка креплений на канализационных трубопроводах должна отвечать требованиям, изложенным в разделе 1.3 настоящих рекомендаций.

Примечание. Применяемые конструкции креплений, опор и подвесок приведены в гл. 1 настоящих рекомендаций. Допускается применять крепления и опоры других конструкций.

5.1.10. При пересечении трубопроводов из полимерных материалов с неизолированными трубами отопления или горячего водоснабжения расстояние в свету между ними должно быть не менее 50 мм, а при параллельной прокладке - не менее 100 мм. При пересечении с изолированными трубопроводами прокладку можно осуществлять без зазора (рис. 5.1.2).

Расстояние в свету между канализационными трубами из полипропилена и нетепло-изолированными стальными и пластмассовыми трубопроводами горячего водоснабжения и отопления должно быть не менее 50 мм при их параллельной прокладке и не менее 25 мм - при пересечении; теплоизолированные трубопроводы допускается прокладывать без зазора. При этом канализационные трубопроводы должны быть расположены ниже труб отопления и горячего водоснабжения.

Рис. 5.1.2. Варианты прокладки канализационного трубопровода с трубами отопления и горячего водоснабжения

а - без изоляции; б - в изоляции; в - параллельная прокладка; 1 - пластмассовый трубопровод; 2 - трубопроводы отопления и горячего водоснабжения

5.1.11. Переход стояка в горизонтальный трубопровод следует монтировать не менее чем из двух отводов 45° (рис. 5.1.3). Узел поворота стояка в горизонтальный трубопровод запрещается выполнять с использованием отвода 87°30'

Рис. 5.1.3. Варианты узлов перехода канализационного стояка в горизонтальный трубопровод (с компенсационным патрубком)

1 - труба (патрубок); 2 - отвод 45°; 3 - отвод 30°

5.1.12. Переход канализационного стояка в горизонтальный трубопровод в подвале рекомендуется выполнять с использованием узла с компенсационным патрубком. Изменяя глубину вдвигания расположенного выше патрубка в удлиненный раструб компенсатора, можно более точно обеспечить проектный уклон горизонтального трубопровода (рис. 5.1.4)

Рис. 5.1.4. Узел перехода канализационного стояка в горизонтальный трубопровод (с компенсационным патрубком).

1 - труба (патрубок); 2 - ревизия; 3 - патрубок компенсационный; 4 - отвод

5.1.13. Запрещается присоединение стояков к горизонтальным трубопроводам с помощью тройника 87°30'. Допустимый вариант врезки стояка показан на рис. 5.1.5.

Исключение составляют трубопроводы на чердаках зданий, где узлы врезок и поворотов могут выполняться с использованием тройников и отводов 87°30'

Рис. 5.1.5. Вариант врезки стояка в горизонтальный трубопровод

1 - труба (патрубок); 2 - тройник 45°; 3 - отвод 45°; 4 - ревизия

5.1.14. Узлы поворотов и врезок самотечных трубопроводов в горизонтальной плоскости следует выполнять не менее чем из двух фасонных частей: два (или более) отвода, тройник 45° + отвод 45°.

Допускается выполнять узел поворота горизонтального трубопровода с использованием ревизии (рис 5.1.6), которая может устанавливаться между отводами 45°

Рис. 5.1.6. Узел поворота горизонтальной канализационной трассы с ревизией вместо прочистки (подвал)

1 - труба (патрубок); 2 - отвод 45°; 3 - ревизия

5.1.15. На каждом канализационном этаже стояке санитарно-технических кабин и шахт-пакетов следует предусматривать компенсационный патрубок, позволяющий облегчать монтаж стояков и их разборку при ремонте.

5.2. Проектирование микрорайонной канализационной сети

5.2.1. Определение расчетного расхода сточных вод следует выполнять в соответствии регламентами гл. 2 настоящих рекомендаций; гидравлический расчет самотечных трубопроводов - в соответствии с гл. 3.

5.2.2. Гидравлический расчет напорных трубопроводов канализации следует выполнять в соответствии с регламентами СП 40-102-2000.

5.2.3. Проход пластмассовых трубопроводов сквозь строительные конструкции выполняется с помощью гильз из жесткого материала (кровельная сталь, трубы и т.п.); внутренний диаметр гильз должен превышать наружный диаметр пластмассового трубопровода на 10-15 мм. Межтрубное пространство заделывается мягким негорючим материалом с таким расчетом, чтобы не препятствовать осевому перемещению трубопровода при его линейных температурных деформациях. Допускается также вместо жестких гильз обертывать пластмассовые трубы двумя слоями рубероида, пергамина, толя с последующей перевязкой их шпагатом или другим аналогичным материалом. Длина гильзы должна на 20 мм превышать толщину строительной конструкции.

5.2.4. Прокладку сетей канализации из пластмассовых труб следует предусматривать, как правило, подземной. Надземная и наземная прокладка канализационных пластмассовых трубопроводов на территории населенных пунктов не допускается. Расстояние от наружной поверхности канализационных труб до сооружений и инженерных сетей в плане и при пересечениях следует принимать согласно СНиП на генеральные планы.

5.2.5. При параллельной прокладке участки канализационных трубопроводов из пластмассовых труб следует проектировать ниже водопроводных линий (в том числе и из пластмассовых труб), при этом расстояние между ними должно определяться удобством выполнения монтажных работ и составлять не менее 0,5 м в свету.

5.2.6. Канализацию из пластмассовых труб при пересечении с теплопроводами и кабелями, а также с железными, автомобильными дорогами и трамвайными путями следует прокладывать в футлярах в соответствии со СНиП 2.04.03-85. Длина концов футляра, выступающих за пределы пересекаемого сооружения, должна быть больше наружного диаметра трубы на 200 мм. Зазор между пластмассовой трубой и футляром рекомендуется заполнять цементно-песчаным раствором.

5.2.7. Ширина траншеи по дну при прокладке отдельных линий канализации из пластмассовых труб должна приниматься в соответствии со СНиП 2.04.03-85.

5.2.8. Допустимая глубина заложения канализационных труб из ПНД и ПВХ приведена в табл. 5.2.1 и 5.2.2.

Таблица 5.2.1.

Глубина заложения канализационных труб из ПНД (при колесной нагрузке НК-80)

Наружный диаметр, мм

Тип труб

Глубина заложения, м, в грунт

Вид уплотнения грунта

песчаный (ρ=0,017 кг/см3)

Глинистый (ρ=0,021 кг/см3)

225

250

280

315

СЛ

СЛ

СЛ

СЛ

+

+

+

+

3,5

4,0

4,0

3,0

В

В

В

В

Примечания: 1. В таблице приняты следующие условные обозначения: плюс - трубы можно укладывать на глубину до 8 м; В - уплотнение грунта вручную (коэффициент уплотнения - не менее 0,92).

2. Без специального уплотнения грунта допустима укладка труб из ПНД типа «СЛ» в песках средней крупности на глубину до 6 ми типа «С» в сухих глинистых грунтах на глубину до 4 м.

3. ρ - плотность грунта.


Таблица 5.2.2.

Глубина заложения канализационных труб из ПВХ 

Наружный диаметр, мм

Толщина стенки, мм

Глубина заложения, м, в грунт

песчаный (ρ =0,0017 кг/см3)

супесчаный (ρ = 0,0019 кг/см3)

глинистый (ρ = 0,0021 кг/см3)

естественное уплотнение φ ≈ 30°; Kz = 0,8

нормальное уплотнение φ ≈ 35°; Kz = 2; К = 0,92÷0,95

механическое уплотнение φ ≈ 40°; Кz = 5; К≥0,95

естественное уплотнение Кz = 0,8

нормальное уплотнение К = 0,92÷0,95; Кz = 2

механическое уплотнение К≥0,95; Кz = 5

естественное уплотнение Kz = 0,8

нормальное уплотнение К = 0,92÷0,95; Kz = 2

механическое уплотнение К≥0,95; Kz = 5

При укладке на естественное основание с нормативным сопротивлением грунта ≥0,15 МПа (при нагрузке от пешеходов 0,005 МПа)

110

3,2

3,0

4,4

6,5

2,9

3,2

4,0

2,9

3,5

5,2

 

3,6

-

3,6

6,1

-

3,2

5,5

 

2,9

4,9

160

4,7

2,5

5,7

8,4

2,3

5,1

7,5

2,0

4,5

6,7

 

4,5

2,7

4,1

7,3

2,4

3,7

6,7

2,1

3,3

7,5

200

5,9

4,8

6,3

9,8

4,3

4,7

5,0

3,8

5,0

10,0

При укладке на естественное основание с нормативным сопротивлением грунта >0,15 МПа под внутриквартальными проездами (при транспортной нагрузке НК-30)

110

3,2

2.5

3,0

4,7

2,2

2,7

4,2

2,0

2,4

3,8

 

3,6

2,0

2,5

5,2

1,8

3,2

4,7

1,6

2,0

4,2

160

4,7

2,5

3,5

6,3

2,2

3,1

5,7

2,0

2,8

5,0

 

4,5

2,2

3,1

6,1

1,9

2,8

5,5

1,6

2,5

4,9

200

5,9

2,8

4,0

7,5

2,5

3,6

6,8

2,2

3,2

6,0

При укладке на искусственное основание с нормативным сопротивлением грунта 0,1 - 0,15 МПа (при отсутствии транспорта)

110

3,2

2,5

3,0

4,7

1,9

2,7

4,2

1,8

2,4

3,8

 

3,6

2,0

2,5

5,2

1,8

2,4

4,7

1,6

2,0

4,2

160

4,7

2,5

3,5

6,3

1,9

3,1

5,7

2,0

2,8

5,1

 

4,5

2,2

3,0

6,1

2,0

2,8

5,5

1,8

2,5

4,9

200

5,9

2,8

4,0

7,5

2,5

4,1

6,8

2,2

3,2

6,0

При укладке на искусственное основание с нормативным сопротивлением грунта 3,1 -0,15 МПа (при транспортной нагрузке)

110

3,2

2,2

3,0

4,3

2,0

2,7

3,9

2,0

2,4

3,4

 

3,6

2,0

2,6

4,9

1,8

2,3

4,4

1,6

2,1

3,9

160

4,7

2,6

3,0

5,4

2,3

2,7

4,9

2,0

2,4

4,3

 

4,5

2,3

3,3

6,0

2,0

3,0

5,4

1,8

2,6

4,8

200

5,9

2,7

3.3

7,6

2,4

3,0

6,8

2,1

2,6

6,1

Примечание. В таблице приняты следующие условные обозначения:

ρ - плотность грунта; ср - угол внутреннего трения песчаного грунта; Kz - коэффициент нормального упругого отпора грунта; К - коэффициент уплотнения грунта (при относительном укорочении вертикального диаметра wnp = 5 %).


5.2.9. При плотных и твердых грунтах на дне траншеи (до укладки труб) следует устраивать «постель» толщиной 10 см из насыпного грунта, не содержащего крупных (более 20 мм) включений в виде кирпича, камня, щебня и т.п.; на искусственном (бетонном, железобетонном) основании требуется устройство песчаной «постели» толщиной около 10 см.

5.2.10. Вариант прохода канализационного трубопровода сквозь стенки канализационных колодцев, фундаментов зданий и т.п. с помощью эластичной манжеты из полиуретана конструкции НПО «Стройполимер» показан на рис. 5.2.1; варианты, предложенные институтом СоюзводоканалНИИпроект, - рис. 5.2.2 - 5.2.7

Рис. 5.2.1. Проход пластмассовой трубы сквозь ограждающие конструкции

1 - труба; 2 - манжета; 3 - ограждающая конструкция; 4 - заделка цементным раствором

Рис. 5.2.2. Заделка пластмассовых труб в сборных железобетонных канализационных колодцах в сухих грунтах (для труб DН = 160 мм)

1 - футляр из стальной трубы; 2 - асбестоцементный раствор; 3 - бетон Ml 50

Рис. 5.2.3. Заделка пластмассовых труб в сборных железобетонных канализационных колодцах в сухих грунтах (для труб DH>160 мм)

1 - отверстие в стене; 2 - бетон Ml50

Рис. 5.2.4. Заделка пластмассовых труб в лотковой части канализационных колодцев из кирпича и бетона в сухих грунтах

1 - асбестоцементный раствор; 2 - бетон М150

Рис. 5.2.5. Заделка пластмассовых труб в лотковой части канализационных колодцев из кирпича и бетона в мокрых грунтах

1 - пакля, пропитанная в жидком полиизобутилене; 2 - гидроизоляция; 3 - асбестоцементный раствор; 4- бетон Ml50

Рис. 5.2.6. Заделка пластмассовых труб в сборных канализационных железобетонных колодцах в обводных грунтах

1 - пакля, пропитанная в жидком полиизобутилене; 2 - футляр из стальной трубы; 3 - отверстие в стене

Рис. 5.2.7. Заделка пластмассовых труб в сборных железобетонных канализационных колодцах в просадочных грунтах

1 - футляр из стальной трубы; 2 - асбестоцементный раствор; 3 - пакля, пропитанная в жидком полиизобутилене; 4 - отверстие в стене; 5 - бетон Ml50; 6 - водоупорный замок

Глава 6. МОНТАЖ ТРУБОПРОВОДОНЫХ СИСТЕМ КАНАЛИЗАЦИИ ЗДАНИЙ И МИКРОРАЙОНОВ

6.1. Технология сборки соединений

6.1.1. Сборка раструбных соединений канализационных труб и фасонных частей из ПВХ, ПП, ПНД и ПВД производится путем введения гладкого конца трубы или хвостовика фасонной части в раструб второй трубной детали до монтажной метки, определяющей глубину вдвигания. Установка гладкого конца трубы до метки обеспечивает между торцом гладкого конца трубы и упорной поверхностью раструба зазор, используемый для компенсации температурных удлинений трубопровода.

Рекомендуемые расстояния от торца гладкого конца трубы или хвостовика фасонной части до монтажной метки приведены в табл. 6.1.1.

Таблица 6.1.1

Расстояние до монтажной метки для канализационных труб и фасонных частей отечественного производства

 

Материал

Нормативная документация

Диаметр, мм

Расстояние до метки, мм

ПВХ

ТУ 6-19-307-86, ТУ 6-49-33-92

50

110

36

47

ПП

ТУ 4926-005-41989945-97, ТУ 4926-010-42943419-97, ТУ 4926-010-41989945-98

50

110

36

47

ПНД, ПВД

ГОСТ 22689.0-89 - ГОСТ 22689.2-89

50

90

110

32

62

62

Метки на трубах и патрубках наносят маркировочным карандашом, грифелем и т.п. Фасонные части из ПВХ (ТУ 6-49-33-92) имеют метки, оформленные в процессе изготовления деталей. На фасонных частях из ПП (ТУ 4926-010-42989945-98) обозначение меток в процессе производства не предусмотрено. При отсутствии меток заводского изготовления их необходимо нанести.

6.1.2. На внешней поверхности гладкого конца труб, используемых при сборке раструбных соединений, должна быть снята фаска под углом 15°, фаски на хвостовиках изготавливаются при литье фасонных частей.

6.2.3. При монтаже труб, патрубков и фасонных частей из ПВХ, ПНД и ПВД раструбное соединение с резиновым кольцом круглого поперечного сечения собирают в следующем порядке:

а) ветошью или мягкой бумагой очищают от загрязнения наружную поверхность гладкого конца трубы (или хвостовика фасонной части) и внутреннюю поверхность раструба ответной детали, при этом с особой тщательностью очищают желобок;

б) очищают резиновое уплотнительное кольцо, в случае необходимости снимают выпрессовку (избыточное количество резины, не удаленной с кольца после вулканизации);

в) вкладывают резиновое кольцо в желобок раструба;

г) на гладкий конец трубы кистью или чистой тряпкой наносят смазку (на внутреннюю поверхность желобка смазка не наносится); в качестве монтажной смазки может быть использован глицерин (ГОСТ 6823-77*) или раствор мыла. Смазку на основе нефтепродуктов (машинные масла, солидол и т.п.) применять нельзя;

д) вручную или при помощи специальных монтажных приспособлений (см. далее п. 6.3.36) производят сборку соединения, при этом с небольшим вращением гладкий конец одной трубной детали устанавливают в раструб другой детали до монтажной метки (либо раструб надвигают на гладкий конец трубы с фаской). Можно соединять детали до упора, а затем раздвигать их на величину, предусмотренную для компенсации температурных изменений длины монтируемых изделий;

е) проверяют качество сборки, проворачивая одну из деталей раструбного соединения относительно другой (если кольцо не выдавлено, летать легко проворачивается).

6.1.4. На строительные объекты трубы и фасонные части из ПП поставляют в сборе с резиновыми кольцами манжетного типа, вследствие чего очистку от загрязнений внутренней поверхности раструба проводят одновременно с очисткой внутренней поверхности кольца, не извлекая его из желобка трубной детали. Затем последовательно выполняют операции, указанные в пп. г), д) и е).

6.1.5. Раструбные соединения, для которых не предусмотрена компенсация температурных удлинений, могут собираться путем вдвигания гладкого конца трубы в раструб до упора.

6.1.6. Склеивание канализационных труб из ПВХ между собой и с фасонными частями выполняют с использованием имеющихся на трубных изделиях раструбов с желобками (рис. 6.1.1, а) или отформованных на концах труб или патрубков гладких раструбов (рис. 6.1.1, б). Склеивание труб встык или «в ус» не допускается.

Рис. 6.1.1. Клеевые соединения трубных элементов из ПЗХ, выполненные с использованием

а) раструба с желобком; б) гладкого раструба;

1 - гладкий конец трубы (хвостовик фасонной части); 2 - раструб с желобком; 3 - клеевой шов; 4 – гладкий раструб

Для получения клеевых соединений канализационных труб и фасонных частей из ПВХ используют зазорозаполняющие клеи, применение которых не требует предварительной калибровки концов труб.

Зазорозаполняющие клеи используются при зазорах от 0,6-0,8 мм, реже - до 0,8-1.0 мм.

6.1.7. Из клеев отечественного производства в качестве зазорозаполняющего может быть использован клей ГИПК-127А (ТУ 6-05-251-95-87). По внешнему виду клей представляет собой однородную жидкость от белого до серого цвета с присутствием небольшого количества осадка наполнителя, который исчезает после перемешивания.

6.1.8. При склеивании канализационных трубных изделий из ПВХ с использованием раструбов с желобком резиновые кольца не устанавливают и клей на поверхность желобков не наносят.

За длину нахлестки принимают всю длину раструба. Наличие не склеенной зоны (в желобке) между двумя склеенными лишь незначительно снижает прочность соединения.

6.1.9. Для создания упорных поверхностей, предназначенных для фиксации крепеж элементов, на трубу из ПВХ могут быть наклеены кольца, представляющие собой разрезанные вдоль оси патрубки длиной 10-12 мм из ПВХ того же диаметра, что и сама труба. Если необходимо обеспечить перемещение трубопровода только в одном направлении, достаточно наклеить кольцо с одной стороны (рис. 6.1.2).

Рис. 6.1.2. Наклеенное на трубу из ПВХ упорное кольцо для фиксации крепления

1 - труба из ПВХ; 2 - крепление; 3 - упорное кольцо из ПВХ; 4 - клеевой шов

6.1.10. Склеивание труб и фасонных частей из ПВХ состоит из следующих операций: подготовка концов и раструбов трубных изделий под склеивание, подготовка клея и его нанесение, сборка и отверждение соединений.

Подготовка концов и раструбов трубных изделий предусматривает очистку склеиваемых поверхностей от пыли и других загрязнений (чистой ветошью, не ворсистой бумагой) и обезжиривание.

Для обезжиривания склеиваемых поверхностей следует применять метиленхлорид (ГОСТ 9968-86*) или ацетон (ГОСТ 2768-84).

После обезжиривания до нанесения клея на наружной поверхности гладкого конца трубы (или хвостовика фасонной части) на расстоянии от торца, равном длине раструба, наносится метка.

6.1.11. При склеивании (одним слоем при зазоре до 0,4 мм, двумя слоями - при зазоре более 0,4 мм) клей следует наносить сначала тонким слоем на всю длину раструба, а затем более толстым слоем на конец трубы в осевом направлении. После нанесения первого слоя клея делается открытая выдержка в течение 1-1,5 мин, затем наносится второй слой клея.

Для зазорозаполняющих клеев время между началом нанесения второго слоя клея и соединением деталей должно составлять не более 3 мин при температуре окружающего воздуха до 25°С и не более 2 минут - при температуре выше 25°С.

Клей перед употреблением необходимо тщательно перемешать. При нормальной вязкости клей медленно стекает с кисти или стержня для перемешивания с образованием «хвоста».

После нанесения клея трубу в раструб вдвигают без вращения на всю длину раструба. Соединение необходимо выдерживать под осевым усилием в течение 1-2 мин для исключения отжима торца трубы из раструба и фиксации соединения. Лишний клей, вытесняемый из пространства между склеенными поверхностями, удаляют чистыми тряпками или мягкой бумагой.

6.2. Изделия индустриальной подготовки, используемые при монтаже трубопроводов систем внутренней канализации

6.2.1. В настоящее время на строительных объектах монтаж канализационных трубопроводов из отдельных труб и фасонных частей, как правило, не выполняют, а используют методы, предусматривающие применение изделий индустриальной подготовки (укрупненные узлы, санитарно-технические кабины, шахт-пакеты), что позволяет значительную часть работ перенести с монтажной площадки в заводские условия, повысить качество сборочных работ, сократить отходы и потери материалов. При этом уменьшаются общие сроки строительства, снижается трудоемкость монтажных работ и возрастает производительность труда.

6.2.2. Укрупненные узлы для канализационных трубопроводов изготовляют на трубозаготовительных заводах или в специализированных цехах

6.2.3. Сборка укрупненных узлов в условиях трубозаготовительных предприятий производится с использованием клеевых, сварных и раструбных соединений под резиновое уплотнительное кольцо.

6.2.4. Для монтажа узлов используется трубная продукция, перечень который приведен в табл. 1.1.2 и табл. 1.1.4, а также изделия, изготовляемые на трубозаготовительных предприятиях (трубы из ПЭ с приваренными раструбными патрубками, патрубки с формованным гладким раструбом и раструбом под резиновое кольцо, клеевые соединения отдельных деталей из ПВХ между собой и др.).

6.2.5. В условиях трубозаготовительного производства могут выполняться следующие операции:

- отрезка;

- торцовка;

- снятие фаски;

- формование раструбов (гладких и с желобками);

- сварка;

- склеивание;

- запрессовка стальных патрубков;

- нанесение меток;

- сборка укрупненных узлов.

Примечание: Резка и укорачивание фасонных частей не допускаются.

6.2.6. Конструкция, размеры и качество отформованных на трубозаготовительных предприятиях раструбных патрубков должны в полной мере отвечать требованиям нормативных документов на соответствующий вид трубной продукции.

6.2.7. Поверхность труб и фасонных частей, используемых для изготовления узлов, должна быть ровной и гладкой. На трубных изделиях не допускаются сколы, трещины, раковины, вздутия, утяжины и посторонние включения, следы разложения материала, видимые без применения увеличительных приборов, а также изменение цвета. Высота выступов на фасонных частях после удаления литников не должна превышать 1 мм.

6.2.8. Поверхность резиновых уплотнительных колец, манжет и прокладок должна быть ровной, гладкой, без раковин и заусенцев. На рабочей поверхности резиновых колец и манжет не допускаются:

- смещение пресс-формы по месту разъема более ± 0,3 мм;

- выпрессовка высотой более 0,5 мм;

- более трех выступов (или вмятин) высотой (или глубиной) более 1 мм и диаметром более 3 мм.

6.2.9. Торцы труб после перерезки должны быть перпендикулярны продольной оси изделия и очищены от заусенцев.

6.2.10. На концах труб и патрубков после отрезки и торцовки необходимо снять фаску под углом 15°.

6.2.11. Линейные размеры узлов должны соответствовать размерам, указанным в чертежах и эскизах. Отклонения линейных размеров деталей трубопроводов от заданных не должны превышать ± 2 мм, а узлов - ± 5 мм на 1 м длины.

6.2.12. Оси отдельных элементов систем канализации, изготовленных методом сварки, должны совпадать и не иметь переломов более 2°. Соосность свариваемых отдельных прямых участков трубопроводов обеспечивается сварочным оборудованием.

Наружный валик сварного шва (грат) у кромки раструба должен быть симметричным и равномерным, высотой не более 2,5 мм.

6.2.13. На наружной поверхности гладких концов труб, патрубков и хвостовиков фасонных частей, монтируемых при сборке укрупненных узлов с помощью раструбных соединений, уплотняемых резиновыми кольцами, наносятся монтажные метки, указывающие глубину вдвигания деталей в раструбы.

6.2.14. Соединения труб, патрубков и фасонных частей, выполненные как методом сварки, так и с использованием клеевой технологии, должны быть герметичны при испытании внутренним гидростатическим давлением 0,1 МПа (1 кгс/см2).

Соединения труб и фасонных частей с резиновыми кольцами должны быть герметичны при испытании гидростатическим давлением 0,1 МПа (1 кгс/см2) с одновременным изменением угла на 2° между осями соединенных деталей.

6.2.15. После испытаний готовые элементы и узлы пластмассовых трубопроводов маркируют, укомплектовывают необходимыми деталями и транспортируют на объекты строительства.

6.2.16. Установка резиновых колец в желобки раструбов труб, патрубков и фасонных частей из ПП производится на заводах-изготовителях трубной продукции; резиновые кольца для труб и фасонных частей из ПВХ, ПНД и ПВД поставляются отдельно.

6.2.17. К каждой партии заготовок прилагается паспорт, содержащий наименование завода-изготовителя, обозначение заготовки, объем партии, дату выпуска, гарантийный срок изделий и отметку ОТК.

6.3. Монтаж трубопроводов систем внутренней канализации

6.3.1. Монтаж систем внутренней канализации выполняют в соответствии с проектом производства работ, рабочими чертежами, действующими федеральными, отраслевыми и ведомственными нормативно-техническими документами.

6.3.2. В зданиях из крупноразмерных элементов монтаж санитарно-технических систем производят, как правило, параллельно (с совмещением по времени) с монтажом конструкций. На небольших объектах монтаж обычно выполняют последовательно после окончания основных строительно-монтажных работ на захватке или по всему зданию. Начало работ по укладке трубопроводов регламентируется СНиП 3.05.01-85 «Внутренние санитарно-технические системы» при обеспечении строительной готовности объекта (захватки) в следующих объемах:

- для зданий свыше пяти этажей: пять этажей одной или нескольких секций;

- для зданий до пяти этажей: отдельное здание, одна или несколько секций.

6.3.3. До начала монтажа санитарно-технических устройств должны быть выполнены следующие работы:

- в помещениях, расположенных выше нулевой отметки:

устроены междуэтажные и чердачные перекрытия, лестничные марши, перегородки; оставлены или пробиты отверстия и борозды в строительных конструкциях для прокладки трубопроводов; оставлены монтажные проемы в стенах, перекрытиях и перегородках, предусмотренные проектом производства работ; при необходимости установлены в строительных конструкциях закладные детали для крепления трубопроводов; сделана подготовка под покрытие пола; на стенах нанесены несмываемой краской вспомогательные отметки, равные проектным отметкам чистого пола плюс 500 мм; оштукатурены и огрунтованы стены и ниши, перегородки в местах установки санитарно-технических приборов; остеклены помещения; очищены от строительного мусора места производства работ и обеспечен свободный доступ к ним; сооружены леса, подмостки, настилы для работы на высоте более 1,5 м; освещены места производства работ и предусмотрена возможность подключения к сети электрифицированного инструмента;

- в помещениях, расположенных ниже нулевой отметки:

кроме перечисленных выше работ, подготовлены траншеи для выпусков канализации до первых от здания колодцев, проложены участки наружных трубопроводов от колодцев, выполнены подпольные каналы, бетонные или кирпичные опоры;

- в санитарно-технических узлах и кухнях:

до прокладки трубопроводов - поставлены перегородки, оштукатурены стены и потолки, сделана подготовка под покрытие пола;

до установки санитарно-технических приборов - произведена гидроизоляция полов, выполнены покрытия полов, стены облицованы плиткой, окрашены стены и потолки, установлены двери.

6.3.4. Согласно СНиП 3.05.01-85 при производстве монтажных работ в осенне-зимний период генподрядчик обязан утеплить помещения.

6.3.5. При возведении зданий типовых серий монтаж систем внутренней канализации из пластмассовых труб осуществляется индустриальными методами с использованием укрупненных узлов, собранных и испытанных в условиях трубозаготовительного производства, санитарно-технических кабин, оснащение которых производится на кабиностроительных заводах, а также шахт-пакетов, каждый из которых снабжен канализационным и водопроводными стояками.

6.3.6. На небольших объектах и при строительстве зданий индивидуального назначения сборка канализационных трубопроводов может выполняться как с использованием готовых узлов, так и из отдельных труб, патрубков и фасонных частей (монтаж «россыпью»).

3.3.7. Вследствие специфических особенностей труб и фасонных частей из полимерных материалов и жестких требований, предъявляемых к качеству монтажа канализационных трубопроводов, работы по устройству систем внутренней канализации зданий должны производиться рабочим и техническим персоналом, обученным методам монтажа и ознакомленным со свойствами трубной продукции. Рабочие, осуществляющие монтаж пластмассовых канализационных трубопроводов, должны быть предупреждены о снижении сопротивляемости трубных изделий ударным и изгибающим нагрузкам при понижении температуры и о необходимости осторожного обращения с ними.

6.3.8. Монтаж трубопроводов из ПВХ, ПП и ПЭ, а также санитарно-технических кабин и шахт-пакетов с трубами из этих материалов разрешается производить в зимнее время при температуре соответственно до (-15)°С, (-10)°С и (-25)°С , а их перевозку - при температуре не ниже (-25)°С, (-20)°С и (-35)°С.

6.3.9. Поступающие на монтаж трубы, патрубки и фасонные части должны иметь маркировку, которая наносится на наружную поверхность изделия в процессе изготовления. Маркировка включает товарный знак или наименование предприятия-изготовителя и условное обозначение изделия без слова «труба» или «патрубок». Пример маркировки труб из полипропилена для канализации наружным диаметром 110 мм, толщиной стенки 2,7 мм, длиной 2000 мм производства ЗАО НПО «Стройполимер»: НПО «Стройполимер» ПП К110×2,7×2000 ТУ 4926-005-41989945-97.

Маркировка фасонных частей наносится в процессе литья под давлением и включает товарный знак или наименование предприятия-изготовителя и условное обозначение изделия. Пример маркировки канализационных отводов 45° из полипропилена диаметром 50 мм, выпускаемых ЗАО НПО «Стройполимер»: НПО «Стройполимер» отвод ПП К 50-45° ТУ 4926-010-41989945-98.

6.3.10. На концах труб, патрубков и фасонных частей должны быть нанесены монтажные метки. При отсутствии меток заводского изготовления их наносят на гладкие концы труби фасонных частей маркировочным карандашом, грифелем и т.п. на расстоянии от торца детали, указанном в табл. 6.1.1.

6.3.11. При выполнении монтажных работ запрещается использование канализационных труб, патрубков и фасонных частей из материалов, не предусмотренных в проекте. При необходимости замены отдельных элементов может быть произведена только после согласования с организацией, разработавшей проект, и оформления произведенного согласования в установленном порядке. Но и в этом случае недопустимо применение менее теплостойких деталей взамен более теплостойких. Например, при монтаже системы внутренней канализации из полипропиленовых труб, предназначенных для транспортирования постоянных стоков с температурой до 80°С, запрещается замена отдельных трубных изделий на детали из ПВХ, предусмотренные для отвода постоянных стоков с температурой 60°С

6.3.12. Конструкция и размеры используемых резиновых колец должны соответствовать требованиям нормативной и проектной документации. Не допускается их замена на уплотнители, предназначенные для трубной продукции, изготовленной из другого полимерного материала.

6.3.13. При входном контроле качества, а также в процессе проведения работ по монтажу пластмассовых трубопроводов подлежат выбраковке:

- все трубы, патрубки и фасонные части, имеющие сколы, трещины, надрезы и другие дефекты;

- фасонные части, имеющие внутренний облой с острыми кромками;

- резиновые кольца и уплотнительные манжеты, имеющие разрывы, раковины и не удаленную выпрессовку, а также кольца, в которых отсутствуют предусмотренные конструкцией распорные вкладыши;

- металлические крепления, элементы которых имеют острые заусенцы в местах сопряжения с пластмассовыми трубами и фасонными частями.

6.3.14. Погрузочно-разгрузочные работы, транспортирование и складирование трубных изделий, санитарно-технических кабин и шахт-пакетов следует производить с соблюдением мер, исключающих возможность их повреждения.

Для доставки на объект строительства трубы формируют в транспортные пакеты, при укладке которых соблюдается чередование с каждой стороны пакета раструбного конца трубы и конца трубы без раструба.

Сохранность патрубков, фасонных частей и резиновых уплотнителей при перевозке обеспечивается упаковкой их в специальную тару (контейнеры, ящики, короба).

На каждое грузовое место крепится ярлык из картона или фанеры, содержащий наименование предприятия-изготовителя, условное обозначение изделия, номер партии и дату изготовления, количество изделий в упаковке (в штуках или б метрах), данные об упаковщике.

При упаковке в одну тару нескольких партий изделий число ярлыков должно быть равно числу упакованных партий.

Для погрузочно-разгрузочных работ применяют грузоподъемные механизмы. При разгрузке транспортные пакеты и упаковки с трубными элементами запрещается сбрасывать с транспортных средств. Не допускается перемещение труб и узлов волоком.

6.3.15. На строительной площадке трубную продукцию из пластмасс, предназначенную для монтажа канализационных трубопроводов, следует хранить на горизонтальных площадках под навесами или на складах в условиях, исключающих воздействие солнечных лучей, деформаций и ударных нагрузок. При хранении на складах трубы и фасонные части должны находиться на расстоянии более 1 м от нагревательных приборов.

Санитарно-технические кабины хранятся на при объектном складе в зоне действия башенного крана на специально отведенных спланированных горизонтальных площадках. Кабины на складе устанавливают в рабочем положении на деревянные бруски, уложенные на плотное основание и расположенные в местах, указанных в рабочих чертежах. Выступающие вниз детали должны находиться на расстоянии не менее 2 см от поверхности основания, на котором установлены кабины. Фасонные части, находящиеся в нижней части этаже стояка санитарно-технической кабины, закрывают пленкой, рубероидом или другими материалами.

Резиновые кольца и манжеты рекомендуется хранить в закрытом помещении при температуре от (-25)°С до (+35)°С на расстоянии не менее 1 м от отопительных приборов. При складировании уплотнителей воздействие солнечных лучей и веществ, разрушающих резину (нефтепродуктов), должно быть исключено. Допускается хранение резиновых колец и манжет при температуре до (-40°С) при отсутствии деформации и ударных нагрузок.

Резиновые уплотнители после нахождения при температуре ниже (-25)°С перед монтажом должны быть выдержан при положительной температуре не менее 24 ч.

6.3.16. Клеевые материалы следует хранить на складе в герметичной таре в помещениях, оборудованных вентиляцией и защищенных от действия солнечных лучей, на расстоянии не менее 2 м от приборов отопления

6.3.17. Канализационные трубопроводы в здании монтируют в такой последовательности: от выпуска прокладывают горизонтальные и вертикальные участки трубопроводов по подвалу, затем - стояки и горизонтальные отводные линии на этажах, далее - трубопроводы вытяжной части канализации на чердаке.

6.3.18. Тщательный контроль глубины вдвигания трубных изделий в раструбы, выполняемый в условиях монтажа, позволяет избежать термоупругих напряжений, возникающих при отсутствии компенсации тепловых удлинений трубопровода и способных привести к разрушению пластмассовых деталей и разгерметизации соединений.

6.3.19. При использовании готовых узлов, собранных в заводских условиях, следует проверять правильность монтажа раструбных соединений и в случаях нарушения точности сборки, возникшей при транспортировании изделий или при их перемещении на строительной площадке, необходимо произвести установку деталей до монтажной метки.

6.3.20. Монтаж системы канализации включает операции по разметке осей монтируемых трубопроводов и мест расположения креплений, установке креплений, размещению в креплениях готовых узлов, собранных из труб, патрубков и фасонных частей, соединению узлов между собой и с отдельными элементами трубопровода, проверке правильности расположения горизонтальных и вертикальных участков и затяжке их в хомутах крепления.

После сборки трубопровода вторично проверяют его положение на соответствие проектным требованиям.

6.3.21. Раструбы труб и фасонных частей, за исключением двухраструбных муфт, а также отдельных фасонных частей из полиэтилена (ТУ 10-РФ-13.01-92), имеющих раструбы с обеих сторон, на вертикальных и горизонтальных участках трубопроводов должны быть направлены навстречу течению стоков.

6.3.22. Не допускается расположение раструбных соединений трубопроводов в местах прохода через строительные конструкции.

6.3.23. Канализационные трубопроводы прокладывают прямолинейно, не допуская изменения уклона на участках отводных горизонтальных линий.

6.3.24. Монтаж вертикальных трубопроводов производится снизу вверх. Стояки недолжны отклоняться от вертикали более, чем на 2 мм на 1 м длины.

6.3.25. Для присоединения отводных труб диаметром 40 мм от пластмассовых сифонов умывальников, моек и других санитарных приборов к трубопроводам диаметром 50 мм (рис. 6.3.1) применяют специальные резиновые переходные детали - манжеты (рис. 6.3.2).

Рис. 6.3.1. Узлы соединения отводных труб от пластмассовых сифонов умывальников

(а) и моек (б) с трубопроводами из ПВХ, ПП и ПЭ

1 - сифон; 2 - резиновая манжета; 3 - соединение с резиновым кольцом; 4 - тройник 50×50 мм; 5 - патрубок диаметром 50 мм; 6 - отводная труба диаметром 40 мм; 7- тройник 110×50 мм; 8 - отвод 50 мм

Рис. 6.3.2. Резиновая манжета для подсоединения отводной трубы диаметром 40 мм от пластмассового сифона

6.3.26. Выпуски унитазов соединяют с пластмассовыми трубами с помощью литьевых или формованных приборных патрубков (рис. 6.3.3, а) или литьевых приборных отводов (рис. 6.3.3, б) и резиновых манжет (рис. 6.3.4). Приборные патрубки и отводы изготавливаются с гладкими раструбами. Использование патрубков 5 (см. рис. 6.3.3, а) или 8 (см. рис. 6.3.3, б) требуемой длины позволяет регулировать расстояние от унитаза до оси канализационного стояка. Монтаж трубных изделий из ПП или ПЭ (см. рис. 6.3.3, а) выполняется на резиновых кольцах; для трубопроводов из ПВХ сборка отвода 4 с патрубками 3 и 5 может производиться при помощи как соединений с резиновыми кольцами (см. рис. 6.3.3, а), так и клеевых. На рис. 6.3.3, б) показан узел соединения выпуска унитаза с трубопроводом из ПВХ, предусматривающий установку патрубка 5 в раструбе приборного отвода 7 на клею

Рис. 6.3.3. Узлы соединения выпуска унитаза

а - с трубопроводом из ПВХ, ПП или ПЭ при помощи приборного патрубка с гладким раструбом и резиновой манжеты; б - с трубопроводом из ПВХ при помощи отвода приборного и резиновой манжеты; 1 - выпуск унитаза; 2 - резиновая манжета; 3 - приборный патрубок; 4 - отвод 110-30°; 5 - патрубок диаметром 110 мм с раструбом под резиновое кольцо; б - двухплоскостная крестовина 110×110×50 мм; 7 - отвод приборный 110 мм; 8 - вклеиваемый патрубок диаметром 110 мм

Рис. 6.3.4. Резиновая манжета для подсоединения выпуска унитаза

6.3.27. Сифон из ПП или ПЭ ванн и душевых поддонов соединяется с пластмассовым трубопроводом при помощи резиновой манжеты (см. рис. 6.3.2), чугунный сифон - с использованием литьевого резьбового патрубка из ПП или ПЭ (рис. 6.3.5).

Рис. 6.3.5. Узел соединения чугунного сифона ванны с пластмассовыми трубами (а) с помощью резинового патрубка из ПП или ПЭ (б)

1 - ванна; 2 - резьбовой патрубок; 3 - пластмассовая труба диаметром 50 мм; 4 - чугунный сифон; 5 - переливная труба

6.3.28. Перепуск стоков от гидрозатвора системы водостоков в систему канализации может выполняться с использованием стальной трубы Dy =32 мм, подсоединяемой к пластмассовому тройнику 110×50 мм (рис. 6.3.6), и резиновой манжеты (см. рис. 6.3.2)

Рис. 6.3.6. Узел перепуска от гидрозатвора

1 - пластмассовая труба (патрубок); 2 - резиновое кольцо; 3 - тройник 110×50-87°30'; 4 - резиновая манжета; 5 - стальная труба Dy = 32 мм; б - стальная труба Dy = l5 мм

6.3.29. Устанавливаемые в мусоросборных камерах, банях, прачечных, общественных туалетах и других помещениях трапы из ПЭ или ПП с диаметрами выпуска Dy = 100 и 50 мм подсоединяются к пластмассовым трубопроводам при помощи раструбных соединений с резиновыми кольцами.

Для монтажа выпуска Dy = 100 мм чугунного трапа может быть использован сборный узел, включающий патрубок, изготовленный из стальной трубы диаметром 108 мм, резиновую манжету (см. рис. 6.3.4) и пластмассовый приборный патрубок с гладким раструбом.

6.3.30. Гладкий конец пластмассовой детали диаметром 110 мм соединяется с раструбом детали чугунного трубопровода, например, прокладываемого в подвале, с помощью круглого уплотнительного кольца внутренним диаметром 106 мм и диаметром сечения 9 мм с последующим заполнением раструба, расширяющимся цементом. Для соединения следует использовать чугунные детали без углублений и раковин на внутренней поверхности раструба.

При отсутствии колец допускается применение соединений с заделкой раструба просмоленной прядью и раствором расширяющегося цемента, при этом внутрь гладкого конца пластмассовой детали запрессовывается в нагретом состоянии отрезок стальной трубы. Затем поверхность гладкого конца трубы их ПВХ на расстоянии, равном длине раструба, нужно очистить растворителем, покрыть слоем клея и обсыпать песком, а поверхность деталей из ПВД, ПНД и ПП следует оплавить, после чего также покрыть песком.

6.3.31. Для пластмассовых канализационных трубопроводов применяют подвижные и неподвижные крепления.

Установка подвижных креплений выполняется посредством неплотной затяжки трубы в полухомутах.

Неподвижное крепление обеспечивается путем установки хомута между двумя ребрами (упорами) на поверхности трубного элемента. Такие ребра имеются на раструбах фасонных частей из ПП, выпускаемых НПО «Стройполимер», и на фасонных частях импортного производства (фирма «Valsir» и др.). При этом плотная затяжка крепления не требуется.

Упорные кольца для неподвижного крепления могут быть также выполнены с помощью приваренных (для ПЭ и ПП) или приклеенных (для ПВХ) к телу труб колец.

Неподвижные крепления канализационных трубопроводов диаметрами 50-110 мм допускается выполнять без установки упорных колец путем плотного обжатия гладкой части трубы хомутом.

6.3.32. При монтаже канализационных трубопроводов необходимо строго выполнять требования проекта, касающиеся мест расположения подвижных и неподвижных креплений

6.3.33. Фиксация пластмассовых канализационных труб чаще всего производится при помощи металлических крепежных хомутов (рис. 6.3.7), изготовленных из стали Ст.3 по ГОСТ 380-94 и имеющих антикоррозионное покрытие. Между хомутами и трубами укладывают полиэтиленовые ленточные прокладки толщиной 1,5 мм с буртиками (ГОСТ 22689.0-89 -ГОСТ 22689.2-89).

Рис. 6.3.7. Крепления для пластмассовых канализационных труб а - под пристрелку; б - под забивку; в - под винтовое соединение

Крепление стоек хомутов к строительным конструкциям осуществляется путем пристрелки, забивки или с помощью винтовых соединений.

Для канализационных трубопроводов, прокладываемых по полу в технических подпольях зданий, рекомендуется использовать керамзитобетонные блоки высотой 8-10 см, к которым пристреливаются или привариваются (к закладным деталям) стальные кронштейны. На кронштейнах устанавливаются передвижные стойки, позволяющие перемещать хомуты креплений по высоте на 10-40 см для обеспечения необходимого уклона трубопровода (рис. 6.3.8).

Рис. 6.3.8. Крепления с передвижной стойкой для пластмассовых труб

1 - опора; 2 - кронштейн; 3 - стойка; 4 - пластмассовая труба; 5 - полиэтиленовая прокладка; б - цементный раствор

В нижней части канализационного этаже стояка, где соединяются двухплоскостная крестовина 110×110×50 мм, тройник 110×50 мм и компенсационный патрубок 110 мм, рекомендуется устанавливать единое крепление с двумя хомутами (рис. 6.3.9).

Рис. 6.3.9. Фиксация этажестояка при помощи крепления с двумя хомутами

а - установка стояка в креплении; б - конструкция крепления; 1 - двухплоскостная крестовина 110×110×50 мм; 2 - тройник 110×50 мм; 3 - компенсационный патрубок 110 мм; 4 - крепление с двумя хомутами

6.3.34. Компенсационные патрубки выпускают с литым ребром жесткости на поверхности удлиненного раструба. Крепление на этих патрубках нужно располагать над ребром жесткости, что обеспечит нормальное выдвигания из раструбов компенсационных патрубков междуэтажных вставок.

6.3.35. Канализационные стояки следует монтировать со строгим соблюдением соосности. Несоосное соединение нарушает условия, необходимые для компенсации температурных удлинений трубных элементов.

6.3.36. Для сборки раструбных соединений рекомендуется использовать устройство (рис. 6.3.10), состоящее из сегментов, соединенных между собой шарнирами. Все сегменты имеют швеллерное сечение и снабжены резиновыми прокладками, предохраняющими трубы от механических повреждений. Фиксация устройства на трубе осуществляется стяжкой сегментов рукояткой, после чего возможно плавное осевое перемещение, обеспечивающее сборку изделий с минимальным перекосом. Такое устройство может быть также использовано для разборки раструбных соединений с резиновыми кольцами при демонтаже трубопроводов.

Рис. 6.3.10. Приспособление для монтажа пластмассовых труб диаметром 110 мм

1 - ушко; 2 - сегмент; 3 - рукоятка; 4 - прокладка; 5 - болт

6.3.37. Монтаж санитарно-технических кабин сводится к подъему на перекрытия и установке их на выверенное по уровню основание с последующим поэтажным соединением всех стояков.

Кабина первого этажа монтируется со строгой привязкой в плане. Санитарно-технические кабины верхних этажей необходимо устанавливать, соблюдая соосность канализационных стояков. После установки каждой кабины на перекрытие дополнительно проверяют соосность стояков по отвесу.

6.3.38. При монтаже канализационных этажестояков из пластмассовых труб, установленных в санитарно-технических кабинах и шахт-пакетах (рис. 6.3.11), междуэтажную вставку 4, состоящую из патрубков 2 и 3, выдвигают из компенсационного патрубка 5 и соединяют с двухплоскостной крестовиной 1 расположенной выше кабины. При этом рекомендуется выполнять следующие операции:

- проверить наличие резинового уплотнительного кольца в желобке раструба патрубка 2;

- нанести на гладкий конец двухплоскостной крестовины 1 расположенной выше кабины смазку (глицерин, мыльный раствор);

- установить на патрубок 3 междуэтажной вставки 4 монтажное приспособление;

- ослабить крепления 6 и 7 для свободного перемещения вставки;

- при помощи монтажного приспособления с небольшим вращением надвинуть междуэтажную вставку 4 на хвостовик двухплоскостной крестовины 7;

- установить каждый элемент вставки 4 в проектное положение (до монтажной метки);

- затянуть болты крепежных хомутов и снять со стояка монтажное приспособление.

Примечание. Поэтажная сборка канализационных стояков с ревизиями производится аналогичным образом.

6.3.39. Для монтажа пластмассовых сифонов, переливов и выпусков следует применять торцевые и накидные ключи, которые так же, как и монтажное приспособление (см. рис. 6.3.10), включены в комплект инструментов, разработанный НИИМосстроем и СКБМосстрой (проект № 1030) и предназначенный для сборки и разборки соединений канализационных трубопроводов и водосливной арматуры из полимерных материалов.

Рис. 6.3.11. Схема поэтажной сборки канализационных этажестояков в санитарно-технических кабинах и шахт-пакетах

1 - двухплоскостная крестовина 110×110×50 мм; 2, 3 - патрубки диаметром 110 мм; 4 - междуэтажная вставка; 5 - компенсационный патрубок 110 мм; 6,7 - крепление (два полухомута, скрепленные болтами

6.3.40. При выполнении операций по склеиванию не допускается попадание на подготовленные поверхности атмосферных осадков, пыли, строительной грязи. Банки с клеями и сосуды с растворителями должны иметь герметичные крышки и пробки.

Для нанесения клея используют плоские кисти шириной: для труб диаметром 50 мм -25 мм, диаметром 110 мм - 50 мм.

6.3.41. Потребность в материалах для склеивания труб и фасонных частей из ПВХ (по данным НИИМосстроя) приведена в табл. 6.3.1

Таблица 6.3.1

Потребность в материалах для склеивания труб и фасонных частей из ПВХ (на 100 соединений)

 

Наружный диаметр, мм

Расход метиленхлорида для очистки и обезжиривания соединения

Расход клея, кг, для соединения

с формованными раструбами

с литьевыми фасонными частями

с формованными раструбами

с литьевыми фасонными частями

л

кг

л

кг

50

110

1,2

3,9

1,6

5,2

0,75

1,45

1,0

1,9

2,0

7,0

1,6

6,3

6.3.42. Формирование клеевого шва происходит при обычной температуре в результате испарения растворителя. Стыки, склеенные при нормальных температурных условиях, в течение 5 мин не должны подвергаться механическим воздействиям. При температуре склеивания ниже 10°С это время увеличивается до 15 мин. Гидравлические испытания трубопровода следует проводить не ранее, чем через 24 ч после склеивания.

Склеивание труб и фасонных частей из ПВХ должно производиться при температуре не ниже 5°С.

6.3.43. На строительной площадке в необходимых случаях допускается механическая обработка труб и патрубков (резка и снятие фаски). Резка фасонных частей запрещается.

Для резки труб используют ручные ножовки для металла с обычными полотнами, столярные ножовки, а также мелкозубые плотницкие пилы. Предпочтительны ручные пилы со следующими характеристиками: высота зубьев - 2,5-3 мм, шаг зубьев - 2-3 мм, развод зубьев - 0,5-0,7 мм, толщина полотна - 0,8-1,0 мм. Разрезать трубы необходимо строго перпендикулярно их оси. При резке рекомендуется применять шаблон, изготовленный из сухих досок или многослойной фанеры. Образующиеся при резке стружка и заусенцы снимают шабером.

Для снятия фаски с наружной стороны торца трубы используют напильники с крупными насечками; предпочтительны плоские и плоские остроносые напильники с длиной рабочей части 250-315 мм, максимальной толщиной 7-8 мм, с номерами насечек 1 и 2.

6.3.44. В соответствии со СНиП 3.05.01-85 испытания смонтированных систем внутренней канализации из пластмассовых труб выполняют методом пролива воды путем одновременного открытия 75 % санитарных приборов, подключенных к проверяемому участку. Время пролива не регламентируется, оно должно быть достаточным для осмотра испытываемой системы. Выдержавшей испытание считается система, если при ее осмотре в трубах, фасонных частях и местах соединений не обнаружено течи.

Испытания отводных трубопроводов канализации, проложенных в земле или подпольных каналах, необходимо выполнять до их закрытия наполнением водой до уровня пола первого этажа. Испытания участков, заделываемых в строительные конструкции или закрываемых наглухо при последующих строительных работах, должны выполняться проливом воды до их закрытия с составлением акта освидетельствования скрытых работ.

Гидравлические испытания должны производиться до начала отделочных работ.

После окончания испытаний трубопроводов места прохода стояков из пластмассовых труб через перекрытия должны быть заделаны цементным раствором на всю толщину перекрытия. Участок стояка выше перекрытия на 8-10 см (до горизонтального отводного трубопровода) следует защищать цементным раствором толщиной 2-3 см (рис. 6.3.12). Для облегчения демонтажа трубопроводов при ремонте и обеспечения возможности компенсации температурных удлинений при эксплуатации участки стояка в местах прохода через перекрытия перед заделкой цементным раствором необходимо обернуть рулонным гидроизоляционным материалом и обвязать шпагатом или мягкой проволокой.

Рис. 6.3.12. Узлы прохода пластмассовых труб через междуэтажные перекрытия

а - в сборе с фасонными частями; б - без них; 1 - пластмассовые трубы; 2 - фасонная часть; 3 - рулонный гидроизоляционный материал; 4 - заделка строительным раствором; 5 - междуэтажное перекрытие

6.3.46. В технических подпольях места пересечения проходов с горизонтальными трубопроводами из пластмассовых труб следует обустраивать деревянными мостками аналогично тому, как показано на рис. 6.3.13

Рис. 6.3.13. Узел пересечения пластмассового трубопровода в техническом подполье

1 - переходный мостик; 2 - пластмассовый трубопровод

6.4. Монтаж трубопроводов систем канализации микрорайонов

6.4.1. Монтаж трубопроводов систем канализации следует осуществлять в соответствии с действующими нормами (СНиП 3.05.04-85*, СП 40-102-2000).

6.4.2. Подготовку траншеи под монтаж трубопроводной системы канализации необходимо выполнять в соответствии с проектом. Ширина траншеи по дну должна быть не менее чем на 40 см больше наружного диаметра трубопровода.

6.4.3. Трубы безнапорной канализации с разъемными соединениями монтируются на дне траншеи, с неразъемными, как правило, на бровке.

6.4.4. Сборку раструбных соединений диаметром до 110 мм осуществляют вручную, большего диаметра - с помощью натяжных приспособлений.

6.4.5. Монтаж трубопроводов следует вести при температурах наружного воздуха, указанных в п. 6.3.8.

6.4.6. Компенсацию линейных удлинений трубопроводов, соединяемых на клею, сваркой или на фланцах, следует обеспечивать устройством необходимого числа соединений, допускающих изменение длины трубопровода.

6.4.7. В соответствии со СНиП 3.05.04-85* гидравлические испытания самотечных канализационных сетей из пластмассовых труб следует производить дважды: без колодцев (предварительное) и совместно с колодцами (окончательное). Если колодцы не имеют внутренней и наружной гидроизоляции, то испытание трубопроводов совместно с колодцами не проводится.

Предварительные испытания трубопроводов канализации надлежит выполнять участками между колодцами выборочно, по указанию заказчика (один из пяти участков). Если результаты выборочного испытания неудовлетворительны, то испытаниям подлежат все участки трубопровода. Предварительные испытания следует проводить при незасыпанной траншее под гидравлическим давлением 0,05 МПа с выдержкой в течение 15 мин. При отсутствии видимых утечек в стыковых соединениях при падении давления допускается поддерживать испытательное давление подкачкой воды.

Окончательное испытание трубопровода канализации совместно с колодцами также следует производить выборочно (два смежных из пяти участков). При этом испытывают два смежных участка с промежуточным колодцем и колодцами по концам трубопровода. Участок

для окончательных испытаний выбирается по указанию заказчика. При окончательном испытании на плотность гидравлическое давление создается заполнением водой верхнего колодца (концы испытываемых участков трубопровода в верхнем и нижнем колодцах закрывают заглушками). Согласно СНиП 3.05.04-85* испытываемый участок трубопровода считается выдержавшим испытание на плотность, если объем добавленной воды будет меньше или равен допускаемой утечке воды, принимаемой на 1 м длины бетонных и железобетонных труб, диаметр которых равен внутреннему диаметру колодцев.

Пневматические испытания пластмассовых трубопроводов допускается производить при наземной и надземной прокладке в следующих случаях: температура окружающего воздуха - ниже 0°С; опорные конструкции не рассчитаны на заполнение трубопровода водой; применение воды не допустимо по техническим причинам; отсутствие воды - в необходимом для испытаний количестве.

Порядок проведения пневматических испытаний пластмассовых трубопроводов и требования техники безопасности устанавливаются проектом.

Предварительные испытания проводят до окончательной засыпки траншеи (сварные соединения грунтом не засыпают). Испытательное давление сжатого воздуха должно составлять 0,05 МПа и поддерживаться в трубопроводе в течение 15 мин. При этом осматривают сварные стыки и выявляют неплотности по звуку просачивающегося воздуха и по пузырям, образующимся в местах утечки воздуха при нанесении на стыковые соединения и другие места трубопровода мыльной эмульсии. Эмульсия готовится из мыльного раствора с добавкой глицерина (на 1 л воды - 40 г мыла и до 10 г глицерина). При пневматических испытаниях пластмассовых трубопроводов в зимний период (температура до -15°С) мыльная эмульсия готовится по следующему рецепту: глицерин технический - 450 г, вода - 515 г, мыльный порошок-35 г.

Окончательные испытания пневматическим способом проводят, когда уровень грунтовых вод в середине испытуемого трубопровода менее 2,5 м. Окончательным пневматическим испытаниям подвергают участки длиной 20-100 м, при этом перепад давлений между наиболее высокой и низкой точками трубопровода не должен превышать 2,5 м. Пневматические испытания проводят через 48 ч после засыпки трубопровода. Значения испытательных избыточных давлений сжатого воздуха приведены в табл. 6.4.1.

Таблица 6.4.1

Значения испытательных давлений, МПа, самотечных канализационных трубопроводов из ПНД

 

Уровень грунтовых вод hв, м

Испытательное давление

Перепад давления

р-р¢

избыточное р

конечное р¢

0

0,01

0,007

0,003

0<hв≤0,5

0,0155

0,0124

0,0031

0,5<hв≤1

0,021

0,0177

0,0033

1<hв≤1,5

0,0265

0,0231

0,0034

1,5<hв≤2

0,032

0,0284

0,0036

2<hв≤2,5

0,0375

0,0338

0,0037

Пневматические испытания проводят в следующем порядке:

- с помощью компрессора в трубопроводе создается давление воздуха р (см табл. 6.4.1)и проверяется герметичность заглушек и запорной арматуры;

- указанное давление поддерживается в течение 10 мин;

- закрывается вентиль подачи воздуха и через 2 мин замеряется время падения давления воздуха в трубопроводе до уровня р¢.

Трубопровод считается выдержавшим пневматические испытания, если время, в течение которого испытательное давление понизится с уровня р до уровня р', будет не менее 7 мин.

6.5. Основные правила техники безопасности при монтаже

6.5.1. При производстве работ по монтажу канализационных трубопроводов из полимерных материалов должны выполняться требования СНиП III-4-80* «Техника безопасности в строительстве», СНиП 12-03-99 «Безопасность труда в строительстве» и отраслевых инструкций по технике безопасности.

6.5.2. К работам по прокладке трубопроводов допускаются слесари-сантехники, ознакомленные со свойствами пластмассовых труб и технологией их монтажа, прошедшие курс обучения безопасным методам труда и пожарной безопасности по утвержденной типовой программе (с последующей ежегодной проверкой их знаний), а также после инструктажа, проведенного на рабочем месте, и соответствующей записи в регистрационном журнале производственного инструктажа по технике безопасности. Повторный инструктаж по безопасности труда проводится для всех рабочих не реже одного раза в три месяца.

Операции по склеиванию трубных изделий из ПВХ выполняют рабочие, прошедшие специальное обучение по технике безопасности при работе с клеями и растворителями, ознакомленные с технологией применения клеевых веществ, мерами пожарной безопасности и безопасности труда.

Производство монтажных и клеевых работ осуществляется под руководством и наблюдением ответственного лица, назначенного из числа ИТР, прошедшего специальный инструктаж по технике безопасности у главного инженера.

6.5.3. Рабочие и инженерно-технические работники, находящиеся на строительной площадке, обязаны носить защитные каски.

6.5.4. Места производства работ должны быть очищены от строительного мусора и посторонних предметов.

6.5.5. Эксплуатация ручных электрических машин осуществляется в соответствии со СНиП 12-03-99 «Безопасность труда в строительстве», а также инструкциями заводов-изготовителей этих устройств. Ручные электрические машины должны отвечать требованиям ГОСТ 12.2.013.0-91 «Машины ручные электрические. Общие требования безопасности и методы испытаний». К работе с ними допускаются лица, прошедшие обучение и инструктаж по безопасным методам и приемам производства работ, имеющие первую группу по электробезопасности, подтверждаемую ежегодно, и обеспеченные средствами индивидуальной защиты - очками, диэлектрическими перчатками, ковриками, галошами или ботами.

При каждой выдаче машины для работы проверяется комплектность устройства, надежность крепления деталей, исправность кабеля и защитного кожуха. До начала работы следует проверить исправность выключателя и машины на холостом ходу. При перерывах в работе, по ее окончании, а также при очистке, смене рабочего инструмента и т.п. ручные машины должны быть выключены и отсоединены от электрической сети.

6.5.6. При забивке дюбелей следует работать только с исправным монтажно-поршневым пистолетом, выполнять меры безопасности согласно паспорту на него, применять индивидуальные защитные средства (очки, противошумные наушники, перчатки, каску), соблюдать правила безопасности в зоне производства работ. Рабочим, не осуществляющим пристрелку дюбелей, запрещается находиться в помещениях, где производятся работы с монтажно-поршневым пистолетом. При работе на высоте пистолет крепят к поясу на специальном ремне.

Перед началом работ оператору совместно с мастером (прорабом) необходимо ознакомиться с конкретным расположением мест пристрелки, оформить наряд-допуск на работу с монтажным пистолетом и получить инструктаж на рабочем месте.

6.5.7. При выполнении операций по механической обработке пластмассовых труб следует пользоваться защитными очками.

6.5.8. Работа с трубами из полимерных материалов требует соблюдения правил пожарной безопасности.

Производственные и складские территории должны быть оборудованы средствами пожаротушения, средствами контроля и оперативного оповещения об угрожающей ситуации. Противопожарное оборудование необходимо содержать в исправном состоянии. Проходы к противопожарному оборудованию должны быть свободны и обозначены соответствующими знаками.

6.5.9. В случае возникновения пожара необходимо вызвать пожарную охрану и принять меры по ликвидации огня и его распространению имеющимися средствами пожаротушения (распыленная вода и пена, песок, кошма и т.п.). Тушение пластмассовых труб в закрытых помещениях следует производить в противогазах.

6.5.10. В помещениях, где выполняются работы с клеевыми составами, являющимися по своим свойствам огневзрывоопасными материалами, и трубными изделиями из пластмасс, а также рядом с зонами их складирования запрещается в радиусе 50 м разводить огонь, производить электро- и газосварочные работы и хранить легковоспламеняющиеся вещества. В местах, где используются и хранятся клеевые составы, должны быть удалены все устройства, которые могут стать источниками искр и пламени; в этих помещениях не допускается курение и применение электронагревательных приборов.

Рабочие, выполняющие склеивание труб из ПВХ, обеспечиваются респираторами. Места производства работ по склеиванию следует проветривать.

6.5.11. Транспортирование клеев и растворителей должно производиться в герметичной таре с соблюдением действующих правил перевозок легковоспламеняющихся материалов.

Разгрузку клеевых составов допускается выполнять не ближе 50 м от источника огня. Сбрасывать тару с клеями и растворителями, а также подвергать ее ударам не разрешается.

6.5.12. Подогревать клеи и растворители запрещается. Для исключения искрообразования вскрытие тары с клеем и растворителем должно производиться пластмассовыми или деревянными шпателями. При использовании клеев и растворителей надлежит применять минимальное их количество, необходимое для выполнения разового задания. Банки с указанными материалами следует открывать непосредственно перед началом работы, а по окончании - плотно закрывать.

6.5.13. Для исключения прямого контакта клеевых материалов с кожей рекомендуются следующие меры: руки необходимо защипать резиновыми перчатками или смазывать их предохранительными пастами или мазями; при случайном попадании клея на кожный покров надо удалить его бумажной салфеткой и вымыть загрязненное место теплой водой с мылом.

6.5.14. Испытание системы канализации следует производить под руководством мастера или прораба Устранение дефектов, обнаруженных во время испытания наливом труб, проложенных в земле или подпольных каналах, выполняется после спуска воды из трубопроводов.

6.5.15. Не разрешается накапливать на площадках горючие вещества (тряпки, стружки и отходы пластмасс), их следует хранить в закрытых металлических контейнерах в безопасном месте.

6.5.16. После монтажа трубопроводов обрезки пластмассовых труб и другие отходы требуется собрать для последующего вывоза в места свалки, согласованные с органами санитарно-эпидемиологического надзора, и зашиты природы.

Глава 7. ЭКСПЛУАТАЦИЯ И РЕМОНТ БЕЗНАПОРНЫХ СИСТЕМ КАНАЛИЗАЦИИ ЗДАНИЙ И МИКРОРАЙОНОВ

7.1. Методические основы эксплуатации безнапорных систем канализации зданий и микрорайонов

Правила эксплуатации систем канализации зданий и микрорайонов основаны на специфических особенностях, как самих систем, так и пластмассовых труб.

В гл. 3 отмечалось, что надежность систем канализации как таковых характеризуется двумя параметрами: устойчивостью против срыва гидравлических затворов и незасоряемостью трубопроводов. В связи с этим службам эксплуатации необходимо знать, в каких случаях и по каким причинам следует ожидать нарушений нормальной работы системы канализации в здании или микрорайоне.

К специфике работы системы канализации здания, независимо от материала труб, из которых эта система смонтирована, следует отнести возможность срыва гидравлических затворов у санитарно-технических приборов, установленных в этом здании. Следует помнить, что срыв затвора всегда происходит у прибора, ближе других по вертикали присоединенного к «сжатому» сечению стояка. Отсюда следует, что если постоянно срывает затвор у прибора, например, на восьмом этаже, значит, «сжатое» сечение находится между восьмым и девятым этажами. Как правило, сужение сечения стояка происходит из-за образования частичного засора и, следовательно, в таком случае следует прочистить участок стояка между восьмым и девятым этажом.

Если постоянно срывает затвор у одного из приборов, установленных на последнем этаже, то это означает, что «сжатое» сечение образовалось в вытяжной части стояка. Как правило, это происходит в холодное время года и объясняется перемерзанием вытяжки. Рекомендации по устройству незамерзающих вытяжных частей приведены в гл. 4 настоящих рекомендаций.

Если же такое явление происходит в теплое время года, то можно полагать, что в вытяжную часть попал какой-то предмет (ветка, тряпка, камень и т.п.), который нужно оттуда удалить. Если же постоянно срывает затворы у приборов, присоединенных к стояку на разных этажах (то на одном, то на другом, то на третьем), то это означает, что неправильно рассчитан диаметр стояка: он не пропускает расчетного расхода жидкости. В этом случае следует обратиться за консультацией в специализированную организацию.

Службы эксплуатации должны знать, что при комнатной температуре (18-20°С) и относительной влажности воздуха 60 % вода, заполняющая гидравлический затвор, испаряется со скоростью 1 мм в сутки. Поскольку в процессе эксплуатации системы канализации гидравлические затворы бывают заполнены лишь на 25-30 мм, месячный перерыв в использовании санитарно-технического прибора приводит к полному высыханию воды в его гидрозатворе. Это особенно актуально для таких зданий, как учебные заведения, спортивные сооружения, театры и т.п., где большое количество санитарно-технических приборов не эксплуатируется в течение двух-трех месяцев (каникулы, закрытие сезона и т.д.).

К специфике пластмассовых трубопроводов следует отнести значительный коэффициент их линейного удлинения, следствием чего является необходимость компенсации этих удлинений и грамотная расстановка подвижных и неподвижных креплений, опор, подвесок. Это особенно важно на горизонтальных участках канализационной сети, где не допускаются прогибы трубопровода.

В отличие от труб из других материалов пластмассовые трубы категорически запрещается греть открытым огнем, например, для ускорения таяния ледяной пробки допускается отогревать трубу горячим воздухом либо пропускать по ней горячую воду с температурой не более 60°С для полиэтилена и поливинилхлорида и не более 80°С - для полипропилена.

Знание возможных причин нарушения нормальной работы систем канализации зданий и микрорайонов и приемов устранения этих причин позволит предотвратить или быстро устранить эти нарушения.

7.2. Правила эксплуатации и ремонта канализационных трубопроводов

7.2.1. Надежная и долговременная работоспособность систем внутренней канализации, помимо других факторов, определяется качеством выполнения эксплуатационных требований, учитывающих особенности трубопроводов из полимерных материалов.

7.2.2. Работы по обслуживанию канализационных систем из полиэтилена высокого и низкого давления, поливинилхлорида и полипропилена должны осуществляться рабочим и техническим персоналом специализированных диспетчерских служб, ознакомленным со свойствами трубной продукции и правилами эксплуатации трубопроводов и обученным методам и приемам их ремонта.

7.2.3. Жильцы домов и обслуживающий персонал зданий должны быть предупреждены об особенностях эксплуатации канализационных трубопроводов из пластмасс и о необходимости осторожного обращения с ними.

Прежде всего следует знать, что трубопроводы из ПВД, ПНД и ПВХ предназначены для транспортирования постоянных стоков с максимальной температурой 60°С и кратковременных стоков (продолжительностью не более 1 мин) с температурой до 95°С; трубопроводы из ПП могут использоваться для отвода постоянных стоков с температурой не выше 80°С. Температура кратковременных стоков, регламентируемая для полипропиленовых трубопроводов, так же, как для труб из ПВД, ПНД и ПВХ, не должна превышать 95°С.

Полиэтилен и полипропилен являются горючими материалами, способными гореть как в зоне пламени, так и вне ее. Поливинилхлорид относится к группе трудногорючих материалов, вне пламени он гаснет.

В связи со способностью пластмассовых труб и фасонных частей к возгоранию не допускается хранение в непосредственной близости от них тары с легковоспламеняющимися веществами (бензином, ацетоном и т.п.). В монтажной шахте санитарно-технических кабин и внутри ограждения шахт-пакетов нельзя устанавливать хозяйственные полки, хранить сгораемые вещества и бытовые принадлежности.

Запрещается выполнять ремонтные работы канализационных трубопроводов из полимерных материалов с использованием сварки и нагрева открытым пламенем.

Пластмассовые трубы и фасонные части следует оберегать от сколов, надрезов, царапин, проколов и смятия. Не разрешается стучать по ним, а также дополнительно нагружать трубопроводы, располагая на них посторонние предметы, приставляя лестницы или оттягивая от стен.

В процессе эксплуатации не допускается ослаблять металлические крепления, фиксирующие положение трубопроводов.

Очистку поверхности пластмассовых труб, фасонных частей, сифонов, выпусков и переливов следует производить, используя моющие средства, не содержание крупных абразивных составляющих, и мягкие тряпки. Не разрешается применение для этой цели металлических щеток.

В случае перерыва в эксплуатации санитарных приборов, превышающего 25 суток, во избежание испарения воды, заполняющей гидравлические затворы, и проникновения в помещения квартир канализационных запахов, следует один раз за этот период времени наполнять сифоны водой.

7.2.4. При обнаружении жильцами каких-либо повреждений трубопроводов и санитарных приборов необходимо обращаться в диспетчерскую службу эксплуатационной организации.

В обязанности технического персонала диспетчерских служб входит проведение профилактических осмотров, при которых проверяется герметичность трубопроводов, отсутствия засоров, надежность крепления труб, выполнение правил эксплуатации канализационных систем и т.п., и проведение ремонтных работ, включающих прочистку засоров, замену поврежденных труб, фасонных частей, водосливной арматуры и ее элементов, установку дополнительных креплений, устранение неисправностей санитарных приборов и др. работы.

7.2.5. Прочистка канализационных трубопроводов производится при помощи пластмассовых труб или стеклопластиковых прутков диаметром 15-20 мм, а также жестких резиновых жгутов или шлангов. Применять для этой цели металлическую проволоку не рекомендуется, так как ею можно повредить тонкостенные трубы и фасонные части их полиэтилена, поливинилхлорида или полипропилена.

7.2.6. При срыве гидравлического затвора у санитарного прибора, установленного на одном из промежуточных этажей здания, следует прочистить участок трубопровода над точкой присоединения к стояку горизонтальной отводной линии от этого прибора.

При срыве затвора у прибора, расположенного на последнем этаже, проверяется состояние вытяжной части стояка: ее сечение должно быть свободно от льда и посторонних предметов.

7.2.7. Время опорожнения ванны вместительностью 150-170 л составляет 150-170 с, мойки и умывальника - 10-12 с. Увеличение времени опорожнения санитарных приборов указывает на начало образования засора в трубопроводах и необходимости их промывки или прочистки.

В случае, если вода, поступающая от смывного бачка, задерживается в унитазе, заполняя его чашу, также требуется прочистка трубопровода.

7.2.8. В процессе эксплуатации может возникнуть необходимость в разборке соединений канализационных трубопроводов для замены трубных деталей или резиновых уплотнителей. Демонтаж труб диаметрами 110 и 90 мм достаточно трудоемок и требует приложения значительных усилий. Для облегчения ремонтных работ рекомендуется использовать монтажные приспособления (см. п. 6.3.36 и рис. 7.2.1, д, е).

Для разборки раструбного соединения, одна из деталей которого зафиксирована в неподвижном креплении (т.е. в креплении, не допускающем перемещения трубопровода в осевом направлении), достаточно одного приспособления, которое устанавливается на незакрепленном трубном элементе; если обе детали соединения не закреплены, то используют два приспособления.

7.2.9. При засорении бутылочного сифона умывальника или мойки необходимо отвернуть отстойник (нижнюю часть сифона), очистить его от загрязнений, промыть и установить на прежнее место, следя при этом за правильным расположением уплотняющей прокладки.

Течи в резьбовых соединениях сифонов устраняют подтягиванием отстойника или гаек, для чего используют накидные ключи, предохраняющие пластмассовые детали от поломок (рис. 7.2.1). Если течь не прекращается, следует установить новую резиновую прокладку.

При смене пластмассовых выпусков ванн, моек и умывальников также рекомендуется пользоваться специальным торцовым ключом (см. рис. 7.2.1).

Рис. 7.2.1. Комплект монтажных инструментов

a- ключи для монтажа пластмассовых сифонов; г - торцовый ключ для монтажа выпусков санитарных приборов; д, е - приспособление для сборки и разборки раструбных соединений пластмассовых труб соответственно диаметрами 110 и 90 мм

7.2.10. При наличии отступа или перекидки на канализационном стояке во избежание выброса сточной жидкости в чашу санитарно-технического прибора, присоединенного к этому стояку непосредственно над первой (по ходу движения стояков) точкой его перегиба, и срыва затвора у санитарно-технического прибора, присоединенного к стояку непосредственно под второй точкой его перегиба, следует соединить между собой петлеобразным трубопроводом диаметром 50 мм участки стояка, расположенные выше первой и ниже второй точек перегиба.

7.2.11. При невозможности обеспечить самоочищающий режим течения в отводном трубопроводе от стояка рекомендуется в основании этого стояка установить промывочную деталь (см. рис. 5.1.1).

7.2.12. Участки отводных трубопроводов (канализационные выпуски из зданий, дворовая и микрорайонная сети) следует промывать или прочищать в порядке профилактики с периодичностью, достаточной для предотвращения засора.

7.2.13. При ремонте канализационных трубопроводов из ПВД, ПНД, ПВХ и ПП с заменой отдельных труб, патрубков или фасонных частей должна быть обеспечена установка новых элементов требуемого типоразмера, изготовленных из соответствующего полимерного материала. Не допускается применение чугунных труб и фасонных частей взамен демонтированных изделий из пластмасс.

7.2.14. Монтаж новых деталей трубопроводов производится при помощи раструбных соединений с резиновыми уплотнителями. При этом для трубных изделий из ПП применяются кольца манжетного типа с пластмассовым распорным вкладышем, а для изделий из ПВД, ПНД и ПВХ - кольца круглого поперечного сечения.

7.2.15. Необходимо иметь в виду, что в отдельных случаях при сборке раструбных соединений труб и фасонных частей диаметром 110 мм может произойти частичное выталкивание колец круглого поперечного сечения в раструбную щель между двумя соединяемыми деталями, что приведет к нарушению герметичности при эксплуатации трубопровода. Проверка путем проворота одной трубной детали относительно другой, выполняемая сразу же после монтажа соединения, позволяет своевременно контролировать качество сборки стыка. В случае выталкивания уплотнителя из желобка раструба, проворот деталей практически невозможен. Такое соединение следует разобрать и смонтировать вновь.

7.2.16. После замены поврежденных трубных деталей необходимо вновь затянуть крепления трубопроводов, ослабленные при проведении восстановительных работ.

7.2.17. Ремонт участка трубопровода, одним из элементов которого является компенсационный патрубок, может быть выполнен следующим образом. Рассмотрим вариант ремонта канализационного стояка с заменой тройника (рис. 7.2.2).

Рис. 7.2.2. Схема ремонта канализационного стояка с заменой поврежденной фасонной части:

а) до ремонта; б) после ремонта 1,4- детали стояка; 2 - компенсационный патрубок; 3 - поврежденная фасонная часть (тройник)

На гладкий конец патрубка 1 надвигают до упора раструб компенсационного патрубка 2, выводя хвостовик последнего из соединения с поврежденным тройником 3. Затем освобождают тройник 3, заменяют на новый и устанавливают его в раструб детали 4, после чего опускают хвостовик компенсационного патрубка 2 в раструб новой фасонной части 3.

При выполнении работ необходимо следить за тем, чтобы сборка обычных раструбных соединений выполнялись строго до монтажной метки, определяющей глубину вдвигания одной трубной детали в раструб другой.

Раструбные соединения трубных изделий монтируются с обязательным использованием смазки.

Разборка других трубных элементов этого участка трубопровода может производиться также с использованием компенсационного патрубка. Например, если поврежден патрубок 1, его освобождают из соединения с расположенным выше элементом, вдвигая в удлиненный раструб компенсационного патрубка 2 до упора. Затем поднимают компенсационный патрубок и выводят его хвостовик из раструба тройника 5; убирают демонтированный узел, со стоящий из деталей 7 и 2; разбирают его, заменяют поврежденный элемент на новый и соединяют его с компенсационным патрубком. После этого производят установку узла на прежнее место, обеспечивая его соединение со смежными деталями трубопровода.

7.2.18. В процессе ремонтных работ при монтаже новых деталей не допускается использование резиновых колец, бывших в эксплуатации. Рекомендуется одновременно производить и замену уплотнителей в раструбах соседних деталей, например, при замене тройника 3 новое резиновое кольцо следует установить и в раструбе детали 4, а при замене патрубка 1 - в раструбах компенсационного патрубка 2 и тройника 3.

7.2.17. Участки трубопроводов, не имеющие компенсационного патрубка, могут быть отремонтированы при помощи сборных узлов путем полной или частичной замены поврежденной трубы или демонтажа дефектной фасонной части. При этом предусматривается установка дополнительных креплений, которая производится следующим образом:

- при замене трубы с креплением на два патрубка следует закреплять каждый из них;

- при замене трубы без крепления на два патрубка закрепляют только один из них;

- при использовании двухраструбных надвижных муфт их необходимо закрепить;

- при ремонте вертикального трубопровода с использованием сборного узла, включающего компенсационный патрубок, трубу, установленную над ним, следует закрепить.

7.2.20. Полная замена поврежденной трубы или патрубка (рис. 7.2.3) выполняется при помощи сборного узла, состоящего из компенсационного патрубка 4 и патрубка с обычным раструбом 5. Такой вариант ремонта предусматривает выполнение следующих операций:

- ручной пилой вырезают участок дефектного патрубка 2, после чего демонтируют две оставшиеся его части;

- производят установку одного или двух дополнительных креплений;

- в желобки раструбов 4 и 5 помещают резиновые кольца, смазывают гладкий конец патрубка 5 и выполняют сборку ремонтного узла, вдвигая патрубок 5 в удлиненный раструб до упора;

- в желобок раструба патрубка 1 устанавливают новое кольцо, на концы трубных деталей 3 и 4 наносят смазку;

- ремонтный узел располагают соосно с канализационным трубопроводом;

- соединяют раструб патрубка 5 с гладким концом детали 3;

- сдвигают компенсационный патрубок 4, устанавливая его хвостовик в раструб детали 1;

- выполняют крепление сборного узла.

7.2.21. Частичная замена поврежденной трубы или патрубка (рис. 7.2.4) осуществляется с использованием сборного узла, состоящего из патрубка без раструба 4 и двух надвижных муфт 5

Рис. 7.2.3. Схема ремонта трубопровода с заменой поврежденного патрубка:

а) до ремонта; 6) после ремонта

1, 3 - детали трубопровода; 2 - поврежденный патрубок; 4 - компенсационный патрубок; 5 - патрубок с обычным раструбом

Рис. 7.2.4. Схема ремонта трубопровода с заменой участка поврежденного патрубка: а) до ремонта; б) после ремонта

1, 3 - детали трубопровода; 2 - поврежденный патрубок; 4 - патрубок без раструба; 5 - надвижная муфта; 6 - неповрежденный участки патрубка 2

Ремонт трубопровода с заменой участка поврежденного патрубка (или трубы) производится в такой последовательности:

- вырезают дефектный участок патрубка 2, обеспечивая при этом перпендикулярность линий реза продольной оси трубопровода с помощью шаблона;

- с обеих сторон патрубка 4 и на свободных концах оставшихся участков 6 ремонтируемого патрубка напильником снимают фаску под углом 15°;

- в желобки раструбов надвижных муфт помещают резиновые кольца, смазывают концы патрубка 4 и производят сборку ремонтного узла;

- устанавливают дополнительные крепления для фиксации надвижных муфт;

- полностью сдвигают обе надвижные муфты на патрубок 4;

- наносят смазку на свободные концы патрубков 6;

- располагают ремонтный узел соосно с канализационным трубопроводом и надвигают муфты 5 на гладкие концы патрубков 6;

- фиксируют надвижные муфты в креплениях.

7.2.22. Замена поврежденной фасонной части может быть выполнена двумя способами. Первый из них предполагает использование для ремонта сборного узла (рис. 7.2.5), состоящего из новой фасонной части 4, двух надвижных муфт 5, патрубка с раструбом б и гладкого патрубка 7. В этом случае разборка трубопровода осуществляется путем перерезки патрубков 1 и 3, отсоединения вертикального участка и удаления поврежденной фасонной части 2, соединенной с отрезками патрубков 1 и 3. После этого в последовательности, приведенной в предыдущем варианте, производится установка сборного ремонтного узла.

Рис. 7.2.5. Схема ремонта трубопровода с заменой поврежденной фасонной части:

а) до ремонта; б) после ремонта

1, 3 - патрубок; 2 - поврежденная фасонная часть; 4 - фасонная часть, установленная взамен поврежденной; 5 - надвижная муфта; б - патрубок с раструбом; 7 - патрубок без раструба

Второй способ ремонта предусматривает замену поврежденной фасонной части с одновременной установкой дополнительной детали - компенсационного патрубка (рис. 7.2.6). Для этого сначала вырезают участок патрубка 3, демонтируют одну его часть и поврежденную деталь 2. Затем на вторую часть патрубка 3 (предварительно сняв фаску и нанеся смазку) до упора надвигают раструб компенсационного патрубка 5, после чего устанавливают хвостовик новой фасонной части 4 в раструб патрубка 1, сдвигают компенсационный патрубок, соединяя его с фасонной частью 4, и фиксируют его в дополнительном креплении.

Примечание. Между неподвижными креплениями допускается наличие не более двух соединений, используемых в качестве компенсаторов.

7.2.23. Замена поврежденного элемента горизонтальной разводки от кухонной мойки может быть выполнена путем отсоединения отводного патрубка сифона, после чего становится возможной разборка деталей канализационного трубопровода.

7.2.24. В аварийных случаях допускается ремонтировать трубопровод при помощи накладки на поврежденный участок трубы или патрубка манжеты в виде резиновой ленты с последующей установкой бандажа, затягиваемого болтами, проволокой или хомутом.

Этот способ ремонта является временной мерой устранения течи. Для обеспечения долговременной работоспособности трубопровода необходимо в короткий срок выполнить ремонтные работы по замене поврежденной трубной детали.

Для своевременного и качественного ремонта трубопроводов организациям, осуществляющим обслуживание канализационных систем в зданиях, рекомендуется располагать определенным запасом труб, фасонных частей, резиновых уплотнителей и креплений, необходимых для ликвидации повреждений.

Рис. 7.2.6. Схема ремонта трубопровода с заменой поврежденной фасонной части и установкой компенсационного патрубка: а) до ремонта; б) после ремонта

1, 3 - патрубок; 2 - поврежденная фасонная часть; 4 - фасонная часть, установленная взамен поврежденной; 5 - компенсационный патрубок

7.2.25. Общие положения по надзору, эксплуатации и ремонту наружных канализационных сетей приведены в «Правилах технической эксплуатации систем и сооружений коммунального водоснабжения и канализации».

7.2.26. Засоры трубопроводов наружной канализационной сети из пластмассовых труб ликвидируют путем размыва засора струей воды высокого давления из шланга с наконечником.

7.2.27. При необходимости выполнения ремонтных работ на канализационных трубопроводах следует обеспечить отведение поступающих сточных вод в обход поврежденного участка, отключение поврежденного участка, проведение ремонтных работ с уведомлением диспетчерской службы.

7.2.28. Локальный ремонт подземных безраструбных полиэтиленовых трубопроводов выполняется с помощью муфт с закладной электроспиралью, а раструбных из ПВХ и ПП - с использованием двухраструбных ремонтных муфт.

Приложение 1
Расчетные удельные средние за год суточные расходы воды (стоков) для жилых зданий в I и II климатических районах

Потребители

Удельный расход воды, л/сут, на 1 жителя

общий

в том числе горячей

Жилые дома квартирного типа с водопроводом и канализацией без ванн

100

45

То же, с газоснабжением

120

55

Жилые дома квартирного типа с водопроводом, канализацией и ваннами с водонагревателями на твердом топливе

150

70

То же, с газовыми водонагревателями

210

95

Жилые дома квартирного типа с централизованным горячим водоснабжением и сидячими ваннами

230

105

Жилые дома квартирного типа с централизованным горячим водоснабжением, оборудованные умывальниками, мойками и ваннами длиной более 1500 мм

250

115

Приложение 2
Расчетные удельные средние за год суточные расходы воды (стоков) для жилых зданий в III и IV климатических районах

Потребители

Удельный расход воды, л/сут, на 1 жителя

общий

в том числе горячей

Жилые дома квартирного типа с водопроводом и канализацией без ванн

110

50

То же, с газоснабжением

135

60

Жилые дома квартирного типа с водопроводом, канализацией и ваннами с водонагревателями на твердом топливе

170

130

То же, с газовыми водонагревателями

235

105

Жилые дома квартирного типа с централизованным горячим водоснабжением и сидячими ваннами

260

115

Жилые дома квартирного типа с централизованным горячим водоснабжением, оборудованные умывальниками, мойками и ваннами длиной более 1500 мм

285

130

Приложение 3.
Расчетные удельные средние за год суточные расходы воды (стоков) для различных типов потребителей
 

Потребители

Т, ч

Измеритель

Удельные расходы, л/сут

Коэффициент неравномерности Кк

tot

h

Общежития:

 

 

 

 

 

с общими душевыми

24

1 житель

90

50

1,1

с душами при всех жилых комнатах

24

То же

140

80

1,15

Гостиницы, пансионаты, мотели:

 

 

 

 

 

с общими ваннами и душами

24

1 житель

120

70

1,1

с душами во всех номерах

24

То же

230

140

1,15

с ваннами во всех номерах

24

-«-

300

180

1,15

Больницы:

 

 

 

 

 

с общими ваннами и душевыми

24

1 койка

120

75

1,15

с санитарными узлами, приближенными к палатам 

24

То же

200 

90 

1,1

инфекционные

24

-«-

240

110

1,1

Санатории и дома отдыха:

 

 

 

 

 

с общими душами

24

1 койка

130

65

1,15

с душами при всех жилых комнатах

24

То же

150

75

1,15

с ваннами при всех жилых комнатах

24

-«-

200

100

1,15

Детские оздоровительные лагеря:

 

 

 

 

 

со столовыми, работающими на полуфабрикатах, и без стирки белья в централизованных прачечных

24

1 койка

60

30

1,15

со столовыми, работающими на сырье, и прачечными

24

1 место

200

100

1,1

Детские ясли-сады и школы-интернаты:

 

 

 

 

 

а) с дневным пребыванием детей:

 

 

 

 

 

со столовыми, работающими на полуфабрикатах

10

1 ребенок

40

20

1,1

со столовыми, работающими на сырье, и прачечными

10

То же

75

30

1,15

б) с круглосуточным пребыванием детей:

 

 

 

 

 

со столовыми на полуфабрикатах

24

1 ребенок

60

30

1,1

со столовыми, работающими на сырье, и прачечными

24

То же

100

40

1,15

Учебные заведения с душевыми при гимнастических залах и столовыми, работающими на полуфабрикатах

8

1 учащийся и 1 преподаватель в смену

20

8

U

Административные здания

8

1 работающий

15

6

1,2

Предприятия общественного питания для приготовления пищи, реализуемой в обеденном зале

-

1 блюдо в час

12

4

1,0

Магазины:

 

 

 

 

 

продовольственные (без холодильных установок)

8

1 рабочее место или 20 м2 площади зала

250

65

1,1

промтоварные

8

1 работающий в смену

20

8

1,1

Поликлиники и амбулатории

10

10

1 больной в смену

1 работающий

10

30

4

12

1,1

1,1

Аптеки:

 

 

 

 

 

торговый зал и подсобные помещения

8

1 работающий

30

12

1,0

лаборатории приготовления лекарств

8

То же

310

55

1,0

Парикмахерские

8

1 рабочее место

56

33

1,1

Кинотеатры, клубы, театры:

 

 

 

 

 

для зрителей

4

1 место

8

3

1,0

для артистов

8

1 человек

40

25

1,0

Стадионы и спортзалы:

 

 

 

 

 

для зрителей

4

1 место

3

1

1,0

для физкультурников (с учетом приема душа)

11

1 физкультурник

50

30

1,0

для спортсменов (с учетом приема душа)

11

1 спортсмен

100

50

1,15

Плавательные бассейны:

 

 

 

 

 

для зрителей

6

1 место

3

1

1,0

для спортсменов (физкультурников)

8

1 человек

100

60

1,0

на наполнение бассейна

8

% вместимости

10

-

1,0

Бани:

 

 

 

 

 

для мытья в мыльной и ополаскивания в душе

3

1 посетитель

180

120

1,0

то же, с приемом оздоровительных процедур

3

То же

290

190

1,0

душевая кабина

3

-«-

360

240

1,0

ванная кабина

3

-«-

540

360

1,0

Прачечные:

 

 

 

 

 

немеханизированные

1 кг сухого белья в час

40

15

1,0

механизированные

-

То же

75

25

1,0

Производственные цехи:

 

 

 

 

 

с тепловыделениями более 84 кДж на 1 м2

6

1 человек в смену

45

24

1,15

обычные

8

То же

25

11

1,15

Душевые в бытовых помещениях промышленных предприятий

-

1 сетка

500

270

1,1

Приложение 4.
Средние удельные часовые расходы воды,  л/ч, отнесенные к одному прибору, в зависимости от средней заселенности квартир (только для жилых зданий)

Заселенность, чел.

Ванна

Раковина

Умывальник

Унитаз

Биде

tot

с

h

tot

h

с

tot

h

с

tot

h

с

tot

h

с

2,0

2,5

3,0

3,5

4,0

4,5

5,0

5,5

6,0

6,5

7,0

16,0

17,0

18,0

19,0

20,0

21,0

22,0

23,0

24,0

25,0

26,0

8,0

8,5

9,0

9,5

10,0

10,5

11,0

11,5

12,0

12,5

13,0

8,0

8,5

9,0

9,5

10,0

10,5

11,0

11,5

12,0

12,5

13,0

3,8

4,4

5,0

5,6

6,2

6,8

7,4

8,0

8,6

9,2

9,8

1,5

1,8

2,0

2,2

2,5

2,8

3,0

3,2

3,5

3,8

4,0

2,3

2,6

3,0

3,4

3,7

4,0

4,4

4,8

5,1

5,4

5,8

2,4

2,8

3,2

3,6

4,0

4,4

4,8

5,2

5,6

6,0

6,4

0,8

1,0

1,2

1,4

1,6

1,8

2,0

2,2

2,4

2,6

2,8

1,6

1,8

2,0

2,2

2,4

2,6

2,8

3,0

3,2

3,4

3,6

3,0

3,5

4,0

4,5

5,0

5,5

6,0

6,5

7,0

7,5

8,0

-

-

-

-

-

-

-

-

-

-

-

3,0

3,5

4,0

4,5

5,0

5,5

6,0

6,5

7,0

7,5

8,0

1,0

1,2

1,4

1,6

1,8

2,0

2,2

2,4

2,6

2,8

3,0

0,5

0,6

0,7

0,8

0,9

1,0

1,1

1,2

1,3

1,4

1,5

0,5

0,6

0,7

0,8

0,9

1,0

1,1

1,2

1,3

1,4

1,5

Приложение 5.
Коэффициенты суточной неравномерности Kd

N или U

Значения Kd при  или , л/ч

<10

10-15

15

20

30-80

>80

Менее 50

1,77

1,61

1,53

1,41

1,17

1,10

50-200

1,53

1,44

1,36

1,28

1,1З

1,10

201-500

1,53

1,38

1,31

1,24

1,13

1,10

501-1000

1,51

1,36

1,27

1,22

1,12

1,10

1001-5000

1,47

1,32

1,26

1,20

1,12

-

5001-10000

1,45

1,31

1,25

1,19

-

-

10001-50000

1,40

1,28

1,23

1,18

-

-

50001-200000

1,36

1,26

1,21

1,17

-

-

Свыше 200000

1,31

1,23

1,19

-

-

-

Приложение 6.
Расчетные расходы горячей/общий и холодной воды секундные, л/с, и часовые, м3/ч, в зависимости от удельных расходов, л/ч, и числа приборов N (обеспеченность расходов 0,997 в час максимального водопотребления)
 

N

Расчетные расходы воды

Значение расчетных расходов при удельных часовых расходах воды

тип

вид

4

6

8

10

12

14

16

18

20

23

1

Гор. и общ.

с

ч

0,22

0,12

0,28

0,15

0,33

0,17

0,39

0,20

0,45

0,23

0,50

0,26

0,55

0,29

0,60

0,31

0,65

0,33

0,71

0,36

Хол.

с

ч

0,17

0,09

0,21

0,11

0,26

0,13

0,30

0,15

0,34

0,18

0,39

0,20

0,43

0,22

0,47

0,24

0,50

0,26

0,55

0,28

2

Гор. и общ.

с

ч

0,23

0,18

0,29

0,21

0,34

0,25

0,40

0,30

0,46

0,34

0,52

0,38

0,57

0,42

0,62

0,45

0,66

0,49

0,73

0,53

Хол.

с

ч

0,18

0,13

0,22

0,16

0,26

0,19

0,31

0,23

0,36

0,26

0,40

0,29

0,44

0,32

0,48

0,35

0,51

0,38

0,56

0,41

3

Гор. и общ.

с

ч

0,25

0,22

0,30

0,27

0,36

0,32

0,42

0,37

0,48

0,42

0,54

0,47

0,60

0,52

0,65

0,57

0,70

0,61

0,76

0,66

Хол.

с

ч

0,19

0,17

0,23

0,20

0,28

0,24

0,33

0,28

0,37

0,32

0,42

0,36

0,46

0,40

0,50

0,44

0,54

0,47

0,59

0,52

4

Гор.и общ.

с

ч

0,26

0,26

0,32

0,31

0,38

0,37

0,44

0,43

0,51

0,49

0,57

0,55

0,62

0,61

0,68

0,66

0,73

0,71

0,80

0,78

Хол.

с

ч

0,20

0,20

0,24

0,24

0,29

0,29

0,34

0,33

0,39

0,38

0,44

0,43

0,48

0,48

0,53

0,52

0,57

0,56

0,62

0,61

5

Гор. и общ.

с

ч

0,27

0,30

0,33

0,36

0,40

0,42

0,46

0,49

0,53

0,56

0,59

0,63

0,65

0,69

0,71

0,75

0,76

0,81

0,83

0,88

Хол.

с

ч

0,21

0,22

0,26

0,27

0,31

0,33

0,36

0,38

0,41

0,44

0,46

0,49

0,51

0,54

0,55

0,59

0,59

0,63

0,65

0,70

6

Гор. и общ.

с

ч

0,29

0,33

035

0,40

0,41

0,47

0,48

0,55

0,55

0,62

0,62

0,70

0,68

0,77

0,74

0,83

0,79

0,90

0,87

0,98

Хол.

с

ч

0,22

0,25

0,27

0,30

0,32

0,36

0,37

0,42

0,43

0,48

0,48

0,54

0,53

0,60

0,57

0,66

0,62

0,71

0,68

0,77

7

Гор. и общ..

с

ч

0,30

0,36

0,36

0,43

0,43

0,51

0,50

0,60

0,57

0,68

0,64

0,76

0,71

0,84

0,77

0,91

0,82

0,98

0,90

1,07

Хол.

с

ч

0,23

0,28

0,28

0,33

0,33

0,40

0,39

0,46

0,44

0,53

0,50

0,60

0,55

0,66

0,60

0,72

0,64

0,77

0,70

0,85

8

Гор. и общ.

с

ч

0,31

0,39

0,38

0,47

0,45

0,56

0,52

0,64

0,59

0,73

0,66

0,82

0,73

0,91

0,79

0,98

0,85

1,06

0,93

1,16

Хол.

с

ч

0,24

0,30

0,29

0,36

0,35

0,43

0,40

0,50

0,46

0,57

0,52

0,65

0,57

0,71

0,62

0,78

0,66

0,84

0,73

0,92

9

Гор. и общ.

с

ч

0,33

0,42

0,39

0,50

0,46

0,60

0,54

0,69

0,61

0,79

0,68

0,88

0,75

0,97

0,82

1,05

0,88

1,13

0,96

1,24

Хол.

с

ч

0,25

0,32

0,30

0,39

0,36

0,46

0,42

0,54

0,48

0,62

0,53

0,69

0,59

0,77

0,64

0,83

0,69

0,90

0,75

0,99

10

Гор. и общ.

с

ч

0,34

0,45

0,40

0,54

0,48

0,63

0,55

0,73

0,63

0,84

0,71

0,94

0,78

1,03

0,84

1,12

0,91

1,21

0,99

1,32

Хол.

с

ч

0,26

0,34

0,31

0,41

0,37

0,49

0,43

0,58

0,49

0,66

0,55

0,74

0,61

0,82

0,66

0,89

0,71

0,96

0,78

1,05

11

Гор. и общ.

с

ч

0,35

0,48

0,42

0,57

0,49

0,67

0,57

0,78

0,65

0,88

0,73

0,99

0,80

1,09

0,87

1,19

0,93

1,28

1,02

1,40

Хол.

с

ч

0,27

0,37

0,32

0,44

0,38

0,52

0,44

0,61

0,51

0,70

0,57

0,78

0,62

0,85

0,68

0,94

0,73

1,02

0,80

1,12

12

Гор. и общ.

с

ч

0,36

0,51

0,43

0,60

0,51

0,71

0,59

0,82

0,67

0,93

0,75

1,04

0,82

1,15

0,89

1,25

0,96

1,34

1,05

1,47

Хол.

с

ч

0,28

0,39

0,33

0,47

0,39

0,55

0,46

0,64

0,52

0,74

0,58

0,82

0,64

0,91

0,70

0,99

0,75

1,07

0,82

1,18

13

Гор. и общ.

с

ч

0,37

0,54

0,44

0,63

0,52

0,74

0,60

0,86

0,69

0,98

0,77

1,09

0,84

1,20

0,91

1,31

0,98

1,41

1,07

1,54

Хол.

с

ч

0,29

0,41

0,34

0,49

0,41

0,58

0,47

0,68

0,53

0,77

0,60

0,87

0,66

0,96

0,72

1,04

0,77

1,13

0,84

1,24

14

Гор. и общ.

с

ч

0,38

0,56

0,46

0,66

0,54

0,78

0,62

0,90

0,70

1,02

0,78

1,14

0,86

1,26

0,94

1,37

1,01

1,47

1,10

1,61

Хол.

с

ч

0,29

0,43

0,35

0,51

0,42

0,61

0,48

0,71

0,55

0,81

0,61

0,91

0,68

1,00

0,73

1,09

0,79

1,18

0,86

1,30

15

Гор. и общ.

с

ч

0,39

0,59

0,47

0,69

0,55

0,81

0,63

0,94

0,72

1,07

0,80

1,19

0,88

1,31

0,96

1,43

1,03

1,54

1,12

1,68

Хол.

с

ч

0,30

0,45

0,36

0,54

0,43

0,64

0,49

0,74

0,56

0,84

0,63

0,95

0,69

1,05

0,75

1,14

0,81

1,23

0,89

1,36

16

Гор. и общ.

с

ч

0,40

0,61

0,48

0,72

0,56

0,84

0,65

0,98

0,74

1,11

0,82

1,24

0,90

1,36

0,98

1,48

1,05

1,60

1,15

1,75

Хол.

с

ч

0,31

0,47

0,37

0,56

0,44

0,66

0,51

0,77

0,58

0,88

0,64

0,99

0,71

1,09

0,77

1,19

0,83

1,28

0,91

1,41

17

Гор. и общ.

с

ч

0,41

0,64

0,49

0,75

0,57

0,88

0,66

1,01

0,75

1,15

0,84

1,29

0,92

1,42

1,00

1,54

1,07

1,66

1,17

1,82

Хол.

с

ч

0,32

0,49

0,38

0,58

0,45

0,69

0,52

0,80

0,59

0,91

0,66

1,03

0,72

1,13

0,79

1,24

0,85

1,33

0,93

1,47

18

Гор. и общ.

с

ч

0,42

0,66

0,50

0,78

0,59

0,91

0,68

1,05

0,77

1,19

0,86

1,33

0,94

1,47

1,02

1,59

1,10

1,72

1,20

1,88

Хол.

с

ч

0,33

0,51

0,39

0,60

0,46

0,72

0,53

0,83

0,60

0,95

0,67

1,06

0,74

1,17

0,80

1,28

0,86

1,38

0,95

1,52

19

Гор. и общ.

с

ч

0,44

0,69

0,51

0,80

0,60

0,94

0,69

1,09

0,78

1,23

0,87

1,38

0,96

1,52

1,04

1,65

1,12

1,77

1,22

1,95

Хол.

с

ч

0,33

0,52

0,40

0,63

0,47

0,74

0,54

0,86

0,61

0,98

0,69

1,10

0,75

1,22

0,82

1,33

0,88

1,43

0,96

1,58

20

Гор. и общ.

с

ч

0,45

0,71

0,52

0,83

0,61

0,97

0,70

1,12

0,80

1,27

0,89

1,42

0,98

01,56

1,06

1,70

1,14

1,83

1,24

2,01

Хол.

с

ч

0,34

0,54

0,41

0,65

0,48

0,77

0,55

0,89

0,63

1,01

0,70

1,14

0,77

1,26

0,84

1,37

0,90

1,48

0,98

1,63

21

Гор. и общ.

с

ч

0,46

0,74

0,54

0,86

0,62

1,00

0,72

1,16

0,81

1,31

0,91

1,46

0,99

1,61

1,08

1,75

1,16

1,89

1,27

2,07

Хол.

с

ч

0,35

0,56

0,42

0,67

0,49

0,79

0,56

0,92

0,64

1,05

0,71

1,17

0,78

1,30

0,85

1,41

0,92

1,53

1,00

1,68

22

Гор. и общ.

с

ч

0,47

0,76

0,55

0,89

0,64

1,03

0,73

1,19

0,83

1,35

0,92

1,51

1,01

1,66

1,10

1,80

1,18

1,94

1,29

2,13

Хол.

с

ч

0,36

0,58

0,42

0,69

0,50

0,82

0,57

0,95

0,65

1,08

0,73

1,21

0,80

1,34

0,87

1,46

0,93

1,57

1,02

1,73

23

Гор. и общ.

с

ч

0,47

0,78

0,56

0,91

0,65

1,06

0,74

1,22

0,84

1,39

0,94

1,55

1,03

1,71

1,12

1,85

1,20

2,00

1,31

2,19

Хол.

с

ч

0,37

0,60

0,43

0,71

0,51

0,84

0,58

0,97

0,66

1,11

0,74

1,24

0,81

1,37

0,88

1,50

0,95

1,62

1,04

1,78

24

Гор. и общ.

с

ч

0,48

0,81

0,57

0,94

0,66

1,09

0,76

1,26

0,86

1,43

0,95

1,59

1,05

1,75

1,14

1,90

1,22

2,05

1,33

2,25

Хол.

с

ч

0,37

0,62

0,44

0,73

0,52

0,86

0,59

1,00

0,67

1,14

0,75

1,28

0,83

1,41

0,90

1,54

0,97

1,66

1,06

1,84

25

Гор. и

общ.

с

ч

0,49

0,83

0,58

0,96

0,67

1,12

0,77

1,29

0,87

1,46

0,97

1,63

1,06

1,80

1,15

1,95

1,24

2,10

1,35

2,31

Хол.

с

ч

0,38

0,64

0,45

0,75

0,53

0,89

0,61

1,03

0,69

1,17

0,76

1,31

0,84

1,45

0,91

1,58

0,98

1,71

1,08

1,89

26

Гор. и общ.

с

ч

0,50

0,85

0,59

0,99

0,68

1,15

0,78

1,32

0,88

1,50

0,98

1,67

1,08

1,84

1,17

2,00

1,26

2,16

1,37

2,37

Хол.

с

ч

0,39

0,65

0,46

0,77

0,53

0,91

0,62

1,06

0,70

1,20

0,78

1,35

0,85

1,49

0,93

1,63

1,00

1,75

1,09

1,93

27

Гор. и общ.

с

ч

0,51

0,88

0,60

1,02

0,69

1,18

0,80

1,36

0,90

1,54

1,00

1,71

1,10

1,89

1,19

2,05

1,28

2,21

1,39

2,42

Хол.

с

ч

0,40

0,67

0,47

0,80

0,54

0,94

0,63

1,08

0,71

1,23

0,79

1,38

0,87

1,53

0,94

1,67

1,01

1,80

1,11

1,98

28

Гор. и общ.

с

ч

0,52

0,90

0,61

1,04

0,71

1,21

0,81

1,39

0,91

1,57

1,01

1,75

1,11

1,93

1,21

2,10

1,30

2,26

1,42

2,48

Хол.

с

ч

0,40

0,69

0,47

0,82

0,55

0,96

0,64

1,11

0,72

1,26

0,80

1,42

0,88

1,56

0,96

1,71

1,03

1,84

1,13

2,03

29

Гор. и общ.

с

ч

0,53

0,92

0,62

1,07

0,72

1,24

0,82

1,42

0,93

1,61

1,03

1,79

1,13

1,97

1,22

2,15

1,31

2,31

1,44

2,54

Хол.

с

ч

0,41

0,71

0,48

0,84

0,56

0,98

0,65

1,14

0,73

1,29

0,81

1,45

0,89

1,60

0,97

1,75

1,04

1,89

1,14

2,08

30

Гор. и общ.

с

ч

0,54

0,94

0,63

1,09

0,73

1,27

0,83

1,45

0,94

1,64

1,04

1,83

1,15

2,02

1,24

2,19

1,33

2,36

1,46

2,59

Хол.

с

ч

0,42

0,72

0,49

0,86

0,57

1,51

0,66

1,16

0,71

1,32

0,83

1,48

0,91

1,64

0,99

1,79

1,06

1,93

1,16

2,13

31

Гор. и общ.

с

ч

0,55

0,97

0,64

1,12

0,74

1,29

0,85

1,49

0,95

1,68

1,06

1,87

1,16

2,06

1,26

2,24

1,35

2,41

1,48

2,65

Хол.

с

ч

0,42

0,74

0,50

0,88

0,58

1,03

0,67

1,19

0,75

1,35

0,84

1,52

0,92

1,67

1,00

1,83

1,07

1,97

1,18

2,18

32

Гор. и общ.

с

ч

0,56

0,99

0,65

1,14

0,75

1,32

0,86

1,52

0,97

1,71

1,07

1,91

1,18

2,10

1,28

2,29

1,37

2,46

1,50

2,70

Хол.

с

ч

0,43

0,76

0,51

0,90

0,59

1,05

0,68

1,22

0,76

1,38

0,85

1,55

0,93

1,71

1,01

1,87

1,09

2,01

1,19

2,22

33

Гор. и общ.

с

ч

0,57

1,01

0,66

1,17

0,76

1,35

0,87

1,55

0,98

1,75

1,09

1,95

1,19

2,14

1,29

2,33

1,39

2,51

1,51

2,76

Хол.

с

ч

0,44

0,78

0,51

0,92

0,60

1,07

0,69

1,24

0,77

1,41

0,86

1,58

0,95

1,75

1,03

1,90

1,10

2,06

1,21

2,27

34

Гор. и общ.

с

ч

0,58

1,03

0,67

1,19

0,77

1,38

0,88

1,58

0,99

1,78

1,10

1,99

1,21

2,19

1,31

2,38

1,40

2,56

1,53

2,81

Хол.

с

ч

0,45

0,79

0,52

0,93

0,61

1,10

0,69

1,27

0,78

1,44

0,87

1,61

0,96

1,78

1,04

1,94

1,12

2,10

1,23

2,32

35

Гор. и общ.

с

ч

0,59

1,06

0,68

1,21

0,78

1,40

0,89

1,61

1,00

1,82

1,12

2,03

1,22

2,23

1,32

2,42

1,42

2,61

1,55

2,87

Хол.

с

ч

0,45

0,81

0,53

0,95

0,61

1,12

0,70

1,29

0,80

1,47

0,89

1,65

0,97

1,82

1,06

1,98

1,13

2,14

1,24

2,36

36

Гор. и общ.

с

ч

0,60

1,08

0,69

1,24

0,79

1,43

0,90

1,64

1,02

1,85

1,13

2,06

1,24

2,27

1,34

2,47

1,44

2,66

1,57

2,92

Хол.

с

ч

0,46

0,83

0,54

0,97

0,62

1,14

0,71

1,32

0,81

1,50

0,90

1,68

0,98

1,85

1,07

2,02

1,15

2,18

1,26

2,41

37

Гор. и общ.

с

ч

0,60

1,10

0,70

1,26

0,80

1,46

0,92

1,67

1,03

1,89

1,14

2,10

1,25

2,31

1,36

2,51

1,46

2,70

1,59

2,97

Хол.

с

ч

0,47

0,84

0,54

0,99

0,63

1,16

0,72

1,34

0,82

1,53

0,91

1,71

1,00

1,89

1,08

2,06

1,16

2,22

1,27

2,45

38

Гор. и общ.

с

ч

0,61

1,12

0,71

1,29

0,81

1,49

0,93

1,70

1,04

1,92

1,16

2,14

1,27

2,35

1,37

2,56

1,47

2,75

1,61

3,02

Хол.

с

ч

0,47

0,86

0,55

1,01

0,64

1,19

0,73

1,37

0,83

1,56

0,92

1,74

1,01

1,92

1,10

2,10

1,18

2,26

1,29

2,50

39

Гор. и общ.

с

ч

0,62

1,14

0,72

1,31

0,82

1,51

0,94

1,73

1,05

1,95

1,17

2,18

1,28

2,39

1,39

2,60

1,49

2,80

1,63

3,08

Хол.

с

ч

0,48

0,88

0,56

1,03

0,65

1,21

0,74

1,39

0,84

1,58

0,93

1,77

1,02

1,96

1,11

2,13

1,19

2,30

1,31

2,54

40

Гор. и общ.

с

ч

0,63

1,16

0,73

1,33

0,83

1,54

0,95

1,76

1,07

1,99

1,18

2,21

1,30

2,43

1,40

2,64

1,51

2,85

1,65

3,13

Хол.

с

ч

0,49

0,89

0,57

1,05

0,66

1,23

0,75

1,42

0,85

1,61

0,94

1,80

1,03

1,99

1,12

2,17

1,21

2,34

1,32

2,59

41

Гор. и общ.

с

ч

0,64

1,19

0,73

1,36

0,84

1,57

0,96

1,79

1,08

2,02

1,20

2,35

1,31

2,47

1,42

2,69

1,52

2,89

1,67

3,18

Хол.

с

ч

0,49

0,91

0,57

1,07

0,66

1,25

0,76

1,44

0,86

1,64

0,95

1,83

1,05

2,02

1,14

2,21

1,22

2,38

1,34

2,63

42

Гор. и общ.

с

ч

0,65

1,21

0,74

1,38

0,85

1,59

0,97

1,82

1,09

2,05

1,21

2,28

1,33

2,51

1,44

2,73

1,54

2,94

1,68

3,23

Хол.

с

ч

0,50

0,93

0,58

1,09

0,67

1,27

0,77

1,47

0,87

1,67

0,96

1,86

1,06

2,06

1,15

2,24

1,23

2,42

1,35

2,68

43

Гор. и общ.

с

ч

0,66

1,23

0,75

1,40

0,86

1,62

0,98

1,85

1,11

2,09

1,22

2,32

1,34

2,55

1,45

2,77

1,56

2,98

1,70

3,28

Хол.

с

ч

0,51

0,94

0,59

1,11

0,68

1,29

0,78

1,49

0,88

1,69

0,97

1,89

1,07

2,09

1,16

2,28

1,25

2,46

1,37

2,72

44

Гор. и общ.

с

ч

0,66

1,25

0,76

1,43

0,87

1,64

0,99

1,88

1,12

2,12

1,24

2,36

1,35

2,59

1,47

2,82

1,57

3,03

1,72

3,33

Хол.

с

ч

0,51

0,96

0,60

1,13

0,69

1,32

0,79

1,52

0,89

1,72

0,99

1,93

1,08

2,12

1,17

2,32

1,26

2,50

1,38

2,77

45

Гор. и общ.

с

ч

0,67

1,27

0,77

1,45

0,88

1,67

1,01

1,91

1,13

2,15

1,25

2,39

1,37

2,63

1,48

2,86

1,59

3,08

1,74

3,38

Хол.

с ч

0,52

0,98

0,60

1,14

0,70

1,34

0,80

1,54

0,90

1,75

1,00

1,96

1,09

2,16

1,19

2,35

1,28

2,54

1,40

2,81

46

Гор. и общ.

с ч

0,68

1,29

0,78

1,47

0,89

1,70

1,02

1,94

1,14

2,18

1,26

2,43

1,38

2,67

1,50

2,90

1,60

3,12

1,75

3,43

Хол.

с

ч

0,53

0,99

0,61

1,16

0,71

1,36

0,81

1,57

0,91

1,78

1,01

1,99

1,11

2,19

1,20

2,39

1,29

2,58

1,41

2,58

47

Гор. и общ.

с ч

0,69

1,31

0,79

1,50

0,90

1,72

1,03

1,97

1,15

2,21

1,28

2,46

1,40

2,71

1,51

2,94

1,62

3,17

1,77

3,48

Хол.

с ч

0,53

1,01

0,62

1,80

0,71

1,38

0,81

1,59

0,92

1,80

1,02

2,02

1,12

2,22

1,21

2,43

1,30

2,62

1,43

2,90

48

Гор. и общ.

с

ч

0,70

1,33

0,80

1,52

0,91

1,75

1,04

1,99

1,16

2,25

1,29

2,50

1,41

2,75

1,53

2,98

1,64

3,21

1,79

3,53

Хол.

с

ч

0,54

1,03

0,62

1,20

0,72

1,40

0,82

1,61

0,93

1,83

1,03

2,05

1,13

2,26

1,22

2,46

1,32

2,66

1,44

2,94

49

Гор. и общ.

с

ч

0,71

1,36

0,81

1,54

0,92

1,77

1,05

2,02

1,18

2,28

1,30

2,53

1,42

2,78

1,54

3,03

1,65

3,26

1,81

3,58

Хол.

с

ч

0,55

1,04

0,63

1,22

0,73

1,42

0,83

1,64

0,94

1,86

1,04

2,08

1,14

2,29

1,24

2,50

1,33

2,70

1,46

2,98

50

Гор. и общ.

с

ч

0,72

1,38

0,82

1,57

0,93

1,80

1,06

2,05

1,19

2,31

1,31

2,57

1,44

2,82

1,56

3,07

1,67

3,30

1,82

3,63

Хол.

с

ч

0,55

1,06

0,64

1,24

0,74

1,44

0,84

1,66

0,95

1,88

1,05

2,11

1,15

2,32

1,25

2,53

1,34

2,74

1,47

3,03

55

Гор. и общ.

с

ч

0,76

1,48

0,86

1,68

0,98

1,93

1,11

2,19

1,24

2,47

1,38

2,74

1,51

3,01

1,63

3,27

1,75

3,52

1,91

3,87

Хол.

с

ч

0,58

1,14

0,67

1,33

0,78

1,55

0,88

1,78

0,99

2,02

1,10

2,25

1,21

2,49

1,31

2,71

1,41

2,93

1,55

3,24

60

Гор. и общ.

с

ч

0,80

1,58

0,90

1,79

1,03

2,05

1,16

2,33

1,30

2,62

1,44

2,91

1,57

3,20

1,70

3,47

1,82

3,74

1,99

4,11

Хол.

с

ч

0,62

1,22

0,71

1,42

0,81

1,65

0,93

1,90

1,04

2,15

1,15

2,40

1,26

2,65

1,37

2,89

1,47

3,12

1,62

3,45

65

Гор. и общ.

с

ч

0,84

1,69

0,95

1,90

1,07

2,17

1,21

2,47

1,36

2,77

1,50

3,08

1,64

3,38

1,77

3,67

1,90

3,95

2,07

4,35

Хол.

с

ч

0,65

1,30

0,74

1,51

0,85

1,75

0,97

2,01

1,09

2,28

1,20

2,54

1,32

2,80

1,43

3,06

1,54

3,30

1,69

3,65

70

Гор. и общ.

с

ч

0,88

1,79

0,99

2,01

1,12

2,29

1,26

2,60

1,41

2,92

1,56

3,24

1,70

3,56

1,84

3,87

1,97

4,16

2,15

4,58

Хол.

с

ч

0,68

1,38

0,78

1,60

0,89

1,85

1,01

2,12

1,13

2,40

1,25

2,68

1,37

2,96

1,49

3,23

1,60

3,49

1,75

3,86

75

Гор. и

общ.

с

ч

0,91

1,89

1,03

2,12

1,17

2,41

1,31

2,74

1,46

3,07

1,61

3,41

1,76

3,74

1,91

4,06

2,04

4,37

2,23

4,81

Хол.

с

ч

0,71

1,45

0,81

1,68

0,93

1,95

1,05

2,24

1,18

2,53

1,30

2,82

1,43

3,11

1,55

3,39

1,66

3,67

1,82

4,06

80

Гор. и общ.

с

ч

0,95

1,99

1,07

2,23

1,21

2,53

1,36

2,87

1,52

3,22

1,67

3,57

1,82

3,91

1,97

4,25

2,11

4,57

2,31

5,03

Хол.

с

ч

0,74

1,53

0,84

1,77

0,96

2,50

1,09

2,35

1,22

2,65

1,35

2,96

1,48

3,26

1,60

3,56

1,72

3,85

1,89

4,26

85

Гор. и общ.

с

ч

0,99

2,08

1,11

2,33

1,25

2,65

1,41

3,00

1,57

3,36

1,73

3,73

1,88

4,09

2,04

4,44

2,18

4,77

2,39

5,26

Хол.

с

ч

0,77

1,61

0,87

1,86

1,00

2,15

1,1З

2,46

1,26

2,78

1,40

3,10

1,53

3,41

1,66

3,72

1,78

4,02

1,95

4,45

90

Гор. и общ.

с

ч

1,03

2,18

1,15

2,44

1,30

2,77

1,46

3,13

1,62

3,51

1,78

3,88

1,94

4,26

2,10

4,62

2,25

4,97

2,46

5,48

Хол.

с

ч

0,79

1,68

0,91

1,94

1,03

2,24

1,17

2,57

1,31

2,90

1,44

3,23

1,58

3,56

1,71

3,89

1,84

4,20

2,02

4,65

95

Гор. и общ.

с

ч

1,06,

2,28

1,19

2,54

1,34

2,88

1,50

3,26

1,67

3,65

1,84

4,04

2,00

4,43

2,16

4,81

2,32

5,17

2,54

5,70

Хол.

с

ч

0,82

1,76

0,94

2,03

1,07

2,34

1,21

2,68

1,35

3,02

1,49

3,37

1,63

3,71

1,77

4,05

1,90

4,37

2,08

4,84

100

Гор. и общ.

с

ч

1,10

2,38

1,23

2,65

1,38

3,00

1,55

3,59

1,72

3,79

1,89

4,19

2,06

4,60

2,23

4,99

2,39

5,37

2,61

5,92

Хол.

с

ч

0,85

1,83

0,97

2,11

1,10

2,44

1,24

2,78

1,39

3,14

1,54

3,50

1,68

3,86

1,82

4,21

1,96

4,55

2,15

5,04

105

Гор. и общ.

с

ч

1,14

2,47

1,27

2,75

1,42

3,11

1,59

3,51

1,77

3,93

1,95

4,35

2,12

4,76

2,29

5,17

2,45

5,47

2,68

6,13

Хол.

с

ч

0,88

1,91

1,00

2,19

1,14

2,53

1,28

2,89

1,43

3,26

1,58

3,63

1,73

4,00

1,87

4,37

2,01

4,72

2,21

5,23

110

Гор. и общ.

с

ч

1,17

2,57

1,30

2,85

1,46

3,23

1,64

3,64

1,82

4,07

2,00

4,50

2,18

4,93

2,35

5,35

2,52

5,76

2,75

6,35

Хол.

с

ч

0,91

1,98

1,03

2,28

1,17

2,63

1,32

3,00

1,47

3,38

1,63

3,74

1,78

4,15

1,93

4,52

2,07

4,89

2,27

5,42

115

Гор. и общ.

с

ч

1,21

2,66

1,34

2,95

1,51

3,34

1,68

3,76

1,87

4,21

2,05

4,65

2,23

5,10

2,41

5,53

2,58

5,95

2,83

6,56

Хол.

с

ч

0,94

2,06

1,06

2,36

1,20

2,72

1,36

3,11

1,51

3,50

1,67

3,90

1,83

4,29

1,98

4,68

2,13

5,06

2,33

5,61

120

Гор. и общ.

с

ч

1,25

2,76

1,38

3,06

1,55

3,45

1,73

3,89

1,92

4,34

2,10

4,80

2,29

5,26

2,47

5,71

2,65

6,14

2,90

6,77

Хол.

с

ч

0,96

2,13

1,09

2,44

1,24

2,81

1,39

3,21

1,55

3,62

1,72

4,03

1,88

4,44

2,03

4,84

2,18

5,23

2,40

5,80

125

Гор. и общ.

с

ч

1,28

2,85

1,42

3,16

1,59

3,56

1,77

4,01

1,96

4,48

2,16

4,95

2,35

5,42

2,53

5,89

2,71

6,33

2,97

6,98

Хол.

с

ч

0,99

2,20

1,12

2,53

1,27

2,91

1,43

3,32

1,60

3,74

1,76

4,16

1,92

4,58

2,08

4,99

2,24

5,40

2,46

5,98

130

Гор. и общ.

с

ч

1,32

2,95

1,45

3,26

1,63

3,68

1,82

4,14

2,01

4,62

2,21

5,10

2,40

5,59

2,59

6,06

2,78

6,52

3,04

7,19

Хол.

с

ч

1,02

2,28

1,15

2,61

1,30

3,00

1,47

3,42

1,64

3,85

1,80

4,29

1,97

4,72

2,13

5,15

2,29

5,57

2,52

6,17

135

Гор. и общ.

с

ч

1,35

3,04

1,49

3,36

1,67

3,79

1,86

4,26

2,06

4,75

2,26

5,25

2,46

5,75

2,65

6,24

2,84

6,71

3,11

7,40

Хол.

с

ч

1,04

2,35

1,18

2,69

1,34

3,09

1,50

3,53

1,68

3,97

1,85

4,42

2,02

4,86

2,19

5,30

2,35

5,73

2,58

6,36

140

Гор. и общ.

с

ч

1,38

3,13

1,53

3,46

1,71

3,90

1,90

4,38

2,11

4,89

2,31

5,40

2,51

5,91

2,71

6,41

2,90

6,90

3,18

7,61

Хол.

с

ч

1,07

2,42

1,21

2,77

1,37

3,18

1,54

3,63

1,71

4,09

1,89

4,55

2,07

5,00

2,24

5,46

2,40

5,90

2,64

6,54

145

Гор. и общ.

с

ч

1,42

3,23

1,56

3,56

1,75

4,01

1,95

4,50

2,15

5,02

2,36

5,55

2,57

6,07

2,77

6,58

2,96

7,09

3,24

7,81

Хол.

с

ч

1,10

2,49

1,24

2,85

1,40

3,28

1,58

3,73

1,75

4,20

1,93

4,67

2,11

5,15

2,29

5,61

2,46

6,06

2,70

6,73

150

Гор. и общ.

с

ч

1,45

3,32

1,60

3,66

1,79

4,12

1,99

4,62

2,20

5,16

2,41

5,69

2,62

6,23

2,83

6,76

3,03

7,27

3,31

8,02

Хол.

с

ч

1,12

2,57

1,27

2,93

1,43

3,37

1,61

3,84

1,79

4,32

1,98

4,80

2,16

5,29

2,34

5,76

2,51

6,23

2,76

6,91

155

Гор. и общ.

с

ч

1,49

3,41

1,64

3,76

1,82

4,23

2,03

4,75

2,25

5,29

2,46

5,84

2,68

6,39

2,89

6,93

3,09

7,46

3,38

8,22

Хол.

с

ч

1,15

2,64

1,30

3,01

1,47

3,46

1,65

3,94

1,83

4,43

2,02

4,93

2,21

5,42

2,39

5,91

2,56

6,39

2,82

7,09

160

Гор. и общ.

с

ч

1,52

3,51

1,67

3,86

1,86

4,33

2,07

4,87

2,29

5,42

2,51

5,98

2,73

6,55

2,94

7,10

3,15

7,64

3,45

8,43

Хол.

с

ч

1,18

2,71

1,32

3,09

1,50

3,55

1,68

4,04

1,87

4,55

2,06

5,06

2,25

5,56

2,44

6,07

2,62

6,56

2,88

7,27

165

Гор. и общ.

с

ч

1,55

3,60

1,71

3,95

1,90

4,44

2,12

4,99

2,34

5,55

2,56

6,13

2,78

6,70

3,00

7,27

3,21

7,83

3,51

8,63

Хол.

с

ч

1,20

2,78

1,35

3,17

1,53

3,64

1,72

4,41

1,91

4,66

2,10

5,18

2,30

5,70

2,49

6,22

2,67

6,72

2,94

7,46

170

Гор. и общ.

с

ч

1,59

3,69

1,74

4,05

1,94

4,55

2,16

5,11

2,38

5,68

2,61

6,27

2,84

6,86

3,06

7,44

3,27

8,01

3,58

8,83

Хол.

с

ч

1,23

2,85

1,38

3,25

1,56

3,73

1,75

4,24

1,95

4,77

2,15

5,31

2,34

5,84

2,54

6,37

2,72

6,88

2,99

7,64

175

Гор. и общ.

с

ч

1,62

3,78

1,78

4,15

1,98

4,66

2,20

5,22

2,43

5,82

2,66

6,42

2,89

7,02

3,11

7,61

3,33

8,19

3,65

9,04

Хол.

с

ч

1,25

2,92

1,41

3,33

1,59

3,82

1,79

4,35

1,99

4,89

2,19

5,43

2,39

5,98

2,58

6,52

2,78

7,05

3,05

7,82

180

Гор. и общ.

с

ч

1,65

3,78

1,81

4,25

2,02

4,77

2,24

5,34

2,47

5,95

2,71

6,56

2,94

7,17

3,17

7,78

3,39

8,37

3,71

9,24

Хол.

с

ч

1,28

2,99

1,44

3,41

1,62

3,91

1,82

4,45

2,02

5,00

2,23

5,56

2,43

6,12

2,63

6,67

2,83

7,21

3,11

8,00

185

Гор. и общ.

с

ч

1,69

3,96

1,85

4,34

2,05

4,87

2,28

5,46

2,52

6,08

2,76

6,70

2,99

7,33

3,23

7,95

3,45

8,55

3,78

9,44

Хол.

с

ч

1,31

3,06

1,47

3,49

1,65

4,00

1,86

4,55

2,06

5,11

2,27

5,68

2,48

6,25

2,68

6,82

2,88

7,37

3,17

8,18

190

Гор. и общ.

с

ч

1,72

4,05

1,88

4,44

2,09

4,98

2,32

5,58

2,56

6,21

2,80

6,85

3,05

7,49

3,28

8,12

3,51

8,74

3,85

9,64

Хол.

с

ч

1,33

3,13

1,49

3,57

1,69

4,09

1,89

4,65

2,10

5,22

2,31

5,81

2,52

6,39

2,73

6,96

2,93

7,53

3,23

8,36

195

Гор. и общ.

с

ч

1,75

4,14

1,92

4,54

2,13

5,09

2,36

5,70

2,61

6,34

2,85

6,99

3,10

7,64

3,34

8,28

3,57

8,92

3,91

9,84

Хол.

с

ч

1,36

3,20

1,52

3,65

1,72

4,18

1,92

4,75

2,14

5,34

2,35

5,93

2,57

6,53

2,78

7,11

2,99

7,69

3,28

8,54

200

Гор. и общ.

с

ч

1,78

4,23

1,95

4,63

2,17

5,19

2,40

5,81

2,65

6,47

2,90

7,13

3,15

7,79

3,39

8,45

3,63

9,10

3,98

10,0

Хол.

с

ч

1,38

3,27

1,55

3,72

1,75

4,27

1,96

4,85

2,18

5,45

2,39

6,06

2,61

6,66

2,83

7,26

3,04

7,85

3,34

8,71

205

Гор. и общ.

с

ч

1,82

4,32

1,99

4,73

2,20

5,30

2,44

5,93

2,69

6,60

2,95

7,27

3,20

7,95

3,45

8,62

3,69

9,27

4,04

10,2

Хол.

с

ч

1,41

3,34

1,58

3,80

1,78

4,36

1,99

4,95

2,21

5,56

2,44

6,18

2,66

6,80

2,88

7,41

3,09

8,01

3,40

8,89

210

Гор. и общ.

с

ч

1,85

4,41

2,02

4,83

2,24

5,40

2,48

6,05

2,74

6,72

3,00

7,41

3,25

8,10

3,50

8,78

3,75

9,45

4,11

10,4

Хол.

с

ч

1,43

3,41

1,60

3,88

1,81

4,44

2,03

5,05

2,25

5,67

2,48

6,30

2,70

6,93

2,92

7,56

3,14

8,17

3,46

9,07

215

Гор. и общ.

с

ч

1,88

4,50

2,05

4,92

2,28

5,51

2,53

6,16

2,78

6,85

3,04

7,55

3,30

8,25

3,56

8,95

3,81

9,63

4,17

10,6

Хол.

с

ч

1,46

3,48

1,63

3,96

1,84

4,53

2,06

5,15

2,29

5,78

2,52

6,43

2,75

7,07

2,97

7,70

3,19

8,33

3,51

9,25

220

Гор. и общ.

с

ч

1,91

4,59

2,09

5,02

2,31

5,61

2,57

6,28

2,83

6,98

3,09

7,69

3,35

8,41

3,61

9,11

3,87

9,81

4,23

10,8

Хол.

с

ч

1,48

3,55

1,66

4,04

1,87

4,62

2,09

5,25

2,32

5,89

2,56

6,55

2,79

7,20

3,02

7,85

3,24

8,49

3,57

9,42

225

Гор. и общ.

с

ч

1,94

4,68

2,12

5,11

2,35

5,72

2,60

6,40

2,87

7,11

3,14

7,83

3,41

8,56

3,67

9,28

3,93

9,99

4,30

11,0

Хол.

с

ч

1,51

3,62

1,69

4,11

1,90

4,71

2,13

5,35

2,36

6,00

2,60

6,67

2,83

7,34

3,07

8,00

3,29

8,65

3,62

9,60

230

Гор. и общ.

с

ч

1,98

4,77

2,15

5,21

2,39

5,82

2,64

6,51

2,91

7,24

3,18

7,97

3,46

8,71

3,72

9,44

3,98

10,2

4,36

11,2

Хол.

с

ч

1,53

3,69

1,71

4,19

1,93

4,80

2,16

5,44

2,40

6,11

2,64

6,79

2,88

7,47

3,11

8,14

3,34

8,81

3,68

9,78

235

Гор. и общ.

с

ч

2,01

4,86

2,19

5,30

2,42

5,93

2,68

6,63

2,96

7,36

3,23

8,11

3,51

8,86

3,78

9,61

4,04

10,3

4,43

11,4

Хол.

с

ч

1,55

3,76

1,74

4,27

1,96

4,88

2,19

5,54

2,43

6,22

2,68

6,91

2,92

7,60

3,16

8,29

3,40

8,96

3,74

9,95

240

Гор. и общ.

с

ч

2,04

4,95

2,22

5,40

2,46

6,03

2,72

6,74

3,00

7,49

3,28

8,25

3,56

9,02

3,86

9,77

4,10

10,5

4,49

11,6

Хол.

с

ч

1,58

3,83

1,77

4,34

1,99

4,97

2,23

5,64

2,47

6,33

2,72

7,04

2,96

7,74

3,21

8,43

3,45

9,12

3,79

10,1

250

Гор. и общ.

с

ч

2,10

5,12

2,29

5,88

2,53

6,24

2,80

6,97

3,08

7,74

3,37

8,53

3,66

9,32

3,94

10,1

4,21

10,9

4,61

12,0

Хол.

с

ч

1,63

3,96

1,82

4,50

2,05

5,14

2,29

5,84

2,54

6,55

2,80

7,28

3,05

8,00

3,30

8,72

3,55

9,44

3,90

10,5

260

Гор. и общ.

с

ч

2,16

5,30

2,35

5,77

2,60

6,45

2,88

7,20

3,17

8,00

3,46

8,81,

3,76

9,62

4,05

10,4

4,33

11,2

4,74

12,4

Хол.

с

ч

1,68

4,10

1,87

4,65

2,11

5,32

2,36

6,03

2,62

6,77

2,88

7,52

3,14

8,27

3,39

9,01

3,65

9,75

4,01

10,8

270

Гор. и общ.

с

ч

2,23

5,47

2,42

5,96

2,68

6,65

2,96

7,43

3,25

8,25

3,55

9,08

3,86

9,92

4,15

10,7

4,44

11,6

4,87

12,8

Хол.

с

ч

1,72

4,42

4,93

4,80

2,17

5,49

2,42

6,23

2,69

6,99

2,96

7,76

3,22

8,54

3,49

9,30

3,75

10,1

4,13

11,2

280

Гор. и общ.

с

ч

2,29

5,65

2,48

6,15

2,75

6,86

3,04

7,66

3,34

8,50

3,65

9,35

3,95

10,2

4,26

11,1

4,56

11,9

4,99

13,2

Ход.

с

ч

1,77

4,37

1,98

4,95

2,22

5,66

2,49

6,42

2,76

7,21

3,03

8,00

3,31

8,80

3,58

9,59

3,85

10,4

4,24

11,5

290

Гор. и общ.

с

ч

2,35

5,82

2,55

6,33

2,82

7,06

3,11

7,88

3,42

8,75

3,74

9,63

4,05

10,5

4,36

11,4

4,67

12,3

5,11

13,5

Хол.

с

ч

1,82

4,51

2,03

5,11

2,28

5,83

2,55

6,62

2,83

7,42

3,11

8,24

3,39

9,06

3,67

9,88

3,95

10,7

4,34

11,9

300

Гор. и общ.

с

ч

2,41

6,00

2,61

6,52

2,89

7,27

3,19

8,11

3,51

8,99

3,83

9,90

4,15

10,8

4,47

11,7

4,76

12,6

5,24

13,9

Хол.

с

ч

1,86

4,64

2,08

5,26

2,34

6,01

2,62

6,81

2,90

7,64

3,19

8,48

3,48

9,33

3,76

10,2

4,04

11,0

4,45

12,2

310

Гор. и общ.

с

ч

2,47

6,17

2,68

6,70

2,96

7,47

3,26

8,33

3,59

9,24

3,92

10,2

4,25

11,1

4,57

12,0

4,89

13,0

5,36

14,3

Хол.

с

ч

1,91

4,78

2,1З

5,41

2,40

6,18

2,68

7,00

2,97

7,86

3,27

8,72

3,56

9,59

3,85

10,5

4,14

11,3

4,56

12,6

320

Гор. и общ.

с

ч

2,53

6,34

2,74

6,88

3,03

7,67

3,34

8,56

3,67

9,49

4,01

10,4

4,34

11,4

4,68

12,4

5,00

13,3

5,48

14,7

Хол.

с

ч

1,96

4,91

2,19

5,56

2,46

6,35

2,74

7,19

3,04

8,07

3,35

8,96

3,65

9,85

3,95

10,7

4,24

11,6

4,67

12,9

330

Гор. и общ.

с

ч

2,59

6,51

2,80

7,07

3,09

7,87

3,42

8,78

3,75

9,74

4,10

10,7

4,44

11,7

4,78

12,7

5,11

13,6

5,60

15,1

Хол.

с

ч

2,00

5,04

2,24

5,71

2,51

6,52

2,81

7,39

3,11

8,29

3,42

9,20

3,73

10,1

4,04

11,0

4,34

11,9

4,78

13,3

340

Гор. и общ.

с

ч

2,65

6,68

2,87

7,25

3,16

8,07

3,49

9,00

3,83

9,98

4,18

11,0

4,54

12,0

4,88

13,0

5,23

14,0

5,73

15,4

Хол.

с

ч

2,05

5,17

2,29

5,85

2,57

6,68

2,87

7,58

3,18

8,50

3,50

9,43

3,81

10,4

4,13

11,3

4,43

12,2

4,89

13,6

350

Гор. и общ.

с

ч

2,71

6,85

2,93

7,43

3,23

8,28

3,57

9,23

3,92

10,2

4,27

11,3

4,63

12,3

4,99

13,3

5,34

14,3

5,85

15,8

Хол.

с

ч

2,10

5,31

2,34

6,00

2,63

6,85

2,93

7,77

3,25

8,71

3,57

9,67

3,90

10,6

4,22

11,6

4,53

12,5

4,99

13,9

360

Гор. и общ.

с

ч

2,77

7,02

2,99

7,61

3,30

8,48

3,64

9,45

4,00

10,5

4,36

11,5

4,73

12,6

5,09

13,6

5,44

14,7

5,97

16,2

Ход.

с

ч

2,14

5,44

2,39

6,15

2,68

7,02

3,00

7,96

3,32

8,93

3,65

9,91

3,98

10,9

4,31

11,9

4,63

12,8

5,10

14,3

370

Гор. и общ.

с

ч

2,82

7,19

3,05

7,79

3,37

8,68

3,71

9,67

4,08

10,7

4,45

11,8

4,82

12,9

5,19

13,9

5,55

15,0

6,09

16,6

Хол.

с

ч

2,19

5,57

2,44

6,13

2,74

7,19

3,06

8,15

3,39

9,14

3,73

10,1

4,06

11,1

4,40

12,2

4,72

13,1

5,21

14,6

380

Гор. и общ.

с

ч

2,88

7,36

3,12

7,97

3,43

8,87

3,79

9,89

4,16

11,0

4,54

12,1

4,92

13,2

5,29

14,3

5,66

15,3

6,21

17,0

Хол.

с

ч

2,23

5,70

2,49

6,45

2,79

7,36

3,12

8,34

3,46

9,35

3,80

10,4

4,14

11,4

4,48

12,4

4,82

13,5

5,31

15,0

390

Гор. и общ.

с

ч

2,94

7,53

3,18

8,15

3,50

9,07

3,86

10,1

4,24

11,2

4,62

12,3

5,01

13,4

5,39

14,6

5,77

15,7

6,33

17,3

Хол.

с

ч

2,28

5,83

2,54

6,59

2,85

7,52

3,18

8,53

3,53

9,56

3,88

10,6

4,23

11,7

4,57

12,7

4,92

13,8

5,42

15,3

400

Гор. и общ.

с

ч

3,00

7,70

3,24

8,33

3,57

9,27

3,93

10,3

4,32

11,4

4,71

12,6

5,10

13,7

5,49

14,9

5,88

16,0

6,45

17,7

Хол.

с

ч

2,32

5,96

2,59

6,74

2,91

7,69

3,25

8,71

3,60

9,77

3,95

10,8

4,31

11,9

4,66

13,0

5,01

14,1

5,53

15,6

410

Гор. и общ.

с

ч

3,05

7,87

3,30

8,51

3,63

9,47

4,01

10,5

4,40

11,7

4,80

12,9

5,20

14,0

5,59

15,2

5,99

16,4

6,56

18,1

Хол.

с

ч

2,37

6,09

2,64

6,89

2,96

7,86

3,31

8,90

3,67

9,98

4,03

11,1

4,39

12,2

4,75

13,3

5,11

14,4

5,63

16,0

420

Гор. и общ.

с

ч

3,11

8,04

3,36

8,69

3,70

9,67

4,08

10,8

4,48

11,9

4,88

13,1

5,29

14,3

5,70

15,5

6,10

16,7

6,68

18,5

Хол.

с

ч

2,41

6,22

2,69

7,03

3,02

8,02

3,37

9,09

3,73

10,2

4,10

11,3

4,47

12,4

4,84

13,6

5,20

14,7

5,74

16,3

430

Гор. и общ.

с

ч

3,17

8,20

3,42

8,87

3,77

9,86

4,15

11,0

4,56

12,2

4,97

13,4

5,38

14,6

5,80

15,8

6,20

17,0

6,80

18,8

Хол.

с

ч

2,45

6,35

2,73

7,18

3,07

8,19

3,43

9,28

3,80

10,4

4,18

11,5

4,55

12,7

4,93

13,8

5,30

15,0

5,84

16,7

440

Гор. и общ.

с

ч

3,23

8,37

3,48

9,05

3,83

10,1

4,22

11,2

4,64

12,4

5,05

13,6

5,48

14,9

5,89

16,1

6,31

17,4

6,92

19,2

Хол.

с

ч

2,50

6,48

2,78

7,32

3,13

8,36

3,49

9,47

3,87

10,6

4,25

11,8

4,63

12,9

5,01

14,1

5,39

15,3

5,95

17,0

450

Гор. и общ.

с

ч

3,28

8,53

3,54

9,23

3,90

10,3

4,30

11,4

4,71

12,6

5,14

13,9

5,57

15,2

5,99

16,4

6,42

17,7

7,04

19,6

Хол.

с

ч

2,54

6,61

2,83

7,47

3,18

8,52

3,55

9,65

3,94

10,8

4,32

12,0

4,71

13,2

5,10

14,4

5,49

15,6

6,05

17,3

460

Гор. и общ.

с

ч

3,34

8,70

3,60

9,40

3,96

10,5

4,37

11,6

4,79

12,9

5,23

14,2

5,66

15,5

6,09

16,8

6,52

18,0

7,15

19,9

Хол.

с

ч

2,59

6,74

2,88

7,61

3,23

8,69

3,61

9,84

4,00

11,0

4,40

12,2

4,80

13,5

5,19

14,7

5,58

15,9

6,16

17,7

470

Гор. и общ.

с

ч

3,39

8,87

3,66

9,58

4,03

10,6

4,44

11,9

4,87

13,1

5,31

14,4

5,75

15,7

6,19

17,1

6,63

18,4

7,27

20,3

Хол.

с

ч

2,63

6,87

2,93

7,76

3,29

8,85

3,67

10,0

4,07

11,2

4,47

12,5

4,88

13,7

5,28

14,9

5,67

16,2

6,26

18,0

480

Гор. и общ.

с

ч

3,45

9,03

3,72

9,76

4,06

10,8

4,51

12,1

4,95

13,4

5,39

14,4

5,84

16,0

6,29

17,4

6,73

18,7

7,39

20,7

Хол.

с

ч

2,67

7,00

2,98

7,90

3,34

9,01

3,73

10,2

4,14

11,4

4,55

12,7

4,96

14,0

5,36

15,2

5,77

16,5

6,36

18,3

490

Гор. и общ.

с

ч

3,51

9,20

3,78

9,93

4,16

11,0

4,58

12,3

5,03

13,6

5,48

15,0

5,94

16,3

6,39

17,7

6,84

19,0

7,50

21,0

Хол.

с

ч

2,72

7,12

3,03

8,05

3,40

9,18

3,76

10,4

4,20

11,7

4,62

12,9

5,04

14,2

5,45

15,5

5,86

16,8

6,47

18,7

500

Гор. и общ.

с

ч

3,56

9,36

3,84

10,1

4,22

11,2

4,65

12,5

5,10

13,8

5,56

15,2

6,03

16,6

6,49

18,0

6,95

19,4

7,62

21,4

Хол.

с

ч

2,76

7,25

3,07

8,19

3,45

9,34

3,85

10,6

4,27

11,9

4,69

13,2

5,12

14,5

5,54

15,8

5,96

17,1

6,57

19,0

510

Гор. и общ.

с

ч

3,62

9,52

3,90

10,3

4,29

11,4

4,72

12,7

5,18

14,1

5,65

15,5

6,12

16,9

6,59

18,3

7,05

19,7

7,73

21,8

Хол.

с

ч

2,80

7,38

3,12

8,33

3,50

9,51

3,91

1,08

4,34

12,1

4,77

13,4

5,20

14,7

5,62

16,1

6,05

17,4

6,68

19,3

520

Гор. и общ.

с

ч

3,67

9,69

3,96

10,5

4,35

11,6

4,79

12,9

5,26

14,3

5,73

15,7

6,21

17,2

6,68

18,6

7,16

20,0

7,85

22,1

Хол.

с

ч

2,85

7,51

3,17

8,48

3,56

9,67

3,97

11,0

4,40

12,3

4,84

13,6

5,28

15,0

5,71

16,3

6,14

17,7

6,78

19,7

530

Гор. и общ.

с

ч

3,73

9,85

4,02

10,6

4,42

11,8

4,86

13,1

5,33

14,5

5,82

16,0

6,30

17,5

6,78

18,9

7,26

20,4

7,97

22,5

Хол.

с

ч

2,89

7,63

3,22

8,62

3,61

9,83

4,03

11,1

4,47

12,5

4,91

13,9

5,35

15,2

5,80

16,6

6,23

18,0

6,88

20,0

540

Гор. и общ.

с

ч

3,78

10,0

4,07

10,8

4,48

12,0

4,93

13,4

5,41

14,8

5,90

16,3

6,39

17,7

6,88

19,2

7,37

20,7

8,08

22,9

Хол.

с

ч

2,93

7,76

3,26

8,76

3,66

9,99

4,09

11,3

4,54

12,7

4,98

14,1

5,43

15,5

5,88

16,9

6,33

18,3

6,98

20,3

550

Гор. и общ.

с

ч

3,84

10,2

4,13

11,0

4,54

12,2

5,00

13,6

5,49

15,0

5,98

16,5

6,48

18,0

6,98

19,5

7,47

21,0

8,20

23,2

Хол.

с

ч

2,97

7,89

3,31

8,90

3,72

10,2

4,15

11,5

4,60

12,9

5,06

14,3

5,51

15,7

5,97

17,2

6,42

18,6

7,09

20,7

560

Гор. и общ.

с

ч

3,89

10,3

4,16

11,2

4,61

12,4

5,07

13,8

5,56

15,3

6,07

16,8

6,57

18,3

7,07

19,8

7,57

21,4

8,31

23,6

Хол.

с

ч

3,02

8,01

3,36

9,05

3,77

10,3

4,21

11,7

4,67

13,1

5,13

14,5

5,59

16,0

6,05

17,4

6,51

18,9

7,19

21,0

570

Гор. и общ.

с

ч

3,95

10,5

4,25

11,3

4,67

12,6

5,14

14,0

5,64

15,5

6,15

17,0

6,66

18,6

7,17

20,1

7,68

21,7

8,43

24,0

Хол.

с

ч

3,06

8,14

3,41

9,19

3,82

10,5

4,27

11,9

4,73

13,3

5,20

14,8

5,67

16,2

6,14

17,7

6,60

19,2

7,29

21,3

580

Гор. и общ.

с

ч

4,00

10,7

4,31

11,5

4,73

12,8

5,21

14,2

5,72

15,7

6,23

17,3

6,75

18,9

7,27

20,4

7,78

22,0

8,54

24,3

Хол.

с

ч

3,10

8,26

3,45

9,33

3,88

10,6

4,33

12,1

4,80

13,5

5,27

15,0

5,75

16,5

6,22

18,0

6,70

19,5

7,39

21,7

590

Гор. и общ.

с

ч

4,05

10,8

4,36

11,7

4,80

13,0

5,28

14,4

5,79

16,0

6,31

17,5

6,84

19,1

7,36

20,7

7,88

22,3

8,65

24,7

Хол.

с

ч

З,14

8,39

3,50

9,47

3,93

10,8

4,39

12,2

4,86

13,7

5,34

15,2

5,83

16,7

6,31

18,2

6,79

19,8

7,50

22,0

600

Гор. и общ.

с

ч

4,11

11,0

4,42

11,8

4,86

13,2

5,35

14,6

5,87

16,2

6,40

17,8

6,93

19,4

7,46

21,0

7,99

22,7

8,77

25,1

Хол.

с

ч

3,18

8,52

3,55

9,61

3,98

11,0

4,45

12,4

4,93

13,9

5,42

15,4

5,91

17,0

6,39

18,5

6,88

20,0

7,60

22,3

620

Гор. и общ.

с

ч

4,22

11,3

4,54

12,2

4,99

13,5

5,49

15,1

6,02

16,7

6,56

18,3

7,11

20,0

7,65

21,7

8,19

23,3

9,00

25,8

Хол.

с

ч

3,27

8,77

3,64

9,89

4,09

11,3

4,56

12,8

5,06

14,3

5,56

15,9

6,06

17,5

6,56

19,1

7,06

20,6

7,80

23,0

640

Гор. и общ.

с

ч

4,32

11,6

4,65

12,5

5,11

13,9

5,63

15,5

6,17

17,1

6,72

18,8

7,28

20,5

7,84

22,3

8,40

24,0

9,22

26,5

Хол.

с

ч

3,35

9,01

3,73

10,2

4,19

11,6

4,68

13,1

5,19

14,7

5,70

16,4

6,22

18,0

6,73

19,6

7,25

21,2

8,00

23,6

660

Гор. и общ.

с

ч

4,43

11,9

4,76

12,9

5,24

14,3

5,76

15,9

6,32

17,6

6,89

19,3

7,46

21,1

8,03

22,9

8,60

24,6

9,45

27,2

Хол.

с

ч

3,43

9,26

3,82

10,5

4,29

11,9

4,80

13,5

5,32

15,1

5,84

16,8

6,37

18,5

6,90

20,2

7,43

21,8

8,21

24,3

680

Гор. и общ.

с

ч

4,53

12,3

4,88

13,2

5,36

14,7

5,90

16,3

6,47

18,1

7,05

19,8

7,64

21,7

8,22

23,5

8,81

25,3

9,67

28,0

Хол.

с

ч

3,51

9,51

3,91

10,7

4,40

12,2

4,91

13,9

5,45

15,6

5,99

17,3

6,53

19,0

7,07

20,7

7,61

22,4

8,41

25,0

Примечание.

Полная таблица значений удельных часовых расходов холодной, горячей воды и сточной жидкости и количества N приведены в Интернете на сайте: www.esco3e.ru

Приложение 7
Удельные часовые расходы воды и расчетные расходы стоков санитарно-технического оборудования

Прибор

Значения , л/ч для потребителей

, л/с

Жилые здания

бани, прачечные, производственные помещения, мастерские, гаражи

учебные заведения, общеобразовательные школы, административные здания, НИИ

медицинские учреждения, дома отдыха, санатории, детские сады-ясли, промтоварные магазины

гостиницы, общежития, школы-интернаты, пионерские лагеря

Предприятия общественного питания, продовольственные магазины

спортсооружения, театры, кинотеатры, общественные туалеты

Мойка (в том числе лабораторная) со смесителем (в том числе на гибком шланге)

1,0

То же, с аэратором

0,6

Мойка с краном горячей и холодной воды (D = 20 мм)

-

-

-

1,0

Душ индивидуального пользования

-

-

-

0,2

Сидячая ванна

-

-

1,1

Ванна длиной 1500-1700 мм Dy = 15 мм

-

-

1,1

Гигиенический душ (биде)

0,15

Унитаз со смывным бачком

1,6

Унитаз со смывным краном

1,4

Ножная ванна со смесителем

-

-

0,5

Писсуар

-

0,1

Умывальник со смесителем

0,15

Ванна медицинская Dy = 20 мм

-

-

-

-

-

-

2,3

То же, со смесителем Dy = 25 мм

-

-

-

-

-

-

3,0

То же, со смесителем Dy = 32 мм

-

-

-

-

-

-

3,0

Субаквальная ванна

-

-

-

-

-

-

3,0

Ванна с подводным массажем

-

-

-

-

-

-

3,0

Контрастная ванна

-

-

-

-

-

-

3,0

Раковина, лабораторная водоразборная колонка

-

-

0,3

Раковина со смесителем

-

-

0,4

Приложение 8
Таблицы для гидравлического расчета безнапорных трубопроводов из полипропилена

Dн = 40 мм, S = 1,8 мм

h/D

Расход жидкости qs, л/с, и скорости V, м/с, при уклоне трубопровода

i=0,01

i=0,02

i=0,03

i=0,04

i=0,05

qs

V

qs

V

qs

V

qs

V

qs

V

0,3

0,4

0,5

0,6

0,7

0,8

0,9

1,0

0,076

0,135

0,206

0,282

0,355

0,417

0,453

0,412

0,288

0,348

0,396

0,432

0,457

0,467

0,459

0,396

0,124

0,220

0,333

0,454

0,570

0,668

0,726

0,666

0,473

0,566

0,640

0,696

0,733

0,749

0,736

0,640

0,163

0,287

0,433

0,589

0,739

0,865

0,941

0,866

0,619

0,738

0,832

0,903

0,950

0,969

0,954

0,832

0,195

0,343

0,517

0,702

0,881

1,031

1,122

1,035

0,743

0,883

0,994

1,077

1,132

1,156

1,138

0,994

0,224

0,393

0,592

0,803

1,006

1,178

1,282

1,184

0,852

1,012

1,137

1,231

1,293

1,320

1,299

1,137

Dн = 40 мм, S = 1,8 мм

h/D

Расход жидкости qs, л/с, и скорости V, м/с, при уклоне трубопровода

i=0,01

i=0,02

i=0,03

i=0,04

i=0,05

qs

V

qs

V

qs

V

qs

V

qs

V

0,3

0,4

0,5

0,6

0,7

0,8

0,9

1,0

0,155

0,276

0,418

0,571

0,718

0,841

0,915

0,837

0,364

0,437

0,495

0,539

0,568

0,580

0,571

0,495

0,248

0,438

0,661

0,899

1,128

1,321

1,437

1,323

0,582

0,694

0,782

0,849

0,892

0,911

0,897

0,782

0,321

0,564

0,849

1,152

1,445

1,692

1,841

1,699

0,752

0,893

1,005

1,088

1,143

1,167

1,148

1,005

0,383

0,671

1,009

1,367

1,714

2,006

2,183

2,018

0,896

1,062

1,193

1,291

1,356

1,383

1,362

1,193

0,437

0,766

1,150

1,557

1,950

2,282

2,484

2,299

1,024

1,212

1,360

1,470

1,543

1,574

1,550

1,360

Dн =110 мм, S = 2,7 мм

h/D

Расход жидкости qs, л/с, и скорости V, м/с, при уклоне трубопровода

i=0,01

i=0,012

i=0,014

i=0,016

i=0,018

i=0,02

i=0,025

qs

V

qs

V

qs

V

qs

V

qs

V

qs

V

qs

V

0,3

1,564

0,721

1,747

0,805

1,916

0,884

2,074

0,956

2,221

1,024

2,362

1,089

2,685

1,238

0,4

2,744

0,855

3,061

0,953

3,355

1,045

3,628

1,130

3,882

1,209

4,125

1,285

4,684

1,459

0,5

4,125

0,960

4,598

1,070

5,036

1,172

5,443

1,267

5,822

1,355

6,183

1,439

7,014

1,632

0,6

5,592

1,039

6,229

1,157

6,819

1,267

7,367

1,369

7,878

1,463

8,365

1,554

9,482

1,762

0,7

7,008

1,091

7,804

1,215

8,540

1,329

9,224

1,436

9,861

1,535

10,469

1,629

11,863

1,847

0,8

8,203

1,113

9,132

1,239

9,993

1,356

10,792

1,464

11,536

1,565

12,246

1,662

13,875

1,883

0,9

8,926

1,096

9,939

1,220

10,877

1,335

11,748

1,442

12,559

1,542

13,332

1,637

15,107

1,855

1,0

8,251

0,960

9,196

1,070

10,072

1,172

10,885

1,267

11,644

1,355

12,367

1,439

14,028

1,632

 

h/D

i=0,03

i=0,035

i=0,04

i=0,045

i=0,05

i=0,1

i=0,15

qs

V

qs

V

qs

V

qs

V

qs

V

qs

V

qs

V

0,3

2,977

1,373

3,246

1,497

3,496

1,612

3,730

1,720

3,951

1,822

5,729

2,642

1,077

3,264

0,4

5,188

1,616

5,652

1,761

6,082

1,895

6,486

2,020

6,866

2,139

9,924

3,091

12,239

3,812

0,5

7,763

1,807

8,452

1,967

9,091

2,116

9,692

2,256

10,256

2,387

14,791

3,442

18,219

4,240

0,6

10,490

1,949

11,417

2,121

12,276

2,281

13,083

2,430

13,841

2,571

19,931

3,703

24,533

4,557

0,7

13,120

2,042

14,276

2,222

15,347

2,389

16,353

2,545

17,297

2,692

24,886

3,874

30,616

4,765

0,8

15,343

2,082

16,693

2,265

17,944

2,435

19,118

2,594

20,222

2,744

29,082

3,946

35,771

4,854

0,9

16,708

2,051

18,179

2,232

19,543

2,399

20,823

2,556

22,026

2,704

31,686

3,890

38,980

4,785

1,0

15,527

1,807

16,905

1,967

18,183

2,116

19,383

2,256

20,511

2,387

29,581

3,442

36,439

4,240

Приложение 9
Таблицы для гидравлического расчета безнапорных трубопроводов из поливинилхлоридных труб

Dн = 50 мм, S = 1,9мм

h/D

Расход жидкости qs, л/с, и скорости V, м/с, при уклоне трубопровода

i=0,01

i=0,02

i=0,03

i=0,04

i=0,05

qs

V

qs

V

qs

V

qs

V

qs

V

0,3

0,4

0,5

0,6

0,7

0,8

0,9

1,0

0,13

0,23

0,35

0,48

0,60

0,706

0,77

0,7

0,34

0,41

0,47

0,51

0,54

0,55

0,54

0,47

0,207

0,36

0,55

0,75

0,94

1,1

1,2

1,1 

0,55

0,65

0,74

0,8

0,845

0,86

0,85

0,74 

0,27

0,47

0,716

0,97

1,22

1,43

1,55

1,43 

0,72

0,85

0,96

1,04

1,09

1,11

1,098

0,96 

0,32

0,56

0,85

1,15

1,44

1,69

1,84

1,7 

0,85

1,014

1,14

1,23

1,3

1,32

1,3

1,14 

0,37

0,64

0,97

1,3

1,65

1,92

2,09

1,94 

0,98

1,16

1,30

1,4

1,47

1,5

1,48

1,3

Dн = 110 мм, S = 3,2мм

h/D

Расход жидкости qs, л/с, и скорости V, м/с, при уклоне трубопровода

i=0,01

i=0,014

i=0,018

i=0,025

i=0,03

i=0,04

i=0,05

i=0,1

qs

V

qs

V

qs

V

qs

V

qs

V

qs

V

qs

V

qs

V

0,3

0,4

0,5

0,6

0,7

0,8

0,9

1,0

1,525

2,68

4,02

5,46

6,84

8,00

8,71

8,05

0,717

0,85

0,955

1,033

1,085

1,107

1,09

0,955

1,86

3,26

4,89

6,62

8,29

9,7

10,56

9,77

0,87

1,034

1,16

1,25

1,31

1,34

1,32

1,16

2,17

3,79

5,69

7,7

9,64

11,27

12,27

11,37

1,02

1,205

1,35

1,46

1,53

1,56

1,536

1,35

2,62

4,57

6,85

9,26

11,58

13,55

14,75

13,7

1,23

1,45

1,625

1,75

1,84

1,874

1,846

1,625

2,91

5,07

7,58

10,25

12,82

15,00

16,33

15,16

1,368

1,61

1,8

1,94

2,03

2,07

2,04

1,8

3,4

5,92

8,85

11,95

14,94

17,47

19,02

17,7

1,6

1,88

2,1

2,26

2,37

2,42

2,38

2,1

3,85

6,7

10,00

13,5

16,88

19,73

21,49

20,00

1,81

2,13

2,374

2,56

2,68

2,73

2,69

2,374

5,6

9,7

14,45

19,48

24,32

28,43

30,97

28,9

2,63

3,08

3,43

3,69

3,86

3,93

3,87

3,43

= 160 мм, S = 4,7мм

h/D

Расход жидкости qs, л/с, и скорости V, м/с, при уклоне трубопровода

i=0,004

i=0,006

i=0,008

i=0,01

i=0,012

i=0,014

i=0,016

i=0,018

i=0,02

qs

V

qs

V

qs

V

qs

V

qs

V

qs

V

qs

V

qs

V

qs

V

0,3

0,4

0,5

0,6

0,7

0,8

0,9

1,0 

2,45

4,30

6,48

8,8

11,03

12,92

14,05

12,96

0,54

0,65

0,728

0,79

0,83

0,84

0,83

0,728

3,14

5,51

8,28

11,27

14,06

16,5

17,91

16,55 

0,7

0,83

0,93

1,01

1,06

1,08

1,06

0,93 

3,73

6,53

9,79

13,26

16,61

19,44

21,16

19,58

0,83

0,98

1,1

1,19

1,25

1,27

1,25

1,1 

4,28

7,48

11,22

15,18

19,00

22,23

24,2

22,43 

0,95

1,12

1,26

1,36

1,43

1,45

1,43

1,26 

4,75

8,29

12,42

16,8

21,03

24,59

26,78

24,84

1,06

1,25

1,395

1,5

1,58

1,61

1,59

1,395 

5,18

9,04

13,53

18,3

22,9

26,78

29,16

27,06 

1,15

1,36

1,52

1,64

1,72

1,75

1,73

1,52

5,6

9,76

14,6

19,74

24,69

28,87

31,44

29,2

1,24

1,47

1,64

1,77

1,85

1,89

1,86

1,64

5,98

10,42

15,58

21,06

26,33

30,79

33,53

31,16

1,33

1,57

1,75

1,89

1,98

2,015

1,99

1,75

6,35

11,05

16,51

22,31

27,9

32,62

35,53

33,03

1,41

1,66

1,855

2,00

2,09

2,13

2,1

1,855

 

h/D

i=0,004

i=0,006

i=0,008

i=0,01

i=0,012

i=0,014

i=0,016

i=0,018

i=0,02

qs

V

qs

V

qs

V

qs

V

qs

V

qs

V

qs

V

qs

V

qs

V

0,3

0,4

0,5

0,6

0,7

0,8

0,9

1,0

6,68

11,62

17,36

23,45

29,32

34,28

37,33

34,72

1,485

1,746

1,95

2,1

2,2

2,24

2,21

1,95

7,34

12,76

19,05

25,73

32,16

37,59

40,95

38,1

1,63

1,92

2,14

2,3

2,41

2,46

2,42

2,14

7,69

13,36

19,94

26,92

33,65

39,34

42,85

39,88

1,71

2,01

2,24

2,41

2,53

2,57

2,54

2,24

7,91

13,78

20,56

27,76

34,69

40,55

44,17

41,13

1,76

2,07

2,31

2,49

2,60

2,65

2,62

2,31

8,80

15,28

22,79

30,75

38,42

44,91

48,92

45,58

1,96

2,296

2,56

2,76

2,88

2,94

2,90

2,56

9,29

16,11

24,03

32,43

40,51

47,35

51,57

48,07

2,07

2,42

2,7

2,91

3,04

3,01

3,05

2,7

10,48

18,16

27,06

36,49

45,54

53,26

58,02

54,12

2,33

2,73

3,04

3,27

3,42

3,49

3,43

3,04

15,03

25,97

38,63

52,03

64,93

75,85

82,66

77,27

3,34

3,90

4,34

4,66

4,875

4,965

4,895

4,34

18,49

31,87

47,4

63,8

79,57

92,94

101,3

94,8

4,11

4,79

5,325

5,72

5,97

6,08

6,00

5,325

Dн = 200 мм, S = 5,9 мм

h/D

Расход жидкости qs, л/с, и скорости V, м/с, при уклоне трубопровода

i=0,004

i=0,006

i=0,008

i=0,01

i=0,012

i=0,014

qs

V

qs

V

qs

V

qs

V

qs

V

qs

V

0,3

4,56

0,65

5,83

0,83

6,91

0,98

7,83

1,11

8,7

1,24

9,46

1,35

0,4

8,00

0,77

10,20

0,98

12,07

1,16

13,65

1,31

15,15

1,46

16,46

1,58

0,5

12,02

0,865

15,29

1,1

18,07

1,3

20,43

1,47

22,66

1,63

24,61

1,77

0,6

16,30

0,93

20,71

1,19

24,4

1,4

27,64

1,59

30,63

1,76

33,25

1,91

0,7

20,43

0,98

25,93

1,25

30,6

1,47

34,58

1,66

38,31

1,84

41,58

2,00

0,8

23,91

1,00

30,34

1,27

35,8

1,50

40,44

1,69

44,8

1,88

48,62

2,04

0,9

26,02

0,987

33,02

1,25

38,98

1,48

44,03

1,67

48,79

1,85

52,94

2,01

1,0

24,05

0,865

30,58

1,1

36,14

1,3

40,87

1,47

45,32

1,63

49,21

1,77

 

h/D

i=0,016

i=0,018

i=0,02

i=0,022

i=0,026

i=0,028

qs

V

qs

V

qs

V

qs

V

qs

V

qs

V

0,3

10,22

1,45

10,92

1,55

11,58

1,65

12,17

1,73

13,26

1,89

13,92

1,98

0,4

17,77

1,71

18,99

1,83

20,11

1,94

21,14

2,03

23,02

2,21

24,14

2,32

0,5

26,55

1,91

28,36

2,04

30,03

2,16

31,56

2,27

34,34

2,47

36,00

2,59

0,6

35,87

2,06

38,3

2,20

40,54

2,33

42,60

2,44

46,34

2,66

48,58

2,79

0,7

37,57

2,16

47,87

2,30

50,67

2,44

53,23

2,56

57,89

2,78

60,68

2,92

0,8

54,43

2,20

55,97

2,35

59,23

2,48

62,22

2,61

67,67

2,84

70,93

2,97

0,9

57,1

2,16

60,96

2,31

64,52

2,45

67,78

2,57

73,71

2,79

77,27

2,93

1,0

53,1

1,91

56,72

2,04

60,06

2,16

63,11

2,27

68,68

2,47

72,01

2,59

 

h/D

i=0,03

i=0,036

i=0,04

i=0,05

i=0,1

i=0,15

qs

V

qs

V

qs

V

qs

V

qs

V

qs

V

0,3

14,40

2,05

15,88

2,26

16,86

2,4

19,84

2,70

27,1

3,86

33,19

4,73

0,4

24,99

2,40

27,52

2,65

29,21

2,81

32,78

3,15

46,78

4,50

57,21

5,5

0,5

37,26

2,68

41,01

2,95

43,51

3,13

48,79

3,51

69,51

5,0

84,94

6,11

0,6

50,26

2,88

55,3

3,17

58,67

3,37

65,76

3,77

93,56

5,37

114,26

6,56

0,7

62,78

3,02

69,06

3,32

73,25

3,52

82,09

3,95

116,7

5,61

142,46

6,85

0,8

73,38

3,07

80,71

3,38

85,60

3,59

95,92

4,02

136,32

5,71

166,38

6,97

0,9

79,94

3,03

87,93

3,33

93,27

3,54

104,51

3,96

148,57

5,63

181,36

6,88

1,0

74,51

2,68

82,02

2,95

87,03

3,13

97,59

3,51

139,02

5,0

169,88

6,11

Приложение 10
Таблицы для гидравлического расчета безнапорных трубопроводов из полиэтилена низкого давления

"СЛ"D = 50мм

h/D

Расход жидкости qs, л/с, и скорости V, м/с, при уклоне трубопровода

i=0,01

i=0,02

i=0,03

i=0,04

i=0,05

i=0,1

i=0,15

qs

V

qs

V

qs

V

qs

V

qs

V

qs

V

qs

V

0,3

0,4

0,5

0,6

0,7

0,8

0,9

1,0

0,15

0,27

0,415

0,57

0,71

0,83

0,91

0,83

0,37

0,44

0,5

0,54

0,57

0,59

0,58

0,5

0,24

0,43

0,65

0,88

1,10

1,29

1,41

1,3

0,58

0,69

0,78

0,85

0,89

0,91

0,89

0,78

0,31

0,55

0,83

1,13

1,41

1,65

1,8

1,66

0,75

0,89

1,00

1,08

1,14

1,16

1,14

1,00

0,38

0,66

1,00

1,35

1,69

1,98

2,16

1,99

0,90

1,07

1,2

1,3

1,36

1,39

1,37

1,2

0,43

0,75

1,12

1,52

1,90

2,23

2,42

2,24

1,02

1,20

1,35

1,46

1,53

1,56

1,54

1,35

0,64

1,11

1,66

2,25

2,81

3,29

3,58

3,32

1,52

1,79

2,0

2,16

2,26

2,31

2,27

2,0

0,80

1,39

2,08

2,80

3,51

4,10

4,46

4,15

1,9

2,24

2,5

2,69

2,82

2,88

2,83

2,5

"СЛ"D = 63мм

h/D

Расход жидкости qs, л/с, и скорости V, м/с, при уклоне трубопровода

i=0,01

i=0,02

i=0,03

i=0,04

i=0,05

i=0,1

i=0,15

qs

V

qs

V

qs

V

qs

V

qs

V

qs

V

qs

V

0,3

0,304

0,456

0,469

0,705

0,596

0,894

0,707

1,06

0,799

1,2

1,175

1,762

1,46

2,19

0,4

0,535

0,542

0,822

0,883

1,04

1,054

1,231

1,248

1,391

1,41

2,037

2,065

2,53

2,56

0,5

0,805

0,61

1,233

0,934

1,558

1,18

1,842

1,395

2,08

1,575

3,038

2,3

3,765

2,85

0,6

1,092

0,66

1,67

1,01

2,109

1,274

2,491

1,505

2,81

1,698

4,1

2,475

5,075

3,07

0,7

1,372

0,690

2,09

1,06

2,639

1,336

3,116

1,578

3,515

1,78

5,12

2,592

6,34

3,209

0,8

1,606

0,709

2,448

1,08

3,085

1,36

3,641

1,607

4,107

1,813

5,98

2,64

7,4

3,266

0,9

1,747

0,698

2,664

1,064

3,36

1,342

3,961

1,582

4,47

1,784

6,515

2,6

8,06

3,22

1,0

1,61

0,61

2,467

0,934

3,117

1,18

3,685

1,395

4,161

1,575

6,076

2,3

7,53

2,85

"СЛ"D = 75 мм

h/D

Расход жидкости qs, л/с, и скорости V, м/с, при уклоне трубопровода

i=0,01

i=0,02

i=0,03

i=0,04

i=0,05

i=0,1

i=0,15

qs

V

qs

V

qs

V

qs

V

qs

V

qs

V

qs

V

0,3

0,506

0,533

0,765

0,806

0,966

1,02

1,139

1,2

1,29

1,359

1,88

1,98

2,33

2,457

0,4

0,888

0,636

1,336

0,95

1,684

1,2

1,981

1,41

2,241

1,595

3,255

2,317

4,031

2,87

0,5

1,335

0,71

2,002

1,065

2,519

1,34

2,961

1,575

3,347

1,78

4,851

2,58

6,0

3,19

0,6

1,809

0,768

2,709

1,15

3,406

1,446

4,0

1,698

4,516

1,917

6,54

2,776

8,079

3,43

0,7

2,27

0,807

3,393

1,207

4,261

1,515

5,0

1,778

5,623

2,0

8,168

2,905

10,08

3,585

0,8

2,656

0,824

3,964

1,229

4,98

1,544

5,838

1,81

6,597

2,045

9,545

2,959

11,77

3,65

0,9

2,888

0,81

4,317

1,211

5,422

1,521

6,36

1,784

7,183

2,015

10,484

2,913

12,83

3,6

1,0

2,67

0,71

4,005

1,065

5,039

1,34

5,923

1,575

6,694

1,78

9,703

2,58

12,0

3,19

"СЛ"D = 90 мм

h/D

Расход жидкости qs, л/с, и скорости V, м/с, при уклоне трубопровода

i=0,01

i=0,012

i=0,014

i=0,016

i=0,018

i=0,02

i=0,025

qs

V

qs

V

qs

V

qs

V

qs

V

qs

V

qs

V

0,3

0,828

0,607

0,929

0,68

1,019

0,747

1,104

0,809

1,181

0,865

1,254

0,919

1,427

1,045

0,4

1,45

0,718

1,625

0,804

1,781

0,881

1,928

0,954

2,061

1,02

2,186

1,082

2,485

1,23

0,5

2,177

0,805

2,437

0,901

2,67

0,987

2,889

1,068

3,087

1,141

3,273

1,21

3,717

1,374

0,6

2,95

0,87

3,299

0,973

3,612

1,066

3,907

1,153

4,173

1,231

4,425

1,305

5,021

1,481

0,7

3,7

0,914

4,131

1,021

4,522

1,118

4,89

1,209

5,221

1,291

5,54

1,37

6,278

1,552

0,8

4,32

0,93

4,833

1,041

5,289

1,14

5,719

1,232

6,106

1,316

6,474

1,395

7,341

1,582

0,9

4,706

0,918

5,261

1,026

5,683

1,123

6,227

1,214

6,649

1,296

7,049

1,375

7,995

1,559

1,0

4,355

0,805

4,875

0,901

5,34

0,987

5,778

1,068

6,173

1,141

6,546

1,21

7,434

1,374

 

h/D

i=0,03

i=0,035

i=0,04

i=0,045

i=0,05

i=0,1

i=0,15

qs

V

qs

V

qs

V

qs

V

qs

V

qs

V

qs

V

0,3

1,571

1,151

1,73

1,267

1,856

1,36

1,984

1,453

2,1

1,539

3,057

2,239

3,761

2,755

0,4

2,733

1,352

3,006

1,487

3,228

1,597

3,444

1,704

3,645

1,804

5,288

2,616

6,496

3,214

0,5

4,09

1,51

4,491

1,66

4,815

1,78

5,14

1,9

5,437

2,01

7,87

2,91

9,658

3,57

0,6

5,517

1,628

6,061

1,788

6,497

1,917

6,933

2,045

7,33

2,163

10,6

3,128

13,0

3,838

0,7

6,896

1,705

7,575

1,872

8,122

2,0

8,662

2,141

9,163

2,265

13,24

3,274

16,217

4,01

0,8

8,06

1,736

8,885

1,908

9,489

2,045

10,125

2,182

10,7

2,307

15,475

3,335

18,935

4,08

0,9

8,774

1,711

9,645

1,88

10,33

2,015

11,029

2,15

11,66

2,273

16,83

2,282

20,635

4,023

1,0

8,17

1,51

8,981

1,66

9,63

1,78

10,28

1,9

10,875

2,01

15,74

2,91

19,31

3,57

"СЛ"D = 110 мм

h/D

Расход жидкости qs, л/с, и скорости V, м/с, при уклоне трубопровода

i=0,01

i=0,012

i=0,014

i=0,016

i=0,018

i=0,02

i=0,025

qs

V

qs

V

qs

V

qs

V

qs

V

qs

V

qs

V

0,3

1,448

0,711

1,614

0,792

1,763

0,865

1,905

0,935

2,037

1,0

2,164

1,062

2,457

1,206

0,4

2,533

0,84

2,816

0,934

3,074

1,019

3,32

1,1

3,547

1,176

3,768

1,249

4,27

1,416

0,5

3,795

0,94

4,22

1,045

4,6

1,14

4,966

1,23

5,305

1,314

5,632

1,395

6,38

1,58

0,6

5,139

1,016

5,71

1,129

6,228

1,23

6,71

1,327

7,172

1,418

7,588

1,5

8,608

1,7

0,7

6,43

1,065

7,142

1,183

7,788

1,29

8,4

1,391

8,971

1,486

9,515

1,576

10,77

1,784

0,8

7,519

1,086

8,35

1,206

9,103

1,314

9,81

1,417

10,48

1,514

11,12

1,606

12,58

1,817

0,9

8,18

1,07

9,09

1,187

9,91

1,295

10,69

1,396

11,4

1,49

12,11

1,582

13,7

1,79

1,0

7,591

0,94

8,438

1,045

9,206

1,14

9,932

1,23

10,61

1,314

11,26

1,395

12,76

1,58

 

h/D

i=0,03

i=0,035

i=0,04

i=0,045

i=0,05

i=0,1

i=0,15

qs

V

qs

V

qs

V

qs

V

qs

V

qs

V

qs

V

0,3

2,719

1,334

2,956

1,45

3,184

1,563

3,39

1,664

3,596

1,765

5,17

2,537

6,38

3,13

0,4

4,726

1,567

5,142

1,704

5,522

1,831

5,874

1,947

6,23

2,065

8,929

2,96

11,0

3,648

0,5

7,05

1,746

7,671

1,9

8,237

2,04

8,76

2,17

9,286

2,3

13,284

3,29

16,35

4,05

0,6

9,3

1,838

10,35

2,046

11,1

2,195

11,81

2,335

12,52

2,475

17,89

3,537

22,0

4,35

0,7

11,89

1,969

12,928

2,141

13,88

2,3

14,765

2,446

15,65

2,592

22,33

3,698

27,43

4,544

0,8

13,89

2,006

15,1

2,181

16,22

2,342

17,25

2,491

18,27

2,638

26,07

3,764

32,03

4,625

0,9

15,13

1,976

16,46

2,151

17,22

2,307

18,79

2,454

19,89

2,6

28,38

3,708

34,94

4,564

1,0

14,1

1,746

15,34

1,9

16,47

2,04

17,52

2,17

18,57

2,3

26,57

3,29

32,7

4,05

"СЛ"D = 125 мм

h/D

Расход жидкости qs, л/с, и скорости V, м/с, при уклоне трубопровода

i=0,009

i=0,01

i=0,011

i=0,012

i=0,013

i=0,014

i=0,015

qs

V

qs

V

qs

V

qs

V

qs

V

qs

V

qs

V

0,3

1,904

0,722

2,068

0,784

2,188

0,829

2,301

0,872

2,407

0,912

2,519

0,954

2,611

0,989

0,4

3,4

0,871

3,615

0,924

3,717

0,977

4,011

1,027

4,194

1,073

4,412

1,129

4,546

1,163

0,5

5,1

0,975

5,407

1,034

5,716

1,093

6,0

1,148

6,275

1,2

6,563

1,255

6,798

1,3

0,6

6,9

1,053

7,316

1,117

7,734

1,18

8,115

1,239

8,483

1,295

8,871

1,354

9,19

1,403

0,7

8,638

1,105

9,152

1,17

9,675

1,237

10,16

1,3

10,61

1,357

11,1

1,419

11,5

1,47

0,8

10,09

1,125

10,69

1,192

11,3

1,26

11,87

1,324

12,4

1,382

12,97

1,446

13,43

1,498

0,9

10,99

1,108

11,645

1,175

12,31

1,242

12,92

1,303

13,5

1,362

14,11

1,423

14,63

1,475

1,0

10,2

2,975

10,81

1,034

11,43

1,093

12,0

1,148

12,55

1,2

13,13

1,255

13,6

1,3

 

h/D

i=0,016

i=0,017

i=0,018

i=0,019

i=0,020

i=0,025

i=0,03

qs

V

qs

V

qs

V

qs

V

qs

V

qs

V

qs

V

0,3

2,713

1,028

2,805

1,063

2,897

1,098

2,991

1,033

3,077

1,166

3,481

1,319

3,851

1,459

0,4

4,723

1,209

4,88

1,249

5,039

1,29

5,2

1;331

5,349

1,369

6,046

1,547

6,682

1,71

0,5

7,06

1,35

7,295

1,395

7,53

1,44

7,771

1,486

7,99

1,528

9,026

1,726

9,967

0,906

0,6

9,535

1,455

9,854

1,504

10,17

1,552

10,495

1,602

10,782

1,646

12,179

1,859

13,44

2,051

0,7

11,93

1,525

12,326

1,576

12,713

1,626

13,12

1,678

13,49

1,725

15,22

1,947

16,8

2,148

0,8

13,94

1,554

14,4

1,606

14,85

1,656

15,33

1,709

15,76

1,757

17,79

1,983

19,63

2,188

0,9

15,18

1,531

15,69

1,583

16,17

1,631

16,69

1,684

17,16

1,731

19,37

1,954

21,37

2,156

1,0

14,12

1,35

14,59

1,395

15,06

1,44

15,42

1,486

15,98

1,528

18,05

1,726

19,93

1,906

 

h/D

i=0,035

i=0,04

i=0,045

i=0,05

i=0,06

i=0,07

i=0,08

qs

V

qs

V

qs

V

qs

V

qs

V

qs

V

qs

V

0,3

4,191

1,588

4,516

1,711

4,8

1,818

5,077

1,923

5,589

2,118

6,066

2,298

6,5

2,463

0,4

7,266

1,86

7,824

2,0

8,31

2,127

8,786

2,249

9,667

2,474

10,49

2,684

11,23

2,874

0,5

10,83

2,072

11,66

2,23

12,38

2,368

13,09

2,503

14,39

2,752

15,6

2,984

16,71

3,195

0,6

14,61

2,229

15,721

2,4

16,69

2,548

17,64

2,693

19,38

2,958

21,02

3,208

22,5

3,435

0,7

18,26

2,335

19,65

2,513

20,85

2,666

22,04

2,818

24,21

3,096

26,23

3,354

28,08

3,591

0,8

21,34

2,379

22,94

2,558

24,36

2,716

25,73

2,868

28,26

3,151

30,62

3,404

32,79

3,655

0,9

23,23

2,343

24,98

2,52

26,51

2,673

28,02

2,826

30,78

3,104

33,37

3,366

35,7

3,6

1,0

21,67

2,072

23,32

2,23

24,77

2,368

26,18

2,503

28,78

2,752

31,21

2,984

33,42

3,195

 

h/D

i=0,09

i=0,1

i=0,11

i=0,12

i=0,13

i=0,14

i=0,15

qs

V

qs

V

qs

V

qs

V

qs

V

qs

V

qs

V

0,3

6,923

2,623

7,295

2,764

7,664

2,904

8,009

3,034

8,349

3,163

8,667

3,284

8,975

3,4

0,4

11,96

3,06

12,59

3,223

13,22

3,384

13,82

3,536

14,4

3,685

14,95

3,824

15,47

3,96

0,5

17,78

3,4

18,72

3,58

19,65

3,758

20,53

3,926

21,39

4,09

22,19

4,244

22,98

4,394

0,6

23,95

3,655

25,19

3,845

26,44

4,036

27,63

4,216

28,78

4,393

29,86

4,558

30,92

4,719

0,7

29,86

3,818

31,44

4,02

33,0

4,22

34,48

4,409

35,88

4,589

37,23

4,762

38,52

4,926

0,8

34,89

3,89

36,71

4,092

38,5

4,292

40,22

4,483

41,9

4,671

43,44

4,842

44,97

5,013

0,9

37,99

3,832

40,0

4,035

41,99

4,235

43,87

4,425

45,66

4,605

47,38

4,779

49,05

4,948

1,0

35,56

3,4

37,44

3,58

39,3

3,758

41,06

3,926

42,78

4,09

44,39

4,244

45,96

4,394

"СЛ"D = 140 мм

h/D

Расход жидкости qs, л/с, и скорости V, м/с, при уклоне трубопровода

i=0,009

i=0,01

i=0,011

i=0,012

i=0,013

i=0,014

i=0,015

qs

V

qs

V

qs

V

qs

V

qs

V

qs

V

qs

V

0,3

0,4

0,5

0,6

0,7

0,8

0,9

1,0

2,65

4,623

6,922

9,366

11,72

13,69

14,91

13,84

0,801

0,944

1,056

1,14

1,195

1,218

1,2

1,056

2,819

4,914

7,354

9,942

19,45

14,55

15,82

14,71

0,852

1,003

1,122

1,211

1,27

1,294

1,273

1,122

2,982

5,195

7,774

10,51

13,15

15,36

16,71

15,55

0,902

1,061

1,186

1,28

1,341

1,366

1,345

1,186

3,13

5,452

8,154

11,02

13,79

16,11

17,53

16,31

0,946

1,113

1,244

1,342

1,407

1,433

1,411

1,244

3,277

5,702

8,521

11,51

14,38

16,81

18,3

17,04

0,991

1,164

1,3

1,4

1,488

1,495

1,473

1,3

3,417

5,946

8,888

12,00

15,02

17,55

19,09

17,78

1,033

1,214

1,356

1,462

1,532

1,561

1,536

1,356

3,556

6,184

9,242

12,48

15,60

18,23

19,85

18,48

1,075

1,263

1,41

1,52

1,592

1,621

1,597

1,41

 

h/D

i=0,016

i=0,017

i=0,018

i=0,019

i=0,020

i=0,025

i=0,03

qs

V

qs

V

qs

V

qs

V

qs

V

qs

V

qs

V

0,3

0,4

0,5

0,6

0,7

0,8

0,9

1,0

3,683

6,405

9,57

12,92

16,16

18,88

20,56

19,14

1,113

1,308

1,46

1,574

1,648

1,679

1,654

1,46

3,812

6,626

9,898

13,35

16,71

19,52

21,26

19,79

1,152

1,353

1,51

1,626

1,705

1,736

1,711

1,51

3,94

6,847

10,22

13,8

17,25

20,15

21,94

20,45

1,191

1,398

1,56

1,68

1,76

1,792

1,766

1,56

4,058

7,05

10,53

14,2

17,76

20,75

22,59

21,05

1,227

1,44

1,606

1,73

1,812

1,845

1,818

1,606

4,171

7,243

10,81

14,59

18,24

21,32

23,31

21,63

1,261

1,479

1,65

1,777

1,861

1,896

1,868

1,65

4,721

8,192

12,22

16,47

20,59

24,06

26,2

24,44

1,427

1,673

1,864

2,006

2,1

2,14

2,108

1,864

5,22

9,046

13,49

18,18

22,73

46,56

28,92

26,98

1,578

1,847

2,058

2,214

2,319

2,363

2,328

2,058

 

h/D

i=0,035

i=0,04

i=0,045

i=0,05

i=0,06

i=0,07

i=0,08

qs

V

qs

V

qs

V

qs

V

qs

V

qs

V

qs

V

0,3

0,4

0,5

0,6

0,7

0,8

0,9

1,0

5,666

9,816

14,63

19,72

24,65

28,78

31,34

29,26

1,713

2,004

2,232

2,402

2,515

2,56

2,522

2,232

6,087

10,54

15,7

21,16

26,43

30,86

33,6

31,4

1,84

2,152

2,395

2,577

2,697

2,745

2,702

2,395

6,485

11,22

16,71

22,53

38,14

32,83

35,78

33,43

1,96

2,291

2,55

2,744

2,871

2,92

2,879

2,55

6,86

11,87

17,66

23,79

29,72

34,69

37,78

35,33

2,074

2,423

2,695

2,897

3,032

3,086

3,04

2,695

7,553

13,06

19,43

26,17

32,65

38,12

41,55

38,86

2,283

2,666

2,964

3,186

3,331

3,391

3,343

2,964

8,176

14,12

21,01

28,29

35,31

41,22

44,89

42,02

2,471

2,884

3,205

3,445

3,602

3,666

3,612

3,205

8,765

15,13

22,5

30,31

37,79

44,12

48,08

45,00

2,65

3,09

3,433

3,69

3,855

3,924

3,869

3,433

 

h/D

i=0,09

i=0,1

i=0,11

i=0,12

i=0,13

i=0,14

i=0,15

qs

V

qs

V

qs

V

qs

V

qs

V

qs

V

qs

V

0,3

0,4

0,5

0,6

0,7

0,8

0,9

1,0

9,315

16,07

23,9

32,16

40,13

46,81

51,06

47,8

2,816

3,282

3,646

3,916

4,094

4,164

4,109

3,646

9,834

16,965

25,21

33,92

42,33

49,38

53,86

50,42

2,973

6,464

3,846

4,131

4,319

4,392

4,334

3,846

10,32

17,8

26,44

35,58

44,36

51,8

56,45

52,88

3,12

3,635

4,034

4,332

4,526

4,607

4,542

4,034

10,79

18,6

27,63

37,18

46,35

54,07

58,98

55,26

3,262

3,8

4,125

4,527

4,729

4,809

4,746

4,215

11,23

19,36

28,76

38,69

48,2

56,28

61,39

57,51

3,396

3,95

4,387

4,712

4,918

5,006

4,94

4,387

11,67

20,1

29,84

40,16

50,03

58,41

63,71

59,69

3,526

4,104

4,553

4,89

5,104

5,195

5,127

4,553

12,08

20,77

30,9

41,58

51,79

60,48

65,9

61,8

3,653

4,24

4,714

5,063

5,274

5,379

5,303

4,714

"СЛ"D = 160 мм

h/D

Расход жидкости qs, л/с, и скорости V, м/с, при уклоне трубопровода

i=0,006

i=0,007

i=0,008

i=0,009

i=0,01

i=0,011

i=0,012

qs

V

qs

V

qs

V

qs

V

qs

V

qs

V

qs

V

0,3

0,4

0,5

0,6

0,7

0,8

0,9

1,0

3,007

5,251

7,87

10,65

13,33

15,58

16,96

15,74

0,696

0,822

0,92

0,994

1,042

1,062

1,046

0,92

3,295

5,745

8,211

11,64

14,57

17,02

18,53

16,42

0,763

0,9

1,006

1,086

1,139

1,16

1,143

1,006

3,561

6,2

9,29

12,56

15,71

18,37

19,99

18,58

0,825

0,97

1,086

1,172

1,228

1,252

1,233

1,086

3,814

6,65

9,94

13,44

16,81

19,64

21,37

19,88

0,883

1,04

1,162

1,254

1,314

1,339

1,318

1,162

4,054

7,062

10,56

14,27

17,85

20,86

22,7

21,11

0,939

1,105

1,234

1,331

1,396

1,422

1,399

1,234

4,274

7,44

11,12

15,02

18,79

19,14

23,91

22,24

0,99

1,164

1,3

1,401

1,469

1,496

1,474

1,3

4,496

7,819

11,69

15,78

19,73

23,05

25,1

23,37

1,041

1,223

1,366

1,472

1,542

1,571

1,548

1,366

 

h/D

i=0,013

i=0,014

i=0,015

i=0,016

i=0,0170

i=0,018

i=0,019

qs

V

qs

V

qs

V

qs

V

qs

V

qs

V

qs

V

0,3

0,4

0,5

0,6

0,7

0,8

0,9

1,0

4,703

8,173

12,22

16,5

20,62

24,1

26,24

24,43

1,089

1,279

1,428

1,539

1,612

1,642

1,618

1,428

4,903

8,521

12,73

17,18

21,49

25,11

27,32

25,46

1,136

1,333

1,488

1,603

1,68

1,711

1,684

1,488

5,097

8,857

13,23

17,85

22,31

26,07

28,38

26,45

1,181

1,386

1,546

1,665

1,744

1,776

1,75

1,546

5,288

9,184

13,71

18,5

23,13

27,03

29,43

27,43

1,225

1,437

1,603

1,726

1,808

1,842

1,815

1,603

5,465

9,49

14,17

19,12

23,89

27,92

30,4

28,33

1,286

1,485

1,656

1,783

1,868

1,903

1,875

1,656

5,639

9,791

14,61

19,71

24,64

28,77

31,36

29,22

1,306

1,532

1,708

1,839

1,927

1,961

1,933

1,708

5,81

10,09

15,05

20,3

25,38

29,63

32,29

30,1

1,346

1,578

1,759

1,894

1,984

2,019

1,991

1,759

 

h/D

i=0,02

i=0,025

i=0,03

i=0,04

i=0,05

i=0,06

i=0,07

qs

V

qs

V

qs

V

qs

V

qs

V

qs

V

qs

V

0,3

0,4

0,5

0,6

0,7

0,8

0,9

1,0

5,975

10,37

15,47

20,87

26,06

30,46

33,16

30,93

2,384

1,622

1,808

1,947

2,038

2,076

2,045

1,808

6,753

11,7

17,45

23,53

29,41

34,37

37,42

34,9

1,564

1,831

2,04

2,195

2,299

2,342

2,307

2,04

7,452

12,9

19,23

25,92

32,38

37,84

41,16

38,46

1,726

2,019

2,248

2,419

2,531

2,578

2,538

2,248

8,691

15,04

22,39

30,15

37,66

43,97

47,88

44,78

2,013

2,352

2,617

2,813

2,944

2,996

2,952

2,617

9,767

16,88

25,12

33,83

42,21

49,29

53,71

50,23

2,262

2,641

2,936

3,156

3,3

3,359

3,312

2,936

10,74

18,69

27,59

37,16

46,33

54,16

58,95

55,18

2,488

2,925

3,225

3,467

3,622

3,689

3,634

3,225

11,64

20,09

29,87

40,2

50,16

58,57

63,83

59,75

2,696

3,144

3,492

3,75

3,921

3,991

3,935

3,492

 

h/D

i=0,08

i=0,09

i=0,1

i=0,11

i=0,12

i=0,14

i=0,15

qs

V

qs

V

qs

V

qs

V

qs

V

qs

V

qs

V

0,3

0,4

0,5

0,6

0,7

0,8

0,9

1,0

12,47

21,51

31,98

43,03

53,7

62,64

68,32

63,96

2,888

3,366

3,738

3,015

4,198

4,269

4,213

3,738

13,24

22,84

33,93

45,65

56,92

66,46

72,43

67,86

3,067

3,573

3,966

4,259

4,45

4,529

4,466

3,966

13,98

24,11

35,8

48,17

60,07

70,07

76,43

71,6

3,238

3,771

4,185

4,495

4,696

4,775

4,712

4,185

14,68

25,29

37,56

50,66

62,95

73,5

80,17

75,11

3,4

3,957

4,39

4,715

4,921

5,009

4,943

4,39

15,33

26,4

39,2

52,74

65,7

76,72

83,68

78,4

3,55

4,131

4,582

4,921

5,136

5,228

5,159

4,582

16,57

28,53

42,35

56,98

70,98

82,81

90,32

84,69

3,838

4,464

4,95

5,316

5,549

5,643

5,569

4,95

17,15

29,52

43,8

58,94

73,35

85,65

93,34

87,6

3,971

4,618

5,12

5,5

5,734

5,837

5,755

5,12

"СЛ"D = 180 мм

h/D

Расход жидкости qs, л/с, и скорости V, м/с, при уклоне трубопровода

i=0,006

i=0,007

i=0,008

i=0,009

i=0,01

i=0,011

i=0,012

qs

V

qs

V

qs

V

qs

V

qs

V

qs

V

qs

V

0,3

0,4

0,5

0,6

0,7

0,8

0,9

1,0

4,143

7,227

10,82

14,64

18,32

21,4

23,3

21,64

0,759

0,894

1,0

1,08

1,132

1,153

1,136

1,0

4,539

7,91

11,84

16,00

20,02

23,41

25,47

23,68

0,831

0,978

1,094

1,18

1,237

1,261

1,242

1,094

4,91

8,556

12,79

17,29

21,63

25,27

27,5

25,58

0,899

1,058

1,182

1,275

1,337

1,362

1,34

1,182

5,243

9,128

13,64

18,43

23,06

26,94

29,34

27,29

0,96

1,129

1,261

1,359

1,425

1,451

1,43

1,261

5,574

9,695

14,49

19,56

24,46

28,58

31,12

28,98

1,021

1,199

1,339

1,443

1,512

1,54

1,517

1,339

5,886

10,23

15,29

20,65

25,82

30,16

32,84

30,58

1,078

1,266

1,413

1,523

1,595

1,625

1,6

1,413

6,178

10,74

16,04

21,64

27,07

31,61

34,42

32,07

1,131

1,328

1,482

1,596

1,673

1,703

1,678

1,482

 

h/D

i=0,013

i=0,014

i=0,015

i=0,016

i=0,0170

i=0,018

i=0,019

qs

V

qs

V

qs

V

qs

V

qs

V

qs

V

qs

V

0,3

0,4

0,5

0,6

0,7

0,8

0,9

1,0

6,457

11,22

16,75

22,6

28,25

33,01

35,95

33,5

1,182

1,388

1,548

1,667

1,746

1,779

1,752

1,548

6,729

11,68

17,44

23,54

29,42

34,38

37,44

34,89

1,232

1,445

1,612

1,736

1,818

1,852

1,825

1,612

6,991

12,13

18,11

24,44

30,55

35,67

38,88

36,23

1,28

1,501

1,674

1,803

1,888

1,922

1,895

1,674

7,251

12,58

18,77

25,33

31,64

36,97

40,29

37,55

1,328

1,556

1,735

1,869

1,955

1,992

1,964

1,735

7,493

13,0

19,39

26,14

32,68

38,18

41,58

38,78

1,372

1,608

1,792

1,928

2,02

2,057

2,027

1,792

7,731

13,41

19,99

26,96

33,7

39,38

42,88

40,0

1,416

1,658

1,848

1,988

2,0833

2,121

2,09

1,848

7,962

13,84

20,59

27,76

34,7

40,56

44,15

41,18

1,458

1,712

1,903

2,048

2,145

2,185

2,152

1,903

 

h/D

i=0,02

i=0,025

i=0,03

i=0,04

i=0,05

i=0,06

i=0,07

qs

V

qs

V

qs

V

qs

V

qs

V

qs

V

qs

V

0,3

0,4

0,5

0,6

0,7

0,8

0,9

1,0

8,188

14,2

21,17

28,54

35,67

41,68

45,38

42,33

1,499

1,756

1,956

2,105

2,204

2,245

2,212

1,956

9,25

16,02

23,87

32,18

40,19

46,97

51,1

47,74

1,694

1,981

2,206

2,374

2,484

2,53

2,49

2,206

10,19

17,64

26,27

35,41

44,24

51,65

56,24

52,55

1,867

2,182

2,428

2,612

2,734

2,782

2,741

2,428

11,88

20,54

30,56

41,16

51,36

59,97

65,35

61,12

2,175

2,54

2,824

3,036

3,174

3,23

3,185

2,824

13,35

23,06

34,3

46,2

57,65

67,31

73,29

68,81

2,445

2,853

3,17

3,408

3,563

3,626

3,572

3,17

14,7

25,31

37,64

50,64

63,14

73,79

80,41

75,27

2,686

3,131

3,478

3,735

3,902

3,975

3,92

3,478

15,88

27,38

40,69

54,75

68,32

79,7

86,93

81,37

2,907

3,387

3,76

4,038

4,222

4,294

4,237

3,76

 

h/D

i=0,08

i=0,09

i=0,1

i=0,11

i=0,12

i=0,14

i=0,15

qs

V

qs

V

qs

V

qs

V

qs

V

qs

V

qs

V

0,3

0,4

0,5

0,6

0,7

0,8

0,9

1,0

16,98

29,28

43,5

58,53

72,98

85,21

92,86

87,0

3,11

3,622

4,02

4,317

4,51

4,591

4,526

4,02

18,04

31,1

46,17

62,13

77,4

90,73

98,57

92,35

3,303

3,847

4,267

4,583

4,783

4,869

4,805

4,267

19,04

32,8

48,69

65,52

81,62

95,3

103,9

97,39

3,486

4,057

4,5

4,833

5,044

5,134

5,067

4,5

19,98

34,4

51,08

68,73

85,61

99,96

108,9

102,1

3,685

4,255

4,72

5,069

5,291

5,385

5,31

4,72

20,88

35,94

53,34

71,78

89,42

104,3

113,8

106,7

3,823

4,446

4,93

5,295

5,526

5,62

5,546

4,93

22,55

38,8

57,57

77,39

96,41

112,6

122,7

115,1

4,129

4,8

5,32

5,708

5,958

6,065

5,98

5,32

23,32

40,13

59,54

80,04

99,71

116,4

126,9

119,1

4,27

5,964

5,502

5,904

6,162

6,272

6,184

5,502

"СЛ"D = 200 мм

h/D

Расход жидкости qs, л/с, и скорости V, м/с, при уклоне трубопровода

i=0,004

i=0,005

i=0,006

i=0,007

i=0,008

i=0,009

i=0,01

qs

V

qs

V

qs

V

qs

V

qs

V

qs

V

qs

V

0,3

4,37

0,647

4,995

0,74

5,554

0,822

6,065

0,898

6,545

0,969

7,004

1,037

7,428

1,1

0,4

7,636

0,764

8,714

0,871

9,676

0,968

10,56

1,056

11,39

1,139

12,18

1,218

12,91

1,291

0,5

11,14

0,855

13,05

0,975

14,48

1,082

15,79

1,18

17,02

1,272

18,2

1,36

19,28

1,441

0,6

15,48

0,923

17,65

1,053

19,57

1,167

21,35

1,273

22,99

1,371

24,58

1,466

26,02

1,552

0,7

19,38

0,969

22,08

1,104

24,49

1,224

26,71

1,335

28,76

1,437

30,72

1,535

32,56

1,627

0,8

22,65

0,987

25,8

1,124

28,64

1,247

31,2

1,359

33,61

1,464

35,9

1,564

38,04

1,657

0,9

24,66

0,972

28,1

1,108

31,15

1,228

33,95

1,338

36,56

1,441

39,09

1,541

41,48

1,631

1,0

22,88

0,855

26,09

0,975

28,96

1,082

31,58

1,18

34,04

1,272

36,4

1,36

38,57

1,441

 

h/D

i=0,011

i=0,012

i=0,013

i=0,014

i=0,015

i=0,016

i=0,017

qs

V

qs

V

qs

V

qs

V

qs

V

qs

V

qs

V

0,3

7,831

1,159

8,228

1,218

8,606

1,274

8,963

1,327

9,31

1,378

9,639

1,427

9,965

1,475

0,4

13,6

1,361

14,29

1,429

15,94

1,495

15,55

1,555

16,15

1,615

16,71

1,672

17,27

1,728

0,5

20,31

1,518

21,33

1,594

22,29

1,666

23,2

1,734

24,09

1,8

24,93

1,867

25,76

1,925

0,6

27,41

1,635

28,78

1,717

30,08

1,794

31,31

1,867

32,47

1,937

33,61

2,005

34,72

2,071

0,7

34,26

1,712

35,98

1,798

37,6

1,879

39,1

1,954

40,59

2,029

42,01

2,1

43,41

2,169

0,8

40,04

1,744

42,03

1,831

43,9

1,913

45,69

1,991

47,43

2,066

49,09

2,139

50,73

2,21

0,9

43,59

1,718

45,78

1,804

47,85

1,886

49,75

1,961

51,65

2,036

53,45

2,107

55,23

2,177

1,0

40,63

1,518

42,66

1,594

44,59

1,666

46,41

1,734

48,17

1,8

49,86

1,864

51,52

1,925

 

h/D

i=0,018

i=0,019

i=0,020

i=0,025

i=0,030

i=0,040

i=0,05

qs

V

qs

V

qs

V

qs

V

qs

V

qs

V

qs

V

0,3

10,28

1,522

10,59

1,567

10,88

1,611

12,26

1,815

13,51

2,0

15,73

2,329

17,71

 

0,4

17,82

1,782

18,34

1,834

18,86

1,886

21,22

2,122

23,37

2,338

27,16

2,717

30,5

3,05

0,5

26,56

1,985

27,34

2,043

28,1

2,1

31,61

2,36

34,79

2,6

40,4

3,02

45,34

3,388

0,6

35,81

2,136

36,85

2,198

37,88

2,26

42,61

2,541

46,86

2,795

54,43

3,246

61,01

3,639

0,7

44,76

2,237

46,07

2,302

47,36

2,366

53,22

2,66

58,53

2,925

67,92

3,394

76,13

3,805

0,8

52,26

2,277

53,79

2,343

55,3

2,409

62,13

2,707

68,33

2,977

79,3

3,455

88,89

3,872

0,9

56,96

2,245

58,57

2,308

60,2

2,373

67,65

2,667

74,4

2,933

86,35

3,403

96,87

3,818

1,0

53,13

1,985

54,68

2,043

56,2

2,1

63,22

2,362

69,59

2,6

80,83

3,02

90,68

3,388

 

h/D

i=0,060

i=0,070

i=0,080

i=0,090

i=0,1

i=0,11

i=0,12

qs

V

qs

V

qs

V

qs

V

qs

V

qs

V

qs

V

0,3

19,42

2,856

21,02

3,112

22,49

3,329

23,86

3,533

25,16

3,725

26,39

3,908

27,57

4,082

0,4

33,49

3,35

36,23

3,624

38,75

3,876

41,1

4,111

43,32

4,333

45,43

4,544

47,45

4,745

0,5

49,78

3,72

53,82

4,022

57,54

4,3

61,02

4,56

64,3

4,805

67,42

5,038

70,39

5,26

0,6

66,98

3,995

72,42

4,32

77,42

4,618

82,1

4,897

86,52

5,16

90,63

5,406

94,62

5,644

0,7

83,59

4,178

90,3

5,513

96,45

4,82

102,3

5,112

107,8

5,386

112,9

5,642

117,9

5,891

0,8

97,51

4,248

105,3

4,589

112,6

4,906

119,4

5,203

125,7

5,478

131,8

5,743

137,6

5,996

0,9

106,4

4,192

114,9

4,529

122,8

4,482

130,1

5,13

137,1

5,406

143,7

5,663

150,0

5,912

1,0

99,56

3,72

107,6

4,022

115,1

4,3

122,0

4,56

128,6

4,805

134,8

5,038

140,8

5,26

"С"D = 50 мм

h/D

Расход жидкости qs, л/с, и скорости V, м/с, при уклоне трубопровода

i=0,01

i=0,02

i=0,03

i=0,04

i=0,05

i=0,1

i=0,15

qs

V

qs

V

qs

V

qs

V

qs

V

qs

V

qs

V

0,3

0,4

0,5

0,6

0,7

0,8

0,9

1,0

0,13

0,24

0,36

0,49

0,62

0,73

0,78

0,72

0,34

0,41

0,47

0,51

0,54

0,55

0,54

0,47

0,22

0,38

0,57

0,78

0,98

1,15

1,25

1,15

0,56

0,66

0,75

0,81

0,86

0,87

0,86

0,75

0,28

0,49

0,74

1,01

1,27

1,48

1,61

1,49

0,72

0,86

0,97

1,05

1,10

1,13

1,11

0,97

0,33

0,59

0,88

1,20

1,50

1,75

1,91

1,76

0,86

1,02

1,15

1,24

1,31

1,33

1,31

1,15

0,38

0,67

1,00

1,36

1,70

2,00

2,17

2,00

0,99

1,17

1,31

1,42

1,49

1,52

1,49

1,31

0,57

1,00

1,49

2,02

2,53

2,96

3,22

2,99

1,48

1,74

1,95

2,10

2,21

2,25

2,21

1,95

0,72

1,25

1,87

2,53

3,16

3,69

4,02

3,74

1,86

2,18

2,44

2,63

2,75

2,81

2,77

2,44

"С"D = 63 мм

h/D

Расход жидкости qs, л/с, и скорости V, м/с, при уклоне трубопровода

i=0,01

i=0,02

i=0,03

i=0,04

i=0,05

i=0,1

i=0,15

qs

V

qs

V

qs

V

qs

V

qs

V

qs

V

qs

V

0,3

0,4

0,5

0,6

0,7

0,8

0,9

1,0

0,274

0,482

0,725

0,983

1,232

1,442

1,569

1,45

0,445

0,528

0,593

0,642

0,674

0,688

0,677

0,593

0,424

0,74

1,109

1,5

1,878

2,197

2,392

2,219

0,687

0,81

0,907

0,98

1,027

1,047

1,032

0,907

0,539

0,939

1,405

1,899

2,374

2,776

3,023

2,81

0,894

1,054

1,18

1,274

1,336

1,36

1,342

1,18

0,637

1,107

1,655

2,234

2,793

3,265

3,556

3,31

1,032

1,212

1,353

1,458

1,527

1,557

1,534

1,353

0,723

1,256

1,875

2,53

3,161

3,695

4,025

3,75

1,172

1,375

1,533

1,651

1,729

2,762

1,736

1,533

1,06

1,835

2,733

3,681

4,595

5,369

5,851

5,466

1,718

2,009

2,235

2,403

2,513

2,56

2,524

2,235

1,317

2,275

3,385

4,555

5,682

6,638

7,235

6,77

2,135

2,49

2,768

2,973

3,108

3,165

3,121

2,768

"С"D = 75 мм

h/D

Расход жидкости qs, л/с, и скорости V, м/с, при уклоне трубопровода

i=0,01

i=0,02

i=0,03

i=0,04

i=0,05

i=0,1

i=0,15

qs

V

qs

V

qs

V

qs

V

qs

V

qs

V

qs

V

0,3

0,4

0,5

0,6

0,7

0,8

0,9

1,0

0,447

0,785

1,181

1,601

2,006

2,349

2,556

2,361

0,511

0,607

0,682

0,738

0,775

0,791

0,779

0,682

0,701

1,224

1,835

2,483

3,107

3,635

3,957

3,67

0,802

0,946

1,06

1,144

1,2

1,224

1,206

1,06

0,866

1,509

2,259

3,053

3,819

4,466

4,863

4,519

0,991

1,167

1,305

1,408

1,475

1,504

1,482

1,305

1,018

1,772

2,649

3,577

4,472

5,229

5,695

5,298

1,165

1,37

1,53

1,649

1,727

1,761

1,735

1,53

1,154

2,005

2,995

4,042

5,052

5,906

6,433

5,99

1,32

1,55

1,73

1,864

1,951

1,989

1,96

1,73

1,683

2,916

4,346

5,856

7,311

8,544

9,309

8,691

1,927

2,254

2,51

2,7

2,824

2,877

2,836

2,51

2,085

3,605

5,367

7,226

9,018

10,54

11,48

10,73

2,386

2,787

3,1

3,331

3,483

3,548

3,498

3,1

"С"D = 90 мм

h/D

Расход жидкости qs, л/с, и скорости V, м/с, при уклоне трубопровода

i=0,01

i=0,012

i=0,014

i=0,016

i=0,018

i=0,02

i=0,025

qs

V

qs

V

qs

V

qs

V

qs

V

qs

V

qs

V

0,3

0,4

0,5

0,6

0,7

0,8

0,9

1,0

0,749

1,309

1,964

2,658

3,327

3,892

4,237

3,928

0,594

0,701

0,785

0,848

0,89

0,907

0,894

0,785

0,838

1,462

2,19

2,962

3,707

4,336

4,721

4,381

0,664

0,783

0,876

0,946

0,991

1,01

0,996

0,876

0,919

1,602

2,399

3,243

4,057

4,744

5,166

4,798

0,728

0,858

0,959

1,035

1,084

1,106

1,089

0,959

0,994

1,731

2,591

3,501

4,378

5,12

5,576

4,182

0,787

0,927

1,036

1,117

1,17

1,193

1,176

1,036

1,062

1,853

2,776

3,753

4,696

6,071

5,981

5,551

0,841

0,992

1,11

1,198

1,256

1,281

1,261

1,11

1,132

1,97

2,946

3,978

4,973

5,815

6,333

5,892

0,897

1,054

1,178

1,269

1,33

1,355

1,335

1,178

1,286

2,24

3,351

4,527

5,661

6,62

7,209

6,702

1,019

1,199

1,34

1,445

1,514

1,543

1,521

1,34

"С"D = 90 мм

h/D

Расход жидкости qs, л/с, и скорости V, м/с, при уклоне трубопровода

i=0,03

i=0,035

i=0,04

i=0,045

i=0,05

i=0,1

i=0,15

qs

V

qs

V

qs

V

qs

V

qs

V

qs

V

qs

V

0,3

1,428

1,131

1,555

1,232

1,678

1,329

1,785

1,414

1,897

1,503

2,752

2,181

3,401

2,695

0,4

2,479

1,327

2,703

1,447

2,908

1,556

3,099

1,659

3,285

1,758

4,751

2,543

5,862

3,138

0,5

3,701

1,48

4,039

1,615

4,337

1,734

4,626

1,85

4,895

1,957

7,065

2,825

8,707

3,482

0,6

4,993

1,593

5,451

1,74

5,847

1,866

6,241

1,992

6,596

2,105

9,505

3,034

11,7

3,736

0,7

6,239

1,668

6,813

1,882

7,301

1,952

7,798

2,085

8,234

2,202

11,85

3,17

14,59

3,902

0,8

7,291

1,7

7,966

1,857

8,532

1,989

9,115

2,125

9,621

2,243

13,84

3,228

17,04

3,973

0,9

7,943

1,678

8,676

1,83

9,296

1,96

9,929

2,094

10,48

2,211

15,09

3,183

18,56

3,918

1,0

7,403

1,48

8,077

1,615

8,674

1,734

9,252

1,85

9,791

1,957

14,13

2,825

17,41

3,482

"С"D = 110 мм

h/D

Расход жидкости qs, л/с, и скорости V, м/с, при уклоне трубопровода

i=0,01

i=0,012

i=0,014

i=0,016

i=0,018

i=0,02

i=0,025

qs

V

qs

V

qs

V

qs

V

qs

V

qs

V

qs

V

0,3

1,309

0,693

1,457

0,772

1,595

0,845

1,724

0,913

1,845

0,978

1,959

1,038

2,223

1,177

0,4

2,283

0,817

2,539

0,909

2,777

0,994

2,998

1,072

3,207

1,147

3,403

1,218

3,856

1,38

0,5

3,418

0,914

3,799

1,015

4,152

1,11

4,481

1,197

4,79

1,28

5,083

1,358

5,754

1,538

0,6

4,621

0,986

5,133

1,095

5,607

1,196

6,049

1,29

6,465

1,379

6,857

1,463

7,76

1,655

0,7

5,781

1,033

6,419

1,147

7,011

1,253

7,562

1,351

8,079

1,444

8,568

1,531

9,692

1,732

0,8

6,76

1,053

7,505

1,169

8,197

1,277

8,84

1,377

9,445

1,472

10,01

1,56

11,32

1,765

0,9

7,361

1,037

8,174

1,152

8,927

1,258

9,628

1,357

10,28

1,45

10,91

1,538

12,34

1,74

1,0

6,837

0,914

7,598

1,015

8,305

1,11

8,962

1,197

9,581

1,28

10,16

1,358

11,5

1,538

 

h/D

i=0,03

i=0,035

i=0,04

i=0,045

i=0,05

i=0,1

i=0,15

qs

V

qs

V

qs

V

qs

V

qs

V

qs

V

qs

V

0,3

2,461

1,303

2,679

1,419

2,882

1,527

3,068

1,625

3,253

1,723

4,696

2,487

5,789

3,066

0,4

4,265

1,526

4,641

1,66

4,989

1,785

5,318

1,903

5,626

2,013

8,096

2,897

9,965

3,565

0,5

6,36

1,7

6,916

1,848

7,433

1,987

7,93

2,12

8,374

2,238

12,02

3,215

14,79

3,953

0,6

8,573

1,829

9,32

1,988

10,01

2,136

10,69

2,281

11,27

2,405

16,17

3,451

19,89

4,24

0,7

10,7

1,913

11,63

2,08

12,49

2,234

13,35

2,387

14,07

2,515

20,16

3,605

24,76

4,427

0,8

12,51

1,949

13,59

2,118

14,6

2,276

15,6

2,432

16,43

2,562

23,55

3,67

28,92

4,507

0,9

13,63

1,924

14,81

2,088

15,91

2,243

17,00

2,397

17,91

2,526

25,67

3,62

31,53

4,445

1,0

12,72

1,7

13,83

1,848

14,86

1,987

15,86

2,12

16,74

2,238

24,05

3,215

29,58

3,953

"С"D = 125 мм

h/D

Расход жидкости qs, л/с, и скорости V, м/с, при уклоне трубопровода

i=0,01

i=0,012

i=0,014

i=0,016

i=0,018

i=0,02

i=0,025

qs

V

qs

V

qs

V

qs

V

qs

V

qs

V

qs

V

0,3

1,854

0,762

2,063

0,848

2,256

0,927

2,435

1,001

2,604

1,07

2,764

1,136

3,131

1,286

0,4

3,23

0,894

3,59

0,997

3,922

1,089

4,231

1,174

4,521

1,255

4,795

1,331

5,426

1,506

0,5

4,833

1,002

5,367

1,113

5,859

1,215

6,318

1,31

6,748

1,399

7,155

1,484

8,09

1,678

0,6

6,529

1,08

7,247

1,199

7,91

1,309

8,526

1,411

9,103

1,507

9,65

1,597

10,9

1,805

0,7

8,165

1,132

9,06

1,256

9,885

1,371

10,65

1,477

11,37

1,577

12,05

1,672

13,61

1,888

0,8

9,547

1,154

10,59

1,28

11,55

1,397

12,45

1,505

13,29

1,607

14,07

1,703

15,91

1,924

0,9

10,39

1,137

11,53

1,262

12,58

1,377

13,56

1,484

14,48

1,584

15,34

1,679

17,33

1,896

1,0

9,666

1,002

10,73

1,113

11,72

1,215

12,63

1,31

13,49

1,309

14,31

1,484

16,18

1,678

 

h/D

i=0,03

i=0,035

i=0,04

i=0,045

i=0,05

i=0,1

i=0,15

qs

V

qs

V

qs

V

qs

V

qs

V

qs

V

qs

V

0,3

3,462

1,423

3,766

1,548

4,049

1,664

4,303

1,768

4,565

1,876

6,569

2,1

8,057

3,311

0,4

5,995

1,664

6,517

1,809

7,003

1,944

7,453

2,069

7,886

2,189

11,31

3,142

13,89

3,856

0,5

8,933

1,853

9,707

2,013

10,42

2,162

11,11

2,304

11,73

2,433

16,8

3,486

20,63

4,28

0,6

12,03

1,992

13,07

2,164

14,03

2,324

14,97

2,478

15,79

2,614

22,59

3,74

27,74

4,593

0,7

15,02

2,084

16,31

2,263

17,51

2,43

18,69

2,592

19,7

2,733

28,16

3,906

34,59

4,799

0,8

17,55

2,123

19,06

2,305

20,45

2,474

21,84

2,641

23,01

2,783

32,88

3,977

40,4

4,886

0,9

19,13

2,093

20,77

2,273

22,3

2,44

23,79

2,603

25,08

2,744

35,85

3,922

59,15

4,818

1,0

17,86

1,853

19,41

2,013

30,85

2,162

22,21

2,304

23,46

2,433

33,61

3,486

41,27

4,28

"С"D = 140 мм

h/D

Расход жидкости qs, л/с, и скорости V, м/с, при уклоне трубопровода

i=0,009

i=0,01

i=0,011

i=0,012

i=0,013

i=0,014

i=0,015

qs

V

qs

V

qs

V

qs

V

qs

V

qs

V

qs

V

0,3

0,4

0,5

0,6

0,7

0,8

0,9

1,0

2,376

4,145

6,209

8,395

10,5

12,28

13,38

12,42

0,777

0,916

1,025

1,106

1,16

1,182

1,165

1,025

2,528

4,41

6,603

8,925

11,16

13,06

14,22

13,2

0,827

0,974

1,09

1,176

1,233

1,257

1,238

1,09

2,675

4,661

6,978

9,43

11,79

13,79

15,02

13,96

0,875

1,03

1,152

1,243

1,302

1,327

1,308

1,152

2,812

4,899

7,33

9,93

12,38

14,48

15,77

14,66

0,92

1,082

1,21

1,305

1,367

1,394

1,373

1,21

2,942

5,123

7,663

10,35

12,94

15,13

16,48

15,33

0,962

1,132

1,265

1,364

1,429

1,457

1,435

1,265

3,068

5,339

7,984

10,78

13,48

15,76

17,17

15,97

1,033

1,18

1,318

1,421

1,488

1,517

1,495

1,318

3,191

5,551

8,299

11,21

14,01

16,38

17,84

16,6

1,044

1,227

1,37

1,456

1,547

1,576

1,553

1,37

 

h/D

i=0,016

i=0,017

i=0,018

i=0,019

i=0,020

i=0,025

i=0,03

qs

V

qs

V

qs

V

qs

V

qs

V

qs

V

qs

V

0,3

0,4

0,5

0,6

0,7

0,8

0,9

1,0

3,309

5,755

8,602

11,61

14,52

16,97

18,48

17,2

1,082

1,272

1,42

1,53

1,603

1,633

1,61

1,42

3,425

5,955

8,899

12,01

15,01

17,55

19,12

17,8

1,12

1,316

1,469

1,583

1,658

1,689

1,665

1,469

3,539

6,151

9,189

12,4

15,5

18,12

19,74

18,38

1,157

1,359

1,517

1,634

1,711

1,744

1,719

1,517

3,648

6,339

9,468

12,78

15,97

18,67

20,33

18,94

1,193

1,4

1,563

1,684

1,763

1,797

1,77

1,563

3,752

6,518

9,734

13,13

16,41

19,19

20,9

19,47

1,227

1,44

1,607

1,731

1,812

1,847

1,82

1,607

4,257

7,388

11,02

14,87

18,57

21,71

23,65

22,05

1,392

1,632

1,82

1,958

2,051

2,089

2,059

1,82

4,697

8,144

12,14

16,37

20,45

23,9

26,04

24,29

1,536

1,799

2,005

2,157

2,258

2,3

2,267

2,005

 

h/D

i=0,035

i=0,04

i=0,045

i=0,05

i=0,06

i=0,07

i=0,08

qs

V

qs

V

qs

V

qs

V

qs

V

qs

V

qs

V

0,3

0,4

0,5

0,6

0,7

0,8

0,9

1,0

5,113

8,859

13,2

17,8

22,22

25,97

28,3

26,41

1,672

1,957

2,18

2,345

2,453

2,499

2,464

2,18

5,479

9,488

14,14

19,05

23,78

27,79

30,28

28,28

1,792

2,096

2,334

2,51

2,626

2,675

2,637

2,334

5,834

10,1

15,04

20,26

25,29

29,55

32,2

30,08

1,908

2,231

2,483

2,67

2,792

2,844

2,804

2,483

6,167

10,67

15,89

21,4

26,71

31,2

34,00

31,78

2,017

2,358

2,623

2,82

2,959

3,003

2,961

2,623

6,792

11,74

17,48

23,53

29,36

34,3

37,38

34,95

2,221

2,594

2,885

3,1

3,241

3,301

3,255

2,885

7,362

12,72

18,92

25,47

31,78

37,13

40,46

27,85

2,408

2,81

3,124

3,356

3,508

3,573

3,523

2,124

7,892

13,63

20,27

27,27

34,02

39,74

43,32

40,54

2,581

3,011

3,346

3,594

3,756

3,825

3,772

3,346

 

h/D

i=0,09

i=0,1

i=0,11

i=0,12

i=0,13

i=0,14

i=0,15

qs

V

qs

V

qs

V

qs

V

qs

V

qs

V

qs

V

0,3

0,4

0,5

0,6

0,7

0,8

0,9

1,0

8,387

14,48

21,52

28,95

36,11

42,19

45,98

43,04

2,743

3,198

3,553

3,815

3,987

4,06

4,004

3,553

8,855

15,28

22,71

30,55

38,1

44,5

48,5

45,42

2,986

3,376

3,749

4,025

4,206

4,283

4,223

3,749

9,302

16,04

23,84

32,06

39,99

46,7

50,91

47,68

3,043

3,545

3,936

4,225

4,415

4,495

4,433

3,936

9,726

16,77

24,91

33,5

41,78

48,79

53,18

49,83

3,181

3,705

4,113

4,414

4,612

4,696

4,631

4,113

10,12

17,45

25,93

34,86

43,46

50,76

55,33

51,85

3,312

3,856

4,28

4,593

4,798

4,885

4,818

4,28

10,52

18,13

26,92

36,19

45,12

52,64

57,44

53,84

3,44

4,005

4,444

4,768

4,981

5,066

5,001

4,444

10,89

18,76

27,86

37,46

46,69

54,53

59,44

55,73

3,562

4,146

4,6

4,935

5,155

5,248

5,176

4,6

"С"D = 160 мм

h/D

Расход жидкости qs, л/с, и скорости V, м/с, при уклоне трубопровода

i=0,006

i=0,007

i=0,008

i=0,009

i=0,01

i=0,011

i=0,012

qs

V

qs

V

qs

V

qs

V

qs

V

qs

V

qs

V

0,3

0,4

0,5

0,6

0,7

0,8

0,9

1,0

2,862

4,988

7,464

10,08

12,61

14,75

16,06

14,92

0,689

0,811

0,906

0,978

1,024

1,044

1,029

0,906

3,139

5,46

8,16

11,02

13,79

16,12

17,56

16,33

0,755

0,888

0,992

1,069

1,12

1,141

1,124

0,992

3,388

5,893

8,809

11,89

14,86

17,38

18,93

17,61

0,815

0,958

1,069

1,153

1,207

1,23

1,212

1,069

3,627

6,306

9,422

12,71

15,89

18,58

20,24

18,84

0,873

1,025

1,144

1,232

1,291

1,315

1,296

1,144

3,854

6,697

10,00

13,49

16,86

19,71

21,47

20,00

0,928

1,088

1,214

1,308

1,37

1,396

1,375

1,214

4,071

7,069

10,55

14,23

17,79

20,79

22,65

21,1

0,98

1,149

1,281

1,38

1,445

1,472

1,451

1,281

4,277

7,424

11,08

14,64

18,67

21,82

23,77

22,16

1,029

1,207

1,345

1,448

1,516

1,545

1,523

1,345

 

h/D

i=0,013

i=0,014

i=0,015

i=0,016

i=0,017

i=0,018

i=0,019

qs

V

qs

V

qs

V

qs

V

qs

V

qs

V

qs

V

0,3

0,4

0,5

0,6

0,7

0,8

0,9

1,0

4,475

7,764

11,58

15,62

19,51

22,81

24,85

23,17

1,077

1,262

1,407

1,514

1,585

1,615

1,592

1,407

4,666

8,093

12,07

16,27

20,33

23,76

25,88

24,14

1,123

1,315

1,466

1,578

1,651

1,682

1,658

1,466

4,84

8,409

12,54

16,9

21,11

24,67

26,68

25,08

1,167

1,367

1,523

1,639

1,715

1,747

1,722

1,523

5,028

8,715

12,99

17,51

21,87

25,56

27,85

25,99

1,21

1,416

1,578

1,697

1,776

1,809

1,784

1,578

5,29

9,011

13,43

18,1

22,6

26,41

28,78

26,86

1,251

1,464

1,631

1,755

1,836

1,87

1,844

1,631

5,368

9,298

13,86

18,67

23,32

27,25

29,69

27,72

1,291

1,511

1,683

1,81

1,894

1,929

1,902

1,683

5,531

9,578

14,27

19,23

24,01

28,06

30,57

28,54

1,331

1,557

1,733

1,864

1,95

1,986

1,958

1,733

 

h/D

i=0,02

i=0,025

i=0,03

i=0,04

i=0,05

i=0,06

i=0,07

qs

V

qs

V

qs

V

qs

V

qs

V

qs

V

qs

V

0,3

0,4

0,5

0,6

0,7

0,8

0,9

1,0

5,689

9,85

14,67

19,77

24,68

28,84

31,43

29,35

1,369

1,601

1,782

1,916

2,005

2,042

2,013

1,782

6,427

11,11

16,55

22,29

27,82

32,5

35,42

33,1

1,546

1,807

2,01

2,16

2,259

2,301

2,269

2,10

7,093

12,25

18,24

24,55

30,64

35,79

39,01

36,48

1,707

1,992

2,215

2,38

2,488

2,534

2,499

2,215

8,271

14,27

21,23

28,56

35,62

41,61

45,36

42,46

1,99

2,321

2,578

2,768

2,893

2,946

2,905

2,578

9,304

16,04

28,84

32,07

39,99

46,71

50,91

47,69

2,239

2,608

2,896

3,109

3,248

2,307

3,261

2,896

10,23

17,64

26,2

35,22

43,91

51,28

55,91

52,4

2,463

2,867

3,182

3,414

3,567

3,631

3,581

3,182

11,08

19,09

28,35

38,11

47,5

55,48

60,47

56,71

2,668

3,104

3,443

3,694

3,858

3,928

3,874

3,443

 

h/D

i=0,08

i=0,09

i=0,1

i=0,11

i=0,12

i=0,14

i=0,15

qs

V

qs

V

qs

V

qs

V

qs

V

qs

V

qs

V

0,3

0,4

0,5

0,6

0,7

0,8

0,9

1,0

11,87

20,44

30,35

40,78

50,73

59,36

64,71

60,7

2,858

3,324

3,686

3,953

4,129

4,203

4,145

3,686

12,61

21,71

32,22

43,28

53,94

62,98

68,87

64,44

3,036

3,529

3,913

4,196

4,381

4;46

4,399

3,913

13,31

22,98

33,97

45,64

56,87

66,4

72,4

67,95

3,204

3,723

4,126

4,424

4,619

4,702

4,638

4,126

13,97

24,03

35,64

47,87

59,65

69,64

75,93

71,29

3,363

3,97

4,329

4,64

4,844

4,931

4,864

4,329

14,6

25,1

37,23

50,00

62,29

72,72

79,3

74,46

3,515

4,082

4,522

4,847

5,059

5,15

5,079

4,522

15,78

27,12

40,2

53,99

67,25

78,5

85,6

80,41

3,799

4,41

4,883

5,233

5,462

5,559

5,484

4,883

16,34

28,07

41,61

55,86

69,58

81,22

88,57

83,22

3,933

4,564

5,053

5,415

5,651

5,751

5,673

5,053

"С"D = 180 мм

h/D

Расход жидкости qs, л/с, и скорости V, м/с, при уклоне трубопровода

i=0,006

i=0,007

i=0,008

i=0,009

i=0,01

i=0,011

i=0,012

qs

V

qs

V

qs

V

qs

V

qs

V

qs

V

qs

V

0,3

0,4

0,5

0,6

0,7

0,8

0,9

1,0

3,741

6,512

9,739

13,15

16,44

19,23

20,94

19,47

0,741

0,871

0,974

1,049

1,099

1,12

1,104

0,974

4,09

7,114

10,63

14,35

17,94

20,98

22,85

21,26

0,81

0,952

1,063

1,145

1,199

1,222

1,204

1,063

4,419

7,681

11,47

15,48

19,35

22,62

24,64

22,95

0,876

1,027

1,147

1,235

1,294

1,318

1,299

1,147

4,729

8,214

12,26

16,55

20,68

24,17

26,33

24,53

0,937

1,099

1,226

1,32

1,382

1,408

1,388

1,226

5,023

8,719

13,01

17,55

21,93

25,63

27,92

26,03

0,995

1,166

1,301

1,4

1,466

1,494

1,472

1,301

5,302

9,199

13,72

18,51

23,12

27,02

29,44

27,45

1,05

1,231

1,372

1,477

1,546

1,575

1,552

1,372

5,568

9,657

14,4

19,42

24,26

28,35

30,89

28,81

1,103

1,292

1,44

1,549

1,622

1,652

1,629

1,44

 

h/D

i=0,013

i=0,014

i=0,015

i=0,016

i=0,017

i=0,018

i=0,019

qs

V

qs

V

qs

V

qs

V

qs

V

qs

V

qs

V

0,3

0,4

0,5

0,6

0,7

0,8

0,9

1,0

5,823

10,09

15,05

20,3

25,35

29,62

32,27

31,11

1,153

1,351

1,505

1,619

1,694

1,726

1,702

1,505

6,069

10,51

15,68

21,14

26,4

30,85

33,61

31,36

1,202

1,407

1,567

1,686

1,764

1,798

1,772

1,567

6,307

10,92

16,28

21,95

27,41

32,02

34,89

32,57

1,249

1,462

1,628

1,751

1,832

1,866

1,74

1,628

6,536

11,32

16,87

22,73

28,38

33,16

36,14

33,74

1,295

1,515

1,686

1,814

1,897

1,933

1,905

1,686

6,759

11,7

17,43

23,49

29,33

34,27

37,34

34,87

1,338

1,566

1,743

1,874

1,96

1,997

1,969

1,743

6,973

12,07

17,98

24,23

30,24

35,34

38,51

35,97

1,381

1,615

1,798

1,933

2,022

2,059

2,03

1,798

7,184

12,43

18,52

24,94

31,14

36,38

39,64

37,04

1,423

1,663

1,851

1,99

2,081

2,12

2,09

1,851

 

h/D

i=0,02

i=0,025

i=0,03

i=0,04

i=0,05

i=0,06

i=0,07

qs

V

qs

V

qs

V

qs

V

qs

V

qs

V

qs

V

0,3

0,4

0,5

0,6

0,7

0,8

0,9

1,0

7,389

12,78

19,03

25,64

32,0

37,39

40,75

38,07

1,463

1,71

1,903

2,046

2,139

2,179

2,148

1,903

8,34

14,41

21,45

28,88

36,04

42,1

45,88

42,91

1,652

1,929

2,145

2,304

2,409

2,454

2,419

2,145

9,197

15,88

23,63

31,8

39,67

46,34

50,51

47,26

1,822

2,125

2,362

2,537

2,652

2,701

2,663

2,362

10,71

18,48

27,47

36,95

46,09

53,83

58,67

54,95

2,122

2,473

2,746

2,948

3,081

3,137

3,094

2,746

12,04

20,76

30,84

41,47

51,7

60,38

65,82

61,68

2,386

2,778

3,083

3,309

3,456

3,519

3,471

3,083

13,24

22,81

33,87

45,52

56,75

66,27

72,24

67,74

2,623

3,052

3,387

3,632

3,793

3,862

3,809

3,386

14,34

24,68

36,63

49,23

61,36

71,65

78,11

73,27

2,84

3,303

3,663

3,928

4,102

4,176

4,119

3,663

 

h/D

i=0,08

i=0,09

i=0,1

i=0,11

i=0,12

i=0,13

i=0,14

qs

V

qs

V

qs

V

qs

V

qs

V

qs

V

qs

V

0,3

0,4

0,5

0,6

0,7

0,8

0,9

1,0

15,35

26,42

39,2

52,67

65,64

76,64

83,56

78,41

3,042

3,536

3,919

4,202

4,388

4,467

4,406

3,919

16,3

28,04

41,6

55,88

69,64

81,3

88,64

83,21

3,23

3,753

4,159

4,459

4,655

4,738

4,674

4,159

17,2

29,58

43,86

58,91

73,4

85,69

93,43

87,73

3,408

3,958

4,385

4,7

4,907

4,994

4,927

4,385

18,05

31,03

46,01

61,78

76,97

89,85

97,97

92,02

3,576

4,152

4,599

4,929

5,145

5,237

5,166

4,599

18,86

32,41

48,05

64,51

80,36

93,81

102,3

96,1

3,137

4,337

4,803

5,147

5,372

5,468

5,394

4,803

19,63

33,73

50,00

67,12

83,61

97,6

106,4

100,0

3,89

4,514

4,998

5,356

5,59

5,689

5,612

4,998

20,33

35,00

51,87

69,63

86,73

101,2

110,3

103,7

3,037

4,684

5,186

5,556

5,798

5,9

5,821

5,186

"С"D = 200 мм

h/D

Расход жидкости qs, л/с, и скорости V, м/с, при уклоне трубопровода

i=0,004

i=0,005

i=0,006

i=0,007

i=0,008

i=0,009

i=0,01

qs

V

qs

V

qs

V

qs

V

qs

V

qs

V

qs

V

0,3

0,4

0,5

0,6

0,7

0,8

0,9

1,0

3,92

6,834

10,23

13,82

17,29

21,22

22,02

20,46

0,63

0,742

0,83

0,895

0,938

0,956

0,942

0,83

4,477

7,795

11,65

15,74

19,68

23,02

25,07

23,31

0,72

0,846

0,945

1,019

1,067

1,088

1,072

0,945

4,911

8,656

12,93

17,46

21,83

25,52

27,8

25,87

0,8

0,94

1,049

1,13

1,184

1,206

1,189

1,049

5,443

9,459

14,12

19,06

23,82

27,85

30,34

28,25

0,875

1,026

1,145

1,234

1,292

1,316

1,297

1,145

5,877

10,2

15,23

20,55

25,68

30,02

32,7

30,47

0,944

1,107

1,235

1,33

1,392

1,419

1,398

1,235

6,284

10,9

16,27

21,95

27,42

32,04

34,91

32,55

1,009

1,183

1,319

1,42

1,487

1,515

1,493

1,319

6,669

11,56

17,25

23,27

29,06

33,97

37,01

34,51

1,071

1,255

1,399

1,506

1,576

1,606

1,583

1,399

 

h/D

i=0,011

i=0,012

i=0,013

i=0,014

i=0,015

i=0,013

i=0,017

qs

V

qs

V

qs

V

qs

V

qs

V

qs

V

qs

V

0,3

0,4

0,5

0,6

0,7

0,8

0,9

1,0

7,037

12,2

18,19

24,52

30,63

35,79

39,00

36,38

1,13

1,324

1,475

1,587

1,661

1,692

1,668

1,365

7,387

12,8

19,08

25,72

32,12

37,53

40,9

38,17

1,187

1,389

1,548

1,665

1,742

1,775

1,749

1,546

7,723

13,38

19,94

26,87

33,56

39,21

42,72

39,88

1,241

1,452

1,617

1,739

1,819

1,854

1,827

1,617

8,047

13,39

20,76

27,98

34,93

40,82

44,47

41,53

1,293

1,512

1,684

1,811

1,894

1,93

1,902

1,684

8,359

14,47

21,56

29,04

36,26

42,36

46,16

43,12

1,343

1,57

1,748

1,88

1,966

2,003

1,974

1,748

8,66

14,98

22,32

30,07

37,54

43,86

47,79

44,65

1,391

1,627

1,81

1,946

2,035

2,073

2,044

1,81

8,953

15,49

23,06

31,07

38,78

45,31

49,37

46,13

1,438

1,681

1,871

2,011

2,103

2,142

2,112

1,871

 

h/D

i=0,018

i=0,019

i=0,02

i=0,025

i=0,03

i=0,04

i=0,05

qs

V

qs

V

qs

V

qs

V

qs

V

qs

V

qs

V

0,3

0,4

0,5

0,6

0,7

0,8

0,9

1,0

9,236

15,97

23,78

32,04

39,98

46,71

50,9

47,57

1,484

1,734

1,929

2,073

2,168

2,208

2,177

1,929

9,512

16,45

24,49

32,98

41,15

48,08

52,39

48,98

1,528

1,785

1,986

2,134

2,232

2,273

2,241

1,986

9,78

16,91

25,17

33,89

42,29

49,91

53,85

50,34

1,571

1,835

2,041

2,193

2,293

2,336

2,303

2,041

11,02

19,05

28,34

38,14

47,58

55,59

60,58

56,68

1,772

2,068

2,298

2,469

2,58

2,626

2,591

2,298

12,15

20,98

31,19

41,97

52,35

61,14

66,65

62,39

1,953

2,277

2,53

2,716

2,839

2,891

2,85

2,53

14,14

24,39

36,23

48,73

60,76

70,95

77,35

72,47

2,273

2,648

2,939

3,154

3,295

3,355

3,309

2,939

15,89

27,37

40,65

54,64

68,12

79,54

86,71

81,3

2,554-2,972

3,2%'

3,536;

3,694

2,76

3,709

3,296

 

h/D

i=0,060

i=0,070

i=0,080

i=0,090

i=0,1

i=0,11

i=0,12

qs

V

qs

V

qs

V

qs

V

qs

V

qs

V

qs

V

0,3

0,4

0,5

0,6

0,7

0,8

0,9

1,0

17,46

30,05

44,61

59,96

74,73

87,25

95,12

89,23

2,806

3,263

3,618

3,88

4,052

4,125

4,069

3,618

18,89

32,51

48,24

64,81

80,77

94,31

102,8

96,49

3,037

3,53

3,912

4,195

4,38

4,458

4,398

3,912

20,23

34,79

51,61

69,31

86,37

100,8

109,9

103,2

3,251

3,777

4,185

4,486

4,684

4,767

4,703

4,185

21,47

36,92

54,75

73,52

91,6

106,9

116,6

109,5

3,451

4,008

4,44

4,759

4,967

5,056

4,987

4,44

22,65

38,93

57,71

77,49

96,53

112,6

122,8

115,4

3,64

4,226

4,68

5,015

5,235

5,328

5,256

4,68

23,76

40,83

60,52

81,24

101,2

118,1

128,8

121,0

3,819

4,432

4,908

5,258

5,488

5,585

5,51

4,908

24,82

42,64

63,18

84,82

105,6

123,3

134,4

126,3

3,989

4,629

5,124

5,49

5,729

5,831

5,752

5,124

Приложение 11
Таблицы для гидравлического расчета безнапорных трубопроводов из полиэтилена высокого давления

"СЛ"D = 50 мм

h/D

Расход жидкости qs, л/с, и скорости V, м/с, при уклоне трубопровода

i=0,01

i=0,02

i=0,03

i=0,04

i=0,05

i=0,1

i=0,15

qs

V

qs

V

qs

V

qs

V

qs

V

qs

V

qs

V

0,3

0,4

0,5

0,6

0,7

0,8

0,9

1,0

0,127

0,223

0,337

0,458

0,575

0,673

0,733

0,674

0,352

0,42

0,473

0,513

0,54

0,551

0,542

0,473

0,2

0,35

0,526

0,713

0,893

1,044

1,137

1,052

0,555

0,658

0,738

0,798

0,838

0,855

0,842

0,738

0,257

0,448

0,672

0,91

1,138

1,331

1,45

1,344

0,714

0,842

0,943

1,018

1,068

1,089

1,073

0,943

0,305

0,531

0,795

1,074

1,344

1,572

1,712

1,59

0,847

0,998

1,115

1,203

1,262

1,268

1,267

1,115

0,347

0,604

0,904

1,221

1,527

1,785

1,944

1,808

0,965

1,135

1,268

1,367

1,432

1,46

1,439

1,268

0,514

0,891

1,329

1,729

2,239

2,616

2,85

2,659

1,429

1,674

1,865

2,007

2,101

2,14

2,109

1,865

0,641

1,11

1,653

2,227

2,78

3,248

3,539

3,307

1,783

2,085

2,32

2,494

2,608

2,657

2,619

2,32

"СЛ"D = 63 мм

h/D

Расход жидкости qs, л/с, и скорости V, м/с, при уклоне трубопровода

i=0,01

i=0,02

i=0,03

i=0,04

i=0,05

i=0,1

i=0,15

qs

V

qs

V

qs

V

qs

V

qs

V

qs

V

qs

V

0,3

0,4

0,5

0,6

0,7

0,8

0,9

1,0

0,245

0,43

0,647

0,878

1,101

1,288

1,402

1,295

0,43

0,51

0,574

0,621

0,653

0,666

0,656

0,574

0,379

0,663

0,993

1,344

1,682

1,968

2,142

1,987

0,666

0,786

0,88

0,951

0,997

1,017

1,001

0,88

0,483

0,841

1,259

1,701

2,128

2,489

2,71

2,518

0,848

0,998

1,116

1,203

1,261

1,268

1,267

1,116

0,571

0,993

1,484

2,004

2,505

2,929

3,19

2,969

1,002

0,178

1,315

1,418

1,485

1,513

1,491

1,315

0,648

1,126

1,682

2,27

2,837

3,316

3,612

3,365

1,139

1,336

1,491

1,606

1,681

1,713

1,689

1,491

0,952

1,648

2,455

3,306

4,129

4,825

5,258

4,911

1,672

1,955

2,176

2,34

2,447

2,493

2,458

2,176

1,183

2,045

3,042

4,095

5,109

5,968

6,505

6,085

2,079

2,426

2,697

2,897

3,028

3,084

3,041

2,697

"СЛ"D = 75 мм

h/D

Расход жидкости qs, л/с, и скорости V, м/с, при уклоне трубопровода

i=0,01

i=0,02

i=0,03

i=0,04

i=0,05

i=0,1

i=0,15

qs

V

qs

V

qs

V

qs

V

qs

V

qs

V

qs

V

0,3

0,4

0,5

0,6

0,7

0,8

0,9

1,0

0,4

0,702

1,055

1,429

1,791

2,095

2,281

2,11

0,497

0,588

0,66

0,714

0,749

0,764

0,753

0,66

0,613

1,069

1,601

2,164

2,708

3,167

3,448

3,202

0,76

0,896

1,001

1,08

1,133

1,155

1,138

1,001

0,777

1,352

2,021

2,73

3,413

3,99

4,346

4,043

0,964

1,132

1,264

1,363

1,427

1,455

1,434

1,264

0,916

1,591

2,376

3,206

4,006

4,683

5,101

4,753

1,136

1,333

1,486

1,601

1,676

1,708

1,683

1,486

1,038

1,802

2,688

3,625

4,528

5,292

5,765

5,377

1,287

1,509

1,682

1,81

1,894

1,93

1,902

1,682

1,517

2,622

3,903

5,255

6,558

7,661

8,349

7,807

1,88

2,196

2,442

2,624

2,743

2,794

2,755

2,442

1,88

3,245

4,882

6,49

8,095

9,454

10,3

9,649

2,331

2,717

3,018

3,24

3,386

3,448

3,4

3,018

"СЛ"D = 90 мм

h/D

Расход жидкости qs, л/с, и скорости V, м/с, при уклоне трубопровода

i=0,01

i=0,02

i=0,03

i=0,04

i=0,05

i=0,1

i=0,15

qs

V

qs

V

qs

V

qs

V

qs

V

qs

V

qs

V

0,3

0,4

0,5

0,6

0,7

0,8

0,9

1,0

0,669

1,169

1,753

2,374

2,972

3,476

3,785

3,507

0,575

0,679

0,761

0,822

0,863

0,88

0,866

0,761

1,012

1,762

2,636

3,56

4,451

5,204

5,668

5,272

0,871

1,023

1,143

1,223

1,291

1,316

1,297

1,143

1,278

2,22

3,315

4,472

5,'588

6,531

7,116

6,63

1,099

1,289

1,438

1,549

1,622

1,652

1,628

1,438

1,502

2,605

3,886

5,239

6,544

7,647

8,332

7,772

1,292

1,513

1,686

1,814

1,899

1,934

1,907

1,686

1,699

2,944

4,388

5,913

7,383

8,627

9,4

8,776

1,461

1,71

1,904

2,048

2,142

2,182

2,851

1,904

2,468

4,262

6,339

8,53

10,64

12,42

13,54

12,68

2,123

2,476

2,751

2,955

3,088

3,145

3,101

2,751

3,043

5,256

7,82

10,52

13,13

15,34

16,72

15,64

2,617

3,054

3,394

3,646

3,811

3,881

3,827

3,394

"СЛ"D = 110 мм

h/D

Расход жидкости qs, л/с, и скорости V, м/с, при уклоне трубопровода

i=0,01

i=0,012

i=0,014

i=0,016

i=0,018

i=0,02

i=0,025

qs

V

qs

V

qs

V

qs

V

qs

V

qs

V

qs

V

0,3

0,4

0,5

0,6

0,7

0,8

0,9

1,0

1,173

2,046

3,065

4,144

5,186

6,065

6,604

6,131

0,673

0,793

0,887

0,957

1,003

1,023

1,008

0,887

1,308

2,279

3,412

4,61

5,766

6,743

7,343

6,824

0,75

0,883

0,987

1,065

1,116

1,137

1,12

0,987

1,431

2,491

3,726

5,034

6,294

7,359

8,015

7,453

0,821

0,965

1,078

1,162

1,218

1,241

1,223

1,078

1,547

2,691

4,032

5,432

6,791

7,939

8,647

8,046

0,887

1,042

1,164

1,255

1,314

1,339

1,32

1,164

1,656

2,879

4,301

5,806

7,257

8,483

9,241

8,603

1,095

1,115

1,245

1,341

1,404

1,431

1,41

1,245

1,759

3,056

4,565

6,16

7,698

8,999

9,803

9,13

1,009

1,184

1,321

1,423

1,49

1,518

1,496

1,321

1,996

3,464

5,17

6,974

8,712

10,18

11,09

10,34

1,145

1,342

1,496

1,611

1,686

1,718

1,693

1,496

 

h/D

i=0,03

i=0,035

i=0,04

i=0,045

i=0,05

i=0,1

i=0,15

qs

V

qs

V

qs

V

qs

V

qs

V

qs

V

qs

V

0,3

0,4

0,5

0,6

0,7

0,8

0,9

1,0

2,211

3,833

5,717

7,708

9,626

11,24

12,25

11,43

1,268

1,485

1,654

1,78

1,863

1,898

1,871

1,654

2,408

3,172

6,218

8,381

10,46

12,22

13,32

12,43

1,381

1,616

1,799

1,936

2,025

2,063

2,033

1,799

2,591

4,486

6,685

9,006

11,24

13,13

14,31

13,37

1,486

1,738

1,934

2,08

2,176

2,216

2,185

1,934

2,753

4,776

7,124

9,606

12,0

14,02

15,27

14,25

1,579

1,85

2,062

2,219

2,322

2,366

2,322

2,062

2,926

5,06

7,534

10,14

12,66

14,79

16,12

15,06

1,678

1,96

2,18

2,343

2,45

2,496

2,46

2,18

4221

7,289

10,83

14,56

18,16

21,21

23,12

21,66

2,424

2,824

3,135

3,364

3,515

3,579

3,529

3,135

5,213

8,976

13,32

17,9

22,31

26,05

28,41

26,64

2,99

3,477

3,856

4,136

4,319

4,397

4,336

3,850

"СЛ"D = 125 мм

h/D

Расход жидкости qs, л/с, и скорости V, м/с, при уклоне трубопровода

i=0,01

i=0,012

i=0,014

i=0,016

i=0,018

i=0,02

i=0,025

qs

V

qs

V

qs

V

qs

V

qs

V

qs

V

qs

V

0,3

0,4

0,5

0,6

0,7

0,8

0,9

1,0

1,66

2,893

4,33

5,85

7,317

8,556

9,318

8,66

0,74

0,871

0,974

1,05

1,1

1,122

1,105

0,974

1,846

3,214

4,806

6,491

8,116

9,489

10,33

9,613

0,823

0,968

1,081

1,165

1,22

1,244

1,226

1,081

2,02

3,513

5,25

7,088

8,859

10,35

11,28

10,5

0,9

1,057

1,18

1,272

1,322

1,358

1,338

1,18

2,181

3,79

5,662

7,371

9,549

11,16

12,15

11,32

0,972

1,141

1,273

1,371

1,436

1,463

1,442

1,273

2,333

4,051

6,049

8,061

10,19

11,91

12,98

12,09

1,04

1,219

1,36

1,465

1,533

1,563

1,54

1,36

2,476

4,298

6,415

8,653

10,81

12,63

13,76

12,83

1,103

1,294

1,443

1,553

1,626

1,656

1,632

1,443

2,807

4,866

7,256

9,782

12,21

14,27

15,55

14,51

1,251

1,465

1,632

1,756

1,837

1,872

1,845

1,632

 

h/D

i=0,03

i=0,035

i=0,04

i=0,045

i=0,05

i=0,1

i=0,15

qs

V

qs

V

qs

V

qs

V

qs

V

qs

V

qs

V

0,3

0,4

0,5

0,6

0,7

0,8

0,9

1,0

3,105

5,377

8,015

10,8

13,48

15,75

17,16

16,03

1,384

1,619

1,802

1,939

2,028

2,066

2,037

1,802

3,378

5,848

8,711

11,73

14,64

17,11

18,65

17,42

1,506

1,76

1,959

2,106

2,203

2,244

2,212

1,959

3,633

6,284

9,358

12,6

15,7

18,37

20,02

18,71

1,619

1,892

2,104

2,262

2,366

2,409

2,375

2,104

3,859

6,686

9,967

13,43

16,77

19,6

21,35

09,93

1,72

2,013

2,42

2,412

2,523

2,57

2,534

2,242

4,097

7,08

10,53

14,18

17,69

20,67

22,52

21,07

1,826

2,131

2,369

2,546

2,661

2,71

2,672

2,369

5,902

10,17

15,1

20,3

25,31

29,56

32,22

30,2

2,63

3,062

3,397

3,645

3,807

3,876

3,823

3,397

7,268

12,5

18,55

24,92

31,06

36,26

39,54

37,1

3,239

3,765

4,173

4,475

4,672

4,4756

4,691

4,173

"СЛ"D = 140 мм

h/D

Расход жидкости qs, л/с, и скорости V, м/с, при уклоне трубопровода

i=0,009

i=0,01

i=0,011

i=0,012

i=0,013

i=0,014

i=0,015

qs

V

qs

V

qs

V

qs

V

qs

V

qs

V

qs

V

0,3

0,4

0,5

0,6

0,7

0,8

0,9

1,0

2,132

3,713

5,554

7,503

9,382

10,97

11,94

11,1

0,757

0,891

0,995

1,073

1,124

1,146

1,829

0,995

2,265

3,943

5,897

7,964

9,957

11,64

12,68

11,79

0,805

0,946

1,056

1,139

1,893

1,216

1,198

1,056

2,395

4,166

6,228

8,41

10,51

12,29

13,38

12,45

0,851

1,00

1,116

1,202

1,259

1,284

1,265

1,116

2,519

4,38

6,546

8,836

11,04

12,91

14,06

13,09

0,895

1,05

1,173

1,264

1,323

1,349

1,329

1,173

2,638

4,585

6,849

9,244

11,55

13,5

14,71

13,69

0,937

1,1

1,227

1,322

1,384

1,411

1,39

1,227

2,752

4,782

7,142

9,637

12,04

14,07

15,33

14,28

0,978

1,147

1,28

1,378

1,443

1,47

1,449

1,28

2,863

4,972

7,423

10,01

12,51

14,62

15,93

14,84

1,016

1,192

1,33

1,432

1,499

1,528

1,506

1,33

 

h/D

i=0,016

i=0,017

i=0,018

i=0,019

i=0,02

i=0,025

i=0,03

qs

V

qs

V

qs

V

qs

V

qs

V

qs

V

qs

V

0,3

0,4

0,5

0,6

0,7

0,8

0,9

1,0

2,97

5,156

7,697

10,38

12,97

15,16

16,51

15,39

1,054

1,237

1,379

1,485

1,554

1,584

1,561

1,379

3,074

5,335

7,961

10,73

13,41

15,67

17,07

15,92

1,091

1,279

1,426

1,535

1,697

1,638

1,614

1,426

3,174

5,507

8,217

11,08

13,84

16,17

17,62

16,43

1,127

1,321

1,472

1,585

1,659

1,69

1,666

1,472

3,272

5,676

8,467

11,41

14,26

16,66

18,15

16,93

1,162

1,361

1,517

1,633

1,709

1,741

1,716

1,517

3,367

5,839

8,71

11,74

14,66

17,14

18,67

17,42

1,196

1,401

1,561

1,679

1,757

1,79

1,765

1,561

3,811

6,602

9,84

13,26

16,55

19,34

21,08

19,68

1,353

1,584

1,763

1,896

1,984

2,021

1,992

1,763

4,213

7,291

10,86

14,63

18,26

21,33

23,24

21,72

1,496

1,749

1,946

2,092

2,188

2,229

2,197

1,946

 

h/D

i=0,035

i=0,04

i=0,045

i=0,05

i=0,06

i=0,07

i=0,08

qs

V

qs

V

qs

V

qs

V

qs

V

qs

V

qs

V

0,3

0,4

0,5

0,6

0,7

0,8

0,9

1,0

4,58

7,922

11,72

15,88

19,82

23,15

25,23

23,59

1,627

1,9

2,119

2,272

2,375

2,419

2,385

2,113

4,923

8,509

12,66

17,04

21,27

24,85

27,08

25,32

1,748

2,041

2,269

2,438

2,549

2,596

2,56

2,269

5,284

9,044

13,47

18,15

22,66

26,48

28,85

26,95

1,855

2,169

2,415

2,597

2,716

2,767

2,728

2,415

5,546

9,577

14,24

19,16

23,91

27,92

30,44

28,49

1,969

2,297

2,533

2,742

2,865

2,918

2,877

2,553

6,108

10,54

15,66

21,07

26,28

30,7

33,46

31,33

2,169

2,528

2,807

3,014

3,15

3,207

3,163

2,807

6,623

11,42

16,97

22,82

28,45

33,23

36,22

33,94

2,352

2,739

3,041

3,264

3,41

3,472

3,424

3,041

7,1

12,23

18,17

24,44

30,47

35,58

38,79

36,35

2,521

2,936

3,258

3,496

3,652

3,718

3,666

3,258

 

h/D

i=0,09

i=0,1

i=0,11

i=0,12

i=0,13

i=0,14

i=0,15

qs

V

qs

V

qs

V

qs

V

qs

V

qs

V

qs

V

0,3

0,4

0,5

0,6

0,7

0,8

0,9

1,0

7,547

13,00

19,0

25,95

32,35

37,78

41,18

38,61

2,68

3,119

3,46

3,712

3,877

3,947

3,833

3,46

7,969

13,72

20,37

27,38

34,13

39,85

43,44

40,74

2,83

3,292

3,651

3,916

4,09

4,164

4,107

3,651

8,369

14,4

21,38

28,73

35,81

41,81

45,58

42,76

2,972

3,456

3,832

4,11

4,291

4,369

4,309

3,832

8,75

15,05

22,34

30,02

37,41

43,68

47,62

44,68

3,107

3,612

4,005

4,294

4,483

4,564

4,502

4,004

9,114

15,68

23,26

31,25

38,94

45,47

49,57

46,53

3,237

3,762

4,169

4,47

4,667

4,751

4,686

4,169

9,464

16,27

24,14

32,43

40,41

47,18

51,44

48,29

3,361

3,905

4,327

4,639

4,843

4,93

4,863

4,327

9,801

16,85

24,99

33,57

41,83

48,83

53,24

49,99

3,481

4,043

4,479

4,802

5,013

5,102

5,033

4,479

"СЛ"D = 160 мм

h/D

Расход жидкости qs, л/с, и скорости V, м/с, при уклоне трубопровода

i=0,006

i=0,007

i=0,008

i=0,009

i=0,01

i=0,011

i=0,012

qs

V

qs

V

qs

V

qs

V

qs

V

qs

V

qs

V

0,3

0,4

0,5

0,6

0,7

0,8

0,9

1,0

2,417

4,215

6,311

8,53

10,67

12,47

13,58

12,62

0,658

0,774

0,866

0,935

0,979

0,999

0,984

0,866

2,65

4,617

6,908

9,333

11,67

13,64

14,86

13,81

0,721

0,848

0,948

1,022

1,071

1,092

1,076

0,948

2,864

4,986

7,456

10,07

12,59

14,72

16,03

14,91

0,779

0,916

1,023

1,103

1,155

1,178

1,16

1,023

3,069

5,338

7,979

10,77

13,46

15,74

17,14

15,95

0,835

0,981

1,095

1,18

1,236

1,259

1,241

1,095

3,262

5,671

8,472

11,43

14,29

16,7

18,2

16,94

0,887

1,042

1,163

1,253

1,312

1,337

1,317

1,163

3,446

5,987

8,942

12,06

15,08

17,62

19,2

17,99

0,937

1,1

1,227

1,322

1,384

1,41

1,39

1,227

3,622

6,29

9,392

12,67

15,83

18,5

20,15

18,78

0,985

1,155

1,289

1,388

1,453

1,481

1,459

1,289

 

h/D

i=0,013

i=0,014

i=0,015

i=0,016

i=0,017

i=0,018

i=0,019

qs

V

qs

V

qs

V

qs

V

qs

V

qs

V

qs

V

0,3

0,4

0,5

0,6

0,7

0,8

0,9

1,0

3,791

6,58

9,822

13,25

16,55

19,34

21,07

19,64

1,031

1,209

1,348

1,451

1,519

1,548

1,526

1,348

3,953

6,859

10,23

13,8

17,24

20,15

21,95

20,47

1,075

1,26

1,405

1,724

1,583

1,613

1,589

1,405

4,11

7,129

10,63

14,34

17,91

20,93

22,81

21,27

1,118

1,31

1,46

1,571

1,644

1,675

1,651

1,46

4,262

7,39

11,02

14,86

18,56

21,69

23,63

22,04

1,159

1,358

1,513

1,628

1,703

1,736

1,711

1,513

4,408

7,642

11,39

15,36

19,18

22,42

24,43

22,79

1,199

1,404

1,564

1,683

1,761

1,794

1,768

1,564

4,551

7,887

11,76

15,85

19,79

23,13

25,2

23,52

1,238

1,449

1,614

1,736

1,817

1,851

1,824

1,614

4,69

8,126

12,11

16,32

20,38

23,82

25,95

24,22

1,275

1,493

1,662

1,788

1,871

1,906

1,879

1,662

"С"D = 50 мм

h/D

Расход жидкости qs, л/с, и скорости V, м/с, при уклоне трубопровода

i=0,01

i=0,02

i=0,03

i=0,04

i=0,05

i=0,1

i=0,15

qs

V

qs

V

qs

V

qs

V

qs

V

qs

V

qs

V

0,3

0,4

0,5

0,6

0,7

0,8

0,9

1,0

0,096

0,17

0,26

0,35

0,45

0,52

0,57

0,52

0,31

0,38

0,43

0,47

0,49

0,50

0,50

0,43

0,15

0,27

0,41

0,56

0,70

0,82

0,89

0,82

0,50

0,60

0,68

0,74

0,78

0,79

0,78

0,68

0,20

0,35

0,53

0,72

0,90

1,06

1,15

1,06

0,66

0,78

0,88

0,95

1,00

1,02

1,01

0,88

0,24

0,42

0,63

0,86

1,08

1,26

1,37

1,27

0,79

0,93

1,05

1Д4

1,19

1,22

1,20

1,05

0,90

1,07

1,20

1,30

1,36

1,39

1,37

1,20

0,27

0,48

0,72

0,98

1,23

1,44

1,57

1,45

0,41

0,72

1,08

1,46

1,83

2,14

2,33

2,16

1,35

1,60

1,79

1,93

2,03

2,07

2,03

1,79

0,52

0,90

1,35

1,83

2,28

2,67

2,91

2,70

1,70

2,00

2,24

2,41

2,53

2,58

2,54

2,24

"С"D = 63 мм

h/D

Расход жидкости qs, л/с, и скорости V, м/с, при уклоне трубопровода

i=0,01

i=0,02

i=0,03

i=0,04

i=0,05

i=0,1

i=0,15

qs

V

qs

V

qs

V

qs

V

qs

V

qs

V

qs

V

0,3

0,4

0,5

0,6

0,7

0,8

0,9

1,0

0,196

0,345

0,52

0,706

0,885

1,036

1,127

1,04

0,402

0,478

0,538

0,583

0,613

0,625

0,615

0,538

0,306

0,535

0,802

1,085

1,359

1,59

1,731

1,604

0,627

0,741

0,83

0,897

0,941

0,96

0,945

0,83

0,39

0,681

1,019

1,377

1,723

2,015

2,194

2,038

0,8

0,943

1,054

1,138

1,193

1,216

1,198

1,054

0,462

0,804

1,203

1,624

2,031

2,375

2,587

2,406

0,948

1,114

1,245

1,342

1,496

1,433

1,412

1,245

0,525

0,913

1,364

1,842

2,302

2,691

2,932

2,729

1,077

1,265

1,412

1,522

1,593

1,624

1,6

1,412

0,773

1,339

1,996

2,691

3,359

3,925

4,277

3,993

1,586

1,856

2,066

2,223

2,325

2,368

2,335

2,066

0,963

1,664

2,477

3,335

4,161

4,861

5,298

4,954

1,974

2,305

2,564

2,755

2,88

2,933

2,892

2,564

"С"D = 75мм

h/D

Расход жидкости qs, л/с, и скорости V, м/с, при уклоне трубопровода

i=0,01

i=0,02

i=0,03

i=0,04

i=0,05

i=0,1

i=0,15

qs

V

qs

V

qs

V

qs

V

qs

V

qs

V

qs

V

0,3

0,4

0,5

0,6

0,7

0,8

0,9

1,0

0,321

0,564

0,848

1,149

1,44

1,685

1,834

1,695

0,466

0,552

0,62

0,671

0,705

0,719

0,708

0,62

0,494

0,863

1,293

1,749

2,188

2,559

2,787

2,586

0,717

0,845

0,946

1,021

1,07

1,091

1,075

0,946

0,628

1,093

1,635

2,208

2,761

3,229

3,516

3,27

0,91

1,07

1,196

1,289

1,351

1,377

1,356

1,196

0,741

1,288

1,924

2,597

3,246

3,794

4,133

3,849

1,074

1,261

1,407

1,516

1,588

1,618

1,594

1,407

0,841

0,459

2,178

2,939

3,671

4,291

4,675

4,357

1,218

1,429

1,594

1,716

1,796

1,83

1,804

1,594

1,231

2,129

3,17

4,27

5,329

6,226

6,785

6,341

1,784

2,085

2,319

2,493

2,607

2,655

2,618

2,319

1,527

2,637

3,923

5,279

6,585

7,691

8,383

7,846

2,214

1,583

2,87

3,082

3,221

3,28

3,234

2,87

"С"D = 90 мм

h/D

Расход жидкости qs, л/с, и скорости V, м/с, при уклоне трубопровода

i=0,01

i=0,02

i=0,03

i=0,04

i=0,05

i=0,1

i=0,15

qs

V

qs

V

qs

V

qs

V

qs

V

qs

V

qs

V

0,3

0,4

0,5

0,6

0,7

0,8

0,9

1,0

0,537

0,939

1,41

1,909

2,39!

2,797

3,045

2,82

0,54

0,639

0,716

0,774

0,812

0,828

0,816

0,716

0,816

1,421

2,127

2,874

3,594

4,202

4,577

4,254

0,821

0,967

1,08

1,165

1,221

1,244

1,226

1,08

1,032

1,794

2,68

3,617

4,52

5,284

5,756

5,36

1,039

1,22

1,361

1,466

1,535

1,565

1,542

1,361

1,214

2,107

3,145

4,242

5,299

6,193

6,747

6,29

1,222

1,433

1,597

1,72

1,8

1,834

1,808

1,597

1,375

2,383

3,554

4,791

5,983

6,991

7,617

7,109

1,384

1,621

1,805

1,942

2,032

2,07

2,041

1,805

2,002

3,458

5,145

6,926

8,64

10,09

11,00

10,29

2,015

2,351

2,614

2,808

2,935

2,989

2,947

2,614

2,478

4,273

6,351

8,541

10,65

12,43

13,56

12,7

2,494

2,906

3,226

3,463

3,618

3,684

3,633

3,226

"С"D = 110 мм

h/D

Расход жидкости qs, л/с, и скорости V, м/с, при уклоне трубопровода

i=0,01

i=0,02

i=0,03

i=0,04

i=0,05

i=0,1

i=0,15

qs

V

qs

V

qs

V

qs

V

qs

V

qs

V

qs

V

0,3

0,4

0,5

0,6

0,7

0,8

0,9

1,0

0,934

1,631

2,445

3,308

4,14

4,482

5,272

4,891

0,632

0,745

0,834

0,901

0,944

0,963

0,949

0,834

1,406

2,445

3,655

4,934

6,166

7,209

7,852

7,31

0,951

1,116

1,246

1,343

1,406

1,433

1,412

1,246

1,771

3,072

4,584

6,182

7,722

9,025

9,883

9,169

1,197

1,403

1,563

1,683

1,761

1,795

1,769

1,563

2,078

3,6

5,366

7,232

9,029

10,55

11,49

10,73

1,404

1,643

1,83

1,968

2,059

2,098

2,068

1,83

2,348

4,063

6,052

8,152

10,17

11,88

12,95

12,1

1,587

1,855

2,064

2,219

2,321

2,364

2,331

2,064

3,399

5,864

8,717

11,72

14,62

17,08

18,61

17,43

2,297

2,678

2,973

3,192

3,336

3,396

3,349

2,973

4,196

7,229

10,73

14,42

17,98

21,00

22,89

21,46

3,836

3,301

3,661

3,928

4,102

4,176

4,119

3,661

"С"D = 125 мм

h/D

Расход жидкости qs, л/с, и скорости V, м/с, при уклоне трубопровода

i=0,01

i=0,012

i=0,014

i=0,016

i=0,018

i=0,02

i=0,025

qs

V

qs

V

qs

V

qs

V

qs

V

qs

V

qs

V

0,3

0,4

0,5

0,6

0,7

0,8

0,9

1,0

1,331

2,321

3,476

4,699

5,878

6,874

7,486

8,953

0,697

0,821

0,918

0,99

1,938

1,058

1,042

0,918

1,482

2,582

3,862

5,219

6,526

7,631

8,311

7,725

0,776

0,913

1,02

1,099

1,152

1,174

1,157

1,02

1,622

2,823

4,222

5,701

7,128

8,334

9,077

8,444

0,849

0,998

1,114

1,201

1,258

1,283

1,264

9,114

1,753

3,049

4,556

6,151

7,689

8,988

9,79

9,113

0,918

1,077

1,203

1,296

1,357

1,383

1,363

1,203

1,876

3,26

4,87

6,573

8,214

9,602

10,45

9,747

0,982

1,152

1,286

1,385

1,45

1,478

1,456

1,286

1,992

3,46

5,167

6,972

8,711

10,18

11,09

20,33

1,042

1,223

1,364

1,469

1,538

1,567

1,544

1,364

2,26

3,92

5,849

7,888

9,852

11,51

12,54

11,69

1,182

1,385

1,544

1,662

1,739

1,772

1,747

1,544

 

h/D

i=0,03

i=0,035

i=0,04

i=0,45

i=0,05

i=0,1

i=0,15

qs

V

qs

V

qs

V

qs

V

qs

V

qs

V

qs

V

0,3

0,4

0,5

0,6

0,7

0,8

0,9

1,0

2,502

4,336

6,465

8,715

10,88

12,71

13,85

12,93

1,309

1,532

1,707

1,836

1,921

1,957

1,929

1,707

2,724

4,717

7,03

9,473

11,82

13,81

15,05

14,06

1,425

1,667

1,856

1,996

2,088

2,127

2,097

1,856

2,93

5,072

7,555

10,17

12,7

14,84

16,17

15,11

1,533

1,792

1,995

2,145

2,243

2,285

2,252

1,995

3,113

5,396

8,047

10,85

13,55

15,83

17,25

16,09

1,629

1,907

2,125

2,286

2,393

2,438

2,403

2,125

3,307

5,718

8,512

11,46

14,3

16,7

18,2

17,02

1,73

2,021

2,247

2,415

2,525

2,572

2,536

2,247

4,772

8,228

12,22

16,43

20,49

23,93

26,09

24,44

2,491

2,908

3,228

3,464

3,619

3,684

3,634

3,228

5,883

10,12

15,02

20,19

25,17

29,39

32,04

30,05

3,078

3,58

3,969

4,256

4,444

4,524

4,462

3,699

Список литературы

1. Я.Б. Алескер, С.В. Ехлаков Монтаж пластмассовых санитарно-технических устройств. М: Стройиздат, 1990.

2. Ведомственные строительные нормы по монтажу систем внутренней канализации и водостоков из ПВХ труб в жилых и общественных зданиях. ВСН 48-96. М., НИИ Мосстрой, 1997.

3. Ведомственные строительные нормы по проектированию и монтажу подземных сетей канализации и водопровода из поливинилхлоридных труб. ВСН 20-95. М.: Департамент строительства, 1995.

4. Ведомственные строительные нормы по проектированию и монтажу подземных сетей канализации и водопровода из поливинилхлоридных труб. ВСН 68-84. М.: Главмосстрой, 1984.

5. Ведомственные строительные нормы по монтажу и ремонту внутренних сетей канализации и водостоков из поливинилхлоридных труб. ВСН 202-83. М.: Главмосстрой, 1984.

6. А.Я. Добромыслов Расчет и конструирование систем канализации зданий. М.: Стройиздат, 1978, 121 стр.

7. Инструкция по проектированию и монтажу систем водоснабжения и канализации из пластмассовых труб. СН 478-80. М.: Стройиздат, 1981.

8. Инструкция по эксплуатации систем канализации из полиэтиленовых труб. М.: Главмосстрой, 1967.

9. В.Н. Исаев, В.И. Сасин Устройство и монтаж санитарно-технических систем зданий. М.: «Высшая школа», 1989.

10. А.А. Лукиных, Н.А. Лукиных Таблицы для гидравлического расчета канализационных сетей и дюкеров по формуле акад. Н.Н. Павловского. М.: Стройиздат, 1949.

11. Пособие по проектированию сетей водоснабжения и канализации из пластмассовых труб. М.: ЦНИИЭП инж. оборудов., 1989.

12. Правила технической эксплуатации систем и сооружений коммунального водоснабжения и канализации. М.: Госстрой России, 2000.

13. Применение резиновых технических изделий в народном хозяйстве. Справочное пособие под ред. Д.Л. Федюкина. М: Химия, 1986.

14. Рекомендации по монтажу канализационных и водосточных трубопроводов из ПВХ в чердачных помещениях и технических подпольях зданий. М.: НИИ Мосстрой, 1988.

15. Рекомендации для гидравлического расчета напорных и безнапорных трубопроводов из полиэтиленовых труб. М.: СКТБ «Энергопромполимер», 1983, 196 стр.

16. Строительные нормы и правила (СНиП) 2.04.01-85* «Внутренний водопровод и канализация зданий».

17. Строительные нормы и правила (СНиП) 2.04.03-85* «Канализация. Наружные сети и сооружения».

18. Справочные материалы «Пластмассовые трубы в строительстве». Ч.1 и 2. М: ТОО «Издательство Валанг», 1997, 380 стр.

19. Технические рекомендации по проектированию и монтажу внутренних систем канализации зданий из полипропиленовых труб и фасонных частей. ТР 83-98. М.: ОАО «Мосоргстрой», 1999.

20. Технические условия по проектированию и монтажу систем внутренней канализации из полипропиленовых труб для зданий различного назначения. М.: НПО «Стройполимер», 1997.

 




ГОСТЫ, СТРОИТЕЛЬНЫЕ и ТЕХНИЧЕСКИЕ НОРМАТИВЫ.
Некоммерческая онлайн система, содержащая все Российские Госты, национальные Стандарты и нормативы.
В Системе содержится более 150000 файлов нормативно-технической документации, действующей на территории РФ.
Система предназначена для широкого круга инженерно-технических специалистов.

Рейтинг@Mail.ru Яндекс цитирования

Copyright © www.gostrf.com, 2008 - 2026