|
|
ФЕДЕРАЛЬНОЕ АГЕНТСТВО ПО ТЕХНИЧЕСКОМУ РЕГУЛИРОВАНИЮ И МЕТРОЛОГИИ
ЕДИНООБРАЗНЫЕ ПРЕДПИСАНИЯ, КАСАЮЩИЕСЯ УДЕРЖИВАЮЩИХ УСТРОЙСТВ ДЛЯ ДЕТЕЙ, НАХОДЯЩИХСЯ В МЕХАНИЧЕСКИХ ТРАНСПОРТНЫХ СРЕДСТВАХ Regulation
№ 44
|
|||||||||||||||||||||||||||||||||||||||||||||||||||||||||||||||||||||||||||||||||||||||||||||||||||||||||||||||||||||||||||||||||||||||||||||||||||||||||||||||||||||||||||||||||||||||||||||||||||||||||||||||||||||||||||||||||||||||||||||||||||||||||||||||||||||||||||||||||||||||||||||||||||||||||||||||||||||||||||||||||||||||||||||||||||||||||||||||||||||||||||||||||||||||||||||||||||||||||||||||||||||||||||||||||||||||||||||||||||||||||||||||||||||||||||||||||||||||||||||||||||||||||||||||||||||||||||||||||||||||||||||||||||||||||||||||||||||||||||||||||||||||||||||||||||||||||||||||||||||||||||||||||||||||
|
Размеры |
Менее 6 |
От 6 до 30 |
От 30 до 120 |
От 120 до 315 |
От 315 до 1000 |
Более 1000 |
|
Допуск |
+0,5 |
±1,0 |
±1,5 |
±2,0 |
±3,0 |
±4,0 |
Угловые допуски, если не указано иное: ±1'
8.1.2.3 Испытание повторяют при обратном направлении вращения после размещения манекена, если это необходимо, в его первоначальном положении. Эти операции повторяют при двух направлениях вращения вокруг оси, лежащей в горизонтальной плоскости и проходящей под углом 90° к плоскости, в которой проводились два предыдущих испытания.
8.1.2.4 Эти испытания проводят с использованием наименьшего и наибольшего манекенов, соответствующих одной или нескольким весовым группам, для которых предназначено детское удерживающее устройство.
8.1.3.1 Испытание на тележке и на испытательном сиденье
8.1.3.1.1 Положение, соответствующее направлению движения
8.1.3.1.1.1 Тележка и испытательное сиденье, используемые при динамическом испытании, должны удовлетворять требованиям приложения Е; порядок проведения динамических испытаний на удар должен соответствовать приложению Ч.
8.1.3.1.1.2 Тележка должна оставаться в горизонтальном положении во время всего периода замедления.
8.1.3.1.1.3 Замедление тележки обеспечивают с помощью устройства, описанного в приложении Е, или с помощью любого другого устройства, дающего эквивалентные результаты. Рабочие характеристики этого устройства должны соответствовать 8.1.3.4 приложения Ж.
8.1.3.1.1.4 Во время испытаний определяют:
8.1.3.1.1.4.1 скорость тележки непосредственно перед ударом;
8.1.3.1.1.4.2 длину остановочного пути;
8.1.3.1.1.4.3 перемещение головы манекена в вертикальной и горизонтальной плоскостях для весовых групп I, II и III и перемещение манекена, за исключением его конечностей, для групп 0 и 0+;
8.1.3.1.1.4.4 ускорение грудной клетки в трех взаимно перпендикулярных направлениях, за исключением манекена, моделирующего новорожденного;
8.1.3.1.1.4.5 любые видимые признаки проникновения в контрольный слой формовочной глины на животе манекена (7.1.4.3.1), за исключением манекена, моделирующего новорожденного.
8.1.3.1.1.5 После удара детское удерживающее устройство подвергают визуальному осмотру без открытия пряжки в целях определения наличия повреждений или поломок.
8.1.3.1.2 Положение, противоположное направлению движения
8.1.3.1.2.1 Для испытания на соответствие требованиям, касающимся испытаний на удар сзади, испытательное сиденье разворачивают на 180°.
8.1.3.1.2.2 Для испытания детского удерживающего устройства, обращенного назад и предназначенного для использования на переднем сиденье, роль приборной доски транспортного средства выполняет жесткая планка, установленная на тележке таким образом, чтобы вся энергия поглощалась устройством.
8.1.3.1.2.3 Условия замедления должны соответствовать положениям 8.1.3.4.
8.1.3.1.2.4 Измеряемые параметры должны быть аналогичны перечисленным в 8.1.3.1.1.4- 8.1.3.1.1.4.5.
8.1.3.1.2.5 После удара детское удерживающее устройство подвергают визуальному осмотру без открытия пряжки в целях определения наличия повреждений или поломок.
8.1.3.2 Испытания с тележкой и кузовом транспортного средства
8.1.3.2.1 Положение, соответствующее направлению движения
8.1.3.2.1.1 Метод закрепления транспортного средства при испытании должен исключать как усиление деталей крепления сидений транспортного средства или ремней безопасности для взрослых, а также любых дополнительных креплений, необходимых для установки детского удерживающего устройства, так и уменьшение обычной деформации элементов конструкции. В передней части транспортного средства не допускается наличие каких-либо элементов, которые, ограничивая перемещение манекена, могли бы снизить нагрузку, действующую на детское удерживающее устройство при испытании. Допускается заменять исключенные элементы конструкции элементами эквивалентной прочности при условии, что они не препятствуют перемещению манекена.
8.1.3.2.1.2 Систему крепления считают соответствующей требованиям настоящего стандарта, если она не оказывает никакого влияния в зоне, охватывающей всю конструкцию по ширине, и если транспортное средство или конструкция заблокированы или закреплены спереди на расстоянии не менее 500 мм от деталей крепления детского удерживающего устройства. Сзади конструкцию закрепляют на достаточном расстоянии от крепления в соответствии с требованиями 8.1.3.2.1.1.
8.1.3.2.1.3 Сиденье транспортного средства и детское удерживающее устройство устанавливают и закрепляют в положении, выбранном испытательной лабораторией, проводящей испытания, таким образом, чтобы создать наиболее неблагоприятные условия с точки зрения прочности, сопоставимые с установкой манекенов на транспортном средстве. Положение спинки сиденья транспортного средства или детского удерживающего устройства указывают в протоколе. Если угол наклона спинки сиденья регулируется, то спинку фиксируют в положении, предписанном предприятием-изготовителем, а при отсутствии каких-либо указаний устанавливают под углом около 25°.
8.1.3.2.1.4 Если в инструкции по установке и использованию не указано иное, то переднее сиденье следует устанавливать в крайнем переднем положении, которое используют в обычных условиях для установки детских удерживающих устройств, предназначенных для использования на передних сиденьях, и крайнем заднем положении, которое используют в обычных условиях для установки устройств, предназначенных для использования на задних сиденьях.
8.1.3.2.1.5 Условия замедления должны соответствовать 8.1.3.4. За испытуемое сиденье принимают сиденье данного транспортного средства.
8.1.3.2.1.6 Во время испытаний определяют:
8.1.3.2.1.6.1 скорость тележки непосредственно перед ударом;
8.1.3.2.1.6.2 длину остановочного пути;
8.1.3.2.1.6.3 места возможного соприкосновения головы манекена с внутренней частью кузова транспортного средства;
8.1.3.2.1.6.4 замедление грудной клетки в трех взаимно перпендикулярных направлениях, за исключением манекена, моделирующего новорожденного;
8.1.3.2.1.6.5 любые видимые признаки проникновения в контрольный слой формовочной глины на животе манекена (7.1.4.3.1), за исключением манекена, моделирующего новорожденного.
8.1.3.2.1.7 После удара детское удерживающее устройство подвергают визуальному осмотру без открытия пряжки в целях определения наличия повреждений или поломок.
8.1.3.2.2 Положение, противоположное направлению движения
8.1.3.2.2.1 В случае испытания на удар сзади кузов транспортного средства поворачивают на испытательной тележке на 180°.
8.1.3.2.2.2 Применяют те же требования, что и в случае лобового удара.
8.1.3.3 Испытания на комплектном транспортном средстве
8.1.3.3.1 Условия замедления должны соответствовать 8.1.3.4.
8.1.3.3.2 В случае испытания на лобовой удар метод испытания должен соответствовать методу, указанному в приложении К.
8.1.3.3.3 В случае испытания на удар сзади метод испытания должен соответствовать методу, указанному в приложении Л.
8.1.3.3.4 Вовремя испытаний определяют:
8.1.3.3.4.1 скорость транспортного средства/ударного элемента непосредственно перед ударом;
8.1.3.3.4.2 места возможного соприкосновения головы манекена (в случае группы 0 - манекена, за исключением его конечностей) с внутренней частью кузова транспортного средства.
8.1.3.3.4.3 ускорение грудной клетки в трех взаимно перпендикулярных направлениях, за исключением манекена, моделирующего новорожденного;
8.1.3.3.4.4 любые видимые признаки проникновения в контрольный слой формовочной глины на животе манекена (7.1.4.3.1), за исключением манекена, моделирующего новорожденного.
8.1.3.3.5 Если угол наклона спинки сиденья регулируется, то спинку фиксируют в положении, предписанном предприятием-изготовителем, а при отсутствии каких-либо указаний - устанавливают под углом около 25°.
8.1.3.3.6 После удара детское удерживающее устройство подвергают визуальному осмотру без открытия пряжки в целях определения наличия повреждений или поломок.
8.1.3.4 Все условия проведения динамического испытания указаны в таблице 1.
|
Комплект, подвергаемый испытанию |
Удерживающее устройство |
Условия динамического испытания |
|||||
|
Лобовой удар |
Удар сзади |
||||||
|
Скорость, км/ч |
Вид1) ис-пытания |
Длина остановочного пути, мм |
Скорость, км/ч |
Вид1) ис-пытания |
Длина остано-вочного пути, мм |
||
|
Тележка с испытательным сиденьем |
Установленные в направлении движения передние и задние сиденья универсальной, полууниверсальной или ограниченной категорий2) |
50-2 |
1 |
650 ± 50 |
- |
- |
- |
|
|
Установленные в направлении, противоположном направлению движения, передние и задние сиденья универсальной, полууниверсальной или ограниченной категорий3) |
50-2 |
1 |
650 + 50 |
30+2 |
2 |
275 ± 25 |
|
Кузов транспортного средства, расположенный на тележке |
Положение в направлении движения2) |
50-2 |
1 или 3 |
650 + 50 |
- |
- |
- |
|
Положение, противоположное направлению движения2) |
50+2-2 |
1 или 3 |
650 ± 50 |
30+2 |
2 или 4 |
275 + 25 |
|
|
Комплектное транспортное средство на удар в барьер |
Положение в направлении движения |
50-2 |
3 |
Не регламентируется |
- |
- |
- |
|
Положение, противоположное направлению движения |
50+2-2 |
3 |
То же |
30+2 |
4 |
Не регламентируется |
|
|
Примечание - Все системы детских удерживающих устройств для групп 0 и 0+ подвергают испытанию в соответствии с условиями для положения, противоположного направлению движения при лобовом ударе и ударе сзади. |
|||||||
|
1) Испытание 1 - проводят по приложению Ж (лобовой удар), |
|||||||
|
испытание 1 - проводят по приложению Ж (удар сзади), |
|||||||
|
испытание 3 - замедление транспортного средства при при лобовом ударе; |
|||||||
|
испытание 4 - замедление транспортного средства при ударе сзади. |
|||||||
|
2) Во время калибровки длина остановочного пути должна быть (650 ± 30) мм. |
|||||||
|
3) Во время калибровки длина остановочного пути должна быть (275 + 20) мм. |
|||||||
8.1.3.5 Детские удерживающие устройства, предусматривающие использование дополнительных креплений.
8.1.3.5.1 Для детских удерживающих устройств, предназначенных для использования в условиях по 2.1.2.3, предусматривающих использование дополнительных креплений, испытание на лобовой удар, описанное в 8.1.3.4, проводят следующим образом.
8.1.3.5.2 Для устройств, имеющих верхние лямки небольшой длины, т. е. для устройств, предназначенных для крепления к задней полке транспортного средства, расположение верхнего крепления на испытательной тележке должно соответствовать требованиям дополнения 3 к приложению Е.
8.1.3.5.3 Для устройств, имеющих верхние лямки большой длины, т. е. для устройств, предназначенных для использования на транспортных средствах, которые не имеют жесткой задней полки и на которых лямки верхнего крепления крепятся к полу транспортных средств, крепления на испытательной тележке должны располагаться в соответствии с требованиями дополнения 3 к приложению Е.
8.1.3.5.4 Для устройств, предназначенных для использования в соответствии с 8.1.3.5.2 и 8.1.3.5.3, испытания проводят по 8.1.3.5.3 с более тяжелым манекеном.
8.1.3.5.5 Для устройств, обращенных назад, конфигурация нижних креплений на испытательной тележке должна соответствовать требованиям дополнения 3 к приложению Е.
8.1.3.6.1 Способ установки детского удерживающего устройства и манекенов должен соответствовать положениям 8.1.3.6.3.
8.1.3.6.2 Испытания детского удерживающего устройства проводят с использованием манекенов, соответствующих требованиям приложения И.
8.1.3.6.3 Размещение манекена
8.1.3.6.3.1 Манекен размещают так, чтобы между спинкой манекена и детским удерживающим устройством было некоторое расстояние. Для детских люлек манекен должен быть размещен строго горизонтально, как можно ближе к центральной линии детской люльки.
Между спиной манекена и спинкой кресла помещают откидную пластину или аналогичный гибкий элемент толщиной 2,5 см, шириной 6 см и длиной, равной высоте плеча (сидячее положение, приложение И) минус высота центра бедра (сидячее положение, приложение И: высота подколенной ямки плюс половина высоты бедра в сидячем положении) по отношению к размеру испытуемого манекена. Конфигурация пластины должна как можно более точно соответствовать изгибу кресла, а ее нижний конец должен располагаться на высоте бедренных шарниров манекена.
Ремень регулируют в соответствии с указаниями предприятия-изготовителя, но с натяжением, на (250 ± 25) Н превышающим усилие, развиваемое устройством регулирования, с углом отклонения лямки на (45 ± 5)° по отношению к устройству регулирования или, в ином случае, на угол, предписанный предприятием-изготовителем.
Детское кресло окончательно устанавливают на испытательном сиденье в соответствии с приложением Ч;
Убирают гибкий элемент.
Это требование применяют только к привязным устройствам, в которых ребенок удерживается с помощью ремня безопасности для взрослых с креплением в трех точках с использованием стопорного зажима, и не применяют к удерживающим лямкам для детей, соединенным непосредственно с втягивающим устройством.
8.1.3.6.3.3 Продольная плоскость, проходящая через центральную линию манекена ребенка, должна быть посередине между двумя нижними креплениями ремня с учетом положений 8.1.3.2.1.3. Для испытания дополнительных подушек с манекеном 10-летнего ребенка продольная плоскость, проходящая через центральную линию манекена, должна находиться на (75 ± 5) мм левее или правее по отношению к точке, расположенной на равном расстоянии между двумя нижними креплениями ремня.
8.1.3.6.3.4 При наличии устройств, предполагающих необходимость использования стандартного ремня, плечевая лямка может быть установлена на манекене до проведения динамического испытания путем использования легкой липкой ленты достаточной ширины и длины. Для устройств, устанавливаемых в направлении движения, голова манекена может удерживаться в соприкосновении со спинкой удерживающей системы с использованием легкой липкой ленты достаточной ширины и длины. Для устройств, обращенных назад, разрешается использовать легкую липкую ленту для соединения головы манекена со 100-миллиметровым блокирующим бруском или спинкой детского удерживающего устройства в ходе ускорения на салазках.
8.1.3.7 Категории используемых манекенов:
8.1.3.7.1 Устройства группы 0
Испытания проводят с манекеном новорожденного и манекеном массой 9 кг.
8.1.3.7.2 Устройства группы 0+
Испытания проводят с манекеном новорожденного и манекеном массой 11 кг.
8.1.3.7.3 Устройства группы I
Испытания проводят с манекенами массой 9 и 15 кг.
8.1.3.7.4 Устройства группы II
Испытания проводят с манекенами массой 15 и 22 кг.
8.1.3.7.5Устройства группы III
Испытания проводят с манекенами массой 22 и 32 кг.
8.1.3.7.6 Если детскую удерживающую систему можно использовать для двух или более весовых групп, то испытания следует проводить с использованием самого легкого и самого тяжелого манекенов, определяемых в соответствии с 8.1.3.7.1-8.1.3.7.5.
Если конфигурация устройств, предназначенных для разных групп, существенно отличается друг от друга, например, если конфигурация привязных ремней или их длина является иной, то лаборатория, проводящая испытания, может, если она считает это целесообразным, провести дополнительное испытание с использованием манекена промежуточной массы.
8.1.3.7.7 Если детская удерживающая система предназначена для использования несколькими детьми, то одно испытание проводят с использованием самых тяжелых манекенов, устанавливаемых на всех местах для сидения. После этого проводят второе испытание с использованием самого легкого и самого тяжелого манекенов, устанавливаемых на всех местах для сидения. Испытание проводят с использованием испытательного сиденья, описание которого приведено в дополнении 3 к приложению Е. Лаборатория, проводящая испытания, может, если она сочтет это целесообразным, провести третье испытание с использованием любой комбинации манекенов или с незанятыми местами.
8.1.4 Удерживание дополнительных подушек
Хлопчатобумажную ткань укладывают на поверхность сиденья испытательной установки. На испытательную установку помещают дополнительную подушку, расположив нижнюю часть туловища манекена на поверхности сиденья, как это указано на рисунке Ш.1, устанавливают и застегивают ремень безопасности для взрослых с тремя точками крепления, и натягивают его в соответствии с предписаниями приложения Ш. С помощью куска лямки шириной 25 мм или аналогичного приспособления, обвязанного вокруг дополнительной подушки, прикладывают усилие (250 ± 5) Н в направлении стрелки А, как указано на рисунке Ш.2, вдоль поверхности сиденья испытательной установки.
8.2.1 Пряжка
8.2.1.1 Испытание пряжки на открытие под нагрузкой
8.2.1.1.1 Для этого испытания используют детское удерживающее устройство, которое уже было подвергнуто динамическому испытанию в соответствии с 8.1.3.
8.2.1.1.2 Детское удерживающее устройство снимают с испытательной тележки или транспортного средства без открытия пряжки. К пряжке прилагают нагрузку путем непосредственного натяжения привязанной к ней лямки таким образом, чтобы все лямки подвергались усилию 80/л даН (п - число лямок, привязанных к пряжке в закрытом положении, причем если пряжка прикреплена к какой-либо жесткой части, то следует использовать не менее двух лямок). При приложении усилия учитывают угол, образованный пряжкой и жесткой частью во время динамического испытания.
8.2.1.1.3 К геометрическому центру кнопки, открывающей пряжку, вдоль фиксированной оси, проходящей параллельно первоначальному направлению перемещения кнопки, прилагают нагрузку со скоростью (400 ± 20) мм/мин; геометрический центр расположен на той части поверхности пряжки, к которой должно быть приложено усилие, необходимое для открытия пряжки. В момент приложения к пряжке усилия, необходимого для ее открытия, она должна удерживаться каким-либо жестким упором.
8.2.1.1.4 Усилие, необходимое для открытия пряжки, прилагают с помощью динамометра или другого аналогичного устройства обычным способом в обычном направлении открытия. Контактная деталь должна представлять собой полукруглый элемент из полированного металла радиусом (2,5 ±0,1) мм.
8.2.1.1.5 После этого измеряют усилие, необходимое для открытия пряжки, и отмечают любую неисправность.
8.2.1.2 Испытание на открытие пряжки без нагрузки
8.2.1.2.1 Пряжку в сборе, которую еще не подвергали нагрузке, устанавливают и крепят таким образом, чтобы на нее не действовала никакая нагрузка.
8.2.1.2.2 Метод измерения усилия, необходимого для открытия пряжки, должен соответствовать предписанному в 8.2.1.1.3 и 8.2.1.1.4.
8.2.1.2.3 После этого измеряют усилие, необходимое для открытия пряжки.
8.2.1.3 Испытание на механическую прочность
8.2.1.3.1 Для проведения испытания на механическую прочность используют два образца. Испытание проводят со всеми устройствами регулирования, за исключением тех, которые установлены непосредственно на детском удерживающем устройстве.
8.2.1.3.2 В приложении Ц описано типовое устройство для испытания пряжки на механическую прочность. Пряжку помещают в углубление верхней круглой плиты Л. Все необходимые лямки должны иметь длину не менее 250 мм и свисать с верхней плиты в расправленном положении, соответствующем их расположению в пряжке. После этого свободные концы лямок подворачивают под нижнюю круглую плиту В таким образом, чтобы они вышли через проделанное в ней внутреннее отверстие. Все лямки должны быть перпендикулярны к плитам Лив. После этого круглую зажимную плиту С слегка прижимают к нижней поверхности плиты В таким образом, чтобы лямки можно было немного переместить. С помощью натяжного устройства лямки слегка натягивают, после чего их растягивают между плитами 6 и С таким образом, чтобы все лямки были под нагрузкой, соответствующей их схеме размещения. В ходе этой операции и самого испытания пряжка не должна касаться плиты А или любой ее части. После этого плиты В и С сильно сжимают, и усилие натяжения увеличивают с поперечной скоростью (100 ± 20) мм/мин до достижения требуемой величины.
8.2.2 Устройство регулирования
8.2.2.1 Легкость регулирования
8.2.2.1.1 Для испытания ручного устройства регулирования лямку протягивают через это устройство под воздействием равномерного усилия, с учетом нормальных условий использования, со скоростью (100 ±10) мм/мин, затем после протягивания (25 ±5) мм лямки измеряют максимальное усилие в ньютонах, которое округляют до ближайшего целого числа.
8.2.2.1.2 Испытание проводят путем протягивания лямки через устройство в двух направлениях; до проведения измерения лямку следует протянуть через устройство 10 раз.
8.2.3 Испытание на проскальзывание (см. рисунок Д.5 приложения Д)
8.2.3.1 Детали или устройства, подвергаемые испытанию на проскальзывание, выдерживают в течение не менее 24 ч до начала испытания при температуре (20 + 5) °С и относительной влажности (65 ± 5) %. При проведении испытания температура должна находиться в пределах 15 °С - 30 °С.
8.2.3.2 Свободный конец лямки должен располагаться таким же образом, как и при использовании устройства на транспортном средстве, и не крепиться ни к какой другой детали.
8.2.3.3 Устройство регулирования устанавливают на вертикальном участке лямки, к концу которой прикладывают нагрузку (50,0 ± 0,5) Н таким образом, чтобы предотвратить раскачивание груза или скручивание лямки. Свободный конец лямки, выходящей из устройства регулирования, устанавливают вертикально вверх или вниз, как и в самом транспортном средстве. Второй конец опускают через направляющий ролик, горизонтальная ось которого параллельна плоскости того участка лямки, который находится под нагрузкой, причем участок лямки, проходящий по ролику, должен быть горизонтальным.
8.2.3.4 Испытуемое устройство устанавливают таким образом, чтобы в самом высоком положении, до которого оно может быть поднято, его центр находился на расстоянии (300 ± 5) мм от стола, а усилие в 50 Н должно быть приложено на расстоянии (100 ± 5) мм от стола.
8.2.3.5 Перед испытанием проводят (20 ± 2) предварительных циклов, а затем еще (1000 + 5) циклов с частотой (30 ±10) цикл/мин и общей амплитудой (300 + 20) мм или в соответствии с условиями, указанными в 8.2.5.2.6.2. Усилие в 50 Н следует прикладывать лишь в течение времени, соответствующего перемещению лямки на длину (100 ± 20) мм для каждого полупериода. Проскальзывание измеряют от исходного положения на момент окончания 20 предварительных циклов.
8.2.4 Втягивающее устройство
8.2.4.1.1 Силу втягивания измеряют на ремне в комплекте, установленном на манекене таким же образом, как и для динамического испытания, указанного в 8.1.3. Натяжение лямки измеряют как можно ближе к точке соприкосновения с манекеном (но не непосредственно на ней), причем лямку втягивают со скоростью примерно 0,6 м/мин.
8.2.4.2 Износостойкость механизма втягивающего устройства
8.2.4.2.1 Лямку втягивают и отпускают необходимое число раз со скоростью не более 30 раз в минуту. При испытании аварийно-запирающихся втягивающих устройств каждый пятый раз устройство необходимо резко толкнуть, чтобы обеспечить его срабатывание. Такие толчки следует проводить равное число раз в пяти разных положениях: при 90 %, 80 %, 75 %, 70 % и 65 % общей длины лямки на втягивающем устройстве. Однако если длина лямки превышает 900 мм, вышеперечисленные значения длины должны быть соотнесены с последними 900 мм лямки, которые можно вытянуть из втягивающего устройства.
8.2.4.3 Запирание аварийно-запирающихся втягивающих устройств
8.2.4.3.2 Если втягивающее устройство срабатывает в результате движения лямки, то вытягивание проводят в направлении, в котором обычно проводят вытягивание из втягивающего устройства, установленного на транспортном средстве.
8.2.4.3.3 При испытании втягивающих устройств на чувствительность к ускорению транспортного средства их испытывают на вышеупомянутое вытягивание в обоих направлениях вдоль двух взаимно перпендикулярных осей, которые расположены в горизонтальной плоскости, если втягивающее устройство устанавливают на транспортном средстве согласно предписаниям предприятия - изготовителя детского удерживающего устройства. Если такого предписания нет, то испытательная лаборатория, проводящая испытание, консультируется с предприятием - изготовителем детского удерживающего устройства. Испытательная лаборатория выбирает для испытания одно из этих направлений, при котором создаются наиболее неблагоприятные условия работы запирающего устройства.
8.2.4.3.4 Конструкция используемого устройства должна обеспечивать требуемое ускорение со средней скоростью не менее 25 д/с.
8.2.4.3.5 Для проверки соответствия требованиям 7.2.3.2.1.3 и 7.2.3.2.1.4 втягивающее устройство первоначально устанавливают на горизонтальном столе, который затем наклоняют со скоростью не более 27с до тех пор, пока не сработает запирающее устройство. Для проверки соответствия требованиям это испытание проводят повторно наклоном в других направлениях.
8.2.4.4 Испытание на коррозийную стойкость
8.2.4.4.1 Испытание на коррозийную стойкость описано в 8.1.1.
8.2.4.5 Испытание на пылестойкость
8.2.4.5.1 Втягивающее устройство помещают в испытательную камеру, как это описано в приложении В. Его устанавливают в положение, аналогичное тому, в котором оно установлено на транспортном средстве. В испытательной камере содержится пыль, соответствующая требованиям 8.2.4.5.2. Из втягивающего устройства вытягивают 500 мм лямки и оставляют в этом положении. После этого пыль взбивают и проводят в течение 1 или 2 мин 10 полных циклов втягивания и вытягивания. В течение 5 ч пыль через каждые 20 мин взбивают на 5 с сжатым воздухом, не содержащим масла и влаги, который поступает под давлением (5,5 ±0,5) бар через калиброванное отверстие диаметром (1,5 ± 0,1) мм.
8.2.4.5.2 Пыль, используемая в испытаниях, описанных в 8.2.4.5.1, представляет собой 1 кг сухого кварцевого песка. Ее гранулометрический состав должен быть следующим:
99 % - 100 % частиц, проходящих через отверстие 150 мкм, диаметр проволоки 104 мкм; 76 % - 86 % частиц, проходящих через отверстие 105 мкм, диаметр проволоки 64 мкм; 60 % - 70 % частиц, проходящих через отверстие 75 мкм, диаметр проволоки 52 мкм.
8.2.5 Статическое испытание лямок
8.2.5.1 Испытание лямки на прочность
8.2.5.1.1 Испытание проводят каждый раз на двух новых образцах лямок, кондиционированных в соответствии с 7.2.4.
8.2.5.1.2 Каждую лямку помещают между зажимами стенда для испытания на разрыв. Зажимы должны быть сконструированы таким образом, чтобы предотвратить разрыв лямки в зажимах или рядом с ними. Скорость перемещения зажимов должна составлять (100 ± 20) мм/мин. Длина свободного конца образца, находящегося между зажимами стенда в начале испытания, должна составлять (200 ± 40) мм.
8.2.5.1.3 Нагрузку увеличивают до разрыва лямки и регистрируют ее значение.
8.2.5.1.4 Если лямка скользит или рвется в одном из зажимов стенда или на расстоянии менее 10 мм от одного из них, то результаты испытания считают недействительными и проводят новое испытание на другом образце.
8.2.5.2 Образцы, вырезанные из лямки (3.2.4), следует кондиционировать следующим образом.
8.2.5.2.1 Кондиционирование в условиях комнатной температуры и влажности
8.2.5.2.1.1 Лямку выдерживают в течение не менее (24 ± 1) ч в среде с температурой (23 ± 5) °С и относительной влажностью (50 ±10) %. Если испытание проводят не сразу после кондиционирования, то отобранный образец помещают до начала испытания в герметически закрытый сосуд. Разрывную нагрузку определяют не позже чем через 5 мин после изъятия образца из указанной среды или из сосуда.
8.2.5.2.2 Кондиционирование на свету
8.2.5.2.2.1 Применяют требования ИСО 105-ВО2 [1]. Лямку выставляют на солнечный свет на время, необходимое для выцветания типового синего образца № 7 до появления контрастной окраски, соответствующей № 4 серой шкалы.
8.2.5.2.2.2 После этого испытания лямку выдерживают в течение не менее 24 ч в среде температурой (23 ± 5) °С и относительной влажностью (50 ± 10) %. Если испытание проводят не сразу после кондиционирования, то образец помещают до начала испытания в герметически закрытый сосуд. Прочность на разрыв определяют не позже чем через 5 мин после изъятия образца из кондиционирующей камеры.
8.2.5.2.3 Кондиционирование в условиях холода
8.2.5.2.3.1 Лямку помещают не менее чем на 24 ч в среду температурой (23 ± 5) °С и относительной влажностью (50 ±10) %.
8.2.5.2.3.2 После этого лямку помещают на (90 ± 5) мин на ровную поверхность в холодильной камере с температурой воздуха минус (30 ± 5) °С. Затем лямку сгибают и на месте сгиба устанавливают груз массой (2,0 ± 0,2) кг, который предварительно охлаждают до минус (30 ± 5) °С. После выдержки лямки под нагрузкой в течение (30 ± 5) мин в той же холодильной камере груз снимают и в течение 5 мин после изъятия лямки из холодильной камеры определяют разрывную нагрузку.
8.2.5.2.4 Кондиционирование в условиях высокой температуры
8.2.5.2.4.1 Лямки помещают на (180 ±10) мин в нагревательную камеру температурой (60 ± 5) °С и относительной влажностью (65 ± 5) %.
8.2.5.2.4.2 Разрывную нагрузку определяют в течение 5 мин после изъятия лямки из нагревательной камеры.
8.2.5.2.5 Кондиционирование в воде
8.2.5.2.5.1 Лямку полностью погружают на (180 ± 10) мин в дистиллированную воду температурой (20 ± 5) °С с добавлением небольшого количества смачивающей добавки. Можно использовать любую смачивающую добавку, подходящую для испытуемой ткани.
8.2.5.2.5.2 Разрывную нагрузку определяют не позже чем через 10 мин после изъятия лямки из воды.
8.2.5.2.6 Кондиционирование для проверки на истирание
8.2.5.2.6.1 Детали или устройства, предназначенные для испытания на истирание, выдерживают в течение не менее 24 ч в среде температурой (23 ± 5) °С и относительной влажностью (50 ±10) %. Испытание проводят при температуре окружающей среды 15 °С - 30 °С.
8.2.5.2.6.2 Общие условия проведения испытания указаны в таблице.
|
Тип испытания |
Нагрузка, Н |
Число циклов в минуту |
Общее число циклов |
|
1 |
10,00 ±0,10 |
30 ± 10 |
1000 ± 5 |
|
2 |
5,00 ± 0,05 |
30 ± 10 |
5000 ± 5 |
Если длина лямки недостаточна для проведения испытания на ход 300 мм, то можно использовать более короткую лямку, но не менее 100 мм.
8.2.5.2.6.3 Конкретные условия испытаний
8.2.5.2.6.3.1 Испытание типа 1. Лямка скользит через быстродействующее регулирующее устройство. К одной из лямок прилагают постоянное вертикальное усилие 10Н. Другую лямку, расположенную горизонтально, закрепляют в устройстве, обеспечивающем горизонтальное возвратно-поступательное движение лямки.
Регулирующее устройство устанавливают на горизонтально расположенной лямке таким образом, чтобы она оставалась в натянутом положении (см. рисунки Д.1 и Д.2).
8.2.5.2.6.3.2 Испытание типа 2. Лямка меняет свое направление при прохождении через жесткий элемент.
При этом испытании оба угла изгиба лямки должны соответствовать указанным на рисунках Д.3 и Д.4.
Постоянное усилие, прилагаемое в ходе испытания, должно составлять 5 Н.
Если лямка при прохождении через жесткий элемент меняет свое направление более одного раза, то усилие 5 Н может быть увеличено настолько, чтобы обеспечить предусмотренный ход лямки 300 мм через жесткий элемент.
8.2.6 Зажимные устройства
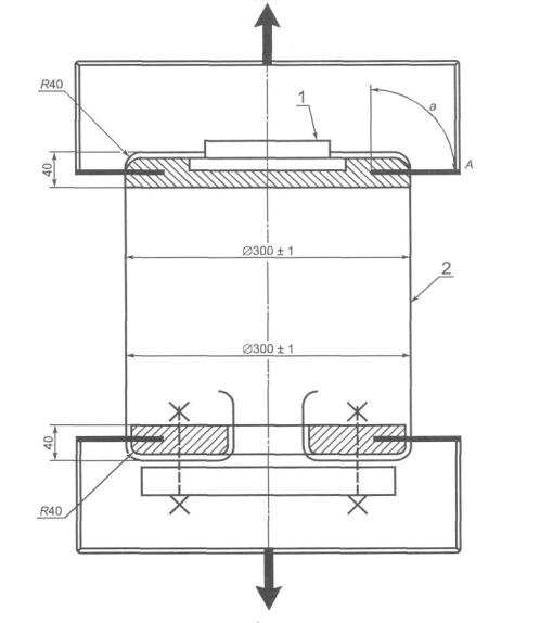
Детское удерживающее устройство и самый крупный манекен, для которого предназначено данное устройство, устанавливают как показано на рисунке 5. Используемые привязные ремни должны соответствовать требованиям приложения П. Зажимное устройство полностью зажимают и в том месте, где ремень входит в это устройство, наносят отметку. К ремню подсоединяют динамометры через D-образное кольцо, и в течение менее 1 с прикладывают силу, превышающую в два раза массу самого тяжелого манекена группы I с допуском ± 5 %. Нижнее расположение используют для зажимов в положении А, а верхнее расположение - для зажимов в положении В. Эту силу прикладывают еще девять раз. После этого на ремне делают дополнительную отметку в том месте, где ремень входит в зажим, и измеряют расстояние между двумя отметками. В ходе этого испытания втягивающее устройство должно быть отключено.

1 - пряжка/язычок; 2- зажим; 3 - поясной ремень; 4 - диагональный ремень; 5 - испытательное сиденье типа ЕСЕ 44; 6 - детское сиденье; 7 - втягивающее устройство; 8 - D-образное кольцо; 9 - место проверки на проскальзывание
Рисунок 5 - Схема испытания зажимного устройства класса А
Детское удерживающее устройство надежно крепят на месте, а привязные ремни, указанные в приложении П, пропускают через зажим и лямку в порядке, указанном в инструкции предприятия-изготовителя. Ремень пропускают через испытательное оборудование по схеме, показанной на рисунке 6, и натягивают с помощью груза (5,25 ± 0,05) кг. Свободная длина привязных ремней между грузом и местом, в котором ремень выходит из рамки, должна составлять (650 ± 40) мм. Зажимное устройство полностью зажимают и в месте, где ремень входит в зажим, проставляют отметку. Груз поднимают и опускают таким образом, чтобы он свободно висел на расстоянии (25 ± 1) мм. Эта операция, моделирующая толчки, которым подвергается детское удерживающее устройство в автомобиле, повторяют (100 ± 2) раз с частотой (60 ± 2) цикл/мин. В том месте, где ремень выходит из зажима, проставляют еще одну отметку, после чего измеряют расстояние между двумя отметками. Зажимное устройство должно охватывать при размещении 15-килограммового манекена всю лямку по ширине. При проведении этого испытания лямки должны пересекаться под теми же углами, что и в процессе нормального использования. Свободный конец поясной части ремня должен быть закреплен. При проведении испытания детское удерживающее устройство должно быть прочно закреплено на испытательном стенде, используемом в ходе испытания на опрокидывание или в ходе динамического испытания. Натяжная лямка может крепиться к имитационной пряжке.

1 - груз; 2 - промежуточный ролик; 3 - направляющий ролик
Высота падения груза - 25 мм,
Расстояние от промежуточного до направляющего ролика - 388 мм.
Используемая лямка должна соответствовать стандартному ремню, описанному в приложении П.
Рисунок 6 - Схема испытания зажимного устройства класса В
Самый крупный манекен, на который рассчитано данное удерживающее устройство, устанавливают как в случае динамического испытания с учетом стандартного зазора, предусмотренного в 8.1.3.6. Проставляют отметку на ремне в месте, в котором свободный конец ремня входит в устройство регулирования.
Манекен снимают и помещают удерживающее устройство в испытательное устройство, показанное на рисунке Х.1.
Привязной ремень многократно протягивают через устройство регулирования на общее расстояние не менее 150 мм. При этом устройство регулирования должно протягивать не менее 100 мм лямки от сделанной отметки в направлении свободного конца ремня и приблизительно 50 мм от сделанной отметки в сторону крепления системы привязных ремней.
Если длина лямки от отметки до свободного конца недостаточна для указанного перемещения, то ход 150 мм через устройство регулирования обеспечивают за счет протягивания ремня, начиная с того положения, в котором он полностью ослаблен.
Частота протягивания должна составлять (10 ± 1) цикл/мин со скоростью (150 ±10) мм/с в точке В.
8.2.8 Термическое испытание
8.2.8.1 Детали, указанные в 7.1.5.1, подвергают воздействию внешней среды на водной поверхности в закрытом помещении при температуре внешней среды не менее 80 °С в течение непрерывного периода не менее 24 ч и затем охлаждают под воздействием внешней среды при температуре не более 23 °С. За периодом охлаждения немедленно следуют три последовательных 24-часовых цикла, при этом каждый цикл состоит из перечисленных далее последовательных операций:
- температуру окружающего воздуха не менее 100 °С поддерживают в течение непрерывного периода 6 ч, причем эта температура должна быть достигнута в течение 80 мин после начала цикла;
- температуру окружающего воздуха не более 0 °С поддерживают в течение непрерывного периода 6 ч, причем эта температура должна быть достигнута в течение 90 мин;
- температуру окружающего воздуха не более 23 °С поддерживают в течение остального времени в ходе 14-часового цикла.
8.3.1 Новая подушка испытательного сиденья должна быть подвергнута проверке в целях установления начальных значений проникновения в случае удара и максимального замедления и затем после каждых 50 динамических испытаний или не реже одного раза в месяц, в зависимости от того, что наступает раньше, или же перед каждым испытанием, если испытательное устройство используется часто.
8.3.2 Процедуры проверки и измерения должны соответствовать указанным в ИСО 6487 [2]; измерительное оборудование должно соответствовать требованиям, применимым к классу частоты канала CFC60.
С использованием испытательного устройства, описанного в приложении Т, проводят три испытания: на расстоянии (150 ± 5) мм от переднего края подушки на центральной линии и на расстоянии (150 ± 5) мм в каждую сторону от центральной линии.
Устройство ставят вертикально на ровной и жесткой поверхности. Ударный элемент опускают до соприкосновения с поверхностью и устанавливают маркер проникновения в нулевое положение. Устройство устанавливают вертикально над испытательной точкой, поднимают груз на (500 ± 5) мм и отпускают, нанося удар по поверхности сиденья. Регистрируют значения проникновения и замедления.
8.3.3 Зарегистрированные максимальные значения не должны отличаться от первоначальных значений более чем на 15 %.
8.4.1 Для определения поведения манекена и его перемещений все динамические испытания снимают на кино- или видеопленку со скоростью не менее 400 кадров в секунду.
8.4.2 На тележку или на кузов транспортного средства наносят соответствующие калибровочные отметки, чтобы можно было определить перемещение манекена.
Процедура измерения должна соответствовать описанной в ИСО 6487 [2].
Классы частоты канала должны быть следующими:
Тип измерения ................................................................... CFC, Гц
нагрузки, действующие на ремень...................................... 60
замедление (модели) головы .............................................. 1000
ускорение грудной клетки ................................................. 180
ускорение тележки ............................................................ 60
Частота дискретизации должна быть больше FH не менее чем в восемь раз (т. е. в установках, оборудованных фильтрами предварительной дискретизации класса 1000, это должно соответствовать минимальной частоте дискретизации, равной 8000 отсчетов в секунду на канал).
9.1 В протоколе испытания должны быть указаны результаты всех испытаний и измерений, а также скорость движения тележки, максимальное перемещение манекена в направлении движения, место пряжки во время испытания, если это место регулируется, а также любая неисправность или поломка.
9.2 Если не были выполнены требования дополнения 3 приложения Е в отношении точек крепления, то в протоколе следует описать способ установки детской удерживающей системы, а также указать основные углы и размеры.
9.3 Для детской удерживающей системы, которая испытывалась в транспортном средстве или в кузове транспортного средства, в протоколе испытания следует указать способ крепления кузова транс портного средства к тележке, положение устройства и сиденья транспортного средства, а также угол на клона спинки сиденья транспортного средства.
10.1 Испытательная лаборатория на основании информации об изменении конструкции детского удерживающего устройства, представленной предприятием-изготовителем может:
10.1.1 счесть, что внесенные изменения не будут иметь значительных отрицательных последствий и что в любом случае данное детское удерживающее устройство по-прежнему отвечает требованиям настоящего стандарта, или
10.1.2 сделать вывод о необходимости дополнительных испытаний.
11.1 К каждому детскому удерживающему устройству должны быть приложены следующие инструкции на языке страны, в которой оно продается.
11.2 Инструкции по установке должны содержать следующие сведения:
11.2.1 Для детских удерживающих устройств универсальной категории в пункте продаж должна быть выставлена следующая хорошо видимая надпись, которую можно прочитать без снятия упаковки:
|
Внимание 1 Данное детское удерживающее устройство является универсальным. Оно испытано на основании ГОСТ Р 41.44 (Правила ЕЭК ООН № 44) с поправками серии 03 для общего использования в транспортных средствах и может быть установлено на большинстве, но не на всех сиденьях транспортных средств. 2 Устройство может быть установлено правильно, если изготовитель транспортного средства указал в инструкции на транспортное средство, что в него можно установить универсальное детское удерживающее устройство для данной возрастной группы. 3. Данное детское удерживающее устройство отнесено к универсальной категории на основании более жестких условий по сравнению с предыдущими конструкциями, на которых этого указания нет. В случае сомнения проконсультируйтесь на предприятии-изготовителе детского удерживающего устройства либо у продавца. |
11.2.2 Для детских удерживающих устройств ограниченной и полууниверсальной категорий в пункте продажи должна быть выставлена следующая хорошо видимая надпись, которую можно прочитать без снятия упаковки:
|
Данное детское удерживающее устройство отнесено к категории ограниченного/ полууниверсального использования и подходит для установки на сиденьях следующих транспортных средств:
Сиденья других транспортных средств также могут подходить для установки этого детского удерживающего устройства. В случае сомнения проконсультируйтесь на предприятии-изготовителе детского удерживающего устройства либо у продавца. |
11.2.3 Для детских удерживающих устройств особой категории в пункте продажи должна быть выставлена надпись со сведениями о транспортном средстве, которую можно прочитать без снятия упаковки.
11.2.4 Если для использования детского удерживающего устройства требуются ремни безопасности для взрослых, то в пункте продажи должна быть выставлена хорошо видимая надпись, которую можно прочитать без снятия упаковки:
«Пригодно для установки только в том случае, если испытанные транспортные средства оснащены поясными ремнями /ремнями с креплениями в трех точках/ ремнями с втягивающим устройством (ненужное зачеркнуть), испытанным на основании ГОСТ Р 41.16 (Правила ЕЭК ООН №16)».
Для удерживающих устройств с детской люлькой следует включить перечень детских люлек, для которых подходит данное устройство.
11.2.5 Изготовитель детского удерживающего устройства указывает на упаковочный коробке адрес, по которому покупатель может обратиться за получением дополнительной информации об установке детского удерживающего устройства в конкретных автомобилях.
11.2.6 Метод установки иллюстрирует с помощью фотографий и/или очень четких рисунков.
11.2.7 Пользователю рекомендуется располагать и устанавливать жесткие части и пластмассовые элементы детского удерживающего устройства таким образом, чтобы при нормальной эксплуатации транспортного средства они не могли попасть под передвижное сиденье или в дверь транспортного средства.
11.2.8 Пользователю рекомендуется устанавливать детские люльки перпендикулярно к продольной оси транспортного средства.
11.2.9 Системы, обращенные назад, покупателю рекомендуется не устанавливать на сиденьях, оборудованных надувными подушками.
Эта информация должна быть четко видима в пункте продажи и выполнена так, чтобы ее можно было прочитать без снятия упаковки.
11.2.10 Для специального детского удерживающего устройства в пункте продажи должна быть выставлена следующая хорошо видимая надпись, которую можно прочитать без снятия упаковки:
Это специальное детское удерживающее устройство предназначено для обеспечения дополни тельного удержания детей, которым трудно сохранять правильное сидячее положение в обычных сиденьях. Во всех случаях проконсультируйтесь с вашим врачом с целью убедиться, что данная удерживающая система подходит для вашего ребенка.
11.3 Инструкция по эксплуатации должна содержать:
11.3.1 весовые группы, для которых предназначено устройство;
11.3.2 если устройство используют в сочетании с ремнем безопасности для взрослых, необходимо включить следующую информацию: «Подходит только для использования в перечисленных транспортных средствах, оснащенных поясными ремнями/ ремнями с креплениями в трех точках/ статическими ремнями/ ремнями с втягивающим устройством (ненужное зачеркнуть), испытанными на основании ГОСТ Р 41.16 (Правила ЕЭК ООН № 16)»;
11.3.3 метод установки, показанный с помощью фотографий и/или очень четких рисунков. Для сидений, которые можно устанавливать как в направлении движения, так и в направлении, противоположном направлению движения, необходимо наносить четкую надпись, предупреждающую о необходимости установки удерживающего устройства в направлении, противоположном направлению движения, до тех пор, пока масса ребенка не превысит указанной величины или пока не будет превышен какой-либо другой размерный критерий;
11.3.4 понятное объяснение способа функционирования пряжки и устройства регулирования;
11.3.5 рекомендацию о том, чтобы держать в натянутом состоянии все лямки, служащие для крепления удерживающего устройства к транспортному средству, и не допускать слабины в лямках, служащих для удержания ребенка; лямки не должны скручиваться;
11.3.6 указание о том, что поясные лямки должны быть расположены как можно ниже, чтобы они прочно удерживали туловище на уровне таза;
11.3.7 рекомендацию о замене устройства после того, как оно было подвергнуто действию значительных сил во время дорожно-транспортного происшествия;
11.3.8 инструкцию по очистке;
11.3.9 предупреждение об опасности какого-либо изменения или дополнения устройства без согласия предприятия-изготовителя, а также об опасности нечеткого соблюдения инструкции по установке, прилагаемой предприятием-изготовителем детского удерживающего устройства;
11.3.10 если сиденье не покрыто чехлом из ткани, следует дать рекомендацию о защите его от воздействия солнечных лучей, чтобы ребенку было не слишком жарко;
11.3.11 рекомендации о том, чтобы ребенок не оставался без присмотра в детском удерживающем устройстве;
11.3.12 рекомендацию о том, чтобы любой багаж или вещи, которые могут нанести телесные повреждения в случае столкновения, должны быть надежно закреплены.
11.3.13 рекомендации о:
- неиспользовании детского удерживающего устройства без чехла;
- замене чехла сиденья лишь другим чехлом, рекомендуемым предприятием-изготовителем, поскольку такой чехол представляет собой неотьемлемую часть системы обеспечения безопасности.
11.4 Следует предусмотреть текст или диаграмму с указанием, каким образом пользователь может определить неправильное положение пряжки ремня безопасности для взрослых по отношению к основным находящимся под нагрузкой точкам контакта на удерживающем устройстве. Пользователю необходимо рекомендовать обратиться к изготовителю детского удерживающего устройства, если в этой связи у него возникают какие-либо сомнения.
11.5 Если детское удерживающее устройство имеет альтернативную точку контакта, находящуюся под нагрузкой, то должно быть предусмотрено четкое описание способов ее использования. Пользователь должен быть проинформирован о способах определения правильности использования этого альтернативного следа. Пользователю необходимо рекомендовать обратиться к изготовителю детского удерживающего устройства, если в этой связи у него возникают какие-либо сомнения. Необходимо четко указать, что пользователь должен начинать установку детского удерживающего устройства, отнесенного в инструкциях для владельца транспортного средства к категории универсального, на сиденьях в транспортном средстве путем использования первичного следа ремня.
11.6 Необходимо предусмотреть, чтобы эти инструкции были указаны на детском удерживающем устройстве в течение всего срока его эксплуатации или для встроенных удерживающих устройств - в автомобильном справочнике.
11.7 Должно быть предусмотрено четко сформулированное предупреждение не использовать никаких других находящихся под нагрузкой точек контакта, кроме описанных в инструкциях и обозначенных на детском удерживающем устройстве.
|
1 Детское удерживающее устройство _______________________________________________________________ устанавливаемое в направлении движения/ ________________________________________________________________________________________________ в направлении, противоположном направлению движения/ детская люлька1) 2 Конструкция __________________________________________________________________________________ цельная/нецельная конструкция/ ________________________________________________________________________________________________ частичное удерживающее устройство/ дополнительная подушка1) 3 Тип ремня _____________________________________________________________________________________ ремень с креплением в трех точках (для взрослых)/ ________________________________________________________________________________________________ поясной ремень (для взрослых)/ специальный ремень/ втягивающее устройство1) 4 Прочие элементы_______________________________________________________________________________ комплект сиденья/ противоударный экран1) 5 Промышленная или торговая марка________________________________________________________________ 6 Обозначение предприятия-изготовителя____________________________________________________________ 7 В соответствующих случаях наименование и адрес уполномоченного представителя______________________ ________________________________________________________________________________________________ 8 Дата представления устройства на испытания_______________________________________________________ 9 Документы, представляемые для испытаний: 9.1 чертежи, схемы и изображения устройства, в т.ч. любое втягивающее устройство, комплект сиденья, защитный экран, при их наличии ___________________________________________________________________ 9.2 чертежи, схемы и изображения конструкции транспортного средства и конструкции сиденья, а также системы регулирования и креплений, в т. ч. любое устройство поглощения энергии, при их наличии__________ ________________________________________________________________________________________________ 9.3 фотографии устройства и/или конструкции транспортного средства и конструкции сиденья_______________ ________________________________________________________________________________________________ 9.4 инструкции по установке в эксплуатации__________________________________________________________ 9.5 перечень моделей транспортных средств, для которых предназначено устройство_______________________ 1) Ненужное зачеркнуть. |
Б.1 Пример маркировки детского удерживающего устройства приведен на рисунке Б.1.

Рисунок Б.1
Маркировка, изображенная на рисунке Б.1, указывает, что данное детское удерживающее устройство можно использовать на любых типах транспортных средств для детей массой от 9 до 36 кг (группы I - III).
Буква «S» - означает специальное удерживающее устройство.

1 - втягивающее устройство; 2 - механизм управления циклами; 3 - пылеуловитель; 4 - пыль; 5 - фильера; 6 - кран и фильтр; 7 - воздух
Рисунок В.1
Г.1 Испытательное оборудование
Г.1.1 Оборудование состоит из увлажнительной камеры, резервуара с солевым раствором, подвода сжатого воздуха с соответствующими параметрами, одного или нескольких распылителей, опор для образцов, устройства для обогрева камеры и средств контроля. Размеры и конструктивные детали оборудования выбирают факультативно при условии выполнения параметров испытаний.
Г.1.2 Важно обеспечить, чтобы капли раствора, конденсирующиеся на потолке или корпусе камеры, не падали на испытуемые образцы.
Г.1.3 Капли раствора, падающие с испытуемых образцов, не должны возвращаться в резервуар для повторного распыления.
Г.1.4 Оборудование должно быть изготовлено из материалов, не оказывающих влияния на агрессивность распыленной влаги.
Г.2 Расположение испытуемых образцов в увлажнительной камере
Г.2.1 Образцы, за исключением втягивающих устройств, поддерживают или подвешивают под углом 15° - 30° к вертикали и желательно параллельно основному направлению горизонтального потока тумана в камере вблизи испытуемой поверхности.
Г.2.2 Втягивающие устройства поддерживают или подвешивают таким образом, чтобы ось катушки для наматывания лямки располагалась перпендикулярно к основному направлению горизонтального потока тумана в камере. Втягивающее устройство должно быть обращено отверстием для лямки в этом главном направлении.
Г.2.3 Каждый образец располагают таким образом, чтобы не препятствовать осаждению тумана на другие образцы.
Г.2.4 Каждый образец располагают так, чтобы стекающие с него капли солевого раствора не попадали на другой образец.
Г.3 Соляной раствор
Г.3.1 Для получения соляного раствора растворяют (5 ± 1) частей по массе хлористого натрия в 95 частях дистиллированной воды. Соль представляет собой хлористый натрий, практически не содержащий никеля и меди; в сухом виде в ней допускается содержание не более 0,1 % йодистого натрия и не более 0,3 % - прочих примесей.
Г.3.2 Раствор, распыленный при 35 °С и собранный в коллектор, должен находиться в фазовой области 6,5-7,2.
Г.4 Подача сжатого воздуха
Сжатый воздух, подаваемый к соплу или соплам для распыления солевого раствора, не должен содержать масел или грязи, а рабочее давление должно составлять 70-170 кН/м2.
Г.5 Условия в увлажнительной камере
Г.5.1 Температуру в рабочей зоне увлажнительной камеры поддерживают (35 + 5) °С. В рабочей зоне помещают не менее двух чистых коллекторов, в которые попадают капли раствора, стекающего с испытуемых образцов или любых других поверхностей. Коллекторы располагают вблизи испытуемых образцов: один - вблизи одного из сопел и один - в некотором отдалении от всех сопел. Плотность тумана должна быть такой, чтобы на каждые 80 см2 горизонтальной плоскости коллектора попадало в каждый коллектор 1-2 мл/ч раствора при измерении в среднем в течение не менее 16 ч.
Г.5.2 Сопло или сопла должны быть направлены или отрегулированы так, чтобы струя не попадала прямо на испытуемые образцы.
Схемы испытаний в зависимости от типа регулировочного устройства
1 - опора; 2 - защитная скоба для внутренних кромок
Рисунок Д.1 - Схема испытания А
1 - нижний упор; 2 - поворотный валик
Рисунок Д.2 - Схема испытания В
Рисунок Д.3 - Испытание с пряжкой

Рисунок Д.4 - Испытание с направляющим устройством
Общая длина хода - (300 ± 20) мм
На испытательном устройстве нагрузка 50 Н должна быть направлена вертикально, чтобы избежать раскачивания груза и перекручивания лямки.
Крепежное устройство должно быть присоединено к грузу весом 50 Н таким же образом, как и в транспортном средстве.
1 - регулировочное устройство; 2 - крепление лямки
Рисунок Д.5
Е.1 Тележка
При испытании ремней безопасности масса тележки, на которой установлено только одно сиденье, составляет (400±20) кг. При испытании детских удерживающих устройств масса тележки с установленными на ней элементами конструкции транспортного средства составляет 800 кг. Однако, при необходимости, общая масса тележки и части конструкции транспортного средства может быть увеличена на 200 кг. Общая масса ни в каком случае не должна отличаться от номинального значения более чем на ±40 кг.
Е.2 Измерительный экран
На тележке прочно закрепляют измерительный экран. На нем наносят хорошо видимую линию ограничения перемещения, позволяющую установить с помощью фотоданных соответствие требованиям по перемещению вперед.
Е.3 Сиденье
Е.3.1 Сиденье должно иметь следующую конструкцию:
Е.3.1.1 жесткую стационарно закрепленную спинку, размеры которой приведены в дополнении 1 к настоящему приложению. Нижняя и верхняя части должны быть изготовлены из трубы диаметром 20 мм;
Е.3.1.2 жесткое основание сиденья, размеры которого приведены в дополнении 1 к настоящему приложению. Задняя часть сиденья должна быть изготовлена из жесткого металлического листа с верхней кромкой в виде трубки диаметром 20 мм. Передняя часть сиденья также должна быть выполнена из трубки диаметром 20 мм;
Е.3.1.3 для обеспечения доступа к скобам в задней части подушки в сиденьях делают отверстия согласно дополнению 1 к настоящему приложению;
Е.3.1.4 ширину 800 мм;
Е.3.1.5 спинка и сиденье должны быть покрыты пенополиуретаном, характеристики которого приведены в таблице Е.1. Размеры подушки приведены в дополнении 1 к настоящему приложению.
|
Параметр |
Значение |
|
Плотность, кг/м3 |
43 |
|
Несущая способность, Н: |
|
|
нагрузка 25 % |
125 |
|
нагрузка 40 % |
155 |
|
Коэффициент несущей способности, кПа |
4 |
|
Удлинение при разрыве, % |
180 |
|
Механическая прочность, кПа |
100 |
|
Остаточная деформация при сжатии, % |
3 |
Е.3.1.6 Пенополиуретановую обшивку покрывают солнцезащитной тканью, изготовленной из полиакрилового волокна, характеристики которого приведены в таблице Е.2.
|
Параметр |
Значение |
|
Удельная масса, г/м2 |
290 |
|
Механическая прочность, кг, на испытательном образце шириной 50 мм: |
|
|
в продольном направлении |
120 |
|
в поперечном направлении |
80 |
Е.3.1.7 Покрытие сиденья и спинки*
Е.3.1.7.1 Подушку сиденья изготовляют из пенополиуретанового блока размерами 800×575×135 мм в соответствии с рисунком Е.2 в дополнении 1 к настоящему приложению, по своей форме напоминающего опорную алюминиевую пластину, указанную на рисунке Е.З в дополнении 1 к настоящему приложению.
* Характеристики материалов, используемых в ходе этого испытания, можно получить в Исследовательском институте автомобильного транспорта по адресу: Schoemakerstraat 97, 2628 VK Delf, The Netherlands.
Е.3.1.7.2 В опорной пластине просверливают шесть отверстий, через которые ее крепят к тележке с помощью винтов. Отверстия просверливают вдоль длинной стороны пластины, по три с каждой стороны, в соответствии с конструкцией тележки. В эти отверстия вставляют шесть болтов. Болты приклеивают к пластине с помощью соответствующего клея. После этого болты затягивают гайками.
Е.3.1.7.3 Чехол размером 1250×1200 мм согласно рисунку Е.4 в дополнении 1 к настоящему приложению вырезают по ширине таким образом, чтобы после его надевания края материала не заходили друг на друга. Расстояние между краями материала должно быть приблизительно 100 мм. Таким образом, размер раскроенного материала должен составлять около 1200 мм.
Е.3.1.7.4 На чехол наносят две линии перпендикулярно к меньшей стороне. Их прочерчивают на расстоянии 375 мм от осевой линии чехла согласно рисунку Е.4 в дополнении 1 к настоящему приложению.
Е.3.1.7.5 Подушку сиденья из пенопласта кладут верхней стороной на материал таким образом, чтобы алюминиевая опорная пластина оказалась сверху.
Е.3.1.7.6 Ткань натягивают с обеих сторон таким образом, чтобы нанесенные на ней линии совпали с краями алюминиевой опорной пластины. В том месте, где расположены болты, делают небольшие надрезы, после чего ткань натягивают поверх болтов.
Е.3.1.7.7 В местах прорезей в опорной пластине и пенопласте ткань надрезают.
Е.3.1.7.8 Чехол приклеивают к алюминиевой пластине с помощью клея. До нанесения клея гайки необходимо свинтить.
Е.3.1.7.9 Края с каждой стороны загибают на пластину и также приклеивают.
Е.3.1.7.10 Края в районе прорезей подворачивают внутрь и закрепляют с помощью прочной клейкой ленты.
Е.3.1.7.11 Клею необходимо дать высохнуть не менее 12 ч.
Е.3.1.7.12 Подушку спинки сиденья покрывают таким же образом, как и само сиденье, за исключением того, что линии на чехле размером 1250×850 мм наносят на расстоянии 320 мм от осевой линии материала.
Е.3.1.8 Линия Сг совпадает с линией пересечения верхней плоскости сиденья и передней плоскости спинки сиденья.
Е.3.2 Испытание детских удерживающих устройств, обращенных назад
Е.3.2.1 На тележке устанавливают специальную конструкцию для ограничения хода устройства, как показано на рисунке Е.1

Рисунок Е.1 - Схема испытания детского удерживающего устройства, обращенного назад
Е.3.2.2 К тележке прочно крепят стальную трубу так, чтобы нагрузка (5000±50) Н, приложенная в горизонтальном направлении к центру трубы, вызывала смещение не более чем на 2 мм.
Е.3.2.3 Размер трубы: 50×100×90 мм.
Е.4 Стопорное устройство
Е.4.1 Устройство состоит из двух одинаковых поглощающих энергию устройств, смонтированных параллельно.
Е.4.2 В случае необходимости используют дополнительный поглотитель энергии при увеличении номинальной массы на каждые 200 кг. Каждое устройство для поглощения энергии состоит из:
Е.4.2.1 закрытого корпуса в форме стальной трубки;
Е.4.2.2 полиуретановой трубки - поглотителя энергии;
Е.4.2.3 овального наконечника из полированной стали, который вдавливается в поглотитель энергии;
Е.4.2.4 штока и насадки для восприятия удара.
Е.4.3 Размеры различных частей этого поглотителя энергии приведены на рисунках Е.6-Е.12 в дополнении 2 к настоящему приложению.
Е.4.4 Характеристики поглощающего материала приведены в таблицах Е.3 и Е.4.
Е.4.5 Непосредственно перед калибровочным испытанием, предусмотренным в приложении Ж, комплект стопорного устройства выдерживают не менее 12 ч при температуре 15 °С - 25 °С. В зависимости от типа испытания стопорное устройство должно обладать эффективностью, предписанной в дополнениях 1 и 2 к приложению Ж. Комплект стопорного устройства, используемого во время динамического испытания удерживающего устройства, должен быть кондиционирован не менее 12 ч при той же температуре, что и при калибровочном испытании с отклонением ±2 °С. Допускается применять любое другое стопорное устройство, дающее эквивалентный результат.
|
Параметр |
Значение |
|
Метод ASTM D 735 при отсутствии других указаний1) |
|
|
Твердость по Шору А при температуре (20±5) °С |
95±2 |
|
Прочность на разрыв σв, кгс/см2, не менее |
350 |
|
Минимальное удлинение d, %, не менее Модуль упругости, кгс/см2, не менее: |
400 |
|
при 100 %-ном удлинении |
110 |
|
при 300 %-ном удлинении |
249 |
|
Метод ASTM D 736 |
|
|
Хладоломкость при минус 55 °С, ч |
5 |
|
Остаточная деформация при сжатии (метод В): 22 ч пои 70 °С % нр менее |
45 |
|
Плотность при 25 °С, кг/м3 |
1,05-1,10 |
|
Метод ASTM D 573 (Старение на открытом воздухе 70 ч при 100°C) |
|
|
Твердость по Шору, изменение не более |
+3 |
|
Прочность на разрыв, кгс/см2, уменьшение менее |
10 % от σв, |
|
Удлинение, уменьшение менее |
10 % от d |
|
Масса, кг, уменьшение менее |
1 % |
|
Метод ASTM № 1 (Погружение в масло 70 ч при 100 °С) |
|
|
Твердость по Шору, изменение не более |
±4 |
|
Прочность на разрыв, кгс/см2, уменьшение менее |
15 % от σв, |
|
Удлинение уменьшение менее |
10% от d |
|
Объем, м3, увеличение менее |
5% |
|
Метод ASTM № 3 (Погружение в масло 70 ч при 100 °С) |
|
|
Прочность на разрыв, кгс/см2, уменьшение менее |
15 % от σв, |
|
Удлинение, уменьшение менее |
15% от d |
|
Объем, м3, увеличение менее |
20% |
|
Погружение в дистиллированную воду |
|
|
Прочность на разрыв, кгс/см2, уменьшение менее |
35 % от σв, |
|
Одна неделя при 70 °С |
|
|
Удлинение, увеличение менее |
20 % от d |
|
1) Для получения информации о соответствующих стандартах ASTM обращаться по адресу: ASTM, 1916 Race Street, Philadelphia USA PA 19 103. |
|
|
Параметр |
Значение |
|
Метод ASTM 2000(1980) при отсутствии других указаний1) |
|
|
Твердость по Шору А при температуре (20+5) °С |
88±2 |
|
Прочность на разрыв σв, кгс/см2, не менее |
300 |
|
Минимальное удлинение d, %, не менее Модуль упругости, кгс/см2, не менее |
400 |
|
при 100 %-ном удлинении |
70 |
|
при 300 %-ном удлинении |
130 |
|
Метод ASTM D 736 |
|
|
Хладоломкость при минус 55 °С, ч |
5 |
|
Остаточная деформация при сжатии (метод В): 22 ч при 70 °С, %, не менее |
45 |
|
Плотность при 25 °С, кг/м3 |
1,08-1,12 |
|
Метод ASTM D 573 (Старение на открытом воздухе 70 ч при 100 °С) |
|
|
Твердость по Шору, изменение не более |
+3 |
|
Прочность на разрыв, кгс/см2, уменьшение менее |
10 % от σв |
|
Удлинение, уменьшение менее |
10% от d |
|
Масса, кг, уменьшение менее |
1 % |
|
Метод ASTM D 471 (1971) (Погружение в масло № 1 70 ч при 100 °С) |
|
|
Твердость по Шору, изменение не более |
±4 |
|
Прочность на разрыв, кгс/см2, уменьшение менее |
15 % от σв |
|
Удлинение, уменьшение менее |
10%от d |
|
Объем, м3, увеличение менее |
5% |
|
Метод ASTM D 471 (1971) (Погружение в масло № 3 70 ч при 100 °С) |
|
|
Прочность на разрыв, кг/см2, уменьшение менее |
15 % от σв |
|
Удлинение, уменьшение менее |
15%от d |
|
Объем, м3, увеличение менее |
20% |
|
Погружение в дистиллированную воду |
|
|
Прочность на разрыв, кгс/см2, уменьшение менее |
35 % от σв |
|
Одна неделя при 70 °С |
|
|
Удлинение, увеличение менее |
20 % от d |


Рисунок Е.2 - Размеры сиденья и подушек сиденья

Алюминиевая пластина - толщиной (2,0±0,1) мм
Угол изгиба - 15 °±1°
Рисунок Е.3 - Размеры алюминиевой опорной пластины до сгибания

Рисунок Е.4 - Размеры материала покрытия

Рисунок Е.5 - Размеры сиденья (трехмерное изображение)

Рисунок Е.6 - Размеры стопорного устройства

Рисунок Е.7 - Полиуретановая трубка из материала А

Рисунок Е.8 - Полиуретановая трубка из материала В

*Может изменяться от 43 до 49 мм.
Рисунок Е.9 - Основные размеры овального наконечника стопорного устройства

Рисунок Е.10 -Дополнительные размеры овального наконечника стопорного устройства

Зазор установить по внешнему диаметру полиуретановой трубки (посадка с небольшим натягом)
Рисунок Е.11 - Стопорное устройство в сборе

Рисунок Е.12 - Полиуретановая трубка
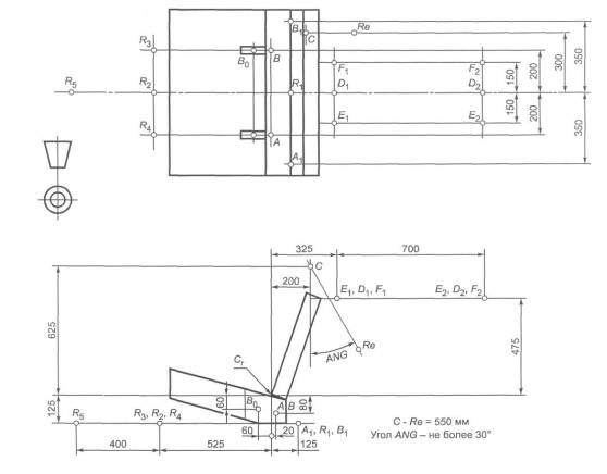
1 Детали крепления устройства должны быть расположены в соответствии с рисунками Е.13 и Е.14.
После подсоединения стандартной крепежной пластины к точкам А и В или Во пластины скрепляют болтами в поперечной горизонтальной плоскости с угловой поверхностью изнутри таким образом, чтобы они могли свободно вращаться вокруг своей оси.
2 В детских удерживающих устройствах универсальной и ограниченной категорий используют следующие точки крепления:
2.1 А и В - для устройств, испытанных для использования с поясными ремнями;
2.2 А, Во и С - для устройств, испытанных для использования с поясным и диагональным ремнями.
3 Крепления А, В и D используют для установки удерживающих устройств полууниверсальной категории, имеющих только одно дополнительное крепление.
4 Крепления А, В, Е и F используют для установки удерживающих устройств полууниверсальной категории, имеющих два верхних дополнительных крепления.
5 Крепления R1 - R5 являются дополнительными точками крепления детского удерживающего устройства, обращенного назад, полууниверсальной категории, имеющей одну или несколько дополнительных точек крепления (8.1.3.5.3).
6 За исключением точки С (место крепления хомута на стойке), точки, соответствующие расположению этих деталей, показывают места крепления концов ремня в тележке или, в соответствующем случае, к тензометру. Конструкция, на которой находится стационарное крепление, должна быть жесткой. Верхние крепления не должны перемещаться более чем на 0,2 мм в продольном направлении, если к ним прилагается в этом направлении усилие 980 Н. Тележка должна быть сконструирована таким образом, чтобы в ходе испытания исключалась возможность возникновения остаточной деформации элементов, несущих стационарные крепления.
7 Для детских люлек весовой группы 0 точки А1 и/или В 1 можно использовать поочередно в соответствии с указаниями предприятия-изготовителя детских удерживающих устройств. Точки А 1 и В 1 расположены на поперечной линии, проходящей через точку R1 на расстоянии 350 мм от R1,.
8 При испытаниях детских удерживающих устройств универсальной и ограниченной категорий испытательное сиденье оснащают стандартным ремнем с втягивающим устройством согласно приложению П. В ходе каждого динамического испытания используют новую лямку между втягивающим устройством и пластиной для крепления А1 стандартного ремня безопасности.

D1 = 325 мм для транспортных средств, оборудованных полкой для мелкого багажа (F1, D1, E1);
D2 = 1025 мм для транспортных средств, оборудованных задними сиденьями с откидной спинкой (тип "Универсал") (F2,D2, E 2);
С- Re = 550 мм;
Угол ANG - не более 30°.
Допуск на размеры, относящиеся к Cr: ± 2 мм
Рисунок Е.13 - Расположение точек крепления детских удерживающих устройств в трехмерном изображении

Рисунок Е.14 - Расположение точек крепления детских удерживающих устройств в плане и фронтальной проекции
Ж.1 Кривая замедления тележки, нагруженной инертной массой для получения общей массы (455±20) кг при испытаниях детских удерживающих устройств согласно 8.1.3.1 настоящего стандарта и (910+40) кг при испытаниях детских удерживающих устройств согласно 8.1.3.2 настоящего стандарта, когда номинальная масса тележки и конструкции транспортного средства 800 кг, должна вписываться при испытаниях на лобовой удар в заштрихованное пространство, указанное на рисунке Ж.1, а при испытаниях на удар сзади - в заштрихованное пространство, указанное на рисунке Ж.2.
Ж.2 При необходимости номинальная масса тележки вместе с прикрепленной к ней конструкцией транспортного средства может быть увеличена порциями по 200 кг, при этом следует устанавливать дополнительную инертную массу 28 кг на каждую порцию. Общая масса тележки и конструкции транспортного средства вместе с инертными массами ни в каком случае не должна отличаться более чем на ±40 кг от номинального значения для калибровочных испытаний. При калибровке стопорного устройства тележка должна останавливаться при лобовом ударе на расстоянии (650±30) мм, а при ударе сзади - на расстоянии (275±20) мм.
Ж.З Калибровочные испытания и измерения следует проводить в соответствии с предписаниями международного стандарта [2]; измерительное оборудование должно соответствовать спецификациям измерительной системы, класс частотных характеристик которой (КЧХ) равен 60.

Скорость во время испытания - 50_2 км/ч
Путь остановки - (650+30) мм
Рисунок Ж.1 - Кривая для проверки стопорных устройств при лобовом ударе

Скорость во время испытания - 30+2 км/ч
Путь остановки - (275±20) мм
Рисунок Ж.2 - Кривая для проверки стопорных устройств при ударе сзади
И.1 Общие положения
И.1.1 Манекены, регламентируемые настоящим стандартом, описаны в дополнениях 1-3 к настоящему приложению и в технических чертежах Научно-исследовательского института автомобильного транспорта (Research Institute for Road Vehicles: Schoemakerstraat 97, 2628 VK Delft, The Netherlands).
И.1.2 Альтернативные манекены могут быть использованы при условии, что:
И.1.2.1 их эквивалентность может быть доказана и должна удовлетворять требованиям испытательной лаборатории;
И.1.2.2 факт их использования регистрируют в протоколе испытания.
1 Общие положения
1.1 Размеры и масса манекенов соответствуют антропометрическим характеристикам 50-го процентиля репрезентативности детей в возрасте 9 мес, 3, 6 и 10 лет.
1.2 Различные части манекенов изготовлены из полиуретана, наплавленного на каркас, выполненный из металла и полиэфира.
1.3 Изображение манекена в разобранном виде представлено на рисунке И.9.
2 Конструкция
2.1 Голова
2.1.1 Голова изготовлена из полиуретана, усиленного металлическими лентами. Внутри головы можно помещать измерительное оборудование в блоке, изготовленном из полиамида и установленном в центре тяжести
2.2 Позвонки
2.2.1 Шейные позвонки
2.2.1.1 Шея изготовлена из пяти колец полиуретана, центр которых усилен полиамидом. Сочленение первого и второго шейных позвонков изготовлено из полиамида.
2.2.2 Поясничные позвонки
2.2.2.1 Пять поясничных позвонков изготовлены из полиамида.
2.3 Грудная клетка
2.3.1 Каркас грудной клетки представляет собой трубчатую стальную раму, к которой прикреплены сочленения для рук. Позвоночник изготовлен в виде стального троса, имеющего четыре выступа, снабженных винтовой резьбой.
2.3.2 Каркас покрыт полиуретаном. В углублении, предусмотренном в грудной клетке, можно установить измерительный прибор.
2.4 Конечности
2.4.1 Руки и ноги также изготовлены из полиуретана, усиленного металлическими элементами в виде труб квадратного сечения, полос и пластин. Колени и локти снабжены регулируемыми шарнирными сочленениями. Плечевые и тазобедренные суставы оборудованы регулируемыми шаровыми шарнирами.
2.5 Таз
2.5.1Таз изготовлен из полиэфира, усиленного стекловолокном и покрыто полиуретаном.
2.5.2 Форма верхней части таза, которая имеет большое значение для определения сил, воздействующих на полость живота, максимально точно соответствует форме таза ребенка.
2.5.3Тазобедренные сочленения расположены под тазом.
2.6 Сборка манекена
2.6.1 Схема сборки: шея - грудная клетка - таз
2.6.1.1 Поясничные позвонки и таз надеты на стальной трос, натяжение которого регулируют с помощью гайки. Шейные позвонки устанавливают и регулируют аналогичным образом. Стальной трос не должен свободно перемещаться в том месте, в котором он пересекает грудную клетку, поэтому регулирование натяжения поясничных позвонков не допускается со стороны шеи или с противоположного направления.
2.6.2 Схема: голова - шея
2.6.2.1 Голову можно устанавливать и регулировать с помощью болта и гайки через сочленения первого и второго шейных позвонков.
2.6.3 Схема: туловище - конечности
2.6.3.1 Установку рук и ног и регулирование их положения по отношению к туловищу можно проводить с помощью шарового шарнира.
2.6.3.2 В сочленениях для рук шаровой шарнир прикреплен к туловищу, а в сочленениях для ног - к ногам.
3 Основные характеристики
3.1 Значения масс указаны в таблице И.1.
|
Часть тела |
Масса по возрастным группам, кг |
|||
|
9 мес |
3 г. |
6 лет |
10 лет |
|
|
Голова +шея |
2,20±0,10 |
2,70±0,10 |
3,54±0,Ю |
3,60+0,10 |
|
Туловище |
3,40±0,10 |
5,80±0,15 |
8,45+0,20 |
12,30±0,30 |
|
Руки |
0,70±0,05 |
1,10±0,05 |
1,85±0,10 |
2,00+0,10 |
|
Предплечья |
0,45±0,05 |
0,70±0,05 |
1,15±0,05 |
1,60+0,10 |
|
Бедра |
1,40±0,05 |
3,00±0,10 |
4,10±0,15 |
7,50+0,15 |
|
Голени |
0,85±0,05 |
1,70±0,10 |
3,00±0,10 |
5,00+0,15 |
|
Итого |
9,00±0,20 |
15,00±0,30 |
22,00±0,50 |
32,20±0,70 |
3.2 Основные размеры
3.2.1 Основные размеры приведены в таблице И.2 и указаны на рисунке И.1.
|
Позиция по рисунку И.1 |
Размер частей манекена |
Значение по возрастным группам, мм |
|||
|
9 мес |
Зг. |
6 лет |
10 лет |
||
|
1 |
Задняя сторона ягодицы - передняя сторона колена |
195 |
334 |
378 |
456 |
|
2 |
Задняя сторона ягодицы - подколенная ямка, положение сидя |
145 |
262 |
312 |
376 |
|
3 |
Центр тяжести - сиденье |
180 |
190 |
190 |
200 |
|
4 |
Окружность груди |
440 |
510 |
580 |
660 |
|
5 |
Глубина грудной клетки |
102 |
125 |
135 |
142 |
|
6 |
Биакромиальное расстояние |
170 |
215 |
250 |
295 |
|
7 |
Ширина головы |
125 |
137 |
141 |
141 |
|
8 |
Длина головы |
166 |
174 |
175 |
181 |
|
9 |
Окружность бедер, положение сидя |
510 |
590 |
668 |
780 |
|
10 |
Окружность бедер, положение стоя (на рисунке И.1 не показано) |
470 |
550 |
628 |
740 |
|
11 |
Глубина бедра, положение сидя |
125 |
147 |
168 |
180 |
|
12 |
Ширина бедер, положение сидя |
166 |
206 |
229 |
255 |
|
13 |
Ширина шеи |
60 |
71 |
79 |
89 |
|
14 |
Нижняя часть ягодиц - локоть |
135 |
153 |
155 |
186 |
|
15 |
Ширина плеч |
216 |
249 |
295 |
345 |
|
16 |
Высота глаз, положение сидя |
350 |
460 |
536 |
625 |
|
17 |
Общая высота, положение сидя |
450 |
560 |
636 |
725 |
|
18 |
Высота плеча, положение сидя |
280 |
335 |
403 |
483 |
|
19 |
Подошвы ног, подколенная ямка, положение сидя |
125 |
205 |
283 |
355 |
|
20 |
Рост (на рисунке И.1 не показано) |
708 |
980 |
1166 |
1376 |
|
21 |
Высота бедра, положение сидя |
70 |
85 |
95 |
106 |

Рисунок И.1 - Основные размеры манекенов
4 Регулирование сочленений
4.1 Общие положения
4.1.1 Для получения воспроизводимых результатов путем использования манекенов необходимо определить и отрегулировать трение в каждом сочленении, напряжение в тросах шеи и поясницы и жесткость полости живота.
4.2 Регулирование троса шеи
4.2.1Туловище кладут спиной на горизонтальную плоскость.
4.2.2 Устанавливают полный комплект шеи без головы.
4.2.3 Затягивают винт, регулирующий натяжение в сочленении первого и второго шейных позвонков.
4.2.4 В сочленение между первым и вторым шейными позвонками помещают стержень или болт.
4.2.5 Гайку регулирования натяжения постепенно ослабляют таким образом, чтобы сочленение первого и второго шейных позвонков опустилось на (10+1) мм под действием направленного вертикально вниз усилия 50 Н, приложенного к стержню или болту, перемещенному в сочленении между первым и вторым шейными позвонками, как указано на рисунке И.2.

Рисунок И.2 - Регулирование троса шеи
4.3 Сочленение первого и второго шейных позвонков
4.3.1 Туловище кладут спиной на горизонтальную плоскость.
4.3.2 Устанавливают полный комплект шеи и головы.
4.3.3 Затягивают болт и регулировочную гайку через голову и сочленение между первым и вторым шейными позвонками, причем голова должна находиться в горизонтальном положении.
4.3.4 Ослабляют гайку до тех пор, пока голова не начнет опускаться, как указано на рисунке И.3.

Рисунок И.3 - Регулирование сочленения первого и второго шейных позвонков
4.4 Тазобедренное сочленение
4.4.1 Кладут таз передней частью на горизонтальную плоскость.
4.4.2 Прикрепляют верхнюю часть бедра.
4.4.3 Затягивают регулировочную гайку, причем бедро должно находиться в горизонтальном положении.
4.4.4 Ослабляют гайку до тех пор, пока бедро не начнет двигаться, как указано на рисунке И.4.
4.4.5 На начальном этапе тазобедренное сочленение часто проверяют в связи с явлением притирки.

Рисунок И.4 - Регулирование тазобедренного сочленения
4.5 Коленное сочленение
4.5.1 Кладут бедро на горизонтальную плоскость.
4.5.2 Устанавливают голень.
4.5.3 Затягивают регулировочную гайку колена, причем голень должна находиться в горизонтальном положении.
4.5.4 Ослабляют регулировочную гайку до тех пор, пока голень не начнет двигаться, как указано на рисунке И.5.

Рисунок И.5 - Регулирование коленного сочленения
4.6 Плечевое сочленение
4.6.1 Устанавливают туловище в вертикальном положении.
4.6.2 Устанавливают плечо без предплечья.
4.6.3 Затягивают регулировочные гайки плеч, причем плечи должны находиться в горизонтальном положении.
4.6.4 Ослабляют регулировочные гайки до тех пор, пока плечи не начнут двигаться, как указано на рисунке И.6.
4.6.5 На начальном этапе плечевые сочленения часто проверяют в связи с явлением притирки.

Рисунок И.6 - Регулирование плечевых сочленений
4.7 Локтевое сочленение
4.7.1 Устанавливают плечо в вертикальном положении.
4.7.2 Устанавливают предплечье.
4.7.3 Затягивают регулировочные гайки локтя, причем предплечье должно находиться в горизонтальном положении.
4.7.4 Ослабляют регулировочную гайку до тех пор, пока предплечье не начнет двигаться, как указано на рисунке И.7.

Рисунок И.7 - Регулирование локтевого сочленения.
4.8 Поясничный трос
4.8.1 Устанавливают верхнюю часть туловища, поясничные позвонки, нижнюю часть туловища, полость живота и пружину (см. рисунок И.8).
4.8.2 Затягивают гайку регулирования натяжения троса в нижней части туловища до тех пор, пока пружина не сожмется на две трети своей длины в свободном состоянии.
4.9 Калибровка полости живота
4.9.1 Общие положения
4.9.1.1 Испытание проводят с помощью соответствующего натяжного устройства.
4.9.2 Помещают элемент, моделирующий полость живота, на твердый блок той же длины и ширины, что и часть позвоночного столба на уровне поясницы.
Ширина блока должна превышать не менее чем в два раза ширину части позвоночного столба на уровне поясницы (см. рисунок И.9).
4.9.3 Прикладывают усилие 20 Н.
4.9.4 Затем прикладывают постоянное усилие 50 Н.
4.9.5 Прогиб полости живота через 2 мин воздействия нагрузки должен составлять для манекена, моделирующего ребенка в возрасте:
9мес............................ (11,5+2,0) мм;
12 лет............................(11,5+2,0) мм;
13 лет............................(13,0±2,0) мм;
14 лет............................(13,0±2,0) мм.

Рисунок И.8 - Регулирование поясничного троса

Рисунок И.9 - Калибровка полости живота
5 Измерительные приборы
5.1 Общие положения
5.1.1 Методы калибровки и измерения должны быть основаны на ИСО 6487 [2].
5.2 Установка акселерометра в грудной клетке
Акселерометр следует устанавливать в защищенной полости, расположенной в грудной клетке.
5.3 Определение величины проникновения в полость живота
5.3.1 Образец формовочной глины вертикально прикрепляют к передней части поясничных позвонков с помощью тонкой клейкой ленты.
5.3.2 Прогибание слоя формовочной глины ни в коем случае не свидетельствует о проникновения в полость живота.
5.3.3 Размеры образцов формовочной глины должны соответствовать длине и ширине поясничного позвоночного столба; толщина образцов должна составлять (25+2) мм.
5.3.4 Разрешается использовать только ту формовочную глину, которая представлена вместе с манекеном.
5.3.5 Температура формовочной глины во время испытания должна составлять (30±5) °С.
Манекен представляет собой единое устройство, состоящее из головы, туловища, рук и ног. Туловище, руки и ноги представляют собой цельную конструкцию из сорботана с покрытием из полихлорвинила1) и имеют металлический пружинный позвоночник. Голова изготовлена из пенополиуретана с полихлорвиниловым покрытием и неподвижно закреплена на туловище. Манекен снабжен плотно прилегающим эластичным костюмом из хлопка и полиэфирного волокна.
Размеры и распределение массы манекена соответствуют 50-му процентилю репрезентативности новорожденных детей и указаны размеры - на рисунке И.10, массы приведены в таблицах И.3 и И.4.
1) Толщина покрытия из полихлорвинила составляет (1,0±0,5) мм.
Плотность - (0,865±0,100) кг/м3.

Рисунок И.10 - Манекен, моделирующий новорожденного
|
Размер |
Название элемента |
Значение, мм |
|
А |
Крестец - темя |
345 |
|
В |
Крестец - подошвы ног (с прямой ногой) |
250 |
|
С |
Ширина головы |
105 |
|
D |
Глубина головы |
125 |
|
Е |
Ширина плеч |
150 |
|
F |
Ширина грудной клетки |
105 |
|
G |
Глубина грудной клетки |
100 |
|
Н |
Ширина бедер |
105 |
|
1 |
Расстояние от грудной клетки до темени |
235 |
|
Элемент |
Масса, кг |
|
Голова и шея |
0,7 |
|
Туловище |
1,1 |
|
Руки |
0,5 |
|
Ноги |
1,1 |
|
Итого |
3,4 |
1 Жесткость плечевого сустава
1.1 Манекен кладут спиной на горизонтальную плоскость и придерживают туловище с одной стороны для предотвращения смещения, как показано на рисунке И.11.
1.2 Прикладывают усилие 150 Н при помощи цилиндрического плунжера с плоским торцом диаметром 40 мм в горизонтальной плоскости в направлении, перпендикулярном к внутренней продольной оси манекена. Ось плунжера проходит через центр плеча манекена и касается плеча в точке А, как показано на рисунке И.11. Горизонтальное отклонение плунжера от точки первого соприкосновения с рукой должно составлять 30 - 50 мм.

Рисунок И.11 - Калибровка жесткости плечевого сустава
1.3 Совершают аналогичные действия с другим плечом, придерживая корпус с противоположной стороны. 2 Жесткость сочленения ноги
2.1 Манекен кладут спиной на горизонтальную плоскость (см. рисунок И.12) и соединяют вместе обе голени таким образом, чтобы внутренние части колен соприкасались.

Рисунок И.12 - Калибровка жесткости сочленения ноги
2.2 Прикладывают к коленям вертикальную нагрузку с помощью плоского плунжера размером 35×95 мм, причем центральная точка плунжера должна быть расположена над наиболее выступающей частью колен.
2.3 Прикладывают к плунжеру достаточную силу и сгибают ноги в области бедра до тех пор, пока торец плунжера не окажется на расстоянии 85 мм от опорной плоскости. Усилие должно быть 30 - 70 Н. Необходимо следить, чтобы нижние конечности в ходе испытания не соприкасались с какой-либо поверхностью.
3 Температура
Калибровку проводят при температуре 15 °С - 30 °С.
1 Общие положения
1.1 Размеры и масса манекена соответствуют антропометрическим характеристикам 50-го процентиля репрезентативности детей в возрасте 18 мес.
2 Конструкция
2.1 Голова
2.1.1 Голова состоит из полужесткого пластического элемента, моделирующего череп, покрытый материалом, имитирующим кожу. В черепной коробке должна быть предусмотрена полость, в которой можно установить контрольно-измерительные приборы (факультативно).
2.2 Шея
2.2.1 Шея состоит из трех частей:
2.2.2 резинового цилиндрического элемента;
2.2.3 регулируемого шарнира, моделирующего затылок, который устанавливается на резиновом цилиндрическом элементе и допускает вращение вокруг боковой оси в условиях регулируемого трения;
2.2.4 нерегулируемого шарового шарнира в основании шеи.
2.3 Туловище
2.3.1 Туловище состоит из пластмассового скелета, покрытого материалом, имитирующим тело и кожу. В туловище, в передней части скелета, имеется полость, которую заполняют пеной, позволяющей обеспечить нужную жесткость грудной клетки. В задней части туловища также имеется полость, в которой может быть установлена контрольно-измерительная аппаратура.
2.4 Полость живота
2.4.1 Полость живота манекена представляет собой единый деформируемый элемент, который устанавливают между грудной клеткой и тазом.
2.5 Поясничный отдел позвоночника
2.5.1 Поясничный отдел позвоночника представляет собой цилиндрический резиновый элемент, который устанавливают между грудной клеткой и тазом. Необходимую жесткость поясничных позвонков регулируют с помощью металлического кабеля, проходящего через отверстия внутри резинового элемента.
2.6 Таз
2.6.1 Таз, изготовленный методом литья из полужесткого пластического материала и по форме напоминающий таз ребенка, покрывают материалом, имитирующим тело и кожу в районе таза и ягодиц.
2.7 Тазобедренное сочленение
2.7.1 Тазобедренное сочленение устанавливают в нижней части таза. Сочленение допускает вращение вокруг боковой оси, а также вокруг оси, образующей с боковой осью прямой угол посредством карданного шарнира. Вращение вокруг обеих осей проводят в условиях регулируемого трения.
2.8 Коленное сочленение
2.8.1 Коленное сочленение позволяет сгибать и разгибать голень в условиях регулируемого трения.
2.9 Плечевое сочленение
2.9.1 Плечевое сочленение устанавливают на каркасе грудной клетки. Храповые устройства позволяют устанавливать руки в двух первоначальных положениях.
2.10 Локтевое сочленение
2.10.1 Локтевое сочленение позволяет сгибать и разгибать руку. Храповые устройства позволяют устанавливать предплечье в двух первоначальных положениях.
2.11 Сборка манекена
2.11.1 Спинной кабель устанавливают в поясничной части.
2.11.2 Поясничную часть позвоночного столба монтируют в скелете между тазом и грудным отделом позвоночника.
2.11.3 Элемент, моделирующий полость живота, устанавливают между грудной клеткой и тазом.
2.11.4 Шейный элемент устанавливают сверху грудной клетки.
2.11.5 Голову устанавливают на шейном элементе с использованием промежуточной пластины.
2.11.6 Затем монтируют элементы, моделирующие руки и ноги.
3 Основные характеристики
3.1 Масса
3.1.1 Распределение масс манекена, моделирующего 18-месячного ребенка, приведено в таблице И.5.
|
Элемент |
Масса, кг |
|
Голова и шея |
2,73 |
|
Туловище |
5,06 |
|
Плечо |
0,27 |
|
Предплечье |
0,25 |
|
Бедро |
0,61 |
|
Голень |
0,48 |
|
Итого |
11,01 |
3.2 Основные размеры
3.2.1 Основные размеры приведены на рисунке И.13 и в таблице И.6.

Рисунок И. 13 - Основные размеры манекена 18-месячного ребенка
|
Позиции по рисунку И.13 |
Элемент манекена |
Значение, мм |
|
1 |
Задняя сторона ягодицы - передняя сторона колена |
239 |
|
2 |
Задняя сторона ягодицы - подколенная ямка, положение сидя |
201 |
|
3 |
Центр тяжести - нижняя часть ягодицы |
193 |
|
4 |
Окружность груди |
474 |
|
5 |
Глубина грудной клетки |
113 |
|
7 |
Ширина головы |
124 |
|
8 |
Длина головы |
160 |
|
9 |
Окружность бедер, положение сидя |
510 |
|
10 |
Окружность бедер, положение стоя (на рисунке И. 13 не показано) |
471 |
|
11 |
Глубина бедер, положение сидя |
125 |
|
12 |
Ширина бедер, положение сидя |
174 |
|
14 |
Нижняя часть ягодиц - локоть |
125 |
|
15 |
Ширина плеч |
224 |
|
17 |
Общая высота, положение сидя |
4951) |
|
18 |
Высота плеча, положение сидя |
305 |
|
19 |
Подошвы ног, подколенная ямка, положение сидя |
173 |
|
20 |
Рост (на рисунке И.13 не показано) |
8201) |
|
21 |
Высота бедра, положение сидя |
66 |
|
1) Ягодицы, спину и голову манекена прижимают к вертикальной стенке. |
||
4 Регулирование сочленений
4.1 Общее положение
4.1.1 Для обеспечения воспроизводимых результатов при использовании манекенов необходимо отрегулировать трение в шарнирах, натяжение в поясничной части позвоночника и жесткость элемента, моделирующего полость живота.
4.2 Поясничный отдел позвоночника
4.2.1 До установки поясничного отдела позвоночника в манекен проводят его калибровку.
4.2.2 Устанавливают нижнюю монтажную пластину поясничного отдела позвоночника на вертикальную опору таким образом, чтобы передняя сторона поясничных позвонков была расположена снизу, как показано на рисунке И. 14.

Рисунок И.14 - Монтажная пластина поясничного отдела позвоночника
4.2.3 Прикладывают к верхней монтажной пластине направленное вниз усилие 250 Н. Результирующее перемещение вниз, регистрируемое через 1-2 с после приложения силы, должно быть 9-12 мм.
4.3 Полость живота
4.3.1 Устанавливают элемент, моделирующий полость живота, на жесткий блок такой же длины и ширины, как и поясничный отдел позвоночника. Толщина блока должна превышать не менее чем в два раза толщину поясничного отдела позвоночника, как показано на рисунке И.15.
4.3.2 Прикладывают первоначальное усилие 20 Н.
4.3.3 После этого прикладывают постоянное усилие 50 Н.
4.3.4 Прогиб элемента, моделирующего полость живота, по прошествии 2 мин должен быть (12±2) мм.
4.4 Регулирование элемента шеи
4.4.1 Монтируют элемент шеи в комплекте, состоящем из резинового цилиндрического элемента, шарового шарнира и шарнира затылка с использованием вертикальной стенки таким образом, чтобы передняя часть была направлена вниз, как показано на рисунке И.16.
4.4.2 Прикладывают вертикально направленное усилие 100 Н к оси шарнира затылка. Перемещение шарнира затылка вниз должно составлять (22+2) мм.
4.5 Сочленение затылка
4.5.1 Устанавливают элемент шеи в сборе и элемент головы в сборе.
4.5.2 Укладывают туловище на спину на горизонтальную плоскость.
4.5.3 Затягивают болт и регулировочную гайку через голову и сочленение затылка до тех пор, пока она не перестанет опускаться под собственной массой.
4.6 Тазобедренное сочленение
4.6.1 Монтируют бедро без голени на тазе.

Рисунок И.15

Рисунок И.16 - Монтаж элемента шеи в комплекте
4.4.2 Прикладывают вертикально направленное усилие 100 Н к оси шарнира затылка. Перемещение шарнира затылка вниз должно составлять (22+2) мм.
4.5 Сочленение затылка
4.5.1 Устанавливают элемент шеи в сборе и элемент головы в сборе.
4.5.2 Укладывают туловище на спину на горизонтальную плоскость.
4.5.3 Затягивают болт и регулировочную гайку через голову и сочленение затылка до тех пор, пока она не перестанет опускаться под собственной массой.
4.6 Тазобедренное сочленение
4.6.1 Монтируют бедро без голени на тазе.
4.6.2 Устанавливают бедро в горизонтальном положении.
4.6.3 Увеличивают трение на боковой оси до тех пор, пока нога не перестанет опускаться под собственной массой.
4.6.4 Устанавливают бедро в горизонтальном положении в направлении боковой оси.
4.6.5 Увеличивают трение в карданном шарнире до тех пор, пока бедро не перестанет опускаться под собственной массой.
4.7 Коленное сочленение
4.7.1 Прикрепляют голень к бедру.
4.7.2 Устанавливают бедро и голень в горизонтальном положении. Бедро должно находиться на опоре.
4.7.3 Затягивают регулировочную гайку на коленном шарнире до тех пор, пока голень не перестанет опускаться под собственной массой.
4.8 Плечевые сочленения
4.8.1 Разводят предплечья и устанавливают плечо в верхнем положении храпового устройства.
4.8.2 Если рука не удерживается в этом положении, то храповое устройство плеча следует отремонтировать или заменить.
4.9 Локтевое сочленение
4.9.1 Устанавливают плечо в самом нижнем положении храпового устройства, а предплечье - в верхнем положении храпового устройства.
4.9.2 Если предплечье не удерживается в этом положении, то храповое устройство локтевого сочленения следует отремонтировать или заменить.
5 Контрольно-измерительные приборы
5.1 Общие положения
5.1.1 Хотя манекен 18-месячного ребенка может быть оборудован различными датчиками, вначале его снабжают дополнительными грузами одинакового размера и массы.
5.1.2 Методы калибровки и измерения должны быть основаны на ИСО 6487 [2].
5.2 Установка акселерометра в грудной клетке
5.2.1 Акселерометр следует устанавливать в защищенной полости, расположенной в грудной клетке.
5.3 Определение величины проникновения в полость живота
5.3.1 Наличие или отсутствие проникновения в полость живота определяют с помощью скоростной фотосъемки.
К.1 Установка, метод испытания, измерительные приборы
К. 1.1 Место проведения испытаний
Место проведения испытаний должно обладать достаточной площадью для оборудования дорожки разгона транспортных средств, установки барьера и технических устройств, необходимых для проведения испытания. Конечная часть дорожки (не менее 5 м до барьера) должна быть горизонтальной, ровной и гладкой.
К.1.2 Барьер
Барьер представляет собой железобетонный блок шириной по фронту не менее 3 м и высотой не менее 1,5 м. Толщину барьера определяют с таким расчетом, чтобы его масса была не менее 70 т. Фронтальная сторона блока должна быть вертикальной и перпендикулярной по отношению к оси дорожки разгона и должна быть облицована хорошей фанерой толщиной (20±1) мм. Барьер должен быть прочно врыт в землю или стоять на земле и иметь, при необходимости, дополнительные приспособления для ограничения его перемещения. Можно также применять барьеры, имеющие другие характеристики, но дающие не менее убедительные результаты.
К.1.3 Движение транспортного средства
В момент столкновения транспортное средство не должно больше подвергаться воздействию дополнительных направляющих и перемещающих устройств; оно должно столкнуться с препятствием по траектории, перпендикулярно к ударной поверхности барьера; максимально допускаемое отклонение между средней вертикальной линией передней стенки транспортного средства и средней вертикальной линией ударной поверхности барьера составляет ±30 см.
К.1.4 Состояние транспортного средства
К.1.4.1 Испытуемое транспортное средство должно иметь все элементы и обычное оборудование, включенные в его массу в снаряженном состоянии, или находиться в состоянии, удовлетворяющем данному требованию в части элементов и оборудования, относящихся к салону, и в части распределения массы всего транспортного средства в снаряженном состоянии.
К.1.4.2 Если транспортное средство перемещается за счет внешнего источника энергии, то система питания должна быть заполнена не менее чем на 90 % емкости невоспламеняющейся жидкостью, плотность и вязкость которой близки к характеристикам обычно используемого топлива.
К.1.4.3 Если транспортное средство перемещается с помощью собственного двигателя, то топливный бак должен быть заполнен не менее чем на 90 % емкости. Остальные жидкостные системы должны быть заполнены полностью.
К.1.4.4 По запросу предприятия-изготовителя испытательная лаборатория, проводящая испытания, может разрешить использование для испытаний по настоящему стандарту транспортного средства, которое уже было использовано для испытаний по другим стандартам (включая испытания, которые могли повлиять на его конструкцию).
К.1.5 Скорость удара
Скорость удара должна составлять 50_-2 км/ч. Если испытание проводят при большей скорости удара и транспортное средство удовлетворяет предъявленным требованиям, то испытание считают выдержанным.
К.1.6 Измерительные приборы
Необходимо, чтобы измерительный прибор, используемый для регистрации указанной в К.1.5 скорости, давал возможность проводить измерения с точностью до 1 %.
Л.1 Установка, метод испытания, измерительные приборы
Л.1.1 Место проведения испытаний
Место проведения испытаний должно обладать достаточной площадью для размещения системы перемещения ударного элемента допускать перемещение испытуемого транспортного средства, а также установку оборудования, необходимого для проведения испытания. Участок, где происходит удар и перемещение испытуемого транспортного средства, должен быть горизонтальным. Наклон, измеренный на отрезке 1 м, должен быть 3 %.
Л.1.2 Ударный элемент
Л.1.2.1 Ударный элемент должен быть выполнен из стали и иметь жесткую конструкцию.
Л.1.2.2 Поверхность удара должна быть плоской, иметь ширину не менее 2500 мм, высоту 800 мм, ее края должны быть закруглены, при этом радиус кривизны должен быть 40 - 50 мм. Она должна быть облицована многослойной фанерой толщиной (20 ±1) мм.
Л.1.2.3 В момент удара должны быть соблюдены следующие условия:
Л. 1.2.3.1 поверхность удара должна быть вертикальной и перпендикулярной к среднему продольному сечению испытуемого транспортного средства;
Л.1.2.3.2 направление движения ударного элемента должно быть практически горизонтальным и параллельным среднему продольному сечению испытуемого транспортного средства;
Л.1.2.3.3 максимально допускаемое боковое отклонение между вертикальной линией, проходящей через центр поверхности ударного элемента, и средним продольным сечением испытуемого транспортного средства должно составлять 300 мм. Кроме того, поверхность удара должна охватывать всю ширину испытуемого транспортного средства;
Л. 1.2.3.4 расстояние от нижнего края ударной поверхности до уровня грунта должно быть (175 ± 25) мм.
Л.1.3 Перемещение ударного элемента
Ударный элемент может быть установлен на тележке (подвижное препятствие) или быть частью маятника.
Л.1.4 Специальные положения, применяемые в случае использования подвижного препятствия
Л.1.4.1 Если ударный элемент укреплен на тележке (подвижное препятствие) с помощью удерживающего элемента, то удерживающий элемент должен быть жестким и недеформируемым при ударе; тележка должна иметь возможность свободно перемещаться в момент удара и не должна подвергаться после этого воздействию устройства перемещения.
Л.1.4.2 Общая масса тележки и ударного элемента должна быть (1100 + 20) кг.
Л.1.5 Специальные положения, применяемые в случае использования маятника
Л.1.5.1 Расстояние между центром ударной поверхности и осью вращения маятника должно быть не менее 5 м.
Л.1.5.2 Ударный элемент следует свободно подвесить с помощью двух прочно прикрепленных к нему жестких подвесок. Образованный таким образом маятник должен быть в момент удара практически недеформируемым.
Л.1.5.3 Во избежание повторного удара элемента по испытуемому транспортному средству следует предусмотреть стопорное устройство.
Л.1.5.4 В момент удара скорость центра удара маятника должна быть 30- 32 км/ч.
Л.1.5.5 Приведенную массу в центре удара маятника тг определяют как функцию от общей массы т, расстояния а1) между центром удара и осью вращения и расстояния / между центром тяжести и осью вращения по формуле
![]()
Л.1.5.6 Полная приведенная масса тr должна быть (1100 ± 20) кг.
Л.1.6 Общие положения, касающиеся массы и скорости ударного элемента
Если испытания проводят со скоростью удара, превышающей предусмотренную в 1.5.4, и/или с массой, превышающей массу, предусмотренную в 1.5.3 или 1.5.6, и если транспортное средство удовлетворяет предъявляемым требованиям, то результаты испытания считают удовлетворительными.
1) Расстояние а равно длине маятника, синхронного рассматриваемому маятнику.
Л.1.7 Состояние транспортного средства при испытании
Испытуемое транспортное средство должно иметь все элементы и нормальное оборудование, включенное в его порожнюю массу в снаряженном состоянии, или соответствовать требованиям настоящего стандарта в части элементов оборудования, относящихся к кабине и распределению массы всего транспортного средства в снаряженном состоянии.
Л.1.8 Комплектное транспортное средство, оборудованное удерживающим устройством для детей, установленным согласно инструкциям по монтажу, должно быть расположено на твердой плоской и горизонтальной поверхности с выключенным ручным тормозом и коробкой передач в нейтральном положении. Во время одного испытания на удар можно проверять несколько удерживающих устройств для детей.
М.1 В настоящем стандарте рассмотрены только дополнительные крепления, служащие для установки детских удерживающих устройств полууниверсальной категории, или стержни и другие специальные элементы, используемые для крепления устройств к кузову автотранспортного средства независимо, соблюдаются или нет требования ГОСТ Р 41.14.
М.2 Крепления определяет предприятие - изготовитель детских удерживающих устройств, детали которых представлены на испытания испытательной лаборатории, ответственной за проведение испытаний.
Испытательная лаборатория может принять во внимание информацию, полученную от предприятия - изготовителя автотранспортного средства.
М.З Детали, необходимые для установки креплений, а также точную схему расположения для каждого автотранспортного средства представляет предприятие - изготовитель детских удерживающих устройств.
М.4 Предприятие - изготовитель детских удерживающих устройств указывает, соответствуют ли крепления, необходимые для их установки на автотранспортное средство, рекомендациям, приведенным в 1.13 приложения 10 к Сводной резолюции о конструкции транспортных средств (СР.3) (TRANS/WP.29/78/Rev.1).

1 - крепление плечевых лямок; 2 - самая нижняя точка крепления
Рисунок Н.1 - Места крепления
П.1 Ремень безопасности для динамического испытания и проверки требования, касающегося максимальной длины, должен соответствовать одной из двух конфигураций, приведенных на рисунке П.1. Они включают в себя ремень с креплениями в трех точках и втягивающим устройством и статический ремень с креплением в двух точках.

Л1 и А2 - устройства для крепления; С - центральная часть; Р - хомут, прикрепляемый к стойке; R - втягивающее устройство
Рисунок П.1 - Конфигурация стандартного ремня безопасности
П.2 Ремень с креплениями в трех точках и втягивающим устройством состоит из следующих жестких частей: втягивающего устройства, прикрепляемого к стойке хомута, двух устройств для крепления (см. рисунок П.2) и центральной части (см. рисунок П.З).
Втягивающее устройство должно соответствовать требованиям ГОСТ Р 41.16 в части силы втягивания. Диаметр бобины втягивающего устройства должен быть (33,0 ± 0,5) мм.

Рисунок П.2 - Стандартная пластина для крепления

Рисунок П.3 - Центральная деталь стандартного ремня безопасности
П.3 Ремень с втягивающим устройством устанавливают с помощью креплений на испытуемом сиденье, описанном в дополнениях 1 и 3 к приложению Е, следующим образом:
- крепление ремня А1, монтируют на креплении тележки Во (с внешней стороны);
- крепление ремня А2 монтируют на креплении тележки А (с внутренней стороны);
- хомут, прикрепляемый к стойке Р, монтируют на креплении тележки С;
- втягивающее устройство ремня R монтируют на креплении тележки Re.
Значение Х на рисунке П.1 составляет (200 ± 5) мм. Значения Р и А, на рисунке П.1 для универсальных и полууниверсальных детских удерживающих устройств (2220 ± 5) мм измеряют параллельно центральной линии лямки, при этом часть лямки длиной (150 ± 5) мм должна оставаться намотанной на бобину втягивающего устройства. Значения Р и А1 применительно к детским удерживающим устройствам ограниченной категории не менее (2220 ± 5) мм измеряют параллельно центральной линии лямки, при этом часть лямки длиной (150 ± 5) мм должна оставаться намотанной на бобину втягивающего устройства.
П.4 К лямкам ремня безопасности предъявляют следующие требования:
материал: полиэфирное волокно;
размеры:
ширина...................(48 ± 2) мм при усилии 10 кН;
толщина...................(1,0 ±0,2) мм;
удлинение..................(8 ± 2) % при усилии 10 кН.
П.5 Статический ремень безопасности с креплением в двух точках, как показано на рисунке П.1, состоит из двух стандартных пластин для крепления, приведенных на рисунке П.2, и лямки, отвечающей требованиям П.4.
П.6 Пластины для крепления ремня безопасности в двух точках монтируют на креплениях А и Б тележки. Значение У на рисунке П.1 составляет (1300 ± 5) мм. Это значение соответствует максимальной длине, предписанной для детских удерживающих устройств универсальной категории, оснащенных ремнями безопасности с двумя точками крепления согласно 6.1.9 настоящего стандарта.

1 - точечная сварка; 2 - сгиб
Поверхность изделия хромированная.
Рисунок П.4 - Прикрепляемый к стойке хомут
В настоящем приложении приведены пояснительные замечания для испытательных лабораторий, ответственных за проведение испытаний.
К пункту 2.10.1.
Устройством быстрого регулирования может быть также устройство с вращающейся осью и пружиной, аналогичное втягивающему устройству, с высвобождением лямки вручную. Испытание регулировочного устройства проводят в соответствии с 7.2.2.5 и 7.2.3.1.3.
К пункту 2.19.2.
Полууниверсальное детское удерживающее устройство, предназначенное для использования на заднем сиденье обычных легковых автотранспортных средств или типа «универсал» с идентичным комплектом ремней, рассматривают в качестве одного типа.
К пункту 2.19.3.
При решении вопроса о создании нового типа детского удерживающего устройства необходимо учитывать различие в показателях размеров и/или массы сиденья, набивки или противоударного экрана и характеристик поглощения энергии или цвета материала.
Пункты не применяют к ремням безопасности, прошедшим испытания на соответствие ГОСТ Р 41.16, которые в индивидуальном порядке используют в случае крепления детского удерживающего устройства на автотранспортном средстве или удержания ребенка.
К пункту 6.1.2.
Для детских удерживающих устройств, обращенных назад, правильное положение верхней части удерживающего устройства по отношению к голове манекена ребенка обеспечивают за счет установки самого крупного по размеру манекена, на который рассчитано это устройство, в наиболее откинутое назад положение, при котором горизонтальная линия, проведенная на уровне глаз, должна проходить ниже верхней кромки сиденья.
К пункту 6.1.8
Требование в отношении 150 мм применяют также к детским люлькам, кроме случаев, когда для соединения детской люльки с ремнем безопасности используют специальное приспособление.
К пункту 6.2.4.
Этот вопрос решают по результатам просмотра высокоскоростной съемки, на которой видимое проникновение любой части удерживающего устройства в полость живота или любое смещение поясной лямки на грудь рассматривают в качестве сбоя в работе устройства. Выскальзывание манекена из-под плечевой лямки за точку максимального смещения также рассматривают в качестве сбоя в работе, однако в этом случае по требованию предприятия-изготовителя могут быть проведены два дополнительных испытания с соответствующим манекеном. В ходе этих испытаний должны быть выполнены все требования, предъявляемые к результатам испытаний. Предел приемлемого смещения плечевого ремня должен быть таким, чтобы нижний край плечевого участка стандартного ремня безопасности был не ниже локтя манекена в точке максимального диапазона смещения манекена.
К пункту 6.2.9.
Существует общее понимание, что это требование применяют также к устройствам, которые имеют зажимы, даже если они для данной группы не требуются. Таким образом, испытания проводят только на устройствах группы II, однако при предписанном усилии, т. е. при усилии, в два раза превышающем массу манекена I.
К пункту 7.1.2.1 и приложениям Т и Ф.
Если структура детского удерживающего устройства не является однородной, то испытанию на проверку соответствия положениям приложений Т и Ф может быть подвергнут энергопоглощающий материал или весь материал конструкции детского удерживающего устройства; если существует вероятность получения различных показателей для данной структуры детского удерживающего устройства, то организация, ответственная за проведение испытаний, определяет наихудший случай несоблюдения критериев соответствия. Из энергопоглощающего материала может быть изготовлен весь чехол системы детского удерживающего устройства или отдельная его часть.
К пункту 7.1.3.
При проведении испытания на опрокидывание используют ту же процедуру установки и те же параметры, что и в случае динамического испытания.
Кпункту 7.1.3.1.
Блокировка установки в момент опрокидывания не допускается.
К пункту 7.1.4.2.2.
Формулировка данного пункта касается значений ускорения, соответствующих растягивающим усилиям на стержне позвоночника манекена.
К пункту 7.1.4.3.1.
Видимые признаки проникновения означают проникновение в формовочную глину полости живота (под давлением удерживающего устройства), однако смещение глины при отсутствии сжатия в горизонтальном направлении, например в результате простого сгибания позвоночника, проникновением не считают. См. также толкование пункта 6.2.4.
К пункту 7.2.1.5.
Требование первого предложения считают выполненным, если рука манекена достигает пряжки.
К пункту 7.2.2.1.
Это положение имеет целью обеспечить легкость соединения и разъединения сертифицированных в индивидуальном порядке направляющих лямок.
К пункту 7.2.4.1.1.
Требуются две лямки. Измеряют разрывную нагрузку первой лямки. Ширину второй лямки измеряют при нагрузке 75 % от разрывной нагрузки первой лямки.
К пункту 7.2.4.4.
Не допускается использование элементов, которые могут быть разобраны и демонтированы, а затем неправильно собраны вновь не имеющим надлежащей подготовки пользователем, в результате чего конфигурация системы может стать опасной.
К пункту 8.1.2.2.
В формулировке «устанавливаться на сиденье» под сиденьем понимают испытательное сиденье в соответствии с приложением Е. Фраза «устройства можно устанавливать» означает, что особое устройство, как правило, испытывают на опрокидывание при установке на испытательном сиденье, однако это не означает испытания на сиденье автотранспортного средства.
К пункту 8.2.2.1.1.
Фраза «с учетом нормальных условий использования» означает, что это испытание проводят на детском удерживающем устройстве, установленном на стенде или на сиденье автотранспортного средства без манекена.
Манекен следует использовать только при установке устройств регулирования. В первую очередь регулируют положение лямок в соответствии с 8.1.3.6.3.2 или 8.1.3.6.3.3 (в зависимости от случая). Затем манекен убирают и проводят испытание.
К пункту 8.2.5.2.6.
Этот пункт не применяют к направляющим лямкам, прошедшим испытания в индивидуальном порядке на основании настоящего стандарта.
С.1 Испытания
С.1.1 Проверку аварийно-запирающихся втягивающих устройств на чувствительность и износостойкость проводят в соответствии с 8.2.4.3, при необходимости, в наиболее неблагоприятном направлении после проведения испытаний на износостойкость, описанных в 8.2.4.2, 8.2.4.4 и 8.2.4.5 и предусмотренных 7.2.3.2.6.
С.1.2 Проверку автоматически запирающихся втягивающих устройств на износостойкость проводят в соответствии с 8.2.4.2 и дополнительно с помощью испытаний, описанных в 8.2.4.4 и 8.2.4.5 и предусмотренных 7.2.3.1.3.
С.1.3 Испытание лямок на механическую прочность после кондиционирования проводят в соответствии с методами, изложенными в 7.2.4.2, после кондиционирования, проведенного согласно требованиям 8.2.5.2.1 - 8.2.5.2.5.
С.1.3.1 Испытание лямок на механическую прочность после испытания на истирание проводят в соответствии с методом, изложенным в 7.2.4.2, после кондиционирования, проведенного согласно требованиям 8.2.5.2.6.
С.1.4 Испытание на проскальзывание проводят в соответствии с методом, изложенным в 8.2.3 настоящего стандарта.
С.1.5 Поглощение энергии определяют в соответствии с 7.1.2.
С.1.6 Проверку технических характеристик детского удерживающего устройства проводят методом динамического испытания в соответствии 8.1.3 с использованием любой пряжки, подвергнутой предварительному кондиционированию согласно 7.2.1.7 для проверки соблюдения требований 7.1.4 (общие рабочие характеристики детского удерживающего устройства) и 7.2.1.8.1 (рабочие характеристики любой пряжки под нагрузкой).
С.1.7 Термическое испытание
В соответствии с требованиями 7.1.5
С.2 Частота проведения испытаний и результаты
С.2.1 Частоту проведения испытаний для проверки соответствия требованиям С.1.1-С.1.5 устанавливают на статистически обоснованной и выборочной основе согласно одной из процедур, применяемых для обеспечения качества продукции.
С.2.1.1 Кроме того, в случае оборудования детского удерживающего устройства аварийно-запирающимися втягивающими устройствами, проводят проверку в сборе:
С.2.1.1.1 либо согласно 8.2.4.3.1-8.2.4.3.4 в наиболее неблагоприятном направлении, указанном в 8.2.4.3.3. При этом результаты испытания должны соответствовать требованиям 7.2.3.2.1.1 и 7.2.3.2.4.
С.2.1.1.2 либо согласно 8.2.4.3.5, в наиболее неблагоприятном направлении. Однако в этом случае скорость наклона может быть выше требований к скорости, если это не влияет на результаты испытания. Результаты испытания должны соответствовать требованиям 7.2.3.2.1.4.
С.2.2 Для детских удерживающих устройств универсальной, ограниченной и полууниверсальной категорий проверку соответствия производства с помощью динамического испытания, предусмотренного в С.1.6, проводят с минимальной частотой - одно испытание на 5000 изготовленных детских удерживающих устройств. Однако в течение каждых четырех недель должно быть проведено не менее одного испытания.
При каждом испытании следует соблюдать требования, изложенные в 7.1.4.1.4 и 7.2.1.8.1.2.
Кроме того, для одного из каждых двух испытаний должны быть соблюдены требования, изложенные в 7.1.4 и 7.2.1.8.1.
Если годовой объем составляет 1000 или менее детских удерживающих устройств, испытание проводят с минимальной частотой один раз в год при соблюдении условий 7.1.4 и 7.2.1.8.1.
С.2.3 Для встроенных устройств, предназначенных для установки на конкретных автотранспортных средствах, испытания проводят с частотой:
- детские удерживающие устройств, за исключением дополнительных
подушек...................................................................................…..один раз в восемь недель;
- дополнительные подушки..............................................………один раз в 12 недель.
В результате проведения каждого испытания должны быть соблюдены требования 7.1.4 и 7.2.1.8.1. Если все испытания в течение года дают удовлетворительные результаты, изготовитель может уменьшить частоту проведения испытаний:
- детских удерживающих устройства, за исключением дополнительных
подушек...........................…………………………………………………один раз в 16 недель;
- дополнительных подушек..................…………………………………один раз в 24 недели.
Если годовой объем составляет 1000 или менее детских удерживающих устройств, испытание проводят с минимальной частотой один раз в год.
С.2.3.1 Для детских удерживающих устройств, предназначенных для установки на конкретных автотранспортных средствах и удовлетворяющих 2.1.2.4.1, изготовитель детских удерживающих устройств может выбрать процедуру проверки соответствия производства, предусмотренную в С.2.2 (на испытательном сиденье) или С.2.3 (на корпусе автотранспортного средства).
С.2.4 Если какой-либо испытуемый образец не выдерживает конкретное испытание, то аналогичное испытание на проверку соблюдения требований проводят, как минимум, на трех дополнительных образцах. Если при динамических испытаниях один из этих образцов дает неудовлетворительные результаты, предприятие-изготовитель увеличивает частоту до более высокой, если использовалась в соответствии с С.2.3 более низкая частота.
Т.1 Модель головы
Т.1.1 Модель головы представляет собой твердое деревянное полушарие с дополнительным сферическим сегментом, как показано на рисунке Т.1. Модель головы должна быть сконструирована так, чтобы ее можно было сбрасывать в направлении оси, показанной на рисунке Т.1; конструкцией должна быть предусмотрена возможность установки акселерометра для измерения ускорения в направлении падения.

Рисунок Т.1 - Модель головы
Т. 1.2 Общая масса модели головы с акселерометром должна быть (2,75 ± 0,05) кг.
Т.2 Измерительная аппаратура
В ходе испытания регистрируют ускорение с использованием оборудования, соответствующего спецификации канала данных для класса 1000 частотных характеристик в соответствии с ИСО 6487 [2].
Т.3 Метод испытания
Т.3.1 Берут три образца каждого вида материала из одного или нескольких детских удерживающих устройств.
Т.З.2 Образец следует жестко зафиксировать по внешней поверхности в районе удара и поместить непосредственно под точкой удара на гладкое жесткое основание, например на твердую бетонную плиту, чтобы можно было измерить только энергопоглощающие характеристики структуры материала.
Т.3.3 Поднимают модель головы на высоту 100+5 мм, измеряемую от верхней поверхности образца до нижней точки модели головы, и отпускают. Регистрируют ускорение модели головы в момент удара. Проводят то же испытание с остальными образцами.
Ф.1 Устанавливают детское удерживающее устройство на испытательное сиденье, описанное в приложении Е.
Устройства с изменяющимся наклоном устанавливают как можно ближе к вертикальному положению. Помещают в устройство самый маленький манекен в соответствии с инструкцией предприятия-изготовителя. Отмечают точку А на спинке на том же уровне, на котором находится плечо этого манекена, на расстоянии 2 см в сторону центра от внешнего края руки. Все внутренние поверхности, расположенные над горизонтальной плоскостью, проходящей через точку А, должны быть покрыты специальным энергопоглощающим материалом, испытанным в соответствии с приложением Т. Этот материал должен покрывать внутренние поверхности спинки и боковые выступы, в т.ч. внутренние края (закругленные зоны) боковых выступов. Энергопоглощающий материал может быть выполнен заодно с детским сиденьем. В случае удерживающих устройств для детской люльки нижний предел зоны, где должен использоваться материал, соответствующий приложению Т, должен включать в себя все зоны спереди от обращенного назад плеча меньшего по размеру манекена, при этом данные величины измеряют, когда манекен находится в детской люльке, а люлька установлена на испытательном стенде.
Ф.2 Для устройств, обращенных назад, глубина боковых выступов должна быть не менее 90 мм от средней линии поверхности спинки. Эти боковые выступы должны начинаться от горизонтальной плоскости, проходящей через точку А, и доходить до верха спинки сиденья. Начиная с точки, расположенной на 90 мм ниже верхней точки спинки сиденья, глубина боковых выступов может постепенно уменьшаться.
Ф.3 Требования Ф.2 к минимальному размеру боковых выступов не применяют к детским удерживающим устройствам весовых групп II и III, относящимся к особой категории, которые устанавливают в багажном отделении в соответствии с 6.1.2.
Рисунок Х.1 - Схема испытательного устройства
Х.1 Метод кондиционирования - Схема испытательного устройства представлена на рисунке Х.1.
Х.1.1 После приведения лямок в исходное положение, описанное в 8.2.7, вытаскивают не менее 50 мм лямки комплекта ремней, потянув ее за свободный конец.
Х.1.2 Прикрепляют отрегулированную часть комплекта ремня к натяжному устройству А.
Х.1.3 Приводят в действие регулировочное устройство и вытаскивают не менее 150 мм лямки. Эта длина представляет собой половину цикла и обеспечивает установку натяжного устройства А в положение, соответствующее максимальной длине вытягивания лямки.
Х.1.4 Присоединяют свободный конец лямки к натяжному устройству В.
Х.2 Цикл состоит из следующих этапов.
Х.2.1 Вытягивают лямку с помощью устройства В не менее чем на 150 мм в тот момент, когда устройство Л не действует на комплект ремней.
Х.2.2 Приводят в действие натяжное устройство и натягивают ремень с помощью устройства А в тот момент, когда устройство В не действует на свободный конец лямки.
Х.2.3 В конце хода останавливают натяжное устройство.
Х.2.4 Повторяют этот цикл, как указано в 7.2.2.7.
Усилие растяжения

Усилие растяжения
1 - пряжка; 2 - лямки (3 или 5 шт.); а - поверхность в плоскости А
Рисунок Ц.1 -Устройство для испытания пряжки на механическую прочность

1 - испытательная тележка; 2 - стандартное затягивающее устройство; 3 - стойка В; 4 - хомут, прикрепляемый к стойке; 5 - положение зажима, при наличии; 6 - датчик нагрузки № 2; 7 - подушка сиденья, предназначенная для испытания; 8 - датчик нагрузки № 1
Рисунок 4.1 -Устройство для проведения динамического испытания на удар
4.1 Метод проведения динамического испытания на удар
4.1.1 Поясной ремень
Устанавливают датчик нагрузки № 1 с внешней стороны, как показано на рисунке 4.1.
Устанавливают детское удерживающее устройство и тянут контрольный ремень за внешний конец с усилием (75 ± 5) Н.
4.1.2 Поясной и диагональный ремень
4.1.2.1 Устанавливают датчик нагрузки № 1 с внешней стороны, как показано на рисунке 4.1. Устанавливают детское удерживающее устройство в правильное положение. Если в устройстве предусмотрен зажим, который действует на диагональный ремень, то устанавливают в подходящее положение датчик нагрузки № 2 сзади устройства между зажимом и пряжкой. Если зажим не предусмотрен или зажим установлен на пряжке, датчик необходимо установить в удобное положение между хомутом, прикрепленным к стойке, и устройством.
4.1.2.2 Регулируют поясную часть контрольного ремня таким образом, чтобы усилие натяжения на датчике нагрузки было (50 ± 5) Н. Мелом отмечают место на пряжке, где она проходит через устройство, моделирующее пряжку. Поддерживая ремень в этом положении, регулируют диагональный ремень таким образом, чтобы усилие натяжения на датчике нагрузки № 2 было (50 ± 5) Н, либо заблокировав лямку с помощью зажима на удерживающем устройстве, либо потянув за лямку рядом со стандартным втягивающим устройством.
4.1.2.3 Вытягивают лямку на всю длину с бобины втягивающего устройства и перематывают в обратном направлении с усилием (4 ± 3) Н между втягивающим устройством и хомутом. До проведения динамического испытания следует застопорить бобину. Проводят динамическое испытание на удар.
4.1.2.4 Перед началом монтажа осматривают детское удерживающее устройство для проверки его соответствия 6.2.1.3 настоящего стандарта. Если натяжение установки изменяется в результате изменения угловой функции, то необходимо определить условие, при котором создается наименьшее натяжение установки, провести монтаж и натянуть ее до максимального положения, а затем вновь установить детское удерживающее устройство в наихудшее положение без повторного натяжения ремня безопасности для взрослых. Проводят динамическое испытание.
Примечания
1 Установку проводят после размещения манекена в детском удерживающем устройстве.
2. Поскольку испытательная подушка после установки детского удерживающего устройства сожмется, динамическое испытание необходимо провести, по возможности, не позднее чем через 10 мин после установки. Чтобы подушка приняла свою первоначальную форму, между двумя испытаниями с использованием одной и той же подушки должно пройти не менее 20 мин.
3 Датчики нагрузки, установленные непосредственно на лямку, могут быть обесточены, однако во время динамического испытания они должны оставаться на месте. Масса каждого датчика нагрузки должна быть не более 250 г. Вместе с тем динамометр, установленный на поясной лямке, может быть заменен динамометром, помещенным в точке крепления.
4 Для детских удерживающих устройств оснащенных приспособлениями для увеличения натяжения ремня безопасности для взрослых, следует использовать метод испытания: устанавливают устройство, как указано в настоящем приложении, и затем используют натяжное устройство, как это предусмотрено в инструкции по эксплуатации предприятия - изготовителя. Если это устройство нельзя использовать по причине чрезмерного натяжения, то считают, что такое устройство является неприемлемым.
5 К детскому удерживающему устройству не следует прикладывать никакой другой дополнительной силы помимо минимальной, требующейся для обеспечения правильной установки, как указано на рисунке Ч.1 и Ч.1.2.2.

Материал: ЕРS плотностью 40-45 г/дм3.
Рисунок Ш.1 - Манекен Р10 в разрезе

Рисунок Ш.2 - Испытание на отрыв дополнительной подушки с использованием манекена
Сравнение международных стандартов, на которые даны ссылки в настоящем стандарте, с соответствующими им национальными стандартами приведены в таблице С.1.
|
Обозначение ссылочного международного стандарта |
Обозначение и наименование соответствующего национального стандарта |
|
Правила ЕЭК ООН № 12 |
ГОСТ Р 41.12-2001 Единообразные предписания, касающиеся официального утверждения транспортных средств в отношении защиты водителя от удара о систему рулевого управления |
|
Правила ЕЭК ООН № 14 |
ГОСТ Р 41.14-2003 Единообразные предписания, касающиеся сертификации транспортных средств в отношении приспособлений для крепления ремней безопасности |
|
Правила ЕЭК ООН № 21 |
ГОСТ Р 41.21-99 Единообразные предписания, касающиеся официального утверждения транспортных средств в отношении их внутреннего оборудования |
|
Правила ЕЭК ООН № 24 |
ГОСТ Р 41.24-2003 Единообразные предписания, касающиеся: 1. Сертификации двигателей с воспламенением от сжатия в отношении дымности; II. Сертификации автотранспортных средств в отношении установки на них двигателей с воспламенением от сжатия, сертифицированных по типу конструкции; III. Сертификации автотранспортных средств с двигателем с воспламенением от сжатия в отношении дымности; IV. Измерения мощности двигателей (Правила ЕЖ ООН № 24, ЮТ) Единообразные предписания, касающиеся: 1. Официального утверждения двигателей с воспламенением от сжатия в отношении выброса видимых загрязняющих веществ; II. Официального утверждения автотранспортных средств в отношении установки на них двигателей с воспламенением от сжатия, официально утвержденных по типу конструкции; III. Официального утверждения автотранспортных средств с двигателем с воспламенением от сжатия в отношении выброса видимых загрязняющих веществ; IV. Измерение мощности двигателей с воспламенением от сжатия |
|
Правила ЕЭК ООН № 80 |
ГОСТ Р 41.80-99 Единообразные предписания, касающиеся официального утверждения сидений крупногабаритных пассажирских транспортных средств и официального утверждения этих транспортных средств в отношении прочности сидений и их креплений |
|
ГОСТЫ, СТРОИТЕЛЬНЫЕ и ТЕХНИЧЕСКИЕ НОРМАТИВЫ. Некоммерческая онлайн система, содержащая все Российские Госты, национальные Стандарты и нормативы. В Системе содержится более 150000 файлов нормативно-технической документации, действующей на территории РФ. Система предназначена для широкого круга инженерно-технических специалистов. Copyright © www.gostrf.com, 2008 - 2026 |