Крупнейшая бесплатная информационно-справочная система онлайн доступа к полному собранию технических нормативно-правовых актов РФ. Огромная база технических нормативов (более 150 тысяч документов) и полное собрание национальных стандартов, аутентичное официальной базе Госстандарта. GOSTRF.com - это более 1 Терабайта бесплатной технической информации для всех пользователей интернета. Все электронные копии представленных здесь документов могут распространяться без каких-либо ограничений. Поощряется распространение информации с этого сайта на любых других ресурсах. Каждый человек имеет право на неограниченный доступ к этим документам! Каждый человек имеет право на знание требований, изложенных в данных нормативно-правовых актах!

  


 

Типовые технологические карты на производство
отдельных видов работ

Раздел 04

ТИПОВЫЕ ТЕХНОЛОГИЧЕСКИЕ КАРТЫ
НА БЕТОННЫЕ И ЖЕЛЕЗОБЕТОННЫЕ РАБОТЫ
(МОНОЛИТНЫЙ ЖЕЛЕЗОБЕТОН)

4.01.01.36

ВОЗВЕДЕНИЕ МОНОЛИТНЫХ
ЖЕЛЕЗОБЕТОННЫХ ФУНДАМЕНТОВ
В БЛОЧНОЙ ОПАЛУБКЕ

РАЗРАБОТАНА

Трестом « Оргтехстрой»

Главворонежстроя

Главный инженер треста

Ю.Н. Ованов

Зав. отделом разработки и внедрения

проектов производства работ

В.И. Безруков

Ведущий темы

З.М. Вакула

ОДОБРЕНА

Отделом механизации строительства Госстроя СССР

Письмо от 09.03.88 г.

№ 23-100

Введена в действие

с 20.04.88 г.

Москва 1989

Cодержание

 

Обозначение

Наименование

Страница

4.01.01.38-00ПЗ

Пояснительная записка

2

4.01.01.36-01

Подбор крана

9

4.01.01.36-02

Схема строповок

10

4.01.01.36-03

Калькуляция трудовых затрат на устройство монолитных фундаментов в блочной опалубке

11

4.01.01.35-04

График производства работ

14

4.01.01.36-05

План фундаментов с разбивкой на захватки

15

4.01.01.36-06

Подбор типов элементов блочной опалубки

16

4.01.01.36-07

Технологическая схема производства работ при подаче бетонной смеси краном в бункерах .

17

4.01.01.36-08

Технологическая схема производства работ при подаче бетонной смеси автобетононасосом

19

1. ОБЛАСТЬ ПРИМЕНЕНИЯ

1.1. Технологическая карта разработана на возведение в блочной опалубке монолитных железобетонных фундаментов серия 1.412-1/77, 1.412-2/77, 1.412-3/79 под типовые колонны прямоугольного сечения для одноэтажных и многоэтажных промышленных зданий при положительных температурах.

1.2. Технология производства работ, технико-экономические показатели даны в карте на возведение фундаментов типовой секции размерами в плане 72×72 м с шагом колонн 12 м.

1.3. Конструкции фундаментов в технологической карте даны для марок ФГ6-4, ФД7-4, ФД10-4, высотой 3 м, объемом до 10 м3 и опалубливаемой поверхностью до 30 м2.

1.4. В технологической карте блочная металлическая опалубка принята конструкции треста «Оргтехстрой» Главворонежстроя (каталог фундаментов ЦФМ-3).

1.5. В состав работ, рассматриваемых картой, входят:

армирование фундаментов;

установка блочной опалубки;

бетонирование фундаментов с помощью крана и бункера;

демонтаж опалубки.

1.6. Технологическая карта на устройство фундаментов выполнена на основе изученного опыта на стройках Главворонежстрой и соответствует требованиям действующих норм и правил, в том числе СНиП III-15-76 «Бетонные и железобетонные конструкции монолитные», СНиП III-4-80* «Техника безопасности в строительстве».

1.7. При привязке технологической карты к конкретному объекту и условиям строительства уточняет объемы работ, средства механизации, размещение малин и калькуляции трудовых затрат.

2. ОРГАНИЗАЦИЯ И ТЕХНОЛОГИЯ СТРОИТЕЛЬНОГО ПРОЦЕССА

2.1. До начала устройства фундаментов должны быть выполнены следующие работы:

переноска в натуру и закрепление проектных осей и отметок фундаментов;

устройство бетонной подготовки;

установка монтажного крана;

доставка и складирование в зоне действия монтажного крана необходимого количества арматурных элементов;

доставка и установка в рабочей зоне необходимого количества элементов опалубки и укрупнительная сборка;

подготовка к работе такелажной оснастки, инструмента и электросварочной аппаратуры;

исполнители должны быть ознакомлены с запроектированными технологией и организацией производства работ.

2.2. Блочная опалубка для каждой марки фундаментов собирается из отдельных элементов - блоков башмака и подколенника.

Комплекта или отдельные элементы блочной опалубки, поступающие от предприятия-изготовителя, должны иметь штамп ОТК; их передают со складов или пунктов проката по актам.

К месту установки блок-формы доставляют на автоплатформах или прицепах и складируют в зоне действия крана согласно технологической схеме.

2.3. Армирование производится унифицированными сетками серии 1.410-2 (ГОСТ 23279-85), изготовленными в заводских условиях на многоточечных контактных машинах.

Арматурные элементы привозят на объект на автомобилях, и складирует в зоне действия крана в количестве не менее чем на захватку.

Складирование арматурных элементов должно производиться на ровных площадках с использованием прокладок между ними. Места складирования указаны на технологической схеме.

2.4. Бетонная смесь доставляется централизованно автомобилями-самосвалами, или автобетоносмесителями согласно графику завоза по системе «СУПЕР».

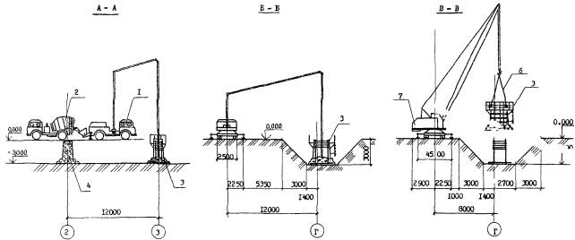
2.5. Рекомендуемые автомобильные и на пневмоколесном ходу краны для подачи на рабочее место арматуры, опалубки и бетонной смеси представлены на листе 4.01.01.36-01.

Максимальное расстояние от оси движения крана до дальней точки подачи материалов и конструкций определяется его технической характеристикой; минимальное - условиями безопасности работ по таблице 3 п.3 СНиП III-4-80*.

2.6. Схемы строповок показаны на листе 4.01.01.36-02.

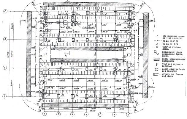
2.7. Для производства работ сооружение разбито на 3 захватки.

2.8. Работы следует производить по двум вариантам.

По первому варианту подачу всех материалов и конструкций осуществляет стреловым краном.

По второму варианту арматуру, опалубку подают стреловым краном, а бетонную смесь - автобетононасосом марки БН80-20 в комплекте с автобетоносмесителями. Фундаменты общим объемов не менее 1200 м3.

2.9. Работы по устройству монолитных фундаментов при 1-ом и 2-ом вариантах выполняет комплексное звено из трех человек; арматурщика-сварщика 4 разр. - 1; монтажника 3 разр. - 1; бетонщика 3 paзp. - 1.

Автобетононасос обслуживает звено из двух человек: оператор 5 разр. - 1 и помощник оператора 4 paзp. - 1.

2.10. Комплексное звено бетонщиков выполняет полный цикл на сооружении при возведении монолитных фундаментов в определенной технологической последовательности:

установка арматурных сеток и каркасов;

монтаж блочной опалубки;

бетонирование фундаментов;

демонтаж блочной опалубки;

уход за бетоном.

2.11. Монтаж арматуры начинается с разметки мест раскладки сеток плитной части фундамента и установки фиксаторов (из бетаинах подкладок) с шагом 1 м для создания защитного слоя бетона.

На арматурную сетку после разметки проектного положения устанавливают армокаркас подколенника с помощью крана.

Сборка пространственных каркасов производится на сборочной площадке. Сначала устанавливают две вертикальные сетки, которые закрепляют временными растяжками.

Установленная арматура оформляется актом освидетельствования скрытых работ. В акте приемки должны быть указаны номера рабочих чертежей, отступления от чертежей, оценка качества смонтированной арматуры. После установки опалубки дают разрешение на бетонирование фундаментов.

2.12. Монтаж опалубки фундаментов производится готовыми блок-формами. Перед монтажом блочной опалубки проверяют крепление башмака с подколенником и смазку рабочей поверхности опалубки. Собранная блок-форма монтируется стреловым краном в проектное положение с помощью универсального четарехветвевого стропа в два приема:

первый - монтаж целиком собранной на весь фундамент опалубки с рабочим настилом;

второй - монтаж - вкладыша стаканообразователя, который осуществляется после укладки бетонной смеси до уровня днища стаканообразователя.

Выверка горизонтальности установленной опалубки достигается с помощью винтовых домкратов под опорными столиками башмаков.

2.13. Подбор и назначение состава бетонной смеси должна осуществляться строительной лабораторией.

Проверку рабочего состава смеси следует производить путем пробного перекачивания автобетононасосом бетонной смеси и испытаний, бетонных образцов, изготовленных из отобранных, после перекачивания проб бетонной смеси.

Подвижность бетонной смеси, укладываемой в опалубку из бункера должна иметь осадку конуса 1-3 см, при перекачивании бетононасосом - не менее 6 см.

Работы по приему и укладке бетонной смеси производят c инвентарных площадок, имеющихся на блочной опалубке.

Высота свободного сбрасывания бетонной смеси не должна превышать 2 м. Спуск бетонной смеси с высоты более 2 м осуществляется по вертикальным звеньевым хоботам или лоткам.

Бетонную смесь в фундаменты укладывают в два этапа:

бетонирование фундамента до отметки низа стаканообразователя и после монтажа опалубки стаканообразователя - бетонирование стенок стакана.

Продолжительность перерыва между этапами бетонирования (или укладки слоев смеси) не должна превышать 2 часа.

При подаче бетонной смеси бетононасосом максимальная продолжительность перерывов без перекачивания смеси не должна превышать 15-20 минут.

Бетонную смесь следует укладывать одинаковыми горизонтальными слоями толщиной от 20 до 30 см. Уплотнение бетонной смеси производят глубинными вибраторами с соблюдением следующих требований:

глубина погружения вибратора в бетонную смесь должна обеспечивать углубление его в ранее уложенный слой на 5-10 см;

шаг перестановки глубинных вибраторов не должен превышать полуторного радиуса их действия;

опирание вибраторов во время их работы на арматуру и закладные части бетонируемых конструкций не допускается;

продолжительность вибрирования на каждой позиции заканчивается при появлении цементного молока на поверхности бетона;

в углах и у стенок опалубки бетонную смесь дополнительно, уплотняют ручными шуровками;

извлекать вибратор при перестановке следует медленно, не выключал двигатель, чтобы пустота под наконечником равномерно заполнялась бетонной смесью.

Результаты бетонирования фундаментов в блочной опалубке следует заносить в журнал бетонных работ.

По окончании бетонирования требуется произвести очистку и промывку бетоноводов, приемного бункера, бетононасоса, которая выполняется в соответствии с инструкцией по эксплуатации автобетононасоса.

2.14. После укладки бетонной смеси в опалубку необходимо создать благоприятные температурно-влажностные условия для твердения бетона. Увлажнение следует производить не позднее, чем через 4-12 часов в зависимости от температуры наружного воздуха после окончания бетонирования.

В жаркую и сухую ветреную погоду распалубленные конструкции должны быть защищены сверху водонепроницаемой пленкой, рулонными материалами на срок, зависящий от климатических условий в соответствии с указаниями строительной лаборатории.

2.15. Демонтаж блочной опалубки забетонированного фундамента производят после достижения бетоном прочности 10-15 кг /см2, обеспечивающей сохранность поверхности и кромок углов при снятии опалубки.

Для ориентировочного выбора срока распалубки фундаментов следует пользоваться рекомендациями ЦНИИОМТП, приведенными в табл. 1

Таблица 1

Марка бетона

Продолжительность выдержки бетонных конструкций, ч при температуре наружного воздуха, °С

150

10

15

20

25

30

12

7

6

5

5

200

10

8

6

5

4

Демонтаж блока опалубки выполняется в следующем порядке: отрывают домкратами блок опалубки от бетона, стропуют и снимают опалубку.

Домкраты устанавливают по четырем углам блока под опорный столик, отрывают форму при помощи диагонально расположенных пар домкратов.

Демонтаж стаканообразователя допускается производить через 2-4 часа после бетонирования стакана.

Демонтаж стаканообразователя выполняется в определенной последовательности: вынимают крепежные костыли, соединяющие стаканообразователь с блочной опалубкой, отрывают при помощи домкратов стаканообразователь, стропуют и вытаскивают стаканный вкладыш из гнезда.

2.16. Снятую с фундамента опалубку очищают от налипшего бетона и смазывают. Смазки должны отвечать следующим требованиям:

обладать хорошей адгезией к материалу опалубки и плохой - к бетону;

образовывать сплошную пленку возможно меньшей толщины (0,1-0,2 мм), отделяющую формующую поверхность опалубки от бетона;

не вызывать коррозии стальной опалубки;

хорошо удерживаться на формующих поверхностях опалубки, т.е. не стекать с вертикальных поверхностей, не смываться водой и стираться бетонной смесью;

не высыхать и не терять указанных выше качеств с течением времени;

быть безвредными для организма человека;

легко наноситься на опалубку.

2.17. Схема операционного контроля качества приведена в табл. 2.

2.18. Калькуляция трудовых затрат на устройство монолитных фундаментов в блочной опалубке приведена на листе 4.01.01.36-03.

2.19. Графики выполнения работ приведены на листе 4.01.01.36-04.

2.20. План фундаментов с разбивкой на захватки дан на листе 4.01.01.36-05.

2.21. Подбор типов элементов блочной опалубки приведен на листе 4.01.01.36-06.

2.22. Технологическая схема производства работ при подаче бетонной смеси краном в бункерах дана на листе 4.01.01.36-07.

2.23. Технологическая схема производства работ при подаче бетонной смеси автобетононасосом дана на листе 4.01.01.36-08.

2.24. При производстве бетонных и железобетонных работ необходимо руководствоваться указаниями СНиП III-4-80* «Техника безопасности в строительстве», требованиями охраны труда, противопожарной безопасности», и, кроме того, руководствоваться приведенными ниже Положениями.

Распалубливание забетонированных фундаментов допускается не ранее, чем бетон достигнет необходимо прочности (по данным строительной лаборатории), и может производиться только с разрешения производителя работ.

Открытые котлованы по периметру следует оградить инвентарным ограждением.

Опасные зоны работы крана и бетононасоса должны быть выделены видимыми предупреждающими знаками.

Для подъема и спуска, рабочих на рабочие места следует использовать лестницы и трапы с перильным ограждением.

Строповка блочной опалубки должна производиться только за монтажные петли.

Во время перемещения блочной опалубки к месту установки подъемными механизмами и во время демонтажа рабочим запрещаете я оставаться на блок-формах.

Запрещается снимать опалубку с фундаментов без предварительного отрыва ее от бетона.

Таблица 2

Наименование операций, подлежащих контролю

Контроль качества выполнения операций

производителем работ

мастером

Состав контроля

Способ

Время

Привлекаемые службы

Монтаж арматурных сеток и каркасов

 

Соответствие установленной арматуры рабочим чертежам

Проверка по чертежам, осмотр и контрольные замеры

До начала установки опалубки

 

 

Монтаж арматурных сеток

Отклонение от проектных размеров толщины защитного слоя не должно превышать ± 5 мм при толщине защитного слоя более 15 мм и ±3 мм - при толщине 15 мм и менее

Осмотр, выборочные замеры

В процессе работ

Геодезист

 

 

Отклонение положения осей вертикальных сеток от проектного не должно превышать 1/5 наибольшего диаметра стержня. Правильность сборки блоков опалубки и их монтажа

То же

То же

 

Монтаж опалубки

 

Визуально

То же

 

 

Монтаж опалубки

Отклонение плоскости опалубки от вертикали на 1 и высоты - не более ± 5 мм

Осмотр, замеры, проверка геодезическим инструментом

То же

 

 

 

Местные неровности опалубки не должны превышать ± 3 мм

Осмотр, замеры

То же

 

Укладка бетонной смеси

 

Подвижность бетонной смеси, технология укладки бетонной смеси

Визуально Конус

То же

Строительная лаборатория

 

Укладка и уплотнение бетонной смеси

Правильность уплотнения, толщина слоев укладываемой бетонной смеси, глубина погружения вибраторов. Достаточность уплотнения

Визуально

То же

 

 

Уход за бетоном

Благоприятные температурно-влажностные условия дня твердения бетона должны обеспечиваться предохранением его от воздействия ветра и прямых солнечных лучей

Визуально

То же

 

 

Распалубливание конструкций

Внешний вид, наличие поверхностных дефектов. Геометрические размеры фундаментов. Вертикальность и горизонтальность плоскостей. Заделка каверн и трещин

Визуально, отвес, уровень

Непосредственно после распалубливание

 

Распалубливание

 

Отметки верха фундамента и дна стакана

Нивелир

После распалубливания

Геодезист

 

 

Прочность бетона

Испытание по ГОСТам неразрушающим методом

 

Лаборатория

Все лица, находящиеся на строительной площадке, обязаны носить защитные каски по ГОСТ 12.4.087-84.

На монтажной площадке должен быть установлен порядок обмена сигналами между лицом, руководящим подъемом, и машинистом крана.

При работе с бетононасосом полагается строго соблюдать правила техники безопасности для сосудов, работающих под давлением.

Дежурный оператор бетононасоса обязан обеспечить ровную, ритмичную работу бетононасоса, не допуская засасывания воздуха в капканную коробку и перегрева подшипников коленчатого вала, электродвигателя и электрооборудования.

Запрещается работа бетононасоса при отсутствии визуальной, световой или звуковой сигнализации между машинистом и рабочим, принимающим бетонную смесь.

При манипуляции со стрелой бетононасоса бетонщики, осуществляющие приемку бетонной смеси, должна выйти за пределы опасной зоны (на расстояние 5 м от возможного положения стрелы).

Смазка, ремонт бетононасоса, вибраторов, бетоноводов должны производиться только после их остановки.

Рукоятки вибраторов долины иметь амортизаторы, а электропровода - надежную резиновую изоляцию.

Хоботы для подачи бетонной смеси в бетонируемые фундаменты должны быть прочно закреплены на опалубке, а отдельные звенья хоботов - надежно закреплены друг с другом.

Расстояние от низа бункера до поверхности, на которую производится выгрузка смеси, не должно превышать в момент выгрузки 1 м.

При уплотнении бетонной смеси электровибраторами надлежит соблюдать следующие требования:

работающих с вибраторами подвергают периодическому медицинскому освидетельствованию в сроки, установленные Минздравом СССР;

запрещается обмывать вибраторы водой;

через каждые 30-35 минут вибратор отключают для охлаждения;

перед пуском электровибратора, необходимо убедиться в правильном подключении защитного заземления.

В случае одновременной работы стрелового крана и бетононасоса полагается соблюдать следующие требования:

руководить обоими механизмами должно одно лицо;

стрелы крана и бетононасоса должны быть направлены в противоположные стороны;

минимальное сближение стоянок крана и бетононасоса должно быть не менее 18 м.

3. ТЕХНИКО-ЭКОНОМИЧЕСКИЕ ПОКАЗАТЕЛИ

 

1 вариант

2 вариант

Объем работ, м3 бетона

425

425

Трудозатраты, чел.-день

93

75

Затраты машинного времени, маш.-смена

31

25

Заработная плата рабочих, руб.-коп.

529-14

(156-00)

437-16

(173-80)

Выработка на одного рабочего в смену, м3

4,57

5,67

Трудоемкость укладки 1 м3, чел.-ч

1,75

1,41

4. МАТЕРИАЛЬНО-ТЕХНИЧЕСКИЕ РЕСУРСЫ

4.1. Потребность в основных строительных материалах приведена в табл. 3

Таблица 3

Материал

Марка, ГОСТ

Единица измерения

Количество

Бетон

М 150, М 200

м3

425

Арматура,

ГОСТ 23279-85

т

99

Смазка

 

кг

120

4.2. Потребность в механизмах, оборудовании, инструменте, инвентаре и приспособлениях приведена в табл. 4

Таблица 4

Наименование

Марка, ГОСТ, ТУ, номер чертежа

Количество по вариантам

Техническая характеристика и назначение

I

II

Машина, оборудование, приспособления

Монтажный кран

Автокран на пневмоколесном ходу

1

-

Оборудованный стрелой l = 18 м, грузоподъемность мин-3 т

Автобетононасос

БН-80-20

 

1

Фактическая производительность -16,8 м3

Бункер (поворотный с вибратором) для бетонной смеси

БНВ-1,0

ЦНИИОМТП

р.ч. 741-79

3

-

Подача бетонной смеси к месту укладки

Строп 4-х ветвевой

4СК1-4-3000

ГОСТ 25573-82

1

1

Подъем элементов

Трансформатор сварочный

TCM-250

1

1

 

Домкрат винтовой

Т-56-Б

4

4

Грузоподъемность - 3 т. Отрыв опалубки

Строп 2-х петлевой

СКП2-0,32, 0,22-1000

ГОСТ 25573-82

4

4

Подъем каркасов и сеток

Блочная опалубка: подколенник Г3

» Д3

» Д8

башмак IX

Р.ч. ЦФМ-3. трест «Оргтехстрой» Главворонежстрой

2

1

2

 

2

3

3

3

 

3

Опалубка для бетонирования фундаментов

» XXIII

»

2

3

 

» ХХVIII

 

2

3

 

вкладыш В-21

» В-23

» В-26

Р.ч. ШДГ-334 трест «Оргтехстрой» Главворонежстрой

1

1

1

2

2

2

 

Лестница приставная

Трест Ленинградоргстрой

2

2

Для спуска во внутрь опалубки l =3300 мм ширина 450-650 мм

Лестница

ЛТК-2 ЦНИИОМТП, р.ч. 3257.01.000

2

2

Для спуска в котлован l = 3500 мм

Электрифицированные инструменты

Вибратор глубинный с гибким валом

ИВ-66

2

2

Мощность - 0,8 квт Вибрирование бетонной смеси

Электрододержатель

ТУ 36-1819-75

1

1

Для сварочных работ

Ручные инструменты

Лом

ЛО-24

ЛО-28

ГОСТ 1405-83

2

2

Перемещение арматурных каркасов и блока опалубки в проектное положение

Молоток стальной строительный

ГОСТ 11042-83

1

1

Вспомогательные работы

Щетка стальная

ТУ 494-01-104-76

2

2

Очистка арматуры и опалубки от бетона

Кусачки

ГОСТ 7282-75

1

1

Арматурные работы

Плоскогубцы комбинированные

ГОСТ 5547-86Е

1

1

То же

Кувалда

ГОСТ 11402-75*

2

2

 

Канат пеньковый l = 5 м

ГОСТ 1088-71*

2

2

Оттяжка блок-форм при монтаже опалубки

Лопата стальная растворная

ГОСТ 3620-76

2

2

Распределение и разравнивание смеси в конструкции

Шуровка металлическая

 

1

1

Распределение бетонной смеси в густоармированных конструкциях

Кельма

ГОСТ 9533-81

2

2

Разравнивание бетонной смеси

Гладилка

ГОСТ 10403-80

1

1

Заглаживание открытых поверхностей бетона

Кисть малярная

ГОСТ 10597-80*

2

2

Нанесение смазки на опалубку

Ведра

МРТУ Минторга СССР

3

3

Подноска смазки

Контрольно-измерительные инструменты и приборы

Рулетка металлическая

РС-20

ГОСТ 7502-80

1

1

 

Уровень строительный

ГОСТ 9416-83

1

1

 

Отвес типа ОТ

ГОСТ 7948-80

2

2

 

Шнур в корпусе

ГОСТ 7948-80

1

1

 

 


Марка крана

Автомобильные краны

Пневмоколесные краны

К-104

K-162

MKA-16

KC-4561A

К-124

K-161

МКП-16

Длина стрелы, м

10

18

10

14

18

22

10

15

18

23

10

14

18

22

14

18

15

20

25

10

15

18

23

Грузоподъемность, т

3

3

3

3

3

3

4

3

3

3

3

3

3

3

3

3

3

3

3,1

4

3

3

3

Вылет крюка, м

8,7

8,3

9,7

9,5

8,9

8,6

10

11,4

11,2

10,2

9

9,8

8,6

8,5

10

8,4*

9,6

8*

11

8*

9,8

9,0

10

 

11,2

9,5*

11,5 9*

10,8

Высота подъема крюка, м

6,7

16

5,5

11,8

16,6

21,6

6

11,8

16,4

20,8

6

11,1

16,3

21,0

10

11,4*

15,4

16*

10,6

12,5*

17,1

22,5

6

11,5 13,2*

16,3 17,4*

22

Размер (В) опорного контура,

3,5

4,5

4,4

4,3

3,6

Характеристика кранов дана на выносных опорах.

* Краны, работающие без выносных опор.

 


А - расстояние от оси фундамента до основания откоса

Б - расстояние от основания откоса до ближайшей опоры крана или края дорожной плиты под опорой (по таблице 3 пункта 3.8 СНиП III-4-80 «Техника безопасности в строительстве»

В - размер опорного контура дня кранов с выносными опорами (или колеи кранов, работающих без заносных опор)

Sк- привязка крана к оси фундаментов

Sк = А + Б + 0,5В

1 - бункер с бетонной смесью; 2 - строп 4-ветвевой; 3 - арматурная сетка; 4 - блочная опалубка; 5 - арматурный каркас; 6 - стаканный вкладыш

 

Обоснование

Наименование процессов

Единица измерения

Объем работ

Затраты труда

Расценка на единицу измерения, руб.-коп.

Стоимость затрат труда на весь объем работ; руб.-коп.

на единицу измерения, чел.-ч

на весь объем работ, чел.-день

I. Установка арматуры

ЕНиР 1979 г.

§ 1-5 п. 1 б

Разгрузка арматуры с транспортных средств

100 т

0,099

28,03

(14,015)

0,35

(0,17)

17-856

(12-71)

1-77

(1-39)

ЕНиР 1980 г.

§ 4-1-33 таб. 2 п. 1 а, б

Установка сеток вручную для сборки в каркас массой, кг, до:

20

50

1 сетка

 

524

55

 

0,168

0,248

 

11,00

1,74

 

0-11

0-163

 

57-64

9-13

ЕНиР 1980 г.

Установка арматуры отдельными стержнями на сварке для укрупнительной сборки в каркас диаметром, мм, до:

 

 

 

 

 

 

§ 4-1-34 п. 1а, 1в

 

 

 

 

 

 

К-0,75 (Н.вр.) К-0,79 (Расц.)

т

 

 

 

 

 

 

6

 

0,134

19,695

0,33

14-808

1-98

 

12

 

0,972

0,982

0,12

7-123

6-92

ЕНиР 1980 г.

Установка краном горизонтальных сеток башмаков фундаментов

1 сетка

46

0,445

2,56

0-301

13-85

§ 4-1-33, таб. 1, п.1 a

(0,111)

(0,64)

(0-101)

(4-65)

ЕНиР 1980 г.

Монтаж арматурных каркасов подколонников фундаментов краном

 

 

6,402

6,18

4-822

37-22

§ 4-2-6 таб. 2, п. 1 а

т

7,72

(1,6)

(1,54)

(1-456)

(4-65)

ЕНиР 1980 г.

Установка закладных деталей

шт.

248

0,291

9,02

0-218

54-06

§ 4-1-31 п. 1 б

 

 

 

 

 

 

 

 

Итого: на 99 т арматуры

 

 

 

31,30 (2,35)

 

182-57 (10,69)

 

на 1 т устанавливаемой арматуры

 

 

 

0,316 (0,024)

 

1-84 (0-11)

II. Установка и сборка опалубки

ЕНиР 1980 г.

§1-5 п. 1 а

Разгрузка блочной опалубки с транспортных средств

100 подъемов

0,06

11,52

(5,76)

0,09

(0,04)

7-341

5-22

0-44

(0-31)

ЕНиР 1976 г.

T-4-3I

Установка блочной стальной опалубки фундамента с учетом установки вкладыша

м2 поверхности опалубки

1177

0,12

(0,06)

17,65

(8,83)

0-089

0-054

104-75

(63-56)

T-4-3I

Снятие блок-опалубки с конструкции фундамента краном с очисткой и смазкой опалубки

м2

1177

0,1

(0,05)

14,71

(7,36)

0-067

(0-045)

78-86

(52-96)

 

Итого: на монтаж и демонтаж опалубки фундаментов

на 1 м2 опалубки

м2

1177

 

32,45

(16,23)

0,027

(0,014)

 

184-05

(116-83)

0-16

(0-10)

III. Бетонирование фундаментов при подаче бетонной смеси краном в бадьях

ЕНиР I980 г.

§ 4-1-42 п. 17

Прием бетонной смеси из кузова самосвала в бункера

100 м3

4,25

8,16

4,33

5-238

22-26

ЕНиР 1979 г.

§ 1-5 п. 5 б

Подача бетонной смеси краном в бункерах

100 т

10,2

6,144

(3,072)

7,83

(31,33)

3-918

(2-79)

39-96

(28-46)

ЕНиР 1980 г.

§ 4-1-37 таб. 2, п. 3

Укладка бетонной смеси в конструкцию с уплотнением вибраторами

м3

425

0,33

17,53

0-235

100-30

 

Итого: на бетонирование 425 м3

на 1 м3 бетона

 

 

 

29,7

(3,92)

0,07

(0,01)

 

162-52

(28-46)

0-38

(0-07)

IV. Бетонирование бетонной смеси автобетононасосом БН-80-20

ЕНиР 1980 г.

§ 4-1-36, таб. 5

Прием бетонной смеси из автобетоносмесителя

 

 

 

 

 

 

м3

425

0,11

5,84

0-071

30-17

 

Укладка бетонной смеси в конструкцию с уплотнением вибраторами

Итого: на бетонирование 425 м3

на 1 м3

 

 

0,12

637

0-095

40-37

м3

425

(0,12)

(6,37)

12,21

(6,37)

0,03

(0,015)

(0-109)

(46-32)

70-54

(46-32)

0-17

(0-11)

 

Всего: на I вариант

м3

425

 

93,45

(22,5)

 

529-14

(155-98)

 

на II вариант

м3

425

 

75,96

(24,95)

 

437-16

(173-84)

* Норма времени принята по производительности автобетононасоса - 60 м3/ч с учетом коэффициента перехода от технической производительности к эксплуатационной (Кт = 0,4) и коэффициента, учитывающего простои (КПр  = 0,7).Коэффициенты приняты по "Инструкции по определению экономической эффективности новых строительных, дорожных и мелиоративных машин, противопожарного оборудования, лифтов, изобретений и рационализаторских предложений", часть II 1978 г. ЦНИИЭТ Минстройдормаша.

Калькуляция составлена с учетом "Временных поправочных коэффициентов к действующим единым нормам и расценкам на строительные, монтажные и ремонтно-строительные работы" (г. Москва, Постановление Государственного строительного комитета СССР от 10 ноября 1986 г. № 24/474/26-101.)

Марка фундамента

Количество марок

Расход бетона, м3

Расход стали

на 1 элемент

на все элементы

на 1 элемент, кг

на все элементы, т

ФМ-1

18

8,1

145,8

175

3,2

ФМ-2

14

9,3

130,2

232,3

3,3

ФМ-3

14

10,7

149,8

251,1

3,5

 


Марка фундамента

по плану

Марка фундамента по ЦФМ-Э

Тип подколон­ника

Тип башмака

Тип вкладыша

Размеры фундамента, мм

Объем бетона, м3

а

б

а1

б1

а2

б2

а3

б3

в

в1

г

г1

д

д1

ж

ж1

Е

е

е1

е2

ФМ-1

ФД36-4б

Г3

XXVIII

B-2I

2400

2100

2350

2050

-

-

-

-

I960

1330

1800

1200

1150

550

1100

500

3000

300

-

2700

8,1

ФМ-2

ФД37-4б

Д3

XXIII

В-26

2700

2100

2650

2050

 

-

-

-

2280

1330

2100

1200

1550

750

1500

700

3000

300

-

2700

9,3

ФМ-3

ФД810-4б

Д6

IX

В-23

3300

2700

3250

2650

2700

1800

2650

1750

2260

1360

2100

120O

1450

650

1400

600

3000

300

300

2400

10,7

 


1 - монтажный края К-162; 2 - бункер с бетоном; 3 - строп 4-х ветвевой; 4 - звеньевой хобот; 5 - рабочая площадка на блочной опалубке; 6 - лестница на блочной опалубка; 7 - временное ограждение котлована; 8 - зона складирования арматуры; 9 - блочная опалубка; 10 - бетонируемый фундамент; R макс- максимальный рабочий радиус; R-1 - радиус опасной зоны

1 - бетононасос; 2 - автобетоносмеситель; 3 - блочная опалубка; 4 - фундамент забетонированный; 5- армирование фундамента; 6 - строп 4-х ветвевой; 7 - кран монтажный, длина стрелы 18 м

 

 




ГОСТЫ, СТРОИТЕЛЬНЫЕ и ТЕХНИЧЕСКИЕ НОРМАТИВЫ.
Некоммерческая онлайн система, содержащая все Российские Госты, национальные Стандарты и нормативы.
В Системе содержится более 150000 файлов нормативно-технической документации, действующей на территории РФ.
Система предназначена для широкого круга инженерно-технических специалистов.

Рейтинг@Mail.ru Яндекс цитирования

Copyright © www.gostrf.com, 2008 - 2026