Крупнейшая бесплатная информационно-справочная система онлайн доступа к полному собранию технических нормативно-правовых актов РФ. Огромная база технических нормативов (более 150 тысяч документов) и полное собрание национальных стандартов, аутентичное официальной базе Госстандарта. GOSTRF.com - это более 1 Терабайта бесплатной технической информации для всех пользователей интернета. Все электронные копии представленных здесь документов могут распространяться без каких-либо ограничений. Поощряется распространение информации с этого сайта на любых других ресурсах. Каждый человек имеет право на неограниченный доступ к этим документам! Каждый человек имеет право на знание требований, изложенных в данных нормативно-правовых актах!

  


 

Министерство транспорта Российской Федерации
Департамент автомобильного транспорта

Руководство по организации и выполнению услуг и работ по переводу на газ сжиженный нефтяной автотранспортных средств, находящихся в эксплуатации

Руководящий документ

РД 03112194-1098-03

Москва 2005

Разработано:

ФГУП «Государственный научно-исследовательский институт автомобильного транспорта» (НИИАТ)

Исполнители:

Б.А. Бекетов (руководитель работы и ответственный исполнитель); Н.С. Филиппов, при участии канд. тех. наук; А.И. Морева, В.И. Ефанова

В работе принимали участие: Ю.В. Панов, канд. тех. наук, профессор ГТУ МАДИ; В.А. Щербин, НПФ «САГА-В»; А.В. Щербин, НПФ «САГА-В»; В.А. Лукшо, канд. тех. наук, ЗАО «Автосистема»; Г.И. Назарова, ЗАО «Автосистема»; А.Н. Дегтярев, ННПФ «Мобилгаз»

Настоящий руководящий документ разработан взамен РД 200-РСФСР-12-0176-87 и касается вопросов организации перевода автотранспортных средств для работы на газе сжиженном нефтяном (ГСН) с учетом конструктивных решений газобаллонного оборудования нового поколения, организации процесса испытания газотопливных систем газобаллонных автомобилей, работающих на ГСН.

В документе изложены: общие положения и требования к организации перевода базовых АТС для работы на ГСН и испытания их газотопливных систем (ГТС); технические требования к АТС и газобаллонному оборудованию, предъявляемые к ним при переводе на ГСН; правила приемки и выдачи АТС при установки газобаллонного оборудования (ГБО); типовая технология выполнения основных операций по установке ГБО на АТС и испытаний газотопливных систем; требования к квалификации персонала, выполняющего работы по установке ГБО И испытаниям газотопливных систем; вопросы безопасности при проведении работ по установке и испытаниям ГБО; требования к применяемому технологическому оборудованию, оснастке и инструменту.

Документ предназначен для руководящих, инженерно-технических работников, обслуживающего персонала различных организаций, предприятий (фирм) любой формы собственности, занимающихся переводом АТС для работы на ГСН и испытаниями ГТС газобаллонных АТС.

Содержание

1. ОБЩИЕ ПОЛОЖЕНИЯ

2. ОРГАНИЗАЦИЯ ПЕРЕВОДА АТС В ГБТС, РАБОТАЮЩИХ НА ГСН, И ИСПЫТАНИЙ ГАЗОТОПЛИВНЫХ СИСТЕМ

2.1. Основные технологические операции процесса перевода АТС для работы на ГСН и испытаний газотопливных систем

2.2. Сертификация услуг, связанных с переводом АТС для работы на ГСН и испытаниями газотопливных систем

3. Организация предприятия (пункта) по переводу АТС для работы на ГСН и испытаний газотопливных систем

3.1. Назначение и размещение производства

3.2. Требования к планировочному решению производственного корпуса предприятия по переводу АТС для работы на ГСН

Технологическое оборудование пункта

3.3. Инженерное обеспечение производства

3.4. Снабжение производства сжатым воздухом

4. ТЕХНИЧЕСКИЕ ТРЕБОВАНИЯ К АТС ПРИ ПРИЕМКЕ НА УСТАНОВКУ ГБО, ВЫПУСКЕ ПОСЛЕ УСТАНОВКИ И УСТАНАВЛИВАЕМОМУ ГАЗОБАЛЛОННОМУ ОБОРУДОВАНИЮ

4.1. Технические требования к АТС, сдаваемым на установку ГБО

4.2. Технические требования к газобаллонному оборудованию для ГСН, устанавливаемому на АТС

4.3. Технические требования к монтажу газобаллонного оборудования

4.4. Технические требования к автотранспортным средствам, выпускаемым после установки ГБО

5. ПРАВИЛА ПРИЕМКИ НА УСТАНОВКУ ГБО И ВЫДАЧИ ГБТС ПОСЛЕ УСТАНОВКИ ГБО И ИСПЫТАНИЙ ГАЗОТОПЛИВНЫХ СИСТЕМ. ПРИЕМО-СДАТОЧНАЯ ДОКУМЕНТАЦИЯ

6. ТИПОВАЯ ТЕХНОЛОГИЧЕСКАЯ ПОСЛЕДОВАТЕЛЬНОСТЬ И СОДЕРЖАНИЕ ОПЕРАЦИЙ ПО УСТАНОВКЕ ГАЗОБАЛЛОННОГО ОБОРУДОВАНИЯ ДЛЯ ГСН НА АТС

7. ТИПОВАЯ МЕТОДИКА ИСПЫТАНИЙ ГАЗОВОЙ СИСТЕМЫ ПИТАНИЯ АВТОТРАНСПОРТНЫХ СРЕДСТВ РАБОТАЮЩИХ НА ГСН

7.1. Подготовка газобаллонных автотранспортных средств к испытанию

8. ПРАВИЛА ТЕХНИКИ БЕЗОПАСНОСТИ ПРИ ПЕРЕВОДЕ АВТОТРАНСПОРТНЫХ СРЕДСТВ ДЛЯ РАБОТЫ НА ГСН

8.1. Общие положения

8.2. Требования техники безопасности к территории, производственным помещениям и технологическому оборудованию

8.3. Требования по технике безопасности для технического персонала при установке ГБО и сервисном обслуживании газовой аппаратуры

9. ОБОРУДОВАНИЕ, ОСНАСТКА И ИНСТРУМЕНТ, ПРИМЕНЯЕМЫЕ ПРИ ПЕРЕВОДЕ АТС ДЛЯ РАБОТЫ НА КПГ И ПРОВЕДЕНИИ ИСПЫТАНИЙ ГАЗОТОПЛИВНЫХ СИСТЕМ ГБТС

9.1. Требования к оснащенности приспособлениями, оснасткой, инструментом, специализированным оборудованием и контрольно-регулировочными стендами

9.2. Оборудование участка (станции) испытаний газотопливных систем ГБТС

10. ТРЕБОВАНИЯ К КВАЛИФИКАЦИИ ПЕРСОНАЛА, ВЫПОЛНЯЮЩЕГО РАБОТЫ ПО УСТАНОВКЕ ГБО И ИСПЫТАНИЯМ ГАЗОТОПЛИВНЫХ СИСТЕМ ГБТС

ПЕРЕЧЕНЬ ДЕЙСТВУЮЩЕЙ НОРМАТИВНО-ТЕХНИЧЕСКОЙ ДОКУМЕНТАЦИИ, НА КОТОРЫЕ ДАЮТСЯ ССЫЛКИ В ДОКУМЕНТЕ

Акт приемки-сдачи автотранспортного средства на установку газобаллонного оборудования (ГБО) для работы на сжиженном нефтяном газе (для юридических лиц)

Акт приемки-сдачи автотранспортного средства на установку газобаллонного оборудования (ГБО) для работы на сжиженном нефтяном газе (для физических лиц)

Свидетельство о соответствии транспортного средства, с установленным на него газобаллонным оборудованием, требованиям безопасности

Свидетельство о проведении периодических испытаний газобаллонного оборудования, установленного на транспортном средстве

Акт приемки-сдачи газобаллонного автотранспортного средства, эксплуатируемого на ГСН, на испытание газобаллонного оборудования на соответствие требованиям безопасности (для юридических лиц)

Акт приемки-сдачи газобаллонного автотранспортного средства, эксплуатируемого на ГСН, на испытание газобаллонного оборудования на соответствие требованиям безопасности (для физических лиц)

Примеры установки газобаллонного оборудования на автотранспортные средства*

СПИСОК СОКРАЩЕНИЙ

АТП - автотранспортное предприятие;

АТС - автотранспортное средство;

ГТА - газотопливная аппаратура;

ГБО - газобаллонное оборудование;

ГБТС - газобаллонное транспортное средство;

ГМТ - газомоторное топливо;

ГСН* - газ сжиженный нефтяной;

ГСП - газовая система питания;

ГА - газовая аппаратура;

ОГ - отработанные газы;

ОСУ - орган сертификации услуг;

РР - регулировочные работы;

ТО - техническое обслуживание;

ТР - текущий ремонт;

ЭБУ - электронный блок управления;

ЭМК - электромагнитный клапан;

ГР - газовый редуктор;

ИС - испаритель газа;

ЗУ - заправочное устройство.

ВВЕДЕНИЕ

Анализ развития топливно-энергетического и дорожно-транспортного комплексов России показывает, что решение важнейших общефедеральных задач в транспортной отрасли, связанных с обеспечением условий для надежного топливообеспечения всего транспортного комплекса России, снижением топливной составляющей себестоимости перевозок и уменьшением вредного воздействия транспорта на окружающую среду, может быть выполнено путем использования на транспорте, вместо нефтяных видов топлива - газомоторных и, в частности, газов сжиженных нефтяных (ГСН).

Применение ГСН на автомобильном транспорте позволит расширить номенклатуру автомобильных топлив, сберечь нефтяные ресурсы и более рационально использовать топливно-энергетический потенциал страны.

Перевод автотранспортных средств на ГСН может быть осуществлен двумя основными путями:

- за счет поставки новых газобаллонных автотранспортных средств автомобильной промышленностью России;

- за счет переоборудования базовых автотранспортных средств, находящихся в эксплуатации, в газобаллонные с использованием комплектов газобаллонного оборудования, выпускаемого отечественной промышленностью.

В 1995-2001 гг. различными организациями и предприятиями России (АО «Автосистема», НПФ «САГА», АО «Завод им. Фрунзе», РЗАА, ООО «Грико» и др.) разработаны конструкции газобаллонной аппаратуры нового поколения, предназначенные для установки в условиях эксплуатации практически на все модели автомобилей и автобусов отечественного производства.

Нормативная документация по переводу АТС для работы на ГСН, разработанная в 1985-1987 гг., морально и технически устарела и не соответствует современным требованиям, поэтому создание настоящего документа направлено на решение следующих основных задач:

- проведение единой технической политики в области перевода базовых моделей автомобилей и автобусов для работы на ГСН и испытания их газотопливных систем в новых условиях хозяйствования;

- организация процесса перевода АТС для работы на ГСН с учетом конструктивных решений газобаллонного оборудования (ГБО) нового поколения;

- организация процесса испытания газотопливных систем газобаллонных автомобилей (ГБА), работающих на ГСН.

В соответствии с перечисленными задачами в настоящем Руководстве приведены общие положения и требования к организации перевода базовых АТС для работы на ГСН и испытаний их газотопливных систем; технические требования к АТС и газобаллонному оборудованию, предъявляемые к ним при установке ГБО; правила приемки и выдачи АТС при проведении работ по установке ГБО; типовая технологическая последовательность и содержание выполнения операций по установке ГБО на АТС и испытаниям газотопливных систем; примерные схемы монтажа ГБО на различные типы АТС; требования к оснащенности оборудованием и инструментом при проведении работ по установке ГБО и испытаниям газотопливных систем; требования к квалификации персонала, выполняющего работы по установке ГБО и испытаниям газотопливных систем; вопросы техники безопасности при проведении работ по установке ГБО и испытаниям газотопливных систем.

Изложенные в настоящем Руководстве требования, рекомендации, значения различных параметров, правила техники безопасности в части всего комплекса работ, связанных с переводом АТС для работы на ГСН и испытаниями газотопливных систем, распространяются на все предприятия и организации независимо от их организационно-правовых форм и форм собственности.

1. ОБЩИЕ ПОЛОЖЕНИЯ

1.1. Перевод автотранспортных средств на газ сжиженный нефтяной в Российской Федерации производится двумя путями - за счет выпуска автомобильными заводами новых газобаллонных АТС и установки ГБО на АТС, находящихся в эксплуатации.

1.2. Для перевода АТС, находящихся в эксплуатации, в газобаллонные, предприятия и организации-изготовители газобаллонного оборудования поставляют по договорам или через торговые организации комплекты ГБО специализированным предприятиям (фирмам), выполняющим работы по установке ГБО на АТС.

1.3. Установку ГБО на АТС для работы на ГСН могут осуществлять предприятия и организации любой формы собственности и имеющие:

- соответствующую производственную базу;

- необходимое для выполнения работ технологическое оборудование;

- аттестованный для выполнения работ рабочий и инженерно-технический персонал.

Кроме того, предприятие, с целью подтверждения качества выполняемых работ по установке ГБО на АТС, может провести добровольную сертификацию выполняемых услуг и получить на это сертификат, выдаваемый аккредитованным органом сертификации услуг по ТО и ремонту АТС (ОСУ).

1.4. Испытания газотопливных систем питания ГБТС могут проводится на специализированных испытательных станциях (пунктах) независимо от их формы собственности и имеющих:

- соответствующую производственную базу;

- необходимое технологическое оборудование, в том числе компрессорное;

- обученный и аттестованный персонал.

Кроме того, предприятие может иметь сертификат добровольной сертификации, подтверждающий качественное выполнение работ по испытаниям, выдаваемый ОСУ.

1.5. Испытание газотопливных систем питания газобаллонных автотранспортных средств (ГБТС) включает в себя контроль герметичности соединений составляющих ее агрегатов и узлов воздухом или инертным газом при давлении 1,6 МПа (16,0 кгс/см2).

1.6. Согласно ТУ 152-12-008-99 «Автомобили и автобусы. Установка на автомобили газобаллонного оборудования для работы на газе сжиженном нефтяном (ГСН). Приемка и выпуск после установки. Испытания газотопливных систем». Контроль их герметичности проводят в следующих случаях:

- у всех АТС, после установки ГБО для работы на ГСН;

- у ГБТС, на которых произошла смена баллонов в следствии истечения срока их освидетельствования;

- у ГБТС, попавших в дорожно-транспортное происшествие и имеющих отказы, связанные с необходимостью демонтажа и последующего монтажа газовых баллонов, соединительных газопроводов, запорно-расходной и предохранительной аппаратуры.

1.7. Работы по установке ГБО на базовые модели АТС и испытанию их газотопливных систем питания могут осуществляться как на едином технологическом комплексе, удовлетворяющем в совокупности требованиям п. 1.3 и 1.4, так и на раздельных производственных базах, принадлежащих разным организациям, каждая из которых должна удовлетворять соответственно требованиям п. 1.3 или 1.4.

1.8. Предприятия, не отвечающие любому из требований п. 1.3 или п. 1.4, выполнять установку ГБО на АТС для работы на ГСН или испытание их газотопливных систем питания не имеют право.

1.9. Переводу АТС для работы на газе сжиженном нефтяном, соответствующего требованиям ГОСТ 52087-03, могут подвергаться все автотранспортные средства, находящиеся в эксплуатации, отечественных и зарубежных моделей, включая легковые, грузовые, специализированные и специальные автомобили, городские и пригородные автобусы, автобусы общего и местного назначения, снабженные поршневыми двигателями с искровой системой зажигания.

1.10. Настоящий документ предназначен для руководящих и инженерно-технических работников, рабочего персонала предприятий и организаций (фирм), осуществляющих перевод АТС для работы на ГСН.

2. ОРГАНИЗАЦИЯ ПЕРЕВОДА АТС В ГБТС, РАБОТАЮЩИХ НА ГСН, И ИСПЫТАНИЙ ГАЗОТОПЛИВНЫХ СИСТЕМ

При организации перевода базовых АТС для работы на ГСН необходимо выполнить ряд следующих мероприятий:

- создать пункт (участок) по установке ГБО и испытаниям газотопливных систем;

- организовать технологический процесс установки газобаллонного оборудования на АТС и испытаний газотопливных систем;

- заключить договора на поставку газобаллонного оборудования с предприятиями-изготовителями или торгующими организациями;

- обучить (с получением соответствующего удостоверения) рабочий персонал работам по установке ГБО и испытаниям ГТС.

2.1. Основные технологические операции процесса перевода АТС для работы на ГСН и испытаний газотопливных систем

2.1.1. Процесс перевода АТС для работы на ГСН состоит из следующих основных этапов:

- приемка АТС для перевода на ГСН;

- подготовка АТС к установке газобаллонного оборудования (ГБО);

- подготовка комплекта ГБО к установке на АТС;

- установка (монтаж) ГБО на АТС;

- испытания газотопливных систем переоборудованного газобаллонного транспортного средства (ГБТС);

- оформление приемо-сдаточной документации и выдача ГБТС заказчику.

Каждый этап в отдельности состоит из ряда последовательных технологических операций.

2.1.2. Приемка АТС для перевода на ГСН включает в себя:

- проверку сопроводительной документации и комплектности АТС;

- мойку АТС;

- проверку технического состояния АТС и принятие решения о проведении установки ГБО;

- слив топлива и охлаждающей жидкости (при необходимости).

2.1.3. Подготовка АТС к установке газобаллонного оборудования состоит из следующих операций:

- демонтажные работы непосредственно на АТС и в моторном отсеке;

- подготовка мест крепления газовой аппаратуры;

- подготовка мест крепления газовых баллонов.

Содержание работ по выполнению указанных операций зависит от типа АТС и мест размещения газовых баллонов и газотопливной аппаратуры (ГТА).

2.1.4. Подготовка комплекта ГБО к установке на АТС включает в себя:

- проверку сопроводительной документации, комплектности и технического состояния агрегатов и узлов газотопливной аппаратуры и газовых баллонов;

- сборку агрегатов и узлов ГТА и газовых баллонов.

2.1.5. Установка (монтаж) ГБО на АТС состоит из следующих основных операций:

- монтажные работы по установке деталей и узлов газотопливной аппаратуры на двигателе и в моторном отсеке;

- монтаж газовых баллонов и деталей газотопливной аппаратуры на раме (платформе) или кузове АТС, включая газовые трубопроводы высокого давления;

- установка дополнительного электрооборудования и контрольно-измерительных приборов.

2.1.6. По окончании установки ГБО на АТС проводят проверку качества выполненных работ и оформляют определенную часть приемо-сдаточной документации согласно требованиям, изложенным в следующих разделах документа, и АТС переведенное на ГСН, направляют на испытание газотопливных систем.

2.1.7. Испытания газотопливных систем ГТС питания ГБТС могут производиться:

- на специализированных станциях (пунктах) сжатым воздухом или инертным (негорючим) газом;

2.1.8. Испытания газотопливных систем питания ГБТС на ГСН включают в себя следующие этапы:

- приемка ГБТС для проведения испытаний ГТС;

- испытания на герметичность (опрессовка).

2.1.9. Приемка ГБТС для проведения испытаний ГТС состоит из следующих операций:

- проверка сопроводительной документации и технического состояния ГБТС;

- подготовка ГБТС к проведению испытаний.

2.1.10. Проверку внешней и внутренней герметичности агрегатов и узлов газобаллонного оборудования и топливной аппаратуры на всех этапах испытаний осуществляют или методом омыливания или с помощью специальных приборов - течеискателей.

2.1.11. Оформление результатов испытаний и приемо-сдаточной документации осуществляют в соответствии с требованиями, изложенными в разд. 5 настоящего документа, и нормативно-технической документации, указанной в Приложении 1.

2.1.12. Функциональная схема выполнения работ по переводу АТС для работы на ГСН и испытаний газотопливных систем приведена на рис. 2.1.

2.2. Сертификация услуг, связанных с переводом АТС для работы на ГСН и испытаниями газотопливных систем

Работы, связанные с переводом АТС в газобаллонные транспортные средства (ГБТС) для работы на ГСН, испытаниями газотопливных систем ГБТС, их технического обслуживания, ремонта газотопливного оборудования, могут подвергаться добровольной сертификации согласно следующим нормативным документом:

- Положению о Системе добровольной сертификации на автомобильном транспорте;

- Правилам добровольной сертификации услуг (работ) по техническому обслуживанию и ремонту автотранспортных средств.

Проведение работ добровольной сертификации и выдачу сертификата соответствия осуществляют аккредитованные органы по сертификации услуг (ОСУ). Добровольное сертифицирование проводится на требования нормативных документов, которые указываются заявителем (организацией, предприятием, предпринимателем и т.п.), при этом работы по установке ГБО на АТС должны выполняться качественно и соответствовать требованиям нормативной документации.

3. Организация предприятия (пункта) по переводу АТС для работы на ГСН и испытаний газотопливных систем

3.1. Назначение и размещение производства

Предприятие (пункт) по переводу АТС для работы на ГСН должно состоять из следующих основных участков:

- участок комплектации, подготовки, ремонта, проверки газобаллонного оборудования;

- участок по установке ГБО на АТС;

- участок по испытаниям газотопливных систем ГБТС;

- компрессорный участок.

Кроме того, предприятие (для расширения сферы оказания услуг) может организовать выполнение работ по техническому обслуживанию газобаллонного оборудования на участке по проведению испытаний газотопливных систем ГБТС.

На производственных участках выполняют следующие виды работ (см. рис. 2.1).

1. На участке комплектации, подготовки, ремонта, проверки газобаллонного оборудования:

а) комплектация газобаллонного оборудования для установки на АТС:

- проверка технической документации, прилагаемой к комплекту ГБО;

- проверка наличия деталей и узлов комплекта ГБО по прилагаемой описи и сортировка их по местам расположения на АТС (моторный отсек, кабина, рама и т.п.);

- сборка агрегатов и узлов ГТА с деталями их крепления на АТС;

- проверка газового баллона и установка запорно-предохранительной арматуры.

Рис. 2.1. Функциональная схема выполнения работ по переводу АТС для работы на ГСН и испытаниям газотопливных систем

б) работы, выполняемые на стенде:

- проверка регулировочных параметров основных узлов и агрегатов ГБО на соответствие требованиям технической документации;

- ремонт и регулировка деталей и узлов бензиновой системы питания и деталей и узлов ГБО, снятого с АТС.

2. На участке по установке ГБО на АТС*:

- демонтажные и подготовительные работы на двигателе, кабине (салоне), раме и кузове автомобиля;

- установка крепежных элементов и узлов для монтажа баллонов на автомобиле;

- монтаж баллонов (совместно с запорной, предохранительной и контрольно-измерительной арматурой согласно документации изготовителей баллона и ГТА);

- монтаж магистральных газопроводов;

- установка и монтаж газовой аппаратуры;

- монтаж элементов системы зажигания и электрооборудования, установка электронных блоков управления (ЭБУ);

- монтаж некоторых элементов системы питания нефтяным топливом и охлаждения двигателя.

* Перед въездом на участок по установке ГБО автомобиль должен быть тщательно вымыт на специальном посту, при необходимости - слито топливо из системы питания и жидкость из системы охлаждения, демонтирован кузов (для грузовых автомобилей).

3. На участке по испытаниям газотопливных систем ГБТС:

- установка автомобиля на пост испытания герметичности газовой системы питания и подключение к магистрали сжатого воздуха высокого давления;

- испытание газовых систем питания на герметичность (опрессовка);

- оформление документации, связанной с переоборудованием автомобилей на ГСН.

При техническом обслуживании и ремонте ГБТС на участке проводятся следующие работы:

- проверка состояния и крепления газового баллона;

- проверка герметичности и крепления вентильных устройств (запорно-расходной и наполнительной аппаратуры), проведение смазочных работ;

- проверка состояния и крепления газопроводов;

- проверка состояния и крепления теплообменных устройств и подводящих трубопроводов;

- обслуживание фильтрующего элемента магистрального фильтра;

- проверка состояния и технических характеристик газового редуктора, регулировочные работы;

- проверка работоспособности дозирующих устройств;

- слив отстоя из редуктора низкого давления;

- проверка состояния, крепления и работоспособности инжекторных клапанов;

- проверка состояния и работоспособности агрегатов и узлов систем питания АТС нефтяным топливом;

- проверка состояния и работоспособности системы электрооборудования АТС и электронного оборудования ГБО, связанных с применением ГСН.

4. Компрессорный участок:

- обеспечивает снабжение производственных участков сжатым воздухом низкого (0,4-0,6 МПа) и высокого давления (1,6-2,0 МПа).

3.2. Требования к планировочному решению производственного корпуса предприятия по переводу АТС для работы на ГСН

Предприятия (в дальнейшем - пункт) по переводу АТС на ГСН могут создаваться как в помещениях новой постройки, так и на существующих производственных площадях действующего предприятия.

Основные производственные участки должны располагаться в производственном корпусе и должны быть оснащены необходимым технологическим оборудованием.

Мойка АТС и склад газовых баллонов могут быть организованы отдельно от производственного корпуса или примыкать к нему.

Высота помещения производственного корпуса - 7 м до выступающих строительных конструкций.

Рекомендуемое соотношение сторон участков: 6 × 3, 6 × 9, 6 × 12 м и т.д.

При выборе помещения для пункта следует учесть необходимость применения кран-балки с максимально отведенный для этой цели площадью для осуществления перемещения баллонов, при необходимости съем и установку кузовов грузовых АТС в процессе выполнения работ.

Наиболее предпочтительным является такое размещение пункта в производственном корпусе, при котором, с одной стороны, было бы достигнуто максимальное естественное освещение (наличие оконных проемов), а с другой стороны - к пункту примыкала бы дорога для транспортировки баллонов и въезда (выезда) АТС.

При недостаточной естественной освещенности, освещение производственной площади может быть компенсировано при помощи верхнего освещения через зенитные фонари.

При организации выхода из производственного помещения через внутренний коридор, последний не должен иметь порогов и других препятствий, а ширина его должна обеспечивать свободную транспортировку баллонов.

Размещение основного технологического оборудования на площади участков должно быть предусмотрено в технологической последовательности выполнения различных видов работ.

Размещение оборудования и ширина проходов должны учитывать свободное перемещение крупногабаритных комплектующих (кузов, баллоны в сборе и т.д.) с помощью кран-балки и тележек на основном производственном участке, складе или площадке для временного хранения.

Изготовление и поставка основного технологического оборудования предусматривается из существующего и серийного выпускаемого предприятиями ОАО «ГАРО» и другими организациями.

Остальное оборудование, инвентарь, стеллажи, верстаки, тележки и захваты должны быть приобретены или изготовлены своими силами.

Доставка оборудования в помещение к месту монтажа должна производиться через наружный дверной проем шириной не менее 1,5 м или наружные ворота, имеющие габаритные размеры 4,5 × 4,2 м.

Пункт должен включать в себя производственные площади для:

- установки ГБО на АТС;

- испытания газотопливных систем и технического обслуживания газобаллонного оборудования ГБТС;

- комплектации, проверки и текущего ремонта газобаллонного оборудования;

- компрессорного оборудования с системой аккумулирования сжатого воздуха.

Газовые баллоны при их хранении могут располагаться под навесом, организованным отдельно от производственного корпуса или примыкающего к нему.

Административные помещения (для начальника производства, бухгалтерии, конторы и т.д.), а также бытовые помещения для рабочих в целях экономии основных производственных площадей рекомендуется расположить над производственными участками, организовав при этом второй этаж (при общей высоте корпуса - 7 м).

Предлагаемая примерная технологическая планировка пункта со специализированными производственными участками представлена на рис. 3.1.

Экспликация участков и производственных помещений, входящих в состав пункта и используемое технологическое оборудование приведены соответственно в табл. 3.1 и 3.2.

На участке установки ГБО могут выполняться работы по переводу АТС на компримированный природный газ.

Таблица 3.1

Экспликация участков и помещений пункта но переводу АТС в газобаллонные и их техническому обслуживанию

Обозначение по планировке

Наименование

Примерная производственная площадь, м

А

Участок испытания газотопливных систем и технического обслуживания

72

Б

Участок комплектации, подготовки, ремонта, проверки газобаллонного оборудования ГБТС

36

В

Компрессорный участок совместно с воздушным аккумулятором

24

Г

Участок по установке ГБО на АТС

126

 

ИТОГО

258

Рис. 3.1. Примерная технологическая планировка пункта по переводу АТС для работы на ГСН и испытаний газотопливных систем

Таблица 3.2

Технологическое оборудование пункта

№ п/п

Наименование технологического оборудования

Модель

Ед. изм.

Кол-во

1

2

3

4

5

А. Участок испытания газотопливных систем и технического обслуживания ГБТС

1

Ящик с песком

-

шт.

1

2

Ящик с обтирочными концами

-

шт.

1

3

Установка для мойки агрегатов и узлов системы питания АТС

М-312

шт.

1

4

Пост для текущего ремонта газотопливного оборудования и газопроводов

Р-991

шт.

1

5

Установка для проверки и регулировки газотопливного оборудования

К-277или стенд НПФ «САГА»

шт.

1

6

Тумбочка инструментальная и специнструмент для газобаллонного оборудования

И-139

шт. компл.

1

2

7

Стеллаж

-

шт.

3

8

ГБТС для испытания газотопливных систем и технического обслуживания

-

шт.

1

Б. Участок комплектации, подготовки, ремонта и проверки газобаллонного оборудования

9

Кран-балка (Q = 1,0 т)

-

шт.

1

10

Стеллаж для газобаллонного оборудования

-

шт.

3

11

Тумбочка инструментальная, включая специнструмент

-

И-149

шт. компл.

1

2

12

Пост для текущего ремонта ГБО

Р-991

шт.

1

13

Стенд для проверки и регулировки газотопливного оборудования

ИС/0.01 ÷ 0.04/или К-278

шт.

1

14

Ящик с песком

-

шт.

1

15

Ящик с обтирочными концами

-

шт.

1

16

Установка для мойки агрегатов и узлов системы питания АТС и ГБТС

М-312

шт.

1

В. Компрессорный участок

17

Аккумулятор сжатого воздуха

-

шт.

1

18

Компрессорная установка

ВШВ-2.3/230

-

1

Г. Участок по установке ГБО на АТС

19

АТС для переоборудования в газобаллонный (легковой, грузовой автомобиль, автобус, специализированный автомобиль)

-

шт.

2

20

Приспособления и шаблоны для монтажа ГБО (в слесарном верстаке), для монтажа вентильных устройств

Различные

шт.

до 10

21

Площадка для складирования баллонов

-

-

-

-

Захват для транспортировки баллонов (на схеме не указан)

-

шт.

2

-

Тележка для транспортировки баллонов для ГСН (на схеме не указана)

-

шт.

1

Участок испытания газотопливных систем и технического обслуживания ГБТС отделен от других участков кирпичной или железобетонной перегородкой высотой 3,5-4,0 м и должен быть оборудован системой контроля загазованности среды (типа ГАЗ-1М или СГХ-10) и вытяжной вентиляцией.

Участки комплектации и проверки газобаллонного оборудования, переоборудования АТС совмещены и в разделительных перегородках, и в специальном оснащении не нуждаются.

Компрессорный участок располагается в отдельном (изолированном) помещении включает в себя компрессорную установку (типа ВШВ 2.3/230), аккумулятор сжатого воздуха и вспомогательное оборудование (рабочее место оператора, КИП и др.).

Санитарно-бытовое обслуживание персонала пункта должно быть предусмотрено в специально организованных помещениях.

3.3. Инженерное обеспечение производства

Обеспечение рабочего процесса производственных участков электроэнергией, теплом, водой и вентиляцией предусматривается от существующих источников питания с подключением по месту к инженерным сетям и коммуникациям действующего производства.

Участок испытания газотопливных систем и технического обслуживания ГБТС может обеспечиваться подачей ГСН от источника, расположенного снаружи помещения.

Искусственное общее освещение помещения должно обеспечивать IV-б разряд зрительных работ с освещенностью не менее 200 лк при люминесцентном освещении и не менее 150 лк при лампах накаливания.

В помещениях должна быть предусмотрена принудительно-вытяжная вентиляция, обеспечивающая трехкратный воздухообмен, а также естественная вытяжка.

Температура в помещении должна быть 16-18 °С.

Все помещения участков, входящих в состав пункта, относятся к категории «В-2» по пожарной опасности и к «нормальному классу» по правилам устройства электроустановок и осуществления каких-либо специальных противопожарных мероприятий не требуется.

Исключение составляет участок испытания газотопливных систем и технического обслуживания ГБТС, помещение которого должно соответствовать требованиям безопасной эксплуатации ГБА на ГСН согласно нормативного документа РД 03112194-1094-03 «Руководство по организации эксплуатации газобаллонных автомобилей работающих на сжиженном нефтяном газе».

3.4. Снабжение производства сжатым воздухом

Технологическое оборудование участков для своего функционирования требует потребления сжатого воздуха двух параметров:

- низкого давления - 0,4-0,6 МПа;

- высокого давления - 1,6-2,0 МПа;

К потребителям сжатого воздуха низкого давления относится пневматические дрели и т.п.

Снабжение сжатым воздухом низкого давления предусматривается от сети воздухоснабжения действующего производства с подводом его к устанавливаемому технологическому оборудованию по временной схеме или от собственной компрессорной установки из аккумулятора сжатого воздуха высокого давления после его редуцирования до 0,6 МПа.

К потребителям сжатого воздуха высокого давления относится:

- установка для проверки газотопливного оборудования (мод. типа К-277);

- стенд для проверки газотопливного оборудования (мод. типа ИС-001 или К-278);

- участок испытаний ГТС и ТО ГБТС.

Снабжение сжатым воздухом высокого давления предусматривается от стационарной компрессорной установки (типа ВШВ 2.3/230) через аккумулятор сжатого воздуха.

В качестве аккумулятора сжатого воздуха высокого давления могут быть применены автомобильные газовые баллоны для КПГ в количестве не менее 20 шт., смонтированные на специальной раме-подставке и закрепленные к стене. Вентили баллонов должны быть соединены последовательно стальными трубками; к одному из них подключается выходной патрубок компрессора, а от конечного - к потребителю (напрямую или через редуцирующее устройство).

При эксплуатации компрессорной установки и аккумулятора со сжатым воздухом должны соблюдаться требования правил Госгортехнадзора РФ.

4. ТЕХНИЧЕСКИЕ ТРЕБОВАНИЯ К АТС ПРИ ПРИЕМКЕ НА УСТАНОВКУ ГБО, ВЫПУСКЕ ПОСЛЕ УСТАНОВКИ И УСТАНАВЛИВАЕМОМУ ГАЗОБАЛЛОННОМУ ОБОРУДОВАНИЮ

4.1. Технические требования к АТС, сдаваемым на установку ГБО

4.1.1. На установку ГБО принимаются находящиеся в эксплуатации АТС (согласно п. 1.9 настоящего Руководства) отечественного или зарубежного производства.

4.1.2. АТС, предназначенные для установки ГБО, должны быть технически исправны, укомплектованы в соответствии с техническими условиями и документацией предприятия-изготовителя.

4.1.3. Перед сдачей на установку ГБО АТС должны пройти техническое обслуживание в полном объеме (ТО-2), указанном в Положении о техническом обслуживании и ремонте подвижного состава автомобильного транспорта, в инструкции по эксплуатации автотранспортного средства данной модели или в сервисной книжке АТС.

4.1.4. Направляемые (принимаемые) на установку ГБО АТС должны удовлетворять следующим требованиям:

- наличие ремонтных воздействий (дополнительных сварочных швов, отверстий, накладов) в зонах крепления газовой аппаратуры и баллонов не допускается;

- двигатель АТС не должен иметь повышенных износов цилиндропоршневой группы и газораспределительного механизма, выходящих за пределы, определяемые техническими условиями предприятия-изготовителя;

- система искрового зажигания АТС должна быть в технически исправном состоянии.

4.1.5. Сдаваемое на установку ГБО АТС должно иметь запас топлива в топливном баке в количестве, не менее:

- легковые автомобили и автобусы особо малого класса - 5 л;

- грузовые, специализированные автомобили полной массой до 10 т и автобусы малого и среднего класса - 10 л;

- грузовые, специализированные автомобили полной массой более 10 т и автобусы большого и особо большого класса - 15 л.

4.1.6. Автомобили, направляемые на установку ГБО, должны пройти мойку. Особенно тщательно должны быть вымыты места крепления газобаллонного оборудования (моторный отсек, багажник, рама автомобиля, днище кузова).

4.1.7. Система питания двигателей АТС, направляемых на установку ГБО, должна быть отрегулирована на показатели токсичности отработавших газов в соответствии с требованиями ГОСТ 17.2.2.03-87 при работе на бензине.

4.1.8. Направляемые на установку ГБО легковые автомобили должны удовлетворять следующим требованиям.

4.1.8.1. Кузов автомобиля не должен иметь сильной или сквозной коррозии, трещин и механических повреждений в местах крепления газобаллонного оборудования.

4.1.8.2. Пространство багажного отделения должно быть освобождено от предметов, не относящихся к комплектности автомобиля.

4.1.8.3. На установку ГБО принимаются легковые автомобили независимо от типа кузова при условии, что предприятие-изготовитель газобаллонного оборудования рекомендует в своих ТУ установку его на эти автомобили с гарантией обеспечения отвода возможной утечки газа из зоны размещения газового баллона за пределы ГБТС.

4.1.9. Грузовые, специализированные и специальные автомобили при сдаче на установку ГБО должны удовлетворять следующим требованиям.

4.1.9.1. Грузовые, специализированные и специальные автомобили с деревянной платформой или фургоном, не должны иметь поврежденных продольных и поперечных брусьев, досок пола.

Металлические платформы или фургоны не должны иметь механических повреждений в зоне крепления ГБО.

4.1.9.2. Рама автомобилей не должна иметь трещин, ослаблений заклепочных соединений и механических повреждений в местах крепления ГБО.

4.1.9.3. Установленные на АТС специализированные установки и механизмы (фургоны, цистерны, машины коммунального хозяйства, самосвальные кузова и т.п.) должны соответствовать техническим условиям и конструкторской документации предприятий-изготовителей этих установок.

4.1.10. Автобусы, направляемые на установку ГБО должны удовлетворять следующим требованиям.

4.1.10.1. Автобусы, направляемые на установку ГБО, не должны находиться в ветхом состоянии. Система вентиляции должна быть в исправном состоянии и обеспечивать воздухообмен в салоне предусмотренный техническими условиями завода-изготовителя.

4.1.10.2. Кузов автобуса, его несущий каркас не должны иметь трещин, механических повреждений, сквозной коррозии, особенно в местах крепления газотопливного оборудования и баллонов.

4.2. Технические требования к газобаллонному оборудованию для ГСН, устанавливаемому на АТС

4.2.1. Газобаллонное оборудование, устанавливаемое на АТС - это совокупность агрегатов и элементов, включая баллоны для хранения газа, соединительные трубопроводы, электрооборудование и электронные устройства, обеспечивающие работу АТС на ГСН.

ГБО должно соответствовать требованиям ОСТ 37.001.653-99, ОСТ 37.001.654-99, ОСТ 37.001.655-99, ОСТ 37.001.656-99, ОСТ 37.001.657-99, других действующих нормативных документов и конструкторской документации предприятия-изготовителя.

4.2.2. ГБО, устанавливаемое на АТС, должно иметь сертификат соответствия для данного типа автотранспортных средств согласно требований ОСТ 37.001.653-99.

Применение на АТС не сертифицированного газобаллонного оборудования не допускается.

4.2.3. Каждый баллон, устанавливаемый на АТС, независимо от их количества, должен иметь запорный вентиль, позволяющий отключать его (в случае необходимости) от газотопливной системы питания, в том числе при проведении технического обслуживания, ремонтных работ, хранении АТС в закрытом помещении и в других случаях.

4.2.4. Конструкция газобаллонного оборудования должна обеспечивать возможность подсоединения к отдельным устройствам контрольно-диагностического оборудования с целью их диагностики, регулировки и технического обслуживания, а также возможность подсоединения к агрегатам и узлам газобаллонного оборудования постороннего источника газа или воздуха (без заполнения газовых баллонов на ГБТС).

4.2.5. Газовые баллоны, входящие в состав ГБО для транспортных средств, эксплуатируемых на ГСН, должны соответствовать требованиям правил ПБ 10-115-96 и техническим условиям предприятия-изготовителя.

Газовые баллоны для ГСН производства после 1 января 1996 г. должны иметь знак соответствия сертификату Российской Федерации по ГОСТ Р 50460.

Допускается использовать автомобильные баллоны для ГСН зарубежного производства, имеющие соответствующий сертификат, выданный (или подтвержденный) аккредитованным в Российской Федерации соответствующим органом.

4.2.6. Металлические части баллона для ГСН должны быть окрашены снаружи краской в соответствии с ТУ предприятия-изготовителя, стойкой к атмосферному воздействию и горюче-смазочным материалам.

4.2.7. Каждый баллон вместимостью более 100 л согласно ПБ 10-115-96 должен иметь паспорт, содержание которого приведено в Приложении 3 указанных Правил.

Паспорта на баллоны для ГСН должны быть приложены к технической документации ГБО, установленному на АТС.

4.2.8. Конструкция вентилей (баллонных или магистральных) должна обеспечивать их герметичность во всех положениях запорного устройства (клапана) и не должна допускать его самопроизвольного перемещения под действием любых вибраций АТС.

4.2.9. Конструкция заправочного устройства для заправки баллонов ГСН для всех типов и моделей газотопливной аппаратуры транспортных средств должна соответствовать требованиям ОСТ 37.001.657-99 и другой действующей нормативной документации.

Заправочное устройство должно иметь защитный колпачок для предотвращения загрязнения, а также устройство, предотвращающее выход газа из баллона при отсоединении заправочного шланга.

4.2.10. Газотопливная аппаратура должна иметь запорно-предохранительные устройства, обеспечивающие автоматическое отключение подачи газа при внезапной остановке двигателя, в том числе при отключении бортовой системы электропитания ГБТС.

4.2.11. Металлические газопроводы должны изготавливаться из стальных или медных трубок.

В случае использования бесшовных медных трубок газопровод должен иметь резиновую или пластмассовую защитную оплетку.

4.2.12. На наружную поверхность стальных трубопроводов высокого давления должно быть нанесено лакокрасочное покрытие красного цвета, стойкое к воздействию окружающей среды и горюче-смазочным материалам.

4.2.13. Газобаллонное оборудование ГБТС, допускающих эксплуатацию как на ГСН, так и на нефтяном топливе, должно включать в себя переключатель на различные виды топлива и систему автоматической блокировки, исключающей продолжительную подачу (более 5 с) полных расходов обоих видов топлив (ГСН и нефтяного).

При переключении с одного вида топлива на другое допускается непродолжительное совмещение режимов подачи топлива.

Переключение работы двигателя с одного вида топлива на другой должно осуществляться с рабочего места водителя без остановки двигателя.

4.2.14. Конструкция газобаллонного оборудования должна обеспечивать надежный пуск двигателя транспортного средства на ГСН при температуре окружающего воздуха выше -5 °С.

При температуре окружающей среды ниже -5 °С допускается производить пуск двигателя ГБТС на нефтяном топливе.

4.3. Технические требования к монтажу газобаллонного оборудования

4.3.1. Установка всех агрегатов и узлов газобаллонного оборудования на АТС должна быть произведена в соответствии с требованиями ТУ 152-12-008-99.(с изм. №1 от 2000 г.), ОСТ 37.001.653-99, другой действующей нормативной документации и технической документации, разработанной предприятием-изготовителем (разработчиком) комплекта ГБО.

4.3.2. Способ крепления газовых баллонов для ГСН и их размещение на ГБТС должно осуществляться с соблюдением требований ОСТ 37.001.653-99 и конструкторской документации предприятий-изготовителей газовых баллонов и комплектов ГБО. В частности, не допускается:

- крепление газовых баллонов с использованием стальных тросов;

- использовать сварку для присоединения крепежных деталей к корпусу баллона.

4.3.3. Способ крепления газового баллона не должен приводить к повреждению баллона и уменьшению его прочности.

4.3.4. Запрещается устанавливать на транспортные средства баллоны для ГСН:

- не имеющие паспорта или с неразборчивыми паспортными данными, не соответствующие требованиям ПБ 10-115-96;

- с истекшим сроком периодического освидетельствования;

- с неисправной расходно-запорно-наполнительной и предохранительной аппаратурой;

- с поврежденным корпусом (трещины, вмятины, коррозия, измененная форма);

- не соответствующие требованиям окраски и надписей согласно правил ПБ 10-115-96 или ТУ предприятия-изготовителя;

- не соответствующие требованиям п. 4.2.5, 4.2.7 настоящего Руководства.

4.3.5. Баллоны для ГСН, бывшие в аварии, допускаются к эксплуатации только после внеочередного освидетельствования.

Ремонт баллонов или их самоосвидетельствование не допускается.

4.3.6. Размещение газопроводов, газовых баллонов, газотопливной аппаратуры и ее отдельных агрегатов и узлов должно соответствовать требованиям ОСТ 37.001.653-99, инструкции по установке ГБО предприятия-изготовителя ГБО и другой действующей нормативной документации.

4.3.7. Крепление агрегатов и узлов газобаллонного оборудования на ГБТС, включая и баллоны для ГСН, должно выдерживать перегрузки в соответствии с требованиями ОСТ 37.001.653-99 и другой действующей нормативной документации.

4.3.8. Заправочное устройство (ЗУ) должно размещаться на газобаллонном транспортном средстве таким образом, чтобы выполнялись следующие условия:

- подсоединение к заправочному устройству заправочного шланга заправочной колонки на газонаполнительной заправочной станции либо от передвижного газозаправщика должно осуществляться извне транспортного средства;

- заправочное устройство не должно выступать за пределы кузова транспортного средства, на которое оно устанавливается, более чем на 10 мм, либо при ином размещении в конструкции должна быть предусмотрена эквивалентная защита заправочного устройства от повреждений.

- крепление заправочного устройства должно обеспечивать защиту от его проворачивания.

4.3.9. Соединения газопроводов с переходниками, вентилями и другими элементами газотопливной аппаратуры должны осуществляться с помощью беспрокладочных ниппельных или других соединений, обеспечивающих герметичность при неоднократных монтажных и демонтажных воздействиях.

Сварка газопроводов запрещена.

4.3.10. Установленная на ГБТС газотопливная аппаратура должна обеспечивать внутреннюю и внешнюю герметичность во всем диапазоне давления, характерном для данного типа используемого агрегата или узла.

4.3.11. Габаритные размеры ГБТС после установки газобаллонного оборудования для ГСН не должны выходить за пределы базовых моделей.

4.3.12. Все агрегаты и узлы газобаллонного оборудования, в том числе баллоны, располагаемые в зоне пола или рамы ГБТС не должны уменьшать клиренс транспортного средства.

4.3.13. Газобаллонное оборудование должно устанавливаться на транспортное средство таким образом, чтобы оно было защищено от механических повреждений и коррозии, в том числе в местах крепления.

4.3.14. Конструкция агрегатов и узлов газобаллонного оборудования (в том числе расходно-наполнительного и предохранительных устройств), их размещение на ГБТС и на двигателе должны обеспечивать свободный доступ к функциональным элементам для проведения монтажно-демонтажных, регламентных, контрольно-регулировочных, диагностических работ и осуществления заправки топливом.

4.3.15. Смонтированный на ГБТС комплект газобаллонного оборудования не должен затруднять доступ к устройствам и агрегатам двигателя и самого транспортного средства при проведении работ по их техническому обслуживанию, а также усложнять извлечение и установку запасного колеса.

4.3.16. При размещении газобаллонного оборудования, узлов его крепления и установочных элементов необходимо обеспечивать возможность технического обслуживания газобаллонного оборудования, а также возможность контроля герметичности всех его узлов и соединений, в том числе с помощью переносных приборов (течеискателей), без снятия и разборки каких-либо агрегатов транспортного средства.

4.4. Технические требования к автотранспортным средствам, выпускаемым после установки ГБО

4.4.1. Газобаллонные автотранспортные средства (ГБТС) после установки ГБО для работы на ГСН должны быть испытаны на герметичность соединений агрегатов и узлов газотопливной системы питания под давлением 1,6 МПа согласно порядку и методике, изложенных в разд. 7 настоящего Руководства.

4.4.2. При положительных результатах испытаний газотопливной системы питания на герметичность должна быть проведена регулировка работы газотопливной аппаратуры ГБТС на ГСН в соответствии с инструкцией предприятия-изготовителя, в том числе и на токсичность отработавших газов двигательной установки согласно требованиям ГОСТ 17.2.02.06-99.

4.4.3. Автотранспортные средства при выдаче заказчику после установки ГБО должны иметь запас нефтяного топлива в топливном баке в объемах, установленных требованиями п. 4.1.5 настоящего Руководства.

4.4.4. Узлы и детали автотранспортного средства, снятые после установки ГБО, должны быть возвращены владельцу данного АТС.

4.4.5. К переведенному на ГСН АТС должна выдаваться инструкция (руководство) по эксплуатации данного ГБТС.

5. ПРАВИЛА ПРИЕМКИ НА УСТАНОВКУ ГБО И ВЫДАЧИ ГБТС ПОСЛЕ УСТАНОВКИ ГБО И ИСПЫТАНИЙ ГАЗОТОПЛИВНЫХ СИСТЕМ. ПРИЕМО-СДАТОЧНАЯ ДОКУМЕНТАЦИЯ

5.1. При сдаче (приемке) на установку ГБО АТС, принадлежащее предприятию, организации и т.д., независимо от их организационно-правовых форм и форм собственности оформляется приемосдаточный акт формы (Приложение 2).

Акт подписывается представителями предприятия (организации) заказчика и предприятия, осуществляющего установку ГБО (исполнителя работ) и скрепляется печатью исполнителя.

5.2. При сдаче (приемке) АТС на переоборудование, находящегося в личной собственности, оформляется приемо-сдаточный акт формы (Приложение 3).

Акт подписывается владельцем АТС и представителем предприятия, осуществляющего установку ГБО на АТС, и скрепляется печатью предприятия-исполнителя работ.

5.3. В приемо-сдаточном акте (формы или ) указывается:

- модель АТС;

- государственный регистрационный знак;

- год выпуска, номер кузова (шасси) и двигателя;

- пробег АТС с начала эксплуатации;

- комплектация АТС;

- техническое состояние сдаваемого АТС (состояние рамы, кабины, платформы (пассажирского салона), двигателя, его систем питания и др.);

- предприятие, осуществляющее переоборудование АТС, его адрес и телефон;

- решение предприятия-исполнителя работ о принятии АТС на установку ГБО или мотивированный отказа (с указанием причин) в выполнении работ по установке ГБО (например, из-за несоответствия технического состояния АТС конкретным требованиям или другим причинам).

5.4. Приемо-сдаточный акт (формы или ) оформляется в двух экземплярах, один из которых остается на предприятии, производящем перевод АТС для работы на ГСН, второй - выдается владельцу АТС.

В случае отказа предприятия в приеме АТС на установку ГБО в акте приемки-сдачи делается соответствующая запись, а АТС возвращается владельцу.

5.5. Выдача ГБТС после установки ГБО представителю предприятия (организации и т.п.) или владельцу АТС осуществляется представителем предприятия, производившим установку ГБО, и оформляется соответственно свидетельством формы и .

Формы этих свидетельств приведены в Приложении 4 и 5.

5.6. Свидетельство, выдаваемые представителю транспортного предприятия или владельцу ГБТС, должно содержать результаты испытаний газобаллонного оборудования на герметичность согласно разд. 7 настоящего Руководства, и результаты проверки работоспособности двигательной установки на ГСН, и регулировки газотопливной системы питания на токсичность отработавших газов согласно требований ГОСТ 17.2.02.06-99.

5.7. Свидетельство формы оформляется в четырех экземплярах:

- один экземпляр остается на предприятии, производившем установку и регулировку ГБО на его функционирование и проверку на токсичность ОГ;

- один экземпляр остается на предприятии (пункте), производившем испытания газобаллонного оборудования ГБТС на герметичность и опрессовку;

- два экземпляра выдаются представителю предприятия-заказчика или владельцу АТС для последующего представления одного экземпляра в органы ГИБДД МВД РФ.

5.8. Прием ГБТС, переведенных для работы на ГСН, на контроль герметичности (опрессовку) газобаллонного оборудования производят при наличии у заказчика (автовладельца) свидетельства формы .

Прием ГБТС, находящихся в эксплуатации, на опрессовку газобаллонного оборудования осуществляется при наличии технического паспорта на ГБТС и оформляется приемо-сдаточным актом формы 4а или 4б (Приложение 6, 7).

5.9. Выдача ГБТС после испытаний газотопливных систем питания заказчику производится с оформлением свидетельства формы :

- у АТС, переведенных для работы на ГСН ГБТС, - свидетельство формы оформляется в трех экземплярах;

- у ГБТС, находящихся в эксплуатации, - свидетельство формы оформляется в двух экземплярах.

Свидетельство формы должно быть заверено печатью предприятия, проводившего испытания.

5.10. Один экземпляр свидетельства формы остается на предприятии, проводившим испытание ГБТС, а другие выдаются заказчику:

- два экземпляра представителю предприятия, проводившего перевод АТС для работы на ГСН;

- один экземпляр владельцу ГБТС совместно с транспортным средством.

5.11. Полученные владельцем ГБТС свидетельства являются документами для органов ГИБДД МВД РФ при совершении регистрационных действий или при проведении периодических технических осмотров.

5.12. Формы актов и свидетельств оформляемых при проведении перевода АТС для работы на ГСН и испытаний газотопливных систем питания должны соответствовать требованиям ТУ 152-12-008-99.

6. ТИПОВАЯ ТЕХНОЛОГИЧЕСКАЯ ПОСЛЕДОВАТЕЛЬНОСТЬ И СОДЕРЖАНИЕ ОПЕРАЦИЙ ПО УСТАНОВКЕ ГАЗОБАЛЛОННОГО ОБОРУДОВАНИЯ ДЛЯ ГСН НА АТС

Содержание работы

Квалификация исполнителя

Технические требования

Примечание

1

2

3

4

6.1. ПРИЕМКА АТС НА УСТАНОВКУ ГБО

Операция № 1. Проверка сопроводительной документации и комплектности АТС

1. Ознакомиться с сопроводительной документацией АТС, представленного для переоборудования

Мастер специализированного участка по переоборудованию

АТС, сдаваемое на переоборудование, должно иметь приемо-сдаточный акт формы или ). Приемо-сдаточный акт формы оформляется и подписывается организацией (юридическим лицом) собственником АТС и организацией, осуществляющей переоборудование. Приемо-сдаточный акт формы оформляется предприятием, осуществляющим переоборудование, и подписывается владельцем АТС (физическим лицом) и предприятием, осуществляющим переоборудование

См. Приложения 2 и 3

2. Проверить комплектность АТС

Мастер специализированного участка по переоборудованию

АТС, сдаваемое на переоборудование, должно быть укомплектовано в соответствии с техническими, условиями предприятия-изготовителя АТС

 

Операция № 2. Мойка АТС

1. Установить АТС на пост мойки

Водитель

 

 

2. Произвести наружную мойку АТС

Оператор механизированной мойки или мойщик (ца) 3-го разряда (ручная мойка)

Тщательно должны быть вымыты рама и платформа грузового автомобиля, фургон или установка специализированного автомобиля, кузов легкового автомобиля или автобуса

Особенно тщательно должны быть вымыты места крепления газобаллонного оборудования (моторный отсек, двигатель, багажник, рама автомобиля, днище кузова и т.п.)

3. Произвести внутреннюю мойку АТС

Мойщик (ца) 3-го разряда (ручная мойка)

Должны быть вымыты двигатель и моторный отсек АТС, кабина грузового (специализированного) автомобиля, салон легкового автомобиля или автобуса, багажник легкового автомобиля

 

4. Перегнать АТС на пост проверки технического состояния

Водитель

 

 

Операция № 3. Проверка технического состояния АТС и принятие решения о проведении переоборудования

1. Установить АТС на пост проверки технического состояния

Водитель

 

 

2. Произвести внешний осмотр АТС:

Мастер участка и слесарь 4-го разряда

Кузов легкового автомобиля не должен иметь сильной или сквозной коррозии, трещин и механических повреждений в местах крепления ГБО

Пространство багажного отделения должно быть освобождено от предметов, не относящихся к комплектности автомобиля

- у легковых автомобилей: моторного отсека; салона; багажника; днища

- у грузовых, специализированных автомобилей: рамы или металлической платформы

 

Металлическая платформа и фургон не должны иметь механических повреждений в зоне крепления ГБО. Рама не должна иметь трещин, ослаблений заклепочных соединений и механических повреждений в местах крепления ГБО

Наличие ремонтных воздействий (сварка накладки и т.п.) в зонах крепления ГБО не допускается

- у автобусов: кузова, несущего каркаса 

 

Кузов автобуса, его несущий каркас, не должны иметь трещин, механических повреждений, сквозной коррозии в местах крепления ГТА и газовых баллонов

 

3. Проверить давление концах сжатия в цилиндрах двигателя

Слесарь 4-го разряда

Двигатель не должен иметь повышенного износа цилиндро-поршневой группы и газораспределительного механизма, выходящих за пределы, определяемые ТУ предприятия-изготовителя

 

4. Завести двигатель и проверить его работу на холостом ходу. После проверки заглушить двигатель

Тоже

Наличие посторонних стуков в кривошипно-шатунном и газораспределительном механизмах не допускается. Система искрового зажигания и система питания нефтяным топливом должны быть в технически исправном состоянии

При проверке по возможности необходимо использовать стенд (прибор) типа «Мотортестер»

5. Принятие решения о проведении установки ГБО на АТС

Мастер участка установки ГБО

При установлении, что АТС технически исправно и соответствует требованиям нормативных документов, принимается решение о проведении установки ГБО. При отрицательных результатах АТС возвращается заказчику

Результаты тех-проверки заносятся в приемосдаточный акт (форма или ), подписывается представителем организации, осуществляющей установку ГБО, скрепляется печатью и один экземпляр акта представляется заказчику

6. При положительном решении АТС направить на участок установки ГБО

 

 

 

6.2. ПОДГОТОВКА АТС К УСТАНОВКЕ ГБО

Операция № 4. Демонтажные работы на АТС и в моторном отсеке

1. Установить АТС на специализированный участок по установке ГБО для работы на ГСН

Водитель

Перед установкой АТС на участок при необходимости (на открытой площадке) следует слить охлаждающую жидкость из системы охлаждения двигателя и жидкое нефтяное топливо из системы питания

При сливе охлаждающей жидкости и нефтяного топлива АТС на участок установки ГБО перемещается с помощью дополнительного транспортного средства

2. Выполнить демонтажные работы на двигателе и в моторном отсеке АТС

Слесарь 3-го и 4-го разряда, электрик 5-го разряда

Номенклатура выполнения работ по демонтажу деталей и узлов двигателя и его системы электрооборудования должна соответствовать требованиям нормативно-технической документации (НТД) изготовителя и разработчика ГТА

 

2.1. С АТС следует снять:

- воздушный фильтр с кронштейном крепления;

- фильтр тонкой очистки топлива (при его наличии);

- бензиновые трубки от насоса до карбюратора;

- карбюратор с прокладкой;

- аккумуляторную батарею, предварительно отсоединив провода;

- некоторые детали электрооборудования;

- узлы и агрегаты различных систем двигателя, затрудняющие процесс установки газотопливной аппаратуры

Электрические провода должны быть обязательно отсоединены от аккумуляторной батареи

Аккумуляторную батарею снимают при расположении ее в моторном отсеке

 

2.2. У инжекторных бензиновых автомобилей:

- снять воздушный фильтр;

- подготовить бензиновую систему к отключению поступления бензина в камеру сгорания;

- обесточить электронный блок управления (ЭБУ)

 

При подготовке инжекторных бензиновых АТС к переводу на ГСН следует строго руководствоваться рекомендациями разработчика и изготовителя ГБО. Не допускается отсоединение цепей ЭБУ при включенном зажигании

На одежде электромеханика должно отсутствовать статическое электричество

3. Произвести необходимые демонтажные работы по электрооборудованию в кабине (салоне) АТС

Электрик 5-го разряда

 

 

4. Выполнить следующие демонтажные работы

Слесарь 3-го разряда

 

 

4.1. На легковых автомобилях:

- удалить запасное колесо из багажника автомобиля (кузов типа «седан»);

- снять защитный кожух багажного отделения (кузов типа «комби» или «универсал»)

 

Выполнение работ должно соответствовать номенклатуре НТД изготовителя и разработчика ГТА

 

4.2. На грузовых (специализированных) автомобилях и автобусах: - снять детали кузова, затрудняющие установку газотопливной аппаратуры

 

Выполнение работы должно соответствовать требованиям НТД изготовителя и разработчика ГТА

 

Операция № 5. Подготовка мест крепления газотопливной аппаратуры на АТС

1. Просверлить отверстия необходимых размеров в моторном отсеке, кабине (салоне) АТС для болтов крепления узлов и деталей ГТА

Слесарь 3-го и 4-го разряда

Количество отверстий, их размеры и места расположения должны быть определены НТД предприятия изготовителя и разработчика ГТА

Сверление производят электрической или пневматической дрелью (для АТС некоторых типов см. Приложение 8)

2. Зачистить просверленные отверстия и покрыть их краской

 

При окрашивании отверстий следует использовать быстросохнущие типы красок

 

Операция № 6. Подготовка мест крепления газовых баллонов

1. Просверлить отверстия необходимых размеров для болтов крепления кронштейнов к кузову или раме, предназначенных для установки газовых баллонов на АТС

 

Размеры, места расположения отверстий для болтов крепления кронштейнов, предназначенных для установки газовых баллонов, должны быть определены НТД предприятия-изготовителя и разработчика ГТА

Монтажные размеры отверстий и их расположение должны быть указаны в инструкции изготовителя комплекта ГБО по установке его на АТС

6.3. ПОДГОТОВКА КОМПЛЕКТА ГБО К УСТАНОВКЕ НА АТС

Операция №7. Проверка сопроводительной документации, комплектности и технического состояния агрегатов и узлов ГТА и газовых баллонов

1. Проверить сопроводительную документацию на комплект газотопливной аппаратуры и газовые баллоны

Мастер участка переоборудования, слесарь 4-го разряда

Сопроводительная документация на каждый комплект газотопливной аппаратуры должна включать в себя:

- упаковочный лист с полным перечнем деталей и узлов газотопливной аппаратуры;

- копию сертификата соответствия проведения обязательной сертификации комплекта ГТА в соответствии с требованиями ГОСТ «Система сертификации механических транспортных средств и прицепов»;

- паспорта или ярлыки на отдельные детали или узлы, в т.ч. и получаемые предприятием-изготовителем комплекта ГТА по кооперации;

- паспорта на газовые баллоны из композитных (металлопластиковых) материалов и на стальные баллоны

- инструкцию по установке ГТА и баллонов на АТС соответствующей модели;

- инструкцию по эксплуатации газобаллонного оборудования на АТС переоборудованного для работы на ГСН

Копия сертификата может не представляться, если детали и узлы комплекта на своей наружной поверхности или в сопроводительном ярлыке (паспорте) имеют знак соответствия сертификату РФ по ГОСТ Р 50460

Наличие паспорта баллона и его содержание должно соответствовать требованиям ПБ 10-115-96 Инструкция по установке может выдаваться одна на десять комплектов ГТА

2. Проверить комплектность газобаллонного оборудования, предназначенного для установки на АТС

Мастер участка установки ГБО, слесарь 4-го разряда

Количество деталей и узлов ГБО, входящих в комплект, должно соответствовать перечню прилагаемому заводом (предприятием, фирмой) - изготовителем комплекта

 

3. Проверить техническое состояние деталей и узлов ГБО на специализированном оборудовании

Слесарь 5-го разряда

 

 

3.1. Газовый редуктор:

- давление газа в первой и второй ступени;

 

Давление газа по ступеням регламентируется техническими условиями на редуктор и в основном должно находиться в пределах:

- первая ступень - 0,15-0,22 МПа (1,5-2,2 ктс/см2)

 

- герметичность разгрузочного устройства;

- работоспособность дозирующе-экономайзерного устройства (при его наличии)

 

- вторая ступень - 5,0-10,0 мм вод. ст. При разряжении (550±25) мм рт. ст., падение разряжения не более 10 мм рт. ст. в минуту. Регулировочные и контролируемые параметры должны быть приведены в технических условиях предприятия-изготовителя и паспорте редуктора

Дозирующе-экономайзерное устройство может быть выполнено в виде отдельного узла

3.2. Газовый смеситель (карбюратор-смеситель):

- состояние наружной поверхности;

- состояние регулировочных винтов (при их наличии)

 

Наружная поверхность не должна иметь механических повреждений и сильной коррозии. Регулировочные винты должны быть в исправном состоянии и легко перемещаться по своей резьбе

 

3.3. Испаритель газа:

- герметичность газовой полости;

 

Должна обеспечиваться в течении 2 мин при максимальном рабочем давлении в газовой полости.

Конструктивно может быть выполнен в отдельном агрегате или совмещен с газовым редуктором

- герметичность водяной полости

 

Должна обеспечиваться в течении 2 мин при давлении (0,25±0,25) МПа (2,5±0,25 кгс/см2)

3.4. Газовый фильтр с электромагнитным клапаном:

- герметичность соединений фильтра и электромагнитного клапана;

- работоспособность электромагнитного клапана

 

Должна обеспечиваться при максимальном рабочем давлении в полости фильтра. Электромагнитный клапан должен срабатывать при рабочем напряжении, предусмотренном конструкцией АТС, которое может находиться в пределах 10-12 В

Конструктивно могут быть выполнены раздельно

3.5. Электромагнитный бензиновый клапан:

- герметичность соединений;

- работоспособность электромагнитного клапана

 

Должна обеспечиваться при давлении в полости клапана (0,2±0,01) МПа (2,0±0,1 кгс/см2). Клапан должен срабатывать при напряжении 10-12 В и давлении воздуха в полости клапана (0,2±0,01) МПа (2,0±0,1 кгс/см2)

 

3.6. Газовые баллоны для ГСН и их арматура:

- состояние блока с арматурой

 

Резьба не должна иметь механических повреждений. Запорные клапана вентилей должны легко открываться и закрываться

Должны соответствовать требованиям ПБ 10-115-96

- состояние наружной поверхности, надписей и паспортных данных баллонов

 

Запрещается устанавливать на АТС баллоны:

- с истекшим сроком освидетельствования;

- с повреждением корпуса (трещины, вмятины, риски, коррозия);

- не соответствующие требованиям окраски и надписей

 

3.7. Газовые трубопроводы высокого давления:

- состояние наружной поверхности;

- герметичность и надежность соединений;

 

Трубопроводы не должны иметь механических повреждений и коррозии. Наружная поверхность трубопроводов из легированной стали должна быть окрашена красной краской.

 

- состояние герметизирующих и защитных кожухов и датчиков сигнализаторов утечки газа (при их наличии)

 

Трубопроводы должны обеспечивать герметичность и надежность соединений при максимальном рабочем давлении. Герметизирующие кожухи должны быть гофрированные и не иметь внешних повреждений или сквозных отверстий. Защитный кожух должен быть гладкий и не иметь разрывов и сквозных отверстий. Датчик сигнализатора утечки газа должен иметь исправные клеммы подсоединения электропроводов

 

3.8. Газопроводы низкого давления (шланги и металлические трубопроводы):

- герметичность соединений;

- надежность соединений

 

Герметичность и надежность соединений с деталями и узлами газотопливной аппаратуры должны обеспечиваться при максимальном рабочем давлении

 

3.9. Контрольно-измерительное оборудование и приборы (манометры, датчики давления, переключатели вида топлива и т.п.):

- работоспособность

 

Должны функционировать и обеспечивать контроль за работой газотопливной аппаратуры

 

3.10. Газовая аппаратура для перевода инжекторных бензиновых АТС на ГСН:

- работоспособность

 

Механические, электрические и электронные элементы должны находиться в рабочем состоянии и обеспечивать заботу инжекторной системы питания двигателя АТС на ГСН

 

Операция № 8. Сборка агрегатов и узлов ГТА

1. Осуществить подборку агрегатов и узлов газотопливной аппаратуры (газовых редукторов, испарителя газа, газового фильтра, газового и бензинового электромагнитного клапана и т.п.)

Слесарь 4-го и 5-го разряда

В соответствии с перечнем деталей и узлов комплекта ГТА и требованиями инструкций по установке ГБО на АТС

 

1.1. Снять защитный колпачок с отверстий (штуцеров) агрегатов и узлов ГТА и установить необходимые штуцеры и переходники, кронштейны крепления

 

 

 

1.2. Установить ниппельные соединения на газовые трубопроводы высокого давления. Установить герметизирующие и защитные кожухи, сигнализаторы утечки газа на трубопроводы высокого давления

Уплотнительные кольца беспрокладочных ниппельных соединений должны устанавливаться на расстоянии 1,5-2,0 мм от концов трубопроводов. Герметизирующие кожухи должны быть гофрированные. Медные трубопроводы должны иметь защитный кожух

Установку уплотнительных колец на газовые трубопроводы осуществляют при помощи специального приспособления

 

1.3. Произвести подбор деталей и узлов ГТА по группам для установки на двигатель, кабину (салон), раму и т.п.

 

Подбор деталей и узлов по группам установки их на АТС должен осуществляться в соответствии с требованиями инструкции по монтажу ГТА предприятия-изготовителя комплекта ГБО

 

2. Установить на газовый баллон блок арматуры

 

Установку производить согласно инструкции по монтажу предприятия-изготовителя ГБО

 

3. Направить проверенный и подготовленный комплект ГБО на участок по монтажу ГБО на АТС

 

 

Необходимо использовать грузоподъемные механизмы (кран-балка и т.п.) и специализированные тележки

6.4. УСТАНОВКА (МОНТАЖ) ГБО НА АТС

Операция № 9. Монтажные работы по установке газотопливной аппаратуры на двигателе и в моторном отсеке

 

Слесарь 4-го и 5-го разряда, электрик 5-го разряда

Места установки ГТА должны соответствовать требованиям инструкции по монтажу предприятия-изготовителя ГТА для конкретного типа и модели АТС. Установленная ГТА должна обеспечивать:

- свободный доступ к функциональным элементам двигателя для проведения монтажно-демонтажных, регламентных, контрольно-регулировочных и диагностических работ;

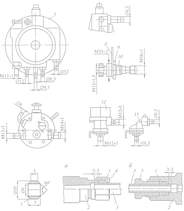
См. рис. 1-5 Приложения 8

- возможность контроля герметичности всех его узлов и соединений, без снятия (разборки) агрегатов двигателя или АТС;

В том числе при помощи течеискателей

- невозможность проникновения ГСН в кабину, пассажирский салон или грузовой отсек АТС. ГТА должна располагаться на расстоянии не менее 100 мм от системы выпуска отработавших газов (ОГ) двигателя АТС. Прочность крепления агрегатов и узлов ГТА должна соответствовать требованиям нормативно-технической документации согласно Приложению 1 настоящего Руководства - ОСТ 37.001.653-99 и ТУ 152-12-008-89

При невозможности выполнения этого требования должен быть установлен теплозащитный экран

1. Установить на АТС следующие агрегаты и узлы ГТА

Слесарь 4-го и 5-го разряда

 

 

1.1. Карбюратор-смеситель или смеситель газа (дозатор газа) и воздушный фильтр

 

Прокладка под нижнем фланцем карбюратора-смесителя должна быть новой. Смеситель газа может устанавливаться в нижней, средней или верхней части карбюратора

По конструкции смеситель газа может устанавливаться в воздушном фильтре карбюратора

1.2. Газовый редуктор (ГР)

 

Расположение ГР должно исключить возможность скопления масленичного осадка на мембранах и обеспечить его слив через дренажный краник. Сливаемый осадок не должен попадать на элементы и узлы двигателя

Конструкция, габаритные размеры и масса ГР определяют его место расположения в моторном отсеке АТС (см. рис. 7 Приложения 8)

1.3. Газовый фильтр с электромагнитным клапаном

 

Газовый фильтр с ЭМК должен быть расположен в вертикальном положении, магнитным элементом направлен вверх, а камерой фильтрации - вниз

По конструкции могут быть выполнены отдельными агрегатами. Пример установки см. рис. 8 Приложения 8

1.4. Испаритель газа

 

Устанавливают если испаритель газа выполнен в отдельном агрегате. По конструкции ИГ может быть совмещен с ГР

В некоторых конструкциях ГТА подогреватель газа устанавливают на раме АТС

1.5. Электромагнитный бензиновый клапан

 

Должен быть установлен в вертикальном положении электромагнитом вверх

См. рис. 9 Приложения 8. По конструкции может быть совмещен с фильтром тонкой очистки бензина

1.6. Трубопроводы газовой и бензиновой систем питания

 

После установки должна обеспечиваться герметичность в местах соединения

 

1.7. Шланги системы испарения газа

 

Должны обеспечивать герметичность в местах соединения с системой охлаждения двигателя

 

2. Дополнительно установить на АТС с инжекторным бензиновым двигателями следующие агрегаты и узлы ГТА

 

 

При установке ГТА на инжекторные двигатели следует обеспечить меры предосторожности. Необходимо:

- обесточить электронный блок управления (ЭБУ) и датчики (температуры, λ-зонд и др.) при выключенном зажигании;

- не допускать отключения и подсоединения электропроводов ЭБУ при включенном зажигании;

- не допускать появления статического электричества при проведении забот по установке ГТА

2.1. Реле выключения инжекторов

 

Может быть расположено в моторном отсеке на передней стенке кузова АТС

 

2.2. Газовый смеситель

 

Устанавливают между корпусом дроссельной заслонки и воздушного фильтра или расходомера воздуха

 

2.3. Согласующий электронный блок и соответствующие датчики (температуры, λ-зонд и др.)

 

Место расположения согласно инструкции по монтажу предприятия-изготовителя ГТА

 

2.4. Предохранительный клапан (хлопушка)

 

Устанавливают на корпус воздушного фильтра

 

2.5. Дозатор газа

 

Устанавливают между газовым РИД и смесителем газа

 

2.6. Переключатель вида топлива «бензин-газ»

 

Устанавливают в кабине водителя

 

Операция № 10. Монтаж газовых баллонов и деталей газотопливной аппаратуры

 

 

Размещение и прочность крепления газовых баллонов регламентируются нормативно-технической документацией - ОСТ 37.001.653-99, ТУ 152-12-08-99 и инструкцией по монтажу предприятия-изготовителя ГБО

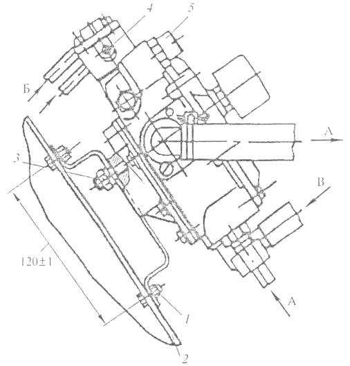
См. рис. 6, 6.1-6.3, Приложения 8

1. На легковом автомобиле (микроавтобусе) следует выполнить следующей работы

Слесарь 4-го и 5-го разряда

 

 

1.1. Установить раму (кронштейны) крепление баллона в багажном отделении

 

Рама (кронштейн) по отверстиям крепления должны совпадать с отверстиями просверленными при подготовке к установке газовых баллона (см. п. 1 операции № 6). В местах крепления между рамой и днищем автомобиля должны быть герметизирующие прокладки

При установке следует использовать динамометрический ключ

1.2. Поместить баллон в ложементы рамы или кронштейнов

 

Между поверхностями ложементов и баллона должна быть прокладка из мягкого материала (резина, полимерные материалы)

 

1.3. Установить хомуты и болты крепления

 

Между хомутами и поверхностью баллонов должны быть прокладки из мягкого материала

 

1.4. Затянуть болты хомутов крепления

 

Момент затяжки должен соответствовать требованиям инструкции предприятия-изготовителя ГБО или находиться в пределах 15,0-20,0 Н∙м (1,5-2,0 кгс∙м). Не допускается затяжка хомутов до соприкосновения концов

Следует использовать динамометрический ключ

1.5. Установить заправочное устройство (ЗУ)

 

ЗУ должно быть установлено таким образом, чтобы по возможности не выступать за геометрические пределы АТС не более чем на 10 мм. ЗУ должно быть защищено от повреждений и загрязнения

Пример установки см. рис. 13 Приложения 8

1.6. Установить газовый трубопровод высокого давления между баллоном и заправочным устройством, закрепить герметизирующие кожухи газовых трубопроводов (при их наличии)

 

Трубопровод с помощью беспрокладочных соединений должен быть соединен со штуцерами газового баллона и ЗУ. Герметизирующие кожухи должны крепиться при помощи хомутов

см. рис. 14 Приложения 8

1.7. Установить герметизирующий отсек (при его наличии)

 

Некоторые модели ГБО вместо герметизирующих кожухов трубопроводов, могут иметь герметизирующий отсек, в котором помещен газовый баллон

 

1.8. Установить магистральный вентиль (при его наличии)

 

Расположение вентиля должно быть определено инструкцией по монтажу ГБО

 

1.9. Проложить магистральный газовый трубопровод от баллона через магистральный вентиль (при его наличии) в моторный отсек к ГТА

 

Магистральный газопровод должен быть цельным по конструкции. Он прокладывается по наружной части днища салона, минуя нагреваемые и подверженные внешним воздействиям места. Крепление необходимо осуществлять по месту на расстоянии не более 800 мм между точками крепления

Крепление осуществляется специальными скобами и винтами саморезами

2. На грузовом (специализированном) автомобиле или автобусе выполнить следующие работы

 

 

 

2.1. При креплении баллона к раме автомобиля

 

 

 

2.1.1. Установить кронштейны крепления баллона на раму

 

Кронштейны должны быть установлены в соответствии с требованиями инструкции по монтажу предприятия-изготовителя ГБО

 

2.1.2. Поместить баллон в ложементы кронштейнов, установить хомуты и затянуть их болтами

 

Между хомутами, ложементами и поверхностью баллона должны быть мягкие прокладки. Момент затяжки болтов хомутов крепления должен регламентироваться инструкцией по монтажу ГБО или находиться в пределах 15-20 Н∙м (1,5-2,0 кгс∙м). Не допускается затяжка хомутов до соприкосновения концов

При затяжке болтов хомутов крепления следует использовать динамометрический ключ

2.1.3. Установить заправочное устройство с наполнительным вентилем и магистральный вентиль (при его наличии)

 

Расположение заправочного устройства и магистрального вентиля должно регламентироваться инструкцией по монтажу ГБО

Заправочное устройство по конструкции может быть совмещено с наполнительным вентилем

2.1.4. Соединить баллон газовым трубопроводом высокого давления с заправочным устройством

 

Крепление трубопровода должно осуществляться при помощи беспрокладочных ниппельных соединений

 

2.1.5. Проложить магистральный трубопровод от баллона к ГТА в моторном отсеке

 

Газовый трубопровод должен быть цельным по конструкции и прокладывается в лонжероне рамы автомобиля, минуя нагреваемые места от системы выпуск ОГ двигателя. Крепления необходимо осуществлять по месту, но на расстоянии не более 800 мм между точками крепления

Крепление осуществляется специальными скобами и болтами с гайками и пружинными шайбами

Операция № 11. Установка дополнительного электрооборудования, контрольно-измерительных приборов

1. Установить на щитке приборов в кабине (салоне) АТС органы управления работой ГТА:

- переключатель вида топлива;

- включатель пускового клапана;

- различные реле, предусмотренные конструкцией ГТА;

- электронный блок управления и другие органы управления ГТА, в том числе инжекторных двигателей

Слесарь-электрик 5-го и 6-го разряда

Органы управления работой ГТА должны быть установлены в доступных для пользования водителем местах согласно требований инструкции по монтажу дополнительных приборов электрооборудования, входящих в комплект ГТА

Примеры установки приведены на рис. 10-12 Приложения 8

2. Установить на щитке приборов в кабине (салоне) АТС контрольно-измерительные приборы ГТА:

- указатель (манометр) давления газа в газовом редукторе низкого давления (при его наличии);

- указатель количества газа в баллонах;

- сигнальные лампы, предусмотренные конструкцией ГТА;

- приборы системы контроля до взрывной концентрации газа

 

Места установки приборов должны соответствовать требованиям инструкции по их монтажу и постоянно находиться в зоне видимости водителя ГБТС

 

3. Проложить соответствующие пучки электрических проводов, имеющиеся в комплекте ГТА, и подсоединить провода к клеммам органов управления работой ГТА и контрольно-измерительных приборов

 

Прокладку и подсоединение проводов следует осуществить согласно электрической схемы управления и контроля за работой ГТА, установленной на АТС

Пучки проводов крепят металлическими скобами и винтами. В некоторых случаях провода прокладываются по основным пучкам проводов системы электрооборудования АТС

Операция № 12. Проверка качества работ по оформлению приемо-сдаточной документации

1. Произвести проверку качества работ по установке ГБО на АТС для работы на ГСН

Мастер участка по установке ГБО и мастер ОТК (при его наличии)

При проверке качества работ, в первую очередь следует уделить внимание на соответствие мест установки деталей и узлов ГТА требованиям нормативных документов. Места установки должны строго соответствовать требованиям конструкторской документации предприятия-изготовителя ГБО. Визуальным методом и при помощи динамометрического инструмента проверяют надежность крепления ГТА и качество сборки резьбовых соединений газовых трубопроводов. Величина затяжки резьбовых соединений должна соответствовать требованиям нормативно-технической документации. Особое внимание при проверке следует обратить на расположение и надежность крепления газовых баллонов и газовых трубопроводов высокого давления

При отрицательных результатах проверки качества установки ГБО производят устранение выявленных недостатков

2. Оформить приемосдаточную документацию на установку ГБО на АТС для работы на ГСН (т.е. на газобаллонное автотранспортное средство - ГБТС)

 

Оформляют свидетельство о соответствии транспортного средства, с установленным на него газобаллонным оборудованием, требованиям безопасности (форма , согласно ТУ 152-12-008-99)

Свидетельство формы оформляется в четырех экземплярах согласно п. 2.7 ТУ 152-12-008-99

3. Направить ГБТС на участок для проведения испытаний газотопливных систем ГБТС

 

Испытания газотопливных систем могут проводиться как организацией, осуществляющей переоборудование, так и другими организациями (фирмами)

Методика проведения испытании приведена в разд. 7, оформление результатов в соответствии с разд. 5 настоящего Руководства

7. ТИПОВАЯ МЕТОДИКА ИСПЫТАНИЙ ГАЗОВОЙ СИСТЕМЫ ПИТАНИЯ АВТОТРАНСПОРТНЫХ СРЕДСТВ РАБОТАЮЩИХ НА ГСН

Герметичность газовой системы питания автотранспортного средства проверяют после окончания монтажа газобаллонного оборудования. Для этого автомобиль направляют на участок испытаний (см. рис. 3.1, поз. А), оборудованный источником сжатого воздуха с давлением 1,6 МПа (16 кгс/см2). Если участок испытаний, кроме проверки герметичности ГБО на ГСН производит работы по опрессовке ГБТС, работающих на КПГ, то источник сжатого воздуха должен быть с давлением до 19,6 МПа (200 кгс/см2). Проверку герметичности ГБО на ГСН можно проводить с использованием инертных или негорючих газов (азот и т.п.)

Технологический процесс испытаний состоит из следующих операций:

- подготовка автомобиля к испытанию;

- проверка на герметичность газовой системы питания.

Проверку герметичности проводят с помощью мыльного раствора, наносимого кистью на контролируемые узлы и соединения, или при помощи течеискателей.

По окончании испытаний оформляют специальное свидетельство формы (см. Приложение 5).

7.1. Подготовка газобаллонных автотранспортных средств к испытанию

7.1.1. Установить автомобиль на рабочее место для проведения испытаний.

7.1.2. Провести наружный осмотр всей газовой аппаратуры.

Особое внимание обратить на соединения шлангов и трубок.

7.1.3. Проверить легкость открытия расходных вентилей на баллоне и магистрального вентиля в кабине или электромагнитного газового клапана под капотом автомобиля.

7.1.4. Закрыть расходные вентили на каждом баллоне и магистральный вентиль в кабине или электромагнитный клапан под капотом.

7.1.5. Отвернуть заглушку наполнительного вентиля на баллоне и подсоединить к нему шланг подачи сжатого воздуха (инертного газа).

7.2. Проверка газовой системы питания на герметичность

7.2.1. Открыть вентиль подачи сжатого воздуха, расположенного на пульте управления компрессора или специального поста подачи воздуха. Довести давление в шланге подачи воздуха к каждому баллону автомобиля до 1,6 МПа и проверить омыливанием герметичность соединения шланга с наполнительным вентилем баллона.

В случае не герметичности сбросить давление до нуля и устранить утечку воздуха подтягиванием резьбовых соединений или заменой уплотнителей.

Предупреждение: Во время заполнения подводящего шланга и баллона автомобиля сжатым воздухом находиться со стороны расположения вентилей и в кабине автомобиля запрещается.

7.2.2. Открыть наполнительный вентиль на баллоне и произвести наполнение баллона воздухом до давления 1,6 МПа.

В случае срабатывания предохранительного клапана при давлении воздуха ниже 1,6 МПа, произвести регулировку клапана. Для этого сбросить давление в баллоне, отрегулировать клапан, провести повторную опрессовку газовой системы питания.

7.2.3. При давлении 1,6 МПа в баллоне прекратить подачу воздуха и по истечении 2-3 мин начать проверку герметичности.

7.2.4. Проверить герметичность арматуры баллона омыливанием или течеискателем при закрытых расходных вентилях. При обнаружении негерметичности сбросить давление в баллоне до нуля и устранить утечку воздуха.

Примечание: В случае невозможности устранения утечки воздуха через расходные вентили и другие элементы арматуры баллона, невозможности регулировки предохранительного клапана до давления открытия 1,6-1,68 МПа, автомобиль возвращается на участок переоборудования для замены газового баллона на новый.

7.2.5. Медленно открыть расходный вентиль и наполнить газовую систему сжатым воздухом до магистрального вентиля или электромагнитного клапана газового фильтра.

Проверить газопроводы и магистральный вентиль на герметичность путем омыливания или при помощи течеискателя.

При обнаружении негерметичности - закрыть расходный вентиль и устранить утечку воздуха подтягиванием резьбовых соединений или заменой деталей уплотнения. После чего операцию по п. 7.2.5 повторить.

7.2.6. Открыть магистральный вентиль или газовый электромагнитный клапан на газовом фильтре под капотом автомобиля (при открытом расходном вентиле на баллоне) и омыливанием (течеискателем) проверить герметичность редуктора, корпуса газового фильтра и соединений трубопроводов:

- от магистрального вентиля или электромагнитного клапана газового фильтра к редуктору;

- от редуктора к смесителю.

При обнаружении утечки воздуха закрыть расходный вентиль на баллоне и устранить неисправность. После чего испытания повторить.

Примечание: При больших утечках воздуха и понижении давления в баллоне его следует довести до максимального (1,6 МПа); при взрывах и вспучивании шлангов их следует заменить и повторить испытания, как указано в п. 7.2.5 и 7.2.6 настоящей главы. Негерметичность в разъемных соединениях необходимо устранять путем подтягивания резьбовых соединений или заменой ниппелей.

7.2.7. После окончания испытаний на герметичность газовой системы питания закрыть наполнительный вентиль, отсоединить шланг подачи воздуха, предварительно сбросив давление.

Проверить внутреннюю герметичность наполнительного вентиля.

При наличии утечки воздуха - устранить неисправность, предварительно удалив воздух из баллона через специальное устройство, подключаемое к наполнительному вентилю.

После устранения утечки повторить проверку наполнительного вентиля на внутреннюю герметичность при давлении в баллоне 1,6 МПа.

7.2.8. С помощью специального устройства выпустить воздух из баллона, закрыть расходные и магистральный вентили, навернуть заглушку на наполнительный вентиль.

7.3. Регулировочные работы

7.3.1. Заправить баллон, установленного на АТС газобаллонного оборудования, газом сжиженным нефтяным, проверить и при необходимости отрегулировать двигатель на холостом ходу на бензине. Проверить правильность установки угла опережения зажигания. Прогреть двигатель на бензине. Перевести двигатель для работы на ГСН.

7.3.2. Произвести необходимые регулировки работы двигателя на газе (холостой ход и др.) согласно инструкции по эксплуатации ГБТС, добившись устойчивой работы двигателя на всех режимах, включая нагрузочные.

8. ПРАВИЛА ТЕХНИКИ БЕЗОПАСНОСТИ ПРИ ПЕРЕВОДЕ АВТОТРАНСПОРТНЫХ СРЕДСТВ ДЛЯ РАБОТЫ НА ГСН

8.1. Общие положения

8.1.1. Работа по охране труда на предприятиях, связанных с установкой ГБО на бензиновые автотранспортные средства должна строиться в соответствии с требованиями следующих нормативных документов:

- ПОТ Р М-027-2003 «Межотраслевые правила по охране труда на автомобильном транспорте». Утверждены постановлением Министерства труда и социального развития РФ от 12 мая 2003 г. № 28.

- ПБ 10-115-96 «Правила устройства и безопасной эксплуатации сосудов, работающих под давлением». Утверждены постановлением Гостехнадзора России от 18 апреля 1995 г. № 20.

8.1.2. Руководящие и инженерно-технические работники, ремонтные рабочие и обслуживающий персонал должны пройти обучение по организации и проведению установки ГБО на АТС для работы на ГСН и настоящих правил техники безопасности при проведении этих работ.

8.1.3. Должностные лица, нарушающие настоящие Правила, несут ответственность независимо от того, привело ли это нарушение к аварии или несчастному случаю, могут быть привлечены к дисциплинарной, а также иной ответственности, предусмотренной действующим законодательством, в зависимости от характера нарушения и тяжести его последствий.

8.1.4. Рабочие несут ответственность за нарушение настоящих Правил в порядке, установленном правилами внутреннего трудового распорядка на предприятии.

8.1.5. Каждый работающий, обнаруживший нарушение положений настоящих Правил, обязан сообщить об этом своему непосредственному руководителю, а в случае его отсутствия - вышестоящему руководителю.

8.1.6. О всех авариях и несчастных случаях, связанных с использованием сжатого воздуха или другого газа, администрация предприятия обязана немедленно сообщить местному органу Гостехнадзора России. Расследование аварий и несчастных случаях проводиться в соответствии с Положением о расследовании и учете несчастных случаях на производстве.

8.1.7. На основании настоящих Правил и нормативных документов, перечисленных в п. 8.1.1, администрация предприятия должна разработать инструкции по охране труда для каждой отдельной профессии (вида работы) с учетом специфики производства, оборудования. Инструкция утверждается руководством предприятия совместно с профсоюзным комитетом (при его функционировании).

8.2. Требования техники безопасности к территории, производственным помещениям и технологическому оборудованию

8.2.1. Территория предприятия, производственные, вспомогательные, санитарно-бытовые помещения и открытые площадки для хранения газобаллонных автомобилей должны соответствовать требованиям действующих норм и правил в строительстве и на транспорте.

8.2.2. Требования к оборудованию зданий, открытых площадок для хранения ГБТС, работающих на ГСН, и порядку работы систем канализации, газоснабжения, горячего и холодного водоснабжения, средств мусороудаления, телефонизации, радиофикации и т.д. должны быть такими же, как и для стоянок автомобилей, работающих на жидком топливе, в соответствии с «Межотраслевыми правилами по охране труда на автомобильном транспорте» (ПОТ Р М-027-2003).

8.2.3. В помещениях, предназначенных для работы на ГСН, а также на открытых площадках хранения запрещается:

- курить, пользоваться открытым огнем и работать с применением переносных кузнечных горнов, паяльных ламп и сварочных аппаратов;

- заправлять автомобили газовым или жидким топливом, а также сливать жидкое топливо из баков;

- оставлять открытыми отверстия горловин топливных баков для жидкого топлива;

- подзаряжать аккумуляторные батареи (в помещениях);

- мыть и протирать бензином кузов, детали или агрегаты ГБТС, а также руки и одежду;

- хранить жидкое топливо, за исключением жидкого топлива в баках, а также непредусмотренные материалы и предметы.

Курить и пользоваться открытым огнем разрешается только в специально отведенных для этой цели местах.

8.2.4. Участки ремонта деталей и приборов газовой системы, снятых с автомобиля, допускается размещать в помещении для ремонта приборов питания автомобилей, работающих на жидком топливе.

8.2.5. На участках по испытаниям газовой системы питания на герметичность и ее опрессовке должны соблюдаться следующие правила техники безопасности:

- пост должен быть оборудован автоматической световой сигнализацией, срабатывающей при подаче сжатого воздуха при испытании автомобиля;

- не допускается хранение ГБТС их перемещение на посту с газовой системой питания, находящейся под давлением.

8.2.6. Шкаф управления подачей сжатого воздуха должен закрываться и иметь надежные запоры для исключения случаев подачи воздуха высокого давления случайными людьми.

8.2.7. Работы по снятию и установке газовой аппаратуры необходимо выполнять специальными инструментами, а не случайными подручными средствами; агрегаты можно снимать только в остывшем состоянии.

8.2.8. Выпуск сжатого воздуха после проведения испытаний должен осуществляться через специальное устройство, оборудованное шумогасителем.

8.3. Требования по технике безопасности для технического персонала при установке ГБО и сервисном обслуживании газовой аппаратуры

8.3.1. К работам по переоборудованию автомобилей в газобаллонные допускаются лица обученные безопасным методам работы, сдавшие экзамены по техминимому и правилам техники безопасности и получившие соответствующие удостоверение.

8.3.2. Перед началом работ необходимо проверить исправность инструмента и оборудования, включить вентиляцию.

8.3.3. Сварочные, малярные работы (включая искусственную сушку), а также работы с электродрелью, абразивными материалами и др., дающими искрение, должны производиться при отсутствии газа в баллонах.

8.3.4. При проведении монтажных и регулировочных работ запрещается пользоваться замасленными шлангами, скрученными и сплющенными резиновыми трубками.

8.3.5. Перед каждой проверкой системы питания автомобилей на герметичность следует внимательно осмотреть арматуру, трубопроводы и приборы газовой системы питания.

8.3.6. При проведении испытаний на герметичность газовых систем питания газобаллонных автомобилей следует строго соблюдать последовательность выполнения технологических операций.

8.3.7. Запрещено проводить подтяжку гаек и соединений, замену узлов и деталей системы питания газобаллонных автомобилей, находящихся под давлением, стучать по арматуре и газопроводам.

8.3.8. Запрещено во время наполнения баллонов сжатым воздухом находиться со стороны расположения вентилей и в кабине автомобиля.

8.3.9. Запрещено проверять герметичность соединений газопроводов, аппаратуры и арматуры открытым огнем.

8.3.10. При проведении электромонтажных работ необходимо соблюдать следующие правила:

- закрепленные провода не должны проворачиваться относительно клемм приборов;

- провода, идущие в моторный отсек к электромагнитному газовому клапану, электромагнитному пусковому клапану и другим элементам электрооборудования газобаллонной аппаратуры, не должны касаться нагреваемых деталей двигателя;

- не допускать касания металлических деталей ГБТС с токоведущими клеммами приборов и наконечниками проводов;

- изоляция проводов не должна иметь повреждений;

- провода не должны располагаться на острых кромках и ребрах деталей ГБТС;

- изоляционные трубки должны быть плотно посажены на наконечники проводов и не должны зажиматься крепежными деталями.

8.3.11. Запрещено выпускать сжатый воздух из баллонов в помещении участка испытаний переоборудованных автомобилей. Воздух должен быть выпущен в атмосферу через специальное отводное устройство, оборудованное шумогасителем.

9. ОБОРУДОВАНИЕ, ОСНАСТКА И ИНСТРУМЕНТ, ПРИМЕНЯЕМЫЕ ПРИ ПЕРЕВОДЕ АТС ДЛЯ РАБОТЫ НА КПГ И ПРОВЕДЕНИИ ИСПЫТАНИЙ ГАЗОТОПЛИВНЫХ СИСТЕМ ГБТС

9.1. Требования к оснащенности приспособлениями, оснасткой, инструментом, специализированным оборудованием и контрольно-регулировочными стендами

9.1.1. При проведении демонтажно-монтажных работ по установке газобаллонного оборудования на АТС должны использоваться стандартные рожковые и накидные ключи и отвертки необходимого размера, в качестве оснастки - различного рода шаблоны, для разметки требуемых отверстий под крепление газотопливной аппаратуры на раме, кабине (кузове) АТС.

9.1.2. В целях повышения механизации труда на участках по установке ГБО должны использоваться торцовые ключи с переходниками, приспособленными под электрические и пневматические дрели, а также различного рода гайковерты, которые могут быть использованы при установке и снятии деталей и узлов ГБО.

9.1.3. Для сверления необходимых монтажных отверстий на кабине (кузове), на платформе и т.д., на участке должны применять электро- и пневмодрели со сверлами необходимого размера.

9.1.4. При снятии деталей и узлов АТС с большой массой и при монтаже газовых баллонов должны применяться кран-балки, тельферы или другие подъемно-транспортные устройства.

9.1.5. При выполнении работ по установке газобаллонного оборудования рекомендуется использовать специальные комплекты инструмента для переоборудования автомобилей в газобаллонные и ТО и ремонта газобаллонных автомобилей.

9.1.6. В процессе работ по установке ГБО и испытаний газотопливных систем ГБТС выполняют ряд специфических операций, которые требуют использования специального оборудования, контрольно-регулировочных стендов и различных приборов.

К таким операциям следует отнести:

- проверку технического состояния АТС и ГБО;

- монтаж арматуры газовых баллонов;

- перемещение газовых баллонов по территории предприятия и установка их на АТС;

- испытания ГБО на герметичность;

- проведение регулировочных работ;

- мойку АТС и ГБТС.

9.1.7. При монтаже арматуры газовых баллонов (вентилей, переходников, тройников, угольников) должны использоваться специальные торцовые головки или ключи рожкового типа с удлинительным рычагом.

9.1.8. Для механизации работ по установке газовых баллонов на автомобиль рекомендуется применять специализированные монтажные приспособления.

9.2. Оборудование участка (станции) испытаний газотопливных систем ГБТС

9.2.1. При проведении испытаний сжатым воздухом необходимо использовать компрессоры, ресиверы, пост подачи сжатого воздуха к ГБТС.

9.2.2. При проведении испытаний сжатым воздухом оборудование испытательного участка (станции) должно удовлетворять следующим показателям (при испытаниях ГБТС, работающих как на ГСН, так и на КПГ):

- средний расход воздуха давлением 19,6 МПа при испытании газотопливной системы питания на герметичность и ее опрессовку для грузового автомобиля (автобуса) должен составлять 200 м3/авт.;

- средний расход воздуха 0,6 МПа (6,0 кгс/см2) для работы пневматического технологического оборудования 30-40 м3/авт.;

- время заполнения воздухом одного баллона до давления 19,6 МПа (200 кгс/см2) - 1 мин;

- время заполнения воздухом до давления 1,6 МПа (16 кгс/см2) и 19,6 МПа всей системы автомобиля 10-12 мин;

- средняя продолжительность цикла испытаний автомобиля на герметичность и опрессовку ГБТС на ГСН - 90 мин, ГБТС на КПГ- 150 мин;

- в зависимости от количества обслуживаемых газобаллонных автотранспортных средств, технологического оборудования, сменности работы, производительность компрессора с давлением нагнетания воздуха 20,6-22,5 МПа (210-230 кгс/см3) должна составлять: минимальная - 60-80 м3/ч, максимальная - 240-300 м3/ч.

10. ТРЕБОВАНИЯ К КВАЛИФИКАЦИИ ПЕРСОНАЛА, ВЫПОЛНЯЮЩЕГО РАБОТЫ ПО УСТАНОВКЕ ГБО И ИСПЫТАНИЯМ ГАЗОТОПЛИВНЫХ СИСТЕМ ГБТС

10.1. К работе по переводу автомобилей для работы на ГСН должны допускаться граждане:

- не моложе 18 лет;

- обученные безопасным методам работы;

- сдавшие экзамены по техническому минимуму и правилам техники безопасности;

- получившие соответствующие удостоверения.

10.2. Подготовка специалистов по переводу АТС для работы на ГСН должна проводиться в образовательных организациях по специальным программам и учебным планам.

10.3. Специалист, осуществляющий непосредственно установку ГБО на АТС и испытания ГБТС или являющийся руководителем предприятия, выполняющего эти работы, должен знать:

- назначение, устройство и работу агрегатов, механизмов и приборов газовых систем питания автомобилей;

- физико-химические свойства газообразных моторных топлив;

- признаки, причины, способы обнаружения и устранения возможных неисправностей газобаллонного оборудования, возникших в процессе установки ГБО и испытания ГБТС;

- правила, особенности заправки ГБТС газовым топливом на стационарных и передвижных газозаправочных станциях;

- правила освидетельствования автомобильных газовых баллонов;

- требования к техническому состоянию газобаллонных автотранспортных средств и особенностям их эксплуатации;

- назначения и правила пользования инструментом, приборами, приспособлениями и технологическим оборудованием, применяемым при выполнении работ по установке ГБО и испытаниям;

- регулировочные параметры и воздействия для всех типов и марок газобаллонного оборудования и газобаллонных автотранспортных средств;

- основные виды и организацию работ и порядок их проведения при переводе АТС в газобаллонные;

- порядок проведения испытаний газобаллонного оборудования на герметичность и опрессовку соединений ее агрегатов и узлов;

- правила техники безопасности при проведении работ по установке ГБО на АТС и испытаниям ГБТС.

Приложение 1

ПЕРЕЧЕНЬ ДЕЙСТВУЮЩЕЙ НОРМАТИВНО-ТЕХНИЧЕСКОЙ ДОКУМЕНТАЦИИ, НА КОТОРЫЕ ДАЮТСЯ ССЫЛКИ В ДОКУМЕНТЕ

1. ТУ 152-12-008-99 (с изм. от 2000 г.) «Автомобили и автобусы. Установка на автомобили газобаллонного оборудования для работы на газе сжиженном нефтяном (ГСН). Приемка и выпуск после установки. Испытания газотопливных систем». НИИАТ, САТР-Фонд, НАМИ, 2001.

2. РД 03112194-1094-03 «Руководство по организации эксплуатации газобаллонных автомобилей, работающих на сжиженном нефтяном газе». НИИАТ, ДАТ Минтранса РФ, 2003.

3. ГОСТ 52087-03 «Газы углеводородные сжиженные топливные. Технические условия». Госстандарт СССР.

4. «Положение о Системе добровольной сертификации на автомобильном транспорте». НИИАТ, Минтранс России, Госстандарт России, 2001.

5. «Правила добровольной сертификации услуг (работ) по техническому обслуживанию и ремонту автотранспортных средств». НИИАТ, Минтранс России, Госстандарт России, 2001.

6. ГОСТ 17.2.2.03-87 «Охрана природы. Атмосфера. Норма и методы измерения содержания окиси углерода и углеводородов в отработанных газах автомобилей с бензиновыми двигателями. Требования безопасности».

7. ОСТ 37.001.653-99 «Газобаллонное оборудование для транспортных средств, использующих газ в качестве моторного топлива. Общие технические требования и методы испытаний». НАМИ.

8. ОСТ 37.001.654-99 «Газоредуцирующая аппаратура и теплообменные устройства. Общие технические требования и методы испытаний». НАМИ.

9. ОСТ 37.001.655-99 «Газосмесительные и газоредуцирующие устройства.

Общие технические требования и методы испытаний». НАМИ.

10. ОСТ 37.001.656-99 «Электромагнитные клапаны. Общие технические требования и методы испытаний». НАМИ.

11. ОСТ 37.001.657-99 «Расходно-наполнительное и контрольно-измерительное оборудование. Общие технические требования и методы испытаний». НАМИ.

12. ГОСТ 17.2.02.06-99 «Охрана природы. Атмосфера. Нормы и методы измерения содержания оксида углерода и углеводородов в отработанных газах газобаллонных автомобилей». НИИАТ, Госстандарт России.

13. ПБ 10-115-96 «Правила устройства и безопасной эксплуатации сосудов, работающих под давлением». Госгортехнадзор РФ.

14. ПОТ Р М-027-2003 «Межотраслевые правила по охране труда на автомобильном транспорте». НИИАТ, Минтранс России, Минтруда и соцразвития РФ, 2003.

15. Инструкции по установке газобаллонного оборудования на АТС. Представляются предприятиями-изготовителями комплектов газобаллонного оборудования.


Приложение 2

Форма 1а

АКТ № __________________________

приемки-сдачи автотранспортного средства на установку газобаллонного оборудования (ГБО) для работы на сжиженном нефтяном газе (для юридических лиц)

 

Город

 

Дата

 

Предприятие-заказчик

 

 

(полное наименование предприятия, адрес, телефон, факс)

 

 

 

 

 

Модель АТС

 

Гос. номерной знак

 

;

Год выпуска

 

;

двигатель мод.

 

 

;

Шасси №

 

;

пробег АТС с начала эксплуатации, км

 

;

Комплектация АТС

 

;

(соответствие ТУ изготовителя)

Количество шин, ед., их №№

 

 

,

запасное колесо №

 

Техническое состояние

 

 

 

(кузова, рамы, кабины, платформы, крыши и др.)

 

Особые отметки

 

 

(указать)

Руководитель предприятия-заказчика

 

 

 

 

 

 

 

(подпись)

 

(Ф.И.О.)

 

 

 

 

 

 

Предприятие, осуществляющее установку ГБО

 

 

(наименование предприятия, адрес, телефон, факс)

Сертификат

 

 

(ОКУН 017603, №, дата выдачи, срок действия)

Решение предприятия по установке ГБ

 

 

(АТС принято (не принято), если не принято - причины (указать конкретно))

Представитель заказчика

 

 

 

 

 

 

(должность)

 

(подпись)

 

(Ф.И.О.)

 

 

 

 

 

Представитель предприятия

 

 

 

 

 

 

 

 

(должность)

 

(подпись)

 

(Ф.И.О.)

 

 

 

 

 

М.П.

 

 

 

 


Приложение 3

Форма 1б

АКТ № __________________________

приемки-сдачи автотранспортного средства на установку газобаллонного оборудования (ГБО) для работы на сжиженном нефтяном газе (для физических лиц)

 

Город

 

Дата

 

Автовладелец

 

(фамилия, имя, отчество)

Адрес

 

,

телефон

 

Дата рождения

 

Паспорт серия

 

 

 

(число, месяц, год)

 

 

 

кем, где, когда выдан

 

 

Модель АТС

 

Гос. номерной знак

 

;

Год выпуска

 

;

двигатель мод.

 

 

;

Шасси №

 

;

пробег АТС с начала эксплуатации, км

 

;

Комплектация АТС

 

;

(соответствие ТУ изготовителя)

Количество шин, ед., их №№

 

 

,

запасное колесо №

 

Техническое состояние

 

 

 

(кузова, рамы, кабины, платформы, крыши и др.)

 

Особые отметки

 

 

(указать)

Предприятие, осуществляющее установку ГБО

 

 

(наименование предприятия, адрес, телефон, факс)

Решение предприятия по установке ГБО

 

 

(АТС принято (не принято), если не принято - причины (указать конкретно))

 

Автовладелец

 

 

 

 

 

 

 

 

 

 

 

 

(подпись)

 

(Ф.И.О.)

Представитель предприятия

 

 

 

 

 

 

 

 

(должность)

 

(подпись)

 

(Ф.И.О.)

 

 

 

 

 

М.П.

 

 

 

 


Приложение 4

Форма 2а

СВИДЕТЕЛЬСТВО №______

о соответствии транспортного средства, с установленным на него газобаллонным оборудованием, требованиям безопасности

Город

 

 

Дата

 

 

 

 

 

 

Предприятие, проводившее установку и регулировку газобаллонного оборудования

 

 

(наименование предприятия, адрес, телефон, факс)

Сертификат

 

 

(ОКУН 017601, ОКУН 017603, №, дата выдачи, срок действия)

 

 

Регистрационные данные транспортного средства:

 

 

Номер VIN

 

номер кузова (кабины)

 

номер шасси

 

номер двигателя

 

Государственный регистрационный знак

 

Наименование (Ф.И.О.) собственника

 

Адрес (телефон)

 

 

 

 

 

 

Транспортное средство укомплектовано газобаллонным оборудованием для работы на  и имеет комплектацию согласно акта приемки-сдачи

Акт №

 

от

 

 

 

 

(дата)

 

 

 

 

 

На транспортное средство установлено газобаллонное оборудование в соответствии с конструкторской и технологической документацией предприятия - изготовителя газобаллонного оборудования

 

(наименование предприятия, адрес, телефон, факс)

Сертификаты на газобаллонное оборудование на соответствие ОСТ 37.001.653 и

 

 

(обозначение НТД)

номер сертификата

 

дата выдачи

 

срок действия с

 

до

 

 

 

 

 

 

Количество газовых баллонов

 

ед., их номера

 

 

Прочность крепления баллонов, агрегатов и узлов газобаллонного оборудования

соответствует ОСТ 37.001.653 и

 

 

(обозначение НТД)

Произведена регулировка газотопливной системы питания при работе двигателя на КПГ (ГСН); проверка и регулировка содержания загрязняющих веществ в ОГ двигателя по

 

 

 

 

 

(дата)

 

 

 

 

Представитель предприятия, проводившего установку и регулировку газобаллонного

оборудования на транспортное

 

 

 

 

 

средство

 

 

 

 

 

 

(должность)

 

(подпись)

 

(Ф.И.О.)

 

 

 

 

М.П.

 

 

 

Свидетельство предъявляется органам ГИБДД МВД России при осуществлении регистрационных действий (технического осмотра) газобаллонного транспортного средства, предназначенного для работы на сжиженных нефтяных газах и компримированном природном газе.


Приложение 5

Форма 2б

СВИДЕТЕЛЬСТВО

о проведении периодических испытаний газобаллонного оборудования, установленного на транспортном средстве

Город

 

 

Дата

 

 

 

 

 

 

Предприятие, проводившее испытание газобаллонного оборудования ТС, работающих на

ГСН (КПГ)

 

 

(полное наименование предприятия, адрес, телефон, факс)

Сертификат

 

 

(ОКУН 017601, ОКУН 017603, №, дата выдачи, срок действия)

Модель газобаллонного ТС, принятого на испытание:

 

 

Регистрационные данные транспортного средства:

 

 

Номер VIN

 

номер кузова (кабины)

 

номер шасси

 

номер двигателя

 

Государственный регистрационный знак

 

Наименование (Ф.И.О.) собственника

 

 

Адрес (телефон)

 

 

 

 

 

 

 

На транспортное средство установлено газобаллонное оборудование в соответствии с конструкторской и технологической документацией предприятия-изготовителя газобаллонного оборудования

 

 

(наименование изготовителя, адрес, телефон, факс)

Для газов сжиженных нефтяных:

 

Проведена проверка герметичности, опрессовка газобаллонного оборудования воздухом давлением 1.6 МПа и вакуумирование баллонов.

Дата

 

 

 

 

 

 

 

Для компримированного природного газа:

 

Проведена проверка герметичности газобаллонного оборудования (КПГ или воздухом)

 

давлением 1,0 МПа; опрессовка под давлением последовательно

2,5; 4,9; 9,8 и 19,6 МПа и вакуумирование баллонов (только при испытаниях ГБО сжатым

воздухом).

Дата

 

Срок следующего испытания газотопливном системы и освидетельствования баллонов

 

 

Транспортное средство

 

техническим требованиям

(соответствует, не соответствует)

для работы на сжиженных нефтяных газах (компримированном природном газе)

Представитель предприятия

по испытаниям ГБО

 

 

 

 

 

 

(должность)

 

(подпись)

 

(Ф.И.О.)

 

 

 

 

М.П.

 

 

 

Свидетельство предъявляется органам ГИБДД МВД России при осуществлении регистрационных действий и проведении государственных технических осмотров газобаллонного транспортного средства, предназначенного для работы на сжиженных нефтяных и компримированном природном газе.


Приложение 6

Форма 4а

АКТ № __________________________

приемки-сдачи газобаллонного автотранспортного средства, эксплуатируемого на ГСН, на испытание газобаллонного оборудования на соответствие требованиям безопасности (для юридических лиц)

 

Город

 

Дата

 

Предприятие-заказчик

 

 

(полное наименование предприятия, адрес, телефон, факс)

 

 

 

 

 

Модель ГБТС

 

Гос. номерной знак

 

;

Год выпуска

 

;

двигатель мод.

 

 

;

Шасси №

 

;

пробег ГБТС с начала эксплуатации, км

 

;

Количество шин, ед., их №№

 

 

,

запасное колесо №

 

ГБТС укомплектовано газобаллонным оборудованием для ГСН

 

 

(наименование изготовителя ГБО, год выпуска ГБО, заводской № ____________)

Особые отметки

 

 

(указать)

Представитель Предприятия-заказчика

 

 

 

 

 

 

 

(подпись)

 

(Ф.И.О.)

 

 

 

 

 

 

Предприятие, осуществляющее испытания

 

 

(наименование предприятия, адрес, телефон, факс)

Сертификат

 

 

(ОКУН 017603, №, дата выдачи, срок действия)

Решение предприятия по установке

 

 

(ГБТС принято (не принято), если не принято - причины (указать конкретно))

Представитель заказчика

 

 

 

 

 

 

(должность)

 

(подпись)

 

(Ф.И.О.)

 

 

 

 

 

Представитель предприятия

 

 

 

 

 

 

 

 

(должность)

 

(подпись)

 

(Ф.И.О.)

 

 

 

 

 

М.П.

 

 

 

 


Приложение 7

Форма 4б

АКТ № __________________________

приемки-сдачи газобаллонного автотранспортного средства, эксплуатируемого на ГСН, на испытание газобаллонного оборудования на соответствие требованиям безопасности (для физических лиц)

 

Город

 

Дата

 

Автовладелец

 

(фамилия, имя, отчество)

Адрес

 

,

телефон

 

Дата рождения

 

Паспорт серия

 

 

 

(число, месяц, год)

 

 

 

кем, где, когда выдан

 

 

Модель ГБТС

 

Гос. номерной знак

 

;

Год выпуска

 

;

двигатель мод.

 

 

;

Шасси №

 

;

пробег АТС с начала эксплуатации, км

 

;

Количество шин, ед., их №№

 

 

,

запасное колесо №

 

ГБТС укомплектовано газобаллонным оборудованием для ГСН

 

 

(наименование изготовителя ГБО, год выпуска ГБО, заводской №__________)

Техническое состояние

 

 

 

(кузова, рамы, кабины, платформы, крыши и др.)

 

Особые отметки

 

 

(указать)

Предприятие, осуществляющее испытание

 

 

(наименование предприятия, адрес, телефон, факс)

Сертификат

 

(ОКУН 017604, №, дата выдачи, срок действия)

 

Решение предприятия по испытанию

 

 

(ГБТС принято (не принято), если не принято - причины (указать конкретно))

 

Автовладелец

 

 

 

 

 

 

 

 

 

 

 

 

(подпись)

 

(Ф.И.О.)

Представитель предприятия

 

 

 

 

 

 

 

 

(должность)

 

(подпись)

 

(Ф.И.О.)

 

 

 

 

 

М.П.

 

 

 

 


Приложение 8

Примеры установки газобаллонного оборудования на автотранспортные средства*

* Нумерация рисунков в Приложении - самостоятельная. Размеры указаны усреднено и в каждом конкретном случае следует руководствоваться установочными размерами завода-изготовителя ГБО.

ЛПП 140009-01

Рис. 1. Монтажная схема газобаллонного оборудования для автомобиля Москвич:
1 - корпус воздушного фильтра; 2 - бензонасос; 3 - редуктор; 4 - катушка зажигания

АПП 140009-02

Рис. 2. Монтажная схема газобаллонного оборудования для автомобиля Жигули:
1 - катушка зажигания; 2 - топливный насос; 3 - корпус воздушного фильтра; 4 - отопитель салона

АПП 140009-03

Рис. 3. Монтажная схема газобаллонного оборудования для автомобиля Волга:
1 - вариатор; 2 - катушка зажигания; 3 - бензонасос

АПП 140009-04

Рис. 4. Расположение агрегатов и узлов ГБО ГСН на автомобиле ГАЗ-3302 «Газель»:
1 - баллон; 2 - мультиклапан; 3 - трубопровод; 4 - клапан; 5 - редуктор низкого давления

АПП 140009-05

Рис. 5. Монтажная схема газобаллонного оборудования ЗАО "Автосистема" под капотом автомобиля ГАЗ-3302:
1 - катушка зажигания; 2 - смеситель; 3 - бензоклапан; 4, 10 - тройники подвода теплоносителя; 5 - трубопровод подвода теплоносителя; 6 - РНД; 7 - тройник газовый; 8 - газовый клапан; 9 - электронный блок; 11 - газовая магистраль

АПП 140009-06

Рис. 6. Схема установки газового баллона в сборе:
1 - днище багажника

АПП 140009-06.1

Рис 6.1. Схема установки газового баллона в сборе на автомобиль Москвич (остальное см. рис. 6):
1 - задний лонжерон; 2 - днище багажника автомобиля; 3 - гайка крепления амортизатора; 4 - передняя стенка багажника автомобиля; А, В - см. рис, 6; С - к газовому клапану; Д - от заправочного устройства к блоку арматуры

АПП 140009-06.2

Рис 6.2. Схема установки газового баллона в сборе на автомобиль Волга (остальное см. рис. 6)

АПП 140009-6.3

Рис 6.3. Схема установки газового баллона в сборе на автомобиль Жигули (остальное см. рис. 6):
1 - кронштейн; 2 - шайба; 3 - болт М10 × 18; 4 - гайка М10; 5 - шайба 10; 6 - прокладка кронштейна; 7 - винт М10 × 20; 8 - хомут крепления баллона; 9 - прокладка под хомут; 10 - ложемент; 11 - лента крепления баллона; 12 - рукав системы вентиляции; А - ось мультиклапана

АПП 140009-07

Рис. 7. Схема установки редуктора-испарителя в моторном отсеке автомобиля:
1 - болт М6 × 16 (2 шт.); 2 - брызговик правого колеса; 3 - гайка М10; 4 - регулировочный винт холостого хода; 5 - регулировочный винт второй ступени; А - подача газа; Б - разряжение; В - подача охлаждающей жидкости

АПП 140009-08

Рис. 8. Схема крепления электромагнитного газового клапана

АПП 140009-09

Рис. 9. Схема крепления электромагнитного бензинового клапана:
1 - правая передняя шпилька крышки головки цилиндров; 2 - крышка головки цилиндров

АПП 140009-010

Рис. 10. Схема установки электронного блока управления БЕГ-3:
1 - панель приборов.

Маркировка проводов:
П - к прерывателю (катушка зажигания клемма к «ВК»);

3 - на «массу» автомобиля;

Г - к электромагнитному газовому клапану;

Р - к клапану электромагнитному редуктора;

+ - к +12 В (катушка зажигания клемма «+»);

Б - к электромагнитному бензиновому клапану

АПП 140009-011

Рис. 11. Схема установки электронного блока УГК

АПП 140009-012

Рис. 12. Схема установки и подключения переключателя вида топлива:
1 - салон; 2 - впускной коллектор; 3 - переключатель топлива; 4 - панель приборов

АПП 140009-013

Рис. 13. Варианты крепления и типов заправочного устройства:
1 - тарельчатый клапан; 2 - пружина; 3 - фильтр грубой очистки; 4 - бампер; 5 - шариковый клапан; А - шарикового типа; Б - с тарельчатым клапаном; В - подача газа; Г - к блоку арматуры баллона

АПП 140009-014

Рис. 14. Расположение подсоединительных штуцеров и установка беспрокладочных соединений трубопроводов:
1 - конусная муфта; 2 - соединительная деталь; 3 - трубка; 4 - гайка; 5 - штуцер; 6 - мультиклапан; 7 - редуктор-испаритель; 8 - панель крепления заправочной горловины; 9 - гайка М35 × 2; 10 - заправочная горловина; 11 - электромагнитный бензиновый клапан; 12 - электромагнитный газовый клапан; а, б - разновидности соединений трубопроводов

 




ГОСТЫ, СТРОИТЕЛЬНЫЕ и ТЕХНИЧЕСКИЕ НОРМАТИВЫ.
Некоммерческая онлайн система, содержащая все Российские Госты, национальные Стандарты и нормативы.
В Системе содержится более 150000 файлов нормативно-технической документации, действующей на территории РФ.
Система предназначена для широкого круга инженерно-технических специалистов.

Рейтинг@Mail.ru Яндекс цитирования

Copyright © www.gostrf.com, 2008 - 2026