Крупнейшая бесплатная информационно-справочная система онлайн доступа к полному собранию технических нормативно-правовых актов РФ. Огромная база технических нормативов (более 150 тысяч документов) и полное собрание национальных стандартов, аутентичное официальной базе Госстандарта. GOSTRF.com - это более 1 Терабайта бесплатной технической информации для всех пользователей интернета. Все электронные копии представленных здесь документов могут распространяться без каких-либо ограничений. Поощряется распространение информации с этого сайта на любых других ресурсах. Каждый человек имеет право на неограниченный доступ к этим документам! Каждый человек имеет право на знание требований, изложенных в данных нормативно-правовых актах!

  


 

Система нормативных документов в строительстве

СВОД ПРАВИЛ
ПО ПРОЕКТИРОВАНИЮ И СТРОИТЕЛЬСТВУ

ПРОЕКТИРОВАНИЕ И МОНТАЖ
ТРУБОПРОВОДОВ СИСТЕМ ОТОПЛЕНИЯ
С ИСПОЛЬЗОВАНИЕМ
МЕТАЛЛОПОЛИМЕРНЫХ ТРУБ

СП 41-102-98

ГОСУДАРСТВЕННЫЙ КОМИТЕТ РОССИЙСКОЙ ФЕДЕРАЦИИ
ПО СТРОИТЕЛЬНОЙ, АРХИТЕКТУРНОЙ И ЖИЛИЩНОЙ ПОЛИТИКЕ
(ГОССТРОЙ РОССИИ)

Москва

1999

ПРЕДИСЛОВИЕ

1 РАЗРАБОТАН Научно-исследовательским институтом московского строительства (НИИМосстрой) Российской Федерации и техническим комитетом в составе: МНИИТЭП, ГПК СантехНИИпроект, НИИсантехники, НИКИМТ, ЗАО «Гента», ТОО НПП «ВладВЭД»

2 ОДОБРЕН для применения:

Госстроем России, письмо № 13-220 от 16.04.98;

Межгосударственной научно-технической комиссией по стандартизации, техническому нормированию и сертификации в строительстве (МНТКС), протокол от 20.05.98

3 Настоящий Свод правил представляет собой аутентичный текст Межгосударственного свода правил МСП 4.02-101-98 «Проектирование и монтаж трубопроводов систем отопления с использованием металлополимерных труб»

СОДЕРЖАНИЕ

Введение. 2

1. Область применения. 2

2. Общие положения. 3

3. Проектирование систем отопления с использованием металлополимерных труб. 3

4. Транспортирование и хранение металлополимерных труб. 17

5. Монтаж систем отопления из металлополимерных труб. 18

6. Требования техники безопасности. 25

Приложение а. Технические характеристики металлополимерных труб. 25

Приложение б. Гидравлические характеристики металлополимерных труб. 26

Приложение в. Соединительные детали для монтажа систем.. 29

Приложение г. Специальные соединительные детали. 35

СП 41-102-98

СВОД ПРАВИЛ ПО ПРОЕКТИРОВАНИЮ И СТРОИТЕЛЬСТВУ

ПРОЕКТИРОВАНИЕ И МОНТАЖ ТРУБОПРОВОДОВ СИСТЕМ ОТОПЛЕНИЯ
С ИСПОЛЬЗОВАНИЕМ МЕТАЛЛОПОЛИМЕРНЫХ ТРУБ

DESIGN AND INSTALLATION OF PIPELINES FOR HEATING
SYSTEMS USING METALPOLIMERIC PIPES

Введение

Настоящий Свод правил содержит рекомендации по проектированию и монтажу систем отопления с использованием металлополимерных труб.

При разработке Свода правил использованы опыт применения их при монтаже систем отопления и горячего водоснабжения в Российской Федерации и результаты сертификационных испытаний.

Металлополимерная труба представляет собой пятислойную конструкцию (рисунок 1), состоящую из тонкостенной алюминиевой трубы, на которую изнутри и снаружи наносится клеевая основа, а затем - «сшитый» полиэтилен.

Металлополимерная труба сочетает следующие достоинства металлической и пластмассовой труб:

- 100 %-ная кислородонепроницаемость;

- коррозионная стойкость;

- отсутствие минеральных отложений на стенках труб;

- долговечность 25 лет;

- морозоустойчивость;

- надежность работы в условиях повышенной сейсмичности;

- повышенная шумопоглощающая способность;

- удобство транспортирования;

- технологичность монтажа - трубы легко гнутся, позволяют огибать элементы помещений, не требуется точная подгонка линейных размеров;

- монтаж непосредственно без сварки, нарезки резьбы, с оборудованием и приборами из стали, латуни, пластмасс при помощи соединительных деталей.

По мере расширения области применения металлополимерных труб в Свод правил будут внесены необходимые дополнения.

В разработке настоящего Свода правил принимали участие:

В.А. Глухарев (Госстрой России), А.В. Сладков, Р.Б. Шехтер (НИИМосстрой), В.И. Сасин (НИИсантехники), А.Г. Гонтуар (ЗАО «Каучук»), С.И. Прижижецкий (МНИИТЭП), Т.И. Садовская (ГПК СантехНИИпроект), Л.П. Домарацкая (НИКИМТ), А.В. Чурдалев (ЗАО «Гента»), Ю.М. Рапопорт (АО «Каучук-пласт»), В.Э. Дорофеев (ТОО НПП «ВладВЭД»).

Замечания и предложения по совершенствованию Свода правил следует направлять в ГП ЦНС.

Рисунок 1 - Структура металлополимерной трубы

1 ОБЛАСТЬ ПРИМЕНЕНИЯ

1.1 Металлополимерные трубы (далее - трубы) применяют при проектировании и монтаже систем отопления, расчетная температура которых не превышает 90 °С при давлении в трубах не более 1,0 МПа по данным нормативных документов на трубы или сертификационных испытаний.

1.2 Металлополимерные трубы могут быть использованы в системах центрального, местного отопления жилых, общественных, административно-бытовых и промышленных зданий, вновь возводимых и реконструируемых, а также для систем подогрева грунта в теплицах и оранжереях.

1.3 Не допускается прокладывать трубы в помещениях по пожарной опасности категории Г, а также в помещениях с источниками тепловых излучений с температурой поверхности более 150 °С.

1.4 Металлополимерные трубы не могут быть использованы без защитных экранов в помещениях, где вблизи возможна электродуговая или газовая сварка при аварийных ремонтных работах.

1.5 При проектировании и монтаже следует также соблюдать требования других нормативных документов по отопительным системам.

2 ОБЩИЕ ПОЛОЖЕНИЯ

2.1 Настоящий Свод правил содержит рекомендации к действующим нормативным документам и распространяется на проектирование и монтаж центрального и автономного отопления с использованием металлополимерных труб.

2.2 Система отопления может быть выполнена полностью из металлополимерных труб или вместе с трубами из других материалов (сталь, медь и т.д.) в зависимости от необходимых диаметров.

2.3 Металлополимерные трубы, применяемые для систем отопления, должны иметь сертификат соответствия требованиям нормативных документов.

2.4 Срок службы трубопроводов систем отопления должен быть не менее 25 лет.

2.5 Типы, размеры и технические характеристики металлополимерных труб по данным фирм-изготовителей представлены в приложении А (таблицы A.1 и А.2).

Допускается для систем отопления применение труб, не уступающих по показателям требованиям нормативных документов и настоящего Свода правил, имеющих сертификат или техническое свидетельство.

2.6 В комплекте с металлополимерными трубами должны поставляться латунные соединительные детали отечественного или импортного производства, имеющие сертификат соответствия. Варианты соединительных деталей и элементов некоторых фирм представлены в приложении В и Г.

3 ПРОЕКТИРОВАНИЕ СИСТЕМ ОТОПЛЕНИЯ С ИСПОЛЬЗОВАНИЕМ МЕТАЛЛОПОЛИМЕРНЫХ ТРУБ

ОБЩИЕ УКАЗАНИЯ

3.1 Проектирование систем отопления с использованием металлополимерных труб включает в себя выбор типа труб и соответствующих им соединительных деталей и арматуры, выбор параметров теплоносителя, выполнение гидравлического и теплотехнического расчетов, выбор способа прокладки и условий, обеспечивающих долговечность труб без перенапряжения материала и соединений трубопровода.

3.2 Выбор типа труб проводится с учетом условий работы трубопровода, давления и температуры, необходимого срока службы, места прокладки труб и назначения помещения.

3.3 Прокладка труб систем отопления должна предусматриваться скрытой в плинтусах, за экранами, в штробах, шахтах и каналах. Допускается открытая прокладка в местах, где исключается их механическое и термическое повреждение и прямое воздействие ультрафиолетового излучения. Способ прокладки трубопроводов должен обеспечивать возможность замены их при ремонте.

Замоноличивание труб (без кожуха) в строительные конструкции допускается в зданиях со сроком службы менее 20 лет при расчетном сроке службы труб 40 лет и более.

При скрытой прокладке трубопроводов следует предусматривать доступ при ремонте в места расположения разборных соединений и арматуры.

3.4 В системе теплоснабжения следует предусматривать приборы автоматического регулирования параметров теплоносителя (температуры, давления) с целью защиты труб от превышения допустимых величин. Не допускается применение металлополимерных труб в системах с элеваторными узлами.

Трубопроводы из металлополимерных труб следует проектировать после запорной арматуры на тепловых пунктах.

Не допускается применять трубы для расширительного, предохранительного, переливного, сигнального трубопроводов.

3.5 Системы центрального отопления, полностью или частично смонтированные из металлополимерных труб, по своему принципиальному решению делятся на:

а) системы напольного отопления, где металлополимерные трубы являются одновременно и нагревательными элементами (с температурой теплоносителя не выше 55 °С);

б) системы с трубопроводами из металлополимерных труб и нагревательными приборами (радиаторами, конвекторами) или в комбинации с системой кондиционирования воздуха.

3.6 Расчет систем отопления с использованием металлополимерных труб может быть выполнен по существующим методикам (вручную по математическим зависимостям и номограммам или с помощью компьютерных программ).

3.7 Системы напольного отопления наиболее целесообразно использовать для отопления помещений большой площади (магазины, крытые рынки, вокзалы, дорожки бассейнов). Система напольного отопления может быть также применена в коттеджах и отдельных зданиях общественного назначения (детских дошкольных учреждениях, гостиницах), административных зданиях и зданиях специального назначения, где применение напольного отопления предусмотрено функциональной технологией.

Применение напольных систем отопления из металлополимерных труб разрешается только от автономного источника теплоснабжения (на объект) или от центрального источника теплоснабжения по независимой схеме.

3.8 Возможные варианты укладки труб в системах напольного отопления представлены на рисунке 2:

схема А - одиночный змеевик;

схема В - параллельная укладка труб подающей и обратной воды;

схема С - трубопроводы подающей и обратной воды уложены параллельной спиралью.

Схема А обеспечивает легкий монтаж труб и более равномерное распределение температуры по поверхности пола. Основным преимуществом схемы А является то, что она легко адаптируется ко всем видам конструкции пола.

Схема В обеспечивает равномерную среднюю температуру, но при ней возможны более высокие колебания перепада температуры на малых площадях.

Схема С подходит для жилых домов с повышенной потребностью теплоты.

При раскладке труб подающий трубопровод следует укладывать ближе к наружным стенам.

СХЕМА А

Изменение температуры на поверхности пола

СХЕМА В

Изменение температуры на поверхности пола

СХЕМА С

Изменение температуры на поверхности пола

Рисунок 2 - Схемы укладки труб в системах напольного отопления и графики изменения температуры на поверхности пола

3.9 Среднюю температуру поверхности пола следует принимать с учетом требований нормативных документов, а также ограничений для различных видов покрытия (например, максимально допустимая температура для паркета 27 °С).

3.10 Виды покрытий из искусственных материалов должны иметь показатели, в том числе санитарно-гигиенические, разрешающие применение их в конструкции теплого пола.

3.11 Кроме средней величины температуры пола, на комфортность помещений влияет неравномерность температуры на поверхности пола. Перепад температуры на отдельных участках пола при напольном отоплении не должен превышать 10 °С (оптимально 5 °С).

3.12 Вариант прокладки трубопроводов систем отопления с встроенными в полы нагревательными элементами из металлополимерных труб представлен на рисунке 3.

1 - настил пола; 2 - слой бетона; 3 - труба нагревательного элемента; 4 - скоба якорная; 5 - тепло- и гидроизоляция; 6 - плита перекрытия; 7 - боковая теплоизоляция

Рисунок 3 - Прокладка трубопроводов системы отопления со встроенными в полы нагревательными элементами из металлополимерных труб

3.13 Глубина укладки металлополимерной трубы определяется в зависимости от температуры теплоносителя и материала покрытия пола.

3.14 Оптимальный шаг укладки металлополимерных труб (расстояние между осями) определяется конкретно колебаниями температуры на поверхности пола и экономическими соображениями.

3.15 Система центрального отопления, полностью или частично выполненная из металлополимерных труб, может быть с нижней и верхней разводкой, однотрубная или двухтрубная.

Применение труб рекомендуется в системах:

- с горизонтальными двухтрубными ветками для группы параллельно-последовательно подсоединенных отопительных приборов (рисунки 4, 5);

- с горизонтальными однотрубными ветками для группы последовательно подсоединенных приборов (рисунок 6);

- с распределительными коллекторами (рисунки 7, 8).

В системах с распределительными коллекторами присоединение отопительных приборов может быть осуществлено путем прокладки металлополимерных труб в форме «петель» в полу или вдоль стен под плинтусами.

Рекомендуется, чтобы каждая петля обслуживала одну квартиру или группу помещений одного потребителя. К одному коллектору может присоединяться до 8 «петель».

На рисунке 9 представлен вариант подсоединения отопительных приборов к стоякам отопления.

3.16 Рекомендуемые скорости теплоносителя в металлополимерных трубопроводах допускается принимать на 20 % больше, чем в стальных трубопроводах.

3.17 В системах отопления с использованием металлополимерных труб следует предусматривать автоматические или ручные воздухоотводчики на отопительных приборах и на распределительных коллекторах.

Встроенный терморегулятор

Рисунок 4 - Система отопления с горизонтальными двухтрубными ветками для группы параллельно-последовательно соединенных отопительных приборов

 

 

                      

Рисунок 5 - Узлы подсоединения отопительных приборов к двухтрубной системе отопления

Рисунок 6 - Система отопления с горизонтальными однотрубными ветками для группы последовательно соединенных отопительных приборов

Рисунок 7 - Распределительный коллектор системы отопления

Рисунок 8 - Вариант подсоединения распределительных коллекторов к стоякам из металлополимерных труб

Рисунок 9 - Подсоединение отопительных приборов к стоякам из стальных труб

ГИДРАВЛИЧЕСКИЕ ХАРАКТЕРИСТИКИ МЕТАЛЛОПОЛИМЕРНЫХ ТРУБ

3.18 При гидравлическом расчете падение давления DР в системе отопления складывается из потерь давления на трение по длине трубопровода l и потерь давления на преодоление местных сопротивлений

DP = Rl + Z,                                                                        (1)

где R - удельная линейная потеря давления на 1 м длины, Па/м;

Z - потеря давления на местное сопротивление, Па/м.

3.19 Гидравлические характеристики металлополимерных труб различных фирм при t = 80 °С представлены в приложении Б. Потери давления по длине, Па/м, можно определить по формуле

                                                           (2)

где l - коэффициент сопротивления по длине;

V - скорость течения воды, м/с;

dр - расчетный диаметр трубы, м.

Коэффициент сопротивления по длине l следует определять по формуле

                                      (3)

где b - число подобия режимов течения воды;

Кэ - коэффициент эквивалентной шероховатости, м;

Reф - число Рейнольдса фактическое.

Приведенный (внутренний) диаметр dр следует определять по формуле

dp = 0,5(2dн + Ddн - 4S - 2DS),                                          (4)

где dн - наружный диаметр трубы, м;

Ddн - допуск на наружный диаметр трубы, м;

S - толщина стенки трубы, м;

DS - допуск на толщину стенки трубы, м.

Фактическое число Рейнольдса Reф определяется по формуле

                                                           (5)

где vt - коэффициент кинематической вязкости воды, м2/с, определяемый по таблице 1.

Таблица 1

Температура воды, °С

Коэффициент кинематической вязкости воды vр м2

35

0,73 × 10-6

40

0,66 × 10-6

45

0,6 × 10-6

50

0,55 × 10-6

55

0,51 × 10-6

60

0,47 × 10-6

65

0,43 × 10-6

70

0,41 × 10-6

80

0,36 × 10-6

90

0,32 × 10-6

Число Рейнольдса Reкв соответствующее началу квадратичной области гидравлических сопротивлений при турбулентном движении воды, определяется по формуле

                                                           (6)

Число подобия режимов течения воды b определяется по формуле

                                                               (7)

Коэффициент эквивалентной (равномерно-зернистой) шероховатости Кэ, м, принимается равным 1,0 × 10-6 м.

3.20 При средней температуре теплоносителя, отличной от 80 °С, следует учесть согласно таблице 2 поправочный коэффициент а к значениям R, приведенным в приложении Б (при t = 80 °С)

Rt = R × а,                                                                 (8)

где Rt - удельный перепад давления при средней расчетной температуре теплоносителя и расходе G, Па/м;

R - значение удельного перепада давления (приложение Б) при t = 80 °С и при том же значении G, Па/м.

Таблица 2

Средняя температура теплоносителя в трубах, °С

90

80

70

60

50

40

Коэффициент а

0,98

1,0

1,02

1,05

1,08

1,11

3.21 Падение давления при преодолении местных сопротивлений Z, Па, может быть определено из зависимости

                                                            (9)

где Sx - сумма коэффициентов местных сопротивлений на рассчитываемом участке трубопровода;

V - скорость теплоносителя в трубопроводе, м/с;

r - плотность жидкости при температуре теплоносителя, кг/м3.

Ориентировочные значения коэффициентов местных сопротивлений соединительных деталей элементов системы отопления приведены в таблице 3.

Гидравлические характеристики отопительных приборов: вентилей, клапанов, включая термостатические, представлены в справочных изданиях фирм-изготовителей и разработчиков нормативной документации.

Таблица 3

№ п.п.

Детали

Схематическое изображение деталей

Значение коэффициента

1

Отвод с радиусом закругления ³ 5 d:

90°

45°

0,3 - 0,5

2

Тройники:

на проход

0,5

3

на ответвление

90°

1,5

4

на слияние

90°

1,5

5

на разделение потока

3,0

6

Крестовина:

на проход

2,0

7

на ответвление

3,0

8

Отступ

0,5

9

Обход

1,0

10

Внезапное

расширение

сужение

1,0

0,5

11

Соединение с обжимной гайкой

См. приложение Г

1,5

КОМПЕНСАЦИЯ ТЕМПЕРАТУРНЫХ УДЛИНЕНИЙ

3.22 Компенсация температурных удлинений может быть осуществлена за счет самокомпенсации участков трубопровода, установкой компенсаторов и правильной расстановкой неподвижных и скользящих опор.

В качестве компенсаторов предпочтительно использовать углы поворотов трубопроводов. На прямых участках трубопровода необходимо предусматривать П-образные, Г-образные, петлевые и другие компенсаторы, расстояния между которыми определяются расчетом.

В качестве неподвижных опор могут быть использованы держатели для труб, закрепленные на строительных конструкциях, или укрепленные в них кронштейны.

3.23 Удлинение отрезка трубопровода при изменении температуры теплоносителя и окружающей среды (рисунок 10) определяется по формуле

Dl = 0,025LDt,                                                     (10)

где Dl - изменение длины трубы, мм;

L - длина участка трубопровода при температуре монтажа, м;

Dt - перепад температур между температурой воздуха в помещении при монтаже и эксплуатации, °С;

0,025 - коэффициент линейного расширения трубы, мм/м.

3.24 Расчет компенсирующей способности П-образных компенсаторов и Г-образных элементов трубопровода производится по формуле (рисунок 11)

                                                 (11)

где Lк - вылет компенсатора;

dн - наружный диаметр трубы, мм;

Dl - изменение длины участка трубопровода при изменении температуры воздуха при монтаже и эксплуатации;

30 - коэффициент эластичности для полимерных труб.

На рисунке 12 показан пример традиционного решения компенсации удлинений стояков для систем отопления с применением металлополимерных труб.

Перепад температур, °С

Рисунок 10 - Диаграмма для определения удлинения труб

1 - П-образный; 2 - Г-образный; 3 - петлеобразный; a - положение трубы при максимальной температуре; в - то же, при минимальной; Lк - вылет компенсатора; Х - неподвижная опора; = скользящая опора

Рисунок 11 - Устройство компенсаторов

Рисунок 12 - Подсоединение отопительных приборов к стоякам отопления из металлополимерных труб

ТЕПЛОВЫЕ ХАРАКТЕРИСТИКИ МЕТАЛЛОПОЛИМЕРНЫХ ТРУБ

3.25 По данным рекомендаций института НИИсантехники, тепловой поток металлополимерных труб длиной l, м, можно определять по следующей зависимости (рисунок 13)

                (12)

где  - температура на внутренней поверхности трубопровода, °С;

tс - температура на наружной поверхности трубопровода, °С;

Q - тепловой поток, Вт;

l - длина трубы, м;

t - температура теплоносителя, °С;

tвз - температура воздушной среды, °С;

aн - коэффициент наружной теплоотдачи, Вт/м2 × К;

dн - наружный диаметр трубы, мм;

l - коэффициент теплопроводности, Вт/м × К;

dв - внутренний диаметр трубы, мм;

aвн - коэффициент внутренней теплоотдачи, Вт/м2 × К;

a - без теплоизоляции; б - с изоляцией; 1, 2 - полиэтиленовая оболочка; 3 - алюминиевая труба; 4 - теплоизоляция

Рисунок 13 - Схема металлополимерной трубы для расчета теплопередачи через цилиндрическую стенку

При оценке возможности выпадения конденсата на поверхности трубы необходимо определить температуру наружной стенки трубы и сопоставить ее с температурой точки росы tр.

                                                           (13)

где tвз - температура воздушной среды, °С;

aн - коэффициент наружной теплоотдачи, Вт/м2 × К.

Выпадения конденсата не будет при условии tc > tр.

3.26 При использовании теплоизоляции тепловой поток теплоизолированной трубы приближенно может быть определен по следующей зависимости

                                 (14)

где dиз - наружный диаметр изоляции, м;

lиз - коэффициент теплопроводности изоляции, Вт/м × К.

Это соотношение справедливо при условии идеального контакта наружной поверхности трубы с изоляцией. При накладной изоляции обычно условие не соблюдается и воздушная прослойка играет роль дополнительного слоя.

3.27 По данным НИИсантехники в таблицах 4 и 5 представлены результаты тепловых испытаний металлополимерных труб в виде зависимости линейной плотности теплового потока q, Вт/м, от температурного напора Θ, °С, при горизонтальном расположении открыто проложенных труб на высоте 100 мм от пола и вертикальном расположении труб. В среднем тепловой поток q, Вт/м, зависит от фактического температурного напора Θ, °С, в степени 1,2, т.е.

                                                         (15)

где С - коэффициент, принимаемый для различных диаметров труб по столбцу «0» в таблицах 4 и 5 при Θ = 70 °С, Вт/м;

70 - нормативная разность температур (температурный напор), °С;

Θ - фактическая разность среднеарифметической температуры теплоносителя в трубе и расчетной температуры воздуха в помещении, °С, рассчитываемая по формуле

,                                                    (16)

где tн и tк - соответственно начальная и конечная температура теплоносителя;

tв - температура воздуха в помещении.

3.28 Полезный тепловой поток открыто проложенных металлополимерных труб учитывается в пределах 90 - 100 % приведенного в таблицах 4 и 5 (в зависимости от способа прокладки).

3.29 При прокладке горизонтальных труб под потолком рекомендуется учитывать 70 - 80 % их расчетного теплового потока.

3.30 Тепловой поток вертикальных труб снижается в среднем:

- при экранировании открытого стояка из полимерных труб металлическим экраном на 25 %;

- при скрытой прокладке в глухой борозде на 50 %;

- при скрытой прокладке в вентилируемой борозде на 10 %.

3.31 Общий тепловой поток от одиночных труб, замоноличенных в междуэтажных перекрытиях отапливаемых помещений и во внутренних перегородках из тяжелого бетона (lбет ³ 1,8 Вт/м × К, rбет ³ 2000 кг/м3), увеличивается в среднем в 2,0 раза (при оклейке стен обоями - в 1,8 раза).

3.32 Общий тепловой поток от одиночных труб в наружных ограждениях из тяжелого бетона (lбет ³ 1,8 Вт/м × К, rбет ³ 2000 кг/м3) увеличивается в среднем в 1,6 раза (при оклейке стен обоями - в 1,4 раза), причем полезный тепловой поток при наличии эффективной теплоизоляции между трубой и наружной поверхностью стены составляет в среднем 90 % общего.

Таблица 4 - Тепловой поток 1 м открыто проложенных горизонтальных металлополимерных труб

d, мм

Θ, °С

Тепловой поток 1 м трубы, Вт/м, через 1 °C

0

1

2

3

4

5

6

7

8

9

16

 

20,5

21,4

22,2

23,0

23,9

24,7

25,6

26,4

27,3

28,2

20

30

24,8

25,8

26,8

27,8

28,8

29,9

30,9

31,9

33,0

34,0

25

 

29,4

30,6

31,8

33,0

34,2

35,4

36,6

37,8

39,1

40,3

16

 

29,0

29,9

30,8

31,6

32,5

33,4

34,3

35,2

36,1

37,0

20

40

35,0

36,1

37,2

38,2

39,3

40,4

41,4

42,5

43,6

44,7

25

 

41,5

42,8

44,0

45,3

46,6

47,8

49,1

50,4

51,7

53,0

16

 

37,9

38,8

39,8

40,7

41,6

42,5

43,4

44,4

45,3

46,3

20

50

45,8

46,9

48,0

49,1

50,2

51,4

52,5

53,6

54,7

55,9

25

 

54,3

55,6

56,9

58,2

59,5

60,9

62,2

63,5

64,9

66,2

16

 

47,2

48,2

49,1

50,0

51,0

52,0

52,9

53,9

54,9

55,8

20

60

57,0

58,2

59,3

60,4

61,6

62,8

63,9

65,1

66,2

67,4

25

 

67,6

68,9

70,3

71,6

73,0

74,4

75,8

77,1

78,5

79,9

16

 

56,8

57,8

58,8

59,7

60,7

61,7

62,7

63,7

64,7

65,7

20

70

68,6

69,8

71,0

72,1

73,3

74,5

75,7

76,9

78,1

79,3

25

 

81,3

82,7

84,1

85,5

86,9

88,3

89,7

91,2

92,6

94,0

16

 

66,7

67,7

68,7

69,7

70,7

71,7

72,7

73,7

74,8

75,8

20

80

80,5

81,7

82,9

84,2

85,4

86,6

87,8

89,0

90,3

91,5

25

 

95,4

96,9

98,3

99,7

101,2

102,6

104,1

105,5

107,0

108,4

16

 

76,8

77,8

78,8

79,9

80,9

81,9

83,0

84,0

85,1

86,1

20

90

92,7

94,0

95,2

96,5

97,7

99,0

100,2

101,5

102,7

104,0

25

 

109,9

111,4

112,8

114,3

115,8

117,3

118,8

120,2

121,7

123,2

Таблица 5 - Тепловой поток 1 м открыто проложенных вертикальных металлополимерных труб

d, мм

Θ, °С

Тепловой поток 1 м трубы, Вт/м, через 1 °С

0

1

2

3

4

5

6

7

8

9

16

 

18,5

19,2

20,0

20,7

21,5

22,2

23,0

23,8

24,6

25,3

20

30

21,8

22,7

23,6

24,5

25,4

26,3

27,2

28,1

29,0

29,9

25

 

25,3

26,3

27,3

28,4

29,4

30,4

31,5

32,5

33,6

34,6

16

 

26,1

26,9

27,7

28,5

29,3

30,1

30,9

31,7

32,5

33,3

20

40

30,8

31,8

32,7

33,6

34,6

35,5

36,5

37,4

38,4

39,3

25

 

35,7

36,8

37,9

39,0

40,0

41,1

42,2

43,3

44,4

45,6

16

 

34,1

35,0

35,8

36,6

37,4

38,3

39,1

40,0

40,8

41,6

20

50

40,3

41,3

42,2

43,2

44,2

45,2

46,2

47,2

48,2

49,2

25

 

46,7

47,8

48,9

50,1

51,2

52,3

53,5

54,6

55,8

56,9

16

 

42,5

43,3

44,2

45,0

45,9

46,8

47,6

48,5

49,4

50,2

20

60

50,2

51,2

52,2

53,2

54,2

55,2

56,2

57,3

58,3

59,3

25

 

58,1

59,3

60,4

61,6

62,8

64,0

65,2

66,3

67,5

68,7

16

 

51,1

52,0

52,9

53,8

54,6

55,5

56,4

57,3

58,2

59,1

20

70

60,4

61,4

62,4

63,5

64,5

65,6

66,6

67,7

68,7

69,8

25

 

69,9

71,1

72,3

73,5

74,7

76,0

77,2

78,4

79,6

80,8

16

 

60,0

60,9

61,8

62,7

63,6

64,5

65,4

66,4

67,3

68,2

20

80

70,8

71,9

73,0

74,1

75,1

76,2

77,3

78,4

79,4

80,5

25

 

82,1

83,3

84,5

85,8

87,0

88,3

89,5

90,8

92,0

93,3

16

 

69,1

70,0

71,0

71,9

72,8

73,7

74,7

75,6

76,6

77,5

20

90

81,6

82,7

83,8

84,9

86,0

87,1

88,2

89,3

90,4

91,5

25

 

94,5

95,8

97,0

98,3

99,6

100,9

102,1

103,4

104,7

106,0

3.33 При скрытой прокладке одиночных труб, замоноличенных в легком бетоне с пластификатором, расчетный тепловой поток увеличивается в 1,1 - 1,15 раза.

3.34 При прокладке труб в стандартных штробах, полностью заполненных самотвердеющей пенистой изоляцией, тепловой поток труб снижается в случае размещения в наружных стенах на 15 - 20 %, во внутренних перегородках - на 5 - 10 %.

4 ТРАНСПОРТИРОВАНИЕ И ХРАНЕНИЕ МЕТАЛЛОПОЛИМЕРНЫХ ТРУБ

4.1 Перевозка, погрузка и разгрузка металлополимерных труб должны осуществляться при температуре наружного воздуха не ниже минус 20 °С.

4.2 Перевозка металлополимерных труб может быть осуществлена любым видом транспорта (желательно в крытых автомашинах и вагонах) в отрезках или бухтах, в горизонтальном положении.

4.3 При погрузочно-разгрузочных работах, транспортировании и хранении металлополимерные трубы необходимо оберегать от механических повреждений.

Запрещается сбрасывать трубы с транспортных средств или волочить по любой поверхности.

Во время погрузки следует применять стропы из мягкого материала.

4.4 Хранить металлополимерные трубы необходимо в закрытом помещении или под навесом в горизонтальном положении, на ровном полу, настиле, щитах, оберегая от прямых солнечных лучей. Высота штабеля не должна превышать 2,0 м. При хранении труб в складских помещениях температура окружающего воздуха не должна превышать 50 °С, а расстояние от нагревательных приборов должно быть не менее 1,0 м.

5 МОНТАЖ СИСТЕМ ОТОПЛЕНИЯ ИЗ МЕТАЛЛОПОЛИМЕРНЫХ ТРУБ

ОБЩИЕ УКАЗАНИЯ

5.1 Монтаж металлополимерных труб должен осуществляться по монтажному проекту при температуре окружающей среды не ниже 10 °С.

5.2 Перед прокладкой металлополимерных труб в помещении необходимо закончить все электрогазосварочные работы, установить элементы крепления, а при открытой прокладке - закончить отделочные работы.

При скрытой прокладке трубопроводов в местах расположения разборных соединений и арматуры следует предусматривать люки или съемные щиты, не имеющие острых выступов.

Стояки целесообразно размещать в каналах, нишах, бороздах, за декоративными панелями или, как исключение, замоноличивать их в стенах и перегородках.

Горизонтальные трубопроводы и подводки к отопительным приборам допускается размещать по перекрытиям и за плинтусами (рисунок 14). Открытые участки можно закрывать декоративными элементами.

а - в отапливаемых помещениях на междуэтажных перекрытиях между квартирами; б - в отапливаемых помещениях на перекрытиях над неотапливаемыми помещениями или в подвале; 1 - покрытие пола; 2 - слой бетона; 3 - слой гидроизоляции; 4 - слой звукоизоляции; 5 - слой теплоизоляции; 6 - трубопровод; 7 - засыпка; 8 - перекрытие; 9 - теплоизоляция трубы

Рисунок 14 - Скрытая прокладка разводящих трубопроводов из металлополимерных труб в полу

Открытая прокладка металлополимерных труб допускается в местах, исключающих их механическое и термическое повреждение и прямое воздействие ультрафиолетового излучения.

5.3 Не допускаются сплющивания и переломы трубопровода во время монтажа.

При изломе трубу следует выпрямить и придать ей цилиндрическую форму деревянным или резиновым молотком. Такую операцию допускается осуществлять только один раз на данном участке.

5.4 Бухты металлополимерных труб, хранившиеся или транспортировавшиеся на монтаж (заготовительный участок) при температуре ниже 0 °С, должны быть перед раскаткой выдержаны в течение 24 ч при температуре не ниже 10 °С.

В процессе размотки бухты и монтажа трубопровода необходимо следить, чтобы труба не перекручивалась.

Прокладку трубы следует вести, не допуская растягивающих напряжений, свободные концы закрывать заглушками во избежание попадания грязи и мусора в трубу.

5.5 Радиус изгиба должен быть не менее пяти наружных диаметров трубы. При изгибе менее 5dн следует пользоваться спиральной пружиной. Трубы гнут плавно без нагрева, в холодном состоянии.

5.6 При монтаже систем напольного отопления должны выполняться следующие условия:

- отопительные трубы для одного помещения следует изготавливать из целого куска трубы;

- покровный слой тепловой изоляции и гидроизоляция не должен иметь щелей;

- трубы не должны проходить под деформационными швами бетонной заливки, в противном случае они должны иметь защитную оболочку длиной не менее 1 м;

- трубы к теплоизоляции следует крепить с помощью специальных V-образных «якорных» скоб. Допускается прикреплять трубу к металлической сетке проволокой с мягкой прокладкой;

- трубопровод напольного отопления должен заливаться бетонным раствором или закрываться покрытием только после проведения гидравлических испытаний на герметичность. Труба при заливке должна находиться под давлением 0,3 МПа;

- нагреваемая площадь одного змеевика не должна превышать 30 м2 с максимальной длиной одной из сторон 8 м. Между однородными площадями бетонного покрытия следует делать деформационные швы шириной 0,5 см, которые следует заполнять эластичным материалом. Слой раствора должен быть тщательно выровнен;

- при бетонировании необходимо избегать смещения, вертикального изгиба, сдавливания или повреждения труб;

- минимальная высота заливки над поверхностью трубы должна быть не менее 3 см. Цементно-песчаная смесь должна быть не ниже марки 400 с пластификатором.

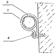
5.7 Для прохода труб через строительные конструкции необходимо предусматривать гильзы. Внутренний диаметр гильзы должен быть на 5 - 10 мм больше наружного диаметра прокладываемой трубы (рисунок 15). Зазор между трубой и гильзой необходимо заделать мягким несгораемым материалом, допускающим перемещение трубы вдоль продольной оси.

Рисунок 15 - Установка гильзы для прокладки труб в стенах и перекрытиях

5.8 Расстояние в свету между строительной конструкцией и металлополимерным трубопроводом, проходящим вдоль нее, должно быть не менее 20 мм,

5.9 Металлополимерные трубы для трубопроводов отопления и горячего водоснабжения следует прокладывать на расстоянии не менее 50 мм выше других трубопроводов.

5.10 Соединение металлополимерных труб со стальными трубопроводами, запорно-регулирующей арматурой и отопительными приборами выполняется на резьбе с помощью специальных соединительных деталей (приложение В, Г).

ВХОДНОЙ КОНТРОЛЬ ТРУБ И КОМПЛЕКТУЮЩИХ ИЗДЕЛИЙ

5.11 До проведения монтажных работ металлополимерные трубы, соединительные детали, арматура и средства крепления должны быть подвергнуты входному контролю.

Трубы, соединительные детали, а также средства крепления должны иметь сопроводительный документ, подтверждающий соответствие их нормативным требованиям.

5.12 Трубы должны иметь маркировку, указывающую диаметр трубы, допустимую температуру и давление. На поверхности труб не должно быть механических повреждений и изломов. Трубы не должны быть скручены или сплющены.

5.13 На штуцерах и накидных гайках соединительных деталей резьба должна быть нарезана в соответствии с ГОСТ 6357, класс прочности В. Сопрягаемые детали не должны иметь выбоин, заусенцев, царапин. Резиновые прокладки должны иметь правильную геометрическую форму.

5.14 Средства крепления металлополимерных труб должны иметь поверхность, исключающую возможность механического повреждения труб. Крепления не должны иметь острых кромок и заусенцев. Размеры хомутов, фиксаторов, скоб должны строго соответствовать диаметрам труб. Металлические крепления должны иметь мягкие прокладки и антикоррозионные покрытия.

ТЕХНОЛОГИЯ ПОДГОТОВИТЕЛЬНЫХ РАБОТ

5.15 До начала монтажа трубопроводов необходимо выполнить следующие подготовительные операции:

отобрать трубы и соединительные детали, прошедшие входной контроль;

разметить трубу в соответствии с проектом или по месту с учетом припуска на последующую обработку при максимальном использовании материала труб. Разметка труб может быть осуществлена стандартными мерительными инструментами: измерительной линейкой, складным метром, рулеткой, а также специально изготовленным шаблоном и разметочным приспособлением. Риски для отрезки на трубе наносятся карандашом или маркером.

Недопустимо нанесение царапин или надрезов на поверхности трубы.

5.16 Разрезку труб следует производить согласно разметке ножницами, под углом 90° к оси трубы, не допуская смятия трубы и образования заусенцев. Отклонение плоскости реза не должно превышать 5°.

Для устранения погрешностей торцов труб необходимо осуществлять калибровку концов труб с помощью развертки. Овальность торцов труб должна быть не более 1 %.

СОЕДИНЕНИЕ ТРУБ И ПРИСОЕДИНЕНИЕ К АРМАТУРЕ

5.17 Вариант соединения с обжимной гайкой состоит из следующих операций:

- для изгиба трубы с r < 5dн (наружный диаметр) необходимо применять пружину;

- используя пружину, выпрямить лишние искривления трубы (приблизительно 150 - 160 мм);

- специальными ножницами обрезать трубу под углом 90° к оси трубы;

- обработать поверхность трубы калиброванной разверткой (сначала стороной 1 на глубину риски на наружной поверхности развертки, затем стороной 2 снять внутреннюю фаску);

- надеть на трубу латунную обжимную гайку;

- вручную запрессовать соединительный элемент до упора на глубину для труб наружным диаметром, мм: 16 - 8 мм; 20 - 10 мм, 25 - 12 мм.

Соединение трубы с фасонными деталями, имеющими наружную резьбу, осуществляется по сопрягаемым поверхностям деталей без уплотнения резьбовой гайки.

Для присоединения труб к деталям, имеющим внутреннюю резьбу, необходимо использовать ниппель с уплотнением резьбовой части.

5.18 Для присоединения к приборам, имеющим внутреннюю резьбу, можно применять соединение с обжимной гайкой и обжимным кольцом с уплотнением резьбовой части (рисунок 16).

5.19 Уплотнение резьбовых соединений со стальными трубопроводами и арматурой может быть осуществлено льняной прядью, лентой ФУМ или любым другим уплотнительным материалом.

5.20 Установка соединительной детали с обжимной втулкой (приложение Г) выполняется следующим образом:

- снять фаску под углом 45° по внутренней поверхности торца трубы;

- надеть на трубу обжимную втулку;

- надеть на штуцер соединительной детали накидную гайку и уплотнительное кольцо;

- установить штуцер в трубу с помощью приспособления;

- натянуть на трубу со штуцером втулку;

- вынуть трубу из приспособления;

- обжать втулку на трубе с помощью приспособления для обкатки, вынуть трубу из приспособления.

1 - металлополимерная труба; 2 - обжимная гайка, 3 - разрезное обжимное упругое кольцо; 4 - соединительная вставка с наружной резьбой

Рисунок 16 - Соединение с обжимной гайкой и обжимным кольцом

КРЕПЛЕНИЕ ТРУБОПРОВОДОВ

5.21 Расстановка креплений металлополимерных трубопроводов осуществляется таким образом, чтобы исключить предельно допустимые напряжения в материале трубы от линейных температурных удлинений трубопровода.

5.22 Расстояние между креплениями следует принимать согласно таблице 6.

Таблица 6

В миллиметрах

Наружный диаметр трубы

Расстояние между скользящими креплениями

при горизонтальной прокладке

при вертикальной прокладке

До 16

500

1000*

1000

2000*

20

500

1000*

1000

2000*

25

750

1000*

1200

2000*

32

 

1000*

 

2400*

40

 

1000*

 

2400*

50

 

1000*

 

3000

* Для труб «МЕТАПОЛ»

  

                                 

1 - труба; 2 - фиксатор; 3 - хомут; 4 - шуруп (дюбель)

Рисунок 17 - Крепление труб к стенам и перегородкам

1 - хомут; 2 - труба; 3 - мягкая прокладка; 4 - теплоизоляция; 5 - болт; 6 - гайка; 7 - подвеска; 8 - кронштейн

Рисунок 18 - Крепление трубопроводов

Необходимо предусматривать крепление на поворотах и ответвлениях трубопроводов.

5.23 Распределительные коллекторы и запорно-регулирующую арматуру следует закреплять с помощью самостоятельных неподвижных креплений для устранения передачи усилий на трубопровод в процессе эксплуатации.

5.24 Для закрепления труб рекомендуется применять изделия согласно каталогам фирм-изготовителей труб или иные опоры, применяемые для пластмассовых труб. Возможные способы крепления представлены на рисунках 17, 18.

ИСПЫТАНИЕ СИСТЕМЫ ОТОПЛЕНИЯ

5.25 После выполнения монтажных работ следует провести испытание системы на герметичность при давлении, превышающем рабочее в 1,5 раза, но не менее 0,6 МПа, при постоянной температуре воды.

5.26 При подготовительных работах перед гидравлическим испытанием системы необходимо:

- отключить (временно снять) предохранительные клапаны, регулировочные клапаны, датчики и др., если допустимое давление указанной арматуры меньше величины пробного давления по 5.25;

- отключенные элементы заменить заглушками или запорными клапанами, допустимое давление для которых больше величины пробного давления;

- подключить к системе манометр с точностью измерения 0,01 МПа.

5.27 Систему следует заполнить водой медленно при открытых воздухоспускных устройствах во избежание образования воздушных пробок.

5.28 Гидравлические испытания необходимо проводить при постоянной температуре в два этапа:

1-й этап - в течение 30 мин дважды поднимать давление до расчетной величины через каждые 10 мин. В последующие 30 мин падение давления в системе не должно превышать 0,06 МПа;

2-й этап - в последующие 2 ч падение давления (от давления, достигнутого на 1-м этапе) не должно быть больше, чем на 0,02 МПа.

5.29 Гидравлическое испытание системы напольного отопления необходимо проводить до заливки трубопроводов бетоном (раствором).

5.30 Тепловое испытание напольных систем отопления из металлополимерных труб следует осуществлять после того, как бетон окончательно затвердеет, т.е. через 20 - 28 дн. Испытания следует начинать с температуры теплоносителя 25 °С с ежедневным увеличением температуры на 5 °С до тех пор, пока она не будет соответствовать проектной величине.

РЕМОНТНЫЕ РАБОТЫ

5.31 Слесари-сантехники, производящие ремонт, должны быть ознакомлены со свойствами металлополимерных труб и технологией их обработки.

5.32 При замене труб во время ремонта не допускается ставить трубы меньшего диаметра, чем заменяемые трубы.

5.33 В случае повреждения участка трубопровода целесообразно вырезать поврежденный участок. Замена производится с помощью отрезка трубы нужной длины, соединяемого с трубопроводом специальными соединительными деталями. Поврежденный участок трубы монтируется при помощи 2 соединений с накидной гайкой через ниппель с уплотнением резьбовой части или двухсторонних соединений с обжимной гайкой и обжимным кольцом без уплотнения резьбовой части.

5.34 При проведении сварочных или иных огневых работ в местах возможного термического или механического повреждения труб необходимо ставить ограждения.

5.35 Для очистки наружной поверхности труб следует применять материал, исключающий механические повреждения.

5.36 При замерзании системы наличие пробок в трубе можно определить по местному увеличению диаметра (расширению) трубы или по слою инея и льда на поверхности. Прогревать трубу следует теплым воздухом или горячей водой температурой до 90 °С. Категорически запрещается использовать открытое пламя и обстукивать трубы молотком. При первой возможности следует заменить поврежденный отрезок трубы.

5.37 При ослаблении заделки между трубой и гильзой, проходящей через строительные конструкции, необходимо её уплотнить герметиком из негорючих материалов.

6 ТРЕБОВАНИЯ ТЕХНИКИ БЕЗОПАСНОСТИ

6.1 При монтаже систем отопления из металлополимерных труб следует соблюдать требования техники безопасности в строительстве по действующей нормативной документации.

6.2 При заготовительном производстве и монтаже запрещается производить электросварочные работы на расстоянии от металлополимерных труб менее 2 м.

Металлополимерные трубы относятся к категории горючих, трудновоспламеняемых материалов. Средства пожаротушения - распыленная вода, пена, песок, кошма.

6.3 Металлополимерные трубы в процессе монтажа и эксплуатации не выделяют в окружающую среду токсичных веществ и не оказывают вредного влияния на организм человека при непосредственном контакте.

6.4 Монтаж металлополимерных труб должны проводить слесари-сантехники, прошедшие специальное обучение и ознакомленные со спецификой обработки таких труб.

Работы по монтажу внутренних систем отопления из этих труб разрешается производить только исправным инструментом, при соблюдении условий его эксплуатации.

6.5 Гидравлическое испытание систем следует производить в присутствии мастера или производителя работ. Слесари, проводящие испытания, должны находиться в безопасных местах на случай выбивания заглушек.

ПРИЛОЖЕНИЕ А

ТЕХНИЧЕСКИЕ ХАРАКТЕРИСТИКИ МЕТАЛЛОПОЛИМЕРНЫХ ТРУБ

Таблица A.1 - Сортамент и масса металлополимерных труб

В миллиметрах

№ п.п.

Изготовитель, нормативно-техническая документация, поставщик

Номинальный диаметр

Толщина стенки с допуском

Толщина алюминиевой фольги с допуском

Теоретическая масса 1 м длины, кг

внутренний с допуском

наружный с допуском

1

НИКИМТ (Россия), ТУ 2248-004-07629379-97

16 + 0,3

0,095

25 + 0,3

0,2 ± 0,01

0,2

2

АО «Каучук-пласт» (Россия),

ТУ 2248-001-29325094-97, ЗАО «Гента» (Россия)

10-0,2

14 + 0,15

0,2 ± 0,02

0,092

12-0,2

16 + 0,15

0,2 ± 0,02

0,105

14-0,2

18 + 0,15

0,2 ± 0,02

0,128

20 + 0,15

0,24 ± 0,02

0,150

25 + 0,20

0,24 ± 0,02

0,204

3

ТОО НПП «ВладВЭД» (Россия) - поставщик

12

16,0 ± 0,3

2,25 ± 0,2

0,5 ± 0,04

0,125

15

20,0 ± 0,3

2,50 ± 0,2

0,5 ± 0,04

0,185

20

26,0 ± 0,3

3,00 ± 0,2

0,7 ± 0,04

0,300

26

32,3 ± 0,3

3,20 ± 0,2

0,7 ± 0,04

0,390

32

40,3 ± 0,3

3,90 ± 0,2

0,7 ± 0,04

0,550

40

48,0 ± 0,3

4,00 ± 0,3

0,8 ± 0,04

0,755

50

60,0 ± 0,3

4,80 ± 0,3

0,8 ± 0,04

0,985

60

76,0 ± 0,3

5,20 ± 0,3

1,0 ± 0,04

1,480

Таблица A.2 - Основные физико-механические показатели металлополимерных труб

№ п.п.

Показатели

Единица измерения

Значение

1

Коэффициент теплопроводности

Вт/м · К

0,45

2

Коэффициент линейного расширения

1/°С

2,5 × 10-5

3

Коэффициент эквивалентной равномерно-зернистой шероховатости

мм

0,01

4

Прочность кольцевых образцов при разрыве в поперечном направлении, не менее для труб размерами, мм:

Н

 

 

10 - 14

 

2100

 

12 - 16

 

2400

 

14 - 18

 

2400

 

16 - 20

 

2400

 

20 - 25

 

2400

5

Изменение длины после прогрева при температуре (120 - 3) °С в течение (60 + 1) мин

% не более

1

6

Стойкость при постоянном внутреннем давлении (без разрушений) при температуре, °С:

МПа

 

 

20 - в течение 1 ч

 

4,5

 

95     »      »        1 ч

 

1,8

 

95     »      »        100 ч

 

1,6

 

95     »      »        1000 ч

 

1,4

ПРИЛОЖЕНИЕ Б

ГИДРАВЛИЧЕСКИЕ ХАРАКТЕРИСТИКИ МЕТАЛЛОПОЛИМЕРНЫХ ТРУБ

Таблица Б.1 - Гидравлические характеристики металлополимерных труб при коэффициенте шероховатости 0,01 мм. Температура теплоносителя 80 °С

Потери давления на трение R, Па/м

Диаметр трубопровода dв/dн, мм

10/14

12/16

14/18

16/20

20/25

Скорость движения теплоносителя V, м/с

Расход теплоносителя G, л/ч

Скорость движения теплоносителя V, м/с

Расход теплоносителя G, л/ч

Скорость движения теплоносителя V, м/с

Расход теплоносителя G, л/ч

Скорость движения теплоносителя V, м/с

Расход теплоносителя G, л/ч

Скорость движения теплоносителя V, м/с

Расход теплоносителя G, л/ч

0,49

 

 

 

 

0,01

5,40

0,010

6,64

0,010

11,25

0,98

0,010

2,65

0,010

3,95

0,01

5,40

0,020

13,27

0,020

22,50

1,96

0,020

5,29

0,020

7,90

0,02

10,79

0,030

19,91

0,030

33,74

3,92

0,030

7,94

0,030

11,84

0,04

21,59

0,040

26,55

0,050

56,24

5,88

0,040

10,58

0,040

15,79

0,05

26,99

0,060

39,82

0,070

78,73

7,84

0,040

10,58

0,050

19,74

0,06

32,38

0,070

46,46

0,080

89,98

9,81

0,050

13,23

0,060

23,69

0,07

37,78

0,080

53,10

0,100

112,48

19,62

0,080

21,16

0,100

39,48

0,11

59,37

0,120

79,64

0,150

168,71

39,23

0,130

34,39

0,150

59,22

0,17

91,76

0,180

119,47

0,220

247,45

58,84

0,160

42,32

0,190

75,02

0,21

113,35

0,230

152,65

0,280

314,93

78,45

0,190

50,26

0,220

86,86

0,25

134,94

0,270

179,20

0,330

371,17

98,06

0,220

58,20

0,250

98,71

0,28

151,13

0,310

205,75

0,370

416,16

117,68

0,240

63,49

0,280

110,55

0,31

167,32

0,340

225,66

0,410

461,15

137,29

0,260

68,78

0,310

122,40

0,34

183,51

0,370

245,57

0,450

506,14

156,90

0,280

74,07

0,330

130,29

0,37

199,71

0,400

265,48

0,480

539,88

176,52

0,300

79,36

0,350

138,19

0,40

215,90

0,430

285,39

0,520

584,87

196,13

0,320

84,65

0,380

150,03

0,42

226,69

0,450

298,67

0,550

618,62

215,74

0,340

89,94

0,400

157,93

0,44

237,49

0,480

318,58

0,580

652,36

235,36

0,360

95,23

0,420

165,83

0,47

253,68

0,500

331,85

0,600

674,85

254,97

0,380

100,52

0,440

173,72

0,49

264,47

0,520

345,13

0,630

708,60

274,58

0,390

103,17

0,450

177,67

0,51

275,27

0,550

365,04

0,660

742,34

294,20

0,410

108,46

0,470

185,57

0,53

286,06

0,570

378,31

0,680

764,83

313,81

0,420

111,10

0,490

193,47

0,55

296,86

0,590

391,58

0,710

798,58

333,42

0,440

116,39

0,510

201,36

0,57

307,65

0,610

404,86

0,730

821,07

353,04

0,450

119,04

0,520

205,31

0,58

313,05

0,630

418,13

0,760

854,81

372,65

0,470

124,33

0,540

213,21

0,60

323,85

0,650

431,41

0,780

877,31

392,26

0,480

126,97

0,560

221,10

0,62

334,64

0,670

444,68

0,800

899,80

411,88

0,490

129,62

0,570

225,05

0,64

345,44

0,690

457,95

0,820

922,30

431,49

0,510

134,91

0,590

232,95

0,65

350,83

0,700

464,59

0,840

944,79

451,10

0,520

137,56

0,600

236,90

0,67

361,63

0,720

477,87

0,870

978,54

470,72

0,530

140,20

0,610

240,84

0,69

372,42

0,740

491,14

0,890

1001,03

490,33

0,540

142,85

0,630

248,74

0,70

377,82

0,750

497,78

0,910

1023,53

509,94

0,560

148,14

0,640

252,69

0,72

388,62

0,770

511,05

0,930

1046,02

529,56

0,570

150,78

0,660

260,59

0,73

394,01

0,790

524,32

0,940

1057,27

549,17

0,580

153,43

0,670

264,53

0,75

404,81

0,800

530,96

0,960

1079,76

568,78

0,590

156,07

0,680

268,48

0,76

410,21

0,820

544,24

0,980

1102,26

588,40

0,600

158,72

0,700

276,38

0,78

421,00

0,830

550,87

1,000

1124,76

608,01

0,610

161,36

0,710

280,33

0,79

426,40

0,850

564,15

1,020

1147,25

627,62

0,630

166,65

0,720

284,28

0,80

431,80

0,860

570,78

1,040

1169,75

647,24

0,640

169,30

0,730

288,22

0,82

442,59

0,880

584,06

1,050

1180,99

666,85

0,650

171,94

0,750

296,12

0,83

447,99

0,890

590,69

1,070

1203,49

686,47

0,660

174,59

0,760

300,07

0,85

458,78

0,910

603,97

1,090

1225,98

706,08

0,670

177,23

0,770

304,02

0,86

464,18

0,920

610,61

1,110

1248,48

725,69

0,680

179,88

0,780

307,97

0,87

469,58

0,940

623,88

1,120

1259,73

745,31

0,690

182,53

0,790

311,91

0,88

474,98

0,950

630,52

1,140

1282,22

764,92

0,700

185,17

0,800

315,86

0,90

485,77

0,960

637,15

1,150

1293,47

784,54

0,710

187,82

0,820

323,76

0,91

491,17

0,980

650,43

1,170

1315,96

804,15

0,720

190,46

0,830

327,71

0,92

496,56

0,990

657,06

1,190

1338,46

829,76

0,730

193,11

0,840

331,65

0,93

501,96

1,000

663,70

1,200

1349,71

843,38

0,740

195,75

0,850

335,60

0,95

512,76

1,020

676,98

1,220

1372,20

862,99

0,750

198,40

0,860

339,55

0,96

518,15

1,030

683,61

1,230

1383,45

882,60

0,760

201,04

0,870

343,50

0,97

523,55

1,040

690,25

1,250

1405,94

902,22

0,770

203,69

0,880

347,45

0,98

528,95

1,060

703,52

1,260

1417,19

921,83

0,770

203,69

0,890

351,40

0,99

534,35

1,070

710,16

1,280

1439,69

941,44

0,780

206,33

0,900

355,34

1,01

545,14

1,080

716,80

1,290

1450,93

961,06

0,790

208,98

0,910

359,29

1,02

550,54

1,090

723,44

1,310

1473,43

980,67

0,800

211,62

0,920

363,24

1,03

555,94

1,100

730,07

1,320

1484,68

1019,90

0,820

216,91

0,940

371,14

1,05

566,73

1,130

749,98

1,350

1518,42

1059,12

0,840

222,20

0,960

379,03

1,07

577,53

1,150

763,26

1,380

1552,16

1098,35

0,850

224,85

0,980

386,93

1,09

588,32

1,170

776,53

1,410

1585,90

1137,58

0,870

230,14

1,000

394,83

1,12

604,51

1,200

796,44

1,430

1608,40

1176,80

0,890

235,43

1,020

402,72

1,14

615,31

1,220

809,72

1,460

1642,14

1216,03

0,900

238,08

1,040

410,62

1,16

626,10

1,240

822,99

1,480

1664,64

1255,26

0,920

243,37

1,060

418,52

1,18

636,90

1,260

836,26

1,510

1698,38

1294,48

0,930

246,01

1,080

426,41

1,20

647,65

1,280

849,54

1,540

1732,12

1333,71

0,950

251,30

1,090

430,36

1,22

658,49

1,310

869,45

1,560

1754,62

1372,94

0,970

256,59

1,110

438,26

1,24

669,28

1,330

882,72

1,590

1788,36

1412,16

0,980

259,24

1,130

446,15

1,26

680,08

1,350

896,00

1,610

1810,86

1451,39

1,000

264,53

1,140

450,10

1,27

685,48

1,370

909,27

1,630

1833,35

1490,62

1,010

267,17

1,160

458,00

1,29

696,27

1,390

922,55

1,660

1867,09

1529,84

1,030

272,47

1,180

465,90

1,31

707,07

1,410

935,82

1,680

1889,59

1569,07

1,040

275,11

1,190

469,84

1,33

717,86

1,430

949,09

1,700

1912,08

1600,30

1,050

277,76

1,210

477,74

1,35

728,66

1,450

962,37

1,730

1945,83

1647,52

1,070

283,05

1,230

485,64

1,37

739,45

1,460

969,00

1,750

1968,32

1686,75

1,080

285,69

1,240

489,59

1,38

744,85

1,480

982,28

1,770

1990,82

1725,98

1,100

290,98

1,260

497,48

1,40

755,64

1,500

995,55

1,790

2013,31

1765,21

1,110

293,63

1,270

501,43

1,42

766,44

1,520

1008,83

1,820

2047,05

1804,43

1,120

296,27

1,290

509,33

1,43

771,83

1,540

1022,10

1,840

2069,55

1843,66

1,140

301,56

1,300

515,28

1,45

782,63

1,560

1035,38

1,860

2092,04

1882,89

1,150

304,21

1,320

521,17

1,47

793,42

1,570

1042,01

1,880

2114,54

1922,11

1,160

306,85

1,330

525,12

1,48

798,82

1,590

1055,29

1,900

2137,03

1961,34

1,170

309,50

1,350

533,02

1,50

809,62

1,610

1068,56

1,920

2159,53

2010,37

1,190

314,79

1,370

540,91

1,52

820,41

1,630

1081,83

1,950

2193,27

2059,41

1,210

320,08

1,390

548,81

1,54

831,21

1,650

1095,11

1,970

2215,77

2108,44

1,220

322,73

1,400

552,76

1,56

842,00

1,670

1108,38

2,000

2249,51

2157,47

1,240

328,02

1,420

560,65

1,58

852,80

1,700

1128,29

2,020

2272,01

2206,51

1,250

330,66

1,440

568,55

1,60

863,59

1,720

1141,57

2,050

2305,75

2255,54

1,270

335,95

1,460

576,45

1,62

874,39

1,740

1154,84

2,070

2328,24

2304,57

1,280

338,60

1,470

580,40

1,64

885,18

1,760

1168,12

2,100

2361,99

2353,61

1,300

343,89

1,490

588,29

1,66

895,98

1,780

1181,39

2,120

2384,48

2402,64

1,310

346,53

1,510

596,19

1,68

906,77

1,800

1194,66

2,140

2406,98

2451,67

1,330

351,82

1,520

600,14

1,69

912,17

1,820

1207,94

2,170

2440,72

2500,71

1,340

354,47

1,540

608,09

1,71

922,96

1,840

1221,21

2,190

2463,21

2549,74

1,360

359,76

1,560

615,93

1,73

933,76

1,860

1234,49

2,210

2485,71

2598,77

1,370

362,41

1,570

619,88

1,75

944,55

1,870

1241,12

2,240

2519,45

2647,81

1,380

365,05

1,590

627,78

1,77

955,35

1,890

1254,40

2,260

2541,95

2696,84

1,400

370,34

1,600

631,72

1,78

960,75

1,910

1267,67

2,280

2564,44

2745,88

1,410

372,99

1,620

639,62

1,80

971,54

1,930

1280,94

2,300

2586,94

2794,91

1,430

378,28

1,640

647,52

1,82

982,34

1,950

1294,22

2,320

2609,43

2843,94

1,440

380,92

1,650

651,46

1,84

993,13

1,970

1307,49

2,350

2643,17

2892,98

1,450

383,57

1,670

659,36

1,85

998,53

1,990

1320,77

2,370

2665,67

2942,01

1,470

388,86

1,680

663,31

1,87

1009,32

2,000

1327,40

2,390

2688,16

2991,04

1,480

391,50

1,700

671,21

1,89

1020,12

2,020

1340,68

2,410

2710,66

3040,08

1,490

394,15

1,710

675,15

1,90

1025,51

2,040

1353,95

2,430

2733,15

3089,11

1,510

399,44

1,730

683,05

1,92

1036,31

2,060

1367,23

2,450

2755,65

3138,14

1,520

402,08

1,740

687,00

1,94

1047,10

2,070

1373,86

2,470

2778,15

3187,18

1,530

404,73

1,760

694,90

1,95

1052,50

2,090

1387,14

2,490

2800,64

3236,21

1,540

407,38

1,770

698,84

1,97

1063,30

2,110

1400,41

2,510

2823,14

3285,24

1,560

412,67

1,790

706,74

1,98

1068,69

2,130

1413,69

2,530

2845,63

3334,28

1,570

415,31

1,800

710,69

2,00

1079,49

2,140

1420,32

2,550

2868,13

3383,31

1,580

417,96

1,810

714,64

2,02

1090,28

2,160

1433,60

2,570

2890,62

3432,34

1,590

420,60

1,830

722,53

2,03

1095,68

2,180

1446,87

2,590

2913,12

3481,38

1,610

425,89

1,840

726,48

2,05

1106,48

2,190

1453,51

2,610

2935,61

3530,41

1,620

428,54

1,860

734,38

32,06

1111,87

2,210

1466,78

2,630

2958,11

3579,44

1,630

431,18

1,870

738,33

2,08

1122,67

2,230

1480,06

2,650

2980,60

3628,48

1,640

433,83

1,880

742,28

2,09

1128,07

2,240

1486,69

2,670

3003,10

3677,51

1,660

439,12

1,900

750,17

2,11

1138,86

2,260

1499,97

2,690

3025,59

3726,55

1,670

441,76

1,910

754,12

2,12

1144,26

2,280

1513,24

2,710

3048,09

3775,58

1,680

444,41

1,920

758,07

2,14

1155,05

2,290

1519,88

2,730

3070,58

3824,61

1,690

447,05

1,940

765,96

2,15

1160,45

2,310

1533,15

2,750

3093,08

3873,65

1,700

449,70

1,950

769,91

2,17

1171,25

2,320

1539,79

2,770

3115,57

3922,68

1,710

452,35

1,960

773,86

2,18

1176,64

2,340

1553,06

2,790

3138,07

4020,75

1,740

460,28

1,990

785,71

2,22

1192,84

2,370

1572,97

2,820

3171,81

4118,81

1,760

465,57

2,020

795,55

2,24

1209,03

2,400

1592,88

2,860

3216,80

4216,88

1,780

470,86

2,040

805,45

2,27

1225,22

2,430

1612,80

2,900

3261,79

4314,95

1,810

478,80

2,070

817,29

2,30

1241,41

2,460

1632,71

2,930

3295,53

4413,01

1,830

484,09

2,090

825,19

2,33

1257,60

2,490

1652,62

2,970

3340,52

4511,08

1,850

489,38

2,120

837,03

2,35

1268,40

2,520

1672,53

3,000

3374,27

4609,15

1,870

494,67

2,140

844,93

2,38

1284,59

2,550

1692,44

 

 

4707,22

1,890

499,96

2,170

856,78

2,41

1300,78

2,580

1712,35

 

 

4805,28

1,910

505,25

2,190

864,67

2,43

1311,58

2,610

1732,26

 

 

4903,35

1,930

510,54

2,220

876,52

2,46

1327,77

2,640

1752,17

 

 

5001,42

1,960

518,48

2,240

884,41

2,49

1343,96

2,660

1765,45

 

 

5099,48

1,980

523,77

2,260

892,31

2,51

1354,76

2,690

1785,36

 

 

5197,55

2,000

529,06

2,290

904,15

2,54

1370,95

2,720

1805,27

 

 

5295,62

2,020

534,35

2,310

912,05

2,56

1381,75

2,750

1825,18

 

 

5393,68

2,040

539,64

2,330

919,95

2,59

1397,94

2,770

1838,45

 

 

5491,75

2,060

544,93

2,360

931,79

2,62

1414,13

2,800

1858,37

 

 

5589,82

2,080

550,22

2,380

939,69

2,64

1424,93

2,830

1878,28

 

 

5687,89

2,100

555,51

2,400

947,59

2,66

1435,72

2,850

1891,55

 

 

5785,95

2,120

560,80

2,420

955,48

2,69

1451,91

2,880

1911,46

 

 

5884,02

2,130

563,45

2,440

963,38

2,71

1462,71

2,910

1931,37

 

 

5982,09

2,150

568,74

2,470

975,22

2,74

1478,90

2,930

1944,65

 

 

6080,15

2,170

574,03

2,490

983,12

2,76

1489,69

2,960

1964,56

 

 

6178,22

2,190

579,32

2,510

991,02

2,79

1505,89

2,980

1977,83

 

 

6276,29

2,210

584,61

2,530

998,91

2,81

1516,68

3,000

1991,11

 

 

6374,35

2,230

589,90

2,550

1006,81

2,83

1527,48

 

 

 

 

6472,42

2,250

595,19

2,570

1014,71

2,86

1543,67

 

 

 

 

6570,49

2,270

600,48

2,590

1022,60

2,88

1554,46

 

 

 

 

6668,56

2,280

603,13

2,610

1030,50

2,90

1565,26

 

 

 

 

6766,62

2,300

608,42

2,630

1038,40

2,92

1576,05

 

 

 

 

6864,69

2,320

613,71

2,650

1046,29

2,95

1592,25

 

 

 

 

6962,76

2,340

619,00

2,680

1058,14

2,97

1603,04

 

 

 

 

7060,82

2,360

624,29

2,700

1066,03

2,99

1613,84

 

 

 

 

7158,90

2,370

626,93

2,720

1073,93

3,00

1619,23

 

 

 

 

7256,96

2,390

632,23

2,740

1081,83

 

 

 

 

 

 

7355,02

2,410

637,52

2,750

1085,77

 

 

 

 

 

 

7453,09

2,420

640,16

2,770

1093,67

 

 

 

 

 

 

7551,16

2,440

645,45

2,790

1101,57

 

 

 

 

 

 

7649,23

2,460

650,74

2,810

1109,46

 

 

 

 

 

 

7747,29

2,480

656,03

2,830

1117,36

 

 

 

 

 

 

7845,36

2,490

658,68

2,850

1125,26

 

 

 

 

 

 

ПРИЛОЖЕНИЕ В

СОЕДИНИТЕЛЬНЫЕ ДЕТАЛИ ДЛЯ МОНТАЖА СИСТЕМ

Таблица B.1 - Соединительные детали для монтажа систем из металлополимерных труб по ТУ 2248-001-29325094-97, ТУ 2248-004-07629379-97

№ п.п.

Наименование и эскиз детали

Размеры, дюйм, мм

1

Соединение с обжимной гайкой

1/2´1216

3/4´1620

1´2025

2

Соединение переходное с обжимной гайкой и обжимным кольцом

1/2´1014

3/4´1216

1´1620

3

Соединение с обжимной гайкой для терморегуляторов

M22´1,5/10-14

M22´1,5/12-16

M24´1,5/12-16

G3/4´10-14

G3/4´12-16

4

Гайка накидная латунная

1014´3/8

1216´1/2

1620´3/4

2025´1

5

Угольник Н

1/2

3/4

6

Угольник В

1/2

3/4

7

Угольник Н-В

1/2

3/4

1

8

Установочный угольник

1/2

9

Тройник Н

1/2

3/4

1

10

Тройник переходной Н

1´3/4´1

11

Тройник В

1/2

3/4

12

Тройник переходной H-B-H

3/4´1/2´3/4

13

Тройник плоский с креплением

1/2

14

Тройник угловой с креплением

1/2

15

Крестовина переходная

3/4´1/2

1´3/4

16

Ниппель Н

1/2

3/4

1

17

Ниппель переходной

1/2´3/4

3/4´1

18

Муфта

1/2

3/4

1

19

Переходник H-B

1/2

3/4

1

20

Переходник переходной H-B

1/2´3/4

3/4´1

21

Заглушка Н

1/2

3/4

1

22

Заглушка В

1/2

3/4

1

23

Распределитель

G1-2´1/2

24

Коллектор

R2

R3

R4

R5

R6

R7

R8

R9

R10

R11

R12

25

Фиксатор пластмассовый одинарный

10 - 14

12 - 16

16 - 20

20 - 25

26

Фиксатор пластмассовый двойной

20 - 25

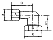
Таблица В.2 - Сортамент фитингов «МЕТАПОЛ», выпускаемых ТОО НПП «ВладВЭД»

п.п.

Наименование и эскиз детали

Размеры, мм, дюйм

А

Б

С

С1

a

б

1

Колено С

 

 

 

 

 

 

12

12

31,2

31,2

25

25

15

15

33,2

33,2

29

29

20

20

38

38

35

35

26

26

46,5

46,5

43

43

32

32

62

62

56

56

40

40

67

67

63,5

63,5

2

Колено с внутренней резьбой

 

 

 

 

 

 

12

1/2

31,2

22

25

26,8

15

1/2

33,2

24

29

26,8

20

1/2

38

23

35

26,8

20

3/4

38

23

35

31,7

20

1

40

24

35

37,8

26

1

46,5

30

43

37,8

32

5/4

62

37

56

50,8

40

3/2

67

48

63,5

58,5

3

Колено с внутренней резьбой удлиненное

 

 

 

 

 

 

12

1/2

31,2

37

25

26,8

15

1/2

33,2

42,0

29

26,8

4

Муфта

 

 

 

 

 

 

12

12

38,8

-

25

25

15

15

39,8

-

29

29

20

20

44,0

-

35

35

26

26

51,0

-

43

43

32

32

60,0

-

56

56

40

40

80,0

-

63,5

63,5

5

Муфта с внутренней резьбой

 

 

 

 

 

 

12

1/2

35,4

-

25

21,9

15

1/2

35,9

-

29

26,8

15

3/4

36,9

-

29

31,7

20

3/4

38,0

-

35

31,7

20

1

43,5

-

35

37,8

26

1

47,5

-

43

37,8

32

5/4

57,5

-

56

50,8

40

3/2

77,0

-

63,5

58,5

6

Муфта с наружной резьбой

 

 

 

 

 

 

12

1/2

37,5

-

25

21,9

15

1/2

38

-

29

26,8

15

3/4

39,5

-

29

31,7

20

3/4

40,5

-

35

31,7

20

1

44,5

-

35

37,8

26

1

47,5

-

43

37,8

32

5/4

53,5

-

56

50,8

40

3/2

68,5

-

63,5

58,5

7

Заглушка

 

 

 

 

 

 

12

-

25,5

-

25

21,9

15

-

26,0

-

29

26,8

20

-

27,0

-

35

31,7

8

Муфта-переходник

 

 

 

 

 

 

12

15

40,8

-

25

29

20

15

42,4

-

35

29

26

15

44,0

-

43

29

26

20

46,0

-

43

35

32

20

49,0

-

56

35

32

26

55,0

-

56

43

40

15

57,0

-

63,5

29

40

20

71,0

-

63,5

35

40

26

75,0

-

63,5

43

40

32

77,0

-

63,5

56

Окончание таблицы В.2

№ п.п.

Наименование и эскиз детали

Размеры, мм, дюйм

А

Б

В

С

С1

а

б

в

9

Тройник

12

12

12

62,4

31,2

25

25

25

15

15

15

66,5

33,25

29

29

29

20

20

20

76,0

38,0

35

35

35

26

26

26

90,0

45,0

43

43

43

32

32

32

125,0

62,5

56

56

56

40

40

40

145

72,0

63,5

63,5

63,5

12

12

15

65,0

31,0

25

25

29

15

15

12

62,0

32,5

29

29

25

15

15

20

74,0

35,0

29

29

35

20

15

15

70,0

37,0

35

29

29

20

20

12

70,0

35,0

35

35

25

20

20

15

70,0

35,0

35

35

29

26

26

15

76,5

43,0

43

43

29

26

26

20

81,0

43,0

43

43

35

32

32

20

100,5

50,5

56

56

35

32

32

26

108,0

56,0

56

56

43

40

40

32

130,0

65,0

63,5

63,5

56

10

Тройник с внутренней резьбой

12

12

1/2

62,4

22

25

25

-

15

15

1/2

64

21

29

29

-

15

15

1/2

64

31

29

29

-

20

20

3/4

80

24

35

35

-

20

20

1

88

29

35

35

-

26

26

1

93

31,5

43

43

-

40

40

1/2

110

38

63,5

63,5

-

40

40

3/4

120

43

63,5

63,5

-

40

40

1

125

50

63,5

63,5

-

40

40

5/4

130

60

63,5

63,5

-

40

40

3/2

140

70

63,5

63,5

-

Примечания

1 Фитинги для труб внутренним диаметром больше 32 мм могут быть выполнены из чугуна, покрытого тефлоном.

2 Сортамент фитингов для труб внутренним диаметром больше 40 мм следует уточнить в ТОО НПП «ВладВЭД».

ПРИЛОЖЕНИЕ Г

СПЕЦИАЛЬНЫЕ СОЕДИНИТЕЛЬНЫЕ ДЕТАЛИ

Таблица Г.1 - Сортамент соединительных деталей для металлополимерных труб по ТУ 2248-004-07629379-97

В миллиметрах

№ п.п.

Наименование и эскиз детали

dн

D

L

Масса, г

Назначение

1

Соединение штуцерное с накидной гайкой и обжимной втулкой

16

G1/2-B

42

60

Применяется в напорных системах с температурой воды до 90 °С и давлением до 1 МПа для присоединения к арматуре с наружной резьбой, к отопительным приборам

2

Соединение штуцерное с наружной резьбой и обжимной втулкой

16

G1/2-B

43

48

То же, для присоединения к муфтовой арматуре и стандартным фасонным частям с трубной резьбой

Ключевые слова: система отопления, металлополимерные трубы, проектирование, монтаж

 




ГОСТЫ, СТРОИТЕЛЬНЫЕ и ТЕХНИЧЕСКИЕ НОРМАТИВЫ.
Некоммерческая онлайн система, содержащая все Российские Госты, национальные Стандарты и нормативы.
В Системе содержится более 150000 файлов нормативно-технической документации, действующей на территории РФ.
Система предназначена для широкого круга инженерно-технических специалистов.

Рейтинг@Mail.ru Яндекс цитирования

Copyright © www.gostrf.com, 2008 - 2026