|
|
БОЛТЫ ВЫСОКОПРОЧНЫЕ С ШЕСТИГРАННОЙ Технические условия ISO 7411:1984 Hexagon bolts for high-strength structural
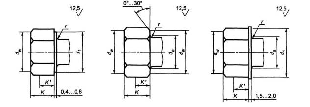
Предисловие Цели и принципы стандартизации в Российской Федерации установлены Федеральным законом от 27 декабря 2002 г. № 184-ФЗ «О техническом регулировании», а правила применения национальных стандартов Российской Федерации - ГОСТ Р 1.0-2004 «Стандартизация в Российской Федерации. Основные положения» Сведения о стандарте 1 ПОДГОТОВЛЕН рабочей группой в составе Общества с ограниченной ответственностью «Научно-производственный центр мостов» (ООО «НПЦ мостов») и Закрытого акционерного общества «Центральный научно-исследовательский и проектный институт строительных металлоконструкций им. Н.П. Мельникова (ЗАО «ЦНИИ ПСК им. Н.П. Мельникова») на основе собственного аутентичного перевода стандарта, указанного в пункте 4 2 ВНЕСЕН Техническим комитетом по стандартизации ТК 229 «Крепежные изделия» 3 УТВЕРЖДЕН И ВВЕДЕН В ДЕЙСТВИЕ Приказом Федерального агентства по техническому регулированию и метрологии от 27 декабря 2006 г. № 409-ст 4 Настоящий стандарт является модифицированным по отношению к международному стандарту ИСО7411:1984 «Болты с шестигранной головкой для высокопрочных конструкционных болтовых соединений с широкими гранями (длины резьб в соответствии с ИСО 888). Класс точности С. Классы прочности 8.8 и 10.9» (ISO 7411:1984 «Hexagon bolts for high-strength structural bolting with large width across flats (thread lengths according to ISO 888) - Product grade С - Property classes 8.8 and 10.9») путем внесения технических отклонений, объяснение которых приведено во введении к настоящему стандарту. Наименование настоящего стандарта изменено относительно наименования указанного международного стандарта для приведения в соответствие с ГОСТ Р 1.5-2004 (подраздел 3.5) 5 ВВЕДЕН ВПЕРВЫЕ Информация об изменениях к настоящему стандарту публикуется в ежегодно издаваемом указателе «Национальные стандарты», а текст изменений и поправок - в ежемесячно издаваемых информационных указателях «Национальные стандарты». В случае пересмотра (замены) или отмены настоящего стандарта соответствующее уведомление будет опубликовано в ежемесячно издаваемом информационном указателе «Национальные стандарты». Соответствующая информация, уведомление и тексты размещаются также в информационной системе общего пользования - на официальном сайте Федерального агентства по техническому регулированию и метрологии в сети Интернет Содержание В настоящий стандарт включены следующие дополнительные по отношению к требованиям международного стандарта ИСО 7411:1984 требования, отражающие потребности национальной экономики Российской Федерации и особенности изложения национальных стандартов Российской Федерации (в соответствии с ГОСТ Р 1.5-2004), а именно приведены: - нормативные ссылки на национальные стандарты; - размеры болтов М42 и М48; - варианты конструктивного исполнения тела и головки болта; - длина резьбы болтов; - требования к толщине покрытия болтов; - пример условного обозначения болтов различного конструктивного исполнения тела и головки; - требования к значению коэффициента закручивания; - теоретическая масса болтов различного конструктивного исполнения тела и головки. Из стандарта исключены размеры болтов М12. В стандарт не включены приложения А и В ИСО 7411:1984. Указанные дополнительные требования включены в разделы 1, 2, 3, 4, 5, 6, 7 и приложения А и Б настоящего стандарта на основании требований ГОСТ Р 1.5 к содержанию стандартов на продукцию, при этом модифицированные разделы выделены вертикальной полужирной линией, расположенной слева от измененного текста, замененный текст приведен в приложении В, а текст, не включенный в стандарт, приведен в приложении Г. НАЦИОНАЛЬНЫЙ СТАНДАРТ РОССИЙСКОЙ ФЕДЕРАЦИИБОЛТЫ ВЫСОКОПРОЧНЫЕ С ШЕСТИГРАННОЙ ГОЛОВКОЙ С УВЕЛИЧЕННЫМ РАЗМЕРОМ ПОД КЛЮЧ ДЛЯ МЕТАЛЛИЧЕСКИХ КОНСТРУКЦИЙ Технические условия Hexagon bolts for high-strength structural bolting with large width across flats. Specifications Дата введения - 2008-01-01 1 Область примененияНастоящий стандарт распространяется на высокопрочные болты с шестигранной головкой суве-личенным размером под ключ (далее - болты), предназначенные для использования в металлических конструкциях, применяемых в строительстве и машиностроении и эксплуатируемые в макроклиматических районах с умеренным (У) и холодным (ХЛ) климатом категории размещения 1 по ГОСТ 15150. 2 Нормативные ссылкиВ настоящем стандарте использованы нормативные ссылки на следующие стандарты: ГОСТ Р 9.316-2006 Единая система защиты от коррозии и старения. Покрытия термодиффузионные цинковые. Общие требования и методы контроля ГОСТ Р 52627-2006 (ИСО 898-1:1999) Болты, винты и шпильки. Механические свойства и методы испытаний ГОСТ Р 52643-2006 Болты и гайки высокопрочные и шайбы для металлических конструкций. Общие технические условия ГОСТ Р 52645-2006 (ИСО 4775:1984) Гайки высокопрочные шестигранные с увеличенным размером под ключ для металлических конструкций. Технические условия ГОСТ Р 52646-2006 (ИСО 7415:1984) Шайбы к высокопрочным болтам для металлических конструкций. Технические условия ГОСТ 9.306-85 Единая система защиты от коррозии и старения. Покрытия металлические и неметаллические неорганические. Обозначения ГОСТ 1759.0-87 Болты, винты, шпильки и гайки. Технические условия ГОСТ 1759.1-82 Болты, винты, шпильки, гайки и шурупы. Допуски. Методы контроля размеров и отклонений формы и расположения поверхностей ГОСТ 1759.2-82 Болты, винты и шпильки. Дефекты поверхности и методы контроля ГОСТ 12414-94 (ИСО 4753-83) Концы болтов, винтов и шпилек. Размеры ГОСТ 15150-69 Машины, приборы и другие технические изделия. Исполнения для различных климатических районов. Категории, условия эксплуатации, хранения и транспортирования в части воздействия климатических факторов внешней среды ГОСТ 16093-2004 (ИСО 965-1:1998, ИСО 965-3:1998) Основные нормы взаимозаменяемости. Резьба метрическая. Допуски. Посадки с зазором ГОСТ 19256-73 Стержни под накатывание метрической резьбы. Диаметры ГОСТ 24705-2004 (ИСО 724:1993) Основные нормы взаимозаменяемости. Резьба метрическая. Основные размеры ГОСТ 27148-86 Изделия крепежные. Выход резьбы. Сбеги, недорезы и проточки. Размеры Примечание - При пользовании настоящим стандартом целесообразно проверить действие ссылочных стандартов в информационной системе общего пользования - на официальном сайте Федерального агентства по техническому регулированию и метрологии в сети Интернет или по ежегодно издаваемому указателю «Национальные стандарты», который опубликован по состоянию на 1 января текущего года, и по соответствующим ежемесячно издаваемым информационным указателям, опубликованным в текущем году. Если ссылочный стандарт заменен (изменен), то при пользовании настоящим стандартом следует руководствоваться заменяющим (измененным) стандартом. Если ссылочный стандарт отменен без замены, то положение, в котором дана ссылка на него, применяется в части, не затрагивающей эту ссылку. 3 Конструкция и размерыКонструкция и размеры болтов должны соответствовать указанным на рисунке 1 и в таблице 1 (исполнение 1).
Рисунок 1 Допускается изготовлять тело болта в конструктивном исполнении 2 согласно приложению А. Вариант конструктивного исполнения болтов выбирает потребитель. Головки болтов изготовляют в конструктивном исполнении 1 (основное исполнение) согласно рисунку 1 или в конструктивных исполнениях 2, 3 и 4 согласно приложению А. Вариант конструктивного исполнения головки определяет изготовитель. Размеры болтов с различным видом исполнения тела и головки должны соответствовать указанным в таблице 1 и в приложении А. Таблица 1 - Общие размеры В миллиметрах
Окончание таблицы 1 В миллиметрах
Болты могут быть изготовлены без покрытий или с покрытиями по ГОСТ Р 9.316 и ГОСТ 9.306. Предельная рекомендуемая толщина покрытий приведена в таблице 2. Таблица 2 - Предельная толщина покрытия
Теоретическая масса болтов приведена в приложении Б.4 Технические требования 4 Технические требованияТаблица 3 - Технические требования
5 Обеспечение затяжки болтов на заданное усилиеДля обеспечения затяжки болтового соединения на заданное усилие изготовитель должен гарантировать стабильный уровень качества поверхности резьбы, который характеризуется коэффициентом закручивания, зависящим от согласованного с потребителем вида покрытия и смазки, нанесенных на резьбу болта и/или гайки. Болты считают годными к применению, если диапазон значений коэффициента закручивания резьбового соединения - болта и гайки составляет: - для крепежных изделий с нормальным покрытием и смазкой в соответствии с ГОСТ Р 52643: 0,14-0,20; - для крепежных изделий с произвольным покрытием: 0,11-0,20. Порядок и методика проведения испытаний по определению коэффициента закручивания изложены в ГОСТ Р 52643. 6 ОбозначениеОбозначение болтов выполняют в соответствии с ГОСТ 1759.0. За наименованием изделия указывают варианты конструктивного исполнения тела и головки болта, типоразмер, класс прочности, климатическое исполнение, вид и толщину покрытия, обозначение настоящего стандарта. В условном обозначении болтов не указывают: - вариант конструктивного исполнения тела болта 1; - вариант конструктивного исполнения головки болта 1; - климатическое исполнение У; - отсутствие покрытия. Примеры Болт с шестигранной головкой с увеличенным размером под ключ с диаметром резьбы d = 24 мм, длиной I = 100 мм, конструктивного исполнения тела болта 1, конструктивного исполнения головки 1, класса прочности 10.9, климатического исполнения ХЛ: Болт М24 × 10010.9ХЛ ГОСТ Р 52644-2006 Болт с шестигранной головкой с увеличенным размером под ключ с диаметром резьбы d- 30 мм, длиной I = 100 мм, конструктивного исполнения тела болта 1, конструктивного исполнения головки 3, класса прочности 10.9, климатического исполнения У, с термодиффузионным цинковым покрытием (ТД) по ГОСТ Р 9.316 толщиной 10 мкм: Болт 1.3 МЗО × 10010.9 ТД10 ГОСТ Р 52644-2006 Болт с шестигранной головкой с увеличенным размером под ключ с диаметром резьбы d = 22 мм, длиной 1-75 мм, конструктивного исполнения тела болта 2, конструктивного исполнения головки 1, класса прочности 10.9, климатического исполнения У, с химическим фосфатным покрытием по ГОСТ 9.306 толщиной 10-15 мкм: Болт 2.1 № 122 × 7510.9 хим. фос 10-15 ГОСТ Р 52644-2006 7 МаркировкаМаркировку высокопрочных конструкционных болтов выполняют выпуклой или вдавленной на верхней поверхности головки болта. Маркировка включает в себя: - обозначение класса прочности; - букву S для обозначения высокопрочного болта с шестигранной головкой с увеличенным размером под ключ; - идентификационную маркировку изготовителя. В маркировке дополнительно должны быть указаны: - условный номер плавки; - буквы ХЛ для болтов климатического исполнения ХЛ. При специальном обосновании допускается: - указывать взамен класса прочности группу материала в виде значения наименьшего временного сопротивления в ньютонах на квадратный миллиметр, соответствующего данному классу прочности, деленного на 9,81; - не указывать условный номер плавки; - не указывать букву S для обозначения высокопрочного болта с шестигранной головкой с увеличенным размером под ключ. Приложение
А
|
|||||||||||||||||||||||||||||||||||||||||||||||||||||||||||||||||||||||||||||||||||||||||||||||||||||||||||||||||||||||||||||||||||||||||||||||||||||||||||||||||||||||||||||||||||||||||||||||||||||||||||||||||||||||||||||||||||||||||||||||||||||||||||||||||||||||||||||||||||||||||||||||||||||||||||||||||||||||||||||||||||||||||||||||||||||||||||||||||||||||||||||||||||||||||||||||||||||||||||||||||||||||||||||||||||||||||||||||||||||||||||||||||||||||||||||||||||||||||||||||||||||||||||||||||||||||||||||||||||||||||||||||||||||||||||||||||||||||||||||||||||||||||||||||||||||||||||||||||||||||||||||||||||||||||||||||||||||||||||||||||||||||||||||||||||||||||||||||||||||||||||||||||||||||||||||||||||||||||||||||||||||||||||||||||||||||||||||||||||||||||||||||||||||||||||||||||||||||||||||||||||||||||||||||||||||||||||||||||||||||||||||||||||||||||||||||||||||||||||||||||||||||||||||||||||||||||||||||||||||||||||||||||||||||||||||||||||||||||||||||||||||||||||||||||||||||||||||||||||||||
|
Исполнение 2 |
Исполнение 3 |
Исполнение 4 |

dw ≥ 0,95S
d0 ≤ d + 2r
d1 = (0,95…1,05)S
K' = 0,65K
Рисунок А.2 - Конструктивное исполнение головки болта
Таблица Б.1 - Конструктивное исполнение тела болта - 1, головки - 1
|
Длина болта l, мм |
Теоретическая масса 1000 шт. болтов, кг, при номинальном диаметре резьбы d, мм |
|||||||||
|
16 |
(18) |
20 |
(22) |
24 |
(27) |
30 |
36 |
42 |
48 |
|
|
40 |
111 |
- |
- |
- |
- |
- |
- |
- |
- |
- |
|
45 |
118 |
151 |
- |
- |
- |
- |
- |
- |
- |
- |
|
50 |
126 |
161 |
198 |
- |
- |
- |
- |
- |
- |
- |
|
55 |
134 |
171 |
211 |
267 |
- |
- |
- |
- |
- |
- |
|
60 |
141 |
180 |
223 |
282 |
367 |
- |
- |
- |
- |
- |
|
65 |
149 |
190 |
235 |
297 |
386 |
- |
- |
- |
- |
- |
|
70 |
157 |
200 |
247 |
312 |
404 |
538 |
- |
- |
- |
- |
|
75 |
164 |
210 |
259 |
326 |
421 |
560 |
621 |
- |
- |
- |
|
80 |
172 |
219 |
271 |
341 |
438 |
582 |
648 |
- |
- |
- |
|
85 |
180 |
229 |
283 |
355 |
456 |
604 |
676 |
- |
- |
- |
|
90 |
188 |
239 |
295 |
370 |
473 |
627 |
703 |
1081 |
- |
- |
|
(95) |
195 |
249 |
307 |
384 |
491 |
649 |
730 |
1120 |
- |
- |
|
100 |
203 |
258 |
319 |
399 |
508 |
671 |
758 |
1159 |
- |
- |
|
(105) |
210 |
268 |
331 |
414 |
525 |
693 |
785 |
1199 |
1723 |
- |
|
110 |
218 |
278 |
343 |
428 |
543 |
715 |
812 |
1238 |
1776 |
- |
|
(115) |
226 |
288 |
355 |
443 |
560 |
737 |
839 |
1277 |
1830 |
- |
|
120 |
233 |
297 |
367 |
457 |
578 |
759 |
867 |
1316 |
1884 |
2462 |
|
(125) |
241 |
307 |
379 |
472 |
595 |
781 |
894 |
1356 |
1937 |
2532 |
|
130 |
249 |
317 |
391 |
487 |
612 |
803 |
921 |
1395 |
1991 |
2602 |
|
140 |
264 |
336 |
415 |
516 |
646 |
847 |
976 |
1474 |
2098 |
2743 |
|
150 |
279 |
356 |
439 |
545 |
682 |
891 |
1030 |
1552 |
2205 |
2883 |
|
160 |
293 |
373 |
461 |
572 |
714 |
932 |
1080 |
1625 |
2304 |
3004 |
|
170 |
309 |
393 |
485 |
601 |
748 |
976 |
1135 |
1703 |
2412 |
3145 |
|
180 |
324 |
412 |
509 |
630 |
783 |
1020 |
1189 |
1782 |
2519 |
3285 |
|
190 |
340 |
432 |
533 |
659 |
818 |
1064 |
1244 |
1860 |
2626 |
3425 |
|
200 |
355 |
451 |
557 |
688 |
853 |
1108 |
1299 |
1939 |
2733 |
3566 |
|
220 |
386 |
490 |
605 |
747 |
922 |
1196 |
1408 |
2096 |
2948 |
3846 |
|
240 |
416 |
529 |
654 |
805 |
992 |
1285 |
1517 |
2253 |
3162 |
4127 |
|
260 |
447 |
568 |
702 |
863 |
1061 |
1303 |
1626 |
2410 |
3377 |
4408 |
|
280 |
478 |
607 |
750 |
922 |
1131 |
1461 |
1735 |
2568 |
3591 |
4688 |
|
300 |
509 |
646 |
798 |
980 |
1200 |
1549 |
1844 |
2725 |
3806 |
4969 |
Примечание - Указанный в таблицах Б.1-Б.6 номинальный диаметр резьбы, заключенный в скобки, применяют при соответствующем обосновании.
Таблица Б.2 - Конструктивное исполнение тела болта - 1, головки - 2
|
Длина болта l, мм |
Теоретическая масса 1000 шт. болтов, кг, при номинальном диаметре резьбы d, мм |
|||||||||
|
16 |
(18) |
20 |
(22) |
24 |
(27) |
30 |
36 |
42 |
48 |
|
|
40 |
112 |
- |
- |
- |
- |
- |
- |
- |
- |
- |
|
45 |
119 |
152 |
- |
- |
- |
- |
- |
- |
- |
- |
|
50 |
127 |
162 |
199 |
- |
- |
- |
- |
- |
- |
- |
|
55 |
135 |
172 |
212 |
269 |
- |
- |
- |
- |
- |
- |
|
60 |
142 |
181 |
224 |
284 |
369 |
- |
- |
- |
- |
- |
|
65 |
150 |
191 |
236 |
299 |
388 |
- |
- |
- |
- |
- |
|
70 |
158 |
201 |
248 |
314 |
406 |
541 |
- |
- |
- |
- |
|
75 |
165 |
211 |
260 |
328 |
423 |
563 |
623 |
|
|
|
Окончание таблицы Б.2
|
Длина болта l, мм |
Теоретическая масса 1000 шт. болтов, кг, при номинальном диаметре резьбы d, мм |
|||||||||
|
16 |
(18) |
20 |
(22) |
24 |
(27) |
30 |
36 |
42 |
48 |
|
|
80 |
173 |
220 |
272 |
343 |
440 |
585 |
650 |
- |
- |
- |
|
85 |
181 |
230 |
284 |
357 |
458 |
607 |
678 |
- |
- |
- |
|
90 |
189 |
240 |
296 |
372 |
475 |
630 |
705 |
1084 |
- |
- |
|
(95) |
196 |
250 |
308 |
386 |
493 |
652 |
732 |
1123 |
- |
- |
|
100 |
204 |
259 |
320 |
401 |
510 |
674 |
760 |
1162 |
- |
- |
|
(105) |
211 |
269 |
332 |
416 |
527 |
696 |
787 |
1202 |
1728 |
- |
|
110 |
219 |
279 |
344 |
430 |
545 |
718 |
814 |
1241 |
1781 |
- |
|
(115) |
227 |
289 |
356 |
445 |
562 |
740 |
841 |
1280 |
1835 |
- |
|
120 |
234 |
298 |
368 |
459 |
580 |
762 |
869 |
1319 |
1889 |
2468 |
|
(125) |
242 |
308 |
380 |
474 |
597 |
784 |
896 |
1359 |
1942 |
2538 |
|
130 |
250 |
318 |
392 |
489 |
614 |
806 |
923 |
1398 |
1996 |
2608 |
|
140 |
265 |
337 |
416 |
518 |
648 |
850 |
978 |
1477 |
2103 |
2749 |
|
150 |
280 |
357 |
440 |
547 |
684 |
894 |
1032 |
1555 |
2210 |
2889 |
|
160 |
294 |
374 |
462 |
574 |
716 |
935 |
1082 |
1628 |
2309 |
ЗОЮ |
|
170 |
310 |
394 |
486 |
603 |
750 |
979 |
1137 |
1706 |
2417 |
3151 |
|
180 |
325 |
413 |
510 |
632 |
785 |
1023 |
1191 |
1785 |
2524 |
3291 |
|
190 |
341 |
433 |
534 |
661 |
820 |
1067 |
1246 |
1863 |
2631 |
3431 |
|
200 |
356 |
452 |
558 |
690 |
855 |
1111 |
1301 |
1942 |
2738 |
3572 |
|
220 |
387 |
491 |
606 |
749 |
924 |
1199 |
1410 |
2099 |
2953 |
3852 |
|
240 |
417 |
530 |
655 |
807 |
994 |
1288 |
1519 |
2256 |
3167 |
4133 |
|
260 |
448 |
569 |
703 |
865 |
1063 |
1306 |
1628 |
2413 |
3382 |
4414 |
|
280 |
479 |
608 |
751 |
924 |
1133 |
1464 |
1737 |
2571 |
3596 |
4694 |
|
300 |
510 |
647 |
799 |
982 |
1202 |
1552 |
1846 |
2729 |
3811 |
4975 |
Таблица Б.3 - Конструктивное исполнение тела болта - 1, головки - 3
|
Длина болта l, мм |
Теоретическая масса 1000 шт. болтов, кг, при номинальном диаметре резьбы с/, мм |
|||||||||
|
16 |
(18) |
20 |
(22) |
24 |
(27) |
30 |
36 |
42 |
48 |
|
|
40 |
116 |
- |
- |
- |
- |
- |
- |
- |
- |
- |
|
45 |
123 |
157 |
- |
- |
- |
- |
- |
- |
- |
- |
|
50 |
131 |
167 |
204 |
- |
- |
- |
- |
- |
- |
- |
|
55 |
139 |
177 |
217 |
275 |
- |
- |
- |
- |
- |
- |
|
60 |
146 |
186 |
229 |
290 |
377 |
- |
- |
- |
- |
- |
|
65 |
154 |
196 |
241 |
305 |
396 |
- |
- |
- |
- |
- |
|
70 |
162 |
206 |
253 |
320 |
414 |
551 |
- |
- |
- |
- |
|
75 |
169 |
216 |
265 |
334 |
431 |
573 |
633 |
- |
- |
- |
|
80 |
177 |
225 |
277 |
349 |
448 |
595 |
660 |
- |
- |
- |
|
85 |
185 |
235 |
289 |
363 |
466 |
617 |
688 |
- |
- |
- |
|
90 |
193 |
245 |
301 |
378 |
483 |
640 |
715 |
1098 |
- |
- |
|
(95) |
200 |
255 |
313 |
392 |
501 |
662 |
742 |
1137 |
- |
- |
|
100 |
208 |
264 |
325 |
407 |
518 |
684 |
770 |
1176 |
- |
- |
|
(105) |
215 |
274 |
337 |
422 |
535 |
706 |
797 |
1216 |
1747 |
- |
|
110 |
223 |
284 |
349 |
436 |
553 |
728 |
824 |
1255 |
1800 |
- |
|
(115) |
231 |
294 |
361 |
451 |
570 |
750 |
851 |
1294 |
1854 |
- |
|
120 |
238 |
303 |
373 |
465 |
588 |
772 |
879 |
1333 |
1908 |
2495 |
|
(125) |
246 |
313 |
385 |
480 |
605 |
794 |
906 |
1373 |
1961 |
2565 |
|
130 |
254 |
323 |
397 |
495 |
622 |
816 |
933 |
1412 |
2015 |
2635 |
|
140 |
269 |
342 |
421 |
524 |
656 |
860 |
988 |
1491 |
2122 |
2776 |
|
150 |
284 |
362 |
445 |
553 |
692 |
904 |
1042 |
1569 |
2229 |
2916 |
|
160 |
298 |
379 |
467 |
580 |
724 |
945 |
1092 |
1642 |
2328 |
3037 |
|
170 |
314 |
399 |
491 |
609 |
758 |
989 |
1147 |
1720 |
2436 |
3178 |
|
180 |
329 |
418 |
515 |
638 |
793 |
1033 |
1201 |
1799 |
2543 |
3318 |
|
190 |
345 |
438 |
539 |
667 |
828 |
1077 |
1256 |
1877 |
2650 |
3458 |
|
200 |
360 |
457 |
563 |
696 |
863 |
1121 |
1311 |
1956 |
2757 |
3599 |
|
220 |
391 |
496 |
611 |
755 |
932 |
1209 |
1420 |
2113 |
2972 |
3879 |
|
240 |
421 |
535 |
660 |
813 |
1002 |
1298 |
1529 |
2270 |
3186 |
4160 |
|
260 |
452 |
574 |
708 |
871 |
1071 |
1316 |
1638 |
2427 |
3401 |
4441 |
|
280 |
483 |
613 |
756 |
930 |
1141 |
1474 |
1747 |
2585 |
3615 |
4721 |
|
300 |
514 |
652 |
804 |
988 |
1210 |
1562 |
1856 |
2742 |
3830 |
5002 |
Таблица Б.4 - Конструктивное исполнение тела болта - 2, головки - 1
|
Длина болта l, мм |
Теоретическая масса 1000 шт. болтов, кг, при номинальном диаметре резьбы d, мм |
|||||||||
|
16 |
(18) |
20 |
(22) |
24 |
(27) |
30 |
36 |
42 |
48 |
|
|
40 |
- |
- |
- |
- |
- |
- |
- |
- |
- |
- |
|
45 |
- |
- |
- |
- |
- |
- |
- |
- |
- |
- |
|
50 |
- |
- |
- |
- |
- |
- |
- |
- |
- |
- |
|
55 |
133 |
- |
- |
- |
- |
- |
- |
- |
- |
- |
|
60 |
139 |
178 |
- |
- |
- |
- |
- |
- |
- |
- |
|
65 |
147 |
188 |
233 |
- |
- |
- |
- |
- |
- |
- |
|
70 |
154 |
197 |
244 |
310 |
- |
- |
- |
- |
- |
- |
|
75 |
160 |
206 |
255 |
323 |
- |
- |
- |
- |
- |
- |
|
80 |
168 |
214 |
266 |
337 |
434 |
- |
- |
- |
- |
- |
|
85 |
175 |
223 |
277 |
350 |
451 |
- |
- |
- |
- |
- |
|
90 |
183 |
232 |
288 |
364 |
466 |
622 |
- |
- |
- |
- |
|
(95) |
189 |
241 |
300 |
377 |
483 |
642 |
- |
- |
- |
- |
|
100 |
196 |
250 |
311 |
391 |
499 |
663 |
750 |
- |
- |
- |
|
(105) |
203 |
259 |
322 |
405 |
514 |
683 |
775 |
- |
- |
- |
|
110 |
210 |
268 |
333 |
418 |
531 |
704 |
800 |
1225 |
- |
- |
|
(115) |
218 |
277 |
344 |
432 |
546 |
724 |
825 |
1259 |
1827 |
- |
|
120 |
224 |
285 |
355 |
444 |
563 |
745 |
851 |
1293 |
1876 |
2468 |
|
(125) |
231 |
294 |
366 |
458 |
579 |
765 |
876 |
1328 |
1924 |
2533 |
|
130 |
239 |
303 |
377 |
472 |
594 |
785 |
901 |
1362 |
1973 |
2598 |
|
140 |
252 |
321 |
399 |
499 |
626 |
826 |
952 |
1431 |
2070 |
2730 |
|
150 |
266 |
339 |
421 |
526 |
659 |
867 |
1002 |
1499 |
2167 |
2861 |
|
160 |
280 |
355 |
442 |
552 |
690 |
907 |
1050 |
1568 |
2262 |
2978 |
|
170 |
294 |
374 |
464 |
579 |
721 |
948 |
1101 |
1636 |
2360 |
3110 |
|
180 |
308 |
391 |
486 |
606 |
753 |
989 |
1151 |
1705 |
2457 |
3240 |
|
190 |
323 |
409 |
508 |
633 |
785 |
1030 |
1202 |
1773 |
2554 |
3371 |
|
200 |
337 |
426 |
530 |
660 |
818 |
1070 |
1253 |
1842 |
2651 |
3503 |
|
220 |
365 |
462 |
575 |
715 |
881 |
1152 |
1354 |
1979 |
2846 |
3764 |
|
240 |
393 |
498 |
620 |
768 |
946 |
1235 |
1455 |
2116 |
3040 |
4027 |
|
260 |
421 |
533 |
664 |
822 |
1009 |
1247 |
1556 |
2253 |
3235 |
4289 |
|
280 |
450 |
569 |
708 |
877 |
1073 |
1398 |
1657 |
2391 |
3429 |
4551 |
|
300 |
479 |
604 |
752 |
931 |
1137 |
1480 |
1758 |
2528 |
3624 |
4813 |
Таблица Б.5 - Конструктивное исполнение тела болта - 2, головки - 2
|
Длина болта l, мм |
Теоретическая масса 1000 шт. болтов, кг, при номинальном диаметре резьбы d, мм |
|||||||||
|
16 |
(18) |
20 |
(22) |
24 |
(27) |
30 |
36 |
42 |
48 |
|
|
40 |
- |
- |
- |
- |
- |
- |
- |
- |
- |
- |
|
45 |
- |
- |
- |
- |
- |
- |
- |
- |
- |
- |
|
50 |
- |
- |
- |
- |
- |
- |
- |
- |
- |
- |
|
55 |
134 |
- |
- |
- |
- |
- |
- |
- |
- |
- |
|
60 |
140 |
180 |
- |
- |
- |
- |
- |
- |
- |
- |
|
65 |
148 |
189 |
234 |
- |
- |
- |
- |
- |
- |
- |
|
70 |
155 |
198 |
245 |
312 |
- |
- |
- |
- |
- |
- |
|
75 |
161 |
207 |
257 |
325 |
- |
- |
- |
- |
- |
- |
|
80 |
169 |
215 |
268 |
338 |
436 |
- |
- |
- |
- |
- |
|
85 |
176 |
224 |
279 |
351 |
453 |
- |
- |
- |
- |
- |
|
90 |
183 |
233 |
290 |
365 |
468 |
625 |
- |
- |
- |
- |
|
(95) |
190 |
242 |
301 |
378 |
485 |
645 |
- |
- |
- |
- |
|
100 |
197 |
251 |
312 |
392 |
501 |
665 |
753 |
- |
- |
- |
|
(105) |
204 |
260 |
323 |
406 |
516 |
686 |
778 |
- |
- |
- |
|
110 |
211 |
269 |
334 |
419 |
533 |
706 |
803 |
1228 |
- |
- |
|
(115) |
218 |
278 |
345 |
433 |
548 |
727 |
827 |
1262 |
1831 |
- |
|
120 |
225 |
286 |
356 |
446 |
565 |
747 |
853 |
1296 |
1880 |
2474 |
|
(125) |
232 |
295 |
367 |
460 |
581 |
768 |
878 |
1331 |
1928 |
2539 |
|
130 |
240 |
304 |
378 |
474 |
596 |
788 |
903 |
1365 |
1977 |
2604 |
|
140 |
253 |
322 |
400 |
501 |
628 |
829 |
954 |
1434 |
2074 |
2736 |
|
150 |
267 |
340 |
422 |
528 |
661 |
870 |
1004 |
1502 |
2171 |
2867 |
|
160 |
281 |
356 |
443 |
554 |
692 |
910 |
1053 |
1571 |
2266 |
2984 |
Окончание таблицы Б.5
|
Длина болта l, мм |
Теоретическая масса 1000 шт. болтов, кг, при номинальном диаметре резьбы d, мм |
|||||||||
|
16 |
(18) |
20 |
(22) |
24 |
(27) |
30 |
36 |
42 |
48 |
|
|
170 |
295 |
375 |
465 |
581 |
723 |
950 |
1104 |
1639 |
2364 |
3116 |
|
180 |
309 |
392 |
487 |
608 |
755 |
991 |
1154 |
1708 |
2461 |
3247 |
|
190 |
324 |
410 |
510 |
634 |
787 |
1032 |
1205 |
1776 |
2558 |
3377 |
|
200 |
338 |
427 |
532 |
661 |
820 |
1073 |
1256 |
1845 |
2655 |
3509 |
|
220 |
366 |
463 |
576 |
716 |
883 |
1155 |
1356 |
1982 |
2850 |
3770 |
|
240 |
394 |
499 |
621 |
770 |
948 |
1238 |
1457 |
2119 |
3044 |
4033 |
|
260 |
422 |
534 |
665 |
824 |
1011 |
1249 |
1558 |
2256 |
3239 |
4295 |
|
280 |
451 |
570 |
709 |
878 |
1075 |
1401 |
1659 |
2394 |
3433 |
4557 |
|
300 |
479 |
605 |
753 |
932 |
1139 |
1483 |
1760 |
2531 |
3628 |
4819 |
Таблица Б.6 - Конструктивное исполнение тела болта - 2, головки - 3
|
Длина болта l, мм |
Теоретическая масса 1000 шт. болтов, кг, при номинальном диаметре резьбы с/, мм |
|||||||||
|
16 |
(18) |
20 |
(22) |
24 |
(27) |
30 |
36 |
42 |
48 |
|
|
40 |
- |
- |
- |
- |
- |
- |
- |
- |
- |
- |
|
45 |
- |
- |
- |
- |
- |
- |
- |
- |
- |
- |
|
50 |
- |
- |
- |
- |
- |
- |
- |
- |
- |
- |
|
55 |
137 |
- |
- |
- |
- |
- |
- |
- |
- |
- |
|
60 |
144 |
184 |
- |
- |
- |
- |
- |
- |
- |
- |
|
65 |
151 |
193 |
239 |
- |
- |
- |
- |
- |
- |
- |
|
70 |
159 |
202 |
250 |
318 |
- |
- |
- |
- |
- |
- |
|
75 |
165 |
211 |
261 |
331 |
- |
- |
- |
- |
- |
- |
|
80 |
172 |
220 |
272 |
345 |
445 |
- |
- |
- |
- |
- |
|
85 |
180 |
229 |
283 |
358 |
461 |
- |
- |
- |
- |
- |
|
90 |
187 |
238 |
294 |
372 |
477 |
635 |
- |
- |
- |
- |
|
(95) |
193 |
247 |
305 |
384 |
493 |
656 |
- |
- |
- |
- |
|
100 |
201 |
255 |
316 |
398 |
509 |
676 |
762 |
- |
- |
- |
|
(105) |
207 |
264 |
327 |
412 |
525 |
697 |
787 |
- |
- |
- |
|
110 |
215 |
273 |
338 |
425 |
541 |
717 |
812 |
1242 |
- |
- |
|
(115) |
222 |
283 |
350 |
439 |
557 |
737 |
837 |
1276 |
1851 |
- |
|
120 |
228 |
291 |
361 |
452 |
573 |
758 |
863 |
1310 |
1900 |
2501 |
|
(125) |
236 |
300 |
372 |
466 |
589 |
778 |
888 |
1345 |
1948 |
2566 |
|
130 |
243 |
309 |
383 |
480 |
605 |
799 |
913 |
1379 |
1997 |
2631 |
|
140 |
257 |
326 |
405 |
507 |
636 |
840 |
964 |
1448 |
2094 |
2763 |
|
150 |
271 |
345 |
427 |
534 |
669 |
880 |
1014 |
1516 |
2191 |
2894 |
|
160 |
284 |
361 |
448 |
560 |
700 |
920 |
1062 |
1585 |
2286 |
3011 |
|
170 |
299 |
379 |
470 |
587 |
731 |
961 |
1113 |
1653 |
2384 |
3143 |
|
180 |
313 |
396 |
492 |
614 |
764 |
1002 |
1163 |
1722 |
2481 |
3273 |
|
190 |
328 |
415 |
514 |
641 |
796 |
1043 |
1214 |
1790 |
2578 |
3404 |
|
200 |
341 |
432 |
536 |
667 |
828 |
1084 |
1265 |
1859 |
2675 |
3536 |
|
220 |
370 |
468 |
580 |
722 |
891 |
1165 |
1366 |
1996 |
2870 |
3797 |
|
240 |
397 |
503 |
626 |
776 |
956 |
1248 |
1467 |
2133 |
3064 |
4060 |
|
260 |
426 |
539 |
670 |
830 |
1019 |
1260 |
1568 |
2270 |
3259 |
4322 |
|
280 |
454 |
574 |
714 |
884 |
1084 |
1412 |
1669 |
2408 |
3453 |
4584 |
|
300 |
483 |
610 |
758 |
938 |
1147 |
1493 |
1770 |
2545 |
3648 |
4846 |
1 Объем и сфера применения
Данный международный стандарт содержит требования к высокопрочным болтам с шестигранной головкой с увеличенным размером под ключ классов прочности 8.8 и 10.9 с метрической резьбой размерами от М12 до М36 включительно, с длиной в соответствии с ИСО 888.
Если в особых случаях необходимы другие требования, чем приведенные в данном международном стандарте, их рекомендуется принимать по другим международным стандартам, например ИСО 261, ИСО 898 и ИСО 965.
Болты, соответствующие данному международному стандарту, в сочетании с гайкой по ИСО 4775 разработаны для резьбового соединения с высокой надежностью от разрушения вследствие среза резьбы при превышении усилий затягивания гайки. Это относится к болтам всех классов прочности и классов точности, за исключением болтов 8.8S U и 10.9S U (см. раздел 7), что может быть принято соглашением между потребителем и изготовителем. Болты 8.8S U и 10.9S U следует использовать с оцинкованными гайками с полем допуска 6Н по ИСО 4775. При этом резьбовые соединения этих крепежных изделий могут разрушаться в результате среза резьбы при превышении усилия затягиваний гайки.
Примечание - Необходимо обратить внимание на важность обеспечения того, чтобы гайки были использованы правильно, если требуется получить удовлетворительные результаты. Для дачи рекомендаций о правильном выборе необходимо привести ссылку на соответствующий код болтового соединения.
2 Нормативные ссылки
ИСО 261 Резьба метрическая ИСО общего назначения. Основные размеры
ИСО 888 Болты, винты и шпильки. Номинальные длины и длины резьбы ИСО для болтов общего назначения
ИСО 898 Механические свойства крепежных изделий из углеродистой и легированной стали ИСО 965 Резьба метрическая ИСО общего назначения. Отклонения для конструкционных размеров ИСО 1461 Металлические покрытия. Электролитические защитные покрытия на изделиях из черных металлов, нанесенные погружением в электролит. Требования
ИСО 3269 Крепежные изделия. Приемочный контроль
ИСО 4753 Крепежные изделия. Концы деталей с наружной метрической резьбой ИСО ИСО 4759-1 Допуски для крепежных изделий. Часть 1. Болты, винты и гайки с диаметрами резьбы от 1,6 до 150 мм и классов точности А, В, и С
ИСО 4775 Гайки шестигранные высокопрочные с увеличенным размером под ключ для конструкций. Класс точности В. Классы прочности 8 и 10
3 Размеры
Таблица 1 - Общие размеры1)
Размеры в миллиметрах
|
Размер резьбы |
d |
M122) |
М16 |
М20 |
(М22)3) |
М24 |
(М27)3) |
М30 |
М36 |
|||||||||
|
P4) |
1,75 |
2 |
2.5 |
2,5 |
3 |
3 |
3,5 |
4 |
||||||||||
|
Ьсправ |
-5) |
30 |
38 |
46 |
50 |
54 |
60 |
66 |
78 |
|||||||||
|
-6) |
- |
44 |
52 |
56 |
60 |
66 |
72 |
84 |
||||||||||
|
-7) |
- |
- |
65 |
69 |
73 |
79 |
85 |
97 |
||||||||||
|
С |
He более |
0,8 |
0,8 |
0,8 |
0,8 |
0,8 |
0,8 |
0.8 |
0,8 |
|||||||||
|
He менее |
0,4 |
0,4 |
0.4 |
0,4 |
0,4 |
0,4 |
0,4 |
0,4 |
||||||||||
|
da |
He более |
14,7 |
18,7 |
23,24 |
25,24 |
27,64 |
31,24 |
34,24 |
41,00 |
|||||||||
|
ds |
He менее |
12,70 |
16,70 |
20,84 |
22,84 |
24.84 |
27.84 |
30,84 |
37,00 |
|||||||||
|
He менее |
11.30 |
15,30 |
19.16 |
21,16 |
23.16 |
26.16 |
29,16 |
35,00 |
||||||||||
|
dw |
He более |
-8) |
_8) |
_8) |
_8) |
_8) |
_8) |
_8) |
_8) |
|||||||||
|
He менее |
19,2 |
24,9 |
31,4 |
33,3 |
38,0 |
42,8 |
46,5 |
55,9 |
||||||||||
|
e |
He более |
22,78 |
29,56 |
37.29 |
39,55 |
45,20 |
50,85 |
55.37 |
66,44 |
|||||||||
|
k |
Номинальный |
7,5 |
10 |
12.5 |
14 |
15 |
17 |
18.7 |
22,5 |
|||||||||
|
He более |
7,95 |
10.75 |
13.40 |
14,90 |
15,90 |
17.90 |
19.75 |
23,55 |
||||||||||
|
He менее |
7,05 |
9,25 |
11.60 |
13,10 |
14,10 |
16.10 |
17.65 |
21,45 |
||||||||||
|
К' |
He менее |
4,9 |
6,5 |
8.1 |
9,2 |
9.9 |
11.3 |
12,4 |
15,0 |
|||||||||
|
r |
He менее |
0,6 |
0,6 |
0.8 |
0,8 |
1,0 |
1,2 |
1,2 |
1,5 |
|||||||||
|
s |
He более |
21 |
27 |
34 |
36 |
41 |
46 |
50 |
60 |
|||||||||
|
He менее |
20,16 |
26,16 |
33 |
35 |
40 |
45 |
49 |
58,8 |
||||||||||
|
l |
ls и lg9), 10) |
|||||||||||||||||
|
Номи- |
He менее |
He более |
ls, не менее |
lg, не |
ls, не менее |
lg, не более |
ls, не менее |
lg, не более |
ls, не менее |
lg, не более |
ls, не менее |
lg, не более |
ls, не менее |
lg, не более |
ls, не менее |
lg, не более |
ls, не менее |
lg, не более |
|
30 |
28,95 |
31,05 |
|
|
|
|
|
|
|
|
|
|
|
|
|
|
|
|
|
35 |
33,75 |
36,25 |
6 |
11,25 |
|
|
|
|
|
|
|
|
|
|
|
|
|
|
|
40 |
38,75 |
41,25 |
6 |
11,25 |
8 |
14 |
|
|
|
|
|
|
|
|
|
|
|
|
|
45 |
43,75 |
46,25 |
7,1 |
15 |
8 |
14 |
10 |
17,5 |
|
|
|
|
|
|
|
|
|
|
|
50 |
48,75 |
51,25 |
12,1 |
20 |
8 |
14 |
10 |
17,5 |
11 |
18,5 |
|
|
|
|
|
|
|
|
|
55 |
53,5 |
56,5 |
17,1 |
25 |
8 |
17 |
10 |
17,5 |
11 |
18,5 |
12 |
21 |
|
|
|
|
|
i |
Окончание таблицы 1
Размеры в миллиметрах
|
Размеры резьбы d |
М122) |
М16 |
М20 |
(М22)3> |
М24 |
(М27)3) |
М30 |
М36 |
||||||||||
|
l |
ls и lg |
|||||||||||||||||
|
Номи- |
ls, не менее |
lq, не более |
ls, не менее |
lg, не более |
ls, не менее |
lg, не более |
ls, не менее |
lg, |
ls, не менее |
lg, не более |
ls, не менее |
lg, не более |
ls, не менее |
lg, не более |
ls, не менее |
lg, не более |
ls, не менее |
lg, не более |
|
60 |
58,5 |
61,5 |
22,1 |
30 |
13 |
22 |
10 |
17,5 |
11 |
18,5 |
12 |
21 |
13,5 |
22,5 |
|
|
|
|
|
65 |
63.5 |
66,5 |
27,1 |
35 |
18 |
27 |
10 |
17,5 |
11 |
18,5 |
12 |
21 |
13,5 |
22,5 |
|
|
|
|
|
70 |
68,5 |
71,5 |
32,1 |
40 |
23 |
32 |
12,7 |
24 |
11 |
18,5 |
12 |
21 |
13,5 |
22,5 |
15 |
25.5 |
|
|
|
75 |
73,5 |
76.5 |
37,1 |
45 |
28 |
37 |
17,7 |
29 |
13,7 |
25 |
12 |
21 |
13,5 |
22,5 |
15 |
25.5 |
|
|
|
80 |
78,5 |
81,5 |
42,1 |
50 |
33 |
42 |
22.7 |
34 |
18,7 |
30 |
12.5 |
26 |
13,5 |
22,5 |
15 |
25.5 |
|
|
|
85 |
83,25 |
86,75 |
47,1 |
55 |
38 |
47 |
27,7 |
39 |
23,7 |
35 |
17,5 |
31 |
13,5 |
22,5 |
15 |
25,5 |
18 |
30 |
|
90 |
88,25 |
91,75 |
52,1 |
60 |
43 |
52 |
32,7 |
44 |
28,7 |
40 |
22,5 |
36 |
16,5 |
30| |
15 |
25,5 |
18 |
30 |
|
95 |
93,25 |
96.75 |
57,1 |
65 |
48 |
57 |
37,7 |
49 |
33,7 |
45 |
27,5 |
41 |
21,5 |
35 |
15 |
25,5 |
18 |
30 |
|
100 |
98,25 |
101,75 |
62,1 |
70 |
53 |
62 |
42,7 |
54 |
38,7 |
50 |
32,5 |
46 |
26,5 |
40 |
18,2 |
34 |
18 |
30 |
|
110 |
108.25 |
111.75 |
|
|
63 |
72 |
52,7 |
64 |
48,7 |
60 |
42,5 |
56 |
36,5 |
50 |
28.2 |
44 |
18 |
30 |
|
120 |
118,25 |
121,75 |
|
|
73 |
82 |
62,7 |
74 |
58,7 |
70 |
52,5 |
66 |
46,5 |
60 |
38,2 |
54 |
24 |
42 |
|
130 |
128 |
132 |
|
|
77 |
86 |
66,7 |
78 |
62,7 |
74 |
56,5 |
70 |
50,5 |
64 |
42,2 |
58 |
28 |
46 |
|
140 |
138 |
142 |
|
|
87 |
96 |
76,7 |
88 |
72,7 |
84 |
66,5 |
80 |
60,5 |
74 |
52,2 |
68 |
38 |
56 |
|
150 |
148 |
152 |
|
|
97 |
106 |
86,7 |
98 |
82.7 |
94 |
76,5 |
90 |
70,5 |
84 |
62,2 |
78 |
48 |
66 |
|
160 |
156 |
164 |
|
|
|
|
|
|
|
|
86,5 |
100 |
80,5 |
94 |
72,2 |
83 |
58 |
76 |
|
170 |
166 |
174 |
|
|
|
|
|
|
|
|
96,5 |
110 |
90,5 |
104 |
82,2 |
98 |
68 |
86 |
|
180 |
176 |
184 |
|
|
|
|
|
|
|
|
106,5 |
120 |
100,5 |
114 |
92,2 |
108 |
78 |
96 |
|
190 |
186 |
194 |
|
|
|
|
|
|
|
|
116.5 |
130 |
110.5 |
124 |
102.2 |
118 |
88 |
106 |
|
200 |
196 |
204 |
|
|
|
|
|
|
|
|
126,5 |
140 |
120,5 |
134 |
112,2 |
128 |
98 |
116 |
|
1) Для оцинкованных горячим способом болтов вышеуказанные размеры действительны до оцинковки. 2) Не является предпочтительным по техническим причинам. 3) Обозначает второй ряд выбираемых диаметров. 4) Р- шаг резьбы. 5) Для длин lном < 100 мм. 6) Для длин 100 мм < lном < 200 мм. 7) Для длин lном < 200 мм. 8) dw max = Sдейств. 9) lg max = lном - bсправ., ls min = lg max -3P 10) Когда ., ls min меньше 0,5d при расчете по формуле9), то его значения должны быть 0,5d. Болты с резьбой укороченной длины показаны над пунктирной линией. Над этой линией lg max = ls min + 3P. Примечание - Широко используемые длины показаны между полужирными линиями. |
||||||||||||||||||
4 Технические требования и ссылочные стандарты
Таблица 2 - Технические требования и ссылочные стандарты
|
Материал |
Сталь |
||
|
Резьба |
Поле допуска |
6g1) |
|
|
Международный стандарт |
ИСО 261, ИСО 965 |
|
|
|
Механические характеристики |
Класс прочности |
8.8 |
10.9 |
|
Международный стандарт |
ИСО 898-1 |
||
|
Качество поверхности |
Нормальное |
Черная оксидная пленка2) |
|
|
Произвольное3) |
Цинковое электролитическое покрытие4) |
Цинковое электролитическое покрытие5) |
|
|
Кадмиевое электролитическое покрытие4) |
Кадмиевое электролитическое покрытие5) |
||
|
Цинковое горячее покрытие |
Цинковое горячее покрытие6) |
||
|
Допуски |
Класс точности |
С, за исключением: с, dw min (0,95 smjn) и r. |
|
|
Допуски для длин свыше 180 мм: ± 4,0 мм |
|||
|
Международный стандарт |
ИСО 4759-1 |
||
|
Приемочный контроль |
Процедуру приемки см. в ИСО 3269 |
||
|
Соответствующие гайки |
ИСО 4775 |
||
|
Соответствующие шайбы с прямым отверстием |
ИСО 7415 |
||
|
Соответствующие шайбы со скошенным отверстием |
ИСО 7416 |
||
|
1) Заданное поле допуска действительно до нанесения покрытия гальваническим или горячим способом. По соглашению между потребителем и изготовителем также могут быть поставлены болты, оцинкованные горячим способом, имеющие параметры резьбы, контроль которых осуществляют после нанесения покрытия с помощью гониометра на основе базового размера резьбы. Размер резьбы уменьшен до нанесения резьбы по классу допуска 6az для последующего нанесения цинкового покрытия погружением в расплав. Эти болты обозначают и маркируют как 8.8S или 10.9S U (см. также разделы 6 и 7 ИСО 7412:1984). Класс допуска 6az находится в стадии подготовки, однако временно размеры резьбы винтов приведены в приложении А. (См. приложение Г настоящего стандарта. - Прим. перев.) 2) Черная оксидная пленка с легким масляным покрытием означает нормальное качество поверхности, получаемое в результате изготовления. 3) Нанесение других покрытий может быть согласовано между потребителем и изготовителем при условии, что эти покрытия не ухудшают механических характеристик. 4) Предмет будущего международного стандарта. 5) Могут потребоваться меры предосторожности во избежание водородного охрупчивания. Необходимо привести ссылку на будущий международный стандарт, относящийся к гальваническим покрытиям резьбовых деталей. 6) Могут потребоваться меры предосторожности во избежание водородного охрупчивания. |
|||
5 Смазочное покрытие для крепежных изделий с цинковым покрытием
При наличии на крепежных изделиях покрытий, нанесенных гальваническим или горячим способом, изготовитель должен нанести на болты или гайки смазку для предотвращения заедания в резьбовом соединении. Информация о правилах испытания эффективности смазки приведена в приложении В. (См. приложение Г настоящего стандарта. - Прим. перев.)
6 Обозначение
Пример обозначения высокопрочного конструкционного болта с большой шестигранной головкой и длиной резьбы в соответствии с ИСО 888 для диаметра резьбы d = M16, номинальной длиной l = 80 мм и класса прочности 8.8:
Болт с шестигранной головкой ISO 7412 - М16 х 80 - 8.8
Примечания
1 При наличии на поверхности болта покрытия его обозначение должно быть включено в обозначение болта.
2 Для болтов с резьбой уменьшенного размера к обозначению добавляют букву U (см. раздел 7).
7 Маркировка
Маркировку высокопрочных конструкционных болтов выполняют следующим образом:
а) символы обозначения:
1) маркировка класса прочности в соответствии с ИСО 898-1;
2) буква S для обозначения высокопрочного болта с шестигранной головкой с увеличенным размером под ключ для металлических конструкций;
3) буква U для обозначения случаев, когда по соглашению между изготовителем и потребителем болты были изготовлены с уменьшенной перед нанесением покрытия резьбой:
Примеры 8.8S или 10.9S U, или
8.8S U или 10.9S U;
б) идентификационная маркировка изготовителя.
Допускается маркировку выполнять выпуклой либо вдавленной на верхней поверхности головки болта.
Пример маркировки болта

Приложение
А
Отклонения для наружной резьбы класса допуска 6az
В настоящем приложении приведена информация о предельных размерах винтовых резьб с классом допуска на резьбу 6az для болтов с цинковым покрытием, полученным путем погружения в расплав. Предельные размеры, приведенные в таблице 3, действительны до нанесения гальванического покрытия погружением. После нанесения покрытия резьба болтов должна пройти приемку с помощью гониометра по базовому размеру, т. е. отклонению h.
Отклонение az в микрометрах определено по формуле: esaz= - (300 + 20Р).
Таблица 3 - Предельные размеры винтовой резьбы для класса допуска 6az
Размеры в миллиметрах
|
Размер резьбы d |
Длина, занимаемая резьбой |
Наибольший диаметр |
Средний диаметр |
Наименьший диаметр |
Радиус впадины профиля |
|||
|
Не менее |
Не более |
Не более |
Не менее |
Не более |
Не менее |
Не более1) |
Не менее |
|
|
М12 |
6 |
18 |
11,665 |
11,400 |
10,528 |
10,378 |
9,771 |
0,175 |
|
М16 |
8 |
24 |
15,660 |
15,380 |
14,361 |
14,201 |
13,495 |
0,200 |
|
М20 |
10 |
30 |
19,650 |
19,315 |
18,026 |
17,856 |
16,944 |
0,250 |
|
(М22) |
10 |
30 |
21,650 |
21,315 |
20,026 |
19,856 |
18,944 |
0,250 |
|
М24 |
12 |
36 |
23,640 |
23,265 |
21,691 |
21,491 |
20,392 |
0,300 |
|
(М27) |
12 |
36 |
26,640 |
26,265 |
24,691 |
24,491 |
23,392 |
0,300 |
|
М30 |
15 |
45 |
29,630 |
29,205 |
27,357 |
27,145 |
25,841 |
0,350 |
|
М36 |
18 |
53 |
35,620 |
35,145 |
33,022 |
32,798 |
31,290 |
0,400 |
|
1) Относится к воображаемому соосному цилиндру, проходящему через точки, где перестает действовать требование прямолинейности боковых поверхностей. |
||||||||
Приложение
В
Испытание для предотвращения заедания для крепежных изделий с электролитическим
или горячим цинковым покрытием
Метод испытания эффективности смазочного покрытия для крепежных деталей с покрытием, нанесенным гальваническим или горячим способом, заключается в следующем:
a) Испытание следует проводить на болтах и гайках, подготовленных изготовителем в соответствии с условиями поставки, а также имеющих смазочное покрытие согласно требованиям раздела 5. Нанесение дополнительного покрытия не допускается. В случаях, когда оба вышеупомянутых критерия не могут быть выполнены, порядок проведения испытания определяется соглашением между изготовителем и потребителем. Тем не менее, смазочное покрытие должно быть нанесено. Если испытание проводит потребитель, то испытание должно быть проведено немедленно после получения болтов и гаек от изготовителя.
b) Болт с гайкой и шайбой, выбранные для испытания, должны быть помещены в стальное соединение (при этом шайба должна находиться непосредственно под гайкой) такой общей толщины, чтобы между несущей поверхностью головки болта и гайкой располагались бы не менее шести полных витков резьбы. Диаметр отверстий болтового соединения должен превосходить диаметр резьбы болта на 1-2 мм.
c) Гайка первоначально должна быть затянута не менее чем на 10 % заданной нормативной нагрузки на болт. При первоначальном затягивании необходимо отметить положение болта и гайки для того, чтобы обозначить начальную точку измеряемого вращательного движения. В ходе вращения гайки вращение болта должно быть исключено, а окончательное напряжение должно быть достигнуто без остановки движения гайки. Гайка должна вращаться в соответствии с требованиями таблицы 4 из исходной точки затягивания без разрушения болта либо сдирания верхнего слоя болта, либо срыва резьбы.
Данное испытание может быть заменено на альтернативное по соглашению между изготовителем и потребителем
Таблица 4 - Требования к вращению гайки
|
Длина болта (номинальная) |
Вращение гайки (минимальное) |
|
l < 2d |
180° |
|
2d < l ≤ 3d |
240° |
|
3d < l ≤ 4d |
300° |
|
4d < l ≤ 8d |
360° |
|
l > 8d |
420° |
Таблица Д.1
|
Обозначение ссылочного национального стандарта Российской Федерации |
Обозначение и наименование ссылочного международного стандарта и условное обозначение степени его соответствия ссылочному национальному стандарту |
|
ИСО 10683:2000 Детали крепежные. Неэлектролитические цинковые покрытия (NEQ) |
|
|
ГОСТ Р 52627-2006 |
ИСО 898-1:1999 Механические свойства крепежных изделий из углеродистой и легированной стали. Часть 1. Болты, винты и шпильки (MOD) |
|
ИСО 4775:1984 Гайки шестигранные для высокопрочных конструкционных болтовых соединений с широкими гранями. Класс точности В. Классы прочности 8 и 10 (NEQ) ИСО 7411:1984 Болты с шестигранной головкой для высокопрочных конструкционных болтовых соединений с широкими гранями (длины резьб в соответствии с ИСО 888). Класс точности С. Классы прочности 8.8 и 10.9 (NEQ) ИСО 7415:1984 Шайбы плоские для высокопрочных строительных болтов закаленные и отпущенные (NEQ) ИСО 3269:2000 Изделия крепежные. Приемочный контроль (NEQ) |
|
|
ГОСТ
Р 52645-2006 |
ИСО 4775:1984 Гайки шестигранные для высокопрочных конструкционных болтовых соединений с широкими гранями. Класс точности В. Классы прочности 8 и 10 (MOD) |
|
ГОСТ
Р 52646-2006 |
ИСО 7415:1984 Шайбы плоские для высокопрочных строительных болтов закаленные и отпущенные (MOD) |
|
ИСО 9717:1990 Покрытия конверсионные фосфатные по металлу. Методы определения характеристик (NEQ) |
|
|
ИСО 8992:2005 Изделия крепежные. Общие требования для болтов, винтов, шпилек, гаек (NEQ) |
|
|
ИСО 4759-1:2000 Допуски крепежных изделий.
Часть 1. Болты, винты и гайки с диаметром резьбы от 1,6 до |
|
|
ИСО 6157-1:1998 Изделия крепежные. Несплошности поверхности. Часть I. Болты, винты и шпильки общего назначения (MOD) |
|
|
ГОСТ 12414-94 |
ИСО 4753:1999 Изделия крепежные. Концы крепежных деталей с наружной метрической резьбой ИСО (NEQ) |
|
МЭК 721-3-4:1994 Классификация внешних условий. Часть 3. Классификация групп внешних параметров и их жесткостей. Стационарное применение в местах, не защищенных от погодных условий (MOD) |
|
|
ГОСТ
16093-2004 |
ИСО 965-1:1998 Резьбы метрические ИСО общего назначения. Допуски. Часть 1: Общие положения и основные данные (MOD) ИСО 965-3:1998 Резьбы метрические ИСО общего назначения. Допуски. Часть 3. Предельные отклонения для конструкционных резьб (MOD) |
|
ГОСТ 19256-73 |
- |
|
ГОСТ
24705-2004 |
ИСО 724:1993 Резьбы метрические ИСО общего назначения. Основные размеры (MOD) |
|
ИСО 3508:1976 Сбеги резьб, соответствующих ИСО 261 и ИСО 262 для крепежных изделий (NEQ) ИСО 4755:1983 Изделия крепежные. Резьбовые проточки для наружной метрической резьбы ИСО (NEQ) |
|
|
Примечание - В настоящей таблице использованы следующие условные обозначения степени соответствия стандартов. - MOD - модифицированные стандарты; - NEQ - неэквивалентные стандарты. |
|
Ключевые слова: болты, болты высокопрочные, болты с шестигранной головкой, болты с увеличенным размером под ключ, болты для металлических конструкций, конструкция и размеры, технические требования, обозначения, маркировка
|
ГОСТЫ, СТРОИТЕЛЬНЫЕ и ТЕХНИЧЕСКИЕ НОРМАТИВЫ. Некоммерческая онлайн система, содержащая все Российские Госты, национальные Стандарты и нормативы. В Системе содержится более 150000 файлов нормативно-технической документации, действующей на территории РФ. Система предназначена для широкого круга инженерно-технических специалистов. Copyright © www.gostrf.com, 2008 - 2026 |