|
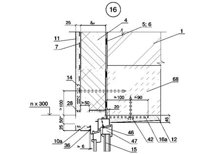
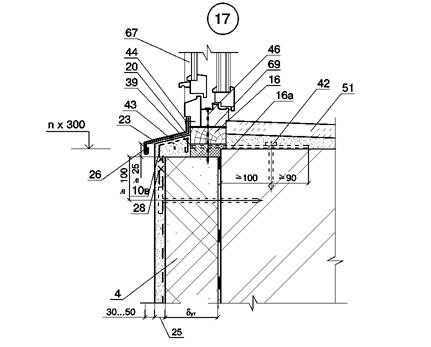
|
|
ОАО «ЦНИИПРОМЗДАНИЙ» НАРУЖНЫЕ СТЕНЫ, СТЕНЫ ПОДВАЛА, ПОКРЫТИЯ, ЧЕРДАЧНЫЕ ПЕРЕКРЫТИЯ, ПЕРЕГОРОДКИ, ОГРАЖДАЮЩИЕ КОНСТРУКЦИИ МАНСАРД И ПОЛЫ С ТЕПЛОИЗОЛЯЦИЕЙ ИЗ МИНЕРАЛОВАТНЫХ ПЛИТ «ROCKWOOL» Материалы для проектирования и рабочие чертежи узлов Зам. Генерального директора ___________________________С.М. Гликин Руководитель отдела __________________________________А.М. Воронин Содержание 1 ОБЩИЕ ПОЛОЖЕНИЯ1.1.Альбом содержит материалы для проектирования и рабочие чертежи трехслойных стен, стен подвала, покрытий, чердачных перекрытий, перегородок, ограждающих конструкций мансард и полов отапливаемых зданий различного назначения с теплоизоляцией из минераловатных плит КАВИТИ БАТТС (ТС-07-0840-03); ЛАЙТ БАТТС (ТС-07-0753-03/2.2); ПЛАСТЕР БАТТС (ТС-07-0839-03); ВЕНТИ БАТТС, ВЕНТИ БАТТС В, ВЕНТИ БАТТС Н (ТС-07-0752-03/2); ФЛОР БАТТС, ФЛОР БАТТС И (ТС-07-0698-03/2); РУФ БАТТС, РУФ БАТТС С, РУФ БАТТС В, РУФ БАТТС Н (ТС-07-07-1037-04); ROOF BATTS, ROOF BATTS В, ROOF BATTS H (TC-07-0661-03/2) и (ТС-07-0931-04); ROOF BATTS Д (ТС-07-1050-05), а также FACADE SLAB, FACADE BATTS (TC-07-0529-02/2); FACADE BATTS и FACADE LAMELLA (TC-07-0720-03/2). 1.2. Материалы разработаны для следующих условий: - здания одно- и многоэтажные, I - IV степени огнестойкости с сухим и нормальным температурно-влажностным режимом для строительства на всей территории страны; - стены несущие или самонесущие из штучных материалов (кирпич, камни, бетонные блоки) или монолитного железобетона; - температура холодной пятидневки обеспеченностью 0,92 - до минус 55 °С. 1.3. Проектирование следует вести с учетом указаний следующих действующих нормативных документов: СНиП 31-01-2003 «Здания жилые многоквартирные»; СНиП 31-05-2003 «Общественные здания административного назначения»; СНиП 31-03-2001 «Производственные здания»; СНиП 2.09.04-87* «Административные и бытовые здания» (изд. 2001); СНиП 23-02-2003 «Тепловая защита зданий»; СНиП II-22-81 «Каменные и армокаменные конструкций»; СНиП 21-01-97* «Пожарная безопасность зданий и сооружений»; СНиП 23-01-99 «Строительная климатология»; СНиП II-26-76 «Кровли»; СП 55-101-2000 «Ограждающие конструкции с применением гипсокартонных листов» СП 55-102-2001 «Конструкции с применением гипсоволокнистых листов». СО-002-02495342-2005 «Кровли зданий и сооружений. Проектирование и строительство», М., ОАО «ЦНИИПромзданий», 2005 г. 2. ТЕПЛОИЗОЛЯЦИЯ2.1. В зависимости от физико-технических свойств плиты минераловатные предназначаются для применения в качестве тепло- и звукоизоляции: - ПЛАСТЕР БАТТС - в стенах с отделочным слоем из традиционной штукатурки; - FACADE SLAB, FACADE BATTS, FACADE BATTS и FACADE LAMELA - в стенах с отделочным слоем из тонкослойной штукатурки; - КАВИТИ БАТТС - в стенах с отделочным слоем из кирпича; - ЛАЙТ БАТТС - в каркасных стенах, чердачных перекрытиях, в полах по лагам, перегородках, ограждающих конструкциях мансард и покрытиях по профнастилу с кровлей из профлиста; - ФЛОР БАТТС - в стенах подвала и полах по грунту; - РУФ БАТТС - в покрытиях с железобетонным основанием и со стальным профнастилом при рулонной кровле; - ВЕНТИ БАТТС - в стенах с вентилируемой воздушной прослойкой. 2.2. Показатели физико-технических свойств плит приведены в таблице 1. 2.3 Все минераловатные плиты относятся к группе горючести НГ по ГОСТ 30244-94. 2.4 Номинальные размеры плит и допуски представлены в таблице 2. Таблица 1
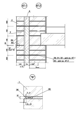
Продолжение таблицы 1.
Продолжение табл. 1
Примечание: *) - Наружный слой d = 15 мм; **) - Внутренний слой d = 45 - 165 мм; ***) - В числителе для плит d = 80 - 180 мм; ****) - В знаменателе для плит d = 60-70 мм. Продолжение табл. 1
Таблица 2 Номинальные размеры и допуски минеральных плит
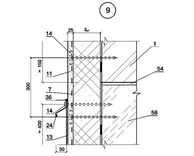
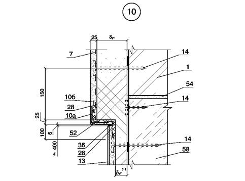
Примечание: 1) Допуски подлине ±10 мм; по ширине ± 5 мм; по толщине + 4; - 2; за исключением ROOF BATTS для которых допуск по толщине ± 10 :- ± 5 мм. 2) *) Для плит ВЕНТИ БАТТС, ФЛОРБАТТС,РУФ БАТТС С, РУФ БАТТС Н; **) Для плит ВЕНТИ БАТТС В, РУФ БАТТС В, ROOF BATTS В; ***) Для плит ВЕНТИ БАТТС Н; V) Для плит ФЛОРБАТТС, РУФ БАТТС, ROOF BATTS Д VV) Для плит ФЛОР БАТТС И, РУФ БАТТС; ****) Только для плит ROOF BATTS В. 3. НОРМЫ ТЕПЛОЗАЩИТЫ3.1. Минимальное допустимое сопротивление теплопередаче стен и покрытий зданий различного назначения и разных климатических условий регламентировано СНиП 23-02-2003 «Тепловая защита зданий». Показатель теплоусвоения полов общественных и производственных зданий не должен превышать значений, приведенных в СНиП 23-02-2003. В противном случае предусматривается устройство слоя дополнительной теплоизоляции из плит. 3.2. По назначению рассматриваемые в работе здания образуют три группы: 1. Жилые, лечебно-профилактические и детские учреждения, школы, интернаты; 2. Общественные, кроме указанных выше, административные и бытовые, за исключением помещений с влажным режимом; 3. Производственные с сухим и нормальным режимами. 3.3. При новом строительстве необходимая толщина слоя теплоизоляции из минераловатных плит должна определяться с учетом коэффициента теплотехнической однородности. В конструкциях стен без вентилируемой прослойки должно быть учтено термическое сопротивление несущей части и отделочного слоя. При наличии замкнутой воздушной прослойки дополнительно учитывается ее термическое сопротивление. В конструкциях с вентилируемой воздушной прослойкой на основе теплотехнического и аэродинамического расчета вентилируемой прослойки. В покрытиях совмещенных из сборного или монолитного железобетона за вычетом сопротивлений теплопередаче у внутренней и наружной поверхности конструкции и термического сопротивления железобетонного основания. 3.4. При реконструкции толщина слоя дополнительной теплоизоляции определяется с учетом термического сопротивления существующей конструкции стены или покрытия. 3.5. Необходимость устройства специального парозащитного слоя (пленка, обмазочная изоляция) определяется расчетом по СНиП 23-02-2003. Пароизоляционный слой в стене располагается между несущим слоем и слоем эффективной теплоизоляции, а в покрытии по железобетонному основанию или стальному профилированному настилу. КОНСТРУКТИВНЫЕ РЕШЕНИЯ СТЕН4. СТЕНЫ БЕЗ ВЕНТИЛИРУЕМОЙ ВОЗДУШНОЙ ПРОСЛОЙКИ С ОТДЕЛОЧНЫМ СЛОЕМ ИЗ ШТУКАТУРКИ И КИРПИЧАСтена при новом строительстве может быть несущей или самонесущей и представляет собой трехслойную конструкцию с несущим слоем из полнотелого керамического кирпича, бетонных блоков или монолитного железобетона. 4.1. СТЕНЫ С ОТДЕЛОЧНЫМ СЛОЕМ ИЗ ТРАДИЦИОННОЙ ШТУКАТУРКИ4.1.1. При отделочном слое из традиционной толстослойной штукатурки толщиной 25 - 30 мм в качестве теплоизоляции используются минераловатные плиты «ПЛАСТЕР БАТТС». 4.1.2. Теплоизоляционные плиты крепят к несущему слою стены на клею и дополнительно распорными дюбелями. При подготовке несущей части стены до закрепления к ней теплоизоляции рекомендуется использовать при необходимости: вводно-дисперсионную грунтовку Rockforce (ТУ 2316-007-5655286904). 4.1.3. Для наклейки минераловатных плит рекомендуется использовать клеевую смесь Rockmortar (ТУ 5745-009-56552869-04). 4.1.4. Клей следует наносить на теплоизоляционную плиту с помощью штукатурного шпателя валиком (шириной 4 - 6 см) по всему периметру с отступлением от краев на 2 - 3 см и дополнительно «куличами» на остальную поверхность плиты, при этом площадь приклеенной поверхности плит - не менее 40%. 4.1.5. Установку плит в проектное положение осуществляют с прижатием к поверхности несущей части стены и выравниванием по высоте относительно друг друга трамбовками. Образование излишков выступающего клея недопустимо. 4.1.6. Выравнивание по горизонтали теплоизоляционных плит может осуществляться с помощью временно закрепленной к несущей части стены деревянной рейки или с применением цокольного профиля (изготовленного из алюминия или оцинкованной стали) толщиной 1 - 1,5 мм, который закрепляют к несущей части стены дюбелями, расположенными с шагом не более 300 мм. 4.1.7. При установке цокольных профилей необходимо оставлять зазор в стыке между ними в 2 - 3 мм. Для выравнивания вдоль несущей части стены необходимо использовать соответствующие подкладочные шайбы из ПВХ, а для соединения профилей между собой пластмассовые соединительные элементы. 4.1.8. После установки первого ряда теплоизоляционных плит на цокольный профиль зазор между поверхностью несущей части стены и профилем необходимо заполнить полиуретановой пеной. 4.1.9. Теплоизоляционные плиты устанавливают вплотную друг к другу. В случае если между ними образуются зазоры более 2 мм их необходимо заполнить материалом, используемого утеплителя или полиуретановой пеной. 4.1.10. Установку и наклеивание теплоизоляционных плит следует выполнять с перевязкой шов с устройством зубчатого защемления на внешних и внутренних углах стен. 4.1.11. Плиты теплоизоляционного материала, устанавливаемые в углах оконных и дверных проемов, должны быть цельными с вырезанными по месту фрагментами. Не допускается стыковать плиты на линиях углов оконных и дверных проемов. 4.1.12. Рекомендуемые типы тарельчатых дюбелей и условия их применения приведены в таблице 3. 4.1.13. При защитно-декоративном слое из штукатурки необходимо, чтобы: - штукатурка имела нулевой предел распространения огня; традиционная штукатурка должна выполняться толщиной 25 - 30 мм по закрепленной к несущей части стены стальной сетке; - штукатурка на высоту 2,5 м от планировки должна иметь защиту от механических повреждений. 4.1.14. При отделке фасадов штукатуркой сетку, армирующую штукатурный слой, крепят к несущему слою стены также распорными дюбелями (см. табл. 3). Таблица 3 Характеристики тарельчатых дюбелей
4.1.15. Установка дюбелей для крепления плит теплоизоляции должна выполняться после полного высыхания клеевого состава. Срок высыхания при температуре наружного воздуха 20 °С и относительной влажности 65% составляет не менее 72 часов. Перед установкой дюбелей, выполняется шлифовка плит теплоизоляции при наличии неровностей в местах стыка. 4.1.16. Внешне углы здания с укрепленной теплоизоляцией, а также углы дверных и оконных проемов должны быть усилены при традиционной штукатурке дополнительными стальными сетками 250×400 мм на скрутках. 4.1.17. Традиционная штукатурка выполняется из известково-цементного раствора, приготавливаемого на месте из извести, песка, цемента, воды и добавок, в том числе обязательно пластифицирующих, или из готовых растворных смесей, и армируется стальной оцинкованной сеткой по ГОСТ 2715-75 с размером ячейки 20 мм и диаметром проволоки 1 - 1,6 мм. 4.1.18. В качестве вяжущего рекомендуется портландцемент или шлакопортландцемент по ГОСТ 10178-85* марок 300; 400 и известь строительная по ГОСТ 9179-77 в виде известкового теста (q = 1400 кг/м3). Технические требования - по ГОСТ 28013-98 «Растворы строительные. Общие технические условия». Приготовление раствора в соответствии с указаниями Инструкции по приготовлению и применению строительных растворов, СН 290-74. Рекомендуемые рецептуры штукатурных смесей приведены в табл. 4 Таблица 4
4.1.19. Традиционная штукатурка выполняется улучшенного качества или высококачественная с нанесением ее соответственно в 2 или 3 слоя. После грунтовки поверхности плит пластичным раствором слоем в 3...5 мм, он разравнивается в горизонтальном направлении зубчатым шпателем, образующем борозды глубиной 2...3 мм. После выдержки в течение 1...3 суток наносят нижний слой грунта толщиной 7...8 мм. После схватывания этого слоя (24...36 час) раскатывается армирующая сежа и крепится через штукатурку и теплоизоляцию к несущей части дюбелями Бийского завода при установке в среднем 8 дюбелей/м2 поверхности. Затем наносят второй слой грунта толщиной 7...8 мм с выравниванием его «под правило». При высококачественной штукатурке наносят третий, отделочный слой толщиной 2 - 5 мм в зависимости от вида отделки (см. ниже). Из приведенных в табл. 4 смесей состав № 4 служит для приготовления грунтовки, № 2 - для грунта и № 3 - для отделочного слоя, окрашенного в массе (см. ниже). 4.1.20. При улучшенной штукатурке (под окраску) общая толщина штукатурного слоя доводится до 30 мм и поверхность ее выравнивается «под правило». При высококачественнной штукатурке и окраске фасадов второй слой грунта выравнивают по маякам и после его схватывания наносят отделочный слой - накрывку толщиной 1-2 мм из мелкозернистого раствора, который затирается гладилками или затирочношлифовальными машинами. При отделке цветным раствором толщина выполненного к этому моменту штукатурного слоя должна составлять около 25...27 мм. 4.1.21. После полного затвердевания штукатурки ее в соответствии с проектом прорезают на всю толщину горизонтальными и вертикальными деформационными швами шириной 6 мм с шагом не более 8м. Крайний вертикальный шов должен располагаться не ближе 150 мм от угла фасада (наружного или входящего). Затем швы заделывают вулканизующейся мастикой. 4.1.22. Между штукатурным слоем и элементами заполнения проемов окон, дверей, ворот и др. предусматривается паз на всю толщину штукатурки, заполняемый вулканизующейся мастикой, в качестве которой рекомендуются силиконовые или тиоколовые составы - клей-герметик кремний-органический марок «Эластосил 11-06» (ТУ 6-02-775-76) и «Эластосил 137-181» (ТУ 6-02-1-362-84), выпускаемые Данковским химзаводом (Липецкая обл.), и мастика тиоколовая марки «АМ-0,5» (ТУ 84-246-95), выпускаемая Московским заводом строительных красок. 4.1.24. При традиционной штукатурке фасады отделывают нанесением слоя цветного раствора (цветной накрывки) или окрашиванием поверхности. Первый вариант предпочтительнее из-за меньшей стоимости, большей прочности поверхности и практичности отделки, на которой незаметны мелкие дефекты. 4.1.25. Отделочный слой выполняется также из известково-цементного раствора с добавлением необходимых пигментов (от 3 до 12 % к весу сухого вяжущего). Подробные рекомендации содержатся в Инструкции по приготовлению и применению строительных растворов СН 290-74. Оптимальным является применение раствора, получаемого из сухих смесей заводского изготовления. 4.1.26. Отделочный слой из цветного раствора наносится с помощью пневматической форсунки непосредственно по 2-му слою штукатурки (грунту).Характеристика вариантов отделки из цветного раствора дана в табл. 5. Таблица 5
4.1.27. Для цветовой отделки рекомендуются известково-цементные или цементные краски, которые отличаются высокой атмосферостойкостью и представляют собой смесь белого портландцемента и извести со щелочестойкими пигментами и добавками хлористого кальция. Могут быть применены также и другие долговечные и атмосферостойкие краски, перечень которых приведен в Приложении 3 СНиП 2.03.11-85, в том числе полимерцементные краски на основе поливинилацетатной дисперсии, алкидные, перхлорвиниловые и хлоркаучуковые эмали. 4.1.28. При отсутствии требований к получению особо гладкой поверхности краску наносят без какой-либо дополнительной обработки выполненной штукатурки с расходом ее около 0.9 кг/м 2. 4.1.29. Для получения особо гладкой поверхности по грунту выполняют слой накрывки толщиной до 2 мм из мелкозернистого раствора (крупностью зерна до 1 мм). В этом варианте нет необходимости в тщательной затирке поверхности 2-го слоя штукатурки (грунта); она должна быть лишь ровной после ее выравнивания правилом. По накрывке наносится краска с расходом ее около 0,8 кг/м2. 4.2. СТЕНЫ С ОТДЕЛОЧНЫМ СЛОЕМ ИЗ ТОНКОСЛОЙНОЙ ШТУКАТУРКИ4.2.1. При отделочном слое из тонкослойной штукатурки толщиной 4,5 - 5 мм в качестве теплоизоляции используются минераловатные плиты «FACADE BATTS», «FACADE SLAB» (производство Дании) и «FACADE BATTS» и «FACADE LAMELLA» (производство Польши). 4.2.2. Установку и крепление плит к несущей части стены выполняют в соответствии с указаниями п. 4.1.2. - 4.1.12. 4.2.3. При защитно-декоративном слое из тонкослойной штукатурки необходимо, чтобы: - штукатурка имела нулевой предел распространения огня; - тонкослойная штукатурка должна выполняться толщиной 7,5 - 8 мм по закрепленной к несущей части стены щелочестойкой стеклосетке; - штукатурка на высоту 2,5 м от планировки должна иметь защиту от механических повреждений. 4.2.4. При отделке фасадов штукатуркой сежу, армирующую штукатурный слой, крепят к несущему слою стены также распорными дюбелями (см. табл. 3). 4.2.5. Установка дюбелей для крепления плит теплоизоляции должна выполняться после полного высыхания клеевого состава. Срок высыхания при температуре наружного воздуха 20 °С и относительной влажности 65 % составляет не менее 72 часов. Перед установкой дюбелей, выполняется шлифовка плит теплоизоляции при наличии неровностей в местах стыка. 4.2.6. Внешне углы здания с укрепленной теплоизоляцией, а также углы дверных и оконных проемов должны быть усилены пластмассовыми уголками с вклеенной стеклосеткой, которые устанавливают встык по отношению друг к другу с нахлесткой сежи в месте стыка на 10 см. 4.2.7. При тонкослойной штукатурке после устройства усиливающего уголка на плоскости откосов дверных и оконных проемов следует наклеивать усилительную диагональную армирующую сежу размером 20×30 см. При этом усилительная сежа в углах оконных и дверных проемов вклеивается без напуска на пластмассовую часть уголка. 4.2.8. Для тонкослойной штукатурки используется сухая цементно-песчаная смесь Rockmortar (ТУ 5745-009-56552869-04). Нанесение базового штукатурного слоя осуществляется по щелочестойкой стеклосетке. Физико-технические показатели стеклосеток приведены в таблице 6. Таблица 6 Физико-технические показатели стеклосеток
4.2.9. При тонкослойной штукатурке фасады отделывают устройством защитно-декоративного слоя. Основание под декоративную штукатурку или окраску должно соответствовать требованиям СНиП 3.04.01-87. 4.2.10. На заармированную стеклосеткой поверхность защитной штукатурки декоративная штукатурная смесь наносится теркой слоем, соответствующим размеру зерна минерального наполнителя. 4.3. СТЕНЫ С ЗАЩИТНОЙ СТЕНКОЙ ИЗ КИРПИЧНОЙ КЛАДКИ4.3.1. При отделочном слое из кирпича толщиной 120 мм в качестве теплоизоляции используют минераловатные плиты «КАВИТИ БАТТС». 4.3.2. При устройстве защитной кирпичной стенки может применяться кирпич или камни керамические лицевые (ГОСТ 7484-78) или отборные стандартные (ГОСТ 530-95) предпочтительно полусухого прессования, а также силикатный кирпич (ГОСТ 379-95). При облицовке силикатным кирпичом цоколь, пояса, парапеты и карниз выполняют из керамического кирпича. При новом строительстве защитная стенка из кирпича может выполняться на всю высоту здания. При этом она может быть самонесущей до высоты 6...7 м, а далее навесной с опиранием на пояса выступающие из несущей стены через каждые 2 этажа (6...7 м) по высоте здания. При реконструкции кирпичная защитная стенка обязательна в виде цоколя высотой не менее 2,5 м от планировочной отметки. По архитектурным соображениям она может быть выполнена самонесущей и большей высоты. 4.3.3. При защитной стенке из кирпича кладка ведется с обязательным заполнением раствором горизонтальных и вертикальных шов и расшивкой с фасадной стороны. Шаг температурных шов в кирпичной облицовке принимается по СНиП II-22-81*, как для неотапливаемых зданий. 4.3.4. При облицовке кирпичной кладкой в новом строительстве последняя армируется с несущей частью стены сварными арматурными сетками, располагаемыми с шагом по высоте 600 мм; площадь поперечных стержней (связей) должна быть не менее 0,4 см 2/м2 (глава СНиП II-22-81, п. 6.32). При реконструкции кирпичная облицовка связывается с существующей кладкой с помощью кронштейнов закрепленных на дюбелях. При этом рекомендуются дюбели типа HPS-I фирмы «Хилти» или дюбели ДГ (табл. 7). Таблица 7
4.3.5 Парапеты, пояса, подоконники и т.п. должны иметь надежные сливы из оцинкованной стали, которые обеспечивают отвод атмосферной влаги и исключают возможность ее сбегания непосредственно по стене. 4.3.6 Все открытые поверхности стальных элементов, выходящих на фасад, и анкера, устанавливаемые в кладке, должны быть защищены от коррозии металлизацией слоем толщиной 120 мкм или лакокрасочными покрытиями (п. 2.40 - 2.45 СНиП 2.03.11-85). 4.3.7. Отделку цоколя рекомендуется выполнять из материалов повышенной прочности и декоративности, допускающих их очистку и мойку, например, из лицевого кирпича, плит из натурального или искусственного камня, керамической и стеклянной плитки и др. Верхняя кромка этой защитно-декоративной отделки должна располагаться не ниже 2,5 м от уровня планировки. Аналогичную отделку могут иметь углы стен, порталы дверей, арок, ворот, оконные наличники или отдельные участки глухих стен. 5. КАРКАСНЫЕ СТЕНЫ5.1. Каркасные конструкции стен могут быть выполнены послойной сборкой или из трехслойных панелей укрупнительной сборки. 5.2. В целях снижения трудоемкости производства работ сборку панелей с последующим их монтажом целесообразно производить на объекте строительства. 5.3. Панели имеют наружный каркас, выполненный из стальных швеллеров, к которому закреплены на заклепках профлист внутренней обшивки и внутренний каркас панели, а к нему профлист наружной обшивки. 5.4. Теплоизоляция выполняется из минераловатных плит марки «ЛАЙТ БАТТС» (ТС-07-0753-03/2.2), по которым с наружной стороны размещается ветрозащитная пленка «TYVEK SOFT», а с внутренней стороны при необходимости слой пароизоляции. 5.5. Крепление панелей укрупнительной сборки к несущим конструкциям стального каркаса выполняется на высокопрочных болтах. 6. СТЕНЫ С ВЕНТИЛИРУЕМОЙ ВОЗДУШНОЙ ПРОСЛОЙКОЙ6.1. Стены с вентилируемой воздушной прослойкой включают несущую часть, выполненную из полнотелого керамического кирпича, бетонных блоков или из монолитного железобетона, металлический каркас, теплоизоляционный слой из минераловатных плит марки «ВЕНТИ БАТТС», «ВЕНТИ БАТТС В» И «ВЕНТИ БАТТС Н» (ТС-07-0752-03/2), ветрозащитную пленку и защитный облицовочный экран. 6.2. Каркас состоит из кронштейнов, направляющих и кляммеров для закрепления облицовки. 6.3. Кронштейны и направляющие каркаса, а также кляммеры для крепления плит облицовки должны изготавливаться из нержавеющей или оцинкованной стали. Толщина прижимов кляммеров должна составлять не менее 1 мм, ширина прижима - не менее 10 мм. 6.4. Кронштейн имеет подвижную вставку, позволяющую осуществлять регулировку установки направляющих в заданной плоскости. Дина подвижной вставки установлена исходя из толщины теплоизоляционного слоя от50 до 270 мм. 6.5. Шаг кронштейнов по горизонтали рекомендуется принимать равным 600 мм, а по вертикали не менее 1400 мм. 6.6. Кронштейны крепятся к несущей части стены анкерными дюбелями, число которых определяется расчетом, исходя из величины ветровой нагрузки и веса облицовки с каркасом. 6.7. Стандартная длина направляющей составляет 3000 мм. Направляющие закрепляются к кронштейнам двумя вытяжными заклепками диаметром 3.2÷4.8 мм. При этом свободный конец направляющей от места закрепления к кронштейну не должен превышать 300 мм. 6.8. Стык направляющих по вертикали осуществляется с помощью вставок. При этом между направляющими предусматривается зазор в 8÷10 мм. 6.9 При скрытом креплении материалов облицовочного слоя после установки в проектное положение вертикальных направляющих к ним крепятся на заклепках горизонтальные направляющие. 6.10. Минераловатные плиты теплоизоляции крепятся к несущей части стены тарельчатыми дюбелями. Схема установки плит теплоизоляции и тарельчатых дюбелей представлена на ср. 129. 6.11. Во избежание продувания и увлажнения теплоизоляции из минераловатных плит поверх их закрепляется тарельчатыми дюбелями пленка «TYVEK SOFT», или другой подобный материал. Пленка должна устанавливаться в один слой с перехлестом смежных полотен в зоне стыков не более чем на 100÷150 мм. 6.12. При открытом креплении облицовочных плит кляммеры располагаемые с шагом соответствующим размеру облицовочных плит крепят к направляющим на заклепках. При этом конструкция кляммера определяет величину горизонтального зазора между плитами облицовки равную 4 мм. Вертикальный зазор между плитами также принимается равным 4 мм. 6.13. При скрытом креплении на плитах облицовки предусматриваются опорные элементы для их навески на горизонтальные направляющие. Опорный элемент крепится посредством самозапирающейся втулки, которая вставляется в предварительно рассверленное в плите отверстие. 6.14. Фиксация плит в проектном положении обеспечивается по вертикали регулировочным винтом опорного элемента, а по горизонтали - посредством свободного перемещения опорного элемента вдоль горизонтальной направляющей. 6.15. При облицовочном слое из металлических кассет перед их установкой внутрь направляющей вставляют салазки, имеющие поперечный штифт. Салазки крепят к направляющим двумя заклепками. 6.16. После навески на штифты кассету выравнивают согласно проектному положению и крепят заклепками через верхний отгиб кассеты к направляющим. 6.17. Решения стен с вентилируемой воздушной прослойкой разработаны на основе системы фирмы ДИАТ, на которую выданы технические свидетельства: ТС-07-0743-03; ТС-07-0744-03; ТС-07-0745-03; ТС-07-0746-03. 7. СТЕНЫ ПОДВАЛА7.1. Несущая часть стен подвала может быть выполнена из кирпичной кладки, бетонных блоков или из монолитного железобетона. 7.2. Теплоизоляция стен подвала необходима только для теплых подвалов, в которых размещена нижняя разводка труб систем отопления, горячего водоснабжения, а также труб систем водоснабжения и канализации. 7.3. Теплоизоляция из плит ФЛОР БАТТС располагается по выравненной наружной поверхности стен подвала и наклеивается на нее клеевой смесью Rockmortar (ТУ 5745-009-56552869-04) в соответствии с указаниями п. 4.4. 7.4. По теплоизоляционному слою выполняется оклеечная гидроизоляция из двух слоев битумно-полимерного рулонного материала. При этом первый слой закрепляют к несущей части стены подвала дюбелями, а второй наклеивают на него методом подплавления. 7.5. В уровне подошвы фундамента вертикальная гидроизоляция должна быть наплавлена на горизонтальную гидроизоляцию, а в уровне верха теплоизоляционного слоя к несущей части стены подвала. 7.6. Защита тепло- гидроизоляционного слоя может быть выполнена стенкой из кирпичной кладки толщиной 120 мм или с использованием термопластичной пленки марки Тефонд (ТУ 5774-003-45940433-99), которая внизу цоколя крепится к несущей части стены дюбелями. 8. КОНСТРУКТИВНЫЕ РЕШЕНИЯ ПОКРЫТИЙ8.1. Конструкции разработаны для совмещенных покрытий при сборных железобетонных плитах (или с монолитным железобетонным основанием) и при стальных профилированных настилах с утеплением из минераловатных плит и кровлями из рулонных материалов и из стальных профилированных листов. 8.2. В общем случае покрытие включает следующие конструктивные слои: - несущее основание (железобетонное или из стальных оцинкованных профилированных настилов); - пароизоляционный слой (по расчету); - теплоизоляцию из минераловатных плит РУФ БАТТС (ТС-07-1037-04) при рулонной кровле и из плит ЛАЙТ БАТТС (ТС-07-0753-03/2.2) при кровле из профилированных стальных листов; - цементно-песчаную стяжку из раствора с прочностью не менее 5 МПа или сборную стяжку из асбестоцементных плоских прессованных листов толщиной 10 мм при кровле из рулонных материалов; - кровлю из рулонных материалов или из стальных профилированных листов. 9. ЖЕЛЕЗОБЕТОННЫЕ ПОКРЫТИЯ С РУЛОННОЙ КРОВЛЕЙ9.1. До начала изоляционных работ должны быть выполнены и приняты все строительно-монтажные работы на изолируемых участках, включая замоноличивание шов между плитами, устройство выравнивающей стяжки из раствора, установку и закрепление к плитам чаш водосточных воронок, компенсаторов деформационных шов, парубков (или стаканов) для пропуска инженерного оборудования и т.п. Кирпичные парапеты должны быть оштукатурены, и иметь необходимые закладные детали. 9.2. Поверхности основания из сборных железобетонных плит или монолитного железобетона должны быть выровнены, а стыки между плитами зачеканены цементно-песчаным раствором марки не ниже 50 (ГОСТ 28031-98) или легким бетонном класса не ниже В 7.5 (ГОСТ 25820-2000). Уклонообразующий слой рекомендуется выполнять из раствора или легкого бетона. 9.3. Все поверхности из бетона и раствора должны быть огрунтованы битумным праймером, приготовленным из тугоплавкого битума БНК-90 (ГОСТ 9548-74*), растворенного в керосине или солярном масле в соотношении 1:3 по массе. 9.4. Теплоизоляционные плиты при укладке по толщине в 2 и более слоев следует располагать вразбежку с плотным прилеганием друг к другу. Нахлестки между слоями должны составлять 1/2 - 1/3 поверхности плит. Швы между плитами более 5 мм должны быть заполнены теплоизоляционным материалом. 9.5. Плиты точечно приклеивают к основанию и между собой (при толщине в два и более слоя) горячим битумом строительных марок с температурой размягчения по методу кольцо и шар 75 - 80 °С. При наклейке плиты плотно прижимают друг к другу и к основанию. Точечная либо полосовая приклейка должна быть равномерной и составлять 25 - 35 % склеиваемых поверхностей. 9.6. При эксплуатируемой кровле по плитам теплоизоляции выполняют стяжку. Выравнивающая цементно-песчаная стяжка должна выполняться из жесткого (с осадкой конуса до 30 мм) раствора марок 50 - 100. Стяжку по плитам утеплителя следует выполнять толщиной не менее 30 мм, а затирку по железобетонному основанию - 10 - 15 мм. 9.7. В цементно-песчаной стяжке должны быть предусмотрены температурно-усадочные швы шириной 5 - 10 мм, разделяющие стяжку на участки не более 6×6 м, а при длине несущих плит 6 м - 3×3 м. Швы располагают над торцевыми швами несущих плит. 9.8. Температурно-усадочные швы в монолитных выравнивающих стяжках рекомендуется выполнять путем прорезки механической пилой. Допускается образовывать их путем установки реек при укладке цементно-песчаного раствора, которые удаляют после твердения материала стяжки, а швы заполняют мастикой с последующей односторонней наклейкой на швы полосок рулонного материала шириной 150 - 200 мм. Также проклеивают стыки, образуемые листами сборной стяжки. 9.9. Для обеспечения необходимой адгезии рулонных кровельных материалов все поверхности основания из цементно-песчаного раствора или сборных стяжек должны быть огрунтованы грунтовочными холодными составами (праймерами), приготовленными из битума и керосина, взятых в соотношении 1:2 или 1:3 (по массе) или из клеящих мастик (типа бутил каучуковой и т.п.), разбавленных растворителем или бензином в соотношении 1:2. Грунтовку наносят на выравненную сухую и обеспыленную поверхность при помощи окрасочного распылителя или вручную кистью. Грунтовка должна иметь прочное сцепление с основанием. На приложенном к ней после высыхания тампоне не должно оставаться следов цементного вяжущего или пыли. 9.10. Плоские асбестоцементные прессованные листы, используемые в качестве сборной стяжки, во избежание коробления, должны быть огрунтованы с обеих сторон. Грунтовка наносится на поверхность листов с помощью малярного валика или кисти. 9.11. Кровля может быть выполнена многослойной из рулонных битумно-полимерных материалов, или однослойной из полимерных рулонных материалов. 9.12. При кровле из наплавляемых битумно-полимерных материалов возможно решение с выходом паров или с созданием по плитам непрерывного паробарьера, необходимое сопротивление паропроницанию которого определяется расчетом. Наклейку рулонного ковра следует выполнять методом подплавления. Защитный слой при необходимости может быть выполнен из гравия светлых тонов фракцией 5 - 10 мм (ГОСТ 8268-82) толщиной 10 мм, втопленного в 2-х мм слой горячей битумной антисептированной мастики. 9.13. При однослойной кровле из полимерной пленки конструкция кровли должна предусматривать возможность выхода водяных паров в зоне парапетов, перепада высот и конька, что обеспечивается полосовой приклейкой уложенного по скату слоя рулонного материала с выводом его на вертикальную поверхность парапетов с точечной приклейкой к последним; выход водяных паров обеспечивается через неприклеенные к основанию полосы водоизоляционного ковра. При устройстве однослойной кровли из полимерной пленки методом наклейки необходимо предусматривать стяжку из цементно-песчаного раствора прогрунтованную смесью клеящей мастики и растворителя в соотношении по массе 1:3 (расход мастики - 200 г/м2).С наружной стороны пленочную кровлю целесообразно окрашивать за 2 раза раствором бутилкаучуковой мастики в растворителе (бензин, нефрас и т.п.) в соотношении 1:2 с добавкой 15 % алюминиевой пудры ПАК-3 или ПАК-4 по ГОСТ 5494-95; расход мастики - 200 г/м2. 9.14. На участках примыканий кровли к парапетам, деформационным швам и другим конструктивным элементам основанием под кровлю должны служить ровные поверхности конструкций и наклонные бортики высотой не менее 100 мм (под углом 45°) из теплоизоляционных материалов, применяемых для утепления покрытий, либо из цементно-песчаного раствора или легкого бетона. Бортики из теплоизоляционных материалов должны быть приклеены к основанию под кровлю. 9.15. Работы выполняются в соответствии с требованиями главы СНиП 3.04.01-87 Изоляционные и отделочные работы, СНиП III-4-80* Техника безопасности в строительстве, а также СО-002-02495342-2005 Кровли зданий и сооружений. Проектирование и строительство, М., ОАО ЦНИИПромзданий, 2005 г. 9.16. На кровлях с уклоном до 10 % из битумно-полимерных рулонных материалов с мелкозернистой посыпкой защитный слой рекомендуется выполнять из гравия фракции 5 - 10 мм или крупнозернистой посыпки, втопленных в слой мастики толщиной 1,5 - 2 мм или в подплавленный покровный слой наплавляемого рулонного материала. Фракция крупнозернистой посыпки должна быть 3 - 5 мм. Гравий и посыпка должны быть промыты и просушены. 9.17. Максимально допустимая площадь кровли из рулонных и мастичных материалов групп горючести Г-3 и Г-4 при общей толщине водоизоляционного ковра до 6 мм не имеющей защиты слоем гравия, а также площадь участков разделенных противопожарными поясами (стенами) не должна превышать значений, приведенных в таблице 8. 9.18. Противопожарные пояса должны быть выполнены как защитные слои эксплуатируемых кровель шириной не менее 6 м. Противопожарные пояса должны пересекать основание под кровлю (в том числе теплоизоляцию), выполненное из материалов групп горючести Г3 и Г4 на всю толщину этих материалов. Таблица 8
9.19. При реконструкции железобетонных покрытий дополнительная теплоизоляция устраивается по существующей рулонной кровле, отремонтированной в соответствии со СО-002-02495342-2005 Кровли зданий и сооружений. Проектирование и строительство, М., ОАО ЦНИИПромзданий, 2005 г., при этом особое внимание обращается на состояние примыкания кровли к деформационным швам, парапетам, вентшахтам, трубам. В зоне воронок внутреннего водостока полностью удаляются старая теплоизоляция и кровля. Воронки поднимаются на новый уровень; кровля в зоне примыкания к воронке должна быть понижена относительно прилегающих участков на 15...20 мм. 9.20. Над существующими в старой кровле разжелобками минераловатные плиты по разметке прорезают дисковой пилой, обеспечивая их плотное прилегание к основанию. 10. ПОКРЫТИЯ С ПРОФИЛИРОВАННЫМ НАСТИЛОМ И РУЛОННОЙ КРОВЛЕЙ10.1. Покрытие включает следующие конструкционные слои: - стальной профилированный настил; - пароизоляционный слой (по расчету); - теплоизоляцию из минераловатных плит; - водоизоляционный ковер из рулонных материалов. 10.2. В местах примыкания профнастила к стенкам парапетов, к деформационным швам, к водосточным воронкам, а также с каждой стороны конька и ендовы следует предусматривать заполнение пустот ребер настилов (со стороны теплоизоляции) на длину 250 мм заглушками из негорючих минераловатных или стекловатных материалов. 10.3. При устройстве пароизоляции поверхности стальных профилированных настилов должны быть очищены от пыли, строительного мусора и обезжирены растворителем, а полки настилов огрунтованы битумным праймером. 10.4. Теплоизоляционные минераловатные плиты могут закрепляться к профнастилу наклейкой или механически. 10.5. Точечная наклейка выполняется горячим битумом с температурой нагрева не более 120 °С. Наклейка должна быть равномерной и составлять 25 - 35 % площади наклеиваемых плит. Стыки плит должны располагаться на полках профнастила. 10.6. При механическом креплении теплоизоляционные минераловатные плиты крепежным элементом закрепляют к основанию вместе со слоем рулонного кровельного материала и с пароизоляционным слоем. Количество креплений для различных участков покрытия должно устанавливаться расчетом в соответствии с требованиями СНиП 2.01.07-85 «Нагрузки и воздействия», но не менее, чем одно крепление на плиту. 11. ПОКРЫТИЯ С ПРОФИЛИРОВАННЫМ НАСТИЛОМ И КРОВЛЕЙ ИЗ ОЦИНКОВАННЫХ СТАЛЬНЫХ ПРОФЛИСТОВ11.1. В качестве кровельных листов рекомендуется применять в «перевернутом положении» профили стальные гнутые с высотой гофра не менее 44 мм с цинковым, алюмоцинковым или алюминиевым покрытием и защитно-декоративным лакокрасочным покрытием. 11.2. Наиболее целесообразно кровлю из металлических профлистов применять в зданиях с длиной ската до 12 м. При большей длине ската и уклоне кровли более 10 % профлист должен устанавливаться с величиной нахлестки вдоль ската не менее 200 мм и с обязательной герметизацией продольной нахлестки, а при уклонах менее 10 % - с величиной нахлестки не менее 300 мм и герметизацией мест продольной и поперечной нахлесток. 11.3. В утепленных покрытиях для разрыва «мостиков холода» между верхней полкой дистанционного прогона и профлистом должны быть установлены прокладки из бакелизированной фанеры толщиной 10 мм, окрашенные пентафталевыми или хлорвиниловыми эмалями за 2 раза. В качестве противоветрового барьера рекомендуется использовать рулонный водоизоляционный паропроницаемый материал типа «TYVEK SOFT». 11.4. Продольные и поперечные стыки профлиста при уклонах до 20 % рекомендуется загерметизировать тиоколовыми или силиконовыми герметиками. 11.5. Примыкание кровли из металлического профлиста к стенам следует осуществлять с устройством фартуков из оцинкованной стали толщиной 0,8 мм, окрашенной с обеих сторон. Крепление их выполняется на заклепках, а между собой одинарным лежачим фальцем. Коньковый и карнизный фасонные элементы, а также фартуки для отделки пропусков через кровлю должны иметь «гребенку» по форме поперечного сечения металлического профлиста. 11.6. При кровлях из стальных профилированных листов работы ведут в следующей последовательности: - к прогонам покрытия несущий профилированный настил закрепляют самонарезающими винтами В6×25 (ТУ 36-2042-78), устанавливаемыми в каждый гофр (впадину) профиля к крайним и коньковым прогонам; - на промежуточных опорах закрепление производят с шагом через гофр. Шаг прогонов 1,5 - 3,0 м. - в продольном направлении соединение профнастилов между собой выполняют на заклепках 3К - 12 (ТУ 36-2088-78) с шагом 250 мм; - перпендикулярно гофрам с нахлесткой полотнищ на 100 мм раскатывают полиэтиленовую пленку толщиной 0,2 мм (ГОСТ 10354-82*), заводя ее во второй и третий гофр каждого профлиста для установки опорных элементов с шагом 750 мм; - опорные элементы закрепляют к прогонам двумя самонарезающими винтами в каждую «лапку»; - дистанционные прогоны закрепляют к опорным элементам через термовкладыш из бакелизированной фанеры двумя самонарезающими винтами; - теплоизоляцию из плит или матов выполняют заподлицо с дистанционными прогонами с перевязкой стыков нижнего слоя верхними плитами; - под опорные элементы и дистанционные прогоны укладывают доборные вкладыш из этих же плит, - ветрозащиту из паропроницаемых материалов, например «TYVEK SOFT», выполняют так же с нахлесткой полотнищ не менее чем на 100 мм; - профилированные листы кровли закрепляют к дистанционным прогонам самонарезающими винтами В6×80 с шайбой и уплотнителем из герметизирующей ленты в каждый гофр (гребень) на карнизных и коньковых прогонах; с шагом через гофр - на промежуточных прогонах; - для увеличения жесткости продольных кромок кровельных профлистов на дистанционный прогон под накрываемый гофр листа устанавливается элемент жесткости; - между собой в продольном направлении кровельные профлисты соединяют на заклепках после нанесения на накрываемую кромку герметика типа «Эластосил 137-181» (ТУ 6-02-362-84). Отверстия в заклепках также промазывают герметиком. Перед нанесением герметизирующих мастик поверхности должны быть обеспылены и обезжирены бензином (ГОСТ 443-76* или ГОСТ 3134-78*). 12. КОНСТРУКТИВНЫЕ РЕШЕНИЯ ЧЕРДАЧНЫХ ПЕРЕКРЫТИЙ12.1. Чердачные перекрытия разработаны железобетонными (из сборных плит или монолитного железобетона) и деревянными. 12.2. При перекрытии из железобетона в качестве теплоизоляционного слоя предусмотрено применение минераловатных плит ЛАЙТ БАТТС, которые размещаются по пароизоляционному слою из битумного или битумно-полимерного наплавляемого рулонного материала. 12.3. Укладка минераловатных плит производится с подплавлением рулонного материала пароизоляции. 12.4. По предварительно прогрунтованной праймером поверхности минераловатных плит методом подплавления подклеивается рулонный битумный или битумно-полимерный материал. При этом в качестве праймера следует использовать раствор битума в керосине или соляровом масле в соотношении 1:3. 12.5. По слою рулонного материала выполняют армированную цементно-песчаную стяжку из раствора марки 100 толщиной 40 мм. 12.6. В деревянном чердачном перекрытии минераловатные плиты укладываются на слой пароизоляции из битумного, битумно-полимерного рулонного материала или из полиэтиленовой пленки. 12.7. По верху деревянных балок перекрытия раскладывают цементно-стружечные плиты толщиной 20 мм, которые закрепляют к балкам трупами с шагом 300 мм. 13. ОГРАЖДАЮЩИЕ КОНСТРУКЦИИ МАНСАРД13.1. Несущие конструкции мансард могут быть выполнены из дерева или стали марок С235, С245, С255, С345 по ГОСТ 27772-88*. 13.2. В поперечнике несущие конструкции мансард представляют собой раму. Шаг рам и сечения элементов определяются статическим расчетом. 13.3. Соединения металлоконструкций предусматривается на сварке и монтажных болтах или на постоянных болтах. 13.4. Сечения узловых элементов и величина сварных шов определяются расчетом. 13.5. Деревянные несущие конструкции следует выполнять из пиломатериалов хвойных пород двух сортов по ГОСТ 8486-86*. 13.6. Для изготовления настилов и обрешетки применяется древесина 3 сорта, а для несущих элементов стропильной системы (стропильные ноги, ендов, мауэрлатов, прогонов, стоек, подкосов, связей) - древесина 2 сорта. 13.7. Соединения деревянных элементов несущих конструкций предусмотрены гвоздевыми с прямой расстановкой гвоздей или расположением их в шахматном порядке. 13.8. Для устройства деревянных несущих конструкций должны применяться элементы с глубокой антипиреновой пропиткой. 13.9. Огнезащитная облицовка стальных и деревянных несущих конструкций предусмотрена гипсокартонными листами марок ГКЛО и ГКЛВО (ГОСТ 6266-97), или гипсоволокнистыми листами марок ГВЛ и ГВЛВ (ГОСТ Р51829). 13.10. Устройство огнезащитной облицовки несущих стальных и деревянных конструкций следует выполнять в соответствии с указаниями СП 55-101-2000 и СП 55-102-2001.13.11. В качестве теплоизоляции используют минераловатные плиты ЛАЙТ БАТТС (ТС-07-0753-03/2.2). 13.11. Кровлю мансард рекомендуется выполнять из кровельной стали, мягкой черепицы, керамической или цементно-песчаной черепицы. При этом во избежание образования конденсата в конструкций покрытия должен быть предусмотрен продух. 13.12. Для естественного освещения мансардных помещений в ограждающие конструкций встраиваются окна «Велюкс». 14. КОНСТРУКТИВНЫЕ РЕШЕНИЯ ПОЛОВ14.1. Полы на лагах с тепло- звукоизоляционным слоем из минераловатных плит могут выполняться по подстилающему бетонному слою (в полах по грунту) или по железобетонному перекрытию. 14.2. В качестве тепло- звукоизоляции должны использоваться минераловатные плиты марки «ЛАЙТ БАТТС» (ТС-07-0753-03/2.2). 14.3. В полах по грунту лаги опираются на кирпичные или бетонные столбики, установленные на бетонный подстилающий слой. 14.4. Минераловатные плиты должны, как правило, укладываться на слой гидроизоляции, выполненный из рулонного битумного или битумно-полимерного материала. 14.5. В полах по железобетонному перекрытию минераловатные плиты укладываются на предварительно выровненную поверхность перекрытия, а при необходимости на слой пароизоляции. 14.6. В полах, устраиваемых непосредственно по бетонному подстилающему слою или железобетонному перекрытию, в качестве тепло-звукоизоляционного слоя должны использоваться минераловатные плиты «ФЛОР БАТТС» (ТС-07-0698-03/2). 14.7. По минераловатным плитам рекомендуется предусматривать сборную стяжку из спаренных гипсоволокнистых листов, по которой выполняется покрытие пола. 14.8. Необходимость устройства пароизоляции в каждом конкретном случае должна определяться расчетом сопротивления паропроницанию в соответствии с указаниями СНиП 23-02-2003 «Тепловая защита зданий». 14.9. При необходимости устройства по теплоизоляционным плитам армированной бетонной стяжки ее толщина и армирование определяются в соответствии с «(рекомендациями по подбору толщины и армирования бетонной стяжки, устроенной по теплоизоляционным плитам ФЛОР БАТТС и ФЛОР БАТТС И» (Шрифт М34.01/03). 15. ПЕРЕГОРОДКИ15.1. Перегородки представляют собой конструкцию, включающую металлический или деревянный каркас, звукоизоляционный слой из минераловатных плит «АКУСТИК БАТТС» (ТУ-5762-014-4575203-05) и обшивку из гипсокартонных ГКЛ (ГОСТ 6266-97) или гипсоволокнистых листов ГВЛ (ГОСТ Р 51829-2001), закрепленных к каркасу на самонарезающих винтах. 15.2. В качестве металлического каркаса применяют оцинкованные профили (ТУ 1111-004-04001508-95) стандартной длины 2750, 3000, 4000 и 4500 мм. Металлический каркас состоит из стоечных профилей ПС 50/50, ПС 75/50 или ПС 100/50 и направляющих ПН 50/40, ПН 75/40 и ПН 100/40. 15.3. Стойки и направляющие деревянного каркаса выполняются из брусков сечением соответственно 60×50 и 60×40 мм, изготовленных из хвойных пород древесины не ниже 2 сорта по ГОСТ 8486-86. Бруски каркаса должны быть обработаны антипиренами и антисептиками в соответствии с требованиями СНиП 3.03.01-87. Влажность древесины не должна превышать 12±3 %. 15.4. Крепление направляющих металлических профилей (ТУ 1111-004-04001508-95) и деревянных брусков каркасов к полу и потолку, а также стоек, примыкающих к стенам или колоннам, следует предусматривать с помощью дюбелей, располагаемых с шагом не более 1000 мм, но не менее 3 креплений на один профиль (брусок). 15.5. С целью повышения звукоизолирующей способности перегородок следует предусматривать применение уплотнительной ленты между направляющим профилем каркаса и перекрытием, а также в местах сопряжения каркаса со стенами. 15.6. Стоечные профили (ПС) каркаса устанавливают между верхним и нижним направляющими профилями (ПН) с шагом 600 мм (400, 300 мм - в необходимых случаях, см. табл. на страницах 155, 156 и 168. 15.7. Крепление стоечного профиля к направляющему следует выполнять методом «просечки с отгибом», а деревянных стоек гвоздями и винтами. 15.8. Для повышения звукоизоляционных характеристик пространство между листами обшивки заполняют изоляционными материалами. Горизонтальные стыки ГКЛ или ГВЛ располагают в разбежку. 15.9. В качестве звукоизоляционного материала предусмотрено применение минераловатных плит «АКУСТИК БАТТС» (ТУ-5762-014-4575203-05). 15.10. Толщина звукоизоляционного слоя должна быть не менее половины расстояния между внутренними поверхностями листов обшивки. 15.11. Крепление каркаса к несущим конструкциям выполняют дюбелями, приведенными в табл. 9. 15.12. Крепление листов обшивки к каркасу перегородок осуществляется самонарезающими винтами, приведенными в табл. 10. Таблица 9
Таблица 10
15.13. Швы между листами обшивки следует заделывать шпаклевочной смесью. 15.14. Выбор конструктивного решения перегородок в зависимости от высоты и требований звукоизоляции следует производить по таблицам на стр. 155, 156 и 168. 15.15. Перегородки с обшивками из листов ГКЛ и ГВЛ на металлическом каркасе с заполнением из минераловатных материалов группы горючести НГ (ГОСТ 30244-94) относятся к классу пожарной опасности КО. Область применения перегородок должна определяться с учетом требований СНиП 21-01-97 и нормативных документов на здания различного функционального назначения. 15.16. Монтаж перегородок следует выполнять с учетом указаний СП 55-101-2000 и СП 55-102-2001. 15.17. До начала монтажа перегородок все строительные работы, связанные с «мокрыми» процессами должны быть закончены. Монтаж осуществляется до устройства чистого пола в условиях сухого или нормального температурно-влажностного режима. РАЗДЕЛ 1
|
|||||||||||||||||||||||||||||||||||||||||||||||||||||||||||||||||||||||||||||||||||||||||||||||||||||||||||||||||||||||||||||||||||||||||||||||||||||||||||||||||||||||||||||||||||||||||||||||||||||||||||||||||||||||||||||||||||||||||||||||||||||||||||||||||||||||||||||||||||||||||||||||||||||||||||||||||||||||||||||||||||||||||||||||||||||||||||||||||||||||||||||||||||||||||||||||||||||||||||||||||||||||||||||||||||||||||||||||||||||||||||||||||||||||||||||||||||||||||||||||||||||||||||||||||||||||||||||||||||||||||||||||||||||||||||||||||||||||||||||||||||||||||||||||||||||||||||||||||||||||||||||||||||||||||||||||||||||||||||||||||||||||||||||||||||||||||||||||||||||||||||||||||||||||||||||||||||||||||||||||||||||||||||||||||||||||||||||||||||||||||||||||||||||||||||||||||||||||||||||||||||||||||||||||||||||||||||||||||||||||||||||||||||||||||||||||||||||||||||||||||||||||||||||||||||||||||||||||||||||||||||||||||||||||||||||||||||||||||||||||||||||||||||||||||||||||||||||||||||||||
|
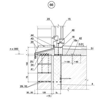
№ поз. |
Наименование |
№ поз. |
Наименование |
|
|
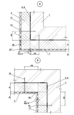
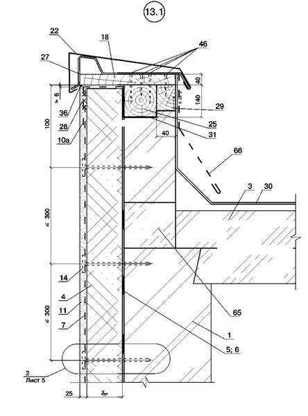
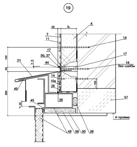
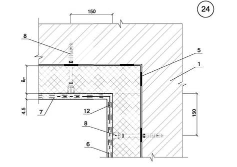
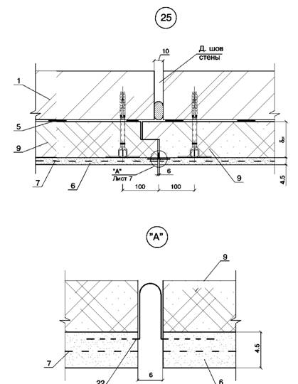
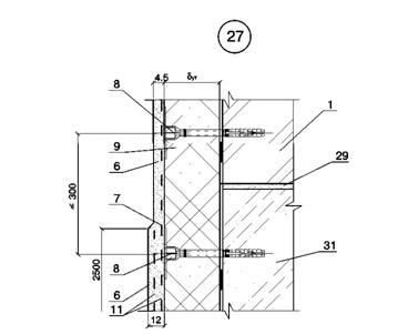
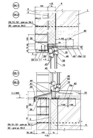
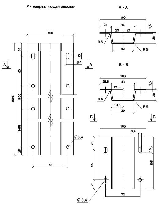
1 |
Стена (несущая часть) |
11 |
Наружная штукатурка |
|
|
2 |
Междуэтажное перекрытие |
11а |
Грунтовка, сухая смесь № 51 |
|
|
3 |
Покрытие |
116 |
Нижний слой грунта, штукатурная цементно-песчаная смесь № 16 |
|
|
4 |
Теплоизоляция из минераловатных плит «ПЛАСТЕР БАТТС» (ТС-07-0839-03) |
11в |
Второй слой грунта, цементно-известково-песчаная штукатурная смесь № 15; 41* |
|
|
5 |
Клеевой состав для приклейки плит теплоизоляции |
11г |
Поверхность хорош увлажнить или обработать эмульсией «БИРСС-ГРУНТ-УНИВЕРСАЛ» |
|
|
6 |
Выравнивающая штукатурка, сухая смесь № 12, 15* |
11Д |
Отделочный слой, смесь штукатурная декоративная № 31; 32* |
|
|
7 |
Сварная оцинкованная металлическая сетка 20×20 Ø 1,0 ... 1,6 по ТУ 14-4-647-95 Солнечногорского завода металлических сеток «Лепсе»; или по ГОСТ 2715-75 |
12 |
Внутренняя штукатурка |
|
|
8 |
Да ряда металлической сетки |
13 |
Плитка облицовочная глазурованная |
|
|
9 |
Стык сеток внахлест 100 мм |
13а |
Выравнивающая цементно-песчаная штукатурная смесь № 12 |
|
|
10 |
Дополнительная сетка 250×400 на скрутках |
136 |
Клей для плитки облицовочной «Мраморит-26» |
|
|
10а |
Z - образная сетка |
14 |
Дюбельный комплект |
|
|
106 |
Г - образная сетка |
15 |
Стеклопакет |
|
|
10в |
П - образная сетка |
16 |
Дека, пропитанная антипиреном |
|
|
|
|
|||
|
16а |
Пластина 6×40 с болтом Ø 10 и шагом 600 мм, но не менее 2 штук на проем |
|||
|
17 |
Рейка 40×50, закрепленная к пробкам 50×60 трупами. Пробки закреплены к стене дюбелями без шайбы (см. дюбельный комплект) |
* Рецептура клеев и штукатурных смесей взяты по каталогу завода «БИРСС» (Бирюлевские сухие смеси).
|
№ поз. |
Наименование |
№ поз. |
Наименование |
|
18 |
Антисептированная доска |
43 |
Д)бель из полиамида ТУ 36-941-79 |
|
19 |
Защитная стенка из кирпича |
44 |
Шуруп ГОСТ 1144-80 |
|
20 |
|
45 |
Трубчатый уплотнитель из резины |
|
21 |
Слив С2 |
46 |
Гвоздь Ø 6 через деревянную прокладку с шагом 600 мм, но не менее 2 шт. на проем |
|
22 |
Слив С4 |
47 |
Окно деревянное |
|
23 |
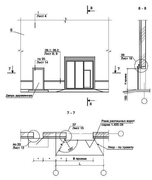
Слив С1 |
48 |
Рама и полотно распашных складчатых ворот серии 1.435-28 |
|
24 |
Слив СЗ |
49 |
Костыль МС-1 с шагом 700 мм, см. в серии ворот |
|
25 |
Антисептированный брус 140×140 мм |
50 |
Стальная планка для крепления рамы ворот, см. в серии ворот |
|
26 |
Костыль К2 |
51 |
Подоконник по проекту |
|
52 |
Капельник |
||
|
27 |
Костыль К3 |
53 |
Отмостка по проекту |
|
28 |
Вязальная проволока ГОСТ 3282-74 |
||
|
29 |
Антисептированный брусок 100×40 |
54 |
Гидроизоляция - цементно-песчаный раствор |
|
55 |
Обмазочная гидроизоляция |
||
|
30 |
Рулонный кровельный ковер |
56 |
Антисептированная доска |
|
31 |
Прокладка из рулонного битумного материала |
||
|
32 |
Чердачное перекрытие |
57 |
Железобетонная перемычка над воротным проемом |
|
58 |
Стена подвала |
||
|
33 |
Стропильная нога |
59 |
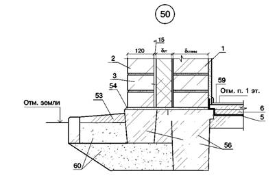
Пол подвала или 1 -го этажа: |
|
34 |
Кровля из черепицы или металлочерепицы |
|
- линолеум; - стяжка из цементно-песчаного раствора М 50 - 30 мм; -
минераловатная плита теплоизоляции - гидроизоляция; - бетонная подготовка марки В 7,5 - 80 мм. |
|
35 |
Подшивка карниза из доски 150×30 мм |
60 |
Щебень |
|
36 |
Мастика |
61 |
Труба дренажная |
|
37 |
Прокладка уплотняющая из пенорезины сечением 8x8 по ТУ 38-406316-87 |
62 |
Бортовой камень |
|
38 |
Прокладка пенополиэтиленовая уплотняющая марки Вилатерм - СМ 0 30; 40, ТУ 6-05-221-872-86 |
63 |
Перекрытие подвала |
|
39 |
Пена строительная |
64 |
Крупный песок |
|
40 |
Горизонтальный шов |
65 |
Термовставка из ячеистобетонных блоков по ГОСТ 21520-89 |
|
41 |
Вертикальный шов |
66 |
Кровля и примыкание кровли к парапету даны в узлах раздела 2 |
|
42 |
Дюбель HPS-I, «Хилти», Ø 6 или 8 |
67 |
Оконное стекло |
|
|
|
68 |
Железобетонная надоконная перемычка |
|
69 |
Прокладка уплотняющая |
||
|
70 |
Плита перекрытия |
||
|
71 |
Пластина 6×40, заранее скрепленная с окном шурупами |
||
|
72 |
Обрамляющий уголок 50×4 |
||
|
73 |
Полоса 4×40, крепить к стене дюбелями |
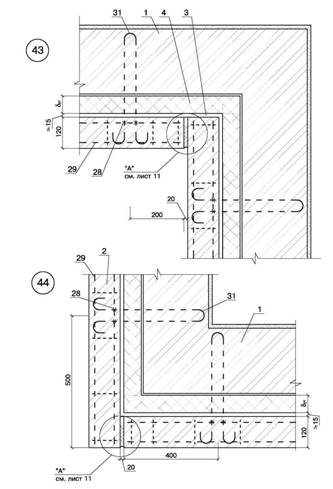
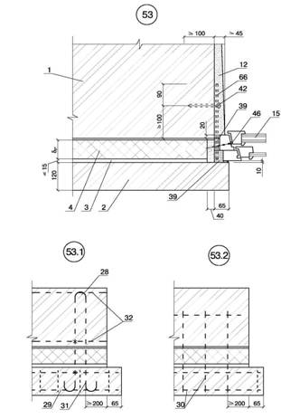
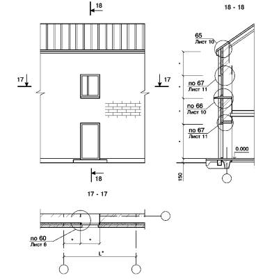
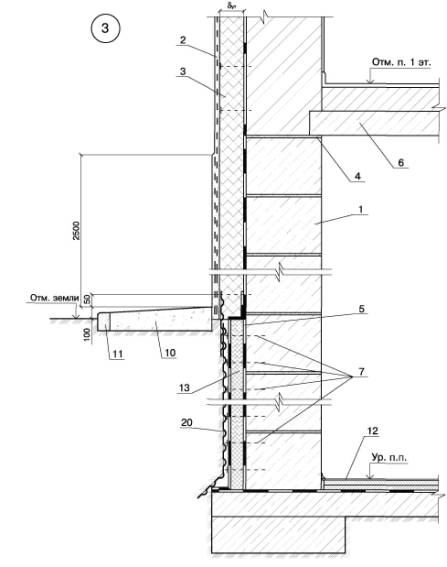
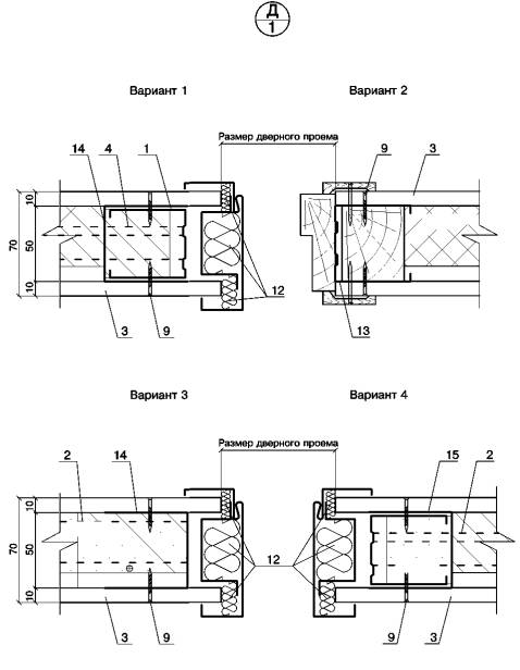
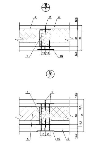
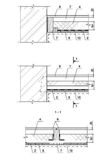
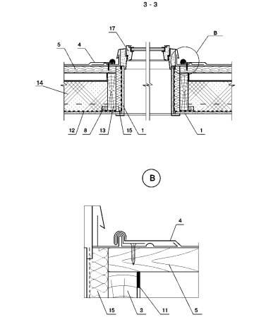
СХЕМА №1. Расположение плит утеплителя, рассечек, сетки и штукатурки.

СХЕМА № 2. Расположение анкеров в углах, температурных швах и у проемов

СХЕМА № 3









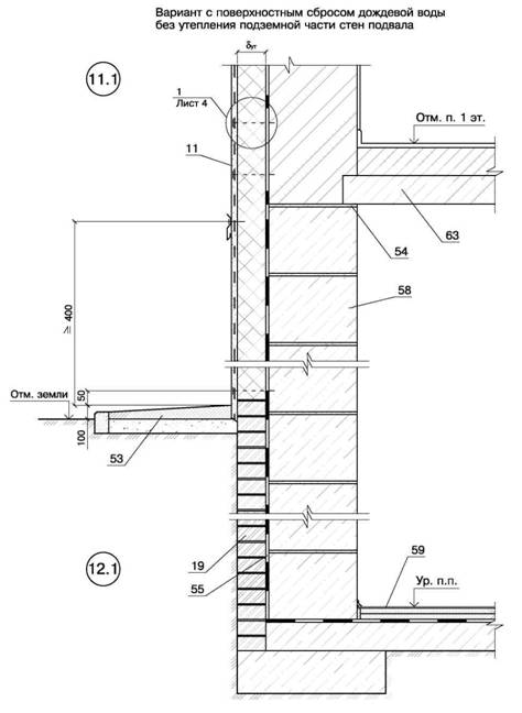
Вариант с поверхностным сбросом дождевой воды без утепления подземной части стен подвала

Вариант с дренажем без утепления подземной части стен подвала










![]()
Экспликация материалов и деталей к узлам стен
|
№ поз. |
Наименование |
№ поз. |
Наименование |
|
1 |
Стена (несущая часть) |
15 |
Слив С2 |
|
2 |
Грунтовка Rockforce (ТУ 2316-002-5655289-04) |
16 |
Слив С4 |
|
3 |
Междуэтажное перекрытие |
17 |
Костыль К3 |
|
4 |
Покрытие |
18 |
Мастика |
|
5 |
Клеевой состав для приклейки плит теплоизоляции и устройства базового защитного слоя, сухая смесь ROCKmortar (ТУ 5745-009-56552869-04) |
19 |
Прокладка уплотняющая из пенорезины сечением 8×8 по ТУ 38-406316-87 |
|
6 |
Дкоративная шукатурка, сухая смесь ROCKdecorsil D, ROCKdecorsil S (ТУ 2316-008-56552869-04), ROCKdecor (ТЕГОЛ, ТЕГОЛ крупнозернистый, ТЕГОЛ гладкий) (ТУ 5745-010-46512780-04) |
20 |
Прокладка пенополиэтиленовая уплотняющая марки Вилатерм - СМ Ø 30; 40 (трубчатая), ТУ 6-05-221-872-86 |
|
6а |
Грунтовки ROCKprimer (ТУ 2316-008-54622672-04) |
21 |
Пена строительная |
|
7 |
Армирующая сетка ROCKfiber (R 131), ROCKfiber S (R 275) (TC-07-0766-03/2), SD 4418, SD 4420, SDA 4412, SD 4512 (TC-07-0686-03/2), SSA-1363-SM, SSA-1363-4SM, SSA-IIII-SM (TC-07-0732-0312) |
22 |
Компенсатор |
|
8 |
Дюбель из полиамида или полиэтилена EJOT (TC-07-1051-05) |
23 |
Плитка облицовочная |
|
9 |
Теплоизоляция из минераловатных плит FACADE SLAB, FACADE BATTS (TC-07-0529-02/2), FACADE BATTS, FACADE LAMELLA (TC-07-0720-03/2) |
24 |
Клей для плитки облицовочной |
|
10 |
Дека, пропитанная антипиреном; пластина 6×40 с болтом Ø 10 и шагом 600 мм, но не менее 2 тук на проем |
25 |
Цокольная плита (цементно-волокнистая) |
|
11 |
Стык сеток внахлест 100 мм |
26 |
Уплотнительная лента |
|
12 |
Усиливающий уголок со стеклосеткой |
27 |
Опорный профиль |
|
13 |
Рейка 40×50, закрепленная к пробкам 50×60 трупами. Пробки закреплены к стене дюбелями без шайбы |
28 |
Отмостка по проекту |
|
14 |
Слив С1 |
29 |
Гидроизоляция - цементно-песчаный раствор |
|
№ поз. |
Наименование |
№ поз. |
Наименование |
|
30 |
Обмазочная гидроизоляция 2 слоя |
44 |
Железобетонная перемычка |
|
31 |
Стены подвала |
45 |
Окно деревянное |
|
32 |
Пол подвала или 1 -го этажа: |
46 |
Шуруп ГОСТ 1144-80 |
|
|
- линолеум; |
|
|
|
|
- армированная стяжка; |
||
|
|
- плита теплоизоляции; |
||
|
|
- гидроизоляция; |
||
|
|
- бетонная подготовка марки В7,5 - 80 мм. |
||
|
33 |
Перекрытие подвала |
47 |
Дюбель из полиамида (ТУ 36-941-79) |
|
34 |
Защитная стенка из кирпича |
48 |
Подоконник по проекту |
|
35 |
Щебень |
49 |
Прокладка уплотнительная |
|
36 |
Труба дренажная |
50 |
Рама и полотно распашных складчатых ворот серии 1.435-28 |
|
37 |
Бортовой камень |
51 |
Костыль МС-1 с шагом 700 мм, см. в серии ворот |
|
38 |
Крупный песок |
52 |
Стальная планка для крепления рамы ворот, см. в серии ворот |
|
39 |
Термовставка из ячеистобетонных блоков по ГОСТ 21520-89 |
53 |
Наличник деревянный |
|
40 |
Фартук из оцинкованной стали |
54 |
Обрамляющий уголок 50x4 |
|
41 |
Гвоздь Ø 6 через деревянную прокладку с шагом 600 мм, но не менее 2 ш. на проем |
55 |
Полоса 4×40, крепить к стене дюбелями |
|
42 |
Дюбель HPS-I, «Хилти», Ø 6 или 8 |
56 |
Антисептированная доска |
|
43 |
Пластина 6×40, заранее скрепленная с окном трупами |
57 |
Костыль К2 |
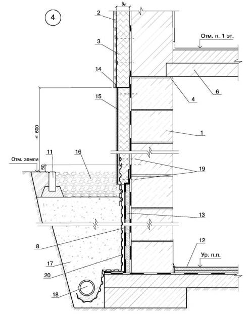
СХЕМА №4. Расположение плит утеплителя, сетки и штукатурки.

СХЕМА № 5. Расположение анкеров в углах, температурных швах и у проемов

СХЕМА № 6






Вариант с поверхностным сбросом дождевой воды

Вариант с дренажем




Вариант примыкания с опорным профилем






![]()
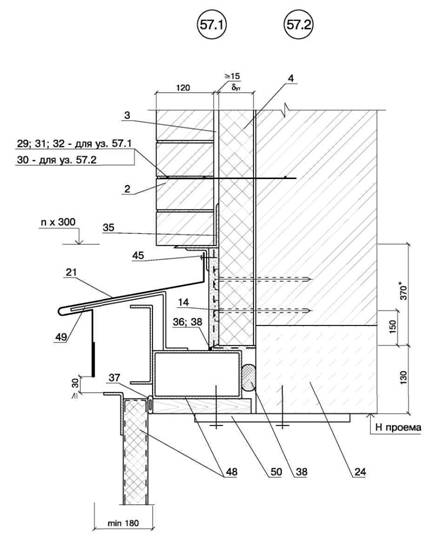
Экспликация материалов и деталей к узлам стен
|
|
Наименование |
№ поз. |
Наименование |
|
1 |
Стена (несущая часть) |
23 |
Покрытие |
|
2 |
Защитно-декоративная кладка |
24 |
Надворотная перемычка |
|
3 |
Рихтовочный зазор |
25 |
Костыль К1 |
|
4 |
Теплоизоляция из минераловатных плит «КАВИТИ БАТТС» (ТС-07-0840-83) |
26 |
Теплоизоляция покрытия |
|
5 |
Гидроизоляция пола |
27 |
Костыль К3 |
|
6 |
Теплоизоляция пола |
28 |
Вязальная проволока ГОСТ 3282-74 |
|
7 |
Сварная оцинкованная металлическая сетка 20×20 Ø 1,0 ... 1,6 по ТУ 14-4-647-95 Солнечногорского завода металлических сеток «Лепсе»; или по ГОСТ 2715-75 |
29 |
Закладная сетка М1 |
|
8 |
Антисептированный деревянный брусок 210×40 мм |
30 |
Закладная сетка М2 |
|
9 |
Антисептированный деревянный брусок 140×40 мм |
31 |
Закладная петля 3П1 |
|
10 |
Желоб |
32 |
2 Ø 6 |
|
11 |
Наружная штукатурка |
33 |
Подшивка карниза |
|
12 |
Внутренняя штукатурка |
34 |
Анкер А2 |
|
13 |
Кровля |
35 |
Уголок - перемычка с опиранием на боковую кладку проема не менее 120 мм |
|
14 |
Дюбель EJOT (ТС-07-1051-05) |
36 |
Мастика |
|
15 |
Стеклопакет |
37 |
Прокладка уплотняющая из пенорезины сечением 8×8 по ТУ 38-406316-87 |
|
16 |
Дека, пропитанная антипиреном |
38 |
Прокладка пенополиэтиленовая уплотняющая марки Вилатерм-СМ Ø 30; 40 (трубчатая), ТУ 6-05-221-872-86 |
|
16а |
Пластина 6×40 с болтом Ø 10 и шагом 600 мм, но не менее 2 штук на проем |
39 |
Пена строительная |
|
17 |
Стропила |
40 |
Надоконная перемычка |
|
18 |
Междуэтажное перекрытие |
41 |
Цементный раствор |
|
19 |
Чердачное перекрытие |
42 |
Дюбель HPS-I, «Хилти», Ø 6 или 8 |
|
20 |
Слив С1 |
43 |
Оконное стекло |
|
21 |
Слив С2 |
44 |
Шуруп ГОСТ 1144-80 |
|
22 |
Слив С4 |
45 |
Шуруп ГОСТ 1144-80 |
|
№ поз. |
Наименование |
№ поз. |
Наименование |
|
46 |
Гвоздь Ø 6 через деревянную прокладку с шагом 600 мм, но не менее 2 ш. на проем. |
59 |
Пол подвала или 1-го этажа: |
|
- линолеум; |
|||
|
- стяжка из цементно-песчаного раствора М 50 - 30 мм; |
|||
|
- минераловатная плита теплоизоляции 20 - 30 мм; |
|||
|
- гидроизоляция; |
|||
|
- бетонная подготовка марки В7,5 - 80 мм или плита перекрытия. |
|||
|
47 |
Окно деревянное |
60 |
Крупный песок |
|
48 |
Рама и полотно распашных складчатых ворот серии 1.435-28 |
61 |
Термовставка из ячеистобетонных блоков по ГОСТ 21520-89 |
|
49 |
Костыль МС-1 с шагом 700 мм, см. в серии ворот |
62 |
Кровля и примыкание кровли к парапету |
|
50 |
Стальная планка для крепления рамы ворот, см. в серии ворот |
63 |
Несущая балка - пояс |
|
51 |
Подоконник по проекту |
64 |
Декоративная плитка |
|
52 |
Капельник |
65 |
Прокладка уплотняющая |
|
53 |
Отмостка по проекту |
66 |
Пластина 6x40, заранее скрепленная с окном трупами |
|
54 |
Гидроизоляция - цементно-песчаный раствор |
67 |
Наличник деревянный |
|
55 |
Отделка цоколя |
|
|
|
56 |
Фундаментная балка |
||
|
57 |
Бортовой камень |
||
|
58 |
Стена подвала |
СХЕМА №7. Расположение плит утеплителя, рассечек, защитно-декоративной кладки, несущей балки-пояса.

СХЕМА № 8. Расположение анкеров в углах, температурных швах и у проемов

Максимальный шаг температурных швов в защитно-декоративной стене L1
Таблица 1
|
Вид кладки |
Средняя температура наружного воздуха наиболее холодной пятидневки |
||
|
минус 40 ºС и ниже |
минус 30 ºС |
минус 20 °С и выше |
|
|
Из кирпича, в т.ч. лицевого на растворе марки 50 и более |
30 |
42 |
70 |
|
Из силикатного кирпича на растворе марки 50 |
21 |
30 |
42 |
СХЕМА № 10

* - размеры по проекту
СХЕМА № 10

* - размеры по проекту
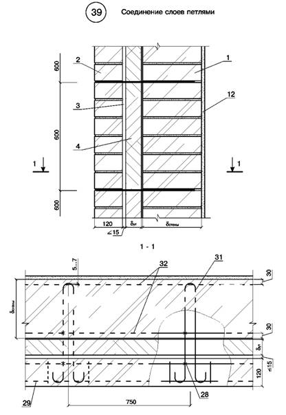
Соединение слоев петлями

Соединение слоев сеткой









*- размеры по проекту






![]()
Экспликация материалов и деталей к узлам стен
|
№ поз. |
Наименование |
№ поз. |
Наименование |
|
|
1 |
Стена (несущая часть) |
23 |
Оконное стекло |
|
|
2 |
Защитно-декоративная кладка |
24 |
Надворотная перемычка |
|
|
3 |
Рихтовочный зазор |
25 |
Костыль К1 |
|
|
4 |
Теплоизоляция из минераловатных плит |
26 |
Теплоизоляция покрытия |
|
|
5 |
Покрытие пола |
27 |
Костыль К3 |
|
|
6 |
Гвозди |
28 |
Вязальная проволока ГОСТ 3282-74 |
|
|
7 |
Сварная оцинкованная металлическая сетка 20×20 Ø 1,0 ... 1,6 по ТУ 14-4-647-95 Солнечногорского завода металлических сеток «Лепсе»; или по ГОСТ 2715-75 |
29 |
Закладная сетка М1 |
|
|
8 |
Антисептированнный деревянный брусок 210×40 мм |
30 |
Закладная сетка М2 |
|
|
9 |
Антисептированный деревянный брусок 140×40 мм |
31 |
Закладная петля 3П1 |
|
|
32 |
2 Ø 6 |
|||
|
10 |
Желоб |
|||
|
33 |
Анкер А1 |
|||
|
11 |
Наружная штукатурка |
|||
|
34 |
Анкер А2 |
|||
|
12 |
Внутренняя штукатурка |
|||
|
35 |
Уголок - перемычка с опиранием на боковую кладку проема не менее 120 мм |
|||
|
13 |
Кровля |
|||
|
36 |
Мастика |
|||
|
14 |
Дюбель EJOT (ТС-07-1051-05) |
|||
|
37 |
Прокладка уплотняющая из пенорезины сечением 8×8 по ТУ 38-406316-87 |
|||
|
15 |
Стеклопакет |
|||
|
38 |
Прокладка пенополиэтиленовая уплотняющая марки Вилатерм-СМ Ø 30; 40 (трубчатая), ТУ 6-05-221-872-86 |
|||
|
16 |
Дека, пропитанная антипиреном |
|||
|
39 |
Пена строительная |
|||
|
16а |
Пластина 6×40 с болтом Ø 10 и шагом 600 мм, но не менее 2 штук на проем |
|||
|
40 |
Надоконная перемычка |
|||
|
17 |
Стропила |
|||
|
41 |
Цементный раствор |
|||
|
18 |
Покрытие |
|||
|
42 |
Дюбель HPS-I, «Хилти», Ø 6 или 8 |
|||
|
19 |
Чердачное перекрытие |
|||
|
43 |
Дюбель из полиамида ТУ 36-941-79 |
|||
|
20 |
Слив С1 |
|||
|
44 |
Шуруп ГОСТ 1144-80 |
|||
|
21 |
Слив С2 |
|||
|
45 |
Шуруп ГОСТ 1144-80 |
|||
|
22 |
Слив С4 |
|
№ поз. |
Наименование |
№ поз. |
Наименование |
|
46 |
Гвоздь Ø 6 через деревянную прокладку с шагом 600 мм, но не менее 2 ш. на проем |
55 |
Перекрытие над подвалом |
|
47 |
Окно деревянное |
56 |
Фундаментная балка |
|
48 |
Рама и полотно распашных складчатых ворот серии 1.435-28 |
57 |
Костыль под фундаментную балку |
|
49 |
Костыль МС-1 с шагом 700 мм, см. в серии ворот |
58 |
Стена подвала |
|
50 |
Стальная планка для крепления рамы ворот, см. в серии ворот |
59 |
Крупный песок |
|
51 |
Подоконник по проекту |
60 |
Термовставка из ячеистобетонных блоков по ГОСТ 21520-89 |
|
52 |
Капельник |
61 |
Примыкание кровли к парапету дано в узлах раздела 13 |
|
53 |
Отмостка по проекту |
62 |
Подшивка карниза |
|
54 |
Гидроизоляция - цементно-песчаный раствор |
|
|
СХЕМА №11. Расположение плит утеплителя, рассечек

СХЕМА № 12. Расположение анкеров в углах, температурных швах и у проемов

Максимальный шаг температурных швов в защитно-декоративной стене L1 см. в таблице № 1 на листе 2 докум. М24.39/04-1.2
СХЕМА № 13

* - размеры по проекту
СХЕМА № 14

* - размеры по проекту






* - размеры по проекту





![]()
Экспликация материалов и деталей к узлам стен с облицовкой из оцинкованного стального профлиста
|
№ поз. |
Наименование |
№ поз. |
Наименование |
|
1 |
Панель стеновая цокольная |
21 |
Асбестоцементный лист |
|
2 |
Рама и полотно ворот по сети 1.435-28 |
22 |
Ригель |
|
3 |
Слив С2 |
23 |
Самонарезающие винты |
|
4 |
Костыль МС-1 с шагом 700 мм см в серии ворот |
24 |
Ригель |
|
5 |
Пленка «Тайвек» (TYVEK) |
25 |
Термовкладыш из бакелизированной фанеры |
|
6 |
Наружная обшивка из оцинкованного стального профлиста |
26 |
Шуруп 1 - 4×40 (шаг 300) |
|
7 |
Утеплитель из плит марки «ЛАЙТ БАТТС» (ТС-07-0753-03/2.2) |
27 |
Герметизирующая мастика |
|
8 |
Каркас панели |
28 |
Антисептированный деревянный брус сечением 40×130, крепить шурупами 1 -6×90 с шагом 600 |
|
9 |
Угловой нащельник |
29 |
Антисептированный деревянный брусок 40×90 (120) |
|
10 |
Слив С1 |
30 |
Нащельник Н1 |
|
11 |
Внутренняя обшивка |
31 |
Подоконник из деревянной доски 60×280 |
|
12 |
Заклепка |
32 |
Слив С5 |
|
13 |
Кровля из профлиста |
33 |
Болт М 16×50 с шагом 600 |
|
14 |
Прогон |
34 |
Нащельник Н2 |
|
15 |
Пароизоляция |
35 |
Элемент крепления окна У2; У3 с шагом 600 |
|
16 |
Костыль К-4 |
36 |
Герметик |
|
17 |
Деревянный брусок |
37 |
Дека |
|
18 |
Фартук |
38 |
Нащельник Н3 |
|
19 |
Несущий настил покрытия |
39 |
Нащельник Н4 |
|
20 |
Балка покрытия |
40 |
Нащельник Н5 |
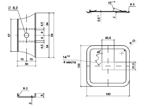
СХЕМА № 15. Продольный фасад

СХЕМА № 16. Торцевой фасад











![]()
Экспликация материалов и деталей к узлам стен с вентилируемой воздушной прослойкой
|
№ поз. |
Наименование |
№ поз. |
Наименование |
|
1 |
Кронштейн |
18 |
Оконный блок |
|
2 |
Направляющая |
19 |
Скоба d = 2 мм |
|
3 |
Кляммер |
20 |
Уголок гн. 80x80x2 |
|
4 |
Плитка облицовочная |
21 |
Стальной элемент рамы обрамления дверного проема, d = 0,55 мм |
|
5 |
Прокладка |
22 |
Дверной блок |
|
6 |
Минераловатная плита «ВЕНТИ БАТТС» (ТС-07-0752-03/2) |
23 |
Элементы установки дверной коробки |
|
7 |
Стена |
24 |
Вставка |
|
8 |
Болт с гайкой М 8×16 |
25 |
Опорный элемент в сборе с запирающей втулкой |
|
9 |
Слив цоколя |
26 |
Горизонтальный опорный профиль |
|
10 |
Костыль |
27 |
Заклепки вытяжные нержавеющие 3,2 - 4,8 |
|
11 |
Элементы установки оконного блока |
28 |
Распорная втулка |
|
12 |
Заклепка |
29 |
Регулировочный винт |
|
13 |
Анкерный дюбель |
30 |
Стальная кассета |
|
14 |
Подоконная доска |
31 |
Тарельчатый дюбель |
|
15 |
Герметик силиконовый |
32 |
Прижим |
|
16 |
Стальной элемент рамы обрамления оконной коробки, d = 0,55 мм |
33 |
Самонарезающий винт |
|
17 |
Слив оконного блока |
34 |
Пленка Тайвек (TYVEK) |
Стены с вентилируемой воздушной прослойкой

СХЕМА размещения плит теплоизоляции, дюбелей и кронштейнов









![]()
Экспликация материалов и деталей к узлам стен подвала
|
№ поз. |
Наименование |
№ поз. |
Наименование |
|
1 |
Несущая часть стены |
11 |
Бортовой камень |
|
2 |
Отделочный штукатурный слой |
12 |
Пол подвала |
|
3 |
Теплоизоляция из минераловатных плит FACADE BATTS, FACADE LAMELLA (ТС-07-0720-03/2), FACADE SLAB, FACADE BATTS (TC-07-0529-02/2) |
13 |
Теплоизоляция из минераловатных плит «ФЛОР БАТТС» и «ФЛОР БАТТС И» (ТС-07-0698-03/2) |
|
4 |
Горизонтальная гидроизоляция из цементно-песчаного раствора М 50 |
14 |
Опорный профиль |
|
5 |
Клеевой слой для крепления теплоизоляции |
15 |
Облицовка цоколя |
|
6 |
Перекрытие над подвалом |
16 |
Щебень |
|
7 |
Дюбели для крепления внутреннего слоя гидроизоляции из битумно-полимерного рулонного материала |
17 |
Крупный песок |
|
8 |
Двухслойная рулонная гидроизоляция из битумно-полимерного материала |
18 |
Дренажная труба |
|
9 |
Защитная стенка из кирпича толщиной 120 мм |
19 |
Д)бели для крепления защитной мембраны «Тефонд» |
|
10 |
Отмостка |
20 |
Защитная мембрана «Тефонд» (ТУ 5774-003-45940433-99) |
Вариант с поверхностным сбросом дождевой воды и защитной гидроизоляции кирпичной кладки

Вариант с дренажем и защитной гидроизоляции кирпичной кладки

Вариант с поверхностным сбросом дождевой воды и защитной гидроизоляции пленкой «Тефонд»

Вариант с дренажем и защитной гидроизоляции кирпичной кладки


![]()
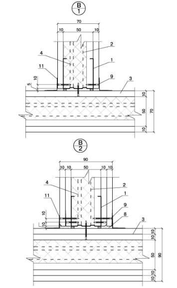
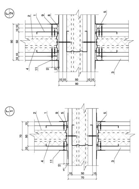
Экспликация материалов и деталей к узлам перегородок
|
№ поз. |
Наименование |
№ поз. |
Наименование |
|
1 |
Стальной стоечный профилированный каркас ПС |
11 |
Угловая армирующая лента и шпаклевка |
|
2 |
Стальной направляющий профилированный каркас ПН |
12 |
Вставка из минераловатной плиты «АКУСТИК БАТТС» (ТУ-5762-014-4575203-05) |
|
3 |
Гипсокартонный ГКЛ или гипсоволокнистый ГВЛ лист |
13 |
Профиль ПС с дополнительным деревянным бруском |
|
4 |
Звукоизоляция из минераловатных плит «АКУСТИК БАТТС» (ТУ-5762-014-4575203-05) |
14 |
Гладкий стоечный профиль |
|
5 |
Лента уплотнительная |
15 |
Спаренный стоечный профиль ПС |
|
6 |
Дюбель |
16 |
Армированный защитный уголок с последующим шпаклеванием |
|
7 |
Разделительная лента |
17 |
Лента кромочная |
|
8 |
Шпаклевка |
|
|
|
9 |
Самонарезающий винт |
|
|
|
10 |
Шпаклевка по армирующей ленте |
|
|










Таблица
Технические характеристики перегородок на металлическом каркасе
|
Тип перегородок |
Эскиз |
Максимальная высота перегородки, м |
Толщина перегородки D, мм |
Толщина одного слоя обшивки d, мм |
Шаг стоечных профилей а, мм |
Тип элементов каркаса |
Индекс изоляции воздушного шума Ь, ДБ |
Характеристики звукоизоляционного слоя |
||
|
Тип направляющего |
Тип стоечного |
Плотность, кг/мН3 |
Толщина, мм |
|||||||
|
С металлическим каркасом и однослойной обшивкой |
|
2,5 |
70 |
10 |
600 |
ПН 50/40 |
ПС 50/50 |
45 |
40 |
50 |
|
3,0 |
75 |
12,5 |
46 |
|||||||
|
3,0 |
70 |
10 |
400 |
45 |
||||||
|
4,0 |
75 |
12,5 |
46 |
|||||||
|
4,0 |
70 |
10 |
300 |
ПН 75/40 |
ПС 75/50 |
47 |
40 |
50 |
||
|
5,0 |
75 |
12,5 |
48 |
|||||||
|
4,5 |
95 |
10 |
600 |
47 |
40 |
50 |
||||
|
100 |
12,5 |
48 |
||||||||
|
6,0 |
95 |
10 |
400 |
48 |
||||||
|
100 |
12,5 |
49 |
||||||||
|
7,0 |
95 |
10 |
300 |
48 |
||||||
|
100 |
12,5 |
49 |
||||||||
|
5,0 |
120 |
10 |
600 |
ПН 100/40 |
ПС 100/50 |
48 |
40 |
50 |
||
|
125 |
12,5 |
49 |
||||||||
|
6,5 |
120 |
10 |
400 |
48 |
||||||
|
125 |
12,5 |
49 |
||||||||
|
8,0 |
120 |
10 |
300 |
48 |
40 |
50 |
||||
|
125 |
12,5 |
49 |
||||||||
![]()
Таблица
Технические характеристики перегородок на металлическом каркасе
|
Тип перегородок |
Эскиз |
Максимальная высота перегородки, м |
Толщина перегородки D, мм |
Толщина одного слоя обшивки d, мм |
Шаг стоечных профилей а, мм |
Тип элементов каркаса |
Индекс изоляции воздушного шума Ib, ДБ |
Характеристики звукоизоляционного слоя |
||
|
Тип направляющего |
Тип стоечного |
Плотность, кг/мН3 |
Толщина, мм |
|||||||
|
С металлическим каркасом и однослойной обшивкой |
|
4,0 |
90 |
2×10 |
600 |
ПН 50/40 |
ПС 50/50 |
48 |
40 |
50 |
|
100 |
2×12,5 |
49 |
||||||||
|
5,0 |
90 |
2×10 |
400 |
48 |
||||||
|
100 |
2×12,5 |
49 |
||||||||
|
6,0 |
90 |
2×10 |
300 |
48 |
||||||
|
100 |
2×12,5 |
49 |
||||||||
|
5,5 |
115 |
2×10 |
600 |
ПН 75/40 |
ПС 75/50 |
50 |
40 |
50 |
||
|
125 |
2×12,5 |
52 |
||||||||
|
6,5 |
115 |
2×10 |
400 |
50 |
||||||
|
125 |
2×12,5 |
52 |
||||||||
|
7,5 |
115 |
2×10 |
300 |
50 |
||||||
|
125 |
2×12,5 |
52 |
||||||||
|
6,5 |
140 |
2×10 |
600 |
ПН 100/40 |
ПС 100/50 |
50 |
40 |
50 |
||
|
150 |
2×12,5 |
52 |
||||||||
|
7,5 |
140 |
2×10 |
400 |
50 |
||||||
|
150 |
2×12,5 |
52 |
||||||||
|
9,0 |
150 |
2×12,5 |
300 |
52 |
||||||

![]()
Экспликация материалов и деталей к узлам перегородок
|
№ поз. |
Наименование |
№ поз. |
Наименование |
|
1 |
Деревянный брусок 60×50 мм |
8 |
Шпаклевка |
|
2 |
Гвоздь оцинкованный, шаг 500 мм |
9 |
Самонарезающий винт |
|
3 |
Гипсокартонный ГКЛ или гипсоволокнистый ГВЛ лист |
10 |
Шпаклевка по армирующей ленте |
|
4 |
Звукоизоляция из минераловатных плит «АКУСТИК БАТТС» (ТУ-5762-014-4575203-05) |
11 |
Угловая армирующая лента и шпаклевка |
|
5 |
Лента уплотнительная |
12 |
Вставка из минераловатной плиты «АКУСТИК БАТТС» (ТУ-5762-014-4575203-05) |
|
6 |
Винт с пластмассовым дюбелем с шагом 500 мм |
13 |
Армированный защитный уголок с последующим шпаклеванием |
|
7 |
Разделительная лента |
17 |
Лента кромочная |









Таблица
Технические характеристики перегородок на деревянном каркасе
|
Тип перегородок |
Эскиз |
Максимальная высота перегородки, м |
Толщина перегородки D, мм |
Толщина одного слоя обшивки d, мм |
Шаг стоечных профилей а, мм |
Тип элементов каркаса |
Индекс изоляции воздушного шума Iв, дБ |
Характеристики звукоизоляционного слоя |
|||
|
Тип направляющего |
Тип стоечного |
Плотность, кг/мН3 |
Толщина, мм |
||||||||
|
С деревянным каркасом |
С однослойной обшивкой |
|
3,1 |
80 |
10 |
600 |
60×40 |
60×50 |
45 |
40 |
50 |
|
85 |
12,5 |
600 |
45 |
50 |
|||||||
|
С двухслойной обшивкой |
|
3,1 |
100 |
2×10 |
600 |
60×40 |
60×50 |
53 |
40 |
50 |
|
|
110 |
2×12,5 |
600 |
53 |
50 |
|||||||

![]()
Экспликация материалов к узлам чердачных перекрытий
|
№ поз. |
Наименование |
№ поз. |
Наименование |
|
1 |
Железобетонная плита перекрытия |
6 |
Выравнивающая стяжка |
|
2 |
Пароизоляция |
7 |
Деревянная балка перекрытия |
|
3 |
Слой рулонного наплавляемого материала |
8 |
Деревянный щит |
|
4 |
Минераловатные плиты «ЛАЙТ БАТТС» (ТС-07-0753-03/2.2) |
9 |
Цементно-стружечная плита, d = 20 мм |
|
5 |
Армированная цементно-песчаная стяжка |
10 |
Штукатурка |



![]()
Экспликация материалов к узлам чердачных перекрытий
|
№ поз. |
Наименование |
№ поз. |
Наименование |
|
1 |
Дощатое покрытие пола |
7 |
Мозаично-бетонное покрытие пола |
|
2 |
Гвозди |
8 |
Звукоизоляция из минераловатных плит «ФЛОР БАТТС» (ТС-07-0698-03/2) |
|
3 |
Лага |
9 |
Покрытие пола паркетное |
|
4 |
Звукоизоляция из минераловатных плит «ЛАЙТ БАТТС» (ТС-07-0753-03/2.2) |
10 |
Сборная стяжка из ГВЛ |
|
5 |
Железобетонное перекрытие |
11 |
Пароизоляция |
|
6 |
Гидроизоляция |
|
|


![]()
Экспликация материалов и деталей к узлам ограждающим конструкциям мансард
|
№ поз. |
Наименование |
№ поз. |
Наименование |
|
1 |
Гипсокартонный лист |
10 |
Вкладыш из гисокартонного листа |
|
2 |
Стропила стальные |
11 |
Ветрозащитная пленка «Тайвек» TYVEK |
|
3 |
Стропила деревянные |
12 |
Пароизоляция |
|
4 |
Металлическая кровля |
13 |
Обвязочный брусок |
|
5 |
Обрешетка |
14 |
Минераловатная плита ЛАЙТ БАТТС (ТС-07-0753-03/2.2) |
|
6 |
Брус 150×50 мм |
15 |
Заставка из минераловатных плит ЛАЙТ БАТТС (ТС-07-0753-03/2.2) |
|
7 |
Стальной профлист |
16 |
Защитная перфорированная металлизированная лента |
|
8 |
Деревянный брусок 40×30 мм |
17 |
Оконный блок |
|
9 |
Деревянный брусок 60×40 мм |
18 |
Шуруп ГОСТ 1144-80 |





![]()
Экспликация материалов и деталей к узлам покрытия с железобетонным основанием
|
№ поз. |
Наименование |
№ поз. |
Наименование |
|
1 |
Железобетонная плита покрытия |
15 |
Негорючая теплоизоляция, например, пенобетон g = 500 кг/м3, толщина по теплотехническому расчету |
|
2 |
Выравнивающая затирка цементно-песчаным раствором марки 50 толщиной 5... 15 мм - грунтовка раствором битума в керосине (1:3); |
16 |
Деревянный антисептированный брусок 40×40×h - 4 шт |
|
- пароизоляция (по расчету) - слой стеклорубероида «Бикрост» - 3 мм, ТУ 21-00288739-42-93 |
17 |
Уплотнитель - ПРП по ГОСТ 19177-81 |
|
|
3 |
Точечная приклейка теплоизоляции битумом с t ≤ 120 °С |
18 |
Зажимной хомут |
|
4 |
Теплоизоляция - минераловатная плита «РУФ БАТТС» (ТС-07-1037-04) |
19 |
Опора из легкого бетона |
|
4а |
Теплоизоляция - минераловатная плита «РУФ БАТТС В» (ТС-07-1037-04) |
20 |
Фундамент под вентилятор |
|
46 |
Теплоизоляция - минераловатная плита «РУФ БАТТС Н» (ТС-07-1037-04) |
21 |
Гвоздь с шайбой |
|
5 |
Стяжка из цементно-песчаного раствора марки 50-20 мм |
22 |
Цементно-песчаный раствор марки 50 |
|
6 |
Кровельный ковер |
23 |
Защитный фартук из кровельной стали толщиной 0,8 мм |
|
7 |
Уплотняющие прокладки - ПРП - 40 К (2 шт), ГОСТ 19177-81, перевить; или типа «Вилатерм - СМ» |
24 |
Герметизирующая мастика |
|
8 |
Заделка стыка цементно-песчаным раствором |
25 |
Кожух вентилятора |
|
9 |
Дополнительные слои кровельного ковра |
26 |
Колпак водоприемной воронки |
|
10 |
Минеральная вата «ЛАЙТ БАТТС» (ТС-07-0753-03/2.2) |
27 |
Пропускаемая труба |
|
11 |
Компенсатор из оцинкованной стали толщиной 0,8 мм |
28 |
Зонт из оцинкованной стали |
|
12 |
Выкружка из оцинкованной стали толщиной 0,8 мм |
29 |
Парубок с фланцем |
|
13 |
Стеклоткань |
30 |
Грунтовочный слой |
|
14 |
Рулонный битумно-полимерный материал, уложенный насухо |
|
|
|
№ поз. |
Наименование |
№ поз. |
Наименование |
|
31 |
Разделительный слой из кровельного рулонного материала |
43 |
Слой кровельного материала |
|
32 |
Противокорневой слой |
44 |
Прижимной фланец, устанавливаемый на мастику толщиной 5 мм |
|
33 |
Дренажный слой из гравия |
45 |
Пустотная плита перекрытия |
|
34 |
Фильтрующий слой |
46 |
Парубок |
|
35 |
Растительный слой |
47 |
Пробка деревянная анитисептированная 65×120×120 мм через 510 мм |
|
36 |
Тротуар из цементно-песчаного раствора или бетонных плиток, асфальтобетона |
48 |
Костыль из стальной полосы 4×40 |
|
37 |
Стальной стакан с фланцем |
49 |
Наклонный бортик из минераловатной плиты |
|
38 |
Парапетная плита |
50 |
Наклонный бортик из цементно-песчаного раствора |
|
39 |
Ограждение кровли |
51 |
Крепежный элемент |
|
40 |
Водоприемная воронка |
52 |
Компенсатор из оцинкованной стали толщиной 1,5 мм |
|
41 |
Защитная решетка |
53 |
Стенка деформационного ша (бетон, кирпичная кладка) |
|
42 |
Гравийная засыпка |
|
|







![]()
|
№ поз. |
Наименование |
№ поз. |
Наименование |
|
1 |
Заглушка из минераловатной плиты «ЛАЙТ БАТТС» (ТС-07-0753-03/2.2) |
27 |
Компенсатор из оцинкованной стали, δ = 0,8 мм |
|
2 |
Стальная гребенка |
28 |
Крепежный элемент |
|
3 |
Оцинкованная сталь, δ = 0,8 мм |
29 |
Полоса стальная 4x40 мм |
|
4 |
Мастика герметизирующая |
30 |
Болт М10х3О-011 с шайбой и гайкой |
|
5 |
Приклеивающий состав |
31 |
Стальная пластина 220x120x10 мм |
|
6 |
Бортик из плит «РУФ БАТТС» (ТС-07-1037-04) |
32 |
Антисептированный и антиперированный брусок |
|
7 |
Слой кровельного материала (усиление кровли в ендове) |
33 |
Стена здания повышенного пролета |
|
8 |
Дополнительный слой водоизоляционного ковра |
34 |
Плиты минераловатные «РУФ БАТТС», «РУФ БАТТС В», «РУФ БАТТС Н» (ТС-07-1037-04) |
|
9 |
Костыль из стальной полосы 4×40 мм |
35 |
Оцинкованная сталь, δ = 0,8 мм |
|
10 |
Защитный фартук из оцинкованной стали, δ = 0,8 мм |
36 |
Болт М16x70-001 с шайбой и гайкой |
|
11 |
Дюбель ДГ 3,7×70 Ц6 |
37 |
Уголок 125×80×7 |
|
12 |
Ограждение кровли |
38 |
Прогон |
|
13 |
Парапет |
39 |
Компенсатор из оцинкованной стали, δ = 2 мм |
|
14 |
Точечная приклейка рулонного материала |
40 |
Заклепка комбинированная ЗК-12 |
|
15 |
Слой кровельного материала (усиление кровли в коньке) |
41 |
Элемент механического крепления |
|
16 |
Заклепка комбинированная ЗК-10 |
42 |
Плиты минераловатные «ЛАЙТ БАТТС» (ТС-07-0753-03/2.2) |
|
17 |
Стальной поддон |
43 |
Выкружка из оцинкованной стали толщиной 8 = 1,5 мм |
|
18 |
Патрубок с фланцем |
44 |
Слой кровельного материала «насухо» крупнозернистой посыпкой вниз |
|
19 |
Стальной хомут |
45 |
Винт самонарезающий В6х25 |
|
20 |
Защитный колпак |
46 |
Труба |
|
21 |
Прижимной фланец |
47 |
Стальной стакан |
|
22 |
Дополнительные прогоны |
48 |
Хомут из стальной полосы 4×40 мм |
|
23 |
Местное понижение вокруг воронки |
49 |
Основной водоизоляционный ковер |
|
24 |
Опорный столбик |
50 |
Стальной профилированный настил |
|
25 |
Дополнительные слои кровельного материала вокруг воронки |
51 |
Пароизоляция |
|
26 |
Бортик из гнутого швеллера |
52 |
Защитный слой |


![]()

Общее замечание: Направление профилированных настилов выбрано произвольно.










![]()
Экспликация материалов и деталей к узлам покрытия с кровлей из профилированных стальных листов
|
№ поз. |
Наименование |
№ поз. |
Наименование |
|
1 |
Несущий стальной профилированный настил |
15 |
Винт самонарезающий В6×25 |
|
2 |
Стальной профилированный настил |
16 |
Шайба неопреновая |
|
3 |
Пароизоляция из полиэтиленовой пленки |
17 |
Заглушка из минераловатной плиты «ЛАЙТ БАТТС» (ТС-07-0753-03/2.2) |
|
4 |
Ветрозащита из пленки «TYVEK» |
18 |
Стальная гребенка по форме профлиста |
|
5 |
Плиты минераловатные «ЛАЙТ БАТТС» (ТС-07-0753-03/2.2) |
19 |
Оцинкованная сталь δ = 0,8 мм |
|
6 |
Термовкладыш из бакелизированной фанеры |
20 |
Защитный фартук из оцинкованной стали δ = 0,8 мм |
|
7 |
Опорный элемент из стали δ = 3 мм |
21 |
Гребенчатый уплотнитель из пористой резины |
|
8 |
Элемент жесткости δ = 2 мм |
22 |
Труба |
|
9 |
Дистанционный прогон ГН 65×45×40×3 |
23 |
Стальной квадратный стакан с фланцем |
|
10 |
Шайба стальная |
24 |
Дополнительные прогоны |
|
11 |
Герметизирующая лента |
25 |
Хомут |
|
12 |
Мастика герметизирующая |
26 |
Зонт из оцинкованной стали |
|
13 |
Винт самонарезающий В6×80 |
27 |
Коньковый защитный фартук |
|
14 |
Заклепка комбинированная |
28 |
Уплотнитель по форме профнастила |






![]()

|
Марка изделия |
№ поз. |
Наименование |
Кол. |
Масса ед., кг |
Примечание |
|
А1 |
1 |
6 A-III, ГОСТ 5781-82, L=150 |
1 |
0,03 |
0,31...0,43 |
|
2* |
|
1 |
0.3...0.4 |

|
Марка изделия |
№ поз. |
Наименование |
Кол. |
Масса ед., кг |
Примечание |
|
А2 |
1 |
6A-III, ГОСТ 5781-82, L=240 |
2 |
0,053 |
0,42 |
|
2 |
|
1 |
0,314 |


3П1 и М2 - оцинковать


Материал: ![]()
* - толщина слива С2; СЗ - 1 мм
** - по проекту
А=В/3; С=В/2

Материал: ![]()
1 * Уточняется в проекте.
2 Костыли окрасить за 2 раза или оцинковать
ПРИМЕР: Сборная несущая балка из керамзитобетона плотностью 1400 кг/м3 класса В12.5

*а = 30... 140 (по толщине теплоизоляции)
|
СТАЛЬНАЯ НАПРАВЛЯЮЩАЯ |
Н - направляющая нижняя В - направляющая верхняя |

Материал: ![]()
* Болты М8 с гайкой и 2-мя шайбами

КЛЯММЕР А1

КЛЯММЕР А2

СКОБА

УГОЛОК

|
ШАЙБА |
ПРИЖИМНАЯ ПЛАНКА |

Материал: ![]()
КРОНШТЕЙН ФИРМЫ "ДИАТ"

|
НАЩЕЛЬНИК Н1 |
НАЩЕЛЬНИК Н2 |
|
|
|
|
НАЩЕЛЬНИК НЗ |
НАЩЕЛЬНИК Н4 |
|
|
|
НАЩЕЛЬНИК Н5

* - размеры по проекту

![]()
ПРИМЕР РАСЧЕТА ПОВЫШЕНИЯ ТЕПЛОЗАЩИТЫ СТЕНЫ
Административное здание в г. Москве.
Усиление теплозащиты выполнено с применением минераловатных плит «КАВИТИ БАТТС». Принятая конструкция стены дана на расчетной схеме.
Нечетная схема стены.

1 - цементно-известковая штукатурка, λ1 = 0,87 Вт/(м·°С);
2; 4 - кирпичная кладка, λ2 = 0,81 Вт/(м·°С);
3 - плита минераловатная «КАВИТИ БАТТС», λб = 0,044 Вт/(м·°С).
Требуемое сопротивление теплопередаче стены является функцией числа градусо-суток отопительного периода (ГСОП):
ГСОП = (tв – tот.пер) Zот.пер. ,
где: tB - расчетная температура внутреннего воздуха, °С;
tот.пер, Zот.пер - средняя температура, °С и продолжительность, сут. периода со средней суточной температурой воздуха ниже или равной 8 °С по СНиП 23-01-99 «Строительная климатология».
Для г. Москвы ГСОП = 4600 и Rтр = 2,58 м2·°С/Вт.
![]()
Требуется усиление теплозащитной способности стены на:
= 2,58 - 0,81= 1,77; м2·°С1Вт
а за вычетом R облицовочного слоя из кирпича, равного 0,148 м2·°С/Вт, получаем
ΔR=1,77 - 0,148=1,622 м2·оС/Вт
Толщина слоя дополнительной теплоизоляции при IБ = 0,044 Вт/(м·°С) и коэффициенте теплотехнической однородности r = 0,92 составит
![]()
Принимаем слой изоляции равным 80 мм, тогда фактическое сопротивление теплопередаче составит
ПРИМЕР РАСЧЕТА ПАРОЗАЩИТЫ СТЕНЫ
(Наружная стена)
1 Цель расчета - определение необходимости устройства специальной парозащиты в многослойной стене расчет выполнен по СНиП 23-02-2003 «Тепловая защита зданий».
2 Исходные данные - административное здание в г. Москва tвн = 18 °С; φвн = 50 %; Rфак = 2,63 м2·°С/Вт(см. расчет теплозащиты стены).
3 Конструкция стены:

1 - цементно-известковая штукатурка,
λ = 0,87 Вт/м·°С;
μ = 0,098 мг/м·ч·Па;
2, 4 - кирпичная кладка,
λ = 0,81 Вт/ м·°С;
μ = 0,11 мг/м·ч·Па
3 - плита минераловатная «КАВИТИ БАТТС»
λб = 0,044 Вт/ м·°С;
μ = 0,35 мг/ м·ч·Па
а - а - плоскость возможной конденсации.
Сопротивление теплопередаче внутренних слоев составит
R0вн.слоев = 0,08/0,044×0,92+0,51/0,81+0,02/0,87+0,115 = 2,44; м2 °С/Вт
4 Требуемое сопротивление паропроницанию слоев стены до плоскости возможной конденсации должно быть не менее его значения по формуле:
![]()
или по формуле:
![]()
5 Проверка возможности влагонакопления за годовой период. Значения среднемесячных температур наружного воздуха для Москвы по СНиП 23-01-99 «Строительная климатология» приведены в таблице, Zо по тому же СНиПу (стр. 8) и средней упругости водяных паров наружного воздуха по СНиП 2.01.01-82 «Строительная климатология геофизика», т.к. в новом СНиПе эти данные отсутствуют.
|
Месяц |
1 |
2 |
3 |
4 |
5 |
6 |
7 |
8 |
9 |
10 |
11 |
12 |
|
Тн, ºС |
-10,2 |
-9,2 |
-4,3 |
4,4 |
11,9 |
16,0 |
18,1 |
16,3 |
10,7 |
4,3 |
-1,9 |
-7,3 |
|
ен, гПа |
2,8 |
2,9 |
3,7 |
6 |
8,9 |
12,4 |
14,7 |
14,2 |
10,4 |
6,9 |
4,8 |
3,6 |
Zo = 145 сут
Сезонные и среднемесячные температуры:
Z1 = 3 мес; tН1 = - 8,9 °С;
Z2 = 4 мес; tН2 = + 0,625 °С;
Z3 = 5 мес; tН3 = + 14,6 °С.
Температура в плоскости возможной конденсации, соответствующая среднезонным температурам, определяется по формуле:
![]()
![]()
![]()
![]()
соответственно Е1 = 337 Па;
Е2 = 701 Па;
Е3 = 1683 Па, тогда
Е = (337×3 + 701×4 + 1683×5)/12 = 1019 Па
ев = 1032 Па;
ен = 761 Па (см. таблицу выше).
Rп.нар.слоя = 0,12/0,11 = 1,09 м2·ч·Па/мг;
Rп.внут.слоя = 0,08/0,35 + 0,51/0,11 + 0,02/0,098 = 5,06 м2·ч·Па/мг.
По формуле
RП1 = (1032 - 1019)×1,09/(1019 - 761) = 0,054 < 5,06 м2·ч·Па/мг.
то есть по этому условию устройство парозащиты не требуется.
6 Проверка возможности влагонакопления за период с отрицательными среднемесячными температурами.
7 Средняя упругость водяного пара наружного воздуха за период Zo (см. таблицу выше).
ено = 356 Па.
Средняя температура наружного воздуха за тот же период
τ0 = -6.58 °С.
По формуле:
![]()
этой температуре соответствует Ео = 408 Па.
По формуле:
η = 0,0024·(408 - 356)·145/1,09 = 16,6
При γ = 40 кг/м3; d = 0,08 м; DWcp = 3 %, находим:
RП2 = 0,0024·145·(1032 - 408)/(140·0,08·3 + 16,6) = 4,32 < 5,06 м2·ч·Па/мг.
Таким образом, по этому условию накопления влаги в конструкции за период с отрицательными средними месячными температурами наружного воздуха не будет.
ПРИМЕР ОПРЕДЕЛЕНИЯ ПОКАЗАТЕЛЯ ТЕПЛОУСВОЕНИЯ
ПОВЕРХНОСТИ ПОЛА (по СНиП
23-02-2003)
Исходные данные: пол подвала жилого дома.
Конструкция пола:

Таблица физико-технических характеристик составляющих пола
|
№ п/п |
Материал |
Толщина слоя, м |
Плотность материала в сухом состоянии, γ0, кг/м3 |
Коэффициенты при условии эксплуатации А |
Теплотермическое сопротивление, R, м2оС/Вт |
|
|
Теплопроводность, λ, Вт/м°С |
Теплоусвоения, s, Вт/м2°С |
|||||
|
1 |
Линолеум |
0,003 |
1600 |
0,33 |
7,52 |
0,009 |
|
2 |
Мастика водостойкая |
0,001 |
1000 |
0,18 |
4,56 |
0,0055 |
|
3 |
Сборная стяжка из гипсоволокнистых листов |
0,02 |
1150 |
0,3 |
6,00 |
0,066 |
|
4 |
Теплоизоляция из плит минераловатных плит «ФЛОР БАТТС И» |
0,044 |
160 |
0,043 |
0,64 |
0,93 |
|
5 |
Железобетонное перекрытие |
0,14 |
2500 |
1,92 |
17,98 |
0,073 |
Тепловую инерцию каждого слоя определяем по формуле:
D1 = R1·S1 = 0,009·7,52 = 0,068;
D2 = R2·S2 = 0,0055·4,56 = 0,025;
D3 = R3·S3 = 0,066·6,00 = 0,396;
D5 = R5·S5 = 0,073·17,98 =1,31.
Т.к. суммарная тепловая инерция первых трех слоев
D1 + D2+ D3= 0,068 + 0,025 + 0,396 = 0,489 < 0,5
а суммарная тепловая инерция трех плюс пятый слой
D1+D2+D3+D5 = 0,489 + 1,31 = 1,799 > 0,5.
Следовательно показатель теплоусвоения пола Yn следует определять последовательно расчетом показателей теплоусвоения поверхностей слоев конструкции, начиная с третьего слоя:
![]()
![]()
![]()
что не удовлетворяет требованиям СНиП предъявляемым к теплоусвоению поверхности пола в жилых, больничных и других подобных зданиях (1 группа зданий и помещений). Поэтому вводим в конструкцию пола дополнительный слой из минераловатной плиты:
![]()
![]()
![]()
Таким образом, выбранная конструкция отвечает требованиям СНиП 23-02-2003 для зданий и помещений всех трех групп.
ПРИМЕР ОПРЕДЕЛЕНИЯ ИНДЕКСА ИЗОЛЯЦИИ ВО3ДУШНОГО ШУМА МЕЖДУЭТАЖНЫМ ПЕРЕКРЫТИЕМ ЖИЛОГО ДОМА.
ПЕРЕКРЫТИЕ СОСТОИТ ИЗ ЖЕЛЕ3ОЕТОННОЙ ПЛИТЫ g = 2400 кг/м3 ТОЛЩИНОЙ 14 СМ, ЗВУКОИЗОЛЯЦИОННОГО СЛОЯ ИЗ МИНЕПЛОВАТНОЙ ПЛИТЫ «ФЛОР БАТТС И» ТОЛЩИНОЙ 4,0 СМ, СЕННОЙ СТЯЖКИ ИЗ ГИПСОВОЛОКНИСТЫХ ЛИСТОВ (ГВЛ) ПЛОТНОСТНО 1150 кг/м 3 ТОЛЩИНОЙ 2,0 СМ
1. Поверхностная плотность элементов перекрытия:
m1 = 2400·0,4 = 336 кг/м2
m2 = 1100·0,003 + 1150·0,02 = 3,3 + 23 = 26 кг/м2
2. Вычисляем величину Rwo для несущей плиты перекрытия при
m1 = 336 кг/м2 > 200 кг/м2
Rwo = 23 lg m3 - 10 дБ = 23 lg 336 - 10 дБ = 58 - 10 = 48 дБ
3. Для минплиты «ФЛОР БАТТС И» и нагрузке на пол в жилом доме 2 кПа:
Ед = 1,1 -105 кг/м2 и εД = 0,02
Вычисляем:
hэ = ho·(1 - ед) = 0,04·(1 - 0,02) = 0,039 м
5. Определяем частоту резонанса конструкции:

6. По таблице 15 СП к СНиП 23-03-2003 находим Rw = 52 дБ (по интерполяции).
7. В соответствии с таблицей 6 СНиП 23-03-2003 данная конструкция перекрытия с покрытием пола из линолеума удовлетворяет нормативным требованиям в домах жилых зданий категории «Б» и «В».
ПРИМЕР ОПРЕДЕЛЕНИЯ ИНДЕКСА ИЗОЛЯЦИИ ВО3ДУШНОГО ШУМА МЕЖДУЭТАЖНЫМ ПЕРЕКРЫТИЕМ ЖИЛОГО ДОМА.
ПЕРЕКРЫТИЕ СОСТОИТ ИЗ ЖЕЛЕ3ОБЕТОННОЙ ПЛИТЫ g = 2500 кг/м3 ТОЛЩИНОЙ 10 СМ, ЗВУКОИЗОЛЯЦИОННОГО СЛОЯ ИЗ МИНЕРАЛОВАТНЫХ ПЛИТ «ЛАЙТ БАТТС» ТОЛЩИНОЙ 5,0 СМ И ДОЩАТОГО ПОЛА ТОЛЩИНОЙ 4,0 СМ НА ЛАГАХ ТОЛЩИНОЙ 5,0 СМ И ШИРИНОЙ 10,0 СМ, УЛОЖЕННЫХ С ШАГОМ 50 СМ.
1. Поверхностная плотность элементов перекрытия:
m1 = 2500·0,1 = 250 кг/м2
m2= 600·0,04 (доски) + 600·0,05·0,1·2 (лага) = 24 + 6 = 30 кг/м2
2. Вычисляем величину Rwo для несущей плиты перекрытия при
mi = 250 кг/м2 > 200 кг/м2
Rwo = 23 lg mэ - 10 дБ = 23 lg 250 - 10 дБ = 45 дБ
3. Для минплиты g = 45 кг/м3 и нагрузке на пол в жилом доме 200 кг/м2 (2000 Па)
Ед = 1,4·105 кг/м2 и ед = 0,22
4. Вычисляем:
hэ = ho (1 - ед) = 0,05· (1 - 0,22) = 0,039 м
5. Определяем частоту резонанса конструкции:

6. По таблице 15 СП к СНиП 23-03-2003 находим RW = 51 дБ (по интерполяции).
7. В соответствии с таблицей 6 СНиП 23-03-2003 данная конструкция перекрытия с дощатым покрытием пола удовлетворяет нормативным требованиям в домах категории «В».
ПРИМЕР ОПРЕДЕЛЕНИЯ ИНДЕКСА ПРИВЕДЕННОГО УРОВНЯ УДАРНОГО ШУМА ПОД ЖЕЛЕ3ОБЕТОННЫМ ПЕРЕКРЫТИЕМ ЖИЛОГО ДОМА.
ПЕРЕКРЫТИЕ СОСТОИТ ИЗ ЖЕЛЕ3ОБЕТОННОЙ ПЛИТЫ g = 2400 кг/м3 ТОЛЩИНОЙ 14 СМ, ЗВУКОИЗОЛЯЦИОННОГО СЛОЯ ИЗ МИНЕРАЛОВАТНОЙ ПЛИТЫ «ФЛОР БАТТС И» ТОЛЩИНОЙ 4,0 СМ, СБОРНОЙ СТЯЖКИ ИЗ ГИПСОВОЛОКНИСТЫХ ЛИСТОВ (ГВЛ) ПЛОТНОСТЬЮ 1150 кг/м 3 ТОЛЩИНОЙ 2,0 СМИ ПАКЕТНОГО ПОЛА ТОЛЩИНОЙ 1,8 СМ
1. Поверхностная плотность элементов перекрытия:
m1 = 2400·0,14 = 336 кг/м2
m2= 700·0,018 + 1150·0,02 = 12,6 + 23,0 = 35,6 кг/м2
По таблице 18 СП к СНиП 23-03-2003 при нагрузке на звукоизоляционный слой
200 + 35,6 = 235,6 кг/м2 Lnwo = 83 дБ;
2. В соответствии с ТС-07-0698-03-2 для минплиты «ФЛОР БАТТС И» при нагрузке на пол в жилом доме 200 кг/м2
Ед = 1,1·105 кг/м2 и εД = 0,023.
3. Вычисляем:
hэ = ho (1 - ед) = 0,04·(1 - 0,02) = 0,039 м
4. Определяем частоту резонанса конструкции:
5. По таблице 17 при значениях Lnwo = 83 дБ fо = 141 Гц находим Lnw = 63 дБ (по интерполяции).
6. В соответствии с таблицей 6 СНиП 23-03-2003 данная конструкция перекрытия с покрытием пола из паркета удовлетворяет только нормативным требованиям, предъявляемым к перекрытиям между комнатами в двух уровнях в домах категории «В». Следует изменить конструкцию пола. Уложим плиты минераловатные толщиной 6 см.
7. Определяем:
hэ = ho (1 - εд) = 0,06(1 - 0,02) = 0,059 м
8. Определяем частоту резонанса конструкции:

9. По таблице 17 при значениях Lnwo = 83 дБ и fо = 257 Гц находим Lnw = 69 дБ (по интерполяции).
10. В соответствии с таблицей 6 СНиП 23-03-2003 данная конструкция перекрытия с покрытием пола из паркета удовлетворяет нормативным требованиям в домах категории «А», «Б» и «В».
ДЮБЕЛЬНЫЙ КОМПЛЕКТ БИЙСКОГО ЗАВОДА СТЕКЛОПЛАСТИКОВ, ТЕЛ. (3854) 23-44-64, Т./Ф. 23-64-63

Комплект Д В3-1 Ш Ст. 5.5-L-1 ТУ 2291-006-20994511-99, где L - длина стеклопластикового стержня по проекту.
|
ГОСТЫ, СТРОИТЕЛЬНЫЕ и ТЕХНИЧЕСКИЕ НОРМАТИВЫ. Некоммерческая онлайн система, содержащая все Российские Госты, национальные Стандарты и нормативы. В Системе содержится более 150000 файлов нормативно-технической документации, действующей на территории РФ. Система предназначена для широкого круга инженерно-технических специалистов. Copyright © www.gostrf.com, 2008 - 2026 |