|
|
ТРУБОПРОВОДЫ ИЗ МЕДНЫХ ТРУБ Общие технические условияНЕКОММЕРЧЕСКОЕ ПАРТНЕРСТВО «Инженеры по отоплению, вентиляции, кондиционированию воздуха, теплоснабжению и строительной теплофизике» (НП «АВОК») www.abok.ru ПредисловиеОсновные принципы и общие положения проведения работ при разработке и применении стандартов организаций установлены в главе 3 «Стандартизация» Федерального закона от 27 декабря 2002 года № 184-ФЗ «О техническом регулировании», правила разработки и структура комплекса стандартов АВОК установлены в СТО НП «АВОК» 1.01-2006 «Стандартизация в НП "АВОК". Правила разработки и применения стандартов АВОК». Настоящий стандарт принят в соответствии со ст. 17 Федерального закона № 184-ФЗ «О техническом регулировании» саморегулируемой организацией НП «Инженеры по отоплению, вентиляции, кондиционированию воздуха, теплоснабжению и строительной теплофизике» (НП «АВОК»). Его целью является создание условий для обеспечения качества внутренних систем водоснабжения и отопления. Стандарт учитывает положения СП 40-108, в том числе имеющиеся там опечатки и неточности, а также систематизирует полученный опыт по проектированию, монтажу, эксплуатации и ремонту внутренних систем водоснабжения и водяного отопления с применением медных труб как отечественного, так и зарубежного производства. Решение вопроса о применении данного документа при проектировании и строительстве конкретных зданий и сооружений относится к компетенции проектной или строительной организации. В случае если принято решение о применении настоящего документа, все установленные в нем правила являются обязательными. Частичное использование требований и правил, приведенных в настоящем документе, не допускается. Сведения о стандарте 1 РАЗРАБОТАН творческим коллективом специалистов некоммерческого партнерства «Инженеры по отоплению, вентиляции, кондиционированию воздуха, теплоснабжению и строительной теплофизике» (НП «АВОК»): В.С. Ионов (НП «Национальный Центр Меди») - руководитель; Т.А. Фиронова (НП «АВОК»); Г.С. Власов, канд. техн. наук; В.Н. Исаев, профессор, канд. техн. наук (МГСУ); А.А. Отставнов, канд. техн. наук; А.В. Сладков, канд. техн. наук (ГУП «НИИМосстрой). 2 ВНЕСЕН Комитетом НП «АВОК» «Водоснабжение и водоотведение зданий». 3 УТВЕРЖДЕН И ВВЕДЕН В ДЕЙСТВИЕ приказом Президента НП «АВОК» от 15 мая 2007 г. № 5. 4 ВВЕДЕН ВПЕРВЫЕ. СодержаниеСТАНДАРТ АВОК ТРУБОПРОВОДЫ ИЗ МЕДНЫХ ТРУБ ДЛЯ СИСТЕМ ВНУТРЕННЕГО
ВОДОСНАБЖЕНИЯ PIPELINES FROM COPPER PIPES FOR SYSTEMS OF INTERNAL WATER SUPPLY AND HEATING. The general specifications Дата введения - 2007-09-01 1 Область примененияНастоящий стандарт распространяется на трубопроводы из медных труб для систем внутреннего водоснабжения и отопления зданий и устанавливает общие требования к этим трубопроводам, а также общие требования к выбору медных труб для трубопроводов различного назначения, соединений и компенсаторов. Требования настоящего стандарта распространяются на трубопроводы из медных труб: - для горячего и хозяйственно-питьевого водоснабжения, транспортирующих воду с содержанием свободного остаточного хлора не более 30 мг/л, свободной углекислоты не более 1,0 мол/м3, рН от 6,5 до 9,0 и отвечающую требованиям СанПиН 2.1.4.1074 к качеству воды централизованного и индивидуального питьевого водоснабжения; - водяного отопления, включая встроенные в конструкцию пола, транспортирующие воду с содержанием кислорода менее 0,1 мг/л. Требования настоящего стандарта не распространяются на устройство внутренних трубопроводных систем в производственных помещениях, где возможно наведение токов (помещения зарядки аккумуляторных батарей или гальваники), а также в помещениях со средами, содержащими аммоний, нитриты или сульфиды (животноводческие фермы, бойни и аналогичные им). 2 Нормативные ссылкиВ настоящем стандарте использованы ссылки на следующие нормативные документы: ГОСТ Р 51571-2000 Компенсаторы и уплотнения сильфонные металлические. Общие технические требования ГОСТ Р 52318-2005 Трубы медные круглого сечения для воды и газа. Технические условия ГОСТ 2.101-68 ЕСКД. Виды изделий ГОСТ 8.002-86 ГСИ. Государственный надзор и ведомственный контроль за средствами измерений. Основные положения ГОСТ 3845-75 Трубы металлические. Метод испытания гидравлическим давлением ГОСТ 19249-73 Соединения паяные. Основные типы и параметры ГОСТ 19746-74 Проволока из припоев серебряных. Технические условия ГОСТ 21931-76 Припои оловянно-свинцовые в изделиях. Технические условия ГОСТ 23137-78 Припои медно-цинковые. Марки ГОСТ 24715-81 Соединения паяные. Методы контроля качества ГОСТ 25136-82 Соединения трубопроводов. Методы испытаний на герметичность ГОСТ 25756-83* Компенсаторы и уплотнения сильфонные. Термины и определения СНиП 2.04.01-85* Внутренний водопровод и канализация зданий СНиП 2.04.05-91* Отопление, вентиляция и кондиционирование СНиП 3.01.04-87 Приемка в эксплуатацию законченных строительством объектов. Основные положения СНиП 3.05.01-85 Внутренние санитарно-технические системы СанПиН 2.1.4.1074-01 Питьевая вода. Гигиенические требования к качеству воды централизованных систем питьевого водоснабжения. Контроль качества СанПиН 4723-88 Санитарные правила устройства и эксплуатации систем централизованного горячего водоснабжения СН 2.2.4/2.1.8.562-96 Шум на рабочих местах, в помещениях жилых, общественных зданий и на территории жилой застройки 3 Термины и определенияВ настоящем стандарте применены следующие термины с соответствующими определениями: 3.1 трубопровод: Система подачи жидкости потребителю, включающая герметично соединенные трубы, соединительные части, запорно-регулирующую арматуру и измерительные приборы. 3.2 соединительная часть: Деталь, позволяющая осуществить соединение труб между собой, ответвление, изменение направления или диаметра трубопровода, труб с арматурой и приборами. 3.3 соединение: Место сопряжения труб и/или соединительных частей. 3.4 компенсатор трубный (компенсатор): Конструкция из отрезков труб или сплошная в виде Г-, П-образной, кольцевой или лирообразной формы, позволяющая воспринимать температурные изменения длин трубопровода без его разрушения. 3.5 сильфонный компенсатор: Устройство, состоящее из сильфона и арматуры, способное поглощать или уравновешивать относительные движения определенной величины и частоты, возникающие в герметично соединяемых конструкциях, и проводить в этих условиях пар, жидкости и газы. [ГОСТ 25756-83*, пункт 1] 3.6 капиллярная пайка: Процесс соединения медных труб и соединительных частей из цветных сплавов с использованием эффекта капиллярных сил - всасыванием присадочного металла (припоя) по всему периметру кольцевого зазора между деталями величиной до 0,5 мм. 3.7 мягкая капиллярная пайка: Процесс соединения медных труб и соединительных частей с использованием припоя при температуре менее 450 °С. 3.8 твердая капиллярная пайка: Процесс соединения медных труб и соединительных частей с использованием припоя при температуре свыше 450 °С. 3.9 сварка: Процесс соединения двух и более частей медных труб (арматуры, приборов) путем нагревания или давления, либо их комбинацией, или с использованием присадочного материала с температурой плавления, аналогичной температуре плавления медной трубы, подвергаемой сварке. 3.10 деталь: Изделие, изготовленное из однородного по наименованию и марке материала, без применения сборочных операций. [ГОСТ 2.101-68, пункт 6] 3.11 фитинг: Соединительная часть напорных трубопроводов. 3.12 отвод: Деталь, предназначенная для плавного изменения направления потока жидкости в трубопроводе. 3.13 тройник: Деталь, предназначенная для присоединения к магистральному трубопроводу боковых ответвлений. 3.14 переход: Деталь, предназначенная для изменения диаметра трубы или трубопровода. 3.15 угольник: Деталь, предназначенная для изменения направления трубопровода под углом 90°. 3.16 патрубок: Часть трубы длиной не более 1 м с раструбом или фланцем. 3.17 раструб: Концевой участок трубы, полученный путем расширения ее диаметра. 3.18 фланец: Круглая плоская деталь с одним большим отверстием по центру и с несколькими меньшими отверстиями под болты, равномерно распределенными по окружности детали. 3.19 паечный диаметр: Внутренний диаметр фитинга, в который вводят гладкий конец медной трубы при соединении их пайкой. 3.20 прессовое обжатие: Операция герметичного соединения медных тонкостенных труб и фитинга, заключающаяся в одноразовом круговом механическом обжатии фитинга на трубе. 4 Классификация трубопроводов из медных труб и основные параметры4.1 Трубопроводы из медных бесшовных труб классифицируют следующим образом: - по назначению; - по конструктивному исполнению; - по видам соединений; - по способу монтажа. 4.2 По назначению трубопроводы из медных бесшовных труб подразделяют на внутренние трубопроводы: - хозяйственно-питьевого водоснабжения; - горячего водоснабжения; - противопожарного водоснабжения; - системы отопления. 4.3 По конструктивному исполнению трубопроводы из медных бесшовных труб подразделяют на следующие типы: - распределительные; - соединительные; - циркуляционные (циркуляционный контур). 4.4 По видам соединений трубопроводы из медных бесшовных труб подразделяют: - на неразъемные (паяные на основе капиллярной пайки или без нее, сварные, прессовые); - на разъемные (фланцевые, резьбовые, компрессионные). 4.5 По способу монтажа трубопроводы из медных бесшовных труб подразделяют на проложенные: - скрыто в штрабе (борозде, шахте) или замоноличенные в конструкции (в том числе, встроенные в конструкцию пола - теплые полы); - открыто в доступных местах для осмотра и ремонта. 4.6 Максимально допустимая скорость движения воды в трубопроводе из медных труб при водородном показателе воды рН от 7,5 до 9,0 должна соответствовать указанной в таблице 1. Таблица 1 - Максимальная допустимая скорость движения воды в трубопроводе В метрах в секунду
5 Технические требования5.1 Основные характеристики5.1.1 Трубопроводы горячего водоснабжения и отопления должны обеспечивать тепловую устойчивость самой системы и максимальную температуру воды в течение всего срока службы. 5.1.2 Трубопроводы горячего водоснабжения и отопления должны обеспечивать гидравлическую устойчивость самой системы и выдерживать максимальное рабочее избыточное давление в течение всего срока службы. 5.1.3 Трубопроводы горячего водоснабжения и отопления должны выдерживать испытания на прочность и герметичность стыковых соединений и выдерживать без разрушения: испытания при гидравлическом давлении не менее полуторакратного максимального рабочего избыточного давления, манометрические испытания при пробном избыточном давлении воздуха 0,15 МПа. 5.1.4 Допустимый эквивалентный уровень шума, возникающий при эксплуатации трубопроводов, должен соответствовать требованиям СН 2.2.4/2.1.8.562. 5.1.5 Медные трубы, соединительные части и припои, применяемые для систем хозяйственно- питьевого водоснабжения, должны иметь санитарно-эпидемиологическое заключение, включая бактерицидную и микробиологическую безопасность, органов Роспотребнадзора. 5.1.6 Внутренняя система хозяйственно-питьевого водоснабжения не должна ухудшать качество транспортируемой питьевой воды. Для систем хозяйственно-питьевого водоснабжения соединение медных труб с внутренним диаметром до 28 мм включительно следует осуществлять только мягкой пайкой, во избежание образования окалины и пленки на внутренней части трубопровода, ухудшающих их гигиеническое состояние; не допускаются отжиг для сгибания труб или изготовления раструба, а также твердая пайка. 5.1.7 В системах водоснабжения не допускается после медных труб расположение по направлению потока воды стальных (за исключением нержавеющих), алюминиевых и оцинкованных труб. 5.1.8 В системах отопления гальванопары медь-сталь, медь-цинк могут вызвать коррозию только при подпитке теплоносителя кислородом. Во избежание коррозии следует разъединять такие пары путем применения переходников из бронзы или нержавеющей стали. Во избежание коррозии алюминия не допускается применение алюминиевых радиаторов в системах отопления с использованием медных труб. В системах отопления из медных труб рекомендуется применение отопительных приборов из меди или биметаллических алюминиево-медных. 5.1.9 Не допускается использование внутренних трубопроводных систем из медных труб в качестве основного заземляющего электрода. 5.1.10 Срок службы систем трубопроводов внутреннего хозяйственно-питьевого водоснабжения и отопления с использованием медных труб должен быть не менее 50 лет при соблюдении правил проектирования, монтажа и эксплуатации, установленных в настоящем стандарте. 5.2 Конструктивные требования5.2.1 Проектирование систем трубопроводов внутреннего хозяйственно-питьевого водоснабжения и отопления с использованием бесшовных медных труб круглого сечения диаметром от 6 до 108 мм включает выбор размеров и формы поставки (состояние материала) трубы, определяющих ее физико-механические свойства, и соответствующих им соединительных частей и припоев, выбор параметров теплоносителя, выполнение гидравлического и теплотехнического расчетов, выбор способа прокладки и условий, обеспечивающих долговечность труб и соединений трубопроводов. 5.2.2 Выбор типа труб проводят с учетом условий работы трубопровода, давления и температуры воды, необходимого срока службы, места прокладки труб и назначения помещения. Для продления срока службы трубопроводов из медных труб следует проводить водоподготовку; рекомендуемый состав воды приведен в приложении А. В системах внутреннего хозяйственно-питьевого водоснабжения давление и температура воды должны соответствовать требованиям СНиП 2.04.01. 5.2.3 При проектировании систем трубопроводов из медных труб следует руководствоваться требованиями СНиП 2.04.01, СНиП 2.04.05 и настоящего стандарта, при этом следует принимать скорость движения воды: - от 2,0 до 2,5 м/с для хозяйственно-питьевого водоснабжения в трубопроводах, проложенных скрыто, и замоноличенных контурах трубопроводов; - не более 1,5 м/с для горячего водоснабжения в трубопроводах, проложенных скрыто, и замоноличенных контурах трубопроводов; - от 2,0 до 4,0 м/с для хозяйственно-питьевого водоснабжения в доступных контурах трубопроводов; - от 1,5 до 4,0 м/с для горячего водоснабжения в доступных контурах трубопроводов; - от 0,3 до 0,5 м/с в циркуляционных контурах трубопроводов; - не более 1,0 м/с в системах отопления. 5.2.4 Для систем внутренних трубопроводов применяют трубы медные бесшовные круглого сечения различного состояния материала (поставки), соответствующие требованиям ГОСТ Р 52318 Трубы в мягком состоянии следует применять для устройства коллекторных систем водоснабжения и систем отопления с лучевым распределением подводок к санитарно-техническим или отопительным приборам, а также в иных случаях, когда в процессе монтажа предстоит выполнить множество поворотов и при устройстве теплых полов. Не допускается применение мягких труб для стояков. Трубы в твердом и полутвердом состоянии следует применять для устройства элементов систем повышенной механической прочности, не требующих частых поворотов и изменения направления, в том числе для стояков. 5.2.5 Диаметры труб внутренних водопроводов следует назначать из расчета наибольшего использования гарантированного давления воды в распределительном трубопроводе. 5.2.6 Замену труб одинакового диаметра, но различного состояния материала проводят при соответствии физико-механических характеристик труб и предельного отклонения по толщине стенки. Универсальными по области применения следует считать трубы полутвердого состояния. Основные физико-механические свойства медных труб различного состояния материала приведены в таблице 2, предельно допустимые толщины стенок труб приведены в таблице 3. Таблица 2 - Свойства медных труб
Таблица 3 - Значения предельных отклонений диаметров медных труб В миллиметрах
5.2.7 Гидравлический расчет внутренних систем водоснабжения и отопления из медных труб следует выполнять в соответствии с требованиями СНиП 2.04.01 и настоящего стандарта. Разрабатываемые и применяемые на электронном носителе программы расчета внутренних трубопроводных систем должны соответствовать требованиям СНиП 2.04.01 и настоящего стандарта. 5.2.8 Гидравлический расчет сетей внутреннего хозяйственно-питьевого водоснабжения следует проводить по максимальному секундному расходу воды в соответствии с 3.3 СНиП 2.04.01. При этом следует обеспечивать необходимое давление воды у приборов, установленное в приложении 2 СНиП 2.04.01. 5.2.9 Потери давления на единицу длины трубопровода i (iт), Па/м, следует определять по формулам: -для систем холодного и циркуляционного трубопроводов горячего водоснабжения i = 0,0161υ0,25V1,75d-1,25; (1) - для подающих трубопроводов систем горячего водоснабжения
В формулах (1), (2): υ - коэффициент кинематической вязкости воды, м2/с, при различных температурах, определяемый по таблице 4; V - средняя по сечению скорость движения воды, м/с, принимаемая по таблице 1; d - расчетный внутренний диаметр труб, м. Таблица 4 - Значения кинематического коэффициента вязкости воды v при различных температурах t
5.2.10 Потери давления ΔР, Па, на участке водопроводной сети следует определять по формуле где L - расчетная длина участка трубопровода, м; i, V - то же, что в формуле (1); g - ускорение свободного падения, м/с2; Σξ - сумма коэффициентов местных сопротивлений стыковых соединений, соединительных частей, арматуры, принимаемых по паспорту заводов-изготовителей либо по данным аналогичных проектируемых систем; приближенные значения ξ следует принимать по приложению Б. 5.2.11 Гидравлический расчет сетей внутреннего трубопровода горячего водоснабжения следует проводить на расчетный расход горячей воды с учетом циркуляционного расхода в соответствии с 8.1 и 8.2 СНиП 2.04.01. 5.2.12 Теплоснабжение следует проектировать в соответствии с требованиями СНиП 2.04.05, гидравлический расчет внутреннего трубопровода отопления следует производить по максимальному секундному расходу воды. 5.2.13 Гидравлический расчет системы внутреннего теплоснабжения начинают с участка трубопровода, потеря давления на котором самая большая. Гидравлический расчет производят в следующей последовательности: - выбирают диаметры труб и вычисляют потери давления на отдельных участках трубопровода; - вычисляют потери давления, вызванные регулирующими вентилями, находящимися в разных линиях трубопровода; - вычисляют величины потерь давления, вызванные отдельными вентилями отопительных приборов, находящимися на одной линии трубопровода; - на основе величин потерь давления определяют параметры для регулирующих вентилей и для вентилей отопительных приборов; - определяют регулирующий вентиль автоматических установок; - на основе учета потерь давления сети и потока циркуляционной воды по номограмме определяют мощность циркуляционного насоса. 5.2.14 Падение давления ΔР, Па, в системе отопления следует определять по формуле ΔР = RL + Z+ ΔРмест, (4) где R - удельная потеря давления на 1 м длины, Па/м; L - то же, что в формуле (3); Z - потеря давления в местных сопротивлениях, Па; ΔРмест - падение давления, вызванное отдельной установкой (в том числе, регулирующим вентилем). Па, 5.2.15 Потери давления по длине R, Па/м, следует определять по формуле
где λ - коэффициент сопротивления по длине; V, d - то же, что в формуле (1). 5.2.16 Коэффициент сопротивления по длине λ следует определять по формуле
где b - число подобия режимов течения воды; d - тоже, что в формуле (1); Кэ - коэффициент эквивалентной (равномерно-зернистой) шероховатости, м; Rеф - число Рейнольдса фактическое. Фактическое число Рейнольдса Rеф следует определять по формуле
где d, V, υ - тоже, что в формуле (1). Число Рейнольдса Reкв, соответствующее началу квадратичной области гидравлических сопротивлений при турбулентном движении воды, следует определять по формуле
где d - то же, что в формуле (1); Кэ - то же, что в формуле (6). Число подобия режимов течения воды d следует определять по формуле
где Reэ - число Рейнольдса при течении с эквивалентной шероховатостью; Reкв - то же, что в формуле (8). Коэффициент эквивалентной (равномернозернистой) шероховатости Кэ, м, принимают равным 1,0·10-5м. Значение потери давления в местных сопротивлениях Z, Па, следует определять по формуле
где ρ - плотность теплоносителя, кг/м3, определяемая по таблице 5; Таблица 5 - Значения плотности теплоносителя в зависимости от температуры
V - то же, что в формуле (1); Σξ - то же, что в формуле (3). 5.2.17 Степень влияния регулирующего вентиля в системе отопления N определяют по формуле
где РА - потеря давления полностью открытого регулирующего вентиля при расчетном номинальном расходе, кПа; Рв - потеря давления всей оставшейся системы при полностью открытом вентиле, кПа. Потерю давления регулирующего вентиля
где N, Рв - то же, что в формуле (11). Размер вентиля Кv определяют по формуле
где q - расход воды, м3/ч; ρ - то же, что в формуле (10); ΔР - то же, что в формуле (3). 5.2.18 При проведении приближенных гидравлических расчетов систем внутреннего горячего водоснабжения и отопления следует пользоваться таблицами (приложение В) и номограммами (приложения Г и Д). 5.2.19 Гидравлический расчет расхода теплоносителя q, кг/ч, систем теплых полов необходимо проводить по максимальному секундному расходу теплоносителя, определяемому по формуле
где G - расход теплоносителя, кг/ч, определяют по формуле
где Q - расчетный тепловой поток, Вт, обеспечиваемый теплоносителем; с - удельная теплоемкость воды, равная 4,2 кДж/(кг·°С); Δt - разность температур теплоносителя, °С, в подающем и обратном трубопроводах. 5.2.20 Максимальная допустимая температура поверхности пола должна быть не более, °С: 29 - в зоне пребывания людей; 35 - в зоне системы отопления, отстоящей от контура стен на расстояние 1,0 м. В ванной комнате, бассейне и других помещениях с мокрым режимом эксплуатации максимально допустимая температура поверхности пола должна быть на 9 °С выше температуры воздуха внутри помещения. 5.2.21 При проектировании системы теплого пола следует учитывать материал покрытия пола, длину трубопровода, наружный диаметр греющей трубы, монтажную глубину установки трубы и расстояние между трубами. При устройстве теплого пола с покрытием пола из древесины (паркет, паркетная доска, половая доска и пр.) необходимо обеспечивать равномерность температуры по всей поверхности пола; прокладку труб следует выполнять таким образом, чтобы площадь пола покрывалась ими целиком. 5.2.22 В системе теплого пола должны соблюдаться следующие условия: - температура циркуляционной воды от 30 °С до 50 °С; - разность температур воды в подающем и обратном трубопроводах от 5 °С до 10 °С; - скорость потока воды менее 1,0 м/с; - монтажное расстояние между трубами от 0,1 до 0,3 м; - максимальная длина одного циркуляционного контура от 70 до 80 м; - максимальный тепловой поток от 40 до 100 Вт/м2. 5.2.23 При расчете теплового потока теплого пола необходимо учитывать монтажную глубину установки труб и материал покрытия пола. Поправочный коэффициент на монтажную глубину установки труб приведен в таблице 6. Таблица 6 -Значения поправочного коэффициента теплового потока в зависимости от глубины установки в пол греющего контура труб
5.2.24 Медные бесшовные трубы круглого сечения соединяют между собой и с трубами из других материалов, а также с арматурой и приборами с помощью неразъемных и разъемных соединений. Основным видом соединений является неразъемное соединение с использованием фитингов или без них. Основные виды соединений, технические требования к проведению технологических операций, а также область применения соединений приведены в таблице 7. Таблица 7 - Основные виды соединений медных труб
5.2.25 Химический состав и температуры плавления припоев для капиллярной пайки медных труб и деталей из цветных сплавов приведены в приложении Е. 5.2.26 Фитинги, применяемые для капиллярной пайки, по химическому составу меди, латуни и бронзы, а также по геометрическим параметрам, герметичности и типам соединения должны удовлетворять требованиям, установленным в нормативной документации [1]. 5.2.27 Различают следующие типы резьбовых соединений: - резьбовое коническое/коническое; - резьбовое компрессионное с обжимным металлическим кольцом, применяемое для мягких труб только с опорными цилиндрическими втулками; - резьбовое на основе резьбонарезного кольца, применяемое только для отопления и для мягких труб только с опорными втулками. 5.2.28 Для мягких труб, соединяемых при помощи компрессионных типов соединений, посредством обжимного кольца, необходимо использовать опорную цилиндрическую втулку для укрепления стенок трубы в месте соединения. 5.2.29 Различают следующие типы фланцевых соединений: - на основе фланца из цветного сплава с припаянной медной трубой; - на основе отбортовки медной трубы и свободного фланца из стали. 5.2.30 Прессовое соединение осуществляют механической деформацией пресс-фитингов без их нагрева, герметичность соединения достигается кольцевым полимерным уплотнителем. Опрессовку соединения осуществляют при помощи электрогидравлического пресса. Пресс-фитинги применяют при максимальной рабочей температуре воды не более 110 °С и номинальном рабочем давлении до 1,6 МПа при диаметре соединяемых труб от 12 до 54 мм. 5.2.31 При соединении медных труб с помощью пресс-фитингов следует осуществлять правильный выбор серии обжимной пресс-головки. Дополнительно пресс-фитинги могут иметь маркировку и цветовой отличительный символ в зависимости от области применения. 5.2.32 Максимальное допустимое рабочее давление в трубопроводе Рв, МПа, для соединений других видов рассчитывают по формуле
где 20 - поправочная константа; Rm - предел прочности при растяжении, кгс/мм2; s - толщина стенки трубы, мм; da - наружный диаметр трубы, мм; S - коэффициент прочности, кгс/мм2. Имея необходимые данные по номинальному рабочему давлению в трубопроводе, толщину стенки трубы s, мм, рассчитывают по формуле
где da, Rm, S, Pв - то же, что в формуле (16); Рс - максимальное допустимое рабочее давление в трубопроводе для соединений других видов, кПа. 5.3 Требования стойкости к внешним воздействиям5.3.1 В системах горячего водоснабжения и отопления для компенсации продольных температурных деформаций, возникающих в процессе эксплуатации, на прямых участках трубопроводов следует предусматривать установку специальных компенсаторов. Основными компенсирующими элементами трубопровода являются П- и Г-образные, петлевые, сильфонные компенсаторы, повороты трубопровода на угол более 45°. Рекомендуемые размеры П-образного компенсатора, примерная схема установки сильфонного компенсатора, а также температурное удлинение отрезка трубопровода из медных труб в зависимости от разности температуры теплоносителя и окружающей среды приведены в приложении Ж. 5.3.2 Температурное удлинение труб в зависимости от температуры воды приведено в таблице 8. Таблица 8 - Температурное удлинение медных труб В миллиметрах
5.4 Требования технологичности5.4.1 Прокладку медных труб в помещениях осуществляют после окончания строительных работ и установки элементов крепления, а при открытом способе прокладки - после окончания отделочных работ. 5.4.2 Медные трубы предпочтительно прокладывать скрыто в бороздах, каналах и шахтах, при этом должен быть обеспечен доступ к разъемным соединениям и арматуре путем устройства дверок и съемных щитов, на поверхности которых не должно быть острых выступов. При скрытой прокладке трубопроводов в местах расположения разъемных соединений и арматуры следует предусматривать люки или съемные щиты, не имеющие острых выступов. Открытая прокладка медных труб допускается в местах, исключающих их механическое повреждение. Открытые участки могут быть закрыты декоративными элементами. Стояки целесообразно размещать в каналах, нишах, бороздах, за декоративными панелями или, как исключение, замоноличивать в стенах и перегородках. Горизонтальные трубопроводы и подводки к отопительным приборам допускается размещать по перекрытиям и за плинтусами. 5.4.3 Не допускается прокладывать медные трубы в помещениях с аккумуляторными батареями или в иных, где возможно наведение токов, а также в помещениях со средами, содержащими аммоний, нитриты или сульфиды, которые встречаются в животноводческих фермах, бойнях и т.п. При скрытом монтаже под штукатуркой из известкового раствора, извести или гипса антикоррозионная защита трубопроводов не требуется. Исключением являются смеси, содержащие аммоний. 5.4.4 Прокладку труб следует вести без натяга. Во избежание попадания грязи и мусора в трубы свободные их концы необходимо закрывать заглушками. Не допускается во время монтажа производить сплющивание и переломы труб. При смятии трубу следует выпрямить и придать ей цилиндрическую форму деревянным или резиновым молотком. Придание трубе первоначальной формы допускается осуществлять только один раз на конкретном участке монтажа. 5.4.5 Между медными трубопроводами горячей и холодной воды расстояние в свету с учетом толщины изоляции должно быть не менее 50 мм. При пересечении трубопроводов расстояние между ними должно быть не менее 30 мм. Трубопроводы холодной воды следует прокладывать ниже трубопроводов горячего водоснабжения и отопления. Расстояние в свету между строительной конструкцией и медным трубопроводом, проходящим вдоль нее, должно быть не менее 20 мм. 5.4.6 Устройство тепловой изоляции на трубопроводах водоснабжения и отопления следует производить в соответствии с проектом. В заводских условиях тепловую изоляцию медных труб осуществляют на основе поливинилхлорида, пенополиэтилена или пенополиуретана. Минимальная толщина слоя тепловой изоляции трубопровода хозяйственно-питьевого водоснабжения приведена в таблице 9, горячего водоснабжения - в таблице 10. Таблица 9 - Величины теплоизоляции трубопроводов хозяйственно-питьевого водоснабжения В миллиметрах
Таблица 10 - Величины теплоизоляции трубопроводов горячего водоснабжения В миллиметрах
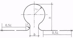
5.4.7 Для крепления трубопровода к конструкции здания применяют неподвижные и скользящие опоры, расстояния между которыми определяют расчетом (приложение Ж). В качестве неподвижных опор могут быть использованы держатели для труб, закрепленные на строительных конструкциях. 5.4.8 Выбор приближенных значений расстояний между креплениями трубопроводов из твердых медных труб следует проводить по номограмме, приведенной на рисунке 1.
Рисунок 1 - Номограмма для выбора расстояний между креплениями горизонтальных трубопроводов из твердых медных труб от наружного диаметра Расстояния между креплениями горизонтальных трубопроводов из полутвердых и мягких труб следует уменьшать на 10 % и 20 % соответственно. Расстояния между креплениями вертикальных трубопроводов могут быть большими на 25 % и 30 %. На стояке должно быть установлено хотя бы одно крепление независимо от высоты этажа. 5.4.9 Установку неподвижных и скользящих опор для компенсации температурных деформаций на горизонтальных участках трубопровода следует проводить на расстоянии не более определенного расчетом. 5.4.10 Замоноличивание медных трубопроводов допускается производить только в кожухе. Не рекомендуется использовать гофрированный кожух из поливинилхлорида (ПВХ), предназначенный для электропроводки. До замоноличивания трубопроводов необходимо выполнить предусмотренную проектом схему монтажа данного участка и провести испытания трубопроводов на герметичность. Не подлежат замоноличиванию участки трубопровода, где соединение выполнено с использованием компрессионных и самофиксирующихся фитингов. 5.4.11 Борозды и каналы, используемые для прокладки трубопроводов, следует закрывать после проведения испытаний трубопроводов на герметичность. 5.4.12 Для прохода через строительные конструкции необходимо предусматривать футляры, например из полиэтиленовых труб. Внутренний диаметр футляра должен быть на 5-10 мм больше наружного диаметра прокладываемой трубы. Зазор между трубой и футляром необходимо заделать мягким водонепроницаемым материалом, допускающим перемещение трубы вдоль продольной оси. 5.4.13 Распределительные коллекторы и запорно-регулирующую арматуру следует закреплять с помощью самостоятельных неподвижных креплений. 5.4.14 Для крепления медных труб рекомендуется применять крепежные изделия согласно каталогу завода-изготовителя; при соответствующем обосновании допускается применение иного крепежа, например используемого для полимерных труб. 5.4.15 Минимальное расстояние от осей отводов и тройников до креплений следует принимать с учетом температурного изменения длины трубы; крепления при этом должны располагаться на расстоянии не менее 50 мм от фитингов. 5.4.16 Монтаж трубопроводов из медных труб следует осуществлять в соответствии с проектом при соблюдении требований СНиП 12.04. Монтаж медных труб следует проводить после окончания сборки металлоконструкций. 5.4.17 До начала монтажа трубопроводов необходимо выполнить следующие подготовительные операции: - отобрать трубы и соединительные детали, прошедшие входной контроль; - размотать бухты таким образом, чтобы маркировка находилась на одной образующей поверхности трубы; - разметить трубу в соответствии с проектом или по месту с учетом припуска на последующую обработку при максимальном использовании материала труб. Разметку труб рекомендуется осуществлять с помощью стандартных измерительных инструментов или специально изготовленными шаблонами и разметочными приспособлениями. Метки для последующей резки на трубах наносят карандашом или маркером, не допускается нанесение царапин или надрезов на поверхности трубы вне места резки. 5.4.18 Трубы должны быть ровно обрезаны. Резку труб следует производить мелкозубой ножовкой по металлу согласно разметке под углом 90° к оси трубы, не допуская смятия трубы и образования заусенцев. Косина реза должна соответствовать значениям, указанным в таблице 11. Таблица 11 - Допустимая косина реза медных труб В миллиметрах
Для устранения заусенцев и овальности необходимо проводить обработку и калибровку торцов труб с помощью специальных инструментов - калибраторов. 5.4.19 Гнутье медных труб в мягком состоянии можно производить вручную, при этом радиус гиба должен соответствовать шести-восьмикратному диаметру трубы во избежание образования сужений и изломов в области гиба. Гнутье труб в мягком состоянии с меньшим, чем выше указано, радиусом гиба необходимо осуществлять при помощи инструментов - трубогибов. Минимальный радиус гиба твердых и мягких труб и рекомендуемый способ гнутья приведены в таблице 12. Таблица 12 - Минимальный радиус гиба твердых и мягких труб и рекомендуемый способ гнутья
Гнутье медных труб следует проводить однократно, при повторном гибе трубы возможно образование микротрещин, которые приведут к аварии трубопровода. Гнутье твердых медных труб диаметром до 28 мм следует производить трубогибами без нагрева, для больших диаметров - с предварительным нагревом до темно-красного цвета. 5.4.20 Для образования надежного и качественного соединения припои для капиллярной пайки должны обладать следующими свойствами: - температура плавления припоя должна быть менее температуры плавления соединяемых частей медного трубопровода; - расплавленный припой должен обладать высокой адгезией и легко растекаться по поверхности соединяемых частей медного трубопровода; - химический состав припоя должен быть коррозионно-устойчивым по отношению к химическому составу соединяемых частей медного трубопровода и не создавать гальванических пар, способствующих коррозии трубопровода; - значение температурного коэффициента линейного расширения припоя должно соответствовать значению коэффициента линейного расширения меди или цветного металла соединяемых частей трубопровода. Соединения, подвергаемые температурным воздействиям теплоносителя температурой свыше 120°С, следует выполнять твердой пайкой. Трубопроводы для водоснабжения при диаметре трубы до 35 мм следует монтировать только с применением мягкой пайки, от 35 мм - мягкой и твердой пайкой. Места пайки необходимо зачистить металлическими щетками. Капиллярную пайку следует проводить при температуре наружного воздуха от минус 10 °С до плюс 40 °С в соответствии с требованиями технологического регламента на соответствующие типы пайки. Соединение отводов следует выполнять только твердой пайкой. При выполнении соединений посредством твердой пайки без использования фитингов не допускается осуществлять соединение пайкой встык. 5.4.21 При соединении деталей посредством пайки необходимо производить подбор трубы и фитинга в соответствии со значениями, указанными в таблице 13. в миллиметрах
5.4.22 Длины участков под мягкую L1 и твердую L2 пайку для вводимого конца трубы в фитинг и предельные отклонения по длине концов труб должны соответствовать значениям, указанным в таблице 14. В миллиметрах
5.4.23 Длина конца трубы только под твердую пайку с укороченной глубиной паечного диаметра фитинга и предельные отклонения по длине должны соответствовать значениям, указанным в таблице 15. Таблица 15 миллиметрах
5.4.24 Мягкую пайку осуществляют с применением мягкого припоя для соединения мягких труб и формованных тонкостенных медных фитингов. Для осуществления качественной капиллярной пайки зазор между соединяемыми частями должен соответствовать величине 0,04-0,20 мм. Оптимальный режим мягкой пайки получается при использовании горелок, работающих на пропане. В случае недопустимости работ с открытым пламенем применяют электрический контактный нагрев. Процедура пайки представлена на рисунках 2-7. Перед капиллярной пайкой проводят проверку размеров соединяемых деталей и при необходимости калибровку трубы. При наличии изолирующей оболочки конец трубы, подлежащий пайке, сначала освобождают на длину примерно 200-250 мм от оболочки и заворачивают ее в сторону от паяемого соединения. После чего освободившийся конец трубы очищают от заусенцев и обрабатывают для создания фасок с наружной и внутренней кромок трубы, как указано на рисунке 2.
Рисунок 2 - Обработка конца трубы Металлическими щетками производят очистку конца трубы и раструба от загрязнений и зачистку наружной поверхности гладкого конца и внутренней поверхности раструба до металлического блеска. Затем на гладкий конец трубы, как указано на рисунке 3, наносят флюс.
Рисунок 3 - Нанесение флюса на гладкий Флюс наносят кистью только на наружную поверхность трубы. Во избежание коррозии металла в силу агрессивности флюса по отношению к меди категорически запрещается наносить флюс на внутреннюю поверхность раструба или паечного диаметра литьевого фитинга. Выполняют соединение раструба и гладкого конца, затем с полученной сборки удаляют излишки флюса. Собранное соединение равномерно нагревают мягким широким пламенем горелки до темно-вишневого цвета (рисунок 4).
Рисунок 4 - Нагрев собранного соединения При нагреве проводят визуальный контроль температуры. Поднимающийся от флюса дым, вызванный испарением из него индикаторного вещества, соответствует температуре 200 °С, красный накал трубы примерно соответствует температуре 600 °С Степень нагрева и рабочую температуру пайки можно контролировать по изменению цвета конечной части факела пламени при переходе его из голубоватого в слегка зеленоватый цвет. Косвенно нагрев до нужной температуры определяют появлением зеркальной поверхности расплавленного олова, находящегося в измельченном виде во флюсе. При нагреве медные детали не должны касаться каких-либо других предметов или поверхностей с тем, чтобы соединяемые детали прогревались равномерно и подаваемое тепло не расходовалось на другие цели. Необходимая температура начала пайки будет достигнута, когда приложенный к нагретой детали припой начнет плавиться (рисунок 5).
Рисунок 5 - Пайка раструбного соединения и тройника Особенность капиллярной пайки заключается в том, что припой вводится в капиллярный зазор в одной точке. Количество вводимого припоя примерно соответствует длине прутка, равного величине наружного диаметра трубы. Излишек введенного припоя характеризуется вытеканием капли расплавленного припоя из соединения. В зависимости от диаметра трубы используют несколько одновременно прикладываемых прутков или берут один большой пруток. При выполнении капиллярной пайки припой не нагревают, но следят за полным заполнением им зазора до края раструба. При пайке тройникового соединения следует соблюдать очередность проведения работ, указанную на рисунке 6.
Рисунок 6 - Очередность пайки при различном пространственном расположении тройника: вертикальное (слева), горизонтальное с ответвлением вверх (посередине), горизонтальное с ответвлением вниз (справа) Очередность пайки следует соблюдать для обеспечения первоначального прогрева нижних паяемых деталей, затем - верхних деталей с тем, чтобы восходящее тепло последующего нагрева не расплавляло и не влияло на качество соединения, полученного предыдущей пайкой. Полученное соединение зачищают от излишних продуктов пайки (рисунок 7).
Рисунок 7 - Удаление влажной тряпкой излишков припоя После охлаждения соединения изолирующую оболочку возвращают обратно. 5.4.25 Твердую пайку осуществляют с использованием твердых припоев для соединения полутвердых и твердых медных труб с литьевыми фитингами из латуни и бронзы. Процедура пайки аналогична изложенной в 5.4.24 для мягкой пайки. 5.4.26 Сварку медных труб применяют для труб толщиной 1,5 мм и более и выполняют исключительно встык - по торцам, вкруговую. На кромках торцов труб фаски не снимают, кромки торца трубы должны быть перпендикулярными, между торцами свариваемых труб устанавливают зазор, равный толщине стенки трубы. Сварное соединение получают: - газовой сваркой с ацетилено-кислородной горелкой; - сваркой плавким электродом в аргоновой или гелиевой среде; - сваркой неплавким электродом, питаемым постоянным током, с подачей в зону электродуги сварного шва присадочного материала в виде проволоки или прутка, а также в защитной аргоновой или гелиевой среде. 5.4.27 Прессовое соединение медных труб осуществляют электрогидравлическими прессами с питанием от сети либо от устанавливаемых внутри аккумуляторных батарей напряжением 12 В с применением медных пресс-фитингов диаметром до 54 мм. Процедура обжатия включает: разведение обжимных цанг, введение их в зону собранного с трубой фитинга, смыкание цанг до полного соприкосновения их на фитинге, разведение цанг и освобождение инструмента. Процедуру обжатия повторяют поочередно на каждом прессовом соединении фитинга: два раза на пресс-угольниках, пресс-переходах и три раза на пресс-тройниках. При смыкании цанг на фитинге происходит равномерное круговое обжатие медного пресс-фитинга на трубе и фиксация эластичного уплотнителя. Конструкция пресса позволяет вращать обжимное цанговое устройство относительно рабочего положения пресса на угол до 270°. 5.4.28 Компрессионное соединение медных трубопроводов осуществляют наворачиванием на трубу накидной гайки с помощью гаечного или разводного ключа. Число оборотов, на которое следует поворачивать накидную гайку после ее накручивания вручную, зависит от состояния материала трубы и устанавливается в технической документации поставщика компрессионных фитингов. 5.4.29 При монтаже систем водоснабжения и отопления разрешается пользоваться только исправным инструментом и приспособлениями при обязательном соблюдении условий их эксплуатации. Гаечные ключи должны соответствовать размеру гаек и не иметь зазубрин и сбитой насечки. Губки ключей должны быть параллельными и не иметь трещин и выбоин. При монтаже следует пользоваться динамометрическими ключами. Нагревательные устройства и их элементы должны соответствовать установленным требованиям для производства соответствующих паечных работ. 6 Методы испытания внутренних систем трубопроводов6.1 По завершении монтажных работ монтажными организациями должны быть выполнены испытания систем отопления, хозяйственно-питьевого и горячего водоснабжения на герметичность, а также промывка систем. Применяемые для испытаний манометры должны быть проверены в соответствии с требованиями ГОСТ 8.002. 6.2 Системы внутреннего хозяйственно-питьевого и горячего водоснабжения должны быть испытаны гидростатическим или манометрическим методом с соблюдением требований ГОСТ 25136. 6.3 Испытания гидростатическим методом систем отопления в соответствии с требованиями СНиП 3.05.01 необходимо производить при положительной температуре в помещениях здания, а систем хозяйственно-питьевого и горячего водоснабжения - при температуре не ниже 5 °С. Температура воды должна быть также не ниже 5 °С. 6.4 Гидростатическое испытание трубопроводов, заделываемых в строительные конструкции, необходимо проводить до замоноличивания труб. 6.5 Перед проведением гидростатических испытаний системы необходимо провести следующие подготовительные работы: - отключить предохранительные и регулировочные клапаны, датчики, если допустимое давление указанной арматуры меньше величины пробного давления; - отключенные элементы заменить заглушками или запорными клапанами, допустимое давление для которых больше величины пробного давления; - подключить к системе манометр с точностью измерения 0,01 МПа. Систему следует заполнять водой медленно при открытых воздухоспускных устройствах во избежание образования воздушных пробок. 6.6 При гидростатическом методе испытания величину пробного давления следует принимать равной 1,5 величинам избыточного рабочего давления, но не менее 0,6 МПа. Испытания систем хозяйственно-питьевого и горячего водоснабжения, а также систем отопления и теплых полов необходимо проводить при постоянной температуре в два этапа: этап 1 - в течение 30 минут дважды поднимать давление до расчетной величины через каждые 10 минут. В последующие 30 минут падение давления в системе не должно превышать 0,06 МПа; этап 2 - в последующие два часа падение давления (от давления, достигнутого на этапе 1) не должно быть больше, чем на 0,02 МПа. По окончании испытаний гидростатическим методом необходимо выпустить воду из внутренних трубопроводных систем. 6.7 Манометрические испытания систем внутреннего хозяйственно-питьевого и горячего водоснабжения, отопления и теплых полов следует проводить в последовательности, установленной в СНиП 3.05.01. 6.8 По результатам испытаний систем на герметичность, проведенных гидростатическим или манометрическим методом, составляют акт установленного образца согласно приложению 3 СНиП 3.05.01. Форма акта дана в приложении И. 7 Правила приемки и сдачи в эксплуатацию внутренних систем трубопроводов7.1 Любые системы медных трубопроводов, выполненные капиллярной пайкой, по окончании монтажа должны быть промыты водой до состояния, при котором выходящая вода не имеет механических взвесей. Допускается для промывки систем в течение 24 часов использовать промывочный раствор с концентрацией хлора 50 мг/л или в течение четырех часов - с концентрацией хлора 200 мг/л. Применение промывочного раствора способствует эффективной дезинфекции и созданию на внутренней поверхности труб защитной антикоррозионной пленки, продлевающей срок эксплуатации трубопроводов. Не рекомендуется промывка насыщенными растворами хлора труб, изготовленных по технологии, при которой на заводе-изготовителе на внутреннюю поверхность труб наносят защитную пленку. 7.2 Промывку систем хозяйственно-питьевого водоснабжения считают законченной после выхода из системы воды, качество которой удовлетворяет требованиям СанПиН 2.1.4.1074. Промывка и дезинфекция систем теплоснабжения и горячего водоснабжения и контроль качества воды необходимо проводить с соблюдением требований СанПиН 4723. 7.3 Выполненную трубопроводную систему следует передавать в эксплуатацию в соответствии со СНиП 3.01.04. 8 Указания по эксплуатации и ремонту внутренних систем трубопроводов8.1 Слесари, производящие эксплуатацию и ремонт, должны быть ознакомлены с особенностями обработки и технологией сборки медных трубопроводов. Особое внимание следует обратить на установку фильтров механических примесей даже в том случае, если на момент монтажа вода имеет незначительный уровень механических примесей. 8.2 В случае повреждения участка трубопровода необходимо вырезать и заменить дефектный участок. Замену производят с помощью отрезка медной трубы необходимой длины, соединяемого с трубопроводом с помощью пайки, компрессионных и пресс-фитингов, сварки или самофиксирующихся фитингов. Номинальные характеристики компрессионных и самофиксирующихся фитингов должны соответствовать значениям рабочего давления и температуры на ремонтируемом участке. При замене труб во время ремонта не допускается устанавливать трубы меньшего диаметра. При использовании компрессионных и самофиксирующихся фитингов в отсутствие специального обоснования их постоянного применения при первой возможности следует заменить эти соединения на предусмотренные проектом. 8.3 Течи в разъемных соединениях устраняют подвертыванием гаек или заменой уплотнителя. Проверку состояния разъемных соединений следует проводить не реже одного раза в шесть месяцев. 8.4 При проведении ремонтных работ не допускается механическое повреждение труб. В местах возможного повреждения труб необходимо ставить ограждения. 8.5 Для очистки наружной поверхности труб следует применять материал, исключающий механические повреждения стенок труб. 8.6 В процессе эксплуатации не следует допускать замораживания воды в системах внутренних трубопроводов. Системы внутренних медных трубопроводов в зависимости от состояния материала выдерживают, как правило, количество циклов замораживания и оттаивания воды, не более: - трех раз для труб состояния «М»; - двух раз для труб состояния «П» и состояния «Т». 8.7 Оттаивание замороженных труб следует проводить теплым воздухом или горячей водой. Категорически запрещается использовать открытое пламя и обстукивать трубу молотком. Для размораживания воды допускается использовать индукционные электронагреватели, тепловые пушки. При первой возможности следует заменить поврежденные участки трубопровода. 8.8 При ослаблении заделки между трубой и футляром, проходящим через строительную конструкцию, необходимо провести герметиком ее уплотнение. 8.9 В случае длительного (пять и более дней) перерыва в эксплуатации систем водопровода следует избегать застоя воды в медных трубах. Перед возобновлением работы трубопровода хозяйственно-питьевого водоснабжения его следует промыть питьевой водой до достижения свойств выходящей воды, соответствующих требованиям СанПиН 2.1.4.1074. 8.10 Для трубопроводов, проложенных под землей, а также при эксплуатации их в агрессивных средах следует применять: - дополнительную антикоррозионную защиту, выполненную на месте посредством клеевого или термоусадочного полимерного покрытия; - антикоррозионную защиту, выполненную в заводских условиях, - полимерное покрытие. 8.11 При эксплуатации трубопроводов следует избегать постоянного воздействия влаги на внешнюю поверхность трубопроводов и образования конденсата на их поверхности. В помещениях повышенной влажности (бассейн, сауна, баня, банно-прачечный комплекс) необходимо применять меры по изоляции медных труб. 8.12 Технологическую промывку системы с целью удаления остатков флюса, возможно попавшего в систему, следует проводить не позднее двух-трех месяцев после окончания монтажа трубопровода. 8.13 Для придания большей декоративности системам внутренних трубопроводов, проложенных открыто, допускается покрытие поверхности медных труб красителями и лаками, не содержащими кислот. Приложение
А
|
|||||||||||||||||||||||||||||||||||||||||||||||||||||||||||||||||||||||||||||||||||||||||||||||||||||||||||||||||||||||||||||||||||||||||||||||||||||||||||||||||||||||||||||||||||||||||||||||||||||||||||||||||||||||||||||||||||||||||||||||||||||||||||||||||||||||||||||||||||||||||||||||||||||||||||||||||||||||||||||||||||||||||||||||||||||||||||||||||||||||||||||||||||||||||||||||||||||||||||||||||||||||||||||||||||||||||||||||||||||||||||||||||||||||||||||||||||||||||||||||||||||||||||||||||||||||||||||||||||||||||||||||||||||||||||||||||||||||||||||||||||||||||||||||||||||||||||||||||||||||||||||||||||||||||||||||||||||||||||||||||||||||||||||||||||||||||||||||||||||||||||||||||||||||||||||||||||||||||||||||||||||||||||||||||||||||||||||||||||||||||||||||||||||||||||||||||||||||||||||||||||||||||||||||||||||||||||||||||||||||||||||||||||||||||||||||||||||||||||||||||||||||||||||||||||||||||||||||||||||||||||||||||||||||||||||||||||||||||||||||||||||||||||||||||||||||||||||||||||||||
|
Наименование показателя |
Единица измерения |
Минимальное допустимое значение |
Максимальное допустимое значение |
|
Водородный показатель |
рН |
6,5 (рекомендуется 7,5) |
9,0 |
|
Хлориды |
мг/л |
- |
350 |
|
Сульфаты |
мг/л |
- |
300 |
|
Нитраты |
мг/л |
- |
45 |
|
Свободные углекислоты |
мг/л |
- |
50 |
|
Кислород |
мг/л |
- |
2 |
|
Нашатыри |
мг/л |
- |
2 |
|
Железо (в растворе) |
мг/л |
- |
0,3 |
|
Марганец (в растворе) |
мг/л |
- |
0,1 |
|
Сульфиды |
- |
- |
Нежелательны |
|
Хлор свободный |
мг/л |
- |
30/200 |
|
Алюмосиликаты |
- |
- |
Нежелательны |
А.2 Содержание кислорода в теплоносителе системы отопления должно быть не более 0,1 мг/л. При систематической подпитке теплоносителя кислородом необходимо применять гидразин или сульфит натрия. В системах отопления следует избегать излишнего (необоснованного) пополнения замкнутых контуров теплоносителем, содержащим кислород.
Б.1 Коэффициенты местного гидравлического сопротивления гнутых медных труб и фитингов должны соответствовать требованиям, установленным в таблице Б.1.
Таблица Б.1 - Коэффициенты местного гидравлического сопротивления гнутых медных труб и фитингов
|
Деталь |
Схематическое изображение детали |
Значение коэффициента |
|
Отвод с радиусом закругления ≥ 5d: |
|
0,5 |
|
90° |
||
|
45° |
||
|
Тройники: на проход |
|
0,5 |
|
на ответвление 90° |
|
1,5 |
|
на слияние 90° |
|
1,5 |
|
на разделение потока |
|
3,0 |
|
Крестовина: на проход |
|
2,0 |
|
на ответвление |
|
3,0 |
|
Отступ |
|
0,5 |
|
Скоба |
|
1,0 |
|
Внезапное расширение |
|
1,0 0,5 |
|
Калач |
|
0,7 |
В.1 Для приближенного гидравлического расчета медных трубопроводов горячего водоснабжения и отопления следует использовать таблицы В.1 и В.2.
Таблица В.1 - Система горячего водоснабжения
|
q, л/с |
Наружный диаметр трубы × толщина стенки, мм |
|||||||||||||||||||
|
12×1 |
15×1 |
18×1 |
22×1 |
28×1 |
35×1,2 |
42×1,5 |
54×1,5 |
64×2 |
76×2,5 |
|||||||||||
|
V, м/с |
1000i |
V, м/с |
1000i |
V, м/с |
1000i |
V, м/с |
1000i |
V, м/с |
1000i |
V, м/с |
1000i |
V, м/с |
1000i |
V, м/с |
1000i |
V, м/с |
1000i |
V, м/с |
1000i |
|
|
0,02 |
0,25 |
17,9 |
- |
- |
- |
- |
- |
- |
- |
- |
- |
- |
- |
- |
- |
- |
- |
- |
- |
- |
|
0,04 |
0,50 |
64,7 |
0,30 |
17,1 |
- |
- |
- |
- |
- |
- |
- |
- |
- |
- |
- |
- |
- |
- |
- |
- |
|
0,06 |
0,76 |
139,0 |
0,15 |
36,2 |
0,30 |
12,7 |
- |
- |
- |
- |
- |
- |
- |
- |
- |
- |
- |
- |
- |
- |
|
0,10 |
1,27 |
367,0 |
0,75 |
94,7 |
0,50 |
32,8 |
0,32 |
10,6 |
- |
- |
- |
- |
- |
- |
- |
- |
- |
- |
- |
- |
|
0,12 |
1,53 |
521,0 |
0,90 |
134,0 |
0,60 |
46,2 |
0,38 |
14,9 |
- |
- |
- |
- |
- |
- |
- |
- |
- |
- |
- |
- |
|
0,14 |
1,78 |
702,0 |
1,06 |
180,0 |
0,70 |
61,8 |
0,45 |
19,8 |
0,26 |
5,3 |
- |
- |
- |
- |
- |
- |
- |
- |
- |
- |
|
0,16 |
2,04 |
908,0 |
1,20 |
232,0 |
0,80 |
79,6 |
0,50 |
25,5 |
0,30 |
6,8 |
- |
- |
- |
- |
- |
- |
- |
- |
- |
- |
|
0,18 |
2,29 |
1141,0 |
1,36 |
291,0 |
0,90 |
99,5 |
0,57 |
31,8 |
0,31 |
8,4 |
0,26 |
2,7 |
- |
- |
- |
- |
- |
- |
- |
- |
|
0,20 |
2,55 |
1340,0 |
1,50 |
356,0 |
1,00 |
122,0 |
0,64 |
38,8 |
0,38 |
10,2 |
0,24 |
3,3 |
- |
- |
- |
- |
- |
- |
- |
- |
|
0,22 |
2,80 |
1685,0 |
1,66 |
427,0 |
1,09 |
146,0 |
0,70 |
46,4 |
0,41 |
12,2 |
0,26 |
3,9 |
- |
- |
- |
- |
- |
- |
- |
- |
|
0,24 |
3,06 |
1996,0 |
1,80 |
505,0 |
1,20 |
172,0 |
0,76 |
54,7 |
0,45 |
14,4 |
0,29 |
4,6 |
- |
- |
- |
- |
- |
- |
- |
- |
|
0,26 |
- |
- |
1,96 |
590,0 |
1,30 |
201,0 |
0,83 |
63,7 |
0,49 |
16,7 |
0,31 |
5,3 |
- |
- |
- |
- |
- |
- |
- |
- |
|
0,28 |
- |
- |
2,11 |
681,0 |
1,40 |
232,0 |
0,89 |
73,3 |
0,53 |
19,2 |
0,34 |
6,1 |
- |
- |
- |
- |
- |
- |
- |
- |
|
0,30 |
- |
- |
2,26 |
778,0 |
1,50 |
264,0 |
1,00 |
83,6 |
0,57 |
21,9 |
0,36 |
7,0 |
0,25 |
2,8 |
- |
- |
- |
- |
- |
- |
|
0,32 |
- |
- |
2,41 |
882,0 |
1,60 |
299,0 |
1,02 |
94,6 |
0,60 |
24,7 |
0,38 |
7,9 |
0,27 |
3,2 |
- |
- |
- |
- |
- |
- |
|
0,34 |
- |
- |
2,56 |
992,0 |
1,70 |
336,0 |
1,08 |
106,0 |
0,64 |
27,7 |
0,40 |
8,8 |
0,28 |
3,6 |
- |
- |
- |
- |
- |
- |
|
0,36 |
- |
- |
2,71 |
1108,0 |
1,80 |
375,0 |
1,15 |
118,0 |
0,68 |
30,9 |
0,43 |
9,8 |
0,30 |
4,0 |
- |
- |
- |
|
- |
- |
|
0,38 |
- |
- |
2,86 |
1231,0 |
1,90 |
417,0 |
1,21 |
131,0 |
0,72 |
34,2 |
0,46 |
10,9 |
0,32 |
4,4 |
- |
- |
- |
- |
- |
- |
|
0,40 |
- |
- |
3,02 |
1360,0 |
2,00 |
460,0 |
1,27 |
145,0 |
0,75 |
37,7 |
0,48 |
11,9 |
0,34 |
4,8 |
- |
- |
- |
- |
- |
- |
|
0,46 |
- |
- |
- |
- |
2,30 |
603,0 |
1,46 |
189,0 |
10,87 |
49,2 |
0,55 |
15,5 |
0,39 |
6,3 |
- |
- |
- |
- |
- |
- |
|
0,52 |
- |
- |
- |
- |
2,59 |
765,0 |
1,66 |
240,0 |
0,98, |
62,1 |
0,62 |
19,6 |
0,44 |
7,9 |
0,25 |
2,05 |
- |
- |
- |
- |
|
0,58 |
- |
- |
- |
- |
2,90 |
945,0 |
1,85 |
296,0 |
1,09 |
76,5 |
0,70 |
24,1 |
0,49 |
9,7 |
0,28 |
2,50 |
- |
- |
- |
- |
|
0,62 |
- |
- |
- |
- |
3,09 |
1076,0 |
1,97 |
337,0 |
1,17 |
87,0 |
0,74 |
27,3 |
0,52 |
11,0 |
0,30 |
2,80 |
- |
- |
- |
- |
|
0,70 |
- |
- |
- |
- |
- |
- |
2,23 |
426,0 |
1,32 |
110,0 |
0,84 |
34,4 |
0,59 |
13,8 |
0,34 |
3,60 |
0,25 |
|
- |
- |
|
0,78 |
- |
- |
- |
- |
- |
- |
2,48 |
525,0 |
1,47 |
135,0 |
0,93 |
42,3 |
0,65 |
17,0 |
0,38 |
4,40 |
0,28 |
1,9 |
- |
- |
|
0,86 |
- |
- |
- |
- |
- |
- |
2,74 |
635,0 |
1,62 |
163,0 |
1,03 |
51,0 |
0,72 |
20,4 |
0,42 |
5,20 |
0,30 |
2,3 |
- |
- |
|
0,94 |
- |
- |
- |
- |
- |
- |
2,99 |
754,0 |
1,77 |
193,0 |
1,18 |
60,4 |
0,79 |
24,2 |
0,46 |
6,20 |
0,33 |
2,7 |
- |
- |
|
0,96 |
- |
- |
- |
- |
- |
- |
3,06 |
786,0 |
1,80 |
201,0 |
1,15 |
62,9 |
0,80 |
25,2 |
0,47 |
6,45 |
0,34 |
2,8 |
0,24 |
1,2 |
|
1,08 |
- |
- |
- |
- |
- |
- |
- |
- |
2,04 |
253,0 |
1,29 |
78,8 |
0,90 |
31,5 |
0,53 |
8,10 |
0,38 |
3,6 |
0,27 |
1,5 |
|
1,20 |
- |
- |
- |
- |
- |
- |
- |
- |
2,26 |
310,0 |
1,44 |
96,4 |
1,00 |
38,5 |
0,59 |
9,80 |
0,42 |
4,3 |
0,30 |
1,8 |
|
1,32 |
- |
- |
- |
- |
- |
- |
- |
- |
2,49 |
373,0 |
1,58 |
116,0 |
1,10 |
46,2 |
0,65 |
11,80 |
0,47 |
5,2 |
0,33 |
2,2 |
|
1,44 |
- |
- |
- |
- |
- |
- |
- |
- |
2,71 |
441,0 |
1,73 |
137,0 |
1,20 |
54,5 |
0,70 |
13,90 |
0,50 |
6,1 |
0,36 |
2,6 |
|
1,56 |
- |
- |
- |
- |
- |
- |
- |
- |
2,94 |
515,0 |
1,87 |
160,0 |
1,30 |
63,6 |
0,76 |
16,20 |
0,55 |
7,1 |
0,36 |
3,0 |
|
1,60 |
- |
- |
- |
- |
- |
- |
- |
- |
3,02 |
541,0 |
1,92 |
168,0 |
1,34 |
66,7 |
0,78 |
17,00 |
0,57 |
7,4 |
0,40 |
3,2 |
|
1,70 |
- |
- |
- |
- |
- |
- |
- |
- |
- |
- |
2,40 |
202,0 |
1,17 |
80,1 |
0,86 |
20,10 |
0,62 |
8,9 |
0,11 |
3,8 |
|
2,08 |
- |
- |
- |
- |
- |
- |
|
- |
- |
- |
2,49 |
279,0 |
1,74 |
110,0 |
1,02 |
28,00 |
0,74 |
12,3 |
0,52 |
5,2 |
|
2,24 |
- |
- |
- |
- |
- |
- |
- |
- |
- |
- |
2,68 |
322,0 |
1,88 |
127,0 |
1,10 |
32,20 |
0,79 |
14,1 |
0,56 |
6,0 |
|
2,40 |
- |
- |
- |
- |
- |
- |
- |
- |
- |
- |
2,88 |
368,0 |
2,01 |
146,0 |
1,18 |
36,80 |
0,85 |
16,1 |
0,60 |
6,8 |
|
2,56 |
- |
- |
- |
- |
- |
- |
- |
- |
- |
- |
3,07 |
417,0 |
2,14 |
165,0 |
1,25 |
41,60 |
0,91 |
18,2 |
0,65 |
7,7 |
|
2,72 |
- |
- |
- |
- |
- |
- |
- |
- |
- |
- |
- |
- |
2,28 |
185,0 |
1,33 |
46,70 |
0,96 |
20,4 |
0,69 |
8,6 |
|
2,88 |
- |
- |
- |
- |
- |
- |
- |
- |
- |
- |
- |
- |
2,41 |
207,0 |
1,41 |
52,20 |
1,02 |
22,7 |
0,73 |
9,6 |
|
3,04 |
- |
- |
- |
- |
- |
- |
- |
- |
- |
- |
- |
- |
2,55 |
230,1 |
1,49 |
57,90 |
1,08 |
25,2 |
0,77 |
10,6 |
|
3,20 |
- |
- |
- |
- |
- |
- |
- |
- |
- |
- |
- |
- |
2,68 |
254,0 |
1,57 |
63,90 |
1,13 |
27,8 |
0,80 |
11,7 |
|
3,36 |
- |
- |
- |
- |
- |
- |
- |
- |
- |
- |
- |
- |
2,81 |
279,0 |
1,65 |
70,20 |
1,19 |
30,5 |
0,85 |
12,9 |
|
3,52 |
- |
- |
- |
- |
- |
- |
- |
- |
- |
- |
- |
- |
2,95 |
306,0 |
1,72 |
76,70 |
1,25 |
33,4 |
0,89 |
14,1 |
|
3,68 |
- |
- |
- |
- |
- |
- |
- |
- |
- |
- |
- |
- |
3,08 |
333,0 |
1,80 |
83,60 |
1,30 |
36,4 |
0,93 |
15,3 |
|
3,88 |
- |
- |
- |
- |
- |
- |
- |
- |
- |
- |
- |
- |
- |
- |
1,90 |
92,60 |
1,37 |
40,2 |
0,98 |
16,9 |
|
4,08 |
- |
- |
- |
- |
- |
- |
- |
- |
- |
- |
- |
- |
- |
- |
1,99 |
102,00 |
144 |
44,3 |
1,03 |
18,6 |
|
4,28 |
- |
- |
- |
- |
- |
- |
- |
- |
- |
- |
- |
- |
- |
- |
2,10 |
112,00 |
1,50 |
48,6 |
1,08 |
20,4 |
|
4,48 |
- |
- |
- |
- |
- |
- |
- |
|
- |
- |
- |
- |
- |
- |
2,20 |
122,00 |
1,59 |
53,1 |
1,13 |
22,3 |
|
4,68 |
- |
- |
- |
- |
- |
- |
- |
- |
- |
- |
- |
- |
- |
- |
2,30 |
133,00 |
1,66 |
57,7 |
1,18 |
24,2 |
|
4,88 |
- |
- |
- |
- |
- |
- |
- |
- |
- |
- |
- |
- |
- |
- |
2,40 |
144,00 |
1,73 |
62,5 |
1,23 |
26,3 |
|
5,08 |
- |
- |
- |
- |
- |
- |
- |
- |
- |
- |
- |
- |
- |
- |
2,50 |
156,00 |
1,80 |
67,6 |
1,28 |
28,4 |
|
5,28 |
- |
- |
- |
- |
- |
- |
- |
- |
- |
- |
- |
- |
- |
- |
2,60 |
168,00 |
1,87 |
72,8 |
1,33 |
30,5 |
|
5,48 |
- |
- |
- |
- |
- |
- |
- |
- |
- |
- |
- |
- |
- |
- |
2,70 |
180,00 |
1,94 |
78,1 |
1,38 |
32,8 |
|
5,68 |
- |
- |
- |
- |
- |
- |
- |
- |
- |
- |
- |
- |
- |
- |
2,80 |
193,00 |
2,01 |
83,8 |
1,43 |
35,1 |
|
5,88 |
- |
- |
- |
- |
- |
- |
- |
- |
- |
- |
- |
- |
- |
- |
2,90 |
207,00 |
2,08 |
89,6 |
1,48 |
37,6 |
|
6,08 |
- |
- |
- |
- |
- |
- |
- |
- |
- |
- |
- |
- |
- |
- |
3,00 |
221,00 |
2,15 |
95,6 |
1,53 |
40,0 |
|
6,32 |
- |
- |
- |
- |
- |
- |
- |
- |
- |
- |
|
- |
- |
- |
- |
- |
2,24 |
103,0 |
1,59 |
43,1 |
|
6,60 |
- |
- |
- |
- |
- |
- |
- |
- |
- |
- |
- |
- |
- |
- |
- |
- |
2,32 |
111,0 |
1,65 |
46,3 |
|
6,80 |
- |
- |
- |
- |
- |
- |
- |
- |
- |
- |
- |
- |
- |
- |
- |
- |
2,40 |
119,0 |
1,71 |
49,7 |
|
7,04 |
- |
- |
- |
- |
- |
- |
- |
- |
- |
- |
- |
- |
- |
- |
- |
- |
2,50 |
127,0 |
1,77 |
53,1 |
|
7,28 |
- |
- |
- |
- |
- |
- |
- |
- |
- |
- |
- |
- |
- |
- |
- |
- |
2,60 |
135,0 |
1,83 |
56,6 |
|
7,52 |
- |
- |
- |
- |
- |
- |
- |
- |
- |
- |
- |
- |
- |
- |
- |
- |
2,70 |
144,0 |
1,89 |
60,3 |
|
7,76 |
- |
- |
- |
- |
- |
- |
- |
- |
- |
- |
- |
- |
- |
- |
- |
- |
2,75 |
153,0 |
1,96 |
64,1 |
|
8,00 |
- |
- |
- |
- |
- |
- |
- |
- |
- |
- |
- |
- |
- |
- |
- |
- |
2,83 |
163,0 |
2,02 |
68,0 |
|
8,48 |
- |
- |
- |
- |
- |
- |
- |
- |
- |
- |
- |
- |
- |
- |
- |
- |
2,92 |
172,0 |
2,14 |
76,0 |
|
8,70 |
- |
- |
- |
- |
- |
- |
- |
- |
- |
- |
- |
- |
- |
- |
- |
- |
3,08 |
192,0 |
2,20 |
80,3 |
|
9,28 |
- |
- |
- |
- |
- |
- |
- |
- |
- |
- |
- |
- |
- |
- |
- |
- |
- |
- |
2,30 |
90,5 |
|
9,56 |
- |
- |
- |
- |
- |
- |
- |
- |
- |
- |
- |
- |
- |
- |
- |
- |
- |
- |
2,40 |
95,9 |
|
9,84 |
- |
- |
- |
- |
- |
- |
- |
- |
- |
- |
- |
- |
- |
- |
- |
- |
- |
- |
2,50 |
101,0 |
|
10,12 |
- |
- |
- |
- |
- |
- |
- |
- |
- |
- |
- |
- |
- |
- |
- |
- |
- |
- |
2,60 |
107,0 |
|
10,40 |
- |
- |
- |
- |
- |
- |
- |
- |
- |
- |
- |
- |
- |
- |
- |
- |
- |
- |
2,62 |
113,0 |
|
10,68 |
- |
- |
- |
- |
- |
- |
- |
- |
- |
- |
- |
- |
- |
- |
- |
- |
- |
- |
2,70 |
119,0 |
|
10,96 |
- |
- |
- |
- |
- |
- |
- |
- |
- |
- |
- |
- |
- |
- |
- |
- |
- |
- |
2,80 |
125,0 |
|
11,24 |
- |
- |
- |
- |
- |
- |
- |
- |
- |
- |
- |
- |
- |
- |
- |
- |
- |
- |
2,83 |
131,0 |
|
11,52 |
- |
- |
- |
- |
- |
- |
- |
- |
- |
- |
- |
- |
- |
- |
- |
- |
- |
- |
2,90 |
138,0 |
|
11,80 |
- |
- |
- |
- |
- |
- |
- |
- |
- |
- |
- |
- |
- |
- |
- |
- |
- |
- |
2,97 |
144,0 |
|
12,08 |
- |
- |
- |
- |
- |
- |
- |
- |
- |
- |
- |
- |
- |
- |
- |
- |
- |
- |
3,04 |
151,0 |
Таблица В.2 - Система отопления
|
G, кг/ч |
Наружный диаметр трубы × толщина стенки, мм |
|||||||||||||||||||
|
12×1 |
15×1 |
18×1 |
22×1 |
28×1 |
35×1,2 |
42×1,5 |
54×1,5 |
64×2 |
76×2,5 |
|||||||||||
|
V, м/с |
ΔР, Па/м |
V, м/с |
ΔР, Па/м |
V, м/с |
ΔР, Па/м |
V, м/с |
ΔР, Па/м |
V, м/с |
ΔР, Па/м |
V, м/с |
ΔР, Па/м |
V, м/с |
ΔР, Па/м |
V, м/с |
ΔР, Па/м |
V, м/с |
ΔР, Па/м |
V, м/с |
ΔР, Па/м |
|
|
72 |
0,25 |
172 |
- |
- |
- |
- |
- |
- |
- |
- |
- |
- |
- |
- |
- |
- |
- |
- |
- |
- |
|
144 |
0,50 |
626 |
0,30 |
164 |
- |
- |
- |
- |
- |
- |
- |
- |
- |
- |
- |
- |
- |
- |
- |
- |
|
216 |
0,26 |
135 |
0,45 |
350 |
0,30 |
122 |
- |
- |
- |
- |
- |
- |
- |
- |
- |
- |
- |
- |
- |
- |
|
288 |
1,02 |
281 |
0,60 |
61 |
0,40 |
209 |
0,25 |
67 |
- |
- |
- |
- |
- |
- |
- |
- |
- |
- |
- |
- |
|
432 |
1,53 |
512 |
0,90 |
121 |
0,60 |
448 |
0,38 |
144 |
- |
- |
- |
- |
- |
- |
- |
- |
- |
- |
- |
- |
|
504 |
1,78 |
690 |
1,06 |
176 |
0,70 |
601 |
0,45 |
192 |
0,26 |
51 |
- |
- |
- |
- |
- |
- |
- |
- |
- |
- |
|
576 |
2,64 |
894 |
1,20 |
227 |
0,80 |
775 |
0,50 |
247 |
0,30 |
65 |
- |
- |
- |
- |
- |
- |
- |
- |
- |
- |
|
648 |
- |
- |
1,36 |
285 |
0,90 |
971 |
0,57 |
309 |
0,34 |
81 |
- |
- |
- |
- |
- |
- |
- |
- |
- |
- |
|
720 |
- |
- |
1,50 |
349 |
1,00 |
119 |
0,64 |
377 |
0,38 |
99 |
- |
- |
- |
- |
- |
- |
- |
- |
- |
- |
|
792 |
- |
- |
1,65 |
420 |
1,09 |
143 |
0,70 |
452 |
0,41 |
118 |
0,26 |
38 |
- |
- |
- |
- |
- |
- |
- |
- |
|
864 |
- |
- |
1,80 |
497 |
1,19 |
169 |
0,76 |
533 |
0,45 |
139 |
0,29 |
44 |
- |
- |
- |
- |
- |
- |
- |
- |
|
936 |
- |
- |
1,96 |
580 |
1,29 |
197 |
0,83 |
621 |
0,49 |
162 |
0,31 |
52 |
- |
- |
- |
- |
- |
- |
- |
- |
|
1008 |
- |
- |
2,11 |
670 |
1,39 |
227 |
0,89 |
716 |
0,53 |
187 |
0,34 |
59 |
- |
- |
- |
- |
- |
- |
- |
- |
|
1080 |
- |
- |
- |
- |
1,49 |
259 |
0,96 |
817 |
0,57 |
213 |
0,36 |
67 |
0,25 |
27 |
- |
- |
- |
- |
- |
- |
|
1152 |
- |
- |
- |
- |
1,59 |
294 |
1,02 |
924 |
0,60 |
240 |
0,38 |
76 |
0,27 |
31 |
- |
- |
- |
- |
- |
- |
|
1224 |
- |
- |
- |
- |
1,69 |
330 |
1,08 |
104 |
0,64 |
270 |
0,40 |
85 |
0,28 |
34 |
|
- |
- |
- |
- |
- |
|
1296 |
- |
- |
- |
- |
1,79 |
369 |
1,15 |
116 |
0,68 |
301 |
0,43 |
95 |
0,30 |
38 |
- |
- |
- |
- |
- |
- |
|
1368 |
- |
- |
- |
- |
1,89 |
410 |
1,21 |
129 |
0,72 |
333 |
0,46 |
105 |
0,32 |
42 |
- |
- |
- |
- |
- |
- |
|
1440 |
- |
- |
- |
- |
1,99 |
452 |
1,27 |
142 |
0,75 |
367 |
0,48 |
116 |
0,34 |
47 |
- |
- |
|
- |
- |
- |
|
1512 |
- |
- |
- |
- |
2,09 |
497 |
1,34 |
156 |
0,79 |
403 |
0,50 |
127 |
0,35 |
51 |
- |
- |
- |
- |
- |
- |
|
1656 |
- |
- |
- |
- |
1,46 |
186 |
0,87 |
480 |
0,55 |
151 |
0,39 |
61 |
- |
- |
- |
- |
- |
- |
- |
- |
|
1800 |
- |
- |
- |
- |
1,59 |
218 |
0,94 |
563 |
0,60 |
177 |
0,42 |
71 |
- |
- |
- |
- |
- |
- |
- |
- |
|
1944 |
- |
- |
- |
- |
1,72 |
253 |
1,02 |
653 |
0,65 |
205 |
0,45 |
82 |
0,26 |
21 |
- |
- |
- |
- |
- |
- |
|
2088 |
- |
- |
- |
- |
1,85 |
291 |
1,09 |
748 |
0,70 |
235 |
0,49 |
94 |
0,28 |
24 |
- |
- |
- |
- |
- |
- |
|
2232 |
- |
- |
- |
- |
1,97 |
331 |
1,17 |
851 |
0,74 |
266 |
0,52 |
107 |
0,30 |
27 |
- |
- |
- |
- |
- |
- |
|
2376 |
|
- |
- |
- |
2,10 |
374 |
1,24 |
959 |
0,79 |
300 |
0,55 |
120 |
0,32 |
31 |
- |
- |
- |
- |
- |
- |
|
2592 |
- |
- |
- |
- |
- |
- |
1,36 |
113 |
0,86 |
354 |
0,60 |
142 |
0,35 |
36 |
0,25 |
16 |
- |
- |
- |
- |
|
3240 |
- |
- |
- |
- |
- |
- |
- |
- |
1,70 |
175 |
1,08 |
543 |
0,75 |
217 |
0,44 |
55 |
0,32 |
24 |
- |
- |
|
3456 |
- |
- |
- |
- |
- |
- |
- |
- |
1,80 |
198 |
1,15 |
615 |
0,80 |
245 |
0,47 |
63 |
0,34 |
28 |
- |
- |
|
3600 |
- |
- |
|
- |
- |
- |
- |
- |
1,92 |
222 |
1,22 |
691 |
0,85 |
276 |
0,50 |
70 |
0,36 |
31 |
0,26 |
13 |
|
3888 |
- |
- |
- |
- |
- |
- |
- |
- |
2,04 |
248 |
1,29 |
772 |
0,90 |
307 |
0,53 |
78 |
0,38 |
34 |
0,27 |
15 |
|
4176 |
- |
- |
- |
- |
- |
- |
- |
- |
- |
- |
1,39 |
885 |
0,97 |
352 |
0,57 |
90 |
0,41 |
39 |
0,29 |
17 |
|
4464 |
- |
- |
- |
- |
- |
- |
- |
- |
- |
- |
1,49 |
101 |
1,04 |
401 |
0,60 |
102 |
0,44 |
45 |
0,31 |
19 |
|
4752 |
- |
- |
- |
- |
- |
- |
- |
- |
- |
- |
1,58 |
113 |
1,10 |
452 |
0,65 |
115 |
0,48 |
50 |
0,33 |
21 |
|
5616 |
- |
- |
- |
- |
- |
- |
- |
- |
- |
- |
1,87 |
157 |
1,30 |
623 |
0,76 |
158 |
0,55 |
69 |
0,39 |
29 |
|
5904 |
- |
- |
- |
- |
- |
- |
- |
- |
- |
- |
1,97 |
173 |
1,37 |
686 |
0,80 |
173 |
0,58 |
76 |
0,41 |
32 |
|
6192 |
- |
- |
- |
- |
- |
- |
- |
- |
- |
- |
2,06 |
190 |
1,44 |
752 |
0,84 |
190 |
0,60 |
83 |
0,43 |
35 |
|
6624 |
- |
- |
- |
- |
- |
- |
- |
- |
- |
- |
- |
- |
1,54 |
856 |
0,90 |
216 |
0,65 |
94 |
0,46 |
40 |
|
7056 |
- |
- |
- |
- |
- |
- |
- |
- |
- |
- |
- |
- |
1,64 |
967 |
0,96 |
244 |
0,69 |
106 |
0,50 |
45 |
|
7488 |
- |
- |
- |
- |
- |
- |
- |
- |
- |
- |
- |
- |
1,74 |
108 |
1,02 |
273 |
0,74 |
119 |
0,53 |
51 |
|
7920 |
- |
- |
- |
- |
- |
- |
- |
- |
- |
- |
- |
- |
1,84 |
121 |
1,08 |
304 |
0,78 |
133 |
0,56 |
56 |
|
8352 |
- |
- |
- |
- |
- |
- |
- |
- |
- |
- |
- |
- |
1,94 |
134 |
1,14 |
337 |
0,82 |
147 |
0,59 |
62 |
|
9072 |
- |
- |
- |
- |
- |
- |
- |
- |
- |
- |
- |
- |
2,04 |
148 |
1,24 |
395 |
0,89 |
172 |
0,64 |
73 |
|
9792 |
- |
- |
- |
- |
- |
- |
- |
- |
- |
- |
- |
- |
- |
- |
1,33 |
458 |
0,96 |
199 |
0,69 |
84 |
|
10512 |
- |
- |
- |
- |
- |
- |
- |
- |
- |
- |
- |
- |
- |
- |
1,43 |
525 |
1,03 |
228 |
0,74 |
97 |
|
11232 |
- |
- |
- |
- |
- |
- |
- |
- |
- |
- |
- |
- |
- |
- |
1,52 |
597 |
1,10 |
259 |
0,79 |
110 |
|
11952 |
- |
- |
- |
- |
- |
- |
- |
- |
- |
- |
- |
- |
- |
- |
1,63 |
673 |
1,17 |
292 |
0,84 |
124 |
|
12672 |
- |
- |
- |
- |
- |
- |
- |
- |
- |
- |
- |
- |
- |
- |
1,72 |
753 |
1,25 |
327 |
0,89 |
138 |
|
13392 |
- |
- |
- |
- |
- |
- |
- |
- |
- |
- |
- |
- |
- |
- |
1,82 |
838 |
1,32 |
364 |
0,94 |
154 |
|
14112 |
- |
- |
- |
- |
- |
- |
- |
- |
- |
- |
- |
- |
- |
- |
1,92 |
928 |
1,39 |
402 |
0,99 |
170 |
|
14832 |
- |
- |
- |
- |
- |
- |
- |
- |
- |
- |
- |
- |
- |
- |
2,02 |
102 |
1,46 |
443 |
1,04 |
187 |
|
15768 |
- |
- |
- |
- |
- |
- |
- |
- |
- |
- |
- |
- |
- |
- |
- |
- |
1,55 |
492 |
1,08 |
201 |
|
16704 |
- |
- |
- |
- |
- |
- |
- |
- |
- |
- |
- |
- |
- |
- |
- |
- |
1,64 |
557 |
1,17 |
235 |
|
17640 |
- |
- |
- |
- |
- |
- |
- |
- |
- |
- |
- |
- |
- |
- |
- |
- |
1,73 |
619 |
1,24 |
261 |
|
18576 |
- |
- |
- |
- |
- |
- |
- |
- |
- |
- |
- |
- |
- |
- |
- |
- |
1,83 |
684 |
1,30 |
288 |
|
19512 |
- |
- |
- |
- |
- |
- |
- |
- |
- |
- |
- |
- |
- |
- |
- |
- |
1,92 |
752 |
1,37 |
317 |
|
20448 |
- |
- |
- |
- |
- |
- |
- |
- |
- |
- |
- |
- |
- |
- |
- |
- |
2,01 |
824 |
1,44 |
347 |
|
22572 |
- |
- |
- |
- |
- |
- |
- |
- |
- |
- |
- |
- |
- |
- |
- |
- |
- |
- |
1,59 |
426 |
|
23904 |
- |
- |
- |
- |
- |
- |
- |
- |
- |
- |
- |
- |
- |
- |
- |
- |
- |
- |
1,68 |
469 |
|
25056 |
- |
- |
- |
- |
- |
- |
- |
- |
- |
- |
- |
- |
- |
- |
- |
- |
- |
- |
1,76 |
514 |
|
26208 |
- |
- |
- |
- |
- |
- |
- |
- |
- |
- |
- |
- |
- |
- |
- |
- |
- |
- |
1,84 |
560 |
|
27360 |
- |
- |
- |
- |
- |
- |
- |
- |
- |
- |
- |
- |
- |
- |
- |
- |
- |
- |
1,92 |
609 |
|
28512 |
- |
- |
- |
- |
- |
- |
- |
- |
- |
- |
- |
- |
- |
- |
- |
- |
- |
- |
2,00 |
60 |

Обозначения: iт - потери давления на трение по длине, Па/м; V - скорость, м/с; q - расход, л/с; dн - наружный диаметр трубы, мм

Обозначения: ΔР - потери давления, кПа/м; V - скорость, м/с; G - расход теплоносителя, кг/с; dн - наружный диаметр трубы, мм
Таблица Е.1 - Химический состав припоев для капиллярной пайки и температура плавления припоев
Вид пайки |
Химический состав припоя |
Рабочая температура пайки, °С |
|
Мягкая пайка |
Pb50-Sn50 |
183-215 |
|
Sn97-Cu3 |
230-250 |
|
|
Sn97-Ag3 |
221 |
|
|
Твердая пайка |
Cu91,8-Ag2-P6,2 |
710 |
|
Cu93,8-P6,2 |
730 |
|
|
Ag40-Cd20-Cu19-Zn21 |
610 |
|
|
Ag45-Cu27-Sn3-Zn25 |
670 |
Таблица Е.2 - Химический состав припоя и максимальная температура и давление воды в местах соединения фитингами
|
Вид пайки |
Химический состав припоя |
Максимальная температура воды, °С |
Максимальное давление для номинальных диаметров труб, МПа |
||
|
От 6 до 34 мм |
Св. 34 до 54 мм |
Св. 54 до 108 мм |
|||
|
Мягкая пайка |
Pb50-Sn50 |
30 |
4,0 |
2,5 |
1,6 |
|
Pb60-Sn40 |
65 |
2,5 |
1,6 |
1,6 |
|
|
|
110 |
1,6 |
1,0 |
1,0 |
|
|
Sn95-Ag5 |
30 |
2,5 |
2,5 |
1,6 |
|
|
Sn/Cu (3 max, 0,4 min) |
65 |
25 |
1,6 |
1,6 |
|
|
остальное Sn |
110 |
1,6 |
1,0 |
1,0 |
|
|
Твердая пайка |
Ag55-Cu45 |
30 |
4,0 |
2,5 |
1,6 |
|
Ag(30-40)-Cd остальное |
65 |
2,5 |
1,6 |
1,6 |
|
|
Cu94-P6 Cu92-P6-Ag2 |
110 |
1,6 |
1,0 |
1,0 |
|
|
Примечания 1 По согласованию изготовителя с потребителем допускаются другие химические составы припоев. 2 Для питьевого водоснабжения припои со свинцом или кадмием не допускаются. |
|||||
Таблица Е.3 - Максимальная температура и давление воды в местах соединения укороченными фитингами
|
Вид пайки |
Химический состав припоя |
Максимальная температура воды, °С |
Максимальное давление для номинальных диаметров труб, МПа |
||
|
От 15 до 34 мм |
Св. 34 до 54 мм |
Св. 54 до 108 мм |
|||
|
Твердая пайка |
Ag55-Cu40 |
30 |
2,5 |
2,5 |
1,6 |
|
Cd30-Ag70 |
65 |
2,5 |
1,6 |
1,6 |
|
|
Cu94-P6 |
110 |
1,6 |
1,0 |
1,0 |
|
|
Cu92-P6-Ag2 |
|||||
|
Примечания 1 По согласованию изготовителя с потребителем допускаются другие химические составы припоев. 2 Для питьевого водоснабжения припои со свинцом или кадмием не допускаются. |
|||||
Таблица Ж.1
|
Наименование компенсаторов |
Расчетные схемы гнутых компенсаторов |
Расчет компенсирующей способности |
|
Г-образный |
|
где для мягкого состояния меди Ксг = 1,55, для полутвердого - Ксг = 1,51, для твердого - Ксг = 0,144 |
|
П-образный |
|
где для мягкого состояния меди Ксг = 9,33, для полутвердого - Ксг = 9,09, для твердого - Ксг = 8,62 |
|
Лирообразный |
|
r1 = 5d, r2 = 3,5d, b = 3d, h = 15d* |
|
* Обеспечивается компенсация участка длиной до 20 м. Примечание - Обозначения на схемах и в формулах: Δl - компенсирующая длина, мм; Kсг - коэффициент, учитывающий состояние меди; l - длина компенсирующего участка, м; r - радиус изгиба, м; d - наружный диаметр труб, м; 1,2 - неподвижная опора; L - длина компенсируемого участка, м; a, h - длина прямого участка и полный вылет компенсирующего устройства, м. |
||
|
______________________________________________________________________________ (наименование системы) смонтированной в ______________________________________________________________ (наименование объекта, ______________________________________________________________________________ здания, цеха) г.____________________________________«____»___________________________ 20___г. Комиссия в составе представителей: заказчика ______________________________________________________________________ (наименование организации, ______________________________________________________________________________ должность, инициалы, фамилия) генерального подрядчика ________________________________________________________ (наименование организации, ______________________________________________________________________________ должность, инициалы, фамилия) монтажной (строительной) организации____________________________________________ (наименование организации, ______________________________________________________________________________ должность, инициалы, фамилия) произвела осмотр и проверку качества монтажа и составила настоящий акт о нижеследующем: 1. Монтаж выполнен по проекту __________________________________________________ (наименование проектной организации ______________________________________________________________________________ и номера чертежей) 2. Испытание произведено _______________________________________________________ (гидростатическим или манометрическим методом) давлением ________________МПа в течение _________________мин. 3. Падение давления составило ________________МПа. 4. Признаков разрыва или нарушения прочности труб, капель в неразъемных соединениях, резьбовых соединениях, отопительных приборах, на поверхности труб, арматуры и утечки воды через водоразборную арматуру, смывные устройства и т.п. не обнаружено (ненужное зачеркнуть). Решение комиссии: Монтаж выполнен в соответствии с проектной документацией, действующими техническими условиями, стандартами, строительными нормами и правилами производства и приемки работ. Система признается выдержавшей испытание давлением на герметичность. Представитель заказчика ________________________________________________________(подпись) Представитель генерального подрядчика __________________________________________ (подпись) Представитель монтажной _______________________________________________________ (строительной) организации (подпись)
|
[1] Проект ГОСТ Р фитинги из меди и медных сплавов для капиллярной пайки трубопроводов. Технические требования
Ключевые слова: трубы медные, внутренняя система трубопроводов, хозяйственно-питьевое и горячее водоснабжение, отопление, теплые полы, проектирование, монтаж, эксплуатация
|
ГОСТЫ, СТРОИТЕЛЬНЫЕ и ТЕХНИЧЕСКИЕ НОРМАТИВЫ. Некоммерческая онлайн система, содержащая все Российские Госты, национальные Стандарты и нормативы. В Системе содержится более 150000 файлов нормативно-технической документации, действующей на территории РФ. Система предназначена для широкого круга инженерно-технических специалистов. Copyright © www.gostrf.com, 2008 - 2026 |