| |
ТИПОВАЯ
ТЕХНОЛОГИЧЕСКАЯ КАРТА
НА МОНТАЖ
ВОЗДУХОВОДОВ В МЕЖФЕРМЕННОМ ПРОСТРАНСТВЕ ИЗ УКРУПНЕННЫХ БЛОКОВ, ПРОХОДЯЩИХ
ПАРАЛЛЕЛЬНО И ПЕРПЕНДИКУЛЯРНО ФЕРМАМ
7.05.01.21
МОСКВА – 1989
|
РАЗРАБОТАНА
|
СОГЛАСОВАНО
|
|
Институтом ГПИ Проектпромвентиляция
|
|
НПО "Промвентиляция"
|
|
|
Главный инженер института
|
П.А. Овчинников
|
Главный инженер
|
Б.А. Мурашкин
|
|
Начальник отдела
|
А.И. Иванов
|
Отделом механизации и технологии строительства Госстроя
СССР
|
|
Главный специалист
|
О.К. Терехов
|
Письмо от 27.12.1988 г., № 23-737
|
|
Зав. сектором
|
В.Л. Кириллова
|
Введена в действие с 1 февраля 1989 г.
|
Содержание
1.1. Типовая
технологическая карта разработана из расчета 50 м2 поверхности
воздуховодов, проходящих параллельно и перпендикулярно фермам. Карта
рекомендуется для применения при монтаже вентиляционных систем на промышленных
объектах повышенной этажности.
1.2. Действие
данной карты распространяется на монтаж воздуховодов Æ
630, 710, 800 мм или периметром от 1800 до 2400 мм, изготавливаемых из
тонколистовой стали толщиной до 2 мм.
1.3. В состав
работ, рассматриваемых картой, входят:
комплектование
и подноска деталей к месту подъема;
сборка
воздуховодов в укрупненные блоки, собираемые в пределах рабочей зоны;
подъем
воздуховодов на проектную отметку;
установка
грузоподъемных средств, грузовых и отводных блоков;
крепление
воздуховодов к хомутам, установленным на железобетонных фермах или приваренным
к конструкциям металлических ферм.
1.4. Картой
предусматривается монтаж воздуховодов в межферменном пространстве из
укрупненных блоков, проходящих параллельно и перпендикулярно фермам с помощью
электролебедок или монтажно-тяговых механизмов.
1.5. Максимальные длины укрупненных блоков
прямоугольного и круглого сечения принимаются по табл. 1.
Таблица 1
|
Размеры сечения, мм
|
Наибольшая длина
укрупненного блока, м
|
Размеры сечения, Æ, мм
|
Наибольшая длина
укрупненного блока, м
|
Схема расположения
захватов
|
|
400×500
|
10
|
|
|
|
|
600×600
|
12
|
630¸800
|
10
|
|
1.6. При привязке
технологической карты к конкретному объекту уточняются объемы работ, калькуляция
затрат труда, средства механизации с учетом максимального использования
имеющихся в наличии монтажных механизмов.
2.1. Монтаж
воздуховодов должен вестись в соответствии с ППР, утвержденным в установленном
порядке и согласованным с генподрядчиком.
2.2. До начала
монтажа воздуховодов должны быть выполнены следующие работы:
смонтированы
фермы и уложены плиты покрытия;
установлены
закладные детали для крепления воздуховодов;
обеспечены
проезды и проходы к месту монтажа;
ограждена зона
монтажа (СНиП
III-4-80, п. 2.7);
установлены
знаки безопасности (ГОСТ 12.4.026-76);
составлена
комплектовочная ведомость на укрупненные блоки и определена последовательность
их монтажа;
намечены и
согласованы с генподрядчиком места установки и крепления грузоподъемных
механизмов;
доставлены
детали воздуховодов к месту монтажа.
2.3. Последовательность
рабочих операций при монтаже воздуховодов в межферменном пространстве из
укрупненных блоков, проходящих перпендикулярно фермам (рис. 1):
комплектование
и подноска отдельных деталей к месту подъема;
сборка
отдельных деталей в укрупненные блоки на инвентарных подставках;
установка
хомутов и подвесок на укрупненный блок;
установка и
крепление электролебедок;
установка и
крепление грузовых и отводных блоков;
строповка
воздуховода укрупненного блока к электролебедкам и установка оттяжек;
подъем укрупненного
блока с помощью электролебедок и оттяжек, временное его закрепление;
установка
укрупненного блока в проектное положение с автогидроподъемника АГП, установка
готовой прокладки и затяжка болтов в соединение фланцев ранее установленного и
монтируемого укрупненных блоков;
выверка
соответствия положения укрупненного блока проектному;
установка
средств крепления;
окончательное
крепление укрупненного блока;
расстроповка
укрупненного блока и снятие оттяжек;
снятие
грузовых и отводных блоков и электролебедок, установка их для монтажа
следующего укрупненного блока.

1- инвентарные подставки; 2 - смонтированный воздуховод; 3
- стяжка; 4 - инвентарный строп; 5 - инвентарные металлические подкладки; 6 -
облегченный строп; 7 - дюбель ДВР М6; 8 - воздуховод; 9 - кронштейн
Рис. 1. Монтаж воздуховодов в межферменном пространстве из
укрупненных блоков, проходящих перпендикулярно или параллельно фермам
|

|
|
Рис. 2. Строповка воздуховодов круглого и прямоугольного
сечения
|
Рис. 3. Крепление блока воздуховода с помощью кронштейна
|

Рис. 4. Крепление электролебедки к колонне

Рис. 5. Крепление блока к балке

Рис. 6. Установка
монтажно-тягового механизма
1 - швеллер № 12; 2 -
колонна; 3 - тяги Æ 16 мм; 4 - отверстия для крепления лебедки; 5 - болт
с двумя гайками М16; 6 - электролебедка; 7 - грузовой блок 0=1,0 т; 8 - балка;
9 - скоба Æ 24 мм; 10 - места приварки скобы
2.4.
Последовательность рабочих операций при монтаже воздуховодов в межферменном пространстве
из укрупненных блоков, проходящих параллельно фермам, аналогична описанной в п.
2.3 .
2.5. Рекомендуемый состав подъемных механизмов и
оборудования для монтажа приводится в табл. 2.
Таблица
2
|
Наименование комплекта подъемных механизмов и оборудования
|
Вариант (фасет-код)
|
Техническая характеристика
|
ГОСТ, тип, марка
|
Количество
|
|
Электролебедка
|
01-1
|
Грузоподъемность - 1 т
|
ЛМ-1-80
|
2
|
|
Блок однорольный
|
|
Грузоподъемность - 1 т
|
|
4
|
|
Строп облегченный
|
|
Диаметр - 6,7 мм, длина 4 м
|
ГОСТ
7668-80
|
2
|
|
То же
|
|
Длина - 2 м
|
То же
|
2
|
|
Монтажно-тяговый механизм
|
01-2,3
|
Грузоподъемность - 1,6 т
|
МТМ Туапсинский з-д
|
1
|
|
Строп облегченный
|
|
Длина - 4 м
|
|
2
|
|
То же
|
|
Длина - 2 м
|
|
4
|
|
Стропы для крепления лебедок и блоков
|
|
Длина - 3 м
|
ГОСТ 3071-74
УКС-1,25
|
6
|
|
Автогидроподъемник
|
|
АГП-12А¸АГП-28 в зависимости от высоты подъема
|
ГОСТ
22859-77
|
1
|
2.5.
Работы по монтажу воздуховодов выполняются звеном в составе 4-х человек:
слесарь-вентиляционник
- 5 разряда, он же электросварщик;
слесарь-вентиляционник
- 4 разряда, он же такелажник;
слесарь-вентиляционник
- 3 разряда, он же машинист электролебедки;
слесарь-вентиляционник
- 2 разряда.
3.1. До начала
монтажа составляют акт на скрытые строительные работы, осуществляют входной
контроль качества применяемых материалов, заготовок, измерительных
инструментов, соответствие их стандартам и техническим условиям, проектным
типам и маркам.
3.2.
Технические критерии и средства контроля операций и процессов приведены в табл.
3.
Таблица
3
|
Наименование процессов, подлежащих контролю
|
Предмет контроля
|
Инструмент и способ контроля
|
Время контроля
|
Ответственный контролер
|
Технические критерии оценки качества
|
|
Подготовительные
предмонтажные работы
|
Соответствие геометрических
размеров проектным, наличие внешних дефектов
|
Рулетка металлическая.
Визуальный осмотр
|
До начала монтажа
|
Мастер
|
Без отклонений от ТУ
|
|
Сборка воздуховодов в
укрупненные блоки
|
Соответствие монтажным
чертежам
|
Визуально, линейка
измерительная (рулетка)
|
До начала подъема блока на
проектную отметку
|
Мастер
|
Прямолинейность
|
|
Выполнение сварных
соединений
|
Качество шва
|
Визуально, испытание
|
То же
|
То же
|
Герметичность
|
|
Фланцевые соединения
|
Плотность соединений,
правильность установки прокладок, надежность затяжки болтов
|
Визуально, щупом, гаечным
ключом и молотком
|
"
|
"
|
То же
|
|
Бандажные соединения на
рейках и шинах
|
Правильность установки
бандажей, реек и шин. Надежность затяжки бандажных соединений
|
Визуально
|
До начала подъема блока на
проектную отметку
|
Мастер
|
Герметичность
|
|
Разметка мест установки
средств крепления воздуховодов
|
Расстояние между подвесками
|
Рулетка, метр, уровень,
шнур
|
То же
|
То же
|
Допустимое отклонение - ±10 мм
|
|
Приварка кронштейнов, опор
и подвесок к строительным конструкциям для крепления воздуховодов
|
Качество сварного шва
|
Визуально
|
"
|
"
|
Надежность сварного шва
|
|
Монтаж горизонтальных
воздуховодов
|
Горизонтальность
воздуховодов, уклон, привязка воздуховодов относительно строительных
конструкций, соответствие проектным отметкам
|
Рулетка, метр, уровень,
шнур
|
После установки блока на
проектную отметку
|
Мастер
|
Допустимые отклонения от
вертикали - не более 2 мм на 1 м воздуховода
|
Примечание. Для строительных
конструкций из бетона крепление кронштейнов, опор и подвесок осуществляется с
помощью распорных дюбелей.
3.3.
Приемочный контроль смонтированных конструкций осуществляют согласно СНиП 3.05.01-85.
При приемке работ предъявляют журналы монтажных и сварочных работ,
антикоррозийной защиты сварных соединений, акты освидетельствования скрытых
работ.
Таблица 4
Наименование процесса
|
Номер фасет для пересчета
показателей
|
Единица измерения
|
Объем работ
|
Обоснование (ЕНиР и др.
нормы)
|
На единицу
|
На объем
|
Примечание
|
|
норма времени, чел.-ч
|
расценка, р.-к.
|
затраты труда, чел.-ч
|
зарплата, р.-к.
|
|
Погрузка
деталей воздуховодов и фасонных частей на автотранспорт
|
|
т
|
0,4
|
ЕНиР 24-14
2-а; к=1,25
|
1,56
|
0-795
|
1,56
|
0-795
|
|
|
Разгрузка
с автотранспорта деталей воздуховодов и фасонных частей с переноской к месту
складирования на расстояние до 50 м
|
|
т
|
0,4
|
ЕНиР 24-14
2-б, к=1,25
|
1,44
|
0-725
|
1,44
|
0-725
|
|
|
Комплектование
и подноска воздуховодов и фасонных частей к месту сборки на расстояние до 50
м
|
|
т
|
0,4
|
ЕНиР 24-20
1-б
|
1,43
|
0-728
|
1,43
|
0-728
|
|
|
Погрузка
на автотранспорт инвентаря и оборудования
|
|
т
|
0,65
|
ЕНиР 24-14
2-а; к=1,25
|
1,56
|
0-795
|
1,56
|
0-795
|
|
|
Разгрузка
с автотранспорта инвентаря и оборудования
|
|
т
|
0,65
|
ЕНиР 24-14
2-б; к=1,25
|
1,44
|
0-725
|
1,44
|
0-725
|
|
|
Установка
электролебедок
|
01-1
|
шт.
|
2
|
ЕНиР 24-5
1-а
|
1,55
|
0-788
|
3,10
|
1-576
|
|
|
Снятие
электролебедок
|
|
шт.
|
2
|
ЕНиР 24-5
5-а
|
0,64
|
0-325
|
1,28
|
0-65
|
|
|
Перемещение
электролебедок на расстояние до 20 м
|
|
шт.
|
2
|
ЕНиР 24-5
9-а
|
0,115
|
0-058
|
0,23
|
0-116
|
|
|
Установка
блоков внизу
|
|
шт.
|
2
|
ЕНиР 24-9
1-а
|
0,53
|
0-272
|
1,06
|
0-544
|
|
|
Установка
блоков на высоте до 10 м
|
|
шт.
|
2
|
ЕНиР 24-9
2-а
|
0,69
|
0-354
|
1,38
|
0-708
|
|
|
Снятие
блоков внизу
|
|
шт.
|
2
|
ЕНиР 24-9
1-а
|
0,318
|
0-163
|
0,636
|
0-326
|
|
|
То
же на высоте до 10 м
|
|
шт.
|
2
|
ЕНиР 24-9
2-а; к=0,6
|
0,414
|
0-212
|
0,828
|
0-424
|
|
|
Закрепление
оттяжек l=25
м, Ø=19
мм
|
|
шт.
|
2
|
ЕНиР 24-11
1-б
|
0,99
|
0-521
|
1,98
|
1-042
|
|
|
Снятие
оттяжек на высоте до 10 м
|
|
шт.
|
|
ЕНиР 24-9
2-б; к=0,6
|
1,44
|
0-756
|
2,88
|
1-512
|
|
|
Монтаж
воздуховодов укрупненными блоками Ø до 800 мм или периметром до 2400 мм
|
04-4
|
м2
|
50
|
ЕНиР 10-5
4-в; табл. 4
|
0,51
|
0-388
|
25,5
|
19-40
|
|
|
Итого:
|
|
|
|
|
|
|
46,31
|
30-066
|
|
|
|
|
|
|
|
|
или
|
|
|
|
|
|
|
|
|
|
|
|
5,65 чел.-дней
|
|
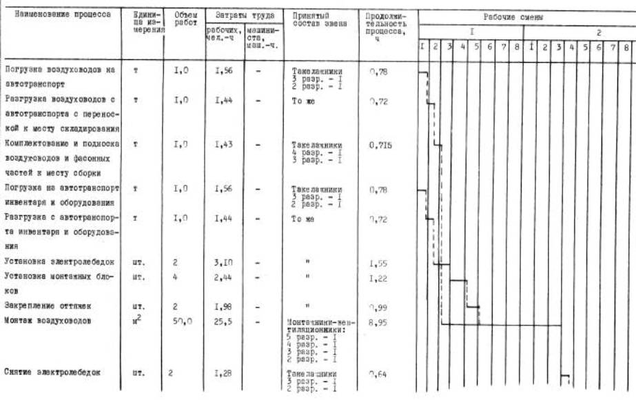
Таблица
5


Примечание. График производства работ
составлен для варианта монтажа воздуховодов из укрупненных блоков в
межферменном пространстве при помощи электролебедок.
6.1.
Потребность в инструменте, инвентаре и приспособлениях приведена в табл. 6.
Таблица
6
|
Наименование
|
Марка, техническая характеристика, ГОСТ, № чертежа
|
Единица измерения
|
Количество
|
Назначение
|
|
Электролебедка ЛМ-1-80
грузоподъемностью 1 т
|
ГОСТ 2014-80
|
шт.
|
2
|
Подъем грузов на высоту
|
|
Блок БМ-1
|
|
шт.
|
2
|
То же
|
|
То же, БМ-2
|
|
шт.
|
2
|
"
|
|
Строп облегченный l=4 м
|
|
шт.
|
2
|
Строповка грузов
|
|
То же, l=2 м
|
|
шт.
|
4
|
То же
|
|
Монтажно-тяговый механизм
МТМ-1,6 грузоподъемностью 1,6 т
|
Туапсинский з-д
|
шт.
|
2
|
Поднятие укрупненных блоков
на высоту
|
|
Блок БМ-2
|
|
шт.
|
2
|
То же
|
|
Строп облегченный l=4 м
|
|
шт.
|
2
|
Строповка укрупненных
блоков
|
|
То же, l = 2 м
|
|
шт.
|
4
|
То же
|
|
Автогидроподъемник
|
ГОСТ
22859-77
АГП-12А¸АГП-28 в зависимости от высоты подъема
|
шт.
|
1
|
Установка креплений, сборка
фланцевых соединений на высоте
|
|
Подмости монтажные
|
ВНИПИпромстальконструкция
|
шт.
|
1
|
То же
|
|
Электросварочный
трансформатор ТД-300
|
ГОСТ
95-77 Е
|
шт.
|
1
|
Сварка закладных деталей
для крепления воздуховодов и подварка сварных соединений
|
|
Кабель сварочный ПРГД 1×50
мм2
|
ГОСТ 6731-77
|
м
|
50
|
То же
|
|
Кабель силовой (для
заземления) НРПГ 3×6 мм2
|
ГОСТ 13497-77Е
|
м
|
15
|
"
|
|
Набор электроинструмента
электросварщика ЭНУ-300
|
ТУ 36-1162-81
|
компл.
|
1
|
"
|
|
Щиток электросварщика
|
ГОСТ
12.4.035-78
|
шт.
|
1
|
"
|
|
Электрическая шлифовальная
машинка с двойной изоляцией ИЭ-2005
|
Позранский з-д
"Электроинструмент"
|
шт.
|
1
|
Подгонка воздуховодов
|
|
Ключ трещеточный, без
холостого хода, размер зева сменных головок 10, 11, 13, 14, 17 мм
|
СТД-961/76
|
шт.
|
2
|
Соединение деталей
воздуховодов
|
|
Электрогайковерт, Ø
резьбы 12 мм
|
ИЭ-3116
|
шт.
|
2
|
Соединение воздуховодов
|
|
Ключ гаечный двусторонний,
мм
|
|
|
|
|
|
8-10
|
ГОСТ
2839-80Е
|
шт.
|
5
|
То же
|
|
13-14
|
|
шт.
|
3
|
"
|
|
17-19
|
|
шт.
|
2
|
"
|
|
22-24
|
|
шт.
|
1
|
"
|
|
Оправка удлиненная
|
СТД-418
|
шт.
|
3
|
Совмещение отверстий
фланцев
|
|
Метр складной
|
ГОСТ 7502-80
цена деления 1 мм
|
шт.
|
4
|
Замеры
|
|
Рулетка металлическая
измерительная
|
ГОСТ 7502-80
цена деления 1 мм
|
шт.
|
1
|
То же
|
|
Уровень строительный УС-30
|
ГОСТ 9416-83
|
шт.
|
1
|
Определение
горизонтальности воздуховода
|
|
Отвес (масса 0,2 кг)
|
ГОСТ 7948-80
|
шт.
|
1
|
Определение вертикальности
воздуховода
|
|
Лом строительный
|
ГОСТ 1405-83
|
шт.
|
1
|
Вспомогательные работы
|
|
Кувалда тупоносая (масса 3
кг)
|
ГОСТ
11401-78
|
шт.
|
1
|
Рихтовка элементов
|
|
Бородок слесарный, Æ стержня 8-10 мм
|
ГОСТ 7214-72
|
шт.
|
2
|
Вспомогательные работы
|
|
Молоток слесарный тип 2
(0,4 кг)
|
ГОСТ 2310-77
|
шт.
|
2
|
То же
|
|
Ящик инструментальный
переносной трехсекционный 408×208×300 мм
|
ВНИИмонтажспецстрой
|
шт.
|
2
|
Хранение инструмента
|
|
Щетка стальная
|
Гипросельстрой
|
шт.
|
2
|
Очистка поверхности от
загрязнения
|
|
Канат пеньковый Æ 19 мм, длина 25 м
|
ГОСТ 483-75
|
шт.
|
2
|
Оттяжка укрупненных блоков
воздуховодов
|
|
Инвентарная подставка
|
Черт. 3-7.904/3
|
шт.
|
20
|
Сборка воздуховодов в
укрупненные блоки
|
|
Электрический ручной
перфоратор ИЭ-4713
|
ТУ 36.48.11-004-86
|
шт.
|
1
|
Образование отверстий для
крепления кронштейнов, опор, подвесок
|
6.2. Потребность в
материалах и полуфабрикатах для выполнения работ по монтажу воздуховодов из
расчета 50 м2 поверхности приводится в табл. 7.
Таблица
7
|
Наименование материалов, полуфабриката, конструкции
(марка, ГОСТ)
|
Вариант (фасетный код)
|
Исходные данные
|
Потребность в материале, кг
|
|
единица измерения
|
объем работ в нормативных единицах
|
принятая норма расхода материалов
|
|
Болты Ø 8×30
мм (ГОСТ
7798-70) с гайками МВ (ГОСТ
5915-70)
|
|
50 м2 воздуховода
|
|
|
9
|
|
Хомуты, подвески, стяжки (ТУ 36-1195-84)
|
|
То же
|
|
|
6
|
|
Электроды Э-42
|
|
"
|
|
|
18
|
|
Резина профилированная
|
|
"
|
|
|
4,2
|
|
Кронштейны из угловой стали 40×40×3 мм
|
|
"
|
|
|
30
|
|
Дюбели ДВР М6
|
|
"
|
|
|
0,3
|
7.1. Работы
выполняются с соблюдением СНиП III-4-80 "Техника
безопасности в строительстве", норм, утвержденных Госгортехнадзором СССР,
и требований ОСТ 36-100, 3.10-85 "Монтаж внутренних санитарно-технических
устройств. Требования безопасности".
7.2.
Приступать к монтажу разрешается только при наличии проекта производства работ
(ППР).
7.3. Зоны
работ по монтажу воздуховодов в межферменном пространстве на высоте и в зоне
возможного падения материалов и инструмента должны быть ограждены с
выставлением ограничительных знаков (ГОСТ
12.4.059-78 ССБТ. "Строительство. Ограждения защитные
инвентарные" и ГОСТ 12.4.026-76 ССБТ.
"Цвета сигнальные и знаки безопасности").
7.4.
Запрещается пребывание людей в зоне возможного падения материалов и инструмента
при производстве работ в межферменном пространстве.
7.5. При
работе на высоте слесари-вентиляционники должны пройти медосмотр и иметь
проверенные и испытанные предохранительные пояса, без которых они не должны
допускаться к производству работ. (ГОСТ
12.4.089-80. ССБТ. "Строительство. Пояса предохранительные").
Места прикрепления
карабинов предохранительных поясов к строительным конструкциям и специальным
приспособлениям (натянутые стальные канаты и т.д.) должны быть указаны
производителем работ или мастером.
7.6. Все
монтажники должны быть обеспечены защитными касками (ГОСТ
12.4.087-84 ССБТ. "Строительство. Каски строительные").
7.7. Работы с
электрифицированным инструментом и электросварочным оборудованием должны
производиться с обеспечением требований техники безопасности в соответствии с
ГОСТ 12.2.013-75 и ГОСТ 12.3.003-86.
7.8. Сварочные
аппараты и электрифицированный инструмент должны быть заземлены по ГОСТ
12.1.030-81.
7.9.
Запрещается использование неисправного инструмента и механизмов, блоков,
тросов, стропов.
7.10. Расстроповка
поднятого воздуховода допускается только после его надежного закрепления.
Стропы применяются в соответствии с ГОСТ
25573-82. "Стропы грузовые канатные кольцевые типа СКК" (табл.
8).
Работы на
высоте должны выполняться с использованием предохранительных поясов по (ГОСТ
12.4.089-80 (см. п. 7.5. ).
Таблица 8
|
Диаметр
каната, мм
|
Грузоподъемность стропа, кг
|
|
Канат по ГОСТ
|
|
3071-74
|
3079-80
|
7668-80
|
|
7,6
|
560
|
-
|
-
|
|
8,5
|
780
|
-
|
-
|
|
9,7
|
-
|
-
|
1100
|
|
11,5
|
1300
|
-
|
1400
|
|
13,5
|
1600
|
2000
|
-
|
|
15,0
|
-
|
-
|
2550
|
|
15,5
|
2300
|
2550
|
-
|
|
16,5
|
-
|
-
|
3200
|
|
17,0
|
-
|
3200
|
-
|
|
1. Нормативные затраты труда
рабочих, чел.-ч
|
46,31
|
|
2. Заработная плата
рабочих-монтажников, р-к
|
30-066
|
|
3. Продолжительность выполнения
работ, смена
|
1,41
|
|
4. Выработка на одного рабочего
в смену, м2
|
8-87
|
Фасет
01
Тип
механизмов на монтажных работах
|
Наименование фактора
|
Обоснование
|
Код
|
Значение фактора
|
|
Электролебедка
ЛМ-1-80 грузоподъемностью 1 т
|
ЕНиР
24-5,
табл.
4, 1-а Такелажные работы
|
1
|
По
калькуляции
|
|
Монтажно-тяговый
механизм МТМ-1,6
|
ЕНиР
24-5,
|
|
|
|
установка
|
5-а
|
2
|
Нвр.
- 1,2
расц.
- 0-61
|
|
снятие
|
8-а
|
3
|
Нвр.
- 0,49
расц.
- 0-249
|
Фасет
02
Монтаж
вентиляционных систем с поверхностью воздуховодов до 15 м2 из листовой
стали толщиной 1 мм
|
Наименование фактора
|
Обоснование
|
Код
|
Значение фактора
|
|
Монтаж
воздуховодов с количеством фасонных частей, шт.:
|
ЕНиР 10-5,
табл. 4
|
|
|
|
до 5
|
2-а
|
1
|
Нвр. - 0,5
расц. - 0-38
|
Фасет
03
Монтаж
вентиляционных систем с поверхностью воздуховодов до 25 м2 из
листовой стали толщиной 1 мм
|
Наименование фактора
|
Обоснование
|
Код
|
Значение фактора
|
|
Монтаж
воздуховодов с количеством фасонных частей, шт.:
|
ЕНиР 10-5,
табл. 4,
|
|
|
|
до 5
|
2-б
|
1
|
Нвр. - 0,44
расц. - 0-33,4
|
Фасет
04
Монтаж
вентиляционных систем с поверхностью воздуховодов до 50 м2 из
листовой стали толщиной 1 мм
|
Наименование фактора
|
Обоснование
|
Код
|
Значение фактора
|
|
Монтаж
воздуховодов с количеством фасонных частей, шт., до:
|
ЕНиР 10-5,
табл. 4,
|
|
|
|
5
|
2-в
|
1
|
Нвр. - 0,38
расц. - 0-28,9
|
|
10
|
3-в
|
2
|
Нвр. - 0,44
расц. - 0-33,4
|
|
15
|
4-в
|
3
|
Нвр. - 0,51
расц. - 0-38,8
|
Фасет
05
Монтаж
вентиляционных систем с поверхностью воздуховодов до 75 м2 из
листовой стали толщиной 1 мм
|
Наименование фактора
|
Обоснование
|
Код
|
Значение фактора
|
|
Монтаж
воздуховодов с количеством фасонных частей, шт., до:
|
ЕНиР 10-5,
табл. 4,
|
|
|
|
5
|
2-г
|
1
|
Нвр. - 0,36
расц. - 0-37,4
|
|
10
|
3-г
|
2
|
Нвр. - 0,4
расц. - 0-30,4
|
|
15
|
4-г
|
3
|
Нвр. - 0,44
расц. - 0-33,4
|
|
20
|
5-г
|
4
|
Нвр. - 0,49
расц. - 0-37,2
|
Фасет
06
Монтаж
вентиляционных систем с поверхностью воздуховодов до 100 м2 из листовой
стали толщиной 1 мм
|
Наименование фактора
|
Обоснование
|
Код
|
Значение фактора
|
|
Монтаж
воздуховодов с количеством фасонных частей, шт., до:
|
ЕНиР 10-5,
табл. 4,
|
|
|
|
5
|
2-д
|
1
|
Нвр. - 0,34
расц. - 0-25,8
|
|
10
|
3-д
|
2
|
Нвр. - 0,38
расц. - 0-28,9
|
|
15
|
4-д
|
3
|
Нвр. - 0,4
расц. - 0-30,4
|
|
20
|
5-д
|
4
|
Нвр. - 0,44
расц. - 0-33,4
|
|
25
|
6-д
|
5
|
Нвр. - 0,47
расц. 0-35,7
|
|
30 и более
|
7-д
|
6
|
Нвр. - 0,51
расц. - 0-38,8
|
Фасет
07
Монтаж
вентиляционных систем с поверхностью воздуховодов до 150 м2 и более
из листовой стали толщиной 1 мм
|
Наименование фактора
|
Обоснование
|
Код
|
Значение фактора
|
|
Монтаж
воздуховодов с количеством фасонных частей, шт., до:
|
ЕНиР 10-5,
табл. 4,
|
|
|
|
5
|
2-е
|
1
|
Нвр. - 0,32
расц. - 0-24,3
|
|
10
|
3-е
|
2
|
Нвр. - 0,36
расц. - 0-27,4
|
|
15
|
4-е
|
3
|
Нвр. - 0,38
расц. - 0-28,9
|
|
20
|
5-е
|
4
|
Нвр. - 0,39
расц. - 0-29,6
|
|
25
|
6-е
|
5
|
Нвр. - 0,42
расц. - 0-31,9
|
|
30 и более
|
7-е
|
6
|
Нвр. - 0,44
расц. - 0-33,4
|
Фасет
08
Монтаж
вентиляционных систем с поверхностью воздуховодов до 15 м2 из
листовой стали толщиной 2 мм
|
Наименование фактора
|
Обоснование
|
Код
|
Значение фактора
|
|
Монтаж
воздуховодов с количеством фасонных частей, шт., до:
|
ЕНиР 10 -5,
табл. 13,
|
|
|
|
5
|
2-а
|
1
|
Нвр. - 0,56
расц. - 0-42,6
|
Фасет
09
Монтаж
вентиляционных систем с поверхностью воздуховодов до 25 м2 из
листовой стали толщиной 2 мм
|
Наименование фактора
|
Обоснование
|
Код
|
Значение фактора
|
|
Монтаж
воздуховодов с количеством фасонных частей, шт., до:
|
ЕНиР 10-5,
табл. 13,
|
|
|
|
5
|
2-б
|
1
|
Нвр. - 0,49
расц. - 0-37,2
|
Фасет
10
Монтаж
вентиляционных систем с поверхностью воздуховодов до 50 м2 из
листовой стали толщиной 2 мм
|
Наименование фактора
|
Обоснование
|
Код
|
Значение фактора
|
|
Монтаж
воздуховодов с количеством фасонных частей, шт., до:
|
ЕНиР 10 -5,
табл. 13,
|
|
|
|
5
|
2-в
|
1
|
Нвр. - 0,41
расц. - 0-31,2
|
|
10
|
3-в
|
2
|
Нвр. - 0,49
расц. - 0-37,2
|
|
15
|
4-в
|
3
|
Нвр. - 0,56
расц. - 0-42,6
|
Фасет
11
Монтаж
вентиляционных систем с поверхностью воздуховодов до 75 м2 из
листовой стали толщиной 2 мм
|
Наименование фактора
|
Обоснование
|
Код
|
Значение фактора
|
|
Монтаж
воздуховодов с количеством фасонных частей, шт., до:
|
ЕНиР 10-5,
табл. 13,
|
|
|
|
5
|
2-г
|
1
|
Нвр. - 0,4
расц. - 0-30,4
|
|
10
|
3-г
|
2
|
Нвр. - 0,43
расц. - 0-32,7
|
|
15
|
4-г
|
3
|
Нвр. - 0,49
расц. - 0-37,2
|
|
20
|
5-г
|
4
|
Нвр. - 0,55
расц. - 0-41,8
|
Фасет
12
Монтаж
вентиляционных систем с поверхностью воздуховодов до 100 м2 из
листовой стали толщиной 2 мм
|
Наименование фактора
|
Обоснование
|
Код
|
Значение фактора
|
|
Монтаж
воздуховодов с количеством фасонных частей, шт., до:
|
ЕНиР 10-5,
табл. 13,
|
|
|
|
5
|
2-д
|
1
|
Нвр. - 0,38
расц. - 0-28,9
|
|
10
|
3-д
|
2
|
Нвр. - 0,41
расц. - 0-31,2
|
|
15
|
4-д
|
3
|
Нвр. - 0,45
расц. - 0-34,2
|
|
20
|
5-д
|
4
|
Нвр. - 0,49
расц. - 0-37,2
|
|
25
|
6-д
|
5
|
Нвр. - 0,53
расц. - 0-40,3
|
|
30 и более
|
7-д
|
6
|
Нвр. - 0,56
расц. - 0-42,6
|
Фасет
13
Монтаж
вентиляционных систем с поверхностью воздуховодов до 150 м2 и более
из листовой стали толщиной 2 мм
|
Наименование фактора
|
Обоснование
|
Код
|
Значение фактора
|
|
Монтаж
воздуховодов с количеством фасонных частей, шт., до:
|
ЕНиР 10-5,
табл. 13,
|
|
|
|
5
|
2-е
|
1
|
Нвр. - 0,36
расц. - 0-27,4
|
|
10
|
3-е
|
2
|
Нвр. - 0,4
расц. - 0-30,4
|
|
15
|
4-е
|
3
|
Нвр. - 0,41
расц. - 0-31,2
|
|
20
|
5-е
|
4
|
Нвр. - 0,43
расц. - 0-32,7
|
|
25
|
6-е
|
5
|
Нвр. - 0,47
расц. - 0-38,7
|
|
30 и более
|
7-е
|
6
|
Нвр. - 0,49
расц. - 0-37,2
|
Примечания.
1. При монтаже
вентиляционных систем без фасонных частей использовать
|
фасеты
01-07
|
- Нвр. - 0,3
|
|
|
расц. - 0-228, см. Е10-5, табл. 4, гр. 1;
|
|
фасеты 08¸13
|
- Нвр. - 0,34
|
|
|
расц. - 0-258, см. Е10-5, табл. 13, гр. 1.
|
2. При монтаже
воздуховодов из нержавеющей стали Нвр. и расц. умножать на 1,2.
3. При монтаже безфланцевых
воздуховодов (на бандажном соединении) Нвр. и расц. умножать на 0,9.
4. При подъеме и
установке воздуховодов, фасонных частей и других изделий с подмостей, лестниц и
монтажных вышек на высоте более 3 м и оборудования более 1 м от пола Нвр. и
расц. применять с коэффициентами, приведенными в таблице.
|
Высота подъема и установки
воздуховодов, фасонных частей, деталей и изделий, м, до
|
Высота подъема и установки
оборудования, м, до
|
Коэффициенты к Нвр. и
расц.
|
|
5
|
3
|
1,1
|
|
8
|
6
|
1,25
|
|
10
|
8
|
1,35
|
|
более 10
|
более 8
|
1,5
|
5. Нормами и расценками
предусмотрена затяжка болтов с помощью электрогайковерта. При затяжке болтов
трещоточным ключом Нвр. и расц. умножать на 1,05, а при использовании гаечного
ключа - на 1,1.
6. Нормами и расценками предусмотрено крепление кронштейнов, опор и
подвесок приваркой, при креплении вышеперечисленных деталей к строительным
конструкциям из бетона с помощью распорных металлических дюбелей Нвр. и расц.
умножать на 0,9.
|
|