|
|
НАСОСЫ ДИНАМИЧЕСКИЕ ISO 9906:1999
Содержание (Поправка. ИУС 10-2008) Предисловие Цели, основные принципы и основной порядок проведения работ по межгосударственной стандартизации установлены ГОСТ 1.0-92 «Межгосударственная система стандартизации. Основные положения» и ГОСТ 1.2-97 «Межгосударственная система стандартизации. Стандарты межгосударственные, правила, рекомендации по межгосударственной стандартизации. Порядок разработки, принятия, обновления и отмены» Сведения о стандарте 1 РАЗРАБОТАН Межгосударственным техническим комитетом по стандартизации ТК245 «Насосы» на основе собственного аутентичного перевода стандарта, указанного в пункте 4 2 ВНЕСЕН Федеральным агентством по техническому регулированию и метрологии 3 ПРИНЯТ Межгосударственным советом по стандартизации, метрологии и сертификации (протокол № 31 от 8 июня 2007 г.) За принятие проголосовали:
4 Настоящий стандарт является модифицированным по отношению к международному стандарту ИСО 9906:1999 «Насосы ротодинамические. Гидравлические характеристики при приемочных испытаниях. Классы 1 и 2» (ISO 9906:1999 «Rotodynamic pumps - Hydraulic performance acceptance tests - Grades 1 and 2»). Степень соответствия - модифицированная MOD 5 Приказом Федерального агентства по техническому регулированию и метрологии от 5 декабря 2007 г. № 351-ст межгосударственный стандарт ГОСТ 6134-2007 введен в действие в качестве национального стандарта Российской Федерации с 1 июня 2008 г. 6 ВЗАМЕН ГОСТ 6134-87 Информация о введении в действие (прекращении действия) настоящего стандарта публикуется в указателе «Национальные стандарты». Информация об изменениях к настоящему стандарту публикуется в указателе (каталоге) «Национальные стандарты», а текст изменения - в информационных указателях «Национальные стандарты». В случае пересмотра или отмены настоящего стандарта соответствующая информация будет опубликована в информационном указателе «Национальные стандарты» Введение Межгосударственный стандарт «Насосы динамические. Методы испытаний»/ИСО 9906:1999 (MOD)/ разработан взамен ГОСТ 6134-87 «Насосы динамические. Методы испытаний». Основной целью и задачей разработки стандарта является обеспечение единого подхода при испытаниях насосного оборудования (насосов, насосных агрегатов и установок) при его взаимных поставках различными государствами в международной торговле и при сертификации. Стандарт представляет собой модифицированный текст собственного аутентичного перевода международного стандарта ISO 9906:1999 «Rotodynamic pumps - Hydraulic performance acceptance tests - Grades 1 and 2» (ИСО 9906:1999 «Насосы ротодинамические - Гидравлические характеристики при приемочных испытаниях - Классы 1 и 2») с включением в него (выделено курсивом) необходимых дополнений из откорректированной редакции ГОСТ 6134-87 «Насосы динамические. Методы испытаний» Настоящий стандарт обеспечивает возможность составления конкретной программы и методики испытаний любого динамического насоса или насосного агрегата (установки) практически в любых условиях (на экспериментальных стендах, в производственных и натурных условиях, на месте эксплуатации, но только по гидравлическим характеристикам (показателям). В основу стандарта заложены гарантийные обязательства и их подтверждение при приемочных испытаниях (по российской терминологии - приемосдаточных испытаниях). Термины, используемые в данном межгосударственном стандарте, такие как «гарантии» или «приемка», следует понимать в техническом, а не юридическом смысле. В межгосударственный стандарт включены требования по номенклатуре и определению показателей безопасности, обеспечивающих безопасность насосного оборудования для окружающей среды, жизни и здоровья, имущества, составляющих основу обязательной сертификации и подлежащих контролю при сертификационных испытаниях продукции. В стандарте ИСО 9906:1999 об этих показателях дается недостаточная информация. МЕЖГОСУДАРСТВЕННЫЙ СТАНДАРТ
Дата введения - 2008-06-01 1 Область примененияНастоящий стандарт распространяется на динамические насосы (далее - насосы) и устанавливает методы гидравлических приемочных (приемо-сдаточных) и иных видов испытаний по ГОСТ 16504 насосов (центробежных, осевых и центробежно-осевых или смешанного потока) независимо от их размеров, назначения, мощности и конструктивных исполнений, а также насосных агрегатов и насосных установок на базе указанных насосов независимо от вида привода. Требования настоящего стандарта распространяются на насосы любых размеров и применимы к любым перекачиваемым жидкостям, близким по своим характеристикам к чистой холодной воде (которые приведены в 5.4.5.2). Настоящий стандарт не распространяется на конструкции деталей насоса и их механические свойства. Настоящий стандарт содержит два класса точности измерений: класс 1 -для высокой точности; класс 2 - для пониженной (средней или нормальной) точности определения. Эти классы содержат различные значения допускаемых отклонений, а также допустимые колебания и отклонения в потоке при испытаниях. Для насосов серийного производства с показателями, принятыми по каталожным характеристикам, и насосов с потребляемой мощностью менее 10 кВт установлены и приведены в приложении А более широкие значения допустимых отклонений. Настоящий стандарт применим к самим насосам без арматуры или к насосу в комплекте с подводящей или отводящей арматурой или только части ее. Настоящий стандарт применим для всех видов испытаний по ГОСТ 16504 в лабораторных, производственных и эксплуатационных условиях на жидкостях, близких к чистой холодной воде по таблице 5.4, и на других жидкостях, отличных от чистой холодной воды (см. таблицу 5.5), при условии указания в программе и методике испытаний (ПМ) ссылки на настоящий стандарт и приведения в ПМ свойств перекачиваемой при испытании жидкости и содержания в ней газа. В настоящем стандарте наряду с методом определения гидравлических показателей и характеристик насосов (агрегатов), приведены методы испытаний по определению и контролю основных показателей качества и выполнению гарантийных обязательств. Номенклатура основных показателей качества и характеристик насосов приведена в 5.1.4 и в приложении B. Гарантируемые показатели - см. раздел 4. Конкретная номенклатура основных показателей и характеристик для насосов конкретных типов принимается по стандартам на эти типы насосов, а при их отсутствии - по техническим условиям (ТУ), техническому заданию (ТЗ) или ПМ (в дальнейшем - нормативно-техническая документация (НТД). Настоящий стандарт может быть использован для целей сертификации. Для сертификационных испытаний номенклатура параметров и характеристик продукции устанавливается в соответствующих НТД и заявках на сертификацию. 2 Нормативные ссылкиВ настоящем стандарте использованы ссылки на следующие межгосударственные стандарты: ГОСТ 1.0-92 Межгосударственная система стандартизации. Основные положения ГОСТ 8.586.1-2005 Государственная система обеспечения единства измерений. Измерение расхода (ИСО 5167-1:2003) и количества жидкостей и газов с помощью стандартных сужающих устройств. Часть 1. Принцип метода измерений и общие требования ГОСТ 8.586.2-2005 Государственная система обеспечения единства измерений. Измерение расхода (ИСО 5167-2:2003) и количества жидкостей и газов с помощью стандартных сужающих устройств. Часть 2. Диафрагмы. Технические требования ГОСТ 8.586.3-2005 Государственная система обеспечения единства измерений. Измерение расхода (ИСО 5167-3:2003) и количества жидкостей и газов с помощью стандартных сужающих устройств. Часть 3. Сопла и сопла Вентури. Технические требования ГОСТ 8.586.4-2005 Государственная система обеспечения единства измерений. Измерение расхода (ИСО 5167-4:2003) и количества жидкостей и газов с помощью стандартных сужающих устройств. Часть 4. Трубы Вентури. Технические требования ГОСТ 8.586.5-2005 Государственная система обеспечения единства измерений. Измерение расхода и количества жидкостей и газов с помощью стандартных сужающих устройств. Часть 5. Методика выполнения измерений ГОСТ 12.1.003-83 Система стандартов безопасности труда. Шум. Общие требования безопасности ГОСТ 12.1.012-2004 Система стандартов безопасности труда. Вибрационная безопасность. Общие требования ГОСТ 12.1.030-81 Система стандартов безопасности труда. Электробезопасность. Защитное заземление, зануление ГОСТ 12.2.003-91 Система стандартов безопасности труда. Оборудование производственное. Общие требования безопасности ГОСТ 12.2.007.0-75 Система стандартов безопасности труда. Изделия электротехнические. Общие требования безопасности ГОСТ 12.2.062-81 Система стандартов безопасности труда. Оборудование производственное. Ограждения защитные ГОСТ 27.002-89 Надежность в технике. Основные понятия. Термины и определения ГОСТ 27.301-95 Надежность в технике. Расчет надежности. Основные положения ГОСТ 27.410-87 Надежность в технике. Методы контроля показателей надежности и планы контрольных испытаний на надежность ГОСТ 183-74 Машины электрические вращающиеся. Общие технические условия ГОСТ 6433.1-71 Материалы электроизоляционные твердые. Условия окружающей среды при подготовке образцов и испытаний ГОСТ 6433.2-71 Материалы электроизоляционные твердые. Методы определения электрического сопротивления при постоянном напряжении ГОСТ 6433.3-71 Материалы электроизоляционные твердые. Методы определения электрической прочности при переменном (частоты 50 Гц) и постоянном напряжении ГОСТ 6433.4-71 Материалы электроизоляционные твердые. Методы определения тангенса угла диэлектрических потерь и диэлектрической проницаемости при частоте 50 Гц ГОСТ 7217-87 Машины электрические вращающиеся. Двигатели асинхронные. Методы испытаний ГОСТ 10169-77 Машины электрические трехфазные синхронные. Методы испытаний ГОСТ 11828-86 Машины электрические вращающиеся. Общие методы испытаний ГОСТ 16185-82 Пластмассы. Метод определения электростатических свойств ГОСТ 16504-81 Система государственных испытаний продукции. Испытания и контроль качества продукции. Основные термины и определения ГОСТ 17187-81 Шумомеры. Общие технические требования и методы испытаний ГОСТ 21130-75 Изделия электротехнические. Зажимы заземляющие и знаки заземления. Конструкция и размеры ГОСТ 23941-2002 Шум машин. Методы определения шумовых характеристик. Общие требования ГОСТ 25275-82 Система стандартов по вибрации. Приборы для измерения вибрации вращающихся машин. Общие технические требования ГОСТ 26043-83 Вибрация. Динамические характеристики стационарных машин. Основные положения ГОСТ 30012.1-2002 Приборы аналоговые показывающие электроизмерительные прямого действия и вспомогательные части к ним. Часть 1. Определения и основные требования, общие для всех частей Примечание - При пользовании настоящим стандартом целесообразно проверить действие ссылочных стандартов на территории государства по соответствующему указателю стандартов, составленному по состоянию на 1 января текущего года, и по соответствующим информационным указателям, опубликованным в текущем году. Если ссылочный стандарт заменен (изменен), то при пользовании настоящим стандартом следует руководствоваться заменяющим (измененным) стандартом. Если ссылочный стандарт отменен без замены, то положение, в котором дана ссылка на него, применяется в части, не затрагивающей эту ссылку. 3 Термины, определения и обозначения3.1 В настоящем стандарте применены термины по ГОСТ 16504, а также следующие термины с соответствующими определениями: Примечания 1 Определения некоторых терминов, например, относящихся к напору и кавитационному запасу ∆h (NPSH), допускается обычно не применять в гидродинамике и использовать только в настоящем стандарте. Широко используемые термины, не являющиеся специфичными для настоящего стандарта, приведены без определений. 2 В настоящем стандарте все формулы связаны с международной системой единиц СИ. Коэффициенты пересчета параметров из других систем размерностей в Международную систему СИ приведены в приложении C. 3 Во избежание ошибок в интерпретации (толковании) отдельных определений желательно эти определения воспроизводить так, как они даны в ИСО 31 [1], и снабжать эти определения информацией, как в [1]. 3.1.1 угловая скорость ω, рад/с: Число радиан поворота вала в единицу времени ω = 2πn, (3.1) где n - частота вращения, с-1, мин-1. 3.1.2 частота вращения n, с-1, мин-1: Число оборотов вала в единицу времени. 3.1.3 плотность ρ, кг/м3: Масса в единице объема. 3.1.4 давление P, Па: Сила, приходящаяся на единицу площади. Примечание - В настоящем стандарте все давления манометрические, т.е. измеренные сверх атмосферного давления. Атмосферное (барометрическое) давление и давление пара жидкости являются абсолютными давлениями. 3.1.5 мощность P(N), Вт: Энергия, передаваемая за единицу времени. 3.1.6 число Рейнольдса Re:
где U - средняя скорость, м/с; D - диаметр, м; ν - кинематическая вязкость, м2/с. 3.1.7 массовая подача q: Масса жидкости, которая проходит через выходное сечение насоса в единицу времени. Примечания 1 В подачу не входят утечки собственно насоса, такие как: утечки, используемые для уравновешивания осевых нагрузок ротора; утечки на охлаждение опор (подшипников) насоса; утечки через уплотнение вала насоса. 2 Протечки через фитинги (арматуру), внутренние протечки и т.д. не считаются утечками и не включаются в подачу насоса. Все отводимые потоки для внутренних целей, такие как: охлаждение (и смазка) опор двигателя; охлаждение редуктора (подшипников, маслоохладителей), термозатворов и т.п. следует учитывать при определении подачи насоса. 3 Где и как следует принимать в расчет указанные потоки (отводы), зависит от расположения этих отводов относительно измеряемого сечения, в котором измеряют подачу насоса. 3.1.8 объемная подача Q, м3/с: Объемную подачу Q вычисляют по формуле
где q - массовая подача, кг/с; ρ - плотность, кг/м3. Примечание - В настоящем стандарте знаком Q допускается обозначать объемную подачу в любом сечении проточной части насоса. Сечение, в котором определяют объемную подачу, допускается обозначать дополнительно индексами (подстрочными знаками). 3.1.9 средняя скорость U, м/с: Средняя осевая скорость, определяемая отношением объемной подачи, к площади поперечного сечения трубы или любого иного поперечного сечения А проточной части:
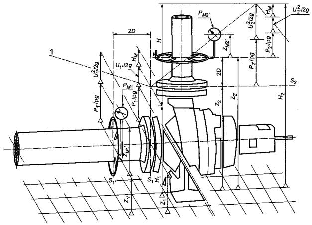
Примечание - Следует иметь в виду, что в этом случае Q может изменяться в зависимости от различных причин в цепи измерения. 3.1.10 местная скорость v, м/с: Скорость потока в любой точке, заданная или определенная по величине и направлению. 3.1.11 напор H, м: Энергия единицы массы жидкости, деленная на гравитационное ускорение свободного падения д. 3.1.12 эталонная плоскость: Некоторая горизонтальная плоскость, используемая как база для измерения высоты. Примечание - Для практических целей (случаев) желательно не устанавливать воображаемую эталонную плоскость. 3.1.13 высота над эталонной плоскостью: Высота выбранной точки над эталонной плоскостью. Примечание - Эта величина является: - положительной, если расчетная (выбранная) точка расположена над эталонной плоскостью; - отрицательной, если расчетная (выбранная) точка находится ниже эталонной плоскости (см. рисунки 8.1 и 8.2). 3.1.14 приборное давление (манометрическое давление): Давление относительно атмосферного давления. Примечания 1 Значение приборного давления является: - положительным, если давление выше, чем атмосферное давление; - отрицательным, если давление меньше, чем атмосферное давление. 2 Все давления в настоящем стандарте манометрические (приборные), считываемые с манометра или другого прибора, кроме атмосферного и давления пара жидкости, которые являются абсолютными давлениями. 3.1.15 скоростной напор: Кинетическая энергия единицы массы жидкости в движении, деленной на g:
3.1.16 полный напор Hx: В любом сечении x полный напор вычисляют по формуле
где Zx - высота центра поперечного сечения над эталонной плоскостью; px - манометрическое давление, отнесенное к центру поперечного сечения. Примечание - Абсолютный полный напор в любом сечении вычисляют по формуле
3.1.17 полный напор на входе Н1: Полный напор во входном сечении насоса вычисляется по формуле
3.1.18 полный напор на выходе Н2: Полный напор в выходном сечении насоса вычисляется по формуле
3.1.19 полный напор насоса: Алгебраическая разность между полным напором на выходе Н2 и полным напором на входе Н1. Примечание - Если сжимаемость жидкости незначительна, то Н = Н2 - Н1 Если сжимаемость перекачиваемой жидкости значительна, то плотность ρ необходимо заменять на среднюю плотность, рассчитанную по формуле
и полный напор насоса может быть рассчитан по формуле
3.1.20 удельная энергия y: Энергия единицы массы жидкости: y = gH. (3.12) 3.1.21 потери напора на входе: Разность между полным напором жидкости в точке измерения и полным напором жидкости во входном сечении насоса. 3.1.22 потери напора на выходе: Разность между полным напором жидкости в выходном сечении насоса и полным напором жидкости у измеряемой точки. 3.1.23 коэффициент потерь трения жидкости: Коэффициент для определения гидравлических потерь напора жидкости на трение в трубе. 3.1.24 надкавитационный напор на входе NPSH (кавитационный запас) ∆h: Полный абсолютный напор на всасывании за вычетом напора, соответствующего давлению пара, отнесенный к базовой плоскости NPSH:
Примечание - Надкавитационный напор NPSH относится к базовой плоскости NPSH, тогда как полный напор входа определяется по отношению к эталонной плоскости. 3.1.25 базовая плоскость NPSH: Для многоступенчатых насосов - горизонтальная плоскость, проходящая через центр окружности, которую описывают наиболее удаленные точки входных кромок лопаток рабочего колеса первой ступени. 3.1.26 базовая плоскость NPSH: Для насосов двухстороннего входа, с вертикальной или наклоненной осью вращения - плоскость, проходящая через наиболее высокий центр окружности, указанной в 3.1.25. Примечание - Производитель (изготовитель) может определить положение этой плоскости более точно по отношению к характерным точкам насоса в соответствии с рисунком 3.1.
Рисунок 3.1 - Базовая плоскость NPSH 3.1.27 имеющийся NPSH(∆h) - NPSHA: Имеющийся NPSH определяется для заданной подачи условиями установки. 3.1.28 требуемый NPSH(∆h) - NPSHR(∆hдоп): Выдаваемое изготовителем насоса потребителю минимальное значение NPSH для номинальной подачи перекачиваемой жидкости, обеспечивающее работу насоса без падения напора при заданной подаче, т.е. допускаемый кавитационный запас ∆hдоп. 3.1.29 NPSH3 (критический кавитационный запас ∆hкр): NPSH для 3 % падения полного напора первой ступени насоса как стандартное основание для использования при построении кавитационных характеристик. 3.1.30 типовое число K: Безразмерное число, рассчитанное для оптимального режима работы насоса по формуле:
Примечания 1 Типовое число рассчитывают для максимального диаметра ступени ротора. 2 Типовое число K и коэффициент быстроходности ns рассчитывают по одной и той же структурной формуле, в разных единицах размерности (K - в Международной системе единиц СИ, a ns - в технической системе единиц МКГСС). Пересчет этих коэффициентов из одной системы в другую осуществляют, используя соотношение ns = 193,2 K. 3.1.31 мощность насоса (мощность, потребляемая насосом): Мощность, передаваемая насосу от его привода. 3.1.32 полезная мощность насоса (мощность, отдаваемая насосом) Pu: Механическая мощность, сообщаемая насосом подаваемой жидкой среде и определяемая зависимостью: Pu = ρQgH = ρQy. (3.15) 3.1.33 мощность, потребляемая приводом: Мощность, передаваемая приводу насоса от постороннего источника. 3.1.34 КПД насоса η: Отношение мощности, отдаваемой насосом жидкости, к мощности, потребляемой насосом:
3.1.35 общий КПД (КПД агрегата) ηgr(ar): Отношение мощности, отдаваемой насосом жидкости, к мощности, потребляемой приводом насоса:
3.1.36 высота самовсасывания: Высота самозаполнения подводящего трубопровода самовсасывающим насосом (агрегатом). 3.1.37 агрегат скважинный электронасосный: Насосный агрегат, предназначенный для эксплуатации в скважине, в котором приводом является электродвигатель. 3.1.38 безопасность насосного оборудования: Свойство насосов (насосных агрегатов) сохранять безопасное состояние при эксплуатации в соответствии с эксплуатационной документацией. 3.1.39 электрическая безопасность: Безопасность для обслуживающего персонала от вредного воздействия насоса (насосного агрегата) в виде статического электричества, электрического тока, электрической дуги и электрического поля. 3.1.40 термическая безопасность: Безопасность для обслуживающего персонала от вредного воздействия насоса (насосного агрегата) в виде высоко- и низкотемпературных повреждений и травм. 3.1.41 механическая безопасность: Безопасность для обслуживающего персонала от нанесения насосом (насосным агрегатом) механических повреждений и травм. 3.1.42 вредный производственный фактор: Производственный фактор, воздействие которого на работающего в определенных условиях может привести к заболеванию или снижению работоспособности, и (или) в зависимости от количественной характеристики (уровня и продолжительности воздействия) вредный производственный фактор может стать опасным. 3.1.43 класс испытаний: Класс испытания определяют регламентированные условия испытаний продукции и предельные погрешности определения ее параметров. 3.1.44 колебания: Многократное (с коротким периодом) изменение значения параметра относительно его среднего значения за время, в течение которого проводят единичное наблюдение или отсчет при испытаниях продукции. 3.1.45 средняя наработка до отказа: Математическое ожидание наработки объекта (изделия) до первого отказа [ГОСТ 27.002-89, статья 6.10]
3.1.46 наработка до отказа: Наработка объекта (изделия) от начала эксплуатации до возникновения первого отказа [ГОСТ 27.002-89, статья 4.2] 3.1.47 малые насосы: Насосы мощностью на номинальном режиме до 100 кВт включительно. 3.1.48 средние насосы: Насосы мощностью на номинальном режиме свыше 100 до 400 кВт и внутренним диаметром входного патрубка до 400 мм включительно. 3.1.49 крупные насосы: Насосы мощностью на номинальном режиме свыше 400 кВт или внутренним диаметром входного патрубка свыше 400 мм. 3.1.50 отклонение: Изменение значения параметра от одного измерения к другому (между двумя показаниями прибора, следующими одно за другим при испытаниях). 3.1.51 параметрические испытания: Испытания по определению зависимости напора, мощности и КПД насоса (агрегата) от его подачи. 3.1.52 тип насоса: Классификационная группировка насосов, сходных по назначению, принципу действия и конструкции, с присущей им номенклатурой основных параметров. 3.1.53 типоразмерный ряд насосов: Группировка насосов одного типа с присвоенными ей обозначениями и рядом параметров, установленных в нормативной или технической документации. 3.1.54 типоразмер насоса: Насосы одного типа, одинаковые по конструкции и размерам проточной части. Примечание - Допускается различие размеров рабочих колес, материалов деталей, типов уплотнений и подшипников, способов крепления к опорам и соединения с приводящим двигателем, а также различие исполнений (климатического и по взрывозащищенности), схемы подключения систем смазки, охлаждения и т.п. 3.2 В настоящем стандарте применены следующие обозначения: A - площадь, м2; D, d - диаметр, м; E - энергия, Дж; e - общая неопределенная относительная величина, %; f - частота, с-1, Гц; gа) - ускорение свободного падения, м/с2; H - полный напор насоса, м; Hj - потери в напоре жидкости, м; k - эквивалентная шероховатость, м; K(ns) - типовое число (коэффициент быстроходности); l - длина, м; m - масса, кг; n - частота вращения, с-1, мин-1; NPSH(∆h) - надкавитационный напор на входе (кавитационный запас), м; p - давление, Па; P(N) - мощность, Вт; qb) - массовая подача, кг/с; Qc) - объемная подача, м3/с; Re - число Рейнольдса; t - время, с; T - крутящий момент, Н·м; Примечания a) В принципе необходимо использовать местную величину «g». Тем не менее для класса 2 допускается принимать g = 9,81 м/с2. Для расчета местной величины g = 9,7803(1 + 0,0053sin2φ) - 3·10-6Z, где φ - широта; Z - высота над уровнем моря. b) Применяют обозначение для массовой подачи qm. c) Применяют обозначение для объемной подачи qv t - относительный допуск, %; t - время , с; T - крутящий момент, Н·м; U - средняя скорость, м/с; v - местная скорость, м/с; V - объем, м3; у - удельная энергия, Дж/кг; z - высота над эталонной или базовой плоскостью, м; ∆ZM = ZM2 - ZM1 - разность отметок положения приборов для измерения давления при входе ZM1 и на выходе ZM2 относительно эталонной (базовой) плоскости, м; ZD - разность между базовой плоскостью NPSH (см. 3.1.25, 3.1.26) и эталонной плоскостью, м; η - КПД; Θ - температура, °С; λ - коэффициент потерь трения жидкости; ν - кинематическая вязкость, м2/с; ρ - плотность, кг/м3; ω - угловая скорость, рад/с. 3.3 В настоящем стандарте применяют следующие индексы: 1 - вход; 1' - мерное сечение на входе; 2 - выход; 2' - мерное сечение на выходе; abs(абс) - абсолютное; amb(б) - окружающее (окружающей среды), барометрическое; D - разность, дата; f - жидкость в измеряемых трубках; G - гарантийный; H - полный напор насоса (величина, определенная по полному напору); gr(ar) - комплект насос/двигатель (агрегат насосный); m(ср) - средний (усредненная величина); M - манометр; n - частота вращения; P - мощность; Q - объемная подача; Sp(н) - номинальный (расчетный); T - приведенный (параметр) крутящий момент; u(n) -полезный; v - пара (давление) η - КПД; x - в любом месте (сечении); (и) - индекс параметра при испытании; (с) - самовсасывания. 4 ГарантииГарантируемая режимная точка определяется гарантируемой подачей QG и гарантируемым напором HG. Изготовитель (поставщик) гарантирует, что при заданных условиях и заданной частоте вращения (иногда напряжении и частоте питающего тока) кривая характеристики H(Q), полученная опытным путем, будет проходить через гарантируемую точку в пределах допусков. Другие гарантируемые допуски, например, приведенные только в большую сторону, должны быть согласованы и отражены в договоре. Кроме того, при определенных условиях (заданной частоте вращения и подаче), приведенных в 6.4.2 и на рисунке 6.1, могут быть гарантированы: - КПД насоса ηG или общий КПД ηgrG (ηarG) в случае насосного агрегата, - требуемое значение NPSHR для гарантируемой подачи. По специальному договору могут быть гарантированы несколько точек и соответствующие им КПД, требующийся NPSH при уменьшенной или увеличенной подаче. Может быть гарантирована максимальная потребляемая мощность для гарантированной подачи или рабочего диапазона. Для этого могут потребоваться большие диапазоны допусков, которые согласовывают между производителем (поставщиком) и потребителем. При отсутствии специальных оговорок в договоре на гарантируемые параметры распространяются следующие требования: - гарантируемую точку на характеристике следует рассматривать, как заданную для чистой холодной воды (см. 5.4.5.2), если физические и(или) химические свойства перекачиваемых жидкостей не указаны специально; - соотношение параметров, гарантируемых для чистой холодной воды, и получаемых с иными жидкостями, должно быть специально оговорено договором; - гарантии распространяются только на насосы, испытанные в строгом и полном соответствии с настоящим стандартом; - изготовитель (поставщик) не должен отвечать за определение гарантируемой точки. 5 Проведение испытаний5.1.1 Общие сведения Если нет специального соглашения (договора) между производителем (поставщиком) и потребителем, то следует руководствоваться следующими требованиями: - точность согласно классу 2; - испытания проводят на стендах предприятия-изготовителя; - кавитационные испытания по контролю NPSH не проводят. Любые отступления от перечисленных требований должны быть согласованы между потребителем и изготовителем (поставщиком) и оформлены договором. В договоре среди других отступлений могут быть, например, такие как: - точность, согласно классу 1; - отсутствие допусков в меньшую сторону (см. 4.1); - допуски в соответствии с приложением A; - статистическая оценка результатов измерений, согласно приложению D; - проведение испытаний в независимой лаборатории или на другом предприятии, на участке (в цехе); - отклонения от расчетных параметров вследствие особенностей установки оборудования и/или измерительной аппаратуры; - особенности конструкции насоса (например, привод от нескольких двигателей, заключенных в общий корпус); - требование о проведении кавитационных испытаний по контролю NPSH. Рекомендуемый перечень вопросов, подлежащих индивидуальному согласованию между изготовителем (поставщиком) и потребителем, приведен в приложении Е. Цель испытаний - выявить истинные параметры насоса и сопоставить их с гарантируемыми изготовителя (поставщика). Гарантия на любой параметр насоса считается выдержанной, если результаты соответствующих испытаний по нормам настоящего стандарта не выходят за пределы установленного допуска (см. раздел 6). Если изготовителем (поставщиком) дается гарантия по NPSH, то необходимо указать метод проведения соответствующих испытаний (см. 11.1.2). При заказе партии однотипных насосов потребитель должен согласовать с изготовителем (поставщиком) количество экземпляров, подлежащих испытаниям. 5.1.3 Дополнительные проверки В ходе испытаний насоса следует также контролировать нагрев уплотнений и(или) подшипников, наружные утечки жидкости или воздуха и вибрации. Положения и требования настоящего стандарта наряду с гарантируемыми значениями по приемочным гидравлическим испытаниям распространяются также на другие виды испытаний насосов (насосных агрегатов и установок) по ГОСТ 16504 (см. приложение В). При проведении таких испытаний в соответствии с настоящим стандартом определяют не только гидравлические значения и характеристики насосов (агрегатов), но также в дополнение к ним и другие показатели назначения и характеристики насосов (агрегатов), указанные в 5.1.5. 5.1.5 Номенклатура определяемых показателей и характеристик Настоящий стандарт устанавливает методы определения и контроля следующих показателей и характеристик: показатели назначения: - подача, - напор, - частота вращения; показатели эффективности и конструктивные: - кавитационный запас ∆h(NPSH)(NPSHA, ∆hдоп или NPSHR, ∆hкр или NPSH3), - коэффициент полезного действия (КПД), - мощность насоса (мощность насосного агрегата), - высота самовсасывания, - внешняя утечка, - масса; показатели эргономические: - вибрация, - шум; показатели надежности: - средняя наработка до отказа, - ресурс; характеристики: - напорная, - энергетическая, - кавитационная, - вибрационная, - шумовая, - самовсасывания; показатели безопасности: - механические, - термические, - электрические. Необходимость проведения испытаний по определению конкретных показателей и характеристик для каждого вида испытаний устанавливают в ПМ и технической документации на конкретные типы (типоразмеры) насосов (агрегатов). Перечень основных видов испытаний, в программу и методику которых рекомендуется включать определение показателей и характеристик по 5.1.5, приведен в приложении В. Испытания проводят в соответствии с разделом 5 и условиями испытаний по 5.4. 5.1.6 Условия определения показателей и характеристик При испытании насосов (агрегатов) эргономические показатели допускается определять для насоса совместно с приводящим двигателем при условии указания в протоколе испытания типа и марки комплектующего двигателя, его основных технических показателей, в том числе шумовой и вибрационной характеристик при их наличии. При испытании насосных агрегатов, у которых узлы приводящего двигателя входят в конструкцию насоса, все показатели и характеристики определяют для агрегата в целом. При испытании насосных агрегатов, у которых узлы приводящего двигателя не входят в конструкцию насоса, напорную, энергетическую, кавитационную характеристики, характеристику самовсасывания, а также показатели назначения, эффективности, массу и внешнюю утечку определяют только для насоса, входящего в агрегат. Вибрационную и шумовую характеристики и эргономические показатели, показатели надежности и массу определяют для агрегата в целом. Эргономические показатели, кавитационную, вибрационную, шумовую характеристики и внешнюю утечку при испытаниях погружных и скважинных насосов и погружных насосных агрегатов не определяют; необходимость определения этих показателей и характеристик при испытаниях следует указывать в технических условиях и ПМ на указанную продукцию, утвержденных в установленном порядке. 5.1.7 Условия проведения испытаний Испытания проводят на аттестованных испытательных стендах, обеспечивающих стандартные условия в соответствии с 5.4, если иное не оговорено в ПМ или договоре. При наличии договора с оговоренными условиями испытания они должны быть отражены в ПМ с максимально возможным соблюдением требований настоящего стандарта. Аттестация и переаттестация испытательных стендов (испытательного оборудования) - в соответствии с действующими нормативными документами. 5.1.8 Испытания на жидкостях, отличных от чистой холодной воды Испытания на жидкостях, свойства и параметры которых выходят за пределы, указанные в таблице 5.5, проводят по ПМ, содержащей способы приведения результатов испытаний к условиям, оговоренным в НД на испытуемые насосы или ТУ. Испытания на надежность насосов (агрегатов) проводят при постановке новой продукции на производство в соответствии с техническим заданием (ТЗ) на опытных образцах изделий или опытных партиях по специальным ПМ, содержащим требования в соответствии с действующими стандартами по надежности или иными нормативными документами (стандартами предприятия, техническими регламентами и т.п.), предусмотренными ГОСТ 1.0. Для продукции, поставленной на производство, определение или контроль показателей надежности и планы контрольных испытаний на надежность принимают по ГОСТ 27.301 и ГОСТ 27.410. 5.1.10 Сертификационные испытания Сертификационные испытания насосов (агрегатов) при обязательной сертификации проводят по всем параметрам безопасности данного вида продукции, в том числе по эргономическим показателям и показателям внешней утечки. При добровольной сертификации испытания проводят по показателям качества, указанным в стандарте или ТУ на продукцию, или части ее, в зависимости от потребности в рекламировании серийно выпускаемой продукции. При этом показатели безопасности комплектующего привода насоса с узлами как входящими в конструкцию насоса, так и не входящими в нее, если они не подтверждены сертификатом соответствия на данный тип (вид) привода или материалами соответствующих испытаний, следует контролировать при проведении сертификационных испытаний насосных агрегатов и установок. 5.1.11 Особые случаи испытаний В обоснованных случаях допускается показатели и(или) характеристики по 5.1.4 определять методами, установленными в стандартах (в том числе международных), технической документации и ПМ на конкретный тип (типоразмер) насоса или агрегата (установки). 5.1.12 Класс испытания и его установление Устанавливаемый предприятием-изготовителем класс испытания для серийно выпускаемых насосов (агрегатов) указывают в технической документации и ПМ. Для вновь разрабатываемых насосов (агрегатов) класс испытания, устанавливаемый разработчиком по согласованию с заказчиком, указывают в технической документации и ПМ на разрабатываемую продукцию. Для продукции, поставляемой индивидуально по договорам, класс испытаний устанавливают в договоре по согласованию заинтересованных сторон. 5.2 Организация испытаний 5.2.1 Общие сведения Покупатель и производитель (поставщик) имеют право присутствовать при проведении испытаний. 5.2.2 Место проведения испытаний 5.2.2.1 Испытания на предприятии-изготовителе Испытания с целью получения характеристик насоса рекомендуется проводить на предприятии-изготовителе либо в ином месте, согласованном между изготовителем (поставщиком) и потребителем. 5.2.2.2 Испытания на месте установки насоса Если нет возможности провести испытания в строгом соответствии с нормами настоящего стандарта, изготовитель (поставщик) и потребитель должны особо согласовать допустимые отклонения от стандартных требований. Дата проведения приемочных испытаний подлежит согласованию между изготовителем (поставщиком) и потребителем. Даты других видов испытаний устанавливают предприятия-изготовители по своему усмотрению в соответствии с планируемыми сроками и периодичностью их проведения. Сертификационные испытания проводят в сроки, определенные органом по сертификации или испытательной лабораторией по согласованию с заявителем (заказчиком) испытаний. Точность измерений зависит не только от качества измерительных приборов, но и от опыта и квалификации персонала, работающего с измерительными приборами при проведении испытаний. Штат работников, ответственный за проведение измерений, следует подбирать так же тщательно, как и сами приборы, используемые для проведения испытаний. Специалисты, имеющие достаточный опыт проведения измерений, должны быть обеспечены необходимыми измерительными приборами (аппаратами) для снятия показаний. Снятие простых показаний можно доверить лицам, которые после проведения инструктажа могут снять аккуратно точные и надежные показания. Руководителя, ответственного за проведение приемочных испытаний, назначают обе стороны. Если испытания проводит изготовитель на своих стендах, то руководителем испытаний назначают представителя изготовителя. В течение испытаний все сотрудники подчиняются ответственному за испытания, руководящему их проведением, составлением отчетов (протоколов) и документов о результатах испытаний. Все вопросы, возникающие в процессе работы, их разрешение находятся в его ведении. Стороны должны оказывать любую помощь, которую руководитель испытаний считает необходимой. 5.2.5 Состояние насоса Если испытания проводят не в цехах изготовителя, то должна быть предоставлена возможность подготовительного регулирования испытуемой продукции изготовителю и потребителю. Программа и процесс проведения испытаний должны быть подготовлены руководителем и представлены изготовителю (поставщику) и покупателю заранее, чтобы дать время на подготовку и согласование. Только гарантируемые показатели (см. 4.1) должны составлять основу приемочных испытаний, все другие данные должны носить информационный характер, их следует регистрировать только в том случае, если они входят в программу испытаний. Программа и процесс проведения иных видов испытаний - в соответствии с утвержденной ПМ. Приборы для измерения и записи, необходимые для проведения испытаний, должны быть заранее оговорены. Лицо, ответственное за проведение испытаний, несет ответственность за правильную установку приборов и их качественную работу. Все измерительные приборы должны иметь свидетельства тарировки (калибровки). Эти свидетельства должны предъявляться по требованию изготовителя (поставщика) или покупателя. Сведения о периодичности калибровки измерительных приборов даны в приложении F. 5.2.8 Записи Все текстовые записи и таблицы, выполняемые в процессе испытаний, должны быть подписаны руководителем испытания, а также представителями изготовителя (поставщика) и потребителя, если они присутствуют при испытаниях. Каждому из них должны быть вручены копии подписанных отчетов и записей (протоколов). Оценивать результаты испытаний необходимо в процессе их проведения, до снятия приборов, чтобы можно было повторить испытания в случае возникновения сомнений в полученных данных. После тщательной проверки результаты испытаний суммируют в протоколе (для приемочных испытаний и при постановке продукции на производство составляют отчет), который подписывают только руководитель испытаний или вместе с ним представители изготовителя (поставщика) и потребителя. Все стороны, задействованные в договоре, должны получить копию протокола. В соответствии с программой испытаний в протокол проведенных испытаний рекомендуется включать следующую информацию: - место и дату проведения испытания; - изготовителя, тип, порядковый номер и год выпуска испытанной продукции (насоса, агрегата, установки); - основные данные рабочего колеса (диаметр, угол установки лопастей и др.); - гарантированные характеристики (показатели), условия испытаний; - данные по приводу насоса; - схему испытательного стенда (для приемочных испытаний и при постановке продукции на производство), описание процесса испытаний и измерительных приборов, использованных при испытании, включая данные калибровки (или поверки); - показания приборов; - оценку и анализ результатов испытания; - выводы, которые могут содержать: a) сравнение результатов испытания и гарантийных величин; b) описание действий, предпринятых в связи со специальными соглашениями; c) рекомендацию о принятии или отклонении насоса (агрегата) с указанием причин, условий (если гарантированные величины выдержаны не полностью). Окончательное решение о приемке или отклонении насоса (агрегата) остается за покупателем (заказчиком) а для серийной продукции - за ОТК предприятия-изготовителя; d) заявления (отчеты) о действиях, предпринятых в связи со специальными соглашениями. Примерная форма протокола испытания насоса приведена в приложении G. 5.3 Испытательное оборудование 5.3.1 Общие сведения В данном разделе, принимая во внимание точность, требующуюся для испытаний по классам 1 и 2, приведены условия, необходимые для проведения измерений рабочих характеристик. Примечания 1 Подача насоса на одной испытательной установке (стенде), как бы точно измерения не проводили, не может иметь точно такие же показания подачи на другой испытательной установке. 2 Рекомендации и общие положения об испытательных установках для проведения необходимых измерений приведены в разделах 7 и 8 и, если необходимо, их допускается использовать в сочетании с другими стандартами, касающимися измерения скоростей потока в закрытых трубопроводах различными методами (см. раздел 7). 3 Средства измерений, используемые при испытаниях по классу 2, должны иметь класс точности не ниже указанного в таблице 5.1.
Для измерения разрежения на входе в насос при получении кавитационной характеристики или контроле кавитационного запаса, а также при получении характеристики самовсасывания насоса, следует применять вакуумметры класса точности не ниже 1,0. 5.3.2 Стандартные условия испытаний Наилучшие условия измерений в мерных сечениях достигаются тогда, когда поток в них обладает: - осевой симметрией распределения скоростей; - равномерным распределением статического давления; - отсутствием завихрений, вызываемых стендом или установкой. Для классов испытаний 1 и 2 проверка указанных условий не требуется. Необходимо избегать любых изменений, могущих повлиять на указанные выше условия испытаний, т.е. не допускать изгибов, поворотов, расширения или изменения поперечных сечений трубопроводов в непосредственной близости (менее четырех диаметров) от мерного сечения. Обычно неравномерность потока на входе в насос возрастает с увеличением типового числа K (коэффициента быстроходности ns) насоса. Когда K > 1,2 (ns > 230), рекомендуется при испытаниях воспроизводить эксплуатационные условия работы насоса. Для соблюдения стандартных условий испытания рекомендуется отвод от резервуаров со свободной поверхностью или больших сосудов (резервуаров) в закрытой сети проводить прямым участком трубопровода, длину L которого вычисляют по соотношению L/D = K + 5 (D - диаметр трубы. Это особенно важно для испытания по классу 1). Эти условия также будут соблюдены без установки выправляющих поток устройств, для насоса, имеющего по схеме установки (стенда) на входе изгиб трубопровода под прямым углом на расстоянии L от входного патрубка. В таких условиях нет необходимости использовать выпрямители потока в трубе между изгибом и насосом. Тем не менее, в закрытой схеме стенда, где поток идет в насос сразу из резервуара, необходимо быть уверенным, что поток жидкости, поступающей в насос, не имеет завихрений, вызванных конструкцией стенда (установки), а идет с равномерной симметричной скоростью. Завихрений можно избежать при: - тщательном конструировании трубопровода, подводящего поток к мерному сечению и входному патрубку насоса; - точном исполнении и использовании устройства, выпрямляющего поток; - правильной установке трубок отвода давления, уменьшающей их влияние на результат измерения. Не рекомендуется устанавливать задвижки на всасывающей линии насоса (см. 5.4.4), но если без нее не обойтись, например при кавитационных испытаниях, длина прямой трубы между задвижкой и входом в насос должна соответствовать требованиям 11.2.2. 5.3.3 Испытательные моделирующие устройства Если по вышеприведенным причинам согласовано испытание насоса в условиях, схожих с условиями его работы на месте эксплуатации, то важно, чтобы на входе моделируемого устройства поток жидкости был максимально возможно лишен завихрений, вызываемых конструкцией стенда (установки), и имел осесимметричное распределение скоростей. Необходимо создать все условия для достижения этих целей. При необходимости, для испытания по классу 1 распределение скоростей потока в моделируемой схеме (цепи) следует определять расположением трубок Пито, чтобы установить наличие требуемых характеристик потока. В противном случае требуемые характеристики потока в соответствующих сечениях можно получить при установке соответствующих устройств, типа выпрямителей потока для направления или корректировки (завихрений или асимметрии). При этом нужно быть уверенным, что на условия испытаний не будут влиять потери напора, связанные с некоторыми приспособлениями выправления структуры потока. 5.3.4 Испытания насосов с дополнительным оборудованием (арматурой, фитингами) Если оговорены в договоре стандартные испытания, то их следует соблюдать и при испытании насоса в комбинации с его дополнительным оборудованием: - необходимым для установки насоса на рабочем месте, или - необходимостью для точного воспроизводства оборудования на рабочем месте, или - оборудованием, необходимым для проведения испытания (приспособления к насосу). Поток на входе и выходе таких комбинированных установок должен соответствовать стандартным требованиям по 5.3.2. Измерения следует проводить в соответствии с 8.2.2. 5.3.5 Установка насосов, аналогичных погружным Если сам насос или насос в сборе с фитингами (дополнительным оборудованием) устанавливают или испытывают в условиях, где трубные соединения не могут обеспечить условия по 5.3.2 из-за недоступности или погружения, то измерения следует проводить в соответствии с 8.2.3. 5.3.6 Насосы для буровых скважин и насосы с погружным валом Насосы с погружным валом и насосы для буровых скважин не могут быть испытаны с полной длиной напорного трубопровода или вала, и, следовательно, не измеряют и не учитывают потери напора на участках, не подвергаемых испытанию, и энергию, затрачиваемую на трансмиссию на этих участках. Во время такого испытания упорный подшипник подвергают значительно меньшей нагрузке, чем при окончательной установке на месте эксплуатации. Измерения следует проводить согласно 8.2.3. Обеспечение самовсасывания самовсасывающего насоса можно проверить при указанном в договоре статическом напоре всасывания, присоединив входной трубопровод, равнозначный тому, который используют на окончательной установке. Если испытание нельзя провести по указанному способу, то необходимую испытательную установку следует указывать в договоре. 5.3.8 Схемы испытательных установок (стендов) Испытательные установки (стенды) должны обеспечивать стандартные условия испытаний насосов в соответствии с 5.3.2 при отсутствии колебаний и вихрей в потоке. Стенды для испытаний допускается выполнять открытыми (т.е. со свободным уровнем перекачиваемой жидкости, находящимся под атмосферным давлением) или закрытыми (т.е. без сообщения с атмосферой (баком), где давление над поверхностью перекачиваемой жидкости может поддерживаться как равным, так и выше и ниже атмосферного. При кавитационных испытаниях по определению или контролю NPSH вакуум на входе в насос допускается создавать при помощи вакуум-насоса (в закрытой схеме стенда) или регулирующей арматуры на подводящем трубопроводе насоса (для закрытой и открытой схем стенда), а также снижением уровня воды в резервуаре. При этом должна быть исключена возможность попадания воздуха в гидравлический тракт испытательного стенда. 5.3.9 Стенд для параметрических и кавитационных испытаний У стендов для параметрических и кавитационных испытаний перед входным патрубком насоса должен быть предусмотрен прямолинейный участок трубопровода длиной не менее шести внутренних диаметров патрубка насоса. На этом участке должны отсутствовать изменения площади и конфигурации проходного сечения трубопровода. Допускается использовать на входе в насос гибкий шланг с сохранением условий по 5.3.2. В обоснованных случаях допускается проводить испытания на стендах с укороченными трубопроводами и непрямолинейным подводом жидкости к насосу, а также на испытательных стендах, имитирующих реальные условия работы насоса (агрегата) на местах эксплуатации, или непосредственно на местах эксплуатации по специальным ПМ, согласованным с заказчиком и утвержденным в установленном порядке. Для предотвращения отрыва потока и образования вихрей при входе в насос за счет разности внутренних диаметров стыкуемых фланцев насоса и трубопровода выступающие торцы фланцев по направлению движения потока сгладить (ликвидировать) путем введения конфузорных или диффузорных проставков. Схемы открытой и закрытой испытательных установок показаны на рисунках 11.4, 11.6. 5.3.10 Стенд для определения характеристик самовсасывания насоса 5.3.10.1 Устройство и оснащение стенда Стенд для получения характеристики самовсасывания насоса должен иметь на входной линии перед насосом герметичный дроссель и обеспечивать свободный выход воздуха из напорного патрубка в атмосферу. Принципиальная схема стенда представлена на рисунке 5.1.
1 - насос; 2 - ротаметр; 3 - дроссель для создания разрежения на
входе; 4 - вакуумметр; 5 - микроманометр; 6 - диафрагма Подачу воздуха самовсасывающим насосом измеряют перед дросселем в трубопроводе, соединяющем дроссель с атмосферой; вакуум измеряют в полости между дросселем и насосом. 5.3.10.2 Схемы имитирующих подводов на стендах для определения и проверки высоты и времени самовсасывания насоса Стенд для определения и проверки высоты самовсасывания и времени самовсасывания выполняют по одной из схем, приведенных на рисунке 5.2. Диаметры, длины и схему расположения трубопроводов при испытаниях следует указывать в технической документации на насос или в программе испытаний. Горизонтальные участки всасывающего трубопровода насоса допускается имитировать емкостями, как это показано на рисунке 5.2.
hCH - номинальная высота самовсасывания;
В - вакуумметр; А - емкость, имитирующая длинный
горизонтальный участок всасывающего трубопровода Самовсасывающие насосы, которые не могут быть испытаны по приведенным схемам, допускается испытывать на специальных стендах, схемы которых и методы испытаний приводят в ПМ. Для проверки самовсасывающей способности насоса допускается использовать замкнутую емкость, из которой проводят отсасывание воздуха. Объем воздуха, предельный вакуум и необходимое время отсасывания устанавливают в ПМ. 5.3.11 Стенд для определения вибрации и шума 5.3.11.1 Общие требования к установке насоса Установку насоса (насосного агрегата) на стенде в зависимости от требований технической документации следует проводить на упругих элементах (амортизаторах) или непосредственно на фундамент. Для насосов (насосных агрегатов), установку которых проводят на амортизаторах, соединение патрубков насоса со всасывающим и напорным трубопроводами осуществляют при помощи гибких проставков (рукавов). Амортизаторы следует выбирать при условии, чтобы частота свободных колебаний насоса (агрегата) на них была не менее чем в 1,5 раза ниже или в 1,3 - 1,6 раза выше частоты вращения ротора насоса. Для насосов (насосных агрегатов), установку которых на стенде производят без амортизаторов, соединение патрубков насоса с трубопроводами допускается выполнять как при помощи гибких рукавов, так и с жестким креплением к трубопроводам. 5.3.11.2 Требования к месту расположения стенда и проведению испытаний Место расположения стенда для определения шума должно удовлетворять требованиям ГОСТ 23941 в соответствии с указанным в НД (ТУ, ПМ) методом измерения. Испытания по определению вибрации и шума насосного агрегата (насосной установки) допускается проводить на месте его(их) эксплуатации или при работе в технологической линии у потребителя по методике или ПМ, утвержденным в установленном порядке. 5.4.1 Процедура испытаний Длительность испытаний должна быть достаточной для получения стабильных результатов, достигающих высокой степени точности. Все измерения следует проводить при установившихся или неустановившихся режимах в пределах, указанных в таблице 5.3. Решение о проведении измерений, когда указанные режимы не могут быть выдержаны, согласовывают и оформляют обе заинтересованные стороны (поставщик и заказчик). Подтверждение гарантийной точки считается достигнутым, если имеется запись в протоколе не менее чем для трех режимов (при испытании по классу 2) или не менее чем для пяти режимов (при испытании по классу 1), расположенных вблизи к заданной гарантийной точке, например, от 0,9 до 1,1QG. Если для специальных целей необходимо провести испытания на подаче за пределами рабочего диапазона, то проводят достаточное число измерений (точек), чтобы определить параметры с указанной (оговоренной) точностью по 6.2. Если частота вращения привода при испытании на стенде недостаточная и испытание необходимо выполнить на пониженной частоте вращения, то полученные результаты испытания необходимо привести к расчетной частоте вращения в соответствии с 6.1.2. 5.4.2 Стабильность работы 5.4.2.1 Общие сведения Для достижения результатов данного стандарта применимы следующие определения: - колебания - по 3.1.44. - отклонения - по 3.1.50. 5.4.2.2 Допустимые колебания показаний и использование демпфера Для каждого измеряемого показателя в таблице 5.2 даны допустимые амплитуды колебаний. Если конструкция стенда или работа насоса создает колебания большей амплитуды, то измерения можно проводить с использованием демпфера в измерительных приборах или на его соединительных линиях, который позволяет сократить амплитуду колебаний до приведенных в таблице 5.2. Так как возможно значительное влияние демпфера на точность показаний, то он должен быть симметричным и линейным, например в виде капиллярной трубки, которая должна интегрировать не менее одного полного цикла колебаний.
Когда сигналы, полученные системами измерений, автоматически записываются или объединяются, то максимально допустимая амплитуда колебаний этих сигналов может оказаться выше приведенных в таблице 5.2, если: - измерительная система имеет автоматическое устройство объединения данных, с требуемой точностью, для расчета среднего значения за отрезок времени, который значительно больше инерционного времени соответствующей системы; - объединение данных, необходимых для расчета среднего значения показателя может быть проведено позднее на основе непрерывных или выборочных записей аналогичного сигнала x(t) (условия выборочной записи должны быть оговорены в отчете о результатах испытаний). 5.4.2.3 Количество наблюдений Условия испытаний считаются стабильными, если средние значения полученных данных (подача, напор, потребляемая мощность, крутящий момент, частота вращения) не зависят от времени. Такие условия могут считаться стабильными, если изменение каждого показателя, наблюдаемого в каждой рабочей точке испытаний, не превышает значений, приведенных в таблице 5.3. Если при соблюдении этих условий колебания меньше допустимых значений, приведенных в таблице 5.2, то допускается проводить однократное измерение показателей данной режимной точки испытаний. Если условия испытаний не соответствуют требованиям стабильности, то необходимо выполнение следующего: В каждой точке испытаний необходимо снять повторные показания измеряемых показателей в различные интервалы времени, но не реже, чем через 10 с. Необходимо контролировать при этом частоту вращения насоса и температуру жидкости. При этом все положения задвижки, уровни воды, зажимы, регулирующие подачу в уплотнение и т.п., должны оставаться полностью неизменными. Расхождение в повторяющихся показаниях одного и того же показателя укажет на нестабильность условий проведения испытаний, на которую частично влияет насос, а также установка (стенд) в целом. В каждой режимной точке должно быть проведено не менее трех измерений. Необходимо при этом записать в протокол значение каждого отдельного показания прибора и значение, полученное от серии испытаний. Разница в процентах между самым большим и самым маленьким значениями каждого показателя не должна превышать данных таблицы 5.3. Таблица 5.3 - Пределы изменений между повторными измерениями одного и того же показателя (на основе 95 % доверительных пределов)
Эта максимально допустимая разность должна подтвердить, что изменчивость (колебания) из-за разброса, взятая вместе с систематическими колебаниями, приведенными в таблице 6.1, дадут средний результат колебаний, который не должен превышать значений, приведенных в таблице 6.2. Среднеарифметическое значение всех показаний для каждого показателя принимается как фактическое значение, измеренное при испытаниях. Если нельзя достичь значений, приведенных в таблице 5.3, то следует установить и устранить причину и провести новую серию испытаний, т.е. все показания в выбранном ряду подлежат отклонению. Неиспользованные или использованные показания отклоняемого ряда могут быть отвергнуты потому, что они лежат за пределами допуска. Если большие колебания не зависят от процесса измерения или погрешностей приборов и, следовательно, их нельзя уменьшить, то пределы погрешностей можно рассчитать, используя статистический метод. 5.4.3 Частота вращения при испытании Если нет специальной договоренности, то испытания можно проводить при частоте вращения от 50 % до 120 % установленной (расчетной) частоты для определения подачи, напора и потребляемой мощности. Тем не менее, надо иметь в виду, что отклонение более чем на 20 % расчетной частоты вращения оказывает влияние на КПД. При кавитационных испытаниях по определению NPSH частота вращения должна быть 80 % -120 % установленной (расчетной) частоты вращения, этим обеспечивается максимальная подача при необходимой для испытания частоте вращения. Примечание - Для испытаний, отвечающих требованиям 11.1.2.1 и 11.1.2.2, также допускаются вышеуказанные варианты. Испытания, отвечающие требованиям 11.1.2.3, допускаются только для насосов с типовым определителем K ≤ 2, для насосов с K > 2 необходимо дополнительное соглашение. При виброшумовых испытаниях частота вращения должна быть 80 % - 120 % установленной (расчетной) частоты вращения. Условия испытаний можно достичь, используя задвижки на входной и выходной линиях насоса или обоих задвижек одновременно. Если используется задвижка на входной линии насоса, то необходимо иметь ввиду возможность кавитации или необходимость удаления воздуха из жидкости, что может повлиять на работу насоса и прибора измерения подачи или обоих одновременно (см. 11.2.2). 5.4.5 Испытания насоса на жидкостях, отличных от чистой холодной воды 5.4.5.1 Общие сведения Очевидно, что характеристики насоса значительно изменяются в зависимости от свойств перекачиваемой жидкости. Несмотря на то, что практически невозможно дать общие правила, в силу которых эксплуатационные показатели насоса, полученные на чистой холодной воде, могут быть приняты за основу при расчете эксплуатационных характеристик для другой жидкости, рекомендуется заинтересованным сторонам разработать эмпирические правила с учетом особых случаев и проводить испытания насоса на чистой холодной воде. Приложения Н и J в этом случае могут приниматься в качестве справочных. 5.4.5.2 Характеристики чистой холодной воды Характеристики чистой холодной воды не должны превышать значений, указанных в таблице 5.4. Таблица 5.4 - Характеристики чистой холодной воды
Общее содержание газа в воде, растворенного и свободного, не должно превышать объем насыщения, соответствующий: для открытой схемы стенда - давлению и температуре жидкости на стороне всасывания; для закрытой схемы стенда - показателям жидкости в баке (резервуаре). 5.4.5.3 Характеристики жидкостей, для которых допустимы испытания на чистой холодной воде Подачу, напор и КПД насосов, предназначенных для работы на жидкостях, отличающихся от чистой холодной воды, допускается определять на чистой холодной воде, если данные натурной (рабочей) жидкости находятся в пределах, приведенных в таблице 5.5. Таблица 5.5 - Характеристики жидкостей
Обычно кривые NPSHR у изготовителей насоса построены по результатам испытаний на чистой холодной воде и значения NPSHR всегда даются для чистой холодной воды. Общее содержание растворенного и свободного газа в жидкости не должно превышать объем насыщения, соответствующий: для открытой схемы установки давлению и температуре жидкости на стороне всасывания насоса; для закрытой схемы установки - характеристикам жидкости в баке (емкости). Испытания насосов для жидкостей, отличающихся от указанных выше, следует осуществлять по специальным соглашениям (договоренностям). Если специальные соглашения отсутствуют, то кавитационные испытания проводят на чистой холодной воде. Если испытания проводят не на чистой холодной воде, то результат может быть ложным. 6 Анализ результатов испытаний6.1 Приведение результатов испытаний к гарантируемым и/или номинальным условиям 6.1.1 Общие сведения Показатели, требующиеся для подтверждения характеристик, гарантированных изготовителем (продавцом) и приведенных в разделе 4, обычно определяют в условиях, более или менее отличающихся от условий, на которых основана гарантия. Для подтверждения гарантий в случае проведения испытаний в негарантированных условиях значения измеренных показателей должны быть приведены к гарантированным условиям. 6.1.2 Перевод результатов испытания в данные, основанные на расчетной частоте вращения и плотности жидкости Все данные испытаний, полученные при частоте вращения n, отклоняющейся от расчетной частоты вращения nр, должны быть пересчитаны на расчетную частоту вращения nр. Если отклонение полученной частоты вращения при испытании n относительно расчетной частоты вращения nр не превышает допустимых отклонений, приведенных в 5.4.3, и отличие жидкости для испытаний от предусмотренной жидкости находится в пределах, оговоренных в 5.4.5.3, то данные измерений по подаче Q, напору Н, потребляемой мощности Р и КПД (η) можно пересчитать, используя равенства:
ηр = η (6,4) и результаты, полученные для NPSHR, можно представить, используя равенство: Как первое приблизительное значение для NPSH можно использовать x = 2, если выполнены расчетные условия, приведенные в 5.4.3 для частоты вращения и подачи, и физическое состояние жидкости при входе на рабочее колесо такое, что отсутствует воздействие газа, и оно не оказывает отрицательного влияния на работу насоса. Если насос работает на грани пределов кавитации или отклонение частоты вращения, полученных при испытаниях, от расчетной частоты превышает приведенные в 5.4.3, то на полученные результаты испытания и пересчета могут влиять, например, термодинамический эффект поверхностного натяжения или разность содержания поглощенного или выделенного газа. В этом случае значения показателя x находятся в пределах между 1,3 и 2, и, следовательно, необходимо соглашение между сторонами, чтобы определить величину x в формуле (6.5). Когда используют различные двигатели для привода насоса или когда гарантии определены относительно согласованной частоты и напряжения сети, вместо согласованной частоты вращения (см. 4.1), подачу, напор, потребляемую мощность и КПД пересчитывают с заменой расчета частоты вращения nр на частоту fр, a n на частоту f. Такое преобразование должно быть ограничено для случаев, где выбранная частота изменяется при испытании не более чем на 1 %. При этом напряжение сети при испытании не должно отклоняться более чем на 5 % (в сторону увеличения или уменьшения) от данных, на которых основана гарантия. В этом случае другие показатели насоса не требуют изменения. Если вышеупомянутые отклонения, т.е. ±1 % для частоты и ±5 % для напряжения, превышены, то покупатель и производитель (поставщик) должны выработать взаимное соглашение. Приведенные формулы и условия применяют и для приведения экспериментально полученных значений гидравлических показателей (характеристик) насоса к номинальным условиям, установленным в стандартах, технической документации или ПМ. Для этих случаев в 13.2 и 13.3 приведены расчетные (рабочие) формулы для определения экспериментальных показателей насоса и формулы приведения этих показателей к номинальным значениям, указанным в стандартах, технической документации, каталогах и ПМ. При испытании самовсасывающих насосов подачу воздуха при самовсасывании Qc следует пересчитывать на давление на входе в насос и номинальную частоту вращения по формуле
Высоту самовсасывания следует пересчитывать на номинальное атмосферное давление по формуле
где Рсн - разрежение на входе в насос в условиях испытания, Па, ρн - плотность жидкости при номинальных условиях, кг/м3. 6.1.3 Испытание, при котором NPSHA отличается от гарантированной Характеристика насоса с более высоким значением NPSHA, чем гарантированная, не может быть принята, если после ее приведения к номинальной частоте вращения в пределах по 5.4.3, указанная характеристика будет ниже гарантированной. Однако характеристика насоса с более низким значением NPSHA может приниматься, если обеспечено отсутствие кавитации в соответствии с 11.1.2.2 или 11.1.2.3, и после приведения к номинальной частоте вращения в пределах по 5.4.3 указанная характеристика будет выше гарантированной. 6.2.1 Общие сведения Каждое измерение несет неизбежную погрешность, даже если процесс измерения, используемые приборы, а также методы анализа полностью соответствуют требованиям настоящего стандарта и правилам. 6.2.2 Установление случайной погрешности Случайная погрешность возникает из-за несовершенства системы измерения или измерительных устройств (приборов), или обеих причин одновременно. В отличие от систематической погрешности случайная погрешность может быть уменьшена (снижена) за счет увеличения числа измерений одного и того же показателя при одних и тех же условиях. В настоящем стандарте случайная погрешность в измерении переменной величины принимается в виде удвоенного стандартного отклонения этой переменной величины. Погрешность измерения допускается определять и указывать подобно аналогичному измерению в соответствии с ИСО 5198 [2]. Когда частные ошибки (комбинация которых создает погрешность) независимы одна от другой, являются малыми и многочисленными и имеют распределение по закону Гаусса, с 95 %-ной вероятностью истинная ошибка (т.е., разность между измеренным значением и действительным значением) будет меньше, чем погрешность. 6.2.3 Максимально допустимая систематическая погрешность Погрешность измерения зависит частично от остаточного несовершенства прибора (инструмента) или метода измерения. После устранения всех известных погрешностей (ошибок) калибровки прибора, тщательной установки и измерения тем же самым прибором и по тому же методу погрешность все равно останется. Этот компонент погрешности (ошибки) называется «систематическая погрешность». В разделах 7 - 11 описаны различные методы измерения, приборы для измерения подачи, общего напора насоса, частоты вращения, потребляемой мощности насоса и NPSH в пределах точности для классов 1 и 2. Приборы и методы, которые известны и используются при калибровке приборов или на которые даны ссылки в международных и других стандартах, обеспечивают при их использовании систематические погрешности, не превышающие максимально допускаемые значения, приведенные в таблице 6.1, следовательно, эти приборы и методы измерения могут быть применимы для заинтересованных сторон (партнеров). Таблица 6.1 - Максимально допустимые значения систематических погрешностей
6.2.4 Суммарная погрешность измерения Другой составляющей суммарной погрешности является случайная погрешность, возникающая из-за несовершенства системы измерения или измерительных устройств (приборов) или обеих причин одновременно. В отличие от систематической погрешности случайная погрешность может быть уменьшена (снижена) за счет увеличения числа измерений одной и той же величины (параметра) при одних и тех же условиях. Суммарная погрешность измерения может быть вычислена путем извлечения квадратного корня из суммы квадратов систематической и случайной погрешностей. Суммарная погрешность измерений должна быть определена, насколько это возможно, сразу после испытания, принимая во внимание условия измерения и работы по проведению испытаний. Если выполнены рекомендации, относящиеся к систематической погрешности, как описано в 6.2.3, и все требования, относящиеся к процессу испытания, как описано в данном стандарте, можно предположить, что суммарная погрешность (при доверительной вероятности 95 %) не превысит значений, приведенных в таблице 6.2.
6.2.5 Погрешность определения КПД Коэффициенты суммарной погрешности определения КПД насосного агрегата и КПД насоса следует рассчитывать по следующим формулам:
если КПД рассчитан из крутящего момента и частоты вращения,
если КПД рассчитан из мощности насоса. Используя значения суммарных погрешностей таблицы 6.2, расчеты по формулам приведут к результатам таблицы 6.3. Таблица 6.3 - Расчетные значения суммарных погрешностей определения КПД
Погрешности, приведенные в таблицах 6.2 и 6.3, указывают на возможные отклонения значения показателя, полученного при испытаниях, от фактического значения этого показателя. 6.3 Значения допускаемых отклонений В каждом насосе имеются геометрические отклонения от чертежей из-за погрешностей изготовления его деталей, сборочных единиц и насоса в целом. При сравнении результатов испытания с гарантированными показателями (рабочими точками) предусмотрены допуски, включающие возможные отклонения рабочих данных испытуемого насоса от насоса без погрешностей изготовления. Необходимо иметь в виду, что допуски на рабочее состояние насоса, т.е. производственные отклонения, соотносятся с практическими показателями (данными) насоса, а не с условиями проведения испытаний и ошибками измерений (погрешностями). Для упрощения расчета гарантированных величин рекомендуется введение допускаемых отклонений. Эти допускаемые отклонения суммируют влияние геометрических отклонений на различные измеряемые показатели и различных измеряемых погрешностей (используемых методов испытания) на измеряемые и расчетные величины. Эти допускаемые отклонения ±tQ; ±tH и ±tη для подачи, напора и КПД насоса соответственно следует применять к гарантийным точкам QG; HG. При отсутствии специального соглашения на использование допусков необходимо использовать значения, приведенные в таблице 6.4.
Иные значения допускаемых отклонений, например, только в положительную сторону (т.е. со знаком плюс), можно оговорить в договоре. Характеристики насосов серийного производства, подобранные по типовым характеристикам, приведенным в каталогах, и насосов, имеющих потребляемую мощность менее 10 кВт, могут различаться. Допустимые отклонения для этих насосов приведены в приложении A. 6.4 Подтверждение гарантий Подтверждение каждого гарантированного значения следует выполнять путем сравнения результатов испытания с гарантированными значениями, оговоренными в договоре (включая ассоциированные допуски). 6.4.2 Подтверждение гарантий по подаче, напору и КПД Результаты измерений должны быть пересчитаны на номинальную частоту вращения (или частоту питающего тока) согласно 6.1.2 и представлены в графической форме. Кривая характеристики, наиболее полно охватывающая реально полученные результаты (режимные точки), покажет реальную характеристику данного насоса. Контролируя гарантируемую точку подачи QG и напора HG, следует учитывать допуски по горизонтальной оси ±tQ·QG и по вертикальной оси ±tH·HG. Гарантия по напору и подаче считается подтвержденной, если кривая характеристики H(Q) пересекает горизонтальную и (или) вертикальную линии, образованные допусками по напору и подаче, либо хотя бы касается одной из них (см. рисунок 6.1). КПД определяют для точки пересечения построенной по результатам испытаний кривой H(Q) с прямой линией или квадратичной параболой, проходящей через гарантируемую точку QGHG и начало координат характеристики, т.е. в том месте, где вертикальная линия, проходящая через эту точку, пересекает кривую η(Q). Гарантированное значение КПД считается подтвержденным, если его значение в данной точке пересечения больше или, как минимум, равно ηg·(1 - tη) - см. рисунок 6.1. Примечание - Если реально измеренные значения Q и H превышают гарантированные QG и HG, но остаются в пределах допусков QG + (tqQG) и HG + (tHHG), а КПД также лежит в пределах допуска, то реальное энергопотребление может оказаться выше указанного в технической характеристике.
Рисунок 6.1 - Подтверждение гарантий по подаче, напору и КПД 6.4.3 Подтверждение гарантированного NPSH Для проверки гарантированного NPSHR необходимо следовать указаниям 11.1. 6.5 Получение необходимых характеристик 6.5.1 Обточка рабочего колеса по диаметру Если во время испытаний оказывается, что характеристика насоса выше необходимой (расчетной), то обычно проводят обточку рабочего колеса по диаметру. Если разность между необходимыми (расчетными) и измеренными значениями небольшая, то можно избежать новых испытаний, применив методы пересчета, которые позволяют оценить новые характеристики. Применение этого метода и практические действия по обточке диаметра рабочего колеса должны быть согласованы обеими сторонами. В приложении K даны указания, которые можно применить, если обточка наружного диаметра рабочего колеса не превышает 5 % для насосов, типовой определитель которых K менее 1,5, или понижение напора при обточке не превышает 5 %. 6.5.2 Изменение частоты вращения Если насос, работающий от привода с регулируемой частотой вращения, не отвечает установленным гарантиям или превышает гарантированные показатели, то значения, полученные при испытаниях, можно пересчитать на другую частоту вращения, следя за тем, чтобы не была превышена максимально допустимая постоянная частота вращения. Если нет специального соглашения, то максимально допустимая частота вращения может быть принята равной 1,02np. В этих случаях проведение новых испытаний не требуется. 7 Измерение подачиИСО 4185 [3] дает всю необходимую информацию для измерения подачи жидкости методом взвешивания. Метод взвешивания, который дает только значение средней подачи жидкости за период времени, необходимого для заполнения взвешиваемого резервуара, может считаться самым точным методом измерения подачи. Погрешности этого метода связаны с процессом взвешивания, подсчетом времени заполнения, определением плотности с учетом температуры жидкости, а также могут быть погрешности, связанные с отводом потока (статический метод) или динамическими явлениями в процессе взвешивания (динамический метод). ИСО 8316 [4] дает всю необходимую информацию для измерения подачи жидкости методом измерения объема. Объемный метод похож по точности измерения на метод взвешивания, определяет среднюю подачу за период времени, требующийся для заполнения емкости измерения. Калибрования резервуара можно достичь путем измерения объема воды взвешиванием или наполнением мерными емкостями объема бака. Объемный метод имеет свои погрешности, связанные с калиброванием резервуара, измерением уровней, измерением времени заполнения, а также погрешности, связанные с отводом потока жидкости. Более того, следует проверять герметичность резервуара, устранять протечки, если это потребуется. С другой стороны, имеется вариант объемного метода, который допускает использовать при испытаниях в естественных условиях на рабочих местах, где требуется определение больших подач потока и можно использовать естественные (природные) резервуары, как емкости для измерения, объем которых определяют геометрические и топографические методы. Указания по применению этого метода даны в МЭК 60041 [5]. Необходимо обратить внимание на то, что точность этого метода в немалой степени зависит от трудности измерения уровней воды, которые могут быть непостоянными, неравномерными. 7.3 Устройства с перепадом давления Конструкция, установка и применение пластин с отверстием (диафрагм), сопел, водомеров Вентури описаны в ИСО 5167-1 [6], а ИСО 2186 [7] приводит описание спецификаций трубопроводов подсоединения манометров к устройствам. Следует обратить внимание на минимальные прямолинейные участки трубы, присоединенной выше по течению от приборов измерения перепада давления; подобное описание дано в [7] для различных конфигураций труб. Приборы измерения перепада давления необходимо устанавливать по течению ниже насоса (это не оговорено в справочных таблицах). Считается, что насос может нарушать положения данного международного стандарта, создавая отклонения в значениях потока при наличии изгиба 90° в одной плоскости за счет корпуса-улитки в последней ступени многоступенчатого насоса или в выходном патрубке насоса. Необходимо иметь в виду, что диаметр трубы и число Рейнольдса должны находиться в пределах, оговоренных в [7] для каждого типа прибора (устройства). Приборы измерения потока не должны быть подвержены влиянию кавитации или дегазирования, которые могут возникнуть, например, в регулирующем клапане. Наличие воздуха можно обычно обнаружить при работе воздушных клапанов на измерительных устройствах. Необходимо иметь возможность проверять приборы измерения перепадов давления путем сравнения их показаний с показаниями жидкостного или грузопоршневого манометра, или другими калибровочными стандартными методами измерения давления. Если соблюдены все требования стандартов, то коэффициенты подачи, приведенные в стандартах, могут использоваться без калибрования (эталонирования и поверки). Измерение расхода и количества жидкости и газов методом переменного перепада давления - в соответствии с ГОСТ 8.563.1, ГОСТ 8.563.2, ГОСТ 8.563.3, ГОСТ 8.563.4, ГОСТ 8.563.5. 7.4 Тонкостенные водосливы Спецификации для сборки, установки и использования прямолинейных или треугольных тонкостенных водосливов даны в ИСО 1438-1 [8], ИСО 4373 [9] и содержат описание устройства для измерения уровня. Необходимо обратить особое внимание на высокую чувствительность этих устройств к состоянию потока выше по течению и, таким образом, к необходимости строгого выполнения требований, предъявляемых к подводящему каналу. Для использования настоящего стандарта наименьшее деление шкалы всех приборов, используемых для измерения напора на водосливе, не должно превышать 1,5 % измеряемой скорости потока (подачи). 7.5 Методы измерения скорости на участке (отрезке) Эти методы связаны с измерениями подачи в закрытых трубопроводах, используя счетчики потока и, соответственно, статические трубки Пито. Сложность этих методов не оправдывает их применения для испытаний по классу 2, но иногда они являются единственными способами при испытании насосов с большими подачами при испытании по классу 1. За исключением очень длинных трубопроводов, предпочтительно располагать измерительную секцию (сечение) вверх по течению от насоса, чтобы избежать слишком большой турбулентности или завихрения потока. 7.6 Методы изотопных индикаторов Методы, используемые для измерения скорости потока в трубах, - метод растворения (впрыскивания на постоянной скорости) и метод транзитного времени, описаны в ИСО 2975-1 [10], ИСО 2975-2 [11], ИСО 2975-3 [12], ИСО 2975-6 [13], ИСО 2975-7 [14]. Каждый метод использует или радиоактивные, или химические индикаторы. Если сравнивать с методами определения скорости на отрезке (участке), то методы индикаторов распространяются только для испытаний по классу 1. Их должны проводить только специалисты, при этом следует иметь в виду, что использование радиоактивных индикаторов относится к группе определенных ограничений. 7.7 Другие методы Некоторые аппараты (приборы), такие как турбины, вертушки, электромагнитные (ИСО 9104 [15]) или ультразвуковые, вихревые счетчики и счетчики переменной скорости, также допускается применять, но необходимо убедиться в том, что они калиброваны заранее одним из методов, приведенных в 7.1 или 7.2. При постоянной установке на месте испытаний необходимо предусмотреть возможность их периодической поверки и калибровки. Измеритель потока (расходомер) и связанную с ним измерительную систему калибруют совместно. Калибровку обычно проводят в рабочих условиях (давление, температура, качество воды) перед проведением испытаний; необходимо обратить внимание на то, чтобы при испытании расходомер не подвергался влиянию кавитации. Турбинным и электромагнитным расходомерам не требуется длинная прямая труба для подвода (для большинства случаев достаточно иметь длину, равную пяти диаметрам трубы) для получения показаний высокой точности. Ультразвуковые расходомеры очень чувствительны к перераспределению скорости и должны быть калиброваны при фактических условиях их работы. Использование таких расходомеров должно быть ограничено 2-м классом испытаний. 7.8 Расположение сечения для измерения подачи Практически рекомендуется подачу насоса измерять на выходе из насоса после мест отбора жидкости на собственные нужды насоса (охлаждение, промывку, смазку, подачу в уплотнение и т.д.). При испытаниях на местах эксплуатации насосов или в случае технической невозможности обеспечить указанное требование допускается измерение подачи на входной линии насоса. При определении места расположения мерного сечения на напорной линии следует считать, что по влиянию на неравномерность потока насос эквивалентен изгибу трубопровода под углом 90° в плоскости, совпадающей с плоскостью изгиба отвода насоса. 7.9 Измерение и погрешность измерения подачи Измерение подачи в виде объема или массы жидкости в единицу времени допускается осуществлять любым из вышеизложенных методов. Конкретный метод измерения подачи указывают в ПМ. Погрешности измерения подачи должны соответствовать таблице 6.2 для соответствующего класса точности. 8 Измерение напора насоса8.1 Общие сведения Полный напор насоса определяют в соответствии с его определением, приведенным в 3.1.19. Выраженный как высота столба перекачиваемой жидкости, он представляет собой энергию, передаваемую насосом единице массы жидкости, деленную на ускорение свободного падения. Понятие напор можно заменить на удельную энергию y = gH, (см. 3.1.20), что представляет собой энергию, передаваемую насосом единице массы жидкости, хотя такое определение применяется реже, но рекомендуется. Различные значения, рекомендованные для расчета напора (см. 3.1.19), следует, как правило, определять во входном сечении S1 и в выходном сечении S2 насоса (или агрегата в комплекте с фитингами, которые присутствуют при испытании). Практически, для удобства и точности расчета, измерения проводят в основном в поперечных сечениях Sr и Sz немного ниже от S1 и выше от S2 (рисунок 8.1). Необходимо учитывать потери от трения жидкости в трубе на участках между S1 и S1' - Hj1 и между S2 и S2 - Hj2 (неизбежные местные потери напора), полный напор насоса при этом следует вычислять по формуле H = H2 - H1 + Hj1 + Hj2, (8.1) где H1 и H2 - полные напоры в сечениях S1 и S2.
H = H1 - H2,
Примечания 1 Наклонное расположение насоса показывает, что z1 и z2 или z1' и z2' соответственно, могут различаться, что подразумевает различие соответствующих давлений. 2 На рисунке показан принцип действия насоса, но не технические детали. Рисунок 8.1 - Определение полного напора насоса 8.1.2 Различные методы измерения В зависимости от условий установки насоса и расположения сети
трубопроводов напор насоса может быть определен или отдельным измерением
разности давления на входе и выходе ∆H, или измерением разности давления
на входе и выходе Полные напоры можно также получать из данных давления в трубопроводах или из измерений уровней воды в хранилищах (емкостях). В этих случаях используются требования 8.2 - 8.4, которые имеют дело с выбором и расположением мерных сечений, различными измерительными средствами, которые могут быть использованы, и определением скоростного напора. 8.1.3 Погрешность измерений Погрешность измерения общего напора насоса можно получить путем суммирования погрешностей каждого составляющего показателя; таким образом, способ проведения расчета зависит от метода проведения измерений, и, насколько это возможно, здесь можно дать исходную общую информацию о различных возникающих отклонениях (погрешностях): - погрешности (ошибки) в измерении высоты в основном незначительны по сравнению с другими источниками погрешности; - погрешности скоростного напора возникают, с одной стороны, от погрешности при измерении скоростей потока (или подачи) и площади сечения, с другой стороны, оттого, что принятые U2/2g за расчетное значение среднего скоростного напора, являющегося значением приблизительным, которое приобретает большую точность при более равномерной скорости перемещения. Эти погрешности могут быть очень важны, как значения относительные, для низконапорных насосов; - погрешности при измерении уровней и давлений следует рассчитывать в каждом конкретном случае, учитывая не только тип использованного прибора, но также и условия его применения (количество дренажных отверстий, водонепроницаемость соединительных линий), а также характеристики потока (неравномерность, биение, отклонение, давление). 8.2 Определение мерных сечений 8.2.1 Испытание насоса на стандартной установке (стандартном стенде) 8.2.1.1 Мерное сечение на входе Когда насос испытывают на стандартном испытательном стенде с условиями, как описано в 5.3.2, мерное сечение на входе насоса должно располагаться на расстоянии двух диаметров от входного патрубка насоса вверх по течению (т.е. против течения), если позволяет подводящая труба. Если длина трубы недостаточная (например, короткий раструб) и нет заблаговременного согласования, имеющуюся прямую часть трубы необходимо поделить как удобно по месту вверх или вниз по направлению потока от мерного сечения (например, в отношении вверх:вниз по течению как 2:1). Мерное сечение на входе должно находиться на прямом отрезке трубы одного диаметра соосно со входным патрубком насоса, чтобы условия движения потока были как можно ближе к рекомендуемому в 5.3.2. При наличии изгиба на коротком участке трубы перед мерным сечением вверх по течению и использовании одного или двух отверстий отбора давления (для класса 2) они должны располагаться перпендикулярно к плоскости изгиба.
Примечание 1 - линия полного напора (полной энергии). В этом случае для горизонтального вала z1 - zD = z1' Рисунок 8.2 - Определение полного напора насоса (изометрическая иллюстрация) При испытании по классу 2, если отношение скоростного напора на входе к полному напору насоса очень низкое (менее 0,5 %) и сведения о полном напоре на входе не очень важны (не требуются для испытаний NPSH), допускается, чтобы мерное сечение отбора давления находилось непосредственно на входном фланце насоса, а не на трубопроводе (на расстоянии двух диаметров от фланца вверх по течению). Полный напор на входе определяют из измеренного напора измерительным прибором из высоты измеряемой точки над эталонной плоскостью и из скоростного напора, рассчитанного как если бы во всасывающей трубе преобладало равномерное движение жидкости. Погрешности при измерении напора на входе могут происходить частично из-за предварительного завихрения потока. Эти отклонения можно обнаружить и исправить следующим образом: - если насос всасывает из резервуара со свободной поверхностью, где уровень воды и действующее на него давление постоянны, то потеря напора между резервуаром и измерительным сечением на входе при отсутствии завихрения пропорциональна закону квадратов скорости потока (подачи). Значение общего напора на входе должна подчиняться этому же закону. Если эффект предшествующего завихрения при низких скоростях потока ведет к отклонению данного соотношения, то общий измеренный напор на входе должен быть откорректирован, принимая в расчет эту разницу (см. рисунок 8.3); - если насос всасывает из резервуара с непостоянным уровнем и давлением, то необходимо выбрать другое мерное сечение для измерения на трубопроводе, где точно известно об отсутствии предшествующего завихрения, а также учесть потери напора между двумя мерными сечениями (а не непосредственно в месте измерения общего напора) так же, как это описано выше.
Рисунок 8.3 - Корректировка полного напора на входе 8.2.1.2 Мерное сечение на выходе Обычно мерное сечение на выходе располагается на расстоянии двух диаметров от выходного патрубка насоса. Для насосов, у которых скоростной напор на выходе меньше 5 % полного напора насоса, для 2-го класса испытания мерное сечение на выходе может располагаться непосредственно у выходного патрубка или на самом выходном патрубке. Мерное сечение на выходе должно быть расположено на прямолинейном участке трубопровода, соосном выходному патрубку насоса, и иметь с ним одинаковый диаметр. Если в мерном сечении имеются одно или два отверстия для отбора давления (при испытании по 2-му классу), они должны быть перпендикулярны к плоскости «улитки» или любого изгиба корпуса насоса (см. рисунок 8.4).
Рисунок 8.4 - Отбор давления в точке (точках), расположенных перпендикулярно к плоскости «улитки», или, соответственно, плоскости изгиба Общий напор на выходе слагается из измеренного напора, высоты измеряемой точки над эталонной поверхностью и скоростного напора, рассчитанного как если бы в напорном трубопроводе преобладала равномерная скорость движения жидкости; на расчет (определение) общего напора может влиять завихрение потока, вызванное работой насоса, или неравномерной скоростью, или перепадом давления; отбор давления можно расположить подальше вниз по направлению движения потока. Потери напора между мерным сечением и выходным патрубком насоса в этом случае следует учитывать (см. 8.2.4). 8.2.2 Испытание насоса с арматурой Если испытания являются комбинированными для насоса и подводящей и отводящей арматуры, считающейся неотъемлемой частью насоса, положения 8.2.1 следует применять к входным и выходным фланцам арматуры вместо фланцев насоса. В этом случае дополнительные потери за счет арматуры относят к насосу. Тем не менее, если гарантируется только эффективность работы насоса, необходимо определять потери от трения и возможные местные потери напора между мерными сечениями на входе и входным фланцем насоса Hj1 и между выходным фланцем и мерным сечением на выходе Hj2 в соответствии с методом, описанным в 8.2.4 и принятым во внимание при расчете полного напора насоса. Вышеупомянутое применяется, если арматура - часть оборудования и, таким образом, является неотъемлемой частью насоса. 8.2.3 Погружные и скважинные насосы Насосы этого типа нельзя испытать на стандартных установках, как описано в 5.3.2, схема их установки показана на рисунке 8.5.
Рисунок 8.5 - Измерение полного напора насоса H для различных типов погружных насосов Полный напор на входе равен высоте расположения свободного уровня жидкости, закачиваемой насосом, относительно эталонной плоскости, плюс напор, равный манометрическому давлению над поверхностью жидкости. По согласованию изготовителя и заказчика допускается проводить испытания погружных и скважинных насосов в горизонтальном положении. В зависимости от обстоятельств полный напор на выходе можно определить или измерением давления в нагнетательном трубопроводе (см. 8.2.1.2), или, если насос подает жидкость в резервуар со свободной поверхностью, измерением уровня в данном резервуаре. В этом случае при условии, что жидкость у поверхности находится в состоянии покоя, напор на выходе равен высоте свободной поверхности жидкости в емкость, в которую насос закачивает, над эквивалентной плоскостью плюс напор, эквивалентный манометрическому давлению над этой поверхностью. При этом следует учитывать все виды потерь напора между мерными сечениями. При необходимости, потери напора из-за трения между мерными сечениями и контрактными границами насоса могут быть определены согласно методу, описанному в 8.2.4. Местные потери напора из-за особенностей цепи (схемы) трубопровода и различной арматуры (всасывающего фильтра, обратного клапана, изгиба на нагнетательной линии, вентилей, расширителей и т.п.) должны максимально оговариваться в контракте стороной, которая предоставляет эту арматуру. Если это невозможно, покупатель и производитель (поставщик) перед началом испытаний должны согласовать возможные значения. Так как погружные насосы обычно не испытывают со всеми необходимыми вертикальными трубопроводами, исключая приемочные испытания на рабочем месте, потери напора от трения в недостающих частях должны быть учтены и оговорены (согласованы) с покупателем. Если возникает необходимость подтверждения расчетных характеристик при установке на рабочем месте, то это должно быть оговорено в договоре. При испытании насосов этого типа в договоре следует указать, распространяются ли гарантии только на насос или на насос с учетом арматуры. 8.2.4 Потери трения на входе и выходе Гарантии по 4.1 относятся к входному и выходному фланцам насоса, а точки измерения давления (мерные сечения), как правило, расположены на определенном расстоянии от этих фланцев (см. 8.2.1 - 8.2.3). Поэтому может возникнуть необходимость прибавить к общему измеренному напору насоса потери напора из-за трения (/-/;1 и Hj2) между точками измерения (мерными сечениями) и фланцами насоса. Такую корректировку следует применять, если: Hj1 + Hj2 ≥ 0,005H, для класса 2 или Hj1 + Hj2 ≥ 0,002H, для класса 1. Если труба между измеряемыми точками и фланцами не засорена, прямая, имеет равные поперечные сечения и длину L, тогда:
λ определяют из выражения: где k - шероховатость трубы (эквивалентная); D - диаметр трубы;
В приложении L показано, надо ли делать корректировку и как ее рассчитать, если необходимо. Если труба засорена, непрямая, не имеет равномерного поперечного сечения, то необходимость применения корректировки следует отдельно согласовать в договоре. 8.3 Измерение уровня воды 8.3.1 Установка измерительного устройства (секции) В процессе измерения поток должен быть равномерным без местных помех. Если на свободной поверхности воды появляется волна или зыбь, то необходимо, в зависимости от используемого измерительного устройства, установить емкость (колодец) для успокоения воды, которая связана с резервуаром перфорированной пластиной; отверстия пластины должны быть достаточно маленькими (от 3 до 5 мм в диаметре), способными полностью погасить биение давления. 8.3.2 Измерительные приборы Место подсоединения прибора (устройства) для измерения уровня свободной поверхности жидкости и выбор собственно прибора должны исключать их влияние на определение полного напора насоса. Различные типы приборов для измерения уровня воды допускается использовать в зависимости от обстоятельств (доступность к свободной поверхности, гладкая или волнистая поверхность и т.д.), требуемой точности относительно общего напора насоса. Наиболее часто используют: - вертикальные или наклонные жидкостные приборы (индикаторы), крепящиеся к стенке; - приборы точечного или крючкового крепления, которым требуется спокойный колодец и крепежная рама, установленная как можно ближе к спокойной поверхности; - приборы на пластине, состоящие из горизонтального металлического диска, подвешенного на градуированной стальной (резиновой) ленте; - поплавковые приборы, используются только на спокойной воде колодца; - гидравлические манометры абсолютной или дифференциальной формы, как описано ниже в 8.4.3.1; - пузырьковые аппараты, использующие продувку сжатым воздухом; - погружные преобразователи давления. Последние три типа особенно подходят для использования в труднодоступных к поверхности воды местах. Эти аппараты описаны в [9]. 8.4.1 Отводы давления Для испытаний по классу 1 четыре отбора для измерения статического давления должны быть расположены симметрично вдоль окружности в каждом мерном сечении (см. рисунок 8.6 а). Для испытаний по классу 2 обычно достаточно одного отвода для измерения статического давления в каждом мерном сечении, но если поток неравномерный или подвержен завихрениям, то требуются два и более отводов (см. рисунок 8.6 б).
1 - продувка; 2 - выпуск; 3 - соединительная трубка манометра Примечание - а - класс 1, четыре отвода, соединенные с кольцевым коллектором; б - класс 2, допускается одно отверстие для соединения с манометром. Рисунок 8.6 - Требования к отверстиям отбора давления За исключением особых случаев, где положение определяется размещением трубопровода (см. 8.2.1.1 и 8.2.1.2), отвод(ы) давления не следует устанавливать (располагать) ни у самой высокой, ни у самой низкой точки поперечного сечения трубопровода. Отводы статического давления следует выполнять с соблюдением требований, указанных на рисунке 8.7. Они не должны иметь заусенцев и неровностей, должны быть перпендикулярны к стенке трубы и быть с ней заподлицо.
Рисунок 8.7 - Требования к отверстиям отбора давления Диаметр отверстий для отбора давления должен быть от 3 до 6 мм или равней 1/10 диаметра трубы, принимается меньший из двух. Длина отверстия отбора давления не должна быть меньше 2,5d отверстия. Внутренняя поверхность трубы, на которой выполнены отводы для отбора давления, должна быть чистой, гладкой, стойкой к химическому воздействию перекачиваемой жидкости. Любое покрытие этой поверхности (например, окраска) должно быть неповрежденным. Если труба имеет продольный сварной шов, отверстия должны быть расположены как можно дальше от него. Когда используется несколько отводов давления, они должны быть снабжены отсечными (запорными) кранами на трубках, соединенных с кольцевым коллектором, поперечное сечение которого должно быть не менее суммы поперечных сечений отводов, чтобы, если потребуется, можно было измерить давление индивидуально в каждом отводе при обычном режиме испытания насоса. Если одно из показаний дает разницу более 0,5 % общего напора по сравнению со средним значением из четырех показаний или отклонение превышает показатель скоростного напора в измеряемом сечении, то нужно установить причину этого отклонения и повторить испытание в исправленных условиях. Если эти отводы используют для определения NPSH, то отклонения не должны превышать NPSH на 1 % или на значение скоростного напора на входе насоса. Трубы, соединяющие отводы давления с возможными устройствами поглощения колебаний (см. 5.4.2.2) и приборами, должны иметь внутренний проход, совпадающий с проходом отводов давления. В системе не должно быть протечек. В верхней точке соединений должен быть установлен продувной кран, чтобы избежать накопления пузырьков воздуха при проведении измерений. По возможности рекомендуется использовать прозрачную трубку для обнаружения присутствия воздуха. В [7] даются указания об использовании соединительных трубок. 8.4.2 Корректировка для разности высоты Корректировка показания давления PM за счет разницы высоты ZM - Z между значениями в середине мерного сечения и плоскостью прибора измерения давления может быть проведена по формуле P = PM + ρfg(ZM - Z), (8.4) где ρf - плотность жидкости в соединительной трубке. Примечание - Необходимо иметь уверенность, что во всей соединительной трубке находится одна и та же жидкость. Возможные погрешности сводятся к минимуму при использовании коротких горизонтальных соединительных трубок (ZM - Z ≈ 0). 8.4.3 Приборы измерения давления Жидкостный манометр, который не требует калибровки, допускается использовать для измерения низких (малых) давлений. Наиболее часто используемые манометрические жидкости - вода и ртуть, но можно использовать и другие жидкости, по плотности соответствующие измеряемым давлениям. По возможности следует избегать столба жидкости высотой менее 50 мм. Эту высоту можно изменить (увеличить), используя наклонный манометр или другую жидкость в манометре. Если такие модификации невозможны, следует обратить особое внимание на погрешности измерений. Для сведения к минимуму капиллярных эффектов проходное сечение трубок манометра должно быть не менее 6 мм в диаметре для ртутных манометров и 10 мм - для водяных манометров и других жидкостей, результаты в обоих случаях должны быть одинаковы. Чистоту жидкости в манометре и чистоту внутренних стенок трубок следует поддерживать постоянно во избежание погрешностей измерения из-за поверхностного натяжения. Конструкция манометра должна сводить к минимуму погрешности параллакса. Расстояние между двумя соседними делениями шкалы - 1 мм. Гидравлические манометры могут иметь открытые торцы или могут быть заполнены воздухом трубопровода, соединяющего оба колена, сжатым до значения, позволяющего снять показания дифференциального напора со шкалы, или иметь форму U-образной трубки, заполненной манометрической жидкостью. В первом случае давления измеряют для фиксированной плоскости и выше окружающего атмосферного давления, которое принимают за постоянное значение. Два последующих типа позволяют получать общий напор насоса единичным измерением перепада давления (см. рисунок 8.8).
Примечание - На схемах показан только принцип, а не технические детали. Рисунок 8.8 - Определение полного напора насоса дифференциальным манометром Когда соединительная трубка заполнена воздухом, остаточный столб (высотой h) перекачиваемой жидкости может остаться на уровне ртутного столба, тогда P - PM - |ρgh|. 8.4.3.2 Весовые манометры Для давлений, выходящих за пределы возможностей обычных жидкостных манометров, на практике применяют весовые манометры или поршневые простой или дифференциальной формы. Их можно использовать за пределами минимального давления, соответствующего массе вращающегося устройства. Эффективный диаметр De манометра простого типа может быть принят как равенство для арифметического значения диаметра поршня Dp, непосредственно измеренного, и также для диаметра цилиндра Dc; затем этот показатель допускается использовать для расчета давлений без дальнейшего калибрования, если перед проведением испытания выполнено следующее условие:
Трение между поршнем и цилиндром можно практически уменьшить, вращая поршень со скоростью не менее 30 мин-1. Желательно проверить манометр собственного веса, сравнивая с гидравлическим манометром, определить ширину эффективного диаметра поршня в диапазоне давления. 8.4.3.3 Пружинные манометры В этом приборе используется для определения значения давления механическое отклонение петли трубы, прямой или спиральной (манометр Бурдона с круговой шкалой), или деформацию мембраны, показывающую давление. Если для измерения давления на входе или выходе используют этот тип прибора, то рекомендуется: a) каждый прибор использовать на оптимальном диапазоне измерения (свыше 40 % его шкалы); b) интервал между двумя последовательными делениями шкалы должен быть в пределах 1,5 - 3,0 мм; c) чтобы деления шкалы соответствовали не более 5 % общего напора насоса. Калибровку данного измерительного прибора необходимо проверять регулярно. На рисунке 8.9 показана установка для определения эталонной плоскости пружинного манометра.
1 - эталонная
плоскость манометра; 2 -
открыто в атмосферу 8.4.3.4 Другие типы манометров Имеется большая разновидность абсолютных или дифференциальных преобразователей (датчиков) давления, основанная на вариантах исполнения и (или) электрических свойствах. Примечание - При их использовании достигается требуемая точность, повторяемость и надежность показаний. Преобразователь (датчик) используется в оптимальном диапазоне измерения, преобразователь с электронным оборудованием калибруют регулярно и сравнивают с устройством измерения давления более высокой точности и надежности. 9 Измерение частоты вращенияЧастота вращения может быть измерена путем подсчета числа оборотов за установленный период времени, для этого используется тахометр прямых показаний, тахометрический генератор постоянного тока или переменного тока, оптический или магнитный счетчик или стробоскоп. Если насос приводится в действие электродвигателем переменного тока, то частоту вращения можно установить путем наблюдения за частотой энергетической сети или данными, которые предоставляет производитель электродвигателя или измерениями непосредственно на рабочем месте (например, при использовании индукционной катушки). Частоту вращения в этом случае определяют по формуле
где i - число полюсов электродвигателя; f - частота сети, Гц; j - число отраженных сигналов, подсчитанных за период времени ∆t, измеренных стробоскопом, синхронизированным с энергосистемой. Там, где частоту вращения невозможно измерить напрямую (например, у погружных насосов), необходимо определять частоту энергосистемы и напряжение. 9.1 Измерение частоты вращения косвенным путем Для насосов, у которых прямое измерение частоты вращения технически невозможно (например, насосы и электронасосы герметичные, моноблочные двусторонние электронасосы и т.п.), допускается частоту вращения определять косвенным путем (методом), зависящим от типа и конструкции насоса и приводящего насос двигателя, по методикам, утвержденным в установленном порядке. Для насосов с приводом от электродвигателя переменного тока частота вращения насоса при его жестком соединении с электродвигателем может быть определена стробоскопическим методом или методом биений электрического поля. Для этого в отрезок времени не менее 12 - 15 с измеряют по предварительно оттарированным приборам (стробоскопу и частотомеру) число оборотов метки на роторе насоса или двигателя или число биений электрического поля, частоту и напряжения питающей сети. Частоту вращения n, об/мин, вычисляют по формулам: при стробоскопическом методе:
При методе биения электрического поля:
где P - число пар полюсов электродвигателя; Z и Zn - соответственно кажущееся число оборотов метки или число биений поля; fc - частота сети, Гц; t - время целого числа Z и Zn. 10 Измерение мощности насоса10.1 Общие сведения Мощность насоса можно определить по измерениям частоты вращения и крутящего момента или измерением потребляемой мощности двигателя и известного его КПД при непосредственном соединении насоса к приводу. Если подводимая к электродвигателю мощность идет через промежуточную шестеренную передачу (редуктор) или частота вращения и крутящий момент, измеренные счетчиком, установленным между редуктором и электродвигателем, используются для определения мощности насоса, то в договоре необходимо оговорить, каким образом должны быть рассчитаны потери в редукторе. Больший объем информации по данному методу - в [2]. 10.2 Измерение крутящего момента Крутящий момент измеряют соответствующим динамометром или моментомером, отвечающим требованиям таблицы 6.2. Измерение крутящего момента и частоты вращения должно быть практически одновременным. 10.3 Измерение электрической мощности Если входная электрическая мощность, подводимая к насосному агрегату используется для определения мощности насоса, КПД электродвигателя должен быть известен с достаточной точностью. КПД должен рассчитываться в соответствии с МЭК 60034-2 [16] и указываться производителем электродвигателя. Мощность, потребляемую электродвигателем переменного тока, следует измерять методом двойного или тройного ваттметра. Это достигается использованием однофазных ваттметров, измеряющих одновременно две или три фазы, или установкой ватт-час метров. При использовании электродвигателя постоянного тока можно применять ваттметр, или амперметр и вольтметр. Тип и класс точности приборов для измерения электрической мощности должны соответствовать ГОСТ 30012.1. 10.4 Специальные случаи 10.4.1 Насосы с труднодоступными выходными концами При использовании электронасосов (например, погружного насоса или моноблочного насоса, или отдельно насоса и электродвигателя с гарантированным КПД) мощность агрегата, если это доступно, следует измерять на клеммах электродвигателя. При использовании погружного насоса измерение эффективно на входящих концах кабеля, потери кабеля необходимо принимать в расчет и оговаривать в договоре. Полученный КПД должен складываться для агрегата в целом, исключая потери кабеля и стартера (пускателя). В погружных насосах необходимо принимать в расчет мощность, затрачиваемую в упорном подшипнике, вертикальной трансмиссионной передаче и ее подшипниках. Так как погружные насосы обычно не испытывают со всеми прикрепляемыми трубами, если приемочные испытания проводят не на месте установки, потери от упорных подшипников и вертикальной трансмиссионной передачи должны быть установлены и подтверждены изготовителем (поставщиком). 10.4.3 Насосные агрегаты с общим осевым подшипником (отличающиеся от насосов с закрытой муфтой) Если мощность и КПД электродвигателя и насоса следует определять раздельно, то необходимо принимать в расчет осевую силу и, возможно, массу ротора насоса в осевом упорном подшипнике. 10.4.4 Определение общего КПД насосного агрегата Определение КПД насосного агрегата с приводом, работающим в условиях, оговоренных контрактом, путем измерения только мощности на входе и выходе агрегата проводят в соответствии с контрактом. При таком испытании не устанавливается пропорция потерь между приводом и насосом, а также не устанавливаются любые потери, связанные с промежуточными приспособлениями типа шестеренчатого редуктора или устройства изменения скорости. 11 Кавитационные испытания11.1.1 Объект кавитационных испытаний Проведение испытаний связано только с измерениями, относящимися к гидравлической области насоса (измерениями напора, подачи, КПД) и не связано с явлениями, которые могут быть вызваны кавитацией (шумом, вибрацией, повреждением материала и т.п.). Указанные кавитационные испытания не допускается проводить с целью проверки отсутствия кавитационной эрозии насоса в процессе его работы. Кавитация может быть обнаружена как падение напора или КПД при данной подаче или как падение подачи или КПД при данном напоре. Чаще всего используется значение падения напора при заданной подаче. У многоступенчатых насосов падение напора должно относиться к напору первой ступени, который должен быть измерен, если это возможно. Кавитационные испытания, как правило, проводят на чистой холодной воде. Но кавитационные испытания на воде не могут точно предсказать «поведение» насоса при работе на жидкостях, отличных от чистой холодной воды (см. 5.4.5). Если испытания проводят на жидкости при высокой температуре или почти на критических режимах (точках), то измерение NPSH с требуемой точностью может оказаться трудным или почти невозможным (см. 11.3.3). Имеются различные типы кавитационных испытаний. 11.1.2.1 Проверка гарантированных характеристик при заданном NPSHA Проверкой можно просто установить подачу при заданном NPSHA без проверки влияния кавитации. Насос отвечает требованиям, если гарантированный полный напор насоса и его КПД достигнуты согласно 6.4.1 при расчетной подаче и значении NPSHA. 11.1.2.2 Проверка отсутствия влияния кавитации на подачу насоса при расчетном NPSHA Следует подтвердить проверкой, что подача насоса не подвержена влиянию кавитации при расчетных условиях работы. Насос отвечает предъявляемым требованиям, если при испытаниях при повышенном NPSH по сравнению с NPSHA насос дает полный напор и КПД при постоянной подаче. При проведении данного испытания NPSH уменьшается прогрессивно до тех пор, пока падение общего напора насоса (первой ступени) при постоянной подаче не достигнет 3 %. NPSH будет называться NPSH3 (см. таблицу 11.1 и рисунки 11.1 - 11.3). Для насосов с очень низким напором величину падения полного напора насоса необходимо согласовывать. Таблица 11.1 - Методы определения NPSH3
11.1.2.4 Другие кавитационные испытания Можно использовать другой критерий кавитации (например, повышение шума) и соответствующий тип кавитационных испытаний. В этом случае необходимо специальное соглашение, оговоренное в договоре. 11.2 Испытательные установки (стенды) 11.2.1 Общие замечания Испытания (11.1.2) можно проводить любым методом по таблице 11.1. Изменив два контрольных показателя, возможно сохранить подачу постоянной при испытании, но это более трудоемко. 11.2.2 Основные характеристики испытательной цепи (тракта) Цепь (трубопроводы, емкости, мерные и выпрямляющие устройства и т.п.) должна быть такой, чтобы в насосе при появлении кавитации она не могла распространяться, влиять на стабильность и качественную работу установки или измерение параметров насоса. Кавитация, воздушные пузырьки и дегазация, вызванные кавитацией насоса, не должны влиять на работу приборов, особенно на устройства измерения подачи. Условия измерения на установке проверки кавитации независимо от того, используются ли они для построения кривых эффективности (КПД) или нет, должны соответствовать условиям 5.3 и 5.4 настоящего стандарта. Типы установок, приведенные в 11.2.4, могут повлечь использование регулировочных клапанов (задвижек) на входе и выходе, чтобы избежать кавитации в местах, влияющих на полученные результаты. Кавитацию в потоке, проходящем через дроссельный клапан, можно иногда предотвратить, используя для этого устройства с двумя и более дросселями, соединенными последовательно, или, установив дроссельный клапан на нагнетании непосредственно в закрытом резервуаре, или резервуар большого диаметра расположить между дросселем и входом в насос. Могут потребоваться отражатели и средства выведения воздуха из резервуара, особенно при низких значениях NPSH. Когда дроссельный клапан частично закрыт, необходимо убедиться, что труба заполнена водой, а скорость потока и давление во входном мерном сечении равномерны. Это можно достичь использованием соответствующего выправляющего поток устройства или применением прямой трубы длиной не менее 12D перед входом в насос. 11.2.3 Характеристика жидкости для испытаний Жидкость должна быть чистой и прозрачной, не должна содержать твердых включений сверх предусмотренных таблицей 5.4. По возможности свободный газ перед испытанием должен быть удален. Деаэрация воды, используемой для проведения кавитационных испытаний, необходима только в том случае, если насос будет работать на такой воде. Наоборот, во избежание дегазации в любой части насоса, вода в системе не должна быть перенасыщенной. Общие требования к потоку, определенные в 5.3 и 5.4, особенно следует выполнять на входе в насос. Примечания 1 В 11.2.4.1 - 11.2.4.3 определены различные типы установок, которые могут быть использованы для жидкостей, отличных от холодной воды, в силу неопределенности влияния температуры на чрезмерную погрешность в определении давления пара. 2 Испытания, проводимые на установках, описанных в 11.2.4.1 и 11.2.4.2, дадут более точные и надежные результаты в сравнении с результатами испытаний с использованием установки, описанной в 11.2.4.3. 11.2.4.1 Установка закрытого контура Насос установлен в закрытом контуре, как показано на рисунке 11.4, где при изменении давления, уровня или температуры, NPSH меняется, не оказывая влияния на напор насоса или подачу, пока в насосе не возникнет кавитация.
1 - змеевик охлаждения (нагрева); 2 - экран поглощения колебаний; 3 - трубка к манометру или мановакуумметру; 4 - сопло распыления жидкости при деаэрации; 5 - расходомер; 6 - вентиль контроля потока; 7 - вентиль; 8 - устройство обнаружения газа; 9 - испытуемый насос Примечание - Охлаждение с использованием змеевика можно заменить впрыскиванием холодной воды над свободной поверхностью жидкости и удалением нагретой воды. Рисунок 11.4 - Кавитационные испытания. Измерение NPSH в закрытом контуре, контроль давления и(или) температуры Может потребоваться газосепаратор и устройство для охлаждения или нагрева жидкости в контуре, чтобы поддерживать требуемую температуру. Может потребоваться контур рециркуляции жидкости, чтобы избежать нежелательной разницы температуры воды в испытательном баке. Испытательный бак должен быть достаточных размеров и конструкции, препятствующих попаданию воздуха (газа) во всасывающую линию насоса. Кроме этого, экраны гашения колебаний могут понадобиться в баке, если средняя скорость превышает 0,25 м/с. 11.2.4.2 Открытый резервуар с контролем уровня Насос засасывает жидкость через свободную всасывающую трубу из резервуара, где уровень свободной поверхности жидкости может регулироваться (см. рисунок 11.5). 1 - испытуемый
насос; 2 - к клапану контроля потока и расходомеру; 3 - регулируемый уровень жидкости 11.2.4.3 Открытый резервуар с дроссельным клапаном Давление входящей в насос жидкости регулируется дросселем, установленным на входной трубе на самом низком, практически возможном уровне (см. рисунок 11.6).
1 - испытуемый
насос; 2 - к клапану контроля потока и расходомеру; 3 - регулятор давления на
входе 11.3.1 Метод измерения различных показателей Если нет специального соглашения, то методы измерения напора, подачи, частоты вращения и (если необходимо) подводимой мощности при кавитационных испытаниях должны соответствовать приведенным в разделах 7 - 10. При измерении подачи необходимо убедиться, что кавитация не влияет на точность показаний расходомера. Следует позаботиться о том, чтобы воздух не всасывался через соединения и уплотнение вала (например, путем использования гидравлического затвора). Если условия испытаний настолько не постоянны, что требуют снятия повторных показаний, изменения NPSH допускаются максимум до 1,5 раз более чем указано для напора в таблице 6.1, или 0,2 м, из которых берется большее. 11.3.2 Определение давления пара Давление пара жидкости, используемой при испытаниях, на входе в насос следует рассчитывать с высокой точностью в соответствии с 11.3.3. Если давление пара рассчитывают на основе стандартных данных и измерений температуры жидкости, входящей в насос, необходимо обеспечить высокую точность измерения температуры. Источник (происхождение) используемых стандартных данных необходимо согласовывать между производителем (продавцом) и покупателем (заказчиком). Чувствительный элемент зонда (термометра) измерения температуры должен находиться от внутренней стенки подводимой трубы на расстоянии не менее 1/8 диаметра подводящей трубы. Если погружение элемента измерения температуры во входящий поток меньше, чем требуется по эксплуатационной документации производителя прибора, то необходима калибровка на данной глубине погружения. Следует следить за тем, чтобы элементы измерения температуры, погруженные в подводящую трубу (линию) насоса, не влияли на измерение давления в мерном сечении на входе. 11.3.3 Допускаемые отклонения для NPSHR Максимально допустимое отклонение между измеренным и гарантированным NPSHR tNPSHR = +3 % или tNPSHR = +0,15 м -для класса 1, tNPSHR = +6 % или tNPSHR = +0,3 м - для класса 2. Принимается большее. Гарантия подтверждена, если выполняются следующие условия: (NPSHR)G + tNPSHR(NPSHR)G ≥ (NPSHR)изм или (NPSHR)G + 0,15 м (или соответственно 0,3 м) ≥ (NPSHR)изм. Рисунки 11.4 - 11.6 приведены в качестве принципиальных схем без указания технических подробностей установок (стендов). 12 Измерение прочих параметров при испытаниях12.1 Измерение температуры перекачиваемой жидкости При проведении кавитационных испытаний измерение температуры следует выполнять по 11.3.2. При проведении любых других испытаний температуру перекачиваемых насосом сред (в том числе и воды) следует измерять в трубопроводе или баке (резервуаре) на подводящей линии насоса. В стендах, выполненных по замкнутой схеме без системы охлаждения, температуру воды допускается измерять как в подводящей, так и отводящей линиях насоса. На стендах для испытаний погружных насосов (агрегатов) место измерения температуры воды (перекачиваемой среды) допускается устанавливать в ПМ. 12.2 Требования к месту установки прибора для измерения температуры Место измерения температуры жидкости следует выбирать с таким расчетом, чтобы измерительная часть термометра (гильза в которую опускают термометр) или температурные датчики не оказывали заметного влияния на результаты измерения как температуры, так и других измеряемых параметров (давлений, скоростей, подачи). Измерительная часть термометра или датчика температуры должна быть полностью помещена либо непосредственно в перекачиваемую жидкость, либо в металлический тонкостенный цилиндр, полностью омываемый снаружи перекачиваемой жидкостью, не вступающей в химическое взаимодействие с материалом гильзы. Температуру жидкости следует измерять с погрешностью не более 1 °С. Если температура жидкости не оказывает заметного влияния на кавитационные испытания насоса, то погрешность измерения температуры жидкости может быть установлена в ПМ. 12.3 Измерение температуры наружных поверхностей Температуру наружных поверхностей насоса следует измерять с помощью термометров или датчиков температуры (сопротивления, термопары) в местах, указанных в конструкторской и эксплуатационной документациях, и также в ПМ с указанием конкретного способа измерения, обеспечивающего предельную погрешность измерения не более 3 °С 12.4 Физические данные для воды Физические данные для воды приведены в приложении М. Данные позволяют определять давления паров Pп и плотность ρп воды в интервале изменения температуры воды от 0 °С до 50 °С. Пересчет давления пара воды, приведенного в паскалях [Па], на давление в [кгс/см2], проводят по формуле Р(Па) = Р(кгс/см2) 1,02·10-5. (12.1) 12.5 Измерение массы Массу насоса (агрегата) определяют путем взвешивания на весах или с применением динамометра непосредственно или суммированием масс их определяющих частей (сборочных единиц, деталей). Погрешность определения массы не должна превышать ±2 %. 12.6 Определение внешней утечки через уплотнения Расход внешней утечки через уплотнения определяют измерением объема утечек за определенное время с помощью мерного сосуда с делениями или определением массы утечки с последующим учетом плотности воды (жидкости) при данной температуре. Погрешность определения утечки не должна превышать ±5 %. Расход внешней утечки определяют для номинального режима работы насоса или на граничных режимах рекомендуемой области использования с пределом не более ±10 %. По согласованию с потребителем (заказчиком) внешнюю утечку допускается определять на одном из указанных режимов с измерением ее не менее трех раз при условии стабильной работы насоса. 12.7 Измерение вибрации Вибрацию насоса (агрегата) измеряют виброметрами по ГОСТ 25275, класс точности не ниже 2,0. Режим работы насоса (агрегата), на котором измеряют вибрацию, параметры вибрации (кинематические и динамические) и место измерения должны быть указаны в ПМ. Если такие указания в ПМ отсутствуют, то вибрацию определяют для номинального режима работы насоса только по кинематическим параметрам (виброскорости, виброускорению) и измеряют на корпусе подшипникового узла в плоскости, перпендикулярной к оси вращения насоса по двум взаимно перпендикулярным направлениям и направлению, параллельному валу. Для насоса (агрегата) с частотой вращения 10 с-1 (600 об/мин) и выше следует определять кинематические параметры вибрационной характеристики (амплитуду виброперемещения, среднеквадратическое значение виброскорости или виброускорения) или логарифмический уровень вибрации в диапазоне частот 10 - 1000 Гц. Допускается определение показателя вибрации проводить по результатам измерения виброскорости в октавных и других полосах частот. Для насосов с частотой вращения менее 10 с-1 может быть определено пиковое значение (размах) виброперемещения. Динамические параметры вибрационной характеристики в случае необходимости выбирают в соответствии с ГОСТ 26043. Шум следует измерять у насоса совместно с приводом шумомерами по ГОСТ 17187, класс точности не ниже 2,0. При испытаниях измеряют уровень звукового давления в полосах частот или уровень звука в контрольных точках в соответствии с методикой измерения по ГОСТ 23941, которая должна быть в ПМ на испытуемое изделие (продукцию). Допускается при всех видах испытаний, за исключением приемочных и предварительных, проводить измерение уровня звука в одной контрольной точке, имеющей максимальный уровень звуковой мощности или звукового давления. 12.9 Определение показателей безопасности 12.9.1 Общие сведения В настоящем пункте рассмотрены электрические, термические и механические показатели безопасности насосов (агрегатов). Кроме этих показателей, к показателям безопасности относятся эргономические показатели (шум и вибрация) и внешняя утечка, определение которых дано в 12.6 - 12.8. К показателям безопасности насосов могут относиться и другие показатели, которые приведены в технической документации и ПМ на методы испытаний. Полную номенклатуру показателей безопасности насосов (агрегатов) устанавливают в стандартах, а при их отсутствии в технической документации и ПМ (типов и типоразмеров) на изделия конкретных видов. 12.9.2 Электрическая безопасность Требования электрической безопасности электронасосов и электронасосных агрегатов обычно обеспечиваются электробезопасностью комплектующего электродвигателя, которая подтверждается сертификатом соответствия. При отсутствии сертификата соответствия на электродвигатель электробезопасность насосного агрегата контролируют экспериментально при испытании насоса (агрегата). Насосы (агрегаты), предназначенные для эксплуатации во взрыво- и пожароопасных производствах химической, нефтехимической и нефтеперерабатывающей промышленности и предназначенные для перекачивания диэлектриков, проходят контрольные испытания на защиту от статического электричества по правилам Госгортехнадзора Российской Федерации. Экспериментально проверяют: - удельное объемное или поверхностное электрическое сопротивление материала проточной части насоса, которое должно быть не более 105 Ом м и определяется по ГОСТ 6433.1 - ГОСТ 6433.4 для твердых материалов и ГОСТ 16185 - для пластмасс; - наличие заземляющего устройства исключительно для защиты от статического электричества и его сопротивление, которое должно быть не более 100 Ом. Допускается заземляющее устройство от статического электричества насоса объединять с заземляющим устройством электрооборудования; - другие требования (показатели), связанные со статическим электричеством, в соответствии с правилами, если в этом есть необходимость и она предусмотрена технической документацией и ПМ на конкретное изделие. Электрические показатели безопасности для других видов электродвигателей, а следовательно и электронасосных агрегатов, определяют соответственно по ГОСТ 183, ГОСТ 7217, ГОСТ 10169, ГОСТ 11828. Заземляющие зажимы и знаки заземления должны соответствовать ГОСТ 12.2.007.0 и ГОСТ 21130. Класс электрозащиты электронасосного агрегата и сопротивление заземления должны быть указаны в ПМ и технической документации. 12.9.3 Термическая безопасность Термическая безопасность насосов (агрегатов) определяется температурой наружных поверхностей насосов (агрегатов) при перекачивании обычных жидкостей и температурой нагрева подшипников насоса при перекачивании легковоспламеняющихся и пожароопасных жидкостей. Температуру наружных поверхностей насоса (агрегата) и его составных частей измеряют термометрами или датчиками температуры (сопротивления, термопара и др.), устанавливаемых либо на поверхности, либо в масляных ваннах (устройствах). Места определения температуры и программы измерения температуры определяются в ПМ. Допускаемые температуры нагрева поверхностей насоса и опорных подшипников ротора насоса должны быть установлены в технической документации и ПМ. 12.9.4 Механическая безопасность Показатели механической безопасности насосов (агрегатов) определяют по ГОСТ 12.2.003 и приводят в технической документации и ПМ с указанием способов и средств их определения. Обычно эти показатели безопасности устанавливают при разработке и постановке новых образцов изделий на производство и контролируют при приемочных испытаниях. Необходимость определения и контроля показателей механической безопасности при других видах испытаний устанавливают в ПМ на эти виды испытаний, включая сертификационные испытания, где также указывают средства и методы контроля. 12.9.5 Прочие вредные производственные факторы (показатели) К прочим вредным производственным факторам насосов (агрегатов) могут относиться вредные факторы, связанные с комплектацией насосов иными видами приводов (турбоприводом, дизель- и мотоприводом, электромагнитным приводом, другими возможными приводами), которые характеризуются своими показателями безопасности. Номенклатура таких показателей должна быть указана в стандартах и технической документации на эти приводы, и их безопасность должна подтверждаться сертификатом соответствия, а при его отсутствии контролироваться при сертификационных испытаниях насосов (агрегатов). Номенклатуру, нормы и способы (методы) определения таких параметров безопасности следует указывать в ПМ на испытания конкретной продукции. 13 Последовательность проведения испытаний, оформление и представление результатов13.1 Общие сведения До начала испытаний ответственное лицо за проведение испытаний должно проверить и убедиться в готовности стенда, приборов, испытуемого изделия и группы испытателей к началу и проведению испытаний в соответствии с ПМ на данные испытания, включая вопросы безопасности испытателей и окружающей среды. Испытания следует проводить по ПМ, составленной в соответствии с настоящим стандартом, в последовательности и объеме, указанными в ПМ или установленными лицом, ответственным за испытания. Испытания проводят на чистой холодной воде, если иное не предусмотрено в ПМ или договоре. 13.1.1 Обкатка насоса (агрегата) Перед испытаниями насос (агрегат) должен быть подвергнут обкатке на одном или нескольких режимах работы, указанных в ПМ. Обкатку следует проводить на номинальном или близком к номинальному режиме работы насоса, если иное не предусмотрено в ПМ или не оговорено в договоре. При обкатке проверяют отсутствие явлений, свидетельствующих о недостатках изготовления или сборки насоса (повышенного шума, вибрации, нагрева и т.п.), подлежащих устранению перед испытаниями. Для погружных и скважинных электронасосных агрегатов обкатку следует проводить на воде температурой не более 25 °С до выхода на установившееся значение тока питания электродвигателя (потребляемой мощности). 13.1.2 Продолжительность обкатки Продолжительность обкатки следует выбирать в соответствии с таблицей 13.1. Таблица 13.1 - Продолжительность обкатки насоса (агрегата)
При необходимости допускается увеличивать продолжительность обкатки до требуемой продолжительности с указанием ее в технической документации и ПМ на данное конкретное изделие. 13.1.3 Частота вращения при испытаниях Испытания насосов следует проводить при частоте вращения, близкой к номинальной. Допускается проводить испытания при частоте вращения, отличающейся от номинальной на значения, приведенные в 5.4.3 или на большие значения, если в технической документации на насос (агрегат) приведены способы пересчета результатов испытаний на номинальную частоту вращения или приведены значения определяемых параметров на данной частоте вращения. По согласованию с заказчиком (потребителем) испытания крупных насосов (агрегатов) допускается заменять контролем геометрических размеров элементов проточной части насоса (подвода, рабочего колеса, отвода), а для насосного агрегата также и остальных частей проточного тракта, и при наличии их геометрического подобия за результаты испытаний принимать характеристики, получаемые пересчетом с модельных испытаний по формулам гидродинамического подобия. 13.1.4 Снятие напорной и энергетической характеристик Напорная характеристика представляет собой зависимость полного напора насоса от его подачи, приведенных к номинальной частоте вращения, т.е. H = f(Q) при n = const. На каждом режиме следует измерять и записывать в протокол испытания: - частоту вращения; - подачу насоса; - давление на входе и выходе из насоса или разность указанных давлений, - температуру перекачиваемой жидкости (при необходимости). Энергетическая характеристика представляет собой зависимость потребляемой мощности насоса и его КПД от подачи, т.е. P и n = f(Q) при n = const. На каждом режиме следует измерять вышеуказанные параметры и потребляемую мощность насоса или крутящий момент на его валу. Напорная и энергетическая характеристики насоса должны быть определены в интервале от нулевой подачи до превышающей не менее чем на 10 % наибольшую подачу рабочего интервала при давлении на входе в насос, исключающем влияние кавитации на результаты испытаний на всех испытуемых режимах. Для насосов, не допускающих работу при нулевой подаче, допускается в качестве минимальной принимать подачу, не превышающую 90 % минимальной подачи рабочего интервала режимов, если иное не оговорено в ПМ. Общее число подач при определении напорной и (или) энергетической характеристики должно быть не менее 10 (если иное не оговорено в нормативном документе). При этом значение подач на соседних режимах в рабочем диапазоне должны отличаться не более чем на 12 % номинальной подачи. Для насосов, в конструкции которых имеется устройство (орган) для регулирования напора (или подачи) насоса, напорные и энергетические характеристики при п = const должны быть получены при различных положениях регулирующего органа, в том числе при крайних и номинальном. Оформление указанных характеристик приведено в приложении N. 13.1.5 Снятие кавитационной характеристики При получении кавитационной характеристики следует определять зависимость допускаемого кавитационного запаса ∆hдоп(NPSHR) от подачи насоса. Для многоступенчатых насосов допускается проведение кавитационных испытаний с одной (первой) ступенью (и предвключенной ступенью при ее наличии). Кавитационная характеристика должна быть получена в результате снятия частных кавитационных характеристик (в соответствии с 11.1.2.3) H = f(∆h(NPSH)) для постоянных значений подачи Qi = const и числа оборотов n = const в рабочей области характеристики насоса. Частные кавитационные характеристики допускается определять и другими методами, приведенными на рисунках 11.1 - 11.3 и в таблице 11.1. Допускается проводить определение частных кавитационных характеристик при неизменном положении регулирующего подачу органа путем снижения давления на всасывающей линии насоса. Частные кавитационные характеристики снимают при наименьшей, номинальной и наибольшей подачах рабочей части характеристики насоса с отклонениями не более ±5 %, если иное не предусмотрено в ПМ или договоре. Если в ПМ или договоре по определению частных кавитационных характеристик условия не оговорены, допускается частную кавитационную характеристику снимать только для номинальной подачи. Значение ∆h(NPSH), (NPSHА) и ∆hкр(NPSH3) следует определять по отношению к базовой плоскости ∆h(NPSH) (см. рисунок 3.1). Для отдельных типов насосов допускается устанавливать положение заданной плоскости NPSH в ПМ и отражать в протоколе испытания или отчете об испытаниях этих типов насосов. Для крупных насосов кавитационную характеристику следует пересчитывать с характеристики, полученной при модельных испытаниях. Для погружных насосов, при необходимости определения кавитационной характеристики, в ПМ должны быть указаны схемы испытательного стенда и метод снятия кавитационной характеристики. Для регулируемых насосов кавитационные характеристики получают при различных положениях регулирующего органа или регулируемого значения, в том числе при крайних и номинальном. Контроль кавитационных данных насоса (агрегата), в том числе проверку отсутствия влияния кавитации на другие показатели насоса (подачу, КПД, шум, вибрацию), следует проводить в соответствии с разделом 11. 13.1.6 Испытания насоса на самовсасывание Определение характеристики самовсасывания, которая представляет собой зависимость подачи воздуха Qсв от разрежения на входе в насос hс (см. приложение P), следует проводить при температуре окружающего воздуха и перекачиваемой жидкости не выше 40 °С. При испытаниях измеряют: - частоту вращения; - подачу воздуха; - разрежение воздуха на входе в насос; - температуру жидкости и воздуха; - атмосферное давление. Получение характеристики самовсасывания должно начинаться при разрежении на входе в насос, не превышающем 5000 Па (0,05 кгс/см2). С помощью дросселя, установленного на входе в насос, разрежение ступенчато увеличивают от минимального до максимального, а затем уменьшают до минимального через интервалы, обеспечивающие получение не менее пяти точек на характеристике в каждом направлении. При отсутствии в нормативном документе максимального разрежения испытания проводят до разрежения, превышающего не менее чем на 10 % разрежения, соответствующего номинальной высоте самовсасывания. Испытания по определению продолжительности самовсасывания заключаются в измерении времени, в течение которого допускается работа насоса на воздухе при разрежении, соответствующем номинальной высоте самовсасывания. При отсутствии специальных требований за продолжительность самовсасывания следует принимать время, в течение которого подача воздуха уменьшается на 30 %. Контроль характеристики самовсасывания заключается в определении подачи воздуха при заданном разрежении на входе в насос. Контроль самовсасывающей способности насоса допускается проводить путем определения времени заполнения всасывающей линии, размеры которой при заданной высоте самовсасывания указаны в нормативном документе. При отсутствии в нормативном документе характеристики всасывающей линии следует определять время заполнения жидкостью вертикального трубопровода внутренним диаметром, равным внутреннему диаметру входного патрубка насоса с отклонением не более ±5 % на высоту, равную номинальной высоте самовсасывания. При необходимости проверку самовсасывания насоса проводят путем измерения времени, за которое в герметичной емкости создается заданное разрежение по методике, согласованной с заказчиком и указанной в ПМ. Приведение экспериментально полученных показателей к номинальной частоте вращения и давлению на входе в насос приведено в 6.1.2. Характеристика самовсасывания приведена в приложении P. 13.2 Обработка результатов испытаний 13.2.1 Общие сведения Результаты измерений должны быть обработаны с целью получения количественных значений работы насоса в условиях проведения испытания на каждом режиме, а затем пересчитаны на номинальные условия для сравнения с нормированными значениями, приведенными в нормативном документе или гарантированными в договоре. Обработку результатов измерений проводят в соответствии с инструкциями по применению используемых средств измерения, а также по формулам (программам, графикам), выражающим правила подсчета количественных значений требуемых показателей по результатам измерений. Подачу насоса при испытаниях определяют по методике, приведенной в нормативном документе на способ измерения или в эксплуатационной документации на применяемые измерительные приборы. Возможные способы измерения подачи насоса изложены в разделе 7. Теоретические формулы определения напора насоса в зависимости от схемы испытательного стенда приведены на рисунках 8.1, 8.5 и 8.8. Практические (расчетные) формулы - по 13.2.2. Измерение частоты вращения насоса и его мощности приведено соответственно в разделах 9 и 10. Измерение NPSH проводят в соответствии с 11.3 и 11.3.2, измерение прочих параметров - с разделом 12. 13.2.2 Типовые схемы установки насосов при испытаниях и расчетные формулы определения экспериментальных и приведенных параметров насоса Типовые схемы установки насосов на испытательных стендах и расположение приборов для измерения давления на входе и выходе насоса приведены на рисунках 13.1 - 13.4.
Рисунки 13.1 - 13.4 - Схемы установок насосов и расположения приборов для измерения давления при испытаниях Формулы для подсчета полного напора насоса Hu, м при испытании в зависимости от конструкции насоса, схемы его установки на испытательном стенде, расположения измерительных приборов давления и при расположении мерных сечений вблизи к входному и выходному патрубкам насоса, когда гидравлические потери Hj1 и Hj2 (см. 8.1.1) малы и могут не учитываться, после преобразований принимают вид: - для насоса, испытуемого по схеме, приведенной на рисунке 13.1:
- для насоса, испытуемого по схемам, приведенным на рисунках 13.2 и 13.3: - для насоса, испытуемого по схеме, приведенной на рисунке 13.4 и с учетом гидравлических потерь Hj2 на участке от выходного патрубка насоса до мерного сечения на выходе из насоса, т.е. в трубе длиной L и внутренним диаметром d где Qu - подача насоса для измеряемого режима, м3/с; ρu - плотность перекачиваемой жидкости, кг/м3; PM1 и PM2 - показание прибора измерения давления жидкости соответственно в мерных сечениях на входе и выходе из насоса, Па; d1 и d2 - внутренний диаметр трубопровода в мерном сечении соответственно на подводящей и отводящей линиях насоса, м; ∆ZM - разность отметок положения приборов для измерения давления в мерных сечениях при входе (ZM1) и на выходе (ZM2) из насоса относительно выбранной эталонной (базовой) плоскости, м;
Hj2 - гидравлические потери в выходной линии определяются по формулам, приведенным в 8.2.4 с учетом приведенных рекомендаций. Примечания 1 В приведенных формулах показания приборов давления РМ1 и РМ2 ставят со знаком «плюс» при измерении избыточного давления, со знаком «минус» - при измерении разрежения. 2 Знак «плюс» перед последним слагаемым в формулах (13.2) и (13.3) соответствует расположению манометра выше свободной поверхности жидкости (см. рисунки 13.1, 13.2 и 13.4), а знак «минус», когда манометр расположен ниже свободной поверхности жидкости (см. рисунок 13.3). 3 При измерении давления с помощью пружинного манометра отметку его вертикального положения допускается принимать по оси трехходового крана, на котором устанавливают манометр с целью продувки соединительной линии, либо по эталонной плоскости манометра, как это показано на рисунках 8.1, 8.2 и 8.9. 13.2.3 Вычисление КПД насоса и насосного агрегата КПД насоса и насосного агрегата вычисляют по формулам: - для насоса
где ηuнас - КПД насоса при испытании для соответствующего режима, %; Pн - мощность, потребляемая насосом в данном режиме, кВт; Z -для насосного агрегата:
где ηиагр - КПД насосного агрегата, %; Pиагр - мощность потребляемая насосным агрегатом в данном режиме, кВт. 13.2.4 Определение ∆h(NPSH)
где ∆hu(NPSH)u - кавитационный запас насоса для данного режима, м; РM1 - давление жидкости на входе в насос, Па; Pб - барометрическое давление при испытании насоса, Па; Pп - давление насыщенного пара перекачиваемой жидкости на входе в насос, Па. Для насоса, расположенного ниже свободной поверхности, над которой давление равно атмосферному (см. рисунки 13.2 - 13.4), NPSH u вычисляют по формуле
где Z - вертикальная отметка положения свободного уровня жидкости относительно базовой плоскости NPSH колеса насоса (см. 3.2.6 и рисунок 3.1), м. 13.3 Оформление результатов испытания Полученные в результате проведенных испытаний параметры насоса должны быть приведены к номинальной частоте вращения (числу оборотов nн)u, при необходимости, к номинальной плотности перекачиваемой жидкости по формулам, приведенным в 6.1.2, которые при замене nр на nн u n на nu принимают вид:
η = ηu, (13.11) где ∆hдоп(NPSHR) - допускаемое значение ∆h(NPSH) в данном режиме (Q); ∆hкр(NPSH3) - значение величины ∆h(NPSH), определяемое экспериментально по 3 %-ному падению полного напора первой ступени насоса при кавитационных испытаниях (см. 3.29, 11.1.2.3 и рисунки 11.1 - 11.3). R' - коэффициент кавитационного запаса, принимаемый в пределах от 1 до 1,3. Для самовсасывающих насосов подачу воздуха при самовсасывании Qc и высоту самовсасывания hc пересчитывают по формулам, приведенным в 6.1.2. Следует иметь в виду, что пересчеты по приведенным выше формулам справедливы, если частота вращения насоса при испытаниях не выходит за пределы, указанные в 5.4.3. Примечания 1 Для электронасосов с приводом от электродвигателя переменного тока, у которых в технической документации приведена синхронная частота вращения электродвигателя, допустимые пределы изменения частоты вращения определяют относительно номинальной частоты вращения, указанной в паспорте на электродвигатель. 2
Для электронасосов с приводом от электродвигателя переменного тока, не
позволяющих проводить непосредственное измерение частоты вращения вала насоса,
допускается проводить пересчет параметров на номинальные значения напряжения и
частоты тока сети по формулам (13.8 -
13.12) при замене
где nс.дв - синхронная частота вращения электродвигателя, 1/с; пн.дв - номинальная (по паспорту) частота вращения электродвигателя, 1/с; Uн - номинальные напряжение, В; fн - номинальная частота электропитания, 1/с; Uu - напряжение при испытаниях, В; fu - частота электропитания при испытании, 1/с. 3 Необходимость и способы определения частоты вращения для погружных и скважинных насосов указываются в технической документации и ПМ, утверждаемые в установленном порядке. 13.4 Характеристики насоса Характеристики насоса (напорная, мощностная или энергетическая и кавитационная) представлены в объединенном виде на одном графике (приложение N). Характеристику самовсасывания насоса (для самовсасывающих насосов) с указаниями на ней высоты самовсасывания - см. приложение P. 13.5 Анализ результатов испытаний и характеристик Полученные результаты испытаний по всем показателям и характеристикам, определяемым экспериментально в соответствии с ПМ, должны быть проанализированы на соответствие их нормативным документам, на которые даны ссылки в документе на поставку (обычно ТУ) продукции конкретного вида, подвергнутой испытанию. Результаты анализа (или выводы) должны быть приведены в отчете (протоколе) по испытаниям, как это предусмотрено в 5.2.9 для приемочных испытаний по гарантийным (договорным) обязательствам и 13.3.2 для испытаний других видов. Проверку соответствия (или несоответствия) полученных результатов испытаний и характеристик гарантируемым показателям осуществляют в соответствии с разделами 4 и 6, т.е. с учетом общих допустимых погрешностей измерений параметров насоса, которые приведены в таблицах 6.2 и 6.3. Общие допустимые отклонения (учитывающие и производственные допуски) при испытаниях насосов, которые практически используются для оценки значений подачи, напора и КПД насоса, полученных экспериментально, приведены в таблице 6.4. Анализ результатов кавитационных испытаний насоса выполняют в соответствии с 11.1.2.1 - 11.1.2.3. Максимально допустимые коэффициенты отклонений, приведенные в таблице 6.4 и 11.3.3, применимы и для других режимов работы насоса в рабочей области характеристики. Результаты испытаний насоса (агрегата) считаются удовлетворяющими требованиям нормативного документа при выполнении следующих условий: - объем испытаний полностью соответствует установленным требованиям ПМ или заданию на испытания; - все показатели, полученные в результате испытаний (включая визуальный контроль и экспертизу КД), находятся в допустимых пределах отклонений, установленных настоящим стандартом и указанных в нормативном документе в виде числовых значений, графиков и требований к форме характеристики (характеристик); - погрешности определения показателей не превышают предельных значений, приведенных в таблицах 6.2, 6.3 и 11.3.3 для соответствующего класса испытания. При контроле напора H в заданном режиме полученное при испытаниях значение напора считается удовлетворяющим требованиям НД, если напорная характеристика пересекает или хотя бы касается прямоугольника допустимых отклонений, построенного в заданном режиме по ±∆Qu, ±∆Н вычисляемых по формулам: ∆H = ±tнH, (13.14) ∆Q = ±tqQ, (13.15) где H и Q - номинальные значения напора и подачи в заданном режиме, tн и tq - коэффициенты допустимых отклонений по напору и подаче соответственно (см. таблицу 6.4) Полоса допустимых отклонений экспериментальной напорной характеристики H = f(Q) в этом случае ограничивается кривыми, огибающими прямоугольники допусков, построенных в режимных точках, как это представлено на рисунке 13.5.
Рисунок 13.5 - Полоса допустимых отклонений для напорной характеристики, полученной экспериментально при испытаниях При контроле КПД насоса на заданном режиме результат испытания считают удовлетворяющим требованиям нормативного документа, если КПД при испытании по классу 1 или 2 для данного режима удовлетворяет условию: η ≥ (1 - |0,01tη|)η0 > 0,97η0 - для класса 1; η ≥ (1 - |0,01tη|)η0 > 0,95η0 - для класса 2, где η0 - КПД насоса, заданный в нормативном документе на испытуемый насос для данного режима; tη -допустимый коэффициент (см. таблицу 6.4). При контроле гарантируемых показателей и характеристик насоса (агрегата), оговоренных в договоре на приемку и поставку, следует руководствоваться разделом 4. Для серийно выпускаемых насосов (агрегатов) с типовыми характеристиками, приведенными в каталогах и нормативной и технической документации, если в них дается ссылка на настоящий стандарт, и для насосов мощностью менее 10 кВт, но более 1 кВт, следует руководствоваться рекомендациями, приведенными в приложении А, т.к. для этих насосов (агрегатов) коэффициенты допусков, приведенные в таблице 6.4, не применимы. В этом же приложении дана формула для подсчета коэффициента допуска tη в зависимости от максимальной подводимой мощности к насосу. Для насосов мощностью менее 1 кВт допуски на показатели устанавливают в договоре. Шумовые и вибрационные характеристики по оформлению и нормам должны соответствовать характеристикам, указанным в нормативной и технической документации. Если нормы по шуму и вибрации не соответствуют нормам, приведенным в нормативной и технической документации, проводят повторные испытания на удвоенном количестве отобранных образцов, результаты которых принимают за окончательные, если иное не оговорено в протоколе испытания по согласованию заинтересованных сторон (изготовителя, поставщика и потребителя или покупателя). По требованиям безопасности в заключении к протоколу испытания должны быть приложены результаты экспертизы и испытаний с соответствующими заключениями по каждому показателю о их соответствии или несоответствии. Приложение А*
|
|||||||||||||||||||||||||||||||||||||||||||||||||||||||||||||||||||||||||||||||||||||||||||||||||||||||||||||||||||||||||||||||||||||||||||||||||||||||||||||||||||||||||||||||||||||||||||||||||||||||||||||||||||||||||||||||||||||||||||||||||||||||||||||||||||||||||||||||||||||||||||||||||||||||||||||||||||||||||||||||||||||||||||||||||||||||||||||||||||||||||||||||||||||||||||||||||||||||||||||||||||||||||||||||||||||||||||||||||||||||||||||||||||||||||||||||||||||||||||||||||||||||||||||||||||||||||||||||||||||||||||||||||||||||||||||||||||||||||||||||||||||||||||||||||||||||||||||||||||||||||||||||||||||||||||||||||||||||||||||||||||||||||||||||||||||||||||||||||||||||||||||||||||||||||||||||||||||||||||||||||||||||||||||||||||||||||||||||||||||||||||||||||||||||||||||||||||||||||||||||||||||||||||||||||||||||||||||||||||||||||||||||||||||||||||||||||||||||||||||||||||||||||||||||||||||||||||||||||||||||||||||||||||||||||||||||||||||||||||||||||||||||||||||||||||||||||||||||||||||||
|
Вид испытания |
Определяемые характеристики |
|||||
|
Напорная |
Энергетическая |
Кавитационная |
Вибрационная |
Шумовая |
Самовсасывания |
|
|
1 |
2 |
3 |
4 |
5 |
6 |
7 |
|
Предварительные |
А |
А |
А |
А |
А |
А |
|
Приемочные |
+ |
+ |
А |
А |
А |
А |
|
Приемо-сдаточные |
- |
- |
- |
- |
- |
- |
|
Периодические |
+ |
+ |
А |
А |
А |
А |
|
Квалификационные |
+ |
+ |
А |
А |
А |
А |
|
Типовые |
+ |
+ |
А |
А |
А |
А |
|
На надежность |
- |
- |
- |
- |
- |
- |
|
Сертификационные |
А |
А |
А |
+ |
+ |
А |
Продолжение таблицы B.1
|
Вид испытания |
Контролируемые показатели |
|||||||||||||||
|
назначения |
эффективности |
конструктивные |
эргономические |
надежности |
безопасности |
|||||||||||
|
Подача |
Напор |
Частота вращения |
Кавитационный запас |
Мощность |
КПД |
Высота самовсасывания |
Масса |
Внешняя утечка |
Вибрация |
Шум |
Наработка на отказ |
Ресурс |
Механическая |
Термическая |
Электрическая |
|
|
1 |
8 |
9 |
10 |
11 |
12 |
13 |
14 |
15 |
16 |
17 |
18 |
19 |
20 |
21 |
22 |
23 |
|
Предварительные |
А |
А |
А |
А |
А |
А |
А |
А |
А |
А |
А |
А |
- |
- |
- |
- |
|
Приемочные |
+ |
+ |
+ |
А |
- |
+ |
А |
+ |
А |
А |
А |
+ |
- |
А |
А |
А |
|
Приемо-сдаточные |
+ |
+ |
А |
А |
А |
А |
А |
- |
А |
А |
А |
- |
- |
А |
А |
А |
|
Периодические |
+ |
+ |
+ |
А |
А |
+ |
А |
А |
+ |
+ |
+ |
А |
- |
А |
А |
А |
|
Квалификационные |
+ |
+ |
+ |
А |
- |
+ |
А |
А |
А |
А |
А |
- |
- |
- |
- |
- |
|
Типовые |
+ |
+ |
+ |
А |
- |
+ |
А |
А |
А |
А |
А |
А |
- |
А |
А |
А |
|
На надежность |
А |
А |
А |
А |
А |
А |
А |
- |
А |
А |
А |
+ |
А |
- |
- |
- |
|
Сертификационные |
+ |
+ |
А |
А |
А |
А |
А |
А |
+ |
+ |
+ |
- |
- |
+ |
+ |
+ |
Примечания
1 Знак «+» означает, что испытания проводят. Знак «-» - не проводят, знак «А» - вопрос о проведении испытаний решают и указывают в ПМ в зависимости от типа насоса (насосного агрегата), условий его производства и эксплуатации, а при сертификационных испытаниях - в соответствии с 5.1.10 настоящего стандарта.
2 Показатель «мощность» контролируют при необходимости вместо показателя «КПД».
3 Содержание испытаний для погружных и скважинных насосов (агрегатов) определяют с учетом 5.1.6.
Приемосдаточным испытаниям следует подвергать каждый насос. Проверку проводят на номинальном режиме, если другое не оговорено в ПМ. В условиях стабильного технологического процесса и отсутствия отклонений по контролируемым параметрам от требований нормативной и технической документации допускается проводить выборочный контроль. Объем выборки и периодичность проведения испытаний указывают в ПМ.
Количество испытуемых насосов и объем испытаний при типовых и квалификационных испытаниях устанавливаются в ПМ.
Испытания на надежность проводят по программе и методике, составленной в соответствии с 5.1.9.
Сертификационные испытания проводят по программам и методикам, разрабатываемым в соответствии с 4.6 на базе действующих или входящих в комплект конструкторской документации программ и методик испытаний продукции или отдельных изделий конкретных видов и в соответствии с разделами ГОСТ 12.1.003, ГОСТ 12.1.012, ГОСТ 12.1.030, ГОСТ 12.2.007.0 и ГОСТ 12.2.062, касающихся испытуемой продукции.
B.3 Испытания двух и более аналогичных по параметрам и характеристикам изделий или однотипных по конструкции и размерам объектов, проводимые в идентичных условиях с целью получения и сравнения их характеристик и показателей при испытаниях на одном и том же испытательном оборудовании или одного и того же объекта (изделия) в идентичных условиях на различном испытательном оборудовании (в различных лабораториях) для выявления влияния отличительных факторов испытательной лаборатории на показатели или характеристики изделия, а также для оценки технических возможностей того или иного испытательного оборудования и квалификации обслуживающего персонала испытателей. Содержание испытаний устанавливаются в ПМ.
B.4 При периодических испытаниях количество насосов одного типоразмера и периодичность испытаний, если они не оговорены в НД на насосы конкретных типоразмеров или ПМ, должны соответствовать таблице В.2.
|
Годовой выпуск насосов, шт. |
Количество испытуемых насосов, шт., не менее |
|
|
крупных |
средних и малых |
|
|
1 - 15 |
Один в три года |
Один в два года |
|
16 - 50 |
Один в два года |
Один в год |
|
Св. 50 |
Один в год |
Два в год |
В таблице C.1 даны коэффициенты для перевода в единицы СИ некоторых величин, выраженных в кратных единицах СИ, и в единицах, не относящихся к единицам СИ. Коэффициентом перевода является число, на которое должна быть умножена величина, выраженная в различных единицах для нахождения соответствующей величины в единицах СИ. Коэффициенты для перевода должны соответствовать указанным в таблице C.1.
Таблица C.1 - Коэффициенты для перевода
|
Наименование показателя |
Обозначение единицы СИ |
Различные единицы |
Переводной коэффициент |
|
|
Наименование |
Обозначение на английском языке |
|||
|
Объемный расход жидкости |
м3/с |
Литр в секунду |
l/s |
10-3 |
|
Кубический метр в час |
m3/h |
1/3600 |
||
|
Литр в час |
l/h |
1/3600000 |
||
|
Литр в минуту |
l/min |
1/60000 |
||
|
Галлон (ан.) в минуту |
gal(UK)/min |
75,77·10-6 |
||
|
Кубический фунт в секунду |
ft3/s |
28,3168·10-3 |
||
|
Галлон (ам.) в минуту |
gal(US)/min |
63,09·10-6 |
||
|
Баррель (ам.) в час (для нефти) |
barrel(US)/h |
44,16·10-6 |
||
|
Массовый расход жидкости |
кг/с |
Тонна в секунду |
t/s |
103 |
|
Тонна в час |
t/h |
1/3,6 |
||
|
Килограмм в час |
kg/h |
1/3600 |
||
|
Фунт в секунду |
lb/s |
0,45359237 |
||
|
Давление |
Па |
Килопонд на квадратный сантиметр |
Kp/cm2 |
98066,5 |
|
Килограмм-сила на квадратный сантиметр |
kgf/cm2 |
98066,5 |
||
|
Бар |
bar |
105 |
||
|
Гектопьез |
hpz |
105 |
||
|
Давление |
Па |
Торр |
torr |
133,322 |
|
Общепринятый миллиметр ртутного столба |
mmHg |
133,322 |
||
|
Общепринятый миллиметр водяного столба |
mmН2O |
9,80665 |
||
|
Паундаль на квадратный фут |
pdl/ft2 |
1,48816 |
||
|
Плотность |
кг/м3 |
Стандартная атмосфера |
atm |
101325 |
|
Фунт-сила на квадратный дюйм |
lbf/in2(psi) |
6894,76 |
||
|
Килограмм на кубический дециметр |
kg/dm3 |
103 |
||
|
Грамм на кубический сантиметр |
g/cm3 |
103 |
||
|
Фунт на кубический фут |
lb/ft3 |
16,0185 |
||
|
Мощность |
Вт |
Киловатт |
kW |
103 |
|
Килопонд·метр в секунду |
kp·m/s |
9,80665 |
||
|
Международная тепловая килокалория в час |
kcalIT/h |
1,163 |
||
|
Лошадиная сила |
hp |
745,7 |
||
|
Британская тепловая единица в час |
Btu/h |
0,293071 |
||
|
Килограмм-сила·метр в секунду |
Kgf·m/c |
9,80665 |
||
|
Вязкость (динамическая вязкость) |
Пас (кг/м с) |
Пуаз |
P |
10-1 |
|
Дина-секунда на квадратный сантиметр |
dyn·s/cm2 |
10-1 |
||
|
Грамм на секунду-сантиметр |
q/s·cm |
10-1 |
||
|
Килопонд·секунда на квадратный метр |
kp·s/m2 |
9,80665 |
||
|
Сантипуаз |
cP |
10-3 |
||
|
Паундальсекунда на квадратный фут |
pde·s/ft2 |
1,48816 |
||
|
Кинематическая вязкость |
м2/с |
Стоке |
St = cm2/s |
10-4 |
|
Квадратный фут в секунду |
ft2/s |
92,903·10-3 |
||
D.1 Обозначения
Дополнительные обозначения, использованные в настоящем приложении, приведены в таблице D.1.
Таблица D.1 - Дополнительные обозначения
|
Обозначение |
Определение |
|
a, r |
Статистический параметр |
|
h |
Относительное значение полного напора в точке измерения
|
|
|
Среднее относительное значение полного напора в точке
|
|
N |
Количество точек измерения в интервале от 0,95QG до 1,05QG |
|
p |
Относительная подводимая мощность
|
|
|
Среднее относительное значение подводимой мощности
|
|
q |
Относительная подача в сечении
|
|
|
Среднее значение относительной подачи
|
|
Sq |
|
|
Sh |
|
|
Sp |
|
|
Sqh |
|
|
Sqp |
|
|
Примечание - Суммирование проводить для точек измерения в интервале от 0,95QG до 1,05QG. |
|
D.2 Применение и обоснование данного приложения
Статистический анализ двух переменных величин может быть использован для оценки среднего значения одной в зависимости от заданных (измеренных) значений другой.
Особый статистический метод, приведенный в данном приложении, может быть использован, если распределение результатов испытаний (измерений) по расчетному значению показателя удовлетворяют определенным требованиям.
D.3 Количество и размещение назначаемых измерений
Необходимо назначать не менее девяти измерений (режимных точек) по контролируемому параметру. Режимные точки необходимо размещать таким образом, чтобы при приведении результатов измерений к заданному числу оборотов или частоте вращения согласно 6.1.2 измеренные значения параметра находились в полосе ±5 % от ее расчетного (заданного) значения. При этом из всех опытных точек не менее трех точек должны находиться в полосе отклонений от 3 % до 5 % от расчетного (заданного) значения в большую и не менее трех точек в полосе от 3 % до 5 % в меньшую сторону.
Для обеспечения использования данного статистического метода полезно иметь количество точек измерения при испытаниях ±5 % от расчетной подачи больше минимального. Практически рекомендуется иметь около 20 режимных точек.
D.4 Расчет средних значений
D.4.1 Среднее значение полного напора насоса
Среднее значение полного напора насоса следует вычислять по формуле
(D.1)
D.4.2 Среднее значение потребляемой мощности насоса
Среднее значение потребляемой мощности насоса следует вычислять по формуле
(D.2)
D.4.3 Оценка результатов испытаний
Значения статистических показателей следует вычислять по формулам
(D.3)
(D.4)
(D.5)
Примечание - Равенство для a и a' содержат Sqh и Sqp соответственно, что должно обеспечивать как при положительных так и отрицательных значениях достижение необходимого уклона соответствующих характеристик.
Статистический анализ можно с 95 %-ной вероятностью использовать при оценке посредством множеств измерений, приведенных в D.3, для подтверждения полного напора насоса и мощности насоса при специфицированной подаче.
Подробно метод описан в публикации справочного характера [17], где также приведена компьютерная программа расчетов.
В контрольном листе приводят позиции, по которым рекомендуется составлять договор (соглашение) между производителем (поставщиком) и покупателем перед началом проведения испытаний. Согласовывать все приведенные позиции при составлении договора необязательно.
1 Выбор класса испытаний (см. 5.1).
2 Степень гарантий:
а) насос без привода или насосный агрегат в целом (см. 10.4.3);
б) насос с арматурой или без нее (см. 5.3.4);
в) гарантируемые параметры (например подача, напор, потребляемая мощность, КПД, NPSH, и т.д.) для одной или нескольких рабочих точек (см. 4.1).
3 Договорные вопросы, какое количество насосов должно быть испытано в группе идентичных насосов (см. 5.1.2).
4 Любой аспект работы насоса, который необходимо проверить при испытании (см. 5.2.6).
5 Место проведения испытаний (см. 5.2.2).
6 Дата проведения испытаний (см. 5.2.3).
7 Ответственное лицо за проведение испытаний при проведении испытаний вне пределов предприятия-изготовителя (см. 5.2.4).
8 Выбор методов измерения (см. разделы 7 - 10).
9 Выбор испытательного оборудования (см. 5.2.7).
10 Испытательные установки (стенды) для нормальных рабочих испытаний (см. 5.3.2, 5.3.3 и 8.2.1) и для кавитационных испытаний (см. 11.2.4).
11 Установка для подтверждения способности насоса к самовсасыванию (см. 5.3.7, 5.3.10).
12 Методы прогнозирования параметров насоса на основе проведения испытаний на чистой холодной воде (см. 5.4.5).
13 Отклонения частоты вращения насоса от допустимого диапазона (см. 5.4.3, 6.1.2).
14 Показатели степени в формуле пересчета величины HPSH (см. 6.1.2).
15 Отклонения частоты вращения и напряжения сети при определении приемлемых границ допусков (см. 6.1.2).
16 Значение допусков в расчетной точке и других режимных точках (см. 4.1, 6.3, 11.3.3).
17 Потери на входе и трения в скважинных насосах (см. 8.2.3, 10.4.2).
18 Потери напора от трения и особенностей конструкций на всасывающей и напорной линиях (см. 8.2.4 и приложение L).
19 Потери в кабеле (см. 10.4.1).
20 Потери в редукторе (см. 10.4.4).
21 Метод проверки гарантий с учетом кавитации (см. 11.1.2).
22 Жидкость для проведения нормальных испытаний (см. 4.2) и кавитационных испытаний (см. 11.2.3).
23 Стоимость испытаний (см. приложение Q).
Информация в таблице F.1 частично базируется на данных «Стандартов испытаний института гидравлики, 1988, Центробежные насосы 1 - 6» [18] и дается только для справки.
Фактические промежутки времени между калибровкой зависят от опыта работника, проводящего испытания, используемого оборудования и должны быть записаны в процедуре проведения гарантийных испытаний на испытательном стенде.
Таблица F.1 - Соответствующие периоды времени для калибровки приборов испытания
|
Оборудование |
Период |
Оборудование |
Период |
|
Взвешиваемый резервуар |
1 год |
Динамометр |
6 мес |
|
Объемный резервуар |
10 лет |
Мотор - весы |
1 год |
|
Водомер Вентури |
Не требуется до критического изменения величины |
Калиброванный привод |
Не регламентировано |
|
Сопло |
Не требуется до критического изменения величины |
Ватт-ампер-вольтметр переносной |
1 год |
|
Пластина с отверстием (диафрагма) |
То же |
Ватт-ампер-вольтметр стационарный |
3 года |
|
Турбина (вертушка) |
1 год |
Счетчик крутящего момента с усилителем |
6 мес |
|
Электромагнитное устройство |
1 год |
Промежуточный редуктор до 375 кВт |
10 мес |
|
Водослив |
Не требуется до критического изменения величины |
Промежуточный редуктор св. 375 кВт |
20 мес |
|
Счетчик потока |
2 года |
Тахометр |
3 года |
|
Ультразвуковое устройство |
6 мес |
|
|
|
Пружинный манометр |
4 мес |
Электрический счетчик Магнитный частотомер |
1 год 10 лет |
|
- |
- |
Оптический частотомер |
10 лет |
|
Жидкостной манометр |
Не регламентировано |
Стробоскоп |
5 лет |
|
Датчики |
4 мес |
Счетчик крутящего момента (скорость) |
1 год |
Протокол служит для отражения результатов испытания насоса и оказания помощи в их интерпретации. Он не имеет целью включить всю необходимую информацию по испытанию насоса, и недостающая информация может быть указана дополнительно при необходимости (модификация, тип насоса, назначение, метод расчета и т.д.)
Примечания
1 Приведенный протокол испытаний применим ко всем видам испытаний, включая сертификационные. При сертификационных испытаниях насосов (агрегатов) к приведенному протоколу следует прикладывать или указывать в заключении к нему дополнительные сведения по испытанию и контролю всех показателей безопасности, а именно: эргономических, механических, термических и электрических - в соответствии с ПМ на конкретный вид продукции.
2 При проведении приемочных испытаний в технологических линиях у потребителя допускается использовать результаты предварительных испытаний по определению напорной, энергетической, самовсасывания и кавитационных характеристик, а также подачи, напора, КПД, кавитационного запаса, высоты самовсасывания в качестве результатов приемочных испытаний.
3 Форму протокола приемосдаточных испытаний изготовитель может разрабатывать самостоятельно с учетом ПМ.
|
ПРОТОКОЛ ИСПЫТАНИЙ Наименование продукции________________________________________ Изготовитель продукции_________________________________________ Дата изготовления______________________________________________ Место проведения испытаний ____________________________________ Вид испытания________________ Класс испытания__________________ |
|
Протокол испытания |
Номер протокола |
Дата испытания |
||||||||||||||||||||||
|
Заказчик |
||||||||||||||||||||||||
|
Насос (агрегат) |
Обозначение типоразмера и стадия производства |
Заводской номер |
Количество по заказу |
Номер заказа (контракта) |
D1 вход = |
|||||||||||||||||||
|
D2 вход = |
||||||||||||||||||||||||
|
Dраб = |
||||||||||||||||||||||||
|
Номинальные показатели |
Подача QH |
Частота вращения nн |
Мощность Pн |
|||||||||||||||||||||
|
Напор НH |
Номинальный КПД ηн |
Допустимый кавитационный запас NPSH |
||||||||||||||||||||||
|
Испытательная среда |
Температура tж |
Давление упругости паров жидкости Pп |
Кинематическая вязкость vж |
|||||||||||||||||||||
|
Плотность ρж |
Степень кислотности PH |
|||||||||||||||||||||||
|
Привод (двигатель) |
Изготовитель |
Свидетельство об испытаниях (сертификат соответствия № ___Дата___) |
Число фаз |
Напряжение V |
||||||||||||||||||||
|
Тип и исполнение |
Мощность P |
Частота вращения n |
Ток J |
|||||||||||||||||||||
|
Метод измерения |
|
Подача Q |
Давление вх. P1 |
Давление вых. P2 |
Разряжение на входе Pcж |
Крутящий момент |
Мощность P |
Частота вращения n |
Передача |
|||||||||||||||
|
Использованный метод |
|
|
|
|
|
|
|
|
||||||||||||||||
|
Постоянные величины |
|
|
|
|
|
|
|
|
||||||||||||||||
|
Условия испытаний |
Температура воздуха tвозд |
Барометрическое давление PА |
Поправка на разность отметок установки манометров ∆ZM |
Вход Zm1 |
||||||||||||||||||||
|
Температура среды tср |
Выход Zm2 |
|||||||||||||||||||||||
|
Наименование измеряемых величин (параметров) |
Значения измерений |
|||||||||||||||||||||||
|
Единица измерения |
Режимные точки |
|||||||||||||||||||||||
|
1 |
2 |
3 |
4 |
5 |
6 |
7 |
8 |
9 |
10 |
11 |
12 |
13 |
14 |
|||||||||||
|
Подача Q |
Интервал измерений |
|
|
|
|
|
|
|
|
|
|
|
|
|
|
|
||||||||
|
Частота вращения n |
|
|
|
|
|
|
|
|
|
|
|
|
|
|
|
|||||||||
|
Показание прибора |
|
|
|
|
|
|
|
|
|
|
|
|
|
|
|
|||||||||
|
Значение подачи Q |
|
|
|
|
|
|
|
|
|
|
|
|
|
|
|
|||||||||
|
Напор H |
Показания давления на входе |
|
|
|
|
|
|
|
|
|
|
|
|
|
|
|
||||||||
|
Показания давления на выходе |
|
|
|
|
|
|
|
|
|
|
|
|
|
|
|
|||||||||
|
Давление на входе P1 |
|
|
|
|
|
|
|
|
|
|
|
|
|
|
|
|||||||||
|
Давление на выходе P2 |
|
|
|
|
|
|
|
|
|
|
|
|
|
|
|
|||||||||
|
∆V2/2g |
|
|
|
|
|
|
|
|
|
|
|
|
|
|
|
|||||||||
|
Поправка ∆Zm |
|
|
|
|
|
|
|
|
|
|
|
|
|
|
|
|||||||||
|
Величина напора H |
|
|
|
|
|
|
|
|
|
|
|
|
|
|
|
|||||||||
|
U2/2g |
|
|
|
|
|
|
|
|
|
|
|
|
|
|
|
|||||||||
|
Вакуум на входе NPSH |
|
|
|
|
|
|
|
|
|
|
|
|
|
|
|
|||||||||
|
Мощность (крутящий момент) Р(Mкр) |
Мощность насоса P |
|
|
|
|
|
|
|
|
|
|
|
|
|
|
|
||||||||
|
Напряжение V |
|
|
|
|
|
|
|
|
|
|
|
|
|
|
|
|||||||||
|
Ток J |
|
|
|
|
|
|
|
|
|
|
|
|
|
|
|
|||||||||
|
Показания ваттметра 1 |
|
|
|
|
|
|
|
|
|
|
|
|
|
|
|
|||||||||
|
Показание ваттметра 2 |
|
|
|
|
|
|
|
|
|
|
|
|
|
|
|
|||||||||
|
Суммарное показание ваттметров |
|
|
|
|
|
|
|
|
|
|
|
|
|
|
|
|||||||||
|
Мощность насосного агрегата |
|
|
|
|
|
|
|
|
|
|
|
|
|
|
|
|||||||||
|
Мощность (крутящий момент) Р(Mкр) |
КПД насосного агрегата ηагр |
|
|
|
|
|
|
|
|
|
|
|
|
|
|
|
||||||||
|
Крутящий момент |
|
|
|
|
|
|
|
|
|
|
|
|
|
|
|
|||||||||
|
КПД передачи ηпер |
|
|
|
|
|
|
|
|
|
|
|
|
|
|
|
|||||||||
|
КПД насоса ηн |
|
|
|
|
|
|
|
|
|
|
|
|
|
|
|
|||||||||
|
Внешняя утечка |
Величина утечки qутеч |
|
|
|
|
|
|
|
|
|
|
|
|
|
|
|
||||||||
|
Приведенные величины к n = const |
Подача Q |
|
|
|
|
|
|
|
|
|
|
|
|
|
|
|
||||||||
|
Напор H |
|
|
|
|
|
|
|
|
|
|
|
|
|
|
|
|||||||||
|
Мощность P |
|
|
|
|
|
|
|
|
|
|
|
|
|
|
|
|||||||||
|
Допустимый кавитационный запас NPSH3 |
|
|
|
|
|
|
|
|
|
|
|
|
|
|
|
|||||||||
|
Примечание - |
|
|||||||||||||||||||||||
|
Заключение |
|
|
|
Руководитель испытаний |
_________________ |
______________________ |
|
|
личная подпись |
расшифровка подписи |
|
Представитель заказчика |
_________________ |
______________________ |
|
|
личная подпись |
расшифровка подписи |
|
Представитель изготовителя |
_________________ |
______________________ |
|
|
личная подпись |
расшифровка подписи |
H.1 На рисунке H.1 приведена номограмма, позволяющая определять коэффициенты пересчета полученной характеристики на воде при перекачивании насосом вязких жидкостей. Приведенные откорректированные кривые не имеют точного (безусловного) применения для конкретного насоса.

Примечание - Величины, приведенные на рисунке, осредненные, полученные в результате испытаний одноступенчатых центробежных насосов DN50 - DN200, перекачивающих нефтепродукты. Эти данные базируются на испытаниях гидравлического института стандартов (HIS), 1985 [19].
Рисунок Н.1 - Коэффициенты пересчета характеристик насоса с воды на вязкие жидкости
Если требуется точная характеристика насоса для перекачивания конкретной вязкой жидкости, то насос должен быть испытан на этой жидкости.
Так как рисунок H.1 основан больше на экспериментальных, чем на теоретических расчетах, экстраполяция вне указанных пределов выйдет за рамки проведенных опытов, охваченных этой схемой, и использование ее не рекомендуется.
Эта схема рекомендуется только для насосов условной гидравлической конструкции обычного диапазона с закрытыми или открытыми рабочими колесами, не рекомендуется ее использование для насосов смешанного или осевого потока или для насосов специальной гидравлической конструкции для вязких или неоднородных жидкостей.
Рисунок H.1 следует применять только тогда, когда NPSH адекватно имеющемуся во избежании кавитации. Он может быть использован только для ньютоновских (однородных) жидкостей. Гели, шламы, бумажная масса и другие неоднородные жидкости могут давать совершенно различные результаты, зависящие от характеристики перекачиваемых сред (жидкостей).
В настоящем приложении используются символы и обозначения, приведенные в таблице Н.1.
Таблица Н.1 - Символы, определения
|
Обозначение (символ) |
Пояснение |
|
Qvis |
Подача при перекачивании вязкой жидкости |
|
Hvis |
Напор при перекачивании вязкой жидкости |
|
ηvis |
КПД насоса при перекачивании вязкой жидкости |
|
Pvis |
Потребляемая мощность насоса при перекачивании вязкой жидкости |
|
Qw |
Подача насоса при перекачивании воды |
|
Hw |
Напор насоса при перекачивании воды |
|
ηw |
КПД насоса при перекачивании воды |
|
ρ |
Плотность жидкости |
|
Cq |
Коэффициент корректировки подачи |
|
Cн |
Коэффициент корректировки напора |
|
Сη |
Коэффициент корректировки КПД |
|
Qnw |
Подача, соответствующая режиму максимального КПД по характеристике на воде |
Следующие равенства используют для определения показателей насоса при перекачивании вязкой жидкости, когда эти показатели нам известны при перекачивании воды
Hvis = CнHw, (H.2)
ηvis = Сηηw, (H.3)
где Cq, Cн, Сη - коэффициенты пересчета определяются по номограмме, приведенной на рисунке H.1, исходя из характеристик, полученных при испытании насоса на воде.
Для этого по характеристике насоса, полученной при испытании на воде, находится оптимальная подача Qnw, соответствующая максимальному КПД ηmax. По этой оптимальной подаче Qnw вычисляют значения подач: 0,6Qnw, 0,8Qnw и 1,2Qnw.
На нижней шкале номограммы на рисунке H.1 (подача Qw1, м3/с) находим значение, соответствующее оптимальной подаче (1,0Qnw), от него поднимаемся вверх до значения напора (приходящегося на одну ступень насоса) Hw в режиме оптимальной подачи, далее двигаемся горизонтально (влево или направо) до значения требуемой вязкости, а затем опять вверх до пересечения с кривыми коэффициентов пересчета Cq, Cн, Сη = f(Q), как это показано пунктиром на рисунке H.1. Точки пересечения пунктирной линии с указанными зависимостями определят значение коэффициентов Cq, Cн, Сη для всех четырех режимов по подаче.
Умножаем каждый напор на воде в четырех режимах по подаче на соответствующий коэффициент пересчета Cн, получим значение напора при перекачивании вязкой жидкости. Аналогично пересчитываем каждый КПД, который будем применять для соответственно пересчитанных значений подачи (0,6; 0,8; 1,0 и 1,2Qnw).
Далее строим характеристику насоса при перекачивании вязкой жидкости по пересчитанным значениям напора Hvis и ηvis при соответствующих подачах Qvis.
Напор при перекачивании вязкой жидкости при нулевой подаче может быть принят примерно равным напору нулевой подаче при перекачивании насосом воды.
Вычисляем мощность насоса при перекачивании вязкой жидкости Pvis по (Н.4) и пересчитанным значениям показателей.
Наносим эти точки на характеристику и проводим плавную кривую через них. Эта кривая должна быть похожа на график зависимости мощности насоса при перекачивании воды и проходить параллельно (эквидистантно) ей.
Н.2 Учет влияния вязкости нефти (нефтепродуктов) на характеристики насоса, полученные при испытаниях на воде
По номограмме, приведенной на рисунке H.2, где, в зависимости от числа Рейнольдса на оптимальном режиме, определяют коэффициенты пересчета на вязкие жидкости с характеристик, полученных на холодной воде. Число Рейнольдса определяют по формуле
(H.5)
где Qw - подача насоса на воде в зоне максимального КПД, м3/с;
vvis - кинематическая вязкость нефти (нефтепродуктов), м2/с;
Dэкв - эквивалентный диаметр рабочего колеса, м:
(H.6)
где D2 - наружный диаметр рабочего колеса, м;
b2 - ширина лопасти рабочего колеса на выходе, м;
K - коэффициент стеснения потока лопастями:
(H.7)
где σ - толщина лопасти в окружном направлении на диаметре D2, м;
Z - количество лопастей.
После определения по рисунку H.2 коэффициентов пересчета по формулам (H.1) - (Н.4) определяют подачу Qvis, напор Hvis, КПД ηvis, мощность Pvis вязкой жидкости для точек, значения подач которых на воде равны: Q = 0;Q = 0,8Qw(опт), Q = Qw(опт). Напор при Q = 0 остается практически одинаковым при любой вязкости.

Рисунок Н.2 - Коэффициенты пересчета характеристик с воды на вязкие жидкости в зависимости от числа Рейнольдса
По номограмме на рисунке H.2 можно также определить коэффициент пересчета Kс для определения критического кавитационного коэффициента быстроходности насоса при перекачивании вязкой жидкости Cкрvis, который вычисляют по формуле
Cкрvis = KсCкрw, (н.8)
где Cкрvis - кавитационный коэффициент быстроходности для воды.
Н.3 Учет влияния частоты вращения и температуры (вязкости) на КПД насоса при работе на воде Равенство КПД при работе насоса в условиях эксплуатации и при испытаниях обеспечивается только тогда, когда рабочая жидкость соответствует показателям чистой холодной воды (см. таблицы 5.4 и 5.5), а частота вращения при испытаниях близка к рабочей.
В случаях, когда частота вращения и температура при испытаниях отличаются от рабочих, то КПД
насоса для рабочих условий необходимо откорректировать по следующим формулам:
- влияние изменения частоты вращения на КПД:
где ηн - КПД при рабочей частоте вращения;
ηи - КПД при испытаниях;
- влияние повышения температуры воды на КПД:
где vи - кинематическая вязкость воды при температуре испытаний;
vн - кинематическая вязкость воды при рабочей температуре.
По формулам (H.9), (H.10) уточняют КПД и мощность насоса для рабочей среды в рабочем диапазоне подач.
Кривые P = f(Q) и η = f(Q) проводят, ориентируясь на кривые, полученные при испытаниях.
Методика применения поправок по приложению H должна быть приведена в ПМ.
Рисунок J.1 является составным графиком изменений (сокращений) ∆hдоп(NPSHR), которые возможны для углеводородных жидкостей и высокотемпературной воды, основан на данных лабораторных испытаний, проведенных на указанных жидкостях, нанесенных как функция (зависимость) температуры жидкости и давления паров жидкости от этой температуры.

Примечание - Номограмма составлена на основе данных [19].
Рисунок J.1 - Снижение ∆hдоп(NPSHR) для насосов, перекачивающих углеводородные жидкости и воду при высоких температурах
Следующие ограничения и меры предосторожности следует соблюдать при использовании графика, представленного на рисунке J.1.
Основываясь на определенном опыте работы насосов в условиях применения приведенных на графике зависимости, снижения ∆hдоп(NPSHR) необходимо ограничить значением не более 50 % от ∆hдоп(NPSHR), необходимого насосу при его работе на холодной воде.
График основан на данных испытания насосов, перекачивающих обычные чистые жидкости. Если в жидкости присутствует воздух или другие неконденсируемые газы, то это может неблагоприятно отразиться на работе насоса даже при нормальном NPSHA и в дальнейшем может привести к снижению NPSHA. При наличии растворенного воздуха или других неконденсируемых газовых включений и при абсолютном давлении на входе в насос достаточно низком, чтобы вывести их из жидкости, можно увеличить NPSHA, сделать его выше, чем требуется для работы на холодной воде, и этим самым избежать ухудшения условий работы насоса за счет предполагаемой попытки освобождения от них.
Примечания
1 Имеющиеся данные ограничены и применимы только для приведенных на рисунке J.1 жидкостей. Применение данного графика для иных жидкостей, кроме углеводородных смесей и воды, без экспериментального обоснования не рекомендуется.
2 Снижение hдоп(NPSHR) следует принимать или равным считываемой величине с правой шкалы графика на рисунке J.1 или половине hдоп(NPSHR), полученного на холодной воде. Принимают меньшее значение из данных двух.
3 При использовании графика для жидкостей с высокой температурой и воды особое внимание следует обращать на чувствительность системы всасывания насоса к скоротечным изменениям температуры и абсолютного давления, что может повлечь за собой соблюдение мер предосторожности к NPSHR, намного превышающей допустимое снижение, необходимое для стабильной работы.
4 По причине отсутствия данных, показывающих изменение hдоп(NPSHR) больше чем на 3 м, применение графика должно быть ограничено до этого предела и экстраполяция за этими пределами не рекомендуется.
Рекомендация по практическому использованию графика - на рисунке J.1.
В нижней части графика найти температуру перекачиваемой жидкости в градусах Цельсия (°С) и от этой точки по вертикали вверх подняться до пересечения с соответствующей линией, показывающей зависимость давления насыщенного пара данной жидкости от ее температуры. Затем от этой точки пересечения двигаться вправо вверх параллельно кривым снижения ∆hдоп(NPSHR), где по имеющейся шкале определить значение снижения. Вычитая полученное значение снижения ∆hдоп(NPSHR) из полученного значения ∆hдоп(NPSHR) по испытаниям на холодной воде, получим откорректированное значение ∆hдоп(NPSHR) для соответствующей жидкости, подлежащей перекачиванию насосом.
Если характеристики насоса выше расчетных характеристик, то рабочее колесо по диаметру обтачивают по 6.5.1, в тех случаях, когда разница между исполненным и уменьшенным диаметрами рабочего колеса не превышает 5 % для насосов, у которых K ≤ 1,5, и при этом форма лопаток остается неизменной после обточки (сохраняется внешний угол выхода, конусность и т.п.).
Коэффициент пересчета характеристик насоса R вычисляется по формуле
(K.1)
где Dr, D1, Dt - диаметры рабочего колеса (см. рисунок K.1);
Qr = R·Qt,
Hr = R2·Ht.

Рисунок K.1 -Диаметры рабочего колеса при обточке
КПД насоса с типовым числом (быстроходностью) K ≤ 1,0 (ns ≤ 193,2) остается практически неизменным при обточке рабочего колеса, не превышающей 3 %.
Формула, приведенная в 8.2.4 для расчета потерь давления из-за трения, подразумевает длительный расчет, который во многих случаях должен привести к выводу, что корректировка не требуется.
Первичная проверка необходимости проведения расчета дана на рисунке L.1 для класса испытаний 1 и на рисунке L.2 - для класса 2. Это относится к прямым стальным трубам постоянного сечения, перекачивающим холодную воду. Труба на входе и выходе должна иметь одинаковый диаметр, а измерительные сечения (точки) должны находиться на расстоянии двух диаметров вверх и вниз от соответствующих фланцев на входе и выходе (см. 8.2.1).

Рисунок L.1 - График для испытаний по классу 1, показывающий скорости, выше которых требуется учет потерь на участках, отстоящих на расстоянии 2d выше и ниже по течению от фланцев насоса

Рисунок L.2 - График для испытаний по классу 2, показывающий скорости, выше которых требуется учет потерь на участках, отстоящих на расстоянии 2d выше и ниже по течению от фланцев насоса
Если трубы разного диаметра, то используется диаметр меньшей трубы.
Если имеется указание без корректировки, то расчет проводить не надо.
Если имеется указание «корректировка», можно использовать рисунок L.3 (только для стальных труб и холодной воды) для определения λ. Если трубы выполнены из другого материала или жидкость не является холодной водой, то используют график Муди, приведенный на рисунке L.4, или используют формулу для вычисления λ. (8.3). Для новых труб эквивалентную шероховатость к можно принимать по таблице L.1.
Таблица L.1 - Эквивалентная шероховатость к для новых труб
|
Материал для труб торгового качества (новых) |
Эквивалентная шероховатость поверхностей к, мкм |
|
Стекло, латунь, медь или свинец |
Гладкая |
|
Сталь |
0,05 |
|
Чугун, покрытый слоем битума |
0,12 |
|
Оцинкованная сталь |
0,15 |
|
Чугун |
0,25 |
|
Бетон |
От 0,3 до 3,0 |
|
Клепаная сталь |
» 1,0 » 10,0 |

Шероховатость поверхности k = 5·10-5 м
Кинематическая вязкость v
= 1·10-6 м2/с
Рисунок L.3 - Коэффициент потерь трения жидкости λ для
подсчета потерь напора в трубах

Рисунок L.4 - Коэффициенты потерь трения жидкости (график Муди)
Таблица M.1
|
Температура, °С |
Давление пара, Па |
Плотность, кг/м3 |
|
0 |
610,7 |
999,8 |
|
1 |
656,4 |
999,88 |
|
2 |
705,9 |
999,92 |
|
3 |
757,4 |
999,96 |
|
4 |
812,9 |
1000,00 |
|
5 |
871,8 |
999,98 |
|
6 |
934,9 |
999,94 |
|
7 |
1001,2 |
999,90 |
|
8 |
1072,0 |
999,84 |
|
9 |
1147,3 |
999,78 |
|
10 |
1227,1 |
999,70 |
|
11 |
1311,7 |
999,60 |
|
12 |
1401,5 |
999,48 |
|
13 |
1496,6 |
999,34 |
|
14 |
1597,4 |
999,20 |
|
15 |
1704,0 |
999,00 |
|
16 |
1816,9 |
998,88 |
|
17 |
1936,3 |
998,72 |
|
18 |
2062,3 |
998,54 |
|
19 |
2159,7 |
998,36 |
|
20 |
2336,9 |
998,20 |
|
21 |
2485,0 |
997,96 |
|
22 |
2641,9 |
997,74 |
|
23 |
2807,6 |
997,54 |
|
24 |
2982,2 |
997,32 |
|
25 |
3166,6 |
997,10 |
|
26 |
3359,7 |
996,84 |
|
27 |
3563,7 |
996,56 |
|
28 |
3778,5 |
996,30 |
|
29 |
4004,0 |
996,00 |
|
30 |
4241,3 |
995,70 |
|
31 |
4491,4 |
995,36 |
|
32 |
4557,1 |
995,00 |
|
33 |
5018,8 |
994,64 |
|
34 |
5318,1 |
994,26 |
|
35 |
5622,1 |
993,90 |
|
36 |
5939,9 |
993,54 |
|
37 |
6274,3 |
993,20 |
|
38 |
6624,4 |
992,80 |
|
39 |
6991,2 |
992,44 |
|
40 |
7374,6 |
992,30 |
|
41 |
7776,7 |
991,70 |
|
42 |
8198,3 |
991,32 |
|
43 |
8638,7 |
990,94 |
|
44 |
9099,6 |
990,54 |
|
45 |
9582,1 |
990,20 |
|
46 |
10085,1 |
989,74 |
|
47 |
10611,8 |
989,34 |
|
48 |
11161,9 |
988,97 |
|
49 |
11735,6 |
988,52 |
|
50 |
12334,8 |
988,10 |
|
Примечание - Пересчет давления пара, приведенного в Паскалях (Па) на давление в (кгс/см2), проводят из соотношения: p(Па)1,02·10-5 = p(кгс/см2) |
||
Обозначение насоса (агрегата)______________________________заводской №_____________
Предприятие-изготовитель*________________________________________________________
*Предприятие - изготовитель насоса (агрегата) указывают на характеристике в случае ее использования как самостоятельного документа.
Номинальная частота вращения ____________________________1/с (______________об/мин)
Дата испытаний__________________________________________________________________
Перекачиваемая среда
при испытаниях_____________________________________ плотностью ρ =___________кг/м3
жидкость
Протокол испытаний №_______________________

Рисунок N.1
Примечания
1 При оформлении характеристики на насосные агрегаты необходимо дополнительно указывать:
- тип привода и обозначение его исполнения;
- мощность, потребляемую приводом;
- КПД привода;
- к какому изделию (насосу или агрегату) относятся мощностная [(P =f(Q)] и энергетическая [η = f(Q)] характеристики.
2 Допускается при необходимости нанесение на характеристику каталожных кривых и полей допуска в черно-белом и(или) цветном изображениях.
Обозначение насоса ____________________________________заводской №_______________
типоразмер
Предприятие-изготовитель*________________________________________________________
*Предприятие - изготовитель насоса (агрегата) указывают на характеристике в случае ее использования как самостоятельного документа.
Дата испытаний__________________________________________________________________
Протокол________________________________________________________________________
Частота вращения ____________________с-1 (_____________об/мин)
Номинальная подача _____________________м3/с (___________м3/ч)
Атмосферное давление pamb(б) ___________МПа (___________кгс/см2)
Время самовсасывания tсн ____________________________________с
Температура воздуха ta возд _________°С

Примечание - Qсв и hс - соответственно подача воздуха и высота самовсасывания насоса; Qсн и hсн - соответственно подача воздуха насосом и высота самовсасывания при номинальной (фактической) по объему и высоте самовсасывающей линии насоса.
Рисунок Р.1 - Характеристика самовсасывания насоса
Стоимость проведения испытаний, не включенных в содержание настоящего стандарта, - по специальному соглашению между сторонами.
Q.1 Стоимость приемочных и специальных испытаний
В договоре необходимо указать стоимость приемочных и специальных испытаний. Следует принять во внимание, что стоимость испытаний для определения NPSH будет выше.
Q.2 Повторные испытания
При сомнении в точности полученных при измерении данных производитель (поставщик) и покупатель должны потребовать повторения испытаний. Если новые испытания не подтверждают желаемого результата, то сторона, требующая еще новых испытаний, должна нести расходы на их повторение.
Относительные предельные погрешности результатов испытаний вычисляют по формулам
- для подачи eQ, %
(R.1)
где e'Q - относительная погрешность измерения подачи, %
e'n - относительная погрешность измерения частоты вращения вала насоса, %;
- для напора eH, %
(R.2)
где
(R.3)
где ρ - плотность жидкости, на которой проводятся испытания, кг/м3;
g - ускорение свободного падения, м/с2; Н - напор насоса, м;
е'рм1 и е'рм2 - относительная погрешность измерения давления соответственно на входе и выходе насоса, %;
pм1 и pм2 - показания приборов измерения давления соответственно на входе и выходе насоса, Па;
Zм2 - Zм1 - расстояние по вертикали между эталонными плоскостями приборов измерения давления на выходе и входе, м;
e'Z - относительная погрешность измерения расстояния Zм2 - Zм1, %;
- для мощности, eP, %
(R.4)
где e'P - относительная предельная погрешность измерения мощности, %, вычисляемая по формуле
(R.5)
где e'ТН - относительная погрешность трансформации напряжения, %;
e'ТТ - относительная погрешность трансформации тока, %;
e'К - относительная погрешность измерения мощности, %;
- для кавитационного запаса ∆h(NPSH), e∆h, %, вычисляемая по формуле
(R.6)
где ∆h - кавитационный запас (надкавитационный напор на входе NPSH), м;
e'pб - относительная погрешность измерения барометрического давления, %;
e'pп - относительная погрешность измерения давления паров, %;
Zm2 - Zm1 -расстояние;
e'ZM1 - относительная погрешность измерения расстояния по вертикали между базовой плоскостью ∆h(NPSH) и эталонной плоскостью прибора измерения давления на входе, %.
В данном приложении приводятся виды опасностей, исходящих от насосов, их определение, содержание, меры предупреждения и способы контроля в соответствии с ЕН 292-1 [20], ЕН 292-2 [21] и ЕН 809 [22].
S.1 Механическая опасность
Механическая опасность - это общее обозначение всех физических факторов, которые могут привести к травмам при механическом движении частей машины, инструментов и выбрасывании твердых и жидких материалов.
S.1.1 Основные виды механической опасности
S.1.1.1 Опасности сдавливания, пореза, разреза или отсечения, наматывания, втягивания или захвата, удара, трения или стирания.
S.1.1.2 Опасности, вызванные разбрызгиванием или выходом наружу жидкостей под высоким давлением.
S.1.1.3 Опасности, вызванные выбросом наружу частей вращающихся машин.
S 1.1.4 Опасности, вызванные потерей устойчивости
Для предотвращения опасностей по S.1.1.1 и S.1.1.3 должны быть приняты меры безопасности:
- округление или снятие острых кромок, углов;
- удаление грата, окалины;
- ограждение вращающихся выступающих призматических шпонок, муфт; при этом должен быть обеспечен свободный доступ к уплотнениям вала для контроля концевых уплотнений и их регулирования;
- демонтаж ограждений (муфт) - только с помощью инструмента.
Для предотвращения (или снижения) выхода наружу жидкостей по S.1.1.2 необходимо:
- использование надежных уплотнений вала (концевых уплотнений) и уплотнений (металлических, резиновых и т.д.) корпусных деталей;
- обеспечить сбор и отвод утечек (для опасных жидкостей и газов);
- обеспечить гидростатическое давление жидкости в корпусных деталях в соответствии с документацией;
- не допускать превышения значений предельных сил и моментов в местах подсоединения трубопроводов.
С целью предотвращения опасностей по S.1.1.3 для муфт, передаточных механизмов, проставков не допускается превышения предельных значений крутящего момента, частоты вращения и расцентровки валов.
Для предотвращения потери устойчивости при хранении, транспортировании, сборке и разборке при предполагаемом наклоне 10° в любом направлении должны быть проведены необходимые расчеты расположения центра тяжести и, в необходимых случаях, применены приспособления для сохранения устойчивости (не допускается покачивание насоса или его корпуса на своих патрубках). В документации должны быть указаны рекомендации по строповке и креплению при монтаже и транспортировании.
S.1.2 Контроль по предупреждению механических опасностей
Контроль по предупреждению механических опасностей включает:
- экспертизу конструкторской документации, прочностных расчетов и эксплуатационной документации при приемочных испытаниях опытного (головного) образца;
- визуальный контроль (наличие ограждений муфт, отсутствие острых кромок, наличие приспособлений, отсутствие течей) - контроль внешних утечек из концевых уплотнений вала согласно ПМ.
S.2 Электрическая опасность
S.2.1 Электрическая опасность может привести к травмам или смерти от электрошока или ожогов по причине:
- контакта людей с частями, находящимися под напряжением (прямой контакт);
- контакта людей с неисправными частями, находящимися под напряжением при нарушении изоляции (непрямой контакт);
- приближения людей к зоне высокого напряжения;
- непригодности изоляции для использования в данных условиях;
- электростатических процессов;
- термического излучения или таких процессов, как, например, разбрызгивания расплавленных веществ, химических процессов при коротком замыкании, перегрузке и т.д.
S.2.2 Электрические меры безопасности насосного агрегата обычно обеспечиваются электробезопасностью комплектующего электрооборудования (электродвигателя), которые подтверждают сертификаты соответствия. В условиях эксплуатации двигатели должны заземляться по ГОСТ 12.1.030, ГОСТ 12.2.007.0 и ГОСТ 21130.
Насосы (агрегаты), предназначенные для эксплуатации во взрыво-пожароопасных производствах химической, нефтехимической, нефтеперерабатывающей промышленности и других отраслей, для перекачивания жидкостей, накапливающих статическое электричество, проходят контрольные испытания на защиту от статического электричества в соответствии с действующими нормами и правилами.
Обычно такие насосы имеют собственные заземляющие устройства по ГОСТ 21130.
В необходимых случаях проверяют удельное объемное или поверхностное электрическое сопротивление материала проточной части насоса, которое должно быть не более 105 Ом·м и определяют по ГОСТ 6433.1 - ГОСТ 6433.4 - для твердых материалов и ГОСТ 16185 - для пластмасс;
- наличие заземляющего устройства и его сопротивление, которое должно быть не более 100 Ом;
- другие требования (показатели), связанные со статическим электричеством, в соответствии с правилами, если в этом есть необходимость и она предусмотрена ТУ и ПМ на конкретное изделие.
Показатели электрической безопасности для электродвигателей, электронасосных агрегатов определяют по ГОСТ 183, ГОСТ 7217, ГОСТ 10169 и ГОСТ 11828.
S.2.3 Контроль по предупреждению электрических опасностей:
Контроль по предупреждению электрических опасностей включает:
- экспертизу конструкторской и эксплуатационной документации при приемочных испытаниях опытного (головного) образца;
- проверку при эксплуатации выполнения требований, указанных в инструкции по эксплуатации (наличие контроля в условиях эксплуатации - наличие заземляющих устройств, кожухов, предотвращающих прямое попадание жидкостей или твердых веществ к электрическим соединениям, устройства для размыкания энергоснабжения насосного агрегата).
S.3 Термическая опасность
S.3.1 Термическая опасность, исходящая от наружных поверхностей насоса (агрегата), может иметь последствия для человека в виде ожогов (или переохлаждения) вследствие контакта с поверхностями.
S.3.2 Для предотвращения воздействия температур необходимы меры по исключению или уменьшению времени прикосновения к поверхностям (изоляция, ограждение в местах возможного прикосновения, ограждения насоса (агрегата).
S.3.3 Максимально допустимые температуры для незащищенных поверхностей насоса (агрегата) при нормальном режиме работы [24]) приведены в таблице S.1.
|
Наименование материала |
Максимально допустимая температура, °С, |
|
|
для поверхностей, неумышленное прикосновение к которым возможно в ограниченном пространстве1) |
для поверхностей, неумышленное прикосновение к которым возможно в неограниченном пространстве |
|
|
Металл 2) |
68 |
80 |
|
Керамика |
73 |
84 |
|
Пластмасса |
80 |
90 |
|
1) Учитывается, что при неумышленном прикосновении к поверхности в ограниченном пространстве, в котором отдергивание замедляется из-за стесненной подвижности, продолжительность контакта может быть дольше и, тем самым, требуется более низкая максимальная температура. 2) С лаковым покрытием и без него. |
||
S.3.4 Допускаемые температуры (подшипников, масляных ванн, корпусов и т.д.) следует указывать в нормативной, технической и эксплуатационной документации.
Методы измерения - термометрами или датчиками температуры.
S.3.5 Контроль по предупреждению термической опасности:
Контроль по предупреждению термической опасности включает:
- экспертизу конструкторской и эксплуатационной документации при приемочных испытаниях опытных (головных) образцов;
- проведение обкатки перед проведением гидравлических испытаний насоса и контроль температуры подшипников;
- контроль в условиях эксплуатации выполнения требований эксплуатационной документации.
S.4 Опасность от воздействия шума насосного агрегата или установки
S.4.1 Шум может привести к следующим последствиям:
- длительному нарушению слуха;
- шуму в ушах;
- усталости, стрессу и т.д.;
- другим последствиям, например к нарушению равновесия, ослаблению внимания и т.д.
S.4.2 Настоящий стандарт, в соответствии с ЕН 809 [22], не рассматривает уменьшение возможных опасностей, которые могут привести к последствиям по S.4.1, т.к. изготовитель насоса не должен учитывать уровень шума, возникающий помимо насоса в эксплуатационных условиях.
S.5 Опасность от воздействия вибрации насоса (агрегата)
Значительная вибрация (или меньшей силы в течение длительного времени) может быть причиной нарушения здоровья человека.
Настоящим стандартом в соответствии с [22] не рассматривается уменьшение возможных опасностей из-за длительных вибрационных нагрузок.
S.6 Опасность, исходящая от материалов и веществ
S.6.1 Материалы, которые используют при изготовлении насосов, и среды (вещества), перекачиваемые насосами (агрегатами), могут представлять опасность:
- контакта с жидкостями, газами, туманами, парами или их вдыхания, имеющими вредный, ядовитый и (или) раздражающий эффект;
- пожаро- или взрывоопасность;
- недостаточной стойкости материалов в перекачиваемой или окружающей среде (снижающей ресурс или прочность насоса).
S.6.2 Меры предосторожности (например, отвод токсичных, коррозионных и других опасных жидкостей и их сбор, отвод газов, применение взрывозащищенных двигателей) должны быть указаны в инструкции по эксплуатации изготовителя, которые должен выполнять потребитель и контролировать органы надзора.
S.7 Опасность, вызванная несоблюдением эргономических принципов проектирования насосов (агрегатов)
S.7.1 Недостаточное соответствие машин свойствам и способностям людей может проявиться в следующей форме:
- физиологические проявления, которые являются следствием нездоровой рабочей позы, физическим напряжением;
- психофизиологические проявления, являющиеся следствием умственной перегрузки или недостаточной нагрузки, стресса и т.д., возникающие во время рабочего процесса, процесса контроля за работой агрегата или технического обслуживания агрегата в рамках границ его предусмотренного использования;
- ошибки оператора.
S.7.2 Во избежание опасностей по S.7.1 необходимо на стадии проектирования насосов (агрегатов) и при эксплуатации соблюдать эргономические принципы проектирования, изложенные в ГОСТ 12.2.003, [22] и в стандартах системы безопасности труда, в том числе:
- сигнальные цвета безопасности;
- удобное и легкодоступное расположение (отключающих) устройств, приборов;
- легкоузнаваемость знаков, исключающая ошибки оператора и т.д.
Контроль выполнения мер безопасности сводится к экспертизе документации, в том числе и эксплуатационной, на стадии приемки опытного (головного) образца.
S.8 Опасности, исходящие из нарушения в электроснабжении, разрушения частей машин и других случаев нештатной работы
К таким опасностям относятся:
- неисправность, неправильное срабатывание системы управления;
- неправильные сборки (монтаж);
- неожиданный (непреднамеренный) пуск.
Опасности, которые могут привести к ошибочной сборке, должны быть конструктивно исключены.
Если применяют соединительные элементы со специальными требованиями, то соединительные элементы, с которыми их можно спутать, для других соединений должны быть такого же качества.
Если после отключения насосного агрегата может возникнуть обратный поток через насос, то изготовитель (поставщик) должен указать на необходимость устройства для предотвращения обратного потока (например, обратный клапан).
Во избежание неправильного вращения насоса оно должно быть обозначено с помощью прикрепленной (отлитой) стрелки на заметном месте, имеющей цвет, контрастный с насосом. Стрелка должна быть в долговечном исполнении. Правильность направления вращения проверяют в условиях изготовления и пусковых (монтажных) работ.
Вспомогательные трубопроводы, которые имеют большое значение для работы насосы, должны быть указаны в инструкции по эксплуатации или в монтажном чертеже.
Если существует опасность непреднамеренного пуска, то должны быть предусмотрены меры, исключающие такой пуск.
S.9 Опасности вследствие отказа и (или) неправильного предписания защитных мероприятий
S.9.1 Опасности могут представлять:
- все виды защитных устройств;
- все виды отделяющих защитных устройств;
- все виды информационных или предупреждающих устройств;
- мероприятия на случай аварии;
- необходимое оборудование и принадлежности для безопасной настройки и (или) содержания их в исправности.
S.9.2 Для предотвращения этих опасностей необходимо:
- выполнять открываемые или снимаемые защитные устройства так, чтобы ошибочная их перемена местами не сказалась на мерах по снижению риска;
- предусмотреть возможность демонтажа защитных устройств, предназначенных для уменьшения опасности при прикосновении к насосу или частям агрегата только с помощью инструмента;
- предусмотреть места подсоединения контрольно-измерительных или сигнализирующих приборов, если они необходимы из условий безопасности насосов (агрегатов);
- предусмотреть меры, сохраняющие безопасность объекта и насосного агрегата (например, переход на резервный насос), если требуется аварийный останов посредством ручного вмешательства. Если в случае контрольной проверки выявится, что обычное отключающее устройство функционирует как аварийное с такой же эффективностью, то оно обозначается как таковое;
- если требуется специальный инструмент для монтажа и эксплуатации, он должен регламентироваться изготовителем и предлагаться к поставке;
- предусмотреть возможность установки и регулирования предохранительных устройств (предохранительный клапан, байпас), не закрытых кожухами или ограждениями, только с помощью инструмента.
Изготовитель должен указать на вероятные опасности вследствие неправильной настройки таких устройств.
Контроль по предупреждению таких опасностей должен осуществляться в соответствии с инструкциями по эксплуатации изготовителя или потребителя.
Таблица Т.1
|
Обозначение ссылочного межгосударственного стандарта |
Обозначение и наименование ссылочного международного стандарта и условное обозначение степени его соответствия ссылочному межгосударственному стандарту |
|
- |
|
|
ИСО 5167-1:2003 «Измерение расхода среды с помощью устройств переменного перепада давления, помещенных в заполненные трубопроводы круглого сечения. Часть 1. Общие принципы и требования» (MOD) |
|
|
ИСО 5167-2:2003 «Измерение расхода среды с помощью устройств переменного перепада давления, помещенных в заполненные трубопроводы круглого сечения. Часть 2. Диафрагмы» (MOD) |
|
|
ИСО 5167-3:2003 «Измерение расхода среды с помощью устройств переменного перепада давления, помещенных в заполненные трубопроводы круглого сечения. Часть 3. Сопла и сопла Вентури» (MOD) |
|
|
ИСО 5167-4:2003 «Измерение расхода среды с помощью устройств переменного перепада давления, помещенных в заполненные трубопроводы круглого сечения. Часть 4. Трубы Вентури» (MOD) |
|
|
- |
|
|
- |
|
|
ГОСТ 12.1.012-2004 |
- |
|
- |
|
|
- |
|
|
- |
|
|
- |
|
|
- |
|
|
ГОСТ 27.301-95 |
- |
|
ГОСТ 27.410-87 |
- |
|
- |
|
|
ГОСТ 6433.1-71 |
- |
|
ГОСТ 6433.2-71 |
- |
|
ГОСТ 6433.3-71 |
- |
|
ГОСТ 6433.4-71 |
- |
|
ГОСТ 7217-87 |
- |
|
ГОСТ 10169-77 |
- |
|
ГОСТ 11828-86 |
- |
|
ГОСТ 16185-82 |
- |
|
- |
|
|
- |
|
|
ГОСТ 21130-75 |
- |
|
- |
|
|
ГОСТ 25275-82 |
- |
|
ГОСТ 26043-83 |
- |
|
ГОСТ 30012.1-2002 |
- |
|
Примечание - В настоящей таблице использовано следующее условие обозначение степени соответствия стандартов: - MOD - модифицированные стандарты. |
|
Таблица U.1
|
Структура международного стандарта ИСО 9906:1999 |
Структура настоящего стандарта |
|||||
|
Подразделы |
Пункты |
Подпункты |
|
Подразделы |
Пункты |
Подпункты |
|
Раздел 3 |
Раздел 3 |
|||||
|
3.1 |
- |
- |
- |
3.1 |
3.1.1 |
- |
|
3.2 |
- |
- |
- |
3.1.2 |
- |
|
|
3.3 |
- |
- |
- |
3.1.3 |
- |
|
|
3.4 |
- |
- |
- |
3.1.4 |
- |
|
|
3.5 |
- |
- |
- |
3.1.5 |
- |
|
|
3.6 |
- |
- |
- |
3.1.6 |
- |
|
|
3.7 |
- |
- |
- |
3.1.7 |
- |
|
|
3.8 |
- |
- |
- |
3.1.8 |
- |
|
|
3.9 |
- |
- |
- |
3.1.9 |
- |
|
|
3.10 |
- |
- |
- |
3.1.10 |
- |
|
|
3.11 |
- |
- |
- |
3.1.11 |
- |
|
|
3.12 |
- |
- |
- |
3.1.12 |
- |
|
|
3.13 |
- |
- |
- |
3.1.13 |
- |
|
|
3.14 |
- |
- |
- |
3.1.14 |
- |
|
|
3.15 |
- |
- |
- |
3.1.15 |
- |
|
|
3.16 |
- |
- |
- |
3.1.16 |
- |
|
|
3.17 |
- |
- |
- |
3.1.17 |
- |
|
|
3.18 |
- |
- |
- |
3.1.18 |
- |
|
|
3.19 |
- |
- |
- |
3.1.19 |
- |
|
|
3.20 |
- |
- |
- |
3.1.20 |
- |
|
|
3.22 |
- |
- |
- |
3.1.21 |
- |
|
|
3.23 |
- |
- |
- |
3.1.22 |
- |
|
|
3.24 |
- |
- |
- |
3.1.23 |
- |
|
|
3.25 |
- |
- |
- |
3.1.24 |
- |
|
|
3.26 |
- |
- |
- |
3.1.25 |
- |
|
|
3.27 |
- |
- |
- |
3.1.26 |
- |
|
|
3.28 |
- |
- |
- |
3.1.27 |
- |
|
|
3.29 |
- |
- |
- |
3.1.28 |
- |
|
|
3.30 |
- |
- |
- |
3.1.29 |
- |
|
|
3.31 |
- |
- |
- |
3.1.30 |
- |
|
|
3.32 |
- |
- |
- |
3.1.31 |
- |
|
|
3.33 |
- |
- |
- |
3.1.32 |
- |
|
|
3.34 |
- |
- |
- |
3.1.33 |
- |
|
|
3.35 |
- |
- |
- |
3.1.34 |
- |
|
|
- |
- |
- |
- |
3.1.35 |
- |
|
|
- |
- |
- |
- |
3.1 |
3.1.36 |
- |
|
- |
- |
- |
- |
3.1.37 |
- |
|
|
- |
- |
- |
- |
3.1.38 |
- |
|
|
- |
- |
- |
- |
3.1.39 |
- |
|
|
- |
- |
- |
- |
3.1.40 |
- |
|
|
- |
- |
- |
- |
3.1.41 |
- |
|
|
- |
- |
- |
- |
3.1.42 |
- |
|
|
- |
- |
- |
- |
3.1.43 |
- |
|
|
- |
- |
- |
- |
3.1.44 |
- |
|
|
- |
- |
- |
- |
3.1.45 |
- |
|
|
- |
- |
- |
- |
3.1.46 |
- |
|
|
- |
- |
- |
- |
3.1.47 |
- |
|
|
- |
- |
- |
- |
3.1.48 |
- |
|
|
- |
- |
- |
- |
3.1.49 |
- |
|
|
- |
- |
- |
- |
3.1.50 |
- |
|
|
- |
- |
- |
- |
3.1.51 |
- |
|
|
- |
- |
- |
- |
3.1.52 |
- |
|
|
- |
- |
- |
- |
3.1.53 |
- |
|
|
- |
- |
- |
- |
3.1.54 |
- |
|
|
Таблица 1 |
- |
- |
- |
3.2 |
- |
- |
|
Таблица 2 |
- |
- |
- |
- |
- |
|
|
Раздел 5 |
Раздел 5 |
|||||
|
5.1 |
5.1.1 |
- |
- |
5.1 |
5.1.1 |
- |
|
5.1.2 |
- |
- |
5.1.2 |
- |
||
|
5.1.3 |
- |
- |
5.1.3 |
- |
||
|
- |
- |
- |
- |
5.1.4 |
- |
|
|
- |
- |
- |
- |
5.1.5 |
- |
|
|
- |
- |
- |
- |
5.1.6 |
- |
|
|
- |
- |
- |
- |
5.1.8 |
- |
|
|
- |
- |
- |
- |
5.1.9 |
- |
|
|
- |
- |
- |
- |
5.1.10 |
- |
|
|
- |
- |
- |
- |
5.1.11 |
- |
|
|
- |
- |
- |
- |
5.1.12 |
- |
|
|
5.2 |
5.2.1 |
- |
- |
5.2 |
5.2.1 |
- |
|
5.2.2 |
5.2.2.1 |
- |
5.2.2 |
5.2.2.1 |
||
|
5.2.2.2 |
- |
|
5.2.2.2 |
|||
|
5.2.3 |
- |
- |
5.2.3 |
- |
||
|
5.2.4 |
- |
- |
5.2.4 |
- |
||
|
5.2.5 |
- |
- |
5.2.5 |
- |
||
|
5.2.6 |
- |
- |
5.2.6 |
- |
||
|
5.2.7 |
- |
- |
5.2.7 |
- |
||
|
5.2.8 |
- |
- |
5.2.8 |
- |
||
|
5.2.9 |
- |
- |
5.2.9 |
- |
||
|
5.3 |
5.3.1 |
- |
|
5.3 |
5.3.1 |
- |
|
5.3.2 |
- |
|
5.3.2 |
- |
||
|
5.3.3 |
- |
|
5.3.3 |
- |
||
|
5.3.4 |
- |
|
5.3.4 |
- |
||
|
5.3.5 |
- |
|
5.3.5 |
- |
||
|
5.3.6 |
- |
|
5.3.6 |
- |
||
|
5.3.7 |
- |
|
5.3.7 |
- |
||
|
- |
- |
- |
|
5.3.8 |
- |
|
|
- |
- |
- |
|
5.3.9 |
- |
|
|
- |
- |
- |
|
5.3.10 |
5.3.10.1 |
|
|
- |
- |
- |
|
5.3.10.2 |
||
|
- |
- |
- |
|
5.3.11 |
5.3.11.1 |
|
|
- |
- |
- |
|
5.3.11.2 |
||
|
5.4 |
5.4.1 |
- |
|
5.4 |
5.4.1 |
- |
|
5.4.2 |
5.4.2.1 |
|
5.4.2 |
5.4.2.1 |
||
|
5.4.2.2 |
|
5.4.2.2 |
||||
|
5.4.2.3 |
|
5.4.2.3 |
||||
|
5.4.3 |
- |
|
5.4.3 |
- |
||
|
5.4.4 |
- |
|
5.4.4 |
- |
||
|
5.4.5 |
5.4.2.1 |
|
5.4.5 |
5.4.5.1 |
||
|
5.4.2.2 |
|
5.4.5.2 |
||||
|
5.4.2.3 |
|
5.4.5.3 |
||||
|
Раздел 7 |
|
Раздел 7 |
||||
|
7.1 |
- |
- |
|
7.1 |
- |
- |
|
7.2 |
- |
- |
|
7.2 |
- |
- |
|
7.3 |
- |
- |
|
7.3 |
- |
- |
|
7.4 |
- |
- |
|
7.4 |
- |
- |
|
7.5 |
- |
- |
|
7.5 |
- |
- |
|
7.6 |
- |
- |
|
7.6 |
- |
- |
|
7.7 |
- |
- |
|
7.7 |
- |
- |
|
- |
- |
- |
|
7.8 |
- |
- |
|
- |
- |
- |
|
7.9 |
- |
- |
|
- |
Раздел 12 |
|||||
|
- |
- |
- |
|
12.1 |
- |
- |
|
- |
- |
- |
|
12.2 |
- |
- |
|
- |
- |
- |
|
12.3 |
- |
- |
|
- |
- |
- |
|
12.4 |
- |
- |
|
- |
- |
- |
|
12.5 |
- |
- |
|
- |
- |
- |
|
12.6 |
- |
- |
|
- |
- |
- |
|
12.7 |
- |
- |
|
- |
- |
- |
|
12.8 |
- |
- |
|
- |
- |
- |
|
12.9 |
12.9.1 |
- |
|
- |
- |
- |
|
12.9.2 |
- |
|
|
- |
- |
- |
|
12.9.3 |
- |
|
|
- |
- |
- |
|
12.9.4 |
- |
|
|
- |
- |
- |
|
12.9.5 |
- |
|
|
- |
Раздел 13 |
|||||
|
- |
- |
- |
|
13.1 |
13.1.1 |
- |
|
- |
- |
- |
|
13.1.2 |
- |
|
|
- |
- |
- |
|
13.1.3 |
- |
|
|
- |
- |
- |
|
13.1.4 |
- |
|
|
- |
- |
- |
|
13.1.5 |
- |
|
|
- |
- |
- |
|
13.1.6 |
- |
|
|
- |
- |
- |
|
13.2 |
13.2.1 |
- |
|
- |
- |
- |
|
13.2.2 |
- |
|
|
- |
- |
- |
|
13.2.3 |
- |
|
|
- |
- |
- |
|
13.3 |
- |
- |
|
- |
- |
- |
|
13.4 |
- |
- |
|
- |
- |
- |
|
13.5 |
- |
- |
|
Приложения |
А |
|
Приложения |
А |
||
|
В |
|
К |
||||
|
С |
|
L |
||||
|
D |
|
С |
||||
|
Е |
|
F |
||||
|
F |
|
Q |
||||
|
G |
|
Н |
||||
|
Н |
|
J |
||||
|
I |
|
D |
||||
|
J |
|
G |
||||
|
K |
|
Е |
||||
|
- |
|
В |
||||
|
- |
|
M |
||||
|
- |
|
N |
||||
|
- |
|
Р |
||||
|
- |
|
R |
||||
|
- |
|
S |
||||
|
- |
|
Т |
||||
|
- |
|
U |
||||
|
Примечание - Сопоставление разделов 1, 2, 4, 6, 8 - 11 не представлено, т.к. их структура идентична. |
||||||
Ключевые слова: насосы динамические, правила испытаний, испытательное оборудование, оформление результатов испытаний, гарантии, допускаемые отклонения
|
ГОСТЫ, СТРОИТЕЛЬНЫЕ и ТЕХНИЧЕСКИЕ НОРМАТИВЫ. Некоммерческая онлайн система, содержащая все Российские Госты, национальные Стандарты и нормативы. В Системе содержится более 150000 файлов нормативно-технической документации, действующей на территории РФ. Система предназначена для широкого круга инженерно-технических специалистов. Copyright © www.gostrf.com, 2008 - 2026 |