|
|
БОЛТЫ СО ЗВЕЗДООБРАЗНОЙ ГОЛОВКОЙ И БОЛЬШИМ ФЛАНЦЕМ Технические условия DIN 34801:1999-12
Предисловие Цели и принципы стандартизации в Российской Федерации установлены Федеральным законом от 27
декабря Сведения о стандарте 1 ПОДГОТОВЛЕН Федеральным государственным унитарным предприятием «Центральный ордена Трудового Красного Знамени научно-исследовательский автомобильный и автомоторный институт» (ФГУП «НАМИ») на основе собственного перевода стандарта, указанного в пункте 4 2 ВНЕСЕН Техническим комитетом по стандартизации ТК 229 «Крепежные изделия» 3 УТВЕРЖДЕН И ВВЕДЕН В ДЕЙСТВИЕ Приказом Федерального агентства по техническому регулированию и метрологии от
27 декабря 4 Настоящий стандарт является модифицированным по отношению к германскому национальному стандарту ДИН 34801:1999-12 « Болты и винты с наружной звездообразной головкой и большим фланцем» (DIN 34801:1999-12 «Bolts and screws with external hexalobular driving feature with large flange»), при этом в него не включены ссылки на использование нержавеющих сталей, указывать которые в данном стандарте преждевременно из-за отсутствия идентичных национальных стандартов на нержавеющие стали для холодной высадки и химическую обработку поверхности изделий из этих сталей. Наименование настоящего стандарта изменено относительно наименования указанного национального стандарта для приведения в соответствие с ГОСТ Р 1.5-2004 (подраздел 3.5). Сведения о соответствии ссылочных международных стандартов национальным стандартам Российской Федерации, использованным в настоящем стандарте в качестве нормативных ссылок, приведены в приложении Б 5 ВВЕДЕН ВПЕРВЫЕ Информация об изменениях к настоящему стандарту публикуется в ежегодно издаваемом информационном указателе «Национальные стандарты», а текст изменений и поправок - в ежемесячно издаваемых информационных указателях «Национальные стандарты». В случае пересмотра (замены) или отмены настоящего стандарта соответствующее уведомление будет опубликовано в ежемесячно издаваемом информационном указателе «Национальные стандарты». Соответствующая информация, уведомление и тексты размещаются также в информационной системе общего пользования - на официальном сайте Федерального агентства по техническому регулированию и метрологии в сети Интернет Содержание НАЦИОНАЛЬНЫЙ СТАНДАРТ РОССИЙСКОЙ ФЕДЕРАЦИИ
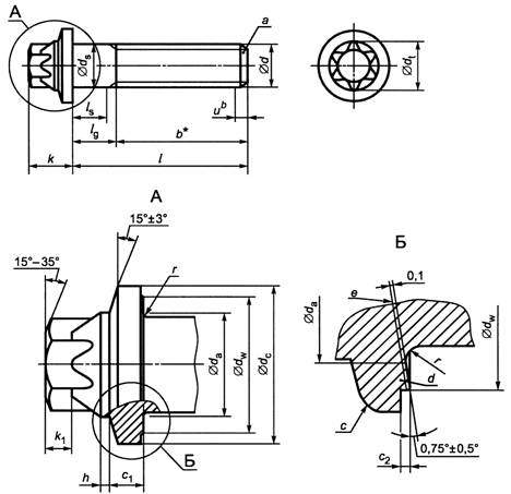
Дата введения - 2009-01-01 1 Область примененияНастоящий стандарт устанавливает размеры, механические характеристики болтов со звездообразной головкой и большим фланцем (далее - болты), номинальным диаметром резьбы от 4 до Проверка калибрами звездообразной головки установлена в приложении А. 2 Нормативные ссылкиВ настоящем стандарте использованы ссылки на следующие стандарты: ГОСТ Р 52627-2006 (ИСО 898-1:1999) Болты, винты и шпильки. Механические свойства и методы испытаний ГОСТ 9.301-86 Единая система защиты от коррозии и старения. Покрытия металлические и неметаллические неорганические. Общие требования ГОСТ 1759.0-87 Болты, винты, шпильки и гайки. Технические условия ГОСТ 1759.1-82 Болты, винты, шпильки, гайки и шурупы. Допуски. Методы контроля размеров и отклонений формы и расположения поверхностей ГОСТ 1759.2-82 Болты, винты и шпильки. Дефекты поверхности и методы контроля ГОСТ 8724-2002 (ИСО 261-98) Основные нормы взаимозаменяемости. Резьба метрическая. Диаметры и шаги ГОСТ 12414-94 (ИСО 4753-83) Концы болтов, винтов и шпилек. Размеры ГОСТ 16093-2004 (ИСО 965-1:1998, ИСО 965-3:1998) Основные нормы взаимозаменяемости. Резьба метрическая. Допуски. Посадки с зазором ГОСТ 17769-83 (ИСО 3269-88) Изделия крепежные. Правила приемки ГОСТ 24705-2004 (ИСО 724:1993) Основные нормы взаимозаменяемости. Резьба метрическая. Основные размеры ГОСТ 27148-86 Изделия крепежные. Выход резьбы. Сбеги, недорезы и проточки. Размеры Примечание - При пользовании настоящим стандартом целесообразно проверить действие ссылочных стандартов в информационной системе общего пользования - на официальном сайте Федерального агентства по техническому регулированию и метрологии в сети Интернет или по ежегодно издаваемому информационному указателю «Национальные стандарты», который опубликован по состоянию на 1 января текущего года, и по соответствующим ежемесячно издаваемым информационным указателям, опубликованным в текущем году. Если ссылочный стандарт заменен (изменен), то при пользовании настоящим стандартом следует руководствоваться заменяющим (измененным) стандартом. Если ссылочный стандарт отменен без замены, то положение, в котором дана ссылка на него, применяется в части, не затрагивающей эту ссылку. 3 Термины и определенияВ настоящем стандарте применены следующие термины с соответствующим определением: звездообразная головка: Головка, имеющая выпукло-вогнутую боковую поверхность, выполненную по радиусам. 4 РазмерыРазмеры указаны на рисунках 1 и 2, а также в таблице 1.
а - резьбовой конец согласно исполнения «Конец с фаской» по ГОСТ 12414; b - участок неполной резьбы u ≤ 2Р; с - пресс-контур; d - форма ступеньки допускается по выбору изготовителя; е - относительная линия для dw. * Размер для справок. Рисунок 1 - Болт с полным цилиндрическим стержнем. Форма С
а - конец с фаской по ГОСТ 12414; b -участок неполной резьбы u ≤ 2Р; с - болты с длинами выше ступенчатой линии по таблице 1 имеют резьбу до головки аmах = 3Р. * Размер для справок. Рисунок 2 - Болт с уменьшенным цилиндрическим стержнем или с резьбой до головки. Форма В
Таблица 1 - Размеры Размеры в миллиметрах
5 Технические требованияТаблица 2
6 ОбозначениеПример
условного
обозначения болта со звездообразной головкой с большим
фланцем, полным цилиндрическим стержнем (форма С), резьбой М10, номинальной длиной l = Болт со звездообразной головкой С М10´110 - 8.8 ГОСТ Р 52855-2007 То же, с уменьшенным цилиндрическим стержнем (форма В), резьбой М10, номинальной длиной l =
Болт со звездообразной головкой В М10´110 - 8.8 ГОСТ Р 52855-2007 Обозначение формы и исполнения болта с дополнительными требованиями при заказе по ГОСТ 1759.0. Приложение А
|
|||||||||||||||||||||||||||||||||||||||||||||||||||||||||||||||||||||||||||||||||||||||||||||||||||||||||||||||||||||||||||||||||||||||||||||||||||||||||||||||||||||||||||||||||||||||||||||||||||||||||||||||||||||||||||||||||||||||||||||||||||||||||||||||||||||||||||||||||||||||||||||||||||||||||||||||||||||||||||||||||||||||||||||||||||||||||||||||||||||||||||||||||||||||||||||||||||||||||||||||||||||||||||||||||||||||||||||||||||||||||||||||||||||||||||||||||||||||||||||||||||||||||||||||||||||||||||||||||||||||||||||||||||||||||||||||||||||||||||||||||||||||||||||||||||||||||||||||||||||||||||||||||||||||||||||||||||||||||||||||||||||||||||||||||||||||||||||||||||||||||||||||||||||||||||||||||||||||||||||||||||||||||||||||||||||||||||||||||||||||||||||||||||||||||||||||||||||||||||||||||||||||||||||||||||||||||||||||||||||||||||||||||||||||||||||||||||||||||||||||||||||||||||||||||||||||||||||||||||||||||||||||||||||||||||||||||||||||||||||||||||||||||||||||||||||||||||||||||||||||
|
Условное обозначение звездообразной головки |
А |
АА |
В |
К |
Т |
R |
S |
X |
J |
Е |
Н |
|
+0,008 |
+0,008 |
+0,008 |
+0,127 |
0 |
0 |
+0,38 |
+0,127 |
+0,25 |
+0,25 |
+0,38 |
|
|
Е 8 |
7,366 |
6,883 |
5,258 |
1,448 |
1,600 |
1,613 |
3,02 |
16,14 |
11,61 |
4,75 |
6,35 |
|
Е 10 |
9,271 |
8,839 |
6,756 |
1,829 |
2,007 |
2,324 |
3,91 |
17,12 |
15,72 |
6,35 |
6,35 |
|
Е 12 |
11,024 |
10,312 |
7,874 |
2,286 |
2,540 |
2,400 |
4,62 |
20,44 |
17,27 |
7,14 |
6,35 |
|
Е 14 |
12,751 |
11,862 |
9,169 |
3,023 |
2,692 |
2,629 |
5,18 |
24,98 |
19,30 |
7,92 |
9,53 |
|
Е 18 |
16,485 |
15,291 |
11,836 |
3,734 |
3,658 |
3,366 |
6,05 |
33,05 |
24,05 |
9,53 |
9,53 |
|
Е 20 |
18,263 |
16,891 |
13,157 |
4,089 |
4,115 |
3,632 |
7,37 |
35,43 |
27,00 |
11,10 |
9,53 |
|
Е 24 |
21,946 |
20,396 |
15,697 |
5,639 |
5,359 |
4,724 |
9,50 |
38,77 |
33,99 |
14,27 |
9,53 |
|
Е 28 |
25,502 |
23,724 |
18,263 |
6,934 |
6,325 |
5,461 |
10,36 |
43,61 |
38,68 |
15,88 |
12,70 |
|
Е 32 |
29,007 |
26,670 |
21,311 |
8,026 |
6,883 |
5,715 |
11,68 |
48,26 |
42,44 |
17,45 |
12,70 |

Рисунок А 2 - Проверяемые размеры
|
Обозначение ссылочного национального стандарта |
Обозначение и наименование ссылочного международного (регионального) стандарта и условное обозначение степени его соответствия ссылочному национальному стандарту |
|
ДИН 962:2001 Болты и гайки. Указания по обозначению. Формы и исполнения (NEQ) |
|
|
ИСО 4759-1:2000 Изделия крепежные. Допуски. Часть 1: Болты, винты, шпильки и гайки. Классы точности А, В и С (NEQ) |
|
|
ИСО 6157-1:1998 Изделия крепежные - Дефекты поверхности. Часть 1. Болты, винты и шпильки общего назначения (NEQ) |
|
|
ИСО 898-1:1999 Механические свойства крепежных изделий из углеродистых и легированных сталей. Часть 1. Болты, винты и шпильки (MOD) |
|
|
ИСО 261:1998 Метрическая резьба ИСО общего назначения. Общий план (MOD) |
|
|
ИСО 4753:1999 Изделия крепежные. Концы деталей с наружной метрической резьбой ИСО (NEQ) |
|
|
ИСО 4755:1983 Изделия крепежные. Резьбовые проточки для наружной метрической резьбой ИСО (MOD) |
|
|
ИСО 965-1:1998 Резьбы метрические ИСО общего назначения. Допуски. Часть 1. Принципы и основные данные (MOD) ИСО 965-3:1998 Резьбы метрические ИСО общего назначения. Допуски. Часть 3. Предельные отклонения для конструкционных резьб (MOD) |
|
|
ИСО 3269:2000 Изделия крепежные. Приемочный контроль (NEQ) |
|
|
ГОСТ 24705-2004 |
ИСО 724:1993 Резьба метрическая ИСО общего назначения. Основные размеры (MOD) |
|
ИСО 4042:1999 Изделия крепежные. Электролитические покрытия (NEQ) |
|
|
Примечание - В настоящей таблице использованы следующие условные обозначения системы соответствия стандартов: - MOD - модифицированные стандарты; - IDT - идентичные стандарты; - NEQ - неэквивалентные стандарты. |
|
Ключевые слова: звездообразная головка, фланец, болт
|
ГОСТЫ, СТРОИТЕЛЬНЫЕ и ТЕХНИЧЕСКИЕ НОРМАТИВЫ. Некоммерческая онлайн система, содержащая все Российские Госты, национальные Стандарты и нормативы. В Системе содержится более 150000 файлов нормативно-технической документации, действующей на территории РФ. Система предназначена для широкого круга инженерно-технических специалистов. Copyright © www.gostrf.com, 2008 - 2026 |