Крупнейшая бесплатная информационно-справочная система онлайн доступа к полному собранию технических нормативно-правовых актов РФ. Огромная база технических нормативов (более 150 тысяч документов) и полное собрание национальных стандартов, аутентичное официальной базе Госстандарта. GOSTRF.com - это более 1 Терабайта бесплатной технической информации для всех пользователей интернета. Все электронные копии представленных здесь документов могут распространяться без каких-либо ограничений. Поощряется распространение информации с этого сайта на любых других ресурсах. Каждый человек имеет право на неограниченный доступ к этим документам! Каждый человек имеет право на знание требований, изложенных в данных нормативно-правовых актах!

  


 

РОССИЙСКОЕ ОТКРЫТОЕ АКЦИОНЕРНОЕ ОБЩЕСТВО
ЭНЕРГЕТИКИ И ЭЛЕКТРИФИКАЦИИ
«ЕЭС РОССИИ»

ПРИКАЗ

14.05.2008 г.

Москва

№ 245

Об утверждении и вводе в действие Стандарта организации ОАО РАО «ЕЭС России» «Трубопроводы тепловых сетей. Защита от коррозии. Организация эксплуатации и технического обслуживания. Нормы и требования»

В соответствии с решением Правления ОАО РАО «ЕЭС России» (протокол заседания от 22.11.2004 № 1106пр/2), ОАО «Институт ВНИПИэнергопром» разработан стандарт организации ОАО РАО «ЕЭС России» «Трубопроводы тепловых сетей. Защита от коррозии. Организация эксплуатации и технического обслуживания. Нормы и требования».

Проект стандарта прошел процедуры, предусмотренные «Положением о порядке разработки, рассмотрения и утверждения технических стандартов организации корпоративного уровня в ОАО РАО «ЕЭС России». Центральная комиссия ОАО РАО «ЕЭС России» по техническому регулированию приняла решение об утверждении Стандарта (протокол от 12.02.2007 № 10).

ПРИКАЗЫВАЮ:

1. Утвердить Стандарт ОАО РАО «ЕЭС России» СТО 17330282.27.060.002-2008 «Трубопроводы тепловых сетей. Защита от коррозии. Организация эксплуатации и технического обслуживания. Нормы и требования» (далее - Стандарт) согласно приложению № 1.

2. Ввести Стандарт в действие с 30 мая 2008 года.

3. Бизнес-единице № 1 (Чикунову А.В.), Бизнес-единице № 2 (Аветисяну В.Е.), Бизнес-единице «Энергосистемы Востока» (Благодырю И.В.), Бизнес-единице «Сервис» (Воронину В.П.) обеспечить рассмотрение Советами директоров ДЗО ОАО РАО «ЕЭС России» (далее - ДЗО), а так же Советами директоров обществ дочерних и зависимых по отношению к ДЗО (далее - ВЗО) вопроса о присоединении указанных ДЗО/ВЗО к Стандарту.

4. Установить, что решение Совета директоров ДЗО/ВЗО по вопросу «О присоединении к Стандарту» должно содержать указание на присоединение ДЗО/ВЗО к Стандарту и положение о том, что Стандарт является локальным нормативным актом ДЗО/ВЗО.

5. Отменить действие в Холдинге нормативных документов согласно приложению № 2 и исключить их из Реестра действующих в электроэнергетике НТД, утвержденного приказом ОАО РАО «ЕЭС России» от 14.08.2003 г. № 422 «О пересмотре нормативно-технических документов (НТД) и порядке их действия в соответствии с ФЗ «О техническом регулировании».

6. Руководителям Бизнес-единицы № 1, Бизнес-единицы № 2, Бизнес-единицы «Энергосистемы Востока», Бизнес-единицы «Сервис» обеспечить до 30 июня 2008 г. внесение изменений в действующую нормативную и техническую документацию с учетом требований Стандарта.

7. Некоммерческому партнерству «ИНВЭЛ» (Левцеву A.M.), Дирекции организации, методологии конкурсных закупок и стандартизации (Романову А.А.) обеспечить регистрацию и учет Стандарта в системе Информационного фонда по техническому регулированию и внести в реестр документов по техническому регулированию в электроэнергетике.

8. Департаменту по взаимодействию со СМИ (Нагоге М.Г.), Дирекции организации, методологии конкурсных закупок и стандартизации (Романову А.А.) обеспечить размещение на сайте ОАО РАО «ЕЭС России» уведомления об утверждении и вводе в действие Стандарта в соответствии с действующим порядком.

9. Контроль за исполнением настоящего приказа возложить на члена Правления, заместителя технического директора - главного технического инспектора ОАО РАО «ЕЭС России» Паули В.К.

Заместитель Председателя Правления                                                   Уринсон Я.М.

Приложение № 1

к приказу ОАО РАО «ЕЭС России»

от 14.05.2008 г. № 245

РОССИЙСКОЕ ОТКРЫТОЕ АКЦИОНЕРНОЕ ОБЩЕСТВО
ЭНЕРГЕТИКИ И ЭЛЕКТРИФИКАЦИИ «ЕЭС РОССИИ»

СТАНДАРТ ОРГАНИЗАЦИИ РАО «ЕЭС РОССИИ»

ТРУБОПРОВОДЫ ТЕПЛОВЫХ СЕТЕЙ.

ЗАЩИТА ОТ КОРРОЗИИ.

Организация эксплуатации и технического обслуживания.

Нормы и требования.

СТО 17330282.27.060.002-2008

Дата введения - 2008-05-30

Предисловие

В настоящем стандарте устанавливаются технические требования и действия по защите от наружной коррозии трубопроводов тепловых сетей, применяющиеся на стадиях эксплуатации и технического обслуживания, направленные на формирование и реализацию безопасных и энергетически эффективных систем распределения и транспортирования тепловой энергии (тепловых сетей), рационального использования топливно-энергетических ресурсов.

Содержание

1 Область применения

2 Нормативные ссылки

3 Термины и определения

4 Сокращения

5 Общие положения

6 Требования к организации работ по защите от наружной коррозии трубопроводов тепловых сетей и их элементов при эксплуатации

7 Требования к техническому обслуживанию и ремонту установок ЭХЗ в процессе эксплуатации

8 Требования к методам контроля за эффективностью работы установок ЭХЗ в процессе эксплуатации

9 Требования к организации контроля и технического обслуживания защитных покрытий в процессе эксплуатации

10 Требования безопасности при работах с защитными антикоррозионными покрытиями и при эксплуатации устройств электрохимической защиты

11 Требования к обращению с отходами производства и потребления, образующимися при защите трубопроводов тепловых сетей от наружной коррозии

Приложение А (рекомендуемое) Форма рапорта слесаря по обслуживанию тепловых сетей

Приложение Б (обязательное) Форма паспорта трубопровода

Приложение В (обязательное) Указания к проведению осмотра теплопровода при вскрытии прокладки

Приложение Г (рекомендуемое) Типовая форма акта на осмотр теплопровода при вскрытии прокладки

Приложение Д (рекомендуемое) Акт осмотра поврежденного трубопровода тепловой сети

Приложение Ж (рекомендуемое) Журнал проверки эффективности работы установки ЭХЗ

Приложение И (рекомендуемое) Протокол измерений потенциалов трубопровода при контроле эффективности электрохимической защиты показывающими приборами

Приложение К (рекомендуемое) Протокол измерений смещения потенциалов трубопровода (подающего, обратного) при контроле эффективности ЭХЗ с помощью станций катодной защиты или гальванических анодов

Приложение Л (рекомендуемое) Протокол определения исправности электроизолирующих соединений (ЭИС)

Приложение М (рекомендуемое) Акт приемки защитного антикоррозионного покрытия

Библиография

Сведения о стандарте

РАЗРАБОТАН Открытым акционерным обществом «Объединение ВНИПИэнергопром» (ОАО «ВНИПИэнергопром»); АКХ им. Памфилова, ОАО «ОРГРЭС», ООО НПК «Курс-ОТ»

ВНЕСЕН Открытым акционерным обществом «Объединение ВНИПИэнергопром» (ОАО «ВНИПИэнергопром»)

УТВЕРЖДЕН И ВВЕДЕН В ДЕЙСТВИЕ Приказом ОАО РАО «ЕЭС России» от 14.05.2008 г. № 245

ВВЕДЕН ВПЕРВЫЕ

1 Область применения

Настоящий стандарт устанавливает требования по защите от коррозии наружной поверхности магистральных и распределительных трубопроводов тепловых сетей, их стальных конструктивных элементов, находящихся в эксплуатации.

Стандарт не распространяется на трубопроводы тепловых сетей бесканальной прокладки с пенополимерминеральной и пенополиуретановой теплоизоляцией с полиэтиленовой оболочкой, оснащенные системами оперативно-дистанционного контроля.

Настоящий стандарт предназначен для применения проектными, строительными, наладочными, эксплуатирующими и экспертными организациями при эксплуатации тепловых сетей.

2 Нормативные ссылки

В настоящем стандарте использованы ссылки на следующие стандарты:

ГОСТ 12.3.005-75. ССБТ. Работы окрасочные. Общие требования безопасности.

ГОСТ 12.3.016-87. ССБТ. Строительство. Работы антикоррозионные. Требования безопасности.

ГОСТ 12.4.011-89. ССБТ. Средства защиты работающих. Общие требования и классификация.

ГОСТ 12.4.103-83. ССБТ. Одежда специальная защитная, средства индивидуальной защиты ног и рук. Классификация.

ГОСТ 9.602-2005 ЕСЗКС. Сооружения подземные. Общие требования к защите от коррозии.

ГОСТ Р 12.4.026-2001 ССБТ. Цвета сигнальные, знаки безопасности и разметка сигнальная. Назначение и правила применения. Общие технические требования и характеристики. Методы испытаний

ГОСТ 12.1.005-88 Санитарно-гигиенические требования к воздуху рабочей зоны

Примечание - При пользовании настоящим стандартом целесообразно проверить действие ссылочных стандартов и классификаторов в информационной системе общего пользования - на официальном сайте национального органа Российской Федерации по стандартизации в сети Интернет или по ежегодно издаваемому информационному указателю «Национальные стандарты», который опубликован по состоянию на 1 января текущего года, и по соответствующим ежемесячно издаваемым информационным указателям, опубликованным в текущем году. Если ссылочный документ заменен (изменен), то при пользовании настоящим стандартом следует руководствоваться замененным (измененным) документом. Если ссылочный документ отменен без замены, то положение, в котором дана ссылка на него, применяется в части, не затрагивающей эту ссылку.

3 Термины и определения

3.1 адгезия: Совокупность сил связи между высохшей пленкой и окрашиваемой поверхностью.

3.2 анодная зона: Участок подземного стального трубопровода, потенциал которого смещается относительно стационарного потенциала данного трубопровода только в сторону положительных значений.

3.3 анодный заземлитель (анод): Проводник, погруженный в грунт или раствор электролита и подключенный к положительному полюсу источника постоянного тока.

3.4 блуждающий ток: Постоянный электрический ток, протекающий вне предназначенной для него цепи.

3.5 внешний слой покрытия: Слой покрытия, поверхность которого соприкасается с окружающей средой.

3.6 гальванический анод (протектор): Электрод из металла с более отрицательным потенциалом, чем защищаемое металлическое сооружение. Подключается к сооружению при его гальванической защите.

3.7 гальваническая (протекторная) защита: Электрохимическая защита металлического сооружения путем подключения к нему гальванического анода.

3.8 грунтование: Нанесение промежуточных слоев лакокрасочного материала, обладающего хорошей адгезией к окрашиваемой поверхности и следующему слою лакокрасочного покрытия и предназначенного для повышения защитных свойств системы покрытия.

3.9 дефект: Каждое отдельное несоответствие продукции установленным требованиям.

3.10 долговечность лакокрасочного покрытия: Способность лакокрасочного покрытия сохранять заданные свойства в течение заданного срока.

3.11 естественная сушка лакокрасочного покрытия: Сушка лакокрасочного покрытия в нормальных условиях.

3.12 защитное (антикоррозионное, противокоррозионное) покрытие: Слой или система слоев веществ, наносимые на поверхность металлического сооружения для защиты металла от коррозии.

3.13 защитный потенциал: Потенциал, при котором электрохимическая защита обеспечивает необходимую коррозионную стойкость металла.

3.14 знакопеременная зона: Участок подземного стального трубопровода, потенциал которого смещается относительно стационарного потенциала и к более положительным, и к более отрицательным значениям.

3.15 катодная зона: Участок подземного стального трубопровода, потенциал которого смещается относительно стационарного потенциала к более отрицательным значениям.

3.16 катодная поляризация: Электрохимическая защита стального трубопровода путем смещения потенциала коррозии в сторону отрицательных значений.

3.17 катодное покрытие: Металлическое покрытие, имеющее в данной среде электродный потенциал более отрицательный, чем у основного.

3.18 композиционное покрытие: Покрытие, состоящее из включений металлических и неметаллических составляющих.

3.19 коррозионная агрессивность грунта: Совокупность свойств (характеристик) грунта, которые влияют на коррозию металла в грунте.

3.20 коррозионная стойкость: Способность металла труб противостоять коррозии в данной коррозионной системе.

3.21 коррозия металла труб: Разрушение металла труб вследствие химического или электрохимического взаимодействия их с коррозионной средой.

3.22 крацевание: Обработка поверхности основного покрываемого металла и (или) покрытия щетками для удаления окислов, загрязнений, уплотнения покрытия или нанесения декоративного штриха.

3.23 критерии опасности наружной коррозии: Признаки, определяющие опасность наружной коррозии трубопровода тепловой сети.

3.24 критерий предельного состояния: Признак (совокупность признаков) предельного состояния объекта, установленный нормативно-технической и (или) конструкторской (проектной) документацией.

3.25 лакокрасочное защитное покрытие: Покрытие, получаемое при нанесении на поверхность труб лакокрасочных материалов.

4 Сокращения

ОЭТС - организация, эксплуатирующая тепловые сети;

ЭХЗ - электрохимическая защита;

КИП - контрольно-измерительный пункт;

МЭС - медно-сульфатный электрод сравнения;

AЗ - анодный заземлитель;

ВЭ - вспомогательный электрод;

БПИ - блок пластин-индикаторов;

ЭИС - электроизолирующее соединение;

ПЗК - подразделение по защите от коррозии

НТД - нормативно-технические документы;

ЦТП - центральный тепловой пункт;

ИТП - индивидуальный тепловой пункт.

5 Общие положения

5.1 Настоящий стандарт является основанием для организации работ ОЭТС по защите от наружной коррозии эксплуатируемых трубопроводов тепловых сетей, а также для проведения мероприятий по обслуживанию и ремонту средств противокоррозионной защиты на этапе их эксплуатации.

5.2 Обслуживание и ремонт средств защиты от коррозии (материалы и конструкция покрытий, преобразователи для катодной защиты, электродренажи и протекторы, приборы контроля качества изоляционных покрытий и определения опасности коррозии и эффективности противокоррозионной защиты) осуществляется только в соответствии с требованиям настоящего стандарта.

5.3 Оценка эффективности противокоррозионной защиты, принятие конструктивных решений по защите от коррозии и выбор средств защиты на этапе эксплуатации осуществляют также с учетом требований соответствующих разделов СТО-117-2007 «Трубопроводы тепловых сетей. Защита от коррозии. Условия создания. Нормы и требования» [1].

6 Требования к организации работ по защите от наружной коррозии трубопроводов тепловых сетей и их элементов при эксплуатации

6.1 Для контроля состояния трубопроводов тепловых сетей и определения признаков опасности наружной коррозии оперативным персоналом ОЭТС должны производиться наружные осмотры трубопроводов по графику, составленному лицом, ответственным за их исправное состояние и безопасную эксплуатацию. График наружного осмотра должен предусматривать осуществление контроля состояния как оперативным персоналом, так и лицом, ответственным за исправное состояние и безопасную эксплуатацию трубопроводов тепловых сетей.

6.2 При наружном осмотре трубопроводов тепловых сетей в местах доступа обследуются:

- изменения в планировке и состоянии поверхности земли по всей трассе (для предотвращения затопления трубопроводов поверхностными водами производится своевременная подсыпка земли и ремонт наружного покрытия);

- наличие и уровень затопления водой тепловых камер и каналов - уровень воды в камерах не должен быть выше основания канала, примыкающего к камере, а при бесканальной прокладке - не выше отметки, отстоящей на 400 мм от теплоизоляционной конструкции теплопровода (скапливающаяся вода должна периодически или непрерывно удаляться с помощью передвижных или стационарных насосных установок);

- наличие капели с плит перекрытий в тепловых камерах и проходных каналах (при появлении необходимо впредь до устранения причин капели сделать защитное покрытие над трубопроводами и оборудованием и отвод воды в приямок);

- наличие участков трубопроводов с разрушенной тепловой изоляцией, антикоррозионным и гидроизоляционным покрытиями (для защиты от наружной коррозии должны быть восстановлены);

- состояние попутного дренажа (ежегодно после окончания отопительного сезона трубопроводы попутного дренажа должны подвергаться прочистке механическим способом); смотровые дренажные колодцы попутного дренажа должны осматриваться и очищаться от заносов по мере необходимости;

- вентиляция каналов и тепловых камер (при запаривании каналов и тепловых камер и при отсутствии приточно-вытяжной вентиляции, непредусмотренной проектом или несмонтированной, снижение температуры воздуха до 32 °C необходимо производить передвижными вентиляционными установками);

- состояние строительных металлических конструкций (окраска в доступных местах металлических конструкций тепловых сетей антикоррозионными покрытиями производится не реже одного раза в два года).

Результаты наружного осмотра заносятся в рапорт оперативного персонала (Приложение А), а затем лицом, ответственным за исправное состояние и безопасную эксплуатацию, в паспорт трубопровода (Приложение Б) и журнал учета осмотров.

6.3 В ОЭТС в паспорте трубопровода должны систематически отмечаться:

• затопляемые участки трубопроводов;

• места, где наблюдались коррозионные и другие повреждения трубопроводов;

• места, где проводились контрольные вскрытия трубопроводов;

• участки, где производились текущие и капитальные ремонты трубопроводов;

• результаты технического освидетельствования.

Также в ОЭТС должна быть специальная эксплуатационная схема тепловых сетей, на которой должны быть отмечены:

• места затоплений теплопроводов;

• участки теплопроводов, подверженные влиянию блуждающих постоянных и переменных токов;

• места аварийных повреждений;

• места контрольных вскрытий трубопроводов;

• места текущих и капитальных ремонтов трубопроводов;

• участки теплопроводов, находящиеся в аварийном состоянии.

На схему должны быть нанесены также рельсовые пути электрифицированного транспорта, смежные подземные сооружения, места расположения установок ЭХЗ на трубопроводах тепловых сетей и смежных подземных сооружениях.

6.4 Для повышения уровня технического обслуживания ОЭТС трубопроводов тепловых сетей и для разработки мероприятий по защите от наружной коррозии вновь сооружаемых и действующих трубопроводов должны быть организованы ПЗК. В зависимости от местных условий и производственной необходимости такими подразделениями могут быть служба, отдел, производственная лаборатория, группа. При необходимости может быть заключен договор со специализированной организацией, выполняющей данные виды работ.

Примечание. В малых ОЭТС должен быть назначен инженерно-технический работник, ответственный за организацию и контроль работ по защите от наружной коррозии.

6.5 Задачами ПЗК при защите трубопроводов тепловых сетей от наружной коррозии в процессе эксплуатации являются:

- участие в проведении наружных осмотров трубопроводов при периодическом техническом освидетельствовании;

- контроль коррозионного состояния трубопроводов и оценка интенсивности коррозионных разрушений труб тепловых сетей на участках, где зафиксирована опасность наружной коррозии трубопроводов путем установки индикаторов скорости коррозии (Приложение Г СТО-117-2007 «Трубопроводы тепловых сетей. Защита от коррозии. Условия создания. Нормы и требования»), измерения остаточной толщины стенок трубы, инженерной диагностики коррозионного состояния трубопроводов;

- выявление вредных факторов, влияющих на процессы коррозии, с составлением карт их распределения, определение причин их возникновения и разработка мероприятий по их предотвращению;

- проведение электрических измерений в соответствии с Приложением А СТО-117-2007 «Трубопроводы тепловых сетей. Защита от коррозии. Условия создания. Нормы и требования»;

- регистрация и анализ причин коррозионных повреждений тепловых сетей;

- участие в контрольных и аварийных вскрытиях тепловых сетей;

- разработка мероприятий, препятствующих коррозионным процессам, и контроль их выполнения;

- выдача технических заданий на разработку мероприятий по защите от наружной коррозии в проектах тепловых сетей и на проектирование ЭХЗ при строительстве новых и реконструкции действующих тепловых сетей с отражением комплексного подхода к защите от коррозии на всем территориальном участке, а в отдельных случаях самостоятельная разработка проекта защиты;

- подготовка технических заданий на реконструкцию тепловых сетей с учетом реальных условий их эксплуатации и анализа причин сокращения расчетного срока службы;

- согласование проектов тепловых сетей и проектов ЭХЗ от наружной коррозии, разработанных проектными организациями;

- осуществление технического надзора за строительно-монтажными работами на тепловых сетях по защите трубопроводов от наружной коррозии;

- участие в пусконаладочных работах устройств ЭХЗ;

- приемка в эксплуатацию защитных антикоррозионных покрытий трубопроводов и их элементов, устройств ЭХЗ, а также всей конструкции в целом;

- эксплуатационное обслуживание устройств ЭХЗ с проведением регламентных работ в сроки и в объемах, определенных настоящим стандартом;

- организация работ по ремонту защитных антикоррозионных покрытий и устройств ЭХЗ с привлечением специализированных подразделений ОЭТС или сторонних специализированных организаций;

- ведение и хранение технической документации по защите тепловых сетей от наружной коррозии.

6.6 Каждое ПЗК должно быть оснащено специальными контрольно-измерительными приборами и аппаратурой, необходимыми для проведения коррозионных измерений в полевых и лабораторных условиях, а также приборами контроля качества антикоррозионных покрытий и приборами для обследования коррозионного состояния трубопроводов. В крупных организациях (предприятиях) рекомендуется иметь специальные передвижные лаборатории по защите от коррозии.

6.7 Для контроля состояния подземных трубопроводов, теплоизоляционных и строительных конструкций следует периодически производить контрольные вскрытия на тепловых сетях.

Вскрытие для наружного осмотра теплопроводов, проложенных в непроходных каналах и бесканально, следует производить в первую очередь в местах, где имеются признаки опасности наружной коррозии трубопроводов.

Кроме этих участков вскрытие подземных теплопроводов для наружного осмотра следует также производить в указанных ниже неблагоприятных местах, где возможно возникновение процессов наружной коррозии трубопроводов:

• вблизи мест, где при эксплуатации наблюдались коррозионные повреждения трубопроводов;

• на участках, расположенных вблизи линий канализаций и водопровода или в местах пересечения с этими сооружениями;

• в местах, где по результатам тепловизионного обследования наблюдаются повышенные тепловые потери;

• в местах, где по результатам технического обследования и инженерной диагностики коррозионного состояния трубопроводов тепловых сетей обнаружены участки с максимальным утонением стенки трубопровода.

6.8 Наружный осмотр вскрытого участка теплопровода проводится в соответствии с Приложением В. По мере осмотра каждого вскрытия заполняется акт (Приложение Г).

При наружном осмотре вскрытого участка теплопровода и оценке коррозионного процесса на трубах рекомендуется исходить из следующего:

• пылевидная коррозия, а также равномерная пленочная коррозия с толщиной коррозионных пленок до 3 мм, под которой не обнаружено язв, могут считаться неопасными;

• пленочная коррозия с толщиной пленок более 3 мм, а также пленочная коррозия, под которой обнаружены язвы, или местная язвенная коррозия, считаются опасными;

• наличие каверн конической формы без продуктов коррозии по краям указывает на протекание процесса электрокоррозии и считается опасным.

В местах, где наблюдаются опасные коррозионные процессы, должны быть вырезаны образцы труб для принятия решения о необходимости проведения ремонта, а также отбираются пробы грунта и тепловой изоляции для лабораторных анализов. По окончании осмотра инженером ПЗК измеряется потенциал «трубопровод-земля» и фактическая толщина стенок труб. Результаты измерений и лабораторных анализов за подписью исполнителя прикладываются к акту в виде дополнительных данных. Оформленные акты сброшуровываются по годам, хранятся в ПЗК. По результатам контрольных вскрытий должны быть намечены мероприятия по обеспечению расчетного срока службы трубопровода, а также сроки их выполнения.

6.9 После проведения контрольного вскрытия обязательно должны быть полностью восстановлены теплоизоляционные и строительные конструкции:

• трубы защищены антикоррозионным покрытием, соответствующим требованиям раздела 8 СТО-117-2007 «Трубопроводы тепловых сетей. Защита от коррозии. Условия создания. Нормы и требования»;

• восстановлены основной слой теплоизоляции, покровный слой, стыки с прилегающими участками теплоизоляционной конструкции;

• произведена очистка канала от грунтовых заносов и остатков разрушенных теплоизоляционных и других материалов в месте вскрытия;

• установлены плиты перекрытия канала с заменой поломанных плит новыми, произведены цементирование и гидроизоляция швов.

• Проведенные восстановительные работы освещаются в соответствующем разделе акта (Приложение Г).

Места вскрытий теплопроводов в течение ближайших 3-4 месяцев после засыпки должны находиться под усиленным надзором оперативного персонала. По мере необходимости следует подсыпать грунт и планировать поверхность земли для отвода поверхностных вод от теплопроводов.

6.10 Обследование теплопроводов при ликвидации повреждений производится так же, как и при контрольных вскрытиях.

При утечках теплоносителя в местах устранения повреждений, как правило, бывает полное разрушение теплоизоляционной конструкции и размыв окружающего грунта, что значительно затрудняет определение причин коррозионных повреждений. В этих случаях рекомендуется увеличить размер шурфа по длине прокладки на 5-10 м, а при необходимости для обеспечения расчетного срока службы трубопроводов тепловых сетей и более - до размеров, определенных приборными методами.

6.11 При обнаружении наружной коррозии следует тщательно осмотреть участки труб, прилегающие к поврежденному участку, проверить организацию отвода сточных вод с поверхности земли над теплотрассой, плотность швов плит перекрытия каналов, состояние изоляции, антикоррозионных покрытий, а также дренажных устройств. Особое внимание следует обратить на места установки неподвижных и подвижных опор и на прокладки в стальных футлярах, а также на места пересечения с водопроводом, канализацией, водостоком. В результате осмотра должна быть установлена причина возникновения коррозионного повреждения.

Результаты осмотра места повреждения трубопровода фиксируются инженером ПЗК в акте осмотра поврежденного трубопровода (Приложение Д), который является формой первичного учета повреждений, и хранятся в техническом архиве ПЗК.

6.12 При ликвидации коррозионного повреждения на замененном или отремонтированном участке трубопровода должны быть выполнены мероприятия по восстановлению антикоррозионного покрытия, теплоизоляционных и строительных конструкций, а также приняты меры по предотвращению попадания влаги на трубопроводы (выполнен отвод с трассы тепловой сети грунтовых, ливневых и др. вод, уплотнены швы перекрытия каналов и камер), а также меры по защите теплопроводов от воздействия блуждающих токов. При замене поврежденного участка трубопровода также могут применяться заранее подготовленные заготовки труб с нанесенным антикоррозионным покрытием и тепловой изоляцией.

Для предупреждения повторного повреждения участки теплопровода, на которых выявлена интенсивная наружная коррозия, в процессе дальнейшей эксплуатации должны подвергаться контролю. В случае возникновения повторного повреждения на данном участке должна быть организована комиссия, которая составляет акт о выявлении причин неоднократных повреждений трубопроводов с указанием мероприятий и сроков по их устранению.

7 Требования к техническому обслуживанию и ремонту установок ЭХЗ в процессе эксплуатации

7.1 Техническое обслуживание и ремонт установок ЭХЗ в процессе эксплуатации проводятся для их содержания в состоянии полной работоспособности, предупреждения преждевременного износа и отказов в работе и осуществляются в соответствии с графиком технического обслуживания и планово-предупредительных ремонтов.

7.2 График технического обслуживания и планово-предупредительных ремонтов должен включать определение видов и объемов технического обслуживания и ремонтных работ, сроки их проведения, указания по организации учета и отчетности о выполненных работах.

7.3 На каждой защитной установке необходимо иметь журнал контроля, в который заносятся результаты осмотра и измерений, Приложение Ж.

7.4 Техническое обслуживание и планово-предупредительные ремонты проводятся:

• техническое обслуживание - 2 раза в месяц для катодных, 4 раза в месяц - для дренажных установок и 1 раз в 3 месяца - для установок гальванической защиты (при отсутствии средств телемеханического контроля). При наличии средств телемеханического контроля сроки проведения технических осмотров устанавливаются руководством ОЭТС с учетом данных о надежности устройств телемеханики;

• техническое обслуживание с проверкой эффективности - 1 раз в 6 месяцев;

• текущий ремонт - 1 раз в год;

• капитальный ремонт - 1 раз в 5 лет.

7.5 Техническое обслуживание включает:

• осмотр всех элементов установки с целью выявления внешних дефектов, проверку плотности контактов, исправности монтажа, отсутствия механических повреждений отдельных элементов, отсутствия подгаров и следов перегревов, отсутствия раскопок на трассе дренажных кабелей и анодных заземлений;

• проверку исправности предохранителей (если они имеются);

• очистку корпуса дренажного и катодного преобразователя, блока совместной защиты снаружи и внутри;

• измерение тока и напряжения на выходе преобразователя или между гальваническими анодами (протекторами) и трубами;

• измерение потенциала трубопровода в точке подключения установки;

• производство записи в журнале установки о результатах выполненной работы;

• устранение выявленных в процессе осмотра дефектов и неисправностей, не требующих дополнительных организационно-технических мероприятий.

7.6 Техническое обслуживание с проверкой эффективности защиты включает:

• все работы по техническому осмотру;

• измерения потенциалов в постоянно закрепленных опорных пунктах.

7.7 Текущий ремонт включает:

• все работы по техническому осмотру с проверкой эффективности;

• измерение сопротивления изоляции питающих кабелей;

• одну или две из указанных ниже работ: ремонт линий питания (до 20% протяженности), ремонт выпрямительного блока, ремонт блока управления, ремонт измерительного блока, ремонт корпуса установки и узлов крепления, ремонт дренажного кабеля (до 20% протяженности), ремонт контактного устройства контура анодного заземления, ремонт контура анодного заземления (в объеме менее 20%).

7.8 Капитальный ремонт включает:

• все работы по техническому осмотру с проверкой эффективности действия ЭХЗ;

• более двух работ из перечня ремонтов, перечисленных в пункте 7.7 настоящего стандарта, либо ремонт в объеме более 20% - протяженности линия питания, дренажного кабеля, контура анодного заземления.

7.9 Внеплановый ремонт - вид ремонта, вызванный отказом в работе оборудования и не предусмотренный годовым планом ремонта. При этом отказ в работе оборудования должен быть зафиксирован аварийным актом, в котором указываются причины аварии и подлежащие устранению дефекты.

7.10 С целью оперативного выполнения внеплановых ремонтов и сокращения перерывов в работе ЭХЗ в организациях, эксплуатирующих устройства ЭХЗ, следует иметь резервный фонд преобразователей для катодной и дренажной защиты из расчета - 1 резервный преобразователь на 10 действующих.

8 Требования к методам контроля за эффективностью работы установок ЭХЗ в процессе эксплуатации

8.1 Контроль эффективности ЭХЗ трубопроводов тепловых сетей производят не реже, чем 2 раза в год (с интервалом не менее 4 месяцев), а также при изменении параметров работы установок ЭХЗ и при изменении коррозионных условий, связанных с:

• прокладкой новых подземных сооружений;

• в связи с проведением ремонтных работ на тепловых сетях;

• установкой ЭХЗ на смежных подземных коммуникациях.

Примечание. Контроль эффективности действия средств ЭХЗ при расположении AЗ и протекторов как в каналах, так и за их пределами, производится лишь при затоплении (заиливании) каналов, достигающих поверхности теплоизоляционной конструкции.

8.2 При проверке параметров электродренажной защиты измеряют дренажный ток, устанавливают отсутствие тока в цепи дренажа при перемене полярности трубопровода относительно рельсов, определяют порог срабатывания дренажа (при наличии реле в цепи дренажа или цепи управления), а также сопротивление в цепи электродренажа.

8.3 При проверке параметров работы катодной станции измеряют ток катодной защиты, напряжение на выходных клеммах катодной станции и потенциал трубопровода на контактном устройстве.

8.4 При проверке параметров установки гальванической защиты (при расположении протекторов в каналах или камерах) измеряют:

1) силу тока в цепи между секциями протекторов и трубопроводами;

2) величину смещения разности потенциалов между трубопроводом и измерительными электродами до и после подключения секций протекторов к трубопроводам.

8.5 Контроль эффективности действия средств ЭХЗ на трубопроводах тепловых сетей бесканальной и канальной прокладок с размещением AЗ за пределами канала осуществляется по разности потенциалов между трубопроводом и МЭС, установленным в стационарном или нестационарном КИПе (в последнем случае с помощью переносного МЭС).

8.6 Схема переносного МЭС приведена на рисунке 4 Приложения А СТО-117-2007 «Трубопроводы тепловых сетей. Защита от коррозии. Условия создания. Нормы и требования», схема и технические характеристики МЭС типа ЭНЕС и ЭСН-МС, устанавливаемых в стационарных КИП, приведены в Приложении П СТО-117-2007 «Трубопроводы тепловых сетей. Защита от коррозии. Условия создания. Нормы и требования».

8.7 Стационарные КИПы должны устанавливаться на участках тепловых сетей, где ожидаются минимально и максимально допустимые значения защитных потенциалов, в местах пересечения тепловых сетей с рельсами электрифицированного транспорта.

8.8 При отсутствии стационарных КИПов переносный МЭС устанавливают на поверхности земли между трубопроводами (в плане), на дне тепловой камеры (при наличии в ней воды). Перед установкой электродов грунт должен быть разрыхлен на глубину 4-5 см и из него должны быть удалены твердые включения размером более 3 мм. Если грунт сухой, его следует увлажнить до полного водонасыщения водопроводной водой. Для проведения измерений используют приборы типа ЭВ 2234, 43313.1, ПКИ-02.

8.9 Продолжительность измерений при отсутствии блуждающих токов должна составлять не менее 10 минут с непрерывной регистрацией или с ручной записью результатов через каждые 10 сек. При наличии блуждающих токов трамвая с частотой движения 15-20 пар в час измерения необходимо проводить в часы утренней или вечерней пиковой нагрузки электротранспорта.

В зоне влияния блуждающих токов электрофицированных железных дорог период измерения должен охватывать пусковые моменты и время прохождения электропоездов в обе стороны между двумя ближайшими станциями.

8.10 Значения разности потенциалов между трубопроводами и МЭС в зоне действия защиты могут находиться в пределах от минус 1,1 до минус 3,5 В.

8.11 Среднее значение разности потенциалов Uср (В) вычисляют по формуле:

                                                                                                            (8.1)

где SUi - сумма значений разности потенциалов; n - общее число отсчетов.

Результаты измерений заносят в протокол (Приложение И настоящего стандарта), а также фиксируют на картах-схемах тепловых сетей.

8.12 При обнаружении неэффективной работы установок катодной или дренажной защиты (сокращены зоны их действия, потенциалы отличаются от допустимых защитных) необходимо произвести регулирование режима работы установок ЭХЗ.

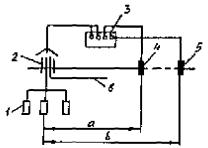
8.13 Сопротивление растеканию тока AЗ следует определять во всех случаях, когда режим работы катодной станции резко меняется, но не реже 1 раза в год. Сопротивление растеканию тока AЗ определяют, как частное от деления напряжения на выходе катодной установки на ее выходной ток или при расположении AЗ за пределами канала с помощью приборов типа М-416, Ф-416, Ф 4103-М1 и стальных электродов по схеме, приведенной на рис. 1. Измерения следует производить в наиболее сухое время года. Дренажный провод (6) на время измерений следует отключить. При длине Lаз питающий электрод (5) относят на расстояние в ³ 3Lаз, вспомогательный электрод (4) - на расстояние а ³ 2Lаз.

1 - анодные заземлители; 2 - контрольно-измерительный пункт; 3 - измерительный прибор; 4 - вспомогательный электрод; 5 - питающий электрод; 6 - дренажный провод.

Рисунок 1 - Измерение сопротивления растеканию анодного заземления

При расположении AЗ в каналах сопротивление растеканию тока AЗ определяют при затоплении или заиливании канала до уровня изоляционной конструкции труб. При наличии нескольких плеч AЗ их сопротивление растеканию тока определяют раздельно.

8.14 Контроль эффективности действия средств ЭХЗ на трубопроводах тепловых сетей канальной прокладки при расположении AЗ и гальванических анодов (протекторов) непосредственно в каналах, осуществляется по значению смещения разности потенциалов между трубопроводом и установленным на его поверхности (или теплоизоляционной конструкции) ВЭ в сторону отрицательных значений в пределах от 0,3 до 0,8 В.

При ЭХЗ с помощью протекторов из магниевого сплава смещение разности потенциалов между ВЭ и трубопроводом должно быть не менее 0,2 В.

8.15 До начала проведения измерительных работ в заданной зоне ЭХЗ определяются уровни затопления канала и камер при наличии возможности визуально или инструментальным методом. В последнем случае определяется уровень затопления, достигающий пунктов установки ВЭ на подающем и обратном трубопроводах - на уровне нижней образующей теплоизоляционной конструкции.

8.16 Проверка наличия воды на уровне установки ВЭ производится в такой последовательности:

- отключают станции катодной защиты (протекторы при их применении не отключают);

- к проводнику от трубопровода на КИПе и ВЭ подключают мегаомметр;

- при снятой на КИПе перемычке между трубопроводом и ВЭ измеряют электрическое сопротивление R.

Значение R £ 10,0 кОм указывает на наличие воды в канале (камера) на уровне установки ВЭ или выше него.

Аналогичные измерения производят в других пунктах, где установлены ВЭ.

8.17 Измерение потенциала трубопроводов по отношению к ВЭ на участках, где затопление канала на уровне установки ВЭ или выше него (после технического осмотра установок ЭХЗ) производится в такой последовательности:

- при выключенной СКЗ подключить вольтметр к клеммам контрольного пункта: положительный зажим вольтметра - к клемме «Т» (трубопровод), отрицательный - к клемме вспомогательного электрода. Для измерений используют вольтметр с входным сопротивлением не ниже 200 кОм на 1,0 В шкалы прибора (мультиметр типа 43313.1, вольтамперметр типа ЭВ 2234). Тумблер или перемычка должны быть разомкнуты.

- не менее, чем через 30 мин после отключения СКЗ зафиксировать исходное значение разности потенциалов между трубопроводом и ВЭ (DИисх) с учетом полярности (знака).

- включить СКЗ, установив режим ее работы при минимальных значениях силы тока и напряжения.

- увеличением силы тока в цепи СКЗ установить ее значение при достижении разности потенциалов между трубопроводом и ВЭ:  в пределах от минус 600 до минус 900 мВ (не ранее, чем через 10 мин после установки значения силы тока).

Вычислить Ит-в.э с учетом DИисх.

Ит-в.э =  - DИисх, мВ

Пример расчета № 1.

DИисх = -120 мВ,  = -800 мВ.

Ит-в.э = -800 - (-120) = -680 мВ.

Пример расчета № 2.

DИисх = +120 мВ,  = -800 мВ

Ит-в.э = -800 - (120) = -920 мВ.

8.18 Если полученные значения Ит-в.э на КИП зоны действия защиты (на участках затопления или заноса канала грунтом) не находятся в пределах значений минус 300 - 800 мВ, производится регулировка силы тока преобразователя.

Примечание. Увеличение силы тока преобразователя должно производиться с учетом предельно допустимого значения напряжения на выходе преобразователя, равного 12,0 В.

8.19 По окончании измерительных работ, если ВЭ изготовлен из углеродистой стали, производят замыкание ВЭ с трубопроводом. Если ВЭ изготовлен из нержавеющей стали, ВЭ с трубопроводом не замыкают.

8.20 При неисправностях ВЭ (повреждения проводников, крепления к трубопроводу ВЭ) в доступных пунктах устанавливают у поверхности теплоизоляционной конструкции переносной ВЭ, с помощью которого производят изложенные выше измерительные работы.

8.21 При обнаружении участков трубопроводов, не подверженных затоплению и не контактирующих с грунтом заноса в зоне отдельного плеча анодного заземлителя, указанный участок (плечо) целесообразно отключить из системы ЭХЗ до момента обнаружения затопления канала на этом участке. После отключения указанного участка необходима дополнительная регулировка режима работы СКЗ. Целесообразно переоборудовать СКЗ, применив устройство для автоматического включения или отключения СКЗ (или отдельных участков трубопроводов) в зависимости от уровня затопления канала на этих участках.

8.22 Контроль эффективности действия ЭХЗ с применением гальванических анодов (протекторов) из магниевых сплавов, размещенных на дне или стенках каналов осуществляется после проведения работ, указанных в пунктах 8.15-8.16 настоящего стандарта.

8.23 При фиксации затопления канала на участке установки ВЭ производится проверка действия протекторной защиты измерением:

- силы тока в цепи звена (группы) «протекторы - трубопровод»;

- потенциала протектора или группы протекторов, отключенных от трубопровода, относительно медно-сульфатного электрода сравнения, установленного на дне канала (при наличии возможности) или над каналом в зоне установки контролируемой группы протекторов;

- потенциала трубопровода по отношению к ВЭ при отключенной и включенной группе протекторов. Данные заносят в протокол, приведенный в Приложении К настоящего стандарта.

Измерения указанных параметров производят лишь при наличии возможности отключения группы протекторов от трубопроводов и подключения измерительных приборов.

Далее производится оценка значений измеренных параметров:

- наличие тока в цепи «протекторы - трубопровод» свидетельствует о целостности указанной цепи;

- потенциалы протекторов, отключенных от трубопровода, значения которых (по абсолютной величине) не ниже 1,2 В, характеризуют протекторы, как исправные (потенциалы протекторов измеряют лишь при наличии электролитического контакта протекторов с электролитом - водой на дне канала);

- разность потенциалов между трубопроводом и ВЭ при включенной и выключенной группе протекторов, составляющая не менее 0,2 В, характеризует эффективностью действия протекторной защиты трубопроводов.

8.24 Прямая оценка опасности коррозии и эффективности действия ЭХЗ трубопроводов тепловых сетей канальной прокладки и на участках их прокладки в футлярах может производиться с помощью индикаторов скорости коррозии типа БПИ-1 или БПИ-2. Сущность метода прямой оценки опасности коррозии и эффективности действия ЭХЗ, методов обработки данных при обследовании состояния поверхности БПИ-1, при срабатывании БПИ-2 изложены в разделе 11 СТО «Трубопроводы тепловых сетей. Защита от коррозии. Условия создания. Нормы и требования».

8.25 Исправность ЭИС проверяют не реже 1 раза в год. Для этой цели используют специальные сертифицированные индикаторы качества электроизолирующих соединений. При отсутствии таких индикаторов измеряют падение напряжения на электроизолирующем соединении или синхронно потенциалы трубы по обеим сторонам электроизолирующего соединения. Измерения проводят при помощи двух милливольтметров. При исправном электроизолирующем соединении синхронное измерение показывает скачок потенциала. Результаты проверки оформляют протоколом согласно Приложению Л настоящего стандарта.

8.26 Если на действующей установке ЭХЗ в течение года наблюдалось шесть и более отказов в работе преобразователя, последний подлежит замене. Для определения возможности дальнейшего использования преобразователя необходимо провести его испытание в объеме, предусмотренном требованиями предустановочного контроля.

8.27 В случае, если за все время эксплуатации установки ЭХЗ общее количество отказов в ее работе превысит 12, необходимо провести обследование технического состояния трубопроводов по всей длине защитной зоны.

8.28 Суммарная продолжительность перерывов в работе установок ЭХЗ не должна превышать 14 суток в течение года.

8.29 В тех случаях, когда в зоне действия вышедшей из строя установки ЭХЗ защитный потенциал трубопровода обеспечивается соседними установками ЭХЗ (перекрывание зон защиты), то срок устранения неисправности определяется руководством эксплуатационной организации.

8.30 Организации, осуществляющие эксплуатацию установок ЭХЗ, должны ежегодно составлять отчет об отказах в их работе.

9 Требования к организации контроля и технического обслуживания защитных покрытий в процессе эксплуатации

9.1 В процессе эксплуатации защитных покрытий трубопроводов тепловых сетей осуществляется периодический контроль их состояния.

9.2 Контролю и обслуживанию в обязательном порядке подлежат защитные покрытия трубопроводов тепловых сетей, расположенных на доступных участках:

- трубопроводы надземной прокладки;

- трубопроводы в тепловых камерах;

- трубопроводы в проходных каналах и коллекторах;

- трубопроводы в смотровых колодцах.

9.3 Контроль состояния защитных покрытий трубопроводов тепловых сетей, расположенных в непроходных, полупроходных каналах, а также трубопроводов тепловых сетей бесканальной прокладки осуществляется при контрольных вскрытиях тепловых сетей. Обслуживание и ремонт покрытий на данных участках трубопроводов осуществляется при аварийных ремонтах.

9.4 Методы проверки показателей качества и устранения обнаруженных дефектов защитных покрытий в полевых условиях приведены в разделе 9 «Трубопроводы тепловых сетей. Защита от коррозии. Условия создания. Нормы и требования».

9.5 Выбор защитного покрытия для осуществления ремонта определяется назначением* теплопровода (магистральные тепловые сети, квартальные (распределительные) тепловые сети) и видами проводимых работ, которые направлены на обеспечение эксплуатационной надежности тепловых сетей, таблица 1.

______________

* В рамках данного Стандарта применяется следующее разделение тепловых сетей в зависимости от их назначения:

магистральные тепловые сети, обслуживающие крупные жилые территории и группы промышленных предприятий, - от источника тепла до ЦТП или ИТП;

квартальные (распределительные) тепловые сети (системы горячего водоснабжения и системы центрального отопления), обслуживающие группу зданий или промышленное предприятие, - от ЦТП или ИТП до присоединения к сетям отдельных зданий.

9.6 Качество защитных антикоррозионных покрытий, наносимых в процессе выполнения ремонтных работ, проверяется с составлением Актов скрытых работ и с занесением результатов контроля качества в Журнал производства антикоррозионных работ согласно Приложения М настоящего стандарта.

Виды защитных покрытий

Таблица 1

Виды работ, проводимых на тепловых сетях

Назначение тепловых сетей и вид рекомендуемых покрытий

Магистральные тепловые сети

Сети центрального отопления

Сети горячего водоснабжения

Антикоррозионная защита вновь сооружаемых тепловых сетей

Лакокрасочные

Силикатно-эмалевые*

Металлизационное*

Алюмокерамическое*

Лакокрасочные

Лакокрасочные

Силикатно-эмалевые*

Антикоррозионная защита при реконструкции и капитальном ремонте тепловых сетей

Лакокрасочные

Силикатно-эмалевые*

Металлизационное*

Алюмокерамическое*

Лакокрасочные

Лакокрасочные

Силикатно-эмалевые*

Антикоррозионная защита при текущем ремонте и ликвидациях повреждений тепловых сетей

Лакокрасочные

Лакокрасочные

Лакокрасочные

Примечание.

* При применении данных покрытий требуется последующая антикоррозионная защита сварных соединений и элементов трубопроводов тепловых сетей лакокрасочными материалами.

10 Требования безопасности при работах с защитными антикоррозионными покрытиями и при эксплуатации устройств электрохимической защиты

10.1 При выполнении работ по защите трубопроводов тепловой сети от наружной коррозии с помощью защитных антикоррозионных покрытий должны строго соблюдаться требования безопасности, приведенные в технических условиях на антикоррозионные материалы и защитные антикоррозионные покрытия, ГОСТ 12.3.005-75, ГОСТ 12.3.016-87, а также в действующих нормативных документах.

10.2 К выполнению работ по нанесению на трубы защитных антикоррозионных покрытий могут допускаться только лица, обученные безопасным методам работы, прошедшие инструктаж и сдавшие экзамен в установленном порядке.

10.3 Рабочий персонал должен быть осведомлен о степени токсичности применяемых веществ, способах защиты от их воздействия и мерах оказания первой помощи при отравлениях.

10.4 При применении и испытаниях защитных антикоррозионных покрытий, содержащих токсичные материалы (толуол, сольвент, этилцеллозольв и др.), должны соблюдаться правила техники безопасности и промышленной санитарии, санитарные и гигиенические требования к производственному оборудованию в соответствии с действующими нормативными документами.

10.5 Содержание вредных веществ в воздухе рабочей зоны при нанесении защитных антикоррозионных покрытий на трубы не должно превышать ПДК, согласно ГОСТ 12.1.005-88:

толуол - 50 мг/м3, сольвент - 100 мг/м3, алюминий - 2 мг/м3, оксид алюминия - 6 мг/м3, этилцеллозольв - 10 мг/м3, ксилол - 50 мг/м3, бензин - 100 мг/м3, ацетон - 200 мг/м3, уайт-спирит - 300 мг/м3.

10.6 Все работы, связанные с нанесением защитных антикоррозионных покрытий, содержащих токсичные вещества, должны производиться в цехах, оборудованных приточно-вытяжной и местной вентиляцией в соответствии с ГОСТ 12.3.005-75.

10.7 При работах с защитными антикоррозионными покрытиями, содержащими токсичные вещества, следует применять индивидуальные средства защиты от попадания токсичных веществ на кожные покровы, на слизистые оболочки, в органы дыхания и пищеварения согласно ГОСТ 12.4.011-89 и ГОСТ 12.4.103-83.

10.8 При производстве на тепловых сетях работ по монтажу, ремонту, наладке установок ЭХЗ и электрическим измерениям необходимо соблюдать требования ГОСТ 9.602-2005, Правил производства и приемки работ [2], санитарных и гигиенических требований [3].

10.9 При проведении технического осмотра установок ЭХЗ должно быть отключено напряжение питающей сети и разомкнута цепь дренажа.

10.10 В течение всего периода работы опытной станции катодной защиты, включаемой на период испытаний (2-3 часа), у контура анодного заземлителя должен находиться дежурный, не допускающий посторонних лиц к анодному заземлителю, и должны быть установлены предупредительные знаки в соответствии с ГОСТ Р 12.4.026-2001.

10.11 При электрохимической защите трубопроводов тепловых сетей с расположением анодных заземлителей непосредственно в каналах напряжение постоянного тока на выходе станции катодной защиты (преобразователя, выпрямителя) не должно превышать 12 В.

10.12 На участках трубопроводов тепловых сетей, к которым подключена станция катодной защиты, а анодные заземлители установлены непосредственно в каналах, под крышками люков тепловых камер на видном месте должны быть установлены таблички с надписью «Внимание! В каналах действует катодная защита».

11 Требования к обращению с отходами производства и потребления, образующимися при защите трубопроводов тепловых сетей от наружной коррозии

11.1 Отходами производства и потребления, образующимися при защите трубопроводов тепловых сетей от наружной коррозии на этапе приемки в эксплуатацию и эксплуатации, следует считать:

- материалы, применяемые при производстве противокоррозионных покрытий и утратившие свои потребительские свойства (лакокрасочные материалы, растворители, отвердители);

- провода из цветных металлов, применяемые при производстве устройств электрохимической защиты и утратившие свои потребительские свойства.

11.2 Порядок обращения с отходами, образующимися при защите трубопроводов тепловых сетей от наружной коррозии, определяется в соответствии с разделом «Требования к обращению с отходами производства и потребления на этапах строительства и эксплуатации» СТО-118а-02-2007 «Системы теплоснабжения. Условия поставки. Нормы и требования».

Приложение А
(рекомендуемое)

Форма рапорта слесаря по обслуживанию тепловых сетей

(лицевая сторона)

Эксплуатационный район № ______________

Дата __________________________________

Рапорт

Номер магистрали, участок от камеры № до камеры №

Задание мастера

Состояние трассы и камер, обнаруженные при обходе дефекты и неисправности

Выполнение задания мастера, принятые меры по устранению обнаруженных дефектов и неисправностей

Отметка мастера о выполнении распоряжения

 

 

 

 

 

 

Старший слесарь бригады _________________________

Слесарь бригады _________________________________

Слесарь бригады _________________________________

 

(оборотная сторона)

Параметры теплоносителя в контрольных точках

Дата _______________________

 

Номера камер и контрольных точек

Давление в трубопроводе МПа (кгс×см2)

Температура в трубопроводе, °C

в подающем

в обратном

в подающем

в обратном

 

 

 

 

 

 

Старший слесарь бригады _______________________

 

Приложение Б
(обязательное)

Форма паспорта трубопровода

(оформляется в жесткой обложке: 210´297 мм)

Страница 1

ПАСПОРТ ТРУБОПРОВОДА РЕГИСТРАЦИОННЫЙ № _______

Страница 2

Наименование и адрес предприятия - владельца трубопровода __________________________

Назначение трубопровода _________________________________________________________

Рабочая среда ___________________________________________________________________

Рабочие параметры среды:

давление, МПа (кгс/см2) __________________________________________________________

температура, °C _________________________________________________________________

Расчетный срок службы, лет1 ______________________________________________________

Расчетный ресурс, ч1 _____________________________________________________________

Расчетное число пусков1 (заполняется для трубопроводов I и II категорий) _______________

______________

1 Заполняется по данным проектной организации.

Перечень схем, чертежей, свидетельств и других документов на изготовление и монтаж трубопровода, представляемых при регистрации ________________________________________

 

М.П.

____ __________________ 199__ г.

Подпись главного инженера

предприятия (владельца трубопровода) __________

Страница 3

Лицо, ответственное за исправное состояние и безопасную эксплуатацию трубопровода

Номер и дата приказа о назначении

Должность, фамилия, имя, отчество

Дата проверки знания Правил Госгортехнадзора России

Подпись ответственного лица

 

 

 

 

Страницы 4-12

Записи администрации о ремонте и реконструкции трубопровода

Дата записи

Перечень работ, проверенных при ремонте и реконструкции трубопровода; дата их проведения

Подпись ответственного лица

 

 

 

Страницы 13-25

Записи результатов освидетельствования трубопроводов

Дата освидетельствования

Результаты освидетельствования

Срок следующего освидетельствования

 

 

 

Страница 26

Трубопровод зарегистрирован за № ____ в __________________________________________

                                                                                            (наименование регистрирующего органа)

г. ___________________

В паспорте пронумеровано ___________ страниц и всего ________ листов, в том числе чертежей (схем) на _______ листах

________________________________________________________________________________

(должность регистрирующего лица и его подпись)

М.П.

_______________ 200___ г.

 

Приложение В
(обязательное)

Указания к проведению осмотра теплопровода при вскрытии прокладки

Осмотр рекомендуется производить в последовательности, приведенной в типовой форме акта (см. Приложение Г), с учетом следующих указаний:

а) характеристика участка сети включает назначение теплопровода, вид теплоносителя, температурный график работы сети и температуру в сети во время вскрытия, количество труб;

б) характеристика наружного покрытия трассы теплопровода дается непосредственно для места вскрытия и для соседних участков на расстоянии 10-20 м в обе стороны (например, газон с травяным покрытием, асфальт, утрамбованный грунт проезжей части и т.д.);

в) характеристика грунта может быть определена по таблице, приведенной в Приложении А СТО-117-2007 «Трубопроводы тепловых сетей, защита от коррозии. Условия создания. Нормы и требования». Влажность грунта указывается ориентировочно (сильно увлажнен, средней влажности и т.д.). Точные данные по влажности грунта даются в приложении после проведения анализов отобранных проб;

г) уровень грунтовых вод приводится по данным эксплуатации, отмечается также фактический уровень воды в момент осмотра места вскрытия и предполагаемые причины ее появления (грунтовая вода, ливневая, сетевая, водопроводная и т.д.);

д) приводится конструкция и оценивается состояние дренажных труб и стыков, работоспособность дренажа определяется с помощью "поплавка", движение которого указывает на наличие протока воды в ближайшем дренажном колодце;

е) для канальной прокладки приводятся способ гидроизоляции канала, гидроизоляционный материал, оценивается состояние гидроизоляции (наличие трещин, вспучивания, сползания, грунта между слоями гидроизоляции);

ж) указываются тип и конструкция канала и состояние его строительных конструкций, дается оценка состояния плит перекрытия и стенок канала, характера разрушения элементов канала и приводятся его причины;

з) при осмотре и оценке внутреннего состояния канала:

определяется наличие влаги (капельной или пленочной) на внутренней поверхности перекрытия стен и дна канала;

выявляются признаки затопления канала, определяется высота стояния воды в канале при затоплениях;

определяется толщина слоя илистых отложений в канале;

при расположении вблизи места вскрытия неподвижной щитовой опоры проверяется наличие и состояние отверстия в опоре для прохода воды, дренируемой по дну канала, оценивается состояние изоляции труб в месте прохода через опору;

и) указывается тип теплоизоляционной конструкции (подвесная, засыпная, монолитная, сборная и т.д.) и оценивается ее состояние (целостность);

к) указывается конструкция покровного слоя, количество слоев, материалы, оценивается состояние (наличие трещин, отслоений, степень увлажнения и т.д.);

л) указывается тип теплоизоляционного материала и вид изделия (маты, скорлупы, сегменты, полуцилиндры и т.д.), дается оценка состояния материала (степень увлажнения, разрушение штучных изделий, разложение материала);

м) указываются тип антикоррозионного покрытия по технической документации на данный участок сети и фактический, количество слоев, клеющий состав для рулонных материалов; оценивается состояние покрытия, целостность, адгезия, изменение цвета и структуры, измеряется толщина покрытия;

н) оценивается коррозионный процесс на трубах, определяются характер коррозии (пылевидная, пленочная, язвенная, электрокоррозия), наличие продуктов коррозии, толщина коррозионных пленок, глубина язв, каверн и т.д.; предполагаемая причина коррозионных процессов.

Трубы осматриваются со всех сторон. Особое внимание должно уделяться участкам снизу труб и между ними; при этом рекомендуется пользоваться зеркалом.

Приложение Г
(рекомендуемое)

Типовая форма акта на осмотр теплопровода при вскрытии прокладки

Организация, эксплуатирующая тепловую сеть _______________________________________

Район ОЭТС ________________________ Источник тепловой энергии ___________________

Дата _______________________________

Наименование или номер магистрали _______________________________________________

Место вскрытия: между камерами __________________________________________________

на расстоянии ___________ м от камеры _________________________ на длине _________ м.

Год строительства участка теплосети ________________________.

Длительность эксплуатации _________ лет.

Тип прокладки __________________________________________________________________

(непроходной канал, бесканальная и т.д.)

Диаметр труб: подающей ___________ мм, обратной ___________ мм.

Результаты осмотра

1. Характеристика участка сети ____________________________________________________

2. Характеристика наружного покрытия над прокладкой теплопровода ___________________

3. Характеристика грунта _________________________________________________________

4. Уровень грунтовых вод _________________________________________________________

5. Глубина заложения прокладки ___________________________________________________

6. Наличие дренажного устройства, его конструкция, состояние и работоспособность ______

7. Гидроизоляция канала __________________________________________________________

8. Характеристика и состояние строительных конструкций _____________________________

9. Внутреннее состояние канала ____________________________________________________

10. Покровный слой (материалы, состояние):

подающая труба _________________________________________________________________

обратная труба __________________________________________________________________

11. Тепловая изоляция (материал, состояние):

подающая труба _________________________________________________________________

обратная труба __________________________________________________________________

12. Антикоррозионное покрытие труб, его состояние:

подающая труба _________________________________________________________________

обратная труба __________________________________________________________________

13. Состояние трубопровода и сварных стыков:

подающая труба _________________________________________________________________

обратная труба __________________________________________________________________

14. Наличие наружной коррозии, ее характер и интенсивность, толщина коррозионной пленки, диаметр и глубина каверн, местонахождение по оси трубы:

подающая труба _________________________________________________________________

обратная труба __________________________________________________________________

15. Наличие электрифицированного транспорта и расстояние до ближайших рельсов _______

16. Наличие вблизи теплотрассы других подземных коммуникаций (кабелей, газопроводов, водопровода, канализации) ________________________________________________________

17. Наличие на смежных подземных коммуникациях электрозащитных установок _________

18. Предполагаемые причины разрушения теплоизоляционной конструкции и наружной коррозии трубопроводов __________________________________________________________

19. Намечаемые мероприятия по устранению причин дефектов _________________________

20. Описание работ по восстановлению прокладки в месте вскрытия; дата восстановления

________________________________________________________________________________

21. Дополнительные данные _______________________________________________________

 

Члены комиссии:

Фамилия                                         Должность                                   Подпись

___________________ 200_ г.

 

Приложение Д
(рекомендуемое)

Акт осмотра поврежденного трубопровода тепловой сети

 

Пробелы заполнить,

01. Район теплосети

варианты подчеркнуть

02. ТЭЦ №

 

03. Магистраль №

 

04. Год ввода в эксплуатацию (год сооружения)

 

05. Длительность эксплуатации

 

Дата осмотра

06. День ________________________

07. Месяц _______________________

08. Год _________________________

09. Адрес места осмотра: улица ______________________,

10. Дом № ________________.

Теплоноситель:

11 - пар.

12 - вода

Шурф:

13. Начальн. камера № ________________,

14. Конечн. кам. № ___________________

15. Расстоян. ________________________ м.

16. До камеры № _____________________ м.

Диаметр труб:

17. Подающей _______________________ мм.

18. Обратной ________________________ мм.

19. Участок осмотрен на длине _________ м.

20. Глубина заложения ________________ м.

21. Грунт: 1 - супесь. 2 - песок. 3 - суглинок. 4 - глина. 5 - строительный мусор.

22. Поверхность земли над трассой:

1 - асфальт, бетон.

2 - газон.

3 - граница между 1 и 2.

4 - утрамбованный грунт.

5 - поверхность, защищенная от атмосферных осадков.

23. Наличие вблизи электрифицированного транспорта: 1 - да, 2 - нет.

24. Расстояние до рельсов _____ м.

25. Наличие вблизи трассы других подземных коммуникаций:

1 - кабелей,

2 - газопроводов,

3 - водопровода,

4 - канализации,

5 - нет информации.

26. Наличие на смежных подземных коммуникациях и трубопроводах теплосети работающих электрозащитных установок:

1 - да, 2 - нет, 3 - нет информации.

27. Подтопление до трубы: 1 - есть, 2 - нет.

28. Наличие работоспособных устройств водоотведения:

1 - есть, 2 - нет, 3 - работоспособно, 4 - неработоспособно.

29. Осмотрен элемент теплопровода

1 - прямой участок

10 - компенсатор линзов. или сильфон.

2 - прямой участок в стене или в неподвижной опоре

11 - фланцевое соедин.

3 - прямой участок с подвижной опорой

12 - сварное соедин.

4 - отвод

13 - патрубок компенсатора

5 - спускник, воздушник

14 - задвижка

6 - заглушка

15 - гильза термометра

7 - клапан

16 - перемычка

8 - сальниковое уплотнение компенсатора, задвижки

17 - байпас

9 - штуцер манометра

18 - переход от d1 к d2

 

30. Подающий трубопровод

31. Обратный трубопровод

Состояние гидроизоляционной конструкции

1 - в хорошем состоянии

1 - в хорошем состоянии

2 - разрушена частично

2 - разрушена частично

3 - разрушена полностью

3 - разрушена полностью

Состояние противокоррозионного покрытия

4 - в хорошем состоянии

4 - в хорошем состоянии

5 - отсутствует частично

5 - отсутствует частично

6 - отсутствует полностью

6 - отсутствует полностью

Наличие коррозии

7. Сплошная наружная коррозия на всем осмотренном участке

7. Сплошная наружная коррозия на всем осмотренном участке

8. Сплошная наружная коррозия в месте повреждения

8. Сплошная наружная коррозия в месте повреждения

9. Локальная наружная коррозия (язвы)

9. Локальная наружная коррозия (язвы)

10. Внутренняя коррозия, отдельные язвы

10. Внутренняя коррозия, отдельные язвы

11. Внутренняя коррозия в виде цепочек язв или канавок

11. Внутренняя коррозия в виде цепочек язв или канавок

12. Сплошная внутренняя коррозия

12. Сплошная внутренняя коррозия

13. Максимальная глубина повреждения ___ мм

13. Максимальная глубина повреждения ____ мм

31. Место расположения повреждения по периметру трубы (по стрелке часов)

1-12 час

1-12 час

32. Характер повреждения трубопровода или элемента теплосети

Разрыв стенки из-за: 1 - наружной коррозии, 2 - внутренней коррозии, 3 - дефекта металла трубы, 4 - превышения допустимого давления, гидроудар

Разрыв сварного шва из-за: 10 - дефекта сварки, 11 - наружной коррозии, 12 - внутренней коррозии, 13 - предельной нагрузки от внутреннего давления

Свищ от: 20 - внутренней коррозии, 21 - электрокоррозии, 22 - дефекта металла

30. Нарушение герметичности уплотнений, соединений

40. Деформация

50. Разрыв резьбового соединения

60. Разъединение сальникового компенсатора

70. Нарушение функций элемента без утечек

80. Осмотр

33. Предполагаемые причины коррозионного повреждения металла трубы:

1 - теплопровод постоянно, периодически подтопляется грунтовыми сточными водами до контакта с теплоизоляц. конструкцией

2 - канал местами, сплошь, заилен до контакта ила с трубами

3 - на теплопровод постоянно, периодически, попадает вода сверху

4 - бесканальная прокладка в неблагоприятных условиях

5 - наличие смежных коммуникаций: кабели, трубопроводы

6 - длительная утечка сетевой воды из поврежденного участка

7 - электрифицированный транспорт

8 - коррозионно-активный теплоноситель (внутренняя коррозия)

34. Аварийно-восстановительные работы в месте осмотра:

1 - изоляционная конструкция теплопровода выполнена полностью по инструкции

2 - выполнено только противокоррозионное покрытие

3 - изоляционные работы не проводились

4 - восстановление отложено до ремонта всего участка

5 - изоляционные работы выполнены негодным материалом

6 - изоляционные работы выполнены некачественно

35. Восстановление канала:

1 - канал восстановлен старыми элементами

2 - при восстановлении поставлены новые плиты перекрытия

3 - проведена полная замена конструкций канала, камеры

36. Ремонт трубопровода или элемента теплосети

1 - поврежденное место трубы вырезано, поставлена заплата

2 - заменен участок трубы длиной _________ м

3 - заварен свищ

4 - поставлен хомут

5 - заменен поврежденный элемент

6 - набит сальник

7 - уплотнено резьбовое соединение

8 - элемент ликвидирован как неисправный, герметичность обеспечена

9 - поставлена заглушка, участок выведен из работы до ремонта, теплоснабжение абонентов осуществляется через резервные линии

10 - элемент заменен

Намечаемые мероприятия по данным осмотра: _______________________________________

Перечень прилагаемых материалов: ________________________________________________

 

Должность:

Подпись:

Фамилия:

Начальник предприятия

(района, цеха, участка)

 

 

 

 

 

Мастер (руководитель бригады)

 

 

 

 

 

 

Примечание. При изготовлении акта форма печатается на одном листе с оборотом через 1 интервал.

 

Приложение Ж
(рекомендуемое)

Журнал проверки эффективности работы установки ЭХЗ

Дата измерения ________________ Электрод сравнения ___________________________

Номер контрольного пункта

Время измерения

Параметры установки

Потенциал трубопровода относительно земли, В

Смещение потенциалов трубопроводов, В

Примечание

Ток, А

Напряжение, В

Суммарный

максимальный

средний

минимальный

максимальный

средний

минимальный

 

 

 

 

 

 

 

 

 

 

 

Проверил ___________________________

Приложение И
(рекомендуемое)

Протокол измерений потенциалов трубопровода при контроле эффективности электрохимической защиты показывающими приборами

 

Город ___________________________________

Вид подземного сооружения и пункта измерения _____________________________________

Дата «_____» _________________________ год

Время измерений: начало ________________ конец _____________________________

Адрес пункта измерений ____________________________________________________

Вид измерения (разность потенциалов) ________________________________________

Режим измерения __________________________________________________________

(без защиты, с включенной защитой)

Тип и № прибора ______________ Предел измерений ____________________________

Класс точности прибора не ниже 1,5

Результаты измерений, В

t, мин/с

0

10

20

30

40

50

1

 

 

 

 

 

 

2

 

 

 

 

 

 

3

 

 

 

 

 

 

4

 

 

 

 

 

 

5

 

 

 

 

 

 

6

 

 

 

 

 

 

7

 

 

 

 

 

 

8

 

 

 

 

 

 

9

 

 

 

 

 

 

10

 

 

 

 

 

 

Камеральная обработка результатов измерений

№ пункта измерения по схеме

Адрес пункта измерения

Число измерений

Сумма измеренных значений потенциала

Среднее значение защитного потенциала

Минимальное (по абсолютной величине) значение защитного потенциала

1

2

3

4

5

6

Измерил ___________________ Обработал ___________________________

Проверил __________________

Протокол измерения потенциалов при контроле эффективности ЭХЗ регистрирующими приборами

Город ___________________________

Вид подземного сооружения _________________________________________________

Дата ______________________

Адрес пункта измерения _____________________________________________________

Время измерения: начало _____ ч ______ мин, конец ____ ч ____ мин

Вид измерения _____________________________________________________________

Режим измерения ___________________________________________________________

Тип и номер прибора _______________________ Предел измерений ________________

Класс точности прибора не ниже 1,5

Тип электрода ______________________________________________________________

Камеральная обработка лент автоматической записи

Знак

Отсчитанная площадь, см2

Длина обработанного участка ленты, см

Среднее значение регистрируемой величины, см

(+)

 

 

 

(-)

 

 

 

Разность потенциалов, В

Положительный (+)

Отрицательный (-)

Максимальный

Средний

Минимальный

Максимальный

Средний

Минимальный

 

 

 

 

 

 

Камеральная обработка измерений

 

Разность потенциалов, В

Сумма

Максимум

Среднее значение

Минимум

Число измерений

Положительная (+)

 

 

 

 

 

Отрицательная (-)

 

 

 

 

 

Замечания ______________________________________________________________________
Выводы ________________________________________________________________________

Измерил _________________________ Обработал _____________________________

Проверил ________________________

 

Приложение К
(рекомендуемое)

Протокол измерений смещения потенциалов трубопровода (подающего, обратного) при контроле эффективности ЭХЗ с помощью станций катодной защиты или гальванических анодов

 

Город __________________________________________________________________________

Вид подземного сооружения _______________________________________________________

Дата «______» _____________________ год

Время измерений: начало _______________________ конец ____________________________

Адрес пункта измерений __________________________________________________________

Вид измерений: разность потенциалов «трубопровод - ВЭ» до и после включения защиты

(DUисх и ) __________________________________________________________________

Тип и № прибора ______________________ Предел измерений _________________________

Класс точности не ниже 1,5

Результаты измерений, В

Т, мин/с

0

10

20

30

40

50

1

 

 

 

 

 

 

2

 

 

 

 

 

 

3

 

 

 

 

 

 

4

 

 

 

 

 

 

5

 

 

 

 

 

 

6

 

 

 

 

 

 

7

 

 

 

 

 

 

8

 

 

 

 

 

 

9

 

 

 

 

 

 

10

 

 

 

 

 

 

Камеральная обработка результатов измерений

№ пункта измерений по схеме

Адрес пункта измерений

Число измерений

Сумма измеренных значений

DUисх

Сумма значений

Среднее значение

Uт-вз

 

 

 

 

 

 

Измерил _____________________________ Обработал ________________

Проверил ____________________________

 

Приложение Л
(рекомендуемое)

Протокол определения исправности электроизолирующих соединений (ЭИС)

Город ________________________________________

Тип прибора __________________________________

Дата измерения «______» ___________________ год

Погодные условия _____________________________

 

п/п

№ пункта по схеме

Адрес

установки

ЭИС

Вид

установленного

ЭИС

Uт-з до ЭИС,

В

Uт-э после ЭИС,

В

DU=Uт-з до ЭИС -

Uт-з после ЭИС, В

Исправность ЭИС

1

2

3

4

5

6

7

8

Измерения провел _____________________

Приложение М
(рекомендуемое)

Акт приемки защитного антикоррозионного покрытия

 

г. __________________                                                            "_____"_______________ 200_ года

 

Объект _________________________________________________________________________

Комиссия в составе представителей:

строительно-монтажной организации _______________________________________________

(наименование организации, должность, инициалы, фамилия)

Заказчика _______________________________________________________________________

(наименование организации, должность, инициалы, фамилия)

Генерального подрядчика _________________________________________________________

(наименование организации, должность, инициалы, фамилия)

составила настоящий акт о нижеследующем:

1. ______________________________________________________________________________

(наименование сооружения, строительных конструкций, их краткая техническая характеристика)

2. ______________________________________________________________________________

(описание выполненного защитного покрытия)

3. Объем выполненных работ ______________________________________________________

4. Дата начала работ ______________________________________________________________

5. Дата окончания работ ___________________________________________________________

Работы выполнены в соответствии с ППР, технологической инструкцией по нанесению покрытия и отвечают требованиям их приемки. Документация на покрытие представлена в полном (неполном) объеме.

Качество выполненных работ:

Толщина антикоррозионного покрытия на трубопроводе

Подающий _____________________________________________________________________

Обратный ______________________________________________________________________

Адгезия антикоррозионного покрытия к металлу трубопровода

Подающий _____________________________________________________________________

Обратный ______________________________________________________________________

Сплошность антикоррозионного покрытия

Подающий _____________________________________________________________________

Обратный ______________________________________________________________________

Видимые дефекты антикоррозионного покрытия на трубопроводе

Подающий _____________________________________________________________________

Обратный ______________________________________________________________________

Качество антикоррозионного покрытия на трубопроводе проверил ______________________

(ФИО, должность)

Представитель строительно-монтажной организации __________________________________

Представитель Заказчика _________________________________________________________

Представитель Генерального подрядчика ____________________________________________

Журнал производства антикоррозионных работ

Наименование объекта ____________________________________________________________

Основание для выполнения работ __________________________________________________

(договор, наряд)

Производитель работ _____________________________________________________________

Начало _________________________________________________________________________

Окончание ______________________________________________________________________

В журнале пронумеровано _____________________ страниц.

М.П.

Подпись администрации

организации, выдавшей журнал

 


 

Дата (число, месяц, год), смена

Наименование работ и применяемых материалов (пооперационно)

Объем работ

Температура во время выполнения работ, ° С

ГОСТ, ОСТ, ТУ на применяемые материалы

Число нанесенных слоев и их толщина, мм

Температура, °C, и продолжительность сушки отдельных слоев покрытия, ч

Фамилия и инициалы бригадира (специалиста), выполнявшего защитное покрытие

Дата и номер акта освидетельствования выполненных работ

Фамилия, инициалы и подпись лица, принимающего покрытие

Примечание

На поверхности

Окружающего воздуха на расстоянии не более 1м от поверхности

 

 

 

 

 

 

 

 

 

 

 

 

 

 

 

 

 

 

 

 

 

 

 

 

 

 

 

 

 

 

 

 

 

 

 

 

 


Библиография

[1] СТО-117-2007 «Трубопроводы тепловых сетей. Защита от коррозии. Условия создания. Нормы и требования».

[2] СНиП III-4-80. Правила производства и приемки работ. Техника безопасности в строительстве. Утверждены постановлением Госстроя СССР от 9 июня 1980 г. № 82.

[3] СП 2.2.2.1327-03. Гигиенические требования к организации технологических процессов, производственному оборудованию и рабочему инструменту. Утв. Главным государственным санитарным врачом РФ 23 мая 2003 г.

 

Ключевые слова: трубопроводы тепловых сетей, наружная коррозия, защитные противокоррозионные покрытия, устройства электрохимической защиты, технические решения, ремонт, техническое обслуживание, эксплуатация.

Приложение № 2

к приказу ОАО РАО «ЕЭС России»

от 14.05.2008 г. № 245

ПЕРЕЧЕНЬ
нормативно-технических документов подлежащих отмене в связи с вступлением в действие стандарта организации ОАО РАО «ЕЭС России» СТО 17330282.27.060.002-2008 «Трубопроводы тепловых сетей. Защита от коррозии. Организация эксплуатации и технического обслуживания. Нормы и требования»

№ №

№ в Реестре

Наименование документа

1

640

РД 153-34.0-20.518-2003 «Типовая инструкция по защите трубопроводов тепловых сетей от наружной коррозии»

2

629

РД 153-34.0-20.507-98 «Типовая инструкция по технической эксплуатации систем транспорта и распределения тепловой энергии (тепловых сетей)», Приложение 27

3

537

РД 34.17.430-94 «Методические указания по определению характера коррозионного повреждения металла трубопроводов тепловых сетей», Приложение 1

 

 




ГОСТЫ, СТРОИТЕЛЬНЫЕ и ТЕХНИЧЕСКИЕ НОРМАТИВЫ.
Некоммерческая онлайн система, содержащая все Российские Госты, национальные Стандарты и нормативы.
В Системе содержится более 150000 файлов нормативно-технической документации, действующей на территории РФ.
Система предназначена для широкого круга инженерно-технических специалистов.

Рейтинг@Mail.ru Яндекс цитирования

Copyright © www.gostrf.com, 2008 - 2026