|
|
Изделия крепежные ДОПУСКИ Часть 1 Болты, винты, шпильки и гайки Классы точности А, В и С ISO 4759-1:2000
ПредисловиеЦели и принципы стандартизации в Российской Федерации установлены Федеральным законом от 27 декабря 2002 г. № 184-ФЗ «О техническом регулировании», а правила применения национальных стандартов Российской Федерации - ГОСТ Р 1.0-2004 «Стандартизация в Российской Федерации. Основные положения» Сведения о стандарте 1 ПОДГОТОВЛЕН Федеральным государственным унитарным предприятием «Всероссийский научно-исследовательский институт стандартизации и сертификации в машиностроении» (ВНИИНМАШ) на основе аутентичного перевода на русский язык стандарта, указанного в пункте 4, выполненного ФГУП «Стандартинформ» № 2326/ИСО от 31.05.2006 г. 2 ВНЕСЕН Техническим комитетом по стандартизации ТК 229 «Крепежные изделия» 3 УТВЕРЖДЕН И ВВЕДЕН В ДЕЙСТВИЕ Приказом Федерального агентства по техническому регулированию и метрологии от 10 декабря 2009 г. № 692-ст 4 Настоящий стандарт идентичен международному стандарту ИСО 4759-1:2000 «Изделия крепежные. Допуски. Часть 1. Болты, винты, шпильки и гайки. Классы точности А, В и С» (ISO 4759-1:2000 «Tolerances for fasteners - Part 1: Bolts, screws, studs and nuts - Product grades А, В and C»). При применении настоящего стандарта рекомендуется использовать вместо ссылочных международных стандартов соответствующие им национальные стандарты Российской Федерации, сведения о которых приведены в дополнительном приложении ДА 5 ВВЕДЕН ВПЕРВЫЕ Информация об изменениях к настоящему стандарту публикуется в ежегодно издаваемом информационном указателе «Национальные стандарты», а текст изменений и поправок - в ежемесячно издаваемых информационных указателях «Национальные стандарты». В случае пересмотра (замены) или отмены настоящего стандарта соответствующее уведомление будет опубликовано в ежемесячно издаваемом информационном указателе «Национальные стандарты». Соответствующая информация, уведомление и тексты размещаются также в информационной системе общего пользования - на официальном сайте Федерального агентства по техническому регулированию и метрологии в сети Интернет Содержание ГОСТ Р ИСО 4759-1-2009 НАЦИОНАЛЬНЫЙ СТАНДАРТ РОССИЙСКОЙ ФЕДЕРАЦИИ Изделия крепежные ДОПУСКИ Часть 1 Болты, винты, шпильки и гайки. Классы точности А, В и С Tolerances for fasteners. Part 1. Bolts, screws, studs and nuts. Product grades А, В and С Дата введения - 2011-01-01 1 Область примененияНастоящий стандарт устанавливает допуски для болтов, винтов, шпилек и гаек с метрической резьбой ИСО классов точности А, В и С, а также для самонарезающих винтов класса точности А. Примечание - Класс точности изделия определяется величиной допусков, при этом класс А является наиболее точным, а класс С - наименее точным. Допуски, за исключением допусков на резьбу, выбираются из допусков и посадок по системе ИСО, установленной в ИСО 286-1 и ИСО 286-2. Допуски на метрическую резьбу выбираются из серии полей допусков, установленных в ИСО 965-3. Допуски на резьбу самонарезающих винтов приведены в ИСО 1478. Допуски формы и расположения поверхностей устанавливаются и указываются в соответствии с ИСО 1101, ИСО 8015 и ИСО 2692. Допуски, установленные в настоящем стандарте, применяются к крепежным изделиям до нанесения на них покрытия, если не оговорено иное. См. также ИСО 4042. Отступления от допусков, установленных в настоящем стандарте, допускается в стандартах на изделия, только в обоснованных случаях. Если имеет место расхождение между требованиями к допускам настоящего стандарта и стандарта на изделие, предпочтение отдается стандарту на изделие. Рекомендуется использовать эти допуски также для нестандартных крепежных изделий. Размеры и допуски, установленные в настоящем стандарте, указаны в миллиметрах. 2 Нормативные ссылкиСледующие ниже нормативные документы содержат положения, которые посредством ссылок в данном тексте составляют положения настоящего стандарта. Для нормативных документов с указанием даты публикации, на которые имеются ссылки, не распространяется действие последующих изменений или пересмотров этих документов. Все стандарты подлежат пересмотру, и сторонам - участницам соглашений на основе настоящего стандарта рекомендуется выяснять возможность применения самых последних изданий указанных ниже нормативных документов. Для нормативных документов без указания даты публикации, на которые имеются ссылки, распространяется действие самых последних изданий этих документов. ИСО 225:1983 Изделия крепежные. Болты, винты, шпильки и гайки. Символы и обозначения размеров (ISO 225:1983, Fasteners - Bolts, screws, studs and nuts - Symbols and designation of dimensions) ИСО 286-1:1988 Допуски и посадки по системе ИСО. Часть 1. Основные допуски, отклонения и посадки (ISO 286-1:1988, ISO system of limits and fits - Part 1: Bases of tolerances, deviations and fits) ИСО 286-2:1988 Допуски и посадки по системе ИСО. Часть 2. Таблицы классов стандартных допусков и предельных отклонений на размеры отверстий и валов (ISO 286-2:1988, ISO system of limits and fits - Part 2: Tables of standard grades and limit deviations for holes and shafts) ИСО 885:2000 Болты и винты общего назначения. Метрическая серия. Радиусы под головкой (ISO 885:2000, General purpose bolts and screws - Metric series - Radii under the head) ИСО 965-3:1998 Резьба ИСО метрическая общего назначения. Допуски. Часть 3. Отклонения для конструкционных резьб (ISO general purpose metric screw threads - Tolerances - Part 3: Deviations for constructional screw threads) ИСО 1101:2004 Геометрические характеристики изделий. Установление геометрических допусков. Допуски формы, ориентации, расположения и биения (ISO 1101:2004 Geometrical Product Specifications (GPS) - Geometrical tolerancing - Tolerances of form, orientation, location and run-out) ИСО 1478:1999 Резьба самонарезающих винтов (ISO 1478:1999, Tapping screws thread) ИСО 1479:1983 Винты самонарезающие с шестигранной головкой (ISO 1479:1983, Hexagon head tapping screws) ИСО 2692:2006 Геометрические характеристики изделий. Установление геометрических допусков. Требование максимума материала, требование минимума материала и требование взаимодействия (ISO 2692:2006 Geometrical Product Specifications (GPS) - Geometrical tolerancing - Maximum material requirement (MMR), least material requirement (LMR) and reciprocity requirement (RPR)) ИСО 4032:1999 Гайки шестигранные типа 1. Классы точности А и В (ISO 4032:1999, Hexagon nuts, style 1 - Product grades A and B) ИСО 4042:1999 Изделия крепежные. Электролитические покрытия (ISO 4042:1999, Fasteners - Electroplated coatings) ИСО 4757:1983 Шлицы крестообразные для винтов (ISO 4757:1983, Cross recesses for screws) ИСО 7053:1992 Винты самонарезающие с шестигранной головкой и буртиком (ISO 7053:1992, Hexagon washer head tapping screws) ИСО 7721:1983 Винты с потайной головкой. Конфигурация головки и проверка размеров (ISO 7721:1983, Countersunk head screws - Head configuration and gauging) ИСО 8015:1985 Чертежи технические. Основные принципы нанесения допусков (ISO 8015:1985, Technical drawings - Fundamental tolerancing principle) ИСО 10509:1992 Винты самонарезающие с шестигранной головкой и фланцем (ISO 10509:1992, Hexagon flange head tapping screws) ИСО 10642:1997 Винты с потайной головкой и шестигранным углублением (ISO 10642:1997, Hexagon socket countersunk head screws} ИСО 10664:1999 Углубление звездообразное для болтов и винтов (ISO 10664:1999, Hexalobular internal driving feature for bolts and screws) 3 Допуски метрических болтов, винтов и шпилекДопуски размеров Примечание - Символы и обозначения размеров - по ИСО 225.
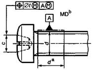
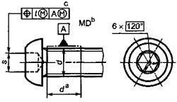
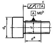
В соответствии с ИСО 1101 и ИСО 2692 допуски, установленные на рисунках 23-57, необязательно предполагают использование особых методов изготовления, измерений или контроля размеров. Если ось среднего диаметра резьбы определяется как базовая линия и если отклонением от соосности оси наружного диаметра резьбы относительно оси среднего диаметра резьбы можно пренебречь, например как для накатанной резьбы, ось наружного диаметра может использоваться как базовая линия. В соответствии с ИСО 1101, если базовая линия является осью резьбы, буквы MD обозначают, что указание допуска относительно базовой линии соответствует указанию допуска относительно оси наружного диаметра резьбы. В соответствии с ИСО 2692 применяют требование максимума материала.
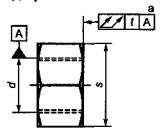
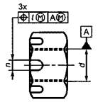
4 Допуски метрических гаек4.1 Допуски размеров Примечание - Символы и обозначения размеров установлены в ИСО 225.
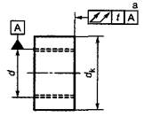
В соответствии с ИСО 1101 и ИСО 2692 допуски, установленные на рисунках 71-83, необязательно предполагают использование особых методов изготовления, измерений или контроля размеров. Если резьбу гайки используют как базу, средний диаметр резьбы следует рассматривать как отсчетный диаметр. В соответствии с ИСО 2692 применяют требование максимума материала.
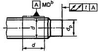
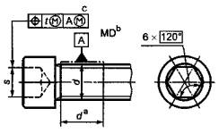
5 Допуски самонарезающих винтов5.1 Допуски размеров. Класс точности А Примечание - Символы и обозначения - по ИСО 225.
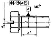
5.2 Геометрические допуски. Класс точности А В соответствии с ИСО 1101 и ИСО 2692 допуски формы и расположения поверхностей, установленные на рисунках 94-104, необязательно предполагают использование особых методов изготовления, измерений или контроля размеров. Если резьбу самонарезающих винтов указывают либо как базу, либо как элемент для установления допуска, ось следует определять по наружному диаметру резьбы. В соответствии с ИСО 2692 применяют требование максимума материала.
Приложение А
|
|||||||||||||||||||||||||||||||||||||||||||||||||||||||||||||||||||||||||||||||||||||||||||||||||||||||||||||||||||||||||||||||||||||||||||||||||||||||||||||||||||||||||||||||||||||||||||||||||||||||||||||||||||||||||||||||||||||||||||||||||||||||||||||||||||||||||||||||||||||||||||||||||||||||||||||||||||||||||||||||||||||||||||||||||||||||||||||||||||||||||||||||||||||||||||||||||||||||||||||||||||||||||||||||||||||||||||||||||||||||||||||||||||||||||||||||||||||||||||||||||||||||||||||||||||||||||||||||||||||||||||||||||||||||||||||||||||||||||||||||||||||||||||||||||||||||||||||||||||||||||||||||||||||||||||||||||||||||||||||||||||||||||||||||||||||||||||||||||||||||||||||||||||||||||||||||||||||||||||||||||||||||||||||||||||||||||||||||||||||||||||||||||||||||||||||||||||||||||||||||||||||||||||||||||||||||||||||||||||||||||||||||||||||||||||||||||||||||||||||||||||||||||||||||||||||||||||||||||||||||||||||||||||||||||||||||||||||||||||||||||||||||||||||||||||||||||||||||||||||||
|
Номинальный размер |
Квалитеты |
||||||
|
IT12 |
IT13 |
IT14 |
IT15 |
IT16 |
IT17 |
||
|
свыше |
до |
Допуски |
|||||
|
- |
3 |
0,1 |
0,14 |
0,25 |
0,4 |
0,6 |
1 |
|
3 |
6 |
0,12 |
0,18 |
0,3 |
0,48 |
0,75 |
1,2 |
|
6 |
10 |
0,15 |
0,22 |
0,36 |
0,58 |
0,9 |
1,5 |
|
10 |
18 |
0,18 |
0,27 |
0,43 |
0,7 |
1,1 |
1,8 |
|
18 |
30 |
0,21 |
0,33 |
0,52 |
0,84 |
1,3 |
2,1 |
|
30 |
50 |
0,25 |
0,39 |
0,62 |
1 |
1,6 |
2,5 |
|
50 |
80 |
0,3 |
0,46 |
0,74 |
1,2 |
1,9 |
3 |
|
80 |
120 |
0,35 |
0,54 |
0,87 |
1,4 |
2,2 |
3,5 |
|
120 |
180 |
0,4 |
0,63 |
1 |
1,6 |
2,5 |
4 |
|
180 |
250 |
0,46 |
0,72 |
1,15 |
1,85 |
2,9 |
4,6 |
|
250 |
315 |
0,52 |
0,81 |
1,3 |
2,1 |
3,2 |
5,2 |
|
315 |
400 |
0,57 |
0,89 |
1,4 |
2,3 |
3,6 |
5,7 |
|
400 |
500 |
0,63 |
0,97 |
1,55 |
2,5 |
4 |
6,3 |
Таблица А.2 - Предельные отклонения для валов
В миллиметрах
|
Номинальный размер |
Предельное отклонение при допусках |
|||||||||
|
свыше |
до |
h13 |
h14 |
h15 |
h16 |
h17 |
js14 |
js15 |
js16 |
js17 |
|
- |
3 |
0 -0,14 |
0 -0,25 |
0 -0,4 |
0 -0,6 |
0 -1 |
±0,125 |
±0,2 |
±0,3 |
±0,5 |
|
3 |
6 |
0 -1,18 |
0 -0,3 |
0 -0,48 |
0 -0,75 |
0 -1,2 |
±0,15 |
±0,24 |
±0,375 |
±0,6 |
|
6 |
10 |
0 -0,22 |
0 -0,36 |
0 -0,58 |
0 -0,9 |
0 -1,5 |
±0,18 |
±0,29 |
±0,45 |
±0,75 |
|
10 |
18 |
0 -0,27 |
0 -0,43 |
0 -0,7 |
0 -1,1 |
0 -1,8 |
±0,215 |
±0,35 |
±0,55 |
±0,9 |
|
18 |
30 |
0 -0,33 |
0 -0,52 |
0 -0,84 |
0 -1,3 |
0 -2,1 |
±0,26 |
±0,42 |
±0,65 |
±1,05 |
|
30 |
50 |
0 -0,39 |
0 -0,62 |
0 -1 |
0 -1,6 |
0 -2,5 |
±0,31 |
±0,5 |
±0,8 |
±1,25 |
|
50 |
80 |
0 -0,46 |
0 -0,74 |
0 -1,2 |
0 -1,9 |
0 -3,0 |
±0,37 |
±0,6 |
±0,95 |
±1,5 |
|
80 |
120 |
0 -0,54 |
0 -0,87 |
0 -1,4 |
0 -2,2 |
0 -3,5 |
±0,435 |
±0,7 |
±1,1 |
±1,75 |
|
120 |
180 |
0 -0,63 |
0 -1 |
0 -1,6 |
0 -2,5 |
0 -4 |
±0,5 |
±0,8 |
±1,25 |
±2 |
|
180 |
250 |
0 -0,72 |
0 -1,15 |
0 -1,85 |
0 -2,9 |
0 -4,6 |
±0,575 |
±0,925 |
±1,45 |
±2,3 |
|
250 |
315 |
0 -0,81 |
0 -1,3 |
0 -2,1 |
0 -3,2 |
0 -5,2 |
±0,65 |
±1,05 |
±1,6 |
±2,6 |
|
315 |
400 |
0 -0,89 |
0 -1,4 |
0 -2,3 |
0 -3,6 |
0 -5,7 |
±0,7 |
±1,15 |
±1,8 |
±2,85 |
|
400 |
500 |
0 -0,97 |
0 -1,55 |
0 -2,5 |
0 -4 |
0 -6,3 |
±0,775 |
±1,25 |
±2 |
±3,15 |
Таблица А.3 - Предельные отклонения для отверстий
В миллиметрах
|
Номинальный размер |
Предельное отклонение при допусках |
|||||||||||||
|
свыше |
до |
С13 |
С14 |
D9 |
D10 |
D11 |
D12 |
EF8 |
Е11 |
Е12 |
Н14 |
Н15 |
JS9 |
К9 |
|
- |
3 |
+0,2 +0,06 |
+0,31 +0,06 |
+0,045 +0,02 |
+0,06 +0,02 |
+0,08 +0,02 |
+0,12 +0,02 |
+0,024 +0,01 |
+0,074 +0,014 |
+0,114 +0,014 |
+0,25 0 |
+0,4 0 |
±0,0125 |
0 -0,025 |
|
3 |
6 |
+0,25 +0,07 |
+0,37 +0,07 |
+0,06 +0,03 |
+0,078 +0,03 |
+0,105 +0,03 |
+0,15 +0,03 |
+0,032 +0,014 |
+0,095 +0,02 |
+0,14 +0,02 |
+0,3 0 |
+0,48 0 |
±0,015 |
0 -0,03 |
|
6 |
10 |
|
|
|
|
+0,13 +0,04 |
+0,19 +0,04 |
+0,04 +0,018 |
+0,115 +0,025 |
+0,175 +0,025 |
+0,36 0 |
+0,58 0 |
±0,018 |
0 -0,036 |
|
10 |
18 |
|
|
|
|
|
+0,23 +0,05 |
|
+0,142 +0,031 |
+0,212 +0,032 |
+0,43 0 |
+0,7 0 |
|
|
|
18 |
30 |
|
|
|
|
|
+0,275 +0,065 |
|
|
|
+0,52 0 |
+0,84 0 |
|
|
|
30 |
50 |
|
|
|
|
|
+0,33 +0,08 |
|
|
|
+0,62 0 |
+1 0 |
|
|
|
50 |
80 |
|
|
|
|
|
+0,04 +0,1 |
|
|
|
+0,74 0 |
+1,2 0 |
|
|
|
80 |
120 |
|
|
|
|
|
+0,47 +0,12 |
|
|
|
+0,87 0 |
+1,4 0 |
|
|
|
120 |
180 |
|
|
|
|
|
|
|
|
|
+1 0 |
+1,6 0 |
|
|
|
180 |
250 |
|
|
|
|
|
|
|
|
|
+1,15 0 |
+1,85 0 |
|
|
|
250 |
315 |
|
|
|
|
|
|
|
|
|
+1,3 0 |
+2,1 0 |
|
|
|
315 |
400 |
|
|
|
|
|
|
|
|
|
+1,4 0 |
+2,3 0 |
|
|
|
400 |
500 |
|
|
|
|
|
|
|
|
|
+1,55 0 |
+2,5 0 |
|
|

а Только до диаметра 0,8dk.
b 3´ одновременно.
Рисунок В.1 - Винт с цилиндрической головкой, шестигранным углублением под ключ,
гладкой частью стержня и коническим концом

а Линия предельно удаленных точек на любой радиальной
линии.
b Радиальные линии между da max и dw min.
c 3´ одновременно.
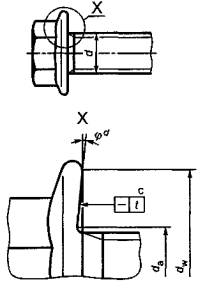
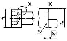
Рисунок В.2 - Болт с шестигранной головкой, фланцем и направляющим концом

а Линия предельно-удаленных точек на любой радиальной
линии.
b Радиальные линии между da max и dw min.
с 3´ одновременно.
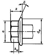
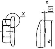
Рисунок В.3 - Шестигранная гайка с фланцем
С.1 Применение
В данном приложении приведены примеры калибров и других измерительных устройств, с помощью которых можно проверить, выполняются ли допуски, установленные в настоящем стандарте.
Резьба калибров и измерительных устройств должна отвечать требованиям, предъявляемым к GO-калибрам (проходным калибрам). Направляющие должны иметь такую точность, чтобы ошибки при контроле, связанные с ними, были бы пренебрежимо малыми по сравнению с допуском t на изделие (например, менее 10 % от t).
Если база не связана с
требованиями максимума материала, обозначаемыми как
, применяют следующие правила:
- когда базой является наружная резьба, ось наружного диаметра MD или ось среднего диаметра PD считается базой, как установлено в настоящем стандарте. Когда базой является наружный диаметр, деталь может быть закреплена в трехкулачковом патроне;
- когда базой является внутренняя резьба, в примерах данного приложения гайку затягивают с использованием конической пружинной шайбы. Другая возможность состоит в использовании для этой цели конической оправки с резьбой;
- когда базой является цилиндрический стержень или резьба самонарезающего винта, то они могут быть закреплены в трехкулачковом патроне независимо от определяемого размера.
С.2 Калибры и другие измерительные устройства
Примечание - Все калибры, представленные в настоящем приложении, являются калибрами GO. Диаметр dg выбирает изготовитель калибра.
Калибры и измерительные устройства, представленные в настоящем приложении, предназначаются для проверки геометрических допусков, установленных в 3.2, 4.2 и 5.2.
Каждый калибр или измерительное устройство относится к одному или нескольким рисункам в основной части настоящего стандарта с тем, чтобы было понятно, какой допуск проверяют соответствующим калибром или измерительным устройством.

а Размер максимума материала.
Рисунок С.1 - Калибр для проверки допуска формы, установленного на рисунках 23, 71
и 94.

а Размер максимума материала.
Рисунок С.2 - Калибр для проверки допуска формы, установленного на рисунке 25.

а Размер максимума материала.
Рисунок С.3 - Калибр для проверки допуска формы, установленного на рисунках 24 и 72.

а Размер максимума материала плюс t
b Калибр GO с отверстием, соответствующим размеру максимума материала
контролируемого изделия.
Рисунок С.4 - Калибр для проверки позиционного допуска, установленного на рисунках
26, 27 и 95.

а Размер максимума материала минус t
ь Калибр GO с отверстием, соответствующим размеру максимума материала
контролируемого изделия.
с Минимальная глубина углубления.
Рисунок С.5 - Калибр для проверки позиционного допуска, установленного на
рисунках 28-31

a L > s (см. рисунки 32 и 98); L > dk (см. рисунки 33, 34, 96 и 97); L > d (см.
рисунок 35).
b Размер максимума материала минус t
с Калибр GO с отверстием, соответствующим размеру максимума материала
контролируемого изделия.
d Минимальная глубина углубления.
Рисунок С.6 - Калибр для проверки позиционного допуска, установленного на
рисунках 32-35, 96, 97-98.

1 - измерительный
наконечник - в соответствии с ИСО 4757.
а Калибр GO с отверстием, соответствующим размеру максимума материала
контролируемого изделия.
b х - определяется в зависимости от наконечника калибра
и установленной глубины шлица.
с Начальный контакт.
d Контакт должен быть достигнут.
Примечание - Калибр не проверяет размер шлица, например крестообразный шлиц завышенных размеров не распознается.
Рисунок С.7 - Калибр для проверки позиционного допуска, установленного на рисунках 36, 37, 99 и 100

а Калибр GO с отверстием, соответствующим размеру максимума материала
контролируемого изделия.
b Размер максимума материала плюс t
Рисунок С.8 - Калибр для проверки позиционного допуска, установленного на
рисунках 38, 39 и 101

а Размер максимума материала минус t
Рисунок С.9 - Калибр для проверки позиционного допуска, установленного на
рисунке 40

Рисунок С.10 - Калибр для проверки позиционного допуска, установленного на рисунке 41

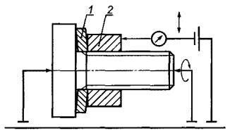
1 - коническая пружинная шайба калибра; 2 - контргайка калибра
Рисунок С.11 - Измерительное устройство для проверки биения, установленного на
рисунках 42 и 43

1 - трехкулачковый патрон
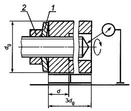
Рисунок С. 12 - Измерительное устройство для проверки биения, установленного на
рисунке 56

а Зависит от расстояния между базовым элементом и
границей элемента, для которого установлен допуск.
b Размер максимума материала плюс t
Рисунок С.13 - Калибр для проверки позиционного допуска, установленного на
рисунках 44-46

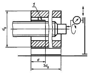
1 - трехкулачковый патрон
Рисунок С.14 - Измерительное устройство для проверки полного биения
(перпендикулярности), установленного на рисунках 51-53, 55, 102
и 103

1 - трехкулачковый патрон, 2
- кромка измерительной линейки
Рисунок С.15 - Измерительное устройство для проверки полного биения
(перпендикулярности), установленного на рисунке 54

1 - трехкулачковый патрон
Рисунок С.16 - Измерительное устройство для проверки допустимого
отклонения от формы опорной поверхности, установленного на рисунке 57

1 - размер максимума материала плюс t
Рисунок С. 17 - Калибр для проверки позиционного допуска, установленного на
рисунках 73 и 74

а Размер максимума материала плюс t.
Рисунок С.18 - Калибр для проверки позиционного допуска, установленного на
рисунке 75

а Размер максимума материала плюс t.
Рисунок С.19 - Калибр для проверки позиционного допуска, установленного на
рисунках 76 и 78

а Размер максимума материала.
b Размер
максимума материала минус t.
Рисунок С.20 - Калибр для проверки позиционного допуска, установленного на
рисунке 77

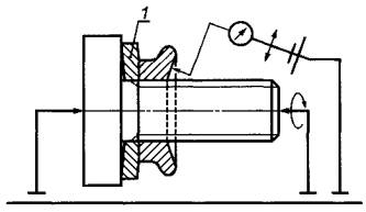
1 - коническая пружинная шайба калибра, 2 - крепежная деталь
Рисунок С.21 - Измерительное устройство для проверки полного биения
(перпендикулярности), установленного на рисунках 79-81

1 - коническая пружинная шайба калибра, 2 - кромка измерительной
линейки
Рисунок С.22 - Измерительное устройство для проверки полного биения
(перпендикулярности), установленного на рисунке 82

1 - коническая пружинная шайба калибра
Рисунок С.23 - Измерительное устройство для проверки допустимого отклонения
формы опорной поверхности, установленного на рисунке 83

а Размер максимума материала плюс t.
Рисунок С.24 - Калибр для проверки прямолинейности, установленной на
рисунках 47-50 и 104
Таблица ДА
|
Обозначение ссылочного международного стандарта |
Степень соответствия |
Обозначение и наименование соответствующего национального стандарта |
|
ИСО 225:1983 |
- |
* |
|
ИСО 286-1:1988 |
NEQ |
ГОСТ 25346-89 «Единая система допусков и посадок. Общие положения, ряды допусков и основных отклонений» |
|
ИСО 286-2:1988 |
NEQ |
ГОСТ 25347-89 «Единая система допусков и посадок. Поля допусков и рекомендуемые посадки» |
|
ИСО 885:2000 |
NEQ |
ГОСТ 24670-81 «Болты, винты и шурупы. Радиусы под головкой» |
|
ИСО 965-3:1998 |
MOD |
ГОСТ 16093-2004 (ИСО 965-1:1998, ИСО 965-3:1998) «Основные нормы взаимозаменяемости. Резьба метрическая. Допуски. Посадки с зазором» |
|
ИСО 1101:2004 |
MOD |
ГОСТ Р 53442-2009 (ИСО 1101:2004) «Основные нормы взаимозаменяемости. Установление геометрических допусков. Допуски формы, ориентации, расположения и биения» |
|
ИСО 1478:1999 |
NEQ |
ГОСТ Р ИСО 1478-93 «Резьба самонарезающих винтов» |
|
ИСО 1479:1983 |
- |
* |
|
ИСО 2692:2006 |
MOD |
ГОСТ Р 53090-2008 (ИСО 2692:2006) «Основные нормы взаимозаменяемости. Характеристики изделий геометрические. Требования максимума материала, минимума материала и взаимодействия» |
|
ИСО 4032:1999 |
NEQ |
ГОСТ 5915-70 «Гайки шестигранные класса точности В. Конструкция и размеры» ГОСТ 5927-70 «Гайки шестигранные класса точности А. Конструкция и размеры» |
|
ИСО 4042:1999 |
IDT |
ГОСТ Р ИСО 4042-2009 «Изделия крепежные. Электролитические покрытия» |
|
ИСО 4757:1983 |
NEQ |
ГОСТ 10753-86 «Шлицы крестообразные для винтов и шурупов. Размеры и методы контроля» |
|
ИСО 7053:1992 |
- |
* |
|
ИСО 7721:1983 |
- |
* |
|
ИСО 8015:1985 |
- |
* |
|
ИСО 10509:1992 |
- |
* |
|
ИСО 10642:1997 |
- |
* |
|
ИСО 10664:1999 |
IDT |
ГОСТ Р ИСО 10664-2007 «Углубление звездообразное под ключ для болтов и винтов» |
|
* Соответствующий национальный стандарт отсутствует. До его утверждения рекомендуется использовать перевод на русский язык данного международного стандарта. Перевод данного международного стандарта находится в Федеральном информационном фонде технических регламентов и стандартов. Примечание - В настоящей таблице использованы следующие условные обозначения степени соответствия стандартов: IDТ - идентичные стандарты; MOD - модифицированные стандарты; NEQ - неэквивалентные стандарты. |
||
Ключевые слова: изделия крепежные, допуски, болт, винт, шпилька, гайка
|
ГОСТЫ, СТРОИТЕЛЬНЫЕ и ТЕХНИЧЕСКИЕ НОРМАТИВЫ. Некоммерческая онлайн система, содержащая все Российские Госты, национальные Стандарты и нормативы. В Системе содержится более 150000 файлов нормативно-технической документации, действующей на территории РФ. Система предназначена для широкого круга инженерно-технических специалистов. Copyright © www.gostrf.com, 2008 - 2026 |