Крупнейшая бесплатная информационно-справочная система онлайн доступа к полному собранию технических нормативно-правовых актов РФ. Огромная база технических нормативов (более 150 тысяч документов) и полное собрание национальных стандартов, аутентичное официальной базе Госстандарта. GOSTRF.com - это более 1 Терабайта бесплатной технической информации для всех пользователей интернета. Все электронные копии представленных здесь документов могут распространяться без каких-либо ограничений. Поощряется распространение информации с этого сайта на любых других ресурсах. Каждый человек имеет право на неограниченный доступ к этим документам! Каждый человек имеет право на знание требований, изложенных в данных нормативно-правовых актах!

  


 

МИНИСТЕРСТВО ТРАНСПОРТА РОССИЙСКОЙ ФЕДЕРАЦИИ
ФЕДЕРАЛЬНОЕ ДОРОЖНОЕ АГЕНТСТВО

ФГУП РОСДОРНИИ

РЕКОМЕНДАЦИИ
по применению полимерных геосеток марки ПСД (ПСДК)
в дорожном строительстве

Утверждаю
Первый заместитель генерального
директора по научной работе
_______________ В.В. Чванов
«___» ______________ 2007 г.

ФГУП «РОСДОРНИИ»
Москва 2007

ПРЕДИСЛОВИЕ

1. РАЗРАБОТАНЫ специалистами ФГУП «РОСДОРНИИ» - канд. техн. наук Ю.Р. Перков, А.П. Фомин, инженеры О.Б. Коренков, О.В. Труфанова, Е.В. Никанычева. При разработке рекомендаций учтены результаты исследований, выполненных СПб. ВиТУ, ОАО «СоюздорНИИ», ООО «НТЦ Геотехнологии».

2. ВНЕСЕНЫ в развитие и дополнение действующих отраслевых методических документов (2.25÷2.28) применительно к полимерным сеткам марки ПСД (ПСДК) производства ЗАО «ГЕО-Р» [1]

3. ВВЕДЕНЫ ВПЕРВЫЕ

4. ИМЕЮТ РЕКОМЕНДАТЕЛЬНЫЙ ХАРАКТЕР

Содержание

1 Область применения

2 Нормативные ссылки

3 Определения

4 Общие положения

5 Виды и свойства геосеток ПСД (ПСДК)

6 Применение геосеток ПСД (ПСДК) при усилении нижних слоев дорожных одежд и укреплении обочин

6.1 Конструктивные решения и особенности их назначения

6.2 Особенности технологии производства работ

7 Применение геосеток ПСД (ПСДК) при усилении асфальтобетонных покрытий

7.1 Конструктивные решения и особенности их назначения

7.2 Особенности технологии производства работ

8 Применение геосеток ПСД (ПСДК) при усилении земляного полотна

8.1 Конструктивные решения и особенности их назначения

8.2 Особенности технологии производства работ

9 Применение геосеток ПСД (ПСДК) при обеспечении устойчивости откосов

9.1 Конструктивные решения и особенности их назначения

9.2 Особенности технологии производства работ

Библиография

 

1 Область применения

Настоящие Рекомендации предназначены для регламентации применения полимерных геосеток производства ЗАО «ГЕО-Р» марок ПСД и ПСДК при строительстве, реконструкции и ремонте автомобильных дорог общего пользования. Они могут быть использованы при назначении конструктивно-технологических решений по другим объектам транспортного строительства, в частности, автомобильным дорогам промышленных и сельскохозяйственных предприятий, временным автомобильным дорогам, подъездным путям, а также с учетом действующих отраслевых требований - на других объектах: в железнодорожном, транспортном строительстве, при обустройстве промышленных площадок.

Рекомендации содержат методику проектирования и технологию производства работ при усилении дорожных одежд, земляного полотна геосетками ПСД (ПСДК). В Рекомендациях рассматриваются в том числе и особые условия применения - выполнение работ в районах распространения вечномерзлых грунтов, строительство на слабых основаниях.

Положения Рекомендаций отвечают требованиям действующих отраслевых документов [2.15 ÷ 2.29] и дополняют их в части выполнения работ с применением геосеток ПСД (ПСДК). Рекомендации разработаны с учетом положений проектов документов, разработанных в 2006-2007 г.г. в рамках государственных контрактов ФГУП «РОСДОРНИИ» с ФДА Минтранса РФ [2 ÷ 5].

2 Нормативные ссылки

В настоящих Рекомендациях использованы нормативные ссылки на следующие документы:

2.1 ГОСТ 9.049-91 Единая система защиты от старения. Материалы полимерные и их компоненты. Методы лабораторных испытаний к воздействию плесневых грибов

2.2 ГОСТ 2678-94 Материалы рулонные кровельные и гидроизоляционные. Методы испытаний

2.3 ГОСТ 3811-72 Штучные изделия текстильные. Методы определения размеров и поверхностной плотности

2.4 ГОСТ 8267-93 Щебень и гравий из плотных горных пород для строительных работ. Технические условия

2.5 ГОСТ 9128-97 Смеси асфальтобетонные дорожные, аэродромные и асфальтобетон. Технические условия (с изм. № 1 и 2)

2.6 ГОСТ 11262-80 Пластмассы. Метод испытания на растяжение

2.7 ГОСТ 12020-72 Пластмассы. Методы определения стойкости к действию химических сред

2.8 ГОСТ 15902.3-79 Полотна нетканые. Методы определения прочности

2.9 ГОСТ 25607-94 Смеси щебеночно-гравийно-песчаные для покрытий и оснований автомобильных дорог и аэродромов. Технические условия

2.10 ГОСТ 30740-2000 Материалы герметизирующие для швов аэродромных покрытий. Технические условия

2.11 ГОСТ 31015-2002 Смеси асфальтобетонные и асфальтобетон щебеночно-мастичный. Технические условия

2.12 ГОСТ Р 50276-92 Материалы геотекстильные. Метод определения толщины при определенных давлениях

2.13 ГОСТ Р 50277-92 Материалы геотекстильные. Метод определения поверхностной плотности

2.14 ГОСТ Р 52128-2003 Эмульсии битумные дорожные. Технические условия

2.15 СНиП 2.05.02-85* Автомобильные дороги

2.16 СНиП 3.06.03-85 Автомобильные дороги

2.17 СНиП 12-03-2001 Безопасность труда в строительстве. Часть 1

2.18 СНиП 12-04-2001 Безопасность труда в строительстве. Часть 2

2.19 ОДН 218.046-01 Проектирование нежестких дорожных одежд

2.20 ОДН 218.3.039-2003 Укрепление обочин автомобильных дорог

2.21 ВСН 8-89 Инструкция по охране природной среды при строительстве, ремонте и содержании автомобильных дорог

2.22 ВСН 19-89 Правила приемки работ при строительстве и ремонте автомобильных дорог

2.23 ВСН 37-84 Инструкция по организации движения и ограждению мест производства работ

2.24 ВСН 84-89 Изыскания, проектирование и строительство автомобильных дорог в районах распространения вечной мерзлоты. Минтрансстрой, 1990

2.25 ОДМ. Рекомендации по расчету и технологии устройства оптимальных конструкций дорожных одежд с армирующими прослойками при строительстве, реконструкции и ремонте дорог с асфальтобетонными покрытиями. ФГУП «Информавтодор», 1993 г.

2.26 Руководство по проектированию земляного полотна автомобильных дорог на слабых грунтах. М., «Транспорт», 1978

2.27 ОДМ. Рекомендации по совершенствованию методов конструирования и технологии повышения общей устойчивости конусов и откосов земляного полотна (для опытного применения). ЦБНТИ Минавтодора РСФСР, М., 1987

2.28 ОДМ. Рекомендации по применению геосинтетических материалов при строительстве и ремонте автомобильных дорог. ФГУП «Информавтодор», М., 2003

2.29 ОДМ. Методические рекомендации по проектированию жестких дорожных одежд (взамен ВСН 197-01).

Примечание - При пользовании настоящими Рекомендациями целесообразно проверить действия ссылочных стандартов и других документов на официальном сайте национального органа Российской Федерации по стандартизации в сети Интернет или по ежегодно издаваемому информационному указателю «Национальные стандарты», который опубликован по состоянию на 1 января текущего года, и по соответствующим ежемесячно издаваемым информационным указателям, опубликованным в текущем году. Если ссылочный документ заменен (изменен), то при пользовании настоящими Рекомендациями следует руководствоваться замененным (измененным) документом. Если ссылочный документ отменен без замены, то положение, в котором дана ссылка на него, применяется в части, не затрагивающей эту ссылку.

3 Определения

В настоящих Рекомендациях применяют следующие термины с соответствующими определениями:

3.1 геосетка полимерная (геосетка): Нитепрошивной материал сетчатой эластичной в плане структуры, создаваемый основными и уточными элементами (нитями, ровингами) из полимерного сырья, пропитанный, аппретированный и стабилизированный для улучшения свойств;

3.2 геосетка композитная (геокомпозит): Геосетка, объединенная прошивкой или другим способом с нетканым иглопробивным или иглопробивным дополнительно термоупрочненным материалом (полотном) из полимерного сырья;

3.3 армирующая прослойка: Конструктивный элемент дорожной одежды или земляного полотна, предназначенный для их усиления.

4 Общие положения

4.1 Полимерные геосетки марок ПСД (ПСДК) предназначены для усиления дорожных одежд, земляного полотна, слабых оснований насыпей. Основная цель их применения - продление сроков службы, повышение эксплуатационной надежности дорожных конструкций, улучшение транспортно-эксплуатационных качеств автомобильных дорог, а также снижение расхода традиционных дорожно-строительных материалов, материалоемкости, транспортных расходов, сроков строительства.

4.2 Получаемый эффект связан с выполнением полимерными геосетками функций армирования (усиление дорожных конструкций в результате перераспределения создаваемыми из геосеток армирующими прослойками напряжений в грунтовом массиве, дорожной одежде). В отдельных случаях геосетки выполняют также функции защиты (предотвращение взаимопроникновения материалов контактирующих слоев) и гидроизоляции (для геосеток марки ПСДК в случае применения для усиления асфальтобетонных покрытий).

4.3 Общая характеристика основных областей применения геосеток представлена в таблице 1. Возможность применения геосеток и выполнения ими перечисленных функций связана с высокими физико-механическими свойствами (раздел 5). Следует учитывать ограничения по применению, указанные в п.п. 5.6, 6.1.3 Рекомендаций и п. 2.4 (2.28).

4.4 Методика проектирования и технология производства работ при применении геосеток представлены отдельно для основных областей применения в разделах 6 (усиление нижних слоев дорожных одежд), 7 (усиление покрытий), 8 (усиление земляного полотна, в том числе при строительстве на слабых основаниях и в районах распространения вечномерзлых грунтов), 9 (обеспечение устойчивости откосов). Положения разделов 6 - 9 увязаны с положениями действующих документов.

4.5 Технология и организация строительного процесса, включая подготовку объекта, схему организации рабочей зоны в период производства работ, организацию труда, контроль качества и технику безопасности, подчиняются общим правилам при производстве земляных работ и работ по устройству дорожной одежды. При производстве работ следует руководствоваться требованиями СНиП 2.05.02-85*, СНиП 3.06.03-85, СНиП 12-03-2001, СНиП 12-04-2002, ВСН 8-89, ВСН 19-89, ВСН 37-84, положениями рекомендаций 2.25 - 2.28. В подразделах 6.2, 7.2, 8.2, 9.2 представлены лишь особенности выполнения работ, связанные, как правило, с введением рабочих операций по укладке геосеток, а также подготовкой основания под укладку и устройству слоя, расположенного непосредственно над геосеткой.

Таблица 1 Общая характеристика областей применения полимерных геосеток марок ПСД (ПСДК)

№ п/п
(№ раздела)

Область применения

Конструктивные решения, разновидность геосетки

Функции геосеток и эффект от применения

1

2

3

4

1

Усиление дорожных одежд

1.1 (раздел 6)

Усиление нижних слоев дорожных одежд временных автомобильных дорог.

Укладка под слой основания (переходного типа покрытия) из зернистых материалов. ПСД, ПСД с Rp ≥ 35 кН/м.

Армирование, защита от взаимопроникновения материалов слоев, увеличение срока службы дорожных одежд.

1.2 (раздел 6)

Усиление нижних слоев капитальных дорожных одежд для дорог с тяжелым и интенсивным движением.

Укладка под слой несущего основания из зернистых материалов. ПСД с Rp ≥ 30 кН/м, ПСДК2 Rp ≥ 30 кН/м.

Защита от взаимопроникновения материалов слоев, увеличение срока службы дорожных одежд.

1.3 (раздел 6)

Усиление дорожных одежд переходного типа как первоочередной конструкции стадийного строительства.

Укладка под покрытие из зернистых материалов. ПСД с Rp ≥ 35 кН/м.

Защита от взаимопроникновения материалов слоев, армирование на первой стадии строительства, увеличение срока службы дорожных одежд.

1.4 (раздел 6)

Укрепление обочин.

Укладка под слой укрепления из зернистых материалов ПСД, ПСДК2.

Армирование и защита, увеличение срока службы.

1.5 (раздел 7)

Усиление асфальтобетонных покрытий.

Укладка под слой асфальтобетонного покрытия ПСД, ПСДК1, ПСДК2

Улучшение напряженно-деформированного состояния покрытия в зоне расположения трещины, гидроизоляция (для ПСДК2), увеличение срока службы покрытий.

2

Усиление земляного полотна

2.1 (раздел 8)

Строительство в условиях слабых оснований (постоянные дороги).

Укладка на основание или в нижней части насыпи, ПСДК2 или ПСД в сочетании с нетканым геотекстильным материалом.

Армирование и защита, повышение эксплуатационной надежности, улучшение условий производства работ, сокращение потерь традиционных материалов, сокращение сроков до устройства покрытия.

2.2 (раздел 8)

Строительство в условиях слабых оснований (временные дороги).

Укладка на основание или в нижней части насыпи, ПСДК2 или ПСД в сочетании с нетканым геотекстильным материалом.

Армирование и защита, повышение эксплуатационной надежности, улучшение условий производства работ, сокращение потерь традиционных материалов, сокращение сроков до устройства покрытия.

2.3 (раздел 8)

Строительство в сложных грунтовых и климатических условиях в том числе в районах распространения вечной мерзлоты.

Укладка на основание или в теле насыпи, ПСД, ПСДК2 или ПСД в сочетании с нетканым геотекстильным материалом.

Армирование и защита, повышение эксплуатационной надежности, повышение равномерности деформирования.

3

Обеспечение устойчивости откосов

3.1 (раздел 8)

Обеспечение общей устойчивости откосов.

Многослойное армирование с пересечением линии скольжения, ПСД (ПСДК2).

Армирование, сокращение объемов земляных работ, площади отводимых земель.

3.2 (раздел 8)

Обеспечение местной устойчивости, в том числе выполнение ремонтных работ.

Многослойное армирование поверхностной зоны откоса ПСД (ПСДК2).

Армирование и защита, обеспечение эксплуатационной устойчивости.

Примечание - Rp - максимальное усилие при растяжении.

4.6 Окончательный выбор технического решения выполняют на основе технико-экономического сопоставления вариантов. При этом следует учитывать возникающий в сопоставлении с традиционными решениями технический эффект, связанный с повышением надежности дорожных и других конструкций, качества строительства, что не всегда может быть оценено количественно. При строительстве, реконструкции и ремонте автомобильных дорог, особенно высоких технических категорий, а также в сложных погодно-климатических условиях регионов Севера (проведение земляных работ при отрицательных температурах) и грунтово-гидрологических условиях (слабые основания, грунты повышенной влажности, грунты особых разновидностей), наличие такого эффекта при его техническом обосновании может оказаться более существенным с точки зрения работоспособности, транспортно-эксплуатационных качеств дорожной конструкции, чем получение единовременной экономии средств по другим из сопоставляемых вариантов.

5 Виды и свойства геосеток ПСД (ПСДК)

5.1 Настоящими Рекомендациями предусматривается применение геосеток полимерных дорожных двух марок:

- геосетки ПСД (подразделяются на разновидности в зависимости от максимальной разрывной нагрузки и размера ячеек);

- геосетки композитные ПСДК (подразделяются на разновидности как геосетки, а также в зависимости от разновидности нетканых полотен по п. 3.2).

5.2 Рекомендациями также предусматривается применение геосеток ПСД в сочетании с неткаными полотнами, выбор которых выполняют в зависимости от области и условий применения в соответствии с положениями действующих документов (п. 2.28) и положениями разделов 6 ÷ 9.

5.3 Геосетки, в том числе геосетки, служащие для создания геокомпозитов отвечают основным требованиям, изложенным в п.п. 1 ÷ 6 таблицы 2 и имеют дополнительные показатели свойств по п.п. 7 - 11 таблицы 2. Геосетки изготавливаются из полиэфира и имеют защитное покрытие из поливинилхлорида или на основе битума.

Таблица 2 Основные физико-механические показатели геосеток


п/п

Наименование показателя

Норма для основных марок «ПСД»:

(50×50)
-35×35

(50×50)
-25×25

(35×30)
-25×25

(50×50)
-40×40

(35×30)
-40×40

(50×50)
-50×50

1

Среднее расстояние между ровингами:

по основе, мм

по утку, мм

35 ± 3

35 ± 3

25 ± 3

25 ± 3

25 ± 3

25 ± 5

40 ± 5

40 ± 5

40 ± 5

40 ± 5

50 ± 3

50 ± 3

2

Максимальная разрывная нагрузка по длине RLR, кН/м, не менее:

50

50

35

50

35

50

3

Максимальная разрывная нагрузка по ширине RTR, кН/м, не менее:

50

50

30

50

30

50

4

Удлинение в продольном направлении при максимальной нагрузке εLRmax, %:

до 15

до 13

до 13

до 15

до 15

до 15

5

Удлинение в поперечном направлении при максимальной нагрузке εTRmax, %:

до 13

до 12

до 12

до 13

до 13

до 13

6

Теплостойкость, °С, не менее:

190

190

190

190

190

190

7

Количество ровингов на 1 пог. м:

- по основе

- по утку

31,25

26,31

40

40

40

40

25

25

25

25

31,25

23,81

8

Ширина ровингов, мм

- по основе

- по утку

 

 

 

 

 

 

9

Толщина ровингов, мм

- по основе

- по утку

 

 

 

 

 

 

10

Площадь ровингов, мм2

- по основе

- по утку

 

 

 

 

 

 

11

Усилие по основе (утку) при деформации, кН/м:

2 %

5 %

10 %

 

 

 

 

 

 

Примечание - в обозначении основных марок указаны значения разрывной нагрузки по длине×ширине (значения в скобках) и размеру ячеек (значения без скобок). Приведенные значения механических свойств определены по ГОСТ 11262 (с учетом положений п. 9.4 [1]), геометрические параметры - по ГОСТ 3811.

5.4 Полотна, служащие для создания композитов должны отвечать требованиям, изложенным в таблице 3.

Таблица 3 Основные физико-механические показатели нетканых полотен для создания геокомпозитов ПСДК1 и ПСДК2


п/п

Наименование показателя

Норма для основных марок

К1

К2

1

Поверхностная плотность для полотна по п. 4.2, г/м2

-

160 ± 10 %

2

Толщина для полотна по п. 4.2, мм

-

1,3 ± 15 %

4

Максимальная разрывная нагрузка по длине, кН/м, не менее:

0,5

9

6

Удлинение в продольном направлении при максимальной нагрузке, %:

от 30

до 70*

7

Удлинение в поперечном направлении при максимальной нагрузке, %:

от 30

до 70*

8

Теплостойкость, °С, не менее:

175

175

9

Поглощение битума без нагрузки, кг/м2, не менее

-

1,3

Примечание - параметры по п.п. 4 - 7 определены по методике ГОСТ 15902.3, по п. 9 - по п. 9.6 [1] - нормируется при усилении асфальтобетонных покрытий, по п. 1 - по ГОСТ Р 50277, по п. 2 - по ГОСТ Р 50276. *Показатель нормируется при усилении асфальтобетонных покрытий (в остальных случаях - 70-120 %).

5.5 Геосетки и геокомпозиты поставляются в рулонах, упакованных в полиэтиленовую пленку. Ширина в рулоне до 550 см, длина в рулоне от 10 м до 100 м.

5.6 Геосетки и геокомпозиты удовлетворяют другим требованиям, изложенным в СТО 94381362.001-2007 [1], а также следующим:

- химическая стойкость (снижение прочности не более 10 % по методу 2 ГОСТ 12020); рекомендуется постоянная эксплуатация в средах с рН 4 ÷ 9;

- биологическая стойкость (характеристика грибоустойчивости по ГОСТ 9.049 не выше ПГ113);

- температурные воздействия (обеспечение гибкости по ГОСТ 2678 при температуре -30°С и радиусе закругления 50 мм); рекомендуемая температура эксплуатации от -50°С до +50°С.

5.7 По согласованию с Заказчиком допускается изменение показателей по п.п. 5.2 - 5.6.

6 Применение геосеток ПСД (ПСДК) при усилении нижних слоев дорожных одежд и укреплении обочин

6.1 Конструктивные решения и особенности их назначения

6.1.1 Проектирование дорожных одежд с усиленными геосетками несущими основаниями выполняют в соответствии с документами (2.19, 2.20, 2.28, [4]) и с учетом положений настоящих Рекомендаций.

6.1.2 Основная цель применения геосеток в нижних слоях дорожных одежд - усиление слоя несущего основания из неукрепленных зернистых материалов (щебень, гравий, щебеночно-гравийно-песчаные смеси, шлак и др.) или покрытий переходного типа из таких материалов для увеличения сроков службы дорожных одежд.

6.1.3 Основная функция геосеток - разделение слоев из неукрепленных зернистых материалов и грунтовых слоев (их защита от взаимопроникновения).

Дополнительная функция геосеток - армирование, состоящее в блокировке (ограничении перемещений) отдельных зерен материала основания в ячейках геосетки с образованием композитного слоя основание-арматура, обладающего лучшими механическими свойствами, прежде всего, повышенной устойчивостью к воздействию динамических нагрузок. Расчетный учет дополнительной функции геосеток возможен при ограниченном требуемом сроке их службы (до трех лет).

6.1.4 Выбор конкретных марок геосеток зависит от области применения, конструктивного решения, условий применения.

Общие положения конструктивных решений:

- расположение геосеток между слоем из необработанных зернистых материалов (фракционированный щебень по ГОСТ 8267 фракций 20-40 мм, 40-70 мм или готовые щебеночно-песчаные, гравийно-песчаные и щебеночно-гравийно-песчаные смеси С4 и С5 по ГОСТ 25607) и песчаным дополнительным слоем основания или, при его отсутствии, грунтом земляного полотна;

- как правило, продольная укладка полотен геосеток относительно оси земляного полотна с перекрытием соседних полотен не менее 0,3 м (исключение - временные дороги в условиях ослабленных грунтов земляного полотна - см. п. 6.2.4);

- укладка геосеток с выходом за пределы слоя основания с каждой стороны не менее, чем на 0,1 м по рисунку 6.1 в или при устройстве слоя основания «в корыте» - отгиб геосетки на край корыта не менее, чем на 0,1 м по его высоте;

- возможно использование для рассматриваемых далее (п.п. 6.1.5 - 6.1.8) областей применения вместо геосеток ПСДК2, если они применимы в данной области, геосеток ПСД в сочетании с разновидностями нетканых геотекстильных материалов, имеющих показатели свойств не ниже указанных в таблице 3.

6.1.5 Защитные (разделяющие) прослойки по рисунку 6.1 а целесообразно применять при устройстве капитальных дорожных одежд с тяжелым и интенсивным движением или в случаях, когда в дополнительном слое основания применяют однородный песок со степенью неоднородности менее трех.

В этом случае рекомендуется применять геосетки марок:

- ПСД (50×50) - 35×35, ПСД (50×50) - 40×40, ПСД (50×50) - 50×50, если несущее основание устраивают из фракционированного щебня фракций 40-70 (50) мм (при применении виброуплотнения для устройства слоя основания рекомендуется применять геокомпозиты ПСДК2 на основе перечисленных геосеток ПСД);

- ПСД (50×50) - 25×25, если несущее основание устраивают из фракционированного щебня фракций 20-40 мм (при применении виброуплотнения для устройства слоя основания рекомендуется применять геокомпозиты ПСДК2 на основе указанной геосетки ПСД);

- ПСДК2 (35×35) - 25×25, если несущее основание устраивают из готовых смесей С4, С5 или близких им по составу смесей при наличии дополнительного слоя основания или ПСДК2 (50×50) - 25×25 при его отсутствии.

Такое решение принимают конструктивно на основе п.п. 2.6, 2.16 (2.19), заменяя менее эффективные прослойки из геотекстиля или защитные слои из минеральных материалов толщиной до 20 см.

Рисунок 6.1 - Усиление дорожных одежд с применением геосеток ПСД

а) защитные прослойки капитальных дорожных одежд дорог с тяжелым и интенсивным движением, б) усиление покрытий переходного типа временных автомобильных дорог, в) усиление дорожных одежд переходного типа как первоочередной конструкции стадийного строительства.

1 - асфальтобетонное покрытие, 2 - щебеночное основание (покрытие), 3 - песчаный дополнительный слой основания, 4 - грунт земляного полотна, 5 геосетка.

6.1.6 Защитные (разделяющие) и армирующие прослойки по рисунку 6.1 б целесообразно применять для усиления покрытий переходного типа временных автомобильных дорог. В этом случае рекомендуется применять геосетки марок:

- ПСДК2 (50×50) - 30×30, ПСДК2 (50×50) - 35×35, если покрытие устраивают из фракционированного щебня фракций 20-40 мм или 40-70 (80) мм;

- ПСДК2 (50×50) - 25×25, если покрытие устраивают из готовых смесей С4, С5 или близких им по составу смесей.

Толщину слоя покрытия назначают первоначально, исходя из расчета по критериям допустимой величины деформации покрытия (глубины колеи) и допустимого давления на поверхности грунтового основания по методике [4] или иной принятой отраслевой методике. Толщину слоя покрытия корректируют с учетом армирования, исходя из следующих положений:

- расчет по критерию допустимой величины деформации выполняют с уменьшением числа проходов расчетной нагрузки за расчетный период (не более трех лет) Nc до значения Nc. Значение коэффициента К принимают для названных геосеток равным 2,1 (модуль деформации на поверхности грунтового основания под геосеткой 8 ÷ 20 мПа, допустимая глубина колеи более 8 см) или 1,6 в других случаях (при больших значениях модуля деформации на поверхности основания или меньших значениях глубины колеи);

- расчет по критерию допустимого давления на поверхности грунтового основания выполняют, исходя из увеличения угла распределения давления в армируемом слое от значения α0 до значения α, оцениваемого по зависимости:

tgα/tgα0 = 1,1 + 0,075 R(ε)

(6.1)

где:

R(ε) - условный показатель, соответствующий усилию в геосетке, возникающему при относительной деформации ε = 2 % (п. 11 таблицы 2), кН/м.

Окончательно толщину слоя армированного покрытия принимают с учетом выполненной корректировки, но не менее 0,7 от определенной предварительно толщины слоя неармированного покрытия.

6.1.7 Защитные (разделяющие) и армирующие прослойки по рисунку 6.1 в целесообразно применять для усиления дорожных одежд переходного типа как первоочередной конструкции стадийного строительства. В этом случае рекомендуется применять геосетки по п. 6.1.5. Такое решение принимают конструктивно на основе п.п. 2.21 и 2.16 (2.19) для максимального сохранения покрытия (будущего слоя основания), песчаного дополнительного слоя основания, предотвращения снижения долговечности конструкции из-за ухудшения свойств материала покрытия и дополнительного слоя основания и нарушения геометрии слоев. Кроме того, достигается снижение затрат, связанных с восстановлением слоя из зернистых материалов в период второй очереди строительства.

6.1.8 Защитные (разделяющие) и армирующие прослойки по рисунку 6.2 а целесообразно применять для усиления конструкции укрепления обочин с сокращением расхода традиционных материалов. Армирование выполняют, как правило, в пределах ширины слоя из зернистых материалов (в пределах краевой и остановочной полос обочины). Если возможна водная эрозия укрепления обочины или ее части, с которой как правило начинается размыв откоса, рекомендуется применять решение по рисунку 6.2 б. Для укрепления обочин рекомендуется применять геосетки следующих марок:

- для решения по рисунку 6.2 а - геосетки по п. 6.1.5;

- для решения по рисунку 6.2 а - геокомпозит ПСДК2 на основе геосеток ПСД по п. 6.1.5, если в пределах ширины обочины вплоть до поверхности песчаного дополнительного слоя основания расположены дренирующие грунты или геосетки ПСД (50×50) - 25×25 в других случаях.

Рисунок 6.2 - Укрепление обочин автомобильных дорог с применением геосеток ПСД.

1 - геосетка; 2 - конструкция укрепления; 3 - проезжая часть; конструкция укрепления в пределах остановочной полосы обочины; 5 - прибровочная полоса обочины.

Расчет конструкции укрепления обочины выполняют в соответствии с (2.20), уменьшая толщину армируемого слоя из зернистых материалов до величины h , указанной в таблице 4 в процентном отношении к толщине неармированного слоя h (но не ниже минимально допустимых значений по СНиП 2.05.02-85).

Таблица 4

h, см

h (% к h) при Еобщ.гр (МПа)

45

55

65-80

20

30

40

65

71

84

68

72

85

72

74

86

6.2 Особенности технологии производства работ

6.2.1 Особенности технологии производства работ связаны с введением дополнительной операции по укладке геосетки и введением дополнительных требований к выполнению работ по устройству слоя основания, расположенного непосредственно над геосеткой. Общая технологическая схема производства работ представлена на рисунке 6.3.

6.2.2 Укладку геосетки выполняют на выравненном и уплотненном грунтовом основании (песчаном дополнительном слое основания) путем раскатки рулона вдоль оси земляного полотна (исключая случай по п. 6.2.4) с периодическим (через 10 - 15 м) выравниванием полотна и легким его натяжением без образования складок (рисунок 6.4 а). Как правило, крепления геосетки к нижележащему слою не требуется и нежелательно, поскольку препятствует натяжению полотна при образовании «волны» в процессе отсыпки вышележащего слоя (рисунок 6.4 д, п. 6.2.3). Однако, в отдельных случаях для сохранения проектного положения геосеток при возможном воздействии технологических нагрузок, возникающих при отсыпке и разравнивании вышележащего слоя (начало рулона, отсыпка материала основания с существующего покрытия при уширении), а также при сильных ветровых воздействиях, геосетка может крепиться анкерами по рисунку 6.1 в. Расположение анкеров показано на рисунке 6.1 б (анкера располагаются через 10 - 15 м по длине в начале рулона и в местах продольного перекрытия рулонов устанавливаются 3 анкера по ширине, в других местах - 2 анкера по ширине).

6.2.3 Перекрытие полотен по длине и по ширине - 30 см. Направление перекрытия назначают с учетом направления отсыпки и разравнивания материала вышележащего слоя для исключения «задирания» полотна на перекрытии (при отсыпке по способу «от себя» конец полотна засыпаемого слоя располагается над началом следующего полотна) - рисунок 6.4 а, е.

6.2.4 При строительстве временных дорог в условиях ослабленных оснований (общий модуль деформации на поверхности грунта под сеткой ниже 25 МПа) предпочтительный способ укладки геосеток - поперек оси земляного полотна с перекрытием 0,3 м. Допустимая укладка вдоль оси с увеличением перекрытия соседних полотен до 0,5 м.

Рисунок 6.3 - Технология производства работ при усилении дорожных одежд геосетками (а), схема расположения анкеров (б) и конструкция анкера (в).

Рисунок 6.4 - Отдельные рабочие операции при усилении нижних слоев дорожных одежд геосетками ПСД:

а) укладка геосетки; б) присыпка геосетки в начале участка работ; в) отсыпка щебня; г) разравнивание щебня по способу «от себя»; д) оборудование «волны» при разравнивании щебня; е) продольная стыковка полотна.

6.2.5 Отсыпку на уложенную геосетку крупнофракционного материала основания выполняют по способу «от себя» (рисунок 6.4 б, в, г). Основные условия устройства слоя основания - недопущение заезда построечного транспорта на открытую поверхность полотна, постепенное разравнивание отсыпанного материала основания за несколько проходов с последовательной надвижкой материала основания на геосетку. При образовании волны (рисунок 6.4 д) следует выполнять натяжение геосетки. В процессе надвижки рекомендуется, по возможности, соблюдать минимальное расстояние по потоку между операциями по устройству слоя основания и раскатке рулонов (но не ближе 20 м) для обеспечения бóльших возможностей по натяжению геосетки. Материал основания должен быть отсыпан на геосетку в течение рабочей смены. Недопустимо нахождение сетки в условиях прямого воздействия дневного света более 7-8 часов.

6.2.6 При выполнении работ по п.п. 6.2.3 ÷ 6.2.5 визуально оценивается качество укладываемых полотен. Фиксируются дефекты внешнего вида - разрывы, вырывы, другие нарушения сплошности ровингов (нитей) и узлов, перекос ячеек, наличие включений, загрязнений, наличие перегибов или следов перегибов на ровингах (нитях), ровность кромок. Также фиксируется величина перекрытия смежных полотен по ширине и длине, длина материала в рулоне и ширина, их соответствие документации (маркировке на рулонах, данным паспорта на партию материала). По результатам контроля составляется акт на скрытые работы.

7 Применение геосеток ПСД (ПСДК) при усилении асфальтобетонных покрытий

7.1 Конструктивные решения и особенности их назначения

7.1.1 Проектирование дорожных одежд выполняется в соответствии с действующими документами (2.15, 2.19, 2.25, 2.28, 2.29) с учетом положений настоящих Рекомендаций. Конструктивные решения назначают исходя из основной цели применения армирующих прослоек на основе геосеток и геокомпозитов (п. 7.1.2) с учетом выполняемых ими функций (п. 7.1.3), конкретных условий применения (п.п. 7.1.4, 7.1.5), областей применения (п. 7.1.6), положений действующих в дорожной отрасли документов (п.п. 7.1.1, 7.1.4 - 7.1.7).

7.1.2 Основная цель применения армирующих прослоек на основе геосеток и геокомпозитов - замедление темпов трещинообразования, увеличение межремонтных сроков службы дорожных одежд. Применение прослоек позволяет увеличить срок до появления трещин, замедлить процесс дальнейшего развития трещин после их появления и сократить темпы их раскрытия.

7.1.3 Основные функции армирующих прослоек:

- армирование (для геосеток марки ПСД);

- армирование с обеспечением лучшего объединения с основанием в период строительства (для геосеток марки ПСДК1 - геокомпозитов с полотнами марки К1 по таблице 3);

- армирование с обеспечением лучшего объединения с основанием в период строительства и созданием гидроизолирующего слоя на период эксплуатации (для геосеток марки ПСДК2 - геокомпозитов с полотнами марки К2 по таблице 3).

7.1.4 Введение армирующих прослоек способствует улучшению напряженно-деформированного состояния создаваемого покрытия в зоне расположения трещины в слое основания при воздействии транспортных нагрузок и температурных воздействиях. Для достижения максимального эффекта рекомендуется выполнять выбор уровня заложения армирующей прослойки в соответствии с таблицей 5 (2.25).

Таблица 5

Дорожно-климатическая зона и подзона

hΣ/ho

Тип конструктивного решения

I, II1

< 1

≥ 1

ТМП

НГР

II2

< 0,9

≥ 0,9

ТМП

НГР

III

< 0,8

≥ 0,8

ТМП

НГР

Примечание. Решение ТМП (преимущественно на температурные воздействия) - укладка прослойки между верхним и нижележащим асфальтобетонными слоями (рисунок 7.1 а), решение НГР (преимущественно на воздействия транспортной нагрузки) - укладка геосетки между блочным основанием и вышележащими асфальтобетонными слоями (рисунок 7.1 б).

7.1.5 Толщины слоев асфальтобетонного покрытия должны отвечать требованиям п. 2.9 (2.19) и п. 2.15 (2.29) при укладке на верхний слой основания из материалов, укрепленных цементом. Минимальные толщины hΣ при укладке на асфальтобетонное блочное основание рекомендуется принимать по таблице 6 (2.25).

Таблица 6

Дорожно-климатическая зона и подзона

Тип асфальтобетонной смеси покрытия (верхнего слоя)

Минимальная толщина армированных асфальтобетонных слоев на блочном основании (см) в дорожных одеждах

капитальных

облегченных

при использовании битумов для покрытия

БНД
60/
90

БНД
90/
130

БНД
130/
200

БНД
200/
300

БНД
90/
130

БНД
130/
200

БНД
200/
300

СГ
130/
200

1

2

3

4

5

6

7

8

9

10

II1

А

10

9

8

7

-

-

-

-

Б

11

10

9

8

8

8

7

6

В

12

11

10

9

9

9

8

7

Г

-

-

-

-

10

10

9

8

II2

А

13

12

11

10

-

-

-

-

Б

-

13

12

-

11

9

9

8

В

-

-

-

-

-

10

9

7

Г

-

-

-

-

-

-

10

9

III

А

11

10

9

-

-

-

-

-

Б

13

11

10

10

9

8

7

7

В

-

12

-

-

10

9

8

7

Г

-

-

-

-

-

10

9

8

 

а) решения типа ТМП

б) решения типа НГР

Рисунок 7.1 - Основные типы конструктивных решений

1, 3 - устраиваемые верхние слои покрытия толщиной h1 и h2; 2- армирующая прослойка; 4 - блочное основание (несущее основание при новом строительстве толщиной h0); 5 - устраиваемый верхний слой или слой покрытия толщиной hΣ.

Толщины покрытия над армирующей прослойкой не должны быть меньше значений, указанных в таблице 7.

Таблица 7

Марка геосеток полимерных

Минимальная толщина слоя асфальтобетонного покрытия над армирующей прослойкой (см) при типе дорожных одежд

жесткие

нежесткие с основанием из материалов, укрепленных цементом

нежесткие

1

2

3

4

геосетка

7-8

6-7

5-6

геосетка композитная

8-10

8-9

7-8

Примечание. Меньшие значения могут быть приняты при гарантированном допуске изменения толщины укладываемого слоя (слоев) в пределах ±1 см.

7.1.6 Основные области применения конструктивных решений с устройством армирующей прослойки в слоях асфальтобетонного покрытия:

а) усиление существующего блочного асфальтобетонного покрытия при наличии частых поперечных трещин, сетки трещин (применяется сплошное армирование по рисунку 7.2 а, б);

б) усиление существующего покрытия с армированием в зоне поперечных трещин или швов (применяется при расстоянии между поперечными трещинами или швами более 7 м по рисунку 7.2 в);

в) усиление существующего покрытия с армированием в зоне продольных трещин или швов (применяется при наличии систематического проявления продольных трещинах по рисунку 7.2 г);

г) устройство новой дорожной конструкции со сплошным армированием покрытия при предполагаемом появлении трещин (наличие основания из материалов, укрепленных цементом - по рисунку 7.2 а, б);

д) устройство новой дорожной конструкции, имеющей жесткую дорожную одежду - асфальтобетонное покрытие на бетонном основании с армированием в зоне продольных и поперечных швов по рисунку 7.2 д, е);

е) в зоне сопряжения старой и новой дорожных конструкций при уширении проезжей части автомобильной дороги [2] (по рисунку 7.2 г).

7.1.7 При применении решения по усилению покрытий армирующими прослойками должна учитываться необходимость тщательного выполнения всех операций технологии производства работ, прежде всего, в части розлива вяжущего с необходимым расходом (п. 7.2 настоящих Рекомендаций), необходимость обязательного соблюдения требований таблицы 5 настоящих Рекомендаций в части минимальных толщин слоев, а также ограничения по применению геокомпозитов с полотнами марки К2 - наличие продольных уклонов более 30 %, в местах изменения скорости транспортных средств (регулируемые перекрестки, автобусные остановки).

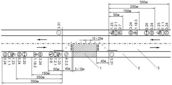
Рисунок 7.2 - План укладки полотен армирующей прослойки в зависимости от области применения (п. 7.2.6) и марки геосетки полимерной дорожной (варианты а, д, 2 в, 2 г - для геосеток; варианты б, е, 1 в, 1 г - для геосеток композитных).

1 - геосетка, 2, 3 - перекрытие геосеток соответственно в продольном и поперечном направлениях, 4 - дюбеля, 5 - направление движения асфальтоукладчика, 6 - геосетка композитная, 7 - поперечная трещина. В - ширина проезжей части.

7.2 Особенности технологии производства работ

7.2.1 Работы по устройству слоев покрытия с применением армирующих прослоек выполняют в соответствии с требованиями СНиП 3.06.03-85 по типовым технологиям с учетом особенностей проведения следующих рабочих операций:

- подготовка основания (старого покрытия);

- розлив вяжущего;

- устройство армирующей прослойки;

- повторный розлив вяжущего (при необходимости).

7.2.2 Подготовка основания включает очистку его от пыли и грязи, устранение выбоин, других дефектов, очистку и заделку герметизирующим материалом трещин с шириной раскрытия более 5 мм. При несоответствии ровности основания требованиям СНиП 3.06.03-85 (по результатам нивелирования с шагом 5 м) выполняют выравнивание покрытия путем устройства выравнивающего слоя или фрезерования.

7.2.3 После подготовки основания выполняют розлив вяжущего, выбор которого, расход и порядок розлива проводят в зависимости от марки геосетки полимерной дорожной и условий выполнения работ. Предпочтительно применение катионной битумной эмульсии классов ЭБК-1 и ЭБК-2 по ГОСТ Р 52128 с розливом в два этапа - до укладки материала армирующей прослойки и по уложенному материалу с расходом:

- на первом этапе 0,6-0,7 л/м2 , на втором 0,4 л/м2 для геосеток или геосеток композитных с полотном К1;

- на первом этапе 1,0-1,2 л/м2 , на втором 0,4 л/м2 для геосеток композитных с полотном К2.

Расход эмульсии корректируют с учетом состояния поверхности основания - при его повышенной шероховатости или неполном устранении мелких дефектов расход на первом этапе розлива может быть увеличен на 0,1-0,2 л/м2 . Признаком недостаточного количества битумной эмульсии может служить отсутствие характерного блеска обработанной поверхности. Между операциями по розливу битумной эмульсии и укладке материала устраивают технологический перерыв не менее 1 - 2 часов (признак достаточности продолжительности перерыва - изменение цвета эмульсии с коричневого на черный).

В качестве вяжущего при розливе по исходному основанию может быть использован также битум, что предъявляет более высокие требования к качеству укладки материала (при использовании битумной эмульсии в начальный период сохраняется возможность перемещения материала) и к равномерности розлива. Предпочтительно применение битума БНД 40/60, БНД 60/90, а при применении геосеток композитных с полотном К2 - БНД 90/130.

В процессе выполнения работ расход вяжущего корректируют с обеспечением равномерности распределения по площади основания (отсутствие «дорожек») с учетом того, что недостаточное количество его в отдельных зонах не обеспечит надлежащего сцепления и может привести к образованию дефектов, особенно при устройстве над материалом однослойного покрытия. Избыточное же количество затрудняет технологию производства работ и может привести к повреждению материала при заезде на него подвозящих асфальтобетон автомобилей (возможно прилипание материала к колесам).

Розлив вяжущего выполняют обычно на половине ширины проезжей части, причем ширина распределения вяжущего должна на 0,15 - 0,2 м превышать ширину устраиваемой прослойки.

7.2.4 Укладку материала армирующей прослойки ведут непосредственно после розлива вяжущего (при применении битумной эмульсии - соблюдая технологический перерыв по п. 7.2.3). Расстояние по потоку от места укладки до асфальтоукладчика должно быть ограничено и не должно превышать расстояние, на котором может быть обеспечено отсутствие заезда проходящего транспорта на открытую поверхность материала.

Укладку выполняют путем раскатки рулонов без перекосов, вызывающих появление складок. Одновременно с раскаткой рулонов ведут подкатку полотен ручным катком, следующим непосредственно за рулоном. Подкатка должна обеспечивать плотное прилегание материала к основанию и сцепление с ним. При образовании складок полотна толщиной более 2 см их следует разрезать и прижать к поверхности вяжущего.

Укладку геосеток (в отличие от геосеток композитных) выполняют с перекрытием полотен и креплением дюбелями со стальными шайбами. Величину направления перекрытия и расстояние между дюбелями назначают по рисунку 7.2. Рекомендуется использовать дюбели ДГП или ДГПШ длиной 40-60 мм и диаметром 3,7 - 4,5 мм, стальные шайбы диаметром не менее 36 мм и строительно-монтажный пистолет типа ПЦ-84 с патронами Д3 или Д4. Крепление дюбелями может не выполняться, если по результатам пробной укладки обеспечивается плотное прилегание геосетки к поверхности основания и сцепление с ним.

Укладку геосеток композитных выполняют, как правило, без перекрытия - «в стык». Возможна укладка полотен с минимальным перекрытием, если возникают технологические трудности с обеспечением точности укладки «в стык» и если предусмотрена укладка слоев асфальтобетонного покрытия над материалом общей толщиной не менее 10 см. Крепление полотен дюбелями выполняют только в случаях, указанных на рисунке 7.2 (1 в, е - поперечная относительно оси проезжей части укладка полотен).

7.2.5 Режим движения подвозящих асфальтобетонную смесь автомобилей должен регулироваться таким образом, чтобы было исключено повреждение созданной армирующей прослойки. Разворот автомобилей должен выполняться за пределами участка с прослойкой, а заезд на прослойку - задним ходом по одной колее с последующим выездом по той же колее. В случае, если сразу или после определенного числа проходов по колее отмечается прилипание прослойки к колесам, следует скорректировать в сторону уменьшения норму расхода вяжущего или применять другие мероприятия (предусматривать производство работ с использованием укладочного комплекта с боковой загрузкой и специальным перегружателем асфальтобетонной смеси, выполнять подсыпку асфальтобетонной смеси по колее вручную или устраивать поверхностную обработку прослойки черным щебнем фракций 5-10 мм с прикаткой легким катком).

7.2.6 Контроль качества выполняют в соответствии с существующими требованиями, обращая особое внимание на выполнение следующих рабочих операций:

- подготовка поверхности основания (визуальной оценкой фиксируется состояние подготовленного основания, не допускается запыленность, наличие не устраненных дефектов по п. 7.2.2, фиксируется повышенная шероховатость, возможная после фрезерования для корректировки расхода вяжущего по п. 7.2.3);

- розлив вяжущего (инструментально фиксируется дозировка вяжущего с допустимым отклонением от установленной дозировки ±6 %, скорость распада для битумной эмульсии по ГОСТ 52128 и визуально по п. 7.2.3, также визуально фиксируется равномерность розлива вяжущего по поверхности основания - образование «дорожек» недопустимо);

- укладка материала армирующей прослойки (визуально контролируется ровность укладки с ликвидацией складок по п. 7.2.4 при их образовании, инструментально контролируется перекрытие полотен и расположение дюбелей с допуском от нормируемого по рис. 2 значения ±5 см);

- недопущение проезда транспорта (кроме подвозящего асфальтобетонную смесь) по прослойке, проезд подвозящего асфальтобетонную смесь транспорта контролируется на соблюдение положений п. 7.2.5 с использованием мероприятий по п. 7.2.5 при необходимости.

7.2.7 При выполнении работ в части обеспечения безопасности следует руководствоваться положениями СНиП 12-03. Схемы организации движения, знаки и временные ограждения должны соответствовать требованиям ВСН 37-84. Применительно к основному варианту выполнения работ - их выполнение на части ширины проезжей части, схема ограждения мест производства работ представлена на рисунке 7.3.

Рисунок 7.3 - Организация ограждения места дорожных работ:

1 - зона работ; 2 - зона, примыкающая к проезжей части (обочина, газон); 3 - проезжая часть.

8 Применение геосеток ПСД (ПСДК) при усилении земляного полотна

8.1 Конструктивные решения и особенности их назначения

8.1.1 Проектирование дорожных конструкций с усиленным геосетками земляным полотном выполняют в соответствии с документами (2.15, 2.26, 2.28, [5]) и положениями настоящих рекомендаций.

8.1.2 Основная цель применения геосеток - усиление земляного полотна при наличии слабых оснований, переувлажненных связных грунтов для улучшения условий производства работ, сокращения расхода и потерь традиционных материалов, сокращения сроков до устройства покрытия.

8.1.3 Основные функции геосеток - армирование нижней части насыпи и защита (разделение грунтов слабых оснований и грунтов насыпи).

8.1.4 Выбор конкретных марок геосеток зависит от конструктивного решения, условий применения и данных расчета.

Общие положения конструктивных решений:

- расположение геосеток между ослабленным грунтом и песчаным грунтом насыпи;

- применение различных разновидностей геосеток ПСДК2 или геосеток ПСД в сочетании с разновидностями нетканых геотекстильных материалов, имеющих показатели свойств не ниже указанных в таблице 3;

- как правило, поперечная укладка полотен геосетки относительно оси земляного полотна с перекрытием соседних полотен - не менее 0,5 м;

- укладка геосеток с выходом за пределы нижней части насыпи - не менее, чем на 0,5 м (рисунок 8.1 а, в, е) или с созданием обоймы (рисунок 8.1 б), полуобоймы.

8.1.5 Армирующие и защитные (разделяющие) прослойки из геосеток ПСДК2 по рисунку 8.1 а, б целесообразно применять на дорогах II-V категорий на болотах I, II типов, на дорогах I категории на болотах типа I, если устойчивость насыпей на стадии строительства или после завершения консолидации не обеспечена (оценивается по 2.26). В этом случае армирующие прослойки компенсируют дефицит удерживающих сил, а эффективность армирования и выбор разновидности геосетки определяется минимальной разрывной нагрузкой по длине материала (ее расчетным значением). Расчет устойчивости армированной насыпи выполняют по п. 8.1.6.

Конструктивное решение по рисунку 8.1 б позволяет увеличить жесткость нижней части насыпи и дает дополнительные преимущества, оцениваемые расчетом по п. 8.1.7. Минимальную высоту насыпи назначают из условий снегозаносимости, возвышения низа дорожной одежды над уровнем поверхностных вод и исключения упругих колебаний от проходящего транспорта.

Рисунок 8.1 - Применение геосеток ПСД (ПСДК) при строительстве в условиях постоянных (а, б, е) и временных (в, г, д) дорог.

1 - геосетка ПСДК2 или геосетка ПСД в сочетании с нетканым материалом, 2 - насыпь, 3 - слабое основание или переувлажненный связный грунт, 4 - местный торфяной или связный грунт, 5 - лежневый настил, 6 - пространственная георешетка.

8.1.6 Расчет устойчивости армированной насыпи выполняют по п. 4.2.1 (2.28), принимая расчетную прочность геосетки ПСДК2 (RТрр) по таблице 8.

Таблица 8

Условия армирования

Значения RТрр, кН/м для марок геосетки ПСДК2

(35×35)
-25×25

(50×50)
-25×25

(35×35)
-30×30

(50×50)
-30×30

(40×40)
-35×35

(50×50)
-35×35

(35×35)
-40×40

(50×50)
-40×40

(35×35)
-45×45

(50×50)
-45×45

(35×35)
-50×50

(50×50)
-50×50

Армирование на период строительства и ограниченный период консолидации (до 2-х лет)

16,1

23,0

16,1

23,0

20,7

23,0

16,1

23,0

16,1

23,0

16,1

23,0

Армирование на весь период консолидации

11,2

16,0

11,2

16,0

14,4

16,0

11,2

16,0

11,2

16,0

11,2

16,0

8.1.7 Применение решения по рисунку 8.1 б позволяет за счет увеличения жесткости нижней части насыпи снизить неравномерность осадки (разницу осадки по оси и у краев насыпи) и за счет этого ускорить консолидацию насыпи на слабом основании. Снижение относительной осадки от значений S0/B без геосетки до значений S0 ГМ/B с геосеткой может быть оценено по номограмме на рисунке 8.2. Значение ЕГ на номограмме принимается по таблице 9.

Рисунок 8.2 - Номограмма для определения разницы осадок по оси насыпи с геосеткой в основании и без нее на торфяном болоте:

М - кривая, определяющая минимальную возможную осадку (данные А.И. Скляднева); 1 - минимально возможная относительная осадка; 2 - осадка без армирования.

Таблица 9

Разновидность геосетки ПСДК2

(50×50)
-35×35

(50×50)
-25×25

(35×30)
-25×25

(50×50)
-40×40

(35×30)
-40×40

(50×50)
-50×50

Параметр ЕГ для геосетки, МПа

 

 

 

 

 

 

Учитывая снижение осадки, можно оценить требуемую степень консолидации UТР С, армированной по рисунку 8.1 б насыпи по зависимости:

UТР С = UТР·S0 ГМ/S0

(8.1)

где:

UТР - требуемая степень консолидации по (2.26).

8.1.8 Решение по рисунку 8.1 б может быть применено также при возведении нижней части насыпи постоянных дорог из местных грунтов. На дорогах IV-V для болот I, II типов местный связный грунт с коэффициентом переувлажнения KW > 1,2 или сильно разложившийся торф влажностью до 500 % заключают в обойму. Также для дорог III-IV категории на болотах I, II типов возможно применение решения по типу 8.1 г с укладкой геосетки на поверхности местного связного грунта с KW ≤ 1,2.

Толщину верхней части насыпи назначают в этих случаях расчетом, исходя из исключения упругих колебаний от проходящего транспорта, но не менее 1,0 м для дорог с асфальтобетонным и 1,2 м с цементобетонным покрытием.

8.1.9 Защитные прослойки из геосеток ПСДК2 (35×35) - 25×25 по рисунку 8.1 е могут быть применены для усиления слабых оснований постоянных автомобильных дорог в сочетании с пространственными георешетками.

8.1.10 При устройстве временных автомобильных дорог, подъездных путей, обеспечении проезда на период строительства в сложных грунтово-гидрологических условиях ГМ укладывают непосредственно на основание (рисунок 8.1 в), в нижней части насыпи (рисунок 8.1 г) или на лежневой настил, фашинную выстилку (рисунок 8.1 д).

При этом:

- насыпь по рисунку 8.1 в устраивают на болотах I типа глубиной до 4 м, сложенных плотным торфом, на минеральных грунтах повышенной влажности, если толщина насыпи по условию обеспечения проезда превышает осадку насыпи за период эксплуатации не менее, чем на 0,2 м (на подтопляемых участках - не менее, чем на глубину поверхностных вод +0,2 м). При возможности подтопления целесообразно отгибать край ГМ на откос с анкеровкой его в теле насыпи - геосетки ПСДК2 (50×50) - 25×25;

- насыпь по рисунку 8.1 г устраивают на глубоких болотах I типа, сложенных торфом малой и средней влажности, на болотах II типа и в перечисленных выше случаях, когда условие превышения толщины насыпи над осадкой за период эксплуатации не соблюдается. Нижняя часть насыпи может быть отсыпана из местного торфяного грунта с обязательным его уплотнением. Применяемые геосетки - ПСДК2 (35×35) - 25×25;

- насыпь толщиной 0,6-0,7 м по рисунку 8.1 д устраивают на болотах II-III типов, сложенных сильно сжимаемым слабо разложившимся торфом и на болотах сплавинного типа - геосетки ПСДК2 (50×50) - 35×35, ПСДК2 (50×50) - 25×25.

Расчет конструкции армированной насыпи временной дороги на слабых грунтах выполняют по п. 4.2.3 Рекомендаций (2.28).

Минимальная толщина насыпей (рисунок 8.1 в, г) по условию обеспечения проезда (hП) может быть ориентировочно назначена по таблице 10.

Таблица 10

Среднемесячная интенсивность движения в одном направлении, авт./сут.

Минимальная толщина насыпей hП, см при грунтах основания:

Осушенный торф

(W < 300 %)

Маловлажный торф

(W = 300-600 %)

Глинистый грунт

(W < 0,9WТ)

Заторфованный или глинистый грунт

(W < 0,9WТ)

Одиночные автомобили

40-60

50-70

25-40

40-60

До 50

50-80

60-90

40-60

50-80

Свыше 50

60-90

70-100

50-80

60-90

Сверхтяжелые нагрузки (разовый проезд)

60-80

60-90

40-60

60-90

Примечание - Общая продолжительность периодов эксплуатации дороги с названной интенсивностью до одного года; меньшие значения толщин принимают для насыпей из песчано-гравийных смесей оптимального состава, бóльшие - для насыпей из мелких непылеватых песков.

8.1.11 Геосетки ПСДК2 применяют при строительстве в районах распространения вечномерзлых грунтов, как правило, в конструкциях, проектируемых по второму принципу. Основные конструктивные решения представлены на рисунке 8.3.

Решение по рисунку 8.3 а предусматривает применение защитной прослойки из геосетки в основании земляного полотна на грунтах II и III категорий просадочности при производстве работ по устройству земляного полотна в летнее время. Прослойки выполняют функции: защиты мохоторфяного покрова от перемешивания с грунтом земляного полотна, повышения жесткости нижней части насыпи (аналогично решению по п. 8.1.5). В тех же случаях при производстве работ в зимнее время прослойку располагают на границе между нижней частью из мерзлого комковатого (глинистого или торфяного) грунта и верхней частью из сыпучемерзлого песчаного грунта. Прослойку укладывают по всей ширине насыпи с поперечным уклоном 4 % и выпуском краев на откосы 15 - 20 см (рисунок 8.3 б).

Решение по рисунку 8.3 в с применением армирующей прослойки из полимерных геосеток ПСДК2 с укладкой их в виде полуобоймы в поперечном направлении в нижней части насыпи может быть применено на грунтах III и IV категории просадочности. Аналогичное решение, но с укладкой геосеток в виде обоймы применяется на грунтах IV и V категорий просадочности (рисунок 8.3 г).

Рисунок 8.3 - Применение геосеток ПСД (ПСДК) при строительстве в районах распространения вечномерзлых грунтов.

1 - грунт насыпи, 2 - геосетка, 3 - связный грунт, в т. ч. мерзлые комковатые глинистые грунты, 4 - уровень вечной мерзлоты в естественных условиях, 5 - то же после постройки насыпи, 6 - новообразованная мерзлота под насыпью, 7 - мохорастительный покров, 8 - выравнивающий песчаный слой толщиной 0,2-0,3 м.

8.2 Особенности технологии производства работ

8.2.1 Общая технологическая схема ведения работ и схема укладки прослоек из ГМ приведена на рисунке 8.4.

Рисунок 8.4 - Технология укладки геосеток при выполнении работ в условиях слабых оснований.

1÷4 - рулоны (полотна геосетки ПСДК2), 5 - бульдозер, 6 - автомобиль-самосвал, 7 - геосетка ПСДК2, 8 - нетканый материал, 9 - геосетка ПСД.

8.2.2 Подготовка подстилающего геосетку грунта состоит в профилировании его поверхности и уплотнении. Коэффициент уплотнения грунта должен соответствовать нормативным требованиям, поверхность не должна иметь колей, ям и других неровностей глубиной более 5 см.

При устройстве прослойки из геосетки в основании насыпи, сложенном слабыми грунтами, подготовка может не выполняться, если отсутствует опасность повреждения геосетки. При наличии глубокой колеи или ям по возможности их засыпают грунтом, планируют автогрейдером или бульдозером. Кустарник, деревья вырубают и спиливают в одном уровне с поверхностью. В этом случае корчевка пней может не проводиться. Если в момент производства работ на участке имеются поверхностные воды, то отсыпают защитный слой из местного грунта толщиной 20 - 30 см, но не менее, чем на глубину подтопления.

8.2.3 Рулоны геосетки транспортируют к месту производства работ непосредственно перед укладкой и распределяют по длине участка работ через расстояние, соответствующее длине полотна в рулоне.

Укладку полотен ведут путем раскатки рулонов вручную звеном из трех дорожных рабочих. После раскатки первых метров краевую часть (по ширине) полотна прижимают к грунту двумя-тремя анкерами (стержни диаметром 3-5 мм) длиной 15 - 20 см с отогнутым верхним и заостренным нижним концами. При дальнейшей раскатке производят периодическое разравнивание полотна с небольшим продольным его натяжением и креплением к грунту анкерами (или другим способом) через 10-15 м (через 2 - 3 м при устройстве прослойки на слабом основании). Крепление выполняют во избежание смещения полотна при действии ветровой нагрузки, укладке вышележащего слоя, а также для сохранения небольшого предварительного натяжения. Полотна укладывают с перекрытием не менее 0,5 м.

Если выполняется соединение отдельных полотен сшиванием, величина перекрытия может быть уменьшена до 0,2 м.

8.2.4 Отсыпку на полотно материала вышележащего слоя необходимо вести с таким расчетом, чтобы полотно находилось под действием дневного света не более 5-6 ч. Перед отсыпкой грунта проверяют качество уложенной прослойки путем визуального осмотра и фиксации сплошности, величины перекрытия, качества стыковки полотен. Также оценивают визуально качество самого полотна. По результатам осмотра составляют акт на скрытые работы, где приводят результаты осмотра, данные о геосетке, указанные в паспорте на партию геосетки или на этикетках рулонов.

8.2.5 Отсыпку материала на геосетку ведут по способу «от себя» без заезда занятых на строительстве машин на открытое полотно. Толщина отсыпаемого слоя в плотном теле должны быть не менее 15 см, а при устройстве прослойки из геосетки на слабом основании - не менее 20 см при разовом пропуске транспорта и не менее величин, указанных в таблице 10 при регулярном проезде автомобилей. Разравнивание отсыпаемого непосредственно на геосетку материала ведут бульдозером с последовательной срезкой и надвижкой его не менее, чем за три прохода.

При устройстве прослойки на слабом основании уплотнение отсыпанного слоя ведут средствами, выбранными с учетом несущей способности основания. Уплотнение начинают легкими катками и выполняют от середины к краям насыпи. Последующие операции выполняют без изменения.

9 Применение геосеток ПСД (ПСДК) при обеспечении устойчивости откосов

9.1 Конструктивные решения и особенности их назначения

9.1.1 Геосетки применяют как для укрепления откосов земляного полотна (повышение местной устойчивости - геосетки ПСДК или ПСД в сочетании с неткаными геотекстильными материалами), так и для усиления грунтового массива (повышение общей устойчивости откосов - геосетки ПСД или ПСДК2).

9.1.2 При укреплении откосов геосетка служит временным или постоянным элементом, выполняющим в первую очередь функции защиты и играющим роль:

- покрытия на откосе, замедляющего или предотвращающего его эрозию под действием воды и ветра;

- арматуры, повышающей устойчивость грунтов поверхностной зоны откоса;

- фильтра, предотвращающего вынос частиц грунтовыми водами.

Как правило, геосетки используют в комбинации с другими типами укрепления - биологическими, несущими, защитными и изолирующими.

9.1.3 Геосетки ПСДК2 (35×35) - 40×40 применяют в сочетании с биологическими типами конструкций укрепления в виде посева трав различными способами (механизированный посев по предварительно нанесенному на откосы растительному грунту слоем 10 см с содержанием гумуса не менее 2 %, гидропосев с мульчированием) и укладывают непосредственно на поверхность откоса под растительный грунт (рис. 9.1 а) или с гидропосевом трав по поверхности сетки для создания более плотного травяного покрова, выравнивания влажностного режима.

Геосетки укладывают на поверхность растительного грунта с засевом трав или с гидропосевом трав непосредственно на поверхность откоса под геосетку в районах с неблагоприятными для развития травяного покрова климатическими условиями или при наличии интенсивного размыва грунта для защиты семян от вымывания, создания более благоприятного температурно-влажностного режима, защиты откоса от эрозии только на период формирования травяного покрова - рисунок 9.1 б. Если в последнем случае геосетка служит в качестве постоянного элемента, над ней устраивают замыкающий слой из грунтовой засыпки толщиной не менее 5 см. В сочетании с верхним замыкающим слоем из засеянного травами растительного или дренирующего грунта толщиной 10-30 см геосетки целесообразно использовать в выемках, сложенных глинистыми грунтами повышенной влажности, при выклинивающихся водоносных грунтах. Цель применения геосетки помимо защиты откосов от размыва поверхностными водами - предотвращение выноса грунта и образования сплывов (геосетку укладывают на поверхность откоса с выводом в траншейный дренаж).

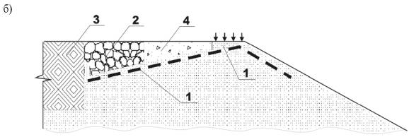
Рисунок 9.1 - Обеспечение устойчивости откосов земляного полотна с применением геосеток:

1 - геосетка ПСДК2; 2 - растительный грунт; 3 - замыкающий грунтовый слой; 4 - решетчатое укрепление; 5 - заполнитель решетки; 6 - упор; 7 - линия скольжения.

Геосетки применяют в сочетании с несущими решетчатыми сборными конструкциями укрепления с заполнением ячеек решетки щебнем 40 - 70 мм (камнем 50 - 100 мм), а также защитными изолирующими решетчатыми сборными облегченными конструкциями укрепления или пространственными георешетками с заполнением ячеек решетки растительным грунтом с посевом трав, морозостойким неусадочным грунтом, торфо-песчаной, гравийно-песчаной смесями. В этом случае их укладывают непосредственно на поверхность откоса под решетку (рис. 9.1 г) в качестве фильтра. Такое решение применяют в сложных грунтовых условиях при водонеустойчивых легкоразмываемых грунтах неподтопляемых откосов, наличии выклинивающихся водоносных горизонтов в мокрых выемках, а также при защите подтопляемых откосов. Края геосеток закрепляют на обочине, а при подтопляемых откосах - дополнительно и у их подошвы с заглублением под упор.

9.1.4 В зонах, где вероятны разрушения откосов вследствие эрозии и размывов при временном подтоплении, в случаях, если уплотнение откосных частей затруднено, если земляное полотно возводится из легкоразмываемых или резко снижающих свою прочность при увлажнении грунтов, целесообразно заглубление прослоек из геосеток ПСДК2 (50×50) - 25×25, ПСДК2 (35×35) - 40×40 в откос для армирования его поверхностной зоны (рисунок 9.1 в). Следует, как правило, обеспечивать вывод свободных концов прослоек на откос для одновременного создания поверхностной защиты или объединять прослойки в «обоймы». Величина заделки прослоек в грунт lз в таких случаях должна быть не менее 1,5 м, а расстояние между ними 0,5-0,7 м. Армирование откосов дополняют устройством защитного слоя с последующим засевом трав.

9.1.5 Прослойки геосеток ПСД, уложенные в откос с пересечением предполагаемой поверхности скольжения (рисунок 9.1 д), воспринимают часть растягивающих напряжений. Этим создается возможность повысить общую устойчивость откосов, обеспечить их общую устойчивость в сложных условиях строительства, например, при возведении насыпи на слабом основании (п. 8.1), увеличить крутизну откосов, сократив тем самым объем земляных работ, площадь отводимых под строительство земель, обеспечить строительство в стесненных условиях. Количество прослоек назначают расчетом, исходя из обеспечения требуемого коэффициента запаса устойчивости, а длина их заделки lз в грунт должна превышать минимальную, назначаемую, исходя из недопущения проскальзывания геосеток относительно грунта в соответствии с п. 7.2 (2.28). При выборе места укладки прослоек ГМ по высоте насыпи следует учитывать, что наиболее нагруженной от собственного веса грунта является нижняя часть насыпи. Как правило, для несвязных грунтов верхняя из прослоек должна находиться не выше, чем на половине высоты насыпи и для связных - на глубине 1,0 м от поверхности насыпи, нижняя - на расстоянии 0,5 м над самой низкой точкой поверхности скольжения. В этом диапазоне армирующие слои размещают равномерно.

Для одновременного повышения и местной устойчивости прослойки укладывают с выводом на откос, а также их можно объединить в «обойму» - в этом случае применяют геосетки ПСДК2, а на откосе устраивают защитный замыкающий слой из растительного грунта. Другое решение - армирование поверхностной зоны откоса пространственными георешетками в сочетании с геосетками ПСД, армирующими откос в зоне поверхности скольжения - рисунок 9.1 е.

9.1.6 Расчет армированных откосов выполняют в соответствии с п. 7.2 (2.28), принимая значение (σд×δ) в зависимости п. 7.2 (2.28) равным значению RTPP в таблице 8 настоящих Рекомендаций. Расчет «крутых откосов» (угол заложения более 45 °) выполняется по специальным методикам.

9.2 Особенности технологии производства работ

9.2.1 Основные технологические процессы по устройству различных конструкций укрепления с применением геосетки назначаются в соответствии с действующими нормативно-техническими документами. Дополнительно выполняются лишь операции по укладке полотен геосетки.

9.2.2 Операции по укладке геосеток при укреплении поверхности откосов включают:

- подготовку (при необходимости) траншеи вдоль бровки земляного полотна для закрепления прослойки в верхней его части;

- транспортировку рулонов к месту строительства, их разгрузку и распределение вдоль откоса, подготовку рулонов к укладке;

- укладку геосетки;

- закрепление полотен в верхней и (при необходимости) нижней части откоса.

9.2.3 Подготовку траншеи выполняют, если не предусмотрен иной вариант закрепления прослойки геосетки в верхней части откоса, например, путем укладки ее под конструкцию укрепления обочин. Траншею треугольного сечения с заложением откосов 1:2, глубиной 0,4 м или трапецеидального сечения с заложением откосов 1:1, глубиной 0,3 м и шириной по низу 0,2 м устраивают на расстоянии 0,2-0,6 м от бровки земляного полотна.

9.2.4 Укладку полотен геосетки выполняют путем продольной или поперечной раскатки рулонов на поверхности откоса. Характер раскатки определяется конкретными условиями строительства. Продольная раскатка рулонов технологически предпочтительна для относительно пологих откосов с заложением 1:2 и выше. Поперечная раскатка рулонов обеспечивает лучшие условия для закрепления создаваемой прослойки в верхней и нижней частях насыпи и большую сопротивляемость ее возникающим сдвигающим усилиям. Такая раскатка предпочтительна для укрепления откосов насыпей значительной высоты и обязательна для повышения их общей устойчивости.

9.2.5 Продольную раскатку рулонов выполняют вручную полосами с нижней части насыпи с взаимным перекрытием не менее 0,2 м. В процессе раскатки полотна периодически через 10-15 м разравнивают и прижимают к поверхности откоса анкерами или скобами. Анкеры и скобы устанавливают в 2 - 3 точках по ширине рулона через 5-6 м по его длине.

Поперечную раскатку выполняют от бровки насыпи. Для этого предварительно край полотна закрепляют анкерами или скобами на поверхности насыпи, после чего рулон постепенно опускают к подошве насыпи, обрезают, полотна разравнивают с легким натяжением за нижний конец и закрепляют через 4-5 м анкерами или скобами. Рулон поднимают на поверхность откоса и повторяют операцию. Соседние полотна должны иметь перекрытие не менее 0,1 - 0,15 м. Перемещение рулона в нижнее положение с одновременной раскаткой и обратно можно выполнять вручную с помощью установки в центр рулона тонкой трубки, стержня или веревки.

9.2.6 При устройстве конструкций укрепления откосов по рисунку 9.1 в, предусматривающих заглубление геосетки в тело земляного полотна, укладку полотен ГМ выполняют в процессе послойного возведения земляного полотна. При этом рулоны раскатывают в продольном направлении, если ширина полотен достаточна с точки зрения их заделки в грунт или есть возможность обеспечить равнопрочность швов при соединении отдельных полотен. В остальных случаях рулон геосетки раскатывают в поперечном к оси насыпи направлении.

Раскатку рулонов выполняют от предварительно обозначенной линии разметки с периодическим разравниванием, натяжением и креплением полотен к поверхности грунта анкерами в двух-трех местах по ширине рулона и через 10-12 м по длине.

Библиография

[1] СТО 94381362.001-2007 Сетки полимерные дорожные марок ПСД и ПСДК. ЗАО «ГЕО-Р», М., 2007

[2] Рекомендации по проектированию и устройству уширения автомобильных дорог (проект, 2-я редакция). ФГУП РосдорНИИ, М., 2006.

[3] ОДМ 218.0.084-2006 Рекомендации по изысканиям, проектированию и строительству автомобильных дорог в районах вечной мерзлоты (проект, 2-я редакция). ФГУП РосдорНИИ, М., 2007.

[4] Методические рекомендации по применению полимерных геосеток (георешеток) в нижних слоях дорожных одежд (проект, 2-я редакция). ФГУП РосдорНИИ, М., 2007.

[5] Методические рекомендации по конструированию и расчету дорожных одежд и земляного полотна при проектировании автомобильных дорог в зоне распространения вечномерзлых грунтов (проект, 1-я редакция). ФГУП РосдорНИИ, М., 2007.

 

 




ГОСТЫ, СТРОИТЕЛЬНЫЕ и ТЕХНИЧЕСКИЕ НОРМАТИВЫ.
Некоммерческая онлайн система, содержащая все Российские Госты, национальные Стандарты и нормативы.
В Системе содержится более 150000 файлов нормативно-технической документации, действующей на территории РФ.
Система предназначена для широкого круга инженерно-технических специалистов.

Рейтинг@Mail.ru Яндекс цитирования

Copyright © www.gostrf.com, 2008 - 2026