Крупнейшая бесплатная информационно-справочная система онлайн доступа к полному собранию технических нормативно-правовых актов РФ. Огромная база технических нормативов (более 150 тысяч документов) и полное собрание национальных стандартов, аутентичное официальной базе Госстандарта. GOSTRF.com - это более 1 Терабайта бесплатной технической информации для всех пользователей интернета. Все электронные копии представленных здесь документов могут распространяться без каких-либо ограничений. Поощряется распространение информации с этого сайта на любых других ресурсах. Каждый человек имеет право на неограниченный доступ к этим документам! Каждый человек имеет право на знание требований, изложенных в данных нормативно-правовых актах!

  


 

ГОСУДАРСТВЕННЫЙ СТАНДАРТ СОЮЗА ССР

БОЛТЫ С ПОТАЙНОЙ ГОЛОВКОЙ И УСОМ
КЛАССА ТОЧНОСТИ С

ГОСТ 7785-81
СТ СЭВ 217-86

ГОСУДАРСТВЕННЫЙ КОМИТЕТ СССР ПО СТАНДАРТАМ

Москва

ГОСУДАРСТВЕННЫЙ СТАНДАРТ СОЮЗА ССР

БОЛТЫ С ПОТАЙНОЙ ГОЛОВКОЙ И УСОМ
КЛАССА ТОЧНОСТИ С

Конструкция и размеры

Countersunk nibbed head bolts, product grade С.
Construction and dimensions.

ГОСТ
7785-81*

(СТ СЭВ 217-86)

Взамен
ГОСТ 7785-72

Постановлением Государственного комитета СССР по стандартам от 15 января 1981 г. № 1 срок введения установлен

с 01.01.82

Проверен в 1986 г. Постановлением Госстандарта СССР от 23.06.86 № 1642 срок действия продлен

до 01.01.97

Несоблюдение стандарта преследуется по закону

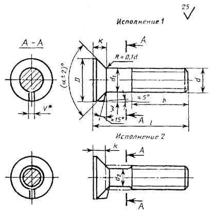
1. Настоящий стандарт распространяется на болты с потайной головкой и усом класса точности С с номинальным диаметром резьбы от 5 до 24 мм.

Стандарт полностью соответствует СТ СЭВ 217-86.

2. Конструкция и размеры болтов должны соответствовать указанным на чертеже и в табл. 1 и 2.

d2 примерно равен среднему диаметру резьбы

* Уклон боковых граней уса не более 5°

Таблица 1

мм

Номинальный диаметр резьбы d

5

6

8

10

12

16

20

24

Диаметр головки D

10

12

16

20

24

32

32

38

Высота головки k, не более

3,0

4,0

5,0

5,5

7,0

9,0

11,5

13,0

Ширина уса V

2,0

2,5

3,0

3,2

3,6

4,2

5,4

6,6

Угол a

90°

60°

Высота уса W, не менее

2,3

2,8

3,5

4,2

5,7

7,5

5,5

6,7

Длина резьбы b

Для l £ 120

16

18

22

26

30

38

46

54

Для l > 120

-

-

-

32

36

44

52

60

Пример условного обозначения болта с диаметром резьбы d = 12 мм, с крупным шагом резьбы с полем допуска 8 g, длиной l = 60 мм, класса прочности 4.6, с цинковым покрытием толщиной 6 мкм, нанесенным способом катодного восстановления, хроматированным:

Болт M12´60.46.016 ГОСТ 7785-81

Таблица 2

мм

Длина болта l

Номинальный диаметр резьбы d

5

6

8

10

12

16

20

24

16

 

 

-

-

-

-

-

-

20

 

 

 

 

-

-

-

-

25

 

 

 

 

 

-

-

-

30

 

 

 

 

 

 

-

-

35

 

 

 

 

 

 

-

-

40

 

 

 

 

 

 

 

-

45

 

 

 

 

 

 

 

-

50

 

 

 

 

 

 

 

-

55

 

 

 

 

 

 

 

-

60

 

 

 

 

 

 

 

 

65

 

 

 

 

 

 

 

 

70

 

 

 

 

 

 

 

 

75

 

 

 

 

 

 

 

 

80

 

 

 

 

 

 

 

 

90

-

 

 

 

 

 

 

 

100

-

 

 

 

 

 

 

 

110

-

-

 

 

 

 

 

 

120

-

-

 

 

 

 

 

 

130

-

-

 

 

 

 

 

 

140

-

-

 

 

 

 

 

 

150

-

-

 

 

 

 

 

 

160

-

-

-

 

 

 

 

 

170

-

-

-

-

-

 

 

 

180

-

-

-

-

-

 

 

 

190

-

-

-

-

-

 

 

 

200

-

-

-

-

-

 

 

 

Примечания.

1. Болты изготовляют с длинами, заключенными между жирными линиями.

2. Болты в области от верхней жирной линии до пунктирной линии изготовляют с резьбой до уса.

3. Резьба - по ГОСТ 24705-81, шаг резьбы - крупный. Сбег и недорез - по ГОСТ 27148-86. Концы болтов - по ГОСТ 12414-66.

(Измененная редакция, Изм. № 1, 2).

3а. Допуски и методы контроля размеров и отклонений формы и расположения поверхностей - по ГОСТ 1759.1-82.

По согласованию между изготовителем и потребителем допускается изготовлять болты с полем допуска резьбы - 6е.

3б. Дефекты поверхности и методы контроля - по ГОСТ 1759.2-82.

3а, 3б. (Введены дополнительно, Изм. № 1).

4. Диаметр гладкой части стержня d1 примерно равен среднему диаметру резьбы или равен номинальному диаметру резьбы.

5. Технические требования - по ГОСТ 1759.0-87.

Механические свойства болтов должны соответствовать классам прочности 3.6, 4.6, 4.8, 5.6 и 5.8.

(Измененная редакция, Изм. № 1).

6. Допускается:

скругление вершины уса;

изготовлять болты М20 с углом a = 90° и диаметром D = 36 мм.

(Измененная редакция, Изм. № 2).

7. Теоретическая масса болтов указана в справочном приложении.

ПРИЛОЖЕНИЕ

Справочное

Длина болта, l, мм

Теоретическая масса болтов, кг, при номинальном диаметре резьбы d, мм

5

6

8

10

12

16

20

24

16

2,588

4,057

-

-

-

-

-

-

20

3,061

4,734

9,12

15,26

-

-

-

-

25

3,651

5,579

10,66

17,71

26,90

-

-

-

30

4,241

6,424

12,20

20,15

30,44

59,95

-

-

35

4,949

7,269

13,74

22,59

33,98

66,48

-

-

40

5,421

8,114

15,28

25,03

37,52

73,00

105,5

-

45

6,011

8,960

16,82

27,47

41,06

79,53

115,7

-

50

6,601

9,804

18,36

29,92

44,60

86,06

125,9

-

55

7,191

10,649

19,90

32,36

48,14

92,58

136,2

-

60

7,781

11,494

21,43

34,80

51,68

99,11

146,4

214,1

65

8,371

12,340

22,97

37,24

55,23

105,64

156,6

228,8

70

8,961

13,184

24,51

39,69

58,77

112,16

166,9

243,6

75

9,551

14,029

26,05

42,13

62,31

118,69

177,1

258,3

80

10,142

14,874

27,59

44,57

65,85

125,22

187,3

273,1

90

-

16,564

30,67

49,45

72,93

138,27

207,8

302,5

100

-

18,255

33,75

54,34

80,01

151,33

228,3

332,0

110

-

-

36,83

59,22

87,10

164,38

248,7

361,5

120

-

-

39,91

64,11

94,17

177,43

269,2

390,9

130

-

-

42,99

68,99

101,25

190,49

289,7

420,4

140

-

-

46,07

73,88

108,33

203,54

310,2

449,8

150

-

-

49,15

78,76

115,41

216,60

330,6

479,3

160

-

-

-

83,64

122,49

229,65

351,1

508,8

170

-

-

-

-

-

242,70

371,6

538,3

180

-

-

-

-

-

255,76

392,0

567,7

190

-

-

-

-

-

268,79

412,5

597,2

200

-

-

-

-

-

281,87

432,9

626,7

(Измененная редакция, Изм. № 1, 2).

 




ГОСТЫ, СТРОИТЕЛЬНЫЕ и ТЕХНИЧЕСКИЕ НОРМАТИВЫ.
Некоммерческая онлайн система, содержащая все Российские Госты, национальные Стандарты и нормативы.
В Системе содержится более 150000 файлов нормативно-технической документации, действующей на территории РФ.
Система предназначена для широкого круга инженерно-технических специалистов.

Рейтинг@Mail.ru Яндекс цитирования

Copyright © www.gostrf.com, 2008 - 2026