Крупнейшая бесплатная информационно-справочная система онлайн доступа к полному собранию технических нормативно-правовых актов РФ. Огромная база технических нормативов (более 150 тысяч документов) и полное собрание национальных стандартов, аутентичное официальной базе Госстандарта. GOSTRF.com - это более 1 Терабайта бесплатной технической информации для всех пользователей интернета. Все электронные копии представленных здесь документов могут распространяться без каких-либо ограничений. Поощряется распространение информации с этого сайта на любых других ресурсах. Каждый человек имеет право на неограниченный доступ к этим документам! Каждый человек имеет право на знание требований, изложенных в данных нормативно-правовых актах!

  


 

ГОСУДАРСТВЕННЫЙ СТАНДАРТ СОЮЗА ССР

БОЛТЫ С ПОТАЙНОЙ ГОЛОВКОЙ
И КВАДРАТНЫМ ПОДГОЛОВКОМ
КЛАССА ТОЧНОСТИ С

ГОСТ 7786-81
СТ СЭВ 2325-80

ГОСУДАРСТВЕННЫЙ КОМИТЕТ СССР ПО СТАНДАРТАМ

Москва

ГОСУДАРСТВЕННЫЙ СТАНДАРТ СОЮЗА ССР

БОЛТЫ С ПОТАЙНОЙ ГОЛОВКОЙ
И КВАДРАТНЫМ ПОДГОЛОВКОМ
КЛАССА ТОЧНОСТИ С

Конструкция и размеры

Countersunk square shoulder bolts, product grade C.
Construction and dimensions

ГОСТ
7786-81*

(СТ СЭВ 2325-80)

Взамен
ГОСТ 7786-72

Постановлением Государственного комитета СССР по стандартам от 15 января 1981 г. № 2 срок введения установлен

с 01.01.82

Проверен в 1986 г. Постановлением Госстандарта СССР от 23.06.86 № 1642 срок действия продлен

до 01.01.97

Несоблюдение стандарта преследуется по закону

1. Настоящий стандарт распространяется на болты с потайной головкой и квадратным подголовком с номинальным диаметром резьбы от 5 до 20 мм.

Стандарт полностью соответствует СТ СЭВ 2325-80.

(Измененная редакция, Изм. № 1).

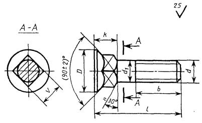
2. Конструкция и размеры болтов должны соответствовать указанным на чертеже и в табл. 1 и 2.

Таблица 1

мм

Номинальный диаметр резьбы d

5

6

8

10

12

16

20

Диаметр головки D

9

11

14

18

23

28

35

Высота головки и подголовка k (js 16)

4

5

6

8

10

12

15

Сторона квадратного подголовка V

5

6

8

10

12

16

20

Длина резьбы b

Для l £ 120

16

18

22

26

30

38

46

Для l > 120

-

-

-

32

36

44

52

Пример условного обозначения болта с диаметром резьбы d = 12 мм, с крупным шагом резьбы с полем допуска 8g, длиной l = 60 мм, класса прочности 3.6, с цинковым покрытием, толщиной 6 мкм, нанесенным способом катодного восстановления, хроматированным:

Болт M12´60.36.016 ГОСТ 7786-81

Таблица 2

мм

Длина болта l

Номинальный диаметр резьбы d

5

6

8

10

12

16

20

20

 

-

-

-

-

-

-

25

 

 

 

 

-

-

-

30

 

 

 

 

 

-

-

35

 

 

 

 

 

-

-

40

 

 

 

 

 

 

-

45

 

 

 

 

 

 

-

50

 

 

 

 

 

 

 

55

 

 

 

 

 

 

 

60

 

 

 

 

 

 

 

65

 

 

 

 

 

 

 

70

 

 

 

 

 

 

 

75

 

 

 

 

 

 

 

80

 

 

 

 

 

 

 

90

-

 

 

 

 

 

 

100

-

-

 

 

 

 

 

110

-

-

-

 

 

 

 

120

-

-

-

 

 

 

 

130

-

-

-

 

 

 

 

140

-

-

-

 

 

 

 

150

-

-

-

 

 

 

 

160

-

-

-

-

 

 

 

170

-

-

-

-

 

 

 

180

-

-

-

-

 

 

 

190

-

-

-

-

 

 

 

200

-

-

-

-

 

 

 

Примечания.

1. Болты изготовляют с длинами, заключенными между жирными линиями.

2. Болты в области от верхней жирной линии до пунктирной линии изготовляют с резьбой до подголовка.

3. Резьба - по ГОСТ 24705-81, шаг резьбы - крупный. Сбег и недорез - по ГОСТ 27148-86. Концы болтов - по ГОСТ 12414-66.

2, 3. (Измененная редакция, Изм, № 1, 2).

3а. Допуски и методы контроля размеров и отклонений формы и расположения поверхностей - по ГОСТ 1759.1-82.

По согласованию между изготовителем и потребителем допускается изготовлять болты с полем допуска резьбы 6е.

3б. Дефекты поверхности и методы контроля - по ГОСТ 1759.2-82.

3а, 3б. (Введены дополнительно, Изм. № 1).

4. Диаметр гладкой части стержня d1 примерно равен среднему диаметру резьбы или номинальному диаметру резьбы.

5. Технические требования - по ГОСТ 1759.0-87. Механические свойства болтов должны соответствовать классам прочности 3.6, 4.6, 4.8, 5.6, 5.8 и 8.8.

4, 5. (Измененная редакция, Изм. № 1).

6. Теоретическая масса указана в справочном приложении.

ПРИЛОЖЕНИЕ

Справочное

Длина болта, l, мм

Теоретическая масса 1000 шт. болтов, кг, при номинальном диаметре резьбы d, мм

5

6

8

10

12

16

20

20

2,908

-

-

-

-

-

-

25

3,498

5,240

9,66

16,40

-

-

-

30

4,080

6,086

11,20

18,84

30,19

-

-

35

4,678

6,932

12,74

21,28

33,73

-

-

40

5,268

7,777

14,28

23,72

37,27

71,71

-

45

5,859

8,621

15,81

26,16

40,81

78,04

-

50

6,448

9,466

17,35

28,61

44,35

84,37

131,7

55

7,038

10,311

18,89

31,05

47,89

91,09

141,9

60

7,628

11,156

20,43

33,49

51,43

97,62

152,1

65

8,218

12,001

21,97

35,93

54,97

104,15

162,3

70

8,808

12,845

23,51

38,38

58,51

110,67

172,6

75

9,399

13,690

25,05

40,82

62,05

117,20

182,8

80

9,989

14,535

26,59

43,26

65,59

123,73

193,1

90

-

16,225

29,67

48,27

72,67

136,78

213,5

100

-

-

32,75

56,08

79,75

149,84

234,0

110

-

-

-

58,04

86,83

162,89

254,5

120

-

-

-

62,92

93,91

175,94

274,9

130

-

-

-

67,81

100,99

188,10

295,4

140

-

-

-

72,69

108,07

202,05

315,9

150

-

-

-

77,58

115,15

215,11

336,3

160

-

-

-

-

122,23

228,16

356,8

170

-

-

-

-

129,31

241,21

377,3

180

-

-

-

-

136,39

254,26

397,7

190

-

-

-

-

143,47

267,31

418,2

200

-

-

-

-

150,55

280,36

438,7

(Измененная редакция, Изм. № 1).

 




ГОСТЫ, СТРОИТЕЛЬНЫЕ и ТЕХНИЧЕСКИЕ НОРМАТИВЫ.
Некоммерческая онлайн система, содержащая все Российские Госты, национальные Стандарты и нормативы.
В Системе содержится более 150000 файлов нормативно-технической документации, действующей на территории РФ.
Система предназначена для широкого круга инженерно-технических специалистов.

Рейтинг@Mail.ru Яндекс цитирования

Copyright © www.gostrf.com, 2008 - 2026