ГОСУДАРСТВЕННЫЕ СТАНДАРТЫ
Единая система конструкторской документации
ОБОЗНАЧЕНИЯ УСЛОВНЫЕ ГРАФИЧЕСКИЕ В СХЕМАХ
КОМПОНЕНТЫ ВОЛОКОННО-ОПТИЧЕСКИХ СИСТЕМ ПЕРЕДАЧИ
ГОСТ 2.761-84
(CT СЭВ 5049-85)
ИПК ИЗДАТЕЛЬСТВО СТАНДАРТОВ
Москва 1998
ГОСУДАРСТВЕННЫЙ СТАНДАРТ
СОЮЗА ССР
|
Единая
система конструкторской документации
ОБОЗНАЧЕНИЯ УСЛОВНЫЕ ГРАФИЧЕСКИЕ В СХЕМАХ.
КОМПОНЕНТЫ ВОЛОКОННО-ОПТИЧЕСКИХ СИСТЕМ ПЕРЕДАЧИ
Unified system for design documentation.
Graphic
designations in diagrams.
Optical fibre data transmission systems components
|
ГОСТ
2.761-84
(CT СЭВ 5049-85)
|
Дата введения 01.07.85
1. Настоящий стандарт
устанавливает условные графические обозначения компонентов и элементов волоконно-оптических
систем передачи на схемах, выполняемых вручную или автоматизированным способом,
во всех отраслях промышленности.
(Измененная редакция, Изм. № 1).
2.
Знаки, характеризующие электронно-оптические и фотоэлектрические эффекты,
приведены в табл. 1.
Таблица 1
|
Наименование
|
Обозначение
|
|
1.
Эффект оптического излучения
|
По ГОСТ 2.721
|
|
2.
Эффект оптического когерентного излучения
|

|
|
3.
Эффект фотоэлектрический
|
По ГОСТ 2.721
|
|
4.
Совмещение эффекта оптического излучения с фотоэлектрическим эффектом
|

|
|
5.
Эффект распространения оптического излучения
|

|
|
6.
Эффект лавинного пробоя (односторонний и двухсторонний)
|
По ГОСТ 2.721
|
|
7.
Взаимодействие оптическое
|
По ГОСТ 2.721
|
|
Примечание.
Изображение эффектов применяют для образования условных графических обозначений
элементов аппаратуры волоконно-оптических систем передачи (см. табл. 4).
|
|
(Измененная редакция, Изм. № 1, 2).
3. Знаки, характеризующие типы
оптических волноводов и соединение пучков оптических волокон, приведены в табл.
2.
Таблица 2
|
Наименование
|
Обозначение
|
|
1.
Оптический волновод, оптическая линия, оптическое волокно, волоконный световод,
оптический кабель. Общее обозначение.
|

|
|
Примечания:
1).
В обозначение включают дополнительную информацию о диаметре отдельных слоев
оптического волокна в направлении от центра волокна:
а - сердцевина
b - оболочка
с - первичная защита
d - вторичная защита
n - количество оптических волноводов в кабеле
Допускается
при наличии дополнительной информации указывать (n) над обозначением
волновода без наклонной черты
|

|
|
2).
При обозначении оптических линий окружность с двумя стрелками можно опустить,
если исключена возможность ошибки.
|

|
|
2.
Одномодовый оптический волновод, одномодовое оптическое волокно
|

|
|
3.
Многомодовый оптический волновод, многомодовое оптическое волокно со
ступенчатым профилем показателя преломления
|

|
|
с
градиентным профилем показателя преломления
|

|
|
4.
Оптический волновод с применением когерентного излучения
|

|
|
5.
Слияние оптических волокон
|

|
|
6.
Разветвление оптических волокон
Примечание к пп. 5 и 6.
Соотношение
оптических мощностей приводят в процентах или в децибелах.
|


|
4. Условные графические
обозначения элементов, компонентов и устройств волоконно-оптических систем
передачи приведены в табл. 3.
Таблица 3
|
Наименование
|
Обозначение
|
|
1.
Розетка оптического соединителя
|

|
|
2.
Вилка оптического соединителя
|

|
|
3.
Оптический разъемный соединитель
|

|
|
4.
Оптический неразъемный соединитель
|

|
|
5.
Оптический соединитель «вилка – розетка - вилка»
|

|
|
6.
Оптический соединитель «розетка-вилка»
|

|
|
7.
Оптический соединитель «розетка – вилка - розетка»
|

|
|
8.
Оптический комбинированный соединитель
|

|
|
9.
Оптический переключатель
|

|
|
10.
Соединительная разъемная муфта
|

|
|
11.
Соединительная неразъемная муфта
|

|
|
12.
Оптический ответвитель
Примечание.
Допускается на линиях выводов указывать коэффициент ответвления по каждому
выходному каналу в децибелах или процентах
|

|
|
13.
Ответвитель типа «звезда»
|

|
|
14.
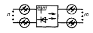
Оптический пассивный разветвитель:
(n - количество входов, m - количество выходов)
|

|
|
15.
Оптический активный разветвитель:
(n - количество входов, m - количество выходов)
|

|
|
16.
Передающий оптоэлектронный модуль с диодом светоизлучающим с лазерным диодом
|

|
|
с
диодом светоизлучающим
|

|
|
с
лазерным диодом
|

|
|
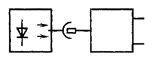
17.
Приемный оптоэлектронный модуль
|

|
|
с
фотодиодом
|

|
|
с
лавинным фотодиодом
|

|
|
18.
Приемно-передающий оптоэлектронный модуль
|

|
|
19.
Электрооптический модулятор
|

|
|
20.
Оптический коммутатор:
(n - количество входов, m - количество выходов)
|

|
|
21.
Оптический аттенюатор
|

|
|
22.
Смеситель мод
|

|
|
23.
Делитель мод (полупрозрачное зеркало)
|

|
|
24.
Удалитель мод оболочки
|

|
5. Примеры соединений
условных графических обозначений элементов и компонентов в схемах
волоконно-оптических систем передачи приведены в табл. 4.
Таблица 4
|
Наименование
|
Обозначение
|
|
1.
Диод светоизлучающий с выводом многомодового оптического волокна со
ступенчатым профилем показателя преломления
|

|
|
2.
Фотодиод лавинный с розеткой оптического соединителя
|

|
|
3.
Лазер полупроводниковый с соединителем оптическим разъемным
|

|
|
4.
Кабель оптический, содержащий 20 многомодовых оптических волокон со
ступенчатым профилем показателя преломления с диаметром сердцевины 50 мкм и
диаметром оболочки 125 мкм
|

|
|
5.
Приемно-передающий оптоэлектронный модуль с розеткой оптического соединителя
|

|
|
6.
Кабель оптический комбинированный с комбинированным оптическим соединителем
|

|
|
7.
Передающий оптоэлектронный модуль со светодиодом с оптическим ответвителем
|

|
4, 5. (Измененная редакция, Изм. № 3).
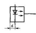
6. Основные размеры условных
графических обозначений элементов и компонентов волоконно-оптических систем
передачи приведены в табл. 5.
Таблица 5
|
Наименование
|
Обозначение
|
|
1.
Оптическое волокно
|

|
|
2.
Розетка оптического соединителя
|

|
|
3.
Вилка оптического соединителя
|

|
|
4.
Соединитель оптический разъемный
|

|
|
5.
Соединитель световодный проходной
|

|
|
6.
Муфта соединительная разъемная
|

|
|
7.
Соединитель оптический комбинированный
|

|
|
8.
Ответвитель оптический
|

|
|
9.
Оптический разветвитель активный
|

|
|
10.
Оптоэлектронный передающий модуль со светодиодом
|

|
|
11.
Модуль приемно-передающий
|

|
|
12.
Модулятор электрооптический
|

|
|
13.
Показатель преломления ступенчатого профиля
|

|
|
14.
Показатель преломления градиентного профиля
|

|
|
15.
Одномодовое оптическое волокно
|

|
3-6. (Измененная редакция, Изм. № 1).
ПРИЛОЖЕНИЕ
Справочное
ИНФОРМАЦИОННО-СПРАВОЧНЫЕ ДАННЫЕ О СООТВЕТСТВИИ ГОСТ 2.761-84 СТ СЭВ
5049-85
|
ГОСТ 2.761-84
|
СТ СЭВ 5049-85
|
ГОСТ 2.761-84
|
СТ СЭВ 5049-85
|
|
Табл. 2, п. 1
|
Табл. 1, п. 1
|
Табл. 3, п.
13
|
Табл. 3, п. 8
|
|
п. 2
|
п. 4
|
п. 16
|
Табл. 4, пп. 1, 2
|
|
п. 3
|
пп. 3, 5
|
п. 17
|
пп. 3, 4
|
|
п. 4
|
п. 2
|
п. 21
|
Табл. 3, п. 9
|
|
п. 5
|
Табл. 2, п. 1
|
п. 22
|
п. 10
|
|
п. 6
|
п. 2
|
п. 23
|
п. 11
|
|
Табл. 3, п. 1
|
Табл. 3, п. 2
|
п. 24
|
п. 12
|
|
п. 2
|
п. 3
|
Табл. 4, п. 1
|
Табл. 1, п. 3
|
|
п. 3
|
п. 1
|
п. 2
|
Табл. 3, п. 2
|
|
п. 5
|
п. 6
|
п. 3
|
Табл. 3, п. 1
|
|
п. 6
|
п. 4
|
п. 4
|
Табл. 6, п. 1
|
|
п. 7
|
п. 5
|
п. 5
|
Табл. 3, п. 2
|
|
п. 9
|
п. 7
|
п. 6
|
Табл. 6, п. 2
|
|
п. 10
|
Табл. 2, п. 4
|
|
|
|
п. 11
|
п. 3
|
|
|
(Введено дополнительно, Изм. № 1).
ИНФОРМАЦИОННЫЕ
ДАННЫЕ
1.
РАЗРАБОТЧИКИ
В.А. Бирюков, Н.М. Дмитриева, С.П. Корнеева, В.В. Мукосеев, И.Н.
Сидоров, А.А. Суворова
2. УТВЕРЖДЕН И ВВЕДЕН В ДЕЙСТВИЕ Постановлением Государственного
комитета СССР по стандартам от 29.06.84 № 2253
3. Стандарт
соответствует СТ СЭВ 5049-85
4. ВВЕДЕН ВПЕРВЫЕ
5. ССЫЛОЧНЫЕ
НОРМАТИВНО-ТЕХНИЧЕСКИЕ ДОКУМЕНТЫ
|
Обозначение НТД, на который дана ссылка
|
Номер пункта
|
|
ГОСТ
2.721-74
|
п. 2, табл. 1
(пункты 1, 3, 6, 7)
|
6. ПЕРЕИЗДАНИЕ
(октябрь 1997 г.) с Изменениями № 1, 2, 3, утвержденными в октябре 1986 г.,
апреле 1987 г., июле 1991 г., (ИУС 1-87, 7-87, 10-91)