Крупнейшая бесплатная информационно-справочная система онлайн доступа к полному собранию технических нормативно-правовых актов РФ. Огромная база технических нормативов (более 150 тысяч документов) и полное собрание национальных стандартов, аутентичное официальной базе Госстандарта. GOSTRF.com - это более 1 Терабайта бесплатной технической информации для всех пользователей интернета. Все электронные копии представленных здесь документов могут распространяться без каких-либо ограничений. Поощряется распространение информации с этого сайта на любых других ресурсах. Каждый человек имеет право на неограниченный доступ к этим документам! Каждый человек имеет право на знание требований, изложенных в данных нормативно-правовых актах!

  


 

ГОСТ 14115-85

МЕЖГОСУДАРСТВЕННЫЙ СТАНДАРТ

УСТРОЙСТВА СТРОПОВЫЕ ДЛЯ СОСУДОВ И АППАРАТОВ

ШТУЦЕРА МОНТАЖНЫЕ УДЛИНЕННЫЕ

КОНСТРУКЦИЯ И РАЗМЕРЫ

ИПК ИЗДАТЕЛЬСТВО СТАНДАРТОВ

Москва

МЕЖГОСУДАРСТВЕННЫЙ СТАНДАРТ

Устройства строповые для сосудов и аппаратов

ШТУЦЕРА МОНТАЖНЫЕ УДЛИНЕННЫЕ

Конструкция и размеры

Vessels attaching rigs. Oblong erection lugs.
Design and dimensions

ГОСТ
14115-85

Дата введения 01.01.86

1. Настоящий стандарт распространяется на удлиненные монтажные штуцера (далее - штуцера), применяемые при строповке канатами для подъема стреловыми кранами стальных цилиндрических сосудов и аппаратов нефтеперерабатывающей, нефтехимической, химической и других отраслей промышленности, с усилием на один штуцер от 200 до 1000 кН (от 20 до 100 тс).

2. Штуцера должны изготовляться двух исполнений согласно табл. 1.

Таблица 1

Исполнение штуцера

Усилие на один штуцер

Область применения штуцеров для  сосудов и аппаратов диаметром D, мм

кН

тс

1

От 200 до 500

От 20 до 50

От 800 до 4000

2

Св. 500 » 1000

Св. 50 » 100

» 2200 » 6400

3. Конструкция и размеры штуцеров должны соответствовать указанным в табл. 2 и на черт. 1.


Таблица 2

Размеры в мм

Обозначение

штуцера

Усилие на один штуцер

Исполнение

Диаметр сосуда или аппарата D

Сварной шов
К1

L*

Dн

Dф

е

l

l1

l2

Масса, кг

Поз. 1 Оболочка

Поз. 2 Фланец

Поз. 3 Ребро

Количество

кН

тс

1

2

1

2

Обозначение

01

200

20

1

800

8

513

325

475

90

120

70

-

74,2

01/1

01/2

01/3

-

02

1000

02/1

03

1200-1600

03/1

04

1800-2200

04/1

05

250

25

1600-2200

528

377

525

115

148

85

86,2

05/1

05/2

05/3

06

2400-3000

06/1

07

320

32

1

1800-2400

10

547

426

580

140

180

105

105,3

07/1

07/2

07/3

-

08

2600-3600

08/1

09

400

40

1800-2400

09/1

10

2600-3600

10/1

11

500

50

2000-2400

547

530

680

145

188

110

146,4

11/1

14/2 ГОСТ 14114

11/3

12

2600-3200

12/1

13

3400-4000

13/1

14

630

63

2

2200-2400

12

552

630

780

165

208

90

145

186,8

14/1

18/2 ГОСТ 14114

-

14/3

15

2600-3000

15/1

16

3200-3600

16/1

17

3800-4400

17/1

18

800

80

2400-2600

559

720

870

180

225

100

160

235,9

18/1

22/2 ГОСТ 14114

18/3

19

2800-3200

19/1

20

3400-4200

20/1

21

4400-5400

21/1

22

1000

100

2600-2800

573

820

970

195

248

112

177

287,2

22/1

27/2 ГОСТ 14114

22/3

23

3000-3400

23/1

24

3600-4000

24/1

25

4200-5000

25/1

26

5400-6400

26/1

Примечания:

1. Размер L*, приведенный в таблице, является максимальным для данной группы сосудов или аппаратов.

2. Размеры катетов и типы сварных швов приварки ребер (поз. 3) даны в п. 7.


Пример условного обозначения штуцера монтажного для аппарата диаметром 1800 мм с усилием на один штуцер 20 тc:

Штуцер монтажный 04 ГОСТ 14115-85

(Измененная редакция, Изм. № 1).

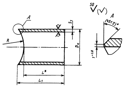
4. Конструкция и размеры оболочки (поз. 7) должны соответствовать указанным на черт. 2 и в табл. 3.

Исполнение 1

Исполнение 2

___________

* Размер для справок

Черт. 1

___________

* Размер для справок.

Черт. 2

Таблица 3

Размеры в мм

Обозначение оболочки

L1

L*

R

Dн

s1

Масса, кг

01/1

525

495

400

325

10

40,8

02/1

501

500

03/1

507

650

04/1

513

1000

05/1

540

522

900

377

49,0

06/1

528

1300

07/1

560

539

1000

426

11

63,0

08/1

547

1550

09/1

539

1000

10/1

547

1550

11/1

565

535

1100

530

10

72,4

12/1

542

1450

13/1

547

1800

14/1

575

534

1150

630

88,0

15/1

541

1400

16/1

547

1650

17/1

552

2000

18/1

585

535

1250

720

11

112,5

19/1

544

1500

20/1

552

1850

21/1

559

2400

22/1

600

539

1350

820

12

143,6

23/1

549

1600

24/1

557

1900

25/1

565

2300

26/1

573

2950

Пример условного обозначения оболочки для штуцера монтажного 04:

Оболочка 04/1 ГОСТ 14115-85

4.1 Оболочка изготавливается из трубы Dн ´ s1 по ГОСТ 8732 и ГОСТ 10704.

Допускается изготовление оболочки из листа сварной с одним продольным швом или штампосварной с двумя продольными швами.

5. Конструкция и размеры фланца (поз. 2) должны соответствовать указанным на черт. 3 и в табл. 4.

Черт. 3

Таблица 4

Размеры в мм

Обозначение фланца

Dф

d1

Масса, кг

01/2

475

328 H14

14,5

05/2

525

380 H14

15,9

07/2

580

430 H14

18,6

Примечание. Размер d1 необходимо корректировать в зависимости от фактического наружного диаметра оболочки для обеспечения допустимого зазора в сварном соединении в соответствии с ГОСТ 5264.

Пример условного обозначения фланца для штуцера монтажного 04:

Фланец 01/2 ГОСТ 14115-85

5.1. Допускается изготовление фланцев диаметром свыше 500 мм сварными из двух деталей в виде полукольца каждая с разделкой кромок под сварку С 21 по ГОСТ 5264.

6. Конструкция и размеры ребер (поз. 3) должны соответствовать указанным на черт. 4 и в табл. 5.

Черт. 4

Таблица 5

Размеры в мм

Обозначение ребра

Dp

d2

s3

Масса, кг

01/3

302 H14

140

10

4,4

05/3

354 H14

195

5,4

07/3

400 H14

240

8

5,1

11/3

507 H14

345

10

8,4

14/3

607 H14

425

11,5

18/3

695 H14

515

12

16,1

22/3

793 Н14

590

20,5

Примечание. Размер Dp необходимо корректировать в зависимости от фактического внутреннего диаметра оболочки для обеспечения допустимого зазора в сварном соединении в соответствии с ГОСТ 5264.

Пример условного обозначения ребра для штуцера монтажного 04:

Ребро 01/3 ГОСТ 14115-85

6.1. Допускается изготовление ребер диаметром св. 500 мм сварными из 2 - 4 деталей в виде части кольца каждая с разделкой кромок под сварку С 21 по ГОСТ 5264.

7. Приварка ребер штуцеров должна соответствовать указаниям, приведенным на черт. 5 и в табл. 2.

Черт. 5

8. На каждый штуцер должна быть нанесена маркировка, содержащая его условное обозначение.

9. Остальные технические требования - по ГОСТ 14116.

10. Фактическая масса штуцеров не должна превышать более чем на 6 % значений, приведенных в табл. 2-5.

ИНФОРМАЦИОННЫЕ ДАННЫЕ

1. РАЗРАБОТАН И ВНЕСЕН Министерством монтажных и специальных строительных работ СССР

РАЗРАБОТЧИКИ

В.А. Воронов, Э.Я. Гордон, B.С. Европин

2. УТВЕРЖДЕН И ВВЕДЕН В ДЕЙСТВИЕ Постановлением Государственного комитета СССР по стандартам от 22.01.85 № 140

3. ВЗАМЕН ГОСТ 14115-78

4. ССЫЛОЧНЫЕ НОРМАТИВНО-ТЕХНИЧЕСКИЕ ДОКУМЕНТЫ

Обозначение НТД, на который дана ссылка

Номер пункта

ГОСТ 5264-80

п. 3, п. 5, п. 5.1, п. 6, п. 6.1, п. 7

ГОСТ 8732-78

п. 4.1

ГОСТ 10704-91

п. 4.1

ГОСТ 14114-85

п. 3

ГОСТ 14116-85

п. 9

5. Ограничение срока действия снято Постановлением Госстандарта от 18.06.90 № 1617

6. ПЕРЕИЗДАНИЕ (январь 1999 г.) с Изменением № 1, утвержденным в июне 1990 г. (ИУС 9-90)

 




ГОСТЫ, СТРОИТЕЛЬНЫЕ и ТЕХНИЧЕСКИЕ НОРМАТИВЫ.
Некоммерческая онлайн система, содержащая все Российские Госты, национальные Стандарты и нормативы.
В Системе содержится более 150000 файлов нормативно-технической документации, действующей на территории РФ.
Система предназначена для широкого круга инженерно-технических специалистов.

Рейтинг@Mail.ru Яндекс цитирования

Copyright © www.gostrf.com, 2008 - 2026