Крупнейшая бесплатная информационно-справочная система онлайн доступа к полному собранию технических нормативно-правовых актов РФ. Огромная база технических нормативов (более 150 тысяч документов) и полное собрание национальных стандартов, аутентичное официальной базе Госстандарта. GOSTRF.com - это более 1 Терабайта бесплатной технической информации для всех пользователей интернета. Все электронные копии представленных здесь документов могут распространяться без каких-либо ограничений. Поощряется распространение информации с этого сайта на любых других ресурсах. Каждый человек имеет право на неограниченный доступ к этим документам! Каждый человек имеет право на знание требований, изложенных в данных нормативно-правовых актах!

  


 

Система нормативных документов в строительстве

СВОД ПРАВИЛ ПО ПРОЕКТИРОВАНИЮ
И СТРОИТЕЛЬСТВУ

ПУТИ НАЗЕМНЫЕ РЕЛЬСОВЫЕ
КРАНОВЫЕ

Проектирование, устройство
и эксплуатация

СП 12-103-2002

ГОСУДАРСТВЕННЫЙ КОМИТЕТ РОССИЙСКОЙ ФЕДЕРАЦИИ
ПО СТРОИТЕЛЬСТВУ И ЖИЛИЩНО-КОММУНАЛЬНОМУ КОМПЛЕКСУ
(ГОССТРОЙ РОССИИ)

Москва
2003

ПРЕДИСЛОВИЕ

1 РАЗРАБОТАН рабочей группой Технического комитета по стандартизации (ТК 376) «Эксплуатация строительно-дорожных машин и оборудования» в составе: ЗАО «ЦНИИОМТП», ОАО «ВНИИПТмаш», ФГУП «СКТБ башенного краностроения», НОУ НППА «Истек»

СОГЛАСОВАН Госгортехнадзором России (письмо № 12-53/989 от 3 декабря 2002 г.)

ВНЕСЕН Управлением государственной строительной политики Госстроя России

2 ОДОБРЕН И РЕКОМЕНДОВАН К ПРИМЕНЕНИЮ в качестве нормативного документа Системы нормативных документов в строительстве постановлением Госстроя России от 27 февраля 2003 г. № 26.

3 ВВЕДЕН ВПЕРВЫЕ

СОДЕРЖАНИЕ

Введение. 1

1 Область применения. 2

2 Нормативные ссылки. 2

3 Определения. 2

4 Общие положения. 2

5 Конструкция кранового пути. 3

6 Проектирование. 5

7 Устройство. 9

8 Эксплуатация. 15

Приложение А Перечень используемых нормативных документов. 20

Приложение Б Термины и определения. 22

Приложение В Головные организации по крановым путям и краностроению.. 24

Приложение Г Конструктивные решения и применяемые материалы.. 24

Приложение Д Паспорт кранового пути. 36

Приложение Е Состав технического задания на проектирование кранового пути. 41

Приложение Ж Схемы расположения защитного слоя земляного полотна. 41

Приложение И Расчет толщины защитного слоя земляного полотна. 42

Приложение К Критерии браковки элементов кранового пути. 46

Приложение Л Паспорт упор тупиковый. 47

Приложение М Приборы и аппаратура контроля. 49

Приложение Н Методика геодезического контроля состояния крановых путей. 49

Приложение П Методика измерения упругой просадки рельсовых нитей кранового пути с полушпалами. 51

ВВЕДЕНИЕ

Настоящий Свод правил разработан в развитие ГОСТ Р 51248-99 «Наземные рельсовые крановые пути. Общие технические требования», ПБ 10-382-2000 «Правила устройства и безопасной эксплуатации грузоподъемных кранов» и в соответствии с требованиями СНиП 10-01-94 «Система нормативных документов в строительстве. Основные положения».

Настоящий документ включает рекомендуемые положения, способы и средства обеспечения основных требований по проектированию, устройству и эксплуатации наземных рельсовых крановых путей. Изложены основные конструкции крановых путей, в том числе земляного полотна, верхнего строения и путевого оборудования, технические решения, направленные на повышение безопасности эксплуатации башенных кранов.

Настоящий нормативный документ разработан рабочей группой Технического комитета по стандартизации (ТК 376) «Эксплуатация строительно-дорожных машин и оборудования» (Н.Д. Тимофеев) в составе: ответственный исполнитель ЗАО «ЦНИИОМТП» (А.В. Глазов, Ю.А. Гутарев); ОАО «ВНИИПТмаш» (А.С. Липатов), ФГУП «СКТБ башенного краностроения» (Л.А. Невзоров), НОУ НППА «Истек» (И.Б. Зеленов) под методическим руководством Управления государственной строительной политики Госстроя России (А.А. Голушкин, Л.Н. Молоткова, С.Н. Симонов), Управления Московского округа Госгортехнадзора России (М.В. Румянцев) и Управления по котлонадзору и надзору за подъемными сооружениями Госгортехнадзора России (В.Г. Жуков).

СВОД ПРАВИЛ ПО ПРОЕКТИРОВАНИЮ И СТРОИТЕЛЬСТВУ

ПУТИ НАЗЕМНЫЕ РЕЛЬСОВЫЕ КРАНОВЫЕ
Проектирование, устройство и эксплуатация

TRACKS OVERLAND RAIL CRANE
Projection, structure and exploitation

1 ОБЛАСТЬ ПРИМЕНЕНИЯ

Свод правил предназначен для организаций и инженерно-технических работников, осуществляющих проектирование, устройство (монтаж) и эксплуатацию наземных рельсовых крановых путей независимо от форм собственности и принадлежности.

Настоящий документ распространяется на наземные рельсовые крановые пути (далее - крановые пути) башенных и стреловых кранов на рельсовом ходовом устройстве (далее - кранов) с нагрузкой колеса на рельс до 325 кН. Настоящий документ устанавливает требования к проектированию, устройству и безопасной эксплуатации крановых путей, а также по обеспечению безопасности при эксплуатации кранов на крановых путях.

2 НОРМАТИВНЫЕ ССЫЛКИ

В настоящем Своде правил использованы ссылки на нормативные документы, приведенные в приложении А.

3 ОПРЕДЕЛЕНИЯ

В настоящем документе применены термины и определения, приведенные в приложении Б.

4 ОБЩИЕ ПОЛОЖЕНИЯ

4.1 Для кранового пути, используемого в специфических условиях, должны учитываться требования настоящего документа и особые требования по эксплуатации для принятия соответствующих инженерно-защитных мер по повышению надежности конструкции и предупреждению развития опасных геологических процессов.

К специфическим условиям относится эксплуатация кранового пути:

в районах многолетнемерзлых грунтов и со снежными балластными призмами;

в районах с повышенной сейсмичностью;

в местностях с карстовыми явлениями;

на макропористых просадочных грунтах;

на набухающих, слабых или переувлажненных грунтах и в заболоченных местах;

на косогорах с поперечным уклоном свыше 1:10;

непосредственно на конструкциях возводимых объектов;

над инженерными сетями, проложенными без учета последующего устройства крановых путей;

на криволинейных участках;

на участках разового перегона крана с одного объекта на другой;

для кранов, перемещающихся по двум рельсам на каждой нити кранового пути с нагрузкой от колеса на рельс свыше 325 кН.

4.2 Проекты крановых путей для специфических условий эксплуатации разрабатываются или согласовываются головными организациями по крановым путям (приложение В).

При проектировании новых конструкций элементов кранового пути принятые решения должны быть согласованы с головной организацией.

4.3 Порядок надзора за устройством и эксплуатацией крановых путей осуществляется в соответствии с требованиями ПБ 10-382.

5 КОНСТРУКЦИЯ КРАНОВОГО ПУТИ

5.1 ОБЩИЕ ПОЛОЖЕНИЯ

Положения настоящего раздела рекомендуются для применения при проектировании и устройстве кранового пути.

5.1.1 Основные конструктивные решения по устройству кранового пути приведены в Г.1 приложения Г.

5.1.2 Крановый путь состоит из нижнего строения, верхнего строения, путевого оборудования и заземляющего устройства.

5.1.3 В состав нижнего строения кранового пути входят земляное полотно (в том числе, при наличии - защитный слой) и водоотводное устройство (водоотвод).

5.1.4 В состав верхнего строения кранового пути входят балластный слой (в том числе подсыпка), опорные элементы, рельсы, стыковые и промежуточные скрепления и стяжки.

5.1.5 В состав путевого оборудования входят тупиковые упоры, отключающие устройства, лотки и настилы для гибкого кабеля (используемого для питания электрооборудования крана), ограждение, знаки безопасности.

5.1.6 В состав заземляющего устройства входят очаг(и) заземления, заземляющие проводники и перемычки.

5.2 НИЖНЕЕ СТРОЕНИЕ

5.2.1 Протяженность кранового пути должна приниматься исходя из условия обслуживания краном всей рабочей зоны строительно-монтажных или технологических работ, предусмотренной проектом производства работ краном или технологической картой.

5.2.2 Длина земляного полотна Lз.п определяется по формуле

Lз.п ³ Lр.н + 2δт + 3hб,                                                    (1)

где Lр.н - длина рельсовой нити, мм;

δт - торцевое плечо балластного слоя, (δт ³ 1000), мм;

3hб - размер двух проекций откосов балластного слоя толщиной hб, мм.

5.2.3 Ширина земляного полотна Вз.п определяется по формуле

Вз.п ³ К + Вб.с + 2а,                                                       (2)

где К - колея крана, мм;

Вб.с - ширина балластного слоя по низу, мм;

а - плечо земляного полотна (а ³ 400 мм).

5.2.4 Продольный уклон земляного полотна из недренирующего грунта должен быть не более 0,003; поперечный уклон - в пределах 0,008-0,01 в сторону от возводимого сооружения или котлована либо в сторону понижения местности.

Земляное полотно из дренирующего или скального грунта допускается выполнять горизонтальным.

5.2.5 Плотность грунта земляного полотна должна быть, г/см3, не менее:

для мелких и пылеватых песков    - 1,7;

для супесей и суглинков                 - 1,65;

для тяжелых суглинков                   - 1,55;

для пылеватых суглинков и глин   - 1,5.

5.2.6 Водоотводное устройство кранового пути должно включаться в общий водоотвод строительной площадки. Конструкция водоотводных устройств, число и место их расположения устанавливаются проектом кранового пути. Продольный уклон водоотводных устройств должен быть не менее 0,003. Схемы расположения водоотводных устройств приведены в приложении Ж.

5.2.7 Поперечный профиль водоотводных канав должен быть трапецеидальным: шириной по дну не менее 250 мм, глубиной - 350 мм. Откосы канав должны составлять при песчаных и супесчаных грунтах 1:1,5, в остальных случаях - 1:1.

В скальных грунтах допускается устраивать водоотводные канавы треугольной формы глубиной не менее 250 мм с откосами 1:0,2.

5.2.8 Допускается выполнять водоотводные канавы с засыпкой высокодренирующим материалом (щебень, гравий, крупнозернистый песок).

В зависимости от гидрологических условий площадки могут применяться железобетонные лотки с дренажными стенками и дренажи мелкого заложения.

5.3 ВЕРХНЕЕ СТРОЕНИЕ

5.3.1 Минимальная длина рельсовых нитей кранового пути под монтаж крана должна равняться двукратной величине базы крана, но должна быть не менее 12,5 м.

5.3.2 Минимальная длина рельсовых нитей кранового пути для крана, перемещающегося по пути, кроме периода монтажа, должна быть не менее 31,25 м.

5.3.3 Балластный слой устраивается отдельно под каждой рельсовой нитью или на всю ширину кранового пути.

В качестве балластного материала для крановых путей следует применять щебень из природного камня по ГОСТ 7392, гравий или гравийно-песчаную смесь по ГОСТ 7394 или другие материалы, рекомендуемые для устройства балластного слоя, приведенные в Г.2 приложения Г.

5.3.4 Ширина балластного слоя Вб.с определяется по формуле

Вб.с = S + 2δ + 3hб,                                                        (3)

где S - размер опорного элемента поперек рельсовой нити, мм;

δ - боковое плечо балластного слоя (δ ³ 200 мм);

3hб - размер двух проекций откосов балластного слоя толщиной hб, мм.

5.3.5 Минимальную толщину балластного слоя в зависимости от нагрузки колеса на рельс и применяемого материала для устройства земляного полотна следует принимать по таблице 1 ГОСТ Р 51248.

Требуемая толщина балластного слоя под опорными элементами должна определяться расчетом с учетом условий прочности земляного полотна и грунтового основания.

5.3.6 Откосы боковых сторон балластного слоя должны быть выполнены с уклоном 1:1,5.

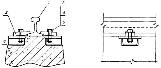
5.3.7 В качестве опорных элементов следует применять:

при нагрузке от колеса на рельс до 250 кН включительно - полушпалы или железобетонные плиты;

при нагрузке от колеса на рельс свыше 250 кН - железобетонные балки.

Общие виды и габариты опорных элементов приведены в Г.3 приложения Г.

5.3.8 Расстояния между осями промежуточных скреплений опорных элементов кранового пути должны быть: с деревянными полушпалами - 500 мм; с железобетонными полушпалами - от 500 до 750 мм; с железобетонными плитами - от 500 до 800 мм; с железобетонными балками - от 750 до 1300 мм.

Допускаемые отклонения между осями промежуточных скреплений не должны превышать 50 мм.

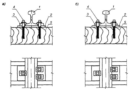
5.3.9 В конструктивных решениях кранового пути применяются следующие типы рельсов: Р43 по ГОСТ 7173; Р50 по ГОСТ 7174; Р65 по ГОСТ 8161. Основные характеристики рельсов приведены в Г.4 приложения Г.

5.3.10 Под подкладки на железобетонные опорные элементы крановых путей рекомендуется устанавливать упругую прокладку, например, из резинокорда или конвейерной ленты по ГОСТ 20 (см. Г.5 приложения Г).

5.3.11 В качестве крепежного элемента для соединения рельса с опорным элементом используют: для деревянных полушпал - железнодорожные костыли по ГОСТ 5812, путевые шурупы - по ГОСТ 809, плоские подкладки и нормальные или облегченные прижимы, клеммы - по ГОСТ 22343; для железобетонных полушпал, плит и балок - болтовые соединения с прижимами.

Конструкции промежуточного скрепления рельсов к опорным элементам и прижимов, приведены в Г.5 приложения Г.

5.3.12 Рельсы кранового пути должны соединяться между собой с помощью стыковых двухголовых накладок по ГОСТ 8193, ГОСТ 19127 и ГОСТ 19128, стягиваемых путевыми болтами по ГОСТ 11530 с использованием пружинных шайб по ГОСТ 19115 и гаек по ГОСТ 11532.

Конструкции стыковых двухголовых накладок и их размеры приведены в Г.6 приложения Г.

5.3.13 Крановый путь должен соединяться в поперечном направлении фиксирующими элементами - стяжками, которые устанавливаются в начале и конце пути по крайним закладным опорных элементов, а в промежутке пути - не менее одного элемента на инвентарную секцию или с шагом не более 6, 25 м.

Конструкции стяжек и их размеры приведены в Г.7 приложения Г.

5.4 ПУТЕВОЕ ОБОРУДОВАНИЕ

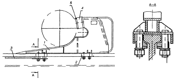
5.4.1 На рельсовых нитях кранового пути должны быть установлены тупиковые упоры, тип которых соответствует конструктивному решению, указанному в паспорте крана завода-изготовителя, и разрешенные к эксплуатации Госгортехнадзором России.

Конструкции применяемых тупиковых упоров и их установка на крановом пути приведены в Г.8 приложения Г.

5.4.2 На одной из рельсовых нитей пути перед тупиковыми упорами должны быть установлены отключающие устройства, конструкция которых зависит от типа концевого выключателя, установленного на кране.

Конструкции отключающих устройств приведены в Г.9 приложения Г.

5.4.3 Вдоль кранового пути на участках перемещения гибкого кабеля, используемого для питания электрооборудования крана (при отсутствии на кране кабельного барабана) рекомендуется устраивать лоток или настил из строганых досок (полимерных материалов), уложенный и закрепленный на стяжках пути, или гирляндную подвеску.

Конструкции лотков и настилов приведены в Г.10 приложения Г.

5.4.4 Ограждение кранового пути должно выполняться в соответствии с требованиями ГОСТ 23407.

Конструкции инвентарных ограждений приведены в Г.11 приложения Г.

5.4.5 Знаки безопасности должны выполняться по ГОСТ Р 12.4.026.

К основным знакам безопасности относятся:

«Входить на крановый путь посторонним запрещается»;

«Место стоянки крана»;

«Место проезда автотранспортных средств» (при необходимости);

«Место стоянки автотранспортных средств» под их загрузку или разгрузку (при необходимости);

«Место размещения контрольного груза».

5.5 ЗАЗЕМЛЯЮЩЕЕ УСТРОЙСТВО

5.5.1 Металлические части кранового пути, которые не находятся под электрическим напряжением, но могут оказаться под таковым вследствие нарушения изоляции, подлежат заземлению для обеспечения безопасности людей.

5.5.2 Рельсовые нити кранового пути должны быть присоединены к очагу заземления. Рельсы на обоих концах пути и концы стыкуемых рельсов соединяют между собой проводниками и перемычками с образованием непрерывной электрической цепи.

5.5.3 Все соединения заземляющего устройства следует производить сваркой внахлестку.

5.5.4 Заземляющее устройство кранового пути должно быть независимым от существующей системы электроснабжения сети.

Схемы заземления пути приведены в Г.12 приложения Г.

6 ПРОЕКТИРОВАНИЕ

6.1 ОБЩИЕ ПОЛОЖЕНИЯ

6.1.1 Проектирование крановых путей осуществляется, как правило, в одну стадию в соответствии с требованиями государственных стандартов, строительных норм и правил, Правил устройства и безопасной эксплуатации грузоподъемных кранов, ЕСКД, настоящего Свода правил и других действующих нормативных документов.

6.1.2 Состав и содержание проектной документации на устройство и эксплуатацию кранового пути регламентируются общими требованиями ГОСТ Р 51248.

В состав проектной документации входят:

выкопировка из стройгенплана;

проект кранового пути;

паспорт кранового пути;

проект производства работ на устройство кранового пути;

проект на устройство переезда через крановый путь для наземного транспорта (при необходимости);

требования по эксплуатации кранового пути.

6.1.3 Проект кранового пути должен содержать:

план кранового пути с указанием основных размеров (ширины колеи, длины пути и участка для стоянки крана);

конструкцию нижнего строения (включая водоотводное устройство);

конструкцию верхнего строения;

типы и физико-механические характеристики грунтов и используемых материалов;

конструкцию тупиковых упоров, отключающих устройств, лотков и настилов;

тип рельсов, тип опорных элементов и нагрузку на рельс от колеса крана;

расстояние между опорными элементами;

способ крепления рельсов между собой и к опорным элементам;

конструкцию подкладок и упругих элементов;

зазор между рельсами;

величины продольного и поперечного уклонов;

конструкцию, схему и описание заземляющего устройства;

минимальный допустимый радиус кривой для криволинейных участков пути (при их наличии);

указания о месте монтажа крана;

конструкцию переездов через крановые пути для автомобильного транспорта (при необходимости);

допуски, контролируемые при устройстве и эксплуатации планово-высотных положений рельсовых нитей кранового пути;

программу и методику испытаний кранового пути;

пояснительную записку с расчетами и обоснованиями проектных и конструкторских решений (в том числе, на какую интенсивность атмосферных осадков рассчитаны водоотводные устройства);

ведомость спецификаций.

6.1.4 Паспорт кранового пути должен содержать:

общий вид и характеристики кранового пути;

материалы и документы, оформленные в процессе устройства и оформляемые при эксплуатации кранового пути.

Форма паспорта на крановый путь приведена в приложении Д.

Допускается не составлять паспорт на крановый путь с периодом эксплуатации пути на объекте менее 24 мес.

6.1.5 Проект производства работ на устройство кранового пути разрабатывается на основе проекта кранового пути и должен соответствовать требованиям СНиП 3.01.01.

Проект производства работ должен содержать:

состав и способы производства работ;

календарный план производства работ с указанием последовательности и сроков выполнения работ;

потребность в трудовых ресурсах, средствах механизации и нормативном времени работы строительно-дорожных машин;

планы строительной площадки и видов ее ограждений, действующих и временных подземных, наземных и воздушных сетей и коммуникаций, размещения постоянных и временных дорог, схем движения транспорта и строительно-дорожных машин, мест размещения строительных и грузоподъемных машин с указанием путей их перемещения и зон действия;

графики поступления на объект конструкций, изделий, материалов и оборудования;

решения по производству геодезических работ;

методы технического контроля испытаний и режимных наблюдений;

перечни технологического инвентаря и монтажной оснастки, схемы строповки грузов;

решения по технике безопасности включая требования СНиП 12-03 и СНиП 12-04;

другие методы, средства и технические решения, обеспечивающие эффективное и безопасное производство работ по устройству кранового пути.

6.1.6 Разработка проектной документации на крановые пути осуществляется на основании технического задания. Состав технического задания приведен в приложении Е. В техническом задании должно учитываться требования проекта организации строительства (ПОС), проекта производства работ (ППР) и материалов (результатов) инженерно-геологических изысканий.

6.1.7 При проектировании земляного полотна применяют:

типовые конструктивные решения для участков с простыми инженерно-геологическими условиями;

индивидуальные проекты для участков со сложными инженерно-геологическими условиями, а также при проектировании земляного полотна с заданными нестандартными параметрами, когда требуется проверка устойчивости и прочности земляного полотна и его основания.

6.1.8 При разработке проекта производства работ на устройство кранового пути и привязке кранового пути к строящемуся объекту должны учитываться дополнительные требования, предъявляемые к зонам потенциально-опасных производственных факторов (участки территории вблизи строящегося здания (сооружения), этажи (ярусы) зданий и сооружений в одной захватке, зоны перемещения машин или их частей, рабочих органов и др.).

6.1.8.1 Расстояние по горизонтали между выступающими частями крана и строениями, штабелями грузов и другими предметами, расположенными на высоте до 2000 мм от уровня земли или рабочих площадок, должно быть не менее 700 мм, а на высоте более 2000 мм - не менее 400 мм.

6.1.8.2 Расстояние по вертикали от консоли противовеса или от противовеса, расположенного под консолью крана, до площадок, на которых могут находиться люди, должно быть не менее 2000 мм.

6.1.8.3 Для стоянки крана в нерабочем состоянии на крановом пути должен быть предусмотрен участок длиной 12,5 м с допускаемыми поперечным и продольным уклонами не более 0,002.

6.1.9 При выполнении прочностных расчетов конструкций кранового пути нагрузки принимаются на основании данных, указанных в паспорте крана завода-изготовителя.

6.1.10 При установлении расчетных характеристик грунтов могут быть использованы положения СНиП 2.02.01.

6.1.11 Подземные коммуникации, расположенные в зоне кранового пути, в том числе проложенные ранее, необходимо проверить расчетом.

6.1.12 При проектировании проектов крановых путей для кранов одной типоразмерной группы целесообразно применять типовые конструктивные решения.

6.1.13 Согласование и утверждение разработанной проектной документации на устройство крановых путей осуществляются в соответствии с СНиП 11-01.

6.1.14 Организация, разрабатывающая проектную документацию, может осуществлять авторский надзор и принимать участие в работе комиссии по приемке кранового пути в эксплуатацию.

6.2 ИНЖЕНЕРНО-ГЕОЛОГИЧЕСКИЕ И ГЕОДЕЗИЧЕСКИЕ ИЗЫСКАНИЯ

6.2.1 Целью изысканий является получение необходимых материалов о составе, физических и механических свойствах грунтов и гидрологических условиях.

6.2.2 Состав, объем и общие требования по видам инженерных изысканий для рабочего проекта кранового пути должны приниматься с учетом требований СНиП 11-02.

6.2.3 Данные геологических, гидрогеологических и инженерно-геодезических изысканий, полученные при выборе строительных площадок, участков проектируемых зданий и сооружений, должны использоваться при проектировании и разработке рабочей документации на крановые пути.

6.2.4 В случае несоответствия содержания имеющихся планов фактическому состоянию ситуации и рельефа производится их обновление. Дополнительные изыскания выполняются специализированными организациями, имеющими соответствующие лицензии Госстроя России на данный вид деятельности, и осуществляются в объемах, определяемых проектной организацией.

6.2.5 Границы и площади участков, подлежащих съемкам (обновлению планов), должны устанавливаться в техническом задании с учетом необходимости других видов изысканий.

6.3 НИЖНЕЕ СТРОЕНИЕ

6.3.1 При проектировании нижнего строения кранового пути следует учитывать специфические особенности инженерно-геологических условий регионов, а конструктивные размеры - принимать в соответствии с требованиями раздела 5 настоящего Свода правил.

6.3.2 На земляном полотне с глинистыми грунтами под балластным слоем следует предусматривать защитный слой из дренирующих грунтов.

Толщина защитного слоя устанавливается в зависимости от вида грунтов земляного полотна и его состояния, глубины промерзания грунтов и условий обеспечения заданной прочности основной площадки, исключающей появление деформаций под воздействием крановых нагрузок, ограничения деформаций кранового пути под воздействием морозного пучения.

Толщину защитного слоя следует назначать по большему из полученных расчетом значений, но не менее 0,2 м. Схемы расположения защитного слоя земляного полотна под крановые пути приведены в приложении Ж, а расчет толщины защитного слоя приведен в приложении И. (Расчет носит рекомендательный характер и касается только случаев, когда в основании земляного полотна залегают водонасыщенные глинистые грунты и необходимо повысить прочность естественного основания.)

6.3.3 Поверхность глинистого грунта в основании защитного слоя следует планировать с двусторонним уклоном 0,04 от оси кранового пути.

6.3.4 Водоотводные устройства должны обеспечивать перехват грунтовых вод, а также пропуск максимальных паводковых вод и атмосферных осадков.

В конструкциях дренажей используются керамические, асбоцементные, бетонные, полимерные трубы и трубофильтры. Для предотвращения заиления трубы используется защитно-фильтрующая оболочка из синтетического нетканого материала. При отсутствии защитно-фильтрующей оболочки вокруг труб устраивается дренажный фильтр из мелкого щебня и песка.

6.3.5 При проектировании земляного полотна, возводимого в зимнее время, следует учитывать изменения прочностных и деформационных свойств основания в результате его промерзания и оттаивания.

6.4 ВЕРХНЕЕ СТРОЕНИЕ

6.4.1 Верх балластного слоя должен быть в одном уровне с нижними поверхностями опорных элементов.

6.4.2 Поверхность подсыпки h балластного слоя (см. Г.1а приложения Г) между полушпалами должна быть выше нижней поверхности полушпал не менее чем на 5 см.

6.4.3 Опорные элементы должны соответствовать действующим нагрузкам от крана.

6.4.4 Тип рельса должен соответствовать требованиям паспорта крана завода-изготовителя.

6.4.5 Число стыковых двухголовых накладок определяется исходя из длины рельсов и кранового пути.

6.4.6 Подкладки под рельсы должны соответствовать типу рельса, опорного элемента, типу стыка.

На крановом пути с деревянными полушпалами допускается применять железнодорожные подкладки по ГОСТ 7056, ГОСТ 8194 и ГОСТ 12135 с уклоном 1:20 при условии направления уклона внутрь колеи пути.

Подкладки должны располагаться так, чтобы их отверстия чередовались по отношению к рельсовой нити.

Подкладки костыльного и шурупного скрепления к железнодорожным рельсам типа Р43, Р50 и Р65 на деревянных полушпалах приведены в Г.13 приложения Г.

6.4.7 Стыки рельсовых нитей кранового пути следует располагать между опорными элементами. В зависимости от конструктивных особенностей железобетонных продольных опорных элементов (балок или плит) стыки рельсов могут быть смещены.

6.4.8 Стыки рельсовых нитей кранового пути для кранов КБ-674А и КБ-676, состыкованные четырехдырными пластинами (размер 516´70´10 мм), рекомендуется смещать на расстояние не менее 150 мм от зазора между железобетонными балками.

6.4.9 Применение нестандартных стыковых накладок для кранов V или VI типоразмерной группы должно быть обосновано проектом.

6.5 ПУТЕВОЕ ОБОРУДОВАНИЕ

6.5.1 Проектирование элементов путевого оборудования должно осуществляться в соответствии с требованиями 6.1.1 настоящего Свода правил.

6.5.2 При разработке проектной документации на крановый путь применяют, как правило, стандартизированное путевое оборудование с указанием места их установки. На другое оборудование представляется конструкторская документация.

6.5.3 Знаки безопасности, устанавливаемые на период устройства кранового пути, в соответствии с требованиями СНиП 3.01.01 указываются в проекте производства работ на устройство кранового пути.

6.6 ЗАЗЕМЛЯЮЩЕЕ УСТРОЙСТВО

6.6.1 Проектирование заземляющих устройств осуществляется в соответствии с требованиями Правил устройства электроустановок.

6.6.2 На каждые 50 м кранового пути должно быть не менее одного очага заземления.

6.6.3 Заземляющее устройство рекомендуется устраивать из трех стержней, расположенных по треугольнику или по прямой линии на расстоянии 3 м между стержнями, и присоединять проводниками к обеим рельсовым нитям кранового пути.

6.6.4 При глухозаземленной нейтрали, помимо схемы заземления, рельсовые нити кранового пути дополнительно соединяют с глухозаземленной нейтралью через нулевой провод гибкого кабеля, используемого для питания электрооборудования крана.

6.6.5 При изолированной нейтрали заземление осуществляют путем соединения рельсовых нитей кранового пути с заземляющим контуром питающей подстанции или с устройством очага заземления.

6.6.6 В качестве заземлителей используют: постоянные стальные трубопроводы, проложенные в грунте, обсадные трубы, металлические и железобетонные конструкции зданий и сооружений, имеющие надежное соединение с землей, а также переносные инвентарные заземлители (некондиционные стальные трубы диаметром 50-75 мм, угловую сталь с полками 50´50 и 60´60 мм или стальные стержни диаметром не менее 10 мм, длина заземлителей должна быть не менее 2,5 м).

Заземляющими проводниками не могут служить чугунные трубопроводы, трубопроводы, временно проложенные на строительных площадках, а также трубы с горючими жидкостями и газом.

6.6.7 Для заземляющих проводников и перемычек в стыках рельсов следует применять сталь диаметром 6-9 мм или полосовую сталь толщиной не менее 4 мм с площадью сечения не менее 48 мм2.

Применение изолированных проводов для заземляющих проводников и перемычек не допускается.

Приварка перемычек и заземляющих проводников к рельсам должна производиться к вертикальной стенке по ее нейтральной оси через промежуточную стальную пластину (Г.12 приложения Г). Размеры промежуточной пластины должны быть 30´3 мм, а длина пластины должна обеспечить сварной шов с проводником длиной не менее 30 мм.

6.6.8 При питании крана через четырехжильный кабель от отдельной передвижной электростанции, находящейся на расстоянии не более 50 м от кранового пути и имеющей собственное заземляющее устройство, заземления не требуется. В этом случае нулевой провод кабеля должен присоединяться к рельсам.

6.6.9 При напряжении электропитания крана свыше 380 В заземление должно устраиваться по специальному проекту.

7 УСТРОЙСТВО

7.1 ОБЩИЕ ПОЛОЖЕНИЯ

7.1.1 Устройство кранового пути выполняется по проектной документации, разработанной специализированной организацией в соответствии с требованиями Правил устройства и безопасной эксплуатации грузоподъемных кранов, Правил устройства электроустановок и настоящего Свода правил.

7.1.2 Устройство переезда через крановый путь для наземного транспорта выполняется по специальному проекту.

7.1.3 Устройство кранового пути по неутвержденному проекту производства работ запрещается.

7.1.4 Отступления от решений, принятых в проектной документации без согласования с организациями, разработавшими и утвердившими ее, не допускаются.

7.1.5 Перед устройством земляного полотна кранового пути необходимо выполнить работы по прокладке инженерных сетей и коммуникаций, по очистке площадки от строительного мусора, посторонних предметов и растительного слоя, а в зимнее время - от снега и льда, а также установить на местности репер и разбивочные знаки (ось кранового пути и оси водоотводов).

7.1.6 До начала работ по устройству верхнего строения кранового пути заезд посторонних машин и механизмов на подготовленное земляное полотно запрещается.

7.1.7 При устройстве кранового пути рекомендуется использовать машины, оборудование, инструмент и приспособления, обеспечивающие качественное выполнение работ.

7.2 НИЖНЕЕ СТРОЕНИЕ

7.2.1 Планировку земляного полотна целесообразно начинать с участков, прилегающих к строящемуся объекту или бровке котлована.

7.2.2 Не допускается применять насыпной грунт:

с примесью древесины, волокнистых материалов, гниющего или легкосжимаемого строительного мусора, а также подверженных набуханию включений: льда, снега и дерна;

в виде смеси недренирующего грунта (глина, суглинок) с дренирующим;

слоями, где высоко дренирующий грунт будет покрыт грунтом с меньшей дренирующей способностью;

в мерзлом (полностью или частичном) состоянии, а также вести отсыпку земляного полотна во время снегопада и уплотнять грунт поливкой водой в зимнее время.

7.2.3 Способ уплотнения, типы уплотняющих машин и оборудования, толщина уплотняемого слоя и число проходов в зависимости от вида и характера грунта рекомендуется принимать в соответствии с таблицей 1.

Таблица 1 - Способы уплотнения, типы уплотняющих машин и оборудования, толщина уплотняемого слоя и число проходов

Вид и характер грунта

Способ уплотнения

Тип уплотняющей машины и оборудования

Число проходов*

Толщина уплотняемого слоя, мм

Легкий и тяжелый суглинок, другие связанные грунты

Укатка

Самоходные катки статического действия, масса 6-10 т

6-10

120-300

Песок с примесью щебня, гравия, несвязанные и малосвязанные грунты с содержанием глинистых фракций до 60 %

Виброуплотнение

Прицепные вибрационные катки, масса 3-5 т и другие виброуплотняющие машины

3-4

150-400

Связанные грунты в местах примыкания

Трамбование

Электротрамбовки или навесные ударные трамбовки

-

10-200

* Число проходов, толщина отсыпаемого и уплотняемого грунта должны уточняться на опытном участке уплотнения

7.2.3.1 Насыпной грунт должен укладываться слоями с обязательным послойным уплотнением: пылевато-глинистые грунты следует уплотнять укаткой или трамбовкой; песчаные грунты и подобные им отходы промышленного производства - укаткой или вибрацией, а места примыкания земляного полотна к бровке котлована - только трамбовкой.

7.2.3.2 Уплотнение насыпного грунта следует выполнять при оптимальной влажности грунта, значения которой приведены в таблице 2.

Таблица 2 - Значения оптимальной влажности грунта

Грунт

Оптимальная влажность, %

Грунт

Оптимальная влажность, %

Песок

8-12

Тяжелый суглинок

15-22

Супесь

9-15

Пылеватый суглинок

17-23

Суглинок

12-18

Глина

18-25

7.2.3.3 Повторное уплотнение производится после того, как вся ширина земляного полотна охвачена следами предыдущих проходов. Предыдущий след необходимо перекрывать последующим не менее чем на 100 мм.

7.2.4 Работы по возведению земляного полотна, а также песчаного балластного слоя в зимнее время должны быть организованы таким образом, чтобы грунт (материал) был доставлен, уложен до его смерзания и образования мерзлой корки на ранее отсыпанном слое.

Время от загрузки до начала смерзания грунта принимается согласно данным, приведенным в таблице 3.

Таблица 3 - Время смерзания грунта

Температура окружающего воздуха, °С

Время до начала смерзания, мин

-5

90-100

-10

60-80

-20

40-50

-30

30-40

7.2.5 Во время выполнения работ по устройству земляного полотна, при необходимости, составляется Акт освидетельствования скрытых работ. После выполнения работ должен быть составлен Акт сдачи-приемки нижнего строения кранового пути. Формы соответствующих актов приведены в приложении Д.

7.3 ВЕРХНЕЕ СТРОЕНИЕ

7.3.1 Отсыпка балластного слоя рельсовых нитей кранового пути осуществляется после завершения работ по устройству земляного полотна.

7.3.2 Перед отсыпкой балластного слоя необходимо определить гранулометрический состав балластного материала, который должен соответствовать параметрам, заложенным в проекте.

7.3.3 До начала отсыпки балластного материала на подготовленном земляном полотне необходимо установить оси рельсовых нитей кранового пути, которые закрепляются выносными знаками.

7.3.4 При отсыпке балластного слоя (погрузка, разгрузка и распределение материала) необходимо исключить возможность его загрязнения и засорения.

7.3.5 Расход материала Vв на устройство балластного слоя кранового пути (Г.1 приложения Г) определяется по формуле

Vв = 1,2n (Lр.н+ 2δт + 1,5hб) (S + 2δ + 1,5hб)hб,                           (4)

где 1,2 - коэффициент, учитывающий дополнительный расход материала на подсыпку и уплотнение балласта;

п - количество призм балластного слоя;

Lр.н - длина рельсовой нити, м;

δт - торцевое плечо балластного слоя (δт ³ 1000 мм), м;

1,5 - коэффициент, учитывающий откосы балластного слоя;

hб - толщина балластного слоя, м;

S - размер опорного элемента поперек рельсовой нити, м;

δ - боковое плечо балластного слоя (δ ³ 200 мм), м.

7.3.6 Балластные слои следует устраивать с равномерным уплотнением по всей площади и в соответствии с требованиями 7.2.3 настоящего Свода правил.

Допускается песчаный балласт в летнее время уплотнять поливкой распыленной струей воды.

7.3.7 Бровки балластного слоя должны быть выровнены параллельно рельсовым нитям, обеспечивая необходимый размер плеча и одинаковый откос на всем протяжении кранового пути.

7.3.8 Верхнее строение кранового пути с деревянными полушпалами рекомендуется выполнять из инвентарных деревометаллических секций (Г.14 приложения Г), которые собирают, как правило, на базах механизации, реже - на строительной площадке.

Готовые инвентарные секции перед отправкой на строительные объекты следует комплектовать стыковыми скреплениями, стяжками и деталями для их прикрепления, а при перевозке инвентарных секций - обеспечивать отсутствие остаточной деформации.

Транспортные средства, используемые для перевозки инвентарных секций, должны иметь приспособления, обеспечивающие надежное крепление секций при перевозке.

7.3.9 На применяемые рельсы, железобетонные опорные элементы должны иметься паспорта или сертификаты на соответствие их качества требованиям государственных стандартов или технических условий.

7.3.10 Применяемые деревянные полушпалы должны изготавливаться из сосны, ели, пихты, лиственницы или кедра путем распиливания на две равные части деревянных шпал железных дорог широкой колеи по ГОСТ 78. Полушпалы, изготовленные из древесины, рекомендуется пропитывать маслянистыми защитными средствами (антисептиком «Уранит» или креозотом) по ГОСТ 20022.5.

Допускается применение полушпал из бревен с отесанными поверхностями или из деревянных брусьев по ГОСТ 8486.

7.3.11 В деревянных полушпалах для крепления к ним рельсов должны быть просверлены отверстия:

диаметром 12 мм и глубиной 130 мм для костылей;

диаметром 18 мм          »          »             155 мм   »   шурупов.

7.3.12 Полушпалы необходимо располагать перпендикулярно оси рельса. Рельс крепится к деревянным полушпалам через прокладки полным комплектов путевых шурупов или костылей. Торцы полушпал должны располагаться по прямой линии.

Для предохранения шурупов от самопроизвольного вывинчивания в отверстия полушпал перед закручиванием шурупов рекомендуется заливать расплавленный тугоплавкий битум.

7.3.13 Не допускается прикреплять рельсы к деревянным полушпалам шурупами без установки прижимов, прожигать отверстия в рельсах с помощью электросварки и приваривать рельс к закладным деталям железобетонных опорных элементов.

7.3.14 Допускается применять рельсы новые или старогодные I и II групп годности в соответствии с ТУ 0921-057-01124328 и ТУ 0921-077-01124328.

Длина рельсовой вставки должна быть не менее 3 м. Число вставок - не более двух на рельсовую нитку кранового пути.

7.3.15 Сужение или расширение колеи кранового пути не должно превышать 10 мм номинального размера.

7.3.16 Предельные величины отклонений кранового пути от проектного положения при устройстве не должны превышать величин, указанных в таблице 2 ГОСТ Р 51248 и приложении 10 ПБ 10-382.

7.3.17 Прямые рельсовые стыки должны быть укомплектованы полным числом болтов с гайками и пружинными шайбами. Концы болтов и шпилек должны выступать над гайками на 1-2 нитки. Резьбовые соединения необходимо смазывать не реже 2 раз в год.

Болты должны быть установлены так, чтобы гайки поочередно были направлены внутрь и наружу колеи пути. Конструкция и размеры болтовых соединений должны исключать ослабление затяжки и соприкосновения с конструктивными элементами противоугонного устройства крана.

7.3.18 При устойчивой отрицательной температуре окружающего воздуха допускается укладывать балластный слой без предварительного уплотнения грунтового основания. В этом случае в весенне-летний период должны быть выполнены работы по уплотнению грунтового основания в соответствии с требованиями проекта кранового пути.

7.3.19 Для облегчения разборки кранового пути с деревянными полушпалами в зимнее время рекомендуется применять изолирующие многослойные прокладки, укладываемые под деревянные полушпалы таким образом, чтобы прокладки охватывали их нижнюю и частично боковые поверхности.

В качестве прокладок можно применять рубероид, толь, картон или другие материалы, пропитанные битумом, отработанным машинным маслом, нигролом или солидолом.

7.3.20 После устройства верхнего строения кранового пути необходимо произвести геодезическую съемку и по ее результатам, при необходимости, выполнить рихтовку рельсовых нитей.

7.3.21 Пересечение кранового пути с рельсовыми путями заводского транспорта может быть допущено в отдельных обоснованных случаях, по согласованию с органами Госгортехнадзора России, после разработки мероприятий по предупреждению столкновения работающих кранов с подвижным составом.

7.4 ПУТЕВОЕ ОБОРУДОВАНИЕ

7.4.1 Соответствие тупиковых упоров, устанавливаемых на рельсовых нитях кранового пути, требованиям государственных стандартов, технических условий, проекта или нормативной документации должно подтверждаться соответствующими паспортами (сертификатами) на изделия.

Форма паспорта на тупиковый упор приведена в приложении Л.

7.4.2 Тупиковые упоры рекомендуется устанавливать таким образом, чтобы соприкосновение крана с двумя упорами происходило одновременно.

7.4.3 Отключающие устройства рекомендуется устанавливать из условия обеспечения расстояния от крана до тупикового упора не менее тормозного пути крана, указанного в паспорте завода-изготовителя.

7.4.4 Тупиковые упоры, отключающие устройства, выступающие части заземлителей, заземляющие проводники и перемычки следует окрашивать в соответствии с требованиями ГОСТ Р 12.4.026 в отличительный цвет (например, красный, черный).

7.5 ЗАЗЕМЛЯЮЩЕЕ УСТРОЙСТВО

7.5.1 Устройство заземления кранового пути необходимо выполнять в соответствии с требованиями проекта кранового пути.

7.5.2 Заземлители следует забивать или завинчивать в предварительно отрытый приямок глубиной 500-700 мм таким образом, чтобы вверху оставались концы длиной 100-200 мм, к которым будут приварены соединительные проводники (Г.12 приложения Г).

7.5.3 При эксплуатации крана на объекте до 3 месяцев допускается установка заземлителей в грунт без приямков. При этом длина выступающей части заземлителей должна быть не менее 100 мм.

7.6 МЕТОДЫ КОНТРОЛЯ. ТРЕБОВАНИЯ К СРЕДСТВАМ ИЗМЕРЕНИЯ

7.6.1 Приборы и аппаратура, применяемые при проведении контроля и испытания, должны иметь документ, подтверждающий их поверку и испытания по ПР 50.2.006 и ПР 50.2.009. Все нестандартизированные средства измерения должны пройти метрологическую аттестацию.

7.6.2 Рекомендуемые приборы и аппаратура контроля приведены в приложении М.

7.6.3 Средства нагружения в виде контрольных грузов, предназначенных для испытания кранового пути, должны приниматься с полем допуска, не превышающим трехкратного поля допуска для приборов, указанных в приложении М.

7.6.4 Средства измерений, не указанные в приложении М и допуски которых не установлены, не должны иметь погрешности более 2,5 %.

7.6.5 Перечень инструментов, приборов и средств измерений, а также допустимую погрешность измерений следует устанавливать в программе и методике испытаний кранового пути.

7.6.6 Обеспечение контроля планово-высотного положения элементов кранового пути в процессе его устройства и эксплуатации выполняется в соответствии с методикой геодезического контроля состояния крановых путей, приведенной в приложении Н.

7.6.7 Плотность земляного полотна кранового пути должна уточняться из расчета не менее одной точки на каждые 12,5 м рельсовой нити.

7.6.8 Проверку плотности грунта земляного полотна следует производить по ГОСТ 19912, ГОСТ 22733 или другим методом, обеспечивающим получение требуемой точности результата.

7.6.9 Методы измерения упругой просадки рельсовых нитей кранового пути с полушпалами под колесами крана приведены в приложении П.

7.6.10 Оценка водопроницаемости дренирующих грунтов, используемых для сооружения насыпей, возможна по показателям гранулометрического состава.

7.6.11 Влажность грунта следует определять по ГОСТ 5180.

7.6.12 Состав контролируемых показателей, предельные отклонения, объем и методы контроля при устройстве насыпей должны соответствовать требованиям СНиП 3.02.01.

7.6.13 Рельсы, крепления и опорные элементы должны быть проверены на соответствие их величинам предельного износа и браковочных показателей (приложение К).

7.6.14 Размер колеи следует проверять на каждом рельсовом звене в его средней части и в зоне болтовых стыков стальной рулеткой с ценой деления 1 мм. Отклонение размеров колеи от проектного не должно превышать значений, указанных в приложении К.

7.7 ПРИЕМОСДАТОЧНЫЕ РАБОТЫ

7.7.1 Приемосдаточные работы осуществляются комиссией.

Целью приемосдаточных работ является оценка соответствия кранового пути технической документации, качества выполненных работ по устройству пути и принятие решения о вводе пути в эксплуатацию.

7.7.2 Процедура сдачи и приемки кранового пути в эксплуатацию включает:

назначение приемосдаточной комиссии;

ознакомление и изучение членами комиссии представленной им технической документации, оценка качества и соответствия технической документации требованиям норм;

визуальный осмотр и выявление дефектов;

проведение приемосдаточных испытаний;

устранение дефектов, выявленных при визуальном осмотре и приемосдаточных испытаниях специалистами организации, выполнявшей устройство кранового пути;

оформление Акта сдачи-приемки кранового пути в эксплуатацию.

7.7.3 Приемосдаточная комиссия формируется и назначается приказом по организации, осуществляющей устройство кранового пути. Председателем комиссии назначается представитель заказчика.

В состав комиссии включаются представители (лица) от организаций:

осуществляющей устройство кранового пути;

заказчика (потребителя - эксплуатирующей организации);

проектной организации (разработчика проектной документации);

осуществлявших устройство заземления;

органов Госгортехнадзора (при необходимости).

7.7.4 Крановый путь перед сдачей-приемкой в эксплуатацию подлежит обкатке краном в соответствии с требованиями 4.7 ГОСТ Р 51248.

7.7.5 После обкатки кранового пути с полушпалами необходимо определить упругую просадку рельсовых нитей кранового пути по методике, приведенной в приложении П.

7.7.6 После соответствующей обкатки проводят планово-высотную съемку (нивелировку) положения рельсовых нитей кранового пути по головкам рельсов. Результаты планово-высотной съемки оформляются документально.

7.7.7 При превышении предельно допустимых значений планово-высотного положения рельсовых нитей или упругой просадки должны быть произведены необходимые выправочно-подбивочные и рихтовочные работы.

7.7.8 Членам комиссии для работы (ознакомления, изучения и оценки) должны быть представлены следующие документы:

проектная рабочая документация, в том числе проект кранового пути, проект производства работ на устройство кранового пути, документация на поставленные материалы и комплектующие изделия (при необходимости - сертификаты), паспорта или конструкторская документация;

Акт освидетельствования скрытых работ;

Акт сдачи-приемки нижнего строения под устройство верхнего строения кранового пути;

Акт сдачи-приемки кранового пути под монтаж крана;

Акт сдачи-приемки заземления кранового пути;

результаты планово-высотной съемки кранового пути.

7.7.9 После изучения и оценки документации комиссия осуществляет визуальный осмотр объекта с целью установления дефектов.

7.7.10 Сопротивление растеканию тока заземляющего устройства должно быть для крана, питающегося от распределительного устройства с глухозаземленной нейтралью, не более 10 Ом, с изолированной нейтралью - не более 4 Ом. Результаты измерения заносятся в акт замера сопротивления, прилагаемый к паспорту кранового пути.

При сопротивлении растекания тока заземляющего устройства более указанных величин необходимо устроить дополнительный очаг заземления или увеличить число заземлителей.

7.7.11 Результаты рассмотрения технической документации, осмотра, инструментального обследования и испытаний заносятся в соответствующие документы (отчеты, заключения, акты и т.д.). Эти документы должны храниться наравне с паспортом кранового пути.

7.7.12 Готовность кранового пути к эксплуатации подтверждается актом сдачи-приемки кранового пути в эксплуатацию по форме приложения 5 к паспорту кранового пути (приложение Д), к которому прилагаются результаты планово-высотной съемки, результаты замеров сопротивления растеканию тока заземляющего устройства.

Решение приемосдаточной комиссии о готовности к эксплуатации кранового пути утверждается ее председателем.

8 ЭКСПЛУАТАЦИЯ

8.1 ОБЩИЕ ПОЛОЖЕНИЯ

8.1.1 Производственный контроль за безопасной эксплуатацией крановых путей в комплексе мероприятий по безопасной эксплуатации кранов осуществляется в соответствии с Правилами организации и осуществления производственного контроля за соблюдением требований промышленной безопасности на опасном производственном объекте, утвержденными постановлением Правительства Российской Федерации от 10.03.99 № 263.

8.1.2 Руководители организаций и индивидуальные предприниматели - владельцы крановых путей, а также руководители организаций и индивидуальные предприниматели, эксплуатирующие крановые пути, обеспечивают содержание их в исправном состоянии путем организации надзора, технического обслуживания и ремонта.

8.1.3 Приказом по организации, эксплуатирующей грузоподъемные краны, назначаются инженерно-технический работник (служба) по надзору за безопасной эксплуатацией грузоподъемных кранов, грузозахватных приспособлений и тары и инженерно-технический работник, ответственный за содержание кранов в исправном состоянии, в функциональные обязанности которых входит надзор за крановыми путями и за их содержанием в исправном состоянии.

Приказом по организации может быть назначен инженерно-технический работник по надзору только за крановыми путями и инженерно-технический работник, ответственный за содержание только крановых путей.

8.1.4 Обучение и периодическая проверка знаний должны осуществляться:

для ИТР и ответственных специалистов - не реже одного раза в 3 года;

для рабочих (обслуживающего персонала) - один раз в год.

8.1.5 Организация, эксплуатирующая грузоподъемные краны, разрабатывает должностные инструкции для ИТР и ответственных специалистов и производственные инструкции для рабочих.

8.1.6 Организация, эксплуатирующая грузоподъемные краны, обеспечивает ИТР (специалистов) правилами безопасности, должностными инструкциями, руководящими документами по безопасной эксплуатации крановых путей и нормативной документацией (ПБ 10-382, ГОСТ Р 51248, РД 22-28-35, РД 10-138 и настоящим Сводом правил), а рабочих - производственными инструкциями, а также организует контроль их выполнения.

8.1.7 Крановые пути, находящиеся в эксплуатации, должны подвергаться постоянной проверке, периодическому комплексному обследованию, обслуживанию и ремонту в объеме и сроки согласно требованиям ГОСТ Р 51248 (раздел 5).

Реконструкция кранового пути осуществляется по проекту, разрабатываемому на основании утвержденного в установленном порядке технического задания (приложение Е).

8.1.8 Разрешение на эксплуатацию кранового пути выдается инженерно-техническим работником по надзору за безопасной эксплуатацией грузоподъемных кранов, назначенным согласно требованиям ст. 9.4.2 ПБ 10-382, на основании акта сдачи-приемки кранового пути в эксплуатацию или акта комплексного обследования кранового пути.

8.2 ТЕХНИЧЕСКИЙ РЕГЛАМЕНТ НАДЗОРА НА ПРЕДПРИЯТИИ

8.2.1 Положение о службе надзора на предприятии и должностные инструкции инженерно-технического работника по надзору разрабатываются на основе Типовой инструкции для инженерно-технических работников по надзору за безопасной эксплуатацией грузоподъемных машин (РД 10-40).

8.2.2 Служба надзора осуществляет надзор за техническим состоянием и безопасной эксплуатацией кранов и крановых путей контролирует соблюдение графиков периодических осмотров, технических обслуживании и ремонта крановых путей и принимает меры по предупреждению нарушений правил безопасности.

8.2.3 Организация контроля и проведение работ по обследованию, техническому обслуживанию и ремонту кранового пути осуществляются в соответствии с требованиями нормативных документов. Правил устройства и безопасной эксплуатации грузоподъемных кранов, Правил эксплуатации электроустановок потребителей и настоящего Свода правил.

8.2.4 При превышении параметров рельсов, опорных элементов и кранового пути от проектного положения в плане и профиле от предельных величин, приведенных в таблице 2 ГОСТ Р 51248 и приложении 10 ПБ 10-382, эксплуатация кранового пути может быть запрещена. Например, при выявлении следующих дефектов:

рельсы с отрубленными (неопиленными) или отрезанными автогеном концами независимо от длины, а также рельсы с прожженными, простреленными и нестандартными болтовыми отверстиями;

вмятины, забоины, лыски и волнистость на рабочих поверхностях рельсов более 5 мм на длине рельса 200 мм;

выкрашивание наплавленного или закаленного слоя рельса на длине более 25 мм;

наплыв металла свыше 6 мм на боковых гранях головки рельсов без признаков трещин и расслоений;

сколы в подошве или в головке рельса;

продольные горизонтальные трещины под головкой или около подошвы рельса;

трещины в головке, шейке, подошве, местах перехода шейки в головку или подошву и у болтовых отверстий рельсов, сварных швах стыков рельсов;

некомплектность стыковых и/или промежуточных скреплений (отсутствуют болты, гайки, пружинные шайбы, шплинты и т.п.);

коррозия элементов кранового пути на глубину, превышающую допустимые значения, указанные в нормативной или конструкторской документации (коррозия подошвы рельса допускается не более 4 мм);

усилие затяжки болтовых соединений кранового пути не соответствует крутящему моменту, указанному в нормативно-конструкторской документации;

трещины опорных элементов;

величина стыкового зазора превышает 12 мм.

8.2.5 Тупиковые упоры в случае наезда на них крана должны быть подвергнуты осмотру, о чем делается запись в паспорте тупиковых упоров.

8.2.6 Переезд автомашин и автопогрузчиков через крановые пути допускается в исключительных случаях, когда невозможен их объезд. Меры безопасности разрабатываются владельцем крана с учетом интенсивности их работы и движения транспорта.

8.2.7 При установке крана на эксплуатирующийся крановый путь последний должен быть проверен расчетом на допустимость данной нагрузки.

8.2.8 Оценка технического состояния как элементов, так и кранового пути в целом принимается по результатам периодического технического обслуживания на соответствие элементов кранового пути техническим требованиям.

8.3 ТЕХНИЧЕСКОЕ ОБСЛУЖИВАНИЕ И РЕМОНТ

8.3.1 Техническое обслуживание и ремонт кранового пути являются комплексом организационно-технических мероприятий, проводимых в плановом порядке, направленных на обеспечение работоспособности и исправности кранового пути в течение всего срока его службы.

8.3.2 Техническое обслуживание кранового пути подразделяется на следующие виды:

ежесменный осмотр;

периодическое техническое обслуживание;

техническое обслуживание в особых условиях;

сезонное техническое обслуживание;

комплексное обследование (экспертиза промышленной безопасности).

8.3.3 Ремонт подразделяется на следующие виды:

ремонт по техническому состоянию;

текущий ремонт;

капитальный ремонт.

8.3.4 Ежесменный осмотр кранового пути выполняет крановщик (машинист) в объеме, предусмотренном производственной инструкцией, перед началом рабочей смены. Результаты осмотра заносятся в вахтенный журнал.

При осмотре крановщик визуально выявляет:

общее состояние кранового пути;

дефекты рельсов;

комплектность, целостность элементов кранового пути и их крепления;

состояние путевого оборудования;

целостность заземляющего устройства.

8.3.5 В случае обнаружения неисправностей крановщик должен своевременно проинформировать лиц, ответственных за безопасное производство работ краном и содержание кранового пути в исправном состоянии, которые должны принять меры по устранению выявленных дефектов.

Должностные инструкции для вышеперечисленных лиц разрабатываются на основе типовых инструкций для лиц, ответственных за безопасное производство работ кранами (РД 10-34) и за содержание грузоподъемных машин в исправном состоянии (РД 10-30).

8.3.6 Элементы кранового пути, по которым выявлены дефекты (износ рельсов, трещины в рельсах или опорных элементах, несоответствие путевого оборудования требованиям эксплуатационной и нормативной документации и т.п.), при необходимости могут быть подвергнуты инструментальному контролю.

Рекомендуемые приборы и оборудование для инструментального контроля приведены в приложении М.

8.3.7 Периодическое техническое обслуживание пути выполняется аттестованными специалистами под руководством инженерно-технического работника, ответственного за содержание крановых путей в исправном состоянии, или лица, на которое возложены эти функции.

8.3.8 Периодическое техническое обслуживание пути включает визуальный осмотр и инструментальный контроль технического состояния планово-высотного положения рельсовых нитей, исправности элементов нижнего и верхнего строения, путевого оборудования, водоотвода и системы заземления, а также подготовку кранового пути к эксплуатации. Методики геодезического контроля состояния и измерения упругой просадки рельсовых нитей кранового пути приведены в приложениях Н и П.

Результаты осмотра, инструментального контроля и акт о выполненных работах с выводами о его техническом состоянии прилагаются к паспорту кранового пути.

8.3.9 Оценка технического состояния и работоспособности тупиковых упоров выполняется внешним осмотром изделия с выявлением деформированных элементов и проверкой момента затяжки элементов крепления (при наличии). Момент (усилие) затяжки должен соответствовать величинам, приведенным в эксплуатационной документации.

8.3.10 Оценка фактического соответствия по высоте тупиковых упоров и буферов крана проводится путем измерения и сравнения размеров по вертикали от головки рельса соответственно до буфера и элемента тупикового упора, входящего в соприкосновение с буфером в момент ожидаемого наезда. Разность измеренных величин должна быть не более 5 мм.

8.3.11 Оценку состояния и работоспособности отключающих устройств (выключающих линеек или копиров) выполняют внешним осмотром мест крепления с выявлением деформированных элементов и проверкой момента затяжки элементов крепления (при наличии), а также однократным наездом крана на минимальной скорости до срабатывания концевого выключателя. Проверка срабатывания концевого выключателя выполняется при участии «сигнальщика», который в случае несрабатывания концевого выключателя должен своевременно подать крановщику сигнал о немедленной остановке крана.

8.3.12 Периодическое техническое обслуживание устанавливает соответствие контролируемых параметров кранового пути требованиям проектно-конструкторской документации и нормативных документов и подтверждает технически исправное его состояние, обеспечивающее безопасную работу крана.

8.3.13 Периодичность технического обслуживания кранового пути проводится не реже одного раза в 24 смены, график периодического технического обслуживания и ремонта кранового пути утверждается приказом по организации - владельца кранового пути.

8.3.14 Периодичность измерения сопротивления растекания тока заземляющего устройства кранового пути проводится не реже двух раз в год в период наименьшей электропроводимости почвы: летом - при наибольшем ее просыхании и зимой - при наибольшем ее промерзании, что должно быть предусмотрено графиком работ, а также после каждого ремонта пути.

8.3.15 Техническое обслуживание в особых условиях (внеплановое периодическое техническое обслуживание) должно проводиться после возникновения неблагоприятных метеорологических условий (ливней, оттепели и др.), отрицательно влияющих на состояние земляного полотна и балластного слоя, а также по предписанию инспектора по надзору.

8.3.16 Сезонное обслуживание должно проводиться два раза в год для подготовки кранового пути к предстоящему сезону эксплуатации.

8.3.17 Сезонное обслуживание проводится специализированными бригадами в соответствии с графиком периодического технического обслуживания и ремонта кранового пути.

8.3.18 В целях безопасной эксплуатации грузоподъемных кранов, перемещающихся по крановым путям, в процессе эксплуатации должны проводиться комплексные обследования, которые подразделяются на:

первичное (не более 5 лет после введения пути в эксплуатацию);

повторное (устанавливается по результатам предыдущего обследования и при исправном или восстановленном до исправного состоянии крановых путей принимается не более 3 лет, а также при установке нового крана на эксплуатировавшийся ранее путь);

внеочередное (выполняется вне зависимости от срока эксплуатации кранового пути после землетрясений, наводнений, пожаров и других стихийных бедствий, повлекших за собой изменение свойств и параметров конструкций, по предписанию инспектора по надзору, а также по запросу владельца(ев) кранового пути или грузоподъемного крана).

При первичном и внеочередном обследовании кранового пути обследование крана не проводится.

8.3.19 Число повторных плановых обследований определяется условиями эксплуатации установленного грузоподъемного крана на крановом пути и может быть ограничено техническим состоянием пути либо экономическими факторами.

8.3.20 Комплексное обследование включает:

проверку наличия, состояния и системы организации эксплуатационной службы и службы надзора за исправным состоянием крановых путей;

проверку наличия, комплектности и содержания проектной и эксплуатационной документации;

проверку соответствия кранового пути проекту или эксплуатационной документации;

поэлементное обследование крановых путей с оценкой их фактического состояния (визуальный осмотр и инструментальное обследование рельсов, стыковых и промежуточных скреплений, опорных элементов, путевого оборудования, заземления и т.д.);

проведение нивелировки (см. приложение Н) с выдачей рекомендаций по рихтовке и выправке кранового пути при несоответствии отклонений пути нормативам, установленным в эксплуатационной документации или в ПБ 10-382;

выполнение работ по оценке состояния верхнего и нижнего строения кранового пути;

оформление результатов комплексного обследования с выдачей заключения (акта).

8.3.21 Комплексное обследование кранового пути проводится специализированной организацией, которая должна:

быть независимой по отношению к владельцу крановых путей и контролирующих органов, способных повлиять на принятие технических решений;

иметь лицензию (разрешение) на данный вид деятельности;

обладать квалифицированным кадровым персоналом;

обладать необходимыми техническими средствами;

иметь в пользовании руководящие и другие нормативные документы.

8.3.22 Организация, проводящая обследование, издает приказ, которым назначаются председатель комиссии - ответственный за технику безопасности и члены комиссии, принимающие участие в работах по обследованию на конкретном объекте.

Председателя комиссии рекомендуется назначать из лиц, имеющих высшее специальное образование, знания и практический опыт работы с грузоподъемными машинами и крановыми путями не менее 5 лет и опыт работы по обследованию не менее 1 года, знающего места повреждений и умеющего оценить последствия этих повреждений, аттестованного как специалиста по обследованию 2-го уровня (категории), имеющего право на принятие решения по вопросам, связанным с продлением срока эксплуатации кранового пути.

В состав комиссии по обследованию крановых путей должны входить:

инженер-геодезист;

инженер-механик (путь и путевое хозяйство);

инженер-строитель (строительные конструкции).

Все члены комиссии должны быть аттестованы в объеме программ, утвержденных Госгортехнадзором России и Госстроем России, и иметь на руках удостоверение специалиста по обследованию крановых путей 1-го уровня.

8.3.23 В техническое обслуживание могут входить:

осмотр;

контроль технического состояния;

очистка от мусора и грязи опорных элементов, путевого оборудования и контуров заземления;

подтяжка ослабленных путевых шурупов или подбивка костылей;

подтяжка и крепление ослабленных болтовых соединений и их смазка (смазывать рекомендуется не меньше двух раз в год);

обеспечение правильности установки тупиковых упоров и отключающих устройств;

замена составных частей кранового пути (тупиковых упоров, концевых выключателей и т.п.);

восстановление земляного полотна и профиля балластной призмы до проектных значений по ширине и высоте, в том числе очистка водоотводящих устройств от мусора и посторонних предметов.

8.3.24 В процессе эксплуатации кранового пути с целью обеспечения его работоспособности должны проводиться периодические ремонтные работы.

Перечень ремонтных работ определяется фактической потребностью, устанавливаемой при осмотре и инструментальном контроле пути.

В перечень работ могут входить:

разборка, определение дефектов, контроль технического состояния элементов, восстановление и сборка элементов кранового пути;

замена рельсов, рельсовых скреплений, опорных элементов и путевого оборудования;

рихтовка рельсовых нитей и выправка кранового пути;

регулировка зазоров в стыках рельсов;

восстановление исправности заземляющего устройства.

8.3.25 Ремонтные работы могут выполняться на участках организации - владельца крановых путей, специализированных управлений механизации по ремонту элементов кранового пути либо непосредственно на строительной или технологической площадке.

Ремонт проводится специализированными бригадами по техническому обслуживанию и ремонту крановых путей.

8.3.26 Для предупреждения появления неисправностей кранового пути по уровню, а также просадок необходимо содержать балластную призму в соответствии с установленным профилем, отводить воду от балластной призмы и земляного полотна, своевременно убирать мусор с поверхности балластного слоя и из-под рельсов, не допускать загрязнения балласта, следить за правильным расположением прокладок.

Особое внимание необходимо обращать на состояние шпал, балок и плит, правильность опирания опорных элементов на балласт, работу и состояние узла прикрепления рельса к опорным элементам, а также на исправное содержание стыков, стыковых и промежуточных скреплений.

8.3.27 В зимний период времени крановый путь, в том числе рельсы, стыковые и промежуточные скрепления, поверхности опорных элементов, путевое оборудование, соединительные проводники и перемычки заземляющего устройства, необходимо очищать от снега.

8.3.28 При ограничении зоны перемещения крана по крановому пути необходимо переустановить тупиковые упоры и отключающие устройства.

8.3.29 В весенний период необходимо предусматривать специальные меры по повышению безопасности работы крана еженедельный, а при необходимости и ежесменный инструментальный контроль за параметрами кранового пути, ограничение зоны передвижения крана вплоть до его стационарной остановки.

ПРИЛОЖЕНИЕ А

ПЕРЕЧЕНЬ ИСПОЛЬЗУЕМЫХ НОРМАТИВНЫХ ДОКУМЕНТОВ

Нормативный документ, на который дана ссылка

Наименование нормативного документа

Номер пункта СП 12-103-2002

ГОСТ 8.002-86

ГСИ. Государственный надзор и ведомственный контроль за средствами измерений. Основные положения

7.6.1

ГОСТ Р 12.4.026-2001

ССБТ. Цвета сигнальные, знаки безопасности и разметка сигнальная. Назначение и правила применения. Общие технические требования и характеристики. Методы испытаний

5.4.5,

7.4.4

ГОСТ Р 51248-99

Наземные рельсовые крановые пути. Общие технические требования

Все разделы

ГОСТ 20-85

Ленты конвейерные резинотканевые. Технические условия

5.3.10

ГОСТ 78-89

Шпалы деревянные для железных дорог широкой колеи. Технические условия

7.3.10

ГОСТ 166-89

Штангенциркули. Технические условия

Прил. М

ГОСТ 427-75

Линейки измерительные металлические. Технические условия

Прил. М,

прил. П

ГОСТ 809-71

Шурупы путевые. Технические условия

5.3.11

ГОСТ 3749-77

Угольники поверочные 90°. Технические условия

Прил. М

ГОСТ 5180-84

Грунты. Методы лабораторного определения физических характеристик

7.6.11

ГОСТ 5812-82

Костыли для железных дорог широкой колеи. Технические условия

5.3.11

ГОСТ 7056-77

Подкладки костыльного скрепления к рельсам типа Р43. Конструкция и размеры

6.4.6

ГОСТ 7173-54

Рельсы железнодорожные типа Р43 для путей промышленного транспорта. Конструкция и размеры

5.3.9,

п. Г.4 прил. Г

ГОСТ 7174-75

Рельсы железнодорожные типа Р50. Конструкции и размеры

5.3.9,

п. Г.4 прил. Г

ГОСТ 7392-85

Щебень из природного камня для балластного слоя железнодорожного пути. Технические условия

5.3.3

ГОСТ 7394-85

Балласт гравийный и гравийно-песчаный для железнодорожного пути. Технические условия

5.3.3

ГОСТ 7502-89

Рулетки измерительные металлические. Технические условия

Прил. М,

прил. П

ГОСТ 8161-75

Рельсы железнодорожные типа Р65. Конструкция и размеры

5.3.9,

п. Г.4 прил. Г

ГОСТ 8193-73

Накладки двухголовые к рельсам типов Р65 и Р75. Конструкция и размеры

5.3.12

ГОСТ 8194-75

Подкладки костыльного скрепления к железнодорожным рельсам типов Р65 и Р75. Конструкция и размеры

6.4.6

ГОСТ 8486-86

(СТ СЭВ 2369-80)

Пиломатериалы хвойных пород. Технические условия

7.3.10

ГОСТ 10528-90

Нивелиры. Общие технические условия

Прил. М,

прил. П

ГОСТ 10529-96

Теодолиты. Общие технические условия

Прил. М,

прил. П

ГОСТ 11530-93

Болты для рельсовых стыков железнодорожного пути. Технические условия

5.3.12

ГОСТ 11532-93

Гайки для болтов рельсовых стыков железнодорожного пути. Технические условия

5.3.12

ГОСТ 12135-75

Подкладки костыльного скрепления к железнодорожным рельсам типа Р50. Конструкция и размеры

6.4.6

ГОСТ 13837-79

Динамометры общего назначения. Технические требования

Прил. М

ГОСТ 13556-91

Краны башенные строительные. Общие технические условия

Прил. Л

ГОСТ 16016-79

Болты клеммные для рельсовых скреплений железнодорожного пути. Конструкция и размеры. Технические требования

Г.5 прил. Г

ГОСТ 16017-79

Болты закладные для рельсовых скреплений железнодорожного пути. Конструкция и размеры. Технические условия

Г.5 прил. Г

ГОСТ 16018-79

Гайки для клеммных и закладных болтов рельсовых скреплений железнодорожного пути. Конструкция и размеры. Технические требования

Г.4 прил. Г

ГОСТ 16210-77

Рельсы железнодорожные типа Р75. Конструкция и размеры

Г.5 прил. Г

ГОСТ 16277-93

(ИСО 6305-2-83)

Подкладки раздельного скрепления железнодорожных рельсов типов Р50, Р65 и Р75. Технические условия

Г.5 прил. Г

ГОСТ 19115-91

Шайбы пружинные путевые. Технические условия

5.3.12

ГОСТ 19127-73

Накладки двухголовые к рельсам типа Р43. Конструкция и размеры

5.3.12

ГОСТ 19128-73

Накладки двухголовые к рельсам типа Р50. Конструкция и размеры

5.3.12

ГОСТ 19912-2001

Грунты. Методы полевых испытаний статическим и динамическим зондированием

7.6.8

ГОСТ 20022.5-93

Защита древесины. Автоклавная пропитка маслянистыми защитными средствами

7.3.10

ГОСТ 21797-76

Шайбы пружинные двухвитковые для железнодорожного пути. Технические условия

Г.5 прил. Г

ГОСТ 22343-90

Клемма раздельного рельсового скрепления железнодорожного пути. Технические условия

5.3.11

ГОСТ 22733-77

Грунты. Метод лабораторного определения максимальной плотности

7.6.8

ГОСТ 23407-78

Ограждения инвентарные строительных площадок и участков производства строительно-монтажных работ. Технические условия

5.4.4

ГОСТ 25706-83

Лупы. Типы, основные параметры. Общие технические требования

Прил. М

СНиП 1.06.04-85

Положение о главном инженере (главном архитекторе) проекта

Прил. Д

СНиП 2.01.07-85*

Нагрузки и воздействия

6.1.9

СНиП 2.02.01-83*

Основания зданий и сооружений

6.1.10,

прил. И

СНиП 2.03.01-84*

Бетонные и железобетонные конструкции

Г.3 прил. Г,

Г.5 прил. Г

СНиП 3.01.01-85*

Организация строительного производства

6.1.5,

6.5.3

СНиП 3.01.03-84

Геодезические работы в строительстве

Прил. Н

СНиП 3.02.01-87

Земляные сооружения, основания и фундаменты

7.6.12

СНиП 10-01-94

Система нормативных документов в строительстве. Основные положения

Введение

СНиП 11-01-95

Инструкция о порядке разработки, согласования, утверждения и составе проектной документации на строительство предприятий, зданий и сооружений

6.1.13

СНиП 11-02-96

Инженерные изыскания для строительства. Основные положения

6.2.2

СНиП 12-03-2001

Безопасность труда в строительстве. Часть 1. Общие требования

6.1.5

СНиП 12-04-2002

Безопасность труда в строительстве. Часть 2. Строительное производство

6.1.5

СНиП 32-01-95

Железные дороги колеи 1520 мм

Прил. Ж

СП 32-104-98

Проектирование земляного полотна железных дорог колеи 1520 мм

Прил. Н,

прил. Ж,

прил. И

ПБ 10-382-2000

Правила устройства и безопасной эксплуатации грузоподъемных кранов

Все разделы

 

Правила организации и осуществления производственного контроля за соблюдением требований промышленной безопасности на опасном производственном объекте

8.1.1

ПУЭ

Правила устройства электроустановок

7.1.1; 6.6.1

 

Правила эксплуатации электроустановок потребителей

8.2.3

РД 10-30-93

Типовая инструкция для инженерно-технического работника, ответственного за содержание грузоподъемных машин в исправном состоянии

8.3.5

РД 10-34-93

Типовая инструкция для лиц, ответственных за безопасное производство работ кранами. С Изменением № 1 [РДИ 10-406(34)-01]

8.3.5

РД 10-40-93

Типовая инструкция для инженерно-технических работников по надзору за безопасной эксплуатацией грузоподъемных машин. С изменением № 1 [РДИ 10-388(40)-00]

8.2.1

РД 10-138-97

Комплексное обследование крановых путей грузоподъемных машин. Часть 1. Общие положения. Методические указания. С изменением № 1 [РДИ 10-349(138)-00]

8.1.6

РД 22-28-35-99

Конструкция, устройство и безопасная эксплуатация рельсовых путей башенных кранов

8.1.6

ТУ 0921-057-01124328-98

Рельсы железнодорожные новые сварные. Технические условия

7.3.14

ТУ 0921-077-01124328-99

Рельсы железнодорожные старогодные отремонтированные сварные. Технические условия

7.3.14

ПР 50.2.006-94

Порядок проведения поверки средств измерений

7.6.1

ПР 50.2.009-94

Порядок проведения испытаний и утверждения типа средств измерений

7.6.1

ПРИЛОЖЕНИЕ Б

ТЕРМИНЫ И ОПРЕДЕЛЕНИЯ

Нижеприведенные термины и определения используются в дополнение к Правилам устройства и безопасной эксплуатации грузоподъемных кранов ПБ 10-382.

Крановый путь - конструкция, воспринимающая и передающая крановые нагрузки на грунтовое основание и обеспечивающая безопасную работу крана на всем пути его передвижения.

Нижнее строение кранового пути - земляное полотно, обеспечивающее заданную несущую способность грунта, и водоотвод.

Водоотводное устройство (водоотвод) - сооружение для отвода воды, обеспечивающее эффективный отвод от земляного полотна воды.

Верхнее строение кранового пути - совокупность элементов конструкции пути, укладываемых на земляное полотно, воспринимающих и передающих нагрузки от колеса крана на земляное полотно.

Балластный слой - элемент верхнего строения кранового пути, служащий для распределения нагрузок от колес крана через опорные элементы на земляное полотно.

Плечо земляного полотна - расстояние по горизонтали от нижнего края балластного слоя до бровки земляного полотна.

Боковое плечо балластного слоя - расстояние по горизонтали от торца опорного элемента (полушпалы или продольной поверхности железобетонной балки) до края балластного слоя.

Торцевое плечо балластного слоя - расстояние по горизонтали от продольной поверхности крайней полушпалы или торца железобетонной балки до края балластного слоя.

Защитный слой - конструктивный элемент, обеспечивающий надежность конструкции земляного полотна и расширяющий сферу применения местных дренирующих грунтов.

Продольный уклон - разность отметок головок рельсов, отнесенная к длине 10 м.

Поперечный уклон - разность отметок рельсов в поперечном сечении кранового пути, отнесенная к колее.

Путевое оборудование - устройства (тупиковые упоры, отключающие устройства, ограждение и др.), обеспечивающие безопасную эксплуатацию грузоподъемного крана.

Тупиковый упор - устройство, предназначенное для гашения остаточной скорости крана и предотвращения его схода с концевых участков кранового пути в аварийных ситуациях при отказе отключающего устройства или тормозов механизма передвижения крана.

Опорные элементы - элементы, воспринимающие крановые нагрузки от рельсов и передающие их на балластный слой.

Рельсовая нить - рельсы, торцами состыкованные между собой, воспринимающие и передающие крановые нагрузки от колес крана на опорные элементы пути.

Старогодные рельсы - рельсы отремонтированные или годные к эксплуатации, ранее использовавшиеся на железных дорогах или других объектах промышленности.

Промежуточные скрепления - устройства, обеспечивающие соединения рельсов с подрельсовым опорным элементом.

Стяжка - элемент конструкции кранового пути, установленный между рельсовыми нитями для обеспечения стабильности колеи.

Отключающее устройство - устройство, обеспечивающее отключение в заданной точке кранового пути механизма передвижения крана при его перемещении за пределы рабочей зоны.

Заземление - преднамеренное электрическое соединение рельсовых нитей кранового пути с заземляющим устройством.

Заземляющее устройство - совокупность заземлителя и заземляющих проводников.

Заземлитель - проводник (электрод) или совокупность металлических соединенных между собой проводников (электродов), находящихся в соприкосновении с землей или ее эквивалентом.

Естественный заземлитель - находящиеся в соприкосновении с землей или ее эквивалентом электропроводящие части коммуникаций, зданий и сооружений производственного или иного назначения, используемые для целей заземления.

Заземляющий проводник - проводник, соединяющий заземляемые части рельсовых нитей кранового пути с заземлителем.

Зона растекания - область земли, в пределах которой возникает заметный градиент потенциала при стекании тока с заземлителя.

Влажность грунта - отношение массы воды в объеме грунта к массе этого грунта, высушенного до постоянной массы.

Плотность грунта - масса единицы объема грунта.

Плотность сухого грунта - отношение массы грунта за вычетом массы воды и льда в его порах к его первоначальному объему.

Устройство - проведение работ по подготовке, возведению и обустройству кранового пути.

Эксплуатация - стадия жизненного цикла кранового пути, на которой реализуется, поддерживается и восстанавливается его качество.

Эксплуатация кранового пути включает в себя в общем случае использование по назначению (работу), надзор, техническое обслуживание и ремонт.

Обследование - техническое диагностирование состояния кранового пути с целью выдачи заключения о возможности и условиях его дальнейшей эксплуатации.

Комплексное обследование - техническое диагностирование состояния кранового пути, крана и строительных конструкций, проверка организации эксплуатации, наличия и содержания эксплуатационной документации на крановые пути с выдачей акта (заключения) о возможности и условиях его дальнейшей эксплуатации на определенный период или рекомендации по его ремонту.

Обследование первичное - обследование крановых путей, выполняемое впервые.

Обследование повторное - обследование, выполняемое по истечении срока, установленного первичным или предыдущим обследованием.

Обследование внеочередное - обследование при возникновении значительных дефектов или неисправностей кранового пути (признаков появления неисправностей), создающих угрозу для безопасной эксплуатации грузоподъемного крана.

Периодическое техническое обслуживание - техническое обслуживание, выполняемое через установленные в эксплуатационной документации интервалы времени.

Сезонное техническое обслуживание - техническое обслуживание, выполняемое для подготовки кранового пути к использованию в осенне-зимних или весенне-летних условиях.

Техническое обслуживание в особых условиях - техническое обслуживание, выполняемое для подготовки кранового пути к использованию после возникновения неблагоприятных природных или других условий, указанных в отраслевой нормативно-технической документации, характеризуемых экстремальными значениями параметров.

Ремонт - комплекс операций по восстановлению исправности или работоспособности поврежденных, изношенных или пришедших в негодность по любой причине опорных элементов, путевого оборудования и узлов скрепления рельсовых нитей кранового пути.

Ремонт по техническому состоянию - плановый ремонт, при котором контроль технического состояния выполняется с периодичностью и объемом, установленными в нормативно-технической документации, а объем и момент начала ремонта определяются техническим состоянием кранового пути.

Текущий ремонт - ремонт, выполняемый для обеспечения или восстановления работоспособности кранового пути и состоящий в замене и (или) восстановлении отдельных элементов верхнего строения.

Капитальный ремонт - ремонт, выполняемый для восстановления исправности и полного или близкого к полному восстановлению ресурса кранового пути.

Реконструкция - изменение конструкции кранового пути, касающееся перераспределения и изменения нагрузок, вызывающее необходимость внесения корректировки в паспорт кранового пути (например, изменение типа опорного элемента, рельсов, тупиковых упоров и т.п.).

Планово-высотная съемка - комплекс работ по проверке прямолинейности, параллельности и горизонтальности рельсовых нитей кранового пути.

Нивелирование рельсовых нитей кранового пути - совокупность инструментальных измерений и вычислительных действий, в результате которых определяются разности высот (превышения) и высоты (отметки) точек наблюдения относительно плоскости и составляются продольные и поперечные профили кранового пути.

Паспорт кранового пути - документ, содержащий сведения, удостоверяющие гарантии разработчика и изготовителя, значения основных параметров и характеристик кранового пути, а также сведения, которые вносятся в период его эксплуатации и отражают текущее техническое состояние.

База крана - расстояние между осями опор (тележек) крана, измеренное по его продольной оси.

Колея - расстояние по горизонтали между осями рельсов кранового пути.

Рабочая зона кранового пути - расстояние, на котором кран может беспрепятственно перемещаться вдоль пути без наезда на отключающие устройства.

Владелец - предприятие, независимо от форм собственности, на балансе которого находится крановый путь.

Головная организация - организация, уполномоченная Госгортехнадзором России и/или Госстроем России:

проводить научно-исследовательские работы по безопасной эксплуатации грузоподъемных машин и крановых путей;

осуществлять функции специализированной организации в полном объеме;

разрабатывать проекты крановых путей;

разрабатывать нормативные документы по грузоподъемным машинам и крановым путям;

проводить экспертизу проектов по вновь разработанным и модернизированным кранам и крановым путям (до проведения приемочных испытаний);

проводить экспертизу грузоподъемных машин и условий их эксплуатации на крановых путях;

проводить обследование технического состояния крановых путей;

участвовать в приемочных испытаниях грузоподъемных машин и крановых путей;

участвовать в сертификации крановых путей.

ПРИЛОЖЕНИЕ В

ГОЛОВНЫЕ ОРГАНИЗАЦИИ ПО КРАНОВЫМ ПУТЯМ И КРАНОСТРОЕНИЮ

Наименование организации

Номенклатура

Адрес организации

ЗАО «ЦНИИОМТП»

Крановые пути, стреловые краны на рельсовом ходу

127434, Москва,

Дмитровское шоссе, 9

(095) 976-34-33,

(095) 976-16-33

ФГУП «СКТБ башенного краностроения»

Крановые пути, краны башенные, краны-лесопогрузчики, переставные и мачтовые краны, стреловые краны на рельсовом ходу, подъемники крановые

129301, Москва,

ул. Касаткина, 11

(095) 286-90-14

ПРИЛОЖЕНИЕ Г

КОНСТРУКТИВНЫЕ РЕШЕНИЯ И ПРИМЕНЯЕМЫЕ МАТЕРИАЛЫ*

* Приведенные в приложениях конструкции элементов кранового пути и расчеты являются примерами и не должны рассматриваться как единственные допустимые решения.

Г.1 КОНСТРУКЦИЯ КРАНОВОГО ПУТИ

а - на деревянных полушпалах; б - на железобетонных балках

1 - земляное полотно; 2 - балластный слой; 3 - водоотвод; 4 - рельс; 5 - полушпала; 6 - железобетонная балка; 7 - стяжка; 8 - выключающая линейка; 9 - копир; 10 - упор тупиковый безударного типа; 11 - упор тупиковый ударного типа; К - колея; Вз.п - ширина земляного полотна; Вб.с - ширина балластного слоя; S - размер опорных элементов (поперек оси пути); a - плечо земляного полотна; δ - боковое плечо балластного слоя; hб - толщина балластного слоя; h - толщина слоя подсыпки балласта; hк - глубина котлована; Lк - расстояние от края балластного слоя до края дна котлована; δт - торцевое плечо балластного слоя; Lр.н - длина рельсовой нити; Lз.п - длина земляного полотна

Г.2 МАТЕРИАЛЫ, РЕКОМЕНДУЕМЫЕ ДЛЯ УСТРОЙСТВА БАЛЛАСТНОГО СЛОЯ

Материал

Крупность частиц

Размеры зерен фракции, мм

Содержание частиц нормального размера зерен, % по массе, не менее

Допуски

Максимальный размер частиц, мм

Содержание частиц, % по массе, не более

крупнее верхнего номинального размера

мельче нижнего номинального размера

Щебень из природного камня

Крупный (нормальный)

25-60

90

От 60 до 70

5

5

Гравий карьерный

-

3-60

50

От 60 до 70

5

50

Гравий сортированный

-

3-40

90

60

5

5

Песок

Крупный и средний

0,5-3

50

5

50

50

Шлак гранулированный*

-

0,5-3

90

-

5

10

* Прочность на сжатие не менее 0,4 МПа (4 кгс/см2).

Г.3 ТИПЫ ОПОРНЫХ ЭЛЕМЕНТОВ

А. Деревянные полушпалы

а - обрезная; б - необрезная; в - брус

Поперечное сечение деревянных полушпал

Вид полушпал

Тип

Размеры полушпал, мм

h

h1

b

b1

b2

Обрезная

180

150

165

250

-

Необрезная

180

-

165

250

280

Брус

-

200

-

-

250

-

Б. Железобетонные элементы

Б1. Железобетонная полушпала типа ПШН1-13-325-1

Б2. Железобетонная полушпала типа ПШН4-13-325-1

Б3. Железобетонная балка типа БРП-62.8.3

Б4. Железобетонная плита

Б5. Железобетонная балка типа БРК-6.24-04

Г.4 КОНСТРУКЦИЯ И ОСНОВНЫЕ ХАРАКТЕРИСТИКИ РЕЛЬСОВ

b - ширина головки рельса вверху; b1 - ширина головки рельса внизу; b2 - ширина подошвы рельса; h - высота рельса

Рельс железнодорожный

мм

Типы рельсов

b

b1

b2

h

Р43

70,0

70,0

114,0

140,0

Р50

70,0

70,0

132,0

152,0

Р65

73,0

75,0

150,0

180,0

Р75

72,0

75,0

150,0

192,0

Г.5 КОНСТРУКЦИИ ПРОМЕЖУТОЧНЫХ СКРЕПЛЕНИЙ И ПРИЖИМОВ

1) рельсов с деревянными полушпалами

а - «нормальные» прижимы; б - «облегченные» прижимы

1 - рельс; 2 - подкладка; 3 - прижим; 4 - шуруп путевой; 5 - полушпала

Промежуточное скрепление рельса с деревянной полушпалой шурупами

1 - рельс; 2 - подкладка; 3 - полушпала; 4 - костыль

Промежуточное скрепление рельса с деревянной полушпалой костылями

2) рельсов с железобетонными опорными элементами

1 - рельс; 2 - прижим; 3 - закладной болт; 4 - гайка; 5 - шайба пружинная; 6 - железобетонный опорный элемент (балка)

Промежуточное скрепление рельса с железобетонной балкой закладным болтом

а - закладной болт по ГОСТ 16017; б - нестандартный анкерный закладной болт

1 - рельс; 2 - прижим; 3 - подкладка; 4 - закладной болт; 5 - гайка; 6 - шайба пружинная; 7 - железобетонный опорный элемент (балка, полушпала)

Промежуточное скрепление рельса с железобетонной балкой

1 - рельс; 2 - жесткая клемма; 3 - клеммный болт; 4 - закладной болт; 5 - гайка; 6 - двухвитковая шайба; 7 - подкладка; 8 - упругая подкладка; 9 - опорная шайба

Промежуточное скрепление рельса с железобетонной полушпалой жесткими клеммами

1 - рельс; 2 - прижим; 3 - шпилька; 4 - гайка; 5 - шайба пружинная; 6 - железобетонный опорный элемент (плита)

Промежуточное скрепление рельса с железобетонной плитой (балкой) шпилькой

3) прижимов

а - нормальные; б - облегченные

Прижимы для скрепления железнодорожных рельсов с деревянными шпалами

Тип рельсов

Размеры прижимов*, мм

А

Б

В

Г

Д

Е

Ж

Р43, Р50, Р65

75/70

50

35/30

26/31

12/14

15

10

* Перед чертой даны размеры для нормальных прижимов, после черты - для облегченных.

Прижимы для скрепления железнодорожных рельсов с железобетонными плитами и балками

Г.6 КОНСТРУКЦИИ СТЫКОВЫХ ДВУХГОЛОВЫХ НАКЛАДОК

а - шестидырные; б - четырехдырные

Типы двухголовых накладок

Тип накладки

Тип рельса

Размеры накладок, мм

Число овальных отверстий

А

Б

В

Г

Д

Е

Ж

З

И

Л

Шестидырные

Р43

65

160

110

120

24

32

94

-

-

790

3

Р50

50

140

150

140

26

34

104

-

-

820

3

Р65

49

130

220

202

30

40

127

-

-

100

3

Четырехдырные

Р43

65

-

-

-

24

-

94

110

120

470

-

Р50

50

-

-

-

26

-

104

150

140

540

-

Р65

79

-

-

-

28

-

127

220

202

800

-

Р65

70

-

-

-

32

-

127

165

430

900

-

Г.7 КОНСТРУКЦИИ СТЯЖЕК

1 - стяжка из трубы; 2 - стяжка из швеллера; 3 - стяжка из уголков; 4 - рельс; 5 - полушпала; 6 - железобетонная балка; 7 - прокладка; 8 - планка прижимная; 9 - болт; 10 - гайка; 11 - шайба пружинная; 12 - прижим

Конструкции стяжек на крановых путях с деревянными полушпалами (а), на путях с железобетонными балками (б), крепление стяжек (в)

Колея, м

Условный проход трубы, мм

Номер профиля

Размеры стяжек, мм

при полушпалах

при ж/б балках

А

А1 при типе рельса

Б

В

Г

швеллер

уголок

швеллер

Р43

Р50

Р65

4,5

50

10

4

8

4770

4440

4422

4404

210

4290

270

6,0

5

10

6270

5940

5922

5904

5790

7,5

5

10

7770

7440

7422

7404

7290

Г.8 КОНСТРУКЦИИ ТУПИКОВЫХ УПОРОВ И ИХ УСТАНОВКА НА КРАНОВОМ ПУТИ

а) безударного типа

б) ударного типа

в) комбинированного типа

1 - упор; 2 - прижим; 3 - разводка; 4 - амортизатор; 5 - отбойник

г) установка тупиковых упоров на рельсовой нити

1 - рельс; 2 - полушпала; 3 - железобетонная балка

Г.9 КОНСТРУКЦИИ ОТКЛЮЧАЮЩИХ УСТРОЙСТВ

Выключающая линейка

Копир

Примечание - Размеры М и Л должны соответствовать паспортным данным крана.

Г.10 КОНСТРУКЦИИ ЛОТКОВ И НАСТИЛОВ

Лоток для укладки кабеля для крана, оборудованного кабельным барабаном

Примечание - Размер К должен соответствовать паспортным данным крана.

Настил для укладки кабеля для крана, не оборудованного кабельным барабаном

Г.11 КОНСТРУКЦИИ ИНВЕНТАРНЫХ ОГРАЖДЕНИЙ*

* Допускается применять другие типы инвентарных ограждений, если они предусмотрены проектом кранового пути.

1 - стойка; 2 - патрубок; 3 - полускоба; 4 - рамка вертикальная; 5 - рамка горизонтальная; 6 - стержень вертикальный; 7 - стержень горизонтальный

1 - стойка; 2 - скоба; 3 - полускоба; 4 - анкер; 5 - гильза; 6 - опора

1 - полускоба; 2 - стойка; 3 - перила

Г.12 СХЕМЫ ЗАЗЕМЛЕНИЯ КРАНОВОГО ПУТИ

а - у концов пути                                                                          б - вдоль пути

1 - заземляющий проводник; 2 - путь; 3 - кран; 4 - перемычка; 5 - распределительный пункт; 6 - четырехжильный кабель; 7 - очаг заземления

Расположение очагов заземления

1 - промежуточная пластина; 2 - перемычка; 3 - накладка; 4 - рельс; 5 - заземляющий проводник

Прикрепление заземляющих проводников и перемычек к рельсам

1 - заземлитель; 2 - заземляющий проводник

Схема соединения вертикальных заземлителей

Г.13 ПОДКЛАДКИ КОСТЫЛЬНОГО И ШУРУПНОГО СКРЕПЛЕНИЯ К ЖЕЛЕЗНОДОРОЖНЫМ РЕЛЬСАМ ТИПА Р43, Р40 И Р65 НА ДЕРЕВЯННЫХ ПОЛУШПАЛАХ

Крепление рельса к полушпалам с помощью шурупов (а) и с помощью костылей (б)

Тип рельса

Размеры подкладок, мм

А

А1

Б

Б1

В

Г

Г1

Д

Д1

Е

Е1

К

Р43

75

66

72

73

150

156

114

35

27

80

60

300

Р50

80

71

63

64

160

174

132

40

32

300

Р65

80

71

94

95

160

192

150

40

32

380

Г.14 ИНВЕНТАРНЫЕ ДЕРЕВОМЕТАЛЛИЧЕСКИЕ СЕКЦИИ (с использованием деревянных полушпал)

1 - рельс; 2 - полушпала; 3 - подкладка; 4 - костыль; 5 - швеллер; 6 - связь; 7 - планка ограничительная

При изготовлении инвентарных деревометаллических секций в качестве связывающих полушпалы рекомендуется применять некондиционные или бывшие в употреблении стальные полосы, уголки или швеллеры, сваренные из отдельных кусков.

В местах контакта полушпал с внутренней частью швеллера приваривают ограничительные планки.

После сверления отверстий в полушпалах диаметром 12 мм и глубиной 130 мм поверхность отверстий обрабатывается антисептиком.

Костыли вбиваются в отверстия полушпал.

Не допускается применение секций с деформированными элементами, связывающими полушпалы (искривление должно быть не более 20 мм на 1000 мм длины).

ПРИЛОЖЕНИЕ Д

(Форма)

Титульный лист

ПАСПОРТ

КРАНОВОГО ПУТИ

___ххх-хххххххх-хх-пс*__

(регистрационный номер или шифр паспорта)

* ПС - паспорт; первая группа знаков - регистрационный номер паспорта; вторая группа знаков - код ОКПО предприятия - разработчика паспорта; третья группа знаков - год разработки.

Оборот титульного листа

Вниманию владельца кранового пути!

1. Паспорт должен постоянно находиться у владельца кранового пути.

2. Разрешение на эксплуатацию кранового пути должно быть получено в установленном порядке.

3. В процессе эксплуатации кранового пути владелец заносит сведения о назначении ИТР, ответственных за содержание кранового пути в исправном состоянии, ремонте, регистрации изменений в соответствующие графы форм паспорта.

Стр. 1

Место для чертежа (рисунка, схемы) общего вида (план и разрез) кранового пути с указанием основных размеров.

Формат 210´290 (218´290) мм.

Стр. 2

ОБЩАЯ ЧАСТЬ

Владелец кранового пути ________________________________________________

_________________________________________________________________________

Место нахождения (адрес) кранового пути __________________________________

_________________________________________________________________________

_________________________________________________________________________

1. Тип и основные технические характеристики крана, установленного на крановом пути

1.1. Индекс (марка крана) ________________________________________________

1.2. Тип крана __________________________________________________________

1.3. Заводской номер ____________________________________________________

1.4. Регистрационный номер ______________________________________________

1.5. Колея крана (пролет кранового пути), м _________________________________

1.6. Скорость передвижения, м·с-1 (м/мин) __________________________________

1.7. Масса общая (в рабочем состоянии), т __________________________________

1.8. Нагрузка от колеса на рельс, кН _______________________________________

1.9. Расстояние от головки рельса до центра буфера крана, мм _________________

2. Технические данные по крановому пути

2.1. Земляное полотно

2.1.1. Длина, м __________________________________________________________

2.1.2. Ширина, м ________________________________________________________

2.1.3. Вид (материал) грунта:

основного ________________________________________________________

насыпного ________________________________________________________

2.1.4. Уклон пути (по проекту / при эксплуатации):

продольный _______________________________________________________

поперечный _______________________________________________________

в месте стоянки крана ______________________________________________

2.1.5. Плотность грунта, г/см3 (коэффициент уплотнения) _____________________

2.1.6. Водоотвод:

количество _______________________________________________________

основные размеры, мм _____________________________________________

уклон ____________________________________________________________

2.2. Балластный слой

2.2.1. Длина, м _________________________________________________________

2.2.2. Толщина, мм ______________________________________________________

2.2.3. Ширина (поверху), мм ______________________________________________

2.2.4. Материал _________________________________________________________

2.2.5. Гранулометрический состав

2.3. Элементы верхнего строения

2.3.1. Длина рельсовой нити, м ____________________________________________

2.3.2. Длина рельса, м ___________________________________________________

2.3.3. Тип рельса ________________________________________________________

2.3.4. Тип опорного элемента _____________________________________________

2.3.5. Число опорных элементов, шт. _______________________________________

2.3.6. Промежуточные скрепления _________________________________________

2.3.7. Расстояния по осям промежуточных скреплений, мм ____________________

2.3.8. Тип стыковых накладок ____________________________________________

2.3.9. Тип стяжек _______________________________________________________

2.3.10. Число стяжек, шт. ________________________________________________

2.3.11. Месторасположение стояночной площадки ___________________________

2.4. Путевое оборудование

2.4.1. Тип тупиковых упоров ______________________________________________

2.4.2. Тип отключающих устройств (устройство для отключения механизма передвижения крана) ______________________________________________________

2.4.3. Устройство для перемещения кабеля __________________________________

2.4.4. Наличие ограждения _______________________________________________

2.4.5. Наличие знаков безопасности ________________________________________

2.5. Заземление

2.5.1. Количество очагов __________________________________________________

2.5.2. Очаг:

число заземлителей ________________________________________________

материал заземлителя ______________________________________________

2.5.3. Заземляющие проводники:

материал _________________________________________________________

число проводников между рельсовыми нитями _________________________

2.5.4. Наличие перемычек в стыках рельсов _________________________________

2.5.5. Сопротивление растеканию тока, не более:

при изолированной нейтрали ________________________________________

при глухозаземленной нейтрали ______________________________________

3. Свидетельство о приемке

Крановый путь выполнен в соответствии с требованиями _____________________

(проект кранового пути,

________________________________________________________________________,

нормативная документация)

прошел испытания обкаткой и признан годным для эксплуатации с указанными в паспорте параметрами.

_______________________________________

(Ф.И.О.)                                  

М.П.                                                  _______________________________________

(должность)                              

_______________________________________

(подпись)                                

4. Эксплуатационные сведения

Сведения о назначении инженерно-технических работников, ответственных за содержание кранового пути в исправном состоянии*

Фамилия, имя, отчество, должность

Номер и дата приказа

Подпись ответственного лица

Назначение

Освобождение

1

2

3

4

 

 

 

 

 

 

 

 

* Не менее 5 страниц

Сведения о ремонте кранового пути*

Дата обнаружения неисправности кранового пути (ссылка на документ)

Сведение о характере неисправности

Принятые меры по устранению неисправности (ремонту). Дата начала и окончания ремонта

Подпись ИТР, ответственного за содержание кранового пути в исправном состоянии

1

2

3

4

 

 

 

 

 

 

 

 

* Не менее 5 страниц

Примечание - Документы, подтверждающие качество вновь установленных рельсов и опорных железобетонных элементов кранового пути, а также использованных при ремонте материалов (электродов, металлопроката и др.), и заключение о качестве сварки должны храниться наравне с паспортом.

Лист регистрации изменений*

Номер изменения

Номер листов

Всего листов в документе

№ документа

Входящий номер сопроводительного документа

Подпись

Дата

измененных

замененных

новых

аннулированных

 

 

 

 

 

 

 

 

 

 

 

 

 

 

 

 

 

 

 

 

* Не менее 2 страниц.

5. Документация, прилагаемая к паспорту

1. Разрешение (лицензия) на эксплуатацию подъемных сооружений.

2. Акт освидетельствования скрытых работ.

3. Акт сдачи-приемки нижнего строения кранового пути.

4. Акт сдачи-приемки кранового пути под монтаж крана.

5. Акт сдачи-приемки заземления кранового пути.

6. Акт сдачи-приемки кранового пути в эксплуатацию.

Приложение 1
(к паспорту)

АКТ № _____
освидетельствования скрытых работ

г. ________________                                                               «____»______________20__г.

__________________________________________________________________________

(наименование работ)

выполненных в _____________________________________________________________

(наименование и расположение объекта)

Комиссия в составе представителей:

строительно-монтажной организации _______________________________________

__________________________________________________________________________

(фамилия, инициалы, должность)

представителя технического надзора заказчика _______________________________

(фамилия, инициалы,

__________________________________________________________________________

должность)

представителя проектной организации (в случаях осуществления авторского надзора проектной организации в соответствии с требованиями 1.5 СНиП 1.06.04)

__________________________________________________________________________

(фамилия, инициалы, должность)

произвела осмотр работ, выполненных _________________________________________

(наименование

__________________________________________________________________________

строительно-монтажной организации)

и составила настоящий акт о нижеследующем:

1. К освидетельствованию предъявлены следующие работы ____________________

__________________________________________________________________________

(наименование скрытых работ)

2. Работы выполнены по проектно-сметной документации _____________________

__________________________________________________________________________

(наименование проектной организации, № чертежей и дата их составления)

3. При выполнении работ применены _______________________________________

(наименование материалов,

__________________________________________________________________________

конструкций, изделий со ссылкой на сертификаты или другие документы, подтверждающие качество)

4. При выполнении работ отсутствуют (или допущены) отклонения от проектно-сметной документации _____________________________________________________

__________________________________________________________________________

(при наличии отклонений указывается, кем согласованы, № чертежей и дата согласования)

5. Дата: начала работ ___________ окончания работ ___________

Решение комиссии:

Работы выполнены в соответствии с проектно-сметной документацией, стандартами, строительными нормами и правилами и отвечают требованиям их приемки.

На основании изложенного разрешается производство последующих работ по устройству нижнего строения кранового пути __________________________________

__________________________________________________________________________

__________________________________________________________________________

(наименование работ и конструкций)

Представитель строительно-монтажной организации            _______________________

(подпись)

Представитель технического надзора заказчика                      _______________________

(подпись)

Приложение 2
(к паспорту)

АКТ № _______
сдачи-приемки нижнего строения кранового пути

г. ________________                                                               «____»______________20__г.

Объект: ___________________________________________________________________

(месторасположение)

Комиссия в составе представителей:

строительно-монтажной организации _______________________________________

__________________________________________________________________________

(организация, должность, фамилия, инициалы)

технического надзора заказчика ____________________________________________

__________________________________________________________________________

(организация, должность, фамилия, инициалы)

проектной организации (при осуществлении авторского надзора в соответствии с требованиями 1.5 СНиП 1.06.04) _____________________________________________

__________________________________________________________________________

(организация, должность, фамилия, инициалы)

произвела работы по приемке нижнего строения кранового пути, выполненных _____

__________________________________________________________________________

(наименование строительно-монтажной организации)

и составила настоящий акт о нижеследующем:

К сдаче-приемке предъявлены:

__________________________________________________________________________

(наименование элементов нижнего строения)

1. Проект кранового пути _________________________________________________,

(шифр проекта)

разработанный __________________________________________________________

(наименование проектной организации)

2. Акт освидетельствования скрытых работ

Вывод

Работы по устройству нижнего строения кранового пути выполнены: ____________

__________________________________________________________________________

(в соответствии с проектно-сметной документацией, стандартами, строительными

__________________________________________________________________________

нормами и правилами, отвечают, не отвечают требованиям приемки)

На основании вышеизложенного комиссия считает: ___________________________

__________________________________________________________________________

(разрешается, не разрешается устройство верхнего строения кранового пути)

Представители:

___________________________________                                     _____________________

(наименование организации-заказчика)                                                                     (подпись)

___________________________________                                     _____________________

(наименование организации, выполнившей                                                                (подпись)

устройство нижнего строения кранового пути)

___________________________________                                     _____________________

(наименование организации-проектировщика                                                               (подпись)

кранового пути)

Приложение 3
(к паспорту)

АКТ № ______
сдачи-приемки кранового пути под монтаж крана

г. ________________                                                               «____»______________20__г.

Объект: ___________________________________________________________________

(месторасположение)

Комиссия в составе представителей:

строительно-монтажной организации _______________________________________

__________________________________________________________________________

(организация, должность, фамилия, инициалы)

технического надзора заказчика ____________________________________________

__________________________________________________________________________

(организация, должность, фамилия, инициалы)

проектной организации (при осуществлении авторского надзора в соответствии с требованиями 1.5 СНиП 1.06.04) _____________________________________________

__________________________________________________________________________

(организация, должность, фамилия, инициалы)

произвела работы по приемке верхнего строения кранового пути, выполненных ___

__________________________________________________________________________

(наименование строительно-монтажной организации)

и составила настоящий акт о нижеследующем:

К сдаче-приемке предъявлены:

__________________________________________________________________________

(наименование элементов верхнего строения)

1. Проект кранового пути _________________________________________________,

(шифр проекта)

разработанный __________________________________________________________

(наименование проектной организации)

2. Акт № _____ освидетельствования скрытых работ.

3. Акт № _____ сдачи-приемки нижнего строения кранового пути.

Вывод

Работы по устройству верхнего строения кранового пути выполнены: ____________

__________________________________________________________________________

(в соответствии с проектно-сметной документацией, стандартами,

__________________________________________________________________________

строительными нормами и правилами, отвечают, не отвечают требованиям приемки)

На основании вышеизложенного комиссия считает: ___________________________

__________________________________________________________________________

(разрешается, не разрешается монтаж крана)

Представители:

___________________________________                                     _____________________

(наименование организации-заказчика)                                                                     (подпись)

___________________________________                                     _____________________

(наименование организации, выполнившей                                                                (подпись)

устройство нижнего строения кранового пути)

___________________________________                                     _____________________

(наименование организации-проектировщика                                                               (подпись)

кранового пути)

Примечание - Под монтаж крана крановый путь может быть принят отдельным выверенным участком длиной не менее двукратной величины базы крана с установленными упорами на границах участка.

Приложение 4
(к паспорту)

АКТ № _______
сдачи-приемки заземления кранового пути

г. ________________                                                               «____»______________20__г.

Объект: __________________________________________________________________

(месторасположение)

Комиссия в составе представителей:

строительно-монтажной организации _______________________________________

__________________________________________________________________________

(организация, должность, фамилия, инициалы)

технического надзора заказчика ____________________________________________

__________________________________________________________________________

(организация, должность, фамилия, инициалы)

проектной организации (при осуществлении авторского надзора в соответствии с требованиями 1.5 СНиП 1.06.04) ______________________________________________

__________________________________________________________________________

(организация, должность, фамилия, инициалы)

произвела работы по приемке заземления кранового пути, выполненных _________

__________________________________________________________________________

(наименование строительно-монтажной организации)

и составила настоящий акт о нижеследующем:

К сдаче-приемке предъявлены:

__________________________________________________________________________

(наименование элементов заземления кранового пути)

1. Проект кранового пути _________________________________________________,

(шифр проекта)

разработанный _____________________________________________________________

(наименование проектной организации)

Сопротивление заземления, Ом:

при изолированной нейтрали __________________________________________

при глухозаземленной нейтрали ________________________________________

Вывод

На основании вышеизложенного комиссия считает, что работы по устройству заземления кранового пути выполнены:

__________________________________________________________________________

(в соответствии с проектно-сметной документацией, стандартами,

__________________________________________________________________________

строительными нормами и правилами, отвечают, не отвечают требованиям приемки)

Представители:

___________________________________                                     _____________________

(наименование организации-заказчика)                                                                     (подпись)

___________________________________                                     _____________________

(наименование организации, выполнившей                                                                (подпись)

устройство заземления кранового пути)

___________________________________                                     _____________________

(наименование организации-проектировщика                                                               (подпись)

кранового пути)

Приложение 5
(к паспорту)

АКТ № _____
сдачи-приемки кранового пути в эксплуатацию

г. ________________                                                               «____»______________20__г.

Объект: ___________________________________________________________________

(месторасположение)

Комиссия в составе представителей:

заказчика _______________________________________________________________

__________________________________________________________________________

(организация, должность, фамилия, инициалы)

организации, выполнившей устройство заземления кранового пути ______________

__________________________________________________________________________

организации, выполнившей устройство верхнего строения кранового пути ________

__________________________________________________________________________

проектной организации (при осуществлении авторского надзора в соответствии с требованиями 1.5 СНиП 1.06.04) ______________________________________________

__________________________________________________________________________

(организация, должность, фамилия, инициалы)

органа инспекторского надзора _______________________________________________

__________________________________________________________________________

(организация, должность, фамилия, инициалы)

произвела работы по приемке кранового пути и составила настоящий акт о нижеследующем:

1. К сдаче-приемке предъявлены:

1.1. Проектная документация на крановый путь _______________________________

__________________________________________________________________________

(наличие, № проекта, соответствует, не соответствует ЕСКД, организация-разработчик проекта,

__________________________________________________________________________

№ разрешения и/или лицензии)

Длина кранового пути, м __________________________________________________

1.2. Акт № ___ освидетельствования скрытых работ.

1.3*. Акт № ___ сдачи-приемки нижнего строения кранового пути.

1.4*. Акт № ___ сдачи-приемки кранового пути под монтаж крана.

* Акт № ___ составляется при выполнении соответствующих видов работ субподрядными организациями.

1.5. Акт № ____ сдачи-приемки заземления кранового пути.

1.6. Нивелировка (планово-высотная съемка) рельсовых нитей кранового пути: ____

_______________________________________________________________________ ;

(заключение № , наименование организации, выполнившей съемку)

2. При сдаче-приемке кранового пути произведены следующие виды работ:

2.1. Обкатка кранового пути проходами крана:

без груза ______________

с максимальным грузом ______________.

2.2. Нивелировка кранового пути, в том числе место стоянки крана.

Результаты планово-высотного положения рельсовых нитей кранового пути прилагаются.

Выводы и заключения

_______________________________________________________________ требованиям

(крановый путь соответствует или не соответствует)

Правил Госгортехнадзора России _____________________________________________

(допускается или не допускается к эксплуатации)

Представители:

___________________________________                                     _____________________

(наименование организации-заказчика)                                                                     (подпись)

___________________________________                                     _____________________

(наименование организации, выполнившей                                                                (подпись)

устройство заземления кранового пути)

___________________________________                                     _____________________

(наименование организации, выполнившей                                                                (подпись)

устройство нижнего строения кранового пути)

___________________________________                                     _____________________

(наименование организации-проектировщика                                                               (подпись)

кранового пути)

___________________________________                                     _____________________

(наименование органа инспекторского надзора)                                                           (подпись)

Примечание - Крановый путь должен быть оснащен путевым оборудованием, заземляющим устройством, предупреждающими знаками безопасности.

ПРИЛОЖЕНИЕ Е

СОСТАВ ТЕХНИЧЕСКОГО ЗАДАНИЯ НА ПРОЕКТИРОВАНИЕ КРАНОВОГО ПУТИ

1. Основание для проектирования.

2. Стадийность проектирования.

3. Особые условия площадки.

4. Выкопировка из стройгенплана.

5. Имеющиеся материалы инженерно-геологических изысканий и обследований района застройки (геоподоснова).

6. План инженерных сетей и коммуникаций, попадающих в сферу взаимодействия крановых нагрузок и грунтового основания.

7. Основные характеристики грузоподъемного крана (максимальные грузоподъемность, высота подъема груза, вылет, нагрузка от колеса крана на рельс; база и колея крана).

8. Краткое обоснование требований к устройству кранового пути, в том числе к конструкциям нижнего и верхнего строения, путевого оборудования, допускам и предельным отклонениям кранового пути, месту монтажа крана, водоотводному устройству, устройству переездов и т.д.).

ПРИЛОЖЕНИЕ Ж

СХЕМЫ РАСПОЛОЖЕНИЯ ЗАЩИТНОГО СЛОЯ ЗЕМЛЯНОГО ПОЛОТНА

а - естественное основание сухое; б - естественное основание сырое

Земляное полотно из насыпи

а - естественное основание сырое

б - естественное основание мокрое

Земляное полотно из выемки

а - естественное основание сухое

б - естественное основание сырое

1 - балласт щебеночный; 2 - дренирующий грунт; 3 - глинистый грунт; 4 - защитный слой из дренирующего (песчано-гравийного) грунта; 5 - водоотводная канава; 6 - железобетонный лоток с дренажными стенками; 7 - строящийся объект; 8 - дренажная система

Земляное полотно «нулевого места»

ПРИЛОЖЕНИЕ И

РАСЧЕТ ТОЛЩИНЫ ЗАЩИТНОГО СЛОЯ ЗЕМЛЯНОГО ПОЛОТНА

Определение толщины защитного слоя по условию обеспечения необходимой прочности подстилающего слоя может быть выполнено по упрощенной методике приложения В СП 32-104.

Для примера рассмотрим случай, когда в основании земляного полотна залегают глинистые грунты, находящиеся в мягкопластичном состоянии.

Материалы инженерно-гидрогеологических изысканий показывают, что данные грунты характеризуются следующими физико-механическими свойствами.

Первый вариант расчета

Исходные данные

Грунт естественного основания ............................... Суглинки сырые мягко-пластичной

консистенции

Показатель текучести IL ............................................................... 0,5 < IL < 0,75

Коэффициент пористости е ................................................................ 0,73

Плотность грунта ρ ........................................................................... 1,98 т/м3

Плотность сухого грунта ρd ............................................................. 1,58 т/м3

Нормативное* удельное сцепление Сн .......................................... 2,0 тс/м2

Расчетное** удельное сцепление Ср ............................................ 1,44 тс/м2

Нормативное* значение угла внутреннего трения jн ........................ 18°

Расчетное** значение угла внутреннего трения jр ........................... 15°

* Нормативные значения прочностных характеристик грунта определены по СНиП 2.02.01, приложение 1, таблица 2.

** При вычислении расчетных значений удельного сцепления и угла внутреннего трения введены коэффициенты надежности по грунту и вибродинамического воздействия.

Для предотвращения возможности возникновения в грунте деформаций, пластических сдвигов суммарные нормативные напряжения (от крановой нагрузки, собственной массы грунта и массы верхнего строения пути) не должны превышать критической для данного грунта нагрузки.

Критическая нагрузка Ркр определяется по формуле

где А и Б - параметры, значения которых устанавливаются по номограмме зависимости от сдвиговых характеристик грунта, представленной на рисунке И.1;

Рисунок И.1 - Номограмма зависимости параметров А и Б от прочностных характеристик грунта

1 - кривая зависимости А от j; 2-7 - кривые зависимости параметра Б от j при С, равном соответственно 0,5; 1,0; 1,5; 2,0; 2,5; 3,0 тс/м2

h - расстояние от нижнего уровня балластного слоя до рассматриваемого горизонта грунта основания, h = 0 (защитный слой отсутствует) и h = 2,0 м.

Для расчетных значений Ср = 1,44 тс/м2 и jр = 15° параметры будут иметь значения А = 0,25 м3/г, Б = 1,7 м.

Напряжение в теле основания земляного полотна определяется суммированием напряжений от всех действующих нагрузок:

- веса насыпного грунта земляного полотна;

- верхнего строения кранового пути;

- колеса крана на рельс.

При ширине колеи более 4,0 м прочность естественного основания от действующих нагрузок для каждой нитки кранового пути следует принимать отдельно.

Нагрузка от веса насыпного грунта земляного полотна Gгр = 0.

Рисунок И.2 - Схема нагрузок и воздействий на земляное полотно

Нагрузка от веса верхнего строения кранового пути на деревянных полушпалах Gв.с = 0,12 кгс/см2.

Нагрузка от колеса крана на рельс принимается в соответствии с паспортом крана завода-изготовителя - Gк = 27,5 тс в соответствии с ГОСТ Р 51248, таблица 1.

Эпюры нагрузок (рисунок И.2) принимаются трапецеидальной формы в поперечном сечении шириной поверху, равной длине полушпалы, шириной понизу (Lп.ш + hб), в продольном сечении - шириной поверху, равной ширине шпалы Б, понизу - (Б + 2hб).

Площадь опоры на уровне верха земляного полотна составит Sоп = 1,95 м2 при длине полушпалы, равной 1,4 м, и высоте балластного слоя 0,42 м.

Суммарная нагрузка на поверхности основания земляного полотна определяется по формуле

G = Gгр + Gв.с + Gк /Sоп = 0 + 0,12 кгс/см2 + 1,4 кгс/см2 = 1,52 кгс/см2.

Таким образом, суммарное напряжение на поверхности основания земляного полотна от нагрузки превышает допустимую критическую нагрузку Ркр при отсутствии защитного слоя (h = 0) более чем в 2 раза, а при h = 2,0 м Ркр близка к суммарной нагрузке G.

При этих условиях (h = 2,0 м) осуществляется расчет по условиям прочности грунта защитного слоя.

Распределение по вертикали напряжений, действующих в теле земляного полотна, включая защитный слой, имеет зависимость Gв.с = f(h) и Gк = f(h) в соответствии со СНиП 2.02.01, приложение 2.

Значения напряжений от крановой нагрузки на глубине Z поверхности земляного полотна определяются по формуле

Gzк = d · Gк,

где d - коэффициент, принимаемый по СНиП 2.02.01, приложение 2, таблица 1.

Координаты для построения эпюры напряжения приведены в следующей таблице:

Глубина вертикальных напряжений Z, м

Относительная глубина, м, 2Z/(Lп.ш + hб)

d

Gzк, кгс/см2

1,0

1,1

0,8

1,12

2,0

2,2

0,5

0,7

3,0

3,3

0,35

0,49

4,0

4,4

0,28

0,39

Аналогично определяются координаты для построения эпюры напряжений от верхнего строения кранового пути и других внешних нагрузок. Суммарная эпюра напряжений строится путем сложения соответствующих напряжений, возникающих от крановых нагрузок, верхнего строения кранового пути и собственного веса грунта на заданной глубине.

Минимальная толщина защитного слоя по условиям прочности используемого грунта определяется графическим методом (рисунок И.3) по точке пересечения суммарной эпюры напряжений G = f(h) и прямой Ркр = f(h). В данном примере hкр = 1,5 м.

Второй вариант расчета

Для снижения производственных затрат по доставке дренирующего грунта и сохранения природной среды следует запроектировать и осуществить ряд инженерных мероприятий, направленных на повышение несущей способности основания земляного полотна. В частности, необходимо устроить водоотвод (систему канава или дренаж) и осушить естественное основание до оптимальной влажности (15-16 %), а затем уплотнить его до нормальной плотности (ρd = 1,7-1,75 г/см3).

Рисунок И.3 - Распределение по глубине эпюр напряжений и критических нагрузок

Gв.с - эпюра напряжений от верхнего строения кранового пути; Gк - эпюра напряжений от крановых нагрузок; Gкр - эпюра напряжений от собственного веса грунта; G - суммарная эпюра напряжений; Ркр и Р"кр - критические нагрузки для 1-го и 2-го вариантов расчета; hкр и h"кр - толщина защитного слоя для 1-го и 2-го вариантов расчета

Ожидаемые новые физико-механические характеристики грунта

Показатель текучести IL ......................................................................... 0,25 < IL < 0,5

Коэффициент пористости е ........................................................................... 0,55

Нормативное удельное сцепление Сн ....................................................... 3,4 тс/м2

Расчетное удельное сцепление Ср ............................................................. 2,4 тс/м2

Нормативное значение угла внутреннего трения jн ................................... 23°

Расчетное значение угла внутреннего трения jр ......................................... 20°

Находим координаты критической нагрузки Р"кр для данной характеристики грунта

По номограмме (рисунок И.1) находим параметры: А = 0,19 м3/г; Б = 2,4 м.

При h = 0   Р"кр = 1,26 кгс/см2;

при h = 2    Р"кр = 2,3 кгс/см2.

По точке пересечения суммарной кривой нормативных напряжений (рисунок И.3) и допустимой критической нагрузке определяем толщину защитного слоя земляного полотна h"кр = 0,5 м.

Возможны и другие варианты расчетов, принятые в настоящее время в различных методических указаниях, рекомендациях и другой литературе, которые выполняются исходя из двух условий;

- обеспечение заданной прочности основания земляного полотна, исключающей появление деформаций под действием крановых нагрузок;

- ограничения деформаций кранового пути под воздействием морозного пучения.

ПРИЛОЖЕНИЕ К

КРИТЕРИИ БРАКОВКИ ЭЛЕМЕНТОВ КРАНОВОГО ПУТИ

К.1 ВЕЛИЧИНА ПРЕДЕЛЬНОГО ИЗНОСА РЕЛЬСОВ

Железнодорожные и крановые рельсы подлежат браковке, если вертикальный, горизонтальный или приведенный (вертикальный плюс половина горизонтального) износ головки рельса составляет более 15 % соответствующего размера неизношенного профиля рельса.

Значение предельного износа рельсов, сверх которого рельсы считаются негодными, приведено в таблице К.1.

Таблица К.1

Вид износа*

Предельный износ рельсов, мм

Р75

Р65

Р50

Р43

Приведенный износ головки рельса

14

13

11

10

Вертикальный износ головки рельса

13

10

9

8

* Износ рельсов представляет собой уменьшение первоначальных геометрических размеров головки рельса в результате пластических деформаций и абразивного истирания под действием колес крана

b - ширина головки рельса, мм; b1 - предельные значения по ширине головки рельса, мм; h - высота рельса, мм; h1 - предельные значения по высоте рельса, мм

Вертикальный и горизонтальный износ железнодорожных рельсов

К.2 НОРМЫ БРАКОВКИ ОПОРНЫХ ЭЛЕМЕНТОВ

К.2.1 Деревянные шпалы (полушпалы)

В деревянных шпалах (полушпалах) не должно быть:

разработки костыльных или шурупных отверстий, при которой после высверливания разрушенной древесины диаметр отверстия будет более 40 мм;

поперечных изломов;

поперечных трещин глубиной более 50 мм и длиной свыше 200 мм;

выколов кусков древесины между трещинами;

поверхностного смятия и загнивания древесины более 20 мм под подкладками и более 60 мм на остальных поверхностях, после удаления которой толщина шпалы будет менее 120 мм;

гнилости, при которой шпала не может выполнять своего назначения;

червоточин в количестве 6 шт. глубиной более 50 мм;

зарубов или запилов в местах укладки подкладок;

сучков размером более 25 мм в местах укладки подкладок;

отклонения от параллельности постелей более 10 мм по всей длине полушпал.

К.2.2 Железобетонные шпалы, плиты, балки

В железобетонных шпалах, плитах, балках не должно быть:

сплошных опоясывающих, торцевых или продольных (проходящих через оба отверстия для шпилек или закладных болтов) трещин длиной более 100 мм с раскрытием более 5 мм;

сколов бетона, расположенных у отверстия под шпильки или закладные болты, захватывающих более 30 % площади подрельсовой площадки;

сколов бетона до обнажения арматуры, а также иных сколов бетона на участке длиной более 250 мм и глубиной более 60 мм;

разрушений, рыхлости бетона в подрельсовой части, доходящих до втулок, т.е. разрушений узла прикрепления рельса к опорному элементу;

обнажения арматуры;

ослабления или разрыва арматуры (стержня);

непрямолинейности подрельсовой площадки более 5 мм.

К.3 НОРМЫ БРАКОВКИ КРЕПЕЖНОГО ЭЛЕМЕНТА РЕЛЬСОВ К ДЕРЕВЯННЫМ ШПАЛАМ (ПОЛУШПАЛАМ) И БРУСЬЯМ

К.3.1 Путевые шурупы

На поверхности шурупов не допускаются:

трещины, расслоения, риски и раковины глубиной более 0,5 мм для шурупов исполнения 1 и глубиной более 0,3 мм для шурупов исполнения 2;

притупление ребер квадратной части головки, выводящее размеры диагонали квадрата за предельное значение;

изогнутость стержня более 1 мм для шурупов исполнения 1 и более 0,5 мм для шурупов исполнения 2;

смещение оси головки относительно оси стержня более 1 мм;

лунка на конце стержня для шурупов исполнения 1 глубиной более 10 мм;

швы от разъема матриц высотой более 0,5 мм и ступеньки более 0,3 мм от смещения матриц;

заусенцы, забоины и вмятины более 1 мм на поверхности резьбы шурупов исполнения 1;

заусенцы, забоины, вмятины и наплывы металла более 0,5 мм на поверхности резьбы шурупов исполнения 2;

рванины и выкрашивания ниток резьбы, если они по глубине выходят за предельные отклонения наружного диаметра резьбы и если общая протяженность рванин и выкрашивания по длине превышает половину витка.

К.3.2 Костыли

На поверхности костылей не должно быть:

заусенцев и наплывов металла высотой более 1,5 мм;

высоты складок металла под головкой костыля более 2 мм;

высадочных трещин на затылке головки костыля глубиной более 0,5 мм;

на стержне костыля заусенцев высотой более 2,5 мм;

смещения заостренной части относительно оси стержня более 1,5 мм;

толщины заостренного лезвия костыля более 2 мм.

ПРИЛОЖЕНИЕ Л

(Форма)

ПАСПОРТ

УПОР ТУПИКОВЫЙ

______________________________

(шифр проекта)

Заводской №

1. НАЗНАЧЕНИЕ

Упор тупиковый предназначен для гашения остаточной скорости крана и предотвращения его схода с концевых участков кранового пути в аварийных ситуациях при отказе отключающего устройства или тормозов механизма передвижения крана.

2. ТЕХНИЧЕСКИЕ ХАРАКТЕРИСТИКИ

2.1. Тип упора тупикового _________________________________________________

2.2. Тип (размерная группа) крана по ГОСТ 13556 _____________________________

2.3. Номинальный грузовой момент (башенного крана), тс·м ____________________

2.4. Допустимый диаметр колеса крана (для упоров безударного типа), мм ________

2.5. Нагрузка от колеса крана на рельс, кН ____________________________________

2.6. Тип рельса, на который устанавливается упор _____________________________

2.7. Максимальная допустимая горизонтальная нагрузка на упор от буферной части крана не более, кН (тс) ______________________________________________________

2.8. Расстояние от головки рельса до центра буфера крана, мм __________________

2.9. Габариты, мм:

длина _____________________________________________________________

ширина ___________________________________________________________

высота ____________________________________________________________

2.10. Масса упора, кг ______________________________________________________

2.11. Момент затяжки болтовых соединений, Н·м (кгс·м) _______________________

3. КОМПЛЕКТ ИЗДЕЛИЯ

В разделе приводят рисунок изделия или другие необходимые иллюстрации (например):

 

1 - шилдик (табличка)

Маркировка тупикового упора. На боковой стороне упора должно быть клеймо со следующими данными:

наименование или торговый знак предприятия-изготовителя;

заводской номер (Зав. №);

год и месяц выпуска.

Раздел рекомендуется выполнять в виде таблицы

Обозначение изделия

Наименование изделия

Количество

 

Упор тупиковый

 

 

Паспорт

 

4. УСТРОЙСТВО И ПРИНЦИП РАБОТЫ

В данном разделе приводится описание:

конструкции тупикового упора, его составных элементов, узлов и деталей;

крепления тупикового упора к головке рельса (способ и инструмент, применяемый для затяжки болтовых соединений);

процедуры установки тупикового упора; основного принципа работы тупикового упора.

5. ПОДГОТОВКА ИЗДЕЛИЯ К РАБОТЕ

В разделе приводится описание:

установки тупикового упора на рельсе кранового пути (направление рабочей поверхности, расстояние от концов рельсов или железобетонных балок, от центра последней полушпалы и т.д.);

процедуры установки тупиковых упоров, учитывающей требование: ходовые колеса или буферные поверхности крана должны одновременно касаться соответственно передних кромок тупиковых упоров безударного типа или буферов упоров ударного типа.

6. ОБСЛУЖИВАНИЕ

В разделе приводится описание:

основных требований при техническом обслуживании (ежесменном, плановом и т.д.);

периодичности проведения технического обслуживания;

критериев выбраковки тупиковых упоров.

7. УКАЗАНИЯ МЕР БЕЗОПАСНОСТИ

В разделе приводится описание основных требований и мер безопасности при хранении, транспортировании и эксплуатации тупиковых упоров, а также приводятся ссылки на методические и нормативные документы, которые содержат требования к безопасной эксплуатации грузоподъемных машин, для которых изготовлены данные упоры.

8. ТРАНСПОРТИРОВАНИЕ И ХРАНЕНИЕ

В разделе приводится описание:

основных требований к транспортным средствам, на которых можно транспортировать тупиковые упоры;

основных требований к погрузочно-разгрузочным работам;

требований к упаковке (например, в ящики);

требований к лакокрасочному покрытию металлических поверхностей тупиковых упоров при длительном хранении (консервации);

требований к укладке и хранению ящиков с комплектами тупиковых упоров, а также при их транспортировании.

9. СВИДЕТЕЛЬСТВО О ПРИЕМКЕ

________________________________________________________________________

(наименование изделия, обозначение, шифр проекта)

заводской номер(а) ____________ соответствует(ют) стандарту (техническим условиям)

________________________________________________________________________

(номер стандарта или технических условий)

и признан(ы) годным(ными) для эксплуатации с указанными в настоящем паспорте параметрами.

Руководитель организации  _____________________

_____________________

(подпись)               

М.П.                                       Начальник ОТК                     _____________________

_____________________

(подпись)               

Дата выпуска                         _____________________

Примечание - Форму заполняет предприятие - изготовитель изделия.

10. ГАРАНТИЙНЫЕ ОБЯЗАТЕЛЬСТВА

10.1. Изготовитель гарантирует соответствие тупиковых упоров техническим условиям _________ при соблюдении потребителем условий эксплуатации, транспортирования и хранения, установленных настоящим паспортом.

10.2. Срок гарантии устанавливается 18 мес. с момента ввода тупиковых упоров в эксплуатацию, но не более 24 мес. со дня отгрузки потребителю.

11. СВЕДЕНИЯ О ПРЕДПРИЯТИИ-ИЗГОТОВИТЕЛЕ

Изготовитель _____________________________________________________________

(почтовый адрес организации-изготовителя)

________________________________________________________________________

________________________________________________________________________

________________________________________________________________________

12. ВЕДОМОСТЬ ОБСЛЕДОВАНИЯ*

Дата

Результаты обследования

Ф.И.О., должность, подпись

1

2

3

 

 

 

* Не менее 5 листов.

13. СВЕДЕНИЯ О РЕМОНТЕ*

 

Дата

Неисправность

Содержание ремонта

Ф.И.О., должность, подпись

1

2

3

4

 

 

 

 

* Не менее 5 листов.

ПРИЛОЖЕНИЕ М

ПРИБОРЫ И АППАРАТУРА КОНТРОЛЯ

Динамометры растяжения общего назначения по ГОСТ 13837.

Шаблон для измерения износа головки рельсов.

Шаблон для разметки отверстий в шпалах.

Механические рулетки по ГОСТ 7502, класс точности не ниже 3, длиной 50 м.

Уровень.

Нивелир по ГОСТ 10528.

Теодолит по ГОСТ 10529.

Омметр.

Шаблон для измерения стыковых зазоров.

Угольники поверочные 250-160 мм по ГОСТ 3749, класс точности 2.

Штангенциркуль с пределом измерений 0-150 мм по ГОСТ 166, класс точности 4.

Измерительные лупы с увеличением 10х по ГОСТ 25706 с ценой деления 0,05 мм.

Линейки измерительные металлические с пределом измерений 0-1000 мм по ГОСТ 427.

ПРИЛОЖЕНИЕ Н

МЕТОДИКА ГЕОДЕЗИЧЕСКОГО КОНТРОЛЯ СОСТОЯНИЯ КРАНОВЫХ ПУТЕЙ

Н.1 Геодезический контроль предусматривает определение следующих характеристик крановых путей.

1.1 Отклонение от прямолинейности рельсов в плане

Определяют измерением поперечного положения каждого рельса относительно створной линии, задаваемой геодезическим инструментом.

1.2 Отклонение ширины колеи между рельсами от номинального размера

Определяют непосредственным измерением колеи с помощью измерительного прибора или косвенным методом с использованием измеренных отклонений от створных линий (рисунок).

Характеристики, отмеченные в 1.1 и 1.2, могут быть определены также с использованием линейно-угловых геодезических сетей.

1.3 Продольные высотные профили рельсов

Характеристики определяют нивелировкой рельсов.

1.4 Взаимное высотное положение противоположных рельсов

Характеристики определяют нивелировкой рельсов.

Н.2 Результаты измерений планового положения рельсов заносят в графы 1, 2, 3, 5 таблицы Н.1.

Н.3 Характеристики положения рельсов в плане определяют по следующим формулам.

3.1 Отклонение от прямолинейности рельса

где Ai, Bi - расстояния от соответствующей створной линии до центра головки рельса.

3.2 Сужение или уширение колеи

P3i = Di - Dном,

где Dном - номинальная ширина колеи, взятая из паспорта крана;

Di - измеренная ширина колеи в точке i, определяемая по следующей формуле:

Di = Si ± Ai ± Вi.

где Si - расстояние между створными линиями А и Б в сечении i.

Знак для измеренных величин Аi и Вi принимают с учетом положения створной линии относительно оси рельса (см. рисунок).

Схема измерений положения рельсов в плане с помощью двух створных линий

Таблица Н.1 - Результаты плановой съемки положения рельсов кранового пути

№ контрольных точек

Пикетаж контрольных точек

Отклонение оси рельса А от створной линии А, мм

Отклонение от прямолинейности P4 рельса А, мм

Отклонение оси рельса Б от створной линии Б, мм

Отклонение от прямолинейности P4 рельса Б, мм

Расстояние между створными линиями Si, мм

Ширина колеи по осям рельсов Di, мм

Сужение, уширение колеи P3, мм

1

2

3

4

5

6

7

8

9

 

 

 

 

 

 

 

 

 

Таблица Н.2 - Результаты высотной съемки положения рельсов кранового пути

№ контрольных точек

Отметка уровня головки рельса А, мм

Отметка уровня головки рельса B, мм

Разность отметок на соседних точках рельса А - Р2, мм

Разность отметок на соседних точках рельса B - Р2, мм

Уклон Ii

Разность отметок в поперечном сечении Pi, мм

1

2

3

4

5

6

7

 

 

 

 

 

 

 

При этом расстояние между створными линиями Si определяют по формуле

где Sn и S0 - расстояния между створными линиями, измеренные в поперечных сечениях на концах створов;

Пi, Пn и П0 - пикетаж поперечных сечений.

Н.4 Результаты измерений высотного положения рельсов заносят в графы 1, 2, 3 таблицы Н.2.

Н.5 Характеристики высотного положения рельсов определяют по следующей методике.

5.1 Разность отметок на соседних точках рельса

где Нi - высотная отметка головки рельса в точке i.

5.2 Уклон между соседними точками рельса:

5.3 Разность отметок головок рельсов А и Б в поперечном сечении i:

Н.6 Результаты измерений в таблицах Н.1 и Н.2, превышающие допуски, установленные настоящим Сводом правил для соответствующих размеров, выделяют подчеркиванием или другим шрифтом. В дальнейшем они являются основанием для проведения работ по рихтовке кранового пути.

ПРИЛОЖЕНИЕ П

МЕТОДИКА ИЗМЕРЕНИЯ УПРУГОЙ ПРОСАДКИ РЕЛЬСОВЫХ НИТЕЙ КРАНОВОГО ПУТИ С ПОЛУШПАЛАМИ

Упругая просадка рельсовых нитей кранового пути определяется путем замера расстояния по вертикали от положения незагруженного рельса до положения его под нагрузкой, передаваемой колесом крана во время удержания максимального груза, указанного в паспорте крана завода-изготовителя.

П.1 Перечень приборов и средств измерений

1.1 Контрольный груз, соответствующий максимальной грузоподъемности крана, максимальная погрешность - 1 %.

1.2 Нивелир (ГОСТ 10528) или теодолит (ГОСТ 10529).

1.3 Линейка измерительная металлическая (ГОСТ 427) длиной 30-60 мм и ценой деления 1 мм.

1.4 Измерительная металлическая рулетка (ГОСТ 7502) длиной 10-50 м.

1.5 Магнит.

1.6 Мел.

П.2 Последовательность и содержание операций

2.1 Краном поднимают с площадки контрольный груз.

2.2 Кран перемещают в один из концов кранового пути.

2.3 Стрелу крана поворачивают относительно оси пути на 45°, так чтобы она была направлена в сторону измеряемого участка рельса по ходу движения крана.

2.4 Поднятый груз перемещают на максимальный вылет, допустимый для данной массы, соответствующий контрольному грузу.

2.5 Кран перемещают в противоположный конец кранового пути, при этом визуально наблюдают за просадкой каждой нитки рельсов (по просадке шпал, расположенных со стороны удерживаемого груза) и отмечают мелом участки с предполагаемой наибольшей просадкой рельсов и нумеруют их.

Особо обращают внимание на просадку концов рельсов в стыках и положение при этом колес ходовой тележки относительно стыка.

2.6 Измерения просадки начинают на рельсовой нитке со стороны удерживаемого груза.

2.7 Перед измерением просадки на конкретном участке кранового пути кран удаляют от него на расстояние не менее чем на 15 м.

2.8 На измеряемом участке к шейке рельса с упором в его подошву прикладывается постоянный магнит, к которому прикладывается вертикально отрезок стальной измерительной линейки (с миллиметровой шкалой) также с упором в подошву рельса.

2.9 В стороне от путей, напротив измеряемого участка, на расстоянии 3-10 м устанавливается нивелир или теодолит так, чтобы горизонтальная линия сетки в окуляре прибора совпала с одним из нижних штрихов отрезка линейки, установленной на рельсе. (Для точного совпадения используют регулировочный винт прибора.)

2.10 Указанный штрих принимается за исходный и его значение заносится в протокол измерений.

2.11 С поднятым грузом кран перемещается на измеряемый участок и останавливается на нем таким образом, чтобы над измеряемым участком находилось колесо (внутреннее колесо ходовой тележки), над которым находится груз.

2.12 Производится опускание груза до расслабления грузового каната.

2.13 Производится подъем груза с одновременным наблюдением через нивелир за просадкой рельса по закрепленной на рельсе линейке.

2.14 Производится отсчет наибольшего перемещения (линейки). Измеренное значение заносится в протокол измерений.

2.15 С поднятым грузом кран перемещается от измеряемого участка на расстояние не менее чем на 15 м.

2.16 Значения исходного положения рельса, полученные при помощи нивелира, заносятся в протокол измерений.

2.17 Указанная последовательность операций повторяется при замерах просадки каждого из выбранных участков на этой же нитке рельсов.

2.18 После перемещения стрелы крана в сторону второй рельсовой нити в такой же последовательности выполняют замеры просадки ее рельсов.

2.19 По окончании измерений контрольный груз складируется на отведенной для этой цели площадке.

2.20 Величина упругой просадки на каждом участке вычисляется как разность между значениями штрихов линейки, снятых при нагруженном и ненагруженном рельсе. При этом из двух значений штрихов линейки, снятых при ненагруженном рельсе (до и после воздействия крана на рельс) выбирается большее.

2.21 Результаты измерений просадки рельсовых нитей кранового пути под колесами крана оформляются протоколом (приложение).

2.22 Если просадка по 2.21 не превышает допустимую, то производится определение просадки при наибольшем нагружении рельсовых нитей: кран без груза, противовес над измеряемым местом просадки, грузовая тележка крана находится у корня стрелы или (при подъемной стреле) стрела предельно поднята. Последовательность операций та же, но без груза.

Приложение
к методике

ПРОТОКОЛ
измерения упругой просадки
рельсовых нитей кранового пути под колесами крана

1. УСЛОВИЯ ПРОВЕДЕНИЯ ИСПЫТАНИЙ

1.1. Дата и время проведения измерений _____________________________________

___________________________________________________________________________

1.2. Место проведения измерений ___________________________________________

1.3. Атмосферные условия:

1.3.1. Температура окружающего воздуха, °С _________________________________

1.3.2. Влажность относительная, % _________________________________________

1.3.3. Атмосферное давление, мм рт. ст. _____________________________________

1.3.4. Скорость ветра на уровне анемометра крана, м/с _________________________

1.3.5. Наличие осадков _________________________ да, нет ____________________

(ненужное зачеркнуть)

1.3.6. Индекс крана, используемого для нагружения ___________________________

2. ПРИМЕНЯЕМЫЕ СРЕДСТВА ИЗМЕРЕНИЙ

2.1. ______Нивелир__теодолит_____. Заводской № _________. Поверен _________.

(ненужное зачеркнуть)                                                                                               (дата)

2.2. Отрезок линейки измерительной металлической. Аттестована_______________

(дата)

2.3. Измерительная металлическая рулетка (ГОСТ 7502). Заводской № ___________. Аттестована ______________________

(дата)

2.4. Контрольный груз массой ________ кг. Аттестован ________________________

(дата)

Данные и результаты измерений упругой просадки рельсовых нитей кранового пути

№ участков измерений упругой просадки рельсов

Значения на линейке относительно сетки окуляра нивелира, мм

Величина упругой просадки, мм

до воздействия колеса крана на рельс (кран удален не менее чем на 15 м)

в период воздействия колеса крана на рельс при подъеме максимального груза

после воздействия колеса крана на рельс (кран удален не менее чем на 15 м)

 

 

 

 

 

 

 

 

 

 

Испытания производил:

_______________________                                                         _______________________

(должность, организация)                                                                                       (инициалы, фамилия)

_______________________                                                         _______________________

(должность, организация)                                                                                       (инициалы, фамилия)

Ключевые слова: крановый путь, верхнее строение, нижнее строение, путевое оборудование, заземляющее устройство, земляное полотно

 




ГОСТЫ, СТРОИТЕЛЬНЫЕ и ТЕХНИЧЕСКИЕ НОРМАТИВЫ.
Некоммерческая онлайн система, содержащая все Российские Госты, национальные Стандарты и нормативы.
В Системе содержится более 150000 файлов нормативно-технической документации, действующей на территории РФ.
Система предназначена для широкого круга инженерно-технических специалистов.

Рейтинг@Mail.ru Яндекс цитирования

Copyright © www.gostrf.com, 2008 - 2026