| |
ГОСТ 12459-67
МЕЖГОСУДАРСТВЕННЫЙ СТАНДАРТ
БОЛТЫ УСИЛЕННЫЕ К ПАЗАМ СТАНОЧНЫМ ОБРАБОТАННЫМ
КОНСТРУКЦИЯ
ИПК ИЗДАТЕЛЬСТВО СТАНДАРТОВ
Москва
МЕЖГОСУДАРСТВЕННЫЙ СТАНДАРТ
|
БОЛТЫ
УСИЛЕННЫЕ К ПАЗАМ СТАНОЧНЫМ ОБРАБОТАННЫМ
Конструкция
Strengthening bolts for machined
slots. Design
|
ГОСТ
12459-67*
Взамен MH 5412-64
|
Утвержден
Комитетом стандартов, мер и измерительных приборов при Совете Министров СССР 3
января 1967г. Срок введения установлен
с 01.07.67
Постановлением
Госстандарта СССР от 17.03.88 № 567 снято ограничение срока действия
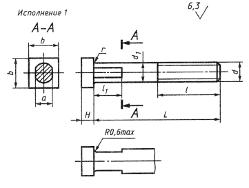
1. Конструкция и размеры усиленных болтов
к станочным обработанным пазам должны соответствовать чертежу и таблице.


Размеры в мм
|
Обозначения болтов
|
Применяемость
|
Исполнение
|
Ширина станочного паза
|
d
|
L
|
d1
|
а (поле допуска b12)
|
d
|
D
|
H
|
l
|
l1
|
r
|
Масса, кг
|
|
7002-2301
|
|
1
|
14
|
М16
|
80
|
16
|
14
|
22
|
-
|
8,5
|
40
|
20
|
1,0
|
0,150
|
|
2302
|
|
2
|
28
|
0,151
|
|
2303
|
|
1
|
90
|
-
|
50
|
0,164
|
|
2304
|
|
2
|
28
|
0,165
|
|
2305
|
|
1
|
100
|
-
|
0,179
|
|
2306
|
|
2
|
28
|
0,180
|
|
2307
|
|
1
|
110
|
-
|
0,195
|
|
2308
|
|
2
|
28
|
0,196
|
|
2309
|
|
1
|
125
|
-
|
60
|
0,216
|
|
2310
|
|
2
|
28
|
0,217
|
|
2311
|
|
1
|
140
|
-
|
0,240
|
|
2312
|
|
2
|
28
|
0,240
|
|
2313
|
|
1
|
160
|
-
|
0,272
|
|
2314
|
|
2
|
28
|
0,272
|
|
2315
|
|
1
|
180
|
-
|
80
|
0,299
|
|
2316
|
|
2
|
28
|
0,301
|
|
2317
|
|
1
|
200
|
-
|
0,331
|
|
2318
|
|
2
|
28
|
|
2319
|
|
1
|
220
|
-
|
0,363
|
|
2320
|
|
2
|
28
|
|
2321
|
|
1
|
250
|
-
|
0,410
|
|
2322
|
|
2
|
28
|
|
2323
|
|
1
|
280
|
-
|
0,457
|
|
2324
|
|
2
|
28
|
0,459
|
|
2325
|
|
1
|
18
|
М20
|
100
|
20
|
18
|
28
|
-
|
11,5
|
50
|
28
|
0,292
|
|
2326
|
|
2
|
36
|
0,292
|
|
2327
|
|
1
|
110
|
-
|
0,318
|
|
2323
|
|
2
|
36
|
0,317
|
|
2329
|
|
1
|
125
|
-
|
60
|
0,348
|
|
2330
|
|
2
|
36
|
|
2331
|
|
1
|
140
|
-
|
0,386
|
|
2332
|
|
2
|
36
|
0,384
|
|
2333
|
|
1
|
160
|
-
|
0,434
|
|
2334
|
|
2
|
36
|
0,433
|
|
2335
|
|
1
|
180
|
-
|
80
|
0,477
|
|
2336
|
|
2
|
36
|
0,475
|
|
2337
|
|
1
|
200
|
-
|
0,526
|
|
2338
|
|
2
|
36
|
0,525
|
|
2339
|
|
1
|
220
|
-
|
0,575
|
|
7002-2340
|
|
2
|
36
|
0,574
|
|
7002-2341
|
|
1
|
18
|
М20
|
250
|
20
|
18
|
28
|
-
|
11,5
|
100
|
28
|
1,0
|
0,640
|
|
2342
|
|
2
|
36
|
0,639
|
|
2343
|
|
1
|
280
|
-
|
0,714
|
|
2344
|
|
2
|
36
|
0,713
|
|
2345
|
|
1
|
320
|
-
|
0,792
|
|
2346
|
|
2
|
36
|
0,791
|
|
2347
|
|
1
|
360
|
-
|
0,911
|
|
2348
|
|
2
|
36
|
|
2349
|
|
1
|
400
|
-
|
1,010
|
|
2350
|
|
2
|
36
|
1,009
|
|
2351
|
|
1
|
22
|
М24
|
125
|
24
|
22
|
34
|
-
|
15,0
|
80
|
32
|
1,6
|
0,535
|
|
2352
|
|
2
|
42
|
0,543
|
|
2353
|
|
1
|
140
|
-
|
0,588
|
|
2354
|
|
2
|
42
|
0,596
|
|
2355
|
|
1
|
160
|
-
|
0,659
|
|
2356
|
|
2
|
42
|
0,667
|
|
2357
|
|
1
|
180
|
-
|
100
|
0,716
|
|
2358
|
|
2
|
42
|
0,724
|
|
2359
|
|
1
|
200
|
-
|
0,787
|
|
2360
|
|
2
|
42
|
0,795
|
|
2361
|
|
1
|
220
|
-
|
0,858
|
|
2362
|
|
2
|
42
|
0,867
|
|
2363
|
|
1
|
250
|
-
|
125
|
0,965
|
|
2364
|
|
2
|
42
|
0,973
|
|
2365
|
|
1
|
280
|
-
|
1,057
|
|
2366
|
|
2
|
42
|
1,065
|
|
2367
|
|
1
|
320
|
-
|
1,199
|
|
2368
|
|
2
|
42
|
1,207
|
|
2369
|
|
1
|
360
|
-
|
1,341
|
|
2370
|
|
2
|
42
|
1,349
|
|
2371
|
|
1
|
400
|
-
|
1,483
|
|
2372
|
|
2
|
42
|
1,491
|
|
2373
|
|
1
|
450
|
-
|
1,661
|
|
2374
|
|
2
|
42
|
1,669
|
|
2375
|
|
1
|
500
|
-
|
1,838
|
|
2376
|
|
2
|
42
|
1,846
|
|
2377
|
|
1
|
560
|
-
|
2,052
|
|
2378
|
|
2
|
42
|
2,060
|
|
2379
|
|
1
|
630
|
-
|
2,300
|
|
2380
|
|
2
|
42
|
2,308
|
|
2381
|
|
1
|
710
|
-
|
2,513
|
|
7002-2382
|
|
2
|
42
|
2,521
|
|
7002-2383
|
|
1
|
28
|
М30
|
140
|
30
|
28
|
44
|
-
|
19,0
|
80
|
40
|
1,6
|
1,011
|
|
2384
|
|
2
|
55
|
1,009
|
|
2385
|
|
1
|
160
|
-
|
1,122
|
|
2386
|
|
2
|
55
|
1,119
|
|
2387
|
|
1
|
180
|
-
|
100
|
1,215
|
|
2388
|
|
2
|
55
|
1,213
|
|
2389
|
|
1
|
200
|
-
|
1,326
|
|
2390
|
|
2
|
55
|
1,324
|
|
2391
|
|
1
|
220
|
-
|
1,382
|
|
2392
|
|
2
|
55
|
1,379
|
|
2393
|
|
1
|
250
|
-
|
125
|
1,585
|
|
2394
|
|
2
|
55
|
1,583
|
|
2395
|
|
1
|
280
|
-
|
1,752
|
|
2396
|
|
2
|
55
|
1,750
|
|
2397
|
|
1
|
320
|
-
|
1,807
|
|
2398
|
|
2
|
55
|
1,805
|
|
2399
|
|
1
|
360
|
-
|
2,195
|
|
2400
|
|
2
|
55
|
2,193
|
|
2401
|
|
1
|
400
|
-
|
140
|
2,407
|
|
2402
|
|
2
|
55
|
2,405
|
|
2403
|
|
1
|
450
|
-
|
2,677
|
|
2404
|
|
2
|
55
|
2,675
|
|
2405
|
|
1
|
500
|
-
|
2,962
|
|
2406
|
|
2
|
55
|
2,960
|
|
2407
|
|
1
|
560
|
-
|
3,295
|
|
2408
|
|
2
|
55
|
3,293
|
|
2409
|
|
1
|
630
|
-
|
3,683
|
|
2410
|
|
2
|
55
|
3,681
|
|
2411
|
|
1
|
710
|
-
|
4,066
|
|
2412
|
|
2
|
55
|
4,064
|
|
2413
|
|
1
|
800
|
-
|
4,626
|
|
2414
|
|
2
|
55
|
4,631
|
|
2415
|
|
1
|
900
|
-
|
5,181
|
|
2416
|
|
2
|
55
|
5,179
|
|
2417
|
|
1
|
1000
|
-
|
5,737
|
|
2418
|
|
2
|
55
|
5,734
|
|
2419
|
|
1
|
36
|
М42
|
200
|
42
|
36
|
54
|
-
|
24,0
|
125
|
50
|
2,0
|
2,544
|
|
2420
|
|
2
|
65
|
2,581
|
|
2421
|
|
1
|
220
|
-
|
2,761
|
|
7002-2422
|
|
2
|
65
|
2,799
|
|
7002-2423
|
|
1
|
36
|
М42
|
250
|
42
|
36
|
54
|
-
|
50
|
2,0
|
3,088
|
|
2424
|
|
2
|
65
|
3,125
|
|
2425
|
|
1
|
280
|
-
|
140
|
3,391
|
|
2426
|
|
2
|
65
|
3,429
|
|
2427
|
|
1
|
320
|
-
|
3,826
|
|
2428
|
|
2
|
65
|
3,864
|
|
2429
|
|
1
|
360
|
-
|
4,261
|
|
2430
|
|
2
|
65
|
4,299
|
|
2431
|
|
1
|
400
|
-
|
4,697
|
|
2432
|
|
2
|
65
|
4,734
|
|
2433
|
|
1
|
450
|
-
|
160
|
5,210
|
|
2434
|
|
2
|
65
|
5,248
|
|
2435
|
|
1
|
500
|
-
|
5,764
|
|
2436
|
|
2
|
65
|
5,801
|
|
2437
|
|
1
|
560
|
-
|
25,0
|
6,407
|
|
2438
|
|
2
|
65
|
6,444
|
|
2439
|
|
1
|
630
|
-
|
7,168
|
|
2440
|
|
2
|
65
|
7,205
|
|
2441
|
|
1
|
710
|
-
|
8,038
|
|
2442
|
|
2
|
65
|
8,075
|
|
2443
|
|
1
|
800
|
-
|
10,974
|
|
2444
|
|
2
|
65
|
11,012
|
|
2445
|
|
1
|
900
|
-
|
12,062
|
|
2446
|
|
2
|
65
|
12,099
|
|
2447
|
|
1
|
1000
|
-
|
13,050
|
|
2448
|
|
2
|
65
|
13,087
|
|
2449
|
|
1
|
1250
|
-
|
13,767
|
|
7002-2450
|
|
2
|
65
|
13,805
|
Пример
условного обозначения усиленного болта
исполнения 1, размерами d= M16, L = 80
мм:
Болт 7002-2301 ГОСТ 12459-67
(Измененная редакция, Изм. № 1, 2).
2. Материал - сталь марки 45
по ГОСТ
1050-88. Допускается замена на стали других марок с механическими
свойствами не ниже, чем у стали марки 45.
(Измененная редакция, Изм. № 1).
3. Твердость головки - 36,5
... 41,5 HRCэ.
(Измененная редакция, Изм.
№ 1, 2).
4. Неуказанные предельные
отклонения размеров: Н14, h14, ± 
(Измененная редакция, Изм. № 2).
5. Резьба метрическая - по ГОСТ
24705-81. Поле допуска резьбы - 6g по ГОСТ
16093-81.
(Измененная редакция, Изм. № 1, 2).
6. Размеры сбегов и фасок для
резьбы - по ГОСТ 10549-80.
(Измененная редакция, Изм.
№ 1).
7. (Исключен,
Изм. № 1).
8. Покрытие - Хим. Окс. прм
(обозначение покрытия - по ГОСТ
9.306-85).
(Измененная редакция, Изм.
№ 2).
9. Остальные технические
требования - по ГОСТ 1759.0-87, ГОСТ
1759.1-82,
ГОСТ
1759.2-82, ГОСТ
1759.4-87.
10. Упаковка и маркировка - по
ГОСТ
18160-72.
(Измененная редакция, Изм.
№ 1).
|
|