Крупнейшая бесплатная информационно-справочная система онлайн доступа к полному собранию технических нормативно-правовых актов РФ. Огромная база технических нормативов (более 150 тысяч документов) и полное собрание национальных стандартов, аутентичное официальной базе Госстандарта. GOSTRF.com - это более 1 Терабайта бесплатной технической информации для всех пользователей интернета. Все электронные копии представленных здесь документов могут распространяться без каких-либо ограничений. Поощряется распространение информации с этого сайта на любых других ресурсах. Каждый человек имеет право на неограниченный доступ к этим документам! Каждый человек имеет право на знание требований, изложенных в данных нормативно-правовых актах!

  


 

ГОСТ 12460-67

МЕЖГОСУДАРСТВЕННЫЙ СТАНДАРТ

ГАЙКИ С КОНТРЯЩИМ ВИНТОМ

КОНСТРУКЦИЯ

ИПК ИЗДАТЕЛЬСТВО СТАНДАРТОВ

Москва

МЕЖГОСУДАРСТВЕННЫЙ СТАНДАРТ

ГАЙКИ С КОНТРЯЩИМ ВИНТОМ

Конструкция

Nuts with lock screws. Design

ГОСТ

12460-67*

Взамен MH 5433-64

Утвержден Комитетом стандартов, мер и измерительных приборов при Совете Министров СССР 3 января 1967г. Дата введения установлена

01.07.67

Постановлением Госстандарта СССР от 17.03.88 № 567 снято ограничение срока действия

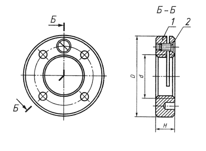
1. Конструкция и размеры гаек с контрящим винтом должны соответствовать черт. 1 и табл. 1.

Черт. 1

Таблица 1

Размеры, мм

Обозначения гаек

Применяемость

d

D

Н

Масса, кг, не более

Деталь 1. Гайка

Деталь 2. Винт ГОСТ 17475-80

Количество

1

1

Обозначения деталей

7003-0131

 

М12 × 1,25

36

10

0,072

7003-0131/001

B.M4-6g × 8.66.05

0132

 

М14 × 1,5

38

0,077

0132/001

0133

 

М16 × 1,5

40

0,083

0133/001

0134

 

М18 × 1,5

42

0,089

0134/001

0135

 

М20 × 1,5

44

0,095

0135/001

0136

 

М22 х1,5

46

0,101

0136/001

0137

 

М24 × 1,5

48

0,107

0137/001

0138

 

М27 × 1,5

52

0,122

0138/001

0139

 

М30 × 1,5

57

12

0,175

0139/001

B.M5-6g × 10.66.05

0140

 

М33 × 1,5

60

0,187

0140/001

0141

 

М36 × 1,5

64

0,209

0141/001

0142

 

М39 × 1,5

67

0,218

0142/001

0143

 

М42 × 1,5

70

0,234

0143/001

0144

 

М45 × 1,5

75

0,268

0144/001

0145

 

М48 × 1,5

75

0,247

0145/001

0146

 

М52 × 1,5

80

0,275

0146/001

0147

 

М56 × 2

90

16

0,492

0147/001

B.M6-6g × 14.66.05

0148

 

М60 × 2

95

0,548

0148/001

0149

 

М64 × 2

98

0,546

0149/001

0150

 

М68 × 2

100

0,533

0150/001

0151

 

М72 × 2

105

0,579

0151/001

0152

 

М76 × 2

ПО

0,626

0152/001

0153

 

М80 × 2

122

18

0,947

0153/001

B.M8-6g × 16.66.05

0154

 

М85 × 2

126

0,966

0154/001

0155

 

М90 × 2

132

1,039

0155/001

0156

 

М95 × 2

137

1,081

0156/001

7003-0157

 

М100 × 2

142

1,133

7003-0157/001

Пример условного обозначения гайки с контрящим винтом диаметром резьбы d = M12 × 1,25:

Гайка 7003-0131 ГОСТ 12460-67

(Измененная редакция, Изм. 1, 2).

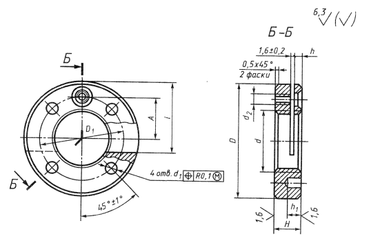
1a. Конструкция и размеры гайки (деталь 2) должны соответствовать черт. 2 и табл. 2.

Черт. 2

Таблица 1

Размеры, мм

Обозначения гаек

d

D (поле допуска h13)

D1

H

d1(поле допуска Н12)

d2

А

l

h

h1

Масса, кг, не более

7003-0131/001

М12 × 1,25

36

24

10

3,5

М4

12,0

20

2,5

5,0

0,071

0132/001

М14 × 1,5

38

13,0

22

0,077

0133/001

М16 × 1,5

40

27

14,0

24

0,082

0134/001

М18 × 1,5

42

30

15,0

24

0,088

0135/001

М20 × 1,5

44

34

4,0

16,0

26

0,094

0136/001

М22 × 1,5

46

17,0

27

0,101

0137/001

М24 × 1,5

48

18,0

30

0,106

0138/001

М27 × 1,5

52

38

4,5

20,0

32

6,5

0,122

0139/001

М30 × 1,5

57

42

12

М5

22,0

35

3,0

7,0

0,173

0140/001

М33 × 1,5

60

48

23,5

36

0,185

0141/001

М36 × 1,5

64

25,0

38

0,207

0142/001

М39 × 1,5

67

56

6,0

26,5

40

0,216

0143/001

М42 × 1,5

70

28,0

42

0,232

0144/001

М45 × 1,5

75

64

30,0

45

0,260

0145/001

М48 × 1,5

75

30,0

45

0,245

7003-0146/001

М52 × 1,5

80

33,0

48

0,273

7003-0147/001

М56 × 2

90

72

16

8,0

М6

36,5

53

4,0

7,0

0,489

0148/001

М60 × 2

95

80

39,0

57

8,0

0,545

0149/001

М64 × 2

98

41,0

60

0,543

0150/001

М68 × 2

100

42,0

 

0,530

0151/001

М72 × 2

105

90

9,0

44,0

63

11

0,576

0152/001

М76 × 2

110

47,0

65

 

0,623

0153/001

М80 × 2

122

100

18

М8

51,0

71

5,0

0,941

0154/001

М85 × 2

126

110

53,0

73

0,960

0155/001

М90 × 2

132

55,0

76

6,0

1,035

0156/001

М95 × 2

137

120

58,0

80

1,143

7003-0157/001

М100 × 2

142

60,5

82

1,127

Пример условного обозначения гайки размером d = М12 × 1,25:

Гайка 7003-0131/001 ГОСТ 12460-67

(Введен дополнительно, Изм. 2).

2. Материал - сталь марки 45 по ГОСТ 1050-88. Допускается замена на стали других марок с механическими свойствами не ниже, чем у стали марки 45.

3. Твердость - 32,0 . . . 36,5 HRCэ.

(Измененная редакция, Изм. № 2).

За. Сквозные отверстия под крепежные детали - по ГОСТ 11284-75.

За. Опорные поверхности под крепежные детали - по ГОСТ 12876-67.

За, 36. (Введены дополнительно, Изм. № 1).

4. Неуказанные предельные отклонения размеров: Н14, hl4, ±

(Измененная редакция, Изм. 2).

5. Резьба метрическая - по ГОСТ 24705-81. Поле допуска резьбы 6Н по ГОСТ 16093-81.

(Измененная редакция, Изм. № 1, 2).

6. Размеры фасок для резьбы - по ГОСТ 10549-80.

(Измененная редакция, Изм. № 1).

7. (Исключен, Изм. № 1).

8. Покрытие - Хим. Окс. прм (обозначение покрытия - по ГОСТ 9.306-85).

(Измененная редакция, Изм. 2).

9. Остальные технические требования - по ГОСТ 1759.0-87, ГОСТ 1759.1-82, ГОСТ 1759.3-83, 1759.5-87.

10. Упаковка и маркировка - по ГОСТ 18160-72.

(Измененная редакция, Изм. 1).

11. Пример применения гаек указан в приложении.

(Введен дополнительно, Изм. № 2).

ПРИЛОЖЕНИЕ
Справочное
ПРИМЕР ПРИМЕНЕНИЯ ГАЕК

 




ГОСТЫ, СТРОИТЕЛЬНЫЕ и ТЕХНИЧЕСКИЕ НОРМАТИВЫ.
Некоммерческая онлайн система, содержащая все Российские Госты, национальные Стандарты и нормативы.
В Системе содержится более 150000 файлов нормативно-технической документации, действующей на территории РФ.
Система предназначена для широкого круга инженерно-технических специалистов.

Рейтинг@Mail.ru Яндекс цитирования

Copyright © www.gostrf.com, 2008 - 2026