Крупнейшая бесплатная информационно-справочная система онлайн доступа к полному собранию технических нормативно-правовых актов РФ. Огромная база технических нормативов (более 150 тысяч документов) и полное собрание национальных стандартов, аутентичное официальной базе Госстандарта. GOSTRF.com - это более 1 Терабайта бесплатной технической информации для всех пользователей интернета. Все электронные копии представленных здесь документов могут распространяться без каких-либо ограничений. Поощряется распространение информации с этого сайта на любых других ресурсах. Каждый человек имеет право на неограниченный доступ к этим документам! Каждый человек имеет право на знание требований, изложенных в данных нормативно-правовых актах!

  


 

ГОСУДАРСТВЕННЫЙ СТАНДАРТ СОЮЗА ССР

ДВЕРИ ДЕРЕВЯННЫЕ НАРУЖНЫЕ ДЛЯ ЖИЛЫХ
И ОБЩЕСТВЕННЫХ ЗДАНИЙ

ТИПЫ, КОНСТРУКЦИЯ И РАЗМЕРЫ

ГОСТ 24698-81

ГОСУДАРСТВЕННЫЙ КОМИТЕТ СССР ПО ДЕЛАМ СТРОИТЕЛЬСТВА

Москва

ГОСУДАРСТВЕННЫЙ стандарт соЮЗА ССР

ДВЕРИ ДЕРЕВЯННЫЕ НАРУЖНЫЕ ДЛЯ ЖИЛЫХ
И ОБЩЕСТВЕННЫХ ЗДАНИЙ

Типы, конструкция и размеры

Wooden external doors for dwellings and public buildings.
Types, structure and dimensions

ГОСТ
24698-81

Дата введения 01.01.1984

Настоящий стандарт распространяется на деревянные наружные распашные двери для жилых и общественных зданий, а также для вспомогательных зданий и помещений предприятий различных отраслей народного хозяйства.

Стандарт не распространяется на двери уникальных общественных зданий: вокзалов, театров, музеев, спортивных дворцов, выставочных павильонов, дворцов культуры.

1. ТИПЫ, РАЗМЕРЫ И МАРКИ

1.1. Двери, изготовляемые по настоящему стандарту, в зависимости от назначения подразделяются на следующие типы:

Н - входные и тамбурные;

С - служебные;

Л - люки и лазы.

1.2. Двери типа Н должны изготовляться с щитовыми и рамочными полотнами. Рамочные полотна могут быть качающимися. Двери типов С и Л должны изготовляться с щитовыми полотнами. Щитовые полотна могут изготовляться с реечной обшивкой.

Двери типов Н и С изготовляются с однопольными и двупольными, остекленными и глухими полотнами, с порогом и без порога.

1.3. Все двери, изготовляемые по настоящему стандарту, относятся к дверям повышенной влагостойкости.

1.4. Габаритные размеры дверей должны соответствовать указанным на черт. 1. Размеры на чертежах стандарта даны для неокрашенных изделий и деталей в мм. Размеры проемов приведены в справочном приложении 1.

По согласованию потребителя с предприятием-изготовителем допускается изменять рисунок остекления за счет уменьшения размеров стекол или их членения, а также применения глухих полотен.

Полотна дверей типа С, обиваемые с двух сторон тонколистовой оцинкованной сталью по ТУ на сталь конкретного вида, имеют размеры по ширине на 6, а по высоте на 5 мм меньше, чем у полотен без обивки.

Дверьми типа С могут быть также двери со сплошным заполнением и усиленной коробкой по ГОСТ 6629.

1.5. Устанавливается следующая структура условного обозначения (марки) дверей.

 

Примеры условных обозначений:

дверь входная или тамбурная однопольная для проема высотой 21 и шириной 9 дм, остекленная, с правой навеской щитового полотна, с порогом, с обшивкой типа О-2:

ДН21-9 ПЩР2 ГОСТ 24698-81

То же, с левой навеской рамочного полотна:

ДН21-9ЛП ГОСТ 24698-81

Дверь входная или тамбурная с качающимися полотнами для проема высотой 24 и шириной 15 дм:

ДН24-15К ГОСТ 24698-81

Дверь служебная двупольная глухая, для проема высотой 21 и шириной 13 дм, утепленная:

ДС21-13ГУ ГОСТ 24698-81

Люк однопольный для проема высотой 13 и шириной 10 дм:

ДЛ13-10 ГОСТ 24698-81

2. ТРЕБОВАНИЯ К КОНСТРУКЦИИ

2.1. Двери должны изготовляться в соответствии с требованиями ГОСТ 475 и настоящего стандарта по рабочим чертежам, утвержденным в установленном порядке.

2.2. Конструкция, форма и типоразмеры дверей должны соответствовать указанным на черт. 2 - 5, а размеры сечений - на черт. 6 - 13.

2.3. Полотна щитовых дверей должны изготовляться со сплошным заполнением щита калиброванными по толщине деревянными рейками.

Облицовка дверей производится материалами в соответствии с ГОСТ 475 в части, относящейся к дверям повышенной влагостойкости.

При условии сплошной обшивки дверей с наружной стороны профилированными рейками по ГОСТ 8242 по слою пергамина по ГОСТ 2697 или обшивки оцинкованной сталью по ТУ на сталь конкретного вида допускается применение твердых ДВП марок Т или Т-П, Т-С, Т-СП по ГОСТ 4598 или клееной фанеры марки ФК по ГОСТ 3916.1 и ГОСТ 3916.2. Тамбурные двери допускается изготовлять без обшивки деревянными рейками. Рейки крепят шурупами по ГОСТ 1144 или гвоздями по ГОСТ 4028 длиной 40 мм с антикоррозийным покрытием. Максимальный шаг креплений - 500 мм. Крепления в каждом ряду должны располагаться на одном уровне по всей ширине полотна.

2.4. Нижние части полотен дверей типа Н должны быть защищены деревянными планками толщиной 16 - 19 мм или полосами из декоративного бумажнослоистого пластика толщиной 1,3 - 2,5 мм по ГОСТ 9590, сверхтвердых ДВП толщиной 3,2 - 4 мм по ГОСТ 4598, тонколистовой оцинкованной стали. Древесные и пластмассовые защитные материалы крепят водостойким клеем и шурупами с антикоррозийным покрытием, а стальные полосы - шурупами длиной 30 - 40 мм по ГОСТ 1144. Шаг крепления по периметру 100 мм. Размеры защитных планок и полос указаны на черт. 6 - 11.

2.5. Полотна и коробки трудносгораемых и утепленных дверей типа С следует защищать тонколистовой оцинкованной сталью толщиной 0,35 - 0,8 мм по ТУ на сталь конкретного вида по всей поверхности с обеих сторон, как указано на черт. 12. Листы стали между собой соединяются в одинарный фальц.

2.6. Полотна трудносгораемых дверей типа С с обеих сторон покрывают слоями асбестового картона толщиной 5 мм по ГОСТ 2850.

ГАБАРИТНЫЕ РАЗМЕРЫ ДВЕРЕЙ

Примечания:

1. Схемы дверей изображены со стороны фасада.

2. Цифры над схемами дверей обозначают размеры проемов в дециметрах.

3. Размеры в скобках даны для дверей 21-15А, 21-19, 24-15A и 24-19 с качающимися полотнами.

4. Двери 21-9 и 21-13A предусмотрены для одноэтажных зданий и мусороприемных помещений.

Черт. 1

КОНСТРУКЦИЯ, ФОРМА И ТИПОРАЗМЕРЫ ДВЕРЕЙ

Двери щитовые

Сечения деталей см. на черт. 6 - 8.

Черт. 2

Двери рамочные

Сечения деталей см. на черт. 9.

Черт. 3

Сечения деталей см. на черт. 10.

Черт. 4

Двери рамочные с качающимися полотнами

ТИП С

Двери щитовые трудносгораемые и утепленные

ТИП Л

Люки и лазы

Сечения деталей см. на черт. 11 - 13.

Черт. 5

СЕЧЕНИЯ ДЕТАЛЕЙ ДВЕРЕЙ

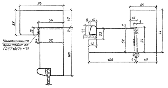
ТИП н

Двери щитовые

Сечение А1

Сечение А2

1 - уплотняющая прокладка по ГОСТ 10174; 2 - облицовка ДВП марок СТ или ТВ толщиной 3,2 - 5 мм по ГОСТ 4598; 3 - рейка (12´12) мм; 4 - прокладка из резины толщиной 2 мм; 5 - шуруп 1-3´30 по ГОСТ 1144, шаг 200 мм; 6 - монтажная доска

Примечания:

1. Допускается применение пластмассовых раскладок.

2. Допускается применение монтажных досок иной конструкции.

Черт. 6

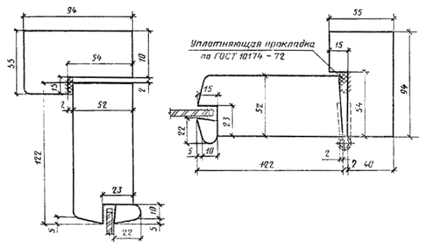
Сечение A3                                                      Сечение А4

Сечение А5

Сечение А6

Вариант с обкладкой

1 - облицовка ДВП марок СТ или ТВ толщиной 3,2 - 5 мм по ГОСТ 4598; 2 - уплотняющая прокладка по ГОСТ 10174

Черт. 7

Полотна утепленных дверей типа С покрывают с одной стороны слоем мягких ДВП толщиной 12 мм по ГОСТ 4598. По периметру полотна со стороны изоляции крепят гвоздями или шурупами деревянные рейки (12´30) мм, шаг креплений 100 - 150 мм.

2.7. Для остекления дверей применяют оконное стекло толщиной 4 - 5 мм по ГОСТ 111.

Если стекло находится на расстоянии 800 мм или менее от низа полотна и при использовании стекол большого формата, должны устанавливаться защитные ограждения.

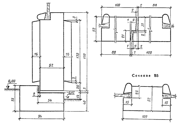
Двери щитовые с обшивкой

Сечение А1                                            Сечения A3 и А4

Сечение А2                        Сечение А5

1 - уплотняющая прокладка по ГОСТ 10174; 2 - облицовка ДВП марок Т, Т-П, Т-С или Т-СП группы А толщиной 3,2 - 4 мм по ГОСТ 4598; 3 - обшивка марки О-3 по ГОСТ 8242; 4 - пергамин по ГОСТ 2697; 5 - облицовка ДВП марок СТ или СТ-С толщиной 3,2 - 5 мм по ГОСТ 4598; 6 - раскладка (19´13) мм

Черт. 8

тип н

Двери рамочные

Сечение Б1                                                Сечение Б3

Сечение Б2                                       Сечение Б4

1 - уплотняющая прокладка по ГОСТ 10174; 2 - соединение на клеях повышенной водостойкости; 3 - шуруп 1-3´30 по ГОСТ 1144, шаг 200 мм; 4 - прокладка из резины толщиной 2 мм; 5 - рейка (12´20) мм; 6 - монтажная доска

Черт. 9

Сечение В1                                             Сечение В3

Сечение В2                        Сечение В4

1 - уплотняющая прокладка по ГОСТ 10174

Черт. 10

Двери рамочные с качающимися полотнами

Сечение Г1                                                 Сечение Г3

Сечение Г2                                           Сечение Г4

1 - пружинная петля по ГОСТ 5088; 2 - пластик бумажнослоистый по ГОСТ 9590; 3 - монтажная доска

Черт. 11

Примеры установки защитных ограждений приведены в рекомендуемом приложении 2.

Толщина стекла, конструкция защитных решеток и изменения конструкции дверей, связанные с установкой электрозамков, должны быть указаны в рабочих чертежах.

2.8. Для защиты от механических повреждений снижения шума и теплопотерь двери типа Н должны быть укомплектованы дверными закрывателями типа ЗД1 по ГОСТ 5091-78, уплотняющими прокладками по ГОСТ 10174 или из пористой резины по ГОСТ 7338, дверными упорами типа УД1 по ГОСТ 5091. В двупольных дверях должны устанавливаться задвижки ЗТ или шпингалеты ШВ по ГОСТ 5090.

2.9. Необходимость комплектования дверей замками по ГОСТ 5089 должна указываться в заказе.

2.10. Расположение приборов и их типы приведены в обязательном приложении 3.

2.11. В заказе на поставку дверей должно быть указано:

число дверей по маркам и обозначение настоящего стандарта;

вид и цвет отделки;

толщина стекла;

спецификация приборов.

тип с

Двери щитовые

Трудносгораемые

Сечение Д1                                            Сечение Д3

Сечение Д2                                                  Сечение Д4

Утепленные

Сечение E1                                                        Сечение Е3

Сечение Е2                                                     Сечение Е4

1 - резиновая прокладка по ГОСТ 7338; 2 - сталь тонколистовая оцинкованная толщиной 0,5 мм; 3 - облицовка ДВП марки СТ или ТВ толщиной 5 мм по ГОСТ 4598; 4 - картон асбестовый по ГОСТ 2850; 5 - мягкая ДВП марки М-1 толщиной 12 мм по ГОСТ 4598; 6 - рейка деревянная (12´30) мм; 7 - шурупы 1-4´40 по ГОСТ 1144, шаг 200 мм

Черт. 12

тип л

Люки и лазы

Сечение Ж1                                             Сечение Ж3

Сечение Ж2

1 - сталь тонколистовая оцинкованная толщиной 0,5 мм; 2 - ручка-скоба РС по ГОСТ 5087; 3 - доски; 4 - минераловатные плиты на синтетическом связующем по ГОСТ 9573; 5 - резина пористая (6´20) мм; 6 - петля ПН1-130 по ГОСТ 5088; 7 - упор деревянный толщиной 50 мм

Черт. 13

ПРИЛОЖЕНИЕ 1

Справочное

РАЗМЕРЫ ДВЕРНЫХ ПРОЕМОВ В СТЕНАХ

ТИП Н

Примечание. В скобках указаны размеры проемов для качающихся дверей.

ТИП С

ТИП л

ПРИЛОЖЕНИЕ 2

Рекомендуемое

ПРИМЕРЫ УСТАНОВКИ ЗАЩИТНЫХ ОГРАЖДЕНИЙ

Деревянные ограждения

Металлические ограждения

ПРИЛОЖЕНИЕ 3

Обязательное

РАСПОЛОЖЕНИЕ ПРИБОРОВ В ДВЕРЯХ

Однопольные двери типов Н и С

Двупольные двери типов Н и С

Двери типа Л                               Петля для противовеса

Примечания:

1. В дверях типа С закрыватели не устанавливают.

2. Замки устанавливают в случаях, предусмотренных рабочими чертежами.

3. Ручки-скобы могут устанавливаться вертикально или горизонтально.

4. Петли для противовеса устанавливают в однопольных люках. Допускается применение петель другой конструкции.

ИНФОРМАЦИОННЫЕ ДАННЫЕ

1. РАЗРАБОТАН И ВНЕСЕН Государственным комитетом по гражданскому строительству и архитектуре при Госстрое СССР

РАЗРАБОТЧИКИ

Ю.А. Арго (руководитель темы), канд. техн. наук; И.В. Строков; И.С. Посельская; Г.Г. Коваленко; З.А. Буркова; Г.В. Левушкин

2. УТВЕРЖДЕН И ВВЕДЕН В ДЕЙСТВИЕ постановлением Государственного комитета СССР по делам строительства от 13.04.81 № 51

3. Введен впервые

4. ССЫЛОЧНЫЕ НОРМАТИВНО-ТЕХНИЧЕСКИЕ ДОКУМЕНТЫ

Обозначение НТД, на который дана ссылка

Номер пункта, приложения

Обозначение НТД, на который дана ссылка

Номер пункта, приложения

ГОСТ 111-90

2.7

ГОСТ 5088-78

2.2 - 2.4, приложение 3

ГОСТ 475-78

2.1, 2.3

ГОСТ 5089-90

2.9

ГОСТ 1144-80

2.2 - 2.5

ГОСТ 5090-86

2.8, приложение 3

ГОСТ 2697-83

2.2 - 2.4

ГОСТ 5091-78

2.8, приложение 3

ГОСТ 2850-80

2.2, 2.5, 2.6

ГОСТ 7338-90

2.2, 2.5, 2.8

ГОСТ 3916.1-89

2.3

ГОСТ 8242-88

2.2 - 2.4

ГОСТ 3916.2-89

2.3

ГОСТ 9573-82

2.2

ГОСТ 4028-63

2.3

ГОСТ 9590-76

2.2, 2.4

ГОСТ 4598-86

2.2 - 2.6

ГОСТ 10174-90

2.2, 2.4, 2.8

ГОСТ 5087-80

2.2, приложение 3

 

 

5. Переиздание. Октябрь 1991 г.

СОДЕРЖАНИЕ

 

 




ГОСТЫ, СТРОИТЕЛЬНЫЕ и ТЕХНИЧЕСКИЕ НОРМАТИВЫ.
Некоммерческая онлайн система, содержащая все Российские Госты, национальные Стандарты и нормативы.
В Системе содержится более 150000 файлов нормативно-технической документации, действующей на территории РФ.
Система предназначена для широкого круга инженерно-технических специалистов.

Рейтинг@Mail.ru Яндекс цитирования

Copyright © www.gostrf.com, 2008 - 2026