Крупнейшая бесплатная информационно-справочная система онлайн доступа к полному собранию технических нормативно-правовых актов РФ. Огромная база технических нормативов (более 150 тысяч документов) и полное собрание национальных стандартов, аутентичное официальной базе Госстандарта. GOSTRF.com - это более 1 Терабайта бесплатной технической информации для всех пользователей интернета. Все электронные копии представленных здесь документов могут распространяться без каких-либо ограничений. Поощряется распространение информации с этого сайта на любых других ресурсах. Каждый человек имеет право на неограниченный доступ к этим документам! Каждый человек имеет право на знание требований, изложенных в данных нормативно-правовых актах!

  


 

МИНИСТЕРСТВО ТОПЛИВА И ЭНЕРГЕТИКИ

РОССИЙСКОЙ ФЕДЕРАЦИИ, ГОСГОРТЕХНАДЗОР РФ

 

 

    СОГЛАСОВАНЫ                                                   УТВЕРЖДЕНЫ

с Госгортехнадзором РФ                              Минтопэнерго РФ

27.12.93 г. № 10-03/337                                        30.12.93 г.

 

 

ПРАВИЛА

ПО ЭКСПЛУАТАЦИИ, РЕВИЗИИ,

РЕМОНТУ И ОТБРАКОВКЕ

НЕФТЕПРОМЫСЛОВЫХ ТРУБОПРОВОДОВ

 

РД 39-132-94

 

 

Руководящий документ разработан Институтом проблем транспорта энергетических ресурсов (ИПТЭР) при участии Гипротюменнефтегаза, ВНИИПО, МВД РФ, ВНИИТнефти, Роснефти и Госгортехнадзора России.

 

 

РЕДАКЦИОННАЯ КОЛЛЕГИЯ

 

Шарифуллин Ф. М., Гумеров А. Г., Азметов X. А.,

Гумеров Р. С., Кутуков Е. Г., Дадонов Ю. А.,

Драгунов Ю. М., Манушакян И. С., Мокроусов С. Н.,

Лейзерова Л. И., Бондаренко Н. М.

 

 

 

Правила устанавливают требования к эксплуатации нефте-промысловых трубопроводов для транспорта нефти, газа и попутно добываемой пластовой воды.

В Правилах приведены основные положения по проведению осмотров, ревизий, периодических испытаний линейной части нефтепромысловых трубопроводов, обслуживанию и ревизии за­порной арматуры, выполнению работ по диагностике и отбра­ковке трубопроводов, работ по защите трубопроводов от внеш­ней и внутренней коррозии, проведению ремонтных работ, в том числе работ с применением энергии взрыва, работ по консер­вации и демонтажу трубопроводов. Рассмотрены вопросы рас­следования и ликвидации аварий на трубопроводах, приводятся требования к выполнению сварочных работ на них. Разработа­ны положения по контролю за проходным давлением в системах сбора, очистке трубопроводов от парафина, воды и механических примесей, уходу за трассой, организации патрульной службы, эксплуатации охранных зон.

В Правилах дается новая классификация трубопроводов раз­личного назначения, более полно отражающая влияние различ­ных факторов на степень их опасности.

Разработаны требования к обеспечению качества проектиро­вания трубопроводов систем сбора нефти, газа и воды, перехо­дов трубопроводов через естественные и искусственные препят­ствия, защитных зон вокруг трубопроводов, к оснащению систем трубопроводов средствами контроля, регулирования и противо-аварийной защиты, проведению очистки трубопроводов от раз­личных отложений.

Разработаны требования, предъявляемые к материалам и конструкциям промысловых стальных трубопроводов, строи­тельству промысловых трубопроводов, контролю качества стро­ительства, испытанию и приемке их в эксплуатацию.

Приведены положения по охране труда, пожарной безопасно­сти и охране окружающей природной среды при эксплуатации промысловых трубопроводов.

Кроме вопросов эксплуатации промысловых трубопроводов, в Правилах уделено серьезное внимание вопросам проектирова­ния, строительства, приемки в эксплуатацию построенных объ­ектов, использованию материалов и конструкций трубопроводов. Разработанные в этих разделах требования полезны как эксплуатационникам, так и разработчикам нормативных документов по проектированию, строительству и приемке в эксплуатацию, так как они отражают реальные условия эксплуатации.

Настоящие Правила вступают в силу с 1 июля 1994 г.

 

1. ОБЩИЕ ПОЛОЖЕНИЯ

 

1.1. Правила устанавливают основные требования по проектированию, строительству и эксплуатации трубопроводов си­стем сбора и внутрипромыслового транспорта нефти, газа и во­ды нефтяных месторождений и регламентируют вопросы выбо­ра материалов и деталей трубопроводов, их сварки, строитель­ства, испытаний и приемки трубопроводов в эксплуатацию, об­служивания, выполнения ремонтных работ, защиты от корро­зии, расследования и ликвидации аварий, диагностики и отбра­ковки трубопроводов, охраны труда, пожарной безопасности и охраны окружающей среды.

Требования распространяются на трубопроводы для внутри-промыслового сбора и транспорта нефти и сопутствующих ей компонентов - газа и пластовой воды с содержанием серово­дорода в газе в концентрации, обуславливающей при рабочем давлении парциальное давление сероводорода до 10 000 Па, или в жидкости, находящейся в равновесии с сероводородсодержащим газом под давлением, обуславливающим парциальное да­вление сероводорода до 10 000 Па, или в жидкости, содержащей растворенный сероводород в количестве, соответствующем его растворимости при парциальном давлении до 10 000 Па.

В состав трубопроводов входят:

а) выкидные трубопроводы от скважин для транспортирова­ния продукции нефтяных скважин до замерных установок;

б) нефтесборные трубопроводы для транспорта продукции нефтяных скважин от замерных установок до пунктов первой ступени сепарации нефти (нефтегазопроводы);

в) газопроводы для транспортирования нефтяного газа от установок сепарации нефти до установок подготовки газа (УПГ) или до потребителей;

г) нефтепроводы для транспортирования газонасыщенной или разгазированной, обводненной или безводной нефти от пунк­тов сбора нефти и дожимных насосных станций (ДНС) до цен­тральных пунктов сбора (ЦПС);

д) газопроводы для транспортирования газа к эксплуатаци­онным скважинам при газлифтном способе добычи;

е) газопроводы для подачи газа в продуктивные пласты с це­лью увеличения нефтеотдачи;

ж) трубопроводы систем заводнения нефтяных пластов и си­стем захоронения пластовых и сточных вод в глубокие поглоща­ющие горизонты с давлением закачки 10 МПа и более;

з) водоводы поддержания пластового давления для транспор­та пресной, пластовой и подтоварной воды на КНС (кустовой насосной станции);

и) нефтепроводы для транспортирования товарной нефти от центральных пунктов сбора и подготовки нефти до сооружений магистрального транспорта;

к) газопроводы для транспортирования газа от центральных пунктов сбора до сооружений магистрального транспорта;

л) ингибиторопроводы для подачи ингибиторов к скважи­нам или другим объектам обустройства нефтяных месторо­ждений;

м) внутриплощадочные трубопроводы, транспортирующие продукт на объектах его подготовки.

Границами внутриплощадочных промысловых трубопрово­дов являются ограждения соответствующих площадок, а при отсутствии ограждения - пределы отсыпки соответствующих площадок.

Трубопроводы, транспортирующие нефть с газом в раство­ренном состоянии при абсолютном давлении упругости паров при 20° С выше 0,2 МПа и свободном состоянии, в дальнейшем именуются нефтегазопроводами, а транспортирующие разгазированную нефть - нефтепроводами.

1.2. Правила не распространяются:

на магистральные трубопроводы независимо от транспорти­руемого продукта;

тепловые сети, линии водоснабжения и канализации;

трубопроводы из неметаллических материалов (в том числе бронированные стальными трубами);

трубопроводы из чугунных труб;

 

Таблица 1.1

 

Фактические сроки службы промысловых трубопроводов

по регионам отрасли

 

 

Назначение трубопровода,

Фактические сроки службы

по регионам добычи, годы

транспортируемая среда

Урал — По­волжье

Зап. Си­бирь

южные районы

другие районы

 

Нефтегазосборные трубопро­воды для транспорта продук­ции нефтяных скважин до цен­тральных пунктов сбора и дожимных насос­ных станций (выкидные линии, нефтегазосборные коллекторы, газопроводы, внутри-площадочные трубопроводы) при содер­жании сероводорода до 300 Па.

 

10

 

10

 

8

 

12

Те же трубопроводы, но при содержании сероводорода в продукции скважин свыше 300 Па.

5

5

4

6

Трубопроводы систем заводнения нефтяных пластов и за­хоронения пластовых и сточ­ных вод при содержании серо­водорода до 300 Па.

6

7

5

8

Те же трубопроводы, но при содержании сероводорода свы­ше 300 Па.

3

4

3

6

Трубопроводы пресных вод.

15

15

15

15

Нефтепроводы, газопроводы для транспортирования товар­ной нефти и газа от централь­ных пунктов сбора до соору­жений магистрального транс­порта, газопроводы для транс­портирования газа к эксплуа­тационным скважинам при газлифтном способе добычи, газо­проводы для подачи газа в про­дуктивные пласты с целью увеличения нефтеотдачи.

 

20

20

20

20

 

промысловые трубопроводы, транспортирующие среды с содержанием сероводорода, обуславливающим его парциальное давление свыше 10 000 Па.

1.3. Эксплуатация и ремонт трубопроводов пара и горячей воды первой категории диаметром 51 мм и более, а также трубопроводов всех других категорий диаметром 76 мм и более осуществляются в соответствии с действующими "Пра­вилами устройства и безопасной эксплуатации трубопроводов пара и горячей воды", утвержденными Госгортехнадзором РФ.

1.4. Эксплуатация и ремонт газопроводов, подконтрольных Госгортехнадзору РФ, осуществляются в соответствии с "Пра­вилами безопасности в газовом хозяйстве".

1.5. С вводом в действие настоящих Правил утрачивают си­лу РД 39-0147103-344-86 "Правила технической эксплуатации систем сбора и внутрипромыслового транспорта нефти и газа", а также рекомендованные Госгортехнадзором РФ "Руководящие указания по эксплуатации, ревизии, ремонту и отбраковке техно­логических трубопроводов с давлением до 100 кгс/см2 " (Ру-75) и выпущенный вместо вышеуказанного документа РД 38.13.004-86 "Эксплуатация и ремонт технологических трубопроводов под давлением до 10,0 МПа (100 кгс/см2)" Министерством нефтепе­рерабатывающей и нефтехимической промышленности.

1.6. Срок службы трубопроводов различного назначения, определенный на основе обобщения статистических данных по замене их в процессе эксплуатации для различных регионов от­расли, приведен в табл. 1.1.

 

2. КЛАССИФИКАЦИЯ ТРУБОПРОВОДОВ

 

2.1. Все внутрипромысловые трубопроводы в зависимости от их назначения, диаметра, рабочего давления, газового фактора и коррозионной активности транспортируемой среды подразде­ляются на четыре категории.

2.2. Категория трубопроводов определяется по сумме баллов , где Ki - определяется по зависимостям, полученным на основании экспертных оценок влияния вышеперечисленных факторов на надежность работы трубопровода.

К первой категории относятся трубопроводы с суммой баллов К >50; ко второй - с суммой баллов 33 < К £ 50; к третьей - с суммой баллов 16 £ К £ 33; к четвертой - с суммой баллов К < 16.

 

Таблица 2.1

 

Значение коэффициента К1

для различных видов трубопроводов

 

 

Назначение трубопровода

 

 

Значение коэф­фициента К1

 

Газопровод внутриплощадочный

 

20

Нефтегазопровод внутриплощадочный

18

Нефтепровод внутриплощадочный

16

Водовод внутриплощадочный

14

Газопровод внутрипромысловый

12

Нефтепровод внутрипромысловый

10

Нефтегазопроводный коллектор I порядка

8

Нефтегазопроводный коллектор II порядка

6

Водовод внутрипромысловый

4

Выкидная линия скважин

2

 

 

2.3. Коэффициент К1 определяется в зависимости от назначе­ния трубопровода по табл. 2.1.

Коллектор II порядка - нефтегазосборный трубопровод, от­водящий продукцию нескольких кустов скважин до врезки его в коллектор I порядка.

Коллектор I порядка - нефтегазосборный трубопровод, объединяющий продукцию нескольких коллекторов II порядка до входа его в пункт подготовки.

2.4. Коэффициент К2 учитывает ответственность трубопро­вода в зависимости от диаметра.

 

К2 = 0,01 Д,

 

где Д - наружный диаметр трубопровода, мм.

2.5. Коэффициент К3 учитывает влияние рабочего давления на относительную опасность его для людей и окружающей среды и определяется по зависимости:

 

К3 = Р раб.,

 

где Р раб. - рабочее давление в трубопроводе, МПа.

2.6. Коэффициент К4 учитывает влияние газового фактора на надежность работы промыслового трубопровода и определяется по зависимости:

 

К4 = 0,06 Гф,

 

где Гф - газовый фактор данного месторождения, м3/м.

2.7. Коэффициент К5 учитывает влияние скорости коррозии трубопровода (внутренней или внешней в зависимости от ее преобладающего влияния) на надежность его работы и определяется из выражения:

 

К5 = 20 акор,

 

где акор - скорость коррозии трубопровода, мм/год. Последняя,  определяется в соответствии с РД 39-0147103-362-86.

2.8. Трубопроводы I, II, III категорий считаются ответствен­ными.

2.9. Категории участков промысловых трубопроводов опре­деляются по данной классификации трубопроводов и условиям прокладки в соответствии с прил. 20.

 

3. ОСНОВНЫЕ ТРЕБОВАНИЯ К ПРОЕКТИРОВАНИЮ СИСТЕМ СБОРА НЕФТИ, ГАЗА И ВОДЫ

НА НЕФТЯНЫХ МЕСТОРОЖДЕНИЯХ

 

3.1. Требования к обеспечению качества

сооружения систем сбора нефти, газа

и систем поддержания пластового давления

 

3.1.1. Конструкция промысловых трубопроводов и способ их прокладки должны обеспечивать:

безопасную и надежную эксплуатацию в пределах норматив­ного срока службы;

ведение технологии промыслового сбора и транспорт продук­ции скважин в соответствии с проектными параметрами;

производство монтажных и ремонтных работ индустриаль­ными методами с применением передовой техники и технологии;

возможность надзора за техническим состоянием трубопро­водов;

защиту трубопроводов от коррозии, вторичных проявлений молнии и статического электричества;

предотвращение образования ледяных, гидратных и других пробок.

3.1.2. Трассы трубопроводов должны выбираться на основе многовариантных технико-экономических исследований. В каче­стве критериев оптимальности вариантов следует принимать приведенные затраты при сооружении, техническом обслужи­вании и ремонте, включая затраты на мероприятия по охране окружающей среды, а также металлоемкость, безопасность, за­данное время строительства, наличие дорог и др.

Земельные участки для строительства трубопроводов следу­ет выбирать в соответствии с требованиями, предусмотренными действующим законодательством Российской Федерации.

При выборе трассы необходимо по возможности избегать (обходить): водоохранные зоны, леса первой группы, оленьи паст­бища, места обитания других промысловых животных и птиц; участки просадочных и пучинистых многолетнемерзлых грун­тов (бугры пучения следует обходить с низовой стороны); участ­ки с сильно пересеченной местностью; болота, озера; трасса тру­бопроводов должна иметь минимально необходимое количество переходов через водные преграды, железные автомобильные до­роги и другие, естественные и искусственные препятствия, долж­на позволять вести обслуживание и ремонт трубопроводов в лю­бое время года.

3.1.3. Для уменьшения площади земель, изымаемых под строительство и эксплуатацию системы промысловых трубопрово­дов, при выборе трасс следует максимально использовать прин­цип коридорной прокладки линейных коммуникаций (трубопро­воды, автодороги, ЛЭП и линии связи).

3.1.4. При коридорной прокладке ЛЭП и линий связи необхо­димо размещать по одну сторону автодороги, а трубопроводы - по другую, причем ближе к дороге укладываются водоводы, да­лее - нефтепроводы и последними - газопроводы.

3.1.5. Технологическая схема и конструктивное оформление трубопроводов сбора нефти, газа и утилизации воды выбира­ются из условия эффективного применения технологических ме­тодов борьбы с коррозией (обеспечения эмульсионного течения, использования ингибиторов коррозии) трубопроводов, замора­живанием (достаточного заглубления, использования теплоизо­ляционных материалов), отложениями песка (пескоуловители), парафина (очистка пропуском очистных устройств, пропарка), скоплениями пластовой воды и газа в них (обеспечение скорости выноса водных и газовых скоплений).

3.1.6. Диаметр трубопроводов должен определяться гидрав­лическим расчетом и соотноситься с сортаментом выпускае­мых труб. При этом диаметр нефтегазосборных трубопроводов, транспортирующих влажный газ, должны назначаться из усло­вия исключения образования застойных зон водных скоплений. Диаметр водоводов должен назначаться из условия предотвраще­ния образования в них осадков взвешенных частиц. Не допуска­ется устройство трубопроводов, транспортирующих продукцию со скоростями ниже критических, при которых выделяется из продукции подстилающий слой воды или твердые осадки.

Гидравлический расчет трубопроводов, транспортирующих газожидкостные смеси рекомендуется проводить по методикам, рекомендуемым в соответствии с табл. 3.1, в зависимости от ре­льефа местности, вязкости транспортируемой жидкости и рас­ходного газосодержания.

Если проектная организация для выполнения гидравлическо­го расчета использует другие документы, она несет ответствен­ность за качество выполнения работ.

 

Таблица 3.1

 

Рекомендуемые методики

гидравлического расчета трубопроводов

(номер методики указан в квадратных скобках)

 

Расходное газосодержание

b, м33

Расположение трубопровода

горизонтальный

(a £ 0,005 рад)

рельефный

(a > 0,005 рад)

вязкость жидкости v, сст

v £ 50

50 < v £ 350

v £ 50

50 < v £ 350

 

b £ 0,9

 

[2]

 

[4]

 

[1]

 

[4]

b > 0,9

 

[5]

[3]

[3]

[3]

 

СПИСОК РЕКОМЕНДУЕМЫХ МЕТОДИК

 

1. Гидравлический расчет трубопроводов, транспортирующих газожидкостные смеси. - Москва: ВНИИГаз, 1985.

2. Методика гидравлического расчета трубопроводов для транспор­та газожидкостных смесей.- Самара: Гипровостокнефть, 1970.

3. РД 39-0076-91. Методика гидравлического расчета трубопрово­дов для жидкостных потоков с высоким газовым фактором. - Уфа: ВНИИСПТнефть, 1991.

4. РД 39-3-1034-84. Методическое руководство по вопросам проектирования и эксплуатации однотрубных систем сбора. - Уфа: ВНИ­ИСПТнефть, 1984.

5. РД 39-32-704-82. Инструкция для расчета расходных характеристик трубопровода при бескомпрессорном транспорте сырого нефтяно­го газа. - Краснодар: ВНИПИгазпереработка, 1982.

 

3.1.7. В проекте должен быть разработан на все время эксплу­атации трубопроводов план мероприятий, обеспечивающий рав­номерную загрузку трубопроводов путем очередности разбуривания скважин, организации регулируемого сброса попутно до­бываемых воды и газа на кустах скважин и дожимных насосных станциях, переключения потоков нефти, газа и воды на трубо­проводы соответствующего диаметра в моменты реконструкции систем сбора с тем, чтобы обеспечить эмульсионный режим дви­жения продукции по трубопроводам, утилизацию воды закачкой ее в пласт через системы заводнения пластов.

3.1.8. Трубы, фасонные детали, запорная арматура для трубопроводов сбора нефти, газа и воды, их качество и материал должны выбираться в соответствии с рекомендациями раздела 4 настоящих Правил в зависимости от свойств транспортируемых сред, с учетом изменения этих свойств в течение всего периода эксплуатации трубопроводов.

3.1.9. Трубопроводы должны быть надежно защищены от внутренней коррозии в соответствии с рекомендациями раздела 5 путем применения технологических методов защиты, внутрен­них покрытий, ингибиторов коррозии, средств очистки трубо­проводов от скоплений воды, твердых отложений. Целесообраз­ность того или иного способа защиты (или их сочетание) на раз­личных этапах эксплуатации трубопроводов должна быть под­тверждена технико-экономическим расчетом.

Целесообразность применения средств борьбы с наружной коррозией путем использования антикоррозионных изоляцион­ных материалов, средств электрохимической защиты в каждом конкретном случае должна быть определена технико-экономическим расчетом.

3.1.10. В проекте обустройства месторождения на трубопро­водах сбора нефти, газа и воды должны быть предусмотрены пункты наблюдения за скоростью внутренней коррозии, осна­щенные датчиками и вторичными приборами контроля.

3.1.11. В проекте обустройства месторождения на всех этапах производства строительных работ должны быть разработа­ны организационные мероприятия по:

контролю за качеством поступающих труб, фасонных дета­лей, арматуры, сварочных материалов в соответствии с реко­мендациями разделов 4 и 5 настоящих Правил;

операционному контролю за качеством подготовительных, земляных, транспортных и разгрузочных, противокоррозион­ных, сварочно-монтажных, укладочных, рекультивационных ра­бот в соответствии с рекомендациями раздела 5 настоящих Пра­вил.

Особое внимание должно быть уделено предпусковой диагно­стике и опрессовке трубопроводов при сдаче в эксплуатацию (см. раздел 6 настоящих Правил).

3.1.12. Толщина стенки трубопроводов определяется проч­ностным расчетом в зависимости от категории участка трубо­провода, параметров транспортируемой среды и конструктивно­го решения.

3.1.13. Трубопроводы должны быть сварены встык с установ­кой на них соединительных деталей (отводов, тройников, пере­ходников и др.) и стальной равнопроходного сечения запорной арматуры (кранов, задвижек, вентилей и т. д.), согласно рас­четному давлению в трубопроводе.

Фланцевые соединения допускаются в местах подключения трубопроводов к аппаратам, арматуре и другому оборудова­нию, имеющему ответные фланцы на участках трубопро­водов, требующих периодической разборки, а также могут быть использованы в качестве изолирующих в зонах с блуждающими токами.

3.1.14. Допустимые радиусы изгибов трубопроводов в горизонтальной и вертикальной плоскостях должны определяться расчетом из условия прочности, местной устойчивости стенок труб и устойчивости положения трубопровода под воздействием внутреннего давления, собственного веса и продольных сжима­ющих усилий, возникающих в результате изменения температуры металла трубы в процессе эксплуатации, а также разностью температур строительства и эксплуатации трубопроводов.

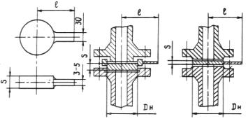
Отводы для участков трубопроводов, где предусматривается проход очистных устройств, должны иметь радиусы изгиба не менее 5 диаметров трубопровода. У сварных отводов угол пово­рота сектора не должен превышать 6°.

3.1.15. Длина патрубков (прямых вставок), ввариваемых в трубопровод, должна быть не менее диаметра трубопровода. Для трубопроводов диаметром 300 мм и менее с рабочим давлением до 2,5 МПа длину прямых вставок допускается принимать не менее 100 мм.

3.1.16. В местах разветвления системы трубопроводов, около мест запуска и приема очистных устройств, в местах установки технологических узлов запорной и регулирующей арматуры, на переходах, выполненных с использованием круто изогнутых от­водов, и в других случаях, где возможны значительные осевые перемещения от температурного перепала и внутреннего давле­ния, следует определять величину этих перемещений, которые необходимо учитывать как воздействие при расчете на проч­ность указанных элементов системы.

Эти узлы и элементы системы при необходимости должны быть конструктивно защищены от осевых деформаций при­мыкающих к ним подземных трубопроводов с помощью от­крытых или закрытых компенсаторов, компенсаторов-упоров, неподвижных опор, связей, ограничивающих деформации уз­лов и т. д.

3.1.17. При транспортировании по трубопроводу влажных или конденсирующихся продуктов должны предусматривать­ся меры, предупреждающие образование ледяных и гидратных пробок (ввод метанола, ингибитора, укладка трубопрово­да ниже глубины промерзания, путевой подогрев трубопрово­да и др.). Выбор метода определяется на основании технико-экономических решений.

3.1.18. На газоконденсатных, газовых, нефтяных месторожде­ниях и ПХР следует предусматривать подземную прокладку труб. Надземная (наземная) прокладка применяется на отдель­ных участках в малонаселенных районах на неустойчивых грун­тах, на переходах через водные преграды, овраги, балки, на участках пересечения коридора подземных коммуникаций и др. В каждом конкретном случае надземная (наземная) прокладка должна иметь соответствующее обоснование.

Надземная прокладка трубопроводов систем заводнения и захоронения пластовых и сточных вод не допускается.

В сейсмоопасных районах при выборе конструкции промы­словых трубопроводов должны учитываться сейсмические воз­действия, а также рекомендации по выбору антисейсмических мер.

3.1.19. Необходимость внешней тепловой изоляции трубопро­водов и ее конструктивное оформление определяются тепло­техническими расчетами, свойствами транспортируемой среды, способом прокладки трубопровода, требованиями технологиче­ского процесса, техники безопасности и пожарной безопасности в соответствии с СН 542-81.

3.1.20. Запорная арматура промысловых трубопроводов устанавливается на расстояниях, определяемых расчетом, исходя из условия равнобезопасности участков и требований охраны окру­жающей среды.

Запорная арматура устанавливается в соответствии с проек­том, учитывающим рельеф местности, в начале каждого отве­твления от трубопровода протяженностью более 500 м, на входе и выходе трубопровода из установок подготовки нефти, на обоих берегах водных преград, на участках нефтегазопроводов, прохо­дящих на отметках выше городов и населенных пунктов.

3.1.21. Заглубление трубопроводов определяется условиями их сохранности, режимом транспортировки и свойствами транспортируемых сред.

Для защиты от механических повреждений и передачи внеш­них нагрузок заглубление трубопроводов до их верхней образу­ющей должно быть не менее:

на непахотных землях вне постоянных проездов при услов­ном диаметре 300 мм и менее - 0,6 м; при условном диаметре более 300 мм, но менее 1000 мм - 0,8 м; при условном диаметре 1000 мм и более - 1,0 м;

в скальных грунтах и болотистой местности при отсутствии проезда автотранспорта и сельскохозяйственных машин для всех диаметров -0,6 м;

на пахотных и орошаемых землях - 1,0 м;

при пересечении строительных и осушительных каналов, а также местных (промысловых) автомобильных дорог - 1,1 м.

Глубина заложения трубопроводов, транспортирующих сре­ды, замерзающие при отрицательных температурах, принима­ется на 0,5 м ниже глубины промерзания грунта.

Глубина заложения трубопроводов, транспортирующих прес­ную воду, устанавливается в соответствии со СНиПом.

3.1.22. Допускается совместная прокладка (в одной траншее) трубопроводов одного назначения условным диаметром 300 мм и менее. Количество трубопроводов, укладываемых в одной тран­шее, определяется проектом. При одновременной прокладке рас­стояние между трубопроводами принимается из условия каче­ственного и безопасного производства работ при их сооружении и ремонте, но не менее 0,5 м в свету.

При разновременной укладке трубопроводов в траншее как одного, так и различного назначения расстояния между ними следует принимать с учетом обеспечения сохранности действу­ющего трубопровода при производстве строительно-монтажных работ и безопасности производства работ. Однако расстояния должны быть не менее указанных в табл. 3.2.

 

Таблица 3.2

 

Минимальные расстояния между трубопроводами

 

Условный диаметр проектируемого трубопровода, мм

Минимальное расстояние между

осями проектируемого и действую­щего трубопроводов, м

 

До 100 включительно

 

5

Свыше 100 до 300 включительно

8

Свыше 300 до 600 включительно

11

Свыше 600

 

14

 

Примечание. В районах Крайнего Севера при соответствующем обосновании допускается прокладка трубопроводов различного назначения в одной траншее при одновременном строительстве трубопроводов с диаметром до 300 мм с расстоянием в свету меж­ду трубами не менее 0,5 м.

 

3.1.23. Наземная прокладка трубопроводов в насыпях приме­няется на участках с низкой несущей способностью грунтов на болотах и обводненных участках. На участках, расположенных на грунтах, теряющих несущую способность при оттаивании, наземная прокладка в насыпи возможна, если под трубопроводом устраивается теплоизолирующий слой, предохраняющий грунт от растепления или при транспортировке продукта, имеющего постоянно отрицательную температуру.

Допускается совмещение насыпи, отсыпаемой для трубопро­водов, с насыпью для внутрипромысловой эксплуатационной дороги. При этом должны быть осуществлены мероприятия по за­щите трубопровода от повреждения тяжелой техникой.

3.1.24. Наземная прокладка трубопроводов без обвалования грунтом с компенсацией осевых деформаций допускается на трассах, проходящих по малонаселенной местности со спокой­ным рельефом, при отсутствии бугров пучения, оползней и дру­гих условий, которые могут вызвать недопустимые горизонталь­ные и вертикальные перемещения трубопроводов.

3.1.25. Надземная прокладка трубопроводов применяется на участках, где грунты обладают низкой несущей способностью, на участках с пересеченным рельефом местности, при наличии большого количества водотоков, оврагов, озер и рек, на перехо­дах трубопроводов через водные преграды, русла селевых пото­ков, при пересечении оползневых участков, и участков с просадочными и пучинистыми грунтами, при скальных грунтах, на участках с вечномерзлыми грунтами и в других случаях, когда подземная прокладка недостаточно надежна, сложна и экономи­чески нецелесообразна, а также в случаях необходимости изоли­ровать "горячие" трубопроводы от вечномерзлого грунта.

Допускается надземная прокладка нескольких трубопроводов на одних опорах в один - два яруса с обеспечением доступа к ним для выполнения ремонтных работ, а также работ по нане­сению и восстановлению противокоррозионных покрытий. Рас­стояние в свету между расположенными рядом, на одном уровне, трубопроводами должно быть не менее 250 мм при услов­ном диаметре труб до 250 мм включительно и не менее диаметра трубопровода при трубах с условным диаметром более 250 мм.

Высоту прокладки надземного трубопровода от поверхности земли следует принимать в зависимости от рельефа местности и грунтовых условий, климатических условий района, теплово­го воздействия трубопровода на грунты, обеспечения проездов транспорта, миграции крупных животных и других соображе­ний. Расстояние от низа трубопровода до поверхности земли должно быть не менее 0,25 м, в местах свободного прохода лю­дей - не менее 2,5 м, на путях миграции крупных животных - не менее 3,0 м и при пересечении автомобильных дорог - не ме­нее 5,5 м (по согласованию с организациями, эксплуатирующими их).

Надземные трубопроводы должны строиться с учетом про­дольных перемещений от температурных воздействий, испытания их внутренним давлением, пропуска очистных устройств и устойчивости в ветровом потоке.

3.1.26. Прокладка промысловых трубопроводов на вечномерзлых грунтах должна производиться на основе анализа мерзлотно-грунтовых условий трассы, технико-экономических показателей, результатов тепловых и прочностных расчетов, различных конструктивных решений по способам прокладки, обеспечения их работоспособности и ремонтопригодности в те­чение всего периода эксплуатации, а также охраны окружающей среды.

На участках, где возможно развитие криогенных процессов, должны проводиться предварительные инженерные изыскания.

Проектирование и строительство подземных и наземных трубопроводов, прокладываемых на вечномерзлых грунтах, должны осуществляться или с сохранением грунта в мерзлом состоянии, или с допущением его оттаивания в процессе строительства и эксплуатации.

Выбор принципа использования грунта производится с уче­том мерзлотно-грунтовых условий, способа и конструктивно­го решения прокладки трубопровода, режима его эксплуа­тации, прогноза локальных и общих изменений инженерно-геологических условий и свойств грунтов основания, технико-экономического анализа стоимости различных вариантов про­кладки трубопроводов и мероприятий по охране окружающей среды.

3.1.27. Для предотвращения возникновения напряжений в трубопроводах при их неравномерных осадках в вечномерзлых грунтах следует предусматривать специальные мероприятия: устройство теплоизоляции, замену грунта, укладку трубопрово­да с учетом ожидаемой деформации, применение опор для фикса­ции положения трубопроводов, применение геотекстильных ма­териалов, охлаждение грунта или перекачиваемого продукта, прокладку по типу "труба в трубе" и др.

3.1.28. Для уменьшения воздействия мерзлотного пучения на трубопроводы или на их опоры следует предусматривать сле­дующие мероприятия: замену грунтов, устройство компенсаци­онных участков, техническую мелиорацию грунтов, прокладку трубопроводов с учетом ожидаемых деформаций, применение противопучинных решений для обеспечения устойчивости поло­жения трубопровода.

3.1.29. При пересечении оползающих участков откосов, сложенных вечномерзлыми грунтами, следует предусматривать надземную прокладку трубопроводов на свайных опорах, защи­щенных от бокового давления оползающего массива грунта спе­циальными устройствами (шпунтами, шпунтовыми грунторезами и др.).

Допускается подземная прокладка трубопроводов на ополза­ющих откосах при заглублении в мерзлые грунты ниже прогно­зируемой поверхности оползания оттаявшего массива.

3.1.30. Устойчивое положение трубопроводов против всплы­тия и выпирания при прохождении на обводненных и заболо­ченных участках при отсутствии транспортируемого продукта в них, в тех случаях, когда грунт не обладает удерживающей способностью или его удерживающая способность недостаточна, обеспечивается заменой и закреплением грунта, закреплением трубопроводов с помощью балластирующих устройств, анкер­ных креплений или другими способами, выполняемыми согласно расчету.

В качестве балластирующих устройств могут применяться: сплошное бетонирование трубопровода; сплошное покрытие тру­бопровода сборными железобетонными скорлупами; установка штучных железобетонных грузов различной конструкции с ис­пользованием только массы грузов или массы грузов с располо­женным на них грунтом; укладка над трубопроводом плит или ящиков с грунтом, расстилка над трубопроводом нетканых ма­териалов, удерживающих определенную массу грунта, засыпка, закрепление грунта и другие методы.

В качестве анкерных устройств могут применяться: винто­вые анкеры, анкеры с раскрывающимися лопастями, анкеры, вмороженные в вечномерзлый грунт, и другие виды металличе­ских анкеров, забивные и вмораживаемые сваи; в условиях веч­номерзлых грунтов - сваи с последующим образованием рас­ширений на концах и другие анкерные устройства.

3.1.31. Внутриплощадочные трубопроводы и металлические защитные покрытия теплоизоляции трубопроводов, проложен­ные надземно, следует защищать от вторичных проявлений мол­нии и статического электричества в соответствии с требова­ниями, предусмотренными указаниями по проектированию и устройству молниезащиты зданий и сооружений, а также спе­циальными отраслевыми правилами.

3.1.32. Для свободного проезда транспорта и беспрепятствен­ного прохода людей на воздушных переходах минимальная высота до нижней части трубопроводов или пролетных строительных конструкций высоких эстакад должна быть, м:

над железнодорожными путями (от головки рельсов) - 6,0;

над автодорогами и проездами                                     - 5,5;

над пешеходными проходами                                       - 2,5.

3.1.33. При пересечении высокими эстакадами железнодорож­ных путей и автодорог расстояние по горизонтали от грани бли­жайшей опоры эстакады должна быть не менее: м:

до оси железнодорожного пути нормальной колеи   - 2,45;

до бордюра автодороги                                              - 1,0.

3.1.34. Пересечения эстакад с воздушными линиями электро­передачи необходимо выполнять в соответствии с "Правилами устройства электроустановок" (ПУЭ).

Воздушные линии электропередачи на пересечениях с эста­кадами должны проходить только над трубопроводами. Ми­нимальное расстояние по вертикали от верхних технологиче­ских трубопроводов эстакады до линий электропередачи (ниж­них проводов с учетом их провисания) следует принимать в за­висимости от напряжения:

 

Напряжение, кВ

До 1,0

 

От 1 до 20

От 35 до 110

150

220

Расстояние над тру­бопроводом, м

1,0

3,0

4,0

4,5

5,0

 

При определении вертикального и горизонтального расстоя­ний между воздушными линиями электропередачи и внутриплощадочными трубопроводами всякого рода защитные огражде­ния, устанавливаемые над ними в виде решеток галерей, площа­док, следует рассматривать как части трубопроводов.

3.1.35. Размещать арматуру, фланцевые, резьбовые соедине­ния, линзовые, волнистые компенсаторы и дренажные устрой­ства на трубопроводах, расположенных над железнодорожными путями, автодорогами и пешеходными дорожками, не разреша­ется.

3.1.36. Транзитная прокладка любых трубопроводов под зда­ниями и над ними не допускается.

3.1.37. Внутриплощадочные трубопроводы следует прокла­дывать с уклоном, обеспечивающим возможно полное опорожне­ние их в цеховую аппаратуру и емкости. Уклоны трубопроводов следует принимать не менее:

для легкоподвижных жидких веществ            - 0,002;

для газообразных веществ                                - 0,003;

для высоковязких и застывающих веществ    - 0,020.

В исключительных случаях допускается прокладывать тру­бопроводы с меньшим уклоном или без него, но при этом должны быть предусмотрены меры по их опорожнению.

3.1.38. В местах прохождения через стены, перекрытия, пе­регородки внутриплощадочные трубопроводы должны быть за­ключены в стальные гильзы из труб, внутренний диаметр ко­торых на 10-20 мм больше наружного диаметра трубопроводов или тепловой изоляции. Зазор между трубопроводом и гильзой с обоих концов должен быть заполнен несгораемым материалом, допускающим продольное перемещение трубопровода.

Гильзы должны быть жестко заделаны в строительной кон­струкции. Размещать сварные стыки трубопровода внутри гильз не допускается.

3.1.39. Внутриплощадочные трубопроводы и арматуру необ­ходимо размещать с учетом необходимых проходов, в соответ­ствии с действующими нормами техники безопасности. Трубо­проводы, прокладываемые вдоль стен внутри зданий, не должны пересекать оконных и дверных проемов.

3.1.40. При расположении и креплении внутриплощадочных трубопроводов в зданиях следует учитывать возможность сво­бодного перемещения подъемно-транспортных устройств.

3.1.41. Запрещается прокладывать внутриплощадочные трубопроводы внутри административных, бытовых, хозяйственных помещений, в помещениях электрораспределительных устройств, камер, тепловых пунктов, а также на путях эвакуации персонала (лестничных клетках, коридорах и т. д.).

3.1.42. Внутриплощадочные трубопроводы с условным прохо­дом до 100 мм допускается прокладывать по наружной поверх­ности глухих стен вспомогательных помещений.

Внутриплощадочные трубопроводы с условным проходом до 200 мм допускается прокладывать по несгораемым участкам несущих стен производственных зданий. Такие трубопроводы должны располагаться на 0,5 м ниже или выше оконных или дверных проемов (за исключением зданий, имеющих сплошное остекление).

Не допускается прокладка трубопроводов по стенам и огра­ждающим конструкциям, сбрасываемым при воздействии взрыв­ной волны.

Не допускается размещение арматуры, фланцевых и резьбовых соединений и дренажных устройств на трубопроводах, про­ложенных под оконными и дверными проемами.

Расстояния между прокладываемыми параллельно трубопро­водами, а также между трубопроводом и строительными конструкциями, как по горизонтали, так и по вертикали следует выбирать с учетом возможности сборки, осмотра, нанесения те­пловой изоляции и ремонта трубопроводов, а также смещения трубопроводов при температурной деформации. Расстояния ука­заны в прил. 21.

3.1.43. Прокладка промысловых нефтегазоконденсатопроводов в одной траншее с кабельными линиями запрещается.

3.1.44. Параллельная прокладка трубопроводов, а также пе­ресечение их с кабелем должны производиться в соответствии с ПУЭ.

3.1.45. При прокладке кабельных линий параллельно с нефте -, газо- и конденсатопроводами расстояние по горизонтали между кабелем и газоконденсатопроводом должно быть не менее 1 м.

Кабели, находящиеся от нефте-, газо- и конденсатопровода на меньшем расстоянии (но не менее 0,25 м), на всем протяжении сближения должны быть проложены в трубах.

Параллельная прокладка кабелей над и под нефте -, газо- и конденсатопроводом в вертикальной плоскости не допускается.

 

3.2. Переходы трубопроводов

через естественные и искусственные

препятствия

 

3.2.1. Переходы трубопроводов через реки, каналы, озера, ру­чьи, овраги, болота, автомобильные и железные дороги могут выполняться надземным или подземным способами. Выбор спо­соба сооружения перехода производится на основании технико-экономических расчетов.

Принятые решения согласовываются с организациями, в ве­дении которых находятся пересекаемые системы.

 

Подводные переходы трубопроводов

через водные преграды

 

3.2.2. Подводные переходы трубопроводов проектируются на основании данных гидролого-морфологических, инженерно-геологических и топографических изысканий с учетом условий эксплуатации ранее построенных подводных переходов в районе строительства, проектируемых и действующих гидротехниче­ских сооружений, влияющих на режим водной преграды в месте перехода, перспективных дноуглубительных и выправительных работ, условий судоходства и требований к охране окружающей среды и рыбных ресурсов.

3.2.3. Местоположение участка подводного перехода опреде­ляется с учетом направления трассы трубопровода и согласовы­вается со всеми заинтересованными организациями.

Створы переходов через реки выбираются на наиболее устой­чивых против размыва участках русел с минимальной шири­ной заливаемой поймы в направлении перпендикулярно динами­ческой оси потока. Необходимо избегать участков, сложенных скальным грунтом.

Прокладка подводных переходов, как правило, должна осуществляться с заглублением в дно водоема на 0,5 м ниже прогнозируемого профиля дна реки до верха забалластиро­ванного трубопровода, определяемого на основании инженер­ных изысканий, но не менее 1,0 м от естественных отметок дна водоема.

На переходах через несудоходные и непромерзающие до дна закрытые водоемы в районах Западной Сибири и Крайнего Севе­ра при соответствующем обосновании допускается укладка тру­бопроводов на дно водоема с заглублением в грунт не менее чем на 0,5 м от верха забалластированного трубопровода до дна во­доема.

При замерзании водоема расстояние от нижней поверхности льда до верха балластировки трубопровода должно быть не ме­нее 0,5 м.

При пересечении водных преград, дно которых сложено скальными грунтами, заглубление трубопровода принимается не менее 0,5 м, считая от верха забалластированного трубопро­вода, до отметки дна водоема в ненарушенной состоянии.

3.2.4. При ширине водных преград при меженном горизонте 75 м и более в местах пересечения водных преград промысловы­ми коллекторами газа (нефти), нефтегазосборными трубопрово­дами, нефтепроводами и водоводами пластовых и сточных вод следует предусматривать прокладку резервной нитки. При со­ответствующем обосновании резервную нитку разрешается пре­дусматривать и при пересечении водных преград шириной до 75 м при ширине заливаемой поймы более 500 м по уровню воды при 10 % обеспеченности и продолжительности подтопления паводковыми водами более 20 дней.

Необходимость прокладки резервной нитки для выкидных линий скважин, метанолопроводов к скважинам, трубопроводов систем заводнения и захоронения пластовых и сточных вод уста­навливается проектом на основании технико-экономического обоснования.

3.2.5. На подводных переходах диаметр трубопровода и диа­метр резервной нитки следует принимать равными диаметру основной магистрали.

Расстояние между параллельными нитками подводных трубопроводов на русловых участках назначается исходя из инженер­но-геологических и гидрогеологических условий, возможности производства строительных и ремонтных работ, исключающих повреждение соседних трубопроводов. Минимальные расстояния между осями газопроводов, заглубленных в дно водоема, должны составлять 30 м при диаметре труб до 1000 мм включительно и 50 м - для трубопроводов диаметром свыше 1000 мм.

На многониточных переходах трубопроводов, транспортиру­ющих жидкие продукты, допускается прокладка основных ниток трубопровода в общей траншее.

3.2.6. Прокладку подземных трубопроводов на переходах че­рез каналы и арыки оросительной системы следует предусма­тривать с заглублением ниже дна водотока на глубину не менее 1,0 м, считая от верха забалластированного трубопровода.

3.2.7. Подводные переходы в границах горизонта высоких вод (ГВВ) не ниже 1 % обеспеченности должны закрепляться против всплытия. В русловой части перехода следует применять коль­цевые грузы или обетонирование, обеспечивающие их надежную устойчивость против смещений при возможных деформациях ру­сла.

3.2.8. На переходах через водные преграды расчет баллас­тировки промысловых нефтепроводов должен производиться из условия его полного опорожнения, т. е. без учета веса продукта.

3.2.9. На переходах через глубокие болота и озера при соответствующем технико-экономическом обосновании для предотвращения всплытия трубопроводов диаметром до 250 мм допускается вместо балластирующих устройств применять трубы с увеличенной толщиной стенки, обеспечивающей отрицательную плавучесть.

3.2.10. На подземных переходах через водотоки должны пре­дусматриваться берегоукрепительные работы.

3.2.11. На переходах через нерестовые реки и ручьи трубо­проводы следует прокладывать надземно на опорах с целью ис­ключения воздействия на условия обитания ценных пород рыб, при этом трубы должны располагаться выше 1 % уровня ГВВ на величину не менее 1,0 м. Кроме того, должны быть предусмотре­ны мероприятия по защите выходов труб из грунта от ледохода и корчехода.

3.2.12. В случае максимальной глубины промерзания воды на внутриболотных озерах глубина заложения трубопроводов должна обеспечивать исключение вмерзания балластировочных грузов в лед.

 

Надземные переходы трубопроводов

 

3.2.13. При устройстве надземных переходов через естествен­ные и искусственные препятствия следует максимально исполь­зовать несущую способность самого трубопровода. В отдельных случаях при соответствующем обосновании для прокладки тру­бопроводов применяются специальные мосты. Прокладка трубо­проводов по автодорожным мостам допускается в виде исключе­ния, так при проектировании трубопровода в соответствии с требованиями к категории В и получении разрешения от заин­тересованных организаций.

Наиболее простыми в исполнении являются балочные си­стемы переходов (простые и усиленные). В тех случаях, когда по условиям рельефа местности, режима преграды, сложности устройства промежуточных опор или по другим соображениям величина необходимого расстояния между опорами больше той, которая может быть перекрыта балочными системами, следует применять висячие системы (вантовые, одноцепные и др.) или арочные конструкции.

Арочные конструкции переходов следует применять там, где по условиям эксплуатации дороги или водной преграды трубо­провод должен быть приподнят на значительную высоту.

Величина перекрываемого пролета и конструктивная схе­ма перехода устанавливаются в зависимости от характера препятствия, требований заинтересованных организаций, охра­ны окружающей среды, надежности эксплуатации и технико-экономических соображений.

3.2.14. При надземном пересечении оврагов, балок, ущелий, каналов, рек и других водных преград расстояние от низа трубы или конструкций пролетного строения следует принимать:

при пересечении оврагов, балок, малых водотоков, а также стоячих озер - не менее 0,5 м до уровня воды при 5 % обеспе­ченности;

при пересечении несудоходных, несплавных рек, больших оврагов, где возможен ледоход, и озер с поворотным течением воды и перемещением льда - не менее 0,2 м до уровня воды при 1 % обеспеченности и от наивысшего горизонта ледохода;

при пересечении судоходных и сплавных рек - не менее ве­личины, установленной нормами проектирования подмостовых габаритов и требованиями проектирования мостов.

При наличии сплава и корчехода следует учитывать возмож­ность образования заломов и заторов и расстояние до уровня во­ды при 1 % обеспеченности увеличивать до 1 м.

3.2.15. Пролеты надземных балочных переходов систем трубопроводов могут быть увеличены за счет помещения рабочего трубопровода в трубу большего диаметра, совместной работы двух труб, устройства шпренгелей и др. Непосредственная при­варка к рабочему трубопроводу усиливающих элементов не до­пускается.

3.2.16. Совместная прокладка на одних опорах групповых надземных переходов трубопроводов и электролиний разрешает­ся только для сетей, предназначенных для обслуживания трубо­проводов (кабелей сигнализации, диспетчеризации, электропри­вода задвижек).

При этом электропроводка должна располагаться в трубах ниже трубопроводов на самостоятельных кронштейнах или подвесках.

3.2.17. Па переходах через водные преграды по технологиче­ским мостам допускается совместная прокладка газопроводов и совместная прокладка трубопроводов с жидкими горючими сре­дами, если указанные трубопроводы относятся к одному техно­логическому узлу, например трубопроводы от одной дожимной насосной станции (ДНС).

3.2.18. При прокладке надземных трубопроводов в затопля­емых поймах рек и водоемов, вне границ ледохода допускается временное затопление их водой при обеспечении условий, предотвращающих всплытие опор и самих трубопроводов. Изоля­ция таких участков должна быть усиленной.

 

Переходы трубопроводов через железные

и автомобильные дороги

 

3.2.19. Переходы трубопроводов через железные дороги, вне-промысловые автомобильные дороги I-IV категорий и промы­словые автомобильные дороги с усовершенствованным покры­тием следует проектировать в местах прохождения дорог в на­сыпях или в нулевых отметках, угол пересечения трубопровода с дорогами должен быть 90°. Все пересечения необходимо согла­совывать с владельцем транспортных магистралей. Прокладка трубопроводов через тело насыпи не допускается.

В местах пересечения трубопровода с автодорогами V катего­рии, промысловыми автодорогами без усовершенствованных по­крытий, автозимниками и лежневыми дорогами должны преду­сматриваться защитные мероприятия, исключающие поврежде­ния трубопроводов. Места переезда обозначаются специальными знаками.

3.2.20. Участки трубопроводов в местах пересечения желез­ных и автомобильных дорог должны заключаться в защитные футляры из стальных или железобетонных труб, в тоннели, диа­метр которых определяется условиями производства работ и кон­струкцией перехода, но должен быть больше наружного диаме­тра трубы не менее чем на 200 мм.

Концы футляра должны выводиться на расстояние:

на переходах через железные дороги - на 25 м от осей край­них путей, но не менее чем на 5 м от подошвы откоса насыпи и на 3 м - от бровки откоса выемки или водоотводных сооружений (кювета, нагорной канавы и т. п.);

на переходах через автомобильные дороги - на 10 м от бров­ки земляного полотна, но не менее чем на 2 м от подошвы на­сыпи. На нефтепроводах и нефте-, продуктопроводах, пересека­ющих автодороги III и IV категорий, расстояние от бровки зем­ляного полотна может быть сокращено до 5 м.

3.2.21. На обоих концах защитного кожуха должны быть предусмотрены уплотнения, обеспечивающие герметичность межтрубного пространства в целях охраны окружающей среды. На трубопроводах I и II категорий диаметром более 500 мм один из концов защитного кожуха должен иметь выход в отводной колодец или на трап с факелом.

3.2.22. Заглубление трубопроводов на переходах под железными дорогами должно быть не менее 2 м от подошвы рельса до защитного футляра и по менее 0,5 м до него от дна кювета, водоотводной канавы или дренажа. Заглубление трубопроводов под автомобильными дорогами должно приниматься не менее 1,4 м от верха покрытия дорог (проезжей части) до защитного футляра, а при его отсутствии - до верхней образующей тру­бопровода и не менее 0,4 м от дна кювета, водоотводной канавы или дренажа.

На переходах через железные и автомобильные дороги, проложенные на пучинистых и неустойчивых грунтах, следует предусматривать конструктивные мероприятия для исключения неравномерных пучений (осадок) основания дорог.

3.2.23. Места пересечения трубопроводов с железными доро­гами должны быть удалены (по горизонтали) от стрелок и кре­стовин не менее чем на 10 м. При пучинистых и неустойчивых грунтах это расстояние увеличивается до 20 м.

 

3.3. Создание защитных (буферных)

зон вокруг особо опасных трубопроводных систем

 

3.3.1. Защитные зоны создаются с целью предотвращения отрицательных воздействий трубопроводов на объекты, располо­женные по границам этих зон, а также деятельности различных организаций на сохранность и безопасность работы самих тру­бопроводов.

3.3.2. Определяющие величину защитных зон минимальные расстояния от оси подземных, наземных и надземных трубопро­водов различного назначения до объектов, зданий и сооружений следует принимать в соответствии со СНиПом.

3.3.3. В пределах защитных зон запрещается строительство каких-либо объектов без согласования с эксплуатирующей орга­низацией.

3.3.4. Фактический материал по трубопроводу (исполнитель­ная съемка), оформленный в установленном порядке строительно-монтажными организациями и заказчиком, должен быть передан в органы исполнительной власти на местах для нанесения его на районные карты землепользования.

3.3.5. Отвод земельных участков под строительство зданий и сооружений и прокладку коммуникаций в непосредственной бли­зости от защитных зон осуществляется в порядке, установлен­ном действующим законодательством, органами местной власти.

Предприятия, организации, учреждения и отдельные гражда­не (застройщики) до рассмотрения соответствующими органами местной власти ходатайства о предоставлении земельных участ­ков вблизи защитных зон должны согласовать строительство с предприятием, эксплуатирующим трубопровод.

3.3.6. В проекте производства работ по проведению приемочных гидравлических испытаний промысловых трубопроводов в случае строительства трубопровода в пределах населенно­го пункта или в непосредственной близости от него для обеспече­ния безопасности населения должно быть предусмотрено опове­щение населения через местное радио и прессу по заявке эксплуатирующей организации о проводимых испытаниях с выдачей письменного предупреждения территориальной администрации и землепользователям о недопустимости появления населения в защитной зоне во время испытаний.

3.3.7. До начала заполнения трубопровода транспортируемой продукцией должны быть выполнены все работы, предусмотренные проектом.

3.3.8. При необходимости производства в защитной зоне работ, связанных с использованием энергии взрыва, необходимо согласовать производство работ с эксплуатирующей трубопро­вод организацией и органами территориальной администрации и пожарной охраны.

 

3.4. Требования к оснащению технологических

систем сбора средствами контроля,

регулирования, противоаварийной защиты

 

3.4.1. Средства автоматизации контроля и регулирования должны обеспечивать:

контроль (местный и дистанционный) за ходом технологиче­ских процессов транспорта нефти и газа;

контроль состояния и режимов работы технологического оборудования;

измерение текущих параметров (давления, температуры, рас­хода, уровня, качества продукции);

возможность получения информации по отдельным контро­лируемым параметрам, их предельным величинам или отклоне­ниям от установленных значений;

поддержание заданного технологического режима;

местное и дистанционное управление работой технологиче­ского оборудования.

3.4.2. Средства противоаварийной защиты должны предусма­тривать:

аварийную сигнализацию при выходе технологических пара­метров за предельные значения;

управление объектами систем сбора в целях предупреждения, определения, локализации и ликвидации аварий;

автоматическую блокировку оборудования, действующую независимо от других устройств управления.

3.4.3. Средства контроля, регулирования и противоаварийной защиты при опрессовке промысловых трубопроводов (ПТ) долж­ны производить:

контроль давления на участке опрессовки и за отсекающей задвижкой;

контроль состояния задвижек и заглушек, отсекающих уча­сток опрессовки;

сигнализацию (предупреждающую и аварийную) при пре­дельных значениях давления на участке опрессовки;

аварийную остановку насоса;

местное и дистанционное управление запорной арматурой на участке опрессовки;

регулирование технологических параметров насоса.

 

3.5. Требования к оснащению промысловых

трубопроводов средствами очистки

 

3.5.1. Очистка внутренней полости промысловых трубопрово­дов должна предусматриваться с целью восстановления их про­пускной способности путем удаления парафина, песка, водяных и газовых скоплений и различных механических примесей, а так­же с целью снижения скорости коррозии труб за счет удаления скопления воды и механических примесей.

Узлы запуска и приема очистных устройств должны предусматриваться на трубопроводах диаметром 200 мм и более.

3.5.2. Выбор метода очистки (механический, химический, термический, комбинированный) и оснащения участка трубопро­вода комплексом оборудования для очистки его внутренней по­лости должен быть подтвержден технико-экономическим расче­том.

Очистка телескопических трубопроводов может производить­ся термическим или химическим (в том числе гелями) способами, а также скребками для труб переменного диаметра.

3.5.3. Участки трубопровода, подвергающиеся механическим методам очистки, должны удовлетворять следующим требова­ниям:

участок трубопровода должен быть сварен из труб одного диаметра с учетом возможности пропуска очистного устройства на всем его протяжении;

величины овальности труб, вмятин и гофр должны находиться в допустимых пределах;

участок не должен иметь подкладных колец, устройств, выступающих во внутреннюю полость трубопровода;

радиусы кривых вставок на участке должны быть не менее пяти диаметров трубопровода;

участок трубопровода должен быть оснащен полнопроходной запорной арматурой;

участок должен выдерживать нагрузки от пропуска очист­ных устройств.

3.5.4. Комплекс оборудования для очистки полости трубопро­вода должен обеспечивать выполнение всех необходимых тех­нологических операций, включающих пуск и прием очистного устройства, контроль за прохождением его по участку, сбор и утилизацию выносимых из трубопровода загрязнений.

Комплекс оборудования должен содержать: камеры пуска и приема очистного устройства; оборудование для запасовки в ка­меру пуска и извлечения из камеры приема очистного устрой­ства; технологическую обвязку камер пуска и приема с запорной арматурой; средства контроля и сигнализации за прохождени­ем очистного устройства; сооружения для сбора и утилизации, выносимых из полости трубопровода загрязнений.

3.5.5. Камеры пуска и приема очистного устройства устана­вливаются на фундаментах для обеспечения их несмещаемости в процессе эксплуатации. Они должны быть рассчитаны на на­грузки от пропуска очистных устройств и осевые усилия от тем­пературного перепада и внутреннего давления. При необходимо­сти камеры пуска очистных устройств должны быть конструк­тивно защищены от осевых усилий, обусловленных воздействи­ем примыкающих к ним подземных трубопроводов. Герметиза­цию камер следует обеспечивать по I классу герметичности.

3.5.6. Оборудование для ввода и извлечения очистного устрой­ства должно соответствовать требованиям пожаровзрывобезопасности, обеспечивать необходимую механизацию подготови­тельных работ, удобство и надежность в эксплуатации.

3.5.7. Технологическая обвязка камер пуска и приема должна обеспечивать возможность перевода работы камеры на пусковой контур при приеме очистных устройств.

3.5.8. Сооружения для сбора и утилизации, выносимых из трубопровода загрязнений (парафина, песка, воды, конденсата и т.д.) должны быть рассчитаны на максимально возможный объем загрязнений. Площадки размещения сооружений для сбо­ра и утилизации, выносимых из трубопровода загрязнений долж­ны иметь ограждения и находиться на безопасном расстоянии от пожароопасных объектов.

3.5.9. Средства контроля и сигнализации должны обеспе­чивать возможность определения местонахождения очистного устройства по длине очищаемого участка. Очистное устройство должно быть оборудовано сигнальным устройством для опреде­ления его местонахождения.

3.5.10. Система управления комплексом очистного оборудова­ния должна предусматривать возможность дистанционного (со щита диспетчера) и местного (с площадок пуска и приема) упра­вления процессом пуска и приема очистного устройства.

3.5.11. Комплекс устройств, применяемых для периодической очистки, должен обеспечивать полное удаление загрязнений из полости трубопровода, а очистные устройства - необходимую степень герметизации при движении по всей длине очищаемого участка.

3.5.12. Устройства для очистки полости трубопровода долж­ны удовлетворять следующим требованиям:

обеспечивать полную очистку стенок труб от парафина, пес­ка, продуктов коррозии, а также воды и конденсата;

перемещаться по кривым вставкам с радиусом, равным пяти диаметрам трубопровода, без нарушения работы конструктив­ных элементов трубопровода;

быть удобными для ввода в камеры пуска и извлечения из камер приема, обладать минимальным весом;

обеспечивать возможность замены герметизирующих и очист­ных элементов в случае выхода их из строя.

 

3.6. Обеспечение производства

технологическими регламентами,

согласование их с надзорными органами

 

3.6.1. Технологический регламент по эксплуатации трубопро­водов систем сбора нефти, газа и воды на промыслах является до­кументом, содержащим требования к эксплуатации этих систем с целью поддержания оптимальных параметров работы трубо­проводов, их согласования с параметрами работы всего месторо­ждения, установок подготовки нефти, газа и воды, обеспечения достигнутого уровня надежности, безопасности, производствен­ной санитарии, пожаровзрывобезопасности и охраны окружаю­щей среды.

3.6.2. Регламенты составляются и утверждаются предприя­тиями, эксплуатирующими внутрипромысловые трубопроводы.

При необходимости привлекаются научно-исследовательские организации.

3.6.3. Регламенты составляются на основе достижений науки в техники в данной области к моменту разработки регламента. Регламент должен выполняться для конкретных проектных ма­териалов, на конкретные технические решения. В случае, если на объектах трубопроводного транспорта применяются новые виды сырья, вспомогательных материалов, отходов и выбросов, научно-исследовательские организации - разработчики процес­сов обязаны ко времени выдачи регламента составить и согласо­вать технические условия на них, а также определить величины предельно допустимых концентраций (ПДК) вредных веществ для воздуха и водоемов санитарно-бытового и рыбохозяйственного назначения.

3.6.4. Регламент на систему трубопроводов сбора нефти, газа и воды должен содержать требования по:

техническому уровню и патентоспособности процессов;

технической характеристике транспортируемой продукции, основных и вспомогательных материалов;

технической характеристике отходов и выбросов;

технологии сбора и транспорта продукции на весь период эксплуатации месторождения;

расчету основных технологических параметров;

физико-химическим и теплофизическим свойствам транспортируемых веществ, сред и смесей;

рекомендации по конструкции и материальному оформлению оборудования на линейной части трубопроводов;

технической эксплуатации трубопроводов (поддержание и регулирование параметров; борьба с осложнениями - заморажи­ванием, отложениями парафина, песка, окислов железа; борьба с коррозией; осуществление планово-предупредительных ремон­тов; ликвидация аварий и т. д.);

контролю основных параметров работы и надежности трубопроводов (дистанционный контроль параметров, телемеханиза­ция, дефектоскопия и т. д.);

технике безопасности, производственной санитарии и пожаровзрывобезопасности;

охране окружающей среды;

пуску, остановке и консервации отдельных участков трубо­проводов;

технико-экономическому анализу эффективности работы трубопроводов с целью определения эффективности мер по повыше­нию их надежности.

3.6.5. Регламенты составляются на систему сбора одного цеха в целом. При необходимости регламент может быть разработан на отдельный трубопровод. В этом случае он должен находиться в полном соответствии с регламентом на систему сбора цеха.

3.6.6. Регламенты подписываются руководителем составив­шей их организации, согласовываются с проектной организаци­ей, разработавшей проект строительства трубопровода, контро­лирующими органами (Госгортехнадзором России, охраны при­роды, территориальными органами пожарной охраны), утвер­ждаются руководителем эксплуатирующей организации.

3.6.7. Регламенты утверждаются с ограничением срока их действия в пределах не более трех лет.

Повторно утверждаемые регламенты представляются на согласование и утверждение в порядке, установленном для вновь разрабатываемых регламентов.

3.6.8. Ответственность за своевременный пересмотр регла­ментов несет эксплуатирующая организация, за качество регла­ментов - организация-разработчик.

3.6.9. Дополнения и изменения в утвержденный регламент вносятся организацией, составившей регламент. Дополненный и измененный регламент должен быть согласован и заново утвер­жден в порядке, установленном для вновь разрабатываемых ре­гламентов.

 

3.7. Порядок внесения изменений

в технологическую и проектную документацию

 

3.7.1. Под изменением действующего документа понимается любое исправление, исключение или добавление каких-либо дан­ных.

3.7.2. Изменения, внесенные в документ, не должны нарушать взаимосвязи с документами, выпущенными ранее.

3.7.3. Любое изменение в документе, вызывающее какие-либо изменения в других документах, должно одновременно сопрово­ждаться внесением соответствующих изменений во все взаимо­связанные документы.

3.7.4. Изменения в документ на всех стадиях его использова­ния вносят на основании извещения об изменениях в соответ­ствии с ГОСТ 2.503-90.

3.7.5. Выпускать извещения об изменениях в действующих документах имеет право только предприятие - держатель под­линников этих документов.

3.7.6. Изложенные в извещении указания обязательны для всех предприятий, применяющих измененную документацию.

3.7.7. Необходимые исправления документов, вызванные вне­сением ошибочных изменений, должны оформляться новыми из­вещениями об изменениях.

3.7.8. При обнаружении ошибки допускается немедленно вно­сить в копии, находящиеся в производстве, необходимые испра­вления, подписанные ответственными лицами, с последующим выпуском предварительного извещения или извещения об изме­нении.

Предварительное извещение имеет право выпускать как предприятие - держатель подлинников, так и предприятие - держатель учтенных копий или дубликатов.

3.7.9. Предприятие - держатель подлинников по всем посту­пившим от других предприятий предложениям об изменении в течение месяца после их получения обязано направить ответ или о принятии предлагаемых изменений, или об их отклонении с указанием конкретных причин отклонения или задержки пред­лагаемых изменений.

3.7.10. Все извещения об изменении и предварительные из­вещения, независимо от содержания предлагаемых изменений, должны быть согласованы с заказчиком.

3.7.11. Все извещения об изменении и предварительные из­вещения до представления на согласование заказчику должны быть оформлены всеми необходимыми согласующими подпися­ми.

3.7.12. Предварительные извещения и предложения об изменении предприятия - держателя копий перед направлением пред­приятию - держателю подлинников должны быть согласованы с заказчиком.

3.7.13. Заказчику с извещением об изменении и предварительным извещением представляют при необходимости техни­ческие расчеты (отчеты по испытаниям), обосновывающие це­лесообразность и необходимость вносимых изменений.

Если заказчик не согласен с предлагаемыми изменениями, то он об этом дает обоснованное заключение.

 

4. ТРЕБОВАНИЯ, ПРЕДЪЯВЛЯЕМЫЕ К МАТЕРИАЛАМ И КОНСТРУКЦИЯМ

ПРОМЫСЛОВЫХ СТАЛЬНЫХ ТРУБОПРОВОДОВ

 

4.1. Общие положения

 

Применяемые для промысловых стальных трубопроводов трубы, фасонные соединительные детали, фланцы, прокладки и крепежные изделия по качеству и техническим характеристи­кам материала должны отвечать требованиям соответствую­щих нормативных документов.

Материал труб и детали трубопроводов следует выби­рать в соответствии с действующими нормативами по ма­териальному оформлению процессов, рекомендациями научно-исследовательских и проектных организаций с учетом опыта эксплуатации. Наряду со стальными могут применяться пласт­массовые, полиметаллические и другие трубы.

 

4.2. Типы труб, область применения

и требования к их качеству

 

4.2.1. Для трубопроводов должны применяться трубы сталь­ные бесшовные, электросварные прямошовные, спиральношовные, сваренные током высокой частоты, изготовленные из спо­койных и полуспокойных углеродистых и низколегированных сталей, диаметром до 500 мм включительно, из спокойных и полуспокойных, как правило, низколегированных сталей диаме­тром более 500 мм. Требования, предъявляемые к трубам для строительства трубопроводов с условным диаметром до 500 мм независимо от давления и от 500 мм и выше при парциальном давлении сероводорода 300 Па и менее, должны соответствовать положениям "Инструкции по применению стальных труб в газо­вой и нефтяной промышленности". Применение спиральношовных труб любого диаметра в пределах участков категории В не допускается.

Для трубопроводов (за исключением трубопроводов нефтя­ных месторождений), транспортирующих среды с парциальным давлением сероводорода более 300 Па, должны применяться тру­бы из спокойных углеродистых и низколегированных сталей по ГОСТ 20295-74 и бесшовные (диаметром до 426 мм включитель­но) при отсутствии электросварных труб с необходимыми тех­ническими характеристиками и прямошовные (диаметром более 426 мм) с удовлетворительной стойкостью против сероводород­ного растрескивания. Для трубопроводов нефтяных месторожде­ний применяются трубы, указанные в п. 4.2.5.

4.2.2. Для трубопроводов газовых и газоконденсатных месторождений, транспортирующих влажные сероводородсодержащие среды, при давлении сероводорода более 300 Па следует приме­нять трубы с учетом пп. 4.2.3-4.2.4, соответствующие требова­ниям приведенных ниже стандартов и технических условий.

 

Бесшовные трубы

 

ТУ 14-3-460-75 (трубы стальные бесшовные для паровых котлов и трубопроводов из ст. 20) - для категорий участков трубопроводов В, I, II;

ТУ 14-3-1071-82 (трубы стальные бесшовные горячекатаные термообработанные из ст. 20) - для категорий участков трубопроводов III, IV;

ГОСТ 8731-87 (трубы стальные бесшовные горячеформированные группы В из ст. 20 и из ст. 10) - для категорий участков III, IV;

ГОСТ 8733-74 (трубы бесшовные холоднодеформированные и теплодеформированные термообработанные групп В и Г из ст. 20 и из ст. 10)— для категорий участков трубопроводов III, IV;

Примечание. Применение труб из ст. 20 и ст. 10 по ГОСТ 8731-74 ГОСТ 8733-74 в северной климатической зоне не допускается. Указанные трубы разрешается использовать в других климатических зонах. При условии включения дополнительных требований по ударной вяз­кости, неразрушающим методам контроля, предельным отклонениям от геометрических размеров труб и гидравлическим испытаниям на уровне ТУ 14-3-1128-82, которые оговариваются при составлении за­каза на трубы.

 

Электросварные прямошовные трубы

 

TУS ХSS-40-77/ЯС (трубы электросварные диаметром 1020 мм из нормализованного листа) - для транспортирования газа, содержащего сероводород до 6 % объемных;

TУS Х46SS-28/40-83 (трубы электросварные диаметром 720 мм и 1020 мм с двусторонним сварным продольным швом);

ТУ 28-КС-76-Т* (трубы электросварные диаметром 720 мм из нормализованного листа) - для транспортирования газа, со­держащего сероводород до 6 % объемных;

ТУ 28-79-SХ52* (трубы электросварные диаметром 720 мм из листа регулируемой прокатки) - для транспортирования газа, содержащего сероводород до 0,1 % объемных;

ТУ 40/78* Н2S-КС (трубы электросварные диаметром 720 мм и 1020 мм из листа регулируемой прокатки) - для транспорти­рования газа, содержащего сероводород до 6 % объемных.

Примечание. Допускается использование только при ремонте действующих трубопроводов, построенных из труб, отмеченных звездоч­кой (*).

4.2.3. Трубы бесшовные по ГОСТ 8731-87 и ГОСТ 8733-74, предназначенные для транспортирования газа, содержаще­го сероводород, при его парциальных давлениях более 300 Па (0,0030 кгс/см2), должны изготавливаться из катаной или кова­ной заготовки в соответствии с ГОСТ 1050-74 (применение литой за­готовки не допускается), с испытанием механических свойств на ра­стяжение по ГОСТ 10006-80 и испытанием на твердость по ГОСТ 9012-59, выполнением требований СНиП 2.05.06-85 по ударной вязко­сти и по предельным отклонениям от номинальных размеров.

4.2.4. Трубы бесшовные по ГОСТ 8731-87, ГОСТ 8733-74, ТУ 14-3-1071-82, соответствующие п. 4.2.3, допускается приме­нить для участков трубопроводов категорий В, I и II при условии гидравлического испытания каждой трубы и контроля качества каждой трубы неразрушающими методами (ультразвуковой де­фектоскопией).

4.2.5. Для строительства трубопроводов нефтяных место­рождений, транспортирующих продукцию нефтяных скважин (нефть, нефтяной газ и воду) при давлении до 10 МПа и пар­циальных давлениях сероводорода выше 300 до 10000 Па, а так­же при более высоких парциальных давлениях при содержании сероводорода до 5 % и давлении до 0,6 МПа, должны применять­ся трубы по ГОСТ 20295-74, ГОСТ 8731-87, ГОСТ 8733-74, ГОСТ 10705-80, ТУ 14-3-1073-82 (ст. 20-ЮЧ), ТУ 14-3-1074-82 (ст. 20-ЮЧ), ТУ 14-3-1190-83 (ст. 20-ЮЧ) с учетом ограниче­ний, указанных в п. 4.2.8.

До освоения промышленностью необходимого сортамента труб по ГОСТ 20295-74 допускается применение труб по ТУ 14-3-377-75 и ГОСТ 1075-82, при этом трубы по ГОСТ 10705-82 следует применять только для участков трубопроводов II-IV ка­тегорий с условным диаметром до 400 мм включительно на ра­бочее давление до 2,5 МПа.

Трубы по ГОСТ 8731-87 и ГОСТ 8733-74 должны заказы­ваться с дополнительными требованиями по ударной вязкости гидроиспытанию, неразрушающему контролю, разделке кромок, а также по геометрии трубы из катаной или кованой (нелитой) заготовки.

4.2.6. Ограничения в применении труб по ГОСТ 20295-74:

для участков не выше категории I;

температура стенки в условиях эксплуатации должна быть не ниже минус 20° С;

рабочее давление не выше 9,6 МПа.

4.2.7. Выбор труб для трубопроводов нефтяных месторожде­ний с парциальным давлением сероводорода выше 300 Па, при давлении в трубопроводе выше 10 МПа следует производить в соответствии с пп. 4.2.2-4.2.5.

Для газлифтных систем и систем обустройства промыслов, работающих под давлением до 12,0 МПа, следует применять тру­бы по ТУ 14-3-1128-82.

Для систем заводнения и захоронения пластовых и сточ­ных вод следует применять: при Рисп. до 20 МПа - трубы по ГОСТ 8732-78; при Рисп, равном 20 МПа и более, - трубы по ГОСТ 550-75.

4.2.8. При определении толщин стенок трубопроводов, транспортирующих коррозионно-агрессивные сероводородсодержащие среды и рассчитанных по несущей способности, добавляются:

С1 - минусовой допуск на изготовление бесшовных труб или стального листа для сварных труб;

С2 - добавка к толщине стенки на общую коррозию, опре­деляемая экспериментально или расчетом, исходя из расчетной скорости коррозии трубный стали в данной среде, с учетом про­ектируемых средств защиты (ингибиторы, осушка газа, приме­нение покрытий и др.), их эффективности, проектируемого срока эксплуатации трубопровода.

При отсутствии возможности определения скорости общей коррозии на заданном объекте расчетным или опытным путем допускается приближенное определение добавки (02) по анало­гии с другими, ранее запроектированными объектами, с близкими условиями эксплуатации труб. Во всех случаях величина такой добавки должна быть не менее 2 мм.

Толщина стенки трубопроводов систем заводнения, транспортирующих пресные воды, определяется по несущей способности без добавки на коррозию С2.

Толщина стенки с учетом коррозии определяется в соответ­ствии с ВСН 2.38-85.

4.2.9. Ударная вязкость заводских сварных соединений труб, определяемая при минимальной температуре строи­тельства, должна удовлетворять требованиям, приведенным в СНиП 2.05.06-85.

4.2.10. Во всех случаях применения стальных труб для сероводородсодержащих сред при парциальном давлении сероводоро­да выше 300 Па должна предусматриваться защита трубопрово­дов от внутренней коррозии (ингибиторы, защитные покрытия и др.).

4.2.11. Трубы считаются пригодными по качеству при усло­вии, что:

они соответствуют требованиям ТУ и стандартов на постав­ку и имеют заводскую маркировку и сертификаты;

отклонения наружного диаметра труб на протяжении не ме­нее 200 мм от торца не превышают для труб диаметром 800 мм включительно предельных величин, регламентируемых соот­ветствующими ГОСТами и ТУ, а для труб диаметром свыше 800 мм ± 2 мм;

отклонение толщины стенки по торцам не превышает предельных значений, регламентируемых соответствующими ГОСТами и ТУ;

овальность бесшовных труб не выводит их наружный диа­метр за предельные отклонения, а сварных труб диаметром 426 мм и более - не превышает 1 % номинального наружного диаметра (при этом овальность определяется как отношение разности величин наибольшего и наименьшего измеренных диаметров торца обследуемой трубы к номинальному диа­метру);

кривизна труб не превышает 1,5 мм на 1 м длины, а общая кривизна - не более 0,2 % длины трубы;

косина реза торцов труб не превышает 2,0 мм;

на концевых участках труб отсутствуют расслоения любого размера, выходящие на кромку или поверхность трубы;

глубина царапин, рисок и задиров на поверхности труб (деталей, арматуры) не превышает 0,2 мм; на теле и на торцах трубы отсутствуют вмятины;

в местах, пораженных коррозией, толщина стенки трубы не выходит за пределы минусовых допусков.

4.2.12. Трубы могут подвергаться ремонту, если:

глубина рисок, царапин и задиров на поверхности труб не превышает 5 % от толщины стенки;

вмятины на концах труб имеют глубину не более 3,5 % от внешнего диаметра;

глубина забоин и задиров фасок не более 5 мм;

на концевых участках труб имеются расслоения, которые мо­гут быть удалены обрезкой.

4.2.13. Ремонт труб производится в соответствии с требовани­ями ВСН 006-89.

Ремонт и заключение о пригодности труб для дальнейшего использования оформляются актом по установленной форме.

4.2.14. Патрубки запорной и распределительной арматуры, детали трубопроводов, имеющие дефекты, перечисленные в 4.2.12, могут быть подвергнуты ремонту только по разрешению завода-изготовителя.

4.2.15. Трубы признаются непригодными для сооружения нефтегазопроводов, если они не отвечают требованиям пп. 4.2.11 и 4.2.12.

4.2.16. При измерении наружного диаметра труб, деталей трубопроводов и прочих деталей диаметром до 57 мм включи­тельно за величину диаметра принимают среднее арифметиче­ское измерений диаметра в двух взаимно перпендикулярных на­правлениях. Измерения проводят штангенциркулем с погрешно­стью не более 1,0 мм.

4.2.17. Для труб и прочих деталей диаметром более 57 мм значение наружного диаметра Д, мм, вычисляют по формуле:

 

 

где П - периметр, мм, измеренный рулеткой с точностью 0,5 мм;

Т - толщина ленты рулетки, мм.

4.2.18. Толщину стенки измеряют с торцов труб и деталей штангенциркулем не менее чем в пяти, равномерно распреде­ленных по окружности, точках с погрешностью не более 0,1 мм.

4.2.19. В местах, пораженных коррозией, толщину стенки из­меряют с помощью ультразвукового толщиномера с погрешно­стью не более 0,1 мм.

4.2.20. Марка стали труб в соответствии с минимальными температурами эксплуатации и строительства трубопроводов, а также с "Инструкцией по применению стальных труб в газо­вой и нефтяной промышленности" выбирается в соответствии с прил. 22.

4.2.21. Размеры бесшовных и электросварных стальных труб принимаются по номенклатуре выпускаемых труб в соответ­ствии с прил. 23, 24.

 

4.3. Запорная арматура

 

4.3.1. По способу присоединения к трубопроводу запорная ар­матура подразделяется на фланцевую, муфтовую и приварную. Муфтовая чугунная арматура рекомендуется только для трубо­проводов с условным проходом не более 50 мм, транспортирую­щих негорючие нейтральные среды. Муфтовая стальная арма­тура может применяться на трубопроводах для всех сред при условном проходе не более 40 мм.

4.3.2. Маркировка арматуры производится в соответствии с ГОСТ 4666-75.

Маркировка должна быть нанесена на корпус и содержать: товарный знак завода-изготовителя; условное давление; диаметр условного прохода; стрелку, показывающую направление пото­ка. На арматуре, изготовленной из стали со специальными свой­ствами, дополнительно должна указываться марка материала корпуса. Цвет отличительной окраски - по ГОСТ 4666-75.

Арматуру в зависимости от рабочих параметров и свойств транспортируемой среды рекомендуется выбирать в соответ­ствии с прил. 25, 26, 31.

4.3.3. Нормы герметичности (допустимый пропуск) устана­вливаются по ГОСТ 9544-75.

4.3.4. Материал арматуры для трубопроводов необходимо вы­бирать в зависимости от условий эксплуатации, параметров и физико-химических свойств транспортируемой среды. Армату­ру из цветных металлов и их сплавов допускается применять лишь в тех случаях, когда стальная и чугунная арматура не мо­жет быть использована по обоснованным причинам.

4.3.5. При выборе типа запорной арматуры (задвижки, венти­ля, крана) следует руководствоваться диаметром трубопровода и характером перекачиваемой среды:

для трубопроводов с условным проходом свыше 50 мм в основ­ном должны применяться задвижки, имеющие меньшее гидрав­лическое сопротивление, герметичность согласно ГОСТ 9544-75, меньшую строительную длину и переменное направление движения среды;

для трубопроводов с условным проходом менее 50 мм рекомендуется применять вентили, имеющие значительное гидравлическое сопротивление, препятствующее их применению на трубопроводах большего диаметра.

Краны следует применять, если использование задвижек или вентилей по каким-либо соображениям недопустимо или нецелесообразно.

Применение запорной арматуры в качестве регулирующей запрещается.

4.3.6. Запорная арматура, устанавливаемая на промысловых трубопроводах, должна соответствовать требованиям действу­ющих ГОСТов, каталогов, нормалей машиностроения или спе­циальных технических условий.

 

4.4. Фланцы

 

4.4.1. Фланцы и материалы для них следует выбирать по государственным и отраслевым стандартам с учетом рабочих параметров среды. Для высокоагрессивных сред и сред с температурами, на которые данные документы не распространяются, материал фланцев устанавливают по рекомендациям проектных или научно-исследовательских   организаций (прил. 32).

4.4.2. Плоские приварные фланцы разрешается применять для трубопроводов, работающих при условном давлении не более 2,5 МПа и температуре среды не выше плюс 300° С.

4.4.3. Для трубопроводов, работающих при условном давле­нии свыше 2,5 МПа или температуре свыше 300° С, независимо от давления необходимо применять только стальные приварные встык фланцы.

4.4.4. Применение плоских стальных приварных фланцев с условным давлением до 1,0 МПа на трубопроводах, транспорти­рующих горючие, токсичные и сжиженные газы, не допускается.

4.4.5. Для фланцев в зависимости от свойств транспортиру­емых сред и их параметров применяются прокладки в соответ­ствии с прил. 33.

Для фланцев, рассчитанных на Ру £ 2,5 МПа, можно приме­нять только мягкие, спирально-навитые или металлические го­фрированные с мягкой набивкой прокладки. При использовании металлических прокладок следует предусматривать фланцы на Ру не менее 4,0 МПа.

4.4.6. Для фланцев, рассчитанных на Ру от 6,3 МПа и более, вместо фланцев с уплотнительной поверхностью типа "выступ- впадина" можно применять соответствующие фланцы под про­кладку овального сечения или с гладким соединительным вы­ступом под зубчатую металлическую прокладку.

 

4.5. Прокладочные материалы

 

4.5.1. Прокладки и прокладочные материалы для уплотнения фланцевых соединений в зависимости от свойств транспортиру­емой среды и ее рабочих параметров рекомендуется выбирать в соответствии с прил. 33.

4.5.2. Кроме материалов для прокладок, указанных выше, по рекомендациям проектных и научно-исследовательских органи­заций допускается применение во фланцевых соединениях про­кладок из различных пластмасс с учетом их физико-химических свойств.

Прокладки из фторопластового уплотнительного материала и фторопласта следует устанавливать во фланцевых соедине­ниях с уплотнительной поверхностью типа "шип-паз".

 

4.6. Фасонные детали трубопроводов

 

4.6.1. Фасонные детали трубопроводов в зависимости от пара­метров транспортируемой среды и условий эксплуатации следу­ет выбирать по действующим стандартам и техническим усло­виям (прил. 34-38).

4.6.2. Материал деталей трубопроводов, как правило, должен соответствовать материалу труб. При применении и сварке раз­нородных сталей руководствоваться указаниями раздела 8.

4.6.3. При изготовлении деталей трубопроводов на предприя­тиях необходимо руководствоваться действующими стандарта­ми, техническими условиями и положениями настоящего доку­мента.

 

4.7. Сварные детали трубопроводов

 

4.7.1. При выборе сварных деталей трубопроводов в зависи­мости от агрессивности среды, температуры и давления следует руководствоваться настоящим документом, отраслевыми стан­дартами и другими нормативными документами.

4.7.2. Сварку фасонных деталей трубопроводов, контроль ка­чества их сварных стыков следует производить в соответствии с требованиями раздела 8.

Не допускается исправлять дефекты сварки подчеканкой или подваркой без предварительной вырубки дефектных мест.

4.7.3. Ответвления от трубопроводов могут быть выполнены одним из способов, указанных в ОСТ 36-45-81. При устройстве тройниковых соединений особое внимание следует уделять ка­честву сборки под сварку и сварочных работ. Не допускается усиливать сварные швы с помощью ребер жесткости.

4.7.4. Сварные тройники применяют при давлении Ру до 10 МПа. Технические требования к изготовлению тройников должны приниматься по ОСТ 36-49-81 и МН 4.750-63. Размеры сварных тройников из углеродистой стали Ду 65-400 мм следу­ет назначать по ОСТ 36-46-81 (прил. 38), Ду 500-1400 мм по ОСТ 36-24-77.

Изготовление тройников в полевых условиях не допускается.

4.7.5. Отводы сварные с условным проходом 150-400 мм в соответствии с ОСТ 36-43-81 разрешается применять для тру­бопроводов при давлении Ру не более 6,3 МПа (прил. 35).

Отводы сварные с условным проходом 500-1400 мм в соот­ветствии с ОСТ 36-21-77 можно применять для трубопроводов при давлении Ру не более 2,5 МПа.

4.7.6. Сварные концентрические и эксцентрические переходы с Ду 250-400 мм по ОСТ 36-44-81 и Ду 350-400 мм по ТУ 35 1626-77 разрешается применять для трубопроводов при давле­нии Ру до 4,0 МПа (прил. 36), а с Ду 500-1400 мм по ОСТ 36-22-77 при Ру до 2,5 МПа.

Пределы применения стальных переходов в зависимости от температуры и агрессивности среды соответствуют пределам применения присоединяемых труб аналогичных марок стали.

Сварные швы переходов подлежат 100% контролю ультраз­вуковым или радиографическим методами.

4.7.7. Сварные крестовины и развилки допускается применять для трубопроводов из углеродистых сталей при рабочей температуре не выше плюс 250° С.

Крестовины и развилки из электросварных труб допускается применять при давлении не более 1,6 МПа; при этом они должны быть изготовлены из труб, рекомендуемых для применения при Ру не менее 2,5 МПа.

Крестовины и развилки из бесшовных труб допускается при­менять при давлении не более 2,5 МПа при условии изготовле­ния их из труб, рекомендуемых для применения при Ру не менее 4,0 МПа.

 

4.8. Гнутые и штампованные детали

 

4.8.1. Крутоизогнутые отводы разрешается применять для трубопроводов при Ру до 10,0 МПа в соответствии с ГОСТ 17375-83 (прил. 34).

4.8.2. Гладкогнутые отводы, изготавливаемые по ОСТ 36-42-81 из бесшовных труб на Ру до 10,0 МПа, применяют вместо крутоизогнутых и сварных отводов на трубопроводах с пульси­рующим потоком среды, а также на трубопроводах при условном проходе Ду менее 40 мм в первую очередь в тех случаях, когда требуется максимально снизить гидравлическое сопротивление трубопровода.

Пределы применения гладкогнутых отводов с радиусом гиба большим или равным двум наружным диаметрам трубы из труб действующего сортамента соответствуют пределам приме­нения труб, из которых они изготовлены. Применение отводов с радиусом меньшим двух наружных диаметров трубы долж­но обосновываться поверочными расчетами гнутых отводов на прочность.

4.8.3. Концентрические штампованные переходы по ГОСТ 17378-83 (прил. 36) и штампованные тройники по ГОСТ 17376-83 (прил. 37) разрешается использовать при Ру до 10,0 МПа.

 

4.9. Заглушки

 

4.9.1. Заглушки рекомендуется выбирать в зависимости от ра­бочих параметров среды и конкретных условий эксплуатации в соответствии с настоящим документом и действующими госу­дарственными и отраслевыми стандартами.

4.9.2. Приварные плоские и ребристые заглушки выбирают в соответствии с ОСТ 36-47-81 и ОСТ 36-48-81 для трубопроводов при давлении Ру до 2,5 МПа (прил. 39, 40).

4.9.3. Отбортованные заглушки по ГОСТ 17379-83 (прил. 41) разрешается устанавливать на трубопроводах при Ру до 10,0 МПа.

4.9.4. Быстросъемные заглушки по ТУ 38.11145-83 применя­ются в соответствии с рекомендациями заводов-изготовителей.

4.9.5. Заглушки, устанавливаемые между фланцами, разреша­ется применять для трубопроводов с Ру до 10,0 МПа (прил. 42).

4.9.6. Заглушки, устанавливаемые между фланцами, а также быстросъемные, выпускаемые по ТУ 38.11145-83, запреща­ется применять для разделения двух трубопроводов с различны­ми средами, смешение которых недопустимо. Необходимо обес­печить визуальный разрыв между трубопроводами.

4.9.7. Качество материала заглушек должно подтверждать­ся сертификатом. Допускается составлять один сертификат на партию заглушек. Сертификат на постоянные заглушки должен храниться в журнале учета установки - снятия заглушек.

На каждой заглушке (на хвостовике, а при его отсутствии -на цилиндрической поверхности) должны быть четко выбиты номер заглушки, марка стали, условное давление и условный проход.

4.9.8. Устанавливают и снимают заглушки по указанию ли­ца, ответственного за эксплуатацию трубопровода. Установка и снятие заглушек должны отмечаться в специальном журнале. Рекомендуемая форма журнала приведена в прил. 2.

 

4.10. Крепежные детали

 

4.10.1. Крепежные детали к фланцевым соединениям трубо­проводов следует устанавливать в соответствии с государствен­ными и отраслевыми стандартами (прил. 43):

а) болты - по ОСТ 26-2037-77, гайки к ним - ОСТ 26-2038-77;

б) шпильки - по ГОСТ 9066-75, ОСТ 26-2039-77, ОСТ 26-2040-77; гайки к ним - ГОСТ 9064-75, ОСТ 26-2038-77, ОСТ 26-2041-77.

При изготовлении шпилек, болтов и гаек твердость шпилек и болтов должна быть выше твердости гаек (прил. 44).

4.10.2. Материалы, применяемые для изготовления крепеж­ных изделий, крепежные детали, поступающие на склад, долж­ны иметь сертификат предприятия-изготовителя.

При отсутствии сертификата на материал предприятие - изготовитель крепежных деталей должно провести аттестацию материалов по результатам лабораторных испытаний и соста­вить сертификат на них. Испытания проводятся по соответствующим стандартам или техническим условиям.

4.10.3. Не допускается изготовление крепежных деталей из кипящей, полуспокойной, бессемеровской и автоматной сталей. Материал заготовок или готовые крепежные изделия из каче­ственных углеродистых, а также теплоустойчивых и жаропроч­ных легированных сталей должны быть термообработаны. Для крепежных деталей, применяемых при давлении до 1,6 МПа и ра­бочей температуре до плюс 200° С, а также крепежных деталей из углеродистой стали с резьбой диаметром до 48 мм термооб­работка необязательна (прил. 45).

4.10.4. Крепежные детали для соединения фланцев из аустенитной стали должны быть изготовлены из стали того же клас­са, что и фланцы. Допускается применять фланцы, шпильки и болты из сталей различных классов (с различными коэффици­ентами линейного расширения), но при температуре выше плюс 100° С их работоспособность должна быть подтверждена расче­том, данными эксплуатации или экспериментом.

 

5. ОСНОВНЫЕ ТРЕБОВАНИЯ К СТРОИТЕЛЬСТВУ ПРОМЫСЛОВЫХ ТРУБОПРОВОДОВ

 

5.1. Общие положения

 

Требования к работам, выполняемым при строительстве трубопроводов, в равной степени распространяются на работы при реконструкции и капитальном ремонте с заменой участков трубопроводов.

 

5.2. Подготовительные работы

 

5.2.1. В стадии подготовительных работ заказчик обязан со­здать геодезическую разбивочную основу для строительства и не менее чем за 10 дней до начала строительно-монтажных ра­бот передать подрядчику техническую документацию на нее и на закрепленные на трассе строительства трубопровода пункты и знаки этой основы, в том числе:

знаки закрепления узлов поворота трассы;

створные знаки углов поворота трассы в количестве не менее двух на каждое направление угла в пределах видимости;

створные знаки на прямолинейных участках трассы, устано­вленные попарно в пределах видимости, но не реже чем через 1 км;

створные знаки закрепления прямолинейных участков трас­сы на переходах через реки, овраги, дороги и другие естествен­ные и искусственные препятствия в количестве не менее двух с каждой стороны перехода в пределах видимости;

высотные реперы, установленные не реже чем через 5 км вдоль трассы, кроме устанавливаемых на переходах через вод­ные преграды (на обоих берегах);

пояснительную записку, абрисы расположения знаков и их чертежи;

каталоги координат и отметок пунктов геодезической основы.

Допустимые средние квадратические погрешности при по­строении геодезической разбивочной основы: угловые измерения ±2; линейные измерения 1/1000; определение отметок ±50 мм.

5.2.2. Перед началом строительства генподрядная строительно-монтажная организация должна выполнить на трассе следую­щие работы:

провести контроль геодезической разбивочной основы с точ­ностью линейных измерений не менее 1/500, угловых 2 и ниве­лирования между реперами с точностью 50 мм на 1 км трассы. Трасса принимается от заказчика по акту, если измеренные дли­ны линий отличаются от проектных не более чем на 1/300 дли­ны, углы - не более чем на 3 и отметки знаков, определенные из нивелирования между реперами, - не более 50 мм;

установить дополнительные знаки (вехи, столбы и пр.) по оси трассы и по границам строительной полосы;

вынести в натуру горизонтальные кривые естественного (упругого) изгиба через 10 м, а искусственного изгиба - че­рез 2 м;

разбить пикетаж по всей трассе и в ее характерных точ­ках (в начале, середине и конце кривых, в местах пересече­ния трасс с подземными коммуникациями). Створы разбивае­мых точек должны закрепляться знаками, как правило, вне зоны строительно-монтажных работ; установить дополнительные реперы через 2 км по трассе.

5.2.3. До начала основных строительно-монтажных работ генподрядчик должен выполнить подготовительные работы на трассе.

5.2.4. Расчистку трасс под многониточные трубопроводы при одновременном их строительстве на обводненных и заболочен­ных участках необходимо выполнять на полную проектную ши­рину коридора.

5.2.5. Тип, конструкцию и ширину проезжей части времен­ных проездов выбирают в зависимости от диаметров трубо­проводов, количества одновременно укладываемых ниток, спо­собов прокладки трубопроводов с учетом сезонности производ­ства строительно-монтажных работ, несущей способности и есте­ственного основания, наличия местных дорожно-строительных материалов. На сложных участках (болотах, переувлажненных и обводненных участках трассы) могут быть использованы следующие конструкции технологических проездов: со сборно-разборным покрытием; лежневые; деревогрунтовые; насыпные, армированные мелколесьем; насыпные с применением нетка­ных синтетических материалов (НСМ); грунтовые без покры­тия; снежно-ледовые.

 

5.3. Земляные работы. Разработка траншей

 

5.3.1. Размеры и профили траншей устанавливаются проек­том в зависимости от назначения и диаметра трубопроводов, ха­рактеристики грунтов, гидрогеологических и других условий в соответствии с действующими РД.

5.3.2. Для районов с глубиной промерзания 0,4 м и более в зим­них условиях должны предусматриваться мероприятия по пре­дохранению грунта от промерзания (рыхление поверхностного слоя, снежный валик, утепление древесными остатками и др.). Для сокращения продолжительности оттаивания мерзлого грун­та в теплое время необходимо к периоду установления положи­тельных температур удалить снег с полосы будущей траншеи.

5.3.3. При пересечении траншей с действующими подземны­ми коммуникациями разработка грунта должна производиться в соответствии со СНиП 3.02.01-87 и требованиями безопасности, предъявленными владельцем пересекаемых коммуникаций.

5.3.4. До начала работы по устройству траншеи в скальных грунтах с ее полосы снимают вскрышной слой рыхлого грунта на всю глубину до обнажения скального грунта при толщине вскрышного слоя до 0,5 м. При меньшей толщине вскрышного слоя его можно не удалять.

Снятый грунт вскрыши укладывают на берме траншеи и ис­пользуют при необходимости для подсыпки и присыпки трубо­провода.

5.3.5. Разрабатывают траншеи в скальных грунтах после предварительного рыхления скального грунта механическим или буровзрывным способом и грубой его планировки в соот­ветствии с проектом.

 

5.4. Транспортные

и погрузочно-разгрузочные работы

 

5.4.1. Транспортные работы следует выполнять в соответствии с требованиями СНиПов, ГОСТов, правил дорожного дви­жения и настоящих Правил.

5.4.2. Типы транспортных средств выбирают в зависимости от условий перевозок в соответствии с проектом производства работ.

5.4.3. Приемка труб грузополучателем производится соглас­но требованиям ГОСТов, ТУ и настоящих Правил (пп. 6.1.9-6.1.11).

5.4.4. Транспортные средства должны быть оборудованы обрезиненными кониками для изолированных труб, устройствами, обеспечивающими сохранность труб (секций) и регламентируе­мый свес их концов.

Трубы и секции малых диаметров (до 325 мм) для сокраще­ния времени погрузки и выгрузки, обеспечения лучшей сохран­ности и повышения безопасности перевозок рекомендуется пере­возить в пакетах.

5.4.5. Трубы (секции) с теплоизоляцией должны перевозить­ся на транспортных средствах со специальным оборудованием, позволяющим избежать повреждения теплоизоляции.

5.4.6. При выполнении погрузочно-разгрузочных работ с обетонированными трубами следует применять торцевые захваты, стропы, траверсы, мягкие полотнища специальной конструкции, снижающие давление на кромки труб. Коники трубовозов необходимо оборудовать мягкими подкладками во избежание повре­ждения покрытия труб.

Запрещается использовать незащищенные стальные канаты в качестве такелажных средств.

5.4.7. Штабелирование обетонированных труб диаметром до 720 мм производят в четыре яруса, а с диаметром свыше 720 мм - в три яруса.

5.4.8. При перевозке на плетевозах число труб и трубных сек­ций определяют с учетом грузоподъемности машин и размеров труб.

 

5.5. Противокоррозионная

и тепловая изоляция

 

5.5.1. Типы и конструкции изоляционных и теплоизоляцион­ных покрытий, а также материалы, применяемые для защиты от коррозии и для теплоизоляции трубопроводов, определяются проектом в соответствии с ГОСТ 25812-83.

Работы по нанесению изоляционных и теплоизоляционных покрытий следует выполнять в соответствии с требованиями ГОСТ 12.3.016-87, ГОСТ 25812-83, ГОСТ 16381-77.

5.5.2. В зависимости от конкретных условий прокладки и эксплуатации трубопроводов с учетом технико-экономических рас­четов следует применять два типа защитных покрытий: усилен­ный и нормативный.

Усиленный тип защитных покрытий следует применять на трубопроводах сжиженных углеводородов, трубопроводах диа­метром 1020 мм, а также на трубопроводах любого диаметра, прокладываемых:

в засоленных почвах любого района страны (солончаковых, солонцах, солодях, такирах, сорах и др.);

в болотистых, зоболоченных, черноземных и поливных поч­вах, а также на участках перспективного обводнения;

на подводных переходах и в поймах рек, а также на переходах через железные и автомобильные дороги, в том числе на защит­ных футлярах и на участках трубопроводов, примыкающих к ним;

на участках блуждающих токов;

на участках трубопроводов с температурой транспортируе­мого продукта 313° К (40° С) и выше;

на участках нефтепроводов, нефтепродуктопроводов, прокладываемых на расстоянии менее 1000 м от рек, каналов, озер, водохранилищ, а также от границ населенных пунктов и про­мышленных предприятий.

Во всех остальных случаях применяются защитные покрытия нормального типа.

5.5.3. Защиту трубопроводов осуществляют покрытиями: полимерными (экструдированными из расплава и порошковыми, оплавленными на трубах; липкими изоляционными лентами), на основе битумных изоляционных мастик комбинированных по­крытий типа "Пластобит", наносимыми в заводских, базовых и трассовых условиях по соответствующей научно-технической документации (НТД).

5.5.4. Участки трубопроводов при надземной прокладке за­щищают алюминиевыми, цинковыми, лакокрасочными, стеклоэмалевыми покрытиями или консистентными смазками.

Лакокрасочные покрытия должны иметь общую толщину не менее 0,2 мм; толщина стеклоэмалевых покрытий (ОСТ 26-01-1-79) должна быть не менее 0,5 мм;

толщина покрытий из алюминия и цинка должна быть не менее 0,25 мм.

5.5.5. Консистентные смазки следует применять в районах с температурой воздуха не ниже минус 60° С на участках с темпе­ратурой эксплуатации трубопроводов не выше плюс 40° С.

Покрытие из консистентной смазки должно содержать 20 % (весовых) алюминиевой пудры ПАК-3 или ПАК-4 и иметь тол­щину в пределах 0,2-0,5 мм.

5.5.6. Оценку состояния защитных покрытий осуществля­ют в процессе строительства трубопроводов как в период на­несения защитных покрытий, так и при приемке сооружений в соответствии с требованиями и методиками, изложенными в ГОСТ 25812-83.

5.5.7. Тип и конструкция изоляционного покрытия в местах сварных соединений труб должны обеспечивать равнозначный защитный эффект основному покрытию.

5.5.8. Для строительства трубопроводов следует применять преимущественно трубы с изоляционным и теплоизоляционым покрытием, нанесенными в заводских и базовых условиях, и предусматривать соответствующие мероприятия по сохранности изоляции и теплоизоляции от механических повреждений при складировании, погрузочно-разгрузочных операциях, транспор­тировке и укладке трубопроводов.

5.5.9. Конструкция тепловой изоляции назначается проектом и включает антикоррозионные теплоизоляционные и гидроизо­ляционные покрытия.

5.5.10. Теплоизоляцию в трассовых условиях наносят только при отсутствии в близлежащих районах строительства баз или цехов по теплоизоляции труб.

5.5.11. Теплогидроизолированные трубы, трубные секции, уз­лы и детали, а также материалы для их изготовления следу­ет производить в соответствии с технологическим регламентом, утвержденным в установленном порядке; они должны отвечать требованиям действующих технических условий и стандартов.

5.5.12. Крановые узлы, отводы, тройники, катодные выводы, задвижки следует изолировать покрытиями, которые определе­ны проектом:

на подземной части и не менее 15 см над землей - битумными мастиками или полимерными липкими лентами;

на надземной части - покрытиями, применяемыми для за­щиты трубопровода от атмосферной коррозии.

 

5.6. Устранение повреждений

заводских изделий и труб

 

5.6.1. Перед монтажом изделия и трубы должны пройти при­емку, при этом изделия и трубы не должны иметь недопустимых дефектов, регламентированных техническими условиями на по­ставку.

Обнаруженные дефекты определенных размеров могут быть устранены.

5.6.2. Допускается правка плавных вмятин на торцах труб длиной до 3,5 % диаметра труб и деформированных концов труб безударными разжимными устройствами. При этом на трубах из сталей с нормативным временным сопротивлением разрыву до 539 МПа (55 кГс/мм2) допускается правка вмятин и демон­тированных концов труб при положительных температурах без подогрева. При отрицательных температурах окружающего воз­духа необходим подогрев на 100¸150°С. На трубах из сталей с нормативным временным сопротивлением разрыву 539 МПа (55 кГс/мм2) и выше - с местом подогревом на 150¸200°С при любых температурах окружающего воздуха.

Участки и торцы труб с вмятиной глубиной более 3,5 % диа­метра трубы или имеющие надрывы необходимо вырезать.

Допускается ремонт сваркой забоин и задиров фасок глубиной до 5 мм.

Концы труб с забоинами и задирами фасок глубиной более 5 мм следует обрезать.

5.6.3. Ремонт заводского изоляционного покрытия следует производить на трубосварочной базе после сварки труб в сек­ции, а также на трассе после сварки труб или секций в плеть до опуска трубопровода в траншею.

5.6.4. Отслоившееся от металла покрытие в зоне дефекта должно быть удалено, а края оставляемого покрытия зачище­ны шлифовальной машинкой с круглой металлической щеткой. Переход от металла к покрытию должен иметь угол скоса не более 30° С.

Участок вокруг дефекта необходимо тщательно очистить от загрязнений, наледи, влаги на расстоянии не менее 20 см от края оставляемого покрытия.

Поверхность металла на участке дефекта необходимо очи­щать от ржавчины, пыли и влаги с помощью проволочных ще­ток и др.

При ремонте повреждений противокоррозионных покрытий применяют конструкции усиленного типа.

5.6.5. Ремонту подлежат все сквозные повреждения полиэти­ленового покрытия, обнаруженные дефектоскопом, а также по­вреждения с оставшимся на трубе слоем полиэтилена толщиной менее 1,5 мм.

5.6.6. Ремонт повреждений эпоксидного покрытия следует производить жидкими эпоксидными композициями или термоусаживающимися манжетами.

5.6.7. Патрубки запорной и распределительной арматуры, де­тали трубопроводов, имеющие дефекты, могут быть подверг­нуты ремонту только в случае, если это разрешено заводом-изготовителем.

5.6.8. Арматуру необходимо ремонтировать в ремонтно-механических   мастерских.   Мелкий   ремонт   арматуры (смена прокладок, перенабивка сальников, замена шпилек, штурвалов и т.п.) можно проводить на месте ее установки.

5.6.9. На чугунной арматуре не допускается исправление де­фектов сваркой.

5.6.10. На стальной литой арматуре допускается исправление электросваркой:

единичных (до двух) раковин на уплотнительных и опорных поверхностях;

газовых и иных раковин местного характера, давших течь при гидравлическом испытании, местных рыхлостей, трещин и сквозных раковин, занимающих в сумме не более 10 % поверх­ности отливки, при условии, что расстояние между кромками дефектных мест после их разделки не менее 50 мм;

дефектов в стойках и маховичках;

дефектов на опорных поверхностях гнезда под кольцо и кор­пусах задвижек и клапанов путем наплавки всей опорной поверх­ности.

5.6.11. Исправление дефектов сваркой следует производить при положительной температуре. Наплавленный сварной шов не должен иметь резких переходов к основному металлу; после свар­ки изделие должно быть зачищено от брызг металла и шлака.

 

5.7. Повороты, изготовленные из труб, отводы

 

Повороты трубопроводов в вертикальной и горизонтальной плоскостях следует выполнять упругим изгибом сваренной нит­ки трубопровода или монтажом криволинейных участков из гну­тых отводов.

Если на отдельных участках трассы в соответствии с проек­том необходимо выполнить повороты малого радиуса, которые не могут быть получены при изгибе труб на станках холодного гнутья, кривые поворота следует выполнять из крутоизогнутых отводов горячего гнутья и штампосварных отводов.

 

5.8. Укладка труб в траншею

 

5.8.1. Укладку труб следует выполнять в соответствии с требованиями проекта в зависимости от принятой технологии и спо­соба производства работ.

5.8.2. При укладке трубопровода в траншею должны обеспе­чиваться:

правильный выбор количества и расстановки кранов-трубоукладчиков и минимально необходимой для производства работ высоты подъема трубопровода над землей с целью предохране­ния трубопровода от перенапряжения, изломов и вмятин;

сохранность изоляционного покрытия трубопровода;

полное прилегание трубопровода к дну траншеи по всей его длине;

проектное положение трубопровода.

5.8.3. При производстве работ по изоляции и укладке изолиро­ванный трубопровод следует опускать кронами-трубоукладчика­ми, оснащенными мягкими полотенцами.

5.8.4. При укладке трубопровода в траншею допускается: минимальное расстояние между трубопроводом и стенками тран­шеи - 100 мм, а на участках, где предусмотрена установка гру­зов или анкерных устройств, - 0,45 Д + 100 мм, где Д - диаметр трубопровода.

5.8.5. На участках трассы, где предусматривается большое количество технологических разрывов, и в местах частого чере­дования углов поворота трассы, а также на участках с продоль­ным уклоном рельефа местности выше 15° укладку трубопрово­да следует производить методом последовательного наращива­ния из одиночных труб или секций (плетей) непосредственно в проектном положении трубопровода (на дне траншеи).

5.8.6. В изоляционно-укладочной колонне в холодное время года или при наличии на трубопроводе влаги необходимо иметь сушильную установку, которую располагают в головной части колонны.

5.8.7. При совмещенном способе изоляционно-укладочных ра­бот их выполнение допускается при температуре окружающе­го воздуха не ниже минус 30° С в соответствии с техническими условиями на изоляционные материалы.

5.8.8. При раздельном способе производства изоляционно-укладочных работ очистку, грунтовку и изоляцию трубопровода разрешается производить при температуре окружающего возду­ха минус 30° и выше, а укладку изолированного трубопровода - при температуре не ниже минус 20° С.

Преимуществом раздельного способа изоляционно-укладочных работ является то, то грунтовка имеет возможность подсохнуть и набрать адгезию.

5.8.9. При последовательной укладке в одну траншею не­скольких трубопроводов должны быть приняты меры по сохран­ности уже уложенных трубопроводов.

 

5.9. Засыпка траншеи

 

5.9.1. Засыпка траншеи производится вслед за спуском трубо­провода и выдержкой времени, необходимого для процессов по­лимеризации и набора адгезивной прочности изоляцией, уста­новкой балластных грузов или анкерных устройств.

Места установки запорной арматуры, тройников, контрольно-измерительных пунктов электрохимзащиты засыпаются после их установки и приварки.

5.9.2. Перед засыпкой трубопровода, уложенного в траншею, должны быть выполнены:

проверка правильного положения трубопровода и плотного его прилегания к дну траншеи;

проверка качества изоляционного покрытия, при необходимо­сти его исправление;

проведение работ по предохранению изоляционного покрытия от механических повреждений при засыпке (предусмотренных проектом);

получение письменного разрешения от заказчика на засыпку уложенного трубопровода;

выдача машинисту землеройной техники наряда-заказа на производство работ по засыпке.

5.9.3. Для предохранения изоляции укладываемого в траншею трубопровода на дне траншеи устраивают "постель" из мягкого привозного или вскрышного грунта толщиной не менее 10 см над выступающими частями дна траншеи. Возможно применение для этих целей карбамидных пенополимерных материалов. По­стель устраивают преимущественно с помощью роторных или одноковшовых экскаваторов или роторных траншеезасыпателей. Для предохранения изоляции трубопровода от падения больших кусков породы устраивают присыпку трубопровода мягким при­возным или вскрышным грунтом высотой 20 см от верхней обра­зующей трубы.

При отсутствии мягкого грунта подсыпку и присыпку можно заменять устройством сплошной футеровки из деревянных реек или соломенных, камышовых, пенопластовых и других матов.

5.9.4. Засыпку трубопровода, уложенного в траншею, выпол­ненную в мерзлых грунтах, осуществляют как в обычных усло­виях, если после укладки трубопровода непосредственно сразу после разработки траншеи и устройства подсыпки (при необхо­димости) грунт отвала не подвергся смерзанию. В случае смер­зания грунта отвала во избежание повреждения изоляционного покрытия трубопровода его необходимо присыпать талым грун­том или мелкоразрыхленным мерзлым грунтом на высоту не ме­нее 20 см от верха трубы. Дальнейшую засыпку трубопровода выполняют грунтом отвала с помощью бульдозера или роторно­го траншеезасыпателя, который способен разрабатывать отвал с промерзанием на глубину до 0,5 м. При более глубоком промерза­нии отвала грунта необходимо его предварительно разрыхлить механическим или буровзрывным способом. При засыпке мерз­лым грунтом над трубопроводом делают грунтовый валик с уче­том его осадки после оттаивания.

5.9.5. Засыпку разработанных траншей на болотах, промерз­ших в зимнее время и имеющих достаточную несущую способ­ность, осуществляют так же, как и при засыпке траншей в обыч­ных мерзлых грунтах.

5.9.6. После засыпки трубопровода, проложенного на нерекультивируемых землях, над трубопроводом устраивают ва­лик, высота которого должна совпадать с ожидаемой величиной осадки грунта засыпки. После засыпки трубопровода минераль­ным грунтом на рекультивируемых землях в летнее время его уплотняют многократными проходами гусеничных тракторов или пневмокатков. Уплотнение грунта должно осуществляться до заполнения трубопровода транспортируемым продуктом. По уплотненному грунту укладывают, затем разравнивают ранее снятый плодородный слой.

 

5.10. Восстановление трассы

и работы по рекультивации

 

5.10.1. После окончания строительно-монтажных работ долж­ны быть проведены работы по восстановлению трассы и рекуль­тивации почвы (техническая и биологическая) с целью:

предотвращения или нейтрализации термической, водной и ветровой эрозии, термокарста, солифлюкции, оползней и др.;

восстановления естественного поверхностного стока и дре­нажной сети;

сохранения температурного режима вечномерзлых грунтов, близкого существовавшему до начала строительства;

восстановления плодородия почвы;

предотвращения процессов подтопления и заболачивания территории;

восстановления коренной растительности или антропогенных фитоценозов, предотвращения опустынивания;

обеспечения миграции оленей и других животных, сохране­ния мест обитания местной фауны.

5.10.2. Рекультивации подлежат:

трассы трубопроводов по всей ширине отвода;

территории временных поселков строителей после их демон­тажа;

нарушенные участки поверхности на трассах временных зим­них дорог;

карьеры;

территории вокруг наземных сооружений, нарушенные при строительстве;

береговые участки в местах переходов и переходы через ма­лые реки, на которых устроены перемычки для прохода строи­тельной техники;

участки территории, на которых развились эрозионные про­цессы, овраги, термокарст, солифлюкция и другие мерзлотные процессы;

оленьи пастбища, пути миграции оленьих стад;

любые другие территории в районе строительства, нарушен­ные в результате прохода транспортных средств, загрязненные производственными и бытовыми отходами, нефтепродуктами и др.

5.10.3. После завершения засыпки трубопровода в пустынях и полупустынях и прекращения транспортировки грузов вдоль трассы целесообразно осуществление механических приемов пескозакрепления, направленных на уменьшение ветропесчаного потока на всей полосе отвода и нарушенных участках.

 

5.11. Электрохимическая защита

трубопроводов от подземной коррозии

 

5.11.1. Для сооружения электрохимической защиты промы­словых трубопроводов от коррозии следует применять средства и установки катодной, электродренажной, протекторной защи­ты, электрические перемычки, контрольно-измерительные пунк­ты и конструктивные узлы типовых проектов.

Выбор средств защиты осуществляется на основе технико-экономических расчетов, учитывающих коррозионную актив­ность грунтов, фактические скорости коррозии внутренней и на­ружной поверхностей трубопроводов с учетом проведения защит­ных мероприятий при обеспечении проектного срока службы.

Необходимо применять комплексную защиту сети промысловых трубопроводов от подземной коррозии. Отдельную трубу можно защищать только при гарантии отсутствия вредных вли­яний ее защиты на соседние трубопроводы.

5.11.2. Оборудование, изделия и материалы, применяемые при монтаже электрохимической защиты (ЭХЗ), должны соответ­ствовать спецификации проекта, ГОСТам и ТУ и иметь соот­ветствующие сертификаты, технические паспорта, удостоверя­ющие качество оборудования, изделий и материалов.

5.11.3. При сооружении ЭХЗ следует соблюдать требования к монтажу отдельных видов оборудования, установленные техни­ческой документацией заводов-изготовителей, ТУ, ГОСТ 9.602-89, ГОСТ 25812-83, ГОСТ 26251-84, ГОСТ 16149-70.

5.11.4. Устройство всех установок (сооружений) ЭХЗ трубопроводов и питающих линий электропередачи, а также их включение и наладка должны быть полностью закончены к мо­менту сдачи трубопровода в эксплуатацию.

5.11.5. Устройства ЭХЗ трубопроводов, предусмотренные проектом, следует включать в работу в зонах блуждающего тока в течение не более месяца после укладки участка трубопровода, а во всех остальных случаях - до начала работы рабочих при­емочных комиссий, но не позднее трех месяцев после укладки участка трубопровода.

5.11.6. Контрольно-измерительные пункты по трассе тру­бопровода строительная организация должна смонтировать и опробовать до проверки изоляционного покрытия способом ка­тодной поляризации.

5.11.7. Присоединение перемычек и контрольно-измерительных проводов к другим сооружениям, а также дренажного кабеля к токоведущим частям электрифицированного рельсового транс­порта (электрифицированных железных дорог, трамвая) следует производить при наличии разрешения и в присутствии предста­вителей соответствующих эксплуатирующих организаций.

5.11.8. Кабели и провода, вводимые в установки электрозащи­ты, контрольно-измерительные пункты и другие электрические приборы должны быть маркированы строительно-монтажной организацией в соответствии с проектной документацией.

5.11.9. Приварку проводов установок электрохимической за­щиты и контрольно-измерительных пунктов к трубопроводу сле­дует производить:

термитной или электродуговой сваркой к поверхности трубо­провода - для труб с нормативным временным сопротивлением разрыву менее 539 МПа;

только термитной сваркой с применением медного термита к поверхности трубопровода или электродуговой сваркой к продольным или кольцевым швам - для труб с нормативным вре­менным сопротивлением разрыву 539 МПа и более.

5.11.10. При сооружении установок ЭХЗ допускаются предусмотренные в проекте следующие отклонения от мест их размещения и подключения:

для катодных станций, электродренажей и глубинных анод­ных заземлений - в радиусе не более 0,5 м;

для протекторов и анодных заземлителей, а также места подключения соединительного кабеля к трубопроводу и контрольно-измерительных пунктов - не более 0,2 м;

места подключения соединительных проводов и дренажных кабелей к трубопроводу должны быть не ближе 6 м от мест под­ключения к нему ближайшего контрольно-измерительного пунк­та;

при установке заземлителей, протекторов и укладке соедини­тельных кабелей и проводов в траншее допускается увеличение проектной глубины заложения не более 0,1 м; уменьшение про­ектной глубины заложения не допускается.

5.11.11. По мере готовности строительно-монтажных работ по сооружению системы ЭХЗ подрядная строительно-монтажная организация должна выполнить:

измерений сопротивления изоляции кабеля, которое должно быть не менее проектных и паспортных значений;

измерение сопротивления растеканию анодных и защитных заземлений, сопротивления кабельных линий, которые не долж­ны превышать проектных значений;

проверку стрел провисания проводов воздушных линий электропередачи, которые не должны отличаться от проектных зна­чений более чем на ±5 %.

5.11.12. Работы по опробованию необходимо осуществлять в два этапа:

индивидуальное опробование отдельных защитных устано­вок;

комплексное опробование системы ЭХЗ от коррозии всего объекта в целом.

5.11.13. Индивидуальное опробование отдельных установок ЭХЗ по мере завершения их монтажа должна выполнить строительно-монтажная организация в присутствии представи­телей заказчика и заинтересованных организаций в соответ­ствии с требованиями завода-изготовителя и проекта.

5.11.14. Индивидуальное опробование следует производить не ранее чем через 8 дней после окончания монтажа анодного зазем­ления. В процессе этих работ проверяют соответствие фактиче­ского значения сопротивления растеканию защитного и анодно­го заземлений проектным значениям и испытывают катодные установки не менее 72 часов в максимальном режиме. После 72-часового испытания должно быть проверено состояние всех уз­лов и элементов защитной установки, оформлен паспорт на ка­ждую установку и составлен акт приемки оборудования заказ­чиком.

5.11.15. Работы по опробованию совместной ЭХЗ для двух и более объектов должна выполнять строительно-монтажная ор­ганизация в присутствии представителей заказчика и заинтере­сованных организаций, при этом должен быть составлен акт на контрольные измерения по проверке отсутствия вредного влия­ния устройств защиты.

5.11.16. Работы по комплексному опробованию системы ЭХЗ, производимые для определения готовности их к вводу в эксплуа­тацию, осуществляются заказчиком совместно со строительной и другими заинтересованными организациями.

5.11.17. При пусконаладочных работах для каждой установки ЭХЗ необходимо производить:

определение протяженности зоны защиты и потенциалов "труба - земля" в точке дренажа каждой защитной установ­ки при величине тока в соответствии с данными проекта;

определение потенциалов "труба - земля" в точке дренажа и силы тока защитной установки при минимальном, максималь­ном и промежуточном режимах выходного напряжения установ­ки электрозащиты;

оценку влияния работы защитной установки на смежные подземные коммуникации и кабели связи при запроектированном режиме работы.

5.11.18. Фактическая протяженность защитной зоны каждой установки электрохимической защиты, определенная в процессе пусконаладочных работ для половины ее максимального выход­ного напряжения, должна быть не менее проектного значения; при этом потенциалы "труба - земля" в точках дренажа долж­ны соответствовать требованиям ГОСТ 9.015-74.

5.11.19. После завершения комплексного опробования систе­мы ЭХЗ от коррозии объекта в целом необходимо составить акт рабочей комиссии о приемке законченной строительством систе­мы ЭХЗ с рекомендациями по регионам ее эксплуатации.

5.11.20. Если данные ЭХЗ измерений свидетельствуют о недостаточной их мощности, некачественно выполненной изоля­ции трубопроводов или о невозможности достижения проектных параметров защитных установок при полном соблюдении тре­бований рабочих чертежей, то заказчик, проектная организация и генподрядчик во взаимно согласованные сроки должны при­нять меры по обеспечению требуемой защиты трубопровода от подземной коррозии.

5.11.21. Последующую регулировку системы защиты от кор­розии всего объекта в целом должна произвести эксплуатирую­щая организация не ранее чем через 6 месяцев после приемки ее в эксплуатацию, но не позднее чем в течение первого года ее эксплуатации.

 

6. КОНТРОЛЬ КАЧЕСТВА, ОЧИСТКА, ИСПЫТАНИЕ И ПРИЕМКА

В ЭКСПЛУАТАЦИЮ ПРОМЫСЛОВЫХ ТРУБОПРОВОДОВ

 

6.1. Проверка качества

строительства трубопроводов.

Вид и объем требуемой проверки

 

6.1.1. Контроль качества строительства трубопроводов, вид и объем требуемой проверки определяются требованиями ВСН.

6.1.2. Контроль качества подготовительных работ следует осуществлять путем систематического наблюдения и проверки соответствия выполняемых работ требованиям проектной документации.

В процессе подготовительных работ исполнители контроли­руют правильность закрепления трассы, соответствие работ по расчистке трассы от леса требованиям проекта и действую­щих нормативных документов лесного законодательства; соот­ветствие фактических отметок и ширины планируемой полосы требованиям проекта; качество выполнения водопропускных со­оружений; крутизну откосов при устройстве полок, насыпей, на­горных и дренажных канав; величину уклонов, ширину проез­жей части, радиусов поворотов вдольтрассовых дорог; наличие разъездов; несущую способность транспортных коммуникаций.

6.1.3. Способы производства земляных работ определяются проектным решением и должны выполняться в соответствии с отраслевыми нормативными документами.

В процессе земляных работ должны контролироваться откло­нения оси вырытой траншеи от разбивочной, фактическая от­метка дна траншеи, фактическая отметка рекультивированной полосы, высота валика засыпки, отклонения размеров насыпи.

6.1.4. Обеспечение требуемого уровня качества сварных со­единений трубопроводов достигается:

а) проверкой квалификации сварщиков;

б) контролем исходных материалов, труб и трубных загото­вок, запорной и распределительной арматуры (входным контро­лем);

в) систематическим операционным (технологическим) кон­тролем, осуществляемым в процессе сборки и сварки;

г) визуальным контролем (внешним осмотром) и обмером го­товых сварных соединений (для сварных соединений, выполнен­ных двусторонней автоматической сваркой под слоем флюса, - дополнительно по макрошлифам);

д) проверкой сварных швов неразрушающими методами кон­троля в соответствии с табл. 6.1;

е) механическими испытаниями сварных соединений, выпол­ненных стыковой контактной сваркой сплавлением, сваркой вра­щающейся дугой и паяных соединений.

Действия, направленные на обеспечение требуемого уровня качества сварных соединений трубопроводов, регламентированы разделом 8 настоящих Правил.

6.1.5. Приемочный контроль состояния изоляции законченных после строительства участков трубопроводов осуществляют в соответствии с ГОСТ 25812-83.

Если при контроле изоляции установлено ее неудовлетвори­тельное состояние, то необходимо:

найти места повреждений и провести ремонт;

повторно испытать изоляцию.

6.1.6. Все скрытые работы должен принять заказчик, о чем составляют акт, в котором делают отметку о разрешении вы­полнять работы.

Для приемки скрытых работ подрядчик обязан вызвать представителя заказчика. Если представитель заказчика не явился в указанный подрядчиком срок, то последний составляет односто­ронний акт.

 


Таблица 6.1

 

Контроль качества сварных соединений

промысловых трубопроводов при сварке плавлением

 

Назначение, вид трубопровода,

сварного соединения

Рабочее

давление, МПа

Условный диаметр

Ду, мм

Категория трубопро­вода

и его участков,

Количество сварных соединений, подлежащих

неразрушающему контролю, %

 

 

 

условия прокладки

всего

радиографи-ческому

ультразву­ковому

магнитографи-ческому

 

Промысловые трубопроводы:

 

20 £ Р £ 32

 

-

 

В, I, II

 

100

 

100

 

-

 

-

а) газопроводы, газопрововоды-шлейфы,

4 £ Р £ 10

 

В, I

100

100

-

 

коллекторы неочищенного газа, межпро-

 

 

II, III

100

25

Остальное

 

мысловые коллекторы, газопроводы,

2,5 £ Р < 4

 

В, I

100

100

-

-

трубопроводы нефтяного попутного газа,

 

 

II, III

100

25

Остальное

 

газопроводы газлифтных систем и подачи

1,2 £ Р < 2,5

 

В

100

100

-

 

газа в продуктив­ные пласты, трубопроводы

 

 

I

100

25

Остальное

 

нестабильного конденсата

 

 

II

25

10

Остальное

 

 

 

 

III, IV

10

5

Остальное

 

б) нефтепроводы, выкидные трубопроводы,

-

Ду >700

В, I

100

100

-

-

нефтепродуктопроводы, нефтегазосборные

 

 

II

100

25

Остальное

 

трубопроводы, трубjпроводы стабильного

 

300 £ Ду £ 700

В

100

50

 

конденсата нефтяных месторождений

 

 

I

100

25

 

 

 

 

II

25

10

 

 

 

 

III, IV

10

5

 

 

 

Ду < 300

В

100

25

Остальное

-

 

 

 

I

25

10

 

 

 

 

II

10

5

 

 

 

 

III, IV

5

2

 

в) трубопроводы заводнения нефтяных

Р >10

-

I

100

50

-

пластов, за­хоронения пластовых и сточ­ных вод

 

 

II, III

100

25

 

г) трубопроводы пресной воды

Р < 10

-

I

25

10

-

 

 

 

II

10

5

 

 

 

 

III, IV

5

2

 

д) метанолопроводы

-

-

В

100

50

 

 

 

 

I

100

25

 

е) трубопроводы, транспортирующие

-

-

В

100

25

-

вредные среды

 

 

 

 

 

 

 

ж) ингибиторопроводы

-

-

I

25

10

 

 

 

 

II

10

5

 

Сварные соединения захлестов,

-

-

-

200

100

100

-

ввариваемых вставок и швы приварки арматуры

 

 

 

 

100

-

100

Угловые сварные соединения

 

-

-

-

-

100

100

-


 

6.1.7. Промежуточной приемке с составлением актов на скры­тые работы подлежат:

поверхностные и глубинные анодные заземления;

протекторные установки;

кабели, прокладываемые в земле;

контрольно-измерительные пункты, электрические перемыч­ки;

защитные заземления установок электрохимзащиты и трансформаторного пункта;

изолирующие фланцы.

6.1.8. При осмотре и промежуточной приемке скрытых работ проверяют:

соответствие выполненных работ проекту;

качество применяемых материалов, деталей, конструкций;

качество выполнения строительно-монтажных работ.

6.1.9. В производство допускают материалы и изделия толь­ко при наличии сертификатов, паспортов или других сопрово­дительных документов от заводов-поставщиков. При неполных сертификатных данных или отсутствии сертификатов изделия можно применять только после проведения испытаний и иссле­дований, подтверждающих их соответствие требованиям стан­дартов или технических условий.

6.1.10. При этом осуществляется входной контроль труб и де­талей, поступающих для строительства трубопровода, в объеме, установленном техническими условиями. Проверяется наличие и содержание маркировки.

6.1.11. В каждой партии труб (выборочно, но не менее двух труб) подвергают контролю механические свойства металла в объеме, предусмотренном техническими условиями на трубы.

6.1.12. При резке труб на каждый вновь образованный конец наносят маркировку предприятия - поставщика труб (номер партии и марку стали) и заверяют клеймом ОТК предприятия - изготовителя сборочных единиц. В месте реза измеряют наруж­ный диаметр и толщину стенки трубы.

6.1.13. Детали трубопроводов, входящие в сборочные едини­цы, подвергают контрольной проверке на соответствие их техни­ческим требованиям на поставку. Проверке подлежат: паспорта на детали (на партию), подтверждающие соответствие деталей требованиям стандартов и рабочих чертежей; маркировка; на­ружные и внутренние поверхности на отсутствие повреждений при транспортировании и разгрузке; поверхность на отсутствие коррозии и дефектов металла (трещин, раковин, забоин); места уплотнения и кромки под сварку на качество обработки.

6.1.14. Полученные при освидетельствовании результаты внешнего осмотра и инструментального контроля заносят в ве­домость. В ведомости должны быть отмечены трубы и другие элементы, подлежащие ремонту.

6.1.15. Трубы (детали, элементы арматуры), прошедшие освидетельствование, должны быть промаркированы.

Маркировка производится на расстоянии 100-150 мм от тор­ца несмываемой краской в следующем порядке:

порядковый номер трубы (детали, элемента арматуры);

индекс категории, к которой отнесена труба (деталь, элемент арматуры) после освидетельствования:

П - пригодный для использования в газонефтепроводном строительстве;

Р - требующие ремонта для дальнейшего использования в газонефтепроводном строительстве;

У - пригодные для использования в других отраслях народ­ного хозяйства;

Б - непригодные к дальнейшему использованию.

6.1.16. По результатам освидетельствования комиссия соста­вляет акт, в котором указывается число освидетельствованных труб и число труб с различными индексами категории.

6.1.17. В акте должны быть указаны причины, в результате которых трубы требуют ремонта или пришли в негодность.

Материалы освидетельствования труб и предложения о при­влечении к ответственности лиц, допустивших нарушения в их хранении и использовании, представляются объединению (тре­сту).

 

6.2. Очистка полости и испытание

промысловых трубопроводов

 

6.2.1. Очистку полости и испытание промысловых трубопро­водов необходимо осуществлять в соответствии с требованиями ВСН.

6.2.2. Промысловые трубопроводы должны подвергаться очистке полости и испытанию на прочность и герметичность перед пуском в эксплуатацию после полной готовности участ­ка или всего трубопровода (полной засыпки, обвалования или крепления на опорах, установки арматуры и приборов, катодных выводов, представления исполнительной документации на испытываемый объект).

Способы, параметры и схемы проведения очистки полости и испытания промысловых трубопроводов устанавливаются рабочим проектом и проектом организации строительства (ПОС).

6.2.3. Промысловые трубопроводы должны очищаться и испытываться по специальной рабочей инструкции, за исключе­нием промысловых нефтепроводов и нефтегазопроводов нефтя­ных промыслов диаметром менее 350 мм и с рабочим давлением менее 2,0 МПа, очистка полости и испытание которых должны выполняться по типовой инструкции, разрабатываемой заказчи­ком и строительно-монтажной организацией применительно к конкретному промыслу.

6.2.4. Специальная рабочая инструкция на очистку полости и испытание составляется заказчиком и строительно-монтажной организацией для каждого конкретного трубопровода с учетом местных условий производства работ, согласовывается с проект­ной организацией и утверждается председателем комиссии по проведению испытаний трубопроводов.

6.2.5. Очистку полости трубопровода выполняют промывкой, продувкой или протягиванием очистных устройств.

6.2.6. Промывку производят пропуском поршней-разделителей с предварительным заполнением трубопровода водой.

6.2.7. Вид испытаний (на прочность, герметичность), спо­соб испытания (гидравлическое, пневматическое, комбинирован­ное), величину испытательного давления, продолжительность и метод оценки результатов испытания необходимо принимать в соответствии с проектной документацией.

Проектную величину испытательных давлений определяют в соответствии с руководящими документами.

6.2.8. При испытании трубопроводов воздухом или газом, не имеющими запаха, последние должны быть предварительно одорированы.

Испытания проводятся установленной арматурой.

6.2.9. Перед началом продувки и испытания трубопровода га­зом или воздухом должны быть установлены и обозначены зна­ками безопасности зоны, указанные в табл. 6.2, в которых запре­щено находиться людям во время указанных работ.

6.2.10. При гидравлических испытаниях и удалении воды из трубопроводов после испытаний должны быть установлены и обозначены на местности знаками безопасности опасные зоны, указанные в табл. 6.3.

 

Таблица 6.2

 

Зоны безопасности при очистке

и испытании трубопроводов воздухом

 

Условный диаметр трубопровода

Радиус опасной зоны

Ду, мм

при очистке полости в обе стороны от трубопровода, м

при очистке полости

в направлении вылета ерша или поршня, м

при испытании в обе стороны от трубопро­вода, м

 

До 300

 

40

 

600

 

100

300 — 500

60

800

150

500 — 800

60

800

200

800 — 1000

100

1000

250

1000 — 1400

 

100

1000

250

 

 

Таблица 6.3

 

Зоны безопасности при гидравлических

испытаниях трубопроводов

 

Диаметр трубопро­вода, мм

Давление испытания

8,25 Мпа

Радиус опасной зоны, м

 

Давление испытания

свыше 8,25 Мпа

Радиус опасной зоны, м

 

 

в обе сторо­ны от оси тру­бопровода

в направ­лении отрыва заглушки

от торца трубо­провода

 

в обе сторо­ны от оси тру­бопровода

в направ­лении отрыва заглушки

от торца трубо­провода

 

100 — 300


75

 

600

 

100

 

900

300 — 500

75

800

100

1200

500 — 800

75

800

100

1200

800 — 1000

100

1000

150

1500

1000 — 1400

 

100

1000

150

1500

 

6.2.11. Запрещается проведение испытаний трубопроводов на прочность и продувка их в ночное время.

6.2.12. До начала продувки и испытания трубопровода необ­ходимо снять напряжение с воздушных линий электропередачи, находящихся в опасной зоне.

6.2.13. При продувке минимальные расстояния от места вы­пуска газа до сооружений, железных и шоссейных дорог, насе­ленных пунктов следует принимать по табл. 6.2 настоящих Пра­вил.

6.2.14. Продувка и испытание трубопроводов сероводородсодержащим газом запрещаются.

6.2.15. Пневматические испытания трубопроводов должны проводиться воздухом или инертным газом. Пневматические ис­пытания трубопроводов, ранее использовавшихся для транспор­тировки углеводородных взрывоопасных сред, должны прово­диться только инертными газами.

6.2.16. Для наблюдения за состоянием трубопровода во время продувки или испытания должны выделяться обходчики, кото­рые обязаны:

а) вести наблюдения на закрепленных за ними участках трубопровода;

б) не допускать нахождения людей, животных и движения транспорта в опасной зоне и на дорогах, закрытых для движе­ния;

в) немедленно оповещать руководителя работ о всех обстоятельствах, препятствующих проведению продувки, испытания или создающих угрозу для людей, животных, сооружений и транспортных средств, находящихся вблизи трубопровода.

При испытании наземных и надземных трубопроводов разме­ры опасных зон, указанные в табл. 6.2, должны быть увеличены в 1,5 раза.

6.2.17. Перед вводом в эксплуатацию трубопровода с природ­ным газом должно быть произведено вытеснение из трубопрово­да воздуха газом давлением не более 0,1 МПа в месте его подачи. Вытеснение воздуха можно признать законченным, когда содер­жание кислорода в газе, выходящем из газопровода, составляет не более 2 % по показаниям газоанализатора.

6.2.18. При всех способах испытания на прочность и герме­тичность для измерения давления должны применяться проверенные опломбированные и имеющие паспорт дистанционные приборы или манометры класса точности не ниже I и с предель­ной шкалой на давление около 4/3 от испытательного, устана­вливаемые вне охранной зоны.

Технологические процессы поднятия давления и выдержки трубопровода при испытательном давлении должны быть зафиксированы в журнале испытаний.

По эпюре испытательных давлений следует назначать точку контроля давления при испытаниях, определять расчетное да­вление опрессовочных агрегатов и место их расположения.

6.2.19. В процессе выдержки трубопровода под испытатель­ным давлением обеспечивается наблюдение за показаниями при­боров контроля давления и температуры воды с записью в жур­нале наблюдений или на диаграммную бумагу с самопишущих приборов, установленных на постах наблюдений.

6.2.20. Данные показаний приборов фиксируются в рабочих журналах наблюдений через каждый час. В рабочих журналах фиксируются также все моменты (периоды) снижения (повыше­ния) давления.

6.2.21. В процессе гидравлических испытаний на каждом из испытываемых участков может наблюдаться постепенное сни­жение (повышение) испытательного давления вследствие сни­жения (повышения) температуры воды в трубопроводе за счет влияния теплового поля окружающей трубопровод среды.

6.2.22. Величина снижения (повышения) испытательного да­вления по показаниям приборов не должна отличаться от значе­ний, определяемых по формуле (6.1) с учетом замеренных тем­ператур воды:

 

                            (6.1)

 

где DD - изменение давления, кгс/см2; Dt - изменение темпе­ратуры, град.; bt - коэффициент температурного расширения воды, 1/град.; a - коэффициент температурного расширения, стали, 1/град.; Дн - наружный диаметр трубопровода, мм; С - коэффициент объемного сжатия воды, 44,3·106 см2/кгс; Е - модуль упругости стали, 2,1·106 кгс/см2; d  - толщина стенки трубы, мм.

Коэффициенты a, С, Е в области температур и давлений, при которых обычно испытывают трубопроводы, можно считан, постоянными.

Коэффициент bt зависит от температуры и может быть вы­числен по эмпирической формуле (6.2):

 

                  (6.2)

 

6.2.23. Протяженность испытываемых участков не ограничи­вается (за исключением случаев гидравлического и комбиниро­ванного испытания), когда протяженность участков назначается с учетом гидростатического давления.

6.2.24. При очистке полости трубопровода или его участка необходимо проверить путем пропуска поршня или внутритрубного прибора (шаблона) проходное сечение трубопровода на воз­можность беспрепятственного прохождения очистных, раздели­тельных устройств и приборов внутритрубного диагностирова­ния.

6.2.25. Трубопроводы, имеющие участки, относящиеся к осо­бо опасным с точки зрения экологических последствий (пересече­ния с реками, железными дорогами, автодорогами, другими ком­муникациями, густонаселенные и промышленные зоны), должны быть подвергнуты предпусковой внутритрубной приборной диа­гностике.

6.2.26. Необходимость внутритрубной приборной диагности­ки трубопровода или его участка до пуска в эксплуатацию опре­деляется технико-экономическим расчетом на основании стати­стических данных о надежности трубопроводов, эксплуатирую­щихся в аналогичных условиях, и с учетом возможных экологи­ческих последствий от аварий.

6.2.27. В случае возникновения отказа, т. е. нарушения герметичности испытываемого участка трубопровода, вызванного разрушением труб, сварных соединений, деталей трубопроводов, запорной и распределительной арматуры, производится техниче­ское расследование причин отказа.

После выяснения причин отказа поврежденный участок трубопровода подлежит ремонту, повторному испытанию на проч­ность и проверке на герметичность.

6.2.28. Техническое расследование отказов осуществляет ко­миссия (при необходимости межведомственная), назначенная со­гласно установленному порядку.

6.2.29. Основные задачи работы комиссии:

изучение и анализ технической документации, опрос свидете­лей и должностных лиц;

осмотр места отказа, проведение необходимых обмеров, со­ставление схемы объекта в месте отказа, фотографирование от­казавшего объекта, его отдельных узлов и элементов;

установление очага отказа и его описание;

установление необходимости организации технической экс­пертизы по вопросам, связанным с выяснением причин отказа, а также проверочных расчетов элементов или конструкций с ука­занием организаций или лиц, которым поручается выполнение технической экспертизы и проверочных расчетов;

определение мест отбора, отбор и отправка на обследование проб и образцов материалов или элементов конструкций, при необходимости дополнительные исследования и испытания;

анализ информации о характере разрушения, определение очага разрушения, а также установление причины отказа;

установление размера материальных потерь, причиненных отказом;

подготовка предложений и рекомендаций по ликвидации по­следствий отказа;

подготовка рекомендаций по предупреждению отказов в бу­дущем.

6.2.30. Если в числе предполагаемых причин отказа может быть низкое качество труб, то в составе комиссии должен быть представитель завода - поставщика труб.

6.2.31. Организация и оплата проведения экспертизы, лабора­торных исследований и других работ, связанных с расследовани­ем отказа, а также техническое оформление материалов рассле­дования обеспечиваются строительно-монтажной организацией, проводящей строительство и испытания объекта, на котором произошел отказ.

6.2.32. По требованию комиссии строительная организация должна быть готова предоставить следующую документацию:

проект участка трубопровода в месте отказа;

материалы исполнительной съемки;

журнал сварочных работ;

журнал изоляционных работ;

акты производства и приемки работ;

сертификаты на трубы и детали, паспорта на оборудование;

акт и журнал испытаний;

график подъема давления.

6.2.33. По результатам изучения и анализа технической документации комиссия устанавливает соответствие:

выполнения строительно-монтажных работ требованиям про­екта;

применяемых при сооружении исследуемого участка трубо­провода труб, оборудования, материалов требованиям проекта.

6.2.34. По результатам обследования места отказа комиссия составляет схему разрушения части трубопровода с привязкой к пикетам и с указанием следующих данных:

расположение и размеры разрушения относительно оси трубопровода;

размеры котлована (при наличии выброса грунта);

зоны теплового воздействия (в случае возгорания при отказе).

6.2.35. По результатам технического расследования комиссия составляет акт, содержащий характеристику объекта, описание места отказа, данные об очаге отказа, обоснование и указание причин отказа, сведения о потерях в результате отказа, выво­ды и предложения по предупреждению отказов. При необходи­мости дополнительных исследований металла и других матери­алов, проведения поверочных расчетов и прочих исследований в акте должны быть указаны соответствующие организации, ко­торым поручается проведение этих работ.

6.2.36. Оплата материальных затрат, связанных с ликвидаци­ей последствий отказа, производится после установления причин отказа в установленном порядке.

 

6.3. Приемка в эксплуатацию

промысловых трубопроводов

 

6.3.1. Ввод в эксплуатацию промысловых трубопроводов дол­жен проводиться в комплексе с системами связи, объектами тех­нического обслуживания и ремонта трубопровода, системами из­мерения количества и качества перекачиваемой нефти, устрой­ствами для предотвращения загрязнения окружающей среды и другими объектами в объеме проекта, согласованном с проект­ной организацией-разработчиком.

6.3.2. Ввод в эксплуатацию осуществляется после приема трубопровода в зависимости от его назначения в установленном по­рядке.

6.3.3. Прием в эксплуатацию промысловых трубопроводов, предназначенных для транспортировки сероводородсодержащего газа и нефти, запрещается, если строительством не закон­чены полностью (согласно проекту) объекты, обеспечивающие безопасность людей и защиту окружающей среды.

6.3.4. Прием в эксплуатацию шлейфовых трубопроводов про­водится вместе с ингибиторопроводами и другими установка­ми, предназначенными для защиты металла трубы и арматуры от коррозионного воздействия или сероводородного растрескивания.

6.3.5. Если государственной приемочной комиссии предъявля­ются для приемки одновременно несколько промысловых трубо­проводов, проложенных между одними и теми же площадками промысловых сооружений, то техническая документация на них может быть оформлена единой, как для одного объекта, с оформ­лением актов на скрытые работы для каждого трубопровода.

6.3.6. Прием в эксплуатацию промыслового трубопровода со всем комплексом сооружений проводится государственной при­емочной комиссией, назначенной заказчиком. До предъявления трубопровода государственной приемочной комиссии проводит­ся прием трубопровода рабочей комиссией, назначенной заказчи­ком (застройщиком). В состав рабочей и государственной комис­сий включаются представители служб охраны природы, охраны труда, пожарной безопасности.

6.3.7. Эксплуатация трубопровода, не принятого государ­ственной приемочной комиссией, не допускается.

Датой ввода в эксплуатацию трубопровода считается дата подписания акта государственной приемочной комиссией.

6.3.8. В случае нарушения правил приема в эксплуатацию законченных строительством объектов председатели и члены ко­миссии, а также лица, принуждающие к приему в эксплуатацию объектов с нарушением правил, привлекаются к ответственно­сти в соответствии с действующим законодательством.

6.3.9. Акты приемки объектов должны быть утверждены организацией, назначившей рабочую комиссию.

 

7. ЭКСПЛУАТАЦИЯ И ТЕХНИЧЕСКОЕ ОБСЛУЖИВАНИЕ ТРУБОПРОВОДОВ

 

7.1. Проходное давление

в системах сбора нефти, газа и воды

 

7.1.1. Под проходным давлением понимается избыточное да­вление в определенной точке системы сбора продукции скважин, соответствующее заданному режиму движения этой продукции.

7.1.2. Проходное давление в системах нефтесбора определя­ется проектом и зависит от гидравлического сопротивления си­стем трубопроводов, а также от давления в аппаратах пунктов подготовки.

7.1.3. Проходное давление уточняется в различных точках си­стем сбора нефти, газа и воды после вывода системы на уста­новившийся режим и фиксируется в регламенте работы систе­мы сбора. Уточненное проходное давление может отличаться от проектного из-за погрешностей в гидравлическом расчете.

Уточненное проходное давление должно быть согласовано с проектной организацией и закреплено в регламенте.

7.1.4. Проходное давление в различных точках систем сбора нефти, газа и воды при нормальной эксплуатации не должно вы­ходить за пределы изменений, установленные в регламенте.

7.1.5. Если проходное давление выходит за пределы измене­ний, указанные в регламенте, то это свидетельствует о неполад­ках в работе системы:

а) если давление превышает установленное регламентом для данной точки системы сбора, то это свидетельствует или о про­изведенных переключениях, не предусмотренных регламентом, или о дополнительных сопротивлениях в трубопроводах за дан­ной точкой, появившихся в результате отложений парафина, пес­ка, неисправности или перекрытия запорной арматуры;

б) если давление менее установленного регламентом, то это также может быть следствием выполненных переключений, но может быть следствием потери герметичности трубопровода пе­ред или за данной точкой системы.

7.1.6. Во всех случаях изменения давления в трубопроводе обслуживающий персонал должен немедленно доложить диспет­черу, выяснить причину этих изменений и устранить ее при не­обходимости.

 

7.2. Очистка трубопроводов от парафина,

воды и механических примесей

 

7.2.1. Организация и проведение очистки трубопровода долж­ны включать в себя следующие основные технологические опе­рации:

оценку состояния внутренней полости трубопровода и опре­деление необходимости очистки;

определение вида отложений в промысловых трубопроводах и состава загрязнений в местах скоплений в газопроводах для выбора технического средства и технологии очистки;

обоснование периодичности очисток промыслового трубопровода или его участка, а также метода очистки (механической, химической, термической и комбинированной);

производство работ по очистке трубопровода;

оценку и регистрацию результатов очистки.

7.2.2. Оценка состояния внутренней полости трубопровода, определение вида отложений в трубопроводе, обоснование периодичности очисток трубопровода проводятся на основании дан­ных контрольной очистки, которая проводится перед введением в практику эксплуатации трубопровода регулярной очистки.

7.2.3. Методы и сроки очистки определяются по фактическо­му состоянию участков трубопровода.

Если целью очистки полости трубопровода является восста­новление его гидравлического сопротивления, то процесс очист­ки выполняют при:

 

 

где DPn - фактический перепад давления на данном участке трубопровода в анализируемый период времени, МПа; DP0 - теоретический перепад давления при заданном режиме работы на данном участке трубопровода, МПа.

Если целью очистки является удаление осадков, способству­ющих интенсификации коррозионных процессов, то очистку вы­полняют по мере необходимости, исходя из данных и опыта экс­плуатации.

7.2.4. Очистка полости трубопроводов при их эксплуатации должна выполняться специально подготовленным персоналом по инструкциям, разработанным производственным объединени­ем. Инструкции должны предусматривать: организацию работ по пропуску очистных устройств, технологию пуска и приема очистных устройств, методы и средства контроля за прохожде­нием очистных устройств, требования безопасности и противо­пожарные мероприятия.

7.2.5. Выбор очистных устройств проводится по их техниче­ским характеристикам с учетом конструкции конкретного тру­бопровода и в зависимости от вида отложений и загрязнений.

Для удаления скоплений воды, газа, мазеобразных и рыхлых парафиновых отложений используются разделители: шаровые (РШ); манжетные (РМ-ПС), очистные поршни (ОПРМ), разде­лители с полиэтиленовыми манжетами, цилиндрические (ДЭК, ДЭК-РЭМ) и др.

Очистные скребки универсальны в применении, обеспечива­ют высокое качество очистки от твердых парафиновых и других отложений. К ним относятся: скребки щеточные (ЩС, ЩСП), гибкие размывающие вращающиеся скребки (ГРВС), скребки многоцелевые рессорные (СМР) и др.

7.2.6. Пропуск очистного устройства допускается при скоро­стях потока выше 0,3 м/с. Наилучшие условия очистки обеспе­чиваются при скоростях до 2 м/с для нефтепроводов и 4-7 м/с - для газопроводов.

7.2.7. Для удаления воды и конденсата газопровод должен быть оборудован дренажными устройствами или конденсатосборниками, устанавливаемыми в местах регулярного их скоп­ления.

Конденсатосборники должны периодически освобождаться от конденсата в передвижные емкости, а также возможна перекачка конденсата насосом в ближайший нефтепровод.

Наземная часть конденсатосборника помещается в кожухе с запирающимся устройством для исключения доступа посторон­них лиц.

7.2.8. Для размыва и выноса образовавшихся скоплений из трубопровода потоком транспортируемой жидкости необходимо увеличить скорость перекачки выше выносной скорости потока, определяемой экспериментально.

7.2.9. Сооружения для сбора, хранения и утилизации выно­симых из трубопровода загрязнений и их ограждения должны быть исправными и исключать доступ посторонних лиц, на огра­ждениях должны вывешиваться предупредительные плакаты и знаки.

7.2.10. Очистка полости трубопровода должна выполняться по инструкциям, утвержденным главным инженером нефтегазодобывающего управления (НГДУ) при наличии наряда-допуска и под руководством ответственного работника цеха добычи неф­ти и газа (ЦДНГ). Сроки проведения этих работ должны быть согласованы с диспетчером центральной инженерно-технической службы (ЦИТС) НГДУ.

7.2.11. Инструкция на проведение очистки полости трубопро­вода должна предусматривать: организацию очистных работ; технологию пуска и приема очистного устройства (включая переключение запорной арматуры); методы и средства устранения отказов оборудования; требования техники безопасности и про­тивопожарные мероприятия; вопросы утилизации вынесенных при очистке загрязнений.

7.2.12. Приказом по управлению из состава ИТР назначаются ответственные по постам за безопасное проведение работ по пус­ку и приему очистных устройств, определяются составы бригад, закрепленные за постами, с указанием фамилий и должностей.

7.2.13. Переключение технологических линий при пуске, при­еме и пропуске очистных устройств выполняется эксплуатаци­онным персоналом по указанию руководителя работ.

7.2.14. Руководитель работ проводит инструктаж на рабо­чих местах с разъяснением обязанностей и порядка проводимых операций каждому работнику, участвующему в пуске и прие­ме очистных устройств. Проведение инструктажа оформляется в специальном журнале в соответствии с пп. 10.24-10.28.

7.2.15. Очистное устройство разрешается пускать при нали­чии наряда-допуска, оформленного в соответствии с пп. 10.24-10.28, устойчивой связи между узлами пуска и приема очистного устройства, постами по трассе, диспетчерской службой управле­ния, журнала регистрации данных по проведению работ.

7.2.16. Во время проведения очистных работ категорически запрещаются:

проведение каких-либо ремонтно-строительных работ в охран­ной зоне трубопровода;

присутствие на площадках пуска и приема очистных устройств, линейных задвижек или кранов очищаемого участка трубопро­вода лиц, не участвующих в проведении очистных работ; переезд трассы трубопровода транспортом и механизмами.

7.2.17. Все виды очистки трубопроводов сопровождаются соответствующими записями в журналах технического обслужи­вания.

 

7.3. Уход за трассой трубопроводов.

Технический коридор. Патрульная служба.

Связь

 

7.3.1. Трасса подземных промысловых трубопроводов опреде­ляется направлением и размерами технического коридора. Под техническим коридором трубопроводов понимается групповая упорядоченная укладка трубопроводов одинакового и различного назначений.

7.3.2. Трасса подземных трубопроводов через каждый кило­метр и в местах поворота должна быть закреплена на местности постоянными знаками высотой 1,5-2 м. Знак должен содержать информацию о местоположении оси трубопровода, километре и пикете трассы, а также номер телефона эксплуатирующей орга­низации.

7.3.3. Закрепительные знаки должны быть также установле­ны на переходах через естественные и искусственные препят­ствия. Двумя знаками, по одному с каждой стороны, по створу трассы закрепляются:

пересечения автомобильных дорог I . . . III категорий;

переходы через крупные овраги при ширине более 50 м;

переходы через каналы;

переходы через реки с шириной зеркала воды в межень более 10 м.

7.3.4. На обоих берегах перехода шириной в межень более 100 м должны быть установлены реперы, к которым произво­дится высотная привязка по результатам промеров при каждом обследовании перехода. Реперы должны быть установлены в не­затопляемой зоне с гарантией их сохранения при возможных раз­рушениях берегов и повреждениях при ледоходе.

При ширине реки до 100 м допускается установка одного ре­пера.

7.3.5. С целью обеспечения надежности подводных переходов через судоходные и сплавные водные пути необходимо вести кон­троль за деформацией берегов в створе переходов, изменением русловой части водоема и относительным положением трубопро­вода.

7.3.6. Арматура на нефтепроводах должна иметь площадки обслуживания, ограждения и надписи с номерами согласно опе­ративной схеме, указатели направления вращения на закрытие и открытие, а также указатели положений с надписями: "Закры­то" и "Открыто".

7.3.7. К любой точке трассы промысловых трубопроводов (ПТ) должна быть обеспечена возможность доставки людей, транспортных средств и механизмов, необходимых для выпол­нения ремонтных работ, при этом должны максимально исполь­зоваться дороги общего пользования. Бровки дорог в охранной зоне для проезда автотранспорта, обслуживающего трубопро­вод, должны находиться не ближе 10 м от оси трубопровода.

Крутые склоны должны быть спланированы, через ручьи и речки при отсутствии переезда сооружены мосты для прохожде­ния техники.

7.3.8. Трасса несельскохозяйственного назначения в пределах 3 м от оси крайнего трубопровода должна периодически расчи­щаться от поросли и содержаться в надлежащем противопожар­ном состоянии. При наличии ЛЭП вдоль трассы ширина послед­ней определяется "Правилами устройства электроустановок".

7.3.9. Для защиты траншеи от размыва и оголения необходи­мо предусмотреть сток поверхностных вод, крепление оврагов и промоин, размываемых берегов водных преград.

Развивающиеся овраги и промоины, расположенные в охран­ной зоне и в стороне от трассы, которые при своем развитии могут достичь трубопровода, должны укрепляться.

7.3.10. Для трубопроводов, проложенных в земляных насыпях через балки, овраги, ручьи, обязательно устройство водопропусков, обеспечивающих пропуск расчетного расхода воды.

7.3.11. При пересечении трубопроводами крутых склонов, промоин, оросительных каналов, кюветов следует предусматри­вать в местах их пересечения глиняные (или из другого подобно­го материала) перемычки, предотвращающие распространение веды по траншее и размыв трубопровода.

7.3.12. По всей трассе в процессе эксплуатации должна поддерживаться проектная глубина заложения трубопроводов, указанная в п. 3.1.21 настоящего документа.

Фактическая глубина заложения должна контролироваться:

визуально - 2 раза в год (весной, осенью);

трассоискателем или шурфованием - 1 раз в 3 года;

на пахотных землях — 1 раз в год.

7.3.13. Для ухода за трассой, периодического осмотра трассы и сооружений трубопроводов, выявления утечек нефти и других нарушений и неисправностей, контроля за состоянием перехо­дов через естественные и искусственные преграды должна быть создана патрульная служба.

7.3.14. При необходимости и экономической целесообразности для указанных целей может быть применено воздушное па­трулирование.

7.3.15. Связь патрульной службы с диспетчером цеха, НГДУ осуществляется посредством носимой или мобильной радиостан­ций.

 

7.4. Охранные зоны. Знаки безопасности

 

7.4.1. Для обеспечения нормальных условий эксплуатации и исключения возможности повреждения трубопроводов частично или полностью подготовленной нефти должны быть установле­ны охранные зоны по аналогии с магистральными трубопрово­дами в соответствии с "Правилами охраны магистральных тру­бопроводов":

вдоль трасс трубопроводов - в виде участка земли, ограни­ченного условными линиями, находящимися в 50 м от оси тру­бопровода с каждой стороны;

на землях сельскохозяйственного назначения охранная зона ограничивается условными линиями, проходящими в 25 м от осей крайних трубопроводов с каждой стороны;

вдоль трасс многониточных трубопроводов - в виде участка земли, ограниченного условными линиями, проходящими в 50 м от осей крайних трубопроводов с каждой стороны;

вдоль подводных переходов трубопроводов - в виде участка водного пространства от водной поверхности до дна, заключен­ного между параллельными плоскостями, отстоящими от осей крайних ниток трубопроводов на 100 м с каждой стороны.

7.4.2. В охранных зонах трубопроводов должны быть преду­смотрены плакаты с запретительными надписями против вся­кого рода действий, которые могут нарушить нормальную экс­плуатацию трубопроводов либо привести к их повреждению, в том числе запрещающие:

перемещать и производить засыпку и поломку опознаватель­ных и сигнальных знаков, контрольно-измерительных пунктов;

открывать калитки и двери необслуживаемых усилительных пунктов кабельной связи, ограждений; узлов линейной армату­ры, станций катодной и дренажной защиты, линейных и смо­тровых колодцев и других линейных устройств, открывать и закрывать краны и задвижки, отключать или включать сред­ства связи, энергоснабжения и телемеханики трубопроводов;

устраивать всякого рода свалки, выливать растворы кислот, солей и щелочей;

разрушать берегоукрепительные сооружения, водопропуск­ные устройства, земляные и иные сооружения (устройства), предохраняющие трубопроводы от разрушения, а прилегающую территорию от аварийного разлива транспортируемого продук­та;

бросать якоря, проходить с отданными якорями, цепями, ло­патами, волокушами и тралами, производить дноуглубительные и землечерпательные работы;

размещать какие-либо открытые или закрытые источники огня.

7.4.3. В охранных зонах трубопроводов сторонними организа­циями без письменного согласия организации, их эксплуатиру­ющей, запрещается:

возводить любые постройки и сооружения;

высаживать деревья и кустарники всех видов, складывать корма, удобрения и материалы, скирдовать сено и солому, содер­жать скот, ловить рыбу, производить колку и заготовку льда;

сооружать проезды и переезды через трассы трубопроводов, устраивать стоянки автомобильного транспорта, тракторов и механизмов, размещать коллективные сады и огороды.

На территории охранной зоны нефтегазопроводов не допуска­ется:

устройство канализационных колодцев и других заглублений, не предусмотренных проектом, за исключением углублений, вы­полняемых при ремонте и реконструкции по плану производства работ, утвержденному руководителем предприятия;

производство мелиоративных земляных работ, сооружение оросительных и осушительных систем;

производство всякого рода горных, строительных, монтаж­ных, взрывных работ, планировка грунта;

производство геологосъемочных, поисковых, геодезических и других изыскательских работ, связанных с устройством сква­жин, шурфов и взятием проб грунта.

7.4.4. Приказом по предприятию назначается лицо, ответ­ственное за эксплуатацию трубопровода, в обязанности которо­го входит внесение всех изменений, касающихся строительства объектов в охранной зоне, пересечений с трубопроводами и ком­муникациями другого назначения и конструктивных изменений объектов трубопроводов в процессе ремонта и реконструкции в исполнительную документацию.

7.4.5. На трассе трубопровода должны быть установлены зна­ки безопасности. Сигнальные цвета и знаки безопасности пред­назначены для привлечения внимания к непосредственной опас­ности, предупреждения о возможной опасности, предписания и разрешения определенных действий с целью обеспечения безо­пасности, а также для необходимой информации.

7.4.6. ГОСТ 12.4.026-76 устанавливает четыре группы знаков безопасности (запрещающий, предупреждающий, предписываю­щий, указательный), регламентирует назначение и порядок их применения.

7.4.7. Места расположения знаков безопасности, их номера и размеры, а также порядок применения поясняющих надписей к знакам безопасности устанавливает руководство предприятия по согласованию с соответствующими органами государственного надзора.

7.4.8. Знаки безопасности должны контрастно выделяться на окружающем их фоне и находиться в поле зрения людей, для которых они предназначены. Знаки безопасности должны быть расположены с таким расчетом, чтобы они были хорошо видны, не отвлекая внимания работающих, и сами по себе не предста­вляли опасности.

7.4.9. Предупреждающие сигнальные знаки должны быть установлены по обеим сторонам охранной зоны на подводных переходах в соответствии с требованием Устава внутреннего водного транспорта на расстоянии 100 м от оси трубопровода и подводного кабеля и должны соответствовать ГОСТу.

7.4.10. Дорожные знаки, запрещающие остановку транспорта, должны быть установлены в местах пересечения трубопровода с автомобильными дорогами всех категорий по согласованию с органами Госавтоинспекции:

на переходах через реки - на границе охранной зоны трубо­провода, но не ближе 100 м от оси;

на пересечениях с автодорогами I, II, III класса - на рассто­янии 300 м от оси трубопровода;

на пересечениях с проселочными и прочими дорогами - на расстоянии 100 м от оси.

7.4.11. Предупредительные знаки, означающие: "Остановка транспорта запрещена", и другие подобного содержания долж­ны применяться для ограждения мест утечки продукта, ремон­тируемых участков, мест размыва и т. п.

7.4.12. На местах и участках, являющихся временно опасны­ми, следует устанавливать переносные знаки безопасности и вре­менные ограждения, окрашенные лакокрасочными материалами сигнальных цветов (в соответствии с ГОСТ 12.4.026-76).

 

7.5. Техническое обслуживание

и ремонт трубопроводов

 

7.5.1. Наружный осмотр трубопроводов

 

7.5.1.1. При эксплуатации промысловых трубопроводов одной из основных обязанностей обслуживающего персонала являет­ся наблюдение за состоянием трассы трубопроводов, элементов трубопроводов и их деталей, находящихся на поверхности земли.

7.5.1.2. Периодичность осмотра трубопровода путем обхода, объезда или облета устанавливается руководством НГДУ в зави­симости от местных условий, сложности рельефа трассы, време­ни года и срока эксплуатации в соответствии с графиком, утвер­жденным главным инженером.

Внеочередные осмотры проводятся после стихийных бед­ствий, в случае визуального обнаружения утечки нефти, газа и воды, обнаружения по показаниям манометров падения давления в трубопроводе, отсутствия баланса транспортируемого продук­та.

При обходах, объездах и облетах должны соблюдаться соответствующие правила безопасности.

7.5.1.3. При осмотре трассы должно быть обращено особое внимание на:

выявление возможных утечек нефти по выходу на поверх­ность;

выявление и предотвращение производства посторонних ра­бот и нахождение посторонней техники;

выявление оголений, размывов, оползней, оврагов и т. п.;

состояние подводных переходов через реки, ручьи, овраги;

состояние воздушных переходов через различные препят­ствия;

состояние пересечений с железными и автомобильными доро­гами;

появление неузаконенных переездов;

состояние вдольтрассовых сооружений (линейных колодцев, защитных противопожарных и противокоррозионных сооруже­ний, вдольтрассовых дорог, указательных знаков).

7.5.1.4. При осмотре наружной поверхности трубопроводов и их деталей (сварных швов, фланцевых соединений, включая кре­пеж арматуры, антикоррозионной защиты и изоляции, дренаж­ных устройств, компенсаторов, опорных конструкций) следует обращать внимание:

на показания приборов, по которым осуществляется контроль за давлением в трубопроводе;

герметичность незаглубленных участков трубопроводов, мест выхода из земли трубопроводных узлов, сварных и фланцевых соединений на запорной арматуре, воздушных переходов через реки, ручьи, овраги;

утечки транспортируемой продукции из кожухов пересечений с железными и автомобильными дорогами.

7.5.1.5. Результаты осмотров должны фиксироваться в вах­тенном журнале.

7.5.1.6. Трубопроводы должны подвергаться, кроме требова­ний, указанных в пп. 7.5.1.1-7.5.1.5, контрольному осмотру спе­циально назначенными лицами не реже одного раза в год. Время осмотра следует приурочить к одному из очередных ремонтов.

7.5.1.7. При контрольном осмотре особое внимание должно быть уделено:

состоянию зон выхода трубопроводов из земли;

состоянию сварных швов;

состоянию зон возможного скопления пластовой воды, конден­сата, твердых осадков;

состоянию фланцевых соединений; правильности работы опор;

состоянию и работе компенсирующих устройств;

состоянию уплотнений арматуры;

вибрации трубопроводов;

состоянию изоляции и антикоррозионных покрытий;

состоянию гнутых отводов, сварных тройников, переходов и других фасонных деталей.

7.5.1.8. При контрольном осмотре наружный осмотр выкид­ных линий скважин, нефтесборных коллекторов трубопроводов с частично подготовленной нефтью, нефтепроводов, газопроводов, водоводов низкого и высокого давления проводится путем вскры­тия и выемки грунта, снятия с трубопровода изоляции на длине 2 м. Наиболее подверженные коррозии участки устанавливаются службой технического надзора НГДУ из расчета два участка на 1 км длины трубопровода, но не менее одного участка на каждый трубопровод (одного диаметра).

7.5.1.9. Контрольные осмотры трубопроводов, проложенных на эстакадах, допускается проводить без снятия изоляции. Од­нако при наличии каких-либо сомнений в состоянии стенок или сварных швов трубопроводов (наружные потеки, отслаивание или вздутие изоляции) изоляция должна быть полностью или частично удалена по указанию работника отдела технического надзора.

7.5.1.10. Контрольные осмотры трубопроводов, подвержен­ных вибрации, их опор, эстакад, фундаментов должны прово­диться в зависимости от конкретных условий и состояния тру­бопроводов с замером уровня вибрации и устанавливаться тех­ническим руководством предприятия, но не реже одного раза в 6 месяцев. Выявленные дефекты подлежат немедленному устра­нению.

7.5.1.11. Контрольный осмотр трубопроводов, проложенных в непроходных каналах или бесканально, приурочивается к проведению ревизии этих трубопроводов.

7.5.1.12. При контрольных осмотрах трубопроводов необходи­мо замерять толщину стенок труб и глубину язв на теле труб и в сварных швах (внутренняя коррозия) с помощью ультразвуко­вого или радиоизотопного толщиномера.

7.5.1.13. Если при контрольных осмотрах трубопровода обнаружены неплотности разъемных соединений, давление в нем должно быть снижено до атмосферного, а дефекты устранены с соблюдением необходимых мер по технике безопасности.

Если для устранения дефекта необходимо проведение огневых работ, трубопровод должен быть остановлен, подготовлен к про­изводству ремонтных работ в соответствии с указаниями "Ти­повой инструкции по организации безопасного проведения огне­вых работ на взрывоопасных и взрывопожароопасных объектах" (утв. Госгортехнадзором России) и дефекты устранены.

За своевременное устранение дефектов отвечает лицо, ответ­ственное за безопасную эксплуатацию трубопроводов.

7.5.1.14. Если при контрольном осмотре трубопровода будут обнаружены значительные дефекты или признаки интенсивной коррозии, регламентируемые разделом 7.5.4, все трубопроводы, находящиеся на данном объекте со сходными коррозионными средами и условиями эксплуатации, подлежат дополнительному досрочному осмотру.

7.5.1.15. Дополнительному досрочному осмотру подверга­ются трубопроводы при обнаружении повышенной скорости коррозии по образцам-свидетелям или с помощью зонда-коррозиметра.

7.5.1.16. Результаты контрольных осмотров и замеров тол­щин стенок всех трубопроводов должны фиксироваться в документах соответствующих служб технического надзора и вно­ситься в паспорт трубопроводов.

7.5.1.17. По результатам осмотров и замеров дается заключе­ние о состоянии трубопроводов. Если обнаружено, что толщина стенки труб или другой детали под действием коррозии или эро­зии уменьшилась сверх допустимой (см. раздел 7.5.4), возмож­ность дальнейшей работы трубопровода должна быть провере­на расчетом. При наличии на поверхности металла или в зонах сварных швов трещин, вздутий, язв, раковин должна быть про­ведена выборочная ревизия этого трубопровода.

 

7.5.2. Ревизия трубопроводов

 

7.5.2.1. Основным методом контроля за надежной и безопас­ной работой выкидных линий скважин, нефтесборных коллек­торов, технологических трубопроводов, трубопроводов подгото­вленной нефти, водоводов низкого и высокого давления, газопро­водов являются периодические ревизии, при которых проверяет­ся состояние трубопроводов, их элементов и деталей.

Ревизии проводит служба технического надзора совместно с механиками и начальниками цехов.

Результаты ревизии служат основанием для оценки состоя­ния трубопровода и возможности его дальнейшей эксплуатации.

7.5.2.2. Сроки проведения ревизии нефтегазосборных трубо­проводов устанавливаются администрацией предприятия в за­висимости от скорости коррозионно-эрозионных процессов с уче­том опыта эксплуатации аналогичных трубопроводов, результа­тов наружного осмотра, предыдущей ревизии и должны обеспе­чивать безопасную и безаварийную эксплуатацию трубопрово­дов в период между ревизиями (табл. 7.1).

Первую ревизию вновь введенных в эксплуатацию трубопро­водов необходимо производить не позднее чем через 1 год.

Как правило, ревизия должна быть приурочена к планово-предупредительному ремонту отдельных агрегатов, установок или цехов.

7.5.2.3. Выбор участков для ревизии осуществляет служба технического надзора и утверждает главный инженер НГДУ. При этом следует намечать участки минимальной протяженно­сти, работающие в наиболее тяжелых условиях (наличие скопле­ний пластовой воды, расслоенные режимы течения, низкие ско­рости, наличие эрозийных материалов, осадков, вибрации и др.), а также тупиковые и временно не работающие участки.

 

Таблица 7.1

 

Периодичность ревизии трубопроводов

 

 

Объект ревизии

Периодичность ревизий трубопроводов

по категориям

 

I

II

III

IV

 

Трубопроводы на расстоянии менее 200 м от мест обслужива­ния людьми

 

Не реже одного раза

в год

 

Не реже одного раза

в год

 

Не реже одного раза

в 2 года

 

Не реже одного раза

в 4 года

Трубопроводы на расстоянии более 200 м от мест обслужива­ния людьми

 

Не реже одного раза

в год

Не реже одного раза

в 2 года

Не реже одного раза

в 4 года

Не реже одного раза

 в 8 лет

 

7.5.2.4. Приступать к ревизии следует только после выпол­нения необходимых подготовительных работ, предусмотренных "Правилами безопасности при сборе, подготовке и транспорти­ровании нефти и газа на предприятиях нефтяной промышлен­ности". На работающих трубопроводах допускается проводить ультразвуковую толщинометрию.

7.5.2.5. При ревизии намеченного участка трубопровода необ­ходимо:

освободить трубопровод от рабочей среды, промыть водой и в случае необходимости очистить от отложений и грязи;

провести тщательный наружный осмотр;

провести (по возможности) внутренний осмотр трубопровода (демонтаж трубы для внутреннего осмотра при наличии флан­цевых и других разъемных соединений осуществляется посред­ством разборки этих соединений; при цельносварном трубопро­воде производят вырезку участка трубопровода длиной, равной двум-трем его диаметрам, желательно со сварным швом, при­способленным для работ в особо тяжелых условиях);

простучать молотком (при отсутствии изоляции) и проме­рить ультразвуковым толщиномером толщину стенки в несколь­ких местах, наиболее подверженных износу;

при возникновении сомнений в качестве сварных швов про­изнести вырезку образцов для металлографического испытания или проверить их магнитографическим методом или методом просвечивания гамма-лучами;

проверить состояние фланцевых соединений, их воротников, привалочных поверхностей, прокладок, крепежа, а также фасон­ных частей и арматуры, если таковые имеются на ревизируемом участке;

разобрать (выборочно, по указанию представителя технадзо­ра) резьбовые соединения на трубопроводе, осмотреть их и из­мерить резьбовыми калибрами;

проверить состояние и правильность работы опор, крепеж­ных деталей и выборочно - прокладок;

испытать трубопровод в случаях производства на нем ре­монтных работ;

объемы работ при ревизии трубопроводов определяет отдел технического надзора.

7.5.2.6. Механические свойства металла труб проверяются, если коррозионное действие среды может вызвать их изменение. Вопрос о механических испытаниях решает служба техническо­го надзора.

7.5.2.7. Результаты ревизии заносят в паспорт трубопровода (прил. 1) и сопоставляют с первоначальными данными (приемки после монтажа или результатами предыдущей ревизии), после чего составляют акт ревизии (прил. 3). Акт ревизии утвержда­ет главный механик НГДУ. Работы, указанные в акте ревизии, подлежат обязательному выполнению в заданные сроки.

7.5.2.8. При выявленном в результате ревизии неудовлетво­рительном состоянии участка трубопровода дополнительно ре­визии подвергается другой участок, а количество аналогичных трубопроводов, подвергаемых ревизии, увеличивается вдвое.

7.5.2.9. Если при ревизии трубопровода будет обнаружено, что первоначальная толщина стенки трубы или другой детали под воздействием коррозии или эрозии уменьшилась, возмож­ность дальнейшей работы трубопровода должна быть проверена расчетом.

7.5.2.10. При получении неудовлетворительных результатов ревизии дополнительных участков должна быть проведена гене­ральная ревизия этого трубопровода с ревизией пяти участков, расположенных равномерно по всей длине трубопровода.

7.5.2.11. Все обнаруженные в результате ревизии дефекты должны быть устранены, а пришедшие в негодность участки и детали трубопроводов заменены новыми. При неудовлетвори­тельных результатах генеральной ревизии трубопроводы выбра­ковываются.

7.5.2.12. Ремонтные и сварные работы должны производиться в соответствии с нормами и правилами безопасности (см. разде­лы 7, 8 настоящих Правил).

7.5.2.13. Все участки трубопроводов, подвергавшиеся разбор­ке, резке и сварке, после сборки подвергаются испытаниям на прочность и плотность в соответствии с разделом 7.5.5.

 

7.5.3. Диагностика промысловых трубопроводов

 

7.5.3.1. В процессе эксплуатации и при ремонтах промысло­вых трубопроводов необходимо проводить диагностику их тех­нического состояния.

7.5.3.2. Вид и объем диагностических обследований ПТ опре­деляет техническая служба НГДУ в зависимости от аварийности и металлографического исследования аварийных образцов.

7.5.3.3. Диагностические обследования ПТ проводит служба контроля, структурно выделенная в лабораторию дефектоско­пии, участок, группу или отдел технического контроля при базе производственного обслуживания (БПО) или может привлекать­ся и со стороны.

7.5.3.4. Периодичность диагностики устанавливается руко­водством НГДУ в зависимости от местных условий, сложности рельефа и условий пролегания трассы, а также экономической целесообразности и приурочивается к ревизии участков ПТ, но она не должна быть реже:

 

одного раза в год    - для трубопроводов I категории:

одного раза в 2 года                            II категории;

одного раза в 4 года                            III категории;

одного раза в 8 лет              —"—               IV категории.

 

Срок последующего контроля должен уточняться в зависимо­сти от результатов предыдущего контроля.

7.5.3.5. Оценка состояния контролируемого участка ПТ мо­жет осуществляться одним или несколькими методами техни­ческой диагностики, классифицированными ГОСТ 18353-87, с учетом конкретных условий, ответственности контролируемого объекта и требуемой надежности контроля. Основными метода­ми контроля внутрипромысловых трубопроводов являются:

 

ультразвуковой (ГОСТ 14782-86);

радиографический (ГОСТ 7512-82);

акустический (ГОСТ 20415-82).

 

В качестве вспомогательного метода контроля можно исполь­зовать магнитопорошковый метод (ГОСТ 21105-87).

7.5.3.6. Оптимальные сочетания, выбор и порядок примене­ния методов неразрушающего контроля должны определяться в каждом конкретном случае с учетом технологичности средств технической диагностики, разрешающей способности, выявляемости дефектов и производительности контроля.

7.5.3.7. Работы по диагностике внутрипромысловых трубо­проводов должны выполняться с применением портативных при­боров неразрушающего контроля, передвижных лабораторий де­фектоскопии и в стационарных лабораториях с необходимым приборным обеспечением.

7.5.3.8. При определении коррозионного износа трубопроводов следует использовать ультразвуковой, визуальный и визуально-оптический методы контроля с помощью приборов: УТ-93П, УТ-96, ЛП-1, ЛАЗ, лупы Польди и пр.

7.5.3.9. При проведении диагностических обследований состо­яния внутренней поверхности трубопроводов методом ультраз­вуковой толщинометрии следует руководствоваться РД "Про­гнозирование максимальной глубины коррозии и времени до по­явления сквозных повреждений трубопроводов по данным ульт­развуковой толщинометрии".

Оценка максимальной глубины коррозионного разрушения и наработки трубопровода до отказа (свища) осуществляется пу­тем периодического измерения толщины стенки на контрольных отрезках обследуемого трубопровода и статистической обработ­ки результатов измерений. Работы выполняются в следующей последовательности:

выделение на обследуемом трубопроводе границ одно­родных по условиям коррозии участков в соответствии с СТП 51.00.021-85;

определение мест расположения на однородных по условиям коррозии участках контрольных отрезков, ис­ходя из условий их доступности и равномерности рас­положения в пределах однородного участка. В среднем один контрольный отрезок длиной 3,5-4 м должен при­ходиться на 500 м контролируемого участка трубопро­вода;

подготовка к проведению измерений, включающая удаление изоляции на контрольных отрезках трубопро­водов наземной и надземной прокладки или вскрытие подземного трубопровода и удаление изоляции на длине контрольного отрезка;

проведение измерений и обработка результатов;

восстановление изоляции и засыпка шурфа. На тру­бопроводах наземной и надземной прокладки и незаглу­бленных участках подземных трубопроводов рекоменду­ется обустроить контрольные отрезки для периодиче­ского измерения толщин стенок;

графики проведения обследований должны соста­вляться службой технического контроля предприятия и утверждаться его руководителем;

результаты обследования и прогнозирования должны заноситься в паспорт трубопровода.

7.5.3.10. При определении изменений структуры и свойств ме­талла элементов трубопровода следует использовать электро­магнитные структуроскопы (МФ-32 КЦ и им подобные).

7.5.3.11. При определении местоположения утечек в трубопро­водах следует использовать акустический метод контроля (при­бор НЗЭ002).

7.5.3.12. Радиографический контроль можно проводить толь­ко в случае, если контролируемый трубопровод освобожден от перекачиваемого продукта.

7.5.3.13. В проведении работ при неразрушающем контроле необходимо пользоваться контрольными и эталонными образца­ми, изготовленными в соответствии с рекомендациями по при­менению методов контроля.

7.5.3.14. Контроль качества наружных изоляционных покры­тий внутрипромысловых трубопроводов следует проводить в со­ответствии с ГОСТ 25812-83 "Трубопроводы стальные маги­стральные. Общие требования к защите от коррозии", применяя прибор УКИ-1, или осмотром изоляционного покрытия (в том числе и по нижней образующей трубопровода) в шурфах. Шур-фованию подлежат участки, на которых возможна коррозионная ситуация, выявленная при анализе статистических данных тех­нической службы НГДУ.

7.5.3.15. При определении коррозионного поражения по ниж­ней образующей трубы измерение следует проводить по дуге в 30° в нижней части трубы через 7-10 мм.

7.5.3.16. При аварии с выходом нефти следует провести обследование трубопровода по обе стороны от места утечки на расстоянии не менее 1 м с использованием средств толщинометрии и ультразвуковой дефектоскопии для обнаружения канавочной коррозии при выходе продукта в нижней части трубы и язвен­ной коррозии — в случае выхода продукта в другом месте.

При обнаружении коррозионного поражения в контролируе­мой зоне контроль следует продолжать до момента, когда на расстоянии 1 м не будет обнаружено дефектов.

7.5.3.17. Сварные соединения трубопроводов внутрипромысловых систем с толщиной стенок труб от 4 до 30 мм, выполнен­ные автоматической, полуавтоматической и ручной электродуго­вой сваркой плавлением, следует контролировать радиографиче­ским и ультразвуковым методами. Эти же методы используют­ся при определении внутренних скрытых дефектов тела трубы (расслоения, закаты).

7.5.3.18. Контроль сварных соединений радиографическим или ультразвуковым методом должен осуществляться после ви­зуального и инструментального контроля, сварные соединения могут подвергаться также дополнительной проверке магнитопорошковым или цветными методами, при этом контролю подвер­гается поверхность шва и прилегающие к нему зоны шириной по 20 мм в обе стороны от шва.

7.5.3.19. Для проведения визуального контроля сварного со­единения следует применять оптические приборы с увеличением до 10 (например, лупы ЛП1, ЛАЗ, ЛА114, ЛПШ474 и др.).

7.5.3.20. При магнитопорошковом контроле используют дефектоскопы типа ПМД-70, а при магнитолюминесцентном дополнительно применяют ультрафиолетовый облучатель (напри­мер, типа КД-33Л).

7.5.3.21. Для проведения рентгено- и гаммаграфирования применяют отечественные рентгеновские аппараты и гамма-дефектоскопы. Для контроля сварных соединений трубопроводов наиболее распространены рентгеновские аппараты импульсного типа (например, МИРА-1Д, 2Д, 3Д, НОРА, АРИНА-01, 02 и др.).

7.5.3.22. Для проведения неразрушающего контроля сварных соединений ультразвуковым методом следует использовать эхоимпульсные ультразвуковые дефектоскопы следующих типов: ДУК-66ПМ, УД-11ПУ, УД2-12, УД2-17. В цеховых условиях можно также использовать дефектоскопы УД-10УА и УД-11УА.

7.5.3.23. Ультразвуковой контроль сварных соединений трубопроводов диаметром от 100 до 325 мм проводится с помощью держателей-преобразователей ДП 100-275С, ДП 100-325С.

7.5.3.24. Для настройки аппаратуры при ультразвуковом кон­троле должны изготавливаться стандартные образцы. Диаметр и толщина стандартных образцов должны соответствовать диа­метру и толщине труб, сваренных в трубопровод.

7.5.3.25. При оценке разности твердости околошовной зоны и твердости основного металла труб электромагнитным методом можно применять приборы типов КИФМ-1, МФ31КЦ.

7.5.3.26. Технологию контроля сварных соединений и оформ­ление результатов контроля следует проводить в соответствии с РД 39-0147014-555-89.

7.5.3.27. Трубы, используемые для замены поврежденных участков внутрипромысловых трубопроводов при ремонтно-восстановительных работах, должны быть предварительно про­верены на отсутствие дефектов и их соответствие имеющимся заводским сертификатам.

7.5.3.28. Диагностический контроль трубопроводов осуще­ствляется специально подготовленными дефектоскопистами, ко­торые должны иметь соответствующие удостоверения и про­ходить периодическую аттестацию. Приборы и испытательные образцы для неразрушающего контроля должны проходить пе­риодическую проверку.

7.5.3.29. Результаты контроля должны быть зафиксированы в специальных журналах и заключениях. Журнал - первичный документ, где регистрируются результаты контроля. Сведения в журнал заносит оператор. Заключение - конечный документ (оформляется при сдаче). Форма журнала и заключения устана­вливается технической службой НГДУ.

В журнале и заключении фиксируются следующие сведения:

наименование трубопровода;

номер испытательной схемы (координаты контроли­руемого участка);

диаметр, толщина стенки трубопровода, марка ста­ли;

год ввода в эксплуатацию;

тип изоляционного покрытия;

наличие ЭХЗ;

режим работы трубопровода;

тип и заводской номер прибора;

вид документации, по которой проводился контроль;

параметры контроля;

тип стандартного образца для настройки прибора;

координаты и характеристики обнаруженных дефек­тов;

оценка качества контролируемого объекта;

даты проведения контроля и выдачу заключения;

фамилия и подпись дефектоскописта;

фамилия и подпись руководителя контрольной служ­бы.

 

7.5.4. Нормы отбраковки трубопроводов

 

7.5.4.1. Трубы и детали трубопроводов подлежат отбраковке в следующих случаях.

А. Если в результате ревизии окажется, что под действием коррозии или эрозии толщина стенки их уменьшилась и достиг­ла величины, определяемой по формулам:

 

 при

 

  при

 

где dотб - толщина стенки трубы или детали трубопровода, м, при которой они должны быть изъяты из эксплуатации; Р — рабочее давление в трубопроводе, Па; Дн - наружный диаметр трубы или детали трубопровода, м; п - коэффициент перегруз­ки рабочего давления в трубопроводе, равный 1,2; R1 -расчет­ное сопротивление материала труб и деталей технологических трубопроводов, Па, определяемое по формуле:  a -коэффициент несущей способности; a = 1 для труб, кониче­ских переходов, выпуклых заглушек эллиптической формы; для отводов гладких и сварных a = 1,3 при отношении радиуса гиба трубы R к наружному диаметру Дн = 1; a = 1,15 при  a = 1,0 при  и более;  - нормативное сопротивление, рав­ное наименьшему значению временного сопротивления разрыву материала труб, принимаемое по ГОСТу или ТУ на соответ­ствующие виды труб, Па (табл. 7.2);   нормативное сопротивление, равное наименьшему значению предела текучести при растяжении, сжатии и изгибе материала труб, принимаемое по ГОСТу или ТУ на соответствующие трубы, Па (табл. 7.2); m1 -коэффициент условий работы материала труб при разрыве, рав­ный 0,8; m2 -коэффициент условий работы трубопровода, вели­чина которого принимается в зависимости от транспортируемой среды: для токсичных, горючих, взрывоопасных и сжиженных газов -0,6; для инертных газов (азот, воздух и т. п.) или токсич­ных, взрывоопасных и горючих жидкостей -0,75; для инертных жидкостей -0,9; m3 -коэффициент условий работы матери­ала труб при повышенных температурах, для условий работы промысловых трубопроводов принимается равным 1; k1 -коэф­фициент однородности материала труб: для бесшовных труб из углеродистой и для сварных труб из низколегированной ненормализованной стали k1 = 0,8, для сварных труб из углеродистой и для сварных труб из нормализованной низколегированной стали k1 = 0,85.

 

Таблица 7.2

 

Механические характеристики

трубопроводных сталей

 

 

ГОСТ на трубы

 

Марка стали

 МПа

МПа

 

8731-74

 

10

 

353

 

216

 

20

412

245

 

10Г2

471

265

8733-74

10

350

206

 

20

412

245

 

10Г2

421

245

10705-80 (в термообработанном

10

333

206

состоянии)

ВСт3сп

372

225

 

20

412

245

10705-80 (без термообработки)

10

333

Согласно

 

ВСт3сп

392

сертификату

 

15,20

372

или ре­зультатам испытаний

550-75

20

431

255

 

10Г2

470

260

 

15Х5

392

216

 

15Х5М

392

216

 

15Х5ВФ

392

216

 

15Х5МУ

588

412

 

12Х8ВФ

392

167

9940-81

08Х18Н10Т

520

Согласно

 

12Х18Н10Т

529

сертификату

 

10Х17Н13М2Т

529

или ре­зультатам испытаний

9941-81

08Х18Н10Т

549

То же

 

12Х18Н10Т

549

 

 

10Х17Н13М2Т

529

 

ТУ 14-3-460-75

 

12Х1МФ

441

260

 

 


Таблица 7.3

 

Критерии от браковки труб

 

 

Вид повреждения

Расстояние между бли­жайшими повреждениями, мм

Расстояние между ближайшими повреждениями

и сварным швом, мм

Минималь­ная толщи­на стенки труб d, мм

Макси­мальная глубина повреждения с, мм

Максимал. протяжен. поврежд.

по образую­щей трубы (вдоль тру­бы) а, мм

Максим. протяжен. поврежд.

по направле­нию трубы (поперек трубы) в, мм

Вид восста-новления и условное обозначе­ние

 

Примечание

 

Одиночные коррозионные

 

Не менее длины

 

Не менее

 

5

 

До 30 %

 

60d

 

10d

 

Зачистка

 

Максимальная глубина

язвы, точки, пятна,

наибольшего из

150

 

От d

45d

15d

поверхности,

повреждения

механические риски,

повреждений

 

 

 

30d

20d

шлифовка Ш

уменьшается в два раза

царапины, задиры, забоины

 

 

 

 

25d

25d

 

в случае равномерной

на поверхности трубы

 

 

 

До 20 %

110d

10d

 

коррозии

 

 

 

 

От d

95d

15d

 

 

 

 

 

 

 

80d

20d

 

 

 

 

 

 

 

65d

25d

 

 

 

 

Схема определения

размеров повреждений

(а, в, с)

 

 

 

 

 

50d

30d

 

 

Одиночные язвы

сферической формы

На одной ли­нии

не менее 5d

 

 

В остальных

не менее 10d

 

 

Не менее 100

5

При ос­тавшейся толщине стенки не менее 5

20

20

Наплавка металла Н

Одиночными счи­таются повреж­дения, расстояние между которыми пре­вышает длину наибольшего из повреждений. В противном случае повреж­дения рассматриваются как групповые, равные

Одиночные язвы

цилиндрической формы

 

На одной линии

не менее 2d

 

 

В остальных

не менее 5d

 

 

 

 

 

 

 

 

суммар­ной длине входящих в него повреждений. Глубина груп­пового повреждения в целом определяется по максималь­ной глубине од­ного повреж­дения

Язвы сферические

На одной ли­нии ближе 5d,

в остальных

ближе 10d

Не менее 150 от попереч­ного шва

5

Любая

При D50

219, 245,

273; 100,

325, 351,

377; 150

D426

 

 

Приварка заплат

З

Трубы, восстановленные приваркой заплат

и муфт, рекомендуется реализовать сторонним организациям

Язвы цилиндрические

На одной ли­нии ближе 2d,

в остальных

ближе 5d

 

 

 

 

 

 

 

 

Групповые язвы,

 

Не менее 150

5

Любая

100

 

Приварка

 

сплошная коррозия

 

от поперечного

 

 

При D219,

 

муфты М

 

по периметру трубы

 

шва

 

 

245;

 

 

 

 

 

 

 

 

150

 

 

 

 

 

 

 

 

D273, 200,

 

 

 

 

 

 

 

 

325, 351,

 

 

 

 

 

 

 

 

377;

 

 

 

 

 

 

 

 

300

 

 

 

 

 

 

 

 

D425

 

 

 

 

Равномерная ручейковая коррозия

 

 

Не огра­ничено

Любая

 

 

Восстанов-лению не подлежит

Участки труб

рекомендуется вырезать и сдать в ме­таллолом

 

Групповые коррозион­ные повреждения, ме­ханические риски, царапины, задиры, забоины

До 200

До 150

 

Более допустимых размеров дефектов, подлежащих шлифовке

 

То же

То же

Трещины, свищи, пробоины

Любое

Любое

Не огра­ничено

Любых размеров

 

 

»  »

»  »

Вмятины без поврежде­ния металла трубы и с любыми царапинами, задирами, свищами и другими поврежде­ниями

То же

То же

То же

То же

 

 

»  »

»  »

Гофры

 

  »  »

»  »

»  »

»  »

 

 

»  »

»  »


 

Полученная величина отбраковочного размера не может быть меньше указанной ниже:

 

наружный диаметр Дн, мм

 

£ 108 (114)

£ 219

£ 325

£ 377

> 426

наименьшая допустимая толщина стенки трубо­провода, мм

2,0

2,5

3,0

3,5

4,0

 

Б. Если в результате коррозии или эрозии за время работы до очередной ревизии толщина стенки выйдет за пределы отбра­ковочных размеров.

В. Если во время ревизии обнаружены дефекты в их стенке в виде сферических, цилиндрических язв, трещин, свищей, пробо­ин, вмятин, гофр, рисок, царапин, наличие которых по условиям табл. 7.3 требует отбраковки элемента трубопровода.

Г. Если механические свойства материала изменились и не удовлетворяют требованиям проекта.

Д. Если при обследовании сварных швов обнаружены следу­ющие дефекты, не подлежащие исправлению:

трещины длиной более 50 мм в сварном шве или в околошов­ной зоне основного металла;

непровары размером более 10 % от толщины стенки.

7.5.4.2. Отбраковка труб осуществляется специальной комис­сией, назначенной руководителем НГДУ в соответствии с инструкцией и графиком, утвержденными главным инженером НГДУ.

7.5.4.3. Фланцы отбраковывают:

при неудовлетворительном состоянии привалочных поверхно­стей;

наличии раковин, трещин и других дефектов;

уменьшении толщины стенки воротника фланца до отбрако­вочных размеров трубы.

7.5.4.4. Литые изношенные корпуса задвижек, вентили, кла­паны и литые детали нефтепроводов отбраковывают:

если уплотнительные элементы арматуры износились на­столько, что не обеспечивают ведения технологического процес­са и отремонтировать или заменить их невозможно;

если толщина стенки корпуса арматуры достигла значений, равных или меньших, чем указаны в табл. 7.4.

 

Таблица 7.4

 

Предельные отбраковочные значения

толщин стенок корпуса арматуры

 

Условный диаметр Ду, мм

80

200

400

500

700

800

1000

1220

Предельная отбра­ковочная толщина стенки, мм (при Рраб = 10 МПа)

3

4,5

6

7

8,5

10

11

14

 

7.5.4.5. Крепежные детали отбраковывают:

при появлении трещин, срывов или коррозионного износа резьбы;

при остаточных деформациях, приводящих к изменению про­филя резьбы;

изгибе болтов и шпилек;

износе боковых граней болтов и гаек.

7.5.4.6. Резьбовые соединения трубопроводов отбраковывают при срыве и коррозионном износе резьбы, а также прохождении непроходного калибра типа Р-Р.

7.5.4.7. Все работы, связанные с отбраковкой труб, должны выполняться с соблюдением требований безопасности.

7.5.4.8. После проведения обследования и отбраковки должен быть составлен акт ревизии и отбраковки по форме прил. 3.

7.5.5. Периодические испытания трубопроводов

 

7.5.5.1. Надежность работы выкидных линий скважин, нефтесборных коллекторов, внутрипромысловых напорных нефте­проводов, нефтепроводов товарной нефти, водоводов низкого и высокого давления, газопроводов должна проверяться путем пе­риодических гидравлических испытаний на прочность и плот­ность.

Периодические испытания трубопроводов приурочивают к времени проведения ревизии трубопровода. Периодичность про­ведения испытаний должна быть равна удвоенной периодично­сти проведения ревизии, принятой в соответствии с указаниями п. 7.5.2.2. для данного трубопровода, но не реже одного раза в восемь лет.

7.5.5.2. Все трубопроводы испытываются на прочность давле­нием, равным 1,25 от рабочего давления. Выкидные линии сква­жин и водоводы высокого давления испытываются в течение 6 часов.

Нефтесборные коллекторы, внутрипромысловые напорные нефтепроводы, нефтепроводы товарной нефти, водоводы низкого давления, газопроводы испытываются в течение 24 часов.

Для небольших месторождений при невозможности длитель­ных остановок трубопроводов для испытания из-за наличия только одной "нитки" продолжительность испытаний на проч­ность и плотность может быть изменена по решению руковод­ства НГДУ.

7.5.5.3. После испытания на прочность проводятся испытания на плотность давлением, равным рабочему давлению, в течение времени, которое необходимо для тщательного осмотра трубо­провода, но не менее 24 часов.

7.5.5.4. Периодические испытания проводятся под руковод­ством лица, ответственного за их безопасную эксплуатацию, и оформляются актом (прил. 4).

7.5.5.5. Лицо, ответственное за безопасную эксплуатацию трубопровода, на основании соответствующего акта делает за­пись о результатах испытания и назначает срок следующего ис­пытания в паспорте трубопровода, а для трубопроводов, на ко­торые паспорт не составляется, в эксплуатационном журнале.

 

7.5.6. Ремонтные работы на трубопроводах

 

7.5.6.1. Объемы ремонтных работ на ПТ и сроки их выпол­нения определяет НГДУ по результатам осмотров, диагностических обследований, ревизий, по прогнозируемым режимам транс­портировки нефти и газа, установленным предельным рабочим давлениям, анализу эксплуатационной надежности, в соответ­ствии с местными условиями и требованиями безопасности. Ре­монт промысловых трубопроводов осуществляется в соответ­ствии с действующими нормативными документами.

7.5.6.2. Сведения о проведенных ремонтных работах в пятнадцатидневный срок должны быть внесены в исполнительную техническую документацию и паспорт трубопровода.

7.5.6.3. Текущий ремонт (ТР) - минимальный по объему и содержанию плановый ремонт, осуществляемый в процессе эксплуатации и заключающийся в систематически и своевременно проводимых работах по предупреждению от преждевременного износа линейных сооружений, по устранению мелких поврежде­ний и неисправностей. Текущий ремонт подразделяется на:

профилактический, количественно и качественно определен­ный и планируемый заранее по объему и выполнению;

непредвиденный, выявленный в процессе эксплуатации и выполненный в срочном порядке.

К текущему ремонту ПТ относятся:

работы, выполняемые при техническом обслуживании;

ликвидация мелких повреждений земляного покрова над трубопроводом;

устройство и очистка водоотводных канав, вырубка кустар­ников;

очистка внутренней полости трубопроводов от парафина, гря­зи, воды и воздуха;

проверка состояния и ремонт изоляции ПТ шурфованием;

ревизия и ремонт запорной арматуры, связанные с заменой сальника и смазки;

ремонт колодцев, ограждений, береговых укреплений, перехо­дов трубопроводов через водные преграды;

проверка фланцевых соединений, крепежа, уплотнительных колец, осмотр компенсаторов;

замер толщины стенок ПТ ультразвуковым толщиномером;

подготовка линейных объектов ПТ к эксплуатации в осенне-зимних условиях, в период весеннего паводка и устранение мел­ких повреждений, причиненных весенним паводком;

окраска линейных сооружений.

Мероприятия по техническому обслуживанию и текущему ре­монту ПТ проводятся в основном без остановки перекачки.

7.5.6.4. Капитальный ремонт (КР) — наибольший по объему и содержанию плановый ремонт, который проводится при до­стижении предельных величин износа в линейных сооружениях и связан с полной разборкой, восстановлением или заменой из­ношенных или неисправных составных частей сооружений.

К капитальному ремонту линейной части ПТ относятся:

все работы, выполняемые при текущем ремонте;

вскрытие траншей, подземных ПТ, осмотр и частичная заме­на изоляции;

ремонт или замена дефектных участков трубопровода и за­порной арматуры, их переиспытание и электрификация армату­ры;

замена фланцевых соединений, кронштейнов, опор и хомутов с последующим креплением трубопроводов к ним;

просвечивание сварных швов;

продувка или промывка, испытание ПТ на прочность и плот­ность;

окраска надземных ПТ;

ремонт колодцев и ограждений;

берегоукрепительные и дноукрепительные работы на перехо­дах ПТ через водные преграды;

сооружение защитных кожухов на пересечениях с железными и шоссейными дорогами;

ремонт и сооружение новых защитных противопожарных сооружений.

7.5.6.5. Особое внимание и повышенные требования необхо­димо предъявить к ремонту на параллельных нитках и пересе­чениях трубопроводов.

При проведении вскрышных работ ось параллельного трубо­провода должна быть отмечена вешками, а при подходе к пересе­чению трубопроводов механизированная выемка грунта должна быть прекращена на расстоянии более 1 м до оси пересекаемого трубопровода. Ремонтные работы должны выполняться в при­сутствии владельца параллельного или пересекаемого трубопро­вода.

Положение параллельного и пересекаемого трубопровода определяется трассоискателями.

7.5.6.6. При ремонте изоляционного покрытия и замене его на новое наружная поверхность трубопровода должна быть тща­тельно очищена с помощью очистных машин от остатков земли, старой изоляции и продуктов коррозии.

7.5.6.7. Очистка трубопровода в зоне заплат, вантузов, хому­тов и других препятствий должна выполняться вручную.

Ручную очистку допускается производить скребками или другим инструментом. Не допускается нанесение глубоких цара­пин, рисок, сколов основного металла и срезание сварных швов.

7.5.6.8. Степень очистки поверхности трубы перед нанесени­ем нового покрытия должна соответствовать виду защитного по­крытия и требованиям, приведенным в табл. 7.5.

 

Таблица 7.5

 

Требования к очистке

наружной поверхности трубопровода

 

Вид противокорро­зионного покрытия

Степень очистки стальной поверхности

Характеристика очищенной поверхности

 

Ленточные (холод­ного нанесения)

 

3

 

Не более чем на 5 % поверхности трубы имеются пятна и полосы прочно сцепленной окалины, точки ржавчи­ны, видимые невооруженным глазом; при перемещении по поверхности прозрачной пла­стины размером 25х25 мм на любом из участков окалиной и ржавчиной занято не более 10 % площади пластины

Битумно-мастичные, пластобитные и анти­коррозионные смазки

4

Не более чем на 10 % поверхности трубы имеются пятна и полосы прочно сцепленной окалины и ржавчи­ны, видимые невооруженным глазом; три перемещении на поверхности прозрачной пла­стины размером 25х25 мм на любом из участков окалиной и ржавчиной занято не более 30 % площади пластины

 

 

7.5.6.9. Под битумно-мастичные, пластобитные и ленточные покрытия холодного нанесения плотное консервационное покры­тие, прочно связанное с трубой, не снимается, если оно не снижа­ет адгезионных свойств наносимой изоляции; труба должна очи­щаться лишь от поверхностных загрязнений и ржавчины; после очистки поверхности грунтовка наносится по консервационному покрытию.

7.5.6.10. Поверхность трубопровода, имеющая острые высту­пы, заусенцы, задиры, брызги металла и шлака, должна быть опилена и зачищена.

7.5.6.11. При выполнении работ по очистке трубопровода пе­ред нанесением изоляционного покрытия необходимо проверить, чтобы очистной инструмент был комплектным, плотно прилегал к поверхности трубопровода, имел допустимую степень износа.

7.5.6.12. Запрещается применять химические, огневые спосо­бы очистки, а также способы очистки, сопровождающиеся сня­тием металлической стружки с поверхности трубопровода.

7.5.6.13. В зависимости от вида, размеров и взаимного распо­ложения дефектов собственно трубопровода выбирают один из следующих методов ремонта трубопроводов: зачистка поверхно­сти трубы, шлифовка; заварка (наплавка) коррозионных повре­ждений; приварка накладных усилительных элементов (заплат, муфт), бандажирование; замена катушки, трубы или плети.

7.5.6.14. Зачистка поверхности шлифованием и покрытие изо­ляцией производятся в тех случаях, когда глубина коррозионных повреждений не превышает 10 % минимальной толщины стенки трубы.

7.5.6.15. Заварка коррозионных повреждений допускается в следующих случаях:

если максимальный размер (диаметр, длина) дефекта не пре­вышает 20 мм;

остаточная толщина трубы в месте повреждения не менее 5 мм;

расстояние между смежными повреждениями не менее 100 мм.

Разрешается заварка коррозионных повреждений трубопро­водов, транспортирующих частично подготовленную нефть, то­варную нефть и пластовую воду (жидкостные потоки без газо­вых включений) под давлением в соответствии с РД 39-0147103-360-89.

7.5.6.16. В случае невыполнения указанных ограничений и обнаружения групповых повреждений, свищей, трещин длиной до 50 мм, а также сплошной коррозии допускается применение на­кладных усилительных элементов (заплат, муфт), которые мо­гут служить только как временные средства устранения утечек продукта и в дальнейшем должны быть вырезаны и отремонти­рованы вваркой катушки.

7.5.6.17. Усилительные элементы типа заплат должны быть вытянуты по окружности трубы или круглыми. Размер запла­ты (без технологических сегментов) вдоль трубы а допускается в пределах: 100 мм £ а £ 150 мм. При этом радиус Закругления заплат r должен быть равен 0,5а.

Если используются заплаты с размерами больше указанных, то должны применяться технологические сегменты. Технологи­ческие сегменты должны устанавливаться на трубопроводе и охватывать заплату по периметру. Схема монтажа заплаты с технологическими сегментами показана на рис. 7.1.

 

 

 

 

Рис. 7.1. Схема монтажа заплаты с технологическими сегментами: 1 -заплата; 2 -технологические элементы; 3 -труба; 4 -прокладка

 

7.5.6.18. При применении муфты без технологических колец длина ее допускается в диапазоне: 150 мм £ а £ 300 мм.

При длине муфты более 300 мм и диаметре трубопровода бо­лее 377 мм используются технологические кольца.

Схема монтажа и сборки муфты с технологическими кольца­ми дана на рис. 7.2. Длина технологических колец должна со­ставлять 0,2Dвн (Dвн - внутренний диаметр).

7.5.6.19. Размер заплаты или муфты выбирается таким, что­бы перекрыть место повреждения стенки трубы не менее чем на 20 мм по периметру. Муфты, технологические кольца и сегмен­ты изготавливаются из двух половин. Зазор между кромками при сборке муфты, колец и сегментов должен быть равномер­ным по продольному направлению и лежать в интервале от 2 до 3,5 мм. Для получения требуемого зазора между кромками при сборке муфты, кольца или сегмента допускается приварка сборочных скоб.

7.5.6.20. Заплаты, хомуты, муфты, технологические кольца, сегменты и катушки должны быть изготовлены из трубы, меха­нические свойства, химический состав и толщина стенки кото­рой такие же, как у ремонтируемого участка трубопровода.

7.5.6.21. Врезка катушек, замена труб и плети должны про­изводиться при обнаружении:

трещин, свищей и механических повреждений (вмятин, гофр, рисок, царапин, задиров, забоин), если их размеры превыша­ют значения, допустимые строительными нормами и правилами (см.  раздел 7.5.4);

трещин длиной более 500 мм в сварном шве или в основном металле трубы;

разрывов кольцевого (монтажного) шва;

разрывов продольного (заводского) шва и металла трубы;

вмятин глубиной более 3,5 % диаметра трубы;

вмятин любых размеров при наличии на них царапин, зади­ров и свищей;

царапин, задиров и забоин глубиной более 5 мм.

7.5.6.22. Ремонт по каждому линейному объекту производится согласно годовому графику планово-предупредительных работ (ППР), который утверждается главным инженером НГДУ.

7.5.6.23. График ППР разрабатывается на основе титульных списков капремонта, плана-графика очистки внутренней поло­сти ПТ, дефектных ведомостей, результатов обследования ли­нейной части, включая подводные переходы.

 

 

 

Рис.   7.2. Схема монтажа и сборки муфты с технологическими кольцами:

1 — технологическое кольцо; 2 — полумуфта; 3 —  поперечный строительный шов; 4 — монтажные швы; 5 — продольные заводские швы; 6 — нефтепро­вод;

7 — стенка нижней полумуфты; 8 — стенка верхней полумуфты; 9 — прокладка толщиной 1-2 мм

 

7.5.6.24. Текущий ремонт линейных сооружений выполняет­ся силами и средствами аварийно-восстановительных бригад (АВБ) с привлечением при необходимости специальных подраз­делений и служб.

7.5.6.25. Капитальный ремонт ПТ выполняется силами и средствами ремонтно-строительных подразделений НГДУ и сто­ронних специализированных организаций.

7.5.6.26. Огневые работы при ремонте линейных сооружений промысловых трубопроводов должны выполняться в соответ­ствии с действующими "Правилами пожарной безопасности при проведении сварочных и других огневых работ на объектах на­родного хозяйства", "Правилами пожарной безопасности в неф­тяной промышленности".

7.5.6.27. В цехе по ремонту трубопроводов должен вестись строгий учет технического обслуживания и ремонтов внутри-промысловых трубопроводов на закрепленных участках по ме­сяцам.

7.5.6.28. План организации ремонтных работ составляется в произвольной форме и включает:

наименование объекта, места проведения работ, даты, время их начала и окончания;

краткие технические и конструктивные требования к ремонтируемым (восстанавливаемым) элементам трубопроводно­го объекта;

указания о материальном обеспечении работ;

расстановку оборудования, механизмов, средств связи, охран­ных постов, пунктов отдыха и приема пищи, а также списочный состав персонала, участвующего в работе, с указанием фамилий и должностей лиц, ответственных за проведение работ;

порядок и последовательность осуществляемых переключе­ний (отключений, включений) участков трубопроводов, техно­логического оборудования, средств электрохимической защиты и др.;

подробную схему подлежащего ремонту узла (участков трубопроводов);

параметры испытаний отремонтированных узлов (участков трубопроводов).

7.5.6.29. Руководитель ремонтных работ несет ответствен­ность за организацию, обеспечение необходимым оборудованием, механизмами, инструментами, приспособлениями, КИПиА, ма­териалами, транспортными средствами, двусторонней телефон­ной или радиосвязью, СИЗ и средствами коллективной защиты, противопожарными и спасательными средствами, знаками безо­пасности и плакатами, а также средствами оказания доврачебной помощи.

7.5.6.30. Работы, связанные с возможным выделением взрывоопасных веществ в количестве, способном создать взрывоопасную концентрацию, необходимо выполнять с применением спе­цоборудования, инструмента (в том числе электрифициро­ванного), КИПиА и других средств во взрывозащищенном исполнении, соответствующем категории и группе взрыво­опасной смеси, а также инструмента и приспособлений, не дающих искр.

7.5.6.31. На используемые для выполнения ремонтных работ материалы и изделия должны быть документы (паспорта, серти­фикаты), удостоверяющие их качество и соответствие условиям применения.

 

7.5.7. Консервация, демонтаж трубопроводов

 

7.5.7.1. При временном прекращении эксплуатации трубопро­воды должны быть подвергнуты консервации.

7.5.7.2. На период консервации должна быть обеспечена за­щита от коррозии как наружной, так и внутренней поверхностей стенок трубопровода.

Для трубопроводов, подвергнутых временной консервации, должен быть соблюден режим охранной зоны.

7.5.7.3. На период временной консервации трубопровод запол­няется консервантом (подготовленной нефтью, ингибированной водой).

7.5.7.4. Для предотвращения утечек консерванта трубопро­вод должен быть отсечен от остальной системы трубопроводов концевыми заглушками. Часть консерванта, определяемая рас­четом, из трубопровода должна быть выпущена перед установ­кой концевых заглушек для предотвращения разрушения его ча­стей при термическом расширении консерванта при изменении его температуры. Секущие задвижки, установленные на трубо­проводе, должны быть приоткрыты на 1/4-1/2 оборота штур­вала для обеспечения выравнивания давления в различных его частях путем перетока продукта при его неравномерном нагре­вании в трубопроводе.

7.5.7.5. За трубопроводом, находящимся в консервации, долж­но быть установлено постоянное наблюдение:

а) в первые 10 дней после консервации необходимо ежеднев­но проводить осмотр состояния установленного оборудования и следить за отсутствием пропусков консерванта, в дальнейшем осмотр проводится в зависимости от состояния трубопровода, но не реже одного раза в месяц;

б) периодически, но не реже одного раза в месяц, следует из­мерять давление консерванта.

7.5.7.6. После технико-экономического обоснования целесообразности замены или прекращения существования трубопровод, превысивший срок амортизации, подлежит демонтажу.

7.5.7.7. К демонтажу трубопровода организация, проводящая работы, имеет право приступить только после приемки трубо­провода или его участка по акту и получения всей необходимой технической документации от заказчика.

7.5.7.8. Способы и схемы проведения демонтажа устанавли­ваются проектом.

7.5.7.9. Специальный проект на демонтаж составляется за­казчиком и строительно-монтажной организацией по каждому трубопроводу с учетом местных условий и согласовывается с проектной организацией.

7.5.7.10. К проекту на демонтаж трубопровода прилагается пояснительная записка, которая должна содержать следующие разделы:

общие данные о техническом состоянии трубопровода и благоприятное время года для его демонтажа;

порядок и методы производства демонтажа линейной части трубопровода по отдельным видам работ;

объем работ, сметная стоимость работ, общая трудоемкость в человеко-днях;

потребность в рабочих основных специальностей;

применяемые при демонтаже механизмы;

транспортная схема и схема расположения площадок под складирование труб вдоль трассы;

мероприятия по охране труда, технике безопасности и пожар­ной безопасности при демонтажных работах в целом;

мероприятия по охране окружающей среды.

7.5.7.11. Подготовительные работы на трассе демонтируемых трубопроводов должны технологически увязываться с общим по­током работ по техническому обслуживанию и ремонту трубо­проводов.

7.5.7.12. Перед тем как приступить к демонтажу, необходимо:

обследовать трассу и определить на местности условия про­изводства работ и места подъезда к трассе;

уточнить разбивку трасс демонтируемого трубопровода, ЛЭП, линий связи и мест расположения подземных и наземных сооружений, пересекаемых трассой демонтируемого трубопрово­да;

убедиться, что демонтируемый трубопровод отсечен от сети;

восстановить и закрепить указатели осей трубопровода;

расчистить полосу над демонтируемым трубопроводом от пней, валунов, отдельных деревьев и завалов, обеспечив тем са­мым беспрепятственное продвижение техники с закрепленным к ней извлекающим трубопровод из земли устройством;

подготовить временные приобъектные площадки под склади­рование и погрузку извлеченного, порезанного на секции трубо­провода.

7.5.7.13. При разбивке следует соблюдать следующие требо­вания:

установить на поверхности земли специальные знаки на пересечениях трубопроводов с существующими подземными коммуникациями;

обозначить углы поворота трассы вешками или привязать ее к постоянным объектам на местности. Вешки устанавливаются на прямолинейных участках трубопроводов на расстоянии 50 м друг от друга строго по оси трубопровода, а на участках с малой глубиной залегания или сильно пересеченным микрорельефом - через 25 м.

7.5.7.14. Глубину залегания (без вскрытия) и ось трубопрово­да определяют трассо - и трубоискателями типа ВТР-1УМ, ТИ-12 или УТ-3.

7.5.7.15. Перед демонтажем трубопровод должен быть опо­рожнен от газов и нефтепродуктов, а полость очищена от их капель и паров.

Значения взрывоопасных концентраций паров и газов приве­дены в табл. 7.6.

 

Таблица 7.6

 

Значения взрывоопасных концентраций

паров и газов

 

Газ, пары, жидкости

Предел взрываемости смеси

с воздухом, %

 

Природный газ

 

3,8¸24,6

Нефтяной газ

3,8¸24,6

Метан

4,8¸16,7

Пропан

2,0¸9,5

Бутан

1,5¸8,5

Пропан-бутан

1,5¸8,5

Бензиновая фракция нефти

0,7¸6,0

Керосиновая фракция нефти

 

1,4¸5,5

 

7.5.7.16. После получения разрешения на производство огне­вых работ можно приступать к подготовке трубопровода под де­монтаж, а именно:

разрезать на демонтируемые части с расчетом повторного ис­пользования годных труб;

обрезать от части, расположенной в местах пересечения с другими трубопроводами, линиями связи, переходами через до­роги и т. д.;

освободить трубопровод от пригрузов при их наличии. Вы­везти пригрузы из зоны производства работ в места складиро­вания.

7.5.7.17. При резке трубопровод должен быть вскрыт не менее чем до половины, диаметра. В верхней части трубопровода вы­резать технологический люк и через него произвести разрезание нижней части.

7.5.7.18. При использовании для резки труб энергии взрыва надлежит руководствоваться "Едиными правилами безопасно­сти при взрывных работах".

7.5.7.19. После демонтажа трубопроводов запрещается оста­влять выступающие над поверхностью земли трубы, незасыпан­ные выемки.

В случае вынужденно оставленных торчащих труб и незасы­панных выемок должны быть установлены предупредительные знаки (мигалки, и т. д.).

7.5.7.20. При демонтаже трубопроводов должна быть проведе­на техническая рекультивация всей территории ведения работ, уборка мусора, захоронение строительных остатков. При рабо­тах следует по возможности минимально сократить нарушения растительного покрова.

 

7.5.8. Обслуживание и ревизия арматуры

 

7.5.8.1. Запорная арматура промысловых трубопроводов явля­ется наиболее ответственным элементом коммуникаций. Поэто­му в НГДУ и ЦДНГ должны быть приняты необходимые меры по организации постоянного и тщательного надзора за ее исправ­ностью, а также своевременным и качественным проведением ее ревизий и ремонта.

7.5.8.2. При применении запорной арматуры с сальниковым уплотнением шпинделя особое внимание обращается на состо­яние набивочного материала - на его качество, размеры, пра­вильность укладки в сальниковую коробку.

Набивку для сальников выбирают в соответствии с ГОСТ 5152-77.

Асбестовая набивка, пропитанная жировым составом и прографиченная, используется при рабочих температурах не выше плюс 200° С.

Для температур выше плюс 200° С и давлений до 10 МПа мож­но применять прографиченную асбестовую набивку. При этом каждое кольцо должно быть пересыпано слоем сухого чистого графита толщиной не менее 1 мм.

7.5.8.3. Сальниковая набивка запорной арматуры должна быть изготовлена из плетеного шнура квадратного сечения со стороной, равной ширине сальниковой камеры. Из такого шнура должны быть нарезаны на оправке заготовки колец со скошен­ными под углом 45° концами.

Кольца набивки следует укладывать в сальниковую коробку вразбежку линий разреза с уплотнением каждого кольца. Высо­та сальниковой набивки должна быть такой, чтобы грундбукса в начальном положении входила в сальниковую камеру не бо­лее чем на 1/6-1/7 ее высоты, но не менее чем на 5 мм. Саль­ник следует подтягивать равномерно без перекосов грундбуксы. Для обеспечения плотности сальникового уплотнения необходи­мо следить за чистотой поверхности шпинделя.

7.5.8.4. Прокладочный материал для уплотнения соединения крышки с корпусом запорной арматуры следует выбирать с уче­том химического воздействия на него транспортируемой среды, а также в зависимости от давления и температуры (прил. 33).

7.5.8.5. Запорную арматуру для создания плотности следу­ет закрывать с нормальным усилием. Применение рычагов при открывании арматуры не допускается.

7.5.8.6. Ревизию и ремонт трубопроводной арматуры, обрат­ных клапанов, приводных устройств следует осуществлять во время ревизии трубопроводов, остановки агрегатов и установок на ремонт.

7.5.8.7. Ревизию, ремонт, отбраковку, испытание арматуры следует проводить в специализированных мастерских в объеме и порядке, предусмотренных руководством по ремонту "Арма­тура запорная. Общее руководство по ремонту". По усмотрению технического надзора допускается ревизия арматуры на месте установки.

7.5.8.8. Арматура, работающая в условиях высокоагрессивных сред (скорость коррозии более 0,5 мм/год) на трубопрово­дах любой категории, должна проходить ревизию в следующем объеме:

а) внешний осмотр;

б) разборка для осмотра и ремонта уплотнительных деталей;

в) тщательный осмотр состояния отдельных деталей (вну­тренней поверхности корпуса и крышки, шпинделя, клина или клапана, их крепления, уплотнительных поверхностей корпуса, сальника, ходовой гайки, крепежных деталей и т. п.);

г) замер толщины корпуса и крышки при обнаружении следов коррозии и эрозии, выбраковка и замена изношенных деталей (результаты замера заносят в паспорт или эксплуатационный журнал трубопровода);

д) сборка арматуры после устранения дефектов, опрессовка с целью определения плотности уплотнительных поверхностей затвора и прочности корпуса.

7.5.8.9. Ревизия остальной арматуры проводится в том же объеме выборочно по усмотрению отдела технического надзора. В первую очередь проводится ревизия арматуры, работаю­щей в наиболее тяжелых условиях, соблюдается принцип чередования.

Результаты ремонта и испытания арматуры оформляют ак­том (прил. 5).

7.5.8.10. Патрубки запорной и распределительной арматуры, детали трубопроводов, имеющие дефекты, могут быть подверг­нуты ремонту только в случае, если это разрешено заводом-изготовителем.

7.5.8.11. Арматуру необходимо ремонтировать в ремонтно-механических мастерских. Мелкий ремонт арматуры (смена прокладок, перенабивка сальников, замена шпилек, штурвалов и т. п.) можно проводить на месте ее установки.

7.5.8.12. На чугунной арматуре не допускается исправление дефектов сваркой.

7.5.8.13. На стальной литой арматуре допускается исправле­ние дефектов электросваркой;

единичных (до двух) раковин на уплотнительных и опорных поверхностях;

газовых и иных раковин местного характера, давших течь при гидравлическом испытании, местных рыхлостей, трещин и сквозных раковин, занимающих в сумме не более 10 % поверх­ности отливки, при условии, что расстояние между кромками дефектных мест после их разделки не менее 50 мм;

дефектов в стойках и маховичках;

дефектов на опорных поверхностях гнезда под кольцо и корпусах задвижек и клапанов путем наплавки всей опорной поверх­ности.

7.5.8.14. Дефектные места для исправления сваркой должны быть подготовлены механическим способом (вырубкой зубилом, фрезерованием и т. п.), при этом дефектное место зачищают до неповрежденного металла. При удалении трещины ее края предварительно засверливают. Разделка под сварку должна иметь чашеобразную форму с отлогими стенками без резких переходов по краям разделки.

7.5.8.15. Исправление дефектов сваркой следует производить при положительной температуре. Наплавленный сварной шов не должен иметь резких переходов к основному металлу; после сварки изделие должно быть зачищено от брызг металла и шлака.

7.5.8.16. После ремонта арматура подлежит опрессовке на прочность и плотность. Опрессовку арматуры следует произво­дить при открытом запорном устройстве.

Значение опрессовочного давления при проверке на прочность принимают по табл. 7.7.

Испытания на плотность проводят при рабочем давлении.

7.5.8.17. Результаты ремонта и испытания арматуры оформ­ляют актом (прил. 5). Акт хранят вместе с паспортом или экс­плуатационными журналами на трубопроводы.

 

Таблица 7.7

 

Значения опрессовочного давления

при проверке на прочность

 

Условное давление

Ру, МПа

 

0,10

 

0,16

 

0,25

 

0,40

 

0,63

 

1,00

 

1,60

 

2,50

 

4,00

 

6,30

 

10,0

Опрессовочное давление

Рпр, МПа

 

0,20

 

0,30

 

0,40

 

0,60

 

0,90

 

1,50

 

2,40

 

3,80

 

6,00

 

9,50

 

15,0

 

 

7.6. Применение энергии взрыва при ремонте

и эксплуатации трубопроводов

 

7.6.1. Резка трубопроводов взрывом может осуществляться труборезами кумулятивными кольцевыми наружными (ТрККН) жесткой конструкции по ТУ 88.085.350-85 (допущенными Госгортехнадзором СССР к постоянному применению журналь­ным постановлением № 343/86 от 06.01.86 г.) либо шнуровы­ми кумулятивными зарядами (ШКЗ) гибкой конструкции по ТУ 84-988-84 (допущенными к постоянному применению Госгортехнадзором СССР журнальным постановлением № 309/84 от 18.05.84 г.).

Инициирование труборезов осуществляется электродетонато­рами мгновенного действия по ГОСТ 9089-75 с помощью пере­носной взрывной машинки типа КПМ-1, ВМК-500, СВМ-2 и др.

7.6.2. Труборезы ТрККН и ШКЗ применяются при попереч­ной резке стальных трубопроводов и трубчатых конструкций диаметром до 1420 мм и толщиной стенки до 25 мм.

Резка с помощью ТрККН и ШКЗ внутрипромысловых трубопроводов разрешается при условии:

опорожнения и последующей полной очистки и дегазации трубопровода;

полного заполнения трубопровода водой, нефтью, нефтепро­дуктами или их смесями;

заполнения трубопровода горючими газами при избыточном их давлении 200-500 Па;

опорожнения трубопровода от перекачивающей горючей жид­кости с последующим заполнением внутренней полости трубо­провода в зоне реза высокократной воздушно-механической пе­ной;

если трубопроводы и пустотелые (из труб) конструкции не содержат горючих паров и жидкостей.

Запрещается применять ТрККН и ШКЗ:

на местности, содержащей взрывчатые газы в радиусе разле­та осколков;

ближе 5 м от закрытой задвижки;

на трубопроводах, погруженных в жидкость в пределах ре­монтного котлована.

7.6.3. Работы по резке трубопроводов, не содержащих го­рючие смеси, а также трубопроводов, полностью заполненных водой, нефтью, газом при избыточном давлении 200-500 Па, должны выполняться в соответствии со следующими докумен­тами: "Труборезы кумулятивные кольцевые наружные. Техни­ческое описание и инструкция по эксплуатации шнуровых куму­лятивных зарядов (ШКЗ) при резке трубопроводов. ТУ 84-988-84 ИЭ".

7.6.4. Работы по резке трубопроводов, полностью или частич­но опорожненных от нефти или при наличии в них горючей паровоздушной смеси, должны выполняться в соответствии с доку­ментами: "Инструкция по резке взрывом трубопроводов, опорож­ненных от нефти", "Заряд кумулятивный шнуровой. Инструк­ция по резке трубопроводов с остатками нефти на стенках с применением шнуровых кумулятивных зарядов (ШКЗ). ТУ 84-988-84 ИЭ".

7.6.5. Работы по вырезке взрывом отверстия внутри отвода при подсоединении новых линий к действующим коммуникаци­ям выполняются труборезами кумулятивными кольцевыми седлообразными (ТрККС) по ТУ 88 УССР 085.390-85 в соответ­ствии с техническим описанием и инструкцией по эксплуатации СВ 72.00.000.ТО "Устройство СВ 72 для врезки отводов в тру­бопроводы". Труборезы ТрККС и устройство СВ 72 для врезки отводов в трубопроводы допущены Госгортехнадзором России к постоянному применению.

7.6.6. Все мероприятия по организации и выполнению работ с использованием взрывчатых материалов должны осуществлять­ся в соответствии с документами:

"Единые правила безопасности при взрывных работах";

"Инструкция о порядке хранения, использования и учета взрывчатых материалов";

"Правила перевозки взрывчатых материалов автомобильным транспортом" и соответствующими инструкциями.

7.6.7. Взрывание с использованием кумулятивных зарядов производится по заранее разработанным проектам, утвержден­ным руководителем предприятия, на котором ведутся взрывные работы, или по согласованию с ним главным инженером орга­низации, ведущей взрывные работы.

7.6.8. Перед началом взрывных работ должны быть устано­влены границы опасной зоны. Эти границы на местности долж­ны быть отмечены условными знаками.

7.6.9. На границах опасной зоны на время взрывных работ должны быть выставлены посты охраны из хорошо проинструк­тированных лиц.

7.6.10. При производстве взрывных работ обязательно приме­нение звуковых или световых (в темное время суток) сигналов.

7.6.11. Все электроустановки, кабели, контактные и другие воздушные провода, находящиеся в пределах опасной зоны, обесточиваются. Две близрасположенные станции катодной защиты должны быть отключены. Контроль отклонения проводится пу­тем замера потенциала "труба — земля", потенциал не должен превышать 0,5 В.

7.6.12. При необходимости выполнения взрывных работ вбли­зи зданий, сооружений, оборудования, находящихся в пределах опасной зоны, следует предусмотреть меры по защите их от осколков.

При выполнении взрывных работ на одном из параллельно расположенных трубопроводов в пределах ремонтного котлована следует предусмотреть мероприятия по гарантированной защи­те остальных трубопроводов от поражающего действия осколков и ударной волны. При необходимости использования защитных конструкций они должны удовлетворять требованиям "Единых правил безопасности при взрывных работах" и быть согласова­ны с местными контролирующими органами.

7.6.13. Взрывные работы разрешается проводить при отсут­ствии в пределах опасной зоны горючих паров и газов или на­личии их не выше предельно допустимой концентрации по сани­тарным нормам для рабочей зоны.

7.6.14. Резка трубопроводов и трубчатых конструкций может осуществляться одним или одновременным подрывом двух или более труборезов. При одновременном подрыве нескольких тру­борезов электродетонаторы должны соединяться в сеть последо­вательно.

7.6.15. Во время подготовки и проведения взрывных работ все другие работы в радиусе опасной зоны запрещаются.

7.6.16. При взрывных работах на участках повышенной опас­ности из-за блуждающих токов (вблизи линий электропе­редачи, электрифицированных железных дорог и т. п.) ре­комендуется применять электродетонаторы пониженной чув­ствительности.

7.6.17. Резка трубопроводов, полностью заполненных нефтью, нефтепродуктами или газом, должна производиться под слоем воздушно-механической пены кратностью 70-100, толщиной не менее 1 м над трубой.

7.6.18. Резка трубопроводов, заполненных жидкостью, должна производиться при статическом давлении жидкости, не пре­вышающем 20 % рабочего.

7.6.19. Работы по резке труб выполняются специальной груп­пой, в состав которой входят ответственный руководитель взрывных работ, взрывники, рабочие, прошедшие инструктаж в установленном порядке.

К производству взрывных работ допускаются лица, имеющие "Единую книжку взрывника" с правом производства взрывных работ на трубопроводах и металлоконструкциях и прошедшие обучение и инструктаж по данному виду работ.

К руководству взрывными работами допускаются лица с гор­нотехническим образованием или после специальных курсов, да­ющих право ответственного ведения взрывных работ на трубо­проводах и металлоконструкциях.

7.6.20. Организация, ведущая взрывные работы, должна обес­печить хранение взрывчатых материалов, гарантирующее их от хищения и порчи. Взрывчатые материалы должны храниться только на специальных складах, в ящиках или сейфах в соответ­ствии с требованиями "Единых правил безопасности при взрыв­ных работах".

На право хранения взрывчатых материалов (ВМ) на складах и в сейфах предприятия должны иметь письменное разрешение местных органов милиции.

7.6.21. Порядок хранения ВМ, отпуска, учета и охраны в ме­стах хранения определяются инструкциями, согласованными с местными органами контролирующей организации.

7.6.22. Все действующие и вновь вводимые в эксплуатацию склады для постоянного и временного хранения ВМ должны быть зарегистрированы на основании акта их приемки в кон­тролирующих органах.

На каждом складе разрешается хранить не более того коли­чества ВМ, на которое органами милиции выдано разрешение.

7.6.23. Все базисные и расходные склады, а также склады для кратковременного хранения ВМ должны охраняться круг­лосуточно военизированной охраной.

Охрану передвижных складов ВМ осуществляют заведующие складами, взрывники или ответственные за перевозку ВМ круглосуточно, имея при себе огнестрельное оружие.

7.6.24. При прекращении взрывных работ неизрасходованные ВМ должны быть вывезены со склада или переданы другому предприятию в установленном порядке.

7.6.25. Предприятия, ведущие взрывные работы, до начала работ обязаны получить от контролирующих органов разреше­ние на право производства взрывных работ с указанием срока действия.

7.6.26. Для приобретения взрывчатых материалов организа­ция, ведущая взрывные работы, должна иметь разрешение от местных органов МВД на приобретение и перевозку требуемого количества ВМ со сроком действия до 6 месяцев.

7.6.27. Доставка взрывчатых материалов автомобильным транспортом осуществляется в соответствии с требованиями "Инструкции о порядке перевозки опасных грузов автомобиль­ным транспортом" и "Правил перевозки взрывчатых материа­лов автомобильным транспортом" (утв. Госгортехнадзором Рос­сии).

7.6.28. Ответственность за нарушение порядка хранения, уче­та и использования взрывчатых материалов несут должностные лица в зависимости от характера нарушений и их последствий в дисциплинарном, административном или судебном порядке.

 

7.7. Защита от внешней и внутренней коррозии

 

7.7.1. Комплекс мероприятий по защите от коррозии разраба­тывается проектной организацией и в общем случае включает:

технологические методы - мероприятия, направленные на предупреждение увеличения коррозионной активности среды или ее уменьшение;

специальные методы защиты, включающие применение по­крытий, футеровок, химических реагентов (ингибиторов кор­розии, бактерицидов, поглотителей кислорода), электрохимиче­скую защиту;

контроль коррозионной активности и физико-химических свойств среды.

7.7.2. Мероприятия по защите от коррозии должны планиро­ваться и осуществляться при перекачке по трубопроводам:

водно-нефтяных эмульсий при обводненности выше точки ин­версии фаз и в случае разделения эмульсии в трубопроводе на нефть и воду;

газа, содержащего влагу, сероводород и (или) двуокись угле­рода, кислород при температуре и давлении ниже точки росы для воды;

пластовых и сточных вод, содержащих сероводород, двуо­кись углерода, кислород, сульфатвосстанавливающие бактерии (СВБ);

пресной воды при индексе насыщения (индекс Ланжелье) J < 0;

неподготовленной морской воды.

Коррозионная активность транспортируемой среды опреде­ляется в соответствии с РД 39-0147103-362-86.

7.7.3. В случае транспортировки газа при парциальном да­влении сероводорода более 300 Па, обводненной нефти и воды, содержащих сероводород в концентрации, соответствующей рас­творимости сероводорода при парциальном давлении 300 Па, следует предусматривать меры предотвращения коррозионного растрескивания трубопроводов в соответствии с нормами "Про­ектирования промысловых стальных трубопроводов".

7.7.4. Защита внутрипромысловых трубопроводов от вну­тренней коррозии осуществляется с помощью технологических методов борьбы с коррозией, антикоррозионных внутренних по­крытий и ингибиторов коррозии.

7.7.5. Защита промысловых трубопроводов от коррозии тех­нологическими методами предусматривает:

поддержание в системе нефтесбора гидродинамического ре­жима движения продукции скважин, препятствующего выпаде­нию свободной воды из нефтяного потока;

сброс избыточного количества свободной воды на кустах скважин для утилизации ее путем закачки в пласт;

регулирование гидродинамического движения продукции скважин во времени с учетом изменения в процессе эксплуата­ции свойств продукции, ее обводненности, газового фактора и дебита;

в газопроводах — выявление границ конденсации и удаление жидкого конденсата из них;

очистку трубопроводов от механических примесей и продук­тов коррозии.

7.7.6. Для предупреждения увеличения коррозионной агрес­сивности среды не допускается:

совместный сбор продукции скважин, содержащих и не содер­жащих сероводород;

смешивание пластовой воды, содержащей сероводород, с во­дой, содержащей ионы железа, кроме тех случаев когда их со­вместная подготовка предусмотрена проектом;

смешивание пластовых и сточных вод, содержащих сероводо­род с водой, содержащей кислород.

7.7.7. На месторождениях, в продукции которых отсут­ствует реликтовый сероводород, для предупреждения зара­жения продуктивных горизонтов сероводород восстанавливающими бактериями (СВБ) и появления сероводорода биоген­ного происхождения при заводнении должны использоваться источники водоснабжения, не содержащие СВБ. При отсут­ствии таковых должно проводиться обеззараживание воды бактерицидами.

7.7.8. Антикоррозионные покрытия и футеровки следует при­менять для защиты:

внутренней поверхности;

выкидных линий скважин;

трубопроводов для сбора нефти, газа, перекачки воды;

запорной арматуры и деталей насоса.

Рекомендации по выбору покрытий приведены в прил. 6.

7.7.9. При футеровании стальных труб полиэтиленом преду­смотрено соединение в плети длиной 30-36 м. Подготовка концов плетей под сварку выполняется в цеховых условиях.

7.7.10. При реконструкции и капитальном ремонте трубопро­водов с использованием футерованных и остеклованных труб следует предусмотреть наружную изоляцию трубных плетей в зоне сварного стыка.

7.7.11. После сварки остеклованных труб в полевых условиях требуется обязательный контроль сплошности покрытия в зоне стыка методом коронарного разряда. При появлении утечек тока рекомендуется дополнительный нагрев зоны стыка для достиже­ния сплошности.

7.7.12. Нефтепромысловые трубопроводы, подлежащие по­крытию лакокрасочными материалами в полевых условиях, должны монтироваться из бесшовных труб в соответствии со стандартами: "Трубы стальные бесшовные горячекатаные", "Трубы стальные бесшовные холоднотянутые и холодноката­ные" .

Трубопроводы сложного профиля длиной более 5000 м долж­ны быть разделены на участки в соответствии с проектным за­данием. Соединения участков трубопровода должны предусма­триваться на фланцах с целью возможности монтажа камер пус­ка - приема очистных и окрашивающих устройств.

Монтаж трубопроводов должен выполняться из труб с одинаковой толщиной стенки. Разница в толщине стенок не должна превышать ±1,5 мм.

Радиусы поворотов трубопровода должны равняться не менее 20 диаметров труб.

Повороты трубопровода должны быть выполнены из гнутых элементов. Процесс гнутья элементов трубопровода не должен повышать его эллипсность.

Вмятины на концах труб должны быть выправлены разжим­ными приспособлениями или вырезаны.

Образование внутреннего грата при сварке стыков не допус­кается. Усиление корня шва не должно превышать 1 мм.

Полость трубопровода после окончания сварочно-монтажных работ должна быть очищена и трубопровод испытан на проч­ность и герметичность гидравлическим способом.

Проведение сварочных работ на изолированном трубопроводе не допускается.

7.7.13. Ингибиторной защите от внутренней коррозии подле­жат нефтепроводы, в которых происходит расслоение транспор­тируемой жидкости на фазы (нефть, воду, газ), а также транс­портирующие эмульсию типа "нефть в воде" и промысловые га­зопроводы.

7.7.14. Процесс ингибирования осуществляется в соответ­ствии с технологией, разработанной для каждого ингибитора.

7.7.15. Ингибиторы коррозии в защищаемый трубопровод или систему трубопроводов подаются при помощи установок БР-2,5, БР-10, БР-25 (ОСТ 26-02-376-72) в соответствии с технологи­ческим регламентом, разработанным на основании инструкции по применению ингибитора. Рекомендуемая форма технологиче­ского регламента на применение ингибиторов в системе поддер­жания пластового давления (ППД) приведена в прил. 7.

7.7.16. Контроль за соблюдением технологии применения ингибиторов осуществляется в следующей последовательности:

проверить исправность технических средств закачки ингиби­торов и узлов контроля за скоростью коррозии;

установить фактический удельный расход ингибитора и его соответствие режиму закачки, рекомендованному инструкцией по применению и технологическим регламентом;

оценить защитное действие ингибитора путем сравнения ско­ростей коррозии образцов-свидетелей, установленных на кон­трольных точках нефтепровода до и при подаче в систему инги­битора.

Защитный эффект на конечном участке нефтепровода должен быть не менее 80 %.

7.7.17. Контроль технологического процесса может быть осуществлен путем определения концентрации ингибитора в воде, отобранной с конечного участка нефтепровода.

7.7.18. Оперативный контроль защитного действия ингибито­ров коррозии осуществляется в соответствии с РД 39-0147103-362-86 по образцам-свидетелям путем сравнения скоростей кор­розии по ним до и во время подачи ингибитора коррозии в си­стему.

7.7.19. Защита промысловых трубопроводов (ПТ) от внешней коррозии осуществляется с помощью изоляционных покрытий и средств электрохимзащиты, которые предусматриваются про­ектом и монтируются на ПТ до их сдачи в эксплуатацию (см. раздел 5.11).

7.7.20. В процессе эксплуатации ПТ необходим постоянный контроль за состоянием изоляционного покрытия и нормальным функционированием средств ЭХЗ, который осуществляет служ­ба электрохимической защиты НГДУ.

7.7.21. Периодический контроль состояния изоляционного по­крытия ПТ проводится существующими методами, позволяю­щими выявлять повреждения изоляции без вскрытия грунта (УКИ), или осмотром изоляционного покрытия и поверхности металла труб в шурфах, отрываемых в наиболее опасных ме­стах.

7.7.22. Эффективность работы средств ЭХЗ обеспечивается их периодическими осмотрами и контрольными замерами. Замер потенциалов на контактных устройствах должен производиться не реже четырех раз в месяц на дренажных установках, двух раз в месяц — на катодных установках, одного раза в месяц — на протекторных установках.

7.7.23. Ремонт средств ЭХЗ должен проводиться по графи­ку ППР, составленному в соответствии с РД 39-30-142-79 "Основные положения о планово-предупредительном ремонте средств электрохимической защиты магистральных нефтепрородов".

7.7.24. Сведения о работе, причинах отказов, показания при­боров катодных установок и результаты измерения разности по­тенциалов "сооружение - земля" в точке дренажа записывают­ся в журнал контроля работы, находящийся внутри установки ЭХЗ.

7.7.25. Контроль состояния электрохимической защиты в процессе эксплуатации трубопроводов осуществляется в со­ответствии с требованиями и методиками, изложенными в ГОСТ 25812-83.

 

8. СВАРОЧНЫЕ РАБОТЫ НА ТРУБОПРОВОДАХ

 

8.1. Сварка. Общие требования

 

При производстве сварочных работ следует руководствовать­ся следующими документами: "Правилами пожарной безопасно­сти в нефтяной промышленности", "Правилами пожарной безо­пасности при проведении сварочных и других огневых работ на объектах народного хозяйства", "Типовой инструкцией о поряд­ке ведения сварочных и других огневых работ на взрывоопас­ных, взрывопожароопасных и пожароопасных объектах нефтя­ной промышленности" и другой нормативно-технической лите­ратурой.

Требования настоящих Правил распространяются:

на сварку кольцевых стыков бесшовных электросварных и спиральношовных труб, а также труб, фитингов и запорной ар­матуры из горячекатаных, в том числе с контролируемой про­каткой, нормализованных и термически упрочненных низкоуглеродистых сталей с нормативным значением временного сопроти­вления на разрыв до 588 МПа (60 кгс/мм2) и термоупрочненных до 637 МПа (65 кгс/мм2) диаметром от 14 до 1420 мм;

на производство специальных сварочных работ при монта­же и ремонте трубопроводов: ремонт труб и сварных швов (заплавка каверн, приварка заплат, хомутов, вварка катушек); при­варка свечей и ответвлений к магистральной части трубопрово­дов; сварка захлестов; приварка специальной запорной армату­ры; присоединение средств электрохимзащиты.

 

8.2. Сварочные материалы

 

8.2.1. При сварке трубопроводов следует применять свароч­ные материалы, соответствующие действующим ГОСТам и тех­ническим условиям, прошедшие контроль качества перед их при­менением.

На сварочные материалы должен иметься (в соответствии с ГОСТ 9466) сертификат завода-изготовителя, в котором указы­ваются марка, химический состав и механические свойства на­плавленного металла.

8.2.2. Для сварки кольцевых стыков промысловых трубопро­водов следует применять следующие виды сварочных материа­лов:

электроды с целлюлозным видом покрытия (Ц) для ручной дуговой сварки неповоротных стыков или с основным видом по­крытия (Б) для ручной дуговой сварки поворотных и неповорот­ных стыков;

флюс и сварочную проволоку для автоматической сварки под флюсом поворотных стыков труб;

самозащитную порошковую проволоку для автоматической и механизированной сварки неповоротных стыков труб с принуди­тельным формированием шва;

защитный газ и сварочную проволоку для автоматической и полуавтоматической сварки в защитных газах.

Применение сварочных материалов без сертификата завода-изготовителя запрещается.

8.2.3. При отсутствии сертификатов материалы можно ис­пользовать только после предварительной проверки химиче­ского состава сварочной проволоки и наплавленного металла, механических свойств сварного шва или наплавки, сварочно-технологических свойств электродов. Проверка производится в соответствии с ГОСТ 9466. Результаты проверки должны от­вечать требованиям ГОСТ 9467, ГОСТ 10052, ГОСТ 2246 или техническим условиям на сварочные материалы. Проволоку про­веряют поплавочно, электроды - по партиям.

8.2.4. Для сварки и ремонта поворотных и неповоротных сты­ков труб при любых условиях прокладки трубопровода допуска­ется применение электродов с покрытием основного вида.

Электроды с покрытием целлюлозного вида допускается при­менять только для сварки неповоротных стыков труб при под­земной прокладке трубопроводов (прил. 8).

8.2.5. Тип электродов должен соответствовать нормативному значению временного сопротивления разрыву металла сварива­емых труб.

8.2.6. Диаметр электрода должен соответствовать толщине стенки свариваемых труб и назначению (для сварки корневого шва, заполняющих слоев и т. д.).

8.2.7. Сварочные электроды, флюсы, порошковую проволоку непосредственно перед их использованием в производстве необ­ходимо прокаливать согласно режимам, приведенным в прил. 9.

8.2.8. Электроды используются после сушки (прокалки) в сро­ки, указанные в прил. 10. Дальнейшее их применение разреша­ется только после проведения повторной сушки (прокалки).

8.2.9. Сварочные материалы (электроды, флюсы, порошко­вую проволоку сплошного сечения) следует выдавать сварщику в количестве, необходимом для односменной работы. Неисполь­зованные за смену электроды с покрытием основного вида и по­рошковую проволоку следует хранить в сушильных камерах, а флюс - в закрытой таре.

При хранении прокаленных электродов с покрытием основно­го вида и порошковой проволоки в сушильных шкафах (с темпе­ратурой плюс 135 - плюс 150° С), а флюсов - в закрытой таре, срок их хранения не ограничивается.

Сварочная проволока перед сваркой должна быть очищена от загрязнений, смазки и ржавчины.

8.2.10. Назначение и области применения электродов должны соответствовать данным, приведенным в прил. 8 (табл. 1, 2).

Сварочные материалы для сварки стыков труб с различным нормативным значением временного сопротивления разрыву вы­бирают в соответствии с табл. 1 прил. 8:

при различных значениях толщин стенок стыкуемых труб - по более прочной трубе;

при одинаковых значениях толщин стенок стыкуемых труб - по менее прочной трубе.

 

8.3. Подготовка труб под сварку и сварка

 

8.3.1. Для сварки могут быть использованы трубы и детали трубопроводов, дефекты на поверхности которых не превышают размеров допусков, регламентируемых ГОСТами, ТУ на постав­ку труб и деталей трубопроводов.

8.3.2. Перед сборкой необходим визуальный контроль поверх­ности труб, деталей трубопроводов, запорной и распределитель­ной арматуры в соответствии с требованиями СНиПов. Обна­руженные дефекты должны быть исправлены в соответствии с требованиями прил. 11.

8.3.3. Забоины и задиры фасок глубиной до 5 мм ремонтиру­ются с применением электродов с основным покрытием и подо­гревом, рекомендуемым при сварке данных труб.

8.3.4. В монтажных условиях разделка кромок труб должна соответствовать рис. 8.1, а независимо от толщины стенки тру­бы. Размер В на рис. 8.1, б зависит от толщины стенки трубы:

 

В, мм Толщина стенки трубы, мм

 

7

8

10

12

  Свыше 15 до 19

  Свыше 19 до 21,5  

  Свыше 21,5 до 26

  Свыше 26 до 30

 

 

 

 

Рис.  8.1. Типы разделки кромок труб для ручной дуговой сварки, односто­ронней автоматической сварки под флюсом, автоматической дуговой сварки порошковой проволокой с принудительным формированием, полуавтомати­ческой сварки в защитных газах: а - для труб D 57-1420 мм с толщиной стенки до 16 мм; б - для труб D 273-1420 мм с толщиной стенки более 15 мм; в - для автоматической сварки труб в защитных газах

 

Если изменяется форма заводской разделки кромок (см. рис. 8.1, а и б), для последующей двусторонней автоматической сварки под флюсом или в защитных газах эта операция должна быть выполнена механическим способом.

8.3.5. Соединение труб с разной толщиной стенок с деталями трубопроводов или труб с запорной и распределительной арма­турой выполняется в соответствии с прил. 11.

8.3.6. При сборке труб с одинаковой нормативной толщиной стенки должны соблюдаться следующие требования:

смещение внутренних кромок бесшовных труб не должно превышать 2 мм. Допускается на длине не более 100 мм местное внутреннее смещение кромок, не превышающее 3 мм;

величина наружного смещения в этом случае не нормирует­ся, однако должен быть обеспечен плавный переход поверхности шва к основному металлу в соответствии с технологической картой;

смещение кромок сварных труб не должно превышать 20 % нормативной толщины стенки, но не более 3 мм. Измерения ве­личины смещения кромок допускается проводить по наружным поверхностям труб сварочным шаблоном.

Для труб с нормативной толщиной стенки до 10 мм допуска­ется смещение кромок до 40 % нормативной толщины стенки, но не более 2 мм.

8.3.7. Сборку труб следует производить в соответствии с прил. 11, для сборки труб диаметром 1420 мм с толщиной стен­ки 21,5 мм и выше следует применять внутренние центраторы типа ЦВ (прил. 12).

Без применения внутренних центраторов можно осуще­ствлять только сборку захлестов. Применение наружных цен­траторов обязательно независимо от диаметра труб.

8.3.8. Величины зазоров в стыках при сборке в случае сварки электродами приведены в табл. 8.1.

8.3.9. Сборку стыков при двусторонней автоматической свар­ке иод флюсом следует выполнять без зазора. На отдельных участках стыка длиной до 100 мм допускается зазор не более 0,8-1,0 мм.

8.3.10. Величина зазора при сборке стыков на трубосварочных базах зависит от способа и технологии выполнения подварочного слоя:

если подварку изнутри трубы выполняют вручную, то ее сле­дует осуществлять сразу после сварки корня шва, при этом стыки собирают с зазором, рекомендованным для ручной дуговой сварки электродами с основным покрытием;

если подварку изнутри трубы выполняют автоматической сваркой под флюсом, то сборку стыка следует выполнять с зазо­ром не менее 1,5 мм.

 

Таблица 8.1

 

Зазоры в стыках труб при сварке

 

 

Способ сварки

Диаметр электрода

Величина зазора при толщине

стенки труб, мм

 

или сварочной прово­локи, мм

до 8

8-10

10 и более

 

Ручная дуговая сварка

электродами с основным

 

 

2,0-2,5

 

 

1,5-2,5

 

 

-

 

 

-

покрытием

Ручная дуговая

3,0-3,25

2,0-3,0

2,5-3,5

3,0-3,5

сварка электродами с целлюлозным

3,0-3,25

1,5-2,0

-

-

покрытием

 

4,0

-

1,5-2,5

1,5-2,5

 

8.3.11. Сборку стыков при автоматической сварке в защитных газах производят без зазора. Допускаются локальные зазоры до 0,5 мм.

8.3.12. Сборку под двустороннюю автоматическую сварку вы­полняют с помощью одной прихватки в соответствии с ВСН 006-89 на режимах сварки первого наружного слоя шва. Длина при­хватки должна быть не менее 200 мм.

8.3.13. При сборке стыков на наружных центраторах количе­ство прихваток, равномерно распределенных по периметру сты­ка, и их длина зависят от диаметра трубы и должны соответ­ствовать данным, приведенным в табл. 8.2.

8.3.14. Непосредственно перед прихваткой и сваркой произ­водится просушка (или подогрев) кольцевыми нагревателями торцов труб и прилегающих к ним участков шириной не менее 150 мм.

 

Таблица 8.2

 

Количество прихваток при сборке труб

 

 

Длина стыков, мм

Ориентировочное количество прихва­ток,

не менее

Длина прихватки

не менее, мм

 

До 400

 

2

 

30-50

400-1000

3

60-100

1000-1400

 

4

100-200

 

8.3.15. Просушка торцов труб нагревом до температуры плюс 20 - плюс 50° С обязательна:

при наличии влаги на трубах независимо от способа сварки и прочности основного металла;

при температуре окружающего воздуха ниже плюс 5° С в слу­чае сварки труб с нормативным временным сопротивлением раз­рыву 539 МПа (55 кгс/мм2) и выше.

8.3.16. Предварительный подогрев выполняют перед прихват­кой и ручной дуговой сваркой корневого слоя шва. Необходи­мость подогрева и его параметры определяются по табл. 8.3 и 8.4 (не распространяется на термоупрочненные стали) в зависи­мости от эквивалента углерода стали, толщины стенок стыкуе­мых труб, температуры окружающего воздуха, вида покрытия электродов.

8.3.17. Если для сварного шва необходимы и просушка, и по­догрев, то обязательной является только последняя операция.

8.3.18. При сварке корневого слоя шва термически упроч­ненных труб с нормативным пределом прочности 637 МПа (65 кгс/мм2) электродами с целлюлозным видом покрытия неза­висимо от температуры окружающего воздуха необходим пред­варительный подогрев стыка до температуры не ниже плюс 100° С, но не выше плюс 200° С.

При сварке корневого слоя шва электродами с основным ви­дом покрытия при температуре окружающего воздуха плюс 5° С и ниже температура кромок труб стыка непосредственно перед сваркой должна быть не ниже плюс 50° С, но не более плюс 200° С.

8.3.19. Предварительный подогрев при сварке стыков труб на трубосварочных базах следует применять только непосредствен­но перед прихваткой и ручной дуговой сваркой корневого слоя шва на базах типа ССТ-ПАУ и БНС.

 


Таблица 8.3

 

Температура, предварительного подогрева при сварке корневого

шва электродами, с целлюлозным видом покрытия, °С

 

Эквивалент углерода

Температура предварительного подогрева при толщине стенки трубы, мм

металла труб, %

от 7,1

до 8

от 8,1

до 9

от 9,1

до 10

от 10,1

до 11

от 11,1

до 12

от 12,1

до 13

от 13,1

до 14

от 14,1

до 15

от 15,1

до 16

от 16,1

до 17

от 17,1

до 18

от 18,1

до 19

от 19,1

до 20

от 20,1

до 21

от 21,1

до 22

от 22,1

до 23

от 23,1

до 24

от 24,1

до 25

от 25,1

до 26

0,32

0,36

 

 

 

 

 

 

 

 

 

15°

10°

5°

0°

 

 

 

 

 

 

0,37

0,41

 

 

20°

0°

20°

 

 

 

 

 

 

 

 

 

 

 

 

 

 

0,42

0,46

 

10°

+20°

 

 

 

 

 

 

 

 

 

 

 

 

 

 

 

 

0,47

0,51

+20°

 

 

 

 

 

 

 

 

 

 

 

 

 

 

 

 

 

 

 

Условные обозначения:

 

 

 

                                       подогрев не требуется;

                  

5°

 

 

       подогрев до +100° С при температуре окру­жающего воздуха ниже указанной над чертой;

                  

 

 

 

       подогрев до +200° С независимо от темпера­туры окружающего воздуха;

 

                  

 

 

 

        подогрев до +100° С независимо от температуры окружа­ющего воздуха;

 

                  

 

 

 

       подогрев до +150° С независимо от температуры окружа­ющего воздуха

 

 

Таблица 8.4

 

Температура предварительного подогрева при сварке корневого шва

электродами с основным видом покрытия, °С

 

Эквивалент углерода

Температура предварительного подогрева при толщине стенки трубы, мм

металла труб, %

до

10

от 10,1

до 11

от 11,1

до 12

от 12,1

до 13

от 13,1

до 14

от 14,1

до 15

от 15,1

до 16

от 16,1

до 17

от 17,1

до 18

от 18,1

до 19

от 19,1

до 20

от 20,1

до 21

от 21,1

до 22

от 22,1

до 23

от 23,1

до 24

от 24,1

до 25

Более

25

0,37 - 0,41

 

 

 

 

 

 

 

35°

25°

15°

10°

0°

 

 

 

 

 

 

0,42 - 0,46

 

 

 

 

35°

15°

0°

+10°

 

 

 

 

 

 

 

 

 

 

0,47 - 0,51

 

20°

0°

 

 

 

 

 

 

 

 

 

 

 

 

 

 

 

 

Условные обозначения:

 

                  

 

 

 

       подогрев не требуется;

                  

10°

 

 

       подогрев до +100° С при температуре окружающего воздуха ниже указанной над чертой;

                  

 

 

 

       подогрев до +100° С независимо от температуры окружающего воздуха;

                  

 

 

 

       подогрев до +150° С независимо от температуры окружающего воздуха


 

8.3.20. Перед автоматической сваркой под флюсом заполняю­щих слоев шва на базах типа ССТ-ПАУ, а также при двусторон­ней автоматической сварке под флюсом кольцевых стыков труб на базах типа БТС предварительный подогрев не требуется.

8.3.21. Температуру предварительного подогрева перед свар­кой труб из различных марок сталей или разностенных труб, каждая из которых должна быть подогрета на различную тем­пературу, устанавливают по ее максимальному значению.

8.3.22. Параметры предварительного подогрева при полу­автоматической сварке в углекислом газе определяются по табл. 8.4, регламентирующей подогрев при сварке корневого шва электродами с основным видом покрытия.

8.3.23. Температуру подогрева свариваемых кромок рекомен­дуется контролировать контактными термометрами типа ТП-1 или термокарандашами (см. прил. 13).

Замерять температуру следует на расстоянии 10-15 мм от торца трубы; место замера необходимо предварительно зачи­стить.

8.3.24. Если при замере температуры стыка непосредственно перед сваркой будет обнаружено, что она ниже температуры, указанной в табл. 8.3 и 8.4, то необходим повторный нагрев.

8.3.25. Рекомендуемые режимы сварки труб для различного вида покрытий электродов и различных видов сварки приведены в прил. 14.

 

8.4. Качество сварки. Методы обследования и контроля сварных соединений

 

8.4.1. Контроль качества сварных стыков трубопроводов про­водится в соответствии со СНиПом:

систематическим операционным контролем, осуществляе­мым в процессе сборки и сварки трубопроводов;

визуальным осмотром и обмером сварных соединений;

проверкой сварных швов неразрушающими методами контро­ля;

по результатам механических испытаний.

8.4.2. При пооперационном контроле качества сварки трубо­проводов проверяют:

качество подготовки кромок под сварку и качество сборки (угол скоса, совпадение кромок, зазор в стыке перед сваркой, правильность центровки труб, расположение и число прихваток, отсутствие трещин в прихватках);

качество и технологию сварки (сварочного режима, порядка наложения швов, послойную зачистку шлака);

качество сварных соединений.

Пооперационный контроль должен проводиться инженерно-техническим работником, ответственным за сварку или под его наблюдением.

8.4.3. Стыки, выполненные дуговой сваркой, очищаются от шлака и подвергаются внешнему осмотру. При этом они не должны иметь трещин, подрезов глубиной более 0,5 мм, недо­пустимых смещений кромок, кратеров и выходящих на поверх­ность пор.

Усиление шва должно быть высотой в пределах от 1 до 3 мм и иметь плавный переход к основному металлу.

8.4.4. Стыки, выполненные стыковой сваркой оплавлением, после снятия внутреннего и наружного грата должны иметь уси­ление высотой не более 3 мм. Смещение кромок после сварки не должно превышать 25 % толщины стенки и быть не более 3 мм.

8.4.5. При контроле физическими методами стыков трубопро­водов, выполненных дуговыми методами сварки, годными счи­таются сварные швы, в которых в соответствии со СНиПом от­сутствуют трещины любой глубины и протяженности; глубина шлаковых включений не превышает 10 % толщины стенки трубы при их суммарной длине не более 1/6 периметра стыка.

Во всех случаях максимальный размер пор не должен превы­шать 2,7 мм.

Допускается местный непровар в корне шва глубиной до 10 % толщины стенки трубы, но не более 1 мм, суммарной длиной 1/6 периметра стыка.

В стыках трубопровода диаметром 1000 мм и более на участ­ках, выполненных с внутренней подваркой, непровары в корне шва не допускаются.

8.4.6. Исправление дефектов в стыках, выполненных луговы­ми методами сварки, допускается в следующих случаях:

если суммарная длина дефектных участков не превышает 1/6 периметра стыка;

если длина выявленных в стыке трещин не превышает 50 мм.

При наличии трещин суммарной длиной более 50 мм стыки подлежат удалению.

8.4.7. Исправление дефектов в стыках, выполненных дуговы­ми методами сварки, следует производить следующим образом:

подваркой внутри трубы дефектных участков в корне шва;

наплавкой ниточных валиков высотой не более 3 мм при ре­монте наружных и внутренних подрезов;

вышлифовкой и последующей заваркой участков швов со шлаковыми включениями и порами;

при ремонте стыка с трещиной длиной до 50 мм засверливаются два отверстия на расстоянии не менее 30 мм от краев трещины с каждой стороны, дефектный участок вышлифовыва­ется полностью и заваривается вновь;

обнаруженные при внешнем осмотре недопустимые дефекты должны устраняться до проведения контроля неразрушающими методами.

8.4.8. Все исправленные участки стыков должны быть под­вергнуты внешнему осмотру, радиографическому контролю. По­вторный ремонт стыков не допускается.

 

8.5. Квалификация сварщиков

и их допуск к сварке трубопроводов

 

8.5.1. Аттестацию сварщиков перед допуском их к сварке трубопроводов или перед допуском к специальным работам следу­ет осуществлять в соответствии с "Положением об аттестации электросварщиков".

8.5.2. К сварке трубопроводов допускаются сварщики, сдав­шие экзамены в соответствии с "Правилами аттестации сварщи­ков", утвержденными Госгортехнадзором России, имеющие удо­стоверение и выдержавшие испытания, регламентируемые тре­бованиями СНиПа.

8.5.3. При производстве сварочных работ каждый сварщик должен сварить допускной стык для труб диаметром до 1000 мм или половину стыка для труб диаметром 1000 мм и выше в усло­виях, тождественных условиям сварки на трассе, если:

он впервые приступил к сварке трубопровода или имел пере­рыв в своей работе более трех месяцев;

сварка труб осуществляется из новых марок сталей или с применением новых сварочных материалов, технологии, оборудова­ния;

изменился диаметр труб под сварку;

изменена форма разделки торцов труб под сварку.

Сваренный допускной стык должен подвергаться контролю и мехническим испытаниям в соответствии со СНиП III-42-80.

8.5.4. Если сварщик сварил допускной стык одной маркой или сочетанием марок сварочных материалов, входящих в соответ­ствующую группу, он квалифицируется на сварку всеми свароч­ными материалами (или их сочетанием), входящими в данную группу.

8.5.5. Повторная проверка знаний сварщиков и результатов испытаний контрольных стыков должна проводиться постоянно действующими комиссиями:

периодически, не реже одного раза в 12 месяцев;

при перерыве в работе по специальности свыше 6 месяцев;

перед допуском к работе после временного отстранения свар­щика за нарушение технологии и низкое качество работ.

Результаты аттестации сварщиков оформляются протоколом за подписью всех членов комиссии.

8.5.6. Дополнительную проверку знаний сварщика и сварку им контрольных образцов в условиях, аналогичных ремонтным, необходимо проводить:

при переходе на новые для него способы сварки или виды работ;

при сварке трубопроводов из новых материалов или при существенном изменении технологии сварки;

при сварке трубопроводов с применением новых присадочных материалов.

Дополнительная проверка знаний должна проводиться в объ­еме программы, утвержденной главным инженером предприя­тия.

8.5.7. В случае неудовлетворительных результатов по какому-либо виду испытаний контрольного стыка (при надлежащем ка­честве сварочных материалов, установленном предварительной проверкой) сварщик к работе не допускается. Он может быть допущен к сварке трубопроводов только после дополнительного обучения и получения положительных результатов при сварке контрольных стыков, но не ранее чем через месяц с момента от­странения от работы.

Результаты всех дополнительных испытаний оформляют протоколом.

 

9. ПОРЯДОК УЧЕТА, РАССЛЕДОВАНИЯ И ЛИКВИДАЦИИ ОТКАЗОВ И ПОВРЕЖДЕНИЙ ТРУБОПРОВОДОВ

 

9.1. Классификация аварий

 

9.1.1. Отказом трубопроводов промыслового сбора и транс­порта продукции скважин считается нарушение работоспособ­ности, связанное с внезапной полной или частичной остановкой трубопровода из-за нарушения герметичности трубопровода или запорной и регулирующей арматуры или из-за закупорки трубо­провода.

9.1.2. Повреждением называется нарушение исправного со­стояния ПТ при сохранении его работоспособности и не сопро­вождаемое материальным и экологическим ущербом.

9.1.3. Отказы ПТ делятся на некатегорийные и категорийные, сопровождаемые несчастными случаями и пожарами.

К категорийным относятся отказы, которые расследуются в соответствии с инструкцией Госгортехнадзора России, а все остальные отказы  некатегорийные  расследуются в соот­ветствии с РД 39-0147103-392-86.

9.1.4. Некатегорийные отказы подразделяются по видам на­рушений:

разрывы и трещины по основному металлу труб, по продоль­ным и кольцевым сварным швам;

негерметичность по причине коррозии внутренней и внешней;

негерметичность запорной и регулирующей арматуры;

потеря герметичности трубопровода от внешних механиче­ских воздействий;

потеря пропускной способности трубопровода из-за образова­ния закупорок.

9.1.5. Некатегорийные отказы ПТ подразделяются на отказы 1-й и 2-й групп.

К отказам 1-й группы относятся отказы на внутриплощадочных напорных внутри- и межпромысловых нефтепроводах на участке от дожимной насосной станции (ДНС) до центрального пункта сбора (ЦПС) или от комплексного сборного пункта (КСП) и далее до магистральных нефтепроводов.

К отказам 2-й группы относятся отказы на газопроводах, на нефтесборных трубопроводах на участке от групповой замерной установки (ГЗУ) до ДНС, а также на водоводах.

 

9.2. Расследование аварий

 

9.2.1. Расследование отказов и повреждений ПТ проводится с использованием исследований: визуального (макроскопическо­го), лабораторного (микроскопического), аналитического, экс­пертного и других методов.

9.2.2. Все отказы трубопроводов, происшедшие при приемо­сдаточных испытаниях, подлежат отдельному расследованию и учету.

9.2.3. Некатегорийные отказы 1-й группы расследуются по­стоянно действующей комиссией НГДУ, назначаемой приказом по НГДУ в составе заместителя начальника (председателя), а также специалистов подразделений эксплуатации (ремонта), техники безопасности, службы охраны окружающей среды, бух­галтерии.

9.2.4. Некатегорийные отказы 2-й группы расследуются по­стоянно действующей комиссией ЦДНГ в составе старшего ин­женера цеха (председателя), а также мастера (механика) цеха по ремонту трубопроводов, мастера по добыче нефти.

9.2.5. Отказы на выкидных линиях скважин до ГЗУ, а также повреждения на всех трубопроводах, выявленные в процессе экс­плуатации, расследуются комиссией в составе механика (стар­шего инженера) цеха - председателя, мастера по добыче нефти или мастера по ремонту трубопроводов и оператора и регистри­руются в журнале произвольной формы.

9.2.6. Повреждения, выявленные в процессе технического обслуживания (опрессовка, врезка и т.п.) и ремонта ПТ, долж­ны устраняться в плановом порядке и учитываться в журнале планово-предупредительных работ.

9.2.7. К работе комиссий по техническому расследованию от­каза (в зависимости от характера, причин и последствий) могут быть привлечены представители:

Госкомприроды;

органов государственной пожарной охраны;

технической инспекции совета профсоюза;

органов Государственного санитарного надзора;

органов по использованию и охране водных ресурсов;

землепользователей;

заводов - изготовителей труб и арматуры, если причиной отказа, повреждения явились заводские дефекты;

строительно-монтажных организаций, принимавших уча­стие в строительстве данного трубопровода, если причиной отказа, повреждения явился брак, допущенный при строи­тельстве;

проектных институтов, принимавших участие в проектиро­вании данного трубопровода, если причиной отказа послужили недостатки проектных решений;

научно-исследовательских организаций.

9.2.8. Комиссия обязана:

установить организационные и технические причины, вы­звавшие аварию и выявить конкретных виновников;

наметить необходимые мероприятия по предупреждению по­добных аварий в дальнейшем;

по окончании расследования отказа составить, подписать и утвердить акт в 2 экземплярах по форме, указанной в прил. 15.

9.2.9. В тех случаях, когда непосредственно на месте разру­шения невозможно установить причину отказа трубопровода и металл трубы передается для лабораторного исследования, не­обходимо консервационной смазкой закрыть поверхность излома, не допускать ударов по металлу, сверления технологических от­верстий, особенно в зонах очага разрушения.

9.2.10. Вырезка катушки или образцов из разрушившегося поврежденного трубопровода оформляется актом.

9.2.11. Первый экземпляр акта должен храниться в отделе, ответственном за учет и отчетность по авариям в НГДУ, второй - в цехе, где произошел отказ.

9.2.12. По результатам расследования некатегорийных отка­зов НГДУ при необходимости издает приказ или циркулярное письмо с указанием причины отказа, виновных лиц и меропри­ятий, подлежащих выполнению (со сроками и ответственными лицами), и доводит их до сведения своих подразделений с целью предупреждения подобных отказов.

 

9.3. Отчетность перед контролирующими органами об авариях, утечках, разливах

 

9.3.1. Все отказы вне зависимости от времени, затраченного на их ликвидацию, и вида отказа необходимо зарегистрировать в журнале учета отказов ПТ в течение 24 часов с момента их возникновения.

Форма журнала учета для некатегорийных отказов ПТ при­водится в прил. 16.

9.3.2. Журнал учета отказов ПТ следует прошнуровать, пронумеровать страницы, заверить подписью ответственного лица.

9.3.3. Регистрация, учет, отчетность, ведение и хранение до­кументов по отказам и повреждениям ПТ возлагаются на отдел и конкретно ИТР этого отдела, ответственность которых опре­деляется приказом по НГДУ, положением об отделе и должност­ными инструкциями.

9.3.4. На основании актов расследования отказов, журнала их учета и других документов лицо, ответственное за отчет в НГДУ, ежемесячно до пятого числа следующего месяца пред­ставляет в производственное объединение (ПО) отчет по форме прил. 14.

9.3.5. ПО ежемесячно до 10 числа следующего месяца пред­ставляет в центральное диспетчерское управление (ЦДУ) отчет по имевшимся за отчетный период отказам по форме прил. 15.

9.3.6. ЦДУ на основании месячных отчетов производственных объединений суммирует количество отказов по отрасли в целом с подсчетом количества недополученной нефти и затрат на ли­квидацию отказов за месяц и с начала года по форме прил. 18. Определение недобора нефти и потерь от разлива производится в соответствии с РД 39-069-91.

 

9.4. Организация работ по ликвидации аварий на трубопроводах

 

9.4.1. Работы по ликвидации отказов на промысловых тру­бопроводах должны выполняться аварийно-восстановительными бригадами (АВБ), входящими в цех по ремонту трубопроводов (ЦРТ) НГДУ, или другими подразделениями НГДУ.

9.4.2. В подразделениях главным инженером НГДУ должны быть разработаны и утверждены планы ликвидации аварий в соответствии с инструкцией Госгортехнадзора России. В планах должен быть указан порядок оповещения и сбора должностных лиц, организации и производства аварийных работ.

9.4.3. В оперативной части плана ликвидации аварий преду­сматриваются:

вид и место возможных аварий, условия, опасные для людей и окружающей среды, расчет выхода нефти или газа с повре­жденного участка;

мероприятия по эвакуации людей и охране окружающей сре­ды, по локализации выхода нефти или газа, отключению повре­жденного участка, ликвидации аварий;

действия ИТР и рабочих, меры техники безопасности и по­жарной безопасности;

мероприятия по тушению нефти в случае ее загорания;

места нахождения служб и средства для ликвидации аварий;

распределение обязанностей между отдельными лицами, участвующими в ликвидации аварий;

список должностных лиц и учреждений, которые должны быть оповещены об аварии, и порядок оповещения;

порядок сбора аварийной бригады;

очередность выезда специальных машин;

перечень аварийно-транспортных средств, механизмов, оборудования, средств связи, пожаротушения, направляемых к ме­сту аварии.

Все работники подразделений на своих рабочих местах долж­ны быть ознакомлены с планами ликвидации аварий.

9.4.4. При возникновении отказа диспетчер цеха добычи неф­ти и газа (ЦДНГ) или центрального пункта подготовки нефти (ЦППН) должен немедленно сообщить об этом своему руковод­ству и диспетчеру НГДУ, отключить поврежденный участок и принять меры по ликвидации возникшего отказа в соответствии с планом ликвидации отказов, затем проинформировать дис­петчера центральной инженерно-технической службы (ЦИТС) о принятых мерах по ликвидации отказа и сделать краткую, но ясную запись о случившемся в сменном (вахтовом) журнале, фиксируя место, сущность, причину отказа, принятые меры.

9.4.5. Прибывший первым к месту аварии на ПТ руководи­тель работ обязан:

установить предупредительные знаки для ограждения места аварии;

принять меры к предупреждению дальнейшего растекания нефти, исключив попадание ее в водоемы и населенные пункты;

разместить технические средства и персонал аварийно-восстановительной бригады (АВБ) на безопасном расстоянии от места аварии в соответствии с действующими правилами тех­ники безопасности;

предотвратить появление в зоне аварии посторонних лиц и техники; при возникновении аварии вблизи железных и автомобильных дорог принять меры, исключающие движение транс­порта;

уточнить место и размеры аварии;

выйти на связь с диспетчером или руководителем подразделения, сообщить о месте и ориентировочных размерах аварии, возможности подъездов и другие сведения;

при возникновении аварии вблизи ЛЭП, железных и автомо­бильных дорог сообщить их владельцам об аварии.

9.4.6. Запрещается приближение к зоне аварии людей и техни­ки до организации связи и получения сообщений о полной ликви­дации или локализации аварии, об организации непрерывного дежурства на отключающей аварийный участок трубопровода запорной арматуре, о выполнении дополнительных мер по пре­дотвращению случайного или самопроизвольного переключения запорной арматуры на границах отключенного участка.

9.4.7. После определения характера отказа и принятия реше­ния о способе его ликвидации работы продолжаются в соответ­ствии с планом ликвидации возможных отказов и конкретно сло­жившейся обстановкой.

9.4.8. Все аварийно-восстановительные работы должны вы­полняться с соблюдением действующих норм и правил по тех­нической эксплуатации, технике безопасности, пожарной безо­пасности и промсанитарии.

9.4.9. Все оборудование, транспорт и имущество, предна­значенное для выполнения аварийно-восстановительных работ, должно находиться в постоянной исправности и готовности к не­медленному выезду и применению. Закрепленную для этих целей технику использовать не по назначению запрещается.

9.4.10. Техническое оснащение аварийно-восстановительных бригад устанавливается РД 39-0147103-376-86.

9.4.11. Количество и специальности персонала аварийной бригады должны соответствовать действующим нормативам на выполнение ремонтных работ, а также количеству водите­лей, машинистов и мотористов, необходимых для эксплуатации транспортных и ремонтных технических средств.

9.4.12. При определении численности персонала предусматри­вается возможность замены рабочих при выполнении несложных работ и совмещения профессий работниками высокой квалифи­кации.

10. ОХРАНА ТРУДА

 

10.1. Порядок организации работ, регламентация обязанно­стей и ответственности административно-технического персона­ла по охране труда и технике безопасности на объектах систем сбора и внутрипромыслового транспорта нефти, газа и воды определяются следующими документами: "Правилами безопас­ности в нефтегазодобывающей промышленности", "Правилами безопасности при сборе, подготовке и транспортировании нефти и газа на предприятиях нефтяной промышленности" и "Единой системой работ по созданию безопасных условий труда".

10.2. Основным направлением работ по охране труда должно быть планомерное осуществление комплекса организационных и технических мероприятий, обеспечивающих создание здоровых и безопасных условий труда и поддержание порядка на произ­водстве.

10.3. Общее руководство работой по охране труда и ответ­ственность за состояние техники безопасности и производствен­ной санитарии в целом по ПО возлагаются на генерального ди­ректора и главного инженера объединения, а в НГДУ - на на­чальника и главного инженера управления.

10.4. Во всех службах, занимающихся эксплуатацией и ре­монтом трубопроводов, руководство работой по охране труда и ответственность за состояние техники безопасности и производ­ственной санитарии возлагаются на руководителей этих подраз­делений.

10.5. Начальники служб и подразделений в пределах вверен­ных им участков должны обеспечить выполнение организацион­ных и технических мероприятий для создания безопасных усло­вий труда, проводить инструктаж и обучение персонала безо­пасным методам работы, а также контролировать выполнение правил и инструкций по технике безопасности, производствен­ной санитарии и пожарной безопасности, обеспечение рабочих по профессиям и видам работ инструкциями, а рабочие места - необходимыми плакатами.

10.6. Инструкции по безопасным методам ведения работ должны пересматриваться и переутверждаться один раз в три года, а также при введении новых правил и норм, типовых ин­струкций, новых технологических процессов, установок, машин и аппаратов.

Пересмотренные и дополненные инструкции должны быть своевременно доведены до сведения работников, которые обяза­ны их знать и выполнять.

10.7. Организация работ по охране труда и контроль за со­стоянием трубопроводов осуществляются работниками службы охраны труда и техники безопасности НГДУ.

10.8. При организации и производстве работ на объектах си­стемы сбора и внутрипромыслового транспорта нефти, газа и во­ды должна учитываться специфика производства, определяемая опасными свойствами транспортируемых компонентов: токсич­ностью, испаряемостью, способностью электризоваться, взрывоопасностью, пожароопасностью, коррозионной активностью и т. д.

10.9. Все работники систем сбора и внутрипромыслового транспорта нефти, газа и воды обязаны твердо знать и строго выполнять в объеме возложенных на них обязанностей правила техники безопасности, производственной санитарии и пожарной безопасности.

10.10. Каждый рабочий и инженерно-технический работник обязал немедленно докладывать своему непосредственному ру­ководству о замеченных им нарушениях и неисправностях обо­рудования, механизмов, приспособлений и инструмента, утечках нефти, газа и воды, нарушениях правил техники безопасности, производственной санитарии и пожарной безопасности.

10.11. Работники цехов и участков должны быть обеспече­ны, согласно установленным перечням и нормам, средствами индивидуальной защиты, спецодеждой, спецобувью, спецпитанием, мылом и другими средствами; ответственность за обеспечение работников указанными видами довольствия и контроль за их использованием возлагаются на одного из заместителей руко­водителя ПО, управления, а также на руководителей объектов, цехов и участков.

10.12. Защитные средства и предохранительные приспосо­бления перед выдачей рабочим и ИТР подвергаются осмотру и испытанию в соответствии с установленными требованиями. Пользоваться неисправными защитными средствами и предо­хранительными приспособлениями категорически запрещается.

10.13. В каждом цехе, на каждом рабочем месте должна на­ходиться аптечка с необходимым запасом медикаментов и пере­вязочных материалов по установленному перечню.

10.14. Весь производственный персонал должен быть обучен способам оказания первой помощи пострадавшим при несчаст­ных случаях.

10.15. Рабочие, принимаемые на работу по обслуживанию сооружений и оборудования систем сбора нефти, газа и воды, долж­ны иметь соответствующее профессионально-техническое обра­зование или пройти профессионально-техническую подготовку на производстве.

Обучение рабочих на производстве проводится в соответ­ствии с "Типовым положением о профессиональном обучении рабочих на производстве в нефтяной промышленности" по раз­работанным и утвержденным программам. Программы должны периодически, не реже одного раза в 3 года, пересматриваться и заново утверждаться.

10.16. По окончании производственного обучения в объеме утвержденной программы, перед допуском к работе знания вновь поступившего или переведенного рабочего или ИТР должны быть проверены квалификационной комиссией, назначенной при­казом по объединению или управлению.

Результаты проверки знаний должны оформляться протоко­лом. Каждому работнику, выдержавшему испытание, выдается удостоверение за подписью председателя комиссии, подтвержда­ющее право на эксплуатацию сооружений и оборудования и уста­навливающее квалификационную группу работника.

10.17. Периодическая проверка знаний рабочих проводится ежегодно в том же порядке, как при проведении первичной про­верки знаний.

10.18. Внеочередная проверка знаний у рабочих проводится:

при изменении производственного (технологического) процес­са, внедрении нового вида оборудования и механизмов;

при введении в действие новых правил и норм безопасности, инструкций по безопасному ведению работ;

в случае выявления нарушений требований правил безопас­ности и инструкций, которые могли привести или привели к травме или аварии (по усмотрению начальника цеха);

по приказу или распоряжению руководства предприятия, по указанию вышестоящих органов;

по требованию органов государственного надзора и техниче­ских инспекторов труда профсоюзов в случае обнаружения не­достаточных знаний;

при переводе па другую работу или перерыве в работе более 6 месяцев.

10.19. Общее руководство и ответственность за правильную организацию и проведение обучения работников безопасным ме­тодам работы возлагаются на руководителя предприятия.

Контроль за своевременным и качественным обучением рабо­чих и инженерно-технических работников безопасным методам работы возлагается на соответствующие службы охраны труда и техники безопасности.

10.20. Работники, обслуживающие промысловые трубопрово­ды, должны пройти инструктажи по правилам безопасности в соответствии с "Единой системой управления охраной труда в нефтяной промышленности":

а) вводный инструктаж, проводимый со всеми поступающи­ми на предприятие рабочими и служащими независимо от их образования, квалификации и стажа работы по данной профес­сии или должности, а также с работниками, командированны­ми для работы на данном предприятии, учащимися, студентами и другими лицами, допускаемыми на территорию предприятия или в производственные цеха для проведения работ;

б) инструктажи на рабочем месте:

первичный для рабочих и мастеров с практическим обучени­ем - перед допуском к самостоятельной работе или при переводе с одной работы на другую;

периодический (повторный) проводится руководителем ра­бот непосредственно на рабочем месте для рабочих по програм­ме первичного инструктажа не реже чем через полгода, а для профессий с повышенными требованиями безопасности - через 3 месяца, для ИТР - не реже чем через 2 года;

внеочередной (внеплановый), вызванный производственной необходимостью - при изменении производственного процесса, замене одного вида оборудования на другой и в подобных случа­ях, когда изменяются условия труда;

если в цехе, на участке, в бригаде произошел несчастный слу­чай или отказ;

при необходимости доведения до сведения работающих дополнительных требований, вызванных введением новых правил и инструкций по безопасному ведению работ;

если выявлены случаи нарушения правил и инструкций, производственной дисциплины независимо от принятых мер воздействия;

разовый (текущий) инструктаж по приказу или распоряже­нию вышестоящих организаций и контролирующих органов - перед выполнением особо опасных работ (по установленному пе­речню).

10.21. Для рассмотрения вопросов охраны труда, осуществления плановых проверок состояния условий труда на объектах, в цехах, предприятиях создаются постоянно действующие комис­сии (ПДК) по безопасности труда.

ПДК предприятия организуется приказом по предприятию под председательством главного инженера. В состав комиссии включаются заместители начальника, главные специалисты, на­чальники отделов, служб, председатель профсоюзного комитета, председатель комиссии охраны труда.

10.22. Руководители предприятия, возглавляя ПДК по безо­пасности труда, не реже одного раза в квартал осуществляют выборочную проверку состояния условий труда.

Результаты проверок оформляются актом. При необходимо­сти по результатам проверок издается приказ.

Порядок организации и содержание работы ПДК по безопас­ности труда предприятий должны соответствовать требованиям "Положения о постоянно действующих комиссиях по безопасно­сти труда".

10.23. За состоянием условий труда на объектах промыслово­го сбора и транспорта нефти, газа и воды должен быть органи­зован ведомственный контроль, осуществляемый непосредствен­ными руководителями работ и организаторами производства со­гласно "Положению о ведомственном (оперативном) контроле за состоянием условий труда".

10.24. На предприятии по каждому объекту должен быть раз­работан перечень работ повышенной опасности, в котором раз­дельно должны быть указаны работы, выполняемые с оформле­нием наряда-допуска и без оформления наряда-допуска, но с ре­гистрацией последних перед их началом в специальном журнале, что вызвано необходимостью ликвидации аварийных ситуаций и аварий.

10.25. Перечень работ разрабатывается начальниками цехов, установок, согласовывается со службами эксплуатации главно­го механика и техники безопасности и утверждается главным инженером предприятия.

Перечень должен периодически не реже одного раза в год пересматриваться и переутверждаться.

10.26. На выполнение работ повышенной опасности оформ­ляется наряд-допуск в двух экземплярах и хранится в течение одного года у руководителя работ и руководителя, разрешивше­го работы (прил. 19).

10.27. На производство огневых работ оформляется разрешение по форме, утвержденной вышестоящей организацией; наряд-допуск не оформляется.

10.28. Список руководителей, имеющих право выдачи нарядов-допусков и разрешений на производство работ, оформляется при­казом по предприятию.

10.29. На месте проведения ремонтных работ обязателен кон­троль за состоянием воздушной среды, который должен осу­ществляться согласно "Отраслевой инструкции по контролю воздушной среды на предприятиях нефтяной промышленности" ИБТВ 1-087-81.

10.30. Состояние воздушной среды в колодцах, котлованах и траншеях должно контролироваться ежедневно перед началом газоопасных работ и после перерыва с помощью газоанализато­ра.

10.31. Допуск персонала к проведению ремонтных работ воз­можен, если содержание паров и газов в воздухе зоны производ­ства работ не выше предельно допустимых концентраций (ПДК) по санитарным нормам.

10.32. При проведении сварочных работ на трубопроводе по санитарным нормам ПДК углеводородов С1 - С10 в пересчете на углерод равна 300 мг/м3, а сероводорода в смеси с углеводо­родами С1 - С5 - 3 мг/м3.

10.33. Если в процессе работы возле рабочего места обнару­жена утечка газа или нефти, необходимо прекратить работу и сообщить об этом руководителю.

10.34. При работе в колодцах, траншеях следует применять шланговый противогаз (конец шланга должен находиться на поверхности земли с наветренной стороны от колодца, котлована) и спасательный пояс с крестообразными лямками и сигнально-спасательной веревкой, конец ее должен держать рабочий, нахо­дящийся на поверхности земли. Длина шланга противогаза не должна превышать 20 м. Если радиус загазованной зоны превы­шает 20 м, следует применять шланговые противогазы с прину­дительной подачей воздуха.

На поверхности земли должны находиться не менее двух че­ловек для постоянного наблюдения за действиями спустившегося в колодец.

Срок единовременного пребывания в шланговом противогазе не должен превышать 15 мин с последующим отдыхом на чистом воздухе не менее 15 мин.

10.35. Котлованы при вскрытии трубопровода для ремонта должны быть открытыми и иметь размеры, позволяющие сво­бодно работать в них двум рабочим. В котловане или траншее, где проводят ремонтные работы, для спуска и подъема рабочих, должно быть не менее двух устройств, расположенных с проти­воположных сторон.

10.36. При разработке траншей землекопы должны находить­ся друг от друга на расстоянии не менее 1,8-2 м.

10.37. В случае появления продольных трещин в стенках траншеи (котлована) землекоп во избежание травм должен по­кинуть ее и сообщить об этом мастеру или бригадиру.

10.38. При спуске (подъеме) в траншею следует пользоваться стремянкой шириной 0,6 м с перилами и лестницей, а при пе­реходе через траншею - мостками шириной не менее 0,6 м с перильным ограждением высотой не менее 1,0 м.

10.39. Запрещается находиться от крана-трубоукладчика, экскаватора и других подъемных механизмов во время их рабо­ты на расстоянии ближе, чем расстояние, равное длине стрелы плюс 5 м.

10.40. При рубке металла, зачистке кромок после сварки, очистке трубопровода от старой изоляции, ржавчины, нанесе­нии новой изоляции работающий должен пользоваться защит­ными очками и рукавицами.

Одновременная (совместная) работа газорезчика и электро­сварщика в котловане запрещается.

10.41. При совместной работе трубопроводчика с электро­сварщиком и газосварщиком необходимо пользоваться защит­ными очками, щитком или шлемом-маской.

Брюки необходимо носить навыпуск.

10.42. При работе с горячим битумом ведро с разогретым би­тумом нужно опускать на дно траншеи или котлована с помо­щью карабина, стоя на переходном мостике.

Передача ведра с горячим битумом из рук в руки запрещает­ся.

10.43. При движении кранов-трубоукладчиков, экскаваторов, бульдозеров, тягачей в темное время суток, при густом тумане и сильном снегопаде машинисты должны включать осветитель­ные приборы, как при движении, так и на стоянках;

при вынужденной остановке на дороге ограждать машины днем красным флажком, ночью - фонарями с красным светом.

10.44. При установке, передвижении и работе кранов-трубоукладчиков у траншеи машинист во избежание обрушения грунта обязан выдерживать расстояние от бровки траншеи с вер­тикальными стенками до ближайшей опоры гусеницы крана-трубоукладчика в соответствии с данными, приведенными в табл. 10.1.

При невозможности соблюдения этих расстояний стенка или откос должны быть укреплены.

Для траншей с откосами расстояния уменьшаются на вели­чину заложения откоса.

 

Таблица 10.1

 

Безопасное расстояние приближения

трубоукладчика к бровке траншеи

 

Глубина траншеи, м

Расстояние от бровки до ближней гусеницы

крана-трубоукладчика для грунтов, м

 

песчаного

супесча­ного

суглинис­того

глинис­того

лесового, сухого

 

1

 

1,5

 

1,25

 

1,00

 

1,00

 

1,00

2

3,0

2,40

2,00

1,50

2,0

3

4,0

3,6

3,25

1,75

2,5

4

5,0

4,4

4,0

2,0

3,0

5

 

6,0

5,3

4,75

2,25

3,5

 

10.45. Не допускается курение и разведение огня в вырытых траншеях и котлованах.

10.46. Запрещается пребывание людей в кузовах автомобилей, на площадках прицепов и саней, нагруженных негабаритными грузами, трубами, бревнами, пылящими, ядовитыми и горючими материалами, а также на грузах, транспортируемых волоком.

10.47. Персонал, участвующий в гидравлических и пневма­тических испытаниях трубопроводов, должен находиться в бе­зопасных местах на случай разрыва швов, пробоя прокладок, отрыва заглушек и других аварийных ситуаций.

Осмотр трубопровода разрешается производить только после снижения давления до рабочего, а устранение неисправностей - после полного снятия его.

10.48. Задвижки, краны и вентили должны открываться и закрываться плавно. Не допускается применение для их открытия и закрытия ломов, труб и других предметов.

 

11. ПОЖАРНАЯ БЕЗОПАСНОСТЬ

 

11.1. Порядок организации работ по пожарной безопасности внутрипромысловых трубопроводов определяется следующими документами: ГОСТ 12.1.004-85, "Правилами пожарной безо­пасности в нефтяной промышленности", "Положением о добро­вольных пожарных дружинах на промышленных предприятиях и других объектах министерств и ведомств".

11.2. При числе работающих на объекте более 15 чело­век необходимо организовать добровольную пожарную дружину (ДПД), а при наличии инженерно-технического персонала - и пожарно-техническую комиссию (ПТК).

11.3. Руководители объектов несут личную ответственность за выполнение требований правил пожарной безопасности на объекте и отвечают за нарушение этих требований подчинен­ными.

Указания или распоряжения руководителей объектов, прину­ждающие подчиненных нарушать требования пожарной безопас­ности, самовольно возобновлять работы, остановленные органа­ми Госпожнадзора, а также непринятие мер по устранению на­рушений являются грубейшими нарушениями правил пожарной безопасности.

11.4. Должностные лица, виновные в нарушении правил по­жарной безопасности, в зависимости от характера нарушений и их последствий несут ответственность в установленном законом порядке.

11.5. Руководитель объекта обязан:

организовать изучение и контроль за усвоением знаний пра­вил пожарной безопасности всеми инженерно-техническими ра­ботниками (ИТР), служащими и рабочими, обеспечить строгое выполнение настоящих Правил всеми подчиненными;

организовать на объекте ДПД и ПТК и обеспечить их эффек­тивную работу;

обеспечить своевременное выполнение всех противопожар­ных мероприятий и внедрять новые научно-технические реше­ния, направленные на повышение уровня пожарной безопасности объекта;

назначить лиц, ответственных за обеспечение пожарной безопасности цехов, установок, зданий, складов и других подраз­делений объекта;

утвердить инструкции по пожарной безопасности;

организовать проведение инструктажа по пожарной безопас­ности и занятия по пожарно-техническому минимуму с рабочими и служащими объекта в соответствии с действующими програм­мами;

по согласованию с органами Госпожнадзора установить в производственных, административных, складских и вспомога­тельных помещениях и на территории объекта строгий противо­пожарный режим (определить и оборудовать места для курения, установить порядок проведения огневых работ, допустимое ко­личество одновременно хранящихся веществ и материалов, по­рядок осмотра и закрытия помещений) и постоянно контроли­ровать его строгое соблюдение всеми служащими и рабочими объекта;

периодически, при проведении оперативного контроля, лично проверять состояние пожарной безопасности объекта, наличие и исправность средств предупреждения и тушения пожара, боеспособность объектовой пожарной охраны и ДПД и принимать необходимые меры для повышения эффективности их работы;

принимать меры наказания лиц, виновных в нарушении пра­вил пожарной безопасности;

выделять необходимые ассигнования для приобретения средств пожаротушения и выполнения противопожарных мероприятий.

11.6. Ответственность за противопожарное состояние внутрипромысловых трубопроводов, за разработку и осуществление текущих планов противопожарных мероприятий, за комплекта­цию противопожарного оборудования, сохранность противопо­жарной техники и средств пожаротушения, за работу ДПД и боевых расчетов возлагается на руководителей предприятия, объ­екта и оформляется приказом.

На каждом объекте на видном месте должна быть вывешена табличка с указанием фамилии, имени, отчества и должности лица, ответственного за пожарную безопасность.

11.7. Лица, ответственные за обеспечение пожарной безопас­ности, обязаны:

знать схему технологического процесса сбора и внутрипромыслового транспорта нефти, газа и воды, его пожарную опасность и меры безопасности;

знать все обращаемые в производстве взрывопожароопасные Вещества, материалы и способы их тушения;

следить за соблюдением установленных требований пожарной безопасности;

не допускать без разрешения проведения работ с применением открытого огня;

не допускать загромождения подъездов, подходов и проходов к зданиям, сооружениям, технологическому оборудованию, оборудованию системы пожаротушения и первичным средствам пожаротушения;

следить и регулярно проверять исправность всех имеющихся средств пожаротушения, знать их назначение и уметь с ними обращаться;

организовать противопожарную подготовку (противопожар­ный инструктаж, пожарно-технический минимум) подчиненных работников;

не допускать к работе лиц, не прошедших противопожарный инструктаж;

принимать меры к устранению обнаруженных нарушений правил пожарной безопасности и неисправности средств по­жаротушения, а также приведению их в работоспособное состояние;

в случае возникновения пожара или опасной ситуации вслед­ствие аварии и других причин немедленно сообщить в пожар­ную охрану, поставить в известность руководителя объекта, ор­ганизовать встречу пожарной охраны и принять все меры по ли­квидации пожара или аварии согласно инструкции, специально разработанной на случай возникновения пожара или аварии.

11.8. Для служб эксплуатации и ремонта промысловых трубопроводов, на основе действующих правил пожарной безопас­ности, должны быть разработаны с учетом специфики произ­водства общебытовые и цеховые инструкции о мерах пожарной безопасности, согласованные с пожарной охраной предприятия, которые после утверждения руководством предприятия вывеши­ваются на видных местах.

11.9. Инструкции по пожарной безопасности должны предусматривать:

общие требования пожарной безопасности для автотранспор­та, рабочих и служащих на территории объекта;

требования к содержанию дорог, подъездов и проездов к зда­ниям, сооружениям и водоисточникам, средствам пожаротуше­ния;

условия, нормы и порядок хранения взрывопожароопасных ве­ществ и материалов в цехах, на установках, складах и других объектах;

порядок сбора, хранения и удаления горючих отходов, содер­жания и хранения спецодежды;

обязательные работы по окончании рабочего дня и специаль­ные противопожарные мероприятия для отдельных помещений, технологического оборудования, несоблюдение которых может вызвать пожар или загорание;

обязанности и действия обслуживающего персонала объекта при возникновении пожара, порядок вызова пожарной охраны;

порядок аварийной остановки и отключения оборудования при возникновении пожара или аварийной ситуации.

11.10. На каждом объекте согласно приказу руководителя (директора) предприятия все вновь принимаемые на работу рабочие и служащие, в том числе и временные, обязаны пройти первич­ный противопожарный инструктаж о мерах пожарной безопас­ности.

Допуск к работе лиц, не прошедших инструктаж, запрещает­ся.

11.11. Первичный противопожарный инструктаж с рабочи­ми и служащими можно проводить одновременно с вводным инструктажем по технике безопасности.

По окончании инструктажа должна проводиться проверка знаний и навыков, полученных инструктируемыми. Лица, зна­ния которых оказались неудовлетворительными, подвергаются повторному инструктажу с обязательной последующей провер­кой знаний.

Повторный инструктаж проводится на рабочем месте лицом, ответственным за пожарную безопасность объекта, цеха, участ­ка, склада и т. д. Повторный инструктаж обязательно должен проводиться при переводе работников с одного участка на дру­гой применительно к особенностям пожарной опасности нового участка работы.

11.12. Для повышения общих технических знаний и ознаком­ления с правилами пожарной безопасности, вытекающими из особенностей технологического процесса производства, а также более детального обучения способам использования имеющихся средств пожаротушения с рабочими и служащими, работающи­ми на объектах с повышенной пожарной опасностью, проводятся занятия по пожарно-техническому минимуму.

Порядок и программа проведения занятий разрабатываются в соответствии с "Правилами пожарной безопасности в нефтя­ной промышленности" работниками отдела техники безопасности совместно с пожарной охраной и вводятся в действие прика­зом руководителя предприятия.

Занятия по пожарно-техническому минимуму проводятся один раз в год. По окончании прохождения программы пожарно-технического минимума от рабочих и служащих должны быть приняты зачеты.

11.13. Каждый работающий на объекте системы сбора и внутрипромыслового транспорта нефти и газа (независимо от занимаемой должности) обязан четко знать и строго выполнять установленные правила пожарной безопасности, не допускать действий, которые могут привести к пожару или загоранию.

11.14. Для установления и поддержания надлежащего режи­ма эксплуатации все здания, сооружения и помещения на объ­ектах систем сбора и внутрипромыслового транспорта нефти и газа должны классифицироваться по степени огнестойкости, иметь категорию взрывопожарной и пожарной опасности соглас­но СНиП 2.01.02-85 и ОНТП 24-86, а помещения классифициру­ются в соответствии с "Правилами устройства электроустано­вок" (ПУЭ).

11.15. Объекты системы сбора и внутрипромыслового транс­порта нефти и газа должны быть оборудованы телефонной и ра­диосвязью, электрической пожарной сигнализацией в соответ­ствии с "Противопожарными техническими условиями строи­тельного проектирования предприятий нефтегазодобывающей промышленности" и "Перечнем зданий, помещений и соору­жений Миннефтегазпрома, подлежащих оборудованию уста­новками автоматического пожаротушения и пожарной сиг­нализации".

11.16. Для предотвращения образования горючей среды необ­ходимо обеспечить согласно ГОСТ 12.1.004-85:

максимально возможное применение негорючих и трудногорючих веществ и материалов;

ограничение массы или объема горючих веществ, материалов и наиболее безопасное их размещение;

изоляцию горючей среды;

поддержание концентрации горючих газов, паров, взвесей и окислителя в смеси вне пределов их воспламенения;

достаточную концентрацию флегматизатора в воздухе защи­щаемого объекта;

поддержание температуры и давления среды, при которых распространение пламени исключается;

максимальную механизацию и автоматизацию технологиче­ских процессов, связанных с образованием горючих веществ;

установку пожароопасного оборудования по возможности в изолированных помещениях или на открытых площадках;

применение для горючих веществ герметичного оборудования и тары;

применение устройств защиты производственного оборудова­ния с горючими веществами от повреждений и аварий, установку отключающих, отсекающих и других устройств;

применение изолированных отсеков, камер, кабин и т. д.

11.17. На объектах систем сбора и внутрипромыслового транспорта нефти, газа и воды должны быть вывешены схе­мы противопожарного водоснабжения (если это предусмотрено проектом) с указанием мест установки пожарных гидрантов и кранов. В местах установки пожарного гидранта должен быть указатель с обозначением его номера и принадлежности.

11.18. Временные работы, связанные с нарушением полотна дорог, проездов и подъездов на территории объекта, допускают­ся с разрешения руководителя объекта при обязательном согла­совании с пожарной охраной и с указанием места, характера и срока работ, а также мест временных проездов.

11.19. Грозозащитные устройства и защитные заземления зданий, аппаратов и машин подлежат систематической проверке в установленные сроки.

11.20. На складах горючесмазочных материалов (ГСМ) и в других местах с наличием легковоспламеняющихся и горючих жидкостей должны быть вывешены плакаты с надписями: "Ог­неопасно!" и "Курить воспрещается!".

11.21. Проходы, выходы, лестничные клетки, тамбуры, кори­доры, запасные выходы и подходы к средствам пожаротушения не должны загромождаться.

11.22. Территории объектов предприятий, цехов, участков, складов должны быть ограждены забором из несгораемых ма­териалов и иметь не менее двух исправных въездов - основного и запасного.

Все дороги и проезды на территории необходимо содержать в свободном и исправном состоянии, своевременно ремонтировать, в темное время суток освещать, а в зимнее время очищать от снега.

Проезды и подъезды к пожарным водоемам, гидрантам, а также доступы к пожарному инвентарю и оборудованию должны быть всегда свободными и иметь твердое покрытие с уклоном, обеспечивающим естественный отвод ливневых и талых вод. В зимнее время гидранты должны быть утеплены.

11.23. Проезды и переходы через железнодорожные пути должны иметь сплошные настилы на одном уровне с головками рельсов, в районе сливо-наливных эстакад быть всегда свобод­ными. Стоянка вагонов без локомотивов на переезде запрещает­ся.

О закрытии отдельных участков дорог, проездов и переездов по различным причинам необходимо уведомить пожарную охра­ну.

11.24. Не допускается загрязнение и скопление на террито­рии нефти. Места, где разлилась нефть, должны немедленно за­чищаться путем снятия слоя земли на глубину, превышающую на 1-2 см пропитанный нефтью грунт. Образовавшаяся выемка должна быть засыпана песком.

11.25. Отходы производства и мусор следует регулярно уби­рать и вывозить с территории объекта.

Сжигание на территории объекта отходов и мусора, а также курение запрещаются, о чем на видных местах должны быть вывешены предупреждающие и запрещающие знаки.

11.26. Движение автотранспорта и спецтехники по террито­рии объектов систем сбора и внутрипромыслового транспорта нефти, газа и воды, где возможно образование взрывоопасной смеси, разрешается только при оборудовании выхлопной трубы двигателя искрогасителем.

11.27. В каждом производственном здании на видном месте должны быть вывешены планы эвакуации людей на случай по­жара или аварии, согласованные с местными органами пожар­ной охраны и утвержденные руководителем объекта.

11.28. В системе сбора и внутрипромыслового транспорта нефтяного газа должны приниматься все меры к его полезной утилизации и сокращению сброса газов на факел. Допускается сжигание в факелах аварийных сбросов нефтяного газа, сбросов газа от предохранительных клапанов технологического оборудо­вания и трубопроводов.

Для сброса нефтяных газов, содержащих сероводород в коли­честве более 8 % весовых, необходимо предусматривать отдель­ную факельную систему.

11.29. Для воспламенения сбросных газов и обеспечения ста­бильного горения факельная установка должна быть оборудована дистанционным электрозапальным устройством, подводя­щим трубопроводом топливного газа и дежурной горелкой, ко­торая должна постоянно гореть.

Перед вертикальным стволом факела на горизонтальном участке газопровода (факельного трубопровода) должен быть установлен огнепреградитель, доступный для осмотра и ремон­та.

11.30. Порядок проведения работ по продувке и испытанию трубопроводов устанавливается инструкцией, излагающей по­следовательность и способы выполнения работ, а также ме­ры техники и пожарной безопасности. Инструкция составляется строительно-монтажной организацией применительно к данно­му трубопроводу и согласовывается с заказчиком.

Инструкция по продувке и испытанию газопроводов газом не­пременно согласовывается с Государственной газовой инспекци­ей.

11.31. При эксплуатации факельных трубопроводов необходи­мо исключить возможность подсоса воздуха и образование в них взрывоопасных смесей, а также их закупорки ледяными пробка­ми.

Содержание кислорода в сбросных газах не должно превы­шать 50% от минимального взрывоопасного содержания кисло­рода.

11.32. Персонал, обслуживающий факельную систему, обязан:

поддерживать устойчивое горение дежурной горелки;

не допускать посторонних на территорию факельной систе­мы;

обо всех неполадках сообщать старшему по смене, который в свою очередь должен поставить в известность руководителя объекта, сделав одновременно запись в вахтенном журнале;

при аварии или пожаре в районе факельной системы вызвать пожарную охрану и газоспасательную службу.

11.33. Работники, выполняющие техническое обслуживание и ремонт трубопроводов, обязаны знать трассу трубопроводов, устройство и работу арматуры, пожароопасность транспорти­руемых веществ и материалов, а также правила пожарной безо­пасности и действия в случае пожара или аварии.

Для теплоизолированных трубопроводов дополнительно не­обходимо знать пожароопасность применяемых теплоизоляцион­ных материалов и способы их тушения, меры пожарной безопас­ности при проведении ремонтных и сварочных работ.

11.34. При обнаружении участков изоляции, пропитанной нефтью и нефтепродуктами, необходимо снять и заменить про­питанную изоляцию для предотвращения ее самовоспламенения.

11.35. Изменение действующих схем расположения трубопро­водов на предприятиях (объекте) без ведома и утверждения но­вой схемы главным инженером предприятия запрещается.

11.36. Ремонтно-восстановительное подразделение должно оснащаться необходимыми транспортными средствами, оборудованными искрогасителями, оборудованием, инструментом искробезопасного исполнения, необходимыми средствами пожаротушения.

11.37. Перед началом ремонтного сезона необходимо поста­вить в известность местные органы госпожнадзора о сроках про­ведения работ по капитальному ремонту действующего трубо­провода.

11.38. Мероприятия по обеспечению пожарной безопасности при проведении капитального ремонта подземных нефтепрово­дов должны выполняться с соблюдением "Правил пожарной бе­зопасности в нефтяной промышленности" и требований местной власти по вопросам пожарной безопасности.

11.39. Участки хранения, приготовления, нанесения грунтов­ки и гидротеплоизоляции должны находиться в специально от­веденных местах и оборудоваться первичными средствами по­жаротушения.

На данных участках категорически запрещается курение и использование открытого огня.

11.40. В случае возникновения пожара (аварии) следует не­медленно вызвать пожарную команду (аварийную бригаду), од­новременно приступив к ликвидации пожара (аварии) имеющи­мися в наличии силами и средствами.

11.41. Запорная и регулирующая арматура, устанавливаемая на трубопроводах для газов, легковоспламеняющихся жидкостей с температурой вспышки ниже 45° С и вредных веществ незави­симо от температуры и давления среды должна быть стальной.

11.42. Запрещается длительная эксплуатация трубопрово­дов, предназначенных для перекачки взрыво-, пожароопасных и агрессивных газов и продуктов, при наличии хомутов. Хомуты должны быть ликвидированы при первой же остановке трубо­провода на ревизию или ремонт.

11.43. Наземные трубопроводы должны быть уложены на опо­ры из несгораемого материала. Конструкция опор и компенсаторов не должна препятствовать перемещению трубопроводов при изменении их температуры.

Запрещается в качестве опорных конструкций использовать действующие трубопроводы.

11.44. В случае обмерзания аппаратов, трубопроводов, задви­жек, штуцеров отогревать их следует только горячей водой или паром.

Пар к трубопроводам для их отогрева должен подводиться с помощью съемных участков трубопроводов или гибких шлангов с установкой запорной арматуры с обеих сторон съемного участ­ка. По окончании работ эти участки трубопроводов или шланги должны быть сняты, а на запорной арматуре установлены за­глушки. Использовать открытый огонь для отогрева запреща­ется.

11.45. При прокладке трубопроводов с горючими жидкостями и газами в каналах и траншеях (открытых и закрытых) необ­ходимо осуществлять контроль за исправным состоянием раз­делительных глухих перемычек (диафрагм) из несгораемых ма­териалов в местах прохода траншеи и каналов через противо­пожарные стены, а также противопожарных отсыпок из песка или гравия длиной не менее 4 м на расстоянии друг от друга не более 80 м.

11.46. Трубопроводы, расположенные в цехе, а также на на­ружных установках, на эстакадах и в каналах, должны предста­влять собой на всем протяжении непрерывную цепь и присоеди­няться к заземляющим устройствам.

11.47. Трубопроводы, на которых будут проводиться огневые работы, должны быть остановлены, обесточены, освобождены от взрывоопасных, взрывопожароопасных и токсичных продук­тов, отключены заглушками от действующих аппаратов и ком­муникаций и подготовлены к проведению огневых работ соглас­но требованиям "Правил безопасности в нефтегазодобывающей Промышленности" и "Инструкции по подготовке оборудования к ремонтным работам".

11.48. Места проведения огневых работ и места установки сварочных агрегатов, баллонов с газами и бачков с горючей жид­костью должны быть очищены от горючих материалов в радиусе не менее 5 м.

Места, где разлиты лекговоспламеняющиеся и горючие жид­кости, должны быть тщательно очищены и засыпаны сухим пес­ком или грунтом.

11.49. Вакуумный газопровод перед сварочными работами следует полностью отключить со стороны отсоса газа и создать в нем необходимое избыточное давление газа.

11.50. Перед началом проведения огневых работ на трубопро­водах необходимо проветрить открытую траншею, из траншеи взять анализ воздуха для определения возможности ведения в ней огневых работ.

Места проведения огневых работ должны быть обеспечены необходимыми средствами пожаротушения.

11.51. Сварочные работы на отключенных трубопроводах допускаются, если концентрации горючих паров и газов в пробах, взятых из ремонтируемого участка, не превышают предельно допустимой взрывобезопасной концентрации (ПДВК) -5 % от величины нижнего предела воспламенения данного пара или га­за в воздухе при отсутствии в трубопроводах жидкой фазы и исключении возможности поступления горючих паров и газов к месту огневых работ.

11.52. Если во время ремонта будет обнаружено появление горючего продукта, работы, связанные с применением открыто­го огня, должны быть немедленно прекращены, а люди удалены на безопасное расстояние. Ремонт можно возобновить только по­сле проверки, если она выявит отсутствие опасной концентрации продукта.

 

12. ОХРАНА ОКРУЖАЮЩЕЙ СРЕДЫ

 

12.1. С целью охраны окружающей среды при проектирова­нии, строительстве и эксплуатации промысловых трубопроводов необходимо:

соблюдать действующие стандарты, нормы и правила в обла­сти охраны окружающей среды;

рационально использовать природные ресурсы;

систематически контролировать степень загрязнения водных акваторий, атмосферы и почвы вредными веществами (нефть, нефтепродукты, соленые воды, поверхностно-активные веще­ства и др.);

своевременно ликвидировать последствия загрязнения окру­жающей среды;

разрабатывать и планомерно осуществлять на всех уровнях управления производством мероприятия по охране окружающей среды и сокращению потерь нефти.

12.2. Все мероприятия по охране окружающей среды при строительстве промысловых трубопроводов должны быть вы­полнены в соответствии с рабочим проектом.

12.3. При проектировании и выполнении мероприятий по охране окружающей среды должны соблюдаться требования действующих законодательств о недрах, земле, лесе, об охра­не вод, леса, атмосферного воздуха, животного мира, памятни­ков истории и культуры, а также требования местных властей по охране природы и рациональному использованию природных ресурсов.

При разработке проектов строительства и реконструкции трубопроводов систем сбора нефти, газа и воды на промыслах в составе проектов должна быть дана оценка воздействия на окружающую среду (ОВОС) проектируемых и реконструируе­мых объектов.

ОВОС проводится с целью предотвращения деградации окру­жающей среды, восстановления нарушенных в результате пре­дыдущей хозяйственной деятельности природных систем, обес­печения эколого-экономической сбалансированности будущего хозяйственного развития, создания благоприятных условий жиз­ни людей, выработки мер, снижающих уровень экологической опасности объектов, и должна предшествовать принятию реше­ний об осуществлении того или иного проекта.

Оценка проводится в соответствии с "Временными   мето­дическими указаниями по составлению раздела "Оценка воздей­ствия на окружающую среду" в схемах размещения, ТЭО (ТЭР) и проектах разработки месторождений и строительства объек­тов нефтегазовой промышленности".

Заказчик и разработчик проекта проводят предварительное рассмотрение и обсуждение результатов ОВОС группой экспер­тов в рамках ведомственной экспертизы ТЭО и проектной доку­ментации, представителями общественности, чьи интересы за­трагивает реализация проекта.

Государственная экологическая экспертиза предпроектной и проектной документации в экспертных органах Министерства экологии является завершающим этапом рассмотрения резуль­татов ОВОС.

12.4. В проектах обустройства месторождений необходимо предусматривать мероприятия по охране окружающей среды при сооружении объектов и последующей их эксплуатации. Ре­шения по охране окружающей среды следует включать в проект отдельным разделом, а в сметах предусматривать необходимые затраты.

12.5. Для сохранения окружающей среды необходимо исполь­зовать в комплексе технологические, конструктивные и стро­ительные методы уменьшения воздействия трубопроводов на окружающую среду, сочетание которых принимается в зависи­мости от геологических (геолого-криологических) условий райо­на строительства, способа прокладки трубопровода, технологии и организации выполнения строительных работ.

12.6. Прокладка трубопроводов должна осуществляться, по возможности, на малоценных или непригодных для сельскохозяйственного использования землях, в коридорах с минимально необходимыми расстояниями между трубопроводами с привяз­кой к существующим трассам.

12.7. До начала прокладки трубопроводов следует предусма­тривать устройство сети промысловых автомобильных дорог (в районах распространения вечномерзлых грунтов, подверженных водной и ветровой эрозии, - грунтов с твердым покрытием). Такие дороги должны обеспечивать минимальные по площади нарушения естественных почв и растительности при транспор­тировке к сооружаемым объектам строительных материалов и техники.

12.8. Выбор трассы трубопровода, подъездных и вдольтрассовых дорог, а также мест складирования строительных ма­териалов следует осуществлять по инженерно-геологической (инженерно-геокриологической) карте, составленной в летнее время на основе предварительной схемы ландшафтного райони­рования.

12.9. Вопросы защиты окружающей среды должны прора­батываться и осуществляться на стадиях изысканий и проек­тирования трубопроводов. Изыскательские и подготовительные работы на участках вечномерзлых грунтов должны проводить­ся без нарушения почвенно-растительного слоя. При проектиро­вании насыпей необходимо предусматривать отсыпку грунта с возведенной насыпи. Для возведения насыпи следует применять уплотняемые грунты, хорошо фильтрующие воду.

12.10. На переходах трубопроводов через водные преграды для предотвращения гибели ихтиофауны и в целях охраны окру­жающей среды необходимо установить на обоих берегах от­ключающие задвижки для уменьшения попадания нефти в во­доемы в случае прорыва трубопровода.

12.11. При проектировании трубопроводов на участках вечномерзлых грунтов или при возможной активизации водной и ветровой эрозии следует предусматривать мероприятия, обеспечивающие максимальную сохранность естественных почв и растительности, а также проводить инженерную и биологическую рекультивацию, предотвращающую указанные процессы.

12.12. На участках, где возможно развитие водной эрозии и сползание грунтов вне зоны распространения вечномерзлых по­род, следует предусматривать осуществление противоэрозионных мероприятий, сооружение нагорных канав, глиняных замков в траншеях, лотков-быстротоков, противооползневых мероприя­тий.

12.13. Для наиболее ответственных трубопроводов, возводи­мых в сложных мерзлотно-грунтовых условиях с использова­нием новых конструктивных, технологических решений, обя­зательным является выполнение мероприятий по мерзлотному надзору (контролю за многолетнемерзлыми, промерзающими и оттаивающими грунтами). На стадии проектирования эти ме­роприятия должны в себя включать сбор и анализ данных о геокриологических условиях трассы, прогноз влияния этих условий на конструктивные и технологические проектные решения, про­гноз изменения геокриологических условий в результате строительства и эксплуатации нефтепровода, разработку проекта мероприятий по мерзлотному надзору. Последний включает в себя выбор участков трассы трубопроводов, на которых произ­водится мерзлотный надзор, выбор методов и средств для осу­ществления мерзлотного надзора (измеряемых параметров, пе­риодичность замеров, аппаратура, приспособления, инвентарь и т. д.), составление сметы затрат на проведение мерзлотного над­зора, обоснование этих мероприятий, в том числе с экономиче­ской стороны, включение мероприятий по мерзлотному надзору в проектно-сметную документацию.

12.14. При размещении, проектировании, строительстве и вводе в эксплуатацию новых и реконструируемых объектов, а также внедрении новых технологий, отрицательно влияющих на состояние земель, должны предусматриваться и осуществляться мероприятия по охране земель.

В соответствии с "Земельным кодексом Российской Фе­дерации" оценка отрицательного влияния на состояние зе­мель и эффективность предусмотренных защитных мероприя­тий производятся по результатам государственной санитарно-гигиенической и экологической экспертизы, без положительно­го заключения которых запрещается внедрение новой техники и технологий, строительство и реконструкция объектов.

12.15. Состав природоохранных мероприятий и их стоимость в полном объеме устанавливаются в разделах "Охрана окружаю­щей среды" в технико-экономическом обосновании или проекте сооружаемого объекта; попикетная привязка природоохранных мероприятий осуществляется в документации к профилю трас­сы.

12.16. Ответственность за полноту, качество и эффектив­ность разрабатываемых природоохранных мероприятий несет проектная организация.

12.17. Природоохранные мероприятия при строительстве должны дифференцироваться в соответствии с природными осо­бенностями регионов строительства. Рекомендуется следующая направленность природоохранных мероприятий:

в лесных районах усилия должны быть направлены на предотвращение возникновения или активизации процессов эрозии, заболачивания;

в пустынных районах - на предотвращение возникновения или активизации процессов техногенного опустынивания, перевеивания песков, загрязнения почв и вод строительными и бы­товыми отходами, горюче-смазочными материалами;

в горных районах - на ослабление или предотвращение про­цессов эрозии, сползания и осыпания грунтов на склонах;

при строительстве через водные преграды - главное не до­пустить загрязнения и засорения акваторий, размыва берегов, оскудения фауны водоемов, изменения гидрологического режи­ма водоемов;

при использовании вечномерзлых грунтов в качестве основа­ний трубопроводов следует отдавать предпочтение такому спо­собу прокладки, при котором вечномерзлые грунты оснований используются в мерзлом состоянии и в процессе строительства, а также в течение всего периода эксплуатации трубопровода.

12.18. В соответствии с "Законом РСФСР об охране окру­жающей природной среды" запрещается строительство, рекон­струкция объектов до утверждения проекта и отвода земельного участка. Не допускается изменение утвержденного проекта или стоимости проектных работ в ущерб требованиям экологической безопасности.

При выполнении строительных работ должны приниматься меры по охране природы, рациональному использованию при­родных ресурсов, рекультивации земель, благоустройству тер­ритории и оздоровлению окружающей природный среды.

Нарушение требований закона влечет за собой приостановле­ние строительных работ до устранения отмеченных недостат­ков по предписанию специально уполномоченных на то государ­ственных органов РФ с одновременным прекращением финанси­рования этих работ.

12.19. При строительстве объектов на участках возможной послестроительной активизации ветровой эрозии (выдувание песков и супесей) следует предусматривать ограничение дви­жения транспортных средств установленными маршрутами, закрепление нарушенных, подвергшихся выдуванию, участков песков при помощи механических и биологических методов закрепления, а также путем применения вяжущих веществ, которые не вызывают стойких загрязнений окружающей среды.

12.20. Необходимо предусмотреть организацию движения транспорта и средств механизации по специальным маршрутам, оборудованным указателями и заграждениями, предотвращаю­щими выезд транспорта на закрепляемый участок.

12.21. При проведении строительства на болотах следует предусматривать устройство водопропускных сооружений, обеспечивающих сохранность естественного стока вод с болотных мас­сивов.

12.22. Природовосстановительные работы должны осуще­ствляться специализированными строительными природоохран­ными управлениями.

Контроль за качеством проведения работ по предотвращению техногенного воздействия осуществляется в процессе строитель­ства.

12.23. Ответственность за соблюдение проектных решений по охране окружающей среды перед законом, государственны­ми контрольными органами системы Госкомприроды, а также за качество строительных работ и за соблюдение действующих нормативов на производство работ несет строительная органи­зация, осуществляющая прокладку трубопровода.

Предписания Госкомприроды подлежат безусловному выпол­нению строительными организациями.

12.24. Эксплуатация промысловых трубопроводов допускает­ся только после окончания строительства всех, предусмотренных проектом объектов, обеспечивающих охрану окружающей среды.

12.25. При сдаче трубопровода в эксплуатацию заказчик представляет землепользователю картографический материал по данным исполнительной съемки с указанием на нем истин­ного нахождения трубопровода, вдольтрассовых дорог, границ охранных зон, вертолетных площадок, переездов, подъездов к по­жарным водоемам, мест нахождения противопожарного инвен­таря и оборудования.

12.26. В соответствии с "Законом об охране окружающей при­родной среды", "Земельным кодексом Российской Фе­дерации " и "Водным кодексом Российской Федерации" предприятия, эксплу­атирующие промысловые трубопроводы, обязаны вести наблю­дения (мониторинг) за состоянием окружающей природной сре­ды для своевременного выявления изменений, их оценки, преду­преждения и устранения последствий отрицательного влияния объектов трубопроводов.

12.27. Необходимо осуществлять систематический контроль воды, воздуха и почвы с целью определения степени загрязнения и своевременного принятия мер по устранению причин и послед­ствий загрязнения.

Организация контроля за соблюдением нормируемого воздей­ствия объекта (предприятия) на окружающую среду произво­дится в соответствии с РД 39-0147098-015-90, РД 39-0147098-017-90, РД 39-0147098-025-91.

В соответствии с этими документами на местах аварийных разливов нефти контроль за состоянием почв путем отбора их образцов проводят два раза в год: весной - после оттаивания почвы и осенью. Контроль за состоянием воздуха и воды ведется в местах и в сроки, установленные РД 39-0147098-014-89, РД 39-0147098-025-91.

12.28. Наибольшая концентрация каждого вредного вещества в приземном слое атмосферы не должна превышать максималь­ной разовой предельно допустимой концентрации (ПДК) данного вредного вещества в атмосферном воздухе, установленной "Са­нитарными нормами проектирования промышленных предпри­ятий".

12.29. Предприятия добычи и внутрипромыслового транс­порта нефти, газа и воды (ДНС, КСП, ЦПС, ЦДНГ, ремонт­ные службы и т. д.), имеющие выбросы вредных веществ в атмосферу, разрабатывают нормативы предельно допустимых выбросов (ПДВ) и утверждают их в установленном порядке.

12.30. Для предотвращения утечек транспортируемых про­дуктов в атмосферу следует следить за максимальной герме­тизацией оборудования трубопроводов и запорно-регулирующей арматуры.

Для предотвращения утечек транспортируемых жидких про­дуктов ответвления, предназначенные для аварийных сбро­сов, должны заканчиваться герметичными фланцевыми за­глушками.

12.31. Для предотвращения загрязнения атмосферы транспортируемыми продуктами, содержащими токсичные вещества, следует предусматривать мероприятия, обеспечивающие сжига­ние аварийных выбросов в местах, где их распространение не может представлять угрозу для жизни и здоровья населения.

12.32. При неблагоприятных метеорологических условиях в кратковременный период загрязнения атмосферы, опасного для здоровья населения, предприятия должны обеспечить снижение выбросов вредных веществ, вплоть до частичной или полной остановки предприятия.

12.33. При размещении, проектировании, строительстве и вводе в эксплуатацию новых и реконструируемых объектов про­мысловых трубопроводов, а также при внедрении новых техноло­гических процессов, влияющих на состояние вод, в соответствии с "Водным кодексом Российской Федерации " должно обеспечи­ваться рациональное использование вод при условии первооче­редного удовлетворения питьевых и бытовых нужд населения.

Водопользователи, расположенные на объектах промысловых трубопроводов (установки предварительного сброса воды, про­мысловые водоводы, кустовые насосные станции и т. д), обязаны соблюдать установленные планы, технологические нормы и пра­вила водопользования, а также принимать меры по сокращению расхода воды и прекращению сброса сточных вод путем совер­шенствования технологии производства и схем водоснабжения.

Водопользователи обязаны:

рационально использовать водные объекты, заботиться об экономичном расходовании воды, восстановлении и улучшении качества вод;

принимать меры для полного прекращения сброса в водные объекты сточных вод, содержащих загрязняющие вещества;

не допускать нарушения прав, предоставленных другим водопользователям, а также нанесения ущерба хозяйственным и природным объектам;

содержать в исправном состоянии очистные и другие водохозяйственные сооружения и технические устройства, влияющие на состояние вод, улучшать их эксплуатационные качества, ве­сти в установленных случаях учет пользования водами.

Сброс в водные объекты промышленных, коммунально-бытовых, дренажных и других сточных вод может производить­ся только с разрешения органов по регулированию использова­ния и охраны вод и после согласования с органами, осуществля­ющими государственный санитарный надзор, охрану рыбных за­пасов, и другими заинтересованными организациями.

12.34. Очистные сооружения должны обеспечивать качество очистки согласно требованиям "Правил охраны поверхностных вод от загрязнения сточными водами".

12.35. Надлежит разрабатывать комплекс мероприятий (со­оружение амбаров, отстойников, защитных дамб обваловки тру­бопроводов) в местах, где аварийный выброс содержащих ток­сичные вещества жидких транспортируемых продуктов может привести к загрязнению природных вод (наземных, подземных, водоемов всех типов), а также сельскохозяйственных земель, тер­риторий населенных пунктов, мест отдыха заселения.

На линиях вероятного стока нефти при авариях на промысло­вых трубопроводах (ложбины, лощины) должны быть созданы запасы сыпучих материалов (грунт, гравий) для создания нефтеловушек с учетом объема потенциального стока.

12.36. На переходах через водные объекты следует поддержи­вать в исправном состоянии водопропускные сооружения и неиз­менность существующего до начала строительства природного стока, а также не допускать активизации русловых и береговых процессов рельефообразования.

12.37. На случай аварийных ситуаций на подводных перехо­дах через судоходные реки ниже по течению на расстоянии двух­часового стока необходимо создать запас средств по локализации и сбору нефти с поверхности.

12.38. Разлившаяся на поверхности водного объекта нефть должна быть локализована, собрана техническими средствами и способами, безвредными для обитателей водоема и не оказы­вающими вредного влияния на условия санитарно-бытового во­доснабжения, и отправлена на очистные сооружения.

12.39. Выжигание разлитой на поверхности воды нефти допускается как исключение с применением соответствующих методов и средств безопасности при невозможности сбора нефти.

12.40. Сельскохозяйственные земли и лесные угодья, нару­шенные или загрязненные нефтью, должны быть приведены в пригодное (по назначению) состояние.

Рекультивацию нарушенных земель необходимо проводить согласно РД 39-30-925-83. Рекультивация земель, загрязненных нефтью, проводится в соответствии с РД 39-0147103-365-86.

12.41. Запрещается сжигание разлившейся нефти непосред­ственно на поверхности пахотной почвы, а также засыпка за­грязненных нефтью пахотных земель песком или другими мине­ральными материалами.

12.42. Представленные нефтегазодобывающему управлению во временное пользование сельскохозяйственные и лесные угодья и рекультивационные площади должны быть возвращены землепользователям в состоянии, пригодном для использования по назначению в соответствии с "Положением о порядке передачи рекультивированных земель землепользователям предприятия­ми, организациями и учреждениями, разрабатывающими место­рождения полезных ископаемых и торфа, проводящими геоло­горазведочные, изыскательские, строительные и иные работы, связанные с нарушением почвенного покрова".

12.43. В зоне распространения вечномерзлых грунтов необ­ходимо осуществлять мероприятия по теплоизоляции грунтов с нарушенными почвами и растительностью, по предотвращению ливневого стока, приводящего к оврагообразованию, залужение нарушенных участков, поддерживать на должном уровне дре­наж и сток воды.

12.44. Необходимо осуществлять мероприятия по мерзлотно­му надзору, проводимому с целью прогноза изменения простран­ственного положения трубопроводов, вызванного тепловым и ме­ханическим взаимодействием их с окружающими вечномерзлыми грунтами, оценки и своевременного обеспечения эксплуата­ционной надежности трубопроводов, определения степени техногенного воздействия на окружающую среду.

12.45. Мерзлотному надзору подлежат участки трассы с наи­более сложными мерзлотными инженерно-геологическими и технологическими условиями, к которым относятся:

участки, сложенные грунтами с относительной осадкой при оттаивании более 0,4 и пучинистыми грунтами;

участки, расположенные в зоне перехода от талых грунтов к вечномерзлым или наоборот;

участки трассы с наиболее высокими эксплуатационными нагрузками;

экспериментальные участки.

12.46. Нефтегазодобывающие предприятия и их работники обязаны соблюдать правила хранения, транспортировки и при­менения химических веществ, используемых в процессах сбора, подготовки и транспорта нефти, газа и воды (ПАВ, ингибиторы коррозии и т.д.) в соответствии со списком химических пре­паратов, разрешенных к применению Государственным коми­тетом санитарно-эпидемиологического надзора при Президенте Российской Федерации.

Применение новых химических веществ, способных оказать прямое или косвенное влияние на здоровье человека, допускается только с разрешения этого комитета.

12.47. Производственные объединения и нефтегазодобываю­щие управления должны осуществлять ведомственный контроль за состоянием окружающей среды на территории, которая вхо­дит в зону их деятельности, предусматривающий: соблюде­ние требований законодательных и нормативных документов по охране окружающей среды; выполнение природоохранных меро­приятий в соответствии с годовыми (перспективными) планами предприятий по охране окружающей среды; своевременное вы­явление и оценку источников загрязнения, разработку меропри­ятий по их устранению и ликвидации последствий загрязнения окружающей среды, систематическое наблюдение (отбор проб, проведение анализов) за качеством сточных вод и соблюдением норм предельно допустимых сбросов, а также за качеством ат­мосферного воздуха.

12.48. Эксплуатирующие организации должны представлять ежемесячный отчет по загрязнению окружающей среды от ава­рий на промысловых трубопроводах в соответствии с разделом 9 настоящих Правил. При этом ущерб следует определять в со­ответствии с РД 39-069-91.

12.49. Должностные лица и иные виновные работники не­сут дисциплинарную, материальную или уголовную ответствен­ность за невыполнение правил, планов и мероприятий по охране природы и рациональному использованию природных ресурсов, за нарушение нормативов качества окружающей природной сре­ды и требований природоохранительного законодательства.

 

13. ТЕХНИЧЕСКАЯ ДОКУМЕНТАЦИЯ

 

13.1. При эксплуатации промысловых трубопроводов ведется следующая оперативная документация:

перечень ответственных трубопроводов, на которые соста­вляется паспорт (прил. 1). Паспорт трубопровода составляет­ся на систему трубопроводов одного назначения, максимально ограниченную по объему отдельной ветвью нефтесбора. Разбив­ка трубопроводов по паспортам производится по усмотрению ру­ководства цеха. К паспорту прилагаются:

схема трубопровода с указанием диаметра и толщины стен­ки, исходной и отбраковочной толщины элементов трубопровода, мест установки арматуры, фланцев, заглушек и других деталей, установленных на трубопроводе, места спускных, продувочных и дренажных устройств, сварных стыков;

акты ревизии и отбраковки трубопроводов (прил. 3);

удостоверения о качестве ремонтов трубопроводов (первич­ные документы, подтверждающие качество примененных при ремонте материалов и качество сварных стыков и т. д.);

акты периодического наружного осмотра трубопровода;

акты испытания трубопровода на прочность и плотность (прил. 4);

акты на ремонт и испытание арматуры (прил. 5);

эксплуатационный журнал трубопроводов (ведется для трубопроводов, на которые не составляют паспорт);

журнал установки -снятия заглушек (прил. 2);

результаты проверки знаний сварщиков;

заключения о качестве сварных стыков.

13.2. При расследовании происшедшей аварии составляется акт технического расследования (см. п. 9.2) в соответствии с формой из прил. 15.

13.3. Все аварии вне зависимости от времени, затрачиваемого на их ликвидацию, и вида отказа необходимо зарегистрировать в журнале учета отказов (прил. 16).

 

 

ПРИЛОЖЕНИЕ 1

 

ПАСПОРТ ТРУБОПРОВОДА

 

Наименование предприятия ______________________________________________________

 

_______________________________________________________________________________

 

Цех ___________________________________________________________________________

 

Наименование и назначение трубопровода _________________________________________

 

_______________________________________________________________________________

 

Год пуска в эксплуатацию _______________________________________________________

 

Общая протяженность трубопровода, км ___________________________________________

 

Рабочая среда __________________________________________________________________

 

Рабочие параметры: давление ____________________________________________________

 

                                   температура ________________________________________________

 

 

 

 

№ п/п

Наименование участка или обозначение его

на схеме

Наружный диаметр

и толщина стенки

трубы, мм

Протяженность

участков

трубо­провода, м

 

 

 

 

 

 

Перечень схем, чертежей и других документов, предъявляемых при сдаче трубопроводов в эксплуатацию, предусмотренных СНиПом, действующими Правилами, специальными техническими условиями или проектом

 

______________________________________________________________________________

(с указанием места хранения документов или с приложением их копий)

______________________________________________________________________________

 

______________________________________________________________________________

 

______________________________________________________________________________

 

 

 

ДАННЫЕ О МОНТАЖЕ

 

(заполняется для вновь вводимых трубопроводов)

 

Трубопровод смонтирован _______________________________________________________

             (наименование монтажной организации)

 

в полном соответствии с проектом, разработанным _________________________________

 

______________________________________________________________________________

 

______________________________________________________________________________

(наименование проектной организации)

 

по рабочим чертежам ___________________________________________________________

                       (номера чертежей)

 

Род сварки, применявшейся при монтаже трубопровода _____________________________

 

______________________________________________________________________________

 

Данные о присадочном материале ________________________________________________

 

______________________________________________________________________________

(тип, марка, ГОСТ или ТУ)

 

Сварка трубопровода произведена в соответствии с требованиями РД 38.13.004-86 сварщиками, прошедшими испытания в соответствии с "Правилами испытания электросварщиков и газосварщиков", утвержденными Госгортехнадзором России

_____________________________________________________________________________

 

______________________________________________________________________________

 

______________________________________________________________________________

 

Данные о материалах, из которых изготовлен трубопровод:

 

А. Сведения о трубах и сварных фасонных деталях

 

№ п/п

Наименование элемен­тов, их расположе­ние

на схеме

Размеры

Марка стали

ГОСТ или ТУ

 

 

 

 

 

 

 

Б. Фланцы и крепежные детали

 

№ п/п

Наименование элемен­тов, их расположе­ние

на схеме

Размеры, давление условное

Марка

ГОСТ или ТУ

 

 

 

 

 

 

 

В. Арматура и фасонные детали (литые и кованые)

 

№ п/п

Наименование элемен­тов, их каталожное обозначение, располо­жение на схеме

Размеры, давление условное

Материал

ГОСТ или ТУ

 

 

 

 

 

 

 

 

РЕЗУЛЬТАТЫ ИСПЫТАНИЯ

 

(заносятся данные последних испытаний)

 

 

 

Трубопровод испытан на прочность гидравлическим (пневматиче­ским) пробным давлением ____________________________________________________________________

______________________________________________________________________________

При давлении _________________________________________________________________

трубопровод был осмотрен; обнаружено __________________________________________

______________________________________________________________________________

______________________________________________________________________________

______________________________________________________________________________

При испытании на плотность давлением ___________________________________________

трубопровод выдержал при этом давлении __________________________________ часов

Падение давления за время испытания, отнесенное к одному числу сосотавило _________________________________________________________________ % в час.

_

 

 

ЗАКЛЮЧЕНИЕ

 

Трубопровод изготовлен и смонтирован в соответствии с действу­ющими правилами и нормами и признан годным к работе ____________________________________________________________________________________________________________

____________________________________________________________________________________________________________

____________________________________________________________________________________________________________

____________________________________________________________________________________________________________

 

Подпись владельца трубопровода ______________________________________________________________________________

(должность, Ф. И О)

 

Подпись представителя монтажной

организации (обязательна только

для вновь вводимых трубопроводов) ___________________________________________________________________________

(должность, Ф. И. О)

 

Лицо, ответственное за безопасную

эксплуатацию трубопровода

 

Номер и дата при­каза

о назначении

Фамилия, имя, отчество, должность

Подпись ответственного лица

 

 

 

 

 

 

Запись о ремонте и переустройстве трубопровода

 

Дата

Основание

Характер произведенных

работ

 

 

 

 

 

 

Запись результатов освидетельствования

и ревизии трубопроводов

 

Дата

Результат

освидетель­ствования, ревизии

Срок следующего освидетельство­вания, ревизии

Подписи ответственных лиц, производивших освидетельствование

 

 

 

 

 

 

 

Формуляр

замера деталей трубопровода

 

Номера точек

по схеме

Первоначаль­ный диаметр

и толщина, мм

Отбрако­вочный размер, мм

Толщина

по про­меру, мм

Метод заме­ра

Подпись

Приме­чание

 

 

 

 

 

 

 

 

 

 

Результаты ультразвуковой толщинометрии и

прогнозирования внутренней коррозии

 

1. Контролируемый участок: начало ________________________________________________________________________

              конец _________________________________________________________________________

 

2. Расположение контрольных отрезков:

 

Номер отрезка

Координата

Длина, м

 

 

 

 

 

 

Результаты измерений и прогноза

 

 

Значения

Наработка

до отказа,

Дата

наблюдаемые

прогнозируемые

 

лет

 

максимальная глубина, мм

скорость коррозии, мм/год

максимальная глубина, мм

скорость коррозии, мм/год

 

 

 

 

 

 

 

 

 

 

СХЕМА ТРУБОПРОВОДА

 

Вносится схема конкретного объекта

 

РЕГИСТРАЦИЯ ТРУБОПРОВОДА

 

 

Трубопровод зарегистрирован за № _______________________________________________

в ОГМ ________________________________________________________________________

В паспорте пронумеровано ______________________________ страниц и прошнуровано

всего _______________________     _______________________________________ листов.

_____________________________________    _______________________________________

        (должность, Ф. И. О. регистрирующего лица)                              (подпись)

"________" ________________ 19      г.

 

 

ПРИЛОЖЕНИЕ 2

 

ЖУРНАЛ УЧЕТА УСТАНОВКИ - СНЯТИЯ ЗАГЛУШЕК

 

В цехе ______________________________________________________________ НГДУ _______________________________

 

 

п/п

Дата уста­новки

за­глушки

Точное место установки заглушки на трубопро­воде (номер по схеме)

Номер партии заглушки РУ, ДУ

Должность, Ф. И. О. лица, давшего

указа­ние на установ­ку заглушки

Подпись

Дата сня­тия

заг­лушки

Должность, Ф. И. О. липа, давшего

указа­ние на снятие заглушки

Подпись

 

 

 

 

 

 

 

 

 

 


 

 

ПРИЛОЖЕНИЕ 3

 

УТВЕРЖДАЮ

Главный механик НГДУ

_________________________

"____" ____________ 19 __ г.

 

АКТ

РЕВИЗИИ И ОТРАБОТКИ ТРУБОПРОВОДОВ

 

по цеху ___________________ в период с ___________________ по ______________ 19   г.

Произведена ревизия трубопроводов______________________________________________

Результаты ревизии приведены ниже._____________________________________________

 

№ п/п

Наименование

и назначение трубопровода.

Среда

Рабочие

параметры

Категория тру­бопро- вода

Испол­нитель

Сроки устра­нения

 

Подробное описание

ха­рактера

выяв­ленных дефек­тов и место их расположе­ния

 

давле­ние Р, МПа

темпе­ратура

t, °С

 

 

дефек­та

 

 

 

 

 

 

 

 

 

 

Начальник ОТН ______________________

Начальник цеха ______________________

Механик цеха ________________________

Инженер ОТН _______________________

 

Примечание. К акту должны быть приложены квалифицированно составленные эскизы по каждому дефектному участку трубопровода для передачи его исполнителю с указанием на нем:

а) наименования трубопровода и параметров его работы;

б) точного расположения дефектного участка, подлежащего замене;

в) вида трубы, ее материала и размеров;

г) типа и материала на фланцы, шпильки, прокладки, опоры;

д.) размера и материала на фитинги и детали врезок (ответвлений);

е) марок сварочных материалов.

 

 


ПРИЛОЖЕНИЕ 4

 

АКТ ИСПЫТАНИЯ ТРУБОПРОВОДОВ НА ПРОЧНОСТЬ И ПЛОТНОСТЬ

 

НГДУ ________________________________________________________________ Цех _______________________________________________________________.

 

____"____________________ 19____ г.

 

Произведено испытание ниже перечисленных трубопроводов

 

 

 

Наименование

 

Рабочие

Вид испытания

 

п/п

трубо­провода

параметры

на прочность

 

на плотность

 

 

 

давле­ние Р, МПа

темпе­ратура t, °С

гидравличес­кое или пнев­матическое

испытатель­ное давле­ние, Ри, МПа

продолжи­тельность испытания, ч

гидравличес­кое или пнев­матическое

испытатель­ное давле­ние, Ри, МПа

продолжи­тельность испытания, ч

 

 

 

 

 

 

 

 

 

 

 

 

Трубопроводы, перечисленные в настоящем акте, испытание выдержали и могут быть допущены к дальнейшей эксплуатации.

 

Начальник цеха                                                                                                                                                                     Механик цеха

 

 

ПРИЛОЖЕНИЕ 5

 

АКТ НА РЕМОНТ И ИСПЫТАНИЕ АРМАТУРЫ

 

в период с ____ _____________ 19_________________г.    по ________ _______________ 19__________________г.

 

Произведены ремонт и испытание ниже перечисленной арматуры

 

п/п

Наименова­ние, номер, шифр арматуры

Наименова­ние трубо­провода, место уста­новки

арма­туры

Отметка о ремонте,

связанном со сваркой

Сведения

о замененных деталях и их

материал

Арматура испытана

Приме­чание

Ф. И. О. сварщика

и № его удосто­верения

сведения о свароч­ных ма­териалах,

№ серти­фиката и качество сварки

сведения о термо­обработ­ке

на проч­ность давлением Р1, МПа

на плот­ность давлением Р1, МПа

 

 

 

 

 

 

 

 

 

 

 

 

Заключение. Ремонт и испытание арматуры произведены в соответствии с требованиями "Правил по эксплуа­тации, ремонту и отбраковке внутрипромысловых трубопроводов". Арматура испытание выдержала и может быть допущена к дальнейшей эксплуатации в соответствии с паспортными данными.

 

Начальник цеха (производившего ремонт)

Ответственный исполнитель

Лицо, принявшее арматуру из ремонта


 

 

ПРИЛОЖЕНИЕ 6

 

Основные технические характеристики

и области эффективного применения

материалов для антикоррозионной

изоляции внутренней поверхности трубопроводов

 

Защищаемая система

Тип агрессивной среды

Температура, °С

Рекомен­дуемые покрытия

(ГОСТ, ТУ).

Тех­нология нанесения

Толщина покры­тия, ко­личест­во слоев

Разработчик технологии

 

1. Нефтесборные сети: новые, диаметром

114-159мм

 

 

Нефть, минерали-зованные воды с H2S, CO2, O2

 

До +40°С

 

Металлопластмассовые тру­бы (футерованные полиэтиле­ном), цеховая

 

 

-

 

ТатНИПИиефть

РД 39-3-1042-84

новые, диаметром

219-325 мм

 

То же

До +100°С

Остеклованне, цехо­вая

-

ТатНИПИнефть

РД 39-3-1138-84

2. Систе­ма поддержания пластово­го давления - сточные воды

Промысло­вые сточ­ные воды

с CО2, О2

До +40°С

Шпатлевка

ЭП-00-10.

ГОСТ 10277-76, полевая технология

250 -

300 мкм

3 слоя

ВНИИСПТнефть "Указания по выбору и примене­нию лако­красочных материалов и систем покрытия

 

То же

То же

Шпатлевка

ЭП-00-10.

ГОСТ 10277-76

250 -

300 мкм

2 слоя

для внут­ренней изоляции промысло­вых

трубо­проводов систем заводнения".

 РД 39-3-387-80

 

Эмаль

ЭП-5116.

ГОСТ 25366-82

1 слой

 

То же

До +40°С

Эмаль ЭП-5116. ГОСТ 25366-82, Полевой метод

350 -

400 мкм

3 слоя

 

 

То же

Шпатлевка

ЭП-00-10.

ГОСТ 10277-76-76

250 -

350 мкм

1 слой

 

 

Эмаль ЭП-755.

ТУ 6-10-717-76, Полевая технология

3 слоя

 

 

Содержащие

H2S до 100 мг/л

Эмаль ФЛ-62.

ТУ 6-10-1814-81, полевой метод

300 мкм

4 слоя

ВНИИСПТнефть "Инструкция по техноло­гии нанесе­ния поли­мерных покрытий на

 

То же

Шпатлевка

ЭП-00-10.

ГОСТ 10277-76

 

300 мкм

1 слой

 

 

внутреннюю поверхность промысловых трубопрово­дов,

 

 

 

Эмаль ФЛ-62.

Ту 6-10-1814-81, полевая технология

3 слоя

транс­портирующих сероводородсодержащие среды (до 100 мг/л)"

 

Подводящие водоводы D

219-325 мм

 

То же

До 100°С

Остеклование, цехо­вая

0,5 -

3,5 мм

ТатНИПИнефть

РД 39-3-1138-84

Разводя­щие водо­воды D

114-159 мм

До +40°С

Металлопластмассовые трубы (футерованные полиэтиле­ном), цеховая

 

 

ТатНИПИнефть

РД 39-0147-585-335-86

РД 39-0147585-336-86

3. Детали

насосов

Нефть, минерализо­ванные воды

с O2H2S, СО2

До +80°С

Эпоксидная компо­зиция ПЭП-177, серая. ТУ 22-74. Допускает­ся

ПЭП-971, серая.

ТУ 6-10-1604-77;

ЭП-49ДЗ.

ТУ 6-05-241-77-74;

Пентапласт мар­ки "А-2".

ТУ 6-95-1422-71

 

200 -

300 мкм

ТатНИПИнефть "Инструкция по техноло­гии нанесе­ния покрытий из порошко­вых материа­лов на цент­робежные на­сосы и арма­туру".

РД 39-3-493-80

РД 39-3-1314-85

 

 

ПРИЛОЖЕНИЕ 7

УТВЕРЖДАЮ

Главный механик НГДУ

_________________________

"____" ____________ 19 __ г.

 

ТЕХНОЛОГИЧЕСКИЙ РЕГЛАМЕНТ

НА ПРИМЕНЕНИЕ ИНГИБИТОРА

 

Объединение

 

НГДУ

 

Объект

 

 

Срок действия

регламента     с ___________________

                      до ___________________________

 

 

1. Характеристика объекта

1.1. Технологическая схема с указанием мест ввода ингибиторов и пунктов измерения скорости коррозии должна быть приведена на рисунке.

1.2. Характеристика основных трубопроводов

 

п/п

Начальный

Конечный пункт

Длина, м Диаметр,

Расход воды,

Давление, МПа

Темпе­ратура,

 

пункт

 

толщина стенки, мм

м3/сут

в начале

в кон­це

°С

 

 

 

 

 

 

 

 

 

 

2. Характеристика воды

2.1. Солевой состав, мг/л.

 

    

 

 

 

 

2.2. Концентрация растворенных газов, мг/л.

 

 

Содержание клеток СВБ

Концентрация механических примесей, мг/л

Концентрация нефти, мг/л

Водородный показатель (рН)

Плотность, кг/м3

 

3. Характеристика ингибитора

Марка

Агрегатное состояние

Цвет

Растворитель, входящий в состав ингибитора:

Плотность

Поверхностное натяжение на границе с водой, Н/м

Температура, °С

замерзания _______________________________________________________________________________________________

воспламенения _________________________ в открытом тигле __________________________________________________

 в закрытом тигле ___________________________________________________________________________________________

самовоспламенения _______________________________________________________________________________________

Вязкость, cст _____________________ при температуре, °С _____________________________________________________

Растворимость:

в воде ___________________________________________________________________________________________________

в спиртах ________________________________________________________________________________________________

в нефти __________________________________________________________________________________________________

в ароматических растворителях ______________________________________________________________________________

Пределы взрываемости паров растворителя с воздухом, % _______________________________________________________

4. Технология применения ингибитора

4.1. Непрерывная дозировка в защищаемую систему.

 

Место ввода

Удельный рас­ход, мл/м3

Производительность установки дозирования, л/ч

Суточный расход

ин­гибитора, л

 

 

 

 

 

 

Примечание. Выбирается соответствующая технологическому процессу форма таблицы.

 

4.2. Непрерывная дозировка с периодическим кратковременным увеличением концентрации.

 

Место закачки ингиби­тора

Удельный расход,

г/м3, при

Производительность дозировочных насосов,

л/ч, при

Продол­житель­ность закачки ударной

дозы, ч

Месяч­ный рас­ход ин­гибито­ра, т

Годовая потреб­ность, т

закачке ударной дозы

постоян­ной до­зировке

закачке ударной дозы

постоян­ной до­зировке

1

2

3

4

5

6

7

8

 

 

 

 

 

 

 

 

 

 

4.3. Периодическая обработка концентрированным раствором ингибитора.

 

Место закачки

Концентра­ция

Объем раствора ингибитора

Периодич­ность

Годовая потребность, т

ингибитора

раствора, г/м3

на одну обработку, м3

обработки, сут

в ингиби­торе

в раство­рителе

1

2

3

4

5

6

 

 

 

 

 

 

 

 

5. Пункты и методы измерения коррозионной агрессивности воды

 

5.1. Гравиметрический метод

 

Пункт измерения

Характеристика образца

Частота измере­ний, ед./год

Количество образцов

в год, шт.

Приме­чание

тип

марка металла

количество на одну замену

 

 

 

 

 

 

 

 

 

5.2. Электрохимический метод (для контрольных испытаний).

 

Пункт измерений

Тип датчика

Тип измерений

Частота измерений

Электрод

Частота замеров,

Потреб­ность в

марка метал­ла

коли­чест­во

ед./год

элект­родах

 

 

 

 

 

 

 

 

 

 

6. Техника безопасности и охрана окружающей среды

6.1. Класс опасности ингибитора по ГОСТ 12.1.007-76.

6.2. ПДК в воздухе рабочей зоны или безопасный ориентировочный уровень воздействия.

6.3. Способ и частота определения концентрации в воздухе.

6.4. Группа горючести по ГОСТ 12.1.004 -84.

6.5. Ограничения на допуск к работе с ингибитором (противопоказания).

6.6. Спецодежда.

6.7. Индивидуальные средства защиты.

6.8. Средства пожаротушения.

6.9. Меры оказания первой помощи при:

попадании химических веществ на кожу;

вдыхании паров;

попадании в глаза;

попадании в желудок.

6.10. Способ ликвидации разливов.

6.11. Указания по подготовке дозировочного оборудования к ремонтным работам.

ПРИЛОЖЕНИЕ 8

 

ХАРАКТЕРИСТИКИ И НАЗНАЧЕНИЕ ЭЛЕКТРОДОВ

ПРИ СВАРКЕ СТЫКОВ ТРУБ

 

Таблица 1

 

Электроды с покрытием основного вида для сварки и ремонта

поворотных и неповоротных стыков труб при любых условиях

прокладки трубопроводов

 

Электроды

 

Свариваемые трубы

назначение

тип по ГОСТ 9467-75

марка

диаметр, мм

толщина стенки, мм

нормативное значение временного сопротивле­ния разры­ву, МПА (кгс/мм2)

 

Для сварки, ремонта кор­невого слоя шва и подварки изнутри трубы

 

Э42А

 

УОНИ 13/45

 

2,0... 2,5

3,0

 

5... 8

6... 26

и более

 

До 490 (50)

включитель­но

 

Э50А

УОНИ 13/55

ЛБ-52У**

 

НИБАЗ 55

Супербаз

Фокс ЕВ50

ОК 48.04

ВСО-50СК*

2,0... 2,6

2,5... 3,25

5... 8

8... 26

и более

До 588 (60)

включитель­но

Для сварки и ремонта за­полняющих и

облицовочных слоев шва (после "го­рячего" про­хода элект­родами с целлюлоз­ным покрыти­ем или после

слоя электродами с основным покрытием)

Э42А

УОНИ 13/45

3,0... 4,0

5... 26

и более

До 431 (44)

включитель­но

Э50А

УОНИ 13/55

Гарант

Фокс ЕВ50

ОК 48.04

3,0... 3,25

 

 

4,0... 5,0

5... 8

 

 

6... 26

и более

До 539 (55)

Э60

ОЗС-ВНИИСТ 27**

ВСФ-65У

ОЭС-24**

 

 

 

 

 

Шварц-ЗК

3,0... 3,25

5... 8

539... 588 (55-60)

включи­тельно

 

 

ОК 7379

ЛБ-620

4,0... 5,0

6... 26

и более

539... 588

(55... 60)

включи­тельно

 

 

 

 

Э70

Нибаз 65

Кессель

5520 МПА

ВСФ-75***

ЛБ-65Д

 

ОК 74.78*

 

 

 

 

 

4,0... 5,0

 

 

 

 

10... 26

и более

 

 

 

 

588... 637

(60... 65)

 

_____________

Примечания:

1. Каждый диаметр (группа диаметров) электродов относится ко всем маркам электродов, сгруппированных согласно типу по ГОСТ 9467-75. Например, группа диаметров 2,0...2,6 относится ко всем маркам электродов типа Э50А от УОНИ-13/55 до ОК 48.04, то же самое для диаметров 3,0 и 3,25 мм.

2. Электроды ЛБ-52У и ВСО-50СК диаметром 3,0 мм -только для сварки кор­невого слоя шва (помечены одной звездочкой -*).

3. Электроды ОЗС-ВНИИСТ-27 и ОЗС-24 особо рекомендуются для наземной и надземной прокладки при низких температурах окружающего воздуха (помечены двумя звездочками -**).

4. Электроды ВСФ-75 предназначены для сварки стыков труб из термически упрочненных труб с нормативным пределом прочности 637 МПа (65 кгс/мм2). Электроды УОНИ-13/45 предпочтительно применять для сварки труб из низкоуглеродистых сталей типа ст. 20 (помечены тремя звездочками -***). Режимы сварки (сварочный ток) указаны на упаковке электродов.

 

 

Таблица 2

 

Электроды с покрытием целлюлозного вида для сварки

неповоротных стыков труб при подземной прокладке

трубопроводов

 

Электроды

 

Свариваемые трубы

назначение

тип по ГОСТ 9467-75

марка

диаметр,

мм

толщина стенки, мм

нормативное значение временного сопротивле­ния разры­ву, МПА (кгс/мм2)

 

Для сварки первого (корневого) слоя шва

 

Э42

 

ВСЦ-4

Фокс-Цель - 6010

Пайпвелд - 6010

Тиссен-Цель 70

 

3,0... 3,25

-

4,0

-

 

5... 8

-

-

-

 

До 588 (60)

6... 26

-

-

 

 

Э50

ВСЦ-4А

3,0... 3,25

5... 8

539... 637

(55... 65)

включи­тельно

 

 

Кобе-7010 Пайпвелд-7010

 

-

4,0

-

6... 26

и более

 

Для сварки второго слоя шва (горяче­го прохода)

Э42

ВСЦ-4

Фокс-Цель

Кобе-6010

3,0... 3,25

-

4,0

 

5... 8

-

10... 26

и более

 

До 588 (60)

 

Э50

ВСЦ-4А

-

-

-

 

Э60

ВСЦ-60

4,0... 5,0

6... 26

и более

539... 588

(55... 60)

Для сварки

заполняющих слоев

шва

 

Э60

ВСЦ-60

5,0

10.. 26

и более

539... 588

(55... 60)

включи­тельно

 

 

 

ПРИЛОЖЕНИЕ 9

 

РЕЖИМЫ СУШКИ (ПРОКАЛКИ) СВАРОЧНЫХ

МАТЕРИАЛОВ ПЕРЕД СВАРКОЙ

 

Тип и марка сварочных материалов

Температура, °С

Время выдержки, ч

 

Электроды:

 

Э42, Э50

 

 

 

+60...100

 

 

 

1,0

Э42А

+250

1,0

Э50А

+300

1,0

Э60, Э70

+350

1,5

 

Флюсы:

 

АН-348А

 

 

 

+200...300

 

 

 

1,5

АН-47

+300...350

1,5

АН-ВС

+300...350

1,5

ФЦ-16

+400...500

3,0...3,5

 

Порошковая проволока:

 

ПП-АН19

 

 

 

+230...250

 

 

 

2,0...3,0

ПП-АН24СМ

+200...230

1,5...2,0

ПП-АН30С

 

+200...230

1,5...2,0

_____________

Примечание. Электроды с целлюлозным покрытием, доставленные к ме­сту работы с неповрежденной герметической упаковкой (в жестяных банках или картонных коробках с герметизирующей пленкой), разрешается исполь­зовать по назначению без предварительной сушки.

 

 

ПРИЛОЖЕНИЕ 10

 

СРОК ХРАНЕНИЯ ЭЛЕКТРОДОВ

 

Сварочные материалы

Срок годности при хранении

в сухих по­мещениях, сут

 

Электроды с основным видом покрытия

 

2

Электроды с целлюлозным видом покрытия

 

5

 

 

 

ПРИЛОЖЕНИЕ 11

 

СБОРКА, СВАРКА

И КОНТРОЛЬ КАЧЕСТВА СВАРНЫХ

СОЕДИНЕНИЙ ТРУБОПРОВОДОВ

 

1. Перед сборкой и сваркой труб необходимо:

произвести визуальный осмотр поверхности трубы (при этом трубы не должны иметь недопустимых дефектов, регламентиро­ванных техническими условиями на поставку трубы);

очистить внутреннюю полость труб от попавших туда грун­та, грязи, снега;

выправить или обрезать деформированные концы и повре­ждения поверхности труб;

очистить до металла кромки и прилегающие к ним внутрен­нюю и наружную поверхности труб на ширину не менее 10 мм.

2. Допускается правка плавных вмятин на торцах труб глу­биной до 3,5 % диаметра труб и деформированных концов труб безударными разжимными устройствами. При этом на трубах из сталей с нормативным временным сопротивлением разрыву до 539 МПа (55 кгс/мм2) допускается правка вмятин и дефор­мированных концов труб при положительных температурах без подогрева. При отрицательных температурах окружающего воз­духа необходим подогрев на 100...150°С. На трубах из сталей с нормативным временным сопротивлением разрыву 539 МПа (55 кгс/мм2) и выше -с местным подогревом на 150...200°С при любых температурах окружающего воздуха.

Участки и торцы труб с вмятиной глубиной более 3,5 % диа­метра трубы или имеющие надрывы необходимо вырезать.

Допускается ремонт сваркой забоин и задиров фаски глуби­ной до 5 мм.

Концы труб с забоинами и задирами фасок глубиной более 5 мм следует обрезать.

3. При сборке труб с одинаковой нормативной толщиной стен­ки смещение кромок допускается на величину до 20 % толщины стенки трубы, но не более 3 мм при дуговых методах сварки и не более 2 мм при стыковой сварке оплавлением.

4. Непосредственное соединение на трассе разнотолщинных труб одного и того же диаметра и труб с деталями (тройниками, переходами, днищами, отводами) допускается при следующих условиях:

если разность толщин стенок стыкуемых труб или труб с де­талями (максимальная из которых 12 мм и менее) не превышает 2,5 мм;

если разность толщин стенок стыкуемых труб или труб с деталями (максимальная из которых более 12 мм) не превышает 3 мм.

Соединение труб или труб с деталями с большей разностью толщин стенок осуществляется путем вварки между стыкуемы­ми трубами или трубами с деталями переходников или вставок промежуточной толщины, длина которых должна быть не менее 250 мм.

При разнице в толщине труб до 1,5 толщины допускается непосредственная сборка и сварка труб при специальной разделке кромок более толстой стенки трубы или детали. Конструктив­ные размеры разделки кромок и сварных швов должны соответ­ствовать указанным на рис. 11.1.

 

 

Рис. 11. 1. Конструктивные размеры разделки кромок и сварных швов разнотолщинных труб (до 1,5 толщины стенки)

 

Смещение кромок при сварке разностенных труб, измеряе­мое по наружной поверхности, не должно превышать допусков, установленных требованиями п. 3 данного приложения.

Подварка изнутри корня шва разностенных труб диаметром 1000 мм и более по всему периметру стыка обязательна, при этом должен быть очищен подварочный слой от шлака, собраны и удалены из трубы огарки электродов и шлак.

 

 

ПРИЛОЖЕНИЕ 12

 

ТЕХНИЧЕСКИЕ ХАРАКТЕРИСТИКИ ЦЕНТРАТОРОВ

 

Таблица 1

 

Технические характеристики центраторов

эксцентрикового типа, ЦНЭ

 

Тип центратора

 

Масса центратора, кг

Диаметр труб, мм

 

ЦНЭ 16-21:

 

без приставки

 

 

 

11,7

 

 

 

168

с приставкой

14,7

219

 

ЦНЭ 27-32:

 

без приставки

 

 

 

13,9

 

 

 

273

с приставкой

17,7

325

 

ЦНЭ 37-42:

 

без приставки

 

 

 

15,5

 

 

 

377

с приставкой

 

19,3

426

 

 

Таблица 2

 

Технические характеристики центраторов

звенного типа ЦЗ

 

Марка

центратора

Масса центрато­ра, кг

Число звеньев

Диаметр труб, мм

 

ЦЗ 101

 

54

 

10

 

1020

ЦЗ 81

45

8

820

ЦЗ 71

40

8

720

ЦЗ 61

28

7

630

ЦЗ 51

 

25

6

529

 

 

Таблица 3

 

Технические характеристики внутренних

центраторов типа ЦВ

 

Параметры

 

ЦВ 31

ЦВ 5Н

ЦВ 81

ЦВ 104

ЦВ 124

ЦВ 144

 

Диаметр сты­куемых труб, мм

 

 

325

 

529

 

720-820

 

1020

 

1220

 

1420

Число центри­рующих рядов, шт.

 

2

2

2

2

2

2

Число жимков в одном ряду, шт.

 

6

6

9

12

16

16

Общее усилие на один то­рец, тс

 

18

41

60

60

80

80

Время разжа­тия одного центрирующего ряда, с

 

2

5

7

12

9

9

Габаритные размеры (без штанги), мм:

длина

 

 

2000

 

 

1700

 

 

2380

 

 

3265

 

 

3265

 

 

3265

диаметр

 

303

500

800

1000

1200

1400

Длина штанги, м

 

36,5

37

37

38,5

38,5

38,5

Масса центратора (без штанги), кг

 

215

289

760

1465

1670

1910

Масса штанги

 

115

195

195

250

250

250

 

 

 

ПРИЛОЖЕНИЕ 13

 

ТЕХНИЧЕСКИЕ ХАРАКТЕРИСТИКИ

ТЕРМОИНДИКАТОРНЫХ КАРАНДАШЕЙ

ПО ТУ 6-10-1110-76

 

Марка

каран­даша

Температура перехода, °С

Цвет штриха термоиндикаторных

карандашей

исходный

после воздей­ствия темпера­туры

 

110а

 

+110

 

Желтый

 

Оранжевый

110

+130

Желтый

Оранжевый

240

+240

Бирюзовый

Белый

140-440-525

+140

Розовый

Оранжевый

 

+440

Оранжевый

Темно-серый

 

+525

 

Темно-серый

Белый

 

 

ПРИЛОЖЕНИЕ 14

 

РЕКОМЕНДУЕМЫЕ ЗНАЧЕНИЯ СВАРОЧНОГО ТОКА

ДЛЯ РАЗЛИЧНОГО ВИДА ПОКРЫТИЙ ЭЛЕКТРОДОВ

И РАЗЛИЧНЫХ ВИДОВ СВАРКИ

 

Таблица 1

 

При сварке электродами с основным видом

покрытия способом "на подъем"

 

Диаметр элек­трода, мм

Сварочный ток (А) в зависимости от пространственного

положения шва

нижнее

вертикальное

потолочное

 

2,0...2,5

 

50...90

 

40...80

 

40...50

3,0...3,25

90...130

80...120

90...110

4,0

 

140...180

110...170

150...180

 

 

Таблица 2

 

При сварке электродами способом "на спуск"

 

Диаметр электрода, мм

Слой

Сварочный ток (А) в зависимости

от пространственного положения шва

нижнее

вертикальное

потолочное

 

Электроды с целлюлозным видом покрытия

 

3,0...3,25

1

90... 110

90... 110

80... 100

4,0

1

120... 160

120... 160

100... 140

4,0

Горячий проход

140... 180

150... 170

140... 170

5,0

Горячий проход, заполняющий слой

180... 200

200... 220

160... 180

 

Электроды с основным видом покрытия

 

3,0

 

1

80... 100

110... 130

90... 110

 

 

ПРИЛОЖЕНИЕ 15

 

АКТ

ТЕХНИЧЕСКОГО РАССЛЕДОВАНИЯ

НЕКАТЕГОРИЙНОГО ОТКАЗА ТРУБОПРОВОДА

 

УТВЕРЖДАЮ

Главный инженер

___________________________

(подпись, Ф. И. О.)

"____"_____________ 19____г.

 

от "_____" _________________ 19 __ г.

гор. ________________________

 

_________________________________________________________

(наименование трубопровода)

Составлен комиссией

Председатель ______________________________________________

(должность, Ф. И. О.)

Члены комиссии: 1._________________________________________

(должность, Ф. И. О.)

      2._________________________________________

(должность, Ф. И. О.)

      3._________________________________________

(должность, Ф. И. О.)

 

Комиссия установила:

 

Характеристика и свойства объекта

Данные расследования

отказа объекта

 

Дата возникновения отказа

Место отказа (пикет - ± м)

 

 

Техническая характеристика и условия эксплуатации нефтепровода

 

Дата ввода в эксплуатацию

Диаметр, толщина стенки, мм

Марка стали

Тип внутренней антикоррозионной защиты (по проекту и фактический)

Состояние наружной изоляции

Дата гидравлического испытания и величина давления (последнего), МПа

Проектное рабочее давление, Р раб.

Величина Р раб. в момент отказа, МПа

Характеристика грунта

Глубина заложения, м

Температура перекачиваемой жидкости, °С

Обводненность продукции фактическая, %

 

 

Характеристика ремонтно-восстановительных работ

 

Дата, время и способ обнаружения отказа

Время перекрытия аварийного участка ПТ

Время остановки перекачки

Время начала и конца вскрытия аварийного участка

Время окончания ликвидации отказа

Способ ликвидации отказа

Время возобновления перекачки

 

 

                                                                                                                                                      Причина отказа                         

                                                                                                                                                          Последствия отказа

 

Простой, ч

Затраты на ликвидацию отказа, тыс. руб.

Потери в добыче нефти, т; ее стоимость, тыс. руб.

 

Другие последствия отказа

Общий ущерб от отказа, тыс. руб.

Организация и должностные лица, виновные в отказе

 

 

Предлагаемые оргтехмероприятия и сроки их исполнения

 

Приложения к акту технического расследования

 

Эскиз (фото) разрушения с указанием размеров

Эскиз площади, залитой нефтью

Расчет потерь при добыче нефти

Справка о фактических затратах (с рас­четом затрат)

Исполнительная документация по ликви­дации отказа

Выписка из журнала оперативного учета работы промыслового трубопровода

Заключение научно-исследовательского института (лаборатории) об исследовании дефектных образцов (при необходимости)

Объяснительные записки и другие матери­алы (при необходимости)

 

 

 

Председатель комиссии

Члены комиссии

 

 


ПРИЛОЖЕНИЕ 16

 

ЖУРНАЛ УЧЕТА НЕКАТЕГОРИЙНЫХ ОТКАЗОВ

 

_______________________________________________

   (Предприятие, цех)

 

п/п

Наименование промыслового

трубо­провода

Характеристика трубопровода

Время

обна­ружения

отка­за, ч,

мин

Работы по ликвидации отказа

Время возобновления

ра­боты: число, месяц, ч, мин

Причи­на отказа

Последствия отказа

Сте­пень отказа

дата ввода

в экс­плуа­тацию

диа­метр, мм

рабо­чее давле­ние

Р раб, МПа

фактическое давле­ние, МПа

нача­ло, число, месяц

конец, число, месяц

поте­ри нефти, т

затра­ты на ликви­дацию

 

 

 

 

 

 

 

 

 

 

 

 

 

 

 

 

 

 

 

ПРИЛОЖЕНИЕ 17

 

ОТЧЕТ ОБ ОТКАЗАХ В СИСТЕМЕ НЕФТЕСБОРА

 

_________________________________________                           за ____________________________________

                    (НГДУ, объединение)                                                                                                             месяц, год

 

 

Наименование,

назначение

трубопровода

Количество отказов, шт.

Место разрушения

Потери нефти от недобора

                        от разлива  

 

Затраты

на ликвидацию отказов,

тыс. руб.

 

в том числе по причинам:

 

по телу

трубы

 

по

свар­ному

шву

 

в том числе по причинам:

всего

корро­зии

стро­ит. брака

наруш. правил экспл.

про­чие

всего

корро­зии

строит. брака

наруш. правил экспп.

прочие

 

Трубопроводы систем сбора нефти.

Всего

В том числе:

нефтесборные

коллекторы

 

 

 

 

 

 

 

 

 

 

 

 

 

 

 

внутрипромысловые напорные нефтепроводы

 

 

 

 

 

 

 

 

 

 

 

 

 

 

 

нефтепро­воды

 

товарной нефти

 

 

 

 

 

 

 

 

 

 

 

 

 

 

 

выкидные ли­нии

скважин

 

 

 

 

 

 

 

 

 

 

 

 

 

 

 

 

ПРИЛОЖЕНИЕ 18

 

СВЕДЕНИЯ ОБ ОТКАЗАХ В СИСТЕМАХ НЕФТЕСБОРА ПО ОТРАСЛИ

 

за __________________________________

        месяц, год

 

 

Название

объединения

Количество отказов, шт.

Место разрушения

Потери нефти от недобора

                       от разлива

 

Затраты

на ликвидацию отказов,

тыс. руб.

 

в том числе по причинам:

 

по те­лу

 

по свар­ному

 

в том числе по причинам:

всего

корро­зии

стро­ит. брака

наруш. правил экспл.

про­чие

трубы

шву

всего

корро­зии

строит. брака

наруш. правил экспл.

прочие

 

Общее коли­чество отказов по от­расли

В том числе по объедине­ниям:

 

 

 

 

 

 

 

 

 

 

 

 

 

1.Нижневартовскнеф-тегаз

 

 

 

 

 

 

 

 

 

 

 

 

 

2. Сургутнефтегаз

 

 

 

 

 

 

 

 

 

 

 

 

 

3.

 

 

 

 

 

 

 

 

 

 

 

 

 

4.

 

 

 

 

 

 

 

 

 

 

 

 

 

5.

 

 

 

 

 

 

 

 

 

 

 

 

 

Всего по Тю­менскому региону

 

 

 

 

 

 

 

 

 

 

 

 

 

9. Татнефть

 

 

 

 

 

 

 

 

 

 

 

 

 

10. Башнефть

 

 

 

 

 

 

 

 

 

 

 

 

 

11.

 

 

 

 

 

 

 

 

 

 

 

 

 

12.

 

 

 

 

 

 

 

 

 

 

 

 

 

 


 

 

ПРИЛОЖЕНИЕ 19

 

НАРЯД-ДОПУСК

НА ПРОИЗВОДСТВО РАБОТ ПОВЫШЕННОЙ ОПАСНОСТИ

 

 

Предприятие __________________________________________________________________

 

Цех (участок) _________________________________________________________________

 

1. Ответственный за производство работ _________________________________________

 

_____________________________________________________________________________

(должность, Ф. И. О.)

 

2. Место работ ________________________________________________________________

 

3. Содержание работ ___________________________________________________________

 

_____________________________________________________________________________

 

4. Ответственный за подготовку к работам ________________________________________

 

______________________________________________________________________________

(должность, Ф. И. О.)

 

5. Ответственный за проведение работ ____________________________________________

 

______________________________________________________________________________

(должность, Ф. И. О.)

 

6. Перечень и последовательность мероприятий и мер безопас­ности:

а) при подготовительных работах ________________________________________________

 

______________________________________________________________________________

 

б) при проведении работ ________________________________________________________

 

______________________________________________________________________________

 

7. Состав бригады и подписи инструктируемых о прохождении инструктажа:

 

 

п/п

Ф. И. О.

Профессия

Подпись инструктируемо­го

о прохожде­нии инструктажа

Подпись проводившего инструктаж

 

 

 

 

 

 

 

 

8. Начальник объекта (цеха), выдавший наряд-допуск _____________________________

 

____________________________________________________________________________

(дата, подпись)

 

9. Мероприятия, предусмотренные в пункте 6а выполнены ________________________

 

____________________________________________________________________________

(дата, подпись липа, ответственного за подготовку работ)

 

10. Рабочее место подготовлено к проведению работ ______________________________

 

____________________________________________________________________________

(дата, подпись лица, ответственного за подготовку работ)

 

11. Согласовано с представителем пожарной охраны (службы), техники

безопасности ________________________________________________________________

(подпись)

 

12. С нарядом-допуском ознакомлены ___________________________________________

 

____________________________________________________________________________

(подписи сменного инженера, дежурного щита автомашины, машиниста,)

 

____________________________________________________________________________

(оператора, электрика)

 

13. Разрешаю производство работ с _____ часов до _____часов

 

____________________________________________________________________________

(дата, подпись начальника объекта, цеха)

 

14. Наряд-допуск продлен на "_____" ______________ 19_____ г.

 

с _____ час    до _____ час.

 

Ответственный за проведение работ ____________________________________________

(подпись)

 

Ответственный за проведение работ ____________________________________________

(подпись)

 

Начальник объекта (цеха) _____________________________________________________

 

15. Работы по наряду-допуску окончены ________________________________________

(время, дата, подпись, ответственного за проведение работ)

 

16. Работы приняты, наряд-допуск закрыт. Начальник объекта (цеха)

 

____________________________________________________________________________

(дата, подпись)

 

 

ПРИЛОЖЕНИЕ 20

 

КАТЕГОРИИ УЧАСТКОВ ТРУБОПРОВОДОВ

 

Название

участка

трубопровода

Категория участка трубопровода

 

газопроводы

для бессернистого газа

газопроводы

для сероводородсодержащего газа

выкидные трубопроводы, нефтегазо-проводы, нефтепроводы и конденсато-проводы

трубопроводы систем заводнения при Рраб

более 10 МПа

Категория трубопровода

 

I

II

III

IV

I

II

III-IV

I

II

III-

IV

I

II

III-IV

 

1. Переходы че­рез водные преграды:

а) судоходные и несудоход­ные русловой части и прибрежные участки длиной не менее 25 м каждый (от средне меженного гори­зонта воды);

 

 

 

 

В

 

 

 

В

 

 

 

I

 

 

 

I

 

 

 

В

 

 

 

В

 

 

 

I

 

 

 

В

 

 

 

В

 

 

 

I

 

 

 

В

 

 

 

I

 

 

 

II

 

б) несудоход­ные с зерка­лом воды в межень до 25 м - в ру­словой части;

 

 

I

 

II

 

II

 

II

 

В

 

I

 

I

 

I

 

I

 

I

 

В

 

I

 

-

 

в) горные по­токи (реки);

 

 

В

 

I

 

II

 

II

 

В

 

I

 

I

 

I

 

I

 

I

 

В

 

I

 

II

 

г) поймы рек по горизонту высоких вод 10 % обес­печенности;

 

 

I

 

II

 

II

 

II

 

В

 

I

 

I

 

I

 

I

 

I

 

В

 

I

 

-

 

д) участки протяженно­стью 1000 м от границ го­ризонта высо­ких вод 10 % обес­печенности.

2. Переходы че­рез болота со­гласно СНиП III-42-80:

 

I

 

II

 

III

 

III

 

В

 

I

 

II

 

I

 

I

 

II

 

I

 

II

 

-

тип I

I

II

III

III

I

II

III

I

II

III

I

II

III

тип II

I

II

III

III

I

II

II

I

II

II

I

II

III

тип III

 

I

II

II

II

В

I

I

I

I

I

В

I

II

 

3. Переходы че­рез желез­ные и автомо­бильные дороги (на пе­регонах):

железные дороги общей сети, включая по обе сторо­ны дороги длиной 40 м каждый от осей крайних путей, но не менее 25 м от подошвы насыпи земляного по­лотна дороги

 

 

 

 

 

 

В

 

 

 

 

 

I

 

 

 

 

 

I

 

 

 

 

 

II

 

 

 

 

 

В

 

 

 

 

 

I

 

 

 

 

 

I

 

 

 

 

 

I

 

 

 

 

 

I

 

 

 

 

 

I

 

 

 

 

 

В

 

 

 

 

 

I

 

 

 

 

 

I

 

подъездные железные до­роги промышленных предприятий, включая участки по обе сторо­ны до­роги длиной 25 м каждый от осей край­них путей

 

 

В

 

I

 

II

 

III

 

В

 

I

 

II

 

I

 

II

 

II

 

I

 

II

 

III

 

автомобильные дороги

I и II категорий, включая участки по обе стороны дороги дли­ной 25 м ка­ждый от по­дошвы насы­пи или бровки выемки зем­ляного полот­на дороги

 

 

В

 

I

 

I

 

II

 

В

 

I

 

I

 

I

 

I

 

I

 

В

 

I

 

I

 

автомобильные дороги III, IV и IVп категорий, включал участ­ки по обе стороны дороги длиной 25 м ка­ждый от по­дошвы насы­пи или бровки выемки земляного по­лотна дороги

 

 

B

 

I

 

II

 

III

 

I

 

II

 

II

 

I

 

II

 

III

 

I

 

II

 

III

 

автомобиль­ные дороги V катего­рии, включая участ­ки по обе сто­роны дороги длиной 15 м от подошвы насы­пи или бровки выемки земляного по­лотна дороги

 

 

I

 

II

 

III

 

III

 

I

 

II

 

II

 

I

 

II

 

III

 

I

 

II

 

III

 

4. Трубопроводы на пол­ках в горной местности

 

 

I

 

II

 

III

 

III

 

I

 

II

 

II

 

I

 

II

 

III

 

I

 

II

 

III

 

5. Трубопроводы, прокладывае­мые в слабосвязанных барханных пес­ках в услови­ях пустынь

 

 

I

 

I

 

I

 

III

 

I

 

II

 

II

 

I

 

II

 

III

 

I

 

II

 

III

 

6. Трубопроводы прокладывае­мые на полив­ных и орошаемых землях

а) хлопковых и рисовых плантаций;

б) про­чих сельско­хозяйствен­ных культур

 

 

 

 

 

 

I

 

I

 

 

 

 

 

II

 

II

 

 

 

 

 

II

 

III

 

 

 

 

 

III

 

III

 

 

 

 

 

I

 

I

 

 

 

 

 

II

 

II

 

 

 

 

 

II

 

II

 

 

 

 

 

I

 

I

 

 

 

 

 

II

 

II

 

 

 

 

 

II

 

III

 

 

 

 

 

I

 

I

 

 

 

 

 

II

 

II

 

 

 

 

 

III

 

III

 

 

 

7. Переходы че­рез селевые потоки, конусы выно­сов и солонча­ковые грунты

 

 

I

 

II

 

II

 

III

 

I

 

II

 

II

 

I

 

II

 

II

 

I

 

II

 

III

 

8. Узлы запуска и при­ема очистных устройств, а также участ­ки тру­бопроводов по 100 м, примы­кающие к ним

 

 

В

 

I

 

I

 

I

 

В

 

I

 

I

 

I

 

I

 

I

 

-

 

-

 

-

 

9. Пересечения с подземными коммуника­циями (кана­лизацион­ными коллек­торами, оросительными системами, нефте-продуктопроводами, газо­проводами) в пределах 20 м по обе сторо­ны пересекае­мой коммуни­кации

 

 

I

 

II

 

II

 

II

 

I

 

II

 

II

 

I

 

II

 

II

 

В

 

I

 

III

 

10. Трубопро­воды, прокла­дываемые по подрабатыва­емым терри­тори­ям и террито­риям, подверженным карстовым явлениям

 

 

I

 

II

 

II

 

II

 

I

 

II

 

II

 

I

 

II

 

II

 

I

 

II

 

III

 

11. Переходы через овраги, балки, реки

 

 

-

 

I

 

II

 

III

 

III

 

В

 

I

 

II

 

I

 

II

 

III

 

-

 

-

 

12 Нефтепрово­ды и нефтепродуктопроводы, прокладываемые параллельно ре­кам с зерка­лом воды в межень 25 м и более, ка­налам, озерам и другим во­доемам, име­ющим рыбохозяйственное значение, а также выше населенных пунктов и промышлен­ных предпри­ятий на расстоянии от них до 300 м при диаметре труб 700 мм и менее;

до 500 м -при диаметре труб

до 1000 мм

включительно;

до 1000 м -при диаметре труб более 1000 мм

 

 

-

 

-

 

-

 

-

 

-

 

-

 

-

 

I

 

I

 

I

 

В

 

I

 

-

 

13. Трубопрово­ды на участ­ках подхода к НС, НПС, ГПЗ в преде­лах 250 м от ограждения

 

 

В

 

I

 

II

 

II

 

В

 

I

 

II

 

I

 

I

 

II

 

I

 

II

 

III

 

14. Узлы линей­ной запорной арматуры, за исключением участков ка­тегории В

 

 

I

 

II

 

II

 

II

 

I

 

II

 

II

 

I

 

II

 

III

 

I

 

II

 

III

 

15. Участки газо­проводов, примыкаю­щие к пло­щадкам сква­жин на рас­стоя­нии 150 м от ограждения

 

 

В

 

I

 

I

 

I

 

В

 

I

 

I

 

-

 

-

 

-

 

-

 

-

 

-

 

16. Газопроводы на расстоя­нии 250 м от линейной за­порной арма­туры и гребенок под­водных пере­ходов

 

 

I

 

II

 

II

 

II

 

I

 

II

 

II

 

-

 

-

 

-

 

-

 

-

 

-

 

17. Узлы

подключения трубопро­водов к межпромысловому коллектору длиной не ме­нее 15 м в каждую сто­рону от гра­ниц монтаж­ного узла

 

 

В

 

I

 

I

 

I

 

I

 

I

 

-

 

-

 

-

 

-

 

-

 

-

 

-

 

18. Пересечения с воздуш­ными линия­ми электропе­редачи высо­кого напряжения

 

 

В соответствии с требованиями ПУЭ

 

19. Трубопро­воды, прокла­дыва­емые по мор­ской эстакаде

 

 

В

 

I

 

I

 

I

 

-

 

I

 

I

 

I

 

I

 

I

 

-

 

-

 

-

 

20. Морские

подводные трубопроводы

 

 

В

 

В

 

В

 

В

 

В

 

В

 

В

 

В

 

В

 

В

 

В

 

I

 

II

 

21. Трубопроводы ввода -вывода, тран­зитные трубопроводы

 

 

В

 

В

 

В

 

В

 

В

 

В

 

В

 

-

 

-

 

-

 

-

 

-

 

-

 

22. Трубопроводы обвязки куста скважин

 

 

В

 

В

 

В

 

В

 

В

 

В

 

В

 

-

 

-

 

-

 

-

 

-

 

-

 

_____________

Примечания.

1. В местах пересечения трубопроводов с высоковольтной линией (ВЛ) 110 кВ и более должна предусматриваться только подземная прокладка под углом не менее 60°.

2. Тип болот следует принимать в соответствии с требованиями СНиП III-42-80

3. Действующие трубопроводы, находящиеся в удовлетворительном техническом состоянии (по заключению представителей заказчика строящегося трубопровода, эксплуатационной организации и соответствующего органа государственного надзора) при пересечении их проектируемыми трубопроводами, линиями электропе­редачи, а также подземными коммуникациями, указанными в позиции 10, не подлежат замене трубопроводами более высокой категории.

4. Действующие трубопроводы, пересекаемые строящимися железными и авто­мобильными дорогами, подлежат реконструкции в соответствии с позицией 3 та­блицы.

5. Категорию участков трубопроводов, прокладываемых в поймах рек, подле­жащих затоплению водохранилищем, следует принимать как для переходов через судоходные водные преграды.

6. При небольшой продолжительности подтопления паводковыми водами (ме­нее 20 дней) и незначительной глубине этого подтопления, позволяющей опера­тивное проведение аварийно-восстановительных работ на трубопроводах в случае их повреждения, выполнение требований позиций 1, г и 1, д для газопроводов не требуется.

 

 

ПРИЛОЖЕНИЕ 21

 

РАССТОЯНИЕ МЕЖДУ ОСЯМИ СМЕЖНЫХ ТРУБОПРОВОДОВ

И ОТ ТРУБОПРОВОДОВ ДО СТЕНОК КАНАЛОВ, ТОННЕЛЕЙ,

ГАЛЕРЕЙ И СТЕН ЗДАНИЙ, ММ

 

 

Диаметр условный Ду,

мм

Изолированные трубопроводы

Неизолированные трубопроводы

температура, °С

с фланцами в одной плоскости

при Ру, МПа

от 30

до +20

от +20

до +40

без фланцев

до 1,6

2,5 и  4

6,3

10

 

А

b1

А

b2

А

b3

А

b4

А

b5

А

b6

А

b7

 

 

10

 

150

 

100

 

150

 

100

 

60

 

30

 

100

 

70

 

100

 

70

 

110

 

80

 

110

 

80

15

150

100

150

100

60

30

100

70

100

70

110

80

110

80

20

170

120

180

130

70

40

110

80

110

80

120

90

120

90

25

180

130

190

140

70

40

110

90

110

90

120

100

120

100

32

180

130

200

150

70

40

120

100

120

100

130

100

130

100

40

180

130

200

150

80

50

130

100

130

100

140

110

140

110

50

210

160

230

180

80

60

130

110

130

110

140

120

150

130

65

240

190

270

220

90

60

140

120

140

120

150

130

160

140

80

250

200

280

230

100

70

150

130

150

130

160

130

170

140

100

310

240

340

270

110

80

160

140

170

140

180

150

190

160

125

350

280

370

300

120

100

180

150

190

160

200

180

210

180

150

360

290

380

310

130

110

190

170

200

180

220

200

230

200

175

380

310

420

350

150

130

210

180

230

200

240

210

250

220

200

390

320

430

360

160

140

220

190

240

210

260

230

270

240

225

420

350

440

370

170

150

240

210

260

230

270

240

290

260

250

440

370

460

390

190

160

260

230

280

250

290

260

330

300

300

500

420

510

430

210

190

280

260

310

280

320

290

350

320

350

550

470

550

470

240

210

310

290

340

310

350

330

380

350

400

630

530

610

510

260

240

340

320

380

360

390

360

410

390

450

680

580

650

540

290

270

370

350

390

370

450

430

-

-

500

730

630

670

570

320

290

410

380

440

410

520

490

-

-

600

780

680

720

620

370

340

470

450

500

470

-

-

-

-

700

820

720

760

660

410

380

510

480

550

530

-

-

-

-

800

920

800

860

740

490

450

590

550

650

610

-

-

-

-

1000

1070

900

1010

840

610

560

730

680

-

-

-

-

-

-

1200

1170

1000

1110

940

710

660

850

800

-

-

-

-

-

-

1400

 

1270

1100

1210

1040

810

760

950

900

-

-

-

-

-

-

_____________

Примечания.

1. При наличии на трубопроводах арматуры или обогревающих спутников, принятые по таблице расстояния А и bi следует назначать из условия необходимости обеспечения расстояний в свету между арматурой, спутника­ми и соседними трубопроводами не менее: для неизолированных трубопроводов при Ду до 600 мм -50 мм; для неизолированных трубопроводов при Ду свыше 600 мм и всех трубопроводов с тепловой изоляцией -100 мм.

2. Расстояние между нижней образующей труб или теплоизоляционной конструкцией и дном (полом) канала должно быть не менее 100 мм.

3. Расстояние В (между осями трубопроводов) определяют суммированием табличных размеров bi.

4. При расположении фланцев в разных плоскостях (вразбежку) расстояние между осями неизолированных тру­бопроводов следует определять суммированием расстояний b3 и b4 ¸ b7.

 

 


ПРИЛОЖЕНИЕ 22

 

ПРИМЕНЕНИЕ ТРУБ ИЗ РАЗНЫХ СТАЛЕЙ В ЗАВИСИМОСТИ

ОТ ТЕМПЕРАТУРЫ ЭКСПЛУАТАЦИИ И СТРОИТЕЛЬСТВА ТРУБОПРОВОДОВ

 

 

Марка стали

Минимальная температура стенки

труб при эксплуатации, °С

Минимальная температура стенки труб

или воздуха при строительных и монтажных работах трубопровода и остановке

трубопровода, °С

диаметр менее 530 мм,

давление до 32,0 Мпа (320 кгс/см2)

диаметр 530-820 мм, давление до 10,0 МПа (100 кгс/см2)

диаметр 1020-1420 мм, давление до 10 МПа (100 кгс/см2)

диаметр

до 530 мм

диаметр

530-1420 мм

 

толщина стенки, мм

 

до 10

10-30

до 12

12-32

до 32 мм

 

Ст. 20

 

До -20

 

До -10

 

-

 

-

 

До -40

 

-

Ст 3 сп

До -10

До -5

-

-

До -40

-

Ст. 4сп

До -10

До -5

-

-

До  -40

-

Ст. 10

До -30

До -20

-

-

До -60

-

Ст. 2 сп

До -20

До -10

-

-

До -40

-

10Г2

До -30

До -20

-

-

До  -60

-

09Г2С

До -30

До -20

До -20

-

До  -60

До -60

09Г2

До -40

До -20

До -20

 

До -60

До -60

17Г1СУ

-

-

До -10

До 0 и выше

 

До -40

17Г1С (спирально-шовные)

-

-

До -15

До -10

 

До -60

17Г2СФ

-

-

До -10

До 0 и выше

 

До -40

14ХГС

-

-

До -10

До 0

 

До -40

15Г2АФЮ

-

-

-

До -5

 

До  -40

10Г2Ф

-

-

-

До -15

 

До -60

09Г2ФБ

-

-

-

До -15

 

До -60

Х-70

-

-

-

До -15

-

До -60

09Г2СФ

-

-

-

До -15

-

До -60

08Г2СФБ

08Г2СФТ

-

-

-

До -15

-

До -60

13Г2АФ

-

-

-

До -5

-

До -60

10Г2ФБ-

-

-

-

До -15

-

До -60

10Г2ФТ-

-

-

-

До -15

-

До -60

Импортные стали с гарантирован­ной ударной вяз­костью на образцах КСV при Т = - 40° С

или на образцах КСV

при Т = 0° С

-

-

До -10

До 0

-

До -40

Импортные стали с гарантирован­ной ударной вязко­стью при Т = - 60° С

на образцах КСV

или на образцах КСV

при Т = 20° С

 

-

-

До -20

До -20

 

До -60

____________

Примечания.

1. Испытание трубопроводов должно производиться при температуре не ниже его эксплуатации.

2. Для труб с толщиной стенки до 10 мм допускается применение полуспокойной стали с температурой эксплуатации и строительства на 10° С выше указанной в таблице.


 

 

ПРИЛОЖЕНИЕ 23

 

ТРУБЫ СТАЛЬНЫЕ БЕСШОВНЫЕ

 

Диаметр

услов­ный Ду, мм

Диаметр Дн, мм

Толщина

стенки S, мм

Масса 1 м длины трубы, кг

 

10

 

14

 

1,6

 

0,49

 

 

3,0

0,81

15

18

1,6

0,65

 

 

2,0

0,79

 

 

3,0

0,96

20

25

1,6

0,92

 

 

2,0

1,13

 

 

2,5

1,39

 

 

3,0

1,63

25

32

2,0

1,48

 

 

2,5

1,76

 

 

3,0

2,15

32

38

2,0

1,78

 

 

2,5

2,19

 

 

3,0

2,59

 

 

4,0

3,35

40

45

2,5

2,62

 

 

3,0

3,11

 

 

4,0

4,04

50

57

3,0

4,0

 

 

4,0

5,23

 

 

5,0

6,41

65

76

3,5

6,26

 

 

4,0

7,10

 

 

5,0

8,75

 

 

6,0

10,36

80

89

3,5

7,38

 

 

4,0

8,38

 

 

5,0

10,36

 

 

6,0

12,28

 

 

8,0

16,72

100

108

4,0

10,26

 

 

5,0

12,70

 

 

6,0

15,09

 

 

8,0

19,73

125

133

4,0

12,73

 

 

5,0

15,78

 

 

6,0

18,79

 

 

8,0

24,66

 

 

10,0

30,33

150

159

4,5

17,15

 

 

6,0

22,64

 

 

8,0

22,79

 

 

10,0

36,75

 

 

12,0

45,28

200

219

6,0

31,52

 

 

8,0

41,63

 

 

10,0

51,54

 

 

12,0

61,26

 

 

16,0

83,26

250

273

7,0

45,92

 

 

8,0

52,28

 

 

10,0

64,86

 

 

12,0

77,24

 

 

16,0

101,41

300

325

8,0

62,54

 

 

10,0

77,68

 

 

12,0

92,63

 

 

16,0

121,93

 

 

20,0

155,36

350

377

9,0

81,68

 

 

12,0

108,02

 

 

16,0

125,33

 

 

20,0

159,36

400

426

10,0

102,59

 

 

12,0

122,52

 

 

16,0

161,78

 

 

 

 

ПРИЛОЖЕНИЕ 24

 

ТРУБЫ СТАЛЬНЫЕ ЭЛЕКТРОСВАРНЫЕ

 

Диаметр

услов­ный Ду, мм

Диаметр Дн, мм

Толщина стенки

S, мм

Масса 1 м длины трубы, кг

 

10

 

14

 

1,6

 

0,49

15

18

2,0

0,79

20

25

2,0

1,13

25

32

2,0

1,48

32

38

2,0

1,78

40

45

2,0

2,12

50

57

2,5

3,36

65

76

3,0

5,40

 

 

4,0

7,10

80

89

3,0

6,36

 

 

4,0

8,38

100

114

4,0

10,85

 

 

5,0

13,44

150

159

4,0

15,29

 

 

6,0

22,64

200

219

6,0

31,52

 

 

8,0

41,63

250

273

6,0

39,51

 

 

8,0

52,28

300

325

6,0

47,20

 

 

8,0

62,54

400

426

7,0

72,05

 

 

8,0

82,40

 

 

10,0

100,30

500

530

7,0

91,18

 

 

8,0

104,01

 

 

10,0

130,00

 

 

12,0

156,00

600

630

7,0

107,54

 

 

10,0

152,89

 

 

12,0

182,88

800

820

8,0

160,20

 

 

10,0

199,8

 

 

12,0

239,1

 

 

14,0

278,3

1000

1020

8,0

199,70

 

 

10,0

249,10

 

 

12,0

298,3

 

 

15,0

374,0

1200

1220

9,0

268,8

 

 

12,0

357,5

 

 

15,0

447,3

1400

1420

10,0

347,7

 

 

12,0

 

485,4

 

ПРИЛОЖЕНИЕ 25

 

АРМАТУРА ТРУБОПРОВОДНАЯ, РЕКОМЕНДУЕМАЯ ДЛЯ РАЗЛИЧНЫХ СРЕД

 

Давление условное

Ру, МПа (кгс/см2)

Температура дополнительная

tдоп, °С

 

Арматура

Диаметр условный Ду, мм

трубо­провода

арматуры

от

до

 

 

15

20

25

40

50

80

100

 

Среда -горючие сжиженные газы и ЛВЖ с температурой кипения ниже +45°С

 

1,6 (16)

1,6 (16)

40

+120

Краны проход­ные

-

-

-

-

КСР-16

КСР-16

КСР-16

1,6 (16)

1,6 (16)

40

+120

То же с пневмоприводом

-

-

-

-

КСП-16

КСП-16

КСП-16

1,6 (16)

1,6 (16)

40

300

Вентили запор­ные

15нж65нж14

15нж65нж14

15нж65нж14

-

-

-

-

1,6 (16)

1,6 (16)

40

420

То же

-

-

-

15нж65нж4

15нж65нж4

15нж65нж4

15нж65нж4

1,6 (16)

1,6 (16)

40

150

     

14с26п1

14с26п1

14с20п1

14с20п5

14с20п5

14с20п5

14с20п5

1,6 (16)

1,6 (16)

См. прил. 26

Задвижки

-

-

-

-

ЗКЛ2-16

ЗКЛ2-16

ЗКЛ2-16

1,6 (16)

1,6 (16)

То же

То же

-

-

-

-

ЗКЛПЭ-16

ЗКЛПЭ-16

ЗКЛПЭ-16

1,6 (16)

1,6 (16)

40

+150

Клапаны предохранит.

17с11нж

-

17 с 11 нж

-

-

-

-

1,6 (16)

1,6 (16)

См. прил. 26

То же

-

-

-

-

СППК4-16

СППК4-16

СППК4-16

2,5 (25)

2,5 (25)

40

+300

Вентили запор­ные

15нж6бк

-

-

-

-

-

-

2,5 (25)

2,5 (25)

40

+425

Задвижки

-

-

-

-

-

-

3296

2,5 (25)

2,5 (25)

30

+300

То же

-

-

-

-

-

-

31с916нжБ

2,5 (25)

2,5 (25)

40

+425

Клапаны предохранит.

-

-

-

-

17с63нж

17с63нж

-

4,0 (40)

4,0 (40)

40

+425

Запорные вен­тили

-

-

-

15с22нж

15с22нж

15с22нж

15с22нж

4,0 (40)

4,0 (40)

40

+200

Вентили сильфонные

-

-

-

-

15нж40п1

-

15нж40п1

4,0 (40)

4,0 (40)

40

+425

Клапаны обрат­ные

-

-

-

16с13нж

16с13нж

16с13нж

16с13нж

4,0 (40)

4,0 (40)

50

+600

Клапаны обрат­ные

-

-

-

-

19нж116к

19нж116к

19нж116к

4,0 (40)

4,0 (40)

40

+50

Клапаны предохранит.

-

-

-

-

И55039.01-07

-

И55039.01-07

4,0 (40)

4,0 (40)

См. прил. 26

То же

-

-

-

-

СППК4-40

СППК4-40

СППК4-40

6,4 (64)

16 (160)

40

+300

Вентили запор­ные

ВФ-160

ВФ-160

ВФ-160

-

-

-

-

6,4 (64)

16 (160)

40

+300

То же

ВМ-160

ВМ-160

ВМ-160

-

-

-

-

6,4 (64)

16 (160)

См. прил. 26

     

ВВД

-

-

ВКС

ВКС

-

-

6,4 (64)

16 (160)

40

+300

Клапаны обрат­ные

КП-160

КП-160

КП-160

-

-

-

-

6,4 (64)

16 (160)

40

+450

То же

-

-

-

КП-160-1

КП-160-1

-

-

6,4 (64)

16 (160)

См. прил. 26

     

-

-

-

-

19с10нж

19с10нж

19с10нж

6,4 (64)

16 (160)

40

+450

Задвижки

ЗКС

ЗКС

ЗКС

ЗКС

19нж10бк

ЗКЛ2-160

19нж10бк

ЗКЛ2-160

19нж10бк

ЗКЛ2-160

6,4 (64)

6,4 (64)

См. прил. 26

Клапаны предохранит.

-

-

-

-

СППК4-64

СППК4-64

СППК4-64

6,4 (64)

10 (100)

То же

То же

-

-

СППКМ-100

-

-

-

-

 

 

 

 

 

 

 

СППКМ-100

 

 

 

 

 

 

Продолжение прил. 25

 

Давление условное

Ру, МПа (кгс/см2)

Температура дополнительная

tдоп, °С

 

Арматура

Диаметр условный Ду, мм

 

трубо­провода

арматуры

от

до

 

 

150

200

250

300

400

500

600

 

Среда -горючие сжиженные газы и ЛВЖ с температурой кипения ниже +45°С

 

1,6 (16)

1,6 (16)

40

+420

Вентили запор­ные

15нж65нж4

-

-

-

-

-

-

1,6 (16)

1,6 (16)

40

+150

То же

14с20п5

14с20п1

-

-

-

-

-

1,6 (16)

1,6 (16)

См. прил. 26

Задвижки

ЗКЛ2-16

ЗКЛ2-16

ЗКЛ2-16

ЗКЛ2-16

ЗКЛ-16

ЗКЛ2-16

ЗКЛ2-16

1,6 (16)

1,6 (16)

То же

То же

ЗКЛПЭ-16

ЗКЛПЭ-16

ЗКЛПЭ-16

ЗКЛПЭ-16

ЗКЛПЭ-16

ЗКЛПЭ-16

ЗКЛПЭ-16

1,6 (16)

1,6 (16)

 

Предохранит. клапаны

СППК4-16

СППК4-16

-

-

-

-

-

2,5 (25)

2,5 (25)

30

+300

Задвижки

31с916нжБ

31с916нжБ

-

-

-

-

-

4,0 (40)

4,0 (40)

40

+450

Вентили запор­ные

15с22нж1

15с22нж1

-

-

-

-

-

4,0 (40)

4,0 (40)

40

+200

Вентили сильфонные

15нж40п1

-

-

-

-

-

-

4,0 (40)

4,0 (40)

40

+425

Клапаны обрат­ные

16с13нж

16с13нж

-

-

 

-

-

4,0 (40)

4,0 (40)

40

+425

То же

19с17нж

19с17нж

-

19с47нж

19с47нж

-

19с47нж

4,0 (40)

4,0 (40)

50

+600

     

19нж11бк

19нж11бк

-

-

-

-

-

4,0 (40)

4,0 (40)

См. прил. 26

Клапаны предо­хранит.

СППК4-40

-

-

-

-

-

-

6,4 (64)

6,4 (64)

40

+200

Клапаны обрат­ные

-

-

-

-

19с42нж

-

-

6,4 (64)

6,4 (64)

40

+450

То же

-

КОП-64

КОП-64

-

-

-

-

6,4 (64)

16 (160)

См. прил. 26

     

19с18нж

-

-

-

-

-

-

6,4 (64)

 

16 (160)

40

+450

Задвижки

19иж10бк

-

-

-

-

-

-

 

Примечание. Применение арматуры из серого и ковкого чугуна для дан­ных сред не допускается.

 

Продолжение прил. 25

 

Давление условное

Ру, МПа (кгс/см2)

Температура дополнительная

tдоп, °С

 

Арматура

 

Диаметр условный Ду, мм

 

трубо­провода

арматуры

от

до

 

 

15

20

25

40

50

80

100

 

Среда -горючие газы

 

1,6 (16)

2,5 (25)

30

+150

Вентили запор­ные

-

15кч12п

15кч12п

-

-

-

-

1,6 (16)

2,5 (25)

30

+150

То же

-

-

-

15кч1бп1

151ч16п1

15хч16п1

-

1,6 (16)

2,5 (25)

30

+150

Клапаны обрат­ные

-

-

-

16кч9п

16кч9п

16кч9п

-

1,6 (16)

1,6 (16)

40

+120

Краны

-

-

-

-

КСП-16

КСП-16

КСП-16

1,6 (16)

1,6 (16)

40

+120

То же

-

-

-

-

КСР-16

КСР-16

КСР-16

1,6 (16)

2,5 (25)

40

+150

Вентили запор­ные

КЗ22011

КЗ22010.04

КЗ22010.04

-

-

-

-

1,6 (16)

1,6 (16)

40

+420

То же

14с26п1

14с26п1

14с26п1

14с20п5

14с20п5

15с20п5

14с20п5

1,6 (16)

1,6 (16)

40

+425

Клапаны обратные

-

-

-

-

15нж65нж4

15нж65

15нж65нж4

4,0 (40)

4,0 (40)

 

 

 

-

-

-

16с13нж

16с13нж

16с13нж

16с13нж

1,6 (16)

1,6 (16)

40

+150

Клапаны предо­хранит.

17с11нж

-

17с11нж

-

-

-

-

1,6 (16)

1,6 (16)

40

+225

То же

-

-

-

-

17с12нж

-

-

1,6 (16)

1,6 (16)

40

+400

     

-

-

-

-

17с22нж

17с22нж

-

1,6 (16)

1,6 (16)

См. прил. 26

Клапаны предо­хранит.

-

-

-

-

СППК4-16

СППК4-16

СППК4-16

2,5 (25)

2,5 (25)

40

+300

Вентили запор­ные

15нж6бк

-

-

-

-

-

-

2,5 (25)

2,5 (25)

40

+425

Задвижки

-

-

-

-

-

-

3296

31с916нжБ

2,5 (25)

10 (100)

40

+300

То же

-

-

-

-

17с63нж

17с63нж

-

2,5 (25)

2,5 (25)

40

+425

Клапаны предо­хранит.

-

-

-

-

-

-

-

4,0 (40)

4,0 (40)

40

+425

Вентили запор­ные

-

-

-

15с22нж

15с22нж

15с22нж

15с22нж

4,0 (40)

4,0 (40)

40

+200

Вентили сильфонные

-

-

-

-

15нж40п1

-

15нж40п1

4,0 (40)

4,0 (40)

40

+200

Вентили запор­ные

-

-

-

15нж22п1

15нж22п1

15нж22п1

15нж22п1

4,0 (40)

4,0 (40)

40

+250

Клапаны предо­хранит.

-

-

-

-

17с24нж

17с24нж

-

4,0 (40)

4,0 (40)

См. прил. 26

То же

-

-

-

-

СППК4-40

СППК4-40

СППК4-40

6,4 (64)

6,4 (64)

40

+80

Краны проходные

-

-

-

-

11с20бк1

11с20бк1

11с20бк1

6,4 (64)

8,0 (80)

40

+80

Краны шаровые

-

-

-

-

МАЗ9002.04

МАЗ9002.06

МАЗ9002.06

6,4 (64)

6,4 (64)

40

+425

Клапаны обрат­ные

-

-

-

-

19с38нж

19с38нж

19с38нж

6,4 (64)

6,4 (64)

См. прил. 26

Клапаны предо­хранит.

-

-

-

-

СППК4-64

СППК4-64

СППК4-64

10 (100)

10 (100)

40

+100

Вентили регули­рующие

-

-

ВР1-100

-

-

-

-

10 (100)

16 (160)

40

+300

Вентили запор­ные

ПЗ22038

ПЗ22038

ПЗ22038

-

-

-

-

10 (100)

16 (160)

См. прил. 26

То же

ВВД

-

-

ВКС

ВКС

-

-

10 (100)

16 (160)

То же

     

ВМ-160

ВМ-160

ВМ-160

-

-

-

-

10 (100)

16 (160)

 

     

ВФ-160

ВФ-160

ВФ-160

-

-

-

-

10 (100)

16 (160)

 

Клапаны обрат­ные

КП-160

КП-160

КП-160

КП-160

КП-160

-

-

10 (100)

16 (160)

40

+450

То же

-

-

-

-

19с10нж

19с10нж

19с10нж

10 (100)

10 (100)

См. прил. 26

Клапаны предо­хранит.

-

-

СППКМ-100

-

-

-

-

10 (100)

16 (160)

То же

То же

-

-

-

-

СППК4Р-160

СППК4Р-160

-

10 (100)

16 (160)

40

+450

Задвижки

ЗКС-160

ЗКС-160

ЗКС-160

ЗКС-160

-

-

-

10 (100)

16 (160)

См. прил. 26

То же

-

-

-

-

ЗКЛ2-160

ЗКЛ2-160

ЗКЛ2-160

10 (100)

 

10 (100)

40

+300

     

-

-

-

-

-

-

31с916нжБ

 

 

Продолжение прил. 25

 

Давление условное

Ру, МПа (кгс/см2)

Температура дополнительная

tдоп, °С

 

Арматура

 

Диаметр условный Ду, мм

 

трубо­провода

арматуры

от

до

 

 

150

200

250

300

400

500

600

 

Среда - горючие газы

 

1,6 (16)

1,6 (16)

40

+120

Краны

КСП-16

-

-

-

-

-

-

1,6 (16)

1,6 (16)

40

+120

То же

КСР-16

-

-

-

-

-

-

1,6 (16)

2,5 (25)

40

+150

Вентили запор­ные

14с20п5

14с20п1

-

-

-

-

-

1,6 (16)

1,6 (16)

40

+420

То же

15нж65нж4

-

-

-

-

-

-

1,6 (16)

1,6 (16)

40

+425

Клапаны обрат­ные

16с13нж

16с13нж

-

-

-

-

-

1,6 (16)

1,6 (16)

40

+425

То же

19с17нж

19с17нж

-

-

-

-

-

1,6 (4,0)

1,6 (4,0)

40

+450

     

-

-

-

19с47нж

19с47нж

-

19с47нж

1,6 (16)

1,6 (16)

См. прил. 26

Клапаны предо­хранит.

СППК4-16

СППК4-16

-

-

-

-

-

1,6 (16)

1,6 (16)

То же

Задвижки

ЗКЛ2-16

ЗКЛ2-16

ЗКЛ2-16

ЗКЛ2-16

ЗКЛ2-16

ЗКЛ2-16

ЗКЛ2-16

1,6 (16)

1,6 (16)

 

То же

ЗКЛПЭ-16

ЗКЛПЭ-16

ЗКЛПЭ-16

ЗКЛПЭ-16

ЗКЛПЭ-16

ЗКЛПЭ-16

ЗКЛПЭ-16

2,5 (25)

10 (100)

40

+300

Задвижки

31с916нжБ

31с916нжБ

-

-

-

-

-

4,0 (40)

4,0 (40)

40

+425

Вентили запор­ные

15с22нж

15с22нж

-

-

-

-

-

4,0 (40)

4,0 (40)

40

+200

Вентили сильфонные

15нж40п1

-

-

-

-

-

-

4,0 (40)

4,0 (40)

40

+420

Вентили запор­ные

15нж22НжБ

15нж22нжБ

-

-

-

-

-

4,0 (40)

4,0 (40)

См. прил. 26

Клапаны предо­хранит.

СППК4-40

-

-

-

-

-

-

6,4 (64)

6,4 (64)

40

+80

Краны проходные

11с320бк1

11с320бк1

-

11с320бк1

11с320бк1

-

-

6,4 (64)

8,0 (80)

40

+80

Краны шаровые

МАЗ0007.08

МАЗ39002.08

-

МАЗ9003.09

МАЗ0008.07

МАЗ9004.07

-

6,4 (64)

6,4 (64)

40

+200

Клапаны обрат­ные

-

-

-

-

19с42нж2

-

-

10 (100)

16 (160)

40

+450

То же

19с10нж

-

-

-

-

-

-

10 (100)

10 (100)

40

+600

Клапаны обрат­ные

-

КОП-100нж

КОП-100нж

-

-

-

-

10 (100)

10 (100)

40

+350

То же

-

-

-

19нж46нж

-

-

-

10 (100)

16 (160)

См. прил. 26

Задвижки

ЗКЛ2-160

-

-

-

-

-

-

10 (100)

 

10 (100)

40

+300

То же

31с916нжБ

31с916нжБ

-

-

-

-

-

 

Примечание. Применение арматуры из серого чугуна для данных сред не рекомендуется.

 

Продолжение прил. 25

 

Давление условное

Ру, МПа (кгс/см2)

Температура дополнительная

tдоп, °С

 

Арматура

 

Диаметр условный Ду, мм

 

трубо­провода

арматуры

от

до

 

15

20

25

40

50

80

100

 

Среда -ЛВЖ с температурой кипения выше +45°С и горючие жидкости

 

0,6 (6)

1,0 (10)

10

+100

Краны

11ч6бк2

11ч6бк2

11ч8бк

11ч8бк

11ч8бк

11ч8бк

11ч8бк

0,6 (6)

1,6 (16)

10

+100

Клапаны обрат­ные

-

-

16ч3бр

16ч3бр

16ч3бр

16ч3бр

19ч21бр

0,6 (6)

1,0 (100)

10

+90

Задвижки

-

-

-

-

30ч6бк

30ч6бк

30ч6бк

0,6 (6)

1,0 (100)

10

+100

То же

-

-

-

-

30ч6бр

30ч6бр

30ч6бр

1,0 (10)

1,6 (16)

30

+200

Вентили запор­ные

15кч18п2

15кч18п2

15кч18п2

15кч18п2

15кч18п2

-

-

1,6 (16)

1,6 (16)

40

+120

Краны

-

-

-

-

КСП-16

КСП-16

КСП-16

1,6 (16)

1,6 (16)

40

+120

То же

-

-

-

-

КСР-16

КСР-16

КСР-16

1,6 (16)

2,5 (25)

30

+150

Вентили запор­ные

-

-

-

15кч16п1

15кч16п1

15кч16п1

-

1,6 (16)

1,6 (16)

40

+420

То же

-

-

-

-

15с58нж23

15с58нж23

15с58нж23

1,6 (16)

1,6 (16)

40

+420

     

-

-

-

15нж65нж4

15нж65нж4

15нж65нж4

15нж65нж4

1,6 (16)

1,6 (16)

40

+200

     

-

-

-

15нж65п1

15нж65п1

15нж65п1

15нж65п1

1,6 (16)

1,6 (16)

40

+420

Вентили запор­ные

-

-

-

-

15нж58нжБ

15нж58нжБ

15нж58нжБ

1,6 (16)

1,6 (16)

40

+200

То же

-

-

-

-

15нж58п1М

15нж58п1М

15нж58п1М

1,6(16)

2,5 (25)

30

+150

Клапаны обрат­ные

-

-

-

16кч9п

16кч9п

16кч9п

-

1,6 (16)

1,6 (16)

40

+200

То же

-

-

-

16нж10бк7

16нж10бк7

16нж10бк7

-

1,6 (16)

1,6 (16)

40

+420

     

-

-

-

16нж10бк15

16нж10бк15

-

16нж10бк15

1,6 (16)

1,6 (16)

40

+150

Клапаны предо­хранит.

17с11нж

-

17с11нж

-

-

-

-

1,6 (16)

1,6 (16)

40

+400

То же

-

-

-

-

17с22нж

17с22нж

-

1,6 (16)

1,6 (16)

См. прил. 26

     

-

-

-

-

СППК4-16

СППК4-16

СППК4-16

1,6 (16)

1,6 (16)

То же

Задвижки

-

-

-

-

ЗКЛ2-16

ЗКЛ2-16

ЗКЛ2-16

2,5 (25)

2,5 (25)

40

+300

Вентили запор­ные

15нж6бк

-

-

-

-

-

-

2,5 (25)

2,5 (25)

40

+300

Вентили запор­ные

Е2282Сп2

-

-

-

-

-

-

2,5 (25)

2,5 (25)

40

+425

Клапаны предо­хранит.

-

-

-

-

17с63нж

17с63нж

-

2,5 (25)

2,5 (25)

15

+120

Клапаны отсеч­ные

-

-

У96503.02

У96503.92

У96503.02

У96503.02

-

2,5 (25)

2,5 (25)

40

+50

Клапаны дренаж­ные

-

-

-

-

КДН-25

-

-

2,5 (25)

2,5 (25)

40

+300

Задвижки

-

-

-

-

-

-

3296

4,0 (40)

4,0 (40)

40

+425

Вентили запор­ные

-

-

-

15с22нж

15с22нж

15с22нж

15с22нж

4,0 (40)

4,0 (40)

40

+200

То же

ВПД

-

-

-

-

-

-

4,0 (40)

4,0 (40)

40

+420

Вентили запор­ные

-

-

-

15нж22нж4

15нж22нж4

-

-

4,0 (40)

4,0 (40)

40

+200

То же

-

-

-

15нж22п1

15нж22п1

15нж22п1

15нж22п1

4,0 (40)

4,0 (40)

40

+200

     

-

-

-

-

15нж40п1

15нж40п1

4,0 (40)

4,0 (40)

40

+425

Клапаны обрат­ные

-

-

-

16с13нж

16с13нж

16с18нж

16с18нж

4,0 (40)

4,0 (40)

40

+250

Клапаны предо­хранит.

-

-

-

-

17с24нж

17с24нж

-

4,0 (40)

4,0 (40)

См. прил. 26

То же

-

-

-

-

СППК4-40

СППК4-40

СППК4-40

4,0 (40)

4,0 (40)

То же

     

 

-

-

-

СППК4Р-40

СППК4Р-40

СППК4Р-40

4,0 (40)

4,0 (40)

 

     

-

-

-

-

ЗКЛ2-40

ЗКЛ2-40

ЗКЛ2-40

6,4 (64)

6,4 (64)

40

+425

Клапаны обрат­ные

-

-

-

-

19с38нж

19с38нж

19с38нж

6,4 (64)

6,4 (64)

См. прил. 26

Клапаны предо­хранит.

-

-

-

-

СППК4-64

СППК4-64

СППК4-64

6,4 (64)

6,4 (64)

То же

То же

-

-

-

-

СППК4Р-64

СППК4Р-64

СППК4Р-64

6,4 (64)

6,4 (64)

40

+300

Задвижки

-

-

-

-

30с76нжМ

30с76нжМ

30с76нжМ

6,4 (64)

6,4 (64)

40

+300

Задвижки

-

-

-

-

30нж76бк3

30нж76бк3

30нж76бк3

10 (100)

16 (160)

40

+300

Вентили запор­ные

П322038

П322038

П322038

-

-

-

-

10 (100)

10 (100)

40

+100

Вентили регули­рующие

-

-

БР1-1-100

-

-

-

-

10 (100)

16 (160)

См. прил. 26

Вентили запор­ные

ВВД

-

-

ВКС

ВКС

-

-

10 (100)

16 (160)

То же

То же

ВМ-160

ВМ-160

ВМ-160

-

-

-

-

10 (100)

16 (160)

 

     

ВФ-160

ВФ-160

ВФ-160

-

-

-

-

10 (100)

16 (160)

 

Клапаны обрат­ные

-

КП-160

КП-160

КП-160

КП-160

-

-

10 (100)

16 (160)

 

То же

-

-

-

-

19с10нж

19с10нж

19с10нж

10 (100)

10 (100)

 

Клапаны предо­хранит.

-

-

СППКМ-100

-

-

-

19нж10бк

10 (100)

10 (100)

 

То же

-

-

СППКМР-100

-

-

-

-

10 (100)

16 (160)

 

     

-

-

-

-

СППК4-160

СППК4-160

-

10 (100)

10 (100)

40

+300

Задвижки

-

-

-

-

 

-

31с916нжБ

10 (100)

16 (160)

 

 

То же

-

-

-

-

ЗКЛ2-160

ЗКЛ2-160

ЗКЛ2-160

10 (100)

 

16 (160)

40

+450

     

ЗКС-160

ЗКС-160

ЗКС-160

ЗКС-160

-

-

-

 

 

Продолжение прил. 25

 

Давление условное

Ру, МПа (кгс/см2)

Температура дополнительная

tдоп, °С

 

Арматура

 

Диаметр условный Ду, мм

 

трубо­провода

арматуры

от

до

 

 

150

200

250

300

400

500

600

 

Среда -ЛВЖ с температурой кипения выше +45°С и горючие жидкости

 

0,6 (6)

1,0 (10)

10

+100

Клапаны обрат­ные

-

19ч21бр

19ч21бр

-

-

-

-

0,6 (6)

1,6 (16)

10

+100

То же

19ч21бр

-

-

-

-

-

-

0,6 (16)

1,0 (10)

10

+90

Задвижки

30ч6бк

30ч6бк

30ч6бк

30ч6бк

-

-

-

0,6 (6)

1,0 (10)

10

+100

То же

30ч6бр

30ч6бр

30ч6бр

30ч6бр

-

-

-

1,0 (10)

1,0 (10)

40

+300

   

ПТ11095.32

ПТ11095.32

ПТ11095.32

ПТ11095.32

-

-

-

1,0 (10)

1,0 (10)

40

+300

     

-

ПТ11095.16

-

-

-

-

-

1,6 (16)

1,6 (16)

40

+120

Краны

КСП-16

-

-

-

-

-

-

1,6 (16)

1,6 (16)

40

+120

То же

КСР-16

-

-

-

-

-

-

1,6 (16)

1,6 (16)

40

+420

Вентили запор­ные

15нж65нж4

-

-

-

-

-

-

1,6 (16)

1,6 (16)

40

+200

То же

15нж65п1

-

-

-

-

-

-

1,6 (16)

1,6 (16)

См. прил. 26

Клапаны предо­хранит.

СППК4-16

СППК4-16

-

-

-

-

-

1,6 (16)

1,6 (16)

То же

Задвижки

ЗКЛ2-16

ЗКЛ2-16

-

-

-

-

 

1,6 (16)

1,6 (16)

60

+600

То же

-

-

МА11071.10

МА11071.10

МА11031.10

-

МА11021.10

1,6 (16)

1,6 (16)

60

+600

     

-

-

МА11071.07

МА11071.07

МА11031.07

-

МА11021.07

2,5 (25)

2,5 (25)

40

+225

     

-

30с64нж

-

-

-

-

-

2,5 (25)

2,5 (25)

40

+300

     

30с97нж

30с97нж

-

-

-

30с507нж

30с507нж

2,5 (25)

2,5 (25)

40

+300

     

-

-

-

МА11022.04

-

-

-

2,5 (25)

2,5 (25)

40

+300

     

-

30нж97бк

30нж97бк

-

-

-

-

4,0 (40)

4,0 (40)

40

+425

Вентили запор­ные

15с22нж

15с22нж

-

-

-

-

-

4,0 (40)

4,0 (40)

40

+420

То же

15нж22нж6

15нж22нж6

-

-

-

-

-

4,0 (40)

4,0 (40)

40

+200

     

15нж40п1

 

-

-

-

-

-

4,0 (40)

4,0 (40)

40

+425

Клапаны обрат­ные

16с13нж

16с13нж

-

-

-

-

-

4,0 (40)

4,0 (40)

40

+425

То же

19с17нж

19с17нж

-

-

-

-

-

4,0 (40)

4,0 (40)

40

+450

     

-

19с47нж

-

19с47нж

19с47нж

-

19с47нж

4,0 (40)

4,0 (40)

См. прил. 26

Клапаны предо­хранит.

СППК4-40

-

-

-

-

-

-

4,0 (40)

4,0 (40)

См. прил. 26

Клапаны предохр.

СППК4Р-40

-

-

-

-

-

-

4,0 (40)

4,0(40)

40

+450

Задвижки

 

30с15нж

30с15нж

-

-

30с515нж

-

4,0 (40)

4,0(40)

См. прил. 26

То же

ЗКЛ2-40

-

-

ЗКЛ2-40нж

-

-

-

6,4 (64)

6,4 (64)

40

+425

Клапаны обрат­ные

-

КОП-64

КОП-64

-

-

-

-

6,4 (64)

6,4 (64)

40

+300

Задвижки

30с76нжМ

30с76нж

30с76нж

30с576нж

30с576нж

30с375нж

-

6,4 (64)

6,4 (64)

40

+300

То же

30нж76бкЗ

-

-

-

-

-

-

6,4 (64)

6,4 (64)

40

+300

Задвижки

30нж76бкЗ

-

-

-

-

-

-

10 (100)

16 (160)

См. прил. 26

Клапаны обрат­ные

19с10нж 19нж10бк

 

-

 

-

 

-

 

-

 

-

 

-

10 (100)

16 (160)

40

+600

То же

- -

КОП=100нж

КОП=100нж

-

-

-

-

10 (100)

10 (100)

40

+300

Задвижки

31с916нжБ

31с916нжБ

-

-

-

-

-

10 (100)

 

16 (160)

См. прил. 26

То же

ЗКЛ2-160

-

-

-

-

-

-

 

 

Продолжение прил. 25

 

Давление условное

Ру, МПа (кгс/см2)

Температура дополнительная

tдоп, °С

 

Арматура

 

Диаметр условный Ду, мм

 

трубо­провода

арматуры

от

до

 

 

15

20

25

40

50

80

100

 

Среда -темные и тяжелые нефтепродукты, застывающие горючие жидкости

 

0,6 (60)

1,6 (16)

-

+100

Краны трехходо­вые

-

-

-

-

11ч25бк

-

11ч25бк

0,6 (6)

1,0 (10)

-

+100

Краны проходные

--

-

11ч8бк

11ч8бк

11ч8бк

11ч8бк

11ч8бк

0,6 (6)

1,0 (10)

-

+100

То же

-

-

11ч38п

11ч38п

11ч38п

11ч38п

11ч37п

0,6 (6)

1,0 (10)

-

+100

Задвижки

-

-

-

-

-

31ч6нж

31ч6нж

0,6 (6)

1,6 (16)

-

+100

То же

-

-

-

-

31ч11нж

-

-

0,6 (6)

1,0 (10)

-

+100

     

-

-

-

-

31ч6бр

31ч6бр

31ч6бр

0,6 (6)

1,0 (10)

-

+100

     

-

-

-

-

АС12004

АС12004

АС12004

0,6 (6)

1,0 (10)

-

+100

     

-

-

-

-

30ч6бр

30ч6бр

30ч6бр

0,6 (6)

1,6 (16)

-

+100

Клапаны обрат­ные

-

-

16ч3бр

16ч3бр

16ч6бр

16ч6бр

16ч6бр

0,6 (6)

1,0 (10)

-

+100

То же

-

-

-

-

-

-

КА44075

1,0 (10)

1,0 (10)

-

+400

Краны проходные

-

-

-

-

11с7бк

11с7бк

-

1,0 (10)

1,0 (10)

-

+400

Краны трехходо­вые

-

-

-

-

11с17бк

11с17бк

-

1,6 (16)

1,6 (16)

-

+300

Краны проходные

-

-

-

-

КЦО-16

КЦО-16

КЦО-16

1,6 (16)

1,6 (16)

-

+100

Вентили запор­ные

-

-

13нж18п

13нж18п1

13нж18п1

13нж18п1

13нж18п1

1,6 (16)

1,6 (16)

-

+100

То же

-

-

-

-

-

У21037.01

-

1,6 (16)

1,6 (16)

-

+200

Клапаны обрат­ные

-

-

-

16нж10бк7

16нж10бк7

16нж10бк7

-

1,6 (16)

1,6 (16)

-

+420

То же

-

-

-

16нж10бк15

16нж10бк15

-

16нж10бк15

0,6 (6)

1,6 (16)

См. прил. 26

Клапаны предо­хранит.

-

-

-

-

СППК4-16

СППК4-16

СППК4-16

0,6 (6)

1,6 (16)

То же

Задвижки

-

-

-

-

ЗКЛ2-16

ЗКЛ2-16

ЗКЛ2-16

1,6 (16)

1,6 (16)

 

То же

-

-

-

-

ЗКЛПЭ-16

ЗКЛПЭ-16

ЗКЛПЭ-16

2,5 (25)

10 (100)

-

+450

Клапаны предо­хранит.

-

-

СППКМР-100

-

-

-

-

2,5 (25)

2,5 (25)

-

+300

Задвижки

-

-

-

-

-

-

3296

4,0 (40)

4,0 (40)

-

+425

Вентили запор­ные

-

-

-

15с22нж

15с22нж

15с22нж

15с22нж

4,0 (40)

4,0 (40)

-

+425

Клапаны обрат­ные

-

-

-

16с13нж

16с13нж

16с13нж

16с13нж

4,0 (40)

4,0 (40)

-

+600

То же

-

-

-

-

19нж11бк

19нж11бк

19нж11бк

4,0 (40)

4,0 (40)

См. прил. 26

Клапаны предохранит.

-

-

-

-

СППК4-40

СППК4-40

СГ1ПК4-40

4,0 (40)

4,0 (40)

То же

То же

-

-

-

-

СППК4Р-40

СППК4Р-40

СППК4Р-40

4,0 (40)

4,0 (40)

- -

- -

Задвижки

-

-

СППК4Р-40

-

ЗКЛ2-40

ЗКЛ2-40

ЗКЛ2-40

6,4 (64)

6,4 (64)

-

+425

Клапаны обрат­ные

-

-

-

-

19с38нж

19с38нж

19с38нж

6,4 (64)

6,4 (64)

См. прил. 26

Клапаны предохранит.

-

-

-

-

СППК-64

СППК-64

СППК-64

6,4 (64)

6,4 (64)

То же

То же

-

-

-

-

СППК4Р-64

СППК4Р-64

СППК4Р-64

6,4 (64)

6,4 (64)

-

+300

Задвижки

-

-

-

-

30с76нжМ2

30с76нжМ1

30с76нжМ1

6,4 (64)

6,4 (64)

-

+300

То же

-

-

-

-

30нж76бк3

30нж76бк3

30нж76бк3

10 (100)

10 (100)

30

+300

 

-

-

-

-

-

-

31с916нжБ

 

 

 

Продолжение прил. 25

 

Давление условное

Ру, МПа (кгс/см2)

Температура дополнительная

tдоп, °С

 

Арматура

 

Диаметр условный Ду, мм

 

трубо­провода

арматуры

от

до

 

150

200

250

300

400

500

600

 

Среда -темные и тяжелые нефтепродукты, застывающие жидкости

 

0,6 (6)

1,0 (10)

-

+100

Задвижки

31ч6нж

-

-

-

-

-

-

0,6 (6)

1,0 (10)

-

+100

То же

-

-

-

-

-

30ч15бр

30ч515бр

0,6 (6)

1,0 (10)

-

+100

     

-

-

31ч6бр

-

-

-

Ш12006.01

0,6 (6)

1,0 (10)

-

+100

     

АС 12004

31ч6бр АС12004

-

-

-

-

-

0,6 (6)

1,0 (10)

-

+100

     

30ч6бр

30ч6бр

30ч6бр

30ч6бр

30ч6бр

-

-

0,6 (6)

1,0 (10)

-

+100

Клапаны обратные

КА44075

Л44075.03

Л44075.03

-

-

-

-

1,0 (10)

1,0 (10)

-

+300

Задвижки

ПТ11095.32

ПТ11095.32

ПТ11095.32

-

-

-

-

1,0 (10)

1,0 (10)

-

+300

То же

-

ПТ11095.16

-

-

-

-

-

1,6 (16)

1,6 (16)

-

+300

Краны проход­ные

КЦО-16

-

-

-

-

-

-

1,6 (16)

1,6 (16)

См. прил. 26

Клапаны предохранит.

СППК4-16

СППК4-16

-

-

-

-

-

0,6 (6)

1,6 (16)

 

- -

Задвижки

ЗКЛ2-16

ЗКЛ2-16

ЗКЛ2-16

ЗКЛ2-16

ЗКЛ2-16

ЗКЛ2-16

ЗКЛ2-16

1,6 (16)

1,6 (16)

 

- -

То же

ЗКЛПЭ-16

ЗКЛПЭ-16

ЗКЛПЭ-16

ЗКЛПЭ-16

ЗКЛПЭ-16

ЗКЛПЭ-16

ЗКЛПЭ-16

2,5 (25)

2,5 (25)

-

+300

     

30с97нж

30с97нж

30с97нж

-

30с572нж

-

-

2,5 (25)

2,5 (25)

-

+300

     

-

-

-

-

30с507нж

30с507нж

30с507нж

2,5 (25)

2,5 (25)

-

+425

     

-

-

-

МА11022.04

-

-

-

2,5 (25)

2,5 (25)

-

+200

     

30с65нж

30с65нж

30с65нж

-

-

-

-

2,5 (25)

2,5 (25)

-

+200

     

30нж65нж

30нж65нж

30нж65нж

30нж65нж

-

-

-

4,0 (40)

4,0 (40)

-

+425

Вентили запор­ные

15с22нж

15с22нж

-

-

-

-

-

4,0 (40)

4,0 (40)

-

+425

Клапаны обрат­ные

16с13нж

16с13нж

-

-

-

-

-

4,0 (40)

4,0 (40)

-

+425

То же

19с17нж

19с17нж

-

-

-

-

-

4,0 (40)

4,0 (40)

-

+450

     

-

19с47нж

-

19с47нж

19с47нж

-

19с47нж

4,0 (40)

4,0 (40)

-

+600

     

19нж11бк

19нж11бк

-

-

-

-

-

4,0 (40)

4,0 (40)

-

+425

     

-

19нж47нж

-

19нж47нж

-

-

19с47нж

4,0 (40)

4,0 (40)

См. прил. 26

Клапаны предохранит.

СППК4-40

-

-

-

-

-

-

4,0 (40)

4,0 (40)

См. прил. 26

То же

СППК4Р-40

-

-

-

-

-

-

4,0 (40)

4,0 (40)

-

+425

Задвижки

-

30с15нж

30с15нж

-

-

30с515нж

-

4,0 (40)

4,0 (40)

См. прил. 26

То же

ЗКЛ2-40

-

-

ЗКЛ2-40нж

-

-

-

6,4 (64)

6,4 (64)

-

+510

Краны проходные

КППК-64

-

-

-

-

-

-

6,4 (64)

6,4 (64)

-

+510

Краны четырех ходовые

КЧК-64

-

-

-

-

-

-

6,4 (64)

6,4 (64)

-

+450

Краны обратные

-

КОП-64

КОП-64

-

-

-

-

6,4 (64)

6,4 (64)

-

+300

Задвижки

30с76нжМ1

30с76нж

30с76нж

30с576нж

-

-

-

6,4 (64)

6,4 (64)

-

+300

То же

30нж76бк3

-

-

-

-

-

-

10 (100)

 

10 (100)

30

+300

     

31с916нжБ

31с916нжБ

-

-

-

-

-

 

 

Продолжение прил. 25

 

Давление условное

Ру, МПа (кгс/см2)

Температура дополнительная

tдоп, °С

 

Арматура

 

Диаметр условный Ду, мм

 

трубо­провода

арматуры

от

до

 

15

20

25

40

50

80

100

 

Среда -жидкие и газообразные среды всех групп при рабочей температуре минус 40°С

 

1,6 (16)

4,0 (40)

-

100

Вентили запорные

СА22014.02

СА22014.02

СА22014.02

14нж20п

-

-

-

2,5 (25)

2,5 (25)

-

100

То же

-

-

-

-

15нж40п4

-

15нж40п4

1,6 (16)

1,6 (16)

-

70

Клапаны обрат­ные

-

-

-

16нж10бк7

16нж10бк7

16нж10бк7

-

2,5 (25)

2,5 (25)

-

100

Вентили регули­рующие

-

14нж98п2

-

14нж99п3

14нж99п

-

-

-

2,5 (25)

2,5 (25)

-

100

Вентили угловые

СА24014.02

СА24014.02

СА24012.02

-

-

-

-

4,0 (40)

4,0 (40)

-

50

То же

Е24010.00

-

-

-

-

-

-

4,0 (40)

4,0 (40)

-

50

Клапаны обрат­ные

-

-

-

-

19нж11бк

19нж11бк

19нж11бк

4,0 (40)

4,0 (40)

-

При сраба­тыва­нии до (200)

Клапаны предо­хранит.

-

-

-

-

И55039.01-07

-

И55039.01-07

4,0 (40)

 

4,0 (40)

-

80

Задвижки

-

-

-

-

ЗКЛХ-40

ЗКЛХ-40

ЗКЛХ-40

 

 

Продолжение прил. 25

 

Давление условное

Ру, МПа (кгс/см2)

Температура дополнительная

tдоп, °С

 

Арматура

 

Диаметр условный Ду, мм

 

трубо­провода

арматуры

от

до

 

 

150

200

250

300

400

500

600

 

Среда -жидкие и газообразные среды всех групп при рабочей температуре — минус 40°С

 

2,5 (25)

2,5 (25)

-

100

Вентили запорные

-

14нж20п3

-

-

-

-

-

1,6 (16)

4,0 (40)

-

100

То же

15нж40п4

-

-

-

-

-

-

4,0 (40)

 

4,0 (40)

-

80

Задвижки

ЗКЛХ-40

-

-

-

-

-

-

 

 

Продолжение прил. 25

 

Давление условное

Ру, МПа (кгс/см2)

Температура дополнительная

tдоп, °С

 

Арматура

 

Диаметр условный Ду, мм

 

трубо­провода

арматуры

от

до

 

 

15

20

25

40

50

80

100

 

Среда -трудногорючие (ТГ) и негорючие (НГ) вещества

 

0,6 (6)

0,6 (6)

10

+100

Краны проходные

-

-

-

-

-

11ч1бк

11ч12бк

0,6 (6)

1,0 (10)

10

+100

То же

11ч6бк2

11ч6бк2

11ч6бк2

11ч6бк2

11ч6бк2

-

-

0,6 (6)

0,6 (6)

10

+100

Краны трех­ходовые

-

11ч18бк

11ч18бк

11ч18бк

11ч18бк

11ч18бк

11ч18бк

0,6 (6)

0,6 (6)

15

+100

Вентили запорные

-

-

15ч64п

-

15ч64п

15ч64п

15ч64п

0,6 (6)

0,6 (6)

15

+120

То же

-

-

-

-

-

15ч95эм

15ч95эм

0,6 (6)

0,6 (6)

 

+65

Клапаны обратные

-

-

-

-

19ч15гм

19ч15гм

19ч15гм

0,6 (6)

1,6 (16)

10

+200

То же

-

-

-

-

19ч16бр

19ч21бр

19ч21бр

1,0 (10)

1,0 (10)

10

+100

Краны проходные

11ч6бк

11ч6бк

11ч6бк

11ч6бк

11ч6бк

11ч6бк

-

1,0 (10)

1,0 (10)

10

+100

То же

-

-

11ч38п

11ч38п

11ч38п

11ч38п

11ч37п

1,0 (10)

1,0 (10)

-

+50

Вентили запорные

15ч8р2

15ч8р2

15ч8р2

15ч8р2

15ч8р2

15ч8р2

-

1,0 (10)

1,0 (10)

15

+65

То же

-

-

15ч75гм1

15ч75гм1

15ч75гм1

-

-

1,0 (10)

1,6 (16)

15

+120

     

15ч93эм

15ч93эм

15ч94эм

-

-

-

-

1,0 (10)

1,0 (10)

15

+120

     

-

-

-

15ч94эм

15ч94эм

-

-

1,0 (10)

1,0 (10)

10

+200

Задвижки

-

-

-

-

30ч6бр

30ч6бр

30ч6бр

1,0 (10)

1,0 (10)

10

+200

То же

-

-

-

-

-

-

30ч906бр

1,0 (10)

1,0 (10)

10

+200

     

-

-

-

-

АС12004

АС12004

АС12004

1,0 (10)

1,0 (10)

10

+200

     

-

-

-

-

31ч6бр

31ч6бр

31ч6бр

1,0 (10)

1,0 (10)

10

+200

Задвижки

-

-

-

-

31ч11нж

31ч6нж

31ч6нж

1,0 (10)

1,0 (10)

10

+200

То же

-

-

-

-

-

-

31ч906нж

1,0 (10)

1,6 (16)

10

+225

Вентили запорные

15ч8бр

15ч8бр

-

15ч8бр

15ч8бр

-

-

1,0 (10)

1,6 (16)

10

+225

То же

15ч8п2

15ч8п2

15ч8п2

15ч8п2

15ч8п2

-

-

1,0 (10)

1,6 (16)

10

+50

     

15ч18р2

15ч18р2

15ч18р2

15ч18р2

15ч18р2

-

-

1,6 (16)

1,6 (16)

30

+200

     

15кч18п

15кч18п

15кч18п

15кч18п

15кч18п

-

-

1,6 (16)

1,6 (16)

30

+225

     

-

-

15кч19п1

15кч19п1

15кч19п1

-

-

1,6 (16)

2,5 (25)

30

+225

     

-

-

-

15кч19п1

15кч16п1

15кч16п1

-

1,6 (16)

2,5 (25)

30

+300

     

-

-

-

15кч16нж

15кч16нж

15кч16нж

-

1,6 (16)

1,6 (16)

10

+50

Клапаны обратные

16кч11р

16кч11р

16кч11р

16кч11р

16кч11р

-

-

1,6 (16)

2,5 (25)

30

+300

То же

-

-

-

16кч9нж

16кч9нж

16кч9нж

-

1,6 (16)

1,6 (16)

40

+400

Клапаны пре­дохранит.

-

-

-

-

17с22нж

17с22нж

-

1,6 (16)

1,6 (16)

40

+450

Задвижки

-

-

-

-

ЗКЛ-16

ЗКЛ-16

ЗКЛ2-16

2,5 (25)

2,5 (25)

-40

+425

Клапаны предо­хранит.

-

-

-

-

17с63нж

17с63нж

-

2,5 (25)

2,5 (25)

40

+425

То же

-

-

-

-

-

17с64нж

-

2,5 (25)

2,5 (25)

40

+300

Задвижки

-

-

-

-

-

-

3296

4,0 (40)

4,0 (40)

40

+425

Вентили запорные

-

 

 

15с22нж

15с22нж

15с22нж

15с22нж

4,0 (40)

4,0 (40)

40

+400

То же

-

-

-

-

15с922нж

15с922нж

15с922нж

4,0 (40)

4,0 (40)

-

+100

Вентили регулирующие

-

-

ВР1-1-40

-

-

-

-

4,0 (40)

4,0 (40)

-

+425

Клапаны обратные

-

-

-

16с13нж

16с13нж

16с13нж

16с13нж

6,4 (64)

6,4 (64)

40

+400

Вентили запорные

КЗ21168

К321168

К321168

К321168

-

-

-

6,4 (64)

6,4 (64)

40

+425

Клапаны обратные

-

-

-

-

19с38нж

19с38нж

19с38нж

6,4 (64)

6,4 (64)

40

+200

Клапаны регу­лирующие

-

-

25с48нжМ1 25с50нжМ1

 

25с48нжМ1 25с50нжМ1

-

-

-

-

-

-

6,4 (64)

6,4 (64)

40

+200

Клапаны регу­лирующие

-

-

-

-

25с50нжМ1

25с48нжМ1

25с50нжМ1

25с48нжМ1

25с50нжМ1

25с48нж

6,4 (64)

6,4 (64)

40

+225

     

ПОУ-7

ПОУ-10

ПОУ-7

ПОУ-10

 

 

 

 

 

6,4 (64)

6,4 (64)

40

+300

Задвижки

-

-

-

-

30с76нжМ

30с76нжМ

30с76нжМ

6,4 (64)

6,4 (64)

40

+300

То же

-

-

-

-

-

-

-

10 (100)

16 (160)

40

+300

Вентили запорные

ПЗ22038

ПЗ22038

ПЗ22038

ПЗ22038

-

-

-

10 (100)

16 (160)

40

+450

То же

-

-

-

ВКС

ВКС

-

-

10 (100)

10 (100)

-

+100

Вентили регу­лирующие

-

-

ВРЭ-1

-

-

-

-

10 (100)

16 (160)

40

+450

Клапаны обратные

-

-

-

КП-160-1

19с10нж

19с10нж

19с10нж

10 (100)

16 (160)

40

+

То же

КП-160

КП-160

КП-160

-

-

-

-

10 (100)

10 (100)

См. прил. 26

Клапаны пре­дохранит.

-

-

СППКМ-100

-

-

-

-

10 (100)

10 (100)

То же

То же

-

-

СППКМ-100

-

-

-

-

10 (100)

16 (160)

40

+450

Клапаны предо­хранит.

-

-

-

-

СППК4Р-160 СППК4-160

СПАК4Р-160 СППК4160

-

10 (100)

16 (160)

40

+225

Клапаны регули­рующие

ПОУ-89

ПОУ-11-12

ПОУ-89

ПОУ-11-12

-

-

-

-

-

10 (100)

 

16 (160)

40

+450

То же

ЗКС-160

ЗКС-160

ЗКС-160

ЗКС-160

ЗКЛ2-160

ЗКЛ2-160

ЗКЛ2-160

 

 

Продолжение прил. 25

 

Давление условное

Ру, МПа (кгс/см2)

Температура дополнительная

tдоп, °С

 

Арматура

 

Диаметр условный Ду, мм

 

трубо­провода

арматуры

от

до

 

150

200

250

300

400

500

600

 

Среда - трудногорючие (ТГ) и негорючие (НГ) вещества.

 

0,6 (6)

0,6 (6)

10

+100

Краны проходные

11ч12бк

11ч12бк

11ч12бк

-

-

-

-

0,6 (6)

0,6 (6)

10

+90

Вентили запор­ные

15ч91ем2

15ч91ем2

-

-

-

-

-

0,6 (6)

0,6 (6)

-

+65

Клапаны обрат­ные

19ч15гм

-

-

-

-

-

-

0,6 (6)

1,0 (10)

10

+200

То же

-

19ч21бр

19ч21бр

-

-

-

-

0,6 (6)

1,6 (16)

10

+200

     

19ч21бр

-

-

-

-

-

-

0,6 (6)

0,6 (6)

40

+300

Задвижки

-

-

-

-

ПГ1096

30с14нж1

30с14нж1

1,0 (10)

1,0 (10)

10

+200

Клапаны обратные

-

-

-

19ч21бр

19ч21бр

19ч21бр

19ч21бр

1,0 (10)

1,0 (10)

10

+120

То же

-

-

-

19ч21р

19ч21р

19ч21р

19ч21р

1,0 (10)

1,0 (10)

10

+200

Задвижки

80ч6бр

30ч6бр

30ч6бр

30ч6бр

30ч6бр

-

-

1,0 (10)

1,0 (10)

10

+200

То же

30ч906бр

30ч906бр

30ч906бр

30ч906бр

30ч6бр

-

-

1,0 (10)

1,0 (10)

10

+200

     

АС12004

АС12004

-

-

-

-

-

1,0 (10)

1,0 (10)

10

+200

     

31ч6бр

31ч6бр

31ч6бр

-

-

-

-

1,0 (10)

1,0 (10)

10

+200

     

31ч6нж

-

-

-

-

-

-

1,0 (10)

1,0 (10)

10

+200

     

31ч906нж

31ч906бр

31ч906бр

-

-

-

-

1,0 (10)

1,0 (10)

40

+300

     

30с42нж

30с42нж

30с42нж

30с42нж

-

-

-

1,6 (16)

1,6 (16)

40

+425

     

-

-

-

МА11021.10

-

-

-

1,6 (16)

1,6 (16)

40

+450

     

ЗКЛ2-16

ЗКЛ2-16

ЗКЛ2-16

-

ЗКЛ2-16

ЗКЛ2-16

-

2,5 (25)

2,5 (25)

40

+300

Задвижки

30с98нж

-

-

-

30с572нж

30с572нж

-

2,5 (25)

2,5 (25)

40

+300

То же

30с97нж

30с97нж

30с97нж

-

30с972нж

30с972нж

-

2,5 (25)

2,5 (25)

40

+300

     

30с997нж

30с997нж

30с997нж

-

-

-

-

4,0 (40)

4,0 (40)

40

+425

Вентили запор­ные

15с22нж

15с22нж

-

-

-

-

-

4,0 (40)

4,0 (40)

40

+425

Клапаны обрат­ные

16с13нж

16с13нж

-

-

-

-

-

4,0 (40)

4,0 (40)

40

+300

Клапаны регули­рующие

-

-

25с40нжМ

25с42нжМ

-

-

-

4,0 (40)

4,0 (40)

40

+425

То же

19с17нж

 

18с17нж

25с42нжМ

-

25с40нжМ

-

 

-

 

-

 

-

4,0 (40)

4,0 (40)

40

+450

Клапаны регули­рующие

-

-

-

19с47нж

19с47нж

-

19с47нж

6,4 (64)

6,4 (64)

40

+400

Вентили запор­ные

-

-

-

-

-

-

-

6,4 (64)

6,4 (64)

40

+200

Клапаны обрат­ные

-

-

-

-

19с42нж

-

-

6,4 (64)

6,4 (64)

40

+200

Клапаны регули­рующие

25с50нжМ1

25с48нж

25с50нж1

-

-

-

-

-

6,4 (64)

6,4 (64)

40

+300

Задвижки

30с76нжМ

25с48нж

30с76нж

 

30с76нж

 

30с576нж

 

-

 

30с375нж

 

-

6,4 (64)

6,4 (64)

40

+300

То же

-

30с976нж

-

-

-

-

-

10 (100)

 

16 (160)

40

+450

Клапаны обрат­ные

19с10нж

-

-

-

-

-

-


 

ПРИЛОЖЕНИЕ 26

 

ДОПУСКАЕМЫЕ ТЕМПЕРАТУРЫ

ПРИМЕНЕНИЯ ТРУБОПРОВОДНОЙ АРМАТУРЫ, °С,

В ЗАВИСИМОСТИ ОТ МАТЕРИАЛЬНОГО ИСПОЛНЕНИЯ

 

Тип и марка арматуры

Сталь (марка)

углеродистая

12х18Н9ТЛ

12х18Н12МЗТЛ

 

Предохранительные клапаны

 

СППК4-16

450

600

200

СППК4-40

450

600

-

СППК4Р-40

450

600

200

СППК4-64

450

600

-

СППК4Р-64

450

600

-

СППК4-160

450

600

200

СППК4Р-160

450

600

-

Обратные клапаны КП-160

 

300

 

600

 

-

Вентили ВМ

300

-

-

 

Задвижки

 

ЗКЛ2-16

450

510

-

ЗКЛПЭ-16

450

510

-

ЗКЛ2-40

450

-

600

ЗКЛ2-160

 

-

600

200

 

_____________

Примечание. Допускаемая температура для КП-160 из ст. 15х5М - плюс 300 °С для ВМ из ст. 15х5М, 12х18Н10Т - плюс°С, а из ст. 10х17Н13М2Т -плюс 100 °С.

 


ПРИЛОЖЕНИЕ 27

 

НОРМЫ ГЕРМЕТИЧНОСТИ ЗАТВОРОВ АРМАТУРЫ (КРОМЕ ВЕНТИЛЕЙ)

ПРИ ИСПЫТАНИИ ВОЗДУХОМ

 

Давление

ус­ловное Ру,

Класс

герметичности

Пропуск воздуха, см3/мин, при арматуре с Ду, мм

МПа (кгс/см2)

зат­вора

25

32

40

50

65

80

100

125

150

200

250

300

350

400

500

600

 

0,25 (2,5)

 

I

 

1,5

 

2,0

 

3

 

4

 

6

 

8

 

11

 

15

 

22

 

30

 

45

 

60

 

70

 

90

 

120

 

160

 

II

4,5

6,0

9

12

18

25

35

45

60

90

140

180

200

250

350

500

0,6 (6,0)

I

2,5

4,0

5

7

10

13

20

26

40

55

80

110

130

150

220

280

 

II

8,0

12,0

15

20

30

40

60

80

120

150

250

350

400

450

650

800

1,0 (10,0)

I

4,0

5,5

7

10

15

20

30

40

55

80

120

160

200

230

320

440

 

II

12,0

16,0

20

30

45

60

90

120

150

250

350

500

600

800

1000

1300

1,6 (16,0)

I

5,0

8,0

11

15

24

30

45

60

90

120

180

250

300

350

500

650

 

II

15,0

25,0

30

45

70

90

140

180

250

350

550

800

900

1000

1500

2000

2,5 (25,0)

I

8

12

15

24

32

45

60

90

120

180

250

350

450

500

700

1000

 

II

25

35

45

70

100

140

180

250

350

550

800

1000

1400

1500

2000

3000

4,0 (40,0)

I

12

20

25

35

50

65

100

130

180

270

400

550

700

800

1100

1500

 

II

35

60

80

100

150

200

300

400

550

800

1200

1500

2000

2500

3500

4500

6,4 (64,0)

I

20

30

40

60

90

120

150

220

300

450

650

900

1200

1300

1800

2400

 

II

60

90

120

180

250

350

450

700

^00

1400

2000

2500

3500

4000

5500

7000

 

I

30

45

60

90

130

170

250

350

500

700

1000

1300

1700

2000

2900

4000

 

II

90

140

180

250

400

500

800

1000

1500

2000

3000

4000

5000

6000

9000

12000

16,0 (160,0)

I

50

65

90

130

200

260

400

550

700

1100

1500

2200

2600

3000

4500

6000

 

II

 

150

200

250

400

600

800

1200

1500

2000

3000

4500

6500

8000

9000

14000

18000

 

 

 

ПРИЛОЖЕНИЕ 28

 

НОРМЫ ГЕРМЕТИЧНОСТИ ЗАТВОРОВ ВЕНТИЛЕЙ

ПРИ ИСПЫТАНИИ ВОЗДУХОМ

 

Давление

ус­ловное Ру,

Класс

герметичности

Пропуск воздуха, см3/мин, при вентилях с Ду, мм

МПа (кгс/см2)

зат­вора

25

32

40

50

65

80

100

125

150

200

250

300

350

400

 

0,25(2,5)

 

I

 

0,4

 

0,6

 

0,9

 

1,2

 

1,5

 

2

 

3

 

4

 

6

 

9

 

13

 

18

 

20

 

25

 

II

1,3

1,8

2,5

3,5

5,0

7

10

13

18

25

40

50

60

75

0,6 (6,0)

I

0,8

1,2

1,5

2,0

3,0

4

6

8

12

16

25

30

40

45

 

II

2,5

3,5

4,5

6,0

9,0

12

18

25

35

45

75

100

120

130

1,0 (10,0)

I

1,0

1,5

2,0

3,0

4,0

6

9

12

16

25

35

45

60

65

 

II

3,5

5,0

6,0

9,0

13,0

18

25

35

45

75

100

150

180

200

1,6 (16,0)

I

1,5

2,0

3,0

4,0

7,0

8

13

18

25

35

50

70

90

100

 

II

4,5

7,0

9,0

13,0

20,0

25

40

50

80

100

160

200

250

300

2,5 (25,0)

I

2

3,5

4

7

10

13

18

25

35

50

70

100

120

150

 

II

7

10,0

13

20

30

40

50

80

100

160

200

300

400

450

4,0 (40,0)

I

3

6,0

7

10

15

20

30

35

50

80

120

150

200

250

 

II

10

18,0

25

30

45

60

90

120

150

250

350

450

600

800

6,4 (64,0)

I

6

8,0

13

17

25

35

45

65

90

130

200

250

350

400

 

II

18

25,0

35

50

80

100

130

200

250

400

600

750

1000

1200

10,0 (100,0)

I

10

12,0

18

26

40

50

70

100

150

200

300

400

500

600

 

II

25

40,0

50

80

120

150

220

300

450

600

900

1300

1500

1800

16,0 (160,0)

I

15

18,0

26

30

55

70

120

170

200

320

450

600

750

900

 

 

II

45

60,0

80

120

180

250

360

450

600

900

1200

2000

2000

2500


 

 

ПРИЛОЖЕНИЕ 29

 

НОРМЫ ГЕРМЕТИЧНОСТИ ЗАТВОРОВ АРМАТУРЫ

(КРОМЕ ВЕНТИЛЕЙ) ПРИ ИСПЫТАНИИ ВОДОЙ

 

Условный проход Ду, мм

Пропуск воды, см3/мин, для классов герметичности

I

II

III

 

25

 

0,02

 

0,06

 

0,2

32

0,03

0,10

0,3

40

0,04

0,12

0,4

50

0,06

0,18

0,6

65

0,09

0,25

0,9

80

0,11

0,35

1,1

100

0,16

0,50

1,6

125

0,22

0,65

2,2

150

0,03

0,90

3,0

200

0,45

1,30

4,5

250

0,65

2,00

6,5

300

0,80

2,50

8,0

350

1,10

3,50

11,0

400

1,30

4,00

13,0

500

1,70

5,00

17,0

600

 

2,40

7,00

24,00

 

 

 

ПРИЛОЖЕНИЕ 30

 

НОРМЫ ГЕРМЕТИЧНОСТИ ЗАТВОРОВ ВЕНТИЛЕЙ

ПРИ ИСПЫТАНИИ ВОДОЙ

 

Условный проход Ду, мм

Пропуск воды, см3/мин, для классов герметичности

I

II

III

 

25

 

0,01

 

0,02

 

0,06

32

0,01

0,03

0,09

40

0,01

0,04

0,10

50

0,02

0,05

0,20

65

0,03

0,08

0,30

80

0,04

0,10

0,40

100

0,05

0,15

0,50

125

0,06

0,20

0,60

150

0,10

0,25

1,00

200

0,15

0,40

1,50

250

0,20

0,60

2,00

300

0,25

0,80

2,50

350

0,30

1,00

3,00

400

 

0,40

1,20

4,00

 

 

ПРИЛОЖЕНИЕ 31

 

ПРЕДЕЛЫ ПРИМЕНЕНИЯ ЧУГУННОЙ АРМАТУРЫ

 

Давление Ризб, МПа (кгс/см2)

Температура

среды не выше, °С

Диаметр

ус­ловный Ду

не более, мм

 

Марка чугуна (ГОСТ)

 

1,6 (16)

 

+300

 

80

 

Не ниже КЧ 30-6

(ГОСТ 26358-84)

1,0 (10)

+200

300

Не ниже СЧ 18-36

(ГОСТ 1412-85)

0,6 (6,0)

+120

600

То же

0,25 (2,5)

 

+120

1600

 

 

 


ПРИЛОЖЕНИЕ 32

 

ВЫБОР ТИПА И МАТЕРИАЛА ФЛАНЦЕВ В ЗАВИСИМОСТИ

ОТ ПАРАМЕТРОВ СРЕДЫ

 

Тип фланцев,

стандарт

Давление условное

Ру, МПа

(кгс/см2)

Температурные пределы применения сталей, °С

ВСт3сп3

ВСт3пс3 ВСт3Гпс3

ВСт3сп4

ВСт3пс4 ВСт3Гпс4

20,25

16 ГС

09Г2С

10Г2С1

15ХМ

15х5М

12х18Н10Т

10х17Н13М2Т

10х17Н13МЗТ*

ГОСТ 380-71

ГОСТ 1050-74

ГОСТ 5520-79

ГОСТ 4543-71

ГОСТ 5632-72

 

Стальной плос­кий приварной

по** ГОСТ 12820-80

 

 

1,0 (10)

1,6 (16)

2,5 (25)

 

От 0 до +300

 

От 20 до +300

 

От 30 до +300

 

От 40 до +300

 

От 70 до +300

 

-

 

-

 

От 70 до +300

 

Стальной при­варной встык

по ГОСТ 12821-80

 

 

1,0 (10)

1,6 (16)

2,5 (25)

4,0 (40)

6,3 (63)

10 (100)

 

 

От 30 до +300

 

-

 

От 30 до +425

 

-

 

От 70 до +350

 

От 40 до +450

 

От 40 до +510

 

От 80* до +600

 

Стальной при­варной встык

по ОСТ 26-839-73

 

 

1,0 (10)

2,5 (25)

1,6 (16)

 

-

 

ВСт3Гпс3

 

-

 

ВСт3Гпс3

 

От 30 до +450

 

-

 

От 70 до +450

 

От 0 до +550

 

От 40 до +550

 

От 70 до +550

 

Стальной при­варной встык

по ОСТ 26-840-73

и ОСТ 26-841-73

 

 

1,0 (10)

1,6 (16)

2,5 (25)

4,0 (40)

6,3 (63)

 

 

-

 

-

 

То же

 

-

 

То же

 

То же

 

То же

 

То же

 

Стальной при­варной встык

по ОСТ 26-843-73

 

 

6,4 (64)

10,0 (100)

16,0 (160)

 

-

 

-

 

От 30 до +450

 

-

 

От 70 до +450

 

От 0 до +560

 

От 40 до +600

 

От 70 до +600

 

_____________

Примечания.

1. Возможность применения фланцев для температур ниже минус 70 °С в каждом конкретном случае должна быть согласована с головной конструкторской организацией по данному виду оборудования.

2. Марки полуспокойных сталей могут применяться для изготовления фланцев толщиной не более 25 мм.

3. В случае изготовления плоских приварных фланцев методом холодной гибки температурный предел применения ст. ВСт3СП3, ВСт3пс3, ВСт3Гпс3 следует принимать плюс 200 °С.

4. Допускается изготовление фланцев из сталей, не указанных в настоящей таблице, если по техническим требованиям они соответствуют приведенным.

5. Для фланцев из ст. 10х17Н13МЗТ (ГОСТ 12816-80) нижний температурный предел применения минус 253 °С (помечены звездочкой ).

6. Уплотняемая поверхность -по ГОСТ 12815-80; ОСТ 26-830-73; ОСТ 26-831-73; ОСТ 26-832-73 (помечена двумя звез­дочками -**).

 

 

ПРИЛОЖЕНИЕ 33

 

МАТЕРИАЛЫ ДЛЯ ПРОКЛАДОК

 

Прокладка

(материал)

ГОСТ, нормаль, ТУ

Предельная

температура, °С

Предел давления Рпр, МПа,

при уплотнительной поверхности фланцев

 

Среда

 

от

 

до

 

глад­кой

выступ - впа­дина

шип - паз

под кольцевую про­кладку овального сечения

 

Пластины ре­зиновые и рези-нотканевые теп­ло -, морозокислотно-, щелочестойкие (ТКМЩ)

 

7338-90 классы:

 

М

С, П

С1, П1

С2П2

 

 

 

 

 

45

30

45

60

 

 

 

 

+90

+80

+80

+80

 

 

 

 

0,1

 

 

 

 

1,0

 

 

 

 

1,0

 

 

 

 

-

 

Вода техническая и сточ­ная, растворы солей с концентрациями до преде­ла насыщения, морская вода, щелочи с содержанием растворенного вещества не более 20%, кислота - не более 20%, воздух, инертные газы, азот

Пластины ре­зиновые и резинотканевые маслостойкие (М)

 

7338-90, классы:

М, С, П

 

 

 

30

 

 

+80

 

 

0,1

 

 

1,0

 

 

1,0

 

 

-

 

Масла, эмульсии, масла нефтяные, газы, пары

Пластины рези­новые и резинотканевые маслобензостойкие (МБС)

 

7338-90 классы:

М, С, П

М1, С1, П1

 

 

 

30

40

 

 

+80

+80

 

 

0,1

 

 

1,0

 

 

1,0

 

 

-

 

Масла, эмульсии, масла нефтяные, жидкие угле­водороды, бензин, газы и пары

Паронит общего назначения (ПОН)

481-80

-

+250

2,5

6,4

-

-

Пресная перегретая вода

 

 

-

+450

2,5

6,4

-

-

Насыщенный и перегре­тый пар

 

 

50

+100

1,0

-

-

-

Воздух

 

 

50

+450

2,5

6,4

 

-

Сухие нейтральные и инертные газы

 

 

15

+100

2,5

-

-

-

Водные растворы солей

 

 

40

+150

1,6

2,5

-

-

Жидкий, газообразный аммиак

 

 

-

+150

1,6

-

-

-

Спирт

 

 

-

+200

2,5

6,4

-

Вакуум

от 50 до 99 %

Тяжелые нефтепродукты (соляровое масло, дизельное топливо, мазут, битум)

 

 

-

+150

2,5

-

-

-

Легкие нефтепродукты (газойль, бензин, керосин)

 

 

182

 

-

0,25

-

-

-

Жидкий кислород

Паронит маслобензостойкий (ПМБ)

481-80

-

+50

2,5

4,0

-

-

Морская вода

 

 

40

+150

2,5

10,0

10,0

-

Рассолы

 

 

40

+60

1,6

-

-

-

Сжиженные и газообраз­ные углеводороды (С15)

 

 

-

+300

2,0

-

-

-

Тяжелые нефтепродукты (соляровое масло, мазут, битум)

 

Паронит общего назначе­ния

 

-

+250

4,5

-

-

-

Пресная перегретая вода

(ПОН-1)

 

-

+450

4,5

-

-

-

Насыщенный и перегре­тый пар

 

 

-

+120

2,3

-

-

-

Тяжелые нефтепродукты (соляровое масло, мазут, битум)

 

Паронит маслобензостойкий

(ПМБ-1)

 

40

+250

2,5

16,0

16,0

-

Тяжелые нефтепродукты (соляровое масло, мазут, битум)

 

 

40

+250

2,5

16,0

16,0

 

Масла (дизельное, ав­томобильное, авиационное, индустриальное, турбинное, трансформа­торное)

 

 

40

+250

2,5

16,0

16,0

 

Легкие нефтепродукты (газойль, бензин, керосин)

 

Паронит армированный сеткой

481-80

-

+450

4,0

10,0

-

-

Пар водяной насыщен­ный и перегретый

(ПА)

 

-

+250

4,0

7,5

-

-

Сухие газы, воздух

 

 

-

+400

2,5

7,5

Вакуум

от 50

до 99%

-

Тяжелые нефтепро­дукты (соляровое мас­ло, дизтопливо)

 

 

-

+200

2,5

7,5

То же

 

Легкие нефтепродукты газойль, бензин, керо­син)

 

Картон прокладочный пропитанный мар­ки А

 

9347-74

 

 

 

 

 

-

Вода

Картон асбес­товый

2850-80

15

+450

0,30

-

-

-

Углеводороды жидкие и газообразные (в том чис­ле мазут,  масла, смолы и т. п.)

Фибра листовая тех­ническая

14613-83Е

15

+80

1,0

1,6

Вакуум  от 50

до 99%

-

Нейтральные газовые среды

Листы из алюминиевого сплава марки АМц, отожженные

 

21631-76

196

+250

1,6

4,0

То же

-

Углеводороды жидкие и газообразные (в том числе мазут,  масла, смолы и т. п.)

Алюминий марки А3

 

11069-74

+425

1,6

4,0

То же

-

 То же

Медь листовая мягкая марки М2

495-92

196

+250

2,5

10,0

Вакуум от 50

до 99%

-

Вода перегретая,  пар водяной, жидкие и газообразные нефтепродукты

Свинец марки С2

 

3778-77

15

+50

0,6

-

То же

-

Морская вода, растворы кислот

Прокладки асбомедные гофрированные и плоские

 

ОСТ 26-844 -73

70

+315

2,5

6,4

-

-

Влажный водяной пар, фенол, бензол

Прокладки асбоалюминиевые гофрированные и плоские

 

ОСТ 26-844 -73

70

+425

2,5

6,4

-

-

Легкие и тяжелые нефте­продукты, содержащие сероводород и меркаптаны, сухой водяной пар

Прокладки специально навитые

ТУ 38114233-81

 тип I

-

+400

2,5

25,0

-

-

Пар, вода и другие неагрессивные среды

 

тип II

-

+250

1,6

1,6

-

-

Кислоты, щелочи я дру­гие агрессивные среды

 

тип III

 

-

+600

2,5

25,0

-

-

Пар, сухие газы, тяжелые нефтепродукты

Прокладки зубчатые из низкоуглеродистой стали

По специальным чертежам

40

+470

-

10,0

-

-

Углеводороды жидкие и газообразные, водяной пар, газы и пары нейтраль­ные

Прокладки зубчатые из ст. Г2х8Н10Т

 

То же

196

+700

-

10,0

-

-

То же

Прокладки зубчатые медные

По специальным чертежам

196

+250

-

10,0

-

-

Углеводороды жидкие и газообразные, водяной пар, газы и пары нейтральные

Прокладки кольцевые оваль­ного сечения из низкоуглеродис­той

ст. 08КП

 

ОСТ 26-845-73

40

+475

-

-

-

16,0

То же

Прокладки кольцевые оваль­ного сечения из ст. 08х18Н10Т

 

ОСТ 26-845-73

196

+700

-

-

-

16,0

--


 

 

ПРИЛОЖЕНИЕ 34

 

КРУТОИЗОГНУТЫЕ ОТВОДЫ

ИЗ УГЛЕРОДИСТОЙ СТАЛИ

 

 

 

Размеры, мм

 

Давление условное Ру,

МПа (кгс/см2), не более

Ду

Дн

L1

L2

L3

S

при скорости коррозии, мм/год

до 0,1

до 0,1-0,5

 

40

 

45

 

60

 

35

 

25

 

2,5

 

10,0 (100)

 

2,5 (25)

 

 

 

 

 

4,0

-

10,0 (100)

50

57

75

43

30

3,0

10,0 (100)

4,0 (40)

 

 

 

 

 

5,0

-

10,0 (100)

50

(57)

(100)

(57)

(41)

(5,0)

10,0 (100)

10,0 (100)

65

76

100

57

41

3,5

10,0 (100)

4,0 (40)

 

 

 

 

 

6,0

-

10,0 (100)

80

89

120

69

50

3,5

10,0 (100)

4,0 (40)

 

 

 

 

 

6,0

-

10,0 (100)

100

108

150

87

62

4,0

10,0 (100)

4,0 ( 40)

 

(114)

 

 

 

6,0

-

10,0 (100)

 

 

 

 

 

8,0

-

10,0 (100)

 

 

 

 

 

(6,0)

10,0 (100)

10,0 (100)

125

133

190

110

79

4,0

6,3 (63)

4,0 (40)

 

 

 

 

 

5,0

10,0 (100)

4,0 (40)

 

 

 

 

 

8,0

-

10,0 (100)

 

 

 

 

 

10,0

-

10,0 (100)

150

159

225

130

93

4,5

6,3 (63)

4,0 (40)

 

 

 

 

 

6,0

10,0 (100)

6,3 (63)

 

 

 

 

 

8,0

-

10,0 (100)

 

 

 

 

 

10,0

-

10,0 (100)

 

 

 

 

 

(6,0)

10,0 (100)

6,3 (63)

 

 

(168)

 

 

(8,0)

-

10,0 (100)

200

219

300

173

124

6,0

6,3( 63)

4,0 (40)

 

 

 

 

 

8,0

10,0 (100)

6,3 (63)

 

 

 

 

 

10,0

-

10,0 (100)

 

 

 

 

 

12,0

-

10,0 (100)

250

273

375

217

155

7,0

6,3 (63)

4,0 (40)

 

 

 

 

 

10,0

10,0 (100)

6,3 (63)

 

 

 

 

 

12,0

-

10,0 (100)

 

 

 

 

 

16,0

-

10,0 (100)

300

325

450

260

186

8,0

6,3 (63)

4,0 (40)

 

 

 

 

 

10,0

8,0 (80)

6,3 (63)

 

 

 

 

 

12,0

10,0 (100)

8,0 (80)

 

 

 

 

 

16,0

-

10,0 (100)

350

377

525

303

217

10,0

6,3 (63)

4,0 (40)

 

 

 

 

 

12,0

8,0 (80)

6,3 (63)

 

 

 

 

 

16,0

10,0 (100)

10,0 (100)

400

426

600

346

248

10,0

6,3 (63)

4,0 (40)

 

 

 

 

 

12,0*

8,0 (80)

6,3 (63)

 

 

 

 

 

14,0

8,0 (80)

6,3 (63)

 

 

 

 

 

16,0

10,0 (100)

8,0 (80)

500

530

500

289

207

10,0

4,0 (40)

2,5 (25)

 

 

 

 

 

12,0

-

4,0 (40)

 

 

 

 

 

16,0*

8,0 (80)

6,3 (63)

 

 

 

 

 

18,0

8,0 (80)

6,3 (63)

 

 

 

 

 

20,0*

10,0 (100)

8,0 (80)

600

630

600

345

248

10,0

2,5 (25)

2,5 (25)

 

 

 

 

 

12,0

4,0(40)

2,5 (25)

 

 

 

 

 

20,0*

8,0 (80)

6,3 (63)

 

 

_____________

Примечания.

1. Сортамент отводов, приведенных в таблице, и их размеры соответствуют ГОСТ 17375-83.

2. Отводы, толщины стенки которых отмечены звездочкой (*), изготавливают только из ст. 09Г2С.

 


ПРИЛОЖЕНИЕ 35

 

ДЕТАЛИ СВАРНЫХ ОТВОДОВ ИЗ УГЛЕРОДИСТОЙ СТАЛИ НА Ру ДО 6,3 МПа

 

Деталь 1

Деталь 2

Деталь 3

 

 

 

 

Ру, МПа, (кгс/см2), не более

 

Деталь 1 -полусектор 15°

 

Деталь 2 -полусектор 22,5°

 

Деталь 3 -сектор 30°

Ду, мм

Дн х S, мм

r, мм

электросварные трубы

бесшовные трубы

 

 

 

 

 

 

при скорости коррозии, мм/год

 

 

 

 

 

 

до 0,1

0,1-0,5

до 0,1

0,1-0,5

Н, мм

Н1, мм

Н, мм

Н1, мм

Н, мм

Н1, мм

 

150

 

159х4,0

 

300

 

2,5(25)

 

1,0(10)

 

-

 

-

 

59

 

102

 

91

 

158

 

118

 

204

 

159х4,5

 

-

-

4,0(40)

-

 

 

 

 

 

 

 

159х6,0

 

-

2,5(25)

6,3(63)

2,5(25)

 

 

 

 

 

 

 

159х8,0

 

-

-

-

4,0(40)

 

 

 

 

 

 

 

159х10,0

 

-

-

-

6,3(63)

 

 

 

 

 

 

200

219х6,0

400

2,5(25)

1,0(10)

4,0(40)

2,5(25)

78

137

120

211

156

274

 

219х8,0

 

-

2,5(25)

6,3(63)

4,0(40)

 

 

 

 

 

 

 

219х12,0

 

-

-

-

6,3(63)

 

 

 

 

 

 

250

273х6,0

500

2,5(25)

1,0(10)

 

 

97

171

151

264

195

342

 

273х7,0

 

-

-

4,0(40)

1,6(16)

 

 

 

 

 

 

 

273х8,0

 

-

2,5(25)

-

2,5(25)

 

 

 

 

 

 

 

273х10,0

-

-

-

6,3(63)

4,0(40)

 

 

 

 

 

 

 

273х12,0

-

-

-

-

6,3(63)

 

 

 

 

 

 

300

325х6,0

600

2,5(25)

1,0(10)

-

-

117

205

181

316

234

410

 

325х8,0

 

-

2,5(25)

4,0(40)

2,5(25)

 

 

 

 

 

 

 

325х10,0

 

-

-

6,3(63)

4,0(40)

 

 

 

 

 

 

 

325х12,0

 

-

-

-

6,3(63)

 

 

 

 

 

^ те

350

377х9,0

700

-

-

4,0(40)

2,5(25)

137

238

212

368

274

4(0

 

377х12,0

 

-

-

6,3(63)

4,0(40)

 

 

 

 

 

 

 

377х16,0

 

-

-

-

6,3(63)-

 

 

 

 

 

 

400

426х7,0

800

2,5(25)

1,0(10)

-

-

158

272

243

420

315

544

 

426х8,0

 

-

1,6(16)

 

 

 

 

 

 

 

 

 

426х10,0

 

-

2,5(25)

4,0(40)

2,5(25)

 

 

 

 

 

 

 

426х12,0

 

-

-

-

4,0(40)

 

 

 

 

 

 

 

426х16,0

 

-

-

 

6,3(63)

6,3(63)

 

 

'

 

 

 

 

_____________

Примечания.

1. Размеры деталей соответствуют ОСТ 36-43-81.

2 Условия применения деталей соответствуют ОСТ 36-41-81.

3. Приведенные в таблице детали отводов позволяют собирать отводы с углом 30°, 45°, 60° и 90°, показанные выше.


ПРИЛОЖЕНИЕ 36

 

КОНЦЕНТРИЧЕСКИЕ

И ЭКСЦЕНТРИЧЕСКИЕ ПЕРЕХОДЫ

ИЗ УГЛЕРОДИСТОЙ СТАЛИ

 

 

Концентрический переход

Эксцентрический переход

 

Размеры, мм

 

Давление условное Ру,

МПа (кгс/см2), не более

 

Ду

 

dy

 

Dн

 

dн

 

L

 

S

 

S1

при скорости

коррозии, мм/год

 

 

 

 

 

 

 

до 0,1

0,1-0,5

 

40

 

25

 

45

 

32

 

30

 

2,5

 

2,0

 

10,0 (100)

 

2,5 (25)

 

 

 

 

 

4,0

4,0

-

10,0 (100)

40

20

45

25

30

2,5

1,6

10,0 (100)

2,5 (25)

 

 

 

 

 

4,0

3,0

-

10,0 (100)

50

40

45

45

60

5,0

4,0

-

10,0 (100)

50

32

57

38

45

5,0

4,0

-

10,0 (100)

50

25

57

32

45

4,0

2,0

10,0 (100)

6,3(63)

 

 

 

 

 

5,0

3,0

-

10,0 (100)

50

20

57

25

45

4,0

1,6

10,0 (100)

6,3 (63)

 

 

 

 

 

5,0

3,0

10,0 (100)

4,0 (40)

65

50

76

57

70

6,0

5,0

-

10,0 (100)

65

40

76

45

70

3,5

2,5

10,0 (100)

4,0 (40)

 

 

 

 

 

6,0

4,0

-

10,0 (100)

65

32

76

38

55

3,5

2,5

10,0 (100)

4,0 (40)

 

 

 

 

 

6,0

3,0

-

10,0 (100)

80

65

89

76

75

3.5

3,5

10,0 (100)

4,0 (40)

 

 

 

 

 

6,0

5,0

 

10,0 (100)

 

 

 

 

 

8,0

6,0

 

10,0 (100)

80

50

89

57

75

3,5

3,0

10,0 (100)

4,0 (40)

 

 

 

 

 

6,0

4,0

-

10,0 (100)

 

 

 

 

 

8,0

5,0

-

10,0 (100)

80

40

89

45 .

75

3,5

2,5

10,0 (100)

4,0 (40)

 

 

 

 

 

6,0

4,0

-

6,3 (63)

100

80

108

89

80

4,0

3,5

10,0 (100)

4,0 (40)

 

 

 

 

 

6,0

6,0

-

10,0 (100)

100

65

108

76

80

4,0

3,5

10,0 (100)

4,0 (40)

 

 

 

 

 

6,0

5,0

-

10,0 (100)

100

50

108

57

80

4,0

3,0

10,0 (100)

4,0 (40)

 

 

 

 

 

6,0

4,0

 

10,0 (100)

125

100

133

108

100

5,0

4,0

10,0 (100)

4,0 (40)

 

 

 

 

 

8,0

6,0

 

10,0 (100)

125

80

133

89

100

4,0

3,5

6,3 (63)

4,0 (40)

 

 

 

 

 

6,0

5,0

8,0 (80)

6,3 (63)

 

 

 

 

 

8,0

6,0

10,0 (100)

10,0 (100)

125

65

133

76

100

5,0

3,5

10,0 (100)

4,0 (40)

 

 

 

 

 

8,0

5,0

 

10,0 (100)

125

50

133

57

100

4,0

3,0

6,3 (63)

4,0 (40)

 

 

 

 

 

8,0

4,0

10,0 (100)

10,0 (100)

150

125

159

133

130

4,5

4,0

6,3 (63)

4,0 (40)

 

 

 

 

 

8,0

8,0

10,0 (100)

10,0 (100)

150

100

159

108

130

4,5

4,0

6,3 (63)

4,0 (40)

 

 

 

 

 

8,0

6,0

10,0 (100)

10,0 (100)

150

80

159

89

75

4,5

3,5

6,3 (63)

4,0 (40)

 

 

 

 

 

8,0

6,0

10,0 (100)

10,0 (100)

150

65

159

76

75

4,5

3,5

6,3 (63)

4,0 (40)

 

 

 

 

 

8,0

4,0

10,0 (100)

10,0 (100)

150

50

159

57

75

4,5

3,0

6,3 (63)

4,0 (40)

 

 

 

 

 

8,0

4,0

10,0 (100)

10,0 (100)

200

150

219

159

140

6,0

4,5

6,3 (63)

4,0 (40)

 

 

 

 

 

10,0

8,0

10,0 (100)

10,0 (100)

200

125

219

133

140

6,0

4,0

6,3 (63)

4,0 (40)

 

 

 

 

 

10,0

8,0

10,0 (100)

10,0 (100)

200

100

219

108

140

6,0

4,0

6,3 (63)

4,0 (40)

 

 

 

 

 

10,0

6,0

10,0 (100)

10,0 (100)

200

80

219

89

95

6,0

3,5

6,3 (63)

4,0 (40)

 

 

 

 

 

10,0

5,0

10,0 (100)

10,0 (100)

290

65

219

76

95

6,0

3,5

6,3 (63)

4,0 (40)

 

 

 

 

 

10,0

5,0

10,0 (100)

10,0 (100)

200

50

219

57

95

6,0

3,0

6,3 (63)

4,0( 40)

 

 

 

 

 

10,0

4,0

10,0 (100)

10,0 (100)

250

200

273

219

180

7,0

6,0

6,3 (63)

4,0 (40)

 

 

 

 

 

10,0

8,0

10,0 (100)

6,3 (63)

 

 

 

 

 

12,0

10,0

-

10,0 (100)

250

150

173

159

180

7,0

4,5

6,3 (63)

4,0 (40)

 

 

 

 

 

10,0

6,0

10,0 (100)

6,3 (63)

 

 

 

 

 

12,0

10,0

-

10,0 (100)

250

125

273

133

180

8,0

4,0

6,3 (63)

4,0 (40)

 

 

 

 

 

10,4

6,0

10,0 (100)

6,3 (63)

 

 

 

 

 

10,0*

6,0*

-

8,0 (80)

250

100

273

108

180

8,0

4,0

6,3(63)

4,0 (40)

 

 

 

 

 

10,0

5,0

10,0(100)

6,3 (63)

 

 

 

 

 

10,0*

5,0*

-

8,0 (80)

300

250

325

273

180

8,0

8,0

6,3 (63)

4,0 (40)

 

 

 

 

 

10,0

10,0

8,0 (80)

6,3 (63)

 

 

 

 

 

12,0

12,0

10,0 (100)

8,0 (80)

 

 

 

 

 

10,0

8,0

8,0 (80)

6,3 (63)

300

200

325

219

180

12,0

10,0

10,0 (100)

8,0 (80)

300

150

325

159

180

8,0

4,5

6,3 (63)

4,0 (40)

 

 

 

 

 

12,0

8,0

10,0 (100)

8,0 (80)

300

125

325

133

140

8,0

5,0

6,3 (63)

4,0 (40)

 

 

 

 

 

12,0

8,0

10,0 (100)

8,0 (80)

300

100

325

108

140

10,0

4,0

8,0 (80)

6,3 (63)

 

 

 

 

 

12,0

6,0

10,0 (100)

8,0 (80)

350

300

377

325

229

10,0

8,0

6,3 (63)

4,0 (40)

 

 

 

 

 

12,0

10,0

8,0 (80)

6,3 (63)

 

 

 

 

 

16,0

16,0

10,0 (100)

10,0 (100)

350

250

377

273

220

10,0

8,0

6,3 (63)

4,0 (40)

 

 

 

 

 

12,0

10,0

8,0 (80)

6,3 (63)

 

 

 

 

 

16,0

12,0

10,0 (100)

10,0 (100)

350

200

377

219

220

12,0

8,0

8,0 (80)

6,3 (63)

 

 

 

 

 

16,0

10,0

10,0 (100)

10,0 (100)

350

150

377

159

220

12,0

6,0

8,0 (80)

6,3 (63)

 

 

 

 

 

16,0

8,0

10,0 (100)

10,0 (100)

400

350

426

377

220

10,0

10,0

6,3 (63)

4,0 (40)

 

 

 

 

 

12,0*

12,0*

8,0 (80)

6,3 (63)

 

 

 

 

 

16,0

16,0

10,0 (100)

8,0 (80)

400

300

426

325

220

10,0

8,0

6,3 (63)

4,0 (40)

 

 

 

 

 

12,0*

10,0*

8,0 (80)

6,3 (63)

 

 

 

 

 

16,0

12,0

10,0 (100)

8,0 (80)

400

250

426

273

220

12,0

8,0

6,3 (63)

4,0 (40)

 

 

 

 

 

12,0*

10,0*

8,0 (80)

6,3 (63)

 

 

 

 

 

16,0

10,0

10,0 (100)

8,0 (80)

400

200

426

219

220

12,0

6,0

6,3 (63)

4,0 (40)

 

 

 

 

 

12,0*

8,0

8,0 (80)

6,3 (63)

 

 

 

 

 

16,0

10,0

10,0 (100)

8,0 (80)

400

150

426

159

220

12,0

8,0

6,3 (63)

4,0 (40)

 

 

 

 

 

12,0*

8,0*

8,0 (80)

6,3 (63)

 

 

 

 

 

16,0

10,0

10,0 (100)

8,0 (80)

500

400

530

426

300

14,0

12,0

6,3 (63)

4,0 (40)

 

 

 

 

 

14,0*

12,0*

8,0 (80)

6,3 (63)

 

 

 

 

 

16,0*

16,0*

10,0 (100)

8,0 (80)

500

350

530

377

300

14,0

12,0

6,3 (63)

4,0 (40)

 

 

 

 

 

14,0*

12,0*

8,0 (80)

6,3 (63)

 

 

 

 

 

16,0*

16,0*

10,0 (100)

8,0 (80)

 

 

_____________

Примечания.

1. Сортамент и размеры переходов, приведенные в таблице, соответствуют ГОСТ 17378-83.

2. Все переходы, указанные в таблице, изготавливают бесшовными.

3. Переходы, толщина стенок которых отмечена звездочкой (*), изготавливают только из ст. 09Г2С.

 

 

ПРИЛОЖЕНИЕ 37

 

БЕСШОВНЫЕ РАВНОПРОХОДНЫЕ

И ПЕРЕХОДНЫЕ ТРОЙНИКИ

ИЗ УГЛЕРОДИСТОЙ СТАЛИ

 

Равнопроходной тройник

 

Переходной тройник

 

Размеры, мм

 

Давление условное

Ру, МПа (кгс/см2),

не более

 

Ду

 

dy

 

Dн

 

dн

 

L

 

Н

 

S

 

S1

 

S0

r, не более

при скорости коррозии, мм/год

 

 

 

 

 

 

 

 

 

 

до 0,1

0,1-0,5

 

40

 

40

 

45

 

45

 

40

 

40

 

2,5

 

-

 

2,5

 

-

 

10,0(100)

 

2,5(25)

 

 

 

 

 

 

4,0

-

4,0

-

10,0(100)

10,0(100)

50

50

57

57

50

45

3,0

-

3,0

12,5

10,0(100)

4,0(40)

 

 

 

 

 

 

5,0

-

5,0

 

-

10,0(100)

 

 

 

 

 

 

3,0

2,5

3,0

 

10,0(100)

6,3(63)

50

40

57

45

50

45

5,0

4,0

5,0

 

-

10,0(100)

65

65

76

76

65

60

3,5

-

3,5

17,5

6,3(63)

4,0(40)

 

 

 

 

 

 

6,0

-

6,0

 

10,0(100)

10,0(100)

65

50

76

57

65

60

3,5

3,0

3,5

 

6,3(63)

4,0(40)

 

 

 

 

 

 

6,0

5,0

6,0

 

10,0(100)

10,0(100)

65

40

76

45

65

60

3,5

2,5

3,5

 

6,3(63)

4,0(40)

 

 

 

 

 

 

6,0

4,0

6,0

 

10,0(100)

10,0(100)

80

80

89

89

80

70

3,5

-

3,5

 

6,3(63)

2,5(25)

 

 

 

 

 

 

6,0

-

6,0

 

10,0(100)

10,0(100)

80

65

89

76

80

70

3,5

3,5

3,5

17,0

6,3(63)

2,5(25)

 

 

 

 

 

 

6,0

6,0

6,0

 

10,0(100)

10,0(100)

80

50

89

57

80

70

3,5

3,0

3,5

 

6,3(63)

4,0(40)

 

 

 

 

 

 

6,0

4,0

6,0

 

10,0(100)

10,0(100)

100

100

108

108

100

80

4,0

-

4,0

20,0

6,3(63)

4,0(40)

 

 

 

 

 

 

6,0

-

6,0

 

10,0(100)

6,3(63)

 

 

 

 

 

 

8,0

-

8,0

 

-

10,0(100)

100

80

108

89

100

80

4,0

4,0

4,0

 

6,3(63)

4,0(40)

 

 

 

 

 

 

6,0

6,0

6,0

 

10,0(100)

6,3(63)

 

 

 

 

 

 

8,0

8,0

8,0

 

-

10,0(100)

100

65

108

76

100

80

4,0

3,5

4,0

 

6,3(63)

4,0(40)

 

 

 

 

 

 

6,0

5,0

6,0

 

10,0(100)

6,3(63)

 

 

 

 

 

 

8,0

8,0

8,0

 

-

10,0(100)

125

125

133

133

110

95

4,0

-

4,0

20

6,3(63)

2,5(25)

 

 

 

 

 

 

6,0

-

6,0

 

8,0(80)

6,3(63)

 

 

 

 

 

 

8,0

-

9,0

 

10,0(100)

10,0(100)

125

100

133

108

110

95

4,0

4,0

4,0

 

6,3(63)

2,5(25)

 

 

 

 

 

 

6,0

5,0

6,0

 

8,0(80)

6,3(63)

 

 

 

 

 

 

8,0

6,0

9,0

 

10,0(100)

10,0(100)

125

80

133

89

110

95

4,0

3,5

4,0

 

6,3(63)

2,5(25)

 

 

 

 

 

 

6,0

5,0

6,0

 

8,0(80)

6,3(63)

 

 

 

 

 

 

8,0

6,0

9,0

 

10,0(100)

10,0(100)

150

150

159

159

130

100

4,5

-

4,5

 

4,0(40)

2,5(2$)

 

 

 

 

 

 

6,0

-

6,5

 

6,3(63)

4,0(40)

 

 

 

 

 

 

8,0

-

9,0

 

10,0(100)

8,0(80)

150

125

159

133

130

110

4,5

4,0

4,5

2,5

4,0(40)

2,5(25)

 

 

 

 

 

 

6,0

5,0

6,0

 

6,3(63)

4,0(40)

 

 

 

 

 

 

8,0

6,0

9,0

 

10,0(100)

8,0(80)

150

100

159

108

130

110

4,5

4,0

4,5

 

4,0(40)

2,5(25)

 

 

 

 

 

 

6,0

4,0

6,0

 

6,3(63)

4,0(40)

 

 

 

 

 

 

8,0

5,0

9,0

 

10,0(100)

8,0(80)

200

200

219

219

160

140

6,0

-

6,0

25

4,0(40)

2,5(25)

 

 

 

 

 

 

8,0

-

8,0

 

6,3(63)

4,0(40)

 

 

 

 

 

 

10,0

-

12,0

 

10,0(100)

8,0(80)

200

150

219

159

160

140

6,0

4,5

6,0

 

4,0(40)

2,5(25)

 

 

 

 

 

 

8,0

6,0

8,0

 

6,3(63)

4,0(40)

 

 

 

 

 

 

10,0

8,0

12,0

 

10,0(100)

8,0(80)

200

125

219

133

160

140

6,0

4,0

6,0

 

4,0(40)

2,5(25)

 

 

 

 

 

 

8,0

5,0

8,0

 

6,3(63)

4,0(40)

 

 

 

 

 

 

10,0

8,0

12,0

 

10,0(100)

8,0(80)

250

250

273

273

190

175

8,0

-

8,0

30

4,0(40)

4,0(40)

 

 

 

 

 

 

10,0

-

10,0

 

6,3(63)

6,3(63)

 

 

 

 

 

 

12,0

-

15,0

 

10,0(100)

10,0(100)

250

200

273

219

190

175

8,0

6,0

8,0

 

4,0(40)

4,0(40)

 

 

 

 

 

 

10,0

8,0

10,0

 

6,3(63)

6,3(63)

 

 

 

 

 

 

12,0

10,0

15,0

 

10,0(100)

10,0(100)

250

150

273

159

190

175

8,0

4,5

8,0

 

6,3(63)

4,0(40)

 

 

 

 

 

 

10,0

6,0

10,0

 

8,0(80)

6,3(63)

 

 

 

 

 

 

12,0

8,0

15,0

 

10,0(100)

10,0(100)

300

300

325

325

220

200

8,0

-

8,0

 

4,0(40)

2,5(25)

 

 

 

 

 

 

10,0

-

12,0

 

6,3(63)

6,3(63)

 

 

 

 

 

 

12,0

-

16,0

 

10,0(100)

8,0(80)

300

250

325

273

220

200

8,0

7,0

8,0

30

4,0(40)

4,0(40)

 

 

 

 

 

 

10,0

10,0

12,0

 

6,3(63)

6,3(63)

 

 

 

 

 

 

12,0

10,0

16,0

 

10,0(100)

8,0(80)

300

200

325

219

220

200

8,0

6,0

8,0

 

4,0(40)

4,0(40)

 

 

 

 

 

 

10,0

8,0

12,0

 

8,0(80)

6,3(63)

 

 

 

 

 

 

12,0

8,0

16,0

 

10,0(100)

10,0(100)

350

350

377

377

240

225

9,0

-

9,0

30

4,0(40)

2,5(25)

 

 

 

 

 

 

12,0

-

18,0

 

10,0(100)

8,0(80)

350

300

377

325

240

225

9,0

8,0

9,0

 

4,0(40)

4,0(40)

 

 

 

 

 

 

12,0

10,0

18,0

 

10,0(100)

8,0(80)

350

250

377

273

240

225

9,0

8,0

9,0

 

4,0(40)

4,0(40)

 

 

 

 

 

 

12,0

10,0

18,0

 

10,0(100)

8,0(80)

400

400

426

426

270

250

10,0

-

12,0

30

4,0(40)

4,0(40)

 

 

 

 

 

 

16,0

-

20,0

 

10,0(100)

8,0(80)

400

350

426

377

270

250

10,0

9,0

12,0

 

4,0(40)

4,0(40)

 

 

 

 

 

 

16,0

12,0

20,0

 

10,0(100)

8,0(80)

400

300

426

325

270

250

10,0

8,0

12,0

 

4,0(40)

4,0(40)

 

 

 

 

 

 

16,0

10,0

20,0

 

10,0(100)

 

8,0(80)

 

_____________

Примечания.

1. Сортамент и размеры тройников, приведенных в таблице, соответству­ют ГОСТ 17376-83.

2. Радиус r должен быть не менее S.

 

 

ПРИЛОЖЕНИЕ 38

 

СВАРНЫЕ РАВНОПРОХОДНЫЕ

И ПЕРЕХОДНЫЕ ТРОЙНИКИ

ИЗ УГЛЕРОДИСТОЙ СТАЛИ

 

 

Равнопроходной тройник

Переходной тройник

 

Размеры, мм

 

Давление условное

Ру, МПа (кгс/см2),

не более

 

Ду

 

dy

 

Dн

 

dн

 

L

 

Н

 

S

 

S1

при скорости

коррозии, мм/год

 

 

 

 

 

 

 

 

до 0,1

0,1-0,5

 

65

 

65

 

76

 

76

 

140

 

140

 

6

 

-

 

10,0(100)

 

6,3(63)

 

 

 

 

 

 

8

-

-

10,0(100)

65

40

76

45

140

140

6

3

10,0(100)

-

 

 

 

 

 

 

8

5

-

10,0(100)

65

50

76

57

140

140

6

4

10,0(100)

-

 

 

 

 

 

 

8

5

-

10,0(100)

80

80

89

89

150

150

6

-

6,3(63)

4,0(40)

 

 

 

 

 

 

8

-

10,0(100)

6,3(63)

 

 

 

 

 

 

10

-

-

10,0(100)

80

50

89

57

140

150

6

4

10,0(100)

-

 

 

 

 

 

 

8

6

-

10,0(100)

80

65

89

76

140

150

6

6

6,3(63)

-

 

 

 

 

 

 

8

6

10,0(100)

-

 

 

 

 

 

 

10

8

-

10,0(100)

100

100

108

108

160

160

8

-

10,0(100)

6,3(63)

 

 

 

 

 

 

10

-

-

10,0(100)

100

80

108

89

150

160

8

8

10,0(100)

6,3(63)

 

 

 

 

 

 

10

10

-

10,0(100)

125

125

133

133

170

170

8

-

6,3(63)

4,0(40)

 

 

 

 

 

 

10

-

10,0(100)

6,3(63)

 

 

 

 

 

 

12

-

-

10,0(100)

125

80

133

89

150

170

10

10

-

10,0(100)

125

100

133

108

160

170

8

8

6,3(63)

4,0(40)

 

 

 

 

 

 

10

8

10,0(100)

6,3(63)

 

 

 

 

 

 

12

10

-

10,0(100)

150

150

159

159

190

190

8

-

6,3(63)

4,0(40)

 

 

 

 

 

 

12

-

10,0(100)

6,3(63)

150

80

159

89

150

190

12

6

10,0(100)

-

150

100

159

108

160

190

8

6

6,3(63)

4,0(40)

 

 

 

 

 

 

12

8

10,0(100)

6,3(63)

150

125

159

133

170

190

8

8

6,3(63)

4,0(40)

 

 

 

 

 

 

12

10

10,0(100)

6,3(63)

200

200

219

219

220

220

10

-

6,3(63)

2,5(25)

 

 

 

 

 

 

16

-

10,0(100)

4,0(40)

200

125

219

133

170

220

16

10

10,0(100)

6,3(63)

200

150

219

159

200

220

10

8

6,3(63)

4,0(40)

 

 

 

 

 

 

16

12

10,0(100)

6,3(63)

250

250

273

273

250

250

12

-

4,0(40)

2,5(25)

 

 

 

 

 

 

16

-

6,3(63)

4,0(40)

 

 

 

 

 

 

20

-

10,0(100)

6,3(63)

250

125

273

133

170

250

20

10

10,0(100)

6,3(63)

250

150

273

159

200

250

20

12

10,0(100)

6,3(63)

250

200

273

219

220

250

12

10

6,3(63)

2,5(25)

 

 

 

 

 

 

16

12

6,3(63)

4,0(40)

 

 

 

 

 

 

20

16

10,0(100)

6,3(63)

300

300

325

325

270

270

10

-

4,0(40)

2,5(25)

 

 

 

 

 

 

16

-

6,3(63)

4,0(40)

 

 

 

 

 

 

25

-

10,0(100)

6,3(63)

300

150

325

159

200

270

25

12

10,0(100)

6,3(63)

300

200

325

219

220

270

16

10

6,3(63)

4,0(40)

 

 

 

 

 

 

25

16

10,0(100)

6,3(63)

300

250

325

273

250

270

10

8

4,0(40)

2,5(25)

 

 

 

 

 

 

16

10

6,3(63)

4,0(40)

 

 

 

 

 

 

25

20

10,0(100)

6,3(63)

350

350

377

377

300

300

12

-

4,0(40)

2,5(25)

 

 

 

 

 

 

16

-

6,3(63)

4,0(40)

 

 

 

 

 

 

25

-

10,0(100)

6,3(63)

350

200

377

219

220

300

16

10

6,3(63)

4,0(40)

 

 

 

 

 

 

25

16

10,0(100)

6,3(63)

350

250

377

273

250

300

16

10

6,3(63)

4,0(40)

 

 

 

 

 

 

25

20

10,0(100)

6,3(63)

350

300

377

325

270

300

12

10

4,0(40)

2,5(25)

 

 

 

 

 

 

16

10

6,3(63)

4,0(40)

 

 

 

 

 

 

25

25

10,0(100)

6,3(63)

400

400

426

426

320

320

16

-

4,0(40)

2,5(25)

 

 

 

 

 

 

20

-

6,3(63)

4,0(40)

400

250

425

273

250

320

16

10

4,0(40)

2,5(25)

 

 

 

 

 

 

20

12

6,3(63)

4,0(40)

400

300

426

325

270

320

16

10

4,0(40)

2,5(25)

 

 

 

 

 

 

20

16

6,3(63)

6,3(63)

400

350

426

377

300

320

16

12

4,0(40)

2,5(25)

 

 

 

 

 

 

20

 

20

6,3(63)

4,0(40)

 

_____________

Примечание. Сортамент и размеры тройников, приведенные в таблице, соответствуют ОСТ 36-46-81.

 

 

ПРИЛОЖЕНИЕ 39

 

ПЛОСКИЕ ЗАГЛУШКИ

ИЗ УГЛЕРОДИСТОЙ СТАЛИ

 

h = 1,4  S1 + 2;  К = 1,41  S1; j = 45° при S до 12 мм; j = 30° при S >12 мм

 

 

Ду, мм

 

S, мм

При скорости коррозии, мм/год

до 0,1

 

0,1-5

 

давление условное Ру, МПа (кгс/см2)

 

0,6 (6)

1,0 (10)

1,6 (16)

2,5 (25)

0,6 (6)

1,0 (10)

1,6 (16)

2,5 (25)

 

50

 

4,0

 

+

 

+

 

+

 

 

 

 

 

 

4,5

+

+

 

5,0

+

 

5,5

+

 

7,0

+

65(70)

4,0

+

+

 

5,0

+

 

6,0

+

 

7,0

+

+

 

8,0

+

 

9,0

+

80

4,0

+

 

5,0

+

 

6,0

+

 

7,0

+

+

 

8,0

+

 

9,0

+

 

10,0

+

100

4,5

+

 

5,5

+

 

7,0

+

 

8,0

+

 

9,0

+

+

 

10,0

+

 

12,0

+

125

5,5

+

 

7,0

+

 

9,0

+

 

10,0

+

 

11,0

+

+

 

13,0

+

 

14,0

+

150

7,0

+

 

9,0

+

 

10,0

+

 

11,0

+

 

13,0

+

+

 

14,0

+

 

16,0

+

200

9,0

+

 

11,0

+

 

13,0

+

 

14,0

+

 

15,0

+

 

17,0

+

 

18,0

+

 

21,0

+

250

11,0

+

 

14,0

+

 

15,0

+

 

17,0

+

+

 

21,0

+

+

 

25,0

+

300

13,0

+

 

16,0

+

 

17,0

+

 

20,0

+

+

 

24,0

+

 

25,0

+

+

 

30,0

+

350

15,0

+

 

19,0

+

+

 

24,0

+

+

 

30,0

+

+

 

32,0

 

+

 

_____________

Примечания.

1. Материал -ст. 3 сп по ГОСТ 380-88.

2. Знаком (+) обозначены пределы применения.

3. Температурные пределы применения от минус 15 до плюс 200°С.

 

 


ПРИЛОЖЕНИЕ 40

 

ЗАГЛУШКИ (ДНИЩА) ПЛОСКИЕ РЕБРИСТЫЕ ИЗ УГЛЕРОДИСТОЙ СТАЛИ

 

K=S+1; K1=S1+1; K2=S2+1

 

 

Ду, мм

 

Дв, мм

 

S, мм

При скорости коррозии, мм/год

 

Размеры

детали 1, мм

 

Размеры детали 2, мм

 

Размеры

детали 3, мм

до 0,1

 

0,1-0,5

 

давление условное Ру, МПа (кгс/см2)

 

 

 

 

 

0,6 (6)

1,0 (10)

1,6 (16)

2,5 (25)

0,6 (6)

1,0 (10)

1,6 (16)

2,5 (25)

 

S

h1

S

L

h2

h3

l

dн

S2

h4

 

400

 

412

 

7,0

 

-

 

+

 

-

 

-

 

-

 

-

 

-

 

-

 

7,0

 

1,5-2

 

7,0

 

150

 

75

 

75

 

65

 

108

 

4

 

80

 

 

10,0

-

-

--

-

+

+

-

-

10,0

 

 

 

 

 

 

 

 

 

 

 

8,0

-

-

+

-

-

-

-

-

8,0

2-3

8,0

150

110

75

65

108

4

80

 

 

12,0

-

-

-

-

-

-

+

-

12,0

 

 

 

 

 

 

 

 

 

 

 

10,0

-

-

-

+

-

-

-

-

10,0

2-3

10,0

 

125

75

65

108

4

80

 

 

14,0

-

-

-

-

-

-

-

+

14,0

 

 

 

 

 

 

 

 

 

500

516

7,0

+

-

-

-

-

-

-

-

7,0

1,5-2

7,0

 

10

75

65

108

4

80

 

 

11,0

-

-

-

-

+

-

-

-

10,0

 

 

 

 

 

 

 

 

 

 

 

8,0

-

+

-

-

-

-

-

-

8,0

2

8,0

150

125

75

75

133

4

80

 

 

12,0

-

-

-

-

-

+

-

-

12,0

 

 

 

 

 

 

 

 

 

 

 

10,0

-

-

+

-

-

-

-

-

10,0

2-3

10,0

190

140

 

 

 

 

 

 

 

14,0

-

-

-

-

-

-

+

-

14,0

 

 

 

 

 

 

 

 

 

 

 

12,0

-

-

-

+

-

-

-

-

12,0

2-4

12,0

 

160

 

 

 

 

 

 

 

16,0

-

-

-

-

-

-

-

+

16,0

 

 

 

 

 

 

 

 

 

600

616

8,0

+

-

-

-

-

-

-

-

8,0

2-3

8,0

 

125

75

86

159

4,5

80

 

 

12,0

-

-

-

-

+

-

-

-

12,0

 

 

 

 

 

 

 

 

 

 

 

10,0

-

+

-

-

-

-

-

-

10,0

2-3

10,0

 

145

 

 

 

 

 

 

 

14,0

-

-

-

-

+

+

-

-

14,0

 

 

 

 

 

 

 

 

 

 

 

12,0

-

-

+

-

-

-

-

-

12,0

2-4

12,0

240

165

 

 

 

 

 

 

 

16,0

-

-

-

-

-

-

+

-

16,0

 

 

 

 

 

 

 

 

 

 

 

14,0

-

-

-

+

-

-

-

-

14,0

2-4

14,0

 

190

 

 

 

 

 

 

 

18,0

 

-

-

-

-

-

-

-

+

18,0

 

 

 

 

 

 

 

 

 

 

_____________

Примечания.

1. Материал - ст. 3 сп по ГОСТ 380-88.

2. Знаком (+) обозначены заглушки, рекомендуемые к применению.

3. Температурные пределы применения от минус 15° до плюс 200°С


 

 

ПРИЛОЖЕНИЕ 41

 

ЭЛЛИПТИЧЕСКИЕ ЗАГЛУШКИ

ИЗ УГЛЕРОДИСТОЙ СТАЛИ

 

Размеры, мм

 

Давление условное Ру,

МПа (кгс/см2), не более

 

Ду

 

Дн

 

Н

 

S

при скорости коррозии,

мм/год

 

 

 

 

до 0,1

0,1-0,5

 

25

 

32

 

15

 

2,0

 

10,0(100)

 

-

 

 

 

3,0

-

10,0(100)

32

38

20

2,0

10,0(100)

-

 

 

 

3,0

-

10,0(100)

40

45

25

2,5

10,0(100)

2,5(25)

 

 

 

4,0

-

10,0(100)

50

57

30

3,0

10,0(100)

4,0(40)

 

 

 

5,0

-

10,0(100)

65

76

40

3,5

10,0(100)

4,0(40)

 

 

 

6,0

-

10,0(100)

80

89

45

3,5

10,0(100)

4,0(40)

 

 

 

8,0

-

10,0(100)

100

108

50

4,0

10,0(100)

4,0(40)

 

 

 

8,0

-

10,0(100)

125

133

55

4,0

6,3(63)

4,0(40)

 

 

 

8,0

10,0(100)

10,0(100)

150

159

65

4,5

6,3(63)

4,0(40)

 

 

 

8,0

10,0(100)

10,0(100)

200

219

75

8,0

10,0(100)

6,3(63)

 

 

 

10,0

-

10,0(100)

250

273

85

8,0

6,3(63)

4,0(40)

 

 

 

12,0

10,0(100)

10,0(100)

300

325

100

10,0

8,0(80)

6,3(63)

 

 

 

12,0

10,0(100)

8,0(80)

350

377

115

9,0

6,3(63)

4,0(40)

 

 

 

12,0

8,0(80)

6,3(63)

 

 

 

16,0

10,0(100)

10,0(100)

400

426

125

8,0

6,3(63)

4,0(40)

 

 

 

10,0

-

4,0(40)

 

 

 

12,0*

8,0(80)

6,3(63)

 

 

 

16,0

10,0(100)

8,0(80)

500

530

150

10,0

4,0(40)

2,5(25)

 

 

 

16,0*

8,0(80)

6,3(63)

 

 

 

20,0*

10,0(100)

 

8,0(80)

 

_____________

Примечания.

1. Сортамент заглушек и их размеры соответствуют ГОСТ 17379-83.

2. Заглушки, толщина стенки которых отмечена звездочкой (*), изготавливают только из ст. 09Г2С.

 

 

ПРИЛОЖЕНИЕ 42

 

ПЛОСКИЕ ЗАГЛУШКИ

ИЗ УГЛЕРОДИСТОЙ СТАЛИ,

УСТАНАВЛИВАЕМЫЕ МЕЖДУ ФЛАНЦАМИ

 

Dу, мм

Размеры, мм

При скорости коррозии, мм/год

 

 

 

до 0,1

 

0,1-0,5

 

Dн

l

S

Давление условное Ру, МПа (кгс/см2)

 

 

 

 

 

1,0 (10)

1,6 (16)

2,5 (25)

4,0 (40)

6,3 (63)

10,0 (100)

1,0 (10)

1,6 (16)

2,5 (25)

4,0 (40)

6,3 (63)

10,0 (100)

 

25

 

68

 

90

 

4

 

+

 

+

 

 

 

 

 

 

 

 

 

 

 

 

 

5

+

 

 

 

8

+

+

 

 

 

9

+

 

57

 

5

+

 

 

 

7

+

 

 

 

8

+

 

 

 

10

+

 

 

 

11

+

 

 

 

12

+

32

78

100

4

+

 

 

 

4,5

+

 

 

 

5,5

+

 

 

 

8,0

+

 

 

 

9,0

+

 

 

 

10

+

32

65

100

5,5

+

 

 

 

7

+

 

 

 

9

+

 

 

 

10

+

 

 

 

11

+

 

 

 

13

+

40

88

100

4

+

 

 

 

5

+

 

 

 

6

+

 

 

 

9,0

+

+

 

 

 

11

+

40

75

100

7

+

 

 

 

 

8

+

 

 

 

10

+

 

 

 

11

 

+

 

 

 

12

+

 

 

 

14

+

50

102

110

4,5

+

 

 

 

5,5

+

 

 

 

7

+

 

 

 

9

+

 

 

 

10

+

 

 

 

11

+

50

87

110

8

+

 

 

 

10

+

 

 

 

12

+

+

 

 

 

14

+

 

 

 

16

+

70

122

120

5,5

+

 

 

 

7

+

 

 

 

9

+

 

 

 

12

+

 

 

 

13

+

 

 

 

15

+

70

109

120

10

+

 

 

 

12

+

 

 

 

14

+

 

 

 

16

+

 

 

 

18

+

 

 

 

20

+

80

138

130

6

+

 

 

 

8

+

 

 

 

10

+

 

 

 

12

+

 

 

 

14

+

 

 

 

16

+

80

120

130

10

+

 

 

 

13

+

 

 

 

16

+

+

 

 

 

19

+

 

 

 

22

+

100

158

140

7

+

 

 

 

9

+

 

 

 

13

+

 

 

 

15

+

100

162

140

11

+

 

 

 

17

+

100

149

140

13

+

 

 

 

15

+

 

 

 

18

+

+

 

 

 

21

+

 

 

 

25

+

125

188

150

8

+

 

 

 

10

+

 

 

 

12

+

 

 

 

16

+

 

 

 

18

+

 

 

 

20

+

125

175

150

14

+

 

 

 

18

+

 

 

 

22

+

+

 

 

 

26

+

 

 

 

30

+

150

212

170

9

+

 

 

 

11

+

 

 

 

17

+

 

 

 

19

+

150

218

170

14

+

 

 

 

22

+

150

203

170

17

+

 

 

 

21

+

 

 

 

25

+

+

 

 

 

30

+

 

 

 

34

+

200

268

220

11

+

 

 

 

14

+

 

 

 

19

+

 

 

 

22

+

200

278

200

18

+

 

 

 

26

+

200

259

200

21

+

 

 

 

26

+

 

 

 

30

+

 

 

 

34

+

 

 

 

40

+

250

320

245

13

+

 

 

 

17

+

 

 

 

21

+

 

 

 

25

+

250

335

245

21

+

 

 

 

30

+

250

312

245

25

+

 

 

 

32

+

 

 

 

34

+

 

 

 

40

+

+

 

 

 

48

+

300

370

280

15

+

 

 

 

19

+

 

 

 

24

+

 

 

 

28

+

300

390

280

24

+

 

 

 

34

+

300

362

280

30

+

 

 

 

36

+

 

 

 

38

+

 

 

 

43

+

 

 

 

45

+

 

 

 

53

+

350

430

310

17

+

 

 

 

25

+

350

438

310

22

+

 

 

 

30

+

350

450

310

28

+

 

 

 

36

+

350

421

310

34

+

 

 

 

42

+

+

 

 

 

50

+

 

 

 

53

+

 

 

 

60

400

489

350

19

+

 

 

 

28

+

400

490

350

25

+

 

 

 

34

+

400

505

350

32

+

 

 

 

40

+

400

473

350

38

+

 

 

 

45

+

 

 

 

48

+

 

 

 

56

+

 

 

_____________

Примечания.

1. Материалы и температурные пределы применения заглушек следует прини­мать по прил. 32, как для фланцев из сталей тех же марок.

2. Знаком (+) обозначены заглушки, рекомендуемые к применению.

 

 


ПРИЛОЖЕНИЕ 43

 

ВЫБОР МАТЕРИАЛА ДЛЯ ИЗГОТОВЛЕНИЯ КРЕПЕЖНЫХ ДЕТАЛЕЙ

В ЗАВИСИМОСТИ ОТ УСЛОВИЙ ПРИМЕНЕНИЯ

 

Марка стали

ГОСТ

или ТУ

Шпильки (болты)

Гайки

 

Шайбы

t, °С

Ру, МПа (кгс/см2)

t, °С

Ру, МПа

(кгс/см2)

t, °С

Ру, МПа (кгс/см2)

от

до

от

до

от

до

 

 

ВСт3сп4

 

380-88

 

-20

 

+300

 

До 2,5 (25)

 

-20

 

+300

 

До 2,5 (25)

 

-20

 

+300

 

До 10,0 (100)

10

1050-88

-

 

-

-

-

-

-40

+450

До 10,0 (100)

20,25

1050-88

-40

+425

До 2,5 (25)

-40

+425

До 2,5 (25)

-40

+450

До 10,0 (100)

30, 35, 40, 45

1050-88

-40

+425

До 10,0 (100)

-40

+425

До 20,0 (200)

-40

+450

До 20,0 (200)

35Х, 40Х, 38ХА

4543-71

-40

+425

До 20,0 (200)

-40

+450

До 20,0 (200)

-70

+450

Не огра­ничено

ЗОХМА, 35ХМ

4543-71

-40

+450

Не огра­ничено

-40

+510

Не огра­ничено

-70

+450

То же

20Х13 (2х13)

18968-73

-40

+450

То же

 

То же

25Х1МФ

20072-74

-40

+510

-40

+540

-70

+540

25Х2М1Ф

20072-74

-40

+535

-40

+565

20Х1М1Ф1ТР

20072-74

-40

+580

-50

+580

 

 

 

20ХНЗА, 10Г2

4543-71

-70

+425

-70

+425

-70

+425

12Х18Н10Т

5632-72

-

-

-80

+600

-80

+600

45Х14Н14В2М

5632-72

-80

+600

-70

+600

-70

+600

08Х14Н20В2ТР

ТУ 14-1-01032-74

 

 

 

 

 

 

 

 

 

10Х17Н13МЗТ

 

5632-72

-253

+600

-253

+600

-253

+600

 

_____________

Примечание.

Допускается изготовление крепежных деталей из сталей других марок, если по техническим требованиям они соответствуют приведенным.


 

ПРИЛОЖЕНИЕ 44

 

МЕХАНИЧЕСКИЕ СВОЙСТВА СТАЛЕЙ ДЛЯ КРЕПЕЖНЫХ ДЕТАЛЕЙ

 

Марка стали

ГОСТ или ТУ

Размер профиля, мм

st,

кгс/мм2,

не менее

sb,

кгс/мм2,

не менее

ss, %

не менее

y, %

не менее

ан при 20°С,

кгс/см2,

не менее

Шпильки (болты)

Гайки

диаметр отпечат­ка d, мм

твердость по Бринеллю, НВ

диаметр отпечат­ка d, мм

твердость по Бринеллю, НВ

 

ВСт3ст4

 

380-88

 

£40

 

24

 

38

 

25

 

-

 

(3 -при -0°С)

 

-

 

-

 

-

 

-

20

1050-88

 

25

42

25

55

9

5,00-4,60

143

5,1

137

25

1050-88

£60

28

46

23

50

9

4,90-4,50

149

5,0

143

35

1050-88

 

32

54

20

45

7

4,80-4,40

156-187

4,9

149

10Г2

1050-88

 

25

43

22

50

6

(3 -при °-0°С)

-

-

-

-

35Х, 38ХА

4543-71

100

60

75

14

45

6

3,95-3,65

235-277

4,1-4,3

217-197

38ХМ, 30ХМА

4543-71

100

65

80

13

42

6

4,00-3,60

229-285

4,1-4,4

217-187

20ХН3А

4543-71

100

65

80

13

50

6

(3 -при -0°С)

3,80

225

4,0

229

25Х1МФ

20072-74

200

68

80

16

50

6

3,90-3,65

241-277

4,0-4,3

229-197

25Х2М1Ф

20072-74

200

68

80

12

50

5

3,90-3,65

241-277

4,0-4,3

229-197

20Х1М1Ф1ТР

20072-74

200

68

80

15

50

6

3,90-3,65

241-271

4,3

229-197

12Х18Н10Т

5632-72

60

20

52

40

55

-

-

-

-

-

45Х14Н14В2М

5632-72

-

32

72

20

35

5

-

250

-

-

08Х14Н20В2ТР

ТУ 14-1-1032-74

 

-

60

80

18

30

8

-

-

-

-

 

_____________

Примечания:

1. В таблице приняты следующие обозначения: st -предел текучести; sb -предел прочности; ss -относительное удлинение; y -сужение поперечного сечения; ан -ударная вязкость.

2. Для стали марки ВСт3сп4 механические свойства приведены в горячекатаном состоянии, для остальных - в термообработанном.


 

 

ПРИЛОЖЕНИЕ 45

 

РЕЖИМЫ ТЕРМИЧЕСКОЙ ОБРАБОТКИ ЗАГОТОВОК

ДЛЯ ГОТОВЫХ КРЕПЕЖНЫХ ИЗДЕЛИЙ

 

Марка стали

ГОСТ или ТУ

Температура, °С

закалка (З), нормализации (Н)

отпуска

 

20, 25, 30

 

1050-88

 

870-890 (Н)

 

620-680

35, 40, 45

1050-88

850-890 (Н)

600-680

10Г2

4543-71

910-930 (Н)

-

35Х, 40Х

4543-71

820-840 (З), масло

500-560, масло

30ХА

4543-71

850-870 (З), вода или масло

550-580, вода или масло

30ХМ, 30ХМА

4543-71

870-890 (З), вода или масло

540-560

35 ХМ

4543-71

850-870 (З), масло

560-600

20ХНЗА

4543-71

820-840 (З), масло

500-560, масло

25Х1МФ

20072-74

930-950 (З), масло

620-660

25Х2М1Ф

20072-74

1030-1050 (Н),

 

950-970 (Н)

680-700

20Х1М1Ф1ТР

20072-74

970-990 (З), масло

680-720

12Х118Н10Т

5949-75

1020-1100 (З) воз­дух, масло или вода

-

45Х14Н14В2М

5949-75

1090-1110 (З), вода

730-770, ста­рение воздуха

08Х14Н20В2ТР

 

ТУ 14-11032-74

-

700, старение 16 ч

 

 

СПИСОК НОРМАТИВНО-ТЕХНИЧЕСКОЙ ДОКУМЕНТАЦИИ, ИСПОЛЬЗОВАННОЙ

ПРИ РАЗРАБОТКЕ ПРАВИЛ

 

Арматура запорная. Общее руководство по ремонту (К0-1-79). - М.: Миннефтехимпром СССР, 1980.

ВНТП 3-85. Нормы технологического проектирования объек­тов сбора, транспорта и подготовки нефти, газа и воды нефтяных месторождений. - М.: Миннефтегазпром, 1985.

Водный кодекс РСФСР. - М.: Юридическая литература, 1985.

Временные методические указания по составлению раздела "Оценка воздействия на окружающую среду" в схемах разме­щения, ТЭО (ТЭР) и проектах разработки месторождений и строительства объектов нефтегазовой промышленности. — Уфа: ВНИИСПТнефть, 1992.

ВСН 2.38-85. Проектирование промысловых стальных трубопроводов. - М.: Миннефтегазпром СССР, 1985.

ВСН 2.112-79. Правила производства капитального ремонта линейной части магистральных газопроводов.

ВСН 004-88. Строительство магистральных трубопроводов. Технология и организация. - М.: Миннефтегазстрой, 1990.

ВСН 005-88. Строительство промысловых стальных трубо­проводов. Технология и организация. - М.: Миннефтегазстрой, 1989.

ВСН 006-89. Строительство магистральных и промысловых трубопроводов. Сварка. - М.: Миннефтегазстрой, 1990.

ВСН 008-88. Строительство магистральных и промысловых трубопроводов. Противокоррозионная и тепловая изоляция.

ВСН 009-88. Строительство магистральных и промысловых трубопроводов. Средства и установки электрохимзащиты. -.: Миннефтегазстрой, 1990.

ВСН 011-88. Строительство магистральных и промысловых трубопроводов. Очистка полости и испытание. - М.: Миннеф­тегазстрой, 1989.

ВСН 012-88. Строительство магистральных и промысловых трубопроводов. Контроль качества и приемка работ (часть 1).

ВСН 013-88. Строительство магистральных и промысловых трубопроводов в условиях вечной мерзлоты. - М.: Миннефте­газстрой, 1990.

ВСН 014-89. Строительство магистральных и промысловых трубопроводов. Охрана окружающей среды. - М.: Миннефтегазстрой, 1990.

ВСН 51-3/2, 38-85. Нормы проектирования промысловых стальных трубопроводов. - М.: Мингазпром, Миннефтепром.

ВСН 201-85. Проектирование и строительство автомобиль­ных дорог для обустройства нефтяных и газовых месторожде­ний на севере Тюменской области и в других районах тундры с аналогичными условиями. - М.: Минтрансстрой СССР, 1985.

ВСН 362-76. Инструкция по изготовлению, монтажу и испы­танию технологических трубопроводов условным давлением до 10 МПа. - М.: Минмонтажспецстрой, 1976.

ГОСТ 9.602-89. Подземные сооружения. Общие технические требования.

ГОСТ 12.0.005-84. ССБТ. Метрологическое обеспечение в области безопасности труда. Основные положения.

ГОСТ 12.1.001-89. ССБТ. Ультразвук. Общие требования безопасности.

ГОСТ 12.1.004-91. ССБТ. Пожарная безопасность. Общие требования.

ГОСТ 12.1.007-76. ССБТ. Вредные вещества. Классифика­ция и общие требования безопасности.

ГОСТ 12.3.005-75. ССБТ. Работы окрасочные. Общие требо­вания безопасности. - М.: Госстрой СССР, 1975.

ГОСТ 12.3.016-87. ССБТ. Строительство. Работы антикор­розионные. Требования безопасности.

ГОСТ 12.4.026-76. ССБТ. Цвета сигнальные и знаки безопас­ности. - М.: изд. стандартов, 1978.

ГОСТ 356-80. Арматура и детали трубопроводов. Давления условные, пробные, рабочие.

ГОСТ 1759-70. Болты, винты, шпильки, гайки. Технические требования.

ГОСТ 3242-79. Соединения сварные. Методы контроля каче­ства.

ГОСТ 4666-75. Арматура трубопроводная. Маркировка и отличительная окраска.

ГОСТ 5152-84. Набивки сальниковые. Технические условия.

ГОСТ 6996-66. Сварные соединения. Методы определения механических свойств.

ГОСТ 7512-82. Контроль неразрушающий. Соединения свар­ные. Радиографический метод.

ГОСТ 8696-74. Трубы стальные электросварные со спираль­ным швом общего назначения. Технические условия.

ГОСТ 8731-87. Трубы стальные бесшовные горячедеформированные. Технические требования.

ГОСТ 8732-78. Трубы стальные бесшовные горячедеформированные. Сортамент.

ГОСТ 8733-74. Трубы стальные бесшовные холоднодеформированные и теплодеформированные. Технические требования.

ГОСТ 8734-75. Трубы стальные бесшовные холоднодеформированные. Сортамент.

ГОСТ 9064-75, ГОСТ 9066-75. Шпильки, гайки и шайбы для фланцевых соединений с температурой среды от 0 до 650° С.

ГОСТ 9089-75. Электродетонаторы мгновенного действия. Технические условия.

ГОСТ 9466-75. Электроды покрытые металлические для руч­ной дуговой сварки сталей и наплавки. Классификация, размеры и общие технические требования.

ГОСТ 9467-75. Электроды покрытые металлические для ду­говой сварки конструкционных и теплоустойчивых сталей. Ти­пы.

ГОСТ 9544-75. Арматура трубопроводная запорная. Нормы герметичности затворов.

ГОСТ 10705-80. Трубы стальные электросварные. Техниче­ские условия.

ГОСТ 10706-76. Трубы стальные электросварные прямошовные. Технические условия.

ГОСТ 12503-75. Сталь. Методы ультразвукового контроля. Общие требования.

ГОСТ 12815-80. Фланцы арматуры, соединительных частей и трубопроводов на Ру от 0,1 до 20,0 МПа. Типы. Присоедини­тельные размеры и размеры уплотнительных поверхностей.

ГОСТ 12816-80. Фланцы арматуры, соединительных частей и трубопроводов на Ру от 0,1 до 20,0 МПа. Общие технические требования.

ГОСТ 12820-80. Фланцы стальные плоские приварные на Ру от 0,1 до 2,5 МПа. Конструкция и размеры.

ГОСТ 12822-80. Фланцы стальные свободные на приварном кольце на Ру от 0,1 до 2,5 МПа. Конструкции и размеры.

ГОСТ 14782-86. Контроль неразрушающий. Швы сварные. Методы ультразвуковые.

ГОСТ 15180-86. Прокладки плоские эластичные. Размеры.

ГОСТ 16037-80. Соединения сварные трубопроводов. Основ­ные типы, конструктивные элементы и размеры. — М.: изд. стандартов, 1980.

ГОСТ 16149-70. Защита подземных сооружений от коррозии блуждающим током поляризованными протекторами. Техниче­ские требования.

ГОСТ 16381-77. Материалы строительные теплоизоляцион­ные. Классификация и общие технические требования.

ГОСТ 17374-83. Детали трубопроводов стальные бесшовные приварные на Ру £ 10,0 МПа. Типы и основные параметры.

ГОСТ 17375-83. Детали трубопроводов стальные бесшовные приварные на Ру £10,0 МПа. Отводы крутоизогнутые.

ГОСТ 17376-83. Детали трубопроводов стальные бесшовные приварные на Ру £ 10,0 МПа. Тройники.

ГОСТ 17378-83. Детали трубопроводов стальные бесшовные приварные на Ру £ 10,0 МПа. Переходы.

ГОСТ 17379-83. Детали трубопроводов стальные бесшовные приварные на Ру £ 10,0 МПа. Заглушки эллиптические.

ГОСТ 17380-83. Детали трубопроводов стальные бесшовные приварные на Ру £ 10,0 МПа. Технические условия.

ГОСТ 17410-78. Контроль неразрушающий. Трубы металли­ческие бесшовные цилиндрические.

ГОСТ 18322-78. Система технического обслуживания и ре­монта техники. Термины и определения.

ГОСТ 18353-79. Контроль неразрушающий. Классификация видов и методов.

ГОСТ 18442-80. Контроль неразрушающий. Капиллярные методы. Общие требования.

ГОСТ 20295-85. Трубы стальные сварные для магистраль­ных газонефтепроводов.

ГОСТ 20415-82. Контроль неразрушающий. Методы акусти­ческие. Общие положения.

ГОСТ 20426-82. Контроль неразрушающий. Методы дефек­тоскопии радиационные. Область применения.

ГОСТ 21105-87. Контроль неразрушающий. Магнитопорошковый метод.

ГОСТ 23049-84. Контроль неразрушающий. Дефектоскопы ультразвуковые. Общие технические требования.

ГОСТ 23349-84. Контроль неразрушающий. Дефектоскопы капиллярные. Общие технические требования и методы испы­таний.

ГОСТ 24732-81. Контроль неразрушающий. Дефектоскопы магнитные и вихретоковые. Общие технические требования.

ГОСТ 25225-82. Контроль неразрушающий. Швы сварных соединений трубопроводов. Магнитографический метод.

ГОСТ 25366-82. Эмаль ЭП-5116. Технические условия.

ГОСТ 25812-83. Трубопроводы стальные магистральные. Общие требования к защите от коррозии.

ГОСТ 26251-84. Протекторы для защиты от коррозии. Тех­нические условия.

ГОСТ 26656-85. Контролепригодность. Общие требования. Единые нормы амортизационных отчислений на полное вос­становление основных фондов народного хозяйства СССР (По­становление Совета Министров СССР от 22 октября 1990 г. № 1072). - М.: Совмин СССР, 1990.

Единые правила безопасности при взрывных работах. - М.: Недра, 1976.

Единая система работ по созданию безопасных условий тру­да. - М.: Недра, 1978.

Закон РСФСР об охране окружающей природной среды, Рос­сийская газета от 3 марта 1992 г.. Указ Президента № 2060-1 от 19 декабря 1991 г.

Закон СССР "Об охране атмосферного воздуха".

Закон СССР "Об охране и использовании животного мира".

Закон СССР "Об охране и использовании памятников исто­рии и культуры".

Земельный кодекс РСФСР. Ведомости Съезда народных де­путатов РСФСР и Верховного Совета РСФСР № 22. -М.: изд. Верховного Совета РСФСР, 1991.

Инструкция по отбраковке труб, поврежденных коррозией. - М.: ВНИИГаз, 1978.

Инструкция о порядке проведения оценки воздействия на окружающую среду при разработке технико-экономических обоснований (расчетов) и проектов строительства народнохозяйственных объектов и комплексов. - М.: Госкомприроды РФ, 1992.

Инструкция о порядке хранения, использования и учета взрывчатых материалов. - М.: Госгортехнадзор СССР, 1984.

Инструкция по применению стальных труб в газовой и неф­тяной промышленности. - М.: Миннефтегазпром, Мингазпром, Миннефтегазстрой, 1983.

Инструкция о порядке перевозки опасных грузов автомобиль­ным транспортом (приказ МВД СССР № 370, 1980).

Инструкция по расследованию аварий, не повлекших за со­бой несчастных случаев, на подконтрольных Госгортехнадзору СССР предприятиях и объектах. - М.: Госгортехнадзор, 1967.

Инструкция по резке взрывом трубопроводов, опорожненных от нефти. - Уфа, ВНИИСПТнефть, 1985.

Инструкция по технологии нанесения полимерных покры­тий на внутреннюю поверхность промысловых трубопроводов, транспортирующих сероводородсодержащие среды (до 100 мг/л). - Уфа: ВНИИСПТнефть, 1970.

Лесоводственные требования к размещению, строительству и эксплуатации объектов нефтегазодобычи на землях лесного фон­да в таежных лесах Западной Сибири. - Тюмень: Тюменлесхоз, 1990.

Методика оценки статической прочности и циклической долговечности магистральных нефтепроводов. - Уфа: ВНИИСПТнефть, 1990.

Основы законодательства СССР и союзных республик о не­драх. Сборник нормативных актов по охране природы. Под ред. Блинова. - М.: Юридическая литература, 1978.

Основы земельного законодательства СССР и союзных респу­блик. Сборник нормативных актов под редакцией В. М. Блинова. - М.: Юридическая литература, 1978.

Основы законодательства СССР и Союзных республик по охране вод. Сборник нормативных актов. Под ред. В. М. Бли­нова - М.: Юридическая литература, 1978.

Основы лесного законодательства СССР. Сборник норматив­ных актов по охране природы. Под рея. В. М. Блинова. - М.: Юридическая литература, 1978.

ОСТ 26-01-1-70. Аппараты эмалированные. Общие техниче­ские условия.

ОСТ 26-2037-77. Гайки шестигранные для фланцевых соеди­нений. Конструкция и размеры.

ОСТ 26-2038-77. Гайки шестигранные для фланцевых соеди­нений. Конструкция и размеры.

ОСТ 26-2039-77. Шпильки с ввинчиваемым концом для флан­цевых соединений (Нормальной точности). Конструкция и раз­меры.

ОСТ 26-2040-77. Шпильки для фланцевых соединений. Кон­струкция и размеры.

ОСТ 26-2041-77. Гайки для фланцевых соединений. Кон­струкция и размеры.

ОСТ 36-21-77. Детали трубопроводов Ду 500-1400 мм свар­ные из углеродистой стали на Ру £ 2,5 МПа (25 кгс/см2). Отводы секционные R = 1,5 Ду под углом 30, 45, 60 и 90°. Размеры.

 ОСТ 36-22-77. Детали трубопроводов Ду 500-1400 мм свар­ные из углеродистой стали на Ру £ 2,5 МПа (25 кгс/см2). Пере­ходы концентрические и эксцентрические. Размеры.

ОСТ 36-24-77. Детали трубопроводов Ду 500-1400 мм свар­ные из углеродистой стали на Ру £ 2,5 МПа (25 кгс/см2). Трой­ники сварные. Размеры.

ОСТ 36-41-81. Детали трубопроводов из углеродистой стали сварные и гнутые. Ду до 500 мм на Ру до 10 МПа (100 кгс/см2). Типы и основные параметры.

ОСТ 36-42-81. Детали трубопроводов из углеродистой стали сварные и гнутые. Ду до 500 мм на Ру до 10 МПа (100 кгс/см2). Отводы гнутые. Конструкции и размеры.

ОСТ 36-43-81. Детали трубопроводов из углеродистой стали сварные и гнутые. Ду до 500 мм на Ру до 10 МПа (100 кгс/см2). Отводы сварные. Конструкция и размеры.

ОСТ 36-44-81. Детали трубопроводов из углеродистой стали сварные и гнутые. Ду до 500 мм на Ру до 10 МПа (100 кгс/см2). Переходы сварные. Конструкция и размеры.

ОСТ 36-45-81. Детали трубопроводов из углеродистой стали сварные и гнутые. Ду до 500 мм на Ру до 10 МПа (100 кгс/см2). Ответвления. Конструкция и размеры.

ОСТ 36-46-81. Детали трубопроводов из углеродистой стали сварные и гнутые. Ду до 500 мм на Ру до 10 МПа (100 кгс/см2). Тройники сварные. Конструкция и размеры.

ОСТ 36-47-81. Детали трубопроводов из углеродистой стали сварные и гнутые. Ду до 500 мм на Ру до 10 МПа (100 кгс/см2). Заглушки плоские. Конструкция и размеры.

ОСТ 36-48-81. Детали трубопроводов из углеродистой стали сварные и гнутые. Ду до 500 мм на Ру до 10 МПа (100 кгс/см2). Заглушки ребристые. Конструкция и размеры.

ОСТ 36-49-81. Детали трубопроводов из углеродистой стали сварные и гнутые. Ду до 500 мм на Ру до 10 МПа (100 кгс/см2). Контроль неразрушающий.

ОСТ 108.031.02-75. Котлы стационарные паровые и водо­грейные и трубопроводы пара и горячей воды. Нормы расчета на прочность.

Положение об аттестации электросварщиков. - М.: Миннефтегазстрой.

Положение о добровольных пожарных дружинах на промыш­ленных предприятиях и других объектах министерств и ве­домств - М.: Химия, 1985.

Положение об организации работ по охране труда и технике безопасности в системе Министерства нефтяной промышленно­сти. - М.: Миннефтегазпром, 1976.

Положение о постоянно действующих комиссиях по безопас­ности труда.

Положение о порядке передачи рекультивированных земель землепользователям предприятиями, организациями и учрежде­ниями, разрабатывающими месторождения полезных ископае­мых и торфа, проводящими геологоразведочные, изыскатель­ские, строительные и иные работы, связанные с нарушением почвенного покрова. Утверждено Министерством сельского хо­зяйства СССР 18 февраля 1977 г.

Положение о ППР и техническом обслуживании газопромы­слового оборудования для газодобывающих предприятий Мин Газпрома. - Краснодар. ПО "Союзэнергогаз", 1981.

Положение о расследовании отказов газовых объектов Ми­нистерства газовой промышленности, подконтрольных органам Государственного газового надзора СССР.

ППБ-05-86. Правила пожарной безопасности при производ­стве строительно-монтажных работ. - М.: ГУПО МВД СССР, 1986.

Правила аттестации сварщиков. Утверждены Госгортехнадзором России.

Правила безопасности в газовом хозяйстве. - Госгортехнадзор СССР, 1969.

Правила безопасности при сборе, подготовке и транспорти­ровании нефти и газа на предприятиях нефтяной промышленно­сти. - М.: Миннефтепром, 1986.

Правила безопасности в нефтегазодобывающей промышлен­ности. - М.: Недра, 1974.

Правила охраны поверхностных вод от загрязнения сточными водами. Утверждены Минздравом, Минводхозом и Минрыбхозом СССР 16 мая 1974 г. - В сб.: Нормативные акты по охране природы. - М.: Юридическая литература, 1978.

Правила пожарной безопасности в нефтяной промышленно­сти. - Баку: ВНИИТБ, 1987.

Правила пожарной безопасности при проведении сварочных и других огневых работ на объектах народного хозяйства. Утвер­ждены ГУПО МВД СССР 29.12.72 г. - В кн.: Сборник правил пожарной безопасности. Часть. 1 -М.: Стройиздат, 1981.

Правила пожарной безопасности при эксплуатации предпри­ятий Главнефтеснаба РСФСР. - М.: Недра, 1983.

Правила перевозки взрывчатых материалов автомобильным транспортом. - М.: ВНИИБД, 1983.

Правила технической эксплуатации магистральных газопро­водов. - М.: Недра, 1989.

Правила технической эксплуатации магистральных нефте­проводов. - М.: Недра, 1979.

Правила устройства и безопасной эксплуатации сосудов, работающих под давлением. - М.: Металлургия, 1971.

Правила устройства и безопасной эксплуатации стационар­ных компрессорных установок, воздухопроводов и газопрово­дов. - М.: Госгортехнадзор СССР, 1971.

Правила устройства и безопасной эксплуатации трубопрово­дов для горючих, токсичных и сжиженных газов (ПУГ-69). -М.: Недра, 1970.

Правила устройства и безопасной эксплуатации трубопрово­дов пара и горячей воды. - М.: Недра, 1973.

Правила устройства электроустановок (ПУЭ-85). -М.: Атомиздат, 1986.

Правила по эксплуатации, ревизии, ремонту и отбраков­ке внутрипромысловых трубопроводов. Дополнение к РД 39-0147103-344-86. -Уфа: ВНИИСПТнефть, 1991.

ПТУ СП 01-83. Противопожарные технические условия строительного проектирования предприятий нефтегазодобывающей промышленности. - М.: 1983.

Профилактическое обслуживание линейной части магистральных нефтепроводов. - М.: ВНИИОЭНГ, 1980.

РД 38.13.004-86. Эксплуатация и ремонт технологических трубопроводов под давлением до 10,0 МПа (100 кгс/см2). -М.: Химия, 1988.

РД 39-0137096. Автоматизация и телемеханизация нефтегазодобывающих производств.

РД 39-3-387-80.    Указания по выбору и применению ла­кокрасочных материалов и систем покрытия для внутренней изоляции промысловых трубопроводов систем давления. - Уфа: ВНИИСПТнефть, 1980.

РД 39-3-493-80. Инструкция по технологии нанесения покры­тий из порошковых материалов на центробежные насосы и ар­матуру. - Бугульма: ТатНИПИнефть, 1980.

РД 39-3-1042-84. Инструкция по технологии футерования полиэтиленом металлических труб для транспортирования промысловых сточных вод. - Бугульма: ТатНИПИнефть, 1984.

РД 39-3-1138-84. Инструкция по технологии остеклования насосно-компрессорных труб. - Бугульма: ТатНИПИнефть, 1984.

РД 39-3-1292-85. Технология нанесения покрытия из эпоксидно-каучуковой композиции с активным разбавителем НКТ. -Бугульма: ТатНИПИнефть, 1985.

РД 39-3-1314-85. Инструкция по технологии футерования полиэтиленом стальных труб. - Бугульма: ТатНИПИнефть, 1986.

РД 39-23-1130-84.Инструкция по нанесению лакокра­сочных покрытий на внутреннюю поверхность насосно-компрессорных труб методом пневматического распыления. - Самара: ВНИИТнефть, 1984.

РД 39-110-91. Инструкция по ликвидации аварий и повре­ждений на магистральных нефтепроводах. - Уфа: ВНИИСПТнефть, 1992.

РД 39-30-295-79. Руководство по очистке магистральных нефтепроводов. - Уфа: ВНИИСПТнефть, 1980.

РД 39-30-297-79.Магистральные нефтепроводы. Прави­ла капитального ремонта подземных трубопроводов. - Уфа: ВНИИСПТнефть.

РД 39-30-499-80. Положение о техническом обслуживании и ремонте линейной части магистральных нефтепроводов. - Уфа: ВНИИСПТнефть, 1981.

РД 39-30-925-83. Методические указания по биологической рекультивации земель, нарушенных при сборе, подготовке и транспорте нефти. - Уфа: ВНИИСПТнефть, 1984.

РД 39-069-91. Методика оценки ущерба от отказов трубо­проводов промыслового сбора нефти. - Уфа: ВНИИСПТнефть, 1991.

РД 39-0147014-535-87. Инструкция по сварке при монтаже и ремонте трубопроводов и ответственных металлоконструкций в организациях и на предприятиях Миннефтегазпрома. - Куйбы­шев: ВНИИТнефть.

РД 39-0147014-555-89. Технологические процессы неразрушающего контроля сварных соединений трубопроводов внутрипромысловых систем. - Куйбышев: ВНИИТнефть.

РД 39-0147098-015-90. Инструкция по контролю за состояни­ем почв на объектах предприятий Миннефтегазпрома СССР. - Уфа: ВостНИИТБ, 1990.

РД 39-0147098-017-90. Положение по контролю за выбросами загрязняющих веществ в атмосферу на объектах предприятий Миннефтегазпрома СССР. - Уфа: ВостНИИТБ, 1990.

РД 39-0147098-025-91. Инструкция по контролю за состояни­ем поверхностных и подземных вод на объектах предприятий Миннефтегазпрома СССР. - Уфа: ВостНИИТБ, 1991.

РД 39-0147098-014-89. Инструкция по инвентаризации источ­ников выбросов вредных веществ в атмосферу предприятиями Миннефтегазпрома СССР. - Уфа: ВостНИИТБ, 1989.

РД 39-0147103-334-86. Инструкция по отбраковке труб при капитальном ремонте нефтепроводов. -Уфа: ВНИИСПТнефть.

РД 39-0147103-344-86. Правила технической эксплуатации систем сбора и внутрипромыслового транспорта нефти и газа. - Уфа: ВНИИСПТнефть, 1986.

РД 39-0147103-358-86. Руководство по техническому контро­лю объектов линейной части магистральных нефтепроводов. - Уфа: ВНИИСПТнефть.

РД 39-0147103-360-89. Инструкция по безопасному ведению сварочных работ при ремонте нефте- и продуктопроводов под давлением. - Уфа: ВНИИСПТнефть.

РД 39-0147103-362-87. Руководство по применению антикоррозионных мероприятий при составлении проектов обустройства и реконструкции объектов нефтяных месторождений. - Уфа: ВНИИСПТнефть, 1986.

РД 39-0147103-365-86. Инструкция по рекультивации земель, загрязненных нефтью. - Уфа: ВНИИСПТнефть, 1987.

РД 39-0147103-366-87. Инструкция по применению техноло­гии комплексной защиты от коррозии трубопроводов, транспор­тирующих нефтяной газ. - Уфа: ВНИИСПТнефть, 1987.

РД 39-0147103-376-86. Табель технического оснащения участ­ков по аварийно-восстановительному ремонту промысловых тру­бопроводов. - Уфа: ВНИИСПТнефть, 1986.

РД 39-0147103-392-86. Инструкция по техническому расследованию и ликвидации отказов и повреждений трубо­проводов промыслового сбора и транспорта нефти. - Уфа: ВНИИСПТнефть, 1987.

РД 39-0147323-339-89-р.  Инструкция по проектированию и эксплуатации антикоррозионной защиты трубопроводов систем нефтегазосбора на месторождениях Западной Сибири. - Тю­мень: Гипротюменнефтегаз, 1989.

РД 39-0147-585-335-86. Инструкция по технологии футерования полиэтиленом стальных труб. - Бугульма: ТатНИПИнефть, 1986.

РД 39-0147-585-336-86. Инструкция по технологии соедине­ния стальных труб, футерованных полиэтиленом. - Бугульма: ТатНИПИнефть, 1986.

РД 102-011-89. Охрана труда. Организационно-методические документы.

РУ-75. Руководящие указания по эксплуатации, ревизии, ре­монту и отбраковке технологических трубопроводов под давле­нием до 100 кгс/см2 -М.: Миннефтехимпром СССР, 1974.

СВ 09.00.000.ТО. Труборезы кумулятивные кольцевые на­ружные. Техническое описание и инструкция по эксплуата­ции. - Уфа: ВНИИСПТнефть, 1986.

СВ 10.00.000.ТО. Труборезы кумулятивные кольцевые седлооб­разные. Техническое описание и инструкция по эксплуата­ции. - Киев: СКТБ СОП ИЭС им. Е. О. Патона АН УССР, 1985.

СВ 72.00.000.ТО. Устройство СВ 72 для врезки отводов в трубопроводы. Техническое описание и инструкция по эксплуата­ции. - Киев: СКТБ СОП ИЭС им. Е. О. Патона АН УССР, 1986.

СН 245-71. Санитарные нормы проектирования промышлен­ных предприятий. - М.: Стройиздат, 1972.

СН 373-67. Инструкция по расчету стальных трубопроводов различного назначения. - М.: Госстрой СССР, 1967.

СН 527-80. Инструкция по проектированию технологических стальных трубопроводов Ру до 10 МПа. -М.: Стройиздат, 1981.

СН 542-81. Инструкция по проектированию тепловой изоля­ции оборудования и трубопроводов промышленных предприя­тий. - М.: Госстрой СССР, 1981.

СНиП 1.02.01-85. Инструкция о составе, порядке разработки, согласовании и утверждении проектно-сметной документации на строительство предприятий, зданий и сооружений. - М.: Гос­строй СССР, 1985.

СНиП 2.03.11-85. Защита строительных конструкций от кор­розии. - М.: Госстрой СССР, 1986.

СНиП 2.04.02-84. Водоснабжение. Наружные сети и сооруже­ния. - М.: Госстрой СССР, 1984.

СНиП 2.05.06-85. Магистральные трубопроводы. Нормы проектирования. - М.: Госстрой СССР, 1985.

СНиП 2.05.16 - Проект. Промысловые трубопроводы. - М.: ВНИИСТ.

СНиП II-18-76. Основания и фундаменты на вечномерзлых грунтах. - М.: Госстрой СССР, 1976.

СНиП II-28-73. Защита строительных конструкций от кор­розии. - М.: Госстрой СССР, 1973.

СНиП 3.01.01.85. Организация строительного производства.

СНиП 3.01.03-85. Геодезические работы в строительстве.

СНиП 3.01.04-87. Приемка в эксплуатацию законченных строительством объектов. Основные положения. - М.: Госстрой СССР, 1987.

СНиП 3.02.01-87. Земляные сооружения. Правила производ­ства и приемки работ. - М.: Госстрой СССР, 1987.

СНиП III-4-80. Техника безопасности в строительстве. - М.: Госстрой СССР, 1980.

СНиП 3.04.03-85. Защита строительных конструкций и со­оружений от коррозии. - М.: Госстрой, 1986.

СНиП 3.05.06-85. Электротехнические устройства. -М.: Госстрой СССР, 1988.

СНиП 3.06.03-85. Автомобильные дороги. - М.: Госстрой СССР, 1985.

СНиП III-23-76. Защита строительных конструкций и соору­жений от коррозии. -М.: Госстрой СССР, 1976.

СНиП III-38-75. Железные дороги. - М.: Госстрой СССР, 1975.

СНиП III-39-76. Трамвайные пути. - М.: Госстрой СССР, 1976.

СНиП III-42-80. Магистральные трубопроводы. Правила производства и приемки работ. - М.: Госстрой СССР, 1976.

СНиП III-В.6.2-62. Защита технологического оборудования от коррозии. Правила производства и приемки работ. - М.: Гос­строй СССР, 1962.

СТО 06-023-800. Технология эмалирования насосно-компрес­сорных труб. - Шевченко: КазНИПИнефть, 1982.

СТП 39-5753-484-070-89. Технология демонтажа трубопрово­дов, отслуживших свой срок. - Нижневартовск: ПО "Нижневар-товскнефтегаз", 1989.

СТП 39-5753484-90. Регламент-обоснование замены и эксплу­атации трубопроводов, отслуживших свой срок. - Нижневар­товск: ПО "Нижневартовскнефтегаз", 1990.

СТП 51.00.021-85. Методика прогнозирования коррозионно-опасных участков нефтесборных коллекторов. - Тюмень, Главтюменнефтегаз, 1966.

Типовая инструкция по организации безопасного проведения газоопасных работ.

Типовая инструкция по организации безопасного проведения огневых работ на взрывоопасных и взрывопожароопасных объ­ектах. - М.: Госгортехнадзор, СССР, 1974.

Типовые положения о профессиональном обучении рабочих на производстве в системе Министерства нефтяной промышлен­ности. Утверждены МНП 27 ноября 1980.

ТУ 6-05-241-77-74. ЭП/49ДЗ.

ТУ 6-09-1422-71. Пентопласт марки "А-2".

ТУ 6-10-100-102-81. Грунтовка Б-ЭП-0147.

ТУ 6-10-100-103-81. Эмаль БЭП-68.

Полевая технология.

ТУ 6-10-717-76. Эмаль ЭП-775.

Полевая технология.

ТУ 6-10-1604-77. Эпоксидная композиция ПЭП-971, серая.

ТУ 6-10-1814-88. Эмаль ФЛ-62 зеленая и серебристо-зеленая. Полевой метод.

ТУ 14-3-620-77. Трубы электросварные диаметром 530, 720, 820, 1020 и 1220 мм для трубопроводов высокого давления.

ТУ 14-3-684-77. Трубы стальные электросварные со спираль­ным швом диаметром 530-1420 мм.

ТУ 14-3-721-78. Трубы стальные электросварные спирально-шовные диаметром 820, 1020, 1220 мм для магистральных газо­проводов.

ТУ 22-74. Эпоксидная композиция. ПЭП-177, серая.

ТУ 36-1626-77. Переходы вальцованные сварные концентри­ческие и эксцентрические для технологических трубопроводов из углеродистой стали.

ТУ 38-11145-83. Заглушки быстросъемные.

ТУ 38-114233-81. Прокладки спиральновитые.

ТУ 84-988-84 ИЭ. Заряд кумулятивный шнуровой. Инструк­ция по резке трубопроводов с остатками нефти на стенках с применением шнуровых кумулятивных зарядов ШКЗ. - Уфа: ВНИИСПТ, 1988.

ТУ 88. УССР. 085.350-85. Труборезы кумулятивные кольце­вые наружные. - Киев; ОП и ИЭС им. Патона АН УССР.

Устав внутреннего водного транспорта СССР. - М.: Транс­порт, 1975.

 

 

СЛОВАРЬ СОКРАЩЕНИЙ

 

АВБ - аварийно-восстановительная бригада;

БПО - база производственного обслуживания;

ВСН - ведомственные строительные нормы;

ВМ — взрывчатые материалы;

ГСМ - горюче-смазочные материалы;

ГЗУ - групповая замерная установка;

ГПЗ - газоперерабатывающий завод;

ДУ - диаметр условный;

ДНС - дожимная насосная станция;

ДПД - добровольная пожарная дружина;

ИТР - инженерно-технические работники;

КиПиА - контрольно-измерительные приборы и автоматика;

КНС - кустовая насосная станция;

КСП - комплексный сборный пункт;

ЛЭП - линия электропередачи;

НГДУ - нефтегазодобывающие управления;

НС - насосная станция;

НПС - нефтеперекачивающая станция;

НТД - научно-техническая документация;

ОВОС - оценка воздействия на окружающую среду;

ППД - поддержание пластового давления;

ППР - проект производства работ (планово-предупредительный ремонт);

ПОС - проект организации строительства;

ПУЭ - правила устройства электроустановок;

ПТ - промысловые трубопроводы;

ПО - производственное объединение;

ПДК - предельно допустимая концентрация;

ПТК - пожарно-техническая комиссия;

ПДВК -предельно допустимая взрывоопасная концентрация;

ПДВ - предельно допустимые выбросы;

ПАВ - поверхностно-активные вещества;

Ризб - давление избыточное;

Ру - давление условное;

Рраб - давление рабочее;

СВБ - сероводородвосстанавливающие бактерии;

СНиП - строительные нормы и правила;

ТрККН - труборез кумулятивный кольцевой наружный;

ТрККС - труборез кумулятивный кольцевой седлообразный;

ТЭО - технико-экономическое обоснование;

ТЭР - технико-экономический расчет;

ЦПС - центральный пункт сбора;

ЦДНГ - цех добычи нефти и газа;

ЦДУ - центральное диспетчерское управление;

ЦППН - центральный пункт подготовки нефти;

ЦРТ - цех по ремонту трубопроводов;

ЦИТС - центральная инженерно-техническая служба;

ШКЗ-шнуровой кумулятивный заряд;

ЭХЗ - электрохимическая защита.

содержание

1. ОБЩИЕ ПОЛОЖЕНИЯ.. 2

2. КЛАССИФИКАЦИЯ ТРУБОПРОВОДОВ.. 3

3. ОСНОВНЫЕ ТРЕБОВАНИЯ К ПРОЕКТИРОВАНИЮ СИСТЕМ СБОРА НЕФТИ, ГАЗА И ВОДЫ... 4

НА НЕФТЯНЫХ МЕСТОРОЖДЕНИЯХ.. 4

3.1. Требования к обеспечению качества. 4

сооружения систем сбора нефти, газа. 4

и систем поддержания пластового давления. 4

3.2. Переходы трубопроводов. 11

через естественные и искусственные. 11

препятствия. 11

3.3. Создание защитных (буферных) 14

зон вокруг особо опасных трубопроводных систем.. 14

3.4. Требования к оснащению технологических. 14

систем сбора средствами контроля, 14

регулирования, противоаварийной защиты.. 14

3.5. Требования к оснащению промысловых. 15

трубопроводов средствами очистки. 15

3.6. Обеспечение производства. 16

технологическими регламентами, 16

согласование их с надзорными органами. 16

3.7. Порядок внесения изменений. 17

в технологическую и проектную документацию.. 17

4. ТРЕБОВАНИЯ, ПРЕДЪЯВЛЯЕМЫЕ К МАТЕРИАЛАМ И КОНСТРУКЦИЯМ... 17

ПРОМЫСЛОВЫХ СТАЛЬНЫХ ТРУБОПРОВОДОВ.. 17

4.1. Общие положения. 17

4.2. Типы труб, область применения. 18

и требования к их качеству. 18

4.3. Запорная арматура. 20

4.4. Фланцы.. 21

4.5. Прокладочные материалы.. 21

4.6. Фасонные детали трубопроводов. 21

4.7. Сварные детали трубопроводов. 22

4.8. Гнутые и штампованные детали. 22

4.9. Заглушки. 22

4.10. Крепежные детали. 23

5. ОСНОВНЫЕ ТРЕБОВАНИЯ К СТРОИТЕЛЬСТВУ ПРОМЫСЛОВЫХ ТРУБОПРОВОДОВ.. 23

5.1. Общие положения. 23

5.2. Подготовительные работы.. 23

5.3. Земляные работы. Разработка траншей. 24

5.4. Транспортные. 25

и погрузочно-разгрузочные работы.. 25

5.5. Противокоррозионная. 25

и тепловая изоляция. 25

5.6. Устранение повреждений. 26

заводских изделий и труб. 26

5.7. Повороты, изготовленные из труб, отводы.. 27

5.8. Укладка труб в траншею.. 27

5.9. Засыпка траншеи. 28

5.10. Восстановление трассы.. 28

и работы по рекультивации. 28

5.11. Электрохимическая защита. 29

трубопроводов от подземной коррозии. 29

6. КОНТРОЛЬ КАЧЕСТВА, ОЧИСТКА, ИСПЫТАНИЕ И ПРИЕМКА.. 31

В ЭКСПЛУАТАЦИЮ ПРОМЫСЛОВЫХ ТРУБОПРОВОДОВ.. 31

6.1. Проверка качества. 31

строительства трубопроводов. 31

Вид и объем требуемой проверки. 31

6.2. Очистка полости и испытание. 34

промысловых трубопроводов. 34

6.3. Приемка в эксплуатацию.. 38

промысловых трубопроводов. 38

7. ЭКСПЛУАТАЦИЯ И ТЕХНИЧЕСКОЕ ОБСЛУЖИВАНИЕ ТРУБОПРОВОДОВ.. 39

7.1. Проходное давление. 39

в системах сбора нефти, газа и воды.. 39

7.2. Очистка трубопроводов от парафина, 39

воды и механических примесей. 39

7.3. Уход за трассой трубопроводов. 41

Технический коридор. Патрульная служба. 41

Связь. 41

7.4. Охранные зоны. Знаки безопасности. 42

7.5. Техническое обслуживание. 43

и ремонт трубопроводов. 43

7.5.1. Наружный осмотр трубопроводов. 43

7.5.2. Ревизия трубопроводов. 45

7.5.3. Диагностика промысловых трубопроводов. 46

7.5.4. Нормы отбраковки трубопроводов. 49

7.5.5. Периодические испытания трубопроводов. 53

7.5.6. Ремонтные работы на трубопроводах. 54

7.5.7. Консервация, демонтаж трубопроводов. 58

7.5.8. Обслуживание и ревизия арматуры.. 60

7.6. Применение энергии взрыва при ремонте. 61

и эксплуатации трубопроводов. 61

7.7. Защита от внешней и внутренней коррозии. 63

8. СВАРОЧНЫЕ РАБОТЫ НА ТРУБОПРОВОДАХ.. 66

8.1. Сварка. Общие требования. 66

8.2. Сварочные материалы.. 66

8.3. Подготовка труб под сварку и сварка. 67

8.4. Качество сварки. Методы обследования и контроля сварных соединений. 72

8.5. Квалификация сварщиков. 73

и их допуск к сварке трубопроводов. 73

9. ПОРЯДОК УЧЕТА, РАССЛЕДОВАНИЯ И ЛИКВИДАЦИИ ОТКАЗОВ И ПОВРЕЖДЕНИЙ ТРУБОПРОВОДОВ.. 74

9.1. Классификация аварий. 74

9.2. Расследование аварий. 74

9.3. Отчетность перед контролирующими органами об авариях, утечках, разливах. 75

9.4. Организация работ по ликвидации аварий на трубопроводах. 75

10. ОХРАНА ТРУДА.. 77

11. ПОЖАРНАЯ БЕЗОПАСНОСТЬ. 80

12. ОХРАНА ОКРУЖАЮЩЕЙ СРЕДЫ... 85

13. ТЕХНИЧЕСКАЯ ДОКУМЕНТАЦИЯ.. 90

ПРИЛОЖЕНИЕ 1. 90

ПРИЛОЖЕНИЕ 2. 94

ПРИЛОЖЕНИЕ 3. 95

ПРИЛОЖЕНИЕ 4. 96

ПРИЛОЖЕНИЕ 5. 96

ПРИЛОЖЕНИЕ 6. 97

ПРИЛОЖЕНИЕ 7. 98

ПРИЛОЖЕНИЕ 8. 100

ПРИЛОЖЕНИЕ 9. 101

ПРИЛОЖЕНИЕ 10. 102

ПРИЛОЖЕНИЕ 11. 102

ПРИЛОЖЕНИЕ 12. 103

ПРИЛОЖЕНИЕ 13. 104

ПРИЛОЖЕНИЕ 14. 105

ПРИЛОЖЕНИЕ 15. 105

ПРИЛОЖЕНИЕ 16. 108

ПРИЛОЖЕНИЕ 17. 108

ПРИЛОЖЕНИЕ 18. 108

ПРИЛОЖЕНИЕ 19. 110

ПРИЛОЖЕНИЕ 20. 111

ПРИЛОЖЕНИЕ 21. 113

ПРИЛОЖЕНИЕ 22. 115

ПРИЛОЖЕНИЕ 23. 116

ПРИЛОЖЕНИЕ 24. 117

ПРИЛОЖЕНИЕ 25. 117

ПРИЛОЖЕНИЕ 26. 129

ПРИЛОЖЕНИЕ 27. 130

ПРИЛОЖЕНИЕ 28. 130

ПРИЛОЖЕНИЕ 29. 131

ПРИЛОЖЕНИЕ 30. 131

ПРИЛОЖЕНИЕ 31. 131

ПРИЛОЖЕНИЕ 32. 133

ПРИЛОЖЕНИЕ 33. 133

ПРИЛОЖЕНИЕ 34. 136

ПРИЛОЖЕНИЕ 35. 138

ПРИЛОЖЕНИЕ 36. 139

ПРИЛОЖЕНИЕ 37. 141

ПРИЛОЖЕНИЕ 38. 142

ПРИЛОЖЕНИЕ 39. 144

ПРИЛОЖЕНИЕ 40. 146

ПРИЛОЖЕНИЕ 41. 147

ПРИЛОЖЕНИЕ 42. 148

ПРИЛОЖЕНИЕ 43. 151

ПРИЛОЖЕНИЕ 44. 152

ПРИЛОЖЕНИЕ 45. 153

СПИСОК НОРМАТИВНО-ТЕХНИЧЕСКОЙ.. 153

ДОКУМЕНТАЦИИ, ИСПОЛЬЗОВАННОЙ.. 153

ПРИ РАЗРАБОТКЕ ПРАВИЛ.. 153

СЛОВАРЬ СОКРАЩЕНИЙ.. 160

 

 




ГОСТЫ, СТРОИТЕЛЬНЫЕ и ТЕХНИЧЕСКИЕ НОРМАТИВЫ.
Некоммерческая онлайн система, содержащая все Российские Госты, национальные Стандарты и нормативы.
В Системе содержится более 150000 файлов нормативно-технической документации, действующей на территории РФ.
Система предназначена для широкого круга инженерно-технических специалистов.

Рейтинг@Mail.ru Яндекс цитирования

Copyright © www.gostrf.com, 2008 - 2026