Крупнейшая бесплатная информационно-справочная система онлайн доступа к полному собранию технических нормативно-правовых актов РФ. Огромная база технических нормативов (более 150 тысяч документов) и полное собрание национальных стандартов, аутентичное официальной базе Госстандарта. GOSTRF.com - это более 1 Терабайта бесплатной технической информации для всех пользователей интернета. Все электронные копии представленных здесь документов могут распространяться без каких-либо ограничений. Поощряется распространение информации с этого сайта на любых других ресурсах. Каждый человек имеет право на неограниченный доступ к этим документам! Каждый человек имеет право на знание требований, изложенных в данных нормативно-правовых актах!

  


 

МИНИСТЕРСТВО ТРАНСПОРТНОГО СТРОИТЕЛЬСТВА
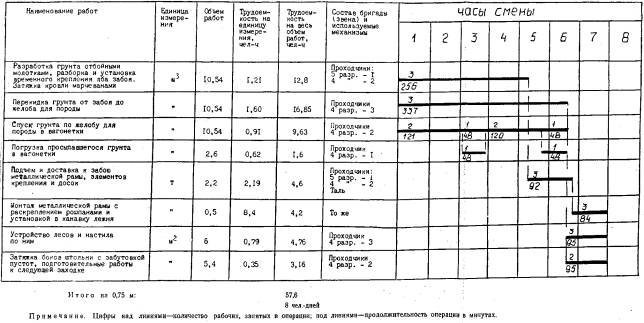
ГЛАВНОЕ ТЕХНИЧЕСКОЕ УПРАВЛЕНИЕ
ВСЕСОЮЗНЫЙ ПРОЕКТНО-ТЕХНОЛОГИЧЕСКИЙ ИНСТИТУТ ТРАНСПОРТНОГО СТРОИТЕЛЬСТВА «ВПТИТРАНССТРОЙ»

ТЕХНОЛОГИЧЕСКИЕ КАРТЫ

СООРУЖЕНИЕ ОДНОСВОДЧАТОЙ СТАНЦИИ МЕТРОПОЛИТЕНА ГЛУБОКОГО
ЗАЛОЖЕНИЯ С РАЗМЕЩЕНИЕМ ОБУСТРОЙСТВ ПОД ЕДИНЫМ СВОДОМ

МОСКВА 1985

Сборник технологических карт разработан отделом проектирования и внедрения технологии строительства инженерных сооружений и Северо-Западным филиалом ВПТИтрансстроя на основании заказа № 240/83 от 13 сентября 1983 г. Главтоннельметростроя и имеет целью повышение производительности труда, снижение стоимости, трудоемкости и материалоемкости строительства односводчатых станций метрополитена глубокого заложения.

Сборник технологических карт рекомендован к применению техническим советом ВПТИтрансстроя.

Содержание

1. ОБЩАЯ ЧАСТЬ

ТЕХНОЛОГИЧЕСКАЯ КАРТА № 1 СООРУЖЕНИЕ БОКОВЫХ ТОННЕЛЕЙ ДИАМЕТРОМ 5,5 м ДЛЯ ОПОРНЫХ ФУНДАМЕНТОВ СВОДОВ СТАНЦИИ

ТЕХНОЛОГИЧЕСКАЯ КАРТА № 2 БЕТОНИРОВАНИЕ МОНОЛИТНЫХ ОПОРНЫХ ФУНДАМЕНТОВ СТАНЦИИ С ПРИМЕНЕНИЕМ ПЕРЕДВИЖНОЙ МЕТАЛЛИЧЕСКОЙ ОПАЛУБКИ

ТЕХНОЛОГИЧЕСКАЯ КАРТА № 3 ПРОХОДКА КРИВОЛИНЕЙНОЙ ПО ВЕРТИКАЛИ ШТОЛЬНИ МЕЖДУ ОПОРНЫМИ ТОННЕЛЯМИ СТАНЦИИ

ТЕХНОЛОГИЧЕСКАЯ КАРТА № 4 СООРУЖЕНИЕ ВЕРХНЕГО СВОДА СТАНЦИИ С ЖЕЛЕЗОБЕТОННОЙ СБОРНОЙ ОБДЕЛКОЙ, ОБЖАТОЙ В ГРУНТ

ТЕХНОЛОГИЧЕСКАЯ КАРТА № 5 РАЗРАБОТКА ЯДРА И СООРУЖЕНИЕ ОБРАТНОГО СВОДА СТАНЦИИ

ТЕХНОЛОГИЧЕСКАЯ КАРТА № 6 СООРУЖЕНИЕ ТОРЦЕВОЙ СТЕНЫ ОДНОСВОДЧАТОЙ СТАНЦИИ

ТЕХНОЛОГИЧЕСКАЯ КАРТА № 7 СООРУЖЕНИЕ ПАССАЖИРСКОЙ ПЛАТФОРМЫ СТАНЦИИ ИЗ СБОРНЫХ ЖЕЛЕЗОБЕТОННЫХ ЭЛЕМЕНТОВ

ТЕХНОЛОГИЧЕСКАЯ КАРТА № 8 СООРУЖЕНИЕ НАТЯЖНОЙ КАМЕРЫ ЭСКАЛАТОРНОГО ТОННЕЛЯ ОДНОСВОДЧАТОЙ СТАНЦИИ

ТЕХНОЛОГИЧЕСКАЯ КАРТА № 9 СООРУЖЕНИЕ САНИТАРНОГО УЗЛА И СЛУЖЕБНЫХ ПОМЕЩЕНИЙ ОДНОСВОДЧАТОЙ СТАНЦИИ

ТЕХНОЛОГИЧЕСКАЯ КАРТА № 10 МОНТАЖ АРМОЦЕМЕНТНОГО ЗОНТА ОДНОСВОДЧАТОЙ СТАНЦИИ

1. ОБЩАЯ ЧАСТЬ

1.1. Сборник технологических карт разработан на основе методов научной организации труда, обобщения передового опыта и предназначен для составления проектов организации и производства работ по сооружению односводчатой станции метрополитена глубокого заложения с размещением пристанционных обустройств под единым сводом со сборной железобетонной обделкой, обжатой в грунт.

1.2. Сборник состоит из следующих карт:

Карта № 1. Сооружение боковых тоннелей диаметром 5,5 м для опорных фундаментов сводов станции.

Карта № 2. Бетонирование монолитных опорных фундаментов станции с применением передвижной металлической опалубки.

Карта № 3. Проходка криволинейной по вертикали штольни между опорными тоннелями станции.

Карта № 4. Сооружение верхнего свода станции с железобетонной сборной обделкой, обжатой в грунт.

Карта № 5. Разработка ядра и сооружение обратного свода станции.

Карта № 6. Сооружение торцевой стены односводчатой станции.

Карта № 7. Сооружение пассажирской платформы станции из сборных железобетонных элементов.

Карта № 8. Сооружение натяжной камеры эскалаторного тоннеля односводчатой станции.

Карта № 9. Сооружение санитарного узла и служебных помещений односводчатой станции.

Карта № 10. Монтаж армоцементного зонта односводчатой станции.

1.3. Сооружение односводчатой станции глубокого заложения предусматривается как типовое решение в устойчивых сухих грунтах III-IV групп типа протерозойских или спондиловых глин, встречающихся при строительстве метрополитенов в Ленинграде, Киеве, и в других городах.

1.4. Конструкция станционного узла состоит из сборных железобетонных элементов и монолитного бетона и включает многошарнирные, обжатые в грунт, верхний и обратный своды, опирающиеся на бетонные опорные фундаменты, а также торцевые стены с проемами для примыкания перегонных и эскалаторного тоннелей.

Рис. 0.1. Конструкция односводчатой станции:
1 - опорный фундамент арок сводов; 2 - обделка опорного тоннеля; 3 - арка верхнего свода станции; 4 - армоцементный зонт станции; 5 - пассажирская платформа; 6 - арка обратного свода станции

Обделка сводов - многошарнирная, обжатая в грунт, из сплошных железобетонных блоков (бетон марки 400 с винипластовыми профильными прокладками). Опорные фундаменты выполняют из монолитного бетона марки 300 с армированием сетками узлов примыкания верхнего и обратного сводов (рис. 0.1).

1.5. Станционный комплекс объединяет под единым сводом технологически связанные обустройства станции: натяжную камеру с эскалатором, пассажирский зал станции со служебными помещениями под платформой и в торце станции, санитарный узел, тягово-понизительную подстанцию, вентиляционный узел, камеру пересадки при условии необходимости примыкания второго эскалаторного тоннеля или пересадочного узла.

При сооружении односводчатой станции, конечной на сооружаемом участке трассы, станционный узел содержит и камеры съездов (рис. 0.2).

Рис. 0.2. Компоновочная схема станционного узла:
1
- натяжная камера эскалаторов; 2 - начало станции; 3 - начало пассажирской платформы; 4 - конец пассажирской платформы; 5 - конец станции; 6 - санитарный узел; 7 - станционная тягово-понизительная подстанция; 8 - камера съездов

Уширенное междупутье (14,6 м) позволяет разместить четыре ленты эскалаторов типа ЭТ-2. Длина платформенного участка пассажирского зала при обращении состава из шести вагонов равна 120 м.

Платформа имеет ширину 11,7 м. Под ней размещены служебные помещения, кабельные коллекторы и местная водоотливная перекачка.

Совмещенная тягово-понизительная подстанция (СТП) расположена на продолжении свода станции на двух этажах и подвальном помещении.

1.6. Полная длина станционного узла без камер съездов при обращении восьмивагонного состава - 230 м, шестивагонного - 190 м.

1.7. Односводчатые станции метрополитена глубокого заложения более экономичны в сравнении с другими конструкциями, значительно обогащают архитектурный облик и имеют эксплуатационные преимущества на станциях с большим пассажирским потоком.

1.8. При разработке карт использован опыт строительства станции «Удельная» Ленинградского метрополитена, на которой осуществлен ряд проектных разработок по совершенствованию конструкции и организации работ в сравнении с ранее построенными станциями «Пл. Мужества» и «Политехническая».

1.9. Технологический процесс сооружения односводчатых станций обеспечивает минимальные осадки поверхности и, как правило, обеспечивает сохранность строений и коммуникаций.

1.10. Расчеканку швов выполняет отдельная бригада.

1.11. Общие объемы работ по сооружению 1 м односводчатой станции (без обустройств) составляют:

разработка грунта, м3 ............................................. 224

в том числе механизированным способом, м3 ..... 148

монтаж сборного железобетона, м3....................... 30,5

установка арматуры, т............................................. 10,5

укладка монолитного бетона, м3............................ 47,3

1.12. Привязка карт с учетом местных условий строительства состоит в уточнении геологических и гидрогеологических условий заложения станции, уточнении объемов работ, затрат труда и материально-технических ресурсов.

ТЕХНОЛОГИЧЕСКАЯ КАРТА № 1

СООРУЖЕНИЕ БОКОВЫХ ТОННЕЛЕЙ ДИАМЕТРОМ 5,5 м ДЛЯ ОПОРНЫХ ФУНДАМЕНТОВ СВОДОВ СТАНЦИИ

1. ОБЛАСТЬ ПРИМЕНЕНИЯ

1.1. Технологическая карта предназначена для проходки двух тоннелей на длину станционного узла при помощи укороченного комплекса механизированного щита КТ-1-5,6 с конвейерным блокоукладчиком, с доставкой материалов и вывозкой грунта электровозом.

1.2. Боковые тоннели по обеим сторонам станции, сооружаемые на длину, принятую проектом, предназначаются для устройства опорных фундаментов, воспринимающих нагрузки от верхнего и обратного сводов конструкции станции.

1.3. Проходка тоннелей для опорных фундаментов ведется последовательно одним комплектом оборудования в связи с их незначительной протяженностью.

1.4. Механизированный комплекс обеспечивает высокие скорости проходки тоннеля с минимальными затратами ручного труда.

1.5. Принятая в данной карте технология работ с использованием механизированного комплекса щита КТ-1-5,6 и конвейерного блокоукладчика наиболее целесообразна для однородных грунтов небольшой крепости, устойчивых, мало обводненных, типа кембрийских либо спондиловых глин.

1.6. Технология рассчитана на средние скорости 200-250 м в месяц проходки тоннелей с полным использованием высокопроизводительного горного оборудования.

1.7. Технологическая карта должна быть привязана к местным условиям строительного объекта.

2. ТЕХНОЛОГИЯ И ОРГАНИЗАЦИЯ СТРОИТЕЛЬНОГО ПРОЦЕССА

2.1. Указания по подготовке объекта и требования к готовности предшествующих работ

2.1.1. До начала работ по сооружению станционного узла должны быть выполнены все работы по обустройству строительной площадки, пройдены ствол, околоствольные и подходные выработки к местам сооружения тоннелей для фундаментов, сооружены камеры для монтажа щита и комплекса за ним, завершен монтаж технологического оборудования КT-1-5,6. Проложены силовые кабели и трубопроводы сжатого воздуха, воды, вентиляции, проложены узкоколейные пути с обустройством под откатку вагонеток и блоковозок электровозом.

2.2. Указания по технологии работ

2.2.1. Работы по сооружению тоннеля в соответствии с графиком состоят из следующих операций:

разработки грунта забоя режущим органом щита;

погрузки грунта в вагонетки;

подборки грунта в лотке между режущим органом и диафрагмой;

профилактического осмотра механизмов;

передвижки щита;

наращивания откаточных путей;

разгрузки блоков обделки;

монтажа кольца обделки и первичного обжатия;

окончательного обжатия с установкой клиньев, вкладыша и с омоноличиванием узла обжатия.

2.2.2. Описание методов производства работ

2.2.2.1. Схема механизированного комплекса КТ-1-5,6 представлена на рис. 1.1.

Рис. 1.1 Укороченный проходческий комплекс КТ-1-5,6
1 - переходная опора моста; 2 - транспортный мост; 3 - задняя опора моста; 4 - троллейные барабаны; 5 - технологическая  платформа; 6 - подвижной состав; 7 - укладчик блоков обделки; 8 - щит

Механизированный щит оснащен режущим органом, предъявляющим собой четырехлучевую крестовину, насаженную на центральный вал. На лучах укреплены держатели резцов и дисковые скалыватели. По периферии лучи крестовины объединены сегментными конструкциями с ковшами для погрузки грунта на щитовой транспортер. На внешней поверхности щита установлены элероны для предотвращения поворота щита вокруг своей оси.

Разработка грунта забоя осуществляется резцами, образующими щелевые углубления в массиве грунта, а дисковые скалыватели скалывают грунт между щелями.

Основные паспортные параметры щита

Скорость разработки забоя, м/ч...................................................... 3

Минимальная скорость сооружения тоннеля в смену, м............. 5,5

Длина щита, мм................................................................................ 4500

Число щитовых домкратов.............................................................. 19

Ход домкрата, мм ............................................................................ 1200

Производительность транспортера-перегружателя, м3/ч ............. 250

Управление щитом........................................................................... дистанционное

Конвейерный укладчик блоков, состоит из шарнирно-складывающегося несущего кольца-кондуктора, разомкнутого в лотковой части. В верхней половине кондуктора расположены направляющие роликовые опоры, по которым перемещаются и поддерживаются верхние блоки кольца обделки при монтаже. В нижней части кольца-кондуктора размещены откидные упоры, удерживающие блоки при монтаже. В боковых ветвях установлены механизмы проталкивания блоков.

Транспортный мост комплекса оснащен раздаточным бункером грунта с перекидным шибером для загрузки вагонеток на обе стороны.

Гидродомкрат обеспечивает разжатие кольца обделки в лотке.

Подземный транспорт обслуживается контактными электровозами 7КР-600.

Механизированный комплекс обеспечивает совмещение разработки забоя с погрузкой грунта и монтажом сборной железобетонной обделки, что существенно сокращает затраты времени.

2.2.2.2. Цикл работ по проходке тоннеля начинается с разработки грунта. Режущим органом щита забой разрабатывают на 0,5 м (на длину подачи режущего органа), затем производят передвижку щита с надвижкой режущего органа на забой. Передвижку осуществляют при помощи системы гидравлических домкратов, отталкивающихся от ранее собранного кольца обделки.

2.2.2.3. Одновременно с резанием разработанный грунт захватывается ковшами режущего органа с лотка забоя через лотки и разгружается на щитовой транспортер, с которого перегружается на основной транспортер в раздаточный бункер.

2.2.2.4. На технологической платформе под мостом основного транспортера устанавливают два состава вагонеток, которые загружают грунтом без расцепления за счет перекидного шибера.

2.2.2.5. Для вывозки грунта на 1 м тоннеля необходимо 30-32 вагонетки.

2.2.2.6. После передвижки щита на 0,5 м разрабатывают забой на вторую заходку на 0,5 м. Передвижка на вторую заходку создает на оболочке щита зазор в 1 м, достаточный для монтажа последующего кольца обделки.

2.2.2.7. Кольцо сборной железобетонной обделки (рис. 1.2) состоит из гладких блоков с внутренним диаметром 5270, шириной 1000 мм. В кольце восемь нормальных блоков марки 5ВН-2, два лотковых марки 5БЛ-2 и вкладыши клиновидные: К-1-2 шт., К-1а-2 шт. и С-1-1 шт. Нормальные блоки сплошного сечения прямоугольной формы толщиной 150 мм имеют по внутреннему периметру чеканочные канавки для расчеканки швов в обделке. Каждый блок имеет две заглубленные петли, приваренные к арматурному каркасу, и сквозное отверстие для контрольного нагнетания цементного раствора за обделку. На поперечных торцах блоков предусмотрены с каждой стороны по две ниши глубиной 109, диаметром 38 мм для закладки фиксирующих конических металлических шпилек, удерживающих блоки в кольце обделки и заменяющих связи. Бетон кольца обделки - марки 400.

Рис. 1.2. Общий вид кольца обделки

Лотковые блоки 5БЛ-2 устанавливают по два в лоток, образуя единый лотковый блок, имеющий горизонтальную поверхность, служащую жестким основанием для верхнего строения пути. Лотковые блоки имеют по торцам углубления для установки шпилек, соединяющих их с нормальными блоками кольца. Конфигурация лотковых блоков (рис. 1.3) предусматривает разжатие кольца при помощи гидравлического домкрата. Для предохранения поверхности бетона от повреждения при упорах плунжера домкрата в нише для разжимающего домкрата, образованной двумя лотковыми блоками, остановлены по торцам винипластовые прокладки толщиной 4 мм.

Рис. 1.3. Конструкция распорного узла кольца:
1
- клиновидный вкладыш К-1; 2 - клиновидный вкладыш К-1а; 3 - центральный вкладыш С-1; 4 - блок обделки 5БЛ-2; 5 - цементно-песчаный раствор

2.2.2.8. Обжатие кольца обделки производят в два приема: первый - после окончания монтажа обделки, когда кольцо находится в пределах оболочки щита; второй - после схода кольца на грунт выработки. Обжатие выполняется в лотке усилием домкрата 30 кН, с установкой вкладышей К-1 и К-1а, а после выемки из ниши домкрата завершается установкой на растворе вкладыша С-1. Разжатое кольцо обделки плотно прилегает к контуру выработки, чем ликвидируется строительный зазор.

2.2.2.9. После завершения обжатия кольцо конвейерного укладчика складывается, выходит из контакта с блоками собранного кольца обделки и перемещается вперед в исходное положение для монтажа следующего кольца.

2.2.2.10. Блоки обделки подают к месту монтажа на блоковозках, далее - тельфером грузоподъемностью 1 т, подвешенным к транспортному мосту, и сгружают у блокоукладчика для накопления на следующее кольцо обделки.

2.2.2.11. Конвейерное кольцо укладчика шарнирно закреплено на опорном кольце щита и опирается на транспортный мост. Это обеспечивает поворот опоры моста на кривых участках трассы в плане и профиле и при вращении щита вокруг продольной оси.

2.2.2.12. Откаточные пути после передвижки комплекса наращивают путем, раздвижки телескопического звена между рельсами, постоянно закрепленными на технологической платформе. Сварные звенья основных откаточных путей укладывают за комплексом. При продвижении забоя на 7 м в конце каждой смены телескопическое звено снимают и вместо него укладывают сварное, звено на металлических планках, соединенное накладками с основными откаточными путями.

2.2.2.13. Профилактический осмотр и мелкий ремонт щита и комплекса выполняют в периоды, предусмотренные графиком работ, а более серьезные работы - в два нерабочих дня недели бригадой ремонтников, не входящих в состав основной бригады. Тщательный осмотр и плановый ремонт в нерабочие дни должен обеспечивать нормальную работу комплекса в течение рабочей недели.

2.2.2.14. Проветривают забой, нагнетая вентилятором свежий воздух с поверхности по трубопроводу диаметром 500 мм.

2.2.2.15. Наращивание трубопроводов всех назначений (вентиляции, сжатого воздуха, воды) и прокладку кабельных магистралей (силовой, осветительной, сигнализации, связи и троллейного провода) выполняют по мере продвижения забоя.

2.2.2.16. После завершения проходки первого опорного тоннеля аналогично сооружают второй тоннель.

2.2.2.17. Работы производят циклично со скоростью 1 м/ч при продолжительности смены 7,2 ч и пятидневной рабочей неделе. Комплекс обеспечивает сооружение до 450 м тоннеля в месяц.

2.2.3. Работы по проходке тоннелей для опорных фундаментов должны выполняться в строгом соответствии со СНиП III-44-77 «Правила производства и приемки работ», глава 44 «Тоннели железнодорожные, автодорожные и гидротехнические. Метрополитены», М., Стройиздат, 1977.

2.3. Указания по организации труда

2.3.1. Численно-квалификационный состав бригады рабочих

Проходку тоннелей диаметром 5,5 м для сооружения опорных фундаментов верхнего и обратного сводов станции выполняет комплексная бригада в составе трех сменных звеньев по подрядному договору.

Состав сменного звена:

Проходчики:       5 разр. - 1

                             4 разр. - 4

Машинист щита 6 разр. - 1

Один проходчик 4 разр. имеет квалификацию машиниста электровоза.

2.3.2. Распределение операций между исполнителями

2.3.2.1. Разработку грунта ведет машинист щита, управляя с дистанционного пульта работой режущего органа, щитовыми домкратами и транспортной системой. Весь этот комплекс взаимосвязан.

2.3.2.2. Погрузку грунта в вагонетки, продвижение вагонных составов и содержание в надлежащем виде рабочего места выполняют два проходчика 4 разр.

2.3.2.3. После разработки забоя на заходку длиной 0,5 м машинист перед передвижкой щита производит профилактический осмотр механизмов, а два проходчика 4 разр. - подборку грунта у щита и наращивание путей выдвижением телескопического звена рельсов. В передвижке щита на забой участвует все звено проходчиков, наблюдая за выдвижением домкратов, состоянием кольца обделки, за трубопроводами и кабелями. Проходчик 4 разр., имеющий квалификацию машиниста электровоза, по мере заполнения состава откатывает его за разминовочную стрелку и подает порожний состав вагонеток. Другой проходчик 4 разр. подбирает просыпавшийся грунт.

2.3.2.4. Цикл работ по монтажу кольца обделки начинают после окончательного обжатия предыдущего кольца и омоноличивания вкладышей лотка. На монтаже кольца заняты: один проходчик 5 разр. и два проходчика 4 разр. Один проходчик 4 разр. имеет квалификацию тельфериста, другой - стропальщика и машиниста укладчика.

Тельферист подает блоки обделки в лотковую часть разомкнутого кольца конвейерного укладчика, а остальные проходчики устанавливают блоки в кассету укладчика, закрепляют захват, устанавливают в торцах блоков соединительные металлические конусные шпильки. Машинист укладчика продвигает блоки по кольцу укладчика до полного укомплектования. Затем производят первоначальное разжатие кольца в оболочке щита до ликвидации строительного зазора. Кольцо обделки прижимают к обделке тоннеля некоторыми щитовыми домкратами. В таком состоянии оно способно воспринимать усилия от щитовых домкратов при передвижке щита. Монтажом кольца обделки и разжатием его руководит звеньевой 5 разр.

Монтаж кольца обделки завершают одновременно с разработкой грунта забоя первой заходки нового цикла и окончанием подготовительных работ для передвижки щита, в которой участвует все звено. После передвижки щита проходчики 4 разр. под руководством звеньевого сгружают поступившие на блоковозках элементы обделки на технологическую платформу у блокоукладчика для монтажа следующего кольца. По окончании производят наращивание откаточных путей.

2.3.2.5. Операционный контроль качества работ осуществляется в соответствии с требованиями СНиП III-44-77 и КОКК настоящей технологической карты (табл. 1.6).

Таблица 1.1

2.4. График сооружения 1 м тоннеля со сборной железобетонной обделкой, обжатой в грунт, механизированным комплексом КТ-1-5,6 за 1 ч линейного времени

Таблица 1.2

2.5. Калькуляция затрат труда на сооружение 1 м тоннеля со сборной железобетонной обделкой, обжатой в грунт, механизированным комплексом КТ-1-5,6

Шифр норм, шифр и числовые значения поправочных коэффициентов

Содержание работ

Состав звена

Единица измерения

На единицу измерения

Объем работ

На конечную продукцию

норма затрат труда, чел.-ч

расценка, руб.-коп.

норма времени использо-
вания машин, маш.-ч

нормативная трудоемкость, чел.-ч

сумма заработной платы, руб.-коп.

нормативное время использо-
вания машин, маш.-ч

ТНиР, сборник Т-127, § 127-2-1, табл. 1, п. 16

Разработка грунта резанием щитом КТ-1-5,6

Машинист щита 6 разр. - 1

м

1,1

1-54

1,1

1

1,1

1-54

1,1

ТНиР, § 127-2-1, табл. 1, п. 36

Погрузка грунта в вагонетки от щита КТ-1-5,6

Проходчики 4 разр. - 2

м3

1,15

1-19

-

1

1,15

1-19

-

ТНиР, § 127-3-2

Монтаж железобетонных обделок тоннелей диаметром 5,5-6 м, обжатых в породу

Проходчики:
6 разр. - 1

5 разр. - 1

4 разр. - 1

1 кольцо

4,7

5-67

-

1

4,7

5-67

-

ЕНиР, § 36-2-75

Передвижка щита с технологическим комплексом

Машинист

6 разр. - 1

Проходчики:

5 разр. - 1

4 разр. - 4

м

2,16

2-01

0,36

1

2,16

2-01

0,36

Местная норма, Тоннельный отряд № 3 Ленметростроя, 1976

Работа машиниста блокоукладчика при монтаже кольца

Проходчик 4 разр. - 1

»

1,3

1-34

1,3

1

1,30

1-34

1,30

ЕНиР, § 36-2-137, п. 1а, примеч. 1

Укладка узкоколейного пути по блокам

Проходчик

4 разр. - 1

Крепильщик

3 разр. - 1

»

0,23

0-22,4

-

2

0,46

0-45

-

 

Итого:

 

 

 

 

 

 

10,87

12-20

1,46 щитов

 

 

 

 

 

 

 

 

1,51 чел.-дн.

 

1,30 блоков

2.6. Указания по технике безопасности

2.6.1. При производстве работ должны выполняться требования безопасности в соответствии с «Правилами техники безопасности и производственной санитарии при строительстве метрополитенов и тоннелей», М., Оргтрансстрой, 1975; СНиП III-4-80 «Техника безопасности в строительстве»; «Типовой инструкцией по охране труда для проходчиков», М., ВПТИтрансстрой, 1983; «Типовой инструкцией по охране труда для машиниста породопогрузочной машины», М., ВПТИтрансстрой, 1984.

2.6.2. До начала работ по проходке подземных выработок все представители технического надзора должны быть ознакомлены под расписку с геологическими и гидрогеологическими условиями участка. Сведения о геологии и гидрогеологии проходимого участка должны быть также сообщены рабочим.

2.6.3. Выполнять подземные работы при отсутствии или недостаточном количестве аварийного запаса материалов, инструмента и инвентаря, противопожарных и других средств защиты запрещается.

2.6.4. Рабочее место машиниста блокоукладчика должно быть оборудовано световой и звуковой сигнализациями, соединенными со всеми механизмами технологического комплекса.

2.6.5. Перед включением двигателей рабочего органа щита и других механизмов машинист обязан дать световой и звуковой сигналы, предупреждающие о начале работ.

2.6.6. Пылеподавляющие и пылеулавливающие устройства необходимо включить до начала разработки забоя.

2.6.7. Кузова вагонеток нельзя загружать грунтом доверху. Расстояние от поверхности грунта до верха борта должно быть не менее 10 см.

2.6.8. Перед началом монтажа сборной обделки тоннеля машинист укладчика и дежурный слесарь должны тщательно осмотреть укладчик и занести результаты осмотра в журнал приема и сдачи смен.

2.6.9. Подавать сигнал машинисту укладчика должен только один рабочий, назначенный службой технического надзора. Включение механизмов разрешается только после подачи сигнала этим рабочим, убедившимся, что работе механизмов ничто не мешает. До включения механизмов машинист должен дать ответный сигнал. Каждый непонятный сигнал должен быть воспринят машинистом укладчика как сигнал «Стоп».

2.6.10. Оставлять блок в поднятом состоянии после окончания работ или на время перерыва в работе запрещается.

2.6.11. При внезапном прекращении подачи электроэнергии машинист обязан немедленно выключить все электродвигатели и оставаться на своем рабочем месте до подачи электроэнергии или до получения особого распоряжения.

2.6.12. В процессе обжатия кольца обделки в породу нахождение людей в пределах обжимаемого кольца запрещается.

3. ТЕХНИКО-ЭКОНОМИЧЕСКИЕ ПОКАЗАТЕЛИ

Таблица 1.3

Наименование показателей

Количество

Затраты труда на 1 м тоннеля, чел.-дней

0,83

Затраты машинного времени (щит), маш.-смен

0,11

Выработка одного рабочего в смену, м

1,20

Стоимость затрат труда на 1 м тоннеля, руб.-коп.

16-54

Удельный вес ручного труда, %

11,66

4. МАТЕРИАЛЬНО-ТЕХНИЧЕСКИЕ РЕСУРСЫ

Таблица 1.4

4.1. Потребность в материалах (конструкциях, деталях)

Наименование

Марка, ГОСТ

Количество

Железобетонные блоки 5БН-2, шт.

Ленгипротранс чертеж

8

Железобетонные блоки 5БЛ-2, шт.

То же

2

Замковые вкладыши К-1, К-la, С-1, шт.

»

5

Шпильки металлические, шт.

ГОСТ 22042-76

18

Бетонная смесь М200, м3

ГОСТ 7473-76

0,08

Рельсы, кг

Р-24

72,4

Накладки с болтами для скрепления звеньев рельсов

-

4

Таблица 1.5

4.2. Потребность в машинах, оборудовании, инструменте, инвентаре, приспособлениях

Наименование

Тип, марка

Количество

Механизированный комплекс, комплект

КТ-1-5,6

1

Вагонетки шахтные вместимостью 1,4 м3,

ВГ-1,4

120

Электровоз контактный, шт.

7КР-600

4 (один резервный)

Блоковозки, шт.

БЛ-7А

27

ОK-V-142
Таблица 1.6

5. КАРТА ОПЕРАЦИОННОГО КОНТРОЛЯ КАЧЕСТВА СООРУЖЕНИЯ ТОННЕЛЯ ДИАМЕТРОМ 5,5 м КОМПЛЕКСОМ КТ-1-5,6

№ пп

Контролируемые параметры

Предельные отклонения, мм

1

Положение оси щита

D1 = ±10

2

Положение первых лотковых блоков

D2 = ±10

3

Диаметр кольца обделки

D3 = ±50

4

Положение оси обделки тоннеля

Д4 = ±50

Рис. 1.4. Схема щита и обделки с указанием предельных отклонений

Примечания. 1. Усилие разжатия кольца должно быть не более 300 кН.

2. Боковые стороны блоков должны быть очищены от грязи, снега.

3. Величина подачи ротора режущего механизма должна быть не более 500 мм.

СНиП III-44-77; ВТУ-Т-4-55

1

Основные операции, подлежащие контролю

Резание грунта

Передвижка щита

Монтаж и разжатие кольца

2

Состав контроля (что проверяется)

Подача режущего органа

Фактическое положение оси щита относительно проектной

Чистота обделки, усилие разжатия, диаметр кольца, положение оси обделки

3

Методы и средства контроля

Визуальный, щитовыми приборами

Измерительный, теодолит, отвес, метр стальной

Визуальный, измерительный, манометр, нивелир, рулетка стальная

4

Сроки контроля

Сплошной, во время всего периода резания грунта

Каждая передвижка щита

Каждое кольцо

5

Должность лица, контролирующего операцию

Механик участка

Начальник смены, сменный инженер

6

Наименование привлекаемой для контроля службы

-

Маркшейдерская служба

7

Должность лица, ответственного за организацию и обеспечение контроля

Начальник участка, главный механик

Начальник участка

8

Документ, в котором регистрируются результаты контроля

Журнал горных работ

Акт на скрытые работы не составляется.

ТЕХНОЛОГИЧЕСКАЯ КАРТА № 2

БЕТОНИРОВАНИЕ МОНОЛИТНЫХ ОПОРНЫХ ФУНДАМЕНТОВ СТАНЦИИ С ПРИМЕНЕНИЕМ ПЕРЕДВИЖНОЙ МЕТАЛЛИЧЕСКОЙ ОПАЛУБКИ

1. ОБЛАСТЬ ПРИМЕНЕНИЯ

1.1. Пяты многошарнирных арок верхнего и обратного сводов станции из сборных железобетонных блоков опираются на массивные монолитные бетонные опоры. Эти же опоры воспринимают усилия распора от разжатия блоков в арках.

Опорные фундаменты сооружаются в боковых, ранее пройденных тоннелях диаметром 5,5 м. Фундаменты образуют стены станции.

1.2. При разработке технологической карты учтен опыт сооружения опорных тоннелей станции «Удельная» Ленинградского метрополитена.

1.3. В состав работ, рассматриваемых технологической картой, входят следующие основные процессы:

отрыв, передвижка и установка металлической опалубки с раскреплением;

установка верхнего и нижнего опорных металлических листов, арматурных сеток и закладных деталей;

укладка бетона в опалубку при помощи пневмобетоноукладчика ПБУ-500;

выстойка бетона в опалубке;

передвижка технологического комплекса;

устройство пути с перестановкой кронштейнов под металлическую опалубку;

очистка обделки опорного тоннеля;

доставка и выгрузка опорных мостов, арматурных сеток и закладных деталей;

перекладка коммуникаций.

1.4. При привязке карты к местным условиям уточняются объемы работ, затраты труда, оборудование.

2. ТЕХНОЛОГИЯ И ОРГАНИЗАЦИЯ СТРОИТЕЛЬНОГО ПРОЦЕССА

2.1. До начала сооружения опорных фундаментов должны быть выполнены следующие подготовительные работы:

смонтирована передвижная металлическая опалубка;

смонтирован и опробован технологический комплекс для бетонирования опорного тоннеля;

смонтированы трубопроводы сжатого воздуха, воды, вентиляции;

подведены силовой электрический кабель и кабель связи;

произведена основная очистка и промывка места укладки бетона.

2.2. Указания по технологии работ

2.2.1. Возведение опорных фундаментов производится заходками по 6 м (рис. 2.1).

2.2.2. Отрыв, передвижка и установка металлической опалубки с раскреплением

Рис. 2.1. Схема сооружения боковых опорных фундаментов:
1
- лебедка для передвижки опалубки; 2 - комплекс оборудования передвижной; 3 - арматурные сетки; 4 - металлический опорный лист; 5 - ручная лебедка; 6 - тележка передвижной металлической опалубки; 7 - приемно-разгрузочный бункер; 8 - подъемник бетоновозки; 9 - лебедка перестановки бетоновода; 10 - трубопровод сжатого воздуха; 11 - трубопровод воды; 12 - ресивер; 13 - бетоновозка; 14 - ПБУ-560; 15 - закладная деталь для укладчика блоков свода; 16 - габарит вагонетки; 17 - путь вагонеток

Жесткая металлическая опалубка состоит из двух боковых секций длиной по 3,25 м, соединенных между собой, и одной торцевой секции. Опалубка оснащена специальными захватами и распорками. К металлическим листам опалубки крепят вибраторы. Опалубку передвигают при помощи лебедки по рельсу, уложенному на кронштейны, установленные в лотковой части тоннеля. На боковых секциях опалубки имеются две ручные лебедки.

2.2.3. Установка верхнего и нижнего опорных металлических листов, арматурных сеток и закладных деталей

После установки, раскрепления, очистки и смазки внутренней части металлической опалубки на заходке 6 м устанавливают в верхней и нижней частях металлические опорные листы толщиной 8 мм и арматурные сетки (диаметр стержней 12 мм) при помощи двух ручных лебедок, находящихся на наружной стороне боковых секций опалубки).

Затем на расстоянии 1300 мм друг от друга закладывают отрезки из двутавровой балки № 30 и закладные детали № 7.

Маркшейдерская служба контролирует положение опалубки в плане и профиле, правильность постановки верхнего и нижних опорных листов и дает разрешение на производство бетонных работ.

2.2.4. Укладка бетона в опалубку

Для укладки бетонной смеси в металлическую опалубку оборудован технологический комплекс, состоящий из блокоукладчика (используют его стойки с площадкой и элемент шагания), на котором монтируют пневмобетоноукладчик ПБУ-500 с приеморазгрузочным бункером, ресивер вместимостью 2,0 м3, тельфер с рамой для подъема бетоновозок на приемную площадку и лебедка для перестановки бетоновода в процессе укладки бетона (см. рис. 2.1).

Бетон марки 300 доставляют к месту укладки электровозом 7КР-600 в бетоновозках вместимостью 0,7 м3. При помощи подъемного технологического комплекса каждую бетоновозку поднимают на приемную площадку, где бетон сгружают в приеморазгрузочный бункер. Из приеморазгрузочного бункера бетонная смесь поступает в пневмобетоноукладчик ПБУ-500, а из него по бетоноводу диаметром 150 мм подается за опалубку. Бетоновод в процессе работы периодически промывают водой и очищают пыжом.

Бетонную массу уплотняют вибраторами И-50 со специальных площадок, расположенных на металлической опалубке, а также вибраторами, прикрепленными к ее наружной стороне.

2.2.5. Выстойка бетона производится в течение 32 ч.

2.2.6. Передвижка технологического комплекса

После окончания укладки бетона производится демонтаж бетоновода и технологический комплекс передвигается в отступающем порядке на следующую заходку длиной 6 м.

2.2.7. Устройство пути под металлическую опалубку

После передвижки технологического комплекса в нижней части тоннеля устанавливаются (с опорой на лотковый блок) металлические кронштейны, соединяющиеся между собой вдоль тоннеля фаркопами, при помощи которых образуется жесткая устойчивая опора для рельса под металлическую опалубку. Кронштейны устанавливают через 1 м друг от друга. После установки кронштейнов с раскреплением по ним укладывают рельс и деревянный настил.

2.2.8. Очистка обделки опорного тоннеля

После устройства пути на кронштейнах участок тоннеля для бетонирования следующей заходки очищают от грязи, наплывов бетона.

2.2.9. Во время выстойки бетона помимо передвижки технологического комплекса, устройства пути для дальнейшей передвижки металлической опалубки и очистки обделки тоннеля для бетонирования следующей заходки в тоннель доставляют закладные детали, опорные металлические листы и арматурные сетки.

2.2.10. Перекладка коммуникаций

При проходке тоннеля проложены трубопроводы для сжатого воздуха, воды, вентиляции, электросиловые кабели, провода освещения и троллейный провод. Эти коммуникации перекладывают, чтобы они не попали в зону бетонирования опорных фундаментов. Это одна из наиболее трудоемких работ.

2.2.11. Бетонирование монолитных опорных фундаментов станции с применением передвижной металлической опалубки должно выполняться в строгом соответствии со СНиП III-44-77 «Правила производства и приемки работ», глава 44 «Тоннели железнодорожные, автодорожные и гидротехнические. Метрополитены», М., Стройиздат, 1977; СНиП III-15-76 «Правила производства и приемки работ», глава 15 «Бетонные и железобетонные конструкции монолитные», М., Стройиздат, 1976; ВСН 130-66.

2.3. Указания по организации труда

2.3.1. Сооружение опорных фундаментов односводчатой станции при помощи передвижной металлической опалубки выполняет по подрядному договору комплексная бригада в составе 12 чел., работающая в две смены продолжительностью 7,2 ч каждая.

Состав сменного звена:

Проходчики:              5 разр. - 1

                                    4 разр. - 4

Слесарь-монтажник  5 разр. - 1

                                                   6 чел.

Слесарь-монтажник имеет квалификацию электросварщика.

2.3.2. Распределение операций между исполнителями внутри бригады

2.3.2.1. Перед отрывом опалубки от схватившегося бетона захватки два проходчика 4 разр. снимают болтовые крепления закладных деталей, два других проходчика 4 разр. разбирают распорные крепления торцевой и боковой секций опалубки. Проходчик 5 разр. и слесарь-монтажник при помощи винтовых отжимных устройств и клиньев отрывают от бетона боковые и торцевые секции опалубки. В передвижке, установке по проекту и раскреплении опалубки участвует все звено. Слесарь-монтажник управляет электролебедкой, а звеньевой (проходчик 5 разр.) руководит передвижкой опалубки.

2.3.2.2. По окончании установки металлической опалубки проходчики 5 и 4 разр. совместно со слесарем-монтажником устанавливают и крепят к опалубке металлический опорный лист лотковой части. Они же устанавливают и крепят арматурные сетки. Проходчики 4 разр. очищают поверхность секций опалубки от наплывов бетона и смазывают их отработанным маслом. Затем все звено устанавливает опорный металлический лист, арматурные сетки, трубы для инъекций и полностью оборудует опорный верхний узел. Для подъема и установки деталей в проектное положение используют две ручные лебедки, установленные на несущей раме металлической опалубки. Проходчик 4 разр. отбойным молотком сбивает защитный слой бетона блока тоннеля, освобождая арматурный каркас. Слесарь-монтажник приваривает к каркасу арматурные стержни, а к ним - опорный лист верхнего узла. Все щели сопряжения боковых и торцевой секций опалубки тщательно перекрываются отдельными досками с раскреплением.

2.3.2.3. Укладку бетона в опалубку захватки выполняет все звено. Слесарь-монтажник выполняет обязанности оператора пневмобетоноукладчика ПБУ-500. Два проходчика 4 разр. подкатывают бетоновозки к технологическому комплексу, поднимают их тельфером на верхнюю площадку комплекса, разгружают бетонную массу в приемноразгрузочный бункер ПБУ-500.

Один проходчик 5 разр. и два проходчика 4 разр. следят за заполнением опалубки бетоном, перемещают бетоновод, при засорении прочищают его, уплотняют бетонную смесь глубинными И-50 и навесными вибраторами, прикрепленными к опалубке, следят за состоянием ее секций.

2.3.2.4. Уложенный бетон выдерживают в опалубке 32 ч.

2.3.2.5. Во время выстойки бетона в течение двух дневных смен (1 и 2 смены) бригада занята на подготовительных работах в тоннеле для следующего цикла бетонирования опорного фундамента станции.

К этим работам относятся: передвижка технологического комплекса с разработкой бетоновода; устройство пути под металлическую опалубку с перестановкой кронштейнов; очистка обделки опорного тоннеля; доставка и выгрузка закладных деталей, опорных листов и арматурных сеток; перекладка коммуникаций (трубопроводы воды, сжатого воздуха, вентиляции; силовые электрокабели; провода освещения и троллейный).

2.3.2.6. Операционный контроль качества работ осуществляют в соответствии с требованиями СНиП III-44-77 и КОКК настоящей технологической карты (табл. 2.6).

Таблица   2.1

2.4. График производства работ по сооружению опорного фундамента станции (6 м за 6 смен)

Таблица 2.2

2.5. Калькуляция затрат труда и заработной платы на сооружение 6 м опорного фундамента станции

Шифр норм, шифр и числовые значения поправочных коэф-
фициентов

Содержание работ

Состав звена

Единица измерения

На единицу измерения

Объем работ

На конечную продукцию

норма затрат труда, чел.-ч

расценка, руб.-коп.

норма времени использо-
вания машин, маш.-ч

нормативная трудо-
емкость, чел.-ч

сумма заработной платы, руб.-коп.

нормативное время использо-
вания машин, маш.-ч

МН № 35, СМУ-13 Ленметростроя

Отрыв, передвижка и установка металлической опалубки

Проходчики:

5 разр. - 1

4 разр. - 2

1 секция

18,1

19-60

3

1

18,1

19-60

3

§ 36-2-123, табл. 2, п. 3(б+д)

Доставка и выгрузка закладных деталей, опорных металлических листов и арматурных сеток

Откатчик 2 разр. - 1

т

0,835

0-69,5

0.2

2

1,67

1-39

0,4

В3-10-35, п. 1, примеч., К=1,25

Монтаж верхнего и нижнего опорных листов при помощи ручной лебедки

Слесари-монтажники:

4 разр. - 2

3 разр. - 1

»

27,5

27-35

9,17

0,5

13,75

13-67

4,58

§ 36-2-51, п. 25, § 36-2-125, п. 14(а+б)

Установка арматурных сеток в верхнем опорном узле с подъемом на высоту до 4 м

Проходчик 4 разр. - 1

100 кг

2,8

2-89

-

7

19,6

20-23

-

Откатчики 2 разр. - 2

 

0,21

0-18

0,07

7

1,47

1-26

0,49

§ 36-2-91, п. 16

Установка арматурных сеток в лоток опорного тоннеля

Проходчик 4 разр. - 1

»

2,3

2-38

0.07

5

11,5

11-90

0,35

§ 24-25, п. 56

Подъем закладных деталей к месту монтажа и их установка

Проходчики:

4 разр. - 1

3 разр. - 3

т

1,2

1-13

0,3

0,3

0,36

0-34

0,09

§ 5-1-16, п. 9

Установка болтов при монтаже закладных деталей и металлической опалубки

Монтажники конструкций:

3 разр. - 1

4 разр. - 1

100 болтов

12

11-70

-

0,3

3,6

3-51

-

§ 36-2-92, табл. 2, п. 1а, 2а

Сборка бетоновода:

 

 

 

 

 

 

 

 

 

на горизонтальных участках

Проходчик 5 разр. - 1 Слесари-монтажники:

4 разр. - 1

3 разр. - 3

м

0,33

0-32,8

-

6

1,98

1-96

-

на наклонных участках

 

0,53

0-52,6

-

4

2,12

2-10

-

 

Разборка бетоновода:

 

 

 

 

 

 

 

 

 

§ 36-2-92, табл. 2, п. 3а, 4а

на горизонтальных участках

Слесари-монтажники:

4 разр. - 1

3 разр. - 3

»

0,1

0-09,9

-

6

0,60

0-59

-

 

на наклонных участках

 

0,27

0-26,8

-

4

1,08

1-07

-

§ 36-2-123, табл. 1, п. 1е

Перемещение бетонной смеси в бетоноводах на расстояние до 50 м

Откатчик 2 разр. - 1

м3

0,33

0-27,5

-

73

24,09

20-07

-

§ 36-2-92, табл. 3, a. la

Укладка бетонной смеси в металлическую опалубку пневмобетоноукладчиком ПБУ-500

Проходчик:

5 разр. - 1

4 разр. - 1

м3

1,2

1-30

0,2

73

87,60

97-09

14,6

§ 36-2-78, табл. 1, п. 1

Передвижка технологического комплекса

Проходчики:

5 разр. - 1

4 разр. - 3

м

0,26

0-27,8

0,07

6

1,56

1-66

0,42

§ 36-2-105, табл. 2, п. la

Первичная очистка железобетонной обделки

Проходчики 4 разр. - 3 Откатчик 2 разр. - 1

м

3,6

3-54

-

6

21,6

21-24

-

§ 36-2-42, п. la

Установка кронштейнов для устройства пути под механизированную опалубку

Проходчики:

5 разр. - 2

4 разр. - 1

шт.

0,165

0-18,7

-

6

0,99

1-12

-

§ 36-2-137, п. 16

Укладка пути под механизированную опалубку с устройством настила

Проходчик 4 разр. - 1

Крепильщик 3 разр. - 1

м

0,65

0-63,4

0,1

6

3,9

3-80

0,6

§ 36-2-137, п. 36

То же разборка

То же

»

0,32

0-31,2

0,05

6

1,92

1-87

0,3

§ 36-2-42, п. 16

Разборка кронштейнов при устройстве пути под механизированную опалубку

Проходчики:

5 разр. - 2

4 разр. - 1

шт.

0,088

0-10

-

6

0,52

0-60

-

Тариф звена

Перекладка коммуникаций

Проходчики:

5 разр. - 1

4 разр. - 4

Слесарь-монтажник 5 разр. - 1

чел.-ч

1

1-08,3

0,167

49,2

49,2

53-30

8,2

 

Итого:

 

 

 

 

 

 

267,21

278-37

14,60 (ПБУ-500)

18,43 (лебедка)

2.6. Указания по технике безопасности

2.6.1. При производстве работ должны выполняться требования безопасности в соответствии с «Правилами техники безопасности и производственной санитарии при строительстве метрополитенов и тоннелей», М., Оргтрансстрой, 1975; СНиП III-4-80 «Техника безопасности в строительстве»; «Типовой инструкцией по охране труда для бетонщиков», М., ВПТИтрансстрой, 1983; «Типовой инструкцией по охране труда для электрослесаря на проходке при сооружении метрополитенов, тоннелей и других подземных сооружений», М., ВПТИтрансстрой, 1984.

2.6.2. Передвижная опалубка, тележки для монтажа, демонтажа и перестановки опалубки должны быть изготовлены по проекту, иметь паспорт предприятия-изготовителя и приниматься в эксплуатацию комиссией с участием главного инженера и главного механика строительства, начальника участка и представителя ГТИ.

2.6.3. Рабочий настил для монтажа арматуры и бетонирования должен иметь ширину не менее 1 м и надежное ограждение.

2.6.4. Перед началом укладки бетонной смеси представитель технического надзора обязан проверить надежность крепления опалубки, поддерживающих лесов, рабочих подмостей и настилов.

2.6.5. Опалубку можно разбирать только с разрешения начальника смены или участка.

2.6.6. При подаче бетонной смеси бетононасосом или пневмобетоноукладчиком необходимо тщательно следить за надежным креплением бетоновода на всем его протяжении и за плотным соединением между собой отдельных звеньев.

У выходного отверстия бетоновода должен быть установлен козырек-отражатель. При продувке бетоновода сжатым воздухом опасная зона должна быть ограждена, а рабочие должны находиться на расстоянии не менее 10 м от выходного отверстия бетоновода.

2.6.7. При подаче бетонной смеси бетононасосом, пневмобетоноукладчиком необходимо до начала работы испытать всю систему бетоновода давлением, в 1,5 раза превышающим рабочее.

2.6.8. При подаче бетонной смеси бетононасосом, пневмобетоноукладчиком или при применении шприц-бетона машины необходимо обеспечить место ведения работ двухсторонней световой и звуковой сигнализациями.

2.6.9. Для устранения неисправностей оборудования и ликвидации пробок в шлангах и трубопроводах следует удалить из них сжатый воздух и выключить электрическую сеть.

Таблица 2.3

3. ТЕХНИКО-ЭКОНОМИЧЕСКИЕ ПОКАЗАТЕЛИ

Наименование показателей

Количество

Затраты труда на 1 м опорного фундамента, чел.-дней

6

Выработка одного рабочего в смену, м

0,167

Стоимость затрат на 1 м опорного фундамента, руб.-коп.

46-40

Затраты машинного времени на 1 м фундамента, маш.-смен:

 

лебедок

0,42

пневмобетоноукладчика ПБУ-500

0,34

Продолжительность сооружения 1 м опорного фундамента, смен

1

4. МАТЕРИАЛЬНО-ТЕХНИЧЕСКИЕ РЕСУРСЫ

Таблица 2.4

4.1. Потребность в материалах (конструкциях, деталях) на 6 м опорного фундамента

Наименование

Тип, марка, ГОСТ

Количество

Бетонная смесь М300, м3

ГОСТ 7473-76

73

Сталь прокатная (толщиной 8 мм), кг

ГОСТ 82-70

500

Арматура периодическая диаметром 12 мм, кг

ГОСТ 5781-82

1200

Двутавр № 36, кг

ГОСТ 8239-72

171,2

Сталь уголковая 100´63´8

ГОСТ 8510-72

150

Рельсы Р18, кг

ГОСТ 6368-82

108,4

Доски толщиной 40 мм, м3

ГОСТ 5780-77

0,5

Болты, шт.

M16´45 ГОСТ 7798-70

32

 

М20´40 ГОСТ 7798-70

10

Гайки, шт.

M16 ГОСТ 5915-70

32

 

М20 ГОСТ 5915-70

10

Шайбы М20, шт.

ГОСТ 6402-70

10

Электроды, кг

ГОСТ 10051-75

10

Таблица 2.5

4.2. Потребность в машинах, оборудовании, инструменте, инвентаре, приспособлениях

Наименование

Марка, ГОСТ

Количество

Передвижная металлическая опалубка, комплект

Чертеж 1558/21.22

Ленметрогипротранса

1

Технологический, комплекс с размещением на нем:

 

 

пневмобетоноукладчика с приеморазгрузочным бункером, комплект

ПБУ-500

1

ресивера, шт.

-

1

подъемника с тельфером (для подъема бетоновозок), шт.

-

1

лебедки для перестановки бетоновода, шт.

-

1

бетоноводов из труб диаметром 150 мм, м

-

10

электровоза, шт.

7КР-600

1

бетоновозок вместимостью 0,7 м3, шт.

-

12

вагонеток глухих вместимостью 1,5 м3, шт.

-

2

вибраторов глубинных, шт.

И-50

2

лебедки электрической грузоподъемностью 1 т, шт.

-

1

агрегата сварочного контактного, шт.

ГОСТ 297-80Е

1

отбойных молотков, шт.

МО-6

2

лопат совковых, шт.

ГОСТ 3620-76

4

ломов стальных строительных

ГОСТ 1405-83

2

рулеток измерительных, шт.

ГОСТ 11900-66

2

наборов гаечных ключей, комплект

ГОСТ 10112-80

2

шлангов резиновых 1/2 и 3/4 дюйма, м

-

10

Таблица 2.6

5. КАРТА ОПЕРАЦИОННОГО КОНТРОЛЯ КАЧЕСТВА ВОЗВЕДЕНИЯ ОПОРНЫХ ФУНДАМЕНТОВ

№ пп

Контролируемые параметры

Предельные отклонения, мм

1

Положение установленной передвижной секции опалубки

D1 = ±10

2

Положение установленных опорных плит:

 

 

на 1 м длины

D2 = ±25

 

на секцию длиной 6 м

D2 = ±75

Рис. 2.2. Схема опорного фундамента с указанием предельных отклонений

Примечания. 1. Осадка конуса бетонной смеси должна быть 60-80 мм.

2. Наибольшая толщина слоев бетонной смеси должна быть 250 мм.

3. Металлическая опалубка должна быть прочно закреплена, очищена от остатков бетона и смазана.

4. Под опорной плитой должны устанавливаться трубки для инъецирования раствора в пустоты.

5. Подвижность, прочность и последовательность укладки бетона должны соответствовать проектным.

СНиП III-15-76; СНиП III-44-77

1

Основные операции, подлежащие контролю

Установка передвижной металлической опалубки на секцию

Установка опорных металлических плит под блоки арок сводов

Укладка бетона в опалубку

2

Состав контроля (что проверяется)

Положение опалубки, чистота и смазка поверхности опалубки, крепление ее

Положение опорных плит, наличие труб для инъецирования

Толщина слоев бетонной смеси, подвижность, прочность бетона

3

Методы и средства контроля (как и чем проверяется)

Визуальный, измерительный, нивелир, отвес, стальная рулетка, метр

Измерительный, отвес, нивелир, стальная рулетка, метр

Визуальный, измерительный, отбор контрольных проб, лабораторное оборудование, метр и рулетка стальные

4

Сроки контроля

Каждая секция опалубки

Каждое место опоры арок в секции

Каждая захватка, один раз в смену

5

Должность лица, контролирующего операцию

Начальник смены, сменный маркшейдер

Начальник смены, лаборант

6

Наименование привлекаемой для контроля службы

Маркшейдерская служба

Строительная лаборатория

7

Должность лица, ответственного за организацию и обеспечение контроля

Начальник участка, участковый маркшейдер

8

Документ, в котором регистрируются результаты контроля

Общий журнал работ, журнал маркшейдерских работ

Журнал бетонных работ

Акт на скрытые работы составляется на установку опорных металлических плит под пяты арок свода,

ТЕХНОЛОГИЧЕСКАЯ КАРТА № 3

ПРОХОДКА КРИВОЛИНЕЙНОЙ ПО ВЕРТИКАЛИ ШТОЛЬНИ МЕЖДУ ОПОРНЫМИ ТОННЕЛЯМИ СТАНЦИИ

1. ОБЛАСТЬ ПРИМЕНЕНИЯ

1.1. Проходка криволинейной штольни по заданному радиусу предназначена для разработки калоттной прорези верхнего свода станции. В прорези устанавливают блокоукладчик обделки свода и монтируют первые три арки свода под защитой крепления штольни.

1.2. Применение технологической карты должно быть увязано с проектными решениями, конкретными местными геологическими и гидрогеологическими условиями и общей организацией работ.

2. ТЕХНОЛОГИЯ И ОРГАНИЗАЦИЯ СТРОИТЕЛЬНОГО ПРОЦЕССА

2.1. До начала проходки штольни должны быть выполнены следующие работы:

установлены подмости в своде для проходки фурнели;

пройдена фурнель на всю высоту с полным деревянным креплением венцами;

подведены трубопровод сжатого воздуха, силовой электрический и осветительный кабели.

2.2. Указания по технологии работ

2.2.1. Сечение штольни определяется проектом для размещения оборудования и возможности монтажа первых арок обделки станции. Исходя из опыта сооружения односводчатых станций глубокого заложения в УС «Ленметрострой» площадь сечения штольни приняли 14,06 м2 (рис. 3.1).

Рис. 3.1. Проходка криволинейной штольни:
1
- закрывающаяся ляда; 2 - подмости; 3 - желоб породоспуска

2.2.2. Штольню проходят в торце станции с обоих опорных тоннелей со сбойкой по оси свода станции. В сводах обоих опорных тоннелей устраивают устойчивые подмости с маршевыми лестницами, имеющими ограждающие перила. После рассечения штольни в нижней части фурнели сечение членят для установки желоба для породы, отделения для рабочих и для подачи материалов.

2.2.3. Штольню крепят металлическими рамами, изготовленными из двутавра № 36 с приваренным в верхняку уголком 100´100´10 для удержания стоек рамы. Неполный дверной оклад опирается на деревянные лежни из круглого леса с подтеской мест опирания стоек, утопленных в подошве штольни в канавки.

2.2.4. По всему периметру сечения штольню крепят досками толщиной 40 мм. Бока, кровлю и лоб забоя крепят марчеванами, затяжками с установкой рошпан (см. рис. 3.1).

2.2.5. Разрабатывают грунт при проходке штольни отбойными молотками с установкой и креплением металлических рам через 0,75 м. Рамы штольни используют при монтаже оборудования для сооружения верхнего свода станции.

2.2.6. График работ предусматривает такую последовательность сооружения штольни:

разработку грунта отбойными молотками, разборку и установку временного крепления лба и кровли забоя;

перекидку разработанного грунта от забоя до желоба для породы;

загрузку разработанного грунта через желоб в вагонетки;

погрузку просыпавшегося грунта вручную;

доставку в штольню металлической рамы крепления рошпан и марчеван;

монтаж металлической рамы с разработкой канавки и укладкой лежня рамы;

раскрепление металлической рамы, установка рошпан, затяжка боков штольни досками, забутовка пустот.

2.2.7. Разработка верхней части лба забоя производится вначале с устроенных подмостей, затем - с уступа высотой 0,75 м.

2.2.8. Разработанный грунт загружают в вагонетки. Затем электровоз 7КР-600 доставляет состав из 8-9 вагонеток к стволу для выдачи грунта на поверхность.

2.2.9. После разработки грунта очередного цикла проходки штольни длиной 0,75 м и доставки к месту монтажа рамы крепления штольни и элементов из круглого леса и досок монтируют металлическую раму с установкой рошпан и выверкой по отвесу и оси, производят затяжку боков штольни с забутовкой пустот, крепят лоб забоя и выполняют подготовку к следующему циклу: наращивают трубопровод сжатого воздуха, подводят освещение, укладывают на подошву штольни металлические листы (для облегчения перекидки грунта). Для сокращения времени перекидки грунта и облегчения труда целесообразно применение четырехметрового ленточного транспортера.

2.2.10. Наименование и перечень глав нормативно-технической документации

Работы по сооружению криволинейной по вертикали штольни с сечением площадью 14,06 м2 должны выполняться в строгом соответствии со СНиП III-44-77 «Правила производства приемки работ», глава 44 «Тоннели железнодорожные, автодорожные и гидротехнические. Метрополитены»,. М., Стройиздат, 1977; ВСН 130-66.

2.3. Указания по организации труда

2.3.1. Работы по проходке штольни выполняет по подрядному договору в три смены (продолжительностью 7,2 ч каждая) комплексная бригада в составе 24 чел., состоящая из трех звеньев.

Состав звена:

Проходчики: 5 разр. - 1

                       4 разр. - 7

                                      8 чел.

2.3.2. График работ рассчитан на сооружение 0,75 м штольни в смену.

2.3.3. Разработку грунта и разборку крепления лба забоя выполняют два проходчика 4 разр. и один 5 разр. На удалении грунта до желоба для породы заняты три проходчика 4 разр. Два проходчика 4 разр. спускают грунт по желобу и загружают в вагонетки. Один проходчик 4 разр. подчищает просыпавшийся грунт, подает порожние вагонетки под загрузку.

2.3.4. После завершения разработки забоя один проходчик 5 разр. и два 4 разр. при помощи подвешенной к верхняку штольни тали грузоподъемностью 0,5 т подают в штольню раму, элементы крепления и устанавливают крепление штольни. Три проходчика 4 разр. устанавливают леса для разработки кровли, а два проходчика 4 разр. доставляют крепежный материал и выполняют затяжку боков штольни.

2.3.5. Операционный контроль качества работ осуществляется в соответствии с требованиями СНиП III-44-77 и КОКК настоящей технологической карты (табл. 3.6).

Таблица   3.1

2.4. График производства работ по проходке криволинейной штольни между опорными тоннелями односводчатой станции

Таблица 3.2

2.5. Калькуляция затрат труда и заработной платы на проходку криволинейной штольни с металлическими рамами сечением площадью 14,06 м2 с заходкой 0,75 м

Шифр норм, шифр и числовые значения поправочных коэффициентов

Содержание работ

Состав звена

Единица измерения

На единицу измерения

Объем работ

На конечную продукцию

норма затрат труда, чел.-ч

расценка, руб.-коп.

норма Времени использо-
вания машин, маш.-ч

нормативная трудоемкость, чел.-ч

сумма заработной платы, руб.-коп.

нормативное время использо-
вания машин, маш-.-ч

§ 36-2-42, п. 7а

Крепление лба забоя штольни трубами, укладываемыми в лунки

Проходчики:

5 разр. - 2

4 разр. - 1

1 м2 забоя

0,165

0-18,7

-

14,06

2,32

2-63

-

§ 36-2-42, п. 76

Разборка временного крепления лба забоя

То же

То же

0,035

0-04

-

14,06

0,49

0-56

-

§ 36-2-40, табл. 2, п. 26

Разработка грунта IV группы отбойными молотками

»

м3

1,3

1-54

-

10,54

13,70

16-23

-

§ 36-2-40, табл. 2, п. 86

Устройство канавки в грунте V группы для лежня

Проходчик 5 разр. - 1

м

0,26

0-30,8

-

3,7

0,96

1-14

-

§ 36-2-128, п. 6, К=1,24 (применительно)

Перекидка породы в зоне забоя

Проходчик 4 разр. - 1

м2

1,36

1-14

-

10,54

14,33

12-02

-

§ 36-2-128, п. б

Дополнительная перекидка грунта

Откатчик 2 разр. - 1

»

1,1

0-91,7

-

10,54

11,59

9-66

-

В3-4-121, п. 1а

Спуск грунта с верхней штольни по желобу в вагонетки

Проходчик 2 разр. - 1

»

0,95

0-79,1

-

10,54

10,01

8-34

_

§ 36-2-120, п. 1б

Погрузка в вагонетки просыпавшего грунта вручную

Откатчик 2 разр. - 1

М2

0,66

0-55

-

2,6

1,73

1-45

-

§ 36-2-47, п. 1в

Закрепление кровли штольни марчеванами длиной 0,75 м

Проходчики:

5 разр. - 1

4 разр. - 1

»

0,28

0-31

-

2,8

0,78

0-84

-

§ 36-2-125, п. 9(а+б)

Подъем досок на высоту 8 м для крепления

Откатчик 2 разр. - 1

м3

1,55

1-30

-

0,93

1,44

1-21

-

§ 36-2-125, п. 7(а+б)

Подъем бревен на высоту 8 м

То же

»

2,1

1-75,3

-

1,17

2,46

2-05

-

§ 36-2-125, п. 14(а + б)

Подъем в штольню металлической рамы крепления

»

т/шт.

3,57

2-97,5

-

0,50/3

1,79

1-49

-

§ 36-2-43, п. 6а

Установка металлической рамы в штольне

Проходчик 5 разр. - 1

шт.

4,2

4-97

-

1

4,2

4-97

-

§ 36-2-47, п. 1ж

Затяжка боков штольни между рамами досками

Проходчики:

5 разр. - 1

4 разр. - 1

м2

0,25

0-27,7

-

5,4

1,35

1-50

-

§ 36-2-88, табл. 1, п. 2а

Устройство лесов для разработки верхнего сечения штольни

Крепильщик 3 разр. - 1

»

0,094

0-08,6

-

36

3,38

3-10

-

§ 36-2-88, табл. 1, п. За

Устройство настила на лесах

Крепильщик 3 разр. - 1

»

0,14

0-12,8

-

6,0

0,84

0-77

-

 

Итого: на 0,75 м штольни

 

 

 

 

 

 

71,37 1

67-96

 

 

 

 

 

 

 

 

9,91

чел.-дня

 

2.6. Указания по технике безопасности

2.6.1. При производстве работ должны выполняться требования безопасности в соответствии с «Правилами техники безопасности и производственной санитарии при строительстве метрополитенов и тоннелей», М., Оргтрансстрой, 1975; СНиП III-4-80 «Техника безопасности в строительстве» и «Типовой инструкцией по охране труда для проходчика», М., ВПТИтрансстрой, 1983.

2.6.2. До начала работ по проходке подземных выработок все представители технического надзора должны быть ознакомлены под расписку с геологическими и гидрогеологическими условиями участка.

Сведения по геологии и гидрогеологии проходимого участка должны быть сообщены рабочим.

2.6.3. При проходке штолен и других горизонтальных выработок отставание временной крепи от груди забоя допускается не более чем на длину заходки, которая определяется проектом в зависимости от геологических условий. При проходке выработок в неустойчивых или нарушенных породах отставание крепления от забоя не допускается.

2.6.4. Воздуховоды, вентиляционные и водоотливные трубы, кабели и другие обустройства в выработках должны быть расположены так, чтобы не препятствовать движению подвижного состава, перемещению материалов, оборудования и передвижению людей.

2.6.5. При появлении признаков деформации крепи или контура выработок необходимо ставить дополнительную усиленную крепь (промежуточные рамы, подхваты, стойки, подкосы, лежни, анкеры).

2.6.7. При замене деформированных или поломанных рам предварительно рядом со сменяемыми должны быть поставлены промежуточные рамы.

2.6.8. Затягивать кровлю и устанавливать крепь следует с надежных подмостей или полков.

2.6.9. Крепь выработок должна быть тщательно расклинена, пустоты между крепью и стенками выработок - тщательно забучены.

2.6.10. Кровля и бока забоя до их закрепления должны быть очищены от нависающих кусков породы.

2.6.11. Во время очистки и крепления забоя рабочие должны находиться под защитой ранее установленной крепи или же применять временную крепь.

2.6.12. Ляды фурнелей, служащие для пропуска породы на нижний горизонт, должны быть постоянно закрыты и открываться только на период спуска породы.

2.6.13. Кузов вагонетки не должен загружаться породой доверху. Расстояние от поверхности породы до верха борта должно быть не менее 10 см.

2.6.14. Для сетей освещения и сигнализации в подземных выработках допускается напряжение не выше 36 В.

2.6.15. Все действующие фурнели должны быть оборудованы двухсторонней звуковой и световой сигнализациями.

3. ТЕХНИКО-ЭКОНОМИЧЕСКИЕ ПОКАЗАТЕЛИ

Таблица 3.3

Наименование показателей

Количество

Затраты труда на проходку 0,75 м криволинейной штольни, чел.-дней

8,0

Выработка одного рабочего в смену, см

9,4

Стоимость затрат труда на 0,75 м штольни, руб.-коп.

67-96

Продолжительность проходки 0,75 м штольни, смен

1,0

4. МАТЕРИАЛЬНО-ТЕХНИЧЕСКИЕ РЕСУРСЫ

Таблица 3.4

4.1. Потребность в материалах (конструкциях, деталях) на 0,75 м штольни

Наименование

Марка. ГОСТ

Количество

Рама металлическая из двутавра № 36, комплект

Чертеж Ленгипротранса

1

Лес круглый диаметром 25 мм, м3

ГОСТ 9463-72

0,72

То же диаметром 16 мм, м3

ГОСТ 9463-72

0,45

Доски толщиной 40 мм, м3

ГОСТ 8486-66

0,93

Таблица 3.5

4.2. Потребность в машинах, оборудовании, инструменте, инвентаре, приспособлениях

Наименование

Тип, марка, ГОСТ

Количество

Отбойные молотки, шт.

МО-6

6

Вагонетки шахтные вместимостью 1,5 м3, шт.

ГОСТ 2756-51

9

Электровоз, шт.

7КР-600

1

Топоры строительные, шт.

ГОСТ 1399-73

2

Ключи гаечные комбинированные, шт.

ГОСТ 16983-80

5

Лом стальной строительный, шт.

ГОСТ 1405-72

1

Отвесы строительные, шт.

ГОСТ 7948-80

3

Кирки, шт.

ГОСТ 1757-76

2

Уровень строительный, шт.

ГОСТ 9416-76

1

Лопаты строительные, шт.

ГОСТ 3620-76

9

Таль ручная грузоподъемностью 0,5 т, шт.

ГОСТ 6899-75

1

OK-V-177
Таблица 3.6

5. КАРТА ОПЕРАЦИОННОГО КОНТРОЛЯ КАЧЕСТВА ПРОХОДКИ КРИВОЛИНЕЙНОЙ ШТОЛЬНИ С МЕТАЛЛИЧЕСКИМ РАМНЫМ КРЕПЛЕНИЕМ МЕЖДУОПОРНЫМИ ТОННЕЛЯМИ ОДНОСВОДЧАТОЙ СТАНЦИИ

№ пп

Контролируемые параметры

Предельные отклонения, мм

1

Положение верхняков и лежней

D1 = ±50

2

Положение оси штольни в плане и профиле

D2 = ±20

3

Вертикальность рамы

D3 = ±50

4

Положение рамы в плане и профиле

D4 = ±20

Рис. 3.2. Схема крепления штольни с указанием предельных отклонений:
1 - доски; 2 - металлические стойки; 3 - металлический верхняк; 4 - лежни

Примечания. 1. Переборы грунта при проходке штольни должны быть не более 75 мм.

2. Отставание крепления штольни от забоя должно быть не более 0,75 м.

3. Все элементы крепи штольни должны быть плотно прижаты друг к другу, установленные рамы надежно раскреплены.

4. Кровля и бока штольни должны быть затянуты досками при одновременной забутовке за ними.

5. Марчеваны и затяжки должны быть плотно пригнаны друг к другу.

СНиП III-44-77

1

Основные операции, подлежащие контролю

Разработка грунта отбойными молотками

Установка рам крепления

Затяжка досками кровли, боков и забутовка пустот штольни

2

Состав контроля (что проверяется)

Сечение штольни

Положение рам в плане и профиле, вертикальность рам, раскрепление

Плотность пригонки марчеван и затяжек друг к другу, забучивание пустот

3

Методы и средства контроля (как и чем проверяется)

Визуальный, измерительный, метр стальной, шаблон

Визуальный, измерительный, отвес, рулетка стальная

Измерительный, простукивание, метр стальной

4

Режим контроля

Каждая заходка

Каждая рама

Каждая заходка

5

Должность лица, контролирующего операцию

Начальник смены

Начальник смены, сменный маркшейдер

Начальник смены

6

Наименование привлекаемой для контроля службы

-

Маркшейдерская служба

-

7

Должность лица, ответственного за организацию и обеспечение контроля

Начальник участка

8

Документ, в котором регистрируются результаты контроля

Журнал горных работ

Журнал горных работ. Журнал маркшейдерских работ

Журнал горных работ

Акт на скрытые работы не составляется.

ТЕХНОЛОГИЧЕСКАЯ КАРТА № 4

СООРУЖЕНИЕ ВЕРХНЕГО СВОДА СТАНЦИИ С ЖЕЛЕЗОБЕТОННОЙ СБОРНОЙ ОБДЕЛКОЙ, ОБЖАТОЙ В ГРУНТ

1. ОБЛАСТЬ ПРИМЕНЕНИЯ

1.1. Длина пролета станции в свету увеличена на 1 м по сравнению с сооруженными ранее станциями и составляет 19,1 м, а по наружному контуру (вчерне) - 25,03 м.

Увеличение пролета станции в свету связано с необходимостью увеличения диаметра эскалаторного тоннеля для установки в нем 4-ленточного эскалатора вместо 3-ленточного, что значительно увеличит пропускную способность станции.

Рис. 4.1. Схема разработки грунта в сечении односводчатой станции:
1 - разработка верхнего свода; 2 - разработка ядра; 3 - опорные фундаменты; 4 - разработка лотка

Сооружение односводчатой станции, имеющей большой пролет, производится по частям (рис. 4.1). Сначала разрабатывают грунт для верхнего свода (калоттная прорезь) и монтируют сборную железобетонную обделку, обжатую в грунт. После сооружения верхнего свода на 30-40 м разрабатывают грунт ядра, лотковой части и монтируют железобетонную обделку обратного свода, обжатую в грунт.

1.2. Схема производства работ приведена на рис. 4.2.

Рис. 4.2. Схема организации производства работ:
1 - блокоукладочная ферма; 2 - лебедка блокоукладочной тележки фермы; 3-растворонагнетатель; 4 - вагонетки с сухой цементно-песчаной смесью; 5 - растворонагнетатель для контрольного нагнетания; 6 - монорельс с тельфером; 7 - электрокран-балка с тельфером

1.3. В состав работ, рассматриваемых технологической картой, входят:

разработка грунта верхнего свода с временным креплением кровли и лба забоя;

погрузка грунта в вагонетки и перестановки транспортера;

передвижка блокоукладочной фермы вперед;

монтаж обделки из сборных железобетонных блоков;

первичное разжатие арок из сборных железобетонных блоков;

передвижка блокоукладочной фермы назад.

2. ТЕХНОЛОГИЯ И ОРГАНИЗАЦИЯ СТРОИТЕЛЬНОГО ПРОЦЕССА

2.1. До начала сооружения верхнего свода должны быть выполнены следующие подготовительные работы:

пройдена криволинейная штольня между опорными тоннелями и выполнено ее крепление;

смонтирована в криволинейной штольне блокоукладочная ферма;

собрано не менее трех арок свода из сборных железобетонных блоков с тщательным забучиванием и нагнетанием цементно-песчаного раствора (в соотношении 1:3);

собранные арки разжаты при помощи домкратов Фрейсинэ, расположенных в замковой части арки, и закреплены с одного из торцов выработки.

2.2. Указания по технологии работ

2.2.1. Калоттную прорезь разрабатывают от середины забоя к его краям двумя ярусами отбойными молотками заходками длиной 1 м. Разработку грунта в верхней ее части производят с площадок блокоукладочной фермы, а в нижней части - с уступа грунта. Разработанный грунт сбрасывают на ленточный транспортер длиной 6 м, размещенный в средней части призабойного пространства между блокоукладочной фермой и временным креплением забоя.

2.2.2. Транспортер оборудован высокими съемными бортами для более полного улавливания разработанного грунта.

Грунт подается транспортером к желобам и течкам в правый и левый опорные тоннели, где загружается в состав вагонеток, без их расцепления.

2.2.3. Вагонетки перемещают электролебедкой, установленной у бункера погрузки грунта. Состав с грунтом подается к стволу электровозом 7КР-600.

2.2.4. Разработку грунта калоттной прорези начинают с устройства вруба шириной 3, высотой 2,8 м. Кровлю вруба закрепляют марчеванами, один конец которых опирается на собранные железобетонные арки свода, а другой - в прорези в грунте (лунки). Для поддержки концов марчеван устанавливают дугообразную металлическую арку на металлических стойках.

После разработки грунта вруба и установки крепления разрабатывается остальная часть в обе стороны от вруба с аналогичным креплением кровли. Схема временного крепления разработанной калоттной прорези представлена на рис. 4.3.

Рис. 4.3. Схема разработки и крепления калоттной прорези:
1 - опорный фундамент; 2 - металлические стойки крепления; 3 - марчеваны кровли; 4 - деревянная затяжка лба забоя; 5 - блок обделки верхнего свода

2.2.5. Для передвижки блокоукладчика и монтажа следующих железобетонных арок свода производится частичная разломка железобетонных блоков обделки опорных тоннелей.

2.2.6. После разработки грунта по всему сечению калоттной прорези и временного раскрепления выработки блокоукладочную ферму подают на забой для монтажа первой арки и устанавливают в проектное положение с раскреплением.

2.2.7. Блокоукладочная ферма конструкции Ленметрогипротранса представляет собой пространственную ферму, перемещаемую на колесах по одному рельсу в каждом опорном тоннеле, уложенному на консолях из двутавровых балок, заделанных в бетон опорных фундаментов (рис. 4.4).

Рис. 4.4. Схема блокоукладочной фермы:
1 - опорный фундамент; 2 - блоковозка; 3 - обделка верхнего свода (номерами показана очередность укладки блоков); 4 - вагонетка

В ферме - два ряда рольгангов: нижний, на который тросом подается из опорного тоннеля блок обделки и по рольгангу перемещается на середину фермы к подъемнику; верхний - для доставки поданного подъемником блока в обе стороны фермы и установки на место.

Блоки подают на монтаж только из одного опорного тоннеля. Поступивший блок закрепляют тросом лебедки блокоукладочной фермы, установленной вне рабочей зоны, и через системы поддерживающих роликов подают по кривой направляющей конструкции на нижний рольганг, а по нему - до середины фермы к подъемнику. При помощи подъемника блок поднимают в разъем верхнего рольганга, который охватывает ферму целиком.

2.2.8. Передвинутую для монтажа арок блокоукладочную ферму поднимают на 100 мм при помощи семи гидродомкратов на приводных тележках с установкой тормозящих башмаков и стопоров. В средней части фермы на верхнем поясе устанавливают специальный стопор, закрепляемый в отверстии для нагнетания блока ранее смонтированной арки.

2.2.9. Арка свода состоит из 14 железобетонных блоков толщиной 0,7, шириной 0,5 м и одного замкового (распорного).

В теле замкового блока установлены два плоских гидравлических домкрата Фрейсинэ, по одному на каждую рабочую поверхность.

Блоки с плоскими радиальными стыками имеют винипластовые прокладки и отверстия для центрирующих торцевых шпилек, устанавливаемых при монтаже арки, а также отверстия для первичного нагнетания за обделку цементно-песчаной смеси.

2.2.10. Блоки доставляют на блоковозках электровозом. На ферме блоки устанавливают в направлении от пят к замку поочередно с каждой стороны. Первые пятовые блоки устанавливают на металлические поверхности несущих фундаментов. Последним устанавливают замковый блок с распорными домкратами.

Каждый блок собранной арки тщательно расклинивают досками и клиньями (равномерно по всей ее длине) во временную деревянную крепь выработки.

Все блоки арки распираются в лоб забоя винтовыми домкратами для предотвращения нарушения вертикальности арки при разжатии.

2.2.11. Разжатие каждой арки выполняют в два приема. Сначала производят нагнетание цементного раствора с ускорителями схватывания и твердения в полость одного домкрата Фрейсинэ. Величина раздвижки - не более 80 мм. Вторичное разжатие выполняют через 2-2,5 ч. Нагнетают раствор такого же состава во второй домкрат под давлением до 20 МПа и заканчивают нагнетание цементно-песчаной смеси за обделку. Величина раскрытия второго шва замкового блока не должна превышать 30 мм.

2.2.12. Монтаж второй арки в разработанной калоттной прорези производится аналогично.

2.2.13. Контрольное нагнетание и чеканка швов обделки верхнего свода должны производиться не ближе 10-15 м от забоя отдельной бригадой чеканщиков.

2.2.14. Работы по сооружению верхнего свода станции с железобетонной сборной обделкой, обжатой в грунт, должны выполняться в строгом соответствии со СНиП III-44-77 «Правила производства и приемки работ», глава 14 «Тоннели железнодорожные, автодорожные и гидротехнические. Метрополитены». Стройиздат, 1977; ВСН 130-66.

2.3. Указания по организации труда

2.3.1. Работы по сооружению верхнего свода станции выполняет по бригадному подряду сквозная комплексная бригада в составе 27 чел., работающая в 3 смены продолжительностью 7,2 ч каждая (по скользящему графику).

Состав сменного звена:

Проходчики: 6 разр. - 1

                       5 разр. - 2

                       4 разр. - 6

                                       9 чел.

Проходчик 6 разр. должен иметь удостоверения на право работы на блокоукладочной ферме и лебедке.

2.3.2. Технологический процесс сооружения верхнего свода станции предусматривает цикличную поточную организацию работ. Цикл работ начинается с разработки грунта калоттной прорези с временным креплением кровли, лба забоя и погрузки грунта на транспортер, а из него - в вагонетки. Длина заходки 1 м. На разработке грунта отбойными молотками и устройстве временного крепления кровли и лба забоя занято 5 чел.: один проходчик 6 разр., два проходчика 5 разр. и два проходчика 4 разр.

Одновременно с разработкой грунта и креплением кровли и лба забоя два проходчика 4 разр. грузят породу с перекидкой на транспортер, а из него грунт поступает в вагонетки, установленные на рельсовых путях опорных перегонных тоннелей. На загрузке грунта в вагонетки и уборке просыпавшегося на пути грунта занято два проходчика 4 разр. Они же обеспечивают доставку в забой крепежного материала для временного крепления. После разработки грунта калоттной прорези на заходку длиной 1 м, в период окончания временного закрепления кровли и лба забоя четыре проходчика 4 разр., закончив уборку грунта, занимаются разломкой железобетонных блоков для освобождения опорных узлов фундаментов перегонных тоннелей.

2.3.3. После завершения разработки, крепления калоттной прорези и разломки блоков все звено приступает к монтажу сборной железобетонной обделки, обжатой в грунт.

Сначала передвигают, вперед и закрепляют блокоукладочную ферму, затем монтируют кольцо из железобетонных блоков, на котором непосредственно заняты семь проходчиков звена, а два проходчика 4 разр. обеспечивают подкатку блоковозок с блоками и откатку порожних блоковозок. После монтажа первого кольца производят первичное его разжатие, а затем передвигают блокоукладочную ферму вперед, монтируют и разжимают второе кольцо. После разжатия второго кольца блокоукладочную ферму перемещают назад и приступают к разработке грунта калоттной прорези и установке временного крепления на следующую заходку. Цикл работ повторяется.

2.3.4. Операционный контроль качества работ осуществляется в соответствии с требованиями СНиП III-44-77 и КОКК настоящей технологической карты (табл. 4.6).

Таблица 4.1

2.4. График производства работ на сооружение 1 м верхнего свода односводчатой станции

Таблица 4.2

2.5. Калькуляция затрат труда и заработной платы на сооружение 1 м верхнего свода станции

Шифр норм, шифр и числовые значения поправочных коэффициентов

Содержание работ

Состав звена

Единица измерения

На единицу измерения

Объем работ

На конечную продукцию

норма затрат труда, чел.-ч

расценка, руб.-коп.

норма времени использо-
вания машин, маш.-ч

нормативная трудоемкость, чел.-ч

сумма заработной платы, руб.-коп.

нормативное время использо-
вания машин, маш.-ч

ЕНиР, § 36-2-40, табл. 2, п. 3б

Разработка грунта IV категории отбойными молотками

Проходчик 5 разр. - 1

м3

1,15

l-36

-

56,7

65,2

77-11

-

ЕНиР, § 36-2-128

Погрузка грунта на транспортер с перекидкой на расстояние до 3 м

Проходчик 4 разр. - 1

»

1,10

1-13,7

-

56,7

62,37

64-47

-

ЕНиР, § 36-2-120, п. 3б

Погрузка грунта с транспортера в вагоны вручную вне зоны забоя

Откатчик 2 разр. - 1

»

0,09

0-07,5

-

56,7

5,10

4-25

-

ЕНиР, § 36-2-47, п. 1б, 1с

Установка и снятие марчеван кровли свода и лба забоя:

Проходчики:

5 разр. - 1

4 разр. - 1

 

 

 

 

 

 

 

 

 

установка крепления свода

 

м2

0,58

0-64,3

-

28,6

16,59

18-39

-

 

то же лба забоя

 

»

0,41

0-45,4

-

56,7

23,24

25-74

-

 

снятие затяжек лба забоя

 

»

0,057

0-06,3

-

56,7

3,23

3-57

-

Местная норма Ленметростроя

Перестановка транспортера длиной 6 м к забою

Проходчики 4 разр. - 3

м

3,0

3-09,9

-

1

3,0

3-10

-

То же

Установка металлических стоек и швеллеров (изогнутых) крепления кровли и лба забоя

Проходчики:

5 разр. - 1

3 разр. - 2

1 сегмент стоек

0,52

0-65

-

16

8,32

10-04

-

»

Разборка металлического временного крепления

То же

То же

0,28

0-29

-

16

4,48

4-64

-

»

Установка металлических винтовых домкратов для раскрепления стоек и лба забоя

Проходчики 4 разр. - 2

шт.

0,24

0-24,7

-

16

3,84

3-95

-

»

То же разборка

То же

»

0,10

0-10,7

-

16

1.6

1-65

-

ЕНиР, § 36-2-103, п. 2ж

Разломка железобетонных блоков обделки опорных тоннелей

Проходчик 4 разр. - 1

Откатчик 2 разр. - 1

м3

52,0

48-53

-

0,2

10,4

9-71

-

Местная норма Ленметростроя

Передвижка вперед блокоукладочной фермы с установкой в проектное положение и раскреплением

Проходчики:

6 разр. - 1

5 разр. - 2

4 разр. - 6

1 передвижка

1,35

1-46

-

2

2,7

2-92

-

То же

Передвижка фермы назад

То же

То же

0,45

0-49

-

2

0,9

0-98

-

»

Монтаж железобетонных блоков верхнего свода станции

»

1 арка

10,16

11-46

-

2

20,32

22-92

-

»

Первичное разжатие арок свода

Проходчики:

6 разр. - 1

5 разр. - 2

1 арка

4,5

5-24

-

2

9,0

10-48

-

»

Обслуживание блокоукладочной фермы при монтаже и обжатии арок обделки

Проходчик 5 разр. - 1

»

2,9

3-74

-

2

5,8

7-48

-

»

Обслуживание блокоукладочной фермы при передвижках вперед и назад

То же

»

0,9

1-16

-

2

1,8

2-32

-

 

Итого:

 

 

 

 

 

 

247,89

34,43 чел.-дн.

273-72

 

2.6. Указания по технике безопасности

2.6.1. При производстве работ должны выполняться требования «Правил техники безопасности и производственной санитарии при строительстве метрополитенов и тоннелей», М., Оргтрансстрой, 1975; СНиП III-4-80, глава 4 «Техника безопасности в строительстве» и «Типовой инструкции по охране труда для проходчика», М., ВПТИтрансстрой, 1983.

2.6.2. До начала проходки подземных выработок все представители технического надзора должны быть ознакомлены под расписку с геологическими и гидрогеологическими условиями участка.

2.6.3. Выполнять подземные работы при отсутствии или недостаточном количестве аварийного запаса материалов, инструмента, инвентаря, противопожарных и других средств защиты запрещается.

2.6.4. Длина калотты определяется проектом в зависимости от геологических условий и должна быть указана в паспорте крепления.

2.6.5. Элементы временной крепи выработки должны быть расположены так, чтобы не требовалась их перестановка при укладке блоков арки. Удалять элементы крепи до полного окончания возведения обделки и окончательного ее закрепления запрещается.

2.6.6. Выработки сплошным забоем должны разрабатываться с применением передвижных металлических подмостей или другого специального проходческого оборудования, обеспечивающего удобство и безопасность производства работ в забое.

2.6.7. Подмости, блокоукладчик и другое оборудование, подлежащее перемещению, следует передвигать плавно под руководством начальника смены.

2.6.8. Кузова вагонеток не должны загружаться грунтом доверху. Расстояние от поверхности грунта до верха борта должно быть не менее 10 см.

2.6.9. До начала монтажа сборной обделки арки машинист и дежурный электрослесарь должны тщательно осмотреть укладчик, а результаты осмотра занести в журнал приема и сдачи смен.

2.6.10. Монтажная лебедка блокоукладчика и место подачи блока на ферму должны иметь световую и звуковую сигнализации.

2.6.11. Подавать сигналы машинисту укладчика или лебедки разрешается только одному рабочему, назначенному службой технического надзора. Каждый непонятный сигнал должен быть воспринят машинистом укладчика или лебедки как сигнал «Стоп».

2.6.12. Оставлять блок в поднятом состоянии по окончании работы или на время перерыва запрещается.

2.6.13. В процессе обжатия арки обделки в породу нахождение людей в пределах обжимаемой арки запрещается.

2.6.14. Разработка забоя отбойными молотками должна производиться сверху вниз.

2.6.15. Временное крепление кровли и лба забоя должно производиться вслед за окончанием разработки грунта или по мере разработки. Отставание установки временного крепления по паспорту запрещается.

2.6.16. Сети освещения и сигнализации в подземных выработках должны иметь напряжение 12-36 В.

3. ТЕХНИКО-ЭКОНОМИЧЕСКИЕ ПОКАЗАТЕЛИ

Таблица 4.3

Наименование показателей

Количество

Затраты труда на 1 м верхнего свода, чел.-дней

28,17

Выработка одного рабочего в смену, см

3,7

Стоимость затрат труда на 1 м верхнего свода, руб.-коп.

273-72

4. МАТЕРИАЛЬНО-ТЕХНИЧЕСКИЕ РЕСУРСЫ

Таблица 4.4

4.1. Потребность в материалах (конструкциях, деталях)

Наименование

Тип, марка, ГОСТ

Количество

Стойки металлические, инвентарные из двутавра № 36, шт.

ГОСТ 19425-74

17

Швеллер № 20 инвентарный (сегменты), шт.

ГОСТ 8278-75

16

Лес круглый диаметром 25 мм, м3

ГОСТ 2292-74

0,8

То же диаметром 12-16 мм, м3

ГОСТ 2292-74

0,55

Доски толщиной 40 мм, м3

ГОСТ 3808.1-80

0,97

Блоки железобетонные, шт.

9,8 НВО-2м

14

Распорный блок, шт.

-

1

Шпильки диаметром 28 мм, шт.

МС-2

12

Винипластовые листы для прокладки

ВН

14

Таблица 4.5

4.2. Потребность в машинах, оборудовании, инструменте, инвентаре, приспособлениях

Наименование

Тип, марка. ГОСТ

Количество

Блокоукладочная ферма, комплект

Чертеж Ленметрогипротранса № 1558.08.00ПР

1

Вагонетки шахтные, глухие, вместимостью 1, 5 м3, шт.

ГОСТ 15174-70

20

Блоковозки, шт.

ГОСТ 22044-76

18

Электровозы, шт.

7КР-600

2

Отбойные пневматические молотки, шт.

МО-6

8

OK-VI-182
Таблица 4.6

5. КАРТА ОПЕРАЦИОННОГО КОНТРОЛЯ КАЧЕСТВА СООРУЖЕНИЯ ВЕРХНЕГО И ОБРАТНОГО СВОДОВ СТАНЦИИ

№ пп

Контролируемые параметры

Предельные отклонения, мм

1

Положение оси станции

D1 = ±50

2

Величина радиусов кривизны сводов (R1, R2)

D2 = ±25

3

Давление первичного разжатия арки свода, МПа

+2

4

Давление окончательного разжатия арки свода, МПа

+4

Рис. 4.5. Схема конструкции станции с указанием предельных отклонений

Примечания. 1. Временное крепление калоттной прорези должно соответствовать паспорту крепления.

2. Торцы блоков арки перед монтажом должны быть очищены от мусора, грязи.

3. Пятовые блоки должны тщательно соприкасаться с опорными металлическими плитами.

4. Нагнетание цементно-песчаного раствора должно производиться при давлении в сети сжатого воздуха не ниже 0,5 МПа.

5. Давление первичного разжатия железобетонной арки должно быть 10-12 МПа. Давление окончательного разжатия железобетонной арки должно быть 20-24 МПа.

6. Нагнетание раствора за обделку должно производиться до «отказа» в отверстиях каждого блока.

СНиП III-44-77

1

Основные операции, подлежащие контролю

Разработка калоттной прорези

Монтаж арки свода из сборных железобетонных блоков

Нагнетание раствора за обделку, первичное и окончательное разжатие арок

2

Состав контроля (что проверяется)

Соблюдение габарита выработки, крепление

Чистота блоков, соприкосновение пятовых блоков с опорными плитами

Тщательность нагнетания, усилия разжатия арок

3

Методы и средства контроля (как и чем проверяется)

Визуальный, измерительный, метр стальной

Визуальный, измерительный, теодолит, рулетка стальная

Визуальный, измерительный, манометр

4

Сроки контроля

Каждая заходка

Каждая арка во время монтажа

Каждая арка в процессе монтажа

5

Должность лица, контролирующего операцию

Начальник смены

Начальник смены, маркшейдер

Начальник смены

6

Наименование привлекаемой для контроля службы

-

Маркшейдерская служба

-

7

Должность лица, ответственного за организацию и обеспечение контроля

 

Начальник участка

 

8

Документ, в котором регистрируются результаты контроля

Журнал горных работ

Журнал горных работ. Журнал маркшейдерских работ

Журнал горных работ

Акт на скрытые работы составляют на первичное нагнетание раствора за железобетонные блоки арок сводов.

ТЕХНОЛОГИЧЕСКАЯ КАРТА № 5

РАЗРАБОТКА ЯДРА И СООРУЖЕНИЕ ОБРАТНОГО СВОДА СТАНЦИИ

1. ОБЛАСТЬ ПРИМЕНЕНИЯ

1.1. Разработку грунта ядра и сооружение обратного свода выполняют поточно с совмещением отдельных процессов. Наружный радиус обратного свода составляет 23,15 м.

1.2. Разработку грунта ядра производят после возведения 30-40 м верхнего свода станции с завершением работ по контрольному нагнетанию за обделку цементного раствора и расчеканки швов между блоками обделки.

1.3. В состав работ, рассматриваемых технологической картой, входят следующие основные процессы (рис. 5.1):

разработка грунта верхнего яруса (ядра) экскаватором с погрузкой через транспортер в вагонетки;

доработка грунта в лотке с вырубкой нижних блоков опорных тоннелей;

монтаж обделки обратного свода;

наращивание эстакады с укладкой пути;

перестановка транспортера;

разработка грунта нижнего яруса (лотка) экскаватором с погрузкой через транспортер в вагонетки;

выемка блоков обделки опорных тоннелей.

Рис. 5.1. Схема организации производственного процесса:
1
- ядро грунта забоя; 2 - обделка верхнего свода станции: 3 - кран-балка; 4 - тельфер; 5 - транспортная эстакада; 6 - обделка обратного свода станции; 7 - забой лотка; 8 - экскаватор с виброковшом

1.4. Применение экскаватора с ковшом активного действия позволило эффективно разрабатывать грунт типа протерозойских или спондиловых глин.

2. ТЕХНОЛОГИЯ И ОРГАНИЗАЦИЯ СТРОИТЕЛЬНОГО ПРОЦЕССА

2.1. До начала работ по разработке грунта ядра и сооружения обратного свода должны быть выполнены следующие подготовительные работы:

смонтированы пути для подачи порожних и вывозки груженых вагонеток, доставки блоков обделки обратного свода;

установлен транспортер с бункером для загрузки вагонов грунтом;

разработан грунт для площадки, завезен и смонтирован на ней экскаватор с обратной лопатой;

завезена и смонтирована кран-балка грузоподъемностью 5 т, которую используют в основном для монтажа блоков обделки обратного свода.

2.2. Указания по технологии работ

2.2.1. Разработку грунта ядра на заходку в 2 м осуществляют в два яруса: верхний, высотой около 6 м, разрабатывают сверху вниз до уровня установки экскаватора; нижний ярус - 3,7 м с недобором грунта на 15-20 см до отметки наружного контура обратного свода разрабатывают снизу вверх.

2.2.2. Разработку грунта нижнего яруса производят с отставанием от забоя верхнего яруса на 15-20 м.

2.2.3. Разработку грунта как верхнего, так и нижнего ярусов экскаватором с ковшом активного действия (ковш оснащен пневматическими зубьями) осуществляют с погрузкой грунта в бункер транспортера, а из него - в вагонетки, установленные в боковом опорном тоннеле (рис. 5.2).

Рис. 5.2. Схема поперечного сечения конструкции станции:
1 - экскаватор с обратной лопатой активного действия; 2 - бункер с транспортером; 3 - вагонетка для грунта

2.2.4. Доработку грунта до проектных отметок в ранее разработанном лотке осуществляют во время разработки грунта верхнего яруса ядра. Вырубку нижних блоков опорных тоннелей и монтаж двух колец сборной железобетонной обделки обратного свода производят параллельно разработке грунта.

2.2.5. Кольцо обратного свода состоит из десяти блоков шириной 1,0 м и трех вкладышей: КО-1, КО-2 и ВО-1.

Блоки кольца устанавливают при помощи кран-балки в направлении от нижнего опорного узла перегонного тоннеля с правой и левой сторон к центру лотка, соединяя их между собой металлическими шпильками и винипластовыми листами. После монтажа кольца в лотковой части между торцами блоков устанавливают домкрат ДГ-100 и осуществляют их разжатие с упором в опорные узлы фундаментов перегонных тоннелей. Далее устанавливают вкладыши КО-1 и КО-2, вынимают домкрат и на его место устанавливают вкладыш ВО-1, производя омоноличивание бетоном М400 в объеме 0,1 м3.

По окончании установки двух колец обратного свода производят контрольное нагнетание за обделку цементно-песчаного раствора.

2.2.6. После разработки грунта верхнего яруса ядра начинают выемку блоков опорных тоннелей, наращивают эстакаду с укладкой рельсового пути под вагонетки и блоковозки, переставляют транспортер и заканчивают монтаж двух колец обратного свода.

2.2.7. После перестановки транспортера приступают к разработке грунта нижнего яруса ядра (лотковой части) экскаватором с погрузкой грунта через транспортер в вагонетки. В процессе разработки производят выемку блоков опорных тоннелей и погрузку их при помощи кран-балки на блоковозки для вывозки.

Разработкой грунта нижнего яруса на заходку 2 м цикл заканчивается.

2.2.8. Работы по сооружению обратного свода с разработкой грунта необходимо выполнять в соответствии с требованиями СНиП III-44-77 «Правила производства и приемки работ», глава 44 «Тоннели железнодорожные, автодорожные и гидротехнические. Метрополитены», М., Стройиздат, 1977; ВСН 130-66.

2.3. Указания по организации труда

2.3.1. Сооружение обратного свода станции с разработкой грунта ядра и лотка выполняет сквозная комплексная бригада, работающая в три смены продолжительностью по 7,2 ч по методу бригадного подряда. Бригада из 21 чел. делится на три звена.

2.3.2. Состав каждого звена следующий:

Машинист экскаватора 6 разр. - 1

Проходчики:                   5 разр. - 1

                                         4 разр. - 5

                                                        7 чел.

2.3.3. Технологический процесс сооружения обратного свода станции предусматривает цикличную поточную организацию работ. Цикл работ начинают одновременно в двух местах: на разработке грунта ядра и доработке его в лотке с вырубкой нижних блоков обделки перегонного тоннеля.

Работу организуют следующим образом.

Машинист экскаватора 6 разр. устанавливает экскаватор на спланированной площадке и разрабатывает ковшом грунт в направлении сверху вниз под углом естественного откоса, обеспечивающего устойчивость грунта забоя. Затем он экскаватором грузит грунт в приемный бункер транспортера, а из него - в вагонетки, установленные в боковых перегонных тоннелях. Проходчик 4 разр. в это время управляет работой транспортера, подбирает просыпавшийся грунт и грузит его на транспортер. Машинист электровоза с откатчиком, которые не входят в состав основного звена, подают порожние и отвозят груженые вагонетки.

После разработки грунта на длину заходки (2 м) экскаватор используют для выемки обнаженных блоков обделки перегонных (опорных) тоннелей.

2.3.4. В то время как машинист экскаватора 6 разр. с проходчиком 4 разр. разрабатывают грунт ядра, проходчик 5 разр. и четыре проходчика 4 разр. дорабатывают грунт в лотковой части до проектного положения с отставанием от забоя ядра на 15-20 м.

Доработку грунта и вырубку нижних блоков для обнажения нижнего опорного узла перегонного тоннеля производят с откидкой в зону погрузки экскаватором (при разработке лотковой части). Во время окончания доработки грунта в лотке и вырубки блоков два проходчика 4 разр. разгружают блоки обделки обратного свода, принимают песок в вагонетках.

2.3.5. После доработки грунта в лотке и вырубки блоков проходчики (5 разр. - 1 и 4 разр. - 3) приступают к монтажу двух колец обратного свода, предварительно подсыпав песок для выравнивания лотка под блоки. Монтаж кольца производят кран-балкой в направлении от опорных узлов опорных фундаментов (перегонного тоннеля) к середине. Уложенные блоки домкратом ДГ-100 разжимают и устанавливают клиновые вкладыши КО-1 и КО-2. После разжатия, установки вкладышей и удаления домкрата на его место устанавливают вкладыш ВО-1 и омоноличивают бетоном М400 в объеме 0,1 м3. Таким же образом производят монтаж второго кольца обратного свода.

2.3.6. После разработки грунта верхнего яруса члены звена одновременно выполняют следующие работы: машинист экскаватора 6 разр. и проходчик 4 разр. производят выемку блоков обделки перегонных тоннелей; проходчики (5 разр. - 1 и 4 разр. - 2) заканчивают монтаж двух колец обратного сводa; два проходчика 4 разр. наращивают эстакады в перегонных тоннелях с укладкой пути. Для выемки блоков обделки перегонных тоннелей (около восьми блоков) используют экскаватор.

Для наращивания эстакады с укладкой пути в обоих перегонных тоннелях (4 м) используют кран-балку, которая передвигается по тем же путям на кронштейнах, что и блокоукладочная ферма, только на значительном удалении от нее. После наращивания эстакады с путями те же два проходчика 4 разр. при помощи кран-балки переставляют ближе к забою ядра транспортер с бункером.

2.3.7. После перестановки транспортера и окончания монтажа двух колец обратного свода звено разрабатывает грунт нижнего яруса ядра (лотковую часть) и продолжает выемку блоков опорных тоннелей, обнаженных при разработке верхнего яруса ядра.

Грунт нижнего яруса ядра разрабатывают машинист экскаватора 6 разр. и два проходчика 4 разр. Машинист передвигает экскаватор на 10-15 м к краю площадки, ковшом разрабатывает грунт в направлении снизу вверх под углом естественного откоса, обеспечивающего устойчивость грунта забоя, грузит грунт в приемный бункер транспортера, а из него - в вагонетки, установленные в боковых перегонных тоннелях на рельсах эстакад.

В это время проходчик 4 разр. управляет транспортером, подбирает просыпавшийся грунт и грузит его на транспортер, другой проходчик 4 разр. при помощи кран-балки убирает куски разломленных блоков, деревянной опалубки нижних опорных узлов перегонных тоннелей и другие материалы.

Остальные члены звена (проходчик 5 разр. и три проходчика 4 разр.) продолжают выемку блоков перегонных тоннелей при помощи кран-балки.

Разработка грунта нижнего яруса ядра (лотковой части) заканчивается одновременно с выемкой блоков перегонных тоннелей и является окончанием цикла по сооружению 2 м обратного свода.

2.3.8. Операционный контроль качества работ осуществляется в соответствии с требованиями СНиП III-44-77 и КОКК технологической карты № 4 (табл. 4.6).

Таблица   5.1

2.4. График разработки грунта ядра и сооружения (2 м) обратного свода станции

Таблица 5.2

2.5. Калькуляция затрат труда и заработной платы на разработку ядра и сооружение 1 м обратного свода станции

Шифр норм, шифр и числовые значения поправочных коэффициентов

Содержание работ

Состав звена

Единица измерения

На единицу измерения

Объем работ

На конечную продукцию

норма затрат труда, чел.-ч

расценка, руб.-коп.

норма времени использо-
вания машин, маш.-ч

нормативная трудоемкость, чел.-ч

сумма заработной платы, руб.-коп.

нормативное время использо-
вания машин, маш.-ч

Местная норма Северо-Западного филиала ВПТИтрансстроя

Разработка грунта IV категории ядра экскаватором с ковшом активного действия с погрузкой на транспортер

Экскаваторщик 6 разр. - 1

м3

0,07

0-10

0,07

77,6

5,43

7-76

5,43

То же

Разработка грунта IV категории лотка экскаватором с ковшом активного действия с погрузкой на транспортер

То же

»

0,07

0-10

0,07

31,7

2,22

3-17

2,22

ЕНиР, § 36-2-40, табл. 2, п. 4б

Разработка грунта IV категории отбойными молотками с откидкой на 3 м

Проходчик 5 разр. - 1

»

0,98

1-16

-

3,8

3,7

4-41

-

ЕНиР, § 36-2-120, п. 3б

Погрузка грунта IV категории транспортером в вагонетки

Откатчик 2 разр. - 1

»

0,09

0-07,5

0,09

113,1

10,18

8-48

10,18

Местная норма Северо-Западного филиала ВПТИтрансстроя

Обслуживание транспортера

Проходчик 4 разр. - 1

»

0,0645

0-06,6

-

113,1

7,29

7-46

-

ВНиР, В3-1-8б

Разгрузка блоков кран-балкой с блоковозок

Откатчик 2 разр. - 1

шт.

0,15

0-12,4

0,15

10

1,5

1-24

1.5

ЕНиР, § 36-2-70, п. 2а

Выемка железобетонных одиночных блоков с использованием экскаватора

Проходчики:

6 разр. - 1

5 разр. - 1

4 разр. - 4

»

2,4

2-69

0,4

4

9,6

10-76

1,6

ЕНиР, § 36-2-103, п. 2ж

Разломка железобетонных блоков отбойным молотком

Проходчик 4 разр. - 1

Откатчик 2 разр. - 1

м3

52,0

48-53

-

0,4

20,8

19-41

-

ЕНиР, * 36-2-85, п. 2в

Снятие лекал опалубки опорных фундаментов с двух сторон

Проходчики:

5 разр. - 1

4 разр. - 1

шт.

0,3

0-33,2

-

2

0,6

0-66

-

ЕНиР, § 36-2-86

Снятие опалубки опорных фундаментов с двух сторон

Проходчик 4 разр. - 1

м2

0,15

0-15,5

-

3,2

0,48

0-50

-

ЕНиР, § 36-2-87, п. 1

Установка конструкции эстакады для путей

Проходчик 4 разр. - 1

Крепильщик 3 разр. - 1

м

0,46

0-49,9

0,23

1

0,46

0-45

0,23

ЕНиР, § 36-2-137, п. 1о

Укладка узкоколейного пути

То же

»

0,28

0-27,3

0,14

2

0,56

0-55

0,28

Местная норма Северо-Западного филиала ВПТИтрансстроя

Перестановка транспортера

Проходчики 4 разр. - 3

-

3,0

3-33

-

1

3,0

3-33

-

То же

Монтаж арки обратного свода из железобетонных блоков с разжатием

Проходчики: 5 разр. - 1

4 разр. - 3

арка

10,0

10-65

2,5

1

10,0

10-65

2,5

 

Всего на 1 м:

 

 

 

 

 

 

75,82

10,53 чел.-дн.

78-83

9,25 (экскаватор)

10,18 (транспорт)

4,51 (кран-балка)

2.6. Указания по технике безопасности

2.6.1. При производстве работ должны выполняться требования техники безопасности в соответствии с «Правилами техники безопасности и производственной санитарии при строительстве метрополитенов и тоннелей», М., Оргтрансстрой, 1975; СНиП III-4-80, глава 4 «Техника безопасности в строительстве»; «Типовой инструкцией по охране труда для проходчика», М., ВПТИтрансстрой, 1983; «Типовой инструкцией по охране труда для машиниста-укладчика сборной обделки тоннелей», М., Оргтрансстрой, 1973; «Типовой инструкцией по охране труда для тельфериста», М., Оргтрансстрой, 1978, 3-е изд.; «Типовой инструкцией по охране труда для машиниста и помощника машиниста экскаватора», М., ВПТИтрансстрой, 1984.

2.6.2. Каждую землеройную машину нужно оборудовать звуковой сигнализацией. Значение сигналов должно быть разъяснено всем, кто связан с работой машины.

2.6.3. Экскаваторы во время работы должны устанавливаться на спланированной площадке и, во избежание самопроизвольного перемещения, закрепляться инвентарными упорами. Запрещается применять для этой цели доски, бревна, камни и другие предметы.

2.6.4. При работе экскаватора не разрешается производить какие-либо работы со стороны забоя и находиться людям в радиусе действия экскаватора плюс 5 м.

2.6.5. Во время перерывов в работе стрелу одноковшового экскаватора следует отвести в сторону от забоя, а ковш опустить на грунт. Ковш необходимо очищать только после опускания его на землю.

2.6.6. При движении одноковшового экскаватора стрелу следует установить строго по направлению хода, а ковш приподнять на 0,5-0,7 м. Запрещается передвижение экскаватора с нагруженным ковшом.

2.6.7. Для своевременного осуществления охранных мероприятий и мер по обеспечению безопасности людей на месте работ следует иметь аварийный запас материалов, инструмента и приспособлений.

2.6.8. Во время ручной доработки породы в лотке работа экскаватора по нижнему уступу запрещается.

2.6.9. Проход людей в зоне загрузки вагонеток грунтом и движения электровоза запрещается.

2.6.10. Кузова вагонеток нельзя загружать грунтом доверху. Расстояние от поверхности грунта до верха борта должно быть не менее 10 см.

2.6.11. Машинист электровоза трогает состав с места только по сигналу проходчика-оператора у транспортера. Всякий непонятный сигнал должен быть воспринят машинистом как сигнал «Стоп».

2.6.12. Машинист тельфера кран-балки обязан выполнять перемещение груза только по сигналу стропальщика.

2.6.13. При обнаружении неисправностей в кран-балке или сигнализации машинист обязан остановить работу до их устранения.

3. ТЕХНИКО-ЭКОНОМИЧЕСКИЕ ПОКАЗАТЕЛИ

Таблица 5.3

Наименование показателей

Количество

Затраты труда на 1 м обратного свода, чел.-дней

9,23

Выработка на одного рабочего в смену, см

10,8

Стоимость затрат труда на 1 м обратного свода, руб.-коп.

78-83

4. МАТЕРИАЛЬНО-ТЕХНИЧЕСКИЕ РЕСУРСЫ

Таблица 5.4

4.1. Потребность в материалах (конструкциях, деталях)

Наименование

ГОСТ, марка

Количество, шт.

Железобетонные блоки арки свода

22,7 НБО

8

Железобетонные блоки арки свода

22,7 КБО

2

Вкладыш

ВО-1

1

Клинья

КО-1

2

Клинья

КО-2

2

Шпильки стальные (сталь СТ-3) диаметром 28 мм

МС-2

16

Винипластовые листы для прокладки, тип II

ВН

9

Бетонная смесь, м3

М400

0,1

Таблица 5.5

4.2. Потребность в машинах, оборудовании, инструменте, инвентаре, приспособлениях

Наименование

Тип, марка

Количество, шт.

Экскаватор с ковшом активного действия вместимостью 1,0 м3

Экскаватор Костромского завода

1

Кран-балка грузоподъемностью 5 т с тельфером ТЭЗ-631

Чертеж № 1011р ЛМП

1

Бункер с транспортером

Изготовлен Ленметростроем

1

Домкрат

ДГ-100

1

Вагонетки глухие вместимостью 1,5 м3

-

24

Электровоз

7КР-600

1

Блоковозки

-

10

Отбойные молотки

МО-6

6

Ручные строительные инструменты

-

5

ТЕХНОЛОГИЧЕСКАЯ КАРТА № 6

СООРУЖЕНИЕ ТОРЦЕВОЙ СТЕНЫ ОДНОСВОДЧАТОЙ СТАНЦИИ

1. ОБЛАСТЬ ПРИМЕНЕНИЯ

1.1. Торцевая стена станции является постоянным креплением конструкции, ограждающим и воспринимающим нагрузки любого давления грунтов.

1.2. Толщина торцевой стены в монолитном железобетоне составляет 3 м, с включением трех арок верхнего свода станции.

1.3. В торцевой стене опалубки выделяют проемы для путевых тоннелей, вентиляции и другие.

1.4. При привязке карты к местным условиям уточняют геологическую характеристику грунтов, объемы работ, затраты труда.

2. ТЕХНОЛОГИЯ И ОРГАНИЗАЦИЯ СТРОИТЕЛЬНОГО ПРОЦЕССА

2.1. Сооружение торцевой стены производят в два этапа в такой последовательности (рис. 6.1, 6.2):

сооружение верхней части (I этап);

сооружение средней и нижней части (II этап).

Рис. 6.1. Схема сооружения торцевой стены (поперечный разрез):
1
- трубчатые анкеры крепления; 2 - металлическое рамное крепление криволинейной штольни; 3 - сборные железобетонные блоки верхнего свода станции: 4 - двутавровые балки поясов крепления

Рис. 6.2. Схема поэтапного сооружения средней и нижней частей торцевой стены:
а
- укладка бетона в верхнюю часть; б - разработка грунта средней и нижней частей по ярусам; в - укладка бетона в нижнюю часть; г - укладка бетона в среднюю часть;
1 - железобетонные блоки верхнего свода станции; 2 - металлическое рамное крепление криволинейной штольни; 3 - опалубка; 4 - тельфер с монорельсом; 5 - деревянная затяжка;  6 - двутавровая балка пояса; 7 - трубчатые анкеры; 8 - деревянное крепление стен

2.2. Указания по технологии работ

2.2.1. До начала сооружения верхней части торцевой стены должны быть выполнены следующие подготовительные работы:

пройдена криволинейная штольня;

выполнена калоттная прорезь на расстояние 15 м от станции при помощи блокоукладочной фермы.

2.2.2. В состав работ по сооружению верхней части торцевой стены в объеме криволинейной штольни с включением трех арок из сборных железобетонных блоков свода станции входят следующие основные операции: установка арматуры; устройство опалубки с креплением; укладка бетонной смеси в опалубку.

2.2.3. Установку арматуры и устройство опалубки производят параллельно друг другу. Цикл работ по сооружению верхней торцевой стены начинают с доставки арматуры и пиломатериалов. Затем выставляют и крепят кружала над одним из опорных тоннелей, потом над другим с нашивкой опалубочных досок. В то время как арматурщики устанавливают арматуру над кружалами, плотники занимаются устройством лесов (подмостей) для установки арматуры в средней части.

Арматуру устанавливают на всю высоту и ширину торцевой стены. Верхний свод торцевой стены обрамляют 64 арматурными каркасами, которые изготавливают непосредственно на месте. Козырьки над тоннелями обвязывают гнутой арматурой и соединяют с металлическими каркасами отдельными стержнями диаметром 40 мм.

Во время установки арматуры в средней части плотники устанавливают и крепят лекала. Затем они разбирают леса (подмости), частично нашивают опалубочные доски по лекалам и сдают опалубку по акту заказчику. Для укладки бетонной смеси в одном из опорных тоннелей устанавливают технологический комплекс, состоящий из эстакады и размещенного на ней оборудования: пневмобетоноукладчика ПБУ-500, ресивера и лебедки, предназначенной для подъема бетоновозок на эстакаду.

Техническая характеристика пневмобетоноукладчика ПБУ-500

Производительность, м3/ч ............ 10

Вместимость, л .............................. 500

Дальность подачи бетона, м:

по горизонтали .............................. 150

по вертикали до ............................. 15

Давление воздуха, МПа ................ 0,6

Диаметр трубопровода, мм .......... 150

Бетон М300 доставляют к месту укладки составом из четырех бетоновозок вместимостью 0,8 м3. Каждую бетоновозку при помощи лебедки поднимают по наклонной эстакаде на приемную площадку, где разгружают в приемно-загрузочный бункер. Из бункера бетонная смесь поступает в пневмобетоноукладчик ПБУ-500, затем по бетоноводу диаметром 150 мм - в заопалубочное пространство верхней части торцевой стены. По мере укладки бетона бетоновод перемещают в различные места заопалубочного пространства, а смесь тщательно вибрируют глубинными вибраторами.

После укладки бетона разбирают и прочищают бетоновод, загрузочный бункер и ПБУ-500.

2.2.4. В состав работ по сооружению средней и нижней частей торцевой стены (II этап) входят следующие основные операции:

разработка грунта средней части по ярусам с установкой временного крепления лба забоя;

разработка грунта лотковой части с установкой крепления;

установка арматуры в лотковую часть;

укладка бетона в лотковую часть с вибрированием;

установка арматуры в среднюю часть;

устройство опалубки в средней части;

укладка бетона в среднюю часть с вибрированием.

2.2.5. До начала сооружения средней и нижней частей торцевой стены должны быть выполнены следующие подготовительные работы:

забетонирована верхняя часть торцевой стены;

разработан грунт ядра и лотка станции под углом естественного откоса на расстоянии до 3 м от начала торцевой стены;

лоб забоя средней и нижней частей торцевой стены закреплен деревянной затяжкой, установленной между двутавровыми балками, которые в свою очередь прикреплены к инъекционным трубчатым анкерам, установленным в скважины глубиной 8-10 м;

проложен рельсовый узкоколейный путь для откатки вагонов с грунтом в опорный тоннель и доставки материалов;

изготовлен и установлен породоспуск;

завезена и установлена породопогрузочная машина ПМЛ-5.

2.2.6. Разработку грунта средней части торцевой стены производят отбойными молотками в четыре яруса высотой по 1,9 м, сверху вниз.

Разработав грунт первого яруса до отметки верхних установленных трубчатых инъекционных анкеров (около трех штук длиной по 10 м, диаметром 76 мм), обнаженные трубки срезают у лба забоя и на их концы при помощи специальных устройств прикрепляют вплотную к забою двутавровые балки № 18 длиной 9,2 м. Между металлической балкой и краем бетонного свода помещают деревянные марчеваны (доски) с расклинкой.

Далее дорабатывают грунт первого яруса и разрабатывают грунт второго яруса до отметки установленных трубчатых инъекционных анкеров второго ряда и цикл повторяется. Грунт при разработке сбрасывают через породоспуск вниз, где его грузят машиной ПМЛ-5 в вагонетки, которые откатывают в один из опорных тоннелей. Затем состав, сформированный из груженых вагонеток, электровозом доставляют к стволу для выдачи на поверхность.

Разработав грунт четырех ярусов (около 7,5 м) и закрепив лоб забоя, приступают к разработке грунта лотковой части (глубиной 3,8 м) с установкой крепления.

2.2.7. До начала разработки грунта в лотковой части устанавливают монорельс длиной 5,7 м с тельфером грузоподъемностью 2 т в верхней части бетонного свода торцевой стены к ранее оставленным закладным.

Разработку грунта лотковой части торцевой стены производят отбойными молотками сверху вниз, погрузку его осуществляют в вагонетки, которые опускают в забой и поднимают при помощи тельфера. По мере заглубления лотковой части для погрузки грунта в вагонетки можно использовать погрузочную машину.

В качестве временного крепления применяют деревянные крепежные рамы с затяжкой стен досками в расклинку.

2.2.8. После разработки грунта в лотковой части торцевой стены с деревянным креплением приступают к установке арматуры и укладке бетонной массы в лотковую часть.

Арматуру устанавливают сначала в нижнюю часть, затем после устройства лесов - в верхнюю лотковой части торцевой стены.

Опалубку при бетонировании лотковой части не устанавливают; от обрушения грунта в период бетонирования предохраняет затяжка с крепежными рамами.

Укладку бетона в лотковую часть осуществляют аналогично бетонированию верхней части торцевой стены (различие - в монтаже бетоновода).

2.2.9. После укладки и выстойки бетона в лотковой части приступают к установке арматуры, опалубке и бетонированию средней части торцевой стены.

Арматурные и опалубочные работы, кроме установки кружал, производят параллельно друг другу так же, как при сооружении верхней части торцевой стены. Перед бетонированием средней части монорельс с тельфером демонтируют. Укладка бетона в среднюю часть торцевой стены аналогична укладке бетона в верхнюю часть (рис. 6.3).

Рис. 6.3. Схема подачи бетонной смеси в среднюю часть торцевой стены, (план):
1
- бетонные опорные фундаменты; 2 - бетоновод; 3 - бетоноукладочная установка ПБУ-500; 4 - крепление средней части торцевой стены

После сооружения торцевой стены приступают к разработке грунта ядра и лотковой части экскаватором.

Разборку опалубки верхней и средней частей торцевой стены плотники-крепильщики производят через семь суток после выстойки бетона.

2.2.10. Сооружение торцевой стены выполняют в строгом соответствии со СНиП III-44-77 «Правила производства и приемки работ», глава 44 «Тоннели железнодорожные, автодорожные и гидротехнические. Метрополитены», М., Стройиздат, 1977.

2.3. Указания по организации труда

2.3.1. Работы по сооружению верхней части торцевой стены (I этап) выполняет сквозная комплексная бригада, работающая в три смены продолжительностью по 7,2 ч по методу бригадного подряда.

2.3.2. Звенья № 1, № 2, № 3 устраивают опалубки. Состав каждого звена следующий:

Плотники-крепильщики: 5 разр. - 1

                                           4 разр. - 2

                                           3 разр. - 1

                                                           4 чел.

2.3.3. Звенья № 4, № 5, № 6 устанавливают арматуру. Состав каждого звена следующий:

Арматурщики: 5 разр. - 1

                          4 разр. - 3

                                          4 чел.

Арматурщик 5 разр. должен иметь удостоверение электросварщика.

2.3.4. Звенья № 7, № 8, № 9 укладывают бетон в опалубку. Состав каждого звена следующий:

Проходчики: 5 разр. - 1

                       4 разр. - 4

                                      5 чел.

Проходчик 5 разр. должен иметь удостоверение на право работы на ПБУ-500.

2.3.5. Технологический процесс сооружения верхней части торцевой стены предусматривает цикличную поточную организацию работ.

Цикл начинают с опалубочных работ и одновременной установки арматуры. Параллельное ведение этих работ позволяет согласно графику забетонировать верхнюю часть торцевой стены толщиной 3 м за 22 смены.

2.3.6. Работы по устройству опалубки звенья № 1, № 2 и № 3 организуют следующим образом.

Все звено плотников-крепильщиков, доставив вначале весь необходимый пиломатериал, устанавливает кружала, крепит их и нашивает по ним опалубку над одним из перегонных тоннелей.

Установив кружала над обоими перегонными тоннелями и тем самым предоставив фронт работ для арматурщиков, плотники-крепильщики занимаются устройством лесов (подмостей) для облегчения установки арматуры в сводовой части торцевой стены.

Затем два плотника-крепильщика выполняют следующие работы:

доставку, установку и закрепление лекал;

разборку лесов (подмостей) после арматурных работ;

нашивку опалубочных досок по лекалам.

2.3.7. Работы по установке арматуры звенья № 4, № 5 и № 6 выполняют параллельно с опалубочными и организуют следующим образом.

Плотники устанавливают кружала над одним из перегонных тоннелей и нашивают по ним опалубочные доски. Через другой перегонный тоннель два арматурщика 4 разр. подают арматуру наверх, а два арматурщика 5 и 4 разр. устанавливают ее над кружалами.

Таким же образом устанавливают арматуру над кружалами другого перегонного тоннеля.

Далее все звено устанавливает с лесов (подмостей) арматуру в средней части торцевой стены.

Арматурщик 5 разр. по мере необходимости производит электросварочные работы.

2.3.8. Работу по бетонированию верхней части торцевой стены звенья № 7, № 8 и № 9 организуют следующим образом.

После окончания арматурных работ и во время сдачи плотниками-крепильщиками опалубки заказчику по акту звено проходчиков приступает к монтажу бетоновода от ПБУ-500 и устройству приемного деревянного бойка с эстакадой.

Во время укладки бетона в торцевую стену проходчик 5 разр. выполняет обязанности оператора ПБУ-500, а два проходчика 4 разр. принимают бетоновозку на приемной площадке технологического комплекса и через приемно-загрузочный бункер производят загрузку ПБУ-500. Оставшиеся два проходчика 4 разp. ведут наблюдение за укладкой бетонной смеси в конструкцию торцевой стены и производят вибрирование. Все звено периодически наращивает трубы бетоновода, опалубку.

После укладки бетона в верхнюю часть торцевой стены, во время выстойки его в опалубке, проходчики приступают к разработке грунта для устройства монтажной площадки под экскаватор.

2.3.9. Работы по сооружению средней и нижней частей торцевой стены (II этап) выполняет сквозная комплексная бригада, работающая в три смены продолжительностью по 7,2 ч, по методу бригадного подряда.

2.3.10. Звенья № 10, № 11 и № 12 разрабатывают грунт с креплением лба забоя. Состав каждого звена следующий:

Проходчики: 5 разр. - 1

                       4 разр. - 6

                                      7 чел.

Один из проходчиков 4 разр. имеет удостоверение на право работы на породопогрузочной машине ПМЛ-5.

Разработку грунта производят отбойными молотками по ярусам со сбросом его вниз в зону погрузки машиной ПМЛ-5.

Звено организует работу следующим образом.

Проходчик 5 разр. и четыре проходчика 4 разр. разрабатывают грунт отбойными молотками и сбрасывают его вниз, в зону погрузки. Два проходчика 4 разр. грузят грунт в вагонетки, откатывают груженые вагонетки в перегонный тоннель и забирают порожняк. Во время разработки грунта проходчики закрепляют лоб забоя. Крепление состоит из деревянных досок, распертых двутавровыми балками, закрепленных при помощи трубчатых инъекционных анкеров.

Проходчик 5 разр., имея удостоверение электросварщика, обрезает трубчатые анкеры (три штуки на один ярус) около лба забоя. Остальные четыре проходчика 4 разр. снимают двутавровые балки и устанавливают их на концы анкеров специальными захватами вплотную ко лбу забоя.

За балками устанавливают враспор деревянные доски. Таким образом все звено разрабатывает и закрепляет грунт четырех ярусов высотой по 1,9 м каждый.

После разработки и временного крепления лба забоя четырех ярусов проходчики разрабатывают грунт лотковой части глубиной около 3,8 м. Для этого слесари-монтажники предварительно к бетонному своду подвешивают монорельс с тельфером.

Разработанный грунт грузят в вагонетки, которые тельфером поднимают и устанавливают на рельсы, уложенные на лотке четвертого яруса.

Разрабатывают грунт сверху вниз с креплением стенок деревянными рамами с затяжкой. Погрузку грунта в вагонетки осуществляют машиной ПМЛ-5, опущенной тельфером в лотковую часть торцевой стены. После разработки и временного закрепления лотковой части звено проходчиков монтирует бетоновод; готовит ПБУ-500 (устройство приемного бойка, эстакады).

В то время как проходчики заняты подготовкой к бетонированию, арматурщики звеньев № 4, № 5 и № 6 (п. 2.3.3) и плотники-крепильщики (по одному в каждом звене) устанавливают арматуру в лотковую часть торцевой стены. После установки арматуры и сдачи ее заказчику проходчики звеньев № 10, № 11 и № 12 (п. 2.3.10), без двух проходчиков 4 разр. в каждом звене, укладывают бетон в лотковую часть. Распределение обязанностей проходчиков в звене такое же, как и при бетонировании верхней части торцевой стены. В период окончания бетонирования лотковой части арматурщики доставляют арматуру для средней части торцевой стены. Затем звенья проходчиков разрабатывают грунт в ядре и лотковой части станции для устройства площадки под монтаж экскаватора, а арматурщики приступают к установке арматуры в средней части торцевой стены на высоту четырех ярусов (около 7,5 м).

Вместе с арматурщиками работают плотники-крепильщики звеньев № 1, № 2 и № 3 (п. 2.3.2), каждое звено сокращено на два человека. Для подъема материалов используют тельфер, подвешенный к нижней части свода торцевой стены. Вначале плотники доставляют пиломатериалы, а затем устраивают и переносят леса и подмости для арматурщиков. Во время установки арматуры плотники устанавливают, закрепляют лекала и частично нашивают по ним опалубку (доски обрезные). Во время установки лекал и частичной нашивки досок опалубки по ним возвращаются проходчики звеньев № 10, № 11 и № 12 (п. 2.3.10), которые монтируют бетоновод для укладки бетона в среднюю часть торцевой стены.

После сдачи опалубки заказчику проходчики приступают к укладке бетона в среднюю часть торцевой стены. Перед бетонированием слесари-монтажники снимают монорельс с тельфером. Распределение обязанностей проходчиков в звене такое же, как и при бетонировании верхней части торцевой стены.

После укладки бетона в среднюю часть торцевой стены проходчики переходят на разработку грунта ядра и лотковой части станции при помощи смонтированного экскаватора и транспортера, монтаж которых осуществлялся во время бетонирования средней части торцевой стены.

2.3.11. Операционный контроль качества работ осуществляется в соответствии с требованиями СНиП III-44-77 и КОКК настоящей технологической карты (см. раздел 5).

2.4. Графики производства работ

Таблица 6.1

2.4.1. График сооружения верхней части торцевой стены станции

Таблица 6.2

2.4.2. График сооружения средней и нижней частей торцевой стены (2-й этап)

2.5. Калькуляция затрат труда и заработной платы

Таблица 6.3

2.5.1. Калькуляция затрат труда и заработной платы на сооружение верхней части торцевой стены (I этап)

Шифр норм, шифр и числовые значения поправочных коэффициентов

Содержание работ

Состав звена

Единица измерения

На единицу

Объем работ

На конечную продукцию

норма затрат труда, чел.-ч

расценка, руб.-коп.

норма времени использо-
вания машин, маш.-ч

нормативная трудоемкость, чел.-ч

сумма заработной платы, руб.-коп.

нормативное время использо-
вания машин, маш.-ч

1. Устройство опалубки

ЕНиР, § 36-2-123, табл. 2, п. 2(б+д)

Доставка и выгрузка пиломатериалов с укладкой в штабель (кружала, лекала, доски, бревна)

Откатчик 2 разр. - 1

м3

0,54

0-45

-

15,0

8,10

6-75

-

§ 36-2-125, п. 9(а+7б)

Подъем пиломатериалов к месту установки на высоту 8 м

То же

»

1,555

1-29,7

-

15,0

23,32

19-46

-

§ 36-2-84

Установка деревянных кружал в три доски при расстоянии между пятами свода с раскреплением:

Проходчики:

5 разр. - 1

4. разр. - 1

 

 

 

-

 

 

 

-

п. 1г

до 6 м

 

1 кружало

4,1

4-54

-

14

57,40

63-56

-

п. 1в

до 4 м

 

То же

2,7

2-99

-

4

10,80

11-96

-

§ 36-2-86, п. 1г

Установка по кружалам опалубки кз отдельных досок

То же

м2

0,4

0-44,3

-

76

30,40

33-67

-

§ 36-2-85, п. 1в

установка деревянных лекал в стенах длиной до 4 м с раскреплением

»

1 лекало

0,97

1-08

-

28

27,16

30-24

-

§ 32-2-86, п. 1г

Установка по лекалам опалубки из отдельных досок

»

м2

0,40

0-44,3

-

60,0

24,0

26-58

-

 

Итого:

 

 

 

 

 

 

181,18

192-22

 

2. Арматурные работы

§ 36-2-123, табл. 2, п. 3б

Выгрузка арматуры с укладкой в штабель

Откатчик 2 разр. - 1

т

0,66

0-55

-

14,0

9,24

7-70

-

§ 36-2-125, п. 15(а+7б)

Подъем арматуры к месту установки на высоту 8 м

То же

»

3,57

2-97,5

-

14,0

49,98

41-65

-

§ 36-2-91

Установка арматуры в криволинейные стены:

Проходчик 4 разр. - 1

 

 

 

 

 

 

 

 

п. 2д

диаметром 40 мм

 

100 кг

1,20

1-24

-

90,0

108,0

111-60

-

п. 2в

диаметром 16 мм

 

То же

2,20

2-27

-

47,0

103,40

106-69

-

п. 26

диаметром 10 мм

 

»

2,80

2-89

-

3,0

8,40

8-67

-

§ 36-2-88, табл. 1, п. 2(а+б)

Устройство и разборка лесов для вязки арматуры

Крепильщик 3 разр. - 1

м

0,141

0-12,9

-

106

14,95

13-67

-

§ 36-2-88, табл. 1, п. 3(а+б)

Устройство настила по лесам с ограждением и разборка

То же

м2

0,234

0-21,4

-

30

7,02

6-42

-

3. Бетонные работы

§ 36-2-92, табл. 2, п. 2а+4а

Монтаж и демонтаж бетоновода

Проходчик 5 разр. - 1

Слесари-монтажники:

4 разр. - 1

3 разр. - 3

м

0,8

0-79,4

 

100

80,0

79-40

 

§ 36-2-90, п. 6(а+б)

Устройство бойка для приема бетона и разборка

Крепильщик 3 разр. - 1

м2

0,45

0-41,3

-

60

27,0

24-78

-

§ 36-2-92, табл. 3, п. 1а

Укладка бетонной смеси в опалубку торцевой стены пневмобетоноукладчиком

Проходчики:

5 разр. - 1

4 разр. - 1

м3

1,20

1-33

0,6

226,0

271,20

300-58

135,6

§ 36-2-92, примеч. 4

Бетонирование мест примыкания стен к пятам свода

То же

м

2,20

2-60

1,1

6,0

13,20

15-60

6,6

§ 36-2-92, примечание 3

Бетонирование замка свода

»

»

3,00

3-55

1.5

3,0

9,00

10-65

4,5

§ 36-2-123, п. 1e

Подкатка бетоновозок на расстояние 50 м

Откатчик 2 разр. - 1

м3

0,33

0-27,5

-

226,0

74,58

62-15

-

§ 36-2-123, табл. 2, п. 2б

Выгрузка досок с укладкой в штабель

То же

»

0,43

0-35,8

-

3,0

1,29

1-07

-

 

Итого:

 

 

 

 

 

 

476,27

494-23

146,6 м/ч

 

Всего по верхней части торцевой стены:

 

 

 

 

 

 

958,44

132,12 чел.-дн.

982-85

20,36 м/см

Таблица 6.4

2.5.2. Калькуляция затрат труда и заработной платы на сооружение средней и нижней частей торцевой стены (II этап)

Шифр норм, шифр и числовые значения поправочных коэффициентов

Содержание работ

Состав звена

Единица измерения

На единицу

Объем работ

На конечную продукцию

норма затрат труда. чел.-ч

расценка, руб.-коп.

норма времени использо-
вания машин, маш.-ч

нормативная трудоемкость, чел.-ч

сумма заработной платы, руб.-коп.

нормативное время использо-
вания машин, маш.-ч

1. Разработка грунта средней части с креплением

ЕНиР, § 36-2-40, табл. 2, п. 4б

Разработка грунта IV группы отбойными молотками

Проходчик 5 разр. - 1

м3

0,98

1-16

-

180

176,4

208-80

-

§ 36-2-128, п. б, примеч., К=1,24

Дополнительная перекидка грунта IV группы к породоспуску в зоне забоя

Проходчик 4 разр. - 1

»

1,10

1-40,9

-

180

198,0

253-62

-

§ В3-4-121, п. 1а

Спуск грунта по желобу породоспуска

То же

»

0,95

0-93

-

180

171,0

167-40

-

§ 36-2-117, табл. 3, п. 1б

Погрузка грунта ПМЛ-5 в вагонетки вместимостью 1,5 м3

Проходчик 5 разр. - 1

»

0,19

0-22,5

-

180

34,2

40-50

-

§ 36-2-119, п. 2в

Откатка грунта в вагонетках на расстояние до 50 м

Проходчик 4 разр. - 1

»

0,16

0-16,5

-

180

28,8

29-70

-

§ 22-18, табл.. 1, п. 2б

Резка труб диаметром 76 мм (анкеров)

Газорезчик 3 разр. - 1

10 перерезов

0,52

0-61

-

1,2

0,62

0-73

-

§ 36-2-111

Снятие металлических балок, переписка на 3 м и установка (длина балок от 7,9 до 9,2 м)

Слесари-монтажники:

5 разр. - 1

4 разр. - 1

3 разр. - 2

 

1 балка

8,70

8-81

-

8,0

69,6

70-48

-

§ 36-2-42, п. 1в, 3в, п. 7a

Разборка и установка затяжки лба забоя за металлические балки

Проходчики:

5 разр. - 2

4 разр. - 1

м2

0,20

0-22,7

-

60

12,0

13-62

-

2. Разработка грунта лотковой части с креплением

ЕНиР, § 36-2-40, табл. 2, п. 5б

Разработка грунта IV группы отбойными молотками

Проходчик 5 разр. - 1

м3

1,90

2-25

-

138,0

262,2

310-50

-

§ 36-2-128, п. б, примеч., К-1,24

Дополнительная перекидка грунта IV группы

Проходчик 4 разр. - 1

»

1,10

1-40,9

-

138,0

151,8

194-44

-

§ 36-2-120, п. 1б, примеч., К-1.24

Погрузка грунта вручную в вагонетки

То же

»

0,66

0-68,2

-

68,0

44,88

46-38

-

§ 36-2-117, табл. 3, п. 1б

Погрузка грунта ПМЛ-5 в вагонетки вместимостью 1,5 м3

Проходчик 5 разр. - 1

»

0,19

0-22,5

-

70,0

13,3

15-75

-

§ 36-2-104, примеч. 6

Подъем вагонеток с грунтом тельфером на высоту до 4 м

Проходчики:

5 разр. - 1

4 разр. - 1

 

»

0,50

0-52,5

-

138,0

69,0

72-45

-

§ 36-2-119, п. 2в

Откатка вагонеток с грунтом на расстояние до 50 м

Проходчик 4 разр. - 1

»

0,16

0-16,5

-

138,0

22,08

22-77

-

§ 36-2-125, п. 7а, 9а

Переноска пиломатериалов для крепления на расстояние до 10 м

Откатчик 2 разр. - 1

»

1,24

1-03

-

6,0

7,44

6-18

-

§ 36-2-43, п. 4г

Установка крепежных рам

Проходчик 5 разр. - 1

1 рама

3,0

3-55

-

7,0

21,0

24-85

-

§ 36-2-42

Затяжка боков досками с креплением к деревянным стойкам

Проходчики: 5 разр. - 2

4 разр. - 1

м2

0,165

0-18,7

-

92,0

15,18

17-20

-

3. Установка арматуры в лотковой части

§ 36-2-123, табл. 2, п. 3б

Выгрузка арматуры с укладкой в штабель

Откатчик 2 разр. - 1

т

0,66

0-55

-

8,5

5,61

4-68

-

§ 36-2-125, п. 15а, б

Переноска арматуры к месту установки

То же

»

1,41

1-17,5

-

8,5

11,99

9-99

-

§ 36-2-91

Установка арматуры в лотковую часть:

Проходчик 4 разр. - 1

 

 

 

 

 

 

 

 

п. 1д

диаметром 40 мм

 

100 кг

0,97

1-00

-

54,7

53,06

54-70

-

п. 1в

диаметром 16 мм

 

»

1,75

1-81

-

28,5

49,88

51-59

-

п. 16

диаметром 10 мм

 

»

2,3

2-38

-

1,8

4,14

4-28

-

§ 36-2-88, табл. 1, п. 2(а+б)

Устройство и разборка лесов для вязки арматуры

Крепильщик 3 разр. - 1

м

0,141

0-129

-

60,0

8,46

7-74

-

§ 36-2-88, табл. 1. п. 3(а+б)

Устройство настила по лесам и разборка

То же

м2

0,234 1

0-214 1

1

36,0

8,42

7-70

 

§ 36-2-123, табл. 2, п. 2(б+д)

Доставка и выгрузка пиломатериалов для лесов с настилом

Откатчик 2 разр. - 1

м3

0,54

0-45

-

3,0

1,62

1-35

-

4. Бетонирование лотковой части

§ 36-2-92, табл. 2, п. 2а+4а

Монтаж и демонтаж бетоновода

Проходчик 5 разр. - 1 Слесари -монтажники:

4 разр. - 1

3 разр. - 3

м

0,80

0-79,4

-

80

64,0

63-52

-

§ 36-2-90, п. 6а

Устройство бойка для приема бетона

Крепильщик 3 разр. - 1

м2

0,30

0-27,5

-

60

18,00

16-50

-

§ 36-2-92, табл. 3, п. 1а

Укладка бетонной смеси в лотковую часть торцевой стены пневмобетоноукладчиком

Проходчики:

5 разр. - 1

4 разр. - 1

м3

1,20

1-33

0,6

138,0

165,6

183-54

82,8

§ 36-2-92, примеч. 4

Бетонирование мест примыкания лотковой части к пятам обратного свода перегонных тоннелей

То же

м

2,20

2-60

-

8,0

17,6

20-80

-

§ 36-2-123, п. 1е

Подкатка бетоновозок на расстояние до 50 м

Откатчик 2 разр. - 1

м3

0,33

0-27,5

-

138,0

45,54

37-95

-

§ 36-2-123, табл. 2, п. 2б

Выгрузка досок с укладкой в штабель

То же

»

0,43

0-35,8

-

3,0

1,29

1-07

-

 

Итого:

 

 

 

 

 

 

312,03

323-38

82,8

 

Всего по лотковой части

 

 

 

 

 

 

1062,09

1175-93

 

5. Установка арматуры в средней части

§ 36-2-123, табл. 2, п. 3б

Выгрузка арматуры с укладкой в штабель

Откатчик 2 разр. - 1

т

0,66

0-55

-

11,0

7,26

6-05

-

§ 36-2-125, п. 15а, б

Переноска арматуры к месту установки

То же

»

1,41

1-17,5

-

11,0

15,51

12-93

-

§ 36-2-91

Установка арматуры в среднюю часть торцевой стены:

Проходчик 4 разр. - 1

 

 

 

 

 

 

 

 

п. 1д

диаметром 40 мм

 

100 кг

0,97

1-00

-

70,7

68,58

70-70

-

п. 2в

диаметром 16 мм

 

»

1,75

1-81

-

36,9

64,58

66-79

-

п. 1б

диаметром 10 мм

 

»

2,30

2-38

-

2,4

5,52

5-71

-

§ 36-2-88, табл. 1, п. 2(а+б)

Устройство и разборка лесов для вязки арматуры и установки лекал

Крепильщик 3 разр. - 1

м

0,141

0-12,9

-

140,0

19,74

18-06

-

§ 36-2-88, табл. 1. п. 3 (а+б)

Устройство настила по лесам и разборка

То же

м3

0,234

0-21,4

-

72,0

16,85

15-41

-

§ 36-2-123, табл. 2, п. 2(б+д)

Доставка и выгрузка пиломатериалов для лесов с настилом

Откатчик 2 разр. - 1

»

0,54

0-45

-

6,5

3,51

2-93

-

 

Итого:

 

 

 

 

 

 

201,55

198-58

 

6. Устройство опалубки средней части

§ 36-2-123, табл. 2, п. 2(б+д)

Доставка и выгрузка пиломатериалов с укладкой в штабель (лекала, доски, бревна)

Откатчик. 2 разр. - 1

т

0,54

0-45

-

7,0

3,78

3-15

-

§ 36-2-85, п. 1а, К=2,0

Установка деревянных лекал длиной до 8,0 м с раскреплением

Проходчики:

5 разр. - 1

4 разр. - 1

1 лекало

0,82

0-90,8

-

9,0

7,38

8-17

-

§ 36-2-86, п. 1г

Установка по лекалам опалубки из отдельных досок

То же

м2

0,40

0-44,3

-

60,0

24,00

26-58

-

 

Итого:

 

 

 

 

 

 

35,16

37-90

 

Примечание. Для установки лекал и нашивки по ним досок используют леса для установки арматуры.

7. Бетонирование средней части

§ 36-2-92, табл. 2, п. 2а+4а

Монтаж и демонтаж бетоновода

Проходчик 5 разр. - 1

Слесари-монтажники:

4 разр. - 1

3 разр. - 3

м

0,80

0-79,4

-

100,0

80,0

79-40

-

§ 36-2-90, п. 6б

Разборка бойка для приема бетона

Крепильщик 3 разр. - 1

м2

0,15

0-13,8

-

60,0

9,0

8-28

-

§ 36-2-92, табл. 3, п. 1а

Укладка бетонной смеси в стены пневмобетоноукладчиком

Проходчики:

5 разр. - 1

4 разр. - 1

м3

1,20

1-33

0,6

180,0

216,0

239-40

108,0

§ 36-2-92, примеч. 4

Бетонирование мест примыкания стен к пятам свода

То же

м

2,20

2-60

-

12,0

26,40

31-20

13,2

§ 36-2-92, примеч. 3

Бетонирование мест сопряжения со сводовой частью

Проходчики:

5 разр. - 1

4 разр. - 1

м3

3,00

3-55

-

14,0

42,00

49-70

-

§ 36-2-123, п. 1е

Подкатка бетоновозок на расстояние до 50 м

Откатчик 2 разр. - 1

»

0,33

0-27,5

-

180,0

59,40

49-50

-

§ 36-2-123, табл. 2, п. 2а

Погрузка пиломатериалов с укладкой

То же

»

0,42

0-35

-

3,0

1,26

1-05

-

 

Итого:

 

 

 

 

 

 

434,06

458-53

108,0

 

Всего по средней части:

 

 

 

 

 

 

1361,39

1479-86

 

 

 

 

 

 

 

 

 

2423,48

336,59 чел.-дн.

2655-79

 

2.6. Указания по технике безопасности

2.6.1. При производстве работ должны выполняться требования безопасности в соответствии с «Правилами техники безопасности и производственной санитарии при строительстве метрополитенов и тоннелей», М., Оргтрансстрой, 1975; СНиП III-4-80, глава 4 «Техника безопасности в строительстве»; «Типовой инструкцией по охране труда для проходчика», М., ВПТИтрансстрой, 1983; «Типовой инструкцией по охране труда для машиниста породопогрузочной машины», М., ВПТИтрансстрой, 1984; «Типовой инструкцией по охране труда для бурильщика скважин», М., ВПТИтрансстрой, 1980; «Типовой инструкцией по охране труда для крепильщика», М., ВПТИтрансстрой, 1980; «Типовой инструкцией по охране труда для арматурщика», М., ВПТИтрансстрой, 1984.

2.6.2. К работам допускаются рабочие, прошедшие инструктаж с регистрацией в журнале.

2.6.3. Забой разрабатывают сверху вниз ручным или механизированным инструментом.

2.6.4. Во время уборки нависших, отслаивающихся кусков грунта и крепления забоя рабочие должны находиться под защитой ранее установленной или временной крепи.

2.6.5. В несвязанных, пучинистых, малопрочных, слоистых, трещиноватых породах временное крепление выработок является обязательным. Временное крепление подземных выработок следует осуществлять по паспорту, составленному начальником участка. Рабочие и представители технического надзора участка должны быть ознакомлены с паспортом крепления выработок под расписку.

2.6.6. Загромождение рабочих мест в выработках материалами и оборудованием запрещается. Отбитый грунт должен немедленно удаляться из забоя выработки.

2.6.7. Воздуховоды, вентиляционные и водоотводные трубы, кабели и другие обустройства в выработках не должны препятствовать движению грузов и свободному передвижению людей.

2.6.8. Рабочий настил лесов для монтажа арматуры бетонирования должен иметь ширину не менее 1 м и ограждение.

2.6.9. Перед началом укладки бетонной смеси представитель технического надзора обязан проверить надежность крепления опалубки, поддерживающих лесов, рабочих подмостей и настилов.

2.6.10. Опалубку можно разбирать только с разрешения начальника смены или участка.

2.6.11. Щиты, доски и другие материалы от разбираемой или монтируемой опалубки складывать на подмостях запрещается.

2.6.12. При подаче бетонной смеси бетононасосом или пневмоукладчиком необходимо следить за надежным креплением бетоновода на всем его протяжении и за плотным соединением между собой отдельных его звеньев. У выходного отверстия бетоновода должен быть установлен козырек-отражатель.

2.6.13. При продувке бетоновода сжатым воздухом опасное место должно быть ограждено, а рабочие удалены от выходного отверстия бетоновода на расстояние не менее 10 м.

2.6.14. При подаче бетонной смеси пневмобетоноукладчиком необходимо обеспечить место ведения работ двухсторонней световой и звуковой сигнализациями.

2.6.15. Для устранения неисправностей оборудования и ликвидации пробок в шлангах и трубопроводах следует удалить из них сжатый воздух и отключить от электрической сети.

2.6.16. Перед зоной бетонных (опалубочных, арматурных) работ должен быть вывешен освещенный транспарант «Внимание!», «Опасная зона!», «Ведутся работы».

3. ТЕХНИКО-ЭКОНОМИЧЕСКИЕ ПОКАЗАТЕЛИ

Таблица 6.5

Наименование показателей

Количество

Затраты труда на 1 м3 бетона конструкции торцевой стены, чел.-дней

0,85

Выработка на одного рабочего в смену, м3 бетонной конструкции торцевой стены

1,18

Стоимость затрат труда на 1 м3 конструкции торцевой стены, руб.-коп.

6,69

Продолжительность сооружения всей торцевой стены, смен

75,0

4. МАТЕРИАЛЬНО-ТЕХНИЧЕСКИЕ РЕСУРСЫ

Таблица 6.6

4.1. Потребность в материалах (конструкциях, деталях)

Наименование

ГОСТ, марка

Количество

Лесоматериалы круглые хвойных пород, м3

ГОСТ 9463-72

8,0

Пиломатериалы хвойных пород, м3

ГОСТ 3808.1-80

38,0

Бетонная смесь М300, м3

ГОСТ 7473-76

544,0

Сталь арматурная, т:

 

 

диаметром 40 мм

ГОСТ 5781-82

21,5

диаметром 10-16 мм

ГОСТ 5781-82

12,0

Металлические двутавровые балки № 18, кг

ГОСТ 19425-74

1370

Металлические трубы диаметром 76 мм, кг

ГОСТ 3262-75

720

Таблица 6.7

4.2. Потребность в машинах, оборудовании, инструменте, инвентаре, приспособлениях

Наименование

Тип, марка

Количество, шт.

Пневмобетоноукладчик, комплект:

ПБУ-500

1

ресивер

-

1

бетоновод диаметром 150 мм

-

1

бетоновозки вместимостью 0,8 м3

-

8

лебедка электрическая грузоподъемностью 1,5 м3

 

1

Породопогрузочная машина

ПМЛ-5

1

Вагонетки шахтные вместимостью 1,5 м3

-

12

Электровоз

7КР-600

1

Молотки отбойные

ГОСТ 22044-76

10

Тельфер грузоподъемностью 2 т

ТЭ2-621

1

Вибраторы глубинные

И-50

4

OK-V-179
Таблица 6.8

5. КАРТЫ ОПЕРАЦИОННОГО КОНТРОЛЯ КАЧЕСТВА

5.1. Сооружение верхней части торцевой стены

№ пп

Контролируемые параметры

Предельные отклонения, мм

1

Расстояние между стойками (l):

 

 

на 1 м длины

D1 = ±25

 

на весь пролет

D1 = ±75

2

Вертикальность стоек (лекал):

 

 

на 1 м длины

D2 = ±5

 

на всю высоту конструкции

D2 = ±10

3

Положение осей опалубки стены

D3 = ±8

4

Внутренние размеры опалубки (В)

D4 = ±3

5

Местные неровности опалубки при проверке двухметровой рейкой

±5

6

Толщина защитного слоя бетона

±20

Рис. 6.4. Схема установки опалубки торцевой стены с указанием предельных отклонений:
1 - кружала; 2 - стойки (лекала) опалубки; 3 - доски опалубки; 4 - двутавровые балки; 5 - сборные железобетонные блоки; 6 - опорный бетонный фундамент

Примечания. 1. Диаметр, длина стержней арматуры и их расположение, а также последовательность монтажа должны соответствовать проекту.

2. Арматуру, пораженную коррозией, не применяют.

3. Арматура и опалубка должны быть закреплены и очищены от мусора, грязи.

4. Подвижность, прочность бетона, а также последовательность укладки должны соответствовать проектным.

5. Наибольшая толщина слоев бетонной смеси при укладке должна быть не более 1,25 длины рабочей части вибратора

СНиП III-44-77, СНиП III-15-76

1

Основные операции, подлежащие контролю

Установка опалубки

Установка арматуры

Укладка бетонной смеси

2

Состав контроля (что проверяется)

Положение осей опалубки, вертикальность, ровность, чистота и крепление опалубки

Положение арматурных каркасов, крепление арматуры, диаметр и длина арматуры, отсутствие коррозии, чистота

Толщина слоев бетонной смеси, подвижность, прочность бетона

3

Методы и средства контроля (как и чем проверяется)

Визуальный, измерительный, теодолит, отвес, нивелир, стальная рулетка, двухметровая рейка

Визуальный, измерительный, рулетка стальная

Визуальный, измерительный, метр стальной, отбор контрольных образцов, лабораторное оборудование

4

Сроки контроля

Каждая поэтапная захватка

5

Должность лица, контролирующего операцию

Начальник смены, маркшейдер

Начальник смены

Начальник смены, лаборант

6

Наименование привлекаемой для контроля службы

Маркшейдерская служба

-

Строительная лаборатория

7

Должность лица, ответственного за организацию и обеспечение контроля

Начальник участка, участковый маркшейдер

8

Документ, в котором регистрируются результаты контроля

Общий журнал работ, журнал маркшейдерских работ

Общий журнал работ, журнал сварочных работ

Журнал бетонных работ

Перечень скрытых работ, на которые составляют акты: 1. На установку арматуры. 2. На устройство опалубки.

OK-V-176
Таблица 6.9

5.2. Разработка грунта с креплением средней части торцевой стены

№ пп

Контролируемые параметры

Предельные отклонения, мм

1

Положение оси скважины

D1 = ±10

2

Расстояние между скважинами:

 

 

по ширине (l)

D2 = ±20

 

по высоте (h)

D3 = ±10

3

Глубина скважины

D4 = ±100

4

Положение оси двутавровой балки

D5 = ±10

5

Расстояние между двутавровыми балками по высоте (h)

D6 = ±10

Рис. 6.5. Схема крепления лба забоя средней части торцевой стены с указанием предельных отклонений:
1 - двутавровые металлические балки: 2 - трубчатые анкеры; 3 - деревянные затяжки

Примечания. 1. Скважины должны быть чистыми, в них не должно быть остатков грунта.

2. Все элементы крепления (трубчатые анкеры, двутавровые металлические балки и деревянная затяжка) должны быть плотно прижаты друг к другу; установленная деревянная затяжка надежно расклинена.

3. Состав и консистенция цементного раствора определяются проектом.

4. Натяжение анкеров производится по программе: 5% анкеров - усилием 1,5 Р, т.е. 45 т (450 кН); 95% анкеров - усилием 1 Р, т.е. 30 т (300 кН).

СНиП III-44-77

1

Основные операции, подлежащие контролю

Бурение скважин

Установка анкеров, нагнетание цементного раствора и натяжение

Установка металлических балок и деревянных затяжек

2

Состав контроля (что проверяется)

Положение оси скважины, расстояние между скважинами, глубина

Положение оси установки анкера, состав и консистенция раствора, усилие натяжения

Положение осей металлических балок, расстояние между балками, плотность пригонки затяжек друг к другу, расклинивание их

3

Методы и средства контроля (как и чем проверяется)

Измерительный, нивелир, рулетка, метр стальной

Измерительный, визуальный, рулетка стальная, лабораторный анализ (отбор проб), лабораторное оборудование, манометр

Визуальный, измерительный, рулетка стальная

4

Сроки контроля

Каждая скважина

Каждый анкер

Каждая балка, каждый разрабатываемый ярус

5

Должность лица, контролирующего операцию

Начальник смены, сменный маркшейдер

Начальник смены, лаборант

Начальник смены

6

Наименование привлекаемой для контроля службы

Маркшейдерская служба

Строительная лаборатория

-

7

Должность лица, ответственного за организацию и обеспечение контроля

Начальник участка, участковый маркшейдер

8

Документ, в котором регистрируются результаты контроля

Общий журнал работ, журнал маркшейдерских работ

Общий журнал работ, журнал маркшейдерских работ

Общий журнал работ

Перечень скрытых работ, на которые составляют акты: 1. На нагнетание раствора в скважину с анкером. 2. На натяжение анкеров.

ТЕХНОЛОГИЧЕСКАЯ КАРТА № 7

СООРУЖЕНИЕ ПАССАЖИРСКОЙ ПЛАТФОРМЫ СТАНЦИИ ИЗ СБОРНЫХ ЖЕЛЕЗОБЕТОННЫХ ЭЛЕМЕНТОВ

1. ОБЛАСТЬ ПРИМЕНЕНИЯ

1.1. Конструкция пассажирской платформы и стен подплатформенных помещений состоит из сборных железобетонных элементов заводского изготовления. Сборность конструкций обеспечивает значительное сокращение ручного труда.

1.2. В состав работ, рассматриваемых технологической картой, входят следующие основные процессы:

установка стеновых блоков и перемычек с прикреплением их к закладным деталям жесткого основания;

установка перегородок с креплением;

укладка платформенных плит с креплением;

гидроизоляция платформы.

1.3. Монтаж сборных конструкций осуществляют кран-балкой грузоподъемностью 5 т.

2. ТЕХНОЛОГИЯ И ОРГАНИЗАЦИЯ СТРОИТЕЛЬНОГО ПРОЦЕССА

2.1. До начала сооружения платформы станции должны быть выполнены следующие подготовительные работы:

произведена очистка лотковой части станции от грязи и строительного мусора;

уложен монолитный бетон в лотковую часть станции с установкой закладных деталей;

подготовлены приспособления и средства для временного крепления монтируемых конструкций платформы.

2.2. Указания по технологии работ

2.2.1. Монтаж конструкций платформы при помощи края-балки осуществляют в такой последовательности:

устанавливают стеновые блоки и перемычки над проемами с временным закреплением их распорками и последующей приваркой к закладным деталям жесткого основания и заделкой цементным раствором вертикальных швов;

устанавливают перегородки с таким же креплением;

укладывают платформенные плиты с креплением;

заделывают горизонтальные швы плит цементно-песчаным раствором;

устраивают цементно-песчаную стяжку по плитам перед изоляцией;

устраивают оклеечную изоляцию платформы;

устраивают цементно-песчаную стяжку по изоляции платформы.

2.2.2. Цикл работ по сооружению платформы начинают с разгрузки, очистки и установки стеновых блоков кран-балкой.

Техническая характеристика кран-балки

Грузоподъемность, т............................................................... 5

Высота подъема, м ................................................................. 6

Пролет, м ................................................................................. 18,7

База, м....................................................................................... 3,55

Скорость подъема груза, м/мин............................................. 8,0

Скорость передвижения электротали, м/мин ...................... 20,0

Скорость передвижения кран-балки, м/мин ........................ 12,6

Мощность электродвигателя передвижения крана, кВт...... 2,2

2.2.3. Монтаж сборных железобетонных конструкций платформенной части станции (рис. 7.1, 7.2)

Перед установкой поверхность железобетонных элементов (стеновых блоков, блоков перемычек, перегородок, плит) очищают от грязи, обметают и проверяют наличие закладных деталей. При подъеме монтажным краном блок или плиту останавливают на высоте 5-10 см от места установки, разворачивают и центрируют, затем опускают на поверхность с уложенным ранее цементно-песчаным раствором. После опускания блока или плиты на место проверяют правильность их положения по горизонтали, вертикали и по ранее установленным блокам или плитам.

По окончании выравнивания блока или плиты и установки временных распорок кран освобождают для монтажа последующих элементов конструкций. Ранее установленные блоки или плиты приваривают к закладным деталям жесткого основания и между собой. После установки ряда блоков ли плит производят заливку вертикальных и горизонтальных швов цементно-песчаным раствором.

2.2.4. Устройство оклеенной изоляции платформы

Гидроизоляция платформы состоит из заделки горизонтальных швов цементно-песчаным раствором, устройства выравнивающей цементно-песчаной стяжки, очистки после ее твердения, нанесения грунтовочного слоя, наклейки полотнищ гидроизола и устройства защитной цементно-песчаной стяжки по изоляции.

Чем тщательнее выполнена выравнивающая цементно-песчаная стяжка по плитам платформы, тем выше качество выполненной оклеечной изоляции.

Наклейку двух слоев гидроизола осуществляют поперек оси станции. Листы одного слоя должны перекрывать на 10 см друг друга, а второй слой смещается по отношению к первому на половину ширины рулона.

Поверхность наклеенной гидроизоляции для защиты от повреждений покрывают слоем цементно-песчаного раствора, который наносят вслед за наклейкой. На этом цикл работ заканчивается.

Рис. 7.1. Схема монтажа плит перекрытия пассажирской платформы (план):
1 - плиты; 2 - кран-балка

2.2.5. Сооружение пассажирской платформы с подплатформенными служебными помещениями должны выполнять в соответствии с требованиями СНиП III-44-77 «Правила производства и приемки работ», глава 44 «Тоннели железнодорожные, автодорожные и гидротехнические. Метрополитены», М., Стройиздат, 1977.

Рис. 7.2. Поперечное сечение станции со служебными помещениями:
1
- кран-балка; 2 - плиты пассажирской платформы; 3 - конструкция подплатформенных помещений

2.3. Указания по организации труда

2.3.1. Работы по сооружению платформенной части станции с применением кран-балки выполняет сквозная комплексно я бригада, работающая в две смены, по методу бригадного подряда. Бригада из 13 чел. делится на три звена.

Состав звена № 1, занимающегося монтажом конструкций платформенной части станции, следующий:

Машинист кран-балки 5 разр. - 1

Проходчики:                 5 разр. - 1

                                       4 разр. - 1

Электросварщик          5 разр. - 1

                                                     4 чел.

Состав звеньев № 2 и № 3, выполняющих гидроизоляцию установленных железобетонных конструкций платформы, следующий:

Изолировщики: 4 разр. - 1

                            3 разр. - 3

                                           4 чел.

2.3.2. Технологический процесс сооружения платформы станции предусматривает цикличную поточную организацию работ.

Цикл работ по сооружению платформы начинают с монтажа основных блоков и одновременно заделывают швы между ранее уложенными платформенными плитами. Параллельное ведение этих работ позволяет согласно графику сооружать 10 м платформы за девять смен продолжительностью по 7,2 ч.

2.3.3. Перед началом монтажа маркшейдер размечает места установки стеновых блоков и перегородок, обеспечивает наблюдение при их установке и закреплении.

Проходчики 5 и 4 разр. звена № 1 стропуют стеновые блоки, кран-балкой перемещают к месту монтажа, устанавливают в проектное положение и раскрепляют. После установки, выверки блока и его временного закрепления проходчики вместе с машинистом производят монтаж следующего стенового блока, а электросварщик 5 разр. приступает к приварке установленного блока к закладным деталям жесткого основания и между собой. После приварки временные крепления снимают, а вертикальные швы заделывают цементно-песчаным раствором.

Монтаж платформенных плит начинают с укладки двух крайних плит. После этого укладывают среднюю плиту.

2.3.4. С отставанием на 10 м от монтажа конструкций изолировщики производят гидроизоляцию платформы, начиная с заделки горизонтальных швов плит цементно-песчаным раствором и кончая устройством защитной цементно-песчаной стяжки по изоляции.

2.3.5. Операционный контроль качества работ осуществляют в соответствии с требованиями СНиП III-44-77 и КОКК данной технологической карты (см. раздел 5).

Таблица 7.1

2.4. График выполнения работ по сооружению пассажирской платформы станции длиной 10 м из сборных железобетонных элементов

Таблица 7.2

2.5. Калькуляция затрат труда и заработной платы на сооружение пассажирской платформы станции длиной 10 м из сборных железобетонных элементов

Шифр норм, шифр и числовые значения поправочных коэффициентов

Содержание работ

Состав звена

Единица измерения

На единицу

Объем работ

На конечную продукцию

норма затрат труда, чел.-ч

расценка, руб.-коп.

норма времени использо-
вания машин, маш.-ч

нормативная трудоемкость, чел.-ч

сумма заработной платы, руб.-коп.

нормативное время использо-
вания машин, маш.-ч

ЕНиР, § 4-1-2, п. 2а

Установка сборных железобетонных стеновых блоков подплат-форменных помещений кран-балкой

Монтажники:

4 разр. - 1

3 разр. - 1

2 разр. - 1

1 блок

0,45

0-418

-

38

17,1

15-88

-

То же, п. 2б

Обслуживание кран-балки при монтаже

Машинист 5 разр. - 1

»

0,15

0-177

0,15

38

5.7

6-73

5,70

§ 4-1-13, п. 1а

Установка блоков-перемычек над проемами

Монтажники:

4 разр. - 1

3 разр. - 1

2 разр. - 1

1 проем

0,47

0-436

-

2,0

0,94

0-87

-

§ 4-1-13, п. 1б

Обслуживание кран-балки при монтаже

Машинист 5 разр. - 1

»

0,155

0-183

0,155

2,0

0,31

0-37

0,31

§ 4-1-8, табл. 2, п. 8а

Установка перегородок подплатформенных помещений кран-балкой (площадь перегородок до 3 м2)

Монтажники:

5 разр. - 1

4 разр. - 1

3 разр. - 1

2 разр. - 1

1 перегородка

0,72

0-714

-

15

10,8

10-71

-

§ 4-1-8, табл. 2, п. 8б

Обслуживание кран-балки при монтаже

Машинист 5 разр. - 1

То же

0,18

0-213

0,18

15

2,7

3-20

2,7

§ 4-1-7, п. 7а

Укладка подплатформенных плит площадью до 5 м2

Монтажники:

4 разр. - 1

3 разр. - 2

2 разр. - 1

1 элемент

0,7

0-648

-

39

27,3

25-27

-

То же, п. 7б

Обслуживание кран-балки при монтаже

Машинист 5 разр. - 1

То же

0,175

0-207

0,175

39

6,83

8-03

6,83

§ 22-6, п. 4д, К=1,25, табл. 4, гл. 1, п. 4, К=1,1, п.7, табл. 2, гл. 1

Крепление подплатформенных стеновых блоков к основанию (шов горизонтальный, прерывистый)

Электросварщик 5 разр. - 1

10 м шва

3,85

3-98

-

3,95

15,21

15-72

-

§ 4-1-17, п. 1а

Электросварка монтажных стыков стеновых блоков, перегородок, перемычек между собой (высота шва 6- 8 мм)

То же

1 м шва

0,37

0-38

-

13,9

5,14

5-28

-

§ 4-1-17, п. 2а

Электросварка монтажных стыков плит перекрытий (высота шва 8 мм)

»

То же

0,20

0-237

-

28,0

5,60

6-64

-

§ 36-2-123, табл. 3, п. 3в

Разгрузка железобетонных изделий кран-балкой

Откатчик 2 разр. - 1

т

0,44

0-367

-

60

26,40

22-02

-

Расчет. Тариф 5 разр.

Обслуживание кран-балки при разгрузке железобетонных изделий

Машинист 5 разр. - 1

»

0,10

0-118

0,1

60

6,00

7-08

6,0

§ 36-2-97, п. б

Заделка горизонтальных швов плит платформы

Проходчик 4 разр. - 1

м

0,089

0-092

-

181

16,11

16-65

-

§ 36-2-111, табл. 1, п. а

Устройство стяжки под изоляцию

Изолировщик 3 разр. - 1

м2

0,825

0-734

-

117

99,68

91-73

-

§ 36-2-111, табл. 2, п. 1а

Устройство оклеенной изоляции платформы

Изолировщики:

4 разр. - 3

2 разр. - 1

»

0,72

0-708

-

117

84,24

82-84

-

§36-2-111, табл. 3, п. 2

Устройство стяжки по изоляции

Изолировщик 3 разр. - 1

»

0,57

0-523

-

117

66,69

61-19

-

 

Итого:

 

 

 

 

 

 

396,75

55,1 чел.-дн.

380-21

21,54

2.6. Указания по технике безопасности

2.6.1. При производстве работ должны выполняться требования безопасности в соответствии с «Правилами техники безопасности и производственной санитарии при строительстве метрополитенов, и тоннелей», М., Оргтрансстрой, 1975; СНиП III-4-80, глава 4 «Техника безопасности в строительстве»; «Типовой инструкцией по охране труда для проходчика», М., ВПТИтрансстрой, 1983; «Типовой инструкцией по охране труда для тельфериста», М., Оргтрансстрой, 1978, 3-е изд.; «Типовой инструкцией по охране труда для гидроизолировщика», М., Оргтрансстрой, 1977; «Типовой инструкцией по охране труда для электросварщика», М., ВПТИтрансстрой, 1983.

2.6.2. При монтаже и демонтаже конструкций и оборудования должны быть приняты меры против внезапного падения, опрокидывания или сползания элементов.

2.6.3. При выполнении монтажных работ на высоте более 1 м следует устраивать подмости с ограждениями рабочих мест.

2.6.4. Проходы, проезды, зоны подъема и монтажа конструкций должны быть ограждены с установкой предупредительных надписей и сигналов или охраняться проинструктированными сигналистами.

2.6.5. Все подготовительные работы с монтируемыми элементами (очистка от грязи и ржавчины, грунтовка и другие) должны быть выполнены до подъема и установки конструкций. На высоте допускается лишь восстановление грунтовки, поврежденной при подъеме, а также окраска конструкций.

2.6.6. При подъеме монтируемых элементов сигнализация должна быть организована таким образом, чтобы все сигналы машинисту крана, мотористу лебедки и рабочим на оттяжках подавались только одним рабочим, руководящим установкой (бригадиром).

2.6.7. Освобождение крюка подъемного механизма от поднятых элементов допускается лишь после обеспечения устойчивости их постоянным или временным креплением.

2.6.8. Стропить монтируемые элементы или узлы следует за специальные опорные устройства, проверенные расчетом. Число расчалок должно быть не менее трех.

2.6.9. После окончания монтажных и демонтажных работ или при временном их прекращении руководитель обязан лично убедиться в надежности закрепления.

2.6.10. К работам с горячей мастикой допускаются рабочие, прошедшие медицинский осмотр.

2.6.11. Подогревать битум на рабочем месте разрешается в электробитумоварках с плотными крышками. Применение приборов с открытым огнем запрещается.

3. ТЕХНИКО-ЭКОНОМИЧЕСКИЕ ПОКАЗАТЕЛИ

Таблица 7.3

Наименование показателей

Количество

Затраты труда на 10 м пассажирской платформы, чел.-дней

54,05

Выработка на одного рабочего в смену, см

18,5

Стоимость затрат труда на 10 м пассажирской платформы, руб.-коп.

380-21

4. МАТЕРИАЛЬНО-ТЕХНИЧЕСКИЕ РЕСУРСЫ

Таблица 7.4

4.1. Потребность в материалах (конструкциях, деталях) на 10 м платформы

Наименование

ГОСТ, марка

Количество

Платформенный блок ПБ-1, шт.

Чертежи

26

Платформенный блок ПБ-2, шт.

То же

13

Стеновой блок 242С-1, шт.

То же

34

Стеновой блок 242С 1ДВ-правый, шт.

То же

2

Стеновой блок 242С 1ДВ-левый, шт.

»

2

Блок перегородок Б-6у, шт.

Чертежи

13

Блок перегородок Б-6у*, шт.

То же

2

Блок перемычка 32С-2, шт.

Чертежи

2

Гидроизол изоляции, м2

-

380

Нефтебитум IV марки, т

-

1,3

Электроды, кг

-

147

Цементно-песчаная смесь, м3

М200

8,4

Таблица 7.5

4.2. Потребность в машинах, оборудовании, инструменте, инвентаре, приспособлениях

Наименование

Тип. марка

Количество, шт.

Кран-балка грузоподъемностью 5 т

Чертеж № 1011р/15ЛМП

1

Электробитумоварка

Местное изготовление

1

Прижимной ролик

Ручной инструмент

1

Шпатель деревянный

То же

1

Ручной инструмент

-

5

OK-V-183
Таблица 7.6

5. КАРТА ОПЕРАЦИОННОГО КОНТРОЛЯ КАЧЕСТВА СООРУЖЕНИЯ ПАССАЖИРСКОЙ ПЛАТФОРМЫ ИЗ СБОРНЫХ ЖЕЛЕЗОБЕТОННЫХ ЭЛЕМЕНТОВ ОДНОСВОДЧАТОЙ СТАНЦИИ ГЛУБОКОГО ЗАЛОЖЕНИЯ

№ пп

Контролируемые параметры

Предельные отклонения, мм

1

Вертикальность стеновых блоков

D1 = ±25

2

Положение стеновых блоков в плане

D2 = ±25

3

Отметка верха опорной площадки стенового блока

D3 = ±10

4

Расстояние между осями стеновых блоков (В)

D4 = ±20

5

Расстояние между плитами перекрытия

D5 =  ±20

6

Положение плит перекрытия на опорных поверхностях стеновых блоков

D6 = ±20

Рис. 7.3. Схема монтажа пассажирской платформы с указанием предельных отклонений:
1 - сборные железобетонные арки сводов; 2 - плиты перекрытия; 3 - опорный фундамент; 4 - стеновые блоки; 5 - жесткое основание

Примечания. 1. Перед монтажом конструкции должны быть очищены от грязи, мусора, наледи, а металлические детали - от наплывов бетона и ржавчины.

2. Марка, подвижность и толщина слоя раствора должны устанавливаться проектом.

3. Строповка конструкций должна производиться в местах, указанных в проекте.

4. Расстроповка установленных на месте конструкций должна быть произведена после надежного их крепления.

СНиП III-44-77; СНиП III-16-73

1

Основные операции, подлежащие контролю

Подготовка стеновых блоков и плит перекрытия к монтажу

Монтаж стеновых блоков и плит перекрытия

2

Состав контроля (что проверяется)

Наличие закладных деталей, правильность строповки, маркировка

Положение стеновых блоков в плане, вертикальность их, отметки опорных поверхностей, расстояние между стеновыми блоками и плитами перекрытия

3

Методы и средства контроля (как и чем проверяется)

Визуальный

Измерительный, теодолит, нивелир, стальная рулетка, метр

4

Сроки контроля

Два раза в смену

5

Должность лица, контролирующего операцию

Начальник смены

Начальник смены, сменный маркшейдер

6

Наименование привлекаемой для контроля службы

-

Маркшейдерская служба

7

Должность лица, ответственного за организацию и обеспечение контроля

Начальник смены, участковый маркшейдер

8

Документ, в котором регистрируются результаты контроля

Общий журнал работ

Общий журнал работ, журнал маркшейдерских работ

Акт на скрытые работы не составляют.

ТЕХНОЛОГИЧЕСКАЯ КАРТА № 8

СООРУЖЕНИЕ НАТЯЖНОЙ КАМЕРЫ ЭСКАЛАТОРНОГО ТОННЕЛЯ ОДНОСВОДЧАТОЙ СТАНЦИИ

1. ОБЛАСТЬ ПРИМЕНЕНИЯ

1.1. Веерная часть овода в сопряжении с тоннелем наклонного хода и углубленной частью натяжной камеры, где расположены фундаменты натяжных станций эскалаторов, составляет в конструкции вторую торцевую стену станции.

1.2. Конструкция веерной части и натяжной станции в длину занимает 24 м.

1.3. Организацией работ предусмотрено обеспечение бетоном завода с центрального смесительного узла и транспортировка его на строительную площадку.

1.4. Привязка данной карты к местным условиям производства работ необходима.

2. ТЕХНОЛОГИЯ И ОРГАНИЗАЦИЯ СТРОИТЕЛЬСТВА

2.1. К работам приступают после сооружения верхнего и обратного сводов станции, проходки эскалаторного тоннеля с нагнетанием бетона за обделку и с расчеканкой швов.

Предварительно должно быть смонтировано и опробовано оборудование для бетонирования конструкций, подведены транспортные пути узкой колеи, трубопроводы сжатого воздуха и воды, силовые и осветительные кабели.

2.2. Указания по технологии работ

2.2.1. Графиком предусмотрено выполнение таких работ:

сборка с электросваркой швов конструкций металлоизоляции проема сопряжения;

установка деревянной опалубки с заготовкой элементов;

сборка арматурных каркасов с установкой закладных деталей (в сопряжении; фундаменты натяжных станций, балки);

укладка бетона в конструкцию торцевой стены с применением пневмобетоноукладчика ПБУ-500;

укладка бетона в опалубку колонн, балки фундаментов натяжных станций, монолитные участки, жесткое основание;

установка плит перекрытия.

2.2.2. В разработанном проеме торцевой стены из отдельных частей листовой стали монтируют металлоизолирующую обойму, обрамляющую веерное сопряжение станции с тоннелем наклонного хода (рис. 8.1). На внешней стороне листов металлической обоймы приварены арматурные выпуски для крепления обоймы с бетоном.

Рис. 8.1. Поперечное сечение натяжной камеры:
1 - опорный фундамент сводов станции; 2 - путевой тоннель; 3 - металлоизоляция; 4 - железобетонные блоки свода станции; 5 - жесткое основание

Заготовки отдельных элементов металлической обоймы, профилированных по конфигурации проема, делают в механических мастерских объекта и доставляют на тележках к месту монтажа.

2.2.3. Для облегчения монтажа металлоизоляции используют ручные лебедки грузоподъемностью 0,5 т и отводные блоки.

2.2.4. Установленные листы сваривают между собой по сопряжению сплошным герметическим швом.

2.2.5. Металлоизоляцию наращивают по мере укладки бетона в опалубку.

2.2.6. После установки металлоизоляции в лоток и стены проема устанавливают кружала и опалубку для обрамления путевых тоннелей и ведут сборку арматурных каркасов.

2.2.7. Бетон М300 укладывают при помощи двух пневмобетоноукладчиков в связи с большим объемом работ и ускорением их производства.

2.2.8. Бетон к месту укладки доставляют в бетоновозках вместимостью 0,8 м3. У места загрузки каждого пневмобетоноукладчика строятся эстакада, приемный бункер, бункер-перегружатель. Для подъема бетоновозок на эстакаду устанавливается электрическая лебедка грузоподъемностью 2 т.

2.2.9. Пневмобетоноукладчик устанавливают под эстакадой, где загружают его из бункера перегружателя.

2.2.10. Из пневмобетоноукладчика бетон подается в опалубку по бетоноводу диаметром 150 мм. Бетоновод по мере необходимости перемещают, наращивают или укорачивают, периодически продувают и промывают.

2.2.11. После укладки в опалубку, с уплотнением в торцевую стену, бетон укладывают в пять фундаментов под натяжные станции четырех лент эскалаторов, в лоток камеры, в опалубки колонн, балок и части перекрытия, обрамляющего эскалаторы на уровне пассажирской платформы. Для этих конструкций предварительно устанавливают опалубку, собирают арматурные каркасы и закладные детали. В фундаментах натяжных станций устанавливают деревянные пробки для образования колодцев анкерных болтов. Установку опалубки, закладных деталей и анкерных колодцев тщательно проверяет сменный маркшейдер. Конструкции бетонируют только после его разрешения.

2.2.12. Бетон в бетоновозках доставляют к месту работ и перегружают в контейнеры типа калоши и при помощи тельфера ТВ-1 на электрокран-балке подают к месту укладки в конструкцию подвальной части камеры.

Для уплотнения бетона используют вибраторы игольчатого типа И-50.

2.2.13. Для бетонирования лотковой части натяжной камеры применяют бетон пониженной прочности M150. К месту укладки бетон доставляют при помощи тех же контейнеров.

После укладки бетона поверхность выравнивают с учетом уклонов, так как при отделке предусмотрена укладка металлической плитки.

2.2.14. После возведения конструкций в перекрытие укладывают сборные железобетонные плиты 232П-1 (рис. 8.2).

2.2.15. Работы по сооружению натяжной камеры эскалаторного тоннеля односводчатой станции должны выполняться в соответствии со СНиП III-44-77 «Правила производства и приемки работ», глава 44 «Тоннели железнодорожные, автодорожные и гидротехнические. Метрополитены». М., Стройиздат, 1977.

Рис. 8.2. Продольный разрез и план натяжной камеры:
1 - продольные балки; 2 - плиты перекрытия; 3 - колонны; 4 - фундаменты под эскалаторы; 5 - металлоизоляция

2.3. Указания по организации труда

2.3.1. Натяжную камеру сооружают в три смены продолжительностью по 7,2 ч с обеденным перерывом 48 мин.

2.3.2. С учетом квалификации создают четыре бригады со сменным звеном: бригада проходчиков (с тремя звеньями) - 4 разр. - 4, 5 разр. -  1 (при укладке большого количества бетона работают два звена одновременно); бригада плотников 3 разр. - 3, 4 разр. - 3, 5 разр. - 3; бригада слесарей-монтажников 3 разр. - 2, 4 разр. - 4, 5 разр. - 1; электросварщики 4 разр. - 2; бригада арматурщиков 4 разр. - 7, 5 разр. - 2.

2.3.3. Металлоизоляцию по всему периметру проема выполняет бригада слесарей-монтажников. Она подносит заготовленные детали изоляции с анкерами, монтирует по проекту и сваривает места сопряжений деталей сплошным герметическим швом.

После установки металлоизоляции в лотке и стенах звено плотников устанавливает опалубку: кружала над путевыми тоннелями с обшивкой опалубки досками, подкружальное крепление и леса для арматурщиков и проходчиков.

Звено арматурщиков монтирует каркас с подноской и подъемом арматурных стержней к месту работ.

2.3.4. Бетонирование торцевой стены с проемами выполняют два звена проходчиков, работающих на двух пневмобетоноукладчиках, расположенных в боковых тоннелях.

2.3.5. Проходчик 5 разр. выполняет обязанности оператора пневмобетоноукладчика. Три проходчика 4 разр. принимают бетоновозки, лебедкой поднимают каждую на разгрузочный горизонт, перегружают бетон в бункер, а из него в бункер-перегружатель, из которого бетон загружается затем в пневмобетоноукладчик. Проходчик 4 разр. наблюдает за поступлением бетона в опалубку, производит вибрирование игольчатым вибратором И-50, организует перемещение бетоновода, его периодическую продувку и промывание.

2.3.6. На работах по бетонированию заняты два звена проходчиков с постоянной расстановкой по операциям.

2.3.7. После возведения монолитной железобетонной конструкции звенья плотников, арматурщиков и проходчиков (одно) возводят несущие конструкции колонн, балок, перекрытий, фундаментов под натяжные станции эскалаторов с устройством опалубок, колодцев закладных и анкерных болтов.

2.3.8. Бетонные работы начинают после проверки установки опалубок и арматурных каркасов и выдачи разрешения на их выполнение.

2.3.9. Проходчик 4 разр. выполняет работы тельфериста. Два проходчика 4 и 5 разр. принимают бетон из бетоновозок. Два проходчика 4 разр. принимают контейнеры с бетоном, производят его выгрузку, укладку в опалубку и уплотнение вибраторами.

2.3.10. После сооружения конструкций первого яруса подзольной части звено проходчиков укладывает плиты железобетонных перекрытий.

2.3.11. Операционный контроль качества работ осуществляют в соответствии с требованиями СНиП III-44-77 и КОКК настоящей технологической карты (раздел 5).

Таблица 8.1

2.4. График выполнения работ по сооружению натяжной камеры односводчатой станций

Таблица 8.2

2.5. Калькуляция затрат труда и заработной платы на сооружение натяжной камеры станции

Шифр норм, шифр и числовые значения поправочных коэф-
фициентов

Содержание работ

Состав звена

Единица измерения

На единицу

Объем работ

На конечную продукцию

норма затрат труда, чел.-ч

расценка, руб.-коп.

норма времени использо-
вания машин, маш.-ч

нормативная трудоемкость, чел.-ч

сумма заработной платы, руб.-коп.

нормативное время использо-
вания машин, маш.-ч

 

 

1. Монтаж металлоконструкции

 

 

 

§ 36-2-123, табл. 2, п. 3д

Транспортировка к месту установки деталей и конструкций металлоизоляции

Откатчик 2 разр. - 1

т

0,175

0-146

 

18,56

3,25

2-71

 

§ 36-2-123, табл. 2, п. 36

Разгрузка деталей

То же

»

0,66

0-55

-

18,56

12,25

10-21

 

§ 36-2-91

Установка арматурного каркаса из профиля диаметром свыше 26 мм с электроприхваткой

Проходчик 4 разр. - 1

100 КГ

0,9

0-93

 

8,2

7,38

7-63

 

§ 36-2-112, табл. 2, п. 1а

Устройство изоляции из стальных листов с подъемом и подгонкой по месту и прихваткой электросваркой в лотке и стенах

Проходчики:

4 разр. - 1

5 разр. - 1

Электросварщик

4 разр. - 1

м2

0,57

0-632

 

423

241,11

267-36

 

§ 36-2-112, табл. 2, п. 1б

То же в свод

То же

»

1,15

1-27

-

142

163,30

180-34

-

§ 36-2-112, табл. 2, п. 3а

Сваривание листов металлоизоляции между собой (лоток и стены) электросваркой

»

м шва

0,37

0-382

-

839,64

310,67

320-74

-

§ 36-2-112, табл. 2, п. 3б

То же в своде

»

То же

0,58

0-599

-

281,86

163,48

168-83

-

§ 36-2-112, табл. 2, п. 4а

Приварка к листам зигзагообразной арматуры

»

»

0,67

0-692

-

180

120,60

124-56

-

§ 36-2-88, п. 3а

Устройство настила и ограждения

Крепильщик 3 разр. - 1

м2

0,14

0-28

-

32

4,48

4-10

-

§ 36-2-88, п. 3б

Разборка настила и ограждения

То же

»

0,094

0-086

-

32

3,01

2-75

-

§ 24-5, п. 6а

Установка ручной лебедки для монтажа металлоизоляции

Такелажники:

2 разр. - 3

3 разр. - 1

шт.

2,01

1-72

-

4

8,4

6-88

-

§ 24-5, п. 8а

Снятие ручной лебедки

То же

»

0,49

0-42

-

4

1,96

1-68

-

 

Итого:

 

 

 

 

 

 

1039,89

1097-79

 

2. Монтаж арматурных каркасов в торцевой стене и в конструкциях натяжной камеры

§ 36-2-123, табл. 2, п. 3(б+д)

Доставка и укладка арматуры в штабель

Откатчик 2 разр. - 1

т

0,835

0-696

 

49,06

40,97

34-15

 

§ 36-2-125, п. 1б

Переноска арматуры к месту установки до 50 м

Откатчик 2 разр. - 1

т

1,8

1-50

-

26,9

48,42

40-35

-

§ 36-2-91,

Монтаж арматурного каркаса торцевой стены:

Проходчик 4 разр. - 1

 

 

 

 

 

 

 

 

п. 1, 2, 3д

диаметром более 26 мм

 

100 кг

1,26

1-30

-

305

384,3

396-50

-

п. 1, 2, 3в

диаметром до 18 мм

 

»

2,28

2-33

-

141

321,48

328-53

-

§ 36-2-91, фундаменты

Вязка арматурных каркасов в колонны, пилястры, балки и монолитные участки:

То же

 

 

 

 

 

 

 

 

п. 4б

диаметром до 12 мм

 

»

2,2

2-27

-

37,9

83,38

86-03

-

п. 3в

то же до 18 мм

 

»

2,9

3-00

-

6,43

18,65

19-29

-

§ 4-1-31

Установка закладных деталей массой до 4 кг

»

шт.

0,31

0-302

-

200

65,1

63-42

-

 

Итого:

 

 

 

 

 

 

897,2

968-00

 

3. Установка опалубки

§ 36-2-123, табл. 2, п. 2(б+д)

Доставка лесоматериалов к месту работ с разгрузкой и укладкой в штабель

Откатчик 2 разр. - 1

м3

0,54

0-45

-

32,4

17,50

14-58

-

В3-4-62, 1б, К=1,15

Изготовление щитов для перекрытий площадью до 2 м2 (ручная заготовка)

Проходчик 3 разр. - 1

м2

0,184

0-169

-

221,42

40,74

37-42

-

В3-4-64, табл. 5, п. 1а

Устройство опалубки перекрытий монолитных участков

Проходчик 4 разр. - 1

»

0,43

0-44

-

82,8

35,61

36-43

-

В3-4-61, п. 2

Изготовление деревянных стоек лесов, поддерживающих опалубку

Крепильщик 3 разр. - 1

шт.

0,28

0-256

-

74

20,72

18-94

-

В3-4-63, п. б

Устройство лесов, поддерживающих опалубку балок

Крепильщик 4 разр. - 1

100 м стоек

11,5

11-88

-

1,2

13,80

14-26

-

В3-4-64, п. 1+2

Устройство опалубки перегородок из щитов площадью до 5 м2

То же

м2

0,28

0-289

-

62,82

17,59

18-15

-

В3-4-62, п. 1а, К=1,15

Изготовление щитов площадью до 1 м2 для колонн и балок (ручная заготовка)

Крепильщик 3 разр,-1

»

0,24

0-221

-

60,03

14,41

13-27

-

В3-4-64, табл. 4, п. 1

Устройство опалубки балок перекрытия

Крепильщик 4 разр. - 1

»

0,39

0-403

-

27,46

10,71

11-07

-

В3-4-64, табл. 3, п. 2(а+б)

Устройство и разборка опалубки колонн из готовых элементов периметром более 1200 мм

То же

»

0,575

0-594.

-

32,57

18,73

19-35

-

В3-4-66, п. 1(а+б)

Устройство опалубки закладных частей площадью до 1 м2 с разборкой

Крепильщики:

3 разр. - 1

4 разр. - 1

м2

2,4

4-68

-

27,4

65,76

128-23

-

В3-4-64, табл. 2, п. 1(а+б)

Устройство и разборка опалубки фундаментов под эскалаторы

Крепильщик 4 разр. - 1

»

0,805

0-832

-

75,8

61,02

63-06

-

В3-4-64, табл. 7, п. 1а

Установка и крепление кружал сводов

То же

100 м элементов кружал

6,1

6-30

-

2,72

16,59

17-14

-

В3-4-64, табл. 7, п. 4(а+б)

Установка опалубки арок с разборкой

»

м2

0,39

0-403

-

74,78

29,16

30-14

-

 

Итого:

 

 

 

 

 

 

362,34

422-04

 

4. Укладка бетонной массы в конструкции

§ 36-2-12, табл. 1, п. 1е

Подкатка вагонеток с бетоном на расстояние до 50 м

Откатчик 2 разр. - 1

м3

0,33

0-275

-

912,5

301,13

250-94

-

§ 36-2-90, п. 5(a+6)

Устройство бойка для приема бетона с разборкой

Крепильщик 3 разр. - 1

м2

0,375

0-344

-

32,0

12,0

11-01

-

§ 36-2-123, п. 1a

Погрузка бетона в емкость для подачи в натяжную камеру

Откатчик 2 разр. - 1

м3

1,05

0-875

-

176,0

184,8

154-00

-

§ 36-2-119, п. 2д

Перестановка пои помощи тельфера ковша с бетоном

Проходчик 4 разр. - 1

перестановка

0,12

0-124

-

84,0

10,08

10-42

-

§ 36-2-92, табл. 6

Бетонирование колонн и пилястр

Проходчик 5 разр. - 1

м3

1,5

1-77

-

72,56

108,84

128-43

-

§ 36-2-92, табл. 6, п. 8

Бетонирование балок

То же

»

1,15

1-36

-

32

3,68

4-35

-

§36-2-92, п. 5

Бетонирование монолитных плит перекрытия

»

»

0,71

0-84

-

32,44

23,03

27-25

-

§ 36-2-92, п. 1

Бетонирование лотка натяжной камеры

»

»

0,82

0-97

-

67,8

55,6

65-77

-

§ 36-2-128, п. к

Перекидка бетона в перегружатель

Откатчик 2 разр. - 1

»

1,4

1-17

-

736,5

1031,1

861-71

-

§ 36-2-92, табл. 3, п. 1а

Укладка бетона при помощи пневмобетоноукладчика

Проходчики:

5 разр. - 1

4 разр. - 1

»

1,2

1-33

-

736,5

883,8

979-55

-

 

Итого:

 

 

 

 

 

 

2614,06

2493-43

-

 

5. Монтаж плит перекрытия

 

 

 

 

 

 

 

 

 

§ 36-2-97, табл. 2, п. 2б, применит.

Укладка плит перекрытия массой 0,24 т

Проходчики:

4 разр. - 1

5 разр. - 1

шт.

0,38

0-421

-

16

6,08

6-74

-

В3-4-102, п. 2

Подготовление раствора вручную

Изолировщик-пленочник 2 разр. - 1

м3

1,55

1-29

-

1,8

2,79

2-32

-

§ 36-2-97, применит.

Заделка горизонтальных швов плит раствором

Проходчик 4 разр,-1

1 м шва

0,089

0-092

-

32,7

2,91

3-01

-

 

Итого:

 

 

 

 

 

 

11,78

12-07

 

 

Всего: чел.-ч

 

 

 

 

 

 

4925,27

4993-33

 

 

чел,-дней

 

 

 

 

 

 

684,06

 

 

2.6. Указания по технике безопасности

2.6.1. При производстве работ должны выполняться требования безопасности в соответствии с «Правилами техники безопасности и производственной санитарии при строительстве метрополитенов и тоннелей», М., Оргтрансстрой, 1975; СНиП III-4-80, глава 4 «Техника безопасности в строительстве»; «Типовой инструкцией по охране труда для бетонщиков», М., ВПТИтрансстрой, 1983; «Типовой инструкцией по охране труда для крепильщиков», М., ВПТИтрансстрой, 1980; «Типовой инструкцией по охране труда для электросварщиков», М., ВПТИтрансстрой, 1983; «Типовой инструкцией по охране труда для тельфериста», М., Оргтрансстрой, 1978, 3-е издание.

2.6.2. К работам допускаются рабочие, прошедшие инструктаж с регистрацией в журнале.

2.6.3. Для подвода тока к сварочному трансформатору должны применяться шланговые кабели, а к электродвигателю - специальные гибкие провода в резиновой изоляции.

2.6.4. Осуществлять электросварку без заземления электросварочного оборудования, с поврежденной изоляцией ручки электрододержателя и неисправными защитными очками или щитками, запрещается. Работающие, как и электросварщик, должны быть обеспечены в зависимости от условий защитными очками или щитками.

2.6.5. Подключать электросварочный аппарат к электросети разрешается электромонтеру или дежурному электрослесарю, имеющему разряд не ниже третьей квалификационной группы.

2.6.6. Рабочий настил лесов для монтажа арматуры бетонирования должен иметь ширину не менее 1 м и надлежащее ограждение.

2.6.7. Перед началом укладки бетонной смеси представитель технического надзора обязан проверить надежность крепления опалубки, поддерживающих лесов, рабочих подмостей и настилов.

2.6.8. Опалубки можно разбирать только с разрешения начальника смены или участка.

2.6.9. Щиты, доски и другие материалы от разбираемой или монтируемой опалубки складывать на подмостях запрещается.

2.6.10. При подаче бетона бетононасосом или пневмобетоноукладчиком необходимо тщательно следить за надежным креплением бетоновода на всем его протяжении и за плотным соединением между собой отдельных его звеньев. У выходного отверстия бетоновода должен быть установлен козырек-отражатель.

2.6.11. При продувке бетоновода сжатым воздухом опасное место должно быть ограждено, а рабочие должны быть удалены от выходного отверстия бетоновода на расстояние не менее 10 м.

2.6.12. При подаче бетона пневмобетоноукладчиком необходимо обеспечить место ведения работ двухсторонней световой и звуковой сигнализацией.

2.61.13. Для устранения возможных неисправностей оборудования и ликвидации пробок в шлангах и трубопроводах следует удалить из них сжатый воздух и отключить электрическую сеть.

2.6.14. Перед зоной бетонных (опалубочных, арматурных) работ должны быть вывешены освещенные транспаранты: «Внимание!», «Опасная зона», «Ведутся работы».

2.6.15. Установку арматуры отдельных железобетонных ригелей и балок, перекрытий следует производить с рабочего настила шириной не менее 1 м, расположенного с боковой стороны коробов опалубки. Такой же настил устанавливают при монтаже отдельно стоящих железобетонных стен и перегородок.

2.6.16. При опрокидывании кузова бетоновозки следует стоять только со стороны буферов, сбоку бетоновозки стоять запрещается.

3. ТЕХНИКО-ЭКОНОМИЧЕСКИЕ ПОКАЗАТЕЛИ

Таблица 8.3

Наименование

Количество

Затрате труда на сооружение натяжной камеры и торцевой стены, чел.-дней

582

Выработка на одного рабочего в смену, железобетонная конструкция, м3

1,57

Стоимость затрат труда на полное сооружение натяжной камеры, руб.-коп.

5070-87

4. МАТЕРИАЛЬНО-ТЕХНИЧЕСКИЕ РЕСУРСЫ

Таблица 8.4

4.1. Потребность в основных материалах

Наименование

ГОСТ, марка

Количество

Пиломатериалы хвойных пород, м3

ГОСТ 24454-80Е

32,4

Бетон М300

ГОСТ 7473-76

844,7

Бетон М150

То же

67,8

Сталь арматурная AIII диаметром 36 мм, т

ГОСТ 5781-82

16,8

То же 28

То же

13,7

Сталь арматурная AIII диаметром 16 мм, т

ГОСТ 5781-82

8,15

То же 12

То же

0,27

Сталь арматурная AII20

»

0,544

То же 16

»

1,532

То же 12

»

1,8

То же 10

»

7,0

Сталь арматурная AI8

»

1,723

Сталь листовая, т

ГОСТ 19903-74

17,74

Сталь полосовая, т

ГОСТ 103-76

0,092

Сталь угловая равнополочная, т

ГОСТ 8509-72*

0,087

Плиты железобетонные, шт.

232П-1

16

Таблица 8.5

4.2. Потребность в машинах, оборудовании, инструменте, инвентаре, приспособлениях

Наименование

Тип, марка

Количество

Пневмобетоноукладчик

ПБУ-500

2

Бетоновод диаметром 150 мм

-

2

Ресивер

-

2

Перегружатель бетона

-

2

Электровоз

7КР-600

2

Бетоновозка вместимостью 0,8 м3

-

16

Электросварочный аппарат постоянного тока

СМГ-1

2

Тельфер

ТВ-1

1

Лебедка для вспомогательных работ грузоподъемностью 0,5 т

ГОСТ 15035-80Е

2

Таблица 8.6

5. КАРТА ОПЕРАЦИОННОГО КОНТРОЛЯ КАЧЕСТВА СООРУЖЕНИЯ НАТЯЖНОЙ КАМЕРЫ ОДНОСВОДЧАТОЙ СТАНЦИИ

Контролируемые параметры

Предельные отклонения, мм

Положение оси металлоизоляции камеры

D1 = ±5

Величина радиуса кривизны (R)

D2 = ±10

Наружные размеры опалубки (в)

D3 = ±3

Положение осей натяжной камеры и перегонных тоннелей (l)

D4 = ±5

Ширина проема камеры (в)

D5 = ±10

Длина стальных листов металлоизоляции по диагоналям

±6

Рис. 8.3. Схема натяжной камеры с указанием предельных отклонений:
1
- железобетонные блоки верхнего свода; 2 - металлоизоляция; 3 - кружало; 4 - крепление опалубки; 5 - бетонный опорный фундамент; 6 - стойка (лекало); 7 - железобетонные блоки обратного свода

Примечания. 1. Металлоизоляция, арматура, опалубка должны быть очищены, закреплены и установлены в соответствии с проектом.

2. Стальные листы металлоизоляции должны быть размечены, выровнены, очищены от ржавчины.

3. Сварные швы металлоизоляции должны быть очищены от шлака, заусенцев и грата и проверены на плотность.

4. При проверке герметичности стыков давление должно превышать рабочее, но не более чем в 1,4 раза.

5. Открытая поверхность металлоизоляции должна быть предохранена от коррозии слоем цементного раствора или покрыта антикоррозионным составом.

СНиП III-44-77; СНиП III-15-76

1

Основные операции, подлежащие контролю

Устройство металлизации

Устройство опалубки

Установка арматуры

Укладка бетона

2

Состав контроля (что проверяется)

Положение металлоизоляции, чистота поверхности, плотность и герметичность швов

Положение осей опалубки, вертикальность, ровность, чистота и крепление опалубки

Положение арматуры, крепление ее, диаметр и длина арматуры, отсутствие коррозии, сварка стыков

Толщина слоев бетонной смеси, подвижность, прочность бетона

3

Методы и средства контроля (как и чем проверяется)

Визуальный, измерительный, нивелир, стальная рулетка, шаблон

Визуальный, измерительный, теодолит, отвес, нивелир, стальная рулетка, двухметровая рейка

Визуальный, измерительный, стальная рулетка, шаблон

Визуальный, измерительный, лабораторный анализ (отбор проб), метр стальной, лабораторное оборудование

4

Сроки контроля

Каждая поэтапная захватка

 

5

Должность лица, контролирующего операцию

Начальник смены, сменный маркшейдер

Начальник смены

Начальник смены, лаборант

6

Наименование привлекаемой для контроля службы

Маркшейдерская служба

 

Строительная лаборатория

7

Должность лица, ответственного за организацию и обеспечение контроля

Начальник участка, участковый маркшейдер

 

8

Документ, в котором регистрируют результаты контроля

Общий журнал работ, журнал сварочных работ, журнал маркшейдерских работ

Общий журнал работ, журнал маркшейдерских работ

Общий журнал работ, журнал сварочных работ

Журнал бетонных работ

Скрытые работы, на которые составляются акты: 1. На устройство металлоизоляции. 2. На установку арматуры. 3. На устройство опалубки.

ТЕХНОЛОГИЧЕСКАЯ КАРТА № 9

СООРУЖЕНИЕ САНИТАРНОГО УЗЛА И СЛУЖЕБНЫХ ПОМЕЩЕНИЙ ОДНОСВОДЧАТОЙ СТАНЦИИ

1. ОБЛАСТЬ ПРИМЕНЕНИЯ

1.1. Санитарный узел и служебные помещения размещаются в торце станции с противоположной стороны от наклонного эскалаторного тоннеля и занимают по протяженности 21 м.

1.2. Санитарный узел и служебные помещения расположены на трех этажах станции.

1.3. Лестничное отделение разделяет одну сторону под служебные помещения, другую - под санитарный узел, расположенный на двух этажах, на третьем этаже строят служебные помещения. Общая площадь служебных помещений составляет 282,1 м2.

1.4. Служебные помещения предназначены для медпункта, комнаты медицинского инвентаря, диспетчерского станционного пункта, аппаратной, вентиляционной камеры, кубовой, дикторской.

1.5. Технологическую карту необходимо увязать с местными условиями и согласовать с рабочим проектом.

2. ТЕХНОЛОГИЯ И ОРГАНИЗАЦИЯ СТРОИТЕЛЬНОГО ПРОЦЕССА

2.1. В подплатформенной части конструкции выполняют из-за разнотипности монолитными.

2.2. Указания по технологии работ

2.2.1. Для колонн, балок, монолитных участков перекрытий, перегородок, фекального бака устанавливают деревянную опалубку и собирают арматурные каркасы. В лоток укладывают под отметку бетон М200. Стеновые блоки 242С-1 устанавливают на лотковый бетон. Перегородки возводят из кирпича толщиной 12,5 см. В верхних этажах над платформой Перекрытия собирают из плит П-2а, 232П-IVК.

2.2.2. Работы по разбивке, установке отдельных элементов несущего каркаса сооружения узла и служебных помещений выполняет маркшейдерская служба. Она же контролирует выполнение работ в процессе сооружения.

2.2.3. Планировочные решения можно менять в зависимости от условий сооружения объекта.

2.2.4. Для колонн, прогонов, монолитных участков перекрытий, фекального бака применяют монолитный бетон М300, для укладки в лоток - бетон М200.

2.2.5. Бетон доставляют в бетоновозках вместимостью 0,8 м3 электровозом 7КР-600 и перегружают в специальные емкости. Для подачи к месту укладки используют электрокран-балку и тельфер грузоподъемностью 3 т, подвешенные на монорельс в шелыге свода вдоль санитарного узла и служебных помещений. Эти же средства используют для доставки арматуры, пило- и других материалов.

2.2.6. Аналогично сооружают несущие конструкции и перегородки этажом выше уровня пассажирской платформы (рис. 9.1).

Рис. 9.1. Продольный разрез и сечение санитарного узла и служебных помещений односводчатой станции:
1 - сборная железобетонная обделка сводов станции; 2 - жесткое основание; 3 - колонны; 4 -  балки (ригели); 5 - плиты перекрытия; 6 - перегородки; 7 - зонт

2.2.7. Санитарный узел и служебные помещения односводчатой станции сооружают в соответствии со СНиП III-44-77 «Правила производства и приемки работ», глава 44 «Тоннели железнодорожные, автодорожные и гидротехнические. Метрополитены», М., Стройиздат, 1977; СНиП III-15-76 «Правила производства работ», глава 15 «Бетонные и железобетонные конструкции», М., Стройиздат, 1977.

2.3. Указания по организации труда

2.3.1. Работы по сооружению санитарного узла и служебных помещений выполняют в три смены по 7,2 ч с обеденным перерывом 48 мин.

2.3.2. По сменам работают звенья специализированных бригад: звено крепильщиков 5 разр. -  1, 4 разр. - 3, 3 разр. - 3; звено арматурщиков 5 разр. - 1, 4 разр. - 3; звено проходчиков 5 разр. -  1, 4 разр. - 6; звено каменщиков 5 разр. -  1, 4 разр. - 4, 3 разр. - 6.

2.3.3. Работы по сооружению узла выполняют по бригадному подряду, объединив звенья в комплексную бригаду.

2.3.4. На устройстве опалубки плотники-крепильщики (4 чел.) устраивают элементы опалубки, возводят леса и крепят опалубку. Остальные крепильщики (3 чел. - 3 разр.) заняты на изготовлении щитов опалубки, заготовке элементов опалубки и доставке их на место монтажа.

2.3.5. Установку арматуры, закладных деталей, подъем арматуры к месту монтажа выполняет звено арматурщиков (4 чел.).

2.3.6. Бетонные работы выполняет звено проходчиков. Вначале укладывают бетон в лоток подвальной части, по окончании - в конструкции колонн, стен, монолитных участков подвальной части и двух этажей узла. Три проходчика 4 разр. заняты на приемке бетона из бетоновозок с выгрузкой в емкость, причем один проходчик может работать на электрокран-балке и тельфере. Три проходчика 4 разр. во главе с проходчиком 5 разр. производят укладку бетона в опалубку и уплотнение ее вибратором И-50. Такая расстановка звена сохраняется на весь объем работ по бетонированию конструкций. При установке сборных блоков и плит один проходчик управляет кран-балкой или тельфером, доставляя их к месту монтажа. Два проходчика 4 разр. стропуют железобетонные элементы, а остальные проходчики устанавливают детали сборных блоков и плит на место (на цементно-песчаном растворе).

После завершения работ все звено бетонирует жесткое основание под путь с установкой выпусков арматуры.

2.3.7. Кирпичную кладку перегородок выполняет звено каменщиков.

Пять каменщиков (5 разр. - 1 и 4 разр. - 4) производят кирпичную кладку. Три каменщика 3 разр. выполняют подсобную работу по подаче кирпича и раствора. Три каменщика 3 разр. принимают доставляемый кирпич и раствор от ствола в вагонетках.

2.3.8. Цементно-песчаный раствор для кирпичной кладки доставляют с бетонного завода, а затем в бетоновозках вместимостью 0,8 м3 - к месту производства работ.

2.3.9. Операционный контроль качества работ проводят в соответствии с требованиями СНиП III-44-77 и КОКК данной технологической карты (раздел 5).

Таблица 9.1

2.4. График сооружения санитарного узла и служебных помещений односводчатой станции

Таблица 3.2

2.5. Калькуляция затрат труда к заработной платы на сооружение санитарного узла и служебных помещений односводчатой станции

Шифр норм, шифр и числовые значения поправочных коэффициентов

Содержание работ

Состав звена

Единица измерения

На единицу

Объем работ

На конечную продукцию

норма затрат труда, чел.-ч

расценка, руб.-коп.

норма времени использо-
вания машин, маш.-ч

нормативная трудоемкость, чел.-ч

сумма заработной платы, руб.-коп.

нормативное время использо-
вание машин, маш.-ч

 

 

1. Устройство деревянной опалубки

 

 

§ 36-2-123, табл. 2, п. 2(б+д)

Перемещение материалов с укладкой в штабель

Откатчик 2 разр. - 1

м3

0,54

0-45

0,2

57,36

30,97

25-81

11,47

§ В3-4-62, п. 2а, К=1,15

Изготовление щитов для перекрытий площадью до 1 м2. Ручная заготовка

Крепильщик 3 разр. - 1

м2

0,15

0-138

-

68

10,2

9-38

-

§ В3-4 64, табл. 5, п. 2а,б

Устройство опалубки перекрытий монолитных участков

Крепильщик 4 разр. - 1

»

0,32

0-33

-

68

21,76

22-44

-

§ В3-4-62, п. 1а, К=1,15

Изготовление щитов для колонн, балок и стен, площадь щита до 1 м3. Ручная заготовка

Крепильщик 3 разр. - 1

»

0,24

0-22

-

713,76

171,3

157-03

-

§ В3-4-64, табл. 3, п. 1а

Устройство опалубки колонн из заготовленных элементов периметром до 1200 мм

Крепильщик 4 разр. - 1

»

0,54

0-558

-

199,4

107,68

111-26

-

§ В3-4-64, табл. 6, п. 1,2

Устройство опалубки стен из заготовленных элементов

Крепильщик 4 разр. - 1

м2

0,28

0-289

-

137,74

38,57

39-81

-

§ В3-4-64, табл. 4, п. 1б

Установка простой опалубки для балок высотой до 300 мм

То же

»

0,39

0-40

-

72,97

28,46

29-19

-

§ В3-4-64, табл. 4, п. 1б

Установка сложной опалубки для балок высотой до 300 мм

Крепильщики:

5 разр. - 1

4 разр. - 1

»

0,49

0-54

-

40,1

19,65

21-65

-

§ В3-4-64, табл. 4, п. 2а

Установка простой опалубки для балок высотой до 500 мм

Крепильщик 4 разр. - 1

»

0,3

0-31

-

89,44

26,83

27-73

-

§ В3-4-64, табл. 4, п. 2б

Установка сложной опалубки для балок высотой до 500 мм

Крепильщики:

5 разр. - 1

4 разр. - 1

»

0,37

0-41

-

126,71

46,88

51-95

-

§ В3-4-64, табл. 4, п. 3б

Установка сложной опалубки для балок высотой более 500 мм

То же

»

0.32

0-355

-

47,4

15,17

16-83

-

§ В3-4-61, п. 2

Изготовление деревянных стоек лесов, поддерживающих опалубку

Крепильщик 3 разр. - 1

шт.

0,28

0-25,7

-

127

35,56

32-64

-

§ В3-4-63, п. б

Устройство лесов, поддерживающих опалубку

Крепильщик 4 разр. - 1

100 м

11,5

11-88

-

7,81

89,81

92-78

-

§ В3-4-66, п. 1а

Устройство опалубки закладных частей с закреплением на месте

Крепильщики:

4 разр. - 1

3 разр. - 1

м2

1,9

1-85

-

24,7

46,93

45-69

-

 

Итого:

 

 

 

 

 

 

689,77

664-19

 

2. Арматурные работы

§ 36-2-123, табл. 2, п. 3(б+д)

Доставка арматуры и укладка в штабель

Откатчик 2 разр. - 1

т

0,835

0-696

0,31

10,734

8,96

7-47

3,33

§ В3-4-68, п. 4б

Установка и вязка арматуры в колоннах диаметром 8 мм

Проходчик 4 разр. - 1

»

22,0

22-73

-

0,51

11,22

11-59

-

§ В3-4-68

То же 16 мм

То же

»

12,5

12-91

-

1,721

21,51

22-22

-

§ 36-2-91

Установка и вязка арматуры в балках:

 

 

 

 

 

 

 

 

 

п. 4а

диаметром 8 мм

»

100 кг

2,9

3-00

-

17,299

50,17

51-90

-

п. 4б

диаметром 12 мм

»

»

2,2

2-27

-

10,773

23,7

24-45

-

п. 4в

диаметром 18 мм

»

»

1.6

1-65

-

13,272

21,24

21-90

-

п. 4г

диаметром до 26 мм

»

»

1,1

1-14

-

21,842

24,03

24-90

-

§36-2-91, п. 5а

Установка и вязка арматуры диаметром до 8 мм на монолитных участках

»

»

2,7

2-79

 

2,577

6,96

7-19

-

§ 36-2-91, п. 5б

То же диаметром до 12 мм

»

»

1,75

1-81

-

7,299

12,77

13-21

-

§ 36-2-91, п. 6а

Установка и вязка арматуры диаметром до 8 мм в стены

Проходчик 4 разр. - 1

100 кг

3,5

3-62

-

2,768

9,69

10-02

-

§ 36-2-91, п. 6б

То же диаметром до 12 мм

То же

»

2,3

2-38

-

9,2

21,16

21-90

-

§ 4-1-31, п. 1

Установка закладных деталей массой до 4 кг

»

шт.

0,31

0-302

-

247

76,57

74-59

-

 

Итого:

 

 

 

 

 

 

287,98

291-34

 

3. Бетонирование

§ 36-2-123, табл. 1, п. 1г

Подкатка бетоновозок на расстояние до 50 м

Откатчик 2 разр. - 1

м3

0,33

0-275

-

324,7

107,15

89-29

-

§ 36-2-90, п. 5а+б

Устройство бойка для приема бетона с разборкой

Крепильщик 3 разр. - 1

м2

0,375

0-344

-

42

15,75

14-45

-

§ 36-2-123, табл. 1, К=1,1

Погрузка бетона в ковши для подачи на укладку

Откатчик 2 разр. - 1

м3

1,16

0-96

 

220,2

255,43

211-39

-

§ 36-2-92, табл. 6, п. 9

Бетонирование колонн

Проходчик 5 разр. - 1

»

1,5

1-77

 

16,7

25,05

29-56

-

§ 36-2-92, табл. 6, п. 8

Бетонирование балок

Проходчик 5 разр. - 1

»

1,15

1-36

-

44,0

50,6

59-84

-

§ 36-2-92, табл. 6, п. 5

Бетонирование монолитных плит, перекрытия

То же

»

0,71

0-84

-

10,0

7,1

8-40

-

§36-2-92, табл. 6, п. 5

Бетонирование монолитных железобетонных перегородок

»

»

3,0

3-55

-

6,5

19,5

23-08

-

§ 36-2-95, п. 3

Бетонирование жесткого основания под путь

Проходчик 4 разр. - 1

»

0,91

0-94

-

104,5

95,1

98-23

-

§ 36-2-92, табл. 6, п. 1

Бетонирование лотка санитарного узла

То же

м3

0,82

0-97

-

128,0

104,96

124-16

-

§ 36-2-92, табл. 6, п. 2, К=1,25

Бетонирование в монолитные армированные стены бака фекальной перекачки

»

»

2,37

2-81

-

15

35,55

42-15

-

§ 4-1-31, п. 1б

Установка выпусков арматуры при бетонировании лотка и жесткого основания под путь

»

шт.

0,31

0-302

-

127

39,37

38-35

-

 

Итого:

 

 

 

 

 

 

755,56

738-9

-

4. Монтаж железобетонных плит перекрытия

§ 4-1-2, п. 2а

Установка сборных стеновых блоков подплатформенных помещений кран-балкой

Проходчики 4 разр. - 2

шт.

0,45

0-418

0,15

30

13,5

12-54

4,5

§ 4-1-2, п. 2б

Обслуживание кран-балки при монтаже

Проходчик 4 разр. - 1

шт.

0,15

0-177

-

30

4,5

5-31

-

§ 36-2-97, табл. 2, п. 1б

Монтаж плит перекрытия тельфером (массой 0,33 т)

Проходчики:

5 разр. - 1

4 разр. - 1

»

0,64

0-709

0,32

110

70,4

77-99

35,2

§ 36-2-97, табл. 2, п. 2б

Монтаж плит перекрытия платформы кран-балкой (массой 0,23 т)

То же

»

0,38

0-421

0,15

40

15,2

16-84

6,0

То же

Заделка горизонтальных швов плит платформы

Проходчик 4 разр. - 1

м

0,089

0-092

-

655,87

58,37

60-34

-

 

Итого:

 

 

 

 

 

 

161,97

173-02

 

5. Кирпичная кладка

§ В3-4-106, п. 2а, К=1,2, прим., п. 3

Кирпичная кладка перегородок в полкирпича с проемами

Каменщик 3 разр. - 1

м2

0,92

0-844

-

1091,7

1003,81

921-39

-

§ 36-2-123, п. 6в

Выгрузка кирпича из вагонеток с опусканием на пол

Откатчик 2 разр. - 1

м3

0,77

0-642

-

131,0

100,87

84-10

-

§ 36-2-125, п. 5

Переноска кирпича на расстояние до 10 м (дополнительно)

То же

»

0,53

0-398

-

131,0

69,43

52-14

-

§ 36-2-123, табл. 1, п. 2д

Разгрузка раствора из бетоновозок

»

»

0,16

0-133

-

30

4,8

3-99

-

§ 36-2-88, табл. 1, п. 2(а+б)

Устройство лесов из досок для кирпичной кладки с разборкой

Крепильщик 3 разр. - 1

м

0,14

0-129

-

57

5,36

4-90

-

§ 36-2-88, табл. 1, п. 3(а + б)

Устройство настила и ограждений

То же

м2

0,23

0-214

-

563

129,49

120-48

-

§ 4-1-31, п. 1б

Установка закладных деталей массой до 4 кг

Проходчик 4 разр. - 1

шт.

0,31

0-302

-

92

28,52

27-78

-

§ 36-2-12;5, п. 2а

Дополнительная переноска раствора на расстояние до 10 м

Откатчик 2 разр. - 1

м3

0,6

0-45

-

30

18,0

13-50

-

 

Итого:

 

 

 

 

 

 

1360,28

1224-28

 

 

Всего: чел.-ч

 

 

 

 

 

 

3255,56

3091-73

 

 

чел.-дней

 

 

 

 

 

 

452.16

 

 

2.6. Указания по технике безопасности

2.6.1. При производстве работы должны выполняться требования безопасности в соответствии: с «Правилами техники безопасности и производственной санитарии при строительстве метрополитенов и тоннелей», М., Оргтрансстрой, 1975; СНиП III-4-80, глава 4 «Техника безопасности в строительстве»; «Типовой инструкцией по охране труда для крепильщика», М., ВПТИтрансстрой, 1980; «Типовой инструкцией по охране труда для проходчика»; «Типовой инструкцией по охране труда для бетонщика», М., ВПТИтрансстрой, 1983; «Типовой инструкцией по охране труда для арматурщика», М., ВПТИтрансстрой, 1984.

2.6.2. Рабочий настил лесов для монтажа арматуры бетонирования должен иметь ширину не менее 1 м и надежное ограждение.

2.6.3. Перед началом укладки бетонной смеси представитель технического надзора обязан проверить надежность крепления опалубки, поддерживающих лесов, рабочих подмостей и настилов.

2.6.4. Опалубки можно разбирать только с разрешения начальника смены или участка.

2.6.5. Щиты, доски, и другие материалы от разбираемой или монтируемой опалубки складывать на подмостях запрещается.

2.6.6. При необходимости передвижения людей и транспортных средств в зоне выполнения бетонных (опалубочных, арматурных) работ должны быть оборудованы свободный проезд для транспорта и проход для людей с соблюдением установленных габаритов. Перед зоной бетонных (опалубочных, арматурных) работ должны быть вывешены освещенные транспаранты: «Внимание», «Опасная зона», «Ведутся работы».

2.6.7. Запрещается установка арматуры в опалубку вблизи неизолированных электропроводов, находящихся под напряжением.

2.6.8. При опрокидывании кузова бетоновозки следует стоять только со стороны буферов, сбоку бетоновозки стоять запрещается.

2.6.9. Высоту каждого яруса стены назначают с таким расчетом, чтобы уровень кладки после каждого перемещения был выше уровня рабочего настила на два ряда.

2.6.10. Запрещается выкладывать стену, стоя на ней.

2.6.11. Запрещается оставлять материалы и инструмент на стене во время перерыва в кладке.

2.6.12. При перемещении элементов и конструкций монтажникам следует находиться вне контура устанавливаемого элемента или конструкции со стороны, противоположной подаче их кран-балкой.

2.6.13. Поданный элемент (конструкцию) опускают над местом его установки не более чем на 30 см выше проектного положения, после чего монтажники наводят его на место установки (опирания).

2.6.14. Запрещается пребывание людей на элементах и конструкциях во время их подъема, перемещения и установки.

2.6.15. Запрещается оставлять поднятые элементы и конструкции на весу.

3. ТЕХНИКО-ЭКОНОМИЧЕСКИЕ ПОКАЗАТЕЛИ

Таблица 9.3

Наименование

Количество

Затраты труда на 1 м протяженности санитарного узла

18,83

Выработка на одного рабочего в смену, см

5,3

Стоимость затрат труда на 1 м протяженности санитарного узла и служебных помещений, руб.-коп.

142-79

4. МАТЕРИАЛЬНО-ТЕХНИЧЕСКИЕ РЕСУРСЫ

Таблица 9.4

4.1. Потребность в материалах (конструкциях, деталях)

Наименование

ГОСТ, марка

Количество

Пиломатериалы хвойных пород, м3

ГОСТ 8486-66**

57,36

Бетон М200, м3

ГОСТ 7473-76

232,5

Бетон М300, м3

То же

92,2

Сталь горячекатаная для армирования железобетонных конструкций, т

ГОСТ 5781-82

11,80

Плиты, шт.

П-2а

110

Плиты, шт.

232П-1ук

40

Стеновые блоки, шт.

242С-1

30

Кирпич, м3

ГОСТ 530-80

131

Таблица 9.5

4.2. Потребность в машинах, оборудовании, инструменте, инвентаре

Наименование

Тип, марка

Количество, шт.

Электрическая кран-балка грузоподъемностью 3 т

Чертеж № 1483/347 ЛМГТ

1

Тельфер

TB-1

1

Электровоз

7КР-600

1

Бетоновозки вместимостью 0,8 м3

-

12

Вибраторы глубинные

И-50

3

OK-V-181
Таблица 9.6

5. КАРТА ОПЕРАЦИОННОГО КОНТРОЛЯ КАЧЕСТВА СООРУЖЕНИЯ САНИТАРНОГО УЗЛА И СЛУЖЕБНЫХ ПОМЕЩЕНИЙ ОДНОСВОДЧАТОЙ СТАНЦИИ

Контролируемые параметры

Предельные отклонения, мм

Вертикальность колонн, стеновых блоков на высоте этажа

D1 = ±25

Расстояние между осями колонн (В)

D2 =±25

Расстояние между плитами перекрытия

D3 =±20

Ровность опалубки при проверке двухметровой рейкой

±5

Толщина защитного слоя бетона

±5

Рис. 9.2. Схема санитарного узла и служебных помещений с указанием предельных отклонений:
1
- опорный фундамент; 2 - блоки верхнего свода; 3 - зонт; 4 - плита перекрытия; 5 - опорные балки; 6 - колонны; 7 - жесткое основание; 8 - блоки обратного свода

Примечания. 1. Арматуру, опалубку, сборные железобетонные конструкции устанавливают, закрепляют в соответствии с проектом и перед бетонированием должны быть очищены.

2. Арматура, пораженная коррозией, к применению не допускается.

3. Подвижность, прочность бетона, а также последовательность укладки должны быть в соответствии с проектом.

СНиП III-44-77; СНиП III-15-76

1

Основные операции, подлежащие контролю

Устройство опалубки

Установка арматуры

Бетонирование

Монтаж стеновых панелей, плит перекрытий

2

Состав контроля (что проверяется)

Положение осей, вертикальность, ровность, чистота, крепление опалубки

Расположение, крепление. арматуры, диаметр и длина арматуры, отсутствие коррозии, сварка стыков, толщина защитного слоя

Уплотнение бетонной смеси, подвижность, прочность бетона

Расстояние между колоннами, плитами перекрытия, вертикальность стеновых панелей

3

Методы и средства контроля

Визуальный, измерительный, теодолит, нивелир, стальная рулетка, метр

Визуальный, измерительный, стальная рулетка, метр

Визуальный, измерительный, лабораторный анализ (отбор проб), метр стальной, лабораторное оборудование

Визуальный, измерительный, теодолит, нивелир, стальная рулетка, метр

4

Сроки контроля

Все элементы конструкций каждого этажа перед бетонированием и монтажом

5

Должность лица, контролирующего операцию

Начальник смены, маркшейдер

Начальник смены

Начальник смены, лаборант

Начальник смены, маркшейдер

6

Наименование привлекаемой для контроля службы

Маркшейдерская служба

-

Строительная лаборатория

Маркшейдерская служба

7

Должность лица, ответственного за организацию и обеспечение контроля Г

Начальник участка, участковый маркшейдер

8

Документ, в котором регистрируют результаты контроля

Общий журнал работ, журнал маркшейдерских работ

Общий журнал работ, журнал сварочных работ

Журнал бетонных работ, журнал лабораторных работ

Общий журнал работ, журнал маркшейдерских работ

Перечень скрытых работ, на которые составляют акты: 1. На установку арматуры. 2. На устройство опалубки.

ТЕХНОЛОГИЧЕСКАЯ КАРТА № 10

МОНТАЖ АРМОЦЕМЕНТНОГО ЗОНТА ОДНОСВОДЧАТОЙ СТАНЦИИ

1. ОБЛАСТЬ ПРИМЕНЕНИЯ

1.1. Защитный зонт свода станции глубокого заложения служит для отвода проникающих через обделку грунтовых вод. Конструкции мостов, оправдавших себя в практике строительства, могут быть из различных материалов и конструктивных решений, таких как из асбошифера, стекловолокнистого материала и армоцемента.

1.2. В условиях строительства Ленинградского метрополитена нашли широкое применение армоцементные зонты. Детали зонта имеют двояко-вогнутые формы, крупноразмерные, представляющие в сборе пространственную конструкцию, состоящую в одной арке из двух картин марки АЗ-3И и двух картин марки АЗ-7.

1.3. Детали картины зонта изготавливают на заводе, где их за один раз окрашивают по внешней поверхности антикоррозионным битумным лаком и в готовом виде доставляют на строительную площадку на приспособленных автомашинах.

1.4. Для спуска картин к месту монтажа используется ранее пройденный наклонный эскалаторный тоннель. Детали транспортируются на специальных тележках. Вместе с картинами изготовленные детали крепления зонта доставляют к обделке свода станции.

1.5. Технологической картой предусмотрены только работы по монтажу защитного зонта свода станции.

2. ТЕХНОЛОГИЯ И ОРГАНИЗАЦИЯ СТРОИТЕЛЬНОГО ПРОЦЕССА (рис. 10.1)

2.1. До начала монтажа зонта должны быть выполнены: работы по чеканке швов блочной сборной обделки верхнего свода станции с контрольным нагнетанием цементной смеси за обделку; смонтирована монтажная ферма; подвешен по центру свода станции монорельс с тельфером, на платформе - две лебедки грузоподъемностью по 5 т; доставлены траверсы для подъема картин зонта.

Рис. 10.1. Схема водозащитного армоцементного зонта с узлами крепления:
1
- сборные железобетонные блоки свода станции; 2 - опорный фундамент; 3 - картина зонта АЗ-3И; 4 - картина зонта АЗ-7

2.2. Указания по технологии работ

2.2.1. Для установки крепежных деталей зонта из отверстий нагнетания блоков обделки вырубается цементный раствор нагнетания и устанавливаются крепежные детали зонта с закреплением их электросваркой.

2.2.2. По мере установки зонта на шаг арок вырезают балку монорельса.

2.2.3. Картины зонта до установки в арку прокрашивают по внешней стороне повторно раствором горячего битума и накрывают одним слоем стеклоткани.

2.2.4. Тельфером подготовленную к укладке картину доставляют на монтажную ферму (рис. 10.2).

Рис. 10.2. Поперечный разрез монтажа армоцементного зонта:
1 - картина зонта; 2 - траверса; 3 - лебедки; 4 - монорельс; 5 - отводной  блок; 6 - кран-балка (ферма)

2.2.5. Каждую картину марки AЗ-3И поднимают при помощи специальной траверсы тросом от одной из двух лебедок, установленных на платформе. Под поднятую картину подводят монтажную ферму, на которую она опускается. Аналогично устанавливают в противоположном конце фермы вторую картину марки АЗ-3И в правильном по проекту положении. Для удобства монтажа пользуются отводными блоками (рис. 10.3).

Рис. 10.3. Продольный разрез монтажа армоцементного зонта:
1 - лебедка; 2 - картина зонта: 3 - отводной блок; 4 - тельфер; 5 - монорельс; 6 - кран-балка (ферма)

2.2.6. Теми же приемами укладывают на монтажной ферме между картинами марки АЗ-3И укороченные картины марки АЗ-7. Каждая картина марки АЗ-7 стыкуется с картиной марки АЗ-3И на шпильках, затем привариваются закладные детали. Стыки гидроизолируются.

2.2.7. Монтажную ферму устанавливают в месте навески зонта. Картины марки АЗ-7 стыкуют между собой шпильками, производят сварку закладных деталей и гидроизоляцию стыков.

2.2.8. Подъем арки картин производят с дуговой опоры монтажной формы гидродомкратами.

2.2.9. Перед установкой на опоры арки зонта на опорные металлические листы, на которые установлены арки обделки свода, приваривают опорные кронштейны (рис. 10.1, узел Б, вид 2-2). Каждая арка опирается на два кронштейна с каждой стороны.

2.2.10. Арки, состыкованные из четырех картин, имеют между собой три стыка. В этих стыках устанавливают шесть монтажных подвесок (по две на каждый стык), которые удерживают арку зонта. На пропущенные через стыки подвески одевают металлические шайбы и приваривают их электросваркой.

2.2.11. По периметру примыкания с ранее установленными арками устанавливают соединительные клямеры - 16 шт.

2.2.12. Стыки между картинами чеканят расширяющимся цементом.

2.2.13. При монтаже арки зонта металлические части и закладные детали покрывают антикоррозионным лаком.

2.2.14. По завершении установки арки зонта и полного раскрепления дуговая опора монтажной фермы опускается в первоначальное положение для повторного цикла.

2.3. Указания по организации труда

2.3.1. Монтаж армоцементного зонта односводчатой станции выполняют по бригадному подряду в две смены продолжительностью 7,2 ч с перерывом на обед 48 мин.

2.3.2. Бригада состоит из двух звеньев: слесари-монтажники 5 разр. - 1, 4 разр. - 3; изолировщики-пленочники 4 разр. - 2.

2.3.3. Пробивку пробковых отверстий в блоках обделки верхнего свода и заделку в них закладных деталей выполняют: слесарь 4 разр. - 1 и изолировщики 4 разр. - 2.

Доставку для монтажа картин марки АЗ-3И и АЗ-7, установку в них закладных деталей и закрепление траверсы на картинах выполняют слесари 4 разр. - 2, 5 разр. - 1.

2.3.4. Подъем картин и укладку их на монтажную ферму, стыковку с установкой соединительных шпилек и накладок выполняет звено в полном составе. При этом слесарь 5 разр. управляет лебедкой, слесарь 4 разр. подает команды, а четверо слесарей (по два с торцов арки) производят укладку, стыковку и приварку соединительных планок.

2.3.5. При подаче фермы c аркой зонта к месту установки звено выполняет стыковку картин марки АЗ-7, приварку закладных деталей и гидроизоляцию стыков. Слесарь-монтажник 4 разр. управляет гидродомкратами и по команде звеньевого 5 разр. производит подъем монтажной фермы. Остальные рабочие звена наблюдают за примыканием устанавливаемой арки к ранее установленным, выравнивают винтовыми домкратами продольный шов примыкания и производят крепление арки к обделке верхнего свода. Два слесаря 5 и 4 разр. крепят зонт, два слесаря 4 разр. устанавливают опорные кронштейны под пяты арки, устанавливают клямеры, соединяющие вновь монтируемую арку зонта с ранее установленными. Два изолировщика 4 разр. производят гидроизоляцию картин последующей арки с разогревом битума и нарезкой полотен стеклоткани.

2.3.6. После монтажа арки слесари чеканят швы рас ширяющимся цементом и готовят картины последующей арки для нового цикла работ.

2.3.7. Операционный контроль качества работ осуществляется в соответствии с требованиями СНиП III-44-77 и КОКК настоящей технологической карты.

Таблица 10.1

2.4. График выполнения работ по монтажу одной арки (38,92 м2) водозащитного армоцементного зонта

Таблица 10.2

2.5. Калькуляция затрат труда и заработной платы на монтаж арки водозащитного зонта односводчатой станции глубокого заложения

Шифр норм, шифр и числовые значения поправочных коэффициентов

Содержание, работ

Состав звена

Единица измерения

На единицу

Объем работ

На конечную продукцию

норма затрат труда, чел.-ч

расценка, руб.-коп.

норма времени использо-
вания машин, маш.-ч

нормативная трудоемкость, чел.-ч

сумма заработной платы, руб.-коп.

нормативное время использо-
вания машин, маш.-ч

Местная норма «Ленметростроя»

Доставка и установка картин на тележку

Слесарь-монтажник 3 разр. - 1

шт.

0,5

0-562

-

4

2,0

2-25

-

§ 36-2-113, табл. 1, п. 2

Монтаж арки армоцементного зонта станции

Слесари-монтажники:

5 разр. - 1

4 разр. - 2

2 разр. - 1

м2

0,68

0-694

0,17

38,92

26,47

27-01

-

§ 36-2-110, табл. 1, п. 46

Чеканка стыков картин зонта расширяющимся цементом

Изолировщики:

5 разр. - 1

4 разр. - 1,

3 разр. - 1

м

0,39

0-407

-

29,13

11,36

11-86

-

§ 36-2-146, п. 8

Вырубка бетона из отверстий для нагнетания в блоках обделки для установки и крепления монтажных деталей зонта

Проходчик 4 разр. - 1

шт.

0,21

0-217

-

6

1,26

1-30

-

ВЗ-10-63, гг. б

Обварка электросваркой закладных деталей при монтаже арок зонта

Электросварщик 4 разр. - 1

10 шт.

0,34

0-351

-

1,8

0,61

0-63

-

В3-22-6, К=1,25,

Крепление картин подвесок:

 

 

 

 

 

 

 

 

 

п. 1б

на горизонтальной плоскости

То же

10 м

2,18

2-263

-

0,49

1,06

1-11

-

п. 6б

на вертикальной плоскости

»

»

3,75

3-87

-

0,47

1,76

1-82

-

В3-1-10, п. а

Окраска крепежных деталей зонта антикоррозионным лаком

Изолировщик 3 разр. - 1

100 шт.

2,0

1-666

-

0,27

0,54

0-45

-

В3-4-113, п. 7

Разогрев битума и окраска картин зонта за два раза

Изолировщики 4 разр. - 2

м2

0,25

0-252

-

38,92

9,73

9-81

-

В3-4-103, п. 1а

Устройство оклеечной изоляции из стеклоткани

То же

»

0,11

0-102

-

14,60

1,61

1-49

-

Местная норма «Ленметростроя»

Резка монорельса

Электросварщик 4 разр. - 1

шт.

1,2

1-35

-

1

1,2

1-35

-

 

Итого: чел.-ч

 

 

 

 

 

 

57,60

59-08

 

 

чел.-дней

 

 

 

 

 

 

8,0

 

 

2.6. Указания по технике безопасности

2.6.1. При производстве работы должны выполняться требования безопасности в соответствии: с «Правилами техники безопасности и производственной санитарии при строительстве метрополитенов и тоннелей», М., Оргтрансстрой, 1975; СНиП III-4-80, глава 4 «Техника безопасности в строительстве»; «Типовой инструкцией по охране труда для рабочих, занятых на монтаже и демонтаже металлоконструкций на станциях и в тоннелях при сооружении метрополитена», М., Оргтрансстрой, 1978; «Типовой инструкцией по охране труда для гидроизолировщика», М., Оргтрансстрой, 1977.

2.6.2. К работам по установке водозащитного зон га в своде станционного тоннеля допускаются рабочие, ознакомленные с проектом производства работ и прошедшие специальный инструктаж.

2.6.3. Выгрузку и доставку к спуску в шахту наиболее тяжелых и громоздких деталей производят тельфером или другими разгрузочными средствами слесари-монтажники, имеющие право выполнения такелажных работ. Стаскивать и сбрасывать детали с автомобилей и тележек запрещается.

2.6.4. При монтаже и демонтаже конструкций и оборудования должны быть приняты меры против внезапного падения, опрокидывания или сползания элементов.

2.6.5. За устойчивостью элементов при монтаже или демонтаже конструкций должен быть установлен непрерывный технический надзор.

2.6.6. Проходы, проезды, зоны подъема и монтажа конструкций и оборудования должны быть ограждены с установкой предупредительных надписей и сигналов или охраняться проинструктированными сигналистами.

2.6.7. Все сигналы должен подавать, как правило, бригадир монтажной бригады, мастер или прораб.

2.6.8. При работе монтажников вне поля зрения машиниста подъемного механизма между ним и рабочими местами монтажников должна быть обеспечена звукосветовая двухсторонняя связь.

2.6.9. Находиться на перемещаемых или поднимаемых конструкциях и оборудовании запрещается.

2.6.10. После монтажных работ или при временном прекращении их руководитель обязан лично убедиться в надежности закрепления смонтированных или оставшихся элементов конструкции.

2.6.11. Во время варки битума и гидроизоляционные работ рабочие должны быть обеспечены огнетушителями песком, противопожарным инструментом.

2.6.12. Варить битум следует при температуре 117,5°- 118°С под постоянным присмотрим обученного и проинструктированного рабочего, который должен быть обеспечен необходимым инструментом. Нагрев битума свыше 200°С запрещается.

2.6.13. Закрытые участки, на которых производят гидроизоляционные работы, должны быть оборудованы механической приточно-вытяжной вентиляцией по утвержденному проекту.

3. ТЕХНИКО-ЭКОНОМИЧЕСКИЕ ПОКАЗАТЕЛИ

Таблица 10.3

Наименование

Количество

Затраты труда на монтаж арки водозащитного зонта станции, чел.-дней

6,0

Выработка на одного рабочего в смену, арки

0,17

Стоимость затрат труда на одну арку зонта, руб.-коп.

59-08

4. МАТЕРИАЛЬНО-ТЕХНИЧЕСКИЕ РЕСУРСЫ

Таблица 10.4

4.1. Потребность в основных материалах (конструкциях, деталях) на одну арку зонта

Наименование

ГОСТ, марка

Количество

Картины зонта, шт.

АЗ-3И

2

То же

АЗ-7

2

Прокат металла, кг:

 

 

полоса

ГОСТ 103-76

3,8

лист

ГОСТ 16523-70*

23,0

стержневой

ГОСТ 10884-81

16,43

двутавр

ГОСТ 8239-72*

12,72

уголок

ГОСТ 8510-72*

10,2

Стеклоткань, м2

-

14,6

Резина рулонная, кг

ПМКШ-С-2,5

0,8

Электроды, кг

ГОСТ 9467-75

1,4

Цемент расширяющийся (ВРЦ), кг

ГОСТ 11052-74

92,34

Таблица 10.5

4.2. Потребность в машинах, оборудовании, инструменте, инвентаре, приспособлениях

Наименование

Тип, марка

Количество

Монтажная ферма

Чертеж «Ленметрогипротранса»

1

Тельфер

ТВ-1

1

Электролебедка

-

2

Траверса

Чертеж «Ленметрогипротранса»

2

Сварочный аппарат

ТД-500

2

Резак кислородно-ацетиленовый

-

1

OK-V-173
Таблица 10.6

5. КАРТА ОПЕРАЦИОННОГО КОНТРОЛЯ КАЧЕСТВА МОНТАЖА ВОДОЗАЩИТНОГО АРМОЦЕМЕНТНОГО ЗОНТА ОДНОСВОДЧАТОЙ СТАНЦИИ МЕТРОПОЛИТЕНА ГЛУБОКОГО ЗАЛОЖЕНИЯ

Контролируемые параметры

Предельные отклонения, мм

Радиус панели (R)

D1 = ±10

Положение панели зонта на опорных поверхностях

D2 = ±5

Рис. 10.4. Схема монтажа водозащитного зонта с указанием предельных отклонений:
1 - обделка станции; 2 - панели зонта

Примечания. 1. Перед монтажом панели зонта должны быть подобраны по размерам и очищены от грязи, масла.

2. Панели зонта должны быть окрашены со стороны, обращенной к своду станции, битумным лаком.

3. Монтаж панелей зонта должен осуществляться в последовательности, предусмотренной проектом.

4. Все панели должны быть плотно присоединены друг к другу.

5. Тип и размеры шпилек и подвесок, скрепляющих и крепящих панели зонта должны определяться проектом.

СНиП III-44-77; ВСН 160-69

1

Основные операции, подлежащие контролю

Подготовка панелей зонта

Подбор и комплектация подвесок

Монтаж панелей зонта

2

Состав контроля (что проверяется)

Подбор панелей по размерам, чистота панелей

Диаметр и длина шпилек, наличие резьбы, соответствие диаметров шайб диаметру болтов, количество и размер подвесок

Положение панелей, плотность присоединения

3

Методы и средства контроля (как и чем проверяется)

Визуальный, измерительный, рулетка стальная

Визуальный, измерительный, метр металлический

Измерительный, визуальный, теодолит, рулетка стальная, нивелир, гаечные ключи

4

Сроки контроля

Каждая панель

Каждый комплект крепления для панели

Каждая панель

5

Должность лица, контролирующего операцию

Начальник смены

Начальник смены, сменный маркшейдер

6

Наименование привлекаемой для контроля службы

-

-

Маркшейдерская служба

7

Должность лица, ответственного за организацию и обеспечение контроля

Начальник участка

 

8

Документ, в котором регистрируют результаты контроля

Общий журнал работ

-

Общий журнал работ, журнал маркшейдерских работ

Перечень предшествующих монтажу водозащитного зонта скрытых работ, на которые составляют акты: 1. На контрольное нагнетание. 2. На чеканочные работы.

 

 




ГОСТЫ, СТРОИТЕЛЬНЫЕ и ТЕХНИЧЕСКИЕ НОРМАТИВЫ.
Некоммерческая онлайн система, содержащая все Российские Госты, национальные Стандарты и нормативы.
В Системе содержится более 150000 файлов нормативно-технической документации, действующей на территории РФ.
Система предназначена для широкого круга инженерно-технических специалистов.

Рейтинг@Mail.ru Яндекс цитирования

Copyright © www.gostrf.com, 2008 - 2026