|
|
ВЗРЫВООПАСНЫЕ СРЕДЫ Часть 2 Оборудование с защитой вида IEC 60079-2:2007
Предисловие Цели и принципы стандартизации в Российской Федерации установлены Федеральным законом от 27 декабря Сведения о стандарте 1 ПОДГОТОВЛЕН Автономной некоммерческой национальной организацией «Ех-стандарт» (АННО « Ex-стандарт») на основе собственного аутентичного перевода на русский язык стандарта, указанного в пункте 4 2 ВНЕСЕН Техническим комитетом по стандартизации ТК 403 «Оборудование для взрывоопасных сред (Ех-оборудование)» 3
УТВЕРЖДЕН И ВВЕДЕН В ДЕЙСТВИЕ Приказом Федерального агентства по техническому
регулированию и метрологии от 10 декабря 4 Настоящий стандарт идентичен международному стандарту МЭК 60079-2:2007 «Взрывоопасные среды. Часть 2. Оборудование с защитой вида заполнение или продувка оболочки под избыточным давлением «р»» (IEC 60079-2:2007 «Explosive atmospheres - Part 2: Equipment protection by pressurized enclosure «p») 5 ВВЕДЕН ВПЕРВЫЕ Информация об изменениях к настоящему стандарту публикуется в ежегодно издаваемом информационном указателе «Национальные стандарты», а текст изменений и поправок - в ежемесячно издаваемых информационных указателях «Национальные стандарты». В случае пересмотра (замены) или отмены настоящего стандарта соответствующее уведомление будет опубликовано в ежемесячно издаваемом информационном указателе «Национальные стандарты». Соответствующая информация, уведомление и тексты размещаются также в информационной системе общего пользования - на официальном сайте Федерального агентства по техническому регулированию и метрологии в сети Интернет Введение Настоящий стандарт содержит полный аутентичный текст пятого издания международного стандарта МЭК 60079-2:2007, включенного в международную систему сертификации МЭКЕх и европейскую систему сертификации на основе директивы 94/9 ЕС; его требования полностью отвечают потребностям экономики страны и международным обязательствам Российской Федерации. Настоящий стандарт разработан в обеспечение Федерального закона от 21.07.97 № 116-ФЗ «О промышленной безопасности опасных производственных объектов». Настоящий стандарт является одним из комплекса стандартов по видам взрывозащиты для электрооборудования, применяемого во взрывоопасных средах. Стандарт предназначен для нормативного обеспечения обязательной сертификации и испытаний. В настоящем стандарте приводятся требования к дизайну, конструкции, испытаниям и маркировке электрооборудования, предназначенного для использования в потенциально взрывоопасных газовых средах, в которых: a) защитный газ, поддерживаемый под давлением выше давления внешней среды, используется для защиты от образования взрывоопасной газовой смеси внутри оболочек, которые не содержат внутренний источник утечки горючего газа или пара, или b) защитный газ подается в количестве, достаточном, чтобы полученная концентрация взрывоопасной газовой (паровой) смеси вокруг электрических компонентов была вне верхнего и нижнего пределов взрываемости в соответствии с конкретными условиями эксплуатации. Защитный газ подается в оболочку, содержащую один или более внутренних источников утечки для предотвращения образования взрывоопасных смесей внутри. Настоящий стандарт содержит требования к устройству и связанному с ним оборудованию, включая входной и выходной газопроводы, а также к дополнительному устройству контроля, необходимому для осуществления и поддержания наддува и(или) разбавления. Содержание НАЦИОНАЛЬНЫЙ СТАНДАРТ РОССИЙСКОЙ ФЕДЕРАЦИИ
Дата введения - 2011-01-01 1 Область примененияНастоящий стандарт содержит специальные требования к конструкции и испытаниям электрооборудования с оболочками под давлением, обеспечивающими взрывозащиту вида «р» и предназначенными для использования во взрывоопасной среде. Стандарт устанавливает требования к оболочкам под давлением с ограниченной утечкой воспламеняющегося вещества. Требования настоящего стандарта дополняют требования МЭК 60079-0. Если требования данного стандарта входят в противоречие с требованиями МЭК 60079-0, то требования данного стандарта имеют приоритетное значение. Настоящий стандарт не содержит требований: - к оболочкам под давлением, в которых встроенная система может выделять: a) воздух с содержанием кислорода выше нормального или b) кислород в сочетании с инертным газом (объемная доля кислорода в инертном газе больше 21 %); - к помещениям под давлением или помещениям, предназначенным для установки анализаторов (см. МЭК 60079-13 [2] и МЭК 60079-16 [3]). Примечания 1 Для данного вида взрывозащиты погрешность измерения у регулярно калибруемой измерительной аппаратуры хорошего качества не оказывает значительного влияния на результаты измерений, и ее не следует учитывать при измерениях, необходимых для проверки соответствия оборудования требованиям настоящего стандарта. 2 Когда пользователь выступает в роли изготовителя, он отвечает за то, чтобы все соответствующие части настоящего стандарта применялись при изготовлении и испытании оборудования. 3 Виды взрывозащиты «рх» и «ру» обеспечивают уровни защиты оборудования Mb или Gb. Взрывозащита вида «pz» обеспечивает уровень защиты оборудования Gc. Дополнительная информация содержится в приложении Н. 2 Нормативные ссылкиПриведенные ниже документы являются обязательными для применения настоящего стандарта. В части документов с датой опубликования применяют только указанные издания. В тех случаях, когда дата опубликования не указана, применяется последнее издание приведенного документа (включая любые поправки): МЭК 60034-5:2000 Машины электрические вращающиеся. Часть 5. Степени защиты, обеспечиваемые собственной конструкцией вращающихся электрических машин (код IP). Классификация МЭК 60050-151:2001 Международный электротехнический словарь. Глава 151: Электрические и магнитные устройства МЭК 60050-426:2008 Международный электротехнический словарь. Глава 426: Электрооборудование для взрывоопасных сред МЭК 60079-0:2004 Электрооборудование для взрывоопасных газовых сред. Часть 0. Общие требования МЭК 60112 Материалы электроизоляционные твердые. Методы определения нормативного и сравнительного индексов трекингостойкости МЭК 60529 Степени защиты, обеспечиваемые корпусами (Код IP) МЭК 60664-1:2007 Координация изоляции для оборудования в низковольтных системах. Часть 1. Принципы, требования и испытания 3 Термины и определенияВ настоящем стандарте применяют термины и определения, приведенные в МЭК 60050-151, МЭК 60050-426 и МЭК 60079-0, а также термины и определения, указанные ниже: Примечание - В настоящем стандарте, если нет других указаний, термины «напряжение» и «ток» означают постоянное напряжение или действующее значение переменного напряжения или тока. 3.1 сигнальное устройство (alarm): Электрооборудование, осуществляющее визуальные или звуковые сигналы, предназначенные для привлечения внимания. 3.2 встроенная система (containment system): Часть электрооборудования, содержащая воспламеняющееся вещество и которая может быть внутренним источником выделения (утечки) этого вещества. 3.3 разбавление (dilution): Непрерывная подача защитного газа после предварительной (предпусковой) продувки (очистки) с таким расходом, что концентрация воспламеняющегося вещества внутри оболочки под давлением поддерживается вне пределов взрываемости у любого потенциального источника воспламенения (т. е. вне зоны разбавления). Примечание - Разбавление кислорода инертным газом может привести к образованию концентрации взрывоопасного газа или пара выше верхнего концентрационного предела взрываемости (ВКПВ). 3.4 зона разбавления (dilution area): Зона вблизи внутреннего источника утечки, в которой концентрация воспламеняющегося вещества не уменьшена до безопасного значения. 3.5 объем оболочки (enclosure volume): Внутренний объем оболочки без встроенного оборудования. Для вращающихся электрических машин это свободный внутренний объем плюс объем, вытесненный ротором. 3.6 воспламеняющееся вещество (flammable substance): Газы, пары, жидкости или их смеси, которые способны к воспламенению. 3.7 герметично закрытое устройство (hermetically sealed device): Устройство такой конструкции, что наружная среда не может проникнуть внутрь, а любое соединение выполнено неразъемным, например пайкой, дуговой сваркой или сплавлением стекла и металла. 3.8 воспламеняющее устройство (ВУ) (ignition capable apparatus) (ICA): Устройство, которое в нормальном режиме работы является источником воспламенения для заданной взрывоопасной газовой среды. Это определение распространяется на электрооборудование не защищенное, как указано в 7.13. 3.9 индикатор (indicator): Устройство, подтверждающее правильность расхода или давления и которое подвергается периодической проверке в соответствии с условиями эксплуатации. 3.10 внутренний источник утечки (internal source of release): Точка или участок внутри защитной оболочки, из которых воспламеняющееся вещество в виде газа, пара или жидкости может поступать в оболочку под давлением в количестве, достаточном для образования в смеси с воздухом взрывоопасной газовой среды. 3.11 компенсация утечки (leakage compensation): Обеспечение потока защитного газа, достаточного для компенсации любой утечки из оболочки под давлением и ее газопроводов. 3.12 избыточное давление (overpressure): Давление внутри защитной оболочки, превышающее давление во внешней среде, окружающей оболочку. 3.13 наддув (pressurization): Обеспечение защиты от проникания внешней среды в оболочку путем поддержания в ней давления защитного газа выше давления во внешней среде. 3.14 система установления избыточного давления (система наддува) (pressurization system): Совокупность компонентов, обеспечивающих создание и контроль избыточного давления в оболочке под давлением. 3.15 оболочка под давлением (pressurized enclosure): Оболочка, в которой защитный газ поддерживается под давлением, превышающим давление во внешней среде. 3.16 защитный газ (protective gas): Воздух или инертный газ, используемый для продувки и поддержания избыточного давления, а если требуется, и для разбавления воспламеняющихся веществ внутри оболочки. Примечание - В настоящем стандарте инертный газ - это азот, диоксид углерода, аргон или любой газ, который при смешении с кислородом в отношении 4:1 (как в атмосферном воздухе) не расширяет пределы воспламенения взрывоопасных смесей. 3.17 источник защитного газа (protective gas supply): Компрессор, воздуходувка или баллон со сжатым газом, обеспечивающие подачу защитного газа под избыточным давлением. Источник защитного газа содержит входные и выходные трубы, регуляторы давления, клапаны. Компоненты системы установления избыточного давления не включены. 3.18 продувка (purging): Операция пропускания защитного газа через оболочку и газопроводы под давлением в количестве, достаточном для снижения взрывоопасной газовой среды до безопасного уровня. 3.19 приемо-сдаточные испытания (routine test): Испытания, которым подвергается каждое отдельное устройство (оборудование) во время изготовления или после него, с тем чтобы убедиться, что оно соответствует определенным критериям (Международный электротехнический словарь 151-04-16, измененная редакция) [1]. 3.20 статическое избыточное давление (static pressurization): Поддержание избыточного давления внутри оболочки под давлением без дополнительного поступления защитного газа в опасную зону. 3.21 установление избыточного давления для взрывозащиты вида «рх» (type «px» pressurization): Увеличение давления, которое изменяет классификацию взрывоопасной зоны внутри оболочки под давлением от уровня защиты оборудования Gb или Mb до невзрывоопасной зоны. 3.22 установление избыточного давления для взрывозащиты вида «ру» (type «py» pressurization): Увеличение давления, изменяющее классификацию взрывоопасной зоны внутри оболочки под давлением от уровня защиты оборудования Gb до Gc. 3.23 установление избыточного давления для взрывозащиты вида «pz» (type «pz» pressurization): Увеличение давления, изменяющее классификацию взрывоопасной зоны внутри оболочки под давлением от уровня защиты оборудования Gc до невзрывоопасной зоны. 3.24 типовое испытание (type test): Испытание одного или более устройств определенной конструкции, проводимое для того, чтобы показать, что данная конструкция соответствует определенным техническим характеристикам (МЭС 151-04-15) [1]. 3.25 защитное устройство (safety device): Устройство, применяемое для обеспечения или сохранения целостности вида взрывозащиты. 4 Виды взрывозащитыВзрывозащита «Оболочки под избыточным давлением» подразделяется на три вида («рх», «ру» и «pz»), выбираемые с учетом уровня защиты оборудования, необходимого для внешней потенциально взрывоопасной среды (Mb, Gb или Gc), в зависимости от того, существует ли вероятность внутренней утечки и может ли устройство, находящееся внутри оболочки под давлением, вызвать воспламенение (см. таблицу 1). Кроме того, вид взрывозащиты определяет конструктивные требования к оболочке под давлением и к системе установления избыточного давления (см. таблицу 2). Таблица 1 - Выбор вида взрывозащиты
Таблица 2 - Требования к конструкции в соответствии с видом взрывозащиты
5 Требования к конструкции оболочек5.1 ОболочкаСтепень защиты оболочки под давлением должна соответствовать значению из таблицы 2. Примечание - При влажности и запыленности в условиях угольной пыли степень защиты, обеспечиваемая оболочкой, должна быть IP44. 5.2 МатериалыПрименяемый защитный газ не должен неблагоприятно влиять на материалы оболочки, газопроводов и соединительных частей. 5.3 Дверцы и крышки5.3.1 Оболочки под давлением для электрооборудования группы I Дверцы и крышки должны: - иметь специальные крепления согласно МЭК 60079-0 или - быть блокированы так, чтобы электропитание электрооборудования, не имеющего защиты согласно 7.13 настоящего стандарта, отключалось автоматически при их открывании и не могло быть включено, пока они не будут закрыты. Должны также выполняться требования 7.6 настоящего стандарта. 5.3.2 Оболочки под давлением для электрооборудования группы I со статическим избыточным давлением Дверцы и крышки должны иметь специальные крепления согласно МЭК 60079-2. 5.3.3 Оболочки под давлением для электрооборудования группы II На данные оболочки не распространяются требования к креплениям согласно 9.2 МЭК 60079-0. При взрывозащите вида «рх» дверцы и крышки, за исключением тех, которые могут быть открыты только с помощью инструмента или ключа, должны быть заблокированы так, чтобы электропитание электрооборудования, не указанного в 7.13, отключалось автоматически при их открывании и не могло быть включено до тех пор, пока они не будут закрыты. Для взрывозащиты видов «ру» и «pz» применение инструмента или ключа для открывания дверец и крышек не требуется. Примечание - Под воздействием высокого внутреннего давления открывание дверец или крышек может быть резким. Защиту операторов и обслуживающего персонала осуществляют одним из следующих способов: a) использованием нескольких креплений, которые обеспечивают безопасное снижение избыточного давления из оболочки до того, как ослабнут все крепления, или b) использованием крепления на два положения, что позволяет производить безопасное снижение давления при открывании оболочки, или c) ограничением максимального внутреннего давления до значения, не превышающего 2,5 кПа. 5.3.4 Оболочки со статическим избыточным давлением для электрооборудования группы II Дверцы и крышки должны открываться только с помощью инструмента. 5.3.5 Взрывозащита вида «рх» Оболочка под давлением, в которой находятся нагретые компоненты, требующие времени для охлаждения, не должна открываться без использования инструмента или ключа. 5.3.6 Маркировка для группы I или группы II На дверцы и крышки необходимо нанести предупредительную надпись: «ПРЕДОСТЕРЕЖЕНИЕ! НЕ ОТКРЫВАТЬ, ЕСЛИ ВЕРОЯТНО ПРИСУТСТВИЕ ВЗРЫВООПАСНОЙ АТМОСФЕРЫ». 5.4 Механическая прочностьОболочки под давлением, газопроводы (при их наличии) и соединения должны выдерживать при условии закрытых выходов давление, в 1,5 раза превышающее максимальное избыточное давление, указанное изготовителем для нормальных условий эксплуатации, но не менее 200 Па. Однако если в процессе эксплуатации может возникнуть давление, способное привести к деформации оболочки, газопроводов (при их наличии) или соединений, то необходимо применение защитного устройства для ограничения максимального внутреннего избыточного давления до уровня, безопасного для взрывозащиты данного вида. Если изготовитель не обеспечивает такое защитное устройство, то оборудование следует маркировать знаком «X» в соответствии с 29.2, перечисление i), стандарта МЭК 60079-0 и в технической документации должна быть приведена вся информация, необходимая потребителю для обеспечения требований настоящего стандарта. 5.5 Отверстия, перегородки, отсеки и внутренние компоненты5.5.1 Отверстия и перегородки следует размещать таким образом, чтобы обеспечить эффективную продувку. Примечания 1 Непродуваемые участки должны быть устранены путем правильного размещения входа и выхода защитного газа и за счет учета влияния на продувку внутренних перегородок. 2 Для газов или паров, которые тяжелее воздуха, вход защитного газа должен быть ближе к верху оболочки, а выход - ближе к низу оболочки. 3 Для газа и паров легче воздуха вход защитного газа должен находиться ближе к низу оболочки, а выход - ближе к верху оболочки. 4 Размещение входа и выхода с противоположных сторон оболочки способствует перекрестной вентиляции. 5 Внутренние перегородки (например, монтажные платы) следует размещать таким образом, чтобы не препятствовать потоку защитного газа, использование коллекторов или экранов также улучшает поток вокруг препятствий. 6 Число отверстий для входа и выхода зависит от конструкции электрооборудования. Особое внимание следует обращать на продувку подотсеков, на которые может быть подразделено электрооборудование. 5.5.2 Поток защитного газа для внутренних отсеков следует направлять через основную оболочку или продувать их отдельно. Примечание - Для обеспечения соответствующей продувки выходные отверстия должны иметь площадь сечения не менее 5.5.3 Катодно-лучевые трубки и другие герметичные устройства не требуют продувки. 5.5.4 Компоненты со свободным внутренним объемом менее 20 см3 не рассматривают как внутренние отсеки, требующие продувки, если их внутренний объем составляет не более 1 % свободного внутреннего объема оболочки под давлением. Примечания 1 Значение, равное 1 %, соответствует 25 % нижнего предела взрываемости водорода (см. А.2). 2 Электрические элементы, герметизированные от окружающей среды, например транзисторы, микросхемы, конденсаторы и др., не учитывают при расчетах общего объема компонента. 5.5.5 В случаях статического избыточного давления оболочка должна иметь одно или более отверстий. После заполнения и достижения избыточного давления все отверстия следует заглушить. 5.6 Изоляционные материалыУ электрооборудования группы I изоляционные материалы, находящиеся под напряжением, способным вызывать дуговые разряды в воздухе под воздействием номинального тока более 16 А в коммутационных устройствах (автоматические выключатели, контакторы, разъединители), должны отвечать, минимум, следующим условиям: -
группа трекингостойкости должна иметь индекс СИТ ≥ - должно быть предусмотрено соответствующее устройство, которое определяет разрушение изоляционных материалов внутри оболочки, что создает опасную ситуацию, и автоматически отсоединяет источник электропитания, подаваемого на оболочку со стороны этого источника. Наличие и работа такого устройства должны быть проверены; - пути утечки между оголенными проводами под напряжением должны соответствовать значениям, приведенным для эквивалентного напряжения в группе материалов III для степени загрязнения 3 в таблице 4 МЭК 60664-1. 5.7 УплотненияКабели и газопроводы, связанные с оболочкой под давлением, следует уплотнить для обеспечения требуемого уровня защиты оболочки от воздействия окружающей среды. При отсутствии уплотнения их следует рассматривать как часть оболочки. 5.8 Барьеры от искр и нагретых частицОболочки под давлением и газопроводы, если таковые используются для защитного газа, должны быть снабжены барьерами от искр и частиц для защиты от попадания раскаленных частиц во взрывоопасную зону. Принято считать, что в нормальном режиме раскаленные частицы не образуются, если контакты замыкания/размыкания находятся под током менее 10 А, рабочее напряжение не превышает 275 В переменного тока или 60 В постоянного тока, а контакты имеют покрытие. Исключения: 1 Такие барьеры для выходного отверстия не требуются при сбросе в зону уровня защиты оборудования Gb или Mb, если раскаленные частицы в нормальном режиме не образуются. 2 Барьеры не требуются при выходе в зону уровня защиты оборудования Gc, если в нормальном режиме раскаленные частицы не образуются. Если изготовитель не применяет барьеры от искр и нагретых частиц, то электрооборудование маркируют знаком «X» согласно 29.2, перечисление i), МЭК 60079-0. Специальное условие для безопасного использования должно быть включено в сертификат. 5.9 Внутренние барьерыПримечание - Требования к внутренним барьерам находятся в разработке для издания 6. Руководство по внутренним барьерам для взрывозащиты вида «pz» содержится в МЭК 60079-0 и МЭК 60079-15. 6 Температурные пределы6.1 Общие положенияЭлектрооборудование должно быть классифицировано в соответствии с требованиями температурной классификации по МЭК 60079-0. Температурный класс должен быть определен в соответствии с 6.2 и 6.3. 6.2 Взрывозащита вида «рх» или «ру»Для данных видов взрывозащиты температурная классификация должна основываться на более высокой из следующих температур: a) самая высокая температура внешней поверхности оболочки или b) самая нагретая поверхность внутреннего компонента. Исключение - Температура внутреннего компонента может превышать температурную классификацию, если: i) компонент отвечает требованиям к небольшим компонентам 5.4 МЭК 60079-0 или ii) оболочка под давлением имеет взрывозащиту вида «рх» и маркирована согласно МЭК 60079-0 с учетом времени, достаточного для охлаждения компонента до температуры, соответствующей температурной классификации, указанной в маркировке оболочки. Должны быть приняты соответствующие меры в целях предотвращения (в случае потери избыточного давления) контакта любой взрывоопасной газовой среды, которая может существовать, с поверхностью нагретого компонента до его охлаждения ниже допустимого максимального значения. Примечание - Это обеспечивается за счет соответствующей конструкции соединений оболочки под давлением и газопроводов или другим способом, например с помощью вспомогательных систем вентиляции или путем заключения нагретой поверхности внутри оболочки под давлением в герметичный корпус. В оболочке со взрывозащитой вида «ру» нагретые частицы, способные вызвать воспламенение, в нормальном режиме не допускаются. 6.3 Взрывозащита вида «pz»Температурная классификация для взрывозащиты данного вида основана на температуре самой нагретой наружной поверхности оболочки. Примечание - При определении температурной классификации следует учитывать любое внутреннее устройство с его собственной защитой, которое может оставаться под напряжением при отключенной системе установления избыточного давления (система наддува). 7 Средства и устройства защиты (кроме варианта взрывозащиты с помощью статического избыточного давления)7.1 Пригодность защитных устройств для опасной зоныУстройства защиты, предохраняющие электрооборудование, защищенное с помощью избыточного давления, от взрыва, сами не должны быть источником взрыва (см. 7.13), или же их следует устанавливать за пределами взрывоопасной зоны. 7.2 Целостность защитных устройствЗащитные устройства, предусмотренные настоящим стандартом (см. таблицу 3), являются компонентами системы управления. Безопасность и целостность системы управления должны отвечать следующим требованиям: - для взрывозащиты вида «рх» или «ру» - наличие одной неисправности; - для взрывозащиты вида «pz» - работа в нормальном режиме. Таблица 3 - Средства защиты в зависимости от вида взрывозащиты
7.3 Поставщик защитных устройствЗащитные устройства поставляются изготовителем электрооборудования или пользователем. Если изготовитель не обеспечивает установку защитных устройств, электрооборудование маркируют знаком «X» согласно разделу 29.2, перечисление i) стандарта МЭК 60079-2, и техническое описание должно содержать всю необходимую потребителю информацию согласно требованиям настоящего стандарта. 7.4 Схема последовательности функционирования средств и устройств защиты для взрывозащиты вида «рх»Для оболочек со взрывозащитой вида «рх» в целях определения режима работы системы управления изготовитель должен представить схему последовательности функционирования средств и устройств защиты, например, в виде таблицы или диаграммы состояния, диаграммы расхода и т.п. Схема последовательности функционирования должна четко идентифицировать и отражать рабочее состояние средств и устройств защиты и последовательность их действий. Для проверки соответствия диаграмме проводят испытания на функционирование. Эти испытания следует проводить только в нормальных атмосферных условиях, если нет других указаний изготовителя. Примечание - Пример информации, предоставляемой изготовителем, приведен в приложении В. 7.5 Номинальные характеристики защитных устройствИзготовитель должен указать максимальные и минимальные уровни срабатывания и допуски для защитных устройств. Защитные устройства должны использоваться в пределах нормальных эксплуатационных условий, определенных изготовителем. 7.6 Автоматическая продувка для взрывозащиты вида «рх»При взрывозащите вида «рх» должны быть предусмотрены защитные устройства, предотвращающие подачу питания на электрооборудование внутри оболочки под давлением до завершения предварительной продувки. Последовательность работы защитных устройств: a) после запуска производят контроль расхода защитного газа и значения избыточного давления в оболочке под давлением согласно требованиям настоящего стандарта; b) время продувки отсчитывают, когда достигается минимальный допустимый расход защитного газа, а избыточное давление находится в заданных пределах; c) по истечении заданного времени продувки включается питание электрооборудования; d) в случае нарушения работы защитных устройств на любом этапе отсчет времени прекращают и реле времени переключают на начало цикла. 7.7 Критерии продувкиИзготовитель должен указать условия надлежащей продувки после открывания оболочки или падения избыточного давления ниже указанного изготовителем допустимого минимума: а) для взрывозащиты вида «рх» или «ру» изготовитель должен указать минимальный расход газа при продувке и время продувки согласно требованиям испытаний (см. 16.3 или 16.4). Минимальный расход продувочного газа и время продувки могут быть приняты равными пятикратному объему оболочки, если испытательная лаборатория на основании расчетов сочтет такую продувку достаточной без испытаний; b) для взрывозащиты вида «pz» изготовитель должен указать такой минимальный расход защитного газа и такое время продувки оболочки под давлением, чтобы количество пропущенного защитного газа было равно пяти объемам оболочки. Количество защитного газа может быть уменьшено, если испытания (см. 16.3 или 16.4) показали эффективность продувки; c) расход защитного газа следует контролировать на выходе из оболочки под давлением. Для взрывозащиты вида «рх» необходимо контролировать фактический расход. Для взрывозащиты вида «ру» или «pz» расход защитного газа при продувке может быть вычислен, например, исходя из давления в оболочке и установленных размеров выходного сопла. Для взрывозащиты вида «ру» или «pz» должна быть установлена табличка, регламентирующая продувку оболочки под давлением до подачи питания на электрооборудование. Табличка должна содержать приведенное ниже или аналогичное предостережение: «ПРЕДОСТЕРЕЖЕНИЕ! После того как оболочка была открыта, подачу питания можно возобновить только после продувки оболочки в течение _____ мин при расходе защитного газа, равном __________». Примечание - Определение свободного пространства в газопроводах, не являющихся частью сертифицированного электрооборудования, и установление дополнительного времени продувки при заданном минимальном расходе входят в обязанности потребителя. 7.8 Требования при минимальном расходе защитного газаЕсли изготовителем обозначен минимальный расход защитного газа с учетом специальных условий (например, когда температура встроенного электрооборудования выше указанного температурного класса), необходимы одно или более автоматических защитных устройств, которые срабатывают в случае падения расхода защитного газа на выходе ниже минимального значения. 7.9 Защитные устройства для определения избыточного давленияСледует предусмотреть одно или более автоматических защитных устройств, которые должны срабатывать, когда избыточное давление внутри оболочки под давлением падает ниже минимума, указанного изготовителем: a) автоматическое защитное устройство получает сигнал от датчика, соединенного непосредственно со средой внутри оболочки под давлением; b) между датчиком автоматического защитного устройства и внутренним объемом оболочки под давлением устанавливать клапаны не разрешается; c) необходимо обеспечить возможность проверки правильности работы защитных устройств. Их размещение и установку требуемых параметров следует производить согласно 7.10. Примечание - Выбор конкретного вида действия автоматического защитного устройства (например, отключение питания, включение звуковой аварийной сигнализации в целях обеспечения безопасности установки) обычно входит в компетенцию потребителя; d) при взрывозащите вида «pz» должны соблюдаться указанные ниже условия, если оболочка под давлением снабжена индикатором вместо автоматического защитного устройства: 1) источник защитного газа должен быть снабжен аварийным сигнализатором для индикации неисправности источника защитного газа. Этот сигнализатор позволяет контролировать возможность обеспечения минимального давления в оболочке под давлением; 2) между оболочкой под давлением и аварийным сигнализатором источника защитного газа не должно быть никаких устройств, кроме аварийного клапана и(или) устройства регулирования давления или расхода; 3) любой аварийный клапан должен: - иметь маркировку «ПРЕДУПРЕЖДЕНИЕ! КЛАПАН ДЛЯ ПОДАЧИ ЗАЩИТНОГО ГАЗА. ИЗУЧИТЕ ИНСТРУКЦИЮ ПЕРЕД ТЕМ, КАК ЗАКРЫВАТЬ КЛАПАН»; - предусматривать закрепление в открытом положении; - иметь указатель положения (открыто/закрыто); - размещаться в непосредственной близости от оболочки под давлением; - использоваться только при обслуживании оболочки под давлением. Примечание - Этот клапан должен оставаться в открытом положении, если только не установлено, что в зоне отсутствует взрывоопасная газовая среда или все устройство внутри оболочки под давлением отключено от напряжения и охлаждено; 4) настройка и управление устройством регулирования давления или расхода (если оно предусмотрено) должны проводиться с помощью специального инструмента; 5) между оболочкой под давлением и аварийным сигнализатором подачи защитного газа запрещается устанавливать фильтры; 6) размещение индикатора должно обеспечивать удобное наблюдение показаний; 7) индикатор должен определять значение давления в оболочке; 8) точку измерения для индикатора следует выбирать таким образом, чтобы можно было учитывать самые жесткие условия эксплуатации. Примечания 1 Если для определения расхода и давления защитного газа используют расходомер, то его следует размещать на выходе. 2 Если расходомер используется только для индикации давления, то его можно размещать на любом участке оболочки, кроме входа. 3 Поток защитного газа через оболочку или давление в оболочке можно контролировать на входе в оболочку только в исключительных случаях; 9) между индикатором и оболочкой под давлением не следует устанавливать клапаны. 7.10 Значение избыточного давленияВ каждой точке внутри оболочки под давлением и подключенных газопроводов, где возможна утечка, следует установить минимальное избыточное давление относительно внешнего давления: 50 Па для взрывозащиты вида «рх» или «ру» и 25 Па - для «pz». Изготовитель должен обозначить минимальное и максимальное избыточное давления при эксплуатации и максимальную скорость утечки при максимальном избыточном давлении. Распределение давления в различных системах и газопроводах приводится на рисунках С.1 - С.4. Примечание - Для безопасности установки оболочек под давлением очень важно, чтобы при установке связанных с оболочкой газопроводов, компрессора или вентилятора последние не создавали опасности при эксплуатации. Основные требования к установке газопроводных систем изложены в приложении D. 7.11 Создание наддува в нескольких оболочкахПри использовании общего источника защитного газа для ряда отдельных оболочек под давлением можно применять общее защитное устройство или устройства при условии, что конечное регулирующее воздействие учитывает наиболее неблагоприятную конфигурацию группы оболочек. Если используется общее защитное устройство, то при открывании дверцы или крышки одной оболочки нет необходимости отключать электрооборудование в других оболочках под давлением или включать аварийную сигнализацию, если соблюдены три следующих условия: a) для взрывозащиты вида «рх» перед открыванием дверцы или крышки следует отключить питание электрооборудования в данной оболочке под давлением, за исключением случая, когда это разрешено согласно 7.13; b) общее защитное устройство продолжает контролировать избыточное давление и, если это необходимо, расход через все другие оболочки под давлением в этой группе; c) перед подключением питания к электрооборудованию в данной оболочке под давлением необходимо произвести продувку, описанную в 7.6. 7.12 Защитные устройства на дверцах и крышкахВ устройствах со взрывозащитой вида «рх» крышки и дверцы следует блокировать таким образом, чтобы отключение питания электрооборудования, не указанного в 7.13, происходило автоматически при их открывании, а включение питания было возможным только после их закрывания. Указанные устройства также должны соответствовать требованиям 7.6. 7.13 Виды взрывозащиты электрооборудования, при которых оно может оставаться под напряжениемЭлектрооборудование внутри оболочки под давлением, на которое может подаваться питание в условиях отключения взрывозащиты вида «рх» или «ру», должно иметь взрывозащиту видов «d», «e», «ia», «ib», «ma», «mb», «о» или «q». Электрооборудование внутри оболочки под давлением со взрывозащитой вида «pz», на которое может подаваться питание в условиях отключения защиты, должно иметь взрывозащиту видов «d», «e», «ia», «ib», «ic», «ma», «mb», «mc», «o», «q», «nA», «nC» или «nL». 7.14 Виды взрывозащиты, разрешенные для электрооборудования внутри оболочки под давлением со взрывозащитой вида «ру»Электрооборудование внутри оболочки под давлением со взрывозащитой вида «ру» должно иметь взрывозащиту видов «d», «e», «ia», «ib», «ic», «ma», «mb», «mc», «o», «q», «nA», «nC» или «nL». 8 Обеспечение защиты и защитные устройства для статического избыточного давления8.1 Пригодность защитных устройств для взрывоопасной зоныВсе защитные устройства, предотвращающие взрыв в электрооборудовании, защищенном статическим избыточным давлением, не должны инициировать взрыв, и если защитные устройства приводятся в действие электрическими средствами, они должны быть защищены с использованием одного из видов взрывозащиты, приведенных в МЭК 60079-0, подходящего для применения или, должны быть установлены за пределами взрывоопасной зоны. 8.2 Защитный газЗащитный газ должен быть инертным. Объемная доля кислорода после заполнения инертным газом должна составлять менее 1 %. 8.3 Внутренние источники выделенияВнутренние источники выделения воспламеняющихся веществ не допускаются. 8.4 Процедура заполненияОболочку под давлением следует заполнить инертным газом вне взрывоопасной зоны, используя методику, указанную изготовителем. 8.5 Защитные устройстваЕсли избыточное давление падает ниже минимума, указанного изготовителем, то требуется срабатывание двух автоматических защитных устройств при взрывозащите вида «рх» или «ру» или одного автоматического защитного устройства при взрывозащите вида «pz». Необходимо обеспечить возможность проверки правильности работы устройств во время эксплуатации электрооборудования. Изменение уставок автоматических защитных устройств должно быть возможно только с помощью инструмента или ключа. Примечание - Потребитель обычно определяет назначение автоматических защитных устройств (например, для отключения питания или включения звуковой аварийной сигнализации, или для принятия других мер обеспечения безопасности). 8.6 Виды взрывозащиты электрооборудования, при которых оно может оставаться под напряжениемЭлектрооборудование внутри оболочки под давлением, на которое подается питание, когда взрывозащита вида «р» не функционирует, должно иметь один из видов взрывозащиты, указанных в 7.13. 8.7 Избыточное давлениеМинимальное избыточное давление должно превышать максимальную потерю давления в нормальных условиях эксплуатации за время, необходимое для охлаждения встроенных в оболочку компонентов в соответствии с 6.3, перечисление b) МЭК 60079-0 при минимальном значении, равном 1 ч. Минимальное избыточное давление должно превышать внешнее давление не менее чем на 50 Па в наиболее неблагоприятных допустимых условиях эксплуатации. 9 Подача защитного газа9.1 Тип газаЗащитный газ не должен быть воспламеняющимся. Изготовитель должен указать тип защитного газа и допустимый альтернативный газ. Примечания 1 Защитный газ не должен из-за химических свойств или содержащихся примесей снижать эффективность взрывозащиты вида «р» или неблагоприятно влиять на функционирование и целостность встроенного в оболочку электрооборудования. 2 В качестве защитного газа может использоваться воздух, применяемый для приборов автоматики, азот или другой невоспламеняющийся газ. 3 При испытании инертного газа существует опасность удушья. Поэтому на оболочке должна быть размещена предупреждающая надпись. В качестве альтернативы должно быть предусмотрено соответствующее устройство для продувки оболочки в целях удаления инертного газа до открывания дверец и крышек. 9.2 ТемператураТемпература защитного газа не должна обычно превышать 40°С на входе оболочки. В особых случаях допускается более высокая температура или может потребоваться более низкая температура; в этом случае температура должна быть указана на оболочке. Примечание - Если это необходимо, следует принять меры, чтобы избежать конденсации и замерзания. 10 Оболочка под давлением с внутренним источником поступления воспламеняющихся веществУсловия поступления воспламеняющихся веществ, требования к конструкции встроенной системы, соответствующая методика установления избыточного давления, ограничения, налагаемые на электрооборудование, способное вызвать воспламенение, и на температуру внутренних нагретых поверхностей, приведены в разделах 11 - 15. 11 Условия поступления воспламеняющихся веществ11.1 Отсутствие поступления11.1.1 Если встроенная система является неповреждаемой, то внутренняя утечка (поступление) отсутствует (см. 12.2). 11.1.2 Считают, что внутренняя утечка не происходит, если воспламеняющиеся вещества внутри встроенной системы находятся в газовой или паровой фазе в условиях работы в заданных температурных пределах или если: a) газовая смесь внутри встроенной системы всегда имеет концентрацию ниже нижнего предела взрываемости или b) минимальное давление, установленное для оболочки под давлением, не менее чем на 50 Па выше максимального давления, установленного для встроенной системы, и предусмотрено автоматическое защитное устройство, которое срабатывает, если перепад давления меньше 50 Па. Примечание - Потребитель определяет назначение сигнала от автоматического защитного устройства (например, для отключения питания или включения звуковой сигнализации, или для принятия других мер обеспечения безопасности). Согласно данному подпункту электрооборудование следует маркировать знаком «X» в соответствии с 29.2, перечисление i) МЭК 60079-0 и указать в специальных условиях безопасного применения меры обеспечения безопасного применения. 11.2 Ограничение поступления газа или параНеобходимо иметь возможность прогнозирования величины поступления (утечки) воспламеняющегося вещества в оболочку под давлением при любых неисправностях во встроенной системе (см. 12.3). Примечание - В настоящем стандарте утечку сжиженного газа рассматривают как утечку газа. 11.3 Ограничение поступления жидкостиИнтенсивность утечки воспламеняющегося вещества в оболочку под давлением ограничена так же, как и в 11.2, однако превращение жидкости в воспламеняющийся пар непредсказуемо. Необходимо учитывать возможность скопления жидкости внутри оболочки под давлением и последствия этого скопления. Если из жидкости высвобождается кислород, то необходимо прогнозировать его возможный максимальный расход (см. 13.2.2). 12 Конструктивные требования к встроенной системе12.1 Общие требования к конструкцииКонструкция встроенной системы, определяющая допустимость или недопустимость утечки, должна быть рассчитана на наиболее неблагоприятные условия эксплуатации, указанные изготовителем. Система должна быть неповреждаемой или иметь ограниченную утечку при неисправности. Если воспламеняющимся веществом является жидкость, ее утечки в нормальных условиях эксплуатации не должно быть, а защитный газ должен быть инертным (см. приложение Е). Примечание - Защитный газ должен быть инертным, чтобы образующиеся пары не превышали допустимый предел разбавления защитного газа. Изготовитель должен указать максимальное входное давление встроенной системы. Изготовитель должен предоставить описание конструкции аппарата встроенной системы, указать типы воспламеняющегося вещества и рабочие условия, а также прогнозируемую интенсивность утечки в заданных точках, что позволит классифицировать встроенную систему [неповреждаемая (12.2) или с ограниченной утечкой (12.3)]. 12.2 Неповреждаемая встроенная системаВстроенная система должна быть выполнена из металла, керамики или стекла в виде трубок или емкостей без подвижных соединений. Соединения выполняют сваркой, дуговой пайкой, сплавлением стекла с металлом или с помощью эвтектических методов1). 1)Метод соединения двух или более компонентов (обычно металлических) с использованием двойного или тройного сплава, затвердевающего при постоянной температуре, которая ниже температуры начала отвердения любого соединяемого компонента. Низкотемпературные сплавы для пайки типа композитов свинца/олова не допускаются. Примечание - Изготовитель должен тщательно определить возможность отрицательного воздействия рабочих условий на потенциально хрупкую встроенную систему. Неблагоприятные условия работы, которые должны быть согласованы между изготовителем и пользователем, могут включать вибрацию, тепловой удар и операции по обслуживанию, требующие открывания дверец и крышек оболочки под давлением. 12.3 Встроенная система с ограниченной утечкойКонструкция системы должна быть такой, чтобы значение утечки воспламеняющегося вещества можно было прогнозировать при любой ее неисправности. Количество воспламеняющегося вещества, попадающее в оболочку под давлением, включает количество воспламеняющегося вещества во встроенной системе и воспламеняющегося вещества, поступающего во встроенную систему из процесса. Его расход следует ограничить до прогнозируемого значения с помощью соответствующих устройств, размещаемых за пределами оболочки под давлением. Однако если часть встроенной системы от точки ввода в оболочку под давлением до входа в устройство, включая вход устройства для ограничения расхода, соответствует требованиям 12.2, то ограничительное устройство можно устанавливать внутри оболочки под давлением; в этом случае оно должно крепиться неподвижно и не иметь подвижных частей. Количество воспламеняющегося вещества, поступающего во встроенную систему с процесса, нет необходимости ограничивать, если можно прогнозировать максимальную величину утечки из встроенной системы в оболочку под давлением. Это условие может быть удовлетворено, если: a) встроенная система содержит соединяемые части, каждая из которых в отдельности отвечает требованиям 12.2, и соединения между частями выполнены таким образом, чтобы можно было прогнозировать максимальную утечку, при этом соединения должны быть закреплены неподвижно; и(или) b) встроенная система содержит сопла или отверстия для выхода в нормальных условиях работы (например, пламени). В остальном она должна отвечать требованиям 12.1. Если в электрооборудовании нет устройства ограничения расхода, то оболочку под давлением маркируют знаком «X» в соответствии с 29.2, перечисление i) МЭК 60079-0. Специальные условия безопасной эксплуатации предусматривают обозначение максимального давления и расхода воспламеняющегося вещества во встроенной системе. Оболочку под давлением, содержащую пламя, следует рассматривать так, как если бы пламя было погашено. Максимальное количество смеси топлива/воздуха, являющейся источником пламени, следует суммировать со значением утечки из встроенной системы. Примечания 1 Во встроенной системе допускаются уплотнения из эластомера, смотровые окна и другие неметаллические части. Допускаются также трубная резьба, компрессионные соединения (например, металлические компрессионные фитинги) и фланцевые соединения. 2 Потребитель должен учитывать возможность образования воспламеняющейся смеси при проникновении воздуха во встроенную систему и принимать соответствующие дополнительные защитные меры. 13 Защитный газ и методика установления избыточного давления13.1 Общие положенияВыбор защитного газа зависит от вероятности появления, количества и состава утечки из встроенной системы. Допустимый защитный газ указан в таблице 4. Таблица 4 - Требования к защитному газу для оболочки под давлением со встроенной системой
Конструкцией оболочки под давлением со встроенной системой и ограниченной утечкой должна быть исключена возможность образования взрывоопасной газовой среды внутри оболочки под давлением на участке потенциального источника воспламенения, т.е. за пределами зоны разбавления. В приложении F приведены примеры, каким образом внутренние перегородки позволяют разместить потенциальные источники воспламенения за пределами зоны разбавления. Если в качестве защитного используют инертный газ, то оболочку под давлением следует маркировать согласно 18.9. Применяемая методика установления избыточного давления зависит от условий и состава утечки, как указано ниже. 13.2 Установление избыточного давления с компенсацией утечки13.2.1 Утечка отсутствует. В качестве защитного газа можно использовать воздух или инертный газ. 13.2.2 Ограниченная утечка газа или жидкости В качестве защитного газа следует использовать инертный газ. Объемная доля кислорода в воспламеняющемся веществе не должна превышать 2 %. В нормальных условиях утечка воспламеняющегося вещества должна отсутствовать (см. приложение Е). Верхний предел взрываемости воспламеняющегося вещества не должен превышать 80 %. Примечания 1 Обеспечить защиту с компенсацией утечки инертным газом, если воспламеняющееся вещество обладает способностью вступать в реакцию с небольшим количеством кислорода или в отсутствие кислорода, т.е. при ВКПВ > 80 %, сложно или невозможно. 2 Если ВКПВ > 80 % или объемная доля кислорода превышает 2 % или если происходит нормальная утечка воспламеняющегося вещества (см. приложение Е), то для разбавления воспламеняющегося вещества используют непрерывный поток согласно 13.3. 13.3 Установление избыточного давления с разбавлением13.3.1 Утечка отсутствует. В качестве защитного газа можно использовать воздух или инертный газ. 13.3.2 Ограниченная утечка газа или пара Расход защитного газа после продувки должен быть достаточным при всех возможных неисправностях встроенной системы для разбавления максимальной утечки у потенциального источника воспламенения, т.е. за пределами зоны разбавления: a) когда защитным газом является воздух, воспламеняющееся вещество в утечке следует разбавлять до концентрации не выше 25 % нижнего концентрационного предела взрываемости (НКПВ); b) когда в качестве защитного газа используется инертный газ, кислород в утечке следует разбавлять до значения, не превышающего 0,02 объемных долей (2 %). Когда воспламеняющееся вещество, высвобождаемое из встроенной системы, имеет ВКПВ > 80 %, любую утечку следует разбавлять воздухом до концентрации не более 25 % НКПВ. Примечание - Если воспламеняющееся вещество способно вступать в реакцию с небольшим количеством кислорода или в отсутствие кислорода, т.е. имеет ВКПВ > 80 %, то необходимо разбавление до концентрации 25 % НКПВ. 13.3.3 Ограниченная утечка жидкости Защитный газ должен быть инертным, и необходимо выполнение требований 13.3.2, перечисление b). Нормальная утечка воспламеняющегося вещества должна отсутствовать (см. приложение Е). 14 Электрооборудование, способное к воспламенениюЗащита электрооборудования в зоне разбавления - в соответствии с таблицей 5. Исключение составляют факелы, поджигающие электроды и другие подобные устройства для зажигания. Зона разбавления, образуемая факелом, не должна совмещаться с любой другой зоной разбавления. Таблица 5 - Виды взрывозащиты, допускаемые в зоне разбавления
Примечания 1 Как правило, любой внутренний источник утечки должен быть расположен ближе к выходу, а любое электрооборудование, способное вызвать воспламенение, - ближе к входу защитного газа для обеспечения наикратчайшего расстояния выхода воспламеняющегося вещества из оболочки под давлением в обход электрооборудования, способного вызвать воспламенение. 2 Для предотвращения распространения пламени от источника воспламенения внутри встроенной системы обратно на установку необходим пламегаситель. Эти меры в настоящем стандарте не рассматривают. 15 Внутренние нагретые поверхностиЕсли оболочка под давлением содержит поверхность, температура которой превышает температуру воспламенения высвобождаемого из встроенной системы воспламеняющегося вещества, необходимо автоматическое защитное устройство. Функционирование защитного устройства оговорено в 11.1.2, перечисление b), и приведено в таблице 3. Кроме того: a) если в качестве защитного газа используют воздух, то утечка оставшегося во встроенной системе воспламеняющегося вещества не должна образовывать концентрацию более 50 % НКПВ вблизи нагретой(ых) поверхности(ей); или b) если в качестве защитного газа используют инертный газ, конструкция соединений оболочки под давлением должна предотвращать какое-либо значительное смешение наружного воздуха с внутренним инертным газом (или внутренним воспламеняющимся газом, или паром) на протяжении периода охлаждения. Поступление атмосферного воздуха не должно увеличивать объемную долю кислорода в смеси свыше 2 %. На оболочку под давлением должна быть нанесена предупредительная надпись: «ПРЕДОСТЕРЕЖЕНИЕ! НЕ ОТКРЫВАТЬ ДВЕРЦУ ИЛИ КРЫШКУ В ТЕЧЕНИЕ _____МИНУТ ПОСЛЕ ОТКЛЮЧЕНИЯ ПИТАНИЯ». Этот интервал должен быть равен наибольшему времени охлаждения нагретой поверхности ниже температуры воспламенения высвобождаемого из встроенной системы воспламеняющегося вещества или ниже температурного класса оболочки под давлением в зависимости от того, какое значение меньше. 16 Функциональные проверки и испытания16.1 Испытание на максимальное избыточное давлениеНа оболочку под давлением, газопровод и соединения, если они являются частью оболочки, подают давление, в 1,5 раза превышающее обозначенное максимальное допустимое избыточное давление, или 200 Па, в зависимости оттого, что больше. Давление при испытании следует выдержать в течение (120 ± 10) с. Результаты испытания считают положительными, если не обнаружено остаточной деформации, которая может нарушить вид взрывозащиты. 16.2 Испытание на утечку16.2.1 Испытания, отличные от испытаний статическим давлением Давление в оболочке под давлением следует установить на уровне максимального избыточного давления, обозначенного изготовителем для нормальных условий эксплуатации. Выходное отверстие закрывают, а утечку измеряют на входном отверстии. Измеренный расход не должен превышать максимального значения утечки, указанного изготовителем. 16.2.2 Статическое избыточное давление В оболочке под давлением следует установить максимальное избыточное давление для нормальных условий эксплуатации. Отверстие(я) закрывают и внутреннее давление измеряют в течение времени, установленного в 8.7. Изменение давления не должно превышать минимальное избыточное давление, установленное для нормальных условий эксплуатации. 16.3 Испытание на продувку оболочки под давлением, не имеющей внутреннего источника утечки (метод установления избыточного давления - компенсация утечки или непрерывный поток), и испытание на заполнение при статическом избыточном давлении16.3.1 Оболочка под давлением с воздухом в качестве защитного газа Оболочка под давлением должна быть подготовлена к испытанию согласно приложению А. Оболочку заполняют газом для испытания до концентрации не менее 70 % в любой точке. Как только оболочка заполнится, поток газа для испытания перекрывают и включают подачу воздуха с минимальной скоростью продувки, установленной изготовителем. Измеряют время продувки, которую проводят до тех пор, пока ни в одной из точек пробоотбора концентрация газа для испытания не будет превышать приведенную в А.2. Если требуется второе испытание, то оболочку под давлением заполняют другим испытательным газом с противоположным показателем плотности (легкий/тяжелый газ) до концентрации не менее 70 % в любой точке. Затем измеряют необходимое время продувки для второго испытания. Минимальная длительность продувки, установленная изготовителем, должна быть не меньше измеренного времени продувки или равняться большему из двух периодов продувки, если проводят два испытания. 16.3.2 Оболочка под давлением с инертным газом в качестве защитного газа Оболочка под давлением должна быть подготовлена к испытанию согласно приложению А. Сначала оболочку заполняют воздухом при нормальном атмосферном давлении. Затем проводят продувку оболочки инертным газом, указанным изготовителем. Время продувки измеряют до тех пор, пока не остается ни одной точки пробоотбора, где бы концентрация кислорода превышала приведенную в А.3. Это время принимают за время продувки. Минимальная длительность продувки, установленная изготовителем, не должна быть меньше измеренного времени продувки. 16.3.3 Оболочка под давлением, в которой защитным газом является воздух или инертный газ плотностью, отличающейся от плотности воздуха на ±10 % Если воздух и инертный газ допускаются в качестве альтернативных защитных газов при том же времени продувки, то время продувки следует измерять методом 16.3.1. 16.3.4 Заполнение оболочки под давлением, защищенной статическим избыточным давлением При статическом избыточном давлении сначала следует заполнить оболочку под давлением воздухом при нормальном атмосферном давлении. Затем электрооборудование заполняют инертным газом согласно инструкции изготовителя. После этого измеряют концентрацию кислорода - в каждой точке пробоотбора объемная доля кислорода в газовой среде, заполняющей оболочку, не должна превышать 1 % относительно атмосферных условий. 16.4 Испытание на продувку и разбавление в оболочке под давлением, имеющей внутренний источник утечки16.4.1 Газ для испытания При выборе газа(ов) для испытания необходимо учитывать газы, присутствующие во внешней среде, и внутреннюю утечку воспламеняющегося вещества. 16.4.2 Оболочка под давлением, в которой воспламеняющееся вещество содержит менее 0,02 объемной доли кислорода (2 %), а защитный газ является инертным 16.4.2.1 Испытание на продувку Испытание следует проводить по методике 16.3.2. Минимальный расход продувочного газа должен быть не менее максимальной скорости утечки из встроенной системы. Минимальное время продувки, установленное изготовителем, должно быть не менее чем в 1,5 раза более измеренного во время продувки. Примечание - Для учета количества кислорода, высвобождаемого из встроенной системы, время продувки, подтвержденное испытанием, увеличивают на 50 %. 16.4.2.2 Испытание на разбавление Это испытание не требуется, если воспламеняющееся вещество содержит не более 0,02 объемной доли кислорода (2 %). 16.4.3 Оболочка под давлением, в которой избыточное давление устанавливается с помощью непрерывного потока; встроенная система содержит не более 0,21 объемной доли кислорода (21 %), защитный газ является инертным 16.4.3.1 Испытание на продувку Оболочку заполняют воздухом. Воздух вводят в оболочку через встроенную систему в объеме, соответствующем максимальной скорости утечки в самых неблагоприятных условиях. При этом учитывают место, число и характер утечек, а также их близость к потенциально воспламеняющемуся электрооборудованию, т.е. за пределами зоны разбавления. Затем включают подачу защитного газа с минимальным расходом, установленным изготовителем. Время измеряют до тех пор, пока ни в одной точке пробоотбора концентрация кислорода не будет превышать указанную в А.3. Это время принимают за измеренное время продувки. Минимальное время продувки, установленное изготовителем, должно быть не меньше измеренного времени продувки. 16.4.3.2 Испытание на разбавление Сразу после испытания на продувку согласно 16.4.3.1 подачу защитного газа устанавливают на минимальный расход, установленный изготовителем; расход кислорода из встроенной системы устанавливают согласно 16.4.3.1. Концентрация кислорода, измеренная в течение не менее 30 мин, не должна превышать указанную в А.3. Объем воздуха с содержанием кислорода, эквивалентным содержанию кислорода во встроенной системе, вводят в оболочку под давлением из встроенной системы с утечкой воздуха, как указано в 12.3. Во время утечки концентрация кислорода вблизи потенциального источника воспламенения, т.е. за пределами зоны разбавления, не должна превышать 1,5-кратную концентрацию кислорода, указанную в А.3, и за время не более 30 мин должна быть снижена до значения, которое меньше указанной концентрации. Примечание - Это испытание проводят для моделирования очень большой утечки, которая происходит при полном выходе из строя встроенной системы. 16.4.4 Оболочка под давлением, в которой воспламеняющееся вещество не является жидкостью; избыточное давление устанавливается непрерывным потоком, а защитным газом является воздух 16.4.4.1 Испытание на продувку Испытание проводят по методике 16.3.1. Кроме того, газ для испытания вводят в оболочку под давлением через встроенную систему со скоростью, равной максимальной скорости утечки, таким образом, чтобы воспроизвести наиболее жесткие условия утечки; при этом учитывают места, число и характер утечек, а также их близость к потенциальному источнику воспламенения, т.е. за пределами зоны разбавления. Время измеряют до тех пор, пока ни в одной точке пробоотбора концентрация газа для испытания не будет превышать указанную в А.2. Если требуется второе испытание, то используют другой газ, а за время продувки принимают измеренное время продувки. Минимальное время продувки, установленное изготовителем, должно быть не меньше измеренного времени продувки или представлять больший из двух измеренных периодов продувки, если проводят два испытания. 16.4.4.2 Испытание на разбавление Сразу же после испытания на продувку согласно 16.4.4.1 подачу защитного газа устанавливают, если необходимо, на минимальный расход, установленный изготовителем, при этом расход газа для испытания из встроенной системы устанавливают на уровне, указанном в 16.4.3.1. Концентрация газа для испытания, измеренная в течение не менее 30 мин, не должна превышать указанную в А.2. Объем газа для испытания, эквивалентный объему воспламеняющегося вещества внутри встроенной системы, вводят в оболочку под давлением из встроенной системы вместе с газом для испытания, расход которого эквивалентен максимальной величине утечки воспламеняющегося газа в соответствии с 12.3. Во время утечки концентрация газа вблизи потенциального источника воспламенения, т.е. за пределами зоны разбавления, не должна превышать двукратное значение, указанное в А.2, и в течение не более 30 мин должна быть снижена до значения ниже указанного в А.2. Если требуется второе испытание, то для его проведения используют другой газ. Примечание - Это испытание проводят для моделирования очень большой утечки, которая может быть при полном выходе из строя встроенной системы. 16.5 Проверка минимального избыточного давленияПроверяют способность системы функционировать под давлением и поддерживать избыточное давление согласно 7.10 в нормальных условиях эксплуатации. Давление в оболочке измеряют в точках возможной утечки, особенно на участках наименьшего давления. Защитный газ подают в оболочку при минимальном избыточном давлении и, если необходимо, с минимальным расходом, указанным изготовителем. Для вращающихся электрических машин испытания проводят как на остановленных машинах, так и на работающих с максимальной номинальной скоростью. 16.6 Испытания встроенной системы на неповреждаемостьПримечание - Эти испытания проводят на встроенной системе неповреждаемой конструкции. 16.6.1 Испытание на избыточное давление Испытательное давление, не менее чем в пять раз превышающее максимальное внутреннее избыточное давление, установленное для нормальных условий эксплуатации, но не менее 1000 Па, подают во встроенную систему и выдерживают в течение (120 ± 10) с. Встроенную систему испытывают при самой неблагоприятной номинальной температуре. Достижение максимального давления испытания должно произойти за 5 с. Результаты испытания считают положительными, если не обнаружено остаточной деформации и испытания выполнены в соответствии с 16.6.2. 16.6.2 Испытание на неповреждаемость a) Встроенную систему помещают в среду гелия с давлением, равным максимальному, указанному для нормальных условий эксплуатации. Давление внутри встроенной системы снижают до абсолютного давления 0,1 Па или менее. Схема данного испытания приведена в приложении G; b) как вариант - встроенную систему помещают в вакуумную камеру и подсоединяют к источнику гелия с максимальным давлением, указанным для нормальных условий эксплуатации. Давление внутри встроенной системы понижают до абсолютного давления 0,1 Па или менее. Результаты испытания считают положительными, если во время работы системы удается поддерживать абсолютное давление не более 0,1 Па. 16.7 Испытание на избыточное давление встроенной системы с ограниченной утечкойПримечание - Испытание проводят на встроенной системе с ограниченной утечкой в нормальных условиях эксплуатации. Испытательное давление, не менее чем в 1,5 раза превышающее максимальное внутреннее избыточное давление для нормальных условий работы, но не менее 200 Па, подают во встроенную систему и поддерживают в течение (120 ± 10) с. Результаты испытания считают положительными, если остаточная деформация отсутствует. 16.8 Проверка способности оболочки под давлением ограничивать внутреннее избыточное давлениеДанное испытание проводят, если конструкция оболочки рассчитана на испытание сжатым воздухом (газом), при этом в случае отказа регулятора ограничение максимального избыточного давления в оболочке проводят за счет утечки, выходных отверстий или с помощью редукторов давления. Примечание - Данные испытания могут представлять опасность, если не принять соответствующих мер защиты персонала и имущества. Систему установления избыточного давления и оболочку испытывают максимальным номинальным давлением или равным 690 кПа (в зависимости от того, что больше), которое подают на вход системы установления давления. При этом регулятор в системе установления избыточного давления байпассируют для воспроизведения условий неисправности регулятора. Примечание - Давление 690 кПа является типовым давлением питания приборов. Закрывают все отверстия, которые могут быть закрыты при нормальной эксплуатации. Исключение составляют отверстия сброса и редукторы давления. Измеренное внутреннее давление не должно превышать установленное максимальное допустимое избыточное давление. 17 Приемо-сдаточные испытания17.1 Испытание на функционированиеПроверяют работу защитных устройств. 17.2 Испытание на утечкуУтечку защитного газа проверяют согласно 16.2. 17.3 Испытание встроенной системы на неповреждаемостьНеповреждаемую встроенную систему испытывают согласно 16.6. 17.4 Испытание встроенной системы с ограниченной утечкойВстроенную систему испытывают согласно 16.7. 18 Маркировка18.1 Идентификация оболочки под давлениемНа оболочку под давлением должна быть нанесена надпись: «ПРЕДОСТЕРЕЖЕНИЕ! ОБОЛОЧКА ПОД ДАВЛЕНИЕМ» и маркировка в соответствии с требованиями МЭК 60079-0. 18.2 ПредупрежденияЕсли в соответствии с требованиями настоящего стандарта необходима предупредительная маркировка, текст, который следует после слова «Предостережение», может быть заменен текстом, эквивалентным с технической точки зрения. Несколько предупреждений могут быть объединены в одно. 18.3 Дополнительная маркировкаМаркировка должна включать следующую дополнительную информацию: a) взрывозащита вида «рх», «ру» или «pz»; b) минимальное количество защитного газа, необходимое для предварительной (предпусковой) продувки оболочки: - минимальный расход при продувке защитного газа; - минимальное время продувки; - минимальное дополнительное время продувки на единицу объема дополнительных газопроводов, если такие имеются. Примечания 1 Увеличение расхода защитного газа для продувки всех соединительных газопроводов обычно производится потребителем. 2 Для взрывозащиты вида «pz» или «ру» вместо расхода можно использовать показания датчика минимального давления, если давление является объективным показателем правильности расхода [см. 7.7, перечисление с)]; c) тип защитного газа, если это не воздух; d) минимальное и максимальное избыточное давление; e) минимальный расход защитного газа; f) минимальное и максимальное давления питания на входе системы установления избыточного давления; g) максимальное значение утечки из оболочки под давлением; h) специальная температура или диапазон температур защитного газа на входе оболочки под давлением, если они указаны изготовителем; i) точка или точки контроля давления, если эти данные не указаны в соответствующей документации. 18.4 Оболочка под давлением со встроенной системойКроме данных, указанных в 18.3, маркировка оболочек под давлением со встроенной системой должна включать следующую информацию: a) максимальное давление на входе во встроенную систему; b) максимальный расход во встроенной системе; c) указание об ограничении объемной доли кислорода в воспламеняющемся веществе (не более 2 %); d) указание об ограничении ВКПВ воспламеняющегося вещества (не более 80 %). 18.5 Оболочка под давлением, защищенная статическим избыточным давлениемНа оболочки под давлением, защищенные статическим избыточным давлением, должна быть нанесена надпись: «ПРЕДУПРЕЖДЕНИЕ! ДАННАЯ ОБОЛОЧКА ЗАЩИЩЕНА СТАТИЧЕСКИМ ИЗБЫТОЧНЫМ ДАВЛЕНИЕМ. ОБОЛОЧКУ СЛЕДУЕТ ЗАПОЛНЯТЬ ТОЛЬКО ВНЕ ВЗРЫВООПАСНОЙ ЗОНЫ СОГЛАСНО ИНСТРУКЦИЯМ ИЗГОТОВИТЕЛЯ». 18.6 Системы установления избыточного давленияЕсли система установления избыточного давления сертифицируется отдельно, ее следует маркировать как связанное электрооборудование. Примечание - Систему для применения вне взрывоопасной зоны маркируют [Ех р], а систему для применения во взрывоопасной зоне - Ех [р]. 18.7 Предупреждения в соответствии с требованиями других разделов
18.8 Ограничение давления потребителемЕсли по инструкции потребитель должен ограничивать давление, на оболочке маркируют максимальное рабочее давление. Инструкции должны содержать приведенные ниже требования: a) потребитель должен установить такой источник защитного газа, который не увеличит максимальное рабочее давление в оболочке в условиях одной неисправности. При этом неисправность должна быть самообнаруживающейся. Защиту обеспечивают резервным регулятором или наружным редуктором давления, рассчитанным на максимальный расход; или b) для подачи защитного газа потребитель должен использовать воздуходувки, а не источник сжатого воздуха. Соответствие данным требованиям проверяют по инструкции и маркировке. 18.9 Инертный газЕсли в качестве защитного используют инертный газ, то оболочку под давлением следует маркировать следующей надписью: «ПРЕДУПРЕЖДЕНИЕ! ОБОЛОЧКА СОДЕРЖИТ ИНЕРТНЫЙ ГАЗ, КОТОРЫЙ МОЖЕТ ВЫЗВАТЬ УДУШЬЕ. КРОМЕ ТОГО, В КОРПУСЕ СОДЕРЖИТСЯ ВОСПЛАМЕНЯЮЩЕЕСЯ ВЕЩЕСТВО, КОТОРОЕ ПРИ СОЕДИНЕНИИ С ВОЗДУХОМ МОЖЕТ ВЫЗВАТЬ ВОСПЛАМЕНЕНИЕ». 19 РуководстваПриложение D содержит рекомендации относительно установления избыточного давления. Приложение А
|
|||||||||||||||||||||||||||||||||||||||||||||||||||||||||||||||||||||||||||||||||||||||||||||||||||||||||||||||||||||||||||||||||||||||||||||||||||||||||||||||||||||||||||||||||||||||||||||||||||||||||||||||||||||||||||||||||||||||||||||||||||||||||||||||||||||||||||||||||||||||||||||||||||||||||||||||||||||||||||||||||||||||||||||||||||||||||||||||||||||||||||||||||||||||||||||||||||||||||||||||||||||||||||||||||||||||||||||||||||||||||||||
|
S0 |
S1 |
S2 |
S3 |
МОР |
ХОР |
PFLO |
PTIM |
|
1 |
0 |
0 |
0 |
0 |
1 |
0 |
1 |
|
1 |
0 |
0 |
0 |
0 |
0 |
0 |
1 |
|
1 |
0 |
0 |
0 |
1 |
1 |
1 |
0 |
|
1 |
0 |
0 |
0 |
1 |
1 |
0 |
1 |
|
1 |
0 |
0 |
0 |
1 |
1 |
1 |
1 |
|
1 |
0 |
0 |
0 |
0 |
1 |
1 |
1 |
|
1 |
0 |
0 |
0 |
0 |
0 |
1 |
1 |
|
1 |
0 |
0 |
0 |
1 |
1 |
0 |
0 |
|
|
0 |
0 |
0 |
0 |
1 |
0 |
0 |
|
1 |
0 |
0 |
0 |
0 |
0 |
0 |
0 |
|
1 |
0 |
0 |
0 |
0 |
0 |
1 |
0 |
|
1 |
0 |
0 |
0 |
0 |
1 |
1 |
0 |
|
0 |
1 |
0 |
0 |
1 |
0 |
0 |
0 |
|
0 |
0 |
1 |
0 |
1 |
0 |
1 |
0 |
|
0 |
0 |
0 |
1 |
1 |
0 |
0 |
1 |
|
0 |
0 |
0 |
1 |
1 |
0 |
1 |
1 |

Рисунок В.1 - Диаграмма состояния для системы управления продувкой с компенсацией утечки
ЛОГИЧЕСКИЕ ОПРЕДЕЛЕНИЯ КОМПЕНСАЦИИ УТЕЧКИ
[ХОР] - Превышение максимального избыточного давления;
[МОР] - Избыточное давление свыше 50 Па (25 Па для «pz»);
[PFLO] - Расход продувки больше минимального;
[PTIM] - Неполное время продувки;
[PTIM] - Полное время продувки;
SO - Начальное состояние;
[МОР] & [ХОР] & [PFLO] & [PTIM] = S1 Минимальные условия запуска продувки;
[МОР] & [ХОР] & [PFLO] & [PTIM] = S2 Продувка;
[MOP] & [ХОР] & [PTIM] = S3 Продувка завершена, питание подключено.
Каждое состояние системы определяется по реакции на вход устройств контроля. Состояния являются единственными. Переходные процессы между состояниями допускаются только по маршрутам, обозначенным стрелками, и в направлении стрелок. Логические условия возникновения каждого состояния определяются исключительно логическими Булевыми уравнениями. Все возможные сочетания условий входа приведены в таблице. Другие системы с большим числом устройств контроля могут быть описаны данным методом при условии, что каждое рабочее состояние определяется исключительно их входами.
Примечание - На рисунках приведены примеры установления избыточного давления с помощью вентилятора. Возможны и другие способы создания избыточного давления, например подача воздуха из баллонов со сжатым воздухом, компрессоров и т. п. В этих случаях на участке до входа оболочки происходят разные перепады давления.
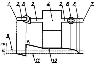
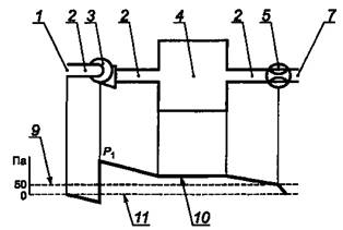
Р1 --давление защитного газа (определяется по сопротивлению потока через газопровод, части внутри оболочки и в ряде случаев - через дроссельную заслонку); 1 - вход защитного газа (в безопасной зоне); 2 - газопровод; 3 - вентилятор; 4 - оболочка; 5 - дроссельная заслонка (в том случае, когда требуется поддерживать избыточное давление); 6 - (не используется на этом рисунке); 7 - выход защитного газа; 8 - (не используется на этом рисунке); 9 - избыточное давление; 10 - внутреннее давление; 11 - наружное давление
Рисунок С.1 а) - Выход защитного газа без использования барьера от искр и частиц

Р1 - давление защитного газа (определяется по сопротивлению потока через газопровод, части внутри оболочки и в ряде случаев - через дроссельную заслонку и барьер от искр и частиц); 1 - вход защитного газа (в безопасной зоне); 2 - газопровод; 3 - вентилятор; 4 - оболочка; 5 - дроссельная заслонка (в том случае, когда требуется поддерживать избыточное давление); 6 - (не используется на этом рисунке); 7 - выход защитного газа; 8 - барьер от искр и частиц; 9 - избыточное давление; 10 - внутреннее давление; 11 - наружное давление
Рисунок С.1 b) - Выход защитного газа с использованием барьера от искр и частиц

Р2 - давление защитного газа (практически постоянное); 1 - вход защитного газа (в безопасной зоне); 2 - газопровод; 3 - вентилятор; 4 - оболочка; 5 - (не используется на этом рисунке); 6 - выходной клапан; 7 - выход защитного газа; 8 - (не используется на этом рисунке); 9 - избыточное давление; 10 - внутреннее давление; 11 - внешнее давление
Рисунок С.2 - Оболочка под давлением с компенсацией утечки без подвижных частей

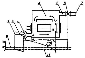
Р3 - давление защитного газа (определяется по сопротивлению внутренних частей потоку и подтверждается по воздействию внутреннего вентилятора, используемого для охлаждения, на участке А, В и С); 1 - вход защитного газа (в безопасной зоне); 2 - газопровод; 3 - вентилятор; 4 - оболочка; 5 - (не используется на этом рисунке); 6 - выходной клапан; 7 - выход защитного газа; 8 - (не используется на этом рисунке); 9 - избыточное давление; 10 - внутреннее давление; 11 - внешнее давление
Давление в каждой точке возможной утечки превышает минимальное давление, равное 50 Па для взрывозащиты вида «рх».
Примечание - Следует соблюдать меры предосторожности при использовании избыточного давления в двигателях с внутренним контуром охлаждения, в котором циркуляции способствует внутренний вентилятор, так как подобные вентиляторы могут создать отрицательное давление в частях оболочки с последующим проникновением внешнего давления. Любое предложение о создании избыточного давления в двигателе с внутренней вентиляцией должно быть согласовано с изготовителем двигателя.
Рисунок С.3 - Оболочки под давлением с компенсацией утечки, вращающаяся электрическая машина с внутренним охлаждающим вентилятором
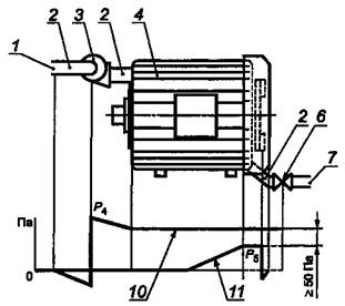
Р4 - давление защитного газа (определяется по сопротивлению внутренних частей потоку и по наибольшему значению давления наружного воздуха); Р5 - давление наружного воздуха, создаваемое наружным охлаждающим вентилятором; 1 - вход защитного газа, 2 - газопровод; 3 - вентилятор; 4 - оболочка; 5 - (не используется на этом рисунке); 6 - выходной клапан; 7 - выход защитного газа; 8 - (не используется на этом рисунке); 9 - (не используется на этом рисунке); 10 - внутреннее давление; 11 - внешнее давление
Рисунок С.4 - Оболочка под давлением с компенсацией утечки, вращающаяся электрическая машина с наружным охлаждающим вентилятором
D.1 Общие положения
В целях обеспечения безопасных условий эксплуатации потребителя следует обеспечивать информацией о правилах установки системы создания избыточного давления.
Изготовитель должен выполнить действия, указанные в D.2-D.6.
D.2 Линия подачи защитного газа
D.2.1 Размещение входа
За исключением подачи газа из баллонов и некоторых случаев применения по группе I, точка входа защитного газа на линию(ии) подачи должна размещаться во взрывобезопасной зоне.
Следует учитывать сведение до минимума перемещение горючих газов из взрывоопасной во взрывобезопасную зону при потере избыточного давления.
Для группы I, где защитный газ поступает на линию подачи из взрывоопасной зоны, следует принимать следующие меры предосторожности:
a) на выходной стороне вентилятора или компрессора необходимо устанавливать два отдельных детектора рудничного газа, каждый из которых автоматически отключает подачу электропитания на оболочку под давлением, если концентрация рудничного газа превышает 10 % нижнего предела взрываемости;
b) время автоматического отключения не должно превышать половину времени прохождения защитного газа от точки детектирования до оболочки под давлением;
c) в случае автоматического отключения оболочку под давлением следует повторно продувать до возобновления подачи электропитания. Время продувки следует отсчитывать только после того, как концентрация рудничного газа в защитном газе станет менее 10 % НКПВ.
D.2.2 Линия между оболочкой под давлением и входом
Подающий газопровод компрессора не должен проходить через взрывоопасную зону.
Если линия подачи компрессора проходит через взрывоопасную зону, она должна быть выполнена из негорючего материала и защищена от механического повреждения и коррозии.
Если внутреннее давление ниже атмосферного (см. приложение С), необходимо принимать соответствующие меры предосторожности, с тем чтобы в линии подачи защитного газа отсутствовали утечки. Следует предусматривать дополнительные защитные меры, например детекторы горючего газа, с тем чтобы гарантировать отсутствие в линии подачи концентраций газа или пара, способных вызвать воспламенение.
D.2.3 Выходы защитного газа
Выходы газопроводов защитного газа должны находиться предпочтительно во взрывобезопасной зоне, кроме зоны, расположенной в непосредственной близости от выходов, если только изготовитель не предусмотрел барьеры от частиц или если потребитель дополнительно не установил их.
D.2.4 Дополнительное время продувки с учетом газопровода
Время продувки следует увеличивать с учетом продувки свободного объема газопроводных линий, не являющихся частью оборудования, не менее чем пятикратным объемом при минимальном расходе, установленном изготовителем.
D.3 Питание устройств подачи защитного газа
Электропитание устройств подачи защитного газа (воздуходувка, компрессор и т.п.) подают от отдельного источника питания или от источника питания оболочки под давлением.
D.4 Установление статического избыточного давления
Если избыточное давление падает ниже установленного минимума, то перед повторным заполнением оболочку под давлением следует переместить во взрывобезопасную зону.
D.5 Оболочка со встроенной системой
Максимальное давление и расход воспламеняющегося вещества на входе встроенной системы не должны превышать значений, установленных изготовителем.
Могут потребоваться дополнительные меры против образования взрывоопасной смеси в связи с прониканием воздуха во встроенную систему.
Необходимо принимать соответствующие меры предосторожности, с тем чтобы исключить возникновение неблагоприятных рабочих условий, которые могут повредить встроенную систему. Эти условия должны быть приведены в технической документации (вибрация, тепловой удар, а также операции по обслуживанию, требующие открывания дверец и крышек оболочки под давлением).
Может потребоваться выключатель для перекрытия потока воспламеняющегося вещества, если, например, возможно его возгорание от нагретой внутренней поверхности и предотвращение утечки из встроенной системы возможно с помощью установления внутреннего положительного давления.
Если нарушение нормальной утечки изменит классификацию наружных зон, может возникнуть необходимость в дополнительных мерах предосторожности.
D.6 Максимальное избыточное давление оболочки
Потребитель должен ограничивать давление в соответствии с указаниями изготовителя.
Е.1 Общие положения
Последствия утечки воспламеняющегося вещества внутри оболочки более опасны, чем утечка в окружающую атмосферу. Временная утечка внутри оболочки приводит к скоплению воспламеняющихся веществ, которые остаются внутри нее даже после прекращения утечки. Поэтому важнее обратить особое внимание на утечку в нормальных условиях и на утечку в аварийных условиях, чем на утечку на открытом воздухе.
Во всех случаях необходима установка устройств, ограничивающих расход воспламеняющихся веществ из встроенной системы в оболочку под давлением. Допускается лишь ограниченная утечка.
Е.2 Отсутствие утечки в нормальных и аварийных условиях
Встроенная система должна соответствовать конструктивным требованиям 12.2 и требованиям испытаний 16.6 для неповреждаемой встроенной системы.
Е.3 Отсутствие утечки в нормальных условиях и ограниченная утечка в аварийных условиях
Встроенную систему, не соответствующую требованиям неповреждаемости и содержащую металлические линии, трубопроводы или такие элементы, как трубки Бурдона, сильфоны или спирали с соединениями, не подлежащими демонтажу при текущем техническом обслуживании и выполненными с использованием трубной резьбы, сварки, эвтектических методов или металлических компрессионных фитингов, нельзя рассматривать как систему без утечки в нормальных условиях. Ее рассматривают как систему с ограниченной утечкой в аварийных условиях.
Поворотные или скользящие соединения, фланцевые соединения, уплотнения из эластомера и неметаллические гибкие трубки не отвечают этим критериям.
Е.4 Ограниченная утечка в нормальных условиях
Системы, не отвечающие требованию утечки в нормальных условиях, следует рассматривать как системы с ограниченной утечкой в нормальных условиях. К ним относятся встроенные системы, соединения которых подлежат текущему техническому обслуживанию. Такие соединения следует четко идентифицировать.
Встроенные системы, содержащие неметаллические трубопроводы, трубки или такие элементы, как трубки Бурдона, сильфоны, мембраны, спирали, уплотнения из эластомера, поворотные и скользящие соединения, следует рассматривать как источник утечки в нормальных условиях эксплуатации.
Оценку оболочек, в которых в нормальных условиях эксплуатации используется пламя, следует осуществлять при погашенном пламени. Следует исходить из того, что гашение пламени является нормальным событием, и это оборудование следует классифицировать как имеющее нормальную утечку, если только не установлены специальные автоматические устройства, перекрывающие поток воспламеняющегося газа или пара после гашения пламени.
Заключив воспламеняющее устройство (ВУ) во внутренний корпус или используя перегородки, можно продемонстрировать с помощью простого испытания, что ВУ находится за пределами зоны разбавления. Поэтому нет необходимости определять степень распространения зоны разбавления только для установления нахождения зоны разбавления.

1 - номинальная граница зоны разбавления; 2 - вход воспламеняющегося вещества; 3 - выход воспламеняющегося вещества; 4 - зона, в которой проводят испытание на разбавление; 5 - выход продувочного газа; 6 - перегородка оболочки воспламеняющегося устройства; 7 - вход продувочного газа
Рисунок F.1 - Использование концепции зон разбавления в целях упрощения требований, предъявляемых к испытанию процессов продувки и разбавления

1 - внутренняя перегородка; 2 - вход продувочного газа; 3 - неповреждаемые части встроенной системы; 4 - выход продувочного газа; 5 - расположение ВУ; 6 - потенциальный источник утечки с номинальной зоной разбавления
Рисунок F.2 - Использование концепции неповреждаемой встроенной системы в целях упрощения требований, предъявляемых к продувке и разбавлению вокруг ВУ
Поскольку части встроенной системы, находящиеся внутри перегородки, соответствуют требованиям, предъявляемым к неповреждаемой встроенной системе, ВУ не может быть размещено в зоне разбавления.

1 - зона, в которой проводится испытание на разбавление; 2 - вход продувочного инертного газа; 3 - потенциальный источник утечки с номинальной зоной разбавления; 4 - выход продувочного газа
Рисунок F.3 - Использование внутренних перегородок вокруг потенциального источника утечки в целях упрощения требований к продувке и разбавлению вокруг ВУ, размещенного за пределами перегородок
Поскольку зона разбавления находится внутри перегородки, ВУ размещается вне зоны разбавления.

1 - система, заполненная гелием; 2 - испытуемая система; 3 - устройство контроля давления; 4 - система отвода газа; 5 - критический диаметр отверстия; 6 - диаметр соединительного сопла
Рисунок G.1 - Схема испытания на неповреждаемость, описанного в 16.6. 2 а)
Примечания
1 Объем V2 больше объема V1 испытуемой системы.
2 Площадь поперечного сечения сопла с критическим диаметром D0 меньше площади поперечного сечения соединительного сопла диаметром Dх.
3 Устройство контроля давления Р необходимо скорректировать с учетом свойств газа, используемого при испытаниях на утечку (т.е. свойств гелия).
4 Результаты испытания считают положительными, если абсолютное давление, которое меньше или равно 0,1 Па, можно поддерживать в V2, когда оба клапана (IV1 и IV2) открыты.
5 Значение утечки (при наличии) можно определить при открытом клапане IV1 и закрытом клапане IV2.
Н.0 Введение
В настоящем приложении дано объяснение метода оценки риска, охватывающего уровни защиты оборудования. Введение уровней защиты оборудования позволит применять альтернативный подход к методам выбора Ех-оборудования.
Н.1 История вопроса
Исторически известно, что не все виды взрывозащиты обеспечивают один и тот же уровень гарантии защиты от появления условий воспламенения. В МЭК 60079-14 принцип защиты определяется в зависимости от конкретных зон по принципу: чем больше вероятность появления взрывоопасной среды, тем выше требуемый уровень защиты от предполагаемой активизации источника воспламенения.
Опасные зоны (за исключением угольных шахт) подразделяются на зоны по степени опасности.
Разделение на взрывоопасные зоны осуществляется в соответствии со степенью опасности. Степень опасности определяется по вероятности появления взрывоопасной среды. Обычно предполагаемые последствия взрыва или другие факторы, такие как токсичность материала, не учитываются. Настоящая оценка риска должна учитывать все факторы.
Возможности использования оборудования в конкретной зоне зависят от вида взрывозащиты. В отдельных случаях виды взрывозащиты подразделяют на разные уровни безопасности, которые опять связаны с зонами. Например, искробезопасные цепи подразделяются на уровни «ia» и «ib». Новый стандарт по герметизации компаундом «m» также включает два уровня защиты - «mа» и «mb».
В действующей документации по выбору оборудования установлена связь между видом взрывозащиты оборудования и зоной, в которой такое оборудование может использоваться. Как было отмечено ранее, ни одна из систем взрывозащиты, описанная в стандартах МЭК, не учитывает потенциальные последствия возможного взрыва.
Однако работникам предприятий приходится принимать интуитивные решения по расширению (или ограничению) зон, чтобы компенсировать это упущение. Типичным примером является установка навигационного оборудования для навигации «типа зона 1» в зоне класса 2 на оффшорных нефтедобывающих платформах, чтобы навигационное оборудование могло работать даже при совершенно непредусмотренных условиях утечки газа. С другой стороны, владелец маленькой отдаленной, хорошо огороженной насосной станции может использовать насосный двигатель «типа зона 2» даже в зоне класса 1, если количество газа, который может взорваться, небольшое и не представляет большой опасности для жизни и имущества.
Ситуация еще более усложнилась с введением первого издания МЭК 60079-26 [4] с дополнительными требованиями к оборудованию, предназначенному для применения в зоне класса 0. Традиционно возможность применения оборудования в зоне класса 0 определялась по маркировке защиты, при этом маркировка Ex ia была единственно приемлемой.
Было решено, что оборудование следует идентифицировать и наносить маркировку в соответствии с категорией и маркировать его в соответствии с общим уровнем его безопасности. Это позволит облегчить отбор и обеспечить возможность более точного применения способа оценки риска.
Н.2 Введение
Метод оценки риска на возможность использования Ex-оборудования был введен как вариант альтернативного метода существующему в настоящее время и являющемуся довольно негибким, связывающим оборудование с зонами. Для удобства его применения была введена система уровней защиты оборудования, которая позволит определять эффективный уровень защиты оборудования, независимо от примененного способа защиты.
Система определения уровней защиты оборудования:
Н.2.1 Угольная промышленность (группа I)
Н.2.1.1 Уровень защиты оборудования Ма
Оборудование для установки в угольной шахте с уровнем защиты «очень высокий», которое надежно защищено, и маловероятно, что оно может стать источником воспламенения, даже при включенном напряжении при выбросе газа.
Примечание - Как правило, линии связи и детекторы газа имеют конструкцию, отвечающую требованиям Ма (например, телефонная линия Ex ia).
Н.2.1.2 Уровень защиты оборудования Mb
Оборудование для установки в угольной шахте с уровнем защиты «высокий», которое достаточно защищено, и маловероятно, что оно может стать источником воспламенения в период времени между выбросом газа и отключением напряжения.
Примечание - Как правило, все оборудование для выемки угля имеет конструкцию, отвечающую требованиям Mb, например двигатели и коммутационные аппараты Ex d.
Н.2.2 Газы (группа II)
Н.2.2.1 Уровень защиты оборудования Ga
Оборудование для взрывоопасных газовых сред с уровнем защиты «очень высокий», которое не является источником воспламенения в нормальных условиях, при появлении ожидаемых отказов или при редких отказах.
Н.2.2.2 Уровень защиты оборудования Gb
Оборудование для взрывоопасных газовых сред с уровнем защиты «высокий», которое не является источником воспламенения в нормальных условиях или при появлении предполагаемых, но не обязательно регулярных неисправностей.
Примечание - Большинство стандартных видов взрывозащиты обеспечивают соответствие оборудования данному уровню защиты оборудования.
Н.2.2.3 Уровень защиты оборудования Gc
Оборудование для взрывоопасных газовых сред с уровнем защиты «нормальный», которое не является источником воспламенения в нормальных условиях и которое может иметь дополнительную защиту для обеспечения того, что оно останется неактивным источником воспламенения в случае появления предполагаемых регулярных неисправностей (например, выход из строя лампы).
Примечание - Обычно к данному уровню относится оборудование с защитой Ех n.
Н.2.3 Пыль (группа III)
Н.2.3.1 Уровень защиты оборудования Da
Оборудование для взрывоопасных пылевых сред c уровнем защиты оборудования «очень высокий», которое не является источником воспламенения в нормальных условиях или при появлении редких неисправностей.
Н.2.3.2 Уровень защиты оборудования Db
Оборудование для взрывоопасных пылевых сред с уровнем защиты оборудования «высокий», которое не является источником воспламенения в нормальных условиях или при появлении предполагаемых редких, но необязательно регулярных неисправностей.
Н.2.3.3 Уровень защиты оборудования Dc
Оборудование для взрывоопасных пылевых сред с уровнем защиты оборудования «нормальный», которое не является источником воспламенения в нормальных условиях и которое может иметь дополнительную защиту для обеспечения того, что оно останется неактивным источником воспламенения в случае появления предполагаемых регулярных неисправностей.
Приведенная ниже таблица может применяться в большинстве случаев для оборудования с типичными последствиями взрыва (настоящая таблица не применяется непосредственно в угольной промышленности, как и принцип распределения зон в общем).
Таблица Н.1 - Соответствие уровней защиты оборудования зонам (без дополнительной оценки риска)
|
Уровень защиты оборудования |
Класс зоны |
|
Ga |
0 |
|
Gb |
1 |
|
Gc |
2 |
|
Da |
20 |
|
Db |
21 |
|
Dc |
22 |
Н.3 Обеспечение защиты от риска воспламенения
Разные уровни защиты оборудования должны соответствовать рабочим параметрам, установленным изготовителем для такого уровня защиты.
Таблица Н.2 - Описание примененной защиты от риска воспламенения
|
Требуемый уровень защиты |
Уровень защиты оборудования |
Исполнение защиты |
Условия работы |
|
Группа |
|||
|
Очень высокий |
Ма |
Два независимых вида взрывозащиты или безопасность даже при появлении двух не зависимых друг от друга неисправностей |
Оборудование продолжает быть под напряжением даже в присутствии взрывоопасной среды |
|
Группа I |
|||
|
Очень высокий |
Ga |
Два независимых вида взрывозащиты или безопасность даже при появлении двух не зависимых друг от друга неисправностей |
Оборудование продолжает быть под напряжением в зонах классов 0, 1 и 2 |
|
Группа II |
|||
|
Очень высокий |
Da |
Два независимых вида взрывозащиты или безопасность даже при появлении двух не зависимых друг от друга неисправностей |
Оборудование продолжает быть под напряжением в зонах классов 20, 21 и 22 |
|
Группа III |
|||
|
Высокий |
Mb |
Для нормальных и неблагоприятных условий |
В присутствии взрывоопасной среды питание оборудования отключается |
|
Группа I |
|||
|
Высокий |
Gb |
Для нормальных условий и при частом появлении сбоев или на оборудовании, на котором появление неисправностей принимается во внимание |
Оборудование продолжает быть под напряжением в зонах классов 1 и 2 |
|
Группа II |
|||
|
Высокий |
Db |
Для нормальных условий и при частом появлении сбоев или на оборудовании, на котором появление неисправностей принимается во внимание |
Оборудование продолжает быть под напряжением в зонах класса 21 и 22 |
|
Группа III |
|||
|
Повышенный |
Gc |
Для нормальных условий |
Оборудование продолжает быть под напряжением в зонах класса 2 |
|
Группа II |
|||
|
Повышенный |
Dc |
Для нормальных условий |
Оборудование продолжает быть под напряжением в зонах класса 22 |
|
Группа III |
Н.4 Введение уровней защиты оборудования
В четвертое издание МЭК 60079-14 будут включены уровни защиты оборудования, что позволит использовать систему «оценки риска» в качестве альтернативного метода при отборе оборудования. Ссылка будет также добавлена в стандарты по классификации взрывоопасных зон МЭК 60079-10-1 и МЭК 60079-10-2.
Требования к дополнительной маркировке и соотношение существующих видов взрывозащиты будут добавлены в следующие стандарты МЭК:
МЭК 60079-0 (включивший требования бывшего стандарта МЭК 61241-0);
МЭК 60079-1;
МЭК 60079-2;
МЭК 60079-5;
МЭК 60079-6;
МЭК 60079-7;
МЭК 60079-11 (включивший требования бывшего стандарта МЭК 61241-11);
МЭК 60079-15;
МЭК 60079-18 (включивший требования бывшего стандарта МЭК 61241-18);
МЭК 60079-26;
МЭК 60079-28.
Для видов взрывозащиты для взрывоопасных газовых сред уровни защиты оборудования требуют дополнительной маркировки. Для взрывоопасных пылевых сред используемую в настоящее время систему маркировки зон на оборудовании заменят маркировкой уровней защиты оборудования.
Таблица ДА.1
|
Обозначение ссылочного международного стандарта |
Степень соответствия |
Обозначение и наименование соответствующего национального стандарта |
|
МЭК 60034-5:2000 |
NEQ |
ГОСТ 17494-87 (МЭК 34-5-81) «Машины электрические вращающиеся. Классификация степеней защиты, обеспечиваемых оболочками вращающихся электрических машин» |
|
МЭК 60050 (151):2001 |
* |
* |
|
МЭК 60050 (426):2008 |
ЮТ |
ГОСТ Р МЭК 60050-426-2006 «Международный электротехнический словарь. Часть 426. Электрооборудование для взрывоопасных сред» |
|
МЭК 60079-0:2004 |
MOD |
ГОСТ Р 52350.0-2005 (МЭК 60079-0:2004) «Электрооборудование для взрывоопасных газовых сред. Часть 0. Общие требования» |
|
МЭК 60112 |
MOD |
ГОСТ 27473-87 (МЭК 112-79) «Материалы электроизоляционные твердые. Метод определения сравнительного и контрольного индексов трекингостойкости во влажной среде» |
|
МЭК 60529:1989 |
MOD |
ГОСТ 14254-96 (МЭК 529-89) «Степени защиты, обеспечиваемые оболочками (код IP)» |
|
МЭК 60664-1:1992 |
* |
* |
|
*Соответствующий национальный стандарт отсутствует. До его утверждения рекомендуется использовать перевод на русский язык данного международного стандарта. Перевод данного международного стандарта находится в Федеральном информационном фонде технических регламентов и стандартов. Примечание - В настоящей таблице использованы следующие условные обозначения степени соответствия стандартов: - IDТ - идентичные стандарты; - MOD - модифицированные стандарты; - NEQ - неэквивалентные стандарты. |
||
|
МЭК 60050-151:2001 |
Международный электротехнический словарь. Глава 151: Электрические и магнитные устройства |
|
|
МЭК 60079-13 |
Электрооборудование для взрывоопасных газовых сред - Часть 13. Проектирование и эксплуатация помещений или зданий, защищенных избыточным давлением |
|
|
[3] |
МЭК 60079-16 |
Оборудование электрическое для взрывоопасных газовых сред - Часть 16: Искусственная вентиляция для защиты помещений, предназначенных для установки анализаторов |
|
МЭК 60079-26 |
Электрооборудование для взрывоопасных газовых сред - Часть 26: Оборудование с уровнем взрывозащиты (EPL) Ga |
Ключевые слова: оболочки под избыточным давлением, защитный газ, защитные устройства, встроенная система, продувка, разбавление
|
ГОСТЫ, СТРОИТЕЛЬНЫЕ и ТЕХНИЧЕСКИЕ НОРМАТИВЫ. Некоммерческая онлайн система, содержащая все Российские Госты, национальные Стандарты и нормативы. В Системе содержится более 150000 файлов нормативно-технической документации, действующей на территории РФ. Система предназначена для широкого круга инженерно-технических специалистов. Copyright © www.gostrf.com, 2008 - 2026 |