Методическая документация в
строительстве
СТРОПЫ КАНАТНЫЕ ДЛЯ
СТРОИТЕЛЬСТВА
Рекомендации по составлению технических условий
МДС 12-56.2010
Москва 2010
В настоящем документе содержатся рекомендации по составлению
технических условий на изготовление строп канатных для строительства.
Приводятся типы и параметры, конструкции и размеры,
технические требования, методы испытаний, правила приемки и другие сведения,
входящие в состав технических условий.
Сведения, содержащиеся в документе, предусмотрены для
использования при составлении технических условий на стропы.
Документ разработан в развитие и дополнение ГОСТ
25573-82*.
Составлен сотрудниками ЗАО «ЦНИИОМТП» (кандидаты техн.
наук В.П. Володин, Ю.А. Корытов).
Документ предназначен для строительных организаций,
изготавливающих стропы собственными силами, и предприятий-изготовителей строп,
поставляющих стропы для строительства, а также для инженерно-технических
работников строительных организаций, ответственных за безопасную эксплуатацию
грузоподъемных кранов и съемных грузозахватных приспособлений.
Содержание
Стропы грузовые из стальных канатов для
строповки грузов относятся к наиболее массовым грузозахватным средствам в
строительстве. Их применяют при выполнении погрузочно-разгрузочных и
строительно-монтажных работ согласно проекту производства работ грузоподъемным
краном. В проекте приводятся, в частности, перечень применяемых стропов и схемы
строповки грузов.
Стропы состоят из захватов (крюков,
карабинов) и соединительных элементов (строповых ветвей и звеньев), которые
обеспечивают связь груза с рабочим органом грузоподъемного крана.
Захват (крюк с замком или карабин)
непосредственно зацепляет груз.
Строповые ветви - гибкие, могут быть
канатными, цепными и ленточными. В настоящем документе рассматриваются канатные
строповочные ветви.
В качестве звеньев используются
треугольные, овальные и другие звенья в нескольких исполнениях.
Стропы изготавливают собственными силами
строительные организации и предприятия-изготовители, имеющие соответствующие
лицензии. ГОСТ
25573-82* определяет типы стропов - одноветвевые, двухветвевые и
т.д., в части основных параметров стропов - грузоподъемность, интервалы длины и
допускаемую нагрузку. Конструкции и размеры различных деталей стропов приведены
в рекомендуемом приложении к ГОСТ
25573-82*, который был разработан специалистами ЦНИИОМТП (Б.К.
Горлов, Ж.Г. Гордин, Ф.Ф. Игонин и др.) в начале восьмидесятых годов. Со
времени его разработки прошло более четверти века, ряд положений устарел и не
соответствует нормам настоящего времени.
Технические условия являются обязательной
технической документацией на продукцию - стропы строительные.
Предприятия-изготовители могут сами составлять технические условия и по ним
изготавливать стропы для поставок в строительство.
Технические условия
предприятий-изготовителей составляются на конкретную продукцию, поэтому, в
отличие от ГОСТ
25573-82*, не содержат излишней информации. Ссылка на
технические условия, утвержденные предприятием-изготовителем, в договоре на
поставку стропов исключает разночтения при оценке их качества, неясности и
споры при приемке продукции.
Настоящий документ предназначен для
оказания методической помощи предприятиям-изготовителям стропов для
строительства. Он содержит рекомендации по составлению технических условий на
стропы, в которых учтены требования ГОСТ 2.114-95.
Рекомендуется следующее содержание
документа «Технические условия на стропы...»:
введение;
типы, основные параметры и размеры;
конструкции и размеры звеньев и захватов;
технические требования к стропам;
методы испытаний;
правила приемки:
маркировка, упаковка, транспортирование и хранение;
гарантии предприятия-изготовителя.
В соответствующих разделах настоящего
документа приводятся сведения, которые рекомендуется использовать
предприятию-изготовителю для составления технических условий на изготовление
конкретных типов и размеров стропов.
При разработке настоящего документа
использованы нормативно-технические документы, основные из которых приведены в
разделе 2.
Настоящий документ распространяется на
стропы грузовые из стальных канатов, используемые для строповки грузов при
строительстве в районах с умеренным климатом.
Стропы состоят из захватов (крюка,
карабина) и соединительных элементов (канатных ветвей и звеньев) для связи
груза с рабочим органом грузоподъемного крана.
Документ содержит рекомендации по
составлению технических условий на изготавливаемые предприятием стропы.
ГОСТ 2.114-95. ЕСКД. Технические условия.
ГОСТ
25032-81. Средства грузозахватные. Классификация и общие технические
требования.
ГОСТ
25573-82*. Стропы грузовые канатные для строительства.
Технические условия.
ПБ
10-382-00. Правила устройства и безопасной эксплуатации грузоподъемных
кранов.
СНиП
12-03-2001. Безопасность труда в строительстве. Часть 1. Общие требования.
МДС
12-31.2007. Методические рекомендации по техническому освидетельствованию
съемных грузозахватных приспособлений.
Строп канатный - съемное грузозахватное приспособление, состоящее из
захватов (крюков, карабинов) и соединительных элементов (канатных строповых
ветвей и звеньев).
Захват (крюк, карабин) - элемент стропа, непосредственно взаимодействующий с
грузом и предназначенный для захватывания (навешивания) груза.
Звено -
соединительный элемент стропа, связывающий захват с крюком грузоподъемного
крана.
Технические условия на стропы - технический документ, содержащий полный набор
требований к стропам как к продукции: к их изготовлению, к контролю и к
приемке.
4.1 В этом разделе указывают типы,
основные параметры и размеры стропов, изготавливаемые на данном предприятии.
Стропы изготавливают по техническим
условиям и рабочим чертежам, которые разрабатывают по правилам государственных
стандартов Единой системы конструкторской документации (ЕСКД).
Стропы могут быть изготовлены согласно ГОСТ
25573-82* следующих типов:
1СК - одноветвевые,
2СК - двухветвевые,
3СК - трехветвевые,
4СК - четырехветвевые (исполнений 1 и 2),
СКП - двухпетлевые (исполнений 1 и 2),
СКК - кольцевые (исполнений 1 и 2).
В обозначение стропа входит наименование
изделия - строп, тип, грузоподъемность и длина стропа, ГОСТ
25573-82*.
Например, строп двухветвевой,
грузоподъемностью 1 т и длиной 2
м, обозначается так: Строп 2СК-1,0/2000 ГОСТ
25573-82*.
4.2 Стропы
типа 1СК с заделкой концов каната опрессовкой (алюминиевой или стальной)
втулкой и заплеткой показаны на рисунке 1.

а - строп с заделкой концов каната
стальной или алюминиевой втулкой; б - строп с заделкой концов каната заплеткой; 1 - канатная ветвь; 2 - звено; 3 - захват; 4 -
втулка; 5 - заплетка
Рисунок 1 - Стропы типа 1СК
Основные параметры и размеры стропов типа
1СК, рекомендуемые для преимущественного применения, приведены в таблице 1.
Таблица 1
|
Строп
|
Грузоподъемность стропа, т
|
Длина стропа
L, м
|
Применяемая ветвь канатная
|
|
1CK-0,5
|
0,5
|
1,1-10,0
|
ВК-0,5
|
|
1СК-1,0
|
1,0
|
1,1-15,0
|
ВК-1,0
|
|
1CK-2,0
|
2,0
|
1,4-16,0
|
ВК-2
|
|
1СК-3,2
|
3,2
|
1,5-20,0
|
ВК-3,2
|
|
1CK-5,0
|
5,0
|
1,5-20,0
|
ВК-5,0
|
|
1CK-10,0
|
10,0
|
2,0-20,0
|
ВК-10,0
|
4.3 Стропы типа 2СК показаны на рисунке 2.

1 - канатная ветвь; 2 - звено; 3 - захват
Рисунок 2 - Стропы типа 2СК
Основные параметры и размеры стропов типа
2СК, рекомендуемые для преимущественного применения, приведены в таблице 2.
Таблица 2
|
Строп
|
Грузоподъемность
стропа, т
|
Длина
стропа L, м
|
Применяемая
ветвь канатная
|
|
2СК-0,5
|
0,5
|
0,9-5,0
|
ВК-0,4
|
|
2СК-1,0
|
1,0
|
1,1-15,0
|
ВК-0,8
|
|
2СК-2,0
|
2,0
|
1,4-16,0
|
ВК-1,6
|
|
2СК-3,2
|
3,2
|
1,4-16,0
|
ВК-2,5
|
|
2СК-5,0
|
5,0
|
1,5-20,0
|
ВК-4,0
|
|
2СК-16,0
|
16,0
|
2,0-20,0
|
ВК-12,5
|
4.4 Стропы типа 3СК показаны на рисунке 3.

1 - канатная ветвь; 2 - звено; 3 - захват
Рисунок 3 - Строп типа 3СК
Основные параметры и размеры стропов типа
3СК, рекомендуемые для преимущественного применения, приведены в таблице 3.
Таблица 3
|
Строп
|
Грузоподъемность
стропа, т
|
Длина
стропа L, м
|
Применяемая
ветвь канатная
|
|
3СК-1,0
|
1,0
|
1,2-10,0
|
ВК-0,5
|
|
3СК-2,0
|
2,0
|
1,2-15,0
|
ВК-1,0
|
|
3СК-3,2
|
3,2
|
1,6-16,0
|
ВК-1,6
|
|
3СК-5,0
|
5,0
|
1,6-16,0
|
ВК-2,5
|
|
3СК-10,0
|
10,0
|
2,2-20,0
|
ВК-5,0
|
|
3СК-16,0
|
16,0
|
2,2-20,0
|
ВК-8,0
|
4.5 Стропы типа 4СК могут быть
исполнения 1 и 2.
Стропы исполнения 1 показаны на рисунке
4.
Стропы исполнения 2 приведены в пункте
4.6.

1 -
канатная ветвь; 2 - звенья; 3 - захват
Рисунок 4 - Строп типа 4СК1
Основные параметры и размеры стропов типа
4СК1, рекомендуемые для преимущественного применения, указаны в таблице 4.
Таблица 4
|
Строп
|
Грузоподъемность
стропа, т
|
Длина
стропа L, м
|
Применяемая
ветвь канатная
|
|
4СК1-1,0
|
1,0
|
0,9-5,0
|
ВК-0,4
|
|
4СК1-2,0
|
2,0
|
1,3-15,0
|
ВК-0,8
|
|
4СК1-3,2
|
3,2
|
1,3-15,0
|
ВК-1,25
|
|
4СК1-5,0
|
5,0
|
1,6-16,0
|
ВК-2,0
|
|
4СК1-10,0
|
10,0
|
1,8-20,0
|
ВК-4,0
|
|
4СК1-16,0
|
16,0
|
2,5-25,0
|
ВК-6,3
|
Обозначение стропа типа 4СК1: Строп
4СК1-2,0/2000 ГОСТ
25573-82*.
В
обозначении стропа цифра после буквы К означает исполнение стропа, в данном
примере - исполнение 1.
4.6 Стропы типа 4СК исполнения 2 показаны
на рисунке 5.
Основные параметры и размеры стропов типа
4СК2, рекомендуемые для преимущественного применения, приведены в таблице 5.

1 -
канатная ветвь; 2 - звено; 3 - захват; 4 - уравнительная ветвь; 5
- блок
Рисунок 5 - Строп типа 4СК2
Таблица 5
|
Строп
|
Грузоподъемность стропа, т
|
Длина стропа L, м
|
Применяемая ветвь канатная
|
|
4СК2-1,0
|
1,0
|
1,0-5,0
|
ВК-0,4
|
|
4СК2-2,0
|
2,0
|
1,0-10,0
|
ВК-0,8
|
|
4СК2-3,2
|
3,2
|
1,0-10,0
|
ВК-1,25
|
|
4СК2-5,0
|
5,0
|
1,6-15,0
|
ВК-2,0
|
|
4СК2-10,0
|
10,0
|
1,8-20,0
|
ВК-4,0
|
|
4СК2-16,0
|
16,0
|
1,8-20,0
|
ВК-6,3
|
|
4СК2-25,0
|
25,0
|
1,8-20,0
|
ВК-10,0
|
4.7 Канатные ветви показаны на
рисунке 6: канатная ветвь с заделкой концов каната опрессовкой алюминиевой или
стальной втулкой (рис. 6, а); канатная
ветвь с заделкой концов каната заплеткой (рис. 6, б).

а - опрессованной втулкой; б - заплеткой; 1 - канат; 2 - втулка; 3 - коуш; 4 - заплетка
Рисунок 6 - Заделка концов каната
Для канатных ветвей применяются канаты по
ГОСТ
2688-80* «Канат двойной свивки типа ЛК-Р конструкции 6 ×
19(1 + 6 + 6/6) + 1о.с.», ГОСТ
3071-88* «Канат двойной свивки типа ТК конструкции 6 ×
37(1 + 6 + 12 + 18)+1о.с.», ГОСТ
3079-80* «Канат двойной свивки типа ТЛК-О конструкции 6 ×
37(1 + 6 + 15 + 15) + 1о.с», ГОСТ
7668-80* «Канат двойной свивки типа ЛК-РО конструкции 6 ×
36(1 + 7 + 7/7 + 14) + 1о.с».
Коуши для канатных ветвей изготавливают
по ГОСТ 2224-93
«Коуши стальные для стальных канатов. Технические условия».
Размеры канатных ветвей из канатов,
например, по ГОСТ
2688-80* маркировочной группы 1570(160), преимущественно
применяемые, приведены в таблице 6.
Таблица 6
|
Ветвь
канатная и допускаемая нагрузка, тс
|
Длина
канатной ветви Lкв, м
|
Диаметр
каната по ГОСТ
2688-80*,
мм
|
Диаметр
коуша, мм
|
|
ВК-0,4
|
0,8-5,0
|
6,9
|
25;
30
|
|
ВК-1,0
|
1,0-15,0
|
11,0
|
34;
40
|
|
ВК-2,0
|
1,25-16,0
|
15,0
|
45
|
|
ВК-3,2
|
1,25-20,0
|
19,5
|
63;
75
|
|
ВК-5,0
|
1,25-20,0
|
25,5
|
75;
85
|
|
ВК-8,0
|
1,6-20,0
|
30,5
|
95
|
Канатные ветви могут быть изготовлены
с переходным звеном, конструкции и размеры их приведены в ГОСТ
25573-82*.
4.8 Стропы типа СКП и СКК могут быть исполнения
1 и 2. Стропы СКП исполнения 1 показаны на рисунке 7. Сведения о стропах типа
СКП исполнения 2 и СКК приведены в ГОСТ
25573-82*.

а - с заделкой алюминиевой втулкой; б - с заделкой заплеткой; 1 - канат; 2 - втулка; 3 -
заплетка
Рисунок 7 - Стропы типа СКП1
Основные параметры и размеры
преимущественно применяемых стропов типа СКП исполнения 1 из канатов по ГОСТ
3071-88* и ГОСТ
3079-80* маркировочной группы 1570(160) указаны в таблице 7.
Таблица 7
|
Строп
и его грузоподъемность, т
|
Длина
стропа L, м
|
Длина
петли стропа l, мм
|
Диаметр
канатов, мм
|
|
ГОСТ 3071-88*
|
ГОСТ 3079-80*
|
|
СКП1-0,4
|
1,0-15,0
|
240,0
|
7,6
|
-
|
|
СКП1-0,5
|
1,0-15,0
|
240,0
|
8,5
|
-
|
|
СКП1-0,8
|
2,0-20,0
|
320,0
|
11,5
|
-
|
|
СКП1-1,4
|
2,0-20,0
|
320,0
|
-
|
13,5
|
|
СКП1-2,25
|
3,0-25,0
|
400,0
|
-
|
17,0
|
|
СКП1-5,0
|
3,0-25,0
|
400,0
|
-
|
25,0
|
Обозначение
стропа типа СКП1: Строп СКП1-0,4/2000 ГОСТ
25573-82*.
В обозначении стропа цифра после буквы П
означает исполнение стропа, в данном примере - исполнение 1.
5.1 В этом разделе технических
условий приводят конструктивные требования к звеньям и захватам, которые
изготавливает предприятие для сборки поставляемых стропов. Эти требования
предъявляются в форме конкретных конструктивных решений - чертежей. При этом предприятие
может использовать конструкции и размеры звеньев и захватов по ГОСТ
25573-82* или разрабатывать собственные конструкции и назначать
размеры.
5.2 Предприятия изготавливают:
звенья разъемные треугольные Рт
исполнений Рт1, Рт2, Рт3, Рт4;
звенья разъемные овальные Ров;
звенья треугольные Т;
звенья овоидные О;
звенья овальные Ов исполнений Ов1
и Ов2.
Ниже приводятся конструкции и размеры по ГОСТ
25573-82* преимущественно применяемых звеньев Рт1, Ров,
Т и О.
5.3 Звено Рт1 показано
на рисунке 8.
Размеры звеньев Рт1
приведены в таблице 8.
Пример условного обозначения разъемного
треугольного звена Рт исполнения Рт1 с допускаемой нагрузкой 5,0
тс: Звено Pт1-5,0 ГОСТ
25573-82*.

1 - скоба; 2 - ограничитель; 3 -
планка; 4 - болт; 5 - гайка; 6 - шплинт
Рисунок 8 - Звено Рт1
Таблица 8
Размеры и детали звена Рт1
|
Звено и допускаемая нагрузка на него, тс
|
Размеры звена, мм
|
Детали звена
|
Масса, кг
|
|
d
|
а
|
b
|
с
|
r
|
Болт по ГОСТ
7798-70*
|
Гайка по ГОСТ
5919-73*
|
Шплинт по ГОСТ 397-79*
|
|
Рт1-1,0
|
14
|
32
|
126
|
115
|
20
|
2М8×35,36
|
М8,4
|
2×20
|
1,0
|
|
Рт1-2,0
|
20
|
42
|
174
|
160
|
30
|
2,29
|
|
Рт1-3,2
|
25
|
55
|
200
|
185
|
35
|
2М10×40,36
|
М10,4
|
2,5×25
|
4,12
|
|
Рт1-4,0
|
28
|
60
|
228
|
215
|
40
|
2М12×45,36
|
М12,4
|
3,2×32
|
5,76
|
|
Рт1-5,0
|
32
|
68
|
260
|
240
|
45
|
8,5
|
|
Рт1-8,0
|
40
|
82
|
322
|
295
|
55
|
2М12×50,36
|
15,48
|
|
Рт1-10,0
|
45
|
90
|
355
|
325
|
60
|
2М12-55,36
|
22,4
|
Конструкция и размеры скобы Ст исполнения Ст1
для звена Рт1 приведены на рисунке 9 и в таблице 9.

Рисунок 9 - Скоба Ст1 для звена Рт1
Таблица 9
Размеры скобы Ст, мм
|
Скоба
|
d
|
d1
|
а
|
а1
|
b
|
h
|
l
|
l1
|
с
|
r
|
r1
|
|
Ст-1,0
|
14
|
8
|
32
|
86
|
126
|
72
|
13
|
6
|
115
|
20
|
20
|
|
Ст-2,0
|
20
|
12
|
42
|
118
|
174
|
90
|
17
|
6
|
160
|
28
|
30
|
|
Ст-3,2
|
25
|
18
|
55
|
140
|
200
|
100
|
18
|
6
|
185
|
30
|
35
|
|
Ст-4,0
|
28
|
22
|
60
|
158
|
228
|
115
|
22
|
7
|
215
|
35
|
40
|
|
Ст-5,0
|
32
|
26
|
68
|
180
|
260
|
130
|
25
|
7
|
240
|
40
|
45
|
|
Ст-8,0
|
40
|
30
|
82
|
222
|
322
|
150
|
25
|
8
|
295
|
50
|
55
|
|
Примечание - Предельные отклонения
размера а до 42
мм включительно принимают ±1,0
мм, более 42
мм - ±1,5
мм.
|
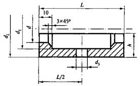
Конструкция и размеры ограничителя Ог для
звеньев Рт приведены на рисунке 10 и в таблице 10.

Рисунок 10 - Ограничитель Ог для звеньев Рт
Таблица 10
Размеры ограничителя Ог, мм
|
Ограничитель
|
а
|
а1
|
b
|
b1
|
с
|
d
|
l
|
l1
|
s - толщина
|
r
|
|
Ог-1,0
|
32
|
16
|
25
|
14
|
4,5
|
9
|
90
|
9
|
4
|
4,5
|
|
Ог-2,0
|
42
|
21
|
32
|
20
|
4,5
|
9
|
130
|
14
|
4
|
7
|
|
Ог-3,2
|
55
|
27,5
|
40
|
25
|
10,5
|
11
|
160
|
20
|
4
|
10
|
|
Ог-4,0
|
60
|
30
|
45
|
28
|
15
|
14
|
190
|
24
|
5
|
12
|
|
Ог-5,0
|
68
|
34
|
50
|
32
|
15
|
14
|
220
|
28
|
5
|
14
|
|
Ог-8,0
|
82
|
41
|
60
|
40
|
17
|
14
|
270
|
32
|
6
|
16
|
|
Примечания
1. Предельные отклонения размера а до 42 мм
включительно принимают ±0,5
мм, более 42
мм - ±1,0
мм.
2. Предельные отклонения размера а1 принимают
±0,35 мм.
3. Предельные отклонения размера с принимают ±0,5
мм.
|
Конструкция и размеры планки П для звеньев Рт
приведены на рисунке 11 и в таблице 11.

Рисунок 11 - Планка П для звеньев Рт
Таблица 11
Размеры планки П, мм
|
Планка
|
а
|
а1
|
b
|
с
|
d
|
d1
|
L
|
Толщина
планки s
|
|
П-1,0
|
32
|
16
|
32
|
4,5
|
16
|
9
|
64
|
20
|
|
П-2,0
|
42
|
24
|
44
|
4,5
|
22
|
9
|
86
|
20
|
|
П-3,2
|
55
|
27,5
|
54
|
10,5
|
27
|
11
|
108
|
22
|
|
П-4,0
|
60
|
30
|
60
|
15
|
30
|
14
|
120
|
25
|
|
П-5,0
|
68
|
34
|
68
|
15
|
34
|
14
|
136
|
28
|
|
П-8,0
|
82
|
41
|
84
|
17
|
42
|
14
|
166
|
30
|
|
Примечания
1. Предельные отклонения размера а до 42 мм
включительно принимают ±0,5
мм, более 42
мм - ±1,0
мм.
2. Предельные отклонения размера а1 принимают
±0,35 мм.
3. Предельные отклонения размера с принимают ±0,5
мм.
|
5.4 Звенья Ров имеют
два конструктивных решения: с допускаемой нагрузкой до и свыше 2,0 тс.
Звено Ров с допускаемой нагрузкой
до 2,0 тс показано на рисунке 12.
Размеры звеньев Ров с допускаемой
нагрузкой до 2,0 тс приведены в таблице 12.

1 - скоба; 2 - полумуфта (2 шт.); 3
- кольцо; 4 - болт; 5 - гайка; 6 - шплинт
Рисунок 12 - Звено Ров с допускаемой нагрузкой до 2
тс
Таблица
12
Размеры и детали звена Ров
|
Звено
и допускаемая нагрузка на него, тс
|
Размеры
звена, мм
|
Детали
звена
|
|
d
|
с
|
s
|
R
|
b
|
Болт
по
ГОСТ
7798-70*
|
Гайка
по ГОСТ
5919-73*
|
Шплинт
по ГОСТ 397-79*
|
|
Ров-0,5
|
14
|
135
|
20
|
35
|
70
|
2М8
× 60,36
|
М8,4
|
2 ×
20
|
|
Ров-0,8
|
18
|
170
|
25
|
45
|
90
|
2М8
× 70,36
|
М8,4
|
2 ×
20
|
|
Ров-1,0
|
20
|
180
|
30
|
45
|
90
|
2М8
× 70,36
|
М8,4
|
2 ×
20
|
|
Ров-2,0
|
25
|
225
|
30
|
60
|
120
|
2М10
× 75,36
|
М10,4
|
2,5
× 25
|
Конструкция и размеры скобы Сов для этого звена
приведены на рисунке 13 и в таблице 13.

Рисунок 13 - Скоба Сов для звеньев Ров с
допускаемой нагрузкой до 2 тс
Таблица
13
Размеры скобы Сов, мм
|
Скоба
|
d
|
с
|
s
|
R
|
b
|
d1
|
h
|
|
Сов-0,5
|
14
|
135
|
25
|
35
|
70
|
24
|
8
|
|
Сов-0,8
|
18
|
170
|
32
|
45
|
90
|
28
|
8
|
|
Сов-1,0
|
20
|
180
|
38
|
45
|
90
|
30
|
10
|
|
Сов-2,0
|
25
|
225
|
38
|
60
|
120
|
35
|
10
|
Конструкция и размеры полумуфты Пм для этого
звена приведены на рисунке 14 и в таблице 14.

Рисунок 14 - Полумуфта Пм для звеньев Ров с
допускаемой нагрузкой до 2 тс
Таблица 14
Размеры полумуфты Пм, мм
|
Полумуфта
|
d
|
d1
|
d2
|
d3
|
L
|
h
|
|
Пм-0,5
|
16
|
26
|
38
|
10
|
66
|
17
|
|
Пм-0,8
|
20
|
30
|
44
|
10
|
73
|
20
|
|
Пм-1,0
|
22
|
32
|
46
|
10
|
83
|
21
|
|
Пм-2,0
|
28
|
38
|
52
|
12
|
83
|
24
|
Конструкция и размеры кольца Кц для этого звена
приведены на рисунке 15 и в таблице
15.

Рисунок 15 - Кольцо Кц для звеньев Ров с
допускаемой нагрузкой до 2 тс
Таблица 15
Размеры кольца Кц, мм
|
Кольцо
|
d
|
d1
|
L
|
|
Кц-0,5
|
50
|
10
|
14
|
|
Кц-0,8
|
57
|
10
|
20
|
|
Кц-1,0
|
57
|
10
|
24
|
|
Кц-2,0
|
63,5
|
12
|
26
|
Пример условного обозначения
звена разъемного овального Ров для допускаемой нагрузки 1,0 тс: Звено
Ров-1,0 ГОСТ
25573-82*.
5.5. Звенья Т имеют два
конструктивных решения: с допускаемой нагрузкой до и свыше 12,5 тс.
Звено Т с допускаемой нагрузкой до
12,5 тс показано на рисунке 16.

1 -
подвеска; 2 - упор
Рисунок 16 - Звено Т с
допускаемой нагрузкой до 12,5 тс
Размеры звеньев Т с допускаемой
нагрузкой до 12,5 тс приведены в таблице 16.
Таблица 16
Размеры звена Т, мм
|
Звено и допускаемая нагрузка на него, тс
|
l
|
k
|
b
|
с
|
d
|
r
|
|
Т-0,5
|
23
|
4
|
60
|
55
|
10
|
14
|
|
Т-1,0
|
29
|
8
|
86
|
80
|
14
|
20
|
|
Т-2,0
|
41
|
11
|
119
|
110
|
20
|
28
|
|
Т-4,0
|
54
|
12
|
161
|
150
|
28
|
40
|
|
Т-5,0
|
56
|
10
|
182
|
170
|
32
|
45
|
|
Т-8,0
|
75
|
8
|
225
|
210
|
40
|
55
|
Конструкция и размеры упора У для этого звена
приведены на рисунке 17 и в таблице 17.

Рисунок 17 - Упор У для звена Т с допускаемой
нагрузкой до 12,5 тс
Таблица 17
Размеры упора У, мм
|
Упор
|
b
|
b1
|
l
|
s
|
r
|
|
У-0,5
|
9
|
15
|
12,5
|
2,5
|
2,0
|
|
У-1,0
|
14
|
25
|
15,5
|
4
|
3
|
|
У-2,0
|
20
|
30
|
20
|
4
|
6
|
|
У-4,0
|
28
|
50
|
26
|
6
|
8
|
|
У-8,0
|
30
|
65
|
35
|
6
|
9
|
Пример условного обозначения
звена Т с допускаемой нагрузкой 5,0 тс: Звено Т-5,0 ГОСТ
25573-82*.
5.6 Звено О показано на рисунке
18.

Рисунок 18 - Звено О
Размеры звеньев О приведены в
таблице 18.
Таблица 18
Размеры звена О, мм
|
Звено
и допускаемая нагрузка на него, тс
|
d
|
с
|
r
|
r1
|
Длина
развертки
|
|
O-0,5
|
10
|
55
|
14
|
8
|
167
|
|
O-1,0
|
14
|
80
|
20
|
12
|
242
|
|
O-2,0
|
20
|
110
|
28
|
16
|
334
|
|
O-4,0
|
28
|
150
|
40
|
22
|
463
|
|
O-5,0
|
32
|
170
|
45
|
25
|
524
|
|
O-8,0
|
40
|
210
|
55
|
28
|
546
|
Пример условного обозначения овоидного звена О
с допускаемой нагрузкой 1,0 тс: Звено O-1,0 ГОСТ
25573-82*.
5.7 В качестве захватов в стропах
применяют крюки исполнений К и К1 или карабины Кр.
Крюк исполнения К показан на
рисунке 19.

1 - чалочный крюк; 2 - замок
Рисунок 19 - Крюк К
Размеры крюков исполнения К
приведены в таблице 19.
Таблица 19
Размеры крюка К, мм
|
Крюк и допускаемая нагрузка на него, тс
|
D
|
d
|
с
|
s
|
b
|
|
К-0,6
|
25
|
22
|
83,5
|
22
|
11
|
|
К-1,0
|
32
|
26
|
109
|
24
|
15
|
|
К-2,0
|
45
|
35
|
145
|
36
|
20
|
|
К-4,0
|
60
|
44
|
187
|
45
|
32
|
|
К-8,0
|
85
|
60
|
262,5
|
65
|
46
|
|
К-10
|
95
|
70
|
297,5
|
75
|
50
|
Пример условного обозначения крюка исполнения К
с допускаемой нагрузкой 2,0 тс: Крюк К-2,0 ГОСТ
25573-82*.
6. ЗАДЕЛКА КОНЦОВ КАНАТА
СТРОПОВ
6.1 В этом разделе технических условий указывают способ заделки концов
каната стропов, изготавливаемых предприятием.
Заделка концов каната выполняется одним
из следующих способов:
опрессовкой стальной втулкой (рисунок
20);
опрессовкой алюминиевой втулкой (рисунок
21);
заплеткой концов каната
(рисунок 22).
|

|

|

|
|
1 - канат; 2 - стальная втулка; 3 - коуш
Рисунок 20 - Заделка концов каната стальной втулкой
|
1 - канат; 2 - алюминиевая втулка; 3 - коуш
Рисунок 21 - Заделка концов каната алюминиевой втулкой
|
1 - канат; 2 - заплетка; 3 - обмотка;
4 - коуш
Рисунок 22 - Заплетка концов каната
|
Таблица 20
Способы заделки концов стропов
|
Ветвь
канатная
|
Диаметр
каната dк, мм
|
Втулка
|
Заплетка
|
|
стальная
|
алюминиевая
|
Длина
от ручья коуша до втулки l1, мм
|
Число
проколов каждой прядью при заплетке, не менее
|
Длина
канатов, обмотанных проволокой, l2, мм
|
Длина
развертки проволоки, мм
|
|
ВК-0,5
|
8,1;
8,3; 8,5
|
СВт8,5
|
Вт11
|
70
|
4
|
60
|
1800
|
|
ВК-1,0
|
11,0;
11,5
|
СВт13
|
Вт13
|
95
|
4
|
80
|
3100
|
|
ВК-2,0
|
15,0;
15,5
|
СВт17
|
Вт16
|
105
|
5
|
90
|
5200
|
|
ВК-3,2
|
20,0
|
СВт21
|
Вт23
|
145
|
5
|
130
|
8500
|
|
ВК-4,0
|
22,0;
22,5; 23,0
|
-
|
Вт25
|
145
|
5
|
190
|
14000
|
|
ВК-5,0
|
25,0;
25,5
|
-
|
Вт28
|
170
|
5
|
190
|
16000
|
|
ВК-8,0
|
31
|
-
|
Вт36
|
230
|
6
|
260
|
26000
|
Таблица 21
Размеры опрессовки канатов стальной втулкой, мм
|
Диаметр
каната dк
|
а
|
l
|
l1
|
Число
ручьев обжатия z
|
Длина
втулки после обжатия L*
|
а1*
|
|
6,3-7,6
|
5
|
10
|
7
|
3
|
56
|
7
|
|
8,1-10,0
|
6
|
10
|
10
|
4
|
85
|
7
|
|
11,5-12,5
|
7
|
10
|
12
|
4
|
91
|
8
|
|
13,5-15,5
|
10
|
10
|
12
|
5
|
118
|
10
|
|
16,5-17,0
|
10
|
12
|
14
|
6
|
166
|
10
|
|
18,0-20,0
|
10
|
12
|
15
|
7
|
196
|
12
|
|
*Размеры
для справок.
|
Таблица 22
Размеры стальных втулок, мм
|
Втулки
и их параметр b
|
Диаметр
каната dк
|
Втулка
|
Заготовка
- труба по
ГОСТ
8732-78*, ГОСТ
8734-75*
|
|
b
|
b1*
|
l*
|
длина
втулки до обжатия Lд*
|
D*
|
s*
|
|
СВт8,5
|
7,6-8,1
|
8,5
|
13,5
|
23
|
80
|
22
|
2,5
|
|
СВт9
|
8,5-9,0
|
9
|
14
|
26
|
80
|
25
|
2,5
|
|
СВт11
|
9,7-10,0
|
11
|
16
|
28
|
80
|
25
|
2,5
|
|
СВт13
|
11,0-12,0
|
13
|
19
|
32
|
85
|
30
|
3,0
|
|
СВт15
|
12,5-14,0
|
15
|
21
|
35
|
112
|
32
|
3,0
|
|
СВт17
|
15,0-16,5
|
17
|
23
|
41
|
160
|
38
|
3,0
|
|
*Размеры
для справок
|
Таблица 23
Размеры алюминиевых втулок, мм
|
Втулки и их параметр b
|
Диаметр каната dк
|
Втулка
|
Заготовка - труба по
ГОСТ
18482-79*
|
|
b
|
b1*
|
l*
|
длина втулки L
|
D*
|
s*
|
|
Вт12
|
9,7-10,0
|
12
|
24
|
24,5
|
60
|
32
|
6
|
|
Вт15
|
12,0-14,0
|
15
|
30
|
31
|
70
|
40
|
7,5
|
|
Вт18
|
15,0-16,5
|
18
|
38
|
37
|
80
|
50
|
10
|
|
Вт20
|
17,0-19,5
|
21
|
41
|
43
|
90
|
55
|
10
|
|
Вт25
|
22,0-23,0
|
25
|
45
|
48,5
|
100
|
60
|
10
|
|
Вт28
|
25,0-26,0
|
28
|
53
|
55
|
110
|
70
|
12,5
|
|
*Размеры для справок.
|
Параметры заделки концов каната
для наиболее применяемых стропов приведены в таблице
20.
6.2 Конструкция и размеры опрессованных
канатов стальной втулкой приведены на рисунке 23 и в таблице 21.
Заготовка для стальной втулки и стальная
втулка для опрессовки канатов приведены на рисунке 24 и в таблице 22.
Заготовка для алюминиевой втулки и
алюминиевая втулка для опрессовки канатов приведены на рисунке 25 и в таблице
23.

Рисунок 23 - Размеры заделки
концов каната опрессованной стальной втулкой

Рисунок 24 - Заготовка стальной
втулки и стальная втулка

Рисунок 25 - Заготовка алюминиевой втулки и алюминиевая втулка
7. ТЕХНИЧЕСКИЕ
ТРЕБОВАНИЯ
К СТРОПАМ
7.1 В этом разделе должны быть приведены требования и нормы,
определяющие эксплуатационные характеристики и показатели качества стропов. В
разделе должны быть указаны основные требования к заготовкам стальных и
алюминиевых втулок, материалам и покупным изделиям (канатам, коушам, крюкам и
т.д.), комплектность, маркировка и упаковка стропов.
Раздел рекомендуется начинать словами:
«Стропы строительные (наименование, тип, марка) должны соответствовать
настоящим техническим условиям, составленным с учетом требований ГОСТ
25573-82*, ГОСТ
25032-81 и правил ПБ
10-382-00».
7.2 Чертежи общих видов
стропов, звеньев и захватов, заделки концов стропов, опрессовочных втулок и
заплеток приводят, как правило, в соответствующих разделах технических условий
на листах формата А4. При необходимости эти чертежи могут быть помещены в
приложении к техническим условиям. При разработке технических условий на типы
строп указывают коды продукции каждого исполнения по классификатору продукции
Российской Федерации.
Ниже приводятся технические требования,
которые рекомендуется учитывать и использовать при составлении этого раздела
технических условий на изготавливаемые стропы на данном предприятии.
7.3 Канаты для стропов должны
удовлетворять требованиям ГОСТ
3071-88*, ГОСТ
3079-80* и ГОСТ
7668-80*.
Для стропов типов 1СК, 2СК, 3СК и 4СК
применяют канаты по ГОСТ
2688-80*, ГОСТ
3070-88*, ГОСТ
3077-80* и ГОСТ
7665-80*.
Канатные ветви изготавливают из целого каната,
сращивание каната не допускается. При обнаружении в канате порванной пряди или
12 обрывов проволоки на шаг свивки канат бракуют. Разность длин канатных ветвей
стропов типа 4СК1 не должна превышать 1 % длины ветвей.
Коуши для стропов выбирают по диаметру
каната. Коуши должны соответствовать техническим требованиям ГОСТ 2224-93.
7.4 Детали для сборки стропов
изготавливают из следующих материалов.
Захваты стропов - крюки и карабины
(скобы) изготавливают из стали с механическими свойствами не ниже Стали 20 по ГОСТ
1050-88*. Звенья стропов, несущие силовую нагрузку,
изготавливают из стали с механическими свойствами не ниже Стали 20 по ГОСТ
1050-88* или стали Стсп по ГОСТ 380-2005.
Звенья стропов, не несущие силовую нагрузку, изготавливают из стали с
механическими свойствами не ниже Стпс по ГОСТ 380-2005.
7.5 Захваты изготавливают
ковкой или штамповкой, сварка при изготовлении захватов не применяется.
Крюки должны быть снабжены
предохранительными замками по ГОСТ
12840-80* или по чертежам предприятий-изготовителей.
При обнаружении на поверхности крюков
после ковки или штамповки трещин, надрывов и волосовин, при увеличении ширины
зева более чем на 12 %, при уменьшении высоты трущихся поверхностей более чем
на 10 % крюки бракуют и к дальнейшей обработке не допускают.
7.6 Звенья из круглой стали
изготавливают гибкой или штамповкой в холодном или горячем состоянии с
последующей сваркой концов. При этом применяется контактная стыковая
сопротивлением или сплавлением, или ручная дуговая сварка. Сварной шов
треугольного звена располагают в центре нижней стороны звена, а овальных
звеньев - на прямолинейном участке. Увеличение диаметра в месте сварки не
должно превышать 10 %. Смещение свариваемых концов в месте стыка не должно
превышать 3-4 % диаметра сечения круглой стали.
Детали звеньев с резьбой бракуют при
обнаружении сдвига ниток или срыва двух и более ниток.
7.7 При изготовлении ветвей
стропов типов 1СК, 2СК, 3СК и 4СК концы канатов опрессовывают алюминиевой или
стальной втулкой либо заделывают заплеткой (см. раздел 6).
Втулки изготавливают из алюминиевых
сплавов с механическими свойствами не ниже марок АДО, АД1, АД31, АМЦ по ГОСТ
4784-74 или из Стали 20 по ГОСТ
1050-88*. После опрессовки конец каната должен выступать из
втулки на 2-3 мм.
Места заплетки обкатывают обжимными
роликами или протягивают через обжимную втулку, или уплотняют обстукиванием
молотком.
Выступающие концы проволок прядей
обматывают проволокой диаметром 1
мм по ГОСТ
3282-74* или другим материалом. При обмотке должно быть
обеспечено перекрытие выступающих концов проволоки на 10-30
мм в обе стороны в зависимости от диаметра каната. Витки
проволоки должны плотно прилегать к канату и друг к другу. Концы проволоки
заделывают, чтобы исключить ее разматывание.
7.8 Втулки для стропов типов
СКП2 и СКК2 изготавливают по рабочим чертежам предприятий-изготовителей. Для
стропов этих типов втулки изготавливают из стали с механическими свойствами не
ниже Стали 20 по ГОСТ
1050-88* или Стали 25Л по ГОСТ 977-88.
7.9 Захваты (крюки после ковки
или штамповки), скобы разъемных звеньев после гибки, неразъемные звенья после
сварки подвергают термообработке-нормализации. После термообработки твердость
металла этих деталей должна быть не менее НВ 110, а предел текучести и
относительное удлинение металла - не ниже, чем до термообработки.
7.10 Планки для разъемных
звеньев Рт1, Рт2 и Рт3 можно изготавливать из набора пластин толщиной не менее 12
мм. Пластины карабинов соединяют точечной контактной
сваркой.
7.11 Блоки стропов
изготавливают из стали с механическими свойствами не ниже Стали 25Л по ГОСТ 977-88.
Оси блоков изготавливают в соответствии с требованиями ГОСТ 9650-80*, из стали с
механическими свойствами не ниже Стали 35 по ГОСТ
1050-88.
Диаметры блоков должны быть не менее
восьми диаметров каната.
7.12 Стропы должны выдерживать
статическую нагрузку, превышающую на 25 % их номинальную.
Коэффициент запаса прочности канатов
стропов по отношению к разрывному усилию должен быть не менее шести.
Коэффициент запаса прочности захватов и звеньев стропов по отношению к
разрывному усилию должен быть не менее пяти.
7.13 Качество сварки деталей стропов
(сварочные материалы, технология, квалификация сварщика и т.п.) должно
обеспечить механические свойства сварного соединения не ниже механических
свойств основного металла.
На поверхности захватов и звеньев не
допускаются трещины, расслоения, надрывы и другие механические повреждения
На поверхности втулок до опрессовки не
должно быть забоин, вмятин и других повреждений. После опрессовки втулки не
должны иметь трещин. Заваривать или заделывать такие повреждения не
допускается.
Самопроизвольное спадание каната с блока
стропа должно быть исключено. Изгибы и погнутости осей должны быть исправлены:
блоки должны свободно вращаться на осях.
Пластины карабинов после сварки должны
свободно перемещаться по скобе.
Втулки для стропов типа СКП2 и СКК2
должны свободно перемещаться по канату.
Стропы должны быть приняты согласно
установленным ниже правилам, испытаны и снабжены клеймом (биркой).
8.1 В разделе «Правила
приемки» указывают порядок контроля стропов, условия предъявления и приемки
стропов органами технического контроля предприятия-изготовителя и покупателем
(заказчиком), порядок оформления результатов приемки.
В разделе устанавливают контролируемые
параметры и размеры, последовательность, в которой осуществляется контроль,
места проставления клейм, подтверждающих приемку стропов органами контроля.
В разделе оговаривают правила и условия
приемки стропов, порядок выбраковки, устранения дефектов, повторного контроля и
возобновления приемки.
Ниже приводятся типовые правила приемки
стропов, которые могут быть использованы и уточнены при составлении этого
раздела технических условий на конкретные стропы.
8.2 Для установления
соответствия стропов техническим условиям предприятие-изготовитель проводит
приемо-сдаточные испытания, состоящие из проверки стропов и испытания их под
статической нагрузкой.
На соответствие техническим требованиям
по разделу 7 проверяют и
испытывают 10 % стропов от партии при заделке концов канатов опрессовкой
стальными или алюминиевыми втулками, в том числе первый и последний строп, и 2
% - при заделке концов каната заплеткой.
Партия стропов, подлежащих испытанию,
должна состоять из стропов одного типа и грузоподъемности, изготовленных из каната
с одного барабана (бухты).
Партия деталей должна состоять из деталей
одного типоразмера, изготовленных из одного металла и по единой технологии. При
единичном производстве приемо-сдаточным испытаниям подвергается каждый строп.
8.3 На соответствие техническим
требованиям по разделу 7 проверяют все
изготовленные захваты и звенья стропов. Испытаниям подвергают 2 % изделий от
партии.
8.4 При неудовлетворительных
результатах приемо-сдаточных испытаний стропов производят повторные проверки и
испытания с удвоенным числом образцов. В случае неудовлетворительных
результатов повторных приемосдаточных испытаний партию строп бракуют.
9.1 В разделе «Методы испытаний» описывают способ, режим контроля
характеристик и параметров стропов.
Условия испытаний стропов должны быть
максимально приближены к условиям их использования. Схема нагрузки должна
соответствовать схеме нагрузки при производстве работ.
В разделе приводят описание процесса
испытаний, наименование измерительного инструмента, формы и порядок ведения
записей.
Испытания стропов проводят в соответствии
с правилами ПБ
10-382-00.
Ниже приводятся типовые положения
испытаний стропов, которые могут быть использованы, уточнены и дополнены при
составлении этого раздела технических условий с учетом местных особенностей
производства работ.
9.2 Стропы испытывают
статической нагрузкой, превышающей номинальную на 25 %.
Ветви строп при испытаниях
располагают, как правило, под углом 90° друг к другу. При испытаниях строп под
другим углом ветвей производят пересчет действующих нагрузок. Испытательный
груз поднимают на высоту не более 200
мм и выдерживают. При серийном производстве стропов время
их выдержки под нагрузкой принимается 3 минуты, при единичном производстве - 10
минут.
Нагрузку в стропах определяют
динамометром или по контрольному грузу. Массу контрольного груза определяют
взвешиванием до испытаний. Погрешность взвешивания допускается не более 2 %
массы до 50 кг
и 1 % массы свыше 50 кг.
9.3 Качество канатов, металла
захватов, звеньев, втулок, сварочных и других материалов определяют по
сертификатам на них или по результатам лабораторного анализа и испытаний.
9.4 Качество сварных
соединений звеньев проверяют осмотром, обмерами, методами неразрушающего
контроля и механическими испытаниями звеньев на статическое растяжение по ГОСТ
6996-66*.
9.5 Линейные размеры строп,
такие как разность длины канатных ветвей, длина конца каната, выступающего из
обжатой втулки, диаметр скобы звена в месте сварки, смещение торцов
(несоосность торцов) скобы в месте стыка и другие, проверяют рулеткой,
штангенциркулем, линейкой, шаблонами.
9.6 Твердость металла измеряют
по ГОСТ
9012-59* и ГОСТ 9013-59*.
Предел текучести, сопротивление разрыву и
относительное удлинение металла определяют по ГОСТ 1497-84, а ударную
вязкость - по ГОСТ
9454-78*.
9.7 Целостность канатов,
качество поверхностей захватов и звеньев, в том числе, сварных швов,
опрессованных втулок, проверяют осмотром и органолептически. В случае
необходимости при этом могут использоваться методы инструментального контроля.
10.1 В разделе указывают порядок и место проставления клейм, крепления
бирок, способ и средства упаковки, условия транспортирования и хранения,
обеспечивающие целостность и сохранность строп, приводят метод консервации и
консервационные материалы, способ укладывания или подвески строп на складе (на
стеллажи, на крюки и т.п.).
Ниже приводятся типовые правила, которые
могут быть использованы и уточнены при составлении этого раздела технических
условий на конкретные стропы.
10.2 На каждом стропе ставится
маркировка (клеймо) или прикрепляется металлическая бирка, на которой
указывают: наименование или товарный знак предприятия-изготовителя, номер
стропа по нумерации предприятия-изготовителя, грузоподъемность стропа, год
испытания.
10.3 На каждом захвате и звене
стропа должна быть нанесена на металле ударом или штампом маркировка,
содержащая следующие сведения: товарный знак предприятия-изготовителя,
допускаемая нагрузка, год испытания.
10.4 Сведения об изготовленных
стропах заносят в специальный журнал, порядок ведения и заполнения которого
установлен правилами ПБ
10-382-00. Форма журнала приводится в МДС
12-31.2007. По журналу устанавливают: наименование и тип стропа,
грузоподъемность, код ОКП, номер проекта (рабочих чертежей) и технических
условий, номер технологической карты, номер сертификата на примененный
материал, дату и результаты испытаний, подпись ответственного
инженерно-технического работника.
10.5 Строп, канатная ветвь,
захват, звено или их партии, изготавливаемые на продажу, сопровождаются
паспортом, в котором указывают: наименование и товарный знак
предприятия-изготовителя, тип стропа (изделия) и его грузоподъемность
(допускаемую нагрузку), длину стропов и канатных ветвей, номер по нумерации
предприятия-изготовителя, год и месяц выпуска, результаты проверок и испытаний,
наименование документа, в котором указаны гарантируемые параметры и показатели
качества продукции (сертификат соответствия, технические условия, ГОСТ
25573-82*), гарантийные обязательства.
10.6 Упаковка стропов
производится, как правило, двумя способами.
Первый способ: стропы одного типа,
одинаковой грузоподъемности и длины связывают кольцом, комплектуют в общую
бухту, которую завязывают по периметру в трех-четырех местах.
Второй способ: стропы длиной до 3
м связывают в пачки (пучки) массой около 100
кг и укладывают в пакеты или в контейнеры.
Маркировка грузовых мест бухты, пачки -
по ГОСТ 14192-96*.
10.7 Транспортирование стропов
производится любым видом транспорта. Хранение стропов - по группе условий
хранения ОЖ4 по ГОСТ
15150-69*.
11. ГАРАНТИИ ПРЕДПРИЯТИЯ-ИЗГОТОВИТЕЛЯ
В этом разделе устанавливают права и обязанности
предприятия-изготовителя по гарантиям в соответствии с действующим законодательством.
Предприятие-изготовитель должно гарантировать соответствие стропов техническим
условиям при соблюдении потребителем правил их эксплуатации.
Правила эксплуатации, технического
освидетельствования и испытаний стропов изложены в МДС
12-31.2007.
Гарантийный срок эксплуатации стропов
устанавливают обычно от трех до шести месяцев.