Крупнейшая бесплатная информационно-справочная система онлайн доступа к полному собранию технических нормативно-правовых актов РФ. Огромная база технических нормативов (более 150 тысяч документов) и полное собрание национальных стандартов, аутентичное официальной базе Госстандарта. GOSTRF.com - это более 1 Терабайта бесплатной технической информации для всех пользователей интернета. Все электронные копии представленных здесь документов могут распространяться без каких-либо ограничений. Поощряется распространение информации с этого сайта на любых других ресурсах. Каждый человек имеет право на неограниченный доступ к этим документам! Каждый человек имеет право на знание требований, изложенных в данных нормативно-правовых актах!

  


 

МЕЖГОСУДАРСТВЕННЫЙ СОВЕТ ПО СТАНДАРТИЗАЦИИ, МЕТРОЛОГИИ И СЕРТИФИКАЦИИ
(МГС)

INTERSTATE COUNCIL FOR STANDARDIZATION, METROLOGY AND CERTIFICATION
(ISC)

межгосударственный
СТАНДАРТ

ГОСТ
31416-
2009

ТРУБЫ И МУФТЫ ХРИЗОТИЛЦЕМЕНТНЫЕ

Технические условия

Москва

Стандартинформ

2006

Предисловие

Цели, основные принципы и основной порядок работ по межгосударственной стандартизации установлены ГОСТ 1.0-92 «Межгосударственная система стандартизации. Основные положения» и МСН 1.01-01-96 «Система межгосударственных нормативных документов в строительстве. Основные положения»

Сведения о стандарте

1 РАЗРАБОТАН Научно-исследовательским и проектно-конструкторским институтом асбестовой промышленности (ОАО «НИИпроектасбест»), Некоммерческой организацией «Хризотиловая ассоциация»

2 ВНЕСЕН Техническим комитетом по стандартизации ТК 465 «Строительство»

3 ПРИНЯТ Межгосударственной научно-технической комиссией по стандартизации, техническому нормированию и сертификации в строительстве (протокол № 36 от 21 октября 2009 г.)

За принятие проголосовали:

Краткое наименование страны по МК (ИСО 3166) 004-97

Код страны по МК (ИСО 3166) 004-97

Сокращенное наименование органа государственного управления строительством

Азербайджан

AZ

Госстрой

Армения

AM

Министерство градостроительства

Беларусь

BY

Минстройархитектуры

Киргизия

KG

Госстрой

Молдова

MD

Агентство строительства и развития территорий

Россия

RU

Росстрой

Таджикистан

TJ

Агентство по строительству и архитектуре при Правительстве Республики Таджикистан

Узбекистан

UZ

Госархитектстрой

4 Приказом Федерального агентства по техническому регулированию и метрологии от 17 июня 2010 г. № 98-ст межгосударственный стандарт ГОСТ 31416-2009 введен в действие в качестве национального стандарта Российской Федерации с 1 января 2011 г.

ВЗАМЕН ГОСТ 539-80 и ГОСТ 1839-80

Информация о введении в действие (прекращении действия) настоящего стандарта публикуется в указателе «Национальные стандарты».

Информация об изменениях к настоящему стандарту публикуется в указателе (каталоге) «Национальные стандарты», а текст изменений и поправок - в информационных указателях «Национальные стандарты». В случае пересмотра или отмены настоящего стандарта соответствующая информация будет опубликована в информационном указателе «Национальные стандарты»

Содержание

1 Область применения

2 Нормативные ссылки

3 Термины и определения

4 Общие положения

5 Классификация, основные параметры и размеры

5.1 Безнапорные трубы и муфты

5.2 Напорные трубы и муфты

6 Технические требования

6.1 Характеристики труб и муфт

6.2 Требования к сырью и материалам

6.3 Комплектность

6.4 Маркировка

7 Требования безопасности

8 Правила приемки

9 Методы контроля

10 Транспортирование и хранение

11 Гарантии изготовителя

Приложение А (справочное) Справочная масса безнапорных труб и муфт

Приложение Б (справочное) Справочная масса напорных труб

Приложение В (справочное) Справочная масса напорных муфт

Приложение Г (справочное) Отношение гидравлического давления при разрушении от внутреннего давления Рр, водонепроницаемости Рв и рабочего давления Р для напорных труб

ГОСТ 31416-2009

МЕЖГОСУДАРСТВЕННЫЙ СТАНДАРТ

ТРУБЫ И МУФТЫ ХРИЗОТИЛЦЕМЕНТНЫЕ

Технические условия

Chrysotile cement pipes and couplings. Specifications

Дата введения - 2011-01-01

1 Область применения

Настоящий стандарт устанавливает общие требования на безнапорные и напорные хризотилцементные трубы и муфты к ним (далее - безнапорные и напорные трубы и муфты).

Безнапорные трубы и муфты предназначены для наружных трубопроводов безнапорной канализации, дренажных коллекторов мелиоративных систем, вентиляционных воздуховодов (в системах вытяжной вентиляции), прокладки кабелей телефонной связи, попутного дренажа в тепловых сетях, стволов мусоропроводов и других целей.

Допускается применять тонкостенные безнапорные трубы и муфты для прокладки кабелей телефонной связи, а также для устройства наружных трубопроводов безнапорной канализации, дренажных коллекторов мелиоративных систем и других целей.

Хризотилцементные напорные трубы и муфты предназначены для напорных водопроводных и мелиоративных систем; теплотрасс отопления и горячего водоснабжения городов, поселков и сельскохозяйственных комплексов при температуре теплоносителя (воды) не более 115 °С и рабочем давлении до 1,6 МПа, вентиляционных систем (в системах вытяжной вентиляции), попутного дренажа в тепловых сетях, стволов мусоропроводов и других целей.

2 Нормативные ссылки

В настоящем стандарте использованы ссылки на следующие государственные стандарты:

ГОСТ 12.1.005-88 Система стандартов безопасности труда. Общие санитарно-гигиенические требования к воздуху рабочей зоны

ГОСТ 5228-89 Кольца резиновые для муфтовых соединений асбестоцементных труб. Технические условия

ГОСТ 11310-90 Трубы и муфты асбестоцементные. Методы испытаний

ГОСТ 17375-2001 Детали трубопроводов бесшовные приварные из углеродистой и низколегированной стали. Отводы крутоизогнутые типа 3D (R около 1,5 DN). Конструкция

ГОСТ 17376-2001 Детали трубопроводов бесшовные приварные из углеродистой и низколегированной стали. Тройники. Конструкция

ГОСТ 17378-2001 Детали трубопроводов бесшовные приварные из углеродистой и низколегированной стали. Переходы. Конструкция

ГОСТ 17380-2001 Детали трубопроводов бесшовные приварные из углеродистой и низколегированной стали. Общие технические условия

ГОСТ 17584-72 Муфты и соединительные детали чугунные для асбестоцементных напорных труб

ГОСТ 30244-94 Материалы строительные. Методы испытаний на горючесть

ГОСТ 30301-95 Изделия асбестоцементные. Правила приемки

Примечание - При пользовании настоящим стандартом целесообразно проверить действие ссылочных стандартов по указателю «Национальные стандарты», составленному на 1 января текущего года, и по соответствующим информационным указателям, опубликованным в текущем году. Если ссылочный стандарт заменен (изменен), то при пользовании настоящим стандартом следует руководствоваться заменяющим (измененным) стандартом. Если ссылочный стандарт отменен без замены, то положение, в котором дана ссылка на него, применяется в части, не затрагивающей эту ссылку.

3 Термины и определения

В настоящем стандарте применены следующие термины с соответствующими определениями:

3.1 хризотил: Волокнистый минерал класса силиката, группы серпентина; щелочестоек, нерастворим в воде, химически инертен.

3.2 хризотилцементная труба (муфта): Композиционная труба (муфта), сформованная на основе хризотила и цемента.

4 Общие положения

4.1 Трубы и муфты должны изготовляться в соответствии с требованиями настоящего стандарта по конструкторской и технологической документации, утвержденной в установленном порядке.

4.2 Для соединения труб должны применяться хризотилцементные муфты, соответствующие требованиям настоящего стандарта, чугунные муфты по ГОСТ 17584, полиэтиленовые муфты или другие виды соединения.

4.3 Для выполнения поворотов, ответвлений и переходов с одного диаметра на другой рекомендуется применять стальные фасонные части по ГОСТ 17375, ГОСТ 17376, ГОСТ 17378 и ГОСТ 17380 с неподвижной опорой (для трубопроводов, работающих под давлением) или специальные узлы - бетонные коллекторы, в которых находятся фасонные части.

4.4 Для уплотнения муфтовых соединений должны применяться резиновые кольца по ГОСТ 5228 или другим нормативным документам, обеспечивающие герметичность соединения.

5 Классификация, основные параметры и размеры

5.1 Безнапорные трубы и муфты

5.1.1 Форма безнапорных труб должна соответствовать указанной на рисунке 1, а размеры - указанным в таблице 1. Отклонения размеров труб от номинальных не должны превышать значений, указанных в таблице 1.

Рисунок 1 - Безнапорная труба

5.1.2 Форма муфт, применяемых для безнапорных труб, должна соответствовать указанной на рисунке 2. Размеры муфт и отклонения их размеров от номинальных не должны превышать значений, указанных в таблице 2.

Рисунок 2 - Безнапорная муфта

5.1.3 Условное обозначение хризотилцементных безнапорных труб (муфт) должно состоять из буквенного выражения БНТ (БНМ), обозначения условного прохода в миллиметрах, длины трубы в миллиметрах и обозначения настоящего стандарта.

Примеры условных обозначений:

хризотилцементной безнапорной трубы условным проходом 100 мм и длиной 3950 мм:

БНТ 100-3950 ГОСТ 31416-2009

То же, условным проходом 400 мм и длиной 180 мм:

БНМ 400-180 ГОСТ 31416-2009.

5.1.4 Условное обозначение хризотилцементных безнапорных тонкостенных труб (муфт) должно состоять из буквенного выражения БНТТ (БНТМ), обозначения условного прохода в миллиметрах, длины трубы в миллиметрах и обозначения настоящего стандарта.

Примеры условных обозначений:

хризотилцементной безнапорной тонкостенной трубы условным проходом 200 мм и длиной 5000 мм:

БНТТ 200-5000 ГОСТ 31416-2009

Тоже, муфты условным проходом 200 мм и длиной 150 мм:

БНТМ 200-150 ГОСТ 31416-2009.

5.1.5 Справочная масса одного метра длины безнапорных труб и муфт приведена в приложении А.

5.2 Напорные трубы и муфты

5.2.1 Напорные трубы и соответствующие им муфты подразделяют на классы в зависимости от значения рабочего давления согласно таблице 3:

- напорные трубы для водопроводов на четыре класса: ВТ6, ВТ9, ВТ12, ВТ15;

- напорные трубы для теплопроводов на шесть классов: ТТ3, ТТ6, ТТ9, ТТ10, ТТ12, ТТ16.

Таблица 1 - Размеры и отклонения безнапорных труб

В миллиметрах

Условный проход труб Dу

Диаметр трубы

Толщина стенки трубы s

Длина трубы L

Допускаемые отклонения

наружный D

внутренний* d

по наружному диаметру

по толщине стенки

по длине

БНТ

БНТТ

БНТ

БНТТ

БНТ

БНТТ

БНТ

БНТТ

БНТ

БНТТ

БНТ

БНТТ

БНТ

БНТТ

100

118

116

100

100

9

8

2950

3950

3950

±2,5

+2,5

+1,5

±1,5

-50,0

-50,0

125

-

141

-

123

-

9

-

-

-

-

150

161

161

141

143

10

2950

3950

5000

 

±2,5

-50,0

200

213

-

191

-

11

-

3950

5000

-

±4,0

-

-

-

222

200

250

266

259

238

235

14

12

3950

5000

+4,0

±2,5

-50,0

274

248

13

300

309

-

279

-

15

-

-

±4,5

-

-

-

320

292

14

350

358

326

16

400

402

394

368

360

17

17

3950

5000

±4,5

±2,5

-50,0

407

-

373

-

-

-

-

-

-

365

21

419

385

16

427

377

25

±5,0

±3,0

500

474

503

430

455

22

24

3950

5000

±5,0

±2,5

-50,0

508

456

26

514

-

466

-

24

-

-

-

-

-

*Внутренний диаметр труб является справочной величиной

Таблица 2 - Размеры и отклонения муфт для безнапорных труб

В миллиметрах

Условный проход труб Dу

Диаметр муфты

Толщина стенки муфты s

Длина муфты L

Допускаемые отклонения

внутренний d

наружный* D

по наружному диаметру

по толщине стенки

по длине

БНМ

БНТМ

БНМ

БНТМ

БНМ

БНТМ

БНМ

БНТМ

БНМ

БНТМ

БНМ

БНТМ

БНМ

БНТМ

100

140

-

160

-

10

-

150

-

±1,5

-1,0

-

±1,5

-

±3,0

-

125

-

165

-

185

-

10

-

150

-

±1,5

-1,0

-

±1,5

-

±3,0

150

189

-

213

-

12

-

150

-

±4,0

-

±2,0

-

±3,0

-

200

221

249

14

236

264

272

18

160

244

14

150

250

290

328

19

160

±4,5

±2,5

296

286

326

316

15

15

150

150

±4,0

±1,5

±3,0

300

324

-

356

-

16

-

150

-

-

-

-

362

19

160

334

366

16

150

352

384

350

386

422

18

180

±4,0

400

422

458

160

432

476

22

180

440

18

160

454

492

19

180

500

525

534

575

582

25

24

160

180

±4,5

±1,5

±3,0

180

533

-

591

-

29

-

160

-

-

-

-

*Наружный диаметр муфты является справочной величиной

Таблица 3 - Классификация напорных труб и муфт, рабочее давление

Класс

Условное обозначение класса

Значение рабочего давления Р, МПа

труб

муфт

1

ТТ3

ТМ3

0,3

2

ВТ6

CAM6

0,6

ТТ6

ТМ6

3

ВТ9

CAM9

0,9

ТТ9

ТМ9

4

ТТ10

ТМ10

1,0

5

ВТ12

САМ12

1,2

ТТ12

ТМ12

6

ВТ15

САМ15

1,5

7

ТТ16

ТМ16

1,6

5.2.2 Рабочим давлением Р является максимальное гидравлическое давление, при котором может быть использована напорная труба данного класса при отсутствии внешних нагрузок. Выбор класса труб определяется расчетом при проектировании трубопровода с учетом условий эксплуатации.

5.2.3 Форма напорных труб должна соответствовать форме, указанной на рисунке 3.

Рисунок 3 - Напорная труба

5.2.4 Угол заходного конуса приведен как справочный и не является браковочным признаком. Длина конусной части с обточенного конца трубы должна быть:

- от 6 до 10 мм - для труб с условным проходом до 150 мм включительно;

- от 10 до 18 мм - для труб с условным проходом 200 мм и более.

5.2.5 Размеры напорных труб должны соответствовать размерам, указанным в таблице 4. Размеры труб ТТ3 (для теплопроводов) идентичны размерам труб ВТ6 (для водопроводов), также для труб ТТ6 и ВТ9;ТТ9 и ВТ12.

5.2.6 Условное обозначение хризотилцементных напорных труб (муфт) для напорных водопроводных и мелиоративных систем (ВТ) должно состоять из обозначения класса трубы (муфты), обозначения условного прохода трубы, мм, размера по длине (трубы), мм, и обозначения настоящего стандарта.

Примеры условных обозначений:

хризотилцементной напорной трубы класса ВТ6 с условным проходом 200 мм и длиной 3950 мм:

ВТ6 200-3950 ГОСТ 31416-2009.

Тоже, муфты для соединения труб класса ВТ9 с условным проходом 400 мм и длиной 160 мм:

САМ9 400-160 ГОСТ 31416-2009.

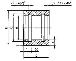
5.2.7 Муфты для теплопроводных труб с рабочим давлением 0,6; 0,9; 1,2 МПа могут быть выполнены с двумя или четырьмя канавками под уплотнительные кольца. Форма муфт для напорных труб должна соответствовать:

- для муфт с двумя канавками - рисунку 4;

- для муфт с четырьмя канавками - рисунку 5.

5.2.8 Условное обозначение хризотилцементных напорных труб (муфт) для систем отопления и горячего водоснабжения (ТТ) должно состоять из обозначения класса трубы (муфты), обозначения условного прохода трубы, мм, размера по длине (трубы), мм, и обозначения настоящего стандарта.

Примеры условных обозначений:

хризотилцементной напорной трубы класса ТТ9 с условным проходом 200 мм и длиной 3950 мм:

ТТ9 200-3950 ГОСТ 31416-2009.

То же, муфты для соединения труб класса ТТ12 с четырьмя канавками с условным проходом 400 мм и длиной 220 мм:

ТМ12-4 400-220 ГОСТ 31416-2009.

5.2.9 Справочная масса одного метра длины напорных труб приведена в приложении Б.

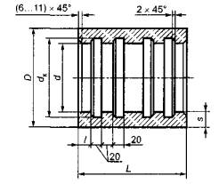
D - наружный диаметр трубы; d - внутренний диаметр трубы; dK - внутренний диаметр канавки

Рисунок 4 - Муфта с двумя канавками

D - наружный диаметр трубы; d - внутренний диаметр трубы; dK - внутренний диаметр канавки

Рисунок 5 - Муфта с четырьмя канавками


Таблица 4 - Размеры напорных труб

В миллиметрах

Усло­вный про­ход труб Dу

Нару­жный диа­метр обто­че­нных кон­цов D

Внутренний диаметр* d

Толщина стенки обточенного конца s

Дли­на обто­чен­ных кон­цов ** l

Дли­на тру­бы
L

ТТ3

ВТ6

ТТ6

ВТ9

ТТ10

ТТ9

ВТ12

ТТ12

ВТ15

ТТ16

ТТ3

ВТ6

ТТ6

ВТ9

ТТ10

ТТ9

ВТ12

ТТ12

ВТ15

ТТ16

100

122

104

100

94

96

-

92

9,0

11,0

14,0

13,0

-

15,0

200;

210;

230;

250

2950;

3950;

5000

125

145

124

-

120

-

-

115

-

-

10,5

-

12,5

-

-

15,0

-

-

150

168

146

141

132

135

128

11,0

13,5

18,0

16,5

20,0

200

224

196

189

-

181

-

176

-

14,0

17,5

-

21,5

-

24,0

-

200;

210;

230;

240;

250

3950;

5000;

5950

200

196

184

188

180

178

12,0

14,0

20,0

18,0

22,0

23,0

250

274

244

235

-

228

-

-

15,0

19,5

-

23,0

-

-

5000

248

242

234

226

13,0

16,0

20,0

24,0

300

324

289

279

270

-

256

17,5

22,5

27,0

-

34,0

3950;

5000;

5950

292

286

272

276

267

264

16,0

19,0

26,0

24,0

28,5

30,0

350

373

-

334

-

322

-

-

312

-

-

-

-

19,5

-

25,5

-

-

30,5

-

-

-

5000

337

329

317

307

18,0

22,0

28,0

33,0

400

427

381

368

356

-

23,0

29,5

35,5

-

3950;

5000;

385

377

359

363

352

347

21,0

25,0

34,0

32,0

37,5

40,0

500

528

473

456

-

441

-

-

27,5

36,0

-

43,5

-

-

5000

476

466

444

450

436

428

26,0

31,0

42,0

39,0

46,0

50,0

*Внутренний диаметр труб является справочной величиной

**Длина обточенных концов должна быть не менее 200 мм для всех труб в зависимости от длины применяемых муфт


5.2.10 Отклонения размеров напорных труб от номинальных не должны превышать значений, указанных в таблице 5.

Таблица 5 - Отклонения размеров напорных труб от номинальных размеров

В миллиметрах

Условный проход труб Dу

Допускаемое отклонение

по наружному диаметру обточенных концов труб

по толщине стенки *, максимальное/минимальное

по длине труб

100

-1,5

+1,5/-2,0

-50,0

125

150

200

-2,0

+1,5/-2,5

250

300

-2,5

+2,0/-3,0

350

400

-3,0

+3,0/-4,0

500

*Максимальное отклонение по толщине стенки трубы приведено как справочная величина и не является браковочным признаком.

5.2.11 Размеры муфт для напорных труб должны соответствовать значениям, указанным в таблице 6.

5.2.12 Длина торцевой конусной расточки муфт должна быть в пределах от 6 до 11 мм. Угол конусной расточки 45°, размер фаски канавки под кольца 2×45° приведены как справочные и не являются браковочным признаком.

5.2.13 Расстояние /до канавки под кольцо должно быть:

- для муфт САМ (всех классов) и ТМ3, ТМ6, ТМ9, ТМ12-27 мм;

- для муфт ТМ10 и ТМ16 с условным проходом от 100 до 200-35 мм;

- для муфт ТМ10 и ТМ16 с условным проходом от 300 до 500-45 мм.

5.2.14 Отклонения размеров муфт, применяемых для напорных труб, от номинальных не должны превышать значений, указанных в таблице 7.

5.2.15 Справочная масса муфт для напорных труб приведена в приложении В.


Таблица 6 - Размеры муфт для напорных труб

В миллиметрах

Усло­вный про­ход труб Dy

Внут­рен­ний диа­метр муфт d

Наружный диаметр муфт* D

Толщина стенки s, не менее

Диа­метр кана­вок, dk

Длина муфты L

ТМ3

САМ6

ТМ6

САМ9

ТМ10

ТМ9

САМ12

ТМ12

САМ15

ТМ16

ТМ3

САМ6

ТМ6

САМ9

ТМ10

ТМ9

САМ12

ТМ12

САМ15

ТМ16

САМ (6; 9; 12; 15)

ТМ (3; 6; 9; 12)

ТМ (10; 16)

100

127

171

175

182

179

179

-

184

22

24

27,5

26

26

-

28,5

150

140;

150

220;

240

180

179

-

26

-

125

150

195

-

200

-

-

204

-

-

-

22,5

-

25

-

27

-

-

-

173

150

173

219

225

236

231

231

-

240

23

26

31,5

29

29

-

33,5

196

231

-

29

-

200

229

277

287

296

297

307

302

24

29

33,5

34

39

36,5

252

150

220;

230;

240

307

-

307

-

39

-

39

-

250

279

329

341

-

353

365

-

25

31

-

37

43

-

302

-

300

329

383

397

410

411

425

418

27

34

40,5

41

48

44,5

352

220

425

-

425

-

48

-

48

-

350

379

-

435

-

449

-

-

463

-

477

-

-

28

-

35

-

-

42

-

49

-

402

160

-

-

400

433

501

517

530

533

549

542

34

42

48,5

50

58

54,5

456

220;

240

220

549

-

549

-

58

-

58

-

500

534

610

626

647

642

658

663

38

46

56,5

54

62

64,5

557

*Наружный диаметр муфт является справочной величиной.


Таблица 7 - Отклонения размеров муфт для напорных труб от номинальных размеров

В миллиметрах

Отклонение размеров муфт

По длине*

По внутреннему диаметру

По диаметру канавок

По расстоянию до канавки под кольцо

По ширине канавок

+ 5,0/-1,0

+0,5/-1,0

+0,5/-1,0

+5,0

±1,0

* Максимальное отклонение приведено как справочная величина и не является браковочным признаком.

6 Технические требования

6.1 Характеристики труб и муфт

6.1.1 Трубы и муфты не должны иметь трещин, сколов и расслоений.

6.1.2 Торцы безнапорных и напорных труб и муфт должны быть чисто обрезаны перпендикулярно к оси труб. Концы напорных труб и внутренняя поверхность напорных муфт должны быть дополнительно обточены. На обточенных поверхностях труб и муфт не должно быть сдиров и вмятин. На наружных необточенных поверхностях труб и муфт допускаются отпечатки от технического сукна, сдиры и вмятины глубиной:

- для безнапорных труб - не более 2 мм;

- для напорных труб - не более 1 мм.

На внутренних поверхностях труб допускаются отпечатки от наката форматных скалок, незначительные сколы торцов труб глубиной не более 2 мм и длиной не более 20 мм вдоль образующей трубы, а на внутренних поверхностях муфт - следы обточки глубиной до 2 мм.

6.1.3 Трубы должны быть прямыми. Допускаемое отклонение от прямолинейности, мм, не должно превышать для безнапорных труб длиной:

2950 мм - 12;

3950 мм - 16;

5000 мм -20.

То же для напорных труб длиной:

2950 и 3950 мм - 12;

5000 мм - 18;

5950 мм - 24.

6.1.4 Торцы напорных труб должны быть обработаны на конус под углом 20° - 25°, значение угла заходного конуса приведено как справочное. В сопряжении внутренней поверхности труб и торцов допускаются закругления или фаски шириной не более 5 мм.

6.1.5 Трубы и муфты должны быть водонепроницаемыми и при испытании их гидравлическим давлением на наружной поверхности не должно быть признаков проникания воды.

6.1.6 Механические свойства безнапорных труб

6.1.6.1 Значение испытательного гидравлического давления для безнапорных труб и муфт должно быть не менее 0,4 МПа.

6.1.6.2 Образцы безнапорных труб на раздавливание в водонасыщенном состоянии должны выдерживать нагрузки, значения которых указаны в таблице 8.

6.1.6.3 Образцы безнапорных труб при испытании на изгиб должны выдерживать нагрузки, значения которых указаны в таблице 9.

6.1.7 Механические свойства напорных труб

6.1.7.1 Значение гидравлического давления Рв при испытании напорных труб и муфт на водонепроницаемость должно соответствовать значениям, приведенным в таблице 10.

6.1.7.2 Образцы напорных труб при испытании на разрушение внутренним гидравлическим давлением Рр должны выдерживать давление, значения которого указаны в таблице 11.

Таблица 8 - Минимальные нагрузки при испытании на раздавливание безнапорных труб

Условный проход труб Dу, мм

Наружный диаметр труб, мм

Минимальная нагрузка при испытании, Н

БНТ

БНТТ

БНТ

БНТТ

100

118

116

4508

-

125

-

141

-

150

1

61

3920

200

213

-

3136

222

250

266

259

3626

3600

274

3724

300

309

-

4116

-

320

350

358

4508

400

402

394

4900

5100

407

-

-

419

427

5900

500

474

503

5390

6100

508

5880

514

-

6116

-

Таблица 9 - Минимальные нагрузки при испытании безнапорных труб на изгиб

Условный проход труб Dу, мм

Наружный диаметр труб, мм

Минимальная нагрузка при испытании, Н

БНТ

БНТТ

БНТ

БНТТ

100

118

116

1764

1800

125

-

141

-

2900

150

161

3920

3900

Примечание - Трубы диаметром более 150 мм на изгиб не испытывают.

Таблица 10 - Гидравлическое давление при испытании напорных труб на водонепроницаемость

Классы труб

Классы муфт

Гидравлическое давление, МПа

ВТ6

ТТ3

САМ6

ТМ3

1,2

ВТ9

ТТ6

САМ9

ТМ6

1,8

ВТ12

ТТ9

САМ12

ТМ9

2,4

ТТ10

ТМ10

2,0

ВТ15

ТТ12

САМ15

ТМ12

3,0

ТТ16

ТМ16

3,2

6.1.7.3 При испытании на разрушение полномерные напорные трубы должны выдерживать давление не менее 75 % значений, указанных в таблице 11.

Таблица 11 - Гидравлическое давление при испытании напорных труб на разрушение

Условный проход труб Dy, мм

Гидравлическое давление, МПа

ВТ6; ТТ3

ВТ9; ТТ6

ВТ12; ТТ9

ТТ10

ВТ15; ТТ12

ТТ16

100-125

2,4

3,6

4,8

4,5

-

5,8

150-200

2,1

3,1

4,2

3,7

5,2

6,0

250-500

1,8

2,7

3,6

3,2

4,5

5,3

6.1.7.4 Образцы напорных труб при испытании на раздавливание должны выдерживать нагрузки, указанные в таблице 12.

Таблица 12 - Минимальные нагрузки при испытании напорных труб на раздавливание

Условный проход труб Dy, мм

Минимальные нагрузки при испытании на изгиб, кН, для труб класса

ВТ6; ТТ3

ВТ9; ТТ6

ВТ12; ТТ9

ТТ10

ВТ15; ТТ12

ТТ16

100

8

11

13

12

-

16

150

8

11

15

12

19

200

8

12

17

13

25

30

250

8

13

19

-

25

-

300

9

14

22

16

30

34

350

11

16

25

-

35

-

400

15

18

29

21

39

45

500

16

22

34

25

39

45

6.1.7.5 Образцы напорных труб при испытании на изгиб должны выдерживать нагрузки, указанные в таблице 13.

Таблица 13 - Минимальные нагрузки при испытании напорных труб на изгиб

Условный проход труб Dy, мм

Минимальные нагрузки при испытании на изгиб, кН, для труб класса

ВТ6; ТТ3

ВТ9; ТТ6

ВТ12; ТТ9

ТТ10

ВТ15; ТТ12

ТТ16

100

4,0

4,5

5,0

5,0

-

6,0

125

6,4

7,3

8,4

-

-

-

150

9,2

11,0

12,2

12,0

-

14,5

Примечание - Трубы диаметром более 150 мм на изгиб не испытывают.

6.1.7.6 Отношение гидравлического давления при испытании образцов напорных труб на разрушение к давлению при испытании на водонепроницаемость и к рабочим давлениям, принятым в настоящем стандарте, указаны в приложении Г.

6.1.7.7 Минимальные нагрузки при раздавливании и изгибе, а также значения гидравлического давления при испытании труб на разрушение установлены для образцов труб, испытываемых в водонасыщенном состоянии.

При испытании образцов, не подвергшихся предварительному водонасыщению, значения нагрузок и гидравлического давления при разрушении должны быть не менее чем на 10 % выше установленных в таблицах 11-13.

6.2 Требования к сырью и материалам

6.2.1 Сырье и материалы, применяемые для изготовления труб и муфт, должны соответствовать требованиям действующих стандартов и технических условий на них.

6.2.2 Удельная эффективная активность естественных радионуклидов сырья и материалов, применяемых для изготовления труб и муфт, не должна превышать значений, действующих на территории Российской Федерации.

6.3 Комплектность

6.3.1 Хризотилцементные трубы поставляют вместе с хризотилцементными или другими муфтами (см. 4.2) и уплотнительными кольцами, при этом число муфт и уплотнительных колец согласовывается с заказчиком.

6.3.2 Класс поставляемых муфт должен быть не ниже класса поставляемых труб.

6.3.3 Напорные трубы для теплопроводов должны комплектоваться теплостойкими резиновыми уплотнительными кольцами.

6.4 Маркировка

6.4.1 На наружной поверхности каждой трубы краской должны быть нанесены: товарный знак или наименование предприятия-изготовителя, класс трубы, условный проход трубы, номер партии, а также надпись «Не бросать!». На наружной поверхности каждой муфты краской должны быть нанесены: класс муфты, условный проход трубы, для которой предназначена муфта, и номер партии. Допускается нанесение маркировки на этикетках, наклеиваемых на наружную необработанную поверхность трубы или муфты. На наружной поверхности не менее чем 10 % труб и муфт, отобранных от партии, должен быть нанесен штамп ОТК для специальной маркировки.

6.4.2 Каждый потребитель труб и муфт должен обеспечиваться информацией - памяткой по безопасному транспортированию, выполнению погрузочно-разгрузочных работ, хранению, обращению при монтаже и в процессе эксплуатации.

7 Требования безопасности

7.1 Хризотилцементные трубы не взрывоопасны, относятся к группе негорючих строительных материалов по ГОСТ 30244, не токсичны и при непосредственном контакте не оказывают вредного воздействия на организм человека.

7.2 При механической обработке (обточке, пилении) труб и муфт возможно выделение хризотилцементной пыли, которая относится к классу опасности IV по ГОСТ 12.1.005. Предельно допустимая концентрация (ПДК) хризотилцементной пыли в воздухе рабочей зоны - не более 6 мг/м3. При обработке обязательно применение средств индивидуальной защиты органов дыхания.

Стационарные участки обработки труб и муфт должны быть оборудованы системами аспирации с аппаратами для очистки воздуха. Механическую обработку хризотилцемента следует выполнять лезвийным режущим инструментом, образующим стружку. Обработка абразивным инструментом не допускается.

7.3 Измерение концентрации хризотилцементной пыли в воздухе рабочей зоны проводится в соответствии с действующими санитарно-эпидемиологическими нормативами.

7.4 Утилизация или ликвидация отходов хризотилцементных труб и муфт выполняется в соответствии с действующими нормами.

8 Правила приемки

8.1 Трубы и муфты должны быть приняты техническим контролем предприятия-изготовителя в соответствии с требованиями настоящего стандарта.

8.2 Приемка труб и муфт проводится партиями. Размер партии устанавливается в количестве сменной выработки одной технологической линии. Размер партии муфт - в количестве сменной выработки муфторасточного станка. В состав партии должны входить трубы (муфты) одного диаметра и класса.

Партия труб и муфт принимается, если каждая труба и муфта, отобранные для контроля, соответствуют требованиям настоящего стандарта по всем показателям.

8.3 Предприятие-изготовитель должно сопровождать каждую партию труб и муфт документом, удостоверяющим качество, в котором указывают:

- наименование и адрес предприятия-изготовителя;

- номер и дату выдачи документа;

- номер партии труб, условное обозначение, общее число в штуках и длину в метрах;

- номер партии муфт, условное обозначение, число муфт в штуках;

- результаты испытания труб (муфт);

- обозначение настоящего стандарта.

8.4 Приемку хризотилцементных труб и муфт, проведение инспекционных проверок и контроля потребителем, порядок отбора, число отбираемых труб и муфт (объем выборки) и оценку результатов контроля проводят по ГОСТ 30301.

9 Методы контроля

9.1 Проверка внешнего вида, формы, размеров, прямолинейности, определение водонепроницаемости, гидравлического давления при разрушении и нагрузок при раздавливании и изгибе должны проводиться по ГОСТ 11310.

10 Транспортирование и хранение

10.1 При транспортировании железнодорожным транспортом размещение и крепление труб и муфт должно проводиться в соответствии с техническими условиями на размещение и крепление грузов в вагонах и контейнерах, утвержденными в установленном порядке.

10.2 При перевозке другими видами транспорта трубы (муфты) должны быть плотно закреплены. Перевозка труб и муфт в самосвалах не допускается.

10.3 При погрузке и разгрузке не допускаются удары по трубам и муфтам, а также сбрасывание их с высоты.

10.4 Трубы и муфты должны быть уложены в штабели на ровную площадку по диаметрам: трубы - горизонтальными, а муфты - вертикальными рядами. При укладке труб на неровную площадку под нижний ряд должны быть уложены деревянные подкладки. Нижний ряд труб должен быть закреплен.

11 Гарантии изготовителя

11.1 При соблюдении потребителем установленных правил транспортирования, хранения и применения хризотилцементных труб и муфт предприятие-изготовитель гарантирует соответствие их требованиям настоящего стандарта. Гарантийный срок хранения - не более 12 мес с даты отгрузки предприятием-изготовителем.

Приложение А
(справочное)

Справочная масса безнапорных труб и муфт

Таблица А.1

Условный проход труб Dу, мм

Наружный диаметр труб D, мм

Справочная масса, кг

БНТ

БНТТ

БНТ

БНТТ

1 м длины трубы

Одной муфты

1 м длины трубы

Одной муфты

100

118

116

6,1

1,4

6,0

1,5

125

-

141

-

-

8,1

1,8

150

161

9,4

2,3

9,3

2,5

200

213

-

18,0

5,1

-

-

222

17,0

4,1

250

266

259

25,0

6,4

22,0

-

274

22,5

5,3

4,6

300

309

-

32,2

7,6

-

-

320

32,4

6,5

350

358

40,7

9,6

400

402

394

45,0

10,1

43,7

9,2

407

-

55,8

11,5

-

-

419

50,2

11,7

427

62,0

-

500

474

503

71,3

16,7

78,0

17,1

508

86,0

18,0

514

-

74,9

16,3

-

-

Примечания

1 При расчете массы труб и муфт принята влажность 15 %.

2 Приведенные значения массы получены расчетным путем и являются справочными.

Приложение Б
(справочное)

Справочная масса напорных труб

Таблица Б.1

Условный проход труб Dу, мм

Справочная масса, кг, 1 м длины трубы класса

ТТ3

ВТ6

ТТ6

ВТ9

ТТ9

ТТ10

ВТ12

ТТ12

ВТ15

ТТ16

100

7,8

9,3

9,2

10,6

11,7

10,4

-

-

12,5

125

9,0

-

10,5

-

12,0

-

-

-

150

12,9

15,5

15,2

18,3

20,3

17,9

22,5

200

22,1

27,0

26,4

31,9

33,3

31,2

32,5

36,2

38,3

250

28,4

36,6

35,9

42,0

-

41,1

43,7

47,3

-

300

40,2

50,5

49,4

58,7

62,7

57,9

61,3

69,4

72,4

350

-

50,9

-

63,7

-

-

76,5

-

87,5

-

400

68,8

86,4

84,7

100,8

106,9

100,6

105,6

114,8

125,7

500

104,6

101,6

130,0

127,3

152,3

162,8

151,2

159,6

173,6

193,8

Примечания

1 При расчете массы труб принята влажность 15 %.

2 Приведенные значения массы получены расчетным путем и являются справочными

Приложение В
(справочное)

Справочная масса напорных муфт

Таблица В.1

Условный проход труб Dу, мм

Справочная масса, кг, муфт класса

САМ6

САМ9

САМ12

САМ15

ТМ3

ТМ6

ТМ9

ТМ10

ТМ12

ТМ16

100

3,5

3,8

4,5

-

3,6

5,4

5,9

5,6

-

5,8

150

4,6

5,2

5,6

-

4,9

7,3

8,8

8,1

-

8,7

200

6,9

8,2

9,0

9,5

7,4

11,7

14,0

11,4

16,4

12,4

250

8,7

10,6

11,5

12,5

9,3

15,0

18,3

-

21,7

-

300

11,1

13,8

15,5

L 17,0

11,8

19,3

23,7

24,1

28,4

26,5

350

14,7

18,0

20,0

22,0

-

-

-

-

-

-

400

20,1

21,8

25,0

29,0

21,6

31,6

39,4

34,6

46,5

38,9

500

27,7

32,8

34,0

36,0

29,6

43,5

51,8

55,4

60,3

63,2

Примечания

1 При расчете массы труб принята влажность 15 %.

2 Приведенные значения массы получены расчетным путем и являются справочными.

Приложение Г
(справочное)

Отношение гидравлического давления при разрушении от внутреннего давления Рр, водонепроницаемости Рв и рабочего давления Р для напорных труб

Таблица Г.1

Условный проход труб D, мм

Отношение давлений, не менее

Рр/Рв

Рр/Р

 

ВТ

ТТ

ВТ

ТТ

100

2,0

2,7

4,0

5,3

150 - 200

1,75

2,2

3,5

4,3

250 - 500

1,50

1,9

3,0

3,8

Ключевые слова: хризотилцементные трубы, хризотилцементные муфты, основные параметры, размеры, давление, нагрузка при испытании

 

 




ГОСТЫ, СТРОИТЕЛЬНЫЕ и ТЕХНИЧЕСКИЕ НОРМАТИВЫ.
Некоммерческая онлайн система, содержащая все Российские Госты, национальные Стандарты и нормативы.
В Системе содержится более 150000 файлов нормативно-технической документации, действующей на территории РФ.
Система предназначена для широкого круга инженерно-технических специалистов.

Рейтинг@Mail.ru Яндекс цитирования

Copyright © www.gostrf.com, 2008 - 2026