Крупнейшая бесплатная информационно-справочная система онлайн доступа к полному собранию технических нормативно-правовых актов РФ. Огромная база технических нормативов (более 150 тысяч документов) и полное собрание национальных стандартов, аутентичное официальной базе Госстандарта. GOSTRF.com - это более 1 Терабайта бесплатной технической информации для всех пользователей интернета. Все электронные копии представленных здесь документов могут распространяться без каких-либо ограничений. Поощряется распространение информации с этого сайта на любых других ресурсах. Каждый человек имеет право на неограниченный доступ к этим документам! Каждый человек имеет право на знание требований, изложенных в данных нормативно-правовых актах!

  


 

МИНИСТЕРСТВО ВНУТРЕННИХ ДЕЛ РОССИЙСКОЙ ФЕДЕРАЦИИ

ГЛАВНОЕ УПРАВЛЕНИЕ ВНЕВЕДОМСТВЕННОЙ ОХРАНЫ

РЕКОМЕНДАЦИИ
ПО КОМПЛЕКСНОМУ ОБОРУДОВАНИЮ БАНКОВ, ПУНКТОВ ОБМЕНА ВАЛЮТЫ, ОРУЖЕЙНЫХ И ЮВЕЛИРНЫХ МАГАЗИНОВ, КОММЕРЧЕСКИХ И ДРУГИХ ФИРМ И ОРГАНИЗАЦИИ ТЕХНИЧЕСКИМИ СРЕДСТВАМИ ОХРАНЫ, ВИДЕОКОНТРОЛЯ И ИНЖЕНЕРНОЙ ЗАЩИТЫ

ТИПОВЫЕ ВАРИАНТЫ

Р 78.36.003-99

МОСКВА 1999

Данные Рекомендации разработаны сотрудниками НИЦ "Охрана" ГУВО МВД России В. Г. Синиловым, Е. П. Тюриным, Л. И. Савчук и утверждены ГУВО МВД России 20 декабря 1996 г.

Настоящему документу присвоено условное обозначение, подтверждающее его ведомственную принадлежность. Данный текст идентичен ранее выпущенному изданию (М.: НИЦ "Охрана", 1998).

Рекомендации распространяются на вновь проектируемые, реконструируемые и технически перевооружаемые объекты охраняемые или передаваемые под охрану подразделениям вневедомственной охраны при органах внутренних дел Российской Федерации (в дальнейшем - подразделения охраны).

1. ТЕХНИЧЕСКАЯ УКРЕПЛЕННОСТЬ (ИНЖЕНЕРНАЯ ЗАЩИТА) ОБЪЕКТОВ

1.1. Общие положения

1.1.1. Техническая укрепленность (инженерная защита) помещений и технические средства сигнализации входят составными частями в систему безопасности объекта и оцениваются с учетом всех составляющих системы безопасности (физическая охрана, взаимодействие с горрайорганами внутренних дел, организация технологических процессов кассовых операций и т.п.).

1.1.2. Технические средства сигнализации объекта должны применяться в сочетании с технической укрепленностью помещений и компенсировать ее недостаточность в ранее построенных или неприспособленных зданиях.

1.1.3. Техническая укрепленность объекта должна быть достаточной для обеспечения защиты:

- помещений от проникновения преступников на время, необходимое для выявления и пресечения нарушения;

- хранимых денежных, валютных средств, огнестрельного оружия и боеприпасов, ювелирных изделий, материальных, культурных и других ценностей, от хищений с использованием квалифицированных методов взлома;

- персонала объектов и посетителей от вооруженных нападений.

1.1.4. Подготовка и выполнение работ по усилению технической укрепленности банков, объектов торговли, оружейных и ювелирных магазинов, складов с хранением материальных ценностей, пунктов обмена валюты, коммерческих и других фирм и организаций (в дальнейшем объектов) должны осуществляться в соответствии с нормативными документами МВД России:

- РД 78.143-92. "Руководящий нормативный документ. Системы и комплексы охранной сигнализации. Элементы технической укрепленности объектов. Нормы проектирования";

- РД 78.145-93. "Руководящий документ. Системы и комплексы охранной, пожарной и охранно-пожарной сигнализации. Правила производства и приемки работ";

- РД 78.147-93. "Единые требования по технической укрепленности и оборудованию сигнализацией объектов";

- "Типовыми требованиями по технической укрепленности и оборудованию сигнализацией предприятий торговли". Москва-1992 г.

1.1.5. В зависимости от вида и концентрации денежных, валютных, культурных и других материальных ценностей, размещенных на объекте (в помещении), объекты и помещения подразделяются на четыре категории (Приложение 1), а строительные конструкции (стены, оконные проемы, двери) данных объектов (помещений) - на четыре группы (классы) защиты от взлома (Приложения 2, 3, 4).

Выбираемая группа защиты от взлома строительных конструкций должна соответствовать стоимости и значимости для потенциальных преступников имущества (ценностей), которое находится в помещениях объекта. Кроме этого, необходимо учитывать месторасположение объекта и доступность проникновения в помещения объекта, причем таким образом, что более высокие требования должны предъявляться к местам, где злоумышленник может действовать в относительной безопасности.

1.1.6. Все помещения внутри объекта разделяются на три основные зоны по доступности:

- первая зона - помещения, доступ в которые для сотрудников и клиентов не ограничен (например, информационно - справочный зал фирмы, операционный зал банка, пункта обмена валюты, торговый зал универмага, магазина и т.п.);

- вторая зона - помещения, доступ в которые разрешен ограниченному кругу сотрудников (например, отдельные служебные помещения фирм, магазинов, складов и т.п.);

- третья зона - помещения, доступ в которые имеют лишь строго определенные должностные лица объекта (например, кладовые ценностей и сейфовые комнаты банков, ювелирных и оружейных магазинов, кассовые кабины пунктов обмена ваты, помещения подразделений охраны и безопасности, комнаты хранения оружия и т.п.).

1.2. Общие требования к технической укрепленности помещений объектов, предназначенных для хранения и размещения материальных ценностей

1.2.1. В состав помещений объектов, предназначенных для хранения и размещения материальных ценностей, согласно приложения 1, входят:

помещения, в которых размещаются материальные ценности первой категории - кладовые и сейфовые комнаты с постоянным и временным хранением денежных и валютных средств, ювелирных изделий, драгоценных металлов и камней и других особо ценных и особо важных торгово-материальных ценностей и т.п.;

помещения, в которых размещаются материальные ценности второй категории - помещения с постоянным и временным хранением огнестрельного оружия и боеприпасов, наркотических и ядовитых веществ, драгоценных металлов и камней, ювелирных изделий, ценных предметов старины, искусства и культуры, денежных средств, валюты и ценных бумаг, секретной документации и т.п.;

помещения, в которых размещаются материальные ценности третьей категории - помещения с постоянным и временным хранением промышленных товаров и продуктов питания, аудио-, видео-, орг- и телетехники и т.п.;

помещения, в которых размещаются материальные ценности четвертой категории - помещения с постоянным и временным хранением технологического и хозяйственного оборудования, технической и инструкторской документацией и т.п.

1.2.2. Наружные стены объектов и помещений, в которых осуществляется хранение материальных ценностей 1-ой и 2-ой категорий, должны иметь группу защиты от взлома не ниже 3-ей (Приложение 2).

Наружные стены объектов и помещений, в которых осуществляется хранение материальных ценностей 3-ей категории, должны иметь группу защиты от взлома не ниже 2-ой (Приложение 2), а для объектов и помещений, в которых осуществляется хранение материальных ценностей 4-ой категорий - не ниже 1-ой (Приложение 2).

1.2.3. Помещения второй зоны доступности следует отделять от помещений первой зоны стенами и перегородками 2-ой группы защита от взлома (Приложение 2).

Помещения третьей зоны доступности от помещений второй зоны также следует отделять стенами и перегородками 2-ой группы защиты от взлома.

Между помещениями первой и третьей зон доступности должки предусматриваться стены или перегородки 3-ей группы защиты от взлома.

1.2.4. Входные двери на объекты (в помещения), в помещениях которых размещаются материальные ценности категорий 1, 2 должны иметь группу защиты от взлома не ниже 3-ой (Приложение 3).

Между входной дверью и основным помещением следует устраивать тамбур со второй дверью или решетчатую дверь (Приложение 6)

Механизмы замков должны быть заключены в кожухи, зачищающие их и подходящие провода от умышленных повреждений с использованием ручного слесарного инструмента.

1.2.5. Входные двери на объекты (в помещения), в помещениях которых размещаются материальные ценности 3-ей категории должны иметь группу защиты от взлома не ниже 2-ой, а для объектов и помещений, в которых осуществляется хранение материальных ценностей 4-ой категорий входные двери могут иметь 1-ую группу защиты от взлома (Приложение 3).

1.2.6. Входную дверь на объект и дверь тамбура рекомендуется оборудовать электромеханическими и/или механическими замками с количеством комбинаций кода (ключа) не менее 25000 для объектов, в помещениях которых размещаются материальные ценности 3 и 4 категории и не менее 100000 для объектов, в помещениях которых раз мешаются материальные ценности категорий 1 и 2.

1.2.7. вход из торгового, информационного, кассового зала и т.п. объектов, в помещениях которых размещаются материальные ценности категорий 1 и 2, в служебные помещения, в кассы или закассовое пространство должен быть оборудован дверями, имеющими конструкцию, группа защиты от взлома которых не ниже 2-ой. Замки дверей должны иметь защиту от подбора ключей и использования отмычек.

1.2.8. Оконные проемы, витрины первого этажа объекта, в помещениях которого хранятся материальные ценности 1, 2 категорий, должны иметь группу защиты от взлома не ниже 3-ей (Приложение 4), а по требованию органов внутренних дел в районах со сложной оперативной обстановкой окна и витрины рекомендуется выполнять из защитного остекления, устойчивого к пробиванию - класс устойчивости Б или пулестойкого защитного остекления (Приложения 4, 5);

1.2.9. Оконные проемы, витрины первого этажа объекта, в помещениях которого хранятся материальные ценности 3-ей категории, должны иметь группу защиты от взлома не ниже 2-ой (Приложение 4).

1.2.10. Оконные проемы, витрины объекта, в помещениях которого хранятся материальные ценности 4 -ой категории, а также оконные проемы второго и выше (за исключением последнего) этажей объектов, в помещениях которых хранятся материальные ценности 1, 2 и 3 категории могут иметь 1-ую и выше группу защиты от взлома.

1.3. Специальные помещения, предназначенные для хранения особо ценных и особо важных материальных ценностей

1.3.1. Хранение особо ценных и особо важных материальных ценностей рекомендуется производить в специально приспособленных для этих целей кладовых или в сейфах.

Кладовая - помещение, в котором размещается хранилище ценностей.

Предкладовая - помещение между входами в кладовую и хранилище.

В соответствии с ГОСТ Р 50862-96 (Системы безопасности. Инженерные средства защиты. Сейфы и хранилища ценностей. Требования и методы испытаний на устойчивость к взлому и огнестойкость):

хранилище ценностей - сооружение, представляющее собой железобетонную оболочку (стены, пол, потолок), предназначенное для хранения ценностей, документов и носителей информации, с площадью основания изнутри более 2 м, защищенное от взлома и устойчивое к воздействию опасных факторов пожара;

дверь хранилища - комплект, состоящий из дверного полотна и дверной коробки, снабженных запирающим механизмом, защищенный от взлома и устойчивый к воздействию опасных факторов пожара;

сейф - устройство, предназначенное для хранения ценностей документов и носителей информации с площадью основания изнутри не более 2 м и устойчивое к взлому;

огнестойкий сейф - устройство, с площадью основания изнутри не более 2 м, предназначенное для хранения ценностей, документов и носителей информации, устойчивое к взлому и воздействию опасных факторов пожара;

запирающий механизм - совокупность всех замковых устройств и силовых элементов (ригели, засовы и т.п.), обеспечивающих запирание дверей сейфов и хранилищ.

1.3.2. Хранилища ценностей должны иметь исполнение, обеспечивающее эффективную защиту от проникновения через железобетонную оболочку (стены, пол, потолок) и дверь с использованием отмычек, слесарного и ручного электрифицированного инструмента, домкратов, газорежущего оборудования, взрывчатки и иных орудий взлома.

Хранилище ценностей должно быть сертифицировано и иметь согласно ГОСТ Р 50862-96 класс устойчивости к взлому не ниже V (Приложение 7).

Примечание. В случае отсутствии у подрядных организаций необходимых сертификатов на изготовление хранилищ, по согласованию с территориальными органами МВД допускается их изготовление по методике приведенной в приложении 6.

1.3.3. Вход в хранилище - один, через предкладовую. Устройство окон в кладовой, предкладовой - не допускается.

Класс устойчивости двери в хранилище должен быть не ниже класса устойчивости самого хранилища.

Количество и класс замковых устройств, входящих в запирающий механизм дверей хранилищ, должно соответствовать табл. 2, 3, приложения 7.

В дверном проеме хранилища за основной дверью должна устанавливаться решетчатая дверь из стальных прутьев диаметром не менее 16 мм, образующих ячейки размером не более 150´150 мм сваренных в каждом пересечении. По периметру решетчатая дверь обрамляется стальным уголком размером не менее 30´30´5 мм. Решетчатая дверь оборудуется замком (навесным или накладным) сувальдного типа с числом кодовых комбинаций не менее 100 тысяч.

Допускается применение решетчатых дверей, с параметрами отличающимися от вышеуказанных, если она входит в комплект поставки зарубежных производителей.

1.3.4. В зданиях объектов, когда строительство кладовой невозможно, в качестве кладовых ценностей может быть использована сейфовая комната для хранения ценностей в сейфах, имеющих сертификат соответствия по ГОСТ Р 50682-96 (Приложение 7).

Двери сейфовых комнат должны иметь группу защиты от взлома не ниже 2-й (Приложение 3) и оснащаться двумя внутренними замками, устойчивыми к взлому.

1.3.5. Площадь помещения сейфовой комнаты выбирается исходя из количества располагаемых в нем сейфов и удобства производства операций с ценностями. Вход в помещение должен быть один. При наличии окон, они оборудуются внутренними металлическими решетками.

1.4. Обменные пункты иностранной валюты

1.4.1. При размещении пункта обмена иностранной валюты на территории объекта (например, пункт обмена валюты в банке, универмаге или фирме), он должен быть изолирован от других помещений объекта.

1.4.2. Входная дверь в пункт обмена валюты должна иметь

группу защиты от взлома не ниже 3-й (Приложение 3) и быть либо сплошной металлической, либо должна быть выполнена из защитного остекления. Дверь вспомогательного входа, если таковая имеется, должна быть сплошной металлической (аналогично входной двери) и быть оборудована глазком, переговорным устройством или звонком.

1.4.3. Конструктивные строительные элементы кабин операционных касс и кабин охрани должны иметь одинаковый класс устойчивости к силовым воздействиям с внешней стороны защищаемой зоны, соответствующий классам устойчивости В или Г защитного остекления (Приложение 5).

1.4.4. В зависимости от объема операций по выдаче и приему денежных средств обменный пункт может иметь одну или несколько кассовых кабин, а каждая кассовая кабина - одно или несколько рабочих мест, между которыми устанавливаются от поверхности стола прозрачные перегородки для обеспечения кассирам взаимного контроля ситуации.

1.4.5. Лицевая поверхность кассовой кабины (окно кассовой кабины) напротив каждого рабочего места кассира должна быть защищена пулестойким защитным остеклением.

1.4.6. Стены кассовой кабины должны выполняться из материалов, имеющих одинаковый с защитным остеклением класс устойчивости к силовым воздействиям с внешней стороны защищаемой зоны.

1.4.7. Кассовые кабины рекомендуется располагать в нишах, углах или возле стен помещения обменного пункта на наибольшем удалении от оконных проемов.

1.4.8. Вдоль лицевой панели кассовой кабины может устанавливаться барьер, в который со стороны зала на высоте 100 см от пола встраивается горизонтальная панель (прилавок) шириной около 4 см, предназначенная для пересчета клиентом денежных средств. При наличии в кассовой кабине нескольких рабочих мест на прилавке должны устанавливаться непрозрачные щитки, препятствующие осмотру денежных средств клиента данного кассира клиентами соседних кассиров.

1.4.9. Кассовые кабины пунктов обмена валюты должны оборудоваться специальными транспортирующими устройствами (бункерами) или лотками для передачи денег и документов. Их конструкция должна исключать проникновение пули в защищаемую зону при выстреле извне.

1.4.10. Для взаимодействия с клиентами и в целях обеспечение безопасности кассира в кассовой кабине должны устанавливаться переговорное устройство.

1.5. Операционно-кассовые залы банков

1.5.1. Операционно-кассовый зал, как правило, состоит из разделяемых барьером зала (зоны) для клиентов и операционной зоны. Кабин операционных касс, одного или более помещений для получения, пересчета и упаковки денег клиентами.

1.5.2. Входная дверь в кассовый зал, если она является входной дверью в банк, должна иметь группу защиты от взлома не ниже 3-ей (Приложение 3) и не менее двух внутренних замков.

1.5.3. Вход в кассы или закассовое пространство должен быть оборудован дверями, имеющими конструкцию, группа защиты от взлома которых не ниже 2-ой.

1.5.4. Операционные кассы (кассовые кабины) отделяются от зоны клиентов кассового зала барьером, имеющим на высоте 1150 мм горизонтальную панель шириной не менее 400 им для работы клиентов с документами.

По всему периметру кассовых кабин следует устанавливать пулезащитное остекление, в соответствии с классификацией РЛ 78.148-94 МВД России, высотой не менее 850 мм от горизонтальной панели.

Материалы строительных конструкций, применяемые для изготовления кабины, по всему периметру, доступному для посторонних лиц, должны обеспечивать соответствующие классы защиты от взлома и применения стрелкового оружия. Класс защиты элементов конструкции определяется заданием на проектирование.

Стены здания (операционного зала) могут являться одновременно стенами кабины (блока кабин) при условии, что класс защиты этих стен от взлома и применения огнестрельного оружия равен или превышает класс защиты элементов конструкции кабины.

Допускается установка пулезащитного барьера по всему фронту операционной зоны.

Устройство проходов из зоны клиентов в закассовое пространство не допускается.

1.5.5. Защитное остекление, материалы и конструкции пулезащиты для оборудования кабин кассира или единого пулезащитного барьера, должны иметь сертификаты российских федеральных центров, аккредитованных Госстандартом России.

1.5.6. Допускается выполнять стены кабины (стены внешнего контура блока кабин) из сплошной пуленепробиваемой конструкции, а защитное остекление устанавливать только на части передней стенки (фасада) над горизонтальной панелью с таким расчетом, чтобы обеспечивался визуальный контакт кассира с клиентом.

Характеристики остекления передней стены кабины (блока кабин) должны обеспечивать: клиенту возможность наблюдения за действиями кассира при пересчете полученных (выдаваемых) денег.

Вместе с тем, возможность наблюдения за работой кассира со стороны посторонних лиц должна быть ограничена (установка штор-жалюзей, применение специальных пленок и др.).

1.5.7. Класс устойчивости применяемого защитного остекления определяется заказчиком по согласованию с местными органами МВД (Приложение 5).

1.5.8. Общая высота ограждающих конструкций кабины (внешнего контура блока кабин) или единого пулестойкого кассового барьера должна быть не менее 200 см.

В кассах, выполняющих валютные операции и операции с крупными суммами наличных денег, просвет выше защитного остекления до потолка рекомендуется закрывать декоративной металлической решет кой или защитными панелями, в том числе выполненных из защитного остекления по классу А1, предотвращающими перебрасывание средств поражения в случае нападения.

1.5.9. Кассовые кабины должны оборудоваться специальными транспортирующими устройствам; (бункерами) или лотками для передачи денег и документов. Их конструкция должна исключать проникновение пули в защищаемую зону при выстреле извне. Механизм приведения в действие и фиксации лотка кассовых кабин должен находиться со стороны кассира.

1.5.10. Для общения кассира с клиентом при каждой кассовой кабине должно быть предусмотрено переговорное устройство.

1.5.11. Наружные окна или световые фонари, если они находятся в закассовом пространстве, должны иметь механическую защиту от проникновения извне в виде решеток или защитного остекления, устойчивого к пробиванию, а по требованию органов внутренних дел в районах со сложной оперативной обстановкой - пулеустойчивое защитное остекление.

1.5.12. Остекление кабин касс с небольшими объемами проводимых операций (например, по приему коммунальных платежей) допускается выполнять из безопасного стекла, а защитное пулеустойчивое остекление не применять.

Для указанных касс допускается вместо лотка выполнять углубление, облицованное металлом, шириной 250 мм и высотой просвета не более 100 мм. Либо устраивать в остеклении кабины окно размером 250´100 мм.

Для защиты от разбойных нападений, в этом случае, на рабочих местах целесообразно использовать сейфы с временной задержкой на открывание (темпокассы).

1.6. Торговые залы универмагов, магазинов

1.6.1. Торговый зал, как правило, состоит из разделяемых витринами и прилавками (зоны) для покупателей и торговой зоны, кассовых кабин.

1.6.2. Входная дверь в торговый зал, если она является входной дверью на объект, в помещениях, залах которого размещаются материальные ценности 1-ой и 2-ой категории должна иметь группу защиты от взлома не ниже 3-ей (Приложение 3), а для объектов, в помещениях которого размещаются материальные ценности 3-ей и 4-ой категории - не ниже 2-ой.

1.6.3. Вход в торговые зоны, в которых размещаются материальные ценности 1-ой и 2-ой категории, должен быть оборудован дверями (дверцами), имеющими конструкцию, группа защиты от взлома которых не ниже 2-ой (Приложение 3), а для торговых зон, в которых размещаются материальные ценности 3-ей и 4-ой категории - 1-ую и выше.

1.6.4. Витрины и прилавки, в которых экспонируются материальные ценности 1-ой категории должны иметь, согласно приложения 5, защитное остекление класса Б.

Витрины и прилавки, в которых экспонируются материальные ценности 2-ой категории должны иметь, защитное остекление класса А.

Витрины и прилавки, в которых экспонируются материальные ценности 3-ей и 4-ой категории рекомендуется выполнять из безопасного стекла.

1.6.5. Кассовые кабины рекомендуется располагать в нишах, углах или возле стен торгового зала на наибольшем удалении от оконных проемов.

1.6.6. Остекление кассовой кабины (окно кассовой кабины) торгового зала, в котором размещаются материальные ценности 1-ой и 2-ой категории, должно быть выполнено из защитного остекления класса А.

1.6.7. Остекление кабин касс торгового зала, в котором размещаются материальные ценности 3-ей и 4-ой категории, опускается выполнять из безопасного стекла, а защитное остекление не применять.

1.6.8. Стены кассовой кабины должны выполняться из материалов, имеющих одинаковый с защитным остеклением класс устойчивости к силовым воздействиям с внешней стороны защищаемой зоны.

1.7. Боксы для погрузки-разгрузки машин

1.7.1. Боксы для погрузки-разгрузки машин объектов, в помещениях которых размещаются материальные ценности категорий 1 и 2, должны оборудоваться металлическими воротами и иметь группу защиты от взлома не ниже 3-й (Приложение 3), а боксы для погрузки-разгрузки машин объектов, в помещениях которых размещаются материальные ценности категорий 3 и 4, могут оборудоваться деревянными воротами имеющие 2-ю группу защиты от взлома.

1.7.2. Помещения для передачи ценностей должны располагаться в непосредственной близости от боксов для погрузки-разгрузки машин. Двери этих помещений должны открываться по направлению движения в боксы и иметь группу защиты от взлома аналогичную воротам.

Ворота боксов и двери помещений для перегрузки машин должны запираться электромеханическими и/или механическими замками (врезными или навесными). Механизмы замков должны устанавливаться на внутренней стороне ворот боксов и дверей, ведущих в помещения объекта.

1.8. Помещения службы безопасности и охраны

1.8.1. Состав, размещение и площади помещений охраны и внутренней службы безопасности объекта определяются отдельным заданием, согласованным с местными органами вневедомственной охраны МВД РФ.

1.8.2. Помещения службы охраны (безопасности) следует размещать, как правило, на первом этаже. Внешний периметр (стены, двери и окна) блока помещений охраны должен соответствовать 3-й группе защиты от взлома.

1.8.3. В том случае, если помещение охраны удалено от глав ноге входа, вблизи последнего должен размещаться пост охраны.

1.9. Помещения для хранения табельного оружия

1.9.1. Помещение, предназначенное для хранения огнестрельного оружия, должно иметь капитальные стены, прочные потолочные перекрытия и пол. Устройство окон в указанном помещении не допускается.

1.9.2. Вход в помещение защищается двойной металлической дверью (наружная - сплошная, внутренняя - решетчатая). Наружная дверь долина запираться на два внутренних замка и опечатываться маститой печатью или опломбироваться. Внутренняя решетчатая дверь запирается на внутренний или навесной замок. Обрамление дверного проема оружейной комнаты (дверная коробка) выполняется из стального профиля.

1.9.3. Решетки, устанавливаемые в дверные проемы и для усиления стен (перегородок) выполняются из стального прутка диаметром не менее 16 мм. Прутки свариваются в каждом перекрестии, образуя ячейки не более 150´150 мм. Допускается установка фигурных решеток с таким же размером ячеек.

При наличии вентиляционных окон, люков на них должны устанавливаться стальные решетки с ячейками размером не более 100´100 мм, исключающие возможность проникновения через эти системы. Отверстия в стенах, предназначенные для прохождения инженерных сетей, должны иметь диаметр не более 200 мм.

1.9.4. Комната для хранения оружия, и металлические шкафы (сейфы) с оружием и боевыми припасами обеспечиваются двумя комплектами ключей. Один комплект ключей постоянно находится у лица, ответственного за сохранность оружия и боевых припасов, второй - в опечатанном пенале хранится у руководителя.

1.9.5. Оружие и боевые припасы должны храниться в металлических шкафах (сейфах), толщина стенок которых должна быть не менее 3 мм с надежными (не менее двух) внутренними замками. Дверцы шкафов для прочности укрепляются стальными накладками или угольниками.

Допускается хранение оружия в тяжелых сейфах, имеющих один внутренний замок.

Боеприпасы к огнестрельному оружию хранятся в отдельном от оружия металлическом ящике.

1.9.6. Необходимо предусмотреть установку химических ловушек, замаскированных под упаковку оружия или боеприпасов.

1.10. Помещения банкоматов банков

1.10.1. Банкомат может устанавливаться в тамбуре основного входа в банк или в отдельном помещении (при круглосуточном режиме работы), имеющем выход на фасадную сторону улицы и дверь во внутренние помещения банка, либо внутри операционного зала.

1.10.2. При установке банкомата в круглосуточном режиме работы предпочтительным является монтаж банкомата, встроенного в стену, с задней загрузкой из защищенного помещения.

Наружная дверь для входа клиентов должна быть повышенной прочности, иметь группу защиты не ниже 3-ей и оснащаться замком, открываемым с помощью пластиковых карточек международных платежных систем, которые обслуживаются банком и допускающем блокирование его охраной, а также врезным замком, металлической задвижкой (изнутри) и устройством принудительного закрывания двери (доводчиком).

Внутренние двери помещения банкомата должны быть повышенной прочности (рекомендуются металлические), оснащенные двумя врезными замками, металлической задвижкой (изнутри), смотровым окошком или глазком.

Стены, отделяющие внутреннее помещение банкомата от зоны свободной доступности клиентов, должны соответствовать 3-ей группе защиты от взлома.

Некапитальные стены банкомата, смежные с помещениями банка, внутренние двери, а также остекленные проемы защищаются металлической решеткой, выполненной из стального прутка диаметром не менее 16 мм и ячейкой 150´150 им. Допускается установка фигурной решетки, не уступающей по прочности вышеуказанной.

При установке в остекленных проемах защитного остекления (устойчивого к взлому или устойчивого к прострелу пулей) решетки могут не устанавливаться. При этом конструкция рамы и способ ее крепления в проеме должны обеспечивать ударостойкость, равную или превышающую стойкость используемого стекла.

1.9.3. При установке банкомата внутри балка возможны следующие варианты:

банкомат встраивается в барьерное ограждение операционного зала. При этом целесообразен банкомат с задней загрузкой;

банкомат устанавливается в операционном зале в месте, удобном для обзора и контроля за доступом клиентов операционно-кассовыми работниками или охраной. В этом случае устанавливается банкомат с передней загрузкой.

2. ОБОРУДОВАНИЕ ОБЪЕКТОВ И ИХ ПОМЕЩЕНИЙ ТЕХНИЧЕСКИМИ СРЕДСТВАМИ СИГНАЛИЗАЦИИ

2.1. Общие положения

2.1.1. Оборудование объектов техническими средствами охранно-пожарной и тревожной сигнализации (ОПТС) выполняется после проведения работ по технической укрепленности в соответствии с требованиями обеспечения безопасности помещений этих объектов (Раздел 1 настоящих Рекомендаций).

2.1.2. Подготовка и выполнение работ по оборудованию объекта средствами ОПТС должны осуществляться в соответствии с нормативными документами МВД России:

- РД 78.145-93. "Руководящий документ. Системы и комплексы охранной, пожарной и охранно-пожарной сигнализации- Правила производства и приемки работ";

- РД 78.147-93. "Единые требования по технической укрепленности и оборудованию сигнализацией объектов";

- рекомендациями по "Выбору и применению современных технических средств охранно-пожарной сигнализации на объектах народного хозяйства" М. ВНИИПО МВД СССР, 1991 г.;

- технологическими картами и инструкциями по монтажу систем и приборов охранной сигнализации;

- технической документацией на изделия;

- РД 78.146-93. "Инструкция о техническом надзоре за выполнением проектных и монтажных работ по оборудованию объектов средствами охранной сигнализации";

- требованиями ПУЭ, СНиП 2.04.09-84 и СНиП 3.05.06-85.

2.1.3. На объектах, охраняемых или подлежащих передаче под охрану подразделениям вневедомственной охраны, устанавливается только аппаратура охранно-пожарной сигнализации включенная в "Перечни технических средств пожарной, охранной и охранно-пожарной сигнализации, рекомендуемых и разрешенных к применению на объектах различной формы собственности на территории России", утверждаемые ГУВО МВД России с соответствующими ежегодными изменениями и дополнениями.

2.1.4. Для повышения надежности охраны объекта и его помещений определяется структура комплекса охранно-пожарной сигнализации исходя из:

режима работы этого объекта;

порядка проведения операций с ценностями;

особенностей расположения внутри здания помещений с ценностями;

выбора количества охраняемых зон.

2.1.5. Для охраняемых и подлежащих приему под вневедомственную охрану объекта аппаратура охранно-пожарной сигнализации и резервируемые источники питания (РИП) поставляются подразделениями вневедомственной охраны при органах внутренних дел по соответствующим заявкам и гарантийным письмам об их оплате от руководителей объектов.

2.1.6. Подразделения вневедомственной охраны по установленным нормам формируют резервный фонд технических средств сигнализации на случаи выхода из строя этой аппаратуры на объекте.

Допускается также за счет средств хозоргана создавать обменный фонд на особо важных объектах в объеме, определяемом хозорганом.

2.1.7. В зависимости от структуры охраны, руководители объекта обеспечивают оснащение своего объекта необходимым количеством телефонных линий для выдачи тревожных извещений о проникновении, пожаре и нападении на ПЦН и/или в дежурные части органов внутренних дел. Оплата телефонных линий, используемых для прямой связи и организации охраны, осуществляется за счет охраняемого объекта.

2.1.8. Перед проведением монтажных работ по оборудованию вновь или капитальному ремонту средств сигнализации на объектах, их руководители совместно с проектной организацией составляют техническое задание и проектную документацию, которые в обязательном порядке согласовываются с подразделениями вневедомственной охраны.

2.1.9. Монтажные работы по оборудованию объектов средствами охранной сигнализации должны проводиться специализированными монтажными организациями, имеющие лицензию на проведение соответствующих работ или силами монтажных групп подразделений вневедомственной охраны. При производстве этих работ допускаются отступления от проектной документации по согласованию с заказчиком, органом государственного пожарного надзора и подразделениями охраны.

2.1.10. На объектах, охраняемых и передаваемых под охрану подразделениям вневедомственной охраны, должен осуществляться технический надзор за выполнением проектных, монтажных и пусконаладочных работ инженерно-техническим персоналом этих подразделений.

2.1.11. После проведения пусконаладочных работ технические средства сигнализации принимаются в эксплуатацию рабочей комиссией, в состав которой включаются представители оборудованного объекта, монтажно-наладочной организации, подразделения вневедомственной охраны и органа государственного пожарного надзора. При необходимости могут быть привлечены другие специалисты. Прием технических средств сигнализации в эксплуатацию должен оформляться актом, экземпляры которого передаются членам комиссии.

2.1.12. По завершению приема сигнализации в эксплуатацию подразделения вневедомственной охраны или организации проводившие монтажные работы, должны обучить ответственных сотрудников объекта правилам пользования средствами ОПС при сдаче (снятии) помещений под охрану (с охраны).

2.1.13. Сроки эксплуатации средств сигнализации на объектах не должны превышать нормы, установленные технической документацией на изделия. По истечению этих сроков (в среднем через 6-7 лет) на объектах проводится капитальный ремонт сигнализации с обязательным демонтажем всех шлейфов и аппаратуры. Возможно сокращение сроков полного или частичного капитального ремонта сигнализации в случаях реконструкции здания, перепланировки помещений и по решению комиссии производится замена шлейфов и устаревшей аппаратуры

2.2. Основные принципы оборудования объектов техническими средствами охранной сигнализации

2.2.1. На объектах системами охранной сигнализации оборудуются все помещения с постоянным или временным хранением материальных ценностей, а также все смежные с ними другие помещения, комнаты и все уязвимые места (окна, двери, люки, вентиляционные шахты и короба), расположенные на первом и последнем этажах по периметру здания объекта.

Внутренние помещения здания объекта, в которых размещаются материальные ценности 3-ей и 4-ой категории и имеющие соответствующую данным категориям техническую укрепленность допускается не оборудовать средствами охранной сигнализации.

2.2.2. Охраняемые зоны должны быть размещены таким образом, чтобы при подходе к местам размещения ценностей с любой стороны было зафиксировано нарушение не менее чем одного рубежа охраны.

2.2.3. Рубеж охраны - совокупность технических средств охранной сигнализации, контролирующих определенную зону помещения (периметр, объем, сами ценности или подходы к ним) на пути движения нарушителя к материальным ценностям, при преодолении которой выдается соответствующее извещение в службу реагирования или на выносные оповещатели.

2.2.4. Тревожные извещение с каждого рубежа охраны должны выводиться на отдельный номер или на несколько номеров (при разбитии рубежа на несколько подзон, например, фасад, тыл и т.п.) пульта централизованного наблюдения (ПЦН) пункта централизованной охраны (ПЦО) или пульта внутренней охраны объекта.

В рубежах охраны необходимо применять технические средства охранной сигнализации, основанные на различных физических принципах действия.

2.2.5. Пульты внутренней охраны объекта следует располагать в помещениях охраны (комнатах милиции), постах охраны, АТС или специально приспособленных для этих целей помещениях-

В зависимости от структуры охраны объекта в качестве пультов внутренней охраны могут использоваться как приемно-контрольные приборы малой, средней и большой емкости (концентраторы), так и системы передачи извещений (СПИ).

2.2.6. Крупные объекты, имеющие круглосуточные посты охраны, рекомендуется оборудовать телевизионными системами видеоконтроля, а также системами контроля доступа. Целесообразно объединение их совместно со средствами ОПТС в автоматизированный охранный комплекс.

2.2.7. Для определения наиболее оптимального варианта защиты от проникновения а помещения объекта охранная сигнализация, в зависимости от категории хранящихся в помещениях ценностей, разбиваются на четыре группы (классы) защиты (Приложение 8).

Первая группа защиты от проникновения - недостаточная (организация в помещении не полного 1-го рубежа охраны), четвертая группа защиты - очень высокая (организация 3-х рубежной охраны помещения).

Группа защиты должна соответствовать стоимости и значимости для потенциальных преступников имущества (ценностей), которое находится 8 помещениях объекта. Кроме этого, необходимо учитывать и месторасположение объекта, причем таким образом, что более высокие требования предъявлялись к местам, где злоумышленник может действовать в относительной безопасности.

2.2.8. Первым рубежом охраны защищается:

строительные конструкции по периметру зданий или помещений объекта, т.е. все оконные и дверные проемы;

места ввода коммуникаций, вентиляционные каналы;

выходы к пожарным лестницам;

некапитальные и капитальные (если необходима их защита) стены.

2.2.9. Строительные конструкции здания (помещений) объекта блокируются:

- дверные проемы, погрузочно-разгрузочные люки - на "открывание" и "пролом" (только для деревянных);

- остекленные конструкции - на "открывание" и "разрушение" стекла;

- места ввода коммуникаций, некапитальные и капитальные (если это необходимо) - на "пролом";

- вентиляционные короба, дымоходы - на "разрушение" и "ударное воздействие".

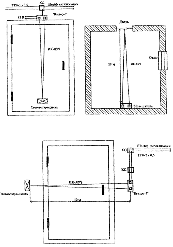
Допускается вместо блокировки остекленных конструкций на "открывание" и "разрушение", внутренних некапитальных стен на "пролом", дверей на "открывание" и "пролом" производить блокировку указанных конструкций только на "проникновение" с помощью объемных и линейных извещателей (типа "Фотон-6А", "Фотон-5", "Вектор-3", 9981 фирмы "АDЕМСО") и им подобными.

Примечание. Все технические средства ОПС, приведенные здесь и далее по тексту в качестве примеров, могут заменяться их аналогами, включенными в "Перечни технических средств пожарной, охранной и охранно-пожарной сигнализации, рекомендуемых и разрешенных к применению на объектах различной формы собственности на территории России" позднее даты подписания настоящего документа.

2.2.10. Блокировку строительных конструкций на "открывание" (двери, остекленные конструкции) рекомендуется производить простейшими магнитоконтактными извещателями (типа СМК), а блокировку ворот, погрузочно-разгрузочных люков, дверей хранилищ, лифтовых шахт - выключателями конечными (типа ВК-200, ВК-300) и им подобными.

2.2.11. Блокировку остекленных конструкций на "разрушение" стекла рекомендуется производить извещателями омическими (фольга), извещателями поверхностными ударноконтактными (типа "Окно"), извещателями поверхностными звуковыми (типа "Стекло") и им подобными.

2.2.11. Для одновременной блокировки окон на "разрушение" и "открывание" рекомендуется использовать поверхностные электростатические извещатели (типа "Гюрза") и им подобные.

2.2.12. Блокировку деревянных дверей на "пролом", а также блокировку решеток следует производить омическими извещателями (провод типа НВМ, диаметром 0,18 - 0,25 мм).

2.2.13. Блокировку капитальных и некапитальных (перегородок) стен на "пролом" следует производить извещателями поверхностными пьезоэлектрическими (типа "Грань"), извещателями омическими (провод) или им подобными.

2.2.14. Вторым рубежом охраны защищаются объемы помещений с помощью пассивных оптико-электронных извещателей (типа "Фотон-6", 9981 фирмы "АDЕМСО" с объемной зоной обнаружения), ультразвуковых извещателей (типа "Эхо-3"), комбинированных (типа DТ 4201, DТ 4351, DТ 4501 "фирмы "С&Л") и им подобными.

2.2.15. Третьим рубежом охраны защищаются сейфы, в которых размещены ценности, оружие или подходы к ним с помощью емкостных извещателей (типа "Пик"), или радиоволновых (типа "Аргус-2,3", "Волна-5)" и им подобными.

2.3 Организация пожарной сигнализации

2.3.1. Средствами пожарной сигнализации оборудуются все помещения объекта независимо от их назначения в соответствии с требованиями п.2.1.2, за исключением помещений с мокрыми технологическими процессами. Пожарные извещатели включаются в самостоятельные шлейфы сигнализации с подключением их на пульт внутренней охраны "без права отключения". Система пожарной сигнализации должна быть рассчитана на круглосуточную работу.

2.3.2. В помещениях объекта следует предусматривать централизованную систему оповещения о пожаре и других кризисных ситуациях. В одно-двухэтажных зданиях для оповещения о пожаре допускается использовать звонки, сирены и т.д., отличающиеся по тональности от других сигналов.

2.3.3. Помещение пожарного поста следует совмещать с помещением охраны.

2.3.4. Помещения вычислительных центров, центральных ЭВМ, АТС, криптозащиты, помещения архивов, а также залы заседаний и конференц-залы, в которых предполагается присутствие большого количества людей следует оборудовать пожарными извещателями, реагирующие на появление дыма (типа ИП-212-5, ИП-212-26, дымовыми пожарными извещателями фирмы "АDЕМСО", работающими с системой "VISТА-501") и оснащать эти помещения первичными средствами пожаротушения (огнетушителями).

2.3.5. Помещения объекта, не указанные в п.2.3.4, следует оборудовать пожарными тепловыми извещателями (типа ИП 105-2/1, тепловыми пожарными извещателями фирмы "АDЕМСО", работающие с системой "VISТА-501") и им подобными.

2.3.6. Внутри здания объекта на путях эвакуации (в коридорах, проходах, лестничных клетках и т.д.) и при необходимости в отдельных помещениях объекта необходимо устанавливать ручные пожарные извещатели типа ИПР или им аналогичные.

2.4. Организация тревожной сигнализации

2.4.1. Для оперативной передачи сообщений в дежурные части органов внутренних дел или на ПЦО о нападении преступников, объекты оборудуется устройствами тревожной сигнализации (кнопки, педали, оптико-электронные извещатели и т.п.). Такие устройства следует устанавливать в кладовых и сейфовых комнатах, комнатах оружия, торговых залах, на рабочих местах кассиров, у главного бухгалтера и руководства объекта, у дверей основного и запасного выходов, на посту и в помещении охраны. Тревожными извещателями рекомендуется оборудовать также маршруты переноса ценностей.

2.5. Варианты организации выдачи тревожных извещений о проникновении, нападении и пожаре с охраняемых объектов

2.5.1. Тревожные извещения о проникновении, нападении и пожаре с охраняемых объектов рекомендуется выводить следующим образом:

Вариант 1
(для крупных объектов, имеющих хранилища ценностей или сейфовые комнаты, предназначенных для хранения материальных ценностей 1-ой и 2-ой категории, а также внутренний пульт охраны с круглосуточным дежурством)

На самостоятельные номера ПЦН ПЦО подключаются:

- первый и второй рубежи охранной сигнализации хранилищ. При наличии в первом рубеже шифроустойства или устройства, его заменяющего, первый рубеж на ПЦН не выводится;

- третий рубеж охранной сигнализации хранилищ, в случае отсутствия соответствующего сертификата на хранилище;

- второй рубеж охранной сигнализации сейфовых комнат;

- третий рубеж охранной сигнализации сейфовых комнат, в случае отсутствия соответствующих сертификатов на размещенные в ней сейфы;

- первый и второй рубежи охранной сигнализации комнаты хранения оружия (при 2-х рубежной организации охраны);

- второй и третий рубежи охранной сигнализации комнаты хранения оружия (при 3-х рубежной организации охраны);

- по согласованию с руководством объекта с пульта внутренней охраны могут выводится групповые сигналы о проникновении в остальные помещения объекта;

- периметр объекта или центральные входные двери.

- групповой сигнал о нападении (на ПЦО или РУВД);

- групповой сигнал о пожаре (на ПЦО или РУВД).

Примечание. Если в здании объекта размещено два и более хранилищ, допускается передача на ПЦО обобщенного сигнала с каждого хранилища с обязательной регистрацией сигнала "Тревога" с каждого рубежа охраны этих хранилищ на внутреннем пульте охраны.

Одновременно с выводом рубежей ОПТС на ПЦН, на внутренний пульт выводятся:

- первые рубежи охранной сигнализации хранилищ, при наличии шифроустройств - "без права отключения";

- первые рубежи охранной сигнализации хранилищ, при отсутствии шифроустройств - "с правом отключения";

- все рубежи охранной сигнализации остальных помещений объекта - "с правом отключения".

- вен рубежи пожарной и тревожной сигнализации объекта "без права отключения".

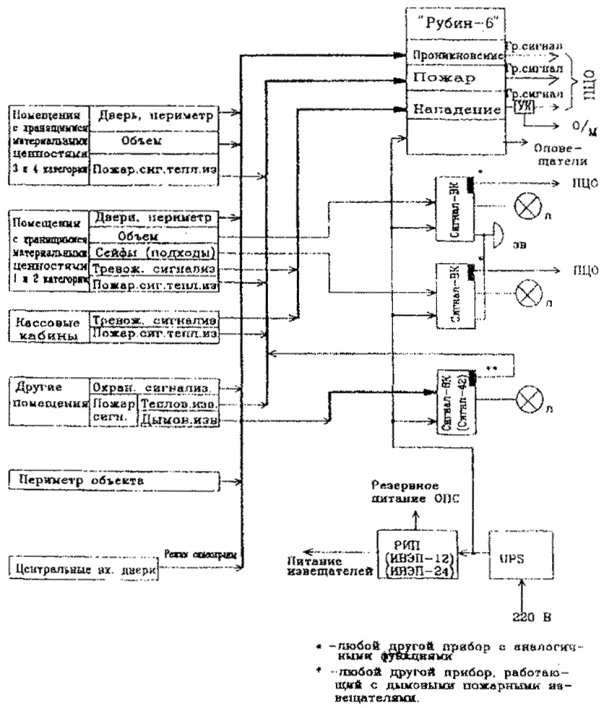
Примерные структурные схемы оборудования объектов средствами ОПТС по данному варианту приведены на рис. 1-3, приложения 9.

Вариант 2
(для объектов, в помещениях которых размещаются материальные ценности 1-ой и 2-сй категории и имеющих внутренний пульт охраны с круглосуточным дежурством)

На самостоятельные номера ПЦН ПЦО подключаются:

- объединяющий сигнал с рубежей охранной сигнализации помещения, в котором размещаются материальные ценности 1-ой и 2-ой категории. При 2-х рубежной организации охраны - объединение по схеме "ИЛИ 1-го и 2-го рубежа, а при 3-х рубежной - 2-го и 3-го рубежа";

- первый и второй рубежи охранной сигнализации комнаты хранения оружия (при 2-х рубежной организации охраны);

- второй и третий рубежи охранной сигнализации комнаты хранения оружия (при 3-х рубежной организации охраны);

- по согласованию с руководством объекта о пульта внутренней охраны могут выводится групповые сигналы о проникновении в остальные помещения объекта;

- периметр объекта или центральные входные двери.

- групповой сигнал о нападении (на ПЦО или РУВД);

- групповой сигнал о пожаре (на ПЦО или РУВД).

Одновременно с выводом рубежей ОПТС на ПЦН, на внутренний пульт выводятся:

- все рубежи охранной сигнализации помещений объекта - "с правом отключения".

- все рубежи пожарной и тревожной сигнализации объекта - "без права отключения".

Примерная структурная схема оборудования объекта средствами ОПТС по данному варианту приведена на рис. 4, приложения 9.

Вариант 3
(для объектов, имеющих внутренний пульт охраны с круглосуточным дежурством. Экстренная связь с ПЦО осуществляется посредством тревожной кнопки. Ответственность и реагирование подразделения охраны - только на поступление тревожного извещения)

На самостоятельный номер (или по прямому проводу) ПЦН ПЦО подключается только тревожная кнопка (сигнал о нападении) из помещения охраны. Сообщение о проникновении, пожаре производится по радиоканалу или телефону.

На внутренний пульт выводятся:

" все рубежи охранной сигнализации помещений, не имеющие шифроустройства - "с правом отключения", а имеющие шифроустройства - "без права отключения".

Примерная структурная схема оборудования объекта средствами ОПТС по данному варианту приведена на рис. 5, приложения 9.

Вариант 4
(для объектов, имеющих хранилища ценностей или сейфовые комнаты, с отсутствием внутреннего пульта охраны)

На самостоятельные номера ПЦН ПЦО подключаются:

- все рубежи охранной сигнализации хранилищ, сейфовых комнат и комнат хранения оружия;

- групповой сигнал о проникновении (периметр объекта, рубежи охранной сигнализации помещений объекта).

- групповой сигнал о нападении (на ПЦО или РУВД) только во время работы данного объекта;

- групповой сигнал о пожаре (на ПЦО или РУВД).

Примерная структурная схема оборудования объекта средствами ОПТС по данному варианту приведена на рис. 6, приложения 9.

Вариант 5
(на объектах, в помещениях которых размещаются материальные ценности 1-ой и 2-ой категории при отсутствии комнат хранения оружия, хранилищ ценностей и отсутствием внутреннего пульта охра ни)

На самостоятельные номера ПЦН ПЦО подключаются:

- второй и третий рубежи охранной сигнализации помещений, в которых размещаются материальные ценности 1-ой и 2-ой категории;

- групповой сигнал о проникновении (периметр объекта, рубежи охранной сигнализации помещений объекта).

- групповой сигнал о нападении (на ПЦО или РУВД) только во время работы данного объекта;

- групповой сигнал о пожаре (на ПЦО или РУВД).

Примерная структурная схема оборудования объекта средствами ОПТС по данному варианту приведена на рис. 7, приложения 9.

Вариант 6
(для объектов, в помещениях которых размещаются материальные ценности 3-ой и 4-ой категории, с отсутствием внутреннего пульта охраны)

На самостоятельные номера ПЦН ПЦО подключаются:

- объединяющий прибор, в шлейф которого включены входная дверь, приемно-контрольные приборы, контролирующие периметр объекта и, при необходимости, объемы защищаемых помещений;

- групповой сигнал о нападении (на ПЦО или РУВД) только во время работы данного объекта;

- групповой сигнал о пожаре (на ПЦО или РУВД).

Примерная структурная схема оборудования объекта средствами ОПТС по данному варианту приведена на рис. 8, приложения 9.

Вариант 7
(для объектов, имеющих только одну телефонную линию)

На самостоятельные номера ПЦН ПЦО подключаются:

- объединяющий прибор, в шлейф которого включены входная дверь, приемно-контрольные приборы, контролирующие периметр объекта, объемы защищаемых помещений, шлейф пожарной сигнализации;

- групповой сигнал о нападении (через аппаратуру уплотнения), только во время работы данного объекта.

Примерная структурная схема оборудования объекта средствами ОПТС по данному варианту приведена на рис. 9, приложения 9.

Вариант 8
(для объектов, расположенных в населенных пунктах, где отсутствуют подразделения вневедомственной охраны и органов внутренних дел)

Сигналы от рубежей ОПТС выводятся - на приемно-контрольные приборы малой и средней емкости с последующим выводом тревожных извещений в другие организации, имеющие круглосуточное дежурство (пожарные части, войсковые подразделения, предприятия связи и т. п.), а при их отсутствии участковому инспектору милиции, квартиру руководителя (работника) объекта и (или) на выносные световые и звуковые оповещатели.

Примерная структурная схема оборудования объекта средствами ОПТС по данному варианту приведена на рис. 10, приложения 9.

2.6. Размещение технических средств охранной и пожарной сигнализации. (Типовые варианты блокировки строительных конструкций, отдельных предметов и помещений объектов)

2.6.1. Магнитоконтактные извещатели типа СМК предназначены для блокировки дверей, окон, люков, витрин и других подвижных конструкций на открывание и выдачу тревожного извещения в виде размыкания электрической цепи шлейфа сигнализации.

Извещатели должны устанавливаться, как правило, по одному на каждый блокируемый элемент скрытым или открытый способом.

Варианты блокировки дверей (аналогично и окон) приведены в приложении 10, рис. 1.

2.6.2. Для блокировки остекленных поверхностей на "разрушение" применяется алюминиевая фольга А-1 толщиной 0,008-0,03 мм, шириной 6-10 мм, извещатели поверхностные удароконтактные типа "Окно" и извещатели поверхностные звуковые типа "Стекло".

Варианты блокировки остекленных поверхностей извещателем "Стекло-1"приведены в приложении 10, рис. 2.

2.6.3. Блокировка строительных конструкций (дверей, люков, ворот, некапитальных стен, перегородок, потолков и т.п.) на "пролом" производится проводом типа НВМ сечением 0,2 кв.мм, ПЭЛ, ПЭВ диаметром 0,18-0,25 мм или аналогичным, скрытым или открытым способом.

Варианты блокировки строительных конструкций приведены в приложении 10, рис. 3, 4, 5.

2.6.4. Блокировка на "открывание" строительных конструкций, имеющих значительные массу и линейные размеры - распашные, раздвижные и подъемные ворота, люки и т.п. производится выключателями конечными серий ВК и извещателями линейными оптико-электронными типа "Вектор-3".

Варианты блокировки строительных конструкций приведены в приложении 10, рис. 6.

2.6.5. Для обнаружения попыток проникновения нарушителя путем пролома стен, пола, потолка помещения при ударах молотком, ломом или другим тяжелым предметом применяются извещатели поверхностные пьезоэлектрические типа "Грань".

Типовые схемы установки извещателя "Грань-2" на монолитной стене и деревянной конструкции приведены в приложении 10, рис. 7.

2.6.6. Для защиты отдельных как миниатюрных (массой порядка 50 г), так и достаточно больших (массой до 20 кг) предметов рекомендуется использовать извещатели поверхностные электростатические типа "Гюрза". Данный тип извещателя рекомендуется применять для блокировки картин, художественных и ювелирных изделий, стеллажей с экспонатами, электронных приборов, оргтехники.

Типовые варианты блокировки предметов извещателем "Гюрза-50" приведены в приложении 10, рис. 8.

2.6.7. Для блокировки металлических сейфов и шкафов, отдельных предметов, проемов и строительных конструкций внутри помещений рекомендуется использовать извещатели поверхностные емкостные типа "Пик". Данные извещатели срабатывают при приближении человека к блокируемому предмету или касании предмета (металлического) человеком.

2.6.8. Для защиты объемов помещений, отдельных конструкций объекта на "проникновение" рекомендуется использовать извещатели:

линейные оптико-электронные типа "Вектор-2.3", "Фотон-5, 6А", 9981 "АDЕМСО";

объемные оптико-электронные типа "Фотон-4,6",-9981 "АDЕМСО";

радиоволновые типа "Аргус-2", "Волна-5";

ультразвуковые типа "Эхо-3".

2.6.9. При установке активных извещателей типа "Вектор-3" должны быть выполнены следующие общие требования:

излучатель и приемник следует устанавливать на жестких, устойчивых к вибрации опорах (капитальные стены, колонны и т.п.);

недопустимо попадание на объективы прямых солнечных лучей, приводящих к перегреву и преждевременному выходу из строя фото- и светодиодов;

недопустимо, чтобы на объектив приемника попадали солнечные блики и свет автомобильных фар;

пространство, по которому проходит луч, по ширине и высоте на 0,5 м должно быть свободно от посторонних предметов.

2.6.10. При выборе места установки пассивных оптико-электронных извещателей типа "Фотон", 9981 "АDЕМСО" в помещении, необходимо руководствоваться следующими положениями:

извещатель в процессе эксплуатации не должен освещаться солнцем, особенно если перед окном имеются деревья, крона которых может создавать световые блики;

извещатель не следует устанавливать так, чтобы он или стена напротив него освещалась автомобильными фарами или прожекторами;

извещатель не следует устанавливать на расстоянии менее 1,5 м от вентиляционного отверстия и от батареи центрального отопления, при этом не рекомендуется устанавливать извещатель над батареей центрального отопления.

В исключительных случаях, когда охраняемое помещение имеет большие остекленные проемы, расположено на первом этаже здания и возможно появление засветок отраженным светом от фар проезжающего автотранспорта, на извещателе необходимо устанавливать светозащитный фильтр.

Варианты блокировки отдельных строительных конструкций и объема помещения оптико-электронными извещателями приведены в приложении 10 рис. 9, 10, 11, 13, 14.

2.6.11. При выборе места установки радиоволнового извещателя (извещателей) в охраняемом помещении необходимо учитывать следующие требования:

установку извещателя необходимо производить на жестких, устойчивых к вибрации опорах (капитальные стены, колонны и т.п.);

извещатель должен быть ориентирован в помещении таким образом, чтобы он не был направлен прямо на оконные проемы, вытяжные вентиляторы, тонкие перегородки, за которыми возможно движение людей, транспорта, оборудования;

в зоне обнаружения извещателя не должны находиться предметы больших габаритов, крупные металлические поверхности (типа шкафов, перегородок), которые могут создавать "радиотени" (зоны нечувствительности);

на период охраны в охраняемом помещении не допускается включение люминесцентных ламп, расположенных к извещателю ближе 12 м, оставлять кошек, собак и других домашних животных;

при использовании двух или более извещателей в одном помещении извещатели должны иметь различные частотные литеры.

Варианты блокировки отдельных предметов и объема помещения радиоволновыми и ультразвуковыми извещателями приведены в приложении 10 рис. 12.

2.6.12. При выборе места установки ультразвукового извещателя необходимо соблюдать следующие требования:

различные ограждающие поверхности (щиты, перегородки, стены, шкафы, и т.п.) должны находиться не ближе 2 м от лицевой части блоков извещателей и не ближе 1 метра от каждой боковой стенки блока (т.е. охраняемое помещение не должно иметь длину, ширину и высоту менее 2 м);

необходимо ориентировать зону обнаружения извещателя таким образом, чтобы перед ней находилась большая часть охраняемой площади помещений.

В охраняемом помещении на период охраны должно быть предусмотрено отключение: принудительной вентиляции, калориферов, силовых переключающих устройств, телефонов, электрических звонков и других звуковых приборов.

Не допускается установка извещателей непосредственно над батареями отопления, над форточками или фрамугами (при наличии низких окон), вблизи оконных штор, вблизи декоративных растений и цветов, ветви которых могут колебаться под действием движения воздуха в помещении.

2.6.13. Автоматические пожарные извещатели, за исключением световых, устанавливаются в помещениях на потолке. При невозможности размещения извещателей на потолке из-за архитектурно-художественных особенностей объекта, допускается установка извещателей на стенах, колоннах на расстоянии не более 300 мм от потолка при условии соблюдения максимально допустимых расстояний между извещателями.

В случаях, когда здания имеют сложные железобетонные, металлические и стеклянные потолочные перекрытия, а также перекрытия, имеющие световые фонари, допускается подвеска извещателей на тросах (струнах). При этом прогиб троса (струны) с вертикально расположенными на нем извещателями не должен превышать 300 мм от потолочного перекрытия, включал габариты извещателя.

2.6.14. В помещениях, где имеются стеллажи или штабели различных предметов, верхние края которых отстоят от потолка на расстоянии 600 мм и менее, извещатели должны устанавливаться в каждой зоне помещения, образованной штабелями или стеллажами. В помещениях, перекрытия которых имеют выступающие более, чем на 400 мм конструкции (балки, прогоны, ребра жесткости железобетонных плит), извещатели должны устанавливаться в каждой зоне потолка.

2.6.15. Одним шлейфом должно блокироваться не более пяти помещений при условии их расположения на одном этаже. Для административных зданий (помещений) допускается блокировка одним шлейфом пожарной сигнализации до 10, а при наличии выносной сигнализации из какого помещения - до 20 помещений с общим коридором или смежных.

2.6.16. Пожарные извещатели, применяемые для обнаружения загораний в местах прохода проводов, кабелей и других горючих материалов, проложенных между перекрытием и подвесным потолком, должны устанавливаться за подвесным потолком на перекрытии или кронштейнах и должны быть включены в отдельный шлейф сигнализации.

Количество тепловых извещателей, включаемых в один шлейф пожарной сигнализации, должно определяться возможностью своевременного определения мест загораний и техническими характеристиками ПКП, но не должно превышать 50 шт.

В одном помещении следует устанавливать не менее двух тепловых пожарных извещателей.

2.6.17. Площадь, контролируемая одним пожарным извещателем. а также максимальное расстояние между извещателями и извещателем и стеной определяется из технических условий и паспортов на конкретные типы извещателей в соответствии со СНиП 2. 04. 09-84.

3. ОРГАНИЗАЦИЯ СИСТЕМЫ КОНТРОЛЯ ДОСТУПА (СКД), ТЕЛЕВИЗИОННЫХ СИСТЕМ ВИДЕОКОНТРОЛЯ (ТСВ)

3.1. Объекты следует оборудовать системой контроля доступа (СКД), предназначенной для:

ограничения доступа сотрудников и посетителей объекта в охраняемые СКД помещения;

фиксации времени прихода и ухода каждого сотрудника;

получения информации об открытии внутренних помещений (когда и кем открыты);

выдачи информации о попытках несанкционированного проникновения в помещения объекта, оборудованного СКД и др.

Структурно СКД должна состоять из следующих компонентов:

карточки- пропуска (магнитные, виганд и проксимити карты);

контрольной панели;

считывателей и кодонаборников;

электромагнитных замков и защелок;

персонального компьютера с программным обеспечением (для небольших объектов - не обязательно).

Программное обеспечение СКД должно обеспечить решение следующих задач:

организация базы данных на всех сотрудников (номер карточки, имя, список разрешенных для доступа помещений, время входа- выхода);

программирование контрольных панелей и считывание с них информации;

выдача данных о конкретных событиях (рапорт);

открытие или блокировка любых дверей, оборудованных СКД, с рабочего места оператора системы;

графическое отображение карты объекта и т.п. Данная система может реализоваться на базе локальной вычислительной сети объекта, управляемой ПЭВМ, расположенной в помещении службы безопасности или охраны.

Вся информация о происшедших событиях является конфиденциальной и не подлежит уничтожению без санкции руководства объекта.

Примерная структурная схема оборудования объекта системой контроля доступа приведена на рис. 1, приложения 11.

3.2. Системой контроля доступа рекомендуется оборудовать:

главный и служебные входы на объект;

наружную дверь для входа клиентов в помещение банкоматов в случае его расположения в отдельном помещении;

дверь из торгового, клиентского, операционного зала в служебные помещения;

двери предкладовых;

двери в помещение для передачи ценностей;

двери помещений службы безопасности, криптозащиты, 1-го отдела;

другие помещения по усмотрению руководства и службы безопасности объекта.

3.3. Телевизионные системы видеоконтроля (ТСВ) предназначены для передачи визуальной информации о состоянии охраняемых зон, помещений, периметра и территории объекта в помещение охраны.

Применение телевизионного контроля позволяет в случае получения сигнала о нарушении определить характер нарушения, место нарушения, направление движения нарушителя и принять необходимые меры.

3.4. Телевизионными камерами ТСВ целесообразно защищать:

периметр здания объекта и подъездные к нему пути;

центральный вход на объект (как снаружи, так и с внутренней стороны);

боксы, ворота для въезда машин;

операционный, торговый, выставочный и кассовый залы;

помещения, коридоры по которым производится транспортировка денег и материальных ценностей;

другие помещения по усмотрению руководства и службы безопасности объекта.

3.5. Для наружного наблюдения рекомендуется использовать телекамеры, имеющие высокую чувствительность (не менее 0,5 люкса для хорошо освещенных участков местности или не менее 0,05 люкса для плохо освещенных).

3.6. При размещении камеры вне помещения ее рекомендуется устанавливать в водозащитном термокожухе с солнцезащитным экраном, защищающим от атмосферных осадков и низкой температуры.

3.7. При необходимости смены поля зрения не только путем изменения фокусного расстояния, объектива, но и посредством поворота самой камеры в горизонтальной и вертикальной плоскости следует применять поворотные устройства с телеуправлением.

3.8. Внутри здания объекта рекомендуется использовать недорогие миниатюрные камеры со встроенным объективом и укреплять их стационарно так, чтобы в охраняемом помещении не возникало мертвых зон.

3.9. Для отображения поступающей информации с камер ТСВ следует применять только специальные мониторы, способные работать круглосуточно в течение длительного времени и часто с неподвижным изображением и имеющие разрешающую способность не менее 600-700 ТВЛ (разрешение в телевизионных линиях).

3.10. При использовании ТСВ в качестве охранного рекомендуется использовать детекторы движения, которые превращают телевизионную систему наблюдения в дополнительный охранный извещатель, передающий сигнал тревоги в систему охранной сигнализации при появлении в поле зрения активного или движущего объекта.

3.11. Для регистрации и сохранения видеоизображения необходимо применять специальные видеомагнитофоны или видеопринтеры.

При выборе видеомагнитофона следует обращать внимание на то, чтобы они обеспечивали запись видеосигналов от черно-белых и цветных видеокамер на видеокассету в обычном (3-х часовом) режиме и в режиме прерывистой записи до 24 и 960 часов.

Видеопринтеры - чернобелые или цветные должны обеспечивать оперативную печать выбранного кадра от источника видеосигнала.

3.12. В качестве оборудования для обработки видеосигналов, поступающих с камер необходимо использовать матричные коммутаторы и мультиплексоры, позволяющие записывать одновременно изображение с многих камер на одну видеокассету. Кроме того мультиплексоры должны обеспечивать полиэкранную визуализацию многих камер, обработку сигналов тревоги, детектирование активности в поле зрения камер и другие функции.

3.13. ТСВ должна обеспечивать автоматическое приоритетное отображение на мониторах зоны, откуда поступил сигнал тревоги или сигнал о срабатывании детектора движения, а также запись ситуации на видеорегистратор с указанием даты, времени и номера камеры на каждом изображении.

3.14. Устанавливать телекамеры в местах хранения и операция с ценностями запрещается.

3.15. Системы видеонаблюдения и видеоохраны должны формироваться по модульному принципу. Средства видеонаблюдения, видеозаписи и видеоохраны, применяемые для модулей систем, должны выбираться в соответствии с особенностями построения охраны каждого конкретного объекта. На рис. 2, приложения 11 приведен пример построения телевизионной системы наблюдения банка.

3.15.1. Система состоит из 6 видеокамер, 2 из которых установлены на 2-х координатных поворотных кронштейнах и снабжены дистанционно управляемыми объективами с переменным фокусным расстоянием, видеомультиплексора, видеомагнитофона, обеспечивающего запись на 3-х часовую видеокассету в течение времени от 3 до 960 часов, матричного коммутатора, детектора движения и 7-ми мониторов.

Предусмотрена также оценка тревожных ситуаций, посредством обработки сигналов, вырабатываемых извещателями охранно-пожарной и тревожной сигнализации, системой контроля доступа и детектором движения.

3.15.2. Основным элементом данной системы является матричный коммутатор SYSТЕМ 1000М, обеспечивающий выполнение следующих функций:

коммутация видеосигналов с подключением к нему видеокамер на любой из мониторов;

формирование до 8 последовательностей изображений с камер в любом порядке с индивидуальным временем отображения каждой камеры;

управление поворотными устройствами камер и фокусным расстоянием;

обработка сигналов тревоги, поступающих от извещателей охранно-пожарной и тревожной сигнализации, системы контроля доступа и детектора движения;

вывод на экран монитора номеров камер и названий помещений, в которых они установлены, а также извещений о сигналах тревоги, времени/даты и инструкций оператору.

Матричный коммутатор имеет встроенную клавиатуру и возможность подключения к портам основного блока (RS-232-С, RS-485 и АRS-net) до 8-ми внешних клавиатур, что позволяет строить системы с несколькими постами наблюдения.

3.15.3. Видеомультиплексор работает с видеомагнитофонами класса Тime Lapse, производя запись на 3-х часовую кассету в течение времени от 3 до 960 часов.

Имеется возможность наблюдения изображений со всех или нескольких камер на главном мониторе в одном из 8 полиэкранных режимов в случае использования дуплексного варианта мультиплексора (Uniplex-1D). На второй, дополнительный, монитор выводятся полноэкранные изображения или последовательность изображений, выбираемых оператором.

Видеомультиплексор имеет 16 программируемых входов сигналов тревог и встроенный детектор движения, позволяющий производить приоритетную запись изображений, исключая из записи или записывая более редко камеры, в поле зрения которых не было обнаружено движение.

Среди дополнительных возможностей видеомультиплексора - "замораживание" изображения (стоп-кадр), увеличение изображения для более детального рассмотрения, возможность подключения персонального компьютера, принтера, а также управление поворотными устройствами и вариообъективами.

3.15.4. Восьмиканальный детектор движения DVMD32 с независимыми зонами обнаружения позволяет устанавливать специфичный для каждого из применений порог срабатывания. Детектор может игнорировать небольшие изменения в поле зрения камер. Он также может игнорировать или обнаруживать медленные или внезапные изменения освещенности.

Возможность накладывания зон обнаружения друг на друга позволяет строить зоны сложной конфигурации, учитывающие перспективу удаленности движущегося объекта.

Детектор имеет два выхода мониторов для просмотра контролируемых областей. При этом варианты видеоотображения в случае выработки сигнала тревоги могут быть запрограммированы несколькими способами:

вывод одной камеры во весь экран с появлением тревожных окон (очертаний зон, в которых было обнаружено движение);

квадратированное изображение в реальном времени с появлением тревожных окон.

При выработке сигналов тревоги в нескольких камерах, изображения от этих камер могут последовательно сменять друг друга с заданной скоростью или одновременно выводится на экран монитора в режиме квадратора.

Возможно программирование с передней панели или при помощи "мыши" до пяти различных вариантов работы детектора с последующим использованием их в различных ситуациях (например: дневное и ночное время и т.д.).

4. МОНТАЖ ТЕХНИЧЕСКИХ СРЕДСТВ СИГНАЛИЗАЦИИ, ШЛЕЙФОВ ОХРАННО-ПОЖАРНОЙ И ТРЕВОЖНОЙ СИГНАЛИЗАЦИИ, СОЕДИНИТЕЛЬНЫХ ЛИНИЙ (ТСВ) И ПИТАЮЩИХ ЛИНИЙ

4.1. Размещение и монтаж технических средств сигнализации, выбор проводов и кабелей для шлейфов сигнализации и соединительных линий следует производить в соответствии с РД 78.145 93 МВД России "Пособие к руководящему документу системы и комплексы охранной, пожарной и охранно-пожарной сигнализации. Правила производства и приемки работ", технической документацией на применяемое изделие, ПУЭ и с учетом требований настоящего раздела.

4.2. Шлейфы охранно-пожарной и тревожной сигнализации необходимо выполнять с условием обеспечения автоматического контроля целостности их по всей длине.

Указанное требование не распространяется на технические средства сигнализации, принцип действия которой не позволяет осуществлять автоматический контроль.

4.3. Шлейфы охранной и тревожной сигнализации, магистральные линии питания постоянного тока в помещениях, в которых размещаются материальные ценности 1-ой и 2-ой категории следует проводить:

скрытым способом в стальных трубах и металлорукавах, проложенных в полу или пластмассовых трубах, проложенных в стенах;

скрытым способом в пластмассовых трубах или открытым способом в желобах, лотках, проложенных за подвесным потолком.

Допускается прокладка пластмассовых труб в толще полов помещений на глубине, обеспечивающей замоноличивание труб слоем бетонного раствора не менее 20 мм.

4.4. Шлейфы охранной и тревожной сигнализации, магистральные линии питания постоянного тока остальных охраняемых помещений в зависимости от архитектурных требований можно проводить как скрытым способом согласно п.4.3., так и открытым способом по стенам в коробах или пластмассовых трубах.

4.5. Распределительные (распаячные) шкафы, предназначенные для кроссировки шлейфов сигнализации, соединительных линий ТСВВ должны опломбироваться или иметь блокировочные кнопки, выведенные на отдельные пультовые номера пульта внутренней охраны.

4.6. Открытую прокладку проводов и кабелей следует выполнять на высоте не менее 2 м от уровня пола или площадки обслуживания и не менее 0,1 м от потолка.

Прокладка проводов шлейфа сигнализации, присоединяемых к извещателям, выполняется как скрыто, так и открыто в соответствий с проектом или актом обследования.

4.7. При открытой параллельной прокладке расстояние между провалами, кабелями шлейфа сигнализации, соединительными линиями и силовыми, осветительными проводами и кабелями должны быть не менее 0,5 м.

При необходимости прокладки этих проводов и кабелей на расстоянии менее 0,5 м от силовых и осветительных проводов они должны иметь защиту от наводок.

Допускается уменьшение расстояния до 0,26 м от проводов и кабелей шлейфов сигнализации и соединительных линий без защиты от наводок до одиночных осветительных проводов и контрольных кабелей.

4.8. Электропроводки силовых сетей необходимо выполнять только самостоятельно, включение их в комплексную слаботочную сеть не допускается.

4.9. Устройства коммутации (УК), применяемые для одновременной выдачи тревожного извещения от извещателя на ПЦО и пульт внутренней охраны, рекомендуется устанавливать рядом с извещателем.

4.10. Источники резервного электропитания питания, при централизованном питании технических средств сигнализации, следует устанавливать в помещении охраны или другом специально выделенном помещении, при условии, что оно находится под охраной.

5. ЭЛЕКТРОПИТАНИЕ ОБОРУДОВАНИЯ

5.1. Для обеспечения работоспособности аппаратуры в аварийных ситуациях (при пропадании напряжения сети переменного тока) питание комплекса технических средств сигнализации следует осуществлять от агрегата бесперебойного питания или резервного питания.

5.3. При использовании в качестве резервного питания аккумуляторной батареи должна обеспечиваться работа технических средств сигнализации:

в городах и поселках городского типа в течение не менее 4 ч в дежурном режиме и в течение не менее 1 ч в режиме тревоги;

в сельских районах в течение не менее 12 ч в дежурном режиме и в течение не менее 2 ч в режиме тревоги;

в труднодоступных районах в течение не менее 24 ч в дежурном режиме и в течение не менее 3 ч в режиме тревоги;

6. ЭКСПЛУАТАЦИОННО-ТЕХНИЧЕСКОЕ ОБСЛУЖИВАНИЕ СРЕДСТВ СИГНАЛИЗАЦИИ

6.1. На объектах, охраняемых подразделениями вневедомственной охраны, эксплуатационно-техническое обслуживание средств сигнализации проводится силами этих подразделений в соответствии с приказом МВД России от 31.01.94г. №35, объявляющим "Наставление по технической эксплуатации средств охранно-пожарной сигнализации подразделениями вневедомственной охраны при органах внутренних дел".

6.2. Подразделения вневедомственной охраны при органах внутренних дел могут осуществлять эксплуатационно-техническое обслуживание средств сигнализации на неохраняемых ими объектах на договорной основе с представлением обоснованных расчетов по взиманию платы за все виды работ.

6.3. Ремонт средств сигнализации, установленных на объектах, проводится силами подразделений вневедомственной охраны. Замена неисправной аппаратуры охранно-пожарной сигнализации осуществляется из обменного фонда.

6.4. По взаимной договоренности и в установленном порядке на базе учебных классов республиканских, краевых и областных аппаратов вневедомственной охраны может быть организовано обучение сотрудников объекта по вопросам организации их охраны, оснащения и эксплуатационно-технического обслуживания средств сигнализации.

Приложение 1

КАТЕГОРИРОВАНИЕ ОБЪЕКТОВ И ПОМЕЩЕНИЙ ПО ВИДУ И КОНЦЕНТРАЦИИ В НИХ МАТЕРИАЛЬНЫХ ЦЕННОСТЕЙ

Категория

Производственное или другое назначение объекта (помещения)

Характеристика значимости ценностей

1

Объекты (помещения) с постоянным хранением:

огнестрельного оружия и боеприпасов;

наркотических и ядовитых веществ;

драгоценных металлов и камней, ювелирных изделий, ценных предметов старины, искусства и культуры; крупных денежных средств, валюты и ценных бумаг;

секретной документации и других особо ценных и особо важных товарно-материальных ценностей.

Товары, предметы и изделия особой ценности и важности, утрата которых может принести особо крупный или невосполнимый материальный и финансовый ущерб, создать угрозу здоровью и жизни большого количества людей, находящихся на объекте и вне его, привести к другим тяжелым последствиям

2

Объекты (помещения) с постоянным хранением:

табельного огнестрельного оружия и боеприпасов (комнаты оружия);

радиоизотопных веществ и препаратов;

ювелирных изделий, предметов старины, искусства и культуры;

денежных средств, валюты и ценных бумаг (главные кассы объектов).

Спецархивы и спецбиблиотеки.

Ценные и важные товары, предметы и изделия, утрата которых может принести значительный материальный и финансовый ущерб, создать угрозу здоровью и жизни людей, находящихся на объекте

3

Объекты (помещения) с постоянным или временным хранением:

промышленных товаров и продуктов питания;

аудио-, видео-, орг-, и телетехники;

Служебные, конторские помещения и т.п.

Товары, предметы и изделия повседневного спроса и использования

4

Объекты (помещения) с постоянным или временным хранением:

технологического и хозяйственного оборудования;

технической и конструкторской документацией;

инвентарь;

Подсобные и вспомогательные помещения и т.п.

Товары, предметы и изделия технологического и хозяйственного назначения

Приложение 2

КЛАССИФИКАЦИЯ СТРОИТЕЛЬНЫХ КОНСТРУКЦИЙ ПО УСТОЙЧИВОСТИ К ВЗЛОМУ

Группа защиты

Степень защиты от взлома

Материалы и конструкции

Применение

1

Недостаточная

- гипсолитовые, гипсобетонные, цементно-стружечные панели;

- конструкции из древесины и пластмасс;

- каркасные перегородки с обшивкой металлическими, в т.ч. профилированными, листами;

- стеклоблоки, профилированное и армированное сеткой стекло;

- каменные, кирпичные, блочные, бетонные и пустотные железобетонные конструкции толщиной менее 250 мм,

- конструкции из легких бетонов (ячеистых, пенобетона) толщиной 400 мм;

- конструкции из монолитного железобетона толщиной менее 100 мм.

В помещениях, где размещаются материальные ценности 4-ой категории:

внутренние стены, перегородки и перекрытия в пределах каждой из зон доступности

2

Средняя

- каменные, кирпичные, блочные, бетонные и пустотные железобетонные конструкции толщиной от 250 до 500 мм;

- конструкции из монолитного железобетона толщиной от 100 до 200 ММ;

- конструкции из легких бетонов (ячеистых, пенобетона) толщиной 400 мм и более;

- материалы и конструкции 1-ой группы защиты, усиленные стальной, сваренной в соединениях сеткой.

В помещениях, где размещаются материальные ценности 3-ой категории:

внутренне стены, перегородки и перекрытия между второй и третьей зонами доступности (см. п. 1.1.6)

3

Высокая

- каменные, кирпичные, блочные, бетонные и пустотные железобетонные конструкции толщиной более 500 мм;

- монолитные фибробетонные конструкции толщиной более 200 мм;

- материалы и конструкции 1-ой группы защиты, усиленные (изнутри) стальной, сваренной в соединениях решеткой из прутьев толщиной не менее 10 мм с размерами ячейки не более 150´150 мм;

- материалы и конструкции 2-ой группы защиты, усиленные стальной, сваренной в соединениях сеткой.

В помещениях, где размещаются материальные ценности 1 и 2-ой категории:

наружные стены, внутренние стены и перегородки, перекрытия между первой и третьей зонами доступности (см. п.1.1.6)

4

Очень высокая

- монолитные фибробетонные конструкции толщиной 200 мм и более;

- сборные конструкции, выполненные в соответствии с ГОСТ Р 50862-96 и имеющие сертификат, подтверждающий их пригодность для строительства кладовых ценностей

В помещениях, где размещаются материальные ценности 1-ой категории:

конструкции кладовых ценностей сейфов и сейфовых комнат для хранения материальных ценностей

Примечания: 1. Конструкции стен и перекрытий конкретных помещений должны быть по устойчивости к взлому равноценны.

2. Конструкция стыков сборных элементов по устойчивости к взлому должна отвечать требованиям, предъявляемым к конструкции в целом.

Приложение 3

КЛАССИФИКАЦИЯ ДВЕРНЫХ КОНСТРУКЦИЙ ПО УСТОЙЧИВОСТИ К ВЗЛОМУ

Группа защиты

Степень защиты от взлома

Материалы и конструкции дверей

Применение

1

Недостаточная

- двери деревянные внутренние с мелкопустотным заполнением полотен и остекленными полотнами (типа Г.О.К, по ГОСТ 6629-88) с использованием стекла, не соответствующего РД 78.148-94 МВД России*;

- двери с полотнами из стекла в металлических рамах или без них; стекло простое, закаленное или многослойное, несоответствующее РД 78.148-94 МВД России*,

- двери со сплошным заполнением полотен (типа У по ГОСТ 6629-88) при их толщине менее 40 мм.

В помещениях, где размещаются материальные ценности 4-ой категории:

внутренние двери в пределах каждой из зон доступности

2

Средняя

- двери деревянные внутренние со сплошным заполнением полотен (типа У по ГОСТ 6629-88) при их толщине не менее 40 мм;

- двери деревянные наружные (типа Н.С. по ГОСТ 24698-81) при толщине полотен не менее 40 мм глухие и остекленные при использовании многослойного стекла класса А1 и выше по РД 78.148-94 МВД России*;

- двери с полотнами из стекла в металлических рамах или без них с использованием защитного остекления класса А1 и выше по РД 78.148-94 МВД России*.

В помещениях, где размещаются материальные ценности 3-ой категории:

входы из первой зоны доступности во вторую и из второй в третью (см. п. 1.1.6.):

3

Высокая

- двери деревянные 2 группы защиты, усиленные обивкой с двух сторон листовой сталью толщиной не менее 0,6 мм с загибом листа на внутреннюю поверхность двери или на торец полотна внахлест с креплением по периметру и диагоналям полотна гвоздями диаметром 3 мм длиной 40 мм и шагом не более 50 мм;

- двери деревянные 2 группы защиты с дополнительным усилением дверных полотен металлическими накладками;

- металлические стальные двери с толщиной листа не менее 4 мм;

- двери с полотнами из стекла в металлических рамах или без них при использовании защитного остекления класса Б1 и выше по РД 78.148-94 МВД России*;

- двери 2 группы защиты с дополнительно установленными изнутри и решетчатыми стальными дверями (распашными, раздвижными или складывающимися)**.

Дверные коробки должны иметь дополнительные крепления стальными штырями, а петли - торцевые крюки. Защитное остекление должно быть класса Б1 и выше по РД 78.148-94. МВД России*.

В помещениях, где размещаются материальные ценности 1 и 2-ой категории:

входы из первой зоны доступности в третью (см. п. 1.1.6);

двери помещений для перегрузки ценностей 1-ой и 2-ой категории из машин;

запасные входы и двери из подвалов и чердаков объектов с ценностями 1-ой 2-ой категории

4

Очень высокая

- бронедвери для кладовых ценностей, сейфов отвечающие ГОСТ Р 50882-96 и имеющие сертификат, подтверждающий их соответствие данному назначению.

В помещениях, где размещаются материальные ценности 1-ой категории:

двери кладовых ценностей и сейфов для хранения ценностей

* - Классификацию защитного остекления по РД 78.148-94 МВД России см. Приложение 5.

** - Требования к решетчатым дверям по РД 78-147-93 МВД России см. Приложение 6.

Приложение 4

КЛАССИФИКАЦИЯ ОКОННЫХ ПРОЕМОВ ПО УСТОЙЧИВОСТИ К ВЗЛОМУ

Группа защиты

Степень защиты от взлома

Материал переплетов, остекления защитных средств

Применение

1

Недостаточная

- окна с обычным стеклом не защищенные

В помещениях, где размещаются материальные ценности 4-ой категории:

в помещениях, с ценностями 1-4-ой категории, расположенных на втором и выше этажах здания, кроме первого и последнего этажей и непримыкающих к лестницам, балконам, карнизам и т.п.

2

Средняя

- окна 1 группы защиты с защитным остеклением класса А1 и выше по РД 78. 148-94 МВД России;*

- окна 1 группы зашиты с металлическими решетками, сетками произвольной конструкций;

- окна 1 группы защиты, защищенные дополнительными деревянными ставнями или жалюзями согласно требованиям РД 78.147-93 МВД России**.

В помещениях, где имеются материальные ценности, подлежащие защите, за исключением помещений, где применяются окна 3 класса защиты.

3

Высокая

- окна 1 группы защиты дополнительно защищенные деревянными ставнями, обитыми с двух сторон стальными листом толщиной не менее 0,6 мм или жалюзями соответствующей прочности согласно требованиями РД 78.147-93 МВД России**;

- окна 1 группы защиты дополнительно защищенные металлическими решетками (раздвижными, распашными и т.п.) или жалюзями соответствующей прочности согласно требованиями РД 78.147-93 МВД России**;

- окна специальной конструкции с защитным остеклением класса А3 и выше по РД 78.148-94 МВД России*.

Окна первого этажа объекта, в помещениях которого хранятся ценности 1-ой, 2 ой категории и вышележащих этажей, примыкающих к лестницам, балконам, карнизам и т.п.

4

Очень высокая

- окна 1 группы защиты, дополнительно защищенные металлическими открывающимися ставнями с толщиной стального листа не менее 3 мм;

- окна специальной конструкции с защитным остеклением класса Б1 и выше по РД 78.148-94 МВД России*

По заданию проектирования

* - Классификацию защитного остекления по РД 78.148-94 МВД России см. Приложение 5.

**- Требования к решетчатым дверям по РД 78.147-93 МВД России см. Приложение 6.

Приложение 5

КЛАССИФИКАЦИЯ ЗАЩИТНОГО ОСТЕКЛЕНИЯ (по РД 78.148-94 МВД России)

Класс

Характеристика защиты

А

Устойчивость к одиночному удару. Выдерживает 3 удара стального шара весом 4 кг, сброшенного с высоты:

А1

3,5 метров

А2

6,5 метров

А3

9,5 метров

Б

Устойчивость к пробиванию отверстия, достаточного для проникновения человека. Минимальное количество ударов топором:

Б1

30-50

Б2

50-70

Б3

свыше 70

В

Устойчивость к прострелу пулей, выпущенной из нарезного огнестрельного оружия:

81

Пистолет ПМ                        9 мм

В2

Пистолет ТТ                          7.62 мм

В3

Автомат АК-47                     7.62 мм

В4

Винтовка СВА                      7.62 мм

Г

Устойчивость к прострелу пулей, выпущенной из гладкоствольного огнестрельного оружия.

Приложение 6

ТЕХНИЧЕСКИЕ ТРЕБОВАНИЯ К РЕШЕТЧАТЫМ ДВЕРЯМ, ОКНАМ И СТАВНЯМ

(В соответствии с РД 78.147-93 МВД России)

1. Дополнительные решетчатые двери устанавливаются с внутренней стороны и должны быть распашными или раздвижными с ушками для навесного замка.

Дверная коробка должна быть из стального профиля. Допускаются деревянные дверные коробки, усиленные стальным уголком 30´40´3 мм, закрепленное в стену стильными ершами (костылями) диаметром не менее 12 мм.

2. Оконные проемы первого этажа оборудуются металлическими решетками. Решетки изготовляются из стальных прутьев диаметром не менее 6 мм, образующих ячейки 150´150 мм. В местах пересечение прутья необходимо сварить. Концы прутьев решетки должны, заделываться в стену на глубину не менее 80 мм и заливаться цементным раствором или привариваться к металлическим конструкциям. При не возможности выполнить это, решетка обрамляется уголком размера не менее 30´30´5 мм и приваривается по периметру к прочно заделанным в стену на глубину 80 мм стальным анкерам диаметром не менее 12 мм и длиной не менее 120 мм.

Допускается применение декоративных решеток или жалюзей, которые по прочности и по возможности проникновения через них, не должны уступать вышеуказанным решетками.

3. В зависимости от применяемой конструкции оконных рам, решетки могут устанавливаться как с внутренней стороны помещения, так и между рамами.

Допускается установка с наружной стороны обычных и декоративных решеток (не распашных или раздвижных) по прочности не уступающих указанным выше решеткам.

В помещениях, где все окна оборудуются решетками, одна из них делается раздвижной или распашной с навесным замком.

4. Ставни должны выполняться из досок или фанеры толщиной 12 мм. Соединение деталей должно производиться в четверть или в шпунт. По конструкции ставни аналогичны входным дверям, обиты листовой сталью (см. Приложение 3).

Допускается применение металлических автоматически или вручную закрывающихся жалюзей.

ТЕХНИЧЕСКИЕ ТРЕБОВАНИЯ К ЭЛЕМЕНТАМ СТРОИТЕЛЬНЫХ КОНСТРУКЦИЙ ХРАНИЛИЩ ЦЕННОСТЕЙ

Толщина оболочки (пол, стены, потолок) хранилища должна быть не менее 300 мм. Толщина оболочки хранилищ для временного хранения должна быть не менее 200 мм.

Бетон оболочки должен быть класса по прочности на сжатие не ниже В45 и марки по водонепроницаемости не ниже W4 по ГОСТ 12370.5-84 "Бетоны. Метод определения водонепроницаемости".

Фибровое армирование оболочки выполняется стальной фиброй (рубленной из проволоки, в том числе канатной, листа, строганной из листа или сляба, полученной из расплава). Фибра может иметь круглое или другой Формы сечение с приведенным диаметром в пределах 0,5-1,0 мм и длину 40-80 мм.

Стальная фибра должна иметь гарантированное временное сопротивление разрыву не менее 400 МПа. Количество фибровой арматуры с гарантированным временным сопротивлением разрыву 600 МПа и более должно быть 100 кг на 1 м3 сталефибробетона, при более низком сопротивлении - не менее 120 кг.

Стержневое армирование оболочки выполняется в виде двух сеток из арматуры класса не ниже А-III диаметром 16 мм с ячейкой сетки 100´100 мм, расположенных взаимнопараллельно со смещением узлов сетки на 50 мм по вертикали и горизонтали. Защитный слой сталефибробетона до поверхности стержневой арматуры должен быть 40-50 мм.

При подборе фибры и составов сталефибробетона рекомендуется использовать инструктивно-методические документы, разработанные НИИЖБ Минстроя России.

Двери хранилищ ценностей должны быть бронированными и иметь класс устойчивости к взлому не ниже VI по ГОСТ Р 50862-96.

Приложение 7

КЛАССИФИКАЦИЯ ХРАНИЛИЩ И СЕЙФОВ ПО УСТОЙЧИВОСТИ К ВЗЛОМУ ПО ГОСТ Р 50862-96

Таблица 1

Класс устойчивости

Минимальное значение сопротивления (Ес)

Применения

Потребительская оценка устойчивости к взлому сейфов

Потребительская оценка устойчивости к взлому кладовой

Частичный доступ

Полный доступ

I

30

50

для сейфов

удовлетворительная

-

II

50

80

для сейфов

удовлетворительная

-

II

80

120

для сейфов

удовлетворительная

-

IV

120

180

для сейфов

средняя

-

V

180

270

для сейфов и кладовых

средняя

удовлетворительная

VI

270

400

для сейфов и кладовых

средняя

удовлетворительная

VII

400

600

для сейфов и кладовых

высокая

удовлетворительная

VIII

550

825

для сейфов и кладовых

высокая

средняя

IX

700

1050

для сейфов и кладовых

высокая

средняя

Х

900

1350

для сейфов и кладовых

высокая

средняя

XI

-

2000

Для кладовых

-

высокая

XII

-

3000

для кладовых

-

высокая

XIII

-

4500

для кладовых

-

высокая

Ес - условное численное значение, характеризующее устойчивость сейфа или кладовой к взлому с использованием инструмента и определяемое по методике изложенной в ГОСТ Р 50862-96

Частичный доступ - риск похищения части ценностей через отверстие, полученное в результате взлома сейфа или кладовой.

Полный доступ - результат взлома, характеризующийся возможностью захвата всех хранящихся в сейфе или кладовой ценностей.

Таблица 2

КЛАССИФИКАЦИЯ ЗАМКОВЫХ УСТРОЙСТВ ПО ГОСТ Р 50862-96

Класс замкового устройства

Количество комбинаций ключа

Количество комбинаций кода

А

25000

80000

В

100000

100000

С

1000000

1000000

D

3000000

3000000

Таблица 3

КОЛИЧЕСТВО И КЛАСС ЗАМКОВЫХ УСТРОЙСТВ, ВХОДЯЩИХ В ЗАПИРАЮЩИЙ МЕХАНИЗМ СЕЙФА ИЛИ ХРАНИЛИЩА ПО ГОСТ Р 50862-96

Класс устойчивости сейфа иди кладовой

Количество и класс замкового устройства

I

1´А

II

1´А

III

1´В

IV

2´В

V

2´8

VI

2´С

VII

2´С

VIII

2´С

IX

2´С

Х

2´С

XI

3´С или 2´D

XII

3´С или 2´D

XIII

2´D

Приложение 8

КЛАССИФИКАЦИЯ ОХРАННОЙ СИГНАЛИЗАЦИИ ПО СТЕПЕНИ ЗАЩИТЫ ОТ ПРОНИКНОВЕНИЯ В ЗДАНИЕ

Группа защиты

Степень защиты от проникновения

Организация охранной сигнализации

Применение

1

Недостаточная

Блокировка только отдельных участков (дверей, окон, стен и т.д.) периметра (1-го рубежа) помещения

Помещения, предназначенные для хранения материальных ценностей:

4 категории, расположенные на 2-м и выше этажах здания, кроме крайних;

3-й и 4-ой категории, расположенные внутри здания (помещения, конструктивные элементы которых не являются частью периметра здания), имеющие 1-ю группу защиты от взлома и граничащие с помещениями оборудованными охранной сигнализацией по 2-ой и выше группе защиты от проникновения;

3-й и 4-ой категории, расположенные внутри здания, имеющие 2-ю и выше группу защиты от взлома.

2

Средняя

Блокировка периметра (1-го рубежа) помещения

Помещения, предназначенные для хранения материальных ценностей 3 и 4 категорий.

 

 

Блокировка объема (2-го рубежа) помещения

Помещения, предназначенные для хранения материальных ценностей:

3-й категории, расположенные внутри здания и имеющие 2-ю и выше группу защиты от взлома и граничащие с помещениями оборудованными охранной сигнализацией по 2-ой и выше группе защиты от проникновения;

2-й категории, расположенные внутри здания, имеющие 3-ю и выше группу защиты от взлома и круглосуточную внутреннюю охрану.

3

Высокая

Блокировка периметра (1-го рубежа) и объема (2-го рубежа) помещения

Помещения, предназначенные для хранения материальных ценностей:

2-й категории;

1-й категории, расположенные внутри здания, имеющие 3-ю и выше группу защиты от взлома и круглосуточную внутреннюю охрану;

3-ей категории, оборудованные охранной сигнализацией по заданию на проектирование

4

Очень высокая

Блокировка периметра (1-го рубежа), объема (2-го рубежа) и самих материальных ценностей или подходов к ним (3-го рубежа) охраняемого помещения

Помещения, предназначенные для хранения материальных ценностей:

1-й категории;

2-й категории, имеющие 2-ю группу защиты от взлома;

2-й категории, расположенные в зонах с повышенной криминогенной опасностью или оборудованные охранной сигнализацией по заданию на проектирование

Приложение 9

Типовые варианты оборудования объектов средствами ОПТС

Рис. 1. Примерная структурная схема оборудования объекта средствами ОПТС на базе прибора "Рубин-6" по варианту 1

Рис. 2. Примерная структурная схема оборудования объекта средствами ОПТС на базе объектовой подсистемы VISТА-501 по варианту 1

Рис. 3 Примерная структурная схема оборудования объекта, имеющего несколько хранилищ, на базе СПИ "Фобос" по варианту

Рис. 4. Примерная структурная схема оборудования объекта средствами ОПТС на базе прибора "Адрес" по варианту 2.

Рис. 5. Примерная структурная схема оборудования объекта средствами ОПТС на базе прибора "Адрес" по варианту 3

Рис. 6. Примерная структурная схема оборудования объекта средствами ОПТС на базе объектовой подсистемы VISТА-501 по варианту 4.

Рис. 7. Примерная структурная схема оборудования объекта средствами ОПТС на базе приборов "Рубин -6" и "Сигнал-ВК" по варианту 5.

Рис. 8. Примерная структурная схема оборудования объекта средствами ОПТС на базе приборов "Сигнал-ВК" по варианту 6

Рис. 9. Примерная структурная схема оборудования объекта средствами ОПТС на базе приемно-контрольного прибора "Сигнал-ВК" и системы уплотнения "Атлас-6" по варианту 7.

Рис. 10. Примерная структурная схема оборудования объекта средствами ОПТС на базе приемно-контрольного прибора "Сигнал-ВК" по варианту 8.

Приложение 10

Типовые варианты блокировки строительных конструкций, отдельных предметов и помещений

Рис. 1. Блокировка двери на открывание извещателями магнитоконтактными

Рис. 2 Варианты установки извещателя охранного поверхностного звукового "Стекло-1" при блокировке остекленных конструкций на "разрушение" стекла

Рис. 3 Блокировка дверей (ворог) на открывание и пролом проводом НВМ и извещателями магнитоконтактными (выключателями конечными)

Рис. 4. Блокировка оконных решеток, решеток воздуховодов и решетчатых дверей проводом НВМ

Рис. 5 Блокировка стен, полов и потолком проводом НВМ

Рис. 6. Блокировка дверей (ворот) на открывание извещателями активными линейными

Рис. 7. Блокировка стен, потолка и пола на пролом извещателем поверхностным "Грань-2"

Рис. 8. Блокировка отдельных предметов извещателем поверхностным пьезоэлектрическим "Гюрза-050"

Рис. 9. Блокировка двери и окон на проникновение извещателями пассивными оптико-электронными с зоной обнаружения типа "занавес"

Рис. 10. Блокировка коридора извещателями оптико-электронными

Извещатель

Дальность

L, м

Площадь

S, м2

Фотон-6

12

120

9981

15

225

Рис. 11. Одновременная блокировка объема и отдельных предметов объемными пассивными оптико-электронными извещателями

Извещатели

LMax

H1Max

H2Max

Аргус-2

16

8

6

Аргус-М

8

4

3

Волна-5

15

8

6

Эхо-2

6

5

5

Эхо-3

8

8

8

ДТ4201Т

6

6

3

ДТ4351Т

11

9

3

ДТ4501Т

15

12

3

Рис. 12. Блокировка сейфов (предметов) объемными радиоволновыми, ультразвуковыми и комбинированными извещателями оптико-электронными

Рис. 13. Блокировка сейфов (предметов) извещателями оптико-электронными

- при потолке до 3 м - под потолком

- при потолке от 3 до 5 м - не более 1 м от потолка

- при потолке от 5 м и выше - не более 2 м от потолка

Рис. 14. Блокировка стен, потолка и пола на "проникновение" извещателями активными лилейными оптико-электронными

Приложение 11

Варианты оборудования объекта средствами СКД и ТСВ

Рис. 1. Примерная структурная схема оборудования объекта системой контроля доступа.

Рис. 2. Примерная структурная схема оборудования объекта системой видеоконтроля.

СОДЕРЖАНИЕ

1. Техническая укрепленность (инженерная защита) объектов. 1

1.1. Общие положения. 1

1.2. Общие требования к технической укрепленности помещений объектов, предназначенных для хранения и размещения материальных ценностей. 2

1.3. Специальные помещения, предназначенные для хранения особо ценных и особо важных материальных ценностей. 3

1.4. Обменные пункты иностранной валюты.. 4

1.5. Операционно-кассовые залы банков. 5

1.6. Торговые залы универмагов, магазинов. 6

1.7. Боксы для погрузки-разгрузки машин. 6

1.8. Помещения службы безопасности и охраны.. 7

1.9. Помещения для хранения табельного оружия. 7

1.10. Помещения банкоматов банков. 7

2. Оборудование объектов и их помещений техническими средствами сигнализации. 8

2.1. Общие положения. 8

2.2. Основные принципы оборудования объектов техническими средствами охранной сигнализации. 9

2.3 Организация пожарной сигнализации. 11

2.4. Организация тревожной сигнализации. 11

2.5. Варианты организации выдачи тревожных извещений о проникновении, нападении и пожаре с охраняемых объектов. 11

2.6. Размещение технических средств охранной и пожарной сигнализации. (Типовые варианты блокировки строительных конструкций, отдельных предметов и помещений объектов) 14

3. Организация системы контроля доступа (СКД), телевизионных систем видеоконтроля (ТСВ) 16

4. Монтаж технических средств сигнализации, шлейфов охранно-пожарной и тревожной сигнализации, соединительных линий (ТСВ) и питающих линий. 19

5. Электропитание оборудования. 20

6. Эксплуатационно-техническое обслуживание средств сигнализации. 20

Приложение 1 Категорирование объектов и помещений по виду и концентрации в них материальных ценностей. 20

Приложение 2 Классификация строительных конструкций по устойчивости к взлому. 21

Приложение 3 Классификация дверных конструкций по устойчивости к взлому. 22

Приложение 4 Классификация оконных проемов по устойчивости к взлому. 23

Приложение 5 Классификация защитного остекления. 23

Приложение 6 Технические требования к решетчатым дверям, окнам и ставням.. 24

Приложение 7 Классификация хранилищ и сейфов по устойчивости к взлому. 25

Приложение 8 Классификация охранной сигнализации по степени защиты от проникновения в здание. 25

Приложение 9 Типовые варианты оборудования объектов средствами ОПТС.. 26

Приложение 10 Типовые варианты блокировки строительных конструкций, отдельных предметов и помещений. 31

Приложение 11 Варианты оборудования объекта средствами СКД и ТСВ.. 39

 

 




ГОСТЫ, СТРОИТЕЛЬНЫЕ и ТЕХНИЧЕСКИЕ НОРМАТИВЫ.
Некоммерческая онлайн система, содержащая все Российские Госты, национальные Стандарты и нормативы.
В Системе содержится более 150000 файлов нормативно-технической документации, действующей на территории РФ.
Система предназначена для широкого круга инженерно-технических специалистов.

Рейтинг@Mail.ru Яндекс цитирования

Copyright © www.gostrf.com, 2008 - 2026