Крупнейшая бесплатная информационно-справочная система онлайн доступа к полному собранию технических нормативно-правовых актов РФ. Огромная база технических нормативов (более 150 тысяч документов) и полное собрание национальных стандартов, аутентичное официальной базе Госстандарта. GOSTRF.com - это более 1 Терабайта бесплатной технической информации для всех пользователей интернета. Все электронные копии представленных здесь документов могут распространяться без каких-либо ограничений. Поощряется распространение информации с этого сайта на любых других ресурсах. Каждый человек имеет право на неограниченный доступ к этим документам! Каждый человек имеет право на знание требований, изложенных в данных нормативно-правовых актах!

  


 

ГОСУДАРСТВЕННЫЙ СТАНДАРТ СОЮЗА ССР

АППАРАТУРА ЛИНЕЙНЫХ ТРАКТОВ
ЦИФРОВЫХ ВОЛОКОННО-ОПТИЧЕСКИХ
СИСТЕМ ПЕРЕДАЧИ

МЕТОДЫ ИЗМЕРЕНИЯ ОСНОВНЫХ ПАРАМЕТРОВ

ГОСТ 28871-90

ГОСУДАРСТВЕННЫЙ КОМИТЕТ СССР ПО УПРАВЛЕНИЮ
КАЧЕСТВОМ ПРОДУКЦИИ И СТАНДАРТАМ

Москва

ГОСУДАРСТВЕННЫЙ СТАНДАРТ СОЮЗА ССР

АППАРАТУРА ЛИНЕЙНЫХ ТРАКТОВ
ЦИФРОВЫХ ВОЛОКОННО-ОПТИЧЕСКИХ
СИСТЕМ ПЕРЕДАЧИ

Методы измерения основных параметров

Line transmission path equipment of digital
optical-fibre transmission systems. Methods of
measuring basic parameters

ГОСТ
28871-90

Дата введения 01.01.92

Настоящий стандарт распространяется на обслуживаемую и необслуживаемую аппаратуру линейных трактов (ЛТ) цифровых волоконно-оптических систем передачи (ЦВОСП).

Стандарт устанавливает методы измерения уровня средней мощности оптического излучения передатчиков ЦВОСП (ПД ЦВОСП), порога чувствительности приемников ЦВОСП (ПР ЦВОСП) с регенератором, коэффициента ошибок, фазового дрожания, длины волны и ширины огибающей спектра оптического излучения на участке регенерации волоконно-оптической линии передачи (ВОЛП).

Термины, применяемые в стандарте, - по ГОСТ 26599 и ГОСТ 15093, условные и графические обозначения компонентов ЦВОСП - по ГОСТ 26793 и ГОСТ 2.761.

1. СРЕДСТВА ИЗМЕРЕНИЙ И ВСПОМОГАТЕЛЬНЫЕ УСТРОЙСТВА

1.1. При выполнении измерений должны быть применены средства измерений (СИ) и вспомогательные устройства, требования к которым приведены в таблице.

Наименование СИ и вспомогательных устройств

Характеристика

Норма

1. Измеритель оптической мощности (ИОМ)

Диапазон средней мощности, дБм

От -70* до +10

Рабочие длины волн, нм

850 ± 10;

1300 ± 20;

Погрешность измерения, дБ, не более:

 

при V - 60 дБм

1,23

св. V - 40 дБм

0,78

2. Генератор испытательных сигналов (ГИС)**

Тип кода

HDB-3, СМ1, 10B1P1R, RZ, NRZ, 5B6B, ОБС

 

Число элементов в одном периоде псевдослучайной последовательности (ПСП)

223-1, 215-1

 

Обратные связи

По ГОСТ 26783

 

Длина периодически повторяемого кодового слова, бит

16

 

Скорость передачи, кбит/с

2048, 8448, 10138, 34368, 139264, 167117, 668467

 

Значение тактовых частот в режиме внутреннего запуска, кГц

 

 

код НDB-3,

2048; 8448; 10138; 34368; 41242

 

СМ1, ОБС,

139264;

 

10B1P1R, 5В6В

167117, 668467

 

Диапазон фазового дрожания, тактовый интервал n×Т, T = 1/F, где n - вещественное число

(0,01 - 10)×T

 

Собственное фазовое дрожание, не более

0,001Т

 

Диапазон распределения фазового дрожания по частоте модуляции, кГц

0 - 3500

 

Выходное сопротивление на частоте 2048 кГц, Ом

120 ± 25***

 

Сопротивление несимметричных выходов, Ом

75

 

Затухание несогласованности несимметричного выхода в диапазоне частот 0,5 - 210 МГц, дБ, не менее

20

 

Диапазон входных амплитуд внешней фазовой модуляции, В

0,5 - 3,5

 

Сопротивление входа внешней фазовой модуляции, Ом

50 ± 5

 

Затухание несогласованности входов внешней фазовой модуляции, дБ, не менее

40

 

Частота коммутации 8-разрядных комбинаций, кГц

0,01 - 100

 

Погрешность установки частоты коммутации, %, не более

1,0

3. Измеритель фазового дрожания (ИФД)****

Диапазон измерения фазового дрожания, тактовый интервал n×Т, где T = 1/F, n - вещественное число

(0,005 - 20)×Т

 

Разрешающая способность Т, не менее

0,001 Т

 

Частотный диапазон фазовых дрожаний, кГц

0 - 3500

 

Стык

По ГОСТ 26886

 

Входное сопротивление на частоте 2048 кГц, Ом

120

 

Сопротивление несимметричных входа, выхода, Ом

75

 

Затухание несогласованности несимметричных входа и выхода в диапазоне частот 0,5 - 210 МГц, дБ, не менее

20

 

Скорость передачи, кбит/с

2000 - 170000

4. Оптический анализатор спектра (ОАС)

Диапазон измерения длин волн, нм

700 - 1700

 

Точность установки длин волн, нм

0,05

 

Разрешающая способность, нм

0,1

 

Диапазон средней мощности входного сигнала, дБм

От -70 до +10

 

Погрешность измерения отдельных составляющих спектра, %

5

5. Измеритель коэффициента ошибок (ИКО)*****

Скорость передачи, кбит/с

2048, 8448, 10138, 34368, 41242, 139264, 167116, 668467

 

Диапазон измерения коэффициента ошибок

10-11 - 10-2

 

Режим проверки ошибок

Посимвольный

 

Погрешность счета ошибок, ед. счета

± 1

 

Погрешность измерения коэффициента ошибок, %

± 1,5

 

Диапазон длительности цикла счета ошибок, с

1,0 - 720

 

Время непрерывной работы, ч

720

6. Оптический аттенюатор (ОА)

Диапазон затухания, дБ

1 - 70

 

Начальное затухание, дБ, не более

3,0

 

Разрешение, дБ, не более

0,1

 

Шаг установки затухания, дБ, по диапазонам, дБ:

 

 

от 0 до 10 включ.

0,1

 

» 1,0 » 10      »

1

 

св. 10 » 40    »

1

 

» 40 » 70     »

3

 

Погрешность градуировки, дБ, не более, по диапазонам, дБ

 

 

от 0 до 10 включ.

0,1

 

» 1,0 » 10      »

0,5

 

св. 10 » 40    »

0,5

 

» 40 » 70     »

1,0

7. Оптический соединитель разъемный (ОСР)

Вносимые потери дБ, не более

0,3

 

Коэффициент отражения, дБ, не менее

-30

8. Имитатор волоконно-оптической линии передачи (ИВОЛП)

Реализуется на том же типе волокна, что и линия передачи, соответствует параметрам регенерационного участка и паспортизуется в установленном порядке, либо другим способом, обеспечивающим имитацию оптического кабеля на участке регенерации

-

* При измерении уровней мощности излучателей применяют фильтр мод.

** В состав ГИС введен модулятор фазовых дрожаний (МФД).

*** Выход сигнала симметричный.

**** ИФД может быть реализован в ГИС.

***** ИКО возможно объединить с ГИС.

1.2. Измерительные приборы и вспомогательные устройства должны быть аттестованы в соответствии с ГОСТ 8.002 и ГОСТ 8.326.

1.3. Допускается изготовлять средства измерения на предприятиях - изготовителях ЦВОСП с последующей их аттестацией по ГОСТ 22261.

2. ПОДГОТОВКА К ИЗМЕРЕНИЯМ

Параметры ЦВОСП измеряют в нормальных климатических условиях по ГОСТ 15150.

Напряжение питания средств измерений - по ГОСТ 22261.

3. ПРОВЕДЕНИЕ ИЗМЕРЕНИЙ

3.1. Измерение уровня средней мощности оптического излучения ПД ЦВОСП

3.1.1. Метод основан на использовании измерителя оптической мощности, работающего на поглощение мощности.

3.1.2. Измерения проводят по схеме, приведенной на черт. 1.

Черт. 1

3.1.3. На ГИС устанавливают сигнал ПСП, структура которого соответствует сигналу на входе ПД ЦВОСП в соответствии с требованиями технических условий (ТУ) на ПД ЦВОСП. По показаниям ИОМ измеряют уровень оптической мощности сигнала 1-го измерения Рi для значения сигналов ПСП.

3.1.4. Уровень оптической мощности (Р) вычисляют по формулам:

Р = Рср ± DРa;                                                           (1)

                                                               (2)

                                             (3)

где DР - погрешность измерения уровня средней оптической мощности;

a - коэффициент, учитывающий наличие погрешности измерения при проведении п измерений. При п = 5, a = 2,77;

Pсp - средняя оптическая мощность при пяти измерениях и более с интервалом 3 мин.

3.2. Измерение коэффициента ошибок (Кош)

3.2.1. Метод основан на посимвольном сравнении и подсчете ошибочно принятых элементарных импульсов.

3.2.2. По схеме, приведенной на схеме черт. 2, с помощью изменений затухания ОА устанавливают уровень мощности оптического излучения, заданный в ТУ на аппаратуру ЛТ.

Черт. 2

3.2.3. Далее приборы подключают к ЛТ по схеме черт. 3.

Черт. 3

3.2.4. Прибором ИКО измеряют коэффициент ошибок i-го измерения Кошi при установленных уровнях средней мощности, заданных в ТУ на ПД ЦВОСП. Время измерения определяют в зависимости от скорости передачи, информации и значений Кош от 1,0 до 720.

3.2.5. Коэффициент ошибок (Кош) при заданном уровне оптического излучения вычисляют по формулам:

Кош = Кср ± DКошa;                                                     (4)

                                                           (5)

                                      (6)

где DКош - погрешность измерения коэффициента ошибок;

Кср - среднее значение коэффициента ошибок при пяти и более измерениях с интервалом 3 мин.

3.3. Измерение порога чувствительности ПР ЦВОСП с регенератором

3.3.1. Метод основан на измерении минимального оптического сигнала на входе ПР ЦВОСП при значении коэффициента ошибок Кош, заданном в ТУ на аппаратуру ЛТ.

3.3.2. Приборы подключают по схеме черт. 3.

3.3.3. Регулируя ОА, устанавливают коэффициент ошибок Кош, заданный в ТУ на аппаратуру ЛТ.

3.3.4. Приборы подключают по схеме черт. 2.

3.3.5. По показаниям ИОМ измеряют уровень средней мощности, соответствующий порогу чувствительности.

3.4. Измерение вносимого фазового дрожания

3.4.1. Метод основан на сравнении фазовых дрожаний, вводимых в ЛТ с возникающими дрожаниями. Измерения проводят на оконечной станции.

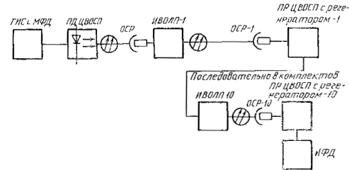
3.4.2. Приборы для измерения фазового дрожания подключают к ЛТ по схеме черт. 4 с учетом того, что в ЛТ включаются последовательно 10 комплектов ИВОЛП и ПР ЦВОСП с регенератором.

Черт. 4

3.4.3. Перед измерением на ОСР устанавливают уровень мощности оптического излучения, заданный в ТУ на ПР ЦВОСП конкретного типа, для чего к ОСР подключают ИОМ и измеряют уровень средней мощности.

3.4.4. С помощью МФД на выходе ГИС устанавливают калиброванную частоту и калиброванный уровень фазового дрожания, установленные в ТУ на аппаратуру линейного тракта измеряемой цвосп.

3.4.5. Значение i-го измерения фазового дрожания Фi определяют с помощью ИФД на выходе ПР ЦВОСП.

3.4.6. Фазовое дрожание сигнала на измеряемом оптическом линейном участке (Ф) вычисляют по формулам:

Ф = Фср ± DФa;                                                        (7)

                                                          (8)

                                         (9)

где DФ - погрешность измерения фазового дрожания сигнала;

Фср - среднее фазовое дрожание сигнала при пяти измерениях и более с интервалом 3 мин.

3.5. Измерение длины волны и ширины огибающей спектра оптического излучения на выходе регенерационного участка

3.5.1. Метод основан на сравнении измеренных оптических характеристик на выходе ЛТ с заданными в ТУ.

3.5.2. Длину волны и ширину огибающей спектра оптического излучения измеряют по схемам черт 5, 6.

Черт. 5

Черт. 6

3.5.3. По схеме, приведенной на черт. 5, измеряют длину волны и ширину огибающей спектра оптического излучения на выходе ПД ЦВОСП.

Для этого на ГИС устанавливают сигналы, соответствующие передаваемым по измеряемому ЛТ, и по показаниям ОАС определяют значения длины и ширины огибающей спектра оптического излучения на выходе ПД ЦВОСП. Нормируемые параметры спектра определяются в соответствии с требованиями ТУ на конкретный тип аппаратуры регенерационного участка.

3.5.4. Затем подключают ИВОЛП по схеме, приведенной на черт. 6, измеряют длины волн и ширину огибающей спектра оптического излучения на выходе линейного тракта при тех же значениях сигналов, установленных в п. 3.1.2.

3.5.5. Не изменяя показаний ГИС, по показаниям ОАС измеряют ширину огибающей спектра оптического излучения аппаратуры ЛТ.

4. ОБРАБОТКА РЕЗУЛЬТАТОВ

4.1. В результаты измерений должны быть внесены поправки, которые складываются из алгебраических погрешностей, указанных в свидетельствах о поверке каждого из приборов и вносимых потерь OCP.

4.2. Характеристики выходной мощности ПД ЦВОСП порога чувствительности ПР ЦВОСП с регенератором при заданных коэффициенте ошибок, фазовом дрожании, ширине огибающей спектра и дисперсионных искажениях должны быть представлены в виде графиков или таблиц.

ИНФОРМАЦИОННЫЕ ДАННЫЕ

1. РАЗРАБОТЧИКИ

В.Д. Лиференко, канд. техн. наук (руководитель темы); И.А. Лукин, канд. техн. наук; Ю.В. Марков, канд. техн. наук; А.И. Колосов; В.А. Бирюков; П.В. Гладков

2. УТВЕРЖДЕН И ВВЕДЕН В ДЕЙСТВИЕ Постановлением Государственного комитета СССР по управлению качеством продукции и стандартам от 29.12.90 № 3704

3. СРОК ПЕРВОЙ ПРОВЕРКИ - 1996 г., периодичность проверки - 5 лет

4. Стандарт соответствует рекомендациям МККТТ G651, G652, G703, G821, G823, G956, 0.171

5. ВВЕДЕН ВПЕРВЫЕ

6. ССЫЛОЧНЫЕ НОРМАТИВНО-ТЕХНИЧЕСКИЕ ДОКУМЕНТЫ

Обозначение НТД, на который дана ссылка

Номер раздела, пункта

ГОСТ 2.701-84

Вводная часть

ГОСТ 8.002-86

1.2

ГОСТ 8.326-89

1.2

ГОСТ 15093-90

Вводная часть

ГОСТ 15150-69

2

ГОСТ 22261-82

1.3, 2

ГОСТ 26599-85

Вводная часть

ГОСТ 26793-85

Вводная часть

ГОСТ 36886-86

1 (таблица)

СОДЕРЖАНИЕ

 

 




ГОСТЫ, СТРОИТЕЛЬНЫЕ и ТЕХНИЧЕСКИЕ НОРМАТИВЫ.
Некоммерческая онлайн система, содержащая все Российские Госты, национальные Стандарты и нормативы.
В Системе содержится более 150000 файлов нормативно-технической документации, действующей на территории РФ.
Система предназначена для широкого круга инженерно-технических специалистов.

Рейтинг@Mail.ru Яндекс цитирования

Copyright © www.gostrf.com, 2008 - 2026