|
|
|
ОБЩЕРОССИЙСКИЙ
ОБЩЕСТВЕННЫЙ ФОНД РУКОВОДСТВО Под
общей редакцией Санкт-Петербург Издательский Дом КН+ 2002 Рецензенты Петербургэнергонадзор Авторы-составители доцент, к. т. н. В. А. Двинин, А. Л. Савченко, Р. Л. Колесников Под общей редакцией профессора, кандидата технических наук Е. Г. Титова В настоящем руководстве приведены извлечения из законодательных актов, директивных документов (Законы, Положения, СНиП, ВСН и др.) по состоянию на 01.01.2002 г., изложены требования к качеству электромонтажных работ (ЭМР), даны объем и нормы приемо-сдаточных испытаний электроустановок различного назначения, дан порядок осуществления контроля качества и приемки работ. Издание включает в себя технические правила, контролируемые параметры и нормируемые допуски, которые необходимо соблюдать при выполнении ЭМР. Состоит из трех частей: часть I. Организация контроля качества и приемки электромонтажных работ; часть II. Контроль качества монтажа электроустановок зданий различного назначения; часть III. Контроль качества монтажа отдельных видов электроустановок, а также приложений со справочным материалом. Руководство предназначено для специалистов строительно-монтажных организаций и фирм, занятых производством ЭМР, работников государственных надзорных органов, специалистов проектных организаций, заказчиков. ВведениеКачество строительной продукции создается на всех этапах ее жизненного цикла: в процессе научного исследования и проектирования, на стадиях изготовления материалов, конструкций и изделий, производства строительно-монтажных работ (СМР), в период эксплуатации построенных объектов. Электромонтажные работы являются завершающим этапом строительно-монтажного производства, что в значительной степени определяет сроки окончания строительства и качество объекта в целом. Кроме того, от качества выполнения ЭМР в огромной степени зависит безопасность эксплуатации объекта. Факторы, влияющие на снижение качества СМР и в частности ЭМР, могут быть следующие: - ошибки в технической документации и проектах; - низкое качество электротехнических материалов, изделий и электрооборудования; - несовершенство принятой технологии производства электромонтажных работ; - нарушение технологии; - низкий уровень квалификации работников; - плохая организация труда и отсутствие контроля за качеством выполнения операций; - применение изношенных и неисправных инструментов, приспособлений. Естественно, что повышение качества продукции не мыслимо без постоянного контроля на всех этапах ее создания: от контроля качества проектной документации и качества поступающих на объект материалов и оборудования, до контроля за соблюдением технологических норм и качеством выполнения каждой операции исполнителями. Контроль качества продукции электромонтажного производства осуществляют органы государственного надзора (Госархстройнадзора, Госэнергонадзора, Госспожнадзора), проектные организации (авторский надзор), заказчик строительства (технический надзор) и, в первую очередь, производственные предприятия и организации, непосредственно выполняющие электромонтажные работы (производственный контроль качества), наладочные предприятия и фирмы, эксплуатационные службы. Работа по контролю качества организуется и осуществляется на основании директивных актов и нормативных документов. Нормативными документами, устанавливающими требования к качеству ЭМР, являются: Правила устройства электроустановок (ПУЭ), Строительные нормы и правила (СНиП), Правила эксплуатации электроустановок потребителей (ПЭЭП), Ведомственные строительные нормы (ВСН), Государственные стандарты (ГОСТ), отраслевые стандарты (ОСТ), технические условия (ТУ) на изделия и электрооборудование, методические указания и инструкции по выполнению отдельных операций ЭМР и другие документы, утвержденные в установленном порядке. За последние годы, в связи с ориентацией отечественного строительно-монтажного производства на европейские нормы и стандарты, многие нормативные документы претерпели существенные изменения. В частности, в электромонтажном производстве, с переходом на стандарты Международной электротехнической комиссии (МЭК), значительно изменились требования ПУЭ, СНиП, СН, Государственных стандартов и, следовательно, других документов. Необходимо отметить, что все изменения направлены на совершенствование электроустановок и требуют резкого повышения качества электромонтажных работ. Указанные обстоятельства вызвали необходимость обобщения этих изменений, разъяснения отдельных положений и требований, разработки новых нормативных документов и рекомендаций и, в частности, написания настоящего руководства для оказания помощи специалистам, занятым производством и контролем качества ЭМР. Часть I
|
|||||||||||||||||||||||||||||||||||||||||||||||||||||||||||||||||||||||||||||||||||||||||||||||||||||||||||||||||||||||||||||||||||||||||||||||||||||||||||||||||||||||||||||||||||||||||||||||||||||||||||||||||||||||||||||||||||||||||||||||||||||||||||||||||||||||||||||||||||||||||||||||||||||||||||||||||||||||||||||||||||||||||||||||||||||||||||||||||||||||||||||||||||||||||||||||||||||||||||||||||||||||||||||||||||||||||||||||||||||||||||||||||||||||||||||||||||||||||||||||||||||||||||||||||||||||||||||||||||||||||||||||||||||||||||||||||||||||||||||||||||||||||||||||||||||||||||||||||||||||||||||||||||||||||||||||||||||||||||||||||||||||||||||||||||||||||||||||||||||||||||||||||||||||||||||||||||||||||||||||||||||||||||||||||||||||||||||||||||||||||||||||||||||||||||||||||||||||||||||||||||||||||||||||||||||||||||||||||||||||||||||||||||||||||||||||||||||||||||||||||||||||||||||||||||||||||||||||||||||||||||||||||||||||||||||||||||||||||||||||||||||||||||||||||||||||||||||||||||||||
|
Способ монтажа |
|||||||||
|
без крепления |
с непосредственным креплением |
в трубах |
в коробах |
в спец. коробах |
на лотках и кронштейнах |
на изоляторах |
на тросе (струне) |
||
|
Не изолированные провода |
- |
- |
- |
- |
- |
- |
+ |
- |
|
|
Изолированные провода |
- |
- |
+ |
+ |
+ |
- |
+ |
- |
|
|
Изолированные провода в защитной оболочке, кабели в оболочках (в т.ч. бронированные с минеральной изоляцией) |
многожильные |
+ |
+ |
+ |
+ |
+ |
+ |
0 |
+ |
|
одножильные |
0 |
+ |
+ |
+ |
+ |
+ |
0 |
+ |
|
|
Обозначения: «+» - разрешается; «-» - не разрешается; «0» - не применяется или обычно в практике не используется. Примечание: специальный короб - это короб прямоугольного сечения, предназначенный для прокладки проводов и кабелей, и не имеющий съемных или открывающихся крышек. |
|||||||||
2.1.4. Электропроводка должна соответствовать условиям окружающей среды, назначению и ценности сооружений, их конструкции и архитектурным особенностям. Электропроводка должна обеспечивать возможность легкого распознания по всей длине проводников по цветам.
Должны применяться следующие расцветки проводов:
- голубого цвета - для обозначения нулевого рабочего или среднего проводника электрической сети;
- двухцветной комбинации зелено-желтого цвета - для обозначения защитного или нулевого защитного PE проводника;
- двухцветной комбинации зелено-желтого цвета по всей длине с голубыми метками на концах линии, которые наносятся при монтаже - для обозначения совмещенного нулевого рабочего и нулевого защитного PEN проводника;
- черного, коричневого, красного, фиолетового, серого, розового, белого, оранжевого, бирюзового цвета - для обозначения фазных проводников.
2.1.5. В зданиях должны применяться кабели и провода с медными жилами.
Питающие и распределительные сети, как правило, должны выполняться кабелями и проводами с алюминиевыми жилами, если их расчетное сечение равно 16 мм2 и более.
Питание отдельных электроприемников, относящихся к инженерному оборудованию зданий (насосы, вентиляторы, калориферы, установки кондиционирования воздуха и т.п.) может выполняться проводами и кабелями с алюминиевыми жилами сечением не менее 2,5 мм2.
В жилых зданиях сечение медных проводников должны быть не менее:
1,5 мм2 - для линий групповых сетей;
2,5 мм2 - от этажных до квартирных щитков и к расчетному счетчику;
4 мм2 - для линий распределительной сети (стояки) для питания квартир.
2.1.6. Контроль качества работ по монтажу электрооборудования жилых зданий включает проверки:
- качества электротехнических материалов и изделий, их соответствие условиям окружающей среды и уровню напряжения; (входной контроль)
- соблюдения технологии и последовательности выполнения операций;
- соответствия размещения электрооборудования в помещениях здания требованиям проекта, СНиП, ПУЭ и ВСН-59-88/Госкомархитектуры;
- выполнения требований по защите материалов и электрооборудования от воздействий окружающей среды и механических повреждений;
- выполнения требований пожарной безопасности;
- выполнения мер защиты от поражения электрическим током;
- состояния электрической изоляции электрооборудования и электропроводок.
2.1.7. Электромонтажные работы выполняют в две стадии:
- на первой стадии производят установку закладных деталей и конструкций для крепления оборудования, подготовку участков трасс для прокладки линий электропроводки. Одновременно, за пределами монтажной зоны, проверяют качество материалов и изделий, проводят укрупнительную сборку отдельных узлов. При монтаже скрытых электропроводок в состав работ первой стадии входят прокладка кабелей (трубопроводов), установка распаечных коробок, прозвонка жил кабелей и соединение их в коробах. Выполнение работ первой стадии должно обеспечить возможность производства отделочных строительных работ;
- на второй стадии (после окончания отделочных работ), выполняют установку аппаратов, светильников. При монтаже открытых проводок - открытую прокладку кабелей по подготовленным трассам;
2.1.8. При производстве работ по монтажу электрооборудования выполняются следующие операции:
- контроль качества электротехнических материалов и электрооборудования (входной контроль);
- проверка качества работ, выполняемых строительной организацией и связанных с последующими электромонтажными работами. Эти работы предусмотрены в архитектурно-строительных чертежах (установка закладных деталей и конструкций, подготовка фундаментов под электрооборудование, каналов, ниш, плинтусов и наличников с каналами для электропроводок). Кроме того, проверяется качество электропроводок замоноличиваемых в строительные элементы при их изготовлении;
- разметка мест установки электрооборудования (светильников, розеток, выключателей и др. аппаратов);
- разметка трассы электропроводки и мест расположения распаечных коробок;
- подготовка мест крепления кабелей (трубопроводов) и электрооборудования;
- прокладка кабелей (трубопроводов), затягивание кабелей в проложенные трубопроводы, короба;
- прозвонка жил проводов и кабелей, сборка схемы электропроводки, соединение жил в коробках;
- установка и присоединение светильников, розеток, выключателей и другого электрооборудования;
- измерение сопротивления изоляции электрооборудования и электропроводок;
- сдача электрооборудования в эксплуатацию;
2.1.9. Качество выполнения перечисленных операций проверяется в процессе производственного контроля. При осуществлении государственного, технического и авторского надзоров инспектирующий персонал руководствуется действующими инструкциями. При этом проверяется, как правило, законченные крупные этапы работ, однако он имеет право контролировать качество выполнения любых операций электромонтажных работ.
Производственный контроль
2.1.10. Контроль качества электрических материалов и электрооборудования осуществляют службы производственно-технической комплектации на базах и центральных складах электромонтажных организаций. Линейный персонал обязан проверить внешним осмотром соответствие электроматериалов, конструкций и изделий требованиям проекта и нормативным документам, а также проверить наличие и содержание паспортов, сертификатов и других сопроводительных документов.
Проверку качества строительных работ, выполняемых в интересах электромонтажников, линейный персонал производит внешним осмотром и измерением основных размеров в натуре.
2.1.11. При контроле качества разметки мест установки аппаратов необходимо руководствоваться следующими требованиями нормативных документов:
- расположение светильников зависит от их количества в помещении. Если в помещении предусматривается установка одного светильника, его размещают в центре потолка, в точке пересечения диагоналей, (рис. 2.1.1а) Если необходимо установить два светильника, их размещают на большей средней линии помещения, (рис. 2.1.1б). При установки четырех светильников их размещают как показано на рис. 2.1.1в. В служебных помещениях большой площади светильники, как правило, размещают в шахматном порядке (рис. 2.1.1г). При наличии в проекте указаний по размещению светильников необходимо строго ими руководствоваться;
Рис. 2.1.1. Разметка мест установки светильников в помещениях
- розетки в квартирах и общежитиях должны устанавливаться в местах, удобных для их использования и с учетом проектируемой расстановки бытовой и кухонной мебели. Не допускается размещать розетки под и над мойками, а также в других неудобных для эксплуатации местах (например, в кухонных шкафах);
- в школах и детских школьных учреждениях в помещениях для пребывания детей выключатели и розетки должны устанавливаться на высоте 1,8 м от пола. Высота установки осветительных и силовых розеток в других общественных зданиях и помещениях принимается удобной для присоединения к ним электрических приборов в зависимости от назначения помещений и оформления интерьеров, но не выше чем 1 м от пола;
- выключатели для светильников общего освещения устанавливаются на высоте от 0,8 до 1,7 м от пола, в помещениях для пребывания детей - на высоте 1,8 м и размещаются таким образом, чтобы они не закрывались открывающимися дверями. Рекомендуемые места установки выключателей показаны на рис. 2.1.2;
Рис. 2.1.2. Места установки выключателей в помещениях
- выключатели для туалетов и ванных комнат размещают вне этих помещений;
- электрощитовые, а также ВРУ и ГРЩ не допускается располагать непосредственно под уборными, ванными комнатами, душевыми, кухнями пищеблоков, моечными и другими помещениями, связанными с мокрыми технологическими процессами. Прокладка через электрощитовые трубопроводов систем водоснабжения, отопления (за исключением трубопроводов отопления щитовой), а также вентиляционных и других коробов разрешается как исключение, если они не имеют в пределах щитовых помещений ответвлений, а также люков, задвижек, фланцев, ревизий, вентилей. При этом холодные трубопроводы должны иметь защиту от отпотевания, а горячие - тепловую несгораемую изоляцию. Прокладка через электрощитовые газопроводов и трубопроводов с горючими жидкостями не допускается;
- распределительные пункты и групповые щитки следует, как правило, устанавливать в нишах стен в запирающихся шкафах. Открыто установленные щитки и пункты должны размещаться на высоте не менее 2,2 м от пола;
- в учебных кабинетах и лабораториях школ и средних специальных учебных заведений распределительные щитки для питания учебных приборов следует устанавливать вблизи стола преподавателя, но не далее 1,5 м от него.
2.1.12. Выбирая трассу питающих линий и внутренних сетей необходимо руководствоваться следующим:
- кабельные вводы в здания следует выполнять в трубах на глубине не менее 0,5 м и не более 2 м от поверхности земли. При этом в одну трубу следует затягивать один силовой кабель. Прокладку труб следует выполнять с уклоном в сторону улицы. Трубы для ввода кабеля следует закладывать, как правило, непосредственно до помещения вводно-распределительного устройства. По подвалу и техническому подполью здания, при отсутствии возможности доступа посторонних лиц (кроме эксплуатирующего персонала), допускается прокладка транзитных силовых кабелей напряжением до 1000 В, питающих электроэнергией другие здания;
- трассу внутренних электрических сетей при скрытой прокладке намечают параллельно линиям пересечения стен и потолков на расстоянии 100-200 мм от потолка или 50-100 мм от карниза или балки. Трасса не должна совпадать с дымоходами, боровами и другими горячими поверхностями или пересекать их;
- при пересечении с трубопроводами провода и кабели должны располагаться на расстоянии не менее 50 мм от трубопровода, при пересечении с трубопроводами с горючими газами и жидкостями - не менее 100 мм;
- трасса проводки по перекрытиям (в штукатурке, щелях, в пустотах плит) должна выбираться по кратчайшему расстоянию;
- спуски и подъемы к светильникам, выключателям и штепсельным розеткам должны выполнятся по вертикальным линиям во избежание повреждения провода гвоздями, вбиваемыми в стены при эксплуатации помещения;
- при выборе трассы следует избегать пересечений проводов между собой;
- открытая прокладка проводов на роликах или изоляторах, на тросах и лотках должна выполнятся на высоте не менее 2 м. В помещениях с повышенной опасностью - на высоте не менее 2,5 м;
2.1.13. При подготовке мест прокладки кабелей скрытой электропроводки глубина борозд, штраб должна быть такой, чтобы после укладки кабеля (трубопровода) и оштукатуривания слой штукатурки над кабелем (трубопроводом) был не менее 10 мм. Во избежание повреждения изоляции кабелей борозды не должны иметь острых выступов, крутых углов поворота.
Электрические сети, прокладываемые за непроходными подвесными потолками и в перегородках, рассматриваются как скрытые электропроводки и они должны выполняться:
- за потолками и в пустотах перегородок из горючих материалов в металлических трубах и в закрытых коробах;
- за потолками и в перегородках из негорючих материалов - в выполненных из негорючих материалов трубах и коробах, а также кабелями, не распространяющими горение.
При этом должна быть обеспечена возможность замены проводов и кабелей.
2.1.14. При скрытой электропроводке розетки и выключатели (предназначенные для утопленного монтажа) устанавливаются в коробки, при открытой - на стенах помещения. Если эти аппараты не имеют цоколя для непосредственной установки на стене, их устанавливают на подкладках из непроводящего материала (подрозетниках) толщиной не менее 10 мм;
2.1.15. Устанавливая детали крепления кабелей при открытой проводке, необходимо размещать их так, чтобы радиус изгиба кабелей был не менее допустимого (для кабелей типа ВВГ - он должен быть не менее десяти наружных диаметров кабеля). Крепление у места изгиба выполняется на прямолинейном участке на расстоянии 10 мм от начала изгиба. Крепление у коробок и проходов осуществляют на расстоянии 50-100 мм от них. Расстояние между точками крепления на горизонтальных участках должна быть не более 500 мм, на вертикальных - 700 мм. При скрытой прокладке кабелей в кирпичных или бетонных конструкциях крепление осуществляют «примораживанием» алебастровым раствором через 0,3-1,0 м. Выход скрыто проложенных кабелей в коробки, к светильникам выполняют в изоляционных трубах.
2.1.16. Прокладка кабелей с пластмассовой изоляцией должна производиться при температуре не ниже +15 °С. При открытой прокладке таких кабелей следует предусматривать, кроме того, меры по защите их оболочек от непосредственного воздействия солнечных лучей, разрушающих поливинилхлорид.
2.1.17. При монтаже открытых проводок в трубах:
- трубопровод прокладывают непосредственно по строительным основаниям или по закреплённым на них опорным конструкциям. Опорные конструкции закрепляют так, чтобы они выступали на 50-100 мм от строительной поверхности, что создает удобства для соединения труб и ввода их в ящики и коробки. К строительной поверхности опорные конструкции крепят различными способами. При наличии заранее установленных закладных деталей опорные конструкции крепят к ним сваркой, а при отсутствии их с помощью строительно-монтажного пистолета. К металлическим поверхностям опорные конструкции прикрепляют сваркой. Крепление труб на опорных конструкциях производят скобами с лапками, хомутами или накладками на болтах;
- расстояния между точками крепления трубопровода должны быть не более 2,5 м для труб с условным проходом 15-20 мм и 3 м - для труб с условным проходом 25-32 мм. Крепление трубопроводов электрической проводки к технологическим трубопроводам, а также крепление путем непосредственной приварки трубопроводов к строительным или технологическим конструкциям не допускаются. При прокладке трубопровода необходимо обеспечить уклон его в одну сторону для стока воды, которая может скапливаться в трубопроводе и вывести из строя изоляцию проводов;
- одновременно с прокладкой участков трубопровода выполняют соединения труб между собой, присоединяют их к коробкам, аппаратам. В зависимости от способа прокладки и условий окружающей среды соединения выполняют с уплотнением или без уплотнения стыков и мест ввода труб в коробки, аппараты;
- соединения с уплотнением выполняют для электропроводок во взрывоопасных установках, в помещениях с химически агрессивной средой, в особо сырых помещениях и наружных установках. Степень уплотнения может быть различной. Так, в помещениях сырых и с химически активной средой уплотнение должно предохранять от проникновения внутрь трубопровода влаги или агрессивных к изоляции проводов газов и жидкостей. Трубопровод, в котором соединения выполняют без уплотнения, защищает провода от возможных механических повреждений и непосредственного попадания на них влаги.
2.1.18. При затягивании проводов и кабелей в трубы, непосредственно перед выполнением операции, необходимо принять меры по предупреждению повреждения оболочек, установив на концах труб металлические или пластмассовые оконцеватели (цельные или разъемные).
2.1.19. В местах прохода проводов и кабелей через стены, междуэтажные перекрытия или выхода их наружу необходимо обеспечивать возможность смены электропроводки. Для этого проход должен быть выполнен в трубе, коробе, проеме и т.п. С целью предотвращения проникновения и скопления воды и распространения пожара в местах прохода через стены, перекрытия или выхода наружу следует заделывать зазоры между проводами, кабелями и трубой (коробом, проемом и т.п.), а также резервные трубы (короба, проемы и т.п.) легко удаляемой массой из несгораемого материала. Заделка должна допускать замену или дополнительную прокладку новых проводов и кабелей и обеспечивать предел огнестойкости проема не менее предела огнестойкости стены (перекрытия).
2.1.20. При сборке схемы электропроводки необходимо соблюдать следующие требования:
- к выключателям должен подключаться фазный провод;
- к резьбовой части патронов светильников с лампами накаливания должен присоединяться нулевой провод;
- нулевой и защитный проводники не должны иметь разрывов;
2.1.21. Длина проводов ответвлений от групповых линий к электроустановочным изделиям для утопленного монтажа и к светильникам должна приниматься равной:
- для закладных коробок под розетки и выключатели - 50 мм плюс глубина коробки;
- для светильников с лампами накаливания - 100 мм от потолка;
- для светильников с люминесцентными лампами - 150 мм от потолка (независимо от наличия закладной коробки).
2.1.22. Соединение, ответвление и оконцевание жил проводов и кабелей, за исключением проводов, проложенных на изолирующих опорах, должны выполняться в соединительных и ответвительных коробках, в изоляционных корпусах соединительных и ответвительных сжимов в специальных нишах строительных конструкций, внутри корпусов электроустановочных изделий, аппаратов и машин. При прокладке на изолирующих опорах соединение или ответвление проводов следует выполнять непосредственно у изолятора, клицы или на них, а также на ролике.
Соединение и оконцевание жил должны быть выполнены при помощи опрессовки, сварки или сжимов (винтовых, болтовых и т.п.) в соответствии с действующими инструкциями. В местах соединения, ответвления и присоединения жил проводов и кабелей должен быть предусмотрен запас провода (кабеля), обеспечивающий возможность повторного соединения, ответвления или присоединения. Места соединения и ответвления проводов и кабелей должны быть доступны для осмотра и ремонта.
В местах соединения и ответвления провода и кабели не должны испытывать механических усилий, тяжения; сопротивление места соединения не должно превышать сопротивления целого провода такой же длины более чем в 2 раза, место соединения должно иметь изоляцию, равноценную изоляции целых жил этих проводов и кабелей.
2.1.23. Проверку качества соединений производят внешним осмотром, обращая внимание на отсутствие трещин, раковин. Изоляцию места соединения выполняют изоляционной лентой в три слоя или одевая на место соединения полиэтиленовый изолирующий колпачок.
2.1.24. Для подключения электроприемников с частями, подлежащими заземлению (занулению), должны применяться розетки с защитным контактом. Такие розетки должны быть установлены в вестибюлях, холлах, в помещениях где применяют электроприемники класса 1, не имеющие двойной или усиленной изоляции. В жилых помещениях все розетки должны иметь защитный контакт.
2.1.25. В ванных комнатах квартир, в умывальных, душевых, ванных комнатах и преддушевых общежитий и гостиниц устанавливать розетки не допускается, за исключением розеток в умывальных и ванных комнатах, присоединенных через разделяющий трансформатор, первичная обмотка которого включается при включении рабочего освещения этих помещений или через устройство защитного отключения (УЗО).
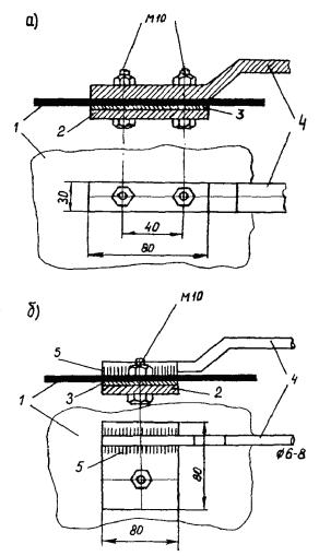
Размеры крюков для подвеса бытовых светильников должны быть, мм: внешний диаметр полукольца - 35; расстояние от перекрытия до начала изгиба - 12. При изготовлении крюков из круглой стали диаметр прутка должен быть 6 мм.
Приспособления для крепления светильников (люстр) массой 25 кг и более должны быть испытаны грузом массой равной двукратной массе светильника плюс 80 кг. Груз подвешивается к приспособлению и выдерживается 10 минут. По результатам испытаний составляются протоколы.
2.1.28. Во внутренних сетях жилых и общественных зданий запрещается устанавливать автоматические выключатели, имеющие только электромагнитный расцепитель мгновенного действия (отсечку).
2.1.29. Для систем стационарного электротеплоснабжения жилых и общественных зданий (электрическое отопление и горячее водоснабжение) разрешается применение следующих видов нагревательных приборов: низкотемпературных сухих и масляных радиаторов, греющих панелей, электротепловентиляторов, аккумуляционных электропечей, греющих кабелей, конструкционных элементов зданий со встроенными низкотемпературными нагревательными элементами и электроводонагреватели. Электроотопительные приборы должны соответствовать требованиям ГОСТ 16617-87*Е, ГОСТ 23110-84*Е, СТ СЭВ 1110-78. Запрещается использование приборов электротеплоснабжения, не прошедших аттестации органов государственного надзора.
Номинальная мощность одного отопительного прибора не должна превышать 2 кВт. Питание приборов электротеплоснабжения в жилых домах должно осуществляться по независимым от других электроприемников линиям, начиная от квартирных щитков или вводов в здание. В общественных зданиях питание приборов электротеплоснабжения должно, как правило, быть независимым от других электроприемников, начиная от ВРУ. Соединение приборов с линиями питания должно быть неразъемным.
2.1.30. Нагревательные приборы должны располагаться на негорючих или трудногорючих основаниях строительных конструкций. Допускается расположение нагревателей на горючем основании при условии установки между нагревателем и основанием подложки из негорючего теплоизолирующего материала (асбест, асбоцемент и т.п.). Отопительные нагревательные приборы следует располагать преимущественно под оконными проемами.
2.1.31. Расстояние от приборов электроотопления до горючих материалов должно быть не менее, м:
до древесины......................................................... 0,12
поливинилхлорида............................................... 0,05
полиэтилена.......................................................... 0,07
хлопчатобумажной ткани.................................... 0,27
картона.................................................................. 0,25
древесноволокнистой плиты............................... 0,26
пенопласта............................................................ 0,05
волокна вискозного.............................................. 0,24
2.1.32. Датчики температуры, используемые в системе регулирования приборов электротеплоснабжения, должны располагаться на негорючем основании на высоте не менее 1,8 м от пола.
2.1.33. Расчетные счетчики электрической энергии должны быть установлены в точках балансового разграничения с энергоснабжающей организацией: на ВРУ, ГРЩ или на вводах низшего напряжения силовых трансформаторов ТП, в которых щит низшего напряжения обслуживается эксплуатационным персоналом абонента, на вводах в квартиры жилых домов.
Для потребителей помещений общественного назначения, встроенных в жилые дома или пристроенных к ним, расчетные счетчики следует устанавливать на вводах каждого из них независимо от источника питания - ТП, ВРУ жилого дома или ВРУ одного из потребителей.
2.1.34. В общежитиях следует предусматривать централизованный учет расхода электроэнергии счетчиками, устанавливаемыми на вводах в здании.
В общежитиях квартирного типа, кроме общего учета, следует предусматривать счетчики контрольного учета электроэнергии, потребляемой каждой квартирой.
2.1.35. Защитное заземление (зануление) в электроустановках жилых и общественных зданий должно соответствовать требованиям глав 1.7,7.1 ПУЭ, СНиП 3.05.06-85 и ГОСТ Р 50571.10-96, ГОСТ Р 50571.21-2000.
2.1.36. В жилых и общественных зданиях защитному заземлению (занулению) подлежат:
- элементы электроустановок в помещениях общего пользования с повышенной опасностью от поражения электрическим током:
- бытовые электрические машины и приборы единичной мощностью свыше 1,3 кВт;
- в горячих и других производственных цехах и холодильных камерах предприятий общественного питания, в помещениях механизированной обработки и транспортировки продуктов, производственных цехах предприятий бытового обслуживания и ПТУ, мастерских школ, машинных отделениях лифтовых установок и других аналогичных помещениях все стационарные и переносные электроприемники класса 1 (не имеющие двойной или усиленной изоляции), стальные трубы и короба электропроводок, металлические корпуса щитов, щитков, шкафов. В указанных помещениях розетки, устанавливаемые в сети напряжением 380-220 В для подключения переносных и передвижных электроприемников, должны иметь защитные контакты, присоединяемые к сети заземления (зануления).
2.1.37. В жилых и общественных зданиях металлические корпуса ванн и душевых поддонов должны быть соединены металлическими проводниками с трубами водопровода для уравнивания электрических потенциалов (указанные работы предусматриваются в санитарно-технической части проекта).
2.1.38. Для заземления (зануления) металлических корпусов бытовых кондиционеров воздуха, стационарных и переносных бытовых приборов класса 1, бытовых электроприборов мощностью свыше 1,3 кВт, корпусов трехфазных и однофазных электроплит, варочных котлов и другого теплового оборудования, а также металлических нетоковедущих частей технологического оборудования помещений с мокрыми процессами следует применять отдельный РЕ проводник сечением, равным фазному, прокладываемый от щита или щитка, к которому подключен данный электроприемник, а в линиях, питающих медицинскую аппаратуру, - от ВРУ или ГРЩ здания.
2.1.39. Во всех зданиях линии групповой сети, прокладываемые от групповых, этажных и квартирных щитков до светильников общего освещения, штепсельных розеток и стационарных электроприемников, должны выполняться трехпроводными (фазный, нулевой рабочий - N и нулевой защитный - PE проводники).
Не допускается объединение нулевых рабочих и нулевых защитных проводников различных групповых линий.
Нулевой рабочий и нулевой защитный проводники не допускаются подключать на щитках под общий контактный зажим.
Сечение нулевых рабочих (N) проводников однофазных двух- и трехпроводных линий, а также трехфазных четырех- и пятипроводных линий при питании однофазных нагрузок должны быть такими же, как сечение фазных проводников.
Трехфазные четырех- и пятипроводные линий при питании трехфазных симметричных нагрузок должны иметь сечения нулевых рабочих (N) проводников, равные сечению фазных проводников, если фазные проводники имеют сечение до 16 мм2 по меди и 25 мм2 по алюминию, а при больших сечениях - не менее 50 % сечения фазных проводников.
Сечение PE проводников должно равняться сечению фазных при сечении последних до 16 мм2, 16 мм2 при сечении фазных проводников от 16 до 35 мм2 и 50 % сечения фазных проводников при больших сечениях.
Сечение PE проводников, не входящих в состав кабеля, должно быть не менее 2,5 мм2 - при наличии механической защиты и 4 мм2 - при ее отсутствии.
2.1.40. Осветительные сети в жилых и общественных зданиях, торговых помещениях, служебно-бытовых помещениях промышленных предприятий должны быть защищены от тока короткого замыкания и тока перегрузки.
2.1.41. Во всех помещениях открытые проводящие части светильников общего освещения и стационарных электроприемников (электрических плит, кипятильников, бытовых кондиционеров, электрополотенец и т.п.) должны присоединяться к нулевому защитному (PE) проводнику.
2.1.42. В помещениях зданий металлические корпуса однофазных переносных электроприборов и настольных средств оргтехники класса 1 по ГОСТ 12.2.007.0-75* «ССБТ. Изделия электротехнические. Общие требования безопасности» должны присоединяться к защитным (PE) проводникам трехпроводной групповой линии, (см. п. 2.1.39). К защитным проводникам должны присоединяться металлические каркасы перегородок, дверей и рам, используемых для прокладки кабелей.
2.1.43. В помещениях без повышенной опасности допускается применение подвесных светильников, не оснащенных зажимами для подключения защитных проводников, при условии, что крюк для их подвески изолирован (см. п. 2.1.26). Требование данного пункта не отменяют требование п. 2.1.39 и не являются основанием для выполнения электропроводок двухпроводными.
2.1.44. Для защиты групповых линий, питающих штепсельные розетки для переносных электрических приборов, рекомендуется предусматривать устройство защитного отключения (УЗО).
2.1.45. Если устройство защиты от сверхтока (автоматический выключатель, предохранитель) не обеспечивает время автоматического отключения 0,4 с при номинальном напряжении 220 В из-за низких значений токов короткого замыкания и электроустановка (квартира) не охвачена системой уравнивания потенциалов, установка УЗО является обязательной.
2.1.46. Рекомендуется использовать УЗО, представляющий собой единый аппарат с автоматическим выключателем, обеспечивающим защиту от сверхтока.
2.1.47. В жилых зданиях не допускается применять УЗО, автоматически отключающее потребителя от сети при исчезновении или недопустимом падении напряжения сети. При этом УЗО должно сохранять работоспособность на время не менее 5 с при снижении напряжения до 50 % номинального.
2.1.48. В зданиях могут применяться УЗО типа «А», реагирующие как на переменные, так и на пульсирующие токи повреждений, или «АС», реагирующие только на переменные токи утечки. Источником пульсирующего тока являются, например, стиральные машины с регуляторами скорости, регулируемые источники света, телевизоры, видеомагнитофоны, персональные компьютеры и др.
2.1.49. В групповых сетях, питающих штепсельные розетки, следует применять УЗО с номинальным током срабатывания не более 30 мА. Допускается присоединение к одному УЗО нескольких групповых линий через отдельные автоматические выключатели (предохранители). Установка УЗО в линиях, питающих стационарное оборудование и светильники, а также в общих осветительных сетях, как правило, не требуется.
2.1.50. В жилых зданиях УЗО рекомендуется устанавливать на квартирных щитках, допускается их установка на этажных щитках.
2.1.51. Установка УЗО запрещается для электроприемников, отключение которых может привести к ситуациям, опасным для потребителей (отключение пожарной сигнализации и т.п.).
2.1.52. Обязательной является установка УЗО с номинальным током срабатывания не более 30 мА для групповых линий, питающих розеточные сети, находящиеся вне помещений и в помещениях особо опасных и с повышенной опасностью, например в зоне 3 ванных и душевых помещений квартир и номеров гостиниц (см. п. 2.2.35)
2.1.53. Суммарный ток утечки сети с учетом присоединяемых стационарных и переносных электроприемников в нормальном режиме не должны превосходить 1/3 номинального тока УЗО. При отсутствии данных ток утечки электроприемников следует принимать из расчета 0,4 мА на 1 А тока нагрузки, а ток утечки сети - из расчета 10 мкА на 1 м длины фазного проводника.
2.1.54. Если УЗО предназначено для защиты от поражения электрическим током и возгорания или только от возгорания, то оно должно отключать как фазный, так и нулевой рабочий проводники, защита от сверхтока в нулевом рабочем проводнике не требуется.
2.1.55. На вводе в здание должна быть выполнена система уравнивания потенциалов путем объединения следующих проводящих частей:
- основной (магистральный) защитный проводник;
- основной (магистральный) заземляющий проводник или основной заземляющий зажим;
- стальные трубы строительных коммуникаций зданий и между зданиями;
- металлические части строительных конструкций, молниезащиты, системы центрального отопления, вентиляции, кондиционирования и другие проводящие части должны быть соединены между собой на вводе в здание. Рекомендуется по ходу передачи электроэнергии выполнить дополнительные системы уравнивания потенциалов.
2.1.56. К дополнительной системе уравнивания потенциалов должны быть присоединены все доступные прикосновению открытые проводящие части стационарных электроустановок, сторонние проводящие части, нулевые защитные проводники всего электрооборудования.
2.1.57. Для ванных и душевых помещений дополнительная система уравнивания потенциалов является обязательной и должна предусматривать, в том числе, подключение сторонних проводящих частей, выходящих за пределы помещений (см. п. 2.2). Нагревательные элементы, замоноличенные в пол, должны быть покрыты заземленной металлической сеткой или заземленной металлической оболочкой, присоединенными к системе уравнивания потенциалов. В качестве дополнительной защиты для нагревательных элементов рекомендуется использовать УЗО на ток до 30 мА.
Испытания и проверки
2.1.58. Электроустановки жилых и общественных зданий законченные монтажом подвергаются испытаниям и проверкам в соответствии с требованиями ПУЭ, ГОСТ Р 50571.16-99. «Электроустановки зданий. Часть 6. Испытания Гл. 61. Приемо-сдаточные испытания».
2.1.59. До начала испытания должен быть проведен визуальный осмотр электроустановки, чтобы удостоверится, что все стационарно установленное оборудование и подключенное электрооборудование удовлетворяют требованиям безопасности и соответствующих стандартов на оборудование, правильно выбрано и смонтировано в соответствии с требованиями комплекса стандартов ГОСТ Р 50571 «Электроустановки зданий», не имеют видимых повреждений, которые снижают его безопасность.
2.1.60. Визуальный осмотр должен включать следующие проверки:
- мер защиты от поражения электрическим током, включая измерение расстояний, относящихся, например, к защитным ограждениям или оболочкам, барьерам или размещение токоведущих частей вне зоны досягаемости;
- наличие противопожарных уплотнений и других средств, препятствующих распространению огня, а также защиты от тепловых воздействий;
- выбора проводников по длительно допустимому току и потере напряжения;
- выбора устройств защиты и сигнализации и уставок их срабатывания;
- наличие правильно расположенных соответствующих отключающих и отделяющих аппаратов;
- выбора оборудования и защитных мер, соответствующих внешним воздействиям;
- маркировки нулевых рабочих и нулевых защитных проводников;
- наличие схем, предупреждающих надписей или другой подобной информации;
- маркировка цепей, предохранителей, клемм и т.п.;
- правильность соединения проводников;
- доступ для удобной работы, идентификации и обслуживания электроустановки.
2.1.61. В зависимости от состава используемых мер защиты должны быть выполнены следующие проверки, измерения и испытания в приведенной последовательности:
- испытания непрерывности защитных проводников, включая проводники главной и дополнительной системы уравнения потенциалов;
- измерение сопротивления изоляции электроустановки;
- проверка защиты путем разделения цепей;
- измерение сопротивления изоляции пола и стен;
- проверка защиты, обеспечивающей автоматическое отключение источника питания;
- проверка полярности;
- испытание электрической прочности;
- проверка работоспособности;
2.1.62. Испытания на непрерывность защитных проводников, включая главные и дополнительные проводники системы уравнения потенциалов, рекомендуется проводить с использованием источника питания, имеющего напряжение холостого хода от 4 до 24 В постоянного или переменного тока при испытательном токе не менее 0,2 А. Должна быть установлена непрерывность защитных проводников.
2.1.63. Сопротивление изоляции должно быть измерено:
- между токоведущими проводниками, относительно друг друга;
- между каждым токоведущим проводником и «землей».
Измерения должны проводится на постоянном токе. Если в цепи имеются электронные приборы, то должно быть измерено сопротивление изоляции между соединенными вместе фазными и нулевым рабочими проводниками и «землей».
Эта мера предосторожности необходима, так как выполнение испытания без соединения токоведущих проводников может вызвать повреждение электронных приборов.
Значение сопротивления изоляции должны быть не менее значений, приведенных в таблице 2.1.2.
2.2.64. При наличии защиты разделением цепей, разделение одной цепи от другой должно быть проверено измерением сопротивления изоляции. Полученные значения сопротивления изоляции должны соответствовать приведенным в таблице 2.1.2.
2.2.65. Проверка сопротивления изоляции пола и стен производится для изолирующих (непроводящих) помещений, зон, площадок.
Должно быть проведено не менее трех измерений в каждом помещении. Одно измерение должно быть выполнено примерно в 1 м от сторонних проводящих частей, находящихся в этом помещении. Другие два измерения должны быть проведены на большем удалении. Измерения должны быть проведены для каждого помещения, зоны, площадки.
Сопротивление изолирующего пола и стен, измеренное в каждой точке, должно быть не ниже:
- 50 кОм при номинальном напряжении электроустановок не выше 500 В;
- 100 кОм при номинальном напряжении электроустановок выше 500 В.
Методика проведения измерения сопротивления изоляции пола и стен приведена в приложении 2.1.2 (Приложение А, ГОСТ Р 50571.16-99)
Таблица 2.1.2
Минимальные значения сопротивления изоляции (извлечение из Таблицы 61а ГОСТ Р 50571.16-99)
|
Номинальное напряжение цепи, В |
* Испытательное напряжение переменного тока, В |
Сопротивление изоляции, МОм |
|
Системы БСНН и функционального сверхнизкого напряжения (ФСНН), где сеть питается от безопасного трансформатора, а также выполнены требования: |
250 |
≥0,25 |
|
- вилки не должны входить в штепсельные розетки других напряжений; |
||
|
- штепсельные розетки не должны допускать включение вилок на другие напряжения; |
||
|
- штепсельные розетки не должны иметь защитного контакта. |
||
|
До 500 включительно, за исключением сети БСНН и ФСНН |
500 |
≥0,5 |
|
Свыше 500 |
1000 |
≥1,0 |
2.1.66. Проверяется защита, обеспечивающая автоматическое отключение источника питания.
Для системы TN проверяются сопротивление петли «фаза-нуль» и характеристики защитных устройств (т.е. проверяются токи уставок автоматических выключателей и токи плавких вставок предохранителей, а также испытываются УЗО).
Для системы TT проверка производится путем измерения сопротивления заземлителя для открытых проводящих частей электроустановки, осмотром и испытанием УЗО и визуальной проверкой тока уставки автоматических выключателей и токов плавких вставок предохранителей.
Кроме того, в электроустановках, где имеется повторное заземление нулевого провода, например на воздушных линиях электропередачи, измеряется эффективное сопротивление (суммарное сопротивление всех заземлителей, соединенных параллельно) заземления, которое должно быть не менее приведенного в таблице 3.1.1. Гл. 3.1.
В приложении 2.1.3 в качестве примера приводятся методики испытания УЗО (приложение В ГОСТ Р 50571.16-99).
2.2.67. Проверка полярности производится там, где запрещена установка однополюсных выключающих аппаратов в нулевом рабочем проводнике, проверка полярности должна быть выполнена, чтобы удостовериться, что все такие аппараты включены только в фазный проводник.
2.2.68. Испытанием электрической прочности подвергается только электрооборудование, которое изготовлено или модернизировано на месте установки.
2.2.69. Проверка работоспособности проводится, чтобы убедиться, что распределительные устройства, щиты управления, приводы, системы и блокировки правильно смонтированы, отрегулированы и установлены в соответствии с требованиями комплекса стандартов ГОСТ Р 50571. Аппараты защиты должны быть подвергнуты проверке на работоспособность, если необходимо проверить, что они правильно установлены и отрегулированы.
2.2.70. Электрооборудование жилых и общественных зданий (отдельные электродвигатели, коммутационные аппараты и т.д.) испытываются в объеме и по нормам ПУЭ для соответствующего вида электрооборудования.
2.2.71. Осветительные установки опробывают рабочим напряжением на зажигание и горение ламп.
2.2.72. Приспособления для крепления многоламповых светильников (люстр) испытываются в объеме и по нормам, указанным в п. 2.1.27.
2.2.73. По результатам испытаний и проверок составляются протоколы и акты, формы которых приведены в приложениях (2.1.4; 2.1.5; 2.1.6; 2.1.7, 2.1.8, 2.1.9, 2.1.10).
2.2.74. Требования к протоколам испытаний электроустановок зданий, согласно ГОСТ Р 50571.16-99, приведены в приложении 2.1.11 (Приложение С, ГОСТ Р 50571.16-99).
Общие сведения
2.2.1. Электромонтажные работы в индивидуальных жилых домах и коттеджах повышенной комфортности осуществляются в соответствии с требованиями ПУЭ, СНиП 3.05.06-85, ВСН 59-88 Госкомархитектуры, Электрооборудование жилых и общественных зданий, «Инструкций по электроснабжению жилых домов и других частных владений», «Рекомендаций по выполнению электропроводок в индивидуальных жилых домах и хозпостройках», ГОСТ Р 50571.1-93, ГОСТ Р 50571.2-94, ГОСТ Р 5057.3-94, ГОСТ Р 50571.10-96, ГОСТ Р 50571.11-96, ГОСТ Р 50571.12-96, ГОСТ Р 50571.15-97. (см. Приложение 2.1.1).
- схеме внешнего и внутреннего электроснабжения;
- схеме внутренних проводок: типу проводов и кабелей, способу их прокладки;
- схеме вводных устройств;
- расчету электрических нагрузок;
- выбору уставок автоматов и плавких предохранителей;
- заземлению или занулению;
- установке устройств защитного отключения (УЗО) на вводе (при необходимости) в точке присоединения объекта к питающей сети;
- расчетному учету электроэнергии.
2.2.4. Для объектов с установленной мощностью менее 10 кВт допускается иметь чертеж-проект, в котором должны быть отражены:
- схема внешнего и внутриобъектного энергоснабжения с указанием типов и уставок защитных аппаратов, сечений и марок проводов, расчетных токов, приборов учета электроэнергии, схема присоединения к питающей сети;
- план расположения электрооборудования, прокладки кабелей, проводов, заземляющих или зануляющих проводников;
- спецификации электрооборудования, изделий и материалов;
- пояснения, указания, примечания.
2.2.5. Проект электроснабжения (чертеж-проект) должен быть согласован с электроснабжающей организацией и местным органом Госэнергонадзора. Если проектом предусмотрено применение электроэнергии для отопления и горячего водоснабжения, то необходимо, кроме того, наличие разрешения на их применение от органов Энергосбыта.
2.2.6. Электробытовые приборы, применяемые на объекте, должны соответствовать ГОСТ 27570.0-87 «Безопасность бытовых и аналогичных электрических приборов».
2.2.7. Последовательность выполнения электромонтажных операций аналогична приведенной в п. 2.1.8 настоящего руководства.
Производственный контроль
2.2.8. Вводы в объекты могут быть выполнены кабелем, проложенным в земле (кабельный ввод), или ответвлением от ВЛ проводами (воздушный ввод). Требования к кабельному вводу см. п. 2.1.12.
2.2.9. Ответвление от ВЛ к вводу длиной до 25 м рекомендуется выполнять изолированным проводом. Ответвление длиной более 25 м допускается выполнять неизолированным проводом с установкой дополнительных опор.
Расстояние от проводов ответвления до земли должно быть не менее 6 м над проезжей частью; 3,5 м - над пешеходными дорожками. Наименьшее расстояние от проводов ввода в объект до поверхности земли должно быть при применении голого провода 3,5 м, изолированного - 2,75 м (рис. 2.2.1).
Рис. 2.2.1. Расстояние от проводов ВЛ до 1 кВ при наибольшей стреле провеса до земли, проезжей части улицы, тротуаров или пешеходных дорожек.
(размеры даны в метрах)
2.2.10. Сечение проводов ответвления по условиям механической прочности должно быть не менее мм2:
- при пролете до 10 м - медь 4, алюминий 16;
- при пролете от 10 до 25 м - медь 6, алюминий 16.
2.2.11. Ввод в объект от ВЛ должен быть выполнен через стены в изоляционных трубах таким образом, чтобы вода не могла скапливаться в проходе и проникать внутрь.
2.2.12. Расстояние между проводами у изоляторов ввода, а также от проводов до выступающих частей здания (свесы крыши и т.п.) должно быть не менее 0,2 м.
2.2.13. Присоединение проводов ввода к проводам ответвления должно выполняться только с помощью зажимов (сжимов). При этом, для присоединения проводов ввода к проводам ответвления, после крепления проводов ответвления на изоляторе должен оставаться свободный конец, к которому присоединяется провод ввода сжимом (рис. 2.2.2).
Рис. 2.2.2. Устройство воздушного ввода от ВЛ неизолированным (изолированным) проводом, стены кирпичные (бетонные).
2.2.14. При ответвлении от ВЛ тросовыми проводами марок АВТ, АВТУ или самонесущими марок САПт, САПсш и кабелями рекомендуется выполнять ввод без разрезания провода (кабеля) (рис 2.2.3 и рис. 2.2.4).
Рис. 2.2.3. Устройство воздушного ввода от ВЛ тросовым проводом. Стены кирпичные (бетонные).
Рис. 2.2.4. Устройство воздушного ввода от ВЛ самонесущим проводом. Стены кирпичные (бетонные).
2.2.15. Повторное заземление нулевого провода должно быть выполнено на всех трехфазных вводах. Необходимость устройства повторного заземления нулевого провода на однофазном ввода определяется проектом.
2.2.16. Повторное заземление нулевого провода должно выполняться с помощью заземлителя, состоящего из одного или нескольких электродов диаметром не менее 12 мм или уголков с толщиной полки не менее 4 мм. При использовании двух или более электродов их соединяют круглой сталью диаметром не менее 10 мм, вынесенной на стену дома на высоту не менее 200 мм над поверхностью земли. Заземляющий проводник, прокладываемый по стене дома, должен иметь диаметр не менее: стальной - 6 мм, медный - 2,5 мм.
2.2.17. Размещение зажима для присоединения заземляющего проводника к нулевому проводу должно быть выполнено таким образом, чтобы в случае обрыва нулевого провода ответвления - провод ввода в дом остался присоединенным к повторному заземлению (рис. 2.2.5).
Рис. 2.2.5. Выполнение ввода в здание при присоединении заземляющего проводника повторного заземления нулевого провода на вводе
2.2.18. Требования к монтажу заземляющего устройства повторного заземления нулевого провода см. Гл. 3.1. Сопротивление заземлителя повторного заземления нулевого провода в любое время года должно быть не более 15, 30 и 60 Ом соответственно при линейных напряжениях питающей сети 660, 380 и 220 В. При удельном сопротивлении грунта ρ более 100 Ом·м допускается увеличение нормы в 0,01ρ раз, но не более 10-кратного.
2.2.19. Вводно-распределительные устройства (ВРУ) объекта, как правило, должны размещаться в специальных помещениях (электрощитовых). Допускается размещать ВРУ в сухих подвалах или технических подпольях, при условии, что эти помещения легко доступны и отделены от других помещений несгораемыми перегородками с пределом огнестойкости не менее 0,75 ч. Для одно- и двухэтажных объектов ВРУ могут устанавливаться снаружи на стене здания. В этом случае они должны иметь степень защиты 1Р34 согласно ГОСТ 14254.
2.2.20. Счетчики электроэнергии должны размещаться во ВРУ. Однофазные счетчики должны иметь пломбу с клеймом госповерителя на кожухе давностью не более двух лет, трехфазные - не более 12 месяцев на момент установки. В случае подключения счетчика через трансформаторы тока должно быть предусмотрено ограждающее устройство с возможностью опломбирования для предотвращения доступа посторонних лиц к токовым цепям учета.
2.2.21. Питание стационарных однофазных электроприемников должно осуществляться трехпроводными линиями (фазный, нулевой рабочий и нулевой защитный проводники) от вводных устройств (групповых щитков) до штепсельных розеток и светильников. Питание трехфазных электроприемников должно осуществляться пятипроводными линиями (три фазных, нулевой рабочий при необходимости, нулевой защитный проводники).
2.2.22. Нулевой рабочий и нулевой защитный проводники должны иметь сечение, равное сечениям фазных проводников. При этом нулевой рабочий и нулевой защитный проводники не должны быть подключены на щитке под один контактный зажим.
2.2.23. В цепях нулевого рабочего и нулевого защитного проводников не должно быть разъединяющих приспособлений и предохранителей.
2.2.24. Для каждой линии групповой сети, подходящей от вводного щитка, должен прокладывать отдельный нулевой защитный проводник. При питании нескольких розеток от одной групповой линии ответвления нулевого защитного проводника к каждой штепсельной розетки должны выполняться в ответвительных коробках или в коробках для установки розеток. Последовательное включение в нулевой защитный проводник заземляющих контактов штепсельных розеток не допускается.
2.2.25. Применение переносных бытовых электроприемников с металлическими корпусами с двухпроводными соединительными шнурами и двухштырьковыми вилками (чайники, утюги, плитки и т.п.) допускается только при условии установки на вводном (групповом) щитке устройства защитного отключения (УЗО).
2.2.26. Устройство защитного отключения рекомендуется применять как дополнительную, но не единственную меру защиты (ГОСТ Р 50571.3-94). Устройство защитного отключения реагирует при прикосновении человека к частям, находящимся под напряжением, или при возникновении тока утечки, превышающего заданное значение - уставку. Наиболее широко применяются электромеханические УЗО с уставками 10, 30, 100 мА. В индивидуальных жилых домах и коттеджах применяются УЗО с уставкой до 30 мА.
2.2.27. Схема установки УЗО в четырехпроводной сети с глухозаземленной нейтралью напряжением до 1 кВ показаны на рисунках. На рисунке 2.2.6 даны схемы включения УЗО в системе TN-C (нулевой рабочий и нулевой защитный проводники объединены). На рисунке 2.2.7 приведены схемы включения УЗО в системе TN-S (нулевой рабочий и нулевой защитный проводники разъединены). На рисунке 2.2.8 представлены схемы включения УЗО в системе TN-C-S (нулевой рабочий и нулевой защитный проводники на начальном участке работают совместно, а затем они работают раздельно).
Рис. 2.2.6. Схема установки УЗО в четырехпроводной сети с глухозаземленной нейтралью в системе TN-C (нулевой рабочий N и нулевой защитный PE проводники объединены):
Л1, Л2, Л3 - линейные проводники; H - нагрузка; Rз - рабочее заземление; Rзз - защитное заземление.
Рис. 2.2.7. Схема установки УЗО в четырехпроводной сети с глухозаземленной нейтралью в системе TN-S (нулевой рабочий N и нулевой защитный PE проводники разъединены):
Л1, Л2, Л3 - линейные проводники; H - нагрузка; Rз - рабочее заземление; Rзз - защитное заземление
Рис. 2.2.8. Схема установки УЗО в четырехпроводной сети с глухозаземленной нейтралью в системе TN-C-S (нулевой рабочий N и нулевой защитный PE проводники на начальном участке сети объединены, а затем они разъединены):
Л1, Л2, Л3 - линейные проводники; H - нагрузка; Rз - рабочее заземление; Rзз - защитное заземление
2.2.28. При контроле правильности включения УЗО необходимо проверить:
- правильность включения рабочего нулевого провода в цепь УЗО - он должен быть обязательно в цепи УЗО;
- правильность подключения нулевых защитных проводников заземляющих корпуса электрооборудования - они должны присоединяться к нулевому рабочему проводнику только до УЗО.
2.2.29. В помещениях индивидуальных жилых домов и коттеджах повышенной комфортности могут применяться открытые и скрытые проводки. Открытые проводки должны прокладываться с учетом архитектурных линий помещений (карнизов, плинтусов и др.). Скрытые проводки должны прокладываться горизонтально и вертикально, прокладка «напрямую» не рекомендуется. Контроль качества электропроводок в помещениях производится в соответствии с требованиями, приведенными в разделе 2.1.
2.2.30. В чердачных помещениях могут применяться следующие виды проводок:
- открытые в стальных трубах, кабелями в оболочках из несгораемого материала, прокладываемых на любой высоте;
- на роликах или изоляторах одножильными незащищенными проводами на высоте не ниже 2,5 м;
- скрытые в стенах и перекрытиях из несгораемых материалов на любой высоте.
Провода и кабели электропроводок чердачных помещений должны иметь медные жилы.
2.2.31. Электропроводки в полостях под непроходными подвесными потолками и внутри сборных перегородок должны выполнятся для сгораемых строительных конструкций в стальных трубах, для несгораемых и трудно сгораемых строительных конструкций - кабелями, имеющими оболочки из трудно сгораемых материалов. При этом должна быть обеспечена возможность замены проводов и кабелей, а также доступ к местам ответвлений к светильникам и электроустановочным устройствам.
2.2.32. Выбор марки провода или кабеля и способа их прокладки определяется проектом. При контроле необходимо иметь в виду, что ГОСТ Р 50571.15-97 не разрешает прокладку изолированных проводов скрыто под штукатуркой в бетоне, в кирпичной кладке, в пустотах строительных конструкций, а также открыто по поверхности стен, потолков, на лотках, на тросах и других конструкциях. В этих случаях должны применяться кабели или защищенные провода.
2.2.33. Сечения жил проводов и кабелей определяются проектом, но должны быть не менее:
- для групповых и распределительных линий - медные 1,0 мм2;
- для линий к расчетному счетчику и междуэтажных стояков - медные 2,5 мм2.
2.2.34. В ванных комнатах и туалетах должны применяться скрытые проводки в изоляционных трубах. Не допускается прокладка проводов в стальных трубах. Длина проводок в этих помещениях должна быть минимальной. Проводники рекомендуется размещать вне этих помещений, а светильники - на ближайшей к проводке стене. Корпуса светильников с лампами накаливания и патроны должны быть выполнены из изолирующего материала.
2.2.35. Установка выключателей и розеток в ванных комнатах, душевых, саунах и санузлах не допускается. При необходимости установки в ванной комнате розеток, дополнительных настенных светильников, устройств гидромассажа и других электробытовых устройств на питающей ванную комнату группе должно быть установлено электромеханическое УЗО с уставкой по току утечки на землю не более 30 мА или электроприемники должны быть присоединены к индивидуальному разделяющему трансформатору или подключены к источнику БСНН (безопасной системе низкого напряжения) или ЗСНН (заземленной системе низкого напряжения).
2.2.36. Согласно ГОСТ Р 50571.11-96 в ванных и душевых помещениях определены зоны, в пределах которых могут, при определенных условиях, устанавливаться розетки, светильники и применяться электрические приборы (рис. 2.2.9 а, б)
Рис. 2.2.9.а. Зоны в ванных и душевых помещениях, план (согласно ГОСТ Р-50571.11-96.):
1-а - ванна; 2-в - ванна со стационарной перегородкой; 3 - зона 0; 4 - зона 1; 5 - зона 2; 6 - зона 3; 7-c - душ с поддоном; 9-f - душ без поддона, но со стационарной перегородкой; 10 - разбрызгиватель душа; 11-d - душевой поддон со стационарной перегородкой.

Рис. 2.2.9.б. Зоны в ванных и душевых помещениях, вертикальный разрез (согласно ГОСТ Р 50571.11-96.):
1-д - ванна; 2 - зона 1; 3 - зона 2; 4 - зона 3; 5 - зона 0; 6-h - душ с поддоном; 7-i - душ без поддона, но со стационарной перегородкой; 8 - стационарная стена-перегородка.
2.2.37. В зонах 0.1.2 распределительные устройства, устройства управления и соединительные коробки не устанавливаются. В зоне 3 розетки могут быть установлены при условиях п. 2.2.35. В зоне 0 допускается применение электроприборов питающихся от систем БСНН или ЗСНН при номинальном напряжении не более 12 В, причем источник питания должен размещаться за пределами зоны 0.
2.2.38. Электрооборудование, применяемое в ванных и душевых помещениях, должно иметь, по меньшей мере, следующие степени защиты в зоне 0 - JPX7, в зоне 1 - JPX5, в зоне 2 - JPX4 (JPX5 в ваннах общего пользования).
2.2.39. В зоне 0 допускается установка только электроприборов, предназначенных для применения в ванне. В зоне 1 могут устанавливаться только водонагреватели. В зоне 2 могут устанавливаться водонагреватели и светильники класса 2 (по ГОСТ 27570.0).
2.2.40. Все открытые проводящие части и скрытые проводящие части находящиеся в зонах 1, 2 и 3 должны быть присоединены к системе дополнительного уравнивания потенциалов.
2.2.41. Нагревательные элементы, закладываемые в пол, могут быть установлены во всех зонах при условии, что они покрыты металлической сеткой или заземленной металлической оболочкой, присоединенной к системе уравнивания потенциалов.
2.2.42. В помещениях индивидуальных жилых домов и коттеджах разрешается применение следующих видов нагревательных приборов: низкотемпературных сухих и масляных радиаторов, греющих панелей, электротепловентиляторов, аккумуляционных электропечей, греющих кабелей, конструкционных элементов зданий со встроенными низкотемпературными нагревательными элементами и электронагревателей. Номинальная мощность одного отопительного прибора не должна превышать 2 кВт.
2.2.43. Нагревательные приборы, предназначенные для стационарных систем электротеплоснабжения, должны иметь встроенный терморегулятор или термовыключатель. Приборы с принудительной конвекцией должны иметь блокировку от отсутствия обдува нагревательных элементов.
2.2.44. Водонагревательные приборы должны иметь блокировку от включения при отсутствии воды или понижения ее уровня и термовыключатель.
2.2.45. Нагревательные приборы должны располагаться таким образом, чтобы к ним был обеспечен свободный доступ для осмотра, ремонта и очистки. Расстояние между электронагревательными приборами и строительными конструкциями должно составлять не менее 25 мм.
2.2.46. Использование нагревательных приборов с непосредственным преобразованием электрической энергии в тепловую в складских помещениях с горючими материалами запрещается.
2.2.47. Нагревательные приборы должны располагаться на негорючих или трудногорючих основаниях строительных конструкций. Отопительные нагревательные приборы следует располагать под оконными проемами.
2.2.48. Нагревательные приборы, используемые в системах электроотопления, должны быть ограждены решетками из негорючих материалов, исключающих попадание предметов обихода непосредственно на прибор.
2.2.49. Расстояние от приборов до горючих материалов помещений индивидуальных жилых домов и коттеджей должны быть не менее приведенных в п. 2.1.31.
2.2.50. Сопротивление изоляции между токоведущими и заземленными частями системы электротеплоснабжения зданий должно быть не менее 0,5 МОм.
2.2.51. Питание приборов электротеплоснабжения должно осуществляться независимо от других электроприемников линиями, начиная от ввода в здания или этажных щитков. Соединение приборов с линиями питания должно быть неразъемным.
2.2.52. Регулирующие устройства, используемые в системах электротеплоснабжения, должны быть бесконтактного типа (тиристорные и т.п.). Допускается использование магнитных пускателей со степенью защиты не ниже IP44. Регулирующие устройства должны содержать световую индикацию включенной системы нагревателей.
2.2.53. Датчики температуры, используемые в системах регулирования, должны иметь возможность изменения уставки. Датчики следует располагать на негорючем основании на высоте не менее 1,8 м от пола.
2.2.54. Требования к помещениям, содержащим нагреватели для саун, определяются ГОСТ Р 50571.12-96 (МЭК 364-7-703-84). Кроме того, для электроустановок помещений, содержащих нагреватели для саун, должны применяться требования других стандартов комплекса ГОСТ 30331, ГОСТ Р 50571 в части, относящейся к этим электроустановкам. Электрооборудование для саун должно иметь степень защиты не ниже JP24.
2.2.55. В помещениях саун, содержащих электронагревательные элементы, ГОСТ Р 50571.12-96 выделяет зоны по температуре окружающей среды и определяет условия размещения электрооборудования в них (рис. 2.2.10).
Рис. 2.2.10. Зоны температур в помещениях саун (согласно ГОСТ Р 50571.12-96)
Зона 1, в которой разрешается размещать только электронагреватели для саун;
Зона 2 - требования по теплостойкости к электрооборудованию не устанавливаются;
Зона 3 - электрооборудование должно выдерживать температуру не менее 125 °С, а изоляция проводов и кабелей - не ниже 170 °С;
Зона 4 - должны устанавливаться только устройства управления электронагревателями (термостаты и ограничители температуры) и электропроводка к ним. Электропроводка должна выдерживать температуру не менее 170 °С.
2.2.56. Электропроводки в помещениях саун, содержащих электронагреватели, не должны иметь металлических оболочек и труб. Аппаратура, не встроенная в электронагреватели, должна размещаться вне сауны. Размещать штепсельные розетки в саунах запрещается.
2.2.57. Сауна должна быть оборудована ограничителем температуры, который должен отключать электронагреватель от сети, если температура в зоне 4 превысит 140 °С.
Испытания и проверки
2.2.58. Приемо-сдаточные испытания электроустановок индивидуальных жилых домов и коттеджей повышенной комфортности проводится в объеме и по нормам испытаний жилых и общественных зданий (см. пп. 2.1.40-2.1.47).
Общие сведения
2.3.1. Электромонтажные работы в дачных, (садовых) домах и хозяйственных постройках (сараях, теплицах, постройках для содержания животных и др.) на участках, а также в гаражах, киосках, палатках должны выполняться в соответствии с требованиями:
- ПУЭ, СНиП 3.05.06-85, ВСН-58-88/Госкомархитектуры;
- ГОСТ Р 50571.3-94, ГОСТ Р. 50571.7-95, ГОСТ Р 50571.10-96, ГОСТ Р 50571.14-96, ГОСТ Р 50571.15-97;
- альбомов типовых строительных конструкций: серии 5.407-153 «Детали и узлы внутренних осветительных и силовых электропроводок производственных, бытовых и жилых помещений в сельской местности; серии 5.407-155.94» «Вводы линий электропередачи до 1 кВ в производственные, административные, бытовые и жилые помещения в сельской местности».
2.3.2. Для выполнения электромонтажных работ владельцем должен быть предоставлен согласованный с электроснабжающей организацией проект электроснабжения.
Если установленная мощность потребителей электроэнергии дачного дома и всех хозпостроек, находящихся на дачном (садовом) участке, а также гаража, киоска, палатки не превышает 10 кВт, может предоставляться чертеж-проект, который также подлежит согласованию с электроснабжающей организацией.
Содержание проекта (чертежа-проекта) должно соответствовать требованиям пп. 2.2.2 и 2.2.3 настоящего руководства.
Производственный контроль
2.3.3. Дачные (садовые) дома и хозпостройки, как правило, получают электроэнергию по воздушным линиям (ВЛ) электропередачи. Ответвления от ВЛ к вводу в здание длиной до 25 м рекомендуется выполнить изолированным проводом или кабелем ответвления длиной более 25 м, допускается выполнить неизолированным проводом с установкой дополнительных опор. Сечения жил проводов или кабелей приведены в п. 2.2.10 настоящего руководства.
2.3.4. Внутриобъектная электропроводка - это наружная электропроводка для электроснабжения хозпостроек: сараев, теплиц, насосов, помещений для содержания животных, расположенных на территории приусадебного (садового) участка и питаемых через счетчик основного сооружения.
Внутриобъектную электропроводку (от основного сооружения к хозпостройкам) следует выполнять изолированными проводами, допускающими наружную прокладку, или кабелями.
2.3.5. Сечение жил проводов и кабелей внутриобъектной электропроводки по условиям механической прочности должны быть не менее:
медных - 2.5 мм2, алюминиевых - 4 мм2.
Рекомендуемые марки проводов и кабелей для внутриобъектных электропроводок приведены в таблице 2.3.1.
Таблица 2.3.1
Рекомендуемые марки проводов и кабелей для внутриобъектных электропроводок.
(инструкция по электроснабжению жилых домов и других частных сооружений п. 13)
|
3-х проводные |
5-ти проводные |
|
|
сечение, мм2 |
сечение, мм: |
|
|
ПРН, ПРГН |
3 × (2,5 - 4,0) |
5 × (2,5 - 4,0) |
|
АПРН |
3 × (4,0 - 6,0) |
5 × (4,0 - 6,0) |
|
АВТ, АВТУ |
3 × 2,5; 3 × 4,0 |
5 × (4,0 - 6,0) |
|
НРГ, ВВГ, ВРГ |
3 × (2,5 - 4,0) |
3 × (2,5 - 4,0) + 2 × (2,5 - 4,0) |
|
АНРГ, АВВГ, АВРГ |
3 × (4,0 - 6,0) |
3 × (4,0 - 6,0) + 2 × (4,0 - 6,0) |
|
NYM |
3 × (2,5 - 4,0) |
5 × 2,5; 5 × 4,0 |
2.3.6. Расстояние от проводов ответвления к вводу в основное здание участка до земли должно быть не менее 6 м над проезжей частью и 3,5 над пешеходными участками. В случае невозможности соблюдения указанных расстояний должна быть установлена дополнительная опора или трубостойка на строении. Наименьшее расстояние от проводов ввода непосредственно в основное здание участка, а также от проводов внутриобъектной электропроводки до поверхности земли должно быть не менее 2,75 м. При необходимости должна устанавливаться подставная дополнительная опора (рис. 2.3.1).
Рис. 2.3.1. Внутриобъектная электропроводка (размеры даны в метрах).
2.3.7. Питание электроприемников, расположенных в хозпостройках или на территории объекта (участка) должно осуществляться через счетчик электроэнергии, установленный в основном здании участка.
2.3.8. Ввод в основное здание участка (от зажимов в месте соединения проводов ответвления и ввода до пункта учета электроэнергии) должен выполняться изолированным проводом или кабелем сечением не менее 4 мм2 - для алюминиевых жил и 2,5 мм2 - для медных.
2.3.9. На вводе в основное здание участка, на наружной стороне стены, на высоте не менее 2,5 м должен быть установлен коммутационный аппарат на соответствующий номинальный ток для отключения (рис. 2.3.2.). При однофазном вводе должны отключаться фазный и нулевой проводники. При трехфазном - три фазы.
Рис. 2.3.2. Устройство ввода в здание:
а - стены деревянные; б - стены кирпичные (бетонные);
1 - провод ответвления; 2 - зажим (вязка); 3 - изолятор ТФ-12; 4 - сжим; 5 - защитный козырек; 6 - коммутационный аппарат; 7 - втулка типа В; 8 - трубка резиновая (полутвердая); 9 - втулка типа ВТК; 10 - труба стальная.
2.3.10. Ввод проводов и кабелей в кирпичное (бетонное) здание должен выполняться в изоляционных трубах; ввод в здания из сгораемых материалов, кроме того, должен быть выполнен через отрезок стальной трубы. Ввод должен быть выполнен так, чтобы вода не могла скапливаться в проходе и проникать внутрь. Для обеспечения надежной изоляции и безопасной эксплуатации вводов, выполненных незащищенными проводами, должны применяться резиновые полутвердые и фарфоровые (пластмассовые) втулки (воронки) (см. рис. 2.3.2).
2.3.11. При применении для ввода трубостойки, последняя должна быть занулена (заземлена). Для этого на трубостойке должен быть предусмотрен болт диаметром 8 мм. Зануление выполняется проводом А-16, оконцованным с одного конца наконечником. Провод присоединяется к нулевому проводу ввода с помощью зажима, а к трубостойке наконечником под болт (рис. 2.3.3).
Рис. 2.3.3. Устройство ввода в здание через трубостойку.
При использовании на ответвлениях проводов (кабелей) с медными однопроволочными жилами допускается свободный конец жилы нулевого рабочего провода (кабеля) ответвления присоединять к заземляющему болту трубостойки без наконечника, с оформлением конца жилы в «кольцо» и с закреплением между двух шайб.
2.3.12. Вывод из основного здания участка для электроснабжения внутриобъектных потребителей выполняется так же, как и ввод в основное здание от ответвления ВЛ. Допускается не устанавливать коммутационный аппарат перед вводом в хозпостройку на ее наружной стене.
Вводы в хозпостройки рекомендуется выполнять без разрезания проводов или кабеля внутриобъектной электропроводки.
Присоединение проводов ввода в хозпостройку в пролете внутриобъектной проводки запрещается.
2.3.13. Однофазная внутриобъектная электропроводка выполняется трехпроводной: фаза, рабочий нулевой провод и нулевой защитный проводник. Сечение нулевого и нулевого защитного проводников должно быть равно сечению фазного проводника.
2.3.14. Установка отключающих аппаратов (автоматических выключателей) предохранителей в цепи нулевого защитного проводника запрещается.
2.3.15. При наличии на объекте подлежащих занулению нестационарных электроприемников, зануление следует выполнять через штепсельные розетки (разъемы) с заземляющим контактом.
2.3.16. Внутренняя электропроводка в помещениях дачных домов и в хозпостройках может быть выполнена:
- на роликах или изоляторах незащищенными изолированными проводами на высоте не менее 2,5 м от пола;
- непосредственно по строительным конструкциям кабелями с оболочками из несгораемых или трудно сгораемых материалов на высоте не менее 2 м от уровня пола;
- проводами или кабелями в трубах - высота от уровня пола не нормируется.
2.3.17. Крюки и кронштейны с изоляторами должны закрепляться только в основном материале стен, а ролики для проводов сечением до 4 мм2 включительно допускается закреплять на штукатурке или обшивке стен.
2.3.18. В чердачных помещениях могут применяться открытые электропроводки незащищенными проводами в стальных трубах или кабелями в оболочках из несгораемых или трудносгораемых материалов, прокладываемых на любой высоте, а также электропроводки на роликах незащищенными одножильными проводами на высоте не менее 2,5 м. Открытые электропроводки чердачных помещений должны выполняться проводами и кабелями с медными жилами. Соединение и ответвление жил проводов и кабелей в чердачных помещениях должно осуществляться в металлических коробах сваркой, опрессовкой и с помощью сжимов.
2.3.19. Выключатели, розетки, светильники устанавливаемые в сырых помещениях и особо сырых помещениях, а также в помещениях с химически активной средой должны иметь соответствующие уровни защиты от воздействия окружающей среды.
2.3.20. Для управления освещением применяются однополюсные выключатели, которые следует устанавливать в цепи фазного провода. При необходимости установки в хозпостройке нескольких розеток или светильников на воде в хозпостройку должен быть установлен групповой щиток.
2.3.22. Защита сельскохозяйственных животных от поражения электрическим током должна быть выполнена так, чтобы при аварийных режимах:
- однофазном замыкании на землю в сети напряжением до 1 кВ, включая обрыв и падение на землю фазного провода,
- замыкании на землю на стороне высокого напряжения трансформаторных подстанций 6/0,4; 10/0,4 и 35/0,4 кВ;
- замыкании на землю в ВЛ напряжением 6, 10 и 35 кВ.
Напряжение прикосновения и напряжение шага для животных не превышало 12 В.
Для исключения электропатологии животных в зоне их размещения предельно допустимые напряжения шага и напряжения прикосновения в нормальном режиме не должны превышать 0,2 В.
2.3.23. На вводе в животноводческое помещение ВЛ должно быть выполнено повторное заземление нулевого провода. Сопротивление повторного заземления должно быть не более 15 Ом при напряжении 380 В; 30 Ом при напряжении 220 В. При удельном сопротивлении земли ρ более 100 Ом, допускается увеличивать сопротивление в 0,01ρ раз, но не более десятикратного.
2.3.24. В помещениях для содержания животных должно быть выполнено уравнивание потенциалов. Для этого все открытые и сторонние проводящие части, которых животные могут коснуться, (металлические двери, трубы, барьеры, стойки и т.п.) должны быть соединены между собой и должны иметь видимые электрические связи с зануленным корпусом вводного щита, с вводной трубой водопровода и т.п. Эти связи должны быть выполнены при помощи сварки полосовой сталью толщиной не менее 4 мм или катанкой диаметром не менее 8 мм.
2.3.25. Для исключения электропатологии животных в зоне их размещения должно быть выполнено выравнивание потенциалов. Для этого в стойлах на уровне передних и задних ног коров, лошадей прокладываются в земле или в проводящем (бетонном) полу стальные проводники на глубине 0,15-0,2 м от уровня пола. Проводники соединяются по торцам между собой и присоединяются к системе уравнивания потенциала.
2.3.26. Проверку величин шагового напряжения и напряжения прикосновения необходимо осуществлять по завершению строительно-монтажных работ методом фиксированного вертикального электрического зондирования (ФВЭЗ) земли в зоне размещения животных. Напряжение прикосновения и напряжение шага не должны превышать допустимых значений (см. п. 2.3.21).
2.3.27. В помещениях для содержания животных электрические проводки должны выполняться кабелями стойкими к воздействию химически активной среды этих помещений. Кабели могут прокладываться открыто по строительным конструкциям помещений на высоте не менее 2,0 м или на тросе.
2.3.28. В помещениях для содержания животных цепи штепсельных розеток должны быть защищены устройством защитного отключения (УЗО), реагирующим на дифференциальный ток, с номинальным током срабатывания не более 30 мА. Если на вводе в основное здание установлено УЗО на ток, не превышающий 30 мА, то установка УЗО в цепи розеток помещения не требуется.
2.3.29. Все электрооборудование в помещениях для содержания животных должно иметь степень защиты по ГОСТ 14254-96 не ниже JP35.
2.3.30. Для освещения стесненных помещений с токопроводящим полом, стенами и потолком (гаражи, киоски, палатки и т.п.) необходимо применять стационарно установленные светильники закрытого исполнения на напряжение не выше 42 В.
2.3.31. Для стесненных помещений с металлическими стенами, отделанных внутри нетокопроводящим материалом, с нетокопроводящими полами и изолированными выступающими металлическими частями допускается применять для общего освещения светильники закрытого исполнения на напряжение не выше 220 В.
2.3.32. При высоте установки светильников на напряжение 220 В менее 2,5 м должны применяться светильники, конструкция которых исключает доступ к лампе без применения специального инструмента. Светильники с люминесцентными лампами допускается устанавливать на высоте менее 2,5 м от пола, при условии недоступности их токоведущих частей для случайного прикосновения.
2.3.33. При выполнении комплекса защитных мер, включающего применение УЗО, повторного заземления нулевого провода на воздушном вводе, зануления электроприемников допускается для общего освещения стесненных помещений с неизолированными металлическими стенами и токопроводящими полами применять светильники закрытого исполнения на напряжение не выше 220 В.
2.3.34. При использования ручных переносных светильников в стесненных помещениях с металлическими стенами или токопроводящим полом должно применяться напряжение не более 42 В.
2.3.35. Для обеспечения защиты от поражения электрическим током в стесненных помещениях с металлическими стенами и токопроводящими полами для питания ручного электроинструмента должны применяться разделяющие трансформаторы. К вторичной обмотке разделяющего трансформатора должен подключаться один электроприемник. Рекомендуется применять электрооборудование класса 2 (с двойной или усиленной изоляцией). При использовании электрооборудования класса 1 последнее должно иметь ручку из изоляционного материала или с изоляционным покрытием.
2.3.36. Объем и нормы приемо-сдаточных испытаний электроустановок дачных домов, хозяйственных построек на участке, стесненных помещений такие же, как объем и нормы испытаний для жилых и общественных зданий.
2.4.1. Работы по монтажу электроустановок предприятий торговли и общественного питания организуются и проводятся в соответствии с требованиями ПУЭ, СНиП, ВСН 59-88/Госкомархитектуры, ГОСТов, указанных в приложениях 2.1, инструкции.
2.4.2. Контроль качества электромонтажных работ и сами электромонтажные работы организуются и проводятся как указано в гл. 2.1. настоящего руководства, однако специфика производственной деятельности и социальная значимость этих предприятий накладывают дополнительные требования.
2.4.3. В предприятиях торговли общей площадью более 90 м2 и общественного питания с обеденным залом (залами) более чем на 100 посадочных мест должно предусматриваться эвакуационное освещение и световые указатели «Выход».
2.4.4. Светильники эвакуационного освещения должны устанавливаться по линиям основных проходов и коридоров при их длине более 10 метров, а также над кассовыми аппаратами, установленными в торговых залах.
2.4.5. Электроустановки предприятий торговли и общественного питания, встроенных в жилые дома, должны получать электроэнергию отдельными линиями от ГРЩ дома. При этом у каждого потребителя должно быть установлено отдельное ВРУ.
2.4.6. Питающие линии холодильных установок должны быть самостоятельными, начиная от ВРУ. Присоединение силовых электроприемников холодильного оборудования предприятий торговли и общественного питания должно быть выполнено по схемам, указанным на рис. 2.4.1, присоединение силовых приемников технологического оборудования (теплового и механического) по схемам, приведенным на рис. 2.4.2.
2.4.8. Управление освещением наружных витрин и наружной рекламы должно быть автоматическим (от фотодатчиков), наряду с этим должны быть установлены аппараты управления снаружи здания в запирающихся шкафчиках.
2.4.9. Распределительные пункты, групповые щитки не должны устанавливаться в помещениях пищеблоков, торговых и обеденных залах. При невозможности выполнения этого требования допускается размещать их в указанных помещениях при условиях, что они будут расположены в нишах строительных конструкций с запирающимися дверцами и иметь надлежащее архитектурное оформление.
2.4.10. В помещениях предприятий торговли и общественного питания высота установки розеток должна быть 1,3 м от пола, а пусковых аппаратов-выключателей, автоматов - 1,2÷1,6 м от пола.

Рис. 2.4.1 (1-6). Схемы присоединения силовых электроприемников холодильного оборудования:
├ - распределительный пункт (РП), Q1 - автоматический выключатель, устанавливаемый в РП; F1 - предохранитель; Q2 - автоматический выключатель; K - магнитный пускатель; S - выключатель в цепи управления; Q3 - выключатель в главной цепи; M - механический или холодильный токоприемник; E - тепловой токоприемник; X - электрический соединитель в защитном исполнении с заземляющим контактом; Q4 - коммутационный аппарат (пускатель, рубильник и т.п.) может поставляться комплектно с оборудованием; «-» - перегородка.

Рис. 2.4.1 (7-12). Схемы присоединения силовых электроприемников холодильного оборудования:
├ - распределительный пункт (РП), Q1 - автоматический выключатель, устанавливаемый в РП; F1 - предохранитель; Q2 - автоматический выключатель; K - магнитный пускатель; S - выключатель в цепи управления; Q3 - выключатель в главной цепи; M - механический или холодильный токоприемник; E - тепловой токоприемник; X - электрический соединитель в защитном исполнении с заземляющим контактом; Q4 - коммутационный аппарат (пускатель, рубильник и т.п.) может поставляться комплектно с оборудованием; «-» - перегородка.
Рис. 2.4.2 (1-8). Схемы присоединения силовых электроприемников технологического (теплового или механического) оборудования:
├ - распределительный пункт (РП), Q1 - автоматический выключатель, устанавливаемый в РП; F1 - предохранитель; Q2 - автоматический выключатель; K - магнитный пускатель; S - выключатель в цепи управления; Q3 - выключатель в главной цепи; M - механический или холодильный токоприемник; E - тепловой токоприемник; X - электрический соединитель в защитном исполнении с заземляющим контактом; Q4 - коммутационный аппарат (пускатель, рубильник и т.п.) может поставляться комплектно с оборудованием; «-» - перегородка.

Рис. 2.4.2 (9-11). Схемы присоединения силовых электроприемников технологического (теплового или механического) оборудования:
├ - распределительный пункт (РП), Q1 - автоматический выключатель, устанавливаемый в РП; F1 - предохранитель; Q2 - автоматический выключатель; K - магнитный пускатель; S - выключатель в цепи управления; Q3 - выключатель в главной цепи; M - механический или холодильный токоприемник; E - тепловой токоприемник; X - электрический соединитель в защитном исполнении с заземляющим контактом; Q4 - коммутационный аппарат (пускатель, рубильник и т.п.) может поставляться комплектно с оборудованием; «-» - перегородка.
2.4.11. В торговых залах магазинов, обеденных залах предприятий общественного питания для подключения уборочных механизмов должны устанавливаться розетки с защитным контактом. Установка розеток в кладовых не допускается. Не допускается установка розеток в сети и аварийного освещения.
2.4.12. Использование электронагревательных приборов с непосредственным преобразованием электрической энергии в тепловую в складских помещениях запрещается. Допускается использование таких нагревателей в помещениях для обслуживающего персонала складов, отделенных от складских помещений стеной.
2.4.13. Для питания газосветных трубок световой рекламы должны применяться сухие трансформаторы в металлическом кожухе, имеющие вторичное напряжение не менее 15 кю. Трансформаторы должны длительно выдерживать работу при коротком замыкании в цепи вторичной обмотки. Открытые токоведущие части открыто установленных трансформаторов должны быть удалены от горючих материалов и конструкций не менее чем на 50 мм.
2.4.14. Трансформаторы для питания газосветных трубок должны быть установлены по возможности в непосредственной близости от питаемых ими трубок в местах, недоступных для посторонних лиц, или в металлических ящиках, сконструированных таким образом, чтобы при открытии ящика трансформатор отключался со стороны первичного напряжения. Рекомендуется использование указанных ящиков в качестве конструктивной части самих трансформаторов. В общем ящике с трансформатором допускается установка блокировочных и компенсирующих устройств, а также аппаратов первичного напряжения при условии надежного автоматического отключения трансформатора от сети при помощи блокировочного устройства, действующего при открывании ящика.
2.4.15. Магазинные и подобные им витрины, в которых смонтированы части высшего напряжения газосветных установок, должны быть оборудованы блокировкой, действующей только на отключение установки со стороны первичного напряжения при открывании витрин, т.е. подача напряжения на установку должна осуществляться персоналом вручную при закрытой витрине.
2.4.16. Все части газосветной установки, расположенные вне витрин, снабженных блокировкой, должны находиться на высоте не менее 3 м над уровнем земли и не менее 0,5 м над поверхностью площадок обслуживания, крыш и других строительных конструкций. Доступные для посторонних лиц и находящиеся под напряжением части газосветной установки должны быть ограждены и снабжены предупредительными плакатами.
2.4.17. Открытые токоведущие части газосветных трубок должны отстоять от металлических конструкций или частей здания на расстоянии не менее 20 мм, а изолированные части - не менее 10 мм. Расстояние между открытыми токоведущими частями газосветных трубок, не находящимися под одинаковым потенциалом, должно быть не менее 50 мм.
2.4.18. Открытые проводящие части газосветной установки на стороне высшего напряжения, а также один из выводов или средняя точка вторичной обмотки трансформаторов, питающих газосветные трубки, должны быть заземлены. Трансформаторы или группа трансформаторов, питающие газосветные трубки, должны отключаться со стороны первичного напряжения во всех полюсах аппаратом с видимым разрывом, а также защищаться аппаратом, рассчитанным на номинальный ток трансформатора. Для отключения трансформаторов допускается применять пакетные выключатели с фиксированным положением рукоятки (головки). Электроды газосветных трубок в местах присоединения проводов не должны испытывать натяжения.
2.4.19. Сеть на стороне высшего напряжения установок рекламного освещения должна выполняться изолированными проводами, имеющими испытательное напряжение не менее 15 кВ. В местах, доступных для механического воздействия или прикосновения, эти провода следует прокладывать в стальных трубах, коробах и других механически прочных негорючих конструкциях. Для перемычек между отдельными электродами, имеющих длину не более 0,4 м, допускается применение голых проводов при условии соблюдения расстояний, приведенных в п. 2.4.17.
2.4.20. Установки световой рекламы, архитектурного освещения зданий следует, как правило, питать по самостоятельным линиям - распределительным или от сети зданий. Допускаемая мощность указанных установок не более 2 кВт на фазу при наличии резерва мощности сети. Для линии должна предусматриваться защита от сверхтока и токов утечки (УЗО).
2.4.21. Приемо-сдаточные испытания электроустановок предприятий торговли и общественного питания проводятся в объеме и по нормам испытаний жилых и общественных зданий (см. пп. 2.1.58-2.1.69 настоящего руководство).
2.4.22. Электрооборудование предприятий торговли и общественного питания (отдельные электродвигатели, трансформаторы рекламного освещения, холодильные установки, электромеханическое технологическое оборудование и т.д.) испытывают в объеме и по нормам ПУЭ для соответствующего вида электрооборудования.
Общие сведения
3.1.1. Заземляющее устройство - это совокупность металлических проводников, находящихся в непосредственном соприкосновении с землей (заземлитель), и металлических проводников, соединяющих заземляемые части электрооборудования или иных конструкций (сторонние проводники) с заземлителем (заземляющие проводники).
3.1.2. Заземляющие устройства в электроустановках служат для обеспечения безопасности людей от поражения электрическим током, для создания режима работы электрических сетей, защиты зданий и сооружений от воздействия молнии.
3.1.3. Требования к заземляющим устройствам определяются: ПУЭ, СНиП 3.05.06-85; ГОСТ 12.1.03-81* «Электробезопасность. Защитное заземление, зануление»; ГОСТ Р 50571.10-96, ГОСТ Р 50571.21-2000, ГОСТ Р 50571.22-2000 (см. Приложение 2.1.1), ведомственными инструкциями и руководящими документами.
3.1.4. Для заземления электроустановок в первую очередь должны быть использованы естественные заземлители (металлические проводники находящиеся в земле; обсадные трубы скважин, стальные трубы водопровода, металлические и железобетонные конструкции зданий и сооружений и другие), если вблизи электроустановки нет естественных заземлителей или они не обеспечивают требуемого сопротивления растеканию тока, сооружается искусственный заземлитель.
3.1.5. Искусственный заземлитель заземляющего устройства может представлять собой один проводник (электрод), имеющий контакт с землей, или совокупность металлических соединенных между собой соответствующим образом проводников (электродов). По расположению в грунте и форме электродов заземлители делятся на: углубленные (полосовая или круглая сталь, укладываемые в грунт горизонтально на дно котлованов по периметру здания); вертикальные (стальные стержни, угловая сталь, заглубляемые в грунт); горизонтальные (полосовая, круглая сталь, укладываемые в грунт горизонтально); комбинированные (вертикальные и горизонтальные, объединенную в общую схему). В зависимости от количества электродов и способа их размещения различают заземлители: одиночные, групповые и контурные.
3.1.6. Конструкция заземлителя заземляющего устройства, определяется проектом.
3.1.7. При сооружении заземляющих устройств электроустановок, размещенных в зданиях, сооружениях, у опор ВЛЭП заземлители размещают, как правило, в виде замкнутого контура, охватывающего здание (территорию) или основание опоры. Применительно к электроустановкам, размещенным в зданиях, этот контур принято называть наружным контуром. При наличии в здании большого количества электрооборудования и конструкций, подлежащих заземлению, внутри здания прокладываются магистральные заземляющие линии, которые присоединяют с помощью заземляющих проводников к электрооборудованию и конструкциям. Магистральные линии преднамеренно соединяют между собой так, чтобы образовался замкнутый контур. Такой контур называют внутренним контуром заземляющего устройства.
3.1.8. Проверка качества работ по сооружению заземляющего устройства осуществляется при проведении государственного, технического и авторского надзоров, при лабораторном и производственных контролях.
3.1.9. При осуществлении производственного контроля проверяется качество выполнения каждой операции, выполняемой при сооружении заземляющего устройства.
3.1.10. Работы по сооружению заземляющего устройства, как правило, начинают с монтажа наружного контура, затем прокладывают магистрали внутреннего контура и соединяют внутренний контур с наружным не менее чем в двух местах. После установки конструкции и оборудования, подлежащего заземлению, их присоединяют к внутреннему контуру.
3.1.11. Технологические приемы производства операции при монтаже наружного и внутреннего контуров имеют значительные различия, что делает целесообразным рассмотрение методов контроля качества их выполнения раздельно.
Контроль качества монтажа наружного контура
3.1.12. При монтаже наружного контура выполняются следующие операции:
- размечают трассу контура и места заглубления в грунт электродов;
- отрывают траншею;
- заглубляют вертикальные электроды в грунт;
- прокладывают в траншее горизонтальные электроды и с их помощью соединяют вертикальные электроды между собой. Для углубленных заземлителей прокладывают горизонтальные заземлители на дне котлованов по периметру фундамента здания и соединяют их между собой;
- проводят осмотр наружного контура и проверку качества соединения и составляют акт на скрытые работы;
- засыпают траншею (котлован);
- измеряют сопротивление растеканию тока наружного контура.
3.1.13. Разметку производят, руководствуясь рабочими чертежами. При этом расстояние между вертикальными электродами должно быть не менее 1,5-2 длины электрода, что исключает взаимное экранирование и следовательно, способствует уменьшению сопротивления растеканию тока. Расстояние от фундамента здания до частей заземлителя должно быть не менее 2,5 м. Это требование не относится к углубленным заземлителям.
3.1.14. Не допускается располагать заземлители в местах, где земля подсушивается под действием тепла трубопроводов и т.п., в местах, где высока опасность коррозии заземлителя.
3.1.15. Траншеи для вертикальных заземлителей отрываются на глубину 0,5-0,7 м. После заглубления вертикальных электродов в грунт верхний конец должен выступать над дном траншеи на 0,1-0,2 м. Горизонтальные электроды укладываются на дно траншеи на глубине 0,5-0,7 м.
3.1.16. Для искусственных заземлителей должна применяться сталь. Размеры стальных искусственных заземлителей должны быть не менее:
- диаметр круглых неоцинкованных - 10 мм; оцинкованных - 6 мм;
- сечение прямоугольных - 48 мм2;
- толщина прямоугольных - 4 мм;
- толщина полок угловой стали - 4 мм.
Искусственные заземлители не должны иметь окраски.
3.1.17. Заземлитель обеспечивает контакт заземляющего устройства с землей. Чем глубже в грунт заглублен заземлитель, тем, как правило, меньше будет его сопротивление растеканию тока. Длина стержневых электродов вертикального заземлителя должна быть 4,5-5 м, а электродов из угловой стали - 2,5-3 м.
3.1.18. Соединение всех элементов заземлителя между собой, а также присоединение к естественным заземлителям, выполняется сваркой. Длина сварочного шва должна быть равна двойной ширине проводника при прямоугольном сечении и шести диаметрам при круглом сечении. При Т-образном соединении внахлестку двух полос длина нахлестки определяется шириной полосы. Примеры соединений стержневых электродов с заземляющими проводниками и присоединений к трубопроводам представлены на рисунках 3.1.1 и 3.1.2.
Рис. 3.1.1. Соединение стержневых электродов с заземляющими проводниками (длина сварного шва 6d):
а, б - из круглой стали; в, г - из полосовой стали
1 - стержневой электрод; 2 - заземляющий проводник из круглой стали; 3 - заземляющий проводник из полосовой стали; 4 - планки из полосовой стали (применяется при B ≤ 3 мм).
Рис. 3.1.2. Примеры присоединения заземляющих проводников к трубопроводам:
а, б, в - сваркой; г - с помощью хомута:
1 - заземляющий проводник из полосовой стали; 2 - трубопровод; 3 - заземляющий проводник из круглой стали; 4 - хомут.
3.1.19. Присоединение заземляющих проводников к трубопроводу, используемому в качестве естественного заземлителя, должно выполняться до ввода трубы в здание (до водомера, задвижек, фланцев), в противном случае над водомерами, задвижками, фланцами должны монтироваться обходные перемычки из полосовой стали сечением не менее 100 мм2. Перемычка присоединяется к трубам сваркой или хомутами (рис. 3.1.3).
Рис. 3.1.3. Присоединение обходной перемычки на задвижке к трубопроводу с помощью хомута.
3.1.20. Проверка качества выполненных работ по монтажу наружного контура производится перед засыпкой траншеи. При этом контур осматривают, проверяют качество электродов и соответствие их размеров требованиям ПУЭ, определяют размеры сварных швов. Прочность сварных соединений проверяют, производя по ним несколько сильных ударов молотком массой 1 кг; места соединения при этом не должны разрушаться. Результаты осмотра и проверок оформляют актом на скрытные работы. Форма акта приведена в приложении 3.1.1.
3.1.21. После осмотра и составления акта на скрытые работы сварные швы покрывают со всех сторон битумом для предохранения от коррозии и производят засыпку траншеи. Засыпать траншеи необходимо землей, не содержащей камней и строительного мусора, с послойной трамбовкой, что обеспечивает лучший контакт заземлителя с грунтом и, следовательно, уменьшение сопротивления растеканию тока.
3.1.22. Измерение сопротивления растеканию тока производят приборами - измерителями заземления. Если измеренная величина сопротивления окажется больше допустимой, необходимо забить дополнительные электроды и соединить их с контуром до получения требуемого сопротивления.
3.1.23. Максимально допустимые сопротивления заземляющих устройств электроустановок приведены в таблице 3.1.1.
Таблица 3.1.1
(ПУЭ Гл. 1.7)
Максимально допустимые сопротивления заземляющих устройств электроустановок
|
Сопротивление заземляющих устройств, Ом |
Примечание |
|
|
Электроустановки напряжением до 1000 В с глухозаземленной нейтралью |
||
|
1. Сопротивление заземляющего устройства, к которому присоединены нейтрали трансформаторов или выводы источника однофазного тока, в любое время года при линейном напряжении 660, 380 и 220 В, трехфазного тока или 380, 220 и 127 В однофазного тока, должно быть соответственно не более. |
2, 4, 8 |
Это сопротивление должно быть обеспечено с учетом использования естественных заземлителей, а также повторных заземлителей нулевого провода воздушных линий до 1000 В при количестве отходящих линий не менее двух. |
|
2. Сопротивление заземлителя, расположенного в непосредственной близости от нейтрали трансформатора (генератора) или вывода источника однофазного тока, при линейном напряжении 660, 380 и 220 В трехфазного тока 380, 220 и 127 В однофазного тока, должно быть соответственно не более. |
15, 30, 60 |
|
|
3. Общее сопротивление растеканию заземлителей (в том числе и естественных) всех повторных заземлений нулевого рабочего провода каждой воздушной линии в любое время года при линейном напряжении 660, 380 и 220 В, трехфазного тока или 380, 220 и 127 В однофазного тока, должно быть, соответственно, не более. При этом сопротивление растеканию заземлителя каждого из повторных заземлений должно быть не более 15, 30, 60 Ом. Соответственно при тех же напряжениях. |
5, 10, 20 |
На ВЛ заземление осуществляется нулевым рабочим проводом, проложенным на тех же опорах, что и фазные. На концах воздушных линий (или ответвлений) длиной более 200 м, а также на вводах к электроустановкам, которые подлежат заземлению, должны быть выполнены повторные заземления нулевого рабочего провода. Для этого в первую очередь следует использовать естественные заземлители. Проводники повторного заземления должны быть рассчитаны на ток не менее 25 А. |
|
Электроустановки напряжением до 1000 В с изолированной нейтралью |
||
|
4. Сопротивление заземляющего устройства, используемого для заземления электрооборудования, должно быть не более. |
4 |
Если мощность питающего трансформатора 100 кВА и менее, заземляющие устройства могут иметь сопротивление не более 10 Ом. |
|
Электроустановки напряжением выше 1000 В с эффективно заземленной нейтралью |
||
|
5. Заземляющие устройства, которые выполняются с соблюдением требований ПУЭ к их сопротивлению, должны имеет сопротивление (включая сопротивление естественных заземлителей) в любое время года не более. |
0,5 |
|
|
Электроустановки напряжением выше 1000 В с изолированной нейтралью |
||
|
6. Сопротивление заземляющих устройств при прохождении расчетного тока замыкания на землю в любое время года (с учетом сопротивления естественных заземлителей) должно быть не более: |
|
Должны также выполняться требования, предъявляемые к заземлению электроустановок напряжением до 1000 В, но не более 10 Ом. |
|
- при одновременном использовании для электроустановок напряжением до 1000 В; |
R = 125 / I |
|
|
- при использовании для электроустановок напряжением выше 1000 В |
R = 250 / I |
|
|
Примечания: 1. В пп. 1, 2 и 3 при удельном сопротивлении земли ρ более 100 Ом·м допускается увеличение указанных норм в 0,01ρ раз, но не более десятикратного. 2. В п. 6: R - наибольшее сопротивление заземляющего устройства, Ом; I - расчетный ток замыкания на землю, А. |
||
3.1.24. Приведенные в таблице 3.1.1 значения сопротивлений должны обеспечиваться в любое время года - в самых неблагоприятных условиях зимой в период наибольшего промерзания, летом - в период наибольшего просыхания.
3.1.25. При определении результата измерений измеренное значение сопротивления растеканию тока заземляющего устройства необходимо умножить на соответствующий коэффициент сезонности, учитывающий влияние состояния почвы в момент измерения. Полученный результат должен быть равным или меньше значения требуемого ПУЭ.
Контроль качества монтажа внутреннего контура
3.1.26. В качестве заземляющих и нулевых защитных проводников могут использоваться:
- специально предусмотренные для этой цели проводники;
- металлические конструкции зданий;
- арматура железобетонных строительных конструкций и фундаментов;
- металлические конструкции производственного назначения (подкрановые пути, каркасы распределительных устройств, галереи, площадки, шахты лифтов, подъемников, элеваторов, обрамления каналов и т.п.);
- стальные трубы электропроводок;
- алюминиевые оболочки кабелей;
- металлические стационарные, открыто проложенные, трубопроводы всех назначений, (кроме трубопроводов горючих и взрывоопасных веществ и смесей), канализации и центрального отопления.
3.1.27. Заземляющие и нулевые защитные проводники должны быть защищены от коррозии, доступны для осмотра и иметь сечение не менее приведенных в таблице 3.1.2.
Таблица 3.1.2
(ПУЭ Таб. 1.7.1)
Наименьшие размеры заземляющих и нулевых защитных проводников
|
Медь |
Алюминий |
Сталь |
|||
|
В зданиях |
В наружных установках |
В земле |
|||
|
Неизолированные проводники: |
|
|
|
|
|
|
сечение, мм |
4 |
6 |
- |
- |
- |
|
диаметр, мм |
- |
- |
5 |
6 |
10 |
|
Изолированные провода: |
|
|
|
|
|
|
сечение, мм2 |
1,5* |
2,5 |
- |
- |
- |
|
Заземляющие и нулевые жилы кабелей и многожильных проводов в общей защитной оболочке с фазными жилами: |
|
|
|
|
|
|
сечение, мм |
1 |
2,5 |
- |
- |
- |
|
Угловая сталь: |
|
|
|
|
|
|
толщиной полки, мм |
- |
- |
2 |
2,5 |
4 |
|
Полосовая сталь: |
|
|
|
|
|
|
сечением, мм |
- |
- |
24 |
48 |
48 |
|
толщина, мм |
- |
- |
3 |
4 |
4 |
|
Водопроводные трубы (стальные): |
|
|
|
|
|
|
толщина стенки, мм |
- |
- |
2,5 |
2,5 |
3,5 |
|
Тонкостенные трубы (стальные): |
|
|
|
|
|
|
толщина стенки, мм |
- |
- |
1,5 |
2,5 |
Не допускается |
|
* При прокладке проводов в трубах сечение нулевых защитных проводников допускается применять равным 1 мм2, если фазные проводники имеют то же сечение. |
|||||
3.1.28. Согласно указаний ПУЭ в качестве нулевых защитных проводников должны быть в первую очередь использованы нулевые рабочие проводники.
3.1.29. При монтаже внутреннего контура заземляющего устройства выполняют следующие операции:
- размечают трассу внутреннего контура;
- прокладывают магистрали внутреннего контура и присоединяют их к наружному контуру;
- соединяют элементы внутреннего контура между собой и присоединяют заземляющие (нулевые защитные) проводники к оборудованию и конструкциям;
- проверяют целостность цепи между заземлителем и заземляемым оборудованием и конструкциями.
3.1.30. При выполнении разметки трассу внутреннего контура располагают параллельно архитектурным линиям здания. Магистральные линии намечают к прокладке на высоте 400-600 мм от уровня пола. При этом обеспечивают доступность для осмотра магистральных линий и отводов от них. Одновременно помечают места крепления заземляющих проводников. Места крепления должны размещаться на следующих расстояниях:
- на прямых участках, между креплениями - 600-1000 мм;
- на поворотах, от вершин углов - 100 мм;
- от мест ответвлений - 100 мм;
- от нижней поверхности съемных перекрытий каналов - не менее 50 мм.
3.1.31. Крепление заземляющих проводников к кирпичным и бетонным строительным основаниям должно производиться с помощью строительно-монтажного пистолета. В сухих помещениях заземляющие проводники прямоугольного сечения крепятся непосредственно к основанию. В сырых и особо сырых, а также в помещениях с химически активной средой крепление выполняют на подкладках или опорах, закрепляемых к основаниям так, чтобы расстояние между ними и стеной было не менее 10 мм.
Возможные способы крепления заземляющих проводников показаны на рис. 3.1.4.
Рис. 3.1.4. Способы крепления заземляющих проводников из полосовой стали:
а - с помощью строительно-монтажного пистолета, непосредственно к основанию; б - с помощью строительно-монтажного пистолета на подкладке; в - на опорах сваркой; г - на вмазываемых опорах скобами:
1 - заземляющий проводник; 2 - дюбель; 3 - подкладка; 4 - опора; 5 - скоба.
3.1.32. Проход стальных заземляющих (нулевых защитных) проводников через стены или фундамент здания должен быть выполнен в предварительно проложенных трубах. При проходе через фундамент трубы располагают выше уровня грунтовых вод с уклоном от здания.
3.1.33. Соединение между собой заземляющих проводников из стали должно быть выполнено сваркой. Качество сварных швов проверяется ударами молотка массой 1 кг. Места соединений после сварки окрашиваются. На рис. 3.1.5 показаны сварные соединения заземляющих проводников.
Рис. 3.1.5. Сварные соединения заземляющих проводников:
а - продольные соединения; б - ответвления:
1 - проводник из полосовой стали; 2 - проводник из круглой стали.
3.1.34. Присоединение магистралей внутреннего контура к наружному контуру должно быть выполнено не менее чем в двух местах.
3.1.35. Присоединение заземляющих защитных проводников к частям оборудования, подлежащим заземлению или занулению, должно выполняться сваркой или болтовым соединением. Присоединение должно обеспечивать хороший контакт и быть доступным для осмотра. Для болтового соединения необходимо предусмотреть меры против ослабления и коррозии контактного соединения. Заземление или зануление оборудования, подвергающегося частому демонтажу или установленного на движущихся частях, подверженных сотрясениям или вибрациям, должно выполняться гибкими проводниками.
3.1.36. Для заземляющих проводников опор ВЛ применяют: многопроволочные проводники - сечение 35 мм2, однопроволочные - диаметр 10 мм. Соединение заземляющих проводников, прокладываемых по деревянным опорам, с заземлителем производится болтами, а металлических опор и арматуры железобетонных опор - сваркой или болтами.
3.1.37. Заземление, или зануление, переносных электроприемников осуществляется специальной жилой (третьей - для однофазных и четвертой - для трехфазных электроприемников), расположенной в одной оболочке с фазными жилами переносного провода и присоединяемой к корпусу электроприемника и специальному контакту вилки штепсельного разъема. Сечение этой жилы должно быть равным сечению фазных проводников. Использование для этой цели нулевого рабочего проводника, в том числе проложенного в общей оболочке, запрещается. Все жилы проводов или кабелей, используемых для присоединения переносных электроприемников, должны быть медными, гибкими, сечением не менее 1,5 мм2 в промышленных установках и не менее 0,75 мм2 для бытовых переносных приборов.
3.1.38. Каждый элемент электроустановки, подлежащий заземлению (занулению), должен быть присоединен к сети заземления, или зануления, при помощи отдельного ответвления. Последовательное их подключение не допускается.
3.1.39. В лифтовых установках жилых и служебных зданий для заземления (зануления) электродвигателей и аппаратов их корпуса присоединяют гибкими проводниками к сети заземления (зануления). Заземление (зануление) кабины производится с помощью одной из жил токопровода. В качестве дополнительного заземляющего (зануляющего) проводника используют экранирующие оболочки кабелей и несущие тросы кабелей, стальные тросы кабины. Лебедки, металлические направляющие кабины и противовеса, металлические ограждения шахты также должны быть заземлены (занулены).
3.1.40. В ванных комнатах жилых, общественных зданий и в банях, металлические корпуса ванн и в душевых поддоны должны быть соединены с металлическими трубами водопровода. Рис. 3.1.6.
Рис. 3.1.6. Заземления корпуса ванны:
а - имеющего специальный прилив; б - без специального прилива:
1 - трубы водопровода; 2 - заземляющие проводники; 3 - стальной хомут; 4 - шайбы плоские; 5 - шайбы пружинящие; 6 - болты; 7 - гайки; 8 - наконечники.
3.1.41. В помещениях с подвесными потолками, имеющими металлические конструкции и детали, следует заземлять металлические корпуса светильников, встраиваемых в подвесные потолки или устанавливаемые за ними.
3.1.42. В зданиях с большим количеством оборудования обработки информации заземляющие устройства должны выполняться с учетом дополнительных требований, изложенных в ГОСТ Р 5057.21-2000, ГОСТ Р 50571.22-2000.
Проверки и испытания
3.1.43. При сдаче устройств в эксплуатацию производятся проверки и испытания в объеме и по нормам ПУЭ гл. 1-8 РД 34.45-51.300-97. Проверки должны производиться персоналом измерительных лабораторий, имеющим соответствующую лицензию.
3.1.44. Проверяются элементы заземляющих устройств осмотром и ознакомлением с актами на скрытые работы. Сечения и проводимости элементов должны соответствовать требованиям ПУЭ, проекту и настоящего руководства.
3.1.45. Проверяется цепь между заземлителями и заземляемыми элементами, сечения, целостность и прочность проводников заземления и зануления. Не должно быть обрывов и видимых дефектов в заземляющих проводниках. Надежность сварки проверяется ударом молотка.
3.1.46. В электроустановках до 1 кВ с изолированной нейтралью проверяется состояние пробивных предохранителей. Пробивные предохранители должны быть исправны и соответствовать номинальному напряжению электроустановки.
3.1.47. В электроустановках до 1 кВ с глухозаземленной нейтралью проверяется цепь фаза-ноль. Проверка производится одним из способов:
- непосредственным измерением тока однофазного замыкания на корпус или нулевой провод с помощью специальных приборов;
- измерением полного сопротивления петли фаза-ноль с последующим вычислением тока однофазного замыкания.
3.1.48. Ток однофазного замыкания на корпус или нулевой провод должен обеспечивать надежное срабатывание защиты, для этого сопротивление петли фаза-ноль должно быть таким, чтобы при замыкании ток превышал не менее чем:
- в 3 раза номинальный ток плавкого элемента ближайшего предохранителя;
- в 3 раза номинальный ток нерегулируемого расцепителя или уставку тока регулируемого расцепителя автоматического выключателя, имеющего обратно зависимую от тока характеристику.
3.1.49. При защите сетей автоматическими выключателями, имеющими только электромагнитный расцепитель (отсечку) проводимость петли фаза-ноль должна обеспечивать ток не ниже уставки тока мгновенного срабатывания, умноженный на коэффициент, учитывающий разброс (по заводским данным), и на коэффициент запаса 1,1. При отсутствии заводских данных для автоматических выключателей с номинальным током до 100 А кратность тока короткого замыкания относительно уставки должна быть не менее 1,4, а для автоматических выключателей с номинальным током более 100 А - не менее 1,25.
3.1.50. Полная проводимость нулевого защитного проводника во всех случаях должна быть не менее 50 % проводимости фазного проводника.
3.1.51. Производится измерение сопротивления заземляющих устройств. Значения сопротивления должны удовлетворять значениям, приведенным в таблице 3.1.1 настоящего руководства.
3.1.52. На все измерения и проверки оформляются акты и протоколы, формы которых приводятся в приложении (Приложения 3.1.1, 3.1.2, 3.1.3).
Общие сведения
3.2.1. Работы по сооружению кабельных линий напряжением до 10 кВ включительно должны выполняться в соответствии с требованиями ПУЭ СНиП-3.05.06-85, Инструкции по прокладке кабелей напряжением до 110 кВ, технической документации на муфты для силовых кабелей с бумажной и пластмассовой изоляцией, проектной документации.
3.2.2. Проектная документация для сооружения кабельных линий (КЛ) должна содержать:
- план трассы с указанием марок и сечений жил кабелей, подлежащих прокладке;
- рабочие чертежи с разрезами для выполнения характерных участков трассы, мест сближения и пересечений с другими линиями и различными подземными коммуникациями;
- рабочие чертежи строительной части проекта - кабельных туннелей, каналов, шахт, блоков, эстакад и других кабельных сооружений;
- спецификации на кабели и необходимые конструкции и материалы;
- сметы на оборудование и монтаж.
3.2.3. Кабельные линии могут прокладываться в земле, в специальных кабельных сооружениях, в зданиях и сооружениях, через водные преграды. Выбор способа прокладки определяется проектом. В зависимости от способа прокладки должны применятся кабели соответствующих конструкций.
3.2.4. Для кабельных линий, прокладываемых в земле или в воде, должны применяться преимущественно бронированные кабели. Металлические оболочки этих кабелей должны иметь внешний покров для защиты от химических воздействий. Кабели с другими конструкциями внешних защитных покрытий (не бронированные) должны обладать необходимой стойкостью к воздействию при прокладке во всех видах грунтов, при протяжке в блоках и трубах, а также стойкостью по отношению к тепловым и механическим воздействиям.
3.2.5. При прокладке кабельных линий в кабельных сооружениях и производственных помещениях бронированные кабели не должны иметь поверх брони, а небронированные кабели - поверх металлических оболочек защитных покровов из горючих материалов.
3.2.6. Для кабельных линий, прокладываемых в кабельных блоках и трубах, как правило, должны применяться небронированные кабели в свинцовой усиленной оболочке. Для кабельных линий, прокладываемых в трубах, допускается применение кабелей в пластмассовой или резиновой оболочке. Вне кабельных сооружений допускается прокладка небронированных кабелей на высоте не менее 2 м.
3.2.7. Для прокладки в почвах, содержащих вещества, разрушающие оболочки кабелей (солончаки, болота, насыпной грунт со шлаком и строительным материалом и т.п.), а также в зонах опасных из-за воздействия электрокоррозии, должны применятся кабели со свинцовыми оболочками и усиленными защитными покровами типов Бл, Б2л или кабели с алюминиевыми оболочками и усиленными защитными покровами типов Бв, Бп(в сплошном водостойком пластмассовом шланге).
3.2.8. В местах пересечений кабельными линиями ручьев, их пойм и каналов должны применяться такие же кабели, как и для прокладки в земле. Для подводных кабельных линий следует применять кабели с броней из круглой проволоки, по возможности одной строительной длины.
3.2.9. Для прокладки в почвах, подверженных смещению, должны применяться кабели с проволочной броней.
3.2.10. Для кабельных линий, прокладываемых по железнодорожным мостам, а также по другим мостам с интенсивным движением транспорта должны применяться кабели в алюминиевой оболочке.
3.2.11. Для кабельных линий передвижных механизмов должны применяться гибкие кабели с резиновой или иной изоляцией, выдерживающей многократные изгибы.
3.2.12. При прокладке кабельных линий до 35 кВ на вертикальных и наклонных участках трассы с разностью уровней, превышающей допустимую по ГОСТ 16441-78 для кабелей с вязкой пропиткой, должны применяться кабели с нестекающей пропиточной массой, кабели с обедненно-пропитанной бумажной изоляцией и кабели с резиновой или пластмассовой изоляцией.
Наибольшие допустимые разности уровней для кабелей с пропитанной бумажной изоляцией напряжением до 10 кВ включительно приведены в таблице 3.2.1.
Таблица 3.2.1
Наибольшие допустимые разности уровней для кабелей с вязкой пропиткой бумажной изоляции, м
|
В свинцовой оболочке |
В алюминиевой оболочке |
|||||
|
Напряжение, кВ |
||||||
|
1-3 |
6 |
10 |
1-3 |
6 |
10 |
|
|
С вязкой пропиткой (без применения стопорных муфт) |
|
|
|
|
|
|
|
- бронированные |
25 |
15 |
15 |
25 |
20 |
15 |
|
- небронированные |
25 |
15 |
15 |
25 |
20 |
15 |
|
С обедненной пропиткой |
100 |
100 |
- |
Без ограничений |
100 |
- |
|
С изоляцией, пропитанной нестекающей массой (содержащей церезин) |
- |
Без ограничений |
- |
Без ограничений |
||
3.2.13. В четырехпроводных сетях должны применяться четырехжильные кабели. Прокладка нулевых жил отдельно от фазных не допускается. Разрешается использовать трехжильные силовые кабели в алюминиевой оболочке напряжением до 1 кВ с использованием их оболочки в качестве нулевого провода (четвертой жилы), за исключением установок со взрывоопасной средой и установок, в которых при нормальных условиях эксплуатации ток в нулевом проводе составляет более 75 % допустимого тока фазного провода.
3.2.14. Кабели с металлическими оболочками и броней, а также металлические конструкции, на которых укладываются кабели, должны быть заземлены, или занулены. Для этого металлические оболочки и броня кабелей должны быть соединены между собой и с металлическими корпусами муфт (концевых, соединительных и др.) и присоединены к заземляющему устройству.
На кабелях 6 кВ и выше с алюминиевыми оболочками заземление брони и оболочки должно быть выполнено отдельными проводниками. Сечение этих проводников должно быть не менее 6 мм2.
3.2.15. Каждая кабельная линия должна иметь свой номер или наименование. Если КЛ состоит из нескольких параллельных кабелей, каждый из них должен иметь тот же номер с добавлением букв А, Б, В и т.д. Открыто проложенные кабели, а также все кабельные муфты, должны быть снабжены бирками с обозначением на бирках кабелей и концевых муфт - марки, напряжение, сечение, номера или наименования КЛ; на бирках соединительных муфт - номера муфты и дата ее монтажа. Бирки должны быть стойкими к воздействию окружающей среды. На кабелях проложенных в кабельных сооружениях, бирки должны располагаться по длине не реже, чем через каждые 50 м.
3.2.16. Над кабельными линиями, проложенными в земле в соответствии с действующими правилами охраны электрических сетей, должны устанавливаться охранные зоны в размере площадки над кабелями:
- для КЛ до 1 кВ по 1 м с каждой стороны от крайних кабелей, а при прохождении КЛ в городах под тротуарами - на 0,6 м в сторону проезжей части улицы;
- для КЛ выше 1 кВ по 1 м с каждой стороны от крайних кабелей;
- для подводных КЛ до и выше 1 кВ охранная зона определяется параллельными прямыми на расстоянии 100 м от крайних кабелей.
3.2.17. Независимо от места прокладки при сооружении кабельных линий выполняются следующие операции:
- размечается трасса КЛ;
- подготавливается трасса для прокладки кабеля;
- испытывается и прогревается (при необходимости) кабель перед прокладкой;
- прокладывается кабель по подготовленной трассе;
- соединяются отдельные строительные длины кабеля и выполняют концевые муфты (заделки);
- осуществляется защита кабелей от коррозии (при необходимости);
- выполняется маркировка линий;
- производятся приемо-сдаточные испытания кабельной линии.
Производственный контроль при прокладке кабельных линий в земле
3.2.18. Трасса кабельной линии должна быть выбрана с учетом наименьшего расхода кабеля и обеспечения его сохранности от механических повреждений, вибрации, перегрева, коррозии и от повреждений электрической дугой при аварии на соседних кабельных линиях.
3.3.20. При прокладке КЛ в зоне насаждений расстояние от кабелей до стволов деревьев должно быть, как правило, не менее 2 м. Допускается уменьшение этого расстояния при условии прокладки кабелей в трубах, проложенных путем подкопки.
3.2.21. При прокладке КЛ параллельно инженерным коммуникациям расстояние от них должны быть не менее указанных в таблице 3.2.2.
Таблица 3.2.2
(ПУЭ гл. 2.3)
Расстояние в свету при прокладке кабельных линий параллельно инженерным коммуникациям
|
Условия прокладки |
Наименьшие расстояния в свету, м |
|
|
Трубопроводы водопровода, канализации и дренажа |
Вдоль трассы трубопровода |
1 м |
|
Теплопроводы |
Вдоль трассы трубопровода |
2 м от стенки канала теплопровода (или на всем участке сближения теплопровод должен иметь теплоизоляцию, исключающую нагрев земли в месте прохождения кабеля выше +10 °С) |
|
Газопроводы низкого и среднего давления (до 0,588 МПа) |
1 м |
|
|
Газопроводы высокого давления (более 0,588 до 1,176 МПа) |
2 м |
|
|
Автомобильные дороги 1-й и 2-й категории |
С внешней стороны кювета или подошвы насыпи |
1 м от бровки, 1,5 м от бордюрного камня |
|
Железные дороги |
Вне зоны отчуждения |
В случае разрешения прокладки в зоне отчуждения: 3,25 м от оси пути |
|
Неэлектрифицированные |
||
|
Электрифицированные |
10,75 м от оси пути в стесненных условиях допускается уменьшать указанные расстояния, при этом кабели на всем участке сближения должны прокладываться в блоках или трубах. При электрификации на постоянном токе блоки и трубы должны быть изолирующими (асбестоцементные и т.п.) |
|
|
Трамвайные пути |
С внешней стороны пути |
2,75 м от оси пути |
|
Линии электропередачи: |
Вдоль трассы линии |
От кабельной линии до заземленных частей и заземлителей опор: |
|
до 1 кВ |
1 м (0,5 м при прокладке в изолирующей трубе) |
|
|
от 1 до 35 кВ |
5 м |
|
|
110 кВ и выше |
10 м |
3.2.22. При пересечении кабельными линиями других кабелей они должны быть разделены слоем земли толщиной не менее 0,5 м. Это расстояние может быть уменьшено до 0,15 м при условии разделения кабелей на всем участке пересечения плюс 1 м в каждую сторону плитами или трубами из бетона или другого равнопрочного материала (рис. 3.2.1а).
Рис. 3.2.1. Пересечение кабельных траншей с другими коммуникациями:
а - с кабельной траншеей; б - с кабельным туннелем; в - с кабельным блоком; г - с трубопроводом; д - с теплопроводом;
1 - кабельная траншея; 2 - труба; 3 - туннель; 4 - блок; 5 - трубопровод; 6 - теплопровод; 7 - теплоизоляция.
3.2.23. При пересечении трубопроводов, в том числе нефте- и газопроводов, расстояние между кабелями и трубопроводом должно быть не менее 0,5 м. Допускается уменьшение этого расстояния до 0,25 м при условии прокладки кабеля на участке пересечения плюс по 2 м в каждую сторону в трубе. (Рис. 3.2.1г).
3.2.24. При пересечении КЛ теплопроводов расстояние между кабелями и перекрытием теплопровода в свету должно быть не менее 0,5 м, а в стесненных условиях не менее 0,25 м. При этом теплопровод на участке пересечения плюс по 2 м в каждую сторону от крайних кабелей должен иметь такую теплоизоляцию, чтобы температура земли не повышалась более чем на 10 °С по отношению к высшей летней температуре и на 15 °С по отношению к низшей зимней. (Рис. 3.2.1д).
3.2.25. При пересечении КЛ железных и автомобильных дорог кабели должны прокладываться в туннелях, блоках или трубах по всей ширине зоны отчуждения на глубине не менее 1 м от полотна дороги и не менее 0,5 м от дна водоотводных каналов. При отсутствии зоны отчуждения указанные условия прокладки выполняются только на участке пересечения плюс по 2 м по обе стороны от полотна дороги. (Рис. 3.2.2).
Рис. 3.2.2. Пересечение кабельной линией железной дороги.
При пересечении электрифицированных дорог трубы должны быть изолирующими. Место пересечения должно находится на расстоянии не менее 10 м от стрелок, крестовин и мест присоединения отсасывающих кабелей.
Концы блоков и труб должны быть уплотнены джутовыми шнурами, обмазанными водонепроницаемой глиной на глубину не менее 300 мм.
3.2.26. При пересечении КЛ трамвайных путей кабели должны прокладываться в изолирующих блоках или трубах. Пересечение должно выполняться на расстоянии не менее 3 м от стрелок, крестовин и мест присоединения отсасывающих кабелей.
3.2.27. При пересечении КЛ ручьев и каналов, въездов для автотранспорта во дворы, гаражи и т.д. кабели прокладываются в трубах.
3.2.28. Глубина заложения КЛ в траншеях от планировочной разметки земли для кабелей напряжением до 20 кВ должна быть не менее 0,7 м, при пересечении улиц и площадей не менее 1 м. Допускается уменьшение глубины до 0,5 м на участках длиной до 5 м при вводе КЛ в здания, а также в местах пересечения их с подземными сооружениями при условии защиты кабелей от механических повреждений (например прокладка в трубах). Прокладка КЛ напряжением 6-10 кВ по пахотным землям должна производиться на глубине не менее 1 м, при этом полоса земли над трассой может быть занята под посевы. Глубина открытых траншей должна быть на 0,1 м больше для подсыпки на дно траншеи слоя мелкой земли.
3.2.29. Траншея перед прокладкой кабеля должна быть осмотрена для выявления на трассе мест, содержащих вещества, разрушительно действующие на металлический покров и оболочку кабеля (солончаки, известь, вода, насыпной грунт, содержащий шлак или строительный мусор, участки, расположенные ближе 2 м от выгребных и мусорных ям и т.п.). При невозможности обхода этих мест кабель должен быть проложен в чистом, нейтральном грунте в безнапорных асбоцементных трубах, покрытых снаружи и изнутри битумным составом и т.п. При засыпке кабелей нейтральным грунтом траншея должна быть расширена с обеих сторон на 0,5-0,6 м и углублена на 0,3-0,4 м. Результат осмотра оформляется актом (см. приложение 3.2.1).
3.2.30. При параллельной прокладке КЛ расстояние по горизонтали в свету между кабелями в траншее должно быть не менее (рис. 3.2.3):
- 100 мм между силовыми кабелями до 10 кВ, а также между ними и контрольными кабелями;
- 250 мм между кабелями 20-35 кВ и между ними и другими кабелями;
- 500 мм между кабелями, эксплуатируемыми различными организациями, а также между силовыми кабелями и кабелями связи;
- расстояние между контрольными кабелями не нормируется.
Рис. 3.2.3. Минимальные расстояния между кабелями, прокладываемыми в траншеях:
1 - кабель связи или кабель другой организации; 2 - кабель напряжением 20-35 кВ; 3 - кабель напряжением 10 кВ; 4 - контрольный кабель; 5 - железобетонные плиты или кирпич; 6 - песок.
Размер А может быть от 150 до 1000 мм.
3.2.31. Перед прокладкой кабеля проверяется соответствие его паспортных данных проекту. Измеряется сопротивление изоляции мегаомметром на 2500 В и производится испытание изоляции кабелей напряжением выше 1 кВ повышенным напряжением выпрямленного тока. Сопротивление изоляции силовых кабелей до 1 кВ должно быть не менее 0,5 МОм. Сопротивление изоляции силовых кабелей выше 1 кВ не нормируется. Силовые кабели выше 1 кВ испытываются повышенным напряжением выпрямленного тока. Значение испытательных напряжений и длительность их приложения приведены в таблице 3.2.3.
Таблица 3.2.3
(ПУЭ Табл. 1.8.42)
Испытательное напряжения выпрямленного тока для силовых кабелей напряжением до 10 кВ
|
Испытательное напряжение, кВ для кабелей на рабочее напряжение, кВ |
Продолжительность испытания, мин |
||||
|
2 |
3 |
6 |
10 |
||
|
Бумажная |
12 |
18 |
36 |
60 |
10 |
|
Резиновая марок ГТШ, КШЭ, КШВГ, КШВГЛ, КШБГД |
- |
6 |
12 |
- |
5 |
|
Пластмассовая |
- |
15 |
- |
- |
10 |
3.2.32. Прокладка кабелей в холодное время года без предварительного прогрева допускается только в тех случаях, когда температура воздуха в течении 24 часов до начала работ не снижалась, хотя бы временно ниже:
- 0 °С - для силовых бронированных и небронированных кабелей с бумажной изоляцией (вязкой, нестекающей и обедненной пропиткой) в свинцовой и алюминиевой оболочке;
- минус 7 °С - для контрольных и силовых кабелей напряжением до 35 кВ с пластмассовой или резиновой изоляцией и оболочкой с волокнистыми материалами в защитном покрове, а также с броней из стальных лент или проволоки;
- минус 15 °С - для контрольных и силовых кабелей напряжением до 10 кВ с поливинилхлоридной или резиновой изоляцией и оболочкой без волокнистых материалов в защитном покрове, а также с броней из профилированной стальной оцинкованной ленты;
- минус 20 °С - для небронированных контрольных и силовых кабелей с полиэтиленовой изоляцией и оболочкой без волокнистых материалов в защитном покрове, а также с резиновой изоляцией в свинцовой оболочке. Небронированные кабели с алюминиевой оболочкой в поливинилхлоридном шланге даже предварительно прогретые не допускается прокладывать при температуре окружающего воздуха ниже минус 20 °С.
При температуре ниже минус 40 °С прокладка кабелей всех марок не допускается. При прогреве электрическим током ток прогрева не должен превышать длительно допустимый для прогреваемого кабеля. Прогретый кабель должен быть раскатан и уложен в траншею в срок не более 1 ч. при температуре от 0 °С до минус 10 °С, 40 мин. - от минус 10 °С до минус 20 °С, 30 мин. - от минус 20 °С и ниже.
3.2.33. Прокладка кабелей в траншеи должна быть выполнена так, чтобы кабель имел запас по длине 1-2 % для компенсации возможных смещений почвы и температурных деформаций самих кабелей и конструкций по которым они проложены. Кабель в траншеи должен быть уложен «змейкой». Укладывать запас кабеля в виде колец (витков) запрещается.
3.2.34. Радиусы внутренней кривой изгиба кабелей должны иметь по отношению к их наружному диаметру кратности не менее указанных в стандартах или технических условиях на соответствующие марки кабелей. В таблице 3.2.4 приведены наименьшие значения кратности изгиба для некоторых конструкций кабелей.
Таблица 3.2.4
(ГОСТ 24183-80*)
Наименьшие значения радиусов изгибов кабелей
|
Кратность изгиба внутренней кривой изгиба по отношению к наружному диаметру кабеля |
|
|
Силовые на напряжение до 35 кВ с бумажной изоляцией, бронированные и небронированные: |
|
|
- в алюминиевой оболочке (многопроволочные жилы) |
25 |
|
- в свинцовой оболочке (многопроволочные жилы) |
15 |
|
- в свинцовой и алюминиевой оболочках (однопроволочные жилы) |
25 |
|
Силовые с пластмассовыми изоляциями на напряжение до 3 кВ: |
|
|
- бронированные и небронированные в алюминиевой оболочке |
15 |
|
- бронированные, но не в алюминиевой оболочке |
10 |
|
Силовые с пластмассовой изоляцией и оболочкой на напряжение 6-10 кВ, бронированные и небронированные |
15 |
|
Контрольные с резиновой или пластмассовой изоляцией: |
|
|
- в свинцовой оболочке, бронированные |
12 |
|
- то же небронированные |
10 |
3.2.35. Соединения строительных длин и оконцевание кабелей должны выполняться соединительными и концевыми муфтами и заделками соответствующими требованиям ГОСТ. Соединения, концевые муфты и заделки должны быть выполнены с соблюдением требований «Технической документации на муфты для силовых кабелей с бумажной и пластмассовой изоляцией напряжением до 35 кВ» (ТД-35-81), а также других директивных документов, утвержденных в установленном порядке. На кабельных линиях выше 1 кВ, выполняемых гибкими кабелями с резиновой изоляцией в резиновом шланге, соединения кабелей должны производится горячим вулканизированием с покрытием противосыростным лаком.
3.2.36. Количество соединительных муфт на 1 км вновь строящихся кабельных линиях должно быть не более:
- для трехжильных кабелей 1-10 кВ сечением до 3×95 мм2 - 4 шт.
- для трехжильных кабелей 1-10 кВ сечением 3×120 ÷ 3×240 мм2 - 5 шт.
Использование маломерных отрезков кабелей для сооружения протяженных КЛ не допускается.
3.2.37. Для обеспечения высокого качества выполнения операций по монтажу соединительных и концевых муфт рабочее место тщательно подготавливается. Для монтажа соединительных муфт по ходу траншей отрывается котлован ширенной 1,5 м и длинной не менее 2,5 м. Глубина котлована определяется глубиной заложения кабеля.
Независимо от состояния погоды над котлованом должна быть установлена брезентовая палатка размером не менее 2,5×2 м для защиты места работы от влаги и пыли. Монтаж муфт должен производится при температуре воздуха не ниже +10 °С.
3.2.38. Засыпка траншеи с кабелем должна производится послойно мелкой землей, не содержащей камней, строительного мусора и шлака.
3.2.39. Кабели, проложенные в земле, должны быть защищены от механических повреждений:
- кабели напряжением до 35 кВ - железобетонными плитами толщиной не менее 50 мм или глиняным обыкновенным кирпичом в один слой поперек трассы кабелей. При ширине трассы менее 250 мм, а также при прокладке в траншее одного кабеля - вдоль трассы КЛ.
- кабели напряжением до 1 кВ должны иметь такую защиту лишь на участках, где возможны механические повреждения (например, на участках частых раскопок). Асфальтовое покрытие улиц и т.п. рассматриваются как места, где разрытия производятся в редких случаях. Применение силикатного, а также глиняного пустотелого и дырчатого кирпича не допускается. При прокладке на глубине 1-1,2 м кабели до 20 кВ (кроме кабелей городских электросетей) допускается не защищать от механических повреждений.
3.2.40. Для кабельных линий до 20 кВ, кроме линий выше 1 кВ, питающих электроприемники 1 категории, допускается в траншеях с количеством кабельных линий не более двух применять вместо кирпича сигнальные пластмассовые ленты, удовлетворяющие техническим требованиям, утвержденным в установленном порядке.
Не допускается применение сигнальных лент в местах пересечений КЛ с инженерными коммуникациями и над кабельными муфтами на расстоянии по 2 м в каждую сторону от пересекаемой коммуникации или муфты, а также на подходах КЛ к РУ и ТП в радиусе 5 м.
Сигнальная лента должна укладываться на слой земли 250 мм над кабелями. При расположении в траншее одного кабеля лента должна укладываться по оси кабеля, при большем количестве кабелей край ленты должен выступать за крайние кабели не менее чем на 50 мм. При укладке по ширине траншее более одной ленты смежные ленты должны прокладываться с нахлестом не менее 50 мм.
Качество выполнения операций по присыпке кабелей первым слоем земли и укладке ленты, включая присыпку ленты слоем земли по всей длине, должно контролироваться в ходе их выполнения владельцем электрических сетей; о результатах контроля составляется акт на скрытые работы.
3.2.41. При наличии на трассе КЛ блуждающих токов опасных величин необходимо изменить трассу или принять меры по защите кабелей от коррозии: предусмотреть мероприятия по снижению уровней блуждающих токов, применить кабели с повышенной стойкостью к воздействию коррозии, осуществить активную защиту кабелей от воздействия электрокоррозии (путем установки электродренажей, протекторов или катодной защиты).
При подключении устройств активной защиты должны соблюдаться нормы разности потенциалов на участках отсасывания, предусмотренные СНиП-3.04.03-85 «Защита строительных конструкций и сооружений от коррозии» Госстроя России.
3.2.42. На трассе кабельной линии, проложенной в земле в незастроенной местности, должны быть установлены опознавательные знаки на поворотах трассы, в местах расположения соединительных муфт, с обеих сторон пересечений с дорогами и подземными сооружениями, у вводов в здания и через каждые 100 м на прямых участках. Трасса КЛ, проложенной по пахотным землям, должна быть обозначена знаками, устанавливаемыми не реже чем через 500 м, а также в местах изменения направления трассы.
Производственный контроль при прокладке кабельных линий в блоках, трубах и железобетонных лотках
3.2.43. Для изготовления кабельных блоков, а также для прокладки кабелей в трубах разрешается применять стальные, чугунные, асбестоцементные, бетонные, керамические и тому подобные трубы.
3.2.44. Каждый кабельный блок должен иметь до 15 % резервных каналов, но не менее одного канала.
3.2.45. Разметка трасс укладки кабельных блоков должна выполняться с учетом требований к трассам КЛ, прокладываемых непосредственно в земле (см. пп. 3.2.18; 3.2.19; 3.2.20; 3.2.21)
3.2.46. Глубина заложения в земле кабельных блоков должна быть не менее расстояний, приведенных в п. 3.2.28, считая от верхнего кабеля. Глубина заложения кабельных блоков на закрытых территориях и в полах помещений не нормируется.
3.2.47. Кабельные блоки должны иметь уклон не менее 0,2 % в сторону колодцев. Такой же уклон должен быть и для труб и кабелей.
3.2.48. При прокладке труб для КЛ непосредственно в земле или в полу помещений наименьшее расстояние в «свету» между трубами и между ними и другими кабелями и сооружениями должны быть как для кабелей, проложенных без труб (см. пп. 3.2.18; 3.2.19; 3.2.21).
3.2.49. В местах, где изменяется направление трассы кабельных линий, проложенных в блоках, и в местах перехода кабелей из кабельных блоков в землю, должны быть сооружены кабельные колодцы, обеспечивающие удобную протяжку кабелей и удаление их из блоков. Такие колодцы должны быть сооружены также и на прямолинейных участках трассы на расстоянии один от другого, указанных в проекте. При числе кабелей до 10 и напряжении не выше 35 кВ переход кабелей из блоков в землю допускается осуществлять без кабельных колодцев. При этом места выхода кабелей из блоков должны быть заделаны водонепроницаемым материалом.
3.2.50. Каналы кабельных блоков, трубы, выходы из них, а также их соединения должны иметь обработанную и очищенную поверхность для предотвращения механических повреждений оболочек кабелей при протяжке. На выходах кабелей из блоков в кабельные сооружения и камеры должны быть предусмотрены меры, предотвращающие повреждение оболочек (установлены эластичные подкладки, соблюдены необходимые радиусы изгиба кабелей и т.п.)
Производственный контроль при прокладке кабельных линий в кабельных сооружениях
3.2.51. Кабельные сооружения (кабельные этажи, туннели, галереи, эстакады, каналы и шахты) должны выполнятся с учетом дополнительной прокладки кабелей в размере 15 % от предусмотренных проектом.
3.2.52. Кабельные сооружения должны быть отделены от других помещений и соседних кабельных сооружений несгораемыми перекрытиями и перегородками с пределом огнестойкости не менее 0,75 ч. Конструкции кабельных сооружений, места установки перегородок, дверей, открытых выходов определяются проектом.
3.2.53. В туннелях и каналах должны быть выполнены мероприятия по предотвращению попадания в них технологических вод и масла, а также должен быть обеспечен отвод почвенных и ливневых вод. Полы в них должны иметь уклон не менее 0,5 % в сторону водосборников или ливневой канализации.
Проход из одного отсека туннеля в другой при их расположении на разных уровнях должен осуществляется с помощью пандуса с углом подъема не выше 15 °С, устройство ступени между отсеками туннелей запрещается.
3.2.54. Кабельные каналы и двойные полы в РУ и помещениях должны быть перекрыты съемными несгораемыми плитами.
В электромашинных и других подобных помещениях каналы рекомендуется перекрывать рифленой сталью, а в помещениях пунктов управления с паркетными полами - деревянными щитами с паркетом, защищенными снизу асбестом и по асбесту жестью.
3.2.55. Кабельные каналы вне зданий должны быть засыпаны слоем земли толщиной не менее 30 см. Масса отдельной плиты перекрытия, снимаемой вручную, должна быть не более 70 кг. Плиты должны иметь приспособления для подъема. Подземные туннели вне зданий должны иметь поверх перекрытия слой земли не менее 50 см.
3.2.56. Размещение кабелей в кабельных сооружениях должно производится со следующими требованиями:
- контрольные кабели и кабели связи следует размещать только над или только под силовыми кабелями; при этом они должны быть отделены перегородками;
- контрольные кабели допускается прокладывать радом с силовыми до 1 кВ;
- силовые кабели до 1 кВ следует размещать над кабелями выше 1 кВ и отделять перегородками;
- различные группы кабелей: рабочие и резервные кабели выше 1 кВ генераторов, трансформаторов и т.п. питающие электроприемники 1-й категории должны прокладываться на разных горизонтальных уровнях и разделяться перегородками;
- разделительные перегородки должны быть несгораемыми с пределом огнестойкости не менее 0,25 ч.
3.2.57. Объем противопожарных мер, размещение средств обнаружения и тушения пожаров в кабельных сооружениях определяется в проектах на основании ведомственных документов, утвержденных в установленном порядке.
3.2.58. В кабельных сооружениях контрольные кабели и силовые кабели сечением 25 мм2 и более, за исключением небронированных кабелей со свинцовой оболочкой, должны быть проложены по кабельным конструкциям:
- контрольные небронированные, силовые небронированные кабели со свинцовой оболочкой и силовые небронированные кабели сечением 16 мм2 и менее с любыми оболочками должны быть проложены по лоткам или перегородкам (сплошным или несплошным).
Допускается прокладка кабелей по дну канала при глубине его не более 0,9 м; при этом расстояние между группой силовых кабелей выше 1 кВ и группой контрольных кабелей должно быть не менее 100 мм или эти группы кабелей должны разделяться несгораемой перегородкой с пределом огнестойкости не менее 0,25 ч.
3.2.59. Прокладка контрольных кабелей допускается пучками в лотках и многослойно в металлических коробах при соблюдении следующих условий:
- наружный диаметр пучка должен быть более 100 мм;
- высота слоев в одном коробе не должна превышать 150 мм;
- в пучках и многослойно должны прокладываться только кабели с однотипными оболочками;
- крепления кабелей в пучках, многослойно в коробах, пучков кабелей к лоткам должно быть выполнено так, чтобы была исключена деформация кабелей под действием собственного веса и устройств крепления;
- в целях пожарной безопасности внутри коробов должны быть установлены огнепреградительные пояса: на вертикальных участках на расстояниях не более 20 м, а также при переходе через перекрытия; на горизонтальных - при переходе через перегородки;
- в каждом направлении трассы должен быть запас емкости не менее 15% емкости коробов. Прокладка силовых кабелей пучками и многослойно не допускается.
3.2.60. В кабельных сооружениях высота, ширина проходов и расстояние между конструкциями и кабелями должна быть не менее приведенных в таблице 3.2.5.
Таблица 3.2.5
(ПУЭ Табл. 2.3.1)
Наименьшее расстояние для кабельных сооружений
|
Расстояние |
Наименьшие размеры, мм, при прокладке |
|
|
В туннелях, галереях, кабельных этажах и на эстакадах |
В кабельных каналах и двойных полах |
|
|
Высота в свету |
1800 |
Не ограничивается, но не более 1200 мм |
|
По горизонтали в свету между конструкциями при двустороннем их расположении (ширина прохода) |
1000 |
300 при глубине 0,6 м; 450 при глубине более 0,6 до 0,9 м; 600 при глубине более 0,9 м |
|
По горизонтали в свету от конструкции до стены при одностороннем расположении (ширина прохода) |
900 |
То же |
|
По вертикали между горизонтальными конструкциями*; Для силовых кабелей напряжением: |
|
|
|
До 10 кВ |
200 |
150 |
|
20-35 кВ |
250 |
200 |
|
110 кВ и выше |
300** |
250 |
|
для контрольных кабелей и кабелей связи, а также силовых сечением до 3×25 мм напряжением до 1 кВ |
100 |
|
|
Между опорными конструкциями (консолями) по длине сооружения |
800 - 1000 |
|
|
По вертикали и горизонтали в свету между одиночными силовыми кабелями напряжением до 35 кВ*** |
не менее диаметра кабеля |
|
|
По горизонтали между контрольными кабелями и кабелями связи*** |
не нормируется |
|
|
* Полезная длина консоли должна быть не более 500 мм на прямых участках трассы. ** При расположении кабелей треугольником 250 мм. *** В том числе для кабелей, прокладываемых в кабельных шахтах. |
||
По сравнению с приведенными в таблице расстояниями допускается местное сужение проходов до 800 мм или снижение высоты до 1,5 м на длине 1 м, соответствующим уменьшением расстояния между кабелями по вертикали.
3.2.61. Высота для кабельных колодцев должна быть не менее 1,8 м; высота кабельных камер не нормируется. В полу колодца должен быть приямок для сбора грунтовых и ливневых вод. Кабельные колодцы должны быть снабжены металлическими лестницами. В кабельных колодцах кабели и соединительные муфты должны быть уложены на конструкциях, лотках или перегородках.
3.2.62. Люки кабельных колодцев и туннелей должны иметь диаметр не менее 650 мм и закрываться двойными металлическими крышками, из которых нижняя должна иметь приспособление для закрытия на замок, открываемый со стороны туннеля без ключа. Крышки должны быть приспособлены для их снятия. Внутри помещений вторая крышка не требуется.
3.2.63. На соединительных муфтах силовых кабелей напряжением 6-35 кВ в туннелях, кабельных этажах и каналах должны быть установлены специальные защитные кожухи для локализации пожаров и взрывов, которые могут возникнуть при электрическом пробое в муфтах.
3.2.64. Кабельные сооружения, за исключением эстакад, колодцев для соединительных муфт, каналов и камер должны быть обеспечены естественной или искусственной вентиляцией, причем вентиляция каждого отсека должна быть независимой. Эти же кабельные сооружения должны быть оборудованы электрическим освещением и сетью для питания переносных светильников и электроинструмента.
3.2.65. Пересечение кабельных эстакад и галерей с воздушными линиями электропередачи, внутризаводскими железными и автомобильными дорогами, пожарными проездами, канатными дорогами, воздушными линиями связи и радиофикации, трубопроводами должно быть выполнено под углом не менее 30 °С.
3.2.66. Наименьшие расстояния в свету от кабельных эстакад и галерей до зданий и сооружений должны соответствовать приведенным в таблице 3.2.6.
(ПУЭ Табл. 2.3.2)
Наименьшее расстояние от кабельных эстакад и галерей до зданий и сооружений
|
Сооружение |
Нормируемое расстояние |
Наименьшие размеры, м |
|
При параллельном следовании, по горизонтали |
||
|
Здания и сооружения с глухими стенами |
От конструкции эстакады и галереи до стены здания и сооружения |
Не нормируется |
|
Здания и сооружения, имеющие стены с проемами. |
То же |
2 |
|
Внутризаводская неэлектрифицированная железная дорога |
От конструкции эстакады и галереи до габарита приближения строений. |
1 м для галерей и проходных эстакад; 3 м для непроходных эстакад. |
|
Внутризаводская автомобильная дорога и пожарные проезды |
От конструкции эстакады и галереи до бордюрного камня, внешней бровки или подошвы кювета дороги. |
2 |
|
Канатная дорога |
От конструкции эстакады и галереи до габарита подвижного состава. |
1 |
|
Надземный трубопровод |
От конструкции эстакады и галереи до ближайших частей трубопровода. |
0,5 |
|
Воздушная линия электропередач напряжением до 20 кВ |
От конструкции эстакады и галереи до проводов. |
2 |
|
При пересечении по вертикали |
||
|
Внутризаводская неэлектрифицированная железная дорога |
От нижней отметки эстакады и галереи |
5,6 |
|
Внутризаводская электрифицированная железная дорога |
От нижней отметки эстакады и галереи: до головки рельса |
7,1 |
|
до наивысшего провода или несущего троса контактной сети |
3 |
|
|
При пересечении по вертикали |
||
|
Внутризаводская автомобильная дорога ( пожарный проезд) |
От нижней отметки эстакады и галереи до полотна автомобильной дороги (пожарного проезда) |
4,5 |
|
Надземный трубопровод |
От конструкции эстакады и галереи до ближайших частей трубопровода. |
0,5 |
|
Воздушная линия электропередач напряжением до 35 кВ |
От конструкции эстакады и галереи до проводов. |
3 |
|
Воздушная линия связи и радиофикации |
То же |
1,5 |
3.2.67. Наименьшая высота кабельной эстакады и галереи в непроезжей части промышленного предприятия, должна быть такой, что бы нижний ряд кабелей располагался в них на высоте не менее 2,5 м от поверхности земли.
Производственный контроль при прокладке кабельных линий в производственных помещениях
3.2.68. При разметке трассы кабельных линий в производственных помещениях должны быть выполнены следующие требования:
- кабели должны быть доступны для осмотра и ремонта;
- расстояние в свету между кабелями должно соответствовать приведенному в таблице 3.2.2.
- расстояние между параллельно проложенными силовыми кабелями и трубопроводами должно быть не менее 0,5 м, а между газопроводами и трубопроводами с горючими жидкостями - не менее 1 м; при меньших расстояниях сближения и при пересечениях, кабели должны быть защищены от механических повреждений (металлическими трубами, кожухами) на всем участке сближения плюс по 0,5 м с каждой стороны, а в необходимых случаях защищены от перегрева;
- пересечение кабелями проходов должно выполняться на высоте не менее 1,8 м от пола;
- параллельная прокладка над и под маслопроводами и трубопроводами с горючей жидкостью в вертикальной плоскости не допускается.
3.2.69. Прокладка кабелей в полу и в междуэтажных перекрытиях должна производиться в каналах или трубах; заделка в них кабелей наглухо не допускается. Проход кабелей через перекрытия и внутренние стены должен быть выполнен в трубах или проемах; после прокладки кабелей зазоры в трубах и проемах должны быть заделаны легкопробиваемым несгораемым материалом.
3.2.70. Прокладка кабелей в вентиляционных каналах запрещается. При пересечении этих каналов одиночными кабелями кабели должны быть заключены в стальные трубы. Открытая прокладка кабелей по лестничным клеткам не допускается.
3.2.71. Крепление одиночных кабелей, прокладываемых по строительным поверхностям производственных помещений, осуществляется однолапчатыми или двухлапчатыми скобами. При большом количестве кабелей, прокладываемых горизонтально, могут использоваться лотки или короба. Крепление кабелей, располагаемых друг над другом, может быть выполнено на профилях с закладными подвесками. Прокладку кабелей в каналах производственных помещений выполняют с применением сборных кабельных конструкций.
3.2.72. Кабели проложенные горизонтально по конструкциям, стенам, перекрытиям и т.п. должны быть жестко закреплены в конечных точках, непосредственно у концевых заделок, с обеих сторон изгибов и у соединительных и стопорных муфт. Кабели, проложенные вертикально по конструкциям и стенам должны быть закреплены так, чтобы была предотвращена деформация оболочек и не нарушались соединения жил в муфтах под действием собственного веса кабелей. В местах жесткого крепления небронированных кабелей их оболочки должны быть предохранены от механических повреждений и коррозии при помощи эластичных прокладок.
3.2.73. Кабели (в том числе бронированные) расположенные в местах, где возможны механические повреждения (передвижение транспорта, механизмов и грузов, доступность для посторонних лиц) должны быть защищены по высоте на 2 м от уровня пола стальными трубами, стальным уголком или листовой сталью толщиной не менее 2 мм.
Производственный контроль при прокладке кабельных линий через водные преграды и по специальным сооружениям
3.2.74. При пересечении КЛ рек, каналов и т.п. кабели должны прокладываться на участках с дном и берегами мало подверженных размыванию. Прокладка кабелей в зонах пристаней, причалов, гаваней, паромных переправ, а также зимних регулярных стоянок судов и барж не рекомендуется.
3.2.75. Прокладка КЛ по дну должна производиться таким образом, чтобы в неровных местах они не оказались на весу; острые выступы должны быть устранены; отмели, каменные гряды и другие подводные препятствия на трассе нужно обходить или предусматривать в них траншеи и проходы.
3.2.76. Кабели должны заглубляться в дно на прибрежных и мелководных участках на судоходных и сплавных путях на глубину не менее 1 м.
3.2.77. Расстояние между кабелями, заглубленными в дно рек, каналов и т.п. с шириной водоема до 100 м, должно быть не менее 0,25 м. Вновь сооружаемые подводные КЛ должны прокладываться на расстоянии в свету от действующих КЛ не менее 1,25 глубины водоема, исчисленной для многолетнего среднего уровня воды, но не менее 20 метров. Пересечение кабелей между собой под водой запрещается.
3.2.78. Расстояние по горизонтали от кабелей заглубляемых в дно рек, каналов и других водоемов, до трубопроводов (нефтепроводов, газопроводов и т.п.) должно определяться проектом, но быть не менее 50 м.
3.2.79. На берегах без усовершенствованных набережных в местах подводного кабельного перехода должен быть предусмотрен резерв длиной не менее 10 м при речной и 30 м при морской прокладке, который укладывается восьмеркой. На усовершенствованных набережных кабели должны прокладываться в трубах. В местах выхода кабелей должны быть устроены кабельные колодцы. Верхний конец трубы должен входить в колодец, нижний находиться на глубине не менее 1 м от наименьшего уровня воды. На береговых участках трубы должны быть прочно заделаны.
3.2.80. В местах, где русло и берега подвержены размыву, должны приниматься меры против обнажения кабелей при ледоходах и наводнениях путем укрепления берегов (замощение, отбойные дамбы, шпунты, сваи, плиты и т.п.)
3.2.81. При прокладке в воде трех и более кабелей до 35 кВ должен быть предусмотрен один резервный кабель на каждые три рабочих.
3.2.82. Подводные кабельные переходы должны быть обозначены на берегах сигнальными знаками согласно действующим правилам плавания по внутренним судоходным путям.
3.2.83. Прокладка КЛ по каменным, железобетонным и металлическим мостам должна выполняться под пешеходной частью моста в каналах или отдельных для каждого кабеля несгораемых трубах. По металлическим и железобетонным мостам и при подходе к ним, а также в местах перехода с конструкций моста в грунт кабели должны быть проложены в асбестоцементных трубах.
3.2.84. Все подземные кабели при прохождении по металлическим и железобетонным мостам должны быть электрически изолированы от металлических частей моста.
3.2.85. Прокладка кабелей по деревянным сооружениям (мостам, причалам, пирсам и т.п.) должна быть выполнена в стальных трубах.
3.2.86. В местах перехода кабелей через температурные швы мостов и с конструкций мостов на устои должны быть приняты меры для предотвращения возникновения в кабелях механических усилий.
3.2.87. Прокладка КЛ по плотинам, дамбам, пирсам и причалам непосредственно в земляной траншее допускается при толщине слоя земли не менее 1 м.
Приемо-сдаточные испытания кабельных линий
3.2.88. Кабельные линии напряжением до 10 кВ включительно законченные монтажам независимо от способа прокладки подвергаются приемо-сдаточным испытаниям согласно требованиям ПУЭ в следующем объеме:
- проверяется целостность и фразировка жил кабеля;
- измеряется сопротивление изоляции мегаомметром на напряжение 2500 В;
Сопротивление изоляции кабелей до 1 кВ должно быть не менее 0,5 МОм.
Сопротивление изоляции кабелей напряжением выше 1 кВ не нормируется.
- испытывается изоляция кабелей напряжением выше 1 кВ повышенным напряжением выпрямленного тока. Значение испытательного напряжения и длительность его приложения приведены в таблице 3.2.3. Кабель считается выдержавшим испытание, если не произошло пробоя изоляции, не было скользящих разрядов и толчков тока утечки или его нарастания после того, как он достиг установившегося значения;
- измеряется распределение тока по одножильным кабелям. Неравномерность распределения должна быть не более 10 %;
- измеряется сопротивление заземлений для концевых заделок.
Общие сведения
3.3.1. Работы по сооружению воздушных линий электропередачи напряжением до 1 кВ выполняются с соблюдением требований ПУЭ (гл. 2.4), СНиП 3.05.06-85, типовых чертежей опор, утвержденных в установленном порядке, и проектной документации.
3.3.2. Проектная документация на сооружения воздушной линии напряжением до 1 кВ должна содержать: план трассы, журнал размещения опор, чертеж опор и оснований, спецификацию на материалы и оборудование, смету на сооружение воздушной линии.
3.3.3. Проектная документация должна быть передана генподрядчиком (заказчиком) монтажной организации не позднее, чем за три месяца до начала работ для подготовки к их производству.
3.3.4. До начала электромонтажных работ по сооружению ВЛ должны быть выполнены подготовительные работы согласно требованиям СНиП 3.05.06-85 (пп. 3.116-3.118). Просека на трассе ВЛ должна быть очищена от вырубленных деревьев и кустарников. (Вырубка кустарников на рыхлых почвах, крутых склонах и местах, заливаемых во время половодья, не допускается). Древесина, оставленная в штабелях на трассе ВЛ, на пожароопасный период, а также оставшейся на этот период «валы» порубочных остатков должны быть окаймлены минерализированной полосой шириной 1 м, с которой полностью удаляется травяная растительность, лесная подстилка и прочие горючие материалы до минерального слоя почвы.
3.3.5. Для воздушной линии до 1 кВ могут применяться однопроволочные и многопроволочные провода; применение расплетенных проводов не допускается.
По условиям механической прочности сечения проводов должно быть не менее:
16 мм2 - для алюминиевых;
10 мм2 - для сталеалюминевых и биметаллических;
25 мм2 - стальных многопроволочных и 4 мм для стальных однопроволочных.
3.3.6. Опоры ВЛ до 1 кВ могут применяться железобетонные, деревянные с железобетонными приставками, деревянные и металлические.
3.3.7. При сооружении ВЛ выполняют следующие операции и работы:
- подготавливают трассу;
- размечают места установки опор;
- сооружают фундаменты для опор;
- производят сборку и установку опор;
- раскатывают и натягивают провод;
- заземляют элементы ВЛ и монтируют устройства защиты от перенапряжения;
- завершенную строительством ВЛ подвергают проверкам и испытаниям и сдают в эксплуатацию.
3.3.8. Контроль качества работ по сооружению ВЛ осуществляется в процессе выполнения всех операций, а также при сдаче ВЛ в эксплуатацию.
Производственный контроль
3.3.9. При разметке трассы опоры должны размещаться так, чтобы не загораживали входов в здания и въездов во дворы и не затрудняли движение транспорта и пешеходов. В местах, где имеется опасность наезда транспорта на опоры необходимо предусмотреть защиту опор, например, отбойными трубами.
3.3.10. Прохождение ВЛ не допускается по территории стадионов и школ, по территории спортивных комплексов.
3.3.11. Наименьшее расстояние от опор ВЛ до подземных коммуникаций и надземных колонок различного назначения должно быть:
- кабелей силовых - 1 м;
- то же при прокладке их в изолирующей трубе - 0,5 м;
- трубопроводов - 1 м (водо-, газо-, теплопроводов, также канализационных труб);
- пожарных гидрантов - 2 м (колодцев, люков, подземной канализации, водозаборных колонок);
- бензиновых колонок - 10 м.
3.3.12. Наименьшее расстояние подземных кабелей линий связи (ЛС) и линий радиотрансляционных сетей (РС) до опор ВЛ должны быть:
- заземлителя опоры ВЛ (или до железобетонной опоры) в населенной местности - 3 м;
- то же в ненаселенной местности - 10 м;
- незаземленной деревянной опоры в населенной местности - 2 м;
- то же в ненаселенной местности - 5 м.
3.3.13. Расстояние по горизонтали от проводов при наибольшем их отклонении, до зданий и строений должно быть:
- не менее 1 м до глухих стен;
- 1,5 м до балконов, терасс и окон.
Прохождение ВЛ над зданиями не допускается.
3.3.14. Расстояние от проводов при наибольшем их отклонении или провесе до крон деревьев должно быть не менее 1 м.
3.3.15. Пересечение ВЛ до 1 кВ между собой рекомендуется выполнять на перекрестных опорах; допускается пересечение в пролете, при этом расстояние по вертикали между ближайшими проводами пересекающихся ВЛ при температуре окружающего воздуха +15 °С без ветра должно быть не менее 1 м. При пересечении ВЛ до 1 кВ в пролете место пересечения должно быть возможно ближе к опоре верхней пересекающей ВЛ, при этом расстояние по горизонтали между опорами пересекающей и проводами пересекаемой ВЛ должно быть не менее 2 м (рис. 3.3.1).
Рис. 3.3.1. Схема пересечения в пролете ВЛ до 1 кВ между собой.
3.3.16. Пересечение ВЛ до 1 кВ с линиями связи (ЛС) и линиями радиотрансляционных сетей (РС) должно выполняться под углом, близким к 90 °С и должно находиться на расстоянии не менее 2 м от опоры ВЛ.
Расстояние по вертикали от проводов ВЛ до проводов или подвесных кабелей ЛС и РС в пролете пересечения при наибольшей стреле провеса провода ВЛ должно быть не менее 1,25 м.
Место пересечения проводов ВЛ с проводами или подвесными кабелями ЛС и РС должно находится на расстоянии не менее 2 м от ближайшей опоры ВЛ, но по возможности ближе к опоре ВЛ (рис. 3.3.2).
Рис. 3.3.2. Схема пересечения в пролете ВЛ до 1 кВ с линиями ЛС и РС.
Соединение проводов ВЛ, ЛС и РС в пролетах пересечения не допускается. Провода ВЛ должны быть многопроволочными с сечением не менее 35 мм2 для алюминиевых, 25 мм2 для сталеалюминевых и стальных.
Опоры ВЛ, ограничивающие пролет пересечения, должны быть анкерного типа. Провода ВЛ на этих опорах должны иметь двойное крепление.
3.3.17. При пересечении ВЛ до 1 кВ с ВЛ до и выше 1 кВ угол пересечения не нормируется, но ВЛ до 1 кВ должна проходить ниже ВЛ выше 1 кВ. Место пересечения должно находиться возможно ближе к опоре верхней (пересекающей) ВЛ.
При этом расстояние по горизонтали от опоры пересекающей ВЛ до проводов нижней (пересекаемой) ВЛ при наибольшем отклонении проводов должно быть не менее 6 м, а от опор нижней (пересекаемой) ВЛ до проводов верхней (пересекающей) ВЛ не менее 5 м.
Расстояние по вертикали между проводами ВЛ до 1 кВ и ВЛ выше 1 кВ приведены в ПУЭ. В частности при прохождении ВЛ до 1 кВ под ВЛ 10 кВ оно должно быть не менее 2 м.
3.3.18. Опоры для ВЛ до 1 кВ должны быть изготовлены в соответствии с требованиями СНиП и проектов типовых конструкций.
Деревянные опоры и их детали должны отвечать требованиям СНиП II-25-80 и проекта типовых конструкций серии 3.407.5-136.
3.3.19. Для деревянных опор ВЛ до 1 кВ необходимо применять бревна из леса не ниже 3-го сорта по ГОСТ 9463-88*, пропитанные антисептиком заводским способом. Допускается применение непропитанной лиственницы. Конусность бревна от комля к верхнему отрубу должна быть не более 8 мм на 1 м длины.
3.3.20. Диаметр бревен в верхнем отрубе для основных элементов опоры (стойки, приставки, траверсы, подкосы) должен быть не менее 14 см, для остальных элементов не менее 12 см.
3.3.21. Ж/бетонные опоры, поставляемые заводами-изготовителями, должны иметь сертификат качества, в котором указываются: тип опоры, марка бетона, вид армирования (стержневое, проволочное, прядевое), дата изготовления и отгрузки. На стволе опоры должны быть нанесены марка изделия, заводской номер и завод-изготовитель.
3.3.22. При приеме ж/бетонных опор от завода-изготовителя бракуются опоры (стойки опор), имеющие в одном сечении более одной продольной трещины шириной раскрытия 0,2 мм и более. Трещины шириной от 0,1 до 0,2 мм допускаются заделывать защитными эмульсиями. Подлежат отбраковке также опоры из проволочной и прядевой арматуры, имеющие поперечные трещины шириной 0,1 мм, а опоры со стержневой арматурой - при ширине поперечных трещин 0,2 мм и более.
3.3.23. При перевозке и транспортировке ж/бетонных опор не допускается подвергать их ударам, резким толчкам. Погрузка опоры должна производиться краном со страховкой стойки в двух местах, симметричных относительно центра тяжести опоры. Запрещается транспортировка опор по земле волоком.
3.3.24. Элементы деревянных опор при сборке соединяются между собой болтами. Перед сборкой опор осматривают все детали, отбраковывают поврежденные. При сборке деревянных опор все детали должны быть пригнаны друг другу. Зазор в местах врубок и стыков не должен превышать 4 мм. Древесина в местах соединения должна быть без сучков и трещин. Зарубы, затесы и отколы должны быть выполнены на глубину не более 20 % диаметра бревна. Сквозные щели в стыках рабочих поверхностей не допускаются. Заполнение щелей или других неплотностей между рабочими поверхностями не допускается. Должна соблюдаться геометрическая схема и размеры, указанные в чертежах. Отклонения от проектных размеров всех деталей опоры допускается в пределах: по диаметру -1 +2 см, по длине -1 см на 1 метр. Минусовой допуск при изготовлении траверс не допускается. Места врубок и затесов перед сборкой обрабатываются антисептиком. Отверстие под болты просверливаются. При сборке болты должны плотно входить в отверстия. Под головки болтов и гайки должны быть подложены шайбы. Длину болтов выбирают такой, чтобы концы их выступали из гаек не менее 40 мм и не более 100 мм. Диаметр болтов должен быть не менее 16 мм. Для предупреждения отвинчивания гаек закернивают резьбу на концах болтов, которые будут располагаться над землей на высоте менее 3 м.
3.3.25. Стойки деревянных опор соединяются с приставкой с помощью бандажей из оцинкованной проволоки диаметром 4 мм. Допускается применение неоцинкованной проволоки диаметром 5-6 мм. Количество ниток проволоки в бандаже должно быть:
- для проволоки диаметром 4 мм - 12;
- 5 мм - 10;
- 6 мм - 8.
Затяжка бандажей должна быть выполнена так, чтобы все нитки проволоки плотно соприкасались друг с другом и были бы равномерно натянуты. Концы проволоки бандажа должны быть загнуты и забиты в стойку опоры на глубину 20-25 мм. Бандажи должны быть стянуты болтами пропускаемыми между опорой и приставкой. Под головкой и гайкой должны быть установлены фасонные (с загнутыми краями) прямоугольные шайбы. Допускается вместо стягивания болтами применять стягивание закруткой проволокой бандажа. Взамен проволочных бандажей допускается применять стяжные хомуты на болтах. Каждый бандаж (хомут) должен сопрягать не более дух деталей опоры (рис. 3.3.3).
Рис. 3.3.3. Соединение стойки опор ВЛ 0,4 кВ с приставкой:
а - железобетонной; б - деревянной; в - хомут для соединения деревянных стоек с железобетонной приставкой; г - готовое соединение хомутом.
3.3.26. Перед установкой опор они оснащаются штыревыми изоляторами. Изоляторы должны быть закреплены на крюках или штырях с использованием полиэтиленовых колпачков или каболки.
3.3.27. Для установки крюка в древесине стойки опоры высверливается отверстие диаметром, равным внутреннему диаметру нарезки крюка, и глубиной 0,75 длины нарезной части. Крюк должен быть ввернут в отверстие на всю длину нарезной части плюс 10-15 мм. Для установки штыря в траверсе высверливается отверстие, равное диаметру штыря. Штырь вставляется в отверстие и закрепляется гайкой с прокладкой шайбы.
3.3.28. Стальные детали ж/бетонных опор (траверсы, скобы, хомуты) должны быть оцинкованы или покрыты атмосферостойкой краской. При сборке ж/бетонных опор траверсы крепят болтами или скобами.
3.3.29. Расстояние по вертикали между крюками и по горизонтали между штырями на траверсе должны быть: 40 см (в 1-м, 2-м и 3-м районах по гололеду) и 60 см (в 4-м и особых районах). Расстояние от верха опоры до первого крюка должно быть не менее 20 см, до первой траверсы 35 см.
3.3.30. Установленные опоры не должны отклоняться от вертикальной оси более чем 1:100 (отношение величины отклонения верхнего конца стойки опоры к ее высоте) для деревянных и 1:150 для ж/бетонных опор. Выход опоры из створа линии допускается не более 100 мм, уклон наклона траверсы на деревянной опоре должен быть не более 1:50, на ж/бетонной 1:100.
3.3.31. Оттяжки опор должны прикрепляться к анкерам, установленным в земле, или к каменным, кирпичным, ж/бетонным и металлическим зданиям и сооружениям. Сечение стальных оттяжек должны быть не менее 25 мм2.
3.3.32. Оттяжки опор в сетях с изолированной нейтралью, закрепленные нижним концом на высоте менее 2,5 м от земли, должны быть заземлены с сопротивлением заземляющего устройства не менее 10 Ом, или изолированы при помощи натяжного изолятора, рассчитанного на напряжение ВЛ и установленного на высоте не менее 2,5 м от земли. В сетях с глухозаземленной нейтралью оттяжки должны быть присоединены к нулевому защитному проводнику.
3.3.33. Для ВЛ, по условиям механической прочности, должны применяться провода сечением не менее: алюминиевые 16 мм2; сталеалюминиевые и биметаллические 10 мм2; стальные многопроволочные 25 мм2; стальные однопроволочные диаметром 4 мм.
3.3.34. Соединение проводов должно производиться при помощи соединительных зажимов или сваркой (в т.ч. термитной). Однопроволочные провода допускается соединять путем скрутки и последующей пайки. Соединения, подверженные натяжению, должны иметь механическую прочность не менее 90 % предела прочности целого провода. Соединения проводов из разных металлов или разных сечений должны выполняться только на опорах с применением переходных зажимов. Зажимы и участки провода, на которых они установлены, не должны испытывать механических усилий от натяжения проводов.
3.3.35. На опорах нулевой провод должен располагаться ниже фазных. Провода наружного освещения должны прокладываться над нулевым проводом.
3.3.37. Расстояние от проводов при наибольшей стреле провеса до земли и проезжей части улиц должно быть не менее 6 м. При пересечении улиц ответвлениями от ВЛ к вводам в здание расстояние от проводов до тротуаров и пешеходных дорожек допускается уменьшать до 3,5 м.
3.3.38. При пересечении несудоходных и замерзающих небольших рек, каналов и т.п. расстояние от проводов ВЛ до наивысшего уровня воды должно быть не менее 2 м, а до льда не менее 6 м.
3.3.40. Не допускается совместная подвеска на общих опорах проводов ВЛ и неизолированных проводов линий связи (ЛС), а также проводов радиотрансляционной сети (РС).
3.3.41. При пересечении ВЛ с автомобильными дорогами 3-й и 4-й категорий расстояние проводов до полотна дороги при наибольшей стреле провеса должно быть не менее 6 м; при пересечении автомобильных дорог 1-й и 2-й категорий - 7 м. Расстояние от проводов ВЛ до дорожных знаков и их несущих тросов должно быть не менее 1 м. Несущие тросы в местах пересечения с ВЛ должны быть заземлены с сопротивлением заземляющего устройства не более 10 Ом.
3.3.42. В сетях с глухо заземленной нейтралью крюки и штыри фазных проводов, устанавливаемые на железобетонных опорах, а также арматура этих опор должны быть присоединены к нулевому проводу (занулены). В сетях с изолированной нейтралью крюки и штыри фазных проводов установленные на ж/бетонных опорах должны быть заземлены. Сопротивление заземляющего устройства не должно превышать 50 Ом. Заземляющие и зануляющие проводники должны иметь диаметр не менее 6 мм.
3.3.43. Крюки и штыри, устанавливаемые на деревянных опорах, заземлению (занулению) не подлежат, за исключением подлежащих заземлению по пп. 3.3.46 настоящего руководства. На рис. 3.3.4 показано, как выполняется заземление крюков в этом случае.
Рис. 3.3.4. Заземление крюков ВЛ 0,4 кВ на деревянных опорах.
3.3.44. В сетях с глухозаземленной нейтралью заземляющие устройства должны быть выполнены для повторного заземления нулевого провода, на концах ВЛ (или ответвлений от них длиной более 200 м), а также на вводах от ВЛ к электроустановкам, которые надлежат занулению. Сопротивление растеканию заземлителя каждого из повторных заземлений должно быть не более 15, 30 и 60 Ом, соответственно при напряжениях 660, 380 и 220 В.
3.3.45. В населенной местности с одно- и двухэтажной застройкой ВЛ, не экранированные промышленными дымовыми трубами, высокими деревьями и т.п., должны иметь заземляющие устройства, предназначенные для защиты от грозовых перенапряжений. Сопротивление этих устройств должно быть не более 30 Ом, расстояние между ними не более 200 м для районов с числом грозовых часов в году до 40 и 100 м для районов с числом грозовых часов в году более 40.
3.3.46. На ВЛ до 1 кВ заземляющие устройства должны также быть выполнены:
а) на опорах с ответвлениями к вводам в помещения, где может быть сосредоточено большое количество людей (школы, ясли, больницы и т.п.) или которые представляют большую хозяйственную ценность (животноводческие помещения, склады, мастерские и т.п.);
б) на конечных опорах линий, имеющих ответвление к вводам, при этом расстояние от среднего заземляющего устройства этих линий должно быть не более 100 м для районов с числом грозовых часов в году от 10 до 40 и 50 м для районов с числом грозовых часов более 40. К указанным заземляющим устройствам должны быть присоединены на деревянных опорах крюки и штыри, а на ж/бетонных опорах также и арматура опор.
В местах, указанных в п. а) и б), кроме того, рекомендуется устанавливать разрядники.
Испытание и проверка
3.3.47. Правила устройства электроустановок для ВЛ до 1 кВ предусматривают при проведении приемосдаточных испытаний измерение сопротивлений заземляющих устройств:
- в сетях с изолированной нейтралью измеряется сопротивление заземляющих устройств для заземления арматуры железобетонных опор, а также крюков и штырей, установленных на них. Сопротивления заземляющих устройств в любое время года должно быть не менее 50 Ом;
- в сетях с глухо заземленной нейтралью измеряется сопротивление заземляющих устройств для повторного заземления нулевого провода ВЛ. Общее сопротивление всех заземляющих устройств ВЛ в любое время года должно быть не более 5, 10 и 20 Ом соответственно при линейных напряжениях 660, 380 и 220 В. При этом сопротивление каждого заземлителя для повторного заземления должно быть не более 15, 30 и 60 Ом, соответственно, при тех же напряжениях;
- сопротивление заземляющих устройств, предназначенных для защиты от атмосферных перенапряжений, должны быть не более 30 Ом.
3.3.48. Кроме проверок, предусмотренных ПУЭ, на ВЛ до 1 кВ, проверяется выполнение требований СНиП.
Отклонение опор от вертикальной оси вдоль и поперек оси линии (отношение отклонения верхнего конца стойки к ее высоте) должно быть не более 1/100 высоты деревянной и 1/150 высоты железобетонной опоры.
Выход опоры из створа линии при длине пролета до 200 м должен составлять не более 100 мм для деревянных и железобетонных опор.
Отклонение траверсы от горизонтальной оси должно быть не более 1/50 длины траверсы на деревянных опорах и 1/100 длины траверсы на железобетонных опорах.
Отклонение траверсы относительно линии, перпендикулярной оси ВЛ (для угловой опоры относительно биссектрисы угла поворота ВЛ) не более 1/50 длины траверсы на деревянных опорах и 1/100 длины траверсы на железобетонных опорах.
Проверяется фактическая стрела провеса проводов. Она не должна отличаться от проектной более чем на 5 % в сторону уменьшения. Разрегулировка стрелы провеса проводов в пролете должна составлять не более 10 % от проектной стрелы провеса, соответствующей фактической температуре.
Проверяется габарит линии - расстояния от провода до земли и различных пересекаемых объектов (в нормальном режиме работы линии). Расстояния должны соответствовать требованиям ПУЭ (см. пп. 3.3.36-3.3.39 настоящего руководства).
Расстояния по воздуху от проводов до деталей опор не должны отличаться от установленных ПУЭ более чем на 10 %.
3.3.49. На все измерения и проверки составляются протоколы.
Общие сведения
3.4.1. Молниезащита зданий и сооружений выполняется в соответствии с требованиями «Инструкции по устройству молниезащиты зданий и сооружений» (РД 34.21.122-87*), ГОСТ Р 50571.19-2000 ведомственных нормативных документов и утвержденного рабочего проекта.
* Требование инструкции не распространяются на устройства молниезащиты линий электропередачи, электрической части электростанций и ТП, контактных сетей, радио- и телевизионных антенн, телеграфных, телефонных и радиотрансляционных линий, а также зданий и сооружений, эксплуатация которых связана с применением, производством или хранением пороха и взрывчатых веществ.
3.4.2. Необходимость устройства молниезащиты определяется в зависимости от среднегодовой продолжительности гроз в месте нахождения здания и сооружения, а также от ожидаемого количества поражений его молнией в год. Ожидаемое количество поражений в год зависит от конфигурации зданий и сооружений и их высоты и определяется расчетом. Значение среднегодовой продолжительности гроз на территории России приводится на картах «Среднегодовой продолжительности гроз», представленных в РД 34.21.122-87 и ПУЭ.
3.4.3. В зависимости от среднегодовой продолжительности гроз в месте нахождения здания и сооружения, от ожидаемого количества поражений его молнией, а также от степени взрыво- и пожароопасности производств в них, для зданий и сооружений предусматривается больший или меньший объем молниезащитных мер, определяемых категорией молниезащиты: I, II или III. Для зданий и сооружений I и II категорий, при использовании стержневых и тросовых молниеотводов (см. п. 3.4.4), кроме того устанавливается тип зоны защиты: «А» или «Б».
Зона защиты молниеотводов - это часть пространства, внутри которого здание или сооружение защищено от прямых ударов молнии с определенной степенью надежности. Зона защиты типа А имеет надежность на ее границе 0,9999. Зона защиты типа Б - 0,999. По мере продвижения внутрь зоны надежность защиты возрастает.
Размеры зон защиты зависят от вида молниеотводов, их геометрических размеров, количества и взаимного расположения. Размеры зон и их конфигурация определяется специальными расчетами.
3.4.4. Инструкция РД 34.21.122-87 определяет условия отнесения наиболее распространенных зданий и сооружений к той или иной категории молниезащиты, к тому или иному типу зоны защиты («А» или «Б»).
В таблице 3.4.1 приведены примеры отнесения зданий и сооружений к категориям и типам зон защиты.
Таблица 3.4.1
(РД 34.21.122-87 Таблица 1)
Категории молниезащиты и типы зон защиты зданий и сооружений
|
Здания и сооружения |
Местоположение |
Тип зон защиты при использовании стержневых и тросовых молниеотводов |
Категория защиты |
|
|
1 |
2 |
3 |
4 |
5 |
|
1. |
Здания и сооружения или их части, помещения которых согласно ПУЭ относятся к зонам классов В-I и В-II |
На всей территории России |
А |
I |
|
2. |
То же классов В-Iа, В-Iб |
В местностях со средней продолжительностью гроз 10 ч в год и более |
При ожидаемом количестве поражений молнией в год здания или сооружения N > 1 - А; при N ≤ 1 - Б |
II |
|
3. |
Наружные установки, создающие согласно ПУЭ зону класса В-Iг. |
На всей территории России |
Б |
II |
|
4. |
Здания и сооружения пли их части, помещения которых согласно ПУЭ относятся к зонам классов В-I, В-II, В-IIа |
В местностях со средней продолжительностью гроз 20 ч в год и более |
Для зданий и сооружений I и II степени огнестойкости при 0,1 < N ≤ 2 и для III-V степеней огнестойкости при 0,02 < N ≤ 2 - Б, при N > 2 - А |
III |
|
5. |
Расположенные в сельской местности небольшие строения III-V степеней огнестойкости, помещения которых согласно ПУЭ относятся к зонам классов П-1, П-2, П-2а |
В местностях со средней продолжительностью гроз 20 ч в год и более при N < 0,02 |
- |
III |
|
6. |
Наружные установки и открытые склады, создающие согласно ПУЭ зону класса П-III |
В местностях со средней продолжительностью гроз 20 ч в год и более |
При 0,1 < N ≤ 2 - Б, при N > 2 - А |
III |
|
7. |
Здания и сооружения III, IIIа, IIIб, IV, V степеней огнестойкости, в которых отсутствуют помещения, относимые по ПУЭ к зонам взрыво- и пожароопасных классов |
В местностях со средней продолжительностью гроз 20 ч в год и более |
При 0,1 < N ≤ 2 - Б, при N > 2 - А |
III |
|
8. |
Здания и сооружения из легких металлических конструкций со сгораемым утеплителем (IVа степени огнестойкости), в которых отсутствуют помещения, относимые по ПУЭ к зонам взрыво- и пожароопасных классов |
В местностях со средней продолжительностью гроз 10 ч в год и более |
При 0,02 < N ≤ 2 - Б, при N > 2 - А |
III |
|
9. |
Небольшие строения III-IV степени огнестойкости, расположенные в сельской местности, в которых отсутствуют помещения, относимые по ПУЭ к зонам взрыво- и пожароопасных классов |
В местностях со средней продолжительностью гроз 20 ч в год и более для III, IIIа, IIIб, IV, V степеней огнестойкости при N < 0,1, а для IVа степени огнестойкости N < 0,02 |
- |
III |
|
10. |
Здания вычислительных центров, в том числе расположенные в городской застройке |
В местностях со средней продолжительностью гроз 20 ч в год и более |
Б |
II |
|
11. |
Животноводческие и птицеводческие здания и сооружения III-V степеней огнестойкости: для крупного рогатого скота и свиней на 100 голов и более, для овец на 500 голов и более, для птицы на 1000 голов и более, для лошадей на 40 голов и более |
В местностях со средней продолжительностью гроз 40 ч в год и более |
Б |
III |
|
12. |
Дымовые и прочие трубы предприятий и котельных, башни и вышки всех назначений высотой 15 м и более |
В местностях со средней продолжительностью гроз 10 ч в год и более |
Б |
III |
|
13. |
Жилые и общественные здания, высота которых более чем на 25 м больше средней высоты окружающих зданий в радиусе 400 м, а также отдельно стоящие здания высотой более 30 м, удаленные от других зданий более чем на 400 м |
В местностях со средней продолжительностью гроз 20 ч в год и более |
Б |
III |
|
14. |
Отдельно стоящие жилые и общественные здания в сельской местности высотой более 30 м |
В местностях со средней продолжительностью гроз 20 ч в год и более |
Б |
III |
|
15. |
Общественные здания III-V степени огнестойкости следующего назначения: детские дошкольные учреждения, школы и школы-интернаты, стационары лечебных учреждений, спальные корпуса и столовые учреждений здравоохранения и отдыха, культурно-просветительные и зрелищные учреждения, административные здания, вокзалы, гостиницы, мотели и кемпинги |
« » |
Б |
III |
|
16. |
Открытые зрелищные учреждения (зрительные залы открытых кинотеатров, трибуны открытых стадионов и т.п.) |
« » |
Б |
III |
|
17. |
Здания и сооружения, являющиеся памятниками истории, архитектуры и культуры (скульптуры, обелиски и т.п.) |
« » |
Б |
III |
3.4.5. Здания и сооружения, отнесенные по устройству молниезащиты к I и II категориям молниезащиты, должны быть защищены от прямых ударов молнии, от заноса высокого потенциала через наземные (надземные) и подземные металлические коммуникации и от вторичных проявлений прямого удара молнии (электромагнитной индукции и электростатической индукции).
3.4.6. Здания и сооружения, отнесенные по устройству молниезащиты к III категории, должны быть защищены от прямых ударов молнии и заноса высоких потенциалов через наземные (надземные) металлические коммуникации.
3.4.7. Наружные установки, отнесенные по устройству молниезащиты ко II категории, должны быть защищены от прямых ударов молнии и вторичных проявлений молнии.
Наружные установки, отнесенные по устройству молниезащиты к III категории, должны быть защищены от прямых ударов молнии.
3.4.8. Внутри зданий большой площади (и шириной более 100 м) должны быть выполнены мероприятия по выравниванию потенциала.
3.4.9. Для защиты зданий и сооружений любой категории от прямых ударов молнии следует максимально использовать в качестве естественных молниеотводов существующие высокие сооружения (дымовые трубы, водонапорные башни, прожекторные мачты, опоры воздушных линий электропередачи и т.п.), а также молниеотводы других близрасположенных сооружений.
Если использование естественных молниеотводов не представляется возможным, сооружают искусственные молниеотводы. Они могут быть выполнены отдельно стоящими стержневыми, стержневыми изолированными от защищаемого объекта, тросовыми или сетчатыми (Рис. 3.4.1).
Рис. 3.4.1. Типы молниеотводов:
а - отдельно стоящий стержневой; б - отдельно стоящий тросовый; в - стержневой, изолированный от защищаемого объекта; г - сетчатый, накладываемый на кровлю защищаемого объекта.
Защита от прямых ударов молнии зданий и сооружений I категории должна осуществляться стержневыми отдельно-стоящими, тросовыми молниеотводами.
Защита от прямых ударов молнии зданий и сооружений II и III категории может осуществляться молниеотводами, устанавливаемыми на самих зданиях и сооружениях или может быть использована металлическая сетка, накладываемая на неметаллическую кровлю здания (при уклоне кровли не более 1:8).
3.4.10. Основными элементами молниеотвода являются: молниеприемник, токоотводы, заземлитель.
Стержневые молниеприемники должны быть изготовлены из стали любой марки сечением не менее 100 мм2, длиной не менее 200 мм и защищены от коррозии оцинкованием, лужением или окраской.
Тросовые молниеприемники должны быть выполнены из стальных многопроволочных канатов сечением не менее 35 мм2.
Сетчатые молниеприемники должны быть изготовлены из стальной проволоки диаметром не менее 6 мм. Площадь ячейки сетки должна быть не менее 36 м2 для зданий II категории молниезащиты и не менее 144 м2 (12×12 м) для зданий III категории.
В качестве токоотводов могут быть использованы металлические конструкции зданий. В качестве заземлителей в первую очередь должны использоваться естественные заземлители: железобетонные фундаменты зданий, сооружений, наружных установок, металлических и железобетонных опор молниеотводов, при условии обеспечения непрерывной электрической связи по их арматуре и присоединения ее к закладным частям с помощью сварки.
Битумные и битумно-латексные покрытия не являются препятствием для использования фундаментов.
В средне- и сильноагрессивных грунтах, где защита железобетона выполняется эпоксидными и другими полимерными покрытиями, а также при влажности грунта менее 3 % использовать железобетонные фундаменты в качестве заземлителей не допускается.
При отсутствии возможностей использовать естественные заземлители сооружаются искусственные заземлители. В таблице 3.4.2 показаны примеры приемлемых естественных и искусственных заземлителей для отдельно стоящих молниеотводов. Допускается использовать в качестве заземлителя молниезащитных устройств все рекомендуемые «Правилами устройства электроустановок» заземлители электроустановок, за исключением нулевых проводов ВЛ напряжением до 1 кВ.
Таблица 3.4.2
(РД 34.21.122-87 Таб. 2)
Примеры рекомендуемых естественных и искусственных заземлителей
|
Эскиз |
Размеры, м |
|
|
|
Железобетонный подножник |
|
d ≥ 1,8 b ≥ 0,4 l ≥ 2,2 |
|
|
Железобетонная свая |
|
d = 0,25 ÷ 0,4 l ≥ 5 |
|
|
Стальной двухстержневой: полоса размером 40×4 мм; стержни диаметром d = 10÷20 мм |
|
t ≥ 0,5 l = 3÷5 c = 3÷5 |
|
|
Стальной трехстержневой: полоса размером 40×4 мм; стержни диаметром d = 10÷20 мм |
|
t ≥ 0,5 l = 3÷5 c = 5÷6 |
|
3.4.11. Для зданий и сооружений 1 категории молниезащиты наименьшее допустимое расстояние Sв по воздуху от защищаемого объекта до молниеотвода (токоотвода) со стержневым или тросовым молниеприемником (см. рис 3.4.1) определяется в зависимости от высоты здания, конструкции заземлителя и эквивалентного удельного электрического сопротивления грунта ρ, Омм. Для зданий и сооружений II и III категории эти расстояния не нормируются.
3.4.12. Наименьшее допустимое расстояние Sв1 от защищаемого объекта до тросового молниеприемника в середине пролета (Рис. 3.4.1) определяется в зависимости от конструкции заземлителя, эквивалентного удельного электрического сопротивления грунта ρ, Омм и суммарной длины l молниеприемников и токоотводов.
3.4.13. Защита от прямых ударов молнии неметаллических труб, башен, вышек высотой более 15 м должна быть выполнена путем установки на этих сооружениях при их высоте до 50 м, - одного стержневого молниеприемника высотой не менее 1 м, при высоте от 50 до 150 м - двух стержневых молниеприемников высотой не менее 1 м, соединенных на верхнем торце трубы; при высоте более 150 м - не менее трех стержневых молниеприемников высотой 0,2-0,5 м или по верхнему торцу трубы должно быть уложено стальное кольцо из стали сечением не менее 160 мм2.
3.4.14. При высоте сооружения до 50 м от молниеприемников прокладывается один токоотвод; при высоте более 50 м токоотводы должны быть проложены не реже чем через 25 м, но не менее двух.
В качестве токоотводов могут использоваться ходовые металлические лестницы и прочие вертикальные металлические конструкции.
3.4.15. Защита от заноса высокого потенциала по подземным металлическим коммуникациям (трубопроводам, кабелям в наружных металлических оболочках или трубах) должна осуществляться путем их присоединения на вводе в здание или сооружение к арматуре его железобетонного фундамента, а при невозможности использования фундамента в качестве заземлителя - к искусственному заземлителю.
Для исключения заноса в здание или сооружение высокого потенциала, возникающего при прямом ударе молнии, заземлители защиты от прямых ударов молнии зданий I категории должны быть по возможности удалены от подземных металлических коммуникаций (в том числе от электрических кабелей любого назначения), входящих в здание или сооружение (расстояния Sз, Рис. 3.4.1). Для зданий II и III категорий это расстояние не нормируется и заземлители отдельно-стоящих молниеотводов допускается соединять с заземляющими устройствами электроустановок здания.
3.4.16. Защита от заноса высокого потенциала по внешним наземным (надземным) металлическим коммуникациям должна быть выполнена путем их заземления на вводе в здание и сооружение и на двух ближайших к этому вводу опорах коммуникации. В качестве заземлителей должны быть использованы железобетонные фундаменты здания или сооружения и каждой из опор, а при невозможности такого использования - искусственные заземлители.
3.4.17. Ввод в здание воздушных линий электропередачи напряжением до 1 кВ, сетей телефона, радио, сигнализации должен быть осуществлен только кабелем длиной не менее 50 м с металлической оболочкой или броней или кабелями, проложенными в металлических трубах.
На вводе в здание металлические трубы, броня и оболочка кабелей, в том числе с изоляционным покрытием металлической оболочки (например, кабели ААШв, ААШп), должны быть присоединены к железобетонному фундаменту здания или к искусственному заземлителю.
В месте перехода воздушной линии электропередачи в кабель металлические броня и оболочка кабеля, а также штыри или крюки ВЛ должны быть присоединены к заземлителю (Таб. 3.4.2). К такому же заземлителю должны быть присоединены штыри или крюки на опоре ВЛ, ближайшей к месту перехода в кабель.
Кроме того, в месте перехода ВЛ в кабель между каждой жилой кабеля и заземленными элементами должны быть обеспечены закрытые воздушные искровые промежутки длиной 2-3 мм или установлены вентильные разрядники низкого напряжения типа РВН - 0,5.
3.4.18. Защита от заноса высоких потенциалов по ВЛ выше 1 кВ, вводимым в подстанции, размещенные в защищаемом здании (внутрицеховые, встроенные или пристроенные), должна быть выполнена согласно требований ПУЭ.
3.4.19. Для защиты от вторичных проявлений молнии должны быть предусмотрены следующие мероприятия:
а) металлические конструкции и корпуса всего оборудования и аппаратов, находящихся в защищаемом здании, должны быть присоединены к заземляющему устройству электроустановок или к железобетонному фундаменту здания;
б) внутри зданий или сооружений между трубопроводами и другими протяженными металлическими конструкциями в местах их взаимного сближения на расстоянии менее 10 см через каждые 20 м для зданий I категории молниезащиты (для зданий II категории - 30 м) должны быть приварены сваркой или припаяны перемычки из стальной проволоки диаметром не менее 5 мм или из стальной ленты сечением не менее 24 мм; для кабелей с металлическими оболочками или броней перемычки должны быть выполнены из гибкого медного проводника сечением не менее 6 мм2;
в) в соединениях элементов трубопроводов или в других металлических предметах должны быть обеспечены переходные сопротивления не менее 0,03 Ом на каждый контакт. При невозможности обеспечения контакта с указанным переходным сопротивлением с помощью болтовых соединений должны быть выполнены стальные перемычки, размеры которых указаны в подпункте «б».
3.4.20. Расположенные в сельской местности небольшие строения с неметаллической кровлей (см. пп. 5 и 9 Таб. 3.4.1), подлежат защите от прямых ударов молнии одним из упрощенных способов:
а) при наличии на расстоянии 3-10 м от строения деревьев, в 2 раза и более превышающих его высоту с учетом всех выступающих на кровле предметов (дымовые трубы, антенны и т.д.), по стволу ближайшего из деревьев должен быть проложен токоотвод, верхний конец которого выступает над кроной дерева не менее чем на 200 мм. У основания дерева токоотвод должен быть присоединен к заземлителю;
б) если конец кровли соответствует наибольшей высоте строения, над ним должен быть подвешен тросовый молниеприемник, возвышающийся над коньком не менее чем на 250 мм. Опорами для молниеприемника могут служить закрепленные на стенах строения деревянные планки. Токоотводы прокладывают с двух сторон по торцевым стенам строения и присоединяют к заземлителям. При длине строения менее 10 м токоотвод и заземлитель могут быть выполнены только с одной стороны (Рис. 3.4.2).
Рис. 3.4.2. Молниезащита небольшого строения:
1 - токоотвод; 2 - рейка или доска для натяжки молниеотвода; 3 - молниеприемник; 4 - заземлитель.
в) при наличии возвышающейся над всеми элементами кровли дымовой трубы над ней следует установить стержневой молниеприемник высотой не менее 200 мм, проложить по кровле и стене строения токоотвод и присоединить его к заземлителю.
г) при наличии металлической кровли она должна быть хотя бы в одной точке присоединена к заземлителю; при этом токоотводами могут служить наружные металлические лестницы, водостоки и т.п. К кровле должны быть присоединены все выступающие над ней металлические предметы. Конструкция зажима для присоединения токоотвода к металлической кровле показана на рис. 3.4.3.
Рис. 3.4.3. Зажим для присоединения плоского (а) и круглого (б) токоотводов к металлической кровле:
1 - кровля; 2 - стальная пластина; 3 - свинцовая прокладка; 4 - токоотвод; 5 - пластина с приваренным токоотводом.
Во всех случаях должны применяться молниеприемники и токоотводы из стали диаметром не менее 6 мм, а в качестве заземлителя - один вертикальный электрод длиной 2-3 м или горизонтальный длиной 2-3 м минимальным диаметром 10 мм, уложенным на глубине не менее 0,5 м. Располагать заземлители следует в стороне от входов и пешеходных дорожек.
3.4.21. При защите строений для крупного рогатого скота и конюшен отдельно стоящими молниеотводами их опоры и заземлители следует располагать не ближе чем в 5 м от входа в строение. К заземлителям защиты от прямых ударов молнии должны быть присоединены находящиеся внутри строения металлические конструкции, оборудование и трубопроводы, а также устройства выравнивания электрических потенциалов.
3.4.22. Металлические обелиски и скульптуры защищаются от прямых ударов молнии путем присоединения их к заземлителю любой конструкции, приведенной в таблице 3.4.2.
3.4.23. Наружные установки, содержащие горючие и сжиженные газы и легковоспламеняющиеся жидкости, а также установки, соответствующие п. 6 таблицы 3.4.2, должны быть защищены от прямых ударов молнии следующим образом:
а) корпуса установок из железобетона, металлические корпуса установок и отдельные резервуары при толщине металлической крыши менее 4 мм - молниеотводами, установленными на защищенном объекте или отдельно стоящими;
б) металлические корпуса установок и отдельных резервуаров при толщине металла крыши 4 мм и более, а также отдельные резервуары вместимостью менее 200 м3 независимо от толщины металла крыши и металлические кожухи теплоизолированных установок - присоединением их непосредственно к заземлителю.
3.4.24. Проектная документация на устройства молниезащиты должна содержать: указание категории молниезащиты здания или сооружения; определение типов зон защиты и расчетные размеры зон; расстояния Sв, Sв1 и Sз; рабочие чертежи конструкций молниеотводов, конструктивных элементов защиты от заноса высоких потенциалов через подземные, наземные и надземные металлические коммуникации, конструктивные элементы защиты от электромагнитной и электростатической индукции, расчеты заземлителей.
3.4.25. Монтаж устройств молниезащиты от прямых ударов молнии, вторичного воздействия молнии производится, как правило, строительными организациями; монтаж устройств защиты от заноса высоких потенциалов по линиям электропередачи (воздушных и кабельных) выполняют электромонтажные организации.
3.4.26. Контроль за качеством монтажных работ по устройству молниезащиты осуществляется при утверждении проектной документации, при выполнении отдельных операций и при приемке молниезащитных устройств в эксплуатацию.
Производственный контроль
3.4.27. Качество монтажа отдельностоящих молниеотводов оценивают проверяя геометрические размеры; их соответствие рабочим чертежам; качество соединений молниеприемника с токоотводом, токоотвода с заземлителем. Эти соединения должны выполняться сваркой внахлестку. Допускается выполнение болтовых соединений, при этом переходное сопротивление места соединения должно быть не более 0,03 Ом и оно должно ежегодно проверяться перед началом грозового периода.
3.4.28. Присоединение токоотводов к металлической кровле, используемой в качестве молниеприемника, должно быть выполнено с помощью специального зажима (рис. 3.4.3).
3.4.29. При возведении в грозовой период высоких зданий и сооружений на них в ходе строительства, начиная с высоты 20 м, должны устанавливаться на верхней отметке объекта молниеприемники, которые через металлические конструкции или свободно спускающиеся токоотводы присоединяются к заземлителям. В зону защиты типа Б молниеотводов должны входить все наружные площадки, где в ходе строительства могут находиться люди. По мере увеличения высоты строящегося объекта молниеприемники должны переноситься выше.
3.4.30. При возведении высоких металлических сооружений их основания в начале строительства должны быть присоединены к заземлителям.
3.4.31. При установке молниеотводов на защищаемом объекте и невозможности использования в качестве токоотводов металлических конструкций здания, токоотводы должны прокладываться по наружным стенам по кратчайшему пути.
3.4.32. Искусственные заземлители молниезащитных устройств должны быть размещены в редко посещаемых людьми местах, в удалении от основных грунтовых проезжих дорог и пешеходных дорожек.
3.4.33. Токоотводы должны располагаться в отдалении от входов в здания с таким расчетом, чтобы люди не могли к ним случайно прикоснуться.
3.4.34. При проведении производственного контроля должно быть измерено электрическое сопротивление току промышленной частоты заземлителей и удельное электрическое сопротивление грунта.
Измерения производятся с помощью приборов-измерителей заземлений. При приемо-сдаточных испытаниях устройств молниезащиты измерения сопротивления заземляющих устройств должны производиться измерительными лабораториями, имеющими соответствующую лицензию.
3.4.35. Инструкцией РД 34.21.122-87 величина сопротивления току промышленной частоты устройств молниезащиты не нормируется. Ведомственные нормативные документы устанавливают максимальные допустимые величины сопротивления заземлителей для молниезащитных устройств зданий различных категорий. Так инструкцией Министерства Обороны установлены наибольшие значения сопротивления заземлителей, приведенные в таблице 3.4.3.
Таблица 3.4.3
Наибольшие допустимые значения сопротивления растеканию тока заземлителей устройств молниезащиты
|
Удельное сопротивление грунта, Ом·м |
Сопротивление заземлителей, Ом |
|
|
I |
≤500 >500 |
10 40 |
|
II |
≤500 >500 |
10 40 |
|
III |
≤500 >500 |
20 40 |
Испытания и проверки
3.4.36. Устройства молниезащиты зданий и сооружений должны быть приняты и введены в эксплуатацию к началу отделочных работ, а при наличии взрывоопасных зон - до начала комплексного опробования технологического оборудования.
3.4.37. При сдаче устройств молниезащиты в эксплуатацию производится проверка выполненных работ на соответствие рабочему проекту; проверяется качество сварных и болтовых соединений и защищенность их от коррозии; соответствие размеров и сечений проводников молниеприемников, токоотводов, элементов заземлителя указанным в таблице 3.4.2 настоящего руководства;
3.4.38. Измеряются электрические сопротивления току промышленной частоты заземлителей. Величина сопротивления не должна превышать значений, приведенных в таблице 3.4.3.
3.4.39. Проверяются акты на скрытые работы по присоединению заземлителей к токоотводам и токоотводов к молниеприемникам.
3.4.40. Проверяется наличие на каждом молниеотводе установленного плаката с указанием порядкового номера молниеотвода, года его установки и предупреждающей надписью об опасности нахождения вблизи молниеотвода во время грозы. (Рис. 3.4.4)

Рис. 3.4.4. Плакат с предупреждающей надписью
(размер 280×210 мм, черные буквы на белом фоне, кайма черная 10 мм, высота знаков 20 мм, толщина линий 4 мм).
3.4.41. На видном месте стен защищаемых зданий и сооружений (для наружных установок - на первом молниеотводе) должны быть установлены плакаты с условными знаками, показывающие взаимное расположение фундаментов зданий и сооружений, заземлителей и токоотводов молниезащитных устройств. (Рис. 3.4.5)

Рис. 3.4.5. Плакат с условными знаками
(размер 280×210 мм, фон белый, надписи черными буквами, кайма 10 мм черным цветом, толщина линий 1,5 мм, высота знаков 10 мм).
На схеме показаны:
30 - форма периметра защищаемого здания, сооружения, открытой площадки с номером его по генплану;
5, 6 - расстояния, м, от защищаемого здания, сооружения, открытой площадки до молниеотводов;
■ - 30-1, 30-2 - молниеотводы с указанием их порядковых номеров;
● - 1, 2, 7 - заземлители с указанием их лучей, м.
3.4.42. При передаче в эксплуатацию устройств молниезащиты должны быть представлены: проектная документация по устройству молниезащиты (чертежи и пояснительная записка) с внесенными добавлениями и исправлениями; акты на скрытые работы; протоколы проверки элементов устройств молниезащиты; протокол измерения электрического сопротивления току промышленной частоты заземлителей.
Общие положения
3.5.1. В настоящей главе рассматриваются вопросы контроля качества монтажа:
- охранных и охранно-пожарных извещателей;
- пожарных извещателей;
- приемно-контрольных приборов (ПКЛ), сигнально-пусковых устройств (СПУ) и оповещателей;
- технических средств для охраны периметра и территории объекта;
- электропроводок технических средств сигнализации.
3.5.2. При выполнении указанных работ следует руководствоваться СНиП 2.04.09-84, СНиП 2.01.02-85, СНиП 3.05.08-85, ПУЭ, ВСН 25-09, 68-85; ВСН 60-89; РД 78.145-93; РД 78-146-93; РД 78-147-93; НПБ 240-97; НПБ 05-93, а также нормативными документами, вводимыми в действие приказами МВД Российской Федерации и ГУ ГПС МВД России, распоряжениями руководителей субъектов Российской Федерации.
3.5.3. Работы по монтажу технических средств сигнализации производятся специализированными организациями, имеющими лицензию Главного Управления Государственной противопожарной службы Министерства Внутренних дел РФ (ГУ ГПС МВД РФ) или регионального управления (УГПС). Работы выполняются в соответствии с проектом или актом обследования, согласованными в установленном порядке. Монтажная организация должна уведомить органы Государственной противопожарной службы (ГПС) и вневедомственной охраны о начале работ на объекте.
3.5.4. Производственный контроль качества работ осуществляется ИТР, производителями работ и бригадирами монтажной организации, технический контроль - представителями подразделения охраны, авторский надзор - представителями проектной организации, государственный надзор - инспекторами Госпожнадзора.
3.5.5. Монтаж технических средств сигнализации при капитальном строительстве осуществляется в три этапа. Работы первого этапа выполняются одновременно с производством основных строительных работ. При этом осуществляются:
- проверка наличия закладных устройств и отверстий в строительных конструкциях и элементах зданий;
- разметка трасс и закладка в сооружаемые фундаменты, стены, полы и перекрытия труб и «коробов» для скрытых проводок.
Работы второго этапа производят после окончания строительных и отделочных работ. На этом этапе ведут монтаж защитных трубопроводов электрических проводок, извещателей, щитов, приемно-контрольных устройств и подключают к ним электрические проводки.
Работы третьего этапа выполняют после окончания монтажных работ. На третьем этапе производят проверку, регулировку, настройку технических средств.
На действующих и реконструируемых объектах работы ведутся в 2 этапа. На первом этапе производится монтаж защитных трубопроводов электрических проводок, извещателей, щитов, приемно-контрольных устройств и подключение к ним электрических проводок. На втором - проверка, регулировка и настройка технических средств.
3.5.6. Изделия и материалы, применяемые при производстве работ, должны соответствовать спецификациям проекта, государственным стандартам, техническим условиям и иметь соответствующие сертификаты (в том числе сертификат пожарной безопасности), технические паспорта и другие документы, удостоверяющие качество. Оборудование, устанавливаемое на объектах, охраняемых или подлежащих передаче подразделениям вневедомственной охраны, должны входить в ограничительный перечень аппаратуры охранно-пожарной сигнализации, который утверждается Главным Управлением вневедомственной охраны МВД РФ (ГУВО МВД РФ).
Производственный контроль качества, охранные и охранно-пожарные извещатели
3.5.7. Выбор типовых охранно-пожарных извещателей, определение места их установки и методов монтажа должны производиться в соответствии с требованиями действующих нормативных документов; физико-химических свойств веществ и материалов, находящихся в защищаемом помещении (объекте); видом и значимостью охраняемого объекта, принятой тактики охраны, объектовой помеховой обстановки, размеров и конструкций блокируемых элементов, техническими характеристиками извещателей. При этом должно быть исключено образование не просматриваемых (мертвых) зон.
3.5.8. Магнитные извещатели, предназначенные для блокировки на открывание дверей, окон, люков, витрин и других подвижных конструкций, устанавливают, как правило, в верхней части блокируемого элемента со стороны охраняемого помещения на расстоянии 200 мм от вертикальной или горизонтальной (в зависимости от типа магнитно-контактного извещателя) линии раствора блокируемого элемента. При этом геркон извещателей устанавливается на неподвижной части конструкции (плинтусе дверей, раме), а магнит - на подвижной части (двери, оконной раме). При блокировке внутренних дверей магнитно-контактные извещатели, в зависимости от типа, должны устанавливаться с внутренней стороны дверей, а при необходимости - с обеих сторон с включением извещателей в разные шлейфы сигнализации.
3.5.9. Выключатели путевые, конечные, предназначенные для блокировки на открывание строительных конструкций, имеющих значительную массу и линейные размеры (ворота, погрузочно-разгрузочные люки и т.п.), следует устанавливать на наиболее массивных деталях блокируемой конструкции на кронштейнах. Корпуса или основания выключателей должны быть заземлены. Крепления выключателей на заземленных металлических панелях не освобождает от необходимости присоединения заземляющего провода.
3.5.10. Поверхностные ударно-контактные извещатели, предназначенные для блокировки остекленных конструкций, расположенных не ближе 5 м от проезжей части улицы, должны быть установлены со стороны охраняемого помещения. Места расположения составных частей извещателей определяются количеством, взаимным расположением и площадью блокируемых стеклянных полотен. Крепление извещателей к поверхности стеклянного полотна должно выполняться клеем.
3.5.11. При блокировке некапитальных строительных конструкций «напролом» провод ПЭЛ, ПЭВ или аналогичный диаметром 0,18-0,25 мм должен прокладываться с внутренней стороны конструкций по всей площади параллельно контурным линиям и крепиться скобами с шагом крепления не более 200 мм. Расстояние между длинными сторонами блокируемого провода при открытом или скрытом способе прокладки должно быть не более 200 мм. При открытом способе прокладки провод должен быть защищен от механических повреждений фанерой, оргалитом или другими аналогичными материалами. При скрытом способе прокладки провод должен укладываться в штробы с последующей клеевой шпаклевкой и закрашиванием. Глубина и ширина штроб должна быть не менее двух диаметров прокладываемого провода.
3.5.12. Блокировку зарешеченных проемов следует выполнять обвиванием предварительно окрашенных горизонтальных и вертикальных прутьев двойным гибким проводом для исключения возможности закорачивания блокированных участков. Прокладываемые провода должны повторять конфигурацию решетки. После блокировки провода и решетка окрашиваются вновь.
3.5.13. Переход провода с одного прутка решетки на другой следует производить по деревянной обвязке рамы скрытым способом. Ячейки более 200×100 мм и решетки из прутьев диаметром менее 10 мм блокировать указанным способом не допускается.
3.5.14. Емкостные, радиоволновые, ультразвуковые, оптико-электронные и комбинированные извещатели должны устанавливаться на жестких, устойчивых к вибрации опорах (капитальные стены, колонны, столбы и т.п.) с помощью котировочных узлов, кронштейнов или подставок. В защищаемой зоне, а также вблизи нее на расстояниях, указанных в технической документации, не должно быть посторонних предметов, изменяющих зону чувствительности извещателей. При установке в одном помещении нескольких оптико-электронных или радиоволновых извещателей необходимо применять извещатели, имеющие различные частотные литеры.
3.5.15. Пьезоэлектрические извещатели, предназначенные для блокировки потолочных перекрытий, полов и стен помещений от пролома молотком, ломом или другими тяжелыми предметами, должны устанавливаться в местах, защищенных от механических повреждений и доступа посторонних лиц из расчета 75-100 % охвата охраняемой площади. При этом должно учитываться количество находящихся в охраняемом помещении ценностей. Извещатели, блокирующие оконные, дверные проемы в деревянной обвязке, должны устанавливаться, как правило, скрытно.
Пожарные извещатели
3.5.16. Количество автоматических пожарных извещателей определяется необходимостью обнаружения загораний по всей контролируемой площади помещений (зон). Если установка пожарной сигнализации предназначена для управления автоматическими установками пожаротушения, дымоудаления и оповещения о пожаре, каждую точку защищаемой поверхности необходимо контролировать не менее чем двумя автоматическими пожарными извещателями. Максимальное расстояние между дублирующими дымовыми или тепловыми пожарными извещателями должно быть равно половине нормативного, определенного по табл. 3.5.1 и 3.5.2.
Таблица 3.5.1
|
Площадь, контролируемая одним извещателем, м2 |
Максимальное расстояние, м |
||
|
Между извещателями |
От извещателя до стены |
||
|
до 3,5 |
до 85 |
9,0 |
4,5 |
|
св. 3,5 до 6,0 |
до 70 |
8,5 |
4,0 |
|
св. 6,0 до 10,0 |
до 65 |
8,0 |
4,0 |
|
св. 10,0 до 12,0 |
до 55 |
7,5 |
3,5 |
Таблица 3.5.2
|
Площадь, контролируемая одним извещателем, м2 |
Максимальное расстояние, м |
||
|
Между извещателями |
От извещателя до стены |
||
|
до 3,5 |
до 25 |
5,0 |
2,5 |
|
св. 3,5 до 6,0 |
до 20 |
4,5 |
2,0 |
|
св. 6,0 до 9,0 |
до 15 |
4,0 |
2,0 |
3.5.17. Дымовые и тепловые пожарные извещатели должны устанавливаться, как правило, на потолке. При невозможности установки извещателей на потолке допускается установка их на стенах, балках, колоннах. Допускается также подвеска извещателей на тросах под покрытиями зданий со световыми, аэрационными, зенитными фонарями. В этих случаях извещатели необходимо размещать на расстоянии не более 300 мм от потолка, включая габариты извещателя.
3.5.18. Дымовые и тепловые пожарные извещатели должны быть установлены в каждом отсеке потолка, ограниченном строительными конструкциями (балками, прогонами, ребрами плит и т.п.), выступающими от потолка на 0,4 м и более. При наличии на потолке выступающих частей от 0,08 до 0,4 м контролируемая площадь уменьшается на 25 %. При наличии в контролируемом помещении коробов, технологических площадок шириной 0,75 м, имеющих сплошную конструкцию и отстоящих по нижней метке от потолка на расстоянии более 0,4 м, под ними необходимо дополнительно устанавливать пожарные извещатели.
3.5.19. Автоматические пожарные извещатели следует устанавливать в каждом отсеке помещения, образованном штабелями материалов, стеллажами, оборудованием и строительными конструкциями, верхние края которых выступают от потолка на 0,6 м и более.
3.5.20. Автоматические пожарные извещатели необходимо применять в соответствии с требованиями технических условий, стандартов и паспортов, с учетом условий среды контролируемых помещений.
3.5.21. Автоматические пожарные извещатели одного шлейфа пожарной сигнализации должны контролировать не более пяти смежных или изолированных помещений, расположенных на одном этаже и имеющих выходы в общий коридор (помещение). Автоматическими пожарными извещателями одного шлейфа пожарной сигнализации допускается контролировать в общественных, жилых и вспомогательных зданиях до десяти, а при выносной световой сигнализации от автоматических пожарных извещателей и установке ее над входом в контролируемое помещение - до двадцати смежных или изолированных помещений, расположенных на одном этаже и имеющих выходы в общий коридор (помещение).
3.5.22. Количество автоматических пожарных извещателей, включаемых в один шлейф пожарной сигнализации, определяется технической характеристикой станции пожарной сигнализации.
3.5.23. В одном помещении следует устанавливать не менее двух автоматических пожарных извещателей.
3.5.24. Площадь, контролируемая одним дымовым пожарным извещателем, а также максимальное расстояние между извещателями и извещателем и стеной необходимо определять по табл. 3.5.1, но не превышая величин, указанных в технических условиях и паспортах на извещатели. В помещениях шириной до 3 м расстояние между извещателями допускается увеличить до 15 м.
3.5.25. Площадь, контролируемая одним тепловым пожарным извещателем, а также максимальное расстояние между извещателями и извещателем и стеной необходимо определять по табл. 3.5.2, но не превышая величин, указанных в технических условиях и паспортах на извещатели.
3.5.26. Температура срабатывания максимальных и максимально дифференциальных извещателей должна быть не менее чем на 20 °С выше максимальной допустимой температуры в помещении.
3.5.27. Световые пожарные извещатели должны устанавливаться в помещениях на потолке, стенах и других строительных конструкциях зданий и помещений, а также на оборудовании. Каждую точку защищаемой поверхности необходимо контролировать не менее чем двумя автоматическими пожарными извещателями.
3.5.28. Ручные извещатели следует устанавливать для подачи сигналов о пожаре в установках пожарной сигнализации.
3.5.29. Ручные извещатели устанавливаются как внутри, так и вне зданий на стенах и конструкциях на высоте 1,5 м от уровня пола или земли.
3.5.30. Внутри зданий извещатели следует устанавливать на путях эвакуации (в коридорах, проходах, лестничных клетках и т.д.) и при необходимости - в отдельных помещениях. Расстояние между извещателями должно быть не более 50 м. Извещатели устанавливаются по одному на всех лестничных площадках каждого этажа.
3.5.31. Вне зданий извещатели следует устанавливать на расстоянии не более 150 м один от другого и должны иметь указательные знаки согласно ГОСТ 12.4.026-76*. Места установки ручных пожарных извещателей должны иметь искусственное освещение.
3.5.32. Ручные извещатели следует включать в самостоятельный шлейф пожарной сигнализации или совместно с автоматическими пожарными извещателями.
Приемно-контрольные приборы, сигнально-пусковые устройства и оповещатели
3.5.33. Станции пожарной сигнализации, концентраторы, приемно-контрольные приборы следует устанавливать в помещении, где находится персонал, ведущий круглосуточное дежурство. В обоснованных случаях допускается установка приемно-контрольных приборов (ПКП) в помещениях без персонала, ведущего круглосуточное дежурство, при обеспечении передачи извещений о пожаре и о неисправности в помещении пожарного поста или другое помещение с персоналом, ведущим круглосуточное дежурство, и обеспечении контроля каналов связи. В помещениях без персонала, ведущего круглосуточное дежурство, следует предусмотреть меры, предотвращающие доступ посторонних лиц к приемно-контрольным приборам и охранно-пожарной сигнализации.
3.5.34. Установка ПКП в местах, доступных для посторонних лиц, например, в торговых залах предприятий торговли, должна производиться в запираемых металлических шкафах, конструкция которых не влияет на работоспособность приборов. Если по требованиям пожарной безопасности не допускается устанавливать ПКП непосредственно в помещении оборудованном средствами сигнализации, то ПКП устанавливаются вне помещения в запираемых металлических шкафах или ящиках, блокируемых на открывание.
3.5.35. Станции пожарной сигнализации, концентраторы, приемно-контрольные приборы и аппараты управления необходимо устанавливать в невзрывоопасных и не пожароопасных помещениях на стенах, перегородках и конструкциях с нулевым пределом распространения огня. Установка указанного оборудования допускается на конструкциях из сгораемых материалов при условии защиты этих конструкций металлическим листом толщиной не менее 1 мм или другим листовым несгораемым материалом толщиной не менее 10 мм. При этом листовой материал должен выступать за контуры установленного на нем оборудования не менее чем на 100 мм. Расстояние между приемно-контрольными приборами и потолком из сгораемых материалов должно быть не менее 1,0 м. При смежном расположении нескольких станций пожарной сигнализации и приемно-контрольных приборов расстояние между ними должно быть не менее 50 мм.
3.5.36. Установка ПКП малой информационной емкости (до пяти шлейфов сигнализации) должна производиться:
- при наличии специально выделенного помещения - на высоте, удобной для обслуживания;
- при отсутствии специально выделенного помещения - на высоте не менее 2,2 м.
3.5.37. Установка ПКП средней и большой информационной емкости и СПУ должна производиться в выделенных помещениях: на столе, стене или специальной конструкции, на высоте удобной для обслуживания, но не менее 1 м от уровня пола.
3.5.38. Не допускается установка ПКП:
- в сгораемых шкафах;
- на расстоянии менее 1 м от отопительных систем;
- во взрывоопасных помещениях;
- в помещениях пыльных и особо сырых, а также содержащих пары кислот и агрессивных газов.
3.5.39. Резерв емкости станций пожарной сигнализации и концентраторов должен быть не менее 10 %.
3.5.40. Применение контрольно-приемных приборов и концентраторов, не обеспечивающих разделения сигналов о пожаре и неисправностях, допускается при включении в них не более десяти шлейфов пожарной сигнализации, если отсутствует управление технологическим, электрическим и другим оборудованием, а также автоматическими установками пожаротушения, дымоудаления и оповещения о пожаре.
3.5.41. Световые и звуковые оповещатели, как правило, должны устанавливаться в удобных для визуального и звукового контроля местах (межоконные и межвитринные пространства, тамбуры выходных дверей). Допускается установка звукового оповещателя на наружном фасаде здания в металлическом кожухе на высоте не менее 2,5 м от уровня земли. При наличии на объекте нескольких ПКП световой оповещатель подключается к каждому прибору, а звуковой оповещатель допускается делать общим.
Технические средства для охраны периметра и территории объекта
3.5.42. Технические средства для охраны периметра и территории объекта должны обеспечивать: заданный режим охраны; надежность в работе и отсутствие ложных сигналов тревоги от воздействия метеорологических факторов и других помех; невозможность преодоления системы охраны; одновременный прием сигналов тревоги с любого блокированного участка с определением места нарушения.
3.5.43. Для охраны периметра и территории объекта следует применять: устройства контроля прохода, оптико-электронные, радиоволновые, электроконтактные извещатели, охранное освещение, звуковые оповещатели, а при необходимости - телевизионные установки, средства радио и телефонной связи. В состав технических средств связи следует включать также световое табло с мнемосхемой охраняемого периметра, которое должно находиться в помещении охраны.
3.5.44. Размещение и монтаж на объекте автоматизированных устройств контроля прохода должны обеспечивать выполнение требований СНиП 2.01.02-85.
3.5.45. Средства периметральной сигнализации размещаются на ограждении, в зоне отторжения или в различных сочетаниях. Провода питания и сигнальные кабели к средствам сигнализации должны, как правило, прокладываться скрытым способом. При установке конкретных средств периметральной сигнализации объектов должны учитываться: ширина и рельеф выделенной зоны отторжения, наличие в ней или в непосредственной близости от нее растительности, метеорологические условия местности.
3.5.46. В зависимости от назначения периметральные оптико-электронные извещатели должны устанавливаться: на прямолинейных участках вдоль основного ограждения, стен, в зоне отторжения, не имеющей построек, кустарника, деревьев и других предметов, перекрывающих луч.
3.5.47. При размещении периметральных радиоволновых извещателей над ограждением периметра охраняемого участка или вдоль него необходимо исключить возникновение не просматриваемых («мертвых») зон.
3.5.48. Технические средства охранного телевидения размещаются по рабочим чертежам проекта после проверки и определения пригодности всех приборов и блоков путем предварительного испытания на настроечных кабелях, поставляемых предприятием-изготовителем. При размещении приборов передающей стороны должны выполняться следующие условия:
- телевизионную передающую камеру располагают в пределах прямой видимости наблюдаемого объекта так, чтобы в поле зрения объектива не попадало прямое освещение постороннего источника света;
- вблизи камеры не должно быть больших магнитных масс и сильных источников электрических полей;
- к приборам передающей стороны должен быть обеспечен свободный и безопасный доступ обслуживающему персоналу.
Приемная часть охранного телевидения размещается в помещении охраны с соблюдением требований технической документации предприятия-изготовителя.
3.5.49. Сеть охранного освещения по периметру должна выполняться отдельно от сети наружного освещения и разделяться на самостоятельные участки. Тип светильников, их размещение и схема управления освещением должны соответствовать ТПР 9-88 ГПКИ «Спецавтоматика» г. Новосибирск.
Охранное освещение должно обеспечивать:
- необходимую равномерную освещенность зоны отторжения с расчетом, чтобы светоточки от светильников перекрывались и образовывали сплошную полосу шириной 3-4 м;
- возможность автоматического включения освещения на одном участке или всем периметре при срабатывании охранной сигнализации; возможность управления освещением - включение любого участка или всего периметра.
Светильники охранного освещения должны устанавливаться в непосредственной близости к линии ограждения внутри территории в местах удобных и безопасных для обслуживания.
3.5.50. Для передачи мощных звуковых сигналов при срабатывании охранных извещателей следует применять звонки, ревуны, сирены, усилители, громкоговорители. Для обеспечения направленности команд следует применять рупорные громкоговорители.
3.5.51. Аппаратуру устройств радиооповещения и телефонной связи необходимо устанавливать согласно расположению и привязкам, указанным в проекте.
Электропроводки технических средств сигнализации
3.5.52. Электропроводки технических средств сигнализации должны быть выполнены в соответствии с проектом (актом обследования) типовыми проектными решениями и с учетом требований СНиП 2.04.09-84, СНиП 3.05.06-85, ПУЭ, «Общей инструкции по строительству линейных сооружений городских телефонных сетей», «Инструкции по монтажу сооружений и устройств связи, радиовещания и телевидения».
3.5.53. Обеспечение электроснабжением технических средств сигнализации должно соответствовать 1-й категории согласно «Правил устройства электроустановок» (ПУЭ). На действующих объектах при отсутствии технической возможности выполнения данного условия, допускается категория электроснабжения технических средств сигнализации, соответствующая категории электроснабжения объекта.
3.5.54. Щит электропитания, устанавливаемый вне охраняемого помещения, должен размещаться в запираемом металлическом шкафу и должен быть заблокирован на открывание.
3.5.55. Аккумуляторные батареи, как правило, размещаются в специальных аккумуляторных помещениях на стеллажах, выполняемых в соответствии с требованиями ГОСТ 12260-81*, или на полках шкафа, стойких к воздействию агрессивных сред. Свинцовые аккумуляторы емкостью не более 72 А.ч. и щелочные аккумуляторные батареи емкостью не более 100 А.ч. и напряжением до 60 В могут устанавливаться в общих производственных помещениях взрывопожарной и пожарной безопасности в металлических шкафах с обособленной приточно-вытяжной вентиляцией. Аккумуляторные установки должны быть оборудованы в соответствии с требованием главы 4.4 ПУЭ.
3.5.56. Соединения и ответвления проводов и кабелей должны производиться в соединительных или распределительных коробах способом пайки или с помощью винтов. Прокладка незащищенных проводов и кабелей через помещения, которые не подлежат защите, должна производиться скрытым способом или в металлических тонкостенных трубах. При прокладке скрытым способом провода и кабели сигнализации должны быть проложены в отдельном штробе. Прокладка проводов и кабелей по стенам внутри охраняемых зданий должна производиться на расстоянии не менее 0,1 м от потолка и, как правило, на высоте не менее 2,2 м от пола. При прокладке проводов и кабелей на высоте менее 2,2 м от пола должна быть предусмотрена их защита от механических повреждений.
3.5.57. Технические средства сигнализации должны быть заземлены. Устройства заземления (зануления) должны выполняться в соответствии с требованиями СНиП 3.05.06-85. ПУЭ, технической документации предприятий-изготовителей.
Требования пожарной безопасности при установке технических средств сигнализации в пожароопасных и взрывоопасных зонах
3.5.58. Технические средства сигнализации, работающие от сети переменного тока, как правило, должны устанавливаться вне пожароопасных и взрывоопасных зон. Установка средств в пожароопасных и взрывоопасных зонах должна соответствовать требованиям ПУЭ.
3.5.59. При монтаже ПКП и СПУ открыто на несгораемых вертикальных строительных основаниях или в закрывающемся несгораемом шкафу должен быть обеспечен естественный теплообмен. Вентиляционные отверстия шкафа выполняются в виде жалюзи. При монтаже ПКП и СПУ охранных и охранно-пожарных извещателей или их отдельных блоков на горючих основаниях (деревянная стена, монтажный щит из дерева или ДСП толщиной не менее 10 мм) необходимо применять огнезащитный листовой материал (металл толщиной не менее 1 мм, асбоцемент, гетинакс, текстолит, стеклопластик толщиной не менее 10 мм), закрывающий монтажную поверхность под прибором, или специальный металлический щиток по ГОСТ 9413-78*, ГОСТ 8709-82*Е, ГОСТ Р 50571.21-2000, ГОСТ Р 50571.22-2000. При этом листовой материал должен выступать за контуры установленного на нем прибора не менее чем на 100 мм.
3.5.60. При установке нескольких ПКП в ряд должны соблюдаться следующие расстояния:
- между ПКП в ряду - не менее 50 мм;
- между рядами ПКП - не менее 200 мм.
Расстояние от открыто смонтированных ПКП, СПУ и извещателей, работающих от сети переменного тока, до расположенных в непосредственной близости горючих материалов или веществ должно быть не менее 600 мм.
3.5.61. Конструктивное исполнение стационарных световых и звуковых оповещателей, работающих от сети переменного тока, должно иметь степень защиты не ниже IP2X согласно требований ГОСТ 14254-80.
3.5.62. При установке световых оповещателей, работающих от сети переменного тока внутри помещения, выбор места установки производится в соответствии с п. 3.5.60 настоящего руководства. При этом расстояние от колбы лампы до деревянных потолка, стен, оконной рамы должно быть не менее 50 мм. При установке одного или нескольких световых оповещателей в непосредственной близости от ПКП или СПУ расстояние между ними, а также самими оповещателями должно быть не менее 50 мм. При установке световых оповещателей внутри помещения не допускается использовать лампы накаливания мощностью более 25 Вт.
3.5.63. Монтаж технических средств сигнализации во взрывоопасных зонах должен производиться в строгом соответствии с проектом, выполненным специализированной проектной организацией и с требованиями ПУЭ.
3.5.64. Технические средства сигнализации (за исключением извещателей, включенных в искробезопасные цепи), предназначенные для установки во взрывобезопасных зонах, должны в зависимости от классов взрывоопасных зон иметь исполнение, отвечающее требованиям главы 7.3 ПУЭ. При этом взрывозащищенные технические средства сигнализации должны по взрывозащите соответствовать категории и группе взрывоопасных смесей, могущих образовываться в зоне и иметь соответствующую маркировку по взрывозащите. Взрывозащищенные технические средства сигнализации, предназначенные по своему исполнению для использования во взрывобезопасной зоне определенной категории и группы, допускается устанавливать во взрывоопасной зоне менее опасной категории и группы.
3.5.65. Серийно выпускаемые охранные извещатели, удовлетворяющие требованиям соответствующих технических условий или ГОСТ, не имеющие собственного источника питания, а также не обладающие индуктивностью или емкостью, допускается устанавливать во взрывоопасных зонах при условии включения их в искробезопасные цепи (шлейфы) приемно-контрольных приборов, имеющих соответствующую маркировку по взрывозащите.
3.5.66. Перед монтажом технические средства, предназначенные для установки во взрывоопасных зонах, и технические средства, искробезопасные цепи которых заходят во взрывоопасные зоны, должны быть тщательно осмотрены с целью проверки наличия маркировки по взрывозащите, предупредительных надписей, пломб, заземляющих устройств, отсутствия повреждения оболочек. Не допускается устанавливать технические средства с обнаруженными дефектами.
3.5.67. Прокладку кабелей и проводов, а также заземление и зануление технических средств сигнализации во взрывоопасных зонах следует выполнять в соответствии с требованиями проекта, СНиП 2.04.09-84, СНиП 3.05.06-85, ПУЭ, ГОСТ Р 50571.21-2000, ГОСТ Р 50571.22-2000.
3.5.68. При сдаче в эксплуатацию технических средств сигнализации во взрывоопасных зонах рабочая комиссия должна проверить:
- соответствие установленных взрывозащищенных приборов, устройств и смонтированных проводов и кабелей проекту;
- правильность выполнения вводов проводов и кабелей в электрооборудование и надежность их контактных соединений путем осмотра при снятых крышках вводных устройств или аппаратов;
- наличие заводских заглушек на неиспользованных отверстиях вводных устройств; наличие разделительных уплотнений в электропроводке после монтажа;
- соответствие схемы внешних соединений, длины и марок соединительных кабелей, величины подводимого напряжения, монтажно-эксплуатационной инструкции, прилагаемой к приборам и устройствам, имеющим искробезопасное исполнение.
Испытание и сдача в эксплуатацию
3.5.69. После завершения монтажных работ системы и комплексы противопожарной защиты и охранной сигнализации подлежат наладке и испытаниям. Пусконаладочные работы должны выполняться монтажно-наладочной организацией в соответствии с требованиями СНиП 3.05.06-85.
3.5.70. Для проведения пусконаладочных работ заказчик должен:
- согласовать с монтажно-наладочной организацией сроки выполнения работ, предусмотренные в общем графике;
- обеспечить наличие источников электроснабжения;
- обеспечить общие условия безопасности труда.
До начала пусконаладочных работ в процессе производства монтажных работ должны быть проведены индивидуальные испытания (настройка, регулировка, юстировка) приемно-контрольных приборов, сигнально-пусковых устройств, извещателей и т.п. в соответствии с техническими описаниями, инструкциями, ПУЭ.
3.5.71. Производство пусконаладочных работ осуществляется в три этапа:
- подготовительные работы;
- наладочные работы;
- комплексная наладка технических средств.
На этапе выполнения подготовительных работ должны быть:
- изучены эксплуатационные документы на технические средства сигнализации;
- оборудованы необходимым инвентарем и вспомогательной оснасткой рабочие места наладчиков.
На этапах наладочных работ и комплексной наладки должна производиться корректировка ранее проведенной регулировки технических средств, в том числе: доведение параметров настройки до значений, при которых технические средства могут быть использованы в эксплуатации; вывод аппаратуры на рабочий режим, проверка взаимодействия всех ее элементов в режимах «тревога», «пожар», «неисправность» и т.п.
3.5.72. Пусконаладочные работы считаются законченными после получения предусмотренных проектом и технической документацией параметров и режимов, обеспечивающих устойчивую и стабильную работу технических средств (без ложных сигналов тревоги).
3.5.73. Приемно-контрольные приборы и сигнально-пусковые устройства по окончании монтажно-наладочных работ должны быть промаркированы с указанием:
- для объектов технических средств сигнализации - наименования защищаемых помещений и назначения прибора;
- для периметральных технических средств сигнализации - схемы периметра объекта с защищаемыми зонами.
После приемки технических средств сигнализации в эксплуатацию монтажно-наладочная организация должна опломбировать те части приборов, к которым имел доступ ее представитель в процессе монтажа и наладки, проверить наличие и целостность пломб предприятий-изготовителей на приборах.
3.5.74. В ходе монтажных и пуско-наладочных работ монтажно-наладочная организация должна оформить, а при сдаче объекта в эксплуатацию передать рабочей комиссии производственную документацию, состав которой приведен в приложении 3.5.1.
3.5.75. Для приемки в эксплуатацию технических средств сигнализации приказом руководства организации (предприятия) заказчика назначается рабочая комиссия. Порядок и продолжительность работы рабочей комиссии определяются заказчиком в соответствии со СНиП 3.01.04-87.
В состав рабочей комиссии включаются представители:
- организации (предприятия) заказчика (председатель комиссии);
- монтажно-наладочной организации;
- пусконаладочной организации;
- подразделения охраны;
- органов государственного пожарного надзора.
При необходимости могут быть привлечены другие специалисты. Комиссия должна приступить к работе по приемке технических средств сигнализации не позднее трех суток (не считая общевыходных и праздничных дней) со дня уведомления монтажно-наладочной организации о готовности технических средств к сдаче.
3.5.76. При приемке в эксплуатацию технических средств сигнализации монтажно-наладочная организация должна предъявить рабочей комиссии:
- исполнительную документацию (комплект рабочих чертежей с внесенными в них изменениями или акт обследования);
- сертификаты, технические паспорта или другие документы, удостоверяющие качество материалов, изделий и оборудования, применяемых при производстве монтажных работ;
- производственную документацию (см. приложение 3.5.1).
Приемка в эксплуатацию технических средств сигнализации без проведения комплексной наладки не допускается.
3.5.77. При приемке в эксплуатацию выполненных работ по монтажу и наладке технических средств сигнализации рабочая комиссия производит:
- проверку качества и соответствия выполненных монтажно-наладочных работ проектной документации (акту обследования), технологическим картам и технической документации предприятий-изготовителей;
- измерение сопротивления изоляции шлейфа сигнализации, которое должно быть не менее 1 МОм;
- измерение сопротивления шлейфа сигнализации;
- испытания работоспособности смонтированных ПКП, СПУ.
Комиссия в необходимых случаях производит и другие проверки и измерения параметров, оговоренные техническими условиями на смонтированную аппаратуру.
Методика испытаний при монтаже технических средств сигнализации и приемке их в эксплуатацию определяется в каждом конкретном случае рабочей комиссией.
3.5.78. При обнаружении отдельных несоответствий выполненных работ проектной документации или акту обследования, а также требованиям настоящих рекомендаций, комиссия должна составить акт о выявленных отклонениях, на основании которого монтажно-наладочная организация должна устранить их в десятидневный срок и вновь предъявить технические средства сигнализации к сдаче.
3.5.79. Технические средства сигнализации считаются принятыми в эксплуатацию, если проверкой установлено:
- все элементы строительных конструкций и зоны по периметру объекта заблокированы согласно проекту или акту обследования;
- монтажно-наладочные работы выполнены в соответствии с требованиями настоящего руководства, технологическими картами и технической документацией предприятий-изготовителей;
- результаты измерений в норме;
- испытания работоспособности технических средств сигнализации дали положительные результаты, при этом средства пожарной сигнализации должны обеспечивать, в случаях предусмотренных проектом, отключение систем вентиляции, включение систем дымоудаления и подпора воздуха в лестничные клетки и тамбурные шлюзы при пожаре.
3.5.80. Прием технических средств сигнализации в эксплуатацию должен оформляться актом, в котором указывается наименование смонтированных средств сигнализации объекта, организации разработавшей проект, наименование монтажной организации; период выполнения работ, сметная и фактическая стоимость монтажных работ; наименование пуско-наладочной организации; период выполнения работ, сметная и фактическая стоимость пусконаладочных работ; результаты измерения сопротивления изоляции шлейфа сигнализации и сопротивления шлейфа сигнализации; результаты проведения испытаний работоспособности технических средств; заключение комиссии, подписи представителей заказчика, монтажной, пусконаладочной организации, подразделения охраны, органов государственного пожарного надзора. Необходимость подключения объектовой сигнализации к пультам централизованного наблюдения определяется подразделениями охраны с участием представителей заказчика и органов пожарной охраны.
3.5.81. Монтажно-наладочная организация гарантирует безотказную работу смонтированных технических средств сигнализации в течение 12 месяцев со дня приемки в эксплуатацию и обязана в сроки, указанные в акте о выявленных дефектах, устранить дефекты, возникшие по ее вине. Акт составляется комиссией с участием представителей заказчика, монтажно-наладочной организации, подразделениями охраны, пожарной охраны, организации, осуществляющей эксплуатацию технических средств сигнализации. Для участия в работе комиссии организации обязаны командировать своих представителей в пятидневный срок со дня получения письменного уведомления заказчика. При неявке в установленный срок представителя любой организации из вышеперечисленных акт о выявленных дефектах составляется без его участия.
3.5.82. Монтажно-наладочная организация не несет ответственность:
- за неисправности, возникшие из-за несоблюдения правил эксплуатации;
- за дефекты, возникшие в технических средствах сигнализации (переданных в монтаж заказчиком, подразделением охраны) в процессе эксплуатации по вине предприятий-изготовителей.
«Утверждаю»
Технический директор
(Главный инженер)
«___» ________ 200_ г.
ПОЛОЖЕНИЕ
об электротехнической лаборатории (ЭТЛ)
Настоящее положение об ЭТЛ и методики проведения измерений и испытаний в электроустановках напряжением до и выше 1000 В разработаны в соответствии с указаниями Информационного письма Главэнергонадзора России № 42-6/3 ЭТ от 21 февраля 1997 г. «О порядке допуска в эксплуатацию электролабораторий».
I. Общие положения
1.1. Положение устанавливает основные функции, права и структуру ЭТЛ и порядок ее взаимодействия с другими подразделениями, предприятиями и организациями.
1.2. ЭТЛ является структурным органом, входит в состав электроцеха предприятия и подчиняется начальнику электроцеха и главному энергетику предприятия. Предназначена для выполнения измерений и испытаний в электроустановках напряжением до и выше 1000 В, испытаний средств защиты, используемых в электроустановках, а также устройств релейной защиты, автоматики и вторичных цепей своего предприятия и других организаций по договорам.
1.3. Для выполнения вышеуказанных работ ЭТЛ укомплектована электроизмерительными приборами, испытательными установками, средствами защиты, плакатами и методиками проведения испытаний. Лаборатория обеспечена сухим отапливаемым помещением для проведения испытаний средств защиты, аппаратуры, доставляемой из цехов, и хранения приборов и защитных средств.
1.4. Руководство деятельностью лаборатории осуществляется ее начальником. Начальник, как правило, является руководителем работ, лицом, выдающим задание и юридическим представителем ЭТЛ в части обеспечения безопасного производства работ на объектах.
1.5. Штат лаборатории (примерный):
Начальник ЭТЛ (инженер-электрик) - 1 чел.
Техник-наладчик - 1 чел.
Электромонтер-наладчик 6 разряда - 1 (2) чел.
Электромонтер-наладчик 5 разряда - 1 чел.
Электромонтер-наладчик 4 разряда - 1 чел.
Лаборант электромеханических испытаний и измерений 4 разряда - 1 чел.
Всего: 3 (7) чел.
1.6. Начальник ЭТЛ назначается приказом по предприятию после проверки знаний ПЭЭП, ПТБ, ПУЭ, других нормативных документов и методик проведения испытаний с присвоением ему группы по электробезопасности не ниже V (IV) в квалификационной комиссии Энергонадзора (инструкция Энергонадзора от 18.08.97 г.).
1.7. ЭТЛ предоставляется на обязательную регистрацию в Энергонадзор после допуска ее к эксплуатации установленным порядком (инспектором Энергонадзора). Перерегистрация (очередная регистрация) ЭТЛ производится не реже чем 1 раз в два года. Срок перерегистрации может быть изменен только Энергонадзором.
1.8. Измерения и испытания в электроустановках производятся в соответствии с разработанными и прилагаемыми методиками, заводскими инструкциями, Межотраслевыми Правилами по охране труда (правилами безопасности) при эксплуатации электроустановок (МПОТЭЭ).
II. Функциональные обязанности начальника ЭТЛ («выдающего задание»)
2.1 Осуществление работы с персоналом электролаборатории (прием на работу, проведение инструктажа, обучение, своевременная проверка знаний, изучение оборудования и т.п.).
2.2. Выдача заданий на работу по производству испытаний (измерений), нарядов-допусков производителями работ (при работе нескольких отдельных звеньев), обеспечение контроля за проводимой работой.
2.3. Обеспечение персонала ЭТЛ испытанными средствами защиты, оборудованием и приборами, документацией и бланками, необходимыми для выполнения работ согласно настоящему Положению.
2.4. Обеспечение госпроверки измерительных приборов в установленные сроки, их ремонт и замена новыми.
2.5. Качественное и своевременное оформление протоколов по результатам измерений и другой документации в соответствии с методиками проводимых испытаний.
2.6. Обеспечение охраны труда и безопасного производства работ в электроустановках в соответствии с действующими Межотраслевыми Правилами по охране труда.
2.7. Составление графиков проведения испытаний цехового и подстанционного оборудования, кабельных линий и устройств релейной защиты (своего предприятия).
III. Права персонала ЭТЛ
3.1. Аттестовывать испытуемое ими электрооборудование, электропроводки, защитные средства и давать заключение об их пригодности к эксплуатации. При необходимости - составлять дефектную ведомость.
3.2. Давать предложения заказчику о возможности эксплуатации (дальнейшей эксплуатации) или необходимости ремонта (замены) испытанного электрооборудования, электропроводок, кабельных линий и т.п.
3.3. Требовать (получать) от Заказчика необходимую для выполнения работ техническую документацию (электрические схемы, паспорта, инструкции заводов-изготовителей и др. информацию), а также выполнение в полном объеме организационных и технических мероприятий, обеспечивающих безопасность работ персонала ЭТЛ.
3.4 Пользоваться бланками протоколов, отчетов и штампом-печатью ЭТЛ (цеха) для официального (юридического) оформления отчетных документов по результатам испытаний.
IV. Ответственность персонала ЭТЛ
4.1. За своевременное и качественное выполнение договорных обязательств по испытаниям и наладке электрооборудования сторонних организаций.
4.2. За обоснованность выдаваемых заказчику решений, рекомендаций и заключений.
4.3. За своевременное выполнение графиков проведения измерений и испытаний цехового и подстанционного оборудования предприятия.
4.4. За техническое состояние измерительных приборов, аппаратов и другого имущества как ЭТЛ, так и Заказчика, испытываемых в процессе работы.
4.5. За соблюдением ПЭЭП, МПОТЭЭ, ПУЭ и других нормативных документов, стандартов методик, производственной дисциплины при производстве пусконаладочных работ (измерений и испытаний).
V. Взаимодействие ЭТЛ с другими организациями и предприятиями
5.1. В своей деятельности начальник ЭТЛ через главного энергетика взаимодействует с инспекцией Энергонадзора, Метрологическим центром и Заказчиками.
5.2. Взаимодействие осуществляется по следующим направлениям:
а) с Энергонадзором - допуск ЭТЛ к эксплуатации, регистрации ЭТЛ, инспекционный контроль за деятельностью ЭТЛ, технические консультации;
б) с Метрологическим центром - через метрологическую службу предприятия осуществляется госпроверка измерительных приборов и получение соответствующих свидетельств;
в) с Заказчиком - как одна из сторон договоров на выполнение пусконаладочных (измерительных, испытательных) работ.
VI. Документация ЭТЛ
6.1. Положение об ЭТЛ.
6.2. Методики проведения измерений и испытаний в электроустановках до и выше 1000 В по видам работ.
6.3. Документация о квалификации персонала ЭТЛ, о допуске персонала к проведению измерений и испытаний. Приказ о назначении начальника (мастера) ЭТЛ. Журнал проверки знаний ПЭЭП, ПУЭ, МПОТЭЭ электротехнического персонала ЭТЛ.
6.4. Документы о проверке средств измерений - свидетельства о пригодности приборов, выданные Метрологическими центрами (лабораториями).
6.5. Журнал учета и содержания средств защиты. Протоколы испытания защитных средств.
6.6. Заводские паспорта и инструкции на оборудование и приборы ЭТЛ, принципиальная схема передвижной электролаборатории, паспорт, генплан, схема размещения электрооборудования, схема заземления стационарной лаборатории.
6.7. Фирменные стандартные бланки актов, протоколов, отчетной документации по результатам измерений (испытаний) согласно приложений к методикам.
6.8. Приложения:
1. Сборник методик на проведение пусконаладочных работ, измерений и испытаний (разрабатывается Заявителем по каждому виду измерений и испытаний).
2. Перечень приборов и аппаратов ЭТЛ.
3. Перечень защитных средств.
4. Список персонала ЭТЛ.
5. Образцы протоколов отчетной документации.
6. Приказ о назначении ответственного за измерения и испытания.
Главный энергетик (Ф. И. О.)
(подпись)
«___» _____________ 200_ г.
(дата)
Начальник ЭТЛ (Ф. И. О.)
(подпись)
«___» _____________ 200_ г.
(дата)
«Утверждаю»
Начальник территориального
управления Госэнергонадзора
ИНСТРУКЦИЯ
о порядке регистрации электротехнических лабораторий, выполняющих работы по испытаниям и измерениям в электроустановках потребителей, и надзоре за их деятельностью
1. Общие положения
1.1. Настоящая инструкция предназначена для персонала предприятий, организаций, кооперативов - независимо от ведомственной подчиненности и форм собственности (в дальнейшем - предприятия), имеющих в своем составе стационарные и передвижные* электроиспытательные станции, установки и лаборатории (в дальнейшем - электролаборатории), выполняющие испытания и измерения в процессе монтажа, наладки, эксплуатации и ремонта электроустановок потребителей, а также для инспекторов территориальных управлений Государственного энергетического надзора, осуществляющих государственный энергетический надзор за их работой.
* Электролаборатории с переносными комплектами приборов приравниваются к передвижным электролабораториям.
1.2. Инструкция определяет порядок подготовки и регистрации электролабораторий в органах энергонадзора, организацию контроля за их деятельностью.
1.3. Цель регистрации электролабораторий и надзора за их деятельностью:
- повышение безопасности эксплуатации электрооборудования, аппаратов и электроустановок потребителей и надежности их электроснабжения;
- обеспечение строгого соблюдения государственных стандартов в области испытаний, измерений, метрологии, а также требований ПУЭ, ПЭЭП, МПОТЭЭ и других нормативных документов при эксплуатации электроустановок потребителей;
- упорядочение организации эксплуатации стационарных и передвижных электроиспытательных и измерительных станций, установок и лабораторий потребителей;
- повышение уровня квалификации персонала электролабораторий.
2. Порядок регистрации электролабораторий
2.1. Регистрация электролабораторий и надзор за их работой проводится группой по регистрации электротехнических лабораторий отдела лицензирования и сертификации и инспекцией территориальных управлений Государственного энергетического надзора в соответствии с Правилами эксплуатации электроустановок потребителей, указанием Главэнергонадзора РФ от 21.02.97 г. № 42-6/ЗЭТ «О порядке допуска в эксплуатацию электролабораторий».
2.2. До ввода электролаборатории в эксплуатацию предприятия, имеющие их в своем составе, разрабатывают:
2.2.1. Положение об электролаборатории, которое утверждается главным инженером или руководителем предприятия и должно определять:
- задачи и функции электролаборатории, наименование проводимых измерений и испытаний, виды испытываемых установок;
- обязанности, права и ответственность обслуживающего персонала.
2.2.2. Методики (программы) по каждому виду выполняемых измерений и испытаний, определяющие:
- цель проводимой работы;
- средства измерений и вспомогательные устройства, необходимые для выполнения измерений и испытаний;
- условия и правила безопасности при проведении измерений и испытаний;
- порядок подготовки и проведения измерений и испытаний, а также обработки, анализа и оформления их результатов.
Методики (программы) утверждаются главным инженером или руководителем предприятия и согласовываются с территориальным управлением Госэнергонадзора.
2.3. Регистрация электролабораторий производится группой регистрации ЭТЛ отдела лицензирования и сертификации территориальных управлений Госэнергонадзора после осмотра их инспектором энергонадзора и представления следующих документов и материалов:
- письмо-заявка предприятия с просьбой о регистрации электролаборатории с указанием перечня выполняемых работ и перечня представляемой документации;
- письмо-заявка предприятия с просьбой о проверке знаний руководителя электролаборатории;
- положение (стандарт) предприятия об электролаборатории, структурная схема административно-технической подчиненности лаборатории и персонала;
- приказы по предприятию о назначении ответственных лиц;
- сведения о квалификации персонала электролаборатории;
- медицинское освидетельствование персонала электролаборатории в соответствии с приказом № 90 Минздравмедпрома РФ от 14 марта 1996 г. «О допуске к работе в действующих электроустановках»;
- перечень оборудования и приборов электролаборатории, сведения об их госповерке;
- акты осмотра и допуска в эксплуатацию электролабораторий рабочей комиссией предприятия (для передвижной лаборатории, для стационарного стенда по испытанию защитных средств, для стенда по испытанию когтей и поясов);
- акт допуска в эксплуатацию электролаборатории инспектором энергонадзора;
- протоколы испытаний высоковольтного оборудования электролаборатории и стенда(ов) (в соответствии с ПЭЭП параграф 25);
- план размещения электрооборудования стационарного стенда с экспликацией;
- принципиальные электрические схемы испытательных установок с указанием предприятия, исполнителя, даты, утвержденные главным энергетиком или главным инженером предприятия;
- план и схема контура заземления для стенда по испытанию защитных средств с протоколами замеров сопротивления контура заземления, металлосвязи и срабатывания автоматической защиты и блокировок;
- перечень защитных средств с протоколами их испытаний;
- методики (программы) на проведение испытаний защитных средств на стационарном стенде;
- методики (программы) ЭТЛ на проведение электрических измерений и испытаний в электроустановках до 1000 В;
- методики (программы) ЭТЛ на проведение высоковольтных измерений и испытаний электрооборудования;
- заводская инструкция по эксплуатации передвижной электролаборатории;
- бланки протоколов отчетной документации по результатам измерений и испытаний;
- копия лицензии на выполнение пусконаладочных работ (или работ по измерениям и испытаниям) в электроустановках*;
- образцы оттисков штампов и печатей электролаборатории;
- платежные документы, удостоверяющие оплату услуг по регистрации электролаборатории предприятия.
* Лицензии не требуется, если пусконаладочные работы выполняются только в электроустановках того предприятия, производственным подразделением которого является регистрируемая электролаборатория.
Перечень средств защиты и плакатов по технике безопасности, а также данные о средствах измерений и испытаний (тип, марка, завод-изготовитель, заводской номер и дата госпроверки) заверяются инспектором энергонадзора при проверке готовности электролаборатории к эксплуатации.
2.4. Группа по регистрации электролабораторий проверяет представленные документы, наличие подготовленного персонала электролабораторий, согласовывает методики (программы), выдает регистрационное удостоверение (свидетельство) установленной формы на право производства работ по измерениям и испытаниям в электроустановках потребителей.
Регистрационный номер должен указываться в штампе лаборатории.
2.5. Перерегистрация лабораторий производится не реже чем 1 раз в 2 года, а также в случаях:
- изменения видов производимых измерений и испытаний, а также класса напряжения испытываемого электрооборудования и аппаратов;
- модернизации оборудования электроиспытательных станций;
- изменения владельца или ведомственной принадлежности электролаборатории.
2.6. Эксплуатация электролабораторий, не зарегистрированных в указанном выше порядке, запрещается, а документация, оформленная ими по результатам проведенных измерений и испытаний, считается недействительной.
3. Проверка знаний персонала лаборатории
3.1. Работу в лабораториях по измерениям и испытаниям должен проводить персонал, специально подготовленный в соответствии с требованиями Правил эксплуатации электроустановок потребителей, прошедших проверку знаний и получивший соответствующую группу по электробезопасности, допущенный к проведению испытаний и измерений.
3.2. Руководители электролабораторий (лица, выдающие задания) проходят проверку знаний в комиссии энергонадзора ежегодно, а также при регистрации лабораторий и при назначении на должность.
Внеочередная проверка знаний проводится по предписанию инспектора энергонадзора в случаях некачественного проведения измерений и испытаний, оформления документации или других нарушений требований ПЭЭП, МПОТЭЭ и настоящей инструкции.
3.3. Проверка знаний у остального персонала электролабораторий проводится порядком, определенным ПЭЭП и ПТЭ электрических станций и сетей, с обязательным участием руководителя лаборатории, прошедшего проверку знаний согласно п. 3.2 данной инструкции в энергонадзоре, имеющего V (IV) квалификационную группу и допущенного к проведению испытаний электроустановок.
3.4. Персонал электролабораторий кооперативов и малых предприятий, где нет возможности создания квалификационной комиссии, проверку знаний проходит в комиссии территориальных управлений Госэнергонадзора.
3.5. Персонал электролабораторий, не прошедший проверку знаний или с истекшим сроком очередной проверки знаний, к работам по измерениям и испытаниям в действующих электроустановках не допускается.
4. Надзор за деятельностью электролабораторий
Инспектора энергонадзора, осуществляя надзор за деятельностью электролабораторий:
4.1. проверяют в процессе обследований потребителей соответствие проведенных испытаний и измерений, оформленных техотчетов и протоколов требованиям действующей нормативно-технической документации, согласованных и утвержденных методик (программ) проведения испытаний;
4.2. контролируют техническое состояние стационарных и передвижных электроиспытательных станций и установок, безопасность их эксплуатации:
4.3. выдают необходимые предписания по устранению выявленных недостатков и нарушений или по отстранению от работы лиц, их допустивших;
4.4. представляют при необходимости в группу по регистрации электролабораторий материалы на запрещение деятельности электролабораторий и изъятие регистрационного удостоверения (свидетельства).
5. Прекращение деятельности электролаборатории
Деятельность электролаборатории прекращается и регистрационное удостоверение (свидетельство) изымается по представлению отдела лицензирования и сертификации решением руководства территориального управления Госэнергонадзора за:
- систематические нарушения требований ПЭЭП, МПОТЭЭ и утвержденных методик при производстве измерений и испытаний;
- невыполнение предписаний инспекторов энергонадзора;
- несвоевременное прохождение проверки знаний персоналом электролабораторий.
Заместитель начальника
территориального управления
Госэнергонадзора
|
АКТ рабочей комиссии о приемке оборудования после индивидуального испытания г. _____________ «___» _______________ 200_ г. Рабочая комиссия, назначенная ____________________________________________ (наименование __________________________________________________________________________ организации-заказчика (инвестора), назначившей рабочую комиссию) решением от «___» _____________ 200_ г. № _______ в составе: председателя - представителя заказчика (инвестора) _____________________________ (фамилия, имя, отчество, должность) членов комиссии - представителей: генерального подрядчика ____________________________________________________ __________________________________________________________________________ (фамилия, имя, отчество, должность) субподрядных (монтажных) организаций ______________________________________ __________________________________________________________________________ (фамилия, имя, отчество, должность) эксплуатационной организации ______________________________________________ __________________________________________________________________________ (фамилия, имя, отчество, должность) генерального проектировщика _______________________________________________ __________________________________________________________________________ (фамилия, имя, отчество, должность) органов Государственного санитарного надзора ________________________________ __________________________________________________________________________ (фамилия, имя, отчество, должность) органов Государственного пожарного надзора __________________________________ __________________________________________________________________________ (фамилия, имя, отчество, должность) органов Государственного энергетического надзора _____________________________ __________________________________________________________________________ (фамилия, имя, отчество, должность) других заинтересованных органов надзора и организаций ________________________ __________________________________________________________________________ (фамилия, имя, отчество, должность) Установила: 1. Генеральным подрядчиком ______________________________________________ __________________________________________________________________________ (наименование организации и ее ведомственная подчиненность) предъявлено к приемке следующее оборудование: __________________________________________________________________________ (перечень оборудования и его краткая характеристика __________________________________________________________________________ (при необходимости перечень указывается в приложении)) смонтированное в __________________________________________________________ (наименование здания, сооружения, цеха) входящего в состав _________________________________________________________ __________________________________________________________________________ (наименование предприятия, его очереди, пускового комплекса) 2. Монтажные работы выполнены __________________________________________ (наименование __________________________________________________________________________ монтажных организаций и их ведомственная подчиненность) 3. Проектная документация разработана _____________________________________ __________________________________________________________________________ (наименование проектных организаций и их ведомственная __________________________________________________________________________ подчиненность, номера чертежей и даты их составления) 4. Дата начала монтажных работ ___________________________________________ (месяц и год) Дата окончания монтажных работ __________________________________________ (месяц и год) Рабочей комиссией произведены следующие дополнительные испытания оборудования (кроме испытаний, зафиксированных в исполнительной документации, представленной генподрядчиком): ____________________________________________ __________________________________________________________________________ (наименование испытаний) Решение рабочей комиссии Работы по монтажу предъявленного оборудования выполнены в соответствии с проектом, стандартами, строительными нормами и правилами, техническими условиями и отвечают требованиям приемки для его комплексного опробования. Предъявленное к приемке оборудование, указанное в поз. 1 настоящего акта, считать принятым с «____» _____________ 200_ г. для комплексного опробования. Председатель рабочей комиссии ___________________ (подпись) Члены рабочей комиссии: ___________________ ___________________ ___________________ (подписи) Сдали: представители генерального подрядчика и субподрядных организаций ___________________ (подписи) Приняли: представители заказчика (инвестора) ___________________ (подписи) |
|
АКТ рабочей комиссии о приемке оборудования после комплексного опробования г. _____________ «___» _______________ 200_ г. Рабочая комиссия, назначенная ____________________________________________ (наименование __________________________________________________________________________ организации-заказчика (инвестора), назначившей рабочую комиссию) решением от «___» _____________ 200_ г. № _______ в составе: председателя - представителя заказчика (инвестора) ____________________________ (фамилия, имя, отчество, должность) членов комиссии - представителей: генерального подрядчика ___________________________________________________ __________________________________________________________________________ (фамилия, имя, отчество, должность) субподрядных (монтажных) организаций ______________________________________ __________________________________________________________________________ (фамилия, имя, отчество, должность) эксплуатационной организации ______________________________________________ __________________________________________________________________________ (фамилия, имя, отчество, должность) генерального проектировщика _______________________________________________ __________________________________________________________________________ (фамилия, имя, отчество, должность) органов Государственного санитарного надзора ________________________________ __________________________________________________________________________ (фамилия, имя, отчество, должность) органов Государственного пожарного надзора __________________________________ __________________________________________________________________________ (фамилия, имя, отчество, должность) органов Государственного энергетического надзора _____________________________ __________________________________________________________________________ (фамилия, имя, отчество, должность) других заинтересованных органов надзора и организаций ________________________ __________________________________________________________________________ (фамилия, имя, отчество, должность) Установила: 1. Оборудование: ________________________________________________________ (наименование оборудования, __________________________________________________________________________ технологической линии, установки, агрегата, __________________________________________________________________________ (при необходимости перечень указывается в приложении)) смонтированное в __________________________________________________________ (наименование здания, сооружения, цеха) входящего в состав _________________________________________________________ __________________________________________________________________________ (наименование предприятия, его очереди, пускового комплекса) прошло комплексное апробирование, включая необходимые пусконаладочные работы, совместно с коммуникациями с «___» ____________ 200_ г. по «___» ____________ 200_ г. в течение ____________ в соответствии с установленным заказчиком порядком (дни и часы) и по ______________________________________________________________________ (наименование документа, __________________________________________________________________________ по которому проводилось комплексное опробование) 2. Комплексное опробование, включая необходимые пусконаладочные работы, выполнено ________________________________________________________________ (наименование __________________________________________________________________________ организации-заказчика, пусконаладочной организации) 3. Дефекты проектирования, изготовления и монтажа оборудования (при необходимости указывается в приложении ... к акту), выявленные в процессе комплексного опробования, а также недоделки: _________________________________ устранены. 4. В процессе комплексного опробования выполнены дополнительные работы, указанные в приложении ... к акту. Решение рабочей комиссии Оборудование, прошедшее комплексное опробование, считать готовым к эксплуатации и выпуску продукции (оказанию услуг), предусмотренной проектом в объеме, соответствующем нормам освоения проектных мощностей в начальный период и принятым с «____» _____________ 200_ г. для предъявления Государственной приемочной комиссии к приемке в эксплуатацию. Председатель рабочей комиссии ___________________ (подпись) Члены рабочей комиссии: ___________________ ___________________ ___________________ (подписи) |
СХЕМА
взаимодействия между участниками сертификации

О сертификации электроустановок зданий на территории Санкт-Петербурга
В соответствии с Законом Российской Федерации «О сертификации продукции и услуг» и постановлением Госстандарта России от 29.01.99 № 3 «О постановлении Госстандарта России от 26 ноября 1998 года № 80»:
1. Принять к сведению, что:
1.2. Сертификацию, указанную в пункте 1.1, осуществляет государственное учреждение «Территориальное управление государственного энергетического надзора Санкт-Петербурга и Ленинградской области», аккредитованное Госстандартом России в качестве органа по сертификации.
2. Считать утратившим силу распоряжение губернатора Санкт-Петербурга от 14.05.98 № 427-р «Об утверждении сертификации электроустановок зданий на территории Санкт-Петербурга».
3. Контроль за выполнением распоряжения возложить на вице-губернатора Санкт-Петербурга Антонова Ю. В.
Губернатор Санкт-Петербурга В. А. Яковлев
КОМПЛЕКС СТАНДАРТОВ
«Электроустановки зданий»
|
№ п/п |
Шифр стандарта |
Наименование |
|
1 |
2 |
3 |
|
1 |
Электроустановки зданий. Основные положения. |
|
|
2 |
Электроустановки зданий. Часть 3. Основные характеристики. |
|
|
3 |
ГОСТ 30331.3-95 |
Электроустановки зданий. Часть 4. Требование по обеспечению безопасности. Защита от поражения электрическим током. |
|
4 |
Электроустановки зданий. Часть 4. Требования по обеспечению безопасности. Защита от тепловых воздействий. |
|
|
5 |
ГОСТ 30.331.5-95 |
Электроустановки зданий. Часть 4. Требование по обеспечению безопасности. Защита от сверхтока. |
|
6 |
ГОСТ 30331.8-95 |
Электроустановки зданий. Часть 4. Требования по обеспечению безопасности. Отделение, отключение, управление. |
|
7 |
ГОСТ 30331.8-95 |
Электроустановки зданий. Часть 4. Требования по обеспечению безопасности. Общие требования по применению мер защиты по обеспечению безопасности. |
|
8 |
Электроустановки зданий. Часть 4. Требования по обеспечению безопасности. Применение мер защиты от сверхтоков. |
|
|
9 |
Электроустановки зданий. Часть 3. Основные характеристики. |
|
|
10 |
Электроустановки зданий. Часть 4. Требования по обеспечению безопасности. Защита от поражений электрическим током. |
|
|
11 |
ГОСТ Р 50571.7-95 |
Электроустановки зданий. Часть 4. Требования по обеспечению безопасности. Отделение, отключение, управление. |
|
12 |
ГОСТ Р 50571.9-95 |
Электроустановки зданий. Часть 4. Требования по обеспечению безопасности. Применение мер защиты от сверхтоков. |
|
13 |
Электроустановки зданий. Часть 5. Выбор и монтаж электрооборудования. Глава 54. Заземляющие устройства и защитные проводники. |
|
|
14 |
Электроустановки зданий. Часть 7. Требования к специальным электроустановкам. Раздел 701. Ванные и душевые комнаты. |
|
|
15 |
Электроустановки зданий. Часть 7. Требования к специальным электроустановкам. Раздел 703. Помещения содержащие нагреватели для саун. |
|
|
16 |
Электроустановки зданий. Часть 7. Требования к специальным электроустановкам. Раздел 706. Стесненные помещения с проводящим полом, стенами и потолком. |
|
|
17 |
Электроустановки зданий. Часть 7. Требования к специальным электроустановкам. Раздел 705. Электроустановки сельскохозяйственных и животноводческих помещений. |
|
|
18 |
Электроустановки зданий. Часть 5. Выбор и монтаж электрооборудования. Глава 52. Электропроводки. |
|
|
19 |
Электроустановки зданий. Часть 6. Испытания. Глава 61. Приемо-сдаточные испытания. |
|
|
20 |
Электроустановки зданий. Часть 4. Глава 48. Выбор мер защиты в зависимости от внешних условий. Раздел 482. Защита от пожара. |
|
|
21 |
Электроустановки зданий. Часть 4. Глава 44. Защита от перенапряжения. Раздел 442. Защита электроустановок выше 1 кВ от перенапряжений, вызванных замыканием на землю в электроустановках. |
|
|
22 |
Электроустановки зданий. Часть 4. Глава 44. Защита от перенапряжений. Раздел 443. Защита электроустановок от грозовых и коммутационных перенапряжений. |
|
|
23 |
Электроустановки зданий. Часть 4. Глава 44. Защита от перенапряжений. Раздел 443. Защита электроустановок от перенапряжений, вызванных электромагнитным воздействием. |
|
|
24 |
Электроустановки зданий. Часть 5. Раздел 548. Заземляющие устройства и системы уравнивания электрических потенциалов в электроустановках, содержащих оборудование обработки информации. |
|
|
25 |
Электроустановки зданий. Часть 7. Требования к специальным электроустановкам. Раздел 707. Заземление оборудования обработки информации. |
|
|
26 |
Электроустановки зданий. Часть 7. Требования к специальным электроустановкам. Раздел 704. Электроустановки строительных площадок. |
МЕТОД ИЗМЕРЕНИЯ СОПРОТИВЛЕНИЯ ИЗОЛЯЦИИ ПОЛА И СТЕН
(рекомендации ГОСТ Р 50571.16-99)
В качестве источника постоянного тока используют мегаомметр, обеспечивающий напряжение холостого хода 500 В (или 1000 В, если номинальное напряжение установки превышает 500 В).
Сопротивление измеряют между измерительным электродом и защитным проводником электроустановки.
Измерительные электроды могут быть одного из нижеследующих типов. В случае разногласий рекомендуется использовать электрод 1.
Примечание. Испытания рекомендуется выполнять до нанесения на испытуемые поверхности отделочных покрытий (лак, краски и другие отделочные материалы).
Измерительный электрод 1
Электрод состоит из квадратной металлической пластины со стороной 250 мм и квадратной влажной водопоглощающей бумаги или материи, излишнюю влагу из которой удаляют, со стороной примерно 270 мм, помещаемой между металлической пластиной и измеряемой поверхностью.
Во время измерения пластину прижимают к поверхности пола или стены с усилием приблизительно 750 или 250 Н соответственно.
Измерительный электрод 2
Измерительный электрод представляет собой треножник, ножки которого образуют вершины равностороннего треугольника (рис. А.1).
Рис. А.1. Испытательный электрод 2
1 - алюминиевая пластина; 2 - винт с шайбой и гайкой; 3 - клемма; 4 - контактная ножка из проводящей резины
Каждая ножка имеет эластичное основание, обеспечивающее при нагрузке плотный контакт с измеряемой поверхностью площадью приблизительно 900 мм2 и сопротивлением менее 5000 Ом.
Перед измерением поверхность смачивают или покрывают влажной материей. Во время измерений треножник прижимают к поверхности пола или стены с усилием, равным 750 или 250 Н соответственно.
ПРОВЕРКА РАБОТЫ УЗО
(рекомендации ГОСТ Р 50571.16-99)
В качестве примеров даны следующие методы.
Метод 1
На рисунке В.1 показан принцип метода, при котором регулируемое сопротивление присоединяют между фазным проводником на стороне нагрузки и открытой проводящей частью. Ток увеличивают путем уменьшения сопротивления регулируемого резистора Rp.
Рис. В.1. Схема проверки УЗО по методу 1.
Ток IΔ, при котором УЗО срабатывает, не должен быть больше номинального тока срабатывания IΔn.
Примечание. Этот метод может быть использован для систем TN-S, TT и IT. В системе IT может быть соединение точки схемы с землей при проведении испытания, необходимого для срабатывания УЗО.
Метод 2
На рисунке В.2 показан принцип метода, при котором регулируемое сопротивление присоединяют между одним проводником (фазным или нулевым рабочим) на стороне питания и другим проводником (нулевым рабочим или фазным) на стороне нагрузки. Ток увеличивают путем уменьшения сопротивления регулируемого резистора Rp.
Рис. В.2. Схема проверки УЗО по методу 2.
Ток IΔ, при котором УЗО срабатывает, не должен быть больше IΔn. Нагрузка во время испытания должна быть отсоединена.
Примечание. Метод 2 может быть использован для систем TN-S, TT и IT.
Метод 3
На рисунке В.3 показан принцип метода, использующего вспомогательный электрод. Ток увеличивают путем уменьшения сопротивления регулируемого резистора Rp.
Рис. В.3. Схема проверки УЗО по методу 3.
Затем измеряют напряжение U между открытыми доводящими частями и независимым вспомогательным электродом.
Измеряют также ток IΔ, который не должен быть больше IΔn, при котором УЗО срабатывает.
Должно быть выполнено следующее условие
(В.1)
где UL - предельное нормируемое напряжение прикосновения, В.
Примечания.
1. Метод 3 может быть использован только в том случае, если расположение электроустановки позволяет использовать вспомогательный электрод.
2. Метод 3 может быть использован для систем TN-S, TT и IT. В системе IT может быть необходимым при проведении испытаний соединение точки системы с землей для обеспечения срабатывания УЗО.
|
Форма 2 ___________________ ___________________ (Министерство) (город) ___________________ ___________________ (трест) (заказчик) ___________________ ___________________ (монтажное управление) (объект) ___________________ ___________________ (участок) «__» _________ 200_ г. АКТ технической готовности электромонтажных работ Комиссия в составе: представителя строительной организации __________________________________________________________________________ (фамилия, имя, отчество, должность) представителя заказчика ____________________________________________________ (фамилия, имя, отчество, должность) представителя электромонтажной организации _________________________________ (фамилия, имя, отчество, должность) произвела осмотр смонтированного электрооборудования. 1. Электромонтажной организацией выполнены следующие работы: __________________________________________________________________________ (перечень, основные технические __________________________________________________________________________ характеристики, физические объемы) 2. Электромонтажные работы выполнены в соответствии с проектом, разработанным __________________________________________________________________________ (проектная организация) 3. Отступления от проекта перечислены в Приложении 1 к акту. 4. Комиссия проверила техническую документацию (Приложение 2), предъявленную в объеме требований ПУЭ, СНиП 3.05.06-85. 5. Индивидуальные испытания электрооборудования ___________________________ (проведены/не проведены) 6. Остающиеся недоделки, не препятствующие комплексному опробованию, и сроки их устранения перечислены в Приложении 3. 7. Ведомость смонтированного электрооборудования приведена в Приложении 4. 8. Заключение. 8.1. Электромонтажные работы выполнены по проектной документации согласно требованиям СНиП 3.05.06-85 и ПУЭ-85. 8.2. Настоящий акт является основанием для: а) организации работы комиссии о приемке оборудования после индивидуальных испытаний; б) непосредственной передачи электроустановки заказчику (генподрядчику) в эксплуатацию. Представитель заказчика ___________________ (подпись) Представитель генерального подрядчика ___________________ (подпись) Представитель электромонтажной организации ___________________ (подпись) Сдали* Приняли ___________________ ___________________ (подпись) (подпись) * Заполняется в случае, указанном в п. 8.2. б) настоящего акта. |
|
Электромонтажная Предприятие ________ организация ____________________ Адрес: _______________ Объект _____________ Тел.: _________________ «___» ________ 200_ г. Лист № _____________ АКТ проверки надежности крепления закладных деталей (крюков) для подвески светильников Закладные детали крюков для подвешивания светильников массой до 25 кг испытаны пятикратной нагрузкой по отношению к расчетной массе светильников в течение 10 мин. Повреждений, остаточных деформаций не обнаружено. Крюки соответствуют требованиям ВСН 59-88 п. 2.40. Представитель эл.-монтажной организации ___________ (_________) (подпись) (фамилия) Представитель заказчика ___________ (_________) (подпись) (фамилия) |
|
Электромонтажная Предприятие ________ организация Объект _____________ Адрес: _______________ «___» ________ 200_ г. Тел.: _________________ Лист № _____________ АКТ проверки осветительной сети на функционирование и правильность монтажа установочных аппаратов Комиссия в составе: представителя строительной организации __________________________________________________________________________ (фамилия, имя, отчество, должность) представителя заказчика _____________________________________________________ (фамилия, имя, отчество, должность) представителя электромонтажной организации _________________________________ (фамилия, имя, отчество, должность) произвела осмотр смонтированной осветительной сети. В результате установлено: 1. Расключение квартир по фазам в _____ этажных щитках (ЩЭ) и токоприемников в квартирных щитках (ЩК) выполнены согласно проекта _________________________ (проект, №№ листов) с равномерной загрузкой фаз и групп. 2. Выключатели установлены в фазных проводах. 3. Подключение розеток и остальных стационарных токоприемников с металлическими корпусами выполнено по 3-х - 5 проводной схеме с учетом требований глав 1.7 и 7.1 ПУЭ. Все розетки, стационарные токоприемники функционируют нормально. Представитель заказчика ___________ (_________) (подпись) (фамилия) Представитель генерального подрядчика ___________ (_______) (подпись) (фамилия) Представитель электромонтажной организации ___________ (_______) (подпись) (фамилия) |
|
АКТ освидетельствования скрытых работ __________________________________ (наименование работ) выполненных в _____________________________ (наименование и место расположения объекта) «___» ____________ 200_ г. Комиссия в составе: представителя строительно-монтажной организации __________________________________________________________________________ (фамилия, имя, отчество, должность) представителя технического надзора заказчика _________________________________ (фамилия, имя, отчество, должность) представителя проектной организации (в случаях осуществления авторского надзора проектной организацией в соответствии с требованиями п. 1.5. СНиП 1.06.05-85) __________________________________________________________________________ (фамилия, имя, отчество, должность) произвела осмотр работ, выполненных ________________________________________ (наименование строительно-монтажной организации) и составила настоящий акт о нижеследующем: 1. К освидетельствованию предъявлены следующие работы __________________________________________________________________________ __________________________________________________________________________ (наименование скрытых работ) 2. Работы выполнены по проектно-сметной документации __________________________________________________________________________ (наименование проектной организации, __________________________________________________________________________ № чертежей и дата их составления) 3. При выполнении работ применены _______________________________________ __________________________________________________________________________ (наименование материалов, конструкций, __________________________________________________________________________ изделий со ссылкой на сертификаты или другие документы, __________________________________________________________________________ подтверждающие качество) 4. При выполнении работ отсутствуют (или допущены) отклонения от проектно-сметной документации ______________________________________________________ (при наличии отклонений указывается кем согласованы, __________________________________________________________________________ № чертежей и дата согласования) 5. Дата: начала работ _________________________________ окончания работ ______________________________ Решение комиссии Работы выполнены в соответствии с проектно-сметной документацией, стандартами, строительными нормами и правилами и отвечают требованиям их приемки. На основании изложенного разрешается производство последующих работ по устройству (монтажу) ________________________________________________________ ___________________________________________________________________________ (наименование работ и конструкций) Представитель строительно-монтажной организации ________________ (подпись) Представитель технического надзора заказчика ________________ (подпись) Представитель проектной организации ________________ (подпись) |
|
Предприятие ___________ Предприятие ________ _______________________ Объект _____________ ПРОТОКОЛ № ___ измерения сопротивления изоляции проводов и кабелей Измерение проводилось мегаомметром типа _________ зав. № ________.
Примечание: каждый проводник проверялся относительно других заземленных __________________________________________________________________________. Заключение: по результатам электрических измерений сопротивление изоляции кабелей и проводов удовлетворяет требованиям ПУЭ. Кабели и провода пригодны к подаче рабочего напряжения. Проверку произвели: Руководитель работ: ___________ (_________) ___________ (_________) ___________ (_________) (подпись) (фамилия) (подпись) (фамилия) |
||||||||||||||||||||||||||||||||||||||||||||||||||||||||||||||||||||||||||||||||||||||||||||||||||||||||||||||||||||||||||||||||||||||||||||||||||||||||||||||||||||||||||||||||||||||||||||||||||||||||||||||
|
Предприятие ________ Объект _____________ «__» _________ 200_ г. ПРОТОКОЛ № ___ проверки полного сопротивления петли «фаза-нуль», обеспечения условий срабатывания защиты при однофазном коротком замыкании на корпус эл. оборудования или нулевой провод прибором типа М-417
Условие надежного отключения: Iкз > Iмин.кз где: Iкз - ток короткого замыкания, определяемый расчетным путем, А. Iмин.кз - минимально допустимый ток короткого замыкания, А. Iмин.кз = K · Iуст. Iуст. - номинальный ток плавкой вставки или ток уставки расцепителя автоматического выключателя, А. K - коэффициент (согласно ПУЭ), зависящий от вида защиты. Измерения произведены прибором __________ тип ______________ зав. № _______. Заключение: по результатам электрических измерений эл. оборудования эксплуатации пригодно. Проверку произвели: Руководитель работ: ___________ (_________) ___________ (_________) ___________ (_________) (подпись) (фамилия) (подпись) (фамилия) |
||||||||||||||||||||||||||||||||||||||||||||||||||||||||||||||||||||||||||||||||||||||||||||||||||||||||||||||||||||||||||||||||||||||||||||||||||||||||||||||||||||||||||||||
|
Предприятие ________ Объект _____________ «__» _________ 200_ г. ПРОТОКОЛ № ___ проверки петли «фаза-нуль», путем непосредственного замера тока однофазного короткого замыкания на корпус эл. оборудования (нулевой привод) прибора типа Щ-41160 или ЭК 0200
Условия надежного отключения: Iкз р. > Iмин.кз, где Iкз р. = 0,85Iизм. - расчетный фактический ток КЗ; Iизм. - непосредственное показание прибора; Iкз р. = 0,85 [(Iизм. × 220) : (220 - 0,3Iизм.)] - при вводе в цепь «фаза-нуль» дополнительного сопротивления (при токе К.З. > 535 А); 0,85 - понижающий коэффициент, учитывающий снижение фазного напряжения в питающей сети переходное сопротивление в точке КЗ и погрешность прибора Iмин.кз = Iуст. × Kн. где Iмин.кз - минимальный допустимый ток КЗ, А Iуст - номинальный ток плавкой вставки и ток уставки расцепителя автоматического выключателя, А Kн - коэффициент кратности Измерения произведены прибором ____________ тип ____________ зав. № _______. Заключение: по результатам электрических измерений эл. оборудование к эксплуатации пригодно. Проверку произвели: Руководитель работ: ___________ (_________) ___________ (_________) ___________ (_________) (подпись) (фамилия) (подпись) (фамилия) |
||||||||||||||||||||||||||||||||||||||||||||||||||||||||||||||||||||||||||||||||||||||||||||||||||||||||||||||||||||||||||||||||||||||||||||||||||||||||||||||||||||||||||||||||||||||||||||||||||||
Требования ГОСТ Р 50571.16-99 к содержанию протокола испытаний электроустановки здания
1. Протокол испытаний должен содержать достоверные, объективные и точные результаты испытаний, данные об условиях испытаний и погрешности измерений, заключение о соответствии испытуемой электроустановки здания требованиям нормативных документов и проектной документации и показывать точно, четко и недвусмысленно результаты испытаний и другую относящуюся к ним информацию.
2. Протокол испытаний должен содержать следующие основные сведения:
- наименование и адрес испытательной лаборатории;
- регистрационный номер, дату выдачи и срок действия аттестата аккредитации, наименование аккредитующей организации, выдавшей аттестат (при наличии) или свидетельство о регистрации в органах государственного энергетического надзора;
- номер и дату регистрации протокола испытаний, нумерацию каждой страницы протокола, а также общее количество страниц;
- полное наименование электроустановки и ее элементный состав;
- код ОКП;
- наименование организации или фамилию, имя, отчество заказчика и его адрес;
- дату получения заявки на испытания;
- наименование и адрес монтажной организации;
- сведения о проектной документации, в соответствии с которой смонтирована электроустановка;
- сведения об актах скрытых работ (организация, номер, дата);
- дату проведения испытаний;
- место проведения испытаний;
- климатические условия проведения испытаний (температура, влажность, давление);
- цель испытаний (приемо-сдаточные, для целей сертификации, сличительные, контрольные);
- программу испытаний (объем испытаний в виде перечисления пунктов (разделов) нормативного документа на требования к электроустановке и ее элементному составу).
Примечание. Программа испытаний может быть приведена в приложении к протоколу испытаний;
- нормативный документ, на соответствие требованиям которого проведены испытания (стандарт, правила, нормы и т.п.);
- перечень применяемого испытательного оборудования и средств измерений с указанием наименования и типа испытательного оборудования и средств измерений, диапазона и точности измерений, данных о номере метрологического аттестата или свидетельства и дате последней и очередной аттестации и проверки;
- значения показателей по нормативным документам и допусков при необходимости;
- фактические значения показателей испытанных электроустановок с указанием погрешности измерений при необходимости;
- вывод о соответствии нормативному документу по каждому показателю;
- информация о дополнительном протоколе испытаний, выполненных на условиях субподряда (при его наличии);
- заключение о соответствии (или несоответствии) испытанной электроустановки, ее элементов требованиям стандартов или других нормативных документов;
- подписи должности лиц, ответственных за проведение испытаний и оформление протокола испытаний, включая руководителя испытательной лаборатории;
- печать испытательной лаборатории (или организации);
- указание о недопустимости частичной или полной перепечатки или размножения без разрешения заказчика (или испытательной лаборатории) (на титульном листе).
На титульном листе указывают, что протокол испытаний распространяется только на электроустановку.
3. Исправления и дополнения в тексте протокола после его выпуска не допускаются. При необходимости их оформляют только в виде отдельного документа «Дополнение к протоколу испытаний» (номер, дата) в соответствии с приведенными выше требованиями к протоколу. На конкретные виды испытаний могут оформляться отдельные протоколы, входящие в состав общего протокола испытаний электроустановки здания.
4. В протоколе испытаний не допускается помещать рекомендации и советы по устранению недостатков или совершенствованию испытанных электроустановок.
5. Копии протоколов испытаний подлежат хранению в испытательной организации не менее шести лет.
|
Предприятие ________ Объект _____________ «__» _________ 200_ г. ПРОТОКОЛ № ___ измерения сопротивления растеканию тока контура заземления (заземляющего устройства) 1. Общие данные Характер грунта, состояние погоды последние 3 дня, в день измерения, температура в день измерения, °С _________________________________________________________ 2. Результаты измерения
Схемы измерения Измерения произведены (метод, приборы) ____________________________________ ____________________ заводской № ___________________________________________ 3. Замечания: _____________________________________________________________ ___________________________________________________________________________ ___________________________________________________________________________ Заключение: По результатам электрических измерений эл. оборудование к эксплуатации _______________________________________________________________ ___________________________________________________________________________ ___________________________________________________________________________ Проверку произвели: ___________ (_________) ___________ (_________) (подпись) (фамилия) Руководитель работ: ___________ (_________) (подпись) (фамилия) |
|
Предприятие ___________ Предприятие ________ _______________________ ____________________ «__» _________ 200_ г. Объект _____________ ПРОТОКОЛ № ___ проверки целости цепи заземления Измерения проведены «___» ________ 200__ г. омметром типа _________ № _____. Обозначения: У - контакт удовлетворительный (R ≤ 0,1 Ом); О - контакт неудовлетворительный или отсутствует.
«Протокол проверил» Проверку произвели: Руководитель работ: ___________ (_________) ___________ (_________) ___________ (_________) (подпись) (фамилия) (подпись) (фамилия) |
||||||||||||||||||||||||||||||||||||||||||||||||||||||||||||||||||||||||||||||||||
|
Предприятие ___________ Предприятие ________ «__» _________ 200_ г. Объект _____________ ПРОТОКОЛ № ___ определение удельного сопротивления грунта 1. Общие данные Измерения проведены «___» _____________ 200__ г. по методу _______________ прибором № ________ типа ___________________________________________________
«Протокол проверил» Проверку произвели: Руководитель работ: ___________ (_________) ___________ (_________) ___________ (_________) (подпись) (фамилия) (подпись) (фамилия) |
|||||||||||||||||||||||||||||||||||||||||||||||||||||||||||||||||||||||||||||||||||||||||||||||||||
|
«__» _________ 200_ г. Объект _____________ АКТ на скрытые работы по прокладке кабеля Мы, нижеподписавшиеся, составили настоящий акт в том, что в/ч _________________ произведена прокладка кабеля марки ______________ сеч. _______ фидер № ____________________ направлением от ____________ до ________________ Общая длина проложенного кабеля ___________ м, барабаны № _____________ длина ____________ м, длина _________ м, длина ____________ м. Кабель проложен на глубине ____________ м на подушке из _________________ толщиной 10 см, с подушкой из _______________ толщиной 10 см. В местах пересечения с ____________________________________________________ Кабель проложен _________________________________________________________ Глубина прокладки _____________________________________________________ м. Кабель защищен __________________________________________________________ по длине _________________________________________________________________ Состояние погоды ________________________________________________________ Температура воздуха ______________________________________________________ Прокладка кабеля произведена в соответствии с проектом, правилами устройства электроустановок и техническими условиями. Засыпка разрешается. Дополнительные сведения _________________________________________________ ___________________________________________________________________________ ___________________________________________________________________________ Представитель заказчика __________________ Представитель наладочной организации __________________ |
Производственная документация, оформляемая при монтаже технических средств сигнализации
|
Наименование документа |
Содержание документа |
Примечание |
|
1. Акт обследования |
Наименование объекта, количество зданий, вид строения, указания о виде сигнализации, типе извещателей, приемно-контрольных приборов, оповещателей в местах их установки для каждого здания (помещения); указание о блокировке строительных конструкций, (наименование материала, размер, количество защищаемых конструкций, тип и количество извещателей); указание о протяженности, видах прокладки проводов и их защите; указание об электропитании, сметной стоимости и планируемом сроке по монтажу; подпись представителем заказчика, подразделения охраны, органов государственного пожарного надзора. |
К акту прилагают смету на монтажно-наладочные работы, план-схему объекта, задание заказчику по обеспечению технической укрепленности объекта |
|
2. Акт передачи оборудования, изделий и материалов в монтаж |
По форме Госкомстата РФ |
|
|
3. Акт готовности зданий, сооружений к производству монтажных работ |
По форме акта промежуточной приемки ответственных конструкций СНиП 3.01.01-85 |
|
|
4. Акт освидетельствования скрытых работ (при монтаже электрических проводок) |
По форме акта освидетельствования скрытых работ СНиП 3.01.01-85 |
Составляются на каждый вид: а) по стенам, потолкам, в полу; б) канализация; в) в земле. |
|
5. Акт о проведении входного контроля |
Наименование, тип и марка, заводской номер или маркировка изделия, предприятие-изготовитель, дата изготовления и поступления; подпись ответственного представителя организации, выполнившей входной контроль |
|
|
6. Протокол прогрева кабеля на барабанах |
Номер барабана; марка кабеля, число жил сечение (мм2); длина кабеля (м); температура в начале и в конце прогрева (°С); напряжение (В); ток (А); температура воздуха в месте прокладки кабеля (°С); дата окончания работ по прокладке; подписи представителей заказчика, монтажной организации |
Составляется в том случае, когда монтаж кабеля производится при отрицательных температурах |
|
7. Акт испытания защитных трубопроводов с разделительными уплотнениями на герметичность |
Номер трубной проводки; условный диаметр (мм); испытательное давление (кПа); время выдержки (ч); падение давления (процент/час); допустимая величина давления (кПа); заключение о пригодности трубопроводов для эксплуатации с указанием класса взрывоопасной зоны. Подписи представителей заказчика и монтажной организации |
Составляется при монтаже технических средств сигнализации во взрывоопасных зонах |
|
8. Протокол измерения сопротивления изоляции электропроводок |
Наименование и номер позиции по рабочим чертежам; данные контрольных приборов; данные испытаний; марка провода (кабеля), количество и сечение жил, сопротивление изоляции. Заключение об испытании. Подписи представителей заказчика, монтажной организации |
|
|
9. Акт об окончании монтажных работ |
Наименование смонтированных средств сигнализации, наименование объекта, организации-разработчика проекта (акта обследования); монтажной организации; период выполнения работ, результат проверки, заключение комиссии. Подписи представителей заказчика, монтажной и пуско-наладочной организации. |
Составляется в том случае, если монтажная организация выполнила только монтаж. К акту прилагается ведомость смонтированных ПКП (СПУ) и извещателей |
|
10. Акт об окончании пусконаладочных работ |
Период проведения пуско-наладочных работ, наименование смонтированного комплекса сигнализации; дата и номер договора; перечень выполненных работ, заключение комиссии; подписи представителей заказчика и пусконаладочной организации. |
|
|
11. Ведомость смонтированных ПКП (СПУ) и извещателей |
Наименование объекта, смонтированных средств сигнализации, номер позиции спецификации проекта, наименование, тип, предприятие-изготовитель; изготовитель, количество; подписи представителей заказчика и пусконаладочной организации. |
|
1. СНиП 3.01.04-87. Приемки в эксплуатацию законченных строительством объектов. Основные положения.
2. СНиП 3.04.03-85. Защита строительных конструкций и сооружений от коррозии.
3. СНиП 3.05.06-85 Электрические устройства.
4. СНиП 12-03-99. Безопасность труда в строительстве. Часть I. Общие требования.
5. СНиП 23-05-95. Естественное и искусственное освещение.
6. ГОСТ 12.3.019-80. Испытания и измерения электрические.
7. ГОСТ 21.101.97. Система проектной документации для строительства. Основные требования к проектной документации.
8. ГОСТ 21.608-84. система проектной документации для строительства. Внутреннее электрическое освещение. Рабочие чертежи.
9. ГОСТ 21.613-88. Система проектной документации для строительства. Силовое электрооборудование. Рабочие чертежи.
Гл. 7.2. Электроустановки зрелищных предприятий, клубных учреждений и спортивных сооружений. Издательство «НЦ ЭНАС» - М. 1999.
10. ГОСТ 19734-80*. Устройства вводно-распределительные для жилых и общественных зданий. Общие технические требования.
11. ГОСТ 23274-84* Здания мобильные (инвентарные). Электроустановки.
12. ГОСТ Р 50030.1-92 Низковольтная аппаратура. Распределение и управление. Часть I. Общие требования.
13. ГОСТ Р 50030.2-94. Низковольтная аппаратура. Часть II. Низковольтные автоматические выключатели.
14. ГОСТ Р 50345-99. Автоматические выключатели для защиты от сверхтоков бытового и аналогичного назначения.
15. ГОСТ Р 50669-96. Электроснабжение и электробезопасность мобильных (инвентарных) зданий из металла или с металлическим каркасом для уличной торговли и бытового обслуживания населения. Технические требования.
15. СП 11-11-99 Авторский подход за строительством зданий и сооружений.
16. ВСН 59-88/Госкомархитектуры. Электрооборудование жилых и общественных зданий. Нормы проектирования.
17. ВСН 123-90/Минмонтажспецстрой. Инструкция по оформлению приемо-сдаточной документации по электромонтажным работам.
18. РД 34.03.284-96. Инструкция по организации и производству работ повышенной опасности. (Утверждена РАО «ЕЭС России». 25.06.1996 г.)
19. РД 34.21.122-87. Инструкция по устройству молниезащиты зданий и сооружений.
20. РД 34.49.501-95. Типовая инструкция по эксплуатации автоматических установок водяного пожаротушения.
21. Временное положение по приемке законченных строительством объектов (Приложение к письму Госстроя России от 09.07.93 № БЕ-19-11/13).
22. Инструкция о порядке допуска в эксплуатацию новых и реконструируемых электроустановок (Утверждена Минтонэнерго 30.06.1999).
23. Инструкция по электроснабжению индивидуальных жилых домов и других частных сооружений (утверждена Минтопэнерго, введена с 01.07.97).
24. Инструктивное письмо № 42-6/3 ЭТ от 21.02.97. «О порядке допуска в эксплуатацию электролабораторий». Главгосэнергонадзора России.
25. Инструкция о порядке реконструкции электротехнических лабораторий, выполняющих работы по испытаниям и измерениям в электроустановках потребителей и надзоре за их деятельностью. ГУ «Ленэнергонадзор», 1997.
26. Межотраслевые Правила по охране труда (правила безопасности) при эксплуатации электроустановок (ПОТ РМ-016-2001, РД 153-34.0-03.150-00).
27. ППБ-1-93*. Правила пожарной безопасности в РФ. (С изменениями 1999 года).
27. Правила устройства электроустановок (ПЭУ) 7-е издание. Раздел 6. Электрическое освещение. Раздел 7. Электрооборудование специальных установок. Гл. 7.1. Электроустановки жилых, общественных, административных и бытовых зданий.
28. Правила устройства электроустановок (ПУЭ) 6-е издание (переработанное и дополненное с изменениями) Главгосэнергонадзор России М., 1998.
29. Правила эксплуатации электроустановок потребителей (ПЭЭП), 5 издание, переработанное и дополненное (с изменениями). Изд. «Диан» СПб., 2000.
30. Объем и нормы испытаний электрооборудования (с изменениями по состоянию на 01.03.2001 г.) РД 34.45-51.300-97.
31. Сертификация электроустановок зданий. Постановление Госстандарта России № 3 от 29.01.99 г. и письма № АТ-46/09 от 3.02.99 г.
32. Кисаримов Р. А. Справочник электрика. М., Издательство «РадиоСофт», 1999.
33. Соколов Б. А., Соколова Н. Б. Монтаж электрических установок. М., Энергоатомиздат, 1991.
34. Справочник. Электромонтажные устройства и изделия. Второе издание переработанное и дополненное. М., Энергоатомиздат, 1988.
35. Титов Е. Г. Монтаж, эксплуатация и ремонт электроустановок. М., Воениздат, 1991.
Содержание
|
ГОСТЫ, СТРОИТЕЛЬНЫЕ и ТЕХНИЧЕСКИЕ НОРМАТИВЫ. Некоммерческая онлайн система, содержащая все Российские Госты, национальные Стандарты и нормативы. В Системе содержится более 150000 файлов нормативно-технической документации, действующей на территории РФ. Система предназначена для широкого круга инженерно-технических специалистов. Copyright © www.gostrf.com, 2008 - 2026 |