|
|
|
Р НП "АВОК" 5.5.1-2010 РЕКОМЕНДАЦИИ АВОК РАСЧЕТ ПАРАМЕТРОВ СИСТЕМ ПРОТИВОДЫМНОЙ ЗАЩИТЫ ЖИЛЫХ И ОБЩЕСТВЕННЫХ ЗДАНИЙ НЕКОММЕРЧЕСКОЕ
ПАРТНЕРСТВО Предисловие Сведения о рекомендациях 1 РАЗРАБОТАНЫ творческим коллективом специалистов некоммерческого партнерства «Инженеры по отоплению, вентиляции, кондиционированию воздуха, теплоснабжению и строительной теплофизике» (НП «АВОК»): Ю.А. Табунщиков, доктор техн. наук, проф. (НП «АВОК») - руководитель; B.М. Есин, доктор техн. наук, проф. (Академия ГПС МЧС России); А.Н. Колубков (ООО ППФ «АК»); А.В. Игольников (Академия ГПС МЧС России); C.П. Калмыков (Академия ГПС МЧС России). 2 УТВЕРЖДЕНЫ И ВВЕДЕНЫ В ДЕЙСТВИЕ приказом Президента НП «АВОК» от 24 сентября 2010 г. 3 ВВЕДЕНЫ ВПЕРВЫЕ. Содержание ВведениеПротиводымная защита представляет собой комплекс объемно-планировочных и инженерно-технических решений, направленных на предотвращение задымления при пожаре путей эвакуации из помещений и зданий, уменьшение задымления помещений и зданий. Основные задачи и принципы противодымной защиты сформулированы в Федеральном законе от 22 июля 2008 г. № 123-ФЗ «Технический регламент о требованиях пожарной безопасности» и имеют целью обеспечение безопасности людей при пожаре, сокращение материальных потерь от пожара, создание безопасных условий работы подразделений Государственной противопожарной службы по спасению людей, обнаружению и ликвидации очага пожара. Требования, регламентирующие проектирование, эксплуатацию и ремонт систем противодымной защиты зданий и сооружений, содержатся в системе нормативных и методических документов. Номенклатура помещений и зданий, подлежащих оборудованию системами противодымной защиты, и состав этой системы приводятся в системе сводов правил (СП). Требования к исполнению систем противодымной защиты и отдельных ее элементов изложены в СП 7.13130.2009 «Отопление, вентиляция и кондиционирование. Противопожарные требования». В зависимости от функционального назначения и объемно-планировочных и конструктивных решений зданий, сооружений и строений в них должна быть предусмотрена приточно-вытяжная противодымная вентиляция или вытяжная противодымная вентиляция. Система противодымной защиты в зависимости от объемно-планировочного решения и этажности здания может включать в себя систему дымоудаления из помещений и (или) коридоров при пожаре, систему удаления продуктов горения после пожара, системы обеспечения незадымляемости лестничных клеток, систему подпора воздуха в шахты лифтов, лестнично-лифтовые, лестничные и лифтовые холлы, тамбур-шлюзы и зоны безопасности. Необходимо устраивать дымоудаление из помещений, не имеющих естественного освещения, а также в помещениях с естественным освещением с массовым пребыванием людей, не имеющих открывающихся при пожаре проемов, с достаточной площадью для удаления продуктов горения. Система удаления продуктов горения из помещения после пожара устраивается в помещениях, оборудованных установками автоматического газового пожаротушения, и предназначена для проветривания помещения после завершения тушения пожара. Конструктивное исполнение и характеристики элементов противодымной защиты зданий, сооружений и строений в зависимости от целей противодымной защиты должны обеспечивать надежную работу систем приточно-вытяжной противодымной вентиляции в течение времени, необходимого для эвакуации людей в безопасную зону, или в течение всей продолжительности пожара. РЕКОМЕНДАЦИИ АВОК РАСЧЕТ ПАРАМЕТРОВ СИСТЕМ ПРОТИВОДЫМНОЙ ЗАЩИТЫ ЖИЛЫХ И ОБЩЕСТВЕННЫХ ЗДАНИЙ CALCULATION OF SMOKE PROTECTION SYSTEMS FOR RESIDENTIAL AND COMMERCIAL BUILDINGS Дата введения - 2010-10-01 1 Область примененияНастоящие рекомендации распространяются на проектирование систем противодымной защиты жилых и общественных зданий и предназначены для определения параметров систем противодымной защиты жилых и общественных зданий. Положения настоящих рекомендаций развивают и дополняют требования, изложенные в Федеральном законе от 22 июля 2008 г. № 123-ФЗ «Технический регламент о требованиях пожарной безопасности», СНиП 41-01-2003, СНиП 2.04.05-91*, СП 7.13130.2009, МДС 41-1.99, в части особенностей функционального назначения и специфики противопожарной защиты зданий. 2 Нормативные ссылкиВ настоящих рекомендациях использованы ссылки на следующие нормативные документы: ГОСТ Р 53296-2009 Установка лифтов для пожарных в зданиях и сооружениях. Требования пожарной безопасности ГОСТ Р 53299-2009 Воздуховоды. Метод испытаний на огнестойкость ГОСТ Р 53300-2009 Противодымная защита зданий и сооружений. Методы приемосдаточных и периодических испытаний ГОСТ Р 53301-2009 Клапаны противопожарные вентиляционных систем. Метод испытаний на огнестойкость ГОСТ Р 53302-2009 Оборудование противодымной защиты зданий и сооружений. Вентиляторы. Метод испытаний на огнестойкость ГОСТ Р 53303-2009 Конструкции строительные. Противопожарные двери и ворота. Метод испытаний на дымогазопроницаемость ГОСТ Р 53305-2009 Противодымные экраны. Метод испытаний на огнестойкость ГОСТ Р 53306-2009 Узлы пересечения ограждающих строительных конструкций трубопроводами из полимерных материалов. Метод испытаний на огнестойкость ГОСТ Р 53307-2009 Конструкции строительные. Противопожарные двери и ворота. Метод испытаний на огнестойкость СП 1.13130.2009 Системы противопожарной защиты. Эвакуационные пути и выходы (приказ МЧС России от 25.03.2009 № 171) СП 2.13130.2009 Системы противопожарной защиты. Обеспечение огнестойкости объектов защиты (приказ МЧС России от 25.03.2009 № 172) СП 4.13130.2009 Системы противопожарной защиты. Ограничение распространения пожара на объектах защиты. Требования к объемно-планировочным и конструктивным решениям (приказ МЧС России от 25.03.2009 № 174) СП 7.13130.2009 Отопление, вентиляция и кондиционирование. Противопожарные требования (приказ МЧС России от 25.03.2009 № 177) СП 11.13130.2009 Места дислокации подразделений пожарной охраны. Порядок и методика определения (приказ МЧС России от 25.03.2009 № 181) СП 12.13130.2009 Определение категорий помещений, зданий и наружных установок по взрывопожарной и пожарной опасности (приказ МЧС России от 25.03.2009 № 182) 3 Термины и определенияВ настоящих рекомендациях применены следующие термины с соответствующими определениями: 3.1 вентилятор дымоудаления: Вентилятор, предназначенный для создания разрежения и для удаления дымовых газов из защищаемых помещений. 3.2 вентиляция: Обмен воздуха в помещениях для удаления избытков теплоты, влаги, вредных и других веществ с целью обеспечения допустимых метеорологических условий и чистоты воздуха в обслуживаемой или рабочей зоне. [СНиП 41-01-2003, приложение А] 3.3 воздушная противодымная завеса: Защита проемов посредством настильных воздушных струй от сопловых аппаратов. 3.4 воздушный затвор: Вертикальный участок воздуховода, изменяющий направление движения продуктов горения на 180°, препятствующий при пожаре проникновению продуктов горения из нижерасположенных этажей в вышерасположенные. 3.5 вытяжная противодымная вентиляция: Системы вентиляции для удаления продуктов горения при пожаре. 3.6 дымовая зона: Часть помещения, из которой в начальной стадии пожара удаляются продукты горения с расходом, обеспечивающим эвакуацию людей из горящего помещения. 3.7 дымовой клапан: Клапан с нормируемым пределом огнестойкости, нормально закрытый, открывающийся при пожаре. 3.8 дымоприемное отверстие: Отверстие в стенках дымовых шахт, закрытое дымовым клапаном, специальный коллектор, на котором размещены дымовые клапаны, или открытое отверстие на ответвлениях воздуховодов систем с искусственным побуждением с клапаном на ответвлении. 3.9 защищаемое помещение: Помещение, при входе в которое для предотвращения перетекания воздуха имеется тамбур-шлюз, в котором создается повышенное давление, или же помещение, внутри которого создается повышенное или пониженное давление воздуха по отношению к смежным помещениям. 3.10 зона безопасности: Зона, в которой люди защищены от воздействия опасных факторов пожара. 3.11 кладовая: Склад, в котором отсутствуют постоянные рабочие места. [СНиП 41-01-2003, приложение А]
3.12 коллектор: Участок воздуховода, к которому присоединяются воздуховоды из двух или большего числа этажей. [СНиП 41-01-2003, приложение А] 3.13 конвективная колонка: Смесь с воздухом продуктов полного и неполного сгорания топлива, поднимающаяся над очагом пожара. 3.14 кондиционирование воздуха: Автоматическое поддержание в закрытых помещениях всех или отдельных параметров воздуха (температуры, относительной влажности, чистоты, скорости движения) с целью обеспечения главным образом оптимальных метеорологических условий, наиболее благоприятных для самочувствия людей, ведения технологического процесса, обеспечения сохранности ценностей. [СНиП 41-01-2003, приложение А]
3.15 коридор, не имеющий естественного освещения: Коридор, не имеющий световых проемов в наружных ограждениях. [СНиП 41-01-2003, приложение А] 3.16 местный отсос: Устройство для удаления вредных и взрывоопасных газов, паров, пыли или аэрозолей (зонт, бортовой отсос, вытяжной шкаф, кожух-воздухоприемник и т.п.) у мест их образования (станок, аппарат, ванна, рабочий стол, камера, шкаф и т.п.), присоединяемое к воздуховодам систем местных отсосов и являющееся, как правило, составной частью технологического оборудования. 3.17 многоэтажное здание: Здание с числом этажей два и более. [СНиП 41-01-2003, приложение А] 3.18 незадымленная зона: Зона заданной высоты от пола в нижней части помещения, свободная от продуктов горения. 3.19 незадымляемая лестничная клетка: Лестничная клетка типов: Н1 - с выходом через наружную воздушную зону по балконам, лоджиям, открытым галереям и переходам; Н2 - с подпором воздуха при пожаре с непосредственным выходом наружу; Н3 - с выходом в лестничную клетку через тамбур-шлюз с подпором воздуха. 3.20 огнестойкий воздуховод: Плотный воздуховод со стенками, имеющими нормируемый предел огнестойкости. [СНиП 41-01-2003, приложение А]
3.21 очаг пожара: Место первоначального возникновения пожара. [Федеральный закон № 123-ФЗ, статья 2, пункт 18] 3.22 подпотолочный слой: Растекающаяся по потолку конвективная струя. 3.23 пожароопасная смесь: Смесь горючих газов, паров, пыли, волокон с воздухом, если при ее горении развивается давление, не превышающее 5кПа. [СНиП 41-01-2003, приложение А] Примечание - Пожароопасность смеси должна быть указана в задании на проектирование. 3.24 помещение, не имеющее естественного освещения: Помещение, не имеющее окон или световых проемов в наружных ограждениях. [СНиП 41-01-2003, приложение А]
3.25 помещение с массовым пребыванием людей: Помещение (залы и фойе театров, кинотеатров, залы заседаний, совещаний, лекционные аудитории, рестораны, вестибюли, кассовые залы, производственные и другие) площадью 50 м2 и более с постоянным или временным пребыванием людей (кроме аварийных ситуаций) числом более одного человека на 1 м2 площади помещения. [СП 7.13130.2009, пункт 3.13] 3.26 приточно-вытяжная противодымная вентиляция: Система вентиляции, предназначенная для обеспечения безопасной эвакуации людей из здания при пожаре, возникшем в одном из помещений. 3.27 продукты горения (дым): Продукты термического разложения твердых и жидких горючих материалов. 3.28 проем дымоудаления: Проем в ограждающих конструкциях дымовых вытяжных каналов, а также в строительных конструкциях для удаления продуктов горения. 3.29 противодымная защита: Регулируемый (управляемый) газообмен внутреннего объема здания при возникновении пожара в одном из его помещений, предотвращающий поражающее воздействие на людей и (или) материальные ценности распространяющихся продуктов горения, обусловливающих повышенное содержание токсичных компонентов, увеличение температуры и изменение оптической плотности воздушной среды. 3.30 противопожарный клапан: Автоматически и дистанционно управляемое устройство для перекрытия вентиляционных каналов или проемов в ограждающих строительных конструкциях зданий, имеющее предельные состояния по огнестойкости, характеризуемые потерей плотности и потерей теплоизолирующей способности: - нормально открытый (закрываемый при пожаре); - нормально закрытый (открываемый при пожаре); - двойного действия (закрываемый при пожаре и открываемый после пожара). [СП 7.13130.2009, пункт 3.8]
3.31 путь эвакуации: Путь движения и (или) перемещения людей, ведущий непосредственно наружу или в безопасную зону, удовлетворяющий требованиям безопасной эвакуации людей при пожаре. [Федеральный закон № 123-ФЗ, статья 2, пункт 49] 3.32 резервуар дыма: Дымовая зона под потолком помещения либо зона, ограниченная по периметру негорючими завесами, спускающимися с потолка (перекрытия) до уровня не более 2,5 м от пола. 3.33 сборный воздуховод: Участок воздуховода, к которому присоединяются воздуховоды, проложенные на одном этаже. [СНиП 41-01-2003, приложение А] 3.34 система дымоудаления: Специальная управляемая автоматически либо вручную техническая система вентиляции для обеспечения условий для безопасной эвакуации людей в случае возникновения пожара на объекте. 3.35 система местных отсосов: Система местной вытяжной вентиляции, к воздуховодам которой присоединяются местные отсосы. [СНиП 41-01-2003, приложение А] 3.36 система общеобменной вентиляции: Совокупность оборудования и мероприятий для осуществления воздухообмена в помещениях. 3.37 система подпора воздуха: Создание избыточного давления воздуха в лестничных клетках, тамбурах, шахтах лифтов для предотвращения проникновения продуктов горения на путях эвакуации людей. 3.38 система противодымной защиты: Комплекс организационных мероприятий, объемно-планировочных решений, инженерных систем и технических средств, направленных на предотвращение или ограничение опасности задымления зданий, сооружений и строений при пожаре, а также воздействия опасных факторов пожара на людей и материальные ценности. [Федеральный закон № 123-ФЗ, статья 2, пункт 40] 3.39 транзитный воздуховод: Участок воздуховода, прокладываемый за пределами обслуживаемого им помещения или группы помещений, обслуживаемой сборным воздуховодом. 3.40 устройство дымоудаления: Устройство для обеспечения приемки дымовых газов и их направления в дымовые шахты. 4 Системы дымоудаления из помещений4.1 Общие положения4.1.1 Для обеспечения эффективной работы систем противодымной защиты необходимо на стадии проектирования правильно выбирать параметры оборудования. 4.1.2 Система дымоудаления из помещений может обеспечивать незадымленную зону заданной высоты от пола в нижней части помещения или предотвращать выход продуктов горения за пределы горящего помещения. 4.2 Обеспечение незадымленной зоны в нижней части помещения4.2.1 При площади очага пожара, незначительно превышающей 10-15 м2, система дымоудаления с естественным побуждением тяги позволяет обеспечить незадымленную зону в нижней части помещения. 4.2.2 Схема работы системы дымоудаления с естественным побуждением тяги изображена на рисунке 1. За счет разности плотностей нагретых продуктов горения и холодного воздуха в помещении над очагом пожара возникает восходящий поток, называемый конвективной струей или конвективной колонкой. Поднимающиеся в конвективной колонке газы достигают потолка, растекаются по нему и образуют подпотолочный слой продуктов горения. Если площадь очага пожара Fr ограничена, через определенный промежуток времени величина расхода продуктов горения, поступающих в подпотолочный слой с конвективной колонкой Gк, стабилизируется во времени. Для того чтобы высота незадымленной зоны Z оставалась постоянной, необходимо соблюдение равенства массовых расходов продуктов горения, удаляемых из помещения Gy и поступающих в подпотолочный слой из конвективной колонки Gк. Необходимо определить такую площадь проема дымоудаления Fy, при которой соблюдается условие Gy = Gк при заданной высоте незадымленной зоны Z. 4.2.3 Методика расчета системы дымоудаления с естественным побуждением тяги, обеспечивающей незадымленную зону в нижней части помещения 4.2.3.1 Полное давление снаружи помещения Рнар, Па, определяют по формуле
где Рн0 - давление снаружи здания на нулевом уровне (на уровне пола помещения), Па; g - ускорение свободного падения, м/с2; ρн - плотность наружного воздуха, кг/м3; у - вертикальная координата рассматриваемой точки (расстояние от уровня пола до рассматриваемого уровня), м.
Рисунок 1 - Схема расчета параметров системы дымоудаления, обеспечивающей незадымленную зону в нижней части помещения: Fr - площадь очага пожара, м2; Z - высота незадымленной зоны, м; Н - высота помещения от пола до места выброса продуктов горения, м; hc - толщина слоя продуктов горения, м; Fy - площадь проема дымоудаления, м2; Gк - массовый расход продуктов горения, поступающих с конвективной колонкой в подпотолочный слой, кг/с; Gy - массовый расход удаляемых продуктов горения, кг/с; Рнар - полное давление снаружи помещения, Па; Рв - давление внутри помещения от уровня пола до нижней границы слоя продуктов горения, Па; ΔРрасп - располагаемый перепад давления (разность давлений внутри помещения и вне его на уровне проема дымоудаления), Па 4.2.3.2 Давление внутри здания от уровня пола до нижней границы слоя продуктов горения Рв, Па, определяют по формуле
где Рв0 - давление внутри помещения на нулевом уровне (на уровне пола помещения), Па; g, ρн, у - то же, что в формуле (1). 4.2.3.3 Давление внутри здания выше уровня нижней границы слоя продуктов горения Рв, Па, определяют по формуле
где Рв0 - то же, что в формуле (2); g, ρн, у - то же, что в формуле (1); Z - высота незадымленной зоны, м; ρпг - плотность продуктов горения, кг/м3. 4.2.3.4 Располагаемый перепад давления (разность давлений внутри помещения и вне его на уровне проема дымоудаления) ΔРрасп, Па, определяют по формуле
где Рв0 - то же, что в формуле (2); Рн0, g, ρн - тоже, что в формуле (1); ρпг, Z - то же, что в формуле (3); Н - высота помещения от пола до места выброса продуктов горения, м. 4.2.3.5 В случае если площадь приточных проемов в 2,5 - 3 раза больше площади проемов дымоудаления, разность давлений на уровне пола внутри и снаружи помещения (Рв0 - Рн0) мала и ею можно пренебречь. В этом случае располагаемый перепад давления (разность давлений внутри помещения и вне его на уровне проема дымоудаления) ΔРрасп, Па, определяют по формуле
где g, ρн - то же, что в формуле (1); рпг, Z - то же, что в формуле (3); Н - то же, что в формуле (4). 4.2.3.6 Массовый расход продуктов горения, поступающих с конвективной колонкой в подпотолочный слой, Gк, кг/с, определяют по формуле
где Qк - конвективная составляющая мощности очага пожара (часть тепловыделения пожара, идущая на нагрев продуктов горения), кВт; определяют по формуле
где φ - доля теплоты, отдаваемой очагом пожара ограждающим конструкциям; при отсутствии данных рекомендуется принимать равным 0,4; η - коэффициент полноты сгорания; принимают равным 0,85 - 0,95; Qp - теплота сгорания, кДж/кг; значения теплоты сгорания для некоторых материалов приведены в приложении А; ψуд - Удельная скорость выгорания, кг/(м2·с); значения удельной скорости выгорания для некоторых материалов приведены в приложении А; Fr - площадь очага пожара, м2; Z - то же, что в формуле (3). 4.2.3.7 В случае когда очаг пожара внутри помещения располагается под навесом или балконом (рисунок 2), массовый расход продуктов горения, поступающих с конвективной колонкой в подпотолочный слой, Gк, кг/с, определяют по формуле
где Qк - то же, что в формуле (6); W - ширина слоя продуктов горения (струи) при стекании с балкона, м; zб - расстояние от балкона до нижней границы слоя продуктов горения, м; Нб - высота расположения балкона над полом помещения, м. 4.2.3.8 При задымлении помещения через проем в ограждающих конструкциях (рисунок 3) массовый расход продуктов горения, поступающих с конвективной колонкой в подпотолочный слой, Gк, кг/с, определяют по формуле где Апр - площадь проема, м2; Нпр - высота проема, м; znp - расстояние от верхнего среза проема до нижней границы слоя продуктов горения, м; а - вспомогательная величина; определяют по формуле
где Aпр, Нпр - то же, что в формуле (9). 4.2.3.9 Требуемую площадь проема дымоудаления Fy, м2, определяют по формуле где Gy - массовый расход удаляемых продуктов горения, кг/с;
Рисунок 2 - Очаг пожара расположен под навесом или балконом: Нб - высота расположения балкона над полом помещения, м; zб - расстояние от балкона до нижней границы слоя продуктов горения, м; W - ширина слоя продуктов горения (струи) при стекании с балкона, м
Рисунок 3 - Задымление помещения через проем из другого помещения: Нпр - высота проема, м; znp - расстояние от верхнего среза проема до нижней границы слоя продуктов горения, м μ - коэффициент расхода проема дымоудаления; для проемов прямоугольного или квадратного сечения принимают равным 0,64, для щелей и проемов круглого сечения - 0,8; ρпг - то же, что в формуле (3); ΔРрасп - располагаемый перепад давления (разность давлений внутри помещения и вне его на уровне проема дымоудаления); при расположении проемов дымоудаления в покрытии помещения определяют по формуле (5). 4.2.3.10 Плотности наружного воздуха ρн и продуктов горения ρпг, кг/м3, вычисляют в соответствии с их температурой по формулам где Тн, tн - температура наружного воздуха соответственно в К и °С; при расчете систем с естественным побуждением тяги принимают по таблице 2 СНиП 23-01-99* «Строительная климатология» для теплого периода года (столбец 4 «Температура воздуха, °С, обеспеченностью 0,98»); Tпг, tпг - температура продуктов горения соответственно в К и °С; вычисляют из уравнения теплового баланса, которое представляет собой математическую запись равенства количества теплоты, приходящего в подпотолочный слой с конвективной колонкой и уходящего с дымовыми газами,
где Qк - то же, что в формуле (6); сp - удельная изобарная теплоемкость воздуха и продуктов горения, кДж/(кг·К); принимают равной 1,09; Gу - тоже, что в формуле (11); α - коэффициент теплоотдачи от продуктов горения к ограждающим конструкциям, кВт/(м2·К); принимают равным 0,012; А - длина помещения, м; В - ширина помещения, м; Н - то же, что в формуле (4); Z - то же, что в формуле (3); Тв - температура внутреннего воздуха, К. Формула (15) приведена для прямоугольного в плане помещения. Для помещения сложной формы зависимость (15) выглядит следующим образом: где Qк - то же, что в формуле (6); сp, α, Тв - то же, что в формуле (15); Gy - тоже, что в формуле (11); Fпом - площадь пола помещения, м2; Lок - периметр ограждающих конструкций помещения, м; Н - то же, что в формуле (4); Z - то же, что в формуле (3). 4.2.3.11 Объемный часовой расход удаляемых продуктов горения L, м3/ч, определяют по формуле где Gy - тоже, что в формуле (11); ρпг - то же, что в формуле (3). 4.2.3.12 Конвективную составляющую мощности очага пожара Qк, кВт, определяют по формуле
де φ - то же, что в формуле (7); Qп - тепловая мощность очага пожара, МВт. Примечание - В некоторых случаях известна тепловая мощность очага пожара. Например, при горении одного легкового автомобиля Qп = 4 - 5 МВт. Пример 4.1 - Определение площади проема дымоудаления из одноэтажного здания высотой Н = 6,0 м Исходные данные Требуемая высота незадымленной зоны Z = 2,5 м от пола помещения. Горючая нагрузка - древесина (теплота сгорания Qp = 13850 кДж/кг, удельная скорость выгорания ψ yд = 0,9 кг/(м2·мин) или ψyд = 0,015 кг/(м2·с)), площадь очага пожара Fr = 9 м2, площадь пола помещения Fпом = 1500 м2, периметр ограждающих конструкций Lок = 150 м. Температура внутреннего воздуха tв = 20°С, температура наружного воздуха tн = 20°С. Порядок расчета Принимаем φ = 0,4 и η = 0,9. Конвективную составляющую мощности очага пожара Qк определяют по формуле (7): Qк = (1 - 0,4)·0,9·13850·0,015·9 = 1010 кВт. Массовый расход продуктов горения, поступающих с конвективной колонкой в подпотолочный слой, Gк определяют по формуле (6): Qк = 0,032·10103/5·2,5 = 5,08 кг/с. Температуру продуктов горения Tпг определяют по формуле (16):
Плотности наружного воздуха ρн и продуктов горения ρпг определяют соответственно по формулам (12) и (13):
Располагаемый перепад давления (разность давлений внутри помещения и вне его на уровне проема дымоудаления) ΔPpacп определяют по формуле (5): ΔPpacп = 9,81 (1,2 - 1,08) (6,0 - 2,5) = 4,14 Па. Требуемую площадь проема дымоудаления Fy определяют по формуле (11):
Объемный часовой расход удаляемых продуктов горения L определяют по формуле (17):
Пример 4.2 - Определение площади проема дымоудаления из одноэтажной стоянки автомобилей высотой Н = 3,0 м при горении одного автомобиля Исходные данные Требуемая высота незадымленной зоны Z = 2,0 м от пола помещения, площадь пола помещения Fпом = 1500 м2, периметр ограждающих конструкций Lок = 160 м. Тепловая мощность очага пожара Qп = 4,5 МВт. Температура внутреннего воздуха tв = 20°С, температура наружного воздуха tн = 20°С. Порядок расчета Принимаем φ = 0,4. Конвективную составляющую мощности очага пожара Qк определяют по формуле (18): Qк = (1 - 0,4)·4,5 = 2,7 МВт = 2700 кВт. Массовый расход продуктов горения, поступающих с конвективной колонкой в подпотолочный слой, Gк определяют по формуле (6): Gк = 0,032·27003/5·2,0 = 7,33 кг/с. Температуру продуктов горения Tпг определяют по формуле (16):
Плотности наружного воздуха ρн и продуктов горения ρпг определяют соответственно по формулам (12) и (13):
Располагаемый перепад давления (разность давлений внутри помещения и вне его на уровне проема дымоудаления) ΔPpacп определяют по формуле (5): ΔPpacп = 9,81 (1,2 - 0,905) (3,0 - 2,0) = 2,9 Па. Требуемую площадь проема дымоудаления Fy определяют по формуле (11):
Объемный часовой расход удаляемых продуктов горения L определяют по формуле (17):
Вопрос о целесообразности устройства системы дымоудаления с естественным побуждением тяги через открываемые проемы (люки или фрамуги) в покрытии здания или с механическим побуждением тяги решается проектировщиком. Пример 4.3 - Определение площади проема дымоудаления из одноэтажной стоянки автомобилей закрытого типа высотой Н = 4,5 м Исходные данные Хранение автомобилей - двухъярусное. Требуемая высота незадымленной зоны Z = 2,0 м от пола помещения, площадь пола помещения Fпом = 1500 м2, периметр ограждающих конструкций Lок = 160 м. Тепловая мощность очага пожара Qп = 2·4,5 = 9 МВт. Температура внутреннего воздуха tв = 20°С, температура наружного воздуха tн = 20°С. Порядок расчета Принимаем φ = 0,4. Конвективную составляющую мощности очага пожара Qк определяют по формуле (18): Qк = (1 - 0,4)·9 = 5,4 МВт = 5 400 кВт. Массовый расход продуктов горения, поступающих с конвективной колонкой в подпотолочный слой, Gк определяют по формуле (6): Gк = 0,032·5 4003/5·2,0 = 11,1 кг/с. Температуру продуктов горения Тпг определяют по формуле (16):
Плотности наружного воздуха ρн и продуктов горения ρпг определяют соответственно по формулам (12) и (13):
Располагаемый перепад давления (разность давлений внутри помещения и вне его на уровне проема дымоудаления) ΔPpacп определяют по формуле (5): ΔPpacп = 9,81 (1,2 - 0,788) (4,5 - 2,0) = 10,1 Па. Требуемую площадь проема дымоудаления Fy определяют по формуле (11):
Объемный часовой расход удаляемых продуктов горения L определяют по формуле (17):
4.3 Обеспечение незадымляемости путей эвакуации и помещений, смежных с горящим4.3.1 При неограниченных размерах очага пожара система дымоудаления не способна обеспечить незадымленную зону в нижней части помещения, но позволяет не допустить распространения продуктов горения за пределы горящего помещения. 4.3.2 Описание процесса функционирования системы дымоудаления, предотвращающей выход продуктов горения за пределы горящего помещения 4.3.2.1 При воздействии ветра на здание динамическое давление ветра преобразуется в статическое давление (рисунок 4). Фасад, на который направлен ветер, называется наветренным, противоположный ему фасад - заветренным или подветренным, остальные фасады называются боковыми. 4.3.2.2 На наветренном фасаде 1 динамическое давление ветра преобразуется в положительное статическое давление. На боковых фасадах 3 за счет ускорения потока динамическое давление ветра преобразуется в отрицательное или нулевое статическое давление. На заветренном фасаде 2 за счет срыва ветрового потока и образования вихрей динамическое давление ветра преобразуется в отрицательное статическое давление. Знак и степень указанного преобразования учитываются аэродинамическими коэффициентами фасадов Кн, Кз и Кб (индексы соответственно: н - наветренный; з - заветренный; б - боковой). Значения аэродинамических коэффициентов фасадов получают экспериментально в результате продувок макетов зданий в аэродинамической трубе. Подробные данные о них приведены в СНиП 2.01.07-85* «Нагрузки и воздействия». Для одноэтажных зданий Кн = 0,6; Kб = 0 и Кз = -0,4. 4.3.2.3 Выход продуктов горения из горящего помещения в смежные через открытые проемы предотвращается путем расположения плоскости равных давлений (нейтральной плоскости) выше этих проемов. 4.3.2.4 Методика расчета площади проемов дымоудаления, обеспечивающих незадымляемость путей эвакуации из здания и помещений, смежных с горящим, основана на уравнении баланса массы воздуха, поступающего в горящее помещение через открытые проемы, и массы удаляемых продуктов горения. 4.3.3 Методика расчета системы дымоудаления, обеспечивающей незадымляемость помещений, смежных с горящим, и путей эвакуации
Рисунок 4 - Воздействие ветра на здание: 1 - наветренный фасад; 2 - заветренный фасад; 4.3.3.1 Сначала определяют наиболее неблагоприятное направление ветра, выбирают заветренный и наветренный фасады. Нумеруют все фасады и части фасадов здания. В качестве заветренного фасада берется тот фасад, отношение площадей О = F1/F2 для которого максимально (F1 - эквивалентная площадь проемов на одном из фасадов, соединяющих горящее помещение с соседним помещением или с улицей, м2; F2 - эквивалентная площадь проемов от 1-го проема из горящего помещения до улицы, м2). Если дверной проем из горящего помещения выходит наружу, то F2 считается бесконечным. 4.3.3.2 Эквивалентную площадь проемов, работающих параллельно, Fэкв, м2, определяют по формуле
где индексы 1, 2 ... i - номер проема; fi - площадь i-го проема, м2. 4.3.3.3 Эквивалентную площадь проемов, работающих последовательно, Fэкв, м2, определяют по формуле где fi - тоже, что в формуле (19). 4.3.3.4 Давление на уровне пола в горящем помещении Рв0, Па, при котором плоскость равных давлений (нейтральная плоскость) располагается на уровне верха проемов как на наветренном, так и на заветренном фасадах, определяют по формуле где Рнз - наружное давление на заветренном (подветренном) фасаде, Па; Нпр - то же, что в формуле (9); g - то же, что в формуле (1); Δρ - разность плотностей наружного воздуха и продуктов горения, кг/м3; F1 -эквивалентная площадь проемов на одном из фасадов, соединяющих горящее помещение с соседним помещением или с улицей, м2; F2 - эквивалентная площадь проемов от 1 -го проема из горящего помещения до улицы, м2. 4.3.3.5 При расчете системы дымоудаления, обеспечивающей незадымляемость помещений, смежных с горящим, температуру продуктов горения tпг для помещений объемом не более 10000 м3 принимают равной 300°С при горении волокнистых веществ, 450°С при горении твердых материалов и 600°С при горении жидкостей и газов. 4.3.3.6 Давления снаружи здания определяют по формулам Здесь Рветр - ветровое давление, Па; ρн - то же, что в формуле (1); Vв - скорость ветра, м/с; Рнз - тоже, что в формуле (21); Рнб - наружное давление на боковых фасадах, Па; Рнн - наружное давление на наветренном фасаде, Па. 4.3.3.7 Массовые расходы воздуха, поступающего в горящее помещение через открытые проемы с заветренного Gз, боковых Gб и наветренного Gн, кг/с, фасадов, определяют соответственно по формулам где μ - тоже, что в формуле (11); Fз.экв, Fб.экв, Fн.экв - эквивалентная площадь проемов, находящихся соответственно на заветренном, боковых и наветренном фасадах, м2; ρн, g - то же, что в формуле (1); Рнз, Δρ - тоже, что в формуле (21); Рв0 - давление на уровне пола в горящем помещении, Па; определяют по формуле (21); Нпр - то же, что в формуле (9); Рнб - то же, что в формуле (24); Рнн - то же, что в формуле (25). 4.3.3.8 Площадь проходного сечения проема дымоудаления Fy, м2, определяют по формуле где Gз - массовый расход воздуха, поступающего в горящее помещение через открытые проемы с заветренного фасада, кг/с; определяют по формуле (26); Gб - массовый расход воздуха, поступающего в горящее помещение через открытые проемы с боковых фасадов, кг/с; определяют по формуле (27); Gн - массовый расход воздуха, поступающего в горящее помещение через открытые проемы с наветренного фасада, кг/с; определяют по формуле (28); μ - тоже, что в формуле (11); ρпг - то же, что в формуле (3); ΔРрасп - располагаемый перепад давления (разность давлений внутри помещения и вне его на уровне проема дымоудаления), Па; определяют по формуле
где Рв0 - то же, что в формуле (26); Кy - аэродинамический коэффициент проема дымоудаления; Pветр - то же, что в формуле (23); Н - то же, что в формуле (4); g - тоже, что в формуле (1); Δρ - тоже, что в формуле (21). Пример 4.4 - Расчет системы дымоудаления Исходные данные Разрез и план здания представлены на рисунках П.1 и П.2. Высота помещения Н = 6 м, температура наружного воздуха tн = 20°С, температура продуктов горения tпг = 450°С, скорость ветра Vв = 4 м/с, площади проемов f1 = f2 = f3 = f7 = f9 = f13 = 2,5 × 2,5 = 6,25 м2; f4 = f5 = f6 = f8 = f10 = f11 = f12 = f14 = 1 × 2 = 2 м2. Высота проема Hпр = 2 м.
Рисунок П.1 - Схема расчета системы дымоудаления, обеспечивающей незадымляемость путей эвакуации из здания и помещений, смежных с горящим (разрез): Gз - массовый расход воздуха, поступающего в горящее помещение через открытые проемы со стороны заветренного фасада, кг/с; Рнз - наружное давление со стороны заветренного фасада на уровне пола помещения, Па; Нпр - высота проема, м; Рв0 - давление внутри помещения на уровне пола, Па; tпг - температура продуктов горения, °С; Рнн - давление снаружи здания со стороны наветренного фасада на уровне пола помещения, Па; Gн - массовый расход воздуха, поступающего в горящее помещение со стороны наветренного фасада, кг/с; tн - температура наружного воздуха, °С; Vв - скорость ветра, м/с; Н - высота помещения, м
Рисунок П.2 - К расчету системы дымоудаления, обеспечивающей незадымляемость путей эвакуации из здания и помещений, смежных с горящим (план): f1 - f14 - площади проемов, м2; в кружочках - номера фасадов (частей фасадов) Порядок расчета Расчет системы дымоудаления начинается с определения неблагоприятного для работы системы направления ветра. Неблагоприятным направлением считается такое направление, при котором площадь проемов дымоудаления или расход удаляемых продуктов горения максимальны из четырех возможных. Эквивалентные площади проемов Fэкв для схемы, приведенной на рисунке П.2, определяют соответственно по 4.3.3.1 и формулам (19), (20). 1. Фасад 1: F1 = 2 + 2 + 2 = 6 м2; F2 = 6,25 + 6,25 + 6,25 = 18,75 м2;
2. Фасад 2: F1 = f8 = 2 м2; F2 = f9 = 6,25 м2;
3. Часть фасада 3': F1 = f11 = 2 м2; F2 = f13 = 6,25 м2;
4. Часть фасада 3": F1 = f10 = 2 м2;
Эквивалентная площадь проемов для фасада 3 Fэкв3 в целом будет равна Fэкв3 = Fэкв3' + Fэкв'' = 1,9 + 1,15 = 3,05 м2. 5. Фасад 4: F1 = f7 = 6,25 м2; F2 → ∞;
В качестве заветренного фасада для расчета выбираем тот, у которого отношение Оi наибольшее. Наибольшее отношение O3'' = 1,4 у части фасада 3". В качестве заветренного (подветренного) выбираем фасад 3, а в качестве наветренного выбираем противоположный фасад, т.е. фасад 1. Плотности наружного воздуха ρн и продуктов горения ρпг определяют соответственно по формулам (12) и (13):
Ветровое давление Рветр определяют по формуле (22):
Давление на заветренном фасаде Рнз определяют по формуле (23): Рнз = -0,4·9,6= -3,84 Па. Давление на боковых фасадах Рнб определяют по формуле (24): Рнб = 0. Давление на наветренном фасаде Рнн определяют по формуле (25): Рнн = 0,6·9,6 = 5,76 Па. Давление на уровне пола в горящем помещении Рв0, при котором предотвращается выход продуктов горения через проемы в смежные помещения и на пути эвакуации, определяют по формуле (21): Рв0 = -3,84 - 2·9,81·0,712 (1 + 0,5·1,42) = -31,5 Па. Массовые расходы воздуха, поступающего в горящее помещение через открытые проемы со стороны заветренного G3, боковых Gб и наветренного Gн фасадов, определяют соответственно по формулам (26), (27), (28): G3 = 0,64·3,05 [2·1,2 (-3,84 + 31,5 - 0,5·2·9,81·0,712)]1/2 = 13,74 кг/с; Gб= 0,64·8,15 [2·1,2 (0 + 31,5 - 0,5·2·9,81·0,712)]1/2 = 25,8 кг/с, где 8,15 - эквивалентная площадь боковых фасадов, м2; определяют по формуле Fб.экв = Fэкв2 + Fэкв4 = 1,9 + 6,25 = 8,15м2; Gн = 0,64·5,71 [2·1,2 (9,6 + 31,5 - 0,5·2·9,81 0,712)]1/2 = 33 кг/с. Располагаемый перепад давления (разность давлений внутри помещения и вне его на уровне проема дымоудаления) ΔРрасп определяют по формуле (30). При нулевом аэродинамическом коэффициенте Ку проема дымоудаления ΔРрасп = -31,5 + 6·9,81·0,712 = 10,4 Па. Площадь проходного сечения проема дымоудаления Fy определяют по формуле (29). При коэффициенте расхода проема дымоудаления μ = 0,8
При устройстве системы дымоудаления из помещения с механическим побуждением тяги из одноэтажных зданий расчет ограничивается определением объемного часового расхода удаляемых продуктов горения L по формуле (17). 4.4 Нормативные требования к системам дымоудаления из помещений4.4.1 Выбор способа дымоудаления зависит от высоты, этажности здания и других факторов. Для одноэтажных зданий нормативные документы допускают организацию как естественной, так и механической (с помощью вентиляторов) системы дымоудаления. Для помещений, расположенных в нижних этажах многоэтажных зданий, устройство дымоудаления с естественным побуждением тяги нормативные документы не рекомендуют. 4.4.2 В случае применения вентиляторов для устройства дымоудаления из помещений в одноэтажном здании целесообразно использование осевых или крышных вентиляторов. 4.4.3 Вентиляторы, используемые для дымоудаления из помещений, должны иметь сертификат пожарной безопасности (1 ч при температуре 600°С или 2 ч при температуре 400°С в зависимости от расчетной температуры удаляемых продуктов горения). 4.4.4 Для эффективной работы системы дымоудаления размеры дымоприемных отверстий должны быть меньше толщины слоя продуктов горения под потолком помещения. В противном случае через одну часть проема дымоудаления из помещения выходят продукты горения, а через другую - воздух (рисунок 5а). Дымоприемные отверстия следует располагать рассредоточено по площади помещения (рисунок 5б). Площадь, обслуживаемая одним дымоприемным отверстием, не должна превышать 1000 м2. 4.4.5 Для возмещения удаляемых продуктов горения необходимо предусматривать приток наружного воздуха в нижнюю часть помещения. При устройстве систем дымоудаления с естественным побуждением тяги площадь приточных проемов может быть определена из условия, что потери давления на приточных проемах не будут превышать 10 % от располагаемого давления. Площадь приточных проемов при устройстве системы дымоудаления с механическим побуждением тяги должна быть достаточной для того, чтобы перепад давления на закрытых дверях и воротах, используемых для эвакуации, не превышал 300/Апр Па (Апр - площадь проема, м2).
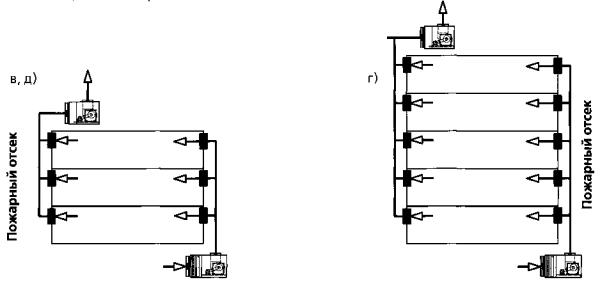
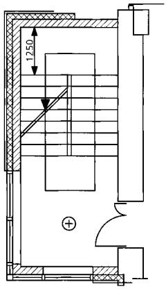
Рисунок 5 - Влияние размеров и расположения вентиляционных проемов на эффективность дымоудаления: 1 - один большой проем; 2 - наружный воздух, поступающий в восходящий поток продуктов горения, снижает объем удаляемых продуктов горения; 3 - несколько небольших проемов более эффективны 5 Противодымная защита многоэтажного здания5.1 Общие положения5.1.1 Основной задачей системы противодымной защиты многоэтажного здания является обеспечение незадымляемости при пожаре лестничных клеток. Эта задача решается путем устройства дымоудаления при пожаре из коридоров или помещений, устройства незадымляемых лестничных клеток и исключением задымления здания через шахты лифтов. Принципиальная схема системы противодымной защиты многоэтажного здания приведена на рисунке 6. 5.1.2 Дымоудаление должно устраиваться из коридоров, не имеющих естественного освещения, а также из коридоров зданий, высота которых от планировочной отметки земли до уровня нижнего края оконных и дверных проемов, используемых для спасения людей, верхнего этажа превышает 28 м, независимо от наличия естественного освещения. 5.1.3 В зданиях, высота которых от планировочной отметки земли до уровня нижнего края оконных и дверных проемов, используемых для спасения людей, верхнего этажа превышает 28 м, нормативными документами регламентируется применение незадымляемых лестничных клеток. По принятой в Российской Федерации классификации незадымляемые лестничные клетки подразделяются на три типа: - Н1 - незадымляемость обеспечивается за счет устройства входов в лестничные клетки через наружную (воздушную) зону по балконам, лоджиям и открытым переходам (рисунок 7); - Н2 - незадымляемость обеспечивается за счет подачи наружного воздуха при пожаре в объем лестничной клетки (рисунок 8); - Н3 - незадымляемость обеспечивается за счет подачи наружного воздуха при пожаре в объем тамбур-шлюза перед лестничной клеткой (рисунок 9). Незадымляемыми второго или третьего типов (Н2 или Н3) должны быть и лестничные клетки, соединяющие подземные и наземные этажи здания, независимо от этажности здания. 5.1.4 С целью предотвращения распространения продуктов горения при пожаре по вертикали в зданиях, оборудованных незадымляемыми лестничными клетками, необходимо устраивать подачу наружного воздуха в шахты лифтов для создания в них избыточного по отношению к смежным помещениям давления. Подпор воздуха создают также в шахтах лифтов, соединяющих подземные и наземные этажи здания, и в тамбур-шлюзах перед такими лифтами в подземных этажах.
Рисунок 6 - Принципиальная схема системы противодымной защиты многоэтажного здания: 1 - помещение очага пожара; 2 - коридор этажа пожара; 3 - лестничная клетка; 4 - шахта лифта; 5 - вентилятор дымоудаления из коридора; 6 - вентилятор подпора в лестничную клетку; 7 - вентилятор подпора в шахту лифта; Gду - массовый расход продуктов горения, перемещаемых вентилятором, кг/с; Gлк - массовый расход воздуха, подаваемого в лестничную клетку, кг/с; Gшл - массовый расход воздуха, подаваемого в шахту лифта, кг/с; Gпг - массовый расход удаляемых продуктов горения, кг/с; Gп - массовый расход воздуха из лестничной клетки в коридор этажа пожара, кг/с; Gвх - массовый расход воздуха из лестничной клетки наружу через входную дверь здания, кг/с Рисунок 7 - Незадымляемая лестничная клетка типа Н1: 1 - лестничная клетка; 2 - шахта лифта; 3 - шахта дымоудаления; 4 - переход в лестничную клетку; Рисунок 8 - Незадымляемая лестничная клетка типа Н2 Рисунок 9 - Незадымляемая лестничная клетка типа Н3 5.2 Расчет систем противодымной защиты многоэтажного здания5.2.1 Задачей расчета системы противодымной защиты многоэтажного здания* является определение таких параметров вентиляторов дымоудаления из коридоров и подачи воздуха на незадымляемые лестничные клетки и в шахты лифтов, при которых обеспечивается незадымляемость лестничных клеток здания. 5.2.2 Расчеты системы противодымной защиты многоэтажного здания производятся при следующих исходных данных: - пожар происходит в холодное время года на нижнем типовом этаже здания; - окна помещения, где возник пожар, и выбросные проемы систем дымоудаления выходят на наветренный фасад здания, входная дверь здания и воздухозаборные проемы систем подпора воздуха выходят на заветренный (подветренный) фасад здания; - кабины лифтов располагаются на первом этаже с открытыми дверями кабин и шахт лифтов. 5.2.3 Температуру наружного воздуха и скорость ветра принимают по таблице 1 СНиП 23-01-99* «Строительная климатология» (соответственно столбец 5 «Температура воздуха наиболее холодной пятидневки, °С, обеспеченностью 0,92» и столбец 19 «Максимальная из средних скоростей ветра по румбам за январь, м/с»). 5.2.4 До вступления в силу Федерального закона от 22 июля 2008 г. № 123-ФЗ «Технический регламент о требованиях пожарной безопасности» и СП 7.13130.2009 «Отопление, вентиляция и кондиционирование. Противопожарные требования» расчеты параметров вентиляторов подпора воздуха в лестничную клетку проводились при открытых дверях на пути эвакуации от горящего помещения (квартиры) до улицы (открыты двери из коридора на этаже пожара или непосредственно помещения, где возник пожар, в лестничную клетку и из здания наружу). Все остальные двери и окна в здании считались закрытыми. С вступлением в силу указанных выше документов расчеты должны проводиться при открытых дверях из коридора в лестничную клетку или из здания наружу. 5.2.5 Схема газообмена на этаже пожара показана на рисунке 10. Из объема лестничной клетки 3 в коридор этажа пожара 2 через открытую дверь входит чистый воздух с расходом Gп. Часть этого воздуха G1 транзитом проходит коридор и через открытую дверь поступает в горящее помещение - квартиру 1. Из горящего помещения выходят продукты горения, их расход обозначен G2. Из коридора через открытый дымовой клапан удаляются продукты горения с расходом Gпг. 5.2.6 Схема газообмена помещений на других этажах здания при работе вентиляционной системы противодымной защиты представлена на рисунке 11. При работе вентилятора дымоудаления в шахте 2 создается разрежение по отношению к помещениям 4, через которые проходит шахта дымоудаления. Через щели и неплотности в клапанах и ограждениях шахты в нее фильтруется холодный воздух. Воздух, попадающий в шахту, смешивается с продуктами горения, расход дымовоздушной смеси возрастает, а температура - уменьшается. * Первая в нашей стране методика расчета требуемых параметров вентиляторов систем противодымной защиты многоэтажных жилых зданий была разработана Н.Н. Разумовым, И.С. Шаповаловым и И.Т. Светашовым в 1973 г. В результате проведенных ВНИИПО натурных огневых испытаний, опытов на полномасштабном экспериментальном «фрагменте этажа высотного здания», теоретических исследований исходные параметры этой методики были уточнены и были разработаны рекомендации по расчету параметров систем противодымной защиты жилых и общественных зданий повышенной этажности. 5.3 Расчет параметров вентиляторов дымоудаления из коридоров и помещений в многоэтажном здании5.3.1 Задачей расчета вентиляторов дымоудаления из коридоров и помещений является определение параметров, обеспечивающих требуемые условия на этаже пожара. Методика расчета системы дымоудаления из коридоров зданий повышенной этажности, коридоров, не имеющих естественного освещения, в зданиях обычной этажности и помещений многоэтажных зданий иллюстрируется схемой рисунка 12. 5.3.2 Температуру воздуха в здании при работе системы противодымной защиты Tп, К, определяют по формуле где Тн - то же, что в формуле (12); Тв - температура внутреннего воздуха до начала пожара, К. 5.3.3 Плотность приточного воздуха ρп, кг/м3, определяют по формуле где Tп - температура приточного воздуха, К; определяют по формуле (31). 5.3.4 Плотность воздуха в здании до начала пожара ρв, кг/м3, определяют по формуле где Тв - то же, что в формуле (31). 5.3.5 Распределения давлений снаружи здания со стороны наветренного Pннi, заветренного Pнзi фасадов на уровне i-го этажа и давление на уровне выброса продуктов горения Рвыбр, Па, определяют соответственно по формулам
Рисунок 10 - Схема газообмена этажа пожара при работе системы противодымной защиты: 1 - помещение очага пожара; 2 - поэтажный коридор этажа пожара; 3 - лестничная клетка; Рнн - наружное давление со стороны наветренного фасада на уровне этажа пожара, Па; Tпг - температура в горящем помещении, К; G1 - массовый расход воздуха, поступающего в помещение очага пожара, кг/с; G2 - массовый расход продуктов горения, выходящих в коридор, кг/с; Тк - температура удаляемых продуктов горения, К; Рк - давление в коридоре на уровне пола, Па; Рлк - давление в лестничной клетке на уровне этажа пожара, Па; Gпг- массовый расход удаляемых продуктов горения, кг/с; Тп - температура воздуха, поступающего в коридор из лестничной клетки, и температура воздуха в здании при работе системы противодымной защиты, К; Gп - массовый расход воздуха из лестничной клетки в коридор этажа пожара, кг/с Рисунок 11 - Схема газообмена на других этажах здания при работе вентиляционной системы противодымной защиты: 1 - незадымляемая лестничная клетка типа Н2; 2 - шахта лифта; 3 - шахта дымоудаления; 4 - поэтажный коридор Рисунок 12 - Схема расчета параметров вентилятора дымоудаления из многоэтажного здания: Рш1 ... Рш5 - давление в шахте дымоудаления на уровне соответствующего этажа, Па; Gпг - массовый расход продуктов горения, удаляемых из коридора, кг/с Gпг.ш1 ... Gпг.ш5 - массовый расход продуктов горения в шахте дымоудаления, кг/с; Т1 ... Т5 - температура продуктов горения в шахте дымоудаления на уровне соответствующего этажа, К; Gф2 ... Gф5 - расход воздуха, фильтрующегося в шахту дымоудаления через щели и неплотности на уровне соответствующего этажа, кг/с; Рв2 ... Рв5 - давление внутри здания на уровне соответствующего этажа, Па; Тк - температура продуктов горения в коридоре, К; Рк - давление в коридоре, Па
где ρн, g - тоже, что в формуле (1); Vв - то же, что в формуле (22); hi - высота пола i-го этажа над уровнем планировочной отметки земли, м; ρп - плотность приточного воздуха, кг/м3; определяют по формуле (32); hвыбр - высота выбросного отверстия системы дымоудаления над уровнем планировочной отметки земли, м. 5.3.6 Давление внутри здания на уровне i-го этажа Pвj, Па, определяют по формуле где Pннi - наружное давление на наветренном фасаде на уровне i-го этажа, Па; определяют по формуле (34); Pнзi - наружное давление на заветренном на уровне i-го этажа, Па; определяют по формуле (35). 5.3.7 Массовый расход продуктов горения, удаляемых из коридора, Gпг, кг/с, определяют по формуле
где А - размерный коэффициент; А = 0,96 кг/(с·м5/2) - для жилых зданий; А = 1,2 кг/(с·м5/2) - для общественных зданий; Вп - ширина дверного проема из коридора в лестничную клетку, м; Нп - высота дверного проема из коридора в лестничную клетку, м. 5.3.8 Температуру продуктов горения, удаляемых из коридора жилого или общественного здания, принимают равной 300°С (Tк = 573 К). 5.3.9 Массовый расход Gy (Gк = Gy ) и температуру продуктов горения Tпг, К, удаляемого из помещения при пожаре, определяют соответственно по формулам (6) - (8), (15). 5.3.10 Скорость продуктов горения в клапане Vкл, м/с, определяют по формуле где Gпг - массовый расход продуктов горения, удаляемых из коридора, кг/с; определяют по формуле (38); Fкл - площадь проходного сечения дымового клапана, м2; принимают по данным фирмы-изготовителя или вычисляют по формуле
где акл - больший из установочных размеров клапана, м; bкл - меньший из установочных размеров клапана, м; ρпг - то же, что в формуле (3). 5.3.11 Потери давления в клапане дымоудаления ΔРкл, Па, определяют по формуле где ξкл - коэффициент местного сопротивления открытого клапана дымоудаления; принимают равным 4; ρпг - то же, что в формуле (3); Vкл - скорость продуктов горения, м/с; определяют по формуле (39). 5.3.12 Давление в шахте дымоудаления на уровне 1-го обслуживаемого этой шахтой этажа Рш1, Па, определяют по формуле
где Рнн1 - наружное давление на наветренном фасаде на уровне 1-го этажа, Па; определяют по формуле (34); ΔPкл - потери давления в клапане дымоудаления, Па; определяют по формуле (41). 5.3.13 Скорость продуктов горения в шахте дымоудаления между i-м и i-1-м этажами Vшi-1.i м/с, определяют по формуле где Gшi-1 - массовый расход продуктов горения i-1 -го на i-й этаж, кг/с; определяют по формуле (46); аш, bш - размеры проходного сечения шахты дымоудаления, м; ρшi-1 - плотность продуктов горения между i-1-м и i-м этажами, кг/м3. 5.3.14 Давление в шахте дымоудаления на уровне i-го этажа Ршi, Па, определяют по формуле где Pшi-1 - давление на уровне i-1 - го этажа, Па; λ - коэффициент сопротивления трения; λ = 0,1 - для кирпича; λ = 0,05 - для бетона; λ = 0,02 - для металла; hэт - высота этажа, м; dэкв - эквивалентный диаметр проходного сечения, м; определяют по формуле
где fш - площадь проходного сечения шахты дымоудаления, м2; аш, bш, ρшi-1 - то же что в формуле (43); Vшi-1,1-2 - скорость продуктов горения в шахте дымоудаления между i-м и i-1-м и между 1-м и 2-м этажами, м/с. 5.3.15 Массовый расход продуктов горения с i-1-го на i-й этаж Gшi-1, кг/с, определяют по формуле
где Gпг - то же, что в формуле (39); Gф2, Gф3, … Gфi-1 - массовый расход воздуха, поступающего в шахту дымоудаления за счет фильтрации через неплотности и щели клапана дымоудаления и стен шахты соответственно на 2, 3 и i-1-х этажах, кг/с; определяют по формуле где Pвi -давление внутри здания на уровне i-го этажа, Па; определяют по формуле (37); Ршi -давление в шахте дымоудаления на уровне i-го этажа, Па; определяют по формуле (44); Sш - характеристика сопротивления газопроницанию шахты с установленными в ней закрытыми клапанами, 1/(кг·м); определяют по формуле где Sуд - удельная характеристика сопротивления газопроницанию, м/кг; Sуд = 500 м3/кг - для шахты из кирпича; Sуд = 1500 м3/кг - для шахты из бетона; Sуд = 1600 м3/кг - для шахты из металла; Fкл - то же, что в формуле (39). 5.3.16 Температуру продуктов горения в шахте дымоудаления на уровне i-го этажа Ti, К, определяют по формуле где индекс i - номер этажа; Tв - то же, что в формуле (31); Gai - суммарный массовый расход воздуха, поступающего в шахту дымоудаления за счет фильтрации через щели и неплотности в дымовых клапанах стенах шахты со 2-го по i-й этажи, кг/с; определяют по формуле
где Gфi - массовый расход воздуха, фильтрующегося в шахту дымоудаления через щели и неплотности на уровне i-го этажа, кг/с; определяют формуле (47); Тпг - то же, что в формуле (15) при расчете дымоудаления из помещения; по 5.3.8 при расчете дымоудаления из коридора; Gпг - то же, что в формуле (39). 5.3.17 Плотность продуктов горения в шахте дымоудаления на уровне i-го этажа ρj кг/м3, определяют по формуле где Ti - температура продуктов горения в шахте дымоудаления на уровне i-го этажа, К; определяют по формуле (49). 5.3.18 Производительность вентилятора дымоудаления Lвент, м3/ч, определяют по формуле где Gпг - то же, что в формуле (39); GaN - суммарный массовый расход воздуха, фильтрующегося в шахту дымоудаления с этажей от 2-го до верхнего, кг/с; ρN - плотность продуктов горения на уровне верхнего этажа, кг/м3. 5.3.19 Давление, которое должен обеспечивать вентилятор дымоудаления, Рвент, Па, определяют по формуле
где Рнн.в - наружное давление на наветренном фасаде на уровне выбросного отверстия, Па; PшN - давление в шахте дымоудаления на уровне расположения верхнего дымового клапана, Па; g - тоже, что в формуле (1); hвыбр - расстояние по вертикали от верхнего дымового клапана до выбросного отверстия, м; ρN - то же, что в формуле (52); ρп - то же, что в формуле (34); ΔРсети - потери давления в сети обвязки вентилятора, Па. Пример 5.1 - Расчет системы дымоудаления из коридора Исходные данные Здание общественное, трехэтажное. Место расположения - Москва. Температура наружного воздуха для зимнего периода года tн = -28°С. Скорость ветра Vв = 4,9 м/с. Температура продуктов горения Tпг = 300°С = 573 К; температура внутреннего воздуха до начала пожара tв = 16°С. Высота этажа hэт = 4 м; уровень расположения выбросного отверстия системы дымоудаления hвыбр = 14 м. Размеры дверей из коридора в лестничную клетку Вп × Нп = = 1,2 × 2,1 м. Размеры шахты и установочные размеры дымового клапана аш × bш = aкл × bкл = 0,8 × 0,6 м. Шахта дымоудаления - бетон. Порядок расчета Плотности наружного воздуха ρн и продуктов горения ρпг определяют соответственно по формулам (12) и (13):
Плотность воздуха в здании ρв определяют по формуле (33):
Наружное давление на наветренном Pннi, заветренном Pнзi фасадах и давление на уровне выбросного отверстия системы дымоудаления Рвыбр, а также давление внутри здания Pвi, Па, определяют соответственно по формулам (34), (35), (36) и (37). Результаты расчетов заносим в таблицу П.1. Таблица П.1
Массовый расход удаляемых продуктов горения Gпг определяют по формуле (38): Gпг = 1,2·1,2·2,13/2 = 4,38 кг/с. Площадь проходного сечения дымового клапана Fкл определяют по формуле (40): Fкл = (0,8 - 0,03)(0,6 - 0,05) = 0,424 м2. Скорость продуктов горения в клапане Vкл определяют по формуле (39):
Потери давления в дымовом клапане ΔРкл определяют по формуле (41):
Давление в шахте дымоудаления на уровне 1-го этажа Рш1 определяют по формуле (42): Рш1 = 13,82 - 347 = -333,5 Па. Скорость продуктов горения в шахте дымоудаления между 1-м и 2-м этажами Vш1-2 определяют по формуле (43):
Эквивалентный диаметр проходного сечения dэкв шахты дымоудаления определяют по формуле (45):
Давление в шахте дымоудаления на уровне 2-го этажа Рш2 определяют по формуле (44):
Характеристику сопротивления газопроницанию шахты с установленными в ней закрытыми клапанами Sш определяют по формуле (48):
Массовый расход воздуха, поступающего в шахту дымоудаления за счет фильтрации через неплотности и щели клапана дымоудаления и стен шахты на 2-м этаже, Gф2 определяют по формуле (47):
Температуру продуктов горения между 2-м и 3-м этажами Т2-3 определяют по формуле (49):
Плотность продуктов горения между 2-м и 3-м этажами ρ2 3 определяют по формуле (51):
Скорость продуктов горения в шахте дымоудаления между 2-м и 3-м этажами Vш2-3 определяют по формуле (43):
Давление в шахте дымоудаления на уровне 3-го этажа Рш3 определяют по формуле (44):
Массовый расход воздуха, поступающего в шахту дымоудаления за счет фильтрации через неплотности и щели клапана дымоудаления и стен шахты на 3-м этаже, Gф3 определяют по формуле (47):
Температуру продуктов горения выше 3-го этажа T3 определяют по формуле (49):
Плотность продуктов горения выше 3-го этажа ρ3 определяют по формуле (51):
Производительность вентилятора Lвент определяют по формуле (52):
Давление вентилятора Рвент определяют по формуле (53): Pвент = │Pш3 - Pвыбр│+ΔPсети. 5.4 Расчет параметров вентиляторов подпора в незадымляемые лестничные клетки типа Н25.4.1 При работе вентиляционной системы противодымной защиты многоэтажного здания в незадымляемой лестничной клетке типа Н2 и шахтах лифтов создается избыточное по отношению к смежным помещениям и к улице давление. За счет этого часть воздуха, подаваемого в верхнюю часть лестничной клетки и шахты лифта, через щели и неплотности дверей и окон уходит внутрь здания и наружу (рисунок 13). Для обеспечения требуемых нормами параметров в лестничную клетку на 1 -м этаже здания и в шахту лифта на этом этаже должно поступать определенное количество воздуха. Производительность вентиляторов подпора воздуха в лестничные клетки типа Н2 и шахты лифтов должна быть больше этого количества на величину утечек воздуха через щели и неплотности дверей и окон.
Рисунок 13 - Схема расчета
параметров вентилятора
подпора Gп - массовый расход воздуха из лестничной клетки в коридор этажа пожара, кг/с; Gвх - массовый расход воздуха из лестничной клетки наружу через входную дверь здания, кг/с; Рлкi - давление в лестничной клетке на уровне i-го этажа, Па; Gi,i-1 - массовый расход воздуха в лестничной клетке с i-го этажа на i-1-й, кг/с; Gdi - массовый расход воздуха, фильтрующегося через щели закрытых дверей на уровне i-го этажа, кг/с; Goj - массовый расход воздуха, фильтрующегося через щели окон на уровне i-го этажа, кг/с клетки типа Н2 и шахты лифтов должна быть больше этого количества на величину утечек воздуха через щели и неплотности дверей и окон. 5.4.2 Расчет вентилятора подпора в незадымляемую лестничную клетку типа Н2 начинается с определения давления на 1-м этаже лестничной клетки. В соответствии с требованиями нормативных документов избыточное по отношению к наветренному фасаду давление на 1-м этаже лестничной клетки Рлк1, Па, должно быть не менее 20 Па, т.е.
где Рнн1 - то же, что в формуле (42). 5.4.3 Массовый расход воздуха, который необходимо подавать из лестничной клетки в коридор этажа пожара для предотвращения выхода продуктов горения через открытый дверной проем, Gп, кг/с, определяют по формуле
где Vп - скорость воздуха в открытом дверном проеме, достаточная для предотвращения выхода продуктов горения в лестничную клетку, м/с; Vп = 1,3 м/с - для жилых зданий; Vп = 1,5 м/с - для общественных зданий; ρп - то же, что в формуле (34); Вп, Нп - то же, что в формуле (38). 5.4.4 Массовый расход воздуха, удаляемого из лестничной клетки наружу через открытую входную дверь здания, Gвх, кг/с, определяют по формуле
где (μf)вх - эквивалентная гидравлическая площадь входных дверей здания, м2; для параллельно работающих проемов вычисляют по формуле (19), для последовательно работающих проемов - по формуле (20); μ - тоже, что в формуле (11); f - тоже, что в формуле (19); ρп - то же, что в формуле (34); Рлк1 - давление в лестничной клетке на уровне 1-го этажа, Па; определяют по формуле (54); Рвх - давление на уровне нижней границы входной двери на заветренном фасаде, Па. 5.4.5 В соответствии с СП 7.13130.2009 «Отопление, вентиляция и кондиционирование. Противопожарные требования» расчеты следует проводить при открытых дверях на путях эвакуации из коридоров, холлов или непосредственно из помещений на этаже пожара в лестничную клетку и закрытых остальных дверях здания или при открытых дверях из здания наружу и закрытых дверях из коридоров и холлов на всех этажах. При расчете по первому варианту расход воздуха Gп определяют по формуле (55), а расход воздуха Gвх принимают равным нулю. При расчете по второму варианту расход воздуха Gвх определяют по формуле (56), а расход воздуха Gп принимают равным нулю. 5.4.6 Массовый расход воздуха, поступающего на 1-й этаж лестничной клетки со 2-го, G2-1, кг/с, определяют по формуле
где Gп - массовый расход воздуха из лестничной клетки в коридор этажа пожара, кг/с; определяют по формуле (55); Gвх - массовый расход воздуха из лестничной клетки наружу через открытую входную дверь здания, кг/с; определяют по формуле (56). 5.4.7 Давление в лестничной клетке на уровне 2-го этажа Рлк2, Па, определяют по формуле где Рлк1 - то же, что в формуле (56); G2-1 - массовый расход воздуха, поступающего на 1-й этаж лестничной клетки со 2-го, кг/с; определяют по формуле (57); ρп - то же, что в формуле (34); fлк - площадь лестничной клетки, м2. 5.4.8 Массовый расход воздуха, фильтрующегося через щели и неплотности окон из лестничной клетки наружу на 2-м и вышележащих этажах, Goi, кг/с, определяют по формуле
где J0 - удельная характеристика воздухопроницаемости окон, кг/(с·м·Па1/2); Jo = 7,5·10-3 кг/(с·м·Па1/2) - для одинарного спаренного остекления; Jо = 5·10-3 кг/(с·м·Па1/2) - для двойного раздельного остекления; f0 - площадь остекления в лестничной клетке, м2; Pлкi - давление в лестничной клетке на уровне i-го этажа, Па; Pнзi - то же, что в формуле (37). 5.4.9 Массовый расход воздуха, фильтрующегося через щели дверей внутрь здания, Gдi кг/с, определяют по формуле где Рлкi - то же, что в формуле (59); Pвi - то же, что в формуле (47); Sдв - характеристика сопротивления газопроницанию дверей, 1/(кг·м); определяют по формуле где Sуд - удельная характеристика сопротивления газопроницанию закрытых дверей, м/кг; изменяется в пределах Sуд = 6000 - 200000 м3/кг; Вп, Нп - то же, что в формуле (38). 5.4.10 Массовый расход воздуха, поступающего с i + 1-го этажа лестничной клетки на i-й, Gi+1,i, кг/с, определяют по формуле
где Gi,i-1 - массовый расход воздуха в лестничной клетке с i-го этажа на i-1-й, кг/с; Gдi - массовый расход воздуха, фильтрующегося через щели дверей внутрь здания, кг/с; определяют по формуле (60); Goi - массовый расход воздуха, фильтрующегося через щели и неплотности окон из лестничной клетки наружу на 2-м и вышележащих этажах, кг/с; определяют по формуле (59). 5.4.11 Давление на i + 1-м этаже лестничной клетки Рлкi+1, Па, больше, чем давление на i-м этаже, на величину потерь давления на преодоление межэтажного пролета лестничной клетки; определяют по формуле где Рлкi - то же, что в формуле (59); Gi+1,i - массовый расход воздуха, поступающего с i + 1-го этажа лестничной клетки на i-й, кг/с; определяют по формуле (62); ρп - то же, что в формуле (34); fлк - то же, что в формуле (58). 5.4.12 Расход воздуха, который необходимо подавать в верхнюю часть лестничной клетки для создания подпора при пожаре, Lлк, м3/ч, определяют по формуле где Gлк - массовый расход воздуха, подаваемого в лестничную клетку, кг/с; ρн - тоже, что в формуле (1). 5.4.13 Давление, которое должен обеспечивать вентилятор подачи воздуха в лестничную клетку, Рвент, Па, определяют по формуле
где PлкN -давление на верхнем этаже лестничной клетки, Па; Pнз.в - наружное давление на заветренном фасаде на уровне воздухоприемного отверстия вентилятора, Па; определяют по формуле где ρн, g - тоже, что в формуле (1); Vв - то же, что в формуле (22); hв3 - уровень расположения воздухозаборного отверстия системы подпора в лестничную клетку, м; ρв - плотность воздуха в здании, кг/м3; ΔРсети - потери давления в сети обвязки вентилятора от воздухозаборного отверстия до объема лестничной клетки, Па. Пример 5.2 - Расчет вентилятора подпора воздуха при пожаре в лестничную клетку типа Н2 Исходные данные Здание общественное, трехэтажное, лестничная клетка не имеет естественного освещения. Место расположения - Москва. Температура наружного воздуха для зимнего периода года tн = = -28°С Скорость ветра Vв = 4,9 м/с. Температура продуктов горения Тпг = 300°С = 573 К; температура внутреннего воздуха до начала пожара tв = 16°С. Высота этажа hэт = 4 м. Уровень расположения воздухозаборного отверстия системы подпора в лестничную клетку hв3 = 12 м. Размеры одностворчатых дверей из коридора в лестничную клетку Вп × Нп = 1,2 × 2,1 м. Выход из здания через одинарный тамбур (две последовательные одностворчатые двери), размеры дверей Ввх × Нвх = 1,2 × 2,1 м. Площадь лестничной клетки fлк= 20 м2. Удельная характеристика сопротивления газопроницанию закрытых дверей лестничной клетки Sуд = 7000 м3/кг. Вариант 1: открыта дверь из коридора в лестничную клетку, входная дверь здания и двери лестничной клетки на остальных этажах закрыты. Вариант 2: открыта входная дверь здания, дверь из коридора в лестничную клетку закрыта на всех этажах. Порядок расчета для варианта 1 Плотность наружного воздуха ρн определяют по формуле (12):
Плотность воздуха в здании ρв определяют по формуле (33):
Наружное давление на наветренном Pннi и заветренном Pнзi фасадах определяют соответственно по формулам (34) и (35). Давление внутри здания Рвi определяют по формуле (37). Наружное давление на уровне воздухоприемного отверстия Рнз.в определяют по формуле (66):
Давление в лестничной клетке на уровне i-го этажа Рлкi определяют по формуле (58). Результаты расчетов заносим в таблицу П.2. Таблица П.2
Массовый расход воздуха, удаляемого из лестничной клетки в коридор этажа пожара, Gп определяют по формуле (55): Gп = 1,5·1,2·2,1 = 3,78 кг/с. Массовый расход воздуха через входную дверь здания Gвх равен нулю. Массовый расход воздуха со 2-го этажа лестничной клетки на 1-й G2-1 определяют по формуле (57): G2-1 = 3,78 + 0 = 3,78 кг/с. Давление в лестничной клетке на уровне 2-го этажа Рлк2 определяют по формуле (58):
Характеристику сопротивления газопроницанию дверей лестничной клетки Sдв определяют по формуле (61):
Массовый расход воздуха, фильтрующегося через щели дверей из лестничной клетки внутрь здания на 2-м этаже, Gд2 определяют по формуле (60):
Массовый расход воздуха в лестничной клетке с 3-го этажа на 2-й G3,2 равен сумме расходов воздуха со 2-го этажа на 1-й и расхода воздуха, фильтрующегося через щели дверей на 2-м этаже: G3,2 = 3,78 + 0,194 = 3,97 кг/с. Давление в лестничной клетке на уровне 3-го этажа Рлк3 определяют по формуле (63):
Массовый расход воздуха, фильтрующегося через щели дверей из лестничной клетки внутрь здания на 3-м этаже, Gд3 определяют по формуле (60):
Расход воздуха, подаваемого в лестничную клетку, Gлк равен сумме расходов воздуха с 3-го этажа на 2-й и расхода воздуха, фильтрующегося через щели дверей на 3-м этаже: Gлк = 3,97 + 0,215 = 4,18 кг/с. Расход воздуха, который необходимо подавать в верхнюю часть лестничной клетки для создания подпора при пожаре, Lлк определяют по формуле (64):
Давление, которое должен обеспечивать вентилятор подачи воздуха в лестничную клетку, Рвент определяют по формуле (65): Рвент = Рлк3 - Рнз.в + ΔРсети. Порядок расчета для варианта 2 Плотность наружного воздуха ρн определяют по формуле (12):
Наружное давление на наветренном Pннi и заветренном Pнзi фасадах определяют соответственно по формулам (34) и (35). Давление внутри здания Pвi определяют по формуле (36). Наружное давление на уровне воздухоприемного отверстия Рнз.в определяют по формуле (66):
Давление в лестничной клетке на уровне i-го этажа Рлкi+1 определяют по формуле (63). Результаты расчетов заносим в таблицу П.3. Таблица П.3
Эквивалентную гидравлическую площадь входных дверей здания (μf)вх определяют по формуле (20):
Массовый расход воздуха, удаляемого из лестничной клетки в коридор этажа пожара, Gп равен нулю. Массовый расход воздуха, удаляемого из лестничной клетки наружу через открытую входную дверь здания, Gвх определяют по формуле (56): Gвх = 1,14 [2·1,44(33,82 + 10,37)]1/2 = 12,86 кг/с. Массовый расход воздуха со 2-го этажа лестничной клетки на 1-й G2-1 определяют по формуле (57): G2-1 = 0 + 12,86 = 12,86 кг/с. Давление в лестничной клетке на уровне 2-го этажа Рлк2 определяют по формуле (58):
Характеристику сопротивления газопроницанию дверей лестничной клетки Sдв определяют по формуле (61):
Массовый расход воздуха, фильтрующегося через щели дверей из лестничной клетки внутрь здания на 2-м этаже, Gд2 определяют по формуле (60):
Массовый расход воздуха в лестничной клетке с 3-го этажа на 2-й G3,2 равен сумме расходов воздуха со 2-го этажа на 1-й и расхода воздуха, фильтрующегося через щели дверей на 2-м этаже: G3,2= 12,86 + 0,211 = 13,07 кг/с. Давление в лестничной клетке на уровне 3-го этажа Рлк3 определяют по формуле (63):
Массовый расход воздуха, фильтрующегося через щели дверей из лестничной клетки в внутрь здания на 3-м этаже, Gд3 определяют по формуле (60):
Массовый расход воздуха, подаваемого в лестничную клетку, Gлк равен сумме расходов воздуха с 3-го этажа на 2-й и расхода воздуха, фильтрующегося через щели дверей на 3-м этаже: Gлк = 13,07 + 0,246= 13,32 кг/с. Расход воздуха, который необходимо подавать в верхнюю часть лестничной клетки для создания подпора при пожаре, Lлк определяют по формуле (64):
Давление, которое должен обеспечивать вентилятор подачи воздуха в лестничную клетку, Рвент определяют по формуле (65): Рвент = Рлк3, - Рнз.в + ΔРсети. 5.5 Особенности расчета параметров вентиляторов подпора в шахту лифта5.5.1 Схема расчета параметров вентилятора подпора в шахту лифта приведена на рисунке 14. 5.5.2 Гидравлическое сопротивление шахты лифта на несколько порядков меньше гидравлического сопротивления лестничной клетки. Это обстоятельство позволяет пренебречь потерями давления по высоте шахты лифта и считать, что давление по высоте шахты лифта не изменяется:
Здесь Pшл1 - давление в шахте лифта на уровне 1-го этажа, Па; Pшлi - давление в шахте лифта на уровне произвольного этажа, Па; Ршл - давление в шахте лифта, Па.
Рисунок 14 - Схема расчета параметров вентилятора подпора в шахту лифта: Gшл1 - массовый расход воздуха из шахты лифта через щель между кабиной и шахтой на 1-м этаже здания, кг/с; Gшлi - массовый расход воздуха из шахты лифта через щели дверей шахты на остальных этажах здания, кг/с; Ршл - давление в шахте лифта, Па 5.5.3 Массовый расход воздуха, который необходимо подать в шахту лифта для создания в ней подпора воздуха при пожаре, Gшл, кг/с, определяют по формуле
где Gшл1 - массовый расход воздуха, уходящего через щель между кабиной и шахтой лифта на 1-м этаже, кг/с; определяют по формуле (70); Gшлi - массовый расход воздуха, фильтрующегося через щели зарытых дверей на 2-м и вышележащих этажах, кг/с; определяют по формуле (71). 5.5.4 Давление в шахте лифта Ршл, Па, на уровне 1-го этажа согласно СП 7.13130.2009 должно быть на 20 Па выше давления на наветренном фасаде на уровне 1-го этажа Рнн1, Па:
5.5.5 Массовый расход воздуха, уходящего через щель между кабиной и шахтой лифта на 1-м этаже, Gшл1, кг/с, определяют по формуле
где μ - коэффициент расхода щели между кабиной и шахтой лифта; принимают равным 0,64; δ - ширина щели между кабиной и шахтой лифта, м; δ = 0,03 м - для пассажирских лифтов, δ = 0,05 м - для грузовых лифтов; П - периметр дверей шахты лифта, м; ρп - то же, что в формуле (34); ΔРшл1 - избыточное давление в шахте лифта на уровне 1-го этажа, Па; принимают равным 20 Па. 5.5.6 Массовый расход воздуха, фильтрующегося через щели закрытых дверей шахты лифта, Gшлi, кг/с, определяют по формуле где Ршл, Pвi - то же, что в формуле (67); Sдв - то же, что в формуле (60). 5.5.7 Расход воздуха, который необходимо подавать в объем шахты лифта для создания подпора при пожаре, Lшл, м3/ч, определяют по формуле где Gшл - массовый расход воздуха, который необходимо подать в шахту лифта для создания в ней подпора воздуха при пожаре, кг/с; определяют по формуле (68); ρн - то же, что в формуле (1). 5.5.8 Давление, которое должен обеспечивать вентилятор подачи воздуха в шахту лифта, Рвент, Па, определяют по формуле
где Ршл - то же, что в формуле (67); Рнз.в - то же, что в формуле (65); ΔРсети - потери давления в сети обвязки вентилятора от воздухозаборного отверстия до объема шахты лифта, Па. Пример 5.3 - Расчет вентилятора подпора воздуха при пожаре в шахту пассажирского лифта Исходные данные Здание общественное, трехэтажное, лестничная клетка не имеет естественного освещения. Место расположения - Москва. Температура наружного воздуха для зимнего периода года tн = -28°С. Скорость ветра Vв = 4,9 м/с. Температура продуктов горения Tпг = 300°С = = 573 К; температура внутреннего воздуха до начала пожара tв = 16°С. Высота этажа hэт = 4 м. Уровень расположения воздухозаборного отверстия системы подпора в шахту лифта hвз = 12 м. Периметр дверей шахты лифта П = 2 (1 + 2) = 6 м. Удельная характеристика сопротивления газопроницанию закрытых дверей шахты лифта Sуд = 7000 м3/кг. Порядок расчета Плотность наружного воздуха ρн определяют по формуле (12):
Плотность воздуха в здании ρв определяют по формуле (33):
Наружное давление на наветренном Pннi и заветренном Pнзi фасадах определяют соответственно по формулам (34) и (35). Давление внутри здания Pвi определяют по формуле (37). Наружное давление на уровне воздухоприемного отверстия Рнз.в определяют по формуле (66):
Результаты расчетов заносим в таблицу П.4. Таблица П.4
Массовый расход воздуха, уходящего через щель между кабиной и шахтой лифта на 1-м этаже, Gшл1 определяют по формуле (70): Gшл1 = 0,64·0,03·6 [2·1,44 (33,8 - 13,8)]1/2 = 0,874 кг/с. Характеристику сопротивления газопроницанию закрытых дверей Sдв определяют по формуле (61):
Массовый расход воздуха, фильтрующегося через щели закрытых дверей шахты лифта на 2-м этаже, Gшл2 определяют по формуле (71):
Массовый расход воздуха, фильтрующегося через щели закрытых дверей шахты лифта на 3-м этаже, Gшл3 определяют по формуле (71):
Массовый расход воздуха, который необходимо подать в шахту лифта для создания в ней подпора воздуха при пожаре, Gшл определяют по формуле (68): Сшл = 0,874 + 0,152 + 0,167 =1,193 кг/с. Расход воздуха, который необходимо подавать в объем шахты лифта для создания подпора при пожаре, Lшл определяют по формуле (72):
Давление, которое должен обеспечивать вентилятор подачи воздуха в шахту лифта, Рвент определяют по формуле (73): Рвент = Ршл - Рнз.в + ΔРсети, 5.6 Расчет подпора воздуха в тамбур-шлюзы5.6.1 Тамбур-шлюзы подразделяются на работающие при пожаре с одной открытой дверью и на работающие при пожаре с закрытыми дверями. Область применения тамбур-шлюзов обоих типов регламентируется действующими нормативными документами (Федеральный закон от 22 июля 2008 г. № 123-ФЗ «Технический регламент о требованиях пожарной безопасности», СНиП 41-01-2003, СНиП 2.04.05-91*, СП 7.13130.2009, МДС 41-1.99). 5.6.2 Массовый расход воздуха, подаваемого в тамбур-шлюз, работающий при пожаре с одной открытой дверью, Gп, кг/с, определяют по формуле (55). 5.6.3 В случае устройства подпора воздуха в тамбур-шлюзы перед незадымляемой лестничной клеткой типа НЗ по специальному вертикальному каналу расчет производят в следующей последовательности. 5.6.3.1 Расчет требуемых расходов и давлений воздуха производят аналогично расчету параметров вентиляторов подпора в незадымляемые лестничные клетки типа Н2. Давление в канале на уровне открытого клапана (нижнего этажа части лестничной клетки, обслуживаемой системой) Pкio, Па, определяют по формуле
где Pвio - давление в здании на уровне открытого клапана, Па; ξкл - то же, что в формуле (41); Gп - то же, что в формуле (57); Fкл - то же, что в формуле (39); ρп - то же, что в формуле (34). 5.6.3.2 Давление внутри здания на уровне i-го этажа Pвi, Па, определяют по формуле (37). 5.6.3.3 Давление в канале на уровне i-го этажа Pкi, Па, определяют по формуле
где Ркi-1 - давление в канале на уровне i-1-го этажа, Па; определяют по формуле (74) при i = 2; λ, hэт, dэкв - то же, что в формуле (44); Gi,i-1 - массовый расход воздуха в канале с i-го на /-1-й этаж, кг/с; определяют по формуле
где Gп - то же, что в формуле (57); Gфi-1 - массовый расход воздуха, фильтрующегося через неплотности и щели стенок канала и закрытого клапана, кг/с; определяют по формуле
где Ркi-1 - то же что в формуле (75); Рвi-1 - то же, что в формуле (47); Sк - характеристика гидравлического сопротивления стен канала в пределах этажа с клапаном, 1/(кг·м); Fк - площадь проходного сечения канала, м2; ρп - то же, что в формуле (34). 5.6.4 Массовый расход воздуха в тамбур-шлюзы, работающие при пожаре с закрытыми дверями, G, кг/с, рассчитывают на поддержание в нем избыточного давления не менее 20 Па:
где Sдв - характеристика гидравлического сопротивления дверей тамбур-шлюза, 1/(кг·м); определяют по формуле (61). 5.6.5 Объемный часовой расход воздуха, подаваемого вентиляторами подпора в тамбур-шлюзы, работающие при пожаре с закрытыми дверями, L, м3/ч, составит
где G - массовый расход воздуха в тамбур-шлюзы, работающие при пожаре с закрытыми дверями, кг/с; определяют по формуле (78); ρп - то же, что в формуле (34). 5.7 Расчет воздушных противодымных завес5.7.1 Перепад давления на воздушных завесах проемов зданий ΔРз, Па, определяют по формуле
где b - высота ворот, м; g - тоже, что в формуле (1); ρп - то же, что в формуле (34); ρпг - то же, что в формуле (3). 5.7.2 Начальную скорость воздуха в струе воздушной завесы V3, м/с, определяют по формуле
где b - то же, что в формуле (80); ΔР3 - перепад давления на воздушных завесах проемов зданий, Па; определяют по формуле (80); g - тоже, что в формуле (1); ρп - то же, что в формуле (34); ρпг - то же, что в формуле (3); а - ширина ворот, м; β - угол между вертикалью и осью струи, град. 5.7.3 Массовый расход воздуха, подаваемого в воздушную завесу, G3, кг/ч, определяют по формуле
где V3 - начальнаяiскорость воздуха в струе воздушной завесь, м/с; определяют по формуле (81); f3 - площадь проходного сечения соплового аппарата воздушной завесы, м2; принимают равной 2,5 - 3,5 % площади защищаемых ворот; ρп - то же, что в формуле (34). 5.7.4 Давление вентилятора, обслуживающего воздушную завесу, Рвент, Па, определяют по формуле
где ΔPc - потери давления в сопловом аппарате воздушной завесы, Па; ΔPo - потери давления в обвязке вентилятора и соединительных воздуховодах, Па. 6 Методика расчета аэродинамических схем зданий, оборудованных вентиляционной системой противодымной защиты6.1 В изложенной выше методике вместо полной аэродинамической схемы здания рассматривается упрощенная схема. Упрощения состоят в следующем. Системы дымоудаления, подпора воздуха в лестничные клетки и шахты лифтов рассматриваются отдельно друг от друга, их взаимодействие между собой и помещениями здания учитывается приближенно. Взаимодействие подпора в лестничную клетку и дымоудаления из коридора на этаже пожара учитывается заданием расхода воздуха, подаваемого из лестничной клетки в коридор, и расхода продуктов горения, удаляемых из коридора. Расход воздуха, подаваемого в шахту лифта, не учитывается при расчете дымоудаления из коридора и подпора воздуха в лестничную клетку. Давление в коридоре этажа пожара задается равным давлению на наветренном фасаде здания. Давления внутри здания на этажах, где нет пожара, задаются равными среднеарифметическому значению между давлениями на наветренном и заветренном (подветренном) фасадах. На этажах, где пожара нет, большие погрешности в задании давлений внутри здания не приводят к существенным погрешностям в расходах вследствие больших гидравлических сопротивлений закрытых дверных проемов и закрытых дымовых клапанов. На этаже пожара дымовой клапан, двери из коридора в лестничную клетку или дверь из здания наружу открыты. Гидравлическое сопротивление открытых дверей и дымовых клапанов на несколько порядков ниже гидравлического сопротивления дверей и клапанов. По этой причине даже небольшие погрешности в давлениях могут вызывать существенные погрешности в расходах. Для того чтобы получить достоверные данные о параметрах вентиляторов системы противодымной защиты, необходимо располагать достоверными данными о значениях давлений в помещениях и расходов через проемы на этаже пожара. Задача определения давлений в помещениях этажа и расходов через открытые и закрытые проемы на этаже пожара многоэтажного здания с точки зрения математики сводится к решению системы нелинейных уравнений, связывающих перепады давления на каждом из открытых проемов между смежными помещениями с расходами через эти проемы. Для каждого помещения должен соблюдаться баланс массы (равенство суммы расходов, входящих в помещение и выходящих из него). Заданными считаются наружные давления на фасадах, давления в лестничной клетке и шахтах лифтов, массовый расход продуктов горения, удаляемых из коридора или непосредственно горящего помещения. 6.2 Задача расчета параметров системы дымоудаления из коридора, подпора воздуха в шахту лифта и лестничную клетку на этаже пожара (рисунок 15) заключается в определении величины давлений в шахте дымоудаления. Заданными величинами являются давления на наветренном и заветренном фасадах, давление в лестничной клетке и шахте лифта и расход удаляемых продуктов горения. 6.2.1 Для каждого проема записывают уравнение, связывающее расход через проем с перепадом давления на этом проеме. Эти соотношения имеют вид
Здесь Gi,j - массовый расход воздуха или продуктов горения в k-м проеме между i-м и i-м помещениями, кг/с; sign (Pj - Pi) - знак разности давлений; принимают равным минус 1 при Pj < Рi и плюс 1 при Pj > Рi. Pj и Рi - давления соответственно в рассматриваемом j-м и в смежном с ним i-м помещениях или на фасаде, Па; Sk - характеристика сопротивления газопроницанию k-го проема, 1/(кг·м). Расход воздуха или продуктов горения, входящих в рассматриваемое помещение, считается положительным, выходящего - отрицательным. 6.2.2 Для каждого помещения, давление в котором не задано, записывают уравнение баланса массы
где Gм - сумма всех расходов в рассматриваемом помещении с учетом их знаков (входящий расход - «+», выходящий - «-»). 6.3 Система уравнений (84), (85) представляет собой систему нелинейных алгебраических уравнений и аналитического решения в общем случае не имеет. Решение этой системы возможно численным методом. Получив в результате решения системы значения давления во всех помещениях первого этажа, вычисляют расходы воздуха, уходящего из лестничной клетки и шахты лифта. Определяют давление в шахте дымоудаления на первом этаже. Зная давление в лестничной клетке, шахте лифта и шахте дымоудаления на первом этаже, расходы воздуха, подаваемого со второго этажа лестничной клетки и шахты лифта, массовый расход продуктов горения в шахте дымоудаления с первого этажа на второй, можно определить давления в лестничной клетке, шахте лифтов и шахте дымоудаления на втором этаже. После этого решают систему уравнений (84), (85) и определяют давления в коридоре и лифтовом холле второго этажа. Зная давления во всех помещениях на втором этаже, определяют расходы воздуха и продуктов горения в лестничной клетке, шахте лифта и шахте дымоудаления между вторым и третьим этажами. Далее определяют давления в лестничной клетке, шахте лифта и шахте дымоудаления на третьем этаже и так далее до верхнего этажа. Зная давления и расходы воздуха и продуктов горения на верхнем этаже, можно определить требуемые параметры вентиляторов подпора воздуха в лестничные клетки, шахты лифтов и дымоудаления из коридоров.
Рисунок 15 - Планировка типового (а) и первого (б) этажей здания 6.4 Расчет полных аэродинамических схем зданий - задача достаточно сложная и трудоемкая. Желательно иметь упрощенную инженерную методику расчета параметров системы противодымной защиты. 6.5 Для обоснования возможности использования изложенной выше упрощенной методики были проведены расчеты полных аэродинамических схем для трех сравнительно простых планировочных решений лестнично-лифтовых узлов. Сравнение результатов этих расчетов с результатами расчетов по упрощенной методике показало, что для получения требуемых нормами параметров системы противодымной защиты на этаже пожара давления и расходы вентиляторов подпора в лестничную клетку и дымоудаления из коридора должны быть увеличены на 20 %. 6.6 Для сложных планировочных решений, характерных для современных высотных и многофункциональных зданий, необходимо проводить расчеты параметров систем противодымной защиты на основе расчетов полных аэродинамических схем зданий. 7 Методы приемо-сдаточных и периодических испытаний7.1 Приемо-сдаточные и периодические испытания вентиляционных систем противодымной защиты ранее проводились в соответствии с требованиями Инструкции по эксплуатации и ремонту автоматизированных систем противопожарной защиты в жилых домах повышенной этажности [11]. В настоящее время выпущен более полно учитывающий специфику систем противодымной защиты зданий различного назначения документ ГОСТ Р 53300-2009 (НПБ 240-97) «Противодымная защита зданий и сооружений. Методы приемосдаточных и периодических испытаний» [12, 13]. 7.2 При проведении приемо-сдаточных и периодических испытаний измеряются основные параметры, регламентируемые требованиями нормативных документов и определяющие эффективность работы системы противодымной защиты. Такими параметрами являются величины избыточного давления в лестничных клетках, шахтах лифтов, лифтовых и лестничных холлах, тамбур-шлюзах и расхода удаляемых продуктов горения. Величина избыточного по отношению к наветренному фасаду давления в защищаемых объемах должна быть не менее 20 Па. Величина измеряемого объемного расхода воздуха, удаляемого из помещения или коридора, должна быть не менее расчетного значения. Нормами регламентируется также максимальный перепад давления на дверях из лестничной клетки в поэтажный коридор. Этот перепад давления не должен превышать 150 Па. При дверях с размерами 2 × 1 м перепад давления 150 Па соответствует усилию открывания двери в 15 кгс. Если измеренные в испытаниях значения избыточных давлений не меньше 20 Па, а расходы не меньше расчетных значений - система противодымной защиты отвечает нормативным требованиям и может быть принятой в эксплуатацию. В противном случае необходимо определить причину несоответствия. 7.3 Принципиальная схема измерений параметров системы противодымной защиты приведена на рисунке 16.
Рисунок 16 - Принципиальная схема измерений при проведении приемо-сдаточных испытаний системы противодымной защиты: 1 - лестничная клетка; 2 - шахта лифта; 3 - шахта дымоудаления; 4 - поэтажный коридор; G- расход воздуха, проходящего через открытый клапан дымоудаления; АР- избыточное давление Приложение А
|
|||||||||||||||||||||||||||||||||||||||||||||||||||||||||||||||||||||||||||||||||||||||||||||||||||||||||||||||||||||||||||||||||||||||||||||||||||||||||||||||||||||||||||||||||||||||||||||||||||||||||||||||||||||||||||||||||||||||||||||||||||||||||||||||||||||||||||||||||||||||||||||||||||||||||||||||||||||||||||||||||||||||||||||||||||||||||||||||||||||||||||||||||||||||||||||||||||||||||||||||||||||||||||||||||||||||||||||
|
Материалы, вещества |
Qp·103 |
ψ, |
Vлин, |
L02, |
|
Бумага в рулонах |
13,4 |
0,48 |
0,27** |
1,03 |
|
Древесина в виде мебели, отделки стен и перегородок древесностружечными и древесноволокнистыми плитами, деревянные перекрытия и покрытия с пустотами |
13,85 |
0,9 |
1,7 |
1,26 |
|
Карболитовые изделия |
26 |
0,38 |
0,4 |
2,25 |
|
Каучук натуральный |
42 |
0,8 |
0,8 |
3 |
|
Корд |
14 |
0,25 |
1 |
1,3 |
|
Пакет подвешенных тканей с расстоянием
между ними |
13,9 |
1 |
2,4* |
1,2 |
|
Пенополиуретан |
31,8 |
0,92 |
0,9 |
1,89 |
|
Подвешенные ткани: |
|
- |
|
|
|
по вертикали |
13,9 |
- |
18 |
1,2 |
|
по горизонтали |
13,9 |
- |
0,8 |
1,2 |
|
Полистирол (изделия) |
42 |
0,89 |
2 |
3 |
|
Резинотехнические изделия |
33,6 |
0,7 |
1,1 |
2,99 |
|
Текстолит |
21 |
0,53 |
0,4 |
1,65 |
|
Угары в свободной упаковке |
13,9 |
0,25 |
6 |
1,2 |
|
Хлопок в плотной упаковке |
16,8 |
0,25 |
1** |
1,26 |
|
Штапельное волокно в рулонах |
13,9 |
0,4 |
0,4** |
1,26 |
|
Ацетон |
29 |
2,83 |
- |
2,22 |
|
Бензин |
42 |
3,3 |
- |
3,47 |
|
Бензол |
42 |
2,3 |
- |
3,07 |
|
Дизельное топливо |
42 |
2,5 |
- |
3,36 |
|
Диэтиловый эфир |
33,6 |
3,6 |
- |
2,59 |
|
Керосин |
43,7 |
2,9 |
- |
3,4 |
|
Мазут |
40 |
2,1 |
- |
3,14 |
|
Метиловый спирт |
24 |
0,96 |
- |
1,5 |
|
Нефть |
42 |
1,4 |
- |
-3,24 |
|
Толуол |
42,7 |
2,3 |
- |
3,09 |
|
Этиловый спирт |
27,3 |
2 |
- |
2 |
|
* Линейная скорость принята в направлении, нормальном к поверхности подвешенных тканей. ** Линейная скорость распространения пламени для твердых горючих веществ во взрыхленном или измельченном состоянии (древесные стружки, взрыхленный хлопок, обрезки бумаги и т.п.) принимается равной б м/мин. |
||||
Условные обозначения к комментариям СП 7.13130.2009
|
|
Вытяжная система |
|
|
Приточная система |
|
|
Система подпора |
|
|
Система дымоудаления |
|
|
Противопожарный клапан |
|
|
Клапан дымоудаления |
|
|
Клапан обратный |
|
|
Переточная решетка |
|
|
|
* Текст СП приводится по СП 7.13130 «Отопление, вентиляция и кондиционирование. Противопожарные требования» (проект, первая редакция, 2010).
6.5 Системы вентиляции, кондиционирования и воздушного отопления следует предусматривать отдельными для разных пожарных отсеков, а также для групп помещений, размещенных в пределах одного пожарного отсека, согласно 6.6 - 6.8.
Помещения одной категории по взрывопожарной опасности, не разделенные противопожарными преградами, а также имеющие открытые проемы общей площадью более
6.6 Системы вентиляции, кондиционирования и воздушного отопления (далее - вентиляция) рекомендуется предусматривать общими для следующих групп помещений, размещенных в пределах одного пожарного отсека:
а) жилых;

б) общественных, административно-бытовых производственных категории Д (в любых сочетаниях);

в) производственных одной из категорий А или Б, размещенных не более чем на трех (раздельно или последовательно расположенных) этажах;
г) производственных одной из категорий В1, В2, В3, В4, Г, Д или складов категории В4 (на воздуховодах, обслуживающих помещения категории Д, клапана не устанавливаются);
д) складов и кладовых одной из категорий А, Б, В1, В2 или В3, размещенных не более чем на трех (раздельно или последовательно расположенных) этажах;

е) категорий А, Б, В1, В2, В3 и В4 в любых сочетаниях и складов категорий А, Б, В1, В2, В3 и В4 в любых сочетаниях общей площадью не более

ж) категорий В4, Г и Д и складов категорий В4 и Д (в любых сочетаниях) при условии установки нормально открытых противопожарных клапанов на воздуховодах, обслуживающих помещения категории В4.

Схемы воздуховодов для помещений категории А, Б или В

* Воздухообмен определен из условия ассимиляции вредных веществ 1-го и 2-го классов опасности.
** Установку обратных клапанов следует предусматривать для защиты от перетекания вредных веществ 1-го и 2-го классов опасности (при неработающей вентиляции) из одних помещений в другие, размещенные на разных этажах, в которых расход наружного воздуха определен из условия ассимиляции вредных веществ.
*** Обратный клапан во взрывозащищенном исполнении;
1 - противопожарная перегородка
6.7 В пределах одного пожарного отсека допускается объединять в одну систему вентиляции следующие группы помещений, присоединяя к основной группе помещений помещения другой группы:
а) к жилым - административно-бытовые или общественные (с учетом требований соответствующих нор-

б) к производственным категорий А, Б, В1, В2 или В3 - производственные любых категорий (в том числе склады и кладовые любых категорий) или помещения административно-бытовые или общественные (кроме помещений с массовым пребыванием людей);

в) к производственным категорий В4, Г и Д - административно-бытовые и общественные (кроме помещений с массовым пребыванием людей).

Группы помещений по а), б), в) допускается объединять в одну систему при условии установки противопожарного нормально открытого клапана на сборном воздуховоде присоединяемой группы помещений другого назначения.
К основной группе помещений следует относить группы помещений, общая площадь которых больше
общей площади присоединяемых помещений. Общая площадь присоединяемых помещений должна быть
не более
6.8 Для лабораторных помещений общие приточные системы допускается предусматривать для групп помещений, расположенных не более чем на 11 этажах (включая технические и подвальные), категорий В1 - В4, Г, Д и административно-бытовых в любых сочетаниях, а также с присоединением к ним не более двух (на разных этажах) кладовых категории А (каждая площадью не более

6.15 Общие приемные устройства наружного воздуха не следует предусматривать для приточных систем
общеобменной и противодымной вентиляции, обслуживающих разные пожарные отсеки. Расстояние по горизонтали между проемами для забора воздуха, расположенными в соседних пожарных отсеках, должно
быть не менее

6.16 Общие приемные устройства наружного воздуха допускается предусматривать для систем приточной общеобменной вентиляции (кроме систем, обслуживающих помещения категорий А, Б, В1 и склады категорий А, Б, В1, В2) или систем приточной противодымной вентиляции, обслуживающих разные пожарные отсеки, при условии установки (в соответствии с указанными типами систем) противопожарных нормально открытых или нормально закрытых клапанов:
а) в местах пересечений воздуховодов с ограждающими строительными конструкциями помещений для вентиляционного оборудования, если все установки систем каждого типа размещены в отдельном или общем для этого типа систем помещении;

б) перед клапанами наружного воздуха всех установок систем обоих типов, если установки систем каждого типа размещены в различных помещениях по принадлежности к обслуживаемым или защищаемым ими пожарным отсекам.

6.17 В пределах одного пожарного отсека общие приемные устройства наружного воздуха не следует предусматривать:
а) для приточных систем, оборудование которых не допускается размещать в одном помещении для вентиляционного оборудования;
б) для приточных систем общеобменной вентиляции и систем противодымной вентиляции.
Допускается предусматривать общие приемные устройства наружного воздуха для приточных систем (кроме систем, обслуживающих помещения категорий А, Б и В1 и склады категорий А, Б, В1 и В2) и для подачи наружного воздуха системами приточной противодымной вентиляции при условии установки противопожарных нормально открытых клапанов на воздуховодах приточных систем общеобменной вентиляции в местах пересечения ими ограждений помещения для вентиляционного оборудования.

6.54 Для предотвращения распространения продуктов горения при пожаре в помещения различных этажей по воздуховодам систем общеобменной вентиляции, воздушного отопления и кондиционирования должны быть предусмотрены следующие устройства:
а) противопожарные нормально открытые клапаны - на поэтажных сборных воздуховодах в местах присоединения их к вертикальному или горизонтальному коллектору для жилых, а также для общественных, административно-бытовых (кроме санузлов, умывальных, душевых, бань, кухонь) и производственных помещений категорий В4 и Г.

б) воздушные затворы - на поэтажных сборных воздуховодах в местах присоединения их к вертикальному или горизонтальному коллектору для помещений жилых, общественных и административно-бытовых
и производственных помещений категории Г. Геометрические и конструктивные характеристики воздушных
затворов должны обеспечивать предотвращение распространения продуктов горения при пожаре из коллекторов через поэтажные сборные воздуховоды в помещения различных этажей; длину вертикального
участка воздуховода воздушного затвора следует принимать по расчету, но не менее
Вертикальные коллекторы допускается присоединять к общему горизонтальному коллектору, размещаемому на чердаке или техническом этаже; в зданиях высотой более
К каждому горизонтальному коллектору следует присоединять не более пяти поэтажных сборных воздуховодов с последовательно расположенных этажей. В многоэтажных зданиях допускается присоединять:
к горизонтальному коллектору - более 5 поэтажных воздуховодов при условии установки противопожарных нормально открытых клапанов на каждом поэтажном (сверх пяти) воздуховоде;
группу горизонтальных коллекторов к общему коллектору, размещаемому на чердаке или техническом этаже, при условии установки противопожарных нормально открытых клапанов в местах присоединения их к общему коллектору;
допускается предусматривать объединение теплым чердаком воздуховодов общеобменной вытяжной вентиляции жилых, общественных (кроме зданий лечебно-профилактического назначения) административно-бытовых зданий;

в) противопожарные нормально открытые клапаны - на воздуховодах, обслуживающих помещения, склады категорий А, Б, В1, В2 или В3, кладовые горючих материалов, сауны, а также на воздуховодах систем местных отсосов взрыво- и пожароопасных смесей и систем по 6.10 в местах пересечения воздуховодами противопожарной преграды обслуживаемого помещения;

г) противопожарный нормально открытый клапан - на каждом транзитном сборном воздуховоде, обслуживающем группу помещений (кроме складов) одной из категорий А, Б, В1, В2 или В3 общей площадью не
более

6.56 В противопожарных перегородках, отделяющих общественные, административно-бытовые или производственные помещения (кроме складов) категорий Г, Д и В4 от коридоров, допускается устройство отверстий для перетекания воздуха при условии защиты отверстий противопожарными нормально открытыми клапанами.

6.61 Транзитные воздуховоды и коллекторы систем любого назначения в пределах одного пожарного отсека допускается проектировать:
а) из материалов группы горючести П (кроме систем противодымной вентиляции) при условии прокладки каждого воздуховода в отдельной шахте, кожухе или гильзе из негорючих материалов с пределом огнестойкости EI 30;
б) из негорючих материалов с пределом огнестойкости ниже нормируемого при условии прокладки транзитных воздуховодов и коллекторов (кроме воздуховодов и коллекторов для производственных помещений категорий А и Б, а также для складов категорий А, Б, В1, В2) в общих шахтах с ограждающими конструкциями, имеющими предел огнестойкости не менее EI 45, и установки противопожарных нормально открытых клапанов на каждом воздуховоде, пересекающем ограждающие конструкции шахты;
в) из негорючих материалов с пределом огнестойкости ниже нормируемого, предусматривая при прокладке транзитных воздуховодов (кроме помещений и складов категорий А, Б, складов категорий В1, В2, а также жилых помещений) установку противопожарных нормально открытых клапанов при пересечении воздуховодами каждой противопожарной преграды с нормируемым пределом огнестойкости.
Предел огнестойкости воздуховодов и коллекторов (кроме транзитных), прокладываемых в помещениях для вентиляционного оборудования, а также воздуховодов и коллекторов, прокладываемых снаружи здания, не нормируется.
6.62 Транзитные воздуховоды, прокладываемые за пределами обслуживаемого пожарного отсека, после пересечения ими противопожарной преграды обслуживаемого пожарного отсека следует проектировать с пределом огнестойкости EI 150.
Указанные транзитные воздуховоды допускается проектировать с пределом огнестойкости ниже нормируемого при прокладке их в отдельной шахте с ограждающими конструкциями с пределом огнестойкости EI 150.
6.63 Транзитные воздуховоды и коллекторы систем любого назначения из разных пожарных отсеков допускается прокладывать в общих шахтах с ограждающими конструкциями из негорючих материалов с пределом огнестойкости не менее EI 150 при условии:
а) транзитные воздуховоды и коллекторы в пределах обслуживаемого пожарного отсека предусматриваются с пределом огнестойкости EI 30, поэтажные ответвления присоединяются к вертикальным коллекторам через противопожарные нормально открытые клапаны;
б) транзитные воздуховоды систем другого пожарного отсека предусматриваются с пределом огнестойкости EI 150;
в) транзитные воздуховоды систем другого пожарного отсека предусматриваются с пределом огнестойкости EI 60 при условии установки противопожарных нормально открытых клапанов на воздуховодах в местах пересечения ими каждой противопожарной преграды с нормируемым пределом огнестойкости REI 150 и более.

6.65 Противопожарные нормально открытые клапаны, устанавливаемые в проемах ограждающих строительных конструкций с нормируемым пределом огнестойкости и в воздуховодах, пересекающих эти конструкции, следует предусматривать с пределами огнестойкости:
EI 90 - при нормируемом пределе огнестойкости противопожарной преграды REI 150 и более;
EI 60 - при нормируемом пределе огнестойкости противопожарной преграды или ограждающих строительных конструкций REI 60;
EI 30 - при нормируемом пределе огнестойкости ограждающих строительных конструкций REI 45 (EI 45);
ЕМ 5 - при нормируемом пределе огнестойкости ограждающих строительных конструкций REI 15 (EI 15).
В других случаях противопожарные нормально открытые клапаны следует предусматривать с пределами огнестойкости не менее нормируемых для воздуховодов, на которых они устанавливаются, но не менее E115.
Фактические пределы огнестойкости различных конструкций противопожарных клапанов следует определять в соответствии с ГОСТ Р 53301.

7.1 <...> Системы противодымной вентиляции должны быть автономными для каждого пожарного отсека, кроме систем приточной противодымной вентиляции, предназначенных для защиты лестничных клеток и лифтовых шахт, сообщающихся с различными пожарными отсеками. Системы приточной противодымной вентиляции должны применяться только в необходимом сочетании с системами вытяжной противодымной вентиляции. Обособленное применение систем приточной противодымной вентиляции без устройства соответствующих систем вытяжной противодымной вентиляции не допускается.

|
[1] |
Федеральный закон от 22 июля
|
Технический регламент о требованиях пожарной безопасности |
|
|
[2] |
Свод правил СП 1.13130.2009 |
Системы противопожарной защиты. Эвакуационные пути и выходы |
|
|
[3] |
Свод правил СП 2.13130.2009 |
Системы противопожарной защиты. Обеспечение огнестойкости объектов защиты |
|
|
[4] |
Свод правил СП 3.13130.2009 |
Системы противопожарной защиты. Система оповещения и управления эвакуацией людей при пожаре. Требования пожарной безопасности |
|
|
[5] |
Свод правил СП 4.13130.2009 |
Системы противопожарной защиты. Ограничение распространения пожара на объектах защиты. Требования к объемно-планировочным и конструктивным решениям |
|
|
[6] |
Свод правил СП 5.13130.2009 |
Системы противопожарной защиты. Установки пожарной сигнализации и пожаротушения автоматические. Нормы и правила проектирования |
|
|
[7] |
Свод правил СП 7.13130.2009 |
Отопление, вентиляция и кондиционирование. Противопожарные требования |
|
|
[8] |
Разумов Н.Н. Рекомендации по расчету вентиляционных устройств противодымной защиты жилых зданий / Н.Н. Разумов, И.С. Шапавалов, И.Т. Светашов. - М.: ЦНИИЭП жилища, 1973 |
||
|
[9] |
Рекомендации по расчету вентиляционных систем противодымной защиты жилых зданий повышенной этажности / Н.Н. Разумов и др. - М.: Стройиздат, 1985 |
||
|
[10] |
Рекомендации по расчету вентиляционных систем противодымной защиты общественных зданий /Б.В. Грушевский и др. - М.: Стройиздат, 1987 |
||
|
Инструкция по эксплуатации и ремонту автоматизированных систем противопожарной защиты в жилых домах повышенной этажности / С. И. Мухин и др. - М.: Стройиздат, 1988 |
|||
|
Нормы противопожарной безопасности НПБ 240-97 |
Противодымная защита зданий и сооружений. Методы приемосдаточных и периодических испытаний |
||
|
Государственный стандарт России ГОСТ Р 53300-2009 |
Противодымная защита зданий и сооружений. Методы приемосдаточных и периодических испытаний |
||
|
[14] |
National Fire Codes NFPA 92В (2005) |
Smoke Management Systems in Malls, Atria and Large Areas |
|
|
[15] |
Методические документы в строительстве МДС 41-1.99 |
Рекомендации по противодымной защите при пожаре (к СНиП 2.04.05-91*) |
|
|
Пожарная профилактика в строительстве / под. ред. В.Ф. Кудаленкина. - М.: ВИПТШ МВД СССР, 1985 |
|||
Ключевые слова: система противодымной защиты, система дымоудаления, незадымленная зона, продукты горения, вентилятор дымоудаления, противопожарный клапан, воздушная противодымная завеса
|
ГОСТЫ, СТРОИТЕЛЬНЫЕ и ТЕХНИЧЕСКИЕ НОРМАТИВЫ. Некоммерческая онлайн система, содержащая все Российские Госты, национальные Стандарты и нормативы. В Системе содержится более 150000 файлов нормативно-технической документации, действующей на территории РФ. Система предназначена для широкого круга инженерно-технических специалистов. Copyright © www.gostrf.com, 2008 - 2026 |