Крупнейшая бесплатная информационно-справочная система онлайн доступа к полному собранию технических нормативно-правовых актов РФ. Огромная база технических нормативов (более 150 тысяч документов) и полное собрание национальных стандартов, аутентичное официальной базе Госстандарта. GOSTRF.com - это более 1 Терабайта бесплатной технической информации для всех пользователей интернета. Все электронные копии представленных здесь документов могут распространяться без каких-либо ограничений. Поощряется распространение информации с этого сайта на любых других ресурсах. Каждый человек имеет право на неограниченный доступ к этим документам! Каждый человек имеет право на знание требований, изложенных в данных нормативно-правовых актах!

  


 

ОТРАСЛЕВОЙ СТАНДАРТ

ОПОРЫ СТАЛЬНЫХ ТЕХНОЛОГИЧЕСКИХ ТРУБОПРОВОДОВ

НА Ру ДО 10 МПа

Технические условия

ОСТ 36-146-88

Москва 1990

ОГЛАВЛЕНИЕ

ОТРАСЛЕВОЙ СТАНДАРТ

ОПОРЫ СТАЛЬНЫХ ТЕХНОЛОГИЧЕСКИХ ТРУБОПРОВОДОВ НА Ру ДО 10 Па
Технические условия
ОКП I4688I

ОСТ 36-146-88

Срок действия с 01.01.89 до 01.01.01

Несоблюдение стандарта преследуется по закону.

Настоящий стандарт распространяется на подвижные и неподвижные опоры стальных технологических трубопроводов на Ру до 10 Па.

Стандарт не распространяется на опоры трубопроводов с хладоагентами и хладоносителями. трубопроводов, электрических станций, а также трубопроводов, прокладываемых в вечномерзлых и пучнистых грунтах.

Стандарт устанавливает классификацию, основные параметры, размеры, технические требования, комплектность, правила приемки, методы испытаний, требования к маркировке, упаковке, транспортированию, хранению, указания по монтажу и гарантии изготовителя.

I. КЛАССИФИКАЦИЯ

I.I. Опоры стальных трубопроводов классифицируются по конструкции, назначению и применяемости в соответствии в табл. I.

Таблица I

Классификация опор

Тип опоры

Исполнение и эскиз опоры.

Наружный диаметр трубопровода, мм

Назначение опоры

Применяемость

Тавровые приварные - ТП

.

≤45

Для изолированных и неизолированных трубопроводов

П
Н

57-89

Для изолированных и неизолированных трубопроводов

П

То же

П
Н

108-159

-²-

П
Н

Тавровые хомутовые - ТХ

≤45

-²-

П
Н

57-89

-²-

П

57-89

Для изолированных и неизолированных трубопроводов

П
Н

108-159

То же

П
Н

Корпусные приварные - КП

57-630

-²-

П

57-159

Н

57-1420

-²-

П
Н

57-1420

-²-

П
Н

219-1420

Для изолированных и неизолированных трубопроводов

П
Н

219-1420

То же

П
Н

Корпусные хомутовые - КХ

57-630

-²-

П

57-159

Н

57-630

-²-

П
Н

57-630

-²-

П
Н

Трубчатые - ТР

57-630

Для изолированных и неизолированных трубопроводов

П
Н

57-630

То же

Н

Швеллерные приварные - ШП

57-820

Для неизолированных трубопроводов

П
Н

Уголковые приварные - УП

1020-1420

То же

П
Н

Хомутовые бескорпусные - ХБ

Исп. А

25-530

Исп. В

25-159

-²-

П

Исп. Б

25-530

Исп .Г

25-159

Для неизолированных трубопроводов

Н

Трубчатые крутоизогнутых отводов - ТО

57-630

Для изолированных и неизолированных трубопроводов

П
Н

Вертикальных трубопроводов приварные - ВП

57-1420

То же

П

Катковые направляющие - КН

Исп. АII,

ACII

57-630,

Исп. АI2,

ACI2

57-1420

-²-

П

57-1420

Для изолированных и неизолированных трубопроводов

П

То же

То же

П

-²-

-²-

П

-²-

-²-

П

Примечания: I. Буквами в шифре исполнения опоры разделены по конструктивным признакам (буква "С" обозначает сварной вариант). Первая цифра в шифре исполнения определяет высоту опоры от ее основания до нижней образующей трубы, вторая цифра - длину основания опоры. Для опор типов ШП и ВП цифра в обозначениях определяет их длину.

2. Буква "П" в графе "Применяемость" обозначает использование конструкции в качестве подвижной опоры, буква "Н" - в качестве неподвижной.

3. Упоры, показанные на эскизах хомутовых опор, применяются для неподвижных, а также подвижных опор типов КХ, КН для ДН≥377 мм.

1.2. Опоры типов ТП, ТХ, КП, КХ в зависимости от величины тепловых перемещений трубопровода изготавливаются в трех исполнениях по длине:

170 мм с перемещением до 90 мм;

340 мм с перемещением до 250 мм;

680 мм с перемещением до 600 мм.

1.3. Применение хомутовых опор рекомендуется при наличии угловых деформаций трубопровода.

1.4. Использование в опорах подушек или накладок определяется проектной организацией с учетом размеров трубопроводов и внешних нагрузок.

2. ОСНОВНЫЕ ПАРАМЕТРЫ И РАЗМЕРЫ

2.1. Опоры предназначены для крепления труб из углеродистой и низколегированной стали при строительстве технологических трубопроводов наружным диаметром 18 - 1420 мм, транспортирующих вещества температурой от 0 - до 450 °С и условным давлением Ру до 10 МПа при температуре окружающей среды до минус 70 °С.

2.2. Конструкция, размеры, масса и допускаемые расчетные нагрузки опор должны соответствовать указанным на черт. I - I6 и в табл. I - I6.

2.2.1. Величины осевых и боковых допускаемых расчетных нагрузок заданы при условии отсутствия внешних изгибающих моментов.

2.2.2. Пределы применения опор по допускаемым нагрузкам для трубопроводов, прокладываемых в сейсмических районах, устанавливает проектная организация.

2.3. Методика расчета опор на прочность приведена в справочном приложении I.

2.4. Все опоры условно обозначаются по следующей схеме:

3. ТЕХНИЧЕСКИЕ ТРЕБОВАНИЯ

3.1. Опоры должны изготовляться в соответствии с требованиями настоящего стандарта по рабочим чертежам, утвержденным в установленном порядке.

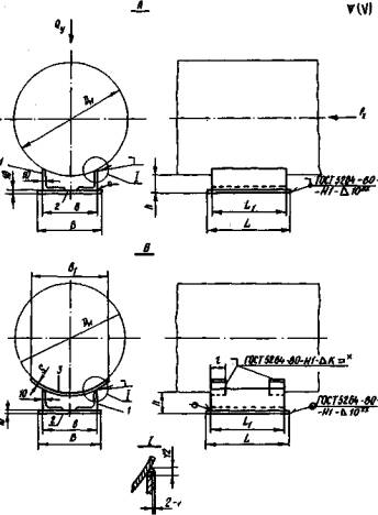
Опоры тавровые приварные - тип ТП

Сварные монтажные швы по ГОСТ 5264-80

х Для неподвижных опор. Величина КI - по наименьшей толщине свариваемых деталей. Варить сплошным швом.

I - тавр, изготовленный из двутавра по ГОСТ 8239-72; 2 - сварной тавр; 3 – ребро;

Черт. I

Таблица 2

Размеры, мм

Наружный диаметр трубопровода, Дн

Исполнение

h

B

S

Номер профиля двутавра

K

Масса, кг, не более

Допускаемые нагрузка, кН

Вертикальная, Qy

Осевая, Рz при

Px=0.5Pz

Рх=0.2Рz

18-45

АСОО

70

50

5

-

4

0,6

2,0

1,5

2

ACIO

100

0,7

1,0

57-89

AII

100

100

-

20

6

1,8

4,0

-

-

AI2

 

-

3.6

3.0

7

AC11

6

-

1,7

-

-

ACI2

 

 

3,4

3,0

7

A2I

150

135

-

30

3,1

-

-

А22

6.2

3,0

7

AC2I

100

6

-

2,2

-

-

АС22

4,4

3,0

7

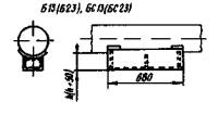
108-159

Б12

100

100

-

20

6

4,0

9,5

18,0

35

БС12

6

-

3,8

Б22

150

135

-

30

7,0

 

 

БС22

100

6

-

5,0

Примечание: Значения h для опор, изготовленных путем разрезки двутавров, уменьшить на половину ширины реза, но не более чем на 4 мм.

Пример условного обозначения опоры типа ТП исполнения АII из стали ВСтЗпс для трубопровода Дн = 76 мм: ОПОРА 76-ТП-А11-ВСтЗпС-ОСТ 36-146-88.

Опоры тавровые хомутовые - тип ТХ

Сварные монтажные швы по ГОСТ 5264-80

х Для неподвижных опор. Величина КI - по наименьшей толщине свариваемых деталей. Варить сплошным швом.

xx Каждое исполнение опор для Дн=57-89 мм предусматривает 2 варианта расположения креплений полухомутов: нормальное (болты параллельны вертикальной оси) и под углом 45о

I, 2, 3, 4 - опоры типа ТП соответственно тех же исполнений (черт. I, табл. 2); 5 - полухомут (черт. 15, табл. 15); 6 - болт по ГОСТ 7798-70 с гайкой по ГОСТ 5915-70; 7 - упор (черт. 16. табл. 16)

Черт. 2

Таблица3

Размеры, мм

Наружный диаметр трубопровода, Дн

Исполнение

h

B

BI

Размеры болта d×l

K

Масса, кг, не более

Допускаемые нагрузка, кН

Вертикальная, Qy

Осевая, Рz при

Px=0,5Pz

Px=0,2Pz

18
25
32
38
45

ACOO

70

50

-

 

5

1,0

2

I,5

2

ACIO

100

1,1

1,0

57

AII

106

100

I42/100

MI2x40

6

2,6

4

-

-

AI2

5,2

3,0

7

ACII

2,5

-

-

ACI2

5,0

3,0

7

A2I

156

135

3,9

-

-

A22

7,8

3,0

7

AC2I

100

3,0

-

-

AC22

 

6,0

3,0

7

76

AII

106

100

160/113

 

2,7

-

-

AI2

5,4

3,0

7

ACII

2,6

-

-

ACI2

5,2

3,0

7

A2I

156

135

4,0

-

-

A22

8,0

3,0

7

AC2I

100

3,1

-

-

AC22

6,2

3,0

7

89

AII

106

100

179/127

MI2x40

2,8

-

-

AI2

5,6

3

7

ACII

2,7

-

-

ACI2

5,4

3

7

A2I

156

135

4,1

-

-

A22

8,2

3

7

AC2I

100

3.2

-

-

AC22

156

100

6

6,4

4,0

3

7

108

Б12

108

100

200/141

M16×50

7

7,9

9,5

18

35

БС12

7,7

Б22

158

135

10,9

БС22

100

8,9

133

Б12

108

100

250/177

8,7

18

35

БС12

8,5

Б22

158

135

117

БС22

100

9,7

159

Б12

108

100

275/194

M16×50

7

9,3

9,5

18

35

БС12

9,1

Б22

158

135

12,3

БС22

100

10,3

Примечания: I. В графе "BI" в знаменателе дроби указан размер для исполнений опор с креплениями полухомутов под углом.

2..Значения массы опор приведены без учета массы упоров.

3. Для опор с креплением полухомутов под углом в обозначении исполнения после цифр добавляется "У".

Пример условного обозначения опоры типа ТХ исп. ACI2 из стали 09Г2С для трубопроводов Дн = 89 мм:

ОПОРА 89-ТХ-АС12-09Г2С - ОСТ 36-146-88;

то же с креплением полухомутов под углом:

ОПОРА 89-ТХ-АС12У-09Г2С - ОСТ 36-146-88.

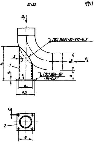
Опоры корпусные приварные - тип КП

Сварные монтажные швы по ГОСТ 5264-80

х Для неподвижных опор. Варить сплошным швом.

хх Варить сплошным швом.

ххх Остальные размеры корпусов опор Б12, Б22. Б13, Б23, БС12, БС22, БС13, ВС23 такие же, как и у опор AI2, А22, AI3, А23, ACI2, АС22, ACI3, АС23 соответственно.

I - корпус штампованный или сварной (черт. 4, табл. 4); 2 - ребро; 3 - подушка

Черт. 3

Сварные корпуса опор

Черт. 4


Таблица 4

Размеры, мм

Наружный диаметр трубопровода, Дн

Исполнение

h

h1

h2

B

S

B1

l

Длина развертки подушки

а

в

с

к

Масса, кг, не более

Допускаемые нагрузка, кН

Вертикальная, Qy

Осевая, Рz при

Px=Pz

Px=0,5Pz

57

АII

100

110

98

 

 

 

 

 

 

 

 

 

1,3

2,5

5,5

8

AI2

-

 

 

 

 

 

 

 

 

 

2,6

15

A2I

150

160

148

 

 

 

 

 

 

 

 

 

1,8

5,5

8

А22

-

 

 

 

 

 

 

 

 

 

3,6

15

76

AII

100

107

98

 

 

 

 

 

 

 

 

 

1,3

3,0

5,5

8

AI2

-

50

3

-

-

-

30

5

5

6

2,5

15

A2I

150

157

148

1,8

5,5

8

А22

-

 

 

 

 

 

 

 

 

 

3,5

15

89

AII

100

106

98

 

 

 

 

 

 

 

 

 

1,2

5,0

5,5

8

AI2

-

 

 

 

 

 

 

 

 

 

2,5

15

A2I

150

156

148

50

 

 

 

 

30

 

 

 

1,7

5,5

8

А22

-

 

 

 

 

 

 

 

3,5

15

108

AII

100

115

95

 

 

 

 

 

 

 

 

 

1,5

6,0

10,0

13

AI2

-

 

 

 

 

 

 

 

 

 

3,0

30,0

45

A2I

150

165

145

 

 

 

 

 

 

 

 

 

2,1

8,0

10

A22

-

80

 

 

 

 

45

 

 

 

4,2

25,0

38

133

AII

100

111

95

 

 

 

 

 

 

 

 

 

1,5

8

10,0

13

AI2

-

 

 

 

 

 

 

 

 

 

3,0

30,0

45

A2I

150

161

145

 

 

 

 

 

 

 

 

 

2,0

8,0

10

A22

-

 

 

 

 

 

 

 

 

 

4,1

25,0

38

159

AII

100

109

95

 

 

 

 

 

 

 

 

 

1,5

10

10

13

AI2

-

 

 

 

 

 

 

 

 

 

3,0

30

45

A2I

150

159

145

 

 

 

 

 

 

 

 

 

2,0

8

10

A22

-

 

 

 

 

 

 

 

 

 

4,1

25

38

219

AII

100

159

95

3

-

-

-

-

 

 

 

 

2,7

25

-

-

AI2

-

 

 

 

 

 

 

 

 

 

6,1

60

85

AI3

95

-

 

 

 

 

 

 

 

 

 

11,0

80

110

Б12

104

 

 

215

60

306

45

5

5

6

7,0

60

85

Б13

95

200

 

 

 

 

 

11,9

80

110

A2I

150

209

145

 

 

 

 

 

 

 

 

 

3,4

-

-

A22

-

 

 

-

-

-

 

 

 

 

7,3

50

70

A23

145

 

 

 

 

 

 

 

 

 

13,3

70

95

Б22

154

209

-

 

3

215

60

306

 

5

5

6

8,2

25

50

70

Б23

145

 

 

 

 

 

 

14,2

70

95

273

АII

100

140

95

 

4

 

 

 

 

 

 

 

2,6

25

-

-

AI2

-

 

-

-

-

 

 

 

 

7,1

40

60

85

AI3

95

 

 

 

 

 

 

 

 

13,3

80

110

Б12

-

 

220

60

260

 

 

 

 

8,1

60

85

Б13

95

 

 

 

 

 

14,3

80

110

A2I

150

190

145

 

3

-

-

-

 

 

 

 

3,2

25

-

-

А22

-

 

 

 

 

 

 

9,0

40

50

70

А23

145

 

 

 

 

 

 

16,6

70

95

Б22

-

200

 

220

60

260

45

 

5

 

10,0

50

70

Б23

145

 

 

 

 

 

 

 

 

 

17,6

70

95

325

АII

100

131

90

 

 

-

-

-

 

 

 

 

3,3

50

-

-

AI2

-

 

 

 

 

 

 

6,9

70

60

85

AI3

90

 

 

 

 

 

 

12,8

80

110

Б12

-

 

 

 

 

 

 

7,9

60

85

 

4

220

60

245

60

5

6

6

13,8

Б13

90

 

 

 

 

 

80

110

A2I

150

181

140

 

 

-

-

-

 

 

 

 

4,2

50

-

-

А22

-

 

 

 

 

 

 

8,7

70

50

70

А23

140

 

 

 

 

 

 

16,2

70

95

Б22

-

 

 

220

60

245

 

 

 

 

9,7

50

70

Б23

140

 

 

 

 

 

 

17,2

70

95

377

AII

100

126

90

 

 

 

 

 

 

 

 

 

3,2

50

-

-

AI2

-

 

 

-

-

-

 

 

 

 

6,7

70

60

85

AI3

90

 

 

 

 

 

 

 

 

 

12,5

80

110

Б12

-

 

 

220

60

237

 

 

 

 

7,7

60

85

Б13

90

 

 

 

 

 

 

13,5

80

110

A2I

150

176

140

 

 

-

-

-

 

 

 

 

4,1

50

-

-

A22

-

 

 

 

 

 

 

8,6

70

50

70

A23

140

 

4

 

5

6

6

15,7

70

95

Б22

-

 

 

220

60

237

 

 

 

 

9,6

50

70

Б23

140

200

 

60

 

 

 

16,7

70

95

426

AII

100

122

90

6

-

-

-

 

 

 

4,6

60

-

-

AI2

-

 

 

 

 

 

9,8

80

90

125

AI3

90

 

 

 

 

 

18,3

120

170

БI2

-

 

220

60

234

 

 

 

 

11,2

90

125

БIЗ

90

 

 

 

 

 

19,7

120

170

A2I

150

172

140

 

-

-

-

 

 

 

 

6,1

60

-

-

А22

-

 

 

8

8

10

12,5

80

80

110

А23

140

 

 

 

 

 

23,2

105

150

Б22

-

 

220

60

234

 

 

 

 

13,9

80

110 '

Б23

140

 

 

 

 

 

24,6

105

150

530

AII

 

 

90

 

 

 

 

 

 

 

 

 

6,3

80

-

-

AI2

 

 

-

300

 

-

-

-

 

 

 

 

13,7

120

110

145

AI3

100

143

90

 

 

 

 

 

 

 

 

25,1

150

200

Б12

100

143

-

 

 

350

70

376

 

 

 

 

16,4

110

145

Б13

90

 

 

 

 

 

 

27,8

150

200

A2I

150

193

140

 

 

 

 

 

 

 

 

 

8,0

80

-

-

А22

-

 

 

-

-

-

 

 

 

 

17,1

120

100

130

А23

140

 

 

 

 

 

 

 

 

 

30,9

140

180

Б22

-

 

 

350

70

376

 

 

 

 

19,8

-

-

Б23

140

300

6

60

8

8

10

33,6

140

180

630

АII

100

135

90

 

 

 

6,2

80

-

-

AI2

-

 

 

-

-

-

 

 

 

 

13,3

 

110

145

AI3

90

 

 

 

 

 

 

 

 

 

24,4

120

150

200

Б12

-

 

 

350

70

367

 

 

 

 

16,0

110

145

Б13

90

 

 

 

 

 

 

27,1

150

200

A2I

150

185

140

 

 

 

 

 

 

 

 

 

7,9

80

-

-

А22

-

 

 

-

-

-

 

 

 

 

16,6

120

100

130

А23

140

 

 

 

 

 

 

 

 

 

30,2

140

180

Б22

-

 

 

350

70

367

 

 

 

 

19,3

100

130

Б23

140

 

 

 

 

 

 

32,9

140

180

820

AI2

100

125

-

300

 

-

-

-

 

 

 

 

17,0

200

125

160

AI3

90

 

 

 

 

 

31,1

175

220

Б12

-

 

350

70

358

 

 

 

 

20,5

125

160

Б13

90

 

 

8

 

 

34,6

175

220

А22

150

175

-

 

-

-

-

 

 

 

21,3

115

150

А23

140

 

 

 

 

 

38,8

165

210

Б22

-

 

350

70

358

 

 

 

 

24,8

115

150

Б23

140

 

 

 

 

 

42,3

165

210

1020

AI2

100

161

-

 

 

-

-

-

 

 

 

 

27,6

340

140

175

AI3

90

 

8

70

 

10

12

49,3

200

250

Б12

-

 

560

120

588

 

37,3

140

175

Б13

90

 

 

 

 

 

 

59,0

200

250

А22

150

211

-

 

 

-

-

-

 

 

 

 

33,3

130

165

А23

I40

 

 

 

12

 

 

59,0

185

235

Б22

-

500

 

560

120

588

 

 

 

43,0

130

165

Б23

140

 

 

 

 

 

68,7

185

235

1220

AI2

100

150

-

 

 

-

-

-

 

 

 

 

26,8

400

140

175

AI3

90

 

 

 

 

 

 

47,9

200

250

Б12

-

 

 

560

120

577

 

 

 

 

36,4

140

175

Б13

90

 

 

 

 

 

 

57,5

200

250

А22

150

200

-

 

 

-

-

-

 

 

 

 

32,5

130

165

А23

140

 

8

 

 

 

 

57,6

185

235

Б22

-

 

560

120

577

 

 

 

 

42,1

130

165

Б23

140

 

 

 

 

 

 

67,2

185

235

1420

AI2

100

142

-

 

 

-

-

-

70

12

10

12

32,5

450

150

190

AI3

90

500

 

58,2

210

270

Б12

-

 

560

120

571

 

 

 

 

44,3

150

190

БI3

90

 

10

 

 

 

 

70,0

210

270

А22

150

192

-

 

 

-

-

-

 

 

 

 

39,5

140

180

А23

140

 

 

 

 

 

 

70,3

200

250

Б22

-

 

 

560

120

571

 

 

 

 

51,3

140

180

Б23

140

 

 

 

 

 

 

82,1

200

250

Примечания: I. Допускается выполнять вырез для спутника с другими размерами.

2. Для опор с вырезом для спутника в обозначение исполнения после цифр добавляется "в".

3. Значения массы опор со сварными корпусами на 3% выше указанных в таблице.

Пример условного обозначения опоры типа КП исполнения A2I из стали марки ВСтЗпс для трубопровода Дн = 630мм: ОПОРА 630-КП-А21-ВСтЗпс-ОСТ 36-146-88, то же со сварным корпусом и вырезом для спутника: ОПОРА 630-КП-АС21в-ВСтЗпс-ОСТ 36-146-88.


Опоры корпусные хомутовые - тип КХ

Сварные монтажные швы по ГОСТ 5264-80.

х Для неподвижных опор, варить сплошным швом (см. черт.3, табл.4).

хх Для неподвижных опор, а также подвижных при Дн≥377 мм; величина К - по наименьшей толщине свариваемых деталей, варить сплошным швом.

ххх См. черт.3, узел IV, табл.4.

1 - опора типа КП соответственно того же исполнения (черт.3, 4, табл.4); 2 - полухомут (черт.15, табл.15); 3 - болт по ГОСТ 7798-70 с гайкой по ГОСТ 5915-70; 4 - упор (черт. 16, табл. 16).

Черт. 5

Таблица 5

Размеры, мм

Наружный диаметр трубопровода, Дн

Исполнение

h

B

BI

Размеры болта l

Масса кг, не более

Допускаемые нагрузки, кН

Вертикальная Qy

Осевая Рz при

Px=Pz

Px=0.5Pz

57

AII

102

50

142

MI2×40

2,1

2,5

3,0

5,5

AI2

4.2

15,0

A2I

152

2,5

3,0

5,5

А22

5,2

15,0

76

AII

101

160

2,2

3,0

3,0

5,5

AI2

4,3

15,0

A2I

151

2,7

3,0

5,5

А22

5,3

15,0

89

AII

100

179

2,2

5,0

3,0

5,5

AI2

4,5

15,0

A2I

150

2,8

3,0

5,5

А22

5,5

15,0

108

AII

103

80

200

MI6×50

5,4

6,0

10

13

AI2

6,9

30

45

A2I

153

6,0

8

10

A22

8,1

25

38

133

AII

101

250

6,3

8,0

10

13

AI2

7,8

30

45

A2I

151

6,8

8

10

A22

8,9

25

38

159

A11

101

275

MI6×50

6,9

10,0

10

13

AI2

8,4

30

45

A2I

151

7,4

8

10

A22

9,5

38

219

AII

109

200

365

М20×60

13,4

25

-

-

AI2

16,8

60

85

AI3

21,7

80

110

A2I

159

14,1

-

-

А22

18,0

50

70

А23

24,0

70

95

273

АII

103

420

15,1

25

-

-

AI2

104

19,6

40

60

85

AI3

25,8

80

110

A2I

153

15,7

25

-

-

А22

154

21,5

40

50

70

А23

29,1

70

95

325

AII

102

470

17,4

50

-

-

AI2

21,0

70

60

85

AI3

26,9

80

110

A2I

152

18,3

50

-

-

А22

22,8

70

50

70

А23

30,3

70

95

377

АII

101

525

19,1

50

-

-

AI2

22,6

70

60

85

AI3

28,4

80

110

А21

151

20,0

50

-

-

А22

24,5

70

50

70

А23

31,6

70

95

426

АII

101

200

575

М20х60

22,1

60

-

-

AI2

27,3

80

90

125

AI3

35,8

120

170

A2I

151

23,6

60

-

-

А22

30,0

80

80

110

А23

40,7

105

150

530

АII

103

300

705

 

36,5

80

-

-

AI2

43,9

120

110

145

AI3

55,3

150

200

A2I

153

38,2

80

-

-

А22

47,3

120

100

130

А23

61,1

140

180

630

АII

102

300

805

М24×80

41,0

80

-

-

AI2

48,1

120

110

145

AI3

59,2

150

200

A2I

152

42,7

80

-

-

А22

51,4

120

100

130

А23

65,0

140

180

Примечания: I. Значения массы опор со сварными корпусами на 2 % выше указанных в таблице.

2. Значения массы опор приведены без учета массы упоров.

Пример условного обозначения опоры типа КХ исполнения AC13 о вырезом для спутника из стали ВСтЗпс для трубопровода Дн = 219 мм:

ОПОРА 219-АCIЗв-ВСтЗпс-ОСТ 36-146-88.

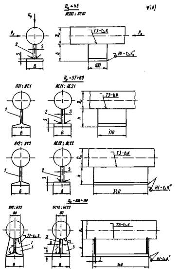
Опоры трубчатые - тип ТР

х Для неподвижных опор, варить сплошным швом.

xx Величина К - по наименьшей толщине свариваемых деталей.

I - патрубок; 2 – плита

Черт. 6

Таблица6

Размеры, мм

Наружный диаметр трубопровода Дн

Исполнение

h

dн

S

B

S1

e

d

Масса, кг, не более

Допускаемые нагрузки, кН

Вертикальная Qу

Осевая Рz при

Px=Pz

Px=0,5Pz

57
76

AI

100

57

3

100

10

65

14

1,4

3

2,0

2,5

А2

150

1,6

БI

100

-

-

-

-

0,5

-

2,0

2,6

Б2

150

0,7

89
108

AI

100

76

3

120

10

85

14

1,9

6

6,0

7,5

А2

150

2,2

4,5

5,5

БI

100

-

-

-

-

0,7

-

6,0

7,5

Б2

150

1,0

4,5

5,5

133

159

AI

100

108

4

135

12

105

18

3,2

10

14,0

17,0

А2

150

3,8

11,0

13,0

БI

100

-

-

-

-

1,3

-

14,0

17,0

Б2

150

1,9

11,0

13,0

219
273

AI

100

159

6

180

14

140

18

7,0

40

35,0

43,0

А2

150

8,8

26,0

32,0

БI

100

-

-

-

-

3,0

-

35,0

43,0

Б2

150

4,3

26,0

32,0

325

AI

100

219

6

250

16

200

26

12,9

70

48,0

61,0

А2

150

14,7

41,0

51,0

БI

100

-

-

-

-

4,3

-

48,0

61,0

Б2

150

6,1

41,0

51,0

377
426

AI

100

273

8

300

16

240

26

20,2

80

85,0

110,0

А2

150

23,2

70,0

90,0

БI

100

-

-

-

-

7,5

-

85,0

110,0

Б2

150

10,5

70,0

90,0

530

AI

100

325

8

380

20

300

30

34,1

120

100,0

120,0

А2

150

37,7

90,0

100,0

БI

100

-

-

-

-

9,1

-

100,0

120,0

Б2

150

12,8

90,0

100,0

630

AI

100

426

10

450

25

370

39

60,4

120

205,0

250,0

А2

150

66,3

180,0

230,0

БI

100

-

-

-

-

16,7

-

205,0

250,0

Б2

150

22,6

180,0

230,0

Примечание. Для опор с отверстиями в плите в обозначении исполнения после цифр добавляется "0".

Пример условного обозначения опор типа ТР исполнения AI из стали 20 для трубопроводов

Дн = 219 мм               ОПОРА 219 - ТР - А1- 20.- ОСТ 36-146-88;

то же с отверстиями в плите

ОПОРА 219 - ТР - AIO - 20 - ОСТ 36-146-68.

Опоры швеллерные приварные - тип ШП

х Для неподвижных опор

Черт. 7

Таблица 7

Размеры, мм

Наружный диаметр трубопровода, Дн

Исполнение

h

Номер швеллера

B

h

K

K1

Масса кг, не более

Допускаемые нагрузки, кН

Вертикальная Qy

Осевая Рz, при Рx=0,2Pz

57

AI

100

5

50

17

4

4

0,5

2,5

10

А2

200

1,0

76

AI

100

23

0,5

3,0

А2

200

1,0

89

AI

100

8

80

 

0,7

5,0

20

А2

200

15

1,4

30

108

AI

100

22

0,7

6,0

20

А2

200

1,4

30

133

AI

100

10

100

23

0,9

8,0

30

А2

250

2,1

50

159

AI

100

28

0,9

10,0

30

А2

250

2,1

50

219

AI

150

12

120

34

6

6

1,6

20,0

50

А2

250

2,6

75

273

AI

200

38

2,1

25,0

60

А2

300

3,1

40,0

90

325

AI

200

40

2,1

25,0

50

А2

300

3,1

40,0

80

377

AI

200

16

160

46

2,8

30,0

70

А2

300

4,3

50,0

100

426

AI

200

48

2,8

30,0

60

А2

300

4,3

50,0

90

530

AI

250

20

200

56

8

6

4,6

50

80

А2

400

7,4

70

120

630

AI

250

60

4,6

60

65

А2

400

7,4

80

120

820

AI

400

30

300

72

10

8

12,7

100

120

Пример условного обозначения опоры типа ШП исполнения А2 из стали ВСтЗпс для трубопровода Дн = 273 мм:

ОПОРА 273-ШП-А2-ВСтЗпс-ОСТ 36-146-88.

Опоры уголковые приварные - тип УП

х Величина К - по наименьшей толщине свариваемых деталей.

хх Для неподвижных опор, варить сплошным швом.

I - уголок № 12,5/8 по ГОСТ 8510-86; 2 - плита; 3 – подушка

Черт. 8


Таблица 8

Размеры, мм

Наружный диаметр трубопровода, Дн

Исполнение

B

b

L

L1

BI

l

S

Длина развертки подушки

Масса кг, не более

Допускаемые нагрузки, кН

Вертикальная Qy

Осевая Рz, при Рx=0,2Pz

1020

А

420

400

53

400

380

-

-

-

-

25,0

150

100

Б

560

120

8

588

34,7

1220

А

520

500

41

500

480

-

-

-

-

35,3

200

150

Б

560

120.

8

577

44,8

1420

А

520

500

48

550

530

-

-

-

-

38,9

250

130

Б

560

120

10

571

50,7

Пример условного обозначения опоры типа УП исполнения А из стали ВСтЗпс для трубопровода Дн=1220 мм:

ОПОРА 1220-УП-А-ВСтЗпс-ОСТ 36-146-88.


Опоры хомутовые бескорпусные - тип ХБ

x Величина К - по наименьшей толщине свариваемых деталей, варить сплошным швом.

хх Для неподвижных опор.

I - хомут (черт.10, табл.10); 2 - гайка по ГОСТ 5915-70; 3 - упор (черт.16, табл.16)

Черт. 9

Таблица 9

Размеры, мм

Наружный; диаметр трубопровода Дн

Исполнение

d

l

S, не более

Масса, кг*, не более, опоры исполнения

Допускаемая осевая нагрузка Рz** для опор исполнения Б, кН

А. Б

В, Г

25

А; Б;
В; Г

M10

38

10

0,1

0,1

0,4

32

44

0,1

0,1

38

50

12

0,2

0,1

0,8

45

60

0,2

0,1

57

А; Б;
В; Г

MI2

74

14

0,3

0,2

5,0

76

94

0,4

0,3

89

106

0,4

0,3

108

MI6

130

16

0,8

0,6

133

154

1,0

0,7

10,0

159

М20

190

20

1,8

1,3

219

А; Б

244

2,2

-

20,0

273

300

2,6

325

352

3,0

377

М24

410

30

5,0

30,0

426

460

5,5

530

570

6,6

* Значения массы опор приведены без учета массы упоров.

** Для опор исполнения Г усилие Рz уменьшить соответственно в два раза.

Хомут

Черт. 10

Таблица 10

Размеры, мм

Наружный диаметр трубопровода, Дн .

r

e

d

l

l1

С

Длина развертки опор; исполнения

Масса, кг, не более опор исполнения

А; Б

В; Г

А; Б

В; Г

25

14

38

М10

36

30

1,5

132

101

0,09

0,07

32

17

44

38

145

112

0,10

0,08

38

20

50

50

40

179

134

0,12

0,09

45

25

60

50

194

149

0,13

0,10

57

31

74

М12

69

55

2,0

254

190

0,25

0,19

76

41

94

79

306

232

0,30

0,23

89

47

106

83

332

255

0,32

0,25

108

57

130

MI6

103

65

410

312

0,71

0,54

133

69

154

116

474

363

0,82

0,63

159

85

190

М20

140

85

2,5

578

443

1,57

1,20

219

112

244

173

729

-

1,98

-

273

140

300

200

871

-

2,36

-

325

166

352

 

229

1011

-

2,74

-

377

193

410

М24

267

3,0

1178

-

4,60

-

426

218

460

292

1306

-

5,08

-

530

273

570

 

343

1581

-

6,17

-

Опоры трубчатые крутозагнутых отводов - тип ТО

х Для неподвижных опор. Величина К - по наименьшей толщине свариваемых деталей.

I - патрубок; 2 – плита

Черт. II

Таблица 11

Наружный диаметр трубопровода, Дн .

Исполнение

h

h1

dн

S

B

S1

e

d

Масса, кг, не более опор исполнения

Допускаемые нагрузки, кН

Вертикальная Qy

Осевая Pz при

Px=Pz

Px=0,5Pz

57

AI

100

169

45

3

100

10

65

14

1,2

1,0

1,5

2,0

А2

150

219

1,4

76

AI

100

188

57

3

100

10

65

14

1,5

2,0

2,0

2,5

А2

150

238

1,8

89

AI

100

219

76

3

120

10

85

14

2,2

2,5

4,0

5,0

А2

150

269

2,6

108

AI

100

225

2,3

3,0

4,0

5,0

А2

150

275

2,6

133

AI

100

277

108

4

135

12

105

18

4,2

6,0

8,0

10,0

А2

150

327

4,8

159

AI

100

283

4,3

8,0

8,0

10,0

А2

150

333

4,9

219

AI

100

356

159

6

180

14

140

18

10,3

20,0

20,0

25,0

А2

150

406

11,6

273

AI

100

377

11,5

20,0

20,0

25,0

А2

150

427

12,8

325

AI

100

463

219

6

250

16

200

26

20,1

25,0

25,0

30,0

А2

150

513

22,0

377

AI

100

546

273

8

300

16

240

26

34,4

35,0

40

50

А2

150

596

37,4

426

AI

100

569

35,9

35,0

40

50

А2

150

619

38,9

530

AI

100

482

325

8

380

20

300

30

47,3

40

80

100

А2

150

532

50,9

630

AI

100

595

426

10

450

25

370

39

86,8

70

120

140

А2

150

645

92,7

Примечание. Для опор с отверстиями в плите в обозначении исполнения после цифр добавляется "О".

Пример условного обозначения опор типа ТО исполнения AI из стали 20 для трубопровода Дн = 219 мм:

ОПОРА 219 - ТО - AI - 20 - ОСТ 36-146-88

то же с отверстиями в плите:

ОПОРА 219 - ТО - AI - 20 - ОСТ 36-146-88.

Опоры вертикальных трубопроводов - тип ВП

ХК - по наименьшей толщине свариваемых деталей, ведать сплошным швом.

I - корпус штампованный или сварной; 2 - .накладка

Черт. 12

Таблица 12

Размеры, мм

Наружный диаметр трубопровода, Дн .

Исполнение

l

B

h

S

BI

H

Масса** кг, не более

Допускаемая нагрузка, кН

57
76
89

AI

100

40

100

3

-

-

0,4

3,0

А2

150

0,6

108
133
159
219

AI

100

80

150

4

-

-

0,9

15

Б1*

100

190

1,7

А2

250

-

-

2,2

Б2*

100

190

3,0

273
325
377
426

AI

150.

200

200

6

-

-

3,4

40

Б1

240

250

7,1

А2

300

-

-

6,6

Б2

240

250

10,3

530
630
820
1020

AI

200

300

8

-

-

7,4

100

Б1

240

400

14,0

А2

350

-

-

12,6

Б2

240

400

19,2

1220

AI

300

400

10

-

-

16,2

160

Б1

250

500

27,0

1420

А2

450

-

-

18,8

Б2

250

500

29,7

*Исполнение только для Дн = 219 мм

**Значения массы опор со сварными корпусами на 2% выше указанных в таблице.

Пример условного обозначения опоры типа ВП исполнения Б2 из стали 09Г2С для трубопровода Дн = 325 мм:

ОПОРА 325-ВП-Б2-О9Г2С-ОСТ 36-146-88;

то же со сварным корпусом:

ОПОРА 325-ВП-БС2-09Г2С-ОСТ 36-146-68.


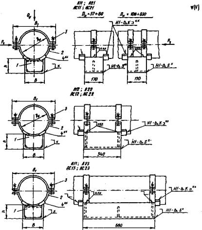
Опоры катковые направляющие - тип КН

Сварные монтажные швы по ГОСТ 5264-80

См. черт. 3, 5, табл. 4.

х Величина К - по наименьшей толщине свариваемых деталей, варить сплошным швом.

1 - опоры соответственно типов КП тех же исполнений (черт. 3, 4 табл. 4) и КХ тех же цифровых исполнений (черт. 5, табл. 5) 3 - каток из блока типа БлОК по ГОСТ 14097-77: 4 -.катки с угольником из блока типа БлДК ГОСТ 14097-77; 5 - опорная плита из блока типа БлДК по ГОСТ 14097-77; 6 - опорная плита (черт.14, табл.14)

Черт. 13


Таблица 13

Размеры, мм

Наружный диаметр трубопровода, Дн

Исполнение

В

в

Длина катка

Масса, кг, не более

Наружный диаметр трубопровода,

Исполнение

В

в

Длина катка

Масса, кг, не более

219

AII

200

320

300

17,5

325

AII

200

320

300

18,1

XII

27,1

XII

31,1

AI2

320

39,9

AI2

320

40,7

AI3

62,5

AI3

64,3

Б12

40,8

Б12

41,7

Б13

63,4

Б13

65,3

X12

49,5

X12

53,7

X13

72,1

X13

77,3

273

AII

300

17,4

377

AII

300

18,1

XII

28,8

XII

32,9

AI2

320

40,9

AI2

320

40,5

AI3

64,8

AI3

64,0

Б12

41,9

Б12

41,5

Б13

65,8

Б13

65,0

XI2

52,3

XI2

55,3

XI3

76,2

XI3

78,3

426

АII

300

19,5

630

АII

300

420

400

26,8

XII

35,9

XII

59,6

AI2

320

43,6

AI2

420

59,8

AI3

69,3

AI3

91,2

Б12

45,0

Б12

61,5

Б13

71,2

Б13

93,9

X12

60,0

X12

92,6

X13

86,2

X13

124,0

530

AII

300

420

400

27,0

820

A12

63,5

XII

55,2

А13

97,9

AI2

420

60,2

БI2

67,0

AI3

91,9

БI3

101,4

Б12

61,5

1020

А12

500

620

620

95,0

Б13

94,6

А13

146,4

X12

88,4

Б12

104,0

X13

120,1

Б13

156,3

1220

AI2

500

620

620

94,5

1420

AI2

500

620

620

100,0

AI3

145,2

AI3

155,0

Б12

104,1

Б12

112,0

Б13

154,8

Б13

167,0

Допускаемая вертикальная нагрузка Qy 1,5 кН на I см контакта каждого катка с опорной плитой.

Пример условного обозначения опоры типа КН дополнения Б13 из стали ВСтЗпс для трубопровода Дн = 219мм:

ОПОРА 219-КН-Б13-ВСтЗпс-ОСТ 36-146-88.


Опорная плита

Черт. 14

Таблица 14

Наружный диаметр трубопровода, Дн

Пополнение опоры типа КН

в

А

L,

АI

Масса, кг, не более

219-426

AII

320

258

200

150

5,5

XII

AI3

700

660

20,2

Б13

XI3

530, 630, 820

AII

420

358

200

150

7,1

XII

AI3

700

660

25,6

Б13

XI3

1020-1420

AI3

620

558

700

660

38,5

Б13

Полухомут

Черт. 15

Таблица 15

Размеры, мм

Наружный диаметр трубопровода, Дн;

m

S

BI

M

d

f

Длина развертки

Масса, кг, не более

18

30

4

85

55

14

3

80

0,08

25

91

61

87

0,09

32

98

68

106

0,11

38

104

74

116

0,12

45

112

82

128

0,13

57

40

6

142

102

4

161

0,33

76

160

120

190

0,39

89

179

139

6

212

0,44

108

50

8

200

160

18

241

0,83

133

250

200

8

301

1,04

159

275

225

345

1,19

219

60

10

365

305

23

10

464

2,40

273

420

360

549

2,84

325

470

410

628

3,25

377

525

465

713

3,69

426

575

515

790

4,09

530

70

12

705

635

27

12

974

7,06

630

805

735

1131

8,20

Упор

Черт. 16

Таблица 16

Размеры, мм

Наружный диаметр трубопровода, Дн

R

l

S

L

Длина развертки

Масса, кг, не более

18

9

11

6

30

12

0,02

25

13

11

32

16

19

20

0,04

38

19

45

23

24

25

0,05

57

29

33

8

40

35

0,10

76

38

33

35

89

45

34

35

108

54

48

50

0,14

133

66

71

10

75

0,26

159

80

72

75

219

110

97

12

50

100

0,52

273

136

98

325

162

98

377

188

99

60

0,62

426

213

99

14

120

1,45

530

265

99

 

630

315

100

3.2. Вид климатического исполнения по ГОСТ 15150-69 устанавливается в рабочих чертежах и заказе изделий.

3.3. Качество и свойства материала и полуфабрикатов для изготовления опор должны быть подтверждены сертификатами заводов - изготовителей этих материалов и полуфабрикатов.

3.4. При отсутствии сертификатов применение материалов и полуфабрикатов допускается после проведения испытаний, подтверждающих их соответствие требованиям нормативно-технической документации на материалы и полуфабрикаты.

3.5. Детали опор должны изготовляться из листового, полосового и круглого проката по ГОСТ 16523-70, ГОСТ 14637-79, ГОСТ 19903-74, ГОСТ 1577-81, ГОСТ 17066-80, ГОСТ 19282-73, ГОСТ 19281-73, ГОСТ 5520-79, ГОСТ 103-76, ГОСТ 2590-71, труб - по ГОСТ 8731-87 (группа В), ГОСТ 8732-78, ГОСТ 550-75, ГОСТ 10704-76, ГОСТ 10705-80 (группа В), швеллеров - по ГОСТ 8240-72, уголков - по ГОСТ 8510-86.

3.5.1. Марка стали для деталей опор должна соответствовать табл. 17 и 18.

Таблица 17

Материал опор

Марка стали

Категория стали

ГОСТ или ТУ

Допустимая минимальная расчетная температура, °С**

ВСт3кп (с толщиной до 4 мм)

2*

ГОСТ 380-71

- 30

ВСтЗпс
ВСт3сп

4,5,6

ГОСТ 380-71

- 40

20

-

ГОСТ 1050-74

10Г2

-

ГОСТ 4543-71

- 60

09Г2С

9,15

ГОСТ 19282-73

- 70

*Кроме опор для трубопроводов 1-3 категорий пo CH 527-80.

**Минимальная расчетная температура равна средней температуре воздуха наиболее холодной пятидневки согласно СНиП 2.01.01-82.

Таблица 18

Материал крепежных деталей

Марка стали

ГОСТ

Допустимая минимальная расчетная температура, °С

20

ГОСТ 1050-74

- 40

35

35Х, 40Х

ГОСТ 4543-71

- 50

20ХНЗА
09Г2С

- 70

3.5.2. Допускается изготовлять опоры из листового проката или труб по другим стандартам или техническим условиям, если установленные в них требования не ниже, чем в перечисленных нормативных документах.

3.5.3. Для изготовления подушек, накладок и упоров следует применять ту же марку стали, из которой изготовлен трубопровод.

3.6. Для сварки опор следует применять сварочные материалы в соответствии со СНиП II-23-81.

3.7. Сварные швы должны выполняться высокопроизводительным механизированным способом сварки без применения подкладок, подушек и подварочного шва. Допускается применение ручной дуговой сварки. При этом детали следует варить усиленным швом с катетом, равным 1,2 К.

3.7.1. Типы и размеры сварных швов следует принимать по ГОСТ 8713-79, ГОСТ 11533-75, ГОСТ 14771-76, ГОСТ 5264-80 и ГОСТ 11534-75.

3.8. Качество сварных швов должно соответствовать СНиП III-I8-75.

3.9. Замена штампованных или гнутых корпусов на сварные допускается при изготовлении опор мелкими партиями или по согласованию о потребителем.

3.10. Резьба на деталях должна соответствовать ГОСТ 24705-81. Допуски на резьбу по грубому классу: для болтов 8δ , гаек - 7Н по ГОСТ 16093-81. Выход резьбы, сбег, недорезы, проточки и фаски - по ГОСТ 10549-80.

3.11. Крепежные детали должны соответствовать: болты ГОСТ 7798-70, гайки - ГОСТ 13466-77. Класс прочности болтов не ниже 4.6, гаек - 4 по ГОСТ 1759-70.

3.12. Предельные отклонения размеров по ГОСТ 25346-82: Н 14, h 14, .

3.13. Отклонение от перпендикулярности δ стенок опор относительно основания (или опорной плиты) должно быть не более I мм на 100 мм высоты - черт. 17.

3.14. Отклонение от перпендикулярности δ плоскости А относительно плоскости Б в корпусах опор типов КП, КХ должно быть не более I мм на 100 мм длины ребра - черт. 18.

Черт. 17                                  Черт. 18

3.15. На деталях опор прямоугольной формы, изготовленных из листа или полосовой стали, отклонение от перпендикулярности короткой стороны относительно длинной должно быть не более 1,5 мм.

3.16. Для деталей опор, изготовленных штамповкой или вырубкой, допускаются следующие отклонения геометрической формы и размеров:

утяжка по контуру I не более 0,3 S - черт. 19;

угол скоса продольных кромок α не более 3° независимо от S - черт. 20;

угол скоса кромок ее по периметру отверстий не более 3° - черт. 21;

Черт. 19                      Черт. 20                      Черт. 21

отклонение от плоскостности поверхностей не более I мм на 100 мм длины.

3.17. Исполнения опор типов КП, КХ, ВП, КН с подушками или накладками изготовляются по согласованию между изготовителем и потребителем.

3.18. Опоры типов КП и КХ с вырезом для спутника изготовляются по требованию потребителя.

3.19. Отверстия в опорной плите опор типов ТО и ТР исполнений AI, A2 следует выполнять по требованию потребителя.

3.20. Допускается изготовление подушек, накладок и упоров из обрезков труб.

3.21. Острые кромки деталей опор должны быть притуплены.

3.22. Поверхность деталей опор должна быть без трещин, задиров, раковин, пузырей и накатов. Сварные швы должны быть зачищены от грязи, окалины, шлака и брызг раскаленного металла.

3.23. Защита опор от коррозии должна выполняться в соответствии со СНиП 2.03.11-85, ГОСТ 9.401-79 и указываться в рабочих чертежах и заказе деталей.

3.24. Резьбовые части деталей опор, а также места маркировки должны защищаться от коррозии смазкой ПВК по ГОСТ 19537-83 или другой смазкой равноценного качества.

4. Комплектность

4.1. Опоры должны поставляться комплектно согласно рабочим чертежам, разработанным в установленном порядке.

4.2. Сборочные единицы и детали опор, входящие в состав комплекта поставки, должны соответствовать табл. 19.

4.3. Упоры поставляются в комплекте по согласованию потребителя с изготовителем.

Таблица 19

Тип опоры

Исполнение

Количество сборочных единиц и деталей в комплекте, шт.

Корпус*

Подушка (накладная)

Полухомут, хомут для типа ХБ

Болт

Гайка

Блок катковой**

ТП, ТР, ТО, ТШ

Все

I

-

-

-

-

-

ТХ

AC00; ACI0

I

-

2

2

2

-

AII; A2I; ACII; AC2I

I

-

2

2

2

-

AI2; А22; ACI2; АС22; Б12; Б22; БС12; БС22

I

-

4

4

4

-

КП

AII; A21; AI2; А22: AI3; А23; ACII; AC2I; ACI2; AC22; AСl3; AC23

I

-

-

-

-

-

КХ

Б12; Б22; Б13; Б23; БС12; БС22; БС13; БС23

-

2

-

-

-

-

AII; A2I; ACI; AC2I (Дн = 57-89)

I

-

2

2

2

-

все остальные исполнения

I

-

4

4

4

-

УП

А

I

-

-

-

-

-

Б

I

2

-

-

-

-

ХБ

А; Б

-.

-

I

-

4

-

В; Г

-

-

I

-

2

-

ВП

AI; A2; ACI; AC2

2

-

-

-

-

-

Б1; Б2; БС1; БС2

2

2

-

-

-

-

КН

A11; AI2; AI3; ACII; ACI2; ACI3

I

-

-

-

-

I

Б2; Б13; БС12; БС13

I

2

-

-

-

I

XII; XI2; XI3; XCII; XCI2; XCI3

I

-

4

4

4

I

*Для опор типов КП, КХ, КН - корпус в сборе с ребрами (ребром); для опор типов ТО и ТР исполнений AI и А2 - корпус в сборе с опорной плитой; для опор типов ТП и ТХ исполнений Б12, Б22, БС12, БС22 - тавр в сборе с ребрами;

**В состав блока каткового для опор типа КН входят два катка с угольником (каток для исполнений AII, АСII, XII, XCII), две опорные плиты.

5. Правила приемки

5.1. Опоры должны быть приняты техническим контролем предприятия-изготовителя.

5.2. Детали предъявляются к приемке партиями.

5.2.1. Партия должна состоять из деталей одного типоразмера. Размер партии определяется заказом потребителя, но не более 200 шт.

5.3. Для контроля качества на соответствие требованиям п.п. 3.7.1, 3.8, 3.10, 3.12 - 3.16 отбирают 3 % опор от партии, но не менее 5 шт.

5.4. При получении неудовлетворительных результатов контроля, хотя бы на одном образце по какому-либо из показателей качества, по этому показателю проводят повторный контроль на удвоенном числе образцов, отобранных от той же партии. Если при повторной проверке обнаружится хотя бы одно изделие, не удовлетворяющее требованиям настоящего стандарта, то вою партию подвергают поштучной приемке.

6. Методы контроля

6.1. Внешний вид опор (п.п. 3.21, 3.22, 3.24) проверяют визуально без применения увеличительных приборов.

6.2. Геометрические размеры (пп. 3.7.1, 3.12 - 3.16) проверяют шаблонами, угольниками, калибрами и другими контрольно-измерительными инструментами. При этом значения допускаемых погрешностей измерений следует принимать по ГОСТ 8.051-81.

6.3. Контроль сварных соединений опор осуществляют внешним осмотром и измерениями по СНиП III-18-75 и ГОСТ 3242-79.

6.4. Качество антикоррозионного покрытия (п. 3.23) проверяют по СНиП 3.04.03-85 и ГОСТ 9.401-79.

7. Маркировка, упаковка, транспортирование и хранение

7.1. На наружную поверхность каждой опоры должна наноситься следующая маркировка: условное обозначение опоры без ее наименования и товарный знак изготовителя. Маркировку следует наносить любым способом, обеспечивающим ее сохранность при транспортировании и хранении.

7.2. К каждой партии опор должен быть приложен сертификат, заполненный ОТК предприятия-изготовителя, форма которого указана в рекомендуемом приложении 2.

7.3. Остальные требования к маркировке, упаковке, транспортированию и хранению должны соответствовать ГОСТ 22130-86.

8. Указания по монтажу

8.1. Монтаж опор должен выполняться в соответствии с чертежами настоящего стандарта.

8.2. Для трубопроводов из углеродистой стали Дн до 89 мм и толщиной стенки менее 3 мм допускается применение газовой сварки.

8.3. Отклонения опор от проектного положения должны быть не более указанных в СНиП 3.05.05-84. Уклон опор в поперечном к оси трубопровода направлении - не более 0,005.

8.4. Опоры типов ТП и ТХ должны располагаться симметрично относительно вертикальной оси трубопровода.

8.5. Упоры следует располагать симметрично относительно оси трубопровода.

9. Гарантии изготовителя

9.1. Гарантии изготовителя - по ГОСТ 22130-86.

Приложение I

справочное

РАСЧЕТ ОПОР НА ПРОЧНОСТЬ

I. Общие положения.

1.1. Расчет опор на прочность производится на воздействие внешних сил и моментов, проекции которых на оси X, У и Z соответствуют указанным на чертеже.

1.2. Силы и моменты определяются расчетом трубопроводов на компенсацию тепловых удлинений с учетом сил трения в подвижных опорах и усилий от компенсаторов, а также неуравновешенных сил внутреннего давления; на воздействие весовых нагрузок с учетом массы трубопровода, транспортируемого вещества, теплоизоляции, снега, льда, пыли и др.; на воздействие ветровых, динамических и других нагрузок, а также нагрузок от других трубопроводов; оборудования и конструкций.

1.3. Условные обозначения:

Рх, Qy, Рz , Mx, My, Мz - проекции сил (кН) и моментов (кН × см) на оси X, У и Z;

Wz, Wx - моменты сопротивлений расчетных сечений основного металла опоры соответственно относительно осей Z, X, см3;

Wy, - момент сопротивления расчетного сечения основного металла при кручении, см3;

W'z, W'x, W'y - моменты сопротивления расчетных сечений сварных швов соответственно относительно осей Z, X, У;

F, F' - площади расчетных сечений соответственно основного металла а сварного шва, см2;

FZсв, FXсв - площади сечений сварных швов, направленных соответственно вдоль осей Z и X, см2;

h - расстояние от оси трубопровода до- расчетного сечения для неподвижных опор, от основания опоры до расчетного сечения для подвижных опор, см;

[σ], [τ] - соответственно допускаемое нормальное напряжение, МПа, для материала опоры и касательное для сварного шва при температуре 20 °С. В расчетах приняты соответственно 160 и 130 МПа.

1.4. При определении допускаемых нагрузок расчеты выполняются для следующие сечений:

а) по сварному соединению основания опоры с подопорной конструкцией;

б) по корпусу у основания опоры;

в) по сварному соединению опоры с трубопроводом;

г) по корпусу опоры вблизи трубы.

1.5. Допускаемые нагрузки определены при расчетной температуре 20 °С. При других расчетных температурах значения допускаемых нагрузок следует умножать на отношение [σ]t/[σ], где [σ]t - допускаемое напряжение для материала опоры при заданной температуре t.

2. Расчетные формулы.

2.1. Так как конкретное сочетание действующих на опору нагрузок неизвестно, расчет произведен из условия отсутствия внешних изгибающих моментов для двух сочетаний осевых нагрузок: при Рz = Рх и Pz = 2Рх (для отдельных типов опор при Pz = 5Px).

Расчетные формулы имеют вид:

а) по расчетному сечению сварного шва -

б) по расчетному сечению основного металла –

Примечание. Допускаемые вертикальные нагрузки Qу определены исходя из коэффициента трения μ = 0,3.

2.2. При совместном действии на опору всех нагрузок прочность опоры проверяется в опасных сечениях по следующим формулам:

а) сварной шов –

,

где ; ; ; ;

б) основной металл -

,

где ;

Приложение 2

Рекомендуемое

СЕРТИФИКАТ

Министерство ________________________________________________________

(ведомство)    (Наименование предприятия-изготовителя опор и его адрес)

___________________________________________________________________________________

Разрешение на изготовление № __________от_______________________ выдано

_____________________________________________________________________

(наименование органа, выдавшего разрешение)

Сертификат № _____ Выдан "____"___________19____ г.

Заказчик ______________________

Адрес заказчика ____________________________ Транспортный № ___________

Заказ-наряд №___________________

Форма I (товарный знак)

Условие обозначения опор

Номер партии

Допускаемые нагрузки кН

Количество, шт.

Масса, кг

Прочие сведения

Вертикальная Qy

Осевая Pz при

Px=Pz

Px=0,5Pz

 

 

 

 

 

 

 

 

 

 

Комплектность______________________________________________

Примечание. В строку "комплектность" записываются наименование и количество сборочных единиц и деталей опоры в соответствии с табл. 19.

(Штамп ОТК)

 

Начальник ОТК

(Подпись)

ИНФОРМАЦИОННЫЕ ДАННЫЕ

1. УТВЕРЖДЕН Министерством монтажных и специальных строительных работ СССР

2. ИСПОЛНИТЕЛИ:

Зам. директора по научной работе

ВНИИмонтажспецстроя, д.т.н

Б.В.Поповский

Зав. отделом, технологических трубопроводов, к.т.н

Р.И.Тавастшерна

Зав. отдела стандартизации, к.т.н.

В.А.Карасик

Зав. сектором, д.т.н

Г.М.Хажинский

Научный сотрудник

П.В.Рыбаков

Ст. научный сотрудник, к.ф-м.н

Г.А.Вомпе

Инженер

Г.И.Пачкова

Инженер

С.П.Кравцова

3. ЗАРЕГИСТРИРОВАН Всесоюзным информационным фондом стандартов и технических условий Госкомитета СССР по стандартам за № 842432I от 25.01.89.

4. ВВЕДЕН ВПЕРВЫЕ

 




ГОСТЫ, СТРОИТЕЛЬНЫЕ и ТЕХНИЧЕСКИЕ НОРМАТИВЫ.
Некоммерческая онлайн система, содержащая все Российские Госты, национальные Стандарты и нормативы.
В Системе содержится более 150000 файлов нормативно-технической документации, действующей на территории РФ.
Система предназначена для широкого круга инженерно-технических специалистов.

Рейтинг@Mail.ru Яндекс цитирования

Copyright © www.gostrf.com, 2008 - 2026